//
ТехЛит.ру
- крупнейшая бесплатная электронная интернет библиотека для "технически умных" людей.
WWW.TEHLIT.RU - ТЕХНИЧЕСКАЯ ЛИТЕРАТУРА

:: Алготрейдинг::


АЛГОТРЕЙДИНГ
шаг за шагом
с нуля по урокам!

Торговые роботы на PYTHON, BackTrader,
Pandas, Pine Script для TradingView. Связка с брокерами, телеграм и легкими приложениями.


ГОСУДАРСТВЕННЫЙ СТАНДАРТ СОЮЗА ССР

ЗАКЛЕПКИ С ПОЛУКРУГЛОЙ НИЗКОЙ ГОЛОВКОЙ
классов точности В и С.

ГОСТ 10302-80
(СТ СЭВ 1023-78)

ГОСУДАРСТВЕННЫЙ КОМИТЕТ СССР ПО СТАНДАРТАМ
Москва

ГОСУДАРСТВЕННЫЙ СТАНДАРТ СОЮЗА ССР

ЗАКЛЕПКИ С ПОЛУКРУГЛОЙ НИЗКОЙ ГОЛОВКОЙ классов точности В и С.

Технические условия

Brazier-head rivets classes В and С. Specifications

ГОСТ
10302-80

(СТ СЭВ 1023-78)

Взамен
ГОСТ 10302-68

Постановлением Государственного комитета СССР по стандартам от 6 мая 1980 г. № 2009 срок введения установлен

с 01.01.81

Проверен в 1985 г. Постановлением Госстандарта от 23.04.85 № 1138 срок действия продлен

до 01.01.91

(Измененная редакция, Изм. № 1).

Настоящий стандарт распространяется на заклепки с полукруглой низкой головкой общемашиностроительного применения с диаметром стержня от 2 до 10 мм классов точности В и С.

Стандарт полностью соответствует СТ СЭВ 1023-78.

Заклепки с полукруглой низкой головкой должны удовлетворять всем требованиям ГОСТ 10304-80 и требованиям, изложенным в соответствующих разделах настоящего стандарта.

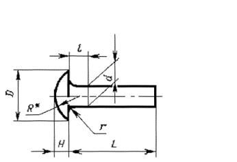
1. РАЗМЕРЫ

1.1. Размеры заклепок должны соответствовать указанным на чертеже и в табл. 1 и 2.

* Размер для справок.

(Измененная редакция, Изм. № 1).

1.2. Параметр шероховатости всех поверхностей заклепок класса точности С-Rа £ 50 мкм.

Таблица 1

мм

Диаметр стержня d

2

2,5

3

4

5

6

8

10

Диаметр головки D

4

5

6

8

10

12

16

20

Высота головки Н

0,8

1

1,2

1,6

2

2,5

3

4

Радиус под головкой r, не более

0,2

0,4

0,5

0,6

Радиус сферы головки R

2,9

3,6

4,4

5,8

7,3

8,5

12,2

14,5

Расстояние от основания головки до места замера l

1,5

3

4

6

(Измененная редакция, Изм. № 1).

Таблица 2

мм

Диаметр стержня d

Длина L

2,0

3-10

2,5

4-18

3,0

4-38

4,0

6-50

5

8-50

6

8-50

8

10-50

10

16-50

(Измененная редакция, Изм. № 1).

Длина заклепок должна выбираться из следующего ряда: 3, 4, 5, 6, 7, 8, 9, 10, 12, 14, 16, 18, 20, 22, 24, 26, 28, 30, 32, 34, 36, 38, 40, 42, 45, 48, 50 мм.

Пример условного обозначения заклепки с полукруглой низкой головкой класса точности В диаметром стержня d = 8 мм, длиной L = 20 мм, из материала группы 00, без покрытия:

Заклепка 8 ´ 20.00 ГОСТ 10302-80

(Измененная редакция, Изм. № 1).

1.3. Теоретическая масса заклепок указана в справочном приложении.

2. ТЕХНИЧЕСКИЕ ТРЕБОВАНИЯ

2.1. Предельные отклонения высоты головки для размеров H < 1 мм - плюс 0,28, минус 0,16 мм; для H = 1 мм - ±0,28 мм.

ПРИЛОЖЕНИЕ
Справочное

Масса стальных заклепок

Длина L,

мм

Теоретическая масса 1000 шт., кг, при номинальном диаметре d, мм

2

2,5

3

4

5

6

8

10

2

 

 

 

 

 

 

 

 

3

0,115

 

 

 

 

 

 

 

4

0,139

0,235

0,360

 

 

 

 

 

5

0,164

0,273

0,416

 

 

 

 

 

6

0,189

0,312

0,471

0,921

 

 

 

 

7

0,213

0,350

0,527

1,020

 

 

 

 

8

0,238

0,389

0,582

1,119

1,878

2,941

 

 

9

0,263

0,427

0,638

1,217

2,032

3,163

 

 

10

0,287

0,466

0,693

1,316

2,186

3,386

6,415

 

12

 

0,543

0,804

1,513

2,495

3,829

7,204

 

14

 

0,620

0,915

1,710

2,803

4,273

7,993

 

16

 

0,697

1,026

1,908

3,111

4,717

8,782

15,03

18

 

0,774

1,137

2,105

3,419

5,161

9,571

16,26

2U

 

 

1,248

2,302

3,728

5,605

10,361

17,49

22

 

 

1,359

2,500

4,036

6,049

11,150

18,72

24

 

 

1,470

2,697

4,344

6,493

11,939

19,96

26

 

 

1,581

2,894

4,652

6,937

12,728

21,19

28

 

 

1,692

3,091

4,961

7,381

13,517

22,42

30

 

 

1,802

3,289

5,269

7,825

14,306

23,66

32

 

 

1,914

3,486

5,577

8,268

15,096

24,89

34

 

 

2,025

3,683

5,885

8,712

15,885

26,12

36

 

 

2,136

3,881

6,194

9,156

16,674

27,36

38

 

 

2,247

4,078

6,502

9,600

17,663

28,59

40

 

 

 

4,275

6,810

10,044

18,252

29,82

42

 

 

 

4,472

7,118

10,488

19,041

31,06

45

 

 

 

4,768

7,581

11,154

20,225

32,90

48

 

 

 

5,064

8,043

11,820

21,409

34,75

50

 

 

 

5,261

8,351

12,264

22,198

35,99

(Измененная редакция, Изм. № 1).

Примечание. Для определения массы заклепок, изготовляемых из других материалов, значения массы, указанные в таблице, должны быть умножены на коэффициенты: 0,356 - для алюминиевого сплава, 1,080 - для латуни, 1,134 - для меди.




Яндекс цитирования



   Copyright © 2007-2026,  www.tehlit.ru.

[ ѓосты, стандарты, нормативы, инструкции, правила, строительные нормы ]