|
| |
ГОСТ 14114-85
МЕЖГОСУДАРСТВЕННЫЙ СТАНДАРТ
УСТРОЙСТВА
СТРОПОВЫЕ ДЛЯ СОСУДОВ И АППАРАТОВ
ШТУЦЕРА
МОНТАЖНЫЕ
КОНСТРУКЦИЯ
И РАЗМЕРЫ
ИПК
ИЗДАТЕЛЬСТВО СТАНДАРТОВ
Москва
МЕЖГОСУДАРСТВЕННЫЙ СТАНДАРТ
|
Устройства строповые для
сосудов и аппаратов
ШТУЦЕРА МОНТАЖНЫЕ
Конструкция и размеры
Vessels
attaching rigs.
Erection lugs.
Design and dimensions
|
ГОСТ
14114-85
|
Дата введения 01.01.86
1. Настоящий
стандарт распространяется на монтажные штуцера (далее - штуцера), применяемые
при строповке канатами для подъема стальных цилиндрических сосудов и аппаратов
нефтеперерабатывающей, нефтехимической, химической и других отраслей
промышленности, с усилием на один штуцер от 320 до 2500 кН (от 32 до 250 тс).
2. Штуцера должны
изготовляться трех исполнений согласно табл.
1.
Таблица
1
|
Исполнение
|
Усилие на один штуцер
|
Область применения
штуцеров для сосудов и аппаратов диаметром D, мм
|
|
кН
|
тс
|
|
1
|
От 320 до 630
|
От 32 до 63
|
От 800 до 3600
|
|
2
|
Св. 630 » 1000
|
Св. 63 » 100
|
» 1600 » 6400
|
|
3
|
» 1000 » 2500
|
» 100 » 250
|
» 2200 » 8000
|
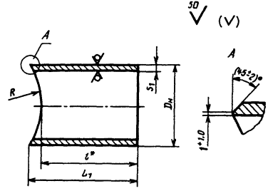
3. Конструкция и размеры штуцеров должны
соответствовать указанным на черт. 1 и в табл. 2.
Исполнение 1

___________
* Размер для справок.
Исполнение 2

Исполнение 3

Черт. 1
Таблица
2
Размеры в мм
|
Обозначение штуцера
|
Усилие на один штуцер
|
Исполнение
|
Диаметр сосуда или
аппарата D
|
Сварной шов К1
|
L
|
Dн
|
Dф
|
l*
|
l1
|
l2
|
l3
|
Масса, кг
|
Поз. 1 Оболочка
|
Поз. 2 Фланец
|
Поз. 3 Косынка
|
Поз. 4 Ребро
|
|
кН
|
тс
|
Количество
|
|
1
|
1
|
8
|
10
|
1
|
2
|
3
|
|
Обозначение
|
|
01
|
320
|
32
|
1
|
800-1000
|
10
|
115
|
273
|
425
|
225
|
160
|
-
|
-
|
33,9
|
01/1
|
01/2
|
01/3
|
-
|
01/4
|
-
|
-
|
|
02
|
1200-2200
|
02/1
|
|
03
|
2400-3600
|
03/1
|
|
04
|
400
|
40
|
1400-2600
|
04/1
|
|
05
|
2800-3600
|
05/1
|
|
06
|
500
|
50
|
1400-2000
|
160
|
325
|
475
|
270
|
180
|
-
|
-
|
55,1
|
06/1
|
06/2
|
06/3
|
06/4
|
|
07
|
2200-3600
|
07/1
|
|
08
|
630
|
63
|
1600-2200
|
170
|
377
|
530
|
283
|
195
|
-
|
-
|
67,4
|
08/1
|
08/2
|
06/3
|
08/4
|
|
09
|
2400-3600
|
09/1
|
|
10
|
800
|
80
|
2
|
1600-1800
|
250
|
480
|
630
|
378
|
190
|
275
|
-
|
115,5
|
10/1
|
10/2
|
10/3
|
-
|
10/4
|
|
11
|
2000-2400
|
11/1
|
|
12
|
2600-3600
|
12/1
|
|
13
|
3800-6400
|
13/1
|
|
14
|
1000
|
100
|
2
|
2000-2400
|
12
|
250
|
530
|
680
|
376
|
190
|
275
|
-
|
129,0
|
14/1
|
14/2
|
10/3
|
-
|
-
|
14/4
|
-
|
|
15
|
2600-3200
|
15/1
|
|
16
|
3400-4000
|
16/1
|
|
17
|
4200-6400
|
17/1
|
|
18
|
1250
|
125
|
3
|
2200-2600
|
290
|
630
|
780
|
422
|
180
|
250
|
330
|
185,6
|
18/1
|
18/2
|
-
|
18/4
|
|
19
|
2800-3400
|
19/1
|
|
20
|
3600-4600
|
20/1
|
|
21
|
4800-6400
|
21/1
|
|
22
|
1400
|
140
|
2400-2600
|
340
|
720
|
870
|
480
|
195
|
280
|
365
|
231,3
|
22/1
|
22/2
|
22/4
|
|
23
|
2800-3200
|
23/1
|
|
24
|
3400-4000
|
24/1
|
|
25
|
4200-5200
|
25/1
|
|
26
|
5400-6400
|
26/1
|
|
27
|
1600
|
160
|
2600-2800
|
340
|
820
|
970
|
480
|
195
|
280
|
365
|
273,7
|
27/1
|
27/2
|
27/4
|
|
28
|
3000-3400
|
28/1
|
|
29
|
3600-4000
|
29/1
|
|
30
|
4200-5000
|
266,7
|
30/1
|
|
31
|
5200-6400
|
31/1
|
|
32
|
7000-8000
|
32/1
|
|
33
|
1800
|
180
|
2600-2800
|
355
|
920
|
1070
|
485
|
195
|
285
|
370
|
346,2
|
33/1
|
33/2
|
-
|
10/3
|
33/4
|
|
34
|
3000-3200
|
34/1
|
|
35
|
3400-3800
|
35/1
|
|
36
|
4000-4600
|
335,5
|
36/1
|
|
37
|
4800-5600
|
37/1
|
|
38
|
5800-6400
|
38/1
|
|
39
|
7000-8000
|
39/1
|
|
40
|
2000
|
200
|
2600-2800
|
355
|
920
|
1070
|
485
|
195
|
285
|
370
|
381,1
|
40/1
|
33/2
|
40/3
|
40/4
|
|
41
|
3000-3200
|
41/1
|
|
42
|
3400-3800
|
42/1
|
|
43
|
4000-4600
|
370,4
|
43/1
|
|
44
|
4800-5600
|
44/1
|
|
45
|
5800-6400
|
45/1
|
|
46
|
7000-8000
|
46/1
|
|
47
|
2250
|
225
|
3
|
2600
|
12
|
375
|
1020
|
1170
|
516
|
205
|
300
|
395
|
443
|
47/1
|
47/2
|
-
|
40/3
|
-
|
-
|
47/4
|
|
48
|
2800
|
48/1
|
|
49
|
3000-3200
|
49/1
|
|
50
|
3400-3600
|
50/1
|
|
51
|
3800-4200
|
429,2
|
51/1
|
|
52
|
4400-5000
|
52/1
|
|
53
|
5200-5800
|
53/1
|
|
54
|
6300-8000
|
54/1
|
|
55
|
2500
|
250
|
2600
|
405
|
1220
|
1370
|
555
|
225
|
325
|
425
|
558,7
|
55/1
|
55/2
|
55/4
|
|
56
|
2800
|
56/1
|
|
57
|
3000
|
57/1
|
|
58
|
3200
|
545,6
|
58/1
|
|
59
|
3400-3600
|
59/1
|
|
60
|
3800-4000
|
60/1
|
|
61
|
4200
|
61/1
|
|
62
|
4500-5000
|
415
|
566
|
533,1
|
62/1
|
|
63
|
5400-5800
|
63/1
|
|
64
|
6300-7000
|
64/1
|
|
65
|
8000
|
65/1
|
|
|
|
|
|
|
|
|
|
|
|
|
|
|
|
|
|
|
|
|
|
|
Примечания:
1. Размер l*, приведенный в
таблице, является максимальным для данной группы сосудов или аппаратов.
2. Размеры
катетов и типы сварных швов приварки ребер (поз. 4) даны в п. 8.
Пример условного обозначения штуцера
монтажного для аппарата диаметром 4500 мм с усилием на один штуцер 250 тс:
Штуцер монтажный 62 ГОСТ 14114-85
(Измененная редакция, Изм. № 1).
4. Конструкция и
размеры оболочки (поз. 1) должны соответствовать указанным на черт. 2 и в табл. 3.

___________
* Размер для справок.
Черт. 2
Таблица
3
Размеры в мм
|
Обозначение оболочки
|
L1
|
l*
|
R
|
Dн
|
s1
|
Масса, кг
|
|
01/1
|
230
|
209
|
450
|
273
|
11
|
16,3
|
|
02/1
|
219
|
850
|
|
03/1
|
224
|
1500
|
|
04/1
|
220
|
1000
|
|
05/1
|
224
|
1600
|
|
06/1
|
280
|
264
|
850
|
325
|
14
|
30,0
|
|
07/1
|
270
|
1400
|
|
08/1
|
295
|
276
|
950
|
377
|
36,9
|
|
09/1
|
283
|
1500
|
|
10/1
|
390
|
355
|
850
|
480
|
63,0
|
|
11/1
|
363
|
1100
|
|
12/1
|
371
|
1500
|
|
13/1
|
378
|
2500
|
|
14/1
|
358
|
1100
|
530
|
69,5
|
|
15/1
|
366
|
1450
|
|
16/1
|
370
|
1800
|
|
17/1
|
376
|
2500
|
|
18/1
|
440
|
398
|
1200
|
630
|
93,6
|
|
19/1
|
407
|
1540
|
|
20/1
|
415
|
2000
|
|
21/1
|
422
|
2700
|
|
22/1
|
500
|
447
|
1250
|
720
|
122,0
|
|
23/1
|
456
|
1500
|
|
24/1
|
464
|
1800
|
|
25/1
|
472
|
2330
|
|
26/1
|
478
|
2900
|
|
27/1
|
510
|
445
|
1350
|
820
|
141,0
|
|
28/1
|
457
|
1600
|
|
29/1
|
465
|
1900
|
|
30/1
|
485
|
448
|
2300
|
134,0
|
|
31/1
|
456
|
2900
|
|
32/1
|
463
|
3750
|
|
33/1
|
540
|
465
|
1350
|
920
|
16
|
192,6
|
|
34/1
|
475
|
1550
|
|
35/1
|
484
|
1800
|
|
36/1
|
510
|
464
|
2150
|
181,9
|
|
37/1
|
472
|
2620
|
|
38/1
|
477
|
3050
|
|
39/1
|
484
|
3750
|
|
40/1
|
540
|
465
|
1350
|
192,6
|
|
41/1
|
475
|
1550
|
|
42/1
|
484
|
1800
|
|
43/1
|
510
|
464
|
2150
|
181,9
|
|
44/1
|
472
|
2620
|
|
45/1
|
477
|
3050
|
|
46/1
|
484
|
3750
|
|
47/1
|
585
|
488
|
1300
|
1020
|
16
|
231,7
|
|
48/1
|
495
|
1400
|
|
49/1
|
504
|
1550
|
|
50/1
|
514
|
1750
|
|
51/1
|
550
|
488
|
2000
|
217,9
|
|
52/1
|
498
|
2380
|
|
53/1
|
505
|
2750
|
|
54/1
|
516
|
3600
|
|
55/1
|
670
|
526
|
1300
|
1220
|
291,6
|
|
56/1
|
538
|
1400
|
|
57/1
|
547
|
1500
|
|
58/1
|
640
|
526
|
1600
|
278,5
|
|
59/1
|
536
|
1750
|
|
60/1
|
547
|
1950
|
|
61/1
|
555
|
2100
|
|
62/1
|
610
|
535
|
2400
|
266,0
|
|
63/1
|
546
|
2800
|
|
64/1
|
557
|
3350
|
|
65/1
|
566
|
4000
|
Пример условного обозначения оболочки для
штуцера монтажного 62:
Оболочка 62/1 ГОСТ 14114-85
4.1. Оболочка изготавливается из трубы Dн ´ s1 по ГОСТ 8732 и ГОСТ 10704.
Допускается
изготовление оболочки из листа сварной с одним продольным швом или
штампосварной с двумя продольными швами.
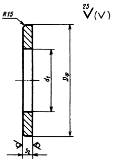
5. Конструкция и размеры фланца (поз. 2) должны соответствовать
указанным на черт. 3 и в табл. 4.

Черт. 3
Таблица
4
Размеры в мм
|
Обозначение фланца
|
Dф
|
d1
|
s2
|
Масса, кг
|
|
01/2
|
425
|
276 H14
|
20
|
12,8
|
|
06/2
|
475
|
328 H14
|
24
|
18,3
|
|
08/2
|
530
|
380 H14
|
30
|
22,2
|
|
10/2
|
630
|
483 H14
|
30,2
|
|
14/2
|
680
|
534 H14
|
32,8
|
|
18/2
|
780
|
634 H14
|
37,9
|
|
22/2
|
870
|
724 H14
|
32
|
45,6
|
|
27/2
|
970
|
825 H13
|
51,3
|
|
33/2
|
1070
|
925 H13
|
34
|
59,7
|
|
47/2
|
1170
|
1025 Н13
|
66,0
|
|
55/2
|
1370
|
1225 Н13
|
78,0
|
Примечание. Размер d1 необходимо
корректировать в зависимости от фактического наружного диаметра оболочки для
обеспечения допустимого зазора в сварном соединении в соответствии с ГОСТ
5264.
Пример условного обозначения фланца для
штуцера монтажного 62:
Фланец 55/2 ГОСТ 14114-85
5.1. Допускается изготовление фланцев диаметром св. 500 мм
сварными из 2-4 деталей в виде части кольца каждая с разделкой кромок под
сварку С 21 по ГОСТ 5264.
6. Конструкция и
размеры косынки (поз. 3) должны соответствовать указанным на черт. 4 и в табл. 5.

Черт. 4
Таблица
5
Пример условного обозначения косынки для
штуцера монтажного 62:
Косынка 40/3 ГОСТ 14114-85
7. Конструкция и размеры
ребер (поз. 4) должны соответствовать указанным на черт. 5 и в табл. 6.

Черт. 5
Таблица
6
Размеры в мм
|
Обозначение ребра
|
Dp
|
d2
|
s4
|
Масса, кг
|
|
01/4
|
249 Н14
|
90
|
8
|
2,7
|
|
06/4
|
294 Н14
|
135
|
10
|
4,2
|
|
08/4
|
346 Н14
|
165
|
5,7
|
|
10/4
|
449 Н14
|
270
|
12
|
9,6
|
|
14/4
|
499 Н14
|
300
|
11,8
|
|
18/4
|
599 Н14
|
360
|
17,0
|
|
22/4
|
689 Н14
|
450
|
20,2
|
|
27/4
|
789 Н14
|
520
|
26,1
|
|
33/4
|
885 Н13
|
615
|
30,0
|
|
40/4
|
885 Н13
|
605
|
16
|
41,2
|
|
47/4
|
985 Н13
|
705
|
46,7
|
|
55/4
|
1185 Н13
|
885
|
61,3
|
Примечание. Размер Dp необходимо
корректировать в зависимости от фактического внутреннего диаметра оболочки для
обеспечения допустимого зазора в сварном соединении в соответствии с ГОСТ
5264.
Пример условного обозначения ребра для
штуцера монтажного 62:
Ребро 55/4 ГОСТ 14114-85
7.1. Допускается изготовление ребер диаметром св. 500 мм сварными
из 2-4 деталей в виде части кольца каждая с разделкой кромок под сварку С 21 по
ГОСТ 5264.
8. Приварка ребер штуцеров должна соответствовать указаниям,
приведенным на черт 6 и в табл. 2.
9. На каждый
штуцер должна быть нанесена маркировка, содержащая его условное обозначение.
10. Остальные технические требования - по ГОСТ 14116.
11. Фактическая масса штуцеров не должна превышать более чем на 6
% значений, приведенных в табл. 2-6.

Черт. 6
ИНФОРМАЦИОННЫЕ ДАННЫЕ
1. РАЗРАБОТАН И ВНЕСЕН Министерством
монтажных и специальных строительных работ СССР
РАЗРАБОТЧИКИ
В.А. Воронов, Э.Я. Гордон, В.С. Европин
2. УТВЕРЖДЕН И
ВВЕДЕН В ДЕЙСТВИЕ Постановлением Государственного комитета СССР по стандартам
от 22.01.85 № 140
3. ВЗАМЕН ГОСТ 14114-78
4. ССЫЛОЧНЫЕ
НОРМАТИВНО-ТЕХНИЧЕСКИЕ ДОКУМЕНТЫ
5. Ограничение срока
действия снято Постановлением Госстандарта от 18.06.90 № 1617
6. ПЕРЕИЗДАНИЕ (январь 1999 г.) с
Изменением № 1, утвержденным в июне 1990 г. (ИУС 9-90)
| |
|