|
| |

ГОСУДАРСТВЕННЫЙ
СТАНДАРТ СОЮЗА ССР
|
ТАБЛИЧКИ ПРЯМОУГОЛЬНЫЕ ДЛЯ
МАШИН
И ПРИБОРОВ
Размеры
Rectangular plates for machines
and devices. Dimensions
|
ГОСТ
12971-67*
|
Утвержден
Комитетом стандартов, мер и измерительных приборов при Совете Министров СССР 23
мая 1967 г. Срок введения установлен
с 01.01.69
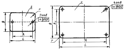
1. Размеры табличек должны соответствовать указанным на чертеже и в
таблице настоящего стандарта.

Размеры, мм
|
L
(пред. откл. по h14)
|
B
(пред. откл. по h14)
|
A
|
A1
|
s
|
r
|
d
(пред. откл. по H14)
|
Число отверстий
|
Масса 1000 шт. стальных
табличек в кг
|
|
16
|
6,3
|
10
|
-
|
0,8
|
2,5
|
2,4
|
2
|
0,555
|
|
8
|
0,756
|
|
10
|
0,957
|
|
12
|
1,16
|
|
20
|
6,3
|
14
|
0,706
|
|
8
|
0,957
|
|
10
|
1,21
|
|
12
|
1,46
|
|
16
|
1,96
|
|
25
|
6,3
|
18
|
0,894
|
|
8
|
1,21
|
|
10
|
1,52
|
|
12
|
1,84
|
|
16
|
2,46
|
|
(18)
|
2,78
|
|
32
|
6,3
|
25
|
1,16
|
|
8
|
1,56
|
|
10
|
1,96
|
|
12
|
2,36
|
|
16
|
3,17
|
|
(18)
|
3,57
|
|
20
|
3,97
|
|
40
|
8
|
30
|
1,96
|
|
10
|
2,46
|
|
12
|
2,97
|
|
16
|
3,97
|
|
(18)
|
4,47
|
|
20
|
4,98
|
|
25
|
6,23
|
|
50
|
8
|
40
|
-
|
0,8
|
2,5
|
2,4
|
2
|
2,46
|
|
10
|
3,09
|
|
12
|
3,72
|
|
16
|
4,98
|
|
(18)
|
5,60
|
|
20
|
6,23
|
|
25
|
7,80
|
|
32
|
22
|
5,0
|
4
|
9,95
|
|
63
|
8
|
53
|
-
|
2,5
|
2
|
2,97
|
|
10
|
3,72
|
|
12
|
4,47
|
|
16
|
5,98
|
|
(18)
|
6,74
|
|
20
|
7,49
|
|
25
|
22
|
9,37
|
|
32
|
5,0
|
4
|
11,96
|
|
(36)
|
26
|
14,22
|
|
40
|
30
|
14,98
|
|
50
|
40
|
18,75
|
|
(71)
|
8
|
63
|
|
2,5
|
2
|
3,52
|
|
10
|
4,40
|
|
12
|
5,28
|
|
16
|
7,03
|
|
(18)
|
7,91
|
|
20
|
8,79
|
|
(71)
|
25
|
63
|
|
0,8
|
2,5
|
2,4
|
2
|
10,99
|
|
32
|
22
|
5,0
|
4
|
14,07
|
|
(36)
|
26
|
16,71
|
|
40
|
30
|
17,58
|
|
50
|
40
|
21,98
|
|
80
|
8
|
71
|
-
|
2,5
|
2
|
3,97
|
|
10
|
4,98
|
|
12
|
5,98
|
|
16
|
7,99
|
|
(18)
|
99,00
|
|
20
|
10,00
|
|
25
|
12,51
|
|
32
|
22
|
5,0
|
4
|
15,98
|
|
(36)
|
26
|
19,00
|
|
40
|
30
|
20,00
|
|
50
|
40
|
25,03
|
|
63
|
53
|
30,05
|
|
100
|
10
|
90
|
-
|
2,5
|
3,4
|
2
|
6,23
|
|
12
|
7,49
|
|
16
|
10,00
|
|
(18)
|
11,26
|
|
20
|
12,51
|
|
25
|
15,65
|
|
32
|
22
|
5,0
|
4
|
20,00
|
|
(36)
|
26
|
23,77
|
|
100
|
40
|
90
|
30
|
0,8
|
5,0
|
3,4
|
4
|
25,03
|
|
50
|
40
|
31,31
|
|
63
|
53
|
37,59
|
|
80
|
71
|
50,01
|
|
125
|
10
|
115
|
-
|
2,5
|
2
|
7,80
|
|
12
|
9,37
|
|
16
|
12,51
|
|
(18)
|
14,08
|
|
20
|
15,65
|
|
25
|
19,58
|
|
32
|
22
|
4
|
25,03
|
|
(36)
|
26
|
5,0
|
29,74
|
|
40
|
30
|
31,31
|
|
50
|
40
|
39,16
|
|
63
|
53
|
47,01
|
|
80
|
71
|
62,57
|
|
100
|
90
|
1,0
|
97,84
|
|
(140)
|
16
|
130
|
-
|
0,8
|
2,5
|
2
|
14,07
|
|
20
|
17,58
|
|
25
|
21,98
|
|
32
|
22
|
4
|
28,13
|
|
(36)
|
26
|
5,0
|
31,65
|
|
40
|
30
|
35,17
|
|
50
|
40
|
43,96
|
|
63
|
53
|
52,75
|
|
80
|
71
|
70,34
|
|
100
|
90
|
1,0
|
109,9
|
|
160
|
12
|
150
|
-
|
0,8
|
2,5
|
3,4
|
2
|
12,01
|
|
16
|
16,03
|
|
(18)
|
18,04
|
|
20
|
20,05
|
|
25
|
25,07
|
|
32
|
22
|
5,0
|
4
|
32,06
|
|
(36)
|
26
|
36,17
|
|
40
|
30
|
40,10
|
|
50
|
40
|
50,15
|
|
63
|
53
|
60,19
|
|
80
|
71
|
80,38
|
|
100
|
90
|
1,0
|
125,3
|
|
125
|
115
|
156,7
|
|
200
|
12
|
190
|
-
|
0,8
|
2,5
|
2
|
15,02
|
|
16
|
20,05
|
|
(18)
|
22,56
|
|
20
|
25,07
|
|
25
|
31,35
|
|
32
|
22
|
5,0
|
4
|
40,10
|
|
(36)
|
26
|
45,22
|
|
40
|
30
|
50,15
|
|
50
|
40
|
62,71
|
|
63
|
53
|
75,27
|
|
80
|
71
|
100,25
|
|
100
|
90
|
1,0
|
156,7
|
|
125
|
115
|
196,0
|
|
(140)
|
130
|
219,5
|
|
(160)
|
150
|
250,9
|
|
250
|
(18)
|
240
|
-
|
0,8
|
2,5
|
3,4
|
2
|
28,21
|
|
20
|
31,35
|
|
25
|
39,20
|
|
32
|
22
|
5,0
|
4
|
50,15
|
|
(36)
|
26
|
56,52
|
|
40
|
30
|
62,71
|
|
50
|
40
|
78,41
|
|
63
|
53
|
94,11
|
|
80
|
71
|
125,4
|
|
100
|
90
|
1,0
|
196,0
|
|
125
|
115
|
245,0
|
|
(140)
|
130
|
274,5
|
|
160
|
150
|
313,7
|
|
200
|
190
|
1,5
|
588,3
|
|
(280)
|
(140)
|
270
|
130
|
1,0
|
307,4
|
|
200
|
190
|
1,5
|
659,0
|
|
320
|
63
|
310
|
53
|
0,8
|
120,5
|
|
80
|
70
|
160,5
|
|
100
|
90
|
1,0
|
250,9
|
|
125
|
115
|
313,7
|
|
(140)
|
130
|
351,4
|
|
160
|
150
|
401,8
|
|
200
|
190
|
1,5
|
753,2
|
|
250
|
304
|
234
|
8,0
|
5,5
|
940,9
|
|
320
|
304
|
1205
|
|
400
|
200
|
384
|
184
|
1,5
|
8,0
|
5,5
|
4
|
940,9
|
|
250
|
234
|
1176
|
|
320
|
304
|
1506
|
|
400
|
384
|
1883
|
|
500
|
320
|
484
|
304
|
1883
|
|
400
|
384
|
2354
|
Примечания:
1. Размеры табличек, заключенные в скобки, по
возможности не применять.
2. Допускается применять другие размеры, если использование
стандартной таблички требует изменения конструкции изделия, совмещена с
передней панелью прибора, или она является художественно-декоративным
оформлением изделия.
3. Размеры s приведены для табличек из стали. Для табличек
из других материалов - размеры s устанавливаются по согласованию с
заказчиком.
4. Допускается изготовление табличек без
радиусов закругления r.
5. По согласованию с заказчиком допускается
изготовление табличек без отверстий, а также с увеличенным диаметром отверстий.
Пример условного обозначения прямоугольной таблички
длиной L = 50 мм, шириной В = 16 мм:
Табличка 50´16 ГОСТ 12971-67
(Измененная редакция, Изм. №
1, 2).
2. Технические требования -
по ГОСТ 12969-67.
| |
|