//
ТехЛит.ру
- крупнейшая бесплатная электронная интернет библиотека для "технически умных" людей.
WWW.TEHLIT.RU - ТЕХНИЧЕСКАЯ ЛИТЕРАТУРА

:: Алготрейдинг::


АЛГОТРЕЙДИНГ
шаг за шагом
с нуля по урокам!

Торговые роботы на PYTHON, BackTrader,
Pandas, Pine Script для TradingView. Связка с брокерами, телеграм и легкими приложениями.


ПРАВИТЕЛЬСТВО МОСКВЫ
МОСКОМАРХИТЕКТУРА

РЕКОМЕНДАЦИИ
по проектированию и применению
для строительства и реконструкции
зданиЙ в г.Москве

СИСТЕМЫ С ВЕНТИЛИРУЕМЫМ
ВОЗДУШНЫМ ЗАЗОРОМ «МАРМОРОК»

2001

Предисловие

1. Разработаны: Центральным научно-исследовательским и проектным институтом жилых и общественных зданий (ЦНИИЭП жилища).

Авторский коллектив:

д.т.н. Николаев С.В.                        - руководитель работы

инж. Ставровский Г.А.                    - общая редакция

д.т.н., профессор Зырянов B.C.      - прочностные расчеты

к.т.н. Беляев B.C.                             - теплотехнические расчеты

к.т.н. Граник М.Ю.                          - конструкции, компьютерная графика

к.т.н. Шалыгина Е.Ю.                     - конструкции, графика

Консультанты:

Генеральный директор

ООО "Компания РВМ-2000"

Вербицкий Ю.С.                              - организационно-технические решения системы

2. Подготовлены к утверждению и изданию Управлением перспективного проектирования и нормативов Москомархитектуры (архитектор Зобнин АЛ., архитектор Ревкевич Л.П., инженер Шевяков И.Ю.).

3. Утверждены указанием Москомархитектуры от 03.04.2001 г. № 18.

СОДЕРЖАНИЕ

1. Введение. 2

2. Назначение и область применения системы.. 2

3. Конструктивное решение системы.. 3

4. Техническое решение архитектурных элементов фасада. 14

5. Применяемые материалы и комплектующие детали. 14

6. Исходные данные для проектирования системы.. 14

7. Определение основных параметров системы.. 15

8. Прочностные расчеты.. 16

9. Теплотехнические расчеты.. 23

10. Состав проектно-сметной документации. 36

11. Технико-экономические показатели системы.. 36

12. Основные положения по производству работ и системе контроля качества. 37

13. Правила эксплуатации системы.. 38

14. Перечень нормативных документов и литературы.. 39

1. Введение

1.1. Руководство является методическим и справочным пособием для специалистов, выполняющих разработку проектов наружных ограждений системы "Марморок" для строящихся и реконструируемых зданий в г. Москве.

1.2. Данная многослойная система предназначена для утепления и отделки фасадов наружных стен зданий. В системе слой наружной облицовки фасада установлен с воздушным зазором относительно расположенного за ним слоя плит утеплителя. Облицовочный слой выполняется из плиток "Марморок" (каменная крошка на цементном вяжущем с водоотталкивающим покрытием). Плитка "Марморок" выпускается с гладкой или шероховатой поверхностью, цвет которой можно выбрать из широкого диапазона стандартных и специальных цветов.

Облицовочный слой и плиты утеплителя надежно крепятся на стене (основании) с помощью специальных профилей (вертикальных и горизонтальных), изготовленных из оцинкованной листовой стали.

1.3. Кроме основных элементов в системе, в качестве архитектурных деталей (карнизов, обрамления окон, фиал, шатровых покрытий и др.) применяются стальные оцинкованные листы с полимерными покрытиями (цвет покрытия выбирает архитектор), которым придается форма в соответствии с принимаемыми архитектурными решениями по отделке фасада.

Фотографии фасадов московских зданий облицованных плиткой "Марморок" с архитектурными деталями из листовой стали приведены на рис. 1.1 и 1.2.

1.4. Разработчиком системы является фирма "Марморок АВ" (Швеция), а ее официальным представителем в Российской Федерации и поставщиком всех основных элементов системы - ООО "Компания РВМ-2000", которой выдано техническое свидетельство Госстроя России № ТС-07-0220-2000 на "Фасадные системы с вентилируемым воздушным зазором "Марморок" и "Марморок-Т" для отделки и утепления наружных стен зданий и сооружений различного назначения, в т.ч. жилых 1.

1 Срок действия указанного технического свидетельства истек 01.03.2001 г., его продление в стадии оформления.

1.5. Руководство по проектированию и применению системы носит рекомендательный характер и содержит данные о назначении и области применения системы, о ее конструктивном решении, о составе исходных данных для проектирования, методику расчетов всех расчетных параметров системы, состав проектно-сметной документации и технико-экономические показатели системы.

Кроме того. Руководство содержит данные по производству строительно-монтажных работ и правила эксплуатации системы.

2. Назначение и область применения системы

2.1. Система предназначена для теплоизоляции и облицовки плитками "Марморок" фасадов наружных стен зданий и сооружений в соответствии с II этапом СНиП II-3-79*.

2.2. Область применения системы.

Система может применяться для строящихся и реконструируемых зданий в г. Москве при плотности материала основания не менее 600 кг/м3 для вновь возводимых и реконструируемых зданий и сооружений I, II и III уровней ответственности. Максимальная высота жилых зданий, на которых допускается применение системы, составляет 25 этажей.

Рис. 1.1. Здание по ул. Валовая, 18/17

Рис. 1.2. Фрагмент фасада здания по ул. Валовая, 18/17.

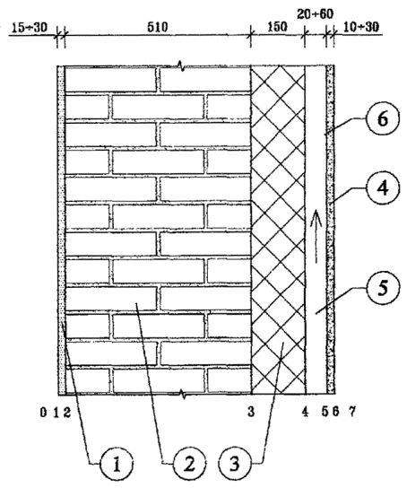
3. Конструктивное решение системы

3.1. Система является многослойной конструкцией, ее несущей основой служит каркас, включающий горизонтальные и вертикальные профили из стального оцинкованного листа.

3.2. Горизонтальные профили (рис. 3.1 и 3.2) крепятся к основанию посредством кронштейнов (консолей) (рис. 3.3), выполненных тоже из стального оцинкованного листа. Консоли крепятся к основанию дюбелями. В процессе монтажа горизонтальный профиль устанавливается на верхнюю полку консоли и крепится к ней саморезом. Перемещая горизонтальный профиль по полке консоли (к стене или от стены) можно компенсировать неплоскостность основания и приспосабливать каркас для плит утеплителя разной толщины. Такая конструкция крепления горизонтальных профилей позволяет менять толщину плит утеплителя от 100 до 200 мм. Возможны случаи, когда при толщине плит утеплителя 100 мм горизонтальный профиль крепится дюбелями непосредственно к основанию. Расстояние (по вертикали между горизонтальными профилями подбирается в основном равным высоте плит утеплителя (рис. 3.4).

В отдельных случаях, например, для малоэтажных построек, балконов, лоджий и т.п. вместо металлических горизонтальных профилей могут применятся деревянные брусья, пропитанные огнебиозащитными составами "КСД".

3.3. Минераловатные плиты утеплителя устанавливаются в горизонтальные профили, которые фиксируют их в рабочем положении. После монтажа плит на захватке они по всей поверхности покрываются паропроницаемой влаговетрозащитной пленкой из полиэтиленовых волокон. В случае применения плит утеплителя с наружной кашированной поверхностью применение пленки не требуется. Окончательная фиксация плит утеплителя вместе с пленкой в рабочем положении производится вертикальными профилями, что позволяет отказаться от применения дюбелей для фиксации плит утеплителя на основании.

3.4. Вертикальные профили (рис. 3.5 и 3.6) крепятся к горизонтальным саморезами. Вертикальные профили устанавливаются с шагом 300 мм, что обеспечивает размещение вертикальных швов между облицовочными плитками "Марморок" по центру вертикального профиля, который изготовлен в форме желоба. Края вертикального профиля выштампованы в виде крючков, на которые навешивается облицовочная плитка, и полосок, при отгибе которых происходит фиксация облицовочной плитки. Крючки на вертикальном профиле располагаются с шагом 100 мм. Соединение вертикальных профилей между собой показано на рис. 3.7.

3.5. Декоративную облицовочную плитку "Марморок" (рис. 3.8) изготавливают способом прессования из смеси крошки натурального камня (мрамора) с цементом. Профиль поперечного сечения плитки позволяет повесить каждую плитку (длиной 600 мм) на 4 крючка 3-х смежных вертикальных каркасов. Ряды плитки, как правило, устанавливают вразбежку со смещением одного ряда относительно другого на 300 мм.

Вертикальные и горизонтальные разрезы системы показаны на рис. 3.9, 3.10, 3.11 и 3.12.

по А

1-1

Рис. 3.1. Горизонтальный профиль. Вариант А.

по А

1-1

Рис. 3.2. Горизонтальный профиль. Вариант Б.

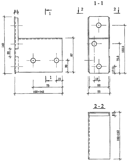
Рис. 3.3. Кронштейн.

Рис. 3.4. Схема расположения элементов каркаса.

1 - плитка "Марморок".

Рис. 3.5. Вертикальный профиль для плит типа А.

1 - плитка "Марморок".

Рис. 3.6. Вертикальный профиль для плит типа В.

Рис. 3.7. Стык вертикальных профилей.

Разрез А-А

Тип А                                                                             Тип В

               

Рис. 3.8. Облицовочная плитка типа "Марморок"

1 - основание;

2 - горизонтальный профиль;

3 - вертикальный профиль;

4 - кронштейн;

5 - крючок для установки отделочной плитки;

6 - отгибаемая полоска для фиксации отделочной плитки;

7 - ветрозащитная мембрана;

8 - дюбель;

9 - саморез;

10 - утеплитель;

11 - плитка "Марморок".

Примечание: условно сечение горизонтального профиля, расположенного в зоне утеплителя, показано сплошными линиями.

Рис. 3.9. Вертикальный разрез системы при толщине плит утеплителя более 100 мм (система с кронштейнами).

1 - основание;

2 - горизонтальный профиль;

3 - вертикальный профиль;

4 - кронштейн;

5 - дюбель;

6 - саморез;

7 - утеплитель;

8 - плитка "Марморок".

Рис. 3.10. Конструктивное решение системы на углу здания (система с кронштейнами).

1 - основание;

2 - горизонтальный профиль,

3 - вертикальный профиль;

4 - крючок для установки отделочной плитки;

5 - отгибаемая полоска для фиксации отделочной плитки;

6 - ветрозащитная мембрана;

7 - дюбель;

8 - саморез;

9 - утеплитель;

10 - плитка "Марморок".

Примечание: условно сечение горизонтального профиля, расположенного в зоне утеплителя, показано сплошными линиями.

Рис. 3.11. Вертикальный разрез системы при толщине плит утеплителя 100 мм (система без кронштейнов).

1 - основание;

2 - горизонтальный профиль;

3 - вертикальный профиль;

4 - дюбель;

5 - саморез;

6 - утеплитель;

7 - плитка "Марморок".

Рис. 3.12. Конструктивное решение системы на углу здания (система без кронштейнов).

1 - основание;

2 - горизонтальный профиль;

3 - вертикальный профиль;

4 - дюбель;

5 - саморез;

6 - утеплитель;

7 - утепляющий вкладыш;

8 - плитка "Марморок";

9 - металлический лист (слив и откос);

10 - уголок.

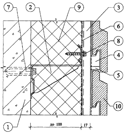
Рис. 3.13. Узел примыкания системы - к оконному проему.

1 - основание;

2 - горизонтальный профиль;

3 - вертикальный профиль;

4 - дюбель;

5 - саморез;

6 - утеплитель;

7 - утепляющий вкладыш;

8 - плитка "Марморок";

9 - металлический лист (откос);

10 - уголок.

Рис. 3.14. Узел примыкания системы к оконному проему. Разрез 1-1.

1 - основание;

2 - старт-профиль под теплоизоляцию;

3 - перфорированный профиль от грызунов;

4 - горизонтальный профиль;

5 - вертикальный профиль;

6 - ветрозащитная мембрана;

7 - дюбель;

8 - саморез;

9 - утеплитель;

10 - плитка "Марморок";

11 - цоколь.

Рис. 3.15. Узел примыкания системы к цоколю.

1 - основание;

2 - старт-профиль под теплоизоляцию;

3 - горизонтальный профиль;

4 - вертикальный профиль;

5 - дюбель;

6 - саморез;

7 - утеплитель;

8 - плитка "Марморок";

9 - плита балкона (лоджии).

Рис. 3.16. Узел примыкания системы к балкону (лоджии).

1 - основание;

2 - горизонтальный профиль;

3 - вертикальный профиль;

4 - дюбель;

5 - самррез;

6 - утеплитель;

7 - ветрозащитная мембрана;

8 - плитка "Марморок";

9 - металлический профиль;

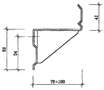
10 - карниз.

Рис. 3.17. Узел примыкания системы к карнизу.

1 - основание;

2 - старт-профиль;

3 - горизонтальный профиль;

4 - вертикальный профиль;

5 - ветрозащитная мембрана;

6 - дюбель;

7 - саморез;

8 - утеплитель;

9 - плитка "Марморок";

10 - козырек из оцинкованной стали.

Рис. 3.18. Узел примыкания системы к парапету.

3.6. Кроме основных элементов, в системе применяются стальные оцинкованные и покрытые полимерными красителями профили для устройства откосов в оконных и дверных проемах (рис. 3.13 и 3.14), вентиляционных и цокольных узлов (рис. 3.15), оконных сливов и мест примыканий облицовки к балконам, карнизам и другим элементам фасада (рис. 3.16, 3.17 и 3.18), а также для устройства таких архитектурных элементов, как карнизы, обрамления проемов, фиал и др.

4. Техническое решение архитектурных элементов фасада

4.1. К архитектурным элементам фасадов относятся венчающие и промежуточные карнизы, пояски, обрамление окон и дверей, венчающие элементы в виде фиал и шатровых участков крыши.

4.2. Конструкция архитектурных деталей разрабатывается на основании, содержащихся в задании на проектирование, архитектурных чертежей фасадов здания, кроме случаев, когда архитектурное решение фасадов входит в состав работ по данному заданию.

4.3. Архитектурные элементы выполняются преимущественно из стального оцинкованного листа с полимерным цветным покрытием способом гнутья из предварительно вырезанной заготовки.

4.4. Архитектурные элементы крепятся на фасаде посредством специального несущего каркаса из металлических или деревянных конструкций.

4.5. В составе рабочей документации системы должен быть специальный раздел, посвященный архитектурным деталям.

5. Применяемые материалы и комплектующие детали

5.1. Материалы и комплектующие детали, разрешенные к применению в системе, приведены в таблице 1 и 2 раздела 2, а технические требования, которым они должны отвечать, приведены в таблицах 3¸8 раздела 5 Приложения к техническому свидетельству Госстроя России № ТС-07-0220-2000 г. от 01 марта 2000 г.

5.2. Длина поставляемых элементов каркаса составляет:

- горизонтальных                    - 3600 мм

- вертикальных                       - 3000 мм

5.3. Облицовочные плитки "Марморок" выпускаются 2-х типов А и Б, их размер 600х105 мм, толщина плиток типа А-30 мм, а типа Б - 25 мм. Масса одной плитки типа А - 2,8 кг; типа Б - 2 кг; тоже - на 1 м2 типа А - 47,0 кг; типа Б - 33,2 кг.

6. Исходные данные для проектирования системы

6.1. Проектно-сметная документация на систему для конкретного объекта разрабатывается на основе задания на проектирование, подготовленного в соответствии с существующим в г. Москве порядком и утвержденного заказчиком.

Задание на проектирование обязательно должно содержать требование о соответствии системы II этапу СНиП II-3-79*.

6.2: Задание на проектирование должно включать следующие исходные данные:

- архитектурные чертежи фасадов здания, включающие данные о фактуре и цвете облицовочных плиток, размеры архитектурных деталей (карнизов, обрамления проемов и др.) и другие необходимые данные;

- строительные чертежи наружных стен от фундаментов до парапетов включительно с узлами, поясняющими решение и размеры всех конструкций;

- данные от разработчиков фундаментов о величине допустимой дополнительной нагрузки на стены здания;

- план участка, где расположено здание.

Для реконструируемых зданий задание на проектирование дополнительно должно содержать акт обследования наружных стен здания, где указывается состояние поверхности фасадов, результаты испытаний на усилия, с которым принятые дюбели можно вырвать из стены и геодезическую съемку поверхностей фасадов с данными о величине отклонений их отдельных участков от вертикальной плоскости.

6.3. К заданию на проектирование должно быть приложено Приложение к техническому свидетельству Госстроя России № ТС-07-0220-2000 от 01.03.2000 г. "Фасадные системы с вентилируемым воздушным зазором "Марморок" и "Марморок-Т" для отделки и утепления наружных стен зданий и сооружений различного назначения, в т.ч. жилых".

7. Определение основных параметров системы

7.1. К основным параметрам системы следует отнести:

- тип облицовочной плитки "Марморок";

- характеристику принятых плит утеплителя: толщину, высоту, длину, плотность и теплопроводность;

- необходимость или ее отсутствие применения ветрозащитной плитки;

- величина воздушного зазора;

- толщина стального листа для горизонтальных профилей и шаг, с которым они размещаются на фасаде по его высоте;

- толщина стального листа для вертикальных профилей (шаг, с которым они установлены на фасаде, принимается 300 мм, что продиктовано размером облицовочных плиток "Марморок");

- тип дюбелей для крепления элементов несущего каркаса к основанию.

7.2. Тип облицовочной плитки "Марморок", ее цвет и фактуру поверхности определяет главный архитектор проекта, при этом учитывается масса плитки в связи с дополнительной нагрузкой на фундамент и место ее установки. Например, на цокольную часть фасада целесообразно ставить более массивную облицовочную плитку.

7.3. Выбор плит утеплителя и их толщины определяются теплотехническими расчетами (методики теплотехнического и других необходимых в этой работе расчетов приводятся ниже).

Рекомендуется принимать достаточно мягкие плиты утеплителя, что позволит обеспечить их плотное прилегание к основанию и друг к другу, упростит установку плит утеплителя в уже смонтированные горизонтальные профили. Здесь следует обратить внимание на то, что надежность работы системы в первую очередь зависит от качества монтажа плит утеплителя.

7.4. Шаг установки по вертикали горизонтальных профилей, частоту, с которой они крепятся к основанию, характеристику применяемых для этого дюбелей и других крепежных деталей, а также несущую способность вертикальных профилей принимают в результате расчетов на прочность и деформативность рассматриваемых конструкций. При этом, наиболее целесообразно устанавливать горизонтальные профили с шагом равным высоте плит утеплителя с минусовым допуском, что избавит монтажников от большого объема работ по резке этих плит. Минусовый допуск величиной 10-15 мм обеспечит достаточно плотную установку плит утеплителя между смежными (по высоте) горизонтальными профилями. В связи с тем, что горизонтальные профили поставляются длиной 3,6 м, в местах, где происходит их стыковка, ставятся две консоли на расстоянии минимально допустимом для двух смежных дюбелей. Кроме того, при принятии решения о расстановке горизонтальных профилей на фасаде следует учитывать расположение оконных и других проемов, а также выступающих из плоскости фасада элементов - поясков, карнизов, балконных плит и т.п.

При этом расположение горизонтальных профилей у проемов и выступающих элементов фасада должно обеспечить условие, при котором величина свободных концов вертикальных профилей не понизит их жесткость ниже допустимого значения.

7.5. Шаг установки вертикальных профилей - 300 мм. Он может быть уменьшен у проемов и углов здания, поскольку, чаще всего, в этих местах облицовочную плитку приходится обрезать. Соответственно будет сокращен и шаг установки вертикальных профилей. Отдельные монтажные элементы вертикальных профилей стыкуются "внахлест".

7.6. Необходимость применения ветрозащитной пленки определяется примечанием к таблице 1 Приложения к техническому свидетельству Госстроя России № ТС-07-0220-2000 от 01.03.00.

7.7. Дюбели для крепления системы к основанию подбираются с помощью таблицы 2 Приложения к техническому свидетельству, указанному в п. 7.6, а также результатов испытания основания на усилия, с которыми принятые дюбели можно вырвать из массива основания.

7.8. Рекомендации по величине воздушного зазора приводятся в разделе 9 "Теплотехнические расчеты".

8. Прочностные расчеты

8.1. Методические предпосылки

Прочностные расчеты включают проверку прочности и деформаций металлических профилей, несущих нагрузки от массы облицовочных плит и от ветра, стыковых соединений профилей между собой, их креплений к основным несущим конструкциям здания.

Физико-механические характеристики материалов профилей, их соединений и крепежных элементов следует принимать по СНиП [3].

Нагрузки от собственной массы облицовочных плит принимают по паспортным данным предприятий-изготовителей. Временные нагрузки от ветра принимают по СНиП [2], в данном случае для I ветрового района г. Москвы.

Усилия: изгибающие моменты; поперечные и продольные силы; прогибы определяют с использованием основных положений сопротивления материалов, строительной механики и СНиП [3, 16].

При проверке прочности и деформаций элементов и стыковых соединений коэффициенты надежности по нагрузкам ¡f, а также единый коэффициент надежности по назначению ¡n = 0,95 принимают по СНиП [2].

Подробно методика расчета проиллюстрирована в приводимом ниже примере (п. 8.4). В примере исходные параметры даны для конкретных материалов и конструкций (п. 8.2). В то же время приведенная методика, где все расчетные формулы даются как в буквенном, так и в числовом выражениях со ссылками на нормативные источники, может быть использована и для других вариантов и сочетаний материалов и конструктивных решений.

8.2. Характеристики материалов

Облицовку производят плитами из искусственного керамического материала толщиной 30 и 25 мм. Размеры плит 600х105 мм. Масса одной плиты соответственно 2, 8 и 2 кг.

Плиты навешивают на стены посредством системы стальных профилей, изготавливаемых из листа толщиной: 0,8-1,5 мм - для горизонтальных; 0,55¸0,7 мм - для вертикальных профилей.

Расчетные сопротивления профилей согласно табл. 1* и 51* СНиП [3] с некоторым запасом как для фасонного проката толщиной от 2 до 20 мм: Ry = 230 МПа; Rs = 133 МПа; модуль упругости Е = 21×104 МПа.

Профили соединяют между собой самосверлящими винтами Æ 4,8¸5,5 мм, для которых в каталогах фирм-производителей приводятся величины допускаемых усилий на 1 винт при работе на растяжение и на срез в диапазоне от 550 до 1050 Н.

К стене профили крепят стальными болтами с дюбелями; расчетные сопротивления болтов согласно табл. 58 СНиП [3]: на растяжение Rвt = 170 МПа; на срез Rвs = 150 МПа; коэффициент условий работы по табл. 35 [3]¡в = 0,8. Тип, конструкция и допускаемое усилие на 1 болт с дюбелем подбираются по каталогам фирм с учетом материала и; состояния стены.

8.3. Расчетные схемы

Направления координатных осей приняты:

ось х - горизонтальная в плоскости стены;

ось у - горизонтальная по нормали к стене;

ось z - вертикальная в плоскости стены.

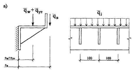
Расчетная схема вертикальных профилей - многопролетная, неразрезная на промежуточных опорах и шарнирно опертая по концам, балка (рис. 8.1). Пролеты балки составляют: в средней части фасада здания lz = 0,6 м, вблизи углов lz = 0,3 м, что соответствует шагам горизонтальных профилей. Шаги вдоль здания lx = 0,3 м.

К вертикальным профилям приложена вертикальная нагрузка от веса облицовочных плит с шагом lпл = 100 мм с эксцентрицитетами: относительно центра тяжести еу,о = 30 мм, относительно наружной поверхности профиля еу,с = 15 мм и горизонтальная ветровая нагрузка.

Рис. 8.1. Расчетные схемы вертикального профиля.

а - на вертикальные нагрузки;

б - на ветровые нагрузки;

lz = 600 (300) - в середине здания (в углах).

а - при толщине утеплителя £ 100 мм;

б, в - при толщине утеплителя > 100 мм.

Рис. 8.2. Расчетные схемы горизонтального профиля.


а - схема нагрузок;

б - эпюра моментов;

в - эпюра поперечных сил.

Рис. 8.3. Расчетная схема кронштейна.

Расчетная схема горизонтальных профилей в направлении оси "х" - многопролетная, неразрезная балка (рис. 8.2). При варианте с толщиной утеплителя бут £ 100 мм в связи с малыми величинами пролетов lх = 0,1 м работой ее на изгиб пренебрегаем; при варианте с бут>100 мм балка работает на изгиб с пролетами lх = 1,2 м.

В направлении "у" при бут 100 мм работает только верхняя полка как консольная плита с вылетом lу = 70¸100 мм на действие вертикальных нагрузок; при бут>100 мм - работает только нижняя стенка как консоль на действие горизонтальной ветровой нагрузки.

Расчетная схема кронштейна - консоль с вылетом lк = 130 мм (рис. 8.3). Кронштейны с шагом lх = 1,2 м крепятся к стене каждый с помощью 1 болта с дюбелем. На кронштейны передаются вертикальные и ветровые нагрузки: от облицовки и собственного веса профилей через вертикальные и горизонтальные профили; от утеплителя через горизонтальный профиль; от ветровой нагрузки через профили обоих типов.

Болтовые соединения между профилями, со стеной, анкеровку в стене рассчитывают на действие усилий среза от вертикальных нагрузок, растяжения и вырыва от совместного действия вертикальной и ветровой нагрузок.

8.4. Пример расчета.

8.4.1. Исходные данные

В данном примере принят вариант с плитами толщиной 5 = 30 мм.

Вертикальная нормативная нагрузка от веса плит qzn = 470 Н/м2 (по данным фирмы "Марморок"), расчетная qz = ¡f×qzn = 1,2×470 = 564 Н/м2.

Горизонтальные нагрузки от ветрового давления приняты условно для высоты Н = 80 м; нормативное значение ветрового давления для I ветрового района wо = 0,23 кПa; коэффициент "К" для зданий высотой 80 м, тип местности "В", по табл. 6 СНиП ½2½К = 1,45; аэродинамический коэффициент в средней части фасада здания Сс = 0,8 и около углов здания Се = -2 ½2½.

Нормативные ветровые нагрузки в середине здания qy,cn = wcn = 0,23×1,45×0,8 = 0,267 кПа = 267 Н/м2; в углах qy,en = wen = 0,23×1,45×½-2½ = 0,667 кПа = 667 Н/м2.

Расчетные нагрузки при коэффициенте надежности по нагрузке ¡f = 1,4×½2½: в середине здания qy.c = qy,cnסf = 267 1,4 = 374 Н/м2; qy,e = 667×1,4 = 934 Н/м2.

8.4.2. Расчет вертикального профиля

Определение усилий

Геометрические характеристики поперечных сечений: профиля: d = 0,6 мм; А = 34,8 мм2; Jx = 595,1 мм4; Wxmin = 19,6 мм3; t = 2d = 1,2 мм; Sx = 91,2 мм3; yо = 6 мм; крючков: в = 1,2 мм; h = 10 мм; Jy = 100 мм4; Wy = 20 мм3; Sу = 60 мм3.

Собственная масса профиля qw = 0,5 кг/м; нагрузки от него: нормативная qwn = 5 Н/м; расчетная qw = 1,05×5 = 5,3 Н/м.

Усилия от вертикальной нагрузки - одного яруса плит и собственного веса профиля: нормативное P1n = (qzn×lх + qwn)×lz = (470×0,3 + 5)×0,1 = 14,6 H; расчетное P1 = (qz×lх + qw) lz = (564×0,3 + 5,3)×0,1 = 17,5 H.

Горизонтальные ветровые нагрузки (расчет производится только для средней части фасада здания, поскольку около углов принят вдвое меньший шаг опор по высоте и обеспечивается больший запас прочности и жесткости, чем в середине здания; индексы нагрузок "С" и "е" в связи с этим далее опускаются) на 1 м профиля: нормативная qyn = qy,cn×lx = 267×0,3 = 80,1 Н/м; расчетная qy = qy,c×lх = 374 0,3 = 112,2 Н/м.

Изгибающие моменты в плоскости, перпендикулярной стене: от вертикальной нагрузки: относительно центра тяжести профиля: нормативной Мz,on = P1n×еу,o = 14,6×0,03/2 = 0,22 Hм; расчетной Мz,o = P1×ey,o = 17,5×0,03/2 = 0,26 Нм; относительно основания крючков Му,к = Р1×еу,к = 17,5×0,015 = 0,26 Нм; от ветровой нагрузки: нормативной Муn = Ктабл×qyn×lz2 = 0,105×80,1×0,62 = 3 Нм; расчетной My = 0,105×112,2×0,62 = 4,24 Hм.

Продольное усилие Nz = P1×lу/lпл = 17,5×0,6/0,1 = 105 H.

Поперечные силы: в профиле Qy = qy×ly/2 + Му/ly = 112,2×0,6/2 + 4,24/0,6 = 40,7 H; в крючках Qz = P1 = 17,5 H.

Проверка прочности профиля на изгиб с растяжением

Нормальные напряжения изгиба от вертикальной расчетной нагрузки sz = Mz,o/Wxmin = 0,26×103/19,6 = 13,3 МПа; то же от горизонтальной ветровой нагрузки sy = My/Wxmin = 4,24×103/19,6 = 216,3 МПа; то же от силы Nz sn = 105/34,8 = 3 МПа.

По формуле (50) СНиП [3] (sn + sz + sу)סд£Ry¡c; (3 + 13,3 + 216,3)×0,95 = 221 МПа = 230×1 = 230 МПа; прочность профиля на изгиб с растяжением обеспечивается.

Проверка прочности крючков на изгиб

Му,к = 0,26 Нм; Wy = (0,6×102/6)×2 = 20 мм3. По формуле (28) [3] (My/Wy)¡n£Ry¡c; (0,26×103/20)×0,95 = 12,4 МПа<230 МПа; прочность крючков на изгиб обеспечивается.

Проверка профиля и крючков на сдвиг (срез)

По формуле (29) [3]

профиля  МПа;

прочность профиля на сдвиг (срез) обеспечивается.

крючков  МПа;

прочность крючков на сдвиг (срез) обеспечивается.

Проверка прочности крепления вертикального профиля к горизонтальному

Крепление производят одним самосверлящим стальным винтом Æ 4,8 мм типа EJOT JT3 - 4,8xL с допускаемыми усилиями по данным фирмы: на растяжение Nul = 650 H, на срез Qul = 950 H.

Изгибающий момент от расчетной вертикальной нагрузки, прикладываемой к крючкам, Му,в = 0,26 Нм. Плечо z = 20 мм, усилие в винте от изгибающего момента Ny = 0,26×103/20 = 13 H. Растягивающее усилие в винте от ветровой нагрузки Ny,N = qy×ly = 112,2×0,6 = 67,3 H. Суммарное растягивающее усилие в винте Ny = 13 + 67,3 = 80,3 H.

Усилие среза Nz = 105 H.

По формуле (127) [3] Nz gn£Qul на срез 105×0,95 = 99,8Н < 950 H; прочность винта на срез обеспечивается.

По формуле (129) [3] Nz×gn£ Nul на растяжение 80,3×0,95 = 76,3 H < 650 H; прочность винта на растяжение обеспечивается.

8.4.3. Расчет горизонтального профиля при толщине утеплителя 100 мм

Геометрические характеристики: 1) поперечного сечения (с учетом сквозного отверстия в средней части в расчет включают лишь вертикальные стенки): d = 1 мм; А = (66 + 41)×1 = 107 мм2: Wxmin = 1×1072/6 = 1908 мм3; 2) ребер: в h = 1×54 мм; Wy = 1 542/6 = 486 мм3; стенок на 1 м длины профиля: в h = 1000×1 мм; Wz = 1000 12/6 = 167 мм3.

Вертикальные расчетные нагрузки на 1 м длины профиля: от собственного веса qw = 1,05×7,85×1,07×100×10-3 = 0,9 кгс/м = 9 Н/м; от веса утеплителя qyт = 1,3×100×0,1×0,6 = 7,8 кгс/м = 78 Н/м; от вертикальных профилей qz = qz×lz = 564×0,6 = 338 Н/м.

Проверка прочности ребер жесткости, на изгиб и сдвиг (срез) из плоскости стены

Эксцентрицитеты (плечи) нагрузок относительно основания ребер: собственного веса и утеплителя еw = 50 мм; вертикальных профилей ев = 100 мм. Изгибающий момент на 1 м длины профиля Му = (qw + qут)×еw + qz×еw = (9 + 78)×50 + 338×100 = 38190 H×мм.

Поперечная сила Qz = qw + qут + qz = 9 + 78 + 338 = 425 H. Количество ребер n = 10.

По формуле (28) [3]  на изгиб:

Мпа<230 Мпа

прочность ребер жесткости на изгиб обеспечивается.

По формуле (29) [3]  на срез:

на срез МПа < 133 МПа;

прочность ребер на срез обеспечивается.

Проверка прочности крепления горизонтального профиля к стене

Крепление производят стальными болтами Æ 10 мм с dо = 8,8 мм с дюбелями, расчетной площадью сечения 1 болта А = 60,8 мм2. Расчетные сопротивления болтов см. п. 8.2. Болты с дюбелями располагают в 1 ряд по высоте здания, с шагом 1,2 м, при этом количество болтов на 1 м профиля n = 1/1,2 = 0,83.

Изгибающий момент на 1 м профиля из плоскости стены My = 38,19 Нм; плечо внутренней пары от оси болтов до условной нижней оси опор z = 54 мм. Поперечная сила Qz = 425 Н.

Растягивающее усилие в болтах на 1 м профиля: от изгибающего момента Ny = My/z = 38,19×103/54 = 707 Н; от ветровой расчетной нагрузки Ny,N = qy,c×lz = 374×0,6 = 224 Н; суммарное Ny = Ny + Ny,N = 707 + 224 = 931 Н.

Усилие среза Nz = Qz = 425 Н.

По формуле (127) [3] Nzסn/(n×А)<Rвs¡в, на срез: 425×0,95/(0,83×60,8) = 7,9 МПа<150×0,8 = 120 МПа; прочность болтов на срез обеспечивается.

По формуле (129) [3] Nyסn/(n-A)£Rвt¡в на растяжение: 931×0,95/(0,83×60,8) = 17,5 МПа<170×0,8 = 136 МПа; прочность болтов на растяжение обеспечивается.

Анкеровка болтов с дюбелями в стене должна обеспечиваться подбором по каталогам фирм типа, конструкции и допускаемых усилий на болт с дюбелем с учетом материала и состояния стены.

8.4.4. Расчет горизонтального профиля при толщине утеплителя 200 мм

Геометрические характеристики профиля см. п. 8.4.3.

Вертикальные расчетные нагрузки на 1 м длины профиля: от собственного веса qw = 9 Н/м (см. п. 8.3.3); от веса утеплителя qут = 1,3×100×0,2×0,6 = 15,8 кгс/м = 156 Н/м; от вертикальных профилей qz = 338 Н/м (см. п. 8.3.3); суммарная qz = qw + qут + qz = 9 + 156 + 338 = 503 Н/м.

Проверка прочности профиля на изгиб

При длине 6 м и шаге опор-кронштейнов lх = 1,2 м профиль работает как неразрезная пятипролетная балка с шарнирным опиранием по концам крайних пролетов.

Изгибающий момент от нагрузки q = 503 Н/м; Мх = Ктабл×qz×lх2 = 0,105×503×1,22 = 76,1 Нм.

По формуле (28) [3] Мxסn/Wxmin<Ry¡c; 76,1×103×0,95/1908 = 37,9 МПа<230 МПа; прочность профиля на изгиб обеспечивается.

Проверка прочности на разгиб нижней стенки

Горизонтальное усилие, действующее на 1 м стенки, передается от вертикальных профилей с шагом 300 мм через винты, количество которых n = 1000/300 = 3,33. Растягивающее усилие в 1 винте от расчетной ветровой нагрузки (см. п. 8.3.3) Ny,N = 67,3 Н; на 1 м стенки Ny,N = 67,3×3,33 = 224 Н. Плечо разгиба z = 20 мм. Изгибающий момент My = Ny,N×z = 224×0,02 = 4,5 Нм; Wz = 167 мм3 (см. п. 8.4.3).

По формуле (28) [3] аналогично предыдущему 4,5×103×0,95/167 = 25,6 МПа<230 МПа; прочность нижней стенки при разгибе обеспечивается.

Крепление горизонтального профиля к кронштейну

Параметры этого крепления близки к варианту с толщиной утеплителя бут = 100 мм, поэтому дополнительная проверка не производится.

8.4.5. Расчет кронштейна

Геометрические характеристики: вертикального сечения: ty = d = 1 мм; hz = 87 мм; A = d×hz = l×87 = 87 мм2; Jy = 1×873/12 = 4875 мм4; Wy = l×872/6 = 1262 мм3; Sy = 1×872/8 = 946 мм3.

Вертикальные расчетные нагрузки при шаге кронштейнов lх = 1,2 м: от собственного веса горизонтального профиля Qw = qw×lх = 9×1,2 = 10,8 Н (собственным весом кронштейнов пренебрегаем); от утеплителя Qyт = qyт×lх = 156×1,2 = 187 Н; оба усилия Qw и Q действуют с плечом еy,1 = 0,1 м; от вертикальных профилей Qв = qz×lх = 338×1,2 = 406 Н, с плечом еу,2 = 0,2 м.

Изгибающий момент My = (Qw + Qyт)×еy,1 + Qв×еy,2 = (10,8 + 187)×0,1 + 406×0,2 = 101 Нм.

Максимальная поперечная сила Qz = Qw + Qyт + Qв = 10,8 + 187 + 406 = 604 Н. Отрывающая сила Ny = Ny,N×lх = 224×1,2 = 269 Н.

Проверка прочности кронштейна на изгиб и растяжение

По формуле (38) [3]

 МПа<230 МПа;

прочность кронштейна на изгиб обеспечивается.

Проверка прочности кронштейна на сдвиг

По формуле (29)  от вертикальной нагрузки:

 МПа<133 МПа

прочность кронштейна на сдвиг (срез) обеспечивается.

Проверка прочности крепления кронштейна к стене

Крепление производят одним болтом Æ 10 мм с дюбелем. Расчет по форме полностью аналогичен п. 8.3.3, поэтому здесь не повторяется.

8.4.6. Рекомендации по конструированию

В приведенном примере размеры профилей, диаметры и шаги крепежных винтов и болтов приняты, главным образом, для, иллюстрации методики расчета. При выявлении в некоторых деталях и узлах крепления излишнего запаса прочности их параметры при разработке реальных проектов рекомендуется уточнять.

9. Теплотехнические расчеты

9.1. Введение

В настоящем разделе приводится методика теплотехнических расчетов, позволяющая определить параметры теплового и влажностного режима наружных ограждений с вентилируемым воздушным зазором между экраном (слоем наружной облицовки здания) и теплоизоляционным слоем из минераловатных плит.

Методика теплотехнических расчетов базируется на требованиях СНиП II-3-79* [4] и МГСН 2.01-99 [9].

Основное отличие приведенной в работе методики от теплотехнических норм [4, 9] в комплексной оценке теплового, воздушного и влажностного режима рассматриваемой системы.

В работе учитывается такая особенность плит-экранов, как наличие стыковых швов.

Наличие зазоров между плитами-экранами с одной стороны позволяет усилить влагоотдачу и вентилирование прослойки, а с другой затрудняет постановку алгоритма решения задачи теплового, воздушного и влажностного режима.

Имеющиеся методики расчета, не имеют решения задачи в такой постановке в связи с многочисленностью неизвестных параметров.

В данной работе делается попытка найти практическое решение проблемы, которое можно достигнуть при ряде допущений, в частности, заданием условных коэффициентов паропроницаемости зазоров между облицовочными плитами.

9.2. Краткая характеристика объекта и нормативные требования

Рассчитывается семиэтажное кирпичное здание (пятиэтажное реконструируемое с надстройкой в два этажа). Здание расположено в г. Москве. Высота здания 22 м.

Фасад здания облицован плитами "Марморок", размер которых 100х600, а толщина 25 и 30 мм. Между панелями образуются горизонтальные швы шириной около 1 мм. Паропроницаемость принимается как у бетона (по глади плит).

В системе "Марморок" приведенные коэффициенты паропроницаемости рассчитываются с учетом швов.

Указанные системы предусматриваются в комплекте с утеплителем (минвата на основе базальтового волокна) укрепляемого на несущую стену из бетона или кирпичной кладки, поэтому их можно рассматривать как утепляющие здание.

Требования к теплотехническим характеристикам конструкций содержатся в СНиП II-3-79* [4] и МГСН 2.01-99 [9].

Согласно [4] требования по второму этапу нужно принимать для зданий, строительство которых начинается с 1 января 2000 года. Таким образом для рассматриваемого жилого дома требования нужно принимать по второму этапу энергосбережения.

На основе [4 и 9] составлена таблица 1 исходных расчетных данных, где представлены требуемые сопротивления теплопередаче совокупности наружных стен (оболочки) жилого дома.

Значения нормативных требований к наружным ограждениям жилых зданий

Таблица 1

N пп

Название нормативного документа

Требуемое сопротивление теплопередаче наружного ограждения

ГСОП

стен

окон

1

2

1

2

1

2

1.

СНиП 23.01.01-82 [6] МГСН 2.01-99 [9]

3,159

-

0,54

-

5027

-

2.

СНиП 23.01-99 [5], СНиП II-3-79* (98г.), табл. 1б

-

3,13

-

0,52

-

4943

9.3. Методика теплотехнического расчета наружных стен с вентилируемой воздушной прослойкой

9.3.1. Общие требования

Расчет наружных стен с экраном и вентилируемой воздушной прослойкой основан на расчете теплотехнических характеристик стен и расчета влажностного режима.

В свою очередь, теплотехнический расчет заключается в подборе толщины утеплителя стен с экраном.

Процесс теплопередачи в свою очередь связан с процессами влагообмена в конструкциях и воздушного режима прослойки.

В основе приведенных в методике формул для расчета тепло и влагопередачи в простенке лежит решение дифференцированных уравнений баланса тепла и влаги. Данные решения известны во многих источниках и являются достаточно практичными.

Методика расчета влажностного режима основана на учете разности значений упругости водяного пара в годовом цикле на границах слоев рассматриваемой конструкции.

Особенностью расчета является учет приведенного коэффициента паропроницаемости зазоров между панелями-экранами.

Вывод формулы для определения скорости движения и расхода воздуха в прослойке основан на балансе гравитационного и ветрового давлений по обе стороны экрана-панели с учетом местных сопротивлений.

В общем виде методика расчета заключается в следующем;

1. Определяется требуемая толщина теплоизоляции наружной стены, исходя из конструктивных и теплотехнических характеристик принятых и рассмотренных в конкретном случае;

2. Из конструктивных соображений назначается толщина воздушной прослойки за экраном;

3. Определяется влажностной режим рассматриваемой конструкции по методике СНиП II-3-79* (98 г.);

4. С учетом результатов расчета по п. 3 при необходимости корректируются материалы и их толщины в конструкции;

5. Определяется влажностный режим рассматриваемой конструкции в годовом цикле с учетом средних месячных температур по методике данной в разделе (9.3.3);

6. С учетом результатов расчета по п. 5 при необходимости корректируются материалы и их толщины в конструкции с целью исключения влагонакопления в годовом цикле;

7. С учетом этажности здания и района строительства определяется скорость движения воздуха в прослойке за экраном и расход воздуха по разделу (9.3.4);

Для выполнения п. 7 определяется термическое сопротивление воздушной прослойки по формуле (9.16);

8. Определяется температура на выходе из воздушной прослойки по формуле (9.15);

9. Определяется действительная упругость водяного пара на выходе из прослойки еу по формуле (9.18) и проверяется условие: eун, где Ен - максимальная упругость водяного пара на выходе из прослойки.

Таким образом, для определения области применения стен с вентилируемой воздушной прослойкой производится два теплотехнических расчета: расчет теплового режима стен и прослойки и влажностного режима стены и прослойки.

9.3.2 Определение толщины теплоизоляционного слоя

Методика теплотехнического расчета разработана в соответствии с рядом документов, подготовленных ЦНИИЭП жилища и НИИСФ как авторами СНиП II-3-79* [4] и полностью удовлетворяет нормативным требованиям [4, 9].

В основу конструктивных решений наружных стен при определении приведенных сопротивлений теплопередаче главных фрагментов принимаются толщины утеплителя, рассчитанные предварительно по формуле:

                              (9.1)

где:

 - требуемое приведенное сопротивление теплопередаче стен, м2 °С/Вт;

r - коэффициент теплотехнической однородности по табл. 9.2; 9.3;

Таблица 9.2.

Значения r кирпичных утепленных снаружи стен

Толщина, м

Коэффициент r при l, Вт/м °С

стены (без дополнительного утепления)

утеплителя

0,04

0,05

0,08

0,38

0,1

0,705

0,726

0,73

0,15

0,693

0,713

0,73

0,2

0,68

0,7

0,715

0,51

0,1

0,694

0,714

0,73

0,15

0,682

0,702

0,72

0,2

0,667

0,687

0,702

0,64

0,1

0,685

0,7

0,715

0,15

0,75

0,69

0,705

0,2

0,665

0,68

0,695

Таблица 9.3.

Значения r бетонных (керамзитобетонных) утепленных снаружи стен

Толщина, м

Коэффициент r при, Вт/м °С

панели (без дополнительного утепления)

утеплителя

0,04

0,05

0,08

0,3

0,5

0,9

0,92

0,95

0,1

0,84

0,87

0,88

0,15

0,81

0,84

0,05

0,35

0,05

0,87

0,9

0,93

0,1

0,8

0,83

0,86

0,15

0,78

0,81

0,83

0,64

0,05

0,82

0,87

0,9

0,1

0,77

0,8

0,83

0,15

0,75

0,78

0,8

0,2

0,74

0,765

0,785

Для проверки правильности принятых толщин утепляющих слоев определяются приведенные сопротивления теплопередаче наружных стен для основных "фрагментов". Каждый рассчитываемый фрагмент делится на отдельные участки; характеризуемые одним или несколькими видами теплопроводных включений.

Средневзвешенное значение приведенного сопротивления теплопередаче слоистых наружных стен определяется на секцию по формуле:

                                                                    (9.2)

где:

 - сумма площадей фрагментов наружных стен (k - количество фрагментов стен), м2;

Fi,  - соответственно площадь и приведенное сопротивление теплопередаче io фрагмента стен, м2×С/Вт;

Если  по табл.×СНиП II-3-79* [4], конструкция стены удовлетворяет требованиям теплотехнических норм. Если , то следует либо увеличить толщину утепляющего слоя, либо рассмотреть возможность включения в проект энергосберегающих мероприятий (утепление узлов и т.п.).

Для практических расчетов допускается при определении  и его коэффициента теплотехнической однородности наружных стен с вентилируемой прослойкой применять табл. 9.2, 9.3.

Для расчета средневзвешенного значения многослойных наружных стен при наличии в стенах глухих (без проемов) участков может быть также использована формула:

                                                                                                                   (9.3)

где:

n = 1,05 - коэффициент, учитывающий наличие глухих участков в наружных стенах.

9.3.3. Определение влажностного режима наружных стен

Влажностный режим наружных стен определяется двумя методами. По СНиП II-3-79* (98 г.) и исходя из баланса влаги в годовом цикле.

Определение влажностного режима наружных стен в годовом цикле производится в следующей последовательности:

1. Определяются исходные данные для расчета; 2. Определяются сопротивления паропроницанию слоев конструкции наружной стены, параметры внутреннего и наружного воздуха; 3. Определяется приток и отток влаги (пара) к рассматриваемому сечению по формулам:

                                        (9.4)

где:

ев, ен - упругость водяного пара внутреннего и наружного воздуха;

еt - то же, в рассматриваемом сечении;

Ro п.вн.сл - сопротивление паропроницанию от внутренней поверхности до границы зоны возможной конденсации (с учетом пограничного слоя);

еt - определяется по формуле:

,                                                 (9.5)

SRп - сумма сопротивлений паропроницанию слоев до рассматриваемого сечения.

Roп - сопротивлений паропроницанию всей стены.

По указанным формулам определяется упругость водяного пара еi в характерных сечениях конструкции в годовом цикле.

Если еi окажется больше максимальной упругости водяного пара Е, то в данном сечении будет конденсат. Если в годовом цикле окажется увеличение накопления влаги в конструкции, то ее надо корректировать, добиваясь исключения влагонакопления в годовом цикле.

9.3.4. Определение параметров воздухообмена в прослойке

Движение воздуха в прослойке осуществляется за счет гравитационного (теплового) и ветрового напора. В случае расположения приточных и вытяжных отверстий на разных стенах скорость движения воздуха в прослойках Vпp может определяться по следующим формулам

,                                         (9.6)

где:

кн, кз - аэродинамические коэффициенты на разных стенах здания, по СНиП 2.01.07-85;

Vн - скорость движения наружного воздуха;

к - коэффициент учета изменения скорости потока по высоте по СНиП 2.01.07-85;

Н - разности высот от входа воздуха в прослойку до ее выхода из нее;

tсp, tн - средняя температура воздуха в прослойке и температура наружного воздуха;

Sx - сумма коэффициентов местныхсопротивлений.

Другим вариантом определения Vпp служит формула:

,                                            (9.7)

gн, gпр - плотности наружного воздуха и в прослойке.

Другой вариант определения Vпp по разности давлений воздуха на входе и выходе по формуле:

,                                          (9.8)

,                                                                          (9.9)

При расположении воздушной прослойки на одной стороне здания, можно принять кн = кз. В этом случае, если пренебречь изменением скорости ветра по высоте формула (9.6 ) примет вид:

,                                                              (9.10)

Формула - (9.13) примет вид:

,                                                           (9.11)

В формуле 9.9 DРD = Н (gн-gпр);

gпр - плотность воздуха в прослойке.

Указанные формулы применены в технической системе. При этом g имеет размерность кг/м3.

В системе СИ в числителе "g" будет отсутствовать, а "g" имеет размерность Н/м3.

Из полученных по указанным формулам скорость движения воздуха выбирается наименьшая, корректируется с учетом потерь давления на трение по известным из курса "Вентиляция" методам.

Расход воздуха в прослойке определяется по формуле:

W = Vпp×3600×dпp×gпp                                                             (9.12)

где dпр - толщина воздушной прослойки шириной 1 м, или Fпp, м2.

9.3.5. Определение параметров тепловлажностного режима прослойки

Температура входящего в прослойку воздуха tо определяется по формуле:

,                                                   (9.13)

где tв, tн - расчетные температуры внутреннего и наружного воздуха;

m - коэффициент, равный 0,26 в системе СИ и 0,3 - в технической.

Остальные обозначения см. Рекомендации по проверке и учету воздухопроницаемости наружных ограждающих конструкций жилых зданий, ЦНИИЭП жилища, М., (1983).

Допускается определять температуру воздуха, входящего в прослойку по формуле

tо = n×tн,                                                                        (9.14)

где n = 0,95.

Температура воздуха по длине прослойки определяется по формуле:

,                (9.15)

где кв и кн - коэффициенты теплопередачи внутреннего и наружного частей стены до середины прослойки.

*)h = H

При определении термического сопротивления прослойки Rпp следует пользоваться формулами:

,                                                             (9.16)

где aпр = 5,5 + 5,7 Vпp + aл,                                     (9.17)

где aл - коэффициент лучистого теплообмена;

В - переводной коэффициент: в технической системе равен 1, а в СИ В = 3,6.

Действительная упругость водяного пара на выходе из прослойки определяется по формуле:

,              (9.18)

Полученная по данной формуле величина упругости водяного пара на выходе из прослойки еу должна быть меньше максимальной упругости водяного пара Ен.

Если еун, то необходимо изменить геометрические параметры прослойки стены здания.

В формуле (9.18) Мв и Мн равны соответственно:

,                                                  (9.19)

где:

Rвп и Rпн - сумма сопротивлений паропроницанию от внутренней поверхности до воздушной прослойки и от воздушной прослойки до наружной поверхности;

ев и ен - действительная упругость водяного пара с внутренней стороны стены и снаружи;

ео - упругость водяного пара воздуха, входящего в прослойку;

,                                                          (9.20)

n - переводной коэффициент.

9.4. Пример теплотехнического - расчета наружных стен с вентилируемой воздушной прослойкой

9.4.1. Исходные данные

Для расчета принимается кирпичная стена толщиной 0,51 м, плотностью 1600 кг/м3 из керамических пустотелых кирпичей с l = 0,64 Вт/м×°С. Снаружи стены утеплены минераловатными плитами типа "Фасад баттс" с l = 0,045 Вт/м×°С. За воздушной прослойкой расположены плиты-экраны. Характеристики плит-экранов системы "Марморок" приняты как для тяжелого бетона.

Условия монтажа системы - реконструкция пятиэтажных жилых домов в г. Москве.

Между экраном и утеплителем расположена воздушная прослойка. Ее толщина dпр может в расчете варьироваться. Назначаем ее первоначальную толщину в соответствии с МГСН 2.01-99 dпр = 60 мм [9]. В дальнейшем также рассчитывается вариант с толщиной прослойки 20 мм.

Прослойка за экраном вентилируется на высоту 3 м и на 1 м*). Эти величины затем уточняются. Прослойка закрывается снаружи плитами-экранами в системе "Марморок" высотой 100 мм. В нижней части конструкции приточная щель закрывается сеткой. Причем в чистоте, площадь приточных щелей-отверстий равна 0,5 Fщ, где Fщ площадь прослойки. Площадь выходных щелей-отверстий принимается равной площади входных.

Площадь зазоров между плитами "Марморок" 0,018 м2 на 1 м2 фасада.

9.4.2. Расчет толщины теплоизоляции

Толщина теплоизоляции из минваты типа "Фасад баттс" равна:**)

где;

3,16 - требуемое сопротивление теплопередаче стен для г. Москвы (см. определение Roтр и ГСОП раздел 9.2);

0,692 - коэффициент теплотехнической однородности, см. табл. 9.2;

0,175 - термическое сопротивление воздушной прослойки по: СНиП II-3-79** (98 г.) [4].

Сопротивление теплопередаче по глади наружной стены при толщине утеплителя из минваты типа "Фасад баттс":

,(4,4)***)

где:

0,51; 0,15; 0,02 - толщина кирпичной кладки, утеплителя и экрана;

0,175 - термическое сопротивление воздушной прослойки Rпр по СНиП II-3-79* (98г.) [4], которое уточняется ниже; с учетом воздухообмена в прослойке Rпр = 0,1 м2×°С/Вт - (см. раздел 9.4.6).

Приведенное сопротивление теплопередаче наружной кирпичной стены с экраном с учетом коэффициента теплотехнической однородности r = 0,692 из табл. 9.2 по формуле 11 СНиП II-3-79 [4].

Roпр = Rоусл×r = 4,475 0,692 = 3,096 м2×°С/Вт. (3,045) ***)

В соответствии с формулой (9.3) с учетом глухих торцовых стен Roпртр равно:

Roпртр = Rопр×r = 3,096 1,05 = 3,25 м2×°С/Вт. (3,2) ***)

*)В дальнейшем рассматривается вариант с расстоянием от входных до выходных отверстий 6 м.

**)В запас теплозащиты не учитывается штукатурка.

***) В скобках с учетом воздухообмена в прослойке.

9.4.3 Влажностный режим наружных ограждающих конструкций

Расчет ведется по СНиП II-3-79* (98 г.) [4] с учетом того, что зона возможной конденсации располагается на внешней границе утеплителя и наружного слоя.

В период эксплуатации в зимних условиях температура воздуха tв = 20 °С, а относительная влажность j = 55 %.

На рис. 9.1 дана расчетная схема наружной стены из керамических камней-кирпича, утепленной минватой на основе базальтовых волокон с вентилируемой воздушной прослойкой и экраном.

При этом коэффициент паропроницаемости экрана принят, как для бетона ("Марморок") в связи с отсутствием других данных в СНиП II-3-79* (98 г.) [4].

Расчетное сопротивление паропроницанию наружной стены до зоны возможной конденсации Rп, м2×ч×Па/мг:

(В технической системе Rп = 31,75 м2×мм×рт.ст./г)

Расчетное сопротивление паропроницанию части ограждающей конструкции, Rп, м2×ч×Па/мг, расположенной между наружной поверхностью и поверхностью возможной конденсации равно:

м2×ч×Па/мг

Требуемое сопротивление паропроницанию Rпi, м2×ч×Па/мг из условия недопустимости накопления влаги за год эксплуатации, формула (34) [4] равно 1,44 м2×ч×Па/мг.

Требуемое сопротивление паропроницанию из условия ограничения влаги в наружной стеновой панели за период с отрицательными температурами наружного воздуха Rп2, м2×ч×Па/мг, формула (35) СНиП II-3-79* [4] равно 3,745 м2×ч×Па/мг.

Поскольку условие Rп>Rптр и Rп2тр рассматриваемая конструкция удовлетворяет требованиям теплотехнических норм.

9.4.4 Расчет влажностного режима стены по годовому балансу влаги

Проверяем полученные выше результаты по методу расчета влагонакопления в годовом цикле.

Расчет для большей наглядности проводится как в технической системе, так и в системе СИ, что не влияет на конечный результат. Расчет выполнен по приведенной выше методике (раздел 9.3.3).

Исходные данные для расчета представлены в табл. 9.4 и на рис. 9.1.

1 - раствор;

2 - кирпичная кладка;

3 - минеральная вага;

4 - панель экрана;

5 - воздушная прослойка;

6 - зона возможной конденсации.

Рис. 9.1. Схема наружной стены дня расчета влажностного режима.

Таблица 9.4.

Исходные данные для расчета влажностного режима стены в годовом цикле

Наименование материала

Номер слоя*)

Коэффициенты

Плотность, кг/м3

Толщина слоя, м

Термическое сопротивление слоев м×°С/Вт

Сопротивление паропроницанию слоев м×ч×Па/мг

Теплопроводности
Вт/м°С

паропроницаемости в системе

СИ мг/м×ч×Па

технической г/м×ч×мм рт.ст.

1

2

3

4

5

6

7

8

9

 

0

 

 

 

 

 

 

 

Внутренний воздух

1

-

-

-

-

-

0,115

 

Цементно-песчаный раствор

2

0,93

0,09

0,012

1800

0,015

0,016

0,1667

Кирпичная, кладка

3

0,64

0,14

0,0186

1600

0,51

0,797

3,64

Минвата

4

0,045

0,31

0,041

170

0,15

3,33

0,48

Воздушная прослойка

5

-

-

 

 

0,05¸0,06

0,17

 

Панель-экран

6

1,86

0,03

0,006 (0,06)**)

2400

0,02¸0,03

 

 

Наружный воздух

7

-

-

-

-

-

0,043

 

*) При расположении пароизоляции между кирпичной кладкой и утеплителем нумерация слоев сдвигается в большую сторону.

**) С учетом зазоров.

Параметры внутреннего воздуха в отопительный период tв = 20 °С, (j = 55 %, в летний и переходный период (tв>8°С) (неотопительный) параметры внутреннего воздуха приняты равными параметрам наружного воздуха.

Параметры наружного воздуха приняты по СНиП 2.01.01-82 и СНиП II-A.6-72 (относительная влажность воздуха). Влагосодержание воздуха принято по приложению 3 книги К.Ф. Фокина "Строительная теплотехника ограждающих частей здания", 1973г.

Рассчитывается стена с воздушной прослойкой с экраном-панелью.

В табл. 9.5 представлены показатели влажностного режима стены по сечениям (см. рис. 9.1), а также показатели влагонакопления в граммах, характеризующие влагозащитные свойства конструкций.

Как видно в табл. 9.5, при отсутствии экрана накопления на внутренней поверхности экрана не будет.

В действительности с наружной стороны прослойки имеется экран задерживающий испарение влаги прошедшей сквозь конструкцию.

В тоже время надо учитывать, что в действительности наружный экран имеет не сплошную конструкцию, а швы и стыковые соединения либо по горизонтали, либо по периметру. По методике раздела 9.3.3 определен влажностный режим стен с отделкой типа "Марморок" в годовом цикле с учетом приведенного коэффициента паропроницаемости плит, на основе исходных данных по таблице 9.4.

В таблице 9.5 представлены значения показателей влажностного режима стены типа "Марморок". При этом показатели приведенного коэффициента паропроницаемости этих вариантов назначались в зависимости как от коэффициента паропроницаемости по телу панели так и зазору между панелями. Основная трудность заключается в назначении коэффициента паропроницаемости зазоров.

Для системы "Марморок" коэффициент паропроницаемости равен m = 0,06 г/м×ч×мм рт.ст. (0,45 мг/м×ч×Па).*)

Как видно в табл. 9.5 для системы "Марморок", имеющей указанный выше приведенный коэффициент паропроницаемости конденсата на внутренней поверхности экрана не образуется. Следовательно можно сделать вывод, что параметры панелей "Марморок" размером 100х600 являются оптимальными.

*В скобках - в системе СИ.

9.4.5 Определение скорости движения воздуха в прослойке

Определяется скорость движения воздуха в прослойке при температуре наружного воздуха минус 28°С. Расчет делается по формулам (9.10¸9.11) при расстоянии от приточных отверстий (входа) до выхода воздуха h = 3 и 1 м.

Температура входящего в прослойку воздуха по формуле (9.14):

tx = -28×0,95 = -26,6°С.

Скорость движения воздуха в прослойке по формуле (9.10) при h 3 м:

м/сек.

где: 3 - расстояние от входных до выходных отверстий, м.

Таблица 9.5.

Распределение влажности в кирпичной стене толщиной d = 0,51 м, утепленной минватой толщиной d = 0,15 м без учета экрана
(Вариант 1)

 

 

МЕСЯЦЫ

I

II

III

IV

V

VI

VII

VIII

IX

X

XI

XII

Rо = 4,3078, Rвн.сл = 4,26

tн

-102

-9,6

-4,7

4

11,6

15,8

18,1

16,2

10,6

4,2

-2,2

-7,6

tв

20

20

20

20

11,6

15,8

18,1

16,2

10,6

20

20

20

Dt

30,2

29,6

24,7

16

0

0

0

0

0

15,8

22,2

27,6

Rвн.сл =

-9,9

-9,3

-4,4

4,2

11,6

15,8

18,1

16,2

10,6

4,4

-2,0

-7,3

 

 

 

 

 

 

 

 

 

 

 

 

 

 

 

 

 

 

 

 

 

 

 

 

 

 

 

 

Еt

 

1,96

2,07

3,17

6,19

10,24

13,46

15,58

13,81

9,59

6,27

3,88

2,47

 

 

 

 

 

 

 

 

 

 

 

 

 

 

 

 

 

 

 

 

 

 

 

 

 

 

 

 

 

eн

1,604

1,62

2,41

4,026

5,939

7,941

9,615

9,391

7,001

4,828

3,132

2,0485

eв55

9,647

9,647

9,647

9,647

5,939

7,941

9,615

9,391

7,001

9,647

9,647

9,647

Dе

8,043

8,027

7,237

5,671

-

-

-

-

-

4,819

6,545

7,598

еt

1,63

1,64

2,43

4,06

 

 

 

 

 

4,84

3,15

2,07

 

 

 

 

 

 

 

 

 

 

 

 

 

 

 

 

 

 

 

 

 

 

 

 

 

 

 

 

Часы

 

744

672

744

720

744

720

744

744

720

744

720

744

Qвн.сл.

 

 

 

 

 

 

 

 

 

 

 

 

 

Qнар.сл.

 

1381

1244,8

1242,6

 

 

 

 

 

 

 

1082,5

1304,6

DQ

 

 

 

 

 

 

 

 

 

 

 

 

 

SDQ

 

 

 

 

 

 

 

 

 

Конденсата нет

 

 

 

 

 

 

 

 

 

 

 

 

 

 

 

 

 

 

 

 

 

 

 

 

 

 

 

 

Таблица 9.6.

Распределение влажности в кирпичной стене, утепленной минватой с защитным экраном и защитным экраном и воздушной прослойкой (система "Мармарок")

 

 

МЕСЯЦЫ

I

II

III

IV

V

VI

VII

VIII

IX

X

XI

ХII

Ro = 4,4805, Rвн.сл = 4,4313

tн

-10,2

-9,6

-4,7

4

11,6

15,8

18,1

16,2

10,6

4,2

-2,2

-7,6

tв

20

20

20

20

11,6

15,8

18,1

16,2

10,6

20

20

20

Dt

30,2

29,6

24,7

16

0

0

0

0

0

15,8

22,2

27,6

Rвн.сл =

-9,9

-9,3

-4,4

4,2

 

 

 

 

 

4,4

-2,0

-7,3

 

 

 

 

 

 

 

 

 

 

 

 

 

 

 

 

 

 

 

 

 

 

 

 

 

 

 

 

Е,

 

1,96

2,07

3,17

6,19

10,24

13,46

15,58

13,81

9,59

6,27

3,88

2,47

 

 

 

 

 

 

 

 

 

 

 

 

 

 

 

 

 

 

 

 

 

 

 

 

 

 

 

 

 

eн

1,604

1,62

2,41

4,026

5,939

7,941

9,615

9,391

7,001

4,828

3,132

2,0485

eв55

9,647

9,647

9,647

9,647

 

 

 

 

 

9,647

9,647

9,647

Dе

8,043

8,027

7,547

5,621

 

 

 

 

 

4,819

6,515

7,599

еt

1,89

1,91

2,67

4,23

 

 

 

 

 

5,00

3,36

2,32

 

 

 

 

 

 

 

 

 

 

 

 

 

 

 

 

 

 

 

 

 

 

 

 

 

 

 

 

Часы

 

744

672

744

720

744

720

744

744

720

744

720

744

Qвн.сл.

 

 

 

 

 

 

 

 

 

 

 

 

 

Qнар.сл.

 

Конденсата на экране нет.

DQ

 

 

 

 

 

 

 

 

 

 

 

 

 

SDQ

 

 

 

 

 

 

 

 

 

 

 

 

 

 

 

 

 

 

 

 

 

 

 

 

 

 

 

 

 

 

 

 

 

 

 

 

 

 

 

 

 

Скорость движения воздуха в прослойке по формуле (9.11) и по формулам (9.8 и 9.9) равно 0,25 м/cек.

Расход воздуха при V = 0,25 м/сек. по формуле (9.12):

W = 0,25× 3600×1,405×0,06 = 76 кг/м×ч Эквивалентный диаметр прослойки равен

.

Потери давления на трение Drппр

при dэ = 0,11 м и при

Drптр = 0,015 Па

Искомая разность давлений за вычетом потерь:

DР = 0,237-0,015 = 0,222 Па или 0,0222 мм вод. ст.

Уточненная скорость воздуха в прослойке V = м/сек.

Трение уменьшает скорость движения воздуха на 4 %.

Скорость движения воздуха при расстоянии между входными и выходными отверстиями h = 1 м.

 = 0,145 м/сек и с учетом потерь на трение: V = 0,14 м/сек.

Расход воздуха через прослойку для обоих вариантов при расстоянии от входных до выходных отверстий h1 = 3 м и h2 = 1 м, при толщине прослойки 6 см - W1 = 72,8 кг/м×ч W2 = 42,3 кг/м×ч.

при толщине прослойки 2 см - W1 = 24,3 кг/м-ч             W2 = 14 кг/м×ч.

Скорость движения воздуха в прослойке при температуре наружного воздуха минус 10,2°С, определяется аналогично.

При температуре входящего в прослойку воздуха - 9,69°С.

при h = 3 м: V = 0,144 м/сек;

при h = 1м V = 0,085 м/сек.

Указанные расходы воздуха получены для наружных стен с вентилируемой прослойкой без учета подсоса через стыковые швы.

При конструкции типа "Марморок" общая приведенная ширина зазоров 0,018 м, а с учетом местных сопротивлений 0,01 м. При этом условная толщина прослойки составляет 0,07 м (при заданной толщине 0,06 м). При заданной толщине прослойки 0,02 м условная толщина прослойки составляет 0,03 м.

При указанной условной толщине прослоек 0,07 и 0,03 ширине их 1 м и при расстоянии от входных до выходных отверстий h1 = 3 и h2 = 1 м расход воздуха составит через прослойку при tп = -28 °С, при dпр = 0,07 м W1 = 85 кг/м×ч W2 = 49,6 кг/м×ч.

при dпp = 0,03 м                                     W1 = 36,5 кг/м×ч        W2 = 21,3 кг/м×ч.

при tн = -10,2°С, при dпp = 0,07 м        W1 = 48 кг/ м×ч          W2 = 28,3 кг/м×ч.

при dпp = 0,03 м                                     W1 = 20,5 кг/м×ч        W2 = 12,1 кг/м×ч.

Как следует из анализа полученных результатов, при уменьшении расстояния от входных до выходных отверстий в три раза расход воздуха уменьшается в 1,7 раза.

9.4.6 Определение теплового и влажностного режима воздушной прослойки

Определяем температуру входящего в прослойку воздуха при tн = -28°С по формуле (9.14): to = 0,95×tн = 0,95×(-28) = -26,6°С, а температуру выходящего из прослойки воздуха по формуле (9.15):

где h = 3 м - расстояние между входными и выходными щелями-отверстиями; при условной толщине прослойки 0,07 м: W = 85 кг/ч - расход воздуха через прослойку.

tу при h = 1 м и dпр = 0,03 м, W = 36,5 кг/м×ч равна -26,85°С.

Таким образом, можно принять температуру выходящего из прослойки -26,8°С.

Термическое сопротивление воздушной прослойки по формуле (9.16) равно:

м2×°С×ч/ккал (0,092 м2×°С/Вт)¸0,11 (0,1)

в зависимости от расстояния от входных до выходных отверстий.

В расчетах tу определены коэффициенты теплопередачи внутреннего и наружного слоев Кв и Кн, равные 0,233 и 9,7.

Определяем упругость водяного пара еу выходящего из прослойки по формуле (9.18). Для этого определяем величины входящих в формулу показателей.

Расчет делается при температуре наружного воздуха -28°С и -10,2°С, т.е. наружной температуре наиболее холодной пятидневки и средней января.

Расчет температуры входящего в прослойку воздуха по формуле (9.14) при tн = -28°С (Е = 0,34 - максимальная упругость водяного пара) to = 0,95×(-28) = -26,6°С (Е = 0,4), а при -10,2°С (Е = 1,91) to = 0,95×(-10,2) = -9,69°С (Е = 2).

Относительная влажность наружного воздуха принимается равной 85%.

Расстояние от входных до выходных отверстий 6, 3 и 1 м. У всех систем суммарное сопротивление паропроницанию внутренних слоев до прослойки одинаково. Расчет делается для большой наглядности в технической системе.

Условная толщина прослойки 0,03 м (0,02 м - без учета подсоса через зазоры); h = 1 м.

Величины входящие в формулу (9.18):

Условное сопротивление паропроницанию наружного слоя (с учетом зазоров)

Упругость водяного пара входящего в прослойку воздуха ео = 0,40×0,85 = 0,34, где 0,4 - максимальная упругость водяного пара наружного воздуха, входящего в прослойку (0,39 - выходящего из нее)

при h = 3 м еу = 0,356; при h = 6 м еу = 0,38;

что меньше допускаемых 0,39, т.е. максимальной упругости водяного пара; но учитывая что еу близка к Е, толщина прослойки 0,02-0,03 м является минимально допустимой.

Расчет при t = -10,2°С, аналогичен приведенному выше.

Упругость водяного пара входящего в прослойку воздуха составляет

ео = 2×0,85 = 1,7;

при h = 3 м, еу = 1,73; при h = 6 м еу = 1,734;

Эта величина меньше допустимой максимальной упругости водяного пара Е = -2,0.

Для сравнения при условной толщине прослойки dпр.усл = 0,07 м, при расходе воздуха W = 28,3 кг/ч; при h = 1 м еу = 1,71.

Из приведенных результатов видно, что для улучшения влажностного режима следует либо увеличить толщину прослойки (dпр), либо уменьшать расстояние от входных до выходных щелей (h).

Заключение

1. Разработана методика теплотехнического расчета наружных стен системы "Марморок".

1.1. Расчет толщины теплоизоляции наружных стен выполняется согласно разделу 9.3.2.

1.2. Параметры наружных облицовочных плит, их размеры и размеры швов между ними наряду с конструктивными расчетами назначаются в соответствии с результатами расчетов влажностного режима стен, прослойки и воздухообмена прослойки.

1.2.1. При расчете влажностного режима параметры стены проверяются по нормам строительной теплотехники и по годовому балансу влаги в соответствии с разделом 9.3.3.

1.2.2. Параметры прослойки определяются в соответствии с разделом 9.3.4.

1.2.3. Параметры прослойки и площади швов между плитами облицовки уточняются в соответствии с разделом 9.3.5.

2. Выполнен пример теплотехнического расчета наружных стен системы "Марморок" применительно к условиям г. Москвы. При этом толщина теплоизоляции из минераловатных плит с l = 0,045 Вт/м×°С составит 150 мм.

Определены теплозащитные свойства стены; при этом приведенное сопротивление теплопередаче утепленных наружных кирпичных стен с вентилируемой прослойкой составит 3,2 - 3,25 м2×°С/Вт.

3. Определен влажностный режим наружной стены с вентилируемой прослойкой и степень влагонакопления в годовом цикле по слоям конструкции.

В системе "Марморок" конденсата на внутренней поверхности экрана не образуется.

4. Выполнен расчет воздухообмена воздушной между экраном и утеплителем для двух температур наружного воздуха -28 и -10,2°С, при толщинах прослойки 0,02-0,07 м.

При этом определены скорости движения воздуха в прослойке, которые составляют 0,14-0,24 м/сек при (tн = -28°С и расстоянии от входных до выходных вентиляционных отверстий 1 и 3 м; при tн = -10,2°С Vпр = 0,085 и 0,144 м/сек соответственно.

Расход воздуха через прослойку составляет 21,3¸85 кг/м×ч при tн = -28°С и 12,1¸48 кг/м×ч при tн = -10,2°С.

5. С учетом полученных величин расхода воздуха в прослойке определены температуры и упругости водяного пара на выходе из прослойки при различных толщинах прослойки и расстояниях от входных до выходных вентиляционных отверстий от 1 до 6 м.

6. Для обеспечения благоприятного влажностного режима наружных стен системы "Марморок" следует обеспечивать площадь приточных щелей отверстий не менее 0,010 м2 на 3 м2 конструкции. Площадь выходных щелей-отверстий не должна быть меньше входных. Расстояние от входных приточных отверстий до выходных рекомендуется не более 3 м.

Общая площадь зазоров швов в системе "Марморок" рекомендуется не менее 0,018 м2 на 1 м2 площади стены.

Толщина воздушной прослоки в системе "Мармарок" не должна быть меньше 0,02 м.

Размеры плит рекомендуются 0,1х0,6 м2.

Приложение

Определение приведенного коэффициента паропроницанию.
Система "Марморок"

Условное сопротивление паропроницанию зазоров в стыковых соединениях плит, толщина плит 0,03 м; площадь швов на м плит 0,018 м2:

где:

6,5 - условный коэффициент паропроницания стыковых швов;

1,94 - сумма дополнительных сопротивлений.

Сопротивление паропроницанию плит по глади:

Приведенное сопротивление паропроницанию м2 плит:

Приведённый коэффициент паропроницаемости:

, (в системе СИ m = 0,45)

10. Состав проектно-сметной документации

10.1. Рабочий проект или рабочая документация системы наружных ограждений с вентилируемым воздушным зазором "Марморок" включает следующие разделы: общую пояснительную записку, архитектурную часть, конструкторскую часть, конструкторскую часть по решению архитектурных деталей, специальные части (водосток, антенны, рекламу и т.п.) и сметы.

10.2. В общей пояснительной записке приводятся следующие данные:

- архитектурная концепция решения фасадов здания и отдельных архитектурных элементов;

- данные о конструктивном решении системы и ее элементов;

- данные о решении специальных устройств на фасаде, если они имеются;

- данные об эффективности энергосбережения принятых технических решений, результаты теплотехнических расчетов;

- экологическая характеристика системы;

- основные технико-экономические показатели системы.

10.3. Архитектурная часть включает чертежи фасадов здания, отдельных архитектурных элементов и узлов. На чертежах приводится цветов решение фасада и его отдельных элементов. В случае необходимости, в состав архитектурной части включают чертежи раскроя заготовок (стальных оцинкованных листов с полимерным покрытием) и шаблонов.

10.4. Конструкторская часть включает чертежи всех конструктивных элементов системы, с узлами и деталями, а также полную спецификацию всех применяемых материалов и изделий. Конструкторская документация на архитектурные детали, откосы, сливы и другие элементы фасада, которые выполняются из листовой стали, кроме перечисленной выше документации, должна содержать чертежи раскроя листов для каждой детали с указанием линий сгиба и способов соединения их отдельных частей. В спецификации материалов для листовой стали с полимерным покрытием указать его цвет и фактуру.

10.5. Специальная часть включает чертежи фасадов с привязкой мест размещения специальных устройств, узлы и детали конструкций крепления этих устройств на фасаде, а также спецификацию оборудования, материалов и изделий, предусмотренных проектом.

10.6. Сметы на устройство системы составляются на основе действующих нормативов, единичных расценок, фактической стоимости оборудования и материалов, а также утвержденных заказчиком калькуляций на отдельные виды работ и элементы конструкций.

11. Технико-экономические показатели системы

Стоимость работ по монтажу системы наружных ограждений с вентилируемым воздушным зазором для конкретных зданий зависит от многих различных факторов, в том числе от размеров здания и архитектурного решения фасадов, от величины накладных расходов и коммерческой политики предприятия и др.

В связи с этим стоимость работ может колебаться в значительных пределах. Поэтому в качестве технико-экономических показателей системы целесообразно привести расход и стоимость материалов, а также затраты труда, приходящиеся на 1 м2 рядовых участков фасада. Указанные данные приводятся в таблице 11.1 и ниже в тексте настоящего раздела.

Стоимость работ по монтажу системы, приходящаяся на 1 м2 фасада здания, составляет 15¸18 $ US или 429¸515 руб.

Приведенные в настоящем разделе данные получены от ООО "Компания РВМ-2000".

Курс доллара США на февраль 2001 г.

Расход и стоимость материалов для утепления и отделки 1 м2 фасада здания плитками "Марморок"

Таблица 11.1.

NN пп

Наименование материала, изделия

Ед. изм.

Кол-во на 1 м2 фасада

Цена единицы руб.
$ US

Стоимость на 1 м2 фасада
руб.
$ US

1

2

3

4

5

6

1.

Облицовочная плитка "Марморок"

м2

1,05

537,68
18,8

564,56
19,74

2.

Вертикальный профиль

м.п.

3,8

51,48
1,8

195,62
6,84

3.

Горизонтальный профиль

м.п.

2,3

91,52
3,2

210,5
7,36

4.

Консоли

шт

3

24,6
0,86

73,8
2,58

5.

Дюбели

шт

3

26
0,9

28
2,7

6.

Саморезы

шт

8

1,15
0,04

9
0,32

7.

Плиты утеплителя "Вента Баттс"

м3

0,16

2180
76,25

349
12,2

8.

Ветровлагозащитная пленка

м2

1,1

46
1,6

50
1,76

 

Итого:

 

 

 

1530,68
53,5

12. Основные положения по производству работ и системе контроля качества

12.1. Для выполнения работ по монтажу системы здание разбивается на захватки и определяется порядок и последовательность перемещения монтажников с одной захватки на другую.

12.2. Величина захваток и их количество в каждом случае определяются с учетом многих факторов, в том числе размеров фасадов здания, величины бригады монтажников, оснащения строительной организации оборудованием и оснасткой, условиями комплектации строительства материалами, изделиями и др.

Захваткой может быть вся высота фасада, а можно фасад по высоте разделить на несколько захваток, учитывая наличие промежуточных карнизов, поясков и другие факторы. Также в горизонтальном направлении захваткой может быть весь фасад, только одна секция или может быть принят какой-либо другой способ деления фасада на захватки. Разбивка фасадов здания на захватки и выбор средств для работы монтажников на высоте (подмостки, люльки, подъемные платформы и т.п.) выполняется в проекте организации строительства или в технологических картах.

12.3. При монтаже системы на реконструируемых зданиях работы начинаются с очистки фасада от несвязанных с основанием элементов, таких как отслоившиеся штукатурка, краска и т.п. Кроме того, фасад надо освободить (демонтировать) от специальных устройств: водостоков, различных кронштейнов, антенн, вывесок и др.

12.4. Монтаж системы начинается с разметки фасада, по которой будут устанавливаться и крепиться к основанию консоли и горизонтальные профили. Разметка выполняется с помощью геодезических приборов, уровня и отвеса. Установка и крепление консолей, горизонтальных и вертикальных профилей и утеплителя в пределах захватки может производиться снизу вверх и наоборот в зависимости от решений, принятых в ПОС.

12.5. После разметки фасада в нем сверлятся отверстия под дюбели для крепления консолей к основанию посредством анкерных винтов. Для снижения теплопередачи в месте примыкания консоли к основанию между ними на анкерный винт одевается паронитовая прокладка, в случаях когда она предусмотрена проектом.

В случаях, когда основанием является кирпичная кладка, нельзя устанавливать дюбели в швы кладки, при этом, расстояние от центра дюбеля до ложкового шва должно быть не менее 35 мм, а от тычкового - 60 мм. Минимальное расстояние от края конструкции до дюбеля оговаривается специальными рекомендациями фирмы-изготовителя.

Категорически запрещается сверлить отверстия для дюбелей в пустотелых кирпичах или блоках с помощью перфоратора.

12.6. На консоли устанавливаются горизонтальные профили, которые являются базой для устройства отделочного слоя фасада в пределах проектных допусков. Поэтому установка каждого профиля, его положение в горизонтальной и вертикальной плоскостях проверяется соответствующими приборами: уровнем, отвесом и др. Крепление горизонтального профиля к консоли производится оцинкованными саморезами.

12.7. К началу монтажа плит утеплителя захватка, на которой производятся работы, должна быть укрыта от попадания влаги на стену и плиты утеплителя. Исключением могут быть случаи, когда монтаж ведется в сухую погоду и рабочие не покидают рабочие места до тех пор, пока плиты не закроют, предусмотренной проектом, влаговетрозащитной пленкой.

12.8. В смонтированные ряды горизонтальных профилей устанавливаются плиты утеплителя. Если они устанавливаются в два слоя, следует обеспечить перевязку швов. Плиты утеплителя должны устанавливаться плотно друг к другу так, чтобы в швах не оставалось пустот. Если избежать появления пустот не удастся, они должны быть тщательно заделаны тем же материалом.

12.9. После монтажа плит утеплителя они вместе с горизонтальными профилями покрываются ветровлагозащитной пленкой. Верхний и нижний концы полотнищ пленки заводятся на внутреннюю поверхность верхней и нижней плит утеплителя. А следующие полотна укладываются на 100 мм внахлест с предыдущими.

12.10. Следующий операцией является монтаж вертикальных профилей, при этом следует обеспечить точность их установки по горизонтали (шаг - 300 мм) с обеспечением их строго вертикального положения и по вертикали, обеспечивая положение верха крючков для навески одного ряда отделочной плитки в одном уровне на всех вертикальных профилях. Для обеспечения шага установки вертикальных профилей целесообразно использовать специальный шаблон на 4¸5 шагов (~ 1,4¸1,7 м), а вертикальность и совпадение уровней проверяется соответственно отвесом и уровнем. Кроме того, базой для измерений может быть горизонтальный профиль.

При необходимости применить горизонтальные или вертикальные профили короче поставляемых, их обрезку на заданный размер следует производить только ножницами, исключая применение различных обрезных дисков. В этом случае будет сохранен и "залечен" на срезе слой цинкового защитного покрытия.

12.11. Если находящаяся в монтаже захватка включает нижнюю часть стены, например, у цоколя одновременно с монтажом вертикальных профилей устанавливается перфорированный профиль от грызунов, который перекрывает воздушный зазор между отделочной плиткой и утеплителем снизу.

12.12. Монтаж, отделочных плиток "Мармарок" должен начинаться с нижнего ряда и последовательно ряд за рядом подниматься вверх. Сразу после установки на крючки каждой отделочной плитки ее следует зафиксировать, отгибая вырезанные на фланцах вертикального профиля специальные полоски. Для мест, где требуется отделочная плитка укороченного размера (у проемов и углов) плитку предварительно обрезают алмазным инструментом. При установке облицовочных плиток следует следить, чтобы стык между смежными плитками приходился; на центр желоба вертикального каркаса. При монтаже отделочных плиток следует следить за тем, чтобы воздушный зазор позади плиток был чист и без каких-либо посторонних включений.

12.13. В местах, где система подходит к балконам, карнизам, проемам и другим элементам фасада, выходящим из его плоскости, устанавливаются предусмотренные проектом профили из окрашенной оцинкованной листовой стали, которые могут крепиться саморезами к каркасу системы или специальному каркасу, а также дюбелями к бетонным или кирпичным конструкциям фасада.

12.14. В процессе монтажа элементов системы должен выполняться пооперационный контроль качества работ и составляться акты на скрытые работы. Это должно выполняться в соответствии с действующей в подрядной организации, "Системой управления контролем качества продукции", где указано, какие параметры и технологические процессы контролируются и лица, ответственные за выполнение этой работы. В составе комиссии, подписывающей акты на скрытые работы, должны быть лица (представители проектной организации), выполняющие авторский надзор.

12.15. Работы по монтажу системы могут выполнять организации, специалисты которых прошли обучение и имеют лицензию на право выполнения указанных работ от OOO "Компания РВМ-2000".

13. Правила эксплуатации системы

13.1. В процессе строительства и эксплуатации здания не допускается крепить непосредственно к облицовочной плитке "Мармарок" любые детали и устройства.

13.2. Не следует допускать возможность попадания воды с крыши здания на облицовочную плитку, для чего надо содержать желоба на крыше и водостоки в рабочем состоянии.

13.3. При загрязнении отдельных участков фасада сухую отделочную плитку следует чистить жесткой щеткой, при необходимости эту операцию можно выполнять со смачиванием поверхности теплой водой. Кроме того, загрязненную поверхность можно мыть 10%-ым раствором ацетона в воде или с применением составов для очистки штукатурки.

13.4. Плитки, имеющие неустранимые дефекты, следует заменить на новые. Демонтаж старых и монтаж новых плиток "Мармарок" производится согласно инструкции OOO "Компания РВМ-2000".

14. Перечень нормативных документов и литературы

1. СНиП 2.08.01-89*                    Жилые здания.

2. СНиП 2.01.07-85                     Нагрузки и воздействия.

3. СНиП II-23-81*                        Стальные конструкции.

4. СНиП II-3-79*(изд. 1998 г.)    Строительная теплотехника.

5. СНиП 23-01-99                        Строительная климатология.

6. СНиП 2.01.01-82                     Строительная климатология и геофизика.

7. СНиП 2.03.11-85                     Защита строительных конструкций от коррозии.

8. СНиП 21-01-97                        Пожарная безопасность зданий и сооружений.

9. МГСН 2.01.99                          Нормативы по теплозащите и тепловодоэлектроснабжению.

10. ГОСТ 17177-94                      Материалы и изделия строительные теплоизоляционные. Методы испытаний.

11. ГОСТ 10180-90                      Бетоны. Методы определения прочности по контрольным образцам.

12. ГОСТ 10060.2-95                   Бетоны. Ускоренные методы определения морозостойкости при многократном переменном замораживании, оттаивании.

13. ГОСТ 14918-80*                    Сталь тонколистовая оцинкованная с непрерывных линий. Технические условия.

14. Сертификат соответствия ГОСТ Р LU.9001.1.4.0012 от 29.07.97 на ветрогидрозащитные мембраны.

15. Техническое свидетельство Госстроя России № ТС-07-0209-99 от 24.12.99. Плиты теплоизоляционные из минеральной ваты на синтетическом связующем Бетон Элемент Баттс, Венти Баттс, Лайт Баттс, Сэндвич Баттс и Сэндвич Баттс К.

16. Справочник проектировщика. Расчетно-теоретический. Стройиздат. 1972 г.




Яндекс цитирования



   Copyright © 2007-2026,  www.tehlit.ru.

[ ѓосты, стандарты, нормативы, инструкции, правила, строительные нормы ]