|
| |
АЛЬБОМ ТИПОВЫХ КОНСТРУКЦИЙ
КОЛЬЦА ЖЕСТКОСТИ СОСУДОВ
И АППАРАТОВ
Конструкция,
размеры и
технические требования
АТК 24.218.02-90
|
|
УТВЕРЖДЕНО
Указанием
Министерства
тяжелого
машиностроения СССР
от 19.06.90
№
ВА-002-1-6288
|
ЛИСТ
УТВЕРЖДЕНИЯ
КОЛЬЦА ЖЕСТКОСТИ СОСУДОВ
И АППАРАТОВ
Конструкция, размеры и
технические требования
АТК 24.218.02-90
Первый заместитель начальника
научно-технического отдела
Минтяжмаша
СССР В.
А. Мажукин
Начальник сектора
Минтяжмаша
СССР А.
А. Полтарецкий
Главный
инженер ЦКБН Ю.
А. Кащицкий
Зав. отделом
стандартизации А.
Ю. Пролесковский
Вед.
конструктор М.
И. Байбакова
АЛЬБОМ ТИПОВЫХ КОНСТРУКЦИЙ
|
КОЛЬЦА
ЖЕСТКОСТИ СОСУДОВ
И АППАРАТОВ
Конструкция, размеры и
технические требования
|
АТК 24.218.02-90
|
Дата
введения 01.01.91
Несоблюдение альбома преследуется
по закону
Настоящий альбом типовых
конструкций распространяется на кольца жесткости сосудов и аппаратов,
работающих под вакуумом и внутренним давлением, применяемых в
нефтеперерабатывающей, нефтехимической, газовой и нефтяной промышленности.
1. КОНСТРУКЦИЯ И РАЗМЕРЫ
1.1. Кольца жесткости по
конструкции и размерам предусматриваются девяти типов:
Тип 1 - наружные кольца
жесткости из уголка (черт. 1, табл. 1, 2);
Тип 2 - наружные кольца
жесткости таврового сечения (черт. 2, табл. 3);
Тип 3 - наружные кольца
жесткости из двутавра (черт. 3, табл. 4);
Тип 4 - внутренние кольца
жесткости из уголка (черт. 4, табл. 5);
технические требования
Тип 5 - внутренние кольца
жесткости таврового сечения (черт. 5, табл. 6);
Тип 6 - внутренние кольца
жесткости из уголка, укрепленные стяжками (черт. 6, табл. 7);
Тип 7 - внутренние кольца
жесткости таврового сечения, укрепленные стяжками (черт. 7, табл. 7);
Тип 8 - внутренние кольца
жесткости из уголка, укрепленные рамой (черт. 8, табл. 8);
Тип 9 - внутренние кольца жесткости
таврового сечения, укрепленные рамой (черт. 9, табл. 8).
Тип 1

Черт. 1.
Таблица 1
Размеры в мм
|
Dв
|
S
|
D
|
Уголок B×b×d
|
|
63×40×8
|
75×50×8
|
90×56×8
|
125×80×8
|
|
Масса, кг
|
|
1400
|
6
|
1416
|
28,4
|
35,4
|
42,3
|
-
|
|
8
|
1420
|
35,5
|
42,4
|
-
|
|
10
|
1424
|
28,5
|
35,6
|
42,6
|
-
|
|
12
|
1428
|
28,6
|
-
|
|
14
|
1432
|
28,7
|
35,7
|
42,7
|
-
|
|
16
|
1436
|
35,8
|
42,8
|
-
|
|
18
|
1440
|
28,8
|
35,9
|
42,9
|
-
|
|
20
|
1444
|
28,9
|
36,0
|
43,0
|
-
|
|
1600
|
6
|
1616
|
32,2
|
40,0
|
47,8
|
70,1
|
|
8
|
1620
|
40,1
|
47,9
|
70,2
|
|
10
|
1624
|
32,3
|
40,2
|
48,0
|
70,4
|
|
12
|
1628
|
32,4
|
40,3
|
48,1
|
70,5
|
|
14
|
1632
|
32,5
|
40,4
|
48,2
|
70,7
|
|
16
|
1636
|
32,6
|
40,5
|
48,3
|
70,9
|
|
18
|
1640
|
|
40,6
|
48,4
|
71,0
|
|
20
|
1644
|
32,7
|
40,7
|
48,6
|
71,2
|
|
1800
|
6
|
1816
|
36,0
|
44,7
|
53,4
|
78,0
|
|
8
|
1820
|
44,8
|
78,1
|
|
10
|
1824
|
36,1
|
44,9
|
53,5
|
78,2
|
|
12
|
1828
|
36,2
|
45,0
|
53,6
|
78,3
|
|
14
|
1832
|
45,1
|
53,7
|
78,5
|
|
16
|
1836
|
36,3
|
45,2
|
53,8
|
78,7
|
|
18
|
1840
|
36,4
|
45,3
|
54,0
|
78,9
|
|
20
|
1844
|
36,5
|
54,1
|
79,0
|
|
2000
|
6
|
2016
|
39,8
|
49,4
|
58,9
|
85,7
|
|
8
|
2020
|
49,5
|
85,9
|
|
10
|
2024
|
39,9
|
49,6
|
59,0
|
86,1
|
|
12
|
2028
|
40,0
|
59,1
|
86,2
|
|
14
|
2032
|
49,7
|
59,2
|
86,4
|
|
16
|
2036
|
40,1
|
49,8
|
59,3
|
86,6
|
|
18
|
2040
|
40,2
|
49,9
|
59,5
|
86,7
|
|
20
|
2044
|
40,3
|
50,0
|
86,8
|
|
22
|
2048
|
50,1
|
59,7
|
87,0
|
|
25
|
2054
|
40,4
|
50,2
|
59,8
|
87,2
|
|
2200
|
6
|
2216
|
43,6
|
54,1
|
64,3
|
93,9
|
|
8
|
2220
|
54,2
|
64,4
|
94,0
|
|
10
|
2224
|
43,7
|
54,3
|
64,5
|
|
12
|
2228
|
43,8
|
64,6
|
94,1
|
|
14
|
2232
|
54,4
|
64,7
|
94,3
|
|
16
|
2236
|
43,9
|
54,5
|
64,8
|
94,4
|
|
18
|
2240
|
44,0
|
54,6
|
65,0
|
94,6
|
|
20
|
2244
|
54,7
|
65,1
|
94,7
|
|
22
|
2248
|
44,1
|
54,8
|
65,2
|
94,9
|
|
25
|
2254
|
44,2
|
54,9
|
65,3
|
95,0
|
|
2400
|
6
|
2416
|
47,3
|
58,7
|
69,9
|
101,7
|
|
8
|
2420
|
47,4
|
58,8
|
70,0
|
101,8
|
|
10
|
2424
|
47,5
|
58,9
|
|
12
|
2428
|
59,0
|
70,1
|
101,9
|
|
14
|
2432
|
47,6
|
59,1
|
70,2
|
102,1
|
|
16
|
2436
|
47,7
|
59,2
|
70,4
|
102,3
|
|
18
|
2440
|
47,8
|
59,3
|
70,5
|
102,4
|
|
20
|
2444
|
47,8
|
59,4
|
70,6
|
102,6
|
|
22
|
2448
|
47,9
|
59,5
|
70,7
|
102,7
|
|
25
|
2454
|
48,0
|
69,6
|
70,8
|
102,9
|
|
2600
|
6
|
2616
|
51,1
|
63,3
|
75,4
|
109,5
|
|
8
|
2620
|
51,2
|
63,4
|
75,5
|
109,5
|
|
10
|
2624
|
51,3
|
63,5
|
75,6
|
109,6
|
|
12
|
2628
|
63,6
|
75,7
|
109,8
|
|
14
|
2632
|
51,4
|
63,7
|
75,8
|
110,0
|
|
16
|
2636
|
51,5
|
63,8
|
75,9
|
110,1
|
|
18
|
2640
|
63,9
|
76,0
|
110,3
|
|
20
|
2644
|
51,6
|
64,0
|
76,1
|
110,4
|
|
22
|
2648
|
61,7
|
64,1
|
76,2
|
110,6
|
|
25
|
2654
|
51,8
|
64,2
|
76,3
|
110,7
|
|
2800
|
6
|
2816
|
54,9
|
68,1
|
80,9
|
117,1
|
|
8
|
2820
|
55,0
|
68,2
|
81,0
|
117,3
|
|
10
|
2824
|
81,1
|
117,4
|
|
12
|
2828
|
55,1
|
68,3
|
81,2
|
117,6
|
|
14
|
2832
|
55,2
|
68,4
|
81,3
|
117,8
|
|
16
|
2836
|
68,5
|
81,4
|
118,0
|
|
18
|
2840
|
55,3
|
68,6
|
81,5
|
118,1
|
|
20
|
2844
|
55,4
|
68,7
|
81,6
|
118,3
|
|
22
|
2848
|
55,5
|
68,8
|
81,7
|
118,4
|
|
25
|
2854
|
68,9
|
81,8
|
118,6
|
|
3000
|
6
|
3016
|
58,7
|
72,7
|
86,4
|
125,0
|
|
8
|
3020
|
72,8
|
86,5
|
125,1
|
|
10
|
3024
|
58,8
|
72,9
|
86,6
|
125,3
|
|
12
|
3028
|
58,9
|
73,0
|
86,7
|
125,5
|
|
14
|
3032
|
59,0
|
73,1
|
86,8
|
125,7
|
|
16
|
3036
|
59,1
|
73,2
|
86,9
|
125,8
|
|
18
|
3040
|
73,3
|
87,0
|
126,0
|
|
20
|
3044
|
59,2
|
73,4
|
87,1
|
126,1
|
|
22
|
3048
|
59,3
|
73,4
|
87,2
|
126,3
|
|
25
|
3054
|
59,4
|
73,5
|
87,3
|
126,4
|
|
3200
|
6
|
3216
|
62,4
|
77,3
|
91,9
|
132,9
|
|
8
|
3220
|
62,5
|
77,4
|
92,0
|
133,0
|
|
10
|
3224
|
62,6
|
77,5
|
92,1
|
133,2
|
|
12
|
3228
|
62,7
|
77,6
|
92,2
|
133,3
|
|
14
|
3232
|
77,7
|
92,3
|
133,5
|
|
16
|
3236
|
62,8
|
77,8
|
92,4
|
133,7
|
|
18
|
3240
|
62,9
|
77,9
|
92,5
|
133,8
|
|
20
|
3244
|
63,0
|
78,0
|
92,6
|
134,0
|
|
22
|
3248
|
63,1
|
78,1
|
92,7
|
134,1
|
|
25
|
3254
|
78,2
|
92,8
|
134,3
|
|
28
|
3260
|
63,3
|
78,4
|
93,0
|
134,6
|
|
30
|
3264
|
63,4
|
78,5
|
93,2
|
134,8
|
|
32
|
3268
|
78,6
|
93,3
|
134,9
|
|
36
|
3276
|
63,6
|
78,8
|
93,5
|
135,2
|
|
3400
|
6
|
3416
|
66,3
|
82,1
|
97,3
|
140,9
|
|
8
|
3420
|
66,4
|
82,2
|
97,4
|
141,0
|
|
10
|
3424
|
97,5
|
141,1
|
|
12
|
3428
|
66,5
|
82,3
|
97,7
|
141,2
|
|
14
|
3432
|
82,4
|
97,8
|
141,4
|
|
16
|
3436
|
66,6
|
82,5
|
97,9
|
141,5
|
|
18
|
3440
|
66,7
|
82,6
|
98,0
|
141,7
|
|
20
|
3444
|
66,8
|
82,7
|
98,1
|
141,8
|
|
22
|
3448
|
82,8
|
98,2
|
142,0
|
|
25
|
3454
|
66,9
|
82,9
|
98,3
|
142,1
|
|
28
|
3460
|
67,1
|
83,1
|
98,6
|
142,5
|
|
30
|
3464
|
98,7
|
142,6
|
|
32
|
3468
|
67,2
|
83,2
|
98,8
|
142,8
|
|
36
|
3476
|
67,4
|
63,4
|
99,0
|
143,1
|
|
3600
|
6
|
3616
|
70,0
|
86,8
|
103,1
|
148,7
|
|
8
|
3620
|
70,1
|
86,9
|
103,2
|
148,8
|
|
10
|
3624
|
70,2
|
148,9
|
|
12
|
3628
|
87,0
|
149,1
|
|
14
|
3632
|
70,3
|
103,3
|
149,2
|
|
16
|
3636
|
70,4
|
87,2
|
103,4
|
149,4
|
|
18
|
3640
|
70,5
|
87,3
|
103,5
|
149,5
|
|
20
|
3644
|
103,6
|
149,7
|
|
22
|
3648
|
70,6
|
87,4
|
103,7
|
149,8
|
|
25
|
3654
|
70,7
|
87,5
|
103,8
|
150,0
|
|
28
|
3660
|
70,9
|
87,7
|
104,0
|
150,3
|
|
30
|
3664
|
87,8
|
104,2
|
150,5
|
|
32
|
3668
|
71,0
|
87,9
|
104,3
|
150,6
|
|
36
|
3676
|
71,2
|
88,1
|
104,5
|
150,9
|
|
3800
|
8
|
3820
|
73,9
|
91,5
|
108,5
|
156,9
|
|
10
|
3824
|
73,9
|
91,6
|
108,6
|
156,9
|
|
12
|
3828
|
74,0
|
91,7
|
108,7
|
157,0
|
|
14
|
3832
|
74,1
|
91,7
|
108,8
|
157,0
|
|
16
|
3836
|
74,2
|
91,8
|
108,9
|
157,2
|
|
18
|
3840
|
74,3
|
91,9
|
109,0
|
157,4
|
|
20
|
3844
|
92,0
|
109,1
|
157,5
|
|
22
|
3848
|
74,4
|
92,1
|
109,2
|
157,7
|
|
25
|
3854
|
74,5
|
92,2
|
109,3
|
157,8
|
|
28
|
3860
|
74,6
|
92,4
|
109,6
|
158,2
|
|
30
|
3864
|
74,7
|
92,5
|
109,7
|
158,3
|
|
32
|
3868
|
74,8
|
92,6
|
109,8
|
158,5
|
|
36
|
3876
|
74,9
|
92,8
|
110,0
|
158,8
|
|
4000
|
8
|
4020
|
77,7
|
96,2
|
113,9
|
164,5
|
|
10
|
4024
|
77,8
|
96,3
|
114,0
|
164,7
|
|
12
|
4028
|
114,2
|
164,8
|
|
14
|
4032
|
77,9
|
96,4
|
114,3
|
164,9
|
|
16
|
4036
|
78,0
|
96,5
|
114,4
|
165,0
|
|
18
|
4040
|
96,6
|
114,5
|
165,2
|
|
20
|
4044
|
78,1
|
96,7
|
114,6
|
165,4
|
|
22
|
4048
|
78,2
|
96,8
|
114,7
|
165,5
|
|
2S
|
4054
|
78,3
|
96,9
|
114,9
|
165,7
|
|
28
|
4060
|
78,4
|
97,0
|
115,1
|
166,0
|
|
30
|
4064
|
78,5
|
97,1
|
115,2
|
166,2
|
|
32
|
4068
|
78,6
|
97,2
|
115,3
|
166,3
|
|
36
|
4076
|
78,7
|
97,4
|
115,5
|
166,6
|
Пример условного обозначения кольца жесткости
типа 1 сечением 75×50×8 для аппарата диаметром Dв = 4000 мм, с
внутренним диаметром кольца D
= 4054 мм, из стали 09Г2С:
Кольцо 1 - 75×50×8 - 4000 - 4054 - 09Г2С АТК
24.218.02-90
Таблица 2
Размеры в мм
|
Dв
|
S
|
D
|
Уголок 125×80×10
|
|
масса, кг
|
|
4500
|
20
|
4544
|
229,3
|
|
22
|
4548
|
229,5
|
|
25
|
4554
|
229,8
|
|
28
|
4560
|
230,1
|
|
30
|
4564
|
230,3
|
|
32
|
4568
|
230,5
|
|
5000
|
20
|
5044
|
253,6
|
|
22
|
5048
|
253,8
|
|
25
|
5054
|
254,1
|
|
28
|
5060
|
254,4
|
|
30
|
5064
|
254,6
|
|
32
|
5068
|
254,8
|
|
5600
|
20
|
5644
|
282,8
|
|
22
|
5648
|
283,0
|
|
25
|
6664
|
283,3
|
|
28
|
5660
|
283,6
|
|
30
|
5664
|
283,8
|
|
32
|
5668
|
284,0
|
|
6300
|
20
|
6344
|
316,9
|
|
22
|
6348
|
317,1
|
|
25
|
6354
|
317,4
|
|
28
|
6360
|
317,7
|
|
30
|
6364
|
317,9
|
|
32
|
6368
|
318,1
|
|
7000
|
20
|
7044
|
351,0
|
|
22
|
7048
|
351,2
|
|
25
|
7054
|
351,5
|
|
28
|
7060
|
351,7
|
|
30
|
7064
|
351,9
|
|
32
|
7068
|
352,1
|
|
7500
|
20
|
7544
|
375,3
|
|
22
|
7548
|
375,5
|
|
25
|
7554
|
375,7
|
|
28
|
7560
|
376,1
|
|
30
|
7564
|
376,3
|
|
32
|
7568
|
376,5
|
|
8000
|
20
|
8044
|
399,6
|
|
22
|
8048
|
399,8
|
|
25
|
8054
|
400,1
|
|
28
|
8060
|
400,4
|
|
30
|
8064
|
400,6
|
|
32
|
8068
|
400,8
|
Пример условного обозначения кольца жесткости
типа 1 сечением 125×80×10 для аппарата диаметром Dв = 4500 мм,
с внутренним диаметром кольца D = 4544 мм из стали 16ГС категории 6:
Кольцо 1
- 125×80×10 - 4500 - 4544 - 16ГС-6
Тип 2

Черт. 2.
Таблица 3
Размеры
в мм
|
Dв
|
S
|
D
|
Тавровое сечение В×b×d
|
|
63×40×5
|
63×40×8
|
75×50×5
|
75×50×8
|
90×56×8
|
125×80×8
|
|
Масса с наплавленным
металлом, кг
|
|
1200
|
6
|
1216
|
17,0
|
26,6
|
20,8
|
32,7
|
38,8
|
-
|
|
8
|
1220
|
26,7
|
20,9
|
32,8
|
38,9
|
-
|
|
10
|
1224
|
17,1
|
26,8
|
32,9
|
39,0
|
-
|
|
12
|
1228
|
21,0
|
33,0
|
39,1
|
-
|
|
14
|
1232
|
17,2
|
26,9
|
33,1
|
39,2
|
-
|
|
16
|
1236
|
27,0
|
21,1
|
33,2
|
39,3
|
-
|
|
18
|
1240
|
17,4
|
27,1
|
21,2
|
33,3
|
39,5
|
-
|
|
20
|
1244
|
27,2
|
33,4
|
39,6
|
-
|
|
1400
|
6
|
1416
|
19,6
|
30,7
|
23,9
|
37,6
|
44,5
|
-
|
|
8
|
1420
|
19,7
|
24,0
|
37,7
|
44,6
|
-
|
|
10
|
1424
|
30,8
|
24,1
|
37,8
|
44,8
|
-
|
|
12
|
1428
|
19,8
|
31,0
|
37,9
|
44,9
|
-
|
|
14
|
1432
|
24,2
|
38,0
|
45,0
|
-
|
|
16
|
1436
|
19,9
|
31,1
|
24,3
|
38,1
|
45,1
|
-
|
|
18
|
1440
|
38,2
|
45,2
|
-
|
|
20
|
1444
|
20,0
|
31,2
|
24,4
|
38,3
|
45,3
|
-
|
|
1600
|
6
|
1616
|
22,2
|
34,7
|
27,1
|
42,6
|
50,3
|
72,6
|
|
8
|
1620
|
22,3
|
34,8
|
42,7
|
50,4
|
72,7
|
|
10
|
1624
|
34,9
|
27,2
|
42,8
|
50,5
|
72,9
|
|
12
|
1628
|
22,4
|
35,0
|
27,3
|
42,9
|
50,6
|
73,1
|
|
14
|
1632
|
43,0
|
50,7
|
73,2
|
|
16
|
1636
|
22,5
|
35,1
|
27,4
|
43,1
|
50,9
|
73,4
|
|
18
|
1640
|
35,2
|
43,2
|
51,0
|
73,5
|
|
20
|
1644
|
22,6
|
35,3
|
27,5
|
51,1
|
73,7
|
|
1800
|
6
|
1816
|
24,8
|
38,8
|
30,2
|
47,5
|
56,0
|
80,7
|
|
8
|
1820
|
38,9
|
30,3
|
47,6
|
56,2
|
80,8
|
|
10
|
1824
|
24,9
|
39,0
|
47,7
|
56,3
|
81,0
|
|
12
|
1828
|
25,0
|
30,4
|
47,8
|
56,4
|
81,2
|
|
14
|
1832
|
39,1
|
30,5
|
47,9
|
56,5
|
81,3
|
|
16
|
1836
|
25,1
|
39,2
|
48,0
|
56,6
|
81,5
|
|
18
|
1840
|
39,3
|
30,6
|
48,1
|
56,7
|
81,6
|
|
20
|
1844
|
25,2
|
39,3
|
30,6
|
48,2
|
56,8
|
81,8
|
|
2000
|
6
|
2016
|
27,4
|
42,8
|
33,3
|
52,4
|
61,8
|
88,8
|
|
8
|
2020
|
42,9
|
33,4
|
52,5
|
61,9
|
88,9
|
|
10
|
2024
|
27,5
|
43,0
|
33,5
|
52,6
|
62,0
|
89,1
|
|
12
|
2028
|
43,1
|
52,7
|
62,1
|
89,2
|
|
14
|
2032
|
27,6
|
43,2
|
33,6
|
52,8
|
62,3
|
89,4
|
|
16
|
2036
|
27,7
|
33,7
|
52,9
|
62,4
|
89,6
|
|
18
|
2040
|
43,3
|
53,0
|
62,5
|
89,7
|
|
20
|
2044
|
27,8
|
43,4
|
33,8
|
53,1
|
62,6
|
89,9
|
|
22
|
2048
|
43,5
|
53,2
|
62,7
|
90,0
|
|
25
|
2054
|
27,9
|
43,6
|
33,9
|
53,4
|
62,9
|
90,3
|
|
2200
|
6
|
2216
|
30,0
|
46,9
|
36,4
|
57,3
|
67,6
|
96,8
|
|
8
|
2220
|
47,0
|
36,5
|
57,4
|
67,7
|
97,0
|
|
10
|
2224
|
30,1
|
47,1
|
36,6
|
57,5
|
67,8
|
97,2
|
|
12
|
2228
|
36,7
|
57,6
|
67,9
|
97,3
|
|
14
|
2232
|
30,2
|
47,2
|
36,7
|
57,7
|
68,0
|
97,5
|
|
16
|
2236
|
47,3
|
36,8
|
57,8
|
68,1
|
97,6
|
|
18
|
2240
|
30,3
|
47,4
|
36,9
|
57,9
|
68,2
|
97,8
|
|
20
|
2244
|
47,5
|
58,0
|
68,4
|
98,0
|
|
22
|
2248
|
30,4
|
47,6
|
37,0
|
58,1
|
68,5
|
98,1
|
|
25
|
2254
|
30,5
|
47,7
|
37,1
|
58,3
|
68,6
|
98,4
|
|
2400
|
6
|
2416
|
32,6
|
51,0
|
39,6
|
62,3
|
73,3
|
104,9
|
|
8
|
2420
|
39,7
|
62,4
|
73,4
|
105,1
|
|
10
|
2424
|
32,7
|
51,1
|
62,5
|
73,5
|
105,2
|
|
12
|
2428
|
51,2
|
39,8
|
62,6
|
73,7
|
105,4
|
|
14
|
2432
|
32,8
|
51,3
|
39,9
|
62,7
|
73,8
|
105,6
|
|
16
|
2436
|
51,4
|
62,8
|
73,9
|
105,7
|
|
18
|
2440
|
32,9
|
51,5
|
40,0
|
62,9
|
74,0
|
105,9
|
|
20
|
2444
|
63,0
|
74,1
|
106,1
|
|
22
|
2448
|
33,0
|
51,6
|
40,1
|
63,1
|
74,2
|
106,2
|
|
25
|
2454
|
33,1
|
51,7
|
40,2
|
63,2
|
74,4
|
106,5
|
|
2600
|
6
|
2616
|
35,2
|
55,0
|
42,7
|
67,2
|
73,1
|
113,0
|
|
8
|
2620
|
55,1
|
42,8
|
67,3
|
75,2
|
113,2
|
|
10
|
2624
|
35,3
|
55,2
|
42,9
|
67,4
|
79,3
|
113,3
|
|
12
|
2628
|
55,3
|
67,5
|
79,4
|
113,5
|
|
14
|
2632
|
35,4
|
55,4
|
43,0
|
67,6
|
79,5
|
113,7
|
|
16
|
2636
|
43,1
|
67,7
|
79,6
|
113,8
|
|
18
|
2640
|
35,5
|
55,5
|
67,8
|
79,8
|
114,0
|
|
20
|
2644
|
55,6
|
43,2
|
67,9
|
79,9
|
114,1
|
|
22
|
2648
|
35,6
|
55,7
|
68,0
|
80,0
|
114,3
|
|
25
|
2654
|
35,7
|
55,8
|
43,3
|
68,1
|
80,2
|
114,5
|
|
2800
|
6
|
2816
|
37,8
|
59,1
|
45,9
|
72,1
|
84,8
|
121,1
|
|
8
|
2820
|
59,2
|
72,2
|
84,9
|
121,2
|
|
10
|
2824
|
37,9
|
59,3
|
46,0
|
72,3
|
85,1
|
121,4
|
|
12
|
2828
|
46,1
|
72,4
|
85,2
|
121,6
|
|
14
|
2832
|
38,0
|
59,4
|
72,5
|
85,3
|
121,7
|
|
16
|
2836
|
38,0
|
59,5
|
46,2
|
72,6
|
85,4
|
121,9
|
|
18
|
2840
|
38,1
|
59,6
|
46,3
|
72,7
|
85,5
|
122,1
|
|
20
|
2844
|
59,7
|
72,8
|
85,6
|
122,2
|
|
22
|
2848
|
38,2
|
46,4
|
72,9
|
85,7
|
122,4
|
|
25
|
2854
|
38,3
|
59,9
|
46,5
|
73,1
|
85,9
|
122,6
|
|
3000
|
6
|
3016
|
40,4
|
63,2
|
49,0
|
77,1
|
90,6
|
129,2
|
|
8
|
3020
|
49,1
|
77,2
|
90,7
|
129,3
|
|
10
|
3024
|
40,5
|
63,3
|
77,3
|
90,8
|
129,5
|
|
12
|
3028
|
63,4
|
49,2
|
77,4
|
90,9
|
129,7
|
|
14
|
3032
|
40,6
|
63,5
|
49,3
|
77,5
|
91,0
|
129,8
|
|
16
|
З036
|
63,6
|
77,6
|
91,2
|
130,0
|
|
18
|
3040
|
40,7
|
49,4
|
77,7
|
91,3
|
130,1
|
|
20
|
3044
|
63,7
|
49,5
|
77,8
|
91,4
|
130,3
|
|
22
|
3048
|
40,8
|
63,9
|
77,9
|
91,5
|
130,5
|
|
25
|
3054
|
49,6
|
78,1
|
91,7
|
130,7
|
|
3200
|
6
|
3216
|
43,0
|
67,2
|
52,2
|
82,0
|
96,3
|
137,3
|
|
8
|
3220
|
43,0
|
67,3
|
52,2
|
82,1
|
96,5
|
137,4
|
|
10
|
3224
|
43,1
|
67,4
|
52,3
|
82,2
|
96,6
|
137,6
|
|
12
|
3228
|
67,5
|
82,3
|
96,7
|
137,7
|
|
14
|
3232
|
43,2
|
52,4
|
82,4
|
96,8
|
137,9
|
|
16
|
3236
|
67,6
|
52,5
|
82,5
|
96,9
|
138,1
|
|
18
|
3240
|
43,3
|
67,7
|
82,6
|
97,0
|
138,2
|
|
20
|
3244
|
67,8
|
52,6
|
82,7
|
97,1
|
138,4
|
|
22
|
3248
|
43,4
|
67,9
|
52,7
|
82,8
|
97,3
|
138,6
|
|
25
|
3254
|
68,0
|
82,9
|
97,4
|
138,8
|
|
28
|
3260
|
43,5
|
68,1
|
52,8
|
83,1
|
97,6
|
139,0
|
|
30
|
3264
|
43,6
|
68,2
|
52,9
|
83,2
|
97,7
|
139,2
|
|
32
|
3268
|
68,3
|
53,0
|
83,3
|
97,8
|
139,4
|
|
36
|
3276
|
43,7
|
68,4
|
53,1
|
83,5
|
98,1
|
139,7
|
|
3400
|
6
|
3416
|
45,5
|
71,3
|
55,3
|
87,0
|
102,1
|
145,3
|
|
8
|
3420
|
45,6
|
71,4
|
55,4
|
102,2
|
145,5
|
|
10
|
3424
|
45,6
|
71,4
|
55,4
|
87,1
|
102,3
|
145,7
|
|
12
|
3428
|
45,7
|
71,5
|
55,5
|
87,2
|
102,4
|
145,8
|
|
14
|
3432
|
45,8
|
71,6
|
87,3
|
102,6
|
146,0
|
|
16
|
3436
|
71,7
|
55,6
|
87,4
|
102,7
|
146,2
|
|
18
|
3440
|
45,9
|
71,8
|
55,7
|
87,5
|
102,8
|
146,3
|
|
20
|
3444
|
87,6
|
102,9
|
146,5
|
|
22
|
3448
|
46,0
|
71,9
|
55,8
|
87,7
|
103,0
|
146,6
|
|
25
|
3454
|
72,0
|
55,9
|
87,9
|
103,2
|
146,9
|
|
28
|
3460
|
46,1
|
72,2
|
56,0
|
88,0
|
103,4
|
147,1
|
|
30
|
3464
|
46,2
|
72,3
|
88,1
|
103,5
|
147,3
|
|
32
|
3468
|
56,1
|
88,2
|
103,6
|
147,5
|
|
36
|
3476
|
46,3
|
72,5
|
56,3
|
88,4
|
103,8
|
147,8
|
|
3600
|
6
|
3616
|
48,1
|
75,4
|
58,4
|
91,9
|
107,9
|
153,4
|
|
8
|
3620
|
48,2
|
58,5
|
92,0
|
108,0
|
153,6
|
|
10
|
3624
|
48,2
|
75,5
|
58,5
|
92,1
|
108,1
|
153,7
|
|
12
|
3628
|
48,3
|
75,6
|
58,6
|
92,2
|
108,2
|
153,9
|
|
14
|
3632
|
48,3
|
75,7
|
58,7
|
92,3
|
108,3
|
154,1
|
|
16
|
3636
|
48,4
|
75,8
|
58,8
|
92,4
|
103,4
|
154,3
|
|
18
|
3640
|
108,5
|
154,4
|
|
20
|
3644
|
48,5
|
75,9
|
58,9
|
92,5
|
108,7
|
154,6
|
|
22
|
3648
|
76,0
|
92,6
|
108,8
|
154,7
|
|
25
|
3654
|
48,6
|
76,1
|
59,0
|
92,8
|
109,0
|
155,0
|
|
26
|
3660
|
48,7
|
76,2
|
59,1
|
92,9
|
109,1
|
155,2
|
|
30
|
3664
|
48,8
|
76,3
|
59,2
|
93,0
|
109,2
|
155,4
|
|
32
|
3668
|
76,4
|
93,1
|
109,4
|
155,5
|
|
36
|
3676
|
48,9
|
76,6
|
59,4
|
93,3
|
109,6
|
155,9
|
|
3800
|
8
|
3820
|
50,8
|
79,5
|
61,6
|
95,9
|
113,7
|
161,7
|
|
10
|
3824
|
79,6
|
61,7
|
97,0
|
113,8
|
161,8
|
|
12
|
3828
|
50,9
|
97,1
|
114,0
|
162,0
|
|
14
|
3832
|
79,7
|
61,8
|
97,2
|
114,1
|
162,2
|
|
16
|
3036
|
51,0
|
79,8
|
61,9
|
97,3
|
114,2
|
162,3
|
|
18
|
3840
|
51,0
|
79,9
|
61,9
|
97,4
|
114,3
|
162,5
|
|
20
|
3844
|
51,1
|
80,0
|
62,0
|
97,5
|
114,4
|
162,6
|
|
22
|
3848
|
62,1
|
97,6
|
114,5
|
162,8
|
|
25
|
3854
|
51,2
|
80,2
|
62,2
|
97,7
|
114,7
|
163,0
|
|
28
|
3860
|
51,3
|
80,3
|
62,3
|
97,9
|
114,9
|
163,3
|
|
30
|
3864
|
51,4
|
80,4
|
98,0
|
115,0
|
163,5
|
|
32
|
3868
|
80,5
|
62,4
|
98,1
|
115,1
|
163,6
|
|
36
|
3876
|
51,5
|
80,6
|
62,5
|
98,3
|
115,3
|
163,9
|
|
4000
|
8
|
4020
|
53,4
|
83,5
|
64,8
|
101,8
|
119,5
|
169,8
|
|
10
|
4024
|
83,6
|
101,9
|
119,6
|
170,0
|
|
12
|
4028
|
53,5
|
83,7
|
64,9
|
102,0
|
119,7
|
170,1
|
|
14
|
4032
|
83,8
|
102,1
|
119,8
|
170,2
|
|
16
|
4036
|
53,6
|
83,9
|
65,0
|
102,2
|
120,0
|
170,4
|
|
18
|
4040
|
65,1
|
102,3
|
120,1
|
170,6
|
|
20
|
4044
|
53,7
|
84,0
|
102,4
|
120,2
|
170,7
|
|
22
|
4048
|
53,7
|
84,1
|
65,2
|
102,5
|
120,3
|
170,9
|
|
25
|
4054
|
53,8
|
84,2
|
65,3
|
102,7
|
120,5
|
171,2
|
|
28
|
4060
|
53,9
|
84,4
|
65,4
|
102,8
|
120,6
|
171,4
|
|
30
|
4064
|
102,9
|
120,8
|
171,5
|
|
32
|
4068
|
54,0
|
84,5
|
65,5
|
103,0
|
120,9
|
171,7
|
|
36
|
4076
|
54,1
|
84,7
|
65,6
|
103,2
|
121,1
|
172,0
|
Пример условного
обозначения кольца жесткости типа 2 сечением 63×40×8,
диаметром аппарата Dв
= 1800 мм, с внутренним диаметром кольца D = 1832 мм, из стали 16ГС категории 6
Кольцо 2
- 63×40×8 - 1800 - 1832 - 16ГС-6 АТК 24.218.02-90
Тип 3

Черт. 3.
Таблица 4
Размеры в мм
|
Dв
|
S
|
D
|
Двутавр
|
|
№ 16
|
№ 18
|
|
Масса, кг
|
|
4500
|
20
|
4544
|
234,8
|
272,9
|
|
22
|
4548
|
235,1
|
273,2
|
|
25
|
4554
|
235,3
|
273,5
|
|
28
|
4560
|
235,6
|
273,9
|
|
30
|
4564
|
235,8
|
274,1
|
|
32
|
4568
|
236,1
|
274,3
|
|
5000
|
20
|
5044
|
259,8
|
301,8
|
|
22
|
5048
|
260,0
|
302,1
|
|
25
|
5054
|
260,3
|
302,4
|
|
28
|
5060
|
260,6
|
302,8
|
|
30
|
5064
|
260,8
|
303,0
|
|
32
|
5068
|
261,0
|
303,2
|
|
5600
|
20
|
5644
|
289,8
|
336,5
|
|
22
|
5648
|
290,0
|
336,7
|
|
25
|
5654
|
290,3
|
337,1
|
|
28
|
5660
|
290,6
|
337,4
|
|
30
|
5664
|
290,8
|
337,6
|
|
32
|
5668
|
291,0
|
337,9
|
|
6300
|
20
|
6344
|
324,7
|
376,9
|
|
22
|
6348
|
324,9
|
377,2
|
|
25
|
6354
|
325,2
|
377,5
|
|
28
|
6360
|
325,5
|
377,8
|
|
30
|
6364
|
325,7
|
378,1
|
|
32
|
6368
|
325,9
|
378,3
|
|
7000
|
20
|
7044
|
359,7
|
417,4
|
|
22
|
7048
|
359,9
|
417,6
|
|
25
|
7054
|
360,2
|
417,9
|
|
28
|
7060
|
360,5
|
418,3
|
|
30
|
7064
|
360,7
|
418,5
|
|
32
|
7068
|
360,9
|
418,8
|
|
7500
|
20
|
7544
|
384,6
|
446,3
|
|
22
|
7548
|
384,8
|
446,5
|
|
25
|
7554
|
385,1
|
446,8
|
|
28
|
7560
|
385,4
|
447,2
|
|
30
|
7564
|
385,6
|
447,4
|
|
32
|
7568
|
385,8
|
447,7
|
|
8000
|
20
|
8044
|
409,6
|
475,2
|
|
22
|
8048
|
409,8
|
475,4
|
|
25
|
8054
|
410,1
|
475,7
|
|
28
|
8060
|
410,4
|
476,1
|
|
30
|
8064
|
410,6
|
476,3
|
|
32
|
8068
|
410,8
|
476,5
|
|
|
|
|
|
|
|
Пример условного обозначения кольца жесткости
типа 3 из двутавра № 16 для аппарата диаметром Dв = 4500 мм, внутренним
диаметром кольца D
= 4544 мм, из стали 16ГС категории 6:
Кольцо 3
- 16 - 4500 - 4544 - 16ГС-6 ATK
24.218.02-90
Тип 4

Черт. 4.
Таблица 5
Размеры
в мм
|
Dв
|
D
|
Уголок В×b×d
|
|
63×40×5
|
63×40×8
|
75×50×5
|
75×50×8
|
90×56×8
|
125×80×8
|
125×80×10
|
|
Масса, кг
|
|
1600
|
1470
|
18,6
|
28,6
|
-
|
-
|
-
|
-
|
-
|
|
1800
|
1670
|
21,0
|
32,4
|
-
|
-
|
-
|
-
|
-
|
|
2000
|
1846
|
-
|
-
|
28,4
|
44,2
|
-
|
-
|
-
|
|
1870
|
23,4
|
36,2
|
-
|
-
|
-
|
-
|
-
|
|
2200
|
2046
|
-
|
-
|
31,4
|
49,0
|
-
|
-
|
-
|
|
2070
|
26,0
|
40,0
|
-
|
-
|
-
|
-
|
-
|
|
2400
|
2146
|
-
|
-
|
-
|
-
|
-
|
87,4
|
108,6
|
|
2216
|
-
|
-
|
-
|
-
|
62,8
|
-
|
-
|
|
2246
|
-
|
-
|
34,4
|
53,6
|
-
|
-
|
-
|
|
2270
|
28,4
|
43,8
|
-
|
-
|
-
|
-
|
-
|
|
2600
|
2346
|
-
|
-
|
-
|
-
|
-
|
95,2
|
118,2
|
|
2416
|
-
|
-
|
-
|
-
|
68,2
|
-
|
-
|
|
2446
|
-
|
-
|
37,4
|
58,2
|
-
|
-
|
-
|
|
2470
|
30,8
|
47,6
|
-
|
-
|
-
|
-
|
-
|
|
2800
|
2546
|
-
|
-
|
-
|
-
|
-
|
103,2
|
128,0
|
|
2616
|
-
|
-
|
-
|
-
|
73,8
|
-
|
-
|
|
2646
|
-
|
-
|
40,4
|
63,0
|
-
|
-
|
-
|
|
2670
|
33,2
|
51,4
|
-
|
-
|
-
|
-
|
-
|
|
3000
|
2746
|
-
|
-
|
-
|
-
|
-
|
111,0
|
137,8
|
|
2816
|
-
|
-
|
-
|
-
|
79,2
|
-
|
-
|
|
2846
|
-
|
|
43,4
|
67,6
|
-
|
-
|
-
|
|
2870
|
35,8
|
55,2
|
-
|
-
|
-
|
-
|
-
|
|
3200
|
2946
|
-
|
-
|
-
|
-
|
-
|
118,8
|
147,4
|
|
3016
|
-
|
-
|
-
|
-
|
84,8
|
-
|
-
|
|
3046
|
-
|
-
|
46,4
|
72,2
|
-
|
-
|
-
|
|
3070
|
38,2
|
59,0
|
-
|
-
|
-
|
-
|
-
|
|
3400
|
3146
|
-
|
-
|
-
|
-
|
-
|
126,6
|
157,2
|
|
3216
|
-
|
-
|
-
|
-
|
90,2
|
-
|
-
|
|
3246
|
-
|
|
49,4
|
77,0
|
-
|
-
|
-
|
|
3270
|
40,6
|
62,8
|
-
|
-
|
-
|
-
|
-
|
|
3600
|
3346
|
-
|
-
|
-
|
-
|
-
|
134,6
|
167,0
|
|
3416
|
-
|
-
|
-
|
-
|
95,8
|
-
|
-
|
|
3446
|
-
|
-
|
52,4
|
81,6
|
-
|
-
|
-
|
|
3470
|
43,2
|
66,6
|
-
|
-
|
-
|
-
|
-
|
|
3800
|
3546
|
-
|
-
|
-
|
-
|
-
|
142,4
|
176,6
|
|
3616
|
-
|
-
|
-
|
-
|
101,2
|
-
|
-
|
|
3646
|
-
|
-
|
55,4
|
86,2
|
-
|
-
|
-
|
|
3670
|
45,6
|
70,4
|
-
|
-
|
-
|
-
|
-
|
|
4000
|
3746
|
-
|
-
|
-
|
-
|
-
|
150,2
|
186,4
|
|
3616
|
-
|
-
|
-
|
-
|
106,8
|
-
|
-
|
|
3646
|
-
|
-
|
58,6
|
91,0
|
-
|
-
|
-
|
|
3670
|
48,0
|
74,2
|
-
|
-
|
-
|
-
|
-
|
|
4500
|
4246
|
-
|
-
|
-
|
-
|
-
|
-
|
210,7
|
|
4316
|
-
|
-
|
-
|
-
|
120,5
|
-
|
-
|
|
4346
|
-
|
-
|
-
|
102,7
|
-
|
-
|
-
|
|
4370
|
-
|
83,7
|
-
|
-
|
-
|
-
|
-
|
|
5000
|
4746
|
-
|
-
|
-
|
-
|
-
|
-
|
235,0
|
|
4816
|
-
|
-
|
-
|
-
|
134.3
|
-
|
-
|
|
4846
|
-
|
-
|
-
|
114,3
|
-
|
-
|
-
|
|
4870
|
-
|
93,1
|
-
|
-
|
-
|
-
|
-
|
|
5600
|
5346
|
-
|
-
|
-
|
-
|
-
|
-
|
264,2
|
|
5416
|
-
|
-
|
-
|
-
|
150,8
|
-
|
-
|
|
5446
|
-
|
-
|
-
|
128,3
|
-
|
-
|
-
|
|
5470
|
-
|
104,5
|
-
|
-
|
-
|
-
|
-
|
|
6300
|
6046
|
-
|
-
|
-
|
-
|
|
-
|
253,3
|
|
6116
|
-
|
-
|
-
|
-
|
170,1
|
-
|
-
|
|
6146
|
-
|
-
|
-
|
144 7
|
|
-
|
-
|
|
6170
|
-
|
117,7
|
-
|
-
|
-
|
-
|
-
|
Пример условного обозначения кольца жесткости
типа 4 сечением 63×40×5, диаметром аппарата Dв = 2200 мм, из стали
16ГС категории 6
Кольцо 4
- 63×40×5 - 2200 - 16ГС-6 АТК 24.218.02-90
Тип 5

Черт. 5.
Таблица 6
Размеры
в мм
|
Dв
|
D
|
Тавровое сечение В×b×d
|
|
63×40×5
|
63×40×8
|
75×50×5
|
75×50×8
|
90×56×8
|
125×80×8
|
125×80×10
|
|
Масса, кг
|
|
1600
|
1470
|
19,7
|
29,8
|
-
|
-
|
-
|
-
|
-
|
|
1800
|
1670
|
22,4
|
33,8
|
-
|
-
|
-
|
-
|
-
|
|
2000
|
1846
|
-
|
-
|
29,9
|
45,6
|
-
|
-
|
-
|
|
1870
|
25,0
|
37,7
|
-
|
-
|
-
|
-
|
-
|
|
2200
|
2046
|
-
|
-
|
33,0
|
50,5
|
-
|
-
|
-
|
|
2070
|
27,8
|
41,7
|
-
|
-
|
-
|
-
|
-
|
|
2400
|
2146
|
-
|
-
|
-
|
-
|
-
|
88,7
|
109,4
|
|
2216
|
-
|
-
|
-
|
-
|
64,2
|
-
|
-
|
|
2246
|
-
|
-
|
36,2
|
55,3
|
-
|
-
|
-
|
|
2270
|
30,2
|
45,6
|
-
|
-
|
-
|
-
|
-
|
|
2600
|
2346
|
-
|
-
|
-
|
-
|
-
|
96,7
|
119,2
|
|
2416
|
-
|
-
|
-
|
-
|
69,8
|
-
|
-
|
|
2446
|
-
|
-
|
39,4
|
60,1
|
-
|
-
|
-
|
|
2470
|
32,8
|
49,6
|
-
|
-
|
-
|
-
|
-
|
|
2800
|
2546
|
-
|
-
|
-
|
-
|
-
|
104,7
|
129,0
|
|
2616
|
-
|
-
|
-
|
-
|
75,4
|
-
|
-
|
|
2646
|
-
|
-
|
42,5
|
64,9
|
-
|
-
|
-
|
|
2670
|
35,4
|
53,5
|
-
|
-
|
-
|
-
|
-
|
|
3000
|
2746
|
-
|
-
|
-
|
-
|
-
|
1126
|
138,6
|
|
2816
|
-
|
-
|
-
|
-
|
81,1
|
-
|
-
|
|
2846
|
-
|
-
|
45,7
|
69,7
|
-
|
-
|
-
|
|
2870
|
38,1
|
57,5
|
-
|
-
|
-
|
-
|
-
|
|
3200
|
2946
|
-
|
-
|
-
|
-
|
-
|
120
|
147,5
|
|
3016
|
-
|
-
|
-
|
-
|
86,7
|
-
|
-
|
|
3046
|
-
|
-
|
48,8
|
74,5
|
-
|
-
|
-
|
|
3070
|
40,7
|
61,4
|
-
|
-
|
-
|
-
|
-
|
|
3400
|
3146
|
-
|
-
|
-
|
-
|
-
|
128,6
|
158,4
|
|
3216
|
-
|
-
|
-
|
-
|
91,1
|
-
|
-
|
|
3246
|
-
|
-
|
51,9
|
79,2
|
-
|
-
|
-
|
|
3270
|
43,3
|
65,4
|
-
|
-
|
-
|
-
|
-
|
|
3600
|
3346
|
-
|
-
|
-
|
-
|
-
|
136,6
|
168,2
|
|
3416
|
-
|
-
|
-
|
-
|
98,0
|
-
|
-
|
|
3446
|
-
|
-
|
55,2
|
84,2
|
-
|
-
|
-
|
|
3470
|
45,9
|
69,3
|
-
|
-
|
-
|
-
|
-
|
|
3800
|
3546
|
-
|
-
|
-
|
-
|
-
|
144,5
|
178,1
|
|
3616
|
-
|
-
|
-
|
-
|
103,6
|
-
|
-
|
|
3646
|
-
|
|
58,2
|
89,0
|
-
|
-
|
-
|
|
3670
|
48,5
|
72,3
|
-
|
-
|
-
|
-
|
-
|
|
4000
|
3746
|
-
|
-
|
-
|
-
|
-
|
152,5
|
187,9
|
|
3816
|
-
|
-
|
-
|
-
|
109,3
|
-
|
-
|
|
3846
|
-
|
-
|
61,4
|
93,9
|
-
|
-
|
-
|
|
3870
|
51,1
|
77,2
|
-
|
-
|
-
|
-
|
-
|
|
4500
|
4246
|
-
|
-
|
|
-
|
-
|
-
|
211,9
|
|
4316
|
-
|
-
|
-
|
-
|
123,1
|
-
|
-
|
|
4346
|
-
|
-
|
-
|
105,3
|
-
|
-
|
-
|
|
4370
|
-
|
86,7
|
-
|
-
|
-
|
-
|
-
|
|
5000
|
4746
|
-
|
-
|
-
|
-
|
-
|
-
|
236,5
|
|
4816
|
|
-
|
-
|
-
|
137,1
|
-
|
-
|
|
4846
|
-
|
-
|
-
|
117,3
|
-
|
-
|
-
|
|
4870
|
-
|
96,5
|
-
|
-
|
-
|
-
|
-
|
|
5600
|
5346
|
-
|
-
|
-
|
-
|
-
|
-
|
264,9
|
|
5416
|
-
|
-
|
-
|
-
|
154,4
|
-
|
-
|
|
5446
|
-
|
-
|
-
|
131,8
|
-
|
-
|
-
|
|
5470
|
-
|
108,3
|
-
|
-
|
-
|
-
|
-
|
|
6300
|
6046
|
-
|
-
|
-
|
-
|
-
|
-
|
300,0
|
|
6116
|
-
|
-
|
-
|
-
|
173,6
|
-
|
-
|
|
6146
|
-
|
-
|
-
|
148,5
|
-
|
-
|
-
|
|
6170
|
-
|
122,0
|
-
|
-
|
-
|
-
|
-
|
Пример
условного обозначения кольца жесткости типа 5 сечением
63×40×8, диаметром аппарата Dв = 2000 мм, из стали 09Г2С:
Кольцо 5
- 63×40×8 - 2000 - 09Г2С АТК 24.218.02-90
Тип 6

1 - кольцо жесткости; 2 - стяжка; 3 - косынка.
Черт. 6.
Тип 7

1 - кольцо жесткости; 2 - стяжка; 3 - косынка.
Черт.
7.
Таблица 7
Кольца
жесткости, укрепленные стяжками
Размеры
в мм
|
Dв
|
D
|
В×b×d
|
Тип 6
|
Тип 7
|
Масса, кг
|
|
L
|
L
|
L1
|
Тип 6
|
Тип 7
|
|
2000
|
1846
|
75×50×8
|
1800
|
1780
|
1615
|
59,6
|
60,9
|
|
1870
|
63×40×8
|
49,1
|
50,7
|
|
2200
|
2046
|
75×50×8
|
2000
|
1980
|
1815
|
65,9
|
67,3
|
|
2070
|
63×40×8
|
54,1
|
55,9
|
|
2400
|
2246
|
75×50×8
|
2200
|
2180
|
2015
|
72,0
|
73,6
|
|
2270
|
63×40×8
|
59,1
|
61,0
|
|
2600
|
2446
|
75×50×8
|
2400
|
2380
|
2215
|
78,1
|
79,9
|
|
2470
|
63×40×8
|
64,1
|
66,1
|
|
2800
|
2646
|
75×50×8
|
2600
|
2580
|
2415
|
84,4
|
86,2
|
|
2670
|
63×40×8
|
69,2
|
71,2
|
|
3000
|
2846
|
75×50×8
|
2800
|
2780
|
2615
|
90,5
|
92,4
|
|
2870
|
63×40×8
|
74,2
|
76,4
|
|
3200
|
3046
|
75×50×8
|
3000
|
2980
|
2815
|
96,6
|
98,6
|
|
3070
|
63×40×8
|
79,2
|
81,5
|
|
3400
|
3246
|
75×50×8
|
3200
|
3180
|
3015
|
102,8
|
104,8
|
|
3270
|
63×40×3
|
84,2
|
86,7
|
Пример
условного обозначения кольца жесткости типа 6 сечением
63×40×8, диаметром аппарата Dв = 2000 мм, из стали 09Г2С:
Кольцо 6
- 63×40×8 - 2000 - 09Г2С АТК 24.218.02-90
То же, типа 7:
Кольцо 7
- 63×40×8 - 2000 - 09Г2С АТК24.218.02-90
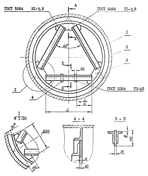
Тип 8

1 - кольцо жесткости; 2 - стяжка; 3 - косынка; 4 -
планка.
* Размер для справок.
Черт. 8.
Тип 9

1 - кольцо жесткости; 2 - стяжка; 3 - косынка.
* Размер для оправок.
Черт. 9.
Таблица 8
Кольца жесткости, укрепленные рамой
Размеры в мм
|
Dв
|
D
|
В×b×d
|
L
|
L1
|
Масса, кг
|
|
Тип 8
|
Тип 9
|
|
2400
|
2146
|
125×80×10
|
1625
|
1480
|
231,5
|
205,6
|
|
2216
|
90×56×8
|
1735
|
1540
|
146,3
|
142,7
|
|
2600
|
2346
|
125×80×10
|
1800
|
1650
|
252,4
|
223,2
|
|
2416
|
90×56×8
|
1905
|
1710
|
157,7
|
153,9
|
|
2800
|
2546
|
125×80×10
|
1970
|
1820
|
272,8
|
241,7
|
|
2616
|
90×56×8
|
2080
|
1880
|
169,4
|
165,7
|
|
3000
|
2746
|
125×80×10
|
2145
|
2000
|
293,4
|
259,9
|
|
2816
|
90×56×8
|
2250
|
2060
|
180,7
|
177,5
|
|
3200
|
2946
|
125×80×10
|
2320
|
2170
|
313,9
|
276,9
|
|
3016
|
90×56×8
|
2425
|
2230
|
192,6
|
189,1
|
|
3400
|
3146
|
125×80×10
|
2490
|
2340
|
334,2
|
296,0
|
|
3216
|
90×56×8
|
2600
|
2400
|
204,0
|
199,5
|
|
3600
|
3346
|
125×80×10
|
2665
|
2510
|
354,8
|
314,1
|
|
3416
|
50×56×8
|
2770
|
2580
|
215,6
|
212,4
|
|
3800
|
3546
|
125×80×10
|
2835
|
2680
|
375,0
|
332,1
|
|
3616
|
90×56×8
|
2945
|
2750
|
227,1
|
224,0
|
|
4000
|
3746
|
125×80×10
|
3010
|
2860
|
395,6
|
350,4
|
|
3816
|
90×56×8
|
3120
|
2930
|
238,9
|
235,5
|
Пример условного обозначения кольца жесткости
типа 8 сечением 125×80×10, диаметром аппарата Dв = 2400 мм, из стали
09Г2С:
Кольцо 8
- 125×80×10 - 2400 - 09Г2С АТК 24.218.02-90
То же, типа 9:
Кольцо 9
- 125×80×10 - 2400 - 09Г2С АТК 24.218.02-90
2. ТЕХНИЧЕСКИЕ ТРЕБОВАНИЯ
2.1. Кольца
жесткости должны изготавливаться в соответствии с требованиями настоящего
альбома, по чертежам, утвержденным в установленном порядке.
2.2. Материал
колец жесткости выбирается исходя из условий эксплуатации по ОСТ 26-291 из
сортового, листового и полосового проката.
2.3. Требования к материалам,
виды их испытаний, требования к сварочным материалам по ОСТ 26-291.
2.4. Внутренние кольца жесткости
толщиной 5 мм при общей прибавке на коррозию аппарата свыше 2 мм применять не
рекомендуется.
2.5. Допуск перпендикулярности
кольца жесткости относительно стенки аппарата допускается 5 % на высоту кольца.
2.6. Допуск плоскостности полки
кольца жесткости из уголка не должна превышать 5 мм.
2.7. Овальность колец жесткости
в любом сечении не должна превышать 1 % от номинального диаметра, но не более
20 мм для аппаратов диаметром свыше 2000 мм.
Овальность колец жесткости для
сосудов и аппаратов, работающих под вакуумом или под наружным давлением, не
должна превышать 0,5 % от номинального диаметра.
2.8. Допускается изготовление
колец жесткости из нескольких частей при условии полного провара сечения.
Замыкающий стык колец жесткости допускается производить с помощью накладок.
2.9. Для слива жидкости во
внутренних кольцах жесткости для горизонтальных аппаратов следует предусмотреть
вырез 25×100 мм.
Положение выреза указывается на
сборочном чертеже изделия. В наружных кольцах жесткости таврового сечения
вертикальных аппаратов следует предусмотреть отверстие диаметром 25 мм.
2.10. Фактическая масса колец
жесткости может быть больше указанной в стандарте на 5 %.
2.11. Сварка
колец жесткости таврового сечения и приварка колец жесткости к стенке аппарата
должна производиться в соответствии с ГОСТ 5264, ГОСТ 8713, ГОСТ 14771. Величина катета сварного шва для приварки
кольца к стенке аппарата должна быть равна наименьшей толщине привариваемых
элементов, но не менее 6 мм.
ИНФОРМАЦИОННЫЕ
ДАННЫЕ
1. УТВЕРЖДЕН И ВВЕДЕН В ДЕЙСТВИЕ
Указанием Министерства тяжелого машиностроения 19.06.90 № ВА-002-1-6288.
2. РАЗРАБОТЧИКИ:
Пролесковский А. Ю.
(руководитель темы), Байбакова М. И.
3. ЗАРЕГИСТРИРОВАН ВНИИКИ за №
___________ от _____________ 1990 г.
4. ВЗАМЕН ОСТ 26-02-911-79.
5. ССЫЛОЧНЫЕ
НОРМАТИВНО-ТЕХНИЧЕСКИЕ ДОКУМЕНТЫ
| |
|