|
| |
МКС 77.140.70
Группа В22
Поправка
к
ГОСТ 8240-97 Швеллеры
стальные горячекатаные. Сортамент
|
В каком месте
|
Напечатано
|
Должно быть
|
|
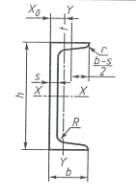
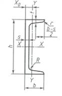
Пункт 2.2. Рисунок 1
|

|

|
|
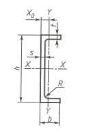
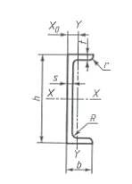
рисунок 2
|

|

|
|
Пункт 2.3. Таблица 1. Графа SX. Для номера швеллера 8У
|
23,30
|
13,30
|
|
таблица 2. Графа WУ. Для номера
швеллера 8П
|
3,31
|
5,31
|
|
таблица 5. Графа IУ. Для номера
швеллера 26С
|
1115,60
|
115,60
|
|
Пункт 2.4
|
на рисунке 3
|
на рисунках 1-3
|
|
рисунок 3. Обозначение прогиба
|
t
|
¦
|
|
Пункт 2.7
|
при длине от 2 до 8 м включ. – до +40 мм;
» » св. 8 м – до +[40+5 (l-8)] мм, но не более 100 мм
|
+ 40 мм – при длине от 2 до 8 м включ.;
+[40+5(l-8)] мм, но не более 100 мм – при длине св.8 м,
|
(ИУС № 12 2004 г.)
| |
|