
ГОСУДАРСТВЕННЫЙ СТАНДАРТ СОЮЗА ССР
ПОКОВКИ ИЗ УГЛЕРОДИСТОЙ
И ЛЕГИРОВАННОЙ СТАЛИ,
ИЗГОТОВЛЯЕМЫЕ КОВКОЙ НА ПРЕССАХ
ПРИПУСКИ
И ДОПУСКИ
ГОСТ
7062-90
ГОСУДАРСТВЕННЫЙ КОМИТЕТ СССР
ПО УПРАВЛЕНИЮ КАЧЕСТВОМ ПРОДУКЦИИ И СТАНДАРТАМ
Москва
ГОСУДАРСТВЕННЫЙ СТАНДАРТ СОЮЗА ССР
|
ПОКОВКИ
ИЗ УГЛЕРОДИСТОЙ И
ЛЕГИРОВАННОЙ СТАЛИ, ИЗГОТОВЛЯЕМЫЕ
КОВКОЙ НА ПРЕССАХ
Припуски и допуски
Carbon and alloyed steel forgings
fabricated by press forging.
Allowances and tolerances
|
ГОСТ
7062-90
|
Срок действия с 01.01.92
до 01.01.97
1. Настоящий стандарт
распространяется на поковки общего назначения массой до 130 т из углеродистой и
легированной стали (суммарное содержание легирующих элементов до 10%, кроме
углерода), изготовляемые ковкой на прессах, и устанавливает величину припусков
на механическую обработку, допусков на номинальные размеры поковок, величину
напусков для поковок.
Стандарт не распространяется на
поковки из высоколегированной стали и сплавов с особыми физическими свойствами:
из слитков, отлитых в вакууме, изготовленных из металла ВДП и ЭШП; из
инструментальных сталей с содержанием углерода более 0,55 % или легирующих
элементов более 5 % , а также из сталей, предназначенных для изготовления
валков холодной прокатки.
Термины и определения,
применяемые в стандарте, приведены в приложении.
Требования стандарта являются
обязательными.
2. Припуски на образцы для
механических испытаний поковок, на захваты для подвешивания поковок при
термообработке, а также другие специальные припуски настоящим стандартом не
предусматриваются.
3. Припуски, установленные
настоящим стандартом, назначают на номинальные размеры, указанные на чертеже
детали, или в случае, если поковка подвергается перед термообработкой обдирке,
на номинальные размеры, указанные на технологическом чертеже предварительно
обработанной (ободранной) заготовки. Если поковки подвергают термообработке без
предварительной механической обработки (в черном виде), к припускам,
назначаемым по настоящему стандарту, допускается назначение дополнительных
припусков, необходимых для выполнения термической обработки.
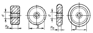
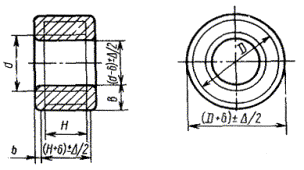
4. Схема расположения припусков
и допусков на наружный размер детали приведена на черт. 1.

Нo - обдирочный размер заготовки
или номинальный размер детали; Hmin
- наименьший размер поковки: Hmin
= Нo+dmin;
Н - номинальный (расчетный) размер поковки; Н=Нo +d;
Hmax - наибольший размер поковки;
;
dmin
- наименьший припуск на размер Нo;
;
d - номинальный припуск на
размер Нo:

D - поле допуска: D=Hmax-Hmin:
- предельное отклонение от номинального размера
поковки:

Черт. 1
5. Величины припусков,
определенные по таблицам настоящего стандарта, являются номинальными на размер
детали из расчета обработки поверхностей поковок с двух сторон. Предельные
отклонения указаны на номинальные размеры поковок.
При обработке детали с одной
стороны припуск следует принимать равным половине величины, определенной по
таблицам, а верхнее и нижнее предельные отклонения при этом сохраняют без
изменений.
6. Для необрабатываемых
поверхностей поковок отклонения на соответствующие размеры определяют по
таблицам настоящего стандарта, а припуски принимают равными нулю.
7. Объем и массу поковок
определяют расчетом по номинальным размерам с учетом напусков на скосах,
торцах, сферах и других элементах поковки.
Поковка считается изготовленной
по первой группе точности в том случае, если ее размеры обеспечивают получение
годной детали, а масса поковки, определенная расчетом по фактическим размерам,
на 2 - 4 % меньше массы, определенной по номинальным размерам.
8. Допускается расчетные
номинальные размеры поковок округлять до чисел, оканчивающихся на 5 или 0.
Номинальные размеры округляют в меньшую сторону, если они оканчиваются на 1, 2,
6 и 7 и в большую сторону, если они оканчиваются на 3, 4, 8 и 9.
9. Выбор величины допусков,
припусков и напусков проводят в зависимости от типа поковок и соотношения из
размеров согласно табл.1.
10. Припуски d и предельные отклонения ±D/2
для гладких поковок круглого сечения следует назначать в соответствии с черт. 2
и табл.2.
Таблица 1
|
Номер эскиза
|
Тип поковки
|
Эскиз поковки
|
Соотношение
размеров
|
Номер таблиц
припусков и допусков
|
|
|
1
|
Гладкие
круглого и прямоугольного сечения
|

|
L³1,2D
|
табл. 2
|
|
|
L£30D
|
|
|
2
|

|
2H³B³H
|
табл. 3
|
|
|
30H³L³1,5B
|
|
|
3
|
Круглого
сечения с уступами
|

|
l1³0,3D1
|
табл. 2, 4, 5
|
|
|
h1,2³12 мм
|
|
|
4
|

|
|
|
5
|
Круглого сечения с выемкой
|

|
h1,2³12 мм
|
табл. 2, 4, 5, 6, 7
|
|
|
6
|
Круглого сечения с буртом
|

|
l1£0,3D1
|
табл. 2, 4, 5, 7
|
|
|
h1,2³12 мм
|
|
|
7
|
Круглого сечения с фланцем
|

|
l1£0,3D1
|
табл. 2, 4, 5, 7
|
|
|
h³12 мм
|
|
|
8
|
Квадратного сечения с уступами тех же типов, как и круглого сечения
|

|
B0=H0
|
табл. 3, 4, 5
|
|
|
B1=H1
|
|
|
9
|
Круглого сечения с конусом
|

|
h>24 мм
|
табл. 2, 4, 5
|
|
|
l³2D2
|
|
|
10
|
Цилиндры
|

|
H£1,2D
|
табл. 8
|
|
|
H³0,5D
|
|
|
11
|
Диски без отверстия и с отверстием
|

|
H<0,5D
|
табл. 8, 9
|
|
|
H³0,2D
|
|
|
d<0,5D
|
|
|
12
|
Муфты
|

|
H³0,5D
|
табл. 8, 9
|
|
|
H£1,2D
|
|
|
d<0,5D
|
|
|
13
|
Бруски и пластины без отверстий и с отверстиями
|

|
B³2H
|
табл. 9, 11
|
|
|
B£4H
|
|
|
L³B
|
|
|
d<0,5B
|
|
|
L£8H
|
|
|
14
|
Цилиндры с отверстиями
|

|
L>1,2D
|
табл. 12, 13
|
|
|
L£6D
|
|
|
d³0,5D
|
|
|
15
|
Кольца раскатные
|

|
H£1,2D
|
табл. 14
|
|
|
H³0,20D
|
|
|
d³0,5D
|
|
|
|
|
|
|
|
|
Примечание. Для типов
поковок, не предусмотренных настоящим стандартом (как по размерам, так и по
конфигурации), допуски, припуски и напуски выбирают по усмотрению поставщика.

Черт. 2
Таблица 2
мм
|
Длина детали L
|
Диаметр детали D
|
|
До 140
|
Св. 140 до 160
|
Св. 160 до 180
|
Св. 180 до 200
|
Св. 200 до 224
|
Св. 224 до 250
|
Св. 250 до 280
|
Св. 280 до 315
|
Св. 315 до 355
|
Св. 355 до 400
|
Св. 400 до 450
|
Св. 450 до 500
|
Св. 500 до 560
|
Св. 560 до 630
|
Св. 630 до 710
|
Св. 710 до 800
|
Св. 800 до 900
|
Св. 900 до 1000
|
Св. 1000 до 1120
|
Св. 1120 до 1250
|
Св. 1250 до 1400
|
Св. 1400 до 1600
|
Св. 1600 до 1800
|
Св. 1800 до 2100
|
|
Припуски d и предельные отклонения 
|
|
До 1000 вкл.
|
20±4
|
20±5
|
20±5
|
20±5
|
20±6
|
20±6
|
20±6
|
20±7
|
20±7
|
20±7
|
21±7
|
22±8
|
22±8
|
23±8
|
24±9
|
25±9
|
26±10
|
28±10
|
-
|
-
|
-
|
-
|
-
|
-
|
|
Св. 1000 до 1250 »
|
20±5
|
20±5
|
20±5
|
20±6
|
20±6
|
20±6
|
20±7
|
20±7
|
20±7
|
21±7
|
22±8
|
22±8
|
23±8
|
24±9
|
25±9
|
26±10
|
27±10
|
28±10
|
30±11
|
-
|
-
|
-
|
-
|
-
|
|
» 1250 » 1600 »
|
20±5
|
20±5
|
20±6
|
20±6
|
20±6
|
20±7
|
20±7
|
20±7
|
21±7
|
22±8
|
22±8
|
23±8
|
24±9
|
25±9
|
26±10
|
27±10
|
28±10
|
29±11
|
30±11
|
31±11
|
-
|
-
|
-
|
-
|
|
» 1600 » 2000 »
|
20±5
|
20±6
|
20±6
|
20±7
|
20±7
|
20±7
|
20±7
|
21±7
|
22±8
|
22±8
|
23±8
|
24±9
|
25±9
|
26±10
|
27±10
|
28±10
|
29±11
|
30±11
|
31±11
|
32±12
|
33±12
|
-
|
-
|
-
|
|
» 2000 » 2500 »
|
20±6
|
20±6
|
20±6
|
20±7
|
20±7
|
20±7
|
20±7
|
22±8
|
22±8
|
23±8
|
24±9
|
25±9
|
26±10
|
27±10
|
28±10
|
29±11
|
30±11
|
31±11
|
32±12
|
33±12
|
34±12
|
35±13
|
-
|
-
|
|
» 2500 » 3150 »
|
20±6
|
20±6
|
20±7
|
20±7
|
20±7
|
21±7
|
22±8
|
22±8
|
23±8
|
24±9
|
25±9
|
26±10
|
27±10
|
28±10
|
29±11
|
30±11
|
31±11
|
32±12
|
33±12
|
34±12
|
35±13
|
36±13
|
38±14
|
-
|
|
» 3150 » 4000 »
|
20±6
|
20±7
|
20±7
|
20±7
|
21±7
|
22±8
|
22±8
|
23±8
|
24±9
|
25±9
|
26±10
|
27±10
|
28±10
|
29±11
|
30±11
|
31±11
|
32±12
|
33±12
|
34±12
|
35±13
|
36±13
|
37±13
|
39±14
|
41±14
|
|
» 4000 » 5000 »
|
20±7
|
20±7
|
20±7
|
21±7
|
22±8
|
22±8
|
23±8
|
24±9
|
25±9
|
26±10
|
27±10
|
28±10
|
29±11
|
30±11
|
31±11
|
32±12
|
33±12
|
34±12
|
35±13
|
36±13
|
37±13
|
38±14
|
40±14
|
43±14
|
|
» 5000 » 6300 »
|
20±7
|
20±7
|
21±7
|
22±8
|
22±8
|
23±8
|
24±9
|
25±9
|
26±10
|
27±10
|
28±10
|
29±11
|
30±11
|
31±11
|
32±12
|
33±12
|
34±12
|
35±13
|
36±13
|
37±13
|
38±14
|
40±14
|
43±14
|
46±15
|
|
» 6300 » 7100 »
|
20±7
|
21±7
|
22±8
|
22±8
|
23±8
|
24±9
|
25±9
|
26±10
|
27±10
|
28±10
|
29±11
|
30±11
|
31±11
|
32±12
|
33±12
|
34±12
|
35±13
|
36±13
|
37±13
|
38±14
|
40±14
|
43±14
|
46±15
|
49±15
|
|
» 7100 » 8000 »
|
21±7
|
22±8
|
22±8
|
23±8
|
24±9
|
25±9
|
26±10
|
27±10
|
28±10
|
29±11
|
30±11
|
31±11
|
32±12
|
33±12
|
34±12
|
35±13
|
36±13
|
37±13
|
38±14
|
40±14
|
43±14
|
46±15
|
49±15
|
51±16
|
|
» 8000 » 9000 »
|
-
|
22±8
|
23±8
|
24±9
|
25±9
|
26±10
|
27±10
|
28±10
|
29±11
|
30±11
|
31±11
|
32±12
|
33±12
|
34±12
|
35±13
|
36±13
|
37±13
|
38±14
|
40±14
|
43±14
|
46±15
|
49±15
|
51±16
|
54±16
|
|
» 9000 » 10000 »
|
-
|
-
|
24±9
|
25±9
|
26±10
|
27±10
|
28±10
|
29±11
|
30±11
|
31±11
|
32±12
|
33±12
|
34±12
|
35±13
|
36±13
|
37±13
|
38±14
|
40±14
|
43±14
|
46±15
|
49±15
|
51±16
|
54±16
|
57±17
|
|
» 10000 » 11200 »
|
-
|
-
|
-
|
26±10
|
27±10
|
28±10
|
29±11
|
30±11
|
31±11
|
32±12
|
33±12
|
34±12
|
35±13
|
36±13
|
37±13
|
38±14
|
40±14
|
43±14
|
46±15
|
49±15
|
51±16
|
54±16
|
57±17
|
-
|
|
» 11200 » 12500 »
|
-
|
-
|
-
|
-
|
28±10
|
29±11
|
30±11
|
31±11
|
32±12
|
33±12
|
34±12
|
35±12
|
36±13
|
37±13
|
38±14
|
40±14
|
43±14
|
46±15
|
49±15
|
51±16
|
54±16
|
57±17
|
-
|
-
|
|
» 12500 » 14000 »
|
-
|
-
|
-
|
-
|
-
|
31±11
|
32±11
|
32±12
|
33±12
|
34±12
|
35±13
|
36±13
|
37±13
|
37±14
|
40±14
|
43±14
|
46±15
|
49±15
|
51±16
|
54±16
|
57±17
|
-
|
-
|
-
|
|
» 14000 » 16000 »
|
-
|
-
|
-
|
-
|
-
|
-
|
33±12
|
34±12
|
35±13
|
36±13
|
37±13
|
38±13
|
39±13
|
40±14
|
43±14
|
46±15
|
49±15
|
51±16
|
54±16
|
57±17
|
-
|
-
|
-
|
-
|
|
» 16000 » 18000 »
|
-
|
-
|
-
|
-
|
-
|
-
|
-
|
35±13
|
37±13
|
38±13
|
39±13
|
40±13
|
41±14
|
42±14
|
46±15
|
49±15
|
51±16
|
54±16
|
57±17
|
-
|
-
|
-
|
-
|
-
|
|
» 18000 » 20000 »
|
-
|
-
|
-
|
-
|
-
|
-
|
-
|
37±13
|
39±13
|
40±13
|
41±14
|
42±14
|
43±14
|
44±14
|
49±15
|
51±16
|
54±16
|
57±17
|
-
|
-
|
-
|
-
|
-
|
-
|
Примечания:
1. Данные табл. 2 распространяют на
детали, у которых
30D³L³1,2D.
2. Нижнее предельное отклонение длины поковки
допускается увеличивать на 50 %.
3. Скосы после рубов должны быть без заусенцев и не должны
препятствовать постановке центров.
4. Массу напуска (m1) на скосе после рубки с
одной стороны, кг, вычисляют по формуле
.
Длина напусков от руба с одной стороны не должна
превышать 0,18 (D+d). Угол скоса от руба не
контролировать.
Пример назначения припусков и
допусков гладкой поковки круглого сечения приведен на черт. 3.

Черт. 3
11. Припуски и предельные
отклонения для гладких поковок прямоугольного сечения следует назначать в соответствии
с черт. 4
и табл. 3.

Черт. 4
Таблица 3
мм
|
Длина детали L
|
Диаметр детали D
|
|
До 140
|
Св. 140 до 160
|
Св. 160 до 180
|
Св. 180 до 200
|
Св. 200 до 224
|
Св. 224 до 250
|
Св. 250 до 280
|
Св. 280 до 315
|
Св. 315 до 355
|
Св. 355 до 400
|
Св. 400 до 450
|
Св. 450 до 500
|
Св. 500 до 560
|
Св. 560 до 630
|
Св. 630 до 710
|
Св. 710 до 800
|
Св. 800 до 900
|
Св. 900 до 1000
|
Св. 1000 до 1120
|
Св. 1120 до 1250
|
Св. 1250 до 1400
|
Св. 1400 до 1600
|
Св. 1600 до 1800
|
Св. 1800 до 2100
|
|
Припуски d и предельные отклонения 
|
|
До 1000 включ.
|
20±4
|
20±5
|
20±5
|
20±5
|
20±6
|
20±6
|
21±6
|
22±7
|
23±7
|
24±7
|
25±8
|
26±8
|
27±8
|
28±8
|
29±9
|
30±9
|
31±10
|
-
|
-
|
-
|
-
|
-
|
-
|
-
|
|
Св. 1000 до 1250 »
|
20±5
|
20±5
|
20±5
|
20±6
|
20±6
|
21±6
|
22±7
|
23±7
|
24±7
|
25±8
|
26±8
|
27±8
|
28±8
|
29±9
|
30±9
|
31±10
|
32±10
|
33±10
|
34±11
|
-
|
-
|
-
|
-
|
-
|
|
» 1250 » 1600 »
|
20±5
|
20±5
|
20±6
|
20±6
|
21±6
|
22±7
|
23±7
|
24±7
|
25±8
|
26±8
|
27±8
|
28±8
|
29±9
|
30±9
|
31±10
|
32±10
|
33±10
|
34±11
|
35±11
|
36±12
|
-
|
-
|
-
|
-
|
|
» 1600 » 2000 »
|
20±5
|
20±6
|
20±6
|
21±6
|
22±7
|
23±7
|
24±7
|
25±8
|
26±8
|
27±8
|
28±8
|
29±9
|
30±9
|
31±10
|
32±10
|
33±10
|
34±11
|
35±11
|
36±11
|
37±12
|
28±12
|
-
|
-
|
-
|
|
» 2000 » 2500 »
|
20±6
|
20±6
|
21±6
|
22±7
|
23±7
|
24±7
|
25±8
|
26±8
|
27±8
|
28±8
|
29±9
|
30±9
|
3l±10
|
32±10
|
33±10
|
34±11
|
35±11
|
36±11
|
37±12
|
38±12
|
39±12
|
40±13
|
-
|
-
|
|
» 2500 » 3150 »
|
20±6
|
21±6
|
22±7
|
23±7
|
24±7
|
25±8
|
26±8
|
27±8
|
28±8
|
29±9
|
30±9
|
31±10
|
32±10
|
33±10
|
34±11
|
36±11
|
36±11
|
37±12
|
38±12
|
39±12
|
40±13
|
41±13
|
42±13
|
-
|
|
» 3150 » 4000 »
|
21±6
|
22±7
|
23±7
|
24±7
|
25±8
|
26±8
|
27±8
|
28±8
|
29±9
|
30±9
|
31±10
|
32±10
|
33±10
|
34±11
|
35±11
|
36±11
|
37±12
|
38±12
|
40±13
|
40±13
|
41±13
|
43±13
|
43±14
|
45±14
|
|
» 4000 » 5000 »
|
22±7
|
23±7
|
24±7
|
25±8
|
26±8
|
27±8
|
28±8
|
29±9
|
30±9
|
31±10
|
32±10
|
33±10
|
34±11
|
35±11
|
36±11
|
37±12
|
38±12
|
39±12
|
40±13
|
41±13
|
42±13
|
43±14
|
45±14
|
47±15
|
|
» 5000 » 6300 »
|
23±7
|
24±7
|
25±8
|
26±8
|
27±8
|
28±8
|
29±9
|
30±9
|
31±10
|
32±10
|
33±10
|
34±11
|
35±11
|
36±11
|
37±12
|
38±12
|
39±12
|
40±13
|
41±13
|
42±13
|
43±14
|
45±14
|
47±15
|
49±16
|
|
» 6300 » 7100 »
|
-
|
25±8
|
26±8
|
27±8
|
28±8
|
29±9
|
30±9
|
31±10
|
32±10
|
33±10
|
34±11
|
35±11
|
36±11
|
37±12
|
38±12
|
39±12
|
40±13
|
41±13
|
42±13
|
43±14
|
45±14
|
47±15
|
49±16
|
51±16
|
|
» 7100 » 8000 »
|
-
|
-
|
27±8
|
28±8
|
29±9
|
30±9
|
31±10
|
32±10
|
33±10
|
34±11
|
35±11
|
36±11
|
37±12
|
38±12
|
39±12
|
40±13
|
41±13
|
42±13
|
43±14
|
45±14
|
47±15
|
49±16
|
51±16
|
54±17
|
|
» 8000 » 9000 »
|
-
|
-
|
-
|
31±9
|
32±9
|
33±10
|
34±10
|
35±10
|
36±11
|
37±11
|
38±11
|
39±12
|
40±12
|
41±12
|
42±13
|
43±13
|
44±13
|
45±14
|
47±14
|
49±15
|
51±16
|
53±16
|
56±17
|
-
|
|
» 9000 » 10000 »
|
-
|
-
|
-
|
-
|
33±10
|
34±10
|
35±10
|
36±11
|
37±11
|
38±11
|
39±12
|
40±12
|
41±12
|
42±12
|
43±13
|
44±13
|
45±14
|
47±14
|
49±15
|
51±16
|
53±16
|
56±17
|
-
|
-
|
|
» 10000 » 11200 »
|
-
|
-
|
-
|
-
|
-
|
35±10
|
36±11
|
37±11
|
38±11
|
39±12
|
40±12
|
41±12
|
42±13
|
43±13
|
44±13
|
45±14
|
47±14
|
49±15
|
51±16
|
53±16
|
56±17
|
-
|
-
|
-
|
|
» 11200 » 12500 »
|
-
|
-
|
-
|
-
|
-
|
-
|
37±11
|
38±11
|
39±12
|
40±12
|
41±12
|
42±12
|
43±13
|
44±13
|
45±14
|
47±14
|
49±15
|
51±16
|
53±16
|
56±17
|
-
|
-
|
-
|
-
|
|
» 12500 » 14000 »
|
|
|
|
|
|
|
|
39±12
|
40±12
|
41±12
|
42±13
|
43±13
|
44±13
|
45±14
|
47±14
|
49±15
|
51±16
|
53±16
|
56±17
|
-
|
-
|
-
|
-
|
-
|
|
» 14000 » 16000 »
|
|
|
|
|
|
|
|
-
|
42±13
|
43±13
|
44±13
|
45±14
|
46±14
|
48±15
|
50±15
|
52±16
|
54±17
|
57±18
|
-
|
-
|
-
|
-
|
-
|
-
|
|
» 16000 » 18000 »
|
|
|
|
|
|
|
|
-
|
-
|
45±14
|
46±14
|
47±14
|
49±15
|
51±15
|
53±16
|
55±17
|
58±18
|
-
|
-
|
-
|
-
|
-
|
-
|
-
|
|
» 18000 » 20000 »
|
|
|
|
|
|
|
|
-
|
-
|
-
|
48±15
|
50±15
|
52±16
|
54±17
|
56±17
|
59±18
|
-
|
-
|
-
|
-
|
-
|
-
|
-
|
-
|
Примечания:
1. Данные табл. 3 распространяются на
детали, у которых 30H³L³1,5B и 2H³B³H.
2. Нижнее предельное отклонение длины поковки
допускается увеличивать на 50%.
3. Скосы после рубов должны быть без заусенцев.
4. Массу (кг) напуска на скосы после рубки с одной
стороны (m1) вычисляют по формуле
.
5. Длина напуска от руба с одной стороны не должна
превышать 0,18(H+d). Угол скоса от руба не
контролировать.
Пример назначения припусков и допусков
приведен на черт.
5

Черт. 5
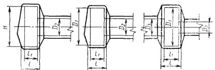
12. Поковка
вала с уступами и выемками круглого (квадратного) сечения приведена на черт. 6.

Черт. 6
Припуски и предельные отклонения
на валы с уступами и выемками определяют следующим образом:
12.1. По табл. 2 и 3
выбирают основные припуски d и предельные отклонения ±D/2 на диаметр, исходя из
полной длины вала и диаметра рассматриваемого сечения.
12.2. Припуски и предельные
отклонения на общую длину и размеры от единой базы до выступов и уступов
выбирают в соответствии с черт. 6. За базу выбирают торец выступа наибольшего
сечения, не являющегося торцом поковки. Допускается простановка размеров
поковки, отличающаяся от указанной на черт. 6.
12.3.
Дополнительный припуск выбирают по табл. 4 на диаметры всех сечений, кроме основного, в
зависимости от разности диаметров основного и рассматриваемого сечения детали.
Таблица 4
мм
|
Разность диаметров (размеров) сечений
|
До 56
|
Св. 56 до 80
|
Св. 80 до 112
|
Св. 112 до 140
|
Св. 140 до 180
|
Св. 180 о 224
|
Св. 224 до 250
|
Св. 250 до 280
|
Св. 280 до 315
|
Св. 315 до 355
|
Св. 355 до 400
|
Св. 400 до 425
|
Св. 425 до 450
|
Св. 450 до 475
|
Св. 475 до 500
|
Св. 500 до 530
|
Св. 530 до 560
|
Св. 560 до 600
|
Св. 600 до 630
|
Св. 630 до 670
|
Св. 670 до 710
|
Св. 710 до 750
|
Св. 750 до 800
|
Св. 800 до 850
|
Св. 850 до 900
|
Св. 900 до 950
|
Св. 950 до 1000
|
Св. 1000 до 1100
|
Св. 1100 до 1200
|
Св. 1200 до 1300
|
|
Дополнительный припуск на
диаметр (размер)
|
2
|
3
|
4
|
5
|
7
|
8
|
9
|
10
|
12
|
13
|
14
|
15
|
16
|
17
|
18
|
19
|
20
|
22
|
23
|
24
|
25
|
27
|
29
|
30
|
32
|
34
|
36
|
40
|
45
|
52
|
12.4. Основное сечение
определяют следующим образом: для валов с одним уступом (см. табл. 1,
эскиз 7) основным сечением считают сечение, произведение DL которого имеет максимальное
значение;
для валов с двумя уступами (см. табл. 1,
эскизы 3, 4, 6) основным считают сечение, имеющее максимальный диаметр D1 при условии
D1l1>D2 (l2+l3). В
противном случае основным считают течение, имеющее средний диаметр D2;
для валов с выемкой (см. табл. 1,
эскиз 5) основным считают сечение, имеющее максимальный диаметр D1 при условии
D1(l1+l2)>D2l2. В
противном случае основным считают сечение, имеющее минимальный диаметр D2 -
диаметр выемки.
Для валов, имеющих более двух
уступов или сочетание уступов и выемок (см. черт. 6), основным считают
сечение, имеющее максимальный диаметр.
Допускается в качестве основного
сечения выбирать иное сечение, если при этом уменьшается масса поковки.
12.5. При увеличении припусков
на диаметры уступов и выступов согласно подпункту 12.3 отклонения
не изменяются.
Допускается нижнее предельное
отклонение увеличивать на величину дополнительного припуска.
12.6. Для поковок с
прямоугольными сечениями вместо диаметров принимают размеры стороны сечения.
12.7. Возможность образования
уступов и выемок на поковках определяют по п. 13, а буртов и фланцев - по п. 14.
12.8. Отклонения
на длину выемки не
выбирают. Фактический размер выемки должен обеспечить получение годной детали.
Примечание. Массу напуска (m2) на скосах между уступами
(галтель), кг, вычисляют по формуле
,
где D1 и D2 -
диаметры смежных участков.
Угол скоса галтелей не
контролировать.
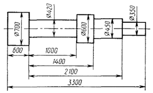
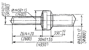
Пример выбора припусков и
отклонений на поковку с уступами для детали, указанной на черт. 7,
приведен на черт.
8.
Деталь имеет более двух уступов,
следовательно, за основное принимают сечение, имеющее наибольший диаметр (D=700 мм).
Основные припуски и допуски на
диаметр определяют по табл. 2 дополнительные - по табл. 4.

Черт. 7

Черт. 8
На диаметр 700 мм основной
припуск и допуск (30±11) мм, дополнительный припуск не выбирают.
На диаметр 420 мм основной
припуск и допуск (26±10) мм, дополнительный припуск 10 мм.
На диаметр 600 мм основной
припуск и допуск (29±11) мм, дополнительный припуск 4 мм.
На диаметр 450 мм основной
припуск и допуск (26±10) мм, дополнительный припуск 9 мм.
На диаметр 350 мм основной
припуск и допуск (24±9) мм, дополнительный припуск 13 мм.
Припуски и допуски по длине
поковки определяют в соответствии с черт. 6.
Припуск плюс 67,5 мм, допуск
±16,5 мм - на длину 600 мм.
Припуск минус 44,25 мм, допуск
не назначается - на длину 1000 мм.
Припуск минус 0,75 мм, допуск
±16,5 мм - на длину 1400 мм.
Припуск минус 3 мм, допуск ±16,5
мм - на длину 2100 мм.
Припуск плюс 81 мм, допуск ±30
мм - на длину 3300 мм.
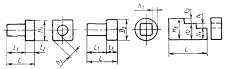
13.
Минимальные размеры высот и длин уступов и выемок поковок в соответствии с
типовыми чертежами поковок 9 и 10 приведены соответственно в табл.
5 и 6.

Черт. 9

Черт. 10
Примечания:
1. Промежуточные уступы l2, l6 и т.п. (см. черт. 9)
выполняются при условии, если их длина равна или больше 0,5 значений,
полученных по табл.
6.
2. Если уступ l2, имеющийся на детали (см. черт. 9),
на поковке не выполняется, то для определения значения соседнего уступа l1 в расчет принимается
суммарная высота уступов h1+h2. Если уступ (см. черт. 9)
на поковке не выполняется, то для определения значения соседнего уступа l2 в расчет принимается только
высота уступа h2 и т.д.
3. При высоте уступа h1, h2, h5, h6 или выемки h3, h4 менее 40 мм минимально
допустимую длину, определяемую по табл. 6, увеличивают на 25 %.
4. При определении выполнимости выемки по табл. 6
берется наименьший диаметр D3 или D5, примыкающий к выемке.
5. Выемки выполняются в том случае, если длина
засечки перед прожимом выемки равна или больше ширины бойков (подвесных
наделок) пресса, на котором проводится ковка. Допускается назначение
дополнительного напуска на диаметр выемки с целью доведения ее до выполнимой.
Высота уступа I равна 253 мм. По табл. 5
минимальная высота уступа должна быть не менее 30 мм, следовательно уступ I не
выполняется (см. черт. 11).
Длина выемки II равна 253 мм. По табл. 6
минимальная длина выемки должна быть 610 мм, следовательно выемка II
(см. черт. 11)
не соответствует настоящему стандарту.
Остальные уступы и выемки выполняются без напусков,
так как их высота и длина больше минимальных, предусмотренных табл. 5 и
6.
Таблица 5
мм
|
Длина поковки
|
Диаметр (D2,
D3, D5, D6) или размер
(H2, H3), примыкающий к уступу
|
|
Св. 200
|
Св. 200 до 235
|
Св. 235 до 270
|
Св. 270 до 300
|
Св. 300 до 335
|
Св. 335 до 370
|
Св. 370 до 400
|
Св. 400 до 435
|
Св. 435 до 470
|
Св. 470 до 500
|
Св. 500 до 535
|
Св. 535 до 570
|
Св. 570 до 600
|
Св. 600 до 635
|
Св. 635 до 670
|
Св. 670 до 700
|
Св. 700 до 750
|
Св. 750 до 800
|
Св. 800 до 835
|
Св. 835 до 870
|
Св. 870 до 900
|
Св. 900 до 950
|
Св. 950 до 1000
|
Св. 1000 до 1050
|
Св. 1050 до 1100
|
Св. 1100 до 1150
|
Св. 1150 до 1200
|
Св. 1200 до 1300
|
Св. 1300 до 1350
|
Св. 1350 до 1400
|
Св. 1400 до 1450
|
Св. 1450 до 1500
|
Св. 1500 до 1600
|
Св. 1600 до 1700
|
Св. 1700 до 1900
|
|
Минимальная выполнимая
высота уступа (h1, h2, h5, h6) или выемки (h3, h4)
|
|
До 1000 включ.
|
12
|
12
|
14
|
15
|
16
|
17
|
18
|
19
|
20
|
21
|
22
|
23
|
24
|
25
|
26
|
27
|
28
|
29
|
30
|
31
|
32
|
33
|
34
|
35
|
36
|
37
|
38
|
39
|
40
|
41
|
42
|
43
|
45
|
47
|
50
|
|
Св. 1000 до. 2000 »
|
12
|
13
|
15
|
16
|
17
|
18
|
19
|
20
|
21
|
22
|
23
|
24
|
25
|
26
|
27
|
28
|
29
|
30
|
31
|
32
|
33
|
34
|
35
|
36
|
37
|
38
|
39
|
40
|
41
|
42
|
43
|
44
|
46
|
49
|
52
|
|
» 2000 » 3000 »
|
13
|
15
|
16
|
17
|
18
|
19
|
20
|
21
|
22
|
23
|
23
|
25
|
26
|
27
|
28
|
29
|
30
|
31
|
32
|
33
|
33
|
35
|
36
|
37
|
37
|
38
|
39
|
40
|
41
|
42
|
43
|
44
|
47
|
50
|
53
|
|
» 3000 » 4000 »
|
15
|
16
|
17
|
18
|
19
|
20
|
21
|
22
|
23
|
24
|
25
|
26
|
27
|
28
|
29
|
30
|
30
|
31
|
32
|
33
|
34
|
35
|
36
|
37
|
38
|
39
|
40
|
41
|
42
|
43
|
44
|
45
|
48
|
51
|
54
|
|
» 4000 » 5000 »
|
16
|
17
|
18
|
19
|
21
|
22
|
23
|
24
|
24
|
25
|
26
|
27
|
28
|
29
|
30
|
31
|
31
|
32
|
32
|
33
|
34
|
36
|
37
|
38
|
40
|
40
|
41
|
42
|
43
|
44
|
45
|
46
|
49
|
52
|
55
|
|
» 5000 » 6000 »
|
17
|
18
|
19
|
20
|
21
|
22
|
23
|
24
|
25
|
26
|
27
|
28
|
29
|
30
|
31
|
32
|
32
|
33
|
34
|
34
|
35
|
36
|
37
|
38
|
40
|
40
|
42
|
43
|
44
|
45
|
46
|
47
|
50
|
53
|
56
|
|
» 6000 » 7000 »
|
18
|
19
|
20
|
21
|
22
|
23
|
24
|
25
|
26
|
27
|
28
|
29
|
30
|
31
|
31
|
32
|
33
|
33
|
34
|
35
|
36
|
37
|
38
|
39
|
40
|
41
|
43
|
44
|
45
|
46
|
47
|
48
|
51
|
54
|
57
|
|
» 7000 » 8000 »
|
19
|
20
|
21
|
22
|
23
|
24
|
25
|
26
|
27
|
28
|
29
|
30
|
31
|
31
|
32
|
33
|
34
|
35
|
36
|
36
|
37
|
38
|
38
|
39
|
40
|
41
|
43
|
45
|
46
|
47
|
48
|
49
|
52
|
55
|
58
|
|
» 8000 » 9000 »
|
20
|
21
|
22
|
23
|
24
|
25
|
26
|
27
|
27
|
28
|
29
|
30
|
31
|
32
|
33
|
34
|
34
|
35
|
36
|
37
|
38
|
38
|
39
|
40
|
41
|
42
|
43
|
45
|
47
|
48
|
49
|
50
|
53
|
56
|
59
|
|
» 9000 » 10000 »
|
21
|
22
|
23
|
24
|
25
|
26
|
26
|
27
|
28
|
29
|
30
|
30
|
31
|
32
|
33
|
34
|
34
|
35
|
36
|
37
|
38
|
39
|
40
|
40
|
41
|
42
|
43
|
45
|
47
|
48
|
49
|
50
|
54
|
57
|
60
|
|
» 10000 » 11000 »
|
22
|
23
|
23
|
24
|
25
|
26
|
27
|
28
|
29
|
30
|
31
|
31
|
32
|
33
|
33
|
34
|
35
|
36
|
37
|
37
|
38
|
39
|
40
|
41
|
42
|
43
|
44
|
45
|
47
|
49
|
50
|
51
|
55
|
58
|
61
|
|
» 11000 » 12000 »
|
22
|
23
|
24
|
25
|
26
|
27
|
27
|
28
|
29
|
30
|
31
|
32
|
33
|
33
|
34
|
35
|
35
|
36
|
37
|
38
|
39
|
40
|
41
|
42
|
43
|
44
|
45
|
46
|
47
|
49
|
50
|
51
|
56
|
59
|
62
|
|
» 12000 » 13000 »
|
23
|
24
|
24
|
25
|
26
|
27
|
28
|
29
|
29
|
30
|
31
|
32
|
33
|
33
|
34
|
36
|
37
|
37
|
38
|
38
|
39
|
40
|
41
|
42
|
43
|
44
|
45
|
47
|
49
|
50
|
51
|
52
|
57
|
60
|
63
|
|
» 13000 » 14000 »
|
23
|
24
|
25
|
25
|
26
|
27
|
28
|
29
|
29
|
30
|
31
|
32
|
33
|
34
|
34
|
36
|
36
|
37
|
38
|
39
|
40
|
41
|
42
|
43
|
44
|
45
|
46
|
48
|
49
|
50
|
51
|
52
|
58
|
61
|
64
|
|
» 14000 » 15000 »
|
24
|
25
|
26
|
27
|
28
|
29
|
30
|
31
|
33
|
33
|
34
|
35
|
36
|
37
|
38
|
39
|
40
|
41
|
42
|
43
|
44
|
45
|
46
|
47
|
48
|
49
|
50
|
51
|
52
|
53
|
54
|
56
|
59
|
62
|
65
|
|
» 15000 » 16000 »
|
-
|
26
|
27
|
28
|
29
|
30
|
31
|
32
|
33
|
34
|
35
|
36
|
37
|
38
|
39
|
40
|
41
|
42
|
43
|
44
|
45
|
46
|
47
|
48
|
49
|
50
|
51
|
52
|
53
|
54
|
55
|
56
|
60
|
63
|
66
|
|
» 16000 » 17000 »
|
-
|
-
|
28
|
29
|
30
|
31
|
32
|
33
|
34
|
35
|
36
|
37
|
38
|
39
|
40
|
41
|
42
|
43
|
44
|
45
|
46
|
47
|
48
|
49
|
50
|
51
|
52
|
53
|
54
|
55
|
56
|
57
|
61
|
64
|
67
|
|
» 17000 » 18000 »
|
-
|
-
|
-
|
30
|
31
|
32
|
33
|
34
|
35
|
36
|
37
|
38
|
39
|
40
|
41
|
42
|
43
|
44
|
45
|
46
|
47
|
48
|
49
|
50
|
51
|
52
|
53
|
54
|
55
|
56
|
58
|
58
|
62
|
65
|
68
|
|
» 18000 » 19000 »
|
-
|
-
|
-
|
-
|
32
|
33
|
34
|
35
|
36
|
37
|
38
|
39
|
40
|
41
|
42
|
43
|
44
|
45
|
46
|
47
|
48
|
49
|
50
|
51
|
52
|
53
|
54
|
55
|
56
|
57
|
58
|
59
|
63
|
66
|
69
|
|
» 19000 » 20000 »
|
-
|
-
|
-
|
-
|
-
|
34
|
35
|
36
|
37
|
38
|
39
|
40
|
41
|
42
|
43
|
44
|
45
|
46
|
47
|
48
|
49
|
50
|
51
|
52
|
53
|
54
|
55
|
56
|
57
|
58
|
59
|
60
|
64
|
67
|
70
|
Таблица 6
мм
|
Длина поковки
|
Диаметр (D2,
D3, D5, D6) или размер
(H2, H3), примыкающий к уступу
|
|
Св. 200
|
Св. 200 до 235
|
Св. 235 до 270
|
Св. 270 до 300
|
Св. 300 до 335
|
Св. 335 до 370
|
Св. 370 до 400
|
Св. 400 до 435
|
Св. 435 до 470
|
Св. 470 до 500
|
Св. 500 до 535
|
Св. 535 до 570
|
Св. 570 до 600
|
Св. 600 до 635
|
Св. 635 до 670
|
Св. 670 до 700
|
Св. 700 до 750
|
Св. 750 до 800
|
Св. 800 до 835
|
Св. 835 до 870
|
Св. 870 до 900
|
Св. 900 до 950
|
Св. 950 до 1000
|
Св. 1000 до 1050
|
Св. 1050 до 1100
|
Св. 1100 до 1150
|
Св. 1150 до 1200
|
Св. 1200 до 1300
|
Св. 1300 до 1350
|
Св. 1350 до 1400
|
Св. 1400 до 1450
|
Св. 1450 до 1500
|
Св. 1500 до 1600
|
Св. 1600 до 1700
|
Св. 1700 до 1900
|
|
Минимальная длина
выполнимого уступа (l1, l2, l6, l7) или выемки (l4)
|
|
До 2000 включ.
|
150
|
170
|
190
|
210
|
230
|
250
|
270
|
290
|
310
|
330
|
350
|
370
|
390
|
410
|
430
|
450
|
470
|
490
|
510
|
530
|
550
|
570
|
590
|
610
|
630
|
650
|
670
|
690
|
710
|
730
|
750
|
770
|
800
|
830
|
850
|
|
Св.
2000 до 3000 »
|
170
|
190
|
210
|
230
|
250
|
270
|
290
|
310
|
330
|
350
|
370
|
390
|
410
|
430
|
450
|
470
|
490
|
510
|
530
|
550
|
570
|
590
|
610
|
630
|
650
|
670
|
690
|
710
|
730
|
750
|
770
|
790
|
830
|
860
|
890
|
|
» 3000 » 4000 »
|
190
|
210
|
230
|
250
|
270
|
290
|
310
|
330
|
350
|
370
|
390
|
410
|
430
|
450
|
470
|
490
|
510
|
530
|
550
|
570
|
590
|
610
|
630
|
650
|
670
|
690
|
710
|
730
|
750
|
770
|
790
|
810
|
860
|
890
|
920
|
|
» 4000 » 5000 »
|
210
|
230
|
250
|
270
|
290
|
310
|
330
|
350
|
370
|
390
|
410
|
430
|
450
|
470
|
490
|
510
|
530
|
550
|
570
|
590
|
610
|
630
|
650
|
670
|
690
|
710
|
730
|
750
|
770
|
790
|
810
|
830
|
890
|
920
|
950
|
|
» 5000 » 6000 »
|
230
|
250
|
270
|
290
|
310
|
330
|
350
|
370
|
390
|
410
|
430
|
450
|
470
|
490
|
510
|
530
|
550
|
570
|
590
|
610
|
630
|
650
|
670
|
690
|
710
|
730
|
750
|
770
|
790
|
810
|
830
|
850
|
920
|
950
|
980
|
|
» 6000 » 7000 »
|
250
|
270
|
290
|
310
|
330
|
350
|
370
|
390
|
410
|
430
|
450
|
470
|
490
|
510
|
530
|
550
|
570
|
590
|
610
|
630
|
650
|
670
|
690
|
710
|
730
|
750
|
770
|
790
|
810
|
830
|
850
|
870
|
950
|
980
|
1010
|
|
» 7000 » 8000 »
|
270
|
290
|
310
|
330
|
350
|
370
|
390
|
410
|
430
|
450
|
470
|
490
|
510
|
530
|
550
|
570
|
590
|
610
|
630
|
650
|
670
|
690
|
710
|
730
|
750
|
770
|
790
|
810
|
830
|
850
|
870
|
890
|
980
|
1010
|
1040
|
|
» 8000 » 9000 »
|
290
|
310
|
330
|
350
|
370
|
390
|
410
|
430
|
450
|
470
|
490
|
510
|
530
|
550
|
570
|
590
|
610
|
630
|
650
|
670
|
690
|
710
|
730
|
750
|
770
|
790
|
810
|
830
|
850
|
870
|
890
|
910
|
1010
|
1040
|
1070
|
|
» 9000 » 10000 »
|
310
|
330
|
350
|
370
|
390
|
410
|
430
|
450
|
470
|
490
|
510
|
530
|
550
|
570
|
590
|
610
|
630
|
650
|
670
|
690
|
710
|
730
|
750
|
770
|
790
|
810
|
830
|
850
|
870
|
890
|
910
|
930
|
1040
|
1070
|
1100
|
|
» 10000 » 11000 »
|
330
|
350
|
370
|
390
|
410
|
430
|
450
|
470
|
490
|
510
|
530
|
550
|
570
|
590
|
610
|
630
|
650
|
670
|
690
|
710
|
730
|
750
|
770
|
790
|
810
|
830
|
850
|
870
|
890
|
910
|
930
|
950
|
1070
|
1100
|
1130
|
|
» 11000 » 12000 »
|
350
|
370
|
390
|
410
|
430
|
450
|
470
|
490
|
510
|
530
|
550
|
570
|
590
|
610
|
630
|
650
|
670
|
690
|
710
|
730
|
750
|
770
|
790
|
810
|
830
|
850
|
870
|
890
|
910
|
930
|
950
|
970
|
1100
|
1130
|
1160
|
|
» 12000 » 13000 »
|
370
|
390
|
410
|
430
|
450
|
470
|
490
|
510
|
530
|
550
|
570
|
590
|
610
|
630
|
650
|
670
|
690
|
710
|
730
|
750
|
770
|
790
|
810
|
830
|
850
|
870
|
890
|
910
|
930
|
950
|
970
|
990
|
1130
|
1160
|
1190
|
|
» 13000 » 14000 »
|
390
|
410
|
430
|
450
|
470
|
490
|
510
|
530
|
550
|
570
|
590
|
610
|
630
|
650
|
670
|
690
|
710
|
730
|
750
|
770
|
790
|
810
|
830
|
850
|
870
|
890
|
910
|
930
|
950
|
970
|
990
|
1010
|
1160
|
1190
|
1220
|
|
» 14000 » 15000 »
|
-
|
430
|
450
|
470
|
490
|
510
|
530
|
550
|
570
|
590
|
610
|
630
|
650
|
670
|
690
|
710
|
730
|
750
|
770
|
800
|
830
|
860
|
890
|
920
|
950
|
980
|
1010
|
1040
|
1070
|
1100
|
1130
|
1160
|
1190
|
1220
|
1250
|
|
» 15000 » 16000 »
|
-
|
-
|
470
|
490
|
510
|
530
|
550
|
570
|
590
|
610
|
630
|
650
|
670
|
690
|
710
|
730
|
750
|
770
|
790
|
830
|
860
|
890
|
920
|
950
|
980
|
1010
|
1040
|
1070
|
1100
|
1130
|
1160
|
1190
|
1220
|
1250
|
1280
|
|
» 16000 » 17000 »
|
-
|
-
|
-
|
510
|
530
|
550
|
570
|
590
|
610
|
630
|
650
|
670
|
690
|
710
|
730
|
750
|
770
|
790
|
810
|
860
|
890
|
920
|
950
|
980
|
1010
|
1040
|
1070
|
1100
|
1130
|
1160
|
1190
|
1220
|
1250
|
1280
|
1310
|
|
» 17000 » 18000 »
|
-
|
-
|
-
|
-
|
550
|
570
|
590
|
610
|
630
|
650
|
670
|
690
|
710
|
730
|
750
|
770
|
790
|
810
|
830
|
890
|
920
|
950
|
980
|
1010
|
1040
|
1070
|
1100
|
1130
|
1160
|
1190
|
1220
|
1250
|
1280
|
1310
|
1340
|
|
» 18000 » 19000 »
|
-
|
-
|
-
|
-
|
-
|
590
|
610
|
630
|
650
|
670
|
690
|
710
|
730
|
750
|
770
|
790
|
810
|
830
|
850
|
920
|
950
|
980
|
1010
|
1040
|
1070
|
1100
|
1130
|
1160
|
1190
|
1220
|
1250
|
1280
|
1310
|
1340
|
1370
|
|
» 19000 » 20000 »
|
-
|
-
|
-
|
-
|
-
|
-
|
630
|
650
|
670
|
690
|
710
|
730
|
750
|
770
|
790
|
810
|
830
|
850
|
870
|
950
|
980
|
1010
|
1040
|
1070
|
1100
|
1130
|
1160
|
1190
|
1220
|
1250
|
1280
|
1310
|
1340
|
1370
|
1400
|
Примечание. Концевые уступы выполняют в том случае, если длина
засечки перед прожимом уступа равна или более 1\3 диаметра, примыкающего к
уступу.
Таблица 7
мм
|
Диаметр, примыкающий к бурту
|
Диаметр D1 или
размер Н бурта
|
|
Св. 100 до 200
|
Св. 200 до 300
|
Св. 300 до 400
|
Св. 400 до 500
|
Св. 500 до 600
|
Св. 600 до 700
|
Св. 700 до 800
|
Св. 800 до 900
|
Св. 900 до 1000
|
Св. 1000 до 1100
|
Св. 1100 до 1200
|
Св. 1200 до 1300
|
Св. 1300 до 1400
|
Св. 1400 до 1500
|
Св. 1500 до 1600
|
Св. 1600 до 1700
|
Св. 1700 до 1800
|
Св. 1800 до 1900
|
Св. 1900 до 2000
|
Св. 2000 до 2100
|
|
Минимальная поковочная
длина бурта l
|
|
До 100 включ.
|
30
|
60
|
100
|
130
|
-
|
-
|
-
|
-
|
-
|
-
|
-
|
-
|
-
|
-
|
-
|
-
|
-
|
-
|
-
|
-
|
|
Св. 100 до 200 »
|
20
|
50
|
80
|
110
|
140
|
180
|
200
|
240
|
-
|
-
|
-
|
-
|
-
|
-
|
-
|
-
|
-
|
-
|
-
|
-
|
|
» 200 » 300 »
|
-
|
30
|
60
|
100
|
120
|
160
|
190
|
220
|
260
|
290
|
320
|
360
|
-
|
-
|
-
|
-
|
-
|
-
|
-
|
-
|
|
» 300 » 400 »
|
-
|
-
|
40
|
70
|
100
|
140
|
170
|
200
|
240
|
270
|
300
|
340
|
380
|
420
|
460
|
510
|
560
|
-
|
-
|
-
|
|
» 400 » 500 »
|
-
|
-
|
-
|
60
|
90
|
120
|
150
|
180
|
220
|
250
|
280
|
320
|
350
|
390
|
430
|
480
|
530
|
580
|
620
|
670
|
|
» 500 » 600 »
|
-
|
-
|
-
|
-
|
70
|
100
|
130
|
160
|
200
|
230
|
260
|
300
|
320
|
360
|
400
|
450
|
500
|
550
|
600
|
650
|
|
» 600 » 700 »
|
-
|
-
|
-
|
-
|
-
|
80
|
110
|
140
|
180
|
210
|
240
|
280
|
300
|
340
|
380
|
430
|
480
|
530
|
580
|
630
|
|
» 700 » 800 »
|
-
|
-
|
-
|
-
|
-
|
-
|
100
|
130
|
160
|
200
|
220
|
260
|
280
|
320
|
360
|
410
|
460
|
510
|
560
|
610
|
|
» 800 » 900 »
|
-
|
-
|
-
|
-
|
-
|
-
|
-
|
110
|
140
|
170
|
200
|
230
|
260
|
300
|
320
|
370
|
420
|
470
|
520
|
570
|
|
» 900 » 1000 »
|
-
|
-
|
-
|
-
|
-
|
-
|
-
|
-
|
120
|
160
|
190
|
220
|
240
|
280
|
300
|
350
|
390
|
440
|
490
|
540
|
|
» 1000 » 1100 »
|
-
|
-
|
-
|
-
|
-
|
-
|
-
|
-
|
-
|
140
|
170
|
200
|
230
|
260
|
280
|
320
|
370
|
420
|
470
|
520
|
|
» 1100 » 1200 »
|
-
|
-
|
-
|
-
|
-
|
-
|
-
|
-
|
-
|
-
|
150
|
180
|
210
|
240
|
260
|
300
|
340
|
400
|
440
|
490
|
|
» 1200 » 1300 »
|
-
|
-
|
-
|
-
|
-
|
-
|
-
|
-
|
-
|
-
|
-
|
170
|
200
|
220
|
240
|
280
|
310
|
350
|
390
|
440
|
|
» 1300 » 1400 »
|
-
|
-
|
-
|
-
|
-
|
-
|
-
|
-
|
-
|
-
|
-
|
-
|
180
|
200
|
220
|
260
|
290
|
330
|
370
|
420
|
|
» 1400 » 1500 »
|
-
|
-
|
-
|
-
|
-
|
-
|
-
|
-
|
-
|
-
|
-
|
-
|
-
|
190
|
210
|
240
|
270
|
310
|
350
|
390
|
|
» 1500 » 1600 »
|
-
|
-
|
-
|
-
|
-
|
-
|
-
|
-
|
-
|
-
|
-
|
-
|
-
|
-
|
200
|
230
|
260
|
290
|
330
|
370
|
|
» 1600 » 1700 »
|
-
|
-
|
-
|
-
|
-
|
-
|
-
|
-
|
-
|
-
|
-
|
-
|
-
|
-
|
-
|
210
|
240
|
270
|
310
|
350
|
|
» 1700 » 1800 »
|
-
|
-
|
-
|
-
|
-
|
-
|
-
|
-
|
-
|
-
|
-
|
-
|
-
|
-
|
-
|
-
|
230
|
260
|
300
|
340
|
|
» 1800 » 1900 »
|
-
|
-
|
-
|
-
|
-
|
-
|
-
|
-
|
-
|
-
|
-
|
-
|
-
|
-
|
-
|
-
|
-
|
250
|
290
|
330
|
|
» 1900 » 2000 »
|
-
|
-
|
-
|
-
|
-
|
-
|
-
|
-
|
-
|
-
|
-
|
-
|
-
|
-
|
-
|
-
|
-
|
-
|
280
|
320
|
|
» 2000 » 2100 »
|
-
|
-
|
-
|
-
|
-
|
-
|
-
|
-
|
-
|
-
|
-
|
-
|
-
|
-
|
-
|
-
|
-
|
-
|
-
|
300
|
Примечания :
1. Если длина бурта, определенная с учетом припусков
по п. 12,
будет меньше значений, полученных по табл. 7, то она увеличивается до
размеров, определенных по табл. 7.
2. Минимальная поковочная длина фланцев должна быть
на 50 % больше, чем минимальная длина буртов, определенная по табл. 7.
3. Разницу в припуске между значениями, определенными
по табл. 7
и по п. 12,
прибавляют у фланцев со стороны уступа, а у буртов со стороны уступа большего
диаметра.
4. В случае, если прибавление разницы в припуске со
стороны уступа большего диаметра приводит к невозможности выполнения уступа или
выемки, то со стороны уступа большего диаметра прибавляется только та часть
разницы в припуске, которая не препятствует образованию выемки или уступа.
5. При увеличении длины фланца или бурта согласно
примечанию 1 значение отрицательного отклонения на этой длине может быть
соответственно увеличено.
6. Если поковка имеет два или более фланцев и буртов,
удаленных друг от друга на расстояние не менее 2000 мм, то поковочную длину
каждого бурта и фланца, определенную по табл. 7, можно увеличить на 100
мм.
Примеры определения возможности
выполнения буртов и фланцев у поковок приведены на черт. 14 - 17.
Поковка с основными
и дополнительными припусками, назначенными согласно пп. 10 и 12

Черт. 14
Поковка с окончательными размерами

Черт. 15
Поковка с основными и дополнительными
припусками, назначенными согласно пп. 10 и 12

Черт. 16
Поковка с окончательными размерами

Черт. 17
Длина бурта равна 306 мм. По табл. 7
минимальная длина бурта должна быть 350 мм, следовательно на бурт выбирают
напуск со стороны уступа большего диаметра.
Длина фланца равна 350 мм. По табл. 7 и
с учетом примечания 2 минимальная длина фланца должна быть 405 мм, поэтому на
фланец выбирается напуск согласно п. 14.
Весь напуск в соответствии с
примечанием 3 прибавляют со стороны уступа.
15. Конусы выполняются на
поковках при соблюдении следующих условий:
высота уступа h1 должна
превышать двукратную высоту минимального уступа, определенного по табл. 5;
длина конусного уступа l должна быть больше или
равна двум диаметрам основания конуса, а угол a£8°;
уступы и выемки выполняются,
если длина присечки от соседнего выступа не менее 0,5 ширины бойка (черт. 18а)
и не менее 1,2 ширины бойка (черт. 18б).
Поковка с
окончательными размерами

Черт. 18
Промежуточные диаметры конусной
части не контролируются при условии обеспечения чистовых размеров детали.
Расчет массы конусной части
ведется по размерам, включающим плюсовой допуск.
Пример выбора припусков и
допусков на поковку с конусом для детали, указанной на черт. 19, приведен на черт. 20.

Черт. 19

Черт. 20
Высота уступа на детали 150 мм.
Она больше удвоенной минимальной высоты уступа, определенной по табл. 7 и
равной 64 мм.
Длина конусной части 1700 мм
больше удвоенного большего диаметра детали (1600 мм) и угол a<8°,
следовательно при ковке конус может быть выполнен. Длина уступа 1040 мм больше
минимальной длины уступа, определенной по табл. 6 и равной 570 мм,
следовательно этот уступ выполняется при ковке.
16. Припуски и
предельные отклонения для поковок типа цилиндры сплошные, муфты и диски
сплошные и с отверстиями следует выбирать в соответствии с черт.
21 и табл. 8.

Черт. 21
Таблица 8
мм
|
Высота детали Н
|
Диаметр детали D
|
|
Св. 200 до 224
|
Св. 224 до 250
|
Св. 250 до 280
|
Св. 280 до 315
|
Св. 315 до 355
|
Св. 355 до 400
|
Св. 400 до 450
|
Св. 450 до 500
|
Св. 500 до 560
|
Св. 560 до 630
|
Св. 630 до 710
|
Св. 710 до 800
|
Св. 800 до 900
|
Св. 900 до 1000
|
Св. 1000 до 1120
|
Св. 1120 до 1250
|
Св. 1250 до 1400
|
Св. 1400 до 1550
|
Св. 1550 до 1700
|
Св. 1700 до 1850
|
Св. 1850 до 2000
|
Св. 2000 до 2200
|
Св. 2200 до 2400
|
Св. 2400 до 2600
|
|
Припуски d и предельные отклонения 
|
|
От 125 до 160 включ.
|
20±5
|
20±6
|
20±7
|
20±7
|
20±7
|
20±7
|
20±8
|
21±8
|
22±9
|
23±9
|
24±10
|
25±10
|
26±11
|
27±11
|
28±11
|
29±12
|
30±12
|
31±13
|
32±13
|
33±14
|
35±14
|
-
|
-
|
-
|
|
Св. 160 » 200 »
|
20±6
|
20±7
|
20±7
|
20±7
|
20±7
|
20±8
|
21±8
|
22±9
|
23±9
|
24±10
|
25±10
|
26±11
|
27±11
|
28±11
|
29±12
|
30±12
|
31±13
|
32±13
|
33±14
|
35±14
|
37±15
|
39±16
|
-
|
-
|
|
» 200 » 250 »
|
20±7
|
20±7
|
20±7
|
20±7
|
20±8
|
21±8
|
22±9
|
23±9
|
24±10
|
25±10
|
26±11
|
27±11
|
28±11
|
29±12
|
30±12
|
31±13
|
32±13
|
33±14
|
36±14
|
37±15
|
39±16
|
41±17
|
43±18
|
-
|
|
» 250 » 315 »
|
20±7
|
20±7
|
20±7
|
20±8
|
21±8
|
22±9
|
23±9
|
24±10
|
25±10
|
26±11
|
27±11
|
28±11
|
29±12
|
30±12
|
31±13
|
32±13
|
33±14
|
35±14
|
37±15
|
39±16
|
41±17
|
43±18
|
45±19
|
47±20
|
|
» 315 » 400 »
|
20±7
|
20±7
|
20±8
|
21±8
|
22±9
|
23±9
|
24±10
|
25±10
|
26±11
|
27±11
|
28±11
|
29±12
|
30±12
|
31±13
|
32±13
|
33±14
|
35±14
|
37±15
|
39±16
|
41±17
|
43±18
|
45±19
|
47±20
|
49±21
|
|
» 400 » 500 »
|
-
|
-
|
21±8
|
22±9
|
23±9
|
24±10
|
25±10
|
26±11
|
27±11
|
28±11
|
29±12
|
30±12
|
31±13
|
32±13
|
33±14
|
35±15
|
37±15
|
39±16
|
41±17
|
43±18
|
45±19
|
47±20
|
49±21
|
51±21
|
|
» 500 » 630 »
|
-
|
-
|
-
|
-
|
24±10
|
25±10
|
26±11
|
27±11
|
28±11
|
29±12
|
30±12
|
31±13
|
32±13
|
33±14
|
35±14
|
37±15
|
39±16
|
41±17
|
43±18
|
45±19
|
47±20
|
49±21
|
51±21
|
53±22
|
|
» 630 » 800 »
|
-
|
-
|
-
|
-
|
-
|
-
|
27±11
|
28±11
|
29±12
|
30±12
|
31±13
|
32±13
|
33±14
|
35±14
|
37±15
|
39±16
|
41±17
|
43±18
|
45±19
|
47±20
|
49±21
|
51±21
|
53±22
|
55±23
|
|
» 800 » 1000 »
|
-
|
-
|
-
|
-
|
-
|
-
|
-
|
-
|
30±12
|
31±13
|
32±13
|
33±14
|
35±14
|
37±15
|
39±16
|
41±16
|
43±18
|
45±19
|
47±20
|
49±21
|
51±21
|
53±22
|
55±23
|
57±24
|
|
» 1000 » 1120 »
|
-
|
|
-
|
-
|
-
|
-
|
-
|
-
|
-
|
-
|
33±14
|
35±14
|
37±15
|
39±16
|
41±17
|
43±18
|
45±19
|
47±20
|
49±21
|
51±21
|
53±22
|
55±23
|
57±24
|
59±25
|
|
» 1120 » 1250 »
|
-
|
-
|
-
|
-
|
-
|
-
|
-
|
-
|
-
|
-
|
-
|
37±15
|
39±16
|
41±17
|
43±18
|
45±19
|
47±20
|
49±21
|
51±21
|
53±22
|
55±23
|
57±24
|
59±25
|
61±25
|
|
» 1250 » 1400 »
|
-
|
|
-
|
-
|
-
|
-
|
-
|
-
|
-
|
-
|
-
|
-
|
41±17
|
43±18
|
45±19
|
47±20
|
49±21
|
51±21
|
53±22
|
55±23
|
57±24
|
59±25
|
61±25
|
63±26
|
|
» 1400 » 1550 »
|
-
|
-
|
-
|
-
|
-
|
-
|
-
|
-
|
-
|
-
|
-
|
-
|
-
|
45±19
|
47±20
|
49±21
|
51±21
|
53±22
|
55±23
|
57±24
|
59±25
|
61±25
|
63±26
|
65±27
|
|
» 1550 » 1700 »
|
-
|
-
|
-
|
-
|
-
|
-
|
-
|
-
|
-
|
-
|
-
|
-
|
-
|
-
|
49±21
|
51±21
|
53±22
|
55±23
|
57±24
|
59±25
|
61±25
|
63±26
|
65±27
|
67±28
|
Примечания:
1. Данные табл. 8 распространяют на
детали, у которых 0,2D£H£1,2D и d<0,5D.
2. Припуск d и предельные отклонения
на высоту Н
принимают равными припуску и предельным отклонениям на диаметр.
3. Предельные диаметры прошиваемых отверстий
вычисляют по формулам:
максимальный диаметр прошиваемого отверстия
,
где D - диаметр заготовки перед
прошивкой;
минимальный диаметр прошиваемого отверстия
,
где Н - высота заготовки перед прошивкой. Если
Н:d>3, отверстие не прошивать.
4. Припуск d1 на отверстия в поковках
определяют по табл.
9 как разность между диаметром отверстия и диаметром прошивня.
5. Допуск на прошиваемое отверстие принимают равным
0,6 от припуска, определенного по примечанию 4.
6. На сплошных и с отверстиями поковках, имеющих
отношение D+d\H+d³4, а также на поковках,
имеющих D+d\H+d<4
с массой более 4000 кг или с наружным диаметром более 1200 мм, допускается
сферичность b, форма и размеры которой не контролируются. При
отношении D+d\H+d<4
и массе поковки менее 4000 кг напуск на сферичность не назначается и в массе
поковки не учитывается. Массу напуска (сферичности) определяют по табл. 10
в зависимости от D+d\H+d
и расчетной массы поковки Рр, определенной по габаритным
размерам без учета сферичности. На поковках со сферичностью верхнее предельное
отклонение на наружный диаметр принимают равным 30 мм при диаметре до 1000 мм,
50 мм - при диаметре до 1500 мм и 80 мм - при диаметре выше 1500 мм.
7. Нижнее предельное отклонение на высоту поковки
допускается увеличивать на 50 %.
Пример выбора припусков и допусков на поковку с
отверстиями приведен на черт. 22.
Припуски и предельные отклонения на наружные размеры
выбирают по табл.
8. По формуле максимальный диаметр прошиваемого отверстия не должен
превышать 228 мм, а минимальный диаметр не должен быть меньше 65 мм. По черт. 22
диаметр отверстия детали 200 мм, следовательно его можно прошить. По табл. 9
определяем, что прошивень должен быть диаметром 150 мм.
Таблица 9
мм
|
Диаметр отверстия d
|
Св. 110 до 120
|
Св. 120 до 131
|
Св. 131 до 142
|
Св. 142 до 158
|
Св. 158 до 184
|
Св. 184 до 210
|
Св. 210 до 235
|
Св. 238 до 262
|
Св. 262 до 288
|
Св. 288 до 314
|
Св. 314 до 340
|
Св. 340 до 366
|
Св. 366 до 392
|
Св. 392 до 418
|
Св. 418 до 444
|
Св. 444 до 470
|
Св. 470 до 522
|
Св. 522 до 575
|
Св. 575 до 680
|
Св. 680 до 800
|
Св. 800 до 900
|
Св. 900 до 1000
|
Более 1000
|
|
Диаметр прошивня dпр
|
80
|
90
|
100
|
110
|
125
|
150
|
175
|
200
|
225
|
250
|
275
|
300
|
325
|
350
|
375
|
400
|
425
|
450
|
500
|
600
|
700
|
800
|
900
|
Таблица 10
|
D+d
Н+d
|
От 4,0 до 4,7
|
Св. 4,7 до 5,0
|
Св. 5,0 до 5,5
|
Св. 5,5 до 6,5
|
Св. 6,5 до 7,5
|
Св. 7,5 до 8,5
|
Св. 8,5 до 9,5
|
Св. 9,5 до 10,5
|
Св. 10,5 до 11,5
|
Св. 11,5 до 13,0
|
Св. 13,0 до 15,5
|
Св. 13,5 до 16,0
|
|
Масса напуска, кг
|
0,1 Рр
|
0,09 Рр
|
0,085 Рр
|
0,08 Рр
|
0,075 Рр
|
0,07 Рр
|
0,065 Рр
|
0,06 Рр
|
0,055 Рр
|
0,05 Рр
|
0,045 Рр
|
0,04 Рр
|

Черт. 22
17. Припуски и предельные
отклонения для поковок типа брусков и пластин сплошных и с отверстием следует
назначать в соответствии с черт. 23 и табл. 11.

Черт. 23
Таблица 11
мм
|
Высота детали Н
|
Размеры детали L, В
|
|
Св. 250 до 315
|
Св. 315 до 400
|
Св. 400 до 500
|
Св. 500 до 630
|
Св. 630 до 800
|
Св. 800 до 1000
|
Св. 1000 до 1250
|
Св. 1250 до 1600
|
Св. 1600 до 2000
|
Св. 2000 до 2500
|
Св. 2500 до 3150
|
Св. 3150 до 4000
|
|
Припуски d, d1 и
предельные отклонения ±D\2 и ±D1/2
|
|
От 125 до 160 включ.
|
20±17
|
20±7
|
21±18
|
23±19
|
25±10
|
27±11
|
29±12
|
-
|
-
|
-
|
-
|
-
|
|
Св. 160 » 200 »
|
-
|
20±8
|
22±9
|
24±10
|
26±11
|
28±11
|
30±12
|
32±13
|
-
|
-
|
-
|
-
|
|
» 200 » 250 »
|
-
|
-
|
23±9
|
25±10
|
27±11
|
29±12
|
31±13
|
33±14
|
36±15
|
-
|
-
|
|
|
» 250 » 315 »
|
-
|
-
|
-
|
26±11
|
28±11
|
30±12
|
32±13
|
34±14
|
38±16
|
45±19
|
-
|
-
|
|
» 315 » 400 »
|
-
|
-
|
-
|
-
|
29±12
|
31±13
|
33±14
|
36±15
|
40±17
|
48±20
|
54±22
|
-
|
|
» 400 » 500 »
|
-
|
-
|
-
|
-
|
-
|
32±13
|
34±14
|
38±16
|
42±18
|
51±21
|
57±23
|
66±27
|
|
» 500 » 630 »
|
-
|
-
|
-
|
-
|
-
|
-
|
36±15
|
40±17
|
45±19
|
54±22
|
60±24
|
68±28
|
|
» 630 » 800 »
|
-
|
-
|
-
|
-
|
-
|
-
|
-
|
42±18
|
48±20
|
57±23
|
63±25
|
70±28
|
|
» 800 » 1000 »
|
-
|
-
|
-
|
-
|
-
|
-
|
-
|
-
|
51±21
|
60±24
|
66±27
|
73±29
|
|
» 1000 » 1250 »
|
-
|
-
|
-
|
-
|
-
|
-
|
-
|
-
|
-
|
63±25
|
69±28
|
76±30
|
Примечания:
1. Данные табл. 11 распространяют на
детали, у которых 4H³B³2H, 8H³L³B и
масса детали не превышает 80 т.
2. Припуск и предельные отклонения на размер «H»
принимают равными припуску и предельным отклонениям на размер В. Для
поковок, у которых L>1200 мм или отношение L:H>3,
припуск и предельные отклонения на размер L принимают трехкратными от
припуска и отклонений на размер В.
3. Предельные диаметры прошиваемых отверстий
определяют по формулам (см. п. 16), в которых принимают D=B. Если отношение H:d>3,
отверстие не прошивать.
4. Припуск d2 на отверстиях определяется
по табл. 9
как разность между диаметром отверстия и диаметром прошивня. Допуск на
прошиваемое отверстие принимается равным 0,6 от припуска d2.
5. На боковых гранях поковки допускаются
неконтролируемые напуски, общую массу которых (кг) вычисляют по формуле
.
Пример выбора припусков и
предельных отклонений приведен на черт. 24.

Черт. 24
18. Припуски и предельные
отклонения для поковок типа цилиндров с отверстиями с постоянным и переменным
по длине сечением следует выбирать в соответствии с черт. 25 и табл. 12.

Черт. 25
Таблица 12
мм
|
Длина детали L
|
Диаметр детали D
|
|
Св. 350 до 400
|
Св. 400 до 450
|
Св. 450 до 500
|
Св. 500 до 560
|
Св. 560 до 630
|
Св. 630 до 710
|
Св. 710 до 800
|
Св. 800 до 900
|
Св. 900 до 1000
|
Св. 1000 до 1120
|
Св. 1120 до 1250
|
Св. 1250 до 1320
|
Св. 1320 до 1400
|
Св. 1400 до 1500
|
Св. 1500 до 1600
|
Св. 1600 до 1700
|
Св. 1700 до 1800
|
Св. 1800 до 1900
|
Св. 1900 до 2000
|
Св. 2000 до 2100
|
Св. 2100 до 2150
|
Св. 2150 до 2300
|
Св. 2300 до 2500
|
|
Припуски d и предельные отклонения ±D\2
|
|
До 1000 включ.
|
30±11
|
31±11
|
32±13
|
33±13
|
34±13
|
35±14
|
36±14
|
37±15
|
-
|
-
|
-
|
-
|
-
|
-
|
-
|
-
|
-
|
-
|
-
|
-
|
-
|
-
|
-
|
|
Св. 1000 до 1250 »
|
31±11
|
32±13
|
33±13
|
34±13
|
35±14
|
36±14
|
37±15
|
38±15
|
39±16
|
40±16
|
-
|
-
|
-
|
-
|
-
|
-
|
-
|
-
|
-
|
-
|
-
|
-
|
-
|
|
» 1250 » 1600 »
|
32±13
|
33±13
|
34±13
|
35±14
|
36±14
|
37±15
|
38±15
|
39±16
|
40±16
|
41±17
|
42±17
|
43±17
|
44±18
|
-
|
|
-
|
-
|
-
|
-
|
-
|
-
|
-
|
-
|
|
» 1600 » 2000 »
|
33±13
|
34±13
|
35±14
|
36±14
|
37±15
|
38±15
|
39±16
|
40±16
|
41±17
|
42±17
|
43±17
|
44±18
|
45±19
|
46±19
|
47±19
|
48±20
|
-
|
-
|
-
|
-
|
-
|
-
|
-
|
|
» 2000 » 2500 »
|
34±13
|
35±14
|
36±14
|
37±15
|
38±15
|
39±16
|
40±16
|
41±17
|
42±17
|
43±17
|
44±18
|
45±18
|
46±19
|
47±19
|
48±20
|
49±20
|
50±21
|
51±21
|
52±21
|
53±22
|
-
|
-
|
-
|
|
» 2500 » 3150 »
|
-
|
36±14
|
37±15
|
38±15
|
39±16
|
40±16
|
41±17
|
42±17
|
43±17
|
44±18
|
45±18
|
46±19
|
47±19
|
48±20
|
49±20
|
50±21
|
51±21
|
52±21
|
53±22
|
55±23
|
56±24
|
58±25
|
60±25
|
|
» 3150 » 4000 »
|
-
|
-
|
38±15
|
39±16
|
40±16
|
41±17
|
42±17
|
43±17
|
44±17
|
45±18
|
47±19
|
48±20
|
49±20
|
50±21
|
51±21
|
52±21
|
53±22
|
54±22
|
55±23
|
56±24
|
58±25
|
60±25
|
62±26
|
|
» 4000 » 5000 »
|
-
|
-
|
-
|
40±16
|
41±17
|
42±17
|
43±17
|
44±18
|
45±18
|
47±19
|
48±20
|
49±20
|
50±21
|
51±21
|
52±21
|
53±22
|
54±22
|
55±23
|
56±23
|
58±25
|
60±25
|
62±26
|
64±27
|
|
» 5000 » 6300 »
|
-
|
-
|
-
|
-
|
-
|
43±17
|
44±18
|
45±18
|
47±19
|
48±20
|
50±21
|
51±21
|
52±21
|
53±22
|
54±22
|
55±23
|
56±23
|
57±24
|
58±25
|
60±25
|
62±26
|
64±27
|
66±28
|
|
» 6300 » 8000 »
|
-
|
-
|
-
|
-
|
-
|
-
|
-
|
47±19
|
48±20
|
50±21
|
51±21
|
52±21
|
53±22
|
54±22
|
56±23
|
57±25
|
58±25
|
59±25
|
60±25
|
62±26
|
64±27
|
66±28
|
68±29
|
|
.» 8000 » 9000 »
|
-
|
-
|
-
|
-
|
-
|
-
|
-
|
-
|
-
|
51±21
|
52±21
|
53±22
|
54±22
|
56±24
|
58±25
|
59±25
|
60±25
|
61±26
|
62±26
|
64±27
|
66±28
|
68±29
|
70±30
|
|
» 9000 » 10000 »
|
-
|
-
|
-
|
-
|
-
|
-
|
-
|
-
|
-
|
-
|
-
|
-
|
56±24
|
58±25
|
60±25
|
61±26
|
62±26
|
63±26
|
64±27
|
66±28
|
68±29
|
70±30
|
-
|
|
» 10000 » 11000 »
|
-
|
-
|
-
|
-
|
-
|
-
|
-
|
-
|
-
|
-
|
-
|
-
|
-
|
-
|
62±26
|
63±27
|
64±27
|
65±27
|
66±26
|
68±29
|
70±30
|
-
|
-
|
|
» 11000 » 12000 »
|
-
|
-
|
-
|
-
|
-
|
-
|
-
|
-
|
-
|
-
|
-
|
-
|
-
|
-
|
-
|
-
|
66±28
|
67±29
|
69±29
|
-
|
-
|
-
|
-
|
Примечания:
1. Данные табл. 12 распространяют на
детали, у которых 6D³L³1,2D и d³0,5D,
при этом минимальная толщина стенки поковки не должна быть менее 100 мм.
2. Припуск d на внутренний диаметр d
определяют по табл.
13 как разность между диаметрами отверстия и оправки на половине
длины поковки. При диаметре отверстия в детали до 230 мм и длине поковки свыше
2000 мм, а также при диаметре отверстия в детали до 280 мм и длине поковки
свыше 3000 мм отверстие в поковке разрешается не делать.
Предельные отклонения на диаметр отверстия принимают
равными произведению L1´K,
где L1 - длина поковки; К=1:80 - конусность оправки.
При этом нижнее предельное отклонение не должно быть менее 20 мм.
4. Припуск и предельные отклонения на длину детали
принимают равным n×(d±D/2) в зависимости от
соотношения длины детали L и наружного диаметра D (n -
коэффициент увеличения припуска и допуска). Если отношение L/D£1,4, a D£1000 мм и вытяжка после осадки заготовки не более двухкратной, то n=4.
В остальных случаях принимают n=6.
5. На торцах поковки допускается сферичность b,
форма и размеры которой не контролируются.
6. Массу напуска торцевой сферы (m4), кг, для поковок со
степенью вытяжки 2 и более вычисляют по формуле
,
где S - площадь сечения по
наружному диаметру поковки (D+d),
мм2;
S1 - площадь отверстия поковки
по диаметру D1, мм2.
7.
Нижнее предельное отклонение на длину поковки допускается увеличивать на 50%.
Таблица 13
Нормативные диаметры оправок в зависимости от
диаметров отверстий деталей
мм
|
Диаметр отверстия
|
Св. 180 до 230
|
Св. 230 до 280
|
Св. 280 до 330
|
Св. 330 до 380
|
Св. 380 до 430
|
Св. 430 до 490
|
Св. 490 до 550
|
Св. 550 до 610
|
Св. 610 до 670
|
Св. 670 до 730
|
Св. 730 до 790
|
Св. 790 до 850
|
Св. 850 до 950
|
Св. 950 до 1050
|
Св. 1050 до 1150
|
Св. 1150 до 1250
|
Св. 1250 до 1350
|
Св. 1350 до 1450
|
Св. 1450 до 1550
|
Более 1550
|
|
Диаметр оправки у бурта
|
160
|
200
|
250
|
300
|
350
|
400
|
450
|
500
|
550
|
600
|
650
|
700
|
750
|
850
|
950
|
1050
|
1150
|
1250
|
1350
|
1400
|
Пример выбора припусков и
предельных отклонений для поковки приведен на черт. 26. По табл. 12
выбирают припуск и предельное отклонение на наружный диаметр (51 ±21) мм.
Припуск на длину 51´6=306
мм и предельное отклонение 21´6=126 мм (при
, D=1500
мм, n=6). По табл. 13
определяют, что при диаметре отверстия 1000 мм оправка должна иметь диаметр у бурта
850 мм, а на половине длины поковки 850 - 5306:2:80=817 мм. В соответствии с
примечанием 3 к табл. 12 предельные отклонения на диаметр
отверстия 817 мм составляют 5306 : 80 = 66 мм.

Черт. 26
19. Припуски и предельные
отклонения для поковок типа раскатанных колец следует выбирать в соответствии с
черт. 27
и табл. 14.

Черт. 27
Таблица 14
мм
|
Высота детали Н
|
Диаметр детали D
|
|
До 500
|
Св. 500 до 630
|
Св. 630 до 800
|
Св. 800 до 1000
|
Св. 1000 до 1250
|
Св. 1250 до 1400
|
Св. 1400 до 1600
|
Св. 1600 до 1800
|
Св. 1800 до 2000
|
Св. 9000 до 2250
|
Св. 2250 до 2500
|
Св. 2500 до 2800
|
Св. 2800 до 3150
|
Св. 3150 до 3500
|
Св. 3500 до 4000
|
Св. 4000 до 4500
|
Св. 4500 до 5000
|
|
Припуски d и предельные отклонения ±D\2
|
|
Св. 100 до 150 вкл.
|
24±9
|
25±9
|
27±10
|
-
|
-
|
-
|
-
|
-
|
-
|
-
|
-
|
-
|
-
|
-
|
-
|
-
|
-
|
|
» 150 » 200 »
|
24±9
|
25±9
|
27±10
|
29±11
|
31±11
|
35±13
|
-
|
-
|
-
|
-
|
-
|
-
|
-
|
-
|
-
|
-
|
-
|
|
» 200 » 250 »
|
25±9
|
26±9
|
28±10
|
30±11
|
32±12
|
36±13
|
38±14
|
40±15
|
-
|
-
|
-
|
-
|
-
|
-
|
-
|
-
|
-
|
|
» 250 » 315 »
|
27±10
|
28±10
|
30±11
|
32±12
|
34±13
|
38±14
|
41±15
|
44±16
|
47±18
|
51±19
|
-
|
-
|
-
|
-
|
-
|
-
|
-
|
|
» 315 » 400 »
|
28±10
|
29±11
|
31±11
|
33±12
|
35±13
|
40±15
|
42±16
|
46±17
|
49±19
|
53±20
|
57±21
|
61±23
|
-
|
-
|
-
|
-
|
-
|
|
» 400 » 500 »
|
29±11
|
30±11
|
31±11
|
34±13
|
36±13
|
41±15
|
44±16
|
48±18
|
51±19
|
55±21
|
59±22
|
63±24
|
67±25
|
71±27
|
-
|
-
|
-
|
|
» 500 » 630 »
|
30±11
|
31±11
|
33±12
|
35±13
|
37±14
|
43±16
|
46±17
|
50±19
|
53±20
|
57±21
|
61±23
|
65±25
|
69±26
|
75±28
|
80±30
|
95±37
|
-
|
|
» 630 » 800 »
|
-
|
33±12
|
36±13
|
38±14
|
41±15
|
46±17
|
50±19
|
54±20
|
57±21
|
61±23
|
65±25
|
71±27
|
77±29
|
83±31
|
89±34
|
98±39
|
105±43
|
|
» 800 » 1000 »
|
-
|
-
|
37±14
|
40±15
|
43±16
|
48±18
|
52±20
|
56±21
|
59±22
|
63±24
|
68±26
|
74±28
|
80±30
|
86±33
|
92±36
|
101±41
|
108±46
|
|
» 1000 » 1250 »
|
-
|
-
|
-
|
44±16
|
46±17
|
52±20
|
56±21
|
60±23
|
64±24
|
68±26
|
74±28
|
81±30
|
86±33
|
92±36
|
98±39
|
105±43
|
112±48
|
|
» 1250 » 1400 »
|
-
|
-
|
-
|
-
|
47±18
|
54±20
|
58±22
|
62±23
|
67±25
|
72±27
|
78±29
|
83±31
|
89±34
|
95±37
|
101±4l
|
108±45
|
115±50
|
|
» 1400 » 1600 »
|
-
|
-
|
-
|
-
|
48±18
|
56±21
|
60±23
|
65±24
|
69±26
|
75±28
|
81±30
|
87±34
|
93±36
|
99±39
|
104±42
|
110±47
|
119±51
|
|
» 1600 » 1800 »
|
-
|
-
|
-
|
-
|
-
|
58±22
|
63±23
|
67±25
|
73±27
|
79±29
|
85±33
|
91±35
|
97±38
|
102±41
|
106±43
|
113±48
|
120±52
|
|
» 1800 » 2000 »
|
-
|
-
|
-
|
-
|
-
|
-
|
64±23
|
68±25
|
75±28
|
81±30
|
87±34
|
92±36
|
98±38
|
103±41
|
107±43
|
115±50
|
121±52
|
|
» 2000 » 2250 »
|
-
|
-
|
-
|
-
|
-
|
-
|
-
|
69±26
|
76±28
|
82±30
|
88±34
|
94±37
|
100±40
|
104±42
|
110±47
|
116±50
|
122±52
|
|
» 2250 » 2500 »
|
-
|
-
|
-
|
-
|
-
|
-
|
-
|
-
|
82±30
|
85±32
|
91±35
|
97±38
|
104±41
|
108±43
|
114±49
|
119±51
|
125±53
|
Пример выбора припусков и
предельных, отклонений приведен на черт. 28.

Черт. 28
20.
Технические требования к поковкам - по ГОСТ 8479.
21. Контроль припусков и
допусков осуществляют по чертежу поковки.
Примечания:
1. Данные табл. 14 распространяют на
детали, у которых d³0,5D и
0,2D£H£1,2D и
масса поковки не более 90 т.
2. На поковках диаметром более 3000 мм допускают
неравномерное распределение припуска, из-за косого торца «юбки». При этом
местное увеличение припуска не должно превышать двойного верхнего предельного
отклонения, а местное уменьшение припуска - не более полуторного нижнего
предельного отклонения.
3. Припуски по торцам в случае неровностей (бахромы)
контролируют по минимальному размеру. Форму торца не контролируют.
4. При диаметре D£3000 мм толщина поковки
(черт. 27)
должна быть не менее 0,054D и не менее 100 мм. При В<0,054D, а также
менее 100 мм назначаются напуски на отверстие, чтобы В=0,054D и
было не менее 100 мм. При диаметре D>3000 минимальная толщина
поковки В должна быть не менее 165 мм.
5. На торцах поковки допускают сферичность b,
форму и размеры которой не контролируют.
6. Массу напуска торцевой сферы (m4), кг, вычисляют по формуле
,
где S - площадь сечения по
наружному диаметру поковки (D+d), мм2;
S1 -площадь отверстия поковки
по диаметру (d-d), мм2.
22. Допускается
неравномерное расположение припусков, получающееся вследствие эллиптичности,
несоосности наружного и внутреннего диаметров поковок, прогиба поковок и т.п.
При этом наименьший припуск на механическую обработку должен быть не менее 25 %
номинального одностороннего припуска, но не менее 3 мм. Наибольший
односторонний припуск на механическую обработку в этом случае должен быть не
более 175 % номинального одностороннего припуска плюс верхнее предельное
отклонение.
Допускается изготовление поковки
с перераспределением величины предельных отклонений на размеры поковки сверх
допустимого значения в сторону их увеличения или уменьшения, если масса поковки
при этом не превышает массы, определенной расчетом по наибольшим наружным
размерам и наименьшим размерам отверстий.
В отдельных случаях, при
неудовлетворительной поверхности слитка, для обеспечения чистой поверхности
детали допускается местное увеличение припуска против верхнего предельного
отклонения. При этом местное увеличение припуска допускается на участке не
более чем 15 % общей длины для поковок типа тел вращения и 20 % площади
поверхности для поковок всех остальных типов. Допускается изменение размеров на
концевых участках поковок, связанное с деформацией сечений в процессе рубки.
При этом увеличение или уменьшение размеров не должно быть более 50 %
номинального припуска.
23. Для поковок типа цилиндра с
отверстием неравномерность распределения припуска по внутреннему диаметру
должна находиться в пределах допуска на наружный диаметр.
24. Допускается в отдельных
частях поковки уменьшение минимального припуска на сторону на 1/3 против
установленного по соответствующим таблицам настоящего стандарта.
25. В документе о качестве
поковок, поставляемых заказчику без механической обработки, должна указываться
номинальная масса поковки.
26. На поковках, подлежащих
механической обработке, глубину залегания поверхностных дефектов определяют
выборочной контрольной вырубкой или зачисткой; при этом минимальный припуск на
механическую обработку определяют согласно п. 22. На необрабатываемых
поверхностях поковок допускаются местные дефекты типа вмятин от окалины,
забоин, а также пологая вырубка или зачистка при условии, что размеры поковки
остаются в пределах допуска.
27. Скосы, галтели, сферы,
бахрома по размерам поковки не контролируются.
ПРИЛОЖЕНИЕ
Справочное
ТЕРМИНЫ И ОПРЕДЕЛЕНИЯ, ПРИМЕНЯЕМЫЕ В СТАНДАРТЕ
1. Припуск - предусмотренное превышение размеров поковки против номинальных
размеров детали или предварительно ободранной заготовки, обеспечивающее после
обработки резанием требуемые чертежом размеры детали (ободранной заготовки) и
чистоту ее поверхности.
2. Напуск - увеличение припуска, упрощающее конфигурацию поковки ввиду
невозможности или нерентабельности изготовления поковки по контуру детали.
3. Допуск на кузнечную обработку - разность между наибольшим и
наименьшим предельными размерами поковки.
4. Верхнее отклонение на размер - разность между наибольшим предельным и
номинальным размерами поковки.
5. Нижнее отклонение на размер - разность между номинальным и нижним
предельным размерами поковки.
6. Бурт - неконцевой участок поковки увеличенного поперечного сечения у
которого длина равна или меньше 0,3D или 0,3В, где D - диаметр бурта, В
- большая сторона прямоугольника.
7. Уступ - участок поковки с меньшим поперечным сечением, чем смежный с
ним участок. Для поковок типа вала величина уступа выражается полуразностью
диаметров смежных участков.
8. Выступ - участок поковки с большим поперечным сечением, чем смежный с
ним участок.
9. Выемка - участок поковки, диаметр или сторона которого меньше
диаметров или сторон двух смежных с ним участков.
10. Фланец - концевой участок вала увеличенного диаметра или стороны
прямоугольника, у которого длина l1£0,3D1 или l1£0,3Н, где D - диаметр фланца, Н
- большая сторона прямоугольника.
ИНФОРМАЦИОННЫЕ
ДАННЫЕ
1. РАЗРАБОТАН И ВНЕСЕН
Министерством тяжелого машиностроения СССР
РАЗРАБОТЧИКИ
А.Г. Токарев,
Т.А. Губанова, О.А. Несова, Ю.А. Марголин, О.Б. Зеленова
2. УТВЕРЖДЕН И ВВЕДЕН В ДЕЙСТВИЕ ПОСТАНОВЛЕНИЕМ
Государственного комитета СССР по управлению качеством продукции и стандартам
от 24.12.90 № 3238
3. Срок первой
проверки - 1996 г.
4. ВЗАМЕН ГОСТ
7062-79
5. ССЫЛОЧНЫЕ НОРМАТИВНО-ТЕХНИЧЕСКИЕ
ДОКУМЕНТЫ
|
Обозначение НТД, на который дана ссылка
|
Номер пункта, подпункта
|
|
ГОСТ
8479-70
|
20
|