//
ТехЛит.ру
- крупнейшая бесплатная электронная интернет библиотека для "технически умных" людей.
WWW.TEHLIT.RU - ТЕХНИЧЕСКАЯ ЛИТЕРАТУРА

:: Алготрейдинг::


АЛГОТРЕЙДИНГ
шаг за шагом
с нуля по урокам!

Торговые роботы на PYTHON, BackTrader,
Pandas, Pine Script для TradingView. Связка с брокерами, телеграм и легкими приложениями.


ГОСТ 5147-97

МЕЖГОСУДАРСТВЕННЫЙ СТАНДАРТ

МУФТЫ ШАРНИРНЫЕ

Параметры, конструкция и размеры

МЕЖГОСУДАРСТВЕННЫЙ СОВЕТ
ПО СТАНДАРТИЗАЦИИ, МЕТРОЛОГИИ И СЕРТИФИКАЦИИ

Минск

Предисловие

1 РАЗРАБОТАН Межгосударственным техническим комитетом по стандартизации МТК 96, Научно-исследовательским и проектно-конструкторским институтом редукторостроения (НИИредуктор)

ВНЕСЕН Государственным комитетом Украины по стандартизации, метрологии и сертификации

2 ПРИНЯТ Межгосударственным Советом по стандартизации, метрологии и сертификации (протокол № 11 от 23 апреля 1997 г.)

За принятие проголосовали:

Наименование государства

Наименование национального органа по стандартизации

Азербайджанская Республика

Азгосстандарт

Республика Армения

Армгосстандарт

Республика Беларусь

Госстандарт Республики Беларусь

Республика Казахстан

Госстандарт Республики Казахстан

Кыргызская Республика

Кыргызстандарт

Российская Федерация

Госстандарт России

Республика Таджикистан

Таджикстандарт

Туркменистан

Главгосинспекция «Туркменстандартлары»

Республика Узбекистан

Узгосстандарт

Украина

Госстандарт Украины

3 Постановлением Государственного комитета Российской Федерации по стандартизации и метрологии от 2 марта 2001 г. № 113-ст межгосударственный стандарт ГОСТ 5147-97 введен в действие непосредственно в качестве государственного стандарта Российской Федерации с 1 января 2002 г.

4 ВЗАМЕН ГОСТ 5147-80

ГОСТ 5147-97

МЕЖГОСУДАРСТВЕННЫЙ СТАНДАРТ

МУФТЫ ШАРНИРНЫЕ

Параметры, конструкция и размеры

Joint couplings.
Parameters, design and dimensions

Дата введения 2002-01-01

1 Область применения

Настоящий стандарт распространяется на малогабаритные шарнирные муфты общемашиностроительного применения, климатических исполнений У и Т, категорий 1 - 3, климатических исполнений УХЛ и О, категории 4 по ГОСТ 15150, предназначенные для соединения цилиндрических валов, которые устанавливают под углом до 45°, и передачи крутящего момента от 11,2 до 1120 Н . м без смягчения динамических нагрузок.

Требования стандарта являются обязательными, кроме п. 3.5, рисунка А.4, таблицы А.4 и приложения Б.

2 Нормативные ссылки

В настоящем стандарте использованы ссылки на следующие стандарты:

ГОСТ 9.301-86 Единая система защиты от коррозии и старения. Покрытия металлические и неметаллические неорганические. Общие требования

ГОСТ 9.303-84 Единая система защиты от коррозии и старения. Покрытия металлические и неметаллические неорганические. Общие требования к выбору

ГОСТ 9.306-85 Единая система защиты от коррозии и старения. Покрытия металлические и неметаллические неорганические. Обозначения

ГОСТ 3129-70 Штифты конические незакаленные. Технические условия

ГОСТ 4543-71 Прокат из легированной конструкционной стали. Технические условия

ГОСТ 8908-81 Основные нормы взаимозаменяемости. Нормальные углы и допуски углов

ГОСТ 10774-80 Штифты цилиндрические заклепочные. Технические условия

ГОСТ 15150-69 Машины, приборы и другие технические изделия. Исполнения для различных климатических районов. Категории, условия эксплуатации, хранения и транспортирования в части воздействия климатических факторов внешней среды

ГОСТ 24643-81 Основные нормы взаимозаменяемости. Допуски формы и расположения поверхностей. Числовые значения

3 Параметры, конструкции и размеры

3.1 Муфты должны изготовляться следующих типов:

1 - одинарные;

2 - сдвоенные с промежуточной спаренной вилкой.

Полумуфты для муфт каждого типа должны изготовляться следующих исполнений:

1 - на длинные концы валов;

2 - на короткие концы валов.

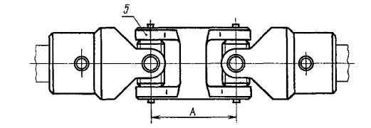
3.2 Параметры: номинальный крутящий момент Мкр, динамический момент инерции Ми, масса, конструкция и размеры муфт должны соответствовать указанным на рисунке 1 и в таблице 1.

3.3 Конструкция и размеры деталей, входящих в муфту, должны соответствовать указанным в приложениях А и Б.

3.4 Пример условного обозначения шарнирной муфты, передающей номинальный крутящий момент Мкр = 140 Н . м, типа 1, диаметром посадочного отверстия полумуфт d = 20 мм, с полумуфтой, исполнения 1, климатического исполнения У, категории 3 по ГОСТ 15150:

Муфта шарнирная 140-1-20-1-У3 ГОСТ 5147-97

То же, типа 2, с полумуфтами диаметром посадочного отверстия d = 19 мм, исполнения 1, диаметром d = 22 мм, исполнения 2, климатического исполнения Т, категории 2 по ГОСТ 15150:

Муфта шарнирная 140-2-19-1-22-2-Т2 ГОСТ 5147-97

3.5 Допускается сочетание полумуфт разных исполнений с различными диаметрами посадочных отверстий d в пределах одного номинального крутящего момента.

По заказу потребителя допускается уменьшать посадочное отверстие d в одной из полумуфт до значения, установленного в таблице 1 для других номинальных крутящих моментов.

3.6 Штифты - по ГОСТ 3129, твердость 35...49 HRCэ.

3.7 Допуски углов конусов отверстий под штифты - по 8-й степени точности ГОСТ 8908.

Тип 1

Тип 2

1 - полумуфта; 2 - крестовина; 3 - палец; 4 - втулка; 5 - спаренная вилка; 6 - штифт по ГОСТ 10774 (1 шт. для типа 1 и 2 шт. для типа 2, обозначение см. приложение Б); 7 - штифт по ГОСТ 3129 (2 шт., обозначение см. приложение Б)

Рисунок 1 - Муфта шарнирная

Таблица 1

Размеры в миллиметрах

Мкр,

Н . м

d

Н7

Ряд 1(2)

D

h14

А

l

L

Ми,

кг . м2 10-6

Масса, кг, не более

для типа

1

2

1

2

1

2

исполнения 1(2)

11,2

8

16

20

20

56

76

0,22

0,32

0,057

0,080

9

0,051

0,074

10

23

(20)

62

(56)

82

(76)

0,22

(0,20)

0,32

(0,29)

0,058

(0,047)

0,076

(0,070)

22,4

10

20

26

66

(60)

92

(86)

0,63

(0,56)

0,92

(0,87)

0,109

(0,092)

0,147

(0,139)

11

0,094

(0,080)

0,141

(0,127)

12

30

(25)

80

(70)

106

(96)

0,102

(0,096)

0,149

(0,148)

45,0

12

25

32

30

(25)

86

(76)

118

(108)

1,44

(1,29)

2,09

(1,94)

0,170

(0,152)

0,242

(0,224)

14

0,150

(0,135)

0,222

(0,207)

71,0

16

32

38

40

(28)

112

(88)

150

(126)

5,90

(4,84)

8,53

(7,46)

0,390

(0,321)

0,558

(0,489)

18

0,367

(0,299)

0,535

(0,467)

140,0

(19)

40

48

40

(28)

140

(112)

188

(160)

16,3

(12,9)

24,0

(20,6)

0,653

(0,480)

0,973

(0,800)

20

50

(36)

0,720

(0,590)

1,040

(0,910)

22

0,667

(0,550)

0,987

(0,870)

280,0

(24)

50

58

50

(36)

148

(120)

206

(178)

45,6

(36,6)

68,8

(59,6)

1,170

(0,960)

1,780

(1,570)

25

60

(42)

168

(132)

326

(190)

1,280

(1,030)

1,890

(1,640)

28

1,160

(0,900)

1,770

(1,510)

560,0

30

60

70

80

(58)

222

(178)

292

(248)

148,0

(117,0)

207,0

(176,7)

2,830

(2,310)

3,900

(3,380)

32

2,710

(2,210)

3,780

(3.280)

35

2,510

(1,870)

3,580

(2,940)

1120,0

(38)

75

92

80

(58)

236

(192)

328

(284)

396,0

(338,0)

585,0

(525,0)

4,310

(3,630)

6,530

(5,850)

40

60

(42)

296

(240)

388

(332)

5,030

(4,410)

7,250

(6,630)

(42)

4,810

(4,050)

7,030

(6,270)

Примечания

1 Ряд 1 является предпочтительным.

2 При смещениях валов допустимый крутящий момент для муфт составит Мкрα = Мкр . cos α,

где   Мкр - табличное значение крутящего момента;

α - угол перекоса между осями соединяемых муфтой валов.

ПРИЛОЖЕНИЕ А
(обязательное)

КОНСТРУКЦИЯ И РАЗМЕРЫ ДЕТАЛЕЙ, ВХОДЯЩИХ В МУФТУ

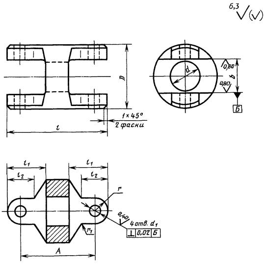
А.1 Конструкция и размеры деталей, входящих в муфту, указаны:

- полумуфт - на рисунке А.1 и в таблице А.1;

- крестовины - на рисунке А.2 и в таблице А.2;

- пальца - на рисунке A.3 и в таблице А.3;

- втулок - на рисунке А.4 и в таблице А.4;

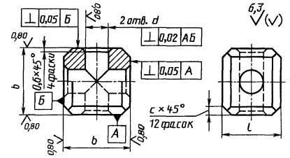
- спаренной вилки - на рисунке А.5 и в таблице А.5.

А.2 Материал полумуфт и спаренной вилки - сталь 20Х по ГОСТ 4543.

А.3 Материал крестовины, пальца и втулок - сталь 40Х по ГОСТ 4543.

А.4 Допускается изготовление деталей из других материалов с механическими свойствами не хуже, чем у стали марок 20Х и 40Х после термообработки.

А.5 Твердость крестовины, пальца и втулок 49...53 HRCэ, спаренной вилки 57...63 HRCэ. Поверхности деталей цементировать на глубину 0,4 - 0,8 мм.

А.6 Виды и толщина покрытий деталей в зависимости от условий хранения и эксплуатации муфт - по ГОСТ 9.303 и ГОСТ 9.306. Технические требования к покрытиям - по ГОСТ 9.301.

А.7 Допуск соосности двух отверстий полумуфты d3 - 0,02 мм.

А.8 Допуск соосности отверстий спаренной вилки d1 - 0,02 мм; допуск симметричности поверхностей пазов b относительно общей плоскости симметрии - по 10-й степени точности по ГОСТ 24643.

А.9 Неуказанные предельные отклонения размеров деталей: Н14, h14, IT14/2.

А.10 Примеры условных обозначений полумуфты исполнения 1, диаметром посадочного отверстия d = 20 мм, а также крестовины, пальца, втулки и спаренной вилки для муфты, передающей номинальный крутящий момент 140 Н . м, климатического исполнения У, категории 3 по ГОСТ 15150:

Полумуфта 140-20-1-У3 ГОСТ 5147-97

Крестовина 140-У3 ГОСТ 5147-97

Палец 140-У3 ГОСТ 5147-97

Втулка 140-У3 ГОСТ 5147-97

Вилка спаренная 140-У3 ГОСТ 5147-97

Рисунок А.1 - Полумуфта

Таблица А.1

Размеры в миллиметрах

Мкр,

Н . м

d

H7

Ряд 1(2)

d1

d2

d3,

F8

D

b

H7

l

l1

l2

l3

l4

r

r1

с

Масса, кг, не более

исполнение 1(2)

исполнение 1(2)

исполнение 1(2)

11,2

8

15

3

4

16

10

20

32

8

15

12

4

0,6

0,6

0,025

9

0,022

10

23

(20)

35

(32)

10

18

(15)

15

(12)

0,023

(0,020)

22,4

10

18

4

5

20

12

38

(35)

5

1,0

0,044

(0,040)

11

0,041

(0,037)

12

30

(25)

45

(40)

12

25

(20)

21

(16)

0,045

(0,042)

45,0

12

21

5

6

25

14

30

(25)

49

(44)

12

22

(17)

18

(13)

6

1,0

0,079

(0,070)

14

0,069

(0,061)

71,0

16

28

6

7

32

18

40

(28)

63

(51)

14

30

(18)

25

(12)

7

1,6

0,178

(0,139)

18

0,162

(0,128)

140,0

(19)

34

8

8

40

22

40

(28)

68

(56)

16

28

(16)

22

(10)

8

2,0

1,6

0,286

(0,227)

20

50

(36)

78

(64)

38

(24)

32

(18)

0,323

(0,258)

22

0,297

(0,239)

280,0

(24)

42

10

10

50

28

50

(36)

84

(70)

19

34

(20)

26

(12)

10

2,5

0,506

(0,403)

25

60

(42)

94

(75)

44

(26)

36

(18)

0,561

(0,435)

28

0,502

(0,393)

560,0

30

53

12

13

60

34

80

(58)

124

(102)

28

64

(42)

50

(28)

13

3,0

1,260

(1,000)

32

1,200

(0,950)

35

1,100

(0,880)

1120,0

(38)

63

16

16

75

42

134

(112)

35

60

(38)

45

(23)

16

1,860

(1,520)

40

110

(82)

164

(136)

90

(62)

75

(46)

2,220

(1,910)

(42)

2,110

(1,730)

Рисунок А.2 - Крестовина

Таблица А.2

Размеры в миллиметрах

Мкр,

Н . м

b

h6

l

h11

d

H7

с

Масса, кг, не более

11,2

10

8

4

1

0,004

22,4

12

10

5

0,007

45,0

14

12

6

0,012

71,0

18

15

7

0,027

140,0

22

19

8

3

0,054

280,0

28

24

10

0,108

560,0

34

30

13

0,202

1120,0

42

38

16

0,380

Рисунок А.3 - Палец

Таблица А.3

Размеры в миллиметрах

Мкр,

Н . м

d

k6

d1

Н11

l

l1

b

h11

с

Масса, кг, не более

11,2

4

2,0

16

4

2

0,6

0,0014

22,4

5

2.5

20

5

3

0,0028

45,0

6

3,0

25

6

4

0,0050

71,0

7

4,0

32

7

5

0,0090

140,0

8

5,0

40

8

6

1,0

0,0140

280,0

10

6,0

50

10

7

0,0280

560,0

13

8,0

60

13

9

0,0590

1120,0

16

10,0

75

16

10

0,1130

Рисунок А.4 - Втулка

Таблица А.4

Размеры в миллиметрах

Мкр,

Н . м

d

k6

d1

Н11

l

Масса, кг, не более

11,2

4

2,0

7,0

0,0005

22,4

5

2,5

8,5

0,0010

45,0

6

3,0

10,5

0,0016

71,0

7

4,0

13,5

0,0032

140,0

8

5,0

17,0

0,0050

280,0

10

6,0

21,5

0,0100

560,0

13

8,0

25,5

0,0220

1120,0

16

10,0

32,5

0,0430

Рисунок А.5 - Вилка спаренная

Таблица А.5

Размеры в миллиметрах

Мкр,

Н . м

d

D

l

A

b

Н7

d1

F8

l1

l2

r

r1

Масса, кг, не более

11,2

8

16

28

20

10

4

12

8

4

0,6

0,016

22,4

10

20

36

26

12

5

15

10

5

1,0

0,035

45,0

12

25

44

32

14

6

19

12

6

1,0

0,060

71,0

16

32

52

38

18

7

32

14

7

1,6

0,125

140,0

20

40

64

48

22

8

28

16

8

2,0

0,239

280,0

25

50

78

58

28

10

34

19

10

2,5

0,456

560,0

32

60

96

70

34

13

44

28

13

3,0

0,767

1120,0

40

75

124

92

42

16

54

35

16

3,0

1,630

ПРИЛОЖЕНИЕ Б
(рекомендуемое)

ШТИФТЫ ДЛЯ МУФТ

Б.1 Штифты для муфт рекомендуется принимать по таблице Б.1.

Таблица Б.1

Мкр, Н . м

Поз. 6

Штифт по ГОСТ 10774

Поз. 7

Штифт по ГОСТ 3129

11,2

2 х 20

3 х 16

22,4

2,5 х 25

4 х 20

45,0

3 х 30

5 х 25

71,0

4 х 36

6 х 30

140,0

5 х 45

8 х 36

280,0

6 х 55

10 х 45

560,0

8 х 65

12 х 55

1120,0

10 х 80

16 х 65

СОДЕРЖАНИЕ

 




Яндекс цитирования



   Copyright © 2007-2026,  www.tehlit.ru.

[ ѓосты, стандарты, нормативы, инструкции, правила, строительные нормы ]