//
ТехЛит.ру
- крупнейшая бесплатная электронная интернет библиотека для "технически умных" людей.
WWW.TEHLIT.RU - ТЕХНИЧЕСКАЯ ЛИТЕРАТУРА

:: Алготрейдинг::


АЛГОТРЕЙДИНГ
шаг за шагом
с нуля по урокам!

Торговые роботы на PYTHON, BackTrader,
Pandas, Pine Script для TradingView. Связка с брокерами, телеграм и легкими приложениями.


Государственный ордена Трудового Красного Знамени
проектный институт "Проектмонтажавтоматика"

СИСТЕМЫ АВТОМАТИЗАЦИИ
ТЕХНОЛОГИЧЕСКИХ ПРОЦЕССОВ

ПРОЕКТИРОВАНИЕ СИСТЕМ ЭЛЕКТРОПИТАНИЯ

РМ4-4-85

Пособие к ВСН 205-84/ММСС СССР

Срок введения 1 августа 1986 г.

Главный инженер                                                                                 Ю.Ф. Антонов

Начальник отдела                                                                                 А.З. Хакимов

Главный специалист                                                                            А.Х. Дубровский

1986

Настоящее пособие является вспомогательным материалом по проектированию электропитания систем автоматизации, проектно-сметная документация которых выполняется в соответствии с требованиями ВСН 281-75/Минприбор СССР "Временных указаний по проектированию систем автоматизации технологических процессов".

Пособие разработано в развитие ВСН 205-84/ММСС СССР "Инструкции по проектированию электроустановок систем автоматизации технологических процессов". В него включены нормативные и справочные материалы, необходимые для решения вопросов выполнения систем электропитания. Нормативная часть полностью базируется на требованиях ВСН 205-84/ММСС СССР.

В справочной части помещены: основные технические данные аппаратов управления и защиты, используемых в схемах электропитания систем автоматизации; методика расчетов, связанных с выбором аппаратов управления и защиты; расчеты сечений жил проводов и кабелей; примеры расчетов по выбору аппаратов управления, защиты, сечений жил проводов и кабелей; примеры расстановки аппаратов управления и защиты в питающей и распределительной сетях и др.

С выходом настоящего пособия аннулируется руководящий материал РМ 4-4-70 "Системы электропитания установок автоматизации".

Вопросы оформления схем электропитания изложены в руководящем материале РМ 4-106-82 "Системы автоматизации технологических процессов. Схемы электрические принципиальные. Требования к выполнению".

Приведенные в пособии номенклатурные сведения по аппаратам управления и защиты даны по состоянию на 1 декабря 1985 года. При использовании этих данных следует учитывать возможные изменения, вносимые заводами-изготовителями.

По тексту материала в конце цитированных пунктов из ВСН 205-84/ММСС СССР в скобках указаны их номера по документу.

Замечания и предложения по данному пособию просьба направлять по адресу: 123308, Москва, ГПИ "Проектмонтажавтоматика".

СОДЕРЖАНИЕ

1. Общие указания. 2

2. Выбор напряжения и требования к источникам питания. 2

3. Схемы электропитания. 5

4. Выбор и размещение аппаратов управления и защиты.. 7

5. Выбор сечений проводников. 11

6. Требования к системам электропитания во взрывоопасных зонах. 12

7. Требования к системам электропитания в пожароопасных зонах. 13

Приложение 1 Номенклатура и основные технические характеристики аппаратов управления и защиты, поставляемых комплектно со щитами и пультами заводами главмонтажавтоматики минмонтажспецстроя ссср. 13

Приложение 2 Расчеты по выбору отдельных видов аппаратов управления и защиты.. 16

Приложение 3 Примеры установки аппаратов управления в питающей и распределительных сетях системы электропитания. 21

Приложение 4 Расчет сечений жил проводов и кабелей. 25

Приложение 5 Пример расчетов по выбору аппаратов управления, защиты и сечений жил проводов и кабелей. 28

Перечень документов и других материалов, использованных в пособии. 41

1. ОБЩИЕ УКАЗАНИЯ

1.1. Требования и рекомендации, приведенные в пособии распространяются на проектирование питания электроприемников систем автоматизации: контрольно-измерительных приборов, регулирующих устройств, электродвигателей исполнительных механизмов и электропроводов задвижек (вентилей), приборов сигнализации, электро-, пневмо-, гидропреобразователей и других средств автоматизации напряжением до 380 В переменного и 440 B постоянного тока (2.1).

Пособие не распространяется на проектирование электропитания систем автоматизации предприятий по производству и хранению взрывчатых веществ, шахт, рудников, опытных и специальных объектов.

Примечание. Требования и рекомендации настоящего пособия могут быть применены к проектированию систем электропитания опытных и специальных объектов, а также к отдельным видам производств со специфическим технологическим процессом в той мере, в какой они не изменены специальными правилами.

1.2. Система электропитания контрольно-измерительных приборов и средств автоматизации (далее - система электропитания) должна обеспечивать требуемую надежность (бесперебойность) питания, надлежащее качество электроэнергии (допустимые отклонения и колебания напряжения, несинусоидальность формы кривой, пульсацию напряжения), экономичность, удобство и безопасность эксплуатации (2.2).

1.3. Выбор схемы питания, напряжения, рода тока и аппаратуры для системы электропитания должен быть согласован с системой электроснабжения автоматизируемого объекта (агрегата, установки, цеха и т.п.), (2.3).

2. ВЫБОР НАПРЯЖЕНИЯ И ТРЕБОВАНИЯ К ИСТОЧНИКАМ ПИТАНИЯ

2.1. в системах электропитания следует применять напряжение, принятое для электроснабжения автоматизируемого объекта, которое может быть использовано без дополнительного преобразования.

Применение приборов, аппаратов и средств автоматизации с номинальным напряжением, которое отличается от имеющегося на автоматизируемом объекте, должно быть технически и экономически обосновано (2.4).

2.2. Питание стационарно установленных приборов, аппаратов и средств автоматизации переменного и постоянного тока в помещениях всех категорий опасности в отношении поражения людей электрическим током необходимо, как правило, осуществлять от имеющихся на объекте систем:

а) трехфазного переменного тока 380/220 В с глухозаземленной нейтралью;

б) трехфазного переменного тока 220 и 380 В с изолированной нейтралью;

в) постоянного тока 110 или 220 В.

Питание от указанных систем следует применять во всех случаях, когда этому не препятствуют какие-либо местные условия (например, отсутствие централизованного электроснабжения автоматизируемого объекта от энергосистемы и питание его от локальных источников напряжением отличающимся от указанных) и если не обоснована целесообразность применения приборов и средств автоматизации других напряжений (2.5).

2.3. При использовании в системах автоматизации приборов, аппаратов и средств автоматизации номинальным напряжением, отличающимся от указанных в п. 2.2, для их питания должны применяться либо имеющиеся на автоматизируемом объекте системы соответствующих напряжений, либо специальные трансформаторы или преобразователи (выпрямители), предусматриваемые в системах электропитания. В качестве преобразователей для электроприемников постоянного тока должны, как правило, использоваться невращающиеся преобразователи (2.6).

2.4. Если для электроснабжения автоматизируемого объекта применены системы трехфазного переменного тока 660 В, то питание одно- и трехфазных электроприемников систем автоматизации должно осуществляться через понижающие одно- или трехфазные трансформаторы (2.7).

2.5. В цепях управления электродвигателями исполнительных механизмов и электроприводов задвижек (вентилей) в помещениях всех категорий опасности в отношении поражения людей электрическим током допускается применение того же напряжения, что и в главных (силовых) цепях электродвигателей, включая напряжение 380 В переменного и 440 В постоянного тока. При этом включение аппаратов управления и защиты, а также выполнение зануления (заземления) должны удовлетворять требованиям п.п. 4.13 ¸ 4.16 и раздела 5. ВСН 205-84/ММСС СССР (2.8).

2.6. Питание схем производственной сигнализации рекомендуется осуществлять от системы электропитания напряжением 220 В переменного или постоянного тока. Применение пониженных или преобразованных напряжений должно быть обусловлено необходимостью использования более надежной аппаратуры, удобством эксплуатации и конструктивными требованиями (2.9).

2.7. Для питания стационарного освещения монтажной стороны шкафных щитов, в том числе и малогабаритных (в тех случаях, когда в этом есть необходимость), должно применяться напряжение не выше 220 В. Питание ламп освещения должно осуществляться от системы электропитания таким образом, чтобы при снятии со щита питающего напряжения лампы могли оставаться под напряжением (2.10).

2.8. При необходимости устройства местного стационарного освещения фасадной стороны шкафных щитов, устанавливаемых в производственных помещениях, должно применяться напряжение не выше 42 В (для ламп накаливания), фасадной стороны панельных щитов, устанавливаемых в щитовых помещениях, - не выше 220 В. Светильники с люминесцентными лампами на напряжение 220 В для местного освещения фасадных сторон шкафных и панельных щитов допускается применять в указанных помещениях при условии недоступности их токоведущих частей для случайного прикосновения (2.11).

2.9. Питание электрифицированного инструмента и светильников переносного освещения для работ в установках автоматизации должно, как правило, осуществляться от распределительной электрической сети автоматизируемого объекта с соблюдением требований подключения переносных электроприемников, указанных в "Правилах техники безопасности при эксплуатации электроустановок потребителей" и "Правилах устройства электроустановок".

Допускается при необходимости предусматривать питание электрифицированного инструмента и светильников переносного освещения от систем электропитания. При этом:

а) напряжение питания электрифицированного инструмента должно быть не выше 220 В в помещениях без повышенной опасности и не выше 42 В в помещениях с повышенной опасностью, вне помещений и при работах в шкафных щитах (щитовые помещения относятся к помещениям с повышенной опасностью при нетокопроводящих полах и к особо опасным - при токопроводящих полах). При невозможности обеспечить работу электроинструмента на напряжении до 42 В в помещениях с повышенной опасностью и вне помещений допускается применение электроинструмента на напряжение до 220 В, но с обязательным использованием защитных средств (диэлектрических перчаток, галош, ковриков) и надежного зануления (заземления) корпуса электроинструмента (см. п.п. 5.20 и 5.21 ВСН 205-84/ММСС СССР); как правило, в этих случаях рекомендуется также применять для питания электрифицированного инструмента разделяющие трансформаторы (см. п. 2.16).

В помещениях особо опасных разрешается работать с электрифицированным инструментом на напряжении только до 42 В с обязательным применением защитных средств.

Во всех случаях в зависимости от категории помещения по степени опасности поражения электрическим током должен применяться электрифицированный инструмент, имеющий класс защиты человека от поражения электрическим током, установленный стандартами безопасности труда;

б) напряжение питания переносных ламп в помещениях с повышенной опасностью, особо опасных и в шкафных щитах, обслуживаемых извне, если в последних требуется переносное освещение, должно быть не выше 42 В; при наличии особо неблагоприятных условий (теснота, неудобное положение работающего, соприкосновение с большими хорошо зануленными или заземленными поверхностями), а также при работах вне помещений - 12 В (2.12).

2.10. Питание местного стационарного освещения фасадов щитов, переносного освещения и электрифицированного инструмента напряжением до 42 В должно осуществляться от понижающих трансформаторов с соблюдением требований зануления (заземления) и прокладки электропроводок, изложенных в п.п. 5.20 и 5.21 ВСН 205-84/ММСС СССР. Применение для этих целей автотрансформаторов не допускается (2.13).

2.11. В качестве источника питания для системы электропитания должны использоваться цеховые распределительные подстанции, распределительные щиты, питающие сборки системы электроснабжения автоматизируемого объекта, к которым не подключена резкопеременная нагрузка (крупные электродвигатели, электропечи и т.п.).

Допускается в отдельных случаях при трудности использования силовой сети для неответственных установок присоединять системы электропитания к осветительной сети (щитам освещения) автоматизируемого объекта, если питание электрического освещения осуществляется от общих с силовой нагрузкой трансформаторов и возможное, хотя бы кратковременное, исчезновение напряжения в сети освещения и, следовательно, в системе электропитания не приводит к нарушению технологического процесса (2.14).

2.12. Источник питания должен иметь достаточную мощность и обеспечивать требуемое напряжение на зажимах электроприемников системы электропитания (см. п. 2.13).

Отклонение напряжения на шинах источника питания не должно превышать значений, при которых обеспечивается нормальная работа наиболее удаленных или наиболее чувствительных к отклонениям напряжения электроприемников в возможных наихудших для системы электроснабжения автоматизируемого объекта нагрузочных режимах.

В случаях, когда обеспечить допустимые отклонения напряжения на зажимах наиболее удаленных или наиболее чувствительных электроприемников оказывается невозможным или весьма затруднительным, необходимо предусматривать соответствующие технические мероприятия (например, перенос с шин источника питания большой силовой нагрузки, выделение для системы электропитания самостоятельных питающих линий, минуя промежуточные силовые щиты, установку специальных стабилизированных источников питания и т.д.), (2.15).

2.13. Допускаются следующие отклонения напряжения на зажимах электроприемников:

а) контрольно-измерительных приборах, регулирующих устройствах и т.д. - не более значений, указанных заводами-изготовителями, в стандартах, технических условиях и т.п.; при отсутствии указаний заводов-изготовителей - ±5% номинального;

б) электродвигателях исполнительных механизмов и электроприводов задвижек (вентилей) - от -5 до +10% номинального;

в) электролампах схем сигнализации (если для них с целью продления срока службы не предусматривается пониженное напряжение), лампах освещения щитов - от -2,5 до 5% номинального;

г) аппаратах управления (например, катушек магнитных пускателей, электромагнитных реле и т.д.) - не более значений, указанных заводами-изготовителями; при отсутствии указаний заводов-изготовителей - от -5 до +10% номинального;

д) в цепях напряжением 12 и 42 В допускаются потери напряжения до 10%, считая от выводов низшего напряжения понижающего трансформатора (2.16).

2.14. Допустимая несимметрия токов в фазах при распределении однофазных электроприемников между фазами трехфазной сети не должна превышать 10% (2.17).

2.15. Питание электродвигателей исполнительных механизмов должно осуществляться от сборок или щитов питания, предусматриваемых в системе электропитания (2.18).

Питание электроприводов задвижек (вентилей) в зависимости от их суммарной мощности и режимов работы должно осуществляться: от общих с другими электроприемниками щитов системы электропитания; от цеховых распределительных щитов системы электроснабжения автоматизруемого объекта. Во всех указанных случаях должна быть обеспечена принятая в системе электропитания надежность (бесперебойность) питания (см. п.п. 3.8 и 3.9), (2.18).

2.16. При необходимости применения для питания электрифицированного инструмента разделяющих трансформаторов (см. п. 2.9а) необходимо руководствоваться следующим:

а) разделяющие трансформаторы должны удовлетворять специальным техническим условиям в отношении повышенной надежности конструкции и повышенных испытательных напряжений;

б) от разделяющего трансформатора разрешается питание только одного электроприемника с номинальным током плавкой вставки или расцепителя автомата на первичной стороне не более 15А;

в) вторичное напряжение разделяющего трансформатора должно быть не выше 380 В;

г) зануление (заземление) вторичной обмотки разделяющего трансформатора и корпуса питающегося от него электроприемника запрещается;

корпус трансформатора должен быть занулен (заземлен).

Эти требования не распространяются на трансформаторы, устанавливаемые по указанию заводов-изготовителей для питания отдельных типов приборов и средств автоматизации с целью повышения их помехоустойчивости (2.19).

3. СХЕМЫ ЭЛЕКТРОПИТАНИЯ

3.1. Выбор схемы электропитания определяется требуемой бесперебойностью электроснабжения, территориальным расположением источников питания и электроприемников, величиной нагрузки, особенностями технологического процесса, удобством эксплуатации, а также другими характерными особенностями автоматизируемого объекта (2.20).

3.2. При построении схем электропитания необходимо учитывать, что сосредоточенно установленные (например, на щитах) и отдельно стоящие электроприемники должны, как правило, получать питание от специальных щитов и сборок питания (последние для электроприводов задвижек или вентилей), на которых размещается аппаратура управления и защиты всех присоединений системы электропитания.

Щиты и сборки питания должны располагаться возможно ближе к питаемым группам электроприемников (см. также п.п. 6.8 и 7.6 ВСН 205-84/ММСС СССР).

Если количество электроприемников ограничено и нецелесообразно предусматривать специальный щит питания, то аппаратуру управления и защиты системы электропитания допускается размещать на щитах, где установлены приборы, или на релейных щитах; для электроприводов задвижек (вентилей) и в этом случае целесообразно также предусматривать отдельно сборки питания (2.21).

3.3. Схема электропитания подразделяется на следующие основные звенья (рис.1):

а) питающая сеть (питающие линии) - сеть от источников питания до щитов и сборок системы электропитания;

б) распределительная сеть - сеть от щитов и сборок системы электропитания до электроприемников; к распределительной сети относятся также цепи всех назначений, связывающие первичные приборы и датчики с вторичными приборами и регулирующими устройствами (2.22).

3.4. Питающая и распределительная сети систем электропитания могут выполняться: однофазными двухпроводными (с одним фазным и одним нулевым проводами); двухфазными двухпроводными (с двумя фазными проводами); двухпроводными постоянного тока; трехфазными трехпроводными и трехфазными четырехпроводными (2.23).

3.5. Однофазные и двухфазные двухпроводные сети должны применяться при наличии только однофазных электроприемников, если это допустимо по условию равномерной нагрузки фаз источника питания (2.24).

3.6. Трехфазные трехпроводные сети должны применяться:

а) для смешанных электроприемников, трех- и однофазных одинакового напряжения или только трехфазных электроприемников - при питании от системы с изолированной нейтралью;

б) для однофазных электроприемников, когда устройство двухпроводной сети недопустимо по условию равномерной нагрузки фаз источника питания (2.25).

3.7. Трехфазные четырехпроводные сети должны применяться:

а) для смешанных электроприемников, трех- и однофазных разных напряжений или только трехфазных - при питании от системы с глухозаземленной нейтралью;

б) для однофазных электроприемников, когда устройство двухпроводной сети недопустимо по условию равномерной нагрузки фаз источника питания (2.26).

3.8. Надежность (бесперебойность) электропитания систем автоматизации должна соответствовать (быть не ниже) надежности системы электроснабжения автоматизируемого объекта (агрегата, установки, цеха и т.п.) в целом (2.27).

3.9. Вопрос о необходимости резервирования в схеме электропитания системы автоматизации должен решаться с учетом наличия резервирования в системе электроснабжения объекта с соблюдением следующих основных требований:

а) количество независимых вводов (питающих линий) в системе электропитания должно быть равно количеству независимых вводов, питающих объект в целом.

Так, если на объекте имеются потребители 1 и 2 категории и питание объекта осуществлено по двум независимым линиям, то система электропитания также должна иметь два ввода от двух независимых источников питания. Если объект отнесен к 3 категории и питание его осуществлено по одной линии, то система электропитания может иметь один ввод. Если на объекте имеются потребители различных категорий, то электроприемники системы автоматизации относятся к потребителям высшей категории;

б) пропускная способность каждой питающей линии системы электропитания должна определяться по 100%-ной нагрузке данной системы;

в) режим работы питающих линий системы электропитания (находятся в работе обе линии или одна) принимается такой же, как режим питания самого источника питания;

г) в схемах электропитания систем автоматизации объектов, отнесенных к 1 и 2 категориям электроснабжения, автоматический ввод резерва (АВР), как правило, не предусматривается, если имеется АВР в системе электроснабжения, в частности, на источнике питания. АВР в схемах электропитания систем автоматизации следует предусматривать в случаях, когда питающие линии систем электропитания проложены в неблагоприятных условиях или имеются другие факторы, способствующие возникновению в них повреждений. Действие АВР электропитания не должно приводить к нарушению работы систем автоматизации;

д) в схемах электропитания систем автоматизации объектов, отнесенных к 3 категории электроснабжения, допускается предусматривать резервные вводы (с АВР или ручным включением) во всех случаях, когда на основании анализа конкретной схемы электроснабжения объекта имеется возможность повысить надежность питания системы автоматизации.

В случаях, когда на объекте выделены агрегаты или установки, отнесенные в системе электроснабжения к потребителю особой группы 1 категории, надежность (бесперебойность) питания их систем автоматизации должна отвечать требованиям ПУЭ, предъявляемым к питанию потребителей особой группы 1 категории (2.28).

3.10. На разработку схем АВР (если в них возникает необходимость) должны, как правило, выдаваться задания подразделениям проектирующим питающие линии. В соответствии с требованиями резервирования и взаимным расположением щитов (сборок) системы электропитания и источников питания схема питающей сети может быть следующей конфигурации (рис. 2):

а) радиальной с односторонним или двухсторонним питанием;

б) радиально-магистральной (смешанной);

в) магистральной с односторонним или двухсторонним питанием от одного источника или двух независимых (2.29).

3.11. Радиальные схемы следует применять в тех случаях, когда щиты (сборки) питания размещаются в различных направлениях от источника питания и расстояние между щитами больше, чем от источника до щитов. При этом схемы с односторонним питанием должны применяться для щитов (сборок), допускающих питание по одной линии от одного источника, а схемы с двухсторонним питанием - при необходимости питания щитов (сборок) от двух независимых источников (2.30).

3.12. Магистральные схемы следует применять для электроснабжения группы щитов (сборок), допускающих перерыв в питании. Питание по магистральным схемам от двух независимых источников должно применяться для щитов (сборок), которые необходимо питать по двум линиям от двух независимых источников (2.31).

3.13. Схема распределительной сети должна, как правило, строиться по радиальному принципу: каждый электроприемник присоединяется к щиту или сборке питания отдельной радиальной линией (2.32).

3.14. Питание приборов, аппаратов и средств автоматизации параллельных технологических потоков должно, как правило, осуществляться по отдельным питающим линиям от распределительных щитов (источников питания) системы электроснабжения указанных технологических потоков (2.33).

3.15. При проектировании систем электропитания во всех случаях

следует стремиться применять типовые блоки и сборки питания, серийно выпускаемые промышленностью (2.34).

4. ВЫБОР И РАЗМЕЩЕНИЕ АППАРАТОВ УПРАВЛЕНИЯ И ЗАЩИТЫ

4.1. Аппаратура управления и защиты, устанавливаемая в системе электропитания, должна обеспечивать: включение и отключение электроприемников и участков сетей в нормальном режиме работы; надежное отсоединение электроприемников и линий для ревизий и ремонтных работ; защиту от всех видов коротких замыканий и перегрузки, если она требуется (см. п. 4.3), (2.35).

4.2. В питающей и распределительной сетях системы электропитания должны, как правило, применяться следующие сочетания аппаратов управления и защиты, обеспечивающие выполнение требований п. 4.1:

а) в питающих линиях - автоматический выключатель - выключатель - предохранители (см. п.4.6);

б) в цепях электродвигателей исполнительных механизмов и электроприводов задвижек (вентилей) - автоматический выключатель - магнитный пускатель; выключатель - предохранители - магнитный пускатель (см. также п.п. 4.13 и 4.14).

Для защиты от перегрузки электродвигателей (см. п. 4.3) должны использоваться тепловые расцепители или гидравлические замедлители срабатывания, встроенные в автоматические выключатели, либо тепловые элементы магнитных пускателей; при защите автоматическими выключателями тепловые элементы в магнитных пускателях предусматриваться не должны, если расцепители автоматических выключателей достаточно чувствительны к токам перегрузки;

в) в цепях контрольно-измерительных приборов, регулирующих устройств, трансформаторов, выпрямителей и т.д. - выключатель - предохранители; автоматический выключатель (если он обладает достаточной чувствительностью к токам короткого замыкания и если это оправдано экономически и требованиями удобства эксплуатации);

г) в питающих цепях схем производственной сигнализации - выключатель - предохранитель; автоматический выключатель (см. п. 2.36, в);

д) в цепях стационарного освещения щитов - выключатель - предохранитель (см. п. 4.11), (2.36).

В приложении 1 приведены основные технические характеристики аппаратов управления и защиты, поставляемых комплектно со щитами и пультами заводами Главмонтажавтоматики Минмонтажспецстроя СССР.

4.3. Питающая и распределительная сети системы электропитания, выполненные в соответствии с требованиями раздела 4 BCH205-84/MMCC СССР, относятся, как правило, к сетям, не требующим защиты от перегрузки, и должны защищаться от коротких замыканий (см. п.п. 6.1 и 7.2).

Отдельные электроприемники, такие как электродвигатели исполнительных механизмов и электроприводов задвижек (вентилей), которые по характеру своей работы могут подвергаться технологическим перегрузкам, рекомендуется защищать от коротких замыканий и перегрузки, если это не противоречит другим требованиям (например, требованию обязательности действия исполнительного механизма или задвижки в любых случаях, даже если это приводит их к выходу из строя), (2.37).

4.4. Выбор аппаратов управления и защиты в системах электропитания должен производиться с учетом следующих основных требований:

а) напряжение и номинальный ток аппаратов должны соответствовать напряжению и допустимому длительному току цепи. Номинальные токи аппаратов защиты следует выбирать по возможности наименьшими по расчетным токам отдельных электроприемников; при этом аппараты защиты не должны отключать цепи при кратковременных перегрузках (например, при пусках электродвигателей);

б) аппараты управления должны включать пусковой ток электроприемника и отключать полный рабочий ток, а также допускать отключение пускового тока;

в) аппараты защиты по своей отключающей способности должны соответствовать токам короткого замыкания в начале защищаемого участка; отключение защищаемой линии или электроприемника должно осуществляться с наименьшим временем;

г) при коротких замыканиях по возможности должна быть обеспечена селективность работы защиты аппаратов с ниже и выше стоящими защитными аппаратами; рекомендуется номинальные токи каждого последующего по направлению тока аппарата защиты (предохранителей и тепловых расцепителей) принимать на две ступени ниже, чем предыдущего, если это не приводит к завышению сечения проводов (см. п. 5.3);

д) аппараты защиты должны обеспечивать надежное автоматическое отключение одно- и многофазных коротких замыканий в сетях с глухозаземленной нейтралью и двух-, трехфазных коротких замыканий в сетях с изолированной нейтралью в наиболее удаленной точке защищаемой цепи. Для этого токи однофазного короткого замыкания в сетях с глухозаземленной нейтралью и двух-трехфазного короткого замыкания в сетях с изолированной нейтралью должны превышать не менее чем:

в 3 раза номинальный ток плавкой вставки предохранителя данной цепи;

в 3 раза номинальный ток нерегулируемого расцепителя или ток уставки регулируемого расцепителя автоматического выключателя, имеющего обратно зависимую от тока характеристику;

в 1,4 раза ток уставки мгновенного срабатывания автоматического выключателя, имеющего только электромагнитный расцепитель (отсечку) с номинальным током до 100А (см. п. 6.2);

е) в сетях с изолированной нейтралью, защищаемых только от коротких замыканий, в которых сечения проводников выбраны с учетом требований п.п. 5.2 и 5.3, допускается указанную в п.4.4, д, расчетную проверку кратности тока короткого замыкания не выполнять; в сетях с глухозаземленной нейтралью проверка по п. 4.4, д является обязательной (2.38).

Методика выбора отдельных видов аппаратов управления и защиты, с учетом изложенных в настоящем пункте требований, приведена в приложении 2.

4.5 Аппараты управления и защиты должны, как правило, устанавливаться во всех линиях и присоединениях питающей и распределительной сетей.

Допускается в распределительной сети предусматривать общие аппараты управления и защиты для группы электроприемников, если они связаны общим технологическим процессом и не требуют индивидуальной защиты, а применение групповых аппаратов не создает неудобств в эксплуатации (2.39).

4.6. В питающей сети аппараты управления и защиты должны устанавливаться в местах присоединения к источнику питания, а также на вводах в щиты и сборки питания системы электропитания.

Защитные аппараты на вводах в щиты и сборки питания могут не устанавливаться, если аппараты защиты головного участка питающей линии обеспечивают надежную защиту всей линии (см. п. 4.4, д) а все присоединения распределительной сети, питающиеся от указанных щитов и сборок, имеют индивидуальную защиту.

При магистральной схеме исполнения питающей сети аппараты управления и защиты должны устанавливаться по мере уменьшения сечений линий на вводе каждого щита и сборки питания; если вся магистраль выполняется проводниками одного сечения, то необходимость установки аппаратов управления и защиты на вводах щитов и сборок питания определяется, помимо требований удобства эксплуатации, требованиями селективности (для аппаратов защиты), (2.40).

4.7. В распределительной сети аппараты управления и защиты должны устанавливаться непосредственно в местах присоединений отдельных цепей на щитах и сборках питания (см. п. 3.2).

В цепях электроприемников, имеющих встроенные выключатели и предохранители, аппараты управления и защиты могут не предусматриваться, если щит питания совмещен со щитом, где установлен данный электроприемник; при отдельно стоящем щите питания (на расстоянии более 6 м), когда проводники, питающие электроприемник, выходят за пределы щита, в начале ответвления должны устанавливаться аппараты управления и защиты.

В цепях электроприемников, имеющих только встроенный предохранитель, аппарат управления должен предусматриваться независимо от места установки щита питания (2.41)

4.8. В питающей и распределительной сетях (одно- и двухфазных двухпроводных, трехфазных трех- и четырехпроводных систем с изолированной и глухозаземленной нейтралью, в двухпроводных сетях постоянного тока) аппараты управления и защиты должны устанавливаться в нормально не зануленных и не заземленных фазных проводниках (полюсах), (см. также п. 6.4 и 5.24 ВСН 205-84/ММСС СССР).

При питании от систем с глухозаземленной нейтралью допускается в двухпроводных цепях вторичного напряжения понижающих трансформаторов, вторичных цепях выпрямителей, предусматриваемых в системах электропитания (см. п. 2.3), ограничиваться установкой аппаратов защиты только в одном проводе (см. п. 4.10 и п. 5.22 ВСН 205-84/ММСС СССР) (2.42).

4.9. В цепях питания регуляторов и приборов, состоящих из нескольких элементов, работающих взаимосвязано (например, отдельные блоки регуляторов, датчики и вторичные приборы), должны устанавливаться общие аппараты управления и защиты. На ответвлениях к отдельным элементам регуляторов, которые могут при необходимости отключаться (например, регулирующий прибор при дистанционном управлении), по возможности должны дополнительно устанавливаться индивидуальные выключатели (2.43).

4.10. В цепях понижающих трансформаторов при разветвленной вторичной сети аппараты управления и защиты должны устанавливаться со стороны первичного и вторичного напряжений в каждом присоединении, где отсутствуют встроенные в электроприемники предохранители.

При одном присоединении на стороне вторичного напряжения аппараты управления и защиты в этой цепи могут не предусматриваться.

Для обеспечения селективности действия аппараты защиты со стороны первичного напряжения трансформаторов должны отличаться по номинальному току не менее чем на одну ступень в большую сторону от аппаратов защиты со стороны вторичного напряжения с учетом коэффициента трансформации (2.44).

Отдельные требования, изложенные в п.п. 4.5-4.10, проиллюстрированы в приложении 3.

4.11. В цепях питания стационарно установленного освещения шкафных щитов и местного стационарного освещения шкафных и панельных щитов (см. п.п. 2.7 и 2.8) должны предусматриваться выключатель и предохранитель в фазном проводе (2.45).

4.12. Предохранители в закрытых держателях должны устанавливаться таким образом, чтобы питающие провода присоединялись к контактному винту, а отходящие к электроприемникам - к контактной гильзе. Подвод питающих проводов к предохранителям должен осуществляться сверху (2.46).

4.13. Простые неразветвленные цепи управления электродвигателей исполнительных механизмов и электроприводов задвижек (вентилей), должны, как правило, питаться от главных (силовых) цепей. Включение катушек магнитных пускателей в сетях с глухозаземленной нейтралью может производиться на междуфазное или фазное напряжение.

При включении катушек на междуфазное напряжение электродвигатели могут защищаться автоматическими выключателями или предохранителями.

При включении катушек на фазное напряжение в качестве защитных аппаратов, должны применяться трехполюсные автоматические выключатели. Один конец катушки магнитного пускателя должен быть надежно присоединен к нулевому проводнику питающей линии или отдельному изолированному проводнику, присоединенному к нулевой точке сети.

Примечание. Допускается при включении катушек магнитных пускателей на фазное напряжение применять предохранители, если предусмотрены специальные устройства, действующие на отключение пускателя при сгорании предохранителей в одной или любых двух фазах. Предохранители для защиты указанных электродвигателей при междуфазном и фазном включениях катушек магнитных пускателей рекомендуется применять только в тех случаях, когда установка автоматических выключателей по каким-либо причинам не может быть обеспечена (невозможность поставки автоматов, реконструкция действующего предприятия и т.д.), (2.47).

4.14. В сложных разветвленных взаимосвязанных схемах управления группой электроприводов задвижек (вентилей) цепи управления электродвигателей могут питаться как от главных (силовых) цепей, так и от постороннего источника питания, например, отдельного трансформатора, подключаемого по возможности к той же сборке, от которой питаются силовые цепи электродвигателей.

При питании цепей управления группы электродвигателей от постороннего источника питания должны быть предусмотрены блокировочные зависимости, обеспечивающие:

а) отключение цепей управления каждого электродвигателя при срабатывании его автомата защиты (например, путем введения в цепь управления электродвигателя блок-контакта автомата защиты либо иным способом);

б) отключение главных цепей электродвигателей во всех случаях исчезновения напряжения и недопустимости самозапуска электродвигателей (при исчезновении и последующем восстановлении напряжения).

Напряжение цепей управления электродвигателей в сложных разветвленных схемах, питающихся от постороннего источника, не должно, как правило, превышать 220 В; защита электродвигателей должна осуществляться трехполюсными автоматическими выключателями (2.48).

4.15. Защита цепей управления электродвигателей исполнительных механизмов и электроприводов задвижек (вентилей), питающихся от главных (силовых) цепей, когда цепи управления и силовые цепи выполнены проводниками одного сечения, осуществляется, как правило, защитными аппаратами, установленными в главных цепях электродвигателей; защита цепей управления, питающихся от постороннего источника, должна осуществляться в соответствии с требованиями п. 4.8 (2.49).

4.16. При управлении электродвигателями исполнительных механизмов и электроприводов задвижек (вентилей) из нескольких мест или при наличии нескольких видов управления (например, автоматического и дистанционного) должны предусматриваться переключающие аппараты (ключи выбора режима), исключающие возможность пуска электродвигателей из нескольких мест.

Ключи выбора режима в зависимости от требований удобства эксплуатации могут устанавливаться как по месту непосредственно у механизма, так и на щите, с которого ведется управление; не следует совмещать в одном ключе функции ключа выбора режима и аппаратов управления электродвигателями.

Аппараты управления по месту, если электроприводы управляются из нескольких мест, должны предусматриваться только в тех случаях, когда затруднена возможность опробования со щита управления (например, щит и задвижки в разных помещениях), либо когда это диктуется необходимостью, помимо других видов управления, иметь возможность независимого управления по месту (например, при необходимости пуска первой очереди производства без централизованного или автоматического управления).

При выборе конкретных типов аппаратов управления и ключей выбора режима работы электродвигателей исполнительных механизмов и электроприводов задвижек (вентилей) должны учитываться также требования стандартов безопасности труда (2.50).

5. ВЫБОР СЕЧЕНИЙ ПРОВОДНИКОВ

5.1. Сечения проводников питающей и распределительной сети системы электропитания должны выбираться по условию нагревания электрическим током и механической прочности с последующей проверкой по потере напряжения.

Сечения проводников на любом участке сетей должны удовлетворять всем трем условиям (2.51).

5.2. Выбор сечений проводников по условию нагревания электрическим током осуществляется по допустимым токовым нагрузкам на провода и кабели (по таблицам главы 1-3 ПУЭ, приведенным в приложении 4) с учетом условий прокладки (см. также п. 4.13 ВСН 205-84/ММСС СССР).

При этом расчетный ток, по которому выбирается сечение, должен приниматься как большая величина, определяемая двумя условиями: нагреванием проводников длительным расчетным током и соответствием выбранному аппарату защиты, т.е. допустимой кратностью номинального тока или тока срабатывания защитного аппарата к длительно допустимому току проводов и кабелей (2.52).

5.3. Для линий, защищаемых только от коротких замыканий (см. п. 4.3), допустимая кратность номинального тока или тока срабатывания защитного аппарата к длительно допустимому току проводов и кабелей должна быть не более:

300% номинального тока плавких вставок предохранителей;

450% тока уставки автоматического выключателя, имеющего только максимальный мгновенно действующий расцепитель (отсечку);

100% номинального тока расцепителя автоматического выключателя с нерегулируемой обратно зависимой характеристикой (независимо от наличия или отсутствия отсечки);

125% тока трогания расцепителя автоматического выключателя с регулируемой обратно зависимой от тока характеристикой; при наличии на автоматическом выключателе отсечки ее кратность срабатывания не ограничивается.

Для линий защищаемых от коротких замыканий и перегрузки см. п. 6.1 (2.53).

5.4. Провода и кабели ответвлений к электродвигателям исполнительных механизмов и электроприводов задвижек (вентилей) выбираются по номинальному току электродвигателей (см. п. 6.1), (2.54).

5.5. По условия механической прочности провода и кабели системы электропитания должны иметь сечения не менее минимально допустимых сечений проводников в установках автоматизации, указанных в п. 4.14 ВСН 205-84/ММСС СССР (2.55).

5.6. Проверка проводов и кабелей по допустимой потере напряжения должна установить, что отклонение напряжений на зажимах электроприемников не превышает допустимых значений, указанных в п. 2.16. Проверочный расчет допускается выполнять без учета индуктивного сопротивления линий, считая сеть симметрично нагруженной (2.56).

5.7. В питающей и распределительной сетях системы электропитания сечения нулевых жил проводов и кабелей, независимо от того, используются они в качестве нулевых защитных проводников или нет (см. п. 5.7 ВСН 205-84/ММСС СССР), должны выбираться:

а) в однофазных двухпроводных сетях - равными фазному;

б) в трехфазных четырехпроводных сетях - не менее 50% сечения фазных жил медных, алюмомедных и алюминиевых проводов и кабелей; однофазная нагрузка при этом должна быть равномерно распределена между фазами (см. п. 2.14), (2.57).

Методика расчета сечений жил проводов и кабелей питающей и распределительной сетей системы электропитания с учетом требований, изложенных в п.п. 5.1-5.7 приведена в приложении 4.

В приложении 5 дан пример, в котором рассмотрены конкретные расчеты, связанные с выбором аппаратов управления и защиты и расчетов сечений жил проводов и кабелей.

6. ТРЕБОВАНИЯ К СИСТЕМАМ ЭЛЕКТРОПИТАНИЯ ВО ВЗРЫВООПАСНЫХ ЗОНАХ

6.1. Во взрывоопасных установках питающая и распределительная сети системы электропитания относятся к сетям, защищаемым от перегрузки (см. п. 4.3), за исключением взрывоопасных установок с зонами классов В-1б и В-1г (см. п. 6.3).

Номинальные токи аппаратов защиты выбираются как и в сетях, защищаемых только от коротких замыканий (см. п. 4.4, а), по расчетным токам цепей с учетом отстройки защиты от кратковременных перегрузок (пусковых токов, токов самозапуска и т.п.); при этом должно быть выполнено требование, чтобы по отношению к длительно допустимому току проводов и кабелей аппараты защиты имели кратность не более (см. также п. 5.3):

80% номинального тока плавкой вставки или тока уставки автоматического выключателя, имеющего только максимальный мгновенно действующий расцепитель (отсечку) - для проводов и кабелей с поливинилхлоридной, резиновой и аналогичной по тепловым характеристикам изоляцией; для проводников, прокладываемых в невзрывоопасных производственных помещениях промышленных предприятий, допускается 100%;

125% тока трогания расцепителя автоматического выключателя с регулируемой обратно зависимой от тока характеристикой - для кабелей с бумажной изоляцией и изоляцией из вулканизированного полиэтилена;

100% номинального тока плавкой вставки или тока уставки автоматического выключателя, имеющего только максимальный мгновенно действующий расцепитель - для кабелей с бумажной изоляцией;

100% номинального тока расцепителя автоматического выключателя - с нерегулируемой обратно зависимой от тока характеристикой (независимо от наличия или отсутствия отсечки) - для проводников всех марок;

100% тока трогания расцепителей автоматического выключателя с регулируемой обратно зависимой от тока характеристикой - для проводов и кабелей с поливинилхлоридной, резиновой и аналогичной по тепловым характеристикам изоляцией.

Длительно допустимая токовая нагрузка проводников ответвлений к короткозамкнутым электродвигателям исполнительных механизмов и электроприводов задвижек во взрывоопасных зонах должна быть не менее 125% номинального тока электродвигателя (см. также п. 5.4), (6.4).

6.2. При питании от систем с глухозаземленной нейтралью во взрывоопасных установках для надежного отключения аварийных участков питающей и распределительной сетей ток однофазного короткого замыкания должен превышать не менее чем (см. также п. 4.4, д):

в 4 раза номинальный ток плавкой вставки ближайшего предохранителя;

в 6 раз номинальный ток расцепителя автоматического выключателя, имеющего обратно зависимую от тока характеристику.

Если защита сетей выполнена автоматическими выключателями, имеющими только электромагнитный расцепитель, то следует руководствоваться требованиями п. 4.4, д (6.5).

6.3. Во взрывоопасных установках с зонами класса В-1б и в наружных установках с зоной класса В-1г выбор сечений и защита проводов и кабелей в питающей и распределительной сетях системы электропитания должны производиться как для невзрывоопасных установок (см. п.п. 4.4 и 5.3), (6.6).

6.4. Во взрывоопасных установках с зонами класса В-1 в двухпроводных однофазных питающих и распределительных сетях аппараты защиты от токов короткого замыкания должны устанавливаться в фазном и нулевом рабочем проводах. Для одновременного отключения фазного и нулевого рабочего проводников должны применяться двухполюсные выключатели. Во всех других взрывоопасных установках аппараты защиты должны устанавливаться в соответствии с указаниями п.п. 4.8 и п. 5.24 ВСН 205-84/ММСС СССР.

При установке аппаратов управления в питающей и распределительной сетях системы электропитания следует руководствоваться требованиями п. 4.8 (6.7).

6.5. Запрещается во всех случаях установка в пределах взрывоопасных зон щитов питания систем автоматизации с аппаратами защиты и управления (предохранителями, автоматами, пакетными выключателями и т.п.), (6.8 частично).

7. ТРЕБОВАНИЯ К СИСТЕМАМ ЭЛЕКТРОПИТАНИЯ В ПОЖАРООПАСНЫХ ЗОНАХ

7.1. Системы электропитания в пожароопасных установках должны выполняться в соответствии с требованиями раздела 2 настоящего пособия, при этом должны учитываться требования п. 7.2 (7.4).

7.2. В пожароопасных установках питающая и распределительная сети системы электропитания относятся к сетям, защищаемым от перегрузки (см. п. 4.3); номинальные токи аппаратов защиты и сечения проводников сетей должны выбираться в соответствии с требованиями п. 6.1 (7.5).

7.3. Щиты питания систем автоматизации в пожароопасных установках рекомендуется устанавливать в щитовых помещениях с нормальными условиями окружающей среды.

В случаях необходимости в пределах пожароопасных зон допускается установка щитов питания с аппаратами защиты и управления (предохранителями, автоматами, пакетными выключателями и т.п.) при условии, что указанные щиты предназначены для использования в условиях пожароопасных зон и имеют степень защиты не менее 1Р44 (7.6 частично).

ПРИЛОЖЕНИЕ 1

НОМЕНКЛАТУРА И ОСНОВНЫЕ ТЕХНИЧЕСКИЕ ХАРАКТЕРИСТИКИ АППАРАТОВ УПРАВЛЕНИЯ И ЗАЩИТЫ, ПОСТАВЛЯЕМЫХ КОМПЛЕКТНО СО ЩИТАМИ И ПУЛЬТАМИ ЗАВОДАМИ ГЛАВМОНТАЖАВТОМАТИКИ МИНМОНТАЖСПЕЦСТРОЯ СССР

В приложении помещены лишь основные характеристики аппаратов управления и защиты, позволяющие наметить их выбор. При проведении проверочных расчетов следует использовать все необходимые данные стандартов и технических условий на аппаратуру, указанных в настоящем приложении.

ПЕРЕКЛЮЧАТЕЛИ И ВЫКЛЮЧАТЕЛИ ПАКЕТНЫЕ СЕРИИ ПП, ПВ (данные по ОСТ16.0.526,001-77 для переключателей и выключателей до 5-ой величины).

Таблица 1

Величина переключателя, выключателя

Номинальный ток, А

Номинальное напряжение, В

Частота переменного тока, Гц

по изоляции

коммутируемое

1

10

660

220 - постоянное

50, 60, 400

2

16

3

25

380 - переменное

4

40

5

63

Примечание. Коммутационная способность переключателей и выключателей серии ПП, ПВ определяется по табл. 9 и 9а ОСТ 16.0.526.001-77

ПЕРЕКЛЮЧАТЕЛИ TB1, TB2, ТП1 ТИПА "ТУМБЛЕР" (данные по техническим условиям УСО.360.049ТУ)

Таблица 2

Тип

Допустимая нагрузка на контактную пару, Вт

Напряжение, В

Ток, А

TB1

250

220

1,1

50

5

1,6

0,001

TB2

60

220

0,25

120

0,5

1,6

0,001

120

220

0,5

120

1

1,6

0,001

ТП1

220

220

1

110

2

1,6

0,001

ПЕРЕКЛЮЧАТЕЛИ ДВУХПОЛЮСНЫЕ СЕРИИ П2Т (данные по техническим условиям ВТО.360.002ТУ)

Таблица 3

Тип

Проходная мощность на контактную пару, Вт

Напряжение, В

Ток, А

Вид тока

П2Т

660

300

0,2

Постоянный

27

6

220

3

Переменный

127

5

ПУСКАТЕЛИ МАГНИТНЫЕ СЕРИИ ПМЕ (данные по ОСТ16.0.536.001-72 и ТУ16-526.491-81)

Таблица 4

Основные параметры пускателей магнитных серии ПМЕ

Величина пускателя

Степень защиты оболочки

Номинальный ток, А

Номинальное напряжение, В

Номинальный ток замыкающих и размыкающих вспомогательных контактов, А

Номинальные напряжения вспомогательных контактов, В

ПМЕ-000

1Р60

4

500 В переменного тока

4

от 24 до 500 В переменного тока

1Р30

1Р54

ПМЕ-100

1Р00

10

 

6

1Р30

1Р54

ПМЕ-200

1Р00

25

660В переменного тока

6,3

от 24 до 660 В переменного тока

1Р30

23

1Р54

Примечание. Коммутационная способность главных контактов магнитных пускателей ПМЕ-000 и ПМЕ-100 определяется по ОСТ 16.0.536.001-72, а пускателей ПМЕ-200 - по ГОСТ 11206-77.

Таблица 5

Коммутационная способность вспомогательных контактов пускателей магнитных серий ПМЕ (переменный ток)

Величина пускателей

Режим нормальных коммутаций

Режим редких коммутаций

Напряжение сети, В

Коэффициент мощности, не менее

Включенный ток, А

Отключенный ток, А

Включенный ток, А

Отключенный ток, А

ПМЕ-000

15

2

30

4

380

0,4

ПМЕ-100

30

3

60

6

0,4

Примечание. Коммутационная способность вспомогательных контактов пускателей ПМЕ-200 определяется требованиями ГОСТ 11206-77.

Таблица 6

Основные параметры тепловых реле ТРН, встраиваемых в пускатели серии ПМЕ

Величина пускателя

Тип теплового реле

Номинальный ток теплового элемента реле, А

Максимальные токи продолжительного режима реле в пускателях, А

исполнения 1Р00

исполнения 1Р30, 1Р54

1

2

3

4

5

ПМЕ-000

ТРН-10А

0,32

0,40

0,40

0,40

0,50

0,50

0,50

0,62

0,62

0,63

0,80

0,80

0,80

1,00

1,00

1,00

1,20

1,20

1,25

1,50

1,50

ПМЕ-000

ТРН-10А

1,60

2,00

2,00

2,00

2,50

2,50

2,50

3,00

3,00

3,20

3,00

3,00

ПМЕ-100

ТРН-10

0,50

0,62

0,55

0,63

0,80

0,70

0,80

1,00

0,90

1,00

1,20

1,10

1,25

1,50

1,40

1,60

2,00

1,70

2,00

2,50

2,20

2,50

3,10

2,70

3,20

4,00

3,50

4,00

5,00

4,4

5,00

6,2

5,5

6,30

7,8

7,0

8,00

10,0

8,8

10,00

10,00

10,00

ПМЕ-200

ТРН-25

5,0

6,2

5,5

6,3

7,8

7,0

8,0

10,0

8,8

10,0

12,5

11,0

12,5

15,6

14,0

16,0

20,0

17,6

20,0

25,0

20,0

25,0

25,0

23,0

ВЫКЛЮЧАТЕЛИ АВТОМАТИЧЕСКИЕ СЕРИИ А63 (данные по ТУ16-522.110-74)

Таблица 7

Тип

Номинальное напряжение, В

Номинальный ток выключателя, А

Номинальный ток, расцепителей, А

Кратность тока отсечки 1/1 ном

А63-МГ

~380

25

0,6; 0,8; 1; 1,25; 1,6; 2; 2,5; 3,2; 4; 5; 6,3; 8; 10; 12,5; 16; 20; 25

10

 

=110

 

А63-М

 

1,3; 2,5; 10

ВЫКЛЮЧАТЕЛИ АВТОМАТИЧЕСКИЕ СЕРИИ АП50 (данные по ТУ16-522.066-75)

Таблица 8

Тип

Номинальное напряжение выключателя, В

Номинальный ток выключателя, А,

Номинальный ток расцепителей, А

Кратность тока отсечки, 1/1 ном.

Номинальное напряжение переменного тока катушки расцепителя напряжения, В

1

2

3

4

5

6

АП50-2МТ

=220

50,6; 2,5;

1,6; 2,5;

3,5; 11

-

АП50-2Т

~ до 500

4; 6,4;

4; 6,4;

-

 

АП50-2М

 

10; 70;

10,5; 16;

3,5; 11

 

АП50-3МТ

 

20; 40;

25,5; 40;

3,5; 11

 

АП50-3Т

 

?

50

 

 

АП50-3М

 

 

 

3,5; 11

 

АП50-2М3ТН

3,5; 11

110, 127

АП50-2МН

3,5; 11

220, 380

АП50-3ТН

-

415 частотой 50 Гц

АП50-2М3ТД

3,5; 11

АП50-3ТД

-

АП50-2М3ТО

16; 25

3,5; 11

110, 127, 220

АП50-2МО

40; 50

3,5; 11

380, 415 частотой 50 или 60 Гц

АП50-3ТО

 

-

АП50-2

50

-

 

АП50-3

 

-

-

ДЕРЖАТЕЛИ ПЛАВКИХ ВСТАВОК ТИПА ДВП4 (данные по техническим условиям АГО.481.301ТУ)

Таблица 9

Тип держателя

Характеристика устанавливаемой вставки плавкой

Тип

Напряжение, В

Номинальный ток, А

ДВП4-2В

ВП2Б-1

250

0,25-6,3

ДВП4-3В

ВП3Б-1

 

0,25-10

ПРЕДОХРАНИТЕЛИ ПРИБОРНЫЕ ПЛАВКИЕ ТИПА ВП2Б, ВП3Б (данные по технически условиям АГО.481.304ТУ)

Таблица 10

Тип

Ток плавкой вставки, А

ВП2Б-1

0,25; 0,5; 0,8; 1; 1,25; 1,6; 2; 2,5; 3,15; 4; 5; 6,3

ВП3Б-1

1; 1,25; 1,6; 2; 2,5; 3,15; 4; 5; 6,3; 8; 10

ПРЕДОХРАНИТЕЛИ ТИПА ПР-2 (данные по ТУ16-522.091-72)

Таблица 11

Тип

Номинальный ток основания предохранителя, А

Номинальный ток плавких вставок, А

Напряжение цепи, В

ПР-2

15

6, 10, 15

до 500 В переменного и 440 В - постоянного тока

60

15, 20, 25, 35, 45, 60

ПРИЛОЖЕНИЕ 2

РАСЧЕТЫ ПО ВЫБОРУ ОТДЕЛЬНЫХ ВИДОВ АППАРАТОВ УПРАВЛЕНИЯ И ЗАЩИТЫ

ВЫКЛЮЧАТЕЛИ, ПЕРЕКЛЮЧАТЕЛИ

Выбор этой аппаратуры производится:

а) по номинальному напряжению сети

                                                           (1)

где Uн - номинальное напряжение выключателя, переключателя

Uн.сети - номинальное напряжение сети;

б) по длительному расчетному току цепи

Iоткл.³Iдлит.                                                             (2)

Iоткл. - наибольший отключаемый выключателем, переключателем ток;

Iдлит. - длительный расчетный ток цепи

Кроме того выключатели и переключатели должны включать пусковые токи электроприемников и без повреждений отключить их.

МАГНИТНЫЕ ПУСКАТЕЛИ

Выбор пускателей производится:

а) по номинальному напряжению сети

Uн.пуск.=Uн.сети,                                                         (3)

где Uн.пуск. - номинальное напряжение катушки пускателя;

б) по мощности электродвигателя исполнительного механизма или задвижки. В табл. приведены некоторые типы пускателей ПМЕ и наибольшие мощности управляемых ими электродвигателей при различных напряжениях сети.

Таблица 1

Тип пускателя

Наибольшая мощность, квт, управляемого электродвигателя при напряжении, В

220

380

ПМЕ-000

0,6

1,1

ПМВ-100

2,2

4

ПМЕ-200

5,5

10

Также как и другие аппараты управления магнитные пускатели должны включать пусковой ток электродвигателей и без повреждения отключать его.

ПРЕДОХРАНИТЕЛИ

В схемах электропитания систем автоматизации, как правило, применяются предохранители с малой тепловой энерцией, которые выбираются по следующим условиям.

1. По номинальному напряжению сети

Uн.пред.³Uн.сети,                                                         (4)

где Uн.пред. - номинальное напряжение предохранителя;

Uн.сети - номинальное напряжение сети

2. По длительному расчетному току линии

Iн.вст.³Iдлит.,                                                           (5)

где Iн.вст. - номинальный ток плавкой вставки;

Iдлит. - длительный расчетный ток линии.

Кроме того, при использовании безинерционных предохранителей не должно происходить перегорание плавкой вставки от кратковременных толчков тока, например, от пусковых токов электродвигателей исполнительных механизмов и электроприводов задвижек. Поэтому при выборе предохранителей для защиты таких электроприемников необходимо также выполнение и другого условия:

Iн.вст.³Iпуск./2,5,                                                        (6)

где Iпуск. - пусковой ток двигателя.

Для магистральной линии, по которой питается группа электродвигателей исполнительных механизмов или задвижек (причем часть из них или все они могут пускаться одновременно) предохранители выбираются по следующему соотношению:

Iн.вст.³Iкр./2,5,                                                        (7)

где Iкр. - максимальный кратковременный ток линии, равный

Здесь  - пусковой ток электродвигателя или группы одновременно включаемых двигателей, при пуске которых кратковременный ток линии достигает наибольшей величины;

 - длительный расчетный ток линии до момента пуска электродвигателя (или группы двигателей), определяемый без учета рабочего тока пускаемого электродвигателя (или группы двигателей).

В цепях управления и сигнализации плавкие вставки выбираются по соотношению

                                                    (8)

где SIр - наибольший суммарный ток, потребляемый катушками аппаратов сигнальными лампами, и т.д. при одновременной работе;

SIв - наибольший суммарный ток, потребляемый при включении катушек одновременно включаемых аппаратов.

Под длительным расчетным током в (7) в общем случае понимается действительный длительно протекающий по линии ток, определенный с учетом коэффициента одновременности работы электроприемников и коэффициента их загрузки.

Если известны номинальные мощности электроприемников, то их номинальные токи могут быть определены по следующим соотношениям:

для трехфазных электроприемников переменного тока

 А;                                                       (9)

для однофазных электроприемников, присоединенных к одной фазе сети трехфазного тока

 А;                                                  (10)

для электроприемников постоянного тока

 А,                                                      (11)

где Р - номинальная мощность электроприемника (или группы электроприемников), квт

Uн. - номинальное напряжение (для электроприемников переменного тока - линейное напряжение сети), В

Uн.ф. - номинальное фазное напряжение, В

cosj - коэффициент мощности

h - к.п.д. электродвигателя

3. По условию селективности. Все последовательно установленные в линии плавкие предохранители должны по возможности работать селективно (избирательно), т.е. предохранители должны срабатывать (перегорать) только тогда, когда повреждение произойдет именно на том участке линии, который они защищают. Это условие выполняется, если номинальные токи плавких вставок, защищающие соседние участки, различаются между собой не менее, чем на одну ступень.

ПРОВЕРКА УСЛОВИЙ СРАБАТЫВАНИЯ ПЛАВКИХ ПРЕДОХРАНИТЕЛЕЙ

Для надежного и быстрого перегорания плавких вставок требуется, чтобы при коротком замыкании в конце защищаемого участка обеспечивалась необходимая кратность тока короткого замыкания, т.е. отношение тока короткого замыкания Iк.з. к номинальному току плавкой вставки Iн.вст.

Согласно п. 4.4, д кратность Iк.з. к Iн.вст. должна быть не меньше, чем три (во взрывоопасных установках - четыре).

Для проверки этого условия срабатывания предохранителей необходимо знать величины токов короткого замыкания в наиболее удаленной точке защищаемой цепи.

В проектах автоматизации технологических процессов расчеты токов короткого замыкания не производится и для проверки условий срабатывания аппаратов защиты следует: либо использовать данные расчета токов короткого замыкания, который производится при проектировании электроснабжения автоматизируемого объекта, либо поручать такую проверку подразделению проектирующему электротехническую часть объекта, выдавая ему соответствующее задание (последнее является лучшим решением).

При необходимости может быть проведен приближенный расчет токов короткого замыкания, дающий ориентировочное представление об их величине. Расчет выполняется, в сетях с глухозаземленной нейтралью - для случая однофазного короткого замыкания; в сетях с изолированной нейтралью - для случая двухфазного короткого замыкания. Предполагается, что короткое замыкание произошло в конце защищаемого участка, на зажимах электроприемника.

При таком расчете могут быть использованы следующие формулы:

для определения токов однофазного короткого замыкания

                                                      (12)

для определения тока двухфазного короткого замыкания

                                                       (13)

где Uн.с. - номинальное линейное напряжение сети, В;

Zф-о, Zф - полное сопротивление цепи тока короткого замыкания соответственно для петли фаза-нуль и для фазы, Ом.

Значения Z определяются по формулам

                                    (14)

                              (15)

где:

 и                                                                (16)

                                                                 (17)

- активное и индуктивное сопротивление проводника фазы участка цепи, Ом;

 и                                                                (18)

                                                                (19)

- активное и индуктивное сопротивление участка цепи нулевого провода, Ом;

l - длина участка, км;

Sф, So - сечение проводника фазы и соответственно нулевого провода, мм2;

a - коэффициент, равный: 0,07 - для кабелей; 0,09 - для проводов, проложенных в трубе;

b - коэффициент, равный: 19 - для медных проводов и кабелей;

32 - для алюминиевых проводов и кабелей;

 и                                                              (20)

                                                               (21)

- активное и индуктивное сопротивления фазы питающего трансформатора, Ом;

SТ - мощность трансформатора, ква;

С - коэффициент, равный: 4 - для трансформаторов до 60 ква; 3,5 - до 180 ква; 2,5 - до 1000 ква; 2,2 - до 18000 ква;

d - коэффициент, равный: 2 - для трансформаторов до 180 ква; 3 - до 1000 ква; 4 - до 1800 ква;

                                                             (22)

- расчетное полное сопротивление трансформатора току короткого замыкания на землю, Ом;

 - коэффициент                                       (23)

Для проверки предохранителей по отключающей способности рассчитывается ток трехфазного короткого замыкания в месте установки предохранителей:

                                                            (24)

где Uн.с. и Zф - то же, что и в формулах (12) и (13).

Приведенный приближенный расчет исходит из того, что обратным проводом петли фаза-нуль является медный или алюминиевый нулевой защитный проводник из цветного металла (меди, алюминия), проложенный совместно с фазными проводниками в одном кабеле или трубе.

Если в качестве нулевых защитных проводников используются стальные полосы, металлоконструкции зданий, металлические защитные трубы и другие трубопроводы, или однофазное короткое замыкание происходит не на нулевой провод или заземленный корпус электрооборудования, а на землю, то в этом случае расчет сопротивления петли фаза-нуль сильно усложняется.

При проверке условий срабатывания аппаратов защиты следует иметь ввиду, что в большинстве случаев при мощных питающих трансформаторах, сравнительно небольшом удалении от них питающих сборок, к которым присоединяется система электропитания и правильном выборе сечений фазных и нулевых защитных проводников, обеспечивается достаточная величина токов короткого замыкания, а, следовательно, и отключение аварийных участков.

АВТОМАТИЧЕСКИЕ ВЫКЛЮЧАТЕЛИ

Выбор автоматических выключателей производится по номинальному напряжению и току с соблюдением следующих условий:

Uн.а.³Uн.с.                                                              (25)

Iн.а.³Iдлит.                                                              (26)

где Uн.а. - номинальное напряжение автомата;

Uн.с. - номинальное напряжение сети;

Iн.а. - номинальный ток автомата;

Iдлит. - длительный расчетный ток линии

Кроме того, должны быть правильно выбраны: номинальный ток расцепителя - Iн.расц.; ток уставки электромагнитного расцепителя или электромагнитного элемента комбинированного расцепителя - Iуст.эл.магн.; номинальный ток уставки теплового расцепителя или теплового элемента комбинированного расцепителя - Iн.уст.тепл..

Для защиты электродвигателей исполнительных механизмов и электроприводов задвижек токи расцепителей автоматов выбираются следующим образом. Номинальные токи электромагнитного, теплового или комбинированного расцепителей должны быть не меньше номинального тока двигателя

Iн.расц.³Iн.дв..                                                        (27)

Здесь и ниже следует учитывать: если нагрузка двигателя значительно меньше номинальной мощности, то следует принимать длительный расчетный ток линии.

Ток уставки электромагнитного расцепителя (отсечки) или электромагнитного элемента комбинированного расцепителя, с учетом неточности срабатывания расцепителя и отклонений действительного пускового тока от каталожных данных принимается равным:

Iуст.эл.магн.³1,25Iпуск.                                                  (28)

где Iпуск. - пусковой ток двигателя.

Для группы двигателей:

                                          (29)

где  - сумма номинальных токов одновременно работающих двигателей до момента пуска двигателя (группы двигателей), дающего наибольший прирост пускового тока;

 - пусковой ток двигателя (или группы двигателей, пускаемых одновременно), дающего наибольший прирост пускового тока.

Номинальный ток уставки теплового расцепителя или теплового элемента комбинированного расцепителя должен быть:

Iн.уст.тепл.³Iн.дв..                                                       (30)

Аналогично выбираются уставки расцепителей автоматов и для защиты цепей других электроприемников системы электропитания (разумеется, если в этом возникает необходимость, так как в большинстве случаев для защиты приборов и других электроприемников малой мощности по соображениям чувствительности оказывается необходимым применять плавкие предохранители). При этом надо учитывать, что если автомат с электромагнитным расцепителем устанавливается в цепях электроприемников, при включении которых не возникают броски пускового тока, то надобности в отстройке от последних нет и ток уставки электромагнитного расцепителя в этом случае должен выбираться минимально возможным.

Надежность срабатывания автоматов проверяется также как и надежность срабатывания предохранителей по расчетному току короткого замыкания в конце защищаемого участка (при двухфазном коротком замыкании для сетей с изолированной нейтралью и однофазным коротком замыкании - для сетей с глухозаземленной нейтралью).

При этом кратность тока короткого замыкания по отношению к токам уставок расцепителей должна, как указывалось в п. 4.4, составлять:

для автоматов только с электромагнитным расцепителем - 1,4;

для автоматов с комбинированным расцепителем, имеющим обратно зависимую от тока характеристику - 3.

В остальном расчеты, связанные с проверкой срабатывания автоматических выключателей, аналогичны изложенным выше расчетам и условиям проверки срабатывания плавких предохранителей.

ТЕПЛОВЫЕ РЕЛЕ МАГНИТНЫХ ПУСКАТЕЛЕЙ

Выбираются по номинальному току теплового элемента и номинальному току двигателя (или длительному расчетному току):

Iн.т.³Iн.дв.                                                                (31)

ПРИЛОЖЕНИЕ 3

Примеры установки аппаратов управления в питающей и распределительных сетях системы электропитания.

Установка аппаратов управления и защиты в питающей однофазной двухпроводной сети.

Установка аппаратов управления и защиты в питающей двухфазной двухпроводной сети и двухпроводной сети постоянного тока.

Установка аппаратов управления и защиты в питающей трехфазной трехпроводной сети.

Установка аппаратов управления и защиты в питающей трехфазной четырехпроводной сети.

Схема питания электроприемников, имеющих встроенные выключатели и предохранители.

Схема питания электроприемников, не имеющих встроенных выключателей и предохранителей.

Схема питания электроприемников, имеющих встроенные выключатели.

Схема питания электроприемников, имеющих встроенные предохранители.

Схема питания электроприемников через трансформатор

Схема питания приборов регулирования.

ПРИЛОЖЕНИЕ 4

РАСЧЕТ СЕЧЕНИЙ ЖИЛ ПРОВОДОВ И КАБЕЛЕЙ

Сечение жил проводов и кабелей по условию нагревания определяются по табл. 1-5 (таблицы составлены на основании данных главы 1-3 ПУЭ; дополнительные указания по допустимым токовым нагрузкам проводов и кабелей учитывающие условия прокладки отличные от приведенных в таблицах, содержатся в главе 1-3 ПУЭ).

Расчетный ток, по которому производится выбор сечения проводников, определяется как большая величина из двух соотношений:

условия нагревания длительным расчетным током

                                                          (1)

и условия соответствия выбранному аппарату защиты

                                                           (2)

где Kп - поправочный коэффициент на условия прокладки проводов и кабелей;

Kз - кратность допустимого длительного тока для провода или кабеля по отношению к номинальному току или току срабатывания защитного аппарата;

Iз - номинальный ток или ток срабатывания защитного аппарата, А.

Iн.д. - допустимый длительный ток для провода или кабеля при нормальных условиях прокладки, определяемый по таблицам допустимых токовых нагрузок на провода и кабели (табл. 1-5).

При расчетах сетей системы электропитания в подавляющем большинстве случаев можно поправочный коэффициент на условия прокладки проводов и кабелей не вводить.

Тогда выражения (1) и (2) упрощаются:

                                                            (3)

                                                            (4)

Таблица 1

Допустимый длительный ток проводов с резиновой и полихлорвиниловой изоляцией с медными жилами

Сечение токопроводящей жилы, мм2

Токовые нагрузки, А

Провода, проложенные открыто

Провода, проложенные в одной трубе

Два одножильных

Три одножильных

Четыре одножильных

Один двухжильный

Один трехжильный

0,5

11

-

-

-

-

-

0,75

15

-

-

-

-

-

1

17

16

15

14

15

14

1,2

20

18

16

15

16

14,5

1,5

23

19

17

16

18

15

2,0

26

24

22

20

23

19

2,5

30

27

25

25

25

21

3,0

34

32

28

26

28

24

4

41

38

35

30

32

27

5

46

42

39

34

37

31

6

50

46

42

40

40

34

8

62

54

51

46

48

43

10

80

70

60

50

55

50

16

100

85

80

75

80

70

Таблица 2

Допустимый длительный ток проводов с резиновой и полихлорвиниловой изоляцией с алюминиевыми жилами

Сечение токопроводящей жилы, мм2

Токовые нагрузки, А

Провода, проложенные открыто

Провода, проложенные в одной трубе

Два одножильных

Три одножильных

Четыре одножильных

Один двухжильный

Один трехжильный

2,0

21

19

18

15

17

14

2,5

24

20

19

19

19

16

3

27

24

22

21

22

18

4

32

28

28

23

25

21

5

36

32

30

27

28

24

6

39

36

32

30

31

26

8

46

43

40

37

38

32

10

60

50

47

39

42

38

16

75

60

60

55

60

55

Таблица 3

Допустимый длительный ток проводов с медными жилами, с резиновой изоляцией в металлических защитных оболочках и кабелей с медными жилами, с резиновой изоляцией в свинцовой, полихлорвиниловой, наиритовой или резиновой оболочках, бронированных и небронированных

Сечение токопроводящей жилы, мм2

Токовые нагрузки, А

Провода и кабели

Одножильный

Двухжильные

Трехжильные

При прокладке

в воздухе

в воздухе

в земле

в воздухе

в земле

1,5

23

19

33

19

27

2,5

30

27

44

25

38

4

41

38

55

35

49

6

50

50

70

42

60

10

80

70

105

55

90

16

100

90

135

75

115

Таблица 4

Допустимый длительный ток кабелей с алюминиевыми жилами, с резиновой или пластмассовой изоляцией в свинцовой, полихлорвиниловой и резиновой оболочках, бронированных и небронированных.

Сечение токопроводящей жилы, мм2

Токовые нагрузки, А

одножильные

двухжильные

трехжильные

при прокладке

в воздухе

в воздухе

в земле

в воздухе

в земле

2,5

23

21

34

19

29

4

31

29

42

27

38

6

38

38

55

32

46

10

60

55

80

42

70

16

75

70

105

60

90

Таблица 5

Допустимый длительный ток проводов с алюмомедными жилами

Номинальное сечение провода, мм2

Допустимая токовая нагрузка, А

Провода, проложенные открыто

Провода, проложенные в одной трубе

2 провода

3 провода

4 провода

1,5

22,3

18,7

16,4

14,1

2,5

29.6

24,9

23,7

23,7

4,0

39,6

34,8

34,8

28,8

6,0

51,1

46,1

41,1

38,6

10.0

68,7

57,6

54,3

45,4

Значения коэффициента Kз в зависимости от характера сети, типа изоляции проводов и кабелей и условий их прокладки приведены в табл. 6. Эта таблица составлена на основании требований п.п. 5.3, 6.1 и 7.2

Таблица 6

Минимальные кратности допустимых токовых нагрузок на провода и кабели по отношению к номинальным токам или токам срабатывания защитных аппаратов

Ток защитного аппарата Iз

Кратность допустимых длительных токов Кз

Сети, для которых защита от перегрузки обязательна

Сети, не требующие защиты от перегрузки

Проводники с резиновой и аналогичной по тепловым характеристикам изоляцией

Кабели с бумажной изоляцией

взрыво- и пожароопасные помещения, жилые, торговые помещения и т.п.

невзрыво- и непожароопасные помещения промышленных предприятий

Номинальный ток плавкой вставки предохранителя

1,25

1,0

1,0

0,33

Ток срабатывания (уставки) автоматического выключателя, имеющего только электромагнитный расцепитель (максимальный мгновенно действующий расцепитель)

1,25

1,0

1,0

0,22

Номинальный ток расцепителя (теплового или комбинированного) автоматического выключателя с нерегулируемой обратной зависимой от тока характеристикой (независимо от наличия или отсутствия отсечки)

1,0

1,0

1,0

1,0

Ток срабатывания (трогания) расцепителя автоматического выключателя с регулируемой обратно зависимой от тока характеристикой (при наличии на автоматическом выключателе отсечки ее кратность тока не ограничивается)

1,0

1,0

0,8

0,66

Выбранное по условиям нагревания электрическим током сечение проводников должно отвечать также условию механической прочности и проверено по потере напряжения.

Наименьшие допустимые сечения жил проводов и кабелей по условию механической прочности должны отвечать требованиям п.п. 4.14, 6.26 и 7.17 ВСН 205-84/ММСС СССР.

При проверочных расчетах сетей системы электропитания по потере напряжения достаточно учитывать только активное сопротивление линий, если для этих сетей выбраны медные или алюминиевые провода и кабели сечением жил до 16-25 мм2.

Кроме того, без учета индуктивного сопротивления линий рассчитываются:

а) сети постоянного тока;

б) сети переменного тока, для которых cosj=1

Выражения для определения потери напряжения будут иметь вид:

для трехфазной линии переменного тока

 %                                                      (5)

 %                                                    (6)

для двухпроводной линии переменного или постоянного тока

 %                                                     (7)

 %                                                     (8)

где g - удельная проводимость материала проводов

(g=53 м/ом×мм2 - для медных проводников и

g=31,7 м/Ом×мм2 - для алюминиевых проводников);

UH - номинальное напряжение сети, кВ (для трехфазной сети UH - междуфазное напряжение)

F - сечение проводников, мм2

P - нагрузка, кВт

Ia - активная составляющая тока, А

l - длина участка, км.

ПРИЛОЖЕНИЕ 5

ПРИМЕР РАСЧЕТОВ ПО ВЫБОРУ АППАРАТОВ УПРАВЛЕНИЯ, ЗАЩИТЫ И СЕЧЕНИЙ ЖИЛ ПРОВОДОВ И КАБЕЛЕЙ

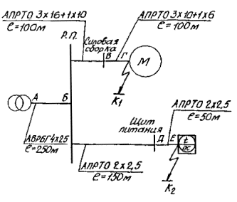
Требуется выбрать аппараты управления и защиты, а также рассчитать сечение жил проводов и кабелей схемы электропитания системы автоматизации, приведенной на рис. 1*

* В качестве примера приведен расчет конкретной электросхемы, находящейся в эксплуатации; частично приборы, входящие в состав схемы, с производства сняты или заменены другими, однако для целей данного пособия это значение не имеет.

От шин распределительного щита получают питание силовая сборка задвижек и щит питания.

От силовой сборки питаются два электропривода задвижек с асинхронными двигателями с короткозамкнутым ротором. Электродвигатели, силовая сборка и пусковая аппаратура установлены в помещении с нормальной средой. Технические характеристики двигателей указаны в табл. 1. Режим работы двигателей исключает возможность длительных перегрузок, условия их пуска нетяжелые. Оба двигателя могут работать одновременно.

К щиту питания подключены:

а) система регулирования температуры, потребителями электроэнергии которой являются магнитный усилитель типа УМД-25, исполнительный механизм типа МЭО-25/100, указатель положения типа ДУП-Б и электронные приборы типа РПИБ-Т и КПИ-Т. Последние питаются через стабилизатор напряжения типа С-0,16;

б) электронный потенциометр типа ПС1-01;

в) электронный мост типа ЭМР-209РМЗ;

г) схема сигнализации, в которой потребителями электроэнергии являются 11 реле типа МКУ-48 и 10 ламп Ц-220-10. Технические характеристики этих электроприемников указаны в табл. 2.

Все электроприемники и аппаратуры питания установлены на щитах, находящихся в помещении с нормальной средой.

Электропроводка от силового трансформатора до распределительного щита выполнена кабелем с алюминиевыми жилами, а вся остальная - проводами с алюминиевыми жилами, проложенными в защитных трубах.

Таблица 1

Технические характеристики электродвигателей

№ линии

Тип

Ном. мощность, Р, Вт

Номин. напряжение, Uн, В

Номин. ток, Iн, А

Кратность пускового тока

Пусковой ток, Iпуск., А

1

А02-62-2

17000

380

32,5

7

228

2

А02-51-4

7500

380

14,8

7

103,5

Таблица 2

Технические характеристики электроприемников

№ линии

Наименование и тип электроприемника

Номин. мощность S, ВА (Р, Вт)

Номин. напряжение Uн.ф., В

 

Система регулирования температуры:

 

 

4

а) усилитель УМД-25

300

220

б) исполнительный механизм МЭО-25/100

в) указатель ДУП-Б

5

г) электронный регулирующий прибор РПИБч

40

стабилизированное 220

 

д) электронный корректирующий прибор КПИ-Т

30

6

Электронный потенциометр ПС1-01

60

220

7

Электронный мост ЭМР-209РМЗ

150

220

8

Схема сигнализации:

 

 

а) 11 реле МКУ-48

110

220

б) 10 ламп Ц-220-10

(100)

220

В соответствии с требованиями, изложенными в настоящем пособии, выбор аппаратов управления, защиты и сечений проводников целесообразно вести в следующей последовательности:

- определяются длительные и кратковременные расчетные токи линий;

- по величине расчетных токов линий производится выбор аппаратов управления и защиты;

- производится выбор сечений проводников по величине расчетных токов линий и по условию соответствия выбранным аппаратам защиты, а также проверяется соответствие выбранных сечений жил проводов и кабелей наименьшим допустимым сечениям проводников по механической прочности;

- проверяются надежность и селективность действия защитных аппаратов при коротком замыкании в наиболее удаленной точке сети;

- в необходимых случаях (например, при длинных малонагруженных линиях) производится проверка печений проводников по потере напряжения.

I. ОПРЕДЕЛЕНИЕ РАСЧЕТНЫХ ТОКОВ ЛИНИЙ

Линия 1

Длительным расчетным током линии является номинальный ток двигателя

Iдлит=Iн.дв.=32,5 А

Кратковременным током линии будет пусковой ток двигателя

Iкр=Iпуск.=228 А

Линия 2

Длительным расчетным током линии является номинальный ток двигателя

Iдлит=Iн.дв.=14,8 А

Кратковременным током линии будет пусковой ток двигателя

Iкр=Iпуск.=103,5 А

Линия 3

Длительным расчетным током линии будет сумма номинальных токов двигателей

Iдлит=SIн.дв.=32,5+14,8=47,3 А

Кратковременный ток линии определится из условия, что двигатель № 2 работает, а двигатель № 1 пускается

Iкр= Iн.дв.2+Iпуск.1=14,8+228=242,8 А

Линия 4

Расчетный ток линии определяется по формуле

 А

Линия 5

Расчетный ток линии равен:

 А

Линия 6

Расчетный ток линии равен

 А

Линия 7

Расчетный ток линии равен

 А

Линия 8

Расчетный ток линии определяется по выражению

учитывающем, что часть реле и ламп схемы сигнализации могут работать одновременно, а часть - в это же время может включаться. В рассматриваемом примере одновременно могут работать 5 реле и 5 ламп. Ток, протекающий через одно реле МКУ-48, равен

 А

Ток через одну лампу Ц-220-10 равен

 А

Одновременно могут включаться 2 реле и 2 лампы

 А

Тогда расчетный ток линии будет

I=0,46+0,1×0,184=0,48 А

Линия 9

Расчетный ток линии определится как сумма расчетных токов линий 4, 5, 6, 7, 8.

I=1,37+0,32+0,27+0,68+0,48=3,12 А

Величины расчетных токов всех линий сведены в табл. 3

Таблица 3

Номер линии

1

2

3

4

5

6

7

8

9

Расчетный ток

длительный

32,5

14,8

47,3

1,37

0,32

0,27

0,68

0,48

3,12

кратковременный

228

103,5

242,8

II. ВЫБОР АППАРАТОВ УПРАВЛЕНИЯ И ЗАЩИТЫ

Применяем следующие аппараты управления и защиты:

а) в линиях 1 и 2 - автоматы и магнитные пускатели;

б) в линии 3 - автомат, установленный в распределительном щите и выключатель - на вводе в силовую сборку задвижек;

в) в линиях 4, 5, 6, 7, 8 - выключатели и предохранители;

г) в линии 9 - автомат, установленный в распределительном щите и выключатель - на вводе в щит питания.

1. ВЫБОР АППАРАТОВ УПРАВЛЕНИЯ

Линия 3

Исходя из формул (1) и (2) приложения 2 выбираем пакетный выключатель типа ПВМЗ-100:

Uн³Uн.сети,             ~380 В=~380 В

Iн³Iдлит,                  63 А>47,3 А

Линии 4, 5, 6, 7, 8, 9

Исходя из формул (1) и (2) приложения 2, выбираем пакетные выключатели типа ПВМ2-10, учитывая что наибольший длительный ток равен 3,12 А (линия 9):

Uн³Uн.сети,             ~220 В=~220 В

Iн³Iдлит,                  10 А>3,12 А

Основные технические данные аппаратов управления, установленных в рассматриваемой схеме, сведены в табл. 4

Таблица 4

Основные технические данные аппаратов управления

Номер линии

3

4

5

6

7

8

9

Обозначение аппарата

В1

В3

В4

В6

В7

В8

В2

Тип аппарата

ПВМ3-100

ПВМ2-10

Номинальное напряжение, Uн, В

~380

~220

Номинальный ток

63

10

2. ВЫБОР АППАРАТОВ ЗАЩИТЫ

Линия 1

Исходя из формул (25) и (26) приложения 2, выбираем автоматический выключатель типа АП50-3МТ:

Uн.а.³Uн.с.,              ~500 В=~380 В

Iн.а.³Iдлит,               50 А>32,5 А

Определяем номинальный ток комбинированного расцепителя по формуле (27) приложения 2

Iн.расц.³Iн.дв.               Iн.расц.³32,5 А

Выбираем расцепитель с номинальным током Iн.расц.=40 А

Определяем ток уставки (отсечки) электромагнитного элемента комбинированного расцепителя по формуле (28) приложения 2:

Iуст.эл.магн.³1,25Iпуск.  Iуст.эл.магн.³1,25×228=285 А

Принимаем Iуст.эл.магн.=8Iн.расц.

Определяем номинальный ток уставки теплового элемента комбинированного расцепителя по формуле (30) приложения 2

Iн.уст.тепл.³Iн.дв.          Iн.уст.тепл.³32,5 А

Отстраиваем автомат на Iн.уст.тепл.³33 А

Линия 2

Исходя из формул (25) и (26) приложения 2, выбираем автоматический выключатель типа АП50-3МТ:

Uн.а.³Uн.с.,              ~500 В=~380 В

Iн.а.³Iдлит,               50 А>14,8 А

Определяем номинальный ток комбинированного расцепителя по формуле (27) приложения 2

Iн.расц.³Iн.дв.               Iн.расц.³14,8 А

Выбираем расцепитель с номинальным током Iн.расц.=16 А

Определяем ток уставки (отсечки) электромагнитного элемента комбинированного расцепителя по формуле (28) приложения 2

Iуст.эл.магн.³1,25Iпуск.  Iуст.эл.магн.³1,25×103,5=130 А

Принимаем Iуст.эл.магн.=8Iн.расц.

Определяем номинальный ток уставки теплового элемента комбинированного расцепителя по формуле (30) приложения 2

Iн.уст.тепл.³Iн.дв.             Iн.уст.тепл.³14,8 А

Отстраиваем автомат на Iн.уст.тепл.=15 А

Линия 3

Исходя из формул (25) и (26) приложения 2, выбираем автоматический выключатель типа АП50-3МТ:

Uн.а.³Uн.с.,              ~500 В=~380 В

Iн.а.³Iдлит,               50 А>47,3 А

Определяем номинальный ток комбинированного расцепителя по формуле (27) приложения 2

Iн.расц.³Iн.дв.               Iн.расц.³47,3 А

Выбираем расцепитель с номинальным током

Iн.расц.=50 А

Определяем ток уставки (отсечки) электромагнитного элемента комбинированного расцепителя по формуле (29) приложения 2

Iуст.эл.магн.³1,25(SIн.дв.+),                              Iуст.эл.магн.³1,25×242,8=304 А

Принимаем Iуст.эл.магн.=8Iн.расц.

Определяем номинальный ток уставки теплового элемента комбинированного расцепителя по формуле (30) приложения 2

Iн.уст.тепл.³Iн.дв.             Iн.уст.тепл.³47,3 А

Отстраиваем автомат на Iн.уст.тепл. =48 А

Линия 4

Исходя из формул (4) и (5) приложения 2, выбираем предохранители типа ПТ:

Uн.пред.³Uн.сети,       ~250 В=~220 В

Iн.вст.³Iдлит,            Iн.вст.>1,37 А

Принимаем Iн.вст.=2 А

Линия 5

Исходя из формул (4) и (5) приложения 2, выбираем предохранители типа ПТ:

Uн.пред.³Uн.сети,       ~250 В=~220 В

Iн.вст.³Iдлит,            Iн.вст.>0,32 А

Принимаем Iн.вст.=0,5 А

Линия 6

Исходя из формул (4) и (5) приложения 2, выбираем предохранители типа ПТ:

Uн.пред.³Uн.сети,       ~250 В=~220 В

Iн.вст.³Iдлит,            Iн.вст.>0,27 А

Принимаем Iн.вст.=0,5 А

Линия 7

Исходя из формул (4) и (5) приложения 2, выбираем предохранители типа ПТ:

Uн.пред.³Uн.сети,       ~250 В=~220 В

Iн.вст.³Iдлит,            Iн.вст.>0,68 А

Принимаем Iн.вст.=1 А

Линия 8

Исходя из формул (4) и (5) приложения 2, выбираем предохранители типа ПТ:

Uн.пред.³Uн.сети,       ~250 В=~220 В

Iн.вст.³Iдлит,            Iн.вст.>0,48 А

Принимаем Iн.вст.=0,5 А

Линия 9

Исходя из формул (25) и (26) приложения 2, выбираем автоматический выключатель типа АП50-2М:

Uн.а.³Uн.с.,              ~500 В=~380 В

Iн.а.³Iдлит,               50 А>3,12 А

Определяем номинальный ток электромагнитного расцепителя по расчетному току линии, равному Iрасч.=3,12 А

Iн.расц.>3,12 А

Выбираем расцепитель с номинальным током Iн.расц.=14 А.

Так как автомат установлен в цепи питания электроприемников, при включении которых не возникают броски пускового тока, то ток уставки электромагнитного расцепителя выбираем минимально возможным,

Iуст.эл.магн.=3,5Iн.расц.

Основные технические характеристики аппаратов защиты, установленных в схеме, сведены в табл. 5.

Таблица 5

Технические характеристики аппаратов защиты

Номер линии

1

2

3

4

5

6

7

8

9

Обозначение аппарата

QF3

QF4

QF1

FU1

FU2

FU3

FU4

FU5

QF2

Тип аппарата

АП50-3МТ

ПТ

АП50-2М

Ток расцепителя автомата, 1 н. расц., А

40

16

50

-

-

-

-

-

4

Ток уставки эл. магн. расцепителя 1 уст. эл. магн.

81 н. расц.

-

-

-

-

-

3,5 1 н. расц.

Ток уставки теплового расцепителя 1 н. уст. тепл., А

33

15

48

-

-

-

-

-

-

Ток плавкой вставки предохранителя 1 н. вст., А

-

-

-

2

0,5

0,5

1

0,5

-

3. ВЫБОР МАГНИТНЫХ ПУСКАТЕЛЕЙ И ТЕПЛОВЫХ РЕЛЕ

Линия 1

Исходя из формулы (1) приложения 2 выбираем магнитный пускатель типа ПА-300 без тепловых реле. Защита от перегрузки данной линии осуществляется тепловым элементом комбинированного расцепителя автоматического выключателя.

Линия 2

Исходя из формулы (1) приложения 2, выбираем магнитный пускатель типа ПМЕ-200 без тепловых реле. Защита от перегрузки данной линии осуществляется тепловым элементом комбинированного расцепителя автоматического выключателя.

III. ВЫБОР СЕЧЕНИЙ ПРОВОДНИКОВ

Линия 1

Допустимый длительный ток для проводов определяется как большая величина из формул (3) и (4) приложения 4:

Iн.д.³Iдлит,               Iн.д.³32,5 А

Iн.д.³KзIз,    Iн.д.³0,66×40=26,4 А

Значение Iдлит определено по табл. 3 приложения 5, Kз - по табл.6 приложения 4, Iз - по табл. 5 приложения 5.

Таким образом, расчетным током для выбора сечений проводников является ток Iн.д.³32,5 А.

Для данного значения иска и принятого вида электропроводки по табл. 2 приложения 4 выбираем провода сечением 10 мм2, для которых длительная допустимая нагрузка равна 39 А.

Выбранное сечение проводов удовлетворяет и условию механической прочности.

Выбор сечений проводников для остальных линий проводится аналогично.

Линия 2

Iн.д.³14,8 А

Iн.д.³0,66×16=10,6 А

Выбираем провода сечением 2,5 мм2 с длительной допустимой нагрузкой 19 А.

Линия 3

Iн.д.³47,3 А

Iн.д.³0,66×50=33 А

Выбираем провода сечением 16 мм2 с длительной допустимой нагрузкой 55 А.

Линия 4

Iн.д.³1,37 А

Iн.д.³0,33×2=0,66 А

Выбираем провода сечением 2,5 мм2 с длительной допустимой нагрузкой 19 А.

Линия 5

Iн.д.³0,32 А

Iн.д.³0,33×0,5=0,165 А

Выбираем провода сечением 2,5 мм2 с длительной допустимой нагрузкой 19 А.

Линия 6

Iн.д.³0,27 А

Iн.д.³0,33×0,5=0,165 А

Выбираем провода сечением 2,5 мм2 с длительной допустимой нагрузкой 19 А.

Линия 7

Iн.д.³0,68 А

Iн.д.³0,33×1=0,33 А

Выбираем провода сечением 2,5 мм2 с длительной допустимой нагрузкой 19 А.

Линия 8

Iн.д.³0,48 А

Iн.д.³0,33×0,5=0,165 А

Выбираем провода сечением 2,5 мм2 с длительной допустимой нагрузкой 19 А.

Линия 9

Iн.д.³3,12 А

Iн.д.³0,22(3,5×4)=3,08 А

Выбираем провода сечением 2,5 мм2 с длительной допустимой нагрузкой 19 А.

Выбранные сечения проводов сведены в табл. 6

Таблица 6

Сечение проводов

№ линии

1

2

3

4

5

6

7

8

9

Сечение провода, мм2

10

2,5

16

2,5

2,5

2,5

2,5

2,5

2,5

IV. ПРОВЕРКА НАДЕЖНОСТИ И СЕЛЕКТИВНОСТИ ДЕЙСТВИЯ АППАРАТОВ ЗАЩИТЫ ПРИ КОРОТКОМ ЗАМЫКАНИИ

В качестве примера выполним расчет (приближенный) токов однофазного короткого замыкания в линиях, питающих электроприводов задвижки и потенциометр (линии 1 и 6). Схема для расчета токов короткого замыкания приведена на рис. 2.

Для удобства расчетов участки линий на схеме обозначены буквами.

Короткое замыкание в точке 1

Определяем полное сопротивление цепи тока короткого замыкания для петли фаза-нуль по формуле (5) приложения 2:

.

Активное сопротивление фазного и нулевого проводников участков сети, определяем по формулам (16) и (18) приложения 2.

Схема к расчету токов короткого замыкания

Рис. 2

                                                         Ом

 Ом

 Ом

                                                         Ом

 Ом

 Ом

Тогда

SRф=RфАБ+RфБВ+RфВГ=0,32+0,2+0,32=0,84 Ом

SRо=RоАБ+RоБВ+RоВГ=0,32+0,32+0,53=1,17 Ом

Индуктивное сопротивление фазного и нулевого проводов участков сети определяем по формулам (17) и формулам (18) приложения 2;

Xф=al,                                                               XфАБ=0,07×0,25=0,017 Ом

XфБВ=0,09×0,1=0,009 Ом

XфВГ=0,09×0,1=0,009 Ом

Xо=al,                                                               XоАБ=0,07×0,25=0,017 Ом

XоБВ=0,09×0,1=0,009 Ом

XоВГ=0,09×0,1=0,009 Ом

Тогда

SXф=XфАБ+XфБВ+XфВГ=0,017+0,009+0,009=0,035 Ом

SXо=XоАБ+XоБВ+XоВГ=0,017+0,009+0,009=0,035 Ом

Как видно из расчета, индуктивные сопротивления фазного и нулевого проводов оказываются незначительными и могут не учитываться в дальнейших расчетах.

Расчетное полное сопротивление трансформатора току короткого замыкания определяем по формуле (22) приложения 2:

 Ом

Тогда

 Ом

Ток однофазного короткого замыкания определяем по формуле (12) приложения 2:

  А

Кратность тока короткого замыкания должна быть не менее:

В нашем примере

т.е. требуемое условие не выполняется.

Чтобы ток короткого замыкания превышал номинальный ток расцепителя в 3 раза, необходимо уменьшить полное сопротивление цепи тока короткого замыкания. Для этого приходится увеличивать сечение проводов. Примем сечение нулевых проводов равным сечению фазных проводов на линиях БВ и ВГ.

Тогда

 Ом

 Ом

SRф=SRо=0,32+0,2+0,32=0,84 Ом

 Ом

В этом случае

 А

т.е. требуемое условие выполнено.

Проверим селективность действия автоматических выключателей при токе короткого замыкания Iк.з.(1)=130 А.

Этот ток проходит последовательно через два автоматических выключателя QF1 и QF3 (см. рис. 1) с номинальными токами расцепителей 50а и 40а.

При этом токе короткого замыкания должен сработать только автоматический выключатель QF3 с номинальным током расцепителя 40 А.

Определяем время срабатывания автоматического выключателя по его время-токовой характеристике:

при кратности тока перегрузки, равной

время срабатывания автоматического выключателя равно 18 сек. (время-токовые характеристики автоматических выключателей даны в инструкциях по эксплуатации).

Определяем время срабатывания автоматического выключателя QF1 по его время-токовой характеристике:

при кратности тока перегрузки, равной

время срабатывания автоматического выключателя равно 30 сек. Таким образом, автоматический выключатель QF3, имеющий меньшее время срабатывания сработает раньше, т.е. условие селективности действия автоматических выключателей выполнено.

Для проверки автомата по отключающей способности рассчитаем ток трехфазного короткого замыкания по формуле (24) приложения 2:

Значение Zф определяем по формуле (14) приложения 2

Активное и индуктивное сопротивления фазы питающего трансформатора определяем по формулам (20) и (21)

,  Ом

, XT=3×0,0025=0,0075 Ом.

Тогда

 Ом

 А,

что намного меньше предельно отключаемого тока автоматов (1500а).

Короткое замыкание в точке 2

Расчет тока короткого замыкания в точке 2 проводим аналогично.

Из ранее выполненного расчета

 Ом   Ом.

Определяем активные сопротивления фазных и нулевых проводников:

Ом  Ом

 Ом    Ом

SRф=0,32+1,92+0,64=2,88 Ом

SRо=2,88 Ом.

Тогда

 Ом

ток однофазного короткого замыкания будет равен:

 А.

Условие необходимой кратности тока короткого замыкания по отношению к номинальному току плавкой вставки предохранителя в данном случае выполняется, так как

.

V. ПРОВЕРКА ВЫБРАННЫХ СЕЧЕНИЙ ПРОВОДНИКОВ ПО ПОТЕРЕ НАПРЯЖЕНИЯ

Определим потери напряжения во всех линиях рассматриваемого примера.

Схема для расчета потерь напряжения приведена на рис. 3.

На схеме указаны нагрузки (квт), длина участков (км) и сечения проводов (мм2), выбранные при расчете проводников по длительно допустимому току.

Поскольку потребляемые мощности отдельных приборов, регуляторов, аппаратов чаще всего задаются в виде полной мощности (ВА), то с целью упрощения расчет потерь напряжения проведем по полной мощности (а не по активной составляющей мощности, что следует из формул (5) и (6) приложения). В этом случае допускается ошибка в сторону увеличения потерь напряжения. В действительности потери будут несколько меньше.

Потери напряжения от точки Б до наиболее удаленных точек определяются суммированием потерь напряжения на отдельных участках.

Определяем потери напряжения на участках трехфазной линии переменного тока по формуле (5) приложения 4:

.

Тогда потеря напряжения от точки Б до точек Г и Ж составит:

DUБВГ=DUБВ+DUВГ=3,38+3,72=7,1%

DUБВЖ=DUБВ+DUВЖ=3,38+6,55=9,93%.

Учитывая заданные режимы и кратковременность работы электроприводов задвижек, полученные значения потерь напряжения в линиях БВГ и БВЖ в данном случае можно считать допустимыми.

Определяем потери напряжения на участках двухфазной двухпроводной сети переменного тока по формуле (7) приложения 4:

.

Потеря напряжения на данном участке превосходит значение допустимых отклонений напряжения на зажимах контрольно-измерительных приборов, регулирующих устройств и т.д. (±5%).

Учитывая, что линия БД является головной и что потери напряжения будут также иметь место и в последующих участках сети ДИ, ДК и т.д., необходимо увеличить ранее выбранное сечение линии БД с 2,5 мм2 до 4 мм2.

Тогда

.

Потеря напряжения от точки Б до точек И, К, Е, Л, М составит:

DUБДИ=DUБД+DUДИ=3,34+0,786=4,126%

DUБДК=DUБД+DUДК=3,34+0,184=3,524%

DUБДЕ=DUБД+DUДЕ=3,34+0,157=3,497%

DUБДЛ=DUБД+DUДЛ=3,34+0,393=3,733%

DUБДМ=DUБД+DUДМ=3,34+0,26=3,6%.

Данные потерь напряжения по отдельным участкам сети сведены в табл.7.

Таблица 7

Потери напряжения на отдельных участках сети, рис. 3

Наименование линии

БВГ

БВЖ

БДИ

БДК

БДЕ

БДЛ

БДМ

Потеря напряжения, рассчитанная по формулам, DU, %

7,1

9,93

4,126

3,524

3,497

3,733

3,6

Таким образом, рассчитанные потери напряжения не превосходят значений допустимых отклонений напряжения на зажимах электроприемников.

В связи с тем, что при расчете потерь напряжения было увеличено сечение линии БД до 4 мм2, выполним повторно расчет тока короткого замыкания в точке 2.

Определим активные сопротивления фазного и нулевого проводника на участке БД.

    Ом  Ом.

Пользуясь данными расчета, изложенными выше в настоящем приложении (короткое замыкание в точке 2), получим

SRф=0,32+1,2+0,64=2,16 Ом

SRо=2,16 Ом

тогда

 Ом.

Ток однофазного короткого замыкания будет равен:

 А

Кратность тока короткого замыкания по отношению к номинальному току плавкой вставки предохранителя при увеличении сечения линии БД, как и следовало ожидать, возрастает. Защита будет действовать более надежно.

ПРИЛОЖЕНИЕ 6

ПЕРЕЧЕНЬ ДОКУМЕНТОВ И ДРУГИХ МАТЕРИАЛОВ, ИСПОЛЬЗОВАННЫХ В ПОСОБИИ

1. Правила устройства электроустановок, шестое издание, Энергоатомиздат, 1985 г.

2. ВСН 205-84/ММСС СССР. Инструкция по проектированию электроустановок систем автоматизации технологических процессов, ЦБНТИ ММСС СССР, 1985 г.

3. Дубровский А.Х. Устройство электрической части систем автоматизации, второе издание, Энергоатомиздат, 1984

4. РМ 4-183-81. Порядок согласования технической документации на изготовление щитов и пультов заводами-изготовителями Минмонтаж-спецстроя СССР. Приложение 3 "Номенклатура изделий, поставляемых комплектно со щитами и пультами".

5. ОСТ16.0.526.001-77. Переключатели и выключатели пакетные ПП, ПВ. Технологические условия.

6. УСО 360.049ТУ. Переключатели ТВ1, ТВ2, ТПI типа "Тумблер". Технические условия.

7. ВТО 360.002ТУ Переключатели двуполюсные П2Т. Технологические условия.

8. ТУ 16-522.110-74. Выключатели автоматические серии А63.

9. ТУ 16-522.066-75. Выключатели автоматические серии АП50.

10. АГО 481.301ТУ. Держатели вставок плавкие ДВП4.

11. АГО 481.304ТУ. Вставки плавкие ВП2Б, ВП3Б

12. ТУ 16-522.091-72. Предохранители типа ПР-2. Технические условия.




Яндекс цитирования



   Copyright © 2007-2026,  www.tehlit.ru.

[ ѓосты, стандарты, нормативы, инструкции, правила, строительные нормы ]