//
|
|
МИНИСТЕРСТВО НЕФТЯНОЙ И ГАЗОВОЙ ПРОМЫШЛЕННОСТИ
РУКОВОДЯЩИЙ ДОКУМЕНТ Инструкция по контролю за состоянием почв на РД 39-0147098-015-90
Инструкция предназначена для организации контроля за состоянием почв на землях, отведенных предприятиям нефтяной промышленности во временное я постоянное пользование, а также подверженных воздействию производственной деятельности вне отведенных территорий, и регламентирует отбор почвенных образцов, проведение аналитических работ, оценку состояния почв с целью разработки и выполнения землеохранных мероприятий. Она рекомендует для применения на предприятиях нефтяной промышленности, проводящих строительные и иные работы, связанные с нарушением и загрязнением почвенного покрова и занимающихся вопросами охраны в рационального использования земельных ресурсов. Инструкция позволяет по единой схеме проводить качественную и количественную оценку нарушения и загрязнения земель. Инструкция разработана лабораторией охраны земельных ресурсов ВостНИИТБ. Разработчики: Идрисов Р.Х., Абзалов Р.З., Сахабутдинова А.3., Шаймухаметов Р.М., Булдакова Э.С., Ралиев М.Ш.,.Мусина М.З.
РУКОВОДЯЩИЙ ДОКУМЕНТ ИНСТРУКЦИЯ ПО
КОНТРОЛЮ ЗА СОСТОЯНИЕМ ПОЧВ НА РД 39-0147098-015-90 Вводится впервые
Срок введения установлен с 01.01.90 Срок действия до 01.01.93
1. ОБШИЕ ПОЛОЖЕНИЯ1.1. В соответствии с "Основами земельного законодательства Союза ССР и союзных республик" землепользователи обязаны не допускать засоления, загрязнения земель, а также других процессов, ухудшающих состояние почв, кроме того, организовать контроль за их использованием. 1.2. Настоящая "Инструкция..." позволяет по единой схеме проводить качественную и количественную оценку нарушения и загрязнения почв, установить их контуры для использования в процессах разработки рекомендаций по землеохранным мероприятиям в проведении работ по рекультивации земель в нефтяной промышленности. 1.3. Существующая технология производственных процессов постоянно совершенствуется и с учетом проблем охраны окружающей среды, однако она полностью не исключает возможности нарушения и поступления на почву твердых, жидких я полужидких отходов в "залповых" разливов продукции скважин. 1.4. При попадании нефти в других токсических веществ в почву происходят зачастую глубокие изменения химических, физических, микробиологических свойств почвы, а иногда и существенная перестройка всего почвенного профиля. Это обстоятельство заставляет считать контроль за нефтяными загрязнениями и изучение их воздействия на почвенный покров обязательными для предприятий, деятельность которых связана с таким воздействием. 1.5. Основными задачами службы контроля являются: регистрация современного уровня загрязнения почв и изменения ее химического состава; определение тенденций изменения химического состава почв во времени, прогноз уровней их загрязнения в будущем; оценка возможных последствий загрязнения почв в настоящее время и в будущем, разработка рекомендаций по их предотвращению или уменьшению. 1.6. Основными нарушениями и загрязнениями земель на объектах нефтяной промышленности, подлежащие к контролю за состоянием почв, являются: механические нарушения почвенного покрова, изъятие плодородного слоя, загрязнение нефтью, загрязнение высокоминерализованными пластовыми водами, загрязнение нефтью и высокоминерализованными пластовыми водами (продукция скважин), загрязнение буровыми отходами, загрязнение нефтешламами, загрязнение сточными водами. 1.7. Из-за отсутствия установленных предельно допустимых концентраций (ПДК) при загрязнении почв нефтью и нефтепродуктами объективная оценка загрязнения проводится путем сравнения с фоном (естественное состояние). 2. ИСТОЧНИКИ ЗАГРЯЗНЕНИЯ И НАРУШЕНИЯ ПОЧВЫ2.1. Загрязнением почв нефтью и высокоминерализованными сточными водами считается увеличение концентраций этих веществ до уровня, при котором: нарушается экологическое равновесие в почвенной системе, происходит изменение морфологических и физико-химических характеристик почвенных горизонтов, изменяются водно-физические свойства почв, нарушается соотношение между отдельными фракциями органического вещества почвы, снижается продуктивная способность земель. 2.2. Потенциальными источниками загрязнения природной среды являются буровые площадки, буровые и промысловые амбары, нефтепромыслы, факела, нефтеводо- и газопроводы, естественные поля испарения, нефтехранилища, наземный транспорт. 2.3. Нарушение почвенно-растительного покрова (ПРП) связано со следующими видами работ: подготовкой и планировкой площадок для монтажа бурового оборудования, объектов сбора и подготовки нефти, сооружением шламовых амбаров и амбаров для сбора нефти, строительством временных складов для хранения материалов, при прокладке трубопроводов, а также транспортировке оборудования и людей. В результате перечисленных работ снижается биологическая продуктивность почвы, нарушается водный и температурный режим грунтов, возникает эрозия, а на участках с незначительной мощностью ПРП может произойти полное его уничтожение. 3. ОРГАНИЗАЦИЯ КОНТРОЛЯ ЗА СОСТОЯНИЕМ ПОЧВ3.1. В настоящее время существует три метода контроля: визуальный, инструментальный (физико-химические методы анализа), биологический (метод биоиндикации). Визуальный метод используется для ежедневного наблюдения за состоянием земель. Инструментальный метод анализа позволяет идентифицировать токсиканты, а так же даст точную количественную информацию об их содержании. Метод биоиндикации оценивает патогенные факторы косвенно - через биологическое действие. В настоящей инструкции рассматриваются наиболее важные физико-химические и визуальный методы контроля за состоянием почв. 3.2. Контроль за состоянием почв осуществляется на всех стадиях разработки месторождения нефти и используя те или иные методы решает задачи по охране и рациональному использованию земельных ресурсов. 3.2.1. Контроль до начала обустройства проводится проектирующими организациями. Она включает получение информации, снятие фоновых показателей почвы и проводится путем: определения географического положения и рельефа территории, уточнения площади обследуемой почвы в пределах землепользования, ознакомления с физико-химическими и географическими условиями местности (среднегодовая температура воздуха и сумма осадков, уровень грунтовых вод, вероятная частота наводнения в год или более длительный период, высота над уровнем моря, экспозиция склонов), уточнения вила хозяйственного использования местности (земли сельскохозяйственного или несельскохозяйственного назначения), характеристики возможных источников загрязнения (вид загрязнения, степень загрязнения. ГОСТ 17.4.3.06-86). Инструментальным методом определяются физико-химические показатели почвы. Отбор почвенных проб проводится согласно ГОСТ 17.4.3.01-83, аналитические работы согласно приложения I графа "при окончании работ до рекультивации". Если до начала строительства не удается снять фоновые показатели, то в дальнейшем в качестве последних используют физико-химические характеристики близлежащих не подверженных нарушению и загрязнению почвенных участков отведенных земель. 3.2.2. Контроль в процессе строительства осуществляется за правильностью разработки месторождений и рациональным использованием земельных ресурсов, за выполнением требований по охране окружающей среды. Согласно "Инструкции по маркшейдерским и топографо-геодезическим работам в нефтяной промышленности" (РД 39-0147139-101-87) маркшейдерский контроль выполняется путем производства соответствующих съемок и сравнения полученных результатов с результатами, заложенными в проекте по обустройству месторождения. Кроме того, сравниваются с существующими нормами отвода земель для магистральных трубопроводов (СН 452-73) и нефтяных скважин (СН 459-74), "Инструкции по строительному проектированию предприятий, зданий и сооружений нефтяной и газовой промышленности" (СН 433-79). Охрана плодородного слоя почвы при строительстве контролируется в соответствии с требованиями ГОСТ 17.4.3.02-85 и ГОСТ 17.5.3.06-85. Процесс рекультивации земель (технический этап) контролируется по ГОСТ 17.5.3.04-83 и РД 39-0147103-385-86 и "Инструкции по рекультивации земель при строительстве трубопроводов" (ВСН 179-85). 3.2.3. Контроль за период эксплуатации месторождений. Методами контроля в процессе эксплуатации являются визуальный, инструментальный. Сущность визуального метода контроля заключается в осмотре месторождения и регистрации места нарушения и загрязнения земель, оценки состояния растительности и т.д. Такие работы выполняются обходчиками, операторами. Периодичность осмотра соответствует режиму работы указанных работников. Магистральные трубопроводы патрулируются согласно "Положения о воздушном патрулировании магистральных нефтепроводов" (РД 39-30-743-82). Инструментальный метод контроля ведется на эпизодических и режимных пунктах наблюдения службой по охране окружающей среды. 3.3. Эпизодические пункты определяются по необходимости для уточнения конкретного источника загрязнения, по сообщениям населения, а также по требованиям вышестоящих и контролирующих организаций. Частота наблюдений определяется в зависимости от поставленной задачи. Качественный состав анализов приводится в приложении I. 3.4. Режимные пункты наблюдения устанавливают на местах аварийных разливов. Выбирают в качестве таких пунктов участки после засыпки шламовых амбаров и захоронения отходов, территории действующих факелов, резервуаров для хранения нефти и у полей естественного испарения сточных вод вблизи населенных пунктов, лесных массивов, около водоемов и рек. 3.5. Определяют размеры, площадь и конфигурацию загрязненных или предполагаемых участков. Каждый пункт наносят (включая эпизодические) на картограмму месторождения. Присваивают номер, который сохраняется во все годы наблюдения. 0бщая продолжительность наблюдения должна быть не менее 2-3 лет. 3.6. На режимных пунктах отбор почвенных образцов проводят 2 раза в год: весной - после оттаивания почвы - и осенью. Виды анализа приведены в приложении I. Глубина взятия образца 0-20, 20-40 см. Для сравнимости результатов важно, чтобы сроки, выбор пунктов и способы отбора проб были идентичны. 3.7. Для изучения вертикальной миграции - определение глубины просачивания нефти (загрязнителей), наличия внутрипочвенного потока, характера трансформации почвенного профиля, закладываются почвенные разрезы. Их разделяют на опорные разрезы и "прикопки" (опытные образцы почв). Опорные разрезы закладываются вблизи места разлива. 3.8. Опорный разрез закладывается размером 0.8´1,5´2,0 м (соответственно, ширина короткой "лицевой" стенки, ширина длинной стенки и глубина разреза), разрез располагается так, чтобы "лицевая" стенка была освещена солнцем. В разрез опускается мерная лента, которой отмечается глубина проникновения загрязнителя и глубина каждого горизонта. "Лицевая" стенка служит для описания почвенных горизонтов (цвет, влажность, структура, плотность, механический состав, новообразование, включения, корневая система), отмечается глубина, с которой почва вскипает от добавления 10 %-ной соляной кислоты. Образцы берут сначала из нижних горизонтов, постепенно переходя к верхним. С каждого генетического горизонта берется один образец почвы. 3.3. При аварийных разливах почвенные пробы отбирают по диагонали участка через каждые 8-10 м начиная с края, загрязненность территорий от воздействия факела контролируют отбором почвенных образцов через каждые 500 м общей протяженностью до 3 км. Во всех остальных случаях - по периметру участка, также через 8-10 м отступая от границы загрязненного участка на 10 м. 3.10. Сеть режимных контрольных пунктов должна быть динамичной и ежегодно пересматриваться с учетом данных анализов и других сведений. 3.11. Методы анализа почвенных образцов в "Инструкции ..." приводятся по ГОСТ 17.4.2.03-86. Методы анализа, на которые в настоящее время ГОСТы отсутствуют, описаны полностью по тексту использованных источников (в приложении). 4. ОБОБЩЕНИЕ МАТЕРИАЛОВ4.1. Материалы обследования, наблюдения на контрольных пунктах, результаты анализа почв своевременно систематизируются с целью выявления масштабов и причин загрязнения и принятия эффективных мер по его предотвращению и устранению. 4.2. Результаты анализа почвенных проб (физические, химические, активность ферментов) представляются в табличной форме для каждого участка в сравнении с фоном (приложение 7). 4.3. Сведения о результатах многолетнего наблюдения в одних и тех же предприятиях (участках) представляются в виде рабочих таблиц, куда заносятся данные всех лет обследования. Отмечается тенденция изменения уровня загрязнения и возможные причины этих тенденций. 5. ИСПОЛНИТЕЛИ И ОТЧЕТНОСТЬ5.1. С соответствии с приказом Миннефтепрома СССР от 14.09.88 № 464 "Об улучшении организации природоохранной деятельности в отрасли" производственным и научно-производственным объединениям, научно-исследовательским и проектным институтам отрасли рекомендовано создать подразделения по охране окружающей среды, обеспечить по необходимости транспортными средствами, спецтехникой, оборудованием и материалами. 5.2. Главные управления, объединения, предприятия и организации отрасли представляют институту ВостНИИТБ требуемую техническую документацию и информацию по охране окружающей среды, согласно постановления коллегии Миннефтепрома СССР от 07.07.88 № 32 "О состоянии охраны окружающей среды на предприятиях отрасли". 5.3. Ответственность за своевременный и полный объем проведения наблюдений и контроля за состоянием почв в соответствии с настоящим РД несет руководитель службы по охране окружающей среды нефтегазодобывающего управления. 6. ПЕРЕЧЕНЬ
| ||||||||||||||||||||||||||||||||||||||||||||||||||||||||||||||||||||||||||||||||||||||||||||||||||||||||||||||||||||||||||||||||||||||||||||||||||||||||||||||||||||||||||||||||||||||||||||||||||||||||||||||||||||||||||||||||||||||||||||||||||||||||||||||||||||||||||||||||||||||||||||||||||||||||||||||||||||||||||||||||||||||||||||||||||||||||||||||||||||||||||||||||||||||||||||||||||||||||||||||||||||||||||||||||||||||||||||||||||||||||||||||||||||||||||||||||||||||||||||||||||||||||||||||||||||||||||||||||||||||||||||||||||||||||||||||||||||||||||||||||||||||||||||||||||||||||||||||||||||||||||||||||||||||||||||||||||||||||||||||||||||||||||||||||||||||||||||
|
№ пункта приложения |
Виды анализа |
Определяется (+), не определяется (-) при |
|||
|
режимных наблюдениях |
эпизодических наблюдениях |
определение исходных данных для рекультивации |
окончании работ по рекультивации |
||
|
1 |
2 |
3 |
4 |
5 |
6 |
|
2.2. |
Метод капельного анализа по В.Н. Флоровской |
+ |
+ |
- |
- |
|
3.1. |
Весовой метод определения нефтепродуктов в почве |
+ |
+ |
+ |
+ |
|
3.2. |
Определение фракционного состава нефтепродуктов |
+ |
- |
- |
- |
|
4.1. |
Влажность почвы |
- |
- |
+ |
+ |
|
4.2. |
Определение структуры почвы |
- |
- |
+ |
+ |
|
4.3. |
Определение объемной массы |
- |
- |
+ |
+ |
|
4.4. |
Определение общей пористости |
- |
- |
+ |
+ |
|
5.11. |
Определение рН солевой вытяжки |
+ |
- |
+ |
+ |
|
5.12. |
Определение величины рН водной вытяжки |
+ |
+ |
+ |
+ |
|
5.2. |
Определение содержания гумуса |
- |
- |
- |
+ |
|
5.3. |
Определение общего азота |
- |
|
+ |
+ |
|
5.5. |
Определение кальция и магния |
- |
- |
+ |
+ |
|
5.6. |
Определение нитратов |
- |
- |
+ |
+ |
|
5.7. |
Определение обменного натрия |
- |
- |
+ |
+ |
|
5.8.* |
Определение подвижных форм фосфора и калия |
- |
- |
+ |
+ |
|
5.9.** |
Определение хлорид-ионов |
+ |
+ |
+ |
+ |
|
5.11.** |
Определение сульфат-ионов |
+ |
+ |
+ |
+ |
|
5.11. |
Определение удельной электрической проводимости, рН и плотного остатка водной вытяжки |
+ |
- |
+ |
+ |
|
5.12.*** |
Вычисление степени насыщенности почв основаниями |
+ |
- |
+ |
+ |
|
5.13. |
Определение карбоната кальция |
+ |
- |
+ |
+ |
|
6. |
Определение активности дегидрогенез |
- |
- |
+ |
+ |
Примечания:
* - Выбор метода в зависимости от типа почвы
** - При эпизодических наблюдениях выполняется только при вероятности загрязнения нефтепромысловыми водами.
*** - До и после рекультивации земель выполняется при загрязнении высокоминерализованными промысловыми водами.
МЕТОДЫ
ПРЕДВАРИТЕЛЬНОЙ ДИАГНОСТИКИ НЕФТЯНЫХ
ЗАГРЯЗНЕНИЙ В ПОЧВАХ
Нефти, нефтепродукты и другие близкие им по составу соединения, находящиеся в природной среде (почвах, грунтах, горных породах), имеют собирательное название "битуминозные вещества". Сумму битуминозных веществ называют битумоидами. Растворы битумоидов обладают способностью люминесцировать в ультрафиолетовых лучах. Это свойство используют для диагностики загрязнений в почвах.
Целью предварительной диагностики является более раннее выявление загрязнения почвы нефтью и нефтепродуктами. Поэтому она проводится регулярно вблизи скважин, сборных пунктов, нефтепроводов, резервуаров для хранения нефти и т.д.
2.1. Диагностика нефтяных загрязнений в почвах проводится непосредственной в поле или в полевой лаборатории. Характер загрязнения можно предварительно определять непосредственно в разрезе. Для этого к ровной лицевой стенке разреза плотно прикладывают лист фильтровальной бумаги. В местах, где почва загрязнена нефтью и нефтепродуктами, на листе бумаги выступят масляные пятна.
2.2. Для диагностики загрязнений можно использовать метод капельного анализа по В.Н. Флоровской.
Комочки почвы просматривают в ультрафиолетовых лучах осветителя (в затемненном помещении), осторожно нанося на их поверхность капли растворителя. Наличие битуминозных компонентов дает о себе знать голубовато-белым свечением участка в месте нанесения капли. По характеру свечения можно приблизительно определить степень загрязнения (табл. 2.1.).
|
Характеристика люминесцентного свечения рыхлой пробы |
Приблизительное содержание битуминозных компонентов в образце, г/кг |
|
|
пески |
суглинки |
|
|
Яркое ровное пятно |
более 1,0 |
более 5,0 |
|
Толстое кольцо или неровное пятно |
0,1-1,0 |
0,5-5,0 |
|
Рваное кольцо |
0,01-0,1 |
0,01-0,1 |
|
Слабое свечение отдельных точек |
менее 0,01 |
менее 0,01 |
МЕТОДЫ ОПРЕДЕЛЕНИЯ НЕФТИ И НЕФТЕПРОДУКТОВ
3.1. Весовой метод определения содержания нефтепродуктов в почве (16).
Ход определения. Для проведения исследований образцы почвы просушивают, измельчают и протирают через, сито с диаметром ячей 1 мм. Из образца отбирают аналитическую пробу почвы массой 30-100 г (3-х кратной повторности), которую высушивают до постоянной массы. Навеску почвы помещают в колбу емкостью 150 мл, смачивают хлороформом до влажного состояния. Затем несколько раз проводят экстракцию путем добавления 10-15 мл хлороформа до получения в последней порции бесцветного экстракта. Полученную хлороформную вытяжку выпаривают в вытяжном шкафу на водяной бане или удаляют хлороформ методом отгонки. С этой целью экстракт помещают в колбу емкостью 250 мл, которая соединяется с холодильником Либиха и ставят ее на водяную баню для выпаривания. Когда в колбе останется 20-25 мл жидкости, отгонку прекращают. Содержимое колбы сливают в стаканчик емкостью 50 мл, которую дважды ополаскивают хлороформом (по 10 мл). Эти две порции хлороформа сливают в тот же стаканчик, который помещают в вытяжной шкаф для испарения.
Для очистки полученного экстракта готовят колонку, представляющую собой стеклянную трубку высотой 12-15 см диаметром 1 см с оттянутым нижним концом до диаметра, равного 1 мм. В нижнюю часть колонки складывают слои стеклянной ваты толщиной 1 см, затем колонку заполняют окисью алюминия (для хроматографии) на 2-8 см и покрывают слоем стеклянной ваты. Приготовленную колонку закрепляют в штативе, а ее содержимое с помощью пипетки смачивают 3-5 мл гексана.
Под носик колонки ставят взвешенный на аналитических весах пустой стаканчик емкостью 50 мл. В таком виде фильтрационная колонка считается готовой к работе.
Оставшийся в стаканчике после испарения хлороформа осадок растворяют 5-10 мл нормального гексана и переносят в колонку, стаканчик ополаскивают 3 раза 2 мл гексана и этот смыв также вносят в колонку. После окончания фильтрации колонку промывают 2-3 порциями гексана (по 2-3 мл). При получении гексанового раствора нефтепродуктов освобожденного от полярных соединений, гексан испаряется в потоке воздуха при комнатной температуре. После полного удаления гексана стаканчик взвешивают, выдергивают в течение получаса в лаборатории для полного испарения гексана. Повторно взвешивают на аналитических весах и при совпадении массы анализ заканчивается.
По разности массы с содержимым и без содержимого определяют массу обнаруженных нефтепродуктов.
Содержание нефтепродуктов ( Х мг/кг почвы ) вычисляют по Формуле:
![]()
где: А - найденное количество нефтепродуктов в миллиграммах;
В - навеска почвы, взятой для анализа в граммах.
Реактивы: н-Гексан (С6Н14) х.ч.
Хлороформ (СНСL3) х.ч.
Окись алюминия Аl2О3 безводный, ч. МРТУ 6-09-5296-68 активированный при t = 800 ± 10° в течение 4 ч.
Стеклянная вата.
Приборы и посуда:
Аналитические весы,
Фильтрационная колонка высотой 12-15 см,
Холодильник Либиха,
Колбы на 150 мл, 250 мл, 50 мл.
3.2. Определение фракционного состава нефтепродуктов (18).
Метод основан на определении нефтепродуктов в почве с помощью тонкослойной хроматографии в сочетании с гравиметрическим методом.
Подготовка пробы к анализу. Отбирают пробу почвы 0,5-1 кг., из которой предварительно удаляют корешки, измельчают, тщательно перемешивают и отвешивают навеску.
Ход определения. Взвешенную навеску помещают в колбу вместимостью 500 мл и экстрагируют хлороформом несколько раз до получения порции бесцветного экстракта. Хлороформ, используемый в дальнейшей работе, очищают перегонкой. Экстракты смешивают, отгоняют на роторном испарителе хлороформ или выпаривают его при комнатной температуре в вытяжном шкафу сначала в большей емкости, затем после количественного перенесения в доведенном до постоянной массы в бюксе.
По разности определяют массу веществ, экстрагируемых из почвенной навески хлороформом. Далее навеску веществ, экстрагируемых хлороформом (10-20 мл), растворяют в нескольких каплях хлороформа и наносят капилляром с внутренним диаметром I мм на пластинку с силикагелем полосой на расстоянии 2 см от нижнего края.
Для приготовления хроматографической пластинки 3 г силикагеля марки ЛС 5/40 тщательно растирают с 6 мл воды, добавляемой по частям и наносят на обезжиренную стеклянную пластинку размером 6´18 см, сушат на воздухе при комнатной температуре. Для удаления органических примесей силикагель и фильтры предварительно обрабатывают гексаном в аппарате. Сокслета в течение суток.
Для уменьшения краевых эффектов боковые края пластинки очищают от сорбента на глубину 4-5 мм. В хроматографическую камеру с хорошо пришлифованной стеклянной крышкой наливают систему растворителей хлороформ-гексан (1:9) высотой 3-5 мм. На внутренние стенки камеры помещают полоски обезжиренной бумаги для насыщения парами растворителя. Примерно через полчаса погружают вертикально пластинку с нанесенной пробой в подвижную фазу, следя за тем, чтобы полоса с нанесенной пробой находилась выше уровня растворителя, иначе будет размываться. Когда фронт растворителя достигнет 2 см от верхнего края пластинки, ее вынимают, подсушивают на воздухе и рассматривают под люминоскопом в затемненной комнате. Можно наблюдать святящиеся зоны, которые отмечают острием иглы. В зависимости от состава нефти и степени ее окисленностн насчитывают от 4-х до 8-й слоев. У линии фронта находятся нелюминесцирующие метано-нафтеновые углеводороды, за ними следуют люминесцирующие ярко-голубым и бирюзово-голубым светом ароматические углеводороды. Ближе к стартовой линии располагаются зоны, имеющие под Уф-лучами желтоватое и коричневое свечение. Это зоны смолистых компонентов. На линии старта видна коричневая зона асфальтеновых веществ.
Отмеченные зоны осторожно очищают лезвием бритвы в стаканчики и заливают хлороформом. Для растворения содержимое перемешивают стеклянной палочкой, после чего фильтруют через бумажные фильтры в доведенные до постоянной массы бюксы. После испарения хлороформа бюксы взвешивают на аналитических весах и определяют массу каждой фракции.
Количество нефтепродуктов вычисляют по следующей формуле:
![]()
где: Х - количество нефтепродуктов (в г на г почвы);
А - количество веществ, экстрагируемых хлороформом из взятой навески почвы (в г);
С - сумма углеводородных фракций или каждая фракция в отдельности (в г);
Д - навеска, взятая для нанесения на силикагелевую пластинку (в г);
С - навеска почвы (в г);
Предложенный метод позволяет получить качественные и количественные характеристики образцов почв, загрязненных нефтепродуктами.
Реактивы: Хлороформ (СНСl3) х.ч,
Гексан (С6Н14) х.ч.
Силикагель марки ЛС 5/40
Приборы и посуда:
Хроматографическая камера
Люминоскоп
Весы технические
Весы аналитические (ВЛР-200, АДВ-200)
Аппарат Сокслета
Стеклянная пластинка размером 6´18 см
Колба на 500 мл
Бюксы, стаканчики, бумажные фильтры
Капилляр с внутренним диаметром 1 мм.
3.3. Методика (ИК) спектрометрического определения нефтепродуктов (15).
Предлагаемая методика определения нефтепродуктов в почве основана на экстракции нефтепродуктов из почвы четыреххлористым углеродом с одновременной очисткой элюатов на окиси алюминия в колонке. Концентрации углеводородов в пробе определются ИК-спектрометрическим методом (ИКС).
ИКС-метод основан на измерении интенсивности С-Н связей метиленовых - СН2 и метильных - СН3 групп в области 2700-3100 см-1. Количественное определение нефтепродуктов проводится по калибровочным графикам, полученным на основании искусственной смеси углеводородов.
Чувствительность ИКС метола определения нефтепродуктов в почве составляет 0,02 г/кг воздушно-сухой навески.
3.3.1. Реактивы:
Алюминий окись (Al2О3) безводный, ч., МРТУ 6-09-5296-68. Перед употреблением реактив активируют прокаливанием при температуре = 600 ± 10 °С в течение 1 часа.
Углерод четыреххлористый осч., МРТУ 6-09-2666-65.
Проверяют чистоту каждой партии на примеси органических соединений (наличие поглощения в области 2700-3100 см-1) относительно четыреххлористого углерода, перегнанного при 76,6 ± 0,2 °С и пропущенного через колонку с активированной окисью алюминия. При наличии примесей реактив снова перегоняют при 76,6 ± 0,2 °С.
Изооктан (С8Н18) х.ч., ТУ 6П-8-68
Гексадекан (С18Н24) х.ч., МРТУ 6-09-4614-67
Бензол (С6Н6) х.ч., ГОСТ 5955-68
Кальций хлористый ч., ГОСТ 4460-66
Вата промытая четыреххлористым углеродом.
3.3.2. Приборы и посуда:
Аналитические весы (ВЛР-200, АДВ-200 и т.д.)
Инфракрасный спектрометр типа ИКС-14, ИР-20, ИКС-2
Неразборные и разборные кюветы с окошками из кристаллов NаСl, стеклянные цилиндры (от спектрофотометра СФ-16 или СФ-4) н держатели для соответствующих кювет и ИК спектрометру.
Пробирки стеклянные, ГОСТ ИКСШ 14, 5-20.
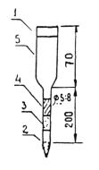
Хроматографическая колонка с внутренним диаметром 0,5-0,8 мм (рис.1).
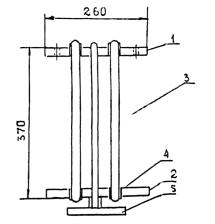
Штатив, для колонок (рис. 2)
Цилиндры мерные объемом 50, 100 мл, ГОСТ 8682-70.
Стаканы мерные объемом 50´100 мл, Н-50, Н-100 ТС, ГОСТ 10394-72.
Колбы мерные объемом 100 мл 4-100-2, ГОСТ 1770-74.
Пипетки на 1 мл 4-1-1, ГОСТ 20292-74.
Пипетки на 5 мл 7-1-5, ГОСТ 20292-74
Сушильный шкаф Т-3.
Аппарат для перегонки растворителя.
Фарфоровая ступка с пестиком. ГОСТ 9147-73.
Мешки 113 плотной ткани для хранения проб
Сито с диаметром отверстии 0,50 мм, ТУ 46-47 885-73.
Электрическая плитка, ТУ 92-288-74.
3.3.3. Подготовка образцов к анализу.
Из почвенных образцов в воздушно-сухом состоянии отбирают посторонние включения. Средние пробы образцов весом 30 г, подлежащие анализу, растирают в фарфоровой ступке и просеивают через сито 0,50 мм. Пробу квартуют и отбирают для анализа две параллельные пробы по 3-5 г. Если в пробе заведомо много нефтепродуктов, берут навеску 0,5-1,0 г (табл. 3.1).
Оптимальные условия
экстракции нефтепродуктов
из почв в колонке при комнатной температуре
|
Условия экстракции |
Уровень концентрации нефтепродуктов в почве, г/кг |
||
|
1,0 |
1,0-20,0 |
20,0 |
|
|
Навеска, г |
3-5 |
3-5 |
3-5 |
|
Объем элюата, мл |
20-30 |
40-60 |
60-70 |
|
Количество сорбента для хроматографической очистки, г |
1-3 |
1-3 |
1-3 |
3.3.4. Проведение определения.
Вся используемая при анализе посуда должна быть тщательно вымыта и освобождена от следов жира путем встряхивания с небольшим количеством четыреххлористого углерода. Реактивы и растворитель должны быть очищены и перегнаны.
Эффективность отделения нефтепродуктов зависит от способа подготовки окиси алюминия, поэтому следует обратить внимание п.п. 3.3.1.
3.3.5. Мешающие влияния.
На результаты определения могут оказать влияние углеводороды неспецифических составляющих почвенного гумуса. К числу таких соединений относятся разнообразные физиологически активные вещества, углеводы, аминокислоты, различные пигменты. Критерием оценки их вклада является фоновый уровень содержания полярных и малополярных соединений в пробе почвы, взятой в месте этого же региона, не подвергавшемся загрязнению. Для неполярных и малополярных углеводородов естественного происхождения в почвах разного типа колеблется от 0,04 до 1,0 г/кг, причем наиболее частыми значениями являются 0,20 - 0,05 г/кг.
3.3.6. Экстракция нефтепродуктов и очистка экстрактов.
Экстракцию нефтепродуктов из почвенного образца и очистку элюата от примесей полярных углеводородов осуществляют одновременно в хроматографической колонне. Для этого готовят стеклянную колонку (1) (см. рис.1), помещают в нее ватный тампон (2), насыпают навеску сорбента (Аl203) (3), смачивают его растворителем ССl4, засыпают навеску пробы (4), сверху заливают тем же растворителем (5). Процесс извлечения осуществляют при комнатной температуре при истечении элюата в приемник (мерный цилиндр или стакан) со скоростью 0,1-0,2 мл/мин. По мере прокапывания растворителя его доливают в колонку. Объем элюата, достаточный для количественного извлечения нефтепродуктов из почв с различным уровнем концентрации, указан в табл. 3.1. Объем элюата при ИКС окончании тщательно замеряют.
Вклад в результаты анализа неконтролируемых факторов осуществляют с помощью постановки "пустого опыта". Для этого в каждой серии анализов ставят колонку, не содержащую пробу почвы, и пропускают 30 мл растворителя, как описано выше.
С целью интенсификации процесса экстракции стеклянные колонки рекомендуется располагать на штативе (рис. 2).
Штатив для колонок состоит из двух кругов, жестко скрепленных шпильками. В верхнем вырезаются специальные гнезда для закрепления колонок или просверливаются отверстия, если используются колонки без кранов на конце. Нижний круг предназначен для расположения приемников (мерных цилиндров), Вся система насаживается на ось для свободного вращения. Такого типа штатив может быть рассчитан на 15-20 колонок, что позволяет одновременно анализировать такое же количество проб.
Рис .1 Хроматографическая колонка
1 - колонка; 2 -
ватный тампон; 3 - алюминий окись (Аl2O3);
4 - почва; 5 - растворитель
Рис.2. Штатив для колонок.
1, 2 - круги для размещения
колонок и приемников
3 - шпильки; 4 - крепежные болты; 5 - основание
3.3.7. ИК спектрометрический анализ экстрактов.
Приготовление стандартных растворов и построение калибровочных кривых. Для построения калибровочных кривых в качестве стандартного раствора используют смесь, состоящую из 2,5 мл изоктана, 5,0 мл н-гексана и 2,5 мл бензола; систематическая ошибка при этом не превышает ± 1,0 %. Полученную смесь растворяют в ССl4 в мерной колбе на 100 мл. Концентрация полученного раствора 77,8 ± 0,8 мг/мл (раствор А). Из раствора А готовят два рабочих раствора Б. По 1,0 мл раствора (А) разбавляют в мерных колбах на 25 мл (раствор Б1) и на 100 мл (раствор Б2). Растворы Б1 и Б2 содержат 3,10 ± 0,03 и 0,80 ± 0,01 мг/мл соответственно и служат основными стандартными растворами. Две серии стандартных растворов с концентрациями 3, 10; 0,60; 0,40; 0,20; 0,10 мг/мл готовят последовательным разбавлением соответствующих основных растворов Б1 и Б2 четыреххлористым углеродом.
Одну кювету заполняют ССl4, предварительно пропущкнным через колонку с окисью алюминия (кювета сравнения), другую - исследуемым раствором.
Измеряют интенсивность поглощения каждого раствора на инфракрасном спектрометре в интервале длин волн 2700 - 3100 см-1.
Измерения проводят в неразборных или разборных кюветах (для концентрации нефтепродуктов ниже 1,0 г/кг). Разборные кюветы состоят из двух окошек из кристаллов аСl (прилагаются к спектрометру) и стеклянного цилиндра длиной 10 мм (прилагается к спектрофотометру СФ-4А (СФ-16) или можно вырезать из тефлона).
Оптическую плотность рассчитывают методом базисной линии. Последнюю проводят как касательную к основанию двух пиков, соответствующих симметричным и асимметричным валентным колебаниям СН2 и СН3 групп, как показано на рис. 3. Анализ ведут по полосе поглощения асимметричных валентных колебаний метиленовых групп (2926 см-1, либо по сумме оптических плотностей двух или трех длин волн.
На регистрирующей ленте указывают дату анализа, маркировку пробы, толщину кюветы и объем элюата.
Оптическую плотность вычисляют по формуле ![]()
где, I0, I - интенсивность падающего и прошедшего через раствор излучения. При анализе нефтепродуктов по одной длине волны*) I измеряют в максимуме поглощения полосы -СН2 V = 2926 см-1;
I0 - интенсивность потока в отсутствие поглощения.
*) В этом случае результат,
найденный по формуле
умножают на 1,4; т.к.
С6Н6 на = 2926 см-1 не поглощает.
Вариационно-статистические
характеристики анализа
нефтепродуктов в почве ИКС методом
|
Характеристика |
Интервал концентрации нефтепродуктов в почве, г/кг |
||
|
0,05 - 1,00 |
1,00 - 20,0 |
20,0 |
|
|
1 |
2 |
3 |
4 |
|
Среднее арифметическое Х |
0,09 |
2,77 |
69,5 |
|
Среднее квадратичное отклонение Sх |
4,60×10-2 |
0,28 |
4,4 |
|
Коэффициент вариации V, % |
51,10 |
10,10 |
6,3 |
|
Стандартное среднее квадратичное отклонение D |
0,96×10-2 |
5,61×10-2 |
0,88 |
|
Относительная ошибка Q, % при доверительной вероятности Р=0,95 |
22,0 |
4,1 |
2,6 |
|
Объем выборки |
22 |
30 |
25 |
Далее строят калибровочные графики, откладывая по оси ординат оптическую плотность, по оси абсцисс - концентрацию нефтепродуктов (мг/мл) в пробе. Вид калибровочного графика изображен не рис. 4.
Все стандартные растворы необходимо хранить только в стеклянной посуде с притертыми пробками при комнатной температуре в вытяжном шкафу.
Содержание нефтепродуктов (г/кг) в пробе (х) при ИКС аналитическом окончании определяют по формуле:
![]()
где: С - концентрация нефтепродуктов в пробе, найденная по калибровочному графику, мг/мл;
- объем исходного
элюата, мл;
m - навеска пробы, г.
Вариационно-статистические характеристики ИК спектрометрического метода анализа на содержание в них нефтепродуктов представлены в табл. 3.2.
Рис.
3 Измерение интенсивности поглощения раствора
нефтепродуктов методом базовой линии:
А - базовая линия; - интенсивность
падающего и прошедшего через раствор излучения.
Рис. 4 Калибровочный
график для определения
концентрации нефтепродуктов.
4. МЕТОДЫ ОПРЕДЕЛЕНИЯ ФИЗИЧЕСКИХ СВОЙСТВ ПОЧВ
При оценке последствий нарушения и загрязнения земель возникает необходимость определения физических показателей или тенденций изменения их во времени. При этом физические свойства загрязненных , нарушенных почв сравниваются с такими же характеристиками на аналогичных контрольных участках, не подверженных нарушению или загрязнению (с фоном). Целесообразно проводить такие анализы до начала обустройства месторождений и аварийных разливах.
Физические свойства определяются по ГОСТ 17.4.3.06-86.
4.1. Влажность почвы определяется весомым методом (18). Пробы почвы для определения влажности весовым методом берут специальными бурами отдельно для каждого исследуемого слоя в трехкратной повторности.
Бур погружают в почву до соответствующей метки, обозначающей данную глубину. Затем бур осторожно вынимают. Взятую пробу почвы высыпают в алюминиевую чашку, быстро перемешивают и ложкой или лопаткой берут из разных мест небольшие порции почвы, которые помещают в заранее взвешенные с точностью до 0,01 г алюминиевые стаканчики и плотно закрывают их крышками. Стаканчик с почвой ставят в сушильный шкаф в открытом виде, где почва сушится при температуре 105 °С до постоянного веса. Первый раз почву взвешивают после 6-часовой сушки и сушильном шкафу и охлаждения закрытого стаканчика с почвой в эксикаторе. Затем почву вновь сушат в течение двух часов и снова взвешивают. Сушку прекращают при достижении постоянного веса. Разница в весе стаканчика с почвой до сушки и после сушки означает количество воды, содержащейся в навеске почвы. Аппаратура: бур для взятия пробы в поле, стаканчики алюминиевые, весы ВЛТК-500, ложка, эксикатор с хлористым кальцием, сушильный шкаф.
Форма записи и расчета приводится в табл. 4.1
ВЛАЖНОСТЬ ПОЧВЫ
|
Название или номер пункта, дата |
Слой, |
Повторность |
Номер стакана |
Масса пустого стакана, г (А) |
Масса стакана с навеской, г |
Масса испарившейся от сушки воды, г |
Масса абсолютно сухой почвы, г |
Влажность к массе абсолютно сухой почвы, % |
Среднее, |
|
|
до сушки |
после сушки |
|||||||||
4.2. Определение структуры почвы (18).
Подготовка почвы к анализу. С исследуемого участка берут образец почвы и доводят его до воздушно-сухого состояния. 2,5 кг такой почвы просеиванием через набор сит разделяют на фракции с диаметром комков: более 10 мм; 10-5; 5-3; 3-2; 2-1; 1-0,5; 0,5; 0,25 мм и менее 0,25 мм. На нижнее сито надевают дно. Верхнее сито закрывают крышкой для предохранения почвы от потерь при просеивании. Для большей точности и единообразия просеивания применяют механический стол. На нем закрепляют набор сит. С помощью ручки могут быть соблюдены при просеивании одинаковая скорость и число качаний набора сит.
После сухого просеивания почвенной фракции с каждого сита взвешивают, вычисляют процент комков по каждой фракции, принимая за 100 % всю навеску в 2,5 кг.
Среднюю пробу для определения водопрочности составляют весом 50 г. Для этого с каждого сита берут навеску, численно равную половине процентного содержания фракции. Средние пробы берут в двух и более повторностях. Чтобы, нижнее сито не забивалось при мокром просеивании среднего образца почвы, рекомендуется фракцию пылеватых частичек (мельче 0,25 мм в диаметре) в пробу не брать, хотя при дальнейших расчетах ее учитывают.
Размывание почвы. Подготовленную среднюю пробу почвы всыпают через широкогорлую воронку в литровый цилиндр, наполненный почти доверху водой. Помещенную в цилиндр пробу оставляют в покое на 10 минут. Это необходимо для того, чтобы из почвенной пробы вышел весь воздух, который при дальнейших операциях может механически разрушать комки. Для более полного удаления воздуха через 1 - 2 минуты после переноса пробы почвы в цилиндр последний доливают доверху водой, затем закрывают часовым стеклом, быстро наклоняют до горизонтального положения и ставят опять вертикально. После этого из почвы выходят мелкие пузырьки воздуха. Через 10 минут, когда воздух будет удален, цилиндр прикрывают толстым прошлифованным стеклом так, чтобы в цилиндре не оставалось пузырьков воздуха, быстро переворачивают вверх дном и удерживают в таком положении до тех пор, пока главная масса отдельностей почвы не переместится вниз. Затем цилиндр переворачивают обратно. Опять ждут осаждения почвы на дно. Так делают 10 полных оборотов. При этом комки диаметром более 10 мм и все непрочные комки распадаются на составные части.
Просеивание почвы в воде. Берут набор из пяти сит диаметром 20 см, высотой 3 см с отверстиями диаметром 0,25; 1; 2; 3; 5 мм. Сита помещают в широкую цилиндрическую ванну, наполненную водой так, чтобы над бортом верхнего сита находился слой в 5 - 6 см.
Придерживая стекло, цилиндр быстро опрокидывают и погружают в воду. Стекло, закрывающее цилиндр, отнимают под водой над верхним ситом. Почва проходит через слой воды и падает на верхнее сито набора. Чтобы почва равномерно распределялась на поверхности сита, цилиндр плавно водят над ситами, не вынимая из воды.
Для того, чтобы почвенные комочки не задержались на крутых плечиках цилиндра, его надо наклонять в разные стороны.
Через 40 - 50 секунд, когда все отдельности почвы диаметром крупнее 0,25 мм упадут на сито, цилиндр закрывают под водой стеклом, вынимают из воды и оставляют.
Просеивание проводят так. Набор сит поднимают на 5 - 6 см, не вынимая верхнего сита из воды. Быстрым отрывистым движением сито опускают вниз, в этом положении оставляют 2 - 3 секунды, пока комки, поднявшиеся благодаря инерции над ситами, не упадут вновь на сита и не просеиваются через них. Затем набор сит снова медленно поднимают и быстро опускают. После таких десяти встряхиваний верхние сита с отверстиями диаметром 2 - 3 мм и более, освобожденные от мелких комков, снимают, а нижние дополнительно встряхивают пять раз.
Учет водопрочных комков. Оставшиеся на ситах после купания комки смывают струей воды из промывалки в большие фарфоровые или алюминиевые чашки. Избыток воды после осветления из чашей сливают. Почвенные комки переносят в заранее взвешенные и пронумерованные маленькие чашки. После оседания почвы воду из чашек удаляют. Чашки ставят на водяную баню, воду выпаривают, а остаток доводят до воздушно-сухого состояния и взвешивают. Для каждой фракции вычисляют процентное содержание водопрочных комков. Для этого вес каждой фракции комочков умножают на два. Процент частичек диаметром менее 0,25 мм определяют вычитанием из 100 суммы процентов более крупных фракций. Расхождения в параллельных анализах по прочным комкам почвы одного и того же диаметра были в пределах 3-4 %.
Запись производится по форме (табл. 4.2.)
Аппаратура и материалы: набор сит с отверстиями диаметром 10; 5; 3; 2; 1; 0,5; 0,25 мм с поддонником и крышкой, ванна или бачок диаметром 60 см и высотой 30-35 см; литровый цилиндр диаметром 7 см и высотой 45 см и шлифованным рантом, стеклом и пробкой; фарфоровые или алюминиевые чашки большие и малые; весы с разновесами; водяная баня; сушильный шкаф; промывалка.
СТРУКТУРА ПОЧВЫ
Название почвы ____________________________________________________
Место взятия образца _______________________________________________
Дата ______________ Взято почвы для сухого просеивания _____________ г.
|
Величина частичек, в мм |
Просеивание воздушно-сухой почвы |
Взято для мокрого просеивания, в % |
После просеивания в воде |
||||||||
|
чашки фарфоровые |
масса чашки с агрегатами в г |
чистая масса агрегатов, в % |
содержание агрегатов, в % |
чашки фарфоровые |
масса чашки с агрегатами, в г |
чистая масса агрегатов, в г |
содержание агрегатов, в % |
||||
|
% |
масса тары, в г |
№ |
масса тары, в г |
||||||||
|
Крупнее 10 |
|
|
|
|
|
|
|
|
|
|
|
|
От 10 до 5 |
|
|
|
|
|
|
|
|
|
|
|
|
от 5 до 3 |
|
|
|
|
|
|
|
|
|
|
|
|
от 3 до 2 |
|
|
|
|
|
|
|
|
|
|
|
|
от 2 до 1 |
|
|
|
|
|
|
|
|
|
|
|
|
от 1 до 0,5 |
|
|
|
|
|
|
|
|
|
|
|
|
от 0,5 до 0,25 |
|
|
|
|
|
|
|
|
|
|
|
|
менее 0,25 |
|
|
|
|
|
|
|
|
|
|
|
|
Всего: |
|
|
|
|
|
|
|
|
|
|
|
4.3. Определение объемной массы почвы.
Подготовка к взятию почвенных проб в полевых условиях. Для определения объемном массы почвы пробы берут в подготовленном для этого почвенном разрезе соответствующей глубины. Отвесную стенку зачищают и на ней выделяют слой и генетические горизонты; из которых берут почвенные пробы. При однородности почвенной среды определение делают в трех повторностях.
Техника взятия почвенных проб. Почвенные пробы берут буром. Емкость такого бура может быть 50, 100, 200, 500 и 1000 куб. см. Малый бур удобен тем, что весь образец почвы вмешается в алюминиевый стаканчик, в котором и высушивается. Пробы большого объема более точно отражают строение и объемную массу почвы.
При погружении бура в почву следует добиваться перпендикулярного вдавливания его и избегать прессования почвы при окончании вдавливания. В некоторых случаях бур вгоняют в почву ударами деревянного молотка. При этом для лучшего вдавливания бура на него надевают массивную крышку для оголовок (иногда с ручками). Поверх оголовка кладут дощечку. Бур вгоняют в почву так, чтобы верхняя часть его была вдавлена на 1-1,5 см глубже поверхности почвы.
Когда все буры вдавлены в почву, их аккуратно откапывают лопаткой и потом срезают лишнюю почву вровень с краями. Буры очищают от приставшей почвы, закрывают крючками и взвешивают на месте, в поле. Затем образец почвы завертывают в плотную бумагу и доставляют в лабораторию для определения влажности. Если имеется возможность, можно взять почвенные пробы на влажность непосредственно в поле.
Ход определения. Перенесенную и взвешенную в алюминиевых стаканчиках почву высушивают, в термостате при температуре 105 °С до постоянного веса. Вес взятой пробы до высушивания и абсолютно сухой почвы в стаканчике после сушки позволяет сделать перерасчет на вес абсолютно сухой почвы в объеме всего бура. Объем взятого образца почвы рассчитывают умножением площади режущей части бура на его высоту. Деление массы абсолютно сухой почвы бура на объем образца дает объемную массу.
Записи и расчеты ведут согласно форме (табл. 4.3.)
Оборудование и материалы: железная лопата, железный нож, буры для взятия образца почвы, крышки или наголовки буриков; линейка для измерения диаметра и высоты бура; алюминиевые стаканчики; весы с разновесами; плотная оберточная бумага; этикетки; сушильный шкаф.
ОБЪЕМНАЯ МАССА ПОЧВЫ
|
Название месторождения или номер пункта, |
Глубина, |
Повторность |
Номер кольца |
Масса пустого кольца, |
Масса кольца с почвой, г |
Влажность почвы, % |
Масса влажной почвы, г |
Масса абсолютно сухой почвы, г |
Объем кольца, см3 |
Объемная масса почвы, г/см3 |
ОБЩАЯ ПОРИСТОСТЬ ПОЧВЫ
|
Название номера пункта, дата |
Повторность |
Масса комков, г |
Масса пикнометра, г |
Привес, г |
Масса комков после сушки фильтр. бумагой, г (Ж) |
Масса парафина, г, |
Масса вытесненн. воды, г |
Объем парафина, см3, |
Объем комков без парафина, см3, |
Объемная масса комков |
|||
|
до парафинирования |
после парафинирования |
пустого (В) |
с водой |
с водой парафиниров. комками |
|||||||||
Примечание: W - влажность комков по ранее сделанным расчетам, %.
4.4. Определение общей пористости (18).
Берут почвенные комки определенного размера, ватный комок освобождают от приставших и ним частиц обдуванием струей воздуха. Половину комков используют для определения впалости образца, половину комков для определения объемной массы.
Определение влажности комков почвы и расчет производится так же, как при определении влажности почвы.
Определение объемной массы комков. Комли взвешивают, затем поочередно каждый комок обвязывают тонкой ниткой и погружают в расплавленный парафин. Вынимают комки из парафина, снимают нитки, комки охлаждают и они затвердевают. После этого все комки взвешивают в воздухе, а затем в воде. Затем удаляют с комков фильтровальной бумагой воду и снова взвешивают. Если вес комков равен первоначальному весу до погружения в воду, приступают к расчету их объема. Записи и расчеты ведут по следующей форме (см. табл. 4.4.).
Аппаратура и материалы: алюминиевые стаканчики; термостат; пикнометры; парафин; дистиллированная вода, прокипяченная и остуженная; комки почвы; фильтровальная бумага; технические весы; разновесы; нитки; ванночка для нагревания парафина.
5. ОПРЕДЕЛЕНИЕ ХИМИЧЕСКИХ СВОЙСТВ ПОЧВЫ
Определение химических свойств нарушенных и, особенно, загрязненных земель, необходимо при восстановлении или рекультивации их. Только при установлении как качественного, так и количественного состава загрязнителей возможно определить наиболее эффективный прием рекультивации.
5.1. Определение кислотности почвы.
5.1.1. Определение рН солевой вытяжки по ГОСТ 26483-85.
5.1.2. Определение величины рН водной вытяжки (20).
Величину рН водной суспензии по общепринятому международному методу определяют при отношении почвы к воде 1:2:5. Иногда, особенно при анализе тяжелых по механическому составу почв, это отношение увеличивают до 1:5. Приготовление водной вытяжки проводят следующим образом. На технических весах отвешивают 5 г почвы (воздушно-сухой), помещают в коническую колбу емкостью 100 мл и заливают 12,5 (25) мл дистиллированной воды. Колбу закрывают пробкой, встряхивают 3 мин. Определение рН проводят прямо в суспензии без фильтрования. Для этого отбирают в химический стаканчик 10-20 мл суспензии и определяют рН на рН-метре.
Приборы и материалы: рН-метр, милливольтметр рН-340 ТУ 25-05-16, колбы конические, 1-50-2,ГОСТ 1770-74 (объем 150 мл), стаканы химические, ГОСТ 19908-74 (объем 50 мл); пипетки 7-1-5, ГОСТ 20292-44 (объем 5 мл).
5.2. Определение содержания гумуса по ГОСТ 26213-84.
5.3. Определение общего азота по ГОСТ 26107-84
5.4. Соотношение углерод : азот (С:А). Для вычисления углерода в почве нужно учитывать, что среднее содержание его в гумусе составляет 58 %, т.е.
![]()
5.5. Определение кальция и магния по ГОСТ 26487-85
5.6. Определение нитратов по ГОСТ 26488-85
5.7. Определение натрия по ГОСТ 26950-86
5.8. Определение подвижных форм фосфора и калия по ГОСТ 26204-84 - ГОСТ 26211-84.
5.9. Определение хлорид-ионов по ГОСТ 26425-85
5.10. Определение сульфат-ионов по ГОСТ 26426-85
5.11. Определение удельной электрической проводимости, рН и плотного остатка водной вытяжки по ГОСТ 26423-85 с целью оценки общей концентрации солей.
5.12. Вычисление степени насыщенности почв основаниями (20). Степень насыщенности почв основаниями вычисляют по формуле:
![]()
где:
- степень
насыщенности почв основаниями в %;
S - сумма обменных оснований в мг/экв;
Н - гидролитическая кислотность мг-экв.
5.12.1. Определение суммы обменных оснований (S) по Каппену-Гильковицу (20).
Ход определения. 20 г подзолистой (10 г черноземной) почвы, пропущенной через сито с отверстиями диаметра 1 мм, отвешивают на технических весах, переносят на склянку для взбалтывания и приливают пипеткой 100 мл 0,1 н. раствора НСl точно установленной нормальности.
Взбалтывают содержимое склянки 1 час, оставляют стоять 24 часа, после чего фильтруют через складчатый фильтр, перенося всю почву на воронку. Первые мутные порции фильтрата отбрасывают.
Берут пипеткой 50 мл прозрачного фильтрата и помещают в коническую колбу емкостью 100-250 мл, прибавляют фенолфталеин и отфильтровывают остаток кислоты 0,1 н раствором NaOH до слаборозовой окраски, не исчезающей 1 мин.
Титрование иногда осложняется тем, что выпадает осадок полуторных окислов, которые переходят в раствор в результате разрушающего действия кислоты на алюминиевую часть почвенного поглощающего комплекса. В этом случае дают осадку осесть на дно и проверяют окраску прозрачной жидкости над осадком. Сумму обменных оснований вычисляют в мг-экв на 100 г почвы.
Пример вычисления. Вытиснение обменных оснований проведено 0,1012 н раствором НСl. На титрование взято 50 мл фильтрата. Кислота в таком объеме должна содержать 0,1012´50 = 5,06 мг-экв.
На титрование затрачено 30 мл 0,1012 н раствора NaОН, т.е. 0,1012´30 = 3,06 мг-экв. Следовательно, на вытеснение обменных оснований израсходовано 5,06-3,06 = 2,00 мг-экв.
Взятый для титрования объем, равный 50 мл, соответствует половине навески, т.е. 10 г, если анализируют 20 г почвы. Для пересчета полученных данных на 100 г почвы умножают их на 10 и получают 2´10 = 20мг-экв на 100 г почвы.
Реактивы:
1. 1,0 н раствор НСl. Нормальность кислоты должна быть не менее 0,0900 и не больше 0,1100.
2. 0,1 н раствор NaОН.
3. 1 %-ый спиртовой раствор фенолфталеина.
5.12.2. Определение гидролитической кислотности по ГОСТ 26212-84.
5.13. Определение карбоната кальция (СаСО3) (36)
Ход определения. Прибор, посредством которого производится разложение карбонатов почвы и измерение объема выделившегося углекислого газа, показан на рис. 5. Для пользования прибором требуется набор одинаковых стеклянных широкогорлых колб. Из анализируемого образца почвы берут навеску массой 2 г и помещают ее в сухую колбу из набора. Затем колбу с помощью длинного пинцета, либо щипцов, вводят узкий фарфоровый тигель или отрезок плоскодонной широкой пробирки объемом не менее 13-15 мл. На нижний и верхний концы тигеля или пробирки желательно натянуть узкий (шириной 3-4 мм) отрезок резиновой трубки. Это предохранит стекло колбы от разбивания при опрокидывании тигеля в процессе анализа. Далее в тигель наливают 10 мл разбавленной (1:1) НСl и колбу осторожно, чтобы не опрокинуть тигель с кислотой, плотно закрывают пробкой. Затем открывают зажим и, опуская или поднимая сосуд (делительную воронку), устанавливают уровень на нулевом делении бюретки. Зажим закрывают (плотно), берут за горлышко и легким движением опрокидывают тигель с кислотой. При выделении углекислого газа уровень на бюретке опускается, а в сосуде поднимается. Создается дополнительное давление, тормозящее выделение СО2 в колбе. Для этого по мере опускания уровня в бюретке опускают и сосуд. Через 1-2 мин., когда первое бурное выделение СО2 прекращается, содержимое колбы перемешивают. Периодическое перемешивание продолжают до тех пор, пока не прекратится выделение СО2, о чем свидетельствует постоянный уровень в бюретке. Объем выделившегося углекислого газа фиксируют, строго соблюдая одинаковые уровни в бюретке и сосуде. Если углекислого газа выделяется больше, чем позволяет объем бюретки, анализ повторяют с меньшей (1,0 или 0,5 г) навеской почвы. При температуре 20 °С и давлении 760 мм рт. ст. 1 мл СО2 имеет массу 1,878 мг. Так как в лабораторных условиях при определении карбонатности температура колеблется в пределах 16-22 °С, а давление в пределах 740-770 мм рт. ст. и за счет этих колебаний масса СО2 изменяется максимум на + 3,4 %, т.е. практически незначительно, для расчета результатов пользуются средними данными, приведенными в табл. 5.1.
Пример расчета. В анализируемом растворе обнаружено 26,5 мл СО2. Результат: 4,27 + 1,39 = 5,66 % карбонатов.
Рис. 5 Устройство для
измерения объема углекислого
газа при определении карбонатности почвы:
1 - штатив; 2 - бюретка; 3 - сосуд с 1 %-ным
раствором Н2SO4
для выравнивания давления при выделении СО2;
4 - колба с навеской почвы; 5 - цилиндрик с НСl.
СОДЕРЖАНИЕ КАРБОНАТОВ В ПОЧВЕ, %
|
Количество СО2,
|
Навеска почвы, г |
||
|
1,0 |
2,0 |
0,5 |
|
|
0,5 |
0,11 |
0,21 |
0,43 |
|
1,0 |
0,21 |
0,43 |
0,85 |
|
1,5 |
0,32 |
0,64 |
1,28 |
|
2,0 |
0,43 |
0,85 |
1,71 |
|
2,5 |
0,53 |
1,07 |
2,13 |
|
3,0 |
0,64 |
1,28 |
2,56 |
|
3,5 |
0,75 |
1,49 |
2,99 |
|
4,0 |
0,85 |
1,71 |
3,41 |
|
4,5 |
0,96 |
1,92 |
3,84 |
|
5,0 |
1,07 |
2,13 |
4,27 |
|
5,5 |
1,17 |
2,35 |
4,69 |
|
6,0 |
1,28 |
2,56 |
5,12 |
|
6,5 |
1,39 |
2,77 |
5,55 |
|
7,0 |
1,49 |
2,99 |
5,98 |
|
7,5 |
1,60 |
3,20 |
6,40 |
|
8,0 |
1,71 |
3,41 |
6,83 |
|
8,5 |
1,81 |
3,63 |
7,26 |
|
9,0 |
1,92 |
3,84 |
7,68 |
|
9,5 |
2,03 |
4,05 |
8,11 |
|
10,0 |
2,13 |
4,27 |
8,54 |
|
20,0 |
4,27 |
8,54 |
17,07 |
|
30,0 |
6,40 |
12,80 |
25,61 |
|
40,0 |
8,54 |
17,07 |
34,14 |
|
50,0 |
10,67 |
21,34 |
42,68 |
ОПРЕДЕЛЕНИЕ ФЕРМЕНТАТИВНОЙ АКТИВНОСТИ
В качестве диагностического показателя восстановления нарушенных и загрязненных земель наиболее перспективным является определение дегидрогеназ (15).
Учитывая, что ферментативная активность почвы значительно уменьшается с глубиной, отбор почвенных образцов проводится на глубине 0-10 см. Во всех случаях показатели ферментативной активности переводят на вес воздушно-сухой или абсолютно сухой почвы и обязательно указывают какие образцы почвы (сухие или естественно-влажные) проанализированы.
Ход анализа. 1 г воздушно-сухой почвы, а влажной с учетом влажности, помещают в стеклянную пробирку и доливают 2 мл 0,5 %-ного водного раствора ТТХ, суспензию тщательно перемешивают и помещают в термостат на 24 часа при температуре 30 °С. После инкубации смесь центрифугируют в течение 5 мин. при 3000 об/мин., насадочную жидкость сливают. Для извлечения формазана, образовавшегося в процессе восстановления ТТХ, почву заливают 7,5 мл ацетона. Экстракцию проводят в течение 1 ч. Пробирки встряхивают и центрифугируют 6 мин. при 3000 об/мин. Окрашенный раствор сливают в пробирки и колориметрируют на ФЭК с синим светофильтром, используя кюветы толщиной 5 или 1 мм в зависимости от концентрации растворов.
Количество формазана рассчитывают по калибровочной кривой (рис. 6) и выражают в микролитрах водорода (мкл Н2) г почвы ч) с учетом того, что на образование 1 мг формазана необходимо 150,35 мкл водорода.
Результаты измерений активности дегидрогеназ в чистых и загрязненных образцах характеризуют соответствующие состояния почвенной микрофлоры.
Расчет активности дегидрогеназ ведется по формуле:
(6.1)
где: С - концентрация формазана, найденная по калибровочной кривой;
d - навеска почвы (1 г);
Т - время инкубации (24 ч);
10 мл - объем формазана, используемый при построении калибровочной кривой;
В - количество ацетона, пошедшее на извлечение формазана (7,5 мл).
На основании закона Бера С можно выразить как
(6.2)
где: С - концентрация поглощающего вещества;
Д - показания ФЭК, характеризующие поглощение света;
К1 - коэффициент пропорциональности.
Подставляя это выражение в формулу для определения активности дегидрогеназ, получают
(6.3).
При использовании кюветы толщиной 1 мм
(6.4).
Рис. 6 Калибровочный
график для определения
концентрации формазана
Таблица 6.1.
Результаты определения активности дегидрогеназ
|
Дата |
Вариант |
Кювета |
Показания |
АД |
Средняя |
Примечания |
|
01.03.89 |
2 |
1 |
0,049 |
0,90 |
|
|
|
|
|
|
0,039 |
0,72 |
0,79 |
|
|
|
|
|
0,040 |
0,74 |
|
|
|
|
|
|
0,044 |
0,81 |
|
|
Таблица 6.2.
Результаты измерения
оптической плотности (Х ±)
рабочих растворов ТФФ
|
Толщина кюветы, мм |
Концентрация ТФФ мг/мл |
Средняя оптическая плотность |
|
1 |
0,0025 |
0,0088 ± 0,0015 |
|
|
0,0050 |
0,0163 ± 0,0026 |
|
|
0,0125 |
0,0330 ± 0,0053 |
|
|
0,0250 |
0,0620 ± 0,0014 |
|
|
0,0500 |
0,1213 ± 0,0092 |
|
|
0,1250 |
0,3045 ± 0,0098 |
Приготовление стандартных растворов и построение калибровочных кривых.
Стандартный раствор ТФФ. 25 мг ТФФ взвешивают на аналитических весах, растворяют в 100 мл ацетона при нагревании до 30 °С на водяной бане. Концентрация полученного основного раствора 0,25 мг/мл. Раствор готовят непосредственно перед употреблением.
Стандартные рабочие растворы ТФФ готовят из основного раствора, разводя его в 2, 5, 10, 20, 50 и 100 раз ацетоном. Для этого в гранулированные пробирки помещают 5; 2; 1; 0,5; 0,2; 0,1 мл основного раствора ТФФ и доливают до 10 мл ацетона. С одержание пробирок тщательно перемешивают и оставляют на 5 мин. Каждая концентрация готовится в 3-4 -х повторностях. В течение 1 ч. после приготовления рабочие растворы должны быть проанализированы, при этом не следует допускать попадания в них прямых солнечных лучей. Интенсивность окраски рабочих растворов ТФФ, содержащих от 0,0025 до 0,1250 мг/мл вещества, измеряют на ФЭК с синим светофильтром, используя кювету толщиной 1 мм.
Результаты измерения оптической плотности рабочих растворов приведены в табл. 6.2. Калибровочная кривая, построенная по этим данным, представлена на рис. 6. Линейная зависимость оптической плотности от концентрации сохраняется в интервале от 0,0025 до 0,1250 мг/мл.
Значение средней оптической плотности определяли по формуле
![]()
а значения (оценка квадратичного отклонения) - по формуле

оценки получены при n = 4
Приготовление рабочих растворов.
0,5 %-ный раствор 2, 3, 5 - ТТХ растворяют в 100 мл дистиллированной воды. Раствор готовят перед употреблением.
Основной раствор ТФФ. 25 мг ТФФ растворяют в 100 мл ацетона при нагревании до 30 °С на водяной бане.
Реактивы. Ацетон ч.д.а., ГОСТ 2606-63. Трифенил-третразолий хлористый (2, 3, 5-ТТХ) ч.д.а., МРТУ 6-09-5328-68. Трифенилформазан (формазан: 2, 3, 5 - ТФФ) получают следующим образом.
2, 3, 5 - ТТХ растворяют в 5 мл дистиллированной воды. 1,26 г гидросульфита натрия (NaHSO3) растворяют в 5 мл дистиллированной воды. Растворы сливают после выпадения темно-красного осадка, смесь фильтруют через стеклянный пористый фильтр и осадок промывают на фильтре дистиллированной водой до отсутствия реакции на хлориды (с 0,5 %-ным раствором AgNO3). Осадок (2, 3, 5 - трифенилформазин) высушивают в сушильном шкафу. Гидросульфит натрия ч.д.а. ТУ МХIIГХII 125-56. Нитрат серебра ч.д.а., ГОСТ 1277-63.
АГРОХИМИЧЕСКАЯ ХАРАКТЕРИСТИКА ПОЧВЫ
(НАЗВАНИЕ МЕСТОРОЖДЕНИЯ)
|
Показатели |
Фоновое содержание |
Содержание на режимных эпизодических пунктах наблюдения |
||||
|
слой, см |
название или номер пункта |
слой, см |
||||
|
|
|
|
|
|
||
СОДЕРЖАНИЕ
2. Источники загрязнения и нарушения почвы
3. Организация контроля за состоянием почв
6. Перечень использованных нормативных и руководящих документов
|
Состав показателей, подлежащих определению в пробах почв |
|
|
Методы предварительной диагностики нефтяных загрязнений в почвах |
|
|
Методы определения нефти и нефтепродуктов |
|
|
Методы определения физических свойств почв |
|
|
Определение химических свойств почвы |
|
|
Определение ферментативной активности |
|
|
Агрохимическая характеристика почвы |
|
|
|
|