//
ТехЛит.ру
- крупнейшая бесплатная электронная интернет библиотека для "технически умных" людей.
WWW.TEHLIT.RU - ТЕХНИЧЕСКАЯ ЛИТЕРАТУРА

:: Алготрейдинг::


АЛГОТРЕЙДИНГ
шаг за шагом
с нуля по урокам!

Торговые роботы на PYTHON, BackTrader,
Pandas, Pine Script для TradingView. Связка с брокерами, телеграм и легкими приложениями.


МИНИСТЕРСТВО МОНТАЖНЫХ И СПЕЦИАЛЬНЫХ
СТРОИТЕЛЬНЫХ РАБОТ СССР

Согласована
с Главтрансформатором

Министерства электротехнической

промышленности СССР

5 июля 1974 г.

Утверждена
заместителем министра

монтажных и специальных

строительных работ

СССР 3 марта 1975 г.

ИНСТРУКЦИЯ
ПО МОНТАЖУ СИЛОВЫХ ТРАНСФОРМАТОРОВ
НАПРЯЖЕНИЕМ ДО 110 кВ ВКЛЮЧИТЕЛЬНО

ВСН 342-75

ММСС СССР

Москва «Энергия» 1977

Инструкция распространяется на монтаж силовых масляных трансформаторов общего назначения напряжением до 110 кВ, мощностью до 80000 кВ·А включительно. Освещены вопросы подготовки и организации монтажных работ, хранения, ревизии, сушки, контрольного прогрева, испытания и наладки трансформаторов и их узлов, а также включения трансформаторов в эксплуатацию без ревизии активной части.

Приведены требования к состоянию изоляции трансформаторов и нормы на трансформаторное масло. Инструкция предназначена для инженерно-технических работников и квалифицированных рабочих монтажных организаций Минмонтажспецстроя СССР.

Минмонтажспецстрой СССР

Ведомственные строительные нормы

ВСН 342-75

ММСС СССР

Инструкция по монтажу силовых трансформаторов

Взамен
МСН 78-65

ГМСС СССР

1. ОБЩИЕ ПОЛОЖЕНИЯ

1.1. Инструкция распространяется на монтаж силовых масляных трансформаторов общего назначения напряжением до 110 кВ, мощностью до 80000 кВ·А включительно.

1.2. Требования настоящей Инструкции соответствуют требованиям инструкций по транспортировке, выгрузке, хранению, монтажу и введению в эксплуатацию силовых трансформаторов РТМ 16.687.000-73 и ОАХ 458.003-70 Минэлектротехпрома СССР и главы СНиП III-33 «Электротехнические устройства».

1.3. С выходом настоящей Инструкции отменяется «Инструкция по монтажу силовых трансформаторов МСН 78-65/ГМСС СССР.

1.4. При расхождении требований настоящей Инструкции и технической документации завода-изготовителя следует руководствоваться сопроводительной документацией завода-изготовителя.

2. ПОДГОТОВКА ПОМЕЩЕНИЯ, ОБОРУДОВАНИЯ, ИНСТРУМЕНТОВ И МАТЕРИАЛОВ, НЕОБХОДИМЫХ ДЛЯ МОНТАЖА

2.1. Монтаж силовых трансформаторов IV габарита и выше требует предварительной подготовки и организации работ. Для таких трансформаторов следует разработать проект производства работ (ППР) в соответствии с типовым ППР по монтажу силовых трансформаторов, утвержденным Главэлектромонтажем.

Внесены ВНИИпроектэлектромонтажем

Утверждены Минмонтажспецстроем СССР
3 марта 1975 г.

Срок введения
1 июля 1975 г.

2.2. Помещение с подъемными приспособлениями или порталом, а также система маслопроводов и бак для масла должны быть полностью подготовлены и смонтированы до начала монтажа трансформаторов.

2.3. В тех случаях, когда помещение для монтажа не предусмотрено проектом, работы по монтажу и ревизии (при необходимости ее) допускается выполнять в одном из цехов предприятия, имеющем подъемные устройства соответствующей грузоподъемности. При этом необходимо:

а) убедиться в том, что подъемные устройства испытаны, имеют паспорт с указанием допустимой нагрузки и даты испытаний;

б) проверить, позволяет ли наибольшая высота от пола до крюка подъемного приспособления обеспечить подъем активной части или верхней съемной части бака трансформатора;

в) убедиться в том, что размеры ворот помещения допускают транспортировку из цеха смонтированного трансформатора с установленными вводами, радиаторами, расширителем, выхлопной трубой и т.п., в противном случае предусмотреть условия, необходимые для окончания сборки вне помещения;

г) установить наиболее удобное время по условиям технологии производства данного цеха для выполнения работ, связанных с разгерметизацией трансформатора;

д) отгородить в цехе место, отведенное для монтажа трансформатора, обеспечить электрическое освещение и очистить помещение от пыли, грязи и ненужных предметов;

е) подготовить исправные огнетушители, ящики с песком и металлическими совками, а также необходимый пожарный инвентарь, обеспечить круглосуточный противопожарный пост и телефонную связь. Сушка масла в цехе не допускается.

2.4. При атмосферных условиях, указанных в приложении 2, работы, требующие разгерметизации бака трансформатора, допускается производить на монтажной площадке вне помещения.

2.5. Размещение трансформатора, комплектующих частей, оборудования на монтажной площадке следует указать при составлении ППР.

3. РАЗГРУЗКА ТРАНСФОРМАТОРОВ И ИХ УЗЛОВ И ТРАНСПОРТИРОВКА К МЕСТУ МОНТАЖА

Общие положения

3.1. Разгрузка трансформаторов в зависимости от местных условий и возможностей производится подъемным краном (подъемным устройством) или гидравлическими домкратами.

3.2. Разгрузка узлов трансформаторов (радиаторов, охладителей и т.п.) производится краном грузоподъемностью от 3 до 5 т.

Подготовка к разгрузке трансформатора подъемным краном (подъемным устройством)

3.3. При подготовке к разгрузке трансформатора необходимо:

а) обеспечить применение проверенных подъемных механизмов и вспомогательных приспособлений, соответствующих отправочной массе трансформатора и прошедших техническое освидетельствование в установленные сроки;

б) детально ознакомиться с габаритным чертежом и демонтажной ведомостью завода-изготовителя трансформатора;

в) обеспечить применение стальных стропов, соответствующих массе трансформатора, с учетом ветвей и угла наклона их к вертикали. Стропы следует выбирать такой длины, чтобы при подъеме трансформатора угол наклона ветвей стропов к вертикали не превышал 30: такую схему подъема называют обычной. При невозможности выполнить обычную схему подъем трансформатора производят с применением специальной балки-траверсы;

г) при подъеме трансформатора несколькими стропами обеспечить одинаковое натяжение их, не допуская крутых выгибов канатов.

Трансформатор может быть освобожден от стропов только после окончания перемещения и установки в устойчивое положение.

Разгрузка трансформатора подъемным краном (подъемным устройством)

3.4. Перед разгрузкой трансформатора следует испытать тормозные устройства крана.

3.5. Необходимо снять все распорки, упоры, стальные растяжки, укрепляющие трансформатор на железнодорожном транспортере или платформе: для трансформаторов V габарита срезать автогеном плиты кронштейнов, приваренные к дну бака трансформатора на время транспортировки, закрепить стропы за устройства, предназначенные для подъема трансформатора.

3.6. Предварительно следует поднять трансформатор на несколько минут на высоту не более 100 мм и, убедившись в том, что стропка выполнена правильно (отсутствуют перекосы, равномерно натянуты все ветви стропов и т.п.), тормозные устройства и механизмы работают нормально, продолжать подъем трансформатора; установить его на выкладку из шпал высотой 0,6 - 0,7 м, в которой должны быть проемы для установки кареток с катками (для трансформатора, прибывшего с демонтированными каретками).

3.7. До установки кареток с катками необходимо осмотреть их, очистить от грязи и смазать оси катков тавотом через специально предусмотренные отверстия.

3.8. Под днищем трансформатора, установленного на выкладке из шпал, следует смонтировать каретку, которая заводится центральным (шкворневым) болтом в приваренную к днищу балку (или швеллер) с соответствующим вырезом и закрепляется четырьмя болтами М-22; при этом пластины кареток и бака должны прилегать друг к другу плотно.

Аналогично следует установить остальные каретки с катками, после чего приподнять трансформатор, убрать выкладку из шпал, опустить трансформатор с каретками на железнодорожный путь и окончательно затянуть болты, прикрепляющие каретки к баку.

3.9. При разгрузке и установке трансформатора на каретки с катками должно быть предусмотрено правильное расположение вводов в соответствии с проектом установки трансформатора на фундаменте.

Подготовка к разгрузке трансформатора гидравлическими домкратами

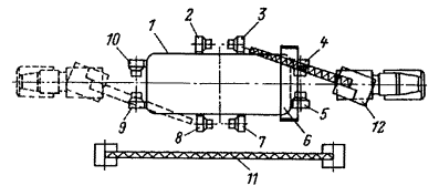
3.10. Заблаговременно на расстоянии 2,34 м от головки железнодорожного рельса следует подготовить шпальную клеть 12 (рис. 1) следующих размеров:

высота - на 50-100 мм выше погрузочной площадки трансформатора;

ширина - на 1 м больше ширины разгружаемого трансформатора;

длина - на длину одной шпалы (2,7 м) больше длины разгружаемого трансформатора (чтобы можно было переднюю часть клети, прилегающую к железнодорожному пути, разобрать для перемещения транспортера).

3.11. Грунт под клетью должен быть хорошо уплотнен, при наличии насыпного грунта под основанием шпальной клети следует выполнить щебеночную подготовку и утрамбовать грунт.

3.12. Следует применять шпалы и брусья только из здоровой древесины, при укладке должна быть обеспечена плотная пригонка шпал.

Шпалы укладываются следующим образом: нижний ряд, а также ряды под домкратами - сплошным настилом, все остальные ряды - через одну шпалу, шпалы и брусья скрепляются скобами в каждом ряду и между собой, все стыки располагаются в разбежку и надежно перевязываются.

3.13. При разгрузке трансформаторов гидравлическими домкратами следует устанавливать домкраты под специальные площадки (упоры) на баке трансформатора, указанные в габаритном чертеже.

Установка домкратов в других местах категорически запрещается.

3.14. Если упоры не размещаются по краям погрузочной площадки транспортера и не представляется возможным установить домкраты, необходимо подготовить вспомогательные шпальные клети, на которых устанавливаются домкраты.

3.15. Грузоподъемность домкратов для обеспечения надежности при разгрузке трансформаторов следует выбирать с коэффициентом запаса 1,25-1,5 по отношению к массе трансформатора (отправочной или полной в зависимости от стадии монтажа) с учетом количества домкратных упоров.

3.16. Необходимо обеспечить наличие на домкратах манометров для контроля давления и предохранительных колец для предотвращения самопроизвольной осадки.

3.17. Подъем следует осуществлять плавно, контролируя по манометрам равномерность нагрузки домкратов; по мере подъема трансформатора следует подкладывать шпалы (или деревянные бруски); при опускании - постепенно разбирать шпальную клеть. Допускается поочередный подъем гидравлическими домкратами сначала одной, затем другой стороны трансформатора; при этом угол наклона не должен превышать 15º.

Рис. 1. Схема последовательности разгрузки трансформатора гидравлическими домкратами.

а - подклиновка транспортера шпалами; б - установка трансформатора на вспомогательные рельсы; в - перемещение трансформатора с транспортера на первую шпальную клеть; г - установка трансформатора на шпальной клети; д - опускание трансформатора гидравлическими домкратами на первую шпальную клеть, уменьшенную по высоте до 0,6 - 0,7 м; выкладка второй шпальной клети на месте транспортера; е - перемещение трансформатора с первой шпальной клети на вторую; ж - опускание трансформатора с установленными каретками (катками) на железнодорожный путь; з - трансформатор с каретками и катками установлен на железнодорожный путь; 1 - железнодорожный транспортер; 2 - трансформатор; 3 - опорные брусья; 4 - подклиновка транспортера шпалами (или деревянными брусками); 5 - гидравлические домкраты; 6 - упоры (скобы) для подъема трансформатора гидравлическими домкратами; 7 - вспомогательные железнодорожные рельсы; 8 - железнодорожный путь; 9 - накладки для соединения вспомогательных железнодорожных рельсов; 10 - полиспаст; 11 - земляной якорь (анкер); 12 - первая шпальная клеть; 13 - упор, приваренный к рельсу; 14 - вторая шпальная клеть; 15 - каретка с катками; 16 - проемы в шпальной клети.

3.18. Необходимо подготовить несколько железнодорожных рельсов для перемещения трансформатора с транспортера на шпальную клеть 12 (рис. 1). Рельсы должны быть такой длины, чтобы они проходили по всей ширине площадки транспортера и заходили за шпальную клеть 12 для соединения с другими рельсами. Количество рельсов должно соответствовать количеству домкратных упоров на одной стороне трансформатора.

Каждый рельс 7 должен состоять из двух частей, соединяемых накладками 9, для разъема после перемещения трансформатора на шпальную клеть.

3.19. Перемещение трансформатора с транспортера по рельсам (или швеллерам) на шпальную клеть 12 следует производить равномерно (без рывков и толчков) электролебедкой при помощи полиспастов или трактором (С-80, С-100) с полиспастами.

3.20. Необходимо подготовить надежное устройство земляного якоря (анкера) 11, к которому прикрепляется один конец полиспаста 10.

Разгрузка трансформатора гидравлическими домкратами

3.21. Последовательность выгрузки трансформатора гидравлическими домкратами с железнодорожного транспортера и установки его на каретки показана на рис. 1.

3.22. Транспортер 1 для обеспечения устойчивости при выгрузке трансформатора 2 необходимо подклинить шпалами (деревянными брусками) 3 и установить металлические клинья под колеса транспортера (рис. 1, а).

3.23. Для установки трансформатора на вспомогательные железнодорожные рельсы следует приподнять домкратами 5 одну сторону трансформатора, убрать опорные брусья 3 (уложенные на время транспортировки), вместо них уложить пять-шесть отрезков досок длиной около 0,5 м, установить вспомогательный рельс 7, смазанный тавотом, и опустить трансформатор на установленный рельс; аналогично поднять другую сторону трансформатора и установить второй рельс.

Следует проложить рельсы по всей длине шпальной клети 12, соединить между собой накладками 9, закрепить к шпальной клети и смазать тавотом.

3.24. До начала передвижения трансформатора на шпальную клеть 12 следует убедиться в наличии стальных упоров 13, приваренных к рельсам, повторно проверить состояние электролебедки, полиспастов 10, стропку их к трансформатору и якорю 11, надежность установки последнего.

3.25. Следует переместить трансформатор с транспортера на шпальную клеть, отсоединить от накладок 9 вспомогательные рельсы 7, разобрать прилегающий к транспортеру ряд шпальной клети, а также подклиновку 4 и снять металлические клинья под колесами транспортера; после этого убрать транспортер.

3.26. Гидравлическими домкратами следует опустить трансформатор на шпальную клеть 12, уменьшенную по высоте до 0,6-0,7 м. За счет освободившихся шпал выложить вторую шпальную клеть 14 высотой от 0,6 до 0,7 м на железнодорожном пути (на месте транспортера); при подготовке шпальной клети 14 предусмотреть проемы для подачи и установки кареток с катками 15.

3.27. После прокладки и закрепления вспомогательных рельсов 7 следует переместить трансформатор со шпальной клети 12 на шпальную клеть 14, установить гидравлические домкраты 5, поочередно поднимая каждую сторону трансформатора убрать вспомогательные железнодорожные рельсы, подать каретки с катками 15 в проемы шпальной клети 14 (рис, 1, ж), установить и закрепить их.

3.28. Равномерным нажимом домкратов следует приподнять трансформатор, разобрать один ряд шпальной клети (ориентируясь по нижнему положению штоков домкратов), постепенно опустить трансформатор до установки кареток с катками 15 на железнодорожный путь 8, окончательно затянуть болты, прикрепляющие каретки к баку трансформатора.

Транспортировка трансформаторов и их узлов к месту монтажа

3.29. Транспортировка трансформатора от места разгрузки к месту монтажа должна производиться железнодорожным транспортом или по шоссейным или грунтовым дорогам безрельсовыми видами транспорта (автомашинами, тракторными прицепами, трайлерами) соответствующей грузоподъемности. Допускается применение саней для перевозки по снегу. Для трансформаторов массой более 10 т должны применяться специальные сани.

3.30. Транспортные средства, применяемые для перевозки трансформаторов, должны иметь горизонтальную грузовую платформу, допускающую свободную установку на ней трансформатора. Платформа транспортного средства должна быть жесткой и обеспечивать равномерное распределение веса трансформатора между отдельными опорными брусами и по длине каждого бруса.

3.31. Большая ось трансформатора должна совпадать с направлением движения при перевозке.

3.32. Между днищем трансформатора и платформой транспортного средства необходимо проложить деревянные брусья, выступающие за днище трансформатора на 100 - 150 мм. Перед установкой брусьев платформу следует очистить от грязи, масла и покрыть слоем сухого песка толщиной от 0,5 до 1,0 мм.

Высота бруса должна обеспечивать между элементами бака трансформатора и платформой зазор не менее 15 мм; отношение ширины бруса к высоте должно быть не менее 2:1.

3.33. На трансформаторе и на полу платформы необходимо нанести несмываемой краской полосы для контроля за смещением трансформатора в продольном и поперечном направлениях при транспортировке.

3.34. Перевозка трансформаторов волоком или на металлическом листе запрещается.

3.35. При перевозке трансформатора не допускается:

а) приложение тяговых, тормозных или каких-либо других усилий к элементам конструкции трансформатора (кроме конструкций, специально предназначенных для этой цели);

б) одностороннее искусственное увеличение коэффициента запаса устойчивости балластным грузом;

в) смещение трансформатора и опорных брусьев относительно платформы или относительно друг друга.

3.36. Допустимые скорости движения транспортных средств при транспортировке трансформаторов указаны в табл. 1.

Таблица 1

Транспортное средство

Допустимые скорости, км/ч

на прямом участке

на кривых участках

на спусках более 60 %

Автомашины

40

20

10

Прицепы-тяжеловозы грузоподъемностью, т:

 

 

 

20

15

8

5

40

12

6

5

60

10

5

5

120

8

4

5

Сани

5

3

3

Минимальные радиусы кривых проезжей части в плане, м: для автомашин и прицепов-тяжеловозов - 30; для саней - 10.

3.37. Трасса транспортировки трансформатора, согласованная с местными дорожно-эксплуатационными организациями, должна соответствовать следующим требованиям:

ширина проезжей части - не менее 4,5 м;

продольные уклоны на спусках и подъемах - от 6 до 8°.

3.38. Схемы погрузки, способы крепления трансформатора на транспортном средстве, рекомендуемые в зависимости от качества дороги, и отправочной массы трансформатора, транспортные средства, устойчивость и сдвигающие усилия определяются согласно «Инструкции по транспортированию силовых трансформаторов до 110 кВ включительно безрельсовыми видами транспорта ВСН 293-72/ММСС СССР».

3.39. Демонтированные узлы и детали трансформатора должны перевозиться от места разгрузки к месту монтажа автотранспортом, следующим образом:

а) маслонаполненные вводы 110 кВ и комплектующие детали к ним - в упаковке завода-изготовителя;

б) трансформаторы тока - в собственных кожухах, залитыми маслом и герметически закрытыми временными заглушками;

в) вводы до 35 кВ включительно, комплектующая аппаратура и приборы, двигатели и насосы, мелкие детали и узлы, крепежные и запасные части - в деревянных упаковочных ящиках;

г) расширитель и детали его монтажа, охладители, радиаторы, выхлопная труба, каретки с катками, термосифонные фильтры и т.п. - без дополнительной упаковки, но надежно защищенными от попадания влаги во внутренние полости в процессе перевозки.

4. ХРАНЕНИЕ ТРАНСФОРМАТОРОВ И ИХ УЗЛОВ ДО НАЧАЛА МОНТАЖА. ПРИЕМКА ТРАНСФОРМАТОРОВ В МОНТАЖ

Хранение трансформаторов

4.1. Трансформаторы мощностью до 6300 кВ·А, напряжением до 35 кВ включительно транспортируются с завода с установленными и заполненными маслом до нормального уровня расширителями; трансформаторы мощностью 2500, 4000 и 6300 кВ·А транспортируются с демонтированными радиаторами.

4.2. В период хранения указанной группы трансформаторов необходимо:

а) периодически проверять уровень масла в расширителе и при понижении его (в связи с изменением температуры) производить доливку масла;

б) при хранении более года не реже 1 раза в 3 мес проверять электрическую прочность масла, которая должна соответствовать нормам, приведенным в табл. П1.6.

4.3. На трансформаторы мощностью 10000 кВ·А и более, напряжением до 35 кВ включительно, отправляемые с завода заполненными маслом, но без установленного расширителя, по прибытии на площадку следует установить расширитель не позднее чем через 6 мес после отправки с завода-изготовителя и произвести доливку сухим маслом, соответствующим нормам табл. П1.6 и П1.10 и проверенным на смешивание с маслом, находящимся в трансформаторе.

Доливку масла необходимо производить после проверки герметичности уплотнений, испытания пробы масла из трансформатора и предварительной проверки характеристик изоляции.

4.4. Трансформаторы напряжением 110 кВ независимо от мощности, транспортируемые с завода-изготовителя заполненными маслом, но без расширителя, а также транспортируемые без масла, не позднее чем через 3 мес со дня прибытия на площадку должны быть долиты или залиты маслом. Остатки масла со дна бака трансформатора, прибывшего без масла, необходимо испытать на электрическую прочность.

4.5. Хранение трансформаторов, транспортируемых с завода-изготовителя без масла, с избыточным давлением сухого воздуха или азота производится в соответствии с указаниями п. 4.19 настоящей инструкции.

4.6. Если монтаж трансформаторов, транспортируемых с завода-изготовителя без масла или с маслом, но без расширителя, задерживается на сроки более указанных в пп. 4.3. и 4.4, необходимо временно установить расширитель и залить (долить) трансформатор маслом.

4.7. Дыхание расширителя осуществляется через воздухоосушитель, заполненный сухим силикагелем.

4.8. Уровень масла в расширителе периодически должен контролироваться (при необходимости следует доливать масло). Не реже 1 раза в 3 мес необходимо брать пробу масла для испытания.

4.9. Необходимо периодически проверять состояние трансформатора. В случае появления подтёков масла и других недостатков должны быть приняты срочные меры по их устранению.

4.10. После окончания срока хранения следует оформить акт о приемке силового трансформатора в монтаж (приложение 5). В первом разделе акта отмечаются все этапы хранения трансформатора и его узлов до начала монтажа.

Проверка герметичности трансформаторов

4.11. Проверку герметичности трансформатора следует производить перед началом монтажа трансформатора или перед доливкой масла.

До проверки герметичности запрещается подтягивание уплотняющих болтов.

4.12. Герметичность трансформаторов, транспортируемых с расширителем, определяется в пределах отметок маслоуказателя.

4.13. Проверку герметичности трансформаторов, транспортируемых с маслом и демонтированным расширителем, необходимо производить давлением, столба масла высотой 1,5 м от уровня крышки в течение 3 ч.

Трансформатор считается герметичным, если при проверке не обнаружена течь масла в местах, расположенных выше уровня масла, с которым прибыл трансформатор.

4.14. Допускается производить предварительную проверку герметичности трансформаторов созданием в баке избыточного давления 0,15 кгс/см2.

Трансформатор считается герметичным, если по истечении 3 ч давление понизится не более чем до 0,13 кгс/см2.

4.15. Окончательная проверка герметичности должна производиться после монтажа трансформатора.

4.16. Проверку герметичности трансформаторов, транспортируемых без масла, заполненными сухим воздухом или инертным газом (азотом), следует производить созданием в баке избыточного давления 0,25 кгс/см2.

Трансформатор считается герметичным, если давление понизится через 6 ч не более чем до 0,21 кгс/см2 при изменении температуры воздуха от 10 до 15 °С.

4.17. Создание избыточного давления в баке трансформатора 0,15 или 0,25 кгс/см2 следует производить одним из следующих способов: накачиванием от компрессора через силикагелевый воздухоосушитель сухого воздуха, подачей в бак сухого азота (ГОСТ 9293-59).

4.18. При заполнении бака трансформатора азотом должны быть приняты специальные меры предосторожности для исключения возможности подачи в трансформатор увлажненного газа. Необходимо:

а) установить заполненные азотом баллоны на специальных стендах вниз вентилями, через 6-8 ч, постепенно приоткрывая вентили, выпустить скопившуюся смесь газа с водой;

б) отобрать пробы азота из каждого баллона и направить в химическую лабораторию для проверки на наличие влаги, содержание которой должно быть менее 30 мг/м3;

в) после установки баллонов в нормальное положение присоединить их к воздухоосушителям, заполненным сухим силикагелем, и, плавно открыв запорные вентили, подать через редуктор азот в бак трансформатора при избыточном давлении 0,25-0,30 кгс/см2.

4.19. Проверка герметичности трансформаторов, транспортируемых без масла, с избыточным давлением сухого азота (сухого воздуха) производится манометром (поставляемым заводом-изготовителем) не позднее чем через 10 дней после прибытия на площадку (в дальнейшем - ежемесячно в течение срока хранения). Полученные данные сопоставляют с величиной избыточного давления внутри бака перед отправкой трансформатора с завода-изготовителя, которая указывается в технической документации.

При наличии признаков нарушения герметичности необходимо определить место нарушения уплотнений, восстановить герметичность и принять меры к ускорению монтажа трансформатора.

4.20. Выполнение проверки герметичности следует оформить протоколом, указав способ и результаты проверки.

Хранение узлов трансформаторов

4.21. Маслонаполненные малогабаритные вводы напряжением 110 кВ негерметичной конструкции после прибытия на место монтажа необходимо распаковать и установить вертикально на специальных стойках (рис. 2), обеспечив нормальную работу гидравлического затвора и дыхательного устройства.

Рис. 2. Стойка для хранения ввода напряжением 110 кВ.

4.22. Вводы напряжением 110 кВ герметичной конструкции следует хранить в упаковке в горизонтальном положении под навесом, при этом вентили должны быть открыты. Давление во вводе должно контролироваться по манометру; при необходимости следует отрегулировать давление до величины, указанной в разд. 5 настоящей Инструкции.

4.23. Радиаторы, прибывшие отдельно, следует хранить под навесом, на деревянных брусьях, с уплотнением обоих фланцев радиаторов заглушками на резиновых прокладках.

4.24. Оборудование для охладительного устройства (насосы, маслоохладительные колонки, адсорберы и т.п.) необходимо хранить в закрытом помещении. Тщательно уплотнить все отверстия узлов оборудования охладительного устройства, через которые может проникнуть влага.

4.25. Трансформаторы тока, транспортируемые отдельно, необходимо хранить в помещении (или под навесом) в собственных кожухах, герметически закрытых заглушками (в положении, соответствующем надписи на кожухе «верх») и залитых трансформаторным маслом, электрическая прочность которого в зависимости от напряжения трансформаторов тока должна соответствовать данным, приведенным в табл. П1.6.

4.26. Выхлопную трубу (прибывшую отдельно), каретки с катками и прочие узлы, транспортируемые без упаковки, следует хранить установленными на деревянных настилах на открытом воздухе под навесом, исключающим прямое попадание атмосферных осадков.

4.27. Реле газовое, реле уровня масла, реле RS-1000, термометры, термометрические сигнализаторы, воздухоосушители, комплектующую аппаратуру, крепеж, маслостойкую резину, вводы напряжением 3-35 кВ и прочие узлы необходимо хранить в заводской упаковке в закрытом сухом помещении.

5. ПОДГОТОВКА К МОНТАЖУ УЗЛОВ ТРАНСФОРМАТОРОВ

Общие положения

5.1. До начала монтажа необходимо:

а) изучить техническую документацию на трансформатор, присланную заводом-изготовителем;

б) подготовить помещение (монтажную площадку), оборудование, приспособления и инструменты, инвентарь и материалы;

в) подготовить узлы трансформатора.

5.2. Характеристики трансформаторного масла*, необходимого для заливки (или доливки) трансформатора, с учетом дополнительного количества на технологические нужды (5-10 % общей массы трансформатора) должны соответствовать нормам табл. П1.6 и П1.10.

*Подготовка трансформаторного масла и специального оборудования по пп. 5.2-5.4 и 5.6 возлагается на предприятие-заказчика.

5.3. Если необходимое количество масла и оборудование для его обработки и заливки отсутствуют, приступать к дегерметизации трансформатора запрещается.

5.4. Следует подготовить чистые металлические емкости, оборудованные масломерным устройством, пригодные для временного хранения масла, сливаемого из трансформатора, и проверенную систему заливки маслом, состоящую из предварительно очищенного, промытого и испытанного маслопровода с задвижками и кранами и маслонасоса производительностью 2-4 м3/ч для заливки и доливки масла.

5.5. Следует подготовить комплект приборов и оборудования, необходимый для испытания трансформатора и его узлов.

Перечень приборов и оборудования устанавливается в соответствии с объемом проверок и испытаний, предусмотренных настоящей инструкцией.

Приборы, применяемые при испытаниях, должны соответствовать действующим правилам Государственного комитета стандартов Совета Министров СССР.

5.6. Необходимо подготовить оборудование и средства, обеспечивающие соблюдение противопожарных требований при монтаже трансформаторов.

Подготовка к монтажу вводов напряжением 3-35 кВ

5.7. Вводы, транспортируемые отдельно, необходимо очистить от грязи и влаги спиртом (ГОСТ 5962-67) и убедиться в отсутствии повреждений фарфора.

5.8. До установки на трансформатор вводы должны быть испытаны повышенным напряжением частотой 50 Гц в течении 1 мин (табл. 2).

Таблица 2

Номинальное напряжение, кВ

Испытательное напряжение, кВ

Номинальное напряжение, кВ

Испытательное напряжение, кВ

3

25

15

57

6

32

20

68

10

42

35

100

При испытаниях нижнюю часть ввода следует погрузить в трансформаторное масло, а внутреннюю часть вводов напряжением 15, 20 и 35 кВ заполнить маслом; при заполнении маслом выпустить воздух через отверстия.

Подготовка маслонаполненных малогабаритных вводов напряжением 110 кВ

5.9. Замену масла во вводе при наличии механических примесей, понижении электрической прочности и незначительном окислении необходимо выполнять при условии несоответствия тангенса угла диэлектрических потерь tg(δ) изоляции ввода установленным нормам.

5.10. Заменяемое (или доливаемое) масло должно соответствовать всем требованиям, приведенным в табл. П1.10, и иметь электрическую прочность не менее:

для вводов негерметичной конструкции - 45 кВ;

для вводов герметичной конструкции - 50 кВ.

5.11. Маслонаполненные вводы 110 кВ негерметичной конструкции после прибытия на место монтажа следует немедленно распаковать и установить в вертикальное положение.

Распаковку и подъем ввода из упаковочного ящика следует производить с большей осторожностью. При распаковке ввода 110 кВ необходимо снять доски с надписью «верх», вынуть верхние половины распорок, удерживающих ввод в ящике; боковые стенки ящика не снимать, так как нижние распорки, на которых размещен ввод, закреплены на этих стенках.

К рымам на опорном фланце соединительной втулки ввода следует прикрепить канаты, подвешенные на крюк подъемного устройства. В середине верхней фарфоровой покрышки необходимо установить скобу 2 (рис. 3) с резиновой прокладкой 4, прикрепленную к полиспасту. Затем поднять ввод одновременно крюками подъемного устройства и полиспастом.

5.12. Для предохранения ввода от опрокидывания необходимо закрепить полиспаст или обвязать канаты веревкой в месте расположения скобы, а полиспаст снять. Поднятый ввод должен быть вертикально установлен на специальной стойке (рис. 2).

Рис. 3. Подъем маслонаполненного ввода напряжением 110 кВ из упаковки.

1 - ввод; 2 - разъемная скоба; 3 - полиспаст; 4 - резиновая прокладка.

5.13. После установки ввода на стойке необходимо очистить ввод от грязи, фарфоровые покрышки протереть спиртом (ГОСТ 5962-67), осмотреть ввод и убедиться в отсутствии повреждений фарфоровых покрышек и маслоуказателя, в отсутствии течи масла, в наличии всех пробок и других деталей ввода.

5.14. Необходимо проверить уровень масла в расширителе, который при температуре 15-20 ºС должен составлять 50-60 % высоты стекла маслоуказателя. При более высоком уровне отвернуть пробку для выпуска воздуха из расширителя и слить масло через отверстие пробки маслоотборного устройства.

5.15. Следует измерить мегомметром сопротивление изоляции (Rиз>1000 МОм) и tg(δ) ввода.

В случае несоответствия результатов измерений паспортным данным необходимо отобрать пробу масла для испытания, для чего открыть отверстие для дыхания ввода, отвернуть пробку маслоотборного устройства и ввернуть штуцер с резьбой M14×1,5, на который надеть предварительно промытый резиновый шланг. Установив чистый сосуд для масла, отвернуть пробку, слить от 0,5 до 1 л масла и после промывки сосуда отобрать пробу масла; затем закрыть пробку, вывернуть штуцер со шлангом, ввернуть пробку маслоотборного устройства, обеспечить надежное уплотнение всех пробок; испытать пробу масла ввода.

5.16. Для обеспечения нормальной работы гидравлического затвора расширителя ввода надо слить масло из затвора, промыть его полости чистым сухим маслом и залить в затвор такое же масло.

5.17. Следует определить tg(δ) внутренней изоляции и емкость ввода (при проведении измерений температура ввода должна быть не ниже 10 ºС).

Для новых маслонаполненных вводов напряжением 110 кВ с бумажно-масляной изоляцией tg(δ) внутренней изоляции ввода не должен превышать 1 % при t > 20 ºС и испытательном напряжении до 10 кВ.

5.18. При повреждении стекла маслоуказателя расширителя маслонаполненного ввода негерметичной конструкции допускается заменить его новым и долить ввод маслом до необходимого уровня при условии, что ввод до повреждения стекла находился в вертикальном положении, и масло из расширителя полностью не вытекло.

5.19. При нарушении указанных условий, а также в том случае, если повреждение стекла маслоуказателя произошло во время транспортировки, ввод не допускается в эксплуатацию.

5.20. Для замены стекла маслоуказателя (рис. 4) следует отвернуть накидную гайку 2 и гайку для крепления маслоуказателя 1, снять верхний держатель 4, установить на нижний держатель 8 стеклянную трубку диаметром 35-40 мм, надеть верхний держатель 4 на стекло и стяжную шпильку 7, затянуть гайку с асбестовым уплотнением и закрепить маслоуказатель накидной гайкой 2 с асбестовым уплотнением на штуцере 3.

После замены стекла маслоуказателя необходимо долить масло во ввод.

5.21. Бумажно-бакелитовые цилиндры вводов напряжением 110 кВ негерметичной конструкции, транспортируемые в трансформаторном масле (в баке трансформатора вместе с активной частью или в отдельных бачках), могут быть установлены на вводах без сушки, если взятая для испытания проба масла имеет электрическую прочность не менее 40 кВ. В противном случае бумажно-бакелитовые цилиндры следует просушить при 95-100 ºC в течение 120 ч без вакуума или 60 ч при остаточном давлении 5-10 мм рт. ст.

Рис. 4. Маслоуказатель маслонаполненного ввода напряжением 110 кВ.

1 - гайка для крепления маслоуказателя; 2 - гайка накидная; 3 - штуцер; 4 - держатель верхний; 5 - уплотнение; 6 - стекло маслоуказателя; 7 - шпилька стяжная; 8 - держатель нижний; 9 - контргайка.

5.22. Высушенные бумажно-бакелитовые цилиндры до установки их на вводах необходимо хранить в трансформаторном масле, имеющем электрическую прочность не менее 40 кВ.

5.23. Если при подготовке к монтажу вводов высушенные бумажно-бакелитовые цилиндры находились на воздухе более 48 ч, после очистки от возможных загрязнений они должны быть повторно высушены.

5.24. При распаковке маслонаполненного ввода герметичной конструкции напряжением 110 кВ (рис. 5) необходимо снять верхние половины распорок, удерживающие вводы в ящике, установить разъемную скобу 4 с резиновой прокладкой (рис. 5, а), поднять ввод из упаковки, так же как ввод негерметичной конструкции, установить временные деревянные подставки 6 (рис. 5, б), на которые осторожно уложить ввод в горизонтальное положение, после чего очистить и осмотреть ввод.

Рис. 5. Распаковка маслонаполненного герметичного ввода напряжением 110 кВ.

а - размещение ввода в ящике; б - установка ввода на временных подставках; в - установка ввода на стойке; 1 - экран; 2 - соединительная втулка; 3 - манометр; 4 - разъемная скоба с резиновой прокладкой; 5 - корпус компенсатора давления; 6 - временные деревянные подставки; 7 - кольцевой трос; 8 - грузовые косынки.

Рис. 6. Зависимость давления во вводе от температуры окружающей среды.

AD - нижний предел области изменения давления;

ВС - верхний предел области изменения давления;

MN - установочная кривая.

5.25. В технической документации завода-изготовителя приводятся кривые зависимости давления маслонаполненного ввода 110 кВ от температуры окружающей среды (рис. 6): кривая AD показывает нижний предел давления, кривая ВС - верхний предел, а кривая MN - давление, установленное на заводе.

При подготовке к монтажу вводов герметичной конструкции следует сопоставить показания манометра с данными кривой MN и при необходимости отрегулировать давление.

5.26. Для регулирования давления необходимо при повышенном давлении открыть вентиль, установить давление по манометру, пользуясь кривой MN, после чего завернуть вентиль.

5.27. При пониженном давлении необходимо:

а) подсоединить к вентилю через штуцер насос, предварительно заполненный маслом; в процессе присоединения обеспечить непрерывное поступление масла из насоса;

б) открыть вентиль, установить по контрольному манометру давление несколько более высокое, чем по кривой МN;

в) закрыть вентиль, отвернуть штуцер; открыв вентиль, отрегулировать давление по кривой MN.

5.28. Подготовка бумажно-бакелитовых цилиндров производится в соответствии с указаниями пп. 5.21 - 5.23.

Подготовка к монтажу прямотрубных радиаторов, транспортируемых отдельно, и их дутьевого охлаждения

5.29. Для трансформаторов напряжением до 35 кВ включительно в соответствии с Инструкцией ОАХ 458.003-70 испытания, промывка и герметизация радиаторов выполняются на заводе-изготовителе, что отмечается в демонтажной ведомости, входящей в состав сопроводительной документации к трансформатору.

Радиаторы для трансформаторов напряжением до 35 кВ включительно должны быть испытаны и промыты на месте монтажа только в том случае, если при внешнем осмотре обнаружены повреждения или нарушения герметичности трансформаторов.

5.30. Для трансформаторов напряжением 110 кВ радиаторы следует испытывать давлением столба трансформаторного масла, нагретого до 50 - 60 ºС, при вертикальном или горизонтальном положении радиаторов (рис. 7); выход воздуха при заполнении радиатора маслом обеспечивается трубой 3; продолжительность испытания 30 мин.

5.31. Испытание радиаторов допускается производить также сжатым воздухом, который подается в радиатор с уплотненными фланцами при избыточном давлении 1 кгс/см2 в течение 30 мин.

Все сварные швы следует покрыть мыльным раствором для определения мест повреждений радиатора. Выявленные при испытании дефекты сварки необходимо устранить подваркой автогеном, после чего повторно испытать радиаторы одним из указанных способов. Испытанные радиаторы должны быть промыты чистым сухим трансформаторным маслом, нагретым до 40 - 50 ºС, с применением фильтр-пресса или центрифуги (рис. 8), на радиаторе следует установить трубу 1 для выхода воздуха.

После промывки оба фланца радиатора необходимо уплотнить заглушками с резиновыми прокладками и в таком состоянии хранить радиаторы до начала монтажа.

Рис. 7. Испытание радиатора давлением столба масла.

а - при вертикальном положении радиатора; б - при горизонтальном положении радиатора; 1 - радиатор; 2 - уровень масла при испытании радиатора; 3 - труба для выхода воздуха; 4 - труба для заполнения маслом; 5 - бачок для подогрева масла; 6 - труба для подачи масла, нагретого до 50-60 ºС; 7 - маслонасос с электродвигателем; H - высота столба масла от нижней точки установленного на баке радиатора до верхней точки расширителя плюс 0,5 м.

5.32. Детали дутьевого охлаждения радиаторов следует осмотреть и убедиться в отсутствии повреждений электродвигателей АЗЛ 31-4 и крыльчаток вентиляторов.

Пробным включением вентилятора необходимо проверить его балансировку, вибрация вентилятора не должна превышать 0,1 мм.

Рис. 8. Промывка радиатора.

1 - труба Æ 3/4-1" для выхода воздуха; 2 - радиатор; 3 - бачок для подогрева масла; 4 - фильтр - пресс (или центрифуга).

Следует проверить также исправное состояние шкафа ШД-2 для автоматического управления дутьем.

Подготовка к монтажу навесной системы охлаждения ДЦ

5.33. После очистки от грязи и продувки сжатым воздухом всех элементов установки необходимо перебрать задвижки, сменить прокладки, промыть подогретым до 40-50 ºС маслом и испытать установку избыточным давлением масла 3 кгс/см2 в течение 30 мин.

Охладитель с калориферами из алюминиевых труб следует промыть сухим маслом, подогретым до 70-80 ºС, и испытать при избыточном давлении 2 кгс/см2 в течение 30 мин; следы масла должны отсутствовать.

При испытании охладителей с калориферами из стальных труб попускается применять избыточное давление 3 кгс/см2.

5.34. При подготовке бессальникового электронасоса ЭЦТ63/10 и электронасосов других типов необходимо:

а) распаковать насос, слить трансформаторное масло, снять транспортировочные заглушки;

б) проверить сопротивление изоляции обмоток статора, которое при температуре от 10 до 30 ºС должно быть не менее 0,5 МОм;

в) проверить легкость ручного вращения ротора электронасоса;

г) испытать электронасос трансформаторным маслом под избыточным давлением 2 кгс/см2 в течение 30 мин и опробовать его перекачиванием чистого сухого трансформаторного масла во временный бачок.

5.35. Не разрешается разбирать электронасос при отсутствии повреждений.

5.36. При подготовке вентиляторов с электродвигателями необходимо проверить крепление и балансировку крыльчаток, центровку вентиляторов, вибрация которых не должна превышать 0,06 мм.

5.37. Вибрацию включенного электродвигателя следует измерять прибором ВИП-2 в трех точках (рис. 9). При вибрации, превышающей 0,06 мм, необходимо проверить биение лопастей вентиляторов в осевом направлении (одинакова ли поверхность вращения лопастей при осевом вращении).

5.38. Биение лопастей проверяется следующим образом:

а) на внутренней стороне обечайки (диффузора) мелом наносится проекция произвольно выбранной лопасти вентилятора в виде кривой;

б) последовательно проверяется степень совпадения проекций остальных лопастей вентилятора с проекцией первой лопасти (расхождение проекций не должно превышать 3 мм); при больших расхождениях необходимо подогнуть лопасти вентиляторов до получения допустимого значения расхождения проекций.

Рис. 9. Контрольные точки для измерения вибрации электродвигателя вентилятора на заднем щите.

5.39. При подготовке маслопровода необходимо:

а) очистить внутреннюю часть маслопровода стальными ершами (или пескоструйной установкой) и тщательно промыть трансформаторным маслом;

б) очищенные трубы герметизировать установкой заглушек (или деревянных промасленных пробок) и в таком виде хранить до начала монтажа.

Подготовка к монтажу аппаратов для защиты масла от увлажнения и старения

5.40. При подготовке к монтажу адсорбера необходимо:

а) разобрать адсорбер, очистить его распределяющее и фильтрующее устройства от загрязнения и промыть чистым сухим трансформаторным маслом;

б) установить дно адсорбера с распределяющим устройством;

в) установить крышку с фильтрующим устройством;

г) заполнить адсорбер сухим чистым трансформаторным маслом;

д) испытать адсорбер при избыточном давлении масла 2 кгс/см2 в течение 30 мин.

5.41. Заполнить адсорбер сухим адсорбентом необходимо перед включением в эксплуатацию. Промывку адсорбера, заполненного адсорбентом, трансформаторным маслом допускается выполнять во время промывки всей системы маслоохлаждения.

5.42. Адсорберы, термосифонные фильтры и воздухоосушители должны заполняться адсорбентами следующих видов: силикагелем, марки КСК («крупный силикагель крупнопористый») кусковым или гранулированным (ГОСТ 3956-54), активной окисью алюминия сорта А-1 (ТУ МХП 2170-49).

Пределы величины зерен адсорбента - от 2,7 до 7 мм.

5.43. Потребное количество адсорбента и объем адсорбера определяются следующим образом:

а) для трансформаторов с количеством масла от 30 т - 1 % массы масла при насыпной массе адсорбента 0,5 кг/дм3;

б) для трансформаторов с количеством масла выше 30 т - 0,6 % массы масла при той же массе адсорбента.

5.44. Адсорбенты, получаемые в стальных герметически запаянных барабанах, допускается применять без сушки, при этом вскрывать тару следует непосредственно перед засыпкой адсорбента в адсорбер.

Адсорбент, доставляемый в негерметичной таре (ящиках, бумажных мешках), должен быть просушен перед засыпкой.

Просушенный адсорбент во избежание увлажнения следует хранить в герметичной таре в сухом помещении.

5.45. Подготовка, сушка и хранение адсорбента возлагаются на предприятие-заказчика.

5.46. Потребное количество адсорбента и объем термосифонного фильтра должны составлять от 0,75 до 1,25 % полной массы масла (в баке, радиаторах и расширителе) трансформатора при насыпной массе адсорбента 0,5 кг/дм3.

5.47. Силикагель, полученный в негерметичной упаковке, перед засыпкой в фильтр необходимо:

а) высушить при температуре от 150 до 170 °С в течение не менее 7 ч до влажности не более 1 %;

б) охладить до 50-60 °С, после чего просеять;

в) пропустить через магнитный сепаратор или магнит.

5.48. Для трансформаторов напряжением 110 кВ необходимо разобрать термосифонный фильтр, очистить сетку и дно с отверстиями, корпус фильтра, верхний и нижний маслопроводы от загрязнений, промыть чистым сухим трансформаторным маслом, собрать термосифонный фильтр, испытать и загерметизировать.

5.49. Воздухоосушитель представляет собой наполненный силикагелем марки КСМ (ГОСТ 3956-54) цилиндр, в нижней части которого находится масляный затвор.

В верхней части цилиндра установлен патрон (со смотровым отверстием), заполненный индикаторным силикагелем (ГОСТ 8984-59), изменяющим по мере увлажнения окраску с голубой на розовую.

Общая масса силикагеля КСМ - до 5 кг (в зависимости от объема масла в трансформаторе), в том числе индикаторного - 100 г.

5.50. Перед зарядкой воздухоосушителей силикагель необходимо просушить прокаливанием при температуре 300 ºС в течение 2 ч, высота слоя силикагеля не должна превышать 150 мм. Индикаторный силикагель следует сушить при 100-120 °С в течение 8 ч.

5.51. Для трансформаторов напряжением 110 кВ необходимо разобрать воздухоосушитель, очистить его внутренние поверхности от загрязнения и просушить, установленный в верхней части патрон заполнить индикаторным силикагелем и установить стекло в смотровом окне, засыпать в цилиндр силикагель (обычный, ГОСТ 3956-54) с таким расчетом, чтобы до крышки оставалось свободное пространство 15-25 мм.

Для приведения гидравлического затвора в рабочее состояние через патрубок следует залить чистое сухое трансформаторное масло до отметки нормального уровня.

Подготовка встроенных трансформаторов тока

5.52. Трансформаторы тока транспортируются с завода-изготовителя полностью смонтированными в переходных фланцах вводов (рис. 10), заполненными маслом.

5.53. До установки трансформаторов тока на вводе необходимо взять пробу масла из переходного фланца для испытания электрической прочности, которая должна соответствовать данным табл. П1.10, проверить герметичность уплотнения переходного фланца с трансформаторами тока избыточным давлением 0,25 кгс/см2 в течение 0,5 ч (рис. 11), провести электрические испытания трансформаторов тока согласно разд. 14 настоящей Инструкции.

Подготовка расширителя и выхлопной трубы

5.54. При подготовке расширителя и выхлопной трубы для трансформаторов напряжением до 35 кВ включительно необходимо:

а) укомплектовать детали для установки расширителя и выхлопной трубы;

б) установить на выхлопной трубе стеклянную диафрагму, уплотненную резиновыми прокладками.

5.55. При наличии повреждений, обнаруженных при внешнем осмотре расширителя и выхлопной трубы, следует устранить повреждения, испытать расширитель и выхлопную трубу на герметичность путем заполнения их трансформаторным маслом и выдержки в течение 3 ч.

5.56. При подготовке расширителя и выхлопной трубы для трансформатора напряжением 110 кВ следует:

а) вывернуть торцовые пробки или снять заглушки расширителя и промыть его внутреннюю поверхность трансформаторным маслом;

б) очистить и промыть маслом внутреннюю поверхность выхлопной трубы;

в) выполнить указания п. 5.54 настоящей Инструкции, а также провести испытание на герметичность расширителя и выхлопной трубы независимо от результатов их внешнего осмотра.

Рис. 10. Установка трансформатора тока в переходном фланце ввода напряжением 110 кВ силового трансформатора.

1 - пробка для выпуска воздуха; 2 - переходный фланец; 3 - трансформатор тока для дифференциальной защиты; 4 - измерительный трансформатор тока; 5 - фланец для установки ввода; 6 - деревянный брусок, устанавливаемый на время транспортировки; 7 - верхняя заглушка коробки выводов; 8 - контактная шпилька; 9 - составной изолятор; 10 - коробка выводов; 11 - отводы; 12 - крышка бака трансформатора.

5.57. Газовое реле, реле уровня масла, термометрические сигнализаторы и термометры должны быть направлены в лабораторию заказчика для проверки, согласно требованиям сопроводительной технической документации завода-изготовителя.

Рис. 11. Схема проверки герметичности уплотнений переходного фланца с трансформаторами тока.

1 - переходный фланец с трансформаторами тока; 2 - резиновый шланг; 3 - бачок с маслом; 4 - подставка; 5 - стойка для хранения ввода.

6. ВВОД В ЭКСПЛУАТАЦИЮ ТРАНСФОРМАТОРОВ БЕЗ РЕВИЗИИ ИХ АКТИВНОЙ ЧАСТИ

6.1. Монтаж основных частей должен производиться без ревизии активной части и подъема «колокола», если при транспортировке, выгрузке и хранении не были нарушены требования заводской инструкции, а также не было допущено нарушений, приводящих к повреждениям активной части трансформатора. При наличии указанных нарушений перед установкой комплектующих узлов производится ревизия с подъемом «колокола» (или активной части). Объем и последовательность операций указаны в приложении 2 настоящей Инструкции.

6.2. Возможность включения без ревизии трансформаторов, выпущенных по ТУ или МРТУ, определяется в соответствии с документацией завода-изготовителя.

6.3. При монтаже необходимо руководствоваться указаниями габаритного чертежа, демонтажной ведомостью, инструкциями завода-изготовителя для отдельных узлов трансформаторов (газового реле, системы охлаждения и др.), а также Инструкциями РТМ 16.687.000-73 и ОАХ 458.003-70.

6.4. Техническая документация для оформления ввода в эксплуатацию трансформаторов без ревизии их активных частей входит в комплект сопроводительной документации завода-изготовителя; до введения этой документации следует пользоваться формами 1-ОРТ, 2-ОРТ, приведенными в приложениях 6 и 7 настоящей Инструкции.

7. МОНТАЖ ПЕРЕКЛЮЧАЮЩИХ УСТРОЙСТВ

Общие положения

7.1. Силовые трансформаторы общего назначения напряжением до 110 кВ, мощностью до 80000 кВ·А включительно отгружаются с завода-изготовителя с полностью смонтированными переключающими устройствами.

7.2. При введении в эксплуатацию трансформаторов без ревизии их активных частей достаточно произвести испытания в объеме разд. 14 настоящей Инструкции.

7.3. При проведении ревизии активной части с подъемом «колокола» или активной части переключающее устройство демонтируется. После окончания ревизии необходимо выполнить его монтаж в процессе монтажа трансформатора.

Монтаж переключателей ответвлений без возбуждения (ПБВ)

7.4. При монтаже привода переключателя барабанного типа (рис. 12) необходимо надеть нижнюю муфту 13 штанги с прорезями на штифт головки переключателя (рис. 13) и установить переключатели трех фаз на первое положение, при этом контактная труба, соответствующая первому положению, обращена к стенке бака, а остальные трубы переключателя расположены в порядке возрастания номеров положений против часовой стрелки, если смотреть на переключатель сверху.

7.5. Соединение верхней муфты штанги переключателя с приводом (рис. 13), установленным на крышке трансформатора, необходимо выполнить в такой последовательности:

а) подготовить уплотняющие прокладки и установить в них, не закрепляя, приводы переключателей;

б) соединить при помощи фасонного штифта шарнирную часть привода с верхней муфтой штанги, как показано на рис. 13, а;

в) установить колпак и стопорные болты (рис. 14);

г) проверить качество всех болтовых креплений элементов переключающего устройства;

д) опробовать работу переключающего устройства на всех ступенях переключателя; пружины должны четко фиксировать положение на каждой ступени.

Рис. 12. Монтаж привода переключателя барабанного типа.

1 - колпак привода; 2 - крышка сальника; 3 - фланец, приваренный к крышке бака; 4 - крышка бака; 5 - вал привода; 6 - верхняя муфта штанги; 7 - штанга привода; 8 - ярмовая балка; 9 - горизонтальная деревянная планка, скрепленная с ярмовой балкой и стойкой 11; 10 - шпильки из изоляционного материала; 11 - вертикальная деревянная стойка; 12 - бумажно-бакелитовые цилиндры; 13 - нижняя муфта штанги; 14 - втулка переключателя; 15 - контактные трубы; 16 - контактные кольца.

Рис. 13. Детали привода переключателя барабанного типа.

а - соединение верхнего конца штанги с валом привода; б - сопряжение нижнего конца штанги с коленчатым валом переключателя; 1 - крышка бака; 2 - вал привода; 3 - штифт с пружинной манжетой; 4 - валика; 5 - верхняя муфта штанги; 6 - штанга; 7 - нижняя муфта штанги; 8 - вилка нижней муфты; 9 - штифт; 10 - втулка барабанного переключателя; 11 - изоляционная втулка коленчатого вала переключателя.

Рис. 14. Привод переключателей барабанного типа.

1 - колпак; 2 - кольцо нониусное; 3 - шпонка; 4 - винт; 5 - гайка сальника; 6 - крышка сальника; 7 - соединительная муфта; 8 - набивка сальника.

7.6. Окончательную проверку правильности монтажа переключателей следует производить измерением коэффициентов трансформации и сопротивления обмоток постоянному току на всех ступенях переключателя.

Монтаж переключающего устройства с регулированием напряжения под нагрузкой (РПН) РНТ-13А

7.7. При проведении ревизии активной части необходимо отсоединить горизонтальный вал, соединяющий переключатели с горизонтальным валом контакторов, и отключить отводы от контакторов.

7.8. После окончания ревизии активной части следует установить снятый горизонтальный вал, руководствуясь рисками, нанесенными при регулировке переключающего устройства на заводе-изготовителе. Контрольные риски наносятся при положении переключающего устройства на первой ступени регулирования на следующих элементах (рис. 15): нониусных дисках вертикального вала 8, нониусных дисках вала контакторов и карданного вала 12 и 13, опорном кольце горизонтального вала контакторов и верхней бобышке коробки конических шестерен, через которую проходит вертикальный вал.

7.9. Для монтажа горизонтального вала необходимо установить привод переключающего устройства и подвижные контакты переключателей в первое положение, после чего в соединительную муфту вала переключателей поместить конец горизонтального вала со шпонкой. На другом конце горизонтального вала нониусный диск следует соединить с нониусным диском вала контакторов, чтобы риски, нанесенные на обоих дисках, совпали.

7.10. Для ревизии контакторов надо освободить их бак от масла, произвести тщательный осмотр всех контактов, подтянуть ослабевшие болты и гайки.

7.11. Необходимо осмотреть приводной механизм переключающего устройства, подтянуть ослабевшие болты и гайки, проверить наличие смазки во всех подшипниках приводного механизма и подшипниках электродвигателя.

7.12. Заливку маслом бака контакторов и доливку масла в бак трансформатора следует производить только после удовлетворительных результатов снятия круговой диаграммы.

7.13. В процессе проверки последовательности действия отдельных частей переключающего устройства РНТ-13А необходимо:

а) надеть картонную или металлическую шкалу, разделенную на 360º, на вертикальный вал между приводным механизмом и контактором и прикрепить к одному из болтов, расположенных на нониусной муфте вертикального вала, металлическую стрелку;

б) собрать схему, приведенную на рис. 16, т.е. подвести питание на выводы обмотки ВН, подключить параллельно размыкающему контакту контактора сигнальные лампы напряжением 12-24 В и закоротить выводы обмотки НН;

в) установись в одну половину контактора изоляционную прокладку;

г) установить стрелку на нуль шкалы, вращая рукоятку по часовой стрелке от среднего положения к положению п. Чтобы не учитывать сдвиг между прямым и обратным ходом избирателя, предварительное вращение рукоятки следует производить также по часовой стрелке;

д) следить за состоянием ламп каждой фазы и фиксировать показания шкалы;

е) снять диаграммы при вращении рукоятки по часовой стрелке, затем - при вращении рукоятки против часовой стрелки; допускается снимать диаграммы пофазно;

ж) при проверке второй половины контактора переставить изоляционную прокладку в другую половину контактора.

з) заполнить таблицу результатов снятия круговой диаграммы (табл. 3).

Рис. 15. Аппаратура для регулирования напряжения под нагрузкой.

1 - переключатель; 2 - горизонтальный вал; 3 - бак контактора; 4 - сальник; 5 - вал сальника; 6 - переходная муфта вертикального вала; 7 - вертикальный вал; 8 - нониусный диск вала; 9 - нониусный диск вала механизма; 10 - приводной механизм; 11 - бак трансформатора; 12, 13 - нониусные диски вала контакторов и карданного вала; 14 - карданный вал; 15 - соединительная муфта; 16 - вал переключателя.

Рис. 16. Схема снятия круговой диаграммы переключающего устройства.

И1, И2 - избиратели; К1, К2 - контакторы; Л1, Л2 - лампы сигнальные; Р - реактор;

7.14. Снятые диаграммы могут отличаться от расчетной (рис. 17), но должны соответствовать диаграмме, снятой на заводе-изготовителе, отрезок «а» должен быть не менее 30º; «б» - более 18°.

Таблица 3

Положение контактов

Положение сигнальной лампы

Углы поворота вертикального вала, град

Фаза

А

В

С

К1 открывается

Загорается

 

 

 

И1 открывается

Гаснет

 

 

 

И1 закрывается

Загорается

 

 

 

К1 закрывается

Гаснет

 

 

 

К2 открывается

Загорается

 

 

 

И2 открывается

Гаснет

 

 

 

И2 закрывается

Загорается

 

 

 

К2 закрывается

Гаснет

 

 

 

Рис. 17. Круговые диаграммы переключающего устройства РНТ-13А.

а - развернутая; б - расчетная.

Сдвиг на диаграмме между прямым и обратным ходом избирателя не должен превышать 20º.

Монтаж переключающего устройства с регулированием напряжения под нагрузкой РС-3

7.15. Переключающее устройство РС-3 относится к типу быстродействующих переключающих устройств на активных сопротивлениях и состоит из следующих основных частей:

избирателя;

предызбирателя;

контактора;

привода с соединительными элементами;

цепей защиты, управления, сигнализации.

7.16. Процесс монтажа переключающего устройства РС-3 на баке колокольного типа показан на рис. 18.

7.17. Контактор 1, избиратель с предызбирателем 6 размещены в баке трансформатора. К верхнему несущему фланцу крепится главный изоляционный цилиндр, в котором находится контактор. К цилиндру крепится избиратель с предызбирателем.

Контактор с помощью специальной лебедки может быть демонтирован для ревизии или ремонта: масло, в котором находится контактор, не смешивается с маслом трансформатора.

Рис. 18. Монтаж переключающего устройства PC-3 на баке колокольного типа.

1 - контактор; 2 - труба защитная горизонтальная; 3 - колокол; 4 - труба защитная вертикальная; 5 - привод; 6 - избиратель с предызбирателем; 7 - ручная лебедка грузоподъемностью 100 кг.

7.18. Для отбора проб и замены масла без демонтажа контактора главный изоляционный цилиндр снабжен сифонным устройством. Несущий фланец переключателя закрыт крышкой, на которой находятся окно цифрового указателя положений и предохранительная мембрана.

7.19. Трансформаторы с переключающими устройствами РС-3 транспортируются с полностью смонтированными переключающими устройствами.

В случае, когда электрический привод демонтирован и концы валов застопорены, следует монтировать привод на баке трансформатора с помощью четырех отверстий. Под бобышки с монтажными отверстиями необходимо подложить резиновые прокладки для уменьшения вибрации при работе трансформатора.

7.20. Электрический привод и переключатель следует установить на «нормальное положение»: пальцы контролера расположены горизонтально и нажимают ролики трех нижних микропереключателей, а два верхних микропереключателя свободны; на указателе «нормального положения» - черный цвет.

7.21. Необходимо установить и соединить вертикальный вал с конической передачей и приводом.

7.22. Для определения правильного согласования привода с переключателем следует сделать несколько переключений вручную в направлениях «повышение» и «понижение».

Число оборотов вертикального вала с момента переключения контактора до достижения «нормального положения» при вращении в обоих направлениях должно быть одинаковым.

7.23. В случае неравенства числа оборотов необходимо освободить верхний кардан вертикального вала и вращать рукоятку в направлении большего числа оборотов до тех пор, пока выходной вал не повернется на количество оборотов, равное половине полученной разницы. После этого следует соединить вертикальный вал.

7.24. Необходимо произвести испытание переключающего устройства согласно разд. 14 настоящей Инструкции.

7.25. Пробивное напряжение пробы масла из контактора должно быть не ниже 25 кВ.

7.26. При проведении ревизии активной части трансформатора продолжительность пребывания переключателя PC-3 вне масла не должна превышать 8 ч в сухом отапливаемом помещении; в противном случае следует произвести сушку переключателя.

7.27. Процесс сушки переключателя РС-3 включает следующие этапы:

а) нагрев от комнатной температуры до 100 ºС в течение 12 ч при равномерном повышении температуры;

б) сушку в течение 72 ч при остаточном давлении 5 мм рт. ст. и температуре 100 ºС;

в) плавное понижение температуры до 50 ºС и заполнение печи маслом, имеющем температуру 50 ºС, под вакуумом;

г) пропитку масла под вакуумом при отключенном нагреве в течение 12 ч при остаточном давлении 5 мм рт. ст.

7.28. После сушки следует проверить все болтовые соединения на изоляционных деталях, при необходимости подтянуть болты и проследить, чтобы контакты избирателя не изменили положения.

Монтаж переключающих устройств с регулированием напряжения под нагрузкой РНТА-35/320, РНТА-10/400, РНТА-35/100 ВУС

7.29. Перед включением трансформатора в эксплуатацию необходимо:

а) проверить наличие пломб на приводе;

б) проверить уровень масла в маслоуказателе, при необходимости долить масло (ГОСТ 982-68), имеющее пробивное напряжение не менее 35 кВ;

в) проверить наличие смазки в масленках конического редуктора, на конических шестернях и муфтах валов;

г) снять круговую диаграмму (для переключающих устройств РНТА-35/320 допускается не снимать круговую диаграмму при четкой работе переключающего устройства и правильных результатах измерения коэффициента трансформации и сопротивления постоянному току на всех ступенях);

д) вручную произвести переключение от первого положения до положения n и обратно и проверить соответствие указателей положения привода и переключателя в каждом положении и работу механической блокировки в конечных положениях;

е) проверить работу переключающего устройства от электрического привода.

7.30. В случае демонтажа поднимать и перемещать переключающее устройство следует за крюки, а привод - за скобы на крышке шкафа.

7.31. При проведении ревизии трансформатора общее время пребывания переключающего устройства на воздухе при температуре ниже 0 ºС не должно превышать 8 ч, при температуре выше 0 ºС и относительной влажности от 75 до 85 % - 16 ч.

7.32. При сушке трансформатора с активной частью температура переключающего устройства не должна превышать 105 ºС.

7.33. При установке привода конического редуктора и соединительных валов необходимо обеспечить соосность полумуфт и шарниров.

Болты крепления нониусных муфт должны быть затянуты, контргайки - поставлены.

7.34. После установки устройства на трансформатор следует произвести проверки и испытания в соответствии с программой приемо-сдаточных испытаний трансформатора.

7.35. При монтаже трансформаторов с регуляторами напряжения SDV-630-41/41-W19, SDV-1-1250-41/41-W19 и SDV-1-1100-41/123-W19 производства ГДР следует руководствоваться инструкцией по монтажу регуляторов, входящей в комплект сопроводительной документации завода-изготовителя.

8. МОНТАЖ УСТАНОВОК ДЛЯ ОХЛАЖДЕНИЯ ТРАНСФОРМАТОРОВ

Монтаж прямотрубных радиаторов и их дутьевого охлаждения

8.1. Установка радиаторов должна производиться после их предварительной проверки и при наличии масла, необходимого для доливки или заливки трансформатора.

8.2. До снятия заглушек с радиаторных кранов следует убедиться в том, что краны закрыты (см. направление стрелок и надписи на рукоятках кранов). Необходимо очистить поверхность фланцев кранов, осмотреть состояние их деталей, а также состояние резиновых уплотнений фланцев патрубков радиаторов.

8.3. При необходимости замены уплотнения следует использовать имеющиеся резиновые заводские прокладки, а в случае их отсутствия - изготовить прокладки из листовой маслостойкой резины толщиной 8-10 мм с отверстием в середине и четырьмя отверстиями для шпилек.

При изготовлении резиновых прокладок необходимо учесть, что при установке радиатора прокладка выдавливается и уменьшает внутренний диаметр проходного отверстия крана, поэтому отверстие в середине прокладки должно быть на 5 - 8 мм больше проходного отверстия крана.

8.4. При монтаже системы с естественным масляным охлаждением (системы охлаждения M) прямотрубный радиатор следует поднять канатом при помощи автомобильного крана К-32 грузоподъемностью 3 т за приваренную к верхней части скобу, установить на шпильки верхнего радиаторного крана и навинтить гайки на несколько витков аналогично установить радиаторы на шпильки нижнего радиаторного крана.

При несовпадении отверстий фланца радиатора со шпильками радиаторных кранов следует несколько ослабить затяжку гаек, прикрепляющих корпус крана к фланцу бака. После окончательной установки радиатора на шпильки нижнего и верхнего радиаторных кранов необходимо равномерно затянуть все гайки.

8.5. Сначала следует навесить радиаторы, расположенные под расширителем, установить расширитель и его соединительную трубу с газовым реле, после чего навесить остальные радиаторы и термосифонный фильтр. Одновременно необходимо заполнить не менее половины объема расширителя маслом, предварительно проверенным на смешивание с маслом в баке трансформатора; через расширитель заполнить маслом бак трансформатора.

Радиатор должен заполняться маслом через нижний кран; вверху открывают пробку для выпуска воздуха. Затем следует открыть верхний радиаторный кран.

8.6. При монтаже системы с естественным масляным охлаждением и обдуванием радиаторов вентиляторами (системы охлаждения Д) в нижней части бака до навески радиаторов следует установить кронштейны, на которых монтируются по два вентилятора МЦ-4 с электродвигателями АЗЛ 31-4 (рис. 19) и распределительные коробки (каждая на две группы вентиляторов), предназначенные для присоединения электродвигателей. Соединение всех распределительных коробок между собой кабелем образует кольцевую сеть.

Рис. 19. Установка вентиляторов дутья МЦ-4.

1 - вентилятор; 2 - кронштейн; 3 - распределительная коробка.

8.7. На баке трансформатора устанавливают магистральную коробку.

8.8. Для кольцевой сети, а также для питания электродвигателей используется кабель марки АВРР-3×4 в металлическом рукаве РЗ-Ц-Х-25, закрепляемом скобами на стенках бака трансформатора.

При монтаже металлических рукавов, надеваемых на концы кабелей, подводимых к электродвигателям и распределительным коробкам, следует уплотнить места стыков рукавов с выводными трубками путем подматывания смоляной кабельной ленты, а стыки закрепить скобами.

Смонтированные металлические, рукава дважды покрывают эмалевой краской марки ФСХ23 (ГОСТ 926-63).

8.9. В случае применения автоматического управления дутьем необходимо установить на трансформаторе (или на отдельном фундаменте) шкаф ШД.

8.10. На баке трансформатора следует монтировать два термометрических сигнализатора ТС-100, из которых один используется для контроля температуры трансформаторного масла, а второй - для управления дутьем в зависимости от температуры трансформаторного масла.

8.11. Затем выполняют монтаж радиаторов.

8.12. После окончания монтажа системы охлаждения Д необходимо проверить мегомметром сопротивление изоляции всех электрических цепей, которое, включая сопротивление обмоток статоров электродвигателей вентиляторов, должно быть не менее 0,5 МОм.

8.13. Перед пробным включением следует проверить работу вентиляторов проворачиванием вручную. Крыльчатки вентиляторов должны свободно вращаться.

8.14. При пробном включении дутьевого охлаждения радиаторов необходимо убедиться в том, что крыльчатки вращаются против часовой стрелки, если смотреть на электродвигатели со стороны крыльчаток вентиляторов.

Монтаж маслоохладительной системы с принудительной циркуляцией масла и обдувом охладителей воздухом (системы ДЦ)

8.15. Контрольная сборка трансформаторов с навесной системой охлаждения производится на заводе-изготовителе. Поэтому при монтаже таких трансформаторов следует выполнять сборку системы охлаждения без подгонки по месту.

8.16. При монтаже маслопроводов и присоединении их к элементам охлаждающих устройств все фланцы и соединения маслопроводов должны быть тщательно очищены и установлены на уплотняющих прокладках из маслостойкой резины.

8.17. Необходимо установить на охладителях предварительно проверенные бессальниковые электронасосы.

Электронасосы следует установить так, чтобы одна из пробок обеспечивала возможность спуска воздуха из системы маслоохлаждения.

8.18. Монтаж системы ДЦ должен выполняться с максимальным использованием автокрана грузоподъемностью 3-5 т.

8.19. Необходимо установить автокраном на баке трансформатора проверенные и испытанные ранее охладители 3, 4, 5 и 7 (рис. 20) с адсорберами, расширитель 6, выхлопную трубу и постоянную лестницу.

Затем автокраном с противоположной стороны трансформатора установить охладители 2, 8, 9, 10 с адсорберами.

8.20. При помощи автокрана установить шкаф (или шкафы) ШАОТ для автоматического управления системой охлаждения.

8.21. Произвести монтаж маслопроводов, соединяющих элементы охлаждающих устройств, а также всех остальных маслопроводов для подачи масла к газовому реле, расширителю и т.п.

8.22. Установить на баке трансформатора распределительную коробку и коробку выводов.

Для питания шкафа управления ШАОТ следует проложить кабель от распределительного щита подстанции. При навесной системе маслоохлаждения проводка от шкафа к электродвигателям вентиляторов и электронасосам должна быть выполнена кабелем в металлическом рукаве, закрепляемом скобами на стенках бака трансформатора. Уплотнять рукава в местах стыков и покраски следует в соответствии с указаниями пп. 8.6 - 8.10 настоящей Инструкции.

Рис. 20. Монтаж элементов навесной маслоохладительной системы ДЦ.

1 - трансформатор, установленный на фундаменте; 2 - 5, 7 - 10 - охладители; 6 - расширитель; 11 - портал 110 кВ с фундаментами; 12 - автокран грузоподъемностью 3 - 5 т с удлиненной стрелой.

Разделку контрольных и силовых кабелей следует производить в установленных на дне шкафа ШАОТ сальниках и кабельных муфтах, неиспользованные сальники и муфты перекрывают заглушками.

8.23. Полностью смонтированная система маслоохлаждения должна быть испытана, а затем промыта трансформаторным маслом.

8.24. Необходимо установить временный распределительный пункт с подачей к нему напряжения 380-220 В для питания намагничивающей обмотки, подогрева дна вспомогательного бака, фильтр-пресса (или центрифуги).

8.25. На период испытания и промывки системы маслоохлаждения следует обеспечить пожарный пост необходимым инвентарем и установить телефонную связь.

8.26. Следует испытать охлаждающее устройство в течение 1 ч под давлением 2 кгc/см2 - для калориферов из алюминиевых труб; 3 кгс/см2 - для калориферов из стальных труб.

При этом задвижки, соединяющие охлаждающее устройство с баком трансформатора, должны быть перекрыты.

Результаты испытания считаются удовлетворительными, если в течение 1 ч давление снизится по сравнению с исходным не более чем на 10 %.

8.27. Принципиальная схема промывки маслоохладительного устройства системы ДЦ с использованием бессальникового электронасоса приведена на рис. 21.

Бессальниковый электронасос ЭЦТ может быть поврежден при попадании в него из проходящего масла мелкой металлической пыли и т.п., поэтому обязательно применять фильтр-пресс 4 (или центрифугу).

8.28. Промывку системы маслоохлаждения необходимо производить циркуляцией масла, нагретого до 45-50 ºС, с периодической очисткой его фильтр-прессом (или центрифугой).

Пробы масла для определения его электрической прочности должны браться из маслоохладителя в начале промывки через каждые 4-5 ч, а в дальнейшем - в зависимости от результатов промывки.

Если электрическая прочность масла достигает не менее 45 кВ, следует остановить фильтр-пресс (или центрифугу), продолжая повышать температуру масла в промываемой системе до 50-55 ºС, в таком режиме вести промывку в течение 6 ч.

Если масло промываемой маслоохладительной системы удовлетворяет требованиям, приведенным в табл. П1.10, промывка считается законченной.

Маслоохладительная установка остается заполненной маслом, вспомогательный бак отсоединяют, к баку трансформатора подключают систему охлаждения.

Рис. 21. Принципиальная схема промывки маслоохладительного устройства.

1 - охладитель; 2 - вентиляторы с электродвигателями; 3 - вспомогательный бак; 4 - фильтр-пресс (или центрифуга); 5 - бессальниковый электронасос, встроенный в маслоохладитель.

8.29. Окончательное заполнение маслоохладительной системы производят маслом из бака трансформатора, для чего в расширитель заливают масло (при закрытом кране) значительно выше отметок нормального уровня. Закрыв задвижку в верхней части бака трансформатора, следует постепенно заполнить маслом всю систему маслоохлаждения, приоткрыв нижнюю задвижку бака трансформатора; при этом должны быть открыты все пробки для выпуска воздуха. Одновременно с заполнением системы следует доливать масло в бак трансформатора небольшой струёй, для чего приоткрывается кран расширителя.

После окончательного заполнения системы маслом и выпуска воздуха все пробки для выпуска воздуха должны быть уплотнены, а обе главные задвижки на баке полностью открыты.

Уровень масла в расширителе необходимо проверить по отметкам маслоуказателей и при необходимости долить масла.

8.30. Перед пробным включением системы ДЦ следует проверить сопротивление изоляции всех электрических цепей, электродвигателей с вентиляторами, как указано в пп. 8.12 - 8.14 настоящей Инструкции, измерить вибрацию электродвигателей прибором ВИП-2.

8.31. Необходимо проверить правильность направления вращения бессальникового электронасоса, для чего вместо пробки для выпуска воздуха установить на его корпусе манометр.

При закрытой нагнетательной задвижке давление должно быть 1,3 кгс/см2, в противном случае следует изменить направление вращения электронасоса.

8.32. Следует проверить надежность закрепления и заземления шкафа ШАОТ на баке трансформатора, сопротивление изоляции схемы управления и аппаратуры, размещенной в шкафу, работу схемы управления и сигнализации.

8.33. Пуск электронасоса ЭЦТ разрешается при температуре масла не ниже 15 ºС. При более низкой температуре необходимо прогреть трансформатор включением на холостой ход; при этом основные задвижки должны быть открыты. По достижении 15 ºС включить электронасос, проверить состояние уплотнений на всасывающей части маслопровода; в случае появления вибрации или повышенного шума необходимо остановить электронасос, выяснить причину и устранить ее.

8.34. По достижении температуры верхних слоев масла 45 °С следует включить вентиляторы. Опробование электронасосов и вентиляторов охлаждающего устройства должно производиться непрерывно в течение 3-5 ч.

8.35. Охлаждающие устройства системы ДЦ считаются пригодными к эксплуатации, если во время испытания не было обнаружено следов течи масла (или резкого снижения давления), вентиляторы и электронасосы работали плавно.

Монтаж термосифонного фильтра и воздухоосушителя

8.36. Установку и включение в эксплуатацию предварительно подготовленного термосифонного фильтра полагается выполнять в приводимой ниже последовательности:

а) снять заглушки на радиаторных кранах и установить термосифонный фильтр на баке трансформатора аналогично установке радиаторов; при этом радиаторные краны должны быть закрыты;

б) загрузить в фильтр через люк подготовленный заранее сухой отсеянный силикагель марки КСК (ГОСТ 3956-54). Открыв нижний радиаторный кран, заполнить фильтр маслом из трансформатора на 300-400 мм выше слоя адсорбента и произвести промывку с применением фильтр-пресса (для фильтров вместимостью до 50 кг промывка не обязательна);

в) заполнить расширитель маслом значительно выше нормального уровня, открыть пробку для выпуска воздуха и, приоткрыв нижний радиаторный кран, заполнить фильтр маслом из бака трансформатора. При появлении масла в отверстии пробки закрыть нижний кран и дать маслу отстояться в фильтре в течение 1 ч, после чего выпустить немного масла из отверстия отстойника;

г) открыть верхний и нижний радиаторные краны, заполнить фильтр и его патрубки маслом, открывая периодически пробку для выпуска воздуха, долить масло в расширитель до нормального уровня.

8.37. Подготовленный воздухоосушитель при помощи трубки следует присоединить к дыхательной трубке расширителя.

9. МОНТАЖ ВВОДОВ И ТРАНСФОРМАТОРОВ ТОКА

Монтаж вводов напряжением 3-35 кВ

9.1. Подготовленные к монтажу вводы следует установить на резиновых прокладках и равномерно затянуть болты для получения надлежащего уплотнения. При подсоединении отводов обмоток к вводам необходимо обеспечить надежный контакт.

9.2. Конструкция съемных вводов позволяет выполнить присоединение ввода и замены фарфорового изолятора снаружи трансформатора при сливе незначительного количества масла. Для замены поврежденного изолятора следует отвинтить гайки, снять металлический колпак и поврежденный изолятор и взамен установить новый.

Монтаж маслонаполненных малогабаритных вводов напряжением 110 кВ негерметичной конструкции

9.3. Следует закрепить на вводе, установленном на стойке, бумажно-бакелитовый цилиндр; снять заглушку на крышке трансформатора, установить на приклеенной к крышке бака резиновой прокладке переходный фланец с предварительно испытанными трансформаторами тока, равномерно закрепить его по всей окружности, на верхнюю часть переходного фланца наклеить резиновую прокладку.

9.4. Сняв с ввода контактный зажим, следует пропустить через трубу ввода двойную киперную ленту или тросик.

Ввод вместе с укрепленным на нем бумажно-бакелитовым цилиндром необходимо поднять за подъемные кольца и расположить в центре переходного фланца.

9.5. Следует закрепить киперную ленту или тросик в наконечнике отвода и при опускании ввода направить кабель отвода в трубу, не допуская свертывания кабеля в кольца.

9.6. Следует медленно опустить ввод до установки его на резиновую прокладку переходного фланца с трансформаторами тока.

9.7. После закрепления стальным штифтом наконечника отвода следует навинтить контактный зажим на трубу ввода и равномерно затянуть болты по всей окружности фланца ввода, обеспечив его надежное уплотнение.

9.8. Необходимо закрыть люки, уплотнить их и пробки для выпуска воздуха.

9.9. До установки вводов следует измерить длины кабелей отводов от обмоток трансформатора и их соответствие имеющимся на месте монтажа длинам вводов 110 кВ.

Монтаж вводов напряжением 110 кВ герметичной конструкции

9.10. Перед установкой на трансформатор необходимо проверить давление в подготовленном к монтажу герметичном вводе, которое должно соответствовать кривой MN (рис. 6).

Регулировать давление следует в соответствии с указаниями разд. 6 настоящей Инструкции.

9.11. Установка ввода герметичной конструкции на трансформатор выполняется так же, как установка ввода негерметичной конструкции.

9.12. Необходимо обеспечить уплотнение фланца ввода и трубы ввода.

10. ЗАЛИВКА ТРАНСФОРМАТОРОВ МАСЛОМ

10.1. Масло, заливаемое или доливаемое в трансформатор, должно соответствовать нормам, указанным в табл. П1.6 и П1.10 и требованиям пп. П1.14 - П1.16 приложения 1 настоящей Инструкции.

10.2. Трансформаторы напряжением до 35 кВ включительно следует заливать маслом, имеющим температуру не ниже 10 ºС, без вакуума. Температура активной части трансформатора должна быть выше температуры масла.

10.3. Трансформаторы напряжением 110 кВ необходимо заливать маслом под вакуумом.

10.4. Заливку маслом трансформатора напряжением 110 кВ, прибывшего без масла, или после ревизии активной части следует производить следующим образом:

а) проверить бак трансформатора на герметичность, для чего постепенно создать в баке вакуум 350 мм рт. ст. (100 мм рт. ст. каждые 15 мин);

б) остановить вакуум-насос, записать величину вакуума в баке;

в) через 1 ч записать второе показание вакуумметра. Бак считается герметичным, если натекание не превышает 15 мм рт. ст/ч;

г) выдержать активную часть под вакуумом 350 мм рт. ст. в течение 2 ч;

д) при вакууме 350 мм рт. ст. залить трансформатор маслом, имеющим температуру не ниже 10 ºС, со скоростью не более 3 т/ч;

е) после окончания заливки, когда уровень масла будет на 150-200 мм ниже верха крышки, продолжать вакуумирование в течение 6 ч;

ж) постепенно снять вакуум, подавая воздух в бак через силикагелевые воздухоосушители, и продолжать пропитку активной части при атмосферном давлении в течение 3 ч.

10.5. Доливку масла в трансформатор после установки расширителя и радиаторов следует производить через расширитель без вакуума.

11. КОНТРОЛЬНЫЙ ПРОГРЕВ И КОНТРОЛЬНАЯ ПОДСУШКА ТРАНСФОРМАТОРОВ

Общие положения

11.1. Существуют следующие методы прогрева трансформаторов:

постоянным током;

токами короткого замыкания;

циркуляцией масла через электронагреватели;

индукционный прогрев за счет потерь в стали бака.

Дополнительный прогрев производится с помощью электропечей закрытого типа, устанавливаемых под дно трансформатора.

11.2. Контрольный прогрев следует производить с маслом, без вакуума до достижения температуры верхних слоев масла, превышающей максимальную из указанных в паспорте трансформатора температур, при которых производилось измерение характеристик изоляции:

при прогреве методом короткого замыкания или постоянным током - на 5 ºС;

при прогреве индукционным методом или циркуляцией масла через электронагреватели - на 15 ºС.

11.3. Прогрев трансформатора при контрольной подсушке в собственном баке с маслом следует производить согласно п. 11.1 настоящей Инструкции.

11.4. Контрольную подсушку следует выполнять при температуре верхних слоев масла 80 °С и максимальном вакууме, предусмотренном конструкцией бака трансформатора (не более 350-380 мм рт. ст.). Через каждые 12 ч подсушки необходимо в течение 4 ч осуществлять циркуляцию масла через трансформатор масляным насосом производительностью 4 - 6 м3/ч (рис. 22).

11.5. Периодически следует измерять характеристики изоляции R60”,  и брать пробы масла для проверки пробивного напряжения.

11.6. Продолжительность прогрева трансформаторов при 80 ºС и указанном остаточном давлении должна соответствовать данным табл. 4.

11.7. Подсушка должна быть прекращена при достижении соответствия характеристик изоляции требованиям настоящей Инструкции, но не ранее чем через 24 ч после достижения 80 °С.

Рис. 22. Схема контрольной подсушки.

1 - вакуумметр; 2 - бак трансформатора; 3 - кран Ø 2”; 4 - масляный насос; 5 - вакуумный насос. Стрелкой указано направление циркуляции масла в процессе подсушки.

Таблица 4

Напряжение трансформатора, кВ

Мощность трансформатора, кВ·А

Время прогрева, ч

До 35 включительно

Всех мощностей

48

110

Менее 80000

48

110

80000

54

11.8. Трансформатор должен быть залит маслом до уровня на 150-200 мм ниже крышки.

11.9. Температуру следует контролировать по термометрам сопротивления, установленным в верхних слоях масла.

11.10. После окончания прогрева необходимо приступить к оценке характеристик изоляции в соответствии с требованиями приложения 1 настоящей Инструкции.

Прогрев методом индукционных потерь в стали бака трансформатора

11.11. Мощность (кВт), необходимая для нагрева трансформатора, определяется по формуле

                                                         (1)

где ΔP - удельный расход мощности, кВт/м2; l - периметр бака, м; h - высота боковой поверхности, на которую наматывается намагничивающая обмотка, м.

11.12. Величину удельного расхода мощности в зависимости от периметра бака следует выбирать в соответствии с данными табл. 5.

11.13. Для прогрева дна бака следует применять закрытые электронагревательные печи, мощность которых выбирается в соответствии с табл. 6.

11.14. Число витков намагничивающей обмотки при питании однофазным током определяется по формуле

,                                                               (2)

где A - коэффициент, зависящий от величины ΔP; U - напряжение, питающее намагничивающую обмотку, В.

11.15. Коэффициент A определяется по табл. 7.

11.16. Ток в обмотке (А) определяется по формуле

,                                                            (3)

где U - подводимое напряжение, В;

cosj выбирается равным 0,5 - 0,6.

Таблица 5

Периметр бака трансформатора, м

Удельный расход мощности, кВт/м2

Периметр бака трансформатора, м

Удельный расход мощности, кВт/м2

До 10

До 2,0

От 16 до 20

От 2,9 до 3,6

От 11 до 15

От 2 до 2,8

От 21 до 26

От 3,7 до 4

Таблица 6

Периметр бака трансформатора, м

Удельный расход мощности донного подогрева, кВт/м2

Периметр бака трансформатора, м

Удельный расход мощности донного подогрева, кВт/м2

До 10

До 0,8

От 16 до 20

От 1,5 до 1,8

От 11 до 15

От 0,9 до 1,4

От 21 до 25

От 1,9 до 2,1

Таблица 7

DP, кВт/м2

A

DP, кВт/м2

A

DP, кВт/м2

A

0,75

2,33

1,35

1,77

2,40

1,44

0,80

2,26

1,40

1,74

2,50

1,42

0,85

2,18

1,45

1,71

2,60

1,41

0,90

2,12

1,50

1,68

2,70

1,39

0,95

2,07

1,60

1,65

2,80

1,38

1,00

2,02

1,70

1,62

2,90

1,36

1,05

1,97

1,80

1,59

3,00

1,34

1,10

1,92

1,90

1,56

3,25

1,31

1,15

1,88

2,00

1,54

3,50

1,28

1,20

1,84

2,10

1,51

3,75

1,25

1,25

1,81

2,20

1,49

4,00

1,22

1,30

1,79

2,30

1,46

-

-

11.17. Сечение провода (мм2), которым выполняется намагничивающая обмотка, определяется из выражения

,                                                                       (4)

где I - ток, A; d - допустимая плотность тока, А/мм2.

Значение величины d, А/мм2:

для медных проводов:

голых - 6;

изолированных - от 3 до 3,5;

для алюминиевых проводов:

голых - 5;

изолированных - от 2 до 2,5.

11.18. Если имеющееся сечение провода недостаточно для данной плотности тока, намотку намагничивающей обмотки производят в несколько параллелей.

11.19. Для трансформаторов мощностью 25000 кВ·А и выше следует применять трехфазную намагничивающую обмотку.

11.20. Число витков намагничивающей обмотки при питании трехфазным током определяется следующим образом:

;                                                    (5)

,                                                             (6)

где W1 - число витков в нижней части бака; W2 - число витков в средней части бака; W3 - число витков в верхней части бака.

Общее число витков трехфазной намагничивающей обмотки

.                                                          (7)

11.21. Величины токов, протекающих по каждой из трех обмоток трехфазной намагничивающей обмотки, рассчитываются по формуле

.                                                            (8)

11.22. Сечение проводов трехфазной намагничивающей обмотки определяется в соответствии с пп. 11.17, 11.18.

Пример расчета намагничивающей обмотки для нагрева трансформатора методом индукционных потерь в стали бака трансформатора (для трансформатора ТРДН-25000/110).

l = 13,5 м; h = 2,8 м; ΔР (табл. 5) = 2,4 кВт/м2.

Мощность определяется по формуле (1)

;

.

Ток в трехфазной намагничивающей обмотке рассчитываем по формуле (8)

;

δ = 2,5 A/мм2.

Сечение алюминиевого изолированного провода определяем по формуле (4)

.

Принимаем S =120 мм2.

Коэффициент A при ΔР = 2,4 кВт/м2 определяем по табл. 7: А = 1,44.

По формуле (5)

.

По формуле (6)

.

Принимаем W1=W2=30 виткам; W2 =12 виткам.

W=W1+W2+W3=30+12+30=72.

Теплоизоляция бака трансформатора и намотка намагничивающей обмотки

11.23. В качестве изолирующего материала для теплоизоляции стенок, крышки и дна бака следует применять асбополотно, асбест листовой или другой негорючий материал. Толщина теплоизоляции боковых стенок бака при температуре окружающего воздуха ниже 0 ºС должна быть не менее 30 мм, при температуре выше 0 ºС - не менее 15 мм.

11.24. На баке необходимо установить с интервалом 1000-1500 мм вертикальные деревянные или шиферные стойки сечением не менее 50×50 мм2.

11.25. Стойки следует крепить при помощи временных стальных уголков, прихваченных электросваркой. Между стойкой и поясом и на уголки необходимо наложить слой асбеста толщиной 3-5 мм.

11.26. Деревянные стойки перед установкой необходимо пропитать в растворе жидкого стекла с мелом или тальком и высушить при 20 ºС в течение 4 ч.

11.27. Вертикальные балки жесткости не утепляют, так как при прогреве их температура на 30 - 40 ºС выше температуры стенок бака.

11.28. Следует наматывать намагничивающую обмотку, размещая ее по нижней и верхней частям бака, оставляя середину бака (около 1/4 высоты) свободной. В верхней части бака должно быть сосредоточено около 40 % общего количества витков.

Провод во всех фазах наматывается в одном направлении. Следует крепить каждый виток обмотки к деревянным стойкам гвоздями, к шиферным - при помощи джутового шнура.

11.29. При соединении в звезду крайние фазы следует включать нормально, среднюю фазу - встречно.

11.30. Следует изолировать пространство между дном бака и полом по периметру дна листовым асбестом, асбополотном или другим негорючим материалом.

11.31. Для дополнительного прогрева дна должны быть установлены закрытые электропечи с температурой поверхности не более 110 - 120 ºС или тепловоздуходувки. Мощность каждой печи должна быть не более 5 кВт.

11.32. Питание печей осуществляется от отдельного автомата с целью независимого отключения печей при местных перегревах активной части трансформатора.

11.33. Для контроля за прогревом необходимо установить на стенках, крышке и дне бака трансформатора термометры.

Контрольный прогрев силовых трансформаторов токами короткого замыкания и постоянным током

11.34. Предельное значение температуры верхних слоев масла при контрольном прогреве и контрольной подсушке определяют согласно пп. 11.2 и 11.4.

11.35. Контрольный прогрев трансформаторов методом короткого замыкания и постоянным током запрещается в случае обнаружения или предположения на активной части каких-либо дефектов, а также до проведения и получения положительных результатов следующих испытаний:

а) опыта холостого хода при пониженном напряжении (для трансформаторов мощностью 10000 кВ·А и более, напряжением до 35 кВ включительно и всех трансформаторов напряжением 110 кВ);

б) измерения омического сопротивления обмоток постоянному току на всех положениях переключателей;

в) измерения коэффициентов трансформации на всех ступенях переключения;

г) проверки правильности сборки переключающего устройства;

д) проверки изоляции обмоток мегомметром.

11.36. Контрольный прогрев следует проводить на трансформаторах с установленными вводами, расширителем, выхлопной трубой и задействованной газовой защитой. При смонтированной системе охлаждения охлаждающие устройства должны быть отсоединены от трансформатора путем перекрытия задвижек (кранов) на маслопроводе. Два охладителя, места подсоединения которых к баку наиболее удалены друг от друга, необходимо оставить с открытыми задвижками и использовать в период прогрева для обеспечения принудительной циркуляции масла в трансформаторе при работающих маслонасосах и отключенном охлаждении.

11.37. Контрольный прогрев трансформаторов методом короткого замыкания производится за счет тепла, выделяемого потерями в обмотках, добавочными потерями от вихревых токов в проводниках обмоток, потерями в активной стали магнитопровода, в металлических конструктивных деталях активной части и стенках бака, вызываемыми магнитным полем рассеяния обмоток.

11.38. Принцип схем прогрева методом короткого замыкания состоит в том, что одну из обмоток трансформатора (обычно низшего напряжения) замыкают на зажимах вводов накоротко, а другую питают от источника переменного тока промышленной частоты (рис. 23).

11.39. Значение тока прогрева Iпр трансформатора не должно превышать номинального тока обмотки, подключенной к источнику питания, а при отключенном охлаждающем устройстве

,                                                             (9)

где Iн - номинальный ток питаемой обмотки, А.

11.40. Мощность прогрева Рпр не должна превышать максимальной допустимой мощности прогрева Рпр.макс, т.е.

                                            (10)

где Рк - потери короткого замыкания, приведенные к температуре 75 ºС, для применяемого при прогреве режима.

Рис. 23. Схема контрольного прогрева трансформатора токами короткого замыкания.

11.41. Значение Iпр при прогреве трансформатора методом короткого замыкания для случаев, когда мощности участвующих в прогреве обмоток равны, а также когда мощности участвующих в прогреве обмоток не равны, а питание подается на обмотку меньшей мощности, определяется по формуле

.                                                              (11)

Если мощности участвующих в прогреве обмоток не равны, а питание подается на обмотку большей мощности, Iпр определяется по формуле

,                                                         (12)

где РН1 - номинальная мощность (большая) питаемой обмотки, кВ·А; РН2 - номинальная мощность (меньшая) обмотки, замкнутой накоротко, кВ·А.

Для последнего случая должно быть выдержано следующее соотношение:

.                                                         (13)

11.42. Напряжение при прогреве трансформатора методом короткого замыкания для случаев, когда мощности участвующих в прогреве обмоток равны или когда эти мощности не равны, а питание подается на обмотку большей мощности, определяется по формуле

,                                                     (14)

где uк - напряжение короткого замыкания участвующей в прогреве пары обмоток, приведенное к большей из мощностей обмоток, %; UН - номинальное напряжение питаемой обмотки, В.

Если мощности участвующих в прогреве обмоток не равны, а питание подается на обмотку меньшей мощности, Uпр определяется по формуле

.                                                     (15)

11.43. Рекомендуется выбирать тот режим прогрева трехобмоточного трансформатора (ВН - НН, ВН - СН, СН - НН), для которого имеющееся напряжение питания ближе к расчетному напряжению прогрева Uпр.

11.44. При выборе мощности источника питания Sпр необходимо учитывать потери в цепи между источником питания и прогреваемым трансформатором.

Кажущаяся мощность прогрева определяется по формулам:

для однофазного трансформатора

;                                                       (16)

для трехфазного трансформатора

.                                                  (17)

Продолжительность прогрева должна быть не менее 10 ч.

Требуемую скорость нарастания температуры верхних слоев масла (табл. 8) следует обеспечить изменением напряжения питания или периодическим отключением источника питания.

11.45. Контроль температуры верхних слоев масла при прогреве трансформатора методом короткого замыкания осуществляется при помощи теплосигнализаторов и ртутных термометров.

При температуре окружающего воздуха ниже +10 ºС бак трансформатора следует утеплить асбополотном или листовым асбестом.

Таблица 8

Температура верхних слоев масла трансформатора, ºС

Скорость нарастания температуры, ºС/ч, не более

До 20

8-5

От 20 до 50

5-3

От 50 до 70

3-2

11.46. Перед прогревом должно быть обеспечено надежное закорачивание вводов прогреваемого трансформатора и зажимов всех вторичных обмоток трансформаторов тока. Для закорачивания следует применять короткие медные шины сечением не менее сечения токоведущих шпилек или шин ввода закорачиваемой обмотки.

Бак трансформатора должен быть надежно заземлен.

Пример расчета параметров для контрольного прогрева трансформатора методом короткого замыкания (для трансформатора ТРДН-25000/110)

Номинальная мощность трансформатора РН = 25000-2×12500 кВ·А; номинальное напряжение трансформатора UН = 115000±9×1,78 % / 6300-6300 В; напряжение источника питания 6300 В; номинальный ток обмотки ВН IН = 122,5 А на 10 ступеней регулирования; напряжение короткого замыкания в режиме ВН/НН1+HН2 uк = 10,8 %; потери короткого замыкания в режиме ВН/НН1 + НН2 Р =121 кВт.

Наибольшую мощность прогрева определяем по формуле (10)

РПР.МАКС = 0,49·121 = 59,2 кВт.

Наибольший ток прогрева определяем по формуле (11)

Наибольшее напряжение прогрева определяем по формуле (14)

.

Наибольшую кажущуюся мощность прогрева определяем по формуле (17)

.

При имеющемся источнике питания для прогрева напряжением 6300 В

 кВт;

.

11.47. Схемы включения обмоток трехфазных двухобмоточных и трехобмоточных трансформаторов для контрольного прогрева методом короткого замыкания приведены в табл. 9.

Таблица 9

11.48. Принципиальные схемы включения приборов при контрольном прогреве трансформаторов методом короткого замыкания представлены на рис. 24.

Рис. 24. Схемы включения приборов при прогреве трехфазных трансформаторов токами короткого замыкания.

а, в - метод двух ваттметров; б, г - метод трех ваттметров.

11.49. При проведении прогрева методом короткого замыкания следует вести рабочий журнал прогрева, в котором указываются:

а) схема и расчетные параметры прогрева, температура окружающей среды;

б) тип и номинальные данные источника питания;

в) тип, заводской номер, класс точности, предел измерений контрольных приборов и аппаратов;

г) вид, утепления трансформатора;

д) время начала и общая продолжительность прогрева;

е) способ осуществления циркуляции масла.

В процессе прогрева через каждый час необходимо записывать значения тока, напряжения, мощности, показания термосигнализаторов и термометров.

11.50. Контрольный прогрев трансформаторов постоянным током производится за счет тепла, выделяемого потерями в обмотках, вызванными прохождением постоянного тока, не превышающего по величине номинальных токов обмоток (рис. 25, 26).

11.51. Схемы включения обмоток трансформаторов для контрольного прогрева постоянным током приведены в табл. 10.

Рис. 25. Схема контрольного прогрева трансформатора постоянным током.

Рис. 26. Схема измерения тока и напряжения прогрева трансформатора постоянным током.

Для осуществления прогрева следует выбрать схему, расчетные параметры которой наиболее близки к параметрам имеющегося источника питания постоянного тока.

11.52. Сопротивление схемы прогрева (Ом), приведенное к температуре 75 °С, рассчитывается по формуле

,                                                    (18)

где Rx - сопротивление схемы в начале прогрева или по номограмме (рис. 27), Ом; tx - температура в начале прогрева или по номограмме (рис. 27), ºC.

11.53. Значение тока прогрева IПР должно быть таким, чтобы токи, протекающие в каждой из обмоток, были равны номинальным фазным токам IН этих обмоток или меньше их.

Напряжение трансформатора определяется по формуле

.                                                             (19)

Таблица 10

Наименование схемы

Схема

Формулы для расчета общего сопротивления схемы, падения напряжения и потребляемой мощности

Примечание

Схема последовательного соединения обмоток

Две обмотки прогреваются равномерно: за счет увеличения падения напряжения увеличивается потребляемая мощность. Недостаток: обмотка средней фазы не участвует в прогреве

Схема последовательно-параллельного соединения обмоток

Прогреваются обмотки ВН трех фаз. Недостаток: неравномерно прогреваются обмотки в крайних фазах, выделяется только 1/4 мощности в средней фазе

Схема параллельного соединения трех обмоток при протекании через нейтраль утроенного номинального тока

Схема применима только при условии, что нулевой ввод рассчитан на утроенный номинальный ток, а плотность тока в отводе нейтрали соответствует требованиям п. 11.60

Рис. 27. Номограмма для определения температуры обмотки нагретого трансформатора постоянным током по отношению омических сопротивлений.

11.54. Необходимая мощность прогрева, которую может обеспечить схема, определяется по одной из формул:

                                                 (20)

или

                                                  (21)

11.55. Продолжительность прогрева должна быть не менее 10 ч, считая с момента включения на постоянный прогрев.

11.56. Скорость нарастания температуры при прогреве должна соответствовать указанной в табл. 8.

11.57. Источниками постоянного тока на монтаже могут быть:

генераторы постоянного тока;

выпрямительные установки;

сварочные генераторы.

11.58. Следует применять при прогреве разработанный ВНИИпроектэлектромонтажем Минмонтажспецстроя СССР блок выпрямительный на кремниевых диодах (ТУ 36-1644-73).

11.59. Мощность источника питания для контрольного прогрева трансформатора постоянным током должна быть больше мощности прогрева на величину потерь в цепи между источником питания и прогреваемым трансформатором.

11.60. Если схема прогрева собрана таким образом, что в прогреве участвуют нейтральный ввод и нейтральный изолированный отвод, плотность тока в них должна быть не более 3 А/мм2 и не более 5 А/мм2 в неизолированном отводе, если в технической документации нет особых оговорок относительно тока нейтрали.

11.61. Если потери, создаваемые в одной обмотке, недостаточны, для того чтобы нагреть трансформатор до нужной температуры, необходимо включить в прогрев не одну обмотку, а две (например, обмотки ВН и СН).

11.62. Для закорачивания вводов обмоток, не участвующих в прогреве, следует применять короткие медные провода или шины сечением не менее сечения токоведущей шпильки или шины ввода закорачиваемой обмотки. Аналогичные требования должны быть выполнены и по отношению к сечению кабелей, подводящих питание к трансформатору.

Бак трансформатора и обмотки, не участвующие в прогреве, должны быть надежно заземлены.

11.63. Контроль температуры верхних слоев масла трансформатора при прогреве постоянным током проводится в соответствии с указаниями п. 11.45 настоящей Инструкции.

11.64. Метод прогрева постоянным током дает возможность постоянного контроля температуры обмоток трансформатора. Сопротивление обмоток в горячем состоянии определяется по закону Ома

.                                                              (22)

Зная сопротивление обмоток Rx в холодном состоянии при температуре tx, можно определить температуру нагретых обмоток

.                                             (23)

При определении tГ удобно пользоваться номограммой (рис. 27).

11.65. Для выравнивания температуры прогрева отдельных частей трансформатора должна быть обеспечена принудительная циркуляция масла с помощью двух маслонасосов, места подсоединения которых к баку наиболее удалены друг от друга.

11.66. При температуре окружающего воздуха ниже 10 ºС бак трансформатора рекомендуется утеплять с помощью асбополотна или листового асбеста; особенно тщательно утепляются крышка и дно бака.

11.67. При прогреве постоянным током следует вести рабочий журнал прогрева согласно п. 11.49 настоящей Инструкции.

Пример расчета параметров для контрольного прогрева трансформатора постоянным током.

Номинальная мощность трансформатора Рн = 25000 - 2×12500 кВ·А; номинальное напряжение трансформатора Uн = 115000 ± 9×1,78 %/6300 - 6300 В; номинальный ток обмотки ВН Iн, А:

на 1-й ступени регулирования - 108,2;

на 10-й ступени регулирования - 122,5;

на 19-й ступени регулирования - 132,6.

Схема и группа соединения обмоток

Фазное сопротивление обмотки ВН при 30 ºС Rх, Ом:

на 1-й ступени регулирования - 1,24;

на 10-й ступени регулирования - 0,978;

на 19-й ступени регулирования - 0,763.

Напряжение источника питания 230 В.

Фазное сопротивление обмотки ВН при 75 ºС R75ºC (Ом) определяем по формуле (18):

на 1-й ступени регулирования -

на 10-й ступени регулирования -

на 19-й ступени регулирования -

Сопротивление цепи прогрева .

Наибольшее напряжение при прогреве UПР, В, определяем по формуле (19):

на 1-й ступени регулирования - 108,2·2·1,45=314;

на 10-й ступени регулирования - 122,5·2·1,14=279;

на 19-й ступени регулирования - 132,6·2·0,892=236.

Наибольшую мощность при прогреве РПР, кВт, определяем по формуле (20):

на 1-й ступени регулирования - 10-3·314·108,2=34;

на 10-й ступени регулирования - 10-3 ·279·122,5=34,2;

на 19-й ступени регулирования - 10-3 ·236·132,6=31,4.

На 19-й ступени регулирования схема прогрева наиболее эффективна, так как напряжение источника питания и наибольшее напряжение при прогреве близки.

Тогда:

12. СУШКА ТРАНСФОРМАТОРОВ

Общие положения

12.1. Сушку активной части трансформатора следует производить без масла в собственном баке с прогревом методом индукционных потерь и дополнительным обогревом дна бака.

12.2. При сушке трансформаторов не допускается прогрев методом короткого замыкания или постоянным током.

12.3. Вакуумирование трансформаторов при сушке и заливке маслом необходимо производить при остаточном давлении, значение которого указано в эксплуатационной документации на трансформатор. При отсутствии таких указаний вакуум для трансформатора напряжением до 110 кВ включительно должен быть не более 350 мм рт. ст.

12.4. Во время сушки трансформатора следует вести журнал, в котором через каждый час записываются температура, вакуум, количество конденсата. Сопротивление изоляции R60” следует измерять в начале сушки через каждые 6 - 8 ч, затем через 4 ч. Значение ΔС/С следует измерять в начале и конце сушки с необходимым приведением к одной температуре. Для трансформаторов напряжением 110 кВ необходимо измерять также tgδ изоляции обмоток.

12.5. При температуре окружающего воздуха ниже 15 ºС сушку и пропитку активной части производят в помещении или тепляке, построенном из лесоматериалов и обитом изнутри негорючим материалом.

12.6. Расстояние между стенками бака трансформатора и стенами тепляка должно быть не менее 1,5 м, расстояние от крышки трансформатора до потолка тепляка 1,5 м.

12.7. В тепляке должно быть не менее двух дверей, расположенных в противоположных стенках, и достаточная освещенность.

12.8. Установка в тепляке оборудования для заливки масла запрещается.

12.9. Сушка загрязненной активной части трансформатора запрещается. В случае загрязнения активной части необходимо продуть ее сухим сжатым воздухом и тщательно промыть сухим трансформаторным маслом.

12.10. В процессе повышения температуры прогрева и сушки температура изоляции обмоток, магнитопровода и других изоляционных частей не должна превышать 105, а стенок, дна и крышки бака 115 ºС.

12.11. При сушке следует обеспечить температуру не ниже:

обмоток (после прогрева) - 95 ºС;

магнитопровода - 90 ºС.

12.12. Сушка считается законченной:

а) для трансформаторов напряжением до 35 кВ включительно - если значение сопротивления изоляции обмоток останется неизменным в течение не менее 6 ч при неизменной температуре обмоток, указанной в п. 12.11, и постоянном вакууме (если он применялся);

б) для трансформатора напряжением 110 кВ - если характеристики изоляции обмоток (R60”, ΔC/C, tgδ) остаются, постоянными в течение не менее 48 ч при практически постоянной температуре обмоток, указанной в п. 12.11, и неизменном вакууме. Общая продолжительность сушки, не считая времени прогрева, должна быть не менее 10 сут.

Подготовка к сушке и заливке маслом

12.13. Необходимо слить масло из бака трансформатора, удалить остатки масла со дна бака и вытереть бак насухо.

12.14. Следует установить на активную часть трансформатора, подготовленную к сушке, термометры сопротивления или термопары (рис. 28).

12.15. Следует установить бак трансформатора с активной частью на металлическую раму или каретки с уклоном 2 % в сторону маслосливного отверстия в дне бака; установить бачок для сбора стекающего при сушке масла и подсоединить его к баку через кран.

12.16. Необходимо обеспечить надежное соприкосновение термопар с измеряемым объектом (точкой установки).

12.17. Провода термопар, имеющие надежную изоляцию, следует закрепить и расположить на расстоянии не менее 350 мм от неизолированных токоведущих элементов активной части, пропустить через люки на баке трансформатора между резиновыми прокладками люков, обеспечив герметичность бака при вакуумировании.

Рис. 28. Установка термопар и термометров при сушке трансформаторов.

1 - термопары; 2 - термометры; 3 - намагничивающая обмотка.

12.18. Необходимо убедиться в отсутствии замыканий проводников термопар.

12.19. При установке термопар должна быть предусмотрена возможность свободного удаления их по окончании сушки. Следует составить акт на установку термопар для контроля их снятия по окончании сушки, а также протоколы проверки градуировки термопар.

12.20. Для трансформаторов напряжением до 35 кВ включительно в зависимости от габаритов количество термопар может быть сокращено.

12.21. Необходимо закоротить отводы обмоток ВП, СН и НН и присоединить их к временным вводам напряжением не менее 10 кВ, установленным на заглушках, дня измерения характеристик изоляции обмоток в процессе сушки.

12.22. Следует закрепить отводы и провода для измерений на активной части и наружной части бака на расстоянии не менее 100 мм друг от друга.

12.23. Необходимо произвести пробное измерение характеристик изоляции обмоток.

12.24. Измерение характеристик изоляции обмоток должно производиться в следующем порядке: сопротивления изоляции обмоток; ΔС/С изоляции обмоток.

12.25. Перед каждым измерением обмотку следует заземлить на время не менее 2 мин.

12.26. Измерение характеристик изоляции необходимо производить при отключенной индукционной обмотке.

В процессе сушки характеристики изоляции суммы обмоток относительно бака допускается не измерять.

12.27. Следует присоединить к соответствующим задвижкам (кранам) трубопроводы системы вакуумирования и заливки масла. Установить приборы для измерения вакуума, удобных для наблюдения. Предварительно испытать маслосистему давлением 2 кгс/см2 и остаточным давлением не более 10 мм рт. ст.

12.28. Все отверстия, люки и задвижки на баке, не используемые в процессе сушки, должны быть закрыты заглушками на резиновых прокладках и уплотнены.

12.29. Необходимо собрать схему системы вакуумирования и заливки масла для сушки трансформатора (рис. 29). Для трансформаторов напряжением до 35 кВ включительно схема может быть упрощена.

12.30. Следует испытать бак трансформатора на герметичность, для чего необходимо создать остаточное давление в соответствии с п. 12.3, равномерно повышая давление на 100 мм рт. ст. каждые 15 мин; перекрыть вентиль вакуум-провода и записать величину остаточного давления через 1 ч записать второе показание. Бак трансформатора считается герметичным, если натекание не выше 15 мм рт. ст.

12.31. На рис. 29, 30 показаны принцип действия и основные узлы оборудования схемы сушки.

12.32. Охладительная колонка (рис. 30) предназначена для отбора конденсата из бака трансформатора при вакуумной сушке. Ее работа основана на конденсировании из трансформатора влажного воздуха, проходящего по трубкам калорифера, охлаждаемого проточной водой. Площадь поверхности охлаждения колонки должна быть не менее 4 м2. Колонка должна выдерживать полный вакуум и иметь пропускную способность не менее 150 л/с.

12.33. Бачок 4 (рис. 29) предназначен для сбора стекающего в процессе сушки масла со дна бака трансформатора. Бачок должен выдерживать вакуум, допустимый для трансформатора.

12.34. Фильтр 6 (рис. 29) предназначен для очистки подсасываемого в бак трансформатора воздуха в процессе сушки активной части, фильтр представляет собой металлическую емкость вместимостью не менее 5 л, заполненную силикагелем; во избежание попадания силикагеля из фильтра в бак трансформатора между фильтром и баком должна быть установлена металлическая сетка.

12.35. Необходимо изолировать бак трансформатора асбестом, намотать индукционную обмотку и установить донный подогрев.

12.36. На наружной части бака трансформатора должны быть установлены термометры (рис. 28).

Рис. 29. Схема сушки трансформатора.

1 - вакуумметр; 2 - кран для присоединения вакуум-провода; 3 - бак трансформатора; 4 - бачок для слива остатков масла из трансформатора; 5 - краны бачка; 6 - фильтр для очистки подсасываемого воздуха; 7 - трубопровод; 8 - кран Æ 2” для подачи горячего воздуха и регулирования остаточного давления; 9 - охладительная колонка; 10 - вентили вакуум-насоса; 11 - вакуум-насос; 12 - масляные бачки.

Рис. 30. Охладительная колонка.

1 - входной патрубок; 2 - патрубок для выхода воды; 3 - калорифер; 4 - патрубок; 5 - полость колонки верхняя; 6 - краны; 7 - кран дня спуска конденсата; 8 - полость колонки нижняя; 9 - окно; 10 - патрубок для выхода воздуха; 11 - патрубок для входа воды.

12.37. При намотке намагничивающей обмотки следует выполнить отпайку 85 % расчетного числа витков для включения на этой отпайке в период разогрева активной части, обеспечив вторую ступень регулирования нагрева.

Сушка трансформаторов напряжением до 35 кВ включительно

12.38. Процессы сушки трансформаторов в собственном баке под вакуумом, последовательность операций и требования к их выполнению приведены в табл. 11, в собственном баке без вакуума с вентиляцией горячим воздухом - в табл. 12.

Сушка трансформаторов напряжением 110 кВ

12.39. Основные этапы сушки трансформаторов в собственном баке под вакуумом, последовательность операций и требования к их выполнению приведены в табл. 13.

Таблица 11

№ операции

Операции и последовательность их выполнения

Температура, °С

Вакуум, мм рт. ст.

Примерная продолжительность операции, ч

активной части

стенок бака

I этап. Разогрев бака и активной части, подъем вакуума

1

Равномерное повышение температуры бака и активной части на 15-25 °С/ч (II ступень регулирования обмотки - 85 % витков

До 60

До 80

-

3-5

2

Равномерный подъем вакуума

70

85-95

100-150

0,5

3

Повышение температуры бака на 5-10 ºС/ч (II ступень регулирования обмотки) с периодической (в течение 1 ч через каждые 2 ч) подачей вакуума и нагретого воздуха

85-95

100-110

100-150

4-6

4

Равномерный подъем вакуума до предельно допустимого уровня

95-105

115

350

0,5

II этап. Сушка активной части трансформатора

5

Сушка активной части трансформатора (I ступень регулирования обмотки - 100 % витков)

95-105

115

350

Не менее 72

6

Подача нагретого воздуха в нижнюю часть бака на 15 - 30 мин

95-105

115

350

Через каждые 2

7

Определение момента окончания сушки (согласно п. 12.12, а)

95-105

115

350

-

III этап. Окончание сушки

8

Постепенное снижение температуры на 10 ºС/ч

70-80

80-90

350

3-6

IV этап. Заполнение трансформатора маслом

9

Заливка бака трансформатора маслом (табл. П1.6 и П1.10)

70-80

80-90

-

Не более 8

10

Выдержка активной части в масле

70-80

80-90

-

2

V этап. Охлаждение трансформатора

11

Постепенное охлаждение трансформатора

30-40

30-40

-

Не менее 12

Таблица 12

№ операции

Операции и последовательность их выполнения

Температура, °С

Примерная продолжительность операции, ч

воздуха в баке

стенок бака

I этап. Разогрев бака и активной части

1

Равномерное повышение температуры бака и активной части на 15-25 ºС/ч (II ступень регулирования обмотки)

60

80

4-5

2

Включение подогрева входящего воздуха и вентиляции

60

80

-

3

Повышение температуры бака на 5-10 °С/ч (II ступень регулирования обмотки)

105

115

4-5

II этап. Сушка активной части

4

Сушка активной части трансформатора (II ступень регулирования)

105

115

Не менее 72

5

Снижение температуры трансформатора

70-75

80-85

5-10

6

Повышение температуры трансформатора, прогрев активной части (II ступень регулирования обмотки)

105

13,5

8-15

7

Повторное выполнение операций 5,6

 

 

40-50

8

Определение момента окончания сушки согласно п. 12.12, а

105

115

 

III этап. Окончание сушки

9

Постепенное снижение температуры трансформатора на 10 ºС/ч

70-80

80-90

3-5

IV этап. Заполнение трансформатора маслом

 

 

10

Заливка бака маслом (табл. П1.6 и П1.10)

70-80

80-90

Не более 8

11

Выдерживание активной части в масле после заполнения бака

70-80

80-90

2

V этап. Охлаждение трансформатора

12

Постепенное охлаждение трансформатора

30-40

30-40

Не менее 12

Таблица 13

№ операции

Операции и последовательность их выполнения

Температура, ºС

Вакуум, мм рт. ст.

Примерная продолжительность операций, ч

воздуха, магнитопровода

изоляции

I этап. Прогрев бака и активной части

1

Равномерное повышение температуры бака и активной части

Воздуха в баке, 100

-

-

Не менее 24

2

Прогрев активной части. Подъем вакуума с подсосом горячего (50 ºС) воздуха через каждые 2 ч в течение 0,5 ч.

Магнитопровода, 85

85-100

200

Трансформаторы мощностью, кВ·А: до 6300-25

6300-16000-30

16000-80000-35;

свыше 80000-60

II этап. Сушка активной части

3

Подъем вакуума на 100 мм рт. ст. каждые 15 мин с подсосом воздуха через воздухоосушитель

85-105

85-105

250

Не менее 240 до прекращения изменения значений характеристик изоляции

4

Подъем вакуума до остаточного давления 410 мм рт. ст. при отключенном подсосе воздуха

85-105

35-105

350

Не менее 48 до получения установившихся значений характеристик изоляции

III этап. Окончание сушки

5

Постепенное снижение температуры активной части трансформатора

65-85

65-85

350

8-15

IV этап. Заполнение бака маслом

6

Заливка бака маслом, имеющим температуру; 50-60 ºС, со скоростью не более 3 т/ч до уровня 150-200 мм от крышки бака под вакуумом

50-60

50-60

350

4-12

7

Выдержка активной части в масле под вакуумом после заливки

50-60

50-60

350

10

8

Пропитка активной части при атмосферном давлении

-

-

-

12

Особенности сушки трансформаторов с РПН

12.40. Перед сушкой активной части трансформаторов с погружными переключающими устройствами следует:

а) залить бак контактора маслом;

б) соединить полость бака контактора с баком трансформатора вакуумным шлангом;

в) в бакелитовых цилиндрах бака контактора установить два термодатчика (термопары);

г) убедиться, что температура на изоляции активной части и РПН в любой точке не превышает 95 ºС.

12.41. После окончания сушки трансформатора необходимо слить масло из бака контактора и залить бак свежим трансформаторным маслом.

12.42. Трансформаторы с РПН должны сушиться с учетом требований инструкций по монтажу и эксплуатации переключающих устройств.

Заключительные работы после сушки активной части трансформатора

12.43. После окончания заливки и отстоя масла должны быть произведены замеры характеристик изоляции обмоток (приложение 1 настоящей Инструкции).

12.44. Необходимо оформить техническую документацию: акт и график сушки, протоколы анализов масла, протокол измерения характеристик изоляции.

12.45. Следует слить масло из бака и произвести ревизию активной части с подъемом активной части («колокола»), заменой резиновых прокладок при разъемах (приложение 2 настоящей Инструкции).

12.46. Следует снять термопары с активной части трансформатора, контролируя их количество по акту установки термопар.

13. ОКОНЧАТЕЛЬНАЯ СБОРКА ТРАНСФОРМАТОРА

13.1. Монтаж системы охлаждения производится в соответствии с разд. 8 настоящей Инструкции.

13.2. Для завершения процесса монтажа следует:

а) установить на трансформатор термосифонные фильтры;

б) установить на бак расширитель и выхлопную трубу; подсоединить к расширителю трубопровод для доливки масла;

в) установить газовое реле и сигнальные манометрические термометры;

г) произвести монтаж силовых и контрольных кабелей, руководствуясь чертежами завода-изготовителя;

д) установить газоотводящие трубопроводы.

13.3. При доливке трансформатора и заполнении маслом системы охлаждения необходимо:

а) через верхнюю дыхательную пробку или специальный трубопровод расширителя долить в трансформатор масло до уровня максимальной отметки маслоуказателя расширителя;

б) открыть нижние плоские краны радиаторов и вывернуть воздухоспускные пробки в верхней части радиаторов (охладителей), коробок НН, вводов напряжением 3-110 кВ, установок трансформаторов тока, термосифонных фильтров и т.п.;

в) после появления масла в отверстиях пробок ввернуть пробки на место и уплотнить;

г) открыть верхние плоские краны радиаторов;

д) долить масло до отметки маслоуказателя, которая соответствует температуре масла внутри бака в момент доливки.

13.4. Следует испытать трансформатор на маслоплотность; установить воздухоосушитель.

13.5. При перекатке и установке трансформатора на фундамент следует: закрепить канаты за специальные приспособления на баке; плавно, без рывков, перекатить трансформатор к фундаменту по рельсовому пути на собственных катках со скоростью не более 8 м/мин. Направление тягового усилия должно совпадать с направлением перемещения.

13.6. Для перекатки следует использовать электролебедку или трактор и полиспасты.

13.7. Для изменения направления перекатки необходимо:

а) приподнять трансформатор гидравлическими домкратами;

б) вывернуть болты, крепящие каретки к пластинам на донных балках, и развернуть каретки;

в) опустить трансформатор на каретки и затянуть болты крепления кареток к баку.

13.8. Не снимая собственных катков, следует установить трансформатор на фундамент так, чтобы крышка имела подъем по направлению к газовому реле от 1 до 1,5 %.

14. ИСПЫТАНИЯ И НАЛАДКА

Испытания

14.1. При выполнении испытаний следует руководствоваться указаниями ГОСТ 3484-65.

14.2. Не устанавливая воздухоосушитель, необходимо испытать трансформатор на маслоплотность путем создания стабильного избыточного давления столба масла высотой 0,6 м над максимальным рабочим уровнем масла в расширителе в течение 3 ч. Температура масла в баке трансформатора должна быть выше 0 °С.

Трансформатор считается маслоплотным, если при указанной проверке не обнаружена течь масла.

После окончания испытания следует установить воздухоосушитель.

14.3. Необходимо отобрать пробу масла при температуре не ниже 5 ºС после заливки (или доливки) и отстоя в течение не менее:

12 ч - для трансформаторов напряжением до 35 кВ включительно;

24 ч - для трансформаторов напряжением 110 кВ.

Отбор пробы масла должен производиться из специального крана, имеющегося на баке трансформатора.

14.4. Отобранное масло для трансформаторов напряжением до 110 кВ включительно следует испытывать в соответствии с указаниями пп. 1-5 табл. П1.10 и табл. П1.6.

14.5. У трансформаторов напряжением 110 кВ необходимо измерить также tgδ масла.

Результаты анализа должны соответствовать нормам табл. П1.10.

14.6. Необходимо провести измерения сопротивления изоляции R60” коэффициента абсорбции R60”/R15”, tgδ изоляции трансформатора без сушки. Объем, нормы и методика измерения приведены в приложении 1 настоящей Инструкции.

14.7. Проверку работы переключающего устройства и снятие круговой диаграммы трансформаторов, оборудованных переключающими устройствами с токоограничивающими реакторами, следует производить в соответствии с инструкцией завода-изготовителя и ГОСТ 8008-70.

14.8. Для трансформаторов с быстродействующими переключающими устройствами (например, РС-3) допускается не снимать круговые диаграммы при следующих условиях:

а) симметричности срабатывания контактора (на слух) при вращении от первого положения к положению n и от n к первому;

б) правильной последовательности соединения обмотки с переключателем, проверяемой путем измерения коэффициента трансформации на всех положениях переключателя;

в) целости соединения обмотки с переключателем, проверяемой путем измерения сопротивления постоянному току ответвлений на всех положениях переключателя;

г) положительном результате испытания защитного реле RS-1000.

14.9. Следует измерить ток и потери холостого хода. Для трансформаторов мощностью более 1000 кВ·А измерение следует производить при номинальном напряжении или малом напряжении с поочередным выкорачиванием фаз. Ток холостого хода не нормируется.

14.10. Измерение коэффициента трансформации на всех ступенях переключения следует производить в процессе монтажа, если паспортные данные отсутствуют или вызывают сомнение.

Коэффициент трансформации не должен отличаться более чем на 2 % от коэффициента трансформации, полученного на том же ответвлении на других фазах или указанного в заводских расчетных данных.

14.11. Проверку схемы и группы соединения обмоток, трехфазных трансформаторов необходимо производить в процессе монтажа, если отсутствуют или вызывают сомнение паспортные данные.

14.12. Измерение сопротивления обмоток постоянному току следует производить на всех ступенях переключателя. При этом необходимо:

а) при наличии у двухходовой обмотки параллельных выводов убедиться в отсутствии замыкания между ходами путем проверки мегомметром напряжением 2500 В в течение 1 мин;

б) измерить активное сопротивление двухходовой обмотки раздельно по ходам.

14.13. Измерения следует производить на не нагретом трансформаторе. Температура обмотки определяется на основании указаний, приведенных в пп. П1.29 - П1.32 приложения 1 настоящей Инструкции.

14.14. Значения сопротивлений, полученные на одинаковых ответвлениях разных фаз, не должны отличаться друг от друга или от заводских значений более чем на 2 %.

14.15. Испытания вводов напряжением до 35 кВ включительно, а также маслонаполненных малогабаритных вводов напряжением 110 кВ должны производиться в соответствии с разд. 5 настоящей Инструкции.

14.16. Испытание повышенным напряжением промышленной частоты изоляции обмоток трансформатора при вводе в эксплуатацию не обязательно.

14.17. Величина испытательного напряжения и методы испытаний должны соответствовать ГОСТ 1516-73.

Наладка

14.18. Режим пуска и работы охлаждающих устройств в зависимости от температуры масла и нагрузки следует определять в соответствии с инструкцией завода-изготовителя по монтажу и эксплуатации системы охлаждения.

14.19. При наладке газовой защиты необходимо проверить:

а) установку газового реле в соответствии с настоящей Инструкцией, а также с инструкцией на газовое реле;

б) соответствие установленной в газовом реле сменной лопатки (согласованной с энергосистемой уставки на срабатывание реле) скорости потока масла;

в) изоляцию цепей газового реле мегомметром напряжением 2500 В;

г) уровень масла в расширителе трансформатора, который должен быть выше уровня верхнего крана на крышке газового реле не менее чем на 50 мм.

14.20. Следует проверить работу реле уровня масла и его электрических цепей.

14.21. Необходимо проверить замыкание и размыкание цепей манометрических термометров путем перевода вручную стрелок установки минимальной и максимальной температур. Проверку следует производить омметром.

14.22. Следует проверить и измерить следующие характеристики встроенных трансформаторов тока (до установки на трансформатор):

а) сопротивление изоляции вторичных обмоток мегомметром напряжением 1000 В (значение сопротивления изоляции не нормируется);

б) характеристики намагничивания сердечников трансформаторов тока;

в) полярность выводов обмоток;

г) коэффициент трансформации на всех ответвлениях;

д) сопротивление обмоток постоянному току.

15. ТЕХНИЧЕСКАЯ ДОКУМЕНТАЦИЯ ДЛЯ СДАЧИ ТРАНСФОРМАТОРА

15.1. Для сдачи трансформатора в эксплуатацию необходимо оформить следующие документы:

1) комплект технической документации завода-изготовителя, на основании которой был выполнен монтаж;

2) акт о приемке фундамента трансформатора под монтаж;

3) акт о приемке силового трансформатора в монтаж;

4) протокол определения возможности ввода в эксплуатацию трансформатора без ревизии активной части;

5) протокол ревизии трансформатора (если она производилась);

6) протокол измерений характеристик изоляции;

7) протокол сушки трансформатора (если она производилась);

8) протокол испытания и промывки охлаждающих устройств трансформатора (радиаторов, системы маслоохлаждения ДЦ);

9) протокол анализа физико-химических свойств трансформаторного масла;

10) протоколы проверки в лаборатории газового реле, реле уровня масла, реле RS-1000 (для регулирующего устройства РС-3), термометрических сигнализаторов (термометров) и всех измерительных приборов;

11) протоколы испытаний вводов (маслонаполненных и др.) и защитных устройств;

12) протоколы испытания трансформатора;

13) протокол испытания на плотность полностью смонтированного трансформатора давлением столба масла.

15.2. Указанная выше документация обеспечивается:

монтажным управлением - документы 1, 2, 7, 8, 13;

наладочной организацией - документы 11, 12;

монтажной и наладочной организациями - документы 3, 4, 5, 6;

предприятием-заказчиком - документы 9, 10.

16. ПОДГОТОВКА К ПРОБНОМУ ВКЛЮЧЕНИЮ И ВКЛЮЧЕНИЕ ТРАНСФОРМАТОРА

Подготовка к пробному включению

16.1. Если между окончанием монтажа и включением трансформатора напряжением до 110 кВ включительно прошло более 3 мес, следует повторно провести следующие проверки:

а) пробы масла при температуре не ниже 5 ºС. Характеристики масла должны соответствовать требованиям табл. П1.6 и П1.10;

б) сопротивления изоляции R60” определением R60”/R15” изоляции обмоток;

в) активного сопротивления обмоток в рабочем положении переключателей - для трансформаторов мощностью более 10000 кВ·А.

16.2. Перед включением трансформатора необходимо:

а) убедиться в исправном действии всех проверенных ранее устройств защиты трансформатора (газовой, максимальной, дифференциальной защиты и др.);

б) обратить особое внимание на надежность работы газовой защиты; сигнальные контакты при первом выключении следует пересоединить на отключение масляного (воздушного) выключателя. Вне зависимости от ранее произведенной проверки газовой защиты необходимо провести повторную проверку этой защиты непосредственно перед включением трансформатора;

в) проверить действие механизмов и блокировки включения и отключения масляных (воздушных) выключателей;

г) проверить управление переключающим устройством (для трансформаторов с РПН);

д) проверить работу установки охлаждения трансформатора.

16.3. До пробного включения трансформатора следует произвести его наружный осмотр и проверить:

а) уровень масла в расширителе и маслонаполненных вводах;

б) состояние изоляторов (отсутствие повреждений, пыли, грязи, краски);

в) надежность контактов в ошиновке, в том числе в местах присоединения к вводам;

г) целость маслоуказательных стекол (на расширителе и вводах), наличие стеклянной диафрагмы на выхлопной трубе;

д) состояние всех уплотнений, отсутствие течи масла;

е) правильное положение верхних и нижних радиаторных кранов, а также крана, соединяющего бак трансформатора с расширителем (краны должны быть открыты); для систем охлаждения с принудительной циркуляцией масла необходимо убедиться в том, что верхняя и нижняя задвижки открыты;

ж) надежность заземления трансформатора;

з) правильное положение указателей на всех переключателях напряжения (для трансформаторов с ПБВ).

16.4. Необходимо убедиться в отсутствии воздуха в трансформаторе, для чего отвинтить все пробки для выпуска воздуха (на вводах, переходных фланцах, люках и т.п.); следует открыть кран газового реле.

16.5. Следует убедиться в отсутствии закороток.

16.6. Следует удалить посторонние предметы с крышки трансформатора.

Включение трансформатора

16.7. Включение трансформатора под напряжение следует производить со стороны, где установлена защита, чтобы при наличии неисправности трансформатор мог быть отключен. Включение трансформаторов IV габарита и выше допускается производить не ранее чем через 12 ч после последней доливки масла.

16.8. В трансформаторах с маслоохладительной системой ДЦ для возможности прослушивания на холостом ходу необходимо включить трансформатор при отключенной системе охлаждения. При этом температура верхних слоев масла не должна превышать 75 °С.

16.9. В соответствии с «Правилами технической эксплуатации электрических станций и сетей» (М., «Энергия», 1969) следует включить трансформатор на время не менее 30 мин для возможности прослушивания трансформатора и наблюдения за его состоянием.

При нормальной работе трансформатора звук должен быть ровным (без резкого гудения, повышенного местного шума, треска внутри трансформатора).

16.10. Трансформатор следует отключить в случае:

а) повышенного (неравномерного) шума или потрескивания внутри трансформатора;

б) ненормально возрастающей температуры масла;

в) выброса масла из расширителя или разрыва диафрагмы выхлопной трубы;

г) течи масла, вызывающей резкое снижение уровня масла в расширителе;

д) отсутствия масла в расширителях маслонаполненных вводов;

е) появления трещин, отколов на изоляторах или при наличии на них признаков перекрытия;

ж) других явных признаков нарушения нормального режима работы трансформатора.

16.11. Необходимо произвести три - четыре включения трансформатора толчком на полное номинальное напряжение для проверки отстройки установленной защиты от бросков намагничивающего тока.

После этого для трансформаторов мощностью более 1000 кВ·А следует произвести измерение тока холостого хода при номинальном напряжении.

16.12. При удовлетворительных результатах пробного включения трансформатор может быть включен под нагрузку и сдан в эксплуатацию.

17. УКАЗАНИЯ ПО ТЕХНИКЕ БЕЗОПАСНОСТИ И ПРОТИВОПОЖАРНОЙ ТЕХНИКЕ

17.1. Необходимо провести специальное обучение правилам техники безопасности и противопожарной техники всего персонала, занятого на работах по монтажу трансформаторов.

17.2. При проведении работ по монтажу трансформаторов следует руководствоваться «Правилами техники безопасности при электромонтажных и наладочных работах» (М., «Энергия», 1973) и «Правилами технической эксплуатации электроустановок потребителей и правилами техники безопасности при эксплуатации электроустановок потребителей» (М., Атомиздат, 1970).

17.3. Сварочные работы на трансформаторе должны производиться только после заливки его маслом до уровня от 200 до 250 мм выше места сварки во избежание воспламенения паров масла.

17.4. Работы по монтажу трансформаторов на высоте более 1,5 м необходимо выполнять только с лесов, подмостей с перилами или с подъемной вышки.

17.5. Следует принять меры, исключающие возможность прикосновения людей к отводам обмоток и частям, могущим оказаться под напряжением, при измерении сопротивления изоляции трансформатора.

17.6. Не допускается совмещение монтажных работ на трансформаторе с работами по его испытанию и наладке.

17.7. При прогреве трансформатора постоянным током при каждом отключении питания необходимо производить разряд обмоток через разрядное сопротивление с помощью изолирующей штанги с последующим закорочением и заземлением.

Приложение 1

КОНТРОЛЬ СОСТОЯНИЯ ИЗОЛЯЦИИ ТРАНСФОРМАТОРОВ ПЕРЕД ВВОДОМ В ЭКСПЛУАТАЦИЮ

Условия включения трансформаторов в эксплуатацию без сушки

П1.1. Оценка состояния изоляции трансформаторов для решения вопроса о возможности их включения без сушки должна производиться на основании комплекса измерений. При этом необходимо учитывать условия, в которых находился трансформатор до начала монтажа и в период его выполнения, в соответствии с пп. П1.17-П1.19.

П1.2. Решение вопроса о включении трансформатора в эксплуатацию без сушки зависит также от мощности, напряжения, условий транспортировки трансформатора (с расширителем или без него, с маслом или без масла). По этим признакам трансформаторы разделены на пять групп (табл. П1.1).

Для I-III групп указания приведены на основании инструкции ОАХ 458.003-70, для IV и V групп - инструкции РТМ 16.687.000-73.

Пример пользования таблицей

Определение условий включения без сушки трансформаторов II группы (напряжением 35 кВ). Вторая комбинация условий: а-2, б-1, в, г, д.

Достаточно выполнения следующих условий:

герметичность уплотнений - уровень масла ниже отметок маслоуказателя, но обмотки и переключатель покрыты маслом (графа «а», п. 2);

пробивное напряжение масла не менее 30 кВ (графа «б»);

R60” соответствует нормам, указанным в табл. П1.4;

R60”/R15”>1,3 при температуре от 10 до 30 ºС (графа «б»);

C2/C50 не превышает значений, указанных в табл. П1.9 (графа «г»).

Нормы отбраковки изоляции

П1.3. Величины tgδ изоляции обмоток для вновь вводимых трансформаторов напряжением до 35 кВ включительно, залитых маслом, соответствующим ГОСТ (см. табл. П1.10), не должны превышать значений, указанных в табл. П1.2.

П1.4. Величины tgδ изоляции обмоток трансформаторов напряжением 110 кВ, измеренные на монтаже при заводской температуре или приведенные к одинаковой температуре (если температура при измерении отличается от заводской), не должны превышать 130 % данных заводского протокола испытания.

П1.5. Для приведения значений tgδ измеренных на заводе, к температуре измерения на монтаже, а также для определения нормированных значений tgδ при температурах, не кратных десяти, следует произвести пересчет tgδ с помощью коэффициента К1 (табл. П1.3).

Примеры расчета.

1. Для трансформатора ТМТН-1600/35.

Данные заводского протокола: схема измерения ВН-бак; НН; tgδ =1,1 %; t2=65 ºС; t1=20ºC; t2-t1=65-20=45ºC; K1=3,5.

Определяем tgδ при t1=20 ºС .

tgδ на монтаже не должен превышать 130 % этого значения, т.е. tgδ должен быть не выше:

0,31·1,3=0,4 %.

2. Для трансформатора ТМН-1600/35.

Данные измерения при монтаже: tgδ=1,2 %; t1=15 ºC

Необходимо определить нормированные значения tgδ при 15 ºС. Для этого следует нормированное значение tgδ, указанное в табл. П1.2, например при 20 ºС, привести к температуре 15 ºС с помощью коэффициента K1.

По табл. П1.2 t2=20 ºС; при t2=20 ºС tgδ=1,5 %;

t2-t1=20-15=5 ºС; K1=1,15.

При 15 ºС

Измеренное значение tgδ соответствует нормам.

П1.6. Сопротивление изоляции R60” для вновь вводимых в эксплуатацию трансформаторов напряжением до 35 кВ включительно, залитых маслом, соответствующим ГОСТ (табл. П1.10), не должна быть ниже значений, указанных в табл. П1.4.

П1.7. Значения R60” изоляции обмоток трансформаторов напряжением 110 кВ, измеренные на монтаже при заводской температуре или приведенные к одинаковой температуре (если температура при измерении отличается от заводской), должны составлять не менее 70 % данных заводского протокола.


Таблица П1.1

Герметичность уплотнений

Пробивное напряжение масла, кВ

R60”, R60”/R15”

С250

tgδ обмоток

ΔC/C

Состояние индикатора увлажнения

Комбинации условий, при которых возможно включение без сушки

а

б

в

г

д

е

ж

з

I группа. Трансформаторы мощностью до 1000 кВ·А, напряжением до 35 кВ включительно, транспортируемые с маслом и расширителем

1. Уровень масла в расширителе в пределах отметок маслоуказателя

1. Не менее 25 для трансформаторов напряжением до 15 кВ включительно; не менее 30 для трансформаторов напряжением до 35 кВ включительно

R60”/R15”>1,3 при 10-30 ºС

Соответствует нормам, указанным в табл. П1.9 (измеряется при невыполнении условий а-1, б-1 или в)

Соответствует нормам, указанным в табл. П1.2 (измеряется при отсутствии прибора контроля влажности или если величина С250 не соответствует нормам)

-

-

Для трансформаторов мощностью до 100 кВ·А включительно: а-1, б-1; а-2, б-1,г (д); а-1, б-2,г (д) Для трансформаторов мощностью свыше 100 кВ·А: а-1, б-1,в; а-2, б-1, в, г (д); а-1, б-2,в,г (д), а-1, б-1,г (д)

2. Уровень масла ниже отметок маслоуказателя, но обмотки и переключатель покрыты маслом

2. Пробивное напряжение на 5 кВ ниже, чем в п. б-1

 

 

 

 

 

 

II группа. Трансформаторы мощностью от 1600 до 6300 кВ·A; напряжением до 35 кВ включительно, транспортируемые с маслом и расширителем

1. Уровень масла в расширителе в пределах отметок маслоуказателя

1. Не менее 25 для трансформаторов напряжением до 15 кВ, не менее 30 для трансформаторов напряжением до 35 кВ включительно

R60” соответствует нормам, указанным в табл. П1.4; R60”/R15”>1,3 при 10-30 ºС

Соответствует нормам, указанным в табл. П1.9 (измеряется при невыполнении условий а-1, б-1, в)

Соответствует нормам, указанным в табл. П1.2 (измеряется при отсутствии прибора контроля влажности или С250 не соответствует нормам)

-

-

а-1, б-1, в; а-2, б-1, в, г (д); а-1, б-2, в, г (д); а-1, б-1, г (д)

2. Уровень масла ниже отметок маслоуказателя, но обмотки и переключатель покрыты маслом

2. Пробивное напряжение на 5 кВ ниже, чем в п. б-1

 

 

 

 

 

 

III группа. Трансформаторы мощностью 10000 кВ·А и более, напряжением до 35 кВ включительно, транспортируемые с маслом без расширителя

Проверяется в соответствии с указаниями разд. 4.13

Не менее 25 для трансформаторов напряжением до 15 кВ и не менее 30 для трансформа торов напряжением до 35 кВ включительно

R60” соответствует нормам, указанным в табл. П1.4, или не более чем на 30 % ниже данных заводского протокола, приведенных к температуре измерения

Не выше значений, указанных в табл. П1.9

Соответствует нормам, указанным в табл. П1.2 или не более чем на 30 % выше данных заводского протокола приведенных к температуре измерения (измеряется при отсутствии прибора контроля влажности или если С250 не соответствует нормам)

-

-

а, б, в, г, (д)

IV группа. Трансформаторы напряжением 110 кВ всех мощностей, транспортируемые с маслом, без расширителя

Проверяется в соответствии с указаниями разд. 4.13

Не ниже 40

R60” не более чем на 30 % ниже данных заводского протокола, приведенных к температуре измерения. Измеряется после доливки масла

 

Не более чем на 30 % выше данных заводского протокола, приведенных к температуре измерения. Измеряется после доливки масла

При необходимости ревизии активной части со сливом масла ΔC/C в конце ревизии, а также приращение величин ΔC/C, измеренных в начале и конце ревизии приведенных к одной температуре, соответствуют нормам, указанным в табл. П1.7

-

а, б, в, д (если ревизия активной части не производилась);

а, б, в, д, е (при ревизии активной части со сливом масла)

V. Группа. Трансформаторы напряжением 110 кВ всех мощностей, транспортируемые без масла

Проверяется в соответствии с указаниями разд. 4.13.

1. He менее 35 для остатков масла со дна бака

R60” не более чем на 30 % ниже данных заводского протокола, приведенных к температуре измерения

 

Не более чем на 30 % выше данных заводского протокола, приведенных к температуре измерения

ΔС/С в конце работ, а также приращение значений ΔС/С измеренных в начале и конце работ, приведенных к одной температуре, соответствуют нормам, указанным в табл. П1.7

Индикаторный силикагель имеет голубой цвет (для неувлажненного трансформатора)

а, б-1, б-2, в, д, е, ж

 

2. При соблюдении условий а, б-1, д, ж разрешается заливка трансформатора маслом (обмотки должны быть покрыты маслом). Пробивное напряжение пробы масла, взятой не ранее чем через 24 ч после заливки не менее 40

Измеряется после заливки трансформатора маслом

 

Измеряется после заливки трансформатора маслом

 

 

 


Таблица П1.2

Мощность трансформатора, кВ·А

tgδ, %, при температуре, °С

10

20

30

40

50

60

70

До 6300 включительно

1,2

1,5

2,0

2,6

3,4

4,5

6,0

10000 и более

0,8

1,0

1,3

1,7

2,3

3,0

4,0

Примечание. Значения tgδ относятся ко всем обмоткам данного трансформатора.

Таблица П1.3

t2-t1, ºC

K1

t2-t1, ºC

K1

5

1,15

40

3,0

10

1,31

45

3,5

15

1,51

50

4,0

20

1,75

55

4,6

25

2,0

60

5,3

30

2,3

65

6,1

35

2,65

70

7,0

Примечание. t1 - температура изоляции, измеренная на монтаже; t2 - температура изоляции, измеренная на заводе.

Таблица П1.4

Мощность трансформатора, кВ·А

R60”, МОм, при температуре, °С

10

20

30

40

50

60

70

До 6300 включительно

450

300

200

130

90

60

40

10000 и более

900

600

400

260

180

120

80

Для всех мощностей типов ТРДН, ТДНС и ТРДНС

750

480

320

210

153

100

63

Примечание. Значения R60” относятся ко всем обмоткам данного трансформатора.

П1.8. Для приведения значений R60” измеренных на заводе, к температуре измерения на монтаже, а также для определения нормированных значений R60” при температурах, не кратных десяти, следует произвести перерасчет при помощи умножения на коэффициент К1 (табл. П1.5).

Примеры расчета

1. Для трансформатора мощностью 16000 кВ·А, напряжением 35 кВ. Данные заводского протокола: схема измерения ВН-бак; НН; t2=55 ºС; R60”=300 МОм; t1=20 ºС; t2-t1=55-20=35 ºС; K2= 4,15.

При t1=20 ºС R60”=300·4,15=1245 МОм.

R60” на монтаже не должно быть ниже 70 % этого значения,

1245·0,7=870 МОм.

2. Для трансформатора мощностью 6300 кВ·А, напряжением 35 кВ.

Данные измерения при монтаже: R60”=500 МОм; t1=13ºC.

Необходимо определить нормированное значение R60” при 13 ºС. Для этого следует нормированное значение R60” указанное в табл. П1.4, например при 20 ºС, привести к температуре 13 °С с помощью коэффициента К2.

Таблица П1.5

t2-t1, ºC

K2

t2-t1, ºC

K2

5

1,23

40

5,1

10

1,5

45

6,2

15

1,84

50

7,5

20

2,25

55

9,2

25

2,75

60

11,2

30

3,4

65

13,9

35

4,15

70

17,0

Примечание. t1 - температура изоляции, измеренная на монтаже; t2 - температура изоляции, измеренная на заводе.

По табл. П1.4 находим t2=20 ºC;

R60” при t2 определяем по табл. П1.4 R60”=300 МОм.

t2-t1=20-13=7 ºC; K2=1,36.

Определяем R60” при t1=13 ºС; R60”=300·1,36=408 МОм.

Измеренное значение R60” соответствует нормам.

П1.9. Коэффициент абсорбции R60”/R15” масле для трансформаторов мощностью менее 10000 кВ·А, напряжением до 35 кВ включительно при температурах от 10 до 30 ºС должен быть не ниже 1,3.

П1.10. Пробы масла из трансформаторов, транспортируемых с маслом или без масла (с остатками масла), а также пробы масла из трансформаторов после заливки на монтаже должны соответствовать требованиям табл. П1.6.

П1.11. Отношения ΔС/С для трансформаторов, прибывших без масла (или при необходимости осмотра активной части трансформатора со сливом масла), измеренные в конце работ, не должны превышать значений, приведенных в табл. П1.7. Приращение значений ΔС/С измеренных в конце и начале работ и приведенных к одной температуре, не должно превышать указанного в табл. П1.7.

П1.12. Для приведения значения ΔС/С измеренного в конце работ, к температуре обмотки ВН, измеренной в начале работ, следует произвести перерасчет путем умножения на коэффициент температурного перерасчета К3 (табл. П1.8).

Таблица П1.6

Напряжение трансформатора, кВ, включительно

Наименьшее допустимое значение пробивного напряжения пробы масла на стандартном разряднике, кВ

До 15

25

15-35

30

60-220

40

Примечание. Пробивное напряжение остатков масла в трансформаторах 110 кВ, транспортируемых без масла, допускается не менее 35 кВ.

Таблица П1.7

Напряжение трансформатора, кВ

Мощность трансформатора, кВ·А

Максимальные допустимые значения ΔС/С, %, при температуре изоляции, ºС

Разность значений ΔС/С, %, при температуре изоляции, °С

10

20

30

40

50

10

20

30

40

50

До 35

6300

13

20

30

45

75

4

6

9

13,5

22

До 35

10000

8

12

18

29

44

3

4

5

8,5

13

110

Независимо от мощности

8

12

18

29

44

3

4

5

8,5

13

Примечание. Значения ΔС/С относятся ко всем обмоткам данного трансформатора и измеряются по схемам, приведенным в табл. П1.11.

Таблица П1.8

t2-t1, ºC

K3

t2-t1, ºC

K3

5

1,25

30

3,7

10

1,55

35

4,6

15

1,95

40

5,7

20

2,4

45

7,0

25

3,0

50

8,8

Примечание. t1 - температура обмотки ВН в конце работ; t2 - температура обмотки ВН в начале работ.

Пример расчета

Для трансформатора мощностью 10000 кВ·А напряжением 110 кВ:

ΔС/С в начале работ - 4 %;

t2=20 ºС;

ΔС/С в конце работ - 6 %;

t1=15 ºС;

t2-t1=20-15=5 ºС.

По табл. П1.8 K3=1,25.

При 20 ºС ΔС/С=6·1,25=7,5 %.

Разность значений ΔС/С в конце и в начале работ, приведенная к 20 ºС, составит:

7,5-4 =3,5 %.

По указаниям табл. П1.7 эта разность не должна превышать 4 % при 20 ºС.

П1.13. Значения С250 обмоток, измеренные на монтаже, для вновь вводимых в эксплуатацию трансформаторов, залитых маслом, соответствующим нормам (табл. П1.10), не должны превышать значений, указанных в табл. П1.9.

Таблица П1.9

Мощность трансформатора, кВ·А

Наибольшие допустимые значения С250 при температуре обмоток, ºС

10

20

30

До 6300 включительно

1,1

1,2

1,3

10000 и более

1,05

1,15

1,25

Объем и нормы испытания трансформаторного масла

П1.14. Масло, прибывшее с трансформаторного завода в баке трансформатора (или в отдельной емкости), следует испытать в соответствии с требованиями пп. 1 - 5 табл. П1.10 и табл. П1.6.

П1.15. Имеющееся у предприятия-заказчика трансформаторное масло, предназначенное для заливки или доливки в трансформатор, необходимо испытать в соответствии с требованиями пп. 1 - 5, 9 - 12, 15 табл. П1.10 и табл. П1.6.

П1.16. При заливке в трансформатор свежих кондиционных масел различных марок следует руководствоваться следующими указаниями:

а) масла, содержащие антиокислительную присадку (ГОСТ 928 - 68, марки ТКП; ГОСТ 10121-62; ТУ 38-1-182-68), допускается смешивать между собой в любых соотношениях;

б) масло, не содержащее антиокислительной присадки (например, выпускаемое по МРТУ 38-1-178-65), допускается смешивать с маслом, содержащим присадку, при условии, что стабильность смеси будет не ниже стабильности масла, не содержащего присадки.

Контрольный прогрев и подсушка трансформаторов в масле; сушка трансформаторов

П1.17. Контрольный прогрев трансформатора в масле (разд. 11) необходимо производить для трансформаторов всех мощностей напряжением до 110 кВ включительно в одном из следующих случаев:

а) при наличии признаков увлажнения масла, с которыми прибыл трансформатор, или для трансформаторов, транспортируемых без масла, при значениях ΔС/С, превышающих норму (табл. П1.7);

б) продолжительность хранения при монтаже без масла или без доливки масла превысила срок, указанный в разд. 4 настоящей Инструкции, но не превысила 1 года;

в) срок пребывания активной части трансформатора на воздухе превысил срок, указанный в приложении 2, но не более чем вдвое;

г) характеристики изоляции не соответствуют нормам, приведенным в пп. П1.3 - П1.13.

Таблица П1.10

№ пп.

Показатели качества масла

Свежее масло перед заливкой

Чистое сухое масло непосредственно после заливки

ГОСТ 982-68 (ТКП)

ГОСТ 10121-62

МРТУ 12Н № 95-64

ТУ 38-1-182-68

ГОСТ 982-68 (ТКП)

ГОСТ 10121-62

МРТУ 12Н № 95-64

ТУ 38-1-182-68

1

2

3

4

5

6

7

8

9

10

Содержание механических примесей

 

Отсутствие

Отсутствие

2

Содержание взвешенного угля

То же

То же

3

Кислотное число КОН на 1 г масла мг, не более

0,02

0,02

0,02

0,03

0,02

0,02

0,02

0,03

4

Реакция водной вытяжки (содержание водорастворимых низкомолекулярных кислот)

Отсутствие или нейтральная

Отсутствие или нейтральная

5

Температура вспышки, определяемая в закрытом тигле, ºС, не ниже

135

150

145

135

135

150

145

135

6

Вязкость кинематическая, сСт, не более:

 

 

 

 

 

 

 

 

при 20 ºС

30

28

30

30

30

28

30

30

при 50 ºС

9,6

9

9,5

9

9,6

9

9,5

9

7

Зольность, %, не более

0,005

0,005

0,005

0,005

0,005

0,005

0,005

0,005

8

Температура застывания, ºС, не выше, для трансформаторов:

 

 

 

 

 

 

 

 

с трубчатыми баками и навесными охладителями

-45

-45

-45

-50

-45

-45

-45

-50

с выносными охладителями, находящимися на открытых распределительных устройствах, где температура воздуха бывает ниже -20 ºС

-45

-45

-45

-50

-45

-45

-45

-50

9

Натровая проба с подкислением, баллы, не более

1

1

2

1

Не нормируется

 

 

10

Прозрачность при 5 °С

Прозрачное

То же

11

Содержание водорастворимых кислот КОН на 1 г масла в начале старения, мг, не более:

 

 

 

 

Не нормируется

 

 

нелетучих

0,005

0,005

0,003

0,005

летучих

0,005

0,005

0,003

0,005

12

Общая стабильность против окисления:

 

 

 

 

 

 

 

 

а) количество осадков в масле после окисления, %, не более

-

-

0,4

0,03

Не нормируется

 

 

то же до введения присадки

0,05

0,1

-

-

 

 

то же с присадкой

0,01

Отсутствие

-

-

 

 

б) кислотное число окисленного масла КОН на 1 г масла, мг, не более

-

-

-

0,3

 

 

то же до введения присадки

0,5

0,65

-

-

 

 

то же с присадкой

0,1

0,1

-

-

 

 

13

Содержание серы, %,

 

 

 

 

Не нормируется

 

не более

Не определяется

0,6

0,2

 

 

14

Стабильность по статическому методу (ГОСТ 11257-65) окисленного масла:

 

 

 

 

 

 

 

 

кислотное число КОН на 1 г масла, мг, не более

He нормируется

-

-

-

Не нормируется

 

 

содержание водорастворимых кислот КОН на 1 г масла, мг, не более

Определение обязательно

0,01

-

-

 

 

содержание осадков, %, не более

Определение обязательно

-

-

-

 

Не нормируется

 

15

tgδ при напряженности электрического поля 1 кВ/мм %, не более1:

 

 

 

 

 

 

 

 

при 20 °С

0,2

0,2

0,15

0,05

0,40

0,40

0,30

0,1

при 70 °С

1,5

2,0

2,0

0,7

3,5

3,5

2,5

1,5

1Определяется только для трансформаторов напряжением 110 кВ.

П1.18. Контрольную подсушку (см. разд. 11) трансформаторов в масле (т.е. контрольный прогрев, но с применением вакуума) следует производить, если в результате контрольного прогрева не достигнуто соответствие характеристик изоляции нормам, приведенным в пп. П1.3 - П1.13, или если продолжительность хранения трансформатора без доливки масла превысила 7 мес, но не превысила 1 года.

П1.19. Сушка трансформаторов (см. разд. 12) всех мощностей напряжением до 110 кВ включительно должна производиться в одном из следующих случаев:

а) на активной части или в баке трансформатора обнаружены следы воды;

б) индикаторный силикагель изменил голубой цвет на розовый;

в) трансформатор хранился без масла и без доливки масла более 1 года;

г) продолжительность пребывания активной части на воздухе более чем вдвое превысила время, указанное в приложении 2 настоящей Инструкции;

д) в результате контрольной подсушки не достигнуто соответствие характеристик изоляции трансформатора нормам, приведенным в пп. П1.3 - П1.13.

Методика измерения характеристик изоляции

П1.20. При измерениях следует руководствоваться указаниями ГОСТ 3484-65 «Трансформаторы силовые. Методы испытаний».

П1.21. При измерениях характеристик изоляции необходимо:

а) производить измерения при температуре изоляции не ниже 10 ºС; при более низкой температуре трансформатор должен быть нагрет;

б) производить измерения не ранее чем через 12 ч после окончания заливки;

в) перед измерением протирать поверхность вводов трансформатора. При измерениях во влажную погоду или при невозможности обеспечить чистоту поверхности вводов необходимо применять экранирование вводов.

П1.22. Измерение всех характеристик изоляции следует производить по схемам табл. П1.11.

Таблица П1.11

Двухобмоточные трансформаторы

Трехобмоточные трансформаторы

Обмотки, на которых производятся измерения

Заземляемые части трансформатора

Обмотки, на которых производятся измерения

Заземляемые части трансформатора

НН

Бак, ВН

НН

Бак, СН, ВН

ВН

Бак, НН

СН

Бак. ВН, НН

(ВН+НН)*

Бак

ВН

Бак, НН, СН

-

-

(ВН+СН)*

Бак, НН

-

-

(ВН+СН+НН)*

Бак

Примечание. Измерения изоляции обмоток, отмеченных звездочкой, обязательны только для трансформаторов мощностью не менее 16000 кВ·А.

П1.23. При измерении все вводы обмоток одного напряжения необходимо соединить.

П1.24. Вначале следует измерять R60” и R15”, а затем остальные характеристики изоляции трансформатора.

П1.25. Сопротивление изоляции измеряется мегомметром напряжением 2500 В с верхним пределом измерения не ниже 10000 МОм.

Перед началом каждого измерения испытуемую обмотку следует заземлить на срок не менее 2 мин. Показания мегомметра необходимо отсчитывать через 15 и 60 с после приложения напряжения к изоляции обмотки; допускается за начало отсчета принимать начало вращения рукоятки мегомметра.

По результатам измерения сопротивления изоляции следует определить коэффициент абсорбции R60”/R15”.

П1.26. Емкость и tgδ изоляции обмоток измеряются мостом переменного тока по перевернутой схеме. Измерения на трансформаторах, залитых маслом, допускается производить при напряжении переменного тока частотой 50±5 Гц, не превышающем 60 % значения испытательного напряжения, при котором производились измерения на заводе-изготовителе, но не выше 10 кВ.

П1.27. Измерения отношений С250 и ΔС/С следует производить при помощи приборов ЕВ-3 и ПКВ-7. Перед измерениями испытуемую обмотку необходимо заземлить на срок не менее 2 мин.

П1.28. Относительную влажность воздуха следует определять аспирационным или комнатным психрометром по таблицам, прилагаемым к приборам (табл. П2.4).

Относительную влажность необходимо измерять непосредственно перед вскрытием трансформатора.

Температура изоляции

П1.29. За температуру изоляции трансформатора, не подвергавшегося нагреву (или подогреву), принимается:

а) для трансформаторов с маслом - температура верхних слоев масла;

б) для трансформаторов без масла - температура, измеренная термометром, установленным в кармане термосигнализатора на крышке бака; при этом карман должен быть заполнен трансформаторным маслом.

П1.30. Для трансформатора, нагреваемого с маслом, температура изоляции принимается равной температуре обмотки ВН, определяемой по сопротивлению обмотки постоянному току; это измерение следует производить не ранее чем через 60 мин после отключения нагрева током по обмотке или через 30 мин после отключения внешнего нагрева.

П1.31. Для трансформатора, нагреваемого без масла, при измерении ΔС/С за температуру изоляции принимается температура, измеренная термометром (или термопарой) на верхнем ярме магнитопровода непосредственно после измерения ΔС/С.

П1.32. Для получения температуры, указанной в протоколе заводского испытания, трансформатор необходимо нагреть до температуры, превышающей заводскую на 5 ºС; измерение характеристик изоляции производится при спаде температуры.

Приложение 2

РЕВИЗИЯ ТРАНСФОРМАТОРОВ С ПОДЪЕМОМ «КОЛОКОЛА» ИЛИ АКТИВНОЙ ЧАСТИ1

1Ревизия производится монтажной организацией по договоренности с заказчиком.

Условия проведения ревизии

П2.1. Под ревизией понимается совокупность работ по вскрытию, осмотру, проверке активной части, устранению замеченных неисправностей, герметизации активной части.

П2.2. Ревизия производится в случае нарушения требований инструкции по транспортировке с завода-изготовителя и, перевозке к месту монтажа, выгрузке и хранению, а также при других нарушениях, которые могут привести к повреждениям активной части трансформатора.

П2.3. Условия проведения ревизии трансформаторов напряжением до 35 кВ включительно приведены в табл. П2.1.

П2.4. Продолжительность работ, проводимых на трансформаторе со слитым маслом, при соблюдении условий ревизии не должна превышать времени, указанного в табл. П2.2.

П2.5. Продолжительность работ при слитом масле, температуре окружающего воздуха выше 0 ºС и относительной влажности воздуха менее 80 % может быть увеличена вдвое против указанной в табл. П2.2, если при вскрытии и проведении работ температура активной части постоянно поддерживается выше температуры окружающего воздуха не менее чем на 10 ºС.

П2.6. Для трансформаторов напряжением 110 кВ ревизию следует производить в сухую и ясную погоду.

П2.7. Температура активной части в течение всего периода проведения ревизии должна быть выше точки росы окружающего воздуха (табл. П2.3) не менее чем на 5 ºС и во всех случаях должна быть не ниже 10 °С. Если естественные условия окружающей среды не обеспечивают этого требования, перед ревизией необходимо нагреть трансформатор.

П2.8. Температуру активной части определяют любым термометром (кроме ртутного), установленным на верхнем ярме трансформатора.

Таблица П2.1

Температура окружающего воздуха и относительная влажность

20 ºС и более; менее 65 %

20 ºC и более; 65-80 %

От 0 до 20 ºС; менее 65 %

От 0 до 20 ºС 65-80 %

Ниже 0 ºС; независимо от влажности

Независимо от температуры; более 80 %

Независимо от температуры; дождь, туман

Без прогрева температура активной части равна температуре окружающего воздуха или выше ее; измеряется любым термометром, кроме ртутного, во избежание попадания ртути в трансформатор

В помещении

Прогрев перед началом работ до температуры, превышающей температуру окружающего воздуха не менее чем на 10 °С

Прогрев перед началом работ до установившейся температуры не менее 20 °С измеренной на верхнем ярме

Прогрев во время работ до температуры, измеренной не верхнем ярме, превышающей температуру окружающего воздуха не менее чем на 10 °С

Без прогрева. Температура активной части равна температуре окружающего воздуха или выше ее. Монтажные работы при слитом масле проводятся в ясную погоду, без осадков. В случае ненастной погоды над трансформатором следует соорудить шатер. Температура и относительная влажность измеряются до начала ревизии.

Прогрев до температуры, превышающей температуру окружающего воздуха не менее чем 10 °С

Вне помещения

Прогрев во время работ до температуры, измеренной на верхнем ярме, превышающей температуру окружающего воздуха не менее чем на 10 °С

Прогрев перед началом работ до температуры не менее 20 ºС, измеренной на верхнем ярме. Во время работ прогрев до температуры, превышающей температуру окружающего воздуха не менее чем на 20 °С,

Прогрев во время работ до температуры, измеренной не верхнем ярме, превышающей температуру окружающего воздуха не менее чем на 10 ºС. Монтажные работы при слитом масле проводятся в ясную погоду, без осадков. В случае ненастной погоды над трансформатором следует соорудить шатер. Температура и относительная влажность измеряются до начала ревизии.

Ревизия не производится

Таблица П2.2

Мощность трансформатора, кВ·А

Допустимая продолжительность пребывания активной части трансформатора на воздухе, ч, не более

Относительная влажность воздуха, %

Температура окружающего воздуха ниже 0ºC

до 65

66-75

свыше 75

До 6300 включительно

24

16

12

12

10000 и более

16

12

8

8

П2.9. Относительную влажность воздуха определяют психрометром или двумя термометрами (сухим и влажным) в начале и конце ревизии (табл. П2.4).

П2.10. Продолжительность проведения ревизии активной части (нахождения в разгерметизированном состоянии) не должна превышать при относительной влажности до 75 % - 16 ч; 75 - 85 % - 10 ч.

П2.11. При относительной влажности окружающего воздуха более 85 % ревизию трансформатора следует производить только в закрытом помещении или во временном сооружении.

П2.12. Началом ревизии считается начало слива масла (для трансформаторов, транспортируемых с маслом) или вскрытие заглушки (для трансформаторов, транспортируемых без масла). Кратковременное вскрытие заглушки или установка термометра для измерения температуры не учитывается при определении продолжительности ревизии.

П2.13. Окончанием ревизии считается начало вакуумирования перед заливкой маслом для трансформаторов напряжением 110 кВ и герметизация бака перед заливкой маслом для трансформаторов до 35 кВ включительно.


Таблица П2.3

Относительная влажность, %

Точки росы воздуха, ºС, при температуре, °С

0

5

10

15

16

17

18

19

20

21

22

23

24

25

26

27

28

29

30

31

32

33

34

35

90

-1,0

3,5

8,5

13,3

14,3

15,7

16,4

17,3

18,2

19,2

20,3

21,2

22,1

23,3

24,2

25,1

26,0

27,1

28,2

29,1

30,1

31,0

31,8

33,0

85

-2,0

2,5

7,5

12,4

13,3

14,3

15,2

16,4

17,3

18,3

19,3

20,3

20,9

22,2

23,1

24,2

25,0

25,8

27,0

28,2

29,1

29,8

30,9

31,7

80

-3,0

1,8

6,5

11,0

12,2

13,2

14,3

15,2

16,1

17,2

18,3

19,3

20,3

21,1

22,1

22,8

23,2

24,9

25,3

27,0

28,0

29,0

29,8

30,5

75

-3,5

0,8

5,8

10,2

11,3

12,2

13,3

14,3

15,3

16,3

17,2

18,3

19,3

20,2

21,0

22,0

22,8

23,8

24,8

26,0

26,8

27,8

28,6

29,5

70

-4,4

-0,2

4,5

9,5

10,3

11,0

12,0

13,0

14,0

15,0

16,0

17,0

17,8

19,0

20,1

20,8

21,8

22,6

23,8

24,5

25,5

26,5

27,3

28,3

65

-5,0

-1,0

3,4

8,3

9,0

10,0

10,9

11,8

12,7

13,8

14,8

15,7

16,6

17,7

18,7

19,6

20,3

21,3

22,3

23,2

24,2

25,3

26,1

26,8

60

-6,8

-2,0

2,8

7,0

8,0

8,6

9,8

10,5

11,5

12,4

13,4

14,4

15,4

16,4

17,3

18,2

19,1

20,1

21,3

22,4

22,8

23,7

24,6

25,4

55

-7,8

-3,8

1,0

5,7

6,5

7,5

8,3

9,8

10,2

11,0

11,8

13,0

13,9

14,3

15,8

16,8

17,6

18,6

19,7

20,5

21,4

223

23,4

23,9

50

-8,5

-4,3

-0,5

4,3

5,0

6,0

6,8

7,8

8,6

9,5

10,5

11,5

12,4

13,2

14,3

15,4

16,0

17,0

17,9

19,3

19,8

20,7

21,5

22,3

45

-9,8

-5,5

-1,8

2,5

3,5

4,5

5,8

6,1

7,0

8,0

8,8

9,7

10,6

11,5

12,4

13,3

14,3

15,2

16,1

17,0

18,0

18,9

19,8

20,5

40

-11,0

-7,0

-3,8

1,0

1,8

2,4

3,5

4,4

5,3

6,3

7,0

8,0

8,9

9,8

10,5

11,5

12,2

13,3

14,2

15,3

16,0

17,2

17,9

18,5

35

-12,8

-9,0

-4,5

-1,0

-0,3

0,8

1,5

2,4

3,2

4,3

5,0

6,0

6,9

7,6

8,5

9,5

10,3

11,0

11,8

13,3

13,5

14,8

15,5

16,3

30

-14,5

-10,5

-6,5

-3,0

-2,0

-1,5

-0,5

0,5

1,0

2,0

3,0

3,5

4,5

5,5

6,3

7,0

8,0

8,6

9,5

10,3

11,0

12,0

13,3

13,8

25

-16,5

-13,0

-9,0

-4,8

-4,3

-3,5

-3,0

-2,3

-1,5

-0,7

0,0

1,0

1,8

2,5

3,5

4,3

5,0

6,0

6,9

7,6

8,5

9,3

10,0

10,7

20

-19,0

-15,3

-11,8

-8,0

-7,0

-6,5

-5,5

-4,8

-4,3

-3,5

-3,0

-2,0

-1,2

-0,2

0,0

1,0

2,0

2,5

3,0

4,5

5,0

6,0

6,5

7,3


П2.14. При нарушении сроков ревизии необходимы контрольный прогрев или контрольная подсушка трансформатора (разд. 11).

Объем и последовательность работ

П2.15. Перед началом ревизии необходимо установить трансформатор по уровню, выверив горизонтальность рамы бака по разъему.

П2.16. Следует снять заглушки на крышке и стенках бака трансформатора, отворачивая гайки равномерно по всему периметру разъема; для трансформаторов напряжением 110 кВ снять цилиндры маслонаполненных вводов, закрепленные на заглушках. Во время ревизии следует хранить цилиндры вводов в трансформаторном масле или герметичной упаковке, снять транспортные крепления активной части к баку, ослабить распорные винты, если последние предусмотрены конструкцией трансформатора, снять приводы и валы переключающих устройств, если они препятствуют подъему активной части или «колокола» бака.

Снятые приводы и валы должны иметь пофазную маркировку. Во время ревизии изоляционные залы переключающих устройств следует хранить в сухом трансформаторном масле или в герметичной упаковке.

П2.17. Необходимо проверить состояние отводов. Отводы должны быть отсоединены и подвязаны так, чтобы не препятствовать подъему активной части или «колокола» бака.

П2.18. Следует отсоединить заземление активной части на бак, если оно препятствует подъему активной части или «колокола» бака; снять крышку и поднять активную часть или «колокол» бака, отпуская болты равномерно по всему периметру разъема. Подъем следует производить в соответствии с указаниями в габаритном чертеже трансформатора.

Необходимо следить, чтобы во время подъема зазор между баком и активной частью был одинаков по всему периметру. Подъем с перекосом запрещается.

П2.19. Следует установить активную часть бака на деревянные подкладки, выложенные горизонтально по уровню. Запрещается производить работы, если активная часть или «колокол» бака находится на весу.


Таблица П2.4

Показания влажного термометра, ºС

Относительная влажность воздуха, %, при разности показаний сухого и влажного термометров, °С

0

0

0,5

1,0

1,5

2,0

2,5

3,0

3,5

4,0

4,5

5,0

5,5

6,0

6,5

7,0

7,5

8,0

8,5

9,0

9,5

10

1

100

90

81

73

64

57

50

43

36

31

26

20

16

11

7

3

-

-

-

-

-

2

100

90

82

74

66

59

52

45

39

33

29

23

19

16

11

7

-

-

-

-

-

3

100

90

83

75

67

61

54

47

42

35

31

26

23

18

14

10

-

-

-

-

-

4

100

90

83

76

69

63

56

49

44

39

34

29

26

21

17

13

10

-

-

-

-

5

100

91

84

77

70

64

57

51

46

41

36

32

28

24

20

16

14

11

-

-

-

6

100

91

85

78

71

65

59

54

48

43

39

34

30

27

23

19

17

13

10

-

-

7

100

92

85

78

72

66

61

56

50

45

41

35

33

29

26

22

19

16

13

10

-

8

100

92

86

79

73

67

62

57

52

47

43

39

35

31

28

25

22

18

15

12

11

9

100

92

86

80

74

68

63

58

54

49

45

41

37

33

30

27

25

21

18

15

14

10

100

93

86

81

75

70

65

60

55

51

48

43

39

35

32

29

27

24

21

18

17

11

100

94

87

82

76

71

66

61

57

53

48

45

41

38

34

31

28

26

23

21

19

12

100

94

88

82

77

72

67

62

58

55

50

47

43

40

36

33

30

28

25

23

20

13

100

94

88

82

78

73

68

63

58

56

52

48

44

42

38

35

32

30

27

25

22

14

100

94

88

83

78

73

69

64

61

57

53

50

46

43

40

37

34

32

29

27

24

15

100

94

89

83

79

74

70

65

62

58

54

51

47

45

41

39

36

34

31

29

26

16

100

94

89

84

80

75

71

67

63

59

55

52

49

46

43

41

37

35

33

31

28

17

100

95

90

84

80

76

72

67

64

60

57

53

50

48

44

42

39

37

34

32

30

18

100

95

90

84

81

76

73

68

65

61

58

54

52

49

46

44

40

39

36

34

31

19

100

95

90

85

81

76

74

69

66

62

59

56

53

50

47

45

42

40

37

35

33

20

100

95

91

85

82

77

74

70

66

63

60

57

54

51

48

46

43

41

39

37

34

21

100

95

91

86

82

78

75

71

67

64

61

58

55

53

49

47

44

43

40

38

36

22

100

95

91

86

83

79

75

71

68

65

62

59

56

54

51

49

46

44

41

38

37

23

100

95

91

87

83

79

76

72

69

65

63

60

57

55

52

50

47

45

42

40

38

24

100

96

91

87

83

80

76

72

69

66

63

61

58

56

53

51

48

46

43

41

39

25

100

96

92

88

84

80

77

73

70

67

64

62

59

56

53

52

49

47

44

42

40

 

100

96

92

88

84

81

77

74

70

68

65

63

59

58

54

52

50

47

45

44

42


П2.20. Необходимо установить временные стеллажи, обеспечивающие удобство и безопасность ревизии активной части и работ на «колоколе» бака. Запрещается использовать в качестве опор при работе на активной части отводы, деревянные крепления, обмотки или изоляционные детали трансформатора.

П2.21. Необходимо проверить затяжку доступных стяжных шпилек и полубандажей ярм, креплений отводов, барьеров, переключающих устройств и других элементов активной части и устранить подтяжкой гаек замеченные ослабления.

П2.22. Следует проверить затяжку винтов и домкратов осевой прессовки обмоток. В случае необходимости вывернуть прессующие винты наружных обмоток, мешающие затяжке домкратов внутренних обмоток.

Эти винты необходимо завернуть при прессовке наружных обмоток. Подтягивание винтов и домкратов должно производиться равномерно по всей окружности. Следует завернуть до упора контргайки.

П2.23. Необходимо проверить затяжку разъемных соединений отводов, завернуть до упора контргайки.

П2.24. Следует осмотреть изоляцию доступных частей обмоток, отводов, переключателей и других изоляционных элементов, устранить замеченные повреждения, проверить состояние доступных контактных поверхностей переключающих устройств.

П2.25. После выполнения работ на активной части необходимо проверить схему заземления согласно чертежу и измерить:

а) сопротивление изоляции всех доступных стяжных шпилек, бандажей и полубандажей ярм относительно магнитопровода и ярмовых балок;

б) сопротивление изоляции прессующих колец относительно магнитопровода и ярмовых балок;

в) сопротивление изоляции ярмовых балок относительно магнитопровода;

г) сопротивление электростатических экранов (если они предусмотрены конструкцией трансформатора) относительно обмоток и магнитопровода. Одновременно проверить наличие цепи между обеими заземляющими шинками экрана.

П2.26. Перед началом проведения указанных измерений следует отсоединить заземляющие шинки в месте соединения, после проведения измерений установить их на прежние места и завернуть болты.

П2.27. Необходимо промыть и очистить доступные внутренние части бака; промыть активную часть струёй трансформаторного масла, соответствующего ГОСТ или ТУ; для трансформаторов напряжением 110 кВ следует использовать горячее трансформаторное масло; остатки масла должны быть удалены со дна бака.

П2.28. Следует опустить активную часть в бак и установить крышку или установить на место съемную часть бака, восстановить заземление активной части на бак (если это предусмотрено конструкцией трансформатора), восстановить схему отводов. Проверить визуально правильность подсоединения.

П2.29. Необходимо произвести герметизацию разъемов крышки или съемной части бака. Резиновые прокладки уплотнений предварительно нужно приклеить резиновым клеем к раме разъема. При разделке стыков прокладок концы длиной от 60 до 70 мм следует срезать на нет. Середина стыка должна находиться напротив одного из болтов на прямолинейном участке разъема.

При уплотнении разъемов следует подтягивать или отпускать болты одновременно по всему периметру, даже при различной плотности по разъему.

Затяжка считается нормальной, когда прокладка зажата до 2/3 начальной толщины.

П2.30. Для трансформаторов напряжением 110 кВ необходимо произвести измерение ΔС/С изоляции в начале ревизии, после слива масла и в конце ревизии перед заливкой масла (см. табл. П1.7).

Приложение 3

ТРЕБОВАНИЯ К ТРАНСФОРМАТОРНОМУ МАСЛУ. ИСПЫТАНИЕ И ОЧИСТКА МАСЛА

Общие положения

П3.1. Предельно допустимые значения характеристик трансформаторного масла приведены в табл. П1.6 и П1.10.

П3.2. При отборе проб, испытаниях и транспортировке необходимо тщательно предохранять масло от загрязнения.

П3.3. Для отбора проб следует применять банки из прозрачного стекла вместимостью 0,8 и 1,5 л с широким горлом и притертыми стеклянными пробками.

П3.4. Банки следует вымыть мылом или щелочным раствором (содой, тринатрийфосфатом, едким натром), после чего ополоснуть чистой водой.

П3.5. После предварительной сушки банки следует насадить на колышки вверх дном, продуть чистым подогретым сухим воздухом, поместить в сушильный шкаф и выдержать в нем при температуре 90 ºС в течение 2 ч.

П3.6. После просушки и охлаждения необходимо закрыть банки пробками и хранить их на специально отведенных для этого полках.

П3.7. Пробы масла следует отбирать летом в сухую погоду, зимой - в морозную.

П3.8. Пробы масла необходимо отбирать при температуре масла не ниже 5 ºС.

П3.9. Во избежание конденсации воды температура банок не должна отличаться от температуры масла, взятого для пробы, более чем на 3-5 ºС.

П3.10. Банки с пробой масла (или пустые), внесенные с мороза в теплое помещение, следует оставлять закупоренными в течение нескольких часов, пока они не нагреются до температуры помещения.

П3.11. Для отбора пробы масла кран, спускное отверстие, пробку необходимо насухо и начисто обтереть чистой тряпкой, затем промыть края отверстия, для чего медленно слить в банку или ведро от 2 до 5 л масла.

П3.12. После промывки следует отобрать пробу; для этого банку необходимо дважды ополоснуть отбираемым маслом, после чего заполнить почти доверху и закрыть пробкой, предварительно промытой тем же маслом. К горлышку банки привязать сопроводительный ярлык, в котором следует оговорить метеорологические условия взятия пробы.

П3.13. Пробу масла следует брать из нижнего бокового крана трансформатора или специального крана-пробки для отбора масла.

П3.14. Отбор пробы масла из бочек производят стеклянной вытянутой с одного конца трубкой, закрываемой пробкой с широкого конца. Перед взятием пробы масло в бочке необходимо взболтать.

Очистка трансформаторного масла

П3.15. Очистку трансформаторного масла следует производить центрифугированием или фильтрацией.

П3.16. Центрифугирование масла может быть выполнено кларификацией, когда следует удалить из масла механические примеси и незначительное количество влаги, и пурификацией, когда необходимо удалить значительное количество влаги.

П3.17. Фильтрацией осуществляется очистка масла от механических примесей, продуктов разложения масла и небольшого количества влаги.

П3.18. Аппараты для очистки масла и температуры подогрева масла при очистке указаны в табл. П3.1.

П3.19. Температура входящего масла при последовательном включении центрифуги и фильтр-пресса указана для центрифуги.

П3.20. Очистку масла, содержащего значительное количество воды, следует проводить сначала методом пурификации, а затем - кларификации (или фильтр-прессом).

П3.21. Указания по подготовке оборудования для обработки и заливки масла приведены в разд. 5 настоящей инструкции.

Таблица П3.1

Примеси, содержащиеся в масле

Рекомендуемый маслоочистительный аппарат

Температура подогрева масла, ºС

Уголь

Фильтр-пресс

От 45 до 50

Растворимый шлам, выпадающий при понижении температуры

Центрифуга - кл1

От 30 до 35

Вода

Центрифуга - кл или фильтр-пресс

От 35 до 45

Уголь и нерастворимый шлам

Последовательно центрифуга - кл и фильтр-пресс

От 50 до 55

Уголь и вода

Центрифуга - кл или фильтр-пресс

От 35 до 45

Вода и нерастворимый шлам

Центрифуга - кл или последовательно центрифуга - кл и фильтр-пресс

От 30 до 35

Уголь, вода и шлам

Центрифуга - кл

От 30 до 35

1Центрифуга-кл - центрифуга с барабаном, собранная для классификации.

П3.22. Очистку трансформаторного масла следует выполнять путем циркуляции его из одного бака в другой.

П3.23. Осушку трансформаторного масла необходимо производить цеолитами (см. рисунок).

Через патрубок 12 и грязевик 11 масло нагнетается насосом 10 через фильтр грубой очистки 9 в подогреватель, который оснащен трубчатыми электронагревателями мощностью 30-40 кВт. Нагрев масла контролируется термосигнализатором 5, давление в системе указывает электроконтактный манометр 4. Температурный режим 20-50 ºС поддерживается автоматически. Нагретое масло из подогревателя проходит через адсорберы 2 с цеолитами, где очищается от влаги, далее через фильтр тонкой очистки 3 и через патрубок 13 подается в трансформатор. На подогревателе 8 установлены воздухосборник 6 и кран 7 для выпуска воздуха.

П3.24. Перед применением цеолиты следует просушить при температуре от 300 до 350 ºС и хранить в герметичной таре.

Схема установки для очистки трансформаторного масла.

1 - вентили; 2 - адсорбер с цеолитом; 3 - фильтр тонкой очистки; 4 - электроконтактный манометр; 5 - прибор ТС-100; 6 - воздухосборник; 7 - кран дня выпуска воздуха; 8 - подогреватель; 9 - фильтр грубой очистки; 10 - насос; 11 - грязевик; 12 - патрубок для входа масла; 13 - патрубок для выхода масла.

П3.25. Каждая партия масла, применяемого для заливки и доливки в трансформаторы, должна иметь сертификат завода-поставщика, подтверждающий соответствие масла ГОСТ или ТУ.

Приложение 4

ОСОБЕННОСТИ МОНТАЖА СУХИХ И СОВТОЛОВЫХ ТРАНСФОРМАТОРОВ

Особенности монтажа и введения в эксплуатацию сухих трансформаторов напряжением до 15,75 кВ включительно

П4.1. Транспортирование следует производить железнодорожным, водным и автомобильным транспортом, при этом трансформаторы должны быть упакованы в ящики; трансформаторы малого габарита допускается транспортировать в контейнерах.

П4.2. При хранении трансформатора необходимо снять упаковку, произвести внешний осмотр, в случае необходимости произвести переконсервацию и составить акт о результатах осмотра.

П4.3. Следует хранить трансформатор в закрытом, сухом, проветриваемом помещении при температуре не ниже 5 ºС и относительной влажности воздуха не более 80 %. При хранении необходимо принять меры к защите трансформатора от механических повреждений и загрязнения.

П4.4. При продолжительном хранении трансформатора (около 2 лет) должна быть восстановлена консервирующая смазка.

П4.5. При проверке состояния трансформатора и подготовке к включению необходимо:

а) произвести внешний осмотр трансформатора, снять консервирующую смазку, тщательно продуть трансформатор чистым воздухом и протереть, обратив особое внимание на чистоту изоляторов;

б) мегомметром напряжением 1000 В проверить изоляцию стяжек или шпилек, прессующих магнитопровод, и стальных колец, прессующих обмотки, на отсутствие замыканий с магнитопроводом трансформатора;

в) измерить сопротивление обмоток постоянному току на всех ответвлениях обмоток. Сопротивления аналогичных ответвлений разных фаз не должны отличаться друг от друга более чем на 2 % (если нет специальных указаний в паспорте трансформатора);

г) проверить коэффициент трансформации на всех ответвлениях обмоток;

д) измерить сопротивление изоляции каждой обмотки трансформатора относительно других обмоток, соединенных с заземленным корпусом трансформатора.

П4.6. Сопротивление изоляции при температуре 20-30 ºС должно соответствовать нормам, указанным в табл. П4.1, или быть не более чем на 30 % ниже данных заводского протокола.

П4.7. Сопротивление изоляции следует измерять мегомметром напряжением 2500 В; для трансформаторов напряжением 10 кВ и ниже допускается применять мегомметр на 1000 В.

П4.8. Если сопротивление изоляции обмоток трансформатора ниже значений, указанных в табл. П4.1, необходимо произвести сушку трансформатора одним из следующих методов:

токами короткого замыкания;

в специальном шкафу с электрическим или паровым обогревом;

при помощи воздуходувки с применением фильтров и искрогасительных камер.

Таблица П4.1

Напряжение трансформатора, кВ

Предельное сопротивление изоляции, МОм

До 1

100

1-6 включительно

300

Свыше 6

500

П4.9. Сушку следует продолжать до тех пор, пока сопротивление изоляции обмоток при 85-100 ºС не будет постоянным в течение не менее 8-12 ч.

Температуру обмоток необходимо определять методом измерения сопротивления обмоток постоянному току или двумя-тремя термопарами (термометрами спиртовыми), установленными в наиболее нагретых местах: в канале между обмотками под верхним ярмом магнитопровода.

П4.10. Трансформаторы мощностью до 400 кВ·А, снабженные жесткой рамой (салазками), следует перемещать по монтажной площадке на монтажных катках или трубах; трансформаторы мощностью 630 кВ·А и более - на тележке с переставными гладкими катками.

П4.11. Трансформаторы должны устанавливаться в закрытом не запыленном, невзрывоопасном помещении с достаточным притоком чистого воздуха на расстоянии не менее 200 мм от стен или других предметов. Окружающая среда не должна содержать агрессивных испарений; относительная влажность воздуха в помещении не должна превышать 80 %.

Особенности монтажа совтоловых трансформаторов

П4.12. Совтоловые трансформаторы, упакованные в глухие деревянные ящики, следует транспортировать железнодорожным, водным или автомобильным транспортом.

П4.13. Необходимо хранить трансформатор в заводской таре в месте, защищенном от атмосферных осадков.

П4.14. При подготовке трансформатора к включению необходимо:

а) проверить герметизацию трансформатора, для чего открыть кран между баком трансформатора и мановакуумметром, и замерить величину избыточного давления, которое должно быть равно 0,2 кгс/м2;

б) произвести внешний осмотр трансформатора;

в) по результатам проверки по п. П4.14, а, б составить акт;

г) снизить избыточное давление в трансформаторе до нуля или снять вакуум через специальную пробку в верхней части бака;

д) заменить временную стальную заглушку, установленную на крышке над реле давления, специальной стеклянной диафрагмой, предварительно взведя реле давления. Установку стеклянной диафрагмы необходимо производить в минимальный срок во избежание увлажнения совтола;

е) по температурной отметке указателя уровня совтола проверить уровень совтола.

При несоответствии уровня совтола нормам слить его избыток через нижний вентиль или долить совтол через верхний вентиль до нужного уровня;

ж) взять пробу совтола и проверить его электрическую прочность, которая должна быть не ниже 30 кВ при температуре совтола 65±3 ºС. Если электрическая прочность совтола не соответствует этой величине, необходимо произвести замену его на специализированных базах Минэлектротехпрома СССР в соответствии с письмом Госэнергонадзора Минэнерго № Т-73-72 от 22 февраля 1972 г.;

з) проверить сопротивление изоляции обмоток; измерение следует производить мегомметром напряжением 2500 В;

и) измерить сопротивление постоянному току на всех ответвлениях обмоток. При переводе переключателя на другую ступень регулирования следует отвернуть болт-фиксатор, крепящий колпак к фланцу, повернуть колпак до показания стрелкой требуемой ступени и снова привернуть к фланцу болтом.

П4.15. По монтажной площадке трансформаторы следует перемещать на монтажных катках или трубах, устанавливаемых под жесткую раму (салазки).

Основные физико-химические характеристики совтола

П4.16. Совтол-10 представляет собой взрывопожаробезопасную электроизоляционную жидкость, обладающую токсическими свойствами. Длительное вдыхание его паров может вызвать отравление. Совтол - это прозрачная, бесцветная или желтоватая жидкость, не содержащая воды и механических примесей, с плотностью при 20 °С около 1,56.

П4.17. Характеристики совтола:

tgδ при 90 ºС, не более............................................................. 12

Электрическая прочность при 65 ºС, кВ, не менее............... 30

Кислотное число КОН на 1 г совтола, мг, не более............. 0,01

Вязкость кинематическая, сСт, не более:

при 65 °С........................................................................... 14

при 90 ºС........................................................................... 6

Удельная теплоемкость при 20 ºС, кал/ (кг·ºC)...................... 0,38

Теплопроводность при 20 ºС, кал/(ч·м·ºС)............................. 0,12

Коэффициент теплового расширения.................................... 0,0006

Порядок отбора проб совтола

П4.18. Отбор проб совтола следует производить через специальную пробку, расположенную в верхней части бака трансформатора.

П4.19. Необходимо принять меры к предохранению пробы от попадания в нее влаги и пыли.

П4.20. Следует применять стеклянную тару вместимостью не менее 0,5 л со стеклянной притертой крышкой. Новую тару промывают хромовой смесью, горячей и холодной водой, дистиллированной водой и сушат при 110 ºС в течение не менее 1 ч. Тару из-под совтола промывают ацетоном или смесью ацетона со спиртом и сушат на воздухе.

П4.21. Электрическую прочность совтола необходимо определять в стеклянном или фарфоровом сосуде вместимостью 0,25 л, предварительно промытом ацетоном или смесью ацетона с этиловым спиртом и высушенном.

П4.22. Следует предварительно нагреть совтол до 70-75 ºС, залить его в сосуд тонкой струёй и дать отстояться в течение 5-10 мин.

П4.23. Испытание проводится при температуре совтола 65±3 ºC.

П4.24. При испытании следует применять стандартные электроды. Электроды должны быть погружены в совтол на 15 мм.

П4.25. Для испытания совтола используется ток промышленной частоты от 50 до 60 Гц синусоидальной формы. Для создания испытательного напряжения следует применять повышающий трансформатор напряжением 60 кВ с секундной мощностью 3 кВ·А и соответствующий регулировочный трансформатор.

П4.26. Испытательное напряжение следует повышать плавно со скоростью 2-5 кВ/с до момента пробоя; при пробое испытательная установка должна автоматически отключаться. Максимальное напряжение по вольтметру в момент пробоя будет соответствовать электрической прочности совтола.

П4.27. После пробоя промежутка между электродами необходимо чистой стеклянной палочкой очистить электроды и промежуток между ними от сажи и пузырьков газа, перемешать содержимое сосуда, подогреть до температуры 70-75 ºС и дать ему отстояться в течение 10 мин.

П4.28. Следует повторно определить электрическую прочность совтола при температуре 65±3 °С.

П4.29. За электрическую прочность совтола принимается среднее значение, полученное из пяти последовательно проведенных пробоев.

Общие правила работы с совтолом

П4.30. Необходимо применять шланги, прокладки и другие материалы, стойкие к совтолу.

П4.31. Запрещается смешивать совтол с трансформаторным маслом.

П4.32. Следует надевать специальную защитную одежду, которая должна храниться отдельно от личной одежды и спецодежды других работающих.

П4.33. Все работы с совтолом следует выполнять с применением индивидуальных защитных средств (противогазов, специальных масок и т.д.).

П4.34. После работы с совтолом открытые части тела необходимо хорошо обмыть теплой водой с мылом. Если совтол попал на кожу тела, следует смыть его растворителем (ацетоном) и затем теплой водой с мылом.

Приложение 5

АКТ
о приемке в монтаж силового трансформатора1

1Оформляется для трансформаторов III-V габаритов. Участие наладчиков обязательно для трансформаторов IV габарита и выше.

Завод-изготовитель

Заводской номер

Год выпуска

Тип

Мощность, кВ·А

Комиссия в составе:

от монтажного управления ____________________________________________________

от пусконаладочного управления_______________________________________________

от предприятия-заказчика_____________________________________________________

проверила весь комплекс условий, необходимых для приемки в монтаж силового трансформатора и установила:

I. Хранение трансформатора и его узлов

1. Дата отправки трансформатора с завода ____________________________________

дата прибытия трансформатора на площадку ____________________________________

2. Условия транспортировки трансформатора _________________________________

(с маслом, без масла, с расширителем, без расширителя, уровень масла).

3. Проверка герметичности уплотнений трансформаторов, транспортируемых без масла или с маслом, без расширителя:

а) по показаниям манометра (для трансформаторов, отправленных заводом-изготовителем под избыточным давлением азота или сухого воздуха);

б) по внешнему осмотру - в остальных случаях (см. приложение 7, акт 1).

4. Предельный срок заливки (или доливки) маслом данного трансформатора в соответствии с инструкциями ОАХ 458.003-70 или РТМ 16.687.000-73.

5. Заливка масла (временная) в трансформаторы, транспортируемые без масла или с маслом без расширителя, при задержке начала монтажа (см. п. 4.6): дата заливки _______; заключение лаборатории о соответствии масла ГОСТ ________ и возможности смешения масел (соответствует или не соответствует).

Результаты проверки характеристик изоляции трансформатора до заливки масла (указать даты и номера протоколов проверки, а также заключение - соответствуют или не соответствуют нормам).

II. Состояние трансформатора и его узлов

6. Результаты внешнего осмотра трансформатора и его узлов (отсутствие вмятин и других повреждений, сохранность пломб на всех кранах для масла, на герметизированных заглушках и т.д.)

7. Результаты осмотра маслонаполненных вводов 110 кВ (дата прибытия, дата установки в вертикальное положение) вводов обычной конструкции; результаты контроля давления во вводах герметичной конструкции; общее состояние вводов.

III. Наличие всех узлов и деталей

8. Результаты проверки комплектности всех узлов и деталей трансформатора по демонтажной ведомости (указать полное наименование недостающих деталей и т.п.) _________________________________________________________________________

Окончательная проверка комплектности и качества всех узлов и деталей производится в соответствии со СНиП III-33.33.

IV. Обеспеченность условий для монтажа трансформатора

9. Результаты проверки готовности предусмотренного проектом помещения (или портала) для ревизии (если она требуется), монтажной площадки, масляного хозяйства, подъездных путей, фундамента под трансформатор (подробно указать, что не закончено, уточненную дату сдачи монтажному управлению) ___________________________________________________________________________

10. Результаты проверки обеспечения необходимым количеством трансформаторного масла:

1) всего требуется масла (с учетом дополнительного количества на технологические нужды) _________ т;

2) к моменту оформления акта имеется в наличии масла, удовлетворяющего всем требованиям ГОСТ _______, имеющего пробивное напряжение на 5-10 кВ выше норм, приведенных в табл. П1.6 Инструкции ВСН 342-75/ММСС СССР, удовлетворяющего требованиям на смешение (для трансформаторов, прибывших с маслом)_____________

_________________________________________________________________________т;

3) недостающее количество масла (____________т) будет выдано заказчиком монтажному управлению не позже ___________.

11. Обеспеченность электроэнергией на месте монтажа трансформатора, необходимой для работы маслоочистительных аппаратов, вакуумного насоса, контрольного прогрева (или сушки) трансформатора ___________________________________________________________________________

___________________________________________________________________________

V. Заключение комиссии

На основании изложенного комиссия считает (должны быть приведены обоснованные заключения о возможности или невозможности приемки трансформатора в монтаж) ___________________________________________________

Подписи членов комиссии:

«___»______ 197_г.

Приложение 6

ПРОТОКОЛ

определения возможности ввода в эксплуатацию трансформаторов мощностью до 6300 кВ·А, напряжением до 35 кВ включительно без ревизии активной части

Форма 1-ОРТ

ПРОТОКОЛ

определения возможности ввода в эксплуатацию силового трансформатора типа __________без ревизии активной части

Комиссия в составе:

от монтажного управления _________________________________________________

от пусконаладочного управления ____________________________________________

от предприятия-заказчика __________________________________________________

составила настоящий протокол о нижеследующем (ненужное зачеркнуть).

1. Силовой трансформатор типа _________ завода, заводской номер ____________ транспортирован по железной дороге (речным или морским путем) с завода-изготовителя полностью собранным1, залитым маслом.

2. При внешнем осмотре трансформатора установлено:

герметичность трансформатора (по уровню масла в маслоуказателе) - да, нет; сохранность пломб на всех кранах для масла - да, нет; вмятины на баке, радиаторах, расширителе, выхлопной трубе - отсутствуют, имеются; повреждения фарфора и другие дефекты установленных вводов (6 - 35 кВ) - отсутствуют, имеются ___________.

3. Перевозка трансформатора от места разгрузки к месту монтажа производилась2 в соответствии с указаниями, приведенными в инструкции ОАХ 458.003-70 (п. 1.1.3):

а) по шоссейным, грунтовым дорогам (имеющим, по данным геодезической съемки, наклон) автомашиной, автотрайлером, тракторным прицепом и др.;

б) на специальных санях грузоподъемностью _____ т, конструкция которых соответствует нормалям на перевозку безрельсовым транспортом.

4. Хранение трансформатора соответствует (не соответствует) требованиям, приведенным в Инструкции ОАХ 458.003-70 (подразд. 1.4).

5. Произведенными измерениями и испытаниями не выявлено каких-либо внутренних повреждений трансформатора (см. протокол испытания трансформатора).

6. Со всех токоведущих шпилек, гаек, колпаков, изоляторов и других элементов трансформатора снята защитная смазка; снята также временная резиновая шайба, установленная под дыхательной пробкой расширителя.

1Трансформаторы 2500, 4000 и 6300 кВ А транспортируются с установленными расширителями, но без радиаторов.

2Перевозка трансформатора волоком на металлическом листе запрещается.

Заключение

В соответствии с ГОСТ 11677-65 (п. 12.13.2) и дополнительным ГОСТ__________, Инструкцией ОАХ 458.003-70, а также результатами измерений и испытаний следует считать, что трансформатор типа_______ заводской номер _______ может быть включен в эксплуатацию без ревизии его активной части1.

1При нарушении требований, приведенных в пп. 2 - 6 протокола 1-ОРТ, вопрос о возможности ввода в эксплуатацию трансформатора без ревизии активной части может быть решен только после согласования с заводом-изготовителем.

Подписи членов комиссии:

“___”________ 197_г.

Приложение 7

ДОКУМЕНТАЦИЯ ДЛЯ ВВОДА В ЭКСПЛУАТАЦИЮ ТРАНСФОРМАТОРОВ МОЩНОСТЬЮ 10000 кВ·А И БОЛЕЕ НАПРЯЖЕНИЕМ ДО 35 кВ ВКЛЮЧИТЕЛЬНО, А ТАКЖЕ ТРАНСФОРМАТОРОВ НАПРЯЖЕНИЕМ 110 кВ БЕЗ РЕВИЗИИ АКТИВНОЙ ЧАСТИ

Форма 2-ОРТ

ПРОТОКОЛ

определения возможности ввода в эксплуатацию силового трансформатора типа__________ без ревизии активной части

Комиссия в составе:

от монтажного управления _________________________________________________

от пусконаладочного управления ____________________________________________

от предприятия ___________________________________________________________

составила настоящий протокол о нижеследующем (ненужное зачеркнуть):

1. Силовой трансформатор типа ____________ завода, заводской номер _____________ транспортирован по железной дороге (речным или морским путем) с завода-изготовителя в следующем состоянии:

а) частично демонтированный, в собственном баке, залитый маслом ниже крышки, без расширителя;

б) частично демонтированный, в собственном баке, без масла, заполненный азотом (или сухим воздухом) при избыточном давлении _____________;

в) то же, как по п. «б», но с установкой для автоматической подпитки азотом.

2. При внешнем осмотре трансформатора после прибытия его к месту назначения повреждений не обнаружено (см. акт 1 приложения 1 к форме 2-ОРТ).

3. Выгрузка трансформатора произведена мостовым (или передвижным) краном, стационарной лебедкой, стягиванием трансформатора на шпальную клеть - без нарушений инструкции № ____________ (см. акт 2 приложения 2 к форме 2-ОРТ).

Участие наладчиков обязательно для трансформаторов IV габарита и выше.

4. Перевозка трансформатора от места разгрузки к месту монтажа произведена автомашиной, автотрайлером, специальными санями в соответствии с инструкцией №__ (см. акт 3 приложения 3 к форме 2-ОРТ).

5. Хранение трансформатора в соответствии с актом от « »     ________197_г. о приемке в монтаж трансформатора соответствует требованиям инструкции №____.

6. Произведенными измерениями и испытаниями не выявлено каких-либо повреждений трансформатора (см. протокол испытания трансформатора).

Заключение

В соответствии с ГОСТ 11677-65 (п. 12.13.2) и дополнительным ГОСТ ____________, Инструкцией № ____________, §____________, вышеуказанными актами, а также результатами измерений и испытаний (см. п. 6) следует считать, что трансформатор типа ________, заводской номер_________ может быть включен в эксплуатацию без ревизии его активной части1.

Приложения к протоколу 2-ОРТ; акты 1, 2, 3.

Подписи членов комиссии:

« »     _______197_г.

1При нарушении требований инструкции № _______, приведенных в пп. 2 - 6 настоящего протокола, в соответствии с §________ Инструкции должна быть произведена ревизия трансформатора.

Приложение 1

к форме 2-ОРТ

АКТ 1
осмотра трансформатора и демонтированных узлов после прибытия к месту назначения

1. Надежность и состояние креплений трансформатора типа ______________, изготовленного ____________ заводом, заводской номер ___________, прибывшего на железнодорожной платформе (транспортере): удовлетворительное, неудовлетворительное; контрольные метки на баке трансформатора и платформе (транспортере) совпадают, не совпадают (ненужное зачеркнуть).

2. Количество прибывших мест соответствует накладной и демонтажной ведомости завода-изготовителя.

3. У трансформатора, прибывшего частично демонтированным, в собственном баке, залитом маслом ниже крышки, без расширителя, при внешнем осмотре установлено:

следы масла на баке трансформатора и платформе транспортера - есть, нет; сохранность всех кранов, пробок и их уплотнений - да, нет; сохранность пломб на всех кранах для масла - да, нет; вмятины и другие повреждения на баке отсутствуют, имеются; дефекты установленных вводов (6 - 35 кВ) - отсутствуют, имеются.

4. У трансформатора, прибывшего без масла: сохранность всех кранов, пробок, сохранность пломб на всех кранах для масла - да, нет; вмятины и другие повреждения на баке, узлах охлаждения, расширителе и других демонтированных узлах - отсутствуют, имеются.

Для трансформаторов, прибывших с установкой для автоматической подпитки азотом и баллонами с азотом для поддержания избыточного давления во время хранения трансформатора, указать:

а) общее состояние установки для автоматической подпитки азотом - удовлетворительное, неудовлетворительное;

б) количество прибывших резервных баллонов с азотом _____шт.

в) давление азота в каждом баллоне _________.

5. Состояние упаковки маслонаполненных вводов класса напряжения 110 кВ - удовлетворительное, неудовлетворительное; наличие масляных пятен на упаковке - имеются, отсутствуют.

6. Прочие замечания при внешнем осмотре, повреждения трансформатора и его деталей, а также нарушения в упаковке, некомплектность.

Представитель предприятия-заказчика _______________________________________

Представитель железной дороги (или транспортирующей организации) ___________

''   ''___________197_ г.

Приложение 2

к форме 2-ОРТ

АКТ 2
выгрузки трансформатора

1. Выгрузка трансформатора типа ___________, заводской номер ____________, имеющего транспортную массу __________т, производилась мостовым (или передвижным) краном грузоподъемностью ____________т, стационарной лебедкой, стягиванием трансформатора на шпальную клеть по рельсам, швеллерам (ненужное зачеркнуть).

2. Подъем трансформатора для установки рельсов, швеллеров осуществляется гидравлическими домкратами, имевшими, не имевшими манометры и предохранительные кольца для предотвращения самопроизвольной осадки трансформатора. При этом:

а) домкраты устанавливались под специальные площадки, указанные, не указанные в габаритном чертеже заводом-изготовителем (при отсутствии указаний о местах для площадок следует приложить к акту эскиз нижней части бака трансформатора с указанием места установки домкратов);

б) подъем осуществлялся плавно, нагрузка домкратов была равномерной;

в) при очередном подъеме одной, а затем другой стороны трансформатора (если такой способ применялся) угол наклона его к вертикали не превышал ___________________________________________________________________________;

г) стягивание трансформатора по рельсам, швеллерам производилось лебедкой, трактором и т.п._____________________________________________________________.

Заключение

На основании изложенного следует считать, что выгрузка трансформатора типа ___________, заводской номер__________ произведена в соответствии с указаниями, приведенными в инструкции № ___________.

Произведенный осмотр трансформатора после его выгрузки показал, что трансформатор в результате выгрузки повреждений по внешнему виду не имеет, имеет ___________________________________________________________________________.

Представитель предприятия-заказчика _______________________________________

Представитель цеха предприятия, производившего выгрузку ____________________

« »________197_г.

Приложение 3

к форме 2-ОРТ

АКТ 3
перевозки трансформатора к месту монтажа

1. Перевозка трансформатора типа ___________, заводской номер _______, имевшего транспортную массу ____________т, от места разгрузки к месту монтажа производилась1 (ненужное зачеркнуть):

а) по шоссейным, грунтовым дорогам, имеющим, по данным геодезической съемки, наклон ______________ автомашиной, автотрайлером, тракторным прицепом и другими видами транспорта ________________________грузоподъемностью _____________т;

б) по указанным в п. «а» дорогам на специальных санях грузоподъемностью __________т, конструкция которых соответствует, не соответствует требованиям инструкций по перевозке безрельсовым транспортом_____________________________

2. Схемы разгрузки и способы крепления трансформатора при перевозке указанными в п. 1 видами безрельсового транспорта соответствуют, не соответствуют указанным выше нормалям.

3. Перевозка трансформатора в пределах подстанции осуществлялась на своих каретках с катками, по железнодорожному пути.

При этом:

а) канаты были закреплены за _____________;

б) перекатка производилась электрической лебедкой, трактором и полиспастами;

в) скорость при перекатке трансформатора не превышала _____м/мин (Максимальная допустимая скорость 8 м/мин).

1Перевозка трансформатора волоком или на металлическом листе запрещается.

Заключение

На основании изложенного следует считать, что перевозка трансформатора типа ________, заводской номер _______ произведена в соответствии с указаниями, приведенными в инструкции №___________.

Произведенный осмотр трансформатора после перевозки его к месту монтажа показал, что трансформатор по внешнему виду в результате перевозки повреждений не имеет.

Представитель предприятия-заказчика _______________________________________

Представитель цеха предприятия, производившего перевозку ____________________

Представитель монтажной организации ______________________________________

« »_______197_г.

СПИСОК ЛИТЕРАТУРЫ

1. Транспортирование, хранение, монтаж и ввод в эксплуатацию силовых трансформаторов на напряжение до 35 кВ включительно без ревизии их активной части. Инструкция ОАХ 458.003-70. Б. м., [1970]. 23 с.

2. Инструкция по транспортировке, выгрузке, хранению, монтажу и введению в эксплуатацию силовых трансформаторов общего назначения на напряжение 110-500 кВ. РТМ 16.687.000-73. Б. м., [1973]. 38 с.

3. Трансформаторы (и автотрансформаторы) силовые. Общие технические требования. ГОСТ 11677-65. Введ. 1/1 1967. М., 1965.

4. Городецкий С. А. Монтаж силовых трансформаторов. М.-Л., «Энергия», 1964. 512 с.

5. Городецкий С. А. Монтаж силовых трансформаторов напряжением до 110 кВ. М., «Энергия», 1972. 79 с.

6. Городецкий С. А. Гельман Н.Л. Испытания и монтаж вводов высокого напряжения. М., «Энергия, 1970. 137 с.

7. Иевлев В. И. Скляров П. В. Из опыта монтажа силовых трансформаторов напряжением 110-220 кВ. М.-Л., Госэнергоиздат, 1961. 41 с. (Б-ка электромонтера. Вып. 58).

8. Методические рекомендации по прогреву силовых трансформаторов при ремонте и монтаже. М., Специализир. центр, науч.-техн. информации, 1970. 67 с. Авт.: Г.Л. Каган, В.Н. Кузнецов, В.А. Таран, Е. Е. Шульзингер.

9. Правила техники безопасности при электромонтажных и наладочных работах. М., «Энергия», 1973. 168 с.

10. Правила устройства электроустановок. Изд. 4-е. М.-Л., «Энергия», 1966. 464 с.

11. Сещенко Н.С. Охлаждение силовых масляных трансформаторов. М., Информстандартэлектро, 1968, 96 с.

СОДЕРЖАНИЕ

1. Общие положения. 1

2. Подготовка помещения, оборудования, инструментов и материалов, необходимых для монтажа. 1

3. Разгрузка трансформаторов и их узлов и транспортировка к месту монтажа. 2

4. Хранение трансформаторов и их узлов до начала монтажа. Приемка трансформаторов в монтаж.. 6

5. Подготовка к монтажу узлов трансформаторов. 9

6. Ввод в эксплуатацию трансформаторов без ревизии их активной части. 17

7. Монтаж переключающих устройств. 17

8. Монтаж установок для охлаждения трансформаторов. 24

9. Монтаж вводов и трансформаторов тока. 28

10. Заливка трансформаторов маслом.. 28

11. Контрольный прогрев и контрольная подсушка трансформаторов. 29

12. Сушка трансформаторов. 39

13. Окончательная сборка трансформатора. 44

14. Испытания и наладка. 45

15. Техническая документация для сдачи трансформатора. 46

16. Подготовка к пробному включению и включение трансформатора. 47

17. Указания по технике безопасности и противопожарной технике. 48

Приложение 1 Контроль состояния изоляции трансформаторов перед вводом в эксплуатацию.. 49

Приложение 2 Ревизия трансформаторов с подъемом «колокола» или активной части. 57

Приложение 3 Требования к трансформаторному маслу. Испытание и очистка масла. 63

Приложение 4 Особенности монтажа сухих и совтоловых трансформаторов. 65

Приложение 5 Акт  о приемке в монтаж силового трансформатора. 68

Приложение 6 Протокол определения возможности ввода в эксплуатацию трансформаторов мощностью до 6300 кВ·А, напряжением до 35 кВ включительно без ревизии активной части. 69

Приложение 7 Документация для ввода в эксплуатацию трансформаторов мощностью 10000 кВ·А и более напряжением до 35 кВ включительно, а также трансформаторов напряжением 110 кВ без ревизии активной части. 70

Список литературы.. 71

 




Яндекс цитирования



   Copyright © 2007-2026,  www.tehlit.ru.

[ ѓосты, стандарты, нормативы, инструкции, правила, строительные нормы ]