//
ТехЛит.ру
- крупнейшая бесплатная электронная интернет библиотека для "технически умных" людей.
WWW.TEHLIT.RU - ТЕХНИЧЕСКАЯ ЛИТЕРАТУРА

:: Алготрейдинг::


АЛГОТРЕЙДИНГ
шаг за шагом
с нуля по урокам!

Торговые роботы на PYTHON, BackTrader,
Pandas, Pine Script для TradingView. Связка с брокерами, телеграм и легкими приложениями.


ГОСТ16357-83

МЕЖГОСУДАРСТВЕННЫЙ СТАНДАРТ

 

РАЗРЯДНИКИ ВЕНТИЛЬНЫЕ
ПЕРЕМЕННОГО ТОКА
НА НОМИНАЛЬНЫЕ НАПРЯЖЕНИЯ
ОТ 3,8 ДО 600 кВ

ОБЩИЕ ТЕХНИЧЕСКИЕ УСЛОВИЯ

 

 

ИПК ИЗДАТЕЛЬСТВО СТАНДАРТОВ

Москва

 

 

 

МЕЖГОСУДАРСТВЕННЫЙ СТАНДАРТ

РАЗРЯДНИКИ ВЕНТИЛЬНЫЕ ПЕРЕМЕННОГО ТОКА НА НОМИНАЛЬНЫЕ НАПРЯЖЕНИЯ ОТ 3,8 ДО 600 кВ

Общие технические условия

Non-linear resistor type arresters for rated a.c.
voltages from 3,8 to 600 kV. General technical
specifications

ГОСТ
16357-83

Дата введения 01.07.84 г.

 

Настоящий стандарт распространяется на вентильные разрядники, предназначенные для защиты от грозовых и коммутационных перенапряжений изоляции электрооборудования переменного тока частоты 50 Гц с номинальными напряжениями сетей от 3 до 750 кВ.

Вентильные разрядники III и IV групп предназначены только для ремонтных целей, оснащения расширяемых подстанций, а также для защиты электрооборудования с высоким уровнем изоляции.

Стандарт не распространяется на разрядники специального назначения, в том числе для подвижного состава электрифицированных железных дорог.

Термины, применяемые в стандарте, и их пояснения приведены в приложении.

Стандарт полностью соответствует СТ СЭВ 5713-86.

(Измененная редакция, Изм. № 2, 3).

1. КЛАССИФИКАЦИЯ

1.1. Разрядники подразделяются по назначению на группы:

I (тяжелого режима) - для защиты от грозовых и коммутационных перенапряжений;

II, III, IV (легкого режима) - в основном для защиты от грозовых перенапряжений;

комбинированные - для защиты от грозовых и коммутационных перенапряжений с большими энергиями.

1.1.1. Разрядники легкого режима по пропускной способности характеризуются прямоугольным импульсом тока, параметры которого зависят от номинального разрядного тока группы и типа разрядника.

1.1.2. Разрядники тяжелого режима делятся на пять классов устойчивости: 1, 2, 3, 4, 5, определяющих их работоспособность при коммутационных перенапряжениях.

1.1.3. Разрядники комбинированные характеризуются повышенным обрывным напряжением при коммутационных перенапряжениях.

1.2. Разрядники нормируются по номинальному разрядному току.

1.3. Разрядники с номинальным значением разрядного тока 10 кА делятся на три категории взрывоопасности: А, В и С.

1.4. Разрядники с номинальным значением разрядного тока 5 кА, снабженные противовзрывными предохранительными устройствами, делятся на две категории взрывобезопасности: D и E.

2. ОСНОВНЫЕ ПАРАМЕТРЫ

2.1. К основным параметрам разрядника относятся: номинальное напряжение разрядника, класс напряжения разрядника, номинальный грозовой разрядный ток.

2.2. Значения номинального напряжения разрядника и номинального разрядного тока разрядника должны выбираться из ряда, приведенного в табл. 1.

Таблица 1

Наименование параметра

Значение параметра

Номинальное напряжение разрядника, кВ

3,8; 7,5; 12,7; 18; 24; 29; 33; 40,5; 69; 75; 102; 126; 138; 198; 288; 420; 600

Номинальный грозовой разрядный ток, кА

5; 10

2.3. Структура условного обозначения разрядника

 

Пример условного обозначения разрядника вентильного серийного группы III на номинальный разрядный ток 5 кА, класс напряжения 110 кВ, номинальное напряжение разрядника 102 кВ, категории по длине пути утечки на 20 % выше А, климатического исполнения У, категории размещения 1:

РВС III-5-110/102 АУ1

Примечания:

1. Буквенная часть условного обозначения - обозначение серий; римская цифра - группа; совокупность буквенного и цифрового обозначения, значения номинального грозового разрядного тока, значений класса напряжения разрядника, номинального напряжения разрядника и категории по длине пути утечки - обозначение типа; приведенное выше обозначение в целом - обозначение типоисполнения разрядника.

2. Структура указанного обозначения по п. 2.3 распространяется на разрядники, технические задания на которые утверждены после 1 января 1986 г.

3. ТЕХНИЧЕСКИЕ ТРЕБОВАНИЯ

3.1. Общие требования

3.1.1. Разрядники должны изготовляться в соответствии с требованиями настоящего стандарта, технических условий на конкретный разрядник и по рабочим чертежам, утвержденным в установленном порядке.

3.1.2. Разрядники должны изготовляться на номинальные напряжения:

до 75 (110Н)* кВ включительно для сетей с изолированной и заземленной нейтралью;

102 (110) кВ для сетей с заземленной нейтралью (коэффициент замыкания на землю не более 1,4);

126 (110) кВ для сетей с изолированной нейтралью (коэффициент замыкания на землю не более 1,73);

от 138 (150) до 600 (750) кВ для сетей с заземленной нейтралью (коэффициент замыкания на землю не более 1,4).

_____________

* Далее по тексты стандарта после значения номинального напряжения в скобках указан класс напряжения разрядника.

3.1.3. Разрядники должны быть предназначены для эксплуатации в районах с умеренным и (или) холодным климатом в условиях, предусмотренных для климатических исполнений У и (или) ХЛ категорий размещения 1, 2, 3, 4, 5 по ГОСТ 15150, и удовлетворять в части воздействия климатических факторов внешней среды требованиям ГОСТ 15150 и ГОСТ 15543.1, а также должны работать в условиях умеренно и интенсивно загрязненной атмосферы по ГОСТ 9920.

3.1.4. Разрядники должны быть предназначены для эксплуатации на высоте не более 1000 м над уровнем моря.

Для разрядников, предназначенных для эксплуатации на высоте от 1000 до 2000 м над уровнем моря, отдельные характеристики устанавливаются по согласованию потребителя (заказчика) с изготовителем.

(Измененная редакция, Изм. № 1).

3.1.5. Основные электрические характеристики разрядников должны соответствовать указанным в табл. 2 - 4.

Таблица 2

Основные электрические характеристики разрядников


Класс напряжения разрядника, кВ

Номинальное напряжение разрядника, кВ

Разрядники группы I

Разрядники группы II

тяжелого режима 10 кА

легкого режима 10 кВ

Пробивное напряжение разрядника при частоте 50 Гц в сухом состоянии и под дождем, действующее значение, кВ

Импульсное пробивное напряжение разрядника (при предразрядном времени от 2 до 20 мкс и при полном импульсе 1,2/50 мкс), кВ, не более

Остающееся напряжение разрядника при импульсе тока с длительностью фронта 8 мкс, с максимальными значениями

Пробивное напряжение разрядника при частоте 50 Гц в сухом состоянии и под дождем, действующее значение, кВ

Импульсное пробивное напряжение разрядника (при предразрядном времени от 2 до 20 мкс и при полном импульсе 1,2/50 мкс), кВ, не более

Остающееся напряжение разрядника при импульсе тока с длительностью фронта 8 мкс, с максимальными значениями

не менее

не более

3000 А

5000 А

10000 А

не менее

не более

3000 А

5000 А

10000А

кВ, не более

кВ, не более

3

3,8

7,5

9

7

7

8

9

7,5

9

8

9

9,5

11

6

7,5

15

18

14

14

16

18

15

18

15,5

17

18

20

10

12,7

25

30

23,5

23,5

26,5

30,5

25

30

25,5

28

30

33

15

18

31

36

50

38

41

46

35

43

57

47

51

57

20

24

42

48

66

50

54

60

47

56

74

62

67

74

35

40,5

73

84

108

80

87

98

75

90

116

97

105

116

60

69

-

-

-

-

-

-

129

155

205

171

185

205

110Н*

75

105

120

170

235**

-

-

-

-

-

-

-

-

110

102

150

170

230

195

215

240

170

195

260

245

265

295

110***

126

190

205

280

240

265

300

215

245

335

295

325

355

150

138

210

240

310

265

295

330

230

265

370

340

370

410

220

198

300

340

445

390

430

480

340

390

515

475

515

570

330

288

435

500

630

555

615

700

485

560

740

660

725

800

500

420

630

725

940

805

890

1010

660

760

1070

985

1070

1180


_________

* Разрядник для нейтрали 110 кВ.

** При токе 1000 А, 150/500 мкс - не более 170 кВ.

*** Для сетей с коэффициентом замыкания на землю более 1,4, но не выше 1,73.

Примечания:

1. Минимальное импульсное пробивное напряжение разрядника (при предразрядном времени от 2 до 20 мкс и при полной волне 1,2/50 мкс) для разрядников с минимальным напряжением 102 (110) кВ и выше не менее 0,6 значений, указанных в таблице.

2. По согласованию потребителя (заказчика) с изготовителем для тех же номинальных напряжений сети должны изготовляться разрядники с номинальным напряжением на 5 - 10 % ниже указанного в таблице. При этом пропорционально также должны быть снижены пробивное напряжение при частоте 50 Гц, импульсное пробивное напряжение и остающееся напряжение разрядников.

3. Для разрядников напряжением 220 кВ и выше импульсное пробивное напряжение при крутизне импульса 1200 кВ/мкс должно быть не более 1,15 нормированного импульсного пробивного напряжения при полном импульсе 1,2/50 мкс.

Таблица 3

Основные электрические характеристики разрядников


Класс напряжения разрядника, кВ

Номинальное напряжение разрядника, кВ

Разрядники группы III

Разрядники группы VI

легкого режима 5 кF

Пробивное напряжение разрядника при частоте 50 Гц в сухом состоянии и под дождем, действующее значение, кВ

Импульсное пробивное напряжение разрядника (при предразрядном времени от 2 до 20 мкс и при полном импульсе 1,2/50 мкс), кВ, не более

Остающееся напряжение разрядника при импульсе тока с длительностью фронта 8 мкс, с максимальными значениями

Пробивное напряжение разрядника при частоте 50 Гц в сухом состоянии и под дождем, действующее значение, кВ

Импульсное пробивное напряжение разрядника (при предразрядном времени от 2 до 20 мкс и при полном импульсе 1,2/50 мкс), кВ, не более

Остающееся напряжение разрядника при импульсе тока с длительностью фронта 8 мкс, с максимальными значениями

не менее

не более

3000 А

5000 А

10000 А

не менее

не более

3000 А

5000 А

кВ, не более

кВ, не более

3

3,8

-

-

-

-

-

-

9

11

20

13

14

6

7,5

-

-

-

-

-

-

16

19

32

25

27

10

12,7

-

-

-

-

-

-

29

30,5

48

43

45

15

18

38

48

67

57

61

67

-

-

-

-

-

20

24

49

60,5

80

75

80

88

-

-

-

-

-

24

29

58

70

94

88

94

102

-

-

-

-

-

27

33

65

80

110

103

110

120

-

-

-

-

-

35

40?5

78

98

125

122

130

143

-

-

-

-

-

110

102

200

250

285

315

335

367

-

-

-

-

-

150

138

275

345

375

435

465

510

-

-

-

-

-

220

198

400

500

530

630

670

734

-

-

-

-

-


Примечание. Для разрядников напряжением 220 кВ и выше импульсное пробивное напряжение при крутизне импульса 1200 кВ/мкс должно быть не более 1,15 нормированного импульсного пробивного напряжения при полном импульсе 1,2/50 мкс.

Таблица 4

Основные электрические характеристики разрядников


Класс напряжения разрядника, кВ

Номинальное напряжение разрядника, кВ

Напряжение гашения при работе от коммутационных перенапряжений, действующее значение, кВ

Разрядники комбинированные

Пробивное напряжение разрядника при частоте 50 Гц в сухом состоянии и под дождем, действующее значение, кВ

Импульсное пробивное напряжение разрядника (при предразрядном времени от 2 до 20 мкс и при полном импульсе 1,2/50 мкс), кВ. не более

Напряжение переключения в режиме работы при атмосферных перенапряжениях, кВ

Остающееся напряжение разрядника

при токе в один полупериод частоты 50 Гц

при импульсе тока с длительностью фронта 8 мкс с максимальными значениями

не менее

не более

не менее

не более

Ток, А

Напряжение, кВ

5000 А

10000 А

не менее

не более

кВ, не более

330

288

380

435

500

700

720

820

1000

650

700

720

840

500

420

575

660

760

1070

1130

1260

1500

1020

1070

1070

1260

750

600

710

780

950

1500

1370

1500

1800

1280

1350

1500*

1650


____________

* При импульсе тока с максимальным значением 7000 А.

Примечания:

1. Минимальное импульсное пробивное напряжение (при предразрядном времени от 2 до 20 мкс и полном импульсе 1,2 /50 мкс) не менее 0,6 значений, указанных в таблице.

2. Для разрядников напряжением 220 кВ и выше импульсное пробивное напряжение при крутизне импульса 1200 кВ/мкс должно быть не более 1,15 нормированного импульсного пробивного напряжения при полном импульсе 1,2/50 мкс.

(Измененная редакция, Изм. № 2).

3.1.6. Для всех разрядников группы I тяжелого режима, для разрядников группы II легкого режима с номинальным напряжением 102 (110) кВ и для комбинированных разрядников пробивное напряжение при коммутационных импульсах с длительностью фронта 30-60, 150-300 и 1000-2000 мкс не должно превышать значений, указанных в табл. 2 и 4, умноженных на .

Для разрядников групп III и IV легкого режима это напряжение не нормируется.

3.1.7. Минимальные значения пробивных напряжений при коммутационных импульсах для разрядников группы I тяжелого режима с номинальным напряжением 102 (110) кВ и более должны быть не менее 0,6 значений, указанных в табл. 2.

Для разрядников групп II, III, IV легкого режима и для комбинированных напряжение не нормируется.

3.1.8. Остающееся напряжение при разрядных токах коммутационных перенапряжений для разрядников группы I тяжелого режима (п. 1.1.2) и для комбинированных не должно превышать значений, указанных в табл. 2 и 4.

3.1.9. Остающееся напряжение разрядников при импульсе тока с длительностью фронта 3 мкс не должно превышать более чем на 6 % значений остающихся напряжений при импульсе тока с длительностью фронта 8 мкс, указанных в табл. 2 - 4.

3.1.10. Напряжения частоты 50 Гц, выдерживаемые разрядниками, должны быть не менее указанных в табл. 5.

Таблица 5

Группа разрядников

Номинальные напряжения разрядников

Длительно допустимое рабочее напряжение разрядника

Кратность допустимого повышения напряжения при времени t по отношению к длительно допустимому рабочему напряжению разрядника

сеть с изолированной нейтралью

сеть с заземленной нейтралью

20 мин

20 с

1 с

0,1 с

I, II, III, IV

3,8-69; 126

-

Наибольшее рабочее линейное напряжение сети Uл

Без ограничения времени

I*

75

-

0,44 Uл

1,18

1,35

1,35

1,35

III, IV

-

102-198

Uл/

1,15

2,2

2,4

I, II

102-420

1,85

1,85

Комбинированные

288-420

2,0

2,0

Комбинированные

600

1,6

1,6

_________

* Разрядник для нейтрали трансформатора 110 кВ и разрядники группы I, технические задания на которые утверждены до 1 января 1986 г.

3.1.11. Пропускная способность разрядников группы I, технические задания на которые утверждены до 01.01.86, разрядников групп II-IV и комбинированных должна быть достаточной, чтобы выдерживать без повреждений 20 любых токовых воздействий, указанных в табл. 6.

Таблица 6

Номинальное напряжение разрядника, кВ

Группа и тип разрядников

20 импульсов с фронтом волны 16 мкс и длиной волны 40 мкс с максимальным значением, А

20 импульсов тока с максимальными значениями (прямоугольная волна длительностью 2000 мкс для разрядников групп I-IV, волна 3/8 мкс для комбинированных разрядников), А

3,8-420

I

10000

800

(3-500)

II

10000

400

18-198

III

10000

150

(150-220)

 

 

 

3,8-12,7

IV

5000

75

(3-10)

 

 

 

288 (330)

Комбинированные

10000

1000

420 (500)

То же

10000

1500

600 (750)

То же

10000

3200

Примечание. Указанное в последней графе максимальное значение импульса тока должно превышать расчетное значение сопровождающего тока разрядника данного типа для групп II-IV не менее чем на 25 %, а для комбинированных не менее чем на 10 %.

Пробивные напряжения разрядников при частоте 50 Гц и остающиеся напряжения при номинальном разрядном токе после 20 любых из указанных в табл. 6 воздействий не должны изменяться более чем на ±10 %.

(Измененная редакция, Изм. № 1, 2).

3.1.12. Разрядники группы I тяжелого режима (содержащие токоограничивающие промежутки), технические задания на которые утверждены после 1 января 1986 г., должны выдерживать без повреждений воздействие 20 импульсов тока разряда генератора, имитирующего разряд линии, зараженного до напряжения Uзар, указанного в табл. 7.

Значение безындуктивного сопротивления должно быть равно

R1=K×UN,

где UN - номинальное напряжение в киловольтах.

Значения Uзар и К указаны в табл. 7.

Параметры генератора следует выбирать так, чтобы при зарядном напряжении Uзар1 не менее чем 50 % Uзар и разряда его на сопротивление R1 получался прямоугольный импульс тока с условной длительностью, указанной в табл. 7 или превышающей ее не более чем на 20 %. Максимальное значение импульса тока при проверке генератора должно быть в пределах

Таблица 7

Класс устойчивости к длительным импульсам тока

К, Ом/кВ

Длительность прямоугольного импульса, мкс

Напряжение зарядки генератора Uзар, кВ

1

3,3

2000

3,0 UN

2

1,8

2000

2,6 UN

3

1,2

2400

2,6 UN

4

0,8

2800

2,4 UN

5

0,5

3200

2,2 UN

Параметры протекающего через разрядник тока разрядки определяются параметрами генератора, настроенного согласно табл. 7 при замене разрядного сопротивления R1 испытуемым разрядником. Значения пробивного напряжения при промышленной частоте и остающегося напряжения при номинальном разрядном токе до и после испытания не должны изменяться более чем на 10 %.

При этих испытаниях остающееся напряжение во время воздействия импульсов тока не должно превышать допустимых значений, указанных в табл. 2.

(Измененная редакция, Изм. № 1).

3.1.13. Разрядники при напряжении, равном номинальному напряжению разрядника, указанному в табл. 2 - 4, должны выдерживать воздействие 20 импульсов тока с длительностью фронта 8 мкс и длительностью импульса 20 мкс с последующим протеканием сопровождающего тока.

Максимальными значениями импульсов тока являются номинальный разрядный ток 10000 А для разрядников групп I, II и комбинированных, удвоенное значение номинального разрядного тока для группы III - 10000 А и номинальный разрядный ток для группы IV - 5000 А.

При этих воздействиях искровые промежутки разрядников должны оборвать дугу сопровождающего тока за время не более одного полупериода частоты 50 Гц. Пробивное напряжение разрядников при частоте 50 Гц и остающиеся напряжения разрядников при номинальном разрядном токе после этих испытаний не должны изменяться более чем на минус 10 или плюс 5 % для разрядников групп I, II и комбинированных и на минус 10 или плюс 10 % для разрядников групп III и IV.

Разрядник для нейтрали 110 кВ при напряжении, равном номинальному напряжению разрядника, должен выдерживать воздействие 20 импульсов тока с амплитудой 1000 А и длительностью до полуспада 200 - 400 мкс с последующим сопровождающим током, который вторично возбуждается спустя 0,01 с.

3.1.14. Комбинированные разрядники с номинальными напряжениями 288 (330) и 420 (500) кВ должны 20 раз обеспечивать обрыв тока продолжительностью в один полупериод с максимальными значениями 1000 и 1500 А соответственно, вызванного приложенным синусоидальным напряжением частоты 50 Гц, при последующем синусоидальном восстанавливающемся напряжении частоты 50 Гц с действующим значением не менее указанного в табл. 4.

Комбинированные разрядники с номинальным напряжением 600 (750) кВ должны обеспечивать 50 раз обрыв тока продолжительностью два полупериода с максимальным значением 1500 А при восстанавливающемся напряжении не менее указанного в табл. 4.

Пробивные напряжения разрядников при частоте 50 Гц и остающиеся напряжения разрядников после этих испытаний не должны изменяться более чем на минус 10 или плюс 5 %.

3.1.15. Разрядники группы I с номинальным напряжением 75 (110 Н) кВ и выше, разрядники группы II с номинальным напряжением 198 (220), 288 (330) и 420 (500) кВ, а также комбинированные разрядники должны иметь предохранительное противовзрывное устройство, исключающее при повреждении внутри разрядника возможность повышения в нем внутреннего давления до значений, вызывающих взрыв фарфоровой покрышки разрядника.

Разрядники, технические задания на которые утверждены до 1 января 1986 г., допускается изготовлять без противовзрывного устройства.

Разрядники, снабженные противовзрывным устройством, при коротком замыкании внутри изоляционной покрышки должны выдерживать без взрывного разрушения воздействие токов короткого замыкания, значения которых указаны в табл. 8.

Таблица 8

Категория взрывобезопасности

Номинальный разрядный ток, кА, легкого или тяжелого режима

Минимальное ожидаемое значение тока короткого замыкания, действующее значение, А

А

10

40000

B

10

20000

C

10

10000

D

5

16000

E

5

5000

Время воздействия тока короткого замыкания на испытуемый разрядник не должно быть менее 0,2 с.

Если во время испытания изоляционная покрышка разрядника будет повреждена, то все его элементы должны оставаться внутри соосной с осью разрядника окружности, диаметр которой должен быть равен диаметру испытуемого образца, увеличенному на две его высоты, но составлять не менее чем 1,8 м.

Кроме того, в разряднике, снабженном противовзрывным предохранительным устройством, при воздействии тока короткого замыкания с действующим значением 800 А ± 10 %, протекающего не менее 2 с, должно срабатывать противовзрывное предохранительное устройство, открывая разрядник и снижая давление внутри него до давления окружающей среды.

3.1.16. Значения токов проводимости или токов утечки и напряжения, при которых они измеряются, а также значения сопротивлений разрядников должны быть указаны в эксплуатационной документации на конкретные типы разрядников.

3.2. Требования к электрической прочности изоляции

3.2.1. Внешняя изоляция разрядников на номинальные напряжения 3,8 (3) - 420 (500) кВ должна выдерживать напряжения, указанные в ГОСТ 1516.1 для аппаратов соответствующих классов напряжения, а для разрядников на 600 (750) кВ - указанные в ГОСТ 20690 с учетом высоты установки, превышающей 1000 м над уровнем моря.

3.2.2. Длина пути утечки внешней изоляции разрядников, отнесенных к электрооборудованию категории А, не менее чем на 20 % должна превышать предусмотренную ГОСТ 9920, а отнесенных к электрооборудованию категорий Б и В должна соответствовать ГОСТ 9920.

3.3. Требования к конструкции

3.3.1. Разрядники должны быть герметичными.

3.3.2. Фарфоровые изделия, применяемые в разрядниках, должны соответствовать требованиям ГОСТ 5862.

3.3.3. Армированные фарфоровые покрышки разрядников должны соответствовать техническим условиям на конкретные типы покрышек.

3.3.4. Однотипные элементы многоэлементных разрядников должны быть взаимозаменяемыми.

3.3.5. Разрядники должны иметь контактные зажимы для присоединения к токоведущему и заземляющему проводам. Вводные зажимы должны быть приспособлены для присоединения к ним медных или алюминиевых кабелей и шин.

Контактные выводы для присоединения токоведущих проводов должны соответствовать ГОСТ 10434 и ГОСТ 21242. При этом контактные выводы разрядников категории размещения I по ГОСТ 15150 должны выполняться в виде плоских «лопаток».

Размеры контактных выводов должны указываться в технических условиях на конкретные типы разрядников.

3.3.6. Разрядники групп I, II, III и комбинированные должны изготовляться с изоляцией от земли для присоединения регистраторов срабатывания.

Разрядники групп I и II на номинальные напряжения выше 40,5 (35) кВ и комбинированные комплектуются с регистраторами срабатывания.

Разрядники группы III на номинальные напряжения выше 40,5 (35) кВ комплектуются с регистраторами срабатывания по требованию потребителя (заказчика).

3.3.7. Все металлические детали разрядников должны быть защищены от коррозии. Резиновые уплотнения для герметизации должны быть озоностойкими.

3.3.8. Разрядники категории размещения I на номинальное напряжение 3,8 (3) - 420 (500) кВ должны выдерживать механические нагрузки от ветра со скоростью 30 м/с и от тяжения проводов в горизонтальном направлении:

не менее 300 Н - для разрядников с номинальными напряжениями 3,8 (3) - 69 (60) кВ;

не менее 500 Н - для разрядников с номинальными напряжениями 102 (110) - 420 (500) кВ.

Разрядники с номинальным напряжением 600 (750) кВ должны выдерживать механическую нагрузку от ветра со скоростью 300 м/с и от тяжения проводов - 1000 Н.

Все вновь разрабатываемые после утверждения данного стандарта разрядники категории размещения I должны выдерживать механические нагрузки при гололеде с толщиной стенки льда до 20 мм от ветра со скоростью 15 м/с, а без гололеда - от ветра со скоростью 30 м/с и от тяжения проводов в горизонтальном направлении:

не менее 300 Н - для разрядников на номинальное напряжение 3,8 (3) - 69 (60) кВ;

не менее 500 Н - для разрядников на номинальное напряжение 102 (110) - 198 (220) кВ;

не менее 1000 Н - для разрядников на номинальное напряжение 288 (330) - 420 (500) кВ;

не менее 1500 Н - для разрядников на номинальное напряжение 600 (750) кВ.

По требованию потребителя (заказчика) должны изготовляться разрядники, выдерживающие механическую нагрузку от ветра со скоростью 40 м/с.

3.3.9. Разрядники должны выдерживать механические нагрузки от вибрации по группе условий эксплуатации М1 ГОСТ 17516.1, степень жесткости I ГОСТ 17516.1.

Разрядники I и II групп с номинальным напряжением до 12,7 (10) кВ и разрядники III и IV групп с номинальным напряжением до 40,5 (35) кВ должны соответствовать требованиям ГОСТ 17516.1 по группе М6.

3.3.10. Массу, габаритные и установочные размеры разрядников следует устанавливать в технических условиях на разрядники конкретных типов.

(Введен дополнительно, Изм. № 1).

3.4. Требования к надежности

3.4.1. Надежность разрядников характеризуется показателями: установленный срок службы - 20 лет, за которые он должен выдержать без отказа не менее 20 разрядов максимальной интенсивности по п. 3.1.11.

Срок сохраняемости - 2 года.

(Измененная редакция, Изм. № 1)

3.5. Требования безопасности

3.5.1. Требования безопасности к конструкции разрядников должны соответствовать ГОСТ 12.2.007.3.

4. КОМПЛЕКТНОСТЬ

4.1. Комплектность разрядника должна устанавливаться в технических условиях на конкретные типы разрядников.

4.2. К разрядникам должны прилагаться эксплуатационные документы: паспорт, техническое описание и инструкция по эксплуатации.

Количество экземпляров эксплуатационных документов, прилагаемых к разрядникам, устанавливается в технических условиях на конкретные типы разрядников в соответствии с п. 7.3.

5. ПРАВИЛА ПРИЕМКИ

5.1. Для проверки соответствия разрядников требованиям настоящего стандарта предприятие-изготовитель должно проводить квалификационные, приемо-сдаточные, периодические и типовые испытания.

5.2. Квалификационные испытания

5.2.1. Испытания проводятся при изготовлении установочной серии или после освоения технологического процесса производства разрядников на соответствие всем требованиям настоящего стандарта.

5.2.2. Испытаниям подвергают разрядники в соответствии с табл. 9.

Таблица 9

Испытания и проверки

Пункты технических требований

Пункты методов испытаний

Примечание

1. Наружный осмотр

3.1.1, 3.3.10, 7.1, 7.2

6.1.3

 

2. Проверка соответствия разрядника его номинальному напряжению

3.1.5,
табл. 2-4

6.1.4

 

3. Измерение пробивного напряжения при промышленной частоте в сухом состоянии и под дождем

3.1.5,
табл. 2-4

6.2.1

 

4. Измерение минимального пробивного напряжения промышленной частоты

3.1.5,
табл. 2

6.2.2

Для разрядников тяжелого режима с номинальным напряжением выше 102 (110) кВ

5. Измерение напряжения пропускаемого грозового импульса

3.1.5,
табл. 2,4

6.2.3

Для разрядников с номинальным напряжением >290 кВ

6. Проверка пробивного напряжения при стандартном грозовом импульсе

3.1.5,
табл. 2-4

6.2.4

 

7. Измерение импульсного грозового пробивного напряжения при предразрядных временах до 20 мкс

3.1.5,
табл. 2-4

6.2.5

 

8. Измерение импульсного коммутационного пробивного напряжения

3.1.6

6.2.6

Для разрядников группы I и комбинированных.

 

 

 

Для разрядников группы II с номинальным напряжением ³102 (110) кВ

9. Измерение минимального импульсного коммутационного пробивного напряжения

3.1.7

6.2.7

Для разрядников группы I с номинальным напряжением ³ 102 (110) кВ

10. Измерение остающегося напряжения

 

 

 

а) при грозовых токах

3.1.5, 3.1.9

6.2.9.1

 

б) при коммутационных токах

3.1.8

6.2.9.2

 

11. Испытание на выдерживание длительно приложенного напряжения промышленной частоты

3.1.10

6.2.10

 

12. Проверка пропускной способности (надежности)

3.1.11, 3.1.12

6.2.11

 

13. Рабочие испытания

3.1.13, 3.1.14

6.2.12

 

14. Проверка взрывобезопасности

3.1.15

6.2.13

 

15. Измерение тока проводимости и сопротивления

3.1.16

6.2.14

 

16. Проверка электрической прочности внешней изоляции

3.2.1.

6.2.15

 

17. Измерение длины пути утечки по поверхности изоляции

3.2.2

6.2.16

 

18. Проверка механической прочности

 

 

 

а) при ветровой нагрузке

3.3.8

6.2.17.1

 

б) при вибрации, тряске, ударах

3.3.9, 7.4

6.2.17.2

 

19. Проверка герметичности

3.3.1

6.2.18

 

20. Окончательный осмотр

 

6.2.20

 

5.2.1, 5.2.2. (Измененная редакция. Изм. № 1)

5.3. Приемо-сдаточные испытания

5.3.1. Испытаниям подвергают каждый разрядник в соответствии с табл. 9:

1 (без определения массы), 2, 3 (в сухом состоянии), 10а, 12, 15, 19, 20. При этом: по п. 3 - необязательно в собранном виде, по п. 10а - только при номинальном разрядном токе, по п. 12 - выборочные испытания резисторов, по п. 20 - без вскрытия.

(Измененная редакция, Изм. № 1).

5.4. Периодические испытания

5.4.1. Испытания проводятся не реже одного раза в 5 лет по программе квалификационных испытаний, за исключением испытания по пп. 3 (под дождем), 11, 14 и 16 табл. 9.

При этих испытаниях проводится также проверка показателей надежности разрядников (п. 3.4).

Допускается не проводить испытания по тем пунктам программы, по которым за период, прошедший после проведения предыдущих периодических испытаний, были проведены типовые испытания.

(Измененная редакция, Изм. № 1).

5.5. Типовые испытания

5.5.1. Объем испытаний определяют в зависимости от степени возможного влияния предлагаемых изменений в конструкции или технологическом процессе изготовления на качество выпускаемых разрядников.

В программу испытаний включают испытания и проверки из числа предусмотренных в табл. 9.

6. МЕТОДЫ ИСПЫТАНИЙ

6.1. Подготовка к испытаниям

6.1.1. Разрядники для квалификационных испытаний данной серии следует выбирать по номинальному напряжению, по условиям наибольшей механической и термической нагрузки и по условиям взрывобезопасности.

Разрядники, предназначенные для испытаний, по номинальному напряжению подбираются в таком количестве, чтобы их номинальные напряжения с зоной ± 25 % или ± 6 кВ (любое большее) охватывали все номинальные напряжения серии.

Для испытаний на выдерживание длительно приложенного напряжения выбирают разрядники или элементы разрядников, работающие в наиболее тяжелом режиме перегрева.

Для механических испытаний отбирают разрядники или элементы разрядников, подвергающиеся наибольшим механическим напряжениям на изгиб.

Для проверки взрывобезопасности отбирают разрядники или элементы разрядников с минимальной и максимальной толщиной изоляционной покрышки.

6.1.2. Отбор изделий для проведения испытаний

6.1.2.1. Для комплекса испытаний по п. 5.2.2 (табл. 9, пп. 1 - 10; 15 - 17) отбирают два разрядника (для классов напряжения 3 - 35 кВ) и один разрядник (для класса напряжения 60 кВ и выше) методом случайного отбора каждого выбранного в п. 6.1.1 номинального напряжения.

(Измененная редакция, Изм. № 1).

6.1.2.2. (Исключен, Изм. № 1).

6.1.2.3. Для испытаний по п. 5.2.2 (табл. 9, п. 11) отбирают один разрядник (секцию) на одно из выбранных в п. 6.1.1 номинальных напряжений.

6.1.2.4. Для квалификационных испытаний по п. 12 табл. 9:

в случае разрядников легкого режима и комбинированных - три разрядника (элемента) на одно из выбранных в п. 6.1.1 номинальных напряжений;

в случае разрядников тяжелого режима - не менее трех секций разрядника на произвольное номинальное напряжение.

Для приемо-сдаточных испытаний по п. 12 в обоих случаях отбираются для выборочной проверки резисторы из каждой технологически однородной партии, идущей на комплектовку разрядников. В качестве партии принимается дневная продукция, но не более 500 резисторов.

Из подлежащей проверке партии дисков должно быть отобрано для испытаний 10 дисков с наиболее высокими остающимися напряжениями.

6.1.2.3, 6.1.2.4. (Измененная редакция, Изм. № 1).

6.1.2.5. Для квалификационных испытаний по п. 5.2.2 (табл. 9, п.13) отбирают три разрядника (секции) каждого выбранного в п. 6.1.1 номинального напряжения, а для периодических испытаний два разрядника (секции). Если разрядники с различными номинальными напряжениями комплектуют из одинаковых элементов, то допускается распространять испытания двух элементов (секций) на разрядники указанных номинальных напряжений.

6.1.2.6. Для испытания по п. 14 табл. 9 большим током короткого замыкания - два наибольших по высоте разрядника в случае одноэлементной конструкции или два наиболее высоких элемента в случае многоэлементной конструкции, а для испытания малым током короткого замыкания - один наибольший по высоте одноэлементный разрядник или один наиболее высокий элемент в случае многоэлементной конструкции.

Если в конструкции разрядника данного типа имеются элементы со стенками изоляционной покрышки различной толщины, то испытания проводят на элементах с изоляционными покрышками самой большой и самой малой толщины.

6.1.2.5, 6.1.2.6. (Измененная редакция, Изм. № 2).

6.1.2.7. Для испытаний по п. 5.2.2 (табл. 9, п. 18а, б) отбирают два разрядника или два его элемента от каждой одинаковой по конструкции серии разрядников.

6.1.2.8. Для испытаний по табл. 9 могут быть использованы разрядники или элементы, прошедшие другие испытания, не влияющие на результаты данных испытаний.

6.1.3. Выбранные для испытаний разрядники должны быть подвергнуты наружному осмотру:

проверке соответствия маркировки требованиям п. 7.1;

проверке соответствия внешних размеров, массы и монтажных частей документации;

проверке отсутствия видимых повреждений изоляционной покрышки и металлической арматуры.

6.1.4. Проверку соответствия номинального напряжения разрядника (п. 3.1.5, табл. 2 - 4) следует проводить:

сравнением напряжения на рабочем резисторе разрядника при расчетном значении сопровождающего тока с номинальным напряжением разрядника. При этом для разрядников с токоограничивающими промежутками напряжение на рабочем резисторе разрядника с учетом его возможного нагрева при протекании по нему сопровождающего тока должно быть менее номинального напряжения, указанного в п. 3.1.5, на значение напряжения, которое должно приходиться на искровые промежутки разрядника во время протекания через него в течение одного полупериода сопровождающего тока;

испытанием разрядников на соответствие требованиям пп. 3.1.10; 3.1.13 при квалификационных, периодических и типовых испытаниях.

6.1.2.7-6.1.4. (Измененная редакция, Изм. № 1).

6.1.5. Разрядники, подвергаемые испытаниям в собранном виде, должны устанавливаться на испытательном стенде в соответствии с инструкцией по эксплуатации. Нормальные атмосферные условия при проведении испытаний и поправочные коэффициенты должны соответствовать ГОСТ 1516.2.

6.2. Проведение испытаний

6.2.1. Измерение пробивного напряжения при промышленной частоте в сухом состоянии и под дождем

Измерение пробивного напряжения при промышленной частоте проводится на разряднике в сухом состоянии, а для разрядников наружного исполнения испытание повторяется под искусственным дождем.

Применяемые для испытаний напряжением промышленной частоты установки и методы испытания должны соответствовать требованиям ГОСТ 1516.2 и ГОСТ 17512.

К разряднику должно быть приложено напряжение достаточно низкого значения, около 1/3 пробивного, во избежание пробоя, вызываемого переходными процессами при включении напряжения, а затем следует плавно повышать напряжение до момента возникновения пробоя разрядника.

При измерении пробивного напряжения разрядников, имеющих шунтирующие резисторы, скорость нарастания прикладываемого к разряднику напряжения должна устанавливаться в технических условиях на конкретный тип разрядника. Для разрядников, не имеющих шунтирующих резисторов, эта скорость не нормируется.

Интервал времени между отдельными измерениями не должен быть менее 10 с. Ток, проходящий через разрядник после пробоя, должен быть прерван в возможно короткий срок, но не более чем за 0,5 с, а его максимальное значение должно быть ограничено до значения не более 0,7 А.

При измерении пробивного напряжения разрядников под дождем последний должен соответствовать ГОСТ 1516.2.

При приемо-сдаточных испытаниях к каждому испытуемому разряднику напряжение должно быть приложено не менее 10 раз (для разрядников с номинальным напряжением 102 (110) кВ и ниже допускается 5 раз).

Для разрядников легкого режима, комбинированных и тяжелого режима 102 (110) кВ и ниже допускается выход не более чем на 5 % за указанные в п. 3.1.5 пределы не более одного из измеренных значений, а при испытаниях разрядников тяжелого режима 102 (110) кВ и выше, кроме того, не допускается выход за нижний предел.

При квалификационных, периодических и типовых испытаниях всех разрядников напряжение следует прикладывать не менее 30 раз.

Для всех разрядников, кроме разрядников тяжелого режима свыше 102 (110) кВ, допускается выход за пределы, указанные в п. 3.1.5, не более 10 % значений, полученных при измерениях, при этом значений, больших (но не более чем на 5 % превышающих верхний предел указанных в п. 3.1.5) не должно быть более чем у 5 % измерений.

При квалификационных, периодических и типовых испытаниях должно вычисляться среднее арифметическое значение результатов проведенных измерений и среднее квадратическое отклонение пробивного напряжения.

Для разрядников тяжелого режима свыше 102 (110) кВ сохраняются условия выхода за верхний предел и не допускается выход за нижний предел.

При проведении приемо-сдаточных испытаний допускаются испытания коммутационным импульсом с длительностью фронта 2 - 4 мс и поэлементные испытания многоэлементных разрядников, если при квалификационных испытаниях установлено, что такая методика эквивалентна испытанию собранного разрядника. При периодических испытаниях допускается испытание собранного разрядника указанным коммутационным импульсом.

Для сравнения результатов испытаний, выполняемых при испытаниях по пп. 3.1.11; 3.1.12; 3.1.13 и 3.1.14, перед и после испытаний используется среднее арифметическое значение из пяти измерений пробивного напряжения при промышленной частоте.

(Измененная редакция, Изм. № 1).

6.2.2. Измерение минимального пробивного напряжения при промышленной частоте

Испытание проводится только для разрядников тяжелого режима с номинальным напряжением выше 102 (110) кВ. Минимальный уровень пробивного напряжения должен соответствовать п. 3.1.5 технических требований, а в отдельных случаях может устанавливаться по согласованию между изготовителем и потребителем (заказчиком).

Испытательное напряжение промышленной частоты прикладывается при начальном значении достаточно низком во избежание пробоя. Затем оно быстро поднимается с равномерной скоростью до установленного в п. 3.1.5 испытательного уровня и удерживается на этом уровне в течение 2 с до отключения. Испытания повторяются 5 раз через периоды времени, достаточные для того, чтобы на пробой не влиял нагрев. Ни при одном из опытов приложения напряжения не должно происходить пробоя разрядника.

6.2.3. Измерение напряжения пропускаемого грозового импульса

Измерение напряжения пропускаемого грозового импульса проводится этапами сначала одной, затем противоположной полярности. На каждом этапе прикладывается десять последовательных импульсов 1,2/50 мкс с одинаковым ожидаемым максимальным значением (с допуском по ГОСТ 1516.2). Испытание начинается с уровня, при котором достигается 8 или менее пробоев из 10, затем ожидаемое максимальное значение увеличивается трехпроцентными ступенями до тех пор, пока не будет найдено значение, при котором происходит не менее 9 пробоев из 19 с предзарядным временем не более 3 мкс. Интервал времени между импульсами не должен быть менее 60 с.

Наибольшее из полученных ожидаемых максимальных значений принимается в качестве напряжения пропускаемого грозового импульса; оно не должно превышать значения, указанного в табл. 2 и 4.

6.2.4. Проверка пробивного напряжения при стандартном грозовом импульсе

Для проверки пробивного напряжения при стандартном грозовом импульсе импульсный генератор настраивается таким образом, чтобы он генерировал стандартный грозовой импульс напряжения 1,2/50 мкс с ожидаемым максимальным значением, равным установленному в п. 3.1.5. При такой настройке к испытуемому образцу должны быть приложены пять положительных и пять отрицательных импульсов. Отклонение максимальных значений ожидаемого напряжения допускается до минус 3 %. Каждый из приложенных импульсов должен вызвать пробой разрядника. Если один из импульсов не вызвал пробоя разрядника, следует приложить дополнительную серию из 10 импульсов той же самой полярности. В этой серии все импульсы должны вызвать пробой разрядника.

6.2.5. Измерение импульсного грозового пробивного напряжения при предразрядном времени до 20 мкс

Измерения проводятся импульсами с линейным фронтом, крутизна которых подбирается таким образом, чтобы были получены пробивные напряжения при предразрядных временах 0,4-1,5; 1,5-3; 3-6; 6-15; 15-30 мкс. При каждой выбранной крутизне к разряднику прикладывается не менее пяти положительных и отрицательных импульсов. Верхняя огибающая измеренных значений пробивного напряжения - вольт-секундная характеристика не должна выходить за пределы, указанные в п. 3.1.5, в пределах времен 2 - 20 мкс и используется для определения импульсного пробивного напряжения при предзарядных временах менее 2 мкс.

Для разрядников напряжением до 220 кВ пробивное напряжение при предзарядном времени 0,4 - 1,5 мкс выдается по требованию потребителя.

(Измененная редакция, Изм. № 2).

6.2.6. Измерение импульсного коммутационного пробивного напряжения

Измерение импульсного коммутационного пробивного напряжения проводится при тех формах коммутационных импульсов с длительностью фронта, равной 30-60, 150-300, 1000-2000 мкс, и со временем до полуспада существенно большим, чем двойное время фронта. Способ определения формы импульса должен соответствовать требованиям ГОСТ 1516.2.

Для каждой формы импульса и каждой полярности испытание состоит из двух частей.

В первой части определяется напряжение пропускаемого коммутационного импульса. Испытания проводятся сериями по 10 импульсов с одинаковым ожидаемым максимальным значением, начиная от значения, при котором происходит не более 8 пробоев из 10 импульсов. Затем ожидаемое максимальное значение очередных серий импульсов увеличивается приблизительно на 3 % до значения, при котором из 10 импульсов происходит не менее 9 пробоев. Наибольшее для обеих полярностей ожидаемое максимальное значение является напряжением пропускаемого коммутационного импульса данной формы и не должно превышать значения, указанного в п. 3.1.6, при всех формах импульсов.

Допускается определение ожидаемого максимального значения импульсов путем пересчета измеренных полных импульсов пропорционально зарядным напряжениям и определение среза импульса по индикатору или осциллографу.

Во второй части для определения пробивного напряжения на фронте коммутационных импульсов проводится серия из 10 импульсов с ожидаемым максимальным значением на 30 % выше значения, определенного в первой части. Регистрируются напряжения пробоя и предразрядное время при импульсах.

Наивысшее пробивное напряжение на фронте коммутационных импульсов (при обеих полярностях и всех волнах) не должно превышать значения, указанного в п. 3.1.6.

6.2.7. Измерение минимального импульсного коммутационного пробивного напряжения

Для измерения минимального импульсного коммутационного пробивного напряжения к испытуемому разряднику прикладывают 10 импульсов, одинаковых по форме и амплитуде. При появлении двух или более пробоев ожидаемую амплитуду при каждой серии уменьшают на 3 % до тех пор, пока не будет получена амплитуда, при которой происходит не более одного пробоя.

Испытания проводятся на обеих полярностях и при всех формах импульса.

Наименьшее из всех полученных значений ожидаемых амплитуд принимается за минимальное импульсное коммутационное пробивное напряжение. Оно не должно быть менее указанного в п. 3.1.7.

6.2.8. Данные по всем пробоям, полученным в сериях испытаний по определению пробивных напряжений, должны быть использованы для построения зависимости пробивного напряжения от предразрядного времени (вольт-секундная характеристика). Наивысшее напряжение, достигнутое до пробоя, должно быть отнесено ко времени от действительного нуля до пробоя в каждом опыте, при котором происходит пробой. По полученным точкам строится огибающая максимальных значений пробивных напряжений, в которой используются данные, полученные в п. 6.2.5.

6.2.9. Измерение остающегося напряжения

6.2.9.1. Измерение при грозовых токах

Допуски параметров импульсных испытательных токов приведены в табл. 10.

Таблица 10

Наименование параметра

Форма импульса

8/20 мкс

прямоугольная

Длительность фронта Т1

7-9 мкс

-

Длительность импульса Т2

18-22 мкс

-

Максимальное значение Im

±10 %

От -0 до +20 %

Условная длительность максимальной величины Тm

-

От -0 до +20 %

Полная условная длительность Tp

-

£1,5 Tm

Максимальное значение тока противоположной полярности

£0,2 Im

£0,1 Im

Максимальное значение колебаний вблизи пика импульса

£0,06 Im

-

Системы для измерения импульсных токов должны обеспечивать:

точность измерения амплитуды испытательного тока с погрешностью не более 3 %;

точность измерения характеристик времен с погрешностью не более 10 %;

регистрацию колебаний, наложенных на импульсный ток.

Сопротивление шунта для измерения тока или коэффициент трансформации токового измерительного устройства должны быть определены с точностью до 1 % и должны быть стабильны в диапазоне измеряемых испытательных токов.

Измерение остающегося напряжения при номинальном разрядном токе проводится на разряднике. Допускается проводить измерения на элементах (секциях).

К испытуемому образцу прикладывается импульс тока 8/20 мкс с максимальным значением, равным номинальному разрядному току. В случае испытания секций разрядника в качестве значения остающегося напряжения разрядника принимается сумма остающихся напряжений всех секций.

Определенное таким образом значение остающегося напряжения не должно быть больше значения, указанного в табл. 2 - 4.

При проведении приемо-сдаточных испытаний допускается проводить измерение остающегося напряжения на единичных рабочих резисторах без соединения с ними последовательно искровых промежутков, если предварительными исследованиями установлено, что такая проверка эквивалентна такому же испытанию дисков рабочего резистора с последовательно соединенными искровыми промежутками, а также допускается измерять при импульсном токе 0,5 - 1,2 номинального разрядного тока разрядника с учетом числа параллельных резисторов (в этом случае контрольная проверка при номинальном разрядном токе делается не реже одного раза в год не менее чем на пяти резисторах).

Измерение остающегося напряжения при различных грозовых токах проводится на собранных разрядниках или на его секциях. Допускается измерение на отдельных резисторах.

Испытание должно проводиться при импульсе тока 8/20 мкс.

Каждый из образцов подвергают воздействию импульсных токов соответственно указанным в табл. 2 - 4.

По полученным точкам строится кривая зависимости остающегося напряжения от тока как верхняя огибающая. Ни одно из значений этой кривой не должно превосходить значений остающегося напряжения, указанных в табл. 2 - 4.

Определение остающегося напряжения при импульсном токе с фронтом 3 мкс проводится при запуске в производство рабочих резисторов новой технологии в соответствии с ГОСТ 1516.2 и ГОСТ 17512. Измеренные значения должны соответствовать установленным в п. 3.1.9.

(Измененная редакция, Изм. № 1).

6.2.9.2. Измерение при коммутационных токах

Измерение остающегося напряжения при коммутационных разрядных токах для разрядников группы I тяжелого режима проводится в процессе испытания разрядным током большой длительности в соответствии с п. 6.2.11.

Для комбинированных разрядников это измерение проводится одновременно с испытанием на дугогасящую способность в соответствии с п. 6.2.12.

Измеренные значения остающихся напряжений должны соответствовать установленным в п. 3.1.8.

6.2.10. Испытание длительно приложенным напряжением промышленной частоты

Испытание должно выполняться для разрядников с резисторами, управляющими распределением напряжения. Испытание проводится на собранном разряднике или на элементе, или на секции многоэлементного разрядника, содержащих искровые промежутки.

Разрядник (или элемент) должен быть присоединен к источнику напряжения промышленной частоты со значениями, указанными в п. 3.1.10, при введенных внутрь термопарах; должна быть измерена температура наиболее нагретой детали разрядника.

Испытание следует проводить при температуре окружающего воздуха 40 °С. Допускается проводить испытание при более низкой температуре окружающего воздуха при условии пересчета полученных результатов на температуру окружающего воздуха 40 °С.

Разрядник считают выдержавшим испытание:

при приложении к нему длительно допустимого рабочего напряжения без ограничения времени температура внутри разрядника установится и нагрев шунтирующих резисторов и внутренних деталей разрядника не превысит предельно допустимого значения по условиям их нагревостойкости;

при приложении к разряднику напряжения, допустимого в течение ограниченного времени (табл. 5, п. 3.1.10), при последующем снижении напряжения до значения длительно допустимого рабочего напряжения нагрев шунтирующих резисторов будет уменьшаться и не произойдет термического разрушения прилегающей изоляции.

6.2.11. Проверка импульсной пропускной способности

6.2.11.1. Испытания разрядников легкого режима

6.2.11.1.1. Квалификационные испытания

Допускается проводить отдельно на резисторах и на искровых промежутках.

У каждого из трех отобранных для испытаний в п. 6.1.2.4 разрядников (элементов) следует отобрать не менее пяти дисков рабочего резистора с наиболее высоким остающимся напряжением. (Если количество резисторов в испытуемом образце более пяти).

Перед испытание следует измерить остающиеся напряжения испытуемых резисторов при номинальном разрядном токе в соответствии с п. 6.2.9. Испытания на соответствие п. 3.1.11 следует проводить пропусканием через диски 20 импульсов тока с амплитудой, указанной в табл. 6.

Импульсы следует подводить к образцу четырьмя сериями по пять импульсов в каждой. Промежутки времени между импульсами в серии должны составлять от 30 до 60 с, а промежутки времени между сериями - от 25 до 30 мин. Ток и напряжение на образце следует обязательно регистрировать на осциллографе при первом и двадцатом импульсах.

Ни один из испытанных резисторов не должен повредиться.

После испытания и охлаждения образца до температуры окружающей среды нужно повторить измерение остающегося напряжения при номинальном грозовом разрядном токе. Полученное значение не должно отличаться от измеренного перед испытанием более чем на ±10 %.

Повреждением резисторов считается сквозной прожог диска, откол его части или перекрытие по боковой поверхности.

При раздельных испытаниях искровых промежутков в отобранных испытуемых образцах шунтируются последовательные резисторы.

Допускается проведение испытаний на единичных комплексах искровых промежутков с шунтирующими резисторами.

В этом случае из каждого испытуемого разрядника (элемента) испытаниям подвергают один комплект.

Испытание искровых промежутков разрядников на пропускную способность (п. 3.1.11) следует проводить пропусканием через них импульсов тока, указанных в табл. 6. Импульсы тока следует подавать на искровые промежутки сериями по пять импульсов в каждой серии.

Интервал между импульсами внутри одной серии должен быть 30-60 с, между сериями - достаточный для практически полного охлаждения искровых промежутков.

Искровые промежутки считают выдержавшими испытание, если среднее арифметическое значение их пробивного напряжения при частоте 50 Гц после полного охлаждения изменилось не более чем на ±10 %.

(Измененная редакция, Изм. № 1).

6.2.11.1.2. Приемо-сдаточные испытания

Проводятся выборочно только на резисторах в соответствии с п. 6.1.2.4.

Испытанию подвергаются по 10 отобранных из каждой партии резисторов.

Испытание следует проводить пропусканием через отдельные диски прямоугольных импульсов тока длительностью 2000 мкс, с максимальным значением, указанным в п. 3.1.11 (табл. 6). Допускается проводить испытания волной тока 3/8 мс амплитудой, на 15 % превышающей расчетное значение сопровождающего тока разрядника данного типа, если квалификационными и периодическими испытаниями установлено, что разрядник соответствует требованиям п. 3.1.11 (табл. 6).

Импульсы тока должны подаваться на диски сериями по пять импульсов в каждой серии. Интервал между импульсами внутри одной серии должен быть 30-60 с, между сериями - достаточный для полного охлаждения дисков. Партия дисков считается выдержавшей выборочную проверку пропускной способности, если все диски выдержат без повреждения 20 импульсов тока. Повреждением диска считается сквозной прожог, откол части диска или перекрытие по его боковой поверхности.

Если партия дисков не выдержала выборочную проверку пропускной способности, то имеющиеся в проверяемой партии диски, остающиеся напряжения которых такие же, как у испытанных дисков, бракуются и повторным испытаниям в соответствии с настоящей методикой должны быть подвергнуты 10 дисков, имеющих наиболее высокие остающиеся напряжения из оставшихся в проверяемой партии дисков (допускается также повторная выборочная проверка партии дисков после повторной стабилизации всей партии дисков током большой амплитуды).

Допускается испытание на пяти резисторах от партии с приемочным числом, равным нулю.

(Измененная редакция, Изм. № 1, 2).

6.2.11.2. Испытания разрядников тяжелого режима

6.2.11.2.1. Квалификационные испытания

Включают проверку пропускной способности током большой длительности. Испытания проводятся на комплектных разрядниках или секциях с номинальным напряжением, не меньшим 3,8 (3) кВ.

Значение номинального напряжения секции разрядника Un кВ, вычисляется по формуле

,

где UN - номинальное напряжение разрядника, кВ;

К - отношение числа искровых промежутков в разряднике к числу искровых промежутков в секции, равное отношению остающегося напряжения разрядника к остающемуся напряжению секции.

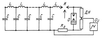
Перед испытанием следует измерить остающееся напряжение при номинальном разрядном токе в соответствии с п. 6.2.9, а также пробивное напряжение при промышленной частоте в соответствии с п. 6.2.1. Для испытания следует применять генератор прямоугольных импульсов тока, принципиальная схема которого приведена на чертеже.

С, L - емкости и индуктивности генератора импульсов тока большой длительности соответственно; И - управляемый искровой промежуток; Rо - шунт для измерения тока; О - испытуемый образец или разрядное сопротивление; ДН - делитель напряжения; Ос - осциллограф

 

Параметры генератора, в зависимости от группы устойчивости разрядника и номинального напряжения испытуемого образца, должны соответствовать требованиям п. 3.1.12. Генератор, заряженный до испытательного напряжения по табл. 7 с допуском от 0 до +1 %, следует двадцатикратно разрядить через испытуемый объект.

В случае, если напряжение зарядки генератора является недостаточным для возникновения пробоя испытуемого образца, следует применять вспомогательный генератор зажигающих импульсов с энергией не более 0,5 % энергии генератора длительных импульсов тока.

Импульсы следует подводить к объекту четырьмя сериями по пять импульсов. Промежуток времени между импульсами в серии должен составлять от 50 до 60 с, а промежуток между сериями от 25 до 30 мин.

Во время испытания следует обязательно регистрировать на осциллографе ток и напряжение на испытуемом объекте при первом и двадцатом импульсах. Измеренное максимальное значение напряжения на объекте, умноженное на коэффициент К, не должно превышать значений, указанных в п. 3.1.12. После испытания и охлаждения испытуемого объекта до температуры окружающей среды следует повторить измерение остающегося напряжения при номинальном разрядном токе, а также пробивного напряжения при промышленной частоте. Полученные значения не должны отличаться от значений, измеренных перед испытанием, более чем на ±10 %.

6.2.11.2.2. Приемо-сдаточные испытания

Испытания проводятся по методике п. 6.2.11.1.2.

6.2.11.2.3. Испытания разрядников тяжелого режима, разработанных до введения в действие настоящего стандарта, проводятся в соответствии с п. 6.2.11.1.

(Измененная редакция, Изм. № 1).

6.2.11.3. Испытания комбинированных разрядников

6.2.11.3.1. Квалификационные испытания допускается проводить отдельно на резисторах и искровых промежутках. Испытания резисторов следует проводить пропусканием через отдельные диски импульсов тока с амплитудами, указанными в п. 3.1.11 (табл. 6) с учетом числа параллельных колонок резисторов в разряднике. Далее испытания проводят в соответствии с п. 6.2.11.1.1.

6.2.11.3.2. Приемо-сдаточные испытания проводятся выборочно только на резисторах пропусканием через отдельные диски импульсов тока 3/8 мс с амплитудой, указанной в п. 3.1.11 (табл. 6), с учетом числа параллельных колонок резисторов в разряднике. Далее испытания проводят в соответствии с п. 6.2.11.1.2.

6.2.11.3 - 6.2.11.3.2. (Введены дополнительно, Изм. № 1).

6.2.12. Рабочие испытания

6.2.12.1. Испытания разрядников групп I-IV

Проверку дугогасящей способности на соответствие пп. 3.1.13 и 3.1.14 следует проводить на собранном разряднике или на секции в герметичной изоляционной покрышке, обеспечивающей условия теплообмена с окружающей средой, подобные условиям, имеющим место в разряднике. Допускается проведение испытаний в открытом состоянии.

Номинальное напряжение секции разрядника определяется умножением номинального напряжения разрядника на отношение пробивного напряжения при промышленной частоте испытуемой секции к минимальному пробивному напряжению при промышленной частоте целого разрядника.

Число рабочих резисторов должно быть подобрано таким образом, чтобы отношение номинального напряжения испытуемой секции к ее остающемуся напряжению было по возможности близким к отношению номинального напряжения целого разрядника к его остающемуся напряжению, но не меньше последнего отношения. Номинальное напряжение секции не должно быть менее 3,8 (3) кВ.

Перед испытанием следует измерить остающееся напряжение испытуемого образца при номинальном разрядном токе в соответствии с п. 6.2.9 и его пробивное напряжение при промышленной частоте в соответствии с п. 6.2.1.

Образец присоединяют к источнику тока частоты 50 Гц.

Значения электродвижущей силы и полного сопротивления источника должны быть такими, чтобы во время прохождения сопровождающего тока максимальное значение напряжения частоты 50 Гц на выводах разрядника не было ниже максимального значения номинального напряжения разрядника. После обрыва сопровождающего тока напряжение не должно превышать максимального значения номинального напряжения разрядника более чем на 10 % для разрядников групп I-IV и более чем на 20 % - для разрядников комбинированного типа.

Испытание проводят 20 воздействиями на разрядник, вызывающими пробой искровых промежутков и протекание через них (и соединенный последовательно с искровыми промежутками рабочий резистор) импульсного тока, форма и максимальное значение которого указаны в пп. 6.2.9.1 и 3.1.13, и последующего сопровождающего тока.

Импульсы тока должны быть:

или при всех воздействиях в момент, соответствующий 30 электрическим градусам после перехода электродвижущей силы через нулевое значение;

или при половине воздействий в момент, соответствующий 20-30 электрическим градусам после перехода электродвижущей силы через нулевое значение, а при второй половине воздействий в момент, соответствующий 10-20 электрическим градусам до амплитуды электродвижущей силы.

Если предварительными исследованиями установлено, что испытания в одном из указанных режимов являются более тяжелыми, то проверку разрядников следует проводить в этом режиме*.

Если при подаче импульса тока в момент, соответствующий 20-30 электрическим градусам после перехода электродвижущей силы через нулевое значение, сопровождающий ток после импульса устойчиво не возникает, то момент подачи импульса тока при каждой последующей серии испытаний следует изменять в сторону запаздывания (на 10 электрических градусов) до тех пор, пока не будет получено устойчивое возникновение сопровождающего тока.

Полярности импульса тока и полупериода электродвижущей силы в момент пробоя искровых промежутков должны быть совпадающими. Для отдельных типов разрядников, для которых режим несовпадающих полярностей может оказаться наиболее тяжелым, допускается несовпадение полярности у части воздействий (до 50 %).

Воздействиям следует подвергать испытуемый объект четырьмя сериями по пять воздействий в каждой серии для разрядников групп I-IV  и по два воздействия в каждой серии для разрядников комбинированного типа. Интервал между воздействиями внутри одной серии должен быть равен примерно 1 мин, а между сериями - достаточный для практически полного охлаждения внутренних деталей разрядника.

При испытании секции разрядника электродвижущая сила источника частоты 50 Гц и максимальное значение напряжения на выводах испытуемой секции разрядника должны быть во столько раз меньше электродвижущей силы источника и максимального значения напряжения, которые требуются при испытании всего разрядника, во сколько раз испытуемая секция разрядника меньше всего разрядника.

Разрядник считают выдержавшим испытания, если во всех случаях:

был обрыв сопровождающего тока в течение одного полупериода частоты 50 Гц;

среднее арифметическое значение пробивного напряжения испытуемого объекта и остающееся напряжение при токе 5000-10000 А, измеренные после полного его охлаждения, изменились после этих испытаний не более чем на ±10 %;

вольт-амперная характеристика не имеет искажений, указывающих на наличие пробоя или перекрытия рабочего сопротивления разрядника или его части.

(Измененная редакция, Изм. № 1, 2).

___________

* Для разрядников, разработанных до введения в действие настоящего стандарта, проверка в более тяжелом режиме необязательна.

6.2.12.2. Испытания разрядника для нейтрали 110 кВ проводятся в соответствии с п. 3.1.13.

6.2.12.3. Испытания комбинированных разрядников

Испытания на соответствие п. 3.1.14 проводятся импульсами тока с максимальными значениями 1000 А для разрядников с номинальным напряжением 288 (330) кВ и 1500 А для разрядников с номинальным напряжением 420 (500) кВ. Испытуемая часть разрядника должна быть с числом искровых промежутков, не меньшим числа последовательно соединенных искровых промежутков, параллельно которым в разряднике присоединяют шунтирующие резисторы, и таким числом дисков рабочего резистора, чтобы при пробое искровых промежутков через испытуемый объект, присоединенный к источнику переменного тока частоты 50 Гц, протекал ток с указанным выше максимальным значением. Максимальное значение электродвижущей силы источника должно быть выбрано такое, при котором после обрыва дуги этого тока на испытуемом объекте восстанавливалось синусоидальное напряжение частоты 50 Гц с максимальным значением, во столько раз меньшим действующего значения напряжения, указанного в табл. 2, во сколько раз напряжение, приходящееся при этом на искровые промежутки испытуемой части разрядника, меньше напряжения гашения.

Импульс тока, вызывающий указанный выше ток в разряднике, не нормируется по величине, длительности и направлению и принимается из условия устойчивого возникновения соответствующего тока при подаче импульса в момент не более 60 электрических градусов после перехода электродвижущей силы источника через нулевое значение.

Испытание следует проводить 20 воздействиями с интервалом, достаточным для практически полного охлаждения испытуемого объекта.

Разрядник считают выдержавшим испытание, если во всех случаях:

был обрыв тока через испытуемый объект в течение одного полупериода частоты 50 Гц;

среднее арифметическое значение пробивного напряжения испытуемого объекта и остающееся напряжение при токе 5000-10000 А, измеренные после полного его охлаждения, изменились после этих испытаний не более, чем указано в п. 3.1.14;

вольт-амперная характеристика не имеет искажений, указывающих на наличие пробоя или перекрытия рабочего резистора испытуемого объекта или его части.

6.2.13. Испытания на взрывобезопасность

Для проверки взрывобезопасности в предназначенном для испытаний разряднике (элементе) следует зашунтировать при помощи медной проволоки нелинейные последовательные резисторы и искровые промежутки по всей длине вдоль их боковой поверхности.

Диаметр проволоки должен быть не более 0,5 мм и подобран таким образом, чтобы проволока расплавилась за время, не большее чем соответствующее 30 электрическим градусам от момента появления тока в цепи короткого замыкания.

Испытуемый разрядник (элемент) следует жестко укрепить в соответствии с инструкцией по монтажу.

В случае многоэлементной конструкции на испытуемом элементе со стороны противовзрывного устройства следует укрепить второй элемент или его металлическую арматуру так, чтобы во время испытания создать естественные условия работы противовзрывных устройств. Разрядник или элемент должен быть окружен цилиндром высотой не менее 0,3 м с диаметром, равным внешнему диаметру разрядника или элемента, увеличенным на его двухкратную высоту, но не менее 1,8 м.

Основание разрядника (элемента) должно быть установлено на высоте верхнего края окружающего цилиндра.

Испытание на взрывобезопасность проводится большим и малым токами короткого замыкания в испытательной однофазной цепи при напряжении от 0,77 до 1,0 номинального напряжения разрядника (элемента).

Испытание большими токами короткого замыкания допускается проводить при напряжении менее 0,77 номинального напряжения разрядника (элемента).

В случае испытания отдельных элементов разрядника испытательное напряжение уменьшается соответственно отношению высоты испытуемого элемента к высоте разрядника.

Для испытания большим током короткого замыкания мощность применяемого источника тока короткого замыкания должна быть достаточна, чтобы эффективное значение периодической составляющей тока в течение 0,2 с не уменьшилось ниже 75 % значения ожидаемого испытательного тока, указанного в п. 3.1.15 (табл. 8).

Коэффициент мощности при коротком замыкании в этой цепи не должен быть больше 0,1.

При испытании большим током короткого замыкания при напряжении более 0,77 номинального напряжения разрядника испытуемый разрядник (элемент), включенный в цепь короткого замыкания, нужно зашунтировать при помощи куска внешнего провода. Параметры цепи короткого замыкания нужно подобрать так, чтобы коэффициент мощности не превышал 0,1, а также чтобы в этой цепи периодическая составляющая тока соответствовала значению ожидаемого тока короткого замыкания, указанному в п. 3.1.15 (табл. 8), с допуском от 0 до плюс 20 %, а наивысшее мгновенное значение тока было не менее чем в 2,5 раза больше действующего значения периодической составляющей.

Затем нужно снять внешний короткозамыкающий провод и испытать разрядник (элемент). После испытаний, в случае разрушения изоляционной покрышки, все части испытуемого образца должны оставаться в зоне, ограниченной цилиндром.

Испытание большим током короткого замыкания при напряжении меньше чем 0,77 номинального напряжения разрядника следует выполнять в цепи короткого замыкания, параметры которой должны быть подобраны так, чтобы действующее значение периодической составляющей тока короткого замыкания, протекающего через испытуемый разрядник (элемент), было не меньше значения, указанного в табл. 8, п. 3.1.15 для соответствующего класса устойчивости испытуемого разрядника к коротким замыканиям.

Наивысшее мгновенное значение тока короткого замыкания в этом случае должно иметь значение не менее чем в 1,7 раза больше действующего значения периодической составляющей. После испытания, в случае разрушения изоляционной покрышки, все части испытуемого образца должны оставаться в зоне, ограниченной цилиндром.

При испытании малым током короткого замыкания параметры испытательной цепи должны быть подобраны так, чтобы через разрядник (элемент) во время испытания протекал ток с действующим значением 800 А ± 10 %, измеренный после 0,1 с от момента начала короткого замыкания.

Во время испытания значение тока не должно уменьшаться больше чем на 10 % по отношению к начальному значению. Результат испытания следует считать положительным, если разрядник не разрушился или, в случае разрушения изоляционной покрышки, все части испытуемого образца находились в зоне, ограниченной цилиндром.

6.2.14. Измерение тока проводимости для разрядников, имеющих шунтирующие резисторы, и тока утечки для разрядников, не имеющих шунтирующих резисторов, соответственно п. 3.1.16 должно проводиться приложением к зажимам разрядника выпрямленного напряжения любой полярности, пульсации которого не превышают 3 %.

Измерение сопротивления разрядника или его элементов следует проводить, например, с помощью мегомметра, напряжение которого должно быть указано в протоколах испытаний данного разрядника.

6.2.13, 6.2.14. (Измененная редакция, Изм. № 1).

6.2.15. Проверка электрической прочности внешней изоляции

При проверке электрической прочности внешней изоляции разрядников (п. 3.2.1) должна быть исключена возможность пробоя искровых промежутков или возникновения какого-либо иного разряда внутри разрядников удалением из разрядника искровых промежутков, увеличением пробивного напряжения искровых промежутков или иным способом, практически не искажающим распределения напряжения по внешней изоляции разрядников.

Испытания разрядников напряжением промышленной частоты должны проводиться в соответствии с ГОСТ 1516.1 и ГОСТ 20690 (для аппаратов), а также ГОСТ 1516.2.

Повышение напряжения должно проводиться со скоростью, указанной в п. 6.2.1, причем для разрядников с шунтирующими резисторами внешняя изоляция должна выдерживать под дождем напряжение большее, чем выдерживаемое при плавном подъеме (п. 3.2.1), на 20 %.

6.2.16. Измерение длины пути утечки по поверхности внешней изоляции должно выполняться нерастягивающейся лентой, приклеенной вдоль поверхности внешней изоляции от высоковольтного электрода до ближайшего заземленного электрода. Лента должна прилегать к изолятору по всей своей длине. После снятия ленты с изолятора требуется измерить ее длину с точностью ±1 %.

Для многоэлементных разрядников измерение должно быть выполнено для каждого элемента, а затем следует суммировать результаты измерения.

Полученный результат, выраженный в сантиметрах, следует разделить на значение номинального напряжения сети, для которой предназначается разрядник, выраженное в киловольтах. Частное от деления должно соответствовать требованиям п. 3.2.2.

6.2.17. Проверка механической прочности

6.2.17.1. Для проверки механической прочности, установленной в п. 3.3.8, испытательную силу Р, Н, вычисляют по формуле

Р = Рn + РD,

где Рn - сила, отображающая момент изгиба от напора ветра со скоростью n = 30 м/с или n = 40 м/с, вычисляемая по формуле

,

где Н

- высота разрядника, м;

d

- наружный диаметр изоляционной покрышки, определяемый как средний диаметр тарелки, м;

l

- длина тяги экранирующего кольца, м;

d1

- диаметр тяги, м;

d2

- диаметр экранирующего кольца, м;

d3

- диаметр трубы экранирующего кольца, м;

n

- число тяг;

PD

- дополнительная сила, отображающая натяжение проводов, равная 300 Н для разрядников с номинальным напряжением 3,8 (3) - 40,5 (35) кВ и 500 Н для разрядников с более высокими номинальными напряжениями.

Примечание. При испытании многоэлементных разрядников допускается выполнять испытания на одном элементе, который подвержен наивысшим механическим напряжениям, увеличивая испытательную силовую нагрузку по отношению к высоте разрядника Н и элемента h.

Испытательная сила прикладывается к верхней части металлической арматуры перпендикулярно оси испытуемого объекта в течение 60 с. Время возрастания натяжения от 0,5 до 1,0 испытательной силы не должно быть менее 20 с. После испытания на испытуемом разряднике не должно быть никаких видимых наружных повреждений.

6.2.17.2. Проверка разрядников при вибрации, тряске, ударах на соответствие пп. 3.3.9 и 7.4 должна проводиться в соответствии с ГОСТ 16962.2, ГОСТ 23216.

Испытания допускается проводить на составных частях разрядников, моделях или макетах при условии максимального приближения конструкции испытуемого объекта к конструкции разрядника.

(Измененная редакция, Изм. № 1).

6.2.18. Испытание на герметичность

При испытании разрядников на герметичность (п. 3.3.1) во внутренней полости разрядников должно быть создано остаточное давление 59,2 - 86,6 кПа (450 - 650 мм рт. ст.); меньшее значение обязательно для разрядников, имеющих предохранительное устройство.

Изменение давления через 20 мин после начала испытания не должно превышать 0,133 кПа (1 мм рт. ст.) от установленного в начале испытания. Допускаются и другие методы испытания, обеспечивающие степень герметичности разрядников, указанную в настоящем пункте.

6.2.19. Проверку армированных фарфоровых покрышек разрядников (п. 3.3.3) следует проводить в соответствии с техническими условиями на конкретные типы разрядников.

6.2.20. Окончательный осмотр заключается в открытии разрядника и проверке:

соответствия документации числу и основным размерам внутренних деталей, в особенности искровых промежутков и последовательных нелинейных резисторов;

отсутствия повреждений в результате выполненных испытаний.

Осмотр проводится после окончания испытаний.

В случае демонтажа разрядника, с целью использования его элементов для измерений остающегося напряжения и пропускной способности, осмотр должен выполняться во время этого демонтажа.

6.2.21. Проверка установленного ресурса (п. 3.4) проводится по результатам испытаний по пп. 6.2.10 - 6.2.12 и по результатам эксплуатации по методике, утвержденной в установленном порядке

(Измененная редакция, Изм. № 1).

7. МАРКИРОВКА, УПАКОВКА, ТРАНСПОРТИРОВАНИЕ И ХРАНЕНИЕ

7.1. На каждом разряднике должна быть установлена табличка по ГОСТ 12969, на которой указывают:

товарный знак предприятия-изготовителя;

наименование изделия («Разрядник»);

условное обозначение разрядника;

порядковый номер по системе нумерации предприятия-изготовителя;

класс устойчивости к длительным импульсам тока (только для разрядников по п. 3.1.12);

категорию взрывобезопасности (только для разрядников с противовзрывным устройством);

номинальную частоту в герцах;

массу разрядника в килограммах для разрядников массой 20 кг и выше;

дату изготовления (год выпуска) разрядника;

обозначение стандарта или технических условий на конкретный тип разрядника, а для разрядников, предназначенных на экспорт, обозначение настоящего стандарта;

изображение государственного Знака качества для разрядников, которым присвоен государственный Знак качества.

Каждый элемент многоэлементного разрядника должен иметь табличку с данными соответствующего разрядника:

товарный знак предприятия-изготовителя;

наименование изделия («Разрядник»);

условное обозначение разрядника;

порядковый номер по системе нумерации предприятия-изготовителя;

дата изготовления (год выпуска) разрядника;

кроме того, указывают слово «элемент», номер элемента, тип элемента (при необходимости) и массу элемента.

(Измененная редакция, Изм. № 1, 3).

7.2. Маркировка должна быть нанесена на табличке в соответствии с ГОСТ 18620.

(Измененная редакция, Изм. № 2).

7.3. Разрядники для транспортирования должны быть упакованы в плотные или решетчатые ящики по ГОСТ 10198 или ГОСТ 2991, или в специальную тару. Упаковка разрядников должна исключать возможность их механических повреждений.

На таре должны быть надписи: «Хрупкое. Осторожно», «Верх» - или нанесен знак хрупкого груза.

Маркировка транспортной тары - по ГОСТ 14192.

Тара, в которую упаковывают разрядники, не должна допускать возможности их перекатывания.

Примечание. По согласованию изготовителя с потребителем (заказчиком) допускается отправка разрядников без тары при условии исключения возможности повреждений разрядников при их транспортировании.

К каждому разряднику должен быть приложен паспорт, к каждым трем разрядникам с номинальным напряжением 102 (110) кВ и выше (для разрядников с номинальным напряжением 40,5 (35) кВ и ниже к каждой партии разрядников данного типа, отправляемой в один адрес) - не менее одного экземпляра эксплуатационной документации, указанной в п. 4.2.

7.4. Условия транспортирования и хранения разрядников в части воздействия климатических факторов внешней среды должны соответствовать ГОСТ 15150 и указываются в технических условиях на конкретные типы разрядников.

Условия транспортирования разрядников в части воздействия механических факторов должны соответствовать группе Ж по ГОСТ 23216.

Допускается транспортирование автомобильным транспортом по грунтовым дорогам на расстояние до 500 км, при этом скорость транспортирования устанавливается в технических условиях на конкретные типы разрядников.

Неповрежденность разрядников после транспортирования определяют внешним осмотром и измерением тока проводимости разрядников или их сопротивления в соответствии с указаниями п. 6.2.14.

При транспортировании и хранении разрядники должны находиться в вертикальном положении и должны быть защищены от прямого попадания дождя.

8. УКАЗАНИЯ ПО ЭКСПЛУАТАЦИИ

8.1. Эксплуатация разрядников должна вестись в соответствии с эксплуатационной документацией (п. 4.2), а также в соответствии с документами:

«Правилами технической эксплуатации электрических станций и сетей», утвержденными Министерством энергетики и электрификации СССР и Президиумом ЦК профсоюза рабочих электростанций и электротехнической промышленности;

«Правилами техники безопасности при эксплуатации электроустановок», утвержденными Министерством энергетики и электрификации СССР и Президиумом ЦК профсоюза рабочих электростанций и электротехнической промышленности;

«Правилами технической эксплуатации электроустановок потребителей» и «Правилами техники безопасности при эксплуатации электроустановок потребителей», утвержденными Госэнергонадзором.

При эксплуатации разрядников должны соблюдаться требования разд. 3 настоящего стандарта.

В технических условиях на конкретные типы разрядников могут предусматриваться дополнительные требования по их эксплуатации.

9. ГАРАНТИИ ИЗГОТОВИТЕЛЯ

9.1. Изготовитель гарантирует соответствие разрядников требованиям настоящего стандарта при соблюдении потребителем условий монтажа, эксплуатации, транспортирования и хранения, установленных стандартом.

9.2. Гарантийный срок эксплуатации - 3 года со дня ввода разрядника в эксплуатацию.

 

ПРИЛОЖЕНИЕ

Справочное

ПОЯСНЕНИЕ ТЕРМИНОВ, ВСТРЕЧАЮЩИХСЯ В СТАНДАРТЕ

Термин

Пояснение

1. Вентильный разрядник

Разрядник, имеющий однократный или многократный искровой промежуток, включенный последовательно с рабочим резистором с нелинейной вольт-амперной характеристикой. В некоторых разрядниках параллельно искровым промежуткам присоединяются шунтирующие резисторы, иногда и шунтирующие емкости.

2. Вентильный разрядник комбинированного типа

Разрядник, предназначенный для защиты от атмосферных и коммутационных перенапряжений, в котором при импульсных токах с большими максимальными значениями часть рабочего резистора шунтируется искровыми промежутками.

2.1. Секция разрядника

Часть разрядника, соответствующим образом размещенная в покрышке вместе со всеми своими деталями, содержащая последовательно соединенные промежутки и нелинейные резисторы в таком соотношении, которое необходимо для воспроизведения всего разрядника при определенных испытаниях.

2.2. Элемент разрядника

Полностью скомплектованная в покрышке часть разрядника, которая при последовательном соединении ее с другими элементами позволяет выполнить разрядник на более высокое номинальное напряжение. Элемент разрядника необязательно является секцией разрядника.

3. Токоограничивающие искровые промежутки

Искровые промежутки вентильного разрядника, на которых при прохождении через разрядник сопровождающего тока имеет место падение напряжения, соизмеримое с напряжением на рабочем резисторе разрядника.

4. Предохранительное устройство вентильного разрядника

Устройство, обеспечивающее снижение внутреннего давления в разряднике и предупреждающее его разрушение со взрывом фарфоровой покрышки при чрезмерно длительном прохождении через разрядник тока или при разряде внутри разрядника помимо его искровых промежутков.

5. Класс напряжения разрядника

Номинальное напряжение сети, в которой устанавливается разрядник (этот параметр является дополняющим, однозначно связанным с номинальным напряжением разрядника, указанным в табл. 2-4).

6. Номинальное напряжение разрядника

Наибольшее допустимое напряжение промышленной частоты на зажимах разрядника, при котором, как это установлено при испытании в рабочем режиме, гарантируется его правильная работа (действующее значение).

 

Номинальное напряжение используется как справочный параметр для спецификации рабочих характеристик.

 

Номинальное напряжение может быть приложено к разряднику в течение установленного времени без изменения его характеристик.

 

Некоторые разрядники могут правильно работать при квазистационарных перенапряжениях, превышающих их номинальные напряжения.

7. Длительно допустимое рабочее напряжение разрядника

Наибольшее действующее значение напряжения промышленной частоты, которое может быть приложено в течение длительного времени к зажимам разрядника.

 

Разрядники, нормированные для работы в сетях с изолированной нейтралью, должны быть способны правильно работать при наибольшем линейном напряжении сети, приложенном в течение длительного времени между зажимами.

 

Разрядники, нормированные для работы в сетях с эффективно заземленной нейтралью, должны быть способны работать в течение длительного времени при напряжении, равном или большем чем наибольшее линейное напряжение, умноженное на коэффициент 1/Ö3

8. Номинальный разрядный ток разрядника

Максимальное значение грозового разрядного тока, имеющего форму волны 8/20 мкс, которое используется для классификации разрядника. Номинальный разрядный ток используется также для возбуждения сопровождающего тока во время рабочих испытаний.

9. Напряжение гашения разрядника

Наибольшее допустимое (действующее значение) напряжение промышленной частоты между зажимами разрядника, при котором разрядник способен к обрыву в режиме воздействия квазистационарного перенапряжения, превосходящего номинальное напряжение разрядника, и которое определяется при нормированном испытании.

10. Импульсное пробивное напряжение разрядника

Наибольшее значение импульсного напряжения на разряднике до пробоя его искровых промежутков.

11. пробивное напряжение разрядника при частоте 50 Гц

Наибольшая величина напряжения частоты 50 Гц, плавно нарастающего до момента пробоя искровых промежутков разрядника, вычисленная по его максимальному значению, деленному на Ö2.

12.Предразрядное время

Время от начала увеличения импульсного напряжения до момента пробоя искровых промежутков разрядника

13. Остающееся напряжение разрядника

Наибольшее значение напряжения на разряднике при протекании через него импульсного тока с данной амплитудой и длиной фронта

14. Защитный коэффициент разрядника при импульсном токе с данной амплитудой и длиной фронта

Отношение остающегося напряжения разрядника при этом токе к номинальному напряжению разрядника, умноженному на Ö2.

15. Напряжение переключения разрядника комбинированного типа в режиме работы при атмосферных перенапряжениях

Напряжение на разряднике, при котором происходит пробой части искровых промежутков, шунтирующих часть рабочего резистора разрядника

16. Расчетный сопровождающий ток

Максимальное возможное значение тока, который по расчету должен протекать через разрядник после пробоя его искровых промежутков при приложении к нему полупериода напряжения частоты 50 Гц, равного номинальному напряжению разрядника.

17. Ток проводимости разрядника, искровые промежутки которого шунтированы сопротивлениями

Ток через разрядник при приложении к нему напряжения постоянного тока заданного значения.

У разрядников, не имеющих шунтирующих сопротивлений, этот ток называется током утечки.

18. Импульс тока

Кратковременный ток, нарастающий без заметных колебаний до максимума и затем, как правило, более медленно спадающий до нуля. Параметрами импульса тока являются: максимальное значение, длительность фронта, длительность импульса.

 

Длительность фронта определяется по осциллографам тока по фронту импульса, спрямленному через значения, равные 10 и 90 % максимального значения импульса.

 

Длительность импульса определяется по осциллограммам тока от условного нулевого значения, полученного при спрямлении фронта импульса при определении длительности фронта, до момента, когда значение тока на спаде равно половине максимального значения.

19. Сопротивление разрядника

Сопротивление между зажимами разрядника, измеренное мегомметром заданного напряжения.

20. Прямоугольный импульс тока

Униполярный импульс, быстро (за время не более 10 % его длительности) нарастающий до максимального значения и уменьшающийся в течение заданной длительности не более чем на 10 % (пренебрегая колебаниями), а затем спадающий до нуля за время не более 50 % заданной длительности импульса.

 

ИНФОРМАЦИОННЫЕ ДАННЫЕ

1. РАЗРАБОТАН И ВНЕСЕН Министерством электротехнической промышленности СССР

РАЗРАБОТЧИКИ

В.П. Белотелов, С.Ю. Роговенко (руководители темы); В.В. Шматович; В.В. Балаева

УТВЕРЖДЕН И ВВЕДЕН В ДЕЙСТВИЕ Постановлением Государственного комитета СССР по стандартам от 15.04.83 № 1901

3. ВЗАМЕН ГОСТ 16357-70

4. Стандарт полностью соответствует СТ СЭВ 5713-86 и Публикации МЭК 99-1-70

5. ССЫЛОЧНЫЕ НОРМАТИВНО-ТЕХНИЧЕСКИЕ ДОКУМЕНТЫ

Обозначение НДТ, на который дана ссылка

Номер пункта

Обозначение НДТ, на который дана ссылка

Номер пункта

ГОСТ 12.2.007.3-75

3.5.1

ГОСТ 14192-96

7.3

ГОСТ 1516.1-76

3.2.1, 6.2.15

ГОСТ 15150-69

2.3, 3.1.3, 3.3.5, 7.4

ГОСТ 1516.2-97

6.1.5, 6.2.1, 6.2.3, 6.2.6, 6.2.9.1, 6.2.15

ГОСТ 15543.1-89

3.1.3

ГОСТ 2991-85

7.3

ГОСТ 16962.2-90

6.2.17.2

ГОСТ 5862-79

3.3.2

ГОСТ 17512-82

6.2.1, 6.2.9.1

ГОСТ 9920-89

2.3, 3.1.3, 3.2.2

ГОСТ 17516.1-90

3.3.9

ГОСТ 10198-91

7.3

ГОСТ 18620-86

7.2

ГОСТ 10434-82

3.3.5

ГОСТ 20690-75

3.2.1, 6.2.15

ГОСТ 12969-67

7.1

ГОСТ 21242-75

3.3.5

 

 

ГОСТ 23216-78

6.2.17.2, 7.4

6. Ограничение срока действия снято по протоколу № 3-93 Межгосударственного Совета по стандартизации, метрологии и сертификации (ИУС 5-6-93)

7. ПЕРЕИЗДАНИЕ (июль 1999 г.) с Изменениями № 1, 2, 3, утвержденными в июне 1986 г., августе 1987 г., декабре 1988 г (ИУС 9-86, 12-87, 2089)




Яндекс цитирования



   Copyright © 2007-2026,  www.tehlit.ru.

[ ѓосты, стандарты, нормативы, инструкции, правила, строительные нормы ]