//
ТехЛит.ру
- крупнейшая бесплатная электронная интернет библиотека для "технически умных" людей.
WWW.TEHLIT.RU - ТЕХНИЧЕСКАЯ ЛИТЕРАТУРА

:: Алготрейдинг::


АЛГОТРЕЙДИНГ
шаг за шагом
с нуля по урокам!

Торговые роботы на PYTHON, BackTrader,
Pandas, Pine Script для TradingView. Связка с брокерами, телеграм и легкими приложениями.


ГОСУДАРСТВЕННЫЙ СТАНДАРТ СОЮЗА ССР

ЛИНЗЫ УПЛОТНИТЕЛЬНЫЕ ЖЕСТКИЕ
И КОМПЕНСИРУЮЩИЕ НА
Ру 20-100 МПа (200-1000 кгс/см2)

ТЕХНИЧЕСКИЕ УСЛОВИЯ

ГОСТ 10493-81

ГОСУДАРСТВЕННЫЙ КОМИТЕТ СССР ПО СТАНДАРТАМ
Москва

РАЗРАБОТАН Министерством химического и нефтяного машиностроения

ИСПОЛНИТЕЛИ

Л.Ф. Березин (руководитель темы), Е.Р. Хисматулин, М.И. Миль

ВНЕСЕН Министерством химического и нефтяного машиностроения

Член Коллегии А.М. Васильев

УТВЕРЖДЕН И ВВЕДЕН В ДЕЙСТВИЕ Постановлением Государственного комитета СССР по стандартам от 10 марта 1981 г. № 1248

ГОСУДАРСТВЕННЫЙ СТАНДАРТ СОЮЗА ССР

ЛИНЗЫ УПЛОТНИТЕЛЬНЫЕ ЖЕСТКИЕ И
КОМПЕНСИРУЮЩИЕ на Ру 20-100 МПа
(200-1000 кгс/см2)

Технические условия

Rigin and compensating lens-shaped seals for
Pn 20-100 MPa (200-1000 kgf/sm2)

Technical specifications

ГОСТ
10493-81

Взамен
ГОСТ 10493-75

Постановлением Государственного комитета СССР по стандартам от 10 марта 1981 г. № 1248 срок действия установлен

с 01.01 1982 г.
до 01.01 1987 г.

Несоблюдение стандарта преследуется по закону

Настоящий стандарт распространяется на жесткие и компенсирующие линзы, применяемые в химической и нефтехимической промышленностях для фланцевых соединений арматуры, соединительных частей и трубопроводов на условное давление Ру 20-100 МПа (200-1000 кгс/см2) и условный проход Dy от 6 мм до 200 мм с температурой среды от минус 50 °С до плюс 510 °С.

Требования разд. 1 за исключением показателей «Масса, кг», 2, 3, 4; пп. 5.1-5.8 являются обязательными, другие требования настоящего стандарта являются рекомендуемыми.

(Измененная редакция, Изм. № 1, 2).

1. ТИПЫ, ОСНОВНЫЕ ПАРАМЕТРЫ, КОНСТРУКЦИЯ И РАЗМЕРЫ

1.1. Типы и исполнения линз должны соответствовать указанным в табл. 1.

Таблица 1

Тип

Исполнение

Характеристика

Ж

1

Линза жесткая без бурта

2

Линза жесткая с буртом

К

1

Линза компенсирующая при давлении до Ру 50 МПа (500 кгс/см2)

2

Линза компенсирующая при давлении Ру 63-100 МПа (630-1000 кгс/см2)

1.2. Применение линз в зависимости от температуры, условного давления и марки стали труб и деталей трубопроводов должно соответствовать указанным в табл. 2.

Таблица 2

Тип и исполнение линзы для условных проходов Dу

Марка стали линзы

Предельные параметры применения

Марка стали труб и деталей трубопроводов

 

температура, °С

Условное давление Ру, МПа (кгс/см2)

6-32

40-200

 

Ж1

Ж1

Сталь 20 по ГОСТ 1050-88

От минус 40 до плюс 200

20-32 (200-320)

Сталь 20

 

40-63 (400-630)

15ГС
14ХГС

Ж2

14ХГС по ГОСТ 19281-89

От минус 50 до плюс 200

 

Ж1

12Х18Н10Т
10Х17Н13М3Т
08Х18Н15М3Т
по
ГОСТ 5632-72

20-32 (200-320)

12Х18Н10Т 10Х17Н13М2Т 10Х17Н13М3Т 08X17H15M3T

 

Ж2

40 (400)

 

К1

От минус 50 до плюс 400

20-40 (200- 400)

 

Ж1

15ХМ по ГОСТ 4543-71

18Х3МВ 20Х2М
30ХМА
22Х3М

 

Ж2

30ХМА по ГОСТ 4543-71

50-80 (500-800)

 

18X3MB
20Х3МВФ по
ГОСТ 20072-74

20-50 (200-500)

20Х3МВФ

Ж1 при Т ≤ 400 °С
К1 при Т > 400 °С

От минус 50 до плюс 510

 

Ж2 при Т ≤ 400 °С
К2 при Т > 400 °С

63-100 (630-1000)

 

(Измененная редакция, Изм. № 2).

1.3. Условные давления - по ГОСТ 356-80 (СТ СЭВ 253-76).

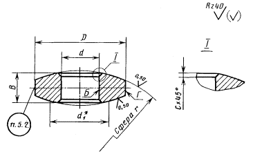
1.4. Конструкция и размеры линз типа Ж исполнения 1 должны соответствовать указанным на черт. 1 и в табл. 3.

* Размер для справок.

Черт. 1

Таблица 3

Размеры в мм

Условный проход Dу

D

d

Диаметр касания d1

B

r

с

Масса, кг

Номин.

Пред. откл.

6

14

6

8,2

8,5

12

+0,2

0,2

0,006

10

22

11

13,7

10

20

±0,3

0,017

15

30

15

20,5

11

30

0,030

25

44

25

30,8

14

45

0,5

0,080

32

60

32

41,0

18

60

±0,4

0,180

40

65

40

49,9

73

0,200

50

82

60

67,0

20

98

0,300

65

100

70

78,7

25

115

0,600

80

125

90

93,7

30

140

±0,5

1,0

1,050

100

138

100

109,4

160

1,300

125

175

120

136,8

35

200

2,300

150

210

155

166,2

40

243

3,300

200

270

195

212,0

45

310

±0,6

6,100

(Измененная редакция, Изм. № 2).

Пример условного обозначения линзы типа Ж исполнения 1 с диаметром условного прохода Dy 40 мм из стали марки 18Х3МВ:

Линза Ж1-40-18Х3МВ ГОСТ 10493-81.

1.5. Конструкция и размеры линз типа Ж исполнения 2 должны соответствовать указанным на черт. 2 и в табл. 4.

* Размер для справок.

Черт. 2

Таблица 4

Размеры в мм

Условный проход Dy

D

D1

d

Диаметр касания d1

B

b

r

r1

с

Масса, кг

Номин.

Пред. откл.

40

85

65

40

49,9

30

12

73

±0,4

3

0,5

0,70

50

116

85

60

67,0

32

14

93

1,30

65

132

100

70

78,7

38

16

115

±0,5

5

1,90

80

155

125

90

95,7

42

17

140

2,55

100

168

135

100

109,4

45

19

160

1,0

3,35

125

200

165

120

136,8

200

4,60

150

245

195

150

166,2

60

26

243

8,45

200

295

245

195

212,0

25

310

±0,6

11,45

(Измененная редакция, Изм. № 2).

Пример условного обозначения линзы типа Ж исполнения 2 с диаметром условного прохода Dy 40 мм из стали марки 18Х3МВ:

Линза Ж2-40-18Х3МВ ГОСТ 10493-81

1.6. Конструкция и размеры линз типа К исполнений 1 и 2 должны соответствовать указанным на черт. 3 и в табл. 5.

* Размер для справок.

Черт. 3

Таблица 5

Размеры в мм

Условный проход Dy

Тип и исполнение линзы

D

d1

d

Диаметр касания d1

H

H1

B

b

Пред. откл. по Н12

r

r1

r2

l

l1

Масса, кг

Номин.

Пред. откл.

40

К1

82

60

40

49,9

16

5,5

25

10

5

73

±0,4

3

1,5

11,0

1,0

0,45

К2

85

65

30

12

13,5

0,65

50

К1

110

85

60

67,0

20

6,5

28

10

98

12,5

0,80

К2

116

32

14

14,5

1,25

65

К1

125

95

70

78,7

22

7,0

30

12

6

115

4

2

13,0

1,06

К2

132

100

23

38

16

17,0

1,70

80

К1

146

120

90

95,7

22

8,0

32

12

7

140

±0,5

14,0

1,5

1,60

К2

155

125

24

42

17

19,0

2,25

100

К1

130

100

109,4

22

9,0

35

13

160

5

15,5

1,90

К2

168

135

25

45

19

20,5

3,15

125

К1

192

160

120

136,8

27,5

10,5

38

13

200

17,0

2,70

К2

200

165

45

19

20,5

4,25

150

К1

235

195

150

166,2

32,5

12,5

48

17

8

243

2,5

21,5

5,25

К2

245

60

26

27,5

7,95

200

К1

285

245

195

212,0

35

14,5

48

17

310

±0,6

21,5

7,30

К2

295

60

25

27,5

10,80

(Измененная редакция, Изм. № 2).

Пример условного обозначения линзы типа К исполнения 1 с диаметром условного прохода Dy 100 мм из стали марки 18Х3МВ:

Линза К1-100-18Х3МВ ГОСТ 10943-81

1.7. Размеры вставных колец к линзам типа К исполнений 1 и 2 должны соответствовать указанным на черт. 4 и в табл. 6.

Черт. 4

Таблица 6

Размеры в мм

Условный проход Dу

d

D

b

Масса, кг

40

40

51

4,9

0,03

50

60

73

0,66

65

70

84

5,9

0,08

80

90

106

6,9

0,15

100

100

118

0,17

125

120

142

0,23

150

150

176

7,9

0,39

200

195

225

0,58

(Измененная редакция, Изм. № 2).

2. ТЕХНИЧЕСКИЕ ТРЕБОВАНИЯ

2.1. Линзы должны изготовлять в соответствии с требованиями настоящего стандарта по рабочим чертежам, утвержденным в установленном порядке.

2.2. Линзы должны изготовлять из труб, поковок, штампованных заготовок и сортового проката.

2.3. Заготовки для линз должны подвергать термической обработке. Режимы термической обработки приведены в приложении.

(Измененная редакция, Изм. № 2).

2.4. Механические свойства сталей в термически обработанном состоянии при температуре 20 °С должны соответствовать указанным в табл. 7.

2.5. Компенсирующие линзы и вставные кольца к ним должны быть изготовлены из сталей одинаковых марок. Твердость вставных колец должна соответствовать твердости стали в отожженном состоянии.

2.6. Сдаточными характеристиками являются временное сопротивление, условный предел текучести, относительное удлинение и ударная вязкость, кроме линз, изготовленных из труб с толщиной стенки 12 мм и менее.

Таблица 7

Марка стали

Условный предел текучести σ0,2, МПа (кгс/мм2)

Временное сопротивление σB, МПа (кгс/мм2)

Относительное удлинение σS, %

Ударная вязкость аН Дж/см2 (кгс·м/см2)

Твердость НВ

не менее

Сталь 20

216(22)

432(42)

20

49(5)

123-167

14ХГС

314(32)

490(50)

17

59(6)

149-207

15ХМ

275(28)

441(45)

20

156-197

30ХМА

392(40)

589(60)

16

179-241

18Х3МВ

441(45)

20Х3МВФ

540(55)

687(70)

223-262

12Х18Н10Т
10Х17
H13М3Т
08Х17Н15М3Т

196(20)

490(50)

35

98(10)

-

(Измененная редакция, Изм. № 1, 2).

2.7. Загрязненность металла неметаллическими включениями, кроме сталей аустенитного класса, не должна превышать по среднему баллу:

3,5 балла - сульфидов и оксидосиликатов;

по максимальному баллу:

4 балла - сульфидов и

5 баллов - оксидосиликатов.

2.8. На поверхности линз не допускаются раковины, плены, закаты, трещины и другие дефекты. Исправление указанных дефектов заваркой или подчеканкой не допускается.

2.9. Допуск симметричности бурта относительно поверхностей А - не более 0,2 мм.

(Измененная редакция, Изм. № 1).

2.10. Допуск радиального биения поверхности Б относительно оси поверхности Г - по ГОСТ 24642-81 степени точности X.

(Измененная редакция, Изм. № 1).

2.11. Неуказанные предельные отклонения размеров: валов - по h14, отверстий - по H14, остальных .

3. ПРАВИЛА ПРИЕМКИ

3.1. Предприятие-изготовитель должно подвергать линзы проверке на соответствие требований пп. 2.1, 2.9 и 2.10.

3.2. Каждая линза должна быть проверена визуальным осмотром, магнитопорошковой или цветной дефектоскопии на соответствие требований п. 2.8.

3.3. Линзы должны предъявляться к приемке партиями. Партия должна состоять из линз одного типоразмера, изготовленных из одной партии заготовок, прошедших совместную термическую обработку.

3.4. Проверку линз на соответствие требованиям п. 2.4 следует проводить на основании результатов испытаний каждой партии заготовок.

3.5. Партии заготовок должны составлять из металла одной плавки и одной садки при термической обработке.

3.6. Испытания заготовок на твердость должны проводить в объеме 100 % от партии. При длине заготовки более 500 мм твердость измеряют на обоих концах и по ее длине с интервалом не более 500 мм.

3.7. Один процент заготовок от партии, но не менее двух штук, с нижними и верхними значениями твердости в данной партии должны подвергать испытаниям на соответствие требованиям п. 2.4.

Допускается проводить отбор заготовок для механических испытаний с промежуточными значениями твердости. В этом случае твердость является сдаточной характеристикой.

(Измененная редакция, Изм. № 2).

3.8. Число образцов от каждой заготовки должно быть: один - на растяжение и два - на ударную вязкость.

3.9. При получении неудовлетворительных результатов хотя бы по одному из показателей следует проводить повторные испытания удвоенного числа образцов из тех же заготовок или других этой же партии с той же твердостью только по виду испытаний, по которому получены неудовлетворительные результаты.

3.10. Партию считают годной, если при повторных испытаниях получены положительные результаты.

При получении неудовлетворительных результатов повторных испытаний партию заготовок допускается предъявлять к приемке вновь после испытания заготовок с последующим уровнем твердости.

3.11. Заготовки с твердостью, не обеспечивающей получение требуемых механических свойств, указанных в табл. 7, допускается предъявлять к сдаче после повторной термической обработки с проведением соответствующих испытаний.

Число повторных термических обработок не должно быть более двух. Дополнительный отпуск не считают повторной термической обработкой.

4. МЕТОДЫ ИСПЫТАНИЙ

4.1. Внешний осмотр следует проводить визуально.

4.2. Размеры линз следует проверять универсальными измерительными инструментами.

4.3. Испытания на твердость по Бринеллю - по ГОСТ 9012-59.

4.4. Испытание на растяжение - по ГОСТ 1497-84.

(Измененная редакция, Изм. № 1).

4.5. Испытания на ударную вязкость - по ГОСТ 9454-78 (образец типа 1).

4.6. Отбор проб для механических испытаний заготовок из сортового проката - по ГОСТ 7564-73, заготовок из труб - по ГОСТ 10006-80, поковок - по ГОСТ 8479-70.

4.7. Цветная дефектоскопия - по ГОСТ 18442-80.

4.8. Магнитопорошковая дефектоскопия - по ГОСТ 21105-75.

4.9. Определение загрязненности металла заготовки неметаллическими включениями - по ГОСТ 1778-70 (метод ША-1) на 6 образцах от каждой партии.

(Измененная редакция, Изм. № 2).

5. МАРКИРОВКА, УПАКОВКА, ТРАНСПОРТИРОВАНИЕ И ХРАНЕНИЕ

5.1. На линзах должны быть нанесены отличительные канавки, указанные в табл. 8.

5.2. На наружной цилиндрической поверхности каждой линзы должны быть нанесены:

товарный знак предприятия-изготовителя;

номер партии;

марка стали; (для линз с условным проходом Dy 25-200 мм).

На вставном кольце должна быть нанесена марка стали.

Высота знаков маркировки должна быть:

2 мм - для линз Dy 6-15 мм;

3 мм - для линз Dy 25-40 мм и кольца Dy 40 мм;

5 мм - для линз Dy 50-200 мм и колец Dy 50-200 мм.

5.3. Поверхности линз должны быть покрыты антикоррозионной смазкой.

5.4. Линзы должны быть обернуты промасленной бумагой по ГОСТ 16295-82 и упакованы в ящики по ГОСТ 2991-85, выложенные внутри водонепроницаемой бумагой или толью.

Конструкцией ящиков должны быть предусмотрены гнезда по размерам линз или применены распорки и подкладки, исключающие возможность перемещения и повреждения линз при транспортировании.

5.5. В каждый ящик должны укладывать линзы одного типоразмера. Масса не должна превышать 50 кг.

5.6. В каждый ящик должен быть вложен упаковочный лист с указанием:

наименования предприятия-изготовителя;

номеров паспортов и даты их составления;

числа линз с указанием номера стандарта.

Таблица 8

Исполнения линз

Марки стали

Сталь 20, 12Х18Н10Т, 10Х17Н13М3Т

14ХГС, 12Х18Н10Т, 10XI7H13M3T

12Х18Н10Т, 10Х17Н13М3Т, 15ХМ, 30ХМА, 18Х3МВ, 20Х3МВФ, 08X17H15M3T

Ж1

 

Ж2

-

К1

 

 

К2

 

 

5.7. На каждом ящике несмываемой краской четко должны быть нанесены:

наименование предприятия-изготовителя;

условное обозначение линз;

число линз;

масса.

5.8. Каждую партию линз должны сопровождать паспортом, удостоверяющим соответствие линз требованиям настоящего стандарта.

В паспорте должны быть указаны следующие данные:

наименование предприятия-изготовителя;

обозначение линз;

число линз;

номер партии;

марка стали;

результаты испытаний, в том числе данные по загрязненности металла неметаллическими включениями (с указанием даты);

номер настоящего стандарта;

штамп ОТК.

5.9. (Исключен, Изм. № 1).

ПРИЛОЖЕНИЕ
Рекомендуемое

Режимы термической обработки заготовок

Марка стали

Закалка

Отпуск

Температура нагрева, °С

Охлаждающая среда

Температура нагрева, °С

Охлаждающая среда

Сталь 20

880-920

Масло или вода

650-680

Воздух

14ХГС

950-970

Масло

550-060

Вода или масло

15ХМ

880-900

Вода

690-710

Воздух

30ХМА

850-880

Масло

660-680

18Х3МВ

950-970

680-700

20Х3МВФ

1030-1060

700-720

12Х18Н10Т 10Х17Н13М3Т 08Х17Н15М3Т

1050-1100

Вода или масло

-

-

Примечание. Температуру нагрева уточняет предприятие-изготовитель.

СОДЕРЖАНИЕ

 




Яндекс цитирования



   Copyright © 2007-2026,  www.tehlit.ru.

[ ѓосты, стандарты, нормативы, инструкции, правила, строительные нормы ]