//
ТехЛит.ру
- крупнейшая бесплатная электронная интернет библиотека для "технически умных" людей.
WWW.TEHLIT.RU - ТЕХНИЧЕСКАЯ ЛИТЕРАТУРА

:: Алготрейдинг::


АЛГОТРЕЙДИНГ
шаг за шагом
с нуля по урокам!

Торговые роботы на PYTHON, BackTrader,
Pandas, Pine Script для TradingView. Связка с брокерами, телеграм и легкими приложениями.


ГОСТ 10607-94
(ИСО 4035-86)

МЕЖГОСУДАРСТВЕННЫЙ СТАНДАРТ

ГАЙКИ ШЕСТИГРАННЫЕ НИЗКИЕ (С ФАСКОЙ) С
ДИАМЕТРОМ РЕЗЬБЫ СВЫШЕ 48 мм КЛАССА ТОЧНОСТИ В

Технические условия

Межгосударственный совет
по стандартизации, метрологии и сертификации

Минск

Предисловие

1 РАЗРАБОТАН Всероссийским научно-исследовательским институтом стандартизации и сертификации в машиностроении Госстандарта России

ВНЕСЕН Госстандартом России

2 ПРИНЯТ Межгосударственным советом по стандартизации, метрологии и сертификации (протокол № 6 от 21 октября 1994 г.)

За принятие проголосовали:

Наименование государства

Наименование национального органа по стандартизации

Азербайджанская Республика

Азгосстандарт

Республика Армения

Армгосстандарт

Республика Беларусь

Белстандарт

Республика Грузия

Грузстандарт

Республика Казахстан

Госстандарт Республики Казахстан

Кыргызская Республика

Кыргызстандарт

Республика Молдова

Молдовастандарт

Российская Федерация

Госстандарт России

Республика Узбекистан

Узгосстандарт

Украина

Госстандарт Украины

Настоящий стандарт представляет собой полный аутентичный текст ИСО 4035-86 «Гайки шестигранные низкие (с фаской) классов А и В» в части гаек с диаметром резьбы 52, 56 и 64 мм класса точности В и содержит дополнительные требования, отражающие потребности народного хозяйства

3 Постановлением Комитета Российской Федерации по стандартизации, метрологии и сертификации от 10 октября 1995 г. № 525 межгосударственный стандарт ГОСТ 10607-94 (ИСО 4035-86) введен в действие в качестве государственного стандарта Российской Федерации с 1 января 1996 г.

4 ВЗАМЕН ГОСТ 10607-72

5 ПЕРЕИЗДАНИЕ

Содержание

ГОСТ 10607-94
(ИСО 4035-86)

МЕЖГОСУДАРСТВЕННЫЙ СТАНДАРТ

ГАЙКИ ШЕСТИГРАННЫЕ НИЗКИЕ (С ФАСКОЙ) С ДИАМЕТРОМ РЕЗЬБЫ СВЫШЕ 48 мм КЛАССА ТОЧНОСТИ В

Технические условия

Hexagon thin nuts (chamfered) with thread diameter over 48 mm. Product grade B. Specifications

Дата введения 1996-01-01

1 Область применения

Настоящий стандарт распространяется на шестигранные низкие гайки с диаметрами резьбы от 52 до 150 мм, класса точности В.

2 Нормативные ссылки

В настоящем стандарте использованы ссылки на следующие стандарты:

ГОСТ 9.301-86 Единая система защиты от коррозии и старения. Покрытия металлические и неметаллические неорганические. Общие требования

ГОСТ 9.303-84 Единая система защиты от коррозии и старения. Покрытия металлические и неметаллические неорганические. Общие требования к выбору

ГОСТ 1759.1-82 Болты, винты, шпильки, гайки и шурупы. Допуски. Методы контроля размеров и отклонений формы и расположения поверхностей

ГОСТ 9150-2002 (ИСО 68-1-98) Основные нормы взаимозаменяемости. Резьба метрическая. Профиль

ГОСТ 16093-2004 (ИСО 965-1:1998, ИСО 965-3:1998) Основные нормы взаимозаменяемости. Резьба метрическая. Допуски. Посадки с зазором

ГОСТ 17769-83 Изделия крепежные. Правила приемки

ГОСТ 18126-94 Болты и гайки с диаметром резьбы свыше 48 мм. Технические условия

ГОСТ 18160-72 Изделия крепежные. Упаковка. Маркировка. Транспортирование и хранение

ГОСТ 24705-2004 (ИСО 724:1993) Основные нормы взаимозаменяемости. Резьба метрическая. Основные размеры

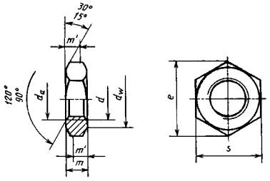
3 Размеры

Конструкция и размеры гаек должны соответствовать указанным на рисунке 1 и в таблице 1.

Рисунок 1

Пример условного обозначения гайки диаметром резьбы 56 мм, с крупным шагом резьбы с полем допуска 6Н, из материала группы 05, с цинковым покрытием толщиной 9 мкм, хроматированным:

Гайка М 56.05.019 ГОСТ 10607-94

То же, с мелким шагом резьбы с полем допуска 6Н, из материала группы 21, из стали марки 12Х18Н9Т без покрытия:

Гайка М 56×4.21.12Х18Н9Т ГОСТ 10607-94

Таблица 1

мм

Резьба d

(52)

56

64

72

(76)

80

90

100

110

125

140

150

P

крупный

5,0

5,5

6,0

-

-

-

-

-

 

-

-

-

мелкий

3,0

4,0

6,0 или 4,0

da

мин.

52

56

64

72

76

80

90

100

110

125

140

150

макс.

56,2

60,5

69,1

77,8

82,1

86,4

97,2

108,0

118,8

135,0

151,2

162,0

dw

мин.

74,2

78,7

88,2

97,7

102,4

107,2

121,1

135,4

144,9

168,6

187,2

211,0

e

мин.

88,25

93,56

104,86

116,16

121,81

127,46

144,08

161,03

172,33

200,58

222,72

250,97

m

макс.

26

28

32

36

38

40

45

50

55

62,5

70

75

мин.

24,7

26,7

30,4

34,4

36,4

38,4

43,4

48,4

53,1

60,6

68,1

73,1

m'

мин.

19,8

21,4

24,3

27,5

29,1

30,7

34,7

38,7

42,5

48,5

54,5

58,5

S

ном.-макс.

80

85

95

105

110

115

130

145

155

180

200

225

мин.

78,1

82,8

92,8

102,8

107,8

112,8

127,5

142,5

152,5

177,5

197,1

222,1

Примечание - Размеры гаек, заключенные в скобки, применять не рекомендуется.

4 Технические требования

Таблица 2

Материал

Углеродистая сталь

Коррозионно-стойкая сталь

Общие технические требования

ГОСТ 18126

Резьба

Размеры

Профиль и основные размеры

Стандарт

ГОСТ 9150, ГОСТ 24705

Допуски

Стандарт

ГОСТ 16093

Механические свойства

Группа

02, 04, 05, 06, 07

11, 21, 23, 25

Стандарт

ГОСТ 18126

Допуски

Класс точности

В

Стандарт

ГОСТ 1759.1

Окончательная обработка поверхности изделия

Требования к гальванопокрытиям по ГОСТ 9.301, ГОСТ 9.303 Покрытия - по ГОСТ 18126

Приемка

ГОСТ 17769

Маркировка и упаковка

ГОСТ 18126, ГОСТ 18160

Теоретическая масса гаек указана в приложении А.

ПРИЛОЖЕНИЕ А
(справочное)

МАССА СТАЛЬНЫХ ГАЕК

Шаг резьбы, мм

Теоретическая масса гайки, кг ≈, при поминальном диаметре резьбы d, мм

(52)

56

64

72

(76)

80

90

100

110

125

140

160

Крупный - 5,0; 5,5 и 6,0

0,69

0,91

1,25

-

-

-

-

-

-

-

-

-

Мелкий - 3,0 и 4,0

0,67

0,88

1,22

1,59

1,72

2,12

3,05

4,22

5,08

7,67

10,10

14,40

Мелкий - 6,0

-

-

-

1,63

1,76

2,17

3,12

4,30

5,16

7,79

10,30

14,60

Ключевые слова: крепежные изделия, гайки, шестигранные гайки, технические требования, размеры, обозначения, теоретическая масса.




Яндекс цитирования



   Copyright © 2007-2026,  www.tehlit.ru.

[ ѓосты, стандарты, нормативы, инструкции, правила, строительные нормы ]