//
ТехЛит.ру
- крупнейшая бесплатная электронная интернет библиотека для "технически умных" людей.
WWW.TEHLIT.RU - ТЕХНИЧЕСКАЯ ЛИТЕРАТУРА

:: Алготрейдинг::


АЛГОТРЕЙДИНГ
шаг за шагом
с нуля по урокам!

Торговые роботы на PYTHON, BackTrader,
Pandas, Pine Script для TradingView. Связка с брокерами, телеграм и легкими приложениями.


СТРОИТЕЛЬНЫЕ НОРМЫ И ПРАВИЛА

КАМЕННЫЕ И АРМОКАМЕННЫЕ
КОНСТРУКЦИИ

СНиП II-22-81*

Москва 2004

СНиП II-22-81*. Каменные и армокаменные конструкции/Госстрой России. - М.: ФГУП ЦПП, 2004.

Разработаны Центральным научно-исследовательским институтом строительных конструкций (ЦНИИСК) им. В.А. Кучеренко Госстроя СССР.

С введением в действие настоящей главы СНиП отменяется глава СНиП II-В.2-71 «Каменные и армокаменные конструкции. Нормы проектирования».

Редакторы - инженеры Ф.М. Шлемин, Г.М. Хорин (Госстрой СССР) и кандидаты техн. наук В.А. Камейко, А.И. Рабинович (ЦНИИСК им. В.А. Кучеренко).

При пользовании нормативным документом следует учитывать утвержденные изменения строительных норм и правил и государственных стандартов, публикуемые в журнале «Бюллетень строительной техники» и информационном указателе «Государственные стандарты» Госстандарта России.

ВНИМАНИЮ ЧИТАТЕЛЕЙ!

В СНиП II-22-81* внесены изменения № 1 и № 2, утвержденные постановлениями Госстроя СССР от 11 сентября 1985 г. № 143 и Госстроя России от 29 мая 2003 г. № 46 соответственно.

Изменения внесены ГУП ЦНИИСК им. В.А. Кучеренко.

Руководитель работ - канд. техн. наук О.И. Пономарев; канд. техн. наук Н.И. Левин, инж. Л.М. Ломова, д-р техн. наук П.Г. Лабозин, кандидаты техн. наук А.В. Грановский, М.К. Ищук, Г.Н. Брусенцов, А.А. Емельянов, С.А. Воробьева, В.Л. Мусиенко.

Подготовлены к утверждению Управлением технормирования Госстроя России (канд. техн. наук Ф.В. Бобров) и ГУП ЦНИИСК им. В.А. Кучеренко.

Пункты, таблицы и приложения, в которые внесены изменения, отмечены в настоящих строительных нормах и правилах звездочкой.

Государственный комитет СССР по делам строительства
(Госстрой СССР)

Строительные нормы и правила

СНиП II-22-81

Каменные и армокаменные конструкции

Взамен
СНиП
II-В.2-71

1. ОБЩИЕ ПОЛОЖЕНИЯ

1.1. Нормы настоящей главы должны соблюдаться при проектировании каменных и армокаменных конструкций новых и реконструируемых зданий и сооружений.

1.2*. При проектировании каменных и армокаменных конструкций следует применять конструктивные решения, изделия и материалы, обеспечивающие требуемую несущую способность и теплотехнические характеристики конструкций.

1.3*. Применение силикатных кирпича, камней и блоков; камней и блоков из ячеистых бетонов; пустотелых керамических кирпича и камней, бетонных блоков с пустотами; керамического кирпича полусухого прессования допускается для наружных стен помещений с влажным режимом при условии нанесения на их внутренние поверхности пароизоляционного покрытия. Применение указанных материалов для стен помещений с мокрым режимом, а также для наружных стен подвалов и цоколей не допускается. Влажностный режим помещений следует принимать в соответствии со СНиП по тепловой защите зданий.

1.4*. Прочность и устойчивость каменных конструкций и их элементов должны обеспечиваться при возведении и эксплуатации зданий и сооружений, а также при транспортировании и монтаже элементов сборных конструкций.

1.5. Исключен.

1.6. При проектировании зданий и сооружений следует предусматривать мероприятия, обеспечивающие возможность возведения их в зимних условиях.

2. МАТЕРИАЛЫ

2.1*. Кирпич, камни и растворы для каменных и армокаменных конструкций, а также бетоны для изготовления камней и крупных блоков должны удовлетворять требованиям соответствующих ГОСТов или технических условий и применяться следующих марок или классов:

а) камни - по пределу прочности на сжатие (а кирпич - на сжатие с учетом его прочности при изгибе): 7, 10, 15, 25, 35, 50 (камни малой прочности - легкие бетонные и природные камни); 75, 100, 125,150, 200 (средней прочности - кирпич, керамические, бетонные и природные камни); 250, 300, 400, 500, 600, 800, 1000 (высокой прочности - кирпич, природные и бетонные камни);

б) бетоны классов - по прочности на сжатие:

тяжелые - В3,5; В5; В7,5; В12,5; В15; В20; В22,5; В25; В30;

на пористых заполнителях - В2; В2,5; В3,5; В5; В7,5; В12.5; В15; В20; В25; В30;

ячеистые - В1; В2; В2,5; В3,5; В5; В7,5; В12,5;

крупнопористые - В1; В2; В2,5; В3,5; В5; В7,5;

поризованные - В2,5; В3,5; В5; В7,5;

силикатные - В12,5; В15; В20; В25; В30.

Допускается применение в качестве утеплителей бетонов, пределы прочности которых на сжатие 0,7 МПа (7 кгс/см2) и 1,0 МПа (10 кгс/см2); а для вкладышей и плит не менее 1,0 МПа (10 кгс/см2);

в) растворы по пределу прочности на сжатие - 4, 10, 25, 50, 75, 100, 150, 200;

г) каменные материалы по морозостойкости - F10, F15, F25, F35, F50, F75, F100, F150, F200, F300.

Для бетонов марки по морозостойкости те же, кроме F10.

2.2. Растворы плотностью в сухом состоянии 1500 кг/м3 и более - тяжелые, до 1500 кг/м3 - легкие.

2.3. Проектные марки по морозостойкости каменных материалов для наружной части стен (на толщину 12 см) и для фундаментов (на всю толщину), возводимых во всех строительно-климатических зонах, в зависимости от предполагаемого срока службы конструкций, но не менее 100, 50 и 25 лет, приведены в табл. 1* и пп. 2.4* и 2.5.

Примечание. Проектные марки по морозостойкости устанавливают только для материалов, из которых возводится верхняя часть фундаментов (до половины расчетной глубины промерзания грунта, определяемой в соответствии со СНиП «Основания зданий и сооружений»).

2.4*. Для районов строительства, расположенных восточнее и южнее городов: Грозный, Волгоград, Саратов, Самара, Орск, Караганда, Семипалатинск, Усть-Каменогорск, требования к морозостойкости материалов и изделий, применяемых для конструкций, указанных в табл. 1*, допускается снижать на одну ступень, но не ниже F10.

Примечание. Величины ступеней соответствуют значениям, приведенным в п. 2.1*, г.

Внесены
ЦНИИСК им. Кучеренко
Госстроя СССР

Утверждены
постановлением
Государственного комитета СССР
по делам строительства
от 31 декабря 1981 г. № 292

Срок введения в действие
1 января 1983 г.

Таблица 1*

Вид конструкций

Значения морозостойкости F при предполагаемом сроке службы конструкций, лет

100

50

25

1. Наружные стены или их облицовка в зданиях с влажностным режимом помещений:

 

 

 

а) сухим и нормальным

25

15

15

б) влажным

35

25

15

в) мокрым

50

35

25

2. Фундаменты и подземные части стен:

 

 

 

а) из кирпича керамического пластического прессования

35

25

15

б) из природного камня

25

15

15

Примечания: 1. Марки по морозостойкости камней, блоков и панелей, изготовляемых из бетонов всех видов, следует принимать в соответствии со СНиП по проектированию бетонных и железобетонных конструкций.

2. Марки по морозостойкости, приведенные в табл. 1*, для всех строительно-климатических зон, кроме указанных в п. 2.5 настоящих норм, могут быть снижены для кладки из керамического кирпича пластического прессования на одну ступень, но не ниже F10 в следующих случаях:

а) для наружных стен помещений с сухим и нормальным влажностным режимом (поз. 1, а), защищенных с наружной стороны облицовками толщиной не менее 35 мм, удовлетворяющими требованиям по морозостойкости, приведенным в табл. 1*, морозостойкость лицевого кирпича и керамического камня должна быть не менее F25 для всех сроков службы конструкций;

б) для наружных стен с влажным и мокрым режимом помещений (поз. 1, б и 1, в), защищенных с внутренней стороны гидроизоляционными или пароизоляционными покрытиями;

в) для фундаментов и подземных частей стен зданий с тротуарами или отмостками, возводимых в маловлажных грунтах, если уровень грунтовых вод ниже планировочной отметки земли на 3 м и более (поз. 2).

3. Марки по морозостойкости, приведенные в поз. 1 для облицовок толщиной менее 35 мм, повышаются на одну ступень, но не выше F50, а облицовок зданий, возводимых в Северной строительно-климатической зоне, - на две ступени, но не выше F100.

4. Марки по морозостойкости каменных материалов, приведенные в поз. 2, применяемых для фундаментов и подземных частей стен, следует повышать на одну ступень, если уровень грунтовых вод ниже планировочной отметки земли менее чем на 1 м.

5. Марки камня по морозостойкости для кладки открытых конструкций, а также конструкций сооружений, возводимых в зоне переменного уровня грунтовых вод (подпорные стенки, резервуары, водосливы, бортовые камни и т. п.), принимаются по нормативным документам, утвержденным или согласованным Госстроем России.

6*. По согласованию с заказчиком требования по испытанию на морозостойкость не предъявляются к природным каменным материалам, которые на опыте прошлого строительства показали достаточную морозостойкость в аналогичных условиях эксплуатации.

7*. Для наружных стен многослойной кладки при толщине наружного слоя не более 120 мм, за которым располагается утеплитель, марку по морозостойкости лицевого слоя следует принимать на одну ступень больше, чем основной кладки.

2.5. Для Северной строительно-климатической зоны, а также для побережий Ледовитого и Тихого океанов шириной 100 км, не входящих в Северную строительно-климатическую зону, марки по морозостойкости материалов для наружной части стен (при сплошных стенах - на толщину 25 см) и для фундаментов (на всю ширину и высоту) должны быть на одну ступень выше указанных в табл. 1*, но не выше F50 для керамических и силикатных материалов, а также природных камней.

Примечание. Определения границ Северной строительно-климатической зоны и ее подзон приведены в СНиП по строительной климатологии.

2.6. Для армирования каменных конструкций в соответствии со СНиП по проектированию бетонных и железобетонных конструкций следует применять:

для сетчатого армирования - арматуру классов A-I и Bp-I;

для продольной и поперечной арматуры, анкеров и связей - арматуру классов A-I, A-II и Bp-I (с учетом указаний п. 3.19).

Для закладных деталей и соединительных накладок следует применять сталь в соответствии со СНиП по проектированию стальных конструкций.

3. РАСЧЕТНЫЕ ХАРАКТЕРИСТИКИ

РАСЧЕТНЫЕ СОПРОТИВЛЕНИЯ

3.1*. Расчетные сопротивления R сжатию кладки на тяжелых растворах из кирпича всех видов и из керамических камней со щелевидными вертикальными пустотами шириной до 12 мм, пустотностью до 15 % при высоте ряда кладки 50 - 150 мм приведены в табл. 2; из керамических камней пустотностью 48 - 50 % при высоте ряда кладки 200 - 250 мм - в табл. 2а*.

Таблица 2

Марка кирпича или камня

Расчетные сопротивления R, МПа (кгс/см2), сжатию кладки из кирпича всех видов и керамических камней со щелевидными вертикальными пустотами шириной до 12 мм при высоте ряда кладки 50 - 150 мм на тяжелых растворах

при марке раствора

при прочности раствора

200

150

100

75

50

25

10

4

0,2(2)

нулевой

300

3,9(39)

3,6(36)

3,3(33)

3,0(30)

2,8(28)

2,5(25)

2,2(22)

1,8(18)

1,7(17)

1,5(15)

250

3,6(36)

3,3(33)

3,0(30)

2,8(28)

2,5(25)

2,2(22)

1,9(19)

1,6(16)

1,5(15)

1,3(13)

200

3,2(32)

3,0(30)

2,7(27)

2,5(25)

2,2(22)

1,8(18)

1,6(16)

1,4(14)

1,3(13)

1,0(10)

150

2,6(26)

2,4(24)

2,2(22)

2,0(20)

1,8(18)

1,5(15)

1,3(13)

1,2(12)

1,0(10)

0,8(8)

125

-

2,2(22)

2,0(20)

1,9(19)

1,7(17)

1,4(14)

1,2(12)

1,1(11)

0,9(9)

0,7(7)

100

-

2,0(20)

1,8(18)

1,7(17)

1,5(15)

1,3(13)

1,0(10)

0,9(9)

0,8(8)

0,6(6)

75

-

-

1,5(15)

1,4(14)

1,3(13)

1,1(11)

0,9(9)

0,7(7)

0,6(6)

0,5(5)

50

-

-

-

1,1(11)

1,0(10)

0,9(9)

0,7(7)

0,6(6)

0,5(5)

0,35(3,5)

35

-

-

-

0,9(9)

0,8(8)

0,7(7)

0,6(6)

0,45(4,5)

0,4(4)

0,25(2,5)

Примечание. Расчетные сопротивления кладки на растворах марок от 4 до 50 следует уменьшать, применяя понижающие коэффициенты: 0,85 - для кладки на жестких цементных растворах (без добавок извести или глины), легких и известковых растворах в возрасте до 3 мес.; 0,9 - для кладки на цементных растворах (без извести или глины) с органическими пластификаторами.

Уменьшать расчетное сопротивление сжатию не требуется для кладки высшего качества - растворный шов выполняется под рамку с выравниванием и уплотнением раствора рейкой. В проекте указывается марка раствора для обычной кладки и для кладки повышенного качества.

Таблица 2а*

Марка камня

Расчетные сопротивления R, МПа (кгс/см2), сжатию кладки из керамических крупноформатных камней пустотностью 48 - 50 % со щелевидными вертикально расположенными пустотами шириной 8 - 10 мм при высоте ряда кладки 200 - 250 мм на тяжелых растворах

при марке раствора

при прочности раствора

150

125

100

75

50

25

10

4

0,2(2)

нулевой

125

2,5(25)

2,4(24)

2,3(23)

2,2(22)

2,1(21)

1,9(19)

1,6(16)

1,4(14)

1,3(13)

1,0(10)

100

2,2(22)

2,1(21)

2,0(20)

1,9(19)

1,8(18)

1,6(16)

1,4(14)

1,2(12)

1,1(11)

0,9(9)

75

-

-

1,6(16)

1,5(15)

1,4(14)

1,3(13)

1,1(11)

1,0(10)

0,9(9)

0,7(7)

Расчетные сопротивления R сжатию кладки из пустотелого керамического кирпича с вертикальными прямоугольными пустотами шириной 12 - 16 мм и квадратными пустотами сечением 20 ´ 20 мм, пустотностью до 20 - 35 % при высоте ряда кладки 77 - 100 мм следует принимать по табл. 2 с понижающими коэффициентами:

- на растворе марки 100 и выше - 0,90;

- на растворе марок 75, 50 - 0,80;

- на растворе марок 25, 10 - 0,75;

- на растворах с нулевой прочностью и прочностью до 0,4 МПа (4 кгс/см2) - 0,65.

3.2. Расчетные сопротивления R сжатию виброкирпичной кладки на тяжелых растворах приведены в табл. 3*.

3.3. Расчетные сопротивления R сжатию кладки из крупных бетонных сплошных блоков из бетонов всех видов и из блоков природного камня (пиленых или чистой тески) при высоте ряда кладки 500 - 1000 мм приведены в табл. 4*.

3.4. Расчетные сопротивления R сжатию кладки из сплошных бетонных, гипсобетонных и природных камней (пиленых или чистой тески) при высоте ряда кладки 200 - 300 мм приведены в табл. 5.

3.5*. Расчетные сопротивления R сжатию кладки из пустотелых бетонных камней пустотностью до 25 % при высоте ряда кладки 200 - 300 мм приведены в табл. 6*.

Расчетные сопротивления сжатию R кладки из пустотелых бетонных камней пустотностью от 30 до 40 % следует принимать по табл. 6* с учетом коэффициентов:

- на растворе марки 50 и выше - 0,8;

- на растворе марки 25 - 0,7;

- на растворе марки 10 и ниже - 0,6.

3.6. Расчетные сопротивления R сжатию кладки из природных камней (пиленых и чистой тески) при высоте ряда до 150 мм приведены в табл. 7.

3.7. Расчетные сопротивления R сжатию бутовой кладки из рваного бута приведены в табл. 8.

3.8. Расчетные сопротивления R сжатию бутобетона (невибрированного) приведены в табл. 9*.

Таблица 3*

Марка кирпича

Расчетные сопротивления R, МПа (кгс/см2), сжатию виброкирпичной кладки на тяжелых растворах при марке раствора

200

150

100

75

50

300

5,6(56)

5,3(53)

4,8(48)

4,5(45)

4,2(42)

250

5,2(52)

4,9(49)

4,4(44)

4,1(41)

3,7(37)

200

4,8(48)

4,5(45)

4,0(40)

3,6(36)

3,3(33)

150

4,0(40)

3,7(37)

3,3(33)

3,1(31)

2,7(27)

125

3,6(36)

3,3(33)

3,0(30)

2,9(29)

2,5(25)

100

3,1(31)

2,9(29)

2,7(27)

2,6(26)

2,3(23)

75

-

2,5(25)

2,3(23)

2,2(22)

2,0(20)

Примечания: 1. Расчетные сопротивления сжатию кирпичной кладки, вибрированной на вибростолах, принимаются по табл. 3* с коэффициентом 1,05.

2. Расчетные сопротивления сжатию виброкирпичной кладки толщиной более 30 см следует принимать по табл. 3* с коэффициентом 0,85.

3. Расчетные сопротивления, приведенные в табл. 3*, относятся к участкам кладки шириной 40 см и более. В самонесущих и ненесущих стенах допускаются участки шириной от 25 до 38 см, при этом расчетные сопротивления кладки следует принимать с коэффициентом 0,8.

Таблица 4*

Класс бетона

Марка блока

Расчетные сопротивления R, МПа (кгс/см2), сжатию кладки из крупных сплошных блоков из бетонов всех видов и блоков из природного камня (пиленых или чистой тески) при высоте ряда кладки 500 - 1000 мм

при марке раствора

при нулевой прочности раствора

200

150

100

75

50

25

10

В80

1000

17,9(179)

17,5(175)

17,1(171)

16,8(168)

16,5(165)

15,8(158)

14,5(145)

11,3(113)

В62,5

800

15,2(152)

14,8(148)

14,4(144)

14,1(141)

13,8(138)

13,3(133)

12,3(123)

9,4(94)

В45

600

12,8(128)

12,4(124)

12,0(120)

11,7(117)

11,4(114)

10,9(109)

9,9(99)

7,3(73)

В40

500

11,1(111)

10,7(107)

10,3(103)

10,1(101)

9,8(98)

9,3(93)

8,7(87)

6,3(63)

В30

400

9,3(93)

9,0(90)

8,7(87)

8,4(84)

8,2(82)

7,7(77)

7,4(74)

5,3(53)

В22,5

300

7,5(75)

7,2(72)

6,9(69)

6,7(67)

6,5(65)

6,2(62)

5,7(57)

4,4(44)

В20

250

6,7(67)

6,4(64)

6,1(61)

5,9(59)

5,7(57)

5,4(54)

4,9(49)

3,8(38)

В15

200

5,4(54)

5,2(52)

5,0(50)

4,9(49)

4,7(47)

4,3(43)

4,0(40)

3,0(30)

В12

150

4,6(46)

4,4(44)

4,2(42)

4,1(41)

3,9(39)

3,7(37)

3,4(34)

2,4(24)

В7,5

100

-

3,3(33)

3,1(31)

2,9(29)

2,7(27)

2,6(26)

2,4(24)

1,7(17)

В5

75

-

-

2,3(23)

2,2(22)

2,1(21)

2,0(20)

1,8(18)

1,3(13)

В4

50

-

-

1,7(17)

1,6(16)

1,5(15)

1,4(14)

1,2(12)

0,85(8,5)

В2,5

35

-

-

-

-

1,1(11)

1,0(10)

0,9(9)

0,6(6)

В2

25

-

-

-

-

0,9(9)

0,8(8)

0,7(7)

0,5(5)

Примечания: 1. Расчетные сопротивления сжатию кладки из крупных блоков высотой более 1000 мм принимаются по табл. 4* с коэффициентом 1,1.

2. Классы бетона следует принимать по табл. 1 СТ СЭВ 1406-78. За марку крупных бетонных блоков и блоков из природного камня следует принимать предел прочности на сжатие, МПа (кгс/см2), эталонного образца-куба, испытанного согласно требованиям ГОСТ 10180-90 и ГОСТ 8462-85.

3. Расчетные сопротивления сжатию кладки из крупных бетонных блоков и блоков из природного камня, растворные швы в которой выполнены под рамку с разравниванием и уплотнением рейкой (о чем указывается в проекте), допускается принимать по табл. 4* с коэффициентом 1,2.

3.9. Расчетные сопротивления сжатию кладки из силикатных пустотелых (с круглыми пустотами диаметром не более 35 мм и пустотностью до 25 %) кирпичей толщиной 88 мм и камней толщиной 138 мм допускается принимать по табл. 2 с коэффициентами:

на растворах нулевой прочности и прочности 0,2 МПа (2 кгс/см2) - 0,8;

на растворах марок 4, 10, 25 и выше - соответственно 0,85, 0,9 и 1.

3.10. Расчетные сопротивления сжатию кладки при промежуточных размерах высоты ряда от 150 до 200 мм должны определяться как среднее арифметическое значений, принятых по табл. 2 и 5, при высоте ряда от 300 до 500 мм - по интерполяции между значениями, принятыми по табл. 4* и 5.

Таблица 5

Марка камня

Расчетные сопротивления R, МПа (кгс/см2), сжатию кладки из сплошных бетонных, гипсобетонных и природных камней (пиленых или чистой тески) при высоте ряда кладки 200 - 300 мм

при марке раствора

при прочности раствора

200

150

100

75

50

25

10

4

0,2 (2)

нулевой

1000

13,0(130)

12,5(125)

12,0(120)

11,5(115)

11,0(110)

10,5(105)

9,5(95)

8,5(85)

8,3(83)

8,0(80)

800

11,0(110)

10,5(105)

10,0(100)

9,5(95)

9,0(90)

8,5(85)

8,0(80)

7,0(70)

6,8(68)

6,5(65)

600

9,0(90)

8,5(85)

8,0(80)

7,8(78)

7,5(75)

7,0(70)

6,0(60)

5,5(55)

5,3(53)

5,0(50)

500

7,8(78)

7,3(73)

6,9(69)

6,7(67)

6,4(64)

6,0(60)

5,3(53)

4,8(48)

4,6(46)

4,3(43)

400

6,5(65)

6,0(60)

5,8(58)

5,5(55)

5,3(53)

5,0(50)

4,5(45)

4,0(40)

3,8(38)

3,5(35)

300

5,8(58)

4,9(49)

4,7(47)

4,5(45)

4,3(43)

4,0(40)

3,7(37)

3,3(33)

3,1(31)

2,8(28)

200

4,0(40)

3,8(38)

3,6(36)

3,5(35)

3,3(33)

3,0(30)

2,8(28)

2,5(25)

2,3(23)

2,0(20)

150

3,3(33)

3,1(31)

2,9(29)

2,8(28)

2,6(26)

2,4(24)

2,2(22)

2,0(20)

1,8(18)

1,5(15)

100

2,5(25)

2,4(24)

2,3(23)

2,2(22)

2,0(20)

1,8(18)

1,7(17)

1,5(15)

1,3(13)

1,0(10)

75

-

-

1,9(19)

1,8(18)

1,7(17)

1,5(15)

1,4(14)

1,2(12)

1,1(11)

0,8(8)

50

-

-

1,5(15)

1,4(14)

1,3(13)

1,2(12)

1,0(10)

0,9(9)

0,8(8)

0,6(6)

35

-

-

-

-

1,0(10)

0,95(9,5)

0,85(8,5)

0,7(7)

0,6(6)

0,45(4,5)

25

-

-

-

-

0,8(8)

0,75(7,5)

0,65(6,5)

0,55(5,5)

0,5(5)

0,35(3,5)

15

-

-

-

-

-

0,5(5)

0,45(4,5)

0,38(3,8)

0,35(3,5)

0,25(2,5)

Примечания: 1. Расчетные сопротивления кладки из сплошных шлакобетонных камней, изготовленных с применением шлаков от сжигания бурых и смешанных углей, следует принимать по табл. 5 с коэффициентом 0,8.

2. Гипсобетонные камни допускается применять только для кладки стен со сроком службы 25 лет (см. п. 2.3); при этом расчетное сопротивление этой кладки следует принимать по табл. 5 с коэффициентами: 0,7 - для кладки наружных стен в зонах с сухим климатом, 0,5 - в прочих зонах; 0,8 - для внутренних стен.

Климатические зоны принимаются в соответствии со СНиП по тепловой защите зданий.

3. Расчетные сопротивления кладки из бетонных и природных камней марки 150 и выше с ровными поверхностями и допусками по размерам, не превышающими ± 2 мм, при толщине растворных швов не более 5 мм, выполненных на цементных пастах или клеевых составах, допускается принимать по табл. 5 с коэффициентом 1,3.

Таблица 6*

Марка камня

Расчетные сопротивления R, МПа (кгс/см2), сжатию кладки из бетонных камней пустотностью до 25 % при высоте ряда кладки 200 - 300 мм

при марке раствора

при прочности раствора

100

75

50

25

10

4

0,2(2)

нулевой

150

2,7(27)

2,6(26)

2,4(24)

2,2(22)

2,0(20)

1,8(18)

1,7(17)

1,3(13)

125

2,4(24)

2,3(23)

2,1(21)

1,9(19)

1,7(17)

1,6(16)

1,4(14)

1,1(11)

100

2,0(20)

1,8(18)

1,7(17)

1,6(16)

1,4(14)

1,3(13)

1,1(11)

0,9(9)

75

1,6(16)

1,5(15)

1,4(14)

1,3(13)

1,1(11)

1,0(10)

0,9(9)

0,7(7)

50

1,2(12)

1,15(11,5)

1,1(11)

1,0(10)

0,9(9)

0,8(8)

0,7(7)

0,5(5)

35

-

1,0(10)

0,9(9)

0,8(8)

0,7(7)

0,6(6)

0,55(5,5)

0,4(4)

25

-

-

0,7(7)

0,65(6,5)

0,55(5,5)

0,5(5)

0,45(4,5)

0,3(3)

15

-

-

-

0,45(4,5)

0,4(4,0)

0,35(3,5)

0,3(3,0)

0,2(2,0)

Примечание. Расчетные сопротивления сжатию кладки из пустотелых шлакобетонных камней, изготовленных с применением шлаков от сжигания бурых и смешанных углей, а также кладки из гипсобетонных, пустотелых камней следует снижать в соответствии с примечаниями 1 и 2 к табл. 5.

Таблица 7

Вид кладки

Марка камня

Расчетные сопротивления R, МПа (кгс/см2), сжатию кладки из природных камней низкой прочности правильной формы (пиленых и чистой тески)

при марке раствора

при прочности раствора

25

10

4

0,2(2)

нулевой

1. Из природных камней при высоте ряда до 150 мм

25

0,6(6)

0,45(4,5)

0,35(3,5)

0,3(3)

0,2(2)

15

0,4(4)

0,35(3,5)

0,25(2,5)

0,2(2)

0,13(1,3)

10

0,3(3)

0,25(2,5)

0,2(2)

0,18(1,8)

0,1(1)

7

0,25(2,5)

0,2(2)

0,18(1,8)

0,15(1,5)

0,07(0,7)

2. То же, при высоте ряда 200 - 300 мм

10

0,38(3,8)

0,33(3,3)

0,28(2,8)

0,25(2,5)

0,2(2)

7

0,28(2,8)

0,25(2,5)

0,23(2,3)

0,2(2)

0,12(1,2)

4

-

0,15(1,5)

0,14(1,4)

0,12(1,2)

0,08(0,8)

Таблица 8

Марка рваного бутового камня

Расчетные сопротивления R, МПа (кгс/см2), сжатию бутовой кладки из рваного бута

при марке раствора

при прочности раствора

100

75

50

25

10

4

0,2(2)

нулевой

1000

2,5(25)

2,2(22)

1,8(18)

1,2(12)

0,8(8)

0,5(5)

0,4(4)

0,33(3,3)

800

2,2(22)

2,0(20)

1,6(16)

1,0(10)

0,7(7)

0,45(4,5)

0,33(3,3)

0,28(2,8)

600

2,0(20)

1,7(17)

1,4(14)

0,9(9)

0,65(6,5)

0,4(4)

0,3(3)

2,2(2)

500

1,8(18)

1,5(15)

1,3(13)

0,85(8,5)

0,6(6)

0,38(3,8)

0,27(2,7)

0,18(1,8)

400

1,5(15)

1,3(13)

1,1(11)

0,8(8)

0,55(5,5)

0,33(3,3)

0,23(2,3)

0,15(1,5)

300

1,3(13)

1,15(11,5)

0,95(9,5)

0,7(7)

0,5(5)

0,3(3)

0,2(2)

0,12(1,2)

200

1,1(11)

1,0(10)

0,8(8)

0,6(6)

0,45(4,5)

0,28(2,8)

0,18(1,8)

0,08(0,8)

150

0,9(9)

0,8(8)

0,7(7)

0,55(5,5)

0,4(4)

0,25(2,5)

0,17(1,7)

0,07(0,7)

100

0,75(7,5)

0,7(7)

0,6(6)

0,5(5)

0,35(3,5)

0,23(2,3)

0,15(1,5)

0,05(0,5)

50

-

-

0,45(4,5)

0,35(3,5)

0,25(2,5)

0,2(2)

0,13(1,3)

0,03(0,3)

35

-

-

0,36(3,6)

0,29(2,9)

0,22(2,2)

0,18(1,8)

0,12(1,2)

0,02(0,2)

25

-

-

0,3(3)

0,25(2,5)

0,2(2)

0,15(1,5)

0,1(1)

0,02(0,2)

Примечания: 1. Приведенные в табл. 8 расчетные сопротивления для бутовой кладки даны в возрасте 3 мес. для марок раствора 4 и более. При этом марка раствора определяется в возрасте 28 дн. Для кладки в возрасте 28 дн. расчетные сопротивления, приведенные в табл. 8, для растворов марки 4 и более следует принимать с коэффициентом 0,8.

2. Для кладки из постелистого бутового камня расчетные сопротивления, принятые в табл. 8, следует умножать на коэффициент 1,5.

3. Расчетные сопротивления бутовой кладки фундаментов, засыпанных со всех сторон грунтом, допускается повышать: при кладке с последующей засыпкой пазух котлована грунтом - на 0,1 МПа (1 кгс/см2); при кладке в траншеях «враспор» с нетронутым грунтом и при надстройках - на 0,2 МПа (2 кгс/см2).

Таблица 9*

Вид бутобетона

Расчетные сопротивления R, МПа (кгс/см2), сжатию бутобетона (невибрированного) при классе бетона

В15

В12,5

В10

В7,5

В3,5

В2,5

С рваным бутовым камнем марки:

 

 

 

 

 

 

200 и выше

4(40)

3,5(35)

3(30)

2,5(25)

2,0(20)

1,7(17)

100

-

-

-

2,2(22)

1,8(18)

1,5(15)

50 или с кирпичным боем

-

-

-

2,0(20)

1,7(17)

1,3(13)

Примечание. При вибрировании бутобетона расчетные сопротивления сжатию следует принимать с коэффициентом 1,15.

3.11*. Расчетные сопротивления кладки сжатию, приведенные в табл. 2 - 8, следует умножать на коэффициенты условий работы ус, равные:

а) 0,8 - для столбов и простенков площадью сечения 0,3 м2 и менее;

б) 0,6 - для элементов круглого сечения, выполняемых из обыкновенного (нелекального) кирпича, не армированных сетчатой арматурой;

в) 1,1 - для блоков и камней, изготовленных из тяжелых бетонов и из природного камня (у ³ 1800 кг/м3);

0,9 - для кладки из блоков и камней из силикатных бетонов классов по прочности выше В25;

0,8 - для кладки из блоков и камней из крупнопористых бетонов и из автоклавных ячеистых бетонов;

0,7 - для кладки из блоков и камней из неавтоклавных ячеистых бетонов. Виды ячеистых бетонов принимают в соответствии с ГОСТ 25485-89;

г) 1,15 - для кладки после длительного периода твердения раствора (более года);

д) 0,85 - для кладки из силикатного кирпича на растворе с добавками поташа;

е) для зимней кладки, выполняемой способом замораживания, - на коэффициенты условий работы ус1 по табл. 33.

3.12. Расчетные сопротивления сжатию кладки из крупных пустотелых бетонных блоков различных типов устанавливаются по экспериментальным данным. При отсутствии таких данных расчетные сопротивления следует принимать по табл. 4* с коэффициентами:

0,9 при пустотности блоков £ 5 %

0,5    »          »                »       £ 25 »

0,25   »          »               »       £ 45 »,

где процент пустотности определяется по среднему горизонтальному сечению.

Для промежуточных значений процента пустотности указанные коэффициенты следует определять интерполяцией.

3.13. Расчетные сопротивления сжатию кладки из природного камня, указанные в табл. 4*, 5 и 7, следует принимать с коэффициентами:

0,8 - для кладки из камней получистой тески (выступы до 10 мм);

0,7 - для кладки из камней грубой тески (выступы до 20 мм).

3.14. Расчетные сопротивления сжатию кладки из сырцового кирпича и грунтовых камней следует принимать по табл. 7 с коэффициентами:

0,7 - для кладки наружных стен в зонах с сухим климатом;

0,5 - то же, в прочих зонах;

0,8 - для кладки внутренних стен.

Сырцовый кирпич и грунтовые камни разрешается применять только для стен зданий с предполагаемым сроком службы не более 25 лет.

3.15. Расчетные сопротивления кладки из сплошных камней на цементно-известковых, цементно-глиняных и известковых растворах осевому растяжению Rt, растяжению при изгибе Rtb и главным растягивающим напряжениям при изгибе Rtw, срезу Rsq при расчете сечений кладки, проходящих по горизонтальным и вертикальным швам, приведены в табл. 10.

3.16. Расчетные сопротивления кладки из кирпича и камней правильной формы осевому растяжению Rt, растяжению при изгибе Rtb, срезу Rsq и главным растягивающим напряжениям при изгибе Rtw при расчете кладки по перевязанному сечению, проходящему по кирпичу или камню, приведены в табл. 11.

Рис. 1. Растяжение кладки по неперевязанному сечению

Рис. 2. Растяжение кладки по перевязанному сечению

Рис. 3. Растяжение кладки при изгибе по перевязанному сечению

Таблица 10

Вид напряженного состояния

Обозначения

Расчетные сопротивления R, МПа (кгс/см2), кладки из сплошных камней на цементно-известковых, цементно-глиняных и известковых растворах осевому растяжению, растяжению при изгибе, срезу и главным растягивающим напряжениям при изгибе при расчете сечений кладки, проходящих по горизонтальным и вертикальным швам

при марке раствора

при прочности раствора 0,2(2)

50 и выше

25

10

4

А. Осевое растяжение

Rt

 

 

 

 

 

1. По неперевязанному сечению для кладки всех видов (нормальное сцепление; рис. 1)

 

0,08(0,8)

0,05(0,5)

0,03(0,3)

0,01(0,1)

0,005(0,05)

2. По перевязанному сечению (рис. 2):

 

 

 

 

 

 

а) для кладки из камней правильной формы

 

0,16(1,6)

0,11(1,1)

0,05(0,5)

0,02(0,2)

0,01(0,1)

б) для бутовой кладки

 

0,12(1,2)

0,08(0,8)

0,04(0,4)

0,02(0,2)

0,01(0,1)

Б. Растяжение при изгибе

Rtb (Rtw)

 

 

 

 

 

3. По неперевязанному сечению для кладки всех видов и по косой штрабе (главные растягивающие напряжения при изгибе)

 

0,12(1,2)

0,08(0,8)

0,04(0,4)

0,02(0,2)

0,01(0,1)

4. По перевязанному сечению (рис. 3):

 

 

 

 

 

 

а) для кладки из камней правильной формы

 

0,25(2,5)

0,16(1,6)

0,08(0,8)

0,04(0,4)

0,02(0,2)

б) для бутовой кладки

 

0,18(1,8)

0,12(1,2)

0,06(0,6)

0,03(0,3)

0,015(0,15)

В. Срез

Rsq

 

 

 

 

 

5. По неперевязанному сечению для кладки всех видов (касательное сцепление)

 

0,16(1,6)

0,11(1,1)

0,05(0,5)

0,02(0,2)

0,01(0,1)

6. По перевязанному сечению для бутовой кладки

 

0,24(2,4)

0,16(1,6)

0,08(0,8)

0,04(0,4)

0,02(0,2)

Примечания: 1. Расчетные сопротивления отнесены по всему сечению разрыва или среза кладки, перпендикулярному или параллельному (при срезе) направлению усилия.

2. Расчетные сопротивления кладки, приведенные в табл. 10, следует принимать с коэффициентами:

для кирпичной кладки с вибрированием на вибростолах при расчете на особые воздействия - 1,4;

для вибрированной кирпичной кладки из керамического кирпича пластического прессования, а также для обычной кладки из дырчатого и щелевого кирпича и пустотелых бетонных камней - 1,25;

для невибрированной кирпичной кладки на жестких цементных растворах без добавки глины или извести - 0,75;

для кладки из полнотелого и пустотелого силикатного кирпича - 0,7, а из силикатного кирпича, изготовленного с применением мелких (барханных) песков - по экспериментальным данным;

для зимней кладки, выполняемой способом замораживания, - по табл. 33.

При расчете по раскрытию трещин по формуле (33) расчетные сопротивления растяжению при изгибе Rtb для всех видов кладки следует принимать по табл. 10 без учета коэффициентов, указанных в настоящем примечании.

3. При отношении глубины перевязки кирпича (камня) правильной формы к высоте ряда кладки менее единицы расчетные сопротивления кладки осевому растяжению и растяжению при изгибе по перевязанным сечениям принимаются равными величинам, указанным в табл. 10, умноженным на значения отношения глубины перевязки к высоте ряда.

Таблица 11

Вид напряженного состояния

Обозначение

Расчетные сопротивления R, МПа (кгс/см2), кладки из кирпича и камней правильной формы осевому растяжению, растяжению при изгибе, срезу и главным растягивающим напряжениям при изгибе при расчете кладки по перевязанному сечению, проходящему по кирпичу или камню, при марке изделия

200

150

100

75

50

35

25

15

10

1. Осевое растяжение

Rt

0,25(2,5)

0,2(2)

0,18(1,8)

0,13(1,3)

0,1(1)

0,08(0,8)

0,06(0,6)

0,05(0,5)

0,03(0,3)

2. Растяжение при изгибе и главные растягивающие напряжения

Rtb (Rtw)

0,4(4)

0,3(3)

0,25(2,5)

0,2(2)

0,16(1,6)

0,12(1,2)

0,1(1)

0,07(0,7)

0,05(0,5)

3. Срез

Rsq

1,0(10)

0,8(8)

0,65(6,5)

0,55(5,5)

0,4(4)

0,3(3)

0,2(2)

0,14(1,4)

0,09(0,9)

Примечания: 1. Расчетные сопротивления осевому растяжению Rt, растяжению при изгибе Rtb и главным растягивающим напряжениям Rtw отнесены ко всему сечению разрыва кладки.

2. Расчетные сопротивления срезу по перевязанному сечению Rsq отнесены только к площади сечения кирпича или камня (площади сечения нетто) за вычетом площади сечения вертикальных швов.

Таблица 12*

Вид напряженного состояния

Обозначение

Расчетные сопротивления R, МПа (кгс/см2), бутобетона осевому растяжению, главным растягивающим напряжениям и растяжению при изгибе при классе бетона

В15

В12,5

В7,5

В5

В3,5

В2,5

1. Осевое растяжение и главные растягивающие напряжения

Rt

Rtw

0,2(2,0)

0,18(1,8)

0,16(1,6)

0,14(1,4)

0,12(1,2)

0,1(1,0)

2. Растяжение при изгибе

Rtb

0,27(2,7)

0,25(2,5)

0,23(2,3)

0,2(2,0)

0,18(1,8)

0,16(1,6)

3.17. Расчетные сопротивления бутобетона осевому растяжению Rt, главным растягивающим напряжениям Rtw и растяжению при изгибе Rtb приведены в табл. 12*.

3.18. Расчетные сопротивления кладки из природного камня для всех видов напряженного состояния допускается уточнять по специальным указаниям, составленным на основе экспериментальных исследований и утвержденным в установленном порядке.

3.19. Расчетные сопротивления арматуры Rs, принимаемые в соответствии со СНиП по проектированию бетонных и железобетонных конструкций, следует умножать в зависимости от вида армирования конструкций на коэффициенты условий работы уcs, приведенные в табл. 13.

Таблица 13

Вид армирования конструкций

Коэффициенты условий работы ycs для арматуры классов

A-I

А-II

Bp-I

1. Сетчатое армирование

0,75

-

0,6

2. Продольная арматура в кладке:

 

 

 

а) продольная арматура растянутая

1

1

1

б) то же, сжатая

0,85

0,7

0,6

в) отогнутая арматура и хомуты

0,8

0,8

0,6

3. Анкеры и связи в кладке:

 

 

 

а) на растворе марки 25 и выше

0,9

0,9

0,8

б) на растворе марки 10 и ниже

0,5

0,5

0,6

Примечания: 1. При применении других видов арматурных сталей расчетные сопротивления, приведенные в СНиП по проектированию бетонных и железобетонных конструкций, принимаются не выше, чем для арматуры классов А-II или соответственно Bp-I.

2. При расчете зимней кладки, выполненной способом замораживания, расчетные сопротивления арматуры при сетчатом армировании следует принимать с дополнительным коэффициентом условий работы ycs1, приведенным в табл. 33.

МОДУЛИ УПРУГОСТИ И ДЕФОРМАЦИЙ КЛАДКИ ПРИ КРАТКОВРЕМЕННОЙ И ДЛИТЕЛЬНОЙ НАГРУЗКЕ, УПРУГИЕ ХАРАКТЕРИСТИКИ КЛАДКИ, ДЕФОРМАЦИИ УСАДКИ, КОЭФФИЦИЕНТЫ ЛИНЕЙНОГО РАСШИРЕНИЯ И ТРЕНИЯ

3.20. Модуль упругости (начальный модуль деформаций) кладки Е0 при кратковременной нагрузке должен приниматься равным:

для неармированной кладки

Е0 = aRu;                                                                         (1)

для кладки с продольным армированием

Е0 = aRsku.                                                                        (2)

В формулах (1) и (2) a - упругая характеристика кладки, принимается по п. 3.21.

Модуль упругости кладки с сетчатым армированием принимается таким же, как для неармированной кладки.

Для кладки с продольным армированием упругую характеристику следует принимать такой же, как для неармированной кладки; Ru - временное сопротивление (средний предел прочности) сжатию кладки, определяемое по формуле

Ru = kR,                                                                           (3)

где k - коэффициент, принимаемый по табл. 14;

R - расчетные сопротивления сжатию кладки, принимаемые по табл. 2 - 9* с учетом коэффициентов, приведенных в примечаниях к этим таблицам, а также в пп. 3.9 - 3.14.

Таблица 14

Вид кладки

Коэффициент k

1. Из кирпича и камней всех видов, из крупных блоков, рваного бута и бутобетона, кирпичная вибрированная

2,0

2. Из крупных и мелких блоков из ячеистых бетонов

2,25

Упругую характеристику кладки с сетчатым армированием следует определять по формуле

ask = .                                                                    (4)

В формулах (2) и (4) Rsku - временное сопротивление (средний предел прочности) сжатию армированной кладки из кирпича или камней при высоте ряда не более 150 мм, определяемое по формулам:

для кладки с продольной арматурой

Rsku = kR +;                                                            (5)

для кладки с сетчатой арматурой

Rsku = kR +;                                                           (6)

m - процент армирования кладки;

для кладки с продольной арматурой

m = ,

где As и Ak - соответственно площади сечения арматуры и кладки, для кладки с сетчатой арматурой m определяется по п. 4.30*;

Rsn - нормативные сопротивления арматуры в армированной кладке, принимаемые для сталей классов А-I и А-II в соответствии со СНиП по проектированию бетонных и железобетонных конструкций, а для стали класса Вр-I - с коэффициентом условий работы 0,6 по тому же СНиП.

3.21. Значения упругой характеристики a для неармированной кладки следует принимать по табл. 15*.

3.22. Модуль деформаций кладки Е должен приниматься:

а) при расчете конструкций по прочности кладки для определения усилий в кладке, рассматриваемой в предельном состоянии сжатия при условии, что деформации кладки определяются совместной работой с элементами конструкций из других материалов (для определения усилий в затяжках сводов, в слоях сжатых многослойных сечений, усилий, вызываемых температурными деформациями, при расчете кладки над рандбалками или под распределительными поясами), по формуле

Е = 0,5Е0,                                                                       (7)

где Е0 - модуль упругости (начальный модуль деформаций) кладки, определяемый по формулам (1) и (2).

Таблица 15*

Вид кладки

Упругая характеристика a

при марках раствора

при прочности раствора

25 - 200

10

4

0,2(2)

нулевой

1. Из крупных блоков, изготовленных из тяжелого и крупнопористого бетона на тяжелых заполнителях и из тяжелого природного камня (у ³ 1800 кг/м3)

1500

1000

750

750

500

2. Из камней, изготовленных из тяжелого бетона, тяжелых природных камней и бута

1500

1000

750

500

350

3. Из крупных блоков, изготовленных из бетона на пористых заполнителях и поризованного, крупнопористого бетона на легких заполнителях, плотного силикатного бетона и из легкого природного камня

1000

750

500

500

350

4. Из крупных блоков, изготовленных из ячеистых бетонов:

 

 

 

 

 

автоклавных

750

750

500

500

350

неавтоклавных

500

500

350

350

350

5. Из камней, изготовленных из ячеистых бетонов:

 

 

 

 

 

автоклавных

750

500

350

350

200

неавтоклавных

500

350

200

200

200

6. Из керамических камней всех видов

1200

1000

750

500

350

7. Из кирпича керамического пластического прессования полнотелого и пустотелого, из пустотелых силикатных камней, из камней, изготовленных из бетона на пористых заполнителях и поризованного, из легких природных камней

1000

750

500

350

200

8. Из кирпича силикатного полнотелого и пустотелого

750

500

350

350

200

9. Из кирпича керамического полусухого прессования полнотелого и пустотелого

500

500

350

350

200

Примечания: 1. При определении коэффициентов продольного изгиба для элементов с гибкостью lo/i £ 28 или отношением lo/h £ 8 (см. п. 4.2) допускается принимать величины упругой характеристики кладки из кирпича всех видов как из кирпича пластического прессования.

2. Приведенные в табл. 15* (поз. 7 - 9) значения упругой характеристики a для кирпичной кладки распространяются на виброкирпичные панели и блоки.

3. Упругая характеристика бутобетона принимается равной a = 2000.

4. Для кладки на легких растворах значения упругой характеристики a следует принимать по табл. 15* с коэффициентом 0,7.

5. Упругие характеристики кладки из природных камней допускается уточнять по специальным указаниям, составленным на основе результатов экспериментальных исследований и утвержденным в установленном порядке.

б) при определении деформаций кладки от продольных или поперечных сил, усилий в статически неопределимых рамных системах, в которых элементы конструкций из кладки работают совместно с элементами из других материалов, периода колебаний каменных конструкций, жесткости конструкций по формуле

Е = 0,8Е0.                                                                       (8)

3.23*. Относительная деформация кладки с учетом ползучести определяется по формуле

e = v,                                                                        (9)

где s - напряжение, при котором определяется e;

v - коэффициент, учитывающий влияние ползучести кладки:

v = 1,8 - для кладки из керамических камней с вертикальными щелевидными пустотами (высота камня от 138 до 220 мм);

v = 2,2 - для кладки из керамического кирпича пластического и полусухого прессования;

v = 2,8 - для кладки из крупных блоков или камней, изготовленных из тяжелого бетона;

v = 3,0 - для кладки из силикатного кирпича и камней полнотелых и пустотелых, а также из камней, изготовленных из бетона на пористых заполнителях или поризованного и силикатных крупных блоков;

v = 3,5 - для кладки из мелких и крупных блоков или камней, изготовленных из автоклавных ячеистых бетонов;

v = 4,0 - то же, из неавтоклавных ячеистых бетонов.

3.24. Модуль упругости кладки Е0 при постоянной и длительной нагрузке с учетом ползучести следует уменьшать путем деления его на коэффициент ползучести v.

3.25*. Модуль упругости и деформаций кладки из природных камней допускается принимать по специальным указаниям, составленным на основе результатов экспериментальных исследований и утвержденным в установленном порядке.

3.26*. Деформации усадки кладки из керамического кирпича и керамических камней не учитываются.

Деформации усадки следует принимать для кладок:

из кирпича, камней, мелких и крупных блоков, изготовленных на силикатном или цементном вяжущем, - 3×10-4;

из камней и блоков, изготовленных из автоклавных ячеистых бетонов на песке и вторичных продуктах обогащения различных руд, - 4×10-4;

то же, из автоклавных бетонов на золе - 6×10-4.

3.27. Модуль сдвига кладки следует принимать равным G = 0,4 Е0, где Е0 - модуль упругости при сжатии.

3.28. Величины коэффициентов линейного расширения кладки следует принимать по табл. 16.

Таблица 16

Материал кладки

Коэффициент линейного расширения кладки at, град.-1

1. Кирпич керамический полнотелый, пустотелый и керамические камни

0,000005

2. Кирпич силикатный, камни и блоки бетонные и бутобетон

0,00001

3. Природные камни, камни и блоки из ячеистых бетонов

0,000008

Примечание. Величины коэффициентов линейного расширения для кладки из других материалов допускается принимать по опытным данным.

3.29. Коэффициент трения следует принимать по табл. 17.

Таблица 17

Материал

Коэффициент трения m при состоянии поверхности

сухом

влажном

1. Кладка по кладке или бетону

0,7

0,6

2. Дерево по кладке или бетону

0,6

0,5

3. Сталь по кладке или бетону

0,45

0,35

4. Кладка и бетон по песку или гравию

0,6

0,5

5. То же, по суглинку

0,55

0,4

6. То же, по глине

0,5

0,3

4. РАСЧЕТ ЭЛЕМЕНТОВ КОНСТРУКЦИЙ ПО ПРЕДЕЛЬНЫМ СОСТОЯНИЯМ ПЕРВОЙ ГРУППЫ (ПО НЕСУЩЕЙ СПОСОБНОСТИ)

КАМЕННЫЕ КОНСТРУКЦИИ

Центрально-сжатые элементы

4.1. Расчет элементов неармированных каменных конструкций при центральном сжатии следует производить по формуле

N £ mgjRA,                                                                    (10)

где N - расчетная продольная сила;

R - расчетное сопротивление сжатию кладки, определяемое по табл. 2 - 9*;

j - коэффициент продольного изгиба, определяемый по п. 4.2;

А - площадь сечения элемента;

mg - коэффициент, учитывающий влияние длительной нагрузки и определяемый по формуле (16) при e0g = 0.

При меньшем размере прямоугольного поперечного сечения элементов h ³ 30 см (или с меньшим радиусом инерции элементов любого сечения i ³ 8,7 см) коэффициент mg следует принимать равным единице.

4.2. Коэффициент продольного изгиба j для элементов постоянного по длине сечения следует принимать по табл. 18 в зависимости от гибкости элемента

li =                                                                         (11)

или прямоугольного сплошного сечения при отношении

lh =                                                                         (12)

и упругой характеристики кладки a, принимаемой по табл. 15*, а для кладки с сетчатым армированием - по формуле (4).

В формулах (11) и (12):

lo - расчетная высота (длина) элемента, определяемая согласно указаниям п. 4.3;

i - наименьший радиус инерции сечения элемента;

h - меньший размер прямоугольного сечения.

4.3. Расчетные высоты стен и столбов lo при определении коэффициентов продольного изгиба j в зависимости от условий опирания их на горизонтальные опоры следует принимать:

а) при неподвижных шарнирных опорах lo = Н (рис. 4, а);

б) при упругой верхней опоре и жестком защемлении в нижней опоре: для однопролетных зданий lo = 1,5H, для многопролетных зданий lo = 1,25H (рис. 4, б);

в) для свободно стоящих конструкций lo = 2Н (рис. 4, в);

г) для конструкций с частично защемленными опорными сечениями - с учетом фактической степени защемления, но не менее lo = 0,8Н, где Н - расстояние между перекрытиями или другими горизонтальными опорами, при железобетонных горизонтальных опорах - расстояние между ними в свету.

Рис. 4. Коэффициенты j и mg по высоте сжатых стен и столбов

а - шарнирно опертых на неподвижные опоры; б - защемленных внизу и имеющих верхнюю упругую опору; в - свободно стоящих

Таблица 18

Гибкость

Коэффициент продольного изгиба j при упругих характеристиках кладки a

lh

li

1500

1000

750

500

350

200

100

4

14

1

1

1

0,98

0,94

0,9

0,82

6

21

0,98

0,96

0,95

0,91

0,88

0,81

0,68

8

28

0,95

0,92

0,9

0,85

0,8

0,7

0,54

10

35

0,92

0,88

0,84

0,79

0,72

0,6

0,43

12

42

0,88

0,84

0,79

0,72

0,64

0,51

0,34

14

49

0,85

0,79

0,73

0,66

0,57

0,43

0,28

16

56

0,81

0,74

0,68

0,59

0,5

0,37

0,23

18

63

0,77

0,7

0,63

0,53

0,45

0,32

-

22

76

0,69

0,61

0,53

0,43

0,35

0,24

-

26

90

0,61

0,52

0,45

0,36

0,29

0,2

-

30

104

0,53

0,45

0,39

0,32

0,25

0,17

-

34

118

0,44

0,38

0,32

0,26

0,21

0,14

-

38

132

0,36

0,31

0,26

0,21

0,17

0,12

-

42

146

0,29

0,25

0,21

0,17

0,14

0,09

-

46

160

0,21

0,18

0,16

0,13

0,1

0,07

-

50

173

0,17

0,15

0,13

0,1

0,08

0,05

-

54

187

0,13

0,12

0,1

0,08

0,06

0,04

-

Примечания: 1. Коэффициент j при промежуточных величинах гибкостей определяется по интерполяции.

2. Коэффициент j для отношений lh, превышающих предельные (пп. 6.16 - 6.20), следует принимать при определении jс (п. 4.7) в случае расчета на внецентренное сжатие с большими эксцентриситетами.

3. Для кладки с сетчатым армированием величины упругих характеристик, определяемые по формуле (4), могут быть менее 200.

Примечания: 1. При жестких опорах (см. п. 6.7) и заделке в стены сборных железобетонных перекрытий принимается l0 = 0,9H, а при монолитных железобетонных перекрытиях, опираемых на стены по четырем сторонам, l0 = 0,8H.

2. Если нагрузкой является только собственная масса элемента в пределах рассчитываемого участка, то расчетную высоту l0 сжатых элементов, указанную в п. 4.3, следует уменьшить путем умножения на коэффициент 0,75.

4.4. Значения коэффициентов j и mg для стен и столбов, опирающихся на шарнирные неподвижные опоры, с расчетной высотой l0 = H (см. п. 4.3) при расчете сечений, расположенных в средней трети высоты l0, следует принимать постоянными, равными расчетным значениям j и mg, определенным для данного элемента. При расчете сечений на участках в крайних третях l0 коэффициенты j и mg увеличиваются по линейному закону до единицы на опоре (рис. 4, а).

Для стен и столбов, имеющих нижнюю защемленную и верхнюю упругую опоры, при расчете сечений нижней части стены или столба до высоты 0,7 H принимаются расчетные значения j и mg, а при расчете сечений верхней части стены или столба значения j и mg для этих сечений увеличиваются до единицы по линейному закону (рис. 4, б).

Для свободно стоящих стен и столбов при расчете сечений в их нижней части (до высоты 0,5Н) принимаются расчетные значения j и mg, a в верхней половине значения j и mg увеличиваются до единицы по линейному закону (рис. 4, в).

В месте пересечения продольной и поперечной стен, при условии их надежного взаимного соединения, коэффициенты j и mg разрешается принимать равными 1. На расстоянии Н от пересечения стен коэффициенты j и mg определяются по пп. 4.1 - 4.3. Для промежуточных вертикальных участков коэффициенты j и mg принимаются по интерполяции.

4.5. В стенах, ослабленных проемами, при расчете простенков коэффициент j принимается по гибкости стены.

Для узких простенков, ширина которых меньше толщины стены, производится также расчет простенка в плоскости стены, при этом расчетная высота простенка принимается равной высоте проема.

4.6. Для ступенчатых стен и столбов, верхняя часть которых имеет меньшее поперечное сечение, коэффициенты j и mg определяются:

а) при опирании стен (столбов) на неподвижные шарнирные опоры - по высоте l0 = H (H - высота стены или столба согласно п. 4.3) и наименьшему сечению, расположенному в средней трети высоты H;

б) при упругой верхней опере или при ее отсутствии - по расчетной высоте l0, определенной согласно п. 4.3, и сечению у нижней опоры, а при расчете верхнего участка стены (столба) высотой Н1 - по расчетной высоте l01 и поперечному сечению этого участка; l01 определяется так же, как l0, но при Н = Н1.

Внецентренно сжатые элементы

4.7. Расчет внецентренно сжатых неармированных элементов каменных конструкций следует производить по формуле

N £ mgj1RAcw,                                                             (13)

где Ас - площадь сжатой части сечения при прямоугольной эпюре напряжений (рис. 5), определяемая из условия, что ее центр тяжести совпадает с точкой приложения расчетной продольной силы N. Положение границы площади Ас определяется из условия равенства нулю статического момента этой площади относительно ее центра тяжести для прямоугольного сечения

Ac = A,                                                             (14)

j1 = .                                                                 (15)

В формулах (13) - (15):

R - расчетное сопротивление кладки сжатию;

А - площадь сечения элемента;

h - высота сечения в плоскости действия изгибающего момента;

е0 - эксцентриситет расчетной силы N относительно центра тяжести сечения;

j - коэффициент продольного изгиба для всего сечения в плоскости действия изгибающего момента, определяемый по расчетной высоте элемента l0 (см. пп. 4.2, 4.3) по табл. 18;

jс - коэффициент продольного изгиба для сжатой части сечения, определяемый по фактической высоте элемента Н по табл. 18 в плоскости действия изгибающего момента при отношении

lhc =

или гибкости

lic =

где hc и iс - высота и радиус инерции сжатой части поперечного сечения Ас в плоскости действия изгибающего момента.

Для прямоугольного сечения hc = h - 2eo.

Для таврового сечения (при е0 > 0,45y) допускается приближенно принимать Ас = 2(у - е0)b и hc = 2(у - е0), где у - расстояние от центра тяжести сечения элемента до его края в сторону эксцентриситета; b - ширина сжатой полки или толщина стенки таврового сечения в зависимости от направления эксцентриситета.

Рис. 5. Внецентренное сжатие

Рис. 6. Знакопеременная эпюра изгибающего момента для внецентренно сжатого элемента

При знакопеременной эпюре изгибающего момента по высоте элемента (рис. 6) расчет по прочности следует производить в сечениях с максимальными изгибающими моментами различных знаков. Коэффициент продольного изгиба jс следует определять по высоте части элемента в пределах однозначной эпюры изгибающего момента при отношениях или гибкостях

lh1c =  или li1c =

и lh2c =  или li2c = ,

где Н1 и Н2 - высоты частей элемента с однозначной эпюрой изгибающего момента;

hс1; iс1 и hс2; iс2 - высоты и радиусы инерции сжатой части элементов в сечениях с максимальными изгибающими моментами;

w - коэффициент, определяемый по формулам, приведенным в табл. 19*;

тg - коэффициент, определяемый по формуле

тg = 1 - h,                                                  (16)

где Ng - расчетная продольная сила от длительных нагрузок;

h - коэффициент, принимаемый по табл. 20;

е0g - эксцентриситет от действия длительных нагрузок.

Таблица 19*

Вид кладки

Значения w для сечений

произвольной формы

прямоугольного

1. Кладка всех видов, кроме указанных в поз. 2

1 +  £ 1,45

1 +  £ 1,45

2. Кладка из керамических кирпича, камней и блоков пустотностью более 25 %; из камней и крупных блоков, изготовленных из ячеистых и крупнопористых бетонов; из природных камней (включая бут)

1

1

Примечание. Если 2у < h, то при определении коэффициента w вместо 2у следует принимать h.

Таблица 20

Гибкость

Коэффициент h для кладки

lh

li

из керамических кирпича и камней; из камней и крупных блоков из тяжелого бетона; из природных камней всех видов

из силикатного кирпича и силикатных камней; камней из бетона на пористых заполнителях; крупных блоков из ячеистого бетона

при проценте продольного армирования

0,1 и менее

0,3 и более

0,1 и менее

0,3 и более

£ 10

£ 35

0

0

0

0

12

42

0,04

0,03

0,05

0,03

14

49

0,08

0,07

0,09

0,08

16

56

0,12

0,09

0,14

0,11

18

63

0,15

0,13

0,19

0,15

20

70

0,20

0,16

0,24

0,19

22

76

0,24

0,20

0,29

0,22

24

83

0,27

0,23

0,33

0,26

26

90

0,31

0,26

0,38

0,30

Примечание. Для неармированной кладки значения коэффициента h следует принимать как для кладки с армированием 0,1 % и менее. При проценте армирования более 0,1 и менее 0,3 коэффициент h определяется интерполяцией.

При h ³ 30 см или i ³ 8,7 см коэффициент тg следует принимать равным единице.

4.8. При е0 > 0,7у, кроме расчета внецентренно сжатых элементов по формуле (13), следует производить расчет по раскрытию трещин в швах кладки согласно указаниям п. 5.3.

4.9. При расчете несущих и самонесущих стен (см. п. 6.6) толщиной 25 см и менее следует учитывать случайный эксцентриситет ev, который должен суммироваться с эксцентриситетом продольной силы.

Величину случайного эксцентриситета следует принимать равной: для несущих стен - 2 см; для самонесущих стен, а также для отдельных слоев трехслойных несущих стен - 1 см; для перегородок и ненесущих стен, а также заполнений фахверковых стен случайный эксцентриситет допускается не учитывать.

4.10. Наибольшая величина эксцентриситета (с учетом случайного) во внецентренно сжатых конструкциях без продольной арматуры в растянутой зоне не должна превышать: для основных сочетаний нагрузок - 0,9 у, для особых - 0,95 у; в стенах толщиной 25 см и менее: для основных сочетаний нагрузок - 0,8 у, для особых - 0,85 у, при этом расстояние от точки приложения силы до более сжатого края сечения для несущих стен и столбов должно быть не менее 2 см.

4.11. Элементы, работающие на внецентренное сжатие, должны быть проверены расчетом на центральное сжатие в плоскости, перпендикулярной к плоскости действия изгибающего момента в тех случаях, когда ширина их поперечного сечения b < h.

КОСОЕ ВНЕЦЕНТРЕННОЕ СЖАТИЕ

4.12. Расчет элементов при косом внецентренном сжатии следует производить по формуле (13) при прямоугольной эпюре напряжений в обоих направлениях. Площадь сжатой части сечения Ас условно принимается в виде прямоугольника, центр тяжести которого совпадает с точкой приложения силы и две стороны ограничены контуром сечения элемента (рис. 7), при этом hс = 2сh; bс = 2сb и Ас = 4сhсb, где сh и сb - расстояния от точки приложения силы N до ближайших границ сечения.

В случаях сложного по форме сечения для упрощения расчета допускается принимать прямоугольную часть сечения без учета участков, усложняющих его форму (рис. 8).

Рис. 7. Расчетная схема прямоугольного сечения при косом внецентренном сжатии

Рис. 8. Расчетная схема сложного сечения при косом внецентренном сжатии; площади А1 и А2 в расчете не учитываются

Величины w, j1 и тg определяются дважды:

а) при высоте сечения h или радиусе инерции ih и эксцентриситете еh в направлении h;

б) при высоте сечения b или радиусе инерции ib и эксцентриситете еb в направлении b.

За расчетную несущую способность принимается меньшая из двух величин, вычисленных по формуле (13) при двух значениях w, j1 и тg.

Если еb > 0,7 сb или eh > 0,7 ch, то кроме расчета по несущей способности должен производиться расчет по раскрытию трещин в соответствующем направлении по указаниям п. 5.3.

СМЯТИЕ (МЕСТНОЕ СЖАТИЕ)

4.13. Расчет сечений на смятие при распределении нагрузки на части площади сечения следует производить по формуле

Nс £ YdRcAc,                                                              (17)

где Nc - продольная сжимающая сила от местной нагрузки;

Rc - расчетное сопротивление кладки на смятие, определяемое согласно указаниям п. 4.14;

Ас - площадь смятия, на которую передается нагрузка;

d = 1,5 - 0,5 Y - для кирпичной и виброкирпичной кладки, а также кладки из сплошных камней или блоков, изготовленных из тяжелого и легкого бетонов;

d = 1 - для кладки из пустотелых бетонных или сплошных камней и блоков из крупнопористого и ячеистого бетонов;

Y - коэффициент полноты эпюры давления от местной нагрузки.

При равномерном распределении давления Y = 1, при треугольной эпюре давления у = 0,5.

Если под опорами изгибаемых элементов не требуется установка распределительных плит, то допускается принимать Yd = 0,75 - для кладок из материалов, указанных в поз. 1 и 2 табл. 21*, и Yd = 0,5 - для кладок из материалов, указанных в поз. 3 этой таблицы.

4.14. Расчетное сопротивление кладки на смятие Rc следует определять по формуле

Rc = xR;                                                                  (18)

x = ,                                                            (19)

где А - расчетная площадь сечения, определяемая согласно указаниям п. 4.16;

x1 - коэффициент, зависящий от материала кладки и места приложения нагрузки, определяется по табл. 21*.

Таблица 21*

Материал кладки

x1, для нагрузок по схеме

рис. 9, а, в, в1, д, ж

рис. 9, б, г, е, и

местная нагрузка

сумма местной и основной нагрузок

местная нагрузка

сумма местной и основной нагрузок

1 Полнотелый кирпич, сплошные камни и крупные блоки из тяжелого бетона или бетона на пористых заполнителях М50 и выше

2

2

1

1,2

2. Керамические кирпич и камни с пустотами, бутобетон

1,5

2

1

1,2

3. Пустотелые бетонные камни и блоки. Сплошные камни и блоки из бетона М35. Камни и блоки из ячеистого бетона и природного камня

1,2

1,5

1

1

Примечание. Для кладок всех видов на неотвердевшем растворе или на замороженном растворе в период его оттаивания при зимней кладке, выполненной способом замораживания, принимаются значения x1, указанные в поз. 3 настоящей таблицы.

Для кирпича, камней и блоков пустотностью более 25 % значение коэффициента x1 принимается равным 1.

При расчете на смятие кладки с сетчатым армированием расчетное сопротивление кладки Rc принимается в формуле (17) большим из двух значений: Rс, определяемого по формуле (18) для неармированной кладки, или Rc = Rsk, где Rsk - расчетное сопротивление кладки с сетчатым армированием при осевом сжатии, определяемое по формуле (27) или (28).

4.15. При одновременном действии местной (опорные реакции балок, прогонов, перекрытий и т.п.) и основной нагрузок (вес вышележащей кладки и нагрузка, передающаяся на эту кладку) расчет производится раздельно на местную нагрузку и на сумму местной и основной нагрузок, при этом принимаются различные значения x1 согласно табл. 21*.

При расчете на сумму местной и основной нагрузок разрешается учитывать только ту часть местной нагрузки, которая будет приложена до загружения площади смятия основной нагрузкой.

Примечание. В случае, когда площадь сечения достаточна для восприятия одной лишь местной нагрузки, но недостаточна для восприятия суммы местной и основной нагрузок, допускается устранять передачу основной нагрузки на площадь смятия путем устройства промежутка или укладки мягкой прокладки над опорным концом прогона, балки или перемычки.

4.16. Расчетная площадь сечения А определяется по следующим правилам:

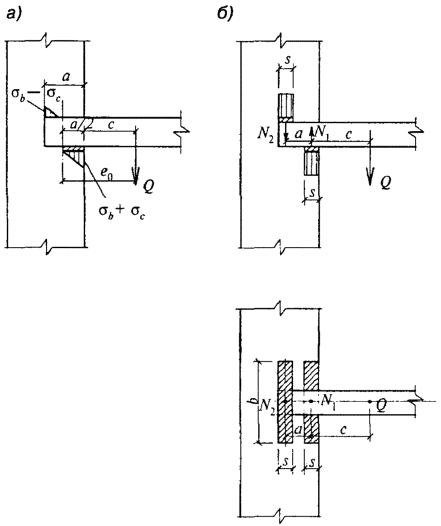
а) при площади смятия, включающей всю толщину стены, в расчетную площадь смятия включаются участки длиной не более толщины стены в каждую сторону от границы местной нагрузки (см. рис. 9, а);

б) при площади смятия, расположенной на краю стены по всей ее толщине, расчетная площадь равна площади смятия, а при расчете на сумму местной и основной нагрузок принимается также расчетная площадь, указанная на рис. 9, б пунктиром;

в) при опирании на стену концов прогонов и балок в расчетную площадь смятия включается площадь сечения стены шириной, равной глубине заделки опорного участка прогона или балки и длиной не более расстояния между осями двух соседних пролетов между балками (рис. 9, в); если расстояние между балками превышает двойную толщину стены, длина расчетной площади сечения определяется как сумма ширины балки bс и удвоенной толщины стены h (рис. 9, в1);

г) при смятии под краевой нагрузкой, приложенной к угловому участку стены, расчетная площадь равна площади смятия, а при расчете на сумму местной и основной нагрузок принимается расчетная площадь, ограниченная на рис. 9, г пунктиром;

д) при площади смятия, расположенной на части длины и ширины сечения, расчетная площадь принимается согласно рис. 9, д. Если площадь смятия расположена вблизи от края сечения, то при расчете на сумму местной и основной нагрузок принимается расчетная площадь сечения, не меньшая, чем определяемая по рис. 9, г, при приложении той же нагрузки к угловому участку стены;

Рис. 9. Определение расчетных площадей сечений при местном сжатии

а - з - различные случаи местного сжатия

е) при площади смятия, расположенной в пределах пилястры, расчетная площадь равна площади смятия, а при расчете на сумму местной и основной нагрузок принимается расчетная площадь, ограниченная на рис. 9, е пунктиром;

ж) при площади смятия, расположенной в пределах пилястры и части стены или простенка, увеличение расчетной площади по сравнению с площадью смятия следует учитывать только для нагрузки, равнодействующая которой приложена в пределах полки (стены) или же в пределах ребра (пилястры) с эксцентриситетом е0 > 1/6L в сторону стены (где L - длина площади смятия, е0 - эксцентриситет по отношению к оси площади смятия). В этих случаях в расчетную площадь сечения включается кроме площади смятия часть площади сечения полки шириной С, равной глубине заделки опорной плиты в кладку стены и длиной в каждую сторону от края плиты не более толщины стены (рис. 9, ж);

з) если сечение имеет сложную форму, не допускается учитывать при определении расчетной площади сечения участки, связь которых с загруженным участком недостаточна для перераспределения давления (участки 1 и 2 на рис. 9, з).

Примечание. Во всех случаях, приведенных на рис. 9, в расчетную площадь сечения А включается площадь смятия Аc.

4.17. При опирании на край кладки изгибаемых элементов (балок, прогонов и т. п.) без распределительных плит или с распределительными плитами, которые могут поворачиваться вместе с концами элемента, длина опорного участка элемента должна приниматься по расчету. При этом плита обеспечивает распределение нагрузки только по своей ширине в направлении, перпендикулярном изгибаемому элементу.

Указания настоящего пункта не распространяются на расчет опор висячих стен, который производится согласно пп. 4.13 и 6.5.

Примечания: 1. При необходимости увеличения площади смятия под опорными плитами следует укладывать на них стальные прокладки, фиксирующие положение опорного давления.

2. Конструктивные требования к участкам кладки, загруженным местными нагрузками, приводятся в пп. 6.40 - 6.43.

ИЗГИБАЕМЫЕ ЭЛЕМЕНТЫ

4.18*. Расчет изгибаемых неармированных элементов следует производить по формуле

M £ RtbW,                                                                 (20)

где М - расчетный изгибающий момент;

W - момент сопротивления сечения кладки при упругой ее работе;

Rtb - расчетное сопротивление кладки растяжению при изгибе по перевязанному сечению (см. табл. 10 - 12).

Расчет изгибаемых неармированных элементов на поперечную силу следует производить по формуле

Q £ Rtwbz,                                                                 (21)

где Rtw - расчетное сопротивление кладки главным растягивающим напряжениям при изгибе, по табл. 11 - 12;

b - ширина сечения;

z - плечо внутренней пары сил, для прямоугольного сечения, z =h.

Примечание. Проектирование элементов каменных конструкций, работающих на изгиб по неперевязанному сечению, не допускается.

ЦЕНТРАЛЬНО-РАСТЯНУТЫЕ ЭЛЕМЕНТЫ

4.19. Расчет элементов неармированных каменных конструкций на прочность при осевом растяжении следует производить по формуле

N £ RtAn,                                                                  (22)

где N - расчетная осевая сила при растяжении;

Rt - расчетное сопротивление кладки растяжению, принимаемое по табл. 10 - 12 по перевязанному сечению;

Ап - расчетная площадь сечения нетто.

Примечание. Проектирование элементов каменных конструкций, работающих на осевое растяжение по неперевязанному сечению, не допускается.

СРЕЗ

4.20. Расчет неармированной кладки на срез по горизонтальным неперевязанным швам и перевязанным швам для бутовой кладки следует производить по формуле

Q £ (Rsq + 0,8nmso) А,                                                         (23)

где Rsq - расчетное сопротивление срезу (см. табл. 10);

m - коэффициент трения по шву кладки, принимаемый для кладки из кирпича и камней правильной формы равным 0,7;

s0 - среднее напряжение сжатия при наименьшей расчетной нагрузке, определяемой с коэффициентом перегрузки 0,9;

п - коэффициент, принимаемый равным 1,0 для кладки из полнотелого кирпича и камней и равным 0,5 для кладки из пустотелого кирпича и камней с вертикальными пустотами, а также для кладки из рваного бутового камня;

А - расчетная площадь сечения.

Расчет кладки на срез по перевязанному сечению (по кирпичу или камню) следует производить по формуле (23) без учета обжатия (2-й член формулы 23). Расчетные сопротивления кладки должны приниматься по табл. 11.

При внецентренном сжатии с эксцентриситетами, выходящими за пределы ядра сечения (для прямоугольных сечений е0 > 0,17h), в расчетную площадь сечения включается только площадь сжатой части сечения Ас.

МНОГОСЛОЙНЫЕ СТЕНЫ
(СТЕНЫ ОБЛЕГЧЕННОЙ КЛАДКИ И СТЕНЫ С ОБЛИЦОВКАМИ)

4.21. Отдельные слои многослойных стен должны быть соединены между собой жесткими или гибкими связями (см. пп. 6.30 - 6.31). Жесткие связи должны обеспечивать распределение нагрузки между конструктивными слоями.

4.22. При расчете многослойных стен на прочность различаются два случая:

а) жесткое соединение слоев. Различную прочность и упругие свойства слоев, а также неполное использование прочности их при совместной работе в стене следует учитывать путем приведения площади сечения к материалу основного несущего слоя. Эксцентриситеты всех усилий должны определяться по отношению к оси приведенного сечения;

б) гибкое соединение слоев. Каждый слой следует рассчитывать раздельно на воспринимаемые им нагрузки, нагрузки от покрытий и перекрытий должны передаваться только на внутренний слой. Нагрузку от собственного веса утеплителя следует распределять на несущие слои пропорционально их сечению.

4.23. При приведении сечения стены к одному материалу толщина слоев должна приниматься фактической, а ширина слоев (по длине стены) изменяться пропорционально отношению расчетных сопротивлений и коэффициентов использования прочности слоев по формуле

bred = b,                                                               (24)

где bred - приведенная ширина слоя;

b - фактическая ширина слоя;

R; т - расчетное сопротивление и коэффициент использования прочности слоя, к которому приводится сечение;

Ri; mi - расчетное сопротивление и коэффициент использования прочности любого другого слоя стены. Коэффициенты использования прочности слоев в многослойных стенах т и mi приведены в табл. 22*.

4.24*. Расчет многослойных стен с жесткими связями следует производить:

а) при центральном сжатии по формуле (10);

б) при внецентренном сжатии по формуле (13).

В формулах (10) и (13) принимаются: площадь приведенного сечения Ared, площадь сжатой части приведенного сечения Acred и расчетное сопротивление слоя, к которому приводится сечение, с учетом коэффициента использования его прочности mR.

Коэффициенты продольного изгиба j, j1 и коэффициент тg следует определять по указаниям пп. 4.2 - 4.7 для материала слоя, к которому приводится сечение.

4.25. При расчете многослойных стен с гибкими связями (без тычковой перевязки) коэффициенты j, j1 и тg следует определять по пп. 4.2 - 4.7 для условной толщины, равной сумме толщин двух конструктивных слоев, умноженной на коэффициент 0,7.

При различном материале слоев принимается приведенная упругая характеристика кладки ared, определяемая по формуле

ared = ,                                                       (25)

где a1 и a2 - упругие характеристики слоев;

h1 и h2 - толщина слоев.

4.26. В двухслойных стенах при жесткой связи слоев эксцентриситет продольной силы, направленной в сторону термоизоляционного слоя относительно оси, проходящей через центр тяжести приведенного сечения, не должен превышать 0,5 у.

4.27. Многослойные стены с плитными утеплителями (минераловатные, полимерные и т. п. плиты), засыпками или заполнением бетоном с пределом прочности на сжатие 1,5 МПа (15 кгс/см2) и ниже следует рассчитывать по сечению кладки без учета несущей способности утеплителя.

4.28*. Расчет стен с облицовками, жестко соединенными с материалом стены, при наличии или отсутствии несущих теплоизоляционных слоев следует производить по правилам расчета многослойных стен (пп. 4.22 - 4.24), по площади сечения, приведенного к одному материалу, - по формуле (24). Сечение стен с облицовкой следует приводить к материалу основного несущего слоя стены.

В многослойных стенах с облицовками величину коэффициента использования прочности несущего слоя, к которому приводится сечение, следует принимать по табл. 22* и 23.

При эксцентриситете нагрузки в сторону облицовки коэффициент w в формуле (13) следует принимать равным единице.

Расчет по раскрытию швов облицовки на растянутой стороне сечения при эксцентриситете в сторону кладки, превышающем 0,относительно оси приведенного сечения, следует производить по указаниям п. 5.3.

Коэффициенты использования прочности слоев в стенах с облицовками т и тi приведены в табл. 23.

Таблица 22*

Коэффициенты использования прочности слоев

из бетонных камней т

из материалов mi

керамические камни

кирпич керамический пластического прессования

кирпич силикатный

кирпич керамический полусухого прессования

m

mi

m

mi

m

mi

m

mi

Камни марок М25 и выше из бетонов на пористых заполнителях и из поризованных бетонов

0,8

1

0,9

1

1

0,9

1

0,85

Камни марок М25 и выше из автоклавных ячеистых бетонов

-

-

0,85

1

1

0,8

1

0,8

Камни марок М25 и выше из неавтоклавных ячеистых бетонов

 

 

0,7

1

0,8

1

0,9

1,0

Таблица 23

Материал облицовочного слоя mi

Материал стены т

керамические камни

керамический кирпич пластического прессования

силикатный кирпич

керамический кирпич полусухого прессования

mi

m

mi

m

mi

m

mi

m

Лицевой кирпич пластического прессования высотой 65 мм

0,8

1

1

0,9

1

0,6

1

0,65

Лицевые керамические камни со щелевидными пустотами высотой 140 мм

1

0,9

1

0,8

0,85

0,6

1

0,5

Крупноразмерные плиты из силикатного бетона

0,6

0,8

0,6

0,7

0,7

0,6

0,9

0,6

Силикатный кирпич

0,6

0,85

0,6

1

1

1

1

0,8

Силикатные камни высотой 138 мм

0,9

1

0,8

1

1

0,8

1

0,7

Крупноразмерные плиты из тяжелого цементного бетона

1

0,9

1

0,9

1

0,75

1

0,65

4.29*. При расчете стен с облицовками эксцентриситет нагрузки в сторону облицовки не должен превышать 0,25 у (у - расстояние от центра тяжести приведенного сечения до края сечения в сторону эксцентриситета). При эксцентриситете, направленном в сторону внутренней грани стены е0 > у, но не менее 0,1 у, расчет по формулам (10) - (13) производится без учета коэффициентов т и mi, приведенных в табл. 23, как однослойного сечения по материалу основного несущего слоя стены, при этом в расчет вводится вся площадь сечения элемента.

АРМОКАМЕННЫЕ КОНСТРУКЦИИ

4.30*. Расчет элементов с сетчатым армированием (рис. 10) при центральном сжатии следует производить по формуле

N £ mgjRskA,                                                                (26)

где N - расчетная продольная сила;

Rsk £ 2R - расчетное сопротивление при центральном сжатии, определяемое для армированной кладки из кирпича всех видов и керамических камней со щелевидными вертикальными пустотами по формуле

Rsk = R + ,                                                           (27)

при пустотности более 20 % - по формуле

Rsk = R + ,                                                         (27а)

Рис. 10. Поперечное (сетчатое) армирование каменных конструкций

1 - арматурная сетка; 2 - выпуск арматурной сетки для контроля ее укладки

при прочности раствора менее 2,5 МПа (25 кгс/см2) при проверке прочности кладки в процессе ее возведения по формуле

Rsk1 = R1 + ×,                                                         (28)

где R1 - расчетное сопротивление сжатию неармированной кладки в рассматриваемый срок твердения раствора;

R25 - расчетное сопротивление кладки при марке раствора 25;

m = ×100 - процент армирования по объему для сеток с квадратными ячейками из арматуры сечением Ast с размером ячейки С при расстоянии между сетками по высоте S.

m = ×100,

mg - коэффициент, определяемый по формуле (16);

Vs и Vk - соответственно объемы арматуры и кладки;

j - коэффициент продольного изгиба, определяемый по табл. 18 для lh или li при упругой характеристике кладки с сетчатым армированием ask, определяемой по формуле (4).

Примечания: 1. Процент армирования кладки сетчатой арматурой при центральном сжатии не должен превышать определяемого по формуле

m = 50 ³ 0,1 %.

2. Элементы с сетчатым армированием выполняются на растворах марки не ниже 50 при высоте ряда кладки не более 150 мм.

При прочности раствора более 2,5 МПа (25 кгс/см2) отношение  принимается равным 1.

4.31. Расчет внецентренно сжатых элементов с сетчатым армированием при малых эксцентриситетах, не выходящих за пределы ядра сечения (для прямоугольного сечения е0 £ 0,17h), следует производить по формуле

N £ mgj1RskbAcw                                                                  (29)

или для прямоугольного сечения

N £ mgj1RskbA,                                                      (30)

где Rskb £ 2R - расчетное сопротивление армированной кладки при внецентренном сжатии, определяемое при марке раствора 50 и выше по формуле

Rskb = R + ,                                                         (31)

а при марке раствора менее 25 (при проверке прочности кладки в процессе ее возведения) по формуле

Rskb = R1 + ××.                                                (32)

Остальные величины имеют те же значения, что в пп. 4.1. и 4.7.

Примечания: 1. При эксцентриситетах, выходящих за пределы ядра сечения (для прямоугольных сечений е0 > 0,17h), а также при lh > 15 или li > 53 применять сетчатое армирование не следует.

2. Процент армирования кладки сетчатой арматурой при внецентренном сжатии не должен превышать определяемого по формуле

m =  %.

5. РАСЧЕТ ЭЛЕМЕНТОВ КОНСТРУКЦИЙ ПО ПРЕДЕЛЬНЫМ СОСТОЯНИЯМ ВТОРОЙ ГРУППЫ (ПО ОБРАЗОВАНИЮ И РАСКРЫТИЮ ТРЕЩИН И ПО ДЕФОРМАЦИЯМ)

5.1. По образованию и раскрытию трещин (швов кладки) и по деформациям следует рассчитывать:

а) внецентренно сжатые неармированные элементы при е0 > 0,7у;

б) смежные, работающие совместно конструктивные элементы кладки из материалов различной деформативности (с различными модулями упругости, ползучестью, усадкой) или при значительной разнице в напряжениях, возникающих в этих элементах;

в) самонесущие стены, связанные с каркасами и работающие на поперечный изгиб, если несущая способность стен недостаточна для самостоятельного (без каркаса) восприятия нагрузок;

г) стеновые заполнения каркасов - на перекос в плоскости стен;

д) продольно армированные изгибаемые, внецентренно сжатые и растянутые элементы, эксплуатируемые в условиях среды, агрессивной для арматуры;

е) продольно армированные емкости при наличии требований непроницаемости штукатурных или плиточных изоляционных покрытий;

ж) другие элементы зданий и сооружений, в которых образование трещин не допускается или же раскрытие трещин должно быть ограничено по условиям эксплуатации.

5.2. Расчет каменных и армокаменных конструкций по предельным состояниям второй группы следует производить на воздействие нормативных нагрузок при основных их сочетаниях. Расчет внецентренно сжатых неармированных элементов по раскрытию трещин при е0 > 0,7у (см. п. 5.3) должен производиться на воздействие расчетных нагрузок.

5.3. Расчет по раскрытию трещин (швов кладки) внецентренно сжатых неармированных каменных конструкций следует производить при е0 > 0,7у исходя из следующих положений:

при расчете принимается линейная эпюра напряжений внецентренного сжатия как для упругого тела;

расчет производится по условному краевому напряжению растяжения, которое характеризует величину раскрытия трещин в растянутой зоне.

Расчет следует производить по формуле

N £ ,                                                          (33)

где I - момент инерции сечения в плоскости действия изгибающего момента;

у - расстояние от центра тяжести сечения до сжатого его края;

Rtb - расчетное сопротивление кладки растяжению при изгибе по неперевязанному сечению (см. табл. 10);

yr - коэффициент условий работы кладки при расчете по раскрытию трещин, принимаемый по табл. 24.

Остальные обозначения величин те же, что в п. 4.7.

5.4. Конструкции, в которых по условиям эксплуатации не может быть допущено появление трещин в штукатурных и других покрытиях, должны быть проверены на деформации растянутых поверхностей. Эти деформации для неармированной кладки следует определять при нормативных нагрузках, которые будут приложены после нанесения штукатурных или других покрытий, по формулам (34) - (37). Они не должны превышать величин относительных деформаций eu, приведенных в табл. 25.

5.5. Расчет по деформациям растянутых поверхностей каменных конструкций из неармированной кладки следует производить по формулам:

при осевом растяжении

N £ EAeu,                                                                     (34)

при изгибе

M £ ;                                                                   (35)

при внецентренном сжатии

N £ ;                                                              (36)

при внецентренном растяжении

N £ .                                                           (37)

Таблица 24

Характеристика и условия работы кладки

Коэффициент условий работы уr при предполагаемом сроке службы конструкций, лет

100

50

25

1. Неармированная внецентренно нагруженная и растянутая кладка

1,5

2,0

3,0

2. То же, с декоративной отделкой для конструкций с повышенными архитектурными требованиями

1,2

1,2

-

3. Неармированная внецентренно нагруженная кладка с гидроизоляционной штукатуркой для конструкций, работающих на гидростатическое давление жидкости

1,2

1,5

-

4. То же, с кислотоупорной штукатуркой или облицовкой на замазке на жидком стекле

0,8

1,0

1,0

Примечание. Коэффициент условий работы уr при расчете продольно армированной кладки на внецентренное сжатие, изгиб, осевое и внецентренное растяжение и главные растягивающие напряжения принимается по табл. 24 с коэффициентами:

k = 1,25 при m ³ 0,1 %;

k = 1 при m £ 0,05 %.

При промежуточных процентах армирования - по интерполяции, выполняемой по формуле k = 0,75 + 5m.

Таблица 25

Вид и назначение покрытий

eu

Гидроизоляционная цементная штукатурка для конструкций, подверженных гидростатическому давлению жидкостей

0,8×10-4

Кислотоупорная штукатурка на жидком стекле или однослойное покрытие из плиток каменного литья (диабаз, базальт) на кислотоупорной замазке

0,5×10-4

Двух- и трехслойные покрытия из прямоугольных плиток каменного литья на кислотоупорной замазке:

 

а) вдоль длинной стороны плиток

1×10-4

б) то же, вдоль короткой стороны плиток

0,8×10-4

Примечание. При продольном армировании конструкций, а также при оштукатуривании неармированных конструкций по сетке предельные относительные деформации eu допускается увеличивать на 25 %.

В формулах (34) - (37):

N и М - продольная сила и момент от нормативных нагрузок, которые будут приложены после нанесения на поверхность кладки штукатурных или плиточных покрытий;

eu - предельные относительные деформации, принимаемые по табл. 25;

(h - у) - расстояние от центра тяжести сечения кладки до наиболее удаленной растянутой грани покрытия;

I - момент инерции сечения;

Е - модуль деформаций кладки, определяемый по формуле (8).

6. УКАЗАНИЯ ПО ПРОЕКТИРОВАНИЮ КОНСТРУКЦИЙ

ОБЩИЕ УКАЗАНИЯ

6.1. При проверке прочности и устойчивости стен, столбов, карнизов и других элементов в период возведения зданий следует учитывать, что элементы перекрытий (балки, плиты и пр.) укладываются по ходу кладки и что возможно опирание элементов здания на свежую кладку.

6.2. Крупноразмерные элементы конструкций (панели, крупные блоки и т. п.) должны быть проверены расчетом для стадий их изготовления, транспортирования и монтажа. Собственный вес элементов сборных конструкций следует принимать в расчете с учетом коэффициента динамичности, величина которого принимается равной: при транспортировании - 1,8; при подъеме и монтаже- 1,5; при этом коэффициент перегрузки к собственному весу элемента не вводится. Допускается уменьшение указанных выше коэффициентов динамичности, если это подтверждено длительным опытом применения таких элементов, но не ниже 1,25.

6.3*. Для сплошной кладки из кирпича и камней правильной формы, за исключением кирпичных панелей, необходимо предусматривать следующие минимальные требования к перевязке:

а) для кладки из полнотелого кирпича толщиной 65 мм - один тычковый ряд на шесть рядов кладки, а из кирпича толщиной 88 мм и пустотелого кирпича толщиной 65 мм - один тычковый ряд на четыре ряда кладки;

б) для кладки из камней правильной формы при высоте ряда до 200 мм - один тычковый ряд на три ряда кладки;

в) для кладки из крупноформатных камней 250 ´ 510 ´ 219 мм длиной на толщину стены 510 мм перевязку следует осуществлять в полкамня по его ширине в каждом ряду.

6.4. Необходимо предусматривать защиту стен и столбов от увлажнения со стороны фундаментов, а также со стороны примыкающих тротуаров и отмосток устройством гидроизоляционного слоя выше уровня тротуара или верха отмостки. Гидроизоляционный слой следует устраивать также ниже пола подвала.

Для подоконников, поясков, парапетов и тому подобных выступающих, особо подверженных увлажнению частей стен следует предусматривать защитные покрытия из цементного раствора, кровельной стали и др. Выступающие части стен должны иметь уклоны, обеспечивающие сток воды.

6.5. Неармированные кладки из каменных материалов в зависимости от вида кладки, а также прочности камней и растворов подразделяются на четыре группы (табл. 26*).

Таблица 26*

Вид кладки

Группа кладки

I

II

III

IV

1. Сплошная кладка из кирпича или камней марки 50 и выше

На растворе марки 10 и выше

На растворе марки 4

-

-

2. То же, марок 35 и 25

-

На растворе марки 10 и выше

На растворе марки 4

-

3. То же, марок 15, 10 и 7

-

-

На любом растворе

На любом растворе

4. Крупные блоки из кирпича или камней (вибрированные и невибрированные)

На растворе марки 25 и выше

-

-

-

5. Кладка из грунтовых материалов (грунтоблоки и сырцовый кирпич)

-

-

На известковом растворе

На глиняном растворе

6. Облегченная кладка из кирпича или бетонных камней с перевязкой горизонтальными тычковыми рядами или скобами

На растворе марки 50 и выше с заполнением бетоном не ниже класса В2 или вкладышами марок 25 и выше

На растворе марки 25 с заполнением бетоном или вкладышами марки 15

На растворе марки 10 и с заполнением засыпкой

-

7. Облегченная кладка из кирпича или камней колодцевая (с перевязкой вертикальными диафрагмами)

На растворе марки 50 и выше с заполнением теплоизоляционными плитами или засыпкой

На растворе марки 25 с заполнением теплоизоляционными плитами или засыпкой

-

-

8. Кладка из постелистого бута

-

На растворе марки 25 и выше

На растворе марок 10 и 4

На глиняном растворе

9. Кладка из рваного бута

-

На растворе марки 50 и выше

На растворе марок 25 и 10

На растворе марки 4

10. Бутобетон

На бетоне класса В7,5 и выше

На бетоне классов В5 и В3,5

На бетоне класса В2,5

-

6.6. Каменные стены в зависимости от конструктивной схемы здания подразделяются на:

несущие, воспринимающие кроме нагрузок от собственного веса и ветра также нагрузки от покрытий, перекрытий, кранов и т. п.;

самонесущие, воспринимающие нагрузку только от собственного веса стен всех вышележащих этажей зданий и ветровую нагрузку;

ненесущие (в том числе навесные), воспринимающие нагрузку только от собственного веса и ветра в пределах одного этажа при высоте этажа не более 6 м; при большей высоте этажа эти стены относятся к самонесущим;

перегородки - внутренние стены, воспринимающие нагрузки только от собственного веса и ветра (при открытых оконных проемах) в пределах одного этажа при высоте его не более 6 м; при большей высоте этажа стены этого типа условно относятся к самонесущим.

В зданиях с самонесущими и ненесущими наружными стенами нагрузки от покрытий, перекрытий и т. п. передаются на каркас или поперечные конструкции зданий.

6.7. Каменные стены и столбы зданий при расчете на горизонтальные нагрузки, внецентренное и центральное сжатие следует принимать опертыми в горизонтальном направлении на междуэтажные перекрытия, покрытия и поперечные стены. Эти опоры делятся на жесткие (несмещаемые) и упругие.

За жесткие опоры следует принимать:

а) поперечные каменные и бетонные стены толщиной не менее 12 см, железобетонные толщиной не менее 6 см, контрфорсы, поперечные рамы с жесткими узлами, участки поперечных стен и другие конструкции, рассчитанные на восприятие горизонтальной нагрузки;

б) покрытия и междуэтажные перекрытия при расстоянии между поперечными, жесткими конструкциями не более указанных в табл. 27;

в) ветровые пояса, фермы, ветровые связи и железобетонные обвязки, рассчитанные по прочности и по деформациям на восприятие горизонтальной нагрузки, передающейся от стен.

За упругие опоры следует принимать покрытия и междуэтажные перекрытия при расстояниях между поперечными жесткими конструкциями, превышающих указанные в табл. 27, при отсутствии ветровых связей, указанных в подпункте «в».

Таблица 27

Тип покрытий и перекрытий

Расстояние между поперечными жесткими конструкциями, м, при группе кладки

I

II

III

IV

А. Железобетонные сборные замоноличенные (см. прим. 2) и монолитные

54

42

30

-

Б. Из сборных железобетонных настилов (см. прим. 3) и из железобетонных или стальных балок с настилом из плит или камней

42

36

24

-

В. Деревянные

30

24

18

12

Примечания: 1. Указанные в табл. 27 предельные расстояния должны быть уменьшены в следующих случаях:

а) при скоростных напорах ветра 70, 85 и 100 кгс/м2 соответственно на 15, 20 и 25 %;

б) при высоте здания 22 - 32 м - на 10 %; 33 - 48 м - на 20 % и более 48 м - на 25 %;

в) для узких зданий при ширине b менее двойной высоты этажа Н - пропорционально отношению b/2Н.

2. В сборных замоноличенных перекрытиях типа А стыки между плитами должны быть усилены для передачи через них растягивающих усилий (путем сварки выпусков арматуры, прокладки в швах дополнительной арматуры с заливкой швов раствором марки не ниже 100 - при плитах из тяжелого бетона и марки не ниже М 50 - при плитах из легкого бетона или другими способами замоноличивания).

3. В перекрытиях типа Б швы между плитами или камнями, а также между элементами заполнения и балками должны быть тщательно заполнены раствором марки не ниже 50.

4. Перекрытия типа В должны иметь двойной деревянный настил или настил, накат и подшивку.

Стены и столбы, не имеющие связи с перекрытиями (при устройстве катковых опор и т. п.), следует рассчитывать как свободно стоящие.

6.8. При упругих опорах производится расчет рамной системы, стойками которой являются стены и столбы (железобетонные, кирпичные и др.), а ригелями - перекрытия и покрытия. При этом следует принимать, что стойки жестко защемлены в опорных сечениях.

При статических расчетах рам жесткость стен или столбов, выполненных из кирпичной или каменной кладки, допускается определять при модуле упругости кладки Е = 0,8 Е0 и моменте инерции сечения без учета раскрытия швов, а перекрытия и покрытия следует принимать как жесткие ригели (распорки), шарнирно связанные со стенами.

6.9. В стенах с пилястрами или без пилястр ширину стены при расчете следует принимать:

а) если конструкция покрытия обеспечивает равномерную передачу давления по всей длине опирания его на стену, равной ширине между проемами, а в стенах без проемов равной ширине участка стены между осями пролетов;

б) если боковое давление от стены на покрытие передается в местах опирания на стены ферм или прогонов, то стена с пилястрой рассматривается как стойка рамы с постоянным по высоте сечением, при этом ширина полки принимается равной 1/3 Н в каждую сторону от края пилястры, но не более 6 h и ширины стены между проемами (H - высота стены от уровня заделки, h - толщина стены). При отсутствии пилястр и передаче на стены сосредоточенных нагрузок ширина участка 1/3 Н принимается в каждую сторону от края распределительной плиты, установленной под опорами ферм или прогонов.

6.10. Стены и столбы, имеющие в плоскостях междуэтажных перекрытий опоры, рассматриваемые согласно п. 6.7 как жесткие, рассчитываются на внецентренную нагрузку как вертикальные неразрезные балки.

Допускается стены или столбы считать расчлененными по высоте на однопролетные балки с расположением опорных шарниров в плоскостях опирания перекрытий. При этом нагрузку от верхних этажей следует принимать приложенной в центре тяжести сечения стены или столба вышележащего этажа; нагрузки в пределах рассчитываемого этажа принимают приложенными с фактическими эксцентриситетами относительно центра тяжести сечения стены или столба с учетом изменения сечения в пределах этажа и ослабления горизонтальными и наклонными бороздами. При отсутствии специальных опор, фиксирующих положение опорного давления, допускается принимать расстояние от точки приложения опорной реакции прогонов, балок или настила до внутренней грани стены или опорной плиты равным одной трети глубины заделки, но не более 7 см.

Изгибающие моменты от ветровой нагрузки следует определять в пределах каждого этажа как для балки с заделанными концами, за исключением верхнего этажа, в котором верхняя опора принимается шарнирной.

6.11. При расчете стен (или их отдельных вертикальных участков) на вертикальные и горизонтальные нагрузки должны быть проверены:

а) горизонтальные сечения на сжатие или внецентренное сжатие;

б) наклонные сечения на главные растягивающие напряжения при изгибе в плоскости стены;

в) раскрытие трещин от вертикальной нагрузки разнонагруженных, связанных между собой стен или разной жесткости смежных участков стен.

При учете совместной работы поперечных и продольных стен при действии горизонтальной нагрузки должно быть обеспечено восприятие сдвигающих усилий в местах их взаимного примыкания, определяемых по формуле

T =  £ hHRsq,                                                           (38)

где Т - сдвигающее усилие в пределах одного этажа;

Q - расчетная поперечная сила от горизонтальной нагрузки в середине высоты этажа;

у - расстояние от оси продольной стены до оси, проходящей через центр тяжести сечения стен в плане (рис. 11);

А - площадь сечения полки (участка продольной стены, учитываемого в расчете);

I - момент инерции сечения стен относительно оси, проходящей через центр тяжести сечения стен в плане;

h - толщина поперечной стены;

H - высота этажа;

Rsq - расчетное сопротивление кладки срезу по вертикальному перевязанному сечению (см. п. 4.20).

При определении площади сечения полки А и момента инерции сечения стен следует учитывать указания, приведенные в п. 6.9.

6.12. Расчет поперечных стен на главные растягивающие напряжения следует производить по формуле

Q £ ;                                                                 (39)

Рис. 11. План поперечной стены и простенков продольных стен

1 - простенок продольной стены; 2 - поперечная стена

при наличии в стене растянутой части сечения - по формуле

Q £ ;                                                                (40)

В формулах (39) и (40):

Q - расчетная поперечная сила от горизонтальной нагрузки в середине высоты этажа

Rtq = ,                                                     (41)

Rtw - расчетное сопротивление главным растягивающим напряжениям по швам кладки (табл. 10);

Rtq - расчетное сопротивление скалыванию кладки, обжатой расчетной силой N, определяемой с коэффициентом перегрузки 0,9;

so = .                                                                   (42)

При наличии в стене растянутой части сечения принимается

so = ,                                                                   (43)

где А - площадь сечения поперечной стены с учетом (или без учета) участков продольной стены (см. рис. 11);

Ас - площадь только сжатой части сечения стены при эксцентриситетах, выходящих за пределы ядра сечения;

h - толщина поперечной стены на участке, где эта толщина наименьшая, при условии, если длина этого участка превышает 1/4 высоты этажа или же 1/4 длины стены; при наличии в стене каналов их ширина из толщины стены исключается;

l - длина поперечной стены в плане, если в сечение входят полки в виде отрезков наружных стен, то l - расстояние между осями этих полок;

v =  - коэффициент неравномерности касательных напряжений в сечении. Значения v допускается принимать: для двутавровых сечений v = 1,15; для тавровых сечений v = 1,35; для прямоугольных сечений (без учета работы продольных стен) v = 1,5;

S0 - статический момент части сечения, находящейся по одну сторону от оси, проходящей через центр тяжести сечения;

I - момент инерции всего сечения относительно оси, проходящей через центр тяжести сечения.

6.13. При недостаточном сопротивлении кладки скалыванию, определяемому по формулам (39), (40), допускается армирование ее продольной арматурой в горизонтальных швах. Расчетное сопротивление скалыванию армированной кладки Rstq следует определять по формуле

Rstq = ,                                                    (44)

где m - процент армирования, определяемый по вертикальному сечению стены.

6.14. При расчете поперечных стен здания на горизонтальные нагрузки, действующие в их плоскости, перемычки, перекрывающие проемы в стенах, рассматриваются как шарнирные вставки между вертикальными участками стен.

Если прочность поперечных стен с проемами при действии горизонтальных нагрузок обеспечивается только с учетом жесткости перемычек, то перемычки должны воспринимать возникающие в них перерезывающие силы, определяемые по формуле

Т = ,                                                                     (45)

где Q - расчетная поперечная сила от горизонтальной нагрузки, воспринимаемая поперечной стеной в уровне перекрытия, примыкающего к рассчитываемым перемычкам;

Н - высота этажа;

l - длина поперечной стены в плане (п. 6.12);

v - принимается по п. 6.12.

6.15. Расчет перемычек на перерезывающую силу от горизонтальной нагрузки, определяемую по формуле (45), производится на скалывание и на изгиб по формулам (46) и (47), причем принимается меньшая из двух полученных величин

T £ RtwA,                                                                 (46)

T £ RtbA,                                                                (47)

где h и l - высота и пролет перемычки (в свету);

Т - см. формулу (45);

А - поперечное сечение перемычки;

Rtw и Rtb - см. табл. 10.

Если прочность перемычек недостаточна, то они должны быть усилены продольным армированием или железобетонными балками, рассчитываемыми на изгиб и скалывание на момент

M =                                                                   (48)

и поперечную силу Т, формула (45), в соответствии с главой СНиП по проектированию бетонных и железобетонных конструкций. Расчет заделки концов балок (перемычек) в кладке производится по указаниям п. 6.46.

ДОПУСТИМЫЕ ОТНОШЕНИЯ ВЫСОТ СТЕН И СТОЛБОВ К ИХ ТОЛЩИНАМ

6.16. Отношение высоты стены или столба к толщине независимо от результатов расчета не должно превышать указанных в пп. 6.17 - 6.20.

6.17. Отношение b = H/h (где Н - высота этажа, h - толщина стены или меньшая сторона прямоугольного сечения столба) для стен без проемов, несущих нагрузки от перекрытий или покрытий, при свободной длине стены l £ 2,5 H не должно превышать величин, приведенных в табл. 28 (для кладки из каменных материалов правильной формы).

Для стен с пилястрами и столбов сложного сечения вместо h принимается условная толщина hred = 3,5i, где i = . Для столбов круглого и многоугольного сечения, вписанного в окружность, hred= 0,85d, где d - диаметр сечения столба.

Примечание. При высоте этажа Н, большей свободной длины стены l, отношение l/h не должно превышать значения 1,2 b по табл. 28.

6.18. Отношения b для стен и перегородок при условиях, отличающихся от указанных в п. 6.17, следует принимать с поправочным коэффициентом k, приведенным в табл. 29.

Предельные отношения b для столбов принимаются по табл. 28 с коэффициентами, приведенными в табл. 30.

6.19. Отношения b, приведенные в табл. 28 и умноженные на коэффициент k по табл. 29 для стен и перегородок, могут быть увеличены: при конструктивном продольном армировании кладки (при m = 0,05 %) в одном направлении (в горизонтальных швах кладки) - на 20 %.

При расстояниях между связанными со стенами поперечными устойчивыми конструкциями l £ kbh высота стен H не ограничивается и определяется расчетом на прочность. При свободной длине l, равной или большей H, но не более 2H (где H - высота этажа) должно соблюдаться условие

H + l £ 3kbh.                                                                 (49)

6.20. Для стен, перегородок и столбов, не закрепленных в верхнем сечении, значения отношений b должны быть на 30 % менее установленных в пп. 6.17 - 6.19.

Таблица 28

Марка раствора

Отношения b при группе кладки (см. табл. 26*)

I

II

III

IV

50 и выше

25

22

-

-

25

22

20

17

-

10

20

17

15

14

4

-

15

14

13

Таблица 29

Характеристика стен и перегородок

Коэффициент k

1. Стены и перегородки, не несущие нагрузки от перекрытий или покрытий при толщине, см:

 

25 и более

1,2

10 и менее

1,8

2. Стены с проемами

3. Перегородки с проемами

0,9

4. Стены и перегородки при свободной их длине между примыкающими поперечными стенами или колоннами от 2,5 до 3,5 H

0,9

5. То же, при l > 3,5 H

0,8

6. Стены из бутовых кладок и бутобетона

0,8

Примечания: 1. Общий коэффициент снижения отношений b, определяемый путем умножения отдельного коэффициента снижения k (табл. 29), принимается не ниже коэффициента снижения kp, указанного в табл. 30 для столбов.

2. При толщине ненесущих стен и перегородок более 10 и менее 25 см величина поправочного коэффициента k определяется по интерполяции.

3. Значения Ап - площадь нетто и Аb - площадь брутто определяются по горизонтальному сечению стены.

Таблица 30

Меньший размер поперечного сечения столба, см

Коэффициент k для столбов

из кирпича и камней правильной формы

из бутовой кладки и бутобетона

90 и более

0,75

0,6

70 - 89

0,7

0,55

50 - 69

0,65

0,5

Менее 50

0,6

0,45

Примечание. Предельные отношения b несущих узких простенков, имеющих ширину менее толщины стены, должны приниматься как для столбов с высотой, равной высоте проемов.

СТЕНЫ ИЗ ПАНЕЛЕЙ И КРУПНЫХ БЛОКОВ

6.21. Кирпичные панели следует проектировать из керамического или силикатного кирпича марки не ниже 75 на растворах марок не ниже 50.

6.22. При проектировании панелей следует, как правило, предусматривать заполнение растворных швов с применением вибрации. Расчетные сопротивления вибрированной кладки следует принимать по п. 3.2. Допускается проектирование однослойных панелей наружных стен из пустотелых керамических камней, эффективных в теплотехническом отношении, толщиной в один, полтора и два камня без применения вибрации. Расчетные сопротивления кладки следует принимать в этом случае по п. 3.1.

Примечание. В панелях из пустотелых керамических камней, изготовленных без применения вибрации, должна быть соблюдена перевязка вертикальных швов кладки, что должно быть указано в проекте.

6.23. Кирпичные панели наружных стен следует проектировать двухслойными или трехслойными. Двухслойные панели следует выполнять толщиной в полкирпича или более с утеплителем из жестких теплоизоляционных плит, расположенных с наружной или внутренней стороны панелей и защищенных отделочным армированным слоем из раствора марки не ниже 50, толщиной не менее 40 мм.

Трехслойные панели следует выполнять с наружными слоями толщиной в четверть или в полкирпича и средним слоем из жестких или полужестких теплоизоляционных плит.

Каркасы в панелях наружных стен должны устанавливаться в ребрах или швах, расположенных по периметру панелей и по контуру проемов в пределах всей толщины панелей. Ширина ребер, в которые устанавливаются каркасы, не должна превышать 30 мм.

При проектировании панелей наружных стен следует учитывать, что в зависимости от архитектурных требований наружный слой панелей можно выполнять с открытой фактурой кирпича и камней или с отделочным слоем из раствора.

6.24. Кирпичные панели внутренних стен и перегородок следует проектировать однослойными толщиной: в четверть кирпича (8,5 см), в полкирпича (14 см) и в кирпич (27 см) и двухслойными из двух слоев толщиной по четверти кирпича (18 см).

Каркасы в панелях внутренних стен должны устанавливаться по периметру панелей и по контуру проемов.

Примечания: 1. Толщины панелей указаны с учетом наружных и внутреннего растворных слоев.

2. Панели толщиной в четверть кирпича следует проектировать только для перегородок.

6.25. Кирпичные и керамические стеновые панели следует рассчитывать на внецентренное сжатие по указаниям, приведенным в пп. 4.7 и 4.8 при действии вертикальной и ветровой нагрузок, а также на усилия, возникающие при транспортировании и монтаже (см. п. 6.2).

Если требуемая прочность панели обеспечивается без учета арматуры, то площадь сечения продольных стержней каркасов должна определяться из условия, чтобы она составляла не менее 0,25 см2 на один метр горизонтального и вертикального сечений панели. Если арматура должна учитываться при определении несущей способности панели, то расчет ее должен производиться как для армокаменной конструкции. При расчете панелей толщиной 27 см и менее следует учитывать случайный эксцентриситет, величина которого принимается равной 1 см - для несущих однослойных панелей; 0,5 см - для самонесущих панелей, а также для отдельных слоев трехслойных несущих панелей; для ненесущих панелей и перегородок случайный эксцентриситет не учитывается.

6.26. Панели с армированными ребрами при различном материале несущих слоев рассчитываются как многослойные стены с жестким соединением слоев согласно пп. 4.22 - 4.24.

6.27. Соединения панелей наружных и внутренних стен, а также панелей наружных стен с панелями перекрытий следует проектировать при помощи стальных связей, приваренных к закладным деталям или к пластинам каркасов. Связи между панелями должны быть установлены в углублениях, расположенных в углах панелей, и покрыты слоем раствора толщиной не менее 10 мм. При выполнении закладных деталей и соединительных стержней из обычной стали они должны быть защищены от коррозии. Марку раствора для монтажных швов стен из панелей следует принимать по расчету, но не менее 50.

6.28. Крупные блоки для наружных и внутренних стен следует проектировать из цементных и силикатных тяжелых бетонов, бетонов на пористых заполнителях, ячеистых бетонов и природного камня, а также из кладки, выполняемой из кирпича, керамических, бетонных и природных камней. Расчетное сопротивление кладки из крупных блоков принимают по п. 3.3, а для блоков, изготовленных из кирпича или камней без вибрации, - по пп. 3.1, 3.4 и 3.6.

Марку раствора для монтажных швов кладки блоков из кирпича или камней следует принимать на одну ступень выше марки раствора блоков.

6.29. В крупноблочных зданиях высотой до 5 этажей включительно при высоте этажа до 3 м связь между продольными и поперечными стенами следует осуществлять:

а) в наружных углах - перевязкой кладки специальными угловыми блоками (не менее одного ряда блоков на этаж);

б) в местах примыкания внутренних поперечных стен к продольным, а также средней продольной стены к торцевым - закладкой Т-образных анкеров из полосовой стали или арматурных сеток в одном горизонтальном шве в каждом этаже в уровне перекрытий.

Для крупноблочных зданий высотой более 5 этажей и для зданий с высотой этажей более 3 м должны быть предусмотрены жесткие связи между стенами как в углах, так и в местах примыкания внутренних стен к наружным. Связи следует проектировать в виде закладных деталей в блоках, соединяемых сваркой с накладками.

МНОГОСЛОЙНЫЕ СТЕНЫ (СТЕНЫ ОБЛЕГЧЕННОЙ КЛАДКИ И СТЕНЫ С ОБЛИЦОВКАМИ)

6.30. При расчете многослойных стен (см. пп. 4.21 - 4.29) связи между конструктивными слоями следует считать жесткими:

а) при любом теплоизоляционном слое и расстояниях между осями вертикальных диафрагм из тычковых рядов кирпичей или камней не более 10h и не более 120 см, где h - толщина более тонкого конструктивного слоя;

б) при теплоизоляционном слое из монолитного бетона с пределом прочности на сжатие не менее 0,7 МПа (7 кгс/см2) или кладке из камней марки не ниже 10 при тычковых горизонтальных прокладных рядах, расположенных на расстояниях между осями рядов по высоте кладки не более 5h и не более 62 см.

6.31*. Гибкие связи следует проектировать из коррозионно-стойких сталей или сталей, защищенных от коррозии, а также из полимерных материалов. Суммарная площадь сечения гибких стальных связей должна быть не менее 0,4 см2 на 1 м2 поверхности стены. Сечение полимерных связей устанавливается из условия равной прочности стальным связям.

Гибкие связи в многослойных стенах с утеплителем и с наружным облицовочным слоем из кирпича или камня должны обеспечивать возможность восприятия силовых, температурно-усадочных и осадочных деформаций по вертикали. Связи должны выполняться с закреплением в несущей стене и облицовочном слое путем отгибов.

6.32*. Облицовочный слой и основная кладка стены, если они жестко связаны друг с другом взаимной перевязкой, должны, как правило, иметь близкие деформационные свойства. Рекомендуется предусматривать применение облицовочного кирпича или камней, имеющих высоту, равную высоте ряда основной кладки. При разной прочности и деформационных свойствах слоев расчет стен производится в соответствии с пп. 4.21 - 4.29.

6.33*. В проектах следует предусматривать:

перевязку облицовки, жестко связанной с кладкой тычковыми рядами, по указаниям п. 6.3;

в качестве утеплителя в облегченной (колодцевой) кладке заливочные материалы, прошедшие экспертизу в специализированных (базовых) организациях соответствующего профиля, или засыпку из пористых заполнителей;

в многослойных стенах из кирпича и камня плитный утеплитель из пенополистирола, пенополиуретана, минераловатных плит с гофрированной структурой волокон.

Для повышения теплотехнических характеристик стен допускается применять наружные фасадные системы теплоизоляции.

6.34. При устройстве обрезов в кладке, жестко связанной с облицовкой, в пределах выступающей части стены по всей ее толщине в проекте следует предусматривать укладку у обреза арматурных сеток не менее чем в трех швах.

АНКЕРОВКА СТЕН И СТОЛБОВ

6.35. Каменные стены и столбы должны крепиться к перекрытиям и покрытиям анкерами сечением не менее 0,5 см2.

6.36. Расстояние между анкерами балок, прогонов или ферм, а также перекрытий из сборных настилов или панелей, опирающихся на стены, должно быть не более 6 м. При увеличении расстояния между фермами до 12 м следует предусматривать дополнительные анкеры, соединяющие стены с покрытием. Концы балок, укладываемые на прогоны, внутренние стены или столбы, должны быть заанкерены и при двухстороннем опирании соединены между собой.

6.37. Самонесущие стены в каркасных зданиях должны быть соединены с колоннами гибкими связями, допускающими возможность независимых вертикальных деформаций стен и колонн. Связи, устанавливаемые по высоте колонн, должны обеспечивать устойчивость стен, а также передачу действующей на них ветровой нагрузки на колонны каркаса.

6.38. Расчет анкеров должен производиться:

а) при расстоянии между анкерами более 3 м;

б) при несимметричном изменении толщины столба или стены;

в) для простенков при общей величине нормальной силы N более 1000 кН (100 т).

Расчетное усилие в анкере определяется по формуле

Ns =  + 0,01N,                                                          (50)

где М - изгибающий момент от расчетных нагрузок в уровне перекрытия или покрытия (см. п. 6.10) в местах опирания их на стену на ширине, равной расстоянию между анкерами (рис. 12);

Н - высота этажа;

N - расчетная нормальная сила в уровне расположения анкера на ширине, равной расстоянию между анкерами.

Примечание. Указания настоящего пункта не распространяются на стены из виброкирпичных панелей.

6.39. Если толщина стен или перегородок назначена с учетом опирания по контуру, необходимо предусматривать их крепление к примыкающим боковым конструкциям и к верхнему перекрытию.

Рис. 12. Определение усилия в анкере от изгибающего момента в уровне перекрытия

ОПИРАНИЕ ЭЛЕМЕНТОВ КОНСТРУКЦИЙ НА КЛАДКУ

6.40. Под опорными участками элементов, передающих местные нагрузки на кладку, следует предусматривать слой раствора толщиной не более 15 мм, что должно быть указано в проекте.

6.41. В местах приложения местных нагрузок в случае, когда это требуется по расчету на смятие, следует предусматривать установку распределительных плит толщиной, кратной толщине рядов кладки, но не менее 15 см, армированных по расчету двумя сетками с общим количеством арматуры не менее 0,5 % объема бетона.

6.42. При опирании ферм, балок покрытий, подкрановых балок и т.п. на пилястры следует предусматривать связь распределительных плит на опорном участке кладки с основной стеной. Глубина заделки плит в стену должна составлять не менее 12 см (рис. 13). Выполнение кладки, расположенной над плитами, следует предусматривать непосредственно после установки плит. Предусматривать установку плит в борозды, оставляемые при кладке стен, не допускается.

Рис. 13. Железобетонные распределительные плиты

6.43. При местных краевых нагрузках, превышающих 80 % расчетной несущей способности кладки при местном сжатии, следует предусматривать армирование опорного участка кладки сетками из стержней диаметром не менее 3 мм с размером ячейки не более 60 ´ 60 мм, уложенными не менее чем в трех верхних горизонтальных швах.

При передаче местных нагрузок на пилястры участок кладки, расположенный в пределах 1 м ниже распределительной плиты, следует армировать через три ряда кладки сетками, указанными в настоящем пункте. Сетки должны соединять опорные участки пилястр с основной частью стены и заделываться в стену на глубину не менее 12 см.

РАСЧЕТ УЗЛОВ ОПИРАНИЯ ЭЛЕМЕНТОВ НА КИРПИЧНУЮ КЛАДКУ

6.44. При опирании на кирпичные стены и столбы железобетонных прогонов, балок и настилов кроме расчета на внецентренное сжатие и смятие сечений ниже опорного узла должно быть проверено на центральное сжатие сечение по кладке и железобетонным элементам.

Расчет опорного узла при центральном сжатии следует производить по формуле

N £ gpRA,                                                                      (51)

где А - суммарная площадь сечения кладки и железобетонных элементов в опорном узле в пределах контура стены или столба, на которые уложены элементы;

R - расчетное сопротивление кладки сжатию;

g - коэффициент, зависящий от величины площади опирания железобетонных элементов в узле;

р - коэффициент, зависящий от типа пустот в железобетонном элементе.

Коэффициент g при опирании всех видов железобетонных элементов (прогонов, балок, перемычек, поясов, настилов) принимается:

g = 1, если Ab £ 0,1A;

g = 0,8, если Аb ³ 0,4А,

где Аb - суммарная площадь опирания железобетонных элементов в узле.

При промежуточных значениях Аb коэффициент g определяется по интерполяции.

Если железобетонные элементы (балки, настилы и др.), опертые на кладку с различных сторон, имеют одинаковую высоту и площадь их опирания в узле Аb > 0,8 А, разрешается производить расчет без учета коэффициента g, принимая в формуле (51) А = Аb.

Коэффициент р принимается равным:

при сплошных элементах и настилах с круглыми пустотами - 1;

при настилах с овальными пустотами и наличии хомутов на опорных участках - 0,5.

6.45. В сборных железобетонных настилах с незаполненными пустотами кроме проверки несущей способности опорного узла в целом должна быть проверена несущая способность горизонтального сечения, пересекающего ребра настила, по формуле

N £ nRbAn + RAk,                                                             (52)

где Rb - расчетное сопротивление бетона осевому сжатию, принимается в соответствии со СНиП по проектированию бетонных и железобетонных конструкций;

Ап - площадь горизонтального сечения настила, ослабленная пустотами, на длине опирания настила на кладку (суммарная площадь сечения ребер);

R - расчетное сопротивление кладки сжатию;

Ak - площадь сечения кладки в пределах опорного узла (без учета части сечения, занимаемой участками настилов);

n = 1,25 - для тяжелых бетонов и n = 1,1 для бетонов на пористых заполнителях.

6.46. Расчет заделки в кладку консольных балок (рис. 14, а) следует производить по формуле

Q £ ,                                                             (53)

где Q - расчетная нагрузка от веса балки и приложенных к ней нагрузок;

Rc - расчетное сопротивление кладки при смятии;

а - глубина заделки балки в кладку;

b - ширина полок балки;

е0 - эксцентриситет расчетной силы относительно середины заделки

еo =с +,

с - расстояние силы Q от плоскости стены.

Рис. 14. Расчетные схемы заделки консольных балок

Необходимую глубину заделки следует определять по формуле

а = .                                                      (54)

Если заделка конца балки не удовлетворяет расчету по формуле (53), то следует увеличить глубину заделки или уложить распределительные подкладки под балкой и над ней.

Если эксцентриситет нагрузки относительно центра площади заделки превышает более чем в 2 раза глубину заделки (е0 > 2а), напряжения от сжатия могут не учитываться: расчет в этом случае производится по формуле

Q = .                                                                 (55)

При применении распределительных подкладок в виде узких балок с шириной не более 1/3 глубины заделки допускается принимать под ними прямоугольную эпюру напряжений (рис. 14, б).

ПЕРЕМЫЧКИ И ВИСЯЧИЕ СТЕНЫ

6.47. Железобетонные перемычки следует рассчитывать на нагрузку от перекрытий и на давление от свежеуложенной, неотвердевшей кладки, эквивалентное весу пояса кладки высотой, равной 1/3 пролета для кладки в летних условиях и целому пролету для кладки в зимних условиях (в стадии оттаивания).

Примечания: 1. Допускается при наличии соответствующих конструктивных мероприятий (выступы в сборных перемычках, выпуски арматуры и т.п.) учитывать совместную работу кладки с перемычкой.

2. Нагрузки на перемычки от балок и настилов перекрытий не учитываются, если они расположены выше квадрата кладки со стороной, равной пролету перемычки, а при оттаивающей кладке, выполненной способом замораживания, - выше прямоугольника кладки с высотой, равной удвоенному пролету перемычки в свету. При оттаивании кладки перемычки допускается усиливать постановкой временных стоек на клиньях на период оттаивания и первоначального твердения кладки.

3. В вертикальных швах между брусковыми перемычками, в случаях когда не обеспечивается требуемое сопротивление их теплопередаче, следует предусматривать укладку утеплителя.

6.48. Кладку висячих стен, поддерживаемых рандбалками, следует проверять на прочность при смятии в зоне над опорами рандбалок. Должна быть проверена также прочность кладки при смятии под опорами рандбалок. Длину эпюры распределения давления в плоскости контакта стены и рандбалки следует определять в зависимости от жесткости кладки и рандбалки. При этом рандбалка заменяется эквивалентным по жесткости условным поясом кладки, высота которого определяется по формуле

Ho = 2,                                                          (56)

где Еb - начальный модуль упругости бетона;

Ired - момент инерции приведенного сечения рандбалки, принимаемый в соответствии со СНиП по проектированию бетонных и железобетонных конструкций;

Е - модуль деформации кладки, определяемый по формуле (7);

h - толщина висячей стены.

Жесткость стальных рандбалок определяется как произведение

Es×Is,

где Es и Is - модуль упругости стали и момент инерции сечения рандбалки.

6.49. Эпюру распределения давления в кладке над промежуточными опорами неразрезных рандбалок следует принимать по треугольнику при а £ 2s (рис. 15, а) и по трапеции при 3s ³ а > 2s (рис. 15, б) с меньшим ее основанием, равным a - 2s. Максимальная величина напряжений смятия sс (высота треугольника или трапеции) должна определяться из условия равенства объема эпюры давления и опорной реакции рандбалки по формулам:

при треугольной эпюре давления (а £ 2s)

sс = ,                                                             (57)

при трапециевидной эпюре давления (3s > а > 2s)

sс = ,                                                                        (58)

где а - длина опоры (ширина простенка);

N - опорная реакция рандбалки от нагрузок, расположенных в пределах ее пролета и длины опоры, за вычетом собственного веса рандбалки;

s = 1,57H0 - длина участка эпюры распределения давления в каждую сторону от грани опоры;

h - толщина стены.

Если а > 3s, то в формуле (58) вместо а следует принимать расчетную длину опоры, равную a1 = 3s, состоящую из двух участков длиной по 1,5s с каждой стороны простенка (рис. 15, в).

6.50. Эпюру распределения давления над крайними опорами рандбалок, а также над опорами однопролетных рандбалок следует принимать треугольной (рис. 15, г) с основанием

lс = а1 + s1,                                                            (59)

где s1 = 0,9 Н0 - длина участка распределения давления от грани опоры;

а1 - длина опорного участка рандбалки, но не более 1,5H (H - высота рандбалки).

Максимальное напряжение над опорой рандбалки

sс = ,                                                             (60)

Рис. 15. Распределение давления в кладке над опорами висячих стен

а - на средних опорах неразрезных балок при а £ 2s; б - то же, при 3s ³ а > 2s; в - то же, при а > 3s; г - на крайних опорах неразрезных балок и на опорах однопролетных рандбалок

6.51*. Прочность кладки висячих стен при местном сжатии в зоне, расположенной над опорами рандбалок, следует проверять по указаниям, приведенным в пп. 4.13 - 4.16.

Расчет на местное сжатие кладки под опорами неразрезных рандбалок следует производить для участка, расположенного в пределах опоры длиной не более 3H от ее края (H - высота рандбалки) и длиной не более 1,5H для однопролетных рандбалок и крайних опор неразрезных рандбалок.

Если рассчитываемое сечение расположено на высоте H1 над верхней гранью рандбалки, то при определении длины участков s и s1 следует принимать высоту пояса кладки H01 = H0 + H1.

Расчетную площадь сечения А при расчете висячих стен на местное сжатие следует принимать: в зоне, расположенной над промежуточными опорами неразрезных рандбалок, как для кладки, загруженной местной нагрузкой в средней части сечения; в зоне над опорами однопролетных рандбалок или крайними опорами неразрезных рандбалок, а также при расчете кладки под опорами рандбалок как для кладки, загруженной на краю сечения.

6.52. Эпюру распределения давления в кладке висячих стен при наличии проемов следует принимать по трапеции, причем площадь треугольника, который отнимается от эпюры давления в пределах проема, заменяется равновеликой площадью параллелограмма, добавляемой к остальной части эпюры (рис. 16). При расположении проемов на высоте Н1 над рандбалкой длина участка s соответственно увеличивается (см. п. 6.51).

Рис. 16. Эпюра распределения давления в кладке висячих стен при наличии проема

6.53. Расчет рандбалок должен производиться на два случая загружения:

а) на нагрузки, действующие в период возведения стен. При кладке стен из кирпича, керамических камней или обыкновенных бетонных камней должна приниматься нагрузка от собственного веса неотвердевшей кладки высотой, равной 1/3 пролета для кладки в летних условиях и целому пролету - для кладки в зимних условиях (в стадии оттаивания при выполнении кладки способом замораживания, см. п. 7.1).

При кладке стен из крупных блоков (бетонных или кирпичных) высоту пояса кладки, на нагрузку от которого должны быть рассчитаны рандбалки, следует принимать равной 1/2 пролета, но не менее высоты одного ряда блоков. При наличии проемов и высоте пояса кладки от верха рандбалок до подоконников менее 1/3 пролета следует учитывать также вес кладки стен до верхней грани железобетонных или стальных перемычек (рис. 17). При рядовых, клинчатых и арочных перемычках должен учитываться вес кладки стен до отметки, превышающей отметку верха проема на 1/3 его ширины;

б) на нагрузки, действующие в законченном здании. Эти нагрузки следует определять исходя из приведенных выше эпюр давлений, передающихся на балки от опор и поддерживаемых балками стен.

Количество и расположение арматуры в балках устанавливают по максимальным величинам изгибающих моментов и поперечных сил, определенных по двум указанным выше случаям расчета.

Рис. 17. Схема нагрузки на рандбалку при наличии проема в стене

1 - нагрузка на рандбалку; 2 - железобетонная перемычка

КАРНИЗЫ И ПАРАПЕТЫ

6.54. Расчет верхних участков стен в сечении, расположенном непосредственно под карнизами, производится для двух стадий готовности здания:

а) для незаконченного здания, когда отсутствуют крыша и чердачное перекрытие;

б) для законченного здания.

6.55. При расчете стены под карнизом для незаконченного здания должны учитываться следующие нагрузки:

а) расчетная нагрузка от собственного веса карниза и опалубки (для монолитных железобетонных и армированных каменных карнизов), если она поддерживается консолями или подкосами, укрепленными в кладке;

б) временная расчетная нагрузка по краю карниза 100 кг на 1 м карниза или на один элемент сборного карниза, если он имеет длину менее 1 м;

в) нормативная ветровая нагрузка на внутреннюю сторону стены.

Примечания. 1. Если по проекту концы анкеров, обеспечивающих устойчивость карниза, заделываются под чердачным перекрытием, то при расчете должно учитываться наличие чердачного перекрытия (полностью или частично).

2. Расчетом должна быть также проверена устойчивость карниза при неотвердевшей кладке.

6.56. Карнизы и участки стен под карнизами законченных зданий должны быть рассчитаны на следующие нагрузки:

а) вес всех элементов здания, как создающих опрокидывающий момент относительно наружной грани стены, так и повышающих устойчивость стены, при этом вес крыши принимается уменьшенным на величину отсоса от ветровой нагрузки;

б) расчетная нагрузка на край карниза 150 кг на 1 м или на один элемент сборного карниза длиной менее 1 м;

в) половина расчетной ветровой нагрузки.

Примечание. Снеговая нагрузка при расчете карнизов не учитывается.

6.57. Общий вынос карниза, образованного напуском рядов кладки, не должен превышать половины толщины стены. При этом вынос каждого ряда не должен превышать 1/3 длины камня или кирпича.

6.58. Для кладки карнизов с выносом менее половины толщины стены и не более 20 см применяются те же растворы, что и для кладки верхнего этажа. При большем выносе кирпичных карнизов марка раствора для кладки должна быть не ниже 50.

6.59. Карнизы и парапеты при недостаточной их устойчивости должны закрепляться анкерами, заделываемыми в нижних участках кладки.

Расстояние между анкерами не должно превышать 2 м, если концы анкеров закрепляются отдельными шайбами. При закреплении концов анкеров за балку или за концы прогонов расстояние между анкерами может быть увеличено до 4 м. Заделка анкеров должна располагаться не менее чем на 15 см ниже того сечения, где они требуются по расчету.

При железобетонных чердачных перекрытиях концы анкеров следует заделывать под ними.

При сборных карнизах из железобетонных элементов в процессе возведения должна быть обеспечена устойчивость каждого элемента.

6.60. Анкеры должны располагаться, как правило, в кладке на расстоянии в 1/2 кирпича от внутренней поверхности стены. Анкеры, расположенные снаружи кладки, должны быть защищены слоем цементной штукатурки толщиной 3 см (от поверхности анкера).

При кладке на растворах марки 10 и ниже анкеры должны закладываться в борозды с последующей заделкой их бетоном.

6.61. Сечение анкера допускается определять по усилию, определяемому по формуле

N = ,                                                             (61)

где М - наибольший изгибающий момент от расчетных нагрузок;

h0 - расстояние от сжатого края сечения стены до оси анкера (расчетная высота сечения).

6.62. Кладка стен под карнизами проверяется на внецентренное сжатие. При отсутствии анкеров, а также при наличии анкеров в сечении на уровне их заделки эксцентриситеты более 0,7y не допускаются.

Во всех случаях должны быть проверены расчетом все узлы передачи усилий (места заделки анкеров, анкерных балок и т. п.).

6.63. Парапеты следует рассчитывать в нижнем сечении на внецентренное сжатие при действии нагрузок от собственного веса и расчетной ветровой нагрузки, принимаемой с аэродинамическим коэффициентом 1,4. При отсутствии анкеров эксцентриситеты более 0,7у не допускаются.

6.64. Нагрузки, повышающие устойчивость карнизов и парапетов, принимаются с коэффициентом 0,9.

ФУНДАМЕНТЫ И СТЕНЫ ПОДВАЛОВ

6.65. Фундаменты, стены подвалов и цоколи следует преимущественно проектировать сборными из крупных бетонных блоков. Допускается также применение мелких бетонных блоков и камней, природных камней правильной и неправильной формы, монолитного бетона и бутобетона, хорошо обожженного керамического кирпича пластического прессования. Расчетные сопротивления кладки ленточных фундаментов и стен подвалов, выполняемых из крупных бетонных блоков, принимаются по п. 3.3.

При расчете стены подвала или фундаментной стены в случае, когда толщина ее меньше толщины стены, расположенной непосредственно над ней, следует учитывать случайный эксцентриситет е = 4 см, величина этого эксцентриситета должна суммироваться с величиной эксцентриситета, равнодействующей продольных сил. Толщина стены первого этажа не должна превышать толщину фундаментной стены более чем на 20 см. Участок стены первого этажа, расположенный непосредственно над обрезом, должен быть армирован сетками (см. п. 6.34).

6.66. Переход от одной глубины заложения фундамента к другой следует производить уступами. При плотных грунтах отношение высоты уступа к его длине должно быть не более 1 : 1 и высота уступа - не более 1 м. При неплотных грунтах отношение высоты уступа к его длине должно быть не более 1 : 2 и высота уступа - не более 0,5 м.

Уширение бутобетонных и бутовых фундаментов к подошве производится уступами. Высота уступа принимается для бутобетона не менее 30 см, а для бутовой кладки - в два ряда кладки (35 - 60 см). Минимальные отношения высоты уступов к их ширине для бутобетонных и бутовых фундаментов должны быть не менее указанных в табл. 31*.

6.67. В фундаментах и стенах подвалов:

а) из бутобетона толщина стен принимается не менее 35 см и размеры сечения столбов не менее 40 см;

б) из бутовой кладки толщина стен принимается не менее 50 см и размеры сечения столбов не менее 60 см.

Таблица 31*

Класс бетона

Марка раствора

Минимальное отношение высоты уступов к их ширине при расчетной нагрузке, МПа (кгс/см2)

s £ 0,2 (2,0)

s > 0,25 (2,5)

В3,5 - В7,5

50 - 100

1,25

1,5

В1 - В2

10 - 25

1,5

1,75

-

4

1,75

2,0

Примечание. Проверка уступов на изгиб и срез не требуется.

6.68. Наружные стены подвалов должны быть рассчитаны с учетом бокового давления грунта и нагрузки, находящейся на поверхности земли. При отсутствии специальных требований нормативную нагрузку на поверхности земли следует принимать равной 1000 кгс/м2. Стены подвалов следует рассчитывать как балки с двумя неподвижными шарнирными опорами.

ТОНКОСТЕННЫЕ СВОДЧАТЫЕ ПОКРЫТИЯ

6.69*. Тонкостенные сводчатые покрытия следует проектировать в виде сводов двоякой кривизны.

Для кладки сводов двоякой кривизны следует применять:

а) кирпич керамический (полнотелый и пустотелый) или силикатный марки не ниже 75 при пролете сводов до 18 м и не ниже 100 при больших пролетах;

б) камни из тяжелого бетона, бетона на пористых заполнителях, автоклавного цементного ячеистого бетона, а также природные камни марки не ниже 50.

Примечание. При пролете сводов до 12 м допускается применение природных камней марки не ниже 25, при этом толщина сводов должна быть не менее 9 см.

6.70. Для кладки сводов двоякой кривизны, включая их пяты, а также верхние участки стен в пределах 6 - 7 рядов кладки ниже уровня примыкания свода, следует применять растворы марки не ниже 50.

6.71. Расчет сводов двоякой кривизны должен производиться на внецентренное сжатие по условной расчетной схеме как плоских двухшарнирных арок. Рассчитывается одна волна сводчатого покрытия в сечениях с максимальными изгибающими моментами.

Расчетные сопротивления кладки сводов толщиной в 1/4 кирпича должны приниматься по п. 3.1 с коэффициентом 1,25.

6.72. Величина эксцентриситета приложения нормальной силы в поперечных сечениях сводов и в верхних частях стен при основных сочетаниях нагрузок не должна превышать 0,7у, где у - расстояние от оси поперечного сечения свода или стены до края сечения в сторону эксцентриситета. В сводах с затяжками для уменьшения расчетного изгибающего момента от внецентренного расположения затяжек должны устраиваться выносные пяты с внутренней стороны стен.

6.73. Расчетные изгибающие моменты, вызываемые удлинением затяжек, обжатием свода и смещением пят, следует учитывать только от нагрузок, действующих на свод после его раскружаливания (вес утеплителя, кровли, фонарей, снеговой нагрузки и т. п.).

6.74. Модуль деформаций кладки сводов при определении усилий в затяжках следует принимать по формуле (7).

КОНСТРУКТИВНЫЕ ТРЕБОВАНИЯ К АРМИРОВАННОЙ КЛАДКЕ

6.75. Сетчатое армирование горизонтальных швов кладки допускается применять только в случаях, когда повышение марок кирпича, камней и растворов не обеспечивает требуемой прочности кладки и площадь поперечного сечения элемента не может быть увеличена.

Количество сетчатой арматуры, учитываемой в расчете столбов и простенков, должно составлять не менее 0,1 % объема кладки (см. п. 4.30).

6.76. Арматурные сетки следует укладывать не реже чем через пять рядов кирпичной кладки из обыкновенного кирпича, через четыре ряда кладки из утолщенного кирпича и через три ряда кладки из керамических камней.

6.77. Диаметр сетчатой арматуры должен быть не менее 3 мм.

Диаметр арматуры в горизонтальных швах кладки должен быть, не более:

при пересечении арматуры в швах - 6 мм

без пересечения         »               » -    8 »

Расстояние между стержнями сетки должно быть не более 12 и не менее 3 см.

Швы кладки армокаменных конструкций должны иметь толщину, превышающую диаметр арматуры не менее чем на 4 мм.

ДЕФОРМАЦИОННЫЕ ШВЫ

6.78. Температурно-усадочные швы в стенах каменных зданий должны устраиваться в местах возможной концентрации температурных и усадочных деформаций, которые могут вызвать недопустимые по условиям эксплуатации разрывы кладки, трещины, перекосы и сдвиги кладки по швам (по концам протяженных армированных и стальных включений, а также в местах значительного ослабления стен отверстиями или проемами). Расстояния между температурно-усадочными швами должны устанавливаться расчетом.

6.79. Максимальные расстояния между температурно-усадочными швами, которые допускается принимать для неармированных наружных стен без расчета:

а) для надземных каменных и крупноблочных стен отапливаемых зданий при длине армированных бетонных и стальных включений (перемычки, балки и т. п.) не более 3,5 м и ширине простенков не менее 0,8 м - по табл. 32; при длине включений более 3,5 м участки кладки по концам включений должны проверяться расчетом по прочности и раскрытию трещин;

б) то же, для стен из бутобетона - по табл. 32 как для кладки из бетонных камней на растворах марки 50 с коэффициентом 0,5;

в) то же, для многослойных стен - по табл. 32 для материала основного конструктивного слоя стен;

г) для стен неотапливаемых каменных зданий и сооружений для условий, указанных в п. «а», - по табл. 32 с умножением на коэффициенты:

для закрытых зданий и сооружений - 0,7;

для открытых сооружений - 0,6;

д) для каменных и крупноблочных стен подземных сооружений и фундаментов зданий, расположенных в зоне сезонного промерзания грунта, - по табл. 32 с увеличением в два раза; для стен, расположенных ниже границы сезонного промерзания грунта, а также в зоне вечной мерзлоты, - без ограничения длины.

6.80. Деформационные швы в стенах, связанных с железобетонными или стальными конструкциями, должны совпадать со швами в этих конструкциях. При необходимости в зависимости от конструктивной схемы зданий в кладке стен следует предусматривать дополнительные температурные швы без разрезки швами в этих местах железобетонных или стальных конструкций.

Таблица 32

Средняя температура наружного воздуха наиболее холодной пятидневки

Расстояние между температурными швами, м, при кладке

из керамического кирпича и камней, природных камней, крупных блоков из бетона или керамического кирпича

из силикатного кирпича, бетонных камней, крупных блоков из силикатного бетона и силикатного кирпича

на растворах марок

50 и более

25 и более

50 и более

25 и более

Минус 40 °С и ниже

50

60

35

40

»    30 °С

70

90

50

60

»    20 °С и выше

100

120

70

80

Примечания: 1. Для промежуточных значений расчетных температур расстояния между температурными швами допускается определять интерполяцией.

2. Расстояния между температурно-усадочными швами крупнопанельных зданий из кирпичных панелей назначаются в соответствии с Инструкцией по проектированию конструкций крупнопанельных жилых домов.

6.81. Осадочные швы в стенах должны быть предусмотрены во всех случаях, когда возможна неравномерная осадка основания здания или сооружения.

6.82. Деформационные и осадочные швы следует проектировать со шпунтом или четвертью, заполненными упругими прокладками, исключающими возможность продувания швов.

7. УКАЗАНИЯ ПО ПРОЕКТИРОВАНИЮ КОНСТРУКЦИЙ, ВОЗВОДИМЫХ В ЗИМНЕЕ ВРЕМЯ

7.1*. Способ кладки, применяемый для возведения зданий и сооружений в зимнее время при отрицательных температурах, должен обосновываться предварительными технико-экономическими расчетами, обеспечивающими оптимальные показатели стоимости, трудоемкости, расхода цемента, электроэнергии, топлива и т. п. Принятый способ зимней кладки должен обеспечивать прочность и устойчивость конструкций как в период их возведения, так и последующей эксплуатации. Выполнение зимней кладки из кирпича, камней правильной формы и крупных блоков следует предусматривать одним из следующих способов:

а) на растворах не ниже марки 50 с противоморозными химическими добавками, не вызывающими коррозии материалов кладки (поташ, нитрит натрия, смешанные добавки, комплексные добавки НКМ), твердеющих на морозе без обогрева;

б) способом замораживания на обыкновенных растворах не ниже марки 10 без химических добавок. При этом элементы конструкций должны иметь достаточную прочность и устойчивость как в период их первого оттаивания (при наименьшей прочности свежеоттаявшего раствора), так и в последующий период эксплуатации зданий. Высота каменных конструкций, возводимых способом замораживания, определяется расчетом, но не должна превышать 15 м и четырех этажей. Допускается выполнение способом замораживания фундаментов малоэтажных зданий (до трех этажей включительно) из постелистого камня, укладываемого «враспор» со стенками траншей на растворах не ниже марки 25;

в) способом замораживания на обыкновенных растворах не ниже марки 50 без химических добавок с обогревом возводимых конструкций в течение времени, за которое кладка достигает несущей способности, достаточной для нагружения вышележащими конструкциями зданий.

7.2. Расчетные сопротивления сжатию кладки, выполнявшейся на растворах с противоморозными химическими добавками, принимаются:

равными расчетным сопротивлениям летней кладки, приведенным в табл. 2 - 8, если каменная кладка будет выполняться при среднесуточной температуре наружного воздуха до минус 15 °С, и с понижающим коэффициентом 0,9, если кладка будет выполняться при температуре ниже минус 15 °С.

7.3. Расчетные сопротивления сжатию кладки, выполнявшейся способом замораживания и способом замораживания с обогревом возведенных конструкций, на растворах без противоморозных добавок в законченном здании после оттаивания и твердения раствора при положительных температурах следует принимать по табл. 2 - 8 с понижающими коэффициентами; для кирпичной и каменной кладок при среднесуточной температуре наружного воздуха, при которой выполнялись кладки, до минус 15 °С - 0,9 и до минус 30 °С - 0,8, для кладки из крупных блоков расчетные сопротивления не снижаются.

7.4. Мероприятия, обеспечивающие необходимую конечную прочность зимней кладки (повышение марок растворов, применение кирпича и камней повышенной прочности или в отдельных случаях применение сетчатого армирования), должны быть указаны на рабочих чертежах. При кладке, выполняемой на растворах с химическими добавками (п. 7.2), указанные мероприятия применяются для элементов кладки, несущая способность которых используется более чем на 90 %. При кладке, выполняемой способом замораживания (п. 7.3), - для элементов, несущая способность которых используется более чем на 70 %.

7.5. При кладке на растворах с противоморозными добавками, не вызывающими коррозии арматуры, коэффициенты условий работы ус1 и ycs1, приведенные в табл. 33, не учитываются. При кладке способом замораживания или способом замораживания с искусственным обогревом возведенных конструкций следует учитывать влияние пониженного сцепления раствора с камнем и арматурой введением в расчетные формулы коэффициентов условий работы ус1 и ycs1.

Таблица 33

Вид напряженного состояния зимней кладки

Коэффициенты условий работы

кладки ус1

сетчатой арматуры ycs1

1. Сжатие отвердевшей (после оттаивания) кладки из кирпича

1,0

-

2. То же, бутовой кладки из постелистого камня

0,8

-

3. Растяжение, изгиб, срез отвердевшей кладки всех видов по растворным швам

0,5

-

4. Сжатие кладки с сетчатым армированием, возводимой способом замораживания в стадии оттаивания

-

0,5

5. То же, отвердевшей (после оттаивания)

-

0,7

6. То же, возводимой на растворах с противоморозными добавками при твердении на морозе и прочности раствора не менее 1,5 МПа (15 кгс/см2) в момент оттаивания

-

1,0

7.6. В рабочих чертежах зданий повышенной этажности (9 этажей и более), возводимых зимой на растворах с противоморозными химическими добавками, следует указывать требуемые промежуточные прочности раствора на этажах для различных стадий готовности здания.

7.7. Расчет несущей способности конструкций, возводимых способом замораживания на обыкновенных растворах (без противоморозных добавок), должен производиться: в стадии оттаивания при расчетной прочности оттаивающего раствора 0,2 МПа (2 кгс/см2) при растворе на портландцементе и толщине стен и столбов 38 см и более; при нулевой прочности оттаивающего раствора и растворе на шлакопортландцементе или пуццолановом цементе независимо от толщины стен и столбов, а также при растворе на портландцементе, если толщина стен и столбов менее 38 см.

При расчете в стадии оттаивания должно учитываться влияние пониженного сцепления раствора с камнем и арматурой введением в расчетные формулы дополнительных коэффициентов условий работы ус1 и ycs1, приведенных в табл. 33.

7.8. Прочность зимней кладки, выполняемой способом замораживания с обогревом, должна определяться расчетом с учетом упрочнения, достигнутого раствором в пределах всего или части сечения.

Отогревание конструкций допускается только после проверки расчетом их достаточной несущей способности в период искусственного оттаивания кладки.

7.9. Участки кладки, выполняемой способом замораживания (столбы, простенки), в которых расчетом были выявлены перенапряжения в стадии оттаивания, необходимо усиливать установкой временных стоек на клиньях на период оттаивания и последующего твердения кладки.

7.10. Возведение кладки на обыкновенных растворах способом замораживания не допускается для конструкций:

а) из бутобетона и рваного бута;

б) подвергающихся в стадии оттаивания вибрации или значительным динамическим нагрузкам;

в) подвергающихся в стадии оттаивания поперечным нагрузкам, величина которых превышает 10 % продольных;

г) с эксцентриситетами в стадии оттаивания, превышающими 0,25y для конструкций, не имеющих верхней опоры, и 0,7у при наличии верхней опоры;

д) с отношением высот стен (столбов) к их толщинам, превышающим в стадии оттаивания значения b, установленные для кладок IV группы (см. пп. 6.17 - 6.19).

Для конструкций, не имеющих верхней опоры (см. п. 6.20), предельные отношения следует уменьшать в два раза и принимать не более b = 6. В случаях превышения предельно допускаемой гибкости конструкции при их возведении следует усилить временными креплениями, обеспечивающими их устойчивость в период оттаивания.

7.11. В качестве противоморозной добавки к растворам допускается применять только нитрит натрия:

а) при возведении влажных цехов, бань, прачечных и других помещений с повышенной влажностью воздуха, определяемой в соответствии со СНиП по строительной теплотехнике, а также помещений с температурой воздуха выше 40 °С;

б) при возведении конструкций, расположенных в зоне переменного уровня воды и под водой, не имеющих гидроизоляции.

7.12. Не допускается непосредственный контакт растворов с добавками нитрита натрия, поташа, НКМ, ННХКМ с оцинкованными и алюминиевыми закладными частями без предварительной защиты их протекторными покрытиями.

7.13. Растворы с добавками поташа не допускается применять в стенах из силикатного кирпича марки ниже 100 и морозостойкостью ниже F25.

7.14. При проектировании каменных стен с облицовками из плит, устанавливаемых одновременно с кладкой в зимних условиях, необходимо учитывать различную деформативность облицовочных слоев и кладки стен и в проекте указывать мероприятия, исключающие возможность образования трещин и отслоений облицовки от основной кладки стен.

7.15. В рабочих чертежах зданий или сооружений, каменные конструкции которых будут возводиться способом замораживания, дополнительно к мероприятиям, приведенным в п.7.4, необходимо указывать:

а) предельные высоты стен, которые могут быть допущены в период оттаивания раствора;

б) в необходимых случаях временные крепления конструкций, устанавливаемые до возведения вышележащих этажей, на период их оттаивания и твердения раствора кладки.

ПРИЛОЖЕНИЕ

ТРЕБОВАНИЯ К РАБОЧИМ ЧЕРТЕЖАМ КАМЕННЫХ И АРМОКАМЕННЫХ КОНСТРУКЦИЙ

В рабочих чертежах должны быть указаны:

а) вид кирпича, камней, облицовочных материалов и бетонов, применяемых для кладки, а также для изготовления панелей и крупных блоков, с указанием соответствующих ГОСТов или технических условий и их проектные марки по прочности и морозостойкости; для бетона на пористых заполнителях, ячеистого и поризованного указывается также плотность;

б) проектные марки растворов и вид вяжущего для кладки монтажных швов, а также изготовления панелей и крупных блоков при производстве работ как в летнее, так и в зимнее время;

в) классы и марки арматуры, полосовой и фасонной стали;

г) конструкции стен, система перевязки швов, а при облегченной кладке вид и толщина утеплителя;

д) для кладки, выполняемой при отрицательных температурах, - способ кладки и дополнительные мероприятия, обеспечивающие прочность и устойчивость зимней кладки в период ее возведения и последующей эксплуатации (см. разд. 7). Чертежи, по которым может осуществляться кладка при отрицательных температурах, должны иметь надпись о произведенной проверке прочности конструкций и возможности ее возведения в зимних условиях;

е) требования о систематическом контроле на строительстве прочности кирпича (камня) и раствора для конструкций, расчетная несущая способность которых используется более чем на 80 %. Эти конструкции должны быть отмечены на рабочих чертежах;

ж) в необходимых случаях указания о последовательности производства работ, установке временных креплений и выполнении других мероприятий, обеспечивающих прочность и устойчивость конструкций при их возведении, о прочности растворов в процентах от проектной марки, при которой может быть допущено нагружение кладки.

СОДЕРЖАНИЕ

1. Общие положения. 1

2. Материалы.. 2

3. Расчетные характеристики. 4

Расчетные сопротивления. 4

Модули упругости и деформаций кладки при кратковременной и длительной нагрузке, упругие характеристики кладки, деформации усадки, коэффициенты линейного расширения и трения. 12

4. Расчет элементов конструкций по предельным состояниям первой группы (по несущей способности) 15

Каменные конструкции. 15

Центрально-сжатые элементы.. 15

Внецентренно сжатые элементы.. 17

Косое внецентренное сжатие. 21

Смятие (местное сжатие) 22

Изгибаемые элементы.. 25

Центрально-растянутые элементы.. 25

Срез. 26

Многослойные стены  (стены облегченной кладки и стены с облицовками) 26

Армокаменные конструкции. 28

5. Расчет элементов конструкций по предельным состояниям второй группы (по образованию и раскрытию трещин и по деформациям) 30

6. Указания по проектированию конструкций. 32

Общие указания. 32

Допустимые отношения высот стен и столбов к их толщинам.. 38

Стены из панелей и крупных блоков. 39

Многослойные стены (стены облегченной кладки и стены с облицовками) 41

Анкеровка стен и столбов. 42

Опирание элементов конструкций на кладку. 43

Расчет узлов опирания элементов на кирпичную кладку. 43

Перемычки и висячие стены.. 45

Карнизы и парапеты.. 49

Фундаменты и стены подвалов. 50

Тонкостенные сводчатые покрытия. 51

Конструктивные требования к армированной кладке. 51

Деформационные швы.. 52

7. Указания по проектированию конструкций, возводимых в зимнее время. 53

Приложение. Требования к рабочим чертежам каменных и армокаменных конструкций. 55

 




Яндекс цитирования



   Copyright © 2007-2026,  www.tehlit.ru.

[ ѓосты, стандарты, нормативы, инструкции, правила, строительные нормы ]