//
ТехЛит.ру
- крупнейшая бесплатная электронная интернет библиотека для "технически умных" людей.
WWW.TEHLIT.RU - ТЕХНИЧЕСКАЯ ЛИТЕРАТУРА

:: Алготрейдинг::


АЛГОТРЕЙДИНГ
шаг за шагом
с нуля по урокам!

Торговые роботы на PYTHON, BackTrader,
Pandas, Pine Script для TradingView. Связка с брокерами, телеграм и легкими приложениями.


ГОСУДАРСТВЕННЫЙ СТАНДАРТ СОЮЗА ССР

БЕТОНЫ ЯЧЕИСТЫЕ

ТЕХНИЧЕСКИЕ УСЛОВИЯ

ГОСТ 25485-89

ГОСУДАРСТВЕННЫЙ СТРОИТЕЛЬНЫЙ КОМИТЕТ СССР

БЕТОНЫ ЯЧЕИСТЫЕ

Технические условия

Cellulary concretes.
Specifications

ГОСТ
25485-89

Дата введения 01.01.90

Несоблюдение стандарта преследуется по закону

 

Настоящий стандарт распространяется на ячеистые бетоны (далее - бетоны).

Требования настоящего стандарта должны соблюдаться при разработки новых и пересмотре действующих стандартов и технических условий, проектной и технологической документации на изделия и конструкции из этих бетонов, а также при их изготовлении.

1. ТЕХНИЧЕСКИЕ ТРЕБОВАНИЯ

1.1. Бетоны должны удовлетворять требованиям ГОСТ 25192 и их следует изготовлять в соответствии с требованиями настоящего стандарта по технологической документации, утвержденной в установленном порядке.

1.2. Основные параметры

1.2.1. Бетоны подразделяют:

по назначению;

по условиям твердения;

по способу порообразования;

по видам вяжущих и кремнеземистых компонентов.

1.2.2. По назначению бетоны подразделяют на:

конструкционные;

конструкционно-теплоизоляционные;

теплоизоляционные.

1.2.3. По условиям твердения бетоны подразделяют на:

автоклавные (синтезного твердения) - твердеющие в среде насыщенного пара при давлении выше атмосферного;

неавтоклавные (гидратационного твердения) - твердеющие в естественных условиях, при электропрогреве или в среде насыщенного пара при атмосферном давлении.

1.2.4. По способу порообразования бетоны подразделяют:

на газобетоны;

на пенобетоны;

на газопенобетоны.

1.2.5. По виду вяжущих и кремнеземистых компонентов бетоны подразделяют:

по виду основного вяжущего:

на известковых вяжущих, состоящих из извести-кипелки более 50 % по массе, шлака и гипса или добавки цемента до 15 % по массе;

на цементных вяжущих, в которых содержание портландцемента 50 % и более по массе;

на смешанных вяжущих, состоящих из портландцемента от 15 до 50 % по массе, извести или шлака, или шлако-известковой смеси;

на шлаковых вяжущих, состоящих из шлака более 50 % по массе в сочетании с известью, гипсом или щелочью;

на зольных вяжущих, в которых содержание высокоосновных зол 50 % и более по массе;

по виду кремнеземистого компонента:

на природных материалах - тонкомолотом кварцевом и других песках;

на вторичных продуктах промышленности - золе-унос ТЭС, золе гидроудаления, вторичных  продуктах обогащения различных руд, отходах ферросплавов и других.

1.2.6. Наименования бетонов должны включать как основные, так и специфические признаки: назначение, условия твердения, способ порообразования, вид вяжущего и кремнеземистого компонентов.

1.3.Характеристики

1.3.1. Прочность автоклавного и неавтоклавного бетонов характеризуют классами по прочности на сжатие в соответствии со СТ СЭВ 1406.

Для бетонов установлены следующие классы: В0,5; В0,75; В1; В1,5; В2; В2,5; В3,5; В5; В7,5; В10; В12.5; В15.

Для конструкций, запроектированных без учета требований СТ СЭВ 1406, показатели прочности бетона на сжатие характеризуются марками: М7,5; М10; М15; М25; М35; М50; М75; М100; М150; М200.

1.3.2. По показателям средней плотности назначают следующие марки бетонов в сухом состоянии: D300; D350; D400; D500; D600; D700; D800; D900; D1000; D1100; D1200.

1.3.3. Для бетонов конструкций, подвергающихся попеременному замораживанию и оттаиванию, назначают и контролируют следующие марки бетона по морозостойкости: F15; F25; F35; F50; F75; F100.

Назначение марки бетона по морозостойкости проводят в зависимости от режима эксплуатации конструкции и расчетных зимних температур наружного воздуха в районах строительства.

1.3.4. Показатели физико-механических свойств бетонов приведены в табл. 1.

 

Таблица 1

Показатели физико-механических свойств бетонов

 

Вид бетона

Марка бетона по средней плотности

Бетон автоклавный

Бетон неавтоклавный

класс по прочности на сжатие

марка по морозостойкости

Класс по прочности на сжатие

Марка по морозостойкости

Теплоизоляционный

D300

В0,75

Не нормируется

¾

¾

В0,5

D350

В1

В0,75

D400

В1,5

В0,75

Не нормируется

В1

В0,5

D500

¾

¾

В1

В0,75

Конструкционно-
теплоизоляционный

D500

В2,5

От F15 до F35

¾

¾

В2

В1,5

В1

D600

В3,5

От F15 до F75

В2

От F15 до F35

B2,5

В1

В2

 

B1,5

 

D700

В5

От F15 до F100

В2,5

От F15 до F50

В3,5

В2

В2,5

В1,5

В2

 

D800

В7,5

В3,5

От F15 до F75

В5

В2,5

В3,5

В2

В2,5

 

D900

В10

От F15 до F75

В5

В7,5

В3,5

В5

В2,5

В3,5

 

 

Конструкционный

D1000

В12,5

От F15 до F50

В7,5

От F15 до F50

В10

В5

В7,5

 

 

В15

В10

D1100

В12,5

В7,5

 

В10

 

D1200

В15

В12,5

 

В12,5

В10

 

Примечание. Рекомендуемая номенклатура изделий и конструкций из бетона приведена в приложении 1.

 

1.3.5. Усадка при высыхании бетонов, определяемая по приложению 2, не должна превышать, мм/м:

0,5 - для автоклавных бетонов марок D600-D1200, изготовленных на песке;

0,7 - то же, на других кремнеземистых компонентах;

3,0 - для неавтоклавных бетонов марок D600-D1200.

 

Примечание. Для автоклавных бетонов марок по средней плотности D300, D350 и D400 и неавтоклавных бетонов по средней плотности D400 и D500 усадка при высыхании не нормируется.

 

1.3.6. Коэффициенты теплопроводности бетонов не должны превышать значений, приведенных в табл. 2 более чем на 20 %.

 

Таблица 2

 

Нормируемые показатели физико-технических свойств бетонов

 

Вид бетона

Марка бетона по средней плотности

Коэффициент

Сорбционная влажность бетона, % не более

теплопровод-ности, Вт/(м ·°С), не более, бетона в сухом состоянии, из-готовленного

паропроницаемости, мг/(м · ч · Па), не менее, бетона, изго-товленного

при относительной влажности воздуха 75 %

при относительной влажности воздуха 97 %

Бетон, изготовленный

на песке

на
золе

на
песке

на
золе

на
песке

на
золе

на
песке

на
золе

Теплоизоляционный

D300

0,08

0,08

0,26

0,23

8

12

12

18

D400

0,10

0,09

0,23

0,20

8

12

12

18

D500

0,12

0,10

0,20

0,18

8

12

12

18

Конструкционно-теплоизоляционный

D500

0,12

0,10

0,20

0,18

8

12

12

18

D600

0,14

0,13

0,17

0,16

8

12

12

18

D700

0,18

0,15

0,15

0,14

8

12

12

18

D800

0,21

0,18

0,14

0,12

10

15

15

22

D900

0,24

0,20

0,12

0,11

10

15

15

22

Конструкционный

D1000

0,29

0,23

0,11

0,10

10

15

15

22

D1100

0,34

0,26

0,10

0,09

10

15

15

22

D1200

0,38

0,29

0,10

0,08

10

15

15

22

 

Примечание. Для бетона марки по средней плотности D350 нормируемые показатели определяют интерполяцией.

 

1.3.7. Отпускная влажность бетонов изделий и конструкций не должна превышать (по массе), %:

25 - на основе песка;

35 - на основе зол и других отходов производства.

1.3.8. В стандартах или технических условиях на конструкции конкретных видов устанавливают показатели сорбционной влажности и паропроницаемости, приведенные в табл. 2, и другие показатели, предусмотренные ГОСТ 4.212.

Кроме того, при изучении новых свойств бетонов и для данных, необходимых при нормировании расчетных характеристик бетонов, качество бетона характеризуют призменной прочностью, модулем упругости, прочностью при растяжении.

1.3.9. Материалы

1.3.9.1. Вяжущие, применяемые для бетонов:

портландцемент - по ГОСТ 10178 (не содержащий добавок трепела, глиежа, трассов, глинита, опоки, пеплов), содержащий трехкальциевый алюминат 3А) не более 6 % для изготовления крупноразмерных конструкций на цементном или смешанном вяжущем;

известь негашеная кальциевая - по ГОСТ 9179, быстро и среднегасящаяся, имеющая скорость гашения 5 - 25 мин и содержащая активные СаО + MgO более 70 %, пережога" менее 2 %;

шлак доменный гранулированный - по ГОСТ 3476;

зола высокоосновная - по ОСТ 21-60, содержащая СаО не менее 40 %, в том числе свободную СаО не менее 16 %, SO3 - не более 6 % и R2О - не более 3,5 %.

1.3.9.2. Кремнеземистые компоненты, применяемые для бетонов:

песок - по ГОСТ 8736, содержащий SiO2 (общий) не менее 90 % или кварца не менее 75 %, слюды не более 0,5 %, илистых и глинистых примесей не более 3 %;

зола-унос ТЭС - по ОСТ 21-60, содержащая SiO2 не менее 45 %, СаО - не более 10 %, R2O - не более 3 %, SO3 - не более 3 %;

продукты обогащения руд, содержащие SiO2 не менее 60 %.

1.3.9.3. Удельную поверхность применяемых материалов принимают по технологической документации в зависимости от требуемой средней плотности, тепловлажностной обработки и размеров конструкции.

1.3.9.4. Допускается применять другие материалы, обеспечивающие получение бетона, отвечающего заданным физико-техническим характеристикам, установленным настоящим стандартом.

1.3.9.5. Порообразователи, применяемые для бетонов:

газообразователь - алюминиевая пудра марок ПАП-1 и ПАП-2 - по ГОСТ 5494;

пенообразователь на основе:

костного клея - по ГОСТ 2067;

мездрового клея - по ГОСТ 3252;

сосновой канифоли - по ГОСТ 19113;

едкого технического натра - по ГОСТ 2263;

скрубберной пасты - по ТУ 38-107101 и другие пенообразователи.

1.3.9.6. Регуляторы структурообразования, нарастания пластической прочности, ускорители твердения и пластифицирующие добавки:

камень гипсовый и гипсоангидритовый - по ГОСТ 4013;

калий углекислый - по ГОСТ 4221;

кальцинированная техническая сода - по ГОСТ 5100;

стекло жидкое натриевое - по ГОСТ 13078;

триэтаноламин - по ТУ 6-09-2448;

тринатрийфосфат - по ГОСТ 201;

суперпластификатор С-3 - по ТУ 6-14-625;

натр едкий технический - по ГОСТ 2263;

карбоксилметилцеллюлоза - по ОСТ 6-05-386;

сульфат натрия кристаллизационный - по ГОСТ 21458 и другие добавки.

1.3.9.7. Вода для приготовления бетонов - по ГОСТ 23732.

1.3.9.8. Подбор составов бетона - по ГОСТ 27006, методикам, пособиям и рекомендациям научно-исследовательских институтов, утвержденным в установленном порядке.

1.4. Маркировка и упаковка

Маркировку и упаковку изделий и конструкций из бетонов проводят в соответствии с требованиями стандартов или технических условий на изделия и конструкции конкретных видов.

2. ПРИЕМКА

2.1. Приемка бетона изделий и конструкций - по ГОСТ 13015.1 и стандартам или техническим условиям на конструкции конкретных видов.

2.2. Приемку бетона по прочности, средней плотности и отпускной влажности проводят для каждой партии изделий.

2.3. Контроль бетона по показателям морозостойкости, теплопроводности и усадки при высыхании проводят перед началом массового изготовления, при изменении технологии и материалов, при этом по показателям морозостойкости и усадки при высыхании не реже одного раза в 6 мес и по показателю теплопроводности - не реже одного раза в год.

2.4. Контроль бетона по показателям сорбционной влажности, паропроницаемости, призменной прочности, модуля упругости проводят по стандартам или техническим условиям на изделия и конструкции конкретных видов.

2.5. Контроль прочности бетона проводят по ГОСТ 18105, средней плотности - по ГОСТ 27005.

3. МЕТОДЫ КОНТРОЛЯ

Контроль физико-технических показателей проводят:

прочность на сжатие и растяжение - по ГОСТ 10180;

среднюю плотность - по ГОСТ 12730.1 или ГОСТ 17623;

отпускную влажность - по ГОСТ 12730.2, ГОСТ 21718;

морозостойкость - по приложению 3;

усадку при высыхании - по приложению 2;

теплопроводность - по ГОСТ 7076, отбор проб - по ГОСТ 10180;

сорбционную влажность - по ГОСТ 24816 и ГОСТ 17177;

паропроницаемость - по ГОСТ 25898;

призменную прочность - по ГОСТ 24452;

модуль упругости - по ГОСТ 24452 и (или) приложению 5.

4. ТРАНСПОРТИРОВАНИЕ И ХРАНЕНИЕ

Транспортирование и хранение конструкций из бетонов осуществляется в соответствии с требованиями стандартов или технических условий на изделия и конструкции конкретных видов.

 

 

ПРИЛОЖЕНИЕ 1

Справочное

 

РЕКОМЕНДУЕМАЯ НОМЕНКЛАТУРА ИЗДЕЛИЙ
И КОНСТРУКЦИЙ

 

1. Панели стеновые наружные бетонные и железобетонные для жилых и общественных зданий - по ГОСТ 11024.

2. Панели из автоклавных ячеистых бетонов для внутренних несущих стен, перегородок и перекрытий жилых и общественных зданий - по ГОСТ 19570.

3. Изделия из ячеистых бетонов теплоизоляционные - по ГОСТ 5742.

4. Блоки из ячеистых бетонов стеновые мелкие - по ГОСТ 21520.

5. Панели стеновые внутренние бетонные и железобетонные для жилых и общественных зданий - по ГОСТ 12504.

6. Панели из автоклавных ячеистых бетонов для наружных стен зданий - по ГОСТ 11118.

 

Примечание. Автоклавные бетоны применяют для изготовления всей рекомендуемой номенклатуры изделий и конструкций, неавтоклавные - преимущественно для изготовления мелких стеновых блоков и теплоизоляции.

 

ПРИЛОЖЕНИЕ 2

Обязательное

 

МЕТОД ОПРЕДЕЛЕНИЯ УСАДКИ ПРИ ВЫСЫХАНИИ

 

Сущность метода заключается в определении изменения длины образца, бетона, мм, при изменении его влажности от 35 до 5 % по массе.

 

1. Изготовление и отбор образцов

 

1.1. Усадку при высыхании бетона определяют испытанием серии из трех образцов-призм размерами 40Х40Х160 мм.

1.2. Образцы серии выпиливают из конструкции или из неармированного контрольного блока, длина и ширина которого должны быть не менее 40 см, высота - равна высоте конструкции, изготовленного одновременно с конструкцией из его средней части таким образом, чтобы торцевые грани образцов были параллельны его заливке, а расстояние до краев конструкции - не менее 10 см.

1.3. Образцы из конструкции выпиливают не позднее чем через 24 ч после окончания тепловлажностной обработки и до испытания хранят в закрытых эксикаторах над водой.

1.4. Отклонения линейных размеров образцов от номинальных, указанных в п. 1.1, - в пределах ± 1 мм.

 

2. Требования к методам контроля

 

Для проведения испытаний применяют:

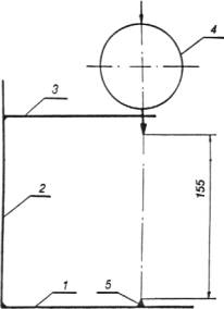
штатив с индикатором часового типа с ценой деления 0,01 мм и ходом штока 10 мм, приведенный на черт. 1;

 

Схема штатива с индикатором часового типа

 

 

1 - основание; 2 - стойка; 3 - кронштейн; 4 - индикатор;
5 - шаровая опора

 

Черт. 1

 

весы технические - по ГОСТ 24104;

шкаф сушильный лабораторный типа СНОЛ;

эксикатор - по ГОСТ 25336;

ванну с крышкой;

карбонат калия безводный - по ГОСТ 4221.

 

3. Подготовка к испытаниям

 

3.1. В центре каждой торцевой грани образца быстро полимеризующимся клеем укрепляют репер из нержавеющей стали, для этого применяют квадратную пластину толщиной не менее 1 мм с ребрами не менее 10 мм и отверстием диаметром 1,5 мм в центре.

Допускается применять клей следующего состава, г:

эпоксидная смола

80;

полиэтиленполиамин

3;

дибутилфталат

1.

 

3.2. Перед испытанием измеряют длину образцов и взвешивают их. Погрешность измерения образца - в соответствии с ГОСТ 10180.

 

4. Проведение испытаний

 

4.1. Образцы насыщают водой погружением в горизонтальном положении в воду температурой (20 ± 2) °С в течение 3 сут на глубину 5-10 мм.

4.2. После насыщения образцы выдерживают в плотно закрытом эксикаторе над водой при температуре (20 ± 2) °С в течение 3 сут.

4.3. Непосредственно после извлечения из эксикатора образцы взвешивают и делают начальный отсчет по индикатору.

Погрешность взвешивания образцов должна составлять ± 0,1 г, погрешность определения изменения длины образцов - ± 0,005 мм.

4.4. Серию образцов помещают в плотно закрытый эксикатор, расположенный над безводным карбонатом калия. На серию образцов каждые 7 сут испытаний берут 600 ± 10 г карбоната калия. Через каждые 7 сут влажный карбонат калия заменяют сухим.

4.5. Температура помещения, в котором проводят испытания образцов, должна быть (20 ± 2) °С.

4.6. В течение первых четырех недель определяют изменение длины и массы образцов каждые 3 - 4 сут. В дальнейшем измерения проводят не реже одного раза в неделю до достижения образцами постоянной массы.

Массу образцов считают постоянной, если результаты двух последовательных взвешиваний, проведенных с интервалом в одну неделю, отличаются не более чем на 0,1 %.

4.7. После окончания измерения усадки образцы высушивают при температуре (105 ± 5) °С до постоянной массы и взвешивают.

 

5. Обработка результатов

 

5.1. Для каждого образца вычисляют:

значение усадки при высыхании ei, мм/м, после каждого измерения по формуле

 

                        (1)

 

где l0 - начальный отсчет по индикатору после водонасыщения образца, мм;

li - отсчет по индикатору после i дней выдержки образца в эксикаторе над карбонатом калия, мм;

L - длина образца, м;

влажность бетона (по массе) wi, %, после завершения испытания для каждого срока измерения по формуле

 

                      (2)

 

где тi - масса влажного образца после i дней выдержки в эксикаторе над карбонатом калия, г;

m0 - масса образца, г, высушенного при температуре (105 ± 5) °С.

5.2. По значениям ei и wi строят для каждого образца кривую усадки. Примерная кривая усадки приведена на черт. 2.

 

Примерная кривая усадки при высыхании
образцов
бетона

 

 

Черт. 2

 

5.3. По черт. 2 определяют усадку при высыхании образца от влажности ei, мм/м, в интервале от 35 до 5 % по массе по формуле

 

              (3)

 

где e5 - значение усадки при высыхании образца от его водонасыщенного состояния до влажности 5 % по массе, мм/м;

e35 - значение усадки при высыхании образца от его водонасыщенного состояния до влажности 35 % по массе, мм/м.

5.4. Контрольное значение усадки при высыхании ek для испытываемого бетона определяют как среднее арифметическое e0 трех испытанных образцов.

5.5. Бетон соответствует требованиям, если контрольное значение усадки при высыхании ek не превышает нормируемую en, принимаемую по п. 1.3.5 настоящего стандарта, а значение усадки отдельных образцов - 1,25 en.

5.6. Результаты определения усадки при высыхании должны быть занесены в журнал испытаний.

В журнале указывают:

номер партии, дату изготовления, размеры и массу образцов;

дату и результаты каждого определения изменения длины и массы образцов;

дату и результаты вычисления влажности каждого образца;

заключение по результатам испытаний бетона на усадку.

 

 

ПРИЛОЖЕНИЕ 3

Обязательное

 

МЕТОД КОНТРОЛЯ МОРОЗОСТОЙКОСТИ БЕТОНА

 

1. Общие положения

 

1.1. Настоящий метод распространяется на конструкционные и конструкционно-теплоизоляционные бетоны.

1.2. Морозостойкость бетона - способность сохранять физико-механические свойства при многократном воздействии попеременного замораживания и оттаивания на воздухе над водой.

Морозостойкость бетона характеризуется его маркой по морозостойкости.

1.3. За марку бетона по морозостойкости F принимают установленное число циклов попеременного замораживания и оттаивания по методу настоящего приложения, при котором прочность бетона на сжатие снижается не более чем на 15 % и потеря массы бетона образцов - не более чем на 5 %.

 

2. Требования к средствам контроля

 

2.1. Для контроля морозостойкости применяют:

камеру морозильную - по ГОСТ 10060;

камеру для оттаивания образцов, оборудованную устройством для поддержания относительной влажности (95 ± 2) % и температуры плюс (18 ± 2) °С;

ванну для насыщения образцов;

сетчатые стеллажи в морозильной камере;

сетчатые контейнеры для размещения образцов.

2.2. Для контроля морозостойкости бетонов могут быть применены камеры с автоматическим регулированием температуры и влажности, обеспечивающие возможность поддержания температуры и влажности, указанных в п. 2.1.

 

3. Подготовка к испытаниям

 

3.1. Испытания на морозостойкость бетона проводят при достижении им прочности на сжатие, соответствующей его классу (марке).

3.2. Морозостойкость бетона контролируют путем испытания образцов-кубов размерами 100Х100Х100 мм или образцов-цилиндров диаметром и высотой 100 мм.

3.3. Образцы (кубы или цилиндры) выпиливают только из средней части контрольных неармированных блоков или изделий в соответствии с ГОСТ 10180. Допускается при проведении научно-исследовательских работ, а также для испытания пенобетона, изготовлять образцы в индивидуальных формах, удовлетворяющих требованиям ГОСТ 22685.

3.4. Образцы, предназначенные для контроля морозостойкости, принимают за основные.

Образцы, предназначенные для определения прочности на сжатие без замораживания и оттаивания, принимают за контрольные.

3.5. Число образцов для испытаний по табл. 3 должно составлять не менее двадцати одного (12 - основных, 6 - контрольных для установленного и промежуточного циклов и 3 - для определения потери массы бетона).

3.6. Основные и контрольные образцы бетона перед испытанием на морозостойкость должны быть насыщены водой при температуре плюс (18 ± 2) °С.

Насыщение образцов проводят погружением в воду (с обеспечением условий, исключающих их всплытие) на 1/3 их высоты и последующим выдерживанием в течение 8 ч; затем погружением в воду на 2/3 их высоты и выдерживанием в таком состоянии еще 8 ч, после чего образцы погружают полностью и выдерживают в таком состоянии еще 24 ч. При этом образцы должны быть со всех сторон окружены слоем воды не менее 20 мм.

 

4. Проведение испытаний

 

4.1. Основные образцы загружают в морозильную камеру при температуре минус 18 °С в контейнерах или устанавливают на сетчатые полки стеллажей камеры так, чтобы расстояние между образцами, стенками контейнеров и вышележащими полками было не менее 50 мм. Если после загрузки камеры температура воздуха в ней повышается выше минус 16 °С, то началом замораживания считают момент установления в камере температуры минус 16 °С.

4.2. Температуру воздуха в морозильной камере следует измерять в центре ее рабочего объема в непосредственной близости от образцов.

4.3. Продолжительность одного цикла замораживания при установившейся температуре в камере минус (18 ± 2) °С должна быть не менее 4 ч, включая время перехода температуры от минус 16 до минус 18 °С.

4.4. Образцы после их выгрузки из морозильной камеры оттаивают в камере оттаивания при температуре плюс (18 ± 2) °С и относительной влажности (95 ± 2) %.

Образцы в камере оттаивания устанавливают на сетчатые полки стеллажей таким образом, чтобы расстояние между ними, а также вышележащей полкой было не менее 50 мм. Продолжительность одного цикла оттаивания должна быть не менее 4 ч.

4.5. Число циклов замораживания и оттаивания основных образцов бетона в течение 1 сут. должно быть не менее одного. Во время вынужденных перерывов при испытаниях на морозостойкость образцы должны находиться в оттаянном состоянии, исключающем их высыхание (в камере оттаивания).

4.6. Контрольные образцы до испытания на сжатие выдерживают в камере оттаивания в течение времени, соответствующего числу циклов, указанному в табл. 3.

 

Таблица 3

 

Марка бетона по морозостойкости

F15

F25

F35

F50

F75

F100

Число циклов, после которых испытывают образцы бетона на сжатие

10

15

25

35

50

75

15

25

35

50

75

100

 

4.7. Прочность на сжатие, массу и влажность основных и контрольных образцов определяют через число циклов, указанных в табл. 3.

4.8. В случае появления явных признаков разрушения образцов проводят их испытание на сжатие досрочно, ранее циклов, указанных в табл. 3.

 

5. Обработка результатов

 

5.1. По результатам испытания на сжатие основных образцов после заданного в табл. 3 числа циклов, а также контрольных образцов, определяют прочность и рассчитывают коэффициент вариации контрольных образцов по ГОСТ 10180, который должен быть не более 15 %; а также определяют потерю их массы.

5.2. Относительное снижение прочности Rrel, %, основных образцов рассчитывают по формуле

 

                 (4)

 

где  - среднее значение прочности основных образцов после заданного числа циклов испытаний, МПа;

 - среднее значение прочности контрольных образцов, МПа.

5.3. Потерю массы Dт, %, образцов вычисляют по формуле

 

                   (5)

 

где тn - среднее значение массы основных образцов, г, после водонасыщения по п. 3.6;

wn - среднее значение влажности контрольных образцов, в частях от единицы, после водонасыщения по п. 3.6;

 - среднее значение массы основных образцов, г, после прохождения установленного или промежуточного числа циклов;

 - среднее значение влажности основных образцов, в частях от единицы, после прохождения установленного или промежуточного числа циклов.

5.4. Влажность бетона определяют по ГОСТ 12730.2 на пробах от контрольных образцов после завершения их водонасыщения и от основных образцов - сразу после их испытания на прочность.

Пробы для определения влажности отбирают от трех контрольных и трех основных образцов.

5.5. Марка бетона по морозостойкости соответствует требуемой, если относительное снижение прочности бетона после прохождения числа циклов испытаний, равного требуемому, составит менее 15 %, а средняя потеря массы серии основных образцов не превысит 5 %.

5.6. Марка бетона по морозостойкости не соответствует требуемой, если относительное снижение прочности бетона после прохождения циклов, численно равных требуемой марке, составит более 15 % или средняя потеря массы серии основных образцов бетона превысит 5 %. В этом случае марка бетона по морозостойкости соответствует числу циклов, равному предшествующей марке.

5.7. Марка бетона по морозостойкости не соответствует требуемой, если относительное снижение прочности бетона после прохождения промежуточных циклов испытаний будет более 15 % или средняя потеря массы серии основных образцов более 5 %.

5.8. Исходные данные и результаты испытаний контрольных и основных образцов должны быть занесены в журнал испытаний по форме, приведенной в приложении 4.

 

ПРИЛОЖЕНИЕ 4

Рекомендуемое

Форма журнала испытаний образцов бетона на морозостойкость

Начальник лаборатории        ___________________

(Фамилия, имя, отчество)

 

ПРИЛОЖЕНИЕ 5

Рекомендуемое

 

МЕТОД ОПРЕДЕЛЕНИЯ МОДУЛЯ УПРУГОСТИ

 

Настоящий метод распространяется на автоклавный бетон и на неавтоклавный бетон в проектном возрасте и устанавливает модуль упругости при испытании образцов-балочек на изгиб.

Метод основан на равенстве значений модуля упругости бетона при сжатии и растяжении с использованием графика (диаграммы) зависимости "нагрузка - деформация" растягиваемой поверхности образца, записанного при его непрерывном нагружении с постоянной скоростью до разрушения.

 

1. Образцы, их изготовление и отбор

 

1.1. Модуль упругости определяют на образцах-балочках размерами 40Х40Х160 мм.

1.2. Образцы изготовляют сериями. Серия должна состоять не менее чем из трех образцов.

1.3. Образцы выпиливают из готовых изделий или из контрольных неармированных блоков, изготовленных одновременно с изделиями. Схемы выпиливания принимают по ГОСТ 10180. Продольная ось образцов должна соответствовать направлению определения модуля упругости с учетом условий работы конструкции или изделия при эксплуатации (перпендикулярно или параллельно направлению вспучивания бетона).

1.4. Отклонения размеров и формы образцов от номинальных не должны превышать значений, установленных ГОСТ 10180.

 

2. Требования к оборудованию и приборам

 

2.1. Для проведения испытаний применяют:

испытательные машины или нагружающие установки и устройство для испытания бетона на растяжение при изгибе по ГОСТ 10180;

проводниковые тензорезисторы базой 20 мм на бумажной основе по ГОСТ 21616;

электрический силоизмеритель, например, тензорезисторный датчик силы по ГОСТ 15077. Погрешность силоизмерителя не должна превышать ± 1 %;

промежуточный измерительный преобразователь, например, тензометрический усилитель и согласованный с ним двухкоординатный самопишущий прибор по ГОСТ 24178;

клей для наклейки тензорезисторов, например БФ-2, по ГОСТ 12172;

приборы и средства для взвешивания образцов, их измерения, определения точности геометрии и т.д. по ГОСТ 10180.

2.2. Испытательные машины, установки и приборы должны быть аттестованы и проверены в установленном порядке в соответствии с ГОСТ 8.001.

 

3. Подготовка к испытаниям

 

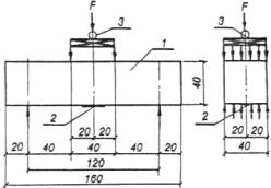
3.1. На образцах выбирают грани, к которым должны быть приложены усилия в процессе нагружения, и растягиваемую поверхность, на которую должен быть наклеен тензорезистор, и отмечают места опирания, передачи усилий и наклейки тензорезисторов согласно схеме нагружения опытного образца, приведенной на черт. 3. Плоскость изгиба образцов при высыхании должна быть перпендикулярна направлению вспучивания бетона при продольной оси образца и параллельна направлению вспучивания, если продольная ось образца параллельна направлению вспучивания бетона.

 

Схема нагружения опытного образца

 

 

 

1 - опытный образец; 2 - тензорезистор базой 20 мм;
3 - электрический силоизмеритель

 

Черт. 3

 

3.2. Измеряют линейные размеры образцов в соответствии с ГОСТ 10180.

3.3. Перед испытанием образцы должны не менее 2 ч находиться в помещении лаборатории, где проводят испытание.

 

4. Проведение испытаний

 

4.1. Образцы взвешивают (погрешность в пределах ± 1 %) и устанавливают в устройство для испытания.

4.2. Тензорезистор подсоединяют к измерительной системе.

4.3. Устанавливают масштаб записи на двухкоординатном самописце. Ожидаемое разрушающее усилие (масштаб вертикальной оси) устанавливают испытанием одного-двух образцов без тензорезисторов. Ожидаемую максимальную деформацию (масштаб горизонтальной оси) принимают равной 1,2 мм/м.

4.4. Образец нагружают по схеме, приведенной на черт. 3, непрерывно возрастающей нагрузкой, обеспечивающей скорость прироста напряжений в образце (0,05 ± 0,2) МПа/с [(0,5 ± 0,2) кгс/(см2 · с)], записывают диаграмму "нагрузка - деформация" растянутой поверхности образца до момента его разрушения.

4.5. После разрушения образца осматривают сечение его разрыва и при наличии дефектов фиксируют их расположение и величину в виде схемы на записанной диаграмме.

4.6. Определяют влажность материала образца по ГОСТ 12730.2.

 

5. Обработка результатов

 

5.1. Модуль упругости определяют для каждого образца по записанной диаграмме "нагрузка - деформация" растянутой поверхности образца ebt следующим образом:

к кривой F - ebt проводят касательную в ее начальной точке при F = 0 (черт. 4). Касательная отсекает на линии, соответствующей разрушающей нагрузке Fu, отрезок, длина которого равняется упругой составляющей предельной относительной деформации растяжения eubt;

значение модуля упругости Еb рассчитывают по формуле

 

                        (6)

 

где Rbt - значение прочности на растяжение при изгибе, МПа (кгс/см2), рассчитываемое по формуле

 

             (7)

 

где Мu - разрушающий изгибающий момент, Н · м (кгс · см);

Fu - разрушающая нагрузка, Н (кгс);

l - расстояние между опорами, м (см);

W - момент сопротивления поперечного сечения образца, м3 (см3),
рассчитываемый по формуле

 

               (8)

 

где b - ширина поперечного сечения образца, м (см);

h - высота поперечного сечения образца, м (см).

 

График зависимости деформации бетона растянутой поверхности
образца от изгибающей нагрузки

 

 

F - нагрузка; Fu - разрушающая нагрузка; ebt - деформация
растянутой поверхности образца; eubt - предельная
относительная деформация растяжения

 

Черт. 4

 

5.2. Модуль упругости бетона в серии определяют как среднее арифметическое значение модуля упругости всех испытанных образцов.

 

Примечание. При наличии в сечении разрыва образцов существенных дефектов результат его испытания при вычислении среднего значения не учитывают.

 

5.3. Среднюю плотность материала каждого образца рассчитывают по ГОСТ 12730.1.

5.4. Журнал результатов испытаний должен быть оформлен в соответствии с требованиями ГОСТ 10180 и ГОСТ 24452. К журналу должны быть приложены записанные диаграммы деформирования.

 

ИНФОРМАЦИОННЫЕ ДАННЫЕ

 

1. РАЗРАБОТАН Научно-исследовательским, проектно-конструкторским и технологическим институтом бетона и железобетона (НИИЖБ) Госстроя СССР

Центральным научно-исследовательским и проектно-экспериментальным институтом комплексных проблем строительных конструкций и сооружений имени В. А. Кучеренко (ЦНИИСК им. Кучеренко) Госстроя СССР Научно-исследовательским институтом строительной физики (НИИСФ) Госстроя СССР

Ленинградским Зональным научно-исследовательским и проектным институтом типового и экспериментального проектирования жилых и общественных зданий ЛенЗНИИЭП) Госкомархитектуры

Государственным строительным комитетом ЭССР

 

ИСПОЛНИТЕЛИ

Р. Л. Серых, д-р техн. наук; Т. А. Ухова, канд. техн. наук (руководители темы); Б. П. Филиппов, канд. техн. наук; А. Т. Баранов, д-р техн. наук; В. В. Макаричев, канд. техн. наук; Л. С. Усова; Л. А. Тарасова; И. М. Дробященко, канд. техн. наук; Н. И. Левин, канд. техн. наук; Б. А. Новиков, канд. техн. наук; С. В. Александровский, д-р техн. наук; И. Я. Киселев, канд. техн. наук; А. Е. Штанько, канд. техн. наук; М. Н. Гузиков; Л. И. Острат; Г. Ф. Грюнер, канд. хим. наук; К. К. Эскуссон, канд. техн. наук; У. И. Юурвеэ; В. А. Пинскер, канд. техн. наук; Э. О. Кесли; Р. М. Колтовская; И. Н. Нагорняк

 

2. ВНЕСЕН Научно-исследовательским, проектно-конструкторским и технологическим институтом бетона и железобетона (НИИЖБ) Госстроя СССР

 

3. УТВЕРЖДЕН И ВВЕДЕН В ДЕЙСТВИЕ Постановлением Государственного строительного комитета СССР от 30 марта 1989 г. № 57

 

4. ВЗАМЕН ГОСТ 25485-83, ГОСТ 12852-67, ГОСТ 12852.3-77, ГОСТ 12852.4-77

 

5. СРОК ПРОВЕРКИ - 1996 г.

 

6. ССЫЛОЧНЫЕ НОРМАТИВНО-ТЕХНИЧЕСКИЕ ДОКУМЕНТЫ

 

Обозначение НТД,
на который дана ссылка

Номер пункта, подпункта, приложения

Обозначение
НТД,
на который дана ссылка

Номер пункта, подпункта, приложения

ГОСТ 4.212-80

1.3.8

ГОСТ 17177-87

Разд. 3

ГОСТ 8.001-80

Приложение 5

ГОСТ 17623-87

Разд. 3

ГОСТ 201-76

1.3.9.6

ГОСТ 18105-86

2.5

ГОСТ 2067-80

1.3.9.5

ГОСТ 19113-84

1.3.9.5

ГОСТ 2263-79

1.3.9.5; 1.3.9.6

ГОСТ 19570-74

Приложение 1

ГОСТ 3252-80

1.3.9.5

ГОСТ 21458-75

1.3.9.6

ГОСТ 3476-74

1.3.9.1

ГОСТ 21520-89

Приложение 1

ГОСТ 4013-82

1.3.9.6

ГОСТ 21616-76

Приложение 5

ГОСТ 4221-76

1.3.9.6; приложение 2

ГОСТ 21718-84

Разд. 3

ГОСТ 5100-85 Е

1.3.9.6

ГОСТ 22685-89

Приложение 3

ГОСТ 5494-71 Е

1.3.9.5

ГОСТ 23732-79

1.3.9.7

ГОСТ 5742-76

Приложение 1

ГОСТ 24104-80 Е

Приложение 2

ГОСТ 7076-87

Разд. 3

ГОСТ 24178-80

Приложение 5

ГОСТ 8736-85

1.3.9.2

ГОСТ 24452-80

Разд. 3; Приложение 5

ГОСТ 9179-77

1.3.9.1

ГОСТ 24816-81

Разд. 3

ГОСТ 10060-87

Приложение 3

ГОСТ 25192-82

1.1

ГОСТ 10178-85

1.3.9.1

ГОСТ 25336-82 Е

Приложение 2

ГОСТ 10180-89

Разд. 3; приложения 2, 3, 5

ГОСТ 25898-83

Разд. 3

ГОСТ 11024-84

Приложение 1

ГОСТ 27005-86

2.5

ГОСТ 11118-73

Приложение 1

ГОСТ 27006-86

1.3.9.8

ГОСТ 12172-74

Приложение 5

ОСТ 6-05-386-80

1.3.9.6

ГОСТ 12504-80

Приложение 1

ОСТ 21-60-84

1.3.9.1; 1.3.9.2

ГОСТ 12730.1-78

Разд. 3; Приложение 5

ТУ 6-09-2448-78

1.3.9.6

ГОСТ 12730.2-78

Разд. 3; приложения 3, 5

ТУ 6-14-625-80

1.3.9.6

ГОСТ 13015.1-81

2.1

ТУ 38-107101-76

1.3.9.5

ГОСТ 13078-81

1.3.9.6

СТ СЭВ 1406-78

1.3.1

ГОСТ 15077-78

Приложение 5

 

 

 

 




Яндекс цитирования



   Copyright © 2007-2026,  www.tehlit.ru.

[ ѓосты, стандарты, нормативы, инструкции, правила, строительные нормы ]