//
|
|
ГОСГОРТЕХНАДЗОР РОССИИ УТВЕРЖДЕНЫ
ПРАВИЛА Обязательны для предприятий, организаций и граждан, независимо от ведомственной принадлежности и форм собственности, осуществляющих сварочные работы при изготовлении, монтаже и ремонте объектов, подконтрольных Госгортехнадзору России Правила аттестации сварщиков устанавливают требования к возрасту, предварительной подготовке, стажу работ по сварке, а также порядок аттестации сварщиков на право выполнения сварочных работ при изготовлении, монтаже и ремонте объектов, подконтрольных Госгортехнадзору России. Правила переработаны с учетом предложений заинтересованных организаций и органов Госгортехнадзора. Настоящие Правила вводятся в действие с 1 августа 1993 г., при этом утрачивают силу Правила аттестации сварщиков, утвержденные Госгортехнадзором СССР 22 июня 1971 г. Редакционная коллегия: А. ХАПОНЕН (председатель), А. А. ШЕЛЬПЯКОВ, И. Е. ДМИТРИЕНКО I. ОБЩИЕ ПОЛОЖЕНИЯ1. Настоящие Правила устанавливают порядок аттестации сварщиков на право выполнения сварочных и наплавочных работ при изготовлении, монтаже и ремонте объектов и оборудования, подконтрольных Госгортехнадзору России. * В стаж не включается время практических работ в процессе обучения сварщика в училище или на курсах. 4. Аттестация сварщиков проводится постоянно действующими комиссиями на предприятиях (организациях) путем проверки их теоретических знаний и практических навыков. 5. Комиссии по аттестации сварщиков создаются на предприятиях (организациях), располагающих необходимой производственной базой и инженерно-техническими работниками по сварочному производству, по согласованию с местным органом Госгортехнадзора. Организация и руководство работой комиссии осуществляются администрацией предприятий. 6. В состав комиссии должны входить: а) главный сварщик или руководитель сварочных работ предприятия (организации) - председатель комиссии; б) представитель отдела технического контроля предприятия (организации), ведающий контролем сварки (представитель лаборатории сварки монтажной организации); в) представитель руководства цеха (монтажного участка); г) преподаватель по сварке, проводивший обучение; д) представитель отдела техники безопасности предприятия (организации). Кроме того, в состав комиссии могут быть включены другие специалисты по сварочному производству. II. ПОРЯДОК АТТЕСТАЦИИ7. Проверка теоретических знаний и практических навыков сварщика осуществляется в объеме программы (см. ст. 3). При этом оценка теоретических знаний производится по четырехбалльной системе (отлично, хорошо, удовлетворительно, неудовлетворительно). 8. При проверке практических знаний (навыков) выявляется умение подготовить и ввести в работу сварочное оборудование, вести сварку на заданном режиме, а при ручной и полуавтоматической сварке - умение проводить сварку во всех пространственных положениях. Если на производстве сварщиком будут выполняться сварные соединения только в одном пространственном положении, допускается проверка практических навыков при ручной и полуавтоматической сварке в этом же положении. Сварщики должны также уметь определять и устранять видимые дефекты сварки. 9. Выбор основных и сварочных материалов (электродов, сварочной проволоки, флюсов, газов и т.п.) производится постоянно действующей комиссией применительно к изделиям, которые должны сваривать сварщики на производстве. Подготовка материалов под сварку контрольных соединений и предварительная термообработка должны быть такими же, как и при сварке изделий, и производиться по указанию комиссии. Проведение проверки практических навыков сварщиков должно осуществляться на материалах, качество которых удовлетворяет требованиям стандартов или технических условий на данный материал и подтверждено сертификатом или другим документом. 10. При проверке практических навыков сварщик должен сварить контрольные соединения или выполнить наплавку в присутствии не менее двух членов комиссии - представителя отдела технического контроля и специалиста по сварочному производству. 11. Сварка и наплавка контрольных соединений должны выполняться в соответствии с требованиями действующей на данном предприятии производственной инструкции на сварку, наплавку и термообработку изделия. Сварка и наплавка должны проводиться с применением исправного оборудования и инструментов. 12. Сварка контрольных соединений должна проводиться в тех положениях, в каких сварщики будут выполнять швы при изготовлении изделий. При ручной и полуавтоматической сварке для получения права ведения работ во всех пространственных положениях допускается сварка образцов в двух наиболее трудных положениях (потолочном, неповоротном и т.п.). Количество и размеры контрольных соединений, свариваемых в каждом пространственном положении, должны быть достаточными для проведения всех контрольных испытаний, предусматриваемых настоящими Правилами. 13. Контрольные соединения должны соответствовать типовым, свариваемым при изготовлении изделий. Если типовыми контрольными соединениями будут угловые или тавровые, сварщиком дополнительно должны быть выполнены стыковые соединения. 14. На контрольных соединениях и готовых образцах для определения фамилии сварщика и положения шва при сварке должны быть нанесены клейма (цифровые или буквенные), располагаемые вне рабочей части образца и сохраняемые на нем после испытания. 15. Сварщики подвергаются испытаниям по одному из способов сварки (ручной электродуговой, газовой, полуавтоматической и автоматической под слоем флюса, в среде защитных газов, электрошлаковой, контактной, трением, лазерной, электронно-лучевой, плазменной и др.), а также по одному из видов работ (сварка барабанов котлов и корпусов сосудов и их элементов, сварка металлоконструкций грузоподъемных машин, сварка трубопроводов пара и горячей воды, газопроводов, а также трубчатых элементов подконтрольных Госгортехнадзору России объектов и др.) применительно к конкретным маркам свариваемых материалов. Несколько марок свариваемых материалов, близких по химическому составу и свариваемых по одинаковой технологии, могут быть объединены в одну группу со сваркой для нее одного контрольного соединения. С разрешения комиссии сварщики могут допускаться к проверкам по нескольким способам сварки и видам работ при условии, что их подготовка и стаж работы по каждому виду сварки будут соответствовать требованиям ст. 2 настоящих Правил. 16. Сварщикам, успешно прошедшим проверку теоретических знаний и практических навыков, администрацией предприятия (организации) выдаются удостоверения за подписью председателя и одного из членов комиссии по форме согласно прил. 1. 17. Сварщики, получившие неудовлетворительную оценку по одному из видов проверки (теоретической или практической), могут быть допущены к новой проверке после дополнительного обучения, но не ранее чем через 1 мес. 18. Повторная проверка знаний должна проводиться постоянно действующими комиссиями: а) периодически, не реже одного раза в 12 мес.*; б) при перерыве в работе по своей специальности свыше 6 мес.; в) перед допуском к работе после временного отстранения сварщика за нарушение технологии и низкое качество работ. * Сварщики, непрерывно работающие по своей специальности и зарекомендовавшие себя высоким качеством выполненных в течение последнего года работ, подтвержденным результатами контроля, по решению комиссии могут освобождаться от повторных испытаний сроком на 1 год, но не более 3 раз подряд. 19. При проведении повторной проверки по решению постоянно действующей комиссии для оценки практических знаний могут быть допущены контрольные сварные соединения, выполненные сварщиками при изготовлении производственных изделий и конструкций за период не более 3 мес., предшествующих проверке. 20. Дополнительные проверки знаний сварщика должны проводиться: а) при переходе на новые для него способы сварки или виды работ; б) при сварке изделий из новых материалов или при существенном изменении технологии сварки, наплавки (введение или исключение подогрева, использование нового оборудования или сварочных материалов и т.д.); в) при наплавке изделий с использованием нового оборудования или сварочных материалов, а также при изменении технологического процесса (введение или исключение подогрева и т.д.). Дополнительная проверка знаний должна проводиться в объеме программы, утвержденной главным инженером предприятия (организации). 21. Результаты первичных, повторных и дополнительных проверок знаний, а также решения комиссии об освобождении сварщиков от повторных проверок знаний оформляются протоколом за подписью председателя и членов комиссии по форме, приведенной в прил. 2, и записываются в удостоверение сварщика. III. КОНТРОЛЬ КАЧЕСТВА КОНТРОЛЬНЫХ СВАРНЫХ СОЕДИНЕНИЙ22. Сваренные при проверке стыковые контрольные соединения подвергаются: а) внешнему осмотру и измерениям; б) физическому методу контроля (ультразвуковой дефектоскопии или просвечиванию проникающим излучением и др.); в) механическим испытаниям; г) металлографическому исследованию; д) другим дополнительным методам, обеспечивающим качественное проведение контроля сварных соединений (технологическая проба, замер твердости, травление, цветная дефектоскопия и т.п.), если они предусмотрены технологическим процессом или производственной инструкцией по сварке изделий. Другие сварные соединения (угловые, тавровые и др.) и наплавки подвергаются контролю методами, которые предусмотрены технологическим процессом или производственной инструкцией по сварке для этих видов соединений. Внешний осмотр и измерение23. Внешнему осмотру и измерению подлежат контрольные сварные соединения на всем протяжении для выявления следующих возможных дефектов: а) излома или неперпендикулярности осей соединяемых элементов; б) отступлений по размерам и форме швов от требований стандартов, чертежей, ТУ и инструкций по сварке изделий; в) смещения кромок соединяемых элементов; г) поверхностных трещин всех видов и направлений; д) наплывов, подрезов, прожогов и незаваренных кратеров, непроваров, пористости и др. 24. Осмотр сварных швов производится по всей их протяженности с двух сторон невооруженным глазом или с применением лупы с увеличением до 10 раз. Перед контролем сварной шов и прилегающая к нему поверхность основного металла на ширину не менее 20 мм по обе стороны шва должны быть очищены от шлака и других загрязнений, затрудняющих осмотр. Определение границ выявленных трещин производится путем шлифовки дефектного участка наждачной бумагой и травлением. Ультразвуковая дефектоскопия или просвечивание25. Ультразвуковой контроль и просвечивание производятся по всей протяженности сварного соединения для выявления в сварных соединениях возможных внутренних дефектов (трещин, непроваров, пор, шлаковых включений и др.). 26. Ультразвуковой контроль сварных соединений образцов должен производиться в соответствии с ГОСТ 14782 и согласованными с Госгортехнадзором России инструкциями, разработанными специализированными организациями. 27. Контроль сварных соединений просвечиванием должен проводиться в соответствии с ГОСТ 7512 и согласованными с Госгортехнадзором России инструкциями по рентгено-гаммаграфированию, разработанными специализированными организациями. Механические испытания28. Механическим испытаниям подвергаются контрольные пластины, не имеющие недопустимых дефектов, для проверки соответствия прочностных и пластических свойств контрольных сварных соединений требованиям настоящих Правил. 29. При механических испытаниях должны проводиться: а) испытание на статическое растяжение; б) испытание на статический изгиб или сплющивание; в) испытание на ударную вязкость в случаях, предусмотренных правилами Госгортехнадзора России, техническими условиями и инструкциями по сварке изделий. 30. Механические испытания должны проводиться в соответствии с ГОСТ 6996. Металлографическое исследование31. Металлографическому исследованию подвергаются стыковые, тавровые и угловые соединения образцов в случаях, предусмотренных правилами Госгортехнадзора России и ТУ на изготовление изделий, для выявления возможных внутренних дефектов (трещин, непроваров, пор, шлаковых и неметаллических включений и др.), а также для установления глубины проплавления, структуры металла шва. Контроль производится путем исследования поверхности шлифа, вырезанного поперек сварного шва или в другом направлении, если это предусмотрено техническими условиями на изделия. Контролируемая поверхность должна включать сечение шва с зоной термического влияния и прилегающим к ней участком основного металла. 32. Вырезка заготовок для шлифов производится режущим или абразивным инструментом. Допускается газовая или плазменная резка, если будут исключены структурные изменения металла в исследуемом сечении. IV. ОЦЕНКА КАЧЕСТВА КОНТРОЛЬНЫХ СВАРНЫХ СОЕДИНЕНИЙ33. Качество контрольных сварных соединений и наплавок считается неудовлетворительным, если при любом виде контроля будут обнаружены внутренние или наружные дефекты, выходящие за пределы норм, установленные настоящими Правилами, соответствующими стандартами, техническими условиями на изготовление изделия и инструкциями по сварке и контролю сварных соединений. 34. В контрольных сварных соединениях не допускаются следующие дефекты: а) отступления от заданных размеров; б) трещины всех видов и направлений, расположенные в металле шва и в околошовной зоне основного металла, в том числе и микротрещины, выявляемые при микроисследовании; в) непровары (несплавления), расположенные на поверхности и по сечению сварного соединения (между отдельными валиками и слоями шва и между основным металлом и металлом шва); г) непровары в вершине (корне) угловых и тавровых сварных соединений, выполненных без разделки кромок, а также стыковых сварных соединений, выполненных на подкладках; д) поры, расположенные в виде сплошной сетки; е) наплывы (натеки); ж) незаваренные кратеры; з) свищи; и) подрезы, прожоги и подплавления основного металла (при стыковой контактной сварке труб); к) другие дефекты, указанные в табл. 1. Таблица 1 Таблица браковочных показателей
35. Результаты практической проверки считаются неудовлетворительными, если хотя бы по одному виду испытаний показатели не соответствуют нормам. v. контроль ЗА СОБЛЮДЕНИЕМ ПРАВИЛ36. Контроль за соблюдением настоящих Правил осуществляется местными органами Госгортехнадзора путем проведения не реже одного раза в год проверки работы постоянно действующих комиссий. VI. ОТВЕТСТВЕННОСТЬ ЗА НАРУШЕНИЕ ПРАВИЛ37. Лица, виновные в нарушении настоящих Правил, привлекаются к ответственности в соответствии с действующим законодательством. VII. ПРИЛОЖЕНИЯПриложение 1
1 В виде книжки в переплете форматом 85 ´ 120 мм. Приложение 2ПРОТОКОЛ
| ||||||||||||||||||||||||||||||||||||||||||||||||||||||||||||||||||||||||||||||||||||||||||||||||||||||||||||||||||||||||||||||||||||||||||||||||||||||||||||||||||||||||||||||||||||||||||||||||||||||||||||||||||||||||||||||||||||||||||||||||||||||||||||||||||||||||||||||||||||||||||||||||||||||||||||||||||||||||||||||||||||||||||||||||||||||||||||||||||||||||||||||||||||||||||||||||||||||||||||||||||||||||||||||||||||||||||||||||||||||||||||||||||||||||||||||||||||||||||||||||||||||||||||||||||||||||||||||||||||||||||||||||||||||||||||||||||||||||||||||||||||||||||||||||||||||||||||||||||||||||||||||||||||||||||||||||||||
|
№ п/п |
Фамилия, имя и отчество сварщика |
Год рождения |
Образование |
Стаж работы по сварке |
Клеймо, присвоенное сварщику при проверке |
Способ сварки |
Материалы образцов |
|||
|
пластина, труба или др. |
марка металла |
толщина, мм, диаметр, мм |
предел прочности по ТУ или ГОСТу, кгс/мм2 |
|||||||
|
1 |
2 |
3 |
4 |
5 |
6 |
7 |
8 |
9 |
10 |
11 |
|
|
|
|
|
|
|
|
|
|
|
|
|
Сварочные материалы |
Положение шва при сварке |
Режим предварительного и сопутствующего подогрева |
Режим термообработки |
Результаты испытания |
||||
|
электрод или присадочная проволока, марка и тип |
марка флюса |
защитный газ |
внешний осмотр и измерение |
физические методы контроля |
металлографические исследования |
|||
|
12 |
13 |
14 |
15 |
16 |
17 |
18 |
19 |
20 |
|
|
|
|
|
|
|
|
|
|
|
сварных образцов |
Другие методы испытаний |
Оценка практической проверки (отлично, хорошо, удовлетворительно) |
Оценка теоретических знаний, (отлично, хорошо, удовлетворительно) |
Заключение комиссии (указать работы, к выполнению которых допускается сварщик) |
||
|
предел прочности, кгс/мм2 (место разрыва) |
угол загиба, град. |
ударная вязкость, кгс×м/см2 |
||||
|
21 |
22 |
23 |
24 |
25 |
26 |
27 |
|
|
|
|
|
|
|
|
Председатель комиссии _______________________________
(подпись)
Члены комиссии: 1. _________________________________
(должность, подпись)
2. _________________________________
(подпись)
3. _________________________________
(подпись)
Методы определения механических свойств сварного соединения в целом и его отдельных участков, а также наплавленного металла при всех видах сварки металлов и их сплавов регламентированы ГОСТ 6996;
Стандарт устанавливает методы определения механических свойств при следующих видах испытаний:
а) испытании металла различных участков сварного соединения и наплавленного металла на статическое (кратковременное) растяжение;
б) испытании металла различных участков сварного соединения и наплавленного металла на ударный изгиб (на надрезанных образцах);
в) испытании металла различных участков сварного соединения на стойкость против механического старения;
г) измерении твердости металла различных участков сварного соединения и наплавленного металла;
д) испытании сварного соединения на статическое растяжение;
е) испытании сварного соединения на статический изгиб (загиб);
ж) испытании сварного соединения на ударный разрыв.
Испытания, проводимые при определении качества продукции и сварочных материалов, пригодности способов и режимов сварки, при установлении квалификации сварщиков и показателей свариваемости металлов и сплавов, должны соответствовать требованиям стандарта. Выбор видов испытаний, типов образцов и применяемых методов предусматривается в стандартах и технических условиях на продукцию.
Образцы для испытаний отбирают из проб, вырезанных непосредственно из контролируемой конструкции или от специально сваренных для проведения испытаний контрольных соединений.
Если форма сварного соединения исключает возможность изготовления образцов данного типа (детали сложной конфигурации, трубы и др.), то образцы могут быть отобраны от специально сваренных плоских контрольных соединений.
При выполнении контрольных соединений характер подготовки под сварку, марка и толщина основного металла, марки сварочных материалов, положение шва в пространстве, начальная температура основного металла, режим сварки и термической обработки должны полностью отвечать условиям изготовления контролируемого изделия или особому назначению испытания.
Сварку контрольных соединений, предназначенных для испытания сварочных материалов (электродов, сварочных проволок, присадочных прутков, флюсов и др.), если нет специальных требований, производят с остыванием между наложением отдельных слоев. Температура, до которой должен остывать металл, устанавливается стандартом или другой технической документацией.
Размеры пластин для изготовления контрольных соединений определяются требованиями, указанными ниже.
Для контрольных соединений, выполняемых дуговой, электрошлаковой и газовой сваркой из плоских элементов, ширина каждой свариваемой пластины, если нет иных указаний в стандартах или другой технической документации, должна быть не менее:
50 мм - при толщине металла до 4 мм;
70 мм - при толщине металла св. 4 до 10 мм;
100 мм - при толщине металла св. 10 до 20 мм;
150 мм - при толщине металла св. 20 до 50 мм;
200 мм - при толщине металла св. 50 до 100 мм;
250 мм - при толщине металла св. 100 мм.
Ширина контрольного соединения, выполненного из круглого или фасонного проката, должна быть не менее чем два диаметра или две ширины элементов.
Длина свариваемых кромок пластин определяется размерами и количеством подлежащих изготовлению образцов с учетом повторных испытаний, припусков на ширину реза и последующую обработку и с добавлением длины неиспользуемых участков шва. Размеры неиспользуемых участков принимают равными:
при ручной дуговой сварке покрытыми электродами и газовой сварке - не менее 20 мм в начале и не менее 30 мм в конце шва;
при автоматической и полуавтоматической сварке с любым типом защиты, кроме флюса, при толщине металла до 10 мм - не менее 15 мм в начале и не менее 30 мм в конце шва, а при толщине металла более 10 мм - не менее 30 мм в начале и не менее 50 мм в конце шва;
при автоматической и полуавтоматической дуговой сварке под флюсом на токе до 1000 А при электрошлаковой и дуговой сварке с принудительным формированием - не менее 40 мм в начале и не менее 70 мм в конце шва;
при автоматической сварке под флюсом на токе более 1000 А - не менее 60 мм в начале шва.
Длину неиспользуемого участка в конце шва для этого случая принимают равной длине кратера шва (участок, имеющий неполное сечение).
Размеры пластин для контрольных соединений, выполняемых способами сварки, не указанными выше, устанавливаются соответствующими техническими условиями.
В случаях сварки пластин с применением приставных планок для вывода начала и конца шва можно отбирать образцы по всей длине контрольного соединения. Приставные планки изготавливают из того же материала, что и пластины.
Длина приставных планок должна быть не менее размера неиспользуемых участков шва.
Размеры проб, вырезаемых из контролируемой конструкции, определяются количеством и размерами образцов.
При кислородной вырезке проб их размеры определяются с учетом припуска на последующую механическую обработку, обеспечивающую отсутствие металла, подвергшегося термическому влиянию при резке в рабочей части образцов.
Вырезку заготовок для образцов из проб и контрольных соединений рекомендуется выполнять на металлорежущих станках. Допускается вырезать заготовки на ножницах, штампах, кислородной, плазменной, анодно-механической и другими методами резки.
Припуск на величину заготовки, при котором обеспечивается отсутствие в рабочей части образца металла с измененными в результате резки свойствами, назначается в зависимости от метода резки. Минимальное значение припуска должно быть:
при толщине металла до 10 мм: кислородная и плазменная резка - 3 мм, механическая, в том числе анодно-механическая резка, - 2 мм;
при толщине металла более 10 до 30 мм: кислородная резка - 4 мм, плазменная резка - 5 мм, механическая, в том числе и анодно-механическая резка, - 3 мм;
при толщине металла более 30 до 50 мм: кислородная резка - 5 мм, плазменная резка - 7 мм, механическая, в том числе и анодно-механическая, - 3 мм;
при толщине металла более 50 мм: кислородная резка - 6 мм, плазменная резка - 10 мм, механическая, в том числе и анодно-механическая, - 3 мм.
При вырезке заготовок для образцов из металла, в котором под воздействием резки не изменяются свойства в рабочей части образца, допускается уменьшение указанных выше припусков, но не более чем в два раза.
Величина припуска для способов резки, не перечисленных выше, должна быть указана в нормативно-технической документации на данный вид продукции или на метод отбора проб.
При изготовлении образцов необходимо принимать меры, исключающие возможность изменения свойств металла в результате нагрева или наклепа, возникающих при механической обработке.
На пробах, контрольных соединениях и заготовках из листового проката и труб следует указывать направление прокатки основного металла по отношению к шву.
Правка контрольного соединения или пробы, отбираемой от контролируемой конструкции, не допускается. Разрешается править готовые образцы вне их рабочей части. При испытании сварных соединений из труб допустимость правки образцов оговаривается стандартами или другой технической документацией.
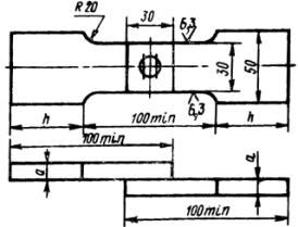
Если нет иных указаний в стандартах или другой технической документации, то стрела прогиба f на длине 200 мм (черт. 1) не должна превышать 10 % толщины металла, но не более 4 мм.
Несовпадение плоскости листов h в стыковых соединениях (черт. 2) не должно превышать 15 % толщины листа, но не более 1 мм.
Черт. 1
Черт. 2
Термическая обработка, если она оговорена нормативно-технической документацией, проводится до чистовой обработки образцов. Термической обработке могут подвергаться пробы, контрольные соединения или вырезанные из них заготовки для образцов. В случае нормализации или закалки термическая обработка заготовок для образцов не допускается.
Термическую обработку контрольных соединений или заготовок для образцов предпочтительно совмещать с термической обработкой контролируемого изделия. Порядок проведения термической обработки при изготовлении образцов из материалов с sв более 1000 МПа (100 кгс/мм2) устанавливается нормативно-технической документацией.
Клеймение проб, контрольных соединений заготовок и готовых образцов можно производить любым способом так, чтобы клеймо располагалось вне рабочей части образца и сохранялось на нем после испытания.
Образцы, имеющие отступления от чертежных размеров по чистоте обработки, а также механические повреждения в рабочей части, к испытаниям не допускаются и заменяются таким же числом новых образцов, изготовленных из той же пробы или контрольного соединения. Если размеры пробы или контрольного соединения исключают возможность изготовления новых образцов, производят вырезку новой пробы или сварку нового контрольного соединения.
При соответствии результатов механических испытаний требованиям стандартов или другой технической документации во всех случаях, кроме арбитражных испытаний, допускается использование образцов с более низким классом шероховатости поверхности.
Если нет других указаний в стандартах или другой технической документации, то испытания на статическое растяжение и статический изгиб проводят не менее чем на двух образцах; испытания на ударный изгиб, на стойкость против механического старения и ударный разрыв - не менее чем на трех образцах; измерение твердости - не менее чем на четырех точках для каждого сварного соединения. Если размеры сварного соединения исключают возможность размещения четырех точек, то допускается уменьшать их количество в соответствии с реальными возможностями.
Результаты по всем видам испытаний определяют как среднее арифметическое результатов, полученных при испытании всех образцов. Если нет указаний в соответствующих стандартах или другой технической документации, то для всех видов испытаний, кроме испытаний на статический изгиб и при измерении твердости, допускается снижение результатов испытаний для одного образца на 10 % ниже нормативного требования, если средний арифметический результат отвечает нормативным требованиям. Допускаемое снижение результатов испытания образцов на статический изгиб и при измерении твердости должно оговариваться в соответствующих стандартах или другой технической документации. При испытании на ударный изгиб допускаемое снижение ниже нормативных требований устанавливается не более 5 Дж/см2 (0,5 кгс×м/см2).
Испытания сварного соединения на статический изгиб и растяжение, а также ударный разрыв и замеры твердости проводят при нормальной температуре, равной 20 ± 10 °С. Температура образца принимается равной температуре помещения, в котором проводят испытания. Испытания металла различных участков сварного соединения и наплавленного металла на статическое (кратковременное) растяжение, ударный изгиб (на надрезанных образцах), а также испытания на стойкость против механического старения проводят при нормальной температуре или по требованию, оговоренному в соответствующих стандартах или другой технической документации, при повышенных или пониженных температурах. При испытании при пониженной или повышенной температуре температуру образца принимают равной температуре среды, в которой проводят нагрев или охлаждение. При этом допускается определение температуры на образцах-свидетелях.
Результаты испытаний считают неудовлетворительными, если они не соответствуют требованиям, изложенным выше, или в изломе образца, или на его поверхности выявлены кристаллизационные или холодные трещины (кроме тех случаев, когда наличие трещин допускается соответствующей нормативно-технической документацией). При неудовлетворительных результатах испытания повторяют на удвоенном количестве образцов. Если в изломе образца, результаты испытания которого считаются неудовлетворительными, обнаружены дефекты основного металла или сварного соединения (кроме трещин), он исключается из оценки и заменяется одним новым образцом.
Общие результаты испытаний определяют по показаниям, полученным при повторных испытаниях. Результаты повторных испытаний являются окончательными.
Методика определения размеров образцов, требования, предъявляемые к оборудованию для испытаний, условия проведения испытаний и подсчет результатов должны соответствовать: при испытании на статическое растяжение при комнатной температуре - ГОСТ 1497, при пониженных температурах - ГОСТ 11150, при повышенных температурах - ГОСТ 9651;
при испытании на ударный изгиб при пониженной, комнатной и повышенной температурах - по ГОСТ 9454;
при измерении твердости - по ГОСТ 2999, ГОСТ 9013 и ГОСТ 9012.
Другие требования к условиям проведения испытаний, определению размеров образцов, оборудованию для испытаний и подсчету результатов должны оговариваться стандартом или другой технической документацией.
Протокол при всех видах испытаний должен содержать: обозначение настоящего стандарта, толщину и марку основного металла, способ сварки, тип соединения, вид термической обработки (если она выполняется), индекс образца (по клейму), тип образца, место его отбора, результаты данного вида испытаний всех образцов, наличие дефектов в изломе образца, при испытании сварных соединений - место разрушения (по металлу шва, по металлу зоны термического влияния, по основному металлу).
Для испытаний металла на статическое (кратковременное) растяжение, ударный изгиб и испытаний на стойкость против механического старения дополнительно указывают температуру испытания; для испытаний на ударный изгиб - максимальную энергию копра; для измерений твердости - схему расположения точек замера твердости.
При испытании металла на статическое (кратковременное) растяжение определяют следующие характеристики механических свойств:
предел текучести физической sт, МПа (кгс/мм2), или предел текучести условный s0,2, МПа (кгс/мм2);
временное сопротивление sв, МПа (кгс/мм2);
относительное удлинение после разрыва (на пятикратных образцах) s5, %;
относительное сужение после разрыва j, %.
Испытания проводят для металла шва, металла различных участков зоны термического влияния наплавленного металла при всех видах сварки плавлением.
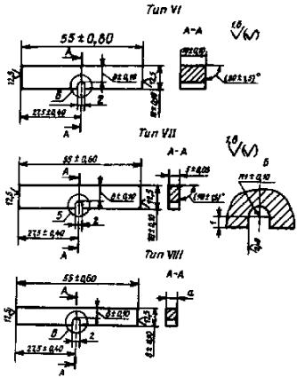
Форма и размеры образцов, применяемых для испытания, должны соответствовать черт. 3 или 4 и табл. 1.
Тип I, II, III
Черт. 3
Тип IV.V
Черт. 4
Допускается увеличение размера диаметра образца и его высоты.
Таблица 1
Размеры, мм
|
Тип образца |
d0 |
d |
к |
D |
h |
h1 |
R |
l0 |
l |
L |
|
I |
3 ± 0,l |
- |
0,03 |
6 |
4 |
2 |
1 |
15 |
18 |
30 ± 1 |
|
II |
6 ± 0,l |
- |
0,03 |
12 |
10 |
2,5 |
1,5 |
30 |
36 |
61 ± 1 |
|
III |
10 ± 0,2 |
- |
0,04 |
16 |
10 |
3 |
3 |
50 |
60 |
86 ± 1 |
|
IV |
6 ± 0,l |
10 |
0,03 |
M12 |
15 |
5 |
5 |
30 |
36 |
86 ± 1 |
|
V |
10 ± 0,2 |
12 |
0,04 |
M16 |
15 |
5 |
5 |
50 |
60 |
110 ± 1 |
Примечание.
К - допускаемая разность наибольшего и наименьшего диаметров на длине рабочей части образца.
Для испытаний, проводимых при нормальной или пониженной температуре, применяют образцы всех типов. При испытании при повышенной температуре применяют образцы типов IV и V.
Допускается применение пропорциональных коротких цилиндрических образцов другого диаметра или типа по ГОСТ 1497.
При испытании при повышенных температурах по требованию, оговоренному в стандарте или другой технической документации, допускается применение пропорциональных длинных цилиндрических образцов № 2 и 3 по ГОСТ 9651.
При наличии соответствующих приспособлений допускается применение образцов типов I, II и III для испытаний при повышенных температурах.
Рабочее сечение образцов всех типов должно полностью состоять из металла испытуемого участка. В головках образца допускается наличие металла других участков сварного соединения. На поверхности головки допускается наличие одной или двух (параллельных) лысок, а также наличие необработанной поверхности шва или основного металла.
Размеры головки в месте лыски должны быть: для образцов типов I, II и III - не менее do + 2; для образцов типов IV и V - не менее d.
Разметку места вырезки образцов производят по макрошлифам, изготовленным на торцах заготовки в соответствии с данными табл. 2 и 3. Все образцы располагают вдоль продольной оси испытываемого участка.
При испытании металла шва и наплавленного металла с сечением, превышающим сечение головки образца, разрешается производить разметку места вырезки образцов без травления заготовки по внешним очертаниям шва с соблюдением требований табл. 2 и 3.
Схема расположения образцов при испытании других участков металла шва или металла околошовной зоны устанавливается стандартами или другой технической документацией.
Таблица 2
|
Тип металла |
Толщина основного металла, мм |
Схема расположения образцов |
Указания по вырезке образцов |
|
|
1 |
Наплавленный металл |
Не менее 12 |
Сварка покрытыми электродами, в защитном газе и газовая сварка |
q - не менее пяти слоев. Образец должен располагаться выше штрипхунктирной линии |
|
2 |
Наплавленный металл. Наплавка производится на ребро пластины толщиной 20 мм. Длина пластины не менее 80 мм. Для удержания металла устанавливаются медные планки А |
20 |
Сварка покрытыми электродами, в защитном газе и газовая сварка |
q - не менее пяти слоев, но не менее 10 мм. Образец должен располагаться выше штрихпунктирной линии |
|
3 |
Наплавленный металл. Наплавка ведется в медную форму. Элементы формы могут охлаждаться водой |
|
Сварка покрытыми электродами, в защитном газе и газовая сварка |
Количество слоев не менее шести. Образец располагается вдоль направления сварки |
|
4 |
Металл однослойных и многослойных угловых швов, сваренных без полного провара одного из элементов |
|
Дуговая и электрошлаковая сварка |
Толщина шва Н не менее 6 мм |
|
5 |
Металл стыкового многослойного шва |
Не менее 12 |
Сварка покрытыми электродами, в защитном газе и газовая сварка |
|
|
6 |
Металл стыкового многослойного шва. Перед сваркой кромки наплавляются не менее чем в три слоя с применением испытываемых материалов |
Не менее 12 |
Сварка покрытыми электродами, в защитном газе и газовая сварка |
В рабочее сечение образца не должен попадать металл, наплавленный на кромки пластин |
|
7 |
Металл стыкового многослойного шва с предварительной наплавкой кромок и подкладки не менее чем в три слоя. Для наплавки применяют испытываемые материалы. Ширина подкладки 30 м |
Не менее 20 |
Зазор между стыкуемыми кромками 16 мм
Сварка покрытыми электродами, в защитном газе и газовая сварка |
В рабочее сечение образца не должен попадать металл, наплавленный на кромки пластин и на подкладку |
|
8 |
Металл стыковых односторонних и двусторонних симметричных и несимметричных однослойных и многослойных швов |
|
Дуговая сварка с принудительным формированием |
|
|
9 |
Металл двусторонних и односторонних угловых швов с полным проваром стенки |
|
Дуговая и электрошлаковая сварка
Дуговая и электрошлаковая сварка |
Толщина шва Н не менее 6 мм. При достаточной толщине шва расположение образцов может соответствовать позиции 12 табл. 2 или позиции 2 табл. 3 |
|
10 11 12 13 |
Металл односторонних и многослойных стыковых швов |
От 16 до 35 От 36 до 60 |
|
С = 0,5D + 2 мм С = 0,5D + 2 мм С = 0,5D + 2 мм |
|
14 15 |
Металл односторонних и многослойных стыковых швов |
От 61 до 350 |
|
С = 0,5D + 2 мм С = 0,5D + 2 мм |
Таблица 3
|
Тип металла |
Толщина второго шва H, мм |
Схема расположения образцов |
Указания по вырезке образцов |
|
|
1 |
Металл двусторонних, однослойных и многослойных стыковых швов |
От 16 до 35 |
Дуговая сварка |
С = 0,5D + 2 мм |
|
2 |
|
От 36 до 60 |
Дуговая сварка |
С = 0,5D + 2 мм |
|
3 |
Металл двусторонних, однослойных и многослойных стыковых швов |
От 61 до 150 |
Дуговая сварка |
С = 0,5D + 2 мм |
1. а - толщина металла в мм; D - диаметр головки образца в мм; С - расстояние от поверхности шва до оси образца в мм.
2. При однопроходных швах образцы, вырезаемые из различных участков шва, имеют практически одинаковые механические свойства. При многопроходных швах характеристики механических свойств в различных участках шва различны. Место вырезки образцов из многопроходных швов оговаривается стандартами или другой технической документацией. При отсутствии специальных указаний образцы вырезаются у поверхности шва.
3. Для сварных соединений, выполняемых из круглого проката, схему отбора образцов сохраняют той же.
4. Заготовки по позициям 1-3; 5-7 табл. 2 предназначаются для проверки качества сварочных материалов.
5. Если в стандартах или другой технической документации нет других указаний, то при двусторонней сварке образцы для испытаний вырезают из шва, выполненного вторым.
При испытании на ударный изгиб определяют ударную вязкость или работу удара, или процентное соотношение хрупкой и вязкой составляющих поверхности излома для металла шва, наплавленного металла, зоны сплавления и различных участков околошовной зоны при толщине основного металла 2 мм и более.
Ударную вязкость определяют в Дж/см2 (кгс×м/см2), если нет указаний в соответствующих стандартах или другой нормативно-технической документации.
Для испытания применяют образцы, форма, размер и качество поверхности которых соответствуют указанным на черт. 5 (образцы с U-образным надрезом) или черт. 6 (образцы с V-образным надрезом). Предпочтительными являются образцы с V-образным надрезом.
Черт. 5
a - толщина основного металла, мм
Черт. 6
а - толщина основного металла, мм
По требованию, указанному в нормативно-технической документации, разрешается применять образцы типа VI (см. черт. 5) с надрезом по черт. 7 или 8.
Черт. 7
Черт. 8
Условное обозначение ударной вязкости или работы удара включает: символ ударной вязкости (КС) или работы удара (К); вид надреза (концентратора) (U, V); температуру испытания (температура +20 °С не проставляется); максимальную энергию удара маятника (максимальная энергия в 300 Дж не проставляется); тип образца (тип образцов VI и IX не проставляется); место расположения надреза (Ш - шов; ЗС - зона сплавления; ЗТВ - зона термического влияния, t - расстояние от границы сплавления до оси надреза). Значение t оговаривается в стандартах или другой технической документации. При расположении надреза поперек металла шва, зоны сплавления или зоны термического влияния в конце обозначения ставится буква П.
Примеры условных обозначений:
1. Ударная вязкость, определяемая на образце типа VII, при температура +100 °С, при максимальной энергии удара маятника 150 Дж, с надрезом вида U, расположенным по зоне сплавления: KCU+100 150 УПЗС.
2. Ударная вязкость, определяемая на образце типа XI, при температуре минус 40 °С, при максимальной энергии удара маятника 50 Дж, с надрезом вида V, расположенным по зоне термического влияния на расстоянии (t, мм) от границы сплавления до оси надреза: KCV-40 50 XI ЗТВ t.
3. Ударная вязкость, определяемая на образце типа VI при температуре +20 °С, при максимальной энергии удара маятника 300 Дж, с надрезом вида U, расположенным по металлу шва: КСUШ.
4. Ударная вязкость на образце типа IX при температуре +20 °С, при максимальной энергии удара маятника 300 Дж, с надрезом вида V, расположенным поперек металла шва: KCVШ П.
Образцы различных типов дают несравнимые между собой результаты испытаний. Для отдельных случаев могут быть экспериментально установлены частные переводные коэффициенты.
При испытании на ударный изгиб должны применяться образцы с максимально возможной для данной толщины основного металла шириной. В соответствии с этим при толщине основного металла 11 мм и более применяют образцы типа VI или IX, при толщине основного металла 6 - 10 мм - образцы типа VII или X, при толщине металла 2 - 5 мм - образцы типа VIII или XI. Использование образцов типов VII и Х вместо образцов типов VI и IX и образцов типов VIII и XI вместо образцов типов VII и Х или VI и IX допускается только при сравнительных испытаниях, когда для одного из объектов сравнения применение тонкого образца обусловлено толщиной основного металла.
При вырезке образцов типов VI и IX из сварного соединения, выполненного из основного металла толщиной 11 мм, и образцов типов VII и Х - из основного металла толщиной 6 мм, допускается наличие необработанного основного металла на двух поверхностях образца. Поверхность основного металла образцов типов VIII и XI не обрабатывается.
Выпуклость шва на всех образцах удаляют до уровня основного металла. При наличии в сварном соединении смещения кромок (см. черт. 2) он удаляется механическим путем.

Дуговая сварка
Электрошлаковая сварка и дуговая сварка с принудительным формированием
Черт. 9
Дуговая сварка
Черт. 10

Дуговая сварка
Электрошлаковая сварка и дуговая сварка с принудительным формированием

Дуговая сварка по специальной технологии
Черт. 11
Дуговая сварка

Электрошлаковая сварка и дуговая сварка с принудительным формированием
Черт. 12
В зависимости от цели испытания надрез располагают по металлу шва (черт. 9 и 10), по зоне сплавления (черт. 11) и в различных участках металла околошовной зоны на расстоянии t от границы сплавления (черт. 12 и 13).
Дуговая сварка
Черт. 13
Место расположения надреза и расстояние t от границы сплавления до оси надреза указывается в нормативно-технической документации.
При испытании металла околошовной зоны при сварке давлением расстояние t отсчитывают от оси шва.
Разметку для нанесения надреза проводят по макрошлифам, расположенным на гранях образца или заготовки для образцов. Все образцы вырезают поперек испытуемого участка сварного соединения. Ориентация надреза для образцов типов VI и IX должна соответствовать черт. 9, 11 и 12, для образцов типов VII, VIII, Х и XI - черт. 10 и 13. Ориентация надреза для образцов типов VI и IX оговаривается в нормативно-технической документации. Вырезка образцов и заготовок для них ведется по табл. 4 и 5.
Схема расположения образцов при испытании металла околошовной зоны для стыковых соединений и металла шва и околошовной зоны при испытании тавровых и нахлесточных соединений указывается в стандартах или другой технической документации.
Таблица 4
|
Тип металла |
Толщина основного металла, мм |
Схема расположения образцов |
Указания по вырезке образцов |
|
|
1 |
Наплавленный металл. Ширина пластины, на которую производят наплавку, не менее 80 мм |
Не менее 12 |
Сварка покрытыми электродами, в защитных газах и газовая сварка |
q - не менее пяти слоев. Образец должен располагаться выше пунктирной линии |
|
2 |
Металл стыковых многопроходных швов |
Не менее 12 |
Сварка покрытыми электродами, в защитных газах и газовая сварка |
С - не более 1,5 мм |
|
3 |
Металл стыковых многопроходных швов. Перед сваркой производят наплавку кромок не менее чем в три слоя. Для наплавки применяют испытываемые материалы |
Не менее 12 |
Сварка покрытыми электродами, в защитных газах и газовая сварка |
С - не более 1,5 мм |
|
4 |
Металл стыковых многопроходных швов. Перед сваркой производят наплавку кромок и подкладки не менее чем в три слоя, Для наплавки применяют испытываемые материалы |
Не менее 20 |
Сварка покрытыми электродами, в защитных газах и газовая сварка |
С - не более 1,5 мм |
|
5 6 7 8 |
Металл стыковых швов всех типов |
От 2 до 17 |
|
|
|
9 10 |
Металл односторонних, однопроходных и многопроходных стыковых швов |
Oт 18 до 40 |
|
С - от 1 до 3 мм |
|
11 12 |
|
От 41 до 60 |
|
С - от 1 до 3 мм С - не менее 8 мм |
|
13 14 |
Металл односторонних, однопроходных и многопроходных стыковых швов |
От 61 до 350 |
|
С - от 1 до 3 мм С - не менее 8 мм |
Таблица 5
|
Тип металла |
Толщина основного металла, мм |
Схема расположения образцов |
Указания по вырезке образцов |
|
|
1 |
Металл двусторонних, однослойных и многослойных стыковых швов |
От 18 до 40 |
Дуговая сварка |
С - от 1 до 3 мм |
|
2 |
|
От 41 до 60 |
Дуговая сварка |
С - от 1 до 3 мм |
|
3 |
Металл двусторонних, однослойных и многослойных стыковых швов |
От 61 до 350 |
Дуговая сварка |
С - от 1 до 3 мм |
1. а - толщина основного металла в мм; С - расстояние от поверхности металла до края образца (заготовки) в мм.
2. При однослойных швах образцы, вырезаемые из различных участков, имеют практически одинаковую ударную вязкость. При многослойных швах ударная вязкость металла различных участков отличается друг от друга. Место вырезки образцов оговаривается в стандартах или другой технической документации. При отсутствии таких указаний образцы вырезают у поверхности шва.
3. Если в стандартах или другой технической документации нет специальных указаний, то при двусторонних швах образцы вырезают из шва, сваренного вторым. При двусторонних многослойных швах, выполняемых с переменным наложением проходов, образцы вырезают со стороны последнего из них.
4. Заготовки по позициям 1 - 4 табл. 4 используются для проверки качества сварочных материалов.
Стойкость против механического старения характеризуется изменением ударной вязкости металла, подвергнутого старению по сравнению с ударной вязкостью его в исходном состоянии. О стойкости металла против механического старения судят по выраженному в процентах отношению этих величин или по абсолютному (нормативному) значению ударной вязкости после старения. Испытания проводят для металла шва и различных участков металла околошовной зоны.
Заготовки подвергают искусственному старению по методике: деформация растяжением из расчета получения (10 ± 0,5) % остаточного удлинения в пределах расчетной длины l, ограниченной кернами или рисками. Рекомендуется на поверхности образцов через каждые 10 мм наносить риски для проверки равномерности деформации по длине расчетной части.
После удлинения заготовку подвергают равномерному нагреву в течение 1 ч при температуре 250 °С (523 К) с последующим охлаждением на воздухе. Из рабочей части заготовок по черт. 14; 15 или 17 отбирают образцы типа VI или IX, а по черт. 16 - типа VII или X. Ось надреза должна совпадать с осью симметрии шва. Схема отбора образцов при расположении надреза в других участках сварного соединения оговаривается стандартами или другой технической документацией.
Предусмотренная данным пунктом методика старения применяется для сварных соединений из сталей. Методика старения для других металлов и сплавов, а также иная температура нагрева или величина деформации для соединений из стали оговариваются в стандартах или другой технической документации.
Механическому старению подвергают заготовки, отбираемые от стыкового соединения в соответствии с черт. 14 или 15 и табл. 6.
Черт. 14
Черт. 15
Таблица 6
|
Тип металла |
Толщина основного металла, мм |
Схема расположения образцов |
Указания по вырезке образцов |
|
|
1 2 3 |
Все стыковые швы |
От 6 до 17 |
|
|
|
4 5 |
Односторонние, однопроходные и многопроходные стыковые швы |
Более 20 |
|
С - от 1 до 3 мм |
|
6 |
|
От 56 до 350 |
Электрошлаковая сварка |
С - не менее 8 мм. Вырезка заготовок по данной схеме должна оговариваться в стандартах или другой технической документации. Отбор образцов производится по черт. 17 |
|
7 |
Двусторонние однослойные и многослойные стыковые швы |
Более 17 |
Дуговая сварка |
С - от 1 до 3 мм |
Примечание.
а - толщина основного металла в мм; С - расстояние от поверхности металла до края заготовки в мм.
Черт. 16
Ось симметрии заготовки должна совпадать с продольной осью шва или с осью будущего надреза (если испытание проводят не для металла шва). Расположение надреза по черт. 15 применяют при электрошлаковой сварке и в случаях, оговоренных выше. Заготовки по черт. 16 применяют при испытании сварных соединений из металла толщиной менее 12 мм. По требованию, оговоренному стандартами или другой технической документацией, для сварных соединений, выполняемых электрошлаковым процессом, разрешается применять заготовки по черт. 17.
Черт. 17
Длину захватной части заготовок h устанавливают в зависимости от конструкции испытательной машины.
К условному обозначению образца прибавляют индекс «ст» (например, КСVстШ, КСUcтШ).
Измерение твердости проводится в поперечном сечении сварного соединения в соответствии с черт. 18, 18а и 19.
Твердость измеряют по Виккерсу (HV), Бринеллю (НВ) и по Роквеллу - шкалы А, В и С (HRA, HRB и HRC), отдавая предпочтение замеру по Виккерсу.
Измерение твердости по Виккерсу проводят по ГОСТ 2999. Нагрузка на индентор в зависимости от прочности металла участков сварного соединения и ширины зоны термического влияния должна составлять 98Н (HV10) или 49Н (HV50). При наличии в стандартах или другой технической документации соответствующих указаний проводится измерение твердости по Виккерсу. Нагрузка на индентор при таких замерах может меняться от 0,04 до 4,9Н.
Измерение твердости по Бринеллю проводят в соответствии с ГОСТ 9012, используя стальной шарик диаметром 2,5 или 5,0 мм.
Измерение твердости по Роквеллу проводят в соответствии с ГОСТ 9013 при сфероконическом алмазном инденторе (шкала А и С) или шариковом стальном наконечнике диаметром 1,5875 мм.
Твердость определяют для соединений, полученных сваркой плавлением или давлением из сталей различных марок и других металлических конструкционных материалов толщиной не менее 1,5 мм.
Твердость основного металла, различных участков зоны термического влияния и металла шва измеряют по одной или нескольким линиям, указанным на черт. 18. Если соединение выполнено из металлов различных марок, то твердость измеряют для каждого из них.
При измерениях, выполняемых в непосредственной близости от границы сплавления, рекомендуется проводить 2 - 3 замера в соответствии с позицией I черт. 18а или дополнительные замеры по позиции II черт. 18а.
Черт. 18
Черт. 18а
Примечание. Линии измерения твердости во всех случаях, кроме позиции VII, проходят через все участки сварного соединения: С - от 2 до 4 мм; C1 - от 10 до 15 мм; а - толщина основного металла, мм; Н - толщина углового шва, мм; q - подготовительный участок толщиной не менее пяти слоев; q1 - участок измерения твердости толщиной не менее шести слоев. Для угловых швов, имеющих вогнутую или выпуклую поверхность, величина С отсчитывается от места максимальной вогнутости или выпуклости.
Допускается проведение замеров на участках сварного соединения, указанных на черт. 19.
Черт. 19
Измерение твердости по Виккерсу проводят на микрошлифах или образцах с полированной поверхностью, если очертания шва видны без травления. Шероховатость поверхности таких образцов должна быть от 0,40 до 0,63 мкм. Измерение твердости по Бринеллю или Роквеллу проводят на макрошлифах или на образцах со шлифованной поверхностью, если очертания шва видны без травления. Шероховатость поверхности таких образцов должна быть от 1,25 до 2,00 мкм. В образцах должна быть соблюдена параллельность рабочей и опорной поверхностей.
Твердость стыковых и угловых соединений, выполненных дуговой сваркой, измеряют: при толщине основного металла или углового шва от 1,5 до 9 мм в соответствии с позицией VIII черт. 18 по одной пунктирной линии; при толщине от 9 до 25 мм - в соответствии с позициями I и III черт. 18 по двум сплошным и одной пунктирной линиям; при толщине от 26 до 60 мм - в соответствии с позицией II или III черт. 18 по двум сплошным и одной пунктирной линиям.
Схему замера твердости при толщине основного металла или углового шва более 60 мм оговаривают в стандартах или другой технической документации.
Твердость сварных соединений, полученных электрошлаковой сваркой, измеряют в соответствии с позицией IV черт. 18. Количество точек измерений в зоне термического влияния должно быть не менее 10.
Твердость различных участков металла наплавки измеряют в соответствии с позицией V черт. 18.
Твердость сварных соединений, полученных сваркой давлением, измеряют в соответствии с позицией VI черт. 18.
Твердость наплавленного металла при контроле качества сварочных материалов измеряют в соответствии с позицией VII черт. 18.
При испытании определяют прочность наиболее слабого участка стыкового или нахлесточного соединения или прочность металла шва в стыковом соединении.
А. Определение прочности наиболее слабого участка стыкового и нахлесточного соединения
При испытании сварного соединения на статическое растяжение определяют временное сопротивление наиболее слабого участка. Подсчет временного сопротивления ведется по ГОСТ 1497. При испытании определяют место разрушения образца (по металлу шва, по металлу околошовной зоны, по основному металлу).
Испытания проводят, как правило, на образцах, толщина или диаметр которых равны толщине или диаметру основного металла. При испытании сварного соединения или листов разной толщины более толстый лист путем механической обработки должен быть доведен до толщины более тонкого листа.
Шероховатость поверхности после обработки более толстого элемента должна быть не более 6,3 мкм.
Форма и размер плоских образцов для испытания стыковых соединений должны соответствовать черт. 20, 21 или 21 а и табл. 7.
Тип XII
Черт. 20
Тип XIII
Черт. 21
Тип XIIIa
Черт. 21 а
Таблица 7
Размеры, мм
|
Толщина основного металла а |
Толщина образца а1 |
Ширина рабочей части образца b |
Ширина захватов части образца b1 |
Длина рабочей части образца l |
Общая длина образца L |
Номер чертежа |
|
|
XII, XIII |
До 6 |
Равна толщине основного металла |
15 ± 0,5 |
25 |
50 |
l+2h |
|
|
Св. 6 до 10 включ. |
20 ± 0,5 |
30 |
60 |
||||
|
Св. 10 до 25 включ. |
25 ± 0,5 |
35 |
100 |
||||
|
Св. 25 до 50 включ. |
30 ± 0,5 |
40 |
160 |
||||
|
Св. 50 до 75 включ. |
35 ± 0,5 |
45 |
200 |
||||
|
XIIIa |
Равна и менее 20 |
Равна толщине металла |
Не менее 1, 2 толщин образца, но не менее 10 и не более 50 |
b+12 |
lш + 60 |
Равна или более 200 |
21а |
|
Св. 20 до 40 |
Равна толщине металла или 20 |
||||||
|
Св. 40 |
20 или 40 |
Примечания.
1. lш - максимальная ширина шва.
2. Длину захватной части образца h устанавливают в зависимости от конструкции испытательной машины.
3. Размеры образцов типов XII и XIII при толщине основного металла более 75 мм устанавливаются стандартом или другой нормативно-технической документацией.
4. Длину рабочей части образца можно увеличить, если конструкция испытательной машины делает невозможным испытание образца предписанной длины.
Допускается применение цилиндрических образцов типов I, II, III, IV и V. Металл шва в этих образцах должен располагаться по середине их рабочей части. Разрешается применение образца по ГОСТ 1497.
При испытании материалов высокой прочности разрешается изменять конструкцию захватной части образца.
Форма и размеры цилиндрических образцов для испытания стыковых соединений стержней круглого или многогранного сечения должны соответствовать указанным на черт. 22 и 22а и в табл. 8. Для испытания стыковых соединений из арматурной стали применяют необработанные образцы со снятым утолщением.
Тип XIV
Черт. 22
Тип XIV
Черт. 22а
Утолщение шва должно быть снято механическим способом до уровня основного металла. При удалении утолщения разрешается снимать основной металл по всей поверхности образца на глубину до 15 % толщины металла или диаметра стержня, но не более 4 мм. Удаление основного металла с поверхности образца производят только с той стороны, с которой снимают утолщение шва или имеется уступ (см. черт. 2). Строгать утолщение следует поперек шва. Острые кромки плоских образцов в пределах рабочей части должны быть закруглены радиусом не более 1,0 мм путем сглаживания напильником вдоль кромки. Разрешается строгать утолщение вдоль шва с последующим удалением рисок. Шероховатость поверхности Rz в местах удаления утолщения должна быть не более 6,3 мкм.
Таблица 8
|
Диаметр круглого стержня или диаметр окружности, вписанной в многогранный стержень, В |
Диаметр захватной части образца d1 |
Диаметр рабочей части образца d |
Длина рабочей части образца l |
Общая длина образца L |
Номер чертежа |
|
|
XIV |
До 10 Св. 10 до 25 Св. 25 до 50 Св. 50 до 70 |
- |
dc или В |
60 100 160 200 |
L + 2h |
|
|
XIVa |
Не ограничивается |
dc или В, но не более 40 |
0,8 d1 |
lш + 60 |
³ 200 |
22а |
Примечания.
1. lш - максимальная ширина шва.
2. Длину захватной части h устанавливают в зависимости от конструкции испытательной машины.
3. При dc более 75 мм размеры образца типа XIV устанавливаются стандартами или другой нормативно-технической документацией.
Испытания образцов типов XII, XIII, XIIIa и XIV разрешается проводить без снятия утолщения, если это оговорено в нормативно-технической документации.
В этом случае в формулу расчета временного сопротивления (ГОСТ 1497) вводят значение площадки сечения образца вне шва. При недостаточной мощности разрывной машины разрешается испытывать плоские образцы (черт. 23) или цилиндрические образцы (черт. 24 или 25). Величину захватной части образцов h устанавливают в зависимости от конструкции испытательной машины.
Тип XV
Черт. 23
Тип XVI
Черт. 24
Тип XVII
Черт. 25
Схема расположения заготовок для образцов типов XVI и XVII приведена в табл. 9 и 10.
Таблица 9
|
Тип шва |
Толщина основного металла или диаметр стержня, мм |
Схема расположения заготовок |
Указания по вырезке заготовок |
|
|
1 2 3 |
Все стыковые швы |
Для образцов типа XVI от 25 до 50 Для образцов типа XVII от 30 до 70 |
|
При стыковой контактной и газопрессовой сварке схема вырезки образцов такая же |
Таблица 10
|
Тип шва |
Толщина основного металла, мм |
Схема расположения заготовок |
Указания по вырезке заготовок |
|
|
1 |
Все стыковые швы |
Для образцов типа XVI от 51 до 75 |
|
|
|
2 3 |
Все стыковые швы |
Для образцов типа XVII от 71 до 100 |
|
С - от 1 до 3 мм При стыковой контакт ной и газопрессовой сварке схема вы резки образцов такая же |
|
4 |
|
Для образцов типа XVI более 75 |
|
|
|
5 |
То же |
|
|
С - от 1 до 3 мм |
|
6 |
|
Для образцов типа XVII более 100 |
|
|
а - толщина основного металла в мм; С - расстояние от поверхности металла до края заготовки в мм.
Разрешается применение цилиндрических образцов с другими рабочими диаметрами и другим типом захватной части в соответствии с ГОСТ 1497. Допускается проведение испытаний на образцах типов XII-XVII с более низким классом чистоты обработки при условии соответствия характеристик механических свойств испытываемого металла всем установленным требованиям.
Для контроля прочности сварных соединений труб применяют сегментные образцы, указанные на черт. 20 или 21, или 21а, а также цилиндрические образцы в виде отрезков труб, указанные на черт. 26 или 26а, или 27*. Образцы типов XII, XIII, XIIIa не выправляют. Форму их в поперечном сечении определяет естественная кривизна трубы.
Тип XVIII
Черт. 26
Тип XVIIIa
Черт. 26а
Тип XIХ

*Черт. 28 исключен.
Сегментные образцы вырезают при диаметре трубы более 20 мм.
Цилиндрические образцы типов XVIII и XVIIIa вырезают при диаметре трубы до 100 мм. При наличии соответствующего оборудования образцы этого типа вырезаются и при трубах больших диаметров. При испытании образца типа XIX его максимальный диаметр определяется мощностью испытательной машины. В формулу расчета временного сопротивления (ГОСТ 1497) для образцов этого типа вводится значение площади сечения трубы вне шва. В образцах типов XII, XIII и XIIIa выпуклость швов удаляют с двух сторон. В образцах типов XVIII и XIX выпуклость шва не удаляется, в образцах типа XVIIIa выпуклость шва удаляют только с наружной стороны. По требованиям, изложенным в нормативно-технической документации, разрешается испытывать образцы типа XVIII со снятой с наружной стороны выпуклостью шва. При недостаточной мощности испытательной машины разрешается применять образцы типов I - V. Металл шва располагают посередине образца.
Концы образцов типов XVIII и XVIIIa подготавливают для испытания при использовании цилиндрических пробок (образцы типа XVIIIa) или сплющивания (образцы типов XVIII и XVIIIa). Расстояние между внутренними концами металлических пробок должно быть равно l + 2D. Расстояние от оси шва до начала сплющиваемого участка должно быть не менее двух диаметров трубы.
Сварные соединения, выполненные точечной сваркой и электрозаклепками, испытывают на срез путем растяжения образца, приведенного на черт. 29, или на отрыв растяжением образца, приведенного на черт. 30. При испытании электрозаклепок ширина образца во всех случаях равна 50 мм.
Тип XX
Черт. 29
а - толщина основного металла, мм; h - длина захватной части (выбирается в зависимости от конструкции испытательной машины), мм; l - длина рабочей части образца, мм
Тип XX
Черт. 30
Размеры образцов должны соответствовать табл. 11.
Таблица 11
Размеры, мм
|
Ширина образца b, не менее |
|
|
До 1 включ. |
20 |
|
Более 1 до 2 включ. |
25 |
|
Более 2 до 3 включ. |
30 |
|
Более 3 до 4 включ. |
35 |
|
Более 4 до 5 включ. |
40 |
|
Более 5 |
45 |
При испытании определяют разрушающую нагрузку на точку в ньютонах (килограммах).
Для предотвращения изгиба образцы типа XXI закрепляют в специальном приспособлении. Приспособление должно обеспечивать жесткость образца и возможность испытания его на разрывных машинах.
Сварные соединения листов, выполненные шовной сваркой, испытывают на срез путем растяжения образцов, приведенных на черт. 31 или 32.
Тип XXII
Черт. 31
Тип XXIII
Черт. 32
При толщине металла до 1,0 мм испытывают образцы типа XXIII. При толщине металла более 1,0 мм выбор типа образца не устанавливается. При испытании определяют разрушающую нагрузку на образец в килограммах (ньютонах).
Вырезку образцов типов XX, XXII и XXIII из контрольных сварных соединений, сваренных точечной или шовной сваркой, производят согласно черт. 33. Шаг точек должен обеспечивать возможность вырезки образцов заданных размеров.
Черт. 33
Разрешается сваривать образцы с одной точкой в соответствии с черт. 29.
Б. Определение прочности металла шва в стыковом соединении
При испытании прочности металла шва в стыковом соединении определяют его временное сопротивление. Толщина образца типа XXIV должна равняться толщине основного металла. Диаметр захватной части образца типа XXV должен равняться толщине основного металла или диаметру свариваемых элементов.
Форма и размеры плоского образца должны соответствовать черт. 34 и табл. 12.
Тип XXIV
Черт. 34
Таблица 12
Размеры, мм
|
Ширина захватной части образца b1 |
Ширина рабочей части образца b |
Радиус закругления R |
Длина рабочей части образца l |
Общая длина образца L |
|
|
До 6 |
25 |
15 ± 0,5 |
6 ± 1 |
40 |
L = l + 2h |
|
Более 6 до 10 |
30 |
20 ± 0,5 |
12 ± 1 |
60 |
|
|
Более 10 до 25 |
38 |
25 ± 0,5 |
20 ± 2 |
70 |
|
|
Более 25 до 40 |
45 |
30 ± 0,5 |
25 ± 2 |
90 |
|
|
Более 40 до 50 |
55 |
35 ± 0,5 |
30 ± 2 |
110 |
Примечания.
1. Длину захватной части образцам L устанавливают в зависимости от конструкции испытательной машины.
2. Размеры образца при толщине металла более 50 мм устанавливаются соответствующими техническими условиями.
Форма и размеры, цилиндрического образца должны соответствовать черт. 35 и табл. 13.
Тип XXV
Черт. 35
Таблица 13
Размеры, мм
|
Диаметр рабочей части образца d |
Радиус закругления R |
Длина рабочей части образца l |
Общая длина образца L |
|
|
До 5 |
d = 0,6d1 |
R = 0,5d1 |
40 |
L = l + 2h |
|
Более 5 до 10 |
60 |
|||
|
Более 10 до 15 |
70 |
|||
|
Более 15 до 30 |
d = 0,7d1 |
90 |
||
|
Более 30 до 50 |
110 |
Примечания.
1. Длину захватной части образца L устанавливают в зависимости от конструкции испытательной машины.
2. Размеры образца при толщине металла более 50 мм устанавливаются соответствующими техническими условиями.
Поперечная ось образцов типов XXIV и XXV должна совпадать с осью шва. Для односторонних швов разметку поперечной оси образца производят по узкой части шва (при электродуговой сварке) или по грату (при контактной или газопрессовой сварке). Для двусторонних швов разметку поперечной оси производят после шлифовки и травления боковых поверхностей образца по макрошлифу или посередине выпуклости шва, сваренного со второй стороны.
Временное сопротивление определяют по формуле:
![]()
где sв - временное сопротивление, МПа (кгс/мм2); k - поправочный коэффициент; Р - максимальное усилие, Н (кгс); F - площадь поперечного сечения образца в наименьшем сечении до испытания, мм2 (м2).
Для углеродистых и низколегированных конструкционных сталей коэффициент k принимается равным 0,9. Для других металлов значение коэффициента k устанавливается соответствующей технической документацией.
Выпуклость шва для образцов типа XXIV должна быть удалена (см. ранее).
Испытания проводят для стыковых соединений. При испытании определяют способность соединения принимать заданный по размеру и форме изгиб. Эта способность характеризуется углом изгиба а (черт. 36), при котором в растянутой зоне образца образуется первая трещина, развивающаяся в процессе испытания. Если длина трещин, возникающих в процессе испытания в растянутой зоне образца, не превышает 20 % его ширины, но не более 5 мм, то они не являются браковочным признаком. Определяется также место образования трещины или разрушения (по металлу шва, металлу околошовной зоны или основному металлу).
Черт. 36
В зависимости от требований, установленных соответствующей нормативно-технической документацией, испытания проводят до достижения нормируемого угла изгиба или угла изгиба, при котором образуется первая являющаяся браковочным признаком трещина, до параллельности или соприкосновения сторон образца. Угол изгиба при испытании до образования первой трещины замеряют в ненапряженном состоянии с погрешностью до 2°.
Тип XXVI, XXVIa
Черт. 37
Тип XXVII, XXVIIa, XXVIII
Черт. 38
Тип XXVIIIa
Черт. 38а
Форма и размеры плоских образцов должны соответствовать указанным на черт. 37, 38, 38а и в табл. 14.
Таблица 14
Размеры, мм
|
Толщина основного металла и образца а |
Ширина образца b |
Общая длина образца L |
Длина рабочей части образца l |
Номер чертежа |
|
|
XXVI |
5 |
а + 15 |
2,5D + 80 |
0,33L |
|
|
Св. 5 до 50 |
а + 20 |
||||
|
XXVIa |
До 25 |
lш + 10, но не менее 20 |
Не более 250 |
Не устанавливается |
|
|
XXVII |
До 50 |
1,5а, но не менее 10 |
2,5 D + 80 |
0,33L |
|
|
XXVIIa |
До 25 |
Не менее 1,5а, но не менее 20 и не более 50 |
Не более 250 |
Не устанавливается |
|
|
XXVIII |
До 10 |
20 |
3,0 D + 80 |
0,33L |
|
|
Св. 10 до 45 |
30 |
||||
|
XXVIIIa |
До 40 |
0,7а, но не более 15 |
Не более 250 |
Не устанавливается |
38а |
Примечания.
1. D - диаметр оправки; lш - максимальная ширина шва.
2. Общая длина образцов типов XXVI, XXVII и XXVIII принята равной не менее указанной величины.
3. Форма поперечного сечения образца должна быть постоянной по всей длине.
Толщина образцов типов XXVI, XXVII и XXVIII при толщине основного металла 50 мм должна равняться толщине основного металла. При толщине металла более 50 мм толщина образца устанавливается нормативно-технической документацией. Образцы типов XXVIa XXVIIa и XXVIIIa, толщина которых меньше толщины основного металла, допускается вырезать в различных участках поперечного сечения сварного соединения. К результатам испытания образцов разных типов устанавливаются различные нормативные требования.
Выпуклость шва по обеим сторонам образца снимается механическим способом до уровня основного металла с шероховатостью до 6,3 мкм. В процессе удаления утолщения, если в нормативно-технической документации нет иных указаний, удаляют и подрезы основного металла. Строгать утолщение при образцах типов XXVI и XXVIa следует вдоль, а при образцах типов XXVII, XXVIIa, XXVIII и XXVIIIa - поперек шва. Разрешается строгать утолщение в любом направлении с последующим удалением рисок. Кроме образцов в пределах их рабочей части должны быть закруглены радиусом 0,1 толщины образца, но не большим 2 мм путем сглаживания напильником вдоль кромки.
Испытание образцов типов XXVI и XXVIa проводят, как указано на черт. 39, типов XXVIIa и XXVIII - на черт, 40, типа XXVIIIa - на черт. 40а. Расстояние между опорами К (черт. 40) должно быть равно: для образцов типа XXVII - 2,5 D, для образцов типа XXVIIa - D + 3a, для образцов типа XXVIII - 3D. Расстояние для образцов типов XXVI и XXVIa указано на черт. 39, а типа XXIIIa - на черт. 40а.
Черт. 39
Черт. 40
Черт. 40а
Обязательным условием проведения испытаний является плавность возрастания нагрузки на образец. Испытания проводят со скоростью не более 15 мм/мин на испытательных машинах или прессах с использованием опорных роликов.
Диаметр оправки D может изменяться в зависимости от марки стали, толщины листов, способа термообработки и должен оговариваться в соответствующей нормативно-технической документации. При отсутствии специальных указаний диаметр оправки принимают равным двум толщинам основного металла. Радиус закругления опоры r для образцов типов XXVI, XXVIa, XXVII и XXVIIa выбирают по табл. 15. Для образцов типа XXVIII r = 25 мм. Для образцов типа XXVIIIa радиус не установлен.
Таблица 15
|
r, мм |
|
|
До 2 |
2 |
|
Более 2 до 4 |
4 |
|
Более 4 до 8 |
8 |
|
Более 8 до 10 |
10 |
|
Более 10 до 26 |
20 |
|
Более 26 |
25 |
Если заданный угол изгиба превышает 150°, то после изгиба по схеме, приведенной на черт. 39, 40, 40а, изгиб можно продолжать между двумя параллельными нажимными плитами. Между концами образца устанавливают прокладку толщиной d, равной диаметру оправки (черт. 41). После удаления прокладки испытание проводят до соприкосновения сторон.
Черт. 41
Для стыковых односторонних швов по требованию, оговоренному в стандартах или другой технической документации, в растянутой зоне располагают поверхностный наиболее широкий или корневой участок шва. При отсутствии специальных указаний в растянутой зоне должна располагаться поверхность шва.
Если в стандартах или другой технической документации нет иных указаний, то при двусторонних стыковых швах в растянутой зоне располагают для всех типов образцов, кроме XXVIIIa, шов, выполненный вторым. Для образцов типа XXVIIIa в растянутую зону попадает все сечение шва. При сварке многослойных двусторонних стыковых швов с поперечным наложением проходов в растянутой зоне располагают сторону, где был выполнен последний проход.
Соединения с подварочным швом относятся к односторонним. Испытания стыковых соединений труб на изгиб при поперечном (круговом) расположении шва проводят на образцах со снятым с наружной стороны утолщением.
При диаметре трубы £ 20 мм применяют образцы в виде отрезков трубы.
При диаметре трубы свыше 20 до 45 мм применяют образцы в виде отрезка труб или плоские (сегментные) образцы.
При диаметре трубы свыше 45 мм применяют плоские (сегментные) образцы типов XXVII, XXVIIa и XXVIII, их размеры указаны в табл. 14. Образцы не выправляют. Форму их в поперечном сечении определяет естественная кривизна трубы.
Испытание труб диаметром 60 мм и менее с поперечным (круговым) и продольным швами можно проводить на образцах, приведенных на черт. 42 или 43. Утолщение шва с наружной стороны трубы механическим путем снимается до уровня основного металла.
Тип XXIX
Черт. 42
Тип XXX
Черт. 43
На образцах, вырезанных из труб, выполненных стыковой контактной сваркой, грат должен быть снят с наружной и внутренней сторон трубы до уровня основного металла.
Результаты испытания образцов типов XXIX и XXX определяются величиной b (черт. 44) при появлении на поверхности образца трещины. Характер трещины должен соответствовать указанному ранее.
Черт. 44
Если трещина не образуется, то испытание проводят до соприкосновения сторон.
Испытание производят путем деформации образца под прессом сжимающей нагрузкой.
Обязательным условием проведения испытания является плавность нарастания усилия на образец. Скорость испытания должна соответствовать указанной выше.
При испытании образцов с круговым швом последний располагают по оси приложения сжимающей нагрузки (черт. 45), а при испытании образца с продольным швом шов располагают в диаметральной плоскости, перпендикулярной действию сжимающей нагрузки (см. черт. 44).
Черт. 45
Если в образце, предназначенном для испытания кругового шва, есть продольный шов, он должен располагаться вне растянутой зоны.
Испытание соединений стержней кругового или многогранного сечения при отсутствии нормативно-технической документации и других требований проводят на следующих образцах:
при диаметре стержня или диаметре окружности, вписанной в многогранное сечение £ 0 мм, испытывают отрезки натурального соединения со снятым утолщением;
при диаметре стержня или вписанной окружности более 20 до 50 мм - отрезки натурального соединения со снятым утолщением или плоские образцы типа XXVIIa, толщина которых принимается равной половине диаметра круглого стержня или вписанной в сечение многогранного стержня окружности;
при диаметре стержня или вписанной в сечение многогранника окружности более 50 мм - плоские образцы типа XXVIIa, толщина основного металла которых принимается равной половине диаметра круглого стержня или вписанной в сечение многогранника окружности.
Во всех случаях рабочая длина образца должна быть ³ 250 мм, а радиус закругления граней многогранника равняется 01 толщины образца, но не более 2 мм.
Испытание на сопротивление ударному разрыву производят для сварных стыковых соединений листов толщиной до 2 мм.
Форма и размеры образца должны соответствовать черт. 46. При испытании материалов высокой прочности разрешается изменять конструкцию захватной части образца.
Черт. 46
Испытание проводят на маятниковых копрах с приспособлением для закрепления плоских образцов. Удельная ударная работа определяется по формуле:
,
где Ay - работа удара, затраченная на разрыв образца, Дж (кгс×м); V - объем расчетной части образца, равной произведению толщины основного металла (а) на расчетную длину и ширину образца, см3 (м3).
СОДЕРЖАНИЕ
|
|
|
|