//
ТехЛит.ру
- крупнейшая бесплатная электронная интернет библиотека для "технически умных" людей.
WWW.TEHLIT.RU - ТЕХНИЧЕСКАЯ ЛИТЕРАТУРА

:: Алготрейдинг::


АЛГОТРЕЙДИНГ
шаг за шагом
с нуля по урокам!

Торговые роботы на PYTHON, BackTrader,
Pandas, Pine Script для TradingView. Связка с брокерами, телеграм и легкими приложениями.


Изменение № 1 ГОСТ 27578-87 Газы углеводородные сжиженные для автомобильного транспорта. Технические условия

Принято Межгосударственным Советом по стандартизации, метрологии и сертификации (протокол № 16 от 08.10.99)

Зарегистрировано Техническим секретариатом МГС № 3483

За принятие изменения проголосовали:

Наименование государства

Наименование национального органа по стандартизации

Азербайджанская Республика

Азгосстандарт

Республика Армения

Армгосстандарт

Республика Беларусь

Госстандарт Беларуси

Грузия

Грузстандарт

Киргизская Республика

Киргизстандарт

Республика Молдова

Молдовастандарт

Российская Федерация

Госстандарт России

Республика Таджикистан

Таджикгосстандарт

Туркменистан

Главная государственная инспекция Туркменистана

Республика Узбекистан

Узгосстандарт

Украина

Госстандарт Украины

Вводную часть дополнить абзацем:

«Обязательные требования к качеству продукции изложены в п. 1.3.1 и разд. 2, 3».

Пункт 1.3.1. Таблица 2. Показатель 1. Заменить норму: 90±10 на 85±10;

графа «Наименование показателя». Показатель 2 изложить в новой редакции:

«2. Содержание жидкого остатка при 40 °С, свободной воды и щелочи»;

показатель 5 исключить.

Пункт 1.3.3.2 дополнить абзацем:

«Для контроля взрывоопасных концентраций сжиженных газов в производственных помещениях используют сигнализаторы с общими техническими требованиями по ГОСТ 27540-87 и настройкой порога срабатывания - 20 % от нижнего предела распространения пламени».

Пункт 1.3.3.4. Заменить слово: «пропана» на «предельных углеводородов».

Пункт 1.3.3.5 изложить в новой редакции:

«1.3.3.5. Сжиженные газы могут проявлять следующие опасные свойства:

- токсичность продуктов неполного сгорания газов;

- удушающее действие газов при содержании в воздухе кислорода ниже допустимого;

- сильное охлаждающее действие жидкой фазы, вызывающее тяжелое обморожение.

Меры первой помощи:

- при отравлении - свежий воздух (кислород), тепло, вата, смоченная нашатырным спиртом, для приведения пострадавшего в сознание - горячее питье, при необходимости искусственное дыхание;

- при попадании жидкой фазы на одежду - немедленно удалить одежду с целью исключения соприкосновения жидкой фазы с телом человека;

- при обморожении - наложить сухую стерильную повязку на обмороженную поверхность кожи и немедленно обратиться к врачу.

При работе со сжиженными газами глаза необходимо защищать очками с боковыми открылками, так как попадание капель в глаза может вызвать потерю зрения».

Пункт 1.3.3.7. Заменить слова: «Все производственные» на «Взрывоопасные».

Пункты 1.3.3.8, 1.3.3.10 изложить в новой редакции:

«1.3.3.8. Содержание углеводородов в производственных помещениях (в воздухе рабочей зоны) контролируют переносными или автоматическими приборами (анализаторами, сигнализаторами), допущенными к применению в установленном порядке.

1.3.3.10. При загорании применяют следующие средства пожаротушения: углекислотные, порошковые, водно-дисперсные и пенные огнетушители;

водяной пар, азот и другие инертные газы;

воду в виде компактных и распыленных струй;

асбестовое полотно, сухой песок».

Раздел 1 дополнить пунктами - 1.3.4 - 1.3.4.3:

«1.3.4. Требования охраны природы

1.3.4.1. Основными требованиями, обеспечивающими сохранение природной среды, является максимальная герметизация емкостей, коммуникаций, насосных агрегатов и другого оборудования, строгое соблюдение технологического режима.

1.3.4.2. В производственных помещениях и на открытых площадках производства должен быть периодический (не менее одного раза в сутки) контроль содержания углеводородов переносными или автоматическими приборами (анализаторами, сигнализаторами), допущенными к применению в установленном порядке.

1.3.4.3. Промышленные стоки необходимо анализировать на содержание в них нефтепродуктов в соответствии с методическим руководством по анализу сточных вод нефтеперерабатывающих и нефтехимических заводов, утвержденным в установленном порядке».

Пункты 1.4.1, 3.2 - 3.2.2 изложить в новой редакции (пункт 3.2.3 исключить):

«1.4.1. Маркировка сжиженных газов - по ГОСТ 1510-84 с указанием манипуляционного знака «Беречь от нагрева» по ГОСТ 14192-96 и знака опасности по ГОСТ 19433-88, класс 2, подкласс 2.3.

3.2. Определение жидкого остатка, свободной воды и щелочи

3.2.1. Аппаратура, материалы, реактивы

Отстойник вместимостью 100 или 500 см3.

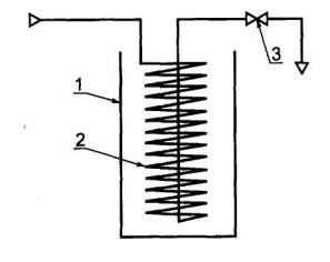
Устройство для охлаждения (см. рисунок), включающее охлаждающий змеевик с игольчатым вентилем и сосуд для охлаждения смеси.

Охлаждающий змеевик изготовляют из медной трубки (ГОСТ 617-90) длиной 6 м и наружным диаметром 6-8 мм, навитой виток к витку в виде спирали диаметром 60-90 мм.

Сосуд для охлаждающей смеси с тепловой изоляцией и размерами под охлаждающий змеевик (внутренний диаметр не менее 120 мм, высота не менее 220 мм).

Пробоотборник ПГО-400 или другого типа.

Термометр типа ТН-8 по ГОСТ 400-80.

Термометр ртутный стеклянный с пределами градуировки от 0 до 100 °С и ценой деления шкалы 1 °С.

Баня водяная для отстойника для поддержания температуры (40±1) °С.

Штатив лабораторный для отстойника.

Проволока медная диаметром 1,5-2 мм, длиной 200 или 450 мм (в соответствии с высотой отстойника на 100 и 500 см3).

Гайка накидная к штуцеру пробоотборника с уплотнительной прокладкой, снабженная металлической или пластиковой трубкой длиной 10-15 см и внутренним диаметром 1-3 мм, служащей для налива сжиженного газа в отстойник.

Индикаторы тимоловый синий водорастворимый, ч. д. а. и фенолфталеин, раствор в этиловом спирте по ГОСТ 18300-87 или по ГОСТ 17299-78 с массовой долей 1 %.

Вата гигроскопическая по ГОСТ 5556-81.

Вода дистиллированная (рН = 7) по ГОСТ 6709-72.

Смесь охлаждающая, состоящая из крупнокристаллической поваренной соли и льда или ацетона и твердого диоксида углерода, или другие смеси, обеспечивающие требуемую температуру (до минус 45 °С).

Допускается применять аппаратуру с аналогичными технологическими и метрологическими характеристиками, а также импортные реактивы квалификации не ниже указанных в стандарте.

Устройство для охлаждения сжиженного углеводородного газа

1 - сосуд для охлаждающей смеси; 2 - змеевик; 3 - игольчатый вентиль

Черт. 1

3.2.2. Проведение испытаний

3.2.2.1. На штуцер пробоотборника с испытуемым газом навинчивают накидную гайку с чистой сухой отводной трубкой. Открывая нижний вентиль (у пробоотборника типа ПГО-400 - выпускной вентиль) вертикально расположенного пробоотборника, осторожно наливают сжиженный газ через трубку в чистый сухой отстойник. При наливе конец трубки удерживают под поверхностью заполняющей жидкости, отстойник наполняют до метки 100 см3.

3.2.2.2. Затем быстро устанавливают медную проволоку в пробку из ваты, неплотно вставленную в горло отстойника. Проволока предотвращает перегрев жидкости и ее вскипание с выбросом и способствует равномерному испарению сжиженного газа, а пробка из ваты не пропускает в отстойник влагу из воздуха.

3.2.2.3. После испарения основной массы при температуре окружающей среды и прекращения заметного испарения жидкости отстойник помещают в водяную баню с температурой (40±1) °С и выдерживают 20 мин при этой температуре. После этого фиксируют наличие остатка в отстойнике.

3.2.2.4. При проведении повторных и арбитражных испытаний отстойник заполняют сжиженным газом через охлаждающий змеевик. Змеевик устанавливают в сосуд для охлаждающей смеси, снабженный термометром, охлаждают до температуры на несколько градусов ниже температуры кипения основного компонента пробы и присоединяют к пробоотборнику или пробоотборной точке.

3.2.2.5. Открывая вентили на пробоотборнике или пробоотборной точке и змеевике, промывают змеевик сжиженным газом. Затем отстойник наполняют пробой сжиженного газа, выходящей из змеевика, до метки 100 см3, не допуская выброса пробы из отстойника. Повторяют операцию испарения газа по пп. 3.2.2.2 и 3.2.2.3.

3.2.2.6. Если в сжиженном газе имеется свободная вода, после испарения газа она остается на дне и стенках отстойника. При затруднениях в визуальной идентификации свободной воды в жидком остатке ее наличие определяют с помощью водорастворимого индикатора. Для этого в отстойник вносят на кончике сухой стеклянной палочки или проволоки несколько кристаллов тимолового синего.

В углеродном жидком остатке тимоловый синий не растворяется и не окрашивается. Окрашивание жидкости при контакте с индикатором подтверждает наличие воды. В щелочной среде тимоловый синий окрашивается в синий цвет.

Для определения наличия щелочи в жидком остатке допускается применять в качестве индикатора фенолфталеин. В отстойник добавляют 10 см3 дистиллированной воды, предварительно проверенной на нейтральность, и 2-3 капли фенолфталеина. Отсутствие окраски раствора в розовый или красный цвет фиксирует отсутствие щелочи, окраска раствора - присутствие щелочи».

Пункт 3.4 - 3.4.3 исключить.

(ИУС № 4 2000 г.)

 




Яндекс цитирования



   Copyright © 2007-2026,  www.tehlit.ru.

[ ѓосты, стандарты, нормативы, инструкции, правила, строительные нормы ]