//
ТехЛит.ру
- крупнейшая бесплатная электронная интернет библиотека для "технически умных" людей.
WWW.TEHLIT.RU - ТЕХНИЧЕСКАЯ ЛИТЕРАТУРА

:: Алготрейдинг::


АЛГОТРЕЙДИНГ
шаг за шагом
с нуля по урокам!

Торговые роботы на PYTHON, BackTrader,
Pandas, Pine Script для TradingView. Связка с брокерами, телеграм и легкими приложениями.


ГОСУДАРСТВЕННЫЙ СТАНДАРТ СОЮЗА ССР

БАЛКИ СТРОПИЛЬНЫЕ
И ПОДСТРОПИЛЬНЫЕ ЖЕЛЕЗОБЕТОННЫЕ

ТЕХНИЧЕСКИЕ УСЛОВИЯ

ГОСТ 20372-90

ГОСУДАРСТВЕННЫЙ СТРОИТЕЛЬНЫЙ КОМИТЕТ СССР

Москва

 

ГОСУДАРСТВЕННЫЙ СТАНДАРТ СОЮЗА ССР

БАЛКИ СТРОПИЛЬНЫЕ И ПОДСТРОПИЛЬНЫЕ ЖЕЛЕЗОБЕТОННЫЕ

Технические условия

Reinforced concrete rafter and longitudinal beams. Specifications

ГОСТ
20372-90

Дата введения 01.07.91

Настоящий стандарт распространяется на железобетонные стропильные и подстропильные балки (далее - балки), изготовляемые из тяжелого или конструкционного легкого бетона и предназначаемые для покрытий зданий промышленных и сельскохозяйственных предприятий.

Балки применяют в соответствии с указаниями рабочих чертежей балок и дополнительными требованиями, оговариваемыми при заказе этих конструкций.

1. ТЕХНИЧЕСКИЕ ТРЕБОВАНИЯ

1.1. Балки следует изготовлять в соответствии с требованиями настоящего стандарта и технологической документации, утвержденной предприятием-изготовителем, по рабочим чертежам серий 1.462.1-1/88, 1.462.1-3/89, 1.462.1-10/89, 1.462.1-16/88, 1.462.1-18, 1.862.1-2/88, 1.862.1-5. Допускается изготовлять балки, отличающиеся типами и размерами от приведенных в настоящем стандарте, по техническим условиям и соответствующим рабочим чертежам, утвержденным в установленном порядке.

1.2. Основные параметры и размеры

1.2.1. Балки подразделяют на типы:

БСП - стропильные с параллельными поясами;

БСО - то же, односкатные;

БСД - то же, двускатные;

БП - подстропильные.

1.2.2. Форма и основные размеры балок должны соответствовать указанным в приложении.

1.2.3. Показатели расхода бетона и стали на балки должны соответствовать указанным в рабочих чертежах этих балок.

1.2.4. Балки изготовляют предварительно напряженными. Балки типоразмеров БСП6, БСП9, 2БСО6, 2БСО8, 2БСО9 допускается изготовлять с ненапрягаемой арматурой.

1.2.5. Балки изготовляют со строповочными отверстиями для подъема и монтажа. Допускается вместо строповочных отверстий предусматривать монтажные петли, выполненные в соответствии с указаниями рабочих чертежей этих балок.

1.2.6. Балки применяют в зданиях с учетом их предела огнестойкости, указанного в рабочих чертежах балок.

1.2.7. Балки обозначают марками в соответствии с требованиями ГОСТ 23009. Марка балки состоит из буквенно-цифровых групп, разделенных дефисами.

В первой группе указывают обозначение типоразмера балки: арабскую цифру, обозначающую порядковый номер типоразмера балки (при необходимости), тип балки и перекрываемый ею пролет в метрах (округленный до целого числа);

Во второй группе указывают:

порядковый номер балки по несущей способности;

класс напрягаемой арматуры (для предварительно напряженных балок);

вид бетона (для балок, изготовляемых из легкого бетона).

В третьей группе, при необходимости, указывают дополнительные характеристики, отражающие особые условия применения балок (стойкость к воздействию агрессивных газообразных сред, сейсмическим воздействиям), а также обозначение конструктивных особенностей балок (наличие дополнительных закладных изделий, отверстий и др.).

Пример условного обозначения (марки) балки типоразмера 4БСД18, второй по несущей способности, изготовленной из тяжелого бетона, с напрягаемой арматурной сталью класса A-IV, с закладными изделиями для крепления плит:

4БСД18-2AIV-1

То же, изготовленной из бетона нормальной проницаемости (Н) и предназначенной для применения в условиях воздействия слабоагрессивной газообразной среды:

4БСД18-2AIV-1Н

Примечание. Допускается принимать обозначение марок балок в соответствии с указаниями рабочих чертежей этих балок до их пересмотра.

1.3. Характеристики

1.3.1. Балки должны удовлетворять требованиям ГОСТ 13015.0:

по показателям фактической прочности бетона (передаточной, отпускной и в проектном возрасте);

по морозостойкости бетона, а для балок, эксплуатируемых в условиях воздействия агрессивной газообразной среды, также по водонепроницаемости бетона;

по показателю фактической средней плотности легкого бетона;

к маркам сталей для арматурных и закладных изделий, в том числе для монтажных петель;

по толщине защитного слоя бетона до арматуры;

по защите от коррозии.

1.3.2. Балки должны удовлетворять установленным при проектировании требованиям по прочности, жесткости и трещиностойкости и при испытании их нагружением выдерживать контрольные нагрузки, указанные в рабочих чертежах этих балок.

1.3.3. Балки следует изготовлять из тяжелого бетона по ГОСТ 26633 или конструкционного легкого бетона по ГОСТ 25820 классов или марок бетона по прочности на сжатие, указанных в рабочих чертежах этих балок.

1.3.4. Усилия обжатия (отпуск натяжения арматуры) передают на бетон после достижения им требуемой передаточной прочности.

Нормируемая передаточная прочность предварительно напряженных балок в зависимости от класса или марки бетона, вида и класса напрягаемой арматурной стали должна соответствовать указанной в рабочих чертежах этих балок.

1.3.5. Нормируемая отпускная прочность бетона балок с напрягаемой арматурой должна быть равна нормируемой передаточной прочности бетона, а для балок с ненапрягаемой арматурой - 50 % прочности бетона на сжатие, соответствующей его классу или марке.

При поставке балок в холодный период года нормируемая отпускная прочность бетона балок может быть повышена до 90 % прочности бетона на сжатие, соответствующей его классу или марке, согласно требованиям рабочих чертежей этих балок.

1.3.6. Для армирования балок следует применять арматурную сталь следующих видов и классов:

в качестве напрягаемой арматуры - стержневую термомеханически упрочненную периодического профиля классов Aт-IVC, Aт-IVK, Aт-V, Aт-VCK по ГОСТ 10884; стержневую горячекатаную периодического профиля классов A-IV и A-V по ГОСТ 5781; арматурные канаты класса К-7 по ГОСТ 13840; стержневую класса A-IIIB, изготовляемую из арматурной стали класса A-III по ГОСТ 5781 упрочнением вытяжкой с контролем значения напряжения и предельного удлинения;

в качестве ненапрягаемой арматуры - стержневую горячекатаную периодического профиля класса A-III по ГОСТ 5781; стержневую термомеханически упрочненную периодического профиля классов Aт-IVC и Aт-IIIС по ГОСТ 10884 и арматурную проволоку обыкновенного периодического профиля класса Вр-1 по ГОСТ 6727.

1.3.7. Значения напряжений в напрягаемой арматуре, контролируемые по окончании ее натяжения на упоры, должны соответствовать приведенным в рабочих чертежах балок.

Значения действительных отклонений напряжений в напрягаемой арматуре не должны превышать при натяжении:

механическим способом в процентах:

+5, -10 - в стержневой арматуре;

±5 - в арматурных канатах;

электротермическим способом, МПа:

±80 - в балках, перекрывающих пролет    6 м;

±75 - »     »                 »                      »          7,5 м;

±70 - »     »                 »                      »          9 м;

±60 - »     »                 »                      »          12 м;

±50 - »     »                 »                      »          18 м

1.3.8. Форма и размеры арматурных и закладных изделий и их положение в балках должны соответствовать указанным в рабочих чертежах этих балок.

1.3.9. Сварные арматурные и закладные изделия должны удовлетворять требованиям ГОСТ 10922.

1.3.10. Значения действительных отклонений геометрических параметров балок не должны превышать предельных, указанных в табл. 1.

Таблица 1

мм

Наименование отклонения от геометрического параметра

Наименование геометрического параметра

Пред. откл.

Отклонение от линейного размера

Длина балки:

 

5960, 6250, 6260, 7800

±10

8960, 9350, 9420, 11960, 12440

±12

17960

±15

Высота поперечного сечения балки:

 

До 1000 включ.

±10

Св. 1000 до 1600

±12

Ширина пояса балки:

 

До 250 включ.

±6

Св. 250

±8

Толщина стенки и высота пояса балки:

 

До 120 включ.

±5

Св. 120

±6

Размер, определяющий положение:

 

Отверстий в стенке балки

10

Закладных изделий:

 

В плоскости балки

10

Из плоскости балки

3

Отклонение от прямолинейности реального профиля боковых поверхностей балки на всей ее длине:

 

 

5960, 6250, 6260, 7800, 8960, 9350, 9420, 11960

-

15

12440

20

17960

25

1.3.11. Требования к качеству поверхностей и внешнему виду балок - по ГОСТ 13015.0. При этом качество бетонной поверхности балок должно удовлетворять требованиям, установленным для категорий:

A6 - лицевой;

A7 - нелицевой, не видимой в условиях эксплуатации.

По согласованию изготовителя с потребителем лицевые поверхности балок могут быть категории A3.

1.3.12. Концы напрягаемой арматуры не должны выступать за торцевые поверхности балок более чем на 10 мм и должны быть защищены слоем цементно-песчаного раствора для битумного лака.

1.3.13. В бетоне балок не допускаются трещины, за исключением:

усадочных и других поверхностных технологических, ширина которых не должна превышать 0,1 мм в предварительно напряженных балках и 0,2 мм в балках с ненапрягаемой арматурой;

поперечных в верхнем поясе от усилия предварительного напряжения шириной раскрытия не более 0,2 мм и глубиной не более 1/3 высоты сечения.

1.4. Маркировка

Маркировка балок - по ГОСТ 13015.2.

Маркировочные надписи и знаки следует наносить на боковую или торцевую грань балки.

2. ПРИЕМКА

2.1. Приемка балок - по ГОСТ 13015.1 и настоящему стандарту. При этом балки принимают:

по результатам периодических испытаний - по показателям прочности, жесткости и трещиностойкости балок, морозостойкости бетона, пористости (объему межзерновых пустот) уплотненной смеси легкого бетона, а также по водонепроницаемости бетона балок, предназначенных для эксплуатации в условиях воздействия агрессивной газообразной среды;

по результатам приемосдаточных испытаний - по показателям прочности бетона (классу бетона по прочности на сжатие, передаточной и отпускной прочности), средней плотности легкого бетона, соответствия арматурных и закладных изделий рабочим чертежам, прочности сварных соединений, точности геометрических параметров, толщины защитного слоя бетона до арматуры, ширины раскрытия технологических трещин, категории бетонных поверхностей.

2.2. Периодические испытания балок нагружением для контроля их прочности, жесткости и трещиностойкости проводят перед началом массового изготовления балок и в дальнейшем - при внесении в них конструктивных изменений или изменении технологии изготовления в соответствии с требованиями ГОСТ 13015.1.

В процессе серийного производства балок испытания нагружением проводят не реже одного раза в год. Испытания стропильных балок длиной до 7800 мм включительно в процессе их серийного производства допускается не проводить, если осуществляется неразрушающий контроль в соответствии с ГОСТ 13015.1.

2.3. Пористость (объем межзерновых пустот) уплотненной смеси легкого бетона следует определять не реже одного раза в месяц.

2.4. Балки по показателям точности геометрических параметров, толщины защитного слоя бетона до арматуры, категории бетонной поверхности и ширины раскрытия поверхностных технологических трещин принимают по результатам выборочного контроля.

2.5. В документе о качестве балок дополнительно указывают марку бетона по морозостойкости, а для балок, предназначенных для эксплуатации в условиях воздействия агрессивных газообразных сред, - марку бетона по водонепроницаемости (если эти показатели оговорены в заказе на изготовление балок).

3. МЕТОДЫ КОНТРОЛЯ

3.1. Испытание балок нагружением для контроля их прочности, жесткости и трещиностойкости следует проводить в соответствии с требованиями ГОСТ 8829 и рабочих чертежей на эти балки.

3.2. Прочность бетона балок определяют по ГОСТ 10180 на серии образцов, изготовленных из бетонной смеси рабочего состава и хранившихся в условиях, установленных ГОСТ 18105.

При проверке прочности бетона методами неразрушающего контроля фактическую передаточную и отпускную прочность бетона на сжатие определяют ультразвуковым методом по ГОСТ 17624 или приборами механического действия по ГОСТ 22690. Допускается применение других методов неразрушающего контроля, предусмотренных стандартами на методы контроля прочности бетона.

3.3. Морозостойкость бетона балок определяют по ГОСТ 10060 или ультразвуковым методом по ГОСТ 26134 на серии образцов, изготовленных из бетонной смеси рабочего состава.

3.4. Водонепроницаемость бетона балок, предназначенных для эксплуатации в условиях воздействия агрессивной газообразной среды, определяют по ГОСТ 12730.0 и ГОСТ 12730.5.

3.5. Пористость уплотненной смеси легкого бетона определяют по ГОСТ 10181.0 и ГОСТ 10181.3.

3.6. Среднюю плотность легкого бетона балок определяют по ГОСТ 12730.0, ГОСТ 12730.1 или радиоизотопным методом по ГОСТ 17623.

3.7. Контроль сварных арматурных и закладных изделий - по ГОСТ 10922 и ГОСТ 23858.

3.8. Силу натяжения арматуры, контролируемую по окончании натяжения, следует измерять по ГОСТ 22362.

3.9. Размеры и отклонения от прямолинейности, ширину и глубину технологических трещин, размеры раковин, наплывов и околов бетона балок следует проверять по ГОСТ 26433.0 и ГОСТ 26433.1.

3.10. Размеры и положение арматурных и закладных изделий, а также толщину защитного слоя бетона до арматуры следует определять по ГОСТ 17625 и ГОСТ 22904.

4. ТРАНСПОРТИРОВАНИЕ И ХРАНЕНИЕ

4.1. Транспортировать и хранить балки следует в соответствии с требованиями ГОСТ 13015.4, рабочих чертежей этих балок и настоящего стандарта.

4.2. Балки следует транспортировать и хранить в рабочем положении, установив на инвентарные подкладки.

Подкладки следует устанавливать в соответствии со схемами, приведенными в рабочих чертежах балок. Расстояние между рядами балок устанавливают с учетом возможности захвата каждой балки при погрузочно-разгрузочных работах.

Толщина подкладок должна быть не менее 40 мм, ширина - не менее 150 мм, длина - на 100 мм больше ширины балки в опорном сечении.

4.3. Подъем балок следует осуществлять с применением специальных траверс с захватом за строповочные отверстия балок или монтажные петли.

ПРИЛОЖЕНИЕ

Обязательное

ФОРМА И ОСНОВНЫЕ РАЗМЕРЫ БАЛОК

Форма и основные размеры балок приведены:

типы БСП -    на черт. 1, 2 и в табл. 2;

» БСО         »  » 3-9 и в табл. 3, 4;

» БСД         »  » 10-12 и в табл. 5-7;

» БП           »  » 13-15.

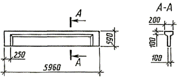
Балка типоразмера БСП6

(серия 1.462.1-10/89)

Черт. 1

Балки типоразмеров БСП9 (серия 1.462.1-10/89), 1БСП12, 2БСП12 (серия 1.462.1-1/88)

Черт. 2

Таблица 2

Типоразмер балки

Размер балки, мм

b

h1

h2

l

БСП9

220

140

100

8960

1БСП12

280

150

120

11960

2БСП12

200

150

Балка типоразмера 1БСО6 (серия 1.862.1-5)

Черт. 3

Балки типоразмеров 1БСО8, 1БСО9 (серия 1.862.1-5)

Черт. 4

Таблица 3

Типоразмер балки

Размер балки, мм

l

l1

l2

h

h1

h2

b

1БСО8

7800

3845

215

630

50

100

70

1БСО9

9350

4685

280

1000

70

160

80

Балка типоразмера 1БСО12 (серия 1.862.1-5)

Черт. 5

Балка типоразмера 2БСО6 (серия 1.862.1-2/88)

Черт. 6

Балка типоразмера 2БСО8 (серия 1.862.1-2/88)

Черт. 7

Балка типоразмера 2БСО9 (серия 1.862.1-2/88)

Черт. 8

Балки типоразмеров 2БСО12, 3БСО12 (серия 1.462.1-1/88)

Черт. 9

Таблица 4

Типоразмер балки

Размер балки, мм

b

h1

h2

2БСО12

280

150

120

3БСО12

200

150

Балки типоразмеров 1БСД12, 2БСД12 (серия 1.462.1-3/89)

Черт. 10

Таблица 5

Типоразмер балки

Размер балки, мм

a1

a2

a3

a4

a5

a6

h1

h2

1БСД12

325

450

575

640

515

390

180

300

2БСД12

205

330

455

520

395

270

240

360

Балки типоразмеров 1БСД18, 2БСД18, 3БСД18 (серия 1.462.1-3/89)

Черт. 11

Балки типоразмеров 4БСД18, 5БСД18, 6БСД18, 7БСД18 (серия 1.462.1-16/88)

Черт. 12

Таблица 6

Типоразмер балки

Размер балки, мм

b

1БСД18

200

2БСД18

240

3БСД18

280

Таблица 7

Типоразмер балки

Размер балки, мм

l1

b

h1

h2

h3

t

4БСД18

300

330

60

160

80

70

5БСД18

250

330

160

280

160

80

6БСД18

300

230

110

80

80

70

7БСД18

250

330

160

180

80

80

Балка типоразмера 1БП6
(серия 1.462.1-18)

Черт. 13

Балка типоразмера 2БП6
(серия 1.462.1-18)

Черт. 14

Балка типоразмера БП12 (серия 1.462.1-18)

Черт. 15

ИНФОРМАЦИОННЫЕ ДАННЫЕ

1. РАЗРАБОТАН И ВНЕСЕН Центральным научно-исследовательским и проектно-экспериментальным институтом промышленных зданий и сооружений (ЦНИИпромзданий) Госстроя СССР

РАЗРАБОТЧИКИ

А. Я. Розенблюм; Л. А. Кан (руководитель темы); Б. И. Логвинский; Г. А. Василевская; А. Г. Мишель; И. Г. Вокрачко; И. Н. Котов; С. Б. Ерусалимская; В. А. Якушин, канд. техн. наук; В. А. Клевцов, д-р техн. наук; М. Г. Коревицкая, канд. техн. наук; Г. И. Бердичевский, д-р техн. наук; Л. В. Сасонко, канд. техн. наук; А. А. Ищенко, канд. техн. наук; М. А. Янкилевич, д-р техн. наук; А. Д. Либерман, канд. техн. наук; В. И. Пименова; Е. И. Серговская; В. И. Деньщиков

2. УТВЕРЖДЕН И ВВЕДЕН В ДЕЙСТВИЕ Постановлением Государственного строительного комитета СССР от 16.10.90 № 87

3. ВЗАМЕН ГОСТ 20372-86

4. ССЫЛОЧНЫЕ НОРМАТИВНО-ТЕХНИЧЕСКИЕ ДОКУМЕНТЫ

Обозначение НТД, на который дана ссылка

Номер пункта, подпункта

ГОСТ 5781-82

1.3.6

ГОСТ 6727-80

1.3.6

ГОСТ 8829-85

3.1

ГОСТ 10060-87

3.3

ГОСТ 10180-90

3.2

ГОСТ 10181.0-81

3.5

ГОСТ 10181.3-81

3.5

ГОСТ 10884-81

1.3.6

ГОСТ 10922-90

1.3.9; 3.7

ГОСТ 12730.0-78

3.4; 3.6

ГОСТ 12730.1-78

3.6

ГОСТ 12730.5-84

3.4

ГОСТ 13015.0-83

1.3.1; 1.3.11

ГОСТ 13015.1-81

2.1; 2.2

ГОСТ 13015.2-81

1.4

ГОСТ 13015.4-84

4.1

ГОСТ 13840-68

1.3.6

ГОСТ 17623-87

3.6

ГОСТ 17624-87

3.2

ГОСТ 17625-83

3.10

ГОСТ 18105-86

3.2

ГОСТ 22362-77

3.8

ГОСТ 22690-88

3.2

ГОСТ 22904-88

3.10

ГОСТ 23009-78

1.2.7

ГОСТ 23858-79

3.7

ГОСТ 25820-83

1.3.3

ГОСТ 26134-84

3.3

ГОСТ 26433.0-85

3.9

ГОСТ 26433.1-89

3.9

ГОСТ 26633-85

1.3.3

СОДЕРЖАНИЕ

1. Технические требования. 1

2. Приемка. 4

3. Методы контроля. 5

4. Транспортирование и хранение. 6

Приложение Форма и основные размеры балок. 6

 




Яндекс цитирования



   Copyright © 2007-2026,  www.tehlit.ru.

[ ѓосты, стандарты, нормативы, инструкции, правила, строительные нормы ]