//
ТехЛит.ру
- крупнейшая бесплатная электронная интернет библиотека для "технически умных" людей.
WWW.TEHLIT.RU - ТЕХНИЧЕСКАЯ ЛИТЕРАТУРА

:: Алготрейдинг::


АЛГОТРЕЙДИНГ
шаг за шагом
с нуля по урокам!

Торговые роботы на PYTHON, BackTrader,
Pandas, Pine Script для TradingView. Связка с брокерами, телеграм и легкими приложениями.


ГОСУДАРСТВЕННЫЙ СТАНДАРТ СОЮЗА ССР

ПЛИТКИ КЕРАМИЧЕСКИЕ ДЛЯ ПОЛОВ

ТЕХНИЧЕСКИЕ УСЛОВИЯ

ГОСТ 6787-90
(СТ СЭВ 6551-88)

ГОСУДАРСТВЕННЫЙ СТРОИТЕЛЬНЫЙ КОМИТЕТ СССР

ГОСУДАРСТВЕННЫЙ СТАНДАРТ СОЮЗА ССР

ПЛИТКИ КЕРАМИЧЕСКИЕ ДЛЯ ПОЛОВ

Технические условия

Ceramic floor tiles.
Specifications

ГОСТ
6787-90

(СТ СЭВ 6551-88)

Дата введения 31.01.90

Несоблюдение стандарта преследуется по закону

Настоящий стандарт распространяется на керамические неглазурованные и глазурованные плитки для полов с гладкой или рельефной поверхностью и ковры из них.

Неглазурованные плитки и ковры из них предназначаются для настила полов внутри помещений жилых, общественных и промышленных зданий, а также для настила полов в лоджиях и балконах.

Глазурованные плитки предназначаются для настила полов внутри помещений жилых, общественных и бытовых помещений промышленных зданий в местах неинтенсивного пешеходного движения.

Стандарт не распространяется на плитки, предназначаемые для настила полов, подверженных воздействию концентрированных кислот, щелочей и повышенных механических и динамических нагрузок.

1. ТЕХНИЧЕСКИЕ ТРЕБОВАНИЯ

1.1. Плитки должны изготавливаться в соответствии с требованиями настоящего стандарта по технологическому регламенту, утвержденному в установленном порядке.

1.2. Основные параметры и размеры

1.2.1. По форме плитки подразделяют на квадратные, прямоугольные, шести-, восьмигранные и фигурные.

Боковые грани плиток могут быть без завала или с завалом.

Радиусы завала плиток устанавливает изготовитель.

1.2.2. По своему назначению плитки подразделяют на основные и доборные.

1.2.3. Типы и размеры плиток должны соответствовать указанным в табл. 1-3 и на черт. 1-9.

Таблица 1

мм

Тип основных плиток

Форма

Длина l

Ширина

Толщина S

b

b1

1

2

3

4

5

6

Квадратные

300

250

200

150

100

48

300

250

200

150

100

48

-

-

-

-

-

-

11

11

11

11

10

4

13

13

13

13

-

6

7

8

9

10

11

Прямоугольные

400

300

300

200

200

300

200

150

150

100

-

-

-

-

-

11

11

11

11

11

13

13

13

13

13

12

13

14

Шестигранные

200

270

150

230

196

173

-

-

-

11

11

11

13

13

13

15

16

Восьмигранные

200

170

70

60

100

85

11

11

13

13

Таблица 2

мм

Тип доборных плиток

Форма

Длина l

Ширина b

Толщина S

17

18

19

20

Квадратные

100

85

70

60

100

85

70

60

11

11

11

11

13

13

13

13

21

22

23

24

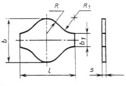
Треугольные

98

83

68

58

139

118

97

83

11

11

11

11

13

13

13

13

25

26

27

Четырехгранные (половинки шестигранных)

100

85

75

230

196

173

11

11

11

13

13

13

28

29

30

Пятигранные (половинки шестигранных)

200

170

150

115

98

86,5

11

11

11

13

13

13

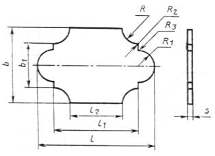
Таблица 3

мм

Форма плиток

Тип плиток

l

l1

l2

b

b1

R

R1

R2

R3

s

Фигурные

23

24

180

300

-

220

-

140

115

200

45

120

54

40

54

40

-

5

-

5

11

11

13

13

1.2.4. По согласованию изготовителя с потребителем допускается выпуск плиток других размеров и формы.

1.2.5. Допускается изготовление плиток толщиной  мм. Эти плитки следует применять для настила полов только в жилых, общественных зданиях и бытовых помещениях промышленных зданий.

1.2.6. Отклонения от номинальных размеров плиток не должны превышать:

по длине и ширине для плиток:

до 100 мм включ.              ±1,5 %

св. 100 мм                          ±1,0 %

по толщине для плиток:

от 4 до 9 мм                       ±10 %

св. 9 до 13 мм                    ±8 %.

1.2.7. Разница между наибольшим и наименьшим размерами плиток одной партии по длине и ширине не должна превышать 1,5 мм для плиток размерами до 150 мм включ. и 2 мм - для плиток размерами св. 150 мм.

Различие в толщине одной плитки (разнотолщинность) не должно быть более 0,8 мм.

Квадратная

Черт. 1

Прямоугольная

Черт. 2

Треугольная

Черт. 3

Шестигранная

Черт. 4

Четырехгранная

Черт. 5

Пятигранная

Черт. 6

Восьмигранные

Черт. 7

Фигурные

Черт. 8

Черт. 9

1.2.8. Плитки площадью не более 9000 мм2, прошедшие приемо-сдаточные испытания, набирают в ковры.

1.2.9. Размеры ковров устанавливают по согласованию изготовителя с потребителем.

1.2.10. Отклонения от номинальных размеров ковров не должно превышать, мм:

по длине и ширине ковра                                                                         +2,0; -4,0

по разности длин диагоналей при длине ковра до 500 мм включ.      3,0

по разности длин диагоналей при длине ковра св. 500 мм                  5,0

1.2.11. Ширина шва в коврах должна быть (4,0± 1,0) мм.

Отклонения от размеров копров одной партии могут иметь только плюсовые или минусовые значения.

1.2.12. Условное обозначение плиток (ковров) в технической документации и при заказе должно состоять из буквенных обозначений плитки (ковра) глазурованной или неглазурованной, формы, размеров, вида поверхности и обозначения настоящего стандарта.

Пример условного обозначения плитки глазурованной квадратной размерами (150×150×11) мм гладкой:

ПГ квадратные (150×150×11) мм ГЛ ГОСТ 6787-90

То же, плитки неглазурованной шестигранной размерами (150×173×11) мм рельефной:

ПНГ шестигранные (150×173×11) Р ГОСТ 6787-90

То же, ковра из плитки глазурованной размерами:

КПГ (размер ковра) ГОСТ 6787-90

1.3. Характеристики

1.3.1. Лицевая поверхность плиток может быть одноцветной и многоцветной (узорчатой, порфировидной, мраморовидной и декорированной различными методами).

1.3.2. Глазурь на лицевой поверхности глазурованных плиток может быть блестящей или матовой, прозрачной или заглушенной.

1.3.3. Цвет, рисунок и рельеф лицевой поверхности плиток должны соответствовать образцам-эталонам, утвержденным в установленном порядке.

Утвержденный эталон цвета может быть распространен на плитки всех типов.

Допускается утверждение образцов в виде планшетов или каталогов.

Для плиток с неповторяющимся рисунком (мраморовидные и др.) утверждают только эталон цвета. Эталон рисунка не утверждают.

Цвет, рисунок и рельеф лицевой поверхности плиток (ковров), выпускаемых по отдельным заказам, должны соответствовать эталонам, согласованным с потребителем.

1.3.4. Отклонения от формы плиток по косоугольности (отклонению от прямоугольности) и кривизне (отклонению от плоскостности) не должны превышать 0,5 %.

1.3.5. Показатели внешнего вида лицевой поверхности плиток должны соответствовать требованиям табл. 4.

Таблица 4

Вид дефекта *

Норма

Отбитость со стороны лицевой поверхности

Допускается общей площадью не более 10 мм2

Щербины, зазубрины со стороны лицевой поверхности

Допускаются шириной не более 1,00 мм и длиной 10 мм

Плешина

Допускается общей площадью не более 9 мм2

Пятно

Допускается невидимое с расстояния 1,7 м

Мушка

Допускается невидимая с расстояния 1,7 м

Посечка

Допускается общей длиной не более 10 мм

Волнистость, углубление глазури

Допускаются невидимые с расстояния 1,7 м

Смещение декора, разрыв декора, засорка цветными порошками

То же

Выплавка (выгорка)

Допускается не более 1 шт. диаметром не более 2,0 мм

Наколы

Допускаются отдельные рассеянные

* Вид дефекта - по СТ СЭВ 3979.

Примечание. Допускается волнистость глазури при создании декоративного эффекта.

1.3.6. Общее число допустимых дефектов на одной плитке должно быть не более трех.

1.3.7. Плитки должны иметь на монтажной поверхности рифления высотой (глубиной) или выпуклости высотой не менее 1,5 мм.

Плитки площадью до 2500 мм2 включ. должны иметь на монтажной поверхности рифления высотой (глубиной) или выпуклости высотой не менее 0,7 мм.

1.3.8. Физико-механические свойства плиток должны соответствовать требованиям, указанным в табл. 5.

1.3.9. Глазурь должна быть химически стойкой.

1.3.10. В зависимости от степени износостойкости область применения глазурованных плиток приведена в рекомендуемом приложении.

1.3.11. Плитки в коврах должны быть прочно наклеены на бумагу лицевой поверхностью. Отставание плиток от бумаги не допускается.

1.3.12. Для изготовления ковров должна применяться оберточная бумага массой 80-120 г/м2 марки А по ГОСТ 8273 или мешочная бумага марки М-78А по ГОСТ 2228, костный клей по ГОСТ 2067.

Допускается применение другого клея, обеспечивающего прочность наклейки, легко смывающегося после укладки плиток, не дающего на поверхности плиток несмывающихся пятен и не разрушающего растворный шов.

Таблица 5

Наименование показателя

Норма для плиток

неглазурованных

глазурованных

Водопоглощение, %, не более

3,5; 3,8**

4,5

Предел прочности при изгибе, МПа, не менее

25,0

25,0

Износостойкость*, г/см2, не более, при применении:

 

 

 кварцевого песка

0,18

-

 корундового порошка

0,54

-

Износостойкость, степень

-

1-4

Термическая стойкость глазури, °С

-

125

Морозостойкость, число циклов, не менее

25

-

Твердость глазури по Моосу, не менее

-

5

* Материал для испытания определяет изготовитель.

** Для плиток, обжигаемых в туннельных печах.

1.3.13. Углы и грани крайних плиток в ковре не должны выходить за кромку листа бумаги более чем на 20 мм.

1.3.14. Допускается выход бумаги за грань плиток на величину, не превышающую ширину шва в коврах.

1.3.15. Ковры могут изготовляться из плиток одного или нескольких цветов.

При изготовлении ковров из плиток одного цвета допускается разница в оттенке цвета плиток, если она не заметна при сравнении с утвержденным образцом-эталоном плиток.

1.3.16. При изготовлении многоцветных ковров следует соблюдать сочетание отдельных цветов (оттенков) в соответствии с рисунком образца-эталона ковра.

1.4. Комплектность

1.4.1. Плитки шести- и восьмигранной формы должны поставляться в комплекте с доборными.

Состав комплекта должен соответствовать табл. 6.

1.5. Маркировка

1.5.1. На монтажную поверхность каждой плитки площадью более 2500 мм2 должен быть нанесен товарный знак предприятия-изготовителя. При поставке ковров товарный знак предприятия-изготовителя должен быть нанесен на ковер.

1.5.2. Каждый транспортный пакет, контейнер, а также стопа, ящик, поставляемые отдельными грузовыми единицами, должны быть снабжены этикеткой, в которой указывают:

Таблица 6

Форма плиток

Тип плиток

основных

доборных

Шестигранные

12

13

14

25; 28

26; 29

27; 30

Восьмигранные

15

16

17; 19; 21; 23

18; 20; 22; 24

наименование или товарный знак предприятия-изготовителя;

наименование изделия;

размеры;

количество плиток (штуки, квадратные метры);

обозначение цвета *;

цену (для плиток, поставляемых в торговую сеть);

обозначение настоящего стандарта.

* Для плиток размерами 150 мм и более оставляют открытой часть лицевой поверхности.

На ящики или стопы, из которых сформирован пакет, маркировку не наносят.

1.5.3. Этикетка должна быть прочно прикреплена к упаковке или вложена в нее, или напечатана на упаковочной бумаге. На стопу плиток, упакованную в бумагу, допускается наносить штамп.

1.5.4. При постановке в торговлю маркируют каждый ящик или стопу независимо от способа поставки.

1.5.5. На каждый верхний ковер транспортного пакета должна быть наклеена этикетка или поставлен несмываемой краской штамп с указанием наименования предприятия-изготовителя или его товарного знака, размера ковра, цвета плитки, количества ковров в квадратных метрах, обозначения настоящего стандарта.

1.5.6. Транспортная маркировка грузов - по ГОСТ 14192. На каждое грузовое место должен быть нанесен манипуляционный знак «Осторожно, хрупкое!», а при транспортировании ковров - дополнительно знак «Боится сырости».

1.5.7. Предприятие-изготовитель должно гарантировать соответствие плиток требованиям настоящего стандарта и сопровождать каждую партию плиток документом о качестве, в котором указывают:

номер и дату выдачи документа;

наименование и адрес предприятия-изготовителя;

наименование продукции;

размер, цвет плиток или ковров;

водопоглощение;

степень износостойкости (для глазурованных плиток);

количество плиток (ковров) (штуки, квадратные метры);

обозначение настоящего стандарта.

1.6. Упаковка

1.6.1. Плитки одной формы, размера, цвета, рисунка упаковывают в деревянные или картонные ящики, укладывая их вертикально на грань вплотную друг к другу.

Ящики должны быть изготовлены в соответствии с нормативно-технической документацией.

Упакованные в деревянные или картонные ящики плитки укладывают в контейнеры или на плоские поддоны.

1.6.2. Допускается укладка плиток в стопы с обертыванием или без обертывания бумагой с последующим перевязыванием шпагатом или полипропиленовой лентой. Масса ящика или стопы не должна превышать 25 кг.

Плитки, уложенные в стопы, перевязанные шпагатом или полипропиленовой лентой, без обертывания бумагой, должны быть обязательно уложены в контейнеры или на плоские поддоны. Между каждым горизонтальным рядом стоп должна быть проложена бумага или картон.

В ящичные поддоны плитки укладывают на грань только перевязанными шпагатом или полипропиленовой лентой.

1.6.3. Для перевязки стоп должен применяться шпагат по ГОСТ 17308, ТУ 17-05-009, полипропиленовая лента шириной не менее 9 мм и толщиной не менее 0,5 мм с пределом прочности на разрыв не менее 100 Н/мм2 (10 кгс/мм2).

Допускается перевязка другими обвязочными материалами, обеспечивающими прочность обвязки. Применение бумажного шпагата не допускается.

Для обертывания стоп и прокладки рядов плитки и стоп должна применяться бумага по ГОСТ 8273 массой не менее 80 г/м2. Марка картона для перекладки рядов не регламентируется. Допускается применять прокладки из отходов картона.

1.6.4. На экспорт плитки должны поставляться в таре, указанной в заказе-наряде внешнеторгового объединения.

1.6.5. При поставке в районы Крайнего Севера и труднодоступные районы тара должна соответствовать ГОСТ 15846 и ТУ 21-28-27.

1.6.6. Ковры должны быть уложены на поддон по ГОСТ 9078 в стопы высотой не более 1,25 м.

2. ПРИЕМКА

2.1. Приемку плиток и ковров производят партиями.

Партия должна состоять из плиток одной формы, размеров, цвета или рисунка (или изготовленных из них ковров). Объем партии плиток или ковров устанавливают в количестве не более сменной выработки одной технологической линии плиток одной формы, размеров, цвета или рисунка (или изготовленных из них ковров).

2.2. Плитки принимают путем проведения приемо-сдаточного контроля по следующим показателям:

правильность формы и размеров;

высота рифлений монтажной поверхности;

внешний вид лицевой поверхности;

водопоглощение;

маркировка, упаковка.

Для ковров проверяют размеры, ширину шва, разность длин диагоналей, прочность наклейки плиток на бумагу.

2.3. Для проверки внешнего вида отбор плиток и принятие решения о соответствии их требованиям настоящего стандарта осуществляют по табл. 7.

Таблица 7

Объем партии, шт.

Ступени контроля

Объем выборки, шт.

Общий объем выборки, шт.

Приемочное число Ас

Браковочное число Rс

От  500        до  1200      включ.

Первая

Вторая

20

20

20

40

1

4

4

5

  «  1201      «    3200          «

Первая

Вторая

32

32

32

64

2

6

5

7

  «  3201      «    10000        «

Первая

Вторая

50

50

50

100

3

8

7

9

  «  10001   «    35000        «

Первая

Вторая

80

80

80

160

5

12

9

13

  «  35001   «    150000     «

Первая

Вторая

125

125

125

250

7

18

11

19

  «  150001 «    500000     «

Первая

Вторая

200

200

200

400

11

26

16

27

2.4. Партию плиток принимают, если число дефектных плиток в первой выборке меньше или равно приемочному числу Ас для первой ступени контроля.

Партию бракуют без назначения второй выборки, если число дефектных плиток больше или равно браковочному числу Rс для первой ступени контроля.

Если число дефектных плиток в первой выборке больше приемочного числа Ас, но меньше браковочного Rс, то производят вторую выборку.

Партию плиток принимают, если число дефектных плиток в двух выборках меньше или равно приемочному числу Ас, или бракуют, если число дефектных плиток в двух выборках больше или равно браковочному числу Rс для второй ступени контроля.

2.5. От изделий, признанных годными по внешнему виду, отбирают произвольно образцы плиток:

для проверки размеров и формы - 25 шт.;

для определения водопоглощения - 5 шт.

2.6. Если при проверке размеров и формы отобранных от партии плиток окажется одна плитка, не соответствующая требованиям настоящего стандарта, то партию принимают, если две, то партия приемке не подлежит.

2.7. В случае несоответствия партии плиток требованиям настоящего стандарта по размерам, форме и внешнему виду допускается поштучная приемка плиток партии.

2.8. При получении неудовлетворительных результатов испытаний по водопоглощению проводят повторные испытания на удвоенном количестве образцов, взятых от той же партии. Результаты повторных испытаний распространяют на всю партию.

Если при повторном проведении испытаний по водопоглощению окажется, что плитки не соответствуют требованиям настоящего стандарта, то партию бракуют.

2.9. Предприятие-изготовитель должно проводить периодические испытания плиток на предел прочности при изгибе, износостойкость неглазурованных плиток, термическую стойкость глазури, твердость глазури по Моосу, химическую стойкость глазури не реже одного раза в месяц на 5 плитках; износостойкость глазурованных плиток не реже одного раза в месяц на 16 плитках.

Предприятие-изготовитель должно проводить периодические испытания плиток на морозостойкость не реже одного раза в квартал на 5 плитках.

При получении неудовлетворительных результатов периодических испытаний изготовитель переводит испытания по данному показателю в категорию приемо-сдаточных до получения положительных результатов не менее чем на 5 партиях подряд.

2.10. Для проверки ковров по размерам, ширине шва, разности длин диагоналей и прочности наклейки плиток на бумагу от каждой партии отбирают 5 ковров. Ковры отбирают равномерно из разных мест штабеля.

2.11. Если при проверке размеров образцов ковров или плиток в коврах, ширины шва в коврах, разности длин диагоналей, внешнего вида и прочности наклейки плиток на бумагу, отобранных от партии ковров, окажется один ковер, не отвечающий требованиям настоящего стандарта, то партию принимают, если два, то партия приемке не подлежит.

2.12. Потребитель имеет право производить контрольную выборочную проверку соответствия плиток и ковров требованиям настоящего стандарта, соблюдая при этом порядок отбора образцов, указанный выше, и применяя методы испытаний по ГОСТ 27180.

3. МЕТОДЫ ИСПЫТАНИЙ

3.1. Методы испытания - по ГОСТ 27180 со следующими дополнениями.

При приемо-сдаточном контроле водопоглощение определяют по п. 5.5 ГОСТ 27180, а при инспекционном контроле допускается определение по п. 5.3.

Величина предела прочности при изгибе отдельного образца при испытании должна быть не менее 20 МПа.

Химическую стойкость глазури определяют, применяя раствор № 3.

3.2. Определение правильности маркировки и упаковки следует производить визуально.

4. ТРАНСПОРТИРОВАНИЕ И ХРАНЕНИЕ

4.1. Плитки (ковры) транспортируют всеми видами транспорта в соответствии с правилами перевозок грузов, действующими на данном виде транспорта: в универсальных контейнерах по ГОСТ 15102, ГОСТ 20435 или ГОСТ 22225; в пакетированном виде в ящичных поддонах или транспортными пакетами по ГОСТ 26663 или ТУ 21-28-56 на плоских поддонах.

4.2. В районы Крайнего Севера и труднодоступные районы СССР плитки (ковры) должны поставляться транспортными пакетами по ТУ 21-28-52.

4.3. Размещать и крепить груз необходимо в соответствии с «Техническими условиями погрузки и крепления грузов», утвержденными МПС СССР, с учетом полного использования грузоподъемности вагонов и контейнеров.

4.4. При отгрузке плиток (ковров) железнодорожным транспортом сопроводительные документы, упакованные в водонепроницаемый пакет, закрепляют на стене вагона справа от входа на высоте 1,0-1,5 м от пола.

4.5. При погрузочно-разгрузочных работах должны быть соблюдены правила безопасности, установленные ГОСТ 12.3.009, ГОСТ 12.3.020.

4.6. Условие поставки плиток площадью не более 9000 мм2 в коврах или россыпью устанавливают по согласованию изготовителя с потребителем.

4.7. Плитки в упакованном виде должны храниться в закрытых помещениях или под навесом, ковры - в закрытых сухих помещениях.

5. ГАРАНТИИ ИЗГОТОВИТЕЛЯ

Гарантийный срок хранения ковров из плиток - не более 10 сут.

ПРИЛОЖЕНИЕ

Рекомендуемое

Плитки глазурованные в зависимости от степени износостойкости применяют для настила полов:

в помещениях квартир, в проходах, коридорах, на лестничных площадках - I, II степени износостойкости;

в жилых зданиях и бытовых помещениях промышленных зданий - III степени износостойкости;

в помещениях общественных зданий и сооружений - IV степень износостойкости.

ИНФОРМАЦИОННЫЕ ДАННЫЕ

1. РАЗРАБОТАН И ВНЕСЕН Министерством промышленности строительных материалов СССР

РАЗРАБОТЧИКИ

Л. Г. Сидельникова (руководитель темы); С. Н. Зотов, канд. техн. наук; Ю. И. Петрова; Л. М. Лейбенгруб

2. УТВЕРЖДЕН И ВВЕДЕН В ДЕЙСТВИЕ Постановлением Государственного строительного комитета СССР от 29.12.90 № 166

3. Стандарт полностью соответствует СТ СЭВ 6551-88

4. ВЗАМЕН ГОСТ 6787-80

5. ССЫЛОЧНЫЕ НОРМАТИВНО-ТЕХНИЧЕСКИЕ ДОКУМЕНТЫ

Обозначение НТД, на который дана ссылка

Номер пункта, подпункта

ГОСТ 12.3.009-76

4.5

ГОСТ 12.3.020-80

4.5

ГОСТ 2067-80

1.3.12

ГОСТ 2228-81

1.3.12

ГОСТ 8273-75

1.3.12, 1.6.3

ГОСТ 9078-84

1.6.6

ГОСТ 14192-77

1.5.6

ГОСТ 15102-75

4.1

ГОСТ 15846-79

1.6.5

ГОСТ 17308-88

1.6.3

ГОСТ 20435-75

4.1

ГОСТ 22225-76

4.1

ГОСТ 26663-85

4.1

ГОСТ 27180-86

2.12, 3.1

СТ СЭВ 3979-83

1.3.5

ТУ 17-05-009-80

1.6.3

ТУ 21-28-27-78

1.6.5

ТУ 21-28-52-86

4.2

ТУ 21-28-56-86

4.1

СОДЕРЖАНИЕ

 




Яндекс цитирования



   Copyright © 2007-2026,  www.tehlit.ru.

[ ѓосты, стандарты, нормативы, инструкции, правила, строительные нормы ]