//
|
|
ГОСТ 31.1066.03-97 МЕЖГОСУДАРСТВЕННЫЙ СТАНДАРТ Приспособления к металлорежущим станкам ОПРАВКИ ЦЕНТРОВЫЕ ДЛЯ ТОЧНЫХ РАБОТ Общие технические условия МЕЖГОСУДАРСТВЕННЫЙ
СОВЕТ Предисловие 1. РАЗРАБОТАН Техническим комитетом по стандартизации ТК 224 «Технологическая оснастка» ВНЕСЕН Госстандартом России 2. ПРИНЯТ Межгосударственным советом по стандартизации, метрологии и сертификации (протокол № 11 от 25 апреля 1997 г.) За принятие проголосовали:
3. Постановлением Государственного комитета Российской Федерации по стандартизации, метрологии и сертификации от 27 ноября 1997 г. № 387 межгосударственный стандарт ГОСТ 31.1066.03-97 введен в действие непосредственно в качестве государственного стандарта Российской Федерации с 1 июля 1998 г. 4. ВЗАМЕН ГОСТ 16211-70, ГОСТ 16212-70, ГОСТ 16213-70 5. ПЕРЕИЗДАНИЕ Содержание МЕЖГОСУДАРСТВЕННЫЙ СТАНДАРТ Приспособления к металлорежущим станкам ОПРАВКИ ЦЕНТРОВЫЕ ДЛЯ ТОЧНЫХ РАБОТ Общие технические условия Attachments for metal-cutting tools. Centre arbors for precision machining. General specifications Дата введения 1998-07-01 1. Область примененияНастоящий стандарт распространяется на центровые оправки (далее - оправки), предназначенные для установки деталей с цилиндрическим базовым отверстием при точной обработке их на токарных, шлифовальных и других металлорежущих станках. Требования настоящего стандарта являются обязательными, кроме раздела 4. 2. Нормативные ссылкиВ настоящем стандарте использованы ссылки на следующие стандарты: ГОСТ 9.014-78 Единая система защиты от коррозии и старения. Временная противокоррозионная защита изделий. Общие требования ГОСТ 9.301-86 Единая система защиты от коррозии и старения. Покрытия металлические и неметаллические неорганические. Общие требования ГОСТ 9.302-88 Единая система защиты от коррозии и старения. Покрытия металлические и неметаллические неорганические. Методы контроля ГОСТ 9.306-85 Единая система защиты от коррозии и старения. Покрытия металлические и неметаллические неорганические. Обозначения ГОСТ 515-77 Бумага упаковочная битумированная и дегтевая. Технические условия ГОСТ 1435-99 Прутки, полосы и мотки из инструментальной нелегированной стали. Общие технические условия ГОСТ 4543-71 Прокат из легированной конструкционной стали. Технические условия ГОСТ 8820-69 Канавки для выхода шлифовального круга. Формы и размеры ГОСТ 9012-59 Металлы. Метод измерения твердости по Бринеллю ГОСТ 9378-93 Образцы шероховатости поверхности (сравнения). Общие технические условия ГОСТ 14034-74 Отверстия центровые. Размеры ГОСТ 14192-96 Маркировка грузов ГОСТ 15150-69 Машины, приборы и другие технические изделия. Исполнения для различных климатических районов. Категории и условия эксплуатации, хранения и транспортирования в части воздействия климатических факторов внешней среды ГОСТ 18617-83 Ящики деревянные для металлических изделий. Технические условия ГОСТ 22267-76 Станки металлорежущие. Схемы и способы измерений геометрических параметров ГОСТ 24597-81 Пакеты тарно-штучных грузов. Основные параметры и размеры ГОСТ 24643-81 Основные нормы взаимозаменяемости. Допуски формы и расположения поверхностей. Числовые значения 3 Технические требования3.1. Оправки должны изготавливаться по чертежам приложения А, трех типов: 1. - оправки конические центровые для деталей с базовым отверстием длиной до 1,5d, изготовленным с полями допусков по Н6, G6, Js6, Н7, G7, Js7, Н8 и Н9; 2 - оправки цилиндрические центровые для деталей с базовым отверстием, изготовленным с полями допусков по Н6, G6, Js6, Кб, Мб, N6, Н7, G7, Js7, К7, М7, N7; 3 - оправки цилиндрические ступенчатые центровые для деталей с базовым отверстием, изготовленным с полями допусков по Н6, G6, Js6, Кб, Н7, Js7, K7. 3.2. Материал для оправок диаметром d< 20 мм - сталь марки У8А по ГОСТ 1435, для оправок диаметром d > 20 мм - сталь марки 20Х по ГОСТ 4543. Допускается замена на сталь других марок с механическими свойствами не ниже, чем у стали марок У8А и 20Х. 3.3. Твердость - 57…63 HRCэ Оправки из стали марки 20Х цементировать на глубину h 1,2 ... 1,5мм. 3.4. Покрытие - Хим. Окс. прм., кроме поверхностей оправок Б, В и Г. Обозначение покрытия - по ГОСТ 9.306. Технические требования к неметаллическим неорганическим покрытиям - по ГОСТ 9.301. 3.5. Неуказанные предельные отклонения
размеров: Н14, h14, ± 3.6. Допуски радиальных биений поверхностей оправок Б, В и Г относительно оси центров оправок - по 3-й степени точности ГОСТ 24643. 3.7. Форма и размеры канавок для выхода шлифовального круга - по ГОСТ 8820. 3.9. Маркировка оправок должна содержать следующие данные: - товарный знак предприятия-изготовителя; - условное обозначение; - размер d. 3.10. Для оправок диаметром до 20 мм маркировку следует наносить на таре или упаковке для партии одного типоразмера, а на оправке - только размер d. 3.11. Маркировку тары - по ГОСТ 14192, при этом на ящике дополнительно указывают: - условное обозначение оправок одного типоразмера; - количество оправок; - дату упаковки. 3.12. Оправки должны быть упакованы в тару по ГОСТ 18617. Транспортная тара должна быть выложена изнутри упаковочной бумагой по ГОСТ 515. При транспортировании в один адрес нескольких грузовых мест необходимо формировать их в транспортные пакеты по ГОСТ 24597. 3.13. Оправки должны быть подвергнуты консервации по ГОСТ 9.014 (II группа изделий). Дата и срок сохраняемости без консервации должны быть указаны в эксплуатационной документации. 3.14. В каждый ящик должен быть вложен сопроводительный документ, в котором указаны: - наименование или товарный знак предприятия-изготовителя; - количество упакованных оправок; - дата упаковки; - штамп технического контроля предприятия-изготовителя. 3.15. Сопроводительный документ должен находиться в таре с оправками в отдельной влагонепроницаемой упаковке. 4. Правила приемки4.1. Для проверки соответствия оправок требованиям настоящего стандарта предприятие-изготовитель должно проводить приемосдаточные и периодические испытания. 4.2. При приемосдаточных испытаниях проверяют оправки на соответствие требованиям 3.2-3.11 настоящего стандарта. При единичном производстве проверяют каждую оправку, при серийном - каждую десятую от партии, превышающей 10 шт. Партией считают количество изделий, совместно прошедших производственный цикл и одновременно предъявляемых к приемке по одному документу. Результаты испытаний являются окончательными и распространяются на всю партию. 4.3. Периодические испытания проводят один раз в полгода. Периодическим испытаниям подвергают пять изделий от партии на соответствие пунктам, указанным для приемосдаточных испытаний. 5. Методы контроля5.1. Внешний вид оправок, наличие канавок для выхода шлифовального круга, а также требования 3.8 проверяют визуально. 5.2. Линейные и угловые размеры проверяют средствами измерений, обеспечивающими требуемую точность. 5.3. Методы контроля радиального биения - по ГОСТ 22267, разделы 15 и 16. 5.4. Шероховатость поверхностей оправок проверяют сравнением с образцами шероховатости по ГОСТ 9378 или измерением параметров шероховатости профилометром. 5.5. Контроль твердости - по ГОСТ 9012. 5.6. Методы контроля качества покрытий - по ГОСТ 9.302. 5.7. Маркировку оправок проверяют визуально. 6. Транспортирование и хранение6.1. Транспортирование оправок допускается всеми видами закрытых транспортных средств в соответствии с правилами перевозок грузов, действующими на конкретных видах транспорта. 6.2. Готовые оправки должны храниться в упакованном виде в сухом закрытом помещении. Условия хранения - по ГОСТ 15150. 7. Гарантии изготовителя7.1. Изготовитель гарантирует соответствие оправок требованиям настоящего стандарта при соблюдении условий транспортирования, хранения и эксплуатации. 7.2. Гарантийный срок эксплуатации - 12 мес. со дня ввода оправки в эксплуатацию. ПРИЛОЖЕНИЕ А
| ||||||||||||||||||||||||||||||||||||||||||||||||||||||||||||||||||||||||||||||||||||||||||||||||||||||||||||||||||||||||||||||||||||||||||||||||||||||||||||||||||||||||||||||||||||||||||||||||||||||||||||||||||||||||||||||||||||||||||||||||||||||||||||||||||||||||||||||||||||||||||||||||||||||||||||||||||||||||||||||||||||||||||||||||||||||||||||||||||||||||||||||||||||||||||||||||||||||||||||||||||||||||||||||||||||||||||||||||||||||||||||||||||||||||||||||||||||||||||||||||||||||||||||||||||||||||||||||||||||||||||||||||||||||||||||||||||||||||||||||||||||||||||||||||||||||||||||||||||||||||||||||||||||||||||||||||||||||||||||||||||||||||||||||||||||||||||||||||||||||||||||||||||||||||||||||||||||||||||||||||||||||||||||||||||||||||||||||||||||||||||||||||||||||||||||||||||||||||||||||||||||||||||||||||||||||||||||||||||||||||||||||||||||||||||||||||||||||||||||||||||||||||||||||||||||||||||||||||||||||||||||||||||||||||||||||||||||||||||||||||||||||||||||||||||||||||||||||||||||||
|
Номинальный диаметр обрабатываемой детали |
Уменьшение диаметра оправок на длине 100 мм |
Угол наклона |
|
От 3 до 6 Св. 6 « 18 « 18 |
0,055 0,050 0,040 |
56" 52" 42" |
Таблица А.2
Размеры в миллиметрах
|
Обозначение комплекта оправок |
Номер оправок |
Обозначение оправок |
Применяемость |
d |
L |
d1 |
d2 |
d3 |
l |
l1 |
l2 |
l3 |
S** |
c |
r |
Масса, кг, не более |
|
Js5 |
||||||||||||||||
|
7110-0361 |
1 |
7110-0361-1 |
|
3,0 |
52 |
2,995 |
3,010 |
2,8 |
38 |
7 |
5 |
27 |
2,2 |
0,3 |
0,2 |
0,003 |
|
2 |
7110-0361-2 |
|
3,005 |
3,025 |
||||||||||||
|
7110-0362 |
1 |
7110-0362-1 |
|
3,2 |
65 |
3,194 |
3,212 |
3,0 |
51 |
33 |
2,4 |
0,004 |
||||
|
2 |
7110-0362-2 |
|
3,206 |
3,230 |
43 |
|||||||||||
|
7110-0363 |
1 |
7110-0363-1 |
|
3,6 |
3,594 |
3,612 |
3,2 |
6 |
33 |
2,5 |
0,6 |
0,005 |
||||
|
2 |
7110-0363-2 |
|
3,606 |
3,630 |
43 |
|||||||||||
|
7110-0364 |
1 |
7110-0364-1 |
|
4,0 |
3,994 |
4,012 |
3,6 |
33 |
3,0 |
0,006 |
||||||
|
2 |
7110-0364-2 |
|
4,006 |
4,030 |
43 |
|||||||||||
|
7110-0365 |
1 |
7110-0365-1 |
|
4,5 |
4,494 |
4,512 |
4,0 |
33 |
3,2 |
0,008 |
||||||
|
2 |
7110-0365-2 |
|
4,506 |
4,530 |
43 |
|||||||||||
|
7110-0366 |
1 |
7110-0366-1 |
|
5,0 |
75 |
4,994 |
5,012 |
4,5 |
55 |
10 |
8 |
33 |
3,6 |
1,0 |
0,011 |
|
|
2 |
7110-0366-2 |
|
5,006 |
5,030 |
43 |
|||||||||||
|
7110-0367 |
1 |
7110-0367-1 |
|
5,6 |
5,594 |
5,612 |
5,0 |
33 |
4,0 |
0,014 |
||||||
|
2 |
7110-0367-2 |
|
5,606 |
5,630 |
43 |
|||||||||||
|
7110-0368 |
1 |
7110-0368-1 |
|
6,3 |
90 |
6,293 |
6,315 |
5,6 |
70 |
9 |
44 |
4,5 |
0,4 |
0,018 |
||
|
2 |
7117-0368-2 |
|
6,307 |
6,336 |
7 |
58 |
||||||||||
|
7110-0369 |
1 |
7110-0369-1 |
|
7,1 |
7,093 |
7,115 |
6,3 |
72 |
12 |
12 |
44 |
5,0 |
0,025 |
|||
|
2 |
7110-0369-2 |
|
7,107 |
7,136 |
9 |
58 |
||||||||||
|
7110 0370 |
1 |
7110-0370-1 |
|
8,0 |
7,993 |
8,015 |
7,1 |
12 |
44 |
6,0 |
1,6 |
0,6 |
0,032 |
|||
|
2 |
7110-0370-2 |
|
8,007 |
8,036 |
9 |
58 |
||||||||||
|
7110-0371 |
1 |
7110-0371-1 |
|
9,0 |
95 |
8,993 |
9,015 |
8,0 |
15 |
44 |
0,045 |
|||||
|
2 |
7110-0371-2 |
|
9,007 |
9,036 |
10 |
58 |
||||||||||
|
7110-0372 |
1 |
7110-0372-1 |
|
10,0 |
9,993 |
10,015 |
9,0 |
15 |
44 |
7,0 |
0,054 |
|||||
|
2 |
7110-0372-2 |
|
10,007 |
10,036 |
10 |
58 |
||||||||||
|
7110-0373 |
1 |
7110-0373-1 |
|
11,0 |
105 |
10,991 |
11,018 |
10,0 |
78 |
14 |
18 |
54 |
8,0 |
0,072 |
||
|
2 |
7110-0373-2 |
|
11,009 |
11,043 |
6 |
68 |
||||||||||
|
7110 0374 |
1 |
7110-0374-1 |
|
12,0 |
11,991 |
12,018 |
11,0 |
18 |
54 |
0,085 |
||||||
|
2 |
7110-0374-2 |
|
12,009 |
12,043 |
6 |
68 |
||||||||||
|
7110-0375 |
1 |
7110-0375-1 |
|
13,0 |
12,991 |
13,018 |
20 |
54 |
2,5 |
1,0 |
0,097 |
|||||
|
2 |
7110-0375-2 |
|
13,009 |
13,043 |
6 |
68 |
||||||||||
|
7110-0376 |
1 |
7110-0376-1 |
|
14,0 |
13,991 |
14,018 |
12,0 |
20 |
54 |
10,0 |
0,113 |
|||||
|
2 |
7110-0376-2 |
|
14,009 |
14,043 |
6 |
68 |
||||||||||
|
7110-0377 |
1 |
7110-0377-1 |
|
15,0 |
125 |
14,991 |
15,018 |
13,0 |
93 |
16 |
24 |
54 |
0,156 |
|||
|
2 |
7110-0377-2 |
|
15,009 |
15,043 |
15 |
68 |
||||||||||
|
7110-0378 |
1 |
7110-0378-1 |
|
16,0 |
15,991 |
16,018 |
14,0 |
24 |
54 |
0,177 |
||||||
|
2 |
7110-0378-2 |
|
16,009 |
16,043 |
15 |
68 |
||||||||||
|
7110-0379 |
1 |
7110-0379-1 |
|
17,0 |
16,991 |
17,018 |
15,0 |
26 |
54 |
0,198 |
||||||
|
2 |
7110-0379-2 |
|
17,009 |
17,043 |
15 |
68 |
||||||||||
|
7110-0380 |
1 |
7110-0380-1 |
|
18,0 |
17,991 |
18,018 |
16,0 |
26 |
54 |
0,223 |
||||||
|
2 |
7110-0380-2 |
|
18,009 |
18,043 |
15 |
68 |
||||||||||
|
7110-0381 |
1 |
7110-0381-1 |
|
19,0 |
165 |
18,990 |
19,021 |
130 |
18 |
30 |
77 |
1,6 |
0,331 |
|||
|
2 |
7110-0381-2 |
|
19,010 |
19,052 |
20 |
105 |
||||||||||
|
7110-0382 |
1 |
7110-0382-1 |
|
20,0 |
19,990 |
20,021 |
17,0 |
30 |
77 |
14,0 |
4,0 |
0,377 |
||||
|
2 |
7110-0382-2 |
|
20,010 |
20,052 |
20 |
105 |
||||||||||
|
7110-0383 |
1 |
7110-0383-1 |
|
21,0 |
20,990 |
21,021 |
18,0 |
32 |
77 |
0,415 |
||||||
|
2 |
7110-0383-2 |
|
21,010 |
21,052 |
20 |
105 |
||||||||||
|
7110-0384 |
1 |
7110-0384-1 |
|
22,0 |
21,990 |
22,021 |
19,0 |
32 |
77 |
0,455 |
||||||
|
2 |
7117-0384-2 |
|
22,010 |
22,052 |
20 |
105 |
||||||||||
|
7110-0385 |
1 |
7110-0385-1 |
|
24,0 |
170 |
23,990 |
24,021 |
20,0 |
135 |
36 |
77 |
17,0 |
0,558 |
|||
|
2 |
7110-0385-2 |
|
24,010 |
24,052 |
25 |
105 |
||||||||||
|
7110-0386 |
1 |
7110-0386-1 |
|
25,0 |
24,990 |
25,021 |
22,0 |
38 |
77 |
0,613 |
||||||
|
2 |
7110-0386-2 |
|
25,010 |
25,052 |
25 |
105 |
||||||||||
|
7110-0387 |
1 |
7110-0387-1 |
|
26,0 |
25,990 |
26,021 |
38 |
77 |
0,656 |
|||||||
|
2 |
7110-0387-2 |
|
26,010 |
26,052 |
25 |
105 |
||||||||||
|
7110-0388 |
1 |
7110-0388-1 |
|
28,0 |
185 |
27,990 |
28,021 |
25,0 |
140 |
22 |
42 |
77 |
20,0 |
0,829 |
||
|
2 |
7110-0388-2 |
|
28,010 |
28,052 |
25 |
105 |
||||||||||
|
7110-0389 |
1 |
7110-0389-1 |
|
30,0 |
29,990 |
30,021 |
42 |
77 |
0,929 |
|||||||
|
2 |
7110-0389-2 |
|
30,010 |
30,052 |
25 |
105 |
||||||||||
|
7110-0390 |
1 |
7110-0390-1 |
|
32,0 |
215 |
31,988 |
32,025 |
28,0 |
170 |
48 |
92 |
6,0 |
1,247 |
|||
|
2 |
7110-0390-2 |
|
32,012 |
32,062 |
30 |
125 |
||||||||||
|
7110-0391 |
1 |
7110-0391-1 |
|
34,0 |
33,988 |
34,025 |
48 |
92 |
1,386 |
|||||||
|
2 |
7110-0391-2 |
|
34,012 |
34,062 |
30 |
125 |
||||||||||
|
7110-0392 |
1 |
7110-0392-1 |
|
36,0 |
230 |
35,988 |
36,025 |
32,0 |
180 |
25 |
55 |
92 |
24,0 |
1,713 |
||
|
2 |
7110-0392-2 |
36,012 |
36,062 |
30 |
125 |
|||||||||||
|
7110-0393 |
1 |
7110-0393-1 |
|
38,0 |
37,988 |
38,025 |
55 |
92 |
24 0 |
6,0 |
1,874 |
|||||
|
2 |
7110-0393-2 |
|
38,012 |
38,062 |
30 |
125 |
||||||||||
|
7110-0394 |
1 |
7110-0394-1 |
|
40,0 |
240 |
39,988 |
40,025 |
36,0 |
185 |
28 |
60 |
92 |
28,0 |
2,5 |
2,2l8 |
|
|
2 |
7110-0394-2 |
|
40,012 |
40,062 |
45 |
125 |
||||||||||
|
7110-0395 |
1 |
7110-0395-1 |
|
42,0 |
41,988 |
42,025 |
60 |
92 |
2,405 |
|||||||
|
2 |
7110-0395-2 |
|
42,012 |
42,062 |
45 |
125 |
||||||||||
|
7110-0396 |
1 |
7110-0396-1 |
|
45,0 |
265 |
44,988 |
45,025 |
40,0 |
200 |
32 |
72 |
92 |
32,0 |
3,063 |
||
|
2 |
7110-0396-2 |
|
45,012 |
45,062 |
45 |
125 |
||||||||||
|
7110-0397 |
1 |
7110-0397-1 |
|
48,0 |
47,988 |
48,025 |
72 |
92 |
3,407 |
|||||||
|
2 |
7110-0397-2 |
|
48,012 |
48,062 |
45 |
125 |
||||||||||
|
7110-0398 |
1 |
7110-0398-1 |
|
50,0 |
49,988 |
50,025 |
72 |
92 |
3,649 |
|||||||
|
2 |
7110-0398-2 |
|
50,012 |
50,062 |
45 |
125 |
||||||||||
|
7110-0399 |
1 |
7110-0399-1 |
|
52,0* |
310 |
51,985 |
52,030 |
45,0 |
238 |
36 |
80 |
112 |
36,0 |
8,0 |
4,774 |
|
|
2 |
7110-0399-2 |
|
|
52,015 |
52,074 |
60 |
147 |
|||||||||
|
7110-0400 |
1 |
7110-0400-1 |
|
53,0 |
52,985 |
53,030 |
80 |
112 |
4,929 |
|||||||
|
2 |
7117-0400-2 |
|
53,015 |
53,074 |
60 |
147 |
||||||||||
|
7110-0401 |
1 |
7110-0401-1 |
|
55,0* |
315 |
54,985 |
55,030 |
242 |
80 |
112 |
5,246 |
|||||
|
2 |
7110-0401-2 |
|
55,015 |
55,074 |
60 |
147 |
||||||||||
|
7110-0402 |
1 |
7110-0402-1 |
|
56,0 |
55,985 |
56,030 |
85 |
112 |
5,486 |
|||||||
|
2 |
7110-0402-2 |
|
56,015 |
56,074 |
65 |
147 |
||||||||||
|
7110-0403 |
1 |
7110-0403-1 |
|
58,0* |
57,985 |
58,030 |
85 |
112 |
5,826 |
|||||||
|
2 |
7110-0403-2 |
|
58,015 |
58,074 |
65 |
147 |
||||||||||
|
7110-0404 |
1 |
7110-0404-1 |
|
60,0 |
59,985 |
60,030 |
85 |
112 |
6,178 |
|||||||
|
2 |
7110-0404-2 |
|
60,015 |
60,074 |
65 |
147 |
||||||||||
|
7110-0405 |
1 |
7110-0405-1 |
|
63,0 |
350 |
62,985 |
63,030 |
50,0 |
270 |
40 |
98 |
112 |
42,0 |
7,750 |
||
|
2 |
7110-0405-2 |
|
63,015 |
63,074 |
80 |
147 |
||||||||||
|
7110-0406 |
1 |
7110-0406-1 |
|
65,0* |
64,985 |
65,030 |
98 |
112 |
8,175 |
|||||||
|
2 |
7110-0406-2 |
|
65,015 |
65,074 |
80 |
147 |
||||||||||
|
7110-0407 |
1 |
7110-0407-1 |
|
67,0 |
66,985 |
67,030 |
98 |
112 |
8,615 |
|||||||
|
2 |
7110-0407-2 |
|
67,015 |
67,074 |
80 |
147 |
||||||||||
|
7110 0408 |
1 |
7110-0408-1 |
|
70,0* |
360 |
69,985 |
70,030 |
280 |
105 |
112 |
10,144 |
|||||
|
2 |
7110-0408-2 |
|
70,015 |
70,074 |
90 |
147 |
||||||||||
|
7110-0409 |
1 |
7110-0409-1 |
|
71,0 |
360 |
70,985 |
71,030 |
105 |
112 |
8,0 |
2,5 |
10,387 |
||||
|
2 |
7110-0409-2 |
|
71,015 |
71,074 |
90 |
147 |
||||||||||
|
7110-0410 |
1 |
7110-0410-1 |
|
75,0 |
380 |
74,985 |
75,030 |
60,0 |
290 |
45 |
115 |
112 |
50 |
12,145 |
||
|
2 |
7110-0410-2 |
|
75,015 |
75,074 |
100 |
147 |
||||||||||
|
7110-0411 |
1 |
7110-0411-1 |
|
78,0* |
77,985 |
78,030 |
115 |
112 |
12,975 |
|||||||
|
2 |
7110-0411-2 |
|
78,015 |
78,074 |
100 |
147 |
||||||||||
|
7110-0412 |
1 |
7110-0412-1 |
|
80,0 |
79,985 |
80,030 |
115 |
112 |
13,530 |
|||||||
|
2 |
7110-0412-2 |
|
80,015 |
80,074 |
100 |
147 |
||||||||||
|
7110-0413 |
1 |
7110-0413-1 |
|
82,0* |
405 |
81,983 |
82,035 |
305 |
50 |
130 |
130 |
10,0 |
14,730 |
|||
|
2 |
7110-0413-2 |
|
82,017 |
82,087 |
80 |
175 |
||||||||||
|
7110-0414 |
1 |
7110-0414-1 |
|
85,0 |
84,983 |
85,035 |
130 |
130 |
15,675 |
|||||||
|
2 |
7110-0414-2 |
|
85,017 |
85,087 |
80 |
175 |
||||||||||
|
7110-0415 |
1 |
7110-0415-1 |
|
88,0* |
87,983 |
88,035 |
130 |
130 |
16,650 |
|||||||
|
2 |
7110-0415-2 |
|
88,017 |
88,087 |
80 |
175 |
||||||||||
|
7110-0416 |
1 |
7110-0416-1 |
|
90,0 |
89,983 |
90,035 |
130 |
130 |
60 |
17,320 |
||||||
|
2 |
7117-0416-2 |
|
90,017 |
90,087 |
80 |
175 |
||||||||||
|
7110-0417 |
1 |
7110-0417-1 |
|
92,0 |
435 |
91,983 |
92,035 |
70,0 |
325 |
55 |
150 |
130 |
20,700 |
|||
|
2 |
7110-0417-2 |
|
92,017 |
92,087 |
100 |
175 |
||||||||||
|
7110-0418 |
1 |
7110-0418-1 |
|
95,0 |
94,983 |
95,035 |
150 |
130 |
20,980 |
|||||||
|
2 |
7110-0418-2 |
|
95,017 |
95,087 |
100 |
175 |
||||||||||
|
7110-0419 |
1 |
7110-0419-1 |
|
98,0 |
97,983 |
98,035 |
150 |
130 |
22,150 |
|||||||
|
2 |
7110-0419-2 |
|
98,017 |
98,087 |
100 |
175 |
||||||||||
|
7110-0420 |
1 |
7110-0420-1 |
|
100,0 |
99,983 |
100,035 |
150 |
130 |
23,560 |
|||||||
|
2 |
7110-0420-2 |
|
100,017 |
100,087 |
100 |
175 |
||||||||||
|
*Оправки указанных размеров применять в технически обоснованных случаях. ** Оправки для обработки деталей диаметром d до 5,6 мм допускается изготавливать без плоскостей под поводковый патрон. Примечание - Допускается в технически обоснованных случаях изготавливать оправки для обработки деталей с отверстиями промежуточных диаметров d. Оправки промежуточных диаметров следует изготавливать по размерам ближайшего диаметра, кроме размеров d1 и d2, которые рассчитывают следующим образом. Для оправки номер 1 dl = d минус нижнее отклонение отверстия по Js7. d2 - d плюс верхнее отклонение отверстия по Н8. Для оправки номер 2 dl = d плюс верхнее отклонение по Js7. d2 = d плюс верхнее отклонение по Н7. |
||||||||||||||||
Пример условного обозначения комплекта конических оправок для отверстия диаметром d= 3,0 мм:
Комплект оправок 7110-0361-3,0 ГОСТ 31.1066.03-97
То же, для оправки номер 1:
Оправка 7110-0361-1-3,0 ГОСТ 31.1066.03-97
То же, для оправки номер 2:
Оправка 7110-0361-2-3,0 ГОСТ 31.1066.03-97
То же, для комплекта конических оправок для отверстия промежуточного диаметра d = 9,76 мм:
Комплект оправок 7110-0372-9,76 ГОСТ 31.1066.03-97
То же, для оправки номер 1:
Оправка 7110-0372-1-9,76 ГОСТ 31.1066.03-97
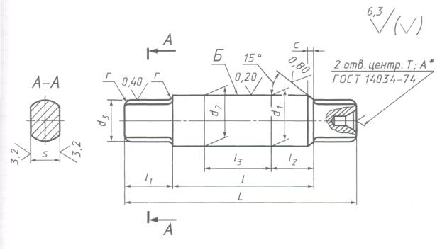
А.2 Оправки типа 2
А.2.1. Конструкция и размеры оправок типа 2 должны соответствовать указанным на рисунке А.2 и в таблице А.3.

Рисунок А.2
Таблица А.3.
|
Обозначение оправок |
Применяемость |
d |
l |
L |
d1 |
d2 |
d1 |
l1 |
l2 |
S |
с |
г |
Масса, |
|
7110-0431 |
|
8 |
8 |
36 |
7,991 |
8,090 |
7,1 |
16 |
10 |
6 |
1,6 |
0,6 |
0,012 |
|
7110-0432 |
|
16 |
44 |
24 |
0,015 |
||||||||
|
7110-0433 |
|
9 |
10 |
42 |
8,991 |
9,090 |
8,0 |
18 |
12 |
0,017 |
|||
|
7110-0434 |
|
18 |
48 |
24 |
0,020 |
||||||||
|
7110-0435 |
|
10 |
10 |
42 |
9,991 |
10,090 |
9,0 |
18 |
7 |
0,020 |
|||
|
7110-0436 |
|
20 |
52 |
28 |
0,026 |
||||||||
|
7110-0437 |
|
11 |
12 |
50 |
10,989 |
10,110 |
10,0 |
22 |
14 |
8 |
1,6 |
0,6 |
0,030 |
|
7110-0438 |
|
22 |
60 |
32 |
0,038 |
||||||||
|
7110-0439 |
|
12 |
12 |
50 |
11,989 |
12,110 |
11,0 |
22 |
0,035 |
||||
|
7110-0440 |
|
25 |
63 |
35 |
0,046 |
||||||||
|
7110-0441 |
|
13 |
14 |
52 |
12,989 |
13,110 |
24 |
2,5 |
1,0 |
0,040 |
|||
|
7110-0442 |
|
25 |
63 |
35 |
0,052 |
||||||||
|
7110-0443 |
|
14 |
14 |
52 |
13,989 |
14,110 |
12,0 |
24 |
10 |
0,058 |
|||
|
7110-0444 |
|
28 |
66 |
38 |
0,075 |
||||||||
|
7110-0445 |
|
15 |
14 |
56 |
14,989 |
15,110 |
13,0 |
24 |
16 |
0,061 |
|||
|
7110-0446 |
|
28 |
70 |
38 |
0,080 |
||||||||
|
7110-0447 |
|
16 |
16 |
58 |
15,989 |
16,110 |
14,0 |
26 |
0,071 |
||||
|
7110-0448 |
|
32 |
74 |
42 |
0,096 |
||||||||
|
7110-0449 |
|
17 |
16 |
58 |
16,989 |
17,110 |
15 |
26 |
0,079 |
||||
|
7110-0450 |
|
32 |
74 |
42 |
0,107 |
||||||||
|
7110-0451 |
|
18 |
18 |
60 |
17,989 |
18,110 |
16 |
28 |
0,093 |
||||
|
7110-0452 |
|
36 |
78 |
46 |
0,129 |
||||||||
|
7110-0453 |
|
19 |
18 |
66 |
18,987 |
19,130 |
30 |
18 |
1,6 |
0,109 |
|||
|
7110-0454 |
|
36 |
84 |
48 |
0,149 |
||||||||
|
7110-0455 |
|
20 |
20 |
68 |
19,987 |
20,130 |
17 |
32 |
14 |
4,0 |
0,135 |
||
|
7110-0456 |
|
40 |
88 |
52 |
0,185 |
||||||||
|
7110-0457 |
|
21 |
20 |
68 |
20,987 |
21,130 |
18 |
32 |
0,149 |
||||
|
7110-0458 |
|
40 |
88 |
52 |
0,203 |
||||||||
|
7110-0459 |
|
22 |
22 |
70 |
21,987 |
22,130 |
19 |
34 |
0,169 |
||||
|
7110-0460 |
|
45 |
94 |
48 |
0,210 |
||||||||
|
7110-0461 |
|
24 |
25 |
74 |
23,987 |
24,130 |
20 |
38 |
17 |
0,216 |
|||
|
7110-0462 |
|
50 |
98 |
62 |
0,302 |
||||||||
|
7110-0463 |
|
25 |
25 |
74 |
24,987 |
25,130 |
22 |
38 |
0,239 |
||||
|
7110-0464 |
|
50 |
98 |
62 |
0,332 |
||||||||
|
7110-0465 |
|
26 |
25 |
74 |
25,987 |
26,130 |
38 |
0,252 |
|||||
|
7110-0466 |
|
50 |
98 |
62 |
0,351 |
||||||||
|
7110-0467 |
|
28 |
28 |
84 |
27,987 |
28,130 |
25 |
40 |
22 |
20 |
0,345 |
||
|
7110-0468 |
|
56 |
112 |
68 |
0,481 |
||||||||
|
7110-0469 |
|
30 |
30 |
86 |
29,987 |
30,130 |
42 |
0,385 |
|||||
|
7110-0470 |
|
60 |
116 |
72 |
0,551 |
||||||||
|
7110-0471 |
|
32 |
32 |
92 |
31,984 |
32,160 |
28 |
48 |
6,0 |
0,477 |
|||
|
7110-0472 |
|
63 |
122 |
78 |
0,667 |
||||||||
|
7110-0473 |
|
34 |
34 |
95 |
33,984 |
34,160 |
50 |
0,531 |
|||||
|
7110-0474 |
|
67 |
125 |
82 |
0,759 |
||||||||
|
7110-0475 |
|
36 |
36 |
100 |
35,984 |
36,160 |
32 |
50 |
25 |
24 |
0,671 |
||
|
7110-0476 |
|
71 |
135 |
85 |
0,950 |
||||||||
|
7110-0477 |
|
38 |
38 |
102 |
37,984 |
38,160 |
52 |
0,734 |
|||||
|
7110-0478 |
|
75 |
140 |
90 |
1,072 |
||||||||
|
7110-0479 |
|
40 |
40 |
110 |
39,984 |
40,160 |
36 |
55 |
28 |
28 |
6,0 |
|
0,925 |
|
7110-0480 |
|
80 |
150 |
95 |
1,320 |
||||||||
|
7110-0481 |
|
42 |
42 |
115 |
41,984 |
42,160 |
58 |
1,013 |
|||||
|
7110-0482 |
|
85 |
155 |
100 |
1,480 |
||||||||
|
7110-0483 |
|
45 |
45 |
125 |
44,984 |
45,160 |
40 |
60 |
32 |
32 |
2,5 |
1,315 |
|
|
7110-0484 |
|
90 |
170 |
105 |
1,877 |
||||||||
|
7110-0485 |
|
48 |
48 |
128 |
47,984 |
48,160 |
64 |
1,475 |
|||||
|
7110-0486 |
|
95 |
175 |
110 |
2,129 |
||||||||
|
7110-0487 |
|
50 |
50 |
120 |
49,984 |
50,160 |
66 |
1,583 |
|||||
|
7110-0488 |
|
100 |
180 |
116 |
2,353 |
||||||||
|
7110-0489 |
|
52* |
53 |
145 |
51,981 |
52,190 |
45 |
72 |
36 |
36 |
8,0 |
2,007 |
|
|
7110-0490 |
|
105 |
195 |
124 |
2,875 |
||||||||
|
7110-0491 |
|
53 |
53 |
145 |
52,981 |
53,190 |
72 |
2,064 |
|||||
|
7110-0492 |
|
105 |
195 |
124 |
2,964 |
||||||||
|
7110-0493 |
|
55* |
56 |
145 |
54,981 |
55,190 |
74 |
2,197 |
|||||
|
7110-0494 |
|
ПО |
200 |
128 |
3,204 |
||||||||
|
7110-0495 |
|
56 |
56 |
145 |
55,981 |
56,190 |
74 |
2,248 |
|||||
|
7110-0496 |
|
110 |
200 |
128 |
3,292 |
||||||||
|
7110-0497 |
|
60 |
56 |
145 |
59,981 |
60,190 |
74 |
2,459 |
|||||
|
7110-0498 |
|
ПО |
200 |
128 |
3,658 |
||||||||
|
7110-0499 |
|
62* |
63 |
162 |
61,981 |
62,190 |
50 |
82 |
40 |
42 |
3,079 |
||
|
7110-0500 |
|
125 |
225 |
145 |
4,572 |
||||||||
|
7110-0501 |
|
63 |
63 |
162 |
62,981 |
63,190 |
82 |
3,152 |
|||||
|
7110-0502 |
|
125 |
225 |
145 |
4,694 |
||||||||
|
7110-0503 |
|
65* |
63 |
162 |
64,981 |
65,190 |
82 |
3,282 |
|||||
|
7110-0504 |
|
125 |
225 |
145 |
4,923 |
||||||||
|
7110-0505 |
|
67 |
63 |
162 |
66,981 |
67,190 |
82 |
3,416 |
|||||
|
7110-0506 |
|
125 |
225 |
145 |
5,159 |
||||||||
|
7110-0507 |
|
70* |
71 |
170 |
69,981 |
70,190 |
90 |
3,864 |
|||||
|
7110-0508 |
|
140 |
240 |
160 |
5,980 |
||||||||
|
7110-0509 |
|
71 |
71 |
170 |
70,981 |
71,190 |
90 |
3,942 |
|||||
|
7110-0510 |
|
140 |
240 |
160 |
6,117 |
||||||||
|
7110-0511 |
|
75 |
71 |
190 |
74,981 |
75,190 |
60 |
90 |
50 |
52 |
5,213 |
||
|
7110-0512 |
|
140 |
260 |
160 |
7,640 |
||||||||
|
7110-0513 |
|
78* |
80 |
200 |
77,981 |
78,190 |
100 |
5,843 |
|||||
|
7110-0514 |
|
160 |
280 |
180 |
8,844 |
||||||||
|
7110-0515 |
|
80 |
80 |
200 |
79,981 |
80,190 |
100 |
6,038 |
|||||
|
7110-0516 |
|
160 |
280 |
180 |
9,194 |
||||||||
|
*Оправки указанных размеров применять в технически обоснованных случаях. Примечание - Допускается в технически обоснованных случаях изготавливать оправки для обработки деталей с отверстиями промежуточных размеров d. Оправки промежуточных диаметров следует изготавливать по размерам ближайшего большого диаметра, кроме размеров d1 и d2, которые рассчитывают следующим образом: d1 = d минус нижнее отклонение отверстия по h6. d2 = d плюс верхнее отклонение отверстия по Н11. |
|||||||||||||
Пример условного обозначения оправки размерами d = 8 мм, с полем допуска размера d по hб:
Оправка 7110-0431-8 h6 ГОСТ 31.1066.03-97
То же, с полем допуска размера d пo k6:
Оправка 7110-0431-8 k6 ГОСТ 31.1066.03-97
То же, оправки для промежуточного диаметра d = 9,76 мм, l = 10 мм, с полем допуска размера d по h6:
Оправка 7110-0435-9,76 h6 ГОСТ 31.1066.03-97
То же, с полем допуска размера d пo k6:
Оправка 7110-0435-9,76 k6 ГОСТ 31.1066.03-97
А.2.2. Характер соединения оправок с обрабатываемой деталью в зависимости от предельных отклонений оправки и базового отверстия указан в справочных таблицах А.4 и А.5.
А.3. Оправки типа 3
А.3.1. Конструкция и размеры оправок типа 3 должны соответствовать указанным на рисунке А.3 и в таблице А.6.

Рисунок А.3
Характер соединения оправки с обрабатываемой деталью в зависимости от предельных отклонений посадочного диаметра d оправки и базового отверстия детали
Таблица А.4 - Оправки с предельными отклонениями посадочного диаметра d no h6
|
Номинальный диаметр отверстия и оправки, мм |
Поля допусков диаметра базового отверстия детали, мкм |
|||||||||||||||||||||||
|
Н6 |
G6 |
Js6 |
К6 |
М6 |
N6 |
Н7 |
G7 |
Js7 |
К7 |
М7 |
N7 |
|||||||||||||
|
Зазоры |
Зазор |
Затяг |
Зазор |
Натяг |
Зазор |
Натяг |
Зазор |
Натяг |
Зазоры |
Зазор |
Натяг |
Зазор |
Натяг |
Зазор |
Натяг |
Зазор |
Натяг |
|||||||
|
Наим. |
Наиб. |
Наим. |
Наиб. |
Наиб. |
Наим. |
Наиб. |
Наим. |
Наиб. |
Наиб. |
|||||||||||||||
|
От 8 до 10 |
0 |
18 |
5 |
23 |
14 |
5 |
11 |
7 |
6 |
12 |
2 |
16 |
0 |
24 |
5 |
29 |
16 |
7 |
14 |
10 |
9 |
15 |
5 |
19 |
|
Св. 10 » 18 |
0 |
22 |
6 |
28 |
17 |
6 |
13 |
9 |
7 |
15 |
2 |
20 |
0 |
29 |
6 |
35 |
18 |
9 |
17 |
12 |
11 |
18 |
6 |
23 |
|
» 18 » 30 |
0 |
26 |
7 |
33 |
20 |
7 |
15 |
И |
9 |
17 |
2 |
24 |
0 |
34 |
7 |
41 |
23 |
10 |
19 |
15 |
13 |
21 |
6 |
28 |
|
» 30 » 50 |
0 |
32 |
9 |
41 |
24 |
8 |
19 |
13 |
12 |
20 |
4 |
28 |
0 |
41 |
9 |
50 |
28 |
12 |
23 |
18 |
16 |
25 |
8 |
33 |
|
» 50 » 80 |
0 |
38 |
10 |
48 |
29 |
10 |
23 |
15 |
14 |
24 |
5 |
33 |
0 |
49 |
10 |
59 |
34 |
15 |
28 |
21 |
19 |
30 |
10 |
39 |
Таблица А.5.
|
Номинальный диаметр отверстия и оправки, мм |
Поля допусков диаметра базового отверстия детали, мкм |
|||||||||||||||||||||||||||
|
Н6 |
G6 |
Js6 |
К6 |
М6 |
N6 |
Н7 |
G7 |
Js7 |
К7 |
М7 |
N7 |
|||||||||||||||||
|
Зазор |
Натяг |
Зазор |
Натяг |
Зазор |
Натяг |
Зазор |
Натяг |
Натяги |
Зазор |
Натяг |
Зазор |
Натяг |
Зазор |
Натяг |
Зазор |
Натяг |
Натяги |
|||||||||||
|
Наиб. |
Наим. |
Наиб. |
Наим. |
Наиб. |
Наиб. |
Наим. |
Наиб. |
Наим. |
Наиб. |
|||||||||||||||||||
|
От 8 до 10 |
8 |
10 |
13 |
5 |
4 |
15 |
1 |
17 |
4 |
22 |
8 |
28 |
14 |
10 |
19 |
5 |
6 |
17 |
4 |
20 |
1 |
25 |
5 |
29 |
||||
|
Св. 10 » 18 |
10 |
12 |
16 |
6 |
5 |
18 |
1 |
21 |
5 |
27 |
10 |
32 |
17 |
12 |
23 |
6 |
8 |
21 |
5 |
24 |
1 |
30 |
6 |
35 |
||||
|
» 18 » 30 |
11 |
15 |
18 |
8 |
5 |
22 |
0 |
26 |
6 |
32 |
13 |
39 |
19 |
15 |
26 |
8 |
8 |
25 |
4 |
30 |
2 |
36 |
9 |
43 |
||||
|
» 30 » 50 |
14 |
18 |
23 |
9 |
6 |
26 |
1 |
31 |
6 |
38 |
14 |
46 |
23 |
18 |
32 |
9 |
10 |
30 |
5 |
36 |
2 |
43 |
10 |
51 |
||||
|
» 50 » 80 |
17 |
21 |
27 |
11 |
8 |
31 |
2 |
36 |
7 |
45 |
16 |
54 |
28 |
21 |
38 |
11 |
13 |
36 |
7 |
42 |
2 |
51 |
11 |
60 |
||||
Таблица А.6
Размеры в миллиметрах
|
Обозначение комплекта оправок |
Номер
опра |
Обозначение оправок |
Применяемость |
d |
l |
L |
d1 |
d2 |
d3 |
d4 |
l1 |
S d11 |
c |
r |
Масса, кг, не более |
|
js5 |
|||||||||||||||
|
7110-0526 |
1 |
7110-0526-1 |
|
8 |
8 |
44 |
7,993 |
8,000 |
8,005 |
7,1 |
10 |
6 |
1,6 |
0,6 |
0,015 |
|
2 |
7110-0526-2 |
|
8,007 |
8,015 |
8,020 |
||||||||||
|
7110-0527 |
1 |
7110-0527-1 |
|
12 |
56 |
7,993 |
8,000 |
8,005 |
0,020 |
||||||
|
2 |
7110-0527-2 |
|
8,007 |
8,015 |
8,020 |
||||||||||
|
7110-0528 |
1 |
7110-0528-1 |
|
9 |
10 |
54 |
8,993 |
9,000 |
9,005 |
8,0 |
12 |
0,023 |
|||
|
2 |
7110-0528-2 |
|
9,007 |
9,015 |
9,020 |
||||||||||
|
7110-0529 |
1 |
7110-0529-1 |
|
14 |
64 |
8,993 |
9,000 |
9,005 |
0,028 |
||||||
|
2 |
7110-0529-2 |
|
9,007 |
9,015 |
9,020 |
||||||||||
|
7110-0530 |
1 |
7110-0530-1 |
|
10 |
10 |
54 |
9,993 |
10,000 |
10,005 |
9,0 |
7 |
0,028 |
|||
|
2 |
7110-0530-2 |
|
10,007 |
10,015 |
10,020 |
||||||||||
|
7110-0531 |
1 |
7110-0531-1 |
|
16 |
72 |
9,993 |
10,000 |
10,005 |
0,038 |
||||||
|
2 |
7110-0531-2 |
|
10,007 |
10,015 |
10,020 |
||||||||||
|
7110-0532 |
1 |
7110-0532-1 |
|
11 |
12 |
64 |
10,991 |
11,000 |
11,006 |
10,0 |
14 |
8 |
0,041 |
||
|
2 |
7110-0532-2 |
|
11,009 |
11,018 |
11,024 |
||||||||||
|
7110-0533 |
1 |
7110-0533-1 |
|
18 |
82 |
10,991 |
11,000 |
11,006 |
0,055 |
||||||
|
2 |
7110-0533-2 |
|
11,009 |
11,018 |
11,024 |
||||||||||
|
7110-0534 |
1 |
7110-0534-1 |
|
12 |
12 |
64 |
11,991 |
12,000 |
12,006 |
11,0 |
0,047 |
||||
|
2 |
7110-0534-2 |
|
12,009 |
12,018 |
12,024 |
||||||||||
|
7110-0535 |
1 |
7110-0535-1 |
|
18 |
82 |
11,991 |
12,000 |
12,006 |
0,065 |
||||||
|
2 |
7110-0535-2 |
|
12,009 |
12,018 |
12,024 |
||||||||||
|
7110-0536 |
1 |
7110-0536-1 |
|
13 |
14 |
70 |
12,991 |
13,000 |
13,006 |
2,5 |
1,0 |
0,059 |
|||
|
2 |
7110-0536-2 |
|
13,009 |
13,018 |
13,024 |
||||||||||
|
7110-0537 |
1 |
7110-0537-1 |
|
20 |
88 |
12,991 |
13,000 |
13,006 |
0,078 |
||||||
|
2 |
7110-0537-2 |
|
13,009 |
13,018 |
13,024 |
||||||||||
|
7110-0538 |
1 |
7110-0538-1 |
|
14 |
14 |
70 |
13,991 |
14,000 |
14,006 |
12,0 |
10 |
0,079 |
|||
|
2 |
7110-0538-2 |
|
14,009 |
14,018 |
14,024 |
||||||||||
|
7110-0539 |
1 |
7110-0539-1 |
|
22 |
94 |
13,991 |
14,000 |
14,006 |
0,108 |
||||||
|
2 |
7110-0539-2 |
|
14,009 |
14,018 |
14,024 |
||||||||||
|
7110-0540 |
1 |
7110-0540-1 |
|
15 |
14 |
74 |
14,991 |
15,000 |
15,006 |
13,0 |
16 |
0,086 |
|||
|
2 |
7110-0540-2 |
|
15,009 |
15,018 |
15,024 |
||||||||||
|
7110-0541 |
1 |
7110-0541-1 |
|
22 |
98 |
14,991 |
15,000 |
15,006 |
0,119 |
||||||
|
2 |
7110-0541-2 |
|
15,009 |
15,018 |
15,024 |
||||||||||
|
7110-0542 |
1 |
7110-0542-1 |
|
16 |
16 |
80 |
15,991 |
16,000 |
16,006 |
14,0 |
0,106 |
||||
|
2 |
7110-0542-2 |
|
16,009 |
16,018 |
16,024 |
||||||||||
|
7110-0543 |
1 |
7110-0543-1 |
|
25 |
107 |
15,991 |
16,000 |
16,006 |
0,148 |
||||||
|
2 |
7110-0543-2 |
|
16,009 |
16,018 |
16,024 |
||||||||||
|
7110-0544 |
1 |
7110-0544-1 |
|
17 |
16 |
80 |
16,991 |
17,000 |
17,006 |
15,0 |
0,118 |
||||
|
2 |
7110-0544-2 |
|
17,009 |
17,018 |
17,024 |
||||||||||
|
7110-0545 |
1 |
7110-0545-1 |
|
25 |
107 |
16,991 |
17,000 |
17,006 |
0,166 |
||||||
|
2 |
7110-0545-2 |
|
17,009 |
17,018 |
17,024 |
||||||||||
|
7110 0546 |
1 |
7110-0546-1 |
|
18 |
18 |
86 |
17,991 |
18,000 |
18,006 |
16,0 |
0,145 |
||||
|
2 |
7110-0546-2 |
|
18,009 |
18,018 |
18,024 |
||||||||||
|
7110-0547 |
1 |
7110-0547-1 |
|
28 |
116 |
17,991 |
18,000 |
18,006 |
0,205 |
||||||
|
2 |
7110-0547-2 |
|
18,009 |
18,018 |
18,024 |
||||||||||
|
7110-0548 |
1 |
7110-0548-1 |
|
19 |
18 |
90 |
18,990 |
19,000 |
19,007 |
17 |
1,6 |
0,162 |
|||
|
2 |
7110-0548-2 |
|
19,010 |
19,021 |
19,028 |
||||||||||
|
7110-0549 |
1 |
7110-0549-1 |
|
28 |
120 |
18,890 |
19,000 |
19,007 |
0,249 |
||||||
|
2 |
7110-0549-2 |
|
19,010 |
19,021 |
19,028 |
||||||||||
|
7110-0550 |
1 |
7110-0550-1 |
|
20 |
20 |
96 |
19,990 |
20,000 |
20,007 |
17,0 |
18 |
14 |
4,0 |
1,6 |
0,204 |
|
2 |
7110-0550-2 |
|
20,010 |
20,021 |
20,028 |
||||||||||
|
7110-0551 |
1 |
7110-0551-1 |
|
30 |
126 |
19,990 |
20,000 |
20,007 |
0,278 |
||||||
|
2 |
7110-0551-2 |
|
20,010 |
20,021 |
20,028 |
||||||||||
|
7110-0552 |
1 |
7110-0552-1 |
|
21 |
20 |
96 |
20,990 |
21,000 |
21,007 |
18,0 |
0,225 |
||||
|
2 |
7110-0552-2 |
|
21,010 |
21,021 |
21,028 |
||||||||||
|
7110-0553 |
1 |
7110-0553-1 |
|
32 |
132 |
20,990 |
21,000 |
21,007 |
0,323 |
||||||
|
2 |
7110-0553-2 |
|
21,010 |
21,021 |
21,028 |
||||||||||
|
7110-0554 |
1 |
7110-0554-1 |
|
22 |
22 |
102 |
21,990 |
22,000 |
22,007 |
19, 0 |
0,264 |
||||
|
2 |
7110-0554-2 |
|
22,010 |
22,021 |
22,028 |
||||||||||
|
7110-0555 |
1 |
7110-0555-1 |
|
34 |
138 |
21,990 |
22,000 |
22,007 |
0,372 |
||||||
|
2 |
7110-0555-2 |
|
22,010 |
22,021 |
22,028 |
||||||||||
|
7110-0556 |
1 |
7110-0556-1 |
|
24 |
25 |
120 |
23,990 |
24,000 |
24,007 |
20,0 |
17 |
0,344 |
|||
|
2 |
7110-0556-2 |
|
24,010 |
24,021 |
24,028 |
||||||||||
|
7110-0557 |
1 |
7110-0557-1 |
|
36 |
144 |
23,990 |
24,000 |
24,007 |
0,465 |
||||||
|
2 |
7110-0557-2 |
|
24,010 |
24,021 |
24,028 |
||||||||||
|
7110-0558 |
1 |
7110-0558-1 |
|
25 |
25 |
120 |
24,990 |
25,000 |
25,007 |
22,0 |
0,378 |
||||
|
2 |
7110-0558-2 |
|
25,010 |
25,021 |
25,028 |
||||||||||
|
7110-0559 |
1 |
7110-0559-1 |
|
38 |
150 |
24,990 |
25,000 |
25,007 |
0,532 |
||||||
|
2 |
7110-0559-2 |
|
25,010 |
25,021 |
25,028 |
||||||||||
|
7110-0560 |
1 |
7110-0560-1 |
|
26 |
25 |
120 |
25,990 |
26,000 |
26,007 |
0,401 |
|||||
|
2 |
7110-0560-2 |
|
26,010 |
26,021 |
26,028 |
||||||||||
|
7110-0561 |
1 |
7110-0561-1 |
|
40 |
156 |
25,990 |
26,000 |
26,007 |
0,593 |
||||||
|
2 |
7110-0561-2 |
|
26,010 |
26,021 |
26,028 |
||||||||||
|
7110-0562 |
1 |
7110-0562-1 |
|
28 |
28 |
128 |
27,990 |
28,000 |
28,007 |
25,0 |
22 |
20 |
0,558 |
||
|
2 |
7110-0562-2 |
|
28,010 |
28,021 |
28,028 |
||||||||||
|
7110-0563 |
1 |
7110-0563-1 |
|
42 |
170 |
27,990 |
28,000 |
28,007 |
0,761 |
||||||
|
2 |
7110-0563-2 |
|
28,010 |
28,021 |
28,028 |
||||||||||
|
7110-0564 |
1 |
7110-0564-1 |
|
30 |
30 |
134 |
29,990 |
30,000 |
30,007 |
0,651 |
|||||
|
2 |
7110-0564-2 |
|
30,010 |
30,021 |
30,028 |
||||||||||
|
7110-0565 |
1 |
7110-0565-1 |
|
45 |
180 |
29,990 |
30,000 |
30,007 |
0,906 |
||||||
|
2 |
7110-0565-2 |
|
30,010 |
30,021 |
30,028 |
||||||||||
|
7110-0566 |
1 |
7110-0566-1 |
|
32 |
32 |
140 |
31,988 |
32,000 |
32,012 |
28,0 |
6,0 |
0,780 |
|||
|
2 |
7110-0566-2 |
|
32,012 |
32,025 |
32,034 |
||||||||||
|
7110-0567 |
1 |
7110-0567-1 |
|
50 |
194 |
31,988 |
32,000 |
32,012 |
1,121 |
||||||
|
2 |
7110-0567-2 |
|
32,012 |
32,025 |
32,034 |
||||||||||
|
7110-0568 |
1 |
7110-0568-1 |
|
34 |
34 |
146 |
33,988 |
34,000 |
34,012 |
0,901 |
|||||
|
2 |
7110-0568-2 |
|
34,012 |
34,025 |
34,034 |
||||||||||
|
7110-0569 |
1 |
7110-0569-1 |
|
50 |
194 |
33,988 |
34,000 |
34,012 |
1,234 |
||||||
|
2 |
7110-0569-2 |
|
34,012 |
34,025 |
34,034 |
||||||||||
|
7110-0570 |
1 |
7110-0570-1 |
|
36 |
36 |
158 |
35,988 |
36,000 |
36,012 |
32,0 |
25 |
24 |
1,134 |
||
|
2 |
7110-0570-2 |
|
36,012 |
36,025 |
36,034 |
||||||||||
|
7110-0571 |
1 |
7110-0571-1 |
|
56 |
218 |
35,988 |
36,000 |
36,012 |
1,613 |
||||||
|
2 |
7110-0571-2 |
|
36,012 |
36,025 |
36,034 |
||||||||||
|
7110-0572 |
1 |
7110-0572-1 |
|
38 |
38 |
164 |
37,988 |
38,000 |
38,012 |
2,5 |
1,285 |
||||
|
2 |
7110-0572-2 |
|
38,012 |
38,025 |
38,034 |
||||||||||
|
7110-0573 |
1 |
7110-0573-1 |
|
56 |
218 |
37,988 |
38,000 |
38,012 |
1,766 |
||||||
|
2 |
7110-0573-2 |
|
38,012 |
38,025 |
38,034 |
||||||||||
|
7110-0574 |
1 |
7110-0574-1 |
|
40 |
40 |
176 |
39,988 |
40,000 |
40,012 |
36,0 |
28 |
28 |
6,0 |
1,577 |
|
|
2 |
7110-0574-2 |
|
40,012 |
40,025 |
40,034 |
||||||||||
|
7110-0575 |
1 |
7110-0575-1 |
|
63 |
245 |
39,988 |
40,000 |
40,012 |
2,258 |
||||||
|
2 |
7110-0575-2 |
|
40,012 |
40,025 |
40,034 |
||||||||||
|
7110-0576 |
1 |
7110-0576-1 |
|
42 |
42 |
182 |
41,988 |
42,000 |
42,012 |
1,763 |
|||||
|
2 |
7110-0576-2 |
|
42,012 |
42,025 |
43,034 |
||||||||||
|
7110-0577 |
1 |
7110-0577-1 |
|
63 |
245 |
41,988 |
42,000 |
42,012 |
2,449 |
||||||
|
2 |
7110-0577-2 |
|
42,012 |
42,025 |
42,034 |
||||||||||
|
7110-0578 |
1 |
7110-0578-1 |
|
45 |
45 |
200 |
44,988 |
45,000 |
45,012 |
40,0 |
32 |
32 |
2,266 |
||
|
2 |
7110-0578-2 |
|
45,012 |
45,025 |
45,034 |
||||||||||
|
7110-0579 |
1 |
7110-0579-1 |
|
67 |
265 |
44,988 |
45,000 |
45,012 |
3,083 |
||||||
|
2 |
7110-0579-2 |
|
45,012 |
45,025 |
45,034 |
||||||||||
|
7110 0580 |
1 |
7110-0580-1 |
|
48 |
48 |
208 |
47,988 |
48,000 |
48,012 |
2,617 |
|||||
|
2 |
7110-0580-2 |
|
48,012 |
48,025 |
48,034 |
||||||||||
|
7110-0581 |
1 |
7110-0581-1 |
|
75 |
290 |
47,988 |
48,000 |
48,012 |
3,767 |
||||||
|
2 |
7110-0581-2 |
|
48,012 |
48,025 |
48,034 |
||||||||||
|
7110-0582 |
1 |
7110-0582-1 |
|
50 |
50 |
215 |
49,988 |
50,000 |
50,012 |
2,893 |
|||||
|
2 |
7110-0582-2 |
|
50,012 |
50,025 |
50,034 |
||||||||||
|
7110-0583 |
1 |
7110-0583-1 |
|
75 |
290 |
49,988 |
50,000 |
50,012 |
4,049 |
||||||
|
2 |
7110-0583-2 |
|
50,012 |
50,025 |
50,034 |
||||||||||
|
Примечание - Допускается в технически обоснованных случаях изготовление оправок для обработки деталей с отверстиями промежуточных диаметров d. Оправки промежуточных диаметров следует изготавливать по размерам ближнего большего диаметра, кроме размеров d1, d2 и d3 которые рассчитывают следующим образом. Для оправки номер 1 dl = d минус нижнее отклонение отверстия по Js7; d2 = d; d3 = d плюс нижнее отклонение отверстия по G7. Для оправки номер 2 dl = d плюс верхнее отклонение отверстия по Js7; d2 = d плюс верхнее отклонение отверстия по Н7; d3 = d плюс верхнее отклонение отверстия по G7. |
|||||||||||||||
Пример
условного обозначения комплекта цилиндрических
оправок для отверстия диаметром d =
Комплект оправок 7110-03526-8 ГОСТ 31.1066.03-97
То же, для оправки номер 1:
Оправка 7110-0526-1-8 ГОСТ 31.1066.03-97
То же, для оправки номер 2:
Оправка 7110-0526-2-8 ГОСТ 31.1066.03-97
То же, комплект цилиндрических оправок
для отверстия промежуточного диаметра d =
Комплект оправок 7110-0530-9,76 ГОСТ 31.1066.03-97
То же, для оправки номер 1:
Оправка 7110-0530-1-9,76 ГОСТ 31.1066.03-97
Ключевые слова: оправки, центровые, отверстия, базовые, цилиндрические, точная обработка
|
|
|
|