//
|
|
ГОСТ 31.1066.04-97МЕЖГОСУДАРСТВЕННЫЙ СТАНДАРТ Приспособления к металлорежущим станкам ОПРАВКИ КУЛАЧКОВЫЕ Общие технические условия МЕЖГОСУДАРСТВЕННЫЙ
СОВЕТ Предисловие1. РАЗРАБОТАН Техническим комитетом по стандартизации № 224 «Технологическая оснастка» ВНЕСЕН Госстандартом России 2. ПРИНЯТ Межгосударственным советом по стандартизации, метрологии и сертификации (протокол № 12 от 21 ноября 1997 г.) За принятие проголосовали:
3. Постановлением Государственного комитета Российской Федерации по стандартизации, метрологии и сертификации от 14 мая 1998 г. № 205 межгосударственный стандарт ГОСТ 31.1066.04-97 введен в действие непосредственно в качестве государственного стандарта Российской Федерации с января 1999 г. 4. ВЗАМЕН ГОСТ 17528-72, ГОСТ 17529-72, ГОСТ 17530-72, ГОСТ 17531-72 5. ПЕРЕИЗДАНИЕ Содержание
МЕЖГОСУДАРСТВЕННЫЙ СТАНДАРТПриспособления к металлорежущим станкам ОПРАВКИ КУЛАЧКОВЫЕ Общие технические условия Attachments for metal-cutting tools. Cam arbors. General specifications Дата введения 1999-01-01 1. Область примененияНастоящий стандарт распространяется на кулачковые шпиндельные оправки и кулачковые фланцевые оправки (далее - оправки), предназначенные для установки и закрепления толстостенных заготовок при механической обработке на металлорежущих станках. Требования настоящего стандарта являются обязательными, кроме раздела 4. 2. Нормативные ссылкиВ настоящем стандарте использованы ссылки на следующие стандарты: ГОСТ 2.601-95 Единая система конструкторской документации. Эксплуатационные документы ГОСТ 9.014-78 Единая система защиты от коррозии и старения. Временная противокоррозионная защита изделий. Общие требования ГОСТ 9.302-88 Единая система защиты от коррозии и старения. Покрытия металлические и неметаллические неорганические. Методы контроля ГОСТ 9.306-85 Единая система защиты от коррозии и старения. Покрытия металлические и неметаллические неорганические. Обозначения ГОСТ 12.2.029-88 Система стандартов безопасности труда. Приспособления станочные. Требования безопасности ГОСТ 1478-93 (ИСО 7435-83) Винты установочные с цилиндрическим концом и прямым шлицем классов точности А и В. Технические условия ГОСТ 1759.0-87 Болты, винты, шпильки и гайки. Технические условия ГОСТ 2789-73 Шероховатость поверхности. Параметры и характеристики ГОСТ 2848-75 Конусы инструментов. Допуски. Методы и средства контроля ГОСТ 4543-71 Прокат из легированной конструкционной стали. Технические условия ГОСТ 5950-2000 Прутки, полосы и мотки из инструментальной легированной стали. Общие технические условия ГОСТ 8820-69 Канавки для выхода шлифовального круга. Форма и размеры ГОСТ 9012-59 (ИСО 410-82, ИСО 6506-81) Металлы. Метод измерения твердости по Бринеллю ГОСТ 9378-93 (ИСО 2632-1-85, ИСО 2632-2-85) Образцы шероховатости поверхности (сравнения). Общие технические условия ГОСТ 9389-75 Проволока стальная углеродистая пружинная. Технические условия ГОСТ 10549-80 Выход резьбы. Сбеги, недорезы, проточки и фаски ГОСТ 13941-86 Кольца пружинные упорные плоские внутренние концентрические и канавки для них. Конструкция и размеры ГОСТ 13942-86 Кольца пружинные упорные плоские наружные эксцентрические и канавки для них. Конструкция и размеры ГОСТ 14192-96 Маркировка грузов ГОСТ 14959-79 Прокат из рессорно-пружинной углеродистой и легированной стали. Технические условия ГОСТ 15150-69 Машины, приборы и другие технические изделия. Исполнения для различных климатических районов. Категории, условия эксплуатации, хранения и транспортирования в части воздействия климатических факторов внешней среды ГОСТ 16093-2004 (ИСО 965-1:1998, ИСО 965-3:1998) Основные нормы взаимозаменяемости. Резьба метрическая. Допуски. Посадки с зазором ГОСТ 16118-70 Пружины винтовые цилиндрические сжатия и растяжения из стали круглого сечения. Технические условия ГОСТ 22038-76 Шпильки с ввинчиваемым концом длиной 2 d. Класс точности В. Конструкция и размеры ГОСТ 22267-76 Станки металлорежущие. Схемы и способы измерений геометрических параметров ГОСТ 24705-2004 (ИСО 724:1993) Основные нормы взаимозаменяемости. Резьба метрическая. Основные размеры ГОСТ 25557-82 Конусы инструментальные. Основные размеры 3. Технические требования3.1. Оправки должны изготавливаться по чертежам приложения А четырех типов: 1 - кулачковые шпиндельные; 2 - кулачковые шпиндельные с пневматическим зажимом; 3 - кулачковые фланцевые; 4 - кулачковые фланцевые с пневматическим зажимом. 3.2. Размер d (номинальный диаметр отверстия обрабатываемой детали) должен быть выполнен после сборки по наименьшему значению с полем допуска h8 и параметром шероховатости поверхности Ra ≤ 0,80 мкм по ГОСТ 2789. 3.3. Допуск радиального биения поверхности Б (типы 1 и 2) относительно оси конуса Морзе и поверхности Г (типы 3 и 4) относительно оси поверхности И- 0,02 мм. 3.4. Допуск торцового биения поверхности В (типы 1 и 2) относительно оси конуса Морзе и поверхности Е (типы 3 и 4) относительно оси поверхности И - 0,02 мм. 3.5. Допуск торцового биения поверхности Ж (типы 3 и 4) относительно оси поверхности И- 0,02 мм. 3.6. Детали оправок должны изготовляться из следующих материалов: корпус - из стали марки 20Х, гайки и тяги - из стали 40Х по ГОСТ 4543, кулачки и втулки - из стали 9ХС по ГОСТ 5950, пружины и пружинные кольца - из стали 65Г по ГОСТ 14959. Допускается изготовление оправок из стали других марок с механическими свойствами не ниже, чем у перечисленных марок. 3.7. Твердость: - корпусов для оправок типов 1 и 2: рабочей части - 49,5 ... 57,0 HRCэ, хвостовой части - 37,0... 41,5 НRСэ; - корпусов для оправок типов 3 и 4 - 49,5...57,0 HRCэ; - втулок для оправок типов 1-3 - 56,0 ... 61,0 HRCэ; - втулок для оправок типа 4 - 49,5...57,0 HRCэ; - кулачков - 43,5 ... 49,5 HRCэ. Допускается для шлифовальных работ применение кулачков твердостью 59,0...63,0 HRCэ; - гайки и тяги - 35,0...39,5 HRCэ. В деталях, подвергающихся цементации, глубина цементированного слоя должна быть не менее 0,8 мм. Резьбу от цементации предохранить. 3.8. Неуказанные предельные отклонения
размеров: Н14, h14, ± 3.9. Покрытие - Хим. Окc. прм по ГОСТ 9.306, кроме поверхности конуса Морзе и шлифованных поверхностей. По соглашению сторон допускается применение защитных покрытий других видов. 3.10. Резьба метрическая - по ГОСТ 24705. Поля допусков - Н6, g6 по ГОСТ 16093. 3.11. Размеры сбегов, недорезов, проточек и фасок для резьбы - по ГОСТ 10549. 3.12. Канавки под пружинные кольца - по ГОСТ 13941. 3.13. Форма и размеры канавок для выхода шлифовального круга - по ГОСТ 8820. 3.14. Конусы Морзе - по ГОСТ 25557. Допуски конусов Морзе - по степени точности АТ7 по ГОСТ 2848. 3.15. На поверхности оправок не должно быть трещин, царапин, забоин, вмятин, окалины и коррозии. 3.16. Требования техники безопасности при эксплуатации оправок - по ГОСТ 12.2.029. 3.17. На оправках должна быть нанесена маркировка, содержащая следующие данные: - товарный знак предприятия-изготовителя; - условное обозначение; размер d. 3.18. Требования к транспортной маркировке - по ГОСТ 14192. 3.19. Эксплуатационная документация, отправляемая с оправками, - по ГОСТ 2.601. Консервация оправок - по II группе изделий ГОСТ 9.014. 3.20. Оправки, подлежащие транспортированию, должны быть упакованы в ящики, обеспечивающие их сохранность при транспортировании. 4. Правила приемки4.1. Для проверки соответствия оправок требованиям настоящего стандарта предприятие-изготовитель должно проводить приемосдаточные и периодические испытания. 4.2. При приемосдаточных испытаниях проверяют оправки на соответствие требованиям 3.2-3.15. При единичном производстве проверяют каждую оправку, при серийном - десятую от партии, превышающей 10 шт. Партией считают количество изделий, совместно прошедших производственный цикл и одновременно предъявляемых к приемке по одному документу. Результаты испытаний являются окончательными и распространяются на всю партию. 4.3. Периодические испытания проводят один раз в полгода. Периодическим испытаниям подвергают пять изделий от партии на соответствие пунктам, указанным для приемосдаточных испытаний. 5. Методы контроля5.1. Линейные и угловые размеры проверяют средствами измерений, обеспечивающими требуемую точность. 5.2. Внешний вид оправок, наличие канавок для выхода шлифовального круга, а также требования 3.15 проверяют визуально. 5.3. Методы контроля радиального биения - по ГОСТ 22267, раздел 18, а торцового биения - по ГОСТ 22267, разделы 15 и 16. 5.4. Шероховатость поверхностей оправок проверяют сравнением с образцами шероховатости по ГОСТ 9378 или измерением параметров шероховатости профилометром. 5.5. Контроль твердости - по ГОСТ 9012. 5.6. Методы контроля качества покрытий - по ГОСТ 9.302. 6. Транспортирование и хранение6.1. Транспортирование оправок осуществляют всеми видами крытых транспортных средств в соответствии с правилами перевозок грузов, действующими на конкретном виде транспорта. 6.2. Готовые оправки следует хранить в упакованном виде в сухом закрытом помещении. Условия хранения - по ГОСТ 15150. 7. Гарантии изготовителя7.1. Изготовитель гарантирует соответствие оправок требованиям настоящего стандарта при соблюдении условий транспортирования, хранения, монтажа и эксплуатации. 7.2. Гарантийный срок эксплуатации - не менее 12 мес. со дня ввода оправок в эксплуатацию. ПРИЛОЖЕНИЕ А
| ||||||||||||||||||||||||||||||||||||||||||||||||||||||||||||||||||||||||||||||||||||||||||||||||||||||||||||||||||||||||||||||||||||||||||||||||||||||||||||||||||||||||||||||||||||||||||||||||||||||||||||||||||||||||||||||||||||||||||||||||||||||||||||||||||||||||||||||||||||||||||||||||||||||||||||||||||||||||||||||||||||||||||||||||||||||||||||||||||||||||||||||||||||||||||||||||||||||||||||||||||||||||||||||||||||||||||||||||||||||||||||||||||||||||||||||||||||||||||||||||||||||||||||||||||||||||||||||||||||||||||||||||||||||||||||||||||||||||||||||||||||||||||||||||||||||||||||||||||||||||||||||||||||||||||||||||||||||||||||||||||||||||||||||||||||||||||||||||||||||||||||||||||||||||||||||||||||||||||||||||||||||||||||||||||||||||||||||||||||||||||||||||||||||||||||||||||||||||||||||||||||||||||||||||||||||||||||||||||||||||||||||||||||||||||||||||||||||||||||||||||||||||||||||||||||||||||||||||||||||||||||||||||||||||||||||||||||||||||||||||||||||||||||||||||||||||||||||||||||||
|
Обозначение оправок |
Конус Морзе |
d |
L |
l |
D |
Масса кг, не более |
Поз. 1 Корпус (Кол. 1) |
Поз. 2 Кулачок (Кол. 3) |
|
мм |
Обозначение |
|||||||
|
7112-0851 |
4 |
От 36 до 40 |
200 |
60 |
50 |
1,05 |
7112-0851/001 |
7112-0851/002 |
|
7112-0852 |
Св. 40 до 45 |
205 |
56 |
1,27 |
7112-0852/001 |
7112-0852/002 |
||
|
7112-0853 |
5 |
Св. 36 до 40 |
230 |
50 |
2,27 |
7112-0853/001 |
7112-0851/002 |
|
|
7112-0854 |
Св. 40 до 45 |
235 |
56 |
2,45 |
7112-0854/001 |
7112-0852/002 |
||
|
7112-0855 |
Св. 45 до 50 |
245 |
67 |
60 |
2,52 |
7112-0855/001 |
7112-0855/002 |
|
|
7112-0856 |
Св. 50 до 56 |
260 |
75 |
67 |
2,73 |
7112-0856/001 |
7112-0856/002 |
|
|
7112-0857 |
Св. 56 до 63 |
270 |
80 |
75 |
3,34 |
7112-0857/001 |
7112-0857/002 |
|
|
7112-0858 |
6 |
320 |
6,09 |
7112-0858/001 |
||||
|
7112-0859 |
Св. 63 до 71 |
338 |
90 |
80 |
6,75 |
7112-0859/001 |
7112-0859/002 |
|
|
7112-0860 |
Св. 71 до 80 |
350 |
105 |
90 |
7,21 |
7112-0860/001 |
7112-0860/002 |
|
|
7112-0861 |
Св. 80 до 90 |
372 |
120 |
100 |
8,48 |
7112-0861/001 |
7112-0861/002 |
|
Продолжение таблицы А.1
|
Обозначение оправок |
Поз.
3 |
Поз.
4 |
Поз.
5 |
Поз.
6 |
|
Обозначение |
||||
|
7112-0851 |
7112-0851/003 |
7112-0851/004 |
7112-0851/005 |
7112-0851/006 |
|
7112-0852 |
7112-0852/003 |
7112-0852/004 |
7112-0852/006 |
|
|
7112-0853 |
7112-0851/003 |
7112-0851/004 |
7112-0851/006 |
|
|
7112-0854 |
7112-0852/003 |
7112-0852/004 |
7112-0852/006 |
|
|
7112-0855 |
7112-0855/003 |
7112-0855/004 |
7112-0855/005 |
7112-0855/006 |
|
7112-0856 |
7112-0856/003 |
7112-0856/004 |
7112-0856/006 |
|
|
7112-0857 |
7112-0857/003 |
7112-0857/004 |
||
|
7112-0858 |
||||
|
7112-0859 |
7112-0859/003 |
7112-0859/004 |
7112-0859/006 |
|
|
7112-0860 |
7112-0860/003 |
7112-0860/004 |
7112-0860/005 |
|
|
7112-0861 |
7112-0861/003 |
7112-0861/004 |
7112-0861/006 |
|
Окончание таблицы А.1.
|
Обозначение оправок |
Поз.
7 |
Поз.
8 |
Поз.
9 |
|
Обозначение |
|||
|
7112-0851 |
M10-6g´65.109.40X.05 |
B.M4-6g´6.22H.05 |
B.M6-6g´8.22H.05 |
|
7112-0852 |
M10-6g´70.109.40X.05 |
B.M6-6g´14.22H.05 |
|
|
7112-0853 |
|||
|
7112-0854 |
M10-6g´75.109.40X.05 |
||
|
7112-0855 |
M12-6g´75.109.40X.05 |
||
|
7112-0856 |
M12-6g´85.109.40X.05 |
B.M6-6g´10.22H.05 |
|
|
7112-0857 |
M12-6g´100.109.40X.05 |
||
|
7112-0858 |
|||
|
7112-0859 |
M16-6g´120.109.40X.05 |
||
|
7112-0860 |
M16-6g´130.109.40X.05 |
B.M8-6g´14.22H.05 |
B.M8-6g´14.22H.05 |
|
7112-0861 |
M20-6g´140.109.40X.05 |
||
Пример условного обозначения оправок с конусом Морзе 4, размерами d от 36 до 40 мм:
Оправка 7112-0851 ГОСТ 31.1066.04-97
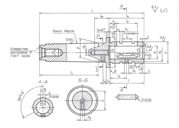
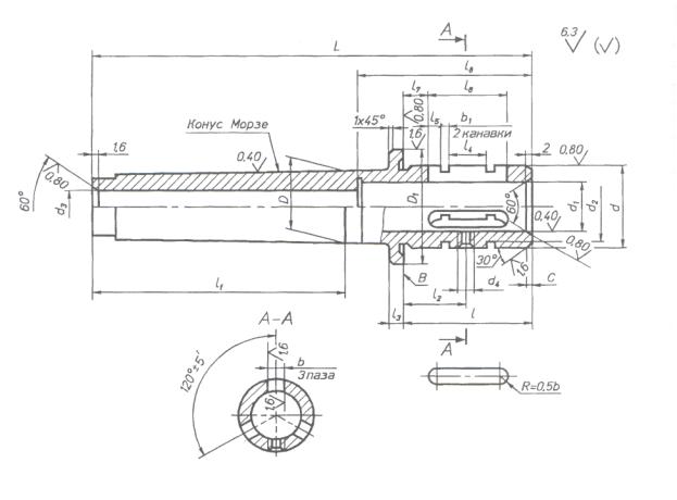
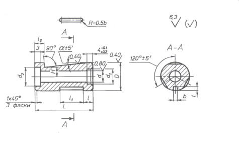
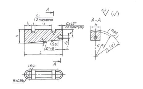
А.1.2. Конструкция и размеры деталей оправок
Поз. 1. Корпус
А.1.2.1. Конструкция и размеры корпусов должны соответствовать указанным на рисунке А.2 и в таблице А.2.

Рисунок А.2
Таблица А.2
Размеры в миллиметрах
|
Обозначение корпусов |
Конус Морзе |
d |
L |
D |
D1 |
d1 |
d2 |
d 3 |
d4 |
d5 |
d6 |
b |
|
7112-0851/001 |
4 |
36 |
182 |
31,267 |
50 |
25 |
30 |
M10 |
M4 |
M16 |
M6 |
10 |
|
7112-0852/001 |
40 |
56 |
33 |
|||||||||
|
7112-0853/001 |
5 |
36 |
210 |
44,399 |
50 |
30 |
M20 |
|||||
|
7112-0854/001 |
40 |
56 |
33 |
|||||||||
|
7112-0855/001 |
45 |
220 |
60 |
30 |
38 |
M12 |
||||||
|
7112-0856/001 |
50 |
230 |
67 |
32 |
41 |
M6 |
12 |
|||||
|
7112-0857/001 |
56 |
240 |
75 |
38 |
47 |
14 |
||||||
|
7112-0858/001 |
6 |
290 |
63,348 |
M24 |
||||||||
|
7112-0859/001 |
63 |
300 |
80 |
44 |
54 |
M16 |
||||||
|
7112-0860/001 |
71 |
312 |
90 |
47 |
60 |
M8 |
M8 |
16 |
||||
|
7112-0861/001 |
80 |
332 |
100 |
56 |
69 |
M20 |
Окончание таблицы А.2.
Размеры в миллиметрах
|
Обозначение корпусов |
b1 |
l |
l1 |
l2 |
l3 |
l4 |
l5 |
l6 |
l7 |
l8 |
l9 |
l10 |
c |
S |
Масса, кг, не более |
|
7112-0851/001 |
3,0 |
60 |
102,5 |
34 |
6 |
18 |
6 |
36 |
16 |
58 |
5 |
24 |
2 |
30 |
0,81 |
|
7112-0852/001 |
3,5 |
30 |
10 |
21 |
40 |
10 |
64 |
0,96 |
|||||||
|
7112-0853/001 |
3,0 |
129,5 |
34 |
6 |
18 |
36 |
16 |
58 |
43 |
2,02 |
|||||
|
7112-0854/001 |
3,5 |
30 |
21 |
40 |
10 |
67 |
6 |
2,14 |
|||||||
|
7112-0855/001 |
67 |
37 |
8 |
17 |
5 |
29 |
2,09 |
||||||||
|
7112-0856/001 |
4,5 |
75 |
43 |
10 |
20 |
8 |
45 |
20 |
75 |
3 |
2,18 |
||||
|
7112-0857/001 |
80 |
21 |
10 |
50 |
18 |
85 |
10 |
2,55 |
|||||||
|
7112-0858/001 |
182,0 |
6 |
62 |
5,30 |
|||||||||||
|
7112-0859/001 |
90 |
45 |
31 |
60 |
15 |
102 |
10 |
38 |
5,56 |
||||||
|
7112-0860/001 |
5,5 |
105 |
52 |
44 |
75 |
115 |
7 |
5,70 |
|||||||
|
7112-0861/001 |
120 |
67 |
30 |
125 |
47 |
6,10 |
Пример условного обозначения корпуса с конусом Морзе 4, размером d = 36 мм:
Корпус 7112-0851/001 ГОСТ 31.1066.04-97
А.1.2.1.1. Разность размеров l7 в пределах одного корпуса - не более 0,05 мм.
А.1.2.1.2. Допуск торцового биения поверхности В относительно оси конуса Морзе - 0,02 мм.
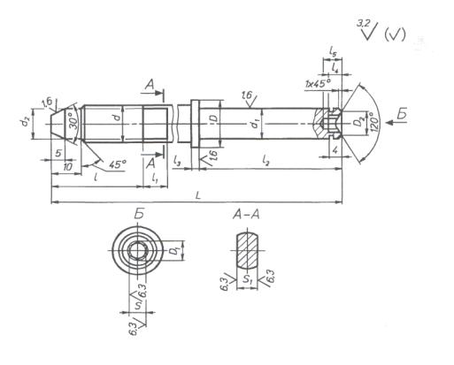
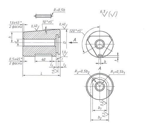
Поз. 2. Кулачок
А.1.2.2. Конструкция и размеры кулачков должны соответствовать указанным на рисунке А.3 и в таблице А.3.

Рисунок А.3
Примечание - Размер d и шероховатость поверхности в скобках - после сборки.
Таблица А.3
Размеры в миллиметрах
|
Обозначение кулачков |
d |
L |
Н |
b |
a1 |
α |
d1 |
d2 |
l |
l1 |
l2 |
h |
с |
Масса, кг, не более |
|
7112-0851/002 |
36 |
36 |
10 |
10 |
3,0 |
7° |
30 |
3,5 |
4 |
6 |
18 |
3 |
1,0 |
0,018 |
|
7112-0852/002 |
40 |
40 |
13 |
3,5 |
33 |
21 |
4 |
0,028 |
||||||
|
7112-0855/002 |
45 |
38 |
1,6 |
0,029 |
||||||||||
|
7112-0856/002 |
50 |
45 |
16 |
12 |
4,5 |
8° |
41 |
4,5 |
6 |
8 |
20 |
5 |
0,049 |
|
|
7112-0857/002 |
56 |
50 |
17 |
14 |
47 |
10 |
21 |
6 |
0,072 |
|||||
|
7112-0859/002 |
63 |
60 |
19 |
54 |
31 |
0,059 |
||||||||
|
7112-0860/002 |
71 |
75 |
24 |
16 |
5,5 |
60 |
5,5 |
8 |
44 |
9 |
0,170 |
|||
|
7112-0861/002 |
80 |
69 |
0,180 |
Пример условного обозначения кулачка размером d = 36 мм:
Кулачок 7112-0851/002 ГОСТ 31.1066.04-97
1.2.2.1. Размер Н и угол α кулачков изготавливать одновременно для комплекта из трех кулачков.
1.2.2.2. Разность размеров Н на кулачках в пределах одного комплекта - не более 0,02 мм.
1.2.2.3. Разность угла α на кулачках в пределах одного комплекта - не более 5'.
Поз. 3. Втулка
1.2.3. Конструкция и размеры втулок должны соответствовать указанным на рисунке А.4 и в таблице А.4.

Рисунок А.4
Таблица А.4
Размеры в миллиметрах
|
Обозначение втулок |
D |
L |
α |
d |
b |
b1 |
b2 |
l |
l1 |
l2 |
l3 |
h |
t |
Масса, кг, не более |
|
7112-0851/003 |
25 |
40 |
7° |
И |
3,5 |
16 |
21 |
8 |
20 |
3 |
3 |
8,5 |
2 |
0,10 |
|
7112-0852/003 |
44 |
10 |
25 |
7,5 |
0,12 |
|||||||||
|
7112-0855/003 |
30 |
13 |
21 |
27 |
4 |
4 |
10,0 |
0,19 |
||||||
|
7112-0856/003 |
32 |
50 |
8° |
4,5 |
12 |
30 |
9,3 |
3 |
0,21 |
|||||
|
7112-0857/003 |
38 |
55 |
13 |
12,0 |
0,37 |
|||||||||
|
7112-0859/003 |
44 |
70 |
18 |
27 |
33 |
15 |
35 |
5 |
5 |
13,0 |
0,61 |
|||
|
7112-0860/003 |
47 |
80 |
6,0 |
16 |
40 |
4 |
0,57 |
|||||||
|
7112-0861/003 |
56 |
85 |
22 |
31 |
37 |
18 |
45 |
6 |
6 |
16,5 |
0,89 |
Пример условного обозначения втулки размерами D = 25 мм, L = 40 мм:
Втулка 7112-0851/003 ГОСТ 31.1066.04-97
А.1.2.3.1. Разность размеров h в пределах одной втулки - не более 0,02 мм.
А.1.2.3.2. Разность углов α в пределах одной втулки - не более 5'.
Поз. 4 Кольцо пружинное.
А.1.2.4. Конструкция размеры колец должны соответствовать указанным на рисунке А.5 и в таблице А.5.

*Размеры для справок
Рисунок А.5.
Таблица А.5.
Размеры в миллиметрах
|
Обозначение пружинных колец |
D |
d |
Н0 |
D1 |
|
Н1 |
Н2 |
Н3 |
|
|
Номин. |
Пред. откл. |
||||||||
|
7112-0851/004 |
2,5 |
±0,19 |
0,4 |
64,0 |
1,7 |
67,4 |
100 |
116 |
127 |
|
7112-0852/004 |
3,0 |
0,5 |
74,5 |
2,0 |
78,5 |
114 |
129 |
141 |
|
|
7112-0855/004 |
83,5 |
87,5 |
129 |
144 |
158 |
||||
|
7112-0856/004 |
4,0 |
0,6 |
84,0 |
2,8 |
89,6 |
141 |
160 |
174 |
|
|
7112-0857/004 |
95,4 |
101,0 |
160 |
182 |
198 |
||||
|
7112-0859/004 |
108,6 |
104,2 |
182 |
207 |
225 |
||||
|
7112-0860/004 |
5,0 |
±0,22 |
0,8 |
134,4 |
3,4 |
141,2 |
204 |
232 |
250 |
|
7112-0861/004 |
152,8 |
159,6 |
232 |
264 |
285 |
||||
Окончание таблицы А.5.
Размеры в миллиметрах
|
Обозначение пружинных колец |
Р1 |
Р2 |
Р3 |
l |
r |
Число витков |
Длина развернутой пружины |
Масса, 10 шт., кг, не более |
|
кгс |
||||||||
|
7112-0851/004 |
0,64 |
0,90 |
1,10 |
1,0 |
3 |
159 |
1048 |
0,010 |
|
7112-0852/004 |
1,07 |
1,48 |
1,80 |
148 |
1162 |
0,022 |
||
|
7112-0855/004 |
1,08 |
166 |
1303 |
0,025 |
||||
|
7112-0856/004 |
1,37 |
1,80 |
2,14 |
1,5 |
4 |
139 |
1484 |
0,030 |
|
7112-0857/004 |
1,35 |
158 |
1687 |
0,035 |
||||
|
7112-0859/004 |
180 |
1815 |
0,038 |
|||||
|
7112-0860/004 |
2,33 |
3,27 |
3,88 |
2,0 |
5 |
167 |
2203 |
0,082 |
|
7112-0861/004 |
190 |
2506 |
0,100 |
|||||
Пример условного обозначения пружинного кольца размерами D = 2,5 мм, H0 = 64 мм:
Кольцо 7112-0851/004 ГОСТ 31.1066.04-97
А.1.2.4.1. Материал -
.
А.1.2.4.2. Модуль сдвига G - 8367 кгс/мм2.
А.1.2.4.3. Модуль упругости Е = 21093 кгс/мм2.
А.1.2.4.4. Напряжение касательное при кручении τ3 = 96 кгс/мм2.
А.1.2.4.5. Направление навивки пружины - правое.
А.1.2.4.6. Остальные технические требования - по ГОСТ 16118.
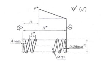
Поз. 5. Пружина
А.1.2.5. Конструкция и размеры пружин должны соответствовать указанным на рисунке А.6 и в таблице А.6.

* Размеры для справок.
Рисунок А.6
Таблица А.6
Размеры в миллиметрах
|
Обозначение пружин |
D |
t |
Н0 |
Н |
Р, |
λ |
Число витков |
Длина развернутой пружины |
Масса, 100 шт., кг, не более |
||
|
Номин. |
Пред, откл. |
рабочее n |
полное n1 |
||||||||
|
7112-0851/005 |
3 |
±0,15 |
1,0 |
6 |
3,00 |
2,00 |
0,125 |
5,5 |
7,0 |
60 |
0,009 |
|
7112-0855/005 |
4 |
±0,24 |
1,5 |
12 |
4,00 |
1,45 |
0,250 |
7,5 |
9,0 |
105 |
0,015 |
|
7112-0860/005 |
5 |
±0,30 |
2,2 |
20 |
4,75 |
1,17 |
0,425 |
9,0 |
10,5 |
156 |
0,023 |
Пример условного обозначения пружины размером D =3 мм:
Пружина 7112-0851/005 ГОСТ 31.1066.04-97
А. 1.2.5.1. Материал -
.
А.1.2.5.2. Модуль сдвига G= 8367 кгс/мм2.
А.1 .2.5.3. Модуль упругости Е- 21093 кгс/мм2.
А.1.2.5.4. Напряжение касательное при кручении τ3 = 96 кгс/мм2.
А.1.2.5.5. Направление навивки пружины - правое.
А.1.2.5.6. Остальные технические требования - по ГОСТ 16118.
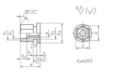
Поз. 6. Гайка А.
1.2.6. Конструкция и размеры гаек должны соответствовать указанным на рисунке А.7 и в таблице А.7.

Рисунок А.7
Таблица А.7
Размеры в миллиметрах
|
Обозначение гаек |
d |
S h12 |
H |
D |
D2 |
D3 |
d1 |
h |
h1 |
h2 |
Macca, кг, не более |
|
7112-0851/006 |
М10 |
17 |
25 |
19,6 |
15,5 |
20 |
12 |
3 |
3 |
10 |
0,035 |
|
7112-0852/006 |
30 |
15 |
0,041 |
||||||||
|
7112-0855/006 |
М12 |
22 |
32 |
25,4 |
20,0 |
26 |
14 |
4 |
4 |
0,058 |
|
|
7112-0856/006 |
38 |
20 |
0,086 |
||||||||
|
7112-0859/006 |
М16 |
27 |
48 |
31,2 |
26,0 |
32 |
18 |
5 |
5 |
0,160 |
|
|
7112-0861/006 |
М20 |
32 |
52 |
35,9 |
30,0 |
36 |
22 |
6 |
6 |
25 |
0,210 |
|
7112-0889/006 |
М24 |
36 |
41,9 |
34,0 |
42 |
26 |
7 |
7 |
16 |
0,286 |
Пример условного обозначения гайки размерами d - М10 и H - 25 мм:
Гайка 7112-0851/006 ГОСТ 31.1066.04-97
Остальные технические требования - по ГОСТ 1759.0.
А.2. Оправки типа 2
А.2.1. Конструкция и размеры оправок должны соответствовать указанным на рисунке А.8 и в таблице А.8.

Рисунок А.8
Таблица А.8
|
Обозначение оправок |
Конус Морзе |
d |
L |
l |
D |
d1 |
L1 |
Масса, кг, не более |
Поз. 1 |
|||||
|
мм |
Обозначение |
|||||||||||||
|
7113-0181 |
4 |
От 36 до 40 |
250 |
60 |
50 |
М12 |
190 |
1,33 |
7113-0181/001 |
|||||
|
7113-0182 |
Св. 40 до 45 |
56 |
200 |
1,63 |
7113-0182/001 |
|||||||||
|
7113-0183 |
5 |
Св. 36 до 40 |
280 |
50 |
М16 |
220 |
2,35 |
7113-0183/001 |
||||||
|
7113-0184 |
Св. 40 до 45 |
56 |
2,65 |
7113-0184/001 |
||||||||||
|
7113-0185 |
Св. 45 до 50 |
67 |
60 |
2,60 |
7113-0185/001 |
|||||||||
|
7113-0186 |
Св. 50 до 56 |
300 |
75 |
67 |
240 |
3,17 |
7113-0186/001 |
|||||||
|
7113-0187 |
Св. 56 до 63 |
80 |
75 |
3,47 |
7113-0187/001 |
|||||||||
|
7113-0188 |
6 |
400 |
М20 |
300 |
7,03 |
7113-0188/001 |
||||||||
|
7113-0189 |
Св. 63 до 71 |
90 |
80 |
310 |
7,56 |
7113-0189/001 |
||||||||
|
7113-0190 |
Св. 71 до 80 |
105 |
90 |
320 |
8,80 |
7113-0190/001 |
||||||||
|
7113-0191 |
Св. 80 до 90 |
420 |
120 |
100 |
340 |
10,87 |
7113-0191/001 |
|||||||
Продолжение таблицы А.8.
|
Обозначение оправок |
Поз.
2 |
Поз.
3 |
Поз.
4 |
Поз.
5 |
|
Обозначение |
||||
|
7113-0181 |
7112-0851/002 |
7113-0181/003 |
7112-0851/004 |
7112-0851/005 |
|
7113-0182 |
7112-0852/002 |
7113-0182/003 |
7112-0852/004 |
|
|
7113-0183 |
7112-0851/002 |
7113-0181/003 |
7112-0851/004 |
|
|
7113-0184 |
7112-0852/002 |
7113-0182/003 |
7112-0852/004 |
|
|
7113-0185 |
7112-0855/002 |
7113-0185/003 |
7112-0855/004 |
7112-0855/005 |
|
7113-0186 |
7112-0856/002 |
7113-0186/003 |
7112-0856/004 |
|
|
7113-0187 |
7112-0857/002 |
7113-0187/003 |
7112-0857/004 |
|
|
7113-0188 |
||||
|
7113-0189 |
7112-0859/002 |
7113-0189/003 |
7112-0859/004 |
|
|
7113-0190 |
7112-0860/002 |
7113-0190/003 |
7112-0860/004 |
7112-0860/005 |
|
7113-0191 |
7112-0861/002 |
7113-0191/003 |
7112-0861/004 |
|
Окончание таблицы A.8.
|
Обозначение оправок |
Поз.
6 |
Поз.
7 |
Поз.
8 |
|
Обозначение |
|||
|
7113-0181 |
7113-0181/006 |
А12 |
B.M4-6g´6.22H.05 |
|
7113-0182 |
7113-0182/006 |
||
|
7113-0183 |
7113-0183/006 |
||
|
7113-0184 |
7113-0184/006 |
||
|
7113-0185 |
|||
|
7113-0186 |
7113-0186/006 |
А14 |
B.M6-6g´l0.22H.05 |
|
7113-0187 |
7113-0187/006 |
||
|
7113-0188 |
7113-0188/006 |
А16 |
|
|
7113-0189 |
7113-0189/006 |
||
|
7113-0190 |
7113-0190/006 |
B.M8-6g´l4.22H.05 |
|
|
7113-0191 |
7113-0191/006 |
||
Пример условного обозначения оправки с конусом Морзе 4, размерами d от 36 до 40 мм:
Оправка 7113-0181 ГОСТ 31.1066.04-97
А.2.2. Конструкция и размеры деталей оправок
Поз. 1. Корпус
А.2.2.1. Конструкция и размеры корпусов должны соответствовать указанным на рисунке А.9 и в таблице А.9.

Рисунок А.9
Таблица А.9
Размеры в миллиметрах
|
Обозначение оправок |
Конус Морзе |
d |
L |
D |
D1 |
d1 |
d2 |
d3 |
d4 |
b |
b1 |
|
7113-0181/001 |
4 |
36 |
190 |
31,267 |
50 |
25 |
30 |
13 |
M4 |
10 |
3,0 |
|
7113-0182/001 |
40 |
200 |
56 |
33 |
3,5 |
||||||
|
7113-0183/001 |
5 |
36 |
220 |
44,399 |
50 |
30 |
17 |
3,0 |
|||
|
7113-0184/001 |
40 |
56 |
33 |
3,5 |
|||||||
|
7113-0185/001 |
45 |
60 |
30 |
38 |
|||||||
|
7113-0186/001 |
50 |
240 |
67 |
32 |
41 |
M6 |
12 |
4,5 |
|||
|
7113-0187/001 |
56 |
75 |
38 |
47 |
14 |
||||||
|
7113-0188/001 |
6 |
300 |
63,348 |
21 |
|||||||
|
7113-0189/001 |
63 |
310 |
80 |
44 |
54 |
||||||
|
7113-0190/001 |
71 |
320 |
90 |
47 |
60 |
||||||
|
7113-0191/001 |
80 |
340 |
100 |
56 |
69 |
M8 |
16 |
5,5 |
Окончание таблицы A.9
Размеры в миллиметрах
|
Обозначение оправок |
l |
l1 |
l2 |
l3 |
l4 |
l5 |
l6 |
l7 |
l8 |
с |
Масса, кг, не более |
|
7113-0181/001 |
60 |
102,5 |
34 |
18 |
18 |
6 |
36 |
16 |
75 |
2 |
0,91 |
|
7113-0182/001 |
30 |
25 |
21 |
40 |
10 |
82 |
1,16 |
||||
|
7113-0183/001 |
129,5 |
34 |
10 |
18 |
36 |
16 |
75 |
1,75 |
|||
|
7113-0184/001 |
30 |
21 |
40 |
10 |
82 |
1,90 |
|||||
|
7113-0185/001 |
67 |
37 |
13 |
17 |
90 |
1,86 |
|||||
|
7113-0186/001 |
75 |
43 |
15 |
20 |
8 |
45 |
20 |
95 |
3 |
2,26 |
|
|
7113-0187/001 |
80 |
22 |
21 |
10 |
50 |
18 |
105 |
2,30 |
|||
|
7113-0188/001 |
182,0 |
15 |
5,40 |
||||||||
|
7113-0189/001 |
90 |
45 |
31 |
60 |
15 |
125 |
5,64 |
||||
|
7113-0190/001 |
105 |
52 |
44 |
75 |
140 |
6,30 |
|||||
|
7113-0191/001 |
120 |
67 |
25 |
30 |
145 |
7,80 |
Пример условного обозначения корпуса с конусом Морзе 4, размером d = 36 мм:
Корпус 7113-0181/001 ГОСТ 31.1066.04-97
А.2.2.1.1. Разность размеров l7 в пределах одного корпуса - не более 0,05 мм.
А.2.2.1.2. Допуск торцового биения поверхности В относительно оси конуса Морзе - 0,02 мм.
Поз. 3. Втулка
А.2.2.3. Конструкция и размеры втулок должны соответствовать указанным на рисунке А.10 и в таблице А.10.

Рисунок А.10
Таблица А.10
Размеры в миллиметрах
|
Обозначение втулок |
D |
L |
α |
d |
d1 |
d2 |
b |
l |
l1 |
l2 |
H |
t |
Масса, кг, не более |
|
7113-0181/003 |
25 |
55 |
7° |
12 |
21 |
17 |
3,5 |
6 |
24 |
8,0 |
7,7 |
2 |
0,154 |
|
7113-0182/003 |
60 |
28 |
6,7 |
0,173 |
|||||||||
|
7113-0185/003 |
30 |
23 |
9,2 |
0,264 |
|||||||||
|
7113-0186/003 |
32 |
67 |
8° |
14 |
20 |
4,5 |
5 |
32 |
9,0 |
8,2 |
3 |
0,293 |
|
|
7113-0187/003 |
38 |
75 |
9 |
10,0 |
10,7 |
0,488 |
|||||||
|
7113-0189/003 |
44 |
90 |
16 |
25 |
22 |
13 |
36 |
11,5 |
12,2 |
0,830 |
|||
|
7113-0190/003 |
47 |
105 |
6,0 |
18 |
40 |
11,2 |
4 |
1,085 |
|||||
|
7113-0191/003 |
56 |
14 |
45 |
15,7 |
1,589 |
Пример условного обозначения втулки размерами D = 25 мм, L = 55 мм:
Втулка 7113-0181/003 ГОСТ 31.1066.04-97
А.2.2.3.1. Разность размеров l2, Н в пределах одной втулки - не более 0,02 мм.
А.2.2.3.2. Разность углов α в пределах одной втулки - не более 5'.
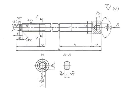
Поз. 6. Тяга.
А.2.2.6. Конструкция и размеры тяг должны соответствовать указанным на рисунке А.11 и в таблице А.11.

Рисунок А.11.
Таблица 11
|
Обозначение тяг |
d |
L |
d1 |
d2 |
D |
D1 |
D2 |
l |
l1 |
l2 |
l3 |
l4 |
l5 |
S |
S1 |
Масса, кг, не более |
|
7113-0181/006 |
М12 |
250 |
10 |
9 |
15 |
5,8 |
6,0 |
32 |
8 |
52 |
3 |
5 |
6 |
5 |
8 |
0,209 |
|
7113-0182/006 |
57 |
0,212 |
||||||||||||||
|
7113-0183/006 |
М16 |
280 |
13 |
- |
40 |
10 |
52 |
- |
12 |
0,390 |
||||||
|
7113-0184/006 |
57 |
0,394 |
||||||||||||||
|
7113-0186/006 |
300 |
14 |
18 |
69 |
7,0 |
64 |
3 |
7 |
8 |
6 |
0,470 |
|||||
|
7113-0187/006 |
72 |
0,468 |
||||||||||||||
|
7113-0188/006 |
М20 |
400 |
16 |
16 |
- |
9,2 |
9,5 |
50 |
12 |
72 |
- |
9 |
10 |
8 |
17 |
0,922 |
|
7113-0189/006 |
87 |
0,909 |
||||||||||||||
|
7113-0190/006 |
102 |
0,900 |
||||||||||||||
|
7113-0191/006 |
420 |
0,945 |
Пример условного обозначения тяги размерами d - M12, L = 250 мм, l2 = 52 мм:
Тяга 7113-0181/006 ГОСТ 31.1066.04-97
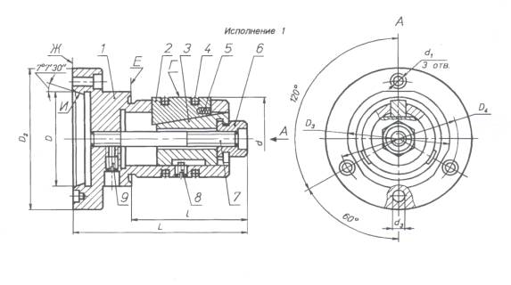
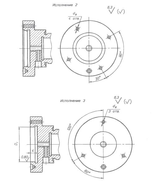
А.3. Оправки типа 3
А.3.1. Конструкция и размеры оправок должны соответствовать указанным на рисунке А.12 и в таблице А.12.

Рисунок А.12

Рисунок А.12 (продолжение)
Таблица А.12
Размеры в миллиметрах
|
Обозначение оправок |
Исполнение |
d |
D |
D1 Н7. |
L |
l |
D2 |
|
|
Номин. |
Пред. откл. |
|||||||
|
7112-0871 |
1 |
От 80 до 90 |
82,563 |
+0,004 -0,006 |
- |
200 |
100 |
130 |
|
7112-0872 |
2 |
|||||||
|
7112-0873 |
3 |
- |
- |
100 |
||||
|
7112-0874 |
1 |
106,375 |
+0,004 -0,006 |
- |
165 |
|||
|
7112-0875 |
2 |
|||||||
|
7112-0876 |
3 |
- |
- |
130 |
160 |
|||
|
7112-0877 |
1 |
Св. 90 до 100 |
106,375 |
+0,004 -0,006 |
- |
225 |
125 |
165 |
|
7112-0878 |
2 |
|||||||
|
7112-0879 |
3 |
- |
- |
130 |
160 |
|||
|
7112-0880 |
1 |
Св. 100 до 110 |
106,375 |
+0,004 -0,006 |
- |
165 |
||
|
7112-0881 |
2 |
|||||||
|
7112-0882 |
3 |
- |
- |
130 |
160 |
|||
|
7112-0883 |
1 |
Св. 110 до 120 |
106,375 |
+0,004 -0,006 |
- |
165 |
||
|
7112-0884 |
2 |
|||||||
|
7112-0885 |
3 |
- |
- |
130 |
160 |
|||
|
7112-0886 |
1 |
139,719 |
+0,004 -0,008 |
- |
210 |
|||
|
7112-0887 |
2 |
|||||||
|
7112-0888 |
3 |
- |
- |
165 |
200 |
|||
|
7112-0889 |
1 |
Св. 120 до 130 |
139,719 |
+0,004 -0,008 |
- |
250 |
140 |
210 |
|
7112-0890 |
2 |
|||||||
|
7112-0891 |
3 |
- |
- |
165 |
200 |
|||
|
7112-0892 |
1 |
Св. 130 до 140 |
139,719 |
+0,004 -0,008 |
- |
210 |
||
|
7112-0893 |
2 |
|||||||
|
7112-0894 |
3 |
- |
- |
165 |
200 |
|||
Продолжение таблицы А.12
Размеры в миллиметрах
|
Обозначение оправок |
Исполнение |
D3 |
D4 |
d1 |
d2 |
d3 |
Масса, кг, не более |
|
7112-0871 |
1 |
100 |
104,8 |
11 |
- |
16,30 |
6,63 |
|
7112-0872 |
2 |
- |
М10 |
||||
|
7112-0873 |
3 |
112,0 |
М8 |
||||
|
7112-0874 |
1 |
133,4 |
14 |
- |
19,45 |
8,32 |
|
|
7112-0875 |
2 |
- |
М12 |
||||
|
7112-0876 |
3 |
142,0 |
М8 |
||||
|
7112-0877 |
1 |
110 |
133,4 |
14 |
- |
10,74 |
|
|
7112-0878 |
2 |
- |
М12 |
||||
|
7112-0879 |
3 |
142,0 |
М8 |
||||
|
7112-0880 |
1 |
120 |
133,4 |
14 |
- |
12,20 |
|
|
7112-0881 |
2 |
- |
М12 |
||||
|
7112-0882 |
3 |
142,0 |
М8 |
||||
|
7112-0883 |
1 |
130 |
133,4 |
14 |
- |
13,94 |
|
|
7112-0884 |
2 |
- |
М12 |
||||
|
7112-0885 |
3 |
142,0 |
М8 |
||||
|
7112-0886 |
1 |
130 |
171,4 |
18 |
- |
24,20 |
15,18 |
|
7112-0887 |
2 |
- |
М16 |
||||
|
7112-0888 |
3 |
180,0 |
M10 |
||||
|
7112-0889 |
1 |
140 |
171,4 |
18 |
- |
21,81 |
|
|
7112-0890 |
2 |
- |
М16 |
||||
|
7112-0891 |
3 |
180,0 |
M10 |
||||
|
7112-0892 |
1 |
150 |
171,4 |
18 |
- |
24,09 |
|
|
7112-0893 |
2 |
- |
М16 |
||||
|
7112-0894 |
3 |
180,0 |
M10 |
Таблица А.13
|
Обозначение оправок |
Поз. 7 |
Поз. 2 |
Поз. 3 |
Поз. 4 |
Поз. 5 |
|
|
Обозначение |
||||||
|
7112-0871 |
7112-0871/001 |
7112-0871/002 |
7112-0871/003 |
7112-0871/004 |
7112-0871/005 |
|
|
7112-0872 |
7112-0872/001 |
|||||
|
7112-0873 |
7112-0873/001 |
|||||
|
7112-0874 |
7112-0874/001 |
|||||
|
7112-0875 |
7112-0875/001 |
|||||
|
7112-0876 |
7112-0876/001 |
|||||
|
7112-0877 |
7112-0877/001 |
7112-0877/002 |
7112-0877/003 |
7112-0877/004 |
7112-0877/005 |
|
|
7112-0878 |
7112-0878/001 |
|||||
|
7112-0879 |
7112-0879/001 |
|||||
|
7112-0880 |
7112-0880/001 |
7112-0880/002 |
7112-0880/003 |
7112-0880/004 |
||
|
7112-0881 |
7112-0881/001 |
|||||
|
7112-0882 |
7112-0882/001 |
|||||
|
7112-0883 |
7112-0883/001 |
7112-0883/002 |
7112-0883/003 |
7112-0883/004 |
||
|
7112-0884 |
7112-0884/001 |
|||||
|
7112-0885 |
7112-0885/001 |
|||||
|
7112-0886 |
7112-0886/001 |
|||||
|
7112-0887 |
7112-0887/001 |
|||||
|
7112-0888 |
7112-0888/001 |
|||||
|
7112-0889 |
7112-0889/001 |
7112-0889/002 |
7112-0889/003 |
7112-0889/004 |
7112-0889/005 |
|
|
7112-0890 |
7112-0890/001 |
|||||
|
7112-0891 |
7112-0891/001 |
|||||
|
7112-0892 |
7112-0892/001 |
7112-0892/002 |
7112-0892/003 |
7112-0892/004 |
||
|
7112-0893 |
7112-0893/001 |
|||||
|
7112-0894 |
7112-0894/001 |
|||||
Окончание таблицы A.13
|
Обозначение оправок |
Поз. 6
|
Поз. 7
|
Поз. 8 |
Поз. 9 |
|
Обозначение |
||||
|
7112-0871 |
7112-0859/006 |
M16-6g´130.109.40X.05 |
B.M6-6g´14.22H.05 |
B.M8-6g´25.22H.05 |
|
7112-0872 |
||||
|
7112-0873 |
||||
|
7112-0874 |
||||
|
7112-0875 |
||||
|
7112-0876 |
||||
|
7112-0877 |
7112-0861/006 |
M20-6g´140.109.40X.05 |
B.M8-6g´14.22H.05 |
|
|
7112-0878 |
||||
|
7112-0879 |
||||
|
7112-0880 |
||||
|
7112-0881 |
||||
|
7112-0882 |
||||
|
7112-0883 |
B.M10-6g´14.22H.05 |
B.M10-6g´30.22H.05 |
||
|
7112-0884 |
||||
|
7112-0885 |
||||
|
7112-0886 |
||||
|
7112-0887 |
||||
|
7112-0888 |
||||
|
7112-0889 |
7112-0889/006 |
M20-6g´160.109.40X.05 |
B.M12-6g´30.22H.05 |
|
|
7112-0890 |
||||
|
7112-0891 |
||||
|
7112-0892 |
||||
|
7112-0893 |
||||
|
7112-0894 |
||||
Пример условного обозначения оправки исполнения 1, размерами d от 80 до 90 мм, D = 82,563 мм:
Оправка 7112-0871 ГОСТ 31.1066.04-97
А.3.2. Конструкция и размеры деталей оправок
Поз. 1. Корпус
А.3.2.1. Конструкция и размеры корпусов должны соответствовать указанным на рисунке А.13 и в таблице А.14.

* Диаметр D соответствует пересечению конической поверхности с торцевой.
Рисунок А.13

Рисунок А.13 (продолжение)
Таблица А.14
Размеры в миллиметрах
|
Обозначение оправок |
Исполнение |
d |
L |
l |
D |
D1 |
D2 |
D3 |
|
|
Номин. |
Пред. откл. |
||||||||
|
7112-0871/001 |
1 |
80 |
160 |
100 |
82,563 |
+0,004 |
- |
130 |
100 |
|
7112-0872/001 |
2 |
-0,006 |
|||||||
|
7112-0873/001 |
3 |
- |
- |
100 |
|||||
|
7112-0874/001 |
1 |
165 |
106,375 |
+0,004 |
- |
165 |
|||
|
7112-0875/001 |
2 |
-0,006 |
|||||||
|
7112-0876/001 |
3 |
- |
- |
130 |
160 |
||||
|
7112-0877/001 |
1 |
90 |
185 |
125 |
106,375 |
+0,004 |
- |
165 |
110 |
|
7112-0878/001 |
2 |
-0,006 |
|||||||
|
7112-0879/001 |
3 |
- |
- |
130 |
160 |
||||
|
7112-0880/001 |
1 |
100 |
106,375 |
+0,004 |
- |
165 |
120 |
||
|
7112-0881/001 |
2 |
-0,006 |
|||||||
|
7112-0882/001 |
3 |
- |
- |
130 |
160 |
||||
|
7112-0883/001 |
1 |
110 |
106,375 |
+0,004 |
- |
165 |
130 |
||
|
7112-0884/001 |
2 |
-0,006 |
|||||||
|
7112-0885/001 |
3 |
- |
__ |
130 |
160 |
||||
|
7112-0886/001 |
1 |
139,719 |
+0,004 |
- |
210 |
||||
|
7112-0887/001 |
2 |
-0,008 |
|||||||
|
7112-0888/001 |
3 |
- |
- |
165 |
200 |
||||
|
7112-0889/001 |
1 |
120 |
215 |
140 |
139,719 |
+0,004 |
- |
210 |
140 |
|
7112-0890/001 |
2 |
-0,008 |
|||||||
|
7112-0891/001 |
3 |
- |
- |
165 |
200 |
||||
|
7112-0892/001 |
1 |
130 |
139,719 |
+0,004 |
- |
210 |
150 |
||
|
7112-0893/001 |
2 |
-0,008 |
|||||||
|
7112-0894/001 |
3 |
- |
- |
165 |
200 |
||||
Продолжение таблицы А.14
Размеры в миллиметрах
|
Обозначение оправок |
Исполнение |
D2 |
d1 |
d2 |
d3 |
d4 |
d5 |
d6 |
d7 |
d8 |
d9 |
d10 |
|
7112-0871/001 |
1 |
104 8 |
69 |
55 |
M16 |
M8 |
M6 |
10 |
11 |
18 |
- |
16,30 |
|
7112-0872/001 |
2 |
- |
- |
M10 |
||||||||
|
7112-0873/001 |
3 |
112,0 |
M8 |
|||||||||
|
7112-0874/001 |
1 |
133,4 |
14 |
20 |
- |
19,45 |
||||||
|
7112-0875/001 |
2 |
- |
- |
M12 |
||||||||
|
7112-0876/001 |
3 |
142,0 |
M8 |
|||||||||
|
7112-0877/001 |
1 |
133,4 |
77 |
65 |
М20 |
M8 |
14 |
20 |
- |
|||
|
7112-0878/001 |
2 |
- |
- |
M12 |
||||||||
|
7112-0879/001 |
3 |
142,0 |
M8 |
|||||||||
|
7112-0880/001 |
1 |
133 4 |
87 |
75 |
14 |
20 |
- |
|||||
|
7112-0881/001 |
2 |
- |
- |
M12 |
||||||||
|
7112-0882/001 |
3 |
142,0 |
M8 |
|||||||||
|
7112-0883/001 |
1 |
133,4 |
97 |
85 |
М10 |
M10 |
12 |
14 |
20 |
- |
24,20 |
|
|
7112-0884/001 |
2 |
- |
- |
М12 |
||||||||
|
7112-0885/001 |
3 |
142,0 |
М8 |
|||||||||
|
7112-0886/001 |
1 |
171,4 |
18 |
28 |
- |
|||||||
|
7112-0887/001 |
2 |
- |
- |
М16 |
||||||||
|
7112-0888/001 |
3 |
180,0 |
М10 |
|||||||||
|
7112-0889/001 |
1 |
171 4 |
105 |
90 |
М24 |
М12 |
14 |
18 |
28 |
- |
||
|
7112-0890/001 |
2 |
- |
- |
М16 |
||||||||
|
7112-0891/001 |
3 |
180,0 |
M10 |
|||||||||
|
7112-0892/001 |
1 |
171,4 |
115 |
100 |
18 |
28 |
- |
|||||
|
7112-0893/001 |
2 |
- |
- |
М16 |
||||||||
|
7112-0894/001 |
3 |
180,0 |
M10 |
Продолжение таблицы А.14
|
Обозначение оправок |
Испол |
l1 |
l2 |
l3 |
l4 |
l5 |
l6 |
l7 |
l8 |
l9 |
l10 |
l11 |
b |
b1 |
h |
h1 |
h2 ±0,1 |
с |
c1 |
Масса, кг, не более |
|
7112-0871/001 |
1 |
50 |
6,5 |
25 |
13 |
34 |
10 |
65 |
20 |
108 |
6 |
25 |
16 |
5,5 |
17 |
90 |
52,4 |
3 |
2 |
5,23 |
|
7112-0872/001 |
2 |
- |
- |
|||||||||||||||||
|
7112-0873/001 |
3 |
- |
||||||||||||||||||
|
7112-0874/001 |
1 |
30 |
14 |
7 |
22 |
66,7 |
6,92 |
|||||||||||||
|
7112-0875/001 |
2 |
- |
||||||||||||||||||
|
7112-0876/001 |
3 |
- |
||||||||||||||||||
|
7112-0877/001 |
1 |
65 |
25 |
14 |
37 |
15 |
80 |
25 |
122 |
7 |
18 |
18 |
6,5 |
20 |
8,26 |
|||||
|
7112-0878/001 |
2 |
- |
||||||||||||||||||
|
7112-0879/001 |
3 |
- |
||||||||||||||||||
|
7112-0880/001 |
1 |
14 |
7 |
25 |
110 |
8,70 |
||||||||||||||
|
7112-0881/001 |
2 |
|
- |
|||||||||||||||||
|
7112-0882/001 |
3 |
- |
|
|||||||||||||||||
|
7112-0883/001 |
1 |
6,5 |
25 |
14 |
37 |
7 |
120 |
4 |
2,5 |
9,62 |
||||||||||
|
7112-0884/001 |
2 |
- |
- |
|||||||||||||||||
|
7112-0885/001 |
3 |
- |
||||||||||||||||||
|
7112-0886/001 |
1 |
8,0 |
30 |
16 |
9 |
85,7 |
10,86 |
|||||||||||||
|
7112-0887/001 |
2 |
- |
||||||||||||||||||
|
7112-0888/001 |
3 |
- |
||||||||||||||||||
|
7112-0889/001 |
1 |
70 |
35 |
16 |
50 |
95 |
20 |
142 |
9 |
25 |
20 |
7,5 |
30 |
135 |
17,05 |
|||||
|
7112-0890/001 |
2 |
- |
- |
|||||||||||||||||
|
7112-0891/001 |
3 |
- |
||||||||||||||||||
|
7112-0892/001 |
1 |
16 |
9 |
140 |
||||||||||||||||
|
7112-0893/001 |
2 |
- |
- |
|||||||||||||||||
|
7112-0894/001 |
3 |
- |
Пример условного обозначения корпуса исполнения 1, размерами d = 80 мм, D = 82,563 мм:
Корпус 7112-0871/001 ГОСТ 31.1066.04-97
А.3.2.1.1. Допуск торцового биения поверхностей Е и Ж относительно поверхности И - 0,02 мм.
А.3.2.1.2. Разность размеров l8 в пределах одного корпуса - не более 0,05 мм.
Поз. 2. Кулачок
А.3.2.2. Конструкция и размеры кулачков должны соответствовать указанным на рисунке А.14 и в таблице А.15.

Рисунок А.14
Примечание - Размер d и шероховатость поверхности в скобках - после сборки.
Таблица А.15
Размеры в миллиметрах
|
Обозначение оправок |
d |
L |
H |
b |
b1 |
d1 |
d2 |
l |
l1 |
l2 |
h |
c |
Масса, кг, не более |
|
7112-0871/002 |
80 |
65 |
26,5 |
16 |
5,5 |
69 |
5,5 |
7,0 |
10 |
34 |
8 |
1,6 |
0,159 |
|
7112-0877/002 |
90 |
80 |
30,0 |
18 |
6,5 |
77 |
6,5 |
7,5 |
15 |
37 |
2,0 |
0,268 |
|
|
7112-0880/002 |
100 |
87 |
|||||||||||
|
7112-0883/002 |
110 |
97 |
|||||||||||
|
7112-889/002 |
120 |
90 |
36,0 |
20 |
7,5 |
105 |
7,5 |
8,0 |
50 |
10 |
0,377 |
||
|
7112-0892/002 |
130 |
115 |
Пример условного обозначения кулачка размером d = 80 мм:
Кулачок 7112-0871/002 ГОСТ 31.1066.04-97
А.3.2.2.1. Размер Н и угол α кулачков изготавливать одновременно для комплекта из трех кулачков.
А.3.2.2.2. Разность размеров Н на кулачках в пределах одного комплекта - не более 0,02 мм.
А.3.2.2.3. Разность угла α на кулачках в пределах одного комплекта - не более 5'.
Поз. 3. Втулка
А.3.2.3. Конструкция и размеры втулок должны соответствовать указанным на рисунке А.15 и в таблице А.16.

Рисунок А. 15
Таблица А.16
Размеры в миллиметрах
|
Обозначение оправок |
D |
L |
d |
b |
b1 |
b2 |
l |
l21 |
l2 |
h |
r |
Масса, кг, не более |
|
7112-0871/003 |
55 |
75 |
18 |
4,5 |
27 |
33 |
15 |
5 |
5 |
14,4 |
3 |
0,83 |
|
7112-0877/003 |
65 |
90 |
22 |
6,0 |
31 |
37 |
25 |
6 |
6 |
16,8 |
4 |
1,02 |
|
7112-0880/003 |
75 |
21,8 |
2,4 |
|||||||||
|
7112-0883/003 |
85 |
7,0 |
26,8 |
5 |
2,86 |
|||||||
|
7112-0889/003 |
90 |
110 |
26 |
35 |
43 |
35 |
7 |
7 |
25,8 |
3,65 |
||
|
7112-0892/003 |
100 |
30,8 |
4,82 |
Пример условного обозначения втулки размером D = 55 мм:
Втулка 7112-0871/003 ГОСТ 31.1066.04-97
А.3.2.3.1. Разность размеров h в пределах одной втулки - не более 0,02 мм.
А.3.2.3.2. Разность углов α в пределах одной втулки - не более 5'.
Поз. 4. Кольцо пружинное
А.3.2.4. Конструкция и размеры колец должны соответствовать указанным на рисунке А.16 и в таблице А.17.

* Размеры для справок.
Рисунок А. 16
Таблица А.17
Размеры в миллиметрах
|
Обозначение пружинных колец |
D |
d |
H0 |
D1 |
|
H1 |
H2 |
H3 |
Р1 |
Р2 |
Р3 |
l |
r |
Число витков |
Длина
развер |
Масса, кг, не более |
|||
|
Но-мин. |
Пред, откл. |
кгс |
|||||||||||||||||
|
7112-0871/004 |
5 |
±0,18 |
0,8 |
152,8 |
3,4 |
159,6 |
232 |
264 |
285 |
2,33 |
3,27 |
3,88 |
2,0 |
5 |
190 |
2506 |
0,010 |
||
|
7112-0877/004 |
6 |
±0,28 |
134,4 |
4,4 |
143,2 |
260 |
290 |
309 |
2,21 |
2,77 |
3,06 |
2,5 |
6 |
167 |
2727 |
0,011 |
|
|
|
7112-0880/004 |
148,0 |
156,8 |
292 |
323 |
340 |
2,30 |
184 |
3004 |
0,012 |
|
||||||||
|
7112-0883/004 |
163,2 |
172,0 |
323 |
355 |
375 |
203 |
3315 |
0,013 |
|
|||||||||
|
7112-0889/004 |
7 |
1,0 |
220,0 |
5,0 |
230,0 |
352 |
383 |
405 |
2,82 |
3,47 |
3,94 |
3,0 |
7 |
219 |
4126 |
0,026 |
|
|
|
7112-0892/004 |
245,0 |
255,0 |
383 |
428 |
451 |
2,54 |
244 |
4597 |
0,029 |
|
||||||||
Пример условного обозначения пружинного кольца размерами D = 5,0 мм, H0 = 152,8 мм:
Кольцо 7112-0871/004 ГОСТ 31.1066.04-97
3.2.4.1.
Материал -
.
3.2.4.2. Модуль сдвига G = 8367 кгс/мм2.
3.2.4.3. Напряжение касательное при кручении τ = 96 кгс/мм2.
3.2.4.4. Модуль упругости Е= 21093 кгс/мм2.
3.2.4.5. Направление навивки пружины - правое.
3.2.4.6. Остальные технические требования - по ГОСТ 16118.
Поз. 5. Пружина
А.3.2.5. Конструкция и размеры пружин должны соответствовать указанным на рисунке А.17 и в таблице А.18.

* Размеры для справок.
Рисунок А.17
Таблица А.18
Размеры в миллиметрах
|
Обозначение пружин |
D |
t |
H0 |
H |
P1, кгс |
λ |
Число витков |
Длина развернутой пружины |
Масса 100 шт., кг, не более |
||
|
Номин. |
Пред, откл. |
рабочее n |
полное n1 |
||||||||
|
7112-0871/005 |
5 |
±0,30 |
2,2 |
20 |
4,75 |
1,17 |
0,425 |
9,0 |
10,5 |
156 |
0,023 |
|
7112-0877/005 |
6 |
+0 36 |
3,0 |
|
3,50 |
0,94 |
0,625 |
6,5 |
8,0 |
146 |
0,022 |
|
7112-0889/005 |
7 |
|
4,0 |
25 |
3,25 |
0,84 |
0,875 |
6,0 |
7,5 |
162 |
0,025 |
Пример условного обозначения пружины размером D = 5 мм:
Пружина 7112-0871/005 ГОСТ 31.1066.04-97
А.3.2.5.1. Материал -
.
А.3.2.5.2. Модуль сдвига G= 8367 кгс/мм2.
А.3.2.5.3. Модуль упругости Е - 21093 кгс/мм2.
А.3.2.5.4. Напряжение касательное при кручении τ = 96 кгс/мм2.
А.3.2.5.5. Направление навивки пружины - правое.
А.3.2.5.6. Остальные технические требования - по ГОСТ 16118.
А.4. Оправки типа 1
А.4.1. Конструкция и размеры оправок должны соответствовать указанным на рисунке А.18 и в таблицах А.19 и А.20.

Рисунок А.18
Таблица А.19
Размеры в миллиметрах
|
Обозначение оправок |
Исполнение |
d |
D |
D1 |
L |
l |
D2 |
D3 |
D4 |
d1 |
|
|
Номин. |
Пред, откл. |
||||||||||
|
7113-0201 |
1 |
От 80 до 90 |
82,563 |
+0,004 -0,006 |
- |
350 |
100 |
130 |
100 |
104,8 |
11 |
|
7113-0202 |
2 |
- |
|||||||||
|
7113-0203 |
3 |
- |
- |
100 |
112,0 |
||||||
|
7113-0204 |
1 |
106,375 |
+0,004 -0,006 |
- |
165 |
133,4 |
14 |
||||
|
7113-0205 |
2 |
- |
|||||||||
|
7113-0206 |
3 |
- |
- |
130 |
160 |
142,0 |
|||||
|
7113-0207 |
1 |
Св. 90 до 100 |
106,375 |
+0,004 -0,006 |
- |
360 |
125 |
165 |
110 |
133,4 |
14 |
|
7113-0208 |
2 |
- |
|||||||||
|
7113-0209 |
3 |
- |
- |
130 |
160 |
142,0 |
|||||
|
7113-0210 |
1 |
Св. 100 до 110 |
106,375 |
+0,004 -0,006 |
- |
165 |
120 |
133,4 |
14 |
||
|
7113-0211 |
2 |
- |
|||||||||
|
7113-0212 |
3 |
- |
- |
130 |
160 |
142,0 |
|||||
|
7113-0213 |
1 |
Св. 110 до 120 |
106,375 |
+0,004 -0,006 |
- |
380 |
165 |
130 |
133,4 |
14 |
|
|
7113-0214 |
2 |
- |
|||||||||
|
7113-0215 |
3 |
- |
- |
130 |
160 |
142,0 |
|||||
|
7113-0216 |
1 |
139,719 |
+0,004 -0,008 |
- |
210 |
171,4 |
18 |
||||
|
7113-0217 |
2 |
- |
|||||||||
|
7113-0218 |
3 |
- |
- |
165 |
200 |
180,0 |
|||||
|
7113-0219 |
1 |
Св. 120 до 130 |
139,719 |
+0,004 -0,008 |
- |
390 |
140 |
210 |
140 |
171,4 |
18 |
|
7113-0220 |
2 |
- |
|||||||||
|
7113-0221 |
3 |
- |
- |
165 |
200 |
180,0 |
|||||
|
7113-0222 |
1 |
Св. 130 до 140 |
139,719 |
+0,004 -0,008 |
- |
210 |
150 |
171,4 |
18 |
||
|
7113-0223 |
2 |
- |
|||||||||
|
7113-0224 |
3 |
- |
- |
165 |
200 |
180,0 |
|||||
Продолжение таблицы А.19
Размеры в миллиметрах
|
Обозначение оправок |
Исполнение |
d2 |
d3 |
d4 |
L1 |
Масса, кг, не более |
|
7113-0201 |
1 |
- |
М16 |
16,30 |
155 |
6,61 |
|
7113-0202 |
2 |
M10 |
||||
|
7113-0203 |
3 |
М8 |
||||
|
7113-0204 |
1 |
- |
М20 |
19,45 |
160 |
8,07 |
|
7113-0205 |
2 |
М12 |
||||
|
7113-0206 |
3 |
М8 |
||||
|
7113-0207 |
1 |
- |
180 |
11,38 |
||
|
7113-0208 |
2 |
М12 |
||||
|
7113-0209 |
3 |
М8 |
||||
|
7113-0210 |
1 |
- |
12,30 |
|||
|
7113-0211 |
2 |
М12 |
||||
|
7113-0212 |
3 |
М8 |
||||
|
7113-0213 |
1 |
- |
14,38 |
|||
|
7113-0214 |
2 |
М12 |
||||
|
7113-0215 |
3 |
М8 |
||||
|
7113-0216 |
1 |
|
М20 |
24,20 |
185 |
17,63 |
|
7113-0217 |
2 |
М16 |
||||
|
7113-0218 |
3 |
М10 |
||||
|
7113-0219 |
1 |
- |
210 |
21,36 |
||
|
7113-0220 |
2 |
М16 |
||||
|
7113-0221 |
3 |
M10 |
||||
|
7113-0222 |
1 |
- |
23,79 |
|||
|
7113-0223 |
2 |
М16 |
||||
|
7113-0224 |
3 |
M10 |
Таблица А.20
|
Обозначение оправок |
Поз. 1 |
Поз. 2 |
Поз. 3 |
Поз. 4 |
|
|
Обозначение |
|||||
|
7113-0201 |
7113-0201/001 |
7112-0871/002 |
7113-0201/003 |
7112-0871/004 |
|
|
7113-0202 |
7113-0202/001 |
||||
|
7113-0203 |
7113-0203/001 |
||||
|
7113-0204 |
7113-0204/001 |
7113-0204/003 |
|||
|
7113-0205 |
7113-0205/001 |
||||
|
7113-0206 |
7113-0206/001 |
||||
|
7113-0207 |
7113-0207/001 |
7112-0877/002 |
7113-0207/003 |
7112-0877/004 |
|
|
7113-0208 |
7113-0208/001 |
||||
|
7113-0209 |
7113-0209/001 |
||||
|
7113-0210 |
7113-0210/001 |
7112-0880/002 |
7113-0210/003 |
7112-0880/004 |
|
|
7113-0211 |
7113-0211/001 |
||||
|
7113-0212 |
7113-0212/001 |
||||
|
7113-0213 |
7113-0213/001 |
7112-0883/002 |
7113-0213/003 |
7112-0883/004 |
|
|
7113-0214 |
7113-0214/001 |
||||
|
7113-0215 |
7113-0215/001 |
||||
|
7113-0216 |
7113-0216/001 |
||||
|
7113-0217 |
7113-0217/001 |
||||
|
7113-0218 |
7113-0218/001 |
||||
|
7113-0219 |
7113-0219/001 |
7112-0889/002 |
7113-0219/003 |
7112-0889/004 |
|
|
7113-0220 |
7113-0220/001 |
||||
|
7113-0221 |
7113-0221/001 |
||||
|
7113-0222 |
7113-0222/001 |
7112-0892/002 |
7113-0222/003 |
7112-0892/004 |
|
|
7113-0223 |
7113-0223/001 |
||||
|
7113-0224 |
7113-0224/001 |
||||
Окончание таблицы A.20
|
Обозначение оправок |
Поз.
5 |
Поз.
6 |
Поз.
7 |
Поз.
8 |
|
Обозначение |
||||
|
7113-0201 |
7112-0871/005 |
7113-0201/006 |
B.M8-6g´14.22H.05 |
А16 |
|
7113-0202 |
||||
|
7113-0203 |
||||
|
7113-0204 |
7113-0204/006 |
А20 |
||
|
7113-0205 |
||||
|
7113-0206 |
||||
|
7113-0207 |
7112-0877/005 |
|||
|
7113-0208 |
||||
|
7113-0209 |
||||
|
7113-0210 |
||||
|
7113-0211 |
||||
|
7113-0212 |
||||
|
7113-0213 |
||||
|
7113-0214 |
||||
|
7113-0215 |
||||
|
7113-0216 |
||||
|
7113-0217 |
||||
|
7113-0218 |
||||
|
7113-0219 |
7112-0889/005 |
B.M10-6g´18.22H.05 |
||
|
7113-0220 |
||||
|
7113-0221 |
||||
|
7113-0222 |
||||
|
7113-0223 |
||||
|
7113-0224 |
||||
Пример
условного обозначения оправки исполнения l, размерами
d от 80 до
Оправка 7113-0201 ГОСТ 31.1066.04-97
А.4.2. Конструкция и размеры деталей оправок
Поз. 1. Корпус
А.4.2.1. Конструкция и размеры корпусов должны соответствовать указанным на рисунке А.19 и в таблице А.21.

* Диаметр D соответствует пересечению конической поверхности с торцевой.
Рисунок А.19

Рисунок А.19 (продолжение)
Таблица А.21
Размеры в миллиметрах
|
Обозначение корпусов |
Исполнение |
d |
L |
l |
D |
D1 |
D2 |
D3 |
D4 |
d1 |
d2 |
|
|
Номин. |
Пред. откл. |
|||||||||||
|
7113-0201/001 |
1 |
80 |
155 |
100 |
82,563 |
+0,004 -0,006 |
- |
130 |
110 |
104,8 |
69 |
55 |
|
7113-0202/001 |
2 |
|||||||||||
|
7113-0203/001 |
3 |
- |
- |
100 |
112,0 |
|||||||
|
7113-0204/001 |
1 |
160 |
106,375 |
+0,004 |
- |
165 |
133,4 |
|||||
|
7113-0205/001 |
2 |
-0,006 |
||||||||||
|
7113-0206/001 |
3 |
- |
- |
130 |
160 |
142,0 |
||||||
|
7113-0207/001 |
1 |
90 |
180 |
125 |
106,375 |
+0,004 |
- |
165 |
133,4 |
77 |
65 |
|
|
7113-0208/001 |
2 |
-0,006 |
||||||||||
|
7113-0209/001 |
3 |
- |
- |
130 |
160 |
142,0 |
||||||
|
7113-0210/001 |
1 |
100 |
106,375 |
+0,004 |
- |
165 |
120 |
133,4 |
87 |
75 |
||
|
7113-0211/001 |
2 |
-0,006 |
||||||||||
|
7113-0212/001 |
3 |
- |
- |
130 |
160 |
142,0 |
||||||
|
7113-0213/001 |
1 |
110 |
106,375 |
+0,004 |
- |
165 |
130 |
133,4 |
97 |
85 |
||
|
7113-0214/001 |
2 |
-0,006 |
||||||||||
|
7113-0215/001 |
3 |
- |
- |
130 |
160 |
142,0 |
||||||
|
7113-0216/001 |
1 |
185 |
139,719 |
+0,004 |
- |
210 |
171,4 |
|||||
|
7113-0217/001 |
2 |
-0,008 |
||||||||||
|
7113-0218/001 |
3 |
- |
- |
165 |
200 |
180,0 |
||||||
|
7113-0219/001 |
1 |
120 |
210 |
140 |
139,719 |
+0,004 |
- |
210 |
140 |
171,4 |
105 |
90 |
|
7113-0220/001 |
2 |
-0,008 |
||||||||||
|
7113-0221/001 |
3 |
- |
- |
165 |
200 |
180,0 |
||||||
|
7113-0222/001 |
1 |
130 |
139,719 |
+0,004 |
- |
210 |
150 |
171,4 |
115 |
100 |
||
|
7113-0223/001 |
2 |
-0,008 |
||||||||||
|
7113-0224/001 |
3 |
- |
- |
165 |
200 |
180,0 |
||||||
Продолжение таблицы A.21
Размеры в миллиметрах
|
Обозначение корпусов |
Испол- |
d3 |
d4 |
d5 |
d6 |
d7 |
d8 |
l1 |
l2 |
l3 |
l4 |
l5 |
l6 |
l7 |
|
7113-0201/001 |
1 |
41 |
М8 |
- |
11 |
18 |
16,30 |
50 |
6,5 |
30 |
13 |
34 |
10 |
65 |
|
7113-0202/001 |
2 |
М10 |
- |
- |
||||||||||
|
7113-0203/001 |
3 |
М8 |
||||||||||||
|
7113-0204/001 |
1 |
- |
14 |
20 |
19,45 |
14 |
||||||||
|
7113-0205/001 |
2 |
М10 |
- |
- |
||||||||||
|
7113-0206/001 |
3 |
М8 |
||||||||||||
|
7113-0207/001 |
1 |
- |
14 |
20 |
65 |
37 |
15 |
80 |
||||||
|
7113-0208/001 |
2 |
М10 |
- |
- |
||||||||||
|
7113-0209/001 |
3 |
М8 |
||||||||||||
|
7113-0210/001 |
1 |
- |
14 |
20 |
||||||||||
|
7113-0211/001 |
2 |
М12 |
- |
- |
||||||||||
|
7113-0212/001 |
3 |
М8 |
||||||||||||
|
7113-0213/001 |
1 |
56 |
- |
14 |
20 |
|||||||||
|
7113-0214/001 |
2 |
М12 |
- |
- |
||||||||||
|
7113-0215/001 |
3 |
М8 |
||||||||||||
|
7113-0216/001 |
1 |
- |
18 |
28 |
8,0 |
35 |
16 |
|||||||
|
7113-0217/001 |
2 |
М16 |
- |
- |
24,20 |
|||||||||
|
7113-0218/001 |
3 |
М10 |
||||||||||||
|
7113-0219/001 |
1 |
M10 |
- |
18 |
28 |
70 |
50 |
95 |
||||||
|
7113-0220/001 |
2 |
М16 |
- |
- |
||||||||||
|
7113-0221/001 |
3 |
М10 |
||||||||||||
|
7113-0222/001 |
1 |
- |
18 |
28 |
||||||||||
|
7113-0223/001 |
2 |
М16 |
- |
- |
||||||||||
|
7113-0224/001 |
3 |
М10 |
Продолжение таблицы A.21
Размеры в миллиметрах
|
Обозначение корпусов |
Исполнение |
l8 |
l9 |
l10 |
b |
b1 |
h |
h1 |
с |
с1 |
Масса, кг, не более |
|
7113-0201/001 |
1 |
20 |
125 |
6 |
16 |
5,5 |
90 |
52,4 |
3 |
2,0 |
4,44 |
|
7113-0202/001 |
2 |
- |
- |
||||||||
|
7113-0203/001 |
3 |
||||||||||
|
7113-0204/001 |
1 |
7 |
66,7 |
5,71 |
|||||||
|
7113-0205/001 |
2 |
- |
|||||||||
|
7113-0206/001 |
3 |
||||||||||
|
7113-0207/001 |
1 |
25 |
145 |
7 |
18 |
6,5 |
7,72 |
||||
|
7113-0208/001 |
2 |
- |
|||||||||
|
7113-0209/001 |
3 |
||||||||||
|
7113-0210/001 |
1 |
7 |
110 |
8,26 |
|||||||
|
7113-0211/001 |
2 |
- |
- |
||||||||
|
7113-0212/001 |
3 |
||||||||||
|
7113-0213/001 |
1 |
7 |
120 |
4 |
2,5 |
8,75 |
|||||
|
7113-0214/001 |
2 |
- |
- |
||||||||
|
7113-0215/001 |
3 |
||||||||||
|
7113-0216/001 |
1 |
9 |
85,7 |
12,00 |
|||||||
|
7113-0217/001 |
2 |
- |
|||||||||
|
7113-0218/001 |
3 |
||||||||||
|
7113-0219/001 |
1 |
20 |
170 |
9 |
20 |
7,5 |
135 |
14,38 |
|||
|
7113-0220/001 |
2 |
- |
- |
||||||||
|
7113-0221/001 |
3 |
||||||||||
|
7113-0222/001 |
1 |
9 |
140 |
15,17 |
|||||||
|
7113-0223/001 |
2 |
- |
- |
||||||||
|
7113-0224/001 |
3 |
Пример
условного обозначения корпуса исполнения
1, размерами d =
Корпус 7113-0201/001 ГОСТ 31.1066.04-97
А.4.2.1.1. Допуск торцового биения
поверхностей Е и Ж относительно оси поверхности И -
А.4.2.1.2. Разность размеров l8 в пределах одного корпуса - не более
Поз. 3. Втулка
А.4.2.3. Конструкция и размеры втулок должны соответствовать указанным на рисунке А.20 и в таблице А.22.

Рисунок А.20
Таблица А.22
Размеры в миллиметрах
|
Обозначение втулок |
D |
L |
D1 |
d |
d1 |
H |
b |
l |
l1 |
l2 |
l3 |
t |
с |
Масса, кг, не более |
|
7113-0201/003 |
55 |
135 |
40 |
16 |
26 |
13,0 |
6 |
95 |
15 |
8 |
45 |
4 |
2 |
1,27 |
|
7113-0204/003 |
140 |
20 |
32 |
40 |
3 |
1,21 |
||||||||
|
7113-0207/003 |
65 |
160 |
14,5 |
115 |
25 |
60 |
4 |
2,18 |
||||||
|
7113-0210/003 |
75 |
36 |
19,5 |
2,57 |
||||||||||
|
7113-0213/003 |
85 |
50 |
24,5 |
4,15 |
||||||||||
|
7113-0219/003 |
90 |
185 |
23,5 |
7 |
140 |
35 |
12 |
85 |
5 |
5 |
5,17 |
|||
|
7113-0222/003 |
100 |
45 |
28,5 |
6,81 |
Пример
условного обозначения втулки размерами D =
Втулка 7113-0201/003 ГОСТ 31.1066.04-97
А.4.2.3.1. Разность размеров H и l2 в одной втулке - не более
А.4.2.3.2. Разность углов α в одной втулке - не более 5'.
Поз. 6. Тяга
А.4.2.6. Конструкция и размеры тяг должны соответствовать указанным на рисунке А.21 и в таблице А.23.

Рисунок А.21
Таблица А.23
Размеры в миллиметрах
|
Обозначение тяг |
d |
L |
d1 |
d2 |
D |
D1 |
D2 |
|
7113-0201/006 |
М16 |
300 |
16 |
13 |
24 |
14,3 |
13,8 |
|
7113-0204/006 |
М20 |
340 |
20 |
15 |
30 |
16,7 |
16,2 |
Окончание таблицы А.23
Размеры в миллиметрах
|
Обозначение тяг |
l |
l1 |
l2 |
l3 |
l4 |
l5 |
S |
S |
Масса, кг, не более |
|
7113-0201/006 |
40 |
90 |
10 |
16 |
9 |
10 |
12 |
12 |
0,521 |
|
7113-0204/006 |
50 |
100 |
12 |
20 |
11 |
13 |
14 |
17 |
0,868 |
Пример условного обозначения тяги размером d - M16:
Тяга 7113-0201/006 ГОСТ 31.1066.04-97
Ключевые слова: оправки, кулачковые, шпиндельные, фланцевые, типы, допуск, поверхность, детали, отклонения.
|
|
|
|