//
ТехЛит.ру
- крупнейшая бесплатная электронная интернет библиотека для "технически умных" людей.
WWW.TEHLIT.RU - ТЕХНИЧЕСКАЯ ЛИТЕРАТУРА

:: Алготрейдинг::


АЛГОТРЕЙДИНГ
шаг за шагом
с нуля по урокам!

Торговые роботы на PYTHON, BackTrader,
Pandas, Pine Script для TradingView. Связка с брокерами, телеграм и легкими приложениями.


ГОСТ Р МЭК 60950-2002

ГОСУДАРСТВЕННЫЙ СТАНДАРТ РОССИЙСКОЙ ФЕДЕРАЦИИ

БЕЗОПАСНОСТЬ ОБОРУДОВАНИЯ
ИНФОРМАЦИОННЫХ ТЕХНОЛОГИЙ

ГОССТАНДАРТ РОССИИ
Москва

Предисловие

1 РАЗРАБОТАН Автономной некоммерческой организацией НТЦСЭ «ИСЭП» и Автономной некоммерческой организацией «СТАНДАРТ-СЕРТИС»

ВНЕСЕН Техническим комитетом по стандартизации ТК 401 «Безопасность оборудования информационных технологий, включая конторское оборудование»

2 ПРИНЯТ И ВВЕДЕН В ДЕЙСТВИЕ Постановлением Госстандарта России от 11 апреля 2002 г. № 148-ст

3 Настоящий стандарт содержит полный аутентичный текст международного стандарта МЭК 60950 (1999), третья редакция «Безопасность оборудования информационных технологий»

4 ВВЕДЕН ВПЕРВЫЕ

5 ПЕРЕИЗДАНИЕ. Май 2003 г.

СОДЕРЖАНИЕ

0 основы безопасности  10

0.1 общие принципы безопасности. 10

0.2 виды опасностей. 11

0.2.1 поражение электрическим током.. 11

0.2.2. Энергетическая опасность. 12

0.2.3 огнеопасность. 13

0.2.4 тепловые опасности. 13

0.2.5. Механическая и тепловая опасности. 13

0.2.6. Опасность излучения. 13

0.2.7 химическая опасность. 14

0.3 материалы и компоненты.. 14

1 общие положения. 14

1.1 область распространения. 14

1.1.1 оборудование. 14

1.1.2 дополнительные требования. 16

1.1.3 исключения. 16

1.2 определения. 16

1.2.1 электрические характеристики оборудования. 18

1.2.2 условия работы.. 18

1.2.3 подвижность оборудования. 19

1.2.4 классы оборудования. Защита от поражения электрическим током.. 19

1.2.5 подключение к источнику электропитания. 20

1.2.6 кожухи. 20

1.2.7 доступность. 20

1.2.8 цепи и их характеристики. 21

1.2.9 изоляция. 23

1.2.10 зазоры и пути утечки. 23

1.2.11 компоненты.. 23

1.2.12 огнестойкость. 24

1.2.13 дополнительные определения. 25

1.3 общие требования. 26

1.3.1 применение требований. 26

1.3.2 проектирование и изготовление оборудования. 26

1.3.3 напряжение питания. 26

1.3.4 нерассмотренные методы конструирования. 26

1.3.5 замена материалов. 27

1.3.6 положение оборудования при транспортировании и использовании. 27

1.3.7 выбор критерия. 27

1.3.8 примеры, упоминаемые в стандарте. 27

1.3.9 токопроводящие жидкости. 27

1.4 общие условия испытаний. 27

1.4.1 применяемость испытаний. 27

1.4.2 тип испытаний. 27

1.4.3 испытуемые образцы.. 27

1.4.4 рабочие параметры при испытании. 28

1.4.5 напряжение питания при испытаниях. 28

1.4.6 частота питающего напряжения при испытаниях. 28

1.4.7 средства измерений электрических параметров. 29

1.4.8 нормальные рабочие напряжения. 29

1.4.9 измерение напряжения относительно земли. 29

1.4.10 конфигурация нагрузок испытуемого оборудования. 29

1.4.11 мощность телекоммуникационных сетей. 29

1.4.12 температурные условия при измерениях. 29

1.4.13 метод измерения температуры.. 30

1.4.14 имитация неисправностей и ненормальных условий. 30

1.5 компоненты (комплектующие) 30

1.5.1 общие требования. 30

1.5.2 оценка и испытание компонентов. 31

1.5.3 устройства управления температурой. 31

1.5.4 трансформаторы.. 31

1.5.5 соединительные кабели. 31

1.5.6 конденсаторы в первичных цепях. 31

1.5.7 двойная или усиленная изоляция, шунтированная компонентами. 32

1.5.8 компоненты в оборудовании, питаемом от энергетической системы типа it. 32

1.6 подключение к сети питания. 32

1.6.1 энергосистемы переменного тока. 32

1.6.2 потребляемый ток. 32

1.6.3 допустимые пределы напряжения для ручного оборудования. 33

1.6.4 провод, подсоединенный к нейтрали. 33

1.7 маркировка и инструкции. 33

1.7.1 электрические параметры.. 33

1.7.2 инструкция по безопасности. 35

1.7.3 циклы кратковременной работы.. 35

1.7.4 установка напряжения сети. 36

1.7.5 сетевые розетки в оборудовании. 36

1.7.6 обозначение плавких предохранителей. 36

1.7.7 клеммы.. 36

1.7.8 органы управления и индикаторы.. 37

1.7.9 изоляция при подключении оборудования к нескольким источникам питания. 38

1.7.10 системы энергоснабжения типа it. 38

1.7.11 термореле и другие устройства регулировки. 38

1.7.12 язык. 38

1.7.13 долговечность. 38

1.7.14 съемные части. 38

1.7.15 литиевые батареи. 38

1.7.16 доступ оператора. 39

1.7.17 оборудование для установки в помещениях с ограниченным доступом.. 39

2 Защита от опасности. 39

2.1 защита от поражения электрическим током и энергетической опасности. 39

2.1.1 защита в доступных рабочих областях. 39

2.1.2 защита в областях, доступных для обслуживания. 44

2.1.3 защита в областях ограниченного доступа. 44

2.2 цепи бснн.. 45

2.2.2 напряжения при нормальных условиях. 45

2.2.3 напряжения в условиях неисправности. 45

2.2.4 соединение цепей бснн с другими цепями. 46

2.3 цепи нтс.. 46

2.3.1 допуски. 46

2.3.2 отделение от других цепей и доступных частей оборудования. 48

2.3.3 отделение от опасного напряжения. 48

2.3.4 соединение цепей нтс с другими цепями. 49

2.3.5 испытание для рабочего напряжения, генерируемого вне оборудования. 49

2.4 цепи с ограничением тока. 50

2.4.1 общие требования. 50

2.4.2 величины допустимых ограничений. 50

2.4.3 соединение цепей с ограничением тока с другими цепями. 51

2.5 сетевые источники питания. 51

2.6 требования к защитному заземлению.. 52

2.6.1 защитное заземление. 52

2.6.2 функциональное заземление. 53

2.6.3 проводники защитного заземления и соединения. 54

2.6.4 клеммы.. 56

2.6.5 полнота защитного заземления. 57

2.7 ток перегрузки и защита от замыкания на землю в первичных цепях. 58

2.7.1 основные требования. 58

2.7.2 неисправности, не упомянутые в 5.3. 58

2.7.3 дублирующая защита от коротких замыканий. 58

2.7.4 количество устройств защиты и места их установки. 59

2.7.5 защита несколькими устройствами. 60

2.7.6 предупреждения для обслуживающего персонала. 60

2.8. Защитные блокировки. 60

2.8.1 основные положения. 60

2.8.2 требования по защите. 60

2.8.3 неумышленное возобновление деятельности. 61

2.8.4 безопасный режим работы.. 61

2.8.5 блокировки с движущими частями. 61

2.8.6 обход защитной блокировки. 62

2.8.7 выключатели и реле в системах блокировки. 62

2.8.8 механические приводы.. 63

2.9 электрическая изоляция. 63

2.9.1 свойства изоляционных материалов. 63

2.9.2 условия влажности. 63

2.9.3 требования к изоляции. 63

2.9.4 параметры изоляции. 63

2.9.5 категории изоляции. 64

2.10 зазоры, пути утечки и пути через изоляцию.. 67

2.10.1 общие требования. 67

2.10.2 определение рабочего напряжения. 68

2.10.3 зазоры.. 68

2.10.4 пути утечки. 75

2.10.5 сплошная изоляция. 77

2.10.6 печатные платы с покрытием.. 79

2.10.7 закрытые корпусом и залитые составные части. 82

2.10.8 объемы, заполненные изолирующим компаундом.. 83

2.10.9 составные части внешних разъемов. 83

2.10.10 изоляция с изменяющимися размерами. 84

3 электропроводка, соединения и электропитание. 84

3.1 основные положения. 84

3.1.1 номинальное значение тока и защита от перегрузки по току. 84

3.1.2 защита от механических повреждений. 84

3.1.3 надежность внутренней проводки. 85

3.1.4 изоляция проводов. 85

3.1.5 изоляционные бусы и керамические изоляторы.. 85

3.1.6 винты, обеспечивающие электрический контакт. 85

3.1.7 неметаллические материалы в электрических соединениях. 86

3.1.8 винты, включая самонарезные. 86

3.1.9 заделка выводов проводов. 86

3.1.10 изолирующая трубка на проводке. 87

3.2 подключение к сети питания переменного тока. 87

3.2.1 средства подключения. 87

3.2.2 многоштепсельное подключение к сети электропитания. 87

3.2.3 постоянно подключенное оборудование. 87

3.2.4 приборные вводы.. 88

3.2.5 шнуры электропитания. 88

3.2.6 жесткость закрепления шнура и разгрузка от натяжения. 89

3.2.7 защита от механического повреждения. 90

3.2.8 кабельные вводы.. 91

3.2.9 пространство для размещения шнуров питания. 91

3.3 клеммы для подключения внешних проводников. 91

3.3.1 токопроводящие клеммы.. 91

3.3.2 подключение неразъемных шнуров питания. 92

3.3.3 винтовые зажимы.. 92

3.3.4 размеры проводников, предназначенных для подключения. 92

3.3.5 размеры токопроводящих клемм.. 92

3.3.6 конструкция клемм.. 93

3.3.7 размещение токопроводящих клемм.. 93

3.3.8 многожильный провод. 93

3.4 отключение от сети питания переменного тока. 94

3.4.1 общие требования. 94

3.4.2 отключающие устройства. 94

3.4.3 постоянно подключенное оборудование. 94

3.4.4 части, остающиеся под напряжением.. 94

3.4.5 выключатели на гибких шнурах. 94

3.4.6 однофазное оборудование. 94

3.4.7 трехфазное оборудование. 95

3.4.8 выключатели как отключающие устройства. 95

3.4.9 вилка шнура как отключающее устройство. 95

3.4.10 взаимосвязанное оборудование. 95

3.4.11 питание от нескольких источников. 95

3.5 подсоединение к оборудованию.. 95

3.5.2 типы соединительных цепей. 96

3.5.3 цепи снн в качестве соединительных цепей. 96

4 физические требования. 96

4.1 устойчивость. 96

4.2 механическая прочность. 97

4.2.1 общие положения. 97

4.2.2 испытание при воздействии постоянного усилия 10 н.. 98

4.2.3 испытание при воздействии постоянного усилия 30 н.. 98

4.2.4 испытание при воздействии постоянного усилия 250 н.. 98

4.2.5 испытание на удар. 98

4.2.6 испытание на падение. 98

4.2.7 испытание на сохранение формы.. 99

4.2.8 электроннолучевые трубки. 99

4.2.9 лампы высокого давления. 99

4.2.10 оборудование, устанавливаемое на стене или потолке. 99

4.3 Конструкция оборудования. 100

4.3.1 грани и углы.. 100

4.3.2 рукоятки и устройства с ручным управлением.. 100

4.3.3 устройство выбора напряжения источника питания. 100

4.3.4 крепление частей. 100

4.3.5 подключение штепсельных вилок и розеток. 101

4.3.6 оборудование, предназначенное для непосредственного включения в настенную розетку. 101

4.3.7 нагревательные элементы в заземленном оборудовании. 101

4.3.8 батареи. 101

4.3.9 масла и смазки. 102

4.3.10 пыль, порошки, жидкости и газы.. 103

4.3.11 контейнеры для жидкостей или газов. 103

4.3.12 горючие жидкости. 103

4.3.13 излучение. 104

4.4 защита от опасных подвижных частей. 104

4.4.1 общие требования. 104

4.4.2 защита в области, доступной оператору. 104

4.4.3 защита в помещениях с ограниченным доступом.. 105

4.4.4 защита в областях, доступных для обслуживания. 105

4.5 требования к тепловым режимам , 105

4.5.1 превышение температуры.. 105

4.5.2 устойчивость к нагреву в условиях ненормальной работы.. 107

4.6 отверстия в кожухе. 107

4.6.1 отверстия в верхней поверхности и боковых сторонах. 107

4.6.2 основание противопожарного кожуха. 109

4.6.3 дверцы или крышки в противопожарных кожухах. 111

4.6.4 отверстия в транспортабельном оборудовании. 111

4.6.5 клеи для конструктивных целей. 112

4.7 огнестойкость. 113

4.7.1 уменьшение риска воспламенения и распространения огня. 113

4.7.2 условия применения противопожарного кожуха. 113

4.7.3 материалы.. 114

5 Требования к электрическим параметрам и имитация ненормальных условий. 119

5.1 ток прикосновения и ток через проводник защитного заземления. 119

5.1.1 общие положения. 119

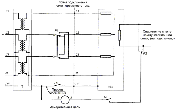
5.1.2 испытуемое оборудование (ио) 119

5.1.3 испытательная цепь. 119

5.1.4 применение измерительных приборов. 121

5.1.5 процедура испытаний. 121

5.1.6 измерения при испытаниях. 122

5.1.7 оборудование с током прикосновения, превышающим 3,5 ма. 123

5.1.8 токи прикосновения к телекоммуникационным сетям и от этих сетей. 123

5.2 электрическая прочность. 125

5.2.1 Общие положения. 125

5.2.2 испытательная процедура. 126

5.3 ненормальная работа и аварийные условия. 128

5.3.1 защита в условиях перегрузки и ненормальных условиях. 128

5.3.2 двигатели. 129

5.3.3 трансформаторы.. 129

5.3.4 функциональная изоляция. 129

5.3.5 электромеханические компоненты.. 129

5.3.6 имитация неисправностей. 130

5.3.7 оборудование, работающее без надзора. 130

5.3.8 критерии соответствия при ненормально и работе и в условиях неисправности. 131

6 подключение к телекоммуникационным сетям.. 131

6.1 защита обслуживающего персонала телекоммуникационных сетей и пользователей другого оборудования, соединенного с этой сетью, от опасностей в оборудовании. 132

6.1.1 защита от опасных напряжений. 132

6.1.2 отделение телекоммуникационных сетей от земли. 132

6.2 защита пользователей оборудования от перенапряжения в телекоммуникационных сетях. 133

6.2.1 требование к разделению.. 133

6.2.2 процедура испытания на электрическую прочность. 134

6.3 защита телекоммуникационной проводной системы от перегрева. 135

Приложение а Испытания на устойчивость к нагреву и возгоранию.. 136

А.1 испытание на возгораемость противопожарных кожухов перемещаемого оборудования общей массой более 18 кг и стационарного оборудования. 137

А.1.1 образцы.. 137

А.1.2 подготовка образцов. 137

А.1.3 установка образцов. 137

А.1.4 испытательное пламя. 137

А.1.5 проведение испытания. 137

А.1.6 критерии соответствия. 137

А.2 испытание на возгораемость противопожарных кожухов передвижного оборудования общей массой менее 18 кг, материалов и компонентов, расположенных внутри противопожарных кожухов. 137

А.2.1 о6разцы.. 137

А.2.2 подготовка образцов. 138

А.2.3 установка образцов. 138

А.2.4 испытательное пламя. 138

А.2.5 проведение испытания. 138

А.2.6 критерии соответствия. 138

А.2.7 альтернативное испытание. 138

А.3 испытание на возгораемость от сильноточного дугового разряда. 138

А.3.1 образцы.. 138

А.3.2 испытательная схема. 138

А.3.3 испытательные электроды.. 139

А.3.4 проведение испытания. 139

А.3.5 критерии соответствия. 139

А.4 испытания на возгораемость от раскаленной проволоки. 139

А.4.1 образцы.. 139

А.4.2 испытательная цепь. 139

А.4.3 установка образцов. 140

А.4.4 проведение испытания. 140

А.4.5 критерии соответствия. 140

А.5 испытание на возгораемость от горящего масла. 140

А.5.1 установка образцов. 140

А.5.2 проведение испытания. 140

А.5.3 критерии соответствия. 141

А.6 испытание на возгораемость для определения принадлежности материалов к классам v-0, v-1 или v-2. 141

А.6.1 образцы.. 141

А.6.2 подготовка образцов. 141

А.6.3 установка образцов. 141

А.6.4 проведение испытания. 141

А.6.5 критерии соответствия. 142

А.6.6 разрешенное повторное испытание. 142

А.7 испытание на возгораемость вспененных материалов для определения принадлежности к классам hf-1, hf-2 или hbf. 142

А.7.1 образцы.. 142

А.7.2 подготовка образцов. 142

А.7.3 проведение испытания. 142

А.7.4 критерии соответствия. 143

А.7.5 критерии соответствия классу hf-2. 143

А.7.7 критерии соответствия классу hbf. 143

А.7.8 разрешенное повторное испытание на соответствие классу hf-1 или hf-2. 143

А.7.9 разрешенное повторное испытание на соответствие классу hbf. 143

А.8 испытание на возгораемость для определения принадлежности к классу материалов нв.. 143

А.8.1 образцы.. 143

А.8.2 подготовка образцов. 144

А.8.3 установка образцов. 144

А.8.4 проведение испытания. 144

А.8.5 критерии соответствия. 144

А.8.6 разрешенное повторное испытание. 144

А.9 испытание на возгораемость для определения принадлежности к материалу класса 5v.. 145

А.9.1 образцы.. 145

А.9.2 подготовка образцов. 145

А.9.3 испытательное пламя. 145

А.9.4 проведение испытания стержней. 145

А.9.5 проведение испытания пластин. 146

А.9.6 критерии соответствия. 146

А.9.7 разрешенное повторное испытание. 146

А.10 создание условий снятия напряжения. 146

Приложение в Испытания электродвигателей, при ненормальных условиях работы.. 147

В.1 общие требования. 147

В.2 условия испытаний. 147

В.3 максимальные температуры.. 148

В.4 испытания при перегрузке. 149

В.5 Испытания при перегрузке с заторможенным ротором.. 149

В.6 Испытание электродвигателей постоянного тока во вторичных цепях при перегрузке. 150

В.7 испытание электродвигателей постоянного тока во вторичных цепях при перегрузке с заторможенным ротором.. 150

В.7.1 проведение испытания. 150

В.7.2 альтернативное испытание. 150

В.7.3 испытание на электрическую прочность. 151

В.8 испытание электродвигателей с конденсаторами. 151

В.9 испытание трехфазных электродвигателей. 151

В.10 испытание электродвигателей с последовательным возбуждением.. 151

приложение с трансформаторы.. 151

С.1 испытание при перегрузке. 151

С.2 изоляция. 153

приложение d прибор для измерения тока утечки на землю.. 154

D.1 измерительный прибор. 154

D.2 альтернативный измерительный прибор. 154

приложение е превышение температуры обмоток. 155

приложение f методы измерения путей утечки и воздушных зазоров. 155

приложение g альтернативный метод определения минимальных зазоров. 159

G.1 краткое изложение процедуры определения минимальных зазоров. 159

G.2 определение напряжения переходного процесса в сети питания. 160

G.3 определение напряжения переходного процесса телекоммуникационной сети. 161

G.4 определение требуемого напряжения стойкости изоляции. 161

G.5 измерение переходного процесса. 162

G.6 определение минимальных зазоров. 163

приложение н ионизирующее излучение. 164

приложение j электрохимические потенциалы.. 165

приложение к средства контроля температуры.. 165

К.1 надежность при работе. 166

К.2 надежность термореле. 166

К.3 испытание термореле на долговечность. 166

К.4 испытание ограничителей температуры на долговечность. 166

К.5 надежность термовыключателей. 166

К.6 стабильность при работе. 167

приложение l условия нормальной нагрузки для электрического офисного оборудования. 167

L.1 пишущие машины.. 167

L.2 суммирующие устройства и кассовые аппараты.. 167

L.3 устройства для уничтожения документов. 167

L.4 устройства для заточки карандашей. 167

L.5 множительные аппараты и копировальные машины.. 167

L.6 автоматизированные картотеки. 167

L.7 другое оборудование. 168

приложение м нормы для телефонных вызывных сигналов. 168

М.1 введение. 168

М.2 метод а.. 168

М.3 метод в.. 169

М.3.1 сигнал звонка. 169

М.3.2 устройство отключения и напряжение контроля. 171

приложение n испытательный импульсный генератор. 172

приложение р нормативные ссылки. 172

приложение q библиография. 174

приложение r примеры требований к программам контроля качества. 175

R.1 минимальное расстояние между проводниками на печатных платах с покрытием, без установленных элементов. 175

R.2 уменьшенные зазоры.. 176

приложение s методика испытаний импульсами. 177

S.1 испытательное оборудование. 177

S.2 методика проведения испытаний. 177

приложение т рекомендации по защите от воздействия воды.. 179

приложение u изолированные намоточные провода, для использования без межслоевой изоляции. 180

U.1 структура провода. 180

U.2 типовые испытания. 180

U.2.1 электрическая прочность. 180

U.2.2 сцепление и гибкость. 180

U.2.3 тепловой удар. 181

U.2.4 сохранение электрической прочности после изгиба. 181

U.3 испытание в процессе производства. 181

U.3.1 периодическое испытание. 181

U.3.2 испытания образцов. 182

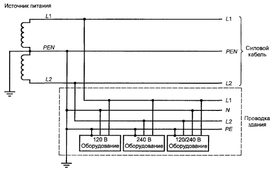
приложение v системы распределения электрической энергии. 182

V.1 введение. 182

V.2 системы распределения энергии типа tn.. 182

V.3 системы распределения энергии типа тт. 186

V.4 системы распределения энергии типа it. 187

приложение w суммирование токов прикосновения. 188

W.1 токи прикосновения от электронных цепей. 188

W1.1 цепи с изменяющимися параметрами. 188

W.1.2 заземленные цепи. 189

W.2 соединение нескольких единиц оборудования. 189

W.2.1 изоляция. 190

W.2.2 общая возвратная точка, изолированная от земли. 190

W.2.3 общая возвратная точка, соединенная с защитной землей. 190

приложение x испытание трансфоматора на максимальный нагрев. 190

X.1 определение максимального входного тока. 191

Х.2 метод испытания на перегрузку  191

Введение

0 ОСНОВЫ БЕЗОПАСНОСТИ

Следующие положения были использованы Техническим комитетом по стандартизации ТК 74 при разработке настоящего стандарта.

Эти положения не распространяют на исполнение или функциональные характеристики оборудования.

Слова, выделенные прописными буквами, означают термины, определения которых даны в разделе 1.2 настоящего стандарта.

0.1 Общие принципы безопасности

Для изготовления безопасного оборудования разработчикам необходимо понимание основных принципов требований к безопасности.

Эти положения не используют взамен подробных требований настоящего стандарта. Они предназначены для понимания разработчиками принципов, на которых эти требования основаны.

Если оборудование включает технологии и материалы или конструктивные методы, не рассмотренные в настоящем стандарте, то при разработке оборудования обеспечивают уровень безопасности не ниже заданного этими принципами безопасности.

Разработчики принимают во внимание не только нормальные условия применения оборудования, но также вероятные аварийные условия, последующие дефекты, предвидимое неправильное употребление и внешние влияния, такие как, например, температура, высота, загрязнение, влажность, перенапряжение в питающей сети и в сети связи.

Следующие требования соблюдают при определении расчетных мер, применяемых при разработке:

- где возможно, определяют расчетные критерии, которые помогут устранить, уменьшить или избежать опасностей;

- в случаях, когда вышеуказанное не представляется возможным, так как противоречит нормальному функционированию оборудования, используют защитные средства, не включенные в оборудование, например персональное защитное оборудование (которое не рассматривают в настоящем стандарте);

- в случаях, когда вышеуказанное не представляется возможным, или в дополнение к этому критерию используют маркировку и указания в инструкциях.

Есть две группы лиц, безопасность которых рассматривают: это ПОЛЬЗОВАТЕЛИ (или ОПЕРАТОРЫ) и ОБСЛУЖИВАЮЩИЙ ПЕРСОНАЛ.

ПОЛЬЗОВАТЕЛЬ - термин относящийся ко всем лицам, кроме ОБСЛУЖИВАЮЩЕГО ПЕРСОНАЛА. Требования по защите допускают, что ПОЛЬЗОВАТЕЛИ не подготовлены для предвидения опасности, но преднамеренно не создают опасную ситуацию. Следовательно, выполнение требований обеспечит защиту уборщиков и случайных посетителей, а также назначенных ПОЛЬЗОВАТЕЛЕЙ. В общих случаях, ПОЛЬЗОВАТЕЛИ не должны иметь доступ к опасным частям, и с этой целью такие части должны быть только в ОБЛАСТЯХ, ДОСТУПНЫХ ДЛЯ ОБСЛУЖИВАНИЯ, или в оборудовании, расположенном в МЕСТАХ ОГРАНИЧЕННОГО ДОСТУПА.

Если ПОЛЬЗОВАТЕЛЕЙ допускают в МЕСТА ОГРАНИЧЕННОГО ДОСТУПА, то их должным образом инструктируют.

Предполагают, что ОБСЛУЖИВАЮЩИЙ ПЕРСОНАЛ достаточно подготовлен в отношении предвидения возможных опасностей для себя и других лиц, находящихся в ОБЛАСТЯХ, ДОСТУПНЫХ ДЛЯ ОБСЛУЖИВАНИЯ оборудования, или около оборудования, расположенного в МЕСТАХ ОГРАНИЧЕННОГО ДОСТУПА. Тем не менее ОБСЛУЖИВАЮЩИЙ ПЕРСОНАЛ должен быть защищен от непредвиденных опасностей. Это может быть достигнуто, например, расположением на безопасном расстоянии частей, доступных для обслуживания, и частей, электрически и механически опасных, ограничением возможностей случайного контакта с опасными частями при помощи экранирования, соответствующей маркировкой или инструкцией, предупреждающей персонал о возможной опасности.

Маркировка, содержащая информацию о возможных опасностях, может быть нанесена на оборудование, или эти опасности должны быть очевидны из назначения оборудования, в зависимости от последствий повреждения, или может быть доступной маркировка для ОБСЛУЖИВАЮЩЕГО ПЕРСОНАЛА. В общем случае, ПОЛЬЗОВАТЕЛИ не должны подвергаться опасности от неправильной эксплуатации, и информация, предусмотренная для ПОЛЬЗОВАТЕЛЕЙ, должна помочь избежать этого, а также ситуаций, создающих опасности, как, например, неправильное подключение к источнику питания или замена предохранителя на предохранители типов, не предусмотренных изготовителем.

В ПЕРЕМЕЩАЕМОМ ОБОРУДОВАНИИ вероятность поражения электрическим током увеличивается из-за возможного дополнительного натяжения шнура питания и, как следствие, разрыва провода заземления. Для РУЧНОГО ОБОРУДОВАНИЯ риск еще более возрастает из-за ускоренного износа шнура питания и возможного возникновения дополнительных опасностей в случае падения оборудования. Для ПЕРЕНОСНОГО ОБОРУДОВАНИЯ устанавливают еще более высокие требования, так как его можно использовать и переносить в любом положении, и если небольшой металлический предмет проникнет через отверстие КОЖУХА, он может перемещаться внутри оборудования, создавая опасность.

0.2 Виды опасностей

Настоящий стандарт предназначен для предотвращения травм и повреждений вследствие следующих факторов:

- поражение электрическим током;

- энергетическая опасность;

- воспламеняемость;

- тепловая опасность;

- механическая опасность;

- опасность излучения;

- химическая опасность.

0.2.1 Поражение электрическим током

Поражение электрическим током возникает при его прохождении через тело человека. Результирующие физиологические эффекты зависят от величины, длительности протекания и пути, по которому ток проходит через тело.

Величина тока зависит от величины приложенного напряжения, полного сопротивления источника и тела человека. Полное сопротивление тела человека зависит в свою очередь от области контакта, влажности в этой области, от величины приложенного напряжения и частоты тока. Токи порядка 0,5 мА могут вызывать определенную физиологическую реакцию у здоровых людей и представляют косвенную опасность, вызванную непроизвольной реакцией организма. Токи более высоких значений могут оказывать более разрушительные воздействия, такие как ожог или сердечная аритмия.

Амплитудное значение напряжения в установившемся режиме до 42,4 В или значение напряжения 60 В постоянного тока обычно не считают опасным в сухих условиях для области контакта, эквивалентной руке человека. Оголенные части, которых касаются или которыми оперируют, должны быть заземлены или надлежащим образом изолированы.

Существует оборудование, которое подключается к телефонным или другим внешним сетям связи. Некоторые ТЕЛЕКОММУНИКАЦИОННЫЕ СЕТИ работают с такими сигналами, как информационные или вызывные, наложенные на установившееся ПОСТОЯННОЕ НАПРЯЖЕНИЕ, в результате чего могут быть превышены величины напряжений в установившемся режиме, приведенные выше. Обычная практика для ОБСЛУЖИВАЮЩЕГО ПЕРСОНАЛА телефонных компаний - касаться руками неизолированных проводящих цепей. Это не вызывает серьезных травм, поскольку прохождение в этот момент вызывного сигнала маловероятно, а области контакта с неизолированными проводниками ограничены. Тем не менее область контакта с частями, доступными ПОЛЬЗОВАТЕЛЮ, и вероятность касания таких частей должны быть ограничены (например, формой и расположением частей).

Всегда необходимо обеспечить два уровня защиты для ПОЛЬЗОВАТЕЛЕЙ, чтобы предохранить их от удара электрическим током. Следовательно, функционирование оборудования при нормальных условиях и после единичного повреждения, включая любые последующие повреждения, не должно создавать риск удара электрическим током. Тем не менее применение дополнительных профилактических мер, таких как защитное заземление или ДОПОЛНИТЕЛЬНАЯ ИЗОЛЯЦИЯ, не рассматривают как альтернативу правильно разработанной ОСНОВНОЙ ИЗОЛЯЦИИ.

Причины опасностей

Примеры мер для уменьшения опасности

Контакт с деталями, находящимися в нормальных условиях под ОПАСНЫМ НАПРЯЖЕНИЕМ.

Предотвратить доступ ПОЛЬЗОВАТЕЛЯ к частям, находящимся под ОПАСНЫМ НАПРЯЖЕНИЕМ, с помощью установки постоянных или съемных кожухов, ЗАЩИТНЫХ БЛОКИРОВОК и т.п. Разрядить доступные конденсаторы, находящиеся под ОПАСНЫМ НАПРЯЖЕНИЕМ.

Пробой изоляции между частями, находящимися в нормальных условиях под ОПАСНЫМ НАПРЯЖЕНИЕМ, и доступными токопроводящими частями.

Предусмотреть ОСНОВНУЮ ИЗОЛЯЦИЮ и соединение с заземлением доступных токопроводящих частей и цепей, что позволит снизить напряжение до безопасного значения, а цепи токовой защиты в течение заданного времени отключить части, имеющие при неисправности малое полное сопротивление, или использовать между частями металлический экран, подключенный к защитному заземлению. Для предотвращения пробоя изоляции также используют ДВОЙНУЮ или УСИЛЕННУЮ ИЗОЛЯЦИЮ между частями, находящимися при нормальной работе под ОПАСНЫМ НАПРЯЖЕНИЕМ, и доступными токопроводящими частями.

Контакт с проводниками, подключенными к ТЕЛЕКОММУНИКАЦИОННЫМ СЕТЯМ, напряжение в которых превышает 42,4 В пикового значения или 60 В постоянного тока.

Ограничить доступность и площадь контакта с такими цепями и отделить их от незаземленных частей, к которым доступ не ограничен.

Пробой изоляции, доступной для ПОЛЬЗОВАТЕЛЯ.

Изоляция, которая доступна ПОЛЬЗОВАТЕЛЮ, должна иметь требуемую механическую и электрическую прочность, чтобы уменьшить возможность контакта с ОПАСНЫМИ НАПРЯЖЕНИЯМИ.

Большой ТОК ПРИКОСНОВЕНИЯ (ток утечки), идущий от частей под ОПАСНЫМ НАПРЯЖЕНИЕМ к доступным частям, или

Недостаточное защитное заземление. ТОК ПРИКОСНОВЕНИЯ может включать в себя ток от компонентов ЭМС фильтра, стоящих между доступными и ПЕРВИЧНЫМИ ЦЕПЯМИ.

Ограничить ТОК ПРИКОСНОВЕНИЯ до нормированных величин или обеспечить высокоэффективное защитное заземление.

0.2.2. Энергетическая опасность

Опасность может создаваться коротким замыканием между смежными полюсами сильноточных источников или высокоемкостных цепей и стать причиной:

- ожога;

- искрения;

- выброса расплавленного металла.

Цепи, находящиеся под безопасным для прикосновения напряжением, могут содержать в себе энергетическую опасность.

Примеры мер для снижения такой опасности:

- разделение;

- экранирование;

- применение ЗАЩИТНОЙ БЛОКИРОВКИ.

0.2.3 Огнеопасность

Опасность пожара может произойти как в нормальных условиях, так и в условиях перегрузки вследствие нарушения работоспособности компонентов, пробоя изоляции, высокого сопротивления или нарушения соединений. Пламя, возникшее внутри оборудования, не должно распространяться за пределы источника возгорания и вызывать повреждения вне оборудования.

Примеры мер для уменьшения таких опасностей:

- обеспечить защиту от перегрузки по току;

- использовать конструктивные материалы соответствующего класса огнестойкости там, где это необходимо;

- правильно выбирать конструктивные элементы, компоненты и расходные материалы для предотвращения появления высокой температуры, которая может вызвать возгорание;

- ограничить количество используемых горючих материалов;

- экранировать или отделить используемые горючие материалы;

- применить для ограничения распространения пламени внутри оборудования ЗАЩИТНЫЕ КОЖУХИ или экраны;

- использовать для КОРПУСОВ оборудования соответствующие материалы, чтобы уменьшить вероятность распространения огня от оборудования.

0.2.4 Тепловые опасности

Повреждения вследствие воздействия высоких температур в нормальных условиях могут произойти по причине:

- ожога из-за контакта с доступными частями;

- ухудшения изоляции и безопасности критических компонентов;

- воспламенения огнеопасных жидкостей.

Примеры мер для уменьшения таких опасностей:

- снизить высокую температуру доступных частей;

- снизить температуру ниже точки воспламенения огнеопасных жидкостей;

- применить маркировку в местах, где доступ к горячим частям неизбежен, чтобы предупредить ПОЛЬЗОВАТЕЛЕЙ.

0.2.5. Механическая и тепловая опасности

Эти опасности создаются:

- острыми краями и углами;

- подвижными частями, способными вызвать повреждение;

- неустойчивостью оборудования;

- разлетающимися частицами взрывающихся кинескопов и ламп высокого давления.

Примеры мер для уменьшения таких опасностей:

- закругление острых краев и углов;

- ограждение;

- установка ЗАЩИТНЫХ БЛОКИРОВОК;

- закрепление неустойчивого оборудования;

- выбор взрывобезопасных кинескопов и ламп высокого давления;

- применение маркировки, если иное невозможно, чтобы предупредить ПОЛЬЗОВАТЕЛЕЙ.

0.2.6. Опасность излучения

Опасность для ПОЛЬЗОВАТЕЛЕЙ и ОБСЛУЖИВАЮЩЕГО ПЕРСОНАЛА представляют собой различные виды излучений, возникающих в оборудовании. Примерами их являются звуковые, радиочастотные, инфракрасные, ультрафиолетовые, ионизирующие, высоко интенсивные когерентные световые (лазерные) излучения.

Примеры мер для уменьшения таких опасностей:

- ограничение энергетического уровня возможных источников излучения;

- экранирование источников излучения;

- применение ЗАЩИТНЫХ БЛОКИРОВОК;

- применение маркировок в местах, где излучение неизбежно, с целью предупреждения ПОЛЬЗОВАТЕЛЕЙ.

0.2.7 Химическая опасность

Опасность данного типа представляет контакт с некоторыми химическими веществами или вдыхание их паров и дыма.

Примеры мер для уменьшения таких опасностей:

- не использовать конструктивные и расходные материалы, способные вызвать опасность при контакте или вдыхании в условиях назначения и нормального использования;

- избегать условий, способных вызвать утечку или парообразование;

- применение маркировок с целью предупреждения ПОЛЬЗОВАТЕЛЕЙ об опасности.

0.3 Материалы и компоненты

Материалы и компоненты, используемые при конструировании оборудования, должны выбираться и размещаться так, чтобы обеспечить надежную работу и исключить создание опасностей в течение планируемого срока службы, а в конце его - серьезную пожарную опасность. Компоненты должны выбираться так, чтобы они использовались в режимах, рекомендованных изготовителями, в нормальных условиях, и не создавали опасностей в аварийных ситуациях.

ГОСТ Р МЭК 60950-2002

ГОСУДАРСТВЕННЫЙ СТАНДАРТ РОССИЙСКОЙ ФЕДЕРАЦИИ

БЕЗОПАСНОСТЬ ОБОРУДОВАНИЯ
ИНФОРМАЦИОННЫХ ТЕХНОЛОГИЙ

Safety of information technology equipment

Дата введения 2002-10-01

Настоящий стандарт устанавливает требования безопасности, а также общие нормы, правила и методы испытания оборудования информационных технологий.

При отсутствии стандарта на оборудование информационных технологий конкретного типа допускается распространять действие настоящего стандарта (насколько это приемлемо) на это оборудование.

Требования настоящего стандарта являются обязательными.

Номера разделов, пунктов, таблиц и рисунков соответствуют приведенным в МЭК 60950-99.

Нормативные ссылки приведены в приложении Р.

1 Общие положения

1.1 Область распространения

1.1.1 Оборудование

Настоящий стандарт распространяется на оборудование информационных технологий, включая электрическое офисное и связанное с ним оборудование, питание которого осуществляется от электросети или батареи с НОМИНАЛЬНЫМ НАПРЯЖЕНИЕМ, не превышающим 600 В.

Стандарт распространяется на оборудование, спроектированное и предназначенное для подсоединения непосредственно к ТЕЛЕКОММУНИКАЦИОННОЙ СЕТИ независимо от источника питания.

Стандарт распространяется также на оборудование, предназначенное для телекоммуникационных передач данных через СЕТЬ ПИТАНИЯ (см. примечание 4 в пункте 6.3).

Стандарт устанавливает требования, обеспечивающие меры по уменьшению опасности пожара, электрического удара или иной опасности для ОПЕРАТОРА и неспециалиста, которые могут иметь контакт с оборудованием, а также, если это особо оговорено, ОБСЛУЖИВАЮЩЕГО ПЕРСОНАЛА.

Целью настоящего стандарта является уменьшение вышеуказанных опасностей в отношении установленного оборудования независимо от того, состоит ли оно из системы взаимосвязанных модулей или независимых устройств, при условии, что подключение, эксплуатацию и обслуживание их производят в соответствии с инструкциями производителя.

Примеры оборудования, которое входит в область распространения настоящего стандарта:

- счетные машины;

- бухгалтерские машины;

- калькуляторы;

- кассовые аппараты;

- копировальные машины;

- оконечное оборудование цепей данных;

- оборудование подготовки данных;

- оборудование по обработке данных;

- оконечное оборудование;

- диктофонное оборудование;

- машины для уничтожения документов;

- множительные устройства;

- электрические чертежные машины;

- устройства стирания информации;

- факсимильное оборудование;

- системы кнопочных телефонов;

- устройства обработки магнитной ленты;

- машины для обработки почтовых отправлений;

- офисное оборудование для микрофильмов;

- модемы;

- машины для обработки валюты, включая машины для выдачи наличной валюты (банкоматы);

- накопители с электроприводом;

- АТС, имеющие двусторонний вход-выход в ГТС;

- машины для подачи бумаги;

- оборудование для работы с бумагой (перфораторы, машины для обрезки, сепараторы);

- точилки для карандашей;

- персональные компьютеры;

- оборудование для фотопечати;

- графопостроители;

- устройства для считывания кодов в магазинах, включая электронные весы;

- обрабатывающие машины для почты;

- сшиватели (с электроприводом);

- автоответчики;

- телефонные аппараты;

- оборудование по обработке текста;

- пишущие машины;

- визуальные дисплейные блоки.

Этот перечень не является исчерпывающим, и оборудование, не приведенное в перечне, также может быть отнесено к области распространения настоящего стандарта.

Оборудование, удовлетворяющее требованиям настоящего стандарта, может быть использовано в системах управления технологическим процессом, автоматического контроля и других подобных системах, в которых требуется обработка информации. Стандарт не содержит требований к эксплуатационным и функциональным характеристикам оборудования.

1.1.2 Дополнительные требования

Дополнительные требования, установленные в настоящем стандарте, могут быть необходимы для:

- оборудования, предназначенного для работы на специальных объектах, где оно подвергается воздействию повышенной температуры, влажности или вибрации, используется в условиях повышенной запыленности, подвергается воздействию горючих газов, коррозийно- и взрывоопасной атмосферы;

- электрического медицинского оборудования, применяемого в условиях физического контакта с пациентом;

- оборудования, предназначенного для использования в транспортных средствах (на судах и в авиации), в странах с тропическим климатом или на высотах более 2000 м над уровнем моря;

- оборудования, в котором осуществляется подача воды (требования и соответствующие испытания см. в приложение Т).

1.1.3 Исключения

Настоящий стандарт не распространяется на:

- вспомогательное оборудование (кондиционеры воздуха, системы обнаружения огня или пожаротушения);

- системы электроснабжения (мотор-генераторы, аккумуляторные системы сохранения питания и трансформаторы), которые не являются неотъемлемой частью оборудования;

- электрические сети зданий;

- устройства, не требующие источника питания.

1.2 Определения

Под терминами «напряжение» и «ток», подразумевают их среднеквадратичное значение, если не оговаривается другое значение.

Определения приводятся в алфавитном порядке существительных в английском языке.

Область, доступная оператору                                                                            1.2.7.1

Область, доступная для обслуживания                                                              1.2.7.2

Корпус                                                                                                                   1.2.7.5

Кабели соединительные                                                                                     1.2.11.6

Цепь СНН                                                                                                             1.2.8.5

Цепь с ограничением тока                                                                                  1.2.8.7

Цепь первичная                                                                                                    1.2.8.2

Цепь вторичная                                                                                                    1.2.8.3

Цепь БСНН                                                                                                           1.2.8.6

Цепь НТС                                                                                                              1.2.8.9

Цепь НТС-1                                                                                                          1.2.8.10

Цепь НТС-2                                                                                                          1.2.8.11

Цепь НТС-3                                                                                                          1.2.8.12

Зазор                                                                                                                      1.2.10.1

Проводник защитного соединения                                                                    1.2.13.11

Проводник защитного заземления                                                                     1.2.13.10

Шнур источника питания съемный                                                                   1.2.5.4

Шнур источника питания несъемный                                                               1.2.5.5

Путь утечки                                                                                                           1.2.10.2

Ток защитного проводника                                                                                 1.2.13.13

Ток номинальный                                                                                                1.2.1.3

Ток прикосновения                                                                                              1.2.13.12

Термовыключатель                                                                                              1.2.11.3

Термовыключатель с автоматическим возвратом                                            1.2.11.4

Термовыключатель с ручным возвратом                                                           1.2.11.5

Заземление функциональное                                                                              1.2.13.9

Кожух                                                                                                                    1.2.6.1

Кожух электрический                                                                                          1.2.6.4

Кожух противопожарный                                                                                   1.2.6.2

Кожух механический                                                                                           1.2.6.3

Энергетический уровень опасный                                                                     1.2.8.8

Оборудование класса I                                                                                        1.2.4.1

Оборудование класса II                                                                                       1.2.4.2

Оборудование класса III                                                                                      1.2.4.3

Оборудование врубное                                                                                        1.2.3.6

Оборудование встраиваемое                                                                              1.2.3.5

Оборудование ручное                                                                                          1.2.3.2

Оборудование перемещаемое                                                                             1.2.3.1

Оборудование, подключенное постоянно                                                        1.2.5.3

Оборудование, подключаемое соединителем типа А                                      1.2.5.1

Оборудование, подключаемое соединителем типа В                                      1.2.5.2

Оборудование стационарное                                                                              1.2.3.4

Оборудование переносное                                                                                  1.2.3.3

Частота номинальная                                                                                          1.2.1.4

Изоляция основная                                                                                              1.2.9.2

Изоляция двойная                                                                                                1.2.9.4

Изоляция функциональная                                                                                  1.2.9.1

Изоляция усиленная                                                                                            1.2.9.5

Изоляция дополнительная                                                                                  1.2.9.3

Блокировка защитная                                                                                           1.2.7.6

Предел взрывобезопасности                                                                               1.2.12.10

Ограничитель температуры                                                                                1.2.11.2

Нагрузка нормальная                                                                                           1.2.2.1

Помещение с ограниченным доступом                                                             1.2.7.3

Классификация огнестойкости материалов                                                      1.2.12.1

Материал класса 5V                                                                                             1.2.12.5

Материал класса НВ                                                                                            1.2.12.8

Материал класса HBF вспененный                                                                    1.2.12.9

Материал класса HF-1 вспененный                                                                   1.2.12.6

Материал класса HF-2 вспененный                                                                   1.2.12.7

Материал класса V-0                                                                                           1.2.12.2

Материал класса V-1                                                                                           1.2.12.3

Материал класса V-2                                                                                           1.2.12.4

Сеть телекоммуникационная                                                                              1.2.13.8

Работа продолжительная                                                                                    1.2.2.3

Работа прерывистая                                                                                             1.2.2.5

Работа кратковременная                                                                                      1.2.2.4

Оператор                                                                                                               1.2.13.7

Деталь декоративная                                                                                           1.2.6.5

Персонал обслуживающий                                                                                 1.2.13.5

Диапазон номинальной частоты                                                                        1.2.1.5

Диапазон номинального напряжения                                                               1.2.1.2

Сеть питания переменного тока                                                                         1.2.8.1

Поверхность ограничивающая                                                                           1.2.10.3

Испытание периодическое                                                                                 1.2.13.3

Выборочный контроль                                                                                        1.2.13.2

Испытание типовое                                                                                             1.2.13.1

Термореле                                                                                                             1.2.11.1

Продолжительность работы номинальная                                                        1.2.2.2

Инструмент                                                                                                           1.2.7.4

Пользователь                                                                                                        1.2.13.6

Напряжение постоянного тока                                                                           1.2.13.4

Напряжение опасное                                                                                           1.2.8.4

Напряжение при переходных процессах в сети                                               1.2.9.9

Напряжение рабочее максимальное                                                                   1.2.9.7

Напряжение номинальное                                                                                  1.2.1.1

Требуемое напряжение прочности изоляции                                                   1.2.9.8

Напряжение в телекоммуникационной сети при переходных процессах     1.2.9.10

Напряжение рабочее                                                                                            1.2.9.6

1.2.1 Электрические характеристики оборудования

1.2.1.1 НОМИНАЛЬНОЕ НАПРЯЖЕНИЕ: Указываемое изготовителем напряжение ИСТОЧНИКА СЕТЕВОГО ЭЛЕКТРОПИТАНИЯ (для трехфазного источника питания принимают линейное напряжение).

1.2.1.2 ДИАПАЗОН НОМИНАЛЬНОГО НАПРЯЖЕНИЯ: Указанный изготовителем диапазон напряжения источника сетевого электропитания, обозначенный нижним и верхним значениями НОМИНАЛЬНОГО НАПРЯЖЕНИЯ.

1.2.1.3 НОМИНАЛЬНЫЙ ТОК: Указываемый изготовителем ток, потребляемый оборудованием.

1.2.1.4 НОМИНАЛЬНАЯ ЧАСТОТА: Указываемая изготовителем частота электропитания.

1.2.1.5 ДИАПАЗОН НОМИНАЛЬНОЙ ЧАСТОТЫ: Указываемый изготовителем диапазон частоты электропитания, выраженный нижней и верхней НОМИНАЛЬНЫМИ ЧАСТОТАМИ.

1.2.2 Условия работы

1.2.2.1 НОРМАЛЬНАЯ НАГРУЗКА: Режим, максимально соответствующий наиболее жестким требованиям при работе в нормальных условиях, установленный в документации. Однако, если эксплуатация при реальных условиях более жесткая, чем при максимальной нагрузке, установленной изготовителем, то применяют максимально возможную нагрузку.

Примечание - Примеры условий НОРМАЛЬНОЙ НАГРУЗКИ для электрических офисных машин приведены в приложении L.

1.2.2.2 НОМИНАЛЬНАЯ ПРОДОЛЖИТЕЛЬНОСТЬ РАБОТЫ: Указанное изготовителем время работы оборудования.

1.2.2.3 ПРОДОЛЖИТЕЛЬНАЯ РАБОТА: Работа оборудования при НОРМАЛЬНОЙ НАГРУЗКЕ в течение неограниченного времени.

1.2.2.4 КРАТКОВРЕМЕННАЯ РАБОТА: Работа при НОРМАЛЬНОЙ НАГРУЗКЕ в течение точно определенного промежутка времени, начиная с холодного состояния. При этом интервалы после каждого периода работы должны быть достаточными, чтобы оборудование охладилось до температуры помещения.

1.2.2.5 ПРЕРЫВИСТАЯ РАБОТА: Работа последовательными одинаковыми точно определенными идентичными циклами, каждый из которых состоит из периода работы при НОРМАЛЬНОЙ НАГРУЗКЕ, чередующегося с периодом работы на холостом ходу или отключением.

1.2.3 Подвижность оборудования

1.2.3.1 ПЕРЕМЕЩАЕМОЕ ОБОРУДОВАНИЕ: Оборудование с одним из следующих свойств:

- массой не более 18 кг, не закрепленное;

- на колесах, роликах или других средствах перемещения ОПЕРАТОРОМ в соответствии с инструкцией по эксплуатации.

1.2.3.2 РУЧНОЕ ОБОРУДОВАНИЕ: ПЕРЕМЕЩАЕМОЕ ОБОРУДОВАНИЕ или часть оборудования, удерживаемое в руках при нормальной эксплуатации.

1.2.3.3 ПЕРЕНОСНОЕ ОБОРУДОВАНИЕ: ПЕРЕМЕЩАЕМОЕ ОБОРУДОВАНИЕ, которое предполагается носить ПОЛЬЗОВАТЕЛЕМ.

Примечание - Например, портативный персональный компьютер, миниатюрные компьютеры и их принадлежности (принтеры и CD-ROM накопители).

1.2.3.4 СТАЦИОНАРНОЕ ОБОРУДОВАНИЕ: Оборудование, не являющееся ПЕРЕМЕЩАЕМЫМ.

1.2.3.5 ВСТРАИВАЕМОЕ ОБОРУДОВАНИЕ: Оборудование, предназначенное для установки в подготовленное углубление, например в стене или другом подобном месте.

Примечание - В общем случае встраиваемое оборудование не имеет КОЖУХОВ со всех сторон, так как некоторые стороны защищены после установки.

1.2.3.6 ВРУБНОЕ ОБОРУДОВАНИЕ: Оборудование, предназначенное для использования без шнура питания. Сетевая вилка является составной частью конструкции оборудования и используется для удержания оборудования в сетевой розетке.

1.2.4 Классы оборудования. Защита от поражения электрическим током

Примечание - Существует оборудование информационных технологий, которое может обладать совокупными характеристиками указанных ниже классов оборудования.

1.2.4.1 ОБОРУДОВАНИЕ КЛАССА I: Оборудование, в котором защита от поражения электрическим током обеспечивается:

- ОСНОВНОЙ ИЗОЛЯЦИЕЙ, а также

- наличием средств подключения к контуру ЗАЩИТНОГО ЗАЗЕМЛЕНИЯ помещения тех токопроводящих частей, на которых может появиться ОПАСНОЕ НАПРЯЖЕНИЕ в случае пробоя ОСНОВНОЙ ИЗОЛЯЦИИ.

Примечание - ОБОРУДОВАНИЕ КЛАССА I может иметь части с двойной или усиленной изоляцией.

1.2.4.2 ОБОРУДОВАНИЕ КЛАССА II: Оборудование, в котором защита от поражения электрическим током основывается не только на применении ОСНОВНОЙ ИЗОЛЯЦИИ, но и на дополнительных мерах безопасности, таких как ДВОЙНАЯ или УСИЛЕННАЯ ИЗОЛЯЦИИ, при этом не применяются ни защитное заземление, ни средства защиты, созданные при установке оборудования.

1.2.4.3 ОБОРУДОВАНИЕ КЛАССА III: Оборудование, в котором защита от поражения электрическим током выполняется питанием от ЦЕПЕЙ БСНН и в котором не возникает ОПАСНОЕ НАПРЯЖЕНИЕ.

Примечание - Для ОБОРУДОВАНИЯ КЛАССА III нет требований по защите от поражения электрическим током; все другие требования стандарта применяются.

1.2.5 Подключение к источнику электропитания

1.2.5.1 ОБОРУДОВАНИЕ, ПОДКЛЮЧАЕМОЕ СОЕДИНИТЕЛЕМ ТИПА А: Оборудование, предназначенное для подключения к установке электропитания здания через бытовые штепсельные вилки и розетки или непромышленный соединитель, или с использованием подключений обоих типов.

1.2.5.2 ОБОРУДОВАНИЕ, ПОДКЛЮЧАЕМОЕ СОЕДИНИТЕЛЕМ ТИПА В: Оборудование, предназначенное для подключения к установке электропитания здания через промышленные штепсельные вилки и розетки или соединитель, или с использованием подключений обоих типов в соответствии с ГОСТ Р 51323.1, ГОСТ Р 51323.2 и национальным стандартом аналогичного применения.

1.2.5.3 ОБОРУДОВАНИЕ, ПОДКЛЮЧЕННОЕ ПОСТОЯННО: Оборудование, подключенное к установкам электропитания здания при помощи винтовых зажимов или иным способом.

1.2.5.4 СЪЕМНЫЙ ШНУР ИСТОЧНИКА ПИТАНИЯ: Гибкий шнур, предназначенный для подключения к оборудованию через соответствующий бытовой соединитель.

1.2.5.5 НЕСЪЕМНЫЙ ШНУР ИСТОЧНИКА ЭЛЕКТРОПИТАНИЯ: Гибкий шнур, прикрепленный к оборудованию или соединенный с ним как единое целое.

Таким шнуром может быть:

- гибкий шнур, легко заменяемый без специальной подготовки шнура или без применения специального ИНСТРУМЕНТА;

- гибкий шнур, специально подготовленный или требующий применения специальных ИНСТРУМЕНТОВ для его замены, либо такой шнур, который не может быть заменен без повреждения оборудования.

Термин «специально подготовленный» включает такие понятия, как обеспечение защиты шнура по всей длине, применение кабельных вводов, подготовку проушин и т.д., но не означает изменения формы поперечного сечения проводника перед его вводом или скручиванием многожильных проводников для придания им большей жесткости.

1.2.6 Кожухи

1.2.6.1 КОЖУХ: Часть, оборудования, выполняющая одну или несколько функций, описанных в 1.2.6.2 - 1.2.6.4.

Примечание - КОЖУХ одного типа может быть расположен в КОЖУХЕ другого типа (например, ЭЛЕКТРИЧЕСКИЙ КОЖУХ - в ПРОТИВОПОЖАРНОМ КОЖУХЕ и наоборот). Также один КОЖУХ может обеспечить функции более чем одного типа (например, как ЭЛЕКТРИЧЕСКОГО КОЖУХА, так и ПРОТИВОПОЖАРНОГО КОЖУХА).

1.2.6.2 КОЖУХ ПРОТИВОПОЖАРНЫЙ: Часть оборудования, препятствующая распространению огня или пламени, возникшего внутри оборудования.

1.2.6.3 КОЖУХ МЕХАНИЧЕСКИЙ: Часть оборудования, предназначенная для защиты от механических и других физических опасностей.

1.2.6.4 КОЖУХ ЭЛЕКТРИЧЕСКИЙ: Часть оборудования, предназначенная для предотвращения доступа к частям, находящимся под ОПАСНЫМ НАПРЯЖЕНИЕМ или содержащим ОПАСНЫЙ УРОВЕНЬ ЭНЕРГИИ, а также к НТС ЦЕПЯМ.

1.2.6.5 ДЕТАЛЬ ДЕКОРАТИВНАЯ: Часть оборудования, вынесенная за пределы КОЖУХА и не выполняющая защитных функций.

1.2.7 Доступность

1.2.7.1 ОБЛАСТЬ, ДОСТУПНАЯ ОПЕРАТОРУ: Область, в которой при нормальных условиях возможно следующее:

- доступ без применения ИНСТРУМЕНТА или

- доступ с помощью средств, специально предназначенных для ОПЕРАТОРА, или

- доступ ОПЕРАТОРА в область по инструкции, независимо от необходимости применения ИНСТРУМЕНТА.

Термины «доступ» и «доступный» относятся к вышеупомянутому понятию ОБЛАСТЬ, ДОСТУПНАЯ ОПЕРАТОРУ, если иное не оговорено специально.

1.2.7.2 ОБЛАСТЬ, ДОСТУПНАЯ ДЛЯ ОБСЛУЖИВАНИЯ: Область, отличающаяся от ОБЛАСТИ, ДОСТУПНОЙ ОПЕРАТОРУ, тем, что для ОБСЛУЖИВАЮЩЕГО ПЕРСОНАЛА разрешен доступ даже при включенном оборудовании.

1.2.7.3 ПОМЕЩЕНИЕ С ОГРАНИЧЕННЫМ ДОСТУПОМ: Помещение для оборудования, где применяются оба приведенные ниже требования:

- доступ разрешается только ОБСЛУЖИВАЮЩЕМУ ПЕРСОНАЛУ или ПОЛЬЗОВАТЕЛЯМ, проинструктированным о причинах ограничения, относящихся к помещению, и предостережениях, которые должны выполняться;

- доступ возможен только с использованием инструмента, блокировки и ключа или других средств безопасности, которые проверяются лицом, ответственным за помещение.

Примечание - Требования к оборудованию, предназначенному для установки в помещениях с ОГРАНИЧЕННЫМ ДОСТУПОМ, те же, что и ДЛЯ ОБЛАСТИ, ДОСТУПНОЙ ОПЕРАТОРУ, за исключением отступлений, приведенных в 1.7.17, 2.1.3 и 4.5.1.

1.2.7.4 ИНСТРУМЕНТ: Отвертка или любой другой предмет, который может быть использован для воздействия на винт, защелку или другое фиксирующее устройство.

1.2.7.5 КОРПУС: Совокупность всех доступных токопроводящих частей, рукояток, зажимов, головок и т.п., а также все доступные поверхности из изоляционных материалов, к которым может быть приложена металлическая фольга.

1.2.7.6 БЛОКИРОВКА ЗАЩИТНАЯ: Средства предупреждения доступа к опасным частям для устранения опасности или автоматического устранения опасных условий во время доступа.

1.2.8 Цепи и их характеристики

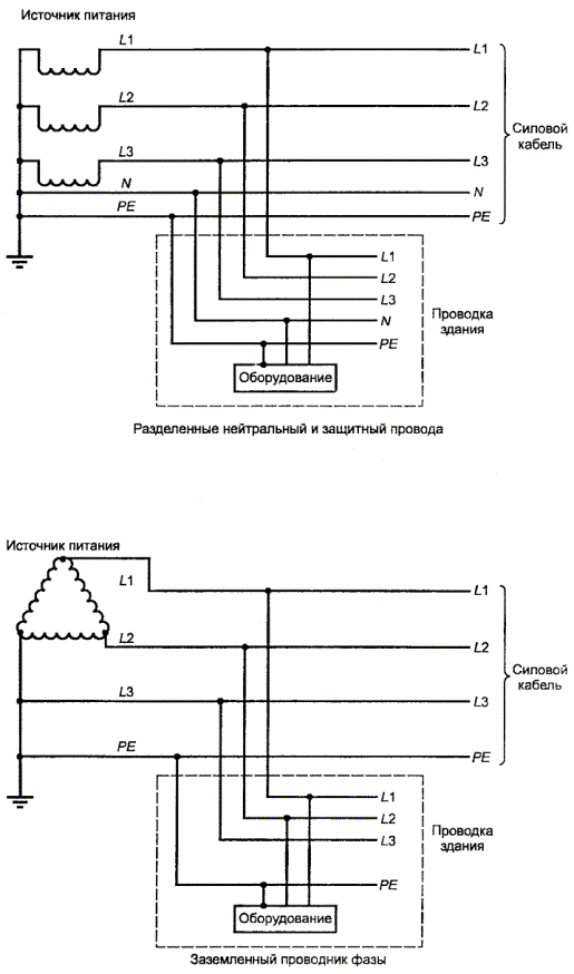
1.2.8.1 СЕТЬ ПИТАНИЯ ПЕРЕМЕННОГО ТОКА: Внешняя система распределения мощности переменного тока, питающая оборудование. Эти источники мощности включают коммунальные услуги и, если не указано особо в настоящем стандарте (например в пункте 1.4.5), эквивалентные источники, например мотор-генераторы и источники бесперебойного питания.

Примечание - См. приложение V - типичные примеры систем распределения мощности переменного тока.

1.2.8.2 ПЕРВИЧНАЯ ЦЕПЬ: Цепь, непосредственно подключенная к СЕТИ ПИТАНИЯ ПЕРЕМЕННОГО ТОКА. Она включает в себя, например, средства для соединения с СЕТЬЮ ПИТАНИЯ ПЕРЕМЕННОГО ТОКА, первичные обмотки трансформаторов, электродвигателей и других нагрузочных устройств.

Примечание - Проводящие части СОЕДИНИТЕЛЬНЫХ КАБЕЛЕЙ могут быть частью ПЕРВИЧНОЙ ЦЕПИ, как установлено в 1.2.11.6.

1.2.8.3 ВТОРИЧНАЯ ЦЕПЬ: Цепь, не имеющая прямого подключения к ПЕРВИЧНОЙ ЦЕПИ и получающая электроэнергию через трансформатор, преобразователь или другое эквивалентное устройство, или от батареи.

Примечание - Проводящие части СОЕДИНИТЕЛЬНЫХ КАБЕЛЕЙ могут быть частью ВТОРИЧНОЙ ЦЕПИ, как установлено в 1.2.11.6.

1.2.8.4 ОПАСНОЕ НАПРЯЖЕНИЕ: Напряжение, значение которого превышает 42,4 В амплитудного значения напряжения переменного тока или 60 В напряжения постоянного тока в цепи, не отвечающей требованиям, предъявляемым или к ЦЕПЯМ С ОГРАНИЧЕНИЕМ ТОКА, или к ЦЕПЯМ НТС.

1.2.8.5 ЦЕПЬ СНН: ВТОРИЧНАЯ ЦЕПЬ с таким напряжением между любыми двумя проводниками или между любым одним проводником и заземлением (см. 1.4.9), значение которого при нормальных условиях работы не превышает 42,4 В значения амплитуды напряжения или 60 В напряжения постоянного тока и которая отделена от ОПАСНОГО НАПРЯЖЕНИЯ по меньшей мере ОСНОВНОЙ ИЗОЛЯЦИЕЙ, но не отвечает всем требованиям ни для ЦЕПЕЙ БСНН, ни для ЦЕПЕЙ С ОГРАНИЧЕНИЕМ ТОКА.

1.2.8.6 ЦЕПЬ БСНН: ВТОРИЧНАЯ ЦЕПЬ, сконструированная и защищенная таким образом, что в нормальных условиях и в случае единичного повреждения напряжение не превышает безопасного значения.

Примечания:

1 Предельные величины напряжения в нормальных условиях работы и в случае единичного повреждения (см. 1.4.14) приведены в 2.2. См. также таблицу .

2 Настоящее определение ЦЕПЕЙ БСНН отличается от определения «БСНН система», проведенного в ГОСТ Р МЭК 61140.

1.2.8.7 ЦЕПЬ С ОГРАНИЧЕНИЕМ ТОКА: Цепь, сконструированная и защищенная так, что ток, протекающий в ней как в нормальных условиях, так и в условиях единичного повреждения, не достигает опасного значения.

Примечание - Предельные значения тока в нормальных условиях работы и в случае единичного повреждения (см. 1.4.14) приведены в 2.4.

1.2.8.8 ОПАСНЫЙ ЭНЕРГЕТИЧЕСКИЙ УРОВЕНЬ: Уровень накопленной энергии не менее 20 Дж или существующий продолжительное время при полной мощности не менее 240 В А и разности потенциалов не менее 2 В.

1.2.8.9 ЦЕПЬ НТС: Цепь в оборудовании, для которой доступная зона контакта ограничена и которая спроектирована и защищена так, что в нормальных условиях и при единичном повреждении (см. 1.4.14) напряжение не превышает предельно допустимой величины.

Цепь НТС в настоящем стандарте рассматривают как ВТОРИЧНУЮ ЦЕПЬ.

Примечание 1 - Предельные величины напряжений в нормальных условиях и при единичном повреждении (см. 1.4.14) приведены в 2.3.1. Требования к доступности для ЦЕПЕЙ НТС указаны в 2.1.1.1.

ЦЕПИ НТС классифицируют как ЦЕПИ НТС-1, НТС-2 и НТС-3 в соответствии с 1.2.8.10 - 1.2.8.12.

Примечания:

2 Соотношения между напряжениями цепей БСНН и НТС показаны в таблице .

3 Проводящие части СОЕДИНИТЕЛЬНЫХ КАБЕЛЕЙ могут быть частью НТС ЦЕПИ, как установлено в 1.2.11.6.

Таблица 1А - Пределы напряжений для БСНН и НТС цепей

Превышение напряжения из ТЕЛЕКОММУНИКАЦИОННЫХ СЕТЕЙ возможно?

Нормальные рабочие напряжения

В пределах БСНН ЦЕПИ

Превышение пределов БСНН ЦЕПИ, но в пределах НТС ЦЕПЕЙ

Да

ЦЕПЬ НТС-1

ЦЕПЬ НТС-3

Нет

ЦЕПЬ БСНН

ЦЕПЬ НТС-2

1.2.8.10 ЦЕПИ НТС-1: Такие ЦЕПИ НТС, у которых:

- нормальные рабочие напряжения не превышают пределов для ЦЕПЕЙ БСНН, работающих в нормальных условиях работы, и

- возможны перенапряжения из ТЕЛЕКОММУНИКАЦИОННЫХ СЕТЕЙ.

1.2.8.11 ЦЕПИ НТС-2: Такие ЦЕПИ НТС:

- у которых напряжение при нормальной работе превышает пределы для ЦЕПЕЙ БСНН, работающих в нормальных условиях, и

- которые не подвергаются перенапряжениям из ТЕЛЕКОММУНИКАЦИОННЫХ СЕТЕЙ.

1.2.8.12 ЦЕПИ НТС-3: Такие ЦЕПИ НТС, у которых:

- напряжение при нормальной работе превышает пределы для ЦЕПЕЙ БСНН, работающих в нормальных условиях, и

- возможны перенапряжения из ТЕЛЕКОММУНИКАЦИОННЫХ СЕТЕЙ.

1.2.9 Изоляция

1.2.9.1 ФУНКЦИОНАЛЬНАЯ ИЗОЛЯЦИЯ: Изоляция, необходимая только для исправной работы оборудования.

Примечание - ФУНКЦИОНАЛЬНАЯ ИЗОЛЯЦИЯ, по определению, не защищает от поражения электрическим током. Она, однако, уменьшает вероятность возникновения воспламенения или пожара.

1.2.9.2 ОСНОВНАЯ ИЗОЛЯЦИЯ: Изоляция, обеспечивающая основную защиту от поражения электрическим током.

1.2.9.3 ДОПОЛНИТЕЛЬНАЯ ИЗОЛЯЦИЯ: Независимая изоляция, применяемая дополнительно к ОСНОВНОЙ ИЗОЛЯЦИИ, уменьшающая опасность поражения электрическим током в случае повреждения ОСНОВНОЙ ИЗОЛЯЦИИ.

1.2.9.4 ДВОЙНАЯ ИЗОЛЯЦИЯ: Изоляция, состоящая из ОСНОВНОЙ и ДОПОЛНИТЕЛЬНОЙ ИЗОЛЯЦИИ.

1.2.9.5 УСИЛЕННАЯ ИЗОЛЯЦИЯ: Единая система изоляции, обеспечивающая степень защиты от поражения электрическим током, эквивалентную ДВОЙНОЙ ИЗОЛЯЦИИ, в условиях, установленных настоящим стандартом.

Примечание - Термин «система изоляции» указывает, что изоляция не обязательно должна быть однородной. Она может содержать несколько слоев, которые не обязательно оцениваются как ОСНОВНАЯ или ДОПОЛНИТЕЛЬНАЯ ИЗОЛЯЦИЯ.

1.2.9.6 РАБОЧЕЕ НАПРЯЖЕНИЕ: Наибольшее напряжение, которому подвергается или может быть подвергнута рассматриваемая изоляция или компонент при работе оборудования в нормальных условиях эксплуатации.

1.2.9.7 МАКСИМАЛЬНОЕ РАБОЧЕЕ НАПРЯЖЕНИЕ: Максимальное пиковое значение РАБОЧЕГО НАПРЯЖЕНИЯ или величина РАБОЧЕГО НАПРЯЖЕНИЯ постоянного тока, включая повторяющиеся максимальные импульсы, генерируемые в оборудовании, но исключая внешние переходные процессы.

1.2.9.8 ТРЕБУЕМОЕ НАПРЯЖЕНИЕ ПРОЧНОСТИ ИЗОЛЯЦИИ: Максимальное напряжение, при котором рассматриваемая изоляция выдерживает без пробоя воздействие напряжения.

1.2.9.9 НАПРЯЖЕНИЕ ПРИ ПЕРЕХОДНЫХ ПРОЦЕССАХ В СЕТИ: Максимальное пиковое напряжение, которое может возникнуть на входе питания оборудования в результате переходных процессов в СЕТИ ПИТАНИЯ ПЕРЕМЕННОГО ТОКА.

1.2.9.10 НАПРЯЖЕНИЕ ПРИ ПЕРЕХОДНЫХ ПРОЦЕССАХ В ТЕЛЕКОММУНИКАЦИОННОЙ СЕТИ: Максимальное пиковое напряжение, которое может возникнуть в ТЕЛЕКОММУНИКАЦИОННОЙ СЕТИ, соединенной с оборудованием, в результате переходных процессов во внешней сети

1.2.10 Зазоры и пути утечки

1.2.10.1 ЗАЗОР: Кратчайшее расстояние между двумя токопроводящими частями или между токопроводящей частью и ОГРАНИЧИВАЮЩЕЙ ПОВЕРХНОСТЬЮ оборудования, измеренное по воздуху.

1.2.10.2 ПУТЬ УТЕЧКИ: Кратчайший путь между двумя токопроводящими частями или между токопроводящей частью и ОГРАНИЧИВАЮЩЕЙ ПОВЕРХНОСТЬЮ оборудования, измеренный по поверхности изоляции.

1.2.10.3 ОГРАНИЧИВАЮЩАЯ ПОВЕРХНОСТЬ: Внешняя поверхность ЭЛЕКТРИЧЕСКОГО КОЖУХА, условно рассматриваемая как покрытая металлической фольгой, плотно прижатой ко всем доступным поверхностям изоляционного материала.

1.2.11 Компоненты

1.2.11.1 ТЕРМОРЕЛЕ: Термочувствительное устройство управления, работающее циклически, предназначенное для поддержания температуры в пределах двух конкретных значений в нормальных условиях работы и в котором могут быть средства установки режима работы ОПЕРАТОРОМ.

1.2.11.2 ОГРАНИЧИТЕЛЬ ТЕМПЕРАТУРЫ: Термочувствительное устройство управления, предназначенное для поддержания температуры ниже или выше некоторого значения в нормальных условиях работы и в котором могут быть средства установки режима работы ОПЕРАТОРОМ.

Примечание - ОГРАНИЧИТЕЛЬ ТЕМПЕРАТУРЫ может быть с ручной или автоматической установкой заданного режима

1.2.11.3 ТЕРМОВЫКЛЮЧАТЕЛЬ: Термочувствительное устройство управления, срабатывающее в случае нарушения нормальных условий работы и не имеющее средств для изменения ОПЕРАТОРОМ режима температуры.

Примечание - ТЕРМОВЫКЛЮЧАТЕЛЬ может быть автоматическим или с ручной установкой режима.

1.2.11.4 ТЕРМОВЫКЛЮЧАТЕЛЬ С АВТОМАТИЧЕСКИМ ВОЗВРАТОМ: ТЕРМОВЫКЛЮЧАТЕЛЬ, автоматически включающий ток после того, как контролируемая им часть оборудования достаточно охладится.

1.2.11.5 ТЕРМОВЫКЛЮЧАТЕЛЬ С РУЧНЫМ ВОЗВРАТОМ: ТЕРМОВЫКЛЮЧАТЕЛЬ, требующий ручной установки исходного положения или замены какой-либо детали для восстановления тока в цепи.

1.2.11.6 СОЕДИНИТЕЛЬНЫЕ КАБЕЛИ: Внешние кабели, используемые для электрического соединения дополнительного оборудования с блоками оборудования информационных технологий, соединения блоков в систему или соединения блоков с ТЕЛЕКОММУНИКАЦИОННОЙ СЕТЬЮ. Такие кабели могут использоваться для электрических цепей любого типа при соединении одного блока с другим.

1.2.12 Огнестойкость

1.2.12.1 КЛАССИФИКАЦИЯ ОГНЕСТОЙКОСТИ МАТЕРИАЛОВ: Оценка поведения горящих материалов и их способности к затуханию. Материалы классифицируют в соответствии с 1.2.12.2 - 1.2.12.9 по результатам испытаний, выполненных, как указано в приложении А.

Примечания:

1 Применительно к требованиям настоящего стандарта ВСПЕНЕННЫЕ МАТЕРИАЛЫ КЛАССА HF-1 оценивают выше таких же материалов класса HF-2, а материалы класса HF-2 - выше материалов класса HBF.

2 Аналогично, другие МАТЕРИАЛЫ, включая жесткие вспененные (технологически структурированные) класса 5V или V-0, оценивают выше таких же материалов класса V-1, а материалы класса V-1 - выше материалов класса V-2, материалы класса V-2 - выше материалов класса НВ.

1.2.12.2 МАТЕРИАЛ КЛАССА V-0: Материал, который при испытании в соответствии с А.6 может воспламениться или накалиться, но удовлетворяет определенным временным критериям по затуханию. Раскаленные частицы или горящие капли при выбросе не воспламеняют хирургическую вату.

1.2.12.3 МАТЕРИАЛ КЛАССА V-1: Материал, который при испытании в соответствии с А.6 может воспламениться или накалиться, но удовлетворяет определенным временным критериям по затуханию. Раскаленные частицы или горящие капли при выбросе не воспламеняют хирургическую вату.

1.2.12.4 МАТЕРИАЛ КЛАССА V-2: Материал, который при испытании в соответствии с А.6 может воспламениться или накалиться, но удовлетворяет определенным временным критериям по затуханию. Раскаленные частицы или горящие капли при выбросе могут воспламенить хирургическую вату.

1.2.12.5 МАТЕРИАЛ КЛАССА 5V: Материал, который при испытании в соответствии с А.9 может воспламениться или накалиться, но гаснет в течение установленного периода времени. Раскаленные частицы или горящие капли при выбросе не воспламеняют хирургическую вату.

1.2.12.6 ВСПЕНЕННЫЙ МАТЕРИАЛ КЛАССА HF-1: Материал, который при испытании в соответствии с А.7 может воспламениться или накалиться, но гаснет в течение установленного периода времени. Раскаленные частицы или горящие капли при выбросе не воспламеняют хирургическую вату.

1.2.12.7 ВСПЕНЕННЫЙ МАТЕРИАЛ КЛАССА НF-2: Материал, который при испытании в соответствии с А.7 может воспламениться или накалиться, но гаснет в течение установленного периода времени. Раскаленные или горящие частицы, или горящие капли при выбросе могут воспламенить хирургическую вату.

1.2.12.8 МАТЕРИАЛ КЛАССА НВ: Материал, который при испытании в соответствии с А.8 не превышает установленной максимальной скорости горения.

1.2.12.9 ВСПЕНЕННЫЙ МАТЕРИАЛ КЛАССА HBF: Материал, который при испытании согласно А.7 не превышает установленной максимальной скорости горения.

1.2.12.10 ПРЕДЕЛ ВЗРЫВООПАСНОСТИ: Наиболее низкая концентрация легковоспламеняющегося вещества, состоящего из смеси газов, паров, тумана или пыли, при которой пламя способно распространяться после удаления источника воспламенения.

1.2.13 Дополнительные определения

1.2.13.1 ТИПОВОЕ ИСПЫТАНИЕ: Испытание представленного образца оборудования с целью определения соответствия его требованиям настоящего стандарта.

1.2.13.2 ВЫБОРОЧНЫЙ КОНТРОЛЬ: Испытание некоторого количества образцов, отобранных методом случайного отбора из партии [МЭС 151-04-17, модифицированный].

1.2.13.3 ПЕРИОДИЧЕСКОЕ ИСПЫТАНИЕ: Испытание, которому подвергают каждое отдельное устройство в процессе изготовления или после него с целью проверки соответствия требованиям настоящего стандарта или определенным критериям [МЭС 151-04-16, модифицированный].

1.2.13.4 НАПРЯЖЕНИЕ ПОСТОЯННОГО ТОКА: Среднее значение напряжения (измеряемое вольтметром магнитоэлектрической системы с подвижной катушкой), двойная амплитуда пульсаций которого не превышает 10% среднего значения.

Примечание - Если значение размаха амплитуды пульсаций превышает 10% среднего напряжения, то применяют требования, относящиеся к переменному напряжению.

1.2.13.5 ОБСЛУЖИВАЮЩИЙ ПЕРСОНАЛ: Лица, имеющие соответствующую техническую подготовку и опыт, осознающие опасность, которой они могут быть подвергнуты при выполнении задания, и знающие способы снижения этой опасности для себя и других лиц.

1.2.13.6 ПОЛЬЗОВАТЕЛЬ: Любое лицо, не относящееся к ОБСЛУЖИВАЮЩЕМУ ПЕРСОНАЛУ. Термин ПОЛЬЗОВАТЕЛЬ в настоящем стандарте полностью соответствует термину ОПЕРАТОР, и оба эти термина взаимозаменяемы.

1.2.13.7 ОПЕРАТОР: См. ПОЛЬЗОВАТЕЛЬ (1.2.13.6).

1.2.13.8 ТЕЛЕКОММУНИКАЦИОННАЯ СЕТЬ: Передающая среда, заканчивающаяся проводной линией, предназначенной для связи между оборудованием, которое может быть размещено в отдельных зданиях, исключая:

- магистральную систему для электропитания, передачи и распределения электрической энергии, если она используется как передающая среда связи, и

- кабельные распределительные системы телевидения;

- цепи БСНН, соединяющие модули оборудования обработки данных.

Примечания

1 Термин «ТЕЛЕКОММУНИКАЦИОННАЯ СЕТЬ» определяет функциональное назначение, а не электрические характеристики сети. ТЕЛЕКОММУНИКАЦИОННАЯ СЕТЬ не определяется сама по себе как ЦЕПЬ БСНН или ЦЕПЬ НТС. Такая классификация относится только к цепям оборудования.

2 ТЕЛЕКОММУНИКАЦИОННАЯ СЕТЬ может:

- быть общедоступной или частной;

- подвергаться перенапряжениям от переходных процессов, вызываемых атмосферными разрядами и неисправностями в распределительных энергосистемах;

- подвергаться продольным (общим несимметричным) напряжениям, наводимым от проходящих рядом линий электросети или городского электротранспорта.

3 Примерами ТЕЛЕКОММУНИКАЦИОННЫХ СЕТЕЙ являются:

- общие телефонные сети коммутационного типа;

- сети общественной информации;

- интегрированные служебные цифровые сети (ISDN);

- частные сети с характеристиками электрического сопряжения, аналогичными приведенным выше.

1.2.13.9 ФУНКЦИОНАЛЬНОЕ ЗАЗЕМЛЕНИЕ: Заземление какой-нибудь точки оборудования или системы по соображениям, не связанным с безопасностью [МЭС 195-01-13, модифицированный].

1.2.13.10 ПРОВОД ЗАЩИТНОГО ЗАЗЕМЛЕНИЯ: Проводник в проводке оборудования или шнуре питания, соединяющий клемму защитного заземления в оборудовании с точкой заземления в здании (помещении).

Примечание - В некоторых странах термин «заземляющий провод» используют вместо термина «ПРОВОД ЗАЩИТНОГО ЗАЗЕМЛЕНИЯ».

1.2.13.11 ПРОВОД ЗАЩИТНОГО СОЕДИНЕНИЯ: Проводник в оборудовании или комбинация проводящих частей в оборудовании, соединяющий клемму защитного заземления оборудования с отдельными его частями для целей безопасности.

1.2.13.2 ТОК ПРИКОСНОВЕНИЯ: Электрический ток, протекающий по телу человека, когда он прикасается к доступной части или частям оборудования [МЭС 195-05-21, модифицированный].

Примечание - ТОК ПРИКОСНОВЕНИЯ ранее входил в понятие «ток утечки».

1.2.13.13 ТОК ЗАЩИТНОГО ПРОВОДНИКА: Ток, протекающий по проводнику защитного заземления в нормальных условиях.

Примечание - ТОК ЗАЩИТНОГО ЗАЗЕМЛЕНИЯ ранее входил в понятие «ток утечки».

1.3 Общие требования

1.3.1 Применение требований

Требования настоящего стандарта используют только применительно к безопасности.

Для того чтобы установить соответствие требованиям безопасности, цепи и конструкция должны тщательно исследоваться с целью принятия во внимание последствий возможных неисправностей.

1.3.2 Проектирование и изготовление оборудования

Оборудование должно быть сконструировано и изготовлено таким образом, чтобы при всех условиях нормальной эксплуатации и в случае любого возможного отказа или при единичном повреждении (см. 1.4.14) защита уменьшала риск персонала от поражения электрическим током и других опасностей, а также от возникновения в оборудовании опасности возгорания.

Соответствие проверяют осмотром и подходящими испытаниями.

1.3.3 Напряжение питания

Оборудование должно разрабатываться так, чтобы оставаться безопасным при любом напряжении питания, на которое оно рассчитано.

Соответствие проверяют осмотром и подходящими испытаниями по настоящему стандарту, в условиях, определенных в 1.4.5.

1.3.4 Нерассмотренные методы конструирования

В случае, когда оборудование включает в себя технологии, материалы или методы конструирования, не отраженные в настоящем стандарте, такое оборудование должно обеспечивать уровень безопасности не ниже требований настоящего стандарта.

Примечание - При возникновении необходимости в дополнительной детализации требований, возникших в связи с новыми обстоятельствами, необходимо сразу информировать соответствующий национальный комитет.

1.3.5 Замена материалов

В случае, когда стандарт определяет конкретный класс изоляции, использование изоляции более высокого класса разрешается. Аналогично, в случае, когда стандарт требует применение материала конкретного класса воспламеняемости, использование материала более высокого класса разрешается.

1.3.6 Положение оборудования при транспортировании и использовании

В случае, когда от ориентации оборудования зависит выбор требований и видов испытаний, необходимо учитывать все возможные пространственные положения оборудования из разрешенных в инструкции по установке или инструкции для потребителя. Для ПЕРЕНОСНОГО ОБОРУДОВАНИЯ все возможные положения должны быть приняты во внимание.

Примечание - Вышеуказанное относится также к 4.1, 4.5 и 5.3.

1.3.7 Выбор критерия

Если стандарт разрешает выбор различных критериев соответствия, методов или условий испытаний, то этот выбор определяет изготовитель.

1.3.8 Примеры, упоминаемые в стандарте

Когда примеры оборудования, частей, методов конструирования, технологических решений и неисправностей, приведенные в стандарте, упомянуты в значении «тому подобный» или «такие как», другие варианты не исключаются.

1.3.9 Токопроводящие жидкости

В части электрических требований настоящего стандарта токопроводящие жидкости следует рассматривать как токопроводящие части.

1.4 Общие условия испытаний

1.4.1 Применяемость испытаний

Приведенные в настоящем стандарте методы испытаний касаются только вопросов безопасности.

Если при рассмотрении конструкции и исполнения оборудования ясно, что то или иное испытание произвести невозможно, то его не проводят.

После окончания испытаний оборудование может быть в нерабочем состоянии.

1.4.2 Тип испытаний

Испытания, устанавливаемые настоящим стандартом, за исключением особо оговариваемых случаев, являются типовыми.

1.4.3 Испытуемые образцы

Если не указано особо, испытуемый образец (цы) должен (ны) представлять типичное оборудование, которое получит пользователь, или реальное оборудование, предназначенное для поставки пользователю.

В качестве альтернативы проведению испытаний, на комплекте оборудования разрешается проведение испытаний отдельных цепей, составных частей или блоков вне оборудования при условии, что проверка оборудования и цепей подтвердит, что результаты такого испытания полностью соответствуют результатам проверки собранного оборудования. Если такая проверка не обеспечивает должного соответствия, испытания должны быть повторены на цельном оборудовании.

Если при испытании, проведенному по настоящему стандарту, образец может быть разрушен, то разрешается использовать модель для оценки данного конкретного условия.

Примечания:

1 Испытания следует проводить в следующем порядке:

- предварительный выбор составных частей или материалов;

- стендовые испытания компонентов или блоков;

- испытания при обесточенном оборудовании;

- испытания оборудования в условиях эксплуатации:

в нормальных рабочих условиях,

в ненормальных рабочих условиях;

- испытания разрушающего характера.

2 Для экономии ресурсов и затрат на проведение испытаний рекомендуется, чтобы все заинтересованные стороны совместно разрабатывали программу испытаний, отбирали образцы и определяли последовательность испытаний.

1.4.4 Рабочие параметры при испытании

За исключением случаев, когда в стандарте устанавливают особые условия испытаний или очевидно, что на их результаты в значительной степени повлияют какие-либо воздействия, испытания проводят при наиболее неблагоприятных сочетаниях следующих параметров, устанавливаемых техническими требованиями изготовителя:

- напряжение питания (см. 1.4.5);

- частота питающего напряжения (см. 1.4.6);

- физическое положение оборудования и размещение подвижных частей;

- режим работы;

- установка режимов ТЕРМОСТАТА, регулирующих устройств и других средств управления в ОБЛАСТИ ДОСТУПА ДЛЯ ОБСЛУЖИВАНИЯ, которые являются:

регулируемыми без применения ИНСТРУМЕНТА, или

регулируемыми с применением средств, например ключа или инструмента,

специально предоставляемого ОПЕРАТОРУ.

1.4.5 Напряжение питания при испытаниях

При определении наиболее неблагоприятных значений напряжения питания во время испытания принимают во внимание следующее:

- различные НОМИНАЛЬНЫЕ НАПРЯЖЕНИЯ;

- пределы отклонений НОМИНАЛЬНОГО НАПРЯЖЕНИЯ, указанные ниже;

- предельные значения ДИАПАЗОНОВ НОМИНАЛЬНЫХ НАПРЯЖЕНИЙ.

Если оборудование предназначено для непосредственного питания от СЕТИ ПЕРЕМЕННОГО ТОКА, то пределы отклонений НОМИНАЛЬНОГО НАПРЯЖЕНИЯ принимают равными +6% и -10%, кроме случаев, когда:

- однофазное НОМИНАЛЬНОЕ НАПРЯЖЕНИЕ равно 230 В или трехфазное равно 400 В, тогда отклонение принимают равным ±10%, или

- допустимое отклонение, установленное изготовителем, больше, тогда применяют более широкое значение.

Если оборудование предназначено для питания от источников, эквивалентных сети питания переменного тока, таких как мотор-генераторы, источники бесперебойного питания (см. 1.2.8.1), или от источников, отличных от СЕТИ ПЕРЕМЕННОГО ТОКА, то пределы отклонений НОМИНАЛЬНОГО НАПРЯЖЕНИЯ устанавливает изготовитель.

При испытании оборудования, рассчитанного на электропитание только напряжением постоянного тока, необходимо принимать во внимание полярность.

1.4.6 Частота питающего напряжения при испытаниях

Для определения наиболее неблагоприятного значения частоты питания при испытании следует учитывать различные значения номинальных частот (например, 50 и 60 Гц), однако, отклонения номинальной частоты, например (50 ± 0,5) Гц, учитывать, как правило, не обязательно.

1.4.7 Средства измерений электрических параметров

Средства измерений электрических параметров должны иметь соответствующий диапазон для обеспечения точности показаний и учитывать все условия при измерениях параметров (постоянный ток, основную частоту напряжения питания, высокую частоту и наличие гармонических составляющих). При определении среднеквадратических значений необходимо быть особо внимательным к показаниям прибора при измерениях сигналов как несинусоидальной, так и синусоидальной формы.

1.4.8 Нормальные рабочие напряжения

Для оценки напряжений в СНН, БСНН и НТС ЦЕПЯХ:

- рассматривают как нормальные рабочие напряжения, создаваемые непосредственно в оборудовании, так и подаваемые извне, но

- напряжения, отличные от нормальных рабочих, такие как увеличение потенциала заземления или напряжения, наводимые от линии электропередачи и электрического транспорта, не учитывают.

1.4.9 Измерение напряжения относительно земли

В случае, когда настоящий стандарт устанавливает требования к напряжению между проводящей частью и землей, рассматривают все следующие заземленные части:

- зажим защитного заземления (если имеется);

- любую другую проводящую часть, которая должна быть соединена с защитным заземлением (см. 2.6.1);

- любую проводящую часть, которая заземлена внутри оборудования для функциональных целей.

Части, которые должны быть заземлены во время присоединения к другому оборудованию, но являются незаземленными в испытуемом оборудовании, должны быть соединены с землей в точке, где получено наибольшее значение напряжения. При измерении напряжения между землей и проводником в цепи, которая не должна быть заземлена при предполагаемом применении оборудования, параллельно прибору, измеряющему напряжение, включают безындуктивный резистор сопротивлением 5 000 Ом ± 10%.

Падение напряжения на проводах защитного заземления в шнурах электропитания или заземляющих проводах внешней электропроводки не учитывают при измерениях.

1.4.10 Конфигурация нагрузок испытуемого оборудования

При определении входного тока и других испытаниях необходимо учитывать и устанавливать такие приведенные ниже случаи, которые дают наиболее неблагоприятный результат:

- нагрузки, создаваемые необязательными при поставке средствами, предлагаемыми или поставляемыми изготовителем. Они могут быть использованы как в составе изделия, так и вместе с ним;

- нагрузки, создаваемые другими изделиями, используемыми изготовителем для получения энергии от испытуемого оборудования;

- нагрузки, которые могут быть подключены к любым стандартным выходам питания оборудования в ОБЛАСТИ, ДОСТУПНОЙ ДЛЯ ОПЕРАТОРА, при которых не превышаются значения, указанные в маркировке согласно требованиям 1.7.5.

При проведении испытаний разрешается использовать нагрузки, имитирующие настоящие.

1.4.11 Мощность телекоммуникационных сетей

Для целей настоящего стандарта полная мощность, получаемая от ТЕЛЕКОММУНИКАЦИОННОЙ СЕТИ, должна быть ограничена 15 В А.

1.4.12 Температурные условия при измерениях

При определении максимального значения температуры (Тмакс) или максимального превышения температуры (DТмакс) в соответствии с условиями испытаний исходят из того, что температура воздуха в помещении должна быть 25 °С при работающем оборудовании. Однако изготовитель может установить более высокую температуру воздуха.

Во время испытаний температуру окружающей среды окр) не регулируют, а только контролируют и записывают.

Температуру оборудования определяют с соблюдением одного из следующих условий, (значения определяют в градусах Цельсия):

- если Тмакс определяют как: (Т - Токр) £ (Тмакс - Тмакс.окр);

- если DТмакс определяют как: (Т - Токр) £ (DТмакс + 25 - Тмакс.окр),

где Т - температура детали, измеренная в соответствии с условиями испытаний, °С;

Тмакс.окр - максимальная температура окружающей среды в помещении, °С.

Из значений температуры, указанных в документации изготовителя или равной 25 ºС, выбирают большее.

Во время испытания температура воздуха в помещении не должна превышать Тмакс.окр , если между всеми участвующими сторонами нет другой договоренности.

1.4.13 Метод измерения температуры

Температура обмоток, если не оговаривается особый метод, должна определяться методом термопар или сопротивления (приложение Е). Температуры других частей (не обмоток) должны определяться методом термопар. Разрешается любой другой подходящий метод измерения температуры, который не оказывает заметного влияния на температуру изделия и имеет достаточную точность. Выбор и размещение датчиков температуры производят так, чтобы они оказывали минимальное влияние на температуру испытуемой части.

1.4.14 Имитация неисправностей и ненормальных условий

Если требуется применять имитацию неисправностей или ненормальных условий, это необходимо делать поочередно и одновременно. Неисправности, которые являются прямым следствием преднамеренного короткого замыкания или введения ненормальных условий работы, рассматривают как часть этой преднамеренной неисправности или ненормальных рабочих условий.

При имитации неисправностей или аварийных условий работы части, расходные материалы, носители информации и записывающие материалы должны быть размещены так, чтобы при испытании воспроизводились рабочие условия.

В случае, когда дана специальная ссылка, единичная неисправность состоит из единичного повреждения любой изоляции (исключая ДВОЙНУЮ или УСИЛЕННУЮ ИЗОЛЯЦИИ) или единичного повреждения любого компонента (исключая компонент ДВОЙНОЙ или УСИЛЕННОЙ ИЗОЛЯЦИИ).

Оборудование, принципиальные схемы и характеристики составных частей предварительно исследуют, чтобы определить условия возникновения неисправностей, которые могут иметь место. Например:

- короткое замыкание или обрыв полупроводниковых приборов и конденсаторов;

- неисправность, вызванная продолжительным рассеиванием мощности в резисторах, предназначенных для непродолжительной работы;

- внутренние неисправности в интегральных схемах, вызывающие чрезмерное рассеивание мощности;

- повреждение ОСНОВНОЙ ИЗОЛЯЦИИ между токоведущими частями ПЕРВИЧНОЙ ЦЕПИ и:

доступными проводящими частями,

заземленными проводящими экранами,

БСНН ЦЕПЯМИ,

частями ЦЕПЕЙ С ОГРАНИЧЕНИЕМ ТОКА.

1.5 Компоненты (комплектующие)

1.5.1 Общие требования

Для обеспечения безопасности компоненты должны удовлетворять требованиям настоящего стандарта, либо разделам безопасности соответствующих стандартов.

Примечание 1 - Стандарт на компоненты можно применять только в случае, если очевидно, что рассматриваемые компоненты входят в его область распространения.

Компоненты, подключаемые к цепям БСНН либо СНН, либо к частям, находящимся под ОПАСНЫМ НАПРЯЖЕНИЕМ, должны соответствовать требованиям 2.2.

Примечание 2 - Примером такого компонента может служить реле с различным питанием его элементов (катушки и контакты).

1.5.2 Оценка и испытание компонентов

Оценка и испытание компонентов должны проводиться следующим образом:

- компонент, который соответствует стандарту, гармонизированному со стандартом МЭК на компоненты, должен проверяться на правильность применения его согласно номинальным характеристикам. Он должен пройти соответствующие испытания как составная часть оборудования согласно настоящему стандарту, за исключением испытаний, которые являются частью предусмотренных в стандарте испытаний, гармонизированном со стандартом МЭК на этот компонент;

- компонент, который не проверялся на соответствие стандарту, распространяющемуся на эти компоненты, как указано выше, должен проверяться на правильность применения и использования согласно его номинальным характеристикам. Он должен пройти соответствующие испытания согласно настоящему стандарту как составная часть оборудования, а также испытания по стандарту на компоненты в условиях, имеющих место в оборудовании.

Примечание - Испытание на соответствие стандарту на компоненты проводят, как правило, отдельно;

- если не существует стандарта на компонент (ы), используемый (е) в цепи и работающий (е) в условиях, не оговоренных стандартом, то он (они) должен (ы) испытываться в условиях, имеющих место в оборудовании. Число образцов, подлежащих испытанию, как правило, должно удовлетворять числу образцов, требуемому соответствующим стандартом.

1.5.3 Устройства управления температурой

Испытания устройств управления температурой должны проводиться согласно приложению К.

1.5.4 Трансформаторы

Трансформаторы должны соответствовать требованиям настоящего стандарта, включая приложение С.

1.5.5 Соединительные кабели

СОЕДИНИТЕЛЬНЫЕ КАБЕЛИ, поставляемые как часть оборудования, должны удовлетворять соответствующим требованиям настоящего стандарта и не должны представлять опасности в пределах значений, оговоренных настоящим стандартом, независимо от того, являются они съемными или несъемными.

1.5.6 Конденсаторы в первичных цепях

Конденсатор, включенный между проводами ПЕРВИЧНОЙ ЦЕПИ или между фазным проводом и проводом нейтрали, должен соответствовать требованиям ГОСТ МЭК 384-14, раздел X1 или Х2. Длительность воздействия влажного тепла в установившемся режиме испытаний, как определено в 4.12 ГОСТ МЭК 384-14, составляет 21 сут.

Конденсатор, включенный между ПЕРВИЧНОЙ ЦЕПЬЮ и защитным заземлением, должен соответствовать требованиям ГОСТ МЭК 384-14, разделы Y1, Y2 или Y4.

Примечание - Указанные выше требования не применяют для конденсаторов, включенных между ВТОРИЧНОЙ ЦЕПЬЮ С ОПАСНЫМ НАПРЯЖЕНИЕМ и землей. Для таких конденсаторов электрическую прочность изоляции, проверенную по 5.2.2, считают достаточной.

Соответствие проверяют осмотром.

1.5.7 Двойная или усиленная изоляция, шунтированная компонентами

Соответствие 1.5.7.1 - 1.5.7.3 проверяют осмотром и необходимыми испытаниями.

1.5.7.1 Шунтирующие конденсаторы

Разрешается шунтировать ДВОЙНУЮ или УСИЛЕННУЮ ИЗОЛЯЦИЮ:

- одним конденсатором, соответствующим ГОСТ МЭК 384-14, раздел Y1, или

- двумя конденсаторами, соединенными последовательно, каждый из которых соответствует ГОСТ МЭК 384-14, раздел Y2 или Y4.

Любой конденсатор, соответствующий ГОСТ МЭК 384-14, раздел Y1, обеспечивает УСИЛЕННУЮ ИЗОЛЯЦИЮ.

Если используют два конденсатора, соединенные последовательно, то каждый из них должен быть рассчитан на общее РАБОЧЕЕ НАПРЯЖЕНИЕ, и они должны иметь одну и ту же номинальную величину емкости.

1.5.7.2 Шунтирующие резисторы

Разрешается шунтировать ДВОЙНУЮ или УСИЛЕННУЮ ИЗОЛЯЦИЮ двумя резисторами, включенными последовательно. Каждый из них должен соответствовать требованиям 2.10.3 и 2.10.4 при приложении между их выводами общего РАБОЧЕГО НАПРЯЖЕНИЯ в паре, а также они должны иметь одну и ту же номинальную величину сопротивления.

1.5.7.3 Доступные части

Если доступные проводящие части или цепи отделены от других частей ДВОЙНОЙ или УСИЛЕННОЙ ИЗОЛЯЦИЕЙ, которую шунтируют компонентами в соответствии с 1.5.7.1 или 1.5.7.2, доступные части должны удовлетворять требованиям для ЦЕПЕЙ С ОГРАНИЧЕНИЕМ ТОКА, приведенным в 2.4. Эти требования применяют в случае, когда изоляция выдерживает испытание электрической прочности.

1.5.8 Компоненты в оборудовании, питаемом от энергетической системы типа IT

В оборудовании, которое подключают к энергетической системе типа IT, компоненты, стоящие между фазовым проводом и землей, должны быть рассчитаны на фазное напряжение. Тем не менее конденсаторы, рассчитанные на напряжение цепи фаза - нейтраль, допускаются для применения в этих цепях, если они соответствуют ГОСТ МЭК 384-14, классы Yl, Y2 или Y4.

Примечания

1 Вышеуказанные конденсаторы испытывают на прочность при напряжении, в 1,7 раза большем, чем номинальное напряжение конденсатора.

2 В Норвегии, конденсаторы, предназначенные для использования в ЭНЕРГОСИСТЕМАХ IT (см. приложение V, рисунок V7), должны иметь значение номинального напряжения, равное фазному.

Соответствие проверяют осмотром.

1.6 Подключение к сети питания

1.6.1 Энергосистемы переменного тока

Энергосистемы переменного тока классифицируют как системы TN, ТТ или IT (см. приложение V).

Примечание - В Австралии применяют систему TN-S и другие системы.

1.6.2 Потребляемый ток

Установившееся значение тока, потребляемого оборудованием при НОРМАЛЬНОЙ НАГРУЗКЕ, не должно превышать значения НОМИНАЛЬНОГО ТОКА более чем на 10%.

Соответствие проверяют измерением тока, потребляемого оборудованием при НОРМАЛЬНОЙ НАГРУЗКЕ, и выполнением следующих условий:

- в случаях, когда оборудование имеет более чем одно значение НОМИНАЛЬНОГО НАПРЯЖЕНИЯ, потребляемый ток измеряют при каждом значении НОМИНАЛЬНОГО НАПРЯЖЕНИЯ;

- в случаях, когда оборудование имеет один или более диапазонов НОМИНАЛЬНЫХ НАПРЯЖЕНИЙ, потребляемый ток измеряют в начале и в конце каждого диапазона НОМИНАЛЬНОГО НАПРЯЖЕНИЯ. Если на маркировке указано одно значение НОМИНАЛЬНОГО ТОКА (см. 1.7.1), его сравнивают с наибольшей величиной измеренного потребляемого тока для соответствующего диапазона напряжений. В случаях, когда в маркировке указаны два значения НОМИНАЛЬНОГО ТОКА, разделенные тире, их сравнивают с двумя величинами, измеренными для соответствующих диапазонов напряжений.

В каждом случае измеряемые показания снимают после стабилизации потребляемого тока. Если значение тока изменяется в течение нормального цикла работы, за устойчивое значение принимают среднюю величину тока, измеренную среднеквадратичным самопишущим амперметром за наблюдаемый период времени.

1.6.3 Допустимые пределы напряжения для ручного оборудования

НОМИНАЛЬНОЕ НАПРЯЖЕНИЕ РУЧНОГО ОБОРУДОВАНИЯ не должно превышать 250 В.

Соответствие проверяют осмотром.

1.6.4 Провод, подсоединенный к нейтрали

Провод, подсоединенный к нейтрали, при его наличии, должен быть изолирован от земли и КОРПУСА во всем оборудовании, так же как фазный провод. Компоненты, подключенные между нейтралью и землей, должны быть рассчитаны на напряжение, равное напряжению между фазой и нейтралью.

Соответствие проверяют осмотром.

1.7 Маркировка и инструкции

Примечание - Дополнительные требования для маркировки и инструкций содержатся в следующих пунктах:

2.1.1.2 доступ ПОЛЬЗОВАТЕЛЯ в батарейный отсек;

2.6.1 незаземленные части в ОБЛАСТЯХ, ДОСТУПНЫХ ДЛЯ ОБСЛУЖИВАНИЯ;

2.7.1 защита, предусмотренная составной частью сети здания;

2.7.6 плавкий предохранитель в нейтрали;

3.4.11 питание от нескольких источников;

4.1 устойчивость оборудования;

4.3.3 регулируемые управляющие устройства;

4.3.5 соединение штепсельных вилок и розеток;

4.4.2 опасные подвижные части;

4.6.2 стационарное оборудование на невозгораемом полу;

5.1.7 ТОК ПРИКОСНОВЕНИЯ, превышающий 3,5 мА;

5.1.8.2 суммирование ТОКОВ ПРИКОСНОВЕНИЯ;

6.1.2.2 заземление оборудования, соединенного с ТЕЛЕКОММУНИКАЦИОННОЙ СЕТЬЮ.

1.7.1 Электрические параметры

Оборудование снабжают маркировкой с указанием номинальных электрических параметров, предназначенной для правильного определения напряжения, частоты и потребляемого тока.

Если блок не оснащен средствами для прямого подключения к СЕТИ ЭЛЕКТРОПИТАНИЯ, то не должно быть маркировки любых электрических номиналов, таких как НОМИНАЛЬНОЕ НАПРЯЖЕНИЕ, НОМИНАЛЬНЫЙ ТОК или НОМИНАЛЬНАЯ ЧАСТОТА.

На оборудовании, предназначенном для установки ОПЕРАТОРОМ, маркировка должна быть легко читаемой и расположенной в ОБЛАСТИ, ДОСТУПНОЙ ОПЕРАТОРУ, включая также любую область, которая видима только после открывания ОПЕРАТОРОМ дверцы или крышки. Если ручка селектора напряжения не доступна ОПЕРАТОРУ, маркировка должна указывать НОМИНАЛЬНОЕ НАПРЯЖЕНИЕ для оборудования, установленное производителем; это указание может быть временным. Маркировка разрешается на любой внешней поверхности, кроме нижней поверхности оборудования, имеющего массу более 18 кг. К тому же в СТАЦИОНАРНОМ ОБОРУДОВАНИИ маркировка должна быть видима после того, как оно будет установлено для нормальной эксплуатации.

Для оборудования, предназначенного для установки ОБСЛУЖИВАЮЩИМ ПЕРСОНАЛОМ, и в случае, если маркировка расположена в ОБЛАСТИ, ДОСТУПНОЙ ДЛЯ ОБСЛУЖИВАНИЯ, место размещения постоянной маркировки должно указываться в инструкциях по установке или быть легко видимым на оборудовании.

Разрешается использовать с этой целью временную маркировку.

Маркировка должна содержать следующую информацию:

- НОМИНАЛЬНОЕ (ЫЕ) НАПРЯЖЕНИЕ (Я) или ДИАПАЗОН НОМИНАЛЬНЫХ НАПРЯЖЕНИЙ в вольтах.

Диапазон напряжения должен иметь соединительный знак (-) между минимальным и максимальным значениями НОМИНАЛЬНОГО НАПРЯЖЕНИЯ. Если указаны несколько значений НОМИНАЛЬНЫХ НАПРЯЖЕНИЙ или ДИАПАЗОНОВ НАПРЯЖЕНИЙ, они должны отделяться косой чертой (/).

Примечание 1 - Примеры маркировки номинального напряжения:

- ДИАПАЗОН НОМИНАЛЬНОГО НАПРЯЖЕНИЯ: 220 - 240 В. Это означает, что оборудование спроектировано для подключения к сети электропитания, имеющей любое напряжение от 220 до 240 В;

- несколько НОМИНАЛЬНЫХ НАПРЯЖЕНИЙ: 120/220/240 В. Это означает, что оборудование спроектировано для подключения к сети электропитания, имеющей напряжение 120 или 220, или 240 В; обычно требуется соответствующая установка переключателя.

Если оборудование предназначено для подключения к обоим фазным проводам и нейтрали однофазной трех проводной энергосистемы, в маркировке должны указываться фазное и линейное напряжения, разделенные косой чертой, с пояснением «Три провода плюс защитная земля»: «3ПР + ЗЗ», «3W + РЕ» или аналогичным.

Примечание 2 - Несколько примеров обозначения указанной выше системы:

120/240 В; 3 провода + ЗЗ; 120/240 V; 3 wire + РЕ

120/240 В: 3ПР +  (МЭК 60417-1, № 5019 [1]); 120/240 V; 3W +

120/240 В: 2 провода + нейтраль + ЗЗ; 2W + N + РЕ;

- символ, обозначающий характер источника питания, используют только для источника постоянного тока;

- НОМИНАЛЬНАЯ ЧАСТОТА или НОМИНАЛЬНЫЙ ДИАПАЗОН ЧАСТОТ в герцах, если оборудование не рассчитано только на постоянный ток;

- НОМИНАЛЬНЫЙ ТОК в миллиамперах или амперах:

для оборудования с несколькими НОМИНАЛЬНЫМИ НАПРЯЖЕНИЯМИ НОМИНАЛЬНЫЙ ТОК должен быть обозначен так, чтобы различные номинальные токи были отделены косой чертой, а соотношение между номинальным напряжением и номинальным током было очевидным;

в оборудовании с ДИАПАЗОНОМ НОМИНАЛЬНЫХ НАПРЯЖЕНИЙ указывают максимальное значение НОМИНАЛЬНОГО ТОКА или диапазон значения тока;

маркировка для НОМИНАЛЬНОГО ТОКА группы блоков, имеющих общее подключение к электропитанию, должна размещаться на том блоке, который непосредственно подключен к СЕТИ ПИТАНИЯ ПЕРЕМЕННОГО ТОКА. НОМИНАЛЬНЫЙ ТОК, указанный на этом блоке, должен быть суммарным током, который может протекать по цепи, и должен включать токи всех блоков группы, которые могут быть запитаны одновременно через данный блок и работать одновременно.

Примечание 3 - Примеры маркировки НОМИНАЛЬНОГО ТОКА:

- для оборудования с несколькими НОМИНАЛЬНЫМИ НАПРЯЖЕНИЯМИ:

120/240 В; 2,4/1,2 А;

- для оборудования с ДИАПАЗОНОМ НОМИНАЛЬНОГО НАПРЯЖЕНИЯ:

100 - 240 В; 2,8 А,

100 - 240 В; 2,8 - 1,1 А,

100 - 120 В; 2,8 А,

200 - 240 В; 1,4 А;

- наименование изготовителя, торговый или фирменный знак;

- обозначение модели или типа, присваиваемое изготовителем;

- символ  МЭК 60417-2, № 5172 [2] (только для ОБОРУДОВАНИЯ КЛАССА II).

Разрешены дополнительные обозначения при условии, что они не будут приводить к неправильному пониманию.

Используемые символы должны отвечать требованиям ГОСТ Р 51362 или МЭК 60417-1 [1].

1.7.2 Инструкция по безопасности

Изготовитель должен предоставить ПОЛЬЗОВАТЕЛЮ достаточную информацию об условиях, соблюдение которых гарантирует безопасность в пределах области распространения настоящего стандарта.

Если необходимо предпринимать специальные меры предосторожности для избежания возникновения опасности при работе, установке, обслуживании, транспортировании или хранении оборудования, то изготовитель должен подготовить необходимые инструкции.

Примечания

1 Специальные меры предосторожности могут быть необходимы, например, при подключении оборудования к источнику электропитания и соединении между собой отдельных блоков, если таковые имеются.

2 При необходимости, инструкции по монтажу могут включать дополнительные национальные требования.

3 Информация по обслуживанию предоставляется обычно только ОБСЛУЖИВАЮЩЕМУ ПЕРСОНАЛУ.

4 В Норвегии и Швеции ОБОРУДОВАНИЕ КЛАССА I СО ШНУРОМ, предназначенное для подсоединения к телефонной сети или аналогичной системе связи, имеет маркировку, в которой указано, что оно должно быть подсоединено к магистральному разъему, обязательно заземленному.

Инструкции по эксплуатации, а также по установке ОБОРУДОВАНИЯ С ШНУРОМ, предназначенного для установки ПОЛЬЗОВАТЕЛЕМ, должны быть для него доступны.

Если устройство отключения не входит в состав оборудования (см. 3.4.3) или в качестве отключающего устройства используют вилку шнура, то инструкция по установке должна предусматривать:

- для ПОСТОЯННО ПОДКЛЮЧЕННОГО ОБОРУДОВАНИЯ легкодоступное устройство для разъединения должно быть включено в проводку, расположенную в здании;

- для оборудования, подключаемого с помощью вилки, розетка должна быть установлена вблизи оборудования и быть легкодоступна.

Для оборудования, выделяющего озон, инструкции по установке и эксплуатации должны упоминать о необходимости принятия мер предосторожности, гарантирующих, что концентрация озона будет ограничена безопасным значением.

Примечание 5 - Рекомендуемый в настоящее время предел концентрации озона равен 0,2 мг/м3, рассчитанный на восьмичасовую длительность воздействия. Следует учитывать, что озон тяжелее воздуха.

1.7.3 Циклы кратковременной работы

На оборудовании, предназначенном для КРАТКОВРЕМЕННОЙ или ПРЕРЫВИСТОЙ РАБОТЫ, должна быть маркировка НОМИНАЛЬНОЙ ПРОДОЛЖИТЕЛЬНОСТИ РАБОТЫ или НОМИНАЛЬНОЙ ПРОДОЛЖИТЕЛЬНОСТИ РАБОТЫ с номинальным периодом отключения, если время работы не ограничено конструктивно или не определено режимом НОРМАЛЬНОЙ НАГРУЗКИ.

Маркировка КРАТКОВРЕМЕННОЙ или ПРЕРЫВИСТОЙ РАБОТЫ должна соответствовать нормальной эксплуатации.

В маркировке ПРЕРЫВИСТОЙ РАБОТЫ НОМИНАЛЬНАЯ ПРОДОЛЖИТЕЛЬНОСТЬ РАБОТЫ должна быть указана перед номинальной продолжительностью нерабочего состояния, и они должны быть разделены косой чертой.

1.7.4 Установка напряжения сети

Для оборудования, имеющего несколько НОМИНАЛЬНЫХ НАПРЯЖЕНИЙ или ЧАСТОТ, способ их установки должен быть полностью описан в руководстве по обслуживанию или инструкции по монтажу.

В случае, если средством переключения является устройство не общепринятой конструкции и способ его установки не очевиден, то в маркировке номинальных характеристик или рядом должна быть помещена следующая или аналогичная надпись:

ИЗУЧИТЕ ИНСТРУКЦИЮ ПО МОНТАЖУ ПЕРЕД ПОДКЛЮЧЕНИЕМ К ИСТОЧНИКУ ПИТАНИЯ

1.7.5 Сетевые розетки в оборудовании

Если какая-либо стандартная сетевая розетка доступна ОПЕРАТОРУ, то около нее должна быть помещена маркировка с информацией о максимально допустимой нагрузке, которую можно подключить к этой розетке.

Примером стандартной розетки электропитания могут служить розетки, соответствующие ГОСТ 7396.1.

1.7.6 Обозначение плавких предохранителей

Маркировка должна быть размещена около каждого плавкого предохранителя или держателя плавкого предохранителя, или на держателе плавкого предохранителя, или в другом месте при условии, что будет очевидно, к какому держателю или предохранителю она относится. Маркировка должна содержать информацию о номинальном токе плавкого предохранителя и, в случае применения плавкого предохранителя на разные номинальные напряжения, о номинальном напряжении.

При использовании плавких предохранителей со специальными характеристиками, например с временем задержки или разрывной способностью, необходимо указать тип плавкого предохранителя.

Для плавких предохранителей, не размещенных в ОБЛАСТЯХ ДОСТУПА ОПЕРАТОРА, и для впаянных плавких предохранителей, размещенных в ОБЛАСТЯХ ДОСТУПА ОПЕРАТОРА, разрешается однозначная перекрестная ссылка (например, F1, F2 и т.д.) на документацию по обслуживанию, которая должна содержать соответствующие инструкции.

Примечание - См. 2.7.6 о других предупреждениях для ОБСЛУЖИВАЮЩЕГО ПЕРСОНАЛА.

1.7.7 Клеммы

1.7.7.1 Клеммы защитного заземления

Клемма, предназначенная для подключения ПРОВОДА ЗАЩИТНОГО ЗАЗЕМЛЕНИЯ, должна обозначаться символом  (МЭК 60417-2, № 5019 [2]. Этот символ не должен использоваться для других заземляющих клемм.

Не требуется маркировка клемм для подключения ПРОВОДОВ ЗАЩИТНОГО СОЕДИНЕНИЯ, однако там, где такие клеммы маркируют, должен применяться символ  (МЭК 60417-2, № 5017 [2]).

Следующие положения исключены из упомянутых выше требований:

- в случаях, когда клеммы для подключения сети расположены на составных блоках (например, блок клемм) или субблоках (например, источник питания), символ  разрешен для защитного заземления вместо ;

- на субблоках или составных блоках (компонентах) символ  разрешен вместо символа  при условии, что это не приведет к путанице.

Эти символы не должны наноситься на винты или другие части, которые могут быть сняты при подключении проводов.

Настоящее требование применяется к клеммам, предназначенным для подключения ПРОВОДА ЗАЩИТНОГО ЗАЗЕМЛЕНИЯ, являющегося составной частью сетевого шнура питания либо шнура, подводимого вместе с проводами питания.

1.7.7.2 Клеммы для проводников сетевого электропитания переменного тока

Для ПОСТОЯННО ПОДКЛЮЧЕННОГО ОБОРУДОВАНИЯ и оборудования с НЕСЪЕМНЫМИ ШНУРАМИ ЭЛЕКТРОПИТАНИЯ:

- клеммы, предназначенные только для подключения провода нейтрали СЕТЕВОГО ЭЛЕКТРОПИТАНИЯ, если он вообще имеется, должны быть обозначены буквой N, и

- для трехфазного оборудования, если неправильное чередование фаз может вызвать перегрев или другую опасность, клеммы, предназначенные для подключения проводов СЕТЕВОГО ЭЛЕКТРОПИТАНИЯ, должны маркироваться таким образом, чтобы при пользовании любой инструкцией по установке в последовательности чередования фаз не было неоднозначности.

Эта маркировка не должна наноситься на винты или другие части, которые могут быть сняты при подключении проводов.

1.7.8 Органы управления и индикаторы

1.7.8.1 Обозначение, размещение и маркировка

Индикаторы, переключатели и другие органы управления, от которых зависит безопасность, должны быть маркированы или размещены так, чтобы было четко указано, какую функцию они выполняют, за исключением случаев, когда отсутствие необходимости в этих мерах очевидно.

Маркировка и обозначения для выключателей и других управляющих устройств должны быть расположены также:

- рядом с выключателем или управляющим устройством, или

- в ином месте, когда очевидно, к какому выключателю или управляющему устройству маркировка относится.

Обозначения, использованные с этой целью, где бы они ни применялись, должны быть понятными без знания языков, национальных стандартов, и т.п.

1.7.8.2 Окраска

Органы управления и индикация, обеспечивающие безопасность, должны иметь окраску в соответствии с ГОСТ 29149. Для функциональных органов управления и индикаторов возможно применение любой окраски, включая красную, если очевидно, что они не связаны с безопасностью.

1.7.8.3 Обозначения

Органы управления, обеспечивающие режимы ВКЛЮЧЕНО и ВЫКЛЮЧЕНО, например переключатели, кнопки и т.п., обозначают следующим образом. Для обозначения режима ВКЛЮЧЕНО используют символ  а для режима ВЫКЛЮЧЕНО символ  (МЭК 60417-2, № 5007 и 5008 [2]). Для кнопок с двумя рабочими положениями используют символ  (МЭК 60417-2, № 5010 [2]).

Символы и  разрешены для обозначения положений ВЫКЛЮЧЕНО, ВКЛЮЧЕНО на любых выключателях первичного или вторичного контура сетевого питания, включая разъединители.

Режим «ДЕЖУРНЫЙ» должен обозначаться символом  (МЭК 60417-1, № 5009 [1]).

1.7.8.4 Использование цифр при маркировке

Если для обозначения различных положений органа управления применяют цифры, положение «ВЫКЛЮЧЕНО» должно быть обозначено цифрой 0 (ноль), а цифры большего значения обозначают увеличение регулируемой величины.

1.7.9 Изоляция при подключении оборудования к нескольким источникам питания

Если имеется более одного подключения оборудования к ОПАСНОМУ НАПРЯЖЕНИЮ питания или ОПАСНОМУ ЭНЕРГЕТИЧЕСКОМУ УРОВНЮ, то должна быть хорошо видимая маркировка, расположенная вблизи от места доступа ОБСЛУЖИВАЮЩЕГО ПЕРСОНАЛА к опасным частям, указывающая, какое отключающее устройство отсоединяет все оборудование одновременно и какие отключающие устройства могут быть использованы для отключения каждой секции оборудования в отдельности.

1.7.10 Системы энергоснабжения типа IT

Если оборудование сконструировано или, при необходимости, модифицировано для подключения к системе энергоснабжения типа IT, то об этом должно быть указано в инструкции по установке оборудования.

1.7.11 Термореле и другие устройства регулировки

ТЕРМОРЕЛЕ и подобные регулирующие устройства, предназначенные для регулирования при монтаже или нормальной эксплуатации, должны быть снабжены указанием направления увеличения или уменьшения регулируемого параметра. Допустимо обозначение «+» и «-».

1.7.12 Язык

Инструкции и маркировка оборудования, относящиеся к безопасности, должны быть написаны на языке страны, в которой оборудование должно устанавливаться.

Примечание - Документация, предназначенная для использования только ОБСЛУЖИВАЮЩИМ ПЕРСОНАЛОМ, может быть только на английском языке.

1.7.13 Долговечность

Любая маркировка, отвечающая требованиям настоящего стандарта, должна быть долговечной и разборчивой. Для нормальной эксплуатации также должна быть обеспечена долговечность маркировки.

Соответствие проверяют осмотром и протиркой маркировки вручную в течение 15 с кусочком ткани, пропитанной водой, а затем в течение 15 с - тканью, пропитанной бензином. После испытания маркировка должна остаться четкой и разборчивой, не должно быть нарушено крепление пластины с маркировкой и она не должна коробиться.

Бензин, используемый для испытаний, должен представлять собой раствор гексана в алифатических соединениях с максимальным содержанием ароматических веществ не более 0,1% от объема, значением каури-бутанола 29: начальной точкой кипения приблизительно 65 °С, точкой испарения приблизительно 69 °С, удельной массой приблизительно 0,7 кг/л.

1.7.14 Съемные части

Маркировка не должна размещаться на съемных частях, которые могут быть заменены таким образом, что маркировка будет давать неправильную информацию.

1.7.15 Литиевые батареи

Если в оборудовании применяют сменную батарею, и неправильная замена может привести к взрыву (например, литиевая батарея), то к оборудованию предъявляют следующие требования:

- при размещении батареи в ОБЛАСТИ, ДОСТУПНОЙ ОПЕРАТОРУ, рядом должна быть помещена предупреждающая надпись, либо соответствующее предупреждение должно быть записано в инструкции по эксплуатации и обслуживанию;

- при размещении батареи где-либо в другом месте оборудования надпись должна быть помещена рядом с батареей, либо соответствующее предупреждение должно быть записано в инструкции по эксплуатации.

Маркировка должна содержать следующий или аналогичный текст:

ОСТОРОЖНО!
ПРИ НЕПРАВИЛЬНОЙ УСТАНОВКЕ ВОЗМОЖЕН ВЗРЫВ
ЗАМЕНЯЙТЕ И ИСПОЛЬЗУЙТЕ БАТАРЕЮ В СООТВЕТСТВИИ С ИНСТРУКЦИЕЙ

Соответствие проверяют осмотром.

1.7.16 Доступ оператора

Если необходимо иметь доступ при помощи инструмента в ОБЛАСТИ, ДОСТУПНОЙ ОПЕРАТОРУ, то все остальные места этой области, содержащие опасность, не должны быть доступны ОПЕРАТОРУ при использовании ИНСТРУМЕНТА, или эти места должны иметь надписи, запрещающие доступ ОПЕРАТОРА.

Знак маркировки опасности поражения электрическим током  (ИСО 3864, № 5036 [3]).

1.7.17 Оборудование для установки в помещениях с ограниченным доступом

Для оборудования, предназначенного для установки в помещениях с ограниченным доступом, инструкция по установке должна содержать указания об этом назначении.

2 ЗАЩИТА ОТ ОПАСНОСТИ

2.1 Защита от поражения электрическим током и энергетической опасности

Примечание - В Австралии предъявляют дополнительные требования по защите.

2.1.1 Защита в доступных рабочих областях

Защита от поражения электрическим током от частей, находящихся под напряжением, основывается на принципе, что ОПЕРАТОРУ разрешен доступ к:

- открытым (оголенным) частям ЦЕПЕЙ БСНН;

- открытым (оголенным) частям ЦЕПЕЙ С ОГРАНИЧЕНИЕМ ТОКА;

- ЦЕПЯМ НТС в условиях, устанавливаемых 2.1.1.1.

Доступ к другим частям, находящимся под напряжением, и их изоляции ограничивают, как установлено в 2.1.1.1.

Дополнительные требования по защите от поражения электрическим током установлены в 2.1.1.5.

2.1.1.1 Доступ к частям, находящимся под напряжением

Оборудование должно быть сконструировано таким образом, чтобы в ЗОНЕ ДОСТУПА ОПЕРАТОРА имелась необходимая защита от прикосновения с:

- оголенными частями ЦЕПЕЙ СНН;

- оголенными частями, находящимися под ОПАСНЫМ НАПРЯЖЕНИЕМ;

- ФУНКЦИОНАЛЬНОЙ или ОСНОВНОЙ ИЗОЛЯЦИЕЙ частей или проводов ЦЕПЕЙ СНН, кроме разрешенных в 2.1.1.3;

- ФУНКЦИОНАЛЬНОЙ или ОСНОВНОЙ ИЗОЛЯЦИЕЙ частей или проводов, находящихся под ОПАСНЫМ НАПРЯЖЕНИЕМ.

Примечание 1 - ФУНКЦИОНАЛЬНАЯ ИЗОЛЯЦИЯ включает в себя такую изоляцию, как лак, эмаль на основе растворителей, обычная бумага, хлопок, окисная пленка, изоляция, способная к перемещениям, например изоляционные бусы или компаунды, не являющиеся самотвердеющей смолой. Данный перечень не является исчерпывающим;

- незаземленными проводящими частями, отделенными только ФУНКЦИОНАЛЬНОЙ или ОСНОВНОЙ ИЗОЛЯЦИЕЙ от цепей СНН или цепей, находящихся под ОПАСНЫМ НАПРЯЖЕНИЕМ;

- оголенными частями ЦЕПЕЙ НТС, кроме тех, доступ к которым разрешается:

контакты разъемов, не доступные для прикосновения испытательным калибром (рисунок );

оголенные проводящие части, расположенные в батарейном отсеке, соответствующие 2.1.1.2;

оголенные проводящие части цепей НТС-1, имеющие любую точку связанную (в соответствии с 2.6.1е) с клеммой защитного заземления;

оголенные проводящие части разъемов в цепях НТС-1, отделенные от доступных незаземленных проводящих частей оборудования в соответствии с 6.2.1.

Примечания

2 Типичный пример - оболочка коаксиального разъема.

3 Доступ к цепям НТС-1 и НТС-3 через другие цепи также ограничивается по 6.2.1 в некоторых случаях.

Неограниченный доступ разрешается к ЦЕПЯМ С ОГРАНИЧЕНИЕМ ТОКА. Эти требования относятся ко всем положениям подключенного и работающего при нормальных условиях эксплуатации оборудования.

Защита должна обеспечиваться изоляцией, ограждением или блокировкой.

Соответствие проверяют следующими процедурами:

a) обследованием;

b) испытательным пальцем (рисунок ), который не должен входить в контакт с вышеописанными частями при помещении его в отверстия корпуса после удаления частей, которые могут быть сняты ОПЕРАТОРОМ, включая держатели плавких предохранителей, а также после открытия доступных для ОПЕРАТОРА дверей и крышек. При испытаниях разрешается оставлять лампы на месте. Доступные для съема ОПЕРАТОРОМ соединители, кроме вилок и штепсельных розеток, соответствующих ГОСТ 7396.1, должны быть также испытаны в состоянии разъединения;

c) испытательным штырем (рисунок ), который не должен входить в контакт с оголенными частями, находящимися под ОПАСНЫМ НАПРЯЖЕНИЕМ, при проникновении через отверстия внешнего ЭЛЕКТРИЧЕСКОГО КОРПУСА. Доступные для съема находящиеся в работе части, включая держатели плавкого предохранителя и лампы, не удаляют со своих мест, а доступные для ОПЕРАТОРА двери и крышки оставляют закрытыми в течение испытания;

d) испытательным калибром (рисунок ), там, где это необходимо.

Испытательные палец и штырь для случаев, указанных выше, прикладывают без особого усилия во всех возможных положениях. Оборудование, устанавливаемое на полу, массой более 40 кг не наклоняют.

При испытаниях встраиваемого, размещаемого в стойке оборудования, а также оборудования, являющегося составной частью другого оборудования, доступ должен проверяться с учетом ограничений, установленных изготовителем к способу монтажа в инструкции по установке.

Отверстия, препятствующие проникновению испытательного пальца, согласно подпункту b), испытывают с помощью прямого не шарнирного испытательного пальца, прикладываемого с усилием 30 Н. В случае, если этот испытательный палец входит в отверстие, то испытание по подпункту b) повторяют без приложения усилия.

Примечание 4 - Если для определения наличия электрического контакта используют индикатор, то необходимо принять меры предосторожности, обеспечивающие защиту компонентов электронных цепей от повреждения.

Требования, приведенные выше, относящиеся к контакту с частями, находящимися под ОПАСНЫМ НАПРЯЖЕНИЕМ, применимы только для опасного напряжения, не превышающего 1000 В переменного тока или 1500 В постоянного тока. Для более высоких напряжений контакт не разрешен, и должен обеспечиваться воздушный зазор между частями, находящимися под ОПАСНЫМ НАПРЯЖЕНИЕМ, и испытательным пальцем (рисунок ) или испытательным штырем (рисунок ), располагаемых в самых неблагоприятных положениях. Этот воздушный зазор должен быть не менее минимального ЗАЗОРА, как определено в 2.10.3 для ОСНОВНОЙ ИЗОЛЯЦИИ, или он должен выдерживать испытание на соответствующую электрическую прочность по 5.2.2 (см. рисунок F.12, точка А).

Если составные части подвижны, например предназначены для натяжения ремня, то проверка испытательным пальцем должна быть выполнена с каждой составной частью в наиболее неблагоприятном для нее положении из диапазона регулирования, при этом, в случае необходимости, ремень должен быть снят.

Неуказанные предельные отклонения:

- угловые от 14° до 37°..………...±15

- на радиусы......………..………..±0,1 мм

- на линейные размеры:

до 15 мм включ....……….-0,1 мм

от 15 до 25 мм включ……±0,1 мм

св. 25 мм......……………...±0,3 мм

Материал пальца - закаленная сталь.

Палец должен сгибаться на угол 90º+10º только в одном направлении.

Примечания

1 Штифты и канавки используют для ограничения подвижности пальца на угол до 90°.

2 Размеры в скобках даны для справок.

3 Испытательный палец взят из ГОСТ Р МЭК 61032, рисунок 2, испытательный щуп В. Значения допусков сохранены.

Рисунок 2А - Испытательный палец

* Размеры - свободные.

Примечание - Испытательный штырь взят из ГОСТ Р МЭК 61032, рисунок 8, испытательный щуп 13. Значения допусков сохранены.

Рисунок 2В - Испытательный штырь

1 - проводящий материал; 2 - непроводящий материал; 3 - рукоятка

Рисунок 2С - Испытательный калибр

2.1.1.2 Батарейный отсек

Доступ к проводящим частям НТС ЦЕПЕЙ, находящимся внутри батарейного отсека в оборудовании, разрешается при выполнении всех следующих условий:

- отсек имеет дверцу, которая требует специальной операции для открывания, например использование ИНСТРУМЕНТА, или воздействия на запирающее устройство;

- НТС цепи недоступны, когда дверца закрыта;

- применена маркировка около дверцы или на дверце, если последняя закреплена в оборудовании, с инструкциями по мерам предосторожности для защиты ПОЛЬЗОВАТЕЛЯ, когда дверца открыта.

Примечание - Информация об отключении телефонного шнура до открытия дверцы является примером приемлемой инструкции.

Соответствие проверяют осмотром.

2.1.1.3 Доступ к цепи СНН

Доступ ОПЕРАТОРА к изоляции внутренней проводки СНН ЦЕПЕЙ допускается в случае, когда:

a) изоляция удовлетворяет требованиям для ДОПОЛНИТЕЛЬНОЙ ИЗОЛЯЦИИ, подробно описанным в 3.1.4, или

b) всем следующим положениям:

- ОПЕРАТОРУ нет необходимости прикасаться к проводам; провода располагаются так, что ОПЕРАТОР не сможет потянуть их, или так закреплены, что точки контактов не будут подвергаться натяжению;

- провода проложены и зафиксированы таким образом, чтобы они не касались доступных незаземленных металлических частей;

- изоляция выдерживает испытание на электрическую прочность по 5.2.2 для ДОПОЛНИТЕЛЬНОЙ ИЗОЛЯЦИИ;

- толщина изоляции не менее приведенной в таблице .

Таблица 2А - Толщина изоляции внутренних проводов

РАБОЧЕЕ НАПРЯЖЕНИЕ, В

(в случае пробоя ОСНОВНОЙ ИЗОЛЯЦИИ)

Минимальная толщина изоляции, мм

Амплитуда переменного тока или постоянный ток

Среднеквадратическое значение (при синусоидальном токе)

Св. 71 до 350

Св. 50 до 250

0,17

Св. 350

Св. 250

0,31

Соответствие проверяют обследованием, измерениями и испытаниями по 5.2.2.

2.1.1.4 Доступ к цепям опасного напряжения

Если изоляция внутренней проводки, находящаяся под опасным напряжением, доступна для ОПЕРАТОРА или не проложена и не зафиксирована так, чтобы предотвратить прикосновение к доступным незаземленным частям, то она должна удовлетворять требованиям 3.1.4 для ДВОЙНОЙ ИЛИ УСИЛЕННОЙ ИЗОЛЯЦИИ.

Соответствие проверяют обследованием, измерением и, при необходимости, испытанием.

2.1.1.5 Энергетическая опасность

В ОБЛАСТИ ДОСТУПА ОПЕРАТОРА не должно быть энергетической опасности.

Соответствие проверяют с помощью испытательного пальца (рисунок , см. 2.1.1.1) в выпрямленном положении, прикладываемого без особого усилия. Испытательный палец не должен создавать перемычки между двумя или более оголенными частями (одна из них может представлять собой заземленную токопроводящую часть), между которыми существует ОПАСНЫЙ ЭНЕРГЕТИЧЕСКИЙ УРОВЕНЬ.

2.1.1.6 Органы ручного управления

Токопроводящие рукоятки, ручки, рычаги, кнопки управления и другие подобные органы управления не должны контактировать с частями под ОПАСНЫМ НАПРЯЖЕНИЕМ или цепями СНН и НТС.

Рукоятки, ручки, рычаги, кнопки управления и другие подобные части из токопроводящего материала, при нормальной эксплуатации управляемые вручную и заземленные только через вал или подшипник, должны удовлетворять одному из следующих требований:

- быть отделены от частей под ОПАСНЫМ НАПРЯЖЕНИЕМ с помощью ДВОЙНОЙ или УСИЛЕННОЙ ИЗОЛЯЦИИ или

- иметь доступные части, покрытые ДОПОЛНИТЕЛЬНОЙ ИЗОЛЯЦИЕЙ.

Соответствие проверяют обследованием.

2.1.1.7 Разряд конденсаторов в цепи первичного электропитания

Оборудование должно быть спроектировано так, чтобы при отключении СЕТЕВОГО ПИТАНИЯ при помощи соединителя уменьшалась опасность удара электрическим током от заряда, накопленного конденсаторами, подключенными к цепи ПЕРВИЧНОГО ЭЛЕКТРОПИТАНИЯ.

Соответствие проверяют обследованием оборудования и относящейся к нему схемы подключения к сети электропитания, при этом принимают во внимание возможность отключения питания при любом положении переключателя «ВКЛЮЧЕНО»/«ВЫКЛЮЧЕНО».

Оборудование должно быть выполнено таким образом, чтобы любой конденсатор номинальной емкостью свыше 0,1 мкФ, подключенный к цепи ПЕРВИЧНОГО ЭЛЕКТРОПИТАНИЯ, имел значение постоянной времени разряда, не превышающее:

1 с - для ОБОРУДОВАНИЯ, ПОДКЛЮЧАЕМОГО СОЕДИНИТЕЛЕМ ТИПА А;

10 с - для ПОСТОЯННО ПОДКЛЮЧЕННОГО ОБОРУДОВАНИЯ и ОБОРУДОВАНИЯ, ПОДКЛЮЧАЕМОГО СОЕДИНИТЕЛЕМ ТИПА В.

Соответствующую постоянную времени определяют по эффективной емкости в микрофарадах и эффективному разрядному сопротивлению в мегаомах. Если трудно установить значения эффективной емкости и сопротивления, то допускается использовать измерение затухания напряжения.

Примечание - Постоянная времени равна промежутку времени, при котором значение напряжения уменьшается до 37 % исходного значения.

2.1.2 Защита в областях, доступных для обслуживания

В ОБЛАСТИ, ДОСТУПНОЙ ДЛЯ ОБСЛУЖИВАНИЯ, к оборудованию применяют следующие требования.

Оголенные части под ОПАСНЫМ НАПРЯЖЕНИЕМ должны быть размещены таким образом или защищены так, чтобы во время обслуживания других частей оборудования неумышленный контакт с оголенными частями был невозможен.

Оголенные части под ОПАСНЫМ НАПРЯЖЕНИЕМ должны быть размещены таким образом или защищены так, чтобы исключить возможность случайного замыкания с БСНН ЦЕПЯМИ или с НТС ЦЕПЯМИ, например ИНСТРУМЕНТАМИ или испытательными пробниками, используемыми ОБСЛУЖИВАЮЩИМ ПЕРСОНАЛОМ.

Требования, предъявляемые к непреднамеренным контактам с ЦЕПЯМИ СНН или НТС, отсутствуют. Однако оголенные части, представляющие собой энергетическую опасность, должны быть размещены и ограждены так, чтобы предотвратить возможность неумышленного создания перемычек проводящими материалами, используемыми при обслуживании других частей оборудования.

Любые ограждения, устанавливаемые в соответствии с 2.1.2, должны легко удаляться или заменяться при обслуживании защищаемых частей.

Соответствие проверяют обследованием и измерением. При определении возможности непреднамеренного контакта следует учитывать путь, по которому ОБСЛУЖИВАЮЩИЙ ПЕРСОНАЛ имеет доступ к частям при работе непосредственно с ними или к рядом расположенным частям.

2.1.3 Защита в областях ограниченного доступа

К оборудованию, устанавливаемому в ОБЛАСТИ ОГРАНИЧЕННОГО ДОСТУПА, применяют требования для ОБЛАСТИ, ДОСТУПНОЙ ОПЕРАТОРУ, за исключением следующих случаев.

Если ВТОРИЧНУЮ ЦЕПЬ, находящуюся под ОПАСНЫМ НАПРЯЖЕНИЕМ, используют для электропитания генератора посылок вызывного сигнала, соответствующего 2.3.1b, то контакт с оголенной частью цепи при помощи испытательного пальца (рисунок , см. 2.1.1.1) допускается. Однако такие части должны размещаться или ограждаться таким образом, чтобы предотвратить неумышленный контакт.

Оголенные части, представляющие энергетическую опасность, должны размещаться или ограждаться таким образом, чтобы предотвратить непроизвольное соединение с проводящими материалами.

Не предъявляют требования, к контакту с оголенными частями ЦЕПЕЙ НТС-1, НТС-2 и НТС-3.

Соответствие проверяют обследованием и измерением. При определении возможности непреднамеренного контакта следует учитывать пути к доступным или оголенным частям.

2.2 Цепи БСНН

2.2.1 Общие требования

В ЦЕПЯХ БСНН напряжение должно быть безопасным для касания как в условиях нормальной эксплуатации, так и после единичного повреждения (см. 1.4.14).

Соответствие 2.2.1 - 2.2.4 проверяют обследованием и испытаниями.

2.2.2 Напряжения при нормальных условиях

При нормальных условиях работы, в отдельной ЦЕПИ БСНН или во взаимно связанных ЦЕПЯХ БСНН, значение напряжения между любыми двумя проводами ЦЕПИ или ЦЕПЕЙ БСНН и между любым одним таким проводом и землей (см. 1.4.9) не должно превышать 42,4 В амплитуды напряжения переменного тока или 60 В постоянного тока.

Примечание - Цепь, удовлетворяющая приведенным выше требованиям, но подверженная перенапряжениям от ТЕЛЕКОММУНИКАЦИОННОЙ СЕТИ, является ЦЕПЬЮ HTC-1.

2.2.3 Напряжения в условиях неисправности

За исключением случаев, разрешенных в 2.3.2, при единичном повреждении (см. 1.4.14) значение напряжения между любыми двумя проводами ЦЕПИ или ЦЕПЕЙ БСНН и между любым одним таким проводом и землей (см. 1.4.9) не должно превышать 42,4 В амплитуды напряжения переменного тока или 60 В постоянного тока по истечении 0,2 с. Кроме того, недопустимо превышение значения 71 В амплитуды напряжения переменного тока или 120 В постоянного тока.

Примечание - В Канаде и Соединенных Штатах исключение, упомянутое в 2.3.2, не разрешено.

За исключением метода, указанного в 2.2.4, должен применяться один из методов, изложенных в 2.2.3.1 - 2.2.3.3.

Это разрешается для некоторых частей цепи (например, цепи трансформаторного выпрямителя), соответствующих всем требованиям для БСНН ЦЕПИ и цепей, доступных для ОПЕРАТОРА, в то же время к другим частям той же самой цепи, не соответствующим всем требованиям для БСНН ЦЕПЕЙ, доступ ОПЕРАТОРУ не разрешают.

2.2.3.1 Разделение с помощью ДВОЙНОЙ или УСИЛЕННОЙ изоляции (метод 1)

Если цепь БСНН отделена от других цепей только ДВОЙНОЙ или УСИЛЕННОЙ ИЗОЛЯЦИЕЙ, то применяют один из следующих методов:

- обеспечение стабильного отделения с помощью барьеров, канавок или фиксации;

- изоляция всех соседних проводов из расчета наибольшего возможного значения их РАБОЧЕГО НАПРЯЖЕНИЯ;

- изоляция проводов, цепей БСНН либо других цепей, удовлетворяющих требованиям к ДОПОЛНИТЕЛЬНОЙ или УСИЛЕННОЙ ИЗОЛЯЦИИ, из расчета возможного наибольшего РАБОЧЕГО НАПРЯЖЕНИЯ;

- обеспечение, при необходимости, дополнительным слоем изоляции проводов ЦЕПИ БСНН либо проводов других цепей;

- использование двух отдельных трансформаторов, включенных последовательно, тогда один из них обеспечивает ОСНОВНУЮ ИЗОЛЯЦИЮ, а другой - ДОПОЛНИТЕЛЬНУЮ ИЗОЛЯЦИЮ;

- использование любых других средств, обеспечивающих равноценную изоляцию.

2.2.3.2 Разделение заземленным экраном (метод 2)

Если части ЦЕПИ БСНН отделены от частей, находящихся под ОПАСНЫМ НАПРЯЖЕНИЕМ, заземленными экраном или другими токопроводящими частями, то части, находящиеся под ОПАСНЫМ НАПРЯЖЕНИЕМ, должны быть отделены от заземленных частей ОСНОВНОЙ ИЗОЛЯЦИЕЙ. Заземленные части должны соответствовать требованиям 2.6.

2.2.3.3 Защита заземлением цепи БСНН (метод 3)

Части ЦЕПЕЙ БСНН, защищенные заземлением, должны быть подключены к клемме защитного заземления, и при этом, в соответствии с 2.2.3, должно быть выполнено требование относительно полного сопротивления цепи или применено защитное устройство, или то и другое. За исключением случаев, разрешенных в 2.3.2, части цепей БСНН также должны быть отделены от других цепей, не являющихся ЦЕПЯМИ БСНН, с помощью ОСНОВНОЙ ИЗОЛЯЦИИ. Цепи БСНН должны иметь адекватную пропускную способность тока повреждения, чтобы гарантировать действие защитного устройства, если таковое вообще имеется, и гарантировать, что цепь, по которой этот ток уходит на землю, не нарушится (см. 2.6).

Примечания

1 Разные части одной и той же ЦЕПИ БСНН могут быть защищены различными способами, например:

- метод 2 - внутри силового трансформатора, питающего мостовой выпрямитель;

- метод 1 - для ВТОРИЧНОЙ ЦЕПИ переменного напряжения;

- метод 3 - на выходе мостового выпрямителя;

2 В нормальных условиях допустимый уровень напряжения для ЦЕПИ БСНН тот же, что и для ЦЕПИ СНН. ЦЕПЬ БСНН может рассматриваться как ЦЕПЬ СНН с дополнительной защитой на случай повреждения.

2.2.4 Соединение цепей БСНН с другими цепями

Для ЦЕПИ БСНН подключение к другим цепям разрешается при условии выполнения всех перечисленных ниже положений:

- за исключением допущений в 1.5.7 и 2.4.3, ЦЕПИ БСНН отделяют внутри оборудования ОСНОВНОЙ ИЗОЛЯЦИЕЙ от любой ПЕРВИЧНОЙ ЦЕПИ (включая нейтраль);

- ЦЕПЬ БСНН удовлетворяет 2.2.2 при нормальных условиях работы;

- за исключением требований, изложенных в 2.3.2, ЦЕПЬ БСНН удовлетворяет 2.2.3 в случае единичного повреждения (см. 1.4.14) в ЦЕПИ БСНН или ВТОРИЧНОЙ ЦЕПИ, к которой она подключена.

Если ЦЕПЬ БСНН присоединена к другим цепям (одной или более), такая ЦЕПЬ БСНН является частью, на которую распространяются требования 2.2.2 и 2.2.3.

Если ЦЕПЬ БСНН получает по проводам электропитание для ВТОРИЧНОЙ ЦЕПИ, которая отделена от ЦЕПИ ОПАСНОГО НАПРЯЖЕНИЯ посредством:

- ДВОЙНОЙ или УСИЛЕННОЙ ИЗОЛЯЦИИ, или

- заземленного проводящего экрана, отделенного от цепи под ОПАСНЫМ НАПРЯЖЕНИЕМ с помощью ОСНОВНОЙ ИЗОЛЯЦИИ, то такая ЦЕПЬ БСНН должна рассматриваться как отделенная от ПЕРВИЧНОЙ ЦЕПИ или другой цепи ОПАСНОГО НАПРЯЖЕНИЯ тем же способом.

Примечание - Для выполнения требований, действующих в Норвегии, см. 1.7.2, примечание 4 и 6.1.2.1, примечание 2.

2.3 Цепи НТС

2.3.1 Допуски

В отдельной ЦЕПИ НТС или взаимосвязанных ЦЕПЯХ НТС напряжение между любыми двумя проводниками ЦЕПИ или ЦЕПЕЙ НТС, а также между любым проводом ЦЕПИ (ЕЙ) НТС и землей (см. 1.4.9) должно соответствовать следующему.

а) ЦЕПИ НТС-1.

Напряжения не должны превышать значений:

- допуска по 2.2.2 для ЦЕПЕЙ БСНН в нормальных рабочих условиях;

- допусков, приведенных на рисунке 2D, измеренных на резисторе сопротивлением 5000 Ом ±2%, в случае единичного повреждения изоляции внутри оборудования.

Примечание 1 -В случае единичного повреждения изоляции или компонента допуск по истечении 200 мс соответствует 2.3.1b для ЦЕПИ НТС-2 или НТС-3 для нормальных рабочих условий.

Рисунок 2D - Максимальное напряжение, допускаемое после единичного повреждения изоляции

b) ЦЕПИ НТС-2 и НТС-3

Величины напряжений превышают допуски по 2.2.2 для ЦЕПИ БСНН, но не более:

- значений напряжений сигналов, которые должны удовлетворять требованиям М.2 или М.3 при вызывном телефонном сигнале;

- при отсутствии вызывного телефонного сигнала:

комбинация напряжений переменного и постоянного тока в нормальных рабочих условиях должна удовлетворять условию

,

где Uac - амплитудное значение напряжения переменного тока при любой частоте, В

Udc - значение напряжения постоянного тока, В.

Примечания

2 Если значение напряжения Udc равно нулю, то значение напряжения Uac не может быть более 70,7 В амплитудного значения.

3 Когда значение напряжения Uac равно нулю, то значение напряжения Udc не может быть более 120 В;

допуски на рисунке 2D измерены на резисторе сопротивлением 5000 Ом ±2% в случае единичного повреждения изоляции (см. 1.4.14) внутри оборудования.

Соответствие определяют проверкой или измерением.

Примечание 4 - В существующей ТЕЛЕКОММУНИКАЦИОННОЙ СЕТИ могут присутствовать сигналы телеграфа или телетайпа. Использование этих устройств считают устаревшим, и характеристики таких сигналов в ЦЕПЯХ НТС в настоящем стандарте не рассматривают.

2.3.2 Отделение от других цепей и доступных частей оборудования

Примечание 1 - См. также 6.1.2 и 6.2.

Допуски для ЦЕПЕЙ НТС-2 и НТС-3 при единичных выходах из строя изоляции (см. 1.4.14), отделенных от ЦЕПЕЙ БСНН, НТС-1 и доступных проводящих частей, должны удовлетворять требованиям 2.3.1b и в нормальных рабочих условиях не превышать соответствующих допусков для ЦЕПЕЙ БСНН, НТС-1 и доступных проводящих частей.

Примечания

2 В Канаде и Соединенных Штатах в этом случае применяют допуски по 2.2.3.

3 В нормальных рабочих условиях допуски по 2.2.2 всегда применяют к каждой ЦЕПИ БСНН и доступной проводящей части.

4 Допуски по 2.3.1 всегда применяют к каждой ЦЕПИ НТС.

Требования по отделению будут удовлетворены, если ОСНОВНАЯ ИЗОЛЯЦИЯ обеспечивается, как указано в таблице 2G (см. 2.9.5). Другие решения не применяют.

ОСНОВНАЯ ИЗОЛЯЦИЯ не требуется, если удовлетворяются все следующие условия:

- ЦЕПИ БСНН, НТС-1 или доступная проводящая часть присоединены к клемме защитного заземления в соответствии с 2.6;

- для ОБОРУДОВАНИЯ, ПОДКЛЮЧЕННОГО СОЕДИНИТЕЛЕМ ТИПА А, предусмотрена клемма отдельного защитного заземления в дополнение к основной клемме защитного заземления в соответствии с 2.6.4.1. В инструкциях по сборке должно быть точно определено, что эта отдельная клемма имеет постоянное соединение с землей;

- ОБОРУДОВАНИЕ, ПОДКЛЮЧЕННОЕ СОЕДИНИТЕЛЕМ ТИПА В, должно соответствовать каждому из приведенных выше требований для ОБОРУДОВАНИЯ, ПОДКЛЮЧЕННОГО СОЕДИНИТЕЛЕМ ТИПА А, или должны быть предусмотрены обе маркировки на оборудовании и даны указания в инструкциях по сборке, точно определяющие, что ПОЛЬЗОВАТЕЛЬ должен отключить все соединители ТЕЛЕКОММУНИКАЦИОННОЙ СЕТИ до отсоединения питания.

Примечание 5 - Предполагается, что ОБОРУДОВАНИЕ, ПОДКЛЮЧЕННОЕ ПОСТОЯННО, имеет основной зажим заземления, соединенный с землей;

- испытания 2.3.5 проводят, если ЦЕПЬ НТС-2 или НТС-3 предназначена принимать сигналы или мощность, генерируемые вне оборудования при нормальных условиях работы (например, в ТЕЛЕКОММУНИКАЦИОННОЙ СЕТИ).

По выбору изготовителя допускается трактовать ЦЕПИ НТС-1 и НТС-2 как ЦЕПИ НТС-3. В этом случае ЦЕПЬ НТС-1 или НТС-2 должна удовлетворять всем требованиям по разъединению для ЦЕПИ НТС-3.

Соответствие проверяют обследованием, измерением и, при необходимости, имитацией неисправности компонентов и изоляции так, как это может произойти в оборудовании. Перед испытаниями изоляцию, не удовлетворяющую требованиям для ОСНОВНОЙ ИЗОЛЯЦИИ, замыкают накоротко.

Примечания

6 В случаях, когда предусмотрена ОСНОВНАЯ ИЗОЛЯЦИЯ, к пей применяют требования 6.2.1. Испытательное напряжение, указанное в 6.2.2, в большинстве случаев выше, чем напряжение, прилагаемое к ОСНОВНОЙ ИЗОЛЯЦИИ.

7 Относительно требований в Норвегии, см. 6.1.2.1, примечание 2.

8 В Дании изоляция между ЦЕПЯМИ НТС и любой частью или цепью, соединенной с землей, должна выдерживать испытание на электрическую прочность при 500 В эффективного значения переменного напряжения в течение 1 мин.

2.3.3 Отделение от опасного напряжения

За исключением случаев, допускаемых в 2.3.4, ЦЕПИ НТС должны быть отделены от цепей опасного напряжения одним или обоими следующими методами:

a) ДВОЙНОЙ или УСИЛЕННОЙ ИЗОЛЯЦИЕЙ;

b) ОСНОВНОЙ ИЗОЛЯЦИЕЙ совместно с защитным экраном, соединенным с клеммой защитного заземления.

Соответствие проверяют обследованием и измерением.

Примечания

1 В Дании и Финляндии метод b) разрешен только для ПОСТОЯННО ПОДКЛЮЧЕННОГО ОБОРУДОВАНИЯ или для ОБОРУДОВАНИЯ, ПОДКЛЮЧЕННОГО СОЕДИНИТЕЛЕМ ТИПА В.

2 В Норвегии метод b) не применяют.

2.3.4 Соединение цепей НТС с другими цепями

Допускается соединение ЦЕПИ НТС с другими цепями при условии, что эти цепи отделены ОСНОВНОЙ ИЗОЛЯЦИЕЙ от любой ПЕРВИЧНОЙ ЦЕПИ (включая нейтраль) внутри оборудования, за исключением случаев, допускаемых в 1.5.7.

Примечание 1 - Ограничения в 2.3.1 всегда применяют для ЦЕПЕЙ НТС.

Если ЦЕПЬ НТС соединена с другими цепями (одной или более) то ЦЕПЬ НТС является частью, которая должна соответствовать требованиям 2.3.1.

Если ЦЕПЬ НТС получает питание от ВТОРИЧНОЙ ЦЕПИ, отделенной от цепи с ОПАСНЫМ НАПРЯЖЕНИЕМ:

- ДВОЙНОЙ или УСИЛЕННОЙ ИЗОЛЯЦИЕЙ;

- заземленным проводящим экраном, который в свою очередь отделен от цепи с ОПАСНЫМ НАПРЯЖЕНИЕМ ОСНОВНОЙ ИЗОЛЯЦИЕЙ, то цепь НТС должна рассматриваться как отделенная от цепи с ОПАСНЫМ НАПРЯЖЕНИЕМ тем же методом.

Соответствие проверяют обследованием и моделированием одиночных неисправностей (см. 1.4.14), которые являются вероятными в оборудовании. Не моделируют неисправности, которые могут вызвать на резисторе сопротивлением 5000 Ом ± 2%, подключенном между двумя проводниками ЦЕПИ НТС или между одним проводником этой цепи и землей, напряжения, выходящие за пределы заштрихованной зоны рисунка 2D (см. 2.3.1) в течение не менее 5 с.

Примечания

2 Для требований, действующих в Норвегии, см. 6.1.2.1, примечание 2.

3 Для требований, действующих в Финляндии, см. 2.3.3, примечание 1.

2.3.5 Испытание для рабочего напряжения, генерируемого вне оборудования

Это испытание выполняют лишь в случае, если оно указано в 2.3.2.

При испытаниях используют генератор, указанный производителем, который выдает максимальное напряжение, ожидаемое от внешнего источника. При отсутствии таких указаний применяют генератор, который обеспечивает напряжение (120 ± 2) В переменного тока частотой 50 или 60 Гц и имеет выходное сопротивление 1200 Ом ± 2%.

Примечание - Генератор не имитирует напряжение, действующее в ТЕЛЕКОММУНИКАЦИОННОЙ СЕТИ, а используется при испытаниях цепей оборудования методом моделирования вызывного сигнала.

Генератор подключают к зажимам оборудования, предназначенным для соединения с ТЕЛЕКОММУНИКАЦИОННОЙ СЕТЬЮ. Один полюс генератора подключают к клемме заземления оборудования (см. рисунок ). Испытательное напряжение подают не более 30 мин. Если дальнейшее ухудшение не происходит, испытания заканчивают.

1 - испытуемое оборудование; 2 - контакты для включения в телефонную сеть; G - испытательный генератор

Рисунок 2Е - Испытательный генератор

В течение испытаний ЦЕПИ БСНН, НТС-1 или доступные проводящие части должны соответствовать 2.2.2.

Испытания повторяют после взаимно противоположного подключения проводников ТЕЛЕКОММУНИКАЦИОННОЙ СЕТИ к зажимам оборудования.

2.4 Цепи с ограничением тока

2.4.1 Общие требования

Цепи с ограничением тока должны иметь такую конструкцию, чтобы допустимые ограничения, указанные в 2.4.2, не были превышены при эксплуатации в нормальных условиях и в случае единичного повреждения в оборудовании (см. 1.4.14 и 1.5.7).

За исключением случаев, указанных в 2.4.3, отделение ЦЕПЕЙ С ОГРАНИЧЕНИЕМ ТОКА от других цепей должно осуществляться так, как указано в 2.2 для цепей БСНН.

Соответствие проверяют обследованием и проведением измерений.

2.4.2 Величины допустимых ограничений

Для частот, не превышающих 1 кГц, значение установившегося тока, проходящего через безындуктивный резистор сопротивлением 2000 Ом ± 10%, включенный между любыми двумя частями ЦЕПИ С ОГРАНИЧЕНИЕМ ТОКА или между любой такой частью и землей (см. 1.4.9), не должно превышать 0,7 мА для амплитуды переменного или 2 мА для постоянного тока.

Для частот выше 1 кГц значение 0,7 мА умножают на величину частоты в килогерцах, но оно не должно быть более 70 мА амплитуды переменного тока.

Для частей, находящихся под напряжением, не превышающем 450 В амплитудного значения для переменного или того же значения постоянного тока, емкость цепи не должна превышать 0,1 мкФ.

Для частей, где напряжение U, находится в пределах 0,45 - 15 кВ амплитуды переменного или того же значения постоянного тока, емкость цепи С, нФ, не должна превышать значение, рассчитываемое по формуле

C = 45/U,                                                         (1)

где U - напряжение, кВ.

Примечание 1 - Значение 45/U соответствует допустимому накопленному заряду 45 мкКл.

Для частей, где напряжение U превышает 15 кВ амплитудного значения переменного или того же значения постоянного тока, емкость цепи С, нФ, не должна превышать значение, рассчитываемое по формуле

С = 700/U2,                                                        (2)

где U - напряжение, кВ.

Примечание 2 - Значение 700/U2 соответствует допустимой энергии цепи 350 мДж.

2.4.3 Соединение цепей с ограничением тока с другими цепями

ЦЕПИ С ОГРАНИЧЕНИЕМ ТОКА могут иметь независимое электропитание или подключение к другим цепям при условии, что выполняются следующие требования:

- ЦЕПЬ С ОГРАНИЧЕНИЕМ ТОКА удовлетворяет допускам по 2.4.2 при нормальных рабочих условиях;

- ЦЕПЬ С ОГРАНИЧЕНИЕМ ТОКА продолжает удовлетворять допускам по 2.4.2 в случае единичной неисправности любого компонента или изоляции в ЦЕПИ С ОГРАНИЧЕНИЕМ ТОКА, или любого компонента, или изоляции в другой цепи, к которой она подключена.

Если ЦЕПЬ С ОГРАНИЧЕНИЕМ ТОКА подсоединена к другим цепям (одной или более), то она должна удовлетворять требованиям 2.4.1.

2.5 Сетевые источники питания

Сетевой источник питания ограниченной мощности, работающий от СЕТИ ПИТАНИЯ ПЕРЕМЕННОГО ТОКА, или аккумуляторный источник ограниченной мощности, который во время питания нагрузки заряжается от СЕТИ ПИТАНИЯ ПЕРЕМЕННОГО ТОКА, должен иметь в своем составе изолирующий трансформатор.

Источник питания с ограничением мощности должен соответствовать одному из следующих условий:

- к выходным параметрам предъявляют ограничения согласно таблице ;

- полное выходное сопротивление должно удовлетворять требованиям таблицы . При использовании прибора с положительным температурным коэффициентом, он должен выдерживать испытания, установленные ГОСТ МЭК 730-1, разделы 15, 17, J15 и J17;

- используют устройство защиты от перегрузки по току, а выходные параметры ограничены согласно таблице ;

- регулировка сети ограничивает выходные параметры согласно таблице как при нормальных эксплуатационных режимах, так и после любой одиночной неисправности (см. 1.4.14) в регулирующей сети (обрыв или короткое замыкание цепи);

- регулировка сети ограничивает выходные параметры в соответствии с таблицей 2В при работе в нормальном режиме, а устройство защиты от перегрузки по току ограничивает выходные параметры согласно таблице после любой одиночной неисправности (см. 1.4.14) в регулирующей сети (обрыв или короткое замыкание цепи).

При использовании устройства защиты от перегрузки по току необходимо применение плавкого предохранителя или электромеханического устройства без регулировки и автовозврата.

Соответствие проверяют обследованием, измерением и, при необходимости, проверкой данных изготовителя батарей. Батареи должны быть полностью заряжены при измерениях Ux.х и Iк.з в соответствии с таблицами и .

Нагрузку, приведенную в строках 2 и 3 таблиц и , устанавливают с учетом передачи максимального тока и мощности соответственно. Имитацию одиночных неисправностей в регулирующей сети используют с учетом этих максимальных токов и мощности.

Таблица 2В - Предельные значения для источников питания, содержащих устройства ограничения

Выходное напряжение Uхх1), В

Выходной ток Iк.з2), А

Действительная мощность S3), В×А

Переменный ток

Постоянный ток

£ 20

£ 20

£ 8,0

£ 5´Uх.х

20 < Ux.x £ 30

20 < Ux.x £ 30

£ 100

-

30 < Ux.x £ 60

£ 150 / Uх.х

1) Ux.x - выходное напряжение, измеренное в соответствии с 1.4.5 при всех отсоединенных цепях нагрузки. Напряжения приведены для синусоидального переменного тока и постоянного тока, без пульсаций. Для несинусоидального переменного тока и постоянного тока с амплитудными значениями пульсаций более 10% амплитудные значения напряжений не должны превышать 42,4 В.

2) Iк.з - максимальный выходной ток после 60 с работы при отсутствии емкостной нагрузки, включая короткозамкнутые цепи.

3) S - максимальная полная выходная мощность при любой нагрузке. Допускается превышение граничного значения для переходных процессов при пуске продолжительностью менее 100 мс.

Таблица 2С - Предельные значения для источников питания, не содержащих устройства ограничения (требуются только устройства защиты от перегрузки по току)

Выходное напряжение Uxx1), В

Выходной ток Iк.з2), А

Действительная мощность S3), В×А

Номинальное значение тока устройства зашиты,4) А

Переменный ток

Постоянный ток

£ 20

£ 20

£ 1000 / Ux.x

£ 250

£ 5,0

20 < Ux.x £ 30

20 < Ux.x £ 30

£ 100 / Ux.x

-

30 < Ux.x £ 60

£ 100 / Ux.x

1) Ux.x - выходное напряжение, измеренное в соответствии с 1.4.5 при всех отсоединенных цепях нагрузок. Напряжения приведены для синусоидального переменного тока и постоянного тока, без пульсаций. Для несинусоидального переменного тока и постоянного тока с амплитудными значениями пульсаций более 10% амплитудные значения напряжений не должны превышать 42,4 В.

2) Iк.з - максимальный выходной ток после 60 с работы при отсутствии емкостной нагрузки, включая короткозамкнутые цепи, без учета устройств токовой защиты. Ток, ограниченный полным сопротивлением оборудования, протекает в цепи во время измерений устройства защиты от перегрузки по току.

3) S - максимальная полная выходная мощность при любой нагрузке и без учета устройств токовой защиты. Из рассмотрения исключают переходные процессы при пуске продолжительностью менее 100 мс.

Примечание - Основанием для исключения измерений с устройствами защиты от перегрузки по току является суммарная энергия, являющаяся причиной возможного чрезмерного перегрева во время работы устройств защиты от перегрузки по току.

4) Номинальное значение тока для устройств защиты, таких как плавкие предохранители и разъединители цепи, определяют, исходя из условия, что они срабатывают при протекании в течение 120 с тока, равного 210% от номинального значения, приведенного в таблице.

2.6 Требования к защитному заземлению

Примечание - Дополнительные требования к заземлению оборудования, соединенного с ТЕЛЕКОММУНИКАЦИОННЫМИ СЕТЯМИ, см. в 2.3.2, 2.3.3, 6.1.1 и 6.1.2.

2.6.1 Защитное заземление

Следующие части оборудования должны быть надежно соединены с основным зажимом защитного заземления оборудования.

Части, по которым протекают токи повреждения, при срабатывании устройств защиты от перегрузки по току:

a) доступные токопроводящие части, которые могут нести ОПАСНОЕ НАПРЯЖЕНИЕ в случае одиночной неисправности (см. 1.4.14);

b) части, которые должны быть заземлены для сохранения целостности ЦЕПИ БСНН, если для них обязательны требования 2.2.3.2 и 2.2.3.3;

c) части, которые должны быть заземлены для сохранения целостности ЦЕПИ НТС, если для них обязательны требования 2.3.3b;

d) ЦЕПИ БСН, ЦЕПИ НТС и доступные токопроводящие части, которые должны быть заземлены по 2.3.2, если источником питания не является ТЕЛЕКОММУНИКАЦИОННАЯ СЕТЬ.

Части, проводящие другие токи:

e) ЦЕПИ БСН, НТС и доступные токопроводящие части, которые обязательно должны быть заземлены по 2.3.2, если источником питания является ТЕЛЕКОММУНИКАЦИОННАЯ СЕТЬ;

f) экраны трансформаторов и компоненты (такие, как защита от молний), которые не должны принимать на себя ОПАСНОЕ НАПРЯЖЕНИЕ в случае одиночной неисправности (см. 1.4.14), но должны быть заземлены для уменьшения переходных процессов, которые могут действовать изолированно (см. 6.2.1);

g) ЦЕПИ БСН и ЦЕПИ НТС, которые обязательно должны быть заземлены для уменьшения или исключения ТОКА ПРИКОСНОВЕНИЯ в ТЕЛЕКОММУНИКАЦИОННОЙ СЕТИ.

В ОБЛАСТИ, ДОСТУПНОЙ ДЛЯ ОБСЛУЖИВАНИЯ, проводящие части, такие как корпус двигателя, шасси электронных схем и т.д., на которых в случае единичного повреждения изоляции может возникнуть ОПАСНОЕ НАПРЯЖЕНИЕ, должны либо подключаться к клемме защитного заземления, либо, если это невозможно или трудно выполнимо, быть снабжены специальной надписью, предупреждающей ОБСЛУЖИВАЮЩИЙ ПЕРСОНАЛ, что данные части не заземлены и перед тем, как их касаться, необходимо проверить отсутствие ОПАСНОГО НАПРЯЖЕНИЯ.

Примечание - Требование 2.6.1 не распространяется на доступные токопроводящие части, которые отделены от частей, находящихся под ОПАСНЫМ НАПРЯЖЕНИЕМ:

- заземленными металлическими частями или

- твердой изоляцией, воздушным зазором или их сочетанием, которые удовлетворяют требованиям для ДВОЙНОЙ или УСИЛЕННОЙ ИЗОЛЯЦИИ. В этом случае эти части должны быть закреплены и жесткими настолько, чтобы при проведении испытаний с приложением усилия согласно 4.2.2 - 4.2.4 сохранялись заданные минимальные расстояния.

Соответствие проверяют обследованием и проверкой на выполнение требований 2.6.3.

2.6.2 Функциональное заземление

Если необходимо ФУНКЦИОНАЛЬНОЕ ЗАЗЕМЛЕНИЕ доступных или других проводящих частей, то к цепям ФУНКЦИОНАЛЬНОГО ЗАЗЕМЛЕНИЯ применяют все следующие требования:

- цепь ФУНКЦИОНАЛЬНОГО ЗАЗЕМЛЕНИЯ должна быть отделена от частей с ОПАСНЫМ НАПРЯЖЕНИЕМ в оборудовании одним из следующих способов:

ДВОЙНОЙ ИЛИ УСИЛЕННОЙ ИЗОЛЯЦИЕЙ,

экраном защитного заземления или другой частью проводящего защитного заземления, отделенного от частей под ОПАСНЫМ НАПРЯЖЕНИЕМ по крайней мере ОСНОВНОЙ ИЗОЛЯЦИЕЙ;

- допустимо цепь ФУНКЦИОНАЛЬНОГО ЗАЗЕМЛЕНИЯ подсоединять к клемме защитного заземления или к ПРОВОДНИКУ ЗАЩИТНОГО СОЕДИНЕНИЯ;

- клеммы, используемые только для ФУНКЦИОНАЛЬНОГО ЗАЗЕМЛЕНИЯ, не должны быть маркированы символом  (МЭК 60417-1, № 5017 [1]) или  (МЭК 60417-1, № 5019), за исключением мест, где проводящий зажим предусмотрен на компоненте (например, клеммной колодке) или сборочном узле, где символ  разрешен.

Примечание - Другие маркировки, такие как,  (МЭК 60417-1, № 5018 [1]) или  (МЭК 60417-1 № 5020), если подходят, допустимы;

- для внутреннего ФУНКЦИОНАЛЬНОГО ЗАЗЕМЛЕНИЯ не используют провода с изоляцией зелено-желтого цвета, кроме комплексных укрупненных деталей (например, многопроводные кабели или ЭМС фильтры);

- проводники с изоляцией зелено-желтого цвета, расположенные в кабеле электропитания, используют только для подключения к ФУНКЦИОНАЛЬНОМУ ЗАЗЕМЛЕНИЮ:

оборудование не должно быть маркировано символом  (МЭК 60417-1 № 5172 [1]);

если нет других требований, кроме изложенных в 3.1.9, необходимо, чтобы этот провод оканчивался в оборудовании.

Соответствие проверяют обследованием.

2.6.3 Проводники защитного заземления и соединения

Требования 2.6.3.1 - 2.6.3.3 применяют к ПРОВОДНИКАМ ЗАЩИТНОГО ЗАЗЕМЛЕНИЯ И ПРОВОДНИКАМ ЗАЩИТНОГО СОЕДИНЕНИЯ, учитывая требования 2.6.1 а, b, с, d.

Для ПРОВОДНИКОВ ЗАЩИТНОГО ЗАЗЕМЛЕНИЯ И ПРОВОДНИКОВ ЗАЩИТНОГО СОЕДИНЕНИЯ, соответствующих 2.6.1е, применяют требования 2.6.3.3. Испытательный ток устанавливают 1,5 раза больше максимального тока от ТЕЛЕКОММУНИКАЦИОННОЙ СЕТИ (если он известен) или 2 А, в зависимости от того, какой из них больше.

Для ПРОВОДНИКОВ ЗАЩИТНОГО ЗАЗЕМЛЕНИЯ И ПРОВОДНИКОВ ЗАЩИТНОГО СОЕДИНЕНИЯ, соответствующих 2.6.1f, g, и для проводников ФУНКЦИОНАЛЬНОГО ЗАЗЕМЛЕНИЯ предельный ток должен быть адекватным фактическому току при нормальных рабочих условиях согласно 3.1.1, т.е. они не обязаны отводить токи повреждения на землю.

2.6.3.1 Размеры проводников защитного заземления

ПРОВОДНИК ЗАЩИТНОГО ЗАЗЕМЛЕНИЯ в шнуре электропитания оборудования должен иметь размеры не менее указанных в таблице (см. 3.2.5).

Соответствие проверяют обследованием и измерением

2.6.3.2 Размеры проводников защитного соединения

ПРОВОДНИКИ ЗАЩИТНОГО СОЕДИНЕНИЯ должны соответствовать одному из следующих условий:

- минимальные размеры проводников - таблице (см. 3.2.5);

- согласно 2.6.3.3, а также, если номинальное значение тока в цепи более 16 А, минимальные размеры проводников - таблице 2D;

- только для составных частей быть не менее, чем проводники электропитания блока. Номинальный ток цепи, используемый в таблице 2D при испытании по 2.6.3.3, зависит от условия и размещения защитных устройств перегрузки по току и должен быть равен наименьшему значению из:

- НОМИНАЛЬНОГО ТОКА оборудования;

- номинального значения тока устройства защиты от перегрузки, указанного в инструкции по установке оборудования, которое должно быть предусмотрено в электропроводке здания;

- номинального значения тока устройства защиты от перегрузки, встроенного в оборудование и защищающего цепь или часть, требующую заземления.

Соответствие проверяют обследованием и измерением.

Таблица 2D - Минимальный размер проводников защитного соединения

Номинальный ток рассматриваемой цепи, А

Минимальная площадь поперечного сечения проводника, мм2

Номинальный ток рассматриваемой цепи, А

Минимальная площадь поперечного сечения проводника, мм2

До 16 включ.

-

Св. 125 до 160 включ.

35,0

Св. 16 до 25 включ.

1,5

» 160 » 190 »

50,0

» 25 » 32 »

2,5

» 190 » 230 »

70,0

» 32 » 40 »

4,0

» 230 » 260 »

95,0

» 40 » 63 »

6,0

» 260 » 300 »

120,0

» 63 » 80 »

10,0

» 300 » 340 »

150,0

» 80 » 100 »

16,0

» 340 » 400 »

185,0

» 100 » 125 »

25,0

» 400 » 460 »

240,0

2.6.3.3 Сопротивление проводников заземления и их клемм

Проводники заземления и их клеммы не должны иметь чрезмерных сопротивлений.

ПРОВОДНИКИ ЗАЩИТНОГО ЗАЗЕМЛЕНИЯ считают соответствующими требованиям без испытаний.

ПРОВОДНИКИ ЗАЩИТНОГО СОЕДИНЕНИЯ, удовлетворяющие требованиям к минимальным размерам проводников, указанным в таблице (см. 3.2.5), и имеющие клеммы согласно таблице (см. 3.3.5), считают соответствующими без испытаний.

Соответствие проверяют осмотром, измерением, а для ПРОВОДНИКОВ ЗАЩИТНОГО СОЕДИНЕНИЯ, которые не удовлетворяют минимальным размерам, приведенным в таблице (см. 3.2.5), или клемм защитного соединения, которые не удовлетворяют требованиям таблицы (см. 3.3.5), следующими испытаниями.

Падение напряжения на ПРОВОДНИКЕ ЗАЩИТНОГО СОЕДИНЕНИЯ измеряют после прохождения испытательного тока за период времени, определенный ниже. Испытательный ток может быть либо переменным, либо постоянным. Измерения проводят между главной клеммой защитного заземления и точкой в оборудовании, которая в соответствии с требованиями 2.6.1 должна быть заземлена. Сопротивление ПРОВОДНИКА ЗАЩИТНОГО ЗАЗЕМЛЕНИЯ при измерении не учитывают. Кроме того, если ПРОВОДНИК ЗАЩИТНОГО ЗАЗЕМЛЕНИЯ поставляется вместе с оборудованием, то допускается включать его в испытательную схему, но измерение падения напряжения производить между главной клеммой защитного заземления и частью, которую требуется заземлить.

Для оборудования с подключением защитного заземления к субблоку или отдельному узлу посредством одиночного провода или многожильного кабеля, в состав которого входят сетевые провода, сопротивление ПРОВОДНИКА ЗАЩИТНОГО СОЕДИНЕНИЯ в результат измерения сопротивления не включают. Этот пункт применяют в случае, если кабель предохранен защитным устройством с соответствующими номинальными характеристиками, учитывающими размер проводника.

Если защита ЦЕПЕЙ БСНН обеспечивается при помощи заземления в соответствии с 2.3.3.3, то рассматривают сопротивление между заземленной частью ЦЕПИ БСНН и основной клеммой защитного заземления, а не между незаземленной частью ЦЕПИ БСНН.

Должны быть приняты меры, исключающие влияние на результаты испытаний контактного сопротивления между наконечником измерительного щупа и испытуемой частью.

Если номинальный ток испытуемой цепи 16 А или меньше, то должны быть соблюдены следующие условия:

- испытательный ток равен 1,5 номинального тока испытуемой цепи;

- испытательное напряжение не превышает 12 В;

- длительность испытаний равна 60 с.

Сопротивление ПРОВОДА ЗАЩИТНОГО СОЕДИНЕНИЯ, рассчитанное по падению напряжения, не должно превышать 0,1 Ом.

Если номинальный ток испытуемой цепи превышает 16 А, то испытательный ток и длительность испытаний равны:

- двойному номинальному току за 2 мин или

- установленному изготовителем для постоянно точного силового оборудования.

Падение напряжения при измерении параллельно ПРОВОДУ ЗАЩИТНОГО СОЕДИНЕНИЯ не должно превышать 2,5 В.

2.6.3.4 Цвет изоляции

Цвет изоляции ПРОВОДНИКА ЗАЩИТНОГО ЗАЗЕМЛЕНИЯ в кабеле электропитания, поставляемом с оборудованием, должен быть зелено-желтым.

Если ПРОВОДНИК ЗАЩИТНОГО СОЕДИНЕНИЯ изолирован, изоляция должна быть зелено-желтого цвета, кроме следующих случаев:

- для заземляющей оплетки изоляция должна быть или зелено-желтого цвета, или прозрачная;

- для ПРОВОДНИКА ЗАЩИТНОГО СОЕДИНЕНИЯ в таких узлах, как ленточные кабели, фидеры, печатный монтаж и т.д., допустим любой цвет, если исключено неверное истолкование использования провода.

За исключением допусков по 2.6.2, комбинация зеленого и желтого цветов должна использоваться только для изоляции ПРОВОДНИКОВ ЗАЩИТНОГО ЗАЗЕМЛЕНИЯ и ПРОВОДНИКОВ ЗАЩИТНОГО СОЕДИНЕНИЯ.

Соответствие проверяют обследованием.

2.6.4 Клеммы

Требования 2.6.4.1 и 2.6.4.2 применяют только к клеммам защитного заземления, предусмотренным в 2.6.1а, b, с, d.

Примечание - Дополнительные требования к клеммам см. в 3.3.

Для обеспечения защитного заземления в согласно 2.6.1е, f, g достаточно, чтобы клеммы соответствовали 3.3.

2.6.4.1 Зажимы защитного заземления и соединения

Оборудование, в котором требуется защитное заземление, должно иметь главную клемму защитного заземления. Для оборудования со СЪЕМНЫМ ШНУРОМ ИСТОЧНИКА ПИТАНИЯ клемму заземления ввода в прибор считают главной клеммой защитного заземления.

Если оборудование снабжено более чем одним средством подключения электропитания (например, при питании от различных напряжений или частот, или от источника резервного питания), то допускается иметь главную клемму защитного заземления, объединенную с таким питающим соединением. В этом случае зажимы должны быть соразмерны соответствующим номинальным входам электропитания.

Конструкция клемм должна препятствовать непреднамеренному ослаблению проводов. В общем случае используют конструкцию для токоподводящих клемм, отличную от клемм опорного типа, обеспечивающую достаточную упругость в соответствии с этим требованием. Для других конструкций должно быть специальное обеспечение, например применение соответствующих упругих частей, которые не могут быть случайно забыты при установке.

За исключением указанного ниже, все клеммы защитного заземления и соединения опорных, штифтовых и винтовых типов должны иметь размеры не менее указанных в таблице (см. 3.3.5).

Клеммы защитных соединений, не соответствующие требованиям таблицы , рассматривают как приемлемые, если они удовлетворяют требованиям испытаний 2.6.3.3.

Клемма главного защитного заземления для ОБОРУДОВАНИЯ, ПОДКЛЮЧЕННОГО ПОСТОЯННО, должна:

- располагаться так, чтобы быть легкодоступной во время подключения питания;

- снабжаться предусмотренными при производстве опорными зажимами, штифтами, винтами, болтами и или подобными клеммами вместе с необходимыми крепежными изделиями, если применяют ПРОВОДНИК ЗАЩИТНОГО ЗАЗЕМЛЕНИЯ СЕЧЕНИЕМ более чем 7 мм2 (диаметром 3 мм и более).

Соответствие проверяют обследованием и измерением.

2.6.4.2 Отделение проводника защитного заземления от проводников защитного соединения

Должны быть предусмотрены клеммы для подключения (в случае расположения на одной шине) отдельно для каждого ПРОВОДА ЗАЩИТНОГО ЗАЗЕМЛЕНИЯ и ПРОВОДА ЗАЩИТНОГО СОЕДИНЕНИЯ.

Как исключение, разрешается иметь одну клемму винтового или штифтового типа для ПОСТОЯННО ПОДКЛЮЧЕННОГО ОБОРУДОВАНИЯ, имеющего НЕСЪЕМНЫЙ ШНУР ИСТОЧНИКА ЭЛЕКТРОПИТАНИЯ, или для ОБОРУДОВАНИЯ, ПОДКЛЮЧАЕМОГО СОЕДИНИТЕЛЕМ ТИПА А или В, имеющего специальный НЕСЪЕМНЫЙ ШНУР ИСТОЧНИКА ЭЛЕКТРОПИТАНИЯ, при этом ПРОВОД ЗАЩИТНОГО ЗАЗЕМЛЕНИЯ на той же клемме должен быть отделен гайкой от ПРОВОДА ЗАЩИТНОГО СОЕДИНЕНИЯ. Порядок подключения к клемме ПРОВОДА ЗАЩИТНОГО ЗАЗЕМЛЕНИЯ и ПРОВОДОВ ЗАЩИТНОГО СОЕДИНЕНИЯ не установлен.

Разрешено также снабжать отдельной клеммой оборудование с приборным вводом.

Соответствие проверяют обследованием.

2.6.5 Полнота защитного заземления

2.6.5.1 Соединение оборудования

Для оборудования, объединенного в систему, обеспечение защитного заземления должно гарантироваться для всего оборудования в соответствии с требованиями по соединению защитного заземления, без учета расположения оборудования в системе.

Оборудование, которое содержит ПРОВОДНИК ЗАЩИТНОГО СОЕДИНЕНИЯ для сохранения непрерывности цепи защитного заземления в другом оборудовании в системе, не должно маркироваться символом(МЭК 60417-2; № 5172 [2]).

Такое оборудование должно также обеспечивать энергией другое оборудование в системе (см. 2.6.5.3).

Соответствие проверяют обследованием.

2.6.5.2 Детали в проводниках защитного заземления и соединения

ПРОВОДНИКИ ЗАЩИТНОГО ЗАЗЕМЛЕНИЯ и ПРОВОДНИКИ ЗАЩИТНОГО СОЕДИНЕНИЯ не должны содержать выключателей или устройств защиты от перегрузки по току.

Соответствие проверяют обследованием.

2.6.5.3 Разъединение защитного заземления

Соединения защитного заземления должны быть такими, чтобы разъединение в одной точке или системе не разрывало соединения защитного заземления в других частях или блоках системы, если возможная опасность не исключается в это время.

Соответствие проверяют обследованием.

2.6.5.4 Части, которые могут быть сняты оператором

Подключение защитного заземления должно происходить до момента подключения питания и разрываться после его отключения для каждой из следующих конструкций:

- соединитель частей, которые могут быть сняты ОПЕРАТОРОМ;

- штепсельная вилка шнура электропитания;

- соединительное устройство с бытовой техникой.

Соответствие проверяют обследованием.

2.6.5.5 Части, снимаемые при обслуживании

Защитное заземление должно быть выполнено так, чтобы при снятии обслуживаемой части оно не нарушалось для других частей, если возможная опасность не исключается в это время.

 Соответствие проверяют обследованием.

2.6.5.6 Стойкость к коррозии

Проводящие части в месте подсоединения к клемме защитного заземления не должны подвергаться значительной коррозии вследствие электрохимических процессов при работе, хранении или транспортировании в условиях, установленных в инструкции изготовителя. Следует избегать сочетаний металлов, указанных в приложении J. Стойкость к коррозии может быть обеспечена соответствующим покрытием или окрашиванием.

Соответствие проверяют обследованием с учетом электрохимических потенциалов (приложение J).

2.6.5.7 Винты защитного соединения

Примечание - Следующие требования являются дополнительными к приведенным в 3.1.6.

Самонарезающие (резьбонарезные и резьбовые формовочные) и пространственно нарезные винты (из листового металла) допускаются к обеспечению защитных соединений, если это не связано с необходимостью нарушения соединений во время обслуживания.

В любом случае толщина металлической части в месте применения внутренней резьбы должна быть не менее двойной глубины винтовой резьбы. Разрешено использовать местное прессование металлической части, чтобы увеличить эффективную толщину.

Не менее двух витков резьбы должно быть использовано для каждого соединения. Кроме того, разрешено использовать одиночные самонарезающие винты при условии, что толщина металлической части в месте нарезания резьбы должна быть не менее 0,9 мм для резьбоформовочных винтов и 1,6 мм - для резьбонарезных винтов.

Соответствие проверяют обследованием.

2.6.5.8 Заземление через телекоммуникационную сеть

Защитное заземление не должно осуществляться через ТЕЛЕКОММУНИКАЦИОННУЮ СЕТЬ.

Соответствие проверяют обследованием.

2.7 Ток перегрузки и защита от замыкания на землю в первичных цепях

2.7.1 Основные требования

Защита в ПЕРВИЧНЫХ ЦЕПЯХ от тока перегрузки, короткого замыкания, замыкания на землю должна либо входить в состав оборудования, либо являться составной частью сети здания.

Если защита ОБОРУДОВАНИЯ, ПОДКЛЮЧАЕМОГО СОЕДИНИТЕЛЕМ ТИПА В, или ОБОРУДОВАНИЯ, ПОДКЛЮЧЕННОГО ПОСТОЯННО, обеспечивается предохранительными устройствами проводки в здании, то инструкции по сборке оборудования должны устанавливать и точно определять требования к защите от короткого замыкания или перегрузок по току или, если необходимо, для обоих случаев.

Примечание - В странах, являющихся членами CENELEC, необходимо, чтобы защитные устройства соответствовали требованиям 5.3 с некоторыми исключениями, и должны быть включены в состав изделия.

2.7.2 Неисправности, не упомянутые в 5.3

Защита от неисправностей, не указанных в 5.3 (например, коротких замыканий на защитное заземление в первичной цепи), не обязательно должна входить в состав оборудования.

Соответствие проверяют обследованием.

2.7.3 Дублирующая защита от коротких замыканий

Если отсутствует дублирующая защита от короткого замыкания, то защитные устройства должны иметь необходимую разрывающую способность и обеспечивать прерывание максимально возможного тока, вызванного неисправностью (включая ток короткого замыкания).

Для ПОСТОЯННО ПОДКЛЮЧЕННОГО ОБОРУДОВАНИЯ или для ОБОРУДОВАНИЯ, ПОДКЛЮЧАЕМОГО СОЕДИНИТЕЛЕМ ТИПА В, разрешено дублирующую защиту от короткого замыкания устанавливать в энергосистеме здания.

Для ОБОРУДОВАНИЯ, ПОДКЛЮЧАЕМОГО СОЕДИНИТЕЛЕМ ТИПА А, установку защитного устройства в энергосистеме здания считают достаточной для защиты от короткого замыкания.

Примечание - Если в первичных цепях используют предохранители, удовлетворяющие требованиям ГОСТ Р 50537, ГОСТ Р 50538, ГОСТ Р 50539, ГОСТ Р 50540, ГОСТ Р 50541, ГОСТ Р МЭК 127-6 то они должны иметь высокую разрывающую способность (1500 А), если ожидаемый ток короткого замыкания превышает 35 А или 10-кратный номинальный ток предохранителя, каким бы большим он не был.

Соответствие проверяют обследованием и испытаниями по 5.3.

2.7.4 Количество устройств защиты и места их установки

Количество и расположение защитных систем или устройств в ПЕРВИЧНОЙ ЦЕПИ должно быть таким, чтобы выявить и прервать токи перегрузки, возникшие в любой токовой цепи (например, между фазами, между фазой и нейтралью, между фазой и проводником защитного заземления или между фазой и ПРОВОДНИКОМ ЗАЩИТНОГО СОЕДИНЕНИЯ).

Не применяют защиту от повреждения заземления в оборудовании в каждом из следующих случаев:

- нет подключения к земле;

- имеется ДВОЙНАЯ или УСИЛЕННАЯ ИЗОЛЯЦИЯ между ПЕРВИЧНОЙ ЦЕПЬЮ и всеми частями, соединенными с землей.

Примечание 1 - Если применяют ДВОЙНУЮ или УСИЛЕННУЮ ИЗОЛЯЦИЮ, то короткое замыкание на землю должно рассматриваться как двойное повреждение.

При подключении электропитания к нагрузке, использующей более одного фазного провода, в случае если защитное устройство разрывает нейтральный провод, оно должно одновременно разрывать и все остальные провода питания. Поэтому в таких случаях не используют однополюсные защитные устройства.

Соответствие проверяют обследованием и, где это необходимо, имитацией условий повреждения.

Примечание 2 - Для защитных устройств, являющихся неотъемлемой частью оборудования, примеры минимального количества и мест размещения плавких предохранителей или прерывателей цепей, необходимых для прерывания тока при неисправностях в обычно встречающихся системах питания, даны в таблице для однофазного оборудования или субблоков и в таблице 2F - для трехфазного оборудования. Примеры не являются обязательными для защитных устройств в проводке здания.

Таблица 2Е - Примеры защитных устройств в однофазном оборудовании или подсистемах

Источники, питающие оборудование

Защита

Минимальное число плавких предохранителей или полюсов автоматического выключателя

Место установки

Пример А

Оборудование, подключаемое к ЭНЕРГОСИСТЕМЕ с легкоопределяемой заземленной нейтралью, исключая приведенное в примере С

От замыкания на землю

1

Фазный провод

От тока перегрузки

1

Один из двух проводов

Пример В

Оборудование, подключаемое к любому источнику питания, включая ЭНЕРГОСИСТЕМУ IT и питание с реверсивным подключением вилки, исключая приведенное в примере С

От замыкания на землю

2

Оба провода

От тока перегрузки

1

Один из двух проводов

Пример С

Оборудование, подключаемое к трехпроводной системе электропитания с легкоопределяемой заземленной нейтралью

От замыкания на землю

2

Каждый фазный провод

От тока перегрузки

2

Каждый фазный провод

Таблицa 2F - Примеры защитных устройств трехфазного оборудования

Энергосистема

Число питающих проводов

Защита

Минимальное число плавких предохранителей или полюсов автоматического выключателя

Место установки

Трехфазная без нейтрали

3

От замыкания на землю

3

Все три провода

От тока перегрузки

2

Любые два провода

С заземленной нейтралью (TN или ТТ)

4

От замыкания на землю

3

Каждый фазный провод

От тока перегрузки

3

Каждый провод линии

С незаземленной нейтралью

4

От замыкания на землю

4

Все четыре провода

От тока перегрузки

3

Каждый фазный провод

2.7.5 Защита несколькими устройствами

Если устройства защиты используют более чем в одном полюсе питания для рассматриваемой нагрузки, то эти устройства располагают вместе. Разрешено объединять два и более защитных устройств в единое устройство.

Соответствие проверяют обследованием.

2.7.6 Предупреждения для обслуживающего персонала

Соответствующая маркировка должна быть предусмотрена на оборудовании, или требования должны приводиться в инструкции по обслуживанию с целью предупреждения ОБСЛУЖИВАЮЩЕГО ПЕРСОНАЛА о возможной опасности в следующих случаях:

- если в нейтрали однофазного ОБОРУДОВАНИЯ КЛАССА I, либо постоянно подключенного, либо снабженного вилкой с ориентированными штырями, установлены плавкие предохранители, а также

- если после срабатывания защитного устройства части оборудования, оставшиеся под напряжением, могут представлять опасность во время обслуживания.

Возможно применение следующих (или аналогичных) предупреждений:

ВНИМАНИЕ!
ДВУХПОЛЮСНЫЙ ПЛАВКИЙ
ПРЕДОХРАНИТЕЛЬ

ВНИМАНИЕ!
ПЛАВКИЙ ПРЕДОХРАНИТЕЛЬ
В НЕЙТРАЛИ

2.8. Защитные блокировки

2.8.1 Основные положения

ЗАЩИТНЫЕ БЛОКИРОВКИ устанавливают там, где разрешен доступ ОПЕРАТОРА в область, представляющую опасность при нормальных условиях в соответствии с требованиями настоящего стандарта.

2.8.2 Требования по защите

Конструкции ЗАЩИТНЫХ БЛОКИРОВОК должны устранять опасность до того, как крышка, дверца и т.п. окажутся в положении, дающем возможность испытательному пальцу в соответствии с рисунком (см. 2.1.1.1) контактировать с опасными частями.

Защита от поражения электрическим током и энергетической опасности при смещении, открывании или снятии крышки, дверцы и т.п. должна:

- неизбежно сопровождаться предварительным отключением питания таких частей или

- автоматически вызывать отключение питания таких частей и снижать в течение 2 с напряжение до значений 42,4 В амплитуды напряжения или 60 В постоянного напряжения и менее, а энергетический уровень понижать до значения менее 20 Дж.

Для движущейся части, по инерции сохраняющей движение и продолжающей представлять механическую опасность (например, вращающийся барабан печатающего устройства), закрытой дверцей или крышкой, которые смещаются, открываются или снимаются, необходимо:

- обязательное предварительное снижение перемещения до безопасного допустимого уровня;

- автоматически обеспечить снижение перемещения до безопасного допустимого уровня.

Соответствие проверяют обследованием, измерением и применением испытательного пальца согласно рисунку (см. 2.1.1).

2.8.3 Неумышленное возобновление деятельности

Конструкции ЗАЩИТНЫХ БЛОКИРОВОК должны исключить возможность неумышленного возникновения опасности при незакрытых крышках, ограждениях, дверях и т.п.

Любую доступную блокировку, которая может быть приведена в действие с помощью испытательного пальца в соответствии с рисунком (см. 2.1.1.1), рассматривают как элемент, способный вызвать непреднамеренную опасность.

Выключатели ЗАЩИТНОЙ БЛОКИРОВКИ следует выбирать с учетом механических ударов и вибраций, возникающих при нормальной работе, чтобы они не являлись причиной непреднамеренного срабатывания, приводящего к опасным последствиям.

Соответствие проверяют обследованием и, при необходимости, при помощи испытательного пальца (см. рисунок ).

2.8.4 Безопасный режим работы

Система ЗАЩИТНОЙ БЛОКИРОВКИ должна быть так сконструирована, чтобы повреждение в работе системы блокировки во время нормального срока службы оборудования:

- не происходило, а при возникновении не создавало экстремальной опасности, или

- если происходило, то не создавало опасностей, от которых требуется защита.

Соответствие проверяют обследованием системы блокировки, электрических схем, имеющихся доступных данных и, если необходимо, имитацией одиночных отказов (см. 1.4.14), например отказа полупроводникового устройства или электромеханической детали. Движущиеся детали в механических и электромеханических системах не являются субъектами имитации одиночных отказов, если они соответствуют 2.8.5 и 2.8.7.

Для испытаний разрешено применение моделей систем блокировки.

2.8.5 Блокировки с движущими частями

Движущиеся части в системах механической и электромеханической блокировки должны иметь адекватную прочность.

Соответствие проверяют обследованием системы блокировки, использованием доступных данных и, если необходимо, 10000 циклами операции включения - выключения.

Примечание - Испытание выполняют, чтобы проверить стойкость движущихся частей, отличных от выключателей блокировки и реле. Выключатели блокировки и реле в общем случае относятся к 2.8.7. Если требуются испытания по 2.8.7.3 в дополнение к приведенным выше испытаниям, то они должны быть совмещены.

2.8.6 Обход защитной блокировки

Если у ОБСЛУЖИВАЮЩЕГО ПЕРСОНАЛА возникает необходимость отключения ЗАЩИТНОЙ БЛОКИРОВКИ, то должно предусматриваться следующее:

- выполнение специальных действий для отключения;

- автоматическое возвращение в состояние нормальной работы после окончания обслуживания или запрет нормальной работы, пока ОБСЛУЖИВАЮЩИЙ ПЕРСОНАЛ не закончит ремонт;

- наличие ИНСТРУМЕНТА для работы в ОБЛАСТИ, ДОСТУПНОЙ ОПЕРАТОРУ, и исключение возможности приведения в действие защитной блокировки испытательным пальцем согласно рисунку (см. 2.1.1.1);

- отсутствие возможности обхода ЗАЩИТНОЙ БЛОКИРОВКИ при предельной опасности, если другие средства защиты не обеспечивают безопасности в этом случае. Оборудование должно быть разработано так, чтобы блокировка не могла быть исключена, пока другие средства защиты не установлены и не начинают работать.

Соответствие проверяют обследованием.

2.8.7 Выключатели и реле в системах блокировки

Выключатель системы блокировки должен соответствовать требованиям:

- ГОСТ Р МЭК 61058-1 после 10000 циклов работы в соответствии с 7.1.4.4 ГОСТ Р МЭК 61058-1, или

- 2.8.7.1 и удовлетворять требованиям испытаний 2.8.7.3 и 2.8.7.4, или

- удовлетворять требованиям испытаний 2.8.7.2 - 2.8.7.4.

Реле системы блокировки должно:

- соответствовать 2.8.7.1 и удовлетворять требованиям испытаний 2.8.7.3 и 2.8.7.4 или

- удовлетворять требованиям испытаний 2.8.7.2 - 2.8.7.4.

2.8.7.1 Зазоры между контактами

Если контакты разрывают ПЕРВИЧНУЮ ЦЕПЬ, то зазор между ними должен быть не менее, чем зазор для разрывающего устройства (см. 3.4.2). Если контакты разрывают иную, чем ПЕРВИЧНАЯ, ЦЕПЬ, то зазор между ними должен быть не менее минимального значения в соответствии с 2.10.3.3 для ОСНОВНОЙ ИЗОЛЯЦИИ во ВТОРИЧНОЙ ЦЕПИ.

Соответствие проверяют обследованием доступных данных и, если необходимо, измерениями.

2.8.7.2 Испытания на перегрузку

Контакты блокировочного выключателя или реле подвергают испытаниям на перегрузку 50 циклами работы со скоростью от 6 до 10 циклов в минуту путем замыкания и размыкания тока, значение которого равно 150 % от протекающего тока. Если контакт коммутирует электромотор, то в этом случае испытания проводят в условиях заторможенного ротора. После испытаний выключатель или реле должны функционировать нормально.

2.8.7.3 Испытания на износоустойчивость

Контакты блокировочного выключателя или реле подвергают испытаниям на износоустойчивость путем замыкания и размыкания тока, значение которого равно 100 % от протекающего в цепи тока, со скоростью от 6 до 10 циклов в минуту. Более высокую скорость применяют, если требует изготовитель. Для магнитоуправляемых переключателей в ЦЕПЯХ СЕН, БСНН и НТС-1 100000 циклов испытаний. Для других переключателей и реле проводят 10000 циклов испытаний. После испытаний выключатель или реле должны функционировать нормально.

2.8.7.4 Испытание на электрическую прочность

Испытание на электрическую прочность зазоров между контактами, за исключением контактов язычковых переключателей в ЦЕПЯХ СЕН, БСНН и НТС-1, проводят в соответствии с 5.2.2, после испытаний по 2.8.7.2 и 2.8.7.3. Если испытывают зазоры между контактами в ПЕРВИЧНОЙ ЦЕПИ, то испытательное напряжение должно быть равно требуемому для ОСНОВНОЙ ИЗОЛЯЦИИ в ПЕРВИЧНОЙ ЦЕПИ.

2.8.8 Механические приводы

Если безопасность подвижной части обеспечивается системой механической блокировки, то должны быть приняты меры, защищающие подвижную часть от перегрузки. Если это требование не выполняется из-за конструкции составных частей, то перемещение исполнительного механизма за пределы рабочего положения должно быть ограничено до 50 % максимального, например при монтаже или размещении, либо путем регулирования.

Соответствие проверяют обследованием и измерениями.

2.9 Электрическая изоляция

2.9.1 Свойства изоляционных материалов

При выборе и применении изоляционных материалов необходимо учитывать требования к электрической, тепловой и механической прочности, частоте РАБОЧЕГО НАПРЯЖЕНИЯ, а также к условиям окружающей среды (температура, давление, влажность и загрязненность).

Не следует применять для изоляции гигроскопичные материалы, а также материалы, содержащие асбест, натуральную резину.

Приводной ремень и соединения не могут гарантировать электрической изоляции, за исключением специально сконструированных ремней или соединений, которые исключают возможность замены на не рекомендованный тип.

Соответствие проверяют обследованием и, при необходимости, оценкой характеристик материала. Если отсутствуют характеристики гигроскопических свойств изоляционного материала, их определяют воздействием влажности в соответствии с 2.9.2 на составную часть или блок, в состав которых входит испытуемая изоляция. После этого изоляция должна быть подвергнута испытаниям на электрическую прочность согласно 5.2.2, причем в той же камере влажности или помещении, в которых образцы были нагреты до предписанной температуры.

2.9.2 Условия влажности

При проверке соответствия изоляционных материалов требованиям 2.9.1, 2.10.6.5 или 2.10.7 воздействие влажностью проводят в течение 48 ч в камере или помещении с относительной влажностью воздуха от 91 % до 95 %. Температура воздуха (t) во всех местах расположения образцов должна поддерживаться с точностью до 1 °С в диапазоне 20 - 30 °С при отсутствии конденсации. При этом составные части и блоки должны быть обесточены.

По согласованию с изготовителем, для целей конкуренции, разрешается увеличивать время воздействия свыше 48 ч.

Перед испытанием на воздействие влажности образец должен быть доведен до температуры от t до (t + 4) °С.

2.9.3 Требования к изоляции

Изоляция оборудования должна отвечать требованиям 4.5.1 по нагреву и, за исключением случаев, оговоренных в 2.1.1.3 или 2.1.1.4, должна удовлетворять:

- требованиям по электрической прочности в соответствии с 5.2;

- требованиям к РАССТОЯНИЮ УТЕЧКИ по поверхности и ЗАЗОРУ по 2.10.

2.9.4 Параметры изоляции

Для определения испытательного напряжения, минимальных ЗАЗОРОВ и минимальных ПУТЕЙ УТЕЧКИ для данной части изоляции необходимо учитывать:

- область применения изоляции (см. 2.9.5);

- величину рабочего напряжения (см. 2.10.2 и 5.2).

2.9.5 Категории изоляции

Изоляцию рассматривают как ФУНКЦИОНАЛЬНУЮ, ОСНОВНУЮ, ДОПОЛНИТЕЛЬНУЮ, УСИЛЕННУЮ или ДВОЙНУЮ.

Применение изоляции во многих общих случаях приведено в таблице 2G и проиллюстрировано на рисунке 2F, но существуют другие решения и случаи. Эти примеры являются справочными. В других случаях необходимая степень изоляции может быть выше или ниже. Там, где может быть различная степень изоляции или специальная конфигурация частей под напряжением, приведенная в примерах, не является представительной, необходимая степень изоляции должна быть определена рассмотрением воздействия одиночного отказа (см. 1.4.14). При этом должны сохраняться требования к защите от поражения электрическим током.

Изоляцию можно шунтировать проводящими частями (например, в случаях, указанных в 1.5.7, 2.2.4, 2.3.4 или 2.4.3), но при этом следует соблюдать необходимый уровень надежности.

ДВОЙНАЯ ИЗОЛЯЦИЯ может иметь взаимное чередование основного и дополнительного слоев. При использовании ДВОЙНОЙ ИЗОЛЯЦИИ разрешается ЦЕПИ СНН или незаземленную проводящую часть размещать между ОСНОВНОЙ и ДОПОЛНИТЕЛЬНОЙ ИЗОЛЯЦИЕЙ, если сохраняется ее общий высокий уровень.

Таблица 2G - Примеры применения изоляции

Степень изоляции

Расположение изоляции

Пояснения к рисунку 2F

между

и

1 ФУНКЦИОНАЛЬНАЯ1)

незаземленной БСНН ЦЕПЬЮ или проводящей частью, изолированной двойной изоляцией

заземленной проводящей частью

F1

проводящей частью, изолированной двойной изоляцией

F2

незаземленной БСНН ЦЕПЬЮ

F2

заземленной БСНН ЦЕПЬЮ

F1

заземленной НТС-1 ЦЕПЬЮ

F106)

заземленной БСНН ЦЕПЬЮ

заземленной БСНН ЦЕПЬЮ

F11

заземленной проводящей частью

F11

незаземленной НТС-1 ЦЕПЬЮ

F126)

заземленной НТС-1 ЦЕПЬЮ

F136)

СНН ЦЕПЬЮ или проводящей частью, изолированной ОСНОВНОЙ изоляцией

заземленной проводящей частью

F3

заземленной БСНН ЦЕПЬЮ

F3

проводящей частью, изолированной основной изоляцией

F4

СНН ЦЕПЬЮ

F4

заземленной ВТОРИЧНОЙ ЦЕПЬЮ под ОПАСНЫМ НАПРЯЖЕНИЕМ

заземленной ВТОРИЧНОЙ ЦЕПЬЮ под ОПАСНЫМ НАПРЯЖЕНИЕМ

F5

НТС-1 ЦЕПЬЮ

НТС-1 ЦЕПЬЮ

F7

НТС-2 ЦЕПЬЮ

НТС-2 ЦЕПЬЮ

F8

НТС-3 ЦЕПЬЮ

НТС-3 ЦЕПЬЮ

F9

слоями обмоток трансформатора

-

F6

2 ОСНОВНАЯ

ПЕРВИЧНОЙ ЦЕПЬЮ

заземленной или незаземленной ВТОРИЧНОЙ ЦЕПЬЮ под ОПАСНЫМ НАПРЯЖЕНИЕМ

В1

заземленной проводящей частью

В2

заземленной БСНН ЦЕПЬЮ

В2

проводящей частью, изолированной основной изоляцией

В3

СНН ЦЕПЬЮ

В3

заземленной или незаземленной ВТОРИЧНОЙ ЦЕПЬЮ под ОПАСНЫМ НАПРЯЖЕНИЕМ

незаземленной ВТОРИЧНОЙ ЦЕПЬЮ под ОПАСНЫМ НАПРЯЖЕНИЕМ

В4

заземленной проводящей частью

В5

заземленной БСНН ЦЕПЬЮ

В5

проводящей частью, изолированной основной изоляцией

В6

СНН ЦЕПЬЮ

В6

незаземленной БСНН ЦЕПЬЮ или проводящей частью, изолированной двойной изоляцией

незаземленной НТС-1 ЦЕПЬЮ

В76)

НТС-2 ЦЕПЬЮ

В8

нтс-3 цепью

В95)

заземленной БСНН ЦЕПЬЮ

НТС-2 ЦЕПЬЮ

В104)

нтс-3 цепью

В114),5)

НТС-2 ЦЕПЬЮ

незаземленной НТС-1 ЦЕПЬЮ

В125)

заземленной НТС-1 ЦЕПЬЮ

В134),5)

НТС-3 ЦЕПЬЮ

В146)

НТС-3 ЦЕПЬЮ

незаземленной НТС-1 ЦЕПЬЮ

В12

заземленной НТС-1 ЦЕПЬЮ

В134)

3 ДОПОЛНИТЕЛЬНАЯ

проводящей частью, изолированной основной изоляцией или СНН ЦЕПЬЮ

проводящей частью, изолированной двойной изоляцией

S12)

незаземленной БСНН ЦЕПЬЮ

S12)

НТС ЦЕПЬЮ

проводящей частью, изолированной основной изоляцией

S24)

СНН ЦЕПЬЮ

S2

4 ДОПОЛНИТЕЛЬНАЯ или УСИЛЕННАЯ

незаземленной ВТОРИЧНОЙ ЦЕПЬЮ под ОПАСНЫМ НАПРЯЖЕНИЕМ

проводящей частью, изолированной двойной изоляцией

S/R13)

незаземленной БСНН ЦЕПЬЮ

S/R13)

НТС ЦЕПЬЮ

S/R23)

5 УСИЛЕННАЯ

ПЕРВИЧНОЙ ЦЕПЬЮ

проводящей частью, изолированной двойной изоляцией

R1

незаземленной БСНН ЦЕПЬЮ

R1

НТС ЦЕПЬЮ

R2

заземленной ВТОРИЧНОЙ ЦЕПЬЮ под ОПАСНЫМ НАПРЯЖЕНИЕМ

проводящей частью, изолированной двойной изоляцией

R3

незаземленной БСНН ЦЕПЬЮ

R3

НТС ЦЕПЬЮ

R4

1) См. требования к рабочей изоляции в 5.3.4.

2) Рабочее напряжение для ДОПОЛНИТЕЛЬНОЙ ИЗОЛЯЦИИ между ЦЕПЯМИ СНН или проводящей частью с основной изоляцией и незаземленной доступной проводящей частью равно самому неблагоприятному РАБОЧЕМУ НАПРЯЖЕНИЮ для ОСНОВНОЙ ИЗОЛЯЦИИ. Самое неблагоприятное РАБОЧЕЕ НАПРЯЖЕНИЕ может быть следствием ПЕРВИЧНОЙ или ВТОРИЧНОЙ СЕТИ, и в соответствии с этим устанавливается требование к изоляции.

3) Изоляция между незаземленной ВТОРИЧНОЙ ЦЕПЬЮ с ОПАСНЫМ НАПРЯЖЕНИЕМ и незаземленной проводящей доступной частью или цепью (S/R на рисунке 2F) должна удовлетворять следующим самым неблагоприятным требованиям:

- УСИЛЕННАЯ ИЗОЛЯЦИЯ, РАБОЧЕЕ НАПРЯЖЕНИЕ которой равно ОПАСНОМУ НАПРЯЖЕНИЮ, или

- ДОПОЛНИТЕЛЬНАЯ ИЗОЛЯЦИЯ, РАБОЧЕЕ НАПРЯЖЕНИЕ которой равно напряжению между: ВТОРИЧНОЙ ЦЕПЬЮ с ОПАСНЫМ НАПРЯЖЕНИЕМ,

другой ВТОРИЧНОЙ ЦЕПЬЮ с ОПАСНЫМ НАПРЯЖЕНИЕМ или ПЕРВИЧНОЙ ЦЕПЬЮ.

Эти примеры применяют если:

- используется только ОСНОВНАЯ ИЗОЛЯЦИЯ между ВТОРИЧНОЙ и ПЕРВИЧНОЙ ЦЕПЯМИ;

- используется только ОСНОВНАЯ ИЗОЛЯЦИЯ между ВТОРИЧНОЙ ЦЕПЬЮ и землей.

4) ОСНОВНАЯ ИЗОЛЯЦИЯ не требуется (см. 2.3.2).

5) Применяют требования 2.10. См. также 6.2.1.

6) Не применяют требования 2.10, но учитывают требования 6.2.1.

Примечание - Термин «проводящая часть» относится к электрически проводящей части, которая:

- нормально не находится под напряжением;

- не соединена с любой из последующих цепей:

цепью под ОПАСНЫМ НАПРЯЖЕНИЕМ или

ЦЕПЬЮ СНН, или

ЦЕПЬЮ НТС, или

ЦЕПЬЮ БСНН, или

ЦЕПЬЮ с ОГРАНИЧЕНИЕМ ТОКА.

Примерами такой проводящей части являются КОРПУС оборудования, сердечник трансформатора и, в некоторых случаях, проводящие экраны в трансформаторах.

Если такая проводящая часть защищена от части под ОПАСНЫМ НАПРЯЖЕНИЕМ посредством:

- ДВОЙНОЙ или УСИЛЕННОЙ ИЗОЛЯЦИЕЙ, ее определяют как «проводящую часть с двойной изоляцией»,

- ОСНОВНОЙ ИЗОЛЯЦИЕЙ плюс защитное заземление, ее определяют как «заземленную проводящую часть»;

- ОСНОВНАЯ ИЗОЛЯЦИЯ, но без заземления, т.е. она не имеет второго уровня защиты, ее определяют как «проводящая часть с основной изоляцией».

Термин «заземленный» относится к цепи или проводящей части в том случае, если они соединены с клеммой защитного заземления или имеют такой контакт, который удовлетворяет требованиям 2.6 (хотя и нет необходимости находиться под потенциалом земли). В противном случае цепи или проводящие части определяют термином «незаземленный».

F - функциональная изоляция; S - дополнительная изоляция;

R - усиленная изоляция; В - основная изоляция; S/R - см. сноску 3) в таблице 2G

Сноски 1) - 6) см. в таблице 2G.

Рисунок 2F - Примеры применения изоляции

2.10 Зазоры, пути утечки и пути через изоляцию

2.10.1 Общие требования

Размеры ЗАЗОРОВ должны быть такими, чтобы выбросы напряжений, возникающие от переходных процессов, которые могут воздействовать на оборудование, и пиковое значение напряжения, которое может генерироваться в оборудовании, не приводили к пробою ЗАЗОРА. Подробные требования приведены в 2.10.3.

Размеры ПУТЕЙ УТЕЧКИ должны быть такими, чтобы для данного РАБОЧЕГО НАПРЯЖЕНИЯ и степени загрязнения не было искрового перекрытия или не происходило нарушения (трекинга) изоляции. Подробные требования приведены в 2.10.4.

Методы ИЗМЕРЕНИЯ ЗАЗОРОВ и ПУТЕЙ УТЕЧКИ приведены в приложении F.

Сплошная изоляция должна быть таких размеров, что напряжения переходных процессов, которые воздействуют на оборудование, и пиковое значение напряжения, которое генерируется в оборудовании, не приводили к пробою сплошной изоляции.

Тонкослойная изоляция должна быть равномерной, чтобы вероятность нарушения изоляции была одинаковой и ограниченной.

Подробные требования приведены в 2.10.5.

Представленные в 2.10 требования относятся к изоляции, работающей на частотах до 30 кГц. Те же требования могут быть применены к изоляции, работающей при частотах, больших 30 кГц, если нет других данных.

Примечание - Информацию о поведении изоляции на других частотах см. в МЭК 60664-1 [4] и МЭК 60664-4 [5].

Для ФУНКЦИОНАЛЬНОЙ ИЗОЛЯЦИИ допускаются ЗАЗОРЫ и ПУТИ УТЕЧКИ меньше установленных в 2.10, при соответствии их требованиям 5.3.4 b или 5.3.4 с.

Допускается для ЗАЗОРОВ и ПУТЕЙ УТЕЧКИ разделение на не соединяемые проводящие части, такие как неиспользуемые контакты проводов, таким образом, чтобы сумма отдельных ПУТЕЙ удовлетворяла предъявляемым требованиям (см. рисунок F13).

Значения минимальных ЗАЗОРОВ и ПУТЕЙ УТЕЧКИ для различных степеней загрязнения:

- степень загрязнения 1 применима к составным частям и блокам, которые герметизированы так, чтобы исключить проникновение пыли и влаги (см. 2.10.7);

- степень загрязнения 2 применима в целом к оборудованию, входящему в область распространения настоящего стандарта;

- степень загрязнения 3 применима, если местная окружающая среда внутри оборудования подвергается проводящему загрязнению или сухому непроводящему загрязнению, которое может стать проводящим благодаря возможной конденсации.

2.10.2 Определение рабочего напряжения

При определении РАБОЧИХ НАПРЯЖЕНИЙ применяют следующие требования (см. также 1.4.7):

- значение НОМИНАЛЬНОГО НАПРЯЖЕНИЯ или верхнего напряжения ДИАПАЗОНА НОМИНАЛЬНОГО НАПРЯЖЕНИЯ должно быть учтено:

для РАБОЧЕГО НАПРЯЖЕНИЯ между ПЕРВИЧНОЙ ЦЕПЬЮ и землей,

для РАБОЧЕГО НАПРЯЖЕНИЯ между ПЕРВИЧНОЙ и ВТОРИЧНОЙ ЦЕПЯМИ, и

- незаземленные доступные проводящие части рассматривают как заземленные;

- если потенциал обмотки трансформатора или другой части плавающий, т.е. они не подключены к цепи, которая устанавливает их потенциал относительно земли, считают, что они заземлены в точке, в которой возникает наибольшее РАБОЧЕЕ НАПРЯЖЕНИЕ;

- если используют ДВОЙНУЮ ИЗОЛЯЦИЮ, то РАБОЧЕЕ НАПРЯЖЕНИЕ, приложенное к ОСНОВНОЙ ИЗОЛЯЦИИ, определяют для случая пробоя ДОПОЛНИТЕЛЬНОЙ ИЗОЛЯЦИИ и наоборот. Для ДВОЙНОЙ ИЗОЛЯЦИИ между обмотками трансформатора следует предполагать наличие короткого замыкания в точке, для которой в другой изоляции возникает наибольшее РАБОЧЕЕ НАПРЯЖЕНИЕ;

- за исключением разрешенного в 2.10.10, для изоляции между двумя обмотками трансформатора выбирают наибольшее напряжение между любыми двумя точками двух обмоток, принимая во внимание внешние напряжения, к которым могут быть подключены эти обмотки;

- за исключением разрешенного в 2.10.10, для изоляции между обмоткой трансформатора и другой частью выбирают наибольшее напряжение, возникающее между любой точкой обмотки и другой частью.

2.10.3 Зазоры

2.10.3.1 Общие требования

Допускается использовать один из следующих методов или альтернативный метод в соответствии с приложением G для конкретных деталей или подсистемы, или для всего оборудования.

Примечания

1 Преимуществами приложения G является следующее:

- ЗАЗОРЫ приведены в соответствие с основополагающей публикацией по безопасности МЭК 60664-1 [4] и, кроме того, гармонизированы с другими публикациями по безопасности (например, для преобразователей);

- для проектировщиков предусмотрена дополнительная возможность использовать уточненный (по сравнению с методом в 2.10.3) метод, строки таблиц , 2J и рассматривают последовательно;

- принято во внимание ослабление переходных процессов внутри оборудования, включая ПЕРВИЧНЫЕ ЦЕПИ;

- уточнены противоречия в таблице (4000 В пикового значения требуют 2,0 или 2,5 мм для ФУНКЦИОНАЛЬНОЙ ИЗОЛЯЦИИ и 3,2 мм - для ОСНОВНОЙ ИЗОЛЯЦИИ).

2 ЗАЗОРЫ и требования к электрической прочности базируются на ожидаемых перенапряжениях из-за переходных процессов, которые могут проникать в оборудование из СЕТИ ПИТАНИЯ ПЕРЕМЕННОГО ТОКА. В соответствии с МЭК 60664-1 [4] величины этих переходных процессов определяют при нормальном напряжении сети питания. Эти переходные процессы распределяются по категориям в четырех группах в соответствии с МЭК 60664-1 [4] в качестве категорий перенапряжений от I до IV (известны также как категории установок от I до IV). Приложение G охватывает все четыре категории перенапряжений. Для настоящего стандарта принята допустимой категория II.

3 Конструкция сплошной изоляции и ЗАЗОРЫ должны быть согласованы так, чтобы при возникновении перенапряжений от переходных процессов, превышающих ограничения, установленные для категории II, сплошная изоляция выдерживала более высокое напряжение, чем ЗАЗОРЫ.

Для всех систем питания электроэнергией переменного тока напряжение СЕТИ ПИТАНИЯ ПЕРЕМЕННОГО ТОКА, указанное в таблицах , 2J и , является напряжением между фазой и нейтралью.

Примечание 4 -В Норвегии используют IT систему распределения мощности (см. приложение V, рисунок V.7), при этом напряжение СЕТИ ПИТАНИЯ ПЕРЕМЕННОГО ТОКА рассматривают эквивалентным напряжению между фазами, и оно должно оставаться равным 230 В в случае единичного нарушения заземления.

ЗАЗОРЫ должны иметь следующие минимальные значения:

10 мм для воздушного зазора, служащего в качестве УСИЛЕННОЙ ИЗОЛЯЦИИ между частью с ОПАСНЫМ НАПРЯЖЕНИЕМ и доступной проводящей частью КОЖУХА напольного оборудования или невертикальной верхней частью поверхности настольного оборудования;

2 мм для воздушного зазора, служащего в качестве ОСНОВНОЙ ИЗОЛЯЦИИ между частью с ОПАСНЫМ НАПРЯЖЕНИЕМ и доступной заземленной проводящей частью внешнего КОЖУХА ОБОРУДОВАНИЯ, ПОДКЛЮЧЕННОГО СОЕДИНИТЕЛЕМ ТИПА А.

Установленные ЗАЗОРЫ не применяют к воздушным зазорам контактов ТЕРМОРЕЛЕ, ТЕРМОВЫКЛЮЧАТЕЛЕЙ, приборов защиты от перегрузки, ТЕРМОРЕЛЕ, ТЕРМОВЫКЛЮЧАТЕЛЕЙ, приборов защиты от перегрузки, микропереключателей и других аналогичных приборов, где ЗАЗОРЫ между контактами изменяются.

Примечания

5 Для воздушных зазоров между контактами выключателей блокировки см. 2.8.7.1. Для воздушных зазоров разъединителей см. 3.4.2.

6 ЗАЗОРЫ не должны уменьшаться посредством производственных допусков или в результате деформаций, возникающих при обслуживании, от ударов и вибраций, возможных во время производства, транспортирования и нормального использования.

Соответствие с 2.10.3 проверяют измерениями, выполняемыми согласно приложению F. Применяют условия, приведенные ниже. Если не испытывают электрическую прочность, то проверяют ЗАЗОРЫ.

Подвижные части должны быть помещены в наиболее неблагоприятное положение.

При измерениях ЗАЗОРОВ по поверхности кожуха из изоляционного материала через щель или отверстие в КОЖУХЕ, доступная поверхность должна рассматриваться проводящей, как если бы она была покрыта слоем металлической фольги везде, где к ней можно прикоснуться испытательным пальцем в соответствии с рисунком (см. 2.1.1.1), без существенных усилий (см. рисунок F.12, точка В).

Если измеряют ЗАЗОРЫ, то применяют требования 4.2.2 - 4.2.4.

2.10.3.2 Зазоры в первичных цепях

ЗАЗОРЫ в ПЕРВИЧНЫХ ЦЕПЯХ должны соответствовать минимальным размерам, приведенным в таблице и, там где это применимо, в таблице 2J.

Таблицу применяют к оборудованию, которое не будет подвергнуто переходным процессам, превышающим категорию II для перенапряжений в соответствии с МЭК 60664-1 [4]. Соответствующие ПЕРЕХОДНЫЕ СЕТЕВЫЕ НАПРЯЖЕНИЯ даны в круглых скобках в каждой графе номинальных напряжений СЕТИ ПИТАНИЯ ПЕРЕМЕННОГО ТОКА. Если ожидаются более высокие величины переходных процессов, может быть необходима дополнительная защита в цепях питания оборудования или изоляции.

Примечание 1 - Приложение G представляет альтернативный метод конструирования для более высоких значений переходных процессов.

Для ПЕРВИЧНЫХ ЦЕПЕЙ, работающих при номинальных НАПРЯЖЕНИЯХ ПИТАНИЯ до 300 В; если МАКСИМАЛЬНОЕ РАБОЧЕЕ НАПРЯЖЕНИЕ в цепи превышает амплитудное значение напряжения СЕТИ ПИТАНИЯ ПЕРЕМЕННОГО ТОКА, минимальный ЗАЗОР для рассматриваемой изоляции равен сумме следующих двух значений:

- минимального значения ЗАЗОРА в соответствии с таблицей для РАБОЧЕГО НАПРЯЖЕНИЯ, равного напряжению СЕТИ ПИТАНИЯ ПЕРЕМЕННОГО ТОКА;

- соответствующего значения дополнительного ЗАЗОРА из таблицы 2J.

В качестве РАБОЧЕГО НАПРЯЖЕНИЯ при определении ЗАЗОРОВ для ПЕРВИЧНЫХ ЦЕПЕЙ в соответствии с таблицей используют:

- амплитудное значение любой пульсации, наложенной на НАПРЯЖЕНИЕ ПОСТОЯННОГО ТОКА, которое учитывают;

- не повторяющиеся переходные процессы (вызванные, например, атмосферными помехами) не учитывают.

Примечание 2 - Предполагается, что любые переходные процессы во ВТОРИЧНОЙ ЦЕПИ не будут превышать величин переходных процессов ПЕРВИЧНОЙ ЦЕПИ;

- напряжение любой ЦЕПИ СНН, БСНН или ЦЕПИ НТС должно рассматриваться как нулевое,

и в соответствии с таблицей 2J (где это применимо) для АМПЛИТУДНОГО РАБОЧЕГО НАПРЯЖЕНИЯ, превышающего напряжение СЕТИ ПИТАНИЯ ПЕРЕМЕННОГО ТОКА, используют величины максимальных АМПЛИТУД РАБОЧЕГО НАПРЯЖЕНИЯ.

Примечания

3 Суммарные величины ЗАЗОРОВ, полученные при использовании таблицы 2J, находятся между значениями, требуемыми для однородных и неоднородных полей. Как результат, они не могут гарантировать соответствие испытанию электрической прочности в случае полей, которые, являются по существу неоднородными.

4 ЗАЗОР, в соответствии с таблицами и 2J, определяют следующим образом.

Выбирают соответствующую графу в таблице для номинального напряжения СЕТИ ПИТАНИЯ ПЕРЕМЕННОГО ТОКА и степени загрязнения. Выбирают строку соответствующего РАБОЧЕГО НАПРЯЖЕНИЯ, эквивалентного напряжению СЕТИ ПИТАНИЯ ПЕРЕМЕННОГО ТОКА. Отмечают требование к минимальному ЗАЗОРУ.

Выбирают в таблице 2J соответствующую графу для номинального напряжения СЕТИ ПИТАНИЯ ПЕРЕМЕННОГО ТОКА, степени загрязнения и строку в той графе, которая учитывает фактическое МАКСИМАЛЬНОЕ РАБОЧЕЕ НАПРЯЖЕНИЕ. Находят требования к дополнительным ЗАЗОРАМ в одной - двух правых графах и дополняют значение это минимальным ЗАЗОРОМ из таблицы , чтобы получить итоговый минимальный зазор.

Таблица 2Н - Минимальные зазоры для изоляции в первичных цепях и между первичными и вторичными цепями

Зазоры в миллиметрах

РАБОЧЕЕ НАПРЯЖЕНИЕ, В

Номинальное напряжение СЕТИ ПИТАНИЯ ПЕРЕМЕННОГО ТОКА до 150 В (переходное сетевое напряжение 1500 В)

Номинальное напряжение СЕТИ ПИТАНИЯ ПЕРЕМЕННОГО ТОКА св. 150 до 300 В (переходное сетевое напряжение 2500 В)

Номинальное напряжение СЕТИ ПИТАНИЯ ПЕРЕМЕННОГО ТОКА св. 300 до 600 В (переходное сетевое напряжение 4000 В)

Максимальное значение напряжения или значение напряжения постоянного тока

Среднеквадратичное значение напряжения (синусоидальное)

Степени загрязнения 1 и 2

Степень загрязнения 3

Степени загрязнения 1 и 2

Степень загрязнения 3

Степень загрязнения 1 - 3

F

B/S

R

F

B/S

R

F

B/S

R

F

B/S

R

F

B/S

R

71

50

0,4

1,0 (0,5)

2,0 (1,0)

0,8

1,3 (0,8)

2,6 (1,6)

1,0

2,0 (1,5)

4,0 (3,0)

1,3

2,0 (1,5)

4,0 (3,0)

2,0

3,2 (3,0)

6,4 (6,0)

210

150

0,5

1,0 (0,5)

2,0 (1,0)

0,8

1,3 (0,8)

2,6 (1,6)

1,4

2,0 (1,5)

4,0 (3,0)

1,5

2,0 (1,5)

4,0 (3,0)

2,0

3,2 (3,0)

6,4 (6,0)

420

300

F 1,5; B/S 2,0(1,5); R 4,0(3,0)

2,5

3,2 (3,0)

6,4 (6,0)

840

600

F3,0; B/S 3,2(3,0); R 6,4(6,0)

1400

1000

F/B/S 4,2; R 6,4

2800

2000

F/B/S/R 8,4

7000

5000

F/B/S/R 17,5

9800

7000

F/B/S/R 25

14000

10000

F/B/S/R 37

28000

20000

F/B/S/R 80

42000

30000

F/B/S/R 130

Значения применяют к ФУНКЦИОНАЛЬНОЙ (F), ОСНОВНОЙ (В), ДОПОЛНИТЕЛЬНОЙ (S) и УСИЛЕННОЙ (R) изоляциям.

Значения в скобках применяют к ОСНОВНОЙ, ДОПОЛНИТЕЛЬНОЙ и УСИЛЕННОЙ ИЗОЛЯЦИИ в случае, если на производстве осуществляется программа управления качеством, которая по крайней мере обеспечивает уровень гарантии, приведенный в приложении R.2. В частности, ДВОЙНАЯ и УСИЛЕННАЯ ИЗОЛЯЦИИ должны подвергаться ПЕРИОДИЧЕСКИМ ИСПЫТАНИЯМ на электрическую прочность.

Для РАБОЧИХ НАПРЯЖЕНИЙ от 2800 до 42000 В пиковых значений переменного или постоянного тока разрешается линейная интерполяция между ближайшими двумя точками, рассчитанная на основе округления вплоть до ближайшего наибольшего значения с учетом приращений 0,1 мм.

Таблица 2J - Дополнительные зазоры для изоляции в первичных цепях, в которых максимальные рабочие напряжения превышают амплитудное значение номинального напряжения сети питания переменного тока

Номинальное напряжение СЕТИ ПИТАНИЯ ПЕРЕМЕННОГО ТОКА до 150 В

Номинальное напряжение СЕТИ ПИТАНИЯ ПЕРЕМЕННОГО ТОКА, В

150 < Uном £ 300

Дополнительный ЗАЗОР, мм

Степени загрязнения 1 и 2

Степени загрязнения 3

Степени загрязнения 1 - 3

ФУНКЦИОНАЛЬНАЯ, ОСНОВНАЯ или ДОПОЛНИТЕЛЬНАЯ ИЗОЛЯЦИИ

УСИЛЕННАЯ ИЗОЛЯЦИЯ

Максимум АМПЛИТУДНОГО ЗНАЧЕНИЯ РАБОЧЕГО НАПРЯЖЕНИЯ, В

210 (210)

210 (210)

420 (420)

0

0

298 (288)

294 (293)

493 (497)

0,1

0,2

386 (366)

379 (376)

567 (575)

0,2

0,4

474 (444)

463 (459)

640 (652)

0,3

0,6

562 (522)

547 (541)

713 (729)

0,4

0,8

650 (600)

632 (624)

787 (807)

0,5

1,0

738 (678)

715 (707)

860 (884)

0,6

1,2

826 (756)

800 (790)

933 (961)

0,7

1,4

914(839)

-

1006 (1039)

0,8

1,6

1002 (912)

1080 (1116)

0,9

1,8

1090 (990)

1153 (1193)

1,0

2,0

-

1226 (1271)

1,1

2,2

1300 (1348)

1,2

2,4

- (1425)

1,3

2,6

Значения в скобках используют:

- когда применяют значения в скобках в таблице ;

- Для ФУНКЦИОНАЛЬНОЙ ИЗОЛЯЦИИ.

2.10.3.3 Зазоры во вторичных цепях

Во ВТОРИЧНЫХ ЦЕПЯХ применяют ЗАЗОРЫ не менее указанных в таблице .

Для РАБОЧИХ НАПРЯЖЕНИЙ, которые должны использоваться при определении ЗАЗОРОВ для ВТОРИЧНОЙ ЦЕПИ, берут значения из таблицы :

- для НАПРЯЖЕНИЙ ПОСТОЯННОГО ТОКА должны включаться амплитудные значения любых наложенных пульсаций;

- для несинусоидальных колебаний необходимо использовать амплитудные значения величин.

ВТОРИЧНЫЕ ЦЕПИ обычно должны соответствовать I категории перенапряжений, если ПЕРВИЧНАЯ ЦЕПЬ имеет II категорию перенапряжений. Максимальные величины переходных процессов для различных напряжений СЕТИ ПИТАНИЯ ПЕРЕМЕННОГО ТОКА категории перенапряжений I приводятся в таблице . Однако ненагруженная ВТОРИЧНАЯ ЦЕПЬ должна удовлетворять требованиям для ПЕРВИЧНОЙ ЦЕПИ в таблицах и 2J, если она применяется в оборудовании с клеммой защитного заземления и соответствует одному из следующих случаев:

- отделена от ПЕРВИЧНОЙ ЦЕПИ заземленным металлическим экраном;

- переходные процессы ВТОРИЧНОЙ ЦЕПИ ниже допустимой максимальной величины для I категории перенапряжений (например, вследствие ослабления подключенными компонентами, такими как конденсатор между ВТОРИЧНОЙ ЦЕПЬЮ и землей). См. 2.10.3.4 для метода измерения переходных уровней.

Примечание - Для ЗАЗОРОВ, которые должны соответствовать 2.3.2, применяют таблицу .

Если ПЕРЕХОДНОЕ НАПРЯЖЕНИЕ ТЕЛЕКОММУНИКАЦИОННОЙ СЕТИ не известно, то для ЦЕПЕЙ НТС-2 используют значение 800 В, а для ЦЕПЕЙ НТС-1 и НТС-3 - значение 1,5 кВ амплитудного значения.

Если ПЕРЕХОДНОЕ НАПРЯЖЕНИЕ ТЕЛЕКОММУНИКАЦИОННОЙ СЕТИ известно, то используют это значение.

Если известно, что поступающие переходные процессы должны быть ослаблены внутри оборудования, то значение переходных процессов определяют в соответствии с 2.10.3.4 и используют найденное значение.


Таблица 2К - Минимальные зазоры во вторичных цепях

Зазоры в миллиметрах

РАБОЧЕЕ НАПРЯЖЕНИЕ, В

Номинальное напряжение СЕТИ ПИТАНИЯ ПЕРЕМЕННОГО ТОКА Uном £ 150 В (Значение переходного напряжения для ВТОРИЧНОЙ ЦЕПИ до 800 В)5)

Номинальное напряжение СЕТИ ПИТАНИЯ ПЕРЕМЕННОГО ТОКА, 150 В < Uном £ 300 В (Значение переходного напряжения для ВТОРИЧНОЙ ЦЕПИ до 1500 В)5)

Номинальное напряжение СЕТИ ПИТАНИЯ ПЕРЕМЕННОГО ТОКА 300 В < Uном £ 600 В (Значение переходного напряжения для ВТОРИЧНОЙ ЦЕПИ до 2500 В)5)

Цепи, не подвергающиеся переходному напряжению4)

Амплитудное значение напряжения или значение напряжения постоянного тока, В

Среднеквадратичное значение напряжения (синусоидальное), В

Степени загрязнения 1 и 2

Степень загрязнения 3

Степени загрязнения I и 2

Степень загрязнения 3

Степени загрязнения 1 - 3

Степени загрязнения 1 и 2

F

B/S

R

F

B/S

R

F

B/S

R

F

B/S

R

F

B/S

R

F

B/S

R

71

50

0,4 (0,2)

0,7 (0,2)

1,4 (0,4)

1,0 (0,8)

1,3 (0,8)

2,6 (1,6)

0,7 (0,5)

1,0 (0,5)

2,0 (1,0)

1,0 (0,8)

1,3 (0,8)

2,6 (1,6)

1,7 (1,5)

2,0 (1,5)

4,0 (3,0)

0,4 (0,2)

0,4 (0,2)

0,8 (0,4)

140

100

0,6 (0,2)

0,7 (0,2)

1,4 (0,4)

1,0 (0,8)

1,3 (0,8)

2,6 (1,6)

0,7 (0,5)

1,0 (0,5)

2, 0 (1,0)

1,0 (0,8)

1,3 (0,8)

2,6 (1,6)

1,7 (1,5)

2,0 (1,5)

4,0 (3,0)

0,6 (0,2)

0,7 (0,2)

1,4 (0,4)

210

150

0,6 (0,2)

0,9 (0,2)

1,8 (0,4)

1,0 (0,8)

1,3 (0,8)

2,6 (1,6)

0,7 (0,5)

1,0 (0,5)

2,0 (1,0)

1,0 (0,8)

1,3 (0,8)

2,6 (1,6)

1,7 (1,5)

2,0 (1,5)

4,0 (3,0)

0,6 (0,2)

0,7 (0,2)

1,4 (0,4)

280

200

F 1,1(0,8) B/S 1,4(0,8) R 2,8(1,6)

1,7 (1,5)

2,0 (1,5)

4,0 (3,0)

1,1 (0,2)

1,1 (0,2)

2,2 (0,4)

420

300

F 1,6(1,0) B/S 1,9(1,0) R 3,8(2,0)

1,7 (1,5)

2,0 (1,5)

4,0 (3,0)

1,4 (0,2)

1,4 (0,2)

2,8 (0,4)

700

500

F/B/S 2,5 R 5,0

840

600

F/B/S 3,2 R 5,0

1400

1000

F/B/S 4,2 R 5,0

2800

2000

F/B/S/R 8,46)

7000

5000

F/B/S/R 17,56)

9800

7000

F/B/S/R 256)

14000

10000

F/B/S/R 376)

28000

20000

F/B/S/R 806)

42 000

30000

F/B/S/R 1306)

1) Значения применяют к ФУНКЦИОНАЛЬНОЙ, ОСНОВНОЙ, ДОПОЛНИТЕЛЬНОЙ и УСИЛЕННОЙ изоляциям.

2) Значения в скобках применяют к ОСНОВНОЙ, ДОПОЛНИТЕЛЬНОЙ и УСИЛЕННОЙ ИЗОЛЯЦИИ в случае, если на производстве осуществляется программа управления качеством, которая по крайней мере обеспечивает уровень гарантии, приведенный в приложении R.2. В частности, ДВОЙНАЯ и УСИЛЕННАЯ ИЗОЛЯЦИИ должны подвергаться ПЕРИОДИЧЕСКИМ ИСПЫТАНИЯМ на электрическую прочность.

3) Для РАБОЧИХ НАПРЯЖЕНИЙ от 2800 до 42000 В пиковых значений переменного или постоянного тока разрешается линейная интерполяция между ближайшими двумя точками, рассчитанная на основе округления вплоть до ближайшего наибольшего значения с учетом приращений 0,1 мм.

4) Значения применяют к ВТОРИЧНЫМ ЦЕПЯМ постоянного тока, которые надежно соединены с землей и имеют емкостную фильтрацию, ограничивающую двойную амплитуду пульсаций до 10 % от величины НАПРЯЖЕНИЯ ПОСТОЯННОГО ТОКА.

5) Если переходные процессы в оборудовании превышают эти значения, используют соответствующие наибольшие ЗАЗОРЫ.

6) Не требуется ЗАЗОР 8,4 мм или более, если он проходит:

- полностью по воздуху;

- полностью пли частично по поверхности изоляционного материала, относящегося к группе I, и изоляция выдерживает испытания на электрическую прочность в соответствии с 5.2.2 при использовании:

- испытательного напряжения переменного тока, среднеквадратическое значение которого эквивалентно 1,06-кратному МАКСИМАЛЬНОМУ РАБОЧЕМУ НАПРЯЖЕНИЮ, или

- испытательного напряжения постоянного тока, эквивалентного амплитудному значению, предписанному выше.

Если ЗАЗОР частично проходит вдоль поверхности материала, отличного от группы I, то испытание электрической прочности проводят только для воздушного зазора.


2.10.3.4 Измерение уровней переходных процессов

Эти испытания проводят, если требуется определить, является ли напряжение переходных процессов между частями ЗАЗОРА в любой цепи меньше нормированного, например в результате использования фильтра в оборудовании. Напряжение переходного процесса между частями ЗАЗОРА измеряют, используя последующую процедуру испытаний, и величина ЗАЗОРА должна быть обоснована измеренным значением.

Во время испытаний оборудование подсоединяют к своему отдельному блоку питания, если таковой имеется, но не подсоединяют ни к сети питания, ни к какой-либо ТЕЛЕКОММУНИКАЦИОННОЙ СЕТИ, и отключают любые средства подавления импульсных помех в ПЕРВИЧНЫХ ЦЕПЯХ.

Устройства измерения напряжения подсоединяют параллельно зазору, рассматривая:

a) переходные процессы, соответствующие основным перенапряжениям.

Чтобы измерить уменьшенные уровни переходных процессов, соответствующие основным перенапряжениям, используют генератор испытательного импульса согласно приложению N, генерирующий импульсы длительностью 1,2/50 мкс и амплитудой Uc, эквивалентной значению ПЕРЕХОДНОГО СЕТЕВОГО НАПРЯЖЕНИЯ, приведенного в таблице .

От трех до шести импульсов переменной полярности с интервалами между ними не менее 1 с прикладывают к зазорам в следующих местах, где это уместно:

- между фазными проводами;

- между всеми фазными проводами, объединенными вместе, и нейтралью;

- между всеми фазными проводами, объединенными вместе, и защитным заземлением;

- между нейтралью и защитным заземлением.

b) Переходные процессы, соответствующие перенапряжениям в ТЕЛЕКОММУНИКАЦИОННЫХ СЕТЯХ.

Чтобы измерить уменьшенные уровни переходных процессов, соответствующие уровням перенапряжений в ТЕЛЕКОММУНИКАЦИОННЫХ СЕТЯХ, используют генератор испытательного импульса согласно приложению N для генерирования импульсов длительностью 10/700 мкс и амплитудой Uc, эквивалентной значению ПЕРЕХОДНОГО НАПРЯЖЕНИЯ ТЕЛЕКОММУНИКАЦИОННОЙ СЕТИ.

Если значение ПЕРЕХОДНОГО НАПРЯЖЕНИЯ ТЕЛЕКОММУНИКАЦИОННОЙ СЕТИ неизвестно, то для рассматриваемой ТЕЛЕКОММУНИКАЦИОННОЙ СЕТИ, принимают:

1500 В амплитудного значения, если цепь, соединенная с ТЕЛЕКОММУНИКАЦИОННОЙ СЕТЬЮ, является ЦЕПЬЮ НТС-1 или НТС-3;

800 В амплитудного значения, если цепь, соединенная с ТЕЛЕКОММУНИКАЦИОННОЙ СЕТЬЮ, является ЦЕПЬЮ БСНН или НТС-2.

От трех до шести импульсов переменной полярности с интервалами между ними не менее 1 с прикладывают к зазорам между каждой из следующих точек, соединенных с ТЕЛЕКОММУНИКАЦИОННОЙ СЕТЬЮ:

- каждой парой сигнальных клемм (например, А и В или штырь и контактное кольцо);

- всеми сигнальными зажимами, объединенными вместе, и землей.

2.10.4 Пути утечки

Значения ПУТЕЙ УТЕЧКИ не должны быть менее установленных в таблице 2L для соответствующих значений РАБОЧИХ НАПРЯЖЕНИЙ, степени загрязнения и группы материалов.

Для УСИЛЕННОЙ ИЗОЛЯЦИИ значения ПУТЕЙ УТЕЧКИ должны быть в два раза больше значений, приведенных в таблице 2L для ОСНОВНОЙ ИЗОЛЯЦИИ.

Если значение ПУТЕЙ УТЕЧКИ согласно таблице 2L менее соответствующего ЗАЗОРА в таблицах , 2J или , то значение этого ЗАЗОРА должно быть принято в качестве минимального ПУТИ УТЕЧКИ.

Для стекла, слюды, керамики и подобных материалов применяют минимальные значения ПУТЕЙ УТЕЧКИ, равные значениям применяемых ЗАЗОРОВ.

Для РАБОЧИХ НАПРЯЖЕНИЙ, которые используют при определении ПУТЕЙ УТЕЧКИ:

- применяют действующее среднеквадратическое значение или значение напряжения постоянного тока;

- не принимают во внимание:

любые наложенные пульсации при постоянном токе,

кратковременные процессы (например, вызывные сигналы в ЦЕПЯХ НТС),

кратковременные помехи (например, переходные процессы).

Если определение РАБОЧЕГО НАПРЯЖЕНИЯ для ЦЕПИ НТС проводят для ТЕЛЕКОММУНИКАЦИОННОЙ СЕТИ, характеристики которой не известны, то используют стандартное рабочее напряжение следующих значений:

60 В постоянного тока для ЦЕПЕЙ НТС-1;

120 В постоянного тока для ЦЕПЕЙ НТС-2 и НТС-3.

Материалы, в зависимости от сравнительного индекса трекингстойкости (СИТ), классифицируют на следующие группы:

I....................….600 £ СИТ

II....................…400 £ СИТ < 600

IIIа.....................175 £ СИТ < 400

IIIb.....................100 £ СИТ < 175

Принадлежность материалов к определенной группе подтверждается данными испытаний этих материалов (в соответствии с ГОСТ 24473) при использовании 50 капель раствора А.

Если нет данных о принадлежности материала к определенной группе, то считают что материал относится к группе IIIb.

Если требуется СИТ, равный 175 или более, а данные недоступны, группа материала может быть определена при испытаниях на контрольный индекс трекингостойкости (КИТ) согласно ГОСТ 24473. Материал соответствует группе, если его КИТ, установленный этими испытаниями, равен или больше минимального значения СИТ, требуемого для группы.

Таблицa 2L - Минимальные пути утечки

Пути утечки в миллиметрах

РАБОЧЕЕ НАПРЯЖЕНИЕ В (среднеквадратическое значение или значение напряжения постоянного тока)

РАБОЧАЯ, ОСНОВНАЯ И ДОПОЛНИТЕЛЬНАЯ ИЗОЛЯЦИИ

Степень загрязнения 1

Степень загрязнения 2

Степень загрязнения 3

Группа материалов I, II, IIIa или IIIb

Группа материалов

Группа материалов

I

II

I, IIа или IIIb

I

II

I, IIа или IIIb

£ 50

Использовать ЗАЗОРЫ из соответствующей таблицы

0,6

0,9

1,2

1,5

1,7

1,9

100

0,7

1,0

1,4

1,8

2,0

2,2

125

0,8

1,1

1,5

1,9

2,1

2,4

150

1,6

2,0

2,2

2,5

200

1,0

1,4

2,0

2,5

2,8

3,2

250

1,3

1,8

2,5

3,2

3,6

4,0

300

1,6

2,2

3,2

4,0

4,5

5,0

400

2,0

2,8

4,0

5,0

5,6

6,3

600

3,2

4,5

6,3

8,0

9,6

10,0

800

4,0

5,6

8,0

10,0

11,0

12,5

1000

5,0

7,1

10,0

12,5

14,0

16,0

Примечание - Допускается линейная интерполяция между двумя близлежащими точками, рассчитанная на основе округления вплоть до ближайшего наибольшего значения с учетом приращений 0,1 мм

Для оборудования, в состав которого входят обычные НЕСЪЕМНЫЕ ШНУРЫ ИСТОЧНИКА ПИТАНИЯ, ПУТИ УТЕЧКИ измеряют с проводниками питания наибольшей площади сечения, как установлено в 3.3.4, а также без проводников.

При измерении ПУТЕЙ УТЕЧКИ КОЖУХА из изоляционного материала через прорези или отверстия в нем доступную поверхность рассматривают в качестве проводящей, как бы покрытую металлической фольгой в местах, где она могла быть доступна испытательному пальцу по рисунку (см. 2.1.1.1), прикладываемому без заметного усилия (см. рисунок F.12, точка В).

2.10.5 Сплошная изоляция

Прочность сплошной изоляции проверяют испытаниями по 5.2.

Примечания

1 Термин «сплошная изоляция» имеет отношение к материалам, которые обеспечивают электрическую изоляцию между двумя поверхностями, кроме внешней поверхности. Это назначение требует соблюдения минимальных расстояний через изоляцию (см. 2.10.5.1) и других требований настоящего стандарта вместо минимального ПУТИ

2 См. также 3.1.4.

2.10.5.1 Минимальное расстояние через изоляцию

Кроме 2.1.1.3 или других подпунктов 2.10.5, ПУТИ через изоляцию определяют в соответствии с МАКСИМАЛЬНЫМ РАБОЧИМ НАПРЯЖЕНИЕМ и назначением изоляции (см. 2.9) следующим образом:

- если МАКСИМАЛЬНОЕ РАБОЧЕЕ НАПРЯЖЕНИЕ не превышает 71 В, то требования к ПУТЯМ через изоляцию не предъявляют;

- если МАКСИМАЛЬНОЕ РАБОЧЕЕ НАПРЯЖЕНИЕ превышает 71 В, то применяют следующие правила:

для ФУНКЦИОНАЛЬНОЙ и ОСНОВНОЙ ИЗОЛЯЦИЙ требования к МАКСИМАЛЬНОМУ РАБОЧЕМУ НАПРЯЖЕНИЮ для расстояния через изоляцию не предъявляют;

ДОПОЛНИТЕЛЬНАЯ или УСИЛЕННАЯ ИЗОЛЯЦИЯ должна иметь расстояние через изоляцию не менее 0,4 мм.

Требования 2.10.5.1 также применяют к гелевым диэлектрикам, используемым в оптопарах. Если нет требований к расстоянию через ДОПОЛНИТЕЛЬНУЮ или УСИЛЕННУЮ ИЗОЛЯЦИЮ, состоящую из изолирующего состава, полностью заполняющего оболочку полупроводникового компонента (например, оптопара), то такие ЗАЗОРЫ и ПУТИ УТЕЧКИ не рассматривают, если компоненты:

- выдерживают испытания в соответствии с 2.10.8;

- подвергают ПЕРИОДИЧЕСКИМ ИСПЫТАНИЯМ на электрическую прочность во время производства, используя значение испытательного напряжения в соответствии с 5.2.2.

Соответствие проверяют обследованием, измерениями и испытаниями.

2.10.5.2 Тонкий листовой материал

Примечание - Требования к моточным компонентам приведены в 2.10.5.4.

Изоляция в тонких листовых материалах является допустимой, независимо от ее толщины, при условии, что она используется внутри КОЖУХА оборудования, не подвергается механическому воздействию или истиранию во время обслуживания ОПЕРАТОРОМ и применяется при одном из следующих условий:

- ДОПОЛНИТЕЛЬНАЯ ИЗОЛЯЦИЯ состоит не менее чем из двух слоев материала, каждый из которых выдерживает испытания на электрическую прочность как для ДОПОЛНИТЕЛЬНОЙ ИЗОЛЯЦИИ;

- ДОПОЛНИТЕЛЬНАЯ ИЗОЛЯЦИЯ состоит из трех слоев материала, все комбинации двух слоев которого вместе должны выдерживать испытания на электрическую прочность как для ДОПОЛНИТЕЛЬНОЙ ИЗОЛЯЦИИ;

- УСИЛЕННАЯ ИЗОЛЯЦИЯ состоит не менее чем из двух слоев материала, каждый из которых выдерживает испытания на электрическую прочность как для УСИЛЕННОЙ ИЗОЛЯЦИИ;

- УСИЛЕННАЯ ИЗОЛЯЦИЯ состоит из трех слоев изоляционного материала, все комбинации двух слоев которого вместе выдерживают испытания на электрическую прочность как для УСИЛЕННОЙ ИЗОЛЯЦИИ.

Для многослойной изоляции не обязательно, чтобы все слои были изготовлены из одного и того же изоляционного материала.

Покрытия на основе растворимых эмалей не рассматривают в качестве изоляции в тонком листовом материале.

Соответствие проверяют обследованием и испытаниями электрической прочности.

2.10.5.3 Печатные платы

Для внутренних слоев многослойных плат расстояние между двумя соседними проводниками на одном и том же слое платы печатного монтажа рассматривают как расстояние через изоляцию (см. 2.10.5.1).

ДОПОЛНИТЕЛЬНАЯ или УСИЛЕННАЯ ИЗОЛЯЦИЯ между слоями проводников в двусторонних, одно- и многослойных печатных платах должна соответствовать требованиям таблицы .

Таблица 2М - Изоляция в печатных платах

Изоляция

Типовые испытания1)

ПЕРИОДИЧЕСКИЕ ИСПЫТАНИЯ на электрическую прочность3)

Два слоя тонких изоляционных материалов, в т.ч. стеклопластик2)

Не проводят

Проводят

Три или более слоев изоляционного материала, в т.ч. стеклопластик2)

Не проводят

Керамическое покрытие вулканизацией при температуре 500 °С или более

Проводят

Система изоляции с двумя и более покрытиями, с вулканизацией при температуре до 500 ºС

Проводят

1) Тепловое старение и термоциклирование по 2.10.6 с последующими испытаниями электрической прочности в соответствии с 5.2.2.

2) Слои стеклопластика, отсчитанные до вулканизации.

3) Проводят на готовых платах печатного монтажа.

Примечание - Термин «стеклопластик» используют для слоев стеклоткани, пропитанных частично вулканизированной смолой.

Соответствие проверяют обследованием, измерением и испытаниями на электрическую прочность.

Если требуются ПЕРИОДИЧЕСКИЕ ИСПЫТАНИЯ, то соответствующие величины испытательного напряжения берут из 5.2.2. Всю ДОПОЛНИТЕЛЬНУЮ или УСИЛЕННУЮ ИЗОЛЯЦИЮ подвергают испытаниям на электрическую прочность.

2.10.5.4 Компоненты для намотки

Если требуется ОСНОВНАЯ, ДОПОЛНИТЕЛЬНАЯ или УСИЛЕННАЯ ИЗОЛЯЦИИ между обмотками, то обмотки должны быть разделены чередованием изоляций, выполненных в соответствии с 2.10.5.1 или 2.10.5.2, или обоих пунктов, если не использована одна из следующих конструкций проводов:

a) провода с изоляцией, отличной от эмали на сольвентной основе, соответствующие 2.10.5.1;

b) провода с многослойной прессованной или спирально намотанной изоляцией (когда слои могут быть испытаны на электрическую прочность индивидуально) должны соответствовать 2.10.5.2 и подвергаться испытаниям по приложению U;

c) провода с многослойной прессованной или спирально намотанной изоляцией (когда могут испытываться только готовые провода) испытывают по приложению U.

Примечание 1 - См. также 6.2.1.

Согласно 2.10.5.4с минимальное число конструктивных слоев в применяемых проводниках должно быть следующим:

- для ОСНОВНОЙ ИЗОЛЯЦИИ - два намотанных слоя или один прессованный слой;

- для ДОПОЛНИТЕЛЬНОЙ ИЗОЛЯЦИИ - два намотанных или прессованных слоя;

- для УСИЛЕННОЙ ИЗОЛЯЦИИ - три намотанных или прессованных слоя.

Для спирально намотанной изоляции согласно 2.10.5.4b и 2.10.5.4с в случаях, когда ПУТИ УТЕЧЕК между намотанными слоями меньше приведенных в таблице 2L для степени загрязнения 1, зазор между слоями должен быть герметичным, как для совокупного металлокерамического зазора по 2.10.8, и испытательное напряжение ТИПОВОГО ИСПЫТАНИЯ согласно пункта U.2 увеличивают в 1,6 раза от его номинального значения.

Примечание 2 - Один слой материала, намотанный с более чем 50 %-ным перекрытием, рассматривают как образующий два слоя.

Когда два изолированных провода или один оголенный и один изолированный провод находятся в контакте внутри намотанной компоненты, при этом каждый из них пересекает другой провод под углом 45° и 90° и подвергает обмотку натяжению, должна быть обеспечена защита против механических напряжений. Эта защита может быть достигнута, например, обеспечением физического разделения в форме изоляционной трубки или листового материала, или использованием удвоенного количества изоляционных слоев.

Готовые компоненты должны проходить периодические испытания на электрическую прочность, значения испытательных напряжений берут в соответствии с 5.2.2.

Соответствие проверяют обследованием и, при необходимости, измерениями, как установлено в приложении U. Однако испытания согласно приложению U не применяют, если данные о материале слоев подтверждают соответствие.

2.10.6 Печатные платы с покрытием

2.10.6.1 Общие требования

Для печатных плат, у которых проводники покрыты соответствующим материалом, минимальные разделяющие расстояния из таблицы 2N применяют к проводникам до нанесения покрытия, и они должны отвечать следующим требованиям.

Одна или обе проводящие части (не менее 80 % ПУТИ на поверхности между проводящими частями) должны иметь покрытие. Между любыми двумя проводящими частями без покрытия и внешней стороной покрытия минимальные разделяющие расстояния рассматривают в соответствии с таблицами , 2J или .

Значения в таблице 2N применяют в случае, если на производстве внедрена программа управления качеством, которая по крайней мере обеспечивает такой уровень гарантии, который дан в R.2. В частности, ДВОЙНАЯ и УСИЛЕННАЯ ИЗОЛЯЦИИ должны подвергаться ПЕРИОДИЧЕСКИМ ИСПЫТАНИЯ на электрическую прочность.

При невыполнении вышеуказанных требований применяют положения 2.10.1 - 2.10.4.

Технология и материал покрытия, а так же покрываемый материал должны быть такими, чтобы обеспечивалось однородное качество, а рассматриваемые разделяющие ПУТИ были надежно защищены.

Соответствие проверяют измерениями с учетом рисунка F.11, а также испытаниями в следующей последовательности.

2.10.6.2 Подготовка выборки и предварительное обследование

Отбирают три образца плат (или, согласно 2.10.9, два компонента и одну плату), обозначаемые 1, 2 и 3. Допускается использовать как серийные платы, так и специально подготовленные с типичными покрытиями и минимальными расстояниями. Каждый образец платы должен иметь типичные минимальные разделяющие расстояния и покрытие. Каждый образец платы проходит в полной последовательности процесс изготовления, включая пайку и очистку, которой их обычно подвергают при сборке оборудования.

При визуальном осмотре не должно быть обнаружено отверстий или пузырьков в покрытии, а также разрывов проводящих дорожек по углам.

Таблица 2N - Минимальные разделяющие ПУТИ для печатных плат с покрытием

Разделяющие пути в миллиметрах

РАБОЧЕЕ НАПРЯЖЕНИЕ, В (среднеквадратическое значение или значение напряжения постоянного тока)

ФУНКЦИОНАЛЬНАЯ, ОСНОВНАЯ или ДОПОЛНИТЕЛЬНАЯ ИЗОЛЯЦИИ

УСИЛЕННАЯ ИЗОЛЯЦИЯ

До 63 включ.

0,1

0,2

Св. 63 до 123 включ.

0,2

0,4

« 123« 160 «

0,3

0,6

« 160 « 200 «

0,4

0,8

« 200 « 250 «

0,6

1,2

« 250 « 320 «

0,8

1,6

« 320 « 400 «

1,0

2,0

« 400 « 500 «

1,3

2,6

« 500 « 630 «

1,8

3,6

« 630 « 800 «

2,4

3,8

« 800 « 1000 «

2,8

4,0

« 1000 « 1250 «

3,4

4,2

« 1250 « 1600 «

4,1

4,6

« 1600 « 2000 «

5,0

5,0

« 2000 « 2500 «

6,3

6,3

« 2500 « 3200 «

8,2

8,2

« 3200 « 4000 «

10,0

10,0

« 4000 « 5000 «

13,0

13,0

« 5000 « 6300 «

16,0

16,0

« 6300 « 8000 «

20,0

20,0

« 8000 « 10000 «

26,0

26,0

« 10000 « 12500 «

33,0

33,0

« 12500 « 16000 «

43,0

43,0

« 16000 « 20000 «

55,0

55,0

« 20000 « 25000 «

70,0

70,0

« 25000 « 30000 «

86,0

86,0

Для напряжений от 2000 до 30000 В допускается линейная интерполяция между двумя близлежащими точками, рассчитанная на основе округления вплоть до ближайшего наибольшего значения с учетом приращений 0,1 мм.

2.10.6.3 Испытание тепловыми циклами

Образец № 1 подвергают десятикратным испытаниям при следующей последовательности температурных циклов:

68 ч - при (Т1 ± 2) °С;

1 ч - при (25 ± 2) °С;

2 ч - при (0 ± 2) °С;

не менее 1ч - при (25 ± 2) °С.

Т1 = Т2 + Тмакс.окр - Токр + 10 °С (измеряют в соответствии с 1.4.5 или, где уместно, согласно 1.4.13), или Т1 = 100 ºС; выбирают наибольшее значение. Однако 10 °С не добавляют, если температура измерена с помощью встроенной термопары.

Т2 - температура частей, измеренная во время испытаний в соответствии с 4.5.1.

Значения Тмакс.окр и Токр даны в 1.4.12.

Время перехода от одной температуры к другой не регламентируют; допускается постепенный переход.

2.10.6.4 Тепловое старение

Образец № 2 выдерживают в вытяжной камере при температуре и длительности, взятых из диаграммы рисунка 2G, используя линию температурного индекса, которая соответствует максимальной рабочей температуре платы с покрытием. Температура в камере должна поддерживаться с точностью ±2 ºС. При определении линии температурного индекса выбирают наибольшую температуру на плате, которая безопасна для прикосновения.

При использовании рисунка 2G допускается интерполяция между двумя близлежащими линиями температурных индексов.

Температурный индекс, °С

Рисунок 2G - Время теплового старения

2.10.6.5 Испытания на электрическую прочность

Образцы № 1 и 2 затем подвергают испытаниям в условиях влажности в соответствии с 2.9.2 (48 ч), при этом они должны выдерживать испытания по 5.2.2 на электрическую прочность между проводниками.

2.10.6.6 Испытание на износостойкость

Образец № 3 печатной платы подвергают следующему испытанию.

Наносят царапины поперек пяти пар проводников с целью нарушить покрытие в точках, где при испытаниях это наиболее возможно.

Царапины наносят иглой из закаленной стали, которая имеет конец в форме конуса с углом при вершине 40°; вершина должна быть скруглена радиусом (0,25 ± 0,02) мм и отшлифована.

Царапины наносят прочерчиванием иглой по поверхности платы в плоскости, перпендикулярной краям проводников, со скоростью (20 ± 5) мм/с в соответствии с рисунком 2 Н. Игла должна прижиматься таким образом, чтобы усилие, приложенное вдоль оси, составляло (10 ± 0,5) Н. Царапины должны находиться на расстоянии не менее 5 мм друг от друга и края образца.

После испытания покрывающий слой не должен ни нарушаться, ни иметь трещин и должен выдерживать испытание на электрическую прочность между проводниками в соответствии с 5.2.2.

1 - игла; 2 - испытуемый образец

Рисунок 2Н - Испытание покрывающего слоя на износостойкость

Примечание - Игла находится в плоскости ABCD, перпендикулярной плоскости испытуемого образца

2.10.7 Закрытые корпусом и залитые составные части

Для компонентов или сборочных узлов, которые надежно покрыты или герметично защищены от пыли и влаги, степень загрязнения I применяют для внутренних ЗАЗОРОВ и ПУТЕЙ УТЕЧКИ.

Примечание - В некоторых образцах части такой конструкции заключают в коробки, которые герметично заливают связующим материалом, и покрытые части помещают в оболочку.

Соответствие проверяют обследованием с внешней стороны, измерением и, если необходимо, испытанием. Деталь или сборочный узел считают в достаточной мере закрытыми, если образец выдерживает следующую последовательность испытаний.

Образец подвергают десятикратным испытаниям при следующей последовательности температурных циклов:

68 ч - при (Т1 ± 2) °С;

1 ч - при (25 ± 2) °С;

2 ч - при (0 ± 2) °С;

не менее 1ч - при (25 ± 2) °С.

Т1 = Т2 + Тмакс.окр - Токр + 10 °С (измеряют в соответствии с 1.4.5 или, где уместно, согласно 1.4.13), или Т1 = 85 ºС; выбирают наибольшее значение. Однако 10 °С не добавляют, если температура измерена с помощью встроенной термопары.

Т2 - температура частей, измеренная во время испытаний в соответствии с 4.5.1.

Значения Тмакс.окр и Токр даны в 1.4.12.

Время перехода от одной температуры к другой не регламентируют; допускается постепенный переход.

Образец после охлаждения до комнатной температуры подвергают в условиях влажности по 2.9.2 испытаниям на электрическую прочность в соответствии с 5.2.2.

Для трансформаторов и аналогичных устройств, у которых изоляция обеспечивает безопасность, во время температурного цикла между обмотками подают напряжение среднеквадратического значения 500 В с частотой от 50 до 60 Гц. Во время испытания не допускается очевидное нарушение изоляции.

2.10.8 Объемы, заполненные изолирующим компаундом

В случаях, когда промежутки между токопроводящими частями эффективно заполнены изолирующим компаундом, включая и те, где изоляция надежно скреплена с изолирующим компаундом таким образом, что отсутствуют ЗАЗОРЫ и ПУТИ УТЕЧКИ, применяют требования только к расстоянию через изоляцию по 2.10.5.1.

Примечания

1 Некоторые примеры такой обработки - заливка, вакуумная пропитка и герметизация.

2 Примером приемлемых форм конструкции могут служить:

- компоненты или сборочные узлы, пропитанные изолирующим компаундом, заполняющим пустоты;

- внутренняя изоляция многослойных печатных плат.

Соответствие проверяют обследованием, измерением и испытаниями. Не производят измерения ЗАЗОРОВ и ПУТЕЙ УТЕЧКИ, если образцы прошли испытания на температурные циклы, влажность и электрическую прочность согласно 2.10.7. В этом случае применяют следующее:

- для компонентов, где изолирующий компаунд образует сплошную изоляцию между проводящими частями, испытывают один законченный компонент. Испытания проводят последующим выполнением разрезов и измерением. Не должно быть ни трещин, ни пустот в изолирующем компаунде, которые могут повлиять на выполнение требований 2.10.5.1;

- для компонентов, где изолирующий компаунд образует скрепляющий слой между изолирующими частями, электрическую прочность определяют на трех образцах, испытывая непосредственно скрепленные стыки. Если в компоненте используют обмотку из эмалированного провода, то испытуемый компонент помещают на металлическую фольгу либо несколько витков изолированного провода размещают рядом с скрепляющим стыком. Затем испытывают три образца:

один подвергают испытанию на соответствующую электрическую прочность согласно 5.2.2 сразу после последнего периода испытаний при самой высокой температуре температурного цикла, за исключением случая, когда значение испытательного напряжения умножалось на 1,6;

другие два подвергают испытаниям на соответствующую электрическую прочность согласно 5.2.2 после испытания в условиях влажности, за исключением случая, когда значение испытательного напряжения умножалось на 1,6.

2.10.9 Составные части внешних разъемов

Требования 2.10.1 - 2.10.4 относят к промежуткам между внешними зажимами компонентов (кроме случаев, когда они покрыты материалом, соответствующим 2.10.6, с учетом требований к системе контроля качества согласно R.1). В этом случае минимальное разделяющее расстояние в соответствии с таблицей 2N будет относиться к составным частям до нанесения покрытия. Между любыми двумя токопроводящими частями без покрытия и на внешней поверхности покрытий используют минимальные разделяющие расстояния в соответствии с таблицами , 2J, и 2L.

Если покрытия наносят поверх деталей для увеличения эффективного ПУТИ УТЕЧКИ и ЗАЗОРОВ, механическая прочность и жесткость деталей должны быть такими, чтобы избежать при нормальном обращении, сборке оборудования и последующем применении деформаций деталей, которые могли бы вызвать трещины в покрытии или уменьшить промежуток между токопроводящими частями до значения, меньшего, чем необходимо в соответствии с таблицей 2N (см. 2.10.6.1).

Соответствие проверяют обследованием с учетом рисунка F.10, а также проведением испытаний по 2.10.6.2 - 2.10.6.5. Испытания должны быть проведены на собранном блоке, включая составную(ые) часть(и).

Испытание на износостойкость проводят с применением специально подготовленных образцов печатных плат в соответствии с 2.10.6.6,а для образца № 3 - согласно 2.10.6.2, выбирая случаи, когда отделение токопроводящих частей в блоке выполнено с наименьшим разделяющим расстоянием и наибольшим потенциалом.

2.10.10 Изоляция с изменяющимися размерами

Если изоляция трансформатора имеет различные рабочие напряжения по длине обмотки, допускается изменять ЗАЗОРЫ, ПУТИ УТЕЧКИ и ПУТИ через изоляцию соответственно.

Примечание - Образец такой конструкции имеет обмотку, рассчитанную на напряжение 30 кВ, состоящую из нескольких катушек, соединенных последовательно и заземленных на одном конце.

3 Электропроводка, соединения и электропитание

3.1 Основные положения

3.1.1 Номинальное значение тока и защита от перегрузки по току

Площадь поперечного сечения внутренних проводов и СОЕДИНИТЕЛЬНЫХ КАБЕЛЕЙ должна соответствовать току, протекающему по этим проводам при работе оборудования в режиме НОРМАЛЬНОЙ НАГРУЗКИ. При этом не допускается превышение максимальной разрешенной температуры проводника.

Вся внутренняя электропроводка (включая шины) и СОЕДИНИТЕЛЬНЫЕ КАБЕЛИ, предназначенные для распределения электропитания по ПЕРВИЧНОЙ ЦЕПИ, должны быть предохранены от токов перегрузки и короткого замыкания защитными устройствами соответствующего номинала.

Электропроводка, непосредственно не участвующая в распределении электропитания, не нуждается в защите в случае, если она надежна с точки зрения безопасности (например, цепи индикации).

Примечания

1 Устройства, защищающие составные части от тока перегрузки, могут также обеспечивать защиту полностью всей электропроводки.

2 Для внутренних цепей, соединенных с СЕТЬЮ ПИТАНИЯ ПЕРЕМЕННОГО ТОКА, может понадобиться индивидуальная защита в случае применения провода уменьшенного сечения, а также с учетом длины проводников.

Соответствие проверяют осмотром и, если необходимо, испытаниями по 4.5.1.

3.1.2 Защита от механических повреждений

Пути прокладки проводов должны быть гладкими и не иметь острых кромок. Провода должны быть защищены от соприкосновения с заусенцами, радиаторами охлаждения, подвижными частями и т.п., могущими повредить изоляцию. Отверстия в металле, через которые проходят изолированные проводники, должны иметь гладкие обработанные поверхности или снабжаться втулками.

Допускается соприкосновение проводников с токопроводящими клеммами, если пробой изоляции не вызывает появления опасности или применяемая система изоляции обеспечивает соответствующую механическую защиту.

Соответствие проверяют осмотром.

3.1.3 Надежность внутренней проводки

Внутренние провода должны прокладываться, зажиматься или закрепляться таким образом, чтобы не допустить:

- чрезмерного натяжения проводов, в том числе у клеммных зажимов;

- ослабления клеммных зажимов;

- повреждения изоляции проводов.

Соответствие проверяют осмотром.

3.1.4 Изоляция проводов

Дополнительно к требованиям 2.1.1.3b, изоляция отдельных жил внутренних проводов должна полностью удовлетворять требованиям 2.10.5 и выдерживать испытания на соответствующую электрическую прочность согласно 5.2.2.

В случае использования сетевого кабеля, изоляционные свойства которого удовлетворяют требованиям 3.2.5 внутри оборудования, а также в качестве удлинителя внешнего шнура электропитания или самостоятельного кабеля, его оболочку рассматривают как ДОПОЛНИТЕЛЬНУЮ ИЗОЛЯЦИЮ, отвечающую требованиям 3.1.4.

Примечание - Требования к окраске изоляции см. в 2.6.3.4.

Соответствие проверяют осмотром и анализом результатов испытаний, подтверждающих отсутствие пробоя изоляции.

Если результаты испытаний проводов не представлены производителем, то соответствие проверяют испытанием на электрическую прочность с использованием образца длиной приблизительно 1 м, к которому испытательное напряжение прикладывают в следующем порядке:

- для изоляции проводника - по методу испытания напряжением согласно разделу 3 МЭК 60885-1 [6]; испытательное напряжение прикладывают по 5.2.2 соответственно типу испытуемой изоляции;

- для ДОПОЛНИТЕЛЬНОЙ ИЗОЛЯЦИИ (например, оболочки группы проводов) - между проводником в изоляционной оболочке и металлической фольгой, плотно обернутой вокруг оболочки на участке длиной не менее 100 мм.

3.1.5 Изоляционные бусы и керамические изоляторы

Изоляционные бусы и подобные им керамические изоляторы на проводниках должны быть:

- зафиксированы или установлены на проводниках так, чтобы исключить их перемещение, создающее опасность;

- не должны располагаться на острых кромках или острых углах.

Если бусы размещены внутри гибкого металлического кабельного канала, то они должны находиться в изоляционной оболочке, за исключением случаев, когда при нормальной эксплуатации смещение, создающее опасность, исключено.

Соответствие проверяют осмотром и испытанием вручную.

Усилие 10 Н прикладывают к изоляции или изоляционной трубке. Любое результирующее движение не должно создавать опасности с точки зрения настоящего стандарта.

3.1.6 Винты, обеспечивающие электрический контакт

Если винт обеспечивает электрический контакт, то он должен быть ввинчен в металлические пластину, гайку или втулку не менее чем на два полных витка.

Винты из изоляционного материала не используют для электрических соединений, включая заземление, а также в случаях, когда их замена металлическими винтами может привести к повреждению ДОПОЛНИТЕЛЬНОЙ или УСИЛЕННОЙ ИЗОЛЯЦИИ.

Если винты из изоляционного материала обеспечивают другие виды безопасности, то они должны быть ввинчены не менее чем на два полных витка.

Примечание - См. также 2.6.5.7 для винтов, используемых для создания непрерывности защитного заземления.

Соответствие проверяют осмотром.

3.1.7 Неметаллические материалы в электрических соединениях

Электрические соединения, включая соединения для целей защитного заземления, не должны передавать давление на контакт через изоляционный материал, кроме случая, когда имеется достаточная упругость в металлических частях для компенсации любого возможного сжатия или разрушения изоляционного материала.

Соответствие проверяют осмотром.

3.1.8 Винты, включая самонарезные

Винты (на листовом металле) не используют для соединения токонесущих частей, если только они не обеспечивают непосредственный контакт между этими частями и не обеспечены средствами блокировки, препятствующими откручиванию.

Самонарезающие (нарезающие и формирующие резьбу) винты не используют для электрических соединений, если они не создают полноценных (соответствующих стандарту) витков резьбы. Также не используют эти винты, если с ними должен работать ПОЛЬЗОВАТЕЛЬ или лицо, производящее монтаж и установку, кроме случаев, когда резьба изготовлена методом штамповки.

Примечание - См. также 2.6.5.7 для винтов, используемых для непрерывности защитного заземления.

Соответствие проверяют осмотром.

3.1.9 Заделка выводов проводов

Проводники должны быть ограждены, закреплены или заделаны так, что бы ни они, ни их оконечные устройства (например, круглые разъемы или плоские быстро отсоединяемые разъемы и т.п.) при нормальном использовании не могли перемещаться, уменьшая ЗАЗОРЫ или РАССТОЯНИЯ УТЕЧЕК ниже допустимых значений, установленных в 2.10.

Для соединения выводов проводников разрешают использовать пайку, сварку, опресовку, а также безвинтовые и подобные зажимы. При соединении выводов проводников пайкой проводник должен располагаться так, чтобы его фиксация в определенном положении зависела не только от пайки.

В многоконтактных разъемах и везде, где может произойти короткое замыкание из-за ослабления зажима или отрыва проводника, защитные средства должны обеспечивать предотвращение контакта ЦЕПЕЙ БСНН или ЦЕПЕЙ НТС с частями под ОПАСНЫМ НАПРЯЖЕНИЕМ.

Соответствие проверяют осмотром, измерениями и, где необходимо, следующими испытаниями.

Усилие 10 Н прикладывают к проводнику вблизи места заделки его вывода. Проводник не должен обрываться, или крепление его зажима должно обеспечивать требуемые ЗАЗОРЫ или РАССТОЯНИЯ УТЕЧКИ не ниже допустимых значений, установленных в 2.10.

Считают что:

- два независимых крепления не могут ослабнуть одновременно;

- фиксацию, обеспечиваемую винтами или гайками с самостопорящимися шайбами или другими средствами блокировки, считают достаточной.

Примечание - Пружинные шайбы и т.п. могут обеспечивать удовлетворительную блокировку.

Примеры конструкций, встречаемых на практике:

- плотно подогнанная трубка (например, втулка горячепрессованная или из синтетического каучука), применяемая для проводника и его оконечного устройства;

- проводники, соединенные пайкой и закрепленные вблизи заделки выводов проводов, независимо от соединения пайкой;

- проводники, соединенные пайкой и «скрученные вместе» до пайки, при условии, что отверстие, через которое проводник пропускают, не является большим;

- проводники, соединенные винтовыми зажимами, с дополнительной фиксацией вблизи зажима. Такое дополнительное крепление в случае многопроволочного провода должно зажимать и изоляцию, и провод;

- проводники, соединенные винтовыми зажимами, снабженными концевой заделкой, исключающими их перемещение (например, кольцевые проушины, предназначенные для проводников). Вращение таких оконечников учитывают;

- короткие жесткие проводники, остающиеся в том же положении, когда зажимной винт ослаблен.

3.1.10 Изолирующая трубка на проводке

Если изолирующую трубку используют в качестве ДОПОЛНИТЕЛЬНОЙ ИЗОЛЯЦИИ на внутренней проводке, она должна быть зафиксирована. Соответствие проверяют осмотром.

 Примеры конструкций, соответствующих этим требованиям:

- изолирующая трубка, которая может быть удалена только разрушением провода или самой трубки;

- изолирующая трубка, которая закреплена с обоих концов;

- термоусаживаемая изолирующая трубка, которая сжимает изоляцию проводов;

- изолирующая трубка такой длины, которая исключает перемещение.

3.2 Подключение к сети питания переменного тока

3.2.1 Средства подключения

Для безопасного и надежного подключения к СЕТИ ПИТАНИЯ ПЕРЕМЕННОГО ТОКА оборудование должно быть снабжено одним из следующих средств:

- клеммами для постоянного подключения к источнику электропитания;

- НЕСЪЕМНЫМ ШНУРОМ ЭЛЕКТРОПИТАНИЯ для постоянного подключения к источнику электропитания или шнуром с штепсельной вилкой для этой цели.

Примечание - В Великобритании для шнуров питания определенного оборудования требуется применение штепсельной вилки, отвечающей требованиям BS 1363 [7];

- приборным штепсельным вводом для подключения РАЗЪЕМНОГО ШНУРА ЭЛЕКТРОПИТАНИЯ;

- сетевой штепсельной вилкой, являющейся частью ВРУБНОГО ОБОРУДОВАНИЯ.

Соответствие проверяют осмотром.

3.2.2 Многоштепсельное подключение к сети электропитания

Если в оборудовании предусмотрено более одного соединения с сетью электропитания (например, с различными напряжениями или частоты, или с источником резервного питания), в конструкции должны выполняться следующие условия:

- для различных цепей предусматривают отдельные средства подключения;

- вилки для подключения к источникам питания не должны быть взаимозаменяемыми, если их неправильное подключение может создать опасность;

- при отключении одного или нескольких соединителей должна быть исключена возможность касания ОПЕРАТОРОМ оголенных частей, ЦЕПЕЙ СНН или частей, находящихся под ОПАСНЫМ НАПРЯЖЕНИЕМ, например контактов штепсельной вилки.

Соответствие проверяют осмотром, а доступность, где это необходимо, - испытаниями с помощью испытательного пальца согласно рисунку (см. 2.1.1.1).

3.2.3 Постоянно подключенное оборудование

ПОСТОЯННО ПОДКЛЮЧЕННОЕ ОБОРУДОВАНИЕ должно быть снабжено:

- набором клемм, как установлено в 3.3, или

- НЕРАЗЪЕМНЫМ ШНУРОМ ЭЛЕКТРОПИТАНИЯ.

На постоянно подключенном оборудовании с набором клемм должны быть предусмотрены:

- возможность подключения проводов электропитания после закрепления оборудования на месте установки;

- кабельные вводы, вводы кабельных каналов, монтажные коробки или втулки, которые позволяют подключать необходимые типы кабелей или магистралей.

У оборудования с НОМИНАЛЬНЫМ ТОКОМ, не превышающим 16 А, кабельные вводы должны быть рассчитаны на внешний диаметр кабелей и магистралей в соответствии с таблицей .

Примечания

1 Для некоторых стран требуемые размеры кабельных каналов указаны в скобках.

2 В Австралии применяют дополнительные требования.

Конструкция и расположение вводов магистралей и кабелей, а также монтажных коробок для ввода магистралей и кабелей не должны нарушать защиту от поражения электрическим током или уменьшать РАССТОЯНИЯ УТЕЧКИ и ЗАЗОРЫ ниже допустимых значений, указанных в 2.10.

Соответствие проверяют осмотром, проверкой возможности установки и измерениями.

Таблица 3А- Размеры кабелей и каналов для их прокладки для оборудования, с номинальным током не более 16 А

Число проводов, включая ПРОВОД ЗАЩИТНОГО ЗАЗЕМЛЕНИЯ, если он требуется

Внешний диаметр, мм

Кабель

Кабельный канал

2

13,0

16,0 (23,0)

3

14,0

4

14,5

20,0 (29,0)

5

15,5

3.2.4 Приборные вводы

Все приборные вводы должны удовлетворять следующим требованиям:

- располагаться или встраиваться таким образом, чтобы при подключении или отключении соединителя исключить доступ к частям, находящимся под ОПАСНЫМ НАПРЯЖЕНИЕМ (приборные вводы, соответствующие ГОСТ Р 51325.1, ГОСТ Р 51325.2.2 или ГОСТ Р 51323.1, ГОСТ Р 51323.2, ГОСТ Р 51323.3, удовлетворяют этим требованиям);

- размещаться так, чтобы операции, производимые со штепсельной вилкой, выполнялись без усилий;

- размещаться так, чтобы при нормальной эксплуатации после подключения соединителя оборудование не опиралось на него при любом положении на плоской поверхности.

Соответствие проверяют осмотром, а доступность - при помощи испытательного пальца согласно рисунку (см. 2.1.1.1).

3.2.5 Шнуры электропитания

Шнур электропитания для подключения к СЕТИ ПИТАНИЯ ПЕРЕМЕННОГО ТОКА должен применяться с учетом следующих условий:

- резиновая изоляция должна изготавливаться из синтетической резины и быть не мягче обычного упругого гибкого шнура с резиновой оболочкой по стандартам серии ГОСТ Р МЭК 60245 (обозначение 60245 IEC 53);

- поливинилхлоридная изоляция должна быть:

для оборудования с НЕСЪЕМНЫМ ШНУРОМ ИСТОЧНИКА ПИТАНИЯ и массой не более 3 кг - не мягче гибкого шнура с легкой поливинилхлоридной оболочкой по стандартам серии ГОСТ Р МЭК 60227 (обозначение 60277 IEC 52);

для оборудования с НЕСЪЕМНЫМ ШНУРОМ ИСТОЧНИКА ПИТАНИЯ и массой более 3 кг - не мягче обычного гибкого шнура с поливинилхлоридной изоляцией по стандартам серии ГОСТ Р МЭК 60227 (обозначение 60227 IEC 53);

для оборудования со СЪЕМНЫМ ШНУРОМ ИСТОЧНИКА ПИТАНИЯ - не мягче защищенного гибкого шнура с поливинилхлоридной изоляцией по стандартам серии ГОСТ Р МЭК 60227 (обозначение 60277 IEC 52).

Примечание 1 - Не нормируется масса оборудования, предназначенного для использования со СЪЕМНЫМ ШНУРОМ БЛОКА ПИТАНИЯ;

- оборудование, требующее защитного заземления, должно содержать ПРОВОД ЗАЩИТНОГО ЗАЗЕМЛЕНИЯ с изоляцией желто-зеленого цвета;

- провода должны иметь площадь поперечного сечения не менее установленной в таблице .

Примечание 2 - В Австралии применяют дополнительные требования.

Соответствие проверяют осмотром и измерениями. Кроме того, для экранированных шнуров соответствие проверяют проведением испытаний, аналогичных стандартам серии ГОСТ Р МЭК 60227. Однако испытания на изгиб проводят только для экранированных шнуров питания ПЕРЕМЕЩАЕМОГО ОБОРУДОВАНИЯ.

Примечание 3 - Хотя экранированные шнуры питания не входят в область распространения стандартов серии ГОСТ Р МЭК 60227, испытания по этому стандарту используют там, где это необходимо.

Условия повреждения экрана следующие:

- во время испытаний на гибкость экранирующая оплетка не должна контактировать ни с одним проводником, а также

- после испытания на гибкость образец должен выдерживать испытания на электрическую прочность между экраном и всеми другими проводниками.

Таблица 3В - Размеры проводников

Номинальный ток оборудования, А

Номинальная площадь поперечного сечения, мм2

Номинальный ток оборудования, А

Номинальная площадь поперечного сечения, мм2

До 6 включ.

0,751)

Св. 100 до 125 включ.

35,00

Св. 6 до 10 включ.

1,00 (0,75)2)

« 125 « 160 «

50,00

« 10 « 13 «

1,25 (1,00)3)

« 160 « 190 «

70,00

« 13 « 16 «

1,50 (1,00)3)

« 190 « 230 «

95,00

« 16 « 25 «

2,50

« 230 « 260 «

120,00

« 25 « 32 «

4,00

« 260 « 300 «

150,00

« 32 « 40 «

6,00

« 300 « 340 «

185,00

« 40 « 63 «

10,00

« 340 « 400 «

240,00

« 63 « 80 «

16,00

« 400 « 460 «

300,00

« 80 « 100 «

25,00

 

 

1) Для НОМИНАЛЬНОГО ТОКА до 3 А допускается номинальное сечение проводника 0,50 мм2 при длине шнура не более 2 м.

2) Для СЪЕМНЫХ ШНУРОВ ИСТОЧНИКА ПИТАНИЯ с соединителями на номинальный ток 10 А по ГОСТ Р 51325.1 (типы С13, С15, С15А и CI7), при условии, что длина шнура не превышает 2 м.

3) Для СЪЕМНЫХ ШНУРОВ ИСТОЧНИКА ПИТАНИЯ с соединителями на номинальный ток 16 А по ГОСТ Р 51325.1 (типы С19, С21, С23), при условии, что длина шнура не превышает 2 м.

Примечание - В ГОСТ Р 51325.1 указаны допустимые сочетания штепсельных соединителей и гибких шнуров, включая оговоренные в сносках. Однако в ряде стран приняты не все значения, указанные в сносках.

3.2.6 Жесткость закрепления шнура и разгрузка от натяжения

Для оборудования с НЕРАЗЪЕМНЫМ ШНУРОМ ПИТАНИЯ должно быть выполнено жесткое закрепление шнура, чтобы:

- не допустить натяжение проводников шнура в точках соединения;

- защитить внешнюю оболочку от механического повреждения трением.

Должна быть исключена возможность проталкивания шнура питания в оборудование, если шнур или его жилы могут создать опасность или привести к смещению внутренних частей оборудования.

У НЕРАЗЪЕМНЫХ ШНУРОВ ПИТАНИЯ, содержащих ПРОВОД ЗАЩИТНОГО ЗАЗЕМЛЕНИЯ, конструкция должна быть такой, чтобы при натяжении шнура в точке подключения ПРОВОД ЗАЩИТНОГО ЗАЗЕМЛЕНИЯ натягивался последним.

Жесткое крепление шнура должно быть либо выполнено из изоляционного материала, либо иметь оболочку из изоляционного материала, соответствующего требованиям для ДОПОЛНИТЕЛЬНОЙ ИЗОЛЯЦИИ. Однако это требование не применяют, если жесткое крепление представляет собой втулку, которая включает в себя электрическое соединение с оплеткой экранированного шнура электропитания. Конструкция жесткого крепления должна быть такой, чтобы:

- замена шнура не снижала безопасность оборудования;

- для обычного сменного шнура был очевиден способ его защиты от натяжения;

- шнур не зажимался винтом, непосредственно воздействующим на него, если крепление шнура включает винт, выполненный из изоляционного материала, то размер винта должен соответствовать диаметру фиксируемого шнура;

- не допускалось завязывание шнура в узел или привязывание шнура;

- не допускалось вращение шнура относительно корпуса оборудования, которое может привести к появлению натяжения в местах электрических соединений.

Соответствие проверяют осмотром и проведением испытаний, приведенных ниже, с типовым шнуром электропитания, входящим в комплект оборудования.

Шнур подвергают натяжению в соответствии с таблицей , прикладываемому в наиболее неблагоприятном направлении. Испытания проводят 25 раз, каждое продолжительностью 1 с.

Шнур не должен повреждаться при испытаниях. Это проверяют осмотром и проведением испытания на электрическую прочность между жилами шнура и доступными проводящими частями, прикладывая испытательное напряжение, соответствующее УСИЛЕННОЙ ИЗОЛЯЦИИ.

После испытаний шнур не должен иметь продольного смещения более 2 мм, а также заметного натяжения в месте подключения. ЗАЗОРЫ и РАССТОЯНИЯ УТЕЧКИ не должны снижаться ниже значений, указанных в 2.10.

Таблица 3С - Механические испытания шнуров электропитания

Масса (M) оборудования, кг

Усилие натяжения, Н

До 1

30

1 < М £ 4

60

Св. 4

100

3.2.7 Защита от механического повреждения

Шнуры электропитания не должны подвергаться воздействию острых углов или кромок внутри или на поверхности оборудования, а также в отверстиях и втулках ввода шнура.

Внешняя оболочка НЕСЪЕМНОГО ШНУРА ПИТАНИЯ должна проходить внутрь оборудования через входную втулку или кабельный ввод и выходить за зажим жесткого крепления не менее чем наполовину диаметра шнура. При использовании входных втулок:

- они должны быть надежно закреплены;

- они не должны сниматься без применения ИНСТРУМЕНТА.

Ввод в неметаллическом кожухе должен быть выполнен из изоляционного материала.

Входная втулка или кабельный ввод, установленные на проводящей части, не защищенной заземлением, должны соответствовать требованиям, предъявляемым к ДОПОЛНИТЕЛЬНОЙ ИЗОЛЯЦИИ.

Соответствие проверяют осмотром и измерением.

3.2.8 Кабельные вводы

На отверстии ввода НЕРАЗЪЕМНОГО ШНУРА ЭЛЕКТРОПИТАНИЯ ручного оборудования или оборудования, которое предполагается перемещать при эксплуатации, должен быть предусмотрен кабельный ввод. Вариантом исполнения может быть отверстие или втулка ввода шнура с закруглением радиусом не менее 1,5 диаметра шнура с максимальной площадью поперечного сечения.

Кабельный ввод должен отвечать следующим требованиям:

- иметь конструкцию, предотвращающую чрезмерный изгиб шнура на входе в оборудование;

- выполняться из изоляционного материала;

- надежно закрепляться;

- выступать из отверстия ввода за внешнюю поверхность оборудования на длину, равную не менее пяти внешним диаметрам, либо, для плоских шнуров, равную пятикратному наибольшему размеру поперечного сечения шнура.

Соответствие проверяют осмотром и измерением. При необходимости проводят следующие испытания со шнуром, поставляемым с оборудованием.

Оборудование размещают так, чтобы в точке выхода шнура осевая линия кабельного ввода составляла угол 45° с осевой линией шнура при отсутствии на нем нагрузки. К свободному концу шнура подвешивают груз массой 10´D2 г, где D - внешний диаметр (в миллиметрах), для плоских шнуров - наименьший внешний размер шнура.

Если кабельный ввод изготовлен из термочувствительного материала, то испытание проводят при температуре (23 ± 2) °С.

Плоские шнуры сгибают в плоскости наименьшего сопротивления.

Непосредственно сразу после подвески груза радиус изгиба шнура в любом месте не должен быть меньше 1,5 D.

3.2.9 Пространство для размещения шнуров питания

Пространство внутри оборудования, в котором расположены зажимы питания, или часть оборудования, подключенного постоянно или использующего для подсоединения к сети НЕСЪЕМНЫЕ ШНУРЫ ПИТАНИЯ, должно соответствовать следующим требованиям:

- обеспечивать свободный ввод и подключение проводов;

- неизолированный конец провода не должен свободно выскальзывать из зажима, но если это произошло, то он не должен касаться:

доступной проводящей части, не защищенной заземлением, или

доступной проводящей части РУЧНОГО ОБОРУДОВАНИЯ;

- обеспечивать возможность проверки правильности размещения и закрепления проводов до закрытия крышки, если она имеется;

- обеспечивать установку крышек, если они имеются, без риска повредить провода электропитания или их изоляцию;

- обеспечивать возможность снятия крышек, если они имеются, дающих доступ к клеммам, без применения специального ИНСТРУМЕНТА.

Соответствие проверяют осмотром и испытанием на установке со шнурами наибольшей площади поперечного сечения в диапазоне, установленном в 3.3.4.

3.3 Клеммы для подключения внешних проводников

Подраздел 3.3 определяет требования к клеммам, используемым для подключения к оборудованию проводов СЕТИ ПИТАНИЯ ПЕРЕМЕННОГО ТОКА и ПРОВОДА ЗАЩИТНОГО ЗАЗЕМЛЕНИЯ.

3.3.1 Токопроводящие клеммы

ПОСТОЯННО ПОДКЛЮЧЕННОЕ ОБОРУДОВАНИЕ и оборудование с обычными НЕРАЗЪЕМНЫМИ ШНУРАМИ ПИТАНИЯ должно иметь клеммы, подключение к которым выполняется посредством винтов, гаек или других эквивалентных по эффективности средств (см. также 2.6.4).

Соответствие проверяют осмотром.

3.3.2 Подключение неразъемных шнуров питания

Для оборудования со специальными НЕРАЗЪЕМНЫМИ ШНУРАМИ ПИТАНИЯ подключение отдельных проводников к внутренней проводке оборудования должно выполняться любыми средствами, обеспечивающими надежный электрический и механический контакт. При этом не должно быть превышения допустимых температурных пределов при работе оборудования под НОРМАЛЬНОЙ НАГРУЗКОЙ (см. также 3.1.9).

Соответствие проверяют осмотром и измерением превышения температуры в местах соединения, которое не должно быть более значений, приведенных в 4.5.1.

3.3.3 Винтовые зажимы

Винты и гайки, зажимающие проводники внешнего электропитания, должны иметь резьбу по ГОСТ 8724 или ГОСТ 24705 либо резьбу, совпадающую по шагу и механической прочности. Они не должны использоваться для крепления других элементов, однако могут фиксировать внутренние провода, если они расположены так, что при закреплении проводников питания их смещение исключено. Для клемм защитного заземления см. также 2.6.4.1.

Клеммы, встроенные в оборудование составных частей (например, выключателей), могут использоваться для проводников внешнего электропитания, при условии, что они отвечают требованиям 3.3.

Соответствие проверяют осмотром.

3.3.4 Размеры проводников, предназначенных для подключения

Клеммы должны позволять подключение проводников, имеющих номинальное сечение, указанное в таблице 3D.

Если используют проводники большего сечения, клеммы должны иметь соответствующий размер.

Соответствие проверяют осмотром, измерениями, а также подсоединением шнуров наименьшего и наибольшего поперечного сечений из диапазона, указанного в таблице 3D.

Таблица 3D- Диапазоны размеров проводов, подсоединяемых к клеммам

Номинальный ток оборудования, А

Номинальная площадь поперечного сечения, мм2

Гибкий провод

Другие кабели

До 3 включ.

0,50 - 0,75

1,0 - 2,5

Св. 3 до 6 включ.

0,75 - 1,00

1,0 - 2,5

« 6 « 10 «

1,00 - 1,50

1,0 - 2,5

« 10 « 13 «

1,25 - 1,50

1,5 - 4,0

« 13 « 16 «

1,50 - 2,50

1,5 - 4,0

« 16 « 25 «

2,50 - 4,00

2,5 - 6,0

« 25 « 32 «

4,00 - 6,00

4,0 - 10,0

« 32 « 40 «

6,00 - 10,00

6,0 - 16,0

« 40 « 63 «

10,00 - 16,00

10,0 - 25,0

3.3.5 Размеры токопроводящих клемм

Клеммы должны иметь размеры, указанные в таблице .

Соответствие проверяют осмотром и измерением.

Таблица 3Е - Размеры клемм для проводов сетевого электропитания и защитного заземления

Номинальный ток оборудования, А

Минимальный номинальный диаметр резьбы, мм

Шпилька или штифт

Винт1)

До 10 включ.

3,0

3,5

Св. 10 до 16 включ.

3,5

4,0

« 16 « 25 «

4,0

5,0

« 25 « 32 «

4,0

5,0

« 32 « 40 «

5,0

5,0

« 40 « 63 «

6,0

6,0

1) Для клеммы, у которой зажим проводника осуществляется под головкой винта (с шайбой или без шайбы).

3.3.6 Конструкция клемм

Конструкция клемм должна обеспечивать фиксацию проводника между металлическими поверхностями с достаточным контактным давлением, но без повреждения проводника.

Конструкция и расположение клемм должны исключать выпадение проводника при затягивании зажимающих винтов или гаек.

Клеммы должны быть обеспечены соответствующими средствами крепления проводников (например, гайки и шайбы).

Клеммы должны быть закреплены так, чтобы при затягивании или ослаблении средств крепления проводника:

- крепление клеммы не ослаблялось;

- внутренняя проводка не подвергалась нагрузкам;

- ЗАЗОРЫ и РАССТОЯНИЯ УТЕЧКИ не становились меньше допустимых значений, установленных в 2.10.

Соответствие проверяют осмотром и измерением.

3.3.7 Размещение токопроводящих клемм

Для обычных НЕРАЗЪЕМНЫХ ШНУРОВ ПИТАНИЯ и ПОСТОЯННО ПОДКЛЮЧЕННОГО ОБОРУДОВАНИЯ все клеммы, связанные с СЕТЬЮ ПИТАНИЯ ПЕРЕМЕННЫМ ТОКОМ, должны быть размещены вблизи от соответствующей клеммы или клемм с другим потенциалом и клеммы защитного заземления, если она имеется.

Соответствие проверяют осмотром.

3.3.8 Многожильный провод

Конец многожильного провода не должен скрепляться пайкой в местах контактного давления, если конструкция зажима не позволяет уменьшить вероятность плохого контакта из-за холоднотекучести припоя.

Пружинные клеммы, которые компенсируют плохой контакт, удовлетворяют этому требованию.

Средства предотвращения откручивания зажимных винтов не рассматривают в качестве защитной меры от плохого контакта.

Клеммы должны быть размещены, защищены и изолированы так, чтобы в случае выпадения какой-либо жилы гибкого провода из клеммы при монтаже был исключен случайный контакт между жилой и:

- доступными токопроводящими частями или

- незаземленной токопроводящей частью, отделенной от доступных проводящих частей только ДОПОЛНИТЕЛЬНОЙ ИЗОЛЯЦИЕЙ.

Соответствие проверяют осмотром, а также последующим испытанием, если не используется специально шнур, исключающий отсоединение жил провода.

Конец гибкого провода соответствующего номинального поперечного сечения зачищают от изоляции на длине около 8 мм. Отделяют одну жилу провода, а остальные вставляют в клемму и зажимают.

Отделенную жилу размещают во всех возможных положениях, избегая дальнейшего нарушения изоляции провода и не допуская резких изгибов вокруг ограждения.

Если проводник находится под ОПАСНЫМ НАПРЯЖЕНИЕМ, отделенная жила не должна касаться никаких доступных проводящих частей или проводящих частей, соединенных с доступными проводящими частями, а в случае оборудования с ДВОЙНОЙ ИЗОЛЯЦИЕЙ - любых проводящих частей, отделенных от доступных проводящих частей только ДОПОЛНИТЕЛЬНОЙ ИЗОЛЯЦИЕЙ.

Если провод подключен к клемме заземления, то отделенная жила не должна касаться никакой части, находящейся под ОПАСНЫМ НАПРЯЖЕНИЕМ.

3.4 Отключение от сети питания переменного тока

3.4.1 Общие требования

Отключающее устройство или устройства должны обеспечивать возможность отключения оборудования от СЕТИ ПИТАНИЯ ПЕРЕМЕННОГО ТОКА при обслуживании.

Соответствие требованиям проверяют осмотром.

3.4.2 Отключающие устройства

Отключающие устройства должны иметь зазор между контактами не менее 3 мм; при монтаже отключающего устройства внутри оборудования, оно должно располагаться как можно ближе к входу питания.

В качестве отключающих устройств могут использоваться функциональные выключатели, при условии, что они отвечают всем требованиям, предъявляемым к отключающим устройствам. Однако эти требования не распространяются на функциональные переключатели, использующие другие средства изоляции.

К применению разрешены отключающие устройства следующих типов:

- вилка шнура сетевого питания;

- сетевая штепсельная вилка, которая является частью ВРУБНОГО ОБОРУДОВАНИЯ;

- бытовой соединитель;

- изолирующий выключатель;

- разъединитель;

- любое аналогичное устройство.

Примечание - Примерами устройств, отвечающих требованиям настоящего стандарта, являются некоторые устройства, соответствующих требованиям ГОСТ Р МЭК 61058-1.

Соответствие проверяют осмотром.

3.4.3 Постоянно подключенное оборудование

Для ПОСТОЯННО ПОДКЛЮЧЕННОГО ОБОРУДОВАНИЯ отключающее устройство должно быть вмонтировано в оборудование, если только в инструкции по установке оборудования согласно 1.7.2 не определено, что соответствующее устройство должно быть частью сети здания.

Примечание - Поставка внешних отключающих устройств в комплекте оборудования не является обязательной.

Соответствие требованиям проверяют осмотром.

3.4.4 Части, остающиеся под напряжением

Части отключающего устройства в оборудовании со стороны электропитания, которые остаются под напряжением после выключения отключающего устройства, должны быть защищены таким образом, чтобы исключить случайный контакт с ними ОБСЛУЖИВАЮЩЕГО ПЕРСОНАЛА.

Соответствие проверяют осмотром.

3.4.5 Выключатели на гибких шнурах

Изолирующие выключатели не должны монтироваться на гибком шнуре.

Соответствие проверяют осмотром.

3.4.6 Однофазное оборудование

В однофазном оборудовании отключающее устройство должно разъединять оба полюса одновременно, кроме случая, когда для разъединения фазного провода может быть использовано однополюсное отключающее устройство, если возможно достоверно определить нейтраль СЕТИ ПИТАНИЯ ПЕРЕМЕННОГО ТОКА.

Для оборудования, обеспеченного однополюсным отключающим устройством, в инструкции по установке должно быть предусмотрено дополнительное двухполюсное отключающее устройство, если определить нейтраль в СЕТИ ПИТАНИИ ПЕРЕМЕННОГО ТОКА невозможно.

Примечание - Примеры, когда требуется двухполюсное отключающее устройство:

- для оборудования, питаемого от IT системы электропитания;

- для ПОДКЛЮЧЕННОГО СОЕДИНИТЕЛЕМ ОБОРУДОВАНИЯ, питаемого через обратимый приборный соединитель или обратимый штепсельный соединитель (если приборный соединитель или вилку не используют в качестве отключающего устройства);

- для оборудования, питаемого через розетку с неопределенной фазировкой.

Соответствие проверяют осмотром.

3.4.7 Трехфазное оборудование

В трехфазном оборудовании отключающее устройство должно разъединять одновременно все фазные провода СЕТИ ПИТАНИЯ ПЕРЕМЕННОГО ТОКА.

Для оборудования, питающегося от IT СИСТЕМЫ ЭЛЕКТРОПИТАНИЯ, отключающее устройство должно быть четырехполюсным и разъединять все фазные провода и провод нейтрали. Если это устройство не поставляется с оборудованием, то в инструкции по установке должна быть указана необходимость его применения как части сети здания.

Если отключающее устройство разрывает нейтральный провод, оно должно одновременно разрывать все фазные провода.

Соответствие проверяют осмотром.

3.4.8 Выключатели как отключающие устройства

Если отключающим устройством является выключатель, вмонтированный в оборудование, то его положения «ВКЛЮЧЕНО» и «ВЫКЛЮЧЕНО» должны быть обозначены в соответствии с 1.7.8.

Соответствие проверяют осмотром.

3.4.9 Вилка шнура как отключающее устройство

Если в качестве отключающего устройства используют вилку шнура питания, то инструкция по установке должна соответствовать 1.7.2.

Соответствие проверяют осмотром.

3.4.10 Взаимосвязанное оборудование

Если группа блоков, имеющих индивидуальное подключение питания, соединяется так, что становится возможной передача между узлами опасного напряжения или энергетического уровня, должно быть предусмотрено отключающее устройство. Отключающее устройство должно обеспечивать отсоединение опасных частей, контакт с которыми становится возможным во время обслуживания рассматриваемого блока, если эти части не защищены и не отмечены соответствующими предупреждающими знаками. Такой знак должен быть на видном месте каждого блока и давать соответствующие инструкции для отключения всего электропитания блока.

Соответствие проверяют осмотром.

3.4.11 Питание от нескольких источников

Если блок питается от нескольких источников (например, при различных напряжениях или частотах, или от резервного питания), то на каждом отключающем устройстве должна быть хорошо видимая маркировка, дающая соответствующие инструкции по отключению всех источников питания блока.

Соответствие проверяют осмотром.

3.5 Подсоединение к оборудованию

3.5.1 Общие требования

Если оборудование предназначено для электрического соединения с другим оборудованием, схемы соединения должны обеспечивать соответствие требованиям 2.2 для цепей БСНН, а также требованиям 2.3 для цепей НТС после соединения.

Примечания

1 Это обеспечивается при соединении ЦЕПЕЙ БСНН с ЦЕПЯМИ БСНН и ЦЕПЕЙ НТС с ЦЕПЯМИ НТС.

2 Допускается в одном соединительном кабеле иметь более одного типа ЦЕПЕЙ (например, БСНН, ЦЕПИ С ОГРАНИЧЕНИЕМ ТОКА, НТС, СНН или цепи под ОПАСНЫМ НАПРЯЖЕНИЕМ), обеспечив при этом их разделение в соответствии с настоящим стандартом.

3.5.2 Типы соединительных цепей

Каждая соединительная цепь должна быть одной из следующих типов:

- ЦЕПЬЮ БСНН или ЦЕПЬЮ С ОГРАНИЧЕНИЕМ ТОКА, или

- ЦЕПЬЮ НТС-1, НТС-2 или НТС-3, или

- ЦЕПЬЮ, находящейся под ОПАСНЫМ НАПРЯЖЕНИЕМ.

3.5.3 Цепи СНН в качестве соединительных цепей

Если дополнительное оборудование является конкретно дополнением для основного оборудования (например, устройство заправки копировальной машины), то ЦЕПИ СНН разрешены в качестве соединительных цепей между оборудованием, при условии, что оборудование отвечает требованиям настоящего стандарта при совместном соединении.

Соответствие проверяют осмотром.

4 Физические требования

4.1 Устойчивость

В нормальных условиях эксплуатации оборудование и отдельные блоки не должны терять физическую устойчивость в такой степени, чтобы подвергать опасности ОПЕРАТОРА и ОБСЛУЖИВАЮЩИЙ ПЕРСОНАЛ.

Если блоки конструируются для жесткого соединения их вместе и не используются отдельно, то на устойчивость каждого отдельного блока не распространяются требования настоящего пункта.

Требования настоящего пункта не применяют, если в инструкции по монтажу изделия указано, что оборудование перед началом работы крепится к конструкциям здания.

При работе ОПЕРАТОРА средства обеспечения устойчивости, если необходимо, должны срабатывать автоматически при открывании секций, дверей, и т.п.

Во время работы, выполняемой ОБСЛУЖИВАЮЩИМ ПЕРСОНАЛОМ, средства обеспечения устойчивости, если необходимо, должны срабатывать автоматически или должна применяться маркировка, инструктирующая ОБСЛУЖИВАЮЩИЙ ПЕРСОНАЛ, каким образом использовать средства обеспечения устойчивости.

Соответствие проверяют проведением следующих испытаний.

Каждое испытание проводят отдельно. Во время испытаний контейнеры должны быть заполнены до номинального объема с целью создания наиболее неблагоприятных условий. Все ролики и крепления, если их используют в нормальных условиях работы, устанавливают в самое неблагоприятное положение, колеса и что-либо подобное запирают и затормаживают. Однако если ролики предназначены только для транспортировки блока, после чего их снимают, а крепления требуются для установки блока по инструкции изготовителя, то крепление (но не ролики) используют при проведении испытаний. Их устанавливают в самое неблагоприятное положение при выравнивании блока.

Блок не должен терять равновесия при отклонении на угол 10° от нормального вертикального положения. Во время этого испытания все дверцы, выдвижные ящики и т.п. должны быть закрыты.

Напольный блок, имеющий массу 25 кг и более, не должен опрокидываться под действием силы, равной 20% веса блока, но не превышающей 250 Н, прилагаемой в любом направлении (но не вверх) на высоте не более 2м от пола. Дверцы, выдвижные ящики и т.п., которые могут открываться ОПЕРАТОРОМ или ОБСЛУЖИВАЮЩИМ ПЕРСОНАЛОМ, устанавливаются в самое неблагоприятное положение в соответствии с инструкцией по установке.

Напольный блок не должен опрокидываться под действием постоянного усилия 800 Н, направленного вниз и приложенного в точке максимального момента к любой горизонтальной поверхности размерами не менее 12,5´20 см на высоте не более 1 м от уровня пола. Дверцы, выдвижные ящики и т.п. должны быть закрыты. Усилие 800 Н прикладывают с помощью испытательного приспособления, имеющего плоскую поверхность размерами приблизительно 12,5´20 см. Приспособление может не полностью контактировать с испытуемой поверхностью, если она волнистая или изогнутая.

4.2 Механическая прочность

4.2.1 Общие положения

Оборудование должно обладать соответствующей механической прочностью и сконструировано так, чтобы оставаться безопасным согласно требованиям настоящего стандарта даже при возможном неосторожном обращении.

Испытания на механическую прочность не проводят для внутренних выступов, перегородок и т.п., если к ним предъявляются требования 4.6.2 и если КОЖУХ предназначен для обеспечения защиты от механических опасностей.

МЕХАНИЧЕСКИЙ КОЖУХ должен быть достаточно прочным, чтобы удержать внутри или направить в сторону детали, которые из-за неисправности или по другим причинам могут освободиться, отделиться или быть выброшены подвижными частями.

Соответствие проверяют осмотром конструкции и, где необходимо, испытаниями по 4.2.2 - 4.2.7.

Испытания не проводят с рукоятками, рычагами, кнопками, экранами электроннолучевых трубок (см. 4.2.8), с прозрачными либо полупрозрачными крышками измерительных и регистрирующих приборов, за исключением частей под ОПАСНЫМ НАПРЯЖЕНИЕМ, когда испытательным пальцем согласно рисунку (см. 2.1.1.1) можно прикоснуться к этим частям, если рукоятка, рычаг, кнопка или крышка удалены.

Во время испытаний по 4.2.2 - 4.2.4 заземленные или не заземленные проводящие КОРПУСА не должны замыкать части, между которыми существует ОПАСНЫЙ ЭНЕРГЕТИЧЕСКИЙ УРОВЕНЬ, и касаться оголенных частей, находящихся под ОПАСНЫМ НАПРЯЖЕНИЕМ. Для напряжений, превышающих 1000 В переменного или 1500 В постоянного тока, контакт недопустим, и должен быть воздушный промежуток между частью с ОПАСНЫМ НАПРЯЖЕНИЕМ и КОРПУСОМ. Воздушный промежуток должен быть не менее минимально допустимого ЗАЗОРА, установленного в 2.10.3 для ОСНОВНОЙ ИЗОЛЯЦИИ, или выдерживать испытания на соответствующую электрическую прочность по 5.2.2.

После испытаний по 4.2.2 - 4.2.7 образец должен удовлетворять требованиям 2.1.1, 2.6.1, 2.10, 3.2.6 и 4.4.1. При этом не должно быть нарушений работы средств защиты, таких как ТЕПЛОВЫЕ РЕЛЕ, устройства защиты от перегрузок по току или блокировок. В случае сомнений испытаниям на электрическую прочность подвергают ДОПОЛНИТЕЛЬНУЮ или УСИЛЕННУЮ ИЗОЛЯЦИЮ согласно 5.2.2

Повреждения отделки, трещины, вмятины и сколы, которые не влияют на безопасность, не принимают во внимание.

Примечание - Если для испытания используют отдельный КОЖУХ или его часть, то может возникнуть необходимость сборки оборудования для проверки соответствия вышеуказанным требованиям.

4.2.2 Испытание при воздействии постоянного усилия 10 Н

Детали и части, выполняющие функции КОЖУХА (см. 4.2.3 и 4.2.4), подвергают воздействию постоянного усилия (10 ± 1) Н.

Условия соответствия - по 4.2.1.

4.2.3 Испытание при воздействии постоянного усилия 30 Н

Части КОЖУХА, расположенные в ОБЛАСТИ, ДОСТУПНОЙ ОПЕРАТОРУ, и защищенные крышками или дверцами в соответствии с требованиями 4.2.4, подвергают воздействию постоянного усилия (30 ± 3) Н в течение 5 с, приложенной посредством прямого бесшарнирного испытательного пальца согласно рисунку (см. 2.1.1.1) к части, находящейся снаружи или внутри оборудования.

Условия соответствия - по 4.2.1.

4.2.4 Испытание при воздействии постоянного усилия 250 Н

Внешние КОЖУХИ подвергают воздействию постоянного усилия (250 ± 10) Н в течение 5 с, приложено к верхней части, дну и боковым сторонам КОЖУХА, закрепленного на оборудовании, при помощи испытательного ИНСТРУМЕНТА, обеспечивающего поверхность соприкосновения диаметром 30 мм. Нижнюю поверхность КОЖУХА оборудования, имеющего массу более 18 кг, не испытывают.

Условия соответствия - по 4.2.1.

4.2.5 Испытание на удар

За исключением оборудования, указанного в 4.2.6, внешние поверхности КОЖУХОВ, повреждение которых может открыть доступ к опасным частям, испытывают следующим образом.

Образец, состоящий из сплошного КОЖУХА, или его части устанавливают в нормальное рабочее положение. На образец свободно из положения покоя с высоты Н = 1,3 м (см. рисунок ) сбрасывают гладкий стальной шар диаметром около 50 мм и массой (500 ± 25) г. (Вертикальные поверхности образца настоящим методом не испытывают).

Затем шар подвешивают на шнуре и отводят, как маятник, чтобы он, падая с высоты Н, произвел горизонтальный удар. (Горизонтальные поверхности образца настоящим методом не испытывают). В качестве альтернативного метода, образец поворачивают на 90° относительно каждой из его горизонтальных осей и шар сбрасывают, как при испытании вертикальным ударом.

Испытания не проводят для передних панелей дисплеев, для оборудования со стеклянной рабочей поверхностью (например, копировальные устройства).

Условия соответствия по - 4.2.1.

1 - начальное положение шара; 2 - положение шара в момент удара; 3 - твердая поверхность

Рисунок 4А - Испытание на удар стальным шаром

4.2.6 Испытание на падение

Испытанию на падение подвергают следующее оборудование:

- РУЧНОЕ;

- ВРУБНОЕ;

- ТРАНСПОРТАБЕЛЬНОЕ;

- настольное, имеющее массу не более 5 кг, предназначенное для использования совместно:

с телефонной трубкой, соединяемой шнуром, или

с иными аксессуарами, которые при пользовании удерживают в руке, выполняющими акустические функции и соединяемые шнуром или с гарнитурой.

Образец укомплектованного оборудования сбрасывают три раза на горизонтальную поверхность из положения, дающего наиболее неблагоприятные результаты. Высота падения должна быть:

(750 ± 10) мм для настольного оборудования, указанного выше;

(1000 ± 10) мм для РУЧНОГО, ВРУБНОГО и ТРАНСПОРТАБЕЛЬНОГО ОБОРУДОВАНИЯ.

Горизонтальная поверхность должна быть выполнена из досок (древесина твердых пород) толщиной 13 мм, уложенных на два слоя фанеры толщиной от 19 до 20 мм, находящейся на бетонном или подобном неупругом полу.

Условия соответствия - по 4.2.1.

4.2.7 Испытание на сохранение формы

КОЖУХИ из литых или штампованных термопластичных материалов должны быть сконструированы так, чтобы любая усадка или деформация материала, вызванная внутренними напряжениями в процессе литья или штамповки, не приводила к обнажению опасных частей или к уменьшению РАССТОЯНИЙ УТЕЧКИ или ЗАЗОРОВ менее требуемых величин.

Соответствие проверяют по разделу А.10 или осмотром конструкции и изучением представленных данных.

Если условия сохранения формы соблюдены, применяют критерии соответствия по 4.2.1.

4.2.8 Электроннолучевые трубки

При наличии в оборудовании электроннолучевых трубок с максимальным размером экрана более 160 мм эти трубки или оборудование, либо то и другое должны соответствовать требованиям ГОСТ Р МЭК 60065 по механической прочности и защите от взрыва.

Соответствие проверяют осмотром, измерением и испытаниями согласно ГОСТ Р МЭК 60065.

4.2.9 Лампы высокого давления

МЕХАНИЧЕСКИЙ КОЖУХ ламп высокого давления должен обладать достаточной прочностью, чтобы выдержать взрыв лампы и уменьшить опасность для ОПЕРАТОРА или другого лица, находящегося около оборудования во время нормального использования или при обслуживании ОПЕРАТОРОМ.

В настоящем стандарте под термином «лампы высокого давления» понимают лампы с давлением св. 0,2 МПа в холодном состоянии и св. 0,4 МПа - в рабочем состоянии.

Соответствие проверяют осмотром.

4.2.10 Оборудование, устанавливаемое на стене или потолке

Средства для монтажа оборудования на стене или потолке должны быть достаточными для выполнения своей функции.

Соответствие проверяют осмотром конструкции и анализом предоставленных данных или, где необходимо, следующими испытаниями.

Оборудование устанавливают в соответствии с указаниями изготовителя. Дополнительно прикладывают усилие, направленное вниз, в геометрическом центре оборудования, в течение 1 мин. Дополнительное усилие должно в три раза превышать массу оборудования, но быть не менее 50 Н. Оборудование и связанные с ним средства для установки должны оставаться безопасными во время испытаний.

4.3 Конструкция оборудования

4.3.1 Грани и углы

Если кромки или углы оборудования могут представлять опасность для ОПЕРАТОРА, они должны быть скруглены и притуплены.

Это требование не относится к граням или углам, которые обусловлены функциональным назначением оборудования.

Соответствие проверяют осмотром.

4.3.2 Рукоятки и устройства с ручным управлением

Рукоятки, кнопки, ручки, рычаги и другие органы управления должны быть надежно закреплены, чтобы исключить их ослабление в условиях эксплуатации, если это может вызвать появление опасности. Заливочная масса и аналогичные составы, кроме самотвердеющей смолы, не должны применяться как средство против ослабления крепления.

Если рукоятки, кнопки и другие органы управления используют для индикации положения переключателей или аналогичных составных частей, то следует исключить возможность установки их в неправильное положение, если в результате может возникнуть опасность.

Соответствие проверяют осмотром, вручную и попыткой снять рукоятку, кнопку, ручку или рычаг, прикладывая к ним в течение 1 мин осевое усилие, как указано ниже.

Если форма органов управления такова, что приложение осевого усилия при эксплуатации маловероятно, то оно должно равняться:

15 Н - для органов управления электрическими составными частями;

20 Н - в остальных случаях.

Для органов управления, которые смещаются вдоль оси, усилие составляет:

30 Н - для органов управления электрическими составными частями;

50 Н - в остальных случаях.

4.3.3 Устройство выбора напряжения источника питания

Оборудование, которое может быть отрегулировано на различное напряжение источника первичного питания, должно быть сконструировано так, чтобы ручное изменение уставки различного напряжения СЕТИ ПИТАНИЯ ПЕРЕМЕННОГО ТОКА требовало бы использование ИНСТРУМЕНТА, если неправильная установка или небрежное регулирование могут привести к опасности.

Примечание - Маркировка, необходимая в случае регулировки питающего напряжения, приведена в 1.7.4.

Соответствие проверяют испытанием вручную.

4.3.4 Крепление частей

Конструкция оборудования должна быть такой, чтобы в случае ослабления или отсоединения любого провода, винта, гайки, шайбы, пружины или других подобных частей это не приводило к возникновению опасности или уменьшению РАССТОЯНИЙ УТЕЧКИ и ЗАЗОРОВ ДОПОЛНИТЕЛЬНОЙ или УСИЛЕННОЙ ИЗОЛЯЦИИ менее установленных в 2.10 размеров.

Примечание 1 - Требования к фиксации проводов - в 3.1.9.

Соответствие проверяют осмотром, измерением и испытанием вручную.

При оценке соответствия предполагают, что:

- два разных крепления не могут ослабнуть одновременно;

- детали, закрепленные с помощью винтов или гаек со стопорными шайбами или другими средствами фиксации, не могут отсоединиться.

Примечание 2 - Пружинные шайбы и т.п. могут обеспечить достаточную фиксацию.

4.3.5 Подключение штепсельных вилок и розеток

Используемые ОПЕРАТОРОМ или ОБСЛУЖИВАЮЩИМ ПЕРСОНАЛОМ вилки и розетки блока или системы, укомплектованные изготовителем, должны исключать возможность неправильного сопряжения. Разъемы, входящие в область распространения ГОСТ 7396.1 или ГОСТ Р 51325.1, не должны использоваться для ЦЕПЕЙ БСНН или НТС. Соответствие этому требованию обеспечивается использованием ключа в соединении соответствующим размещением, а для соединителей, доступных только ОБСЛУЖИВАЮЩЕМУ ПЕРСОНАЛУ - нанесением отчетливой маркировки.

Соответствие проверяют осмотром.

4.3.6 Оборудование, предназначенное для непосредственного включения в настенную розетку

Оборудование, предназначенное для непосредственного включения в настенную розетку, не должно оказывать на нее излишнего усилия. Часть штепсельного разъема оборудования должна удовлетворять стандарту на соответствующий штепсельный разъем.

Соответствие проверяют осмотром и, при необходимости, проведением следующего испытания.

Оборудование подключают как при нормальной эксплуатации в установленную розетку без заземляющего контакта, которая может проворачиваться вокруг горизонтальной оси, проходящей через середину линии контактных гнезд на расстоянии 8 мм за рабочей поверхностью розетки. Дополнительный крутящий момент, который необходимо приложить к розетке, чтобы удержать ее рабочую поверхность в вертикальной плоскости, не должен превышать 0,25 Н×м.

Примечания

1 В Австралии соответствие проверяют в согласно с AS/NZS 3112 [8].

2 В Великобритании:

- испытания проводят при использовании штепсельных разъемов, соответствующих BS 1363 [7], с заземляющим контактом;

- часть штепсельной вилки ВРУБНОГО ОБОРУДОВАНИЯ оценивают по BS 1363 (часть 1, пункты 12.1 - 12.3, 12.9, 12.11, 12.12, 12.16 и 12.17, испытание по 12.17 выполняют при температуре не менее 125 °С).

4.3.7 Нагревательные элементы в заземленном оборудовании

Нагревательные элементы в оборудовании класса I должны быть защищены таким образом, чтобы при выходе из строя заземления предотвращалась опасность возникновения пожара от перегрева. В таком оборудовании термочувствительные устройства, если они имеются, должны отключать все фазные провода питания нагревательных элементов.

Термочувствительные устройства также должны отключать нейтральный провод во всех следующих случаях:

a) в оборудовании, питание которого осуществляется от IT энергосистемы;

b) в ОБОРУДОВАНИИ, ПОДКЛЮЧЕННОМ СОЕДИНИТЕЛЕМ, питаемом через обратимый бытовой соединитель или обратимую вилку;

c) на оборудовании, питаемом от розетки с неопределенной фазировкой.

В случаях b) и с) это требование может быть выполнено подключением ТЕРМОСТАТА к одному проводнику и ТЕПЛОВОГО РЕЛЕ - к другому.

Не требуется, чтобы проводники отсоединялись одновременно.

Соответствие проверяют осмотром.

4.3.8 Батареи

Примечание 1 - Требования к маркировке или инструкции приведены в 1.7.15.

Оборудование, содержащее батареи, должно быть сконструировано с учетом уменьшения риска возникновения пожара, взрыва и химических утечек при нормальных условиях и после единичного повреждения в оборудовании (см. 1.4.14), включая повреждение батарей. Для батарей, заменяемых ПОЛЬЗОВАТЕЛЕМ, конструкция должна уменьшать вероятность установки обратной полярности, если это может создавать опасность.

Схемы батареи должны быть разработаны так, чтобы:

- характеристики зарядной цепи соответствовали типу батареи;

- для неперезаряжаемых батарей был предотвращен разряд со скоростью, превышающей рекомендации изготовителя батареи, и неумышленный заряд;

- для перезаряжаемых батарей был предотвращен заряд и разряд со скоростью, превышающей рекомендации изготовителя батарей, и реверсный заряд.

Примечание 2 - Реверсный заряд перезаряжаемой батареи происходит при изменении полярности зарядной цепи батареи.

Соответствие проверяют осмотром и оценкой данных, предоставляемых изготовителями оборудования и батареи.

Если необходимые данные не доступны, соответствие проверяют испытанием. Тем не менее батареи, которые являются безопасными для данных условий, не испытывают при этих условиях. Неперезаряжающиеся цинковые или щелочные батареи рассматривают как безопасные при коротком замыкании и поэтому не испытывают на разряд; такие батареи испытывают только на герметичность в условиях хранения.

Новая неперезаряжаемая батарея или полностью заряженная перезаряжаемая батарея, поставляемая или рекомендуемая изготовителем для применения с оборудованием, должна использоваться для каждого из следующих испытаний:

- для оценки перегрузки перезаряжаемой батареи, ее заряжают в течение 7 ч при каждом из следующих условий последовательно:

с зарядной цепью батареи, настроенной на максимальную скорость заряда (если такое регулирование предусмотрено);

при отказе любого компонента в зарядной цепи, приводящем к перезарядке батареи;

- для оценки неумышленного заряда неперезаряжаемой батареи, ее заряжают в течение 1 ч при отказе любого компонента, приводящем к неумышленному заряду батареи;

- для оценки реверсивного заряда перезаряжаемой батареи, ее заряжают в течение 7 ч при отказе любого компонента, приводящем к реверсному заряду батареи;

- для оценки способности батареи выдерживать чрезмерный ток разряда ее подвергают ускоренному разряду путем размыкания или замыкания накоротко каких-либо компонентов, ограничивающих ток или напряжение в цепи нагрузки испытуемой батареи.

Примечание 3 - Некоторые из указанных испытаний могут представлять опасность для персонала. Должны быть приняты все необходимые меры защиты персонала от возможных химической опасности или взрыва.

Испытания прекращают при возникновении любого из следующих случаев:

- химические утечки, вызванные нарушением корпуса батареи, если такая утечка может неблагоприятно воздействовать на изоляцию, или

- взрыв батареи, если он может привести к поражению ПОЛЬЗОВАТЕЛЯ, или

- возникновение пламени, или выброс жидкого металла на внешнюю сторону КОЖУХА оборудования.

После завершения испытаний, оборудование должно быть подвергнуто проверке на электрическую прочность по 5.3.8.2.

4.3.9 Масла и смазки

Если на внутренние провода, обмотки, переключатели, контактные кольца и т.п., а также на изоляцию в целом попадают масло, смазка и другие аналогичные вещества, то изоляция должна обладать достаточной устойчивостью против них.

Соответствие проверяют осмотром и оценкой данных об изоляционных материалах.

4.3.10 Пыль, порошки, жидкости и газы

Конструкция оборудования, в котором образуется пыль (например, от бумаги) или которое использует порошки, жидкости или газы, должна исключить возможность появления опасной концентрации этих веществ, а также любую опасность в соответствии с требованиями настоящего стандарта, возникающую в результате конденсации, испарения, утечки переполнения или коррозии в условиях нормальной работы, при хранении, наполнении или опорожнении. В частности, РАССТОЯНИЯ УТЕЧКИ и ЗАЗОРЫ не должны стать менее приведенных в 2.10.

Соответствие проверяют осмотром, измерением и (если при наполнении избыток жидкости может привести к повреждению изоляции) следующим испытанием, (для горючих жидкостей по 4.3.12).

Оборудование подготавливают к эксплуатации согласно инструкции по монтажу, без подачи питания.

Емкость оборудования полностью заполняют рабочей жидкостью, указанной изготовителем, а затем в течение 1 мин в нее постепенно доливают жидкость в количестве 15 % от объема емкости. Для емкостей вместимостью, не превышающей 250 см3 и емкостей без слива и внешнего указателя уровня заполнения жидкостью, для долива берут жидкость в количестве, равном объему емкости, и равномерно доливают ее в течение 1 мин.

Сразу после этого оборудование должно выдержать испытание на электрическую прочность согласно 5.2.2 всей изоляции, на которую могла попасть вытекшая жидкость. Следует убедиться, что перелившаяся жидкость не создала опасности согласно требованиям настоящего стандарта.

Допускается оставлять оборудование на 24 ч в нормальных климатических условиях в испытательном помещении, прежде чем подвергнуть его каким-либо дальнейшим электрическим испытаниям.

4.3.11 Контейнеры для жидкостей или газов

Оборудование, в котором используют жидкость при нормальной эксплуатации, должно иметь защитное устройство от возникновения избыточного давления.

Соответствие проверяют осмотром и, при необходимости, испытанием.

4.3.12 Горючие жидкости

При использовании в оборудовании горючих жидкостей они должны храниться в закрытом резервуаре, кроме количества, необходимого для работы оборудования. Максимальный объем горючей жидкости, находящейся в оборудовании, в общем случае не должен превышать 5 дм3. Однако если для работы оборудования в течение 8 ч требуется более 5 дм3 жидкости, то ее количество может быть увеличено до объема, обеспечивающего работу оборудования в течение 8 ч.

Масло или эквивалентная жидкость, используемые для смазки или в гидравлической системе, должны иметь температуру вспышки не ниже 149 ºС, а резервуар должен быть герметичной конструкции. В системе должна быть предусмотрена возможность расширения жидкости и устройство для снижения давления. Это требование не относится к. смазочным маслам, которые применяют в точках трения в количествах, мало влияющих на горение.

Кроме случаев, приведенных ниже, пополняемые жидкости, такие как типографская краска, должны иметь температуру вспышки выше 60 °С и не должны находиться под давлением, способным вызвать распыление.

Пополняемые горючие жидкости температурой вспышки менее 60 ºС или находящиеся под давлением, достаточным, чтобы вызвать распыление, могут применяться при условии, что не может произойти распыления жидкости или накапливания горючих паровоздушных смесей, способных вызвать взрыв или пожар. При нормальной работе оборудование, использующее горючие жидкости, не должно образовывать паровоздушные смеси с концентрацией, превышающей одну четверть ПРЕДЕЛА ВЗРЫВООПАСНОСТИ в зонах, расположенных вблизи источника воспламенения, или превышающей половину ПРЕДЕЛА ВЗРЫВООПАСНОСТИ в зонах не расположенных вблизи источника возгорания. При этом необходимо учитывать герметичность системы подачи жидкости. Эта система должна исключить возможность пожара или взрыва даже в условиях испытания, изложенных в 4.2.5.

Соответствие проверяют осмотром и, при необходимости, проведением следующего испытания.

Оборудование должно эксплуатироваться согласно 4.5.1 до стабилизации температуры. В этих условиях эксплуатация оборудования должна осуществляться в соответствии с инструкцией изготовителя; вблизи электрических составных частей и вокруг оборудования должны браться пробы воздуха для определения концентрации горючих паров.

Пробы воздуха должны браться с 4-минутными интервалами: четыре пробы - при нормальной работе, затем семь проб - после выключения оборудования.

Если после выключения оборудования пробы горючих паров показывают, что их концентрация возрастает, то пробы продолжают брать с интервалом 4 мин до тех пор, пока концентрация не начнет падать.

Если при ненормальной работе возможна работа оборудования в условиях отказа одного из вентиляторов, то при испытании это условие должно быть смоделировано.

4.3.13 Излучение

Конструкция оборудования, в котором присутствует ионизирующее или ультрафиолетовое излучение, или используется лазер, а также конструкция оборудования, содержащего возгораемые жидкости, газы или другие источники опасности, должна обеспечивать защиту персонала от вредных воздействий, а также предохранять от повреждения материалы, обеспечивающие безопасность.

Для оборудования с ионизирующим излучением соответствие проверяют испытанием согласно приложению Н.

Для оборудования, использующего лазеры, соответствие проверяют согласно МЭК 60825-1 [9].

Для других типов излучений соответствие проверяют осмотром.

Примечание - Требования к ультрафиолетовому излучению - на рассмотрении.

4.4 Защита от опасных подвижных частей

4.4.1 Общие требования

Опасные подвижные части оборудования, которые потенциально являются причиной травм, должны быть расположены, огорожены и защищены таким образом, чтобы обеспечить необходимую защиту персонала от возможных травм.

Не должны применяться ТЕПЛОВЫЕ РЕЛЕ С АВТОМАТИЧЕСКИМ ВОЗВРАТОМ или устройства защиты оттока перегрузки, автоматические реле времени и т.п., если их непреднамеренное срабатывание может стать причиной опасности.

Соответствие проверяют осмотром согласно 4.4.2 - 4.4.4.

4.4.2 Защита в области, доступной оператору

В ОБЛАСТИ, ДОСТУПНОЙ ОПЕРАТОРУ, защита должна обеспечиваться конструкцией, уменьшающей вероятность доступа к опасным подвижным частям, или размещением подвижных частей в КОЖУХЕ с механическими или электрическими ЗАЩИТНЫМИ БЛОКИРОВКАМИ, которые устраняют опасность во время доступа.

Если невозможно полностью выполнить приведенные выше требования и при этом необходимо обеспечить функционирование оборудования, доступ разрешается при условии, что:

- опасная подвижная часть непосредственно участвует в процессе (например, подвижная часть резака бумаги);

- опасность, связанная с движущейся частью, является очевидной для ОПЕРАТОРА;

- приняты следующие дополнительные меры:

в инструкции по эксплуатации должно быть соответствующее указание, а на оборудование нанесена маркировка, содержащая следующее или подобное предупреждение:

ВНИМАНИЕ!
ОПАСНЫЕ ПОДВИЖНЫЕ ЧАСТИ
ДЕРЖИТЕ ПАЛЬЦЫ РУК И ДРУГИЕ ЧАСТИ ТЕЛА НА УДАЛЕНИИ

если пальцы рук, украшения, одежда, и т.д. могут попасть внутрь движущейся части, у оператора должны быть средства, обеспечивающие возможность остановки движущейся части.

Предупреждение и средства, предусмотренные для остановки движущейся части, должны быть видны и доступны с места, где риск травмы максимальный.

Соответствие проверяют осмотром и, при необходимости, проведением проверки испытательным пальцем по рисунку (см. 2.1.1.1) после удаления частей, снимаемых ОПЕРАТОРОМ, с открытыми дверцами, доступными ОПЕРАТОРУ, и открытыми крышками.

Если указанные выше меры приняты не были, то не допускается возможность прикосновения к опасным движущимся частям испытательным пальцем, прикладываемым без заметного усилия в каждой возможной позиции.

Отверстия, в которые испытательный палец по рисунку (см. 2.1.1.1) не входит, испытывают с помощью прямого бесшарнирного испытательного пальца, прилагаемого с усилием 30 Н. Если палец входит, то испытания с его помощью повторяют, но палец прикладывают к отверстию без усилия.

4.4.3 Защита в помещениях с ограниченным доступом

Оборудование, которое предназначено для установки в ПОМЕЩЕНИИ С ОГРАНИЧЕННЫМ ДОСТУПОМ, должно соответствовать требованиям по 4.4.2 для ОБЛАСТИ, ДОСТУПНОЙ ОПЕРАТОРУ

4.4.4 Защита в областях, доступных для обслуживания

В ОБЛАСТИ, ДОСТУПНОЙ ДЛЯ ОБСЛУЖИВАНИЯ, должна быть обеспечена такая защита, чтобы исключить неумышленный контакт с опасными движущими частями во время обслуживания

Соответствие проверяют осмотром.

4.5 Требования к тепловым режимам ,

Подраздел 4.5 устанавливает требования, которые должны предохранять:

- доступные части - от превышения разрешенной температуры и

- компоненты, части, изоляционные и пластичные материалы - от превышения температуры, которая может понизить электрические, механические или другие свойства во время нормального использования за предполагаемый срок службы оборудования.

Необходимо учитывать, что электрические и механические свойства некоторых изоляционных материалов (см. 2.9.1) за длительный период времени могут изменяться (например, у пластификаторов, испаряющихся при температурах ниже нормальных температур размягчения материалов).

4.5.1 Превышение температуры

Материалы, используемые в оборудовании, должны быть выбраны так, чтобы при работе под НОРМАЛЬНОЙ НАГРУЗКОЙ температура не превышала безопасного значения в соответствии с настоящим стандартом.

Компоненты, работающие при высоких температурах, должны быть эффективно ограждены или отделены, чтобы не вызывать перегрева смежных материалов и компонентов.

Соответствие проверяют анализом данных о применяемых материалах, измерением и регистрацией температуры согласно 1.4.12 и 1.4.13.

С учетом требований 1.4.5, для оборудования или его составных частей условиями нормальной нагрузки являются:

- при ПРОДОЛЖИТЕЛЬНОЙ РАБОТЕ - выход на режим с установившимися параметрами;

- при ПРЕРЫВИСТОЙ РАБОТЕ - выход на режим с установившимися параметрами с соблюдением установленного времени работы и остановки;

- при КРАТКОВРЕМЕННОЙ РАБОТЕ - номинальное время работы.

Составные части и блоки могут быть испытаны самостоятельно с обязательным соблюдением для оборудования следующего.

Встраиваемое оборудование, предназначенное для установки в стойки или используемое в составе более крупного оборудования, испытывают в наиболее неблагоприятных реальных или имитируемых условиях, которые устанавливаются в инструкции по монтажу.

Нагрев электрической изоляции (кроме изоляции обмоток, см. 1.4.13), повреждение которой может создать опасность, должен измеряться на поверхности изоляции в точке, близкой к источнику нагрева (см. сноску 1 к таблице ). Во время испытаний:

- не должны срабатывать ТЕРМОПРЕРЫВАТЕЛИ и устройства защиты от перегрузки по току;

- ТЕРМОСТАТЫ могут работать при условии, что они не прерывают нормальную работу оборудования;

- могут работать ОГРАНИЧИТЕЛИ ТЕМПЕРАТУРЫ;

- уплотняющие материалы, если таковые имеются, не должны терять своих свойств.

Нагрев не должен превышать значений, установленных в таблице .

Таблица 4А - Предельные значения нагрева

Часть 1

Части оборудования

Максимальный нагрев, К

Изоляция, в том числе изоляция обмоток из материала класса:

 

А

751), 2), 5)

Е

901), 2), 5)

В

951), 2), 5)

F

1151), 2), 5)

Н

1401), 2), 5)

Изоляция из синтетической резины или ПВХ внутренних и внешних проводов, включая кабели питания:

- без обозначения температуры Т

- с обозначением температуры Т

50

Т-25

Прочая термопластичная изоляция

3)

Клеммы, включая клеммы заземления внешних заземляющих проводов неподвижного оборудования, за исключением имеющих НЕСЪЕМНЫЙ ШНУР ИСТОЧНИКА ПИТАНИЯ

60

Детали, соприкасающиеся с горючими жидкостями

См. 4.3.12

Компоненты

См. 1.5.1

Продолжение таблицы

Часть 2

Части изделия в ОБЛАСТИ, ДОСТУПНОЙ ОПЕРАТОРУ

Максимальный нагрев, К

Металл

Стекло, фарфор, стекловидные материалы

Пластмасса и резина5)

Рукоятки, кнопки, зажимы и т.п., которые удерживают в руках или которых касаются в течение короткого времени

35

45

60

Рукоятки, кнопки, зажимы и т.п., продолжительно удерживаемые в руках при нормальной работе

30

40

50

Внешние поверхности оборудования, к которым возможно касание 4)

45

55

70

Части внутри оборудования, к которым возможно касание6)

45

55

70

1) Если нагрев обмоток измеряют термопарой, то эти значения уменьшают на 10 К, исключая обмотки электродвигателей.

2) Классификация изоляционных материалов - по МЭК 60085 [10] (классы А, Е, В, F, и Н).

3) Из-за большого диапазона невозможно установить все допустимые пределы нагрева для термопластичных материалов, поэтому они должны выдерживать испытания согласно 4.5.2.

4) Для внешних поверхностей оборудования менее 50 мм2, которых не касаются при нормальной эксплуатации, нагрев не должен превышать 75 К.

5) Для определения максимального нагрева материала следует учитывать характеристики каждого материала.

6) Нагрев с превышением предельных значений разрешается при условии, что будут выполнены следующие требования:

- неумышленный контакт с такой частью маловероятен;

- часть маркирована символом, указывающим, на наличие высокой температуры. Предусмотрено использование символа  (МЭК 60417-2, №. 5041 [2]) для предупреждения опасности.

Для оборудования, предназначенного для установки В ПОМЕЩЕНИЯХ С ОГРАНИЧЕННЫМ ДОСТУПОМ (допуски на превышение температуры даны в таблице , за исключением внешних металлических частей, которые предназначены для теплообмена или имеют видимое предостережение), допускается превышение температуры до 65 К.

4.5.2 Устойчивость к нагреву в условиях ненормальной работы

Термопластичные части, удерживающие элементы под ОПАСНЫМ НАПРЯЖЕНИЕМ, должны быть устойчивыми к нагреву в условиях ненормальной работы.

Соответствие проверяют испытанием части методом давления шариком при воздействии повышенной температуры согласно МЭК 60695-10-2 [11]. Испытание не проводят, если по своим физическим характеристикам материал удовлетворяет требованиям испытания.

Испытание проводят в термокамере при температуре на (40 ± 2) К выше максимальной температуры для данной части, определенной во время испытания по 4.5.1. Термопластичную часть, поддерживающую элементы ПЕРВИЧНОЙ ЦЕПИ, испытывают при температуре не менее 125 °С.

4.6 Отверстия в кожухе

Оборудование, которое предназначено для использования в различных положениях (см. 1.3.6), испытывают по 4.6.1 и 4.6.2 в каждом положении.

Примечание - Дополнительные требования к отверстиям в КОЖУХАХ приведены в 2.1.1.

4.6.1 Отверстия в верхней поверхности и боковых сторонах

Отверстия в верхней и боковых частях КОЖУХОВ, за исключением отверстий в КОЖУХАХ ПЕРЕНОСНОГО ОБОРУДОВАНИЯ (см. 4.6.4), должны размещаться или выполняться так, чтобы исключить возможность контакта с оголенными проводящими частями.

Примечание 1 - Необходимо учитывать энергетические опасности как создаваемые замыканием изоляции, так и доступом ОПЕРАТОРА к частям под ОПАСНЫМ НАПРЯЖЕНИЕМ (например, посредством металлических украшений).

Отверстия, размещенные за дверцами, щитами управления, крышками, и все то, что может быть открыто или удалено оператором, не требуют выполнения условия их закрытия или установки на место.

Если участок боковой стенки ПРОТИВОПОЖАРНОГО КОЖУХА находится на поверхности, составляющей угол 5° (см. рисунок ), то для этого участка также применимы ограничения, приведенные в 4.6.2 для размеров отверстий в основании ПРОТИВОПОЖАРНОГО КОЖУХА.

Соответствие проверяют осмотром и измерением. За исключением частей ПРОТИВОПОЖАРНОГО КОЖУХА, удовлетворяющих требованиям 4.6.2, отверстия должны рассматриваться и соответствовать следующим требованиям (другие конструкции не исключены):

- размер отверстий не должен превышать 5 мм в любом измерении;

- ширина отверстий не должна превышать 1 мм, независимо от длины;

- верхние отверстия должны предотвращать проникновение вертикально падающих предметов (см. примеры на рисунке );

- боковые отверстия должны предусматривать жалюзи, форма которых препятствует проникновению вертикально падающих предметов (см. примеры на рисунке );

- верхние или боковые отверстия, как показано на рисунке 4D, не должны быть расположены вертикально или в пределах объема V, ограниченного углом для вертикальной проекции вплоть до размера отверстия L над оголенными проводящими частями:

под ОПАСНЫМ НАПРЯЖЕНИЕМ или

представляющими энергетическую опасность по 2.1.1.5.

Примечание 2 - Примеры на рисунках , , 4D и иллюстрируют возможности выполнения этих требований.

Рисунок 4В - Примеры поперечного сечения конструкции отверстий

Рисунок 4С - Примеры конструкции жалюзей

А - отверстие в кожухе; В - вертикальная проекция внешних кромок отверстия; С - наклонные линии под углом 5° к кромкам бокового отверстия, расположенные на расстоянии Е от В, D - линия, проведенная вертикально вниз в плоскости боковой стенки кожуха; Е - проекция отверстия (не должна быть более L); L - максимальный размер бокового отверстия кожуха; V - объем, в котором не должны располагаться оголенные части, находящиеся под ОПАСНЫМ НАПРЯЖЕНИЕМ, или части, представляющие энергетическую опасность

Рисунок 4D - Отверстия в кожухе

4.6.2 Основание противопожарного кожуха

Основание ПРОТИВОПОЖАРНОГО КОЖУХА или индивидуальные ограждения должны обеспечивать защиту всех внутренних частей, включая частично закрытые детали или сборки, которые при повреждении могут выбрасывать материал, способный воспламенить опорную поверхность.

Примечание - См. 4.7.2.2 для частей, которые не требуют ПРОТИВОПОЖАРНОГО КОЖУХА.

Основание или ограждение должно быть размещено в области, не меньшей чем обозначена на рисунке , и быть горизонтальным, иметь бровку или иную форму, чтобы обеспечить эквивалентную защиту.

Отверстие в основании должно быть защищено перегородкой, экраном или другими средствами так, чтобы исключить попадание расплавленного металла и горящего материала на внешнюю сторону ПРОТИВОПОЖАРНОГО КОЖУХА.

А - часть узла, под которой должен быть ПРОТИВОПОЖАРНЫЙ КОЖУХ, например под теми отверстиями составной части или блока, через которые может произойти выброс горящих частиц. Если у узла или блока нет своего ПРОТИВОПОЖАРНОГО КОЖУХА, то защите подлежит вся поверхность, занятая узлом или блоком;

В - контур вертикальной поверхности А на горизонтальную плоскость, проходящую через самую нижнюю точку ПРОТИВОПОЖАРНОГО КОЖУХА;

С - наклонная линия к контуру D на той же плоскости, что и В. Очерчивая по периметру контур В, эта линия проектируется под углом 5° к вертикали во всех точках периметра узла А с отверстиями, и этот угол направлен в сторону большей плоскости;

D - минимальный контур основания ПРОТИВОПОЖАРНОГО КОЖУХА. Часть боковой стенки ПРОТИВОПОЖАРНОГО КОЖУХА, находящуюся в пределах площади, очерченной линией под углом в 5°, рассматривают как часть основания ПРОТИВОПОЖАРНОГО КОЖУХА.

Рисунок 4Е - Типовое основание противопожарного кожуха для частично закрытых составных частей или блоков

Требования 4.6.2 не распространяют на:

- ПЕРЕМЕЩАЕМОЕ ОБОРУДОВАНИЕ, которое рассматривается в 4.6.4, или

- СТАЦИОНАРНОЕ ОБОРУДОВАНИЕ, предназначенное для использования только в ПОМЕЩЕНИИ С ОГРАНИЧЕННЫМ ДОСТУПОМ и установки на бетонном полу или другой негорючей поверхности. Такое оборудование должно маркироваться следующим образом:

ПРЕДНАЗНАЧЕНО ДЛЯ УСТАНОВКИ ТОЛЬКО НА БЕТОНЕ
ИЛИ ДРУГОЙ НЕГОРЮЧЕЙ ПОВЕРХНОСТИ

Соответствие проверяют осмотром и, при необходимости, проведением испытаний по разделу А.5.

Следующие конструкции удовлетворяют требованиям без испытаний:

- без отверстий в основании ПРОТИВОПОЖАРНОГО КОЖУХА;

- с отверстиями любого размера в основании под внутренней перегородкой, экраном или любой перегородкой, которая удовлетворяет требованиям, предъявляемым к ПРОТИВОПОЖАРНОМУ КОЖУХУ (см. также 4.2.1);

- с отверстиями в основании, каждое из которых не более 40 мм2, расположенными под компонентами и частями, удовлетворяющими требованиям для МАТЕРИАЛОВ КЛАССА ВОЗГОРАЕМОСТИ V-1 или HF-1;

- с отражающей пластиной, изображенной на рисунке 4F;

- с металлическим основанием ПРОТИВОПОЖАРНОГО КОЖУХА с предельными размерами в соответствии с таблицей ;

- с металлическим основанием в виде сетки, имеющей отверстия с расстояниями между центрами ячеек не более 2 мм и изготовленной из проволоки диаметром не менее 0,45 мм.

1 - отражающая пластина (может быть выше или ниже отверстий ПРОТИВОПОЖАРНОГО КОЖУХА); 2 - основание ПРОТИВОПОЖАРНОГО КОЖУХА

Рисунок 4F - Конструкция отражающей пластины

Таблица 4В - Размеры отверстий в металлических основаниях противопожарных кожухов

Размеры в миллиметрах

Для круглых отверстий

Для отверстий другой формы

Минимальная толщина металлического основания

Максимальный диаметр отверстий

Минимальное расстояние между центрами отверстий

Максимальная площадь, мм2

Минимальный интервал между границами ячеек

0,66

1,1

1,7

1,1

0,56

0,66

1,2

2,3

1,2

1,10

0,76

1,1

1,7

1,1

0,55

0,76

1,2

2,3

1,2

1,10

0,81

1,9

3,1

2,9

1,10

0,89

1,9

3,1

2,9

1,20

0,91

1,6

2,7

2,1

1,10

0,91

2,0

3,1

3,1

1,20

1,00

1,6

2,7

2,1

1,10

1,00

2,0

3,0

3,2

1,00

4.6.3 Дверцы или крышки в противопожарных кожухах

Если в ПРОТИВОПОЖАРНОМ КОЖУХЕ предусмотрены дверцы или крышки, дающие доступ к ОБЛАСТИ ДОСТУПНОЙ ОПЕРАТОРУ, то должно выполняться одно из требований:

a) дверца или крышка должна соответствовать требованиями, приведенным в 2.8, или

b) дверца или крышка, предназначенная для открывания ОПЕРАТОРОМ, соответствует следующим условиям:

ОПЕРАТОР не должен иметь возможность снять их с ПРОТИВОПОЖАРНОГО КОЖУХА;

они должны быть снабжены устройством, удерживающим их в закрытом состоянии во время нормальной работы;

c) дверцы или крышки редко используемые ОПЕРАТОРОМ, например для установки вспомогательного оборудования, разрешается открывать или снимать при условии, что в инструкции по установке оборудования даны указания о правильном их удалении и перестановке.

Соответствие проверяют осмотром.

4.6.4 Отверстия в транспортабельном оборудовании

Опасность воспламенения, вызванная небольшими металлическими предметами типа скрепок для бумаг или т.п., свободно перемещающимися во время транспортирования внутри ТРАНСПОРТАБЕЛЬНОГО ОБОРУДОВАНИЯ, должна исключаться мерами, уменьшающими вероятность попадания таких объектов в оборудование и замыкания оголенных проводящих частей, между которыми мощность не ограничена в соответствии с 2.5.

Возможные варианты решения:

- ширина отверстий не должна превышать 1 мм, независимо от их длины, или

- при выполнении экрана в виде сетки номинальное расстояние между центрами отверстий должно быть не более 2 мм (с шагом или диаметром проволоки сетки не менее 0,45 мм), или

- должны быть предусмотрены внутренние ограждения.

Если минимальное расстояние между металлизированными частями пластмассовых ограждений или КОЖУХА и частями цепей мощностью более 15 Вт не превышает 13 мм, дополнительно применяют одно из следующих требований:

- проникновение посторонних металлических предметов должно быть ограничено в соответствии с приведенными выше мерами, даже если мощность цепи удовлетворяет требованиям 2.5, или

- должны быть предусмотрены ограждения между оголенными проводящими частями и КОРПУСОМ, или

- проводят испытание, моделируя повреждение путем установки перемычки минимального размера между оголенной проводящей частью и самой близкой металлизированной частью ограждения или КОЖУХА, расстояние между которыми не более 13 мм.

Примечание - Примерами металлизированных пластмассовых ограждений или КОЖУХОВ могут служить материалы из проводящей смеси или покрытые металлом гальваническим способом, напылением в вакууме, окрашиванием или оклейкой фольгой.

Соответствие проверяют осмотром, измерением и, где необходимо, испытанием. Все дверцы или крышки закрывают или устанавливают на место. Периферийные устройства или узлы типа дисководов, батарей и т.д. устанавливают на свои места (см. также 1.3.6).

Если проводят испытание путем моделирования повреждения, то не должно произойти никакого воспламенения металлизированного ограждения или КОРПУСА.

4.6.5 Клеи для конструктивных целей

Если ограждение или экран изготовлены согласно 4.6.1, 4.6.2 или 4.6.4, прикреплены с помощью клея к внутренней части КОРПУСА или к другим частям внутри КОРПУСА, клей должен иметь соответствующую связующую прочность на протяжении всего срока службы оборудования.

Соответствие проверяют экспертизой конструкции и необходимых данных. Если такие данные не представлены, соответствие проверяют следующими испытаниями.

Образец оборудования или часть КОЖУХА с ограждением или закрепленным экраном рассматривают как образец, в котором ограждение или экран помещены на нижней стороне.

Испытание образца оборудования проводят в термокамере, выбирая один из следующих режимов:

(100 ± 2) °С - в течение одной недели, или

(90 ± 20) °С - в течение трех недель, или

(82 ± 2) °С - в течение восьми недель.

После испытаний при указанных температурных условиях:

- образец удаляют из термокамеры и оставляют на 1 ч при любой температуре от 20 до 30 °С;

- образец помещают в морозильную камеру на 4 ч при температуре минус (40 ± 2) °С;

- образец извлекают из морозильной камеры и оставляют на 8 ч при любой температуре от 20 до 30 °С;

- образец помещают в камеру влажности на 72 ч при влажности от 91 % до 95 %;

- образец удаляют из камеры влажности и оставляют на 1 ч при любой температуре от 20 до 30 °С;

- образец помещают в термокамеру на 4 ч при температуре, принятой во время испытаний по первому температурному циклу;

- образец удаляют из термокамеры и оставляют на 8 ч при любой температуре от 20 до 30 °С.

Затем образец подвергают испытаниям по 4.2 в соответствии с его применением. Ограждение или экран не должны уменьшаться или частично смещаться в результате этих испытаний.

С согласия изготовителя разрешается увеличить любое время испытаний, приведенное выше.

4.7 Огнестойкость

Этот подраздел определяет требования, предназначенные для уменьшения опасности воспламенения и распространения огня как внутри оборудования, так и вне его, путем использования соответствующих материалов, компонентов и конструкций.

Примечания

1 Опасность воспламенения уменьшается ограничением максимальной температуры компонентов при нормальных рабочих условиях и после единичного повреждения (см. 1.4.14) или ограничением мощности в цепи.

2 Распространение огня в случае воспламенения ограничивается использованием материалов и изоляции, не распространяющих горение, или обеспечением соответствующего разделения.

3 Классификация материалов по степени огнестойкости - согласно 1.2.12.1.

Металлы, керамические материалы и стекло считают удовлетворяющими требованиям без испытания.

4.7.1 Уменьшение риска воспламенения и распространения огня

Для оборудования или части оборудования имеются два метода защиты от воспламенения и распространения огня, которые относятся к материалам, проводке, моточным и электронным компонентам, таким как интегральные микросхемы, транзисторы, тиристоры, диоды, резисторы и конденсаторы.

Может использоваться любой из следующих методов:

1 - выбор и применение компонентов, проводки и материалов, уменьшающих возможность воспламенения и распространения огня, и, где необходимо, использование ПРОТИВОПОЖАРНОГО КОЖУХА. Соответствующие требования детализированы в 4.7.2 и 4.7.3. При использовании этого метода также применяют требования 5.3.6( за исключением подпункта с).

Примечание 1 - Метод 1 предпочтителен для оборудования с большим количеством компонентов;

2 - применение всех испытаний по имитации неисправностей в 5.3.6. Там, где используют только этот метод, ПРОТИВОПОЖАРНЫЙ КОЖУХ не требуется. В частности, применяют пункт 5.3.6с, который включает испытание всех соответствующих компонентов в ПЕРВИЧНОЙ и ВТОРИЧНОЙ ЦЕПЯХ.

Примечание 2 - Метод 2 может быть предпочтителен для оборудования с малым числом электронных компонентов.

4.7.2 Условия применения противопожарного кожуха

ПРОТИВОПОЖАРНЫЙ КОЖУХ требуется, если температура частей в условиях повреждения может быть достаточной для воспламенения.

4.7.2.1 Части, для которых требуется противопожарный кожух

За исключением 4.7.1, метод 2 или согласно 4.7.2.2 ПРОТИВОПОЖАРНЫЙ КОЖУХ требуется для:

- компонентов в ПЕРВИЧНЫХ ЦЕПЯХ;

- компонентов во ВТОРИЧНЫХ ЦЕПЯХ, снабженных источниками питания, мощность которых превышает указанные в 2.5;

- компонентов во ВТОРИЧНЫХ ЦЕПЯХ, снабженных источниками питания ограниченной мощности, как определено в 2.5, но не установленных на материал, относящийся по ОГНЕСТОЙКОСТИ к КЛАССУ V-1;

- компонентов внутри блока питания или сборки, имеющих ограниченную выходную мощность, как определено в 2.5, включающих устройства защиты от перегрузки по току, защиту полным сопротивлением, схемы стабилизации и регулируемые обмотки до того момента, пока выполняются требования по ограничению мощности на выходе источника питания;

- компонентов, имеющих незакрытые части, где возможен электрический пробой, такие как открытый выключатель, контакты реле, переключатели в электрических цепях с ОПАСНЫМ НАПРЯЖЕНИЕМ или с ОПАСНЫМ ЭНЕРГЕТИЧЕСКИМ УРОВНЕМ;

- изолированной проводки.

4.7.2.2 Части, не требующие ПРОТИВОПОЖАРНЫХ КОЖУХОВ ПРОТИВОПОЖАРНЫЕ КОЖУХИ не требуются для следующих частей:

- проводников и кабелей с изоляцией из ПВХ, ТФЭ, ПТФЭ, ФЭП, неопрена или полиамида;

- компонентов, включая разъемы, удовлетворяющие требованиям 4.7.3.2, в ПРОТИВОПОЖАРНОМ КОЖУХЕ с закрытыми отверстиями;

- разъемов во ВТОРИЧНЫХ ЦЕПЯХ, снабженных источниками питания, мощность которых ограничена 15 В×А (см. 1.4.11) при нормальных рабочих условиях и после единичного повреждения в оборудовании (см. 1.4.14);

- разъемов во ВТОРИЧНЫХ ЦЕПЯХ, снабженных источниками питания с ограничением мощности в соответствии с 2.5;

- других компонентов во ВТОРИЧНЫХ ЦЕПЯХ, снабженных источниками питания ограниченной мощности в соответствии с 2.5 и установленных на материалах, относящихся по ОГНЕСТОЙКОСТИ к КЛАССУ V-1;

- штепсельных вилок и разъемов, являющихся частью шнура сети питания или СОЕДИНИТЕЛЬНОГО КАБЕЛЯ;

- двигателей;

- других компонентов во ВТОРИЧНЫХ ЦЕПЯХ, снабженных внутренними или внешними источниками питания, мощность которых ограничена 15 В×А (см. 1.4.11) в нормальных рабочих условиях и после единичного повреждения в оборудовании (см. 1.4.14), и установленных на материале, относящемся по ОГНЕСТОЙКОСТИ к КЛАССУ НВ.

Примечание - В Канаде и Соединенных Штатах для защиты ЦЕПЕЙ НТС от перенапряжений применяют дополнительные требования.

Соответствие 4.7.2.1 и 4.7.2.2 проверяют осмотром и анализом данных, представляемых изготовителем. Для определения опасности воспламенения в случаях, не указанных в 4.7.2, соответствие проверяют методом 2 по 4.7.1.

4.7.3 Материалы

4.7.3.1 Общие требования

Конструкция КОЖУХА, компонентов и других частей или материалов, используемых при их изготовлении, должна ограничивать распространение огня.

Если требуется материал, относящийся по ОГНЕСТОЙКОСТИ к КЛАССАМ НВ или HBF, испытание его проводят в соответствии с альтернативным методом по ГОСТ 27483 с помощью раскаленной проволоки температурой 550 °С.

Если практически нельзя защитить компоненты от перегрева в условиях повреждения, они должны быть установлены на материалах, относящихся по ОГНЕСТОЙКОСТИ к КЛАССУ V-1. Дополнительно такие компоненты должны быть отделены от материала более низкого класса (см. 1.2.12.1, примечание 2) воздушным зазором не менее 13 мм или ограждением из жесткого материала, относящегося по ОГНЕСТОЙКОСТИ к КЛАССУ V-1.

Примечания

1 См. также 4.7.3.5.

2 В Канаде и Соединенных Штатах требования в дополнение к 4.7.3.2 и 4.7.3.3 относятся к КОЖУХАМ и ДЕКОРАТИВНЫМ ДЕТАЛЯМ, имеющим внешнюю поверхность более 0,9 м2 или отдельный размер более 1,8 м.

3 При рассмотрении возможности уменьшения распространение огня от «небольших частей» должен быть учтен совокупный эффект этих частей, расположенных рядом друг с другом, и вероятность распространения огня от одной части к другой.

4 Требования к материалам по огнестойкости (4.7.3) приведены в таблице .

Соответствие проверяют осмотром и оценкой данных, предоставленных изготовителем.

4.7.3.2 Материалы для противопожарных кожухов

Применяют следующие требования.

Критерий массы 18 кг применяют индивидуально к оборудованию, даже если оно используется вблизи друг от друга (например, при установке друг на друге). Однако в такой ситуации, если часть ПРОТИВОПОЖАРНОГО КОЖУХА удалена (например, нижняя крышка верхнего оборудования в том же примере), то за критерий принимают общую массу оборудования. При определении полной массы оборудования не учитывают расходуемые материалы, носители и регистрирующие материалы, используемые оборудованием.

Для ПЕРЕМЕЩАЕМОГО ОБОРУДОВАНИЯ общей массой не более 18 кг материал ПРОТИВОПОЖАРНОГО КОЖУХА для самой тонкой стенки должен иметь ОГНЕСТОЙКОСТЬ КЛАССА V-1, или должны быть проведены испытания по А.2.

Для ПЕРЕМЕЩАЕМОГО ОБОРУДОВАНИЯ общей массой более 18 кг, и всего СТАЦИОНАРНОГО ОБОРУДОВАНИЯ материал ПРОТИВОПОЖАРНОГО КОЖУХА для самой тонкой стенки должен иметь ОГНЕСТОЙКОСТЬ КЛАССА 5V, или должны быть проведены испытания по А.1.

Материал ПРОТИВОПОЖАРНОГО КОЖУХА, отделенный воздушным зазором менее 13 мм от частей, которые могут быть подвержены электрическому пробою, например контактов переключающих устройств или выключателя, должен подвергаться испытаниям по А.3. Это требование применяют к КОЖУХАМ оборудования, а не к крышкам компонентов.

Материал ПРОТИВОПОЖАРНОГО КОЖУХА, отделенный воздушным зазором менее 13 мм от частей, которые могут как в условиях нормальной работы, так и при ее нарушении достигать температуры, достаточной для возгорания материала, должен подвергаться испытаниям по А.4.

Материалы для компонентов, которые закрывают отверстие в ПРОТИВОПОЖАРНОМ КОЖУХЕ и предназначены для установки в области этого отверстия, должны:

- по ОГНЕСТОЙКОСТИ соответствовать КЛАССУ V-1, или

- выдерживать испытания в соответствии с А.2, или

- выполнять требования по огнестойкости в соответствии со стандартом на компоненты.

Примечание - Примерами таких компонентов являются держатели предохранителей, выключатели, сигнальные огни, разъемы и вводы приборов.

Соответствие проверяют осмотром оборудования, изучением данных о материалах и, при необходимости, испытаниями, а также проверкой по приложению А.

4.7.3.3 Материалы для компонентов и других частей внешних противопожарных кожухов

Материалы, кроме отмеченных ниже, для компонентов и других частей (включая МЕХАНИЧЕСКИЕ и ЭЛЕКТРИЧЕСКИЕ КОЖУХИ и ДЕКОРАТИВНЫЕ ДЕТАЛИ), расположенных на внешних сторонах ПРОТИВОПОЖАРНЫХ КОЖУХОВ, должны иметь ОГНЕСТОЙКОСТЬ КЛАССА НВ или HBF.

Примечание - Если МЕХАНИЧЕСКИЙ или ЭЛЕКТРИЧЕСКИЙ КОЖУХ используют также как ПРОТИВОПОЖАРНЫЙ КОЖУХ, применяют требования для ПРОТИВОПОЖАРНЫХ КОЖУХОВ.

Требования для материалов в сборках воздушных фильтров приведены в 4.7.3.5, для материалов высоковольтных деталей - в 4.7.3.6.

Разъемы должны выполняться с учетом одного из следующих условий:

- быть изготовлены из материала, относящегося по огнестойкости к КЛАССУ V-2;

- выдерживать испытания в соответствии с А.2;

- удовлетворять требованиям по огнестойкости для соответствующего стандарта на компоненты;

- быть установлены на материале, относящемся по огнестойкости к КЛАССУ V-1, и иметь небольшой размер;

- должны быть размещены во ВТОРИЧНОЙ ЦЕПИ, снабженной источником питания, мощность которого при нормальных рабочих условиях и после единичного повреждения в оборудовании (см. 1.4.14) ограничена максимальным значением 15 В×А (см. 1.4.11).

Для материалов компонентов и других частей требования о соответствии ОГНЕСТОЙКОСТИ КЛАССУ НВ или HBF не применяют в любом из следующих случаев:

- для электрических компонентов, не представляющих опасность возгорания при условиях, отличных от нормальных, и проведении испытаний в соответствии с 5.3.6;

- для материалов и компонентов, сосредоточенных внутри КОЖУХА объемом не более 0,06 м3, выполненного полностью из металла и не имеющего вентиляционных отверстий или не содержащего внутри герметичной секции с инертным газом;

- для корпусов счетчиков (если иным способом определено подходящее место для установки частей с ОПАСНЫМ НАПРЯЖЕНИЕМ), лицевых панелей счетчиков и индикаторных ламп или излучателей;

- для компонентов, удовлетворяющих требованиям соответствующего стандарта на компоненты, включающего в себя такие требования;

- для компонентов, таких как блоки интегральных микросхем, оптопары, конденсаторы и другие небольшие части, которые:

установлены на материале, относящемся по ОГНЕСТОЙКОСТИ к КЛАССУ V-1, или

питаются от источника мощностью не более 15 В×А (см. 1.4.11) при нормальных рабочих условиях или после единичного повреждения в оборудовании (см. 1.4.14) и установлены на материале, относящемся по ОГНЕСТОЙКОСТИ к КЛАССУ НВ;

- для проводов, кабелей и разъемов с изоляцией из ПВХ, ТФЭ, ПТФЭ, ФЭП, неопрена или полиамида;

- для индивидуальных скрепляющих деталей (не покрытых спиральной или литой защитой), покровной ленты, бечевки и кабельных соединений, используемых со жгутом проводки;

- для приводов, бегунков, ремней, подшипников и других небольших частей, включая ДЕКОРАТИВНЫЕ ДЕТАЛИ, ярлыки, лапы крепления, крышки клавишей, кнопки и т.п., передающих тепло незначительно;

- для источников питания, расходных материалов, носителей и материалов регистрации;

- для частей с особыми свойствами выполнения основной функции, таких как резиновые ролики для приспособления, захватывающего и поставляющего бумагу, и чернильных трубок.

Соответствие проверяют осмотром оборудования, анализом данных о материалах и, при необходимости, испытаниями, а также проверкой по приложению А.

4.7.3.4 Материалы для компонентов и других частей внутренних противопожарных кожухов

Требования для материалов в сборках воздушных фильтров приведены в 4.7.3.5, для материалов высоковольтных деталей - в 4.7.3.6.

Внутренние ПРОТИВОПОЖАРНЫЕ КОЖУХИ, материалы для компонентов и других частей (включая МЕХАНИЧЕСКИЕ и ЭЛЕКТРИЧЕСКИЕ КОЖУХИ, расположенные внутри ПРОТИВОПОЖАРНОГО КОЖУХА) применяют при одном из следующих условий:

- по ОГНЕСТОЙКОСТИ они соответствуют КЛАССУ V-1 или HF-2;

- прошли испытания в соответствии с А.2;

- выполнены требования по огнестойкости в соответствии со стандартом на компоненты.

Приведенные выше требования не применяют к любому из следующих случаев:

- электрическим компонентам, которые не представляют опасность возгорания при рабочих условиях, отличных от нормальных, после проведения испытания в соответствии с 5.3.6;

- материалам и компонентам внутри КОЖУХА объемом не более 0,06 м3, состоящего полностью из металла, не имеющего никаких вентиляционных отверстий или не содержащего внутри герметичной секции с инертным газом;

- одному или нескольким слоям тонкого изоляционного материала, такого как клейкая лента, используемого непосредственно на любой поверхности внутри ПРОТИВОПОЖАРНОГО КОЖУХА, включая поверхность токопроводящих частей, при условии, что комбинация тонкого изоляционного материала и поверхности, к которой прикреплен материал, удовлетворяет требованиям по ОГНЕСТОЙКОСТИ КЛАССА V-2 или HF-2.

Примечание - Если тонкий изоляционный материал, упомянутый в вышеприведенном исключении, находится на внутренней поверхности ПРОТИВОПОЖАРНОГО КОЖУХА, требования 4.6.2 применяют к ПРОТИВОПОЖАРНОМУ КОЖУХУ;

- корпусам счетчиков (если иным способом определено подходящее место для установки частей с ОПАСНЫМ НАПРЯЖЕНИЕМ), лицевым панелям счетчиков и индикаторных ламп или излучателей;

- электронным компонентам, таким как блоки интегральных микросхем, блоки оптических соединителей, конденсаторы и другие небольшие части, которые установлены на материале, относящемся по ОГНЕСТОЙКОСТИ к КЛАССУ V-1;

- проводам, кабелям и разъемам с изоляцией из ПВХ, ТФЭ, ПТФЭ, ФЭП, неопрена или полиамида;

- индивидуальным скрепляющим деталям (не покрытых спиральной или литой защитой), покровной ленте, бечевке и кабельным соединениям, используемым со жгутом проводки;

- следующим частям, отделенным воздушным зазором не менее 13 мм или ограждением из жесткого материала, относящегося по ОГНЕСТОЙКОСТИ к КЛАССУ V-1, от электрических частей (иных, чем изолированные провода и кабели), которые в состоянии повреждения могут инициировать температуру, достаточную для возгорания. К ним относятся:

приводы, бегунки, ремни, подшипники и другие небольшие части, включая, ярлыки, лапы крепления, крышки клавишей, кнопки и т.п., передающие тепло незначительно;

источники питания, расходные материалы, носители и материалы регистрации;части с особыми свойствами выполнения основной функции, такие как резиновые ролики для приспособления, захватывающего и поставляющего бумагу, и трубки для чернил, шланг трубки для воздушных или любых жидкостных систем, контейнеры для порошков или жидкостей и части из пенопласта, если они по ОГНЕСТОЙКОСТИ относятся к КЛАССУ НВ или HBF.

Соответствие проверяют осмотром оборудования, анализом данных о материалах и, при необходимости, испытаниями, а также проверкой по приложению А.

4.7.3.5 Материалы для воздушных сборок фильтров

Воздушные сборки фильтров должны изготавливаться из материала, относящегося по ОГНЕСТОЙКОСТИ к КЛАССУ V-2 или HF-2.

Это требование не относится к следующим конструкциям:

- сборкам воздушных фильтров для циркуляционных систем, независимо от их герметичности, не предназначенных для вентиляции противопожарных кожухов снаружи;

- сборкам воздушных фильтров, размещенных внутри или снаружи ПРОТИВОПОЖАРНОГО КОЖУХА, при условии, что материалы фильтров отделены металлическим экраном от частей, которые могли бы вызывать возгорание. Экран может иметь отверстия и должен удовлетворять требованиям 4.6.2 для оснований ПРОТИВОПОЖАРНОГО КОЖУХА;

- каркасам воздушных фильтров, сконструированных из материалов, которые при неисправности могут инициировать температуру, вызывающую возгорание, и относящиеся по ОГНЕСТОЙКОСТИ к КЛАССУ НВ, при условии отделения их от электрических частей (кроме изолированных проводов и кабелей) воздушным зазором не менее 13 мм или ограждением из жесткого материала, относящегося по ОГНЕСТОЙКОСТИ к КЛАССУ V-1;

- сборкам воздушных фильтров, размещенных вне ПРОТИВОПОЖАРНОГО КОЖУХА и изготовленных из материалов, относящихся по ОГНЕСТОЙКОСТИ к КЛАССУ НВ или HBF.

Соответствие проверяют осмотром оборудования, анализом данных о материалах и, при необходимости, испытаниями, а также проверкой по приложению А.

4.7.3.6 Материалы, используемые в высоковольтных компонентах

Высоковольтные компоненты, работающие при напряжениях с двойной амплитудой, превышающей 4 кВ, должны соответствовать по ОГНЕСТОЙКОСТИ КЛАССУ V-2 или HF-2, или удовлетворять требованиям 14.4 ГОСТ Р МЭК 60065.

Соответствие проверяют осмотром оборудования, изучением данных о материалах и, при необходимости, испытаниями, а также испытаниями по приложению А, или 14.4 ГОСТ Р МЭК 60065.

Таблица 4С - Требования по огнестойкости материалов

Часть

Требование

ПРОТИВОПОЖАРНЫЕ КОЖУХИ по 4.7.3.2

ПЕРЕМЕЩАЕМОЕ ОБОРУДОВАНИЕ массой св. 18 кг и СТАЦИОНАРНОЕ ОБОРУДОВАНИЕ

Соответствие классу 5V; испытание - по А.1

Если воздушный промежуток до открытых дугообразующих источников меньше 13 мм, - испытание HAI (см. А.3)

Если воздушный промежуток до частей с высокой температурой меньше 13 мм, - испытание HWI (см. А.4)

ПЕРЕМЕЩАЕМОЕ ОБОРУДОВАНИЕ массой 18 кг и менее

Соответствие классу V-1; испытание - по А.2

Если воздушный промежуток до открытых дугообразующих источников меньше 13 мм, - испытание HAI (см. А.3)

Если воздушный промежуток до частей с высокой температурой меньше 13 мм, - испытание HWI (см. А.4)

Части, закрывающие отверстие

Соответствие классу V-1; испытание - по А.2; соответствие стандарту на компоненты

Компоненты и части, включая МЕХАНИЧЕСКИЙ и ЭЛЕКТРИЧЕСКИЙ КОЖУХИ, внешние стороны ПРОТИВОПОЖАРНЫХ КОЖУХОВ по 4.7.3.1 и 4.7.3.3

Соответствие классу НВ; соответствие классу HBF; испытание - GWT 550 ºС по ГОСТ 27483. Для соединителей и исключений см. 4.7.3.3

Компоненты и части, включая МЕХАНИЧЕСКИЙ и ЭЛЕКТРИЧЕСКИЙ КОЖУХИ, внутренние стороны ПРОТИВОПОЖАРНЫХ КОЖУХОВ по 4.7.3.4.

Соответствие классу V-2; соответствие классу HF-2; испытание - по А.2; соответствие стандарту на компоненты.

Для исключений см. 4.7.3.4

Сборки воздушных фильтров по 4.7.3.5

Соответствие классу V-2; соответствие классу HF-2. Для исключений см. 4.7.3.5

Компоненты под высоким напряжением (св. 4 кВ)

Соответствие классу V-2; соответствие классу HF-2; испытание - по 14.4 ГОСТ Р МЭК 60065

HAI - испытание на возгорание от сильноточного дугового разряда;

HWI - испытание на возгорание от нагретого провода;

GWT - испытание раскаленной проволокой.

5 Требования к электрическим параметрам и имитация ненормальных условий

5.1 ТОК ПРИКОСНОВЕНИЯ и ток через проводник защитного заземления

В этом подразделе измерение электрического тока от сетей через импеданс человеческого тела рассматривают как измерение ТОКА ПРИКОСНОВЕНИЯ.

5.1.1 Общие положения

Оборудование должно быть разработано так, чтобы ни ТОК ПРИКОСНОВЕНИЯ, ни ТОК ПРОВОДНИКА ЗАЩИТНОГО ЗАЗЕМЛЕНИЯ не создавали опасность.

Соответствие проверяют по 5.1.2 - 5.1.7 и, если необходимо, по 5.1.8 (см. также 1.4.4).

Если из рассмотрения схем ПОСТОЯННО ПОДКЛЮЧЕННОГО ОБОРУДОВАНИЯ КЛАССА 1 или ОБОРУДОВАНИЯ КЛАССА 1 С СОЕДИНИТЕЛЕМ ТИПА В однозначно видно, что ток утечки на землю превышает 3,5 мА действующего значения, но ТОК ПРОВОДНИКА ЗАЩИТНОГО ЗАЗЕМЛЕНИЯ не превышает 5 % входного тока, то проводить испытания по 5.1.5 - 5.1.7 необязательно.

5.1.2 Испытуемое оборудование (ИО)

В системах, состоящих из нескольких устройств с индивидуальным подключением к СЕТИ ПЕРЕМЕННОГО ТОКА, каждая единица оборудования должна испытываться отдельно. Системы, состоящие из нескольких устройств с общим подключением к СЕТИ ПЕРЕМЕННОГО ТОКА, должны рассматриваться как единое изделие. См. также 1.4.10 относительно возможных особенностей.

Примечание - Системы внешнего соединения оборудования более подробно рассмотрены в МЭК 60990, приложение А [12].

Оборудование, разработанное для питания от нескольких источников, но использующее только один источник одновременно (например, источник резервного питания), должно испытываться при подключении только одного источника.

Оборудование, требующее для питания два или более источника, должно испытываться со всеми подключенными источниками.

5.1.3 Испытательная цепь

Оборудование проверяют, используя испытательную цепь, приведенную на рисунке (для однофазного оборудования, которое соединено только «звездой» с TN или ТТ системой распределения энергии) или (для трехфазного оборудования, которое соединено только «звездой» с TN или ТТ системой распределения энергии) или, где необходимо, другую испытательную цепь, взятую из МЭК 60990, рисунки 7, 9, 10, 12, 13 или 14.

Использование изолирующего испытательного трансформатора необязательно. Однако для максимальной безопасности можно использовать изолирующий испытательный трансформатор (Т на рисунках и ) и заземлять клемму защитного заземления ИО. Любая емкостная утечка в трансформаторе в этом случае должна учитываться. Как альтернативу заземлению ИО, вторичные обмотки испытательного трансформатора и ИО оставляют свободными (не заземленным), в этом случае емкостную утечку в трансформаторе не принимают во внимание.

Если трансформатор Т не используют, оборудование устанавливают на изоляционном основании и принимают соответствующие меры безопасности с учетом возможности нахождения КОРПУСА оборудования под ОПАСНЫМ НАПРЯЖЕНИЕМ.

Оборудование, которое подключают к IT системе распределения энергии, проверяют в соответствии с рисунками 9, 10 и 12 МЭК 60990 [12]. Такое оборудование может также подключаться к TN или ТТ системе распределения энергии.

Однофазное оборудование, подключаемое между двумя фазами, проверяют, используя трехфазную испытательную цепь, приведенную на рисунке .

Если возникают трудности при испытании оборудования при наиболее неблагоприятном напряжении питания (см. 1.4.5), допускается проводить испытания при любом допустимом в пределах НОМИНАЛЬНОГО ДИАПАЗОНА НАПРЯЖЕНИИ или отклонениях от НОМИНАЛЬНОГО НАПРЯЖЕНИЯ с дальнейшим перерасчетом результатов.

Измерительная цепь

Т - изолирующий трансформатор (для измерений)

Рисунок 5А - Испытательная схема для измерения тока прикосновения однофазного оборудования, питаемого от энергетической установки типа TN или ТТ, соединенной «звездой»

Т - изолирующий трансформатор (для измерений)

Рисунок 5В - Испытательная схема для измерения тока прикосновения трехфазного оборудования, питаемого от энергетической установки типа TN или ТТ, соединенной «звездой»

5.1.4 Применение измерительных приборов

Испытания проводят, используя один из измерительных приборов, приведенных в приложении D, или любую другую схему, дающую такие же результаты.

Клемму В измерительного прибора соединяют с заземленным (нейтральным) проводом сети питания (см. рисунок или ).

Клемму А измерительного прибора соединяют, как указано в 5.1.5.

Для доступных непроводящих частей испытания проводят с помощью металлической фольги размером 10´20 см, находящейся в контакте с этими частями. Если площадь фольги меньше, чем испытуемая поверхность, фольгу перемещают таким образом, чтобы испытать все участки поверхности. В случае использования липкой металлической фольги, клеящий слой должен быть токопроводящим. При испытаниях надо следить, чтобы фольга оказывала минимальное влияние на тепловое рассеяние оборудования.

Примечание 1 - Фольга имитирует контакт рукой.

Доступные проводящие части, которые могут иметь случайный контакт с другими частями, проверяют как подключенными, так и отключенными.

Примечание 2 - Случайно соединенные части более подробно описаны в МЭК 60990 [12], приложение С.

5.1.5 Процедура испытаний

Для оборудования, имеющего защитное или ФУНКЦИОНАЛЬНОЕ ЗАЗЕМЛЕНИЕ, клемму измерительного прибора соединяют через переключатель S1 с клеммой заземления испытуемого оборудования и проводник заземления разрывают переключателем S2.

Испытание также проводят на оборудовании с клеммой А измерительной сети, соединенной через переключатель S1 с каждой не заземленной или непроводящей доступной частью и каждой незаземленной доступной цепью, и, в свою очередь, с переключателем S2 в цепи проводника заземления в положении «замкнуто».

Дополнительно:

- для однофазного оборудования испытания повторяют в обратной полярности (переключают Р1);

- для трехфазного оборудования испытания повторяют в обратной полярности (переключают Р1), если оборудование допускает изменение последовательности чередования фаз.

При испытании трехфазного оборудования любые компоненты, используемые для целей ЭЛЕКТРОМАГНИТНОЙ СОВМЕСТИМОСТИ, подключенные между фазой и землей, отсоединяют по одному; при этом группы компонентов, параллельно соединенные посредством единого подключения, рассматривают как единый компонент. Каждый раз, когда между фазой и землей отсоединяют компонент, последовательность операций выключателя повторяют.

Примечание - В случае использования фильтра, выполненного в виде отдельного герметизированного блока, при проведении испытаний может возникнуть необходимость в отдельном негерметизированном блоке или в моделировании схемы фильтра.

В каждой точке приложения измерительного прибора любые выключатели в ПЕРВИЧНОЙ ЦЕПИ, которые могут использоваться при нормальной работе, должны находится во всех возможных комбинациях.

После применения каждого проверяемого условия оборудование приводят в первоначальное состояние, то есть устраняют возникшие неисправности или повреждения.

5.1.6 Измерения при испытаниях

Среднеквадратичное значение напряжения U2 определяют, используя измерительный прибор, приведенный на рисунке D.1 или D.2.

Прибор, приведенный на рисунке D.1, дает более точное измерение, чем прибор на рисунке D.2, если форма тока несинусоидальная и основная частота превышает 100 Гц.

Допустимо измерение пикового значения напряжения U2 использованием прибора по рисунку D.1.

Если напряжение U2 определяют при помощи измерительного прибора, по рисунку D.1, то используют следующую формулу

I = U2/500,

где I - ТОК ПРИКОСНОВЕНИЯ, А.

Примечание - Хотя традиционно измеряют среднеквадратическое значение ТОКА ПРИКОСНОВЕНИЯ, пиковые значения обеспечивают лучшую корреляцию с реакцией человеческого тела к несинусоидальным токам.

Ни одно из значений, измеренных в соответствии с 5.1.6, не должно превышать указанного в таблице , кроме исключений, приведенных в 5.1.7.

Таблица 5А - Максимальный ток

Тип оборудования

Клемма А измерительного прибора, соединена

Максимальный ток утечки, среднеквадратичное значение, мА1)

Максимальный ТОК ЗАЩИТНОГО ПРОВОДНИКА

Любое

с доступными частями и цепями, не соединенными с защитной землей

0,25

-

Ручное

с оборудованием, оснащенным клеммой защитного заземления (или иной)

0,75

-

Перемещаемое (кроме ручного)

3,50

-

СТАЦИОНАРНОЕ, ПОДКЛЮЧАЕМОЕ СОЕДИНИТЕЛЕМ ТИПА А.

3,50

-

Остальное СТАЦИОНАРНОЕ ОБОРУДОВАНИЕ:

- не попадающее под требования 5.1.7

- попадающее под требования 5.1.7

3,50

-

-

5 % входного тока

1) Если измеряют пиковое значение ТОКА ПРИКОСНОВЕНИЯ, приведенные в таблице максимальные значения умножают на 1,414.

5.1.7 Оборудование с током прикосновения, превышающим 3,5 мА

Для ПОСТОЯННО ПОДКЛЮЧЕННОГО ОБОРУДОВАНИЯ или СТАЦИОНАРНОГО ОБОРУДОВАНИЯ, ПОДКЛЮЧЕННОГО СОЕДИНИТЕЛЕМ ТИПА В, с клеммой защитного заземления, если значение ТОКА ПРИКОСНОВЕНИЯ превышает 3,5 мА среднеквадратичного значения, все следующие требования должны выполняться:

- среднеквадратичное значение ТОКА ЗАЩИТНОГО ПРОВОДНИКА не должно превышать 5 % входного тока от любой фазы, в условиях нормальной нагрузки.

Если нагрузка нестабильна, учитывают наибольший из трех фазных токов. Для измерения ТОКА ЗАЩИТНОГО ПРОВОДНИКА используют метод измерения ТОКА ОТ ПРИКОСНОВЕНИЯ, но измерительный прибор заменяют амперметром с малым импедансом;

- площадь поперечного сечения ПРОВОДНИКА ЗАЩИТНОГО СОЕДИНЕНИЯ должна быть не менее значений из таблицы (см. 3.2.5), но не менее 1,0 мм2 для частей с повышенным значением ТОКА ЗАЩИТНОГО ПРОВОДНИКА;

- на оборудовании, вблизи от ввода СЕТИ ПИТАНИЯ ПЕРЕМЕННОГО ТОКА, должна быть нанесена одна из следующих маркировок, или маркировка с подобной формулировкой:

ВНИМАНИЕ!
БОЛЬШОЙ ТОК ПРИКОСНОВЕНИЯ ЗАЗЕМЛИТЬ ПЕРЕД ПОДКЛЮЧЕНИЕМ К СЕТИ ПИТАНИЯ

ВНИМАНИЕ!
БОЛЬШОЙ ТОК УТЕЧКИ ЗАЗЕМЛИТЬ ПЕРЕД ПОДКЛЮЧЕНИЕМ К СЕТИ ПИТАНИЯ

Примечание - См. ГОСТ Р 50571.23.

5.1.8 Токи прикосновения к телекоммуникационным сетям и от этих сетей

Примечание - В этом пункте ссылки на «порты подключения ТЕЛЕКОММУНИКАЦИОННОЙ СЕТИ» (или телекоммуникационные порты) относятся к тем точкам соединения, к которым ТЕЛЕКОММУНИКАЦИОННАЯ СЕТЬ подключается. Такие ссылки не распространяются на другие порты данных, такие как последовательный и параллельный, а также разъемы для подключения клавиатуры, игры, джойстика, и т.д.

5.1.8.1 Ограничение тока прикосновения к ТЕЛЕКОММУНИКАЦИОННОЙ СЕТИ

ТОК ПРИКОСНОВЕНИЯ от оборудования, питающегося от СЕТИ ПИТАНИЯ ПЕРЕМЕННОГО ТОКА, к ТЕЛЕКОММУНИКАЦИОННОЙ СЕТИ должен быть ограничен.

Соответствие проверяют, используя испытательную цепь, приведенную в 5.1.3.

Испытания не проводят для оборудования, у которого цепь, подключаемая к ТЕЛЕКОММУНИКАЦИОННОЙ СЕТИ, соединена с защитным заземлением или клеммой ФУНКЦИОНАЛЬНОГО ЗАЗЕМЛЕНИЯ в оборудовании; ток от ИО к ТЕЛЕКОММУНИКАЦИОННОЙ СЕТИ считают нулевым.

Для оборудования, имеющего больше, чем одну цепь, подключаемую к ТЕЛЕКОММУНИКАЦИОННОЙ СЕТИ, испытание проводят только по одному варианту для цепи каждого типа.

Для оборудования, не имеющего клеммы защитного заземления, переключатель S2 в цепи проводника заземления, если он подключен к клемме ФУНКЦИОНАЛЬНОГО ЗАЗЕМЛЕНИЯ в ИО, не замыкают. В противном случае он замкнут.

Клемму В измерительного прибора соединяют с нейтральным проводником сети питания. Клемму А коммутируют при измерении переключателем S1,a полярность- переключателем Р2 при подключении к порту ТЕЛЕКОММУНИКАЦИОННОЙ СЕТИ.

Для однофазного оборудования испытание проводят во всех комбинациях переключателей полярности Р1 и Р2.

Для трехфазного оборудования испытание проводят в обеих позициях переключателя полярности Р2. После измерения в каждом проверяемом условии оборудование устанавливают в начальное состояние.

Измерения выполняют, используя один из измерительных приборов по приложению D, как описано в 5.1.6.

Ни одно из значений, измеренных в соответствии с 5.1.8.1, не должно превышать 0,25 мА среднеквадратичного значения.

5.1.8.2 Суммирование ТОКОВ ПРИКОСНОВЕНИЯ от ТЕЛЕКОММУНИКАЦИОННЫХ СЕТЕЙ.

Примечание - Приложение W объясняет требования 5.1.8.2.

ИО, предназначенное для соединения с ТЕЛЕКОММУНИКАЦИОННОЙ СЕТЬЮ многих точек нескольких единиц другого оборудования связи, не должно создавать опасность для ПОЛЬЗОВАТЕЛЕЙ и ОБСЛУЖИВАЮЩЕГО ПЕРСОНАЛА ТЕЛЕКОММУНИКАЦИОННОЙ СЕТИ из-за суммирования ТОКОВ ПРИКОСНОВЕНИЯ.

При проверке этих требований приняты следующие обозначения:

I1 - ТОК ПРИКОСНОВЕНИЯ, полученный от другого оборудования через ТЕЛЕКОММУНИКАЦИОННУЮ СЕТЬ в телекоммуникационном порту ИО;

åI1 - сумма ТОКОВ ПРИКОСНОВЕНИЯ, полученных от другого оборудования во всех телекоммуникационных портах ИО;

I2 - ТОК ПРИКОСНОВЕНИЯ от СЕТИ ПИТАНИЯ ПЕРЕМЕННОГО ТОКА ИО.

Допускается, чтобы в каждый телекоммуникационный порт от другого оборудования втекал ток 0,25 мА (I1), если не известно, что фактический электроток от другого оборудования является более низким.

Следующие требования, в зависимости от применяемости, должны быть выполнены.

а) ИО с заземленными телекоммуникационными портами связи.

Для ИО, у которого каждый телекоммуникационный порт соединен с основной клеммой защитного заземления ИО, перечисления 1) - 3) должны учитываться:

1) если åI1 (кроме I2) превышает 3,5 мА:

- оборудование должно иметь устройство для постоянного подключения к защитному заземлению в дополнение к ПРОВОДНИКУ ЗАЩИТНОГО ЗАЗЕМЛЕНИЯ в шнуре питания ОБОРУДОВАНИЯ, ПОДКЛЮЧЕННОГО СОЕДИНИТЕЛЕМ ТИПА А или В;

- инструкции по монтажу должны устанавливать, что провод для постоянного подключения к защитному заземлению должен иметь площадь поперечного сечения не менее 2,5 мм2, если он защищен от механических воздействий, в противном случае - 4,0 мм2;

- на оборудовании, вблизи точки подключения заземления, должна быть нанесена одна из следующих маркировок или маркировка с подобной формулировкой:

ВНИМАНИЕ!
БОЛЬШОЙ ТОК УТЕЧКИ ЗАЗЕМЛИТЬ ПЕРЕД ПОДКЛЮЧЕНИЕМ К ТЕЛЕКОММУНИКАЦИОННОЙ СЕТИ

ВНИМАНИЕ!
БОЛЬШОЙ ТОК ПРИКОСНОВЕНИЯ ЗАЗЕМЛИТЬ ПЕРЕД ПОДКЛЮЧЕНИЕМ К ТЕЛЕКОММУНИКАЦИОННОЙ СЕТИ

Разрешается объединять эту и маркировку по 5.1.7;

2) åI1 плюс I2 в пределах значений таблицы (см. 5.1.6);

3) если возможно, такое оборудование должно соответствовать 5.1.7. Значение I2 используют для вычисления 5 % предела фазного входного тока, указанного в 5.1.7.

Соответствие подпункту а) проверяют осмотром и, в случае необходимости, испытанием.

Если оборудование содержит устройство для постоянного подключения к защитному заземлению в соответствии с перечислением 1), нет необходимости проводить любые измерения, за исключением того, что I2 должен удовлетворять требованиям 5.1.

От источника переменного тока той же частоты и фазы, что и СЕТЬ ПИТАНИЯ ПЕРЕМЕННОГО ТОКА, на каждый телекоммуникационный порт, через конденсатор, подают напряжение такой величины, чтобы в этот порт втекал ток, равный 0,25 мА или равный фактическому току от другого оборудования, если известно, что он меньше, и если протекание такого тока в порт возможно. Измеряют ток, текущий в проводнике заземления.

b) ИО, у которого порты связи не имеют никакого соединения с защитным заземлением

Если порты связи ИО не имеют общей точки, каждый порт связи должен соответствовать 5.1.8.1.

Если все порты связи или любые группы таких портов имеют общую точку (связь), полный ТОК ПРИКОСНОВЕНИЯ от каждой общей точки не должен превышать 3,5 мА.

Соответствие подпункту b) проверяют осмотром и, в случае необходимости, испытанием по 5.1.8.1 или, если имеются общие точки соединения, следующим испытанием.

От источника переменного тока той же частоты и фазы, что и СЕТЬ ПИТАНИЯ ПЕРЕМЕННОГО ТОКА, на каждый телекоммуникационный порт, через конденсатор, подают напряжение такой величины, чтобы в этот порт втекал ток, равный 0,25 мА или равный фактическому току от другого оборудования, если известно, что он меньше, и если протекание такого тока в порт возможно. Измеряют ток, текущий в проводнике заземления. Общие точки соединения проверяют в соответствии с 5.1, независимо от того, доступны они или нет.

5.2 Электрическая прочность

Примечание - Если дана ссылка на проведение испытания электрической прочности согласно 5.2 в других частях этого стандарта, это означает, что электрическую прочность проверяют на оборудовании в достаточно прогретом состоянии согласно 5.2.1.

Если дана ссылка на проведение испытания электрической прочности согласно 5.2.2 в других частях этого стандарта, это означает, что электрическую прочность проверяют на оборудовании без предварительного нагрева согласно 5.2.1.

5.2.1 Общие положения

Электрическая прочность твердой изоляции, используемой в оборудовании, должна быть достаточной.

Соответствие проверяют по 5.2.2 без охлаждения оборудования, сразу после проведения испытания на нагрев, как определено в 4.5.1.

Если компоненты или составные блоки проверены отдельно вне оборудования, они должны быть нагреты до температуры, достигнутой этой частью в течение испытания на нагрев (например, в термокамере), до проведения испытания на электрическую прочность. Разрешается проводить испытание на электрическую прочность тонкого листового материала для ДОПОЛНИТЕЛЬНОЙ ИЗОЛЯЦИИ или УСИЛЕННОЙ ИЗОЛЯЦИИ, упомянутой в 2.10.5.2, при комнатной температуре.

5.2.2 Испытательная процедура

На изоляцию подают чисто синусоидальное напряжение частотой 50 или 60 Гц или напряжение постоянного тока, равное амплитудному значению напряжения, требуемого для проведения испытания. Испытательное напряжение должно соответствовать значениям, приведенным в таблице , в зависимости от назначения ИЗОЛЯЦИИ (РАБОЧАЯ, ОСНОВНАЯ, ДОПОЛНИТЕЛЬНАЯ или УСИЛЕННАЯ) и РАБОЧЕГО НАПРЯЖЕНИЯ U, прикладываемого к изоляции, как установлено в 2.10.2. Если РАБОЧЕЕ НАПРЯЖЕНИЕ постоянное, то испытательное напряжение подают также постоянное, и наоборот, если РАБОЧЕЕ НАПРЯЖЕНИЕ переменное, то и испытательное напряжение подают переменное.

Напряжение, прикладываемое к испытуемой изоляции, увеличивают постепенно от нуля до требуемого значения и выдерживают в течение 60 с.

Примечание 1 - При проведении производственных испытаний продолжительность испытания электрической прочности может быть уменьшена до 1 с.

При испытании не должно быть пробоя изоляции.

Считают, что пробой изоляции произошел, если ток, проходящий в результате подачи испытательного напряжения, внезапно бесконтрольно возрастает, т.е., изоляция не препятствует его протеканию. Коронный разряд или одиночную мгновенную вспышку не рассматривают как пробой изоляции.

Изоляционное покрытие испытывают при помощи металлической фольги, контактирующей с изолирующей поверхностью. Эта методика имеет ограничение там, где есть вероятность, что изоляция слабая, например, если под изоляцией имеются острые металлические углы. По возможности, изоляционные прокладки испытывают отдельно. Металлическая фольга должна размещаться так, чтобы избежать перекрытия на краях изоляции. При использовании липкой металлической фольги клеящий слой ее должен быть токопроводящим.

Во избежание выхода из строя составных частей и изоляции, не подвергающихся данному испытанию, разрешается отсоединять интегральные схемы и аналогичные элементы, а также допускается применение перемычек между эквипотенциальными точками.

При испытании оборудования, содержащего как УСИЛЕННУЮ ИЗОЛЯЦИЮ, так и изоляцию более низких типов, необходимо следить за тем, чтобы прикладываемое к УСИЛЕННОЙ ИЗОЛЯЦИИ напряжение не явилось избыточным для ОСНОВНОЙ или ДОПОЛНИТЕЛЬНОЙ ИЗОЛЯЦИИ.

Примечания

2 При наличии в цепи испытуемой изоляции конденсаторов (например, радиочастотных фильтров) рекомендуется применять для испытаний постоянное напряжение.

3 Необходимо отключать элементы, образующие пути для постоянного тока параллельно испытуемой изоляции, например разрядные резисторы, конденсаторы фильтров и устройства ограничения выбросов напряжения.

В случае, когда изоляция обмоток трансформатора изменяется по длине обмотки согласно 2.10.10, применяют метод испытания на электрическую прочность, который позволяет соответствующим образом воздействовать испытательным напряжением.

Примечание 4 - Примером такого испытания является метод, когда напряжение, приложенное при испытании, выше нормального рабочего напряжения на обмотке в N раз, тогда частота повышается также в N раз.

ФУНКЦИОНАЛЬНУЮ ИЗОЛЯЦИЮ не испытывают, за исключением случаев, установленных в 5.3.4b.

Таблица 5В - Напряжения для испытания электрической прочности

Часть 1

Вид изоляции

Точка приложения (при необходимости)

ПЕРВИЧНАЯ ЦЕПЬ - КОРПУС

ПЕРВИЧНАЯ ЦЕПЬ - ВТОРИЧНАЯ ЦЕПЬ

Между частями в ПЕРВИЧНОЙ ЦЕПИ

ВТОРИЧНАЯ ЦЕПЬ -КОРПУС

Между независимыми ВТОРИЧНЫМИ ЦЕПЯМИ

Рабочее напряжение, В (пиковое значение или постоянный ток)

Рабочее напряжение, В

U £ 1842)

184 < U £ 3543)

354 < U £ 1410

1410 < U £ 100004)

10000 < U £ 50000

U £ 42,4 пиковое или 60 постоянного тока5)

U £ 42,4 пиковое или 60 постоянного тока < U £ 10000 пиковое или 60 постоянного тока5)

Испытательное напряжение, В, среднеквадратическое значение1)

ФУНКЦИОНАЛЬНАЯ

1000

1500

См. Vа (таблица , часть 2)

См. Va (таблица , часть 2)

1,5U

500

См. Va (таблица , часть 2)

ОСНОВНАЯ, ДОПОЛНИТЕЛЬНАЯ

Без испытания

УСИЛЕННАЯ

2000

3000

3000

См. (таблица , часть 2)

1) Для рабочих напряжений во вторичных цепях св. 10 кВ (пикового значения или постоянного тока) применяют те же значения, что и для первичных цепей.

2) Эту графу используют для напряжения сети постоянного тока до 130 В, подвергающегося воздействию ПЕРЕХОДНОГО СЕТЕВОГО НАПРЯЖЕНИЯ.

3) Эту графу используют для напряжения сети постоянного тока св. 130 до 250 В, подвергающегося воздействию ПЕРЕХОДНОГО СЕТЕВОГО НАПРЯЖЕНИЯ.

4) Эту графу используют для напряжения сети постоянного тока св. 250 В, подвергающегося воздействию ПЕРЕХОДНОГО СЕТЕВОГО НАПРЯЖЕНИЯ.

5) Эту графу используют для напряжения постоянного тока, полученного от источника питания переменного или постоянного тока, встроенного в оборудование.

Часть 2

Напряжение U, пиковое значение или постоянный ток

Испытательное напряжение (среднеквадратическое значение)

Напряжение U, пиковое значение или постоянный ток

Испытательное напряжение (среднеквадратическое значение)

Напряжение U, пиковое значение или постоянный ток

Испытательное напряжение (среднеквадратическое значение)

Vа

Vb

Vа

Vb

Vа

Vb

34

500

800

54

620

991

76

726

1162

35

507

811

56

630

1008

78

735

176

36

513

821

58

641

1025

80

744

190

38

526

842

60

651

1041

85

765

224

40

539

863

62

661

1057

90

785

257

42

551

882

64

670

1073

95

805

288

44

564

902

66

680

1088

100

825

319

46

575

920

68

690

1103

105

844

350

48

587

939

70

699

1118

110

862

379

50

598

957

72

708

1133

115

880

408

52

609

974

74

717

1147

120

897

1436

125

915

1463

580

1864

2982

2800

4478

4478

130

931

1490

588

1875

3000

2900

4586

4586

135

948

1517

600

1893

3000

3000

4693

4693

140

964

1542

620

1922

3000

3100

4798

4798

145

980

1568

640

1951

3000

3200

4902

4902

150

995

1593

660

1979

3000

3300

5006

5006

152

1000

1600

680

2006

3000

3400

5108

5108

1551)

1000

1617

700

2034

3000

3500

5209

5209

1601)

1000

1641

720

2060

3000

3600

5309

5309

1651)

1000

1664

740

2087

3000

3800

5507

5507

1701)

1000

1688

760

2113

3000

4000

5702

5702

1751)

1000

1711

780

2138

3000

4200

5894

5894

1801)

1000

1733

800

2164

3000

4400

6082

6082

1841)

1000

1751

850

2225

3000

4600

6268

6268

185

1097

1755

900

2285

3000

4800

6452

6452

190

1111

1777

950

2343

3000

5000

6633

6633

200

1137

1820

1000

2399

3000

5200

6811

6811

210

1163

1861

1050

2454

3000

5400

6987

6987

220

1189

1902

1100

2508

3000

5600

7162

7162

230

1214

1942

1150

2560

3000

5800

7334

7334

240

1238

1980

1200

2611

3000

6000

7504

7504

250

1261

2018

1250

2661

3000

6200

7673

7673

260

1285

2055

1300

2710

3000

6400

7840

7840

270

1307

2092

1350

2758

3000

6600

8005

8005

280

1330

2127

1400

2805

3000

6800

8168

8168

290

1351

2162

1410

2814

3000

7000

8330

8330

300

1373

2196

1450

2868

3000

7200

8491

8491

310

1394

2230

1500

2934

3000

7400

8650

8650

320

1414

2263

1550

3000

3000

7600

8807

8807

330

1435

2296

1600

3065

3065

7800

8964

8964

340

1455

2328

1650

3130

3130

8000

9119

9119

350

1474

2359

1700

3194

3194

8200

9273

9273

360

1494

2390

1750

3257

3257

8400

9425

9425

380

1532

2451

1800

3320

3320

8600

9577

9577

400

1569

2510

1900

3444

3444

8800

9727

9727

420

1605

2567

2000

3566

3566

9000

9876

9876

440

1640

2623

2100

3685

3685

9200

10024

10024

460

1674

2678

2200

3803

3803

9400

10171

10171

480

1707

2731

2300

3920

3920

9600

10317

10317

500

1740

2784

2400

4034

4034

9800

10463

10463

520

1772

2835

2500

4147

4147

10000

10607

10607

540

1803

2885

2600

4259

4259

 

 

 

560

1834

2934

2700

4369

4369

 

 

 

1) Для этих напряжений значения Vb определены общей кривой Vb = 155, 86 U0,4638, а не 1,6 Va. Разрешается линейная интерполяция между смежными точками в таблице.

5.3 Ненормальная работа и аварийные условия

5.3.1 Защита в условиях перегрузки и ненормальных условиях

Конструкция оборудования должна ограничивать опасность возникновения пожара или поражения электрическим током в результате электрических или механических перегрузок, отказов, ненормальной работы или ошибок в эксплуатации.

При ненормальной работе или одиночной неисправности (см. 1.4.14) оборудование должно оставаться безопасным для ОПЕРАТОРА по требованиям настоящего стандарта, но это не означает, что оно должно оставаться полностью работоспособным. Для обеспечения достаточной защиты могут применяться плавкие предохранители, ТЕРМОПРЕРЫВАТЕЛИ, устройства токовой защиты и аналогичные устройства.

Соответствие проверяют осмотром и испытаниями согласно 5.3. Перед началом каждого испытания оборудование должно работать нормально.

Если составная часть или блок находятся в такой оболочке, что короткое замыкание или отключение согласно требованиям 5.3 невозможно или трудно выполнимо без повреждения оборудования, то испытания проводят на образцах, снабженных специальными выводами. Если это невозможно, то подвергают испытанию составную часть или блок.

Оборудование испытывают в любом состоянии, которое может возникнуть при нормальном использовании и возможном неправильном употреблении.

Кроме того, оборудование, которое снабжено защитным покрытием, испытывают с установленным на место покрытием, в режиме холостого хода, до установления устойчивого состояния.

5.3.2 Двигатели

При перегрузке, заторможенном роторе и других ненормальных условиях двигатель не должен создавать опасность из-за повышения температуры.

Примечание - Методы достижения данного условия следующие:

- двигатель, который не перегревается при заторможенном роторе (защита встроенным или полным внешним сопротивлением);

- использование двигателей во ВТОРИЧНЫХ ЦЕПЯХ, в которых допускается превышение допустимой температуры, без создания опасности;

- устройства, реагирующие на ток двигателя;

- встроенные ТЕПЛОВЫЕ РЕЛЕ;

- чувствительная схема, отключающая питание двигателя в достаточно короткий промежуток времени, предотвращая его перегрев, например, если двигатель не способен выполнять свои функции.

Соответствие проверяют проведением испытаний согласно приложению В.

5.3.3 Трансформаторы

Трансформаторы должны быть защищены от перегрузок, например следующими способами:

- защитой от превышения тока;

- встроенными ТЕРМОПРЕРЫВАТЕЛЯМИ;

- применением токоограничивающих трансформаторов.

Соответствие проверяют проведением испытания согласно разделу С.1.

5.3.4 Функциональная изоляция

Для ФУНКЦИОНАЛЬНОЙ ИЗОЛЯЦИИ РАССТОЯНИЯ УТЕЧКИ и ЗАЗОРЫ должны удовлетворять одному из следующих требований:

a) соответствуют требованиям к зазорам и расстояниям утечки согласно 2.10 для ФУНКЦИОНАЛЬНОЙ ИЗОЛЯЦИИ;

b) выдерживают испытания на электрическую прочность для ФУНКЦИОНАЛЬНОЙ ИЗОЛЯЦИИ согласно 5.2.2 или

c) при замыкании накоротко, если короткое замыкание может вызвать:

перегрев любого материала, создавая риск воспламенения, кроме случаев, когда этот материал имеет КЛАСС ВОЗГОРАЕМОСТИ не ниже V-1, или

тепловое повреждение ОСНОВНОЙ, ДОПОЛНИТЕЛЬНОЙ или УСИЛЕННОЙ ИЗОЛЯЦИЙ, создавая тем самым риск поражения электрическим током.

Для изоляции между ВТОРИЧНОЙ ЦЕПЬЮ и недоступной проводящей частью, которая заземлена для функциональных целей, ЗАЗОРЫ и РАССТОЯНИЯ УТЕЧЕК должны также удовлетворять перечислениям а), b) или с).

Критерии соответствия для 5.3.4с см. в 5.3.8.

5.3.5 Электромеханические компоненты

При возможном возникновении опасности во ВТОРИЧНЫХ ЦЕПЯХ электромеханические составные части (компоненты), за исключением двигателей, проверяют на соответствие 5.3.1, при обеспечении следующих условий:

- при нормальном питании составных частей механические перемещения должны фиксироваться в самых неблагоприятных положениях,

- при питании составной части в прерывистом режиме в цепи управления имитируют неисправность, в результате которой на составную часть питание подается постоянно.

Продолжительность каждого испытания должна быть:

- для оборудования или составных частей, повреждение которых не очевидно для ОПЕРАТОРА, - до достижения установившегося режима или нарушения цепи, являющегося следствием имитируемой неисправности. Выбирают наименьшую продолжительность;

- для прочего оборудования или составных частей - 5 мин или до нарушения цепи, являющегося следствием неисправности составной части (например, перегорания) или других последствий имитируемой неисправности. Выбирают наименьшую продолжительность.

Критерии соответствия см. в 5.3.8.

5.3.6 Имитация неисправностей

Для компонентов и цепей, не относящихся к рассматриваемым в 5.3.2, 5.3.3, 5.3.5, соответствие проверяют имитацией условий неисправности (см. 1.4.14). Имитируют следующее:

a) неисправность любого компонента ПЕРВИЧНОЙ ЦЕПИ;

b) неисправность любого компонента, в результате которой возможно неблагоприятное воздействие на ДОПОЛНИТЕЛЬНУЮ или УСИЛЕННУЮ ИЗОЛЯЦИЮ;

c) неисправность всех компонентов и составных частей оборудования, не отвечающих требованиям 4.4.2 и 4.4.3;

d) неисправность, возникшую вследствие подключения наиболее неблагоприятного полного сопротивления нагрузки к выходным силовым или сигнальным клеммами и разъемам оборудования (сетевые розетки электропитания не рассматривают).

Если имеется несколько розеток, связанных одной электрической цепью, то испытание проводят только для одной из них.

Не имитируется неисправность для компонентов в ПЕРВИЧНЫХ ЦЕПЯХ, соединенных с сетью питания, таких как сетевые провода, приборные вилки, компоненты ЭМС фильтров, выключатели и соединяющие их провода, при условии, что они соответствуют требованиям 5.3.4а.

Примечание - Вышеперечисленные части должны соответствовать другим требованиям настоящего стандарта, а именно 1.5.1, 2.10.5, 4.4.3 и 5.2.2.

В дополнение к критериям соответствия (по 5.3.8) температура трансформатора, питающего компонент при испытании, не должна превышать значений, приведенных в С.1, с учетом исключений, подробно описанных так же в С.1 относительно трансформаторов, которые требуют замены.

5.3.7 Оборудование, работающее без надзора

Оборудование, содержащее встроенные ТЕРМОСТАТЫ, ОГРАНИЧИТЕЛИ ТЕМПЕРАТУРЫ или ТЕРМОПРЕРЫВАТЕЛИ, или конденсатор, не защищенный предохранителем, или другое подобное устройство, включенное параллельно контактам, должно подвергаться следующим испытаниям.

ТЕРМОСТАТЫ, ОГРАНИЧИТЕЛИ ТЕМПЕРАТУРЫ и ТЕПЛОВЫЕ РЕЛЕ должны быть проверены на соответствие требованиям раздела К.6.

Режим работы оборудования должен соответствовать условиям, указанным в 4.5.1, и любое контролирующее устройство, служащее для ограничения температуры, замыкают накоротко. При наличии нескольких ТЕРМОСТАТОВ, ОГРАНИЧИТЕЛЕЙ ТЕМПЕРАТУРЫ или ТЕРМОПРЕРЫВАТЕЛИ их замыкают накоротко по очереди.

Если не происходит отключения тока, то питание оборудования отключают при выходе на установившийся режим и дают ему охладиться до комнатной температуры.

Для оборудования с КРАТКОВРЕМЕННЫМ РЕЖИМОМ РАБОТЫ длительность испытания должна равняться НОМИНАЛЬНОМУ ВРЕМЕНИ РАБОТЫ.

Для оборудования с КРАТКОВРЕМЕННЫМ РЕЖИМОМ РАБОТЫ или ПРЕРЫВИСТОЙ РАБОТОЙ испытание повторяют до достижения установившегося режима, независимо от ПРОДОЛЖИТЕЛЬНОСТИ РАБОТЫ. При этом испытании ТЕРМОСТАТЫ, ТЕМПЕРАТУРНЫЕ ОГРАНИЧИТЕЛИ и ТЕРМОПРЕРЫВАТЕЛИ не замыкают накоротко.

Если при любом испытании срабатывает ТЕПЛОВОЕ РЕЛЕ С РУЧНЫМ ВОЗВРАТОМ или до достижения установившегося режима ток будет отключен другим способом, то испытание следует считать закончившимся; но если ток отключится в результате пробоя преднамеренно ослабленной детали, то испытание повторяют на другом образце. Оба образца должны отвечать требованиям 5.3.8.

5.3.8 Критерии соответствия при ненормально и работе и в условиях неисправности

5.3.8.1 При проведении испытаний согласно 5.3.4с, 5.3.5 - 5.3.7:

- если происходит возгорание, то оно не должно распространяться за пределы оборудования;

- из оборудования не должен выбрасываться расплавленный металл;

- КОЖУХИ не должны деформироваться до такой степени, чтобы нарушалось соответствие 2.1.1, 2.6.1, 2.10.3 и 4.4.1.

Более того, при проведении испытания согласно 5.3.6с, когда не установлены другие требования для нагрева изоляционных материалов, кроме термопластичных, температура изоляции не должна превышать 125, 140, 150, 165 и 185 К для классов А, Е, В, F и Н соответственно.

Если повреждение изоляции не приведет к появлению ОПАСНЫХ НАПРЯЖЕНИЙ или УРОВНЕЙ ОПАСНЫХ ЭНЕРГИЙ, допускается установление максимальной температуры 300 °С. Более высокая температура допускается для изоляции из стекла или керамических материалов.

5.3.8.2 После испытаний по 5.3.4с, 5.3.5 - 5.3.7 проводят проверку электрической прочности:

- УСИЛЕННОЙ ИЗОЛЯЦИИ;

- ОСНОВНОЙ или ДОПОЛНИТЕЛЬНОЙ ИЗОЛЯЦИИ, которые являются частью ДВОЙНОЙ ИЗОЛЯЦИИ;

- ОСНОВНОЙ ИЗОЛЯЦИИ между ПЕРВИЧНОЙ ЦЕПЬЮ и доступными проводящими частями ОБОРУДОВАНИЯ КЛАССА I.

Если возникли следующие ситуации:

- ПУТЬ УТЕЧКИ или ЗАЗОР уменьшились ниже значений, установленных в 2.10, или

- изоляция имеет видимые признаки повреждения, или

- изоляция не может быть обследована, проводят испытания, как описано в 5.2.2.

6 Подключение к телекоммуникационным сетям

Если оборудование предназначено для соединения с ТЕЛЕКОММУНИКАЦИОННОЙ СЕТЬЮ, требования этого раздела применяют в дополнение к другим требованиям настоящего стандарта.

Примечания

1 Предполагается, что приняты необходимые меры для того, чтобы уменьшить вероятность появления в оборудовании перенапряжений, превышающих 1,5 кВ пикового значения. В установках, где оборудование подвергается перенапряжениям, превышающим 1,5 кВ пикового значения, могут быть необходимы дополнительные меры, например устройства ограничения перенапряжения.

2 Могут существовать дополнительные требования относительно подключения оборудования информационной технологии к ТЕЛЕКОММУНИКАЦИОННЫМ СЕТЯМ, используемым операторами сети общего пользования.

3 Требования 2.3.2, 6.1.2 и 6.2 могут применяться к физической изоляции или ЗАЗОРУ.

4 Сеть питания, используемая как телекоммуникационная среда передачи, не является ТЕЛЕКОММУНИКАЦИОННОЙ СЕТЬЮ (см. 1.2.13.8), и раздел 6 не применяют. Другие разделы этого стандарта применяют к соединяющим компонентам, таким как сигнальные трансформаторы, подключенные между сетью и другими цепями. Требования для ДВОЙНОЙ или УСИЛЕННОЙ ИЗОЛЯЦИИ применяют в целом.

6.1 Защита обслуживающего персонала ТЕЛЕКОММУНИКАЦИОННЫХ СЕТЕЙ и пользователей другого оборудования, соединенного с этой сетью, от опасностей в оборудовании

6.1.1 Защита от опасных напряжений

Цепи, непосредственно соединенные с ТЕЛЕКОММУНИКАЦИОННОЙ СЕТЬЮ, должны соответствовать требованиям для БСНН или НТС ЦЕПЕЙ.

Если защита ТЕЛЕКОММУНИКАЦИОННЫХ СЕТЕЙ обеспечивается защитным заземлением оборудования, инструкции по установке должны требовать обеспечения целостности защитного заземления (см. также 1.7.2).

Соответствие проверяют осмотром и измерением.

6.1.2 Отделение ТЕЛЕКОММУНИКАЦИОННЫХ СЕТЕЙ от земли

6.1.2.1 Требования

Кроме требований 6.1.2.2, должна применяться изоляция между цепями, предназначенными для соединения с ТЕЛЕКОММУНИКАЦИОННОЙ СЕТЬЮ, и любыми частями или цепями, которые будут заземлены во время эксплуатации оборудования, или внутри ИО, или через другое оборудование.

Разрядники, которые шунтируют изоляцию, должны иметь минимальное напряжение искрового пробоя постоянного тока, в 1,6 раза превышающее НОМИНАЛЬНОЕ НАПРЯЖЕНИЕ или максимальное значение НОМИНАЛЬНОГО ДИАПАЗОНА НАПРЯЖЕНИЯ. Если их не отключают во время проведения испытания на электрическую прочность изоляции, то они не должны быть повреждены.

Примечания

1 В Швеции для ОБОРУДОВАНИЯ, ПОДКЛЮЧЕННОГО СОЕДИНИТЕЛЕМ ТИПА А, ДОПОЛНИТЕЛЬНАЯ ИЗОЛЯЦИЯ для ПЕРВИЧНОЙ ЦЕПИ требуется между ТЕЛЕКОММУНИКАЦИОННОЙ СЕТЬЮ и любыми частями или цепями, которые могут быть заземлены. Это не распространяется на оборудование, приведенное во втором абзаце 6.1.2.2, и на оборудование, требующее подключение к заземлению и имеющему маркировку о необходимости использования розетки с защитным заземляющим контактом.

2 В Норвегии, где используют IT систему распределения энергии (см. приложение V, рисунок V.7), ДОПОЛНИТЕЛЬНАЯ ИЗОЛЯЦИЯ для ПЕРВИЧНОЙ ЦЕПИ требуется между любой цепью, предназначенной для подключения к ТЕЛЕКОММУНИКАЦИОННОЙ СЕТИ, и любой цепью, которая имеет подключение к проводнику защитного заземления.

Это требование не применяют к:

- ПОСТОЯННО ПОДКЛЮЧЕННОМУ ОБОРУДОВАНИЮ;

- ОБОРУДОВАНИЮ, ПОДКЛЮЧЕННОМУ СОЕДИНИТЕЛЕМ ТИПА В;

- оборудованию, предназначенному для установки в местах, где возможность повышения потенциала земли уменьшена до уровня, когда удар током маловероятен (эквипотенциальное присоединение), например в телекоммуникационном центральном пункте.

Соответствие проверяют осмотром и следующими испытаниями.

Изоляцию подвергают испытанию на электрическую прочность согласно 5.2.2. Испытательное напряжение переменного тока выбирают из следующего:

- для оборудования, предназначенного для установки в местах, где номинал

СЕТИ ПЕРЕМЕННОГО ТОКА превышает 130 В...........………………………..1,5 кВ

- для всего другого оборудования........……………………………………...........1,0 к В

Испытательные напряжения прикладывают в любом случае, независимо от того, питается или нет оборудование ОТ СЕТИ ПЕРЕМЕННОГО ТОКА.

Во время испытаний на электрическую прочность разрешается удалять компоненты, шунтирующие изоляцию, за исключением конденсаторов. Если это применяют, то проводят дополнительную проверку с испытательной цепью (согласно рисунку ) со всеми установленными компонентами. Испытание выполняют с напряжением, равным НОМИНАЛЬНОМУ НАПРЯЖЕНИЮ или верхнему значению НОМИНАЛЬНОГО ДИАПАЗОНА НАПРЯЖЕНИЯ.

В течение этих испытаний:

- не должно быть пробоя изоляции при проверке на электрическую прочность;

- компоненты, шунтирующие изоляцию, оставленные на месте во время испытания электрической прочности, не должны быть повреждены;

- ток, текущий в испытательной цепи (рисунок ), не должен превышать 10 мА.

6.1.2.2 Исключения

Требования 6.1.2.1 не применяют к следующему оборудованию:

- ПОСТОЯННО ПОДКЛЮЧЕННОМУ ОБОРУДОВАНИЮ или ОБОРУДОВАНИЮ, ПОДКЛЮЧЕННОМУ СОЕДИНИТЕЛЕМ ТИПА В;

- предназначенному, для установки ОБСЛУЖИВАЮЩИМ ПЕРСОНАЛОМ и имеющему инструкции по установке, которые требуют, чтобы оборудование было подключено к сетевой розетке с защитным заземлением (см. 6.1.1);

- оснащенному постоянно подключенным ПРОВОДОМ ЗАЩИТНОГО ЗАЗЕМЛЕНИЯ и снабженному инструкциями по установке этого проводника.

Примечание - В Финляндии и Норвегии эти исключения применяют только для ПОСТОЯННО ПОДКЛЮЧЕННОГО ОБОРУДОВАНИЯ и ОБОРУДОВАНИЯ, ПОДКЛЮЧЕННОГО СОЕДИНИТЕЛЕМ ТИПА В.

Рисунок 6А - Испытание развязки между телекоммуникационной сетью и «землей»

6.2 Защита пользователей оборудования от перенапряжения в телекоммуникационных сетях

6.2.1 Требование к разделению

Оборудование должно обеспечить необходимое электрическое разделение между ЦЕПЯМИ типа НТС-1 или НТС-2 и следующими частями оборудования:

a) незаземленными проводящими частями и непроводящими частями оборудования, предназначенными для удержания в руках или касания во время нормального использования (например, телефонная трубка или клавиатура), и

b) частями и цепями, к которым можно прикоснуться испытательным пальцем (рисунок , см. 2.1.1.1), кроме контактов разъемов, к которым нельзя прикоснуться испытательным пальцем;

c) цепями, которые предназначены для подключения к другому оборудованию.

Требование к разделению распространяется в любом случае на доступные цепи и не распространяется на цепи, предназначенные для соединения с другим оборудованием, соответствующим требованиям 6.2.

Эти требования не применяют, если схемотехнический анализ и исследование оборудования показывают, что безопасность обеспечивается другими средствами, например в случае двух цепей, каждая из которых имеет постоянное подключение к защитному заземлению.

Соответствие проверяют испытаниями по 6.2.2. Требования 2.10 к размерам и конструкции, ЗАЗОРАМ, РАССТОЯНИЯМ УТЕЧКИ и твердой изоляции не применяют для проверки на соответствие 6.2.1.

Примечание – Требования 2.10 могут применяться для проверки на соответствие 2.2 и 2.3. См. сноски 5) и 6) таблицы 2G.

6.2.2 Процедура испытания на электрическую прочность

Соответствие 6.2.1 проверяют испытаниями по 6.2.2.1 или 6.2.2.2.

Примечание - В Австралии применяют испытания по 6.2.2.1 и 6.2.2.2.

Если испытывают компонент (см. 1.4.3), например сигнальный трансформатор, который предназначен для обеспечения требуемого разделения, то компонент не должен быть шунтирован другими компонентами, установочными устройствами или проводкой, если эти компоненты или проводка тоже не выполняют требования разделения по 6.2.

При испытании все проводники, предназначенные для соединения с ТЕЛЕКОММУНИКАЦИОННОЙ СЕТЬЮ, соединяют вместе (см. рисунок ), включая любые проводники, которые требуются по правилам эксплуатации ТЕЛЕКОММУНИКАЦИОННОЙ СЕТЬЮ подключать к земле. Точно так же все проводники, предназначенные для соединения с другим оборудованием, соединяют вместе согласно 6.2.1с.

Непроводящие части испытывают металлической фольгой, контактирующей с поверхностью. Если используют металлическую фольгу, покрытую клеящим составом, он должен быть проводящим.

* Типично для частей, предназначенных для держания в руке.

Рисунок 6В - Точки приложения испытательного напряжения

6.2.2.1 Импульсное испытание

Изоляцию, обеспечивающую электрическое разделение, подвергают испытанию 10 импульсами переменной полярности, используя импульсный испытательный генератор (см. приложение N) с импульсами 10/700 мкс. Интервал между последовательностями импульсов - 60 с, начальное напряжение Uc составляет:

- для 6.2.1а..............……………2,5 кВ

- для 6.2.1b, с.............……….....1,5 кВ

Примечания

1 Значение 2,5 кВ для 6.2.1а было выбрано, прежде всего, чтобы гарантировать адекватность изоляции, и это не обязательно моделирует вероятные перенапряжения.

2 В Австралии для требований 6.2.1 а используют значение Uc = 7,0 кВ.

6.2.2.2 Установившееся испытание

Изоляцию, обеспечивающую электрическое разделение, подвергают испытанию на электрическую прочность согласно 5.2.2.

Испытательное напряжение переменного тока:

- для 6.2.1а...............…………...1,5кВ

- для 6.2.1b, с...............………...1,0 кВ

Примечание - В Австралии значение 3,0 кВ используют, как указано в 6.2.1а, для телефонов и наушников, значение 2,5 кВ - для другого оборудования, при моделировании грозовых перенапряжений, типичных для сельских и полусельских линий связи. Значение 1,5 кВ используют в 6.2.1b, с.

В случае 6.2.1b, с разрешается удалять разрядники, при условии, что они выдерживают импульсное испытание по 6.2.2.1 для 6.2.1b, с при проверке компонентов вне оборудования. В случае 6.2.1a разрядники не удаляют.

6.2.2.3 Критерии соответствия

В течение испытаний по 6.2.2.1 и 6.2.2.2 не должен иметь место пробой изоляции.

Считают, что пробой изоляции произошел, если ток, проходящий в результате подачи испытательного напряжения, внезапно бесконтрольно возрастает, т.е. изоляция не препятствует его протеканию.

Если во время испытания разрядник срабатывает (или происходит искровой пробой в электронной газоразрядной дампе), то такая ситуация:

- для 6.2.1а соответствует отказу;

- для 6.2.1, с разрешается во время импульсного испытания;

- для 6.2.1b, с во время испытания на электрическую прочность с любым разрядником, оставленным на месте, соответствует отказу.

Для импульсных испытаний повреждение изоляции проверяют одним из двух способов:

- во время подачи импульсов наблюдают осциллограммы. Работу разрядника или пробой изоляции оценивают по форме осциллограмм;

- после подачи всех импульсов проверяют сопротивление изоляции. Разрешается отключение разрядников при измерении сопротивления изоляции. Измерения проводят при напряжении, равном 500 В постоянного тока, если разрядники оставлены на месте; напряжение постоянного тока, при котором проводят измерения, выбирают на 10 % меньше, чем рабочее напряжение разрядника. Сопротивление изоляции не должно быть менее 2 МОм.

Примечание - Описание процедур для оценки работы ограничителя выбросов или пробоя изоляции с использованием осциллограммы дается в приложении S.

6.3 Защита телекоммуникационной проводной системы от перегрева

Оборудование, предназначенное для передачи электроэнергии через проводную систему связи к отдаленному оборудованию, должно ограничивать выходной ток до величины, которая не вызывает повреждения проводной системы связи из-за перегрева при любых внешних условиях нагрузки. Максимальная величина тока от оборудования не должна превышать предельное значение тока для минимального сечения провода, определенного в инструкции по установке. Если предельное значение тока не установлено, то его принимают равным 1,3 А.

Примечания

1 Устройством защиты от перегрузки тока может быть предохранитель или цепь, которая выполняет эту функцию.

2 Минимальный диаметр провода, обычно используемого в проводке связи, 0,4 мм, для которого максимальный ток в случае многожильного кабеля равен 1,3 А. Эта проводка обычно не регламентируется инструкцией по установке, так как установка проводки часто не зависит от монтажа оборудования.

3 Дальнейшее ограничение может быть необходимо для оборудования, предназначенного для соединения с цепями, которые не подвергаются перенапряжениям благодаря рабочим параметрам устройств защиты.

Соответствие проверяют следующим образом.

Если ограничение тока происходит благодаря собственному внутреннему сопротивлению источника электропитания, измеряют выходной ток на любой резистивной нагрузке, включая короткое замыкание. Допустимый предел по току не должен быть превышен после 60 с испытаний.

В случае, если ограничение тока обеспечивается прибором защиты от перегрузки по току, имеющим установленные временные характеристики:

- характеристика время / ток должна гарантировать, что при 110 % допустимого предела тока прерывание произойдет в течение 60 мин.

Примечание 4 - Характеристика время / ток плавких предохранителей типов gD и gN, указанных в ГОСТ Р 50339.2, соответствует вышеупомянутым требованиям. Плавкие предохранители типов gD и gN на номинальный ток 1А будут соответствовать предельному току 1,3 А;

- выходной ток на любой резистивной нагрузке, включая короткое замыкание, при отключенном приборе защиты от перегрузки по току, измеренный после 60 с испытаний, не должен превышать 1000/U, где U - выходное напряжение, измеренное в соответствии с 1.4.5, при всех отключенных нагрузках.

Если ограничение тока обеспечивается защитным устройством перегрузки по току, которое не имеет установленной характеристики время / ток:

- выходной ток на любой активной нагрузке, включая короткое замыкание, не должен превышать установленный предел после 60 с испытания и

- выходной ток на любой резистивной нагрузке, включая короткое замыкание, при отключенном приборе защиты от перегрузки по току, измеренный после 60 с испытаний, не должен превышать 1000/U, гдe U - выходное напряжение, измеренное в соответствии с 1.4.5, при всех отключенных нагрузках.

ПРИЛОЖЕНИЕ А

(обязательное)

Испытания на устойчивость к нагреву и возгоранию

Необходимо учитывать, что во время испытаний могут выделяться токсичные газы. Испытания следует проводить под вытяжным колпаком или в хорошо вентилируемом помещении, но не на сквозняке, во избежание искажения результатов испытания.

При испытаниях пламенем допускается использование как технического метана, с обязательным применением регулятора в газовой горелке и измерителя потока газа, так и природного газа, имеющего теплоемкость около 37 МДж/м3. Технический метан должен иметь чистоту 98,5 %, и молярные доли примесей следующих газов не должны превышать значений, указанных ниже.

Газ

Содержание примесей, %

Газ

Содержание примесей, %

Этан

0,5

Диоксид углерода

0,1

Азот

0,6

Пропан

0,1

Кислород

0,1

Высшие алканы

0,1

А.1 Испытание на возгораемость противопожарных кожухов перемещаемого оборудования общей массой более 18 кг и стационарного оборудования (см. 4.7.3.2)

А.1.1 Образцы

Испытывают три образца, каждый из которых представляет собой или полностью ПРОТИВОПОЖАРНЫЙ КОЖУХ, или его часть с наименьшей толщиной стенки и любыми вентиляционными отверстиями.

А.1.2 Подготовка образцов

Перед испытанием образцы выдерживают в течение 7 сут (168 ч) в сушильной камере с циркуляцией воздуха при постоянной температуре либо при температуре, превышающей на 10 К максимальную температуру материала, достигнутую при испытании по 4.5.1, либо равную 70 °С. Выбирают большее из двух значений. После этого образцы охлаждают до температуры помещения.

А.1.3 Установка образцов

Образцы устанавливают в положение, соответствующее нормальной эксплуатации. Под точкой приложения пламени на расстоянии 300 мм укладывают слой необработанной хирургической ваты.

А.1.4 Испытательное пламя

Испытательное пламя получают при помощи горелки Бунзена, трубку которой внутренним диаметром (9,5 ± 0,5) мм располагают приблизительно в 100 мм над основными воздухозаборными или технологическими отверстиями. Теплоемкость газа должна быть около 37 МДж/м3 и пламя отрегулировано так, чтобы при вертикальном положении горелки общая высота пламени была около 130 мм, а высота внутреннего глубокого конуса около 40 мм.

А.1.5 Проведение испытания

Пламя направляют на внутреннюю поверхность образца в точку возможного возгорания, т.е. наиболее близкую к источнику огня. При вертикальном расположении образца пламя должно быть направлено под углом 20° к вертикали. Если имеются вентиляционные отверстия, то пламя должно быть направлено на край отверстия, при их отсутствии - на сплошную поверхность. В любом случае вершина внутреннего голубого конуса пламени должна достигать образца. Пламенем воздействуют в течение 5 с, после чего прерывают на 5 с. Операцию повторяют пять раз, воздействуя пламенем на одно и тоже место образца.

Испытание повторяют на остальных двух образцах. Если вблизи источника огня имеются две и более части противопожарного кожуха, то каждый образец должен быть испытан пламенем в различных точках.

А.1.6 Критерии соответствия

Во время испытаний от образца не должны отделяться горящие капли или частицы, способные зажечь хирургическую вату. Образец не должен гореть более 1 мин после пятого воздействия испытательным пламенем и сгорать полностью.

А.2 Испытание на возгораемость противопожарных кожухов передвижного оборудования общей массой менее 18 кг, материалов и компонентов, расположенных внутри противопожарных кожухов (см. 4.7.3.2 и 4.7.3.4)

А.2.1 Образцы

А.2.1 Испытывают три образца. Для ПРОТИВОПОЖАРНЫХ КОЖУХОВ каждый образец представляет собой или полностью ПРОТИВОПОЖАРНЫЙ КОЖУХ, ИЛИ его часть с наименьшей толщиной стенки и любыми вентиляционными отверстиями. Для материалов, которые должны размещаться внутри ПРОТИВОПОЖАРНОГО КОЖУХА, каждый образец материала должен состоять из:

- укомплектованной части, или

- отрезка части, представляющей наименьшую толщину стенки, или

- испытуемой пластины, или полосы одинаковой толщины, представляющей наименьшую толщину отрезка или части.

Для компонентов, которые должны размещаться внутри ПРОТИВОПОЖАРНОГО КОЖУХА, каждый образец должен быть полностью укомплектован.

А.2.2 Подготовка образцов

Перед испытанием образцы выдерживают в течение 7 сут (168 ч) в сушильной камере с циркуляцией воздуха при постоянной температуре либо при температуре, превышающей на 10 К максимальную температуру материала, достигнутую при испытании по 4.5.1, либо равную 70 °С. Выбирают большее из двух значений. После этого образцы охлаждают до температуры помещения.

А.2.3 Установка образцов

Образцы устанавливают в положение, соответствующее нормальной эксплуатации.

А.2.4 Испытательное пламя

Испытательное пламя получают при помощи горелки Бунзена, трубку которой внутренним диаметром (9,5 ± 0,5) мм располагают приблизительно в 100 мм над основными воздухозаборными или технологическими отверстиями. Теплоемкость газа должна быть около 37 МДж/м3 и пламя отрегулировано так, чтобы при вертикальном положении горелки общая высота пламени была около 20 мм при закрытых отверстиях для забора воздуха.

А.2.5 Проведение испытания

При испытаниях пламя подносят к внутренней поверхности образца в точке возможного возгорания, т.е. наиболее близкой к источнику огня. Для оценки материалов, расположенных внутри ПРОТИВОПОЖАРНОГО КОЖУХА, допускается подносить пламя к внешней поверхности образца. Для оценки компонентов, которые должны размещаться в ПРОТИВОПОЖАРНОМ КОЖУХЕ, пламя подносят непосредственно к компоненту.

При вертикальном расположении образца пламя должно быть направлено под углом 20° к вертикали. Если имеются вентиляционные отверстия, то пламя должно быть направлено на край отверстия, при их отсутствии - на сплошную поверхность. В любом случае вершина пламени должна достигать образца. Пламенем воздействуют на образец в течение 30 с, после чего прерывают на 60 с, затем опять воздействуют на то же место в течение 30 с.

Испытание повторяют на остальных двух образцах. Если у какой-либо испытуемой части вблизи источника огня имеются две и более областей, то на каждом образце пламенем воздействуют на различные области, расположенные вблизи источника огня

А.2.6 Критерии соответствия

После второго нагрева пламенем образец не должен гореть более 1 мин и сгореть полностью.

А.2.7 Альтернативное испытание

Установка и методы испытаний, приведенные в А.2.4 и А.2.5, могут заменяться установкой и методами, приведенными в разделах 4 и 8 ГОСТ 27484. Способ, продолжительность и кратность воздействием пламенем должны удовлетворять А.2.5, а соответствие оценивают согласно А.2.6.

Примечание - Допускается соответствие одному из методов (А.2.6 или А.2.7); соответствие двум методам необязательно.

А.3 Испытание на возгораемость от сильноточного дугового разряда (см. 4.7.3.2)

А.3.1 Образцы

Испытание проводят на пяти образцах каждого материала. Образцы должны быть длиной 130 мм и шириной 13 мм при равномерной толщине, равной наименьшей толщине кожуха. Кромки образцов не должны иметь заусенцев, задиров и т.п.

А.3.2 Испытательная схема

Испытания проводят с применением пары испытательных электродов и регулируемого нагрузочного сопротивления индуктивного характера, последовательно подключенного к источнику переменного тока 220 - 240 В, частотой 50 или 60 Гц (см. рисунок А.1).

Допускается применение эквивалентной схемы.

Рисунок A.1 - Схема испытания на возгораемость от сильноточного дугового разряда

А.3.3 Испытательные электроды

Один электрод неподвижный, а второй - подвижный. Неподвижный электрод представляет собой сплошной медный токопроводящий стержень диаметром 3,5 мм со срезанным под 30° концом. Подвижный электрод представляет собой стержень из нержавеющей стали диаметром 3 мм с симметричным коническим концом, имеющим угол 60°, свободно перемещающийся вдоль своей оси. Радиус кривизны кончиков электродов не должен быть более 0,1 мм в начале испытания. Электроды располагают друг против друга в одной плоскости под углом 45° к горизонтальной поверхности. При замыкании электродов накоротко регулируют переменное индуктивное нагрузочное сопротивление так, чтобы по цепи протекал ток 33 А и cosj был бы равен 0,5.

А.3.4 Проведение испытания

Испытуемый образец размещают горизонтально в воздухе или на нетокопроводящей поверхности так, чтобы электроды при соприкосновении друг с другом касались поверхности образца. Подвижным электродом управляют вручную или другим способом так, чтобы его можно было удалять и приближать к неподвижному электроду для замыкания и размыкания цепи, производя таким образом последовательные дуговые разряды с частотой около 40 разрядов в минуту и со скоростью удаления (254 ± 25) мм/с.

Испытание проводят до появления возгорания образца, появления прогоревшего отверстия или совершения 200 дуговых разрядов.

А.3.5 Критерии соответствия

Среднее количество дуг до возгорания испытуемого образца должно быть не менее 15 для МАТЕРИАЛОВ КЛАССА V-0 и не менее 30 - для других материалов.

А.4 Испытания на возгораемость от раскаленной проволоки (см. 4.7.3.2)

А.4.1 Образцы

Испытание проводят на пяти образцах каждого из материалов. Образцы должны быть длиной 130 мм, шириной не менее 13 мм и равномерной толщиной, равной наименьшей толщине детали. Кромки образцов не должны иметь заусенцев, задиров и т.п.

А.4.2 Испытательная цепь

Для испытаний используют нихромовую проволоку (80 % никеля, 20 % хрома) длиной (250 ± 0,5) мм, диаметром около 0,5 мм, с сопротивлением в холодном состоянии около 5,28 Ом/м. Проволоку в выпрямленном виде подключают концами к источнику переменного напряжения, который регулируют так, чтобы мощность рассеяния на проводе в течение 8 - 12 с была равна 0,26 Вт/мм ± 4 %. После охлаждения проволоку обматывают вокруг образца так, чтобы образовалось пять полных витков, отстоящих друг от друга на 6 мм.

А.4.3 Установка образцов

Образец с намотанной проволокой располагают горизонтально, концы проволоки подключают к источнику с регулируемым напряжением, который снова настраивают на подачу мощности 0,26 Вт/мм ± 4 % (см. рисунок А.2).

Рисунок А.2 - Установка для испытания на возгорание от нагретой проволоки

А.4.4 Проведение испытания

В начале испытания через нагревательную проволоку пропускают ток, при котором удельная мощность составляет 0,26 Вт/мм ± 4 %. Испытание продолжают до возгорания испытуемого экземпляра или до истечения 120 с. При возгорании испытуемого образца или по истечении 120 с испытание прекращают и регистрируют время. Для экземпляров, которые плавятся под проводом без воспламенения, испытания прекращают, когда любой из пяти витков нагревательного провода перестанет полностью контактировать с образцом.

Испытание повторяют па оставшихся образцах.

А.4.5 Критерии соответствия

Среднее время возгорания испытуемых экземпляров не должно быть менее 15 с.

А.5 Испытание на возгораемость от горящего масла (см. 4.6.2)

А.5.1 Установка образцов

Образец полностью отделенного основания ПРОТИВОПОЖАРНОГО КОЖУХА закрепляют в горизонтальном положении. Под образцом па расстоянии около 50 мм натягивают марлю (удельной массой около 40 г/м2) в один слой, накрывая плоскую емкость с невысокими бортами. Размер марли должен быть достаточным для перекрытия полностью всех отверстий образца, но не такой большой, чтобы на него попадало масло, переливающееся через края образца, или попадающее на ткань другим способом, кроме как через отверстия.

Примечание - Рекомендуется оградить зону испытания металлическим экраном или перегородкой из армированного стекла.

А.5.2 Проведение испытания

Небольшой металлический ковш (желательно не более 65 мм диаметром) с носиком и длинной ручкой, сохраняющий горизонтальное положение во время наполнения, частично наполняют 10 см3 топливного масла, являющегося дистиллятом средней летучести, имеющего плотность от 0,845 до 0,865 г/см3, температуру вспышки от 43,5 до 93,5 °С и среднюю теплоемкость 38 МДж/дм3. Ковш с маслом подогревают; масло поджигают и дают ему гореть в течение 1 мин, после чего выливают с высоты около 100 мм со скоростью около 1 см3/с непрерывным потоком в центр образца с отверстиями.

Испытания проводят дважды, с интервалами 5 мин, применяя каждый раз чистую марлю.

А.5.3 Критерии соответствия

Во время испытаний марля не должна загораться.

А.6 Испытание на возгораемость для определения принадлежности материалов к классам V-0, V-1 или V-2

А.6.1 Образцы

Десять образцов материала или блоков для классификации по V-0, V-1 или V-2, испытывают, как указано ниже.

Образцы должны быть длиной около 130 мм, шириной 13 мм и наименьшей применяемой толщиной. Для звукоизоляционных материалов, за исключением вспененного пластика, который, как правило, прикрепляют к поверхности из другого материала, разрешается использовать образцы из материала, укрепляемого на поверхности с наименьшей толщиной. В случае испытания блоков образцы могут представлять собой целый блок или его часть при условии, что размеры образцов будут не меньше значений, установленных для образцов материала. Зубчатые колеса, кулачки, ремни, подшипники, трубопроводы, проводка и т.п. могут быть испытаны как самостоятельные детали, либо из них вырезают образцы для испытаний.

А.6.2 Подготовка образцов

Перед испытанием комплект из пяти образцов выдерживают в течение 7 сут (168 ч) в циркуляционной сушильной камере при постоянной температуре (70 ± 1) °С. После этого, без выдержки времени, образцы помещают на 4ч в сушильную камеру с хлоридом кальция и охлаждают до температуры помещения. Другой комплект из пяти образцов выдерживают в течение 48 ч при постоянной температуре (23 ± 2) °С и относительной влажности от 45 % до 55 %. .

А.6.3 Установка образцов

Один образец устанавливают в вертикальное положение продольной осью и закрепляют зажимом в верхней части так, чтобы его нижний край находился на 300 мм выше горизонтально уложенного слоя необработанной хирургической ваты размером 50´50 мм и толщиной не более 6 мм. Под образцом помещают незажженную горелку Бунзена, трубка которой имеет внутренний диаметр (9,5 ± 0,5) мм и расположена на высоте примерно 100 мм от основных воздухозаборных или технологических отверстий. Продольная ось трубки должна быть вертикальной и совпадать с продольной осью образца. Сопло горелки должно быть на 9,5 мм ниже образца. Устройство крепления горелки должно обеспечивать возможность быстрого удаления и точного возврата ее под образец. Теплоемкость газа должна быть около 37 МДж/дм3. В отдалении от образца горелку зажигают и регулируют до получения ровного голубого пламени общей высотой около 20 мм.

А.6.4 Проведение испытания

Зажженную горелку помещают под образец на 10 с и затем убирают.

Измеряют продолжительность горения образца после устранения испытательного пламени - t1. Она должна быть не больше 10 с для материала КЛАССА V-0 и 30 с для материала КЛАССА V-1 или V-2.

Сразу после прекращения горения образец вновь подвергают испытанию.

Продолжительность тлеющего горения образца после второго устранения пламени не должна превышать 30 с для материала КЛАССА V-0 (t2) и 60 с для материала КЛАССА V-1 или V-2 (t3).

Испытания повторяют на четырех остальных образцах из каждого комплекта.

А.6.5 Критерии соответствия

Критерии классификации материалов перечисленны в таблице А.1.

Таблица A.1 - Классификация материалов

Критерии соответствия

V-0

V-1

V-2

Время самостоятельного горения t1 или t2 для каждого индивидуального образца, с, не более

10

30

30

Общее время самостоятельного горения t1 + t2, для пяти образцов, с, не более

50

60

250

Время самостоятельного горения плюс время тлеющего горения для каждого образца после второго приложения пламени t2 + t3, с, не более

30

60

60

Догорает ли хоть один образец до места зажима?

Нет

Нет

Нет

Зажигают ли горящие частицы или падающие капли хирургическую вату?

Нет

Нет

Да

А.6.6 Разрешенное повторное испытание

Если только один образец из пяти не будет соответствовать критериям, указанным в таблице А.1, другой комплект из пяти образцов подвергают тому же испытанию. Все образцы второго комплекта должны соответствовать критериям, указанным в таблице А.1.

А.7 Испытание на возгораемость вспененных материалов для определения принадлежности к классам HF-1, HF-2 или HBF

А.7.1 Образцы

Десять образцов вспененных материалов для классификации по HF-1, HF-2 или HBF испытывают, как указано ниже.

Образцы должны быть длиной около 150 мм, шириной 50 мм и наименьшей применяемой толщиной. Для пенопластового материала, обычно прикрепленного к поверхности из другого материала, допускается использовать образцы, состоящие из прикрепленного к поверхности пенопласта наименьшей толщины.

А.7.2 Подготовка образцов

Перед испытанием пять образцов, обозначаемых А, выдерживают в течение 7 сут (168 ч) в циркуляционной сушильной камере при постоянной температуре (70 ± 1) ºС. После этого, без выдержки времени, образцы помещают на 4 ч в сушильный шкаф с хлоридом кальция и охлаждают до температуры помещения. Пять других образцов, обозначаемых В, выдерживают в течение 48 ч при постоянной температуре (23 ± 2) °С и относительной влажности от 45 % до 55 %.

А.7.3 Проведение испытания

Образцы помещают на горизонтальную проволочную сетку (диаметр стальной проволоки 0,8 мм, размер ячейки 6,5 мм) длиной 200 мм, шириной 75 мм; с одной стороны сетка загнута вертикально на 13 мм. Сетку размещают на расстоянии 300 мм над слоем хирургической ваты.

Для испытаний используют горелку Бунзена с веерообразным пламенем, трубка которой внутренним диаметром (9,5 ± 0,5) мм расположена на высоте над основными воздухозаборниками или технологическими отверстиями 100 мм, а распылитель пламени имеет ширину около 50 мм. Горелку помещают под изгибом проволочной сетки на 13 мм ниже так, чтобы пламя было параллельно изогнутой части и располагалось по его центру. Устройство крепления горелки должно обеспечивать возможность быстрого удаления и точного возврата ее на прежнее место. Теплоемкость газа должна быть около 37 МДж/м3. В отдалении от образца горелку зажигают и регулируют до получения ровного голубого пламени общей высотой около 38 мм.

Один образец размещают горизонтально на сетке так, чтобы один его конец соприкасался с загнутой кверху частью сетки. Образцы из комбинированных материалов должны располагаться пенопластовой стороной вверх.

Пламя горелки подводят под образец на 60 с и затем удаляют. Испытание повторяют на девяти других образцах.

А.7.4 Критерии соответствия

Во время и после испытания должны выполняться следующие условия:

- не более чем один образец А и В может гореть дольше 2 с после удаления испытательного пламени;

- ни один из образцов не должен гореть дольше 10 с после удалении пламени:

- ни один из образцов не должен тлеть дольше 30 с после удаления пламени;

- ни один из образцов не должен гореть или тлеть на расстоянии, больше 60 мм от края, к которому было приложено пламя.

А.7.5 Критерии соответствия классу HF-2

Материал относится к КЛАССУ HF-2, если он удовлетворяет требованиям А.7.4. Для КЛАССА HF-2 допускается воспламенение хирургической ваты.

А.7.6 Критерии соответствия классу HF-1

Материал относится к КЛАССУ HF-1, если он удовлетворяет требованиям А.7.4, и, кроме того, частицы или капли, оторвавшиеся от образца во время или после воздействия испытательным пламенем, не должны поджигать хирургическую вату.

А.7.7 Критерии соответствия классу HBF

Материал относится к КЛАССУ HBF, если все образцы, хотя и не соответствуют требованиям А.7.4, но:

- горят со скоростью менее 40 мм/мин па участке 100 мм или

- прекращают гореть на расстоянии 120 мм от края, к которому прикладывалось пламя.

А.7.8 Разрешенное повторное испытание на соответствие классу HF-1 или HF-2

Второй комплект из пяти образцов подвергают той же процедуре и испытывают, если первый комплект не удовлетворяет требованиям А.7.5 или А.7.6 по одной из следующих причин:

- один образец горит более 10 с, второй образец может гореть более 2 с, но менее 10 с согласно А.7.4, или

- два образца горят более 2 с, но менее 10 с, или

- один образец горит или тлеет на расстоянии более 60 мм от края, к которому прикладывалось пламя, или

- один образец тлеет дольше 30 с после удаления пламени, или

- для КЛАССА HF-1 вата воспламеняется от попадания на нее частиц или капель с одного из образцов комплекта.

А.7.9 Разрешенное повторное испытание на соответствие классу HBF

Если хотя бы один из пяти образцов комплекта не удовлетворяет требованиям А.7.7, то испытывают второй комплект из пяти образцов, выполняя с ним те же процедуры. Все образцы второго комплекта должны отвечать соответствующим требованиям А.7.7, чтобы материал данной толщины и плотности можно было классифицировать как HBF.

А.8 Испытание на возгораемость для определения принадлежности к классу материалов НВ

А.8.1 Образцы

Три образца материалов или блоков испытывают, как указано ниже.

Образцы испытуемого материала должны иметь длину около 130 мм, ширину 13 мм, гладкие края и наименьшую толщину. В случае применения материалов толщиной более 3 мм, толщина образцов должна быть уменьшена до 3 мм. Образцы расчерчивают линиями на расстоянии 25 и 100 мм от одного из краев.

А.8.2 Подготовка образцов

Перед испытанием образцы выдерживают в течение 48 ч при температуре (23 ± 2) °С и относительной влажности от 45 % до 55 %.

А.8.3 Установка образцов

Конец образца, противоположный отметке 25 мм, зажимают так, чтобы его продольная ось располагалась горизонтально поперечная - под углом 45° к горизонтали. Под образцом на расстоянии 10 мм от самой нижней кромки размещают сетку из стальной проволоки размером 130´130 мм, имеющей восемь ячеек в 1 см2. Свободный конец образца располагают непосредственно над кромкой сетки (см. рисунок А.3).

1 - сетка; 2 - испытуемый образец

Рисунок А.3 - Установка для испытаний на возгораемость материалов класса НВ

Незажженную горелку Бунзена с трубкой внутренним диаметром (9,5 ± 0,5) мм, расположенную на высоте над основными воздухозаборными элементами или технологическими отверстиями примерно 100 мм устанавливают так, чтобы ее продольная ось находилась в одной вертикальной плоскости с нижней кромкой образца под углом примерно 45° к вертикали, а нижняя кромка выхода трубки на 10 мм ниже свободного конца образца так, чтобы пламя горелки касалось нижнего края образца.

Устройство креплении горелки должно обеспечивать возможность быстрого удаления и точного возврата ее на прежнее место. Теплоемкость применяемого газа должна быть примерно 37 МДж/м. В отдалении от образца горелку зажигают и регулируют до получения ровного голубого пламени общей высотой около 25 мм.

А.8.4 Проведение испытания

Пламя горелки направляют на конец образца в течение 30 с или до тех пор, пока огонь не достигнет отметки 25 мм; если это произойдет раньше, пламя удаляют. Измеряют время распространения огня или тления от отметки 25 мм до отметки 100 мм у самого низкого края и рассчитывают скорость распространения огня в миллиметрах в минуту.

Испытание повторяют на двух остальных образцах.

А.8.5 Критерии соответствия

Не должно быть ни одного образца, у которого:

- рассчитанная скорость распространения огня или тления превысит:

40 мм/мин - для образцов толщиной 3 мм,

75 мм/мин - для образцов толщиной менее 3 мм;

- пламя или тление достигает отметки 100 мм.

А.8.6 Разрешенное повторное испытание

Если один образец из трех не отвечает требованиям А.8.5, то испытывают другой комплект. Все образцы второго комплекта должны отвечать установленным требованиям.

А.9 Испытание на возгораемость для определения принадлежности к материалу класса 5V

А.9.1 Образцы

Образцы материала 5V испытывают, как указано ниже.

Испытание не распространяется на образцы толщиной более 13 мм, для которых испытания проводят согласно разделу А.1. Классификацию, проведенную на образцах толщиной менее 13 мм, считают действительной для образцов большей толщины, но не свыше 13 мм.

Десять образцов материала должны иметь форму испытательных стержней (см. А.9.4) либо восемь образцов должны иметь форму пластин (см. А.9.5). Если установлено, что образцы в форме стержня подвержены усадке, удлинению или плавлению, то проводят дополнительные испытания с пластинами.

А.9.2 Подготовка образцов

Перед началом каждого испытания один комплект из пяти стержней или четырех пластин выдерживают не менее 48 ч при постоянной температуре (23 ± 2) °С и относительной влажности от 45 % до 55 %. Следующий комплект из пяти стержней или четырех пластин выдерживают в циркуляционной сушилке в течение 7 сут (168 ч) при постоянной температуре, превышающей на 10 К максимальную температуру материала, измеренную при испытании по 4.5.1, либо при 70 °С. Выбирают большее из двух значений. После этого образцы охлаждают в сушильной камере с хлоридом кальция в течение не менее 4 ч до температуры помещения.

А.9.3 Испытательное пламя

Испытательное пламя получают при помощи горелки Бунзена, трубка которой внутренним диаметром (9,5 ± 0,5) мм имеет длину приблизительно 100 мм от основных воздухозаборных или технологических отверстий. Теплоемкость применяемого газа должна быть примерно 37 МДж/м3 и пламя отрегулировано так, чтобы при вертикальном положении горелки его общая высота была около 130 мм, а высота внутреннего голубого конуса около 40 мм.

А.9.4 Проведение испытания стержней

Если используют стержни, то испытывают два комплекта. Каждый стержень должен быть длиной 130 мм, шириной 13 мм и толщиной, равной наименьшей применяемой в оборудовании, но не более 13 мм.

Каждый стержень закрепляют в вертикальном положении в верхней части при помощи зажима. Горелку устанавливают в плоскости, отклоненной от подставки так, чтобы трубка горелки могла быть размещена под углом 20° к вертикали. Узкий край стержня обращают к горелке. На расстоянии 300 мм ниже точки воздействия пламени укладывают слой необработанной хирургической ваты.

Пламя направляют на один из нижних углов стержня под углом 20° к вертикали так, чтобы вершина голубого конуса касалась стержня (см. рисунок А.4).

Пламя направляют на образец в течение 5 с, затем прерывают на 5 с. Операцию повторяют до тех пор, пока каждый стержень не будет подвергнут пятикратному воздействию пламени.

После пятого воздействия пламени отмечают:

- продолжительность горения и тления;

- длину, на которую стержень сгорел или был поврежден;

- наличие или отсутствие выброса частиц из образца во время испытания;

- любую деформацию или изменение физической прочности сразу после горения и охлаждения.

Результаты испытаний должны отвечать требованиям А.9.6, не должно быть усадки, удлинения или плавления любого из испытанных стержней. Если наблюдается усадка, удлинение или плавление, то испытание по А.9.5 следует проводить на пластинах.

А.9.5 Проведение испытания пластин

Если используют пластины, то испытывают два комплекта. Каждая пластина имеет размер 150´150 мм и наименьшую применяемую в оборудовании толщину, но не более 13 мм.

Каждый комплект из четырех пластин устанавливают и испытывают в разных положениях так, чтобы испытательное пламя направлялось следующим образом:

А - одну пластину из каждого комплекта устанавливают вертикально, пламя направляют на ее нижний угол;

В - одну пластину из каждого комплекта устанавливают вертикально, пламя направляют на ее нижний край;

С - одну пластину из каждого комплекта устанавливают вертикально, пламя направляют в центр одной ее стороны;

D - одну пластину из каждого комплекта устанавливают горизонтально, пламя направляют в центр ее нижней поверхности.

На расстоянии 300 мм под точкой приложения пламени укладывают слой необработанной хирургической ваты.

При испытании с пластиной в вертикальном положении пламя направляют под углом 20° к вертикали.

Во всех положениях вершина голубого конуса пламени должна касаться испытуемой пластины. Пламя направляют на образец в течение 5 с, затем прерывают на 5 с. Операцию повторяют пять раз, прилагая пламя к одному и тому же месту.

После пятого воздействия образец осматривают и фиксируют следующее:

- продолжительность горения и тления;

- длину, на которую стержень сгорел или был поврежден;

- наличие или отсутствие выброса частиц из образца во время испытания;

- любую деформацию или изменение физической прочности сразу после горения и охлаждения.

Результаты испытаний должны отвечать требованиям А.9.6. При испытании в положениях С и D в зоне нагрева пламени не должно появляться заметного разрушения материала.

А.9.6 Критерии соответствия

Во время испытаний материал не должен:

- выбрасывать горящие капли или частицы, способные зажечь хирургическую вату;

- продолжать гореть с образованием пламени или тлеть более 60 с после пятого устранения пламени;

- сгорать полностью.

А.9.7 Разрешенное повторное испытание

Если один образец из любого комплекта не удовлетворяет требованиям А.9.6, то испытания повторяют с другим комплектом образцов, выполняя те же процедуры. Все испытательные образцы должны отвечать предъявленным требованиям.

А.10 Создание условий снятия напряжения (см. 4.2.7)

Один образец, состоящий из собранного оборудования или КОРПУСА, вместе с любой несущей рамой помещают в камеру с циркулируемым воздухом и температурой на 10 К выше максимальной температуры, измеренной на КОРПУСЕ во время испытаний по 4.5.1, но не меньше чем 70 °С, на 7ч, а затем охлаждают до комнатной температуры.

С согласия изготовителя разрешается увеличить продолжительность испытания.

Для большого оборудования, когда трудно испытать весь КОРПУС, разрешается использовать часть собранного узла КОРПУСА соответствующей толщины и формы, включая механические элементы крепления.

Примечание - Относительную влажность при этом испытании не контролируют.

1 - испытуемый образец; 2 - держатель

Рисунок А.4 - Установка для испытания вертикальным пламенем материала класса 5V

ПРИЛОЖЕНИЕ В

(обязательное)

Испытания электродвигателей, при ненормальных условиях работы

(см. 4.7.2.2 и 5.3.2)

В.1 Общие требования

Двигатели, за исключением двигателей постоянного тока во вторичных цепях, должны удовлетворять по результатам испытаний требованиям разделов В.4 и В.5, а также, при необходимости, разделов В.8 - В.10. Требования раздела В.4 по результатам испытаний не относятся к следующим двигателям:

- применяемым только в системах кондиционирования воздуха, если воздухонагнетающий элемент непосредственно соединен с валом двигателя, а также

- с экранированным полюсом, у которых, разница между током при неподвижном роторе и током холостого хода равна 1 А, а отношение между ними не более 2:1.

Двигатели постоянного тока во ВТОРИЧНЫХ ЦЕПЯХ должны пройти испытания согласно В.6, В.7 и В.10, за исключением двигателей, испытания которых не проводят и которые вследствие своих особенностей работают при неподвижном роторе, например шаговые двигатели.

В.2 Условия испытаний

За исключением специально оговоренных в настоящем приложении случаев, оборудование во время испытаний должно работать при номинальном напряжении или наибольшем значении из диапазона номинальных напряжений.

Испытания проводят на оборудовании или стенде с имитацией условий применения. Для стендовых испытаний могут использоваться отдельные образцы. Имитация условий включает в себя:

- любые устройства, обеспечивающие защиту двигателя в собранном оборудовании;

- применение любого средства монтажа, обеспечивающего отвод тепла от корпуса двигателя. Температуру обмоток измеряют в соответствии с требованиями 1.4.13. При использовании термопары ее прикладывают к поверхности обмоток двигателя. Температуру определяют в конце периода испытания, если он установлен, в противном случае температуру измеряют после ее стабилизации либо в момент срабатывания предохранителей, тепловых ограничителей, устройств защиты двигателя и т.п.

Для полностью закрытых двигателей с защитой полным сопротивлением температуру измеряют термопарами, прикладываемыми к корпусу двигателя.

При испытании двигателей без тепловой защиты с имитацией условий на стенде, измеренная температура обмоток должна быть пересчитана с учетом средней температуры окружающей среды, в которой двигатель находится внутри оборудования во время испытаний по 4.5.1.

В.3 Максимальные температуры

При испытании согласно В.5, В.7 - В.9 для каждого класса изоляционных материалов не должны превышаться температурные пределы, установленные в таблице В.1.

Таблица В.1 - Предельно допустимая температура обмоток электродвигателей (кроме испытания при перегрузке)

Способ защиты

Максимальная температура, °С, для класса изоляционных материалов

А

Е

В

F

Н

Защита встроенным или внешним полным сопротивлением

150

165

175

190

210

Защита при помощи устройства, срабатывающего в течение первого часа

200

215

225

240

260

Защита при помощи любого устройства, срабатывающего:

 

 

 

 

 

- после первого часа, не более

175

190

200

215

235

- в течение второго часа и 72 ч (среднее арифметическое значение)

150

165

175

190

210

Среднее арифметическое значение температуры определяют следующим образом.

Зависимость температуры от времени, в течение которого двигатель периодически отключают и включают, должна изображаться в виде графика для рассматриваемого периода испытания. Среднее арифметическое значение температуры (tA) вычисляют по формуле

,

где tmax - среднее арифметическое максимальных значений;

tmin - то же, минимальных значений.

Рисунок В.1 - Определение среднеарифметической температуры

При испытаниях согласно разделам В.4 и В.6 для изоляционных материалов всех классов температурные пределы не должны быть более установленных в таблице В.2.

Таблица В.2 - Предельно допустимая температура при испытаниях на перегрузку

Класс изоляционных материалов

А

Е

В

F

Н

Максимальная температура, °С

140

155

165

180

200

В.4 Испытания при перегрузке

Испытание защиты от перегрузки проводят на двигателе, работающем при нормальной нагрузке. Затем нагрузку увеличивают так, чтобы ток постоянно возрастал, а напряжение питания двигателя оставалось неизменным. После достижения устойчивого состояния нагрузку вновь увеличивают. Таким образом, нагрузку постоянно увеличивают, не допуская остановки ротора (см. В.5), до тех пор, пока не сработает защитное устройство.

Температуру обмоток двигателя определяют для каждого периода устойчивой работы двигателя. Максимальная зарегистрированная температура не должна превышать значений, установленных в таблице В.2.

В.5 Испытания при перегрузке с заторможенным ротором

Испытание с заторможенным ротором проводят на двигателе, имеющем в момент пуска температуру окружающей среды помещения.

Продолжительность испытания должна быть следующей:

- двигатель, защищаемый полным сопротивлением, встроенным или внешним, должен работать при заторможенном роторе в течение 15 сут, кроме случая, когда испытание может быть прервано, если температура обмоток двигателя открытого или закрытого типа достигнет постоянного значения, при условии, что оно не превышает установленного в 5.1 для данной системы изоляции;

- двигатель с защитным устройством с автоматическим возвратом в исходное состояние должен работать с циклами включений - выключений при заторможенном роторе в течение 18 сут;

- двигатель с защитным устройством с ручным возвратом в исходное состояние должен работать при заторможенном роторе в течение 60 циклов, причем устройство защиты должно после каждого срабатывания как можно быстрее возвращаться в исходное состояние не более чем за 30 с;

- двигатель с защитным устройством без возврата в исходное состояние должен работать до срабатывания устройства температурной защиты.

Температуру фиксируют через равные промежутки времени в течение первых 3 сут для двигателя, защищенного полным сопротивлением, встроенным или внешним, или для двигателя с защитным устройством с автоматическим возвратом в исходное состояние. Температуру фиксируют в течение первых десяти циклов для двигателя с ручным возвратом защитного устройства в исходное состояние либо во время срабатывания защитного устройства без возврата в исходное состояние.

Температура не должна превышать значений, установленных в таблице В.1.

Во время испытания защитные устройства должны работать надежно, без пробоев изоляции на корпус двигателя, не приводить к устойчивому повреждению двигателя и чрезмерному повреждению изоляции. Устойчивое повреждение двигателя включает в себя:

- сильное или длительное выделение дыма или пламени;

- выход из строя по электрической или механической причине какого-либо элемента, составных частей, таких как конденсатор или пусковое реле;

- шелушение, растрескивание или обугливание изоляции.

Обесцвечивание изоляции возможно, но обугливание или растрескивание до такой степени, что изоляция отслаивается или может быть снята, если ее потереть пальцем, не допускается.

По истечении времени, установленного для измерения температуры, двигатель должен выдержать испытание на электрическую прочность по 5.2.2 после того, как изоляция охладится до температуры помещения, и при испытательном напряжении, уменьшенном до 0,6 установленного значения. В дальнейшем испытания на электрическую прочность не проводят.

Примечание - Испытание автоматического устройства защиты продолжительностью более 72 ч и ручного устройства защиты продолжительностью св. 10 циклов проводят с целью демонстрации возможности устройства обеспечивать защиту при заторможенном роторе в течение длительного периода времени.

В.6 Испытание электродвигателей постоянного тока во вторичных цепях при перегрузке

Испытание при перегрузке проводят только в случае, если в результате обследования или оценки конструкции выявлена возможность перегрузки. Например, испытание не проводят, если электронная цепь управления создает ток постоянного значения.

Испытание проводят при работе двигателя с рабочим напряжением при НОРМАЛЬНОЙ НАГРУЗКЕ. Затем нагрузку увеличивают так, чтобы ток постепенно возрастал, а напряжение питания оставалось неизменным. После достижения устойчивого состояния нагрузку вновь увеличивают. Таким образом, нагрузку постепенно повышают до тех пор, пока не сработает защитное устройство либо не произойдет разрыв обмотки.

Температуру обмотки двигателя определяют для каждого периода устойчивой работы двигателя, а максимальная зарегистрированная температура не должна превышать значений, указанных в таблице В.2, кроме случаев, когда получение точных результатов измерения затруднено из-за малого размера или необычной конструкции двигателя. В этих случаях вместо измерения температуры может быть проведено следующее испытание.

Во время испытания работающий с перегрузкой двигатель накрывают одним слоем отбеленной марли удельной массой около 40 г/м2. Во время испытания или после его окончания не должно произойти возгорания марли.

Достаточно соответствия одному из двух методов.

В.7 Испытание электродвигателей постоянного тока во вторичных цепях при перегрузке с заторможенным ротором

Двигатели должны удовлетворять требованиям испытания по В.7.1, кроме случаев, когда получение точных результатов измерения температуры затруднено из-за малого размера или необычной конструкции двигателя. В этих случаях можно применять метод, приведенный в В.7.2.

Достаточно соответствия одному из двух методов.

В.7.1 Проведение испытания

Двигатель работает при рабочем напряжении с заторможенным ротором в течение 7 ч или до выхода на установившийся режим, в зависимости от того, какой период будет дольше. Температура не должна превышать значений, установленных в таблице В.1.

В.7.2 Альтернативное испытание

Двигатель размещают на деревянной подставке, покрытой одним слоем оберточной бумаги, и накрывают одним слоем отбеленной марли удельной массой около 40 г/м2.

Примечание - Оберточная бумага (по ИСО 4046 [13]) - это мягкая, облегченная бумага плотностью 12 - 30 г/м2, предназначенная для упаковки хрупких изделий.

Далее двигатель должен работать при номинальном напряжении с ротором, заторможенным в течении 7 ч, или до выхода на установившийся режим, в зависимости от того, какой период будет дольше.

До окончания испытания не должно произойти возгорание ни оберточной бумаги, ни марли.

В.7.3 Испытание на электрическую прочность

Если рабочее напряжение двигателя превышает 42,4 В амплитудного значения или 60 В постоянного напряжения после испытаний по В.7.1, В.7.2 и охлаждения до температуры помещения, двигатель должен выдержать испытание на электрическую прочность согласно 5.2.2 при напряжении, уменьшенном до 0,6 от установленного значения.

В.8 Испытание электродвигателей с конденсаторами

Двигатели с фазосдвигающими конденсаторами испытывают при заторможенном роторе, с короткозамкнутым или разомкнутым конденсатором (выбирают наиболее неблагоприятный вариант).

Испытание коротким замыканием не проводят, если конструкция конденсатора такова, что при его неисправности не произойдет короткого замыкания.

Температура не должна превышать значений, установленных в таблице В.1.

Примечание - Испытания проводят при неподвижном роторе, так как некоторые двигатели могут не запускаться, в результате чего будут получены разноречивые результаты.

В.9 Испытание трехфазных электродвигателей

Трехфазные электродвигатели испытывают при НОРМАЛЬНОЙ НАГРУЗКЕ с отключением одной из фаз, если только средства контроля цепи не отключают подачу на двигатель напряжения при отключении одного и более питающих проводов.

Влияние посторонних нагрузок и цепей внутри оборудования может потребовать испытания двигателя вместе с оборудованием и последовательным отключением каждой из фаз.

Температура не должна превышать значений, установленных в таблице В. 1.

В.10 Испытание электродвигателей с последовательным возбуждением

Двигатели с последовательным возбуждением должны работать при напряжении, в 1,3 раза превышающем номинальное напряжение питания двигателя, в течение 1 мин при наименее возможной нагрузке.

После испытания обмотки и соединения не должны работать вхолостую и не должно возникать опасности по условиям настоящего стандарта.

ПРИЛОЖЕНИЕ С

(обязательное)

Трансформаторы

(см. 1.5.4 и 5.3.3)

С.1 Испытание при перегрузке

Если испытания по настоящему разделу проводят на стенде, имитирующем условия работы, то должны использоваться устройства, которые защищают трансформатор в составе оборудования.

Трансформатор импульсного источника питания испытывают в составе источника питания или смонтированного оборудования. Испытательную нагрузку подключают к выходу источника питания.

У линейных или феррорезонансных трансформаторов каждую вторичную обмотку последовательно закорачивают, при этом остальные вторичные обмотки либо не нагружены, либо находятся под максимальной нагрузкой так, чтобы создать наибольший нагрев.

Выход импульсного источника питания нагружают так, чтобы получить максимальный нагрев трансформатора.

Примечание - Пример создания нагрузки для получения максимального нагрева см. в приложении X.

Если нет условий для возникновения перегрузки, либо отсутствует вероятность создания опасности, то испытания не проводят.

Максимальная температура обмоток не должна превышать значений, приведенных в таблице С.1, если измерения выполняют согласно 1.4.13 и проводят следующим образом:

- при токовой защите вне устройства - во время работы; при определении времени срабатывания токовой защиты допускается использование зависимости время/ток из документации защитного устройства;

- при ТЕПЛОВОМ РЕЛЕ С АВТОМАТИЧЕСКИМ ВОЗВРАТОМ - согласно таблице С.1 и после 400 ч работы;

- при ТЕПЛОВОМ РЕЛЕ С РУЧНЫМ ВОЗВРАТОМ - в момент срабатывания;

- при трансформаторах, ограничивающих ток, - после стабилизации температуры.

Вторичные обмотки, которых температура превышает допустимый предел, но разрывается цепь или требуется замена трансформатора, считают выдержавшими испытания, если не возникает опасность по условиям настоящего стандарта.

Таблица С.1 - Предельно допустимая температура обмоток трансформаторов

Способ защиты

Максимальная температура, °С, для класса изоляционных материалов

А

Е

В

F

Н

Защита встроенным или внешним полным сопротивлением

150

165

175

190

210

Защита при помощи устройства, срабатывающего в течение первого часа

200

215

225

240

260

Защита при помощи любого устройства, срабатывающего:

 

 

 

 

 

- после первого часа, не более

175

190

200

215

235

- в течение второго часа и 72 ч (среднее арифметическое значение)

150

165

175

190

210

Среднее арифметическое значение температуры определяют следующим образом.

Зависимость температуры от времени, в течение которого двигатель периодически отключают и включают, должна изображаться в виде графика для рассматриваемого периода испытания. Среднее арифметическое значение температуры (tA) вычисляют по формуле

,

где tmax - среднее арифметическое максимальных значений;

tmin - то же, минимальных значений.

Рисунок С.1 - Определение среднеарифметической температуры

С.2 Изоляция

Изоляция в трансформаторах должна удовлетворять следующим требованиям.

Обмотки и проводящие части трансформаторов должны рассматриваться как части цепей, к которым они подключены, если таковые имеются. Изоляция между ними должна удовлетворять требованиям 2.10 и выдержать соответствующие испытания по 5.2.2 согласно применению изоляции в оборудовании (см. 2.9.5).

Необходимо учитывать возможность снижения ниже требуемой минимальной величины ЗАЗОРОВ и РАССТОЯНИЙ УТЕЧКИ, которые обеспечивают ОСНОВНУЮ ДОПОЛНИТЕЛЬНУЮ и УСИЛЕННУЮ ИЗОЛЯЦИИ при:

- смещении обмоток или витков;

- смещении внутренней проводки или проводов для внешних соединений;

- чрезмерном смещении частей обмоток или внутренних проводов в случае разрыва проводов, близких к проводникам, или нарушении соединений;

- шунтировании изоляции проводами, винтами, шайбами и т.п., которые могут быть утеряны и в результате отвинчивания свободно перемещаться.

Считают, что два независимых крепления могут ослабнуть одновременно.

Все обмотки должны иметь хорошо закрепленные концы.

Соответствие проверяют осмотром, измерением и, если необходимо, следующими испытаниями.

Если трансформатор снабжен заземленным экраном для целей защиты, он должен выдержать испытания но 2.6.3.3 между заземленным экраном и заземляющей клеммой трансформатора.

Испытание на электрическую прочность между изоляцией любой обмотки и сердечником или экраном не проводят, если экран полностью закрыт или запрессован и отсутствует электрическое соединение с сердечником или экраном. Однако испытания проводят между обмотками, имеющими выводы.

Примечание - Примерами приемлемых конструкций являются следующие (имеются и другие приемлемые формы):

- обмотки, изолированные друг от друга размещением на отдельных частях сердечника, на шпулях или без шпуль;

- обмотки на одном каркасе с разделяющими перегородками, где шпуля и перегородка штампуются отдельно либо прессуются единой конструкцией, или перегородка надевается на шпулю и т.д.;

- концентрические обмотки на шпуле из изолирующего материала без бортовой кромки или на изоляции из тонкой листовой формы, надеваемой на сердечник трансформатора;

- изоляция между обмотками в виде тонкой листовой изоляции, прокладываемой по верху намотки до конца витков каждого слоя;

- концентрические обмотки, разделенные заземленным проводящим экраном из металлической фольги, занимающим всю ширину обмотки с соответствующей изоляцией между каждой обмоткой и экраном. Проводящий экран и его вывод имеют поперечное сечение, обеспечивающее замыкание тока при пробое изоляции и перегрузке прибора без разрушения последнего. Устройство защиты от перегрузки может быть частью трансформатора.

ПРИЛОЖЕНИЕ D

(обязательное)

Прибор для измерения тока утечки на землю

(см. 1.5.4)

D.1 Измерительный прибор

Измерительный прибор, приведенный на рисунке D.1, взят из МЭК 60990 [12], рисунок 4.

А, В - клеммы; Rs = 1500 Ом; RB = 500 Ом; R1 = 10 кОм; СS = 0,22 мкФ; С1 = 0,022 мкФ

Вольтметр или осциллограф, измеряющий пиковое или среднеквадратическое значение напряжения:

входное сопротивление ... св. 1 МОм;

входная емкость .…. не более 200 пФ;

диапазон частот ……... 15 Гц - 1 МГц (о применении более высоких частот см. 1.4.7)

Рисунок D.1 - Измерительный прибор

Измерительный прибор калибруют на различных частотах, сравнивая полученное напряжение U2 со сплошной линией на рисунке F.2 из МЭК 60990 [12]. Градуировочная кривая как функция частоты, показывает отклонение U2 от идеальной кривой.

D.2 Альтернативный измерительный прибор

М - измерительная головка с подвижной катушкой и диапазоном измерений до 1 мА; R1 + RV1 + Rm при постоянном токе 0,5 мА: 1500 Ом ± 1 % с С = 150 нФ ± 1 % или 2000 Ом ± 1 % с С = 112 нФ ± 1 %; D1 - D4 -диодный мост; Rs. - безындуктивный шунт для десятикратного расширения диапазона измерений; S - переключатель предела измерений (максимальный предел в положении «включено»)

Рисунок D.2 - Альтернативный измерительный прибор

Прибор включает в себя измерительную головку с подвижной катушкой, выпрямитель, два последовательно соединенных резистора, шунтируемых конденсатором, как показано на рисунке D.2. Конденсатор должен уменьшить чувствительность к гармоникам и частотам выше частоты питающей сети. Прибор должен также включать в себя переключатель диапазона ´10, шунтируя катушку измерительной головки безындуктивным резистором. Также разрешается включать в состав прибора токовую защиту, при условии, что используемый метод не затрагивает основные характеристики прибора.

RV1 должно быть регулируемым для получения требуемого значения общего активного сопротивления при постоянном токе 0,5 мА.

Прибор калибруют в следующих точках в диапазоне 50 - 60 Гц; 0,25; 0,5; 0,75 мА.

В калибровочной точке 0,5 мА проверяют величину входного тока.

Чувствительность на частоте 5 кГц для синусоидального тока…….3,6 мА ± 5 %.

ПРИЛОЖЕНИЕ Е

(обязательное)

Превышение температуры обмоток

(см. 1.4.13 и 4.5.1)

Превышение температуры обмоток из медного провода вычисляют по формуле

.

Превышение температуры обмоток из алюминиевого провода вычисляют по формуле

,

где Dt - превышение температуры, К;

R1 - сопротивление в начале испытания, Ом;

R2 - сопротивление в конце испытания, Ом;

t1 - температура в помещении в начале испытания, °С;

t2 - температура в помещении в конце испытания, °С.

В начале испытания обмотки должны иметь температуру помещения.

Рекомендуется определять сопротивление обмоток в конце испытания, проводя измерения как можно быстрее после выключения и через короткие промежутки времени, чтобы можно было построить график зависимости сопротивления от времени для оценки сопротивления в момент выключения.

ПРИЛОЖЕНИЕ F

(обязательное)

Методы измерения путей утечки и воздушных зазоров

(см. 2.10)

Методы измерения ПУТЕЙ УТЕЧКИ по поверхности и ВОЗДУШНЫХ ЗАЗОРОВ, представленные на рисунках, применяют в соответствии с требованиями настоящего стандарта.

Значения X, приведенные на рисунках, даны в таблице F.1. Там, где указанное расстояние меньше X, при измерениях ПУТЕЙ УТЕЧКИ шириной щели или канавки пренебрегают.

Таблицу F.1 применяют только в случае, если минимальный ЗАЗОР равен 3 мм или больше. Если требуемый минимальный ЗАЗОР менее 3 мм, то значение X минимальное из:

- соответствующего значения в таблице F.1, или

- одной трети требуемого минимального ЗАЗОРА.

Таблица F.1 - Значение X

Степень загрязнения (см. 2.10.1)

X, мм

1

0,25

2

1,0

3

1,5

На рисунках F.1 - F.13 ЗАЗОРЫ и ПУТИ УТЕЧКИ обозначены следующим образом.

Условие:        рассматриваемый путь включает канавку с параллельными или под углом сторонами, любой глубины, шириной менее X мм.

Правило:  ЗАЗОР и ПУТЬ УТЕЧКИ измеряют непосредственно над канавкой.

Рисунок F.1 - Узкая канавка

Условные обозначения к рисункам F.1 - F.13

Условие:      рассматриваемый путь включает канавку с параллельными сторонами любой глубины, шириной Х мм и более.

Правило:      ЗАЗОРОМ является отрезок прямой между частями. ПУТЬ УТЕЧКИ определяют по пути огибания контура канавки.

Рисунок F.2 - Широкая канавка

Условие:      рассматриваемый путь включает канавку V-образной формы с углом менее 80° и шириной более X мм.

Правило:      ЗАЗОРОМ является отрезок прямой между частями. ПУТЬ УТЕЧКИ определяют по пути огибания контура канавки, но с «коротким замыканием» дна канавки на участке, равном X мм.

Рисунок F.3 - V-образная канавка

Условие:  рассматриваемый путь включает ребро.

Правило:        ЗАЗОРОМ является кратчайший прямой путь по воздуху через вершину ребра. ПУТЬ УТЕЧКИ определяют по пути огибания контура ребра.

Рисунок F.4 - Ребро

Условие:        рассматриваемый путь включает несплошной стык с канавками менее Х мм с каждой стороны.

Правило:  ЗАЗОРЫ и ПУТИ УТЕЧКИ являются отрезками прямых между частями.

Рисунок F.5 - Несплошной стык с узкими канавками

Условие:      рассматриваемый путь включает несплошной стык c канавками шириной X мм и более с каждой стороны.

Правило:      ЗАЗОР является отрезком прямой между частями. ПУТЬ УТЕЧКИ огибает контур канавок.

Рисунок F.6 - Несплошной стык с широкими канавками

Условие:        рассматриваемый путь включает несплошной стык с канавкой с одной стороны, имеющей ширину менее X мм, и с канавкой с другой стороны, имеющей ширину X мм и более.

Правило:  ЗАЗОР и ПУТЬ УТЕЧКИ определяют как показано на рисунке F.7.

Рисунок F.7 - Несплошной стык с узкой и широкой канавками

Зазор между головкой винта и стенкой выемки слишком мал, чтобы его учитывать.

Рисунок F.8 - Малое углубление

Зазор между головкой винта и стенкой выемки достаточно велик и должен учитываться.

Рисунок F.9 - Широкое углубление

1 - вывод разъема; 2 - зазоры по 2.10.3; 3 - ПУТИ УТЕЧКИ по 2.10.4; 4 - разделяющие расстояния перед покрытием по 2.10.6, таблица 2N; 5- металлическая фольга; 6 - изоляционное покрытие по 2.10.9

Рисунок F.10 - Покрытие вокруг зажимов

1 - вывод компонента; 2 - покрытие; 3 - медная дорожка; 4 - подложка печатных плат; 5 - ПУТИ УТЕЧКИ по 2.10.4; 6 - ЗАЗОРЫ по 2.10.3

Рисунок F.11 - Покрытие поверх печатных проводников

1 - КОРПУС из изоляционного материала; 2 - часть СНН цепи или часть под опасным напряжением; 3 - испытательный палец; 4 - поверхность, считающаяся покрытой металлической фольгой; 5 - точка контакта; 6 - доступная для испытательного пальца поверхность; 7 - недоступная для испытательного пальца поверхность

Точку А используют для определения воздушного промежутка от части с напряжением, превышающим 1000 В переменного или 1500 В постоянного тока (см. 2.1.1.1).

Точку В используют для измерения ЗАЗОРА и ПУТЕЙ УТЕЧКИ от внешней стороны изоляционного материала к части внутри КОРПУСА (см. 2.10.3.1 и 2.10.4).

Рисунок F.12 - Пример измерений в КОЖУХЕ из изоляционного материала

Условие:  Расстояние изоляции с интервалом; проводящая часть не имеет соединения.

Правило:  ЗАЗОР и ПУТЬ УТЕЧКИ равны расстоянию d + D.

Если величина d + D меньше, чем X, ее принимают равной нулю.

Рисунок F.13 - Интервал, несоединенная проводящая часть.

ПРИЛОЖЕНИЕ G

(обязательное)

Альтернативный метод определения минимальных зазоров

(см. 2.10.3)

Не предусмотрено испытания на электрическую прочность для проверки ЗАЗОРОВ.

G.1 Краткое изложение процедуры определения минимальных зазоров

Примечание - Минимальные зазоры для ФУНКЦИОНАЛЬНОЙ, ОСНОВНОЙ, ДОПОЛНИТЕЛЬНОЙ и УСИЛЕННОЙ ИЗОЛЯЦИИ в первичной или других цепях зависят от ТРЕБУЕМОГО НАПРЯЖЕНИЯ СТОЙКОСТИ, которое зависит, в свою очередь от накладывающихся на рабочее напряжение повторяющихся пиков напряжения, возникающих внутри изделия, и не повторяющихся пиков перенапряжения из-за внешних переходных процессов.

Чтобы измерить минимальное значение для каждого требуемого ЗАЗОРА, необходимо:

1) определить ПИКОВОЕ РАБОЧЕЕ НАПРЯЖЕНИЕ, приложенное к ЗАЗОРУ;

2) если оборудование питается от сети:

- определить ПЕРЕХОДНОЕ СЕТЕВОЕ НАПРЯЖЕНИЕ (G.2);

- вычислить пиковое значение номинального напряжения СЕТИ ПИТАНИЯ ПЕРЕМЕННОГО ТОКА;

3) используя правила, изложенные в G.4a, и вышеупомянутые значения напряжения, определить ТРЕБУЕМОЕ НАПРЯЖЕНИЕ СТОЙКОСТИ для переходных процессов СЕТИ ПИТАНИЯ ПЕРЕМЕННОГО ТОКА и внутренних переходных процессов. В отсутствие переходных процессов в СЕТИ СВЯЗИ переходят к пункту 7;

4) если оборудование подключается к СЕТИ СВЯЗИ, определить НАПРЯЖЕНИЕ ПЕРЕХОДНОГО ПРОЦЕССА СЕТИ СВЯЗИ (G.3);

5) используя НАПРЯЖЕНИЕ ПЕРЕХОДНОГО ПРОЦЕССА СЕТИ СВЯЗИ и правила, изложенные в G.4b, определить ТРЕБУЕМОЕ НАПРЯЖЕНИЕ СТОЙКОСТИ с учетом переходных процессов СЕТИ СВЯЗИ. В отсутствии сетевых и внутренних переходных процессов переходят к пункту 7;

6) используя правила, изложенные в G.4c, определить величину ТРЕБУЕМОГО НАПРЯЖЕНИЯ СТОЙКОСТИ;

7) используя ТРЕБУЕМОЕ НАПРЯЖЕНИЕ СТОЙКОСТИ, определить минимальный ЗАЗОР (G.6).

G.2 Определение напряжения переходного процесса в сети питания

Для оборудования, питаемого от СЕТИ ПЕРЕМЕННОГО ТОКА, величина НАПРЯЖЕНИЯ ПЕРЕХОДНОГО ПРОЦЕССА зависит от категории перенапряжения и номинальной величины напряжения ПИТАНИЯ ОТ СЕТИ ПЕРЕМЕННОГО ТОКА. В общем случае, ЗАЗОРЫ в цепях оборудования, питаемого от СЕТИ ПЕРЕМЕННОГО ТОКА, должны соответствовать величинам для НАПРЯЖЕНИЯ ПЕРЕХОДНОГО ПРОЦЕССА СЕТИ категории перенапряжения II.

Оборудование, которое является частью установки здания или может подвергаться переходным перенапряжениям, превышающим установленные величины для категории перенапряжения II, должно быть рассчитано на категорию перенапряжения III или IV, если дополнительную защиту не обеспечивает внешнее оборудование. В этом случае в инструкции по установке оборудования должна быть указана необходимость в такой внешней защите.

Соответствующее значение НАПРЯЖЕНИЯ ПЕРЕХОДНОГО ПРОЦЕССА СЕТИ должно выбираться в зависимости от категории перенапряжения и номинального напряжения СЕТИ ПИТАНИЯ ПЕРЕМЕННОГО ТОКА с использованием таблицы G.1.

Таблица G.1 - Напряжения переходных процессов в сети

В вольтах

Номинальное напряжение сети питания, с учетом напряжения фаза - нейтраль, среднеквадратическое значение

НАПРЯЖЕНИЕ ПЕРЕХОДНОГО ПРОЦЕССА СЕТИ, пиковое значение

Категория перенапряжений

I

II

III

IV

50

330

500

800

1500

100

500

800

1500

2500

1501)

800

1500

2500

4000

3002)

1500

2500

4000

6000

6003)

2500

4000

6000

8000

1) Включая 120/208 или 120/240 В.

2) Включая 230/400 или 277/480 В.

3) Включая 400/690 В.

Примечание - В Норвегии, из-за использования IT системы распределения энергии, напряжение питания от СЕТИ ПЕРЕМЕННОГО ТОКА рассматривают как междуфазное напряжение, и равное 230 В в случае однократного повреждения заземления.

G.3 Определение напряжения переходного процесса телекоммуникационной сети

Если НАПРЯЖЕНИЕ ПЕРЕХОДНОГО ПРОЦЕССА ТЕЛЕКОММУНИКАЦИОННОЙ СЕТИ неизвестно для данной ТЕЛЕКОММУНИКАЦИОННОЙ СЕТИ, его считают равным:

1 500 Впик, если цепь соединена с НТС-1 или НТС-3 ЦЕПЯМИ СЕТИ СВЯЗИ;

800 Bпик, если цепь соединена с БСНН или НТС-2 ЦЕПЯМИ СЕТИ СВЯЗИ.

G.4 Определение требуемого напряжения стойкости изоляции

а) Сетевые и внутренние переходные процессы

ПЕРВИЧНАЯ ЦЕПЬ, подвергающаяся воздействию полного значения переходного процесса сети

Для такой ЦЕПИ переходные процессы, возникающие в ТЕЛЕКОММУНИКАЦИОННОЙ СЕТИ, игнорируют и применяют следующие правила.

Правило 1. Если ПИКОВОЕ РАБОЧЕЕ НАПРЯЖЕНИЕ Uпp меньше, чем пиковое значение номинального напряжения ПИТАНИЯ ОТ СЕТИ ПЕРЕМЕННОГО ТОКА, то ТРЕБУЕМОЕ НАПРЯЖЕНИЕ СТОЙКОСТИ - НАПРЯЖЕНИЕ ПЕРЕХОДНОГО ПРОЦЕССА СЕТИ, определенное в G.2

Uст.тр = Uс.пер.

Правило 2. Если ПИКОВОЕ РАБОЧЕЕ НАПРЯЖЕНИЕ Uпp больше, чем пиковое значение номинального напряжения ПИТАНИЯ ОТ СЕТИ ПЕРЕМЕННОГО ТОКА, то ТРЕБУЕМОЕ НАПРЯЖЕНИЕ СТОЙКОСТИ - ПЕРЕХОДНОЕ НАПРЯЖЕНИЕ СЕТИ, определенное в G.2, плюс разница между ПИКОВЫМ РАБОЧИМ НАПРЯЖЕНИЕМ и пиковым значением номинального напряжения ПИТАНИЯ ОТ СЕТИ ПЕРЕМЕННОГО ТОКА

Uст.тр = Uс.пер + Uпр - Uпик.с.

ВТОРИЧНАЯ ЦЕПЬ, чья ПЕРВИЧНАЯ ЦЕПЬ подвергается воздействию полного значения переходного процесса сети

Для такой ЦЕПИ ТРЕБУЕМОЕ НАПРЯЖЕНИЕ СТОЙКОСТИ определяют следующим образом, игнорируя переходные процессы, возникающие в ТЕЛЕКОММУНИКАЦИОННЫХ СЕТЯХ.

Применяют правила 1 и 2 с учетом НАПРЯЖЕНИЯ ПЕРЕХОДНОГО ПРОЦЕССА СЕТИ, определенного в G.2, и замененного напряжением, на один шаг меньшим выбранного из следующего ряда: 330, 500, 800, 1500, 2500, 4000, 6000 и 8000 В пикового значения.

Выбор меньшего значения не разрешается для плавающей ВТОРИЧНОЙ ЦЕПИ, за исключением цепи в оборудовании с основной защитной клеммой заземления и отделенной от ПЕРВИЧНОЙ ЦЕПИ заземленным металлическим экраном, соединенным с защитной землей в соответствии с 2.6.

Альтернативно правила 1 и 2 применяют, но напряжение, полученное измерением (см. G.5a), принимают как НАПРЯЖЕНИЕ ПЕРЕХОДНОГО ПРОЦЕССА СЕТИ.

ПЕРВИЧНЫЕ и ВТОРИЧНЫЕ ЦЕПИ, не подвергающиеся воздействию полного значения переходного процесса сети

Для таких ЦЕПЕЙ ТРЕБУЕМОЕ НАПРЯЖЕНИЕ СТОЙКОСТИ определяют, как указано ниже, игнорируя переходные процессы, возникающие в любой ТЕЛЕКОММУНИКАЦИОННОЙ СЕТИ. Правила 1 и 2 применяют, но напряжение, полученное измерением (см. G.5a), принимают как НАПРЯЖЕНИЕ ПЕРЕХОДНОГО ПРОЦЕССА СЕТИ.

ВТОРИЧНАЯ ЦЕПЬ, с источником постоянного тока с емкостным фильтром

В любой заземленной ВТОРИЧНОЙ ЦЕПИ, снабженной источником постоянного тока с емкостным фильтром, ТРЕБУЕМОЕ НАПРЯЖЕНИЕ СТОЙКОСТИ принимают равным НАПРЯЖЕНИЮ ПОСТОЯННОГО ТОКА.

b) Переходные процессы ТЕЛЕКОММУНИКАЦИОННОЙ СЕТИ.

Если присутствуют только переходные процессы ТЕЛЕКОММУНИКАЦИОННОЙ СЕТИ, то ТРЕБУЕМОЕ НАПРЯЖЕНИЕ СТОЙКОСТИ - НАПРЯЖЕНИЕ ПЕРЕХОДНОГО ПРОЦЕССА ТЕЛЕКОММУНИКАЦИОННОЙ СЕТИ, определенное в G.3, если более низкий уровень не измерен при проверке по G.5a.

c) Комбинация переходных процессов

Если присутствуют оба переходных процесса а) и b), то ТРЕБУЕМОЕ НАПРЯЖЕНИЕ СТОЙКОСТИ - большее из этих двух напряжений. Два значения не суммируют.

G.5 Измерение переходного процесса

Следующие испытания проводят только с целью определить, действительно ли переходное напряжение, приложенное к ЗАЗОРУ в любой цепи, имеет пониженное значение, по сравнению с полным, за счет специальных средств, например, фильтра в оборудовании. Переходное напряжение, приложенное к ЗАЗОРУ, измеряют, используя следующую процедуру.

Во время испытаний оборудование соединяют с его выносным блоком питания, если таковой имеется, но не соединяют ни с сетью питания, ни с ТЕЛЕКОММУНИКАЦИОННЫМИ СЕТЯМИ, и любые подавители выбросов в ПЕРВИЧНЫХ ЦЕПЯХ отсоединяют.

Устройство измерения напряжения подключают параллельно ЗАЗОРУ.

a) Чтобы измерить уменьшенный уровень переходных процессов перенапряжения сети, используют импульсный испытательный генератор (см. приложение N), подавая импульсы 1,2/50 мкс с напряжением Uc, равным НАПРЯЖЕНИЮ ПЕРЕХОДНОГО ПРОЦЕССА СЕТИ, определенному в G.2.

Три из шести импульсов переменной полярности, с интервалами не менее 1 с, подают там, где применимо:

- между фазами;

- между всеми фазовыми проводами, соединенными вместе, и нейтралью;

- между всеми фазовыми проводами, соединенными вместе, и защитной землей;

- между нейтралью и защитной землей.

b) Чтобы измерить уменьшенный уровень переходных процессов перенапряжения ТЕЛЕКОМУНИКАЦИОННОЙ СЕТИ, используют импульсный испытательный генератор (см. приложение N), подавая импульсы 10/700 мкс с напряжением Uc равным НАПРЯЖЕНИЮ ПЕРЕХОДНОГО ПРОЦЕССА ТЕЛЕКОММУНИКАЦИОННОЙ СЕТИ, определенному в G.3.

Три из шести импульсов переменной полярности, с интервалами не менее 1 с, подают между каждой из следующих точек соединения с ТЕЛЕКОММУНИКАЦИОННОЙ СЕТЬЮ интерфейса каждого типа:

- каждой парой клемм (например, А и В или штырь и гнездо) в интерфейсе;

- всеми клеммами каждого типа интерфейса, соединенными вместе, и землей.

Проверяют только одну из набора идентичных цепей.

G.6 Определение минимальных зазоров

Для оборудования, используемого на высотах до 2000 м над уровнем моря, каждый ЗАЗОР должен иметь размеры не менее приведенных в таблице G.2, с учетом значения ТРЕБУЕМОГО НАПРЯЖЕНИЯ СТОЙКОСТИ, определенного согласно G.4.

Для оборудования, используемого на высотах св. 2000 м над уровнем моря, вместо таблицы G.2 необходимо пользоваться таблицей 2 МЭК 60664-1 [4].

За исключением требований 2.8.7.1, указанные требования к ЗАЗОРАМ не распространяются на воздушные промежутки между контактами ТЕРМОСТАТОВ, ТЕПЛОВЫХ ПРЕДОХРАНИТЕЛЕЙ, устройств защиты от перегрузок, выключателей с микропромежутком между контактами и подобных компонентов, где воздушный промежуток изменяется между контактами.

Примечание 1 - Требования к воздушным промежуткам между контактами отключающих устройств см. в 3.4.2. Требования к воздушным промежуткам между контактами выключателей блокировки см. в 2.8.7.1.

ЗАЗОРЫ должны соответствовать к следующим минимальным значениям:

- 10 мм для воздушного промежутка, служащего УСИЛЕННОЙ ИЗОЛЯЦИЕЙ между частью с ОПАСНЫМ НАПРЯЖЕНИЕМ и доступной проводящей частью КОЖУХА оборудования, устанавливаемого на полу, или невертикальной верхней поверхностью настольного оборудования;

- 2 мм для воздушного промежутка, служащего ОСНОВНОЙ ИЗОЛЯЦИЕЙ между частью с ОПАСНЫМ НАПРЯЖЕНИЕМ и доступной проводящей частью внешнего КОЖУХА ОБОРУДОВАНИЯ С СОЕДИНИТЕЛЕМ ТИПА А.

Примечание 2 - ЗАЗОРЫ не должны уменьшаться ниже минимальных значений, заданных технологическими допусками или деформацией, которая может происходить вследствие обработки, удара и вибрации, возможных при изготовлении, транспортировании и нормальной эксплуатации.

Таблица G.2 - Минимальные зазоры для оборудования, используемого на высоте до 2 000 м над уровнем моря

Зазоры в миллиметрах

Требуемое напряжение стойкости, В, (пиковое значение или постоянный ток)

Минимальные зазоры в воздухе

ФУНКЦИОНАЛЬНАЯ ИЗОЛЯЦИЯ

ОСНОВНАЯ И ДОПОЛНИТЕЛЬНАЯ изоляции

УСИЛЕННАЯ ИЗОЛЯЦИЯ

До 400

0,1

0,2 (0,1)

0,4 (0,2)

800

0,1

0,2

0,4

1000

0,2

0,3

0,6

1200

0,3

0,4

0,8

1500

0,5

0,8 (0,5)

1,6 (1,0)

2000

1,0

1,3 (1,0)

2,6 (2,0)

2500

1,5

2,0 (1,5)

4,0 (3,0)

3000

2,0

2,6 (2,0)

5,2 (4,0)

4000

3,0

4,0 (3,0)

6,0

6000

5,5

7,5

11,0

8000

8,0

11,0

16,0

10000

11,0

15,0

22,0

12000

14,0

19,0

28,0

15000

18,0

24,0

36,0

25000

33,0

44,0

66,0

40000

60,0

80,0

120,0

50000

75,0

100,0

150,0

60000

90,0

120,0

180,0

80000

130,0

173,0

260,0

100000

170,0

227,0

340,0

Примечания

1 Кроме ПЕРВИЧНЫХ ЦЕПЕЙ, приведенных в G.4a, разрешается линейная интерполяция между близлежащими точками; расчетные минимальные ЗАЗОРЫ округляют с приращением 0,1 мм до большего значения.

2 Значения в скобках применяют только, если на производстве осуществляется программа управления качеством, которая по крайней мере обеспечивает такой уровень гарантии, который дан в R.2.

В частности, ДВОЙНАЯ и УСИЛЕННАЯ ИЗОЛЯЦИИ должны подвергаться ПЕРИОДИЧЕСКИМ ИСПЫТАНИЯМ на электрическую прочность.

3 Соответствие значению ЗАЗОРА 8,4 мм или больше для ВТОРИЧНЫХ ЦЕПЕЙ не требуется, если путь через ЗАЗОР проходит:

- полностью через воздух или

- полностью или частично по поверхности изоляционного материала группы I и изоляция выдержала испытание на электрическую прочность согласно 5.2.2, с применением:

- испытательного напряжения переменного тока, у которого действующее значение в 1,06 раза больше ПИКОВОГО РАБОЧЕГО НАПРЯЖЕНИЯ или

- испытательного напряжения постоянного тока, равного пиковому значению испытательного напряжения переменного тока, указанного выше.

Если путь через ЗАЗОР проходит частично по поверхности изоляционного материала, отличного от группы I, испытание электрической прочности проводят только в воздушном промежутке.

Соответствие проверяют измерением, принимая во внимание приложение F.

Применяют следующие условия соответствия.

Подвижные части устанавливают в наиболее неблагоприятные положения.

При измерении ЗАЗОРОВ в КОЖУХ из изоляционного материала через щель или отверстие в КОЖУХЕ, доступную поверхность рассматривают как проводящую, будто бы покрытую металлической фольгой во всех местах, где можно коснуться испытательным пальцем (см. рисунок , 2.1.1.1), прикладываемым без заметного усилия (см. рисунок F.12, точка В).

При измерении ЗАЗОРОВ воздействуют постоянной силой по 4.2.2 - 4.2.4.

ПРИЛОЖЕНИЕ Н

(обязательное)

Ионизирующее излучение

(см. 4.3.13)

Оборудование, которое может оказаться источником ионизирующего излучения, проверяют измерением значения излучения.

Излучение измеряют дозиметром типа ионизационной камеры с эффективной площадью 10 см2 или при помощи оборудования другого типа, дающего эквивалентные результаты.

Измерения должны проводиться на испытуемом оборудовании, работающем при наиболее неблагоприятном напряжении питания (см. 1.4.5), а органами управления и обслуживания добиваются максимального излучения при нормальной эксплуатации оборудования.

Внутренние органы управления, служащие для предварительной регулировки, не предназначенные для регулировки в течение работы оборудования, не относятся к органам обслуживания.

В любой точке, обстоящей на 5 см от поверхности ОБЛАСТИ ДОСТУПА ОПЕРАТОРА, уровень излучения не должен превышать 36 пА/кг или 0,5 мР/ч. Следует учесть уровень фонового излучения.

Примечание - Данное значение взято из ICRP 15 [14].

ПРИЛОЖЕНИЕ J

(обязательное)

Электрохимические потенциалы

(см. 2.5.10)

Таблица J.1 - Электрохимические потенциалы

ПРИЛОЖЕНИЕ К

(обязательное)

Средства контроля температуры

(см. 1.5.3 и 5.3.7)

К.1 Надежность при работе

ТЕРМОРЕЛЕ и ОГРАНИЧИТЕЛИ ТЕМПЕРАТУРЫ должны обладать достаточной надежностью при включениях и выключениях.

Проверка заключается в испытании трех образцов по разделам К.2 и К.3 или К.4, в зависимости от того, какой из них применим. Для составных частей с маркировкой Т один образец испытывают с переключающей частью при температуре помещения, а два образца с этой частью - при температуре согласно обозначению в маркировке.

Составные части, не имеющие специальной маркировки, должны испытываться с оборудованием или отдельно, в зависимости от того, что более удобно, но в последнем случае условия испытания должны соответствовать создаваемым в оборудовании.

Во время испытаний не должна возникать устойчивая дуга.

После испытаний у образцов не должно появиться повреждений, ухудшающих их потребительские качества. Электрические соединения не должны ослабнуть. Составные части должны выдержать испытания на электрическую прочность согласно 5.2.2, за исключением того, что испытательное напряжение для изоляции между контактами должно в два раза превышать НОМИНАЛЬНОЕ НАПРЯЖЕНИЕ или верхний предел ДИАПАЗОНА НОМИНАЛЬНОГО НАПРЯЖЕНИЯ.

При проведении испытаний частота переключений может превышать нормальную частоту переключений, свойственную оборудованию, при условии, что вероятность отказов не возрастет.

Если проверить составную часть отдельно невозможно, то должны быть испытаны три образца оборудования, в котором она применяется.

К.2 Надежность термореле

Производят 200 циклов срабатываний ТЕРМОРЕЛЕ (200 замыканий и 200 размыканий) при работе оборудования под НОРМАЛЬНОЙ НАГРУЗКОЙ, от напряжения, в 1,1 большего НОМИНАЛЬНОГО НАПРЯЖЕНИЯ или верхнего предела ДИАПАЗОНА НОМИНАЛЬНОГО НАПРЯЖЕНИЯ.

К.3 Испытание термореле на долговечность

Изменяя температуру, производят 10000 циклов срабатывания (10000 замыканий и 10000 размыканий) ТЕРМОРЕЛЕ при работе оборудования под НОРМАЛЬНОЙ НАГРУЗКОЙ, при НОМИНАЛЬНОМ НАПРЯЖЕНИИ или на верхнем пределе ДИАПАЗОНА НОМИНАЛЬНОГО НАПРЯЖЕНИЯ.

К.4 Испытание ограничителей температуры на долговечность

Изменяя температуру, производят 1000 циклов срабатывания (1000 замыканий и 1000 размыканий) ОГРАНИЧИТЕЛЕЙ ТЕМПЕРАТУРЫ при работе оборудования под НОРМАЛЬНОЙ НАГРУЗКОЙ, при НОМИНАЛЬНОМ НАПРЯЖЕНИИ или на верхнем пределе ДИАПАЗОНА НОМИНАЛЬНОГО НАПРЯЖЕНИЯ.

К.5 Надежность термовыключателей

ТЕРМОВЫКЛЮЧАТЕЛИ должны надежно работать.

Соответствие проверяют при работе оборудования и условиях, указанных в 4.5.1.

Производят 200 срабатываний ТЕРМОВЫКЛЮЧАТЕЛЕЙ С АВТОМАТИЧЕСКИМ ВОЗВРАТОМ, а также 10 срабатываний ТЕРМОВЫКЛЮЧАТЕЛЕЙ С РУЧНЫМ ВОЗВРАТОМ, возвращая их в исходное состояние после каждого срабатывания.

После испытаний образцы не должны иметь повреждений, препятствующих их дальнейшему использованию.

Для предотвращения повреждения оборудования может использоваться дополнительная вентиляция (охлаждение) и паузы.

К.6 Стабильность при работе

Конструкция ТЕРМОРЕЛЕ, ОГРАНИЧИТЕЛЕЙ ТЕМПЕРАТУРЫ и ТЕРМОВЫКЛЮЧАТЕЛЕЙ должна исключать возможность значительного изменения установочных значений вследствие нагрева, вибрации и т.п. при нормальной эксплуатации.

Соответствие проверяют обследованием при работе в ненормальных условиях согласно 5.3.

ПРИЛОЖЕНИЕ L

(обязательное)

Условия нормальной нагрузки для электрического офисного оборудования

(см. 1.2.2.1 и 4.5.1)

L.1 Пишущие машины

Пишущие машины включают в работу вхолостую до достижения устойчивого режима. Механические пишущие машины должны работать со скоростью 200 знаков в минуту, с переводом строки после 60 знаков, включая пробелы, до выхода на устойчивый режим. Автоматические пишущие машины должны работать с максимальной скоростью печатания, указанной изготовителем в инструкции.

L.2 Суммирующие устройства и кассовые аппараты

В суммирующие устройства, кассовые аппараты вводят четырехразрядные числа и нажимают клавишу повтора со скоростью 24 раза в минуту до выхода на установившийся режим, причем берут такие четырехразрядные числа, которые обеспечивают наибольшую нагрузку машин. Если выдвижной ящик кассы открывается после ввода каждого знака, то ее приводят в действие со скоростью 15 рабочих циклов в минуту, закрывая ящик после каждого срабатывания до достижения установившегося режима. Для суммирующего устройства или кассового аппарата рабочая операция заключается во вводе в них цифр, которые данная машина должна обработать, и в нажатии клавиши повтора или пусковой клавиши.

L.3 Устройства для уничтожения документов

Устройства для уничтожения документов приводят в действие вхолостую на 1 ч.

L.4 Устройства для заточки карандашей

Для устройств заточки карандашей испытание проводят следующим образом. Пять новых карандашей затачивают восемь раз согласно следующей программе:

- время заточки........……...4 с для новых карандашей, 2 с - для последующей заточки

- интервал между заточками....……………6 с

- интервал между сменой карандашей……60 с

Все отрезки времени приблизительны.

За исключением новых карандашей, острие ранее заточенных карандашей ломают перед каждым затачиванием.

L.5 Множительные аппараты и копировальные машины

Множительные аппараты и копировальные машины приводят в действие до достижения максимальной скорости в устойчивом режиме. Может быть предусмотрена пауза 3 мин через каждые 500 копий, если это допускается конструкцией машины.

L.6 Автоматизированные картотеки

Автоматизированные картотеки нагружают так, чтобы имитировать нарушение равновесия, вызванное неравномерным распределением содержимого. Во время работы несбалансированную нагрузку перемещают примерно на треть хода каретки с целью получения максимальной нагрузки при каждой операции. Эту операцию повторяют через каждые 15 с до достижения устойчивого режима.

Нагрузку при неравномерном распределении содержимого имитируют следующим образом.

При вертикальном перемещении на три восьмых объема картотеки загружают на три восьмых допустимой нагрузки. Эту загрузку прогоняют по всей длине хода машины. Такой цикл подачи повторяют каждые 10 с до стабилизации температуры.

Для других способов подачи, например, горизонтальных или круговых, перемещают полный груз на всю длину хода. Этот цикл повторяют каждые 15 с до стабилизации температуры.

L.7 Другое оборудование

Другое офисное оборудование испытывают в наиболее неблагоприятном режиме, указанном изготовителем.

ПРИЛОЖЕНИЕ М

(обязательное)

Нормы для телефонных вызывных сигналов

(см. 2.3.1)

М.1 Введение

Два взаимозаменяемых метода, описанные в настоящем приложении, отражают опыт, накопленный в различных странах. Метод А типичен для аналоговых телефонных сетей Европы, метод В - для Северной Америки. Эти методы основываются на аналогичных стандартах электрической безопасности.

М.2 Метод А

По этому методу токи ITS1 и ITS2, протекающие через сопротивление 5000 Ом, подключенное между двумя любыми проводниками или проводником и заземлением, не должны превышать значений, определенных следующим образом:

a) ITS1 - ток, определяемый расчетом или измеренный за любой однократный период колебаний t1 (в соответствии с определением на рисунке М. 1), не превышает:

- при модулированном сигнале вызова (t1 < ) - значения, полученного из графика на рисунке М.2 для времени t1, или

- при продолжительном сигнале вызова (t1 =) - значения 16 или 20 мА, когда модулированный сигнал вызова не ограничивается по времени из-за одиночной неисправности,

где ITS1 , мА, определяют как

,

,

,

где IP - амплитудное значение тока соответствующей формы сигнала (см. рисунок М.3), мА;

IPP - амплитудное значение тока соответствующей формы сигнала (см. рисунок М.3), мА;

t1 - время, мс.

b) ITS2 - среднее значение тока для повторяющихся звонков модулированного сигнала вызова ,рассчитанного для одного цикла t2 (см. рисунок М.1), не должно превышать 16 мА (действующего значения).

ITS2 определяют как

,

где ITS1 - согласно М.2а, мА;

Idc - значение постоянного тока, протекающего через сопротивление 5000 Ом во время неактивного периода, мА;

t1 и t2 - время, мс.

Примечание - Частоты напряжений телефонных звонков обычно находятся в диапазоне 14 - 50 Гц.

М.3 Метод В

Примечание - Настоящий метод основан на стандарте США CFR 47 («FCC Правила») часть 68, раздел D [16] с дополнительными требованиями, применяемыми в условиях неисправности.

М.3.1 Сигнал звонка

М.3.1.1 Частота

Сигналы звонка должны быть с несущей частотой менее или равной 70 Гц.

t1 является:

- длительностью периода одного звонка, когда он активен в течение всего периода одного звонка;

- суммой активных периодов звонков внутри одного звонка, когда период одного звонка состоит из двух или более дискретных активных периодов звонка, как показано на примере, где t1 = tla + tlb.

t2 - длительность одного полного модулированного цикла

Рисунок М.1 - Определение времени периода звонка и цикла модуляции

Примечание - График основан на кривой А из МЭК 60479-1 [15], рисунок 14.

Рисунок М.2 - Кривая предельного значения тока ITS1 модулированного сигнала звонка

Рисунок М.3 - Амплитуда и размах амплитуд тока

М.3.1.2 Напряжение

Напряжение звонка должно быть менее 300 В двойной амплитуды и менее 200 В (амплитуда - земля), измеренное на сопротивлении не менее 1 МОм.

М.3.1.3 Модуляция

Напряжение звонка должно прерываться для создания пауз не менее 1 с, но не более 5 с. Во время пауз напряжение относительно земли не должно превышать 56,5 В постоянного напряжения.

М.3.1.4 Ток в условиях единичного повреждения

Если изменение вызывного сигнала является следствием единичного повреждения, то ток через резистор 5000 Ом, соединенный между любыми двумя выходными проводниками или между выходным проводником и землей, не должен превышать 56,5 мА двойной амплитуды, как показано на рисунке М.3.

М.3.2 Устройство отключения и напряжение контроля

М.3.2.1 Условия применения устройства отключения или ограничения напряжения

Цепь сигнала звонка должна включать в себя устройство отключения в соответствии с М.3.2.2 или обеспечить ограничение напряжения согласно М.3.2.3, или оба метода одновременно в зависимости от тока, протекающего через указанное сопротивление. Устройство подключают между источником сигнала звонка и землей и применяют в следующих случаях:

- если ток через резистор 500 Ом не превышает 100 мА двойной амплитуды, то не требуются ни устройство отключения, ни ограничения напряжения;

- если ток через резистор 1500 Ом превышает 100 мА двойной амплитуды, то требуется устройство отключения. Если устройство отключения удовлетворяет требованиям рисунка М.4 для R = 500 Ом, то не требуется устройства ограничения напряжения. Если, однако, устройство отключения удовлетворяет требованиям рисунка М.4 с R = 1500 Ом, то необходимо применять устройство ограничения напряжения;

- если ток через резистор 500 Ом превышает 100 мА двойной амплитуды, но ток через резистор 1500 Ом не превышает этого значения, то

необходимо применить устройство отключения, соответствующее требованиям рисунка М.4 для R = 500 Ом, или

необходимо применить устройство ограничения напряжения.

Примечания

1 Время t измеряют от момента подключения сопротивления R к цепи.

2 Наклонную часть графика определяют как .

Рисунок М.4 - Пределы ограничения напряжения звонка

М.3.2.2 Устройство отключения

Устройство отключения включается последовательно и при определенной величине тока отключает звонок, как показано на рисунке М.4.

М.3.2.3 Напряжение контроля

Напряжение в цепи звонка относительно земли должно находится от 19 В (амплитудного значения) до 56,5 В (постоянного напряжения) в любой момент, когда звонок отсутствует.

ПРИЛОЖЕНИЕ N

(обязательное)

Испытательный импульсный генератор

(см. 2.10.3.4, 6.4.2.1 и G.5)

Схема, приведенная на рисунке N.1, применяется для генерации импульсов. Значения компонентов, используемых в схеме, приведены в таблице N.1. Конденсатор С1 первоначально заряжается до напряжения Uс.

Испытательные импульсы 10/700 мкс (где 10 мкс - время нарастания переднего фронта импульса, 700 мкс - длительность импульса по уровню 0,5), генерируемые схемой, соответствуют импульсам, установленным ITU-T, Рекомендация К.17 [17], для моделирования помех от грозовых разрядов в ТЕЛЕКОММУНИКАЦИОННОЙ СЕТИ.

Испытательные импульсы 1,2/50 мкс (1,2 мкс - время нарастания переднего фронта импульса, 50 мкс - длительность импульса по уровню 0,5), генерируемые схемой, соответствуют импульсам, установленным ITU-T, Рекомендация К.21 [18], для моделирования переходных процессов в распределительных системах энергоснабжения.

Колебательная форма импульсов, которая имеет место при разомкнутой цепи, может быть другой при подключении нагрузки.

Примечание - При использовании данного испытательного генератора необходимо быть особенно внимательным, т. к. на конденсаторе С1 большой заряд.

Рисунок N.1 - Схема генератора импульсов

Таблица N.1 - Значения компонентов для схемы генератора импульсов

Испытательный импульс, мкс

С1, мкФ

R1, Ом

R2, Ом

С2, мкФ

R3, Ом

Раздел

10/700

20

50

15

0,2

25

6.2.2.1 и G.5b

1,2/50

1

76

13

33

2.10.3.4 и G.5

ПРИЛОЖЕНИЕ Р

(обязательное)

Нормативные ссылки

В настоящем стандарте использованы ссылки на следующие стандарты.

ГОСТ МЭК 384-14-95 / ГОСТ Р МЭК 384-14-94 Конденсаторы постоянной емкости для электронного оборудования. Часть 14. Групповые технические условия на конденсаторы постоянной емкости для подавления электромагнитных помех и соединения с питающими магистралями

ГОСТ МЭК 730-1-95 / ГОСТ Р МЭК 730-1-94 Автоматические электрические управляющие устройства бытового и аналогичного назначения. Общие требования и методы испытаний

ГОСТ 7396.1-89 (МЭК 83-75) Соединительные электрические штепсельные бытового и аналогичного назначения. Основные размеры

ГОСТ 8724-81 Основные нормы взаимозаменяемости. Резьба метрическая. Диаметры и шаги

ГОСТ 14254-96 (МЭК 529-89) Степени защиты, обеспечиваемые оболочками (Код IP)

ГОСТ 24705-81 Основные нормы взаимозаменяемости. Резьба метрическая. Основные размеры

ГОСТ 27473-87 (МЭК 112-79) Материалы электроизоляционные твердые. Метод определения сравнительного и контрольного индексов трекингостойкости во влажной среде

ГОСТ 27483-87 (МЭК 695-2-1-80) Испытания на пожароопасность. Методы испытания. Испытания нагретой проволокой

ГОСТ 27484-87 (МЭК 695-2-2-80) Испытания на пожароопасность. Методы испытаний. Испытания горелкой с игольчатым пламенем

ГОСТ 29149-91 (МЭК 73-84) Цвета световой сигнализации и кнопок

ГОСТ 30331.2-95 (МЭК 364-3-93)/ГОСТ Р 50571.2-94 (МЭК 364-3-93) Электроустановки зданий. Часть 3. Основные характеристики

ГОСТ Р МЭК 127-6-99 Миниатюрные плавкие предохранители. Часть 6. Держатели предохранителей для миниатюрных плавких вставок

ГОСТ Р МЭК 245-5-97 Кабели с резиновой изоляцией на номинальное напряжение до 450/750 В включительно. Лифтовые кабели

ГОСТ Р 50339.2-92 (МЭК 269-2-1-87) Низковольтные плавкие предохранители. Часть 2-1. Дополнительные требования к плавким предохранителям промышленного назначения

ГОСТ Р 50537-93 (МЭК 127-1-88) Миниатюрные плавкие предохранители. Терминология для миниатюрных плавких предохранителей и общие требования к миниатюрным плавким вставкам

ГОСТ Р 50538-93 (МЭК 127-2-89) Миниатюрные плавкие предохранители. Трубчатые плавкие вставки

ГОСТ Р 50539-93 (МЭК 127-3-88) Миниатюрные плавкие предохранители. Субминиатюрные плавкие вставки

ГОСТ Р 50540-93 (МЭК 127-4-89) Универсальные модульные плавкие предохранители (УМПП)

ГОСТ Р 50541-93 (МЭК 127-5-89) Миниатюрные плавкие предохранители. Руководство по сертификации миниатюрных плавких вставок

ГОСТ Р 50571.23-2000 (МЭК 60364-7-704-89) Электроустановки зданий. Часть 7. Требования к специальным электроустановкам. Раздел 704. Электроустановки строительных площадок

ГОСТ Р 50779.71-99 (ИСО 2859-1-89) Статистические методы. Процедура выборочного контроля по альтернативному признаку. Часть 1. Планы выборочного контроля последовательных партий на основе приемлемого уровня качества AQL

ГОСТ Р 51323.1-99 (МЭК 60309-1-99) Вилки, штепсельные розетки и соединительные устройства промышленного назначения. Часть 1. Общие требования

ГОСТ Р 51323.2-99 (МЭК 60309-2-99) Вилки, штепсельные розетки и соединительные устройства промышленного назначения. Часть 2. Требования к взаимозаменяемости размеров штырей и контактных гнезд соединителей

ГОСТ Р 51323.3-99 (МЭК 60309-3-94) Вилки, штепсельные розетки и соединительные устройства промышленного назначения. Часть 3. Дополнительные требования к соединителям и вводам электроприборов, используемых во взрывоопасных газовых средах

ГОСТ Р 51325.1-99 (МЭК 60320-1-94) Соединители электрические бытового и аналогичного назначения. Часть 1. Общие требования и методы испытаний

ГОСТ Р 51325.2.2-99 (МЭК 60320-2-2-99) Соединители электрические бытового и аналогичного назначения. Часть 2-2. Дополнительные требования к вилкам и розеткам для взаимного соединения в приборах и методы испытаний

ГОСТ Р 51362-99 (ИСО 7000-89) Машины для химической чистки одежды. Символы графические органов управления и других устройств

ГОСТ Р МЭК 60065-2002 Аудио, видео- и аналогичная электронная аппаратура. Требования безопасности

ГОСТ Р МЭК 60227-1-99 Кабели с поливинилхлоридной изоляцией на номинальное напряжение 450/ 750 В включительно. Общие требования

ГОСТ Р МЭК 60227-2-99 Кабели с поливинилхлоридной изоляцией на номинальное напряжение 450/750 В включительно. Методы испытаний

ГОСТ Р МЭК 60227-3-2002 Кабели с поливинилхлоридной изоляцией на номинальное напряжение 450/750 В включительно. Кабели без оболочки для стационарной прокладки

ГОСТ Р МЭК 60227-4-2002 Кабели с поливинилхлоридной изоляцией на номинальное напряжение 450/750 В включительно. Кабели в оболочке для стационарной прокладки

ГОСТ Р МЭК 60227-5-2002 Кабели с поливинилхлоридной изоляцией на номинальное напряжение 450/750 В включительно. Гибкие кабели (шнуры)

ГОСТ Р МЭК 60227-6-2002 Кабели с поливинилхлоридной изоляцией на номинальное напряжение 450/750 В включительно. Лифтовые кабели и кабели для гибких соединений

ГОСТ Р МЭК 60245-1-97 Кабели с резиновой изоляцией на номинальное напряжение до 450/750 В включительно. Общие требования

ГОСТ Р МЭК 60245-6-97 Кабели с резиновой изоляцией на номинальное напряжение до 450/750 В включительно. Кабели для электродной дуговой сварки

ГОСТ Р МЭК 60245-7-97 Кабели с резиновой изоляцией на номинальное напряжение до 450/750 В включительно. Кабели с нагревостойкой этиленвинилацетатной резиновой изоляцией

ГОСТ Р МЭК 60851-3-2002 Методы испытаний обмоточных проводов. Механические свойства

ГОСТ Р МЭК 60851-5-2002 Методы испытаний обмоточных проводов. Электрические свойства

ГОСТ Р МЭК 60851-6-2002 Методы испытаний обмоточных проводов. Термические свойства

ГОСТ Р МЭК 61032-2000 Защита людей и оборудования, обеспечиваемая оболочками. Щупы испытательные

ГОСТ Р МЭК 61058-1-2000 Выключатели для электроприборов. Часть 1. Общие требования и методы испытаний

ПРИЛОЖЕНИЕ Q

(справочное)

Библиография

[1] МЭК 60417-1-97 Графические символы для использования в оборудовании. Указатели, различимость и содержание отдельных этикеток

[2] МЭК 60417-2-97 Аппаратура радиоэлектронная. Условные графические обозначения

[3] ИСО 3864-84 Цветовая индикация и надписи для безопасности

[4] МЭК 60664-1-92 Согласование изоляции для оборудования низковольтных систем. Принципы, требования и испытания

[5] МЭК 60664-4-97 Согласование изоляции для оборудования низковольтных систем. Часть 4. Анализ нагрузок от высокочастотного напряжения

[6] МЭК 60885-1-87 Методы испытаний электрических кабелей. Электротехнические испытания кабелей, шнуров и проводов на напряжение до 450/750 В включительно

[7] BS 1363 Вилки, штепсельные розетки и соединительные устройства

[8] AS/NZC 3112 Розетки настенные. Методы испытаний

[9] МЭК 60825-1-93 Безопасность лазерной аппаратуры. Классификация оборудования, требования и руководство для пользователей

[10] МЭК 60085-84 Температурная оценка и классификация электрической изоляции

[11] МЭК 60695-10-2-91 Испытания на пожароопасность. Часть 10. Руководство и методы испытаний для минимизации эффекта ненормального нагрева электротехнических изделий, подверженных воздействию пламени. Раздел 2. Метод испытания изделий, выполненных из неметаллических материалов, для определения стойкости к нагреву с использованием испытания давлением шариком

[12] МЭК 60990-90 Метод измерения тока прикосновения и тока защитного проводника

[13] ИСО 4046-78 Бумага, древесина, целлюлоза и аналогичные термины. Словарь

[14] ICRP 15-69 Защита от внешних источников ионизирующего излучения

[15] МЭК 60479-1-94 Воздействия электрического тока, опасные для жизни человека и скота. Часть 1. Основные подходы

[16] CFP 47 Свод законов федеральных правил (США). Часть 68. Подсоединение контактов оборудования к телефонной линии

[17] МКТС Рекомендация К.17 (1988) Испытания ретрансляторов на перегрузку с использованием полупроводниковых устройств для проверки мер по защите от внешних воздействий

[18] МКТС Рекомендация К.21 (1996) Сопротивляемость абонентских терминалов к перенапряжению и току перегрузки

[19] МЭК 60410-73 План и процедура отбора образцов по отличительным признакам при инспекции

ПРИЛОЖЕНИЕ R

(справочное)

Примеры требований к программам контроля качества

Примечание - В настоящем приложении приводятся примерные требования к программам контроля качества, как определено в 2.10.6 для минимальных расстояний между проводниками печатных плат с покрытием и в 2.10.3 для уменьшенных ЗАЗОРОВ.

R.1 Минимальное расстояние между проводниками на печатных платах с покрытием, без установленных элементов (см. 2.10.6)

При использовании уменьшенных промежутков, разрешенных в 2.10.6, таблица 2N, изготовитель обязан выполнять программу контроля качества печатных плат, приведенную в таблице R.1. Программа включает в себя специальный контроль инструментальных средств и материалов, оказывающих воздействие на промежутки между проводниками, проверку образца и промежутков, чистоты, толщины покрытия, электрические испытания на короткое замыкание, сопротивление изоляции и электрическую прочность.

При необходимости, изготовитель обязан установить технологические операции и план мероприятий, гарантирующие достаточный контроль, для операций по установке элементов, непосредственно влияющих на качество. Контролируемые условия включают в себя следующее:

- документально подтвержденные рабочие инструкции, определяющие технологический процесс, применяемое оборудование, требования к окружающей среде и способ производства там, где отсутствие таких инструкций неблагоприятно влияет на качество, а также использование надлежащего производственного и монтажного оборудования, качественных компонентов, создание соответствующих условий эксплуатации, соблюдение соответствия стандартам, техническим условиям и планам по качеству;

- текущий контроль и контроль за проходящими процессами и характеристиками изделия в течение производства и монтажа оборудования;

- проверку квалификации персонала, оговоренную в соответствующих документах или проводимую посредством представительских выборок;

- записи, обеспечивающие поддержание ограниченного использования технологических процессов, применяемого оборудования и персонала (по обстановке).

В таблице R.1 представлен план выборки и испытаний, соответствующий требованиям 2.10.6. Число выборок плат при производстве должно соответствовать МЭК 60410 [19] или ГОСТ Р 50779.71, или национальным стандартам.

Таблица R.1- Правила выборки и проверки платы с покрытием

Испытание

ИЗОЛЯЦИЯ

ОСНОВНАЯ И ДОПОЛНИТЕЛЬНАЯ

УСИЛЕННАЯ

Промежутки, мм1)

Выборка S2 AQL 1,0

Испытание на электрическую прочность4)

Выборка S1 AQL 2,5

ПЕРИОДИЧЕСКОЕ ИСПЫТАНИЕ. При единичном отказе необходимо определить причину

Абразивная прочность

Выборка S1 AQL 2,5

Термическое старение2)

Выборка S3 AQL 4

Термические циклы2)

Выборка S1 AQL 1,5

Сопротивление изоляции3)

Выборка S2 AQL 2,5

Визуальный осмотр покрытия5)

ПЕРИОДИЧЕСКИЕ ИСПЫТАНИЯ

1) Для экономии времени испытаний и проверок допускается замена измерения промежутков измерением напряжения пробоя. Первоначальное напряжение пробоя определяют по десяти печатным платам без покрытия, на которых предварительно были проверены размеры промежутков. Электрическую прочность последующих непокрытых плат затем проверяют при более низком значении, равном минимальному напряжению пробоя первых десяти плат минус 100 В. Если пробой происходит при более низком значении, то плату считают неисправной, даже если непосредственное измерение промежутка соответствует требуемому значению.

2) Испытания на тепловое старение и тепловые циклы должны выполняться каждый раз. когда тип материала покрытия, материала печатной платы или технологический процесс изменяются. Рекомендуется, чтобы это выполнялось не реже одного раза в год.

3) Сопротивление изоляции должно быть не менее 1000 МОм.

4) Испытание на электрическую прочность должно выполняться одним из следующих методов: - шесть импульсов переменной полярности, используют импульсы 1,2/50 мкс с амплитудой, равной амплитуде испытательного напряжения из таблицы (см. 5.2.2); - три периода переменного тока с частотой сети и напряжением, равным испытательному напряжению из таблицы (см. 5.2.2); - шесть импульсов переменной полярности; используют импульсы постоянного тока длительностью 10 мс с амплитудой, равной амплитуде испытательного напряжения из таблицы (см. 5.2.2).

5) Визуальная проверка без использования оптических устройств или автоматизированная оптическая проверка с эквивалентной разрешающей способностью не должна выявлять трещин, пузырьков, ворсинок или нарушений покрытия в области уменьшенных промежутков. При наличии таких дефектов печатные платы должны быть изъяты из производства.

R.2 Уменьшенные зазоры (см. 2.10.3)

Производитель, желающий уменьшить ЗАЗОРЫ, указанные в 2.10.3, таблицы , 2J и , должен обеспечить выполнение программы контроля качества для деталей изделия, приведенной в таблице R.2. Эта программа должна включать контроль качества инструмента и материалов, влияющих на ЗАЗОРЫ.

При необходимости, изготовитель обязан установить технологические операции и план мероприятий, гарантирующие достаточный контроль, для операций по установке элементов, непосредственно влияющих на качество. Контролируемые условия включают в себя следующее:

- документально подтвержденные рабочие инструкции, определяющие технологических процесс, применяемое оборудование, требования к окружающей среде и способ производства там, где отсутствие таких инструкций неблагоприятно влияет на качество, а также использование надлежащего производственного и монтажного оборудования, качественных компонентов, создание соответствующих условий эксплуатации, соблюдение соответствия стандартам, техническим условиям и планам по качеству;

- текущий контроль и контроль за проходящими процессами и характеристиками изделия в течение производства и монтажа оборудования;

- проверку квалификации персонала, оговоренную в соответствующих документах или проводимую посредством представительских выборок;

- записи, обеспечивающие поддержание ограниченного использования технологических процессов, применяемого оборудования и персонала (по обстановке).

Таблица R.2 обеспечивает план отбора образцов, проверку характерных свойств и необходимости испытаний в соответствии с требованиями 2.10.3. Число образцов части продукции или укомплектованного оборудования, должно основываться на МЭК 60410 [19] или ГОСТ Р 50779.71, или соответствующем национальном стандарте.

Таблица R.2 - Правила отбора образцов и проверки уменьшенных зазоров

Испытание

ИЗОЛЯЦИЯ

ОСНОВНАЯ И ДОПОЛНИТЕЛЬНАЯ

УСИЛЕННАЯ

ЗАЗОРЫ1)

Выборка S2 AQL 4

Электрическая прочность2)

Нет испытаний

ПЕРИОДИЧЕСКИЕ ИСПЫТАНИЯ. При единичном отказе необходимо определить причину

1) Для экономии времени испытаний и проверок допускается замена измерения промежутков измерением напряжения пробоя. Первоначальное напряжение пробоя определяют по десяти печатным платам без покрытия, на которых предварительно были проверены размеры промежутков. Электрическую прочность последующих непокрытых плат затем проверяют при более низком значении, равном минимальному напряжению пробоя первых десяти плат минус 100 В. Если пробой происходит при более низком значении, то плату считают неисправной, даже если непосредственное измерение промежутка соответствует требуемому значению.

2) Испытания на электрическую прочность УСИЛЕННОЙ ИЗОЛЯЦИИ должны содержать один из следующих методов:

- шесть импульсов переменной полярности, используют импульсы 1,2/50 мкс с амплитудой, равной амплитуде испытательного напряжения из таблицы (см. 5.2.2);

- три периода переменного тока с частотой сети и напряжением, равным испытательному напряжению из таблицы (см. 5.2.2);

- шесть импульсов переменной полярности, используют импульсы постоянного тока длительностью 10 мс с амплитудой, равной амплитуде испытательного напряжения из таблицы (см. 5.2.2).

ПРИЛОЖЕНИЕ S

(справочное)

Методика испытаний импульсами

(см. 6.2.2.3)

S.1 Испытательное оборудование

Генератор импульсов по приложению N.

Запоминающий осциллограф с диапазоном частот в несколько мегагерц.

Высоковольтный пробник с компенсирующими элементами.

S.2 Методика проведения испытаний

На испытуемое оборудование воздействуют необходимым количеством импульсов и записывают форму сигналов.

Примеры, приведенные в разделе S.3, помогают разобраться, сработал ли ограничитель выбросов или пробита изоляция.

S.3 Примеры форм сигналов при испытаниях импульсами

Последовательные импульсы повторяются по форме

Рисунок S.1 - Форма сигнала при испытании изоляции
(ограничитель выбросов отсутствует,
пробоя изоляции нет)

Последовательные импульсы не повторяются по форме. Форма каждого импульса изменяется вследствие пробоя изоляции. Пробой четко виден на осциллограмме импульсного напряжения.

Рисунок S.2 - Форма сигналов при пробое изоляции
(ограничитель выбросов отсутствует).

1 - разряд в газе; 2 - разряд в полупроводнике; 3 - разряд в оксиде металла

Последовательные импульсы повторяются по форме.

Рисунок S.3 - Форма сигнала при испытании изоляции
(при работающем ограничителе импульсов)

Рисунок S.4 - Форма сигнала при закороченных ограничителе помех и изоляции

ПРИЛОЖЕНИЕ Т

(справочное)

Рекомендации по защите от воздействия воды

(см. 1.1.2)

Если конструкция изделия допускает попадание воды, то уровень защиты должен быть выше IPX0; он должен быть выбран изготовителем из ГОСТ 14254, выдержки из которого включены в это приложение.

Дополнительные особенности конструкции должны быть учтены, чтобы гарантировать отсутствие попадания и воздействия воды на изоляцию.

В ГОСТ 14254 приведены условия испытаний для каждой степени защиты, отличной от IPX0. Условия, соответствующие выбранной степени защиты, должны быть учтены в конструкции оборудования. На любой изоляции, которая может подвергнуться воздействию влаги, испытания должны показать, что вода не создает риска опасности или пожара, а изоляция выдерживает испытания на электрическую прочность, как определено в 5.2.2. В частности, вода не должна попадать на изоляцию, которая не предназначена для работы во влажных условиях.

Если в оборудовании предусмотрены отверстия для вытекания воды, то обследование должно подтвердить, что попадающая вовнутрь вода нигде не аккумулируется и удаляется без специальных средств.

Если в оборудовании нет отверстий для вытекания воды, то необходимо принимать во внимание возможность скопления воды.

В случае, если в часть оборудования возможно попадание воды, например когда оно устанавливается через отверстие в стене, то только выступающие части подвергаются испытаниям по ГОСТ 14254. Для этих испытаний оборудование должно быть помещено в соответствующую испытательную установку, моделирующую фактические условия согласно инструкции по эксплуатации, включая использование комплекта защиты от влаги.

Должна быть исключена возможность удаления без помощи ИНСТРУМЕНТА частей, которые гарантируют требуемую степень защиты от попадания воды.

Информация в таблице Т.1 представлена из ГОСТ 14254, таблица 3.

Таблица Т.1 - Выдержки из ГОСТ 14254

Обозначение защиты

Степень защиты

Описание

Определение

0

Нет защиты

-

1

Защищено от вертикально падающих капель воды

Вертикально падающие капли не должны оказывать вредного воздействия

2

Защищено от вертикально падающих капель воды, когда оболочка отклонена на угол до 15°

Вертикально падающие капли не должны оказывать вредного воздействия, когда оболочка отклонена от вертикали в любую сторону на угол до 15° включ.

3

Защищено от воды, падающей в виде дождя

Вода, падающая в виде брызг в любом направлении, составляющем угол до 60° включ. с вертикалью, не должна оказывать вредного воздействия

4

Защищено от сплошного обрызгивания

Вода, падающая в виде брызг на оболочку с любого направления, не должна оказывать вредного воздействия

5

Защищено от водяных струй

Вода, направляемая на оболочку в виде струй любого направления, не должна оказывать вредного воздействия

6

Защищено от сильных водяных струй

Вода, направленная на оболочку в виде сильных струй любого направления, не должна оказывать вредного воздействия

7

Защищено от воздействия при временном (непродолжительном) погружении в воду

Должно быть исключено проникновение воды внутрь оболочки в количестве, оказывающем вредное воздействие, при ее погружении на короткое время при стандартизованных условиях по давлению и длительности

8

Защищено от воздействия при длительном погружении в воду

Должно быть исключено проникновение воды внутрь оболочки в количестве, оказывающем вредное воздействие, при ее длительном погружении в условиях, согласованных между изготовителем и потребителем, однако более жестких, чем для цифры 7

ПРИЛОЖЕНИЕ U

(обязательное)

Изолированные намоточные провода, для использования без межслоевой изоляции

(см. 2.10.5.4)

Приложение устанавливает требования к намоточным проводам, которые могут использоваться как ОСНОВНАЯ, ДОПОЛНИТЕЛЬНАЯ, ДВОЙНАЯ или УСИЛЕННАЯ ИЗОЛЯЦИИ в наматываемых компонентах без дополнительной прокладываемой изоляции.

Приложение устанавливает также требования к намоточным проводам диаметром 0,2 - 1,00 мм. Для других размеров требования изложены в ГОСТ Р МЭК 60851-3, ГОСТ Р МЭК 60851-5 и ГОСТ Р МЭК 60851-6.

U.1 Структура провода

Если провод изолирован двумя или более, спирально обернутыми слоями ленты, то перекрытие слоев должно быть таким, чтобы гарантировать непрерывность перекрытия при производстве наматываемых компонентов. Слои ленты должны быть закреплены так, чтобы обеспечивать необходимое перекрытие.

U.2 Типовые испытания

Провод должен выдержать испытания U.2.1 - U.2.4, выполненные при температуре от 15 до 35 °С и относительной влажности 45 % - 75 %, если не указано иное.

U.2.1 Электрическая прочность

Испытательный образец подготавливают согласно ГОСТ Р МЭК 60851-5, 4.4.1 (для витой пары). Образец подвергают испытанию по 5.2.2 напряжением, равным не менее чем удвоенному соответствующему напряжению из таблицы (см. 5.2.2) или 6000 В действующего значения, независимо от того, какое значение больше.

U.2.2 Сцепление и гибкость

Испытание 8 по ГОСТ Р МЭК 60851-3, 5.1.1 проводят с учетом таблицы U.1, в которой даны диаметры оправок. Затем образец подвергают испытанию по 5.2.2 напряжением, равным не менее чем соответствующему напряжению из таблицы (см. 5.2.2) или 3000 В действующего значения, независимо от того, какое значение больше.

Таблица U.1 - Диаметры оправок

В миллиметрах

Номинальный диаметр провода

Диаметр оправки ± 0,2

Номинальный диаметр провода

Диаметр оправки ± 0,2

0,20 - 0,34

4,0

0,50 - 0,74

8,0

0,35 - 0,49

6,0

0,74 - 1,00

10,0

Усилие, с которым провод наматывают на оправку, зависит от диаметра провода и его выбирают из расчета 118 МПа ± 10 % (118 Н/мм2 + 10 %).

U.2.3 Тепловой удар

Проводят испытание 9 по ГОСТ Р МЭК 60851-6, за которым следует испытание на электрическую прочность по 5.2.2 напряжением, равным не менее соответствующего напряжения из таблицы (см. 5.2.2) или 3000 В действующего значения, независимо от того, какое значение больше.

Температура в испытательной камере должна соответствовать температуре для класса нагревостойкости изоляции из таблицы U.2.

Диаметр оправки и усилие, с которым провод наматывают на оправку, - согласно U.2.2.

Испытание на электрическую прочность проводят при комнатной температуре после удаления образца из испытательной камеры.

Таблица U.2 - Температура при испытании

Класс нагревостойкости

А (105)

Е (120)

В (130)

F (155)

Н (180)

Температура при испытании, °С

± 5 ºС

200

215

225

240

260

U.2.4 Сохранение электрической прочности после изгиба

Пять образцов подготавливают, как указано в U.2.2, и проверяют следующим образом. Из каждого образца удаляют оправку и помещают в контейнер так, чтобы он был погружен, по крайней мере на 5 мм в металлическую дробь. Концы проводника должны быть достаточно длинными, чтобы избежать перекрытия. Дробь должна быть изготовлена диаметром не более 2 мм из нержавеющей стали, никеля или железа, покрытого никелем. Дробь осторожно засыпают в контейнер, пока образец не будет покрыт слоем толщиной не менее 5 мм. Дробь периодически должна очищаться подходящим для этого растворителем (например 1,1,1 - трихлорэтаном).

Примечание- Вышеупомянутая процедура изложена в 4.6.1с ГОСТ Р МЭК 60851-5.

Испытательное напряжение, равное не менее чем приведенному в таблице (см. 5.2.2) или 3000 В действующего значения, (выбирают независимо от того, какое значение больше), подают между дробью и проводом.

Диаметр оправки и усилие, с которым провод наматывают на оправку, - согласно U.2.2.

U.3 Испытание в процессе производства

Провод в процессе производства должен подвергаться изготовителем испытанию на электрическую прочность, как определено в U.3.1 и U.3.2.

U.3.1 Периодическое испытание

Испытательное напряжение при ПЕРИОДИЧЕСКИХ ИСПЫТАНИЯХ должно выбираться из таблицы (см. 5.2.2), но быть не менее 3 кВ действующего значения, или 4.2 кВ пикового значения.

U.3.2 Испытания образцов

Образцы витой пары должны быть проверены в согласно с ГОСТ Р МЭК 60851-5, 4.4.1. Минимальное напряжение пробоя должно составлять удвоенное значение соответствующего напряжения из таблицы (см. 5.2.2), но не менее чем 6 кВ действующего значения или 8,4 кВ пикового значения.

ПРИЛОЖЕНИЕ V

(обязательное)

Системы распределения электрической энергии

(см. 1.6.1)

V.1 Введение

Согласно ГОСТ 30331.2/ГОСТ 50571.2, системы распределения энергии переменного тока классифицируют как TN, ТТ и IT, в зависимости от расположения токоведущих проводников и метода заземления. Классы и коды пояснены в настоящем приложении. Некоторые примеры каждого класса приведены на рисунках; возможны иные конфигурации.

На рисунках:

- в большинстве случаев, электрические системы питают одно- и трехфазное оборудование, но для простоты, приведены примеры однофазного оборудования;

- источники питания могут содержать вторичные трансформаторы, управляемые мотор генераторы или системы бесперебойного питания;

- для трансформаторов в пределах одного здания, некоторые рисунки применимы, и при этом здание ограничено его полом;

- некоторые электрические системы заземляют в дополнительных точках, например, во входных точках электрических вводов зданий пользователей (см. ГОСТ 30331.2/ГОСТ 50571.2).

Рассматриваются следующие типы подключения оборудования (в число проводов не включают проводники, используемые исключительно для заземления):

- однофазный двухпроводный;

- однофазный трехпроводный;

- двухфазный трехпроводный;

- трехфазный трехпроводный;

- трехфазный четырехпроводный.

Системные используемые коды имеют следующие значения.

Первая буква (отношение электрической системы к земле) означает:

Т - прямое подключение одного полюса к земле;

I - систему, изолированную от земли или в одной точке, соединенной с землей через импеданс.

Вторая буква (заземление оборудования) означает:

Т - прямое подключение оборудования к земле, независимо от заземления любой точки электрической системы;

N - прямое подключение оборудования к точке заземления системы электропитания (в системах переменного тока, точка заземления электрической системы обычно нейтраль или, если нейтраль недоступна, фазовый проводник).

Последующие буквы (расположение нейтральных и защитных проводников) означают:

S - защитную функцию обеспечиваемую проводником, отделенным от нейтрали или от заземленной линии (или в системах переменного тока от заземленной фазы);

С - нейтраль и защитные функции, объединенные в одном проводнике (PEN проводник).

V.2 Системы распределения энергии типа TN

В системах электропитания типа TN с непосредственным заземлением части оборудования, которые должны быть заземлены, соединяют с ПРОВОДОМ ЗАЩИТНОГО ЗАЗЕМЛЕНИЯ. Рассматривают три вида систем электропитания типа TN:

TN-S - система, в которой отдельный защитный проводник используется на всем протяжении системы;

TN-C-S - система, в которой нейтраль и защитные функции объединены в одном проводнике в части системы;

TN-C - система, в которой нейтраль и защитные функции объединены в одном проводнике на протяжении всей системы.

Некоторые системы типа TN питаются от вторичной обмотки трансформатора, имеющего заземление в центральной точке (нейтрали). Если используют два фазовых и нейтральный проводники, то такие системы обозначают как «однофазные трехпроводные электрические системы».

Рисунок V.1 - Пример TN-S темы энергопитания

Один провод объединяет в себе функции нейтрального и защитного провода в одной из частей системы

Рисунок V.2 - Пример TN-C-S системы энергопитания

Один провод объединяет в себе функции нейтрального и защитного провода

Рисунок V.3 - Пример TN-C системы энергопитания

Защита и функции нейтрали комбинируются в одном (PEN)

Рисунок V.4 - Пример однофазной трехпроводной TN-C системы энергопитания

V.3 Системы распределения энергии типа ТТ

Системы электропитания типа ТТ имеют одну точку непосредственного заземления. Части оборудования, подлежащие заземлению, соединяют в помещении пользователя с заземленными точками, которые являются электрически независимыми от заземленных точек системы распределения энергии.

Заземленная нейтраль и независимое заземление оборудования

Рисунок V.5 - Пример трехфазной линии и нейтрали ТТ системы энергопитания

Заземленная фаза и независимое заземление оборудования

Рисунок V.6 - Пример трехпроводной ТТ системы энергопитания

V.4 Системы распределения энергии типа IT

Системы электропитания типа IT изолированы от земли, за исключением того, что одна точка может быть соединена с землей через импеданс или ограничитель напряжения. Части оборудования, требующие заземления, соединяют с заземлением в помещении пользователя.

Нейтраль может быть соединена с землей через сопротивление или ограничитель напряжения, или изолирована от земли

Рисунок V.7 - Пример трехпроводной (с нейтралью) IT системы энергопитания

Рисунок V.8 - Пример трехфазной IT системы энергопитания

ПРИЛОЖЕНИЕ W

(справочное)

Суммирование токов прикосновения

Приложение поясняет требования и испытания, приведенные в 5.1.8.2.

W.1 Токи прикосновения от электронных цепей

Имеются два совершенно различных механизма, которые определяют величину электрического тока, проходящего через тело человека, касающегося электрической цепи (или электрической магистрали), в зависимости от того, является ли цепь заземленной. Это разделение между заземленными и незаземленными (с изменяющимися параметрами) цепями не такое, как между ОБОРУДОВАНИЕМ КЛАССА I и ОБОРУДОВАНИЕМ КЛАССА II. Цепи с измененными параметрами могут существовать в ОБОРУДОВАНИИ КЛАССА I, а заземленные цепи - в ОБОРУДОВАНИИ КЛАССА II. Цепи с измененными параметрами обычно, но не только, используют в оборудовании передачи данных и заземленных цепях аппаратуры обработки данных.

Чтобы рассмотреть самый худший случай, приведенный в настоящем приложении, будем считать, что ТЕЛЕКОММУНИКАЦИОННЫЕ СЕТИ не подсоединены и проводники ПИТАНИЯ ОТ СЕТИ ПЕРЕМЕННОГО ТОКА и люди как тела (ОБСЛУЖИВАЮЩИЙ ПЕРСОНАЛ или ОПЕРАТОРЫ) заземлены. Необходимо отметить, что ОБСЛУЖИВАЮЩИЙ ПЕРСОНАЛ может касаться частей, которые НЕ ДОСТУПНЫ ДЛЯ ОПЕРАТОРА. «Заземленная» цепь означает, что она или непосредственно заземлена, или некоторым способом, подключена к земле так, что ее потенциал относительно земли установлен.

W1.1 Цепи с изменяющимися параметрами

Если цепь не заземлена, то ток IC - через тело человека протекает вследствие «утечки» через паразитную или собственную емкость С и через изоляцию в сетевом трансформаторе (см. рисунок W.1).

Рисунок W.1 - Прикосновение к изменяющейся цепи

Ток IС характеризуется относительно высоким напряжением, высоким импедансом источника, и его значение в значительной степени не зависит от рабочего напряжения электронной цепи. В настоящем стандарте ток IС через тело человека ограничивают, применяя при испытании измерительный прибор из приложения D, который грубо моделирует тело человека.

W.1.2 Заземленные цепи

Если электронная цепь заземлена, ток через тело человека Iv зависит от рабочего напряжения U в цепи, являющегося источником более низкого импеданса по сравнению с телом (см. рисунок W.2). Любой ток утечки от сетевого трансформатора (см. W.1.1) будет уходить на землю и не будет проходить через тело человека.

Рисунок W.2 - Ток прикосновения от заземленной цепи

В настоящем стандарте ток через тело человека Iv ограничивают, определяя максимальные значения напряжения для доступной цепи, которая должна быть БСНН ЦЕПЬЮ или (с ограниченной достижимостью) НТС ЦЕПЬЮ.

W.2 Соединение нескольких единиц оборудования

Это характерная специфика оборудования информационной технологии, особенно в целях передачи данных, когда много единиц оборудования могут быть соединены с центральным оборудованием в «звезду». Пример - телефонные расширители или оконечные устройства ввода данных, соединенные с УЧРЕЖДЕНЧЕСКОЙ АТС, которая может иметь десятки или сотни портов. Этот пример используется в следующем описании (см. рисунок W.3).

Каждое оконечное устройство может быть источником тока для человека, касающегося цепи соединения (I1, I2,….., Iп), суммируемым с током, от портов УЧРЕЖДЕНЧЕСКОЙ АТС. Если несколько цепей соединены в общей точке, их индивидуальные токи прикосновения суммируются, и это представляет возможную опасность человеку, стоящему на земле и касающемуся цепи соединения.

Различные пути исключения этой опасности рассматривают в следующих разделах.

Рисунок W.3 - Суммирование токов прикосновения в УЧРЕЖДЕНЧЕСКОЙ АТС

W.2.1 Изоляция

Изолируйте все цепи соединителей друг от друга и от земли, и ограничьте I1, I2,…., Iп до безопасного значения, как описано в W.1.1. Это подразумевает или использование в УЧРЕЖДЕНЧЕСКОЙ АТС отдельного блока питания для каждого порта, или обеспечение индивидуального трансформатора для каждой линии (сигнала). Такие решения не эффективны из-за высокой стоимости.

W.2.2 Общая возвратная точка, изолированная от земли

Подключите все сигнальные цепи в общей возвратной точке, изолированной от земли. (Такие подключения в общей точке могут быть в любом случае необходимы по функциональным причинам.) В этом случае полный ток от всех цепей соединителей пройдет через заземленное тело человека, касающееся любого провода любой цепи соединителей. Этот ток может быть ограничен только уменьшением токов I1, I2,…., Iп соответственным уменьшением числа портов на УЧРЕЖДЕНЧЕСКОЙ АТС. Однако значение полного тока будет вероятно меньшим, чем I1 + I2…. + Iп из-за гармоник и других эффектов.

W.2.3 Общая возвратная точка, соединенная с защитной землей

Соедините все сигнальные цепи в общей возвратной точке и подключите эту точку к защитной земле. Ситуация, описанная в W.1.2, применима независимо от числа портов. Так как безопасность зависит от наличия заземления, может возникнуть необходимость использования заземления с высокой целостностью, в зависимости от максимального значения полного тока, который может протекать.

ПРИЛОЖЕНИЕ X

(справочное)

Испытание трансформатора на максимальный нагрев

(см. С.1)

Раздел С.1 требует, чтобы трансформаторы были нагружены способом, создающим максимальный нагрев. В этом приложении даются примеры различных методов создания этого условия. Возможны другие методы, и соответствие разделу С.1 не ограничивается этими примерами.

X.1 Определение максимального входного тока

Определяют значение входного тока Ir при номинальной нагрузке (см. этап А таблицы X.1). Это значение может быть установлено измерением или получено от изготовителя.

При измерении входного тока нагрузку подключают к выходной обмотке или к выходу импульсного блока питания. Нагрузку регулируют настолько быстро, что обеспечить максимальное значение входного тока Iт , который устанавливается за время работы приблизительно в течение 10 с (см. этап В таблицы X.1). Испытание повторяют в соответствии со этапом С и, в случае необходимости, переходят к этапам D и J. Входной ток на каждом этапе отмечают и поддерживают постоянным до:

a) стабилизации температуры трансформатора без срабатывания любого компонента или защитного устройства (собственная защита) после чего никакое дальнейшее испытание не проводят, или

b) срабатывания компонента или защитного устройства, после чего температуру обмотки немедленно фиксируют. Дальнейшее испытание Х.2 проводят в зависимости от типа защиты.

Если любой компонент или защитное устройство срабатывает в течение 10 с после подачи первичного напряжения, регистрируют значение Iт непосредственно перед тем, как компонент или защитное устройство срабатывает.

При проведении испытаний, описанных в этапах С - J таблицы X.1, переменную нагрузку регулируют настолько быстро, насколько возможно, и переналаживают, в случае необходимости, через 1 мин. после подачи первичного напряжения. Последовательность этапов С - J может быть полностью изменена.

Таблица Х.1- Этапы испытаний

Этап

Входной ток трансформатора или импульсного блока питания

Этап

Входной ток трансформатора или импульсного блока питания

А

Входной ток в номинальной нагрузке Ir

D

Ir + 0,50(Im - Ir)

Е

Ir + 0,25(Im - Ir)

В

Максимальное значение входного тока после воздействия в течение 10 с равно Iт

F

Ir + 0,20(Im - Ir)

G

Ir + 0,15(Im - Ir)

Н

Ir + 0,10(Im - Ir)

С

Ir + 0,75(Im - Ir)

J

Ir + 0,05(Im - Ir)

Х.2 Метод испытания на перегрузку

Электронная защита

Если испытание по Х.1 приводят к состоянию, описанному в X.1b, то ток каждый раз на этапах уменьшают на 5 % от этого состояния или увеличивают на 5 % от номинальной нагрузки, чтобы создать максимальную перегрузку, при которой температура стабилизируется без срабатывания электронной защиты.

Тепловая защита

Нагрузку регулируют так, чтобы рабочая температура оставалась на несколько градусов ниже номинальной температуры срабатывания тепловой защиты.

Максимальная токовая защита

Нагрузку регулируют так, чтобы текущий ток был несколько меньше по сравнению с током срабатывания защитного устройства.

Ключевые слова: оборудование информационных технологий, требования безопасности, методы испытаний




Яндекс цитирования



   Copyright © 2007-2026,  www.tehlit.ru.

[ ѓосты, стандарты, нормативы, инструкции, правила, строительные нормы ]