//
ТехЛит.ру
- крупнейшая бесплатная электронная интернет библиотека для "технически умных" людей.
WWW.TEHLIT.RU - ТЕХНИЧЕСКАЯ ЛИТЕРАТУРА

:: Алготрейдинг::


АЛГОТРЕЙДИНГ
шаг за шагом
с нуля по урокам!

Торговые роботы на PYTHON, BackTrader,
Pandas, Pine Script для TradingView. Связка с брокерами, телеграм и легкими приложениями.


ФЕДЕРАЛЬНЫЙ ГОРНЫЙ И ПРОМЫШЛЕННЫЙ НАДЗОР РОССИИ
(ГОСГОРТЕХНАДЗОР РОССИИ)

СЕРИЯ 10

НОРМАТИВНЫЕ ДОКУМЕНТЫ ПО БЕЗОПАСНОСТИ,
НАДЗОРНОЙ И РАЗРЕШИТЕЛЬНОЙ ДЕЯТЕЛЬНОСТИ
В ОБЛАСТИ КОТЛОНАДЗОРА И НАДЗОРА
ЗА ПОДЪЕМНЫМИ СООРУЖЕНИЯМИ

ВЫПУСК 30

ТИПОВАЯ ИНСТРУКЦИЯ
ПО КОНТРОЛЮ МЕТАЛЛА И ПРОДЛЕНИЮ СРОКА
СЛУЖБЫ ОСНОВНЫХ ЭЛЕМЕНТОВ КОТЛОВ,
ТУРБИН И ТРУБОПРОВОДОВ ТЕПЛОВЫХ ЭЛЕКТРОСТАНЦИЙ

РД 10-577-03

Москва

Государственное унитарное предприятие
«Научно-технический центр по безопасности в промышленности
Госгортехнадзора России»

2003

Ответственные разработчики:

B.C. Котельников, Н.А. Хапонен, А.А. Шельпяков, И.В. Семенова, Р.А. Стандрик, Е.Г. Ситникова, А.П. Ливинский, В.В. Гусев, В.Ф. Резинских, Е.А. Гринь, В.И. Гладштейн, Ф.А. Хромченко, В.Ф. Злепко, В.А. Богачев, А.В. Федосеенко, Б.Э. Школьникова, Т.А. Швецова, Ю.В. Балашов, Б.Д. Дитяшев, А.Б. Попов, С.В. Лунева, Н.Н. Фалалеева

Типовая инструкция по контролю металла и продлению срока службы основных элементов котлов, турбин и трубопроводов тепловых электростанций регламентирует требования к контролю и определению состояния металла основных элементов теплосилового оборудования действующих энергоустановок в целях обеспечения их надежной и безопасной эксплуатации.

Положения Типовой инструкции подлежат обязательному применению независимо от форм собственности и подчинения на предприятиях отрасли «Электроэнергетика» и на предприятиях, в составе (структуре) которых находятся тепловые электростанции.

Типовая инструкция распространяется на котлы, турбины и трубопроводы пара и горячей воды энергоустановок, работающих с номинальным давлением пара выше 4,0 МПа.

В связи с введением в действие настоящей Типовой инструкции после ее официального опубликования считается утратившей силу Типовая инструкция по контролю металла и продлению срока службы основных элементов котлов, турбин и трубопроводов тепловых электростанций [РД 10-262-98 (РД 153-34.1-17.421-98)].

СОДЕРЖАНИЕ

Введение. 3

1. Общие положения. 3

2. Парковый ресурс элементов тепломеханического оборудования. 5

3. Методы, объемы и сроки проведения контроля состояния металла и сварных соединений энергооборудования. 12

4. Порядок и организация проведения контроля металла и продления срока службы оборудования после выработки паркового ресурса. 40

5. Порядок проведения контроля и исследований металла. 41

6. Критерии оценки состояния металла. 48

Приложение 1 Термины и определения. 53

Приложение 2 Методика определения деталей и элементов трубопроводов, работающих с наибольшими напряжениями, для включения их в контрольную группу элементов. 55

Приложение 2.1 Формуляр. 58

Приложение 2.2 Перечень документации. 58

Приложение 2.3 Ведомость дефектов трубопроводов. 59

Приложение 2.4 Расчетная схема трубопровода, представлена в качестве типовой (приводятся типоразмер и материал труб, радиусы гибов, а также расчетные параметры пара) 59

Приложение 2.5 Напряжения в сечениях трубопроводов. 61

Приложение 2.6 Нагрузки на опоры и подвески трубопровода. 61

Приложение 2.7 Результаты контроля за температурными перемещениями трубопровода. 61

Приложение 3 Данные по наработкам и среднегодовым температурам пара за все годы эксплуатации. 62

Приложение 4 Формуляр обследования энергооборудования, отработавшего парковый ресурс или дополнительно разрешенное время. 62

Приложение 5 План работ по обследованию металла и сварных соединений тепломеханического оборудования, выработавшего парковый ресурс. 63

Приложение 6 Общие сведения по котлу. 63

Приложение 6.1 Коллекторы котла (для барабанных котлов, начиная от барабана, для прямоточных с Т ³ 400 °С) 63

Приложение 6.2 Перепускные трубы котла (для барабанных котлов, начиная от барабана, для прямоточных с Т ³ 400 °С) 63

Приложение 7 Общие сведения по турбине. 63

Приложение 7.1 Параметры турбины.. 64

Приложение 7.2 Результаты контроля металла роторов турбин. 64

Приложение 7.3 Результаты контроля литых деталей. 64

Приложение 7.4 Результаты контроля металла насадных дисков. 65

Приложение 7.5 Результаты контроля металла рабочих лопаток. 65

Приложение 7.6 Результаты контроля металла диафрагм.. 65

Приложение 7.7 Результаты контроля пароперепускных труб турбины.. 65

Приложение 8 Акт приемки паропроводов ТЭС после выполнения планового ремонта. 66

Приложение 9 Решение по установлению возможности и сроков дальнейшей эксплуатации. 67

Список рекомендуемых нормативных документов. 68

Утверждена

постановлением Госгортехнадзора

России от 18.06.03 № 94,

зарегистрированным

Министерством юстиции

Российской Федерации 19.06.03 г.,

регистрационный № 4748

ТИПОВАЯ ИНСТРУКЦИЯ
ПО КОНТРОЛЮ МЕТАЛЛА И ПРОДЛЕНИЮ СРОКА
СЛУЖБЫ ОСНОВНЫХ ЭЛЕМЕНТОВ КОТЛОВ,
ТУРБИН И ТРУБОПРОВОДОВ ТЕПЛОВЫХ ЭЛЕКТРОСТАНЦИЙ*

* Печатается по «Российской газете» от 21 июня 2003 г., № 120/1.

РД 10-577-03

ВВЕДЕНИЕ

Типовая инструкция по контролю металла и продлению срока службы основных элементов котлов, турбин и трубопроводов тепловых электростанций (далее - ТИ) регламентирует требования к контролю и определению состояния металла основных элементов теплосилового оборудования действующих энергоустановок в целях обеспечения их надежной и безопасной эксплуатации.

Положения ТИ подлежат обязательному применению независимо от форм собственности и подчинения на предприятиях отрасли «Электроэнергетика» и на предприятиях, в составе (структуре) которых находятся тепловые электростанции (ТЭС).

Контроль за выполнением требований ТИ осуществляет Госгортехнадзор России.

Научно-техническое руководство по контролю, диагностированию и созданию информационной системы служебных характеристик металла, а также по прогнозированию и управлению ресурсом оборудования ТЭС осуществляет РАО «ЕЭС России» через отраслевые экспертные организации, которые должны привлекаться к работам, указанным в ТИ.

Термины и определения, применяемые в настоящем руководящем документе, приведены в приложении 1.

1. ОБЩИЕ ПОЛОЖЕНИЯ

1.1. Настоящая ТИ регламентирует порядок, включая методы, периодичность и объем, эксплуатационного контроля тепломеханического оборудования ТЭС в пределах паркового ресурса, а также устанавливает критерии оценки работоспособности основных элементов этого оборудования и порядок продления сроков его эксплуатации сверхпаркового ресурса.

Перечень контролируемых элементов, методы, объемы и сроки проведения контроля приводятся в разд. 3, а критерии оценки состояния металла - в разд. 6.

ТИ распространяется на котлы, турбины и трубопроводы пара и горячей воды энергоустановок, работающих с номинальным давлением пара выше 4,0 МПа.

1.2. Контроль и диагностика проводятся в целях оценки состояния и возможности дальнейшей эксплуатации металла элементов и деталей теплоэнергетического оборудования для обеспечения их надежной эксплуатации до момента проведения очередного контроля или замены.

Элементы оборудования считаются пригодными к дальнейшей эксплуатации, если по результатам контроля окажется, что состояние основного и наплавленного металла удовлетворяет требованиям настоящей ТИ и другой действующей нормативно-технической документации.

1.3. Контроль металла проводится лабораториями или службами металлов АО-энерго, АО-электростанций, ремонтных организаций или иных привлеченных организаций, аттестованных в установленном порядке.

Контроль роторов паровых турбин проводится лабораториями или службами металлов организаций - владельцев оборудования, ремонтными и иными организациями, аттестованными в установленном порядке.

1.4. Контроль проводится в основном во время плановых остановов оборудования. Допускается смещение сроков контроля оборудования в большую или меньшую сторону на 5 % паркового ресурса оборудования, указанного в разд. 3 настоящей ТИ.

Решение о смещении сроков контроля для оборудования, не отработавшего парковый ресурс, принимается руководителем организации - владельца оборудования.

Решение о смещении сроков контроля в большую сторону для оборудования, отработавшего парковый ресурс, принимается руководителем организации - владельца оборудования и по представлению специализированной организации утверждается РАО «ЕЭС России».

1.5. При достижении паркового ресурса элементы и детали тепломеханического оборудования допускаются к дальнейшей эксплуатации при положительных результатах технического диагностирования.

Порядок организации контроля оборудования и продления срока его службы за пределами паркового ресурса приведен в разд. 4 настоящей ТИ, номенклатура и объемы типового контроля - в разд. 3.

1.6. Для проведения контроля в процессе эксплуатации проектными организациями и изготовителями оборудования должны быть предусмотрены площадки, съемная изоляция, реперы и т.д.

1.7. Владелец оборудования должен организовать учет температурного режима работы металла теплоэнергетического оборудования и систематическую обработку суточных графиков температуры пара за каждым котлом и в паропроводах. По всем паропроводам с температурой пара 450 °С и выше должны учитываться продолжительность и значения превышения температуры пара на каждые 5 °С сверх номинальной. Учет продолжительности (в часах) эксплуатации паропроводов следует проводить по каждому участку, в том числе на РОУ, БРОУ и т.д.

1.8. Ответственность за выполнение контроля металла в объеме и сроки, указанные в настоящей ТИ, возлагается на руководителя организации - владельца оборудования.

Решение о допуске оборудования электростанций к эксплуатации в пределах паркового ресурса принимает технический руководитель организации-владельца.

1.9. Возможность эксплуатации ответственных элементов и деталей энергооборудования (гибов трубопроводов, барабанов, пароперегревателей, коллекторов котлов, главных паропроводов, корпусов цилиндров, стопорных клапанов, роторов турбин) при неудовлетворительных результатах контроля металла определяется специализированной организацией.

Решение о дальнейшей эксплуатации энергооборудования принимается организацией - владельцем оборудования.

1.10. Возможность дальнейшей эксплуатации ответственных элементов и деталей энергооборудования (гибов трубопроводов, барабанов, пароперегревателей, коллекторов котлов, главных паропроводов, корпусов цилиндров, стопорных клапанов, роторов турбин) после выработки ими паркового ресурса определяется специализированными организациями, имеющими лицензию Госгортехнадзора России на экспертизу промышленной безопасности. Заключение экспертизы промышленной безопасности на оборудование, подконтрольное Госгортехнадзору России, утверждается территориальными органами Госгортехнадзора России.

Решение о продлении эксплуатации оборудования утверждается РАО «ЕЭС России».

1.11. На основании настоящей ТИ допускается разработка местных производственных инструкций по контролю металла оборудования электростанции, которые в части объема и периодичности контроля могут отличаться от нее. Эти инструкции подлежат пересмотру не реже одного раза в пять лет. Инструкции согласовываются с РАО «ЕЭС России» и Госгортехнадзором России.

1.12. Новые методы и средства контроля, технического диагностирования металла оборудования могут использоваться на электростанциях после рассмотрения РАО «ЕЭС России» и принятия решения об их применении на основании заключения специализированной организации. Решение РАО «ЕЭС России» о допуске новых методов и средств контроля на оборудовании, подконтрольном Госгортехнадзору России, согласовывается с Госгортехнадзором России.

1.13. Решение о порядке контроля и продления срока службы элементов оборудования, изготовленных из новых отечественных сталей или сталей иностранного производства, готовится РАО «ЕЭС России» на основании заключения специализированной организации и согласовывается с Госгортехнадзором России.

1.14. Изменения в настоящую ТИ вносятся совместным решением Госгортехнадзора России и РАО «ЕЭС России» на основании предложений специализированных организаций.

1.15. Допускается корректировка объемов, методов и номенклатуры контроля состояния оборудования при ремонте или техническом перевооружении оборудования ТЭС РАО «ЕЭС России». Решение о корректировке принимается РАО «ЕЭС России» и согласовывается с Госгортехнадзором России.

По турбоагрегатам и турбинному оборудованию РАО «ЕЭС России» вносит изменения в номенклатуру и объемы контроля металла и методики продления срока службы без согласования с Госгортехнадзором России.

1.16. Результаты контроля, полученные в соответствии с требованиями предыдущей редакции ТИ, могут использоваться при определении возможности дальнейшей работы оборудования и могут быть оформлены в табличной форме как предыдущей, так и настоящей ТИ (приложения 2 - 7).

2. ПАРКОВЫЙ РЕСУРС ЭЛЕМЕНТОВ ТЕПЛОМЕХАНИЧЕСКОГО ОБОРУДОВАНИЯ

В данном разделе приводятся значения паркового ресурса основных элементов энергооборудования.

Парковый ресурс - наработка однотипных по конструкции, маркам стали и условиям эксплуатации элементов теплоэнергетического оборудования, в пределах которой обеспечивается их безаварийная работа при соблюдении требований действующей нормативной документации.

Парковый ресурс не является предельным сроком эксплуатации.

Возможность и условия эксплуатации энергетического оборудования сверхпаркового ресурса устанавливаются РАО «ЕЭС России» на основании заключения специализированной организации.

2.1. Котлы

2.1.1. Значения паркового ресурса коллекторов котлов в зависимости от расчетных параметров эксплуатации и примененных марок стали приведены в табл. 2.1.

Таблица 2.1

Марка стали коллектора котла

Расчетная температура пара в коллекторе, °С

Парковый ресурс коллекторов котла, тыс. ч

12МХ

£ 510

300

12МХ

511 - 530

250

15ХМ

£ 530

300

12Х1МФ

£ 545

200

12Х1МФ

> 545

150

15Х1М1Ф

£ 545

200

15Х1М1Ф

> 545

150

2.1.2. Парковый ресурс прямых участков и гибов паропроводов и пароперепускных труб в пределах котлов и турбин равен парковому ресурсу прямых участков и гибов станционных паропроводов, эксплуатирующихся при таких же номинальных параметрах пара.

2.1.3. Парковый ресурс труб поверхностей нагрева устанавливается лабораторией или службой металлов владельца оборудования или специализированной организацией.

2.1.4. Парковый ресурс барабанов из стали 22К и 16ГНМА составляет 300 тыс. ч для однобарабанных котлов и 250 тыс. ч для двухбарабанных котлов и барабанов из сталей других марок. Парковый ресурс барабанов, имеющих поврежденность на уровне показателей п. 2.3 Инструкции [1], корректируется в соответствии с табл. 2.1 Инструкции [1].

2.2. Турбины

2.2.1. Значения паркового ресурса турбин в зависимости от параметров их эксплуатации и мощности, а также завода-изготовителя приведены в табл. 2.2.

Таблица 2.2

Организация-изготовитель

Давление свежего пара, МПа

Мощность, МВт

Парковый ресурс турбин

тыс. ч

количество пусков

тмз

9 и менее

50 и менее

270

900

13 - 24

50 - 250

220

600

лмз

9 и менее

100 и менее

270

900

13 - 24

50 - 300

220

600

24

500 - 1200

100

300

НПО Турбоатом

9 и менее

50 и менее

270

900

13

160

200

600

24

300

170

450

24

500

100

300

Турбины с температурой свежего пара на входе менее 450 °С, а также элементы ЦСД турбин без горячего промперегрева паркового ресурса не имеют.

Парковый ресурс турбин, элементы которых работают в условиях ползучести, определяется наработкой или количеством пусков турбины; оба параметра действуют независимо.

Парковый ресурс турбин, не вошедших в табл. 2.2, приравнивается к значению расчетного ресурса, указанного в паспорте оборудования. При отсутствии этих данных следует обращаться в организацию-изготовитель.

2.3. Крепеж

Парковый ресурс крепежа арматуры и разъемов турбин в зависимости от номинальных параметров их эксплуатации и примененных марок стали приведен в табл. 2.3.

Таблица 2.3

Марка стали крепежа

Номинальная температура пара, °С

Парковый ресурс крепежа арматуры и разъемов турбин, тыс. ч

ЭИ723

£ 525

200

ЭИ723

> 525

100

ЭП182

£ 560

220

ЭП44

£ 545

220

ЭП44

> 545

100

ЭИ10

£ 510

270

ЭИ993

£ 560

220

2.4. Паропроводы

В табл. 2.4 приведены значения паркового ресурса паропроводов и их основных элементов в зависимости от типоразмеров паропроводов, номинальных параметров пара и марок стали.

Таблица 2.4

№ п/п

Марка стали

Типоразмер паропровода, мм

Номинальные параметры пара

Парковый ресурс основных элементов паропровода, тыс. ч

Парковый ресурс паропровода в целом, тыс. ч

Dн

S

R

Т,°С

р, МПа

Прямые трубы

Гибы труб

1

2

3

4

5

6

7

8

9

10

1

15Х1М1Ф

980

40

4500

545

3,9

400

100

100

2

15Х1М1Ф

720

25

2500

545

3,9

300

150

150

3

15Х1М1Ф

630

25

2300

545

3,9

400

270

270

4

15Х1М1Ф

465

75

2100

545

25,5

175

110

110

5

15Х1М1Ф

426

16

1700

565

2,2

400

250

250

6

15Х1М1Ф

377

60

1500

545

25,5

150

100

100

7

15Х1М1Ф

377

50

1500

560

14

300

250

250

8

15Х1М1Ф

377

45

1500

560

14

250

200

200

9

15Х1М1Ф

377

45

1500

550

13

300

250

250

10

15Х1М1Ф

377

45

1500

545

14

300

250

250

11

15Х1М1Ф

377

43

1500

560

14

200

150

150

12

15Х1М1Ф

377

43

1500

550

13

300

250

250

13

15Х1М1Ф

377

40

1500

545

14

300

240

240

14

15Х1М1Ф

325

60

1370

545

25,5

320

250

250

15

15Х1М1Ф

273

50

1000

550

25,5

250

200

200

16

15Х1М1Ф

273

45

1000

545

14

400

350

350

17

15Х1М1Ф

273

36

1000

560

14

300

250

250

18

15Х1М1Ф

273

36

1000

545

14

400

300

300

19

15Х1М1Ф

273

35

1000

565

14

300

220

220

20

15Х1М1Ф

273

34

1000

545

14

400

300

300

21

15Х1М1Ф

273

32

1000

545

14

300

250

250

22

15Х1М1Ф

273

32

1000

540

10

400

350

350

23

15Х1М1Ф

273

26

1000

510

10

400

350

350

24

15Х1М1Ф

273

16

1000

510

10

300

200

200

25

15Х1М1Ф

245

45

1000

560

25,5

175

110

110

26

15Х1М1Ф

245

45

1000

550

25,5

300

200

200

27

15Х1М1Ф

245

45

1000

545

25,5

300

250

250

28

15Х1М1Ф

245

32

1000

545

14

400

300

300

29

15Х1М1Ф

219

26

850

545

14

300

250

250

30

15Х1М1Ф

219

26

850

540

10

400

350

350

31

15Х1М1Ф

219

25

850

565

14

150

100

100

32

15Х1М1Ф

219

25

850

545

14

300

250

250

33

15Х1М1Ф

219

24

850

545

14

300

250

250

34

15Х1М1Ф

219

24

850

540

10

400

350

350

35

15Х1М1Ф

219

22

850

510

10

400

380

350

36

15Х1М1Ф

194

38

750

560

25,8

250

200

200*

* Здесь и далее знак * означает «Паропроводы, для которых необходимо определить возможность дальнейшей эксплуатации, если ранее для них она не была определена».

37

15Х1М1Ф

194

36

750

545

25,5

300

250

250

38

15Х1М1Ф

194

20

750

545

14

250

170

170

39

15Х1М1Ф

168

32

700

550

24

300

250

250

40

15Х1М1Ф

159

30

650

545

25,5

300

250

250

41

15ХМ

325

40

1370

510

10

400

350

350

42

15ХМ

325

34

1370

510

10

400

350

350

43

15ХМ

325

30

1370

510

10

350

300

300

44

15ХМ

273

40

1000

510

10

400

350

350

45

15ХМ

273

35

1000

510

10

400

350

350

46

15ХМ

273

30

1000

510

10

400

350

350

47

15ХМ

273

28

1000

510

10

400

320

320

48

15ХМ

273

26

1000

510

10

350

300

300

49

15ХМ

245

40

1000

510

10

400

350

350

50

15ХМ

219

22

850

510

10

350

320

320

51

15ХМ

194

20

750

510

10

400

350

350

52

15ХМ

194

18

750

510

10

350

300

300

53

15ХМ

168

19

700

510

10

400

350

350

54

12Х1МФ

630

28

2300

560

3,9

300

120

120*

55

12Х1МФ

525

45

2500

510

10

400

400

400

56

12X1МФ

465

20

2100

560

2,85

300

250

250

57

12Х1МФ

465

20

2100

545

3,9

300

250

250*

58

12Х1МФ

465

20

2100

545

3,2

300

250

250

59

12Х1МФ

465

19

2100

545

2,8

350

300

300

60

12Х1МФ

465

19

2100

545

4,2

300

130

130*

61

12Х1МФ

465

19

2100

545

3,9

300

200

200*

62

12Х1МФ

426

20

1700

545

3,7

300

250

250

63

12Х1МФ

426

20

1700

545

3,2

350

300

300

64

12Х1МФ

426

18

1700

545

3,9

300

250

250*

65

12Х1МФ

426

18

1700

545

3,2

300

250

256

66

12X1МФ

426

18

1700

545

2,5

400

300

300

67

12X1МФ

426

17

1700

565

2,4

300

250

250

68

12Х1МФ

426

17

1700

545

3,9

300

175

175

69

12Х1МФ

377

50

1500

565

15,5

80

70

70

70

12Х1МФ

377

50

1500

565

14

150

110

110

71

12Х1МФ

377

50

1500

550

14

300

250

250

72

12Х1МФ

377

45

1500

560

14

115

85

85

73

12Х1МФ

377

45

1500

545

14

300

250

250*

74

12Х1МФ

377

17

1500

565

3,9

210

95

95*

75

12Х1МФ

377

17

1500

545

3,9

300

250

250

76

12Х1МФ

377

16

1500

545

3,2

320

270

270

77

12Х1МФ

377

15

1500

565

3

300

160

160*

78

12Х1МФ

377

15

1500

565

2,8

300

200

200*

79

12Х1МФ

325

50

1370

560

14

300

250

250*

80

12Х1МФ

325

50

1370

545

14

350

300

300

81

12X1МФ

325

48

1370

565

13

300

250

250*

82

12Х1МФ

325

45

1370

565

14

180

140

140*

83

12Х1МФ

325

45

1370

545

14

320

270

270

84

12Х1МФ

325

42

1370

565

13

180

135

135*

85

12Х1МФ

325

42

1370

560

14

180

130

130*

86

12X1МФ

325

42

1370

555

13

300

250

250*

87

12Х1МФ

325

42

1370

545

14

300

250

250

88

12Х1МФ

325

40

1370

565

14

80

70

270

89

12Х1МФ

325

38

1370

560

14

80

75

75

90

12Х1МФ

325

38

1370

545

14

300

210

210*

91

12Х1МФ

325

38

1370

540

10

350

270

270

92

12Х1МФ

325

38

1370

510

10

400

350

350

93

12Х1МФ

325

30

1370

510

10

400

350

350

94

12Х1МФ

325

30

1370

500

10

400

350

350

95

12Х1МФ

325

25

1370

540

10

200

105

105

96

12Х1МФ

325

24

1370

540

10

110

75

75

97

12Х1МФ

325

24

1370

520

10

350

300

300

98

12Х1МФ

325

24

1370

510

10

350

300

300

99

12Х1МФ

325

24

1370

500

10

400

350

350

100

12Х1МФ

325

22

1370

530

9

300

145

145*

101

12Х1МФ

325

22

1370

500

9

400

350

350

102

12Х1МФ

325

20

1370

510

10

220

140

140

103

12Х1МФ

325

20

1370

500

8,5

400

300

300

104

12Х1МФ

325

13

1370

565

3

300

155

155*

105

12Х1МФ

325

12

1370

565

2,8

300

125

125*

106

12Х1МФ

273

45

1000

550

14

350

250

250

107

12Х1МФ

273

40

1000

560

14

300

250

250*

108

12Х1МФ

273

40

1000

545

14

330

270

270

109

12Х1МФ

273

36

1000

560

15,5

120

100

100*

110

12Х1МФ

273

36

1000

560

14

200

160

160*

111

12Х1МФ

273

36

1000

555

13

300

250

250*

112

12Х1МФ

273

36

1000

550

14

300

250

250*

113

12Х1МФ

273

36

1000

545

14

300

250

250

114

12Х1МФ

273

36

1000

540

14

300

250

250

115

12X1МФ

273

36

1000

535

13

350

270

270

116

12Х1МФ

273

36

1000

510

10

400

350

350

117

12Х1МФ

273

32

1000

560

14

90

80

80

118

12Х1МФ

273

32

1000

560

13,5

120

95

95

119

12Х1МФ

273

32

1000

555

14

140

110

110*

120

12Х1МФ

273

32

1000

555

13

210

165

165

121

12Х1МФ

273

32

1000

550

14

200

150

150*

122

12Х1МФ

273

32

1000

545

14

300

220

220*

123

12Х1МФ

273

32

1000

540

14

300

250

250*

124

12Х1МФ

273

32

1000

510

10

400

350

350

125

12X1МФ

273

28

1000

530

11

350

300

300

126

12X1МФ

273

28

1000

510

10

400

350

350

127

12Х1МФ

273

26

1000

530

11

350

300

300

128

12Х1МФ

273

26

1000

530

10

370

320

320

129

12Х1МФ

273

26

1000

510

10

400

350

350

130

12Х1МФ

273

26

1000

510

9

400

350

350

131

12Х1МФ

273

26

1000

500

10

400

350

350

132

12Х1МФ

273

25

1000

540

10

300

250

250

133

12Х1МФ

273

24

1000

510

10

400

350

350

134

12Х1МФ

273

22

1000

540

10

270

165

165*

135

12Х1МФ

273

22

1000

510

10

400

350

350

136

12Х1МФ

273

22

1000

500

10

400

350

350

137

12Х1МФ

273

22

1000

500

9

400

350

350

138

12Х1МФ

273

20

1000

540

10

105

75

75

139

12Х1МФ

273

20

1000

520

10

350

300

300

140

12Х1МФ

273

20

1000

510

10

350

300

300

141

12Х1МФ

273

20

1000

510

9

400

320

320

142

12Х1МФ

273

20

1000

500

10

400

330

330

143

12Х1МФ

273

18

1000

510

10

300

250

250*

144

12Х1МФ

273

17

1000

520

10

140

70

70

145

12Х1МФ

273

17

1000

510

11

150

70

70

146

12Х1МФ

273

17

1000

510

10

300

140

140*

147

12Х1МФ

273

16

1000

510

10

180

80

80

148

12Х1МФ

273

16

1000

500

9

350

300

300

149

12Х1МФ

273

13

1000

560

3,9

300

185

185*

150

12Х1МФ

273

11

1000

545

2,6

400

300

300

151

12Х1МФ

245

62,5

1000

550

25,5

300

250

250

152

12Х1МФ

245

45

1000

545

14

400

350

350

153

12Х1МФ

245

32

1000

540

10

400

350

350

154

12Х1МФ

245

32

1000

540

13,5

300

250

250

155

12Х1МФ

245

30

1000

560

14

150

115

115*

156

12Х1МФ

245

25

1000

510

14

350

320

320

157

12Х1МФ

219

35

850

560

14

300

250

250

158

12Х1МФ

219

32

850

560

13

300

250

250*

159

12Х1МФ

219

32

850

555

14

300

250

250*

160

12Х1МФ

219

29

850

560

14

200

155

155*

161

12Х1МФ

219

29

850

545

14

300

250

250

162

12Х1МФ

219

28

850

560

14

160

120

120*

163

12Х1МФ

219

28

850

545

14

300

250

250*

164

12Х1МФ

219

28

850

510

14

400

350

350

165

12Х1МФ

219

28

850

510

10

400

350

350

166

12Х1МФ

219

26

850

560

14

100

75

75

167

12Х1МФ

219

26

850

550

14

210

150

150*

168

12Х1МФ

219

26

850

545

14

300

215

215*

169

12Х1МФ

219

26

850

540

10

400

300

300

170

12Х1МФ

219

26

850

510

10

400

350

350

171

12Х1МФ

219

26

850

500

10

400

350

350

172

12Х1МФ

219

25

850

560

13,5

100

75

75

173

12Х1МФ

219

25

850

550

14

165

120

120*

174

12Х1МФ

219

25

850

545

14

235

165

165*

175

12Х1МФ

219

24

850

545

15,5

100

70

70

176

12Х1МФ

219

24

850

510

10

400

350

350

177

12Х1МФ

219

22

850

510

10

400

350

350

178

12X1МФ

219

18

850

540

10

280

170

170*

179

12X1МФ

219

18

850

535

9

300

250

250

180

12Х1МФ

219

16

850

545

3,2

400

350

350

181

12Х1МФ

219

16

850

510

10

350

300

300

182

12Х1МФ

219

16

850

500

7,1

400

350

350

183

12Х1МФ

219

14

850

510

10

300

150

150*

184

12Х1МФ

194

22

750

510

10

400

350

350

185

12Х1МФ

194

20

750

540

10

350

300

300

186

12Х1МФ

194

19

750

540

10

300

250

250

187

12Х1МФ

194

19

750

510

10

400

350

350

188

12Х1МФ

194

19

750

510

9

400

350

350

189

12Х1МФ

194

18

750

510

10

400

350

350

190

12Х1МФ

194

16

750

540

10

295

180

180*

191

12Х1МФ

194

15

750

540

10

200

100

100*

192

12Х1МФ

194

15

750

520

10

350

300

300

193

12Х1МФ

194

15

750

510

10

370

320

320

194

12Х1МФ

194

15

750

500

10

400

350

350

195

12Х1МФ

194

14

750

510

11

350

250

250*

196

12Х1МФ

194

14

750

510

10

350

300

300

197

12Х1МФ

194

14

750

500

9

400

350

350

198

12Х1МФ

194

12

750

510

10

300

110

110

199

12Х1МФ

168

20

700

560

14

90

80

80

200

12Х1МФ

168

14

700

540

10

300

180

180*

201

12Х1МФ

168

13

700

540

10

180

100

100*

202

12Х1МФ

159

30

650

545

25,5

225

160

160*

203

12Х1МФ

159

20

650

560

14

140

100

100*

204

12Х1МФ

159

12

650

540

10

100

80

80

205

12Х1МФ

159

10

650

510

10

250

110

110

206

12Х1МФ

159

7

650

545

2,6

400

350

350

207

12Х1МФ

133

20

600

560

14

300

250

250*

208

12Х1МФ

133

20

600

550

14

320

270

270

209

12Х1МФ

133

17

600

560

14

160

110

110*

210

12Х1МФ

133

17

600

550

13

300

250

250*

211

12Х1МФ

133

17

600

540

10

400

350

350

212

12Х1МФ

133

16

600

560

14

90

75

75

213

12Х1МФ

133

16

600

560

13,5

125

90

90

214

12Х1МФ

133

16

600

550

14

210

150

150*

215

12Х1МФ

133

15

600

540

10

350

270

270

216

12Х1МФ

133

15

600

530

9

400

350

350

217

12Х1МФ

133

15

600

500

9

400

350

350

218

12X1МФ

133

13

600

540

10

300

250

250

219

12Х1МФ

133

13

600

530

9

400

350

350

220

12Х1МФ

133

13

600

500

9

400

350

350

221

12Х1МФ

133

10

600

540

10

108

70

70

222

12МХ

325

36

1370

510

10

350

320

320

223

12МХ

326

34

1370

510

10

330

300

300

224

12МХ

325

30

1370

510

10

320

300

300

225

12МХ

325

28

1370

510

10

300

230

230

226

12МХ

325

24

1370

510

10

170

120

120

227

12МХ

273

36

1000

510

10

400

350

350

228

12МХ

273

32

1000

510

10

400

350

350

229

12МХ

273

32

1000

500

9

400

350

350

230

12МХ

273

26

1000

510

11

350

300

300

231

12МХ

273

28

1000

510

10

350

320

320

232

12МХ

273

26

1000

510

10

320

300

300

233

12МХ

273

26

1000

500

9

400

350

350

234

12МХ

273

22

1000

510

10

230

170

170

235

12МХ

273

20

1000

510

10

160

115

115

236

12МХ

273

18

1000

510

10

110

75

75

237

12МХ

245

25

1000

510

10

350

300

300

238

12МХ

245

22

1000

510

10

300

250

250

239

12МХ

219

24

850

510

10

350

330

330

240

12МХ

219

22

850

510

10

350

300

300

241

12МХ

219

22

850

500

9

400

350

350

242

12МХ

219

20

850

510

10

350

300

300*

243

12МХ

194

20

750

510

10

350

300

300

244

12МХ

194

20

750

500

9

400

350

350

245

12МХ

194

19

750

510

10

350

300

300

246

12МХ

194

19

750

500

10

400

350

350

247

12МХ

194

18

750

510

10

350

300

300

248

12МХ

194

15

750

500

10

350

300

300*

249

12МХ

194

14

750

510

10

145

105

105

250

12МХ

168

16

700

510

10

330

300

300

Парковый ресурс стыковых сварных соединений приравнивается к парковому ресурсу прямых труб соответствующих паропроводов.

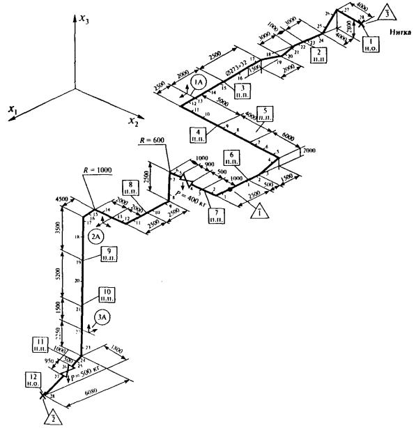
Парковый ресурс литых корпусов арматуры, тройников, колен, переходов, работающих при температуре эксплуатации 450 °С и выше, независимо от марки стали устанавливается равным 250 тыс. ч.

Парковый ресурс тройниковых сварных, а также стыковых сварных соединений, состоящих из элементов с разной толщиной (например, соединения труб с литыми, коваными деталями и переходами), устанавливается специализированными научно-исследовательскими организациями.

Парковый ресурс ЦБЛ труб большинства типоразмеров равен 100 тыс. ч, а труб диаметром 630´25 мм, работающих при температуре 545 °С и давлении 2,5 МПа, - 150 тыс. ч.

3. МЕТОДЫ, ОБЪЕМЫ И СРОКИ ПРОВЕДЕНИЯ КОНТРОЛЯ СОСТОЯНИЯ МЕТАЛЛА И СВАРНЫХ СОЕДИНЕНИЙ ЭНЕРГООБОРУДОВАНИЯ

При проведении контроля основного металла и сварных соединений элементов энергооборудования необходимо учитывать следующее:

Начало проведения контроля определяется или достижением количества пусков, или наработки (см. разд. 3.1 - 3.4), то есть оба параметра (количество пусков и наработка) действуют независимо.

При выявлении повреждений энергооборудования в процессе эксплуатации, а также обнаружении недопустимых дефектов при контроле решение о необходимости и объеме дополнительного контроля принимает организация, проводившая техническое диагностирование.

В графе «Метод контроля» приняты следующие сокращения:

ВК                            - визуальный контроль;

ЦД                           - цветной контроль проникающими веществами;

УЗК                          - ультразвуковой контроль;

УЗТ                          - ультразвуковая толщинометрия;

МПД                        - магнитопорошковая дефектоскопия;

ТР                            - химическое травление;

ТВК                         - токовихревой контроль;

ТВ                            - измерение твердости;

МР                           - метод реплик;

МК                           - магнитный контроль;

Тип 1 (Тр + Тр)      - стыковое сварное соединение трубы с трубой;

Тип 2 (ККН)           - стыковое сварное соединение трубы с донышком коллектора, литой, кованой и штампованной деталью; продольные швы штампосварных колен, стыковые сварные соединения с конструктивными концентраторами напряжений, тройниковые и штуцерные сварные соединения;

РОПС                       - ревизия опорно-подвесной системы;

ПРПС                       - поверочный расчет на прочность и самокомпенсацию.


3.1. Котлы

Объект контроля

Расчетные параметры среды

Количество пусков до начала контроля

Метод контроля

Объем контроля

Периодичность проведения контроля

Примечание

Энергоблоки мощностью 300 МВт и выше

Энергоустановки мощностью менее 300 МВт

1

2

3

4

5

6

7

8

Трубы поверхностей нагрева, трубопроводы в пределах котла с наружным диаметром 100 мм и более, коллекторы

1. Поверхности нагрева

450 °С и выше

 

 

УЗТ

Выборочно в зонах с максимальной температурой стенки в объеме не менее 25 труб

Каждые 50 тыс. ч

При выявлении утонения более 0,5 мм измерения производить каждые 25 тыс. ч

вк, мк

100 % доступных труб

Каждые 50 тыс. ч

Перечень труб, доступных для контроля, утверждается главным инженером ТЭС

Оценка состояния металла вырезок

 

По результатам МК, через каждые 50 тыс. ч. При наличии повреждений - по результатам МК независимо от наработки

Количество и места вырезок с каждой поверхности нагрева с учетом результатов ВК и МК утверждаются главным инженером ТЭС в соответствии с [3 - 5]

Ниже 450 °C

 

 

вк, мк, УЗТ

50 % доступных труб

Каждые 50 тыс. ч

1. Исключая экономайзер

2. Магнитный контроль проводится по решению главного инженера ТЭС

3. Количество и места вырезок с каждой поверхности нагрева с учетом результатов ВК и МК в соответствии с [4, 5] утверждаются главным инженером ТЭС

Оценка состояния металла вырезок

Не менее 2 труб в зонах с ускоренной коррозией (более 1 мм за 105 ч)

 

 

2. Экономайзер

Независимо от параметров

-

-

ВК

100 %

Каждые 50 тыс. ч

 

УЗТ, МК (по необходимости)

5 %

Каждые 50 тыс. ч

 

3. Цельносварные топочные экраны

300 °С и выше

-

-

ВК, УЗТ

В зоне максимальных тепловых нагрузок

Через 50 тыс. ч, далее в каждый капитальный ремонт. На котлах, работающих на газовом топливе, - каждые 100 тыс. ч

Количество контрольных участков размером 200´200 мм и места их расположения должны соответствовать схеме, утвержденной главным инженером электростанции

Оценка состояния металла вырезок

В зонах, где происходили повреждения

В ближайший капитальный ремонт

Количество вырезок и места их расположения должны соответствовать схеме, утвержденной главным инженером станции

4. Паропровод в пределах котла: из сталей: 12МХ и 15ХМ

450 °С и выше

-

-

Измерение остаточной деформации

Прямые трубы и гибы

Каждые 100 тыс. ч

1. При достижении значения остаточной деформации, равного половине допустимого, измерение остаточной деформации производится для прямых труб каждые 50 тыс. ч, для гибов - 25 тыс. ч

2. При значении паркового ресурса 100 тыс. ч и менее измерения остаточной деформации прямых труб производятся при достижении наработки, равной парковому ресурсу, гибов - равной половине паркового ресурса

3. По достижении паркового ресурса проводится ПРПС

4. При выявлении микроповрежденности 3-го балла и более остаточная деформация измеряется каждые 25 тыс. ч. Выбор гибов для оценки микроповрежденности производится по результатам поверочного прочностного расчета всех гибов

12Х1МФ и 15Х1М1Ф

500 °С и выше

-

-

Для прямых труб каждые 100 тыс. ч, для гибов - каждые 50 тыс. ч

независимо от марки стали

450 °С и выше

-

-

Измерение овальности и УЗТ, УЗК, МПД гибов, РОПС

Гибы 100 %

После выработки половины паркового ресурса, далее каждые 50 тыс. ч

 

500 °С и выше

-

-

МР

10 %, но не менее трех гибов труб каждого назначения

1. После выработки паркового ресурса

2. Остаточная деформация достигла половины допустимого значения

 

 

 

 

Оценка состояния металла по вырезкам

Одна вырезка из гиба с максимальной степенью микроповрежденности

После выработки паркового ресурса или при достижении микроповрежденности 3-го балла и более

5. Коллекторы пароперегревателей

Выше 450 °С

500

500

ВК

Кромки внутренней поверхности радиальных отверстий в количестве не менее 3 шт.

При достижении паркового ресурса, далее каждые 100 тыс. ч

1. Контролируется один коллектор каждого вида поверхности нагрева

2. При обнаружении трещин или невозможности проведения контроля вопрос о дальнейшей эксплуатации решает специализированная организация

6. Коллекторы

450 °С и ниже

После 200 тыс. ч, далее каждые 100 тыс. ч

7. Выходной коллектор горячего промперегрева

500 °С и выше

-

-

ВК, УЗК или ТВК

Наружная поверхность коллекторов в зоне расположения штуцеров на участке протяженностью не менее 1000 мм, отстоящем от 1-го штуцера не ближе чем на 400 мм

Каждые 100 тыс. ч

 

8. Корпус впрыскивающего пароохладителя, штатные впрыски паропроводов между поверхностями нагрева

Независимо от параметров

500

700

ВК, УЗК

Наружная и внутренняя поверхности в зоне расположения штуцера водоподающего устройства на длине 40 мм от стенки штуцера

Каждые 25 тыс. ч

 

Пусковые впрыски в паропроводах горячего промперегрева и главных паропроводах

450 °С и выше

-

-

вк, мпд или ЦД, УЗК, УЗТ

Наружная поверхность на нижней образующей на длине 0,5 м от места впрыска и за защитной рубашкой на длине 50 - 100 мм

Каждые 25 тыс. ч

 

9. Гибы необогреваемых труб в пределах котла с наружным диаметром 57 мм и более

450 °С и выше

600

700

ВК, МПД или ЦД, УЗК, УЗТ, измерение овальности

20 % гибов труб каждого типоразмера

После выработки половины паркового ресурса, далее каждые 50 тыс. ч, но не реже чем через 200 пусков

1. При обнаружении дефектных гибов объем контроля гибов данного назначения увеличивается в два раза. При повторном обнаружении дефектов объем контроля увеличивается до 100 %

2. Гибы труб диаметром менее 100 мм контролируются каждые 100 тыс. ч 3. УЗК и МПД (ЦД) проводятся по всей гнутой части на  окружности, включая растянутую и нейтральную зоны

Ниже 450 °С, 24,0 МПа и выше

200

-

вк, мпд или ЦД, или ТР, УЗК, УЗТ, измерение овальности

25 % гибов труб каждого типоразмера с D/S > 9,0; 10 % D/S £ 9,0, но не менее 3 гибов

После наработки 50 тыс. ч, но не позже чем через 200 пусков (D/S > 9,0) и после наработки 100 тыс. ч, но не позже чем через 400 пусков (D/S £ 9,0). Последующий контроль через 50 тыс. ч, но не реже чем через 150 пусков для гибов труб с D/S > 9,0 и через 200 пусков для гибов труб с D/S £ 9,0

1. Выбор гибов для контроля производится из условия, чтобы количество дренируемых и недренируемых труб находилось в пропорции 1:2

2. При обнаружении недопустимых дефектов, подтвержденных ВК вырезки гиба, объем контроля гибов труб данного назначения (перепуска) увеличивается в два раза. При повторном обнаружении дефектов объем контроля гибов труб данного назначения (перепуска) увеличивается до 100 %. Необходимость увеличения объема контроля остальных гибов определяется главным инженером электростанции

3. УЗК и МПД (ЦЦ, ТР) проводятся по всей гнутой части на  окружности, включая растянутую и нейтральную зоны

4. При очередном контроле проверяются гибы, не проконтролированные ранее

Гибы диаметром 57 - 100 мм контролируются вырезкой и ВК внутренней поверхности

Гибы диаметром 57 - 100 мм - не менее 3 шт. на котел

Гибы диаметром 57 - 100 мм - после 150 тыс. ч, далее каждые 50 тыс. ч

При обнаружении недопустимых дефектов в гибах диаметром 57 - 100 мм объем контроля увеличивается в два раза, при повторном обнаружении дефектов подлежат замене 100 % гибов труб данного назначения и диаметра

 

Ниже 450 °С, 10,0 - 14,0 МПа

-

-

-

-

-

Для установок с давлением 10,0 и 14,0 МПа контроль гибов проводится в соответствии с [6]

 

Ниже 450 °С, ниже 10,0 МПа

 

400

ВК, МПД или ЦД, УЗК, УЗТ, измерение овальности

10 % гибов труб каждого типоразмера и назначения, но не менее трех

После наработки 150 тыс. ч. далее каждые 50 тыс. ч, но не реже чем через 200 пусков

1. При обнаружении дефектных гибов труб данного типоразмера объем контроля увеличивается вдвое, при повторном обнаружении - до 100 %

2. УЗК и МПД проводятся по всей гнутой части на  окружности, включая растянутую и нейтральную зоны

Барабаны сварные и цельнокованые*

* Методы и объемы контроля состояния металла элементов барабанов при достижении паркового ресурса устанавливаются согласно [1].

10. Обечайки

11,0 МПа и выше

 

 

ВК

Внутренняя поверхность в доступных местах

После наработки 25 тыс. ч, далее каждые 50 тыс. ч

1. При выявлении подозрительных мест привлекаются средства инструментального контроля

2. При выявлении дефектов, размер которых превышает требования разд. 6.4 настоящей ТИ, по требованию специализированной организации проводится исследование свойств металла барабана на вырезке (пробке)

11. Основные продольные и поперечные сварные швы с околошовной зоной

11,0 МПа и выше

400

-

вк

По всей длине сварных швов на внутренней поверхности в доступных местах

После наработки 25 тыс. ч, далее каждые 50 тыс. ч, но не реже чем через 200 пусков

1. В следующий контроль проверяются участки швов, не проверенные ранее, в том числе в недоступных местах (например, с наружной стороны)

2. При выявлении дефектов контроль увеличивается до 100 %

3. УЗК допускается проводить по наружной стороне

МПД или ЦП, или ТР, УЗК

10 % длины каждого шва с прилегающими зонами по 40 мм

12. Ремонтные заварки в основных сварных швах, выполненные без отпуска

11,0 МПа и выше

-

-

вк, цд или МПД, или ТР, УЗК

Наплавленный металл и прилегающие зоны по 40 мм - 100 %

Через 25 тыс. ч и 50 тыс. ч после ремонта, далее каждые 50 тыс. ч

Аустенитные заварки контролировать ЦД или ТР каждые 25 тыс. ч

13. Ремонтные заварки, выполненные без отпуска

11,0 МПа и выше

-

-

ВК, МПД или ЦД, или ТР

Наплавленный металл и прилегающие зоны по 40 мм - 100 %

Через 25 тыс. ч и 50 тыс. ч после ремонта

14. Ремонтные заварки на поверхности трубных отверстий и на расстоянии от них менее диаметра, выполненные без отпуска

11,0 МПа и выше

-

-

ВК, МПД или ЦД, или ТР

Наплавленный металл и прилегающие зоны по 40 мм - 100 %

Через 25 тыс. ч и 50 тыс. ч после ремонта, далее каждые 50 тыс. ч

15. Швы приварки сепарации

11,0 МПа и выше

-

-

вк

По всей протяженности швов в доступных местах

Через 25 тыс. ч, далее каждые 100 тыс. ч

1. Для барабанов из стали 16ГНМ через 25 тыс. ч, далее через каждые 50 тыс. ч

2. Для следующего контроля выбирать швы, не контролировавшиеся ранее

вк, мпд или ЦД, или ТР

10 % протяженности швов

16. Днища

11,0 МПа и выше

-

-

ВК, МПД или ЦД, или ТР

Внутренняя поверхность - 20 %; швы приварки крепления лазового затвора - 100 %

После наработки 100 тыс. ч, далее каждые 50 тыс. ч

1. Каждый последующий контроль проводится на участках, не проконтролированных ранее

2. Объем и периодичность контроля окуполенных днищ устанавливаются специализированными организациями

17. Лазовые отверстия

11,0 МПа и выше

-

400

ВК, МПД или ЦД, или ТР, УЗК

Поверхность лаза по всей площади и уплотнительная поверхность затвора 100 %

После наработки 100 тыс. ч, далее 50 тыс. ч, но не реже чем через 200 пусков

Методом УЗК контролируется зона поверхности лаза на выявление расслоя металла

18. Отверстия в пределах водяного объема

11,0 МПа и выше

-

400

ВК

Поверхность отверстий и штуцеров с примыкающими к ним участками поверхности барабана шириной 30 - 40 мм от кромки отверстия в объеме 100 %

После наработки 100 тыс. ч, далее каждые 50 тыс. ч, но не реже чем через 200 пусков

1. Контроль поверхности с защитными рубашками или присоединенных методом вальцовки проводится на участках внутренней поверхности шириной 30 - 40 мм, прилегающих к отверстию, без удаления вальцовки или защитной рубашки

2. Выбор отверстий для контроля МПД (ЦД, ТР) производится по результатам ВК. В контрольную группу должны включаться все отверстия труб для ввода фосфатов, рециркуляции, контроля и регулировки уровня

3. При обнаружении дефектов объем контроля увеличивается до 100 %

4. Контроль МПД (ЦД, ТР) в барабанах из стали 16ГНМ проводится каждые 25 тыс. ч, но не реже чем через 100 пусков

МПД или ЦД, или ТР

То же в объеме 50 %

19. Отверстия труб парового объема

11,0 МПа и выше

-

400

вк, мпд или ЦД, или ТР

Поверхность отверстий и штуцеров с примыкающим к ним участком внутренней поверхности барабана шириной 30 - 40 мм от кромки отверстий - в объеме 15 % каждой группы одноименного назначения, но не менее 3

После наработки 150 тыс. ч, далее каждые 50 тыс. ч, но не реже чем через 200 пусков

1. Каждый последующий контроль проводить на отверстиях, не прошедших контроль ранее

2. При выявлении дефектов объем контроля увеличивается в два раза, при повторном выявлении дефектов объем контроля увеличивается до 100 %

20. Угловые сварные соединения приварки штуцеров труб водяного и парового объемов

10,0 МПа и выше

-

-

ВК

С наружной поверхности барабана металл сварного шва с околошовной зоной не менее 30 мм на сторону - 100 % в доступных местах

После наработки 125 тыс. ч, далее каждые 50 тыс. ч

 

МПД или ЦД, или ТР

С наружной поверхности барабана металл сварного шва с околошовной зоной не менее 30 мм на сторону

1. 15 % швов каждой группы труб одноименного назначения, но не менее 2 шт. в каждой группе

2. Ремонтные заварки: наплавленный металл с околошовной зоной не менее 30 мм на сторону - 100 %

1. Контроль проводится на швах, худших по результатам ВК

2. При обнаружении недопустимых дефектов объем контроля увеличивается до 100 %

Литые детали Dу 100 мм и более. Крепеж

21. Корпусы арматуры и другие литые детали

450 °С и выше

600

900

ВК, МПД или ЦД, или ТР

Радиусные переходы наружных и внутренних поверхностей - 100 % деталей

Каждые 50 тыс. ч, но не реже чем через 300 пусков

1. При наличии на детали ремонтной заварки - в каждый капитальный ремонт

2. Корпусы арматуры с Dу £ 250 мм и все литые детали контролируются только с наружной стороны, корпусы арматуры с Dу > 250 мм контролируются методом МПД и ВК снаружи 100 %, изнутри - в доступных местах

ТВ

100 %

После выработки паркового ресурса

 

Отбор проб для металлографического анализа

Одна проба от одной детали с максимальной температурой

После выработки паркового ресурса

Отбор проб производится по требованию специализированной организации

Ниже 450 °C

-

-

вк, мпд или ЦД, или ТР

Радиусные переходы наружных и внутренних поверхностей - 10 % общего количества деталей каждого назначения

Каждые 50 тыс. ч, но не реже чем через 300 пусков

1. При обнаружении недопустимых дефектов объем контроля деталей данного назначения увеличивается до 100 %

2. При последующем контроле проверяются детали, не контролировавшиеся ранее

22. Шпильки М42 и большего размера для арматуры и фланцевых соединений паропроводов

Независимо от параметров

600

600

вк, мпд или ЦД, или ТВК, или ТР, УЗК

Резьбовая поверхность - в доступных местах

Каждые 50 тыс. ч, но не реже чем через 300 пусков

1. Решение о контроле шпилек М36 и менее принимает главный инженер ТЭС

2. Критерии твердости в соответствии с требованиями к исходному состоянию

3. Контроль методами МПД или ЦД, или ТВК, или ТР проводится факультативно по решению главного инженера

 

450 °С и выше

-

-

ТВ

Торцевая поверхность со стороны гайки - 100 %

По достижении паркового ресурса

23. Гайки М42 и большего размера

-

600

600

вк, тв

Торцевая поверхность

По достижении паркового ресурса

Критерии твердости в соответствии с требованиями к исходному состоянию

3.2. Станционные трубопроводы. Паропроводы с наружным диаметром 100 мм и более; питательные трубопроводы с наружным диаметром 76 мм и более

Объект контроля

Расчетные параметры среды

Количество пусков до начала контроля

Метод контроля

Объем контроля

Периодичность проведения контроля

Примечание

Энергоблоки мощностью 300 МВт и выше

Энергоустановки мощностью менее 300 МВт

1

2

3

4

5

6

7

8

1. Трубы паропроводов: из сталей 12МХ, 15ХМ

450 °С и выше

-

-

Измерение остаточной деформации, РОПС паропровода

Прямые трубы и гибы - 100 %

Каждые 100 тыс. ч

1. При достижении значения остаточной деформации, равного половине допустимого, измерение остаточной деформации производится каждые 50 тыс. ч для прямых труб и 25 тыс. ч - для гибов

2. При значении паркового ресурса 100 тыс. ч и менее измерение остаточной деформации производится при достижении времени, составляющего 50 % паркового ресурса

3. По достижении паркового ресурса проводится ПРПС и независимо от срока наработки при отклонениях, выявленных при ревизии ОПС

4. При выявлении микроповрежденности 3 балла и более остаточная деформация измеряется каждые 25 тыс. ч

5. На тех электростанциях, где за весь период эксплуатации паропроводов не происходило разрушений его элементов, включая сварные соединения, а также отсутствуют отклонения от проекта в трассировке, по результатам РОПС, ПРПС проводится факультативно

6. Паропроводы, изготовленные из центробежно-литых труб, контролируются в соответствии с [6]

из сталей 12Х1МФ, 15Х1М1Ф

500 °С и выше

-

-

Для гибов - каждые 50 тыс. ч, для прямых труб - 100 тыс. ч прямых труб

 

 

 

 

 

 

 

2. Гибы паропроводов независимо от марки стали

Выше 500 °С

-

-

вк, Цд или МПД, УЗК

100 %

Контроль гибов по достижении паркового ресурса

1. УЗК и МПД проводятся по всей длине гнутой части на  окружности трубы, включая растянутую и нейтральную зоны

2. При значении паркового ресурса 100 тыс. ч и менее контроль гибов производится при достижении наработки, равной половине паркового ресурса.

450 - 500 °С

-

-

 

5 %

Каждые 100 тыс. ч

100 %

После 300 тыс. ч, далее через каждые 100 тыс. ч

 

Независимо от параметров

-

-

УЗТ, измерение овальности

100 %

В исходном состоянии, по достижении паркового ресурса

При выявлении овальности менее 2 % после достижения паркового ресурса или уменьшении ее вдвое производится оценка микроповрежденности металла гиба

 

450 °С и выше

-

-

Оценка микроповрежденности

Не менее трех гибов

1. При достижении паркового ресурса

2. При достижении значения остаточной деформации, равного половине допустимого

Контролю подвергаются гибы с максимальной остаточной деформацией или с максимальным уровнем температур, или с максимальным уровнем напряжений

Оценка состояния металла по вырезкам

На одном гибе

1. При достижении паркового ресурса

2. При обнаружении микроповрежденности 4 балла и более

Гиб, из которого производится вырезка металла, определяется с учетом результатов неразрушающего контроля

3. Штампованные, штампосварные колена

Независимо от параметров

450

450

ВК, ЦД или МПД, УЗК

25 % общего количества

Каждые 50 тыс. ч, но не реже чем через 150 пусков

1. В штампосварных коленах контролируется 100 % продольных сварных швов

2. При обнаружении недопустимых дефектов контроль увеличивается до 100 %

3. В каждый последующий контроль должны проверяться колена, не проконтролированные ранее

4. Крутоизогнутые отводы (R/D < 2,5)

-

-

-

ВК, ЦД или МПД, УЗК

50 % общего количества

Каждые 50 тыс. ч

 

5. Участки паропроводов в местах приварки штуцеров с Dу 50 мм и более, дренажных линий, врезок БРОУ и РОУ

450 °С и выше

-

-

ВК, УЗК

100 % в зоне возможного износа, на расстоянии не менее двух диаметров труб от места врезки

Каждые 50 тыс. ч

 

6. Питательные трубопроводы от напорного патрубка питательного насоса до котла

Независимо от параметров

250

500

Измерение толщины стенки (УЗТ)

Трубы и фасонные детали после выходных патрубков регулирующей арматуры на длине не менее 10D трубы по ходу движения среды от регулирующего дросселирующего органа, зоны установки дроссельных шайбовых наборов, щелевых дросселей, тупиковые участки в зонах возможного коррозионного износа

После 100 тыс. ч. далее каждые 50 тыс. ч, но не реже чем через 150 пусков

При необходимости производятся вырезка и ее исследование по программе, утвержденной специализированной организацией

 

 

 

 

ВК, измерение толщины стенки, овальности, УЗК, РОПС

Гибы 50 %

 

1. Обязательному контролю подлежат крутоизогнутые гибы, гибы байпасов РПК и отводов ПВД. Допускается не контролировать гибы соединительной питательной магистрали электростанций с поперечными связями при отсутствии дефектов на других проконтролированных элементах. При обнаружении дефектов должно быть проконтролировано не менее 10 % гибов каждого коллектора питательной воды

2. При обнаружении недопустимых дефектов хотя бы в одном из гибов и подтверждении их наличия ВК вырезки из гиба объем контроля увеличивается до 100 %

3. РОПС осуществляется по решению специализированной организации

4. При обнаружении недопустимых дефектов более чем в 30 % гибов проводится ВК внутренней поверхности литых колен в количестве не менее двух

5. Измерение овальности гибов производится один раз за все время эксплуатации

7. Корпусы арматуры и другие литые детали

450 °С и выше

600

900

вк, мпд или ЦД, или ТР

Радиусные переходы наружных и внутренних поверхностей - 100 %

Каждые 50 тыс. ч, но не реже чем через 300 пусков

1. При наличии на детали ремонтной заварки - в каждый капитальный ремонт

2. Корпусы арматуры с Dу £ 250 мм и все литые детали контролируются только с наружной стороны, корпусы арматуры с Dу > 250 мм контролируются методом МПД и ВК снаружи 100 %, изнутри - в доступных местах

ТВ

100 %

После выработки паркового ресурса

 

Отбор проб для металлографического анализа

Одна проба от одной детали с максимальной температурой

После выработки паркового ресурса

Отбор проб проводится по требованию специализированной организации

 

Ниже 450 °С

-

-

ВК, МПД или ЦД, или ТР

Радиусные переходы наружных и внутренних поверхностей - 10 % общего количества деталей каждого назначения

Каждые 50 тыс. ч, но не реже чем через 300 пусков

1. При обнаружении недопустимых дефектов объем контроля деталей данного назначения увеличивается до 100 %

2. При последующем контроле проверяются детали, не контролировавшиеся ранее

8. Шпильки M42 и большего размера для арматуры и фланцевых соединений паропроводов

Независимо от параметров

600

600

ВК, МПД или ЦД, или ТВК, или ТР, УЗК

Резьбовая поверхность - в доступных местах

Каждые 50 тыс. ч, но не реже чем через 300 пусков

1. Решение о контроле шпилек М36 и менее принимает главный инженер ТЭС

2. Критерии твердости в соответствии с требованиями к исходному состоянию

3. Контроль методами МПД или ЦД, или ТВК, или ТР проводится факультативно по решению главного инженера ТЭС

450 °С и выше

 

 

ТВ

Торцевая поверхность со стороны гайки - 100 %

По достижении паркового ресурса

9. Гайки М42 и большего размера

-

600

600

ВК, ТВ

Торцевая поверхность

По достижении паркового ресурса

Критерии твердости в соответствии с требованиями к исходному состоянию

3.3. Паровые турбины

Объект контроля

Расчетные параметры среды

Метод контроля

Объем контроля

Периодичность проведения контроля

Примечание

 

1

2

3

4

5

6

 

1. Корпусы стопорных регулирующих, защитных клапанов, паровпускные патрубки цилиндров

450 °С и выше

ВК, ЦД или МПД, или ТР

Внутренние поверхности в местах радиусных переходов в доступных местах

Каждые 25 тыс. ч эксплуатации, но не реже чем через 300 пусков

Шлифовать и травить в местах аустенитных заварок

 

Наружные поверхности в местах радиусных переходов - 100 %

После наработки 25 тыс. ч, далее - каждые 50 тыс. ч

 

2. Корпусы цилиндров (наружные и внутренние), сопловые коробки

450 °С и выше

ВК, ЦД или МПД, или ТР

Внутренние и наружные поверхности в местах радиусных переходов - 100 %

Каждые 50 тыс. ч. но не реже чем через 450 пусков

При наличии ремонтных выборок глубиной более 40 % толщины стенки и неудовлетворительных свойств металла, выявленных при исследовании вырезок, согласно разд. 5.5 и 6.7 настоящей ТИ или при вынужденной эксплуатации корпусов с трещинами периодичность контроля определяется для деталей с трещинами в недоступных зонах по [8], для деталей с трещинами в других зонах - по [9]

 

3. Корпусы цилиндров и стопорных клапанов

9 - 25 МПа

Исследование металла вырезки

1. При наличии оставленных в эксплуатации трещин

2. После выработки паркового ресурса

1. Размеры и место вырезки определяются специализированными организациями по согласованию с организацией-изготовителем

2. Виды испытаний и критерии оценки состояния металла представлены в разд. 5.5 и 6.7 настоящей ТИ

3. При отсутствии трещин за весь срок эксплуатации объем вырезанного металла сокращается

 

4. Сварные соединения и ремонтные заварки корпусных деталей турбин и паровой арматуры

450 °С и выше

ВК, ЦД или МПД, ТР или твк

Сварные швы и околошовная зона шириной не менее 80 мм по обе стороны от шва - 100 %

Через 50 тыс. ч, но не реже чем через 300 пусков

Шлифовать и травить в местах аустенитных заварок

 

Ремонтные заварки, выполненные аустенитными электродами, - 100 %

Через каждые 25 тыс. ч, но не реже чем через 150 пусков

 

Ремонтные заварки, выполненные перлитными электродами, - 100 %

Через каждые 50 тыс. ч, но не реже чем через 300 пусков

При вынужденной эксплуатации корпусов с не полностью удаленными при ремонте трещинами вопрос о длительности работы и периодичности контроля решается специализированной организацией

 

Ниже 450 °С

ВК, ЦД, или МПД, ТР, или ТВК

Ремонтные заварки вне зависимости от технологии сварки - 100 %

Через 50 тыс. ч, далее - каждые 75 тыс. ч, но не реже чем через 300 пусков

 

 

5. Цельнокованые валы высокого и среднего давления

Независимо от параметров

ВК

Концевые части валов, свободные от уплотнений, обод, гребни, галтели, полотна дисков, разгрузочные отверстия, тепловые канавки промежуточных, концевых и диафрагменных уплотнений, полумуфты - 100 %

Каждые 50 тыс. ч, но не реже чем через 300 пусков

Для турбин мощностью 500 МВт и более - каждые 25 тыс. ч, но не реже чем через 150 пусков

 

450 °С и выше

ЦД или МПД, или ТВК, УЗК

Обод, гребни, разгрузочные отверстия, отверстия полумуфты, галтели дисков, тепловые канавки

После наработки 100 тыс. ч, далее - каждые 50 тыс. ч, но не реже чем через 300 пусков

 

Исследование микроструктуры, ТВ

Полотно диска первой ступени

После исчерпания паркового ресурса

 

ВК, МПД или ТВК, УЗК

Осевой канал с диаметром 80 мм и более

После наработки 100 тыс. ч и исчерпания паркового ресурса

1. Для турбин мощностью 500 МВт и более проводится контроль каждые 50 тыс. ч

2. Допускается не проводить контроль осевого канала, имеющего на поверхности уступы, локальные выборки, задиры. Срок эксплуатации таких роторов определяется специализированными организациями

 

530 °С и выше

Измерения остаточной деформации

Осевой канал с диаметром 80 мм и более

После наработки 100 тыс. ч и исчерпания паркового ресурса

Для турбин производства АО ЛМЗ и АО ТМЗ факультативно

 

6. Насадные диски среднего и низкого давления

Независимо от параметра

ВК

Наружные поверхности в доступных местах

Через каждые 50 тыс. ч, но не реже чем через 300 пусков

Для дисков 16, 18, 20-й ступеней турбин Т-175/185-130 ТМЗ - через каждые 25 тыс. ч, но не реже чем через 150 пусков

 

В зоне фазового перехода

ВК, ЦД или МПД, или ТВК, УЗК

Обод, гребень, разгрузочные отверстия, кромки заклепочных отверстий, галтели, ступичная часть, продельный шпоночный паз - 100 %

 

7. Диафрагмы и направляющие лопатки

Независимо oт параметров

вк

В доступных местах

Каждые 50 тыс. ч, но не реже чем через 300 пусков

 

 

8. Рабочие лопатки

Независимо от параметров

вк

В доступных местах

Каждые 50 тыс. ч, но не реже чем через 300 пусков

 

 

В зоне фазового перехода

ВК, ЦД или МПД, или ТВК, или ТР

Паровходные и выходные кромки в доступных местах, поверхность отверстий

 

УЗК

Хвостовики

УЗК хвостовиков проводится при конструктивной возможности

 

9. Рабочие лопатки последних ступеней

Независимо от параметров

ВК, ЦД или МПД, или ТВК, или ТР

Паровходные и выходные кромки, прикорневая зона, хвостовики в доступных местах, кромки отверстий

Каждые 50 тыс. ч, но не реже чем через 300 пусков

 

 

УЗК

Выходные кромки - 100 %

При наличии эрозионного износа

 

10. Бандажи (цельнокованые, ленточные, проволочные)

Независимо от параметров

ВК

В доступных местах - 100 %

Каждые 50 тыс. ч, но не реже чем через 300 пусков

В подозрительных местах - дополнительно контролировать ЦД или МПД, или ТВК, или ТР

 

11. Призонные болты

Независимо от параметров

ВК, ЦД или МПД, или ТВК, контроль размеров, ТВ

100 %

Каждые 50 тыс. ч

 

 

12. Пароперепускные трубы: из сталей 12MX, 15ХМ

450 °С и выше

Измерение остаточной деформации, РОПС паропровода

Прямые трубы и гибы - 100 %

Каждые 100 тыс. ч

1. При достижении значения остаточной деформации, равного половине допустимого, измерение остаточной деформации производится каждые 50 тыс. ч для прямых труб и 25 тыс. ч - для гибов

2. При значении паркового ресурса 100 тыс. ч и менее измерение остаточной деформации производится при достижении наработки, составляющей 50 % паркового ресурса

3. По достижении паркового ресурса проводится ПРПС и независимо от срока наработки при отклонениях, выявленных при РОПС

4. При выявлении микроповрежденности 3 балла и более остаточная деформация измеряется каждые 25 тыс. ч. РОПС и ПРПС осуществляются в обязательном порядке для паропроводов свежего пара, горячего промперегрева пара; для других паропроводов - в соответствии с действующими документами, а также по усмотрению главного инженера ТЭС

 

из сталей 12Х1МФ, 15Х1М1Ф

500 °С и выше

Для гибов каждые 50 тыс. ч, для прямых труб - 100 тыс. ч

13. Гибы пароперепускных труб независимо от марки стали

Выше 500 °С

ВК, ЦД или МПД, УЗК

100 %

Контроль гибов по достижении паркового ресурса

1. УЗК и МПД проводятся по всей длине гнутой части на  окружности трубы, включая растянутую и нейтральную зоны

2. При значении паркового ресурса 100 тыс. ч и менее контроль гибов проводится при достижении наработки, равной половине паркового ресурса

 

450 - 500 °С

5 %

Каждые 100 тыс. ч

 

100 %

После 300 тыс. ч, далее через каждые 100 тыс. ч

 

Независимо от параметров

УЗТ, измерение овальности

100 %

В исходном состоянии, по достижении паркового ресурса

1. При выявлении овальности менее 2 % после достижения паркового ресурса или уменьшении ее вдвое производится оценка микроповрежденности металла гиба

2. Контролю подвергаются гибы с максимальной остаточной деформацией или с максимальным уровнем температур, или с максимальным уровнем напряжений

3. Гиб, из которого производится вырезка металла, определяется с учетом результатов неразрушающего контроля

 

450 °С и выше

Оценка микроповрежденности

Не менее трех гибов

1. При достижении паркового ресурса

2. При достижении значения остаточной деформации, равного половине допустимого

 

Оценка состояния металла по вырезкам

На одном гибе

1. При достижении паркового ресурса 2. При обнаружении микроповрежденности 4 балла и выше

 

14. Литые колена и другие фасонные детали

450 °С и выше

ВК, МПД или ЦД, или ТР

Радиусные переходы наружных поверхностей - 100 %

Каждые 100 тыс. ч, но не реже чем через 300 пусков

При наличии на детали ремонтной заварки - в каждый капитальный ремонт

 

15. Шпильки М42 и большего размера для клапанов и разъемов цилиндров турбины

Независимо от параметров

ВК, МПД или ЦД, или ТВК, или ТР, УЗК

Резьбовая поверхность - в доступных местах

Каждые 50 тыс. ч, но не реже чем через 300 пусков

1. Решение о контроле шпилек М36 и менее принимает главный инженер ТЭС

2. Контроль методами МПД или ЦД, или ТВК, или ТР проводится факультативно по решению главного инженера ТЭС

 

450 °С и выше

ТВ

Торцевая поверхность со стороны гайки - 100 %

По достижении паркового ресурса

Критерии твердости в соответствии с требованиями к исходному состоянию

 

16. Гайки М42 и большего размера

Независимо от параметров

ВК, ТВ

-

По достижении паркового ресурса

Критерии твердости в соответствии с требованиями к исходному состоянию

 

3.4. Сварные соединения трубопроводов и коллекторов с наружным диаметром 100 мм и более

Объект контроля

Расчетные параметры среды

Количество пусков до начала контроля

Тип сварного соединения

Метод контроля

Объем контроля

Периодичность проведения контроля

Примечание

Энергоблоки мощностью 300 МВт и выше

Энергоустановки мощностью менее 300 МВт

1

2

3

4

5

6

7

8

9

1. Питательный трубопровод от напорного патрубка питательного насоса до котла

Независимо от параметров

-

-

Тип 1

ВК, УЗК

5 %

Каждые 150 тыс. ч

1. При обнаружении в контролируемой группе недопустимых дефектов хотя бы в одном сварном соединении (трубных элементов данного назначения) объем контроля увеличивается вдвое. При повторном обнаружении недопустимых дефектов объем контроля увеличивается до 100 %

2. При каждом следующем контроле обследованию подлежит новая группа сварных соединений

600

900

Тип 2

вк, мпД или ЦД, или ТР, УЗК, измерение катета угловых швов

25 %

Каждые 100 тыс. ч, но не реже чем через 400 пусков

 

2. Коллекторы и трубопроводы в пределах котла, турбины, станционные трубопроводы и паропроводы

От 250 до 450 °С

-

-

Тип 1

ВК, УЗК

5 %

Каждые 150 тыс. ч

 

-

900

1200

Тип 2

ВК, МПД или ЦД, или ТР, УЗК

25 %

Каждые 150 тыс. ч, но не реже чем через 600 пусков

От 450 до 510 °С

450

600

Тип 1

ВК, УЗК

10 %

После 100, 200 тыс. ч, далее каждые 50 тыс. ч

Тип 2

ВК, МПД или ЦД, или ТР, УЗК

50 %

После 100, 200 тыс. ч, далее каждые 50 тыс. ч, но не реже чем через 300 пусков

510 °С и выше

450

600

Тип 1

ВК, МПД или ЦД, или ТР, УЗК

20 %

После 100 тыс. ч, далее каждые 50 тыс. ч

Тип 2

ВК, МПД или ЦД, или ТР, УЗК

100 %

Через 100 тыс. ч, далее каждые 50 тыс. ч, но не реже чем через 200 пусков

-

Тип 2

МР

10 %

По исчерпании паркового ресурса, далее

по рекомендации специализированной организации

1. В местах с максимальным уровнем напряжений, выявленных при ПРПС

2. Для штуцерных сварных соединений коллекторов Dу 100 мм и более - 5 %

Тип 1.

Сварные соединения центробежно-литых труб

вк, мпд или ЦД, или ТР, УЗК

100 %

По исчерпании паркового ресурса, далее по рекомендации специализированной организации

 

Тип 2. Труб из стали 15Х1М1Ф с литыми деталями из стали 15Х1М1ФЛ

ТВ металла шва и основного металла

100 %

Каждые 100 тыс. ч

1. При отношении твердости металла шва к твердости основного металла << 1 сварные соединения подлежат переварке или объем их контроля назначается специализированной организацией

Тип 1

Оценка состояния сварного соединения по вырезкам

Одно сварное соединение на котел, или паропровод, или турбину

По достижении паркового ресурса

В месте с максимальным уровнем напряжений, выявленных при ПРПС

3. Трубопроводы из стали 20

400 °С и выше

-

-

Тип 1

Оценка состояния металла по вырезке для выявления графита

Одно сварное соединение

Каждые 100 тыс. ч

1. При 100 %-ном контроле микроструктуры сварных соединений неразрушающими методами вырезку можно не производить

2. При выявлении свободного графита 1-го балла контроль проводится каждые 50 тыс. ч


4. ПОРЯДОК И ОРГАНИЗАЦИЯ ПРОВЕДЕНИЯ КОНТРОЛЯ МЕТАЛЛА И ПРОДЛЕНИЯ СРОКА СЛУЖБЫ ОБОРУДОВАНИЯ ПОСЛЕ ВЫРАБОТКИ ПАРКОВОГО РЕСУРСА

4.1. Продление срока службы энергетического оборудования за пределы паркового ресурса осуществляется на основании:

анализа режимов эксплуатации и результатов контроля металла оборудования за весь предшествующий срок службы;

учета ежегодной наработки оборудования, температуры металла и давления пара за котлом, на входе в турбину и в секциях общестанционного коллектора;

оценки физико-химических, структурных, механических и жаропрочных свойств длительно работающего металла;

поверочного расчета на прочность элементов оборудования;

поверочного расчета на прочность паропровода как единой пространственной конструкции (в соответствии с приложением 2 настоящей ТИ) с оценкой состояния опорно-подвесной системы;

расчета остаточного ресурса элементов энергооборудования, работающего в условиях ползучести или циклического нагружения.

Для оценки температурных режимов эксплуатации элементов оборудования, работающих в условиях ползучести, должен быть организован соответствующий контроль. Выбор места установки измерительных приборов должен быть согласован с лабораторией (группой) металлов и утвержден руководителем ТЭС.

4.2. Исходными данными для определения остаточного ресурса элементов оборудования являются:

условия эксплуатации за весь предшествующий срок службы (фактическая температура, наработка за все годы эксплуатации, колебания давления и число пусков из различных тепловых состояний);

геометрические размеры элементов энергооборудования и динамика их изменений за предшествующий срок службы;

физико-химические, структурные, механические и жаропрочные свойства длительно работающего металла, микроповрежденность на момент продления срока его службы;

результаты дефектоскопического контроля;

другие дополнительные данные, характерные для конкретного элемента оборудования.

4.3. К эксплуатации сверхпаркового ресурса допускаются элементы оборудования, металл которых удовлетворяет критериям оценки состояния, приведенным в разд. 6 настоящей ТИ, при положительных результатах расчета на прочность и определения остаточного ресурса.

4.4. Специализированная организация проводит на основании исследований и данных владельца оборудования анализ состояния длительно работающего металла и составляет экспертное заключение о возможности и условиях дальнейшей эксплуатации оборудования. Для подготовки заключения специализированные организации используют результаты контроля и другие данные, имеющиеся у владельца оборудования, при получении которых были соблюдены требования действующей НД. Заключение утверждается Госгортехнадзором России.

4.5. При положительной оценке возможности дальнейшей эксплуатации оборудования специализированная организация разрабатывает и вносит в заключение номенклатуру и объемы контроля оборудования, условия его эксплуатации.

4.6. На основании выводов и рекомендаций экспертного заключения специализированной организации владелец составляет Решение АО-энерго (АО-электростанции), содержащее в своей постановляющей части конкретные предложения по условиям и срокам продления эксплуатации оборудования.

При отрицательном заключении специализированной организации о возможности дальнейшей эксплуатации энергетического оборудования владелец этого оборудования после проведения ремонтных работ или восстановительной термической обработки представляет его повторно в специализированную организацию, которая дала отрицательное заключение, для рассмотрения и подготовки заключения о возможности и условиях дальнейшей эксплуатации энергетического оборудования.

4.7. Решение АО-энерго (АО-электростанции) о дальнейшей эксплуатации оборудования утверждается (не утверждается, утверждается с ограничениями) РАО «ЕЭС России» и вносится владельцем оборудования в его паспорт. Для утверждения Решения АО-энерго в РАО «ЕЭС России» представляется заключение специализированной организации о состоянии оборудования, возможности его дальнейшей эксплуатации и номенклатуре и объеме контроля в разрешенный период эксплуатации.

5. ПОРЯДОК ПРОВЕДЕНИЯ КОНТРОЛЯ И ИССЛЕДОВАНИЙ МЕТАЛЛА

Для оценки состояния основного металла и сварных соединений оборудования и его пригодности к дальнейшей эксплуатации проводятся контроль и исследование металла вырезок его ответственных узлов и элементов в соответствии с требованиями разд. 3 и 4.

5.1. Поверхности нагрева

5.1.1. Оценка остаточного ресурса труб поверхностей нагрева производится по вырезкам. Для выявления зоны повышенного риска преждевременных разрушений проводится ультразвуковая толщинометрия и магнитная диагностика труб поверхностей нагрева, работающих при температуре выше 450 °С, в соответствии с [4], ниже 450 °С - в соответствии с [3] или [4]. Выбор мест вырезки образцов осуществляется в соответствии с результатами этих измерений.

5.1.2. При исследовании металла вырезок труб поверхностей нагрева определяются:

толщина стенки и наружный диаметр в двух взаимно перпендикулярных направлениях (лоб - тыл, бок - бок);

скорость наружной коррозии в котлах, работающих на агрессивных топливах (сернистом мазуте, экибастузском угле и др.);

внутренний диаметр труб;

толщина окалины на внутренней поверхности труб с лобовой и тыловой сторон и ее строение по всему периметру, при этом отмечается характер макроповреждений оксидной пленки (трещины, язвы, осыпание пленки и др.);

микроструктура металла, а также характер и глубина коррозионных повреждений на кольцевых образцах с наружной и внутренней сторон по всему периметру;

для труб, работающих при температуре выше 450 °С, дополнительно определяют:

химический и фазовый состав металла;

твердость (НВ) металла по поперечному сечению трубы;

длительную прочность при необходимости;

оценку остаточного ресурса проводят в соответствии с [4].

При выявлении повреждений металла, перечисленных в разд. 6.1, оценка остаточного ресурса не производится.

Для труб из стали 12Х1МФ, работающих при температуре ниже 450 °С, и из стали 20, работающих при температуре ниже 400 °С, дополнительно определяются механические свойства при кратковременном разрыве.

5.2. Паропроводы

5.2.1. После отработки паркового ресурса, накопления остаточной деформации отдельными элементами паропровода более половины допустимой, а также при выявлении микроповрежденности структуры (4 балла и более) оценка срока дальнейшей эксплуатации паропровода производится по вырезке.

5.2.2. На паропроводе производится одна вырезка на каждую марку стали из гиба с максимальной остаточной деформацией. При невозможности вырезать весь гиб целиком можно оценить изменение свойств металла в процессе эксплуатации на вырезке из прямого участка гиба с обязательной оценкой в этом случае микроповрежденности растянутой зоны гиба неразрушающими методами.

5.2.3. При необходимости одновременного исследования сварного соединения рекомендуется совместить обе вырезки.

5.2.4. Вырезки рекомендуется производить механическим способом. При использовании для этой цели электродуговой или газовой резки образцы на вырезке должны располагаться на расстоянии не менее 20 мм от места резки.

5.2.5. Длина вырезки должна быть не менее 300 мм. Схема расположения образцов на механические испытания представлена на рис. 1. Образцы на длительную прочность располагаются вдоль трубы.

Рис. 1. Схема вырезки образцов из трубы паропровода:

1 и 2 - образцы для испытания на разрыв и удар соответственно; 3 - образец для карбидного анализа; 4 - образец для металлографического анализа

5.2.6. При исследовании металла вырезок из паропроводов определяются:

химический состав металла, в том числе содержание легирующих элементов в карбидах (фазовый анализ);

твердость (НВ) металла по поперечному сечению;

механические свойства металла при комнатной и рабочей температурах;

микроструктура металла и наличие неметаллических включений по толщине стенки трубы;

микроповрежденность (поры) по толщине стенки трубы;

жаропрочность металла;

дополнительный ресурс работы паропроводов.

5.2.7. При определении кратковременных механических свойств металла при комнатной и рабочей температурах должно быть испытано не менее двух образцов на растяжение и трех - на ударную вязкость для каждого значения температуры.

В случае неудовлетворительных результатов механических испытаний проводятся повторные испытания образцов из той же трубы. При положительных результатах повторных испытаний они считаются окончательными, при отрицательных - элементы могут быть допущены к эксплуатации на основании заключения специализированной организации.

5.2.8. Испытания на длительную прочность и ползучесть проводятся для получения количественных оценок длительной прочности и ползучести. Испытания на длительную прочность и ползучесть проводятся в соответствии с [9].

5.2.9. Исследование микроповрежденности проводится на образцах из вырезанного участка по всей толщине стенки трубы. Оценку микроповрежденности металла допускается производить методами оптической и электронной микроскопии, прецизионным определением плотности.

5.2.10. Трубы и гибы, работающие в условиях ползучести, при достижении значений остаточной деформации выше указанных в п. 6.2.1 настоящей ТИ (до или после достижения паркового ресурса) разрешается эксплуатировать ограниченный срок при постоянном контроле акустико-эмиссионным методом.

5.2.11. Измерение остаточной деформации ползучести производится на паропроводах, изготовленных из:

углеродистых, кремнемарганцевых и хромомолибденовых сталей, работающих при температуре пара 450 °С и выше;

хромомолибденованадиевых сталей - при 500 °С и выше;

высокохромистых и аустенитных сталей - при 540 °С и выше.

Контролю подлежат все действующие паропроводы (в том числе в пределах котлов и турбин), длительность работы которых превышает 3 тыс. ч в год.

5.2.12. Остаточная деформация ползучести труб измеряется микрометром с точностью шкалы до 0,05 мм по реперам, устанавливаемым на прямых трубах длиной 500 мм и более, а также на гнутых отводах, имеющих прямые участки длиной не менее 500 мм. Реперы располагаются по двум взаимно перпендикулярным диаметрам (рис. 2) в средней части каждой прямой трубы, прямого участка каждого гнутого отвода на расстоянии не менее 250 мм от сварного соединения или начала гнутого участка. Конструкция применяемых реперов приведена на рис. 3. При невозможности установки реперов в двух взаимно перпендикулярных направлениях допускается установка только одной пары реперов.

Приварка реперов к телу контролируемой трубы должна осуществляться только аргонодуговым способом сварки.

Установка реперов на трубы и нанесение на исполнительную схему-формуляр мест их расположения производятся во время монтажа при непосредственном участии представителя лаборатории металлов и цеха - владельца паропровода.

Реперы на схеме должны иметь нумерацию, остающуюся постоянной в течение всего периода эксплуатации паропровода.

Места расположения реперов должны быть отмечены указателями, выступающими над поверхностью изоляции паропровода.

Измерение остаточной деформации ползучести производится при температуре стенки трубы не выше 50 °С.

Рис. 2. Схема расположения реперов на трубе паропровода:

1 - реперы с втулкой; 2 - простые реперы

Рис. 3. Эскиз репера (начало):

а - простой репер

Рис. 3. Окончание:

б - репер с резьбовой втулкой для определения первоначального размера (репер выполняется из аустенитной стали; резьбовая втулка - из перлитной стали, аналогичной материалу паропровода)

Остаточная деформация ползучести от начала эксплуатации до i-го измерения определяется по формуле

,

где DЕ - остаточная деформация ползучести, %;

Di - диаметр, измеренный по реперам при i-м измерении в двух взаимно перпендикулярных плоскостях (горизонтальной Dг, вертикальной Dв (см. рис. 2), мм;

 - исходный диаметр трубы, измеренный по реперам в исходном состоянии, мм;

 - наружный диаметр трубы, измеренный вблизи реперов в двух взаимно перпендикулярных плоскостях в исходном состоянии, мм.

В формулу подставляются значения измерений как в горизонтальной, так и в вертикальной плоскости. Наибольшее полученное значение принимается за расчетное. Сводные результаты измерений остаточной деформации по всем агрегатам, на которых производились измерения, заносятся в формуляр паропровода.

5.3. Барабаны

5.3.1. Методические требования к проведению неразрушающего контроля, а также рекомендации по проведению вырезок металла и технологии восстановления герметичности барабана приведены в приложениях 5, 6 и 7 Инструкции [1].

5.3.2. Оценка остаточного ресурса барабана выполняется по условиям малоцикловой усталости с учетом термических напряжений и коррозионного фактора в соответствии с рекомендациями приложения 3 Инструкции [1].

5.4. Корпусы арматуры и другие литые детали паропровода

5.4.1. После отработки паркового ресурса литых деталей оценка срока дальнейшей эксплуатации производится на основании исследования структуры, измерения твердости и расчета на прочность.

5.4.2. Исследование структуры проводится на сколе, взятом на радиусном переходе в зоне максимальных напряжений.

5.4.3. Измерение твердости производится в зонах, указанных в п. 5.4.2 настоящей ТИ.

5.4.4. Расчет на прочность производится с учетом фактических условий работы и геометрических размеров детали по допускаемым напряжениям, указанным в нормах расчета на прочность. При отсутствии соответствующих допускаемых напряжений расчет производится специализированными организациями.

5.5. Корпусные детали турбин

5.5.1. Для оценки надежности литого металла из детали, содержащей трещину или имеющей выборку глубиной более 40 % толщины стенки, следует вырезать заготовку, позволяющую изготовить два образца размерами 10´10´55 мм. Вырезку следует делать как можно ближе к трещине по эскизам специализированной организации или организации - изготовителя турбины [8].

5.5.2. Из заготовки делаются образцы с двойными надрезами для определения критического раскрытия при рабочей температуре и горячей твердости (рис. 4 и 5). Качество поверхности образца и допуски на его размеры должны соответствовать требованиям к ударным образцам по [11].

Два параллельных надреза, расположенные в средней части одной из боковых сторон образца перпендикулярно к его продольной оси, наносятся с помощью фрезы толщиной 0,5±0,1 мм; глубина надрезов 5,0±0,5 мм, расстояние между ними 5,0±0,1 мм (см. рис. 4).

Один торец образца должен быть базовым и обработан с чистотой Ra = 0,16. Расстояние до надрезов должно отсчитываться от этого торца. Сторона образца с базовым торцом должна быть отмечена керном. Профиль надрезов прямоугольный, при этом радиусы закругления в месте сопряжения дна надреза и его стенок не должны превышать 0,025 мм.

Испытания на удар при рабочей температуре выполняются по [11]. Температура испытания должна быть равна температуре пара на входе в корпус.

При испытании на ударный изгиб необходимо образец расположить так, чтобы удар осуществлялся точно посредине образца. На боковой стороне образца строго посреди не между надрезами наносится риска. Положение базового торца относительно опор копра должно фиксироваться упором. Ширина надрезов около их дна измеряется на металлографическом микроскопе при 50 - 70-кратном увеличении с точностью до 0,01 мм.

За базовую поверхность при измерении ширины каждого из двух надрезов принимается боковая кромка надреза со стороны соответствующего торца: у левого надреза - кромка со стороны левого торца, у правого - со стороны правого. Эта кромка выставляется строго по вертикали измерительного лимба микроскопа. Вторая точка отсчета для определения ширины надреза устанавливается на его дне и месте перехода от горизонтальной части к радиусу закругления, причем разница высот точки окончания дна надреза и его плоской части не должна превышать 0,03 мм (см. рис. 5).

5.5.3. Измерение раскрытия после испытания осуществляется на полированной и протравленной поверхности половинки ударного образца с неразрушившимся надрезом, травитель - 3 %-ный раствор HNO3 в спирте. При шлифовке должен быть снят слой толщиной 1,5 - 2,0 мм.

Правильность проведенного испытания проверяется путем измерения расстояния между риской и краем излома. Оно не должно превышать 0,3 мм.

Неудовлетворительная локальная пластичность обычно наблюдается при наличии в микроструктуре 50 % и более участков с бейнитной ориентацией.

Измерения производятся инструментальным или металлографическим микроскопом (например, ММУ-3) с точностью до 0,01 мм.

Рис. 4. Ударный образец с двумя надрезами

Рис. 5. Схема измерения критического раскрытия:

а - до испытания

б - после испытания

Величина критического раскрытия определяется по неразрушенному надрезу как разность между шириной дна надреза после испытания и его начальной шириной.

Возможно, что после испытания в дне надреза не будет трещин. Тогда измерение конечной ширины надреза идентично измерению в исходном состоянии. Если же по надрезу произошло частичное разрушение образца, при измерении важно не включать в ширину надреза зазоры, образующиеся при распространении трещины. Это облегчается тем, что благодаря прямоугольному профилю надрезов надрывы локализуются в углах сопряжения дна и стенок надреза. Для облегчения обнаружения надрывов по дну надреза следует использовать различие в цвете у деформированного дна надреза и у поверхности распространения трещин, измеряя только темные участки, то есть только дно надреза. Значение критического раскрытия определяется по формуле

dс = bк - b0,

где b0 - начальная ширина неразрушающего надреза, мм;

bк - ширина того же надреза после испытания, мм,

,

где h - горизонталь, мм (см. рис. 5).

При выполнении всех требований точность определения раскрытия составляет не менее ±15 %.

Измерение ширины дна надреза после испытания включает определение угла поворота дна надреза относительно горизонтали a и значения проекции дна надреза на горизонталь h (см. рис. 5).

5.5.4. Твердость по Бринеллю при рабочей температуре измеряется твердомером. При проведении испытаний нагрузка 7500 Н, шарик диаметром 5 мм, выдержка 30 с. Измерения производятся на половинках ударных образцов. Наносится не менее трех отпечатков на каждом образце.

5.5.5. Допустимые размеры трещин определяются для недоступных зон деталей в соответствии с требованиями [7], а для остальных зон - по [8].

5.6. Детали проточной части турбин

5.6.1. Методики проведения контроля состояния металла цельнокованых роторов паровых турбин приведены в [12] и [13].

5.6.2. Методики проведения контроля состояния металла насадных дисков и рабочих лопаток, работающих в зоне фазового перехода паровых турбин, приведены в [14] и [15].

5.6.3. При контроле дисков фиксируется наличие общей и язвенной коррозии, коррозионного растрескивания, эрозии, следов задевания и других механических повреждений.

5.6.4. При контроле диафрагм и направляющих лопаток фиксируется наличие задеваний и других механических повреждений ободов и лопаток, трещин, общей и язвенной коррозии, эрозии, остаточной деформации диафрагм.

5.6.5. При контроле рабочих лопаток фиксируется наличие трещин, следов задеваний и других механических повреждений, коррозии, эрозии, остаточной деформации (удлинение, разворот, выход из ряда); проверяется качество крепления лопаток, состояние заклепок. Для лопаток последних ступеней турбин производства ПО ЛМЗ и ПО ТМЗ фиксируется наличие противоэрозионных пластин.

5.6.6. При контроле бандажей (покрывных и проволочных) фиксируется наличие трещин, следов задевания, коррозии, механических повреждений.

5.7. Крепеж

5.7.1. Измерение твердости производится на торце шпильки или гайки. Количество отпечатков не менее трех.

5.7.2. Для исследования механических свойств (при необходимости) отбирается одна шпилька с минимальной, а другая - с максимальной твердостью.

5.8. Сварные соединения

5.8.1. После выработки паркового ресурса оценка срока дальнейшей эксплуатации сварных соединений производится по вырезке.

5.8.2. Представительными считаются сварные соединения, вырезаемые из паропроводов с наибольшей наработкой с учетом результатов контроля.

5.8.3. Стыковое сварное соединение вырезается из паропровода с помощью газовой резки. Длина вырезаемого сварного трубного элемента с кольцевым швом посредине должна быть не менее 250 мм. Вырезку сварного соединения желательно совместить с вырезкой основной металла. В этом случае длина вырезаемого участка должна быть не менее 500 мм.

5.8.4. Вырезанный сварной трубный элемент должен быть отторцован на токарном станке до длины 210 мм со швом посредине.

5.8.5. Разрезка сварного трубного элемента на погоны и изготовление образцов для испытаний и исследований производятся только механическим способом.

5.8.6. При исследовании сварных соединений определяются:

твердость основного и наплавленного металла;

механические свойства сварного соединения по результатам испытаний образцов на растяжение и ударный изгиб при комнатной и рабочей температурах;

статическая трещиностойкость зон сварного соединения по результатам испытания образцов на однократный трехточечный изгиб;

химический состав металла шва и основного металла;

фазовый состав металла шва и основного металла по результатам карбидного анализа (при необходимости);

макроструктура сварного соединения на трех макрошлифах поперечного сечения;

микроструктура металла зон сварного соединения по результатам металлографического анализа микрошлифов или реплик;

микроповрежденность металла зон сварного соединения по результатам металлографического анализа микрошлифов или реплик;

жаропрочность сварного соединения паропровода.

6. КРИТЕРИИ ОЦЕНКИ СОСТОЯНИЯ МЕТАЛЛА

6.1. Трубы поверхностей нагрева

6.1.1. Не допускается выход труб поверхностей нагрева из ранжира на величину диаметра трубы.

6.1.2. На трубах не должно быть отдулин.

6.1.3. Допускается увеличение наружного диаметра не более чем на 2,5 % для труб из легированных марок сталей и 3,5 % для труб из углеродистых сталей. Измерение диаметра труб производится на вырезках.

6.1.4. Не допускается наличие на внутренней поверхности труб продольных борозд глубиной 1 мм и более (выявленных при исследовании вырезок).

6.1.5. При металлографическом анализе вырезок в металле не допускаются:

трещины;

наличие водородного и водородно-кислородного охрупчивания, определенного последующим признакам:

обезуглероженный слой;

участки внутреннего окисления;

развитие коррозионных повреждений параллельно поверхности трубы.

6.2. Прямые трубы и гибы, работающие в условиях ползучести

6.2.1. Остаточная деформация не должна превышать:

для прямых труб из стали 12X1МФ - 1,5 % диаметра;

для прямых труб из сталей других марок - 1,0 % диаметра;

для прямых участков гнутых труб независимо от марки стали - 0,8 % диаметра.

6.2.2. Механические свойства сталей должны удовлетворять требованиям технических условий на поставку. После 100 тыс. ч эксплуатации допускается снижение прочностных характеристик (предел прочности sв и предел текучести - s0,2) на 30 МПа (3,0 кгс/мм2) и ударной вязкости на 15 кДж/м2 (1,5 кгс×м/см2) по сравнению с нижним пределом на поставку.

6.2.3. Предел текучести s0,2 должен быть не ниже 180 МПа для стали 12X1МФ и 200 МПа для стали 15Х1М1Ф при температуре 550 °С, 200 МПа для сталей 12МХ и 15ХМ при температуре 510 °С.

6.2.4. Длительная прочность для конкретной марки стали на базе 105 и 2×105 часов не должна отклоняться более чем на 20 % в меньшую сторону по сравнению со средними значениями данной характеристики, приведенными в табл. 15 ТУ 14-3Р-55-2001.

Минимальный уровень длительной пластичности должен быть не ниже 5 % по результатам испытаний образцов до разрушения на базе, условно соответствующей периоду продления срока эксплуатации паропровода.

6.2.5. При исследовании на оптическом микроскопе при 500-кратном увеличении микроповрежденность должна быть не выше 4-го балла по стандартной шкале микроповрежденности согласно [19].

6.2.6. Снижение плотности металла вблизи наружной поверхности по сравнению с исходным состоянием не должно превышать 0,3 %.

6.2.7. Овальность гибов должна быть не ниже 1,5 % (за исключением гибов, изготовленных нагревом ТВЧ с осевым поджатием).

6.2.8. Трещины любого вида на гибах паропроводов не допускаются.

6.3. Гибы, работающие при температурах ниже 450 °С

Характеристики гибов должны удовлетворять требованиям [5] и [16]. Не допускается наличие дефектов на поверхности гибов с глубиной более 10 % толщины стенки или более 2 мм.

6.4. Барабаны

6.4.1. Твердость металла по данным измерений переносными приборами должна находиться в следующих пределах:

для сталей 20Б, 20, 15М, 16М, 15К, 20К, 22К - 120 - 180 НВ;

для сталей марок 16ГНМ и 16ГНМА - 130 - 200 НВ.

6.4.2. В основном металле и сварных соединениях барабана не допускаются дефекты типа трещин всех видов и направлений. Порядок выборки дефектов, контроля мест выборок и технология ремонта основных элементов барабанов должны соответствовать требованиям [23]. Возможность эксплуатации барабана с дефектами типа трещин определяется специализированными научно-исследовательскими организациями.

6.4.3. При обнаружении расслоения в обечайке или днище возможность и условия дальнейшей эксплуатации барабана определяются специальным расчетом на прочность.

6.4.4. Допускаются одиночные коррозионные язвы, эрозионные повреждения, раковины и другие подобные дефекты пологого профиля глубиной не более 10 % от толщины стенки, но не более 8 мм с максимальным размером на поверхности не более 400 мм2, отстоящие от кромки ближайшего отверстия или сварного шва на расстоянии не менее 300 мм. В зонах отверстий (включая кромки) и сварных соединений, то есть на расстоянии от них менее 300 мм, допускаются одиночные дефекты (кроме трещин) глубиной не более 5 мм и максимальным диаметром не более 10 мм.

Допускается оставлять в эксплуатации скопления коррозионных язв, а также одиночные коррозионно-эрозионные дефекты на кромках отверстий глубиной не более 3 мм.

В случае допуска в эксплуатацию барабанов с перечисленными в настоящем пункте дефектами требуется подтвердить отсутствие трещин в местах этих дефектов дополнительным контролем методом МПД или ЦД, или ТР, или ТВК.

6.4.5. Структура металла по результатам металлографических исследований (на репликах, сколах или вырезках) не должна иметь микротрещин и (или) графитизации 2-го балла и более.

6.4.6. Свойства металла, определенные при комнатной температуре на образцах из вырезок (пробок) основных элементов барабана, должны удовлетворять следующим требованиям:

прочностные характеристики металла (временное сопротивление разрыву и условный предел текучести) не должны отличаться более чем на 5 % в меньшую сторону от значений, регламентированных соответствующими ТУ на поставку;

отношение предела текучести к временному сопротивлению разрыву не должно превышать 0,7 для углеродистых сталей и 0,8 - для легированных;

относительное удлинение должно быть не менее 16 %;

ударная вязкость на образцах с надрезом типа 11 (Шарпи) должна составлять не менее 25 кДж/м2 (2,5 кгс×м/см2).

6.5. Питательные трубопроводы

6.5.1. Утонение прямых участков трубопровода и гибов в нейтральных зонах не должно превышать 10 % номинальной толщины, а гибов в растянутых зонах (на наружном обводе) - 15%.

На крутоизогнутых гибах допускается утонение стенки по наружному обводу до 20 % номинальной толщины.

6.5.2. Овальность гибов труб не должна превышать 8 %.

6.5.3. На внутреннем обводе гибов допускается плавная волнистость с наибольшей высотой не более половины номинальном толщины стенки трубы, но не более 10 мм. При этом шаг волн должен быть не менее утроенной их высоты.

6.5.4. Допускается оставлять в эксплуатации элементы с одиночными коррозионными язвами, эрозионными повреждениями или раковинами глубиной не более 10 % номинальной толщины стенки элемента, но не более 3 мм и протяженностью не более  (D - средний диаметр элемента, мм; S - толщина стенки, мм). Одиночными считаются дефекты, расстояние между ближайшими кромками которых превышает утроенное значение максимального диаметра наибольшего из дефектов.

Допускается оставлять скопление коррозионных язв глубиной не более 0,5 мм. Продольные цепочки язв, а также трещины всех видов и направлений не допускаются.

6.5.5. Механические свойства, определенные при комнатной температуре на образцах вырезок металла из прямых участков трубопровода, должны удовлетворять следующим требованиям:

прочностные характеристики металла (временное сопротивление разрыву и условный предел текучести) не должны отличаться более чем на 5 % в меньшую сторону от значений, регламентированных соответствующими ТУ на поставку;

отношение предела текучести к временному сопротивлению разрыву не должно превышать 0,65 для углеродистых сталей и 0,75 для легированных;

минимальное значение ударной вязкости на образцах с надрезом типа 11 (Шарпи) должно быть не менее 25 кДж/м2 (2,5 кгс×м/см2).

6.6. Корпусы арматуры и другие литые детали паропровода

6.6.1. Качество поверхности литых деталей оценивается в соответствии с требованиями [17].

6.6.2. Твердость литого металла должна удовлетворять требованиям технических условий на поставку. После 250 тыс. ч эксплуатации допускается снижение твердости на 20 % по сравнению с нижним пределом на поставку.

6.6.3. При исследовании микроструктуры на оптическом микроскопе поры размером более 5 мкм не допускаются.

6.7. Корпусные детали турбин

6.7.1. Требования по характеристикам металла приведены в таблице.

Характеристика или единица измерения

Температура испытания, °С

Допустимое значение (не менее) для сталей марок

15Х1М1ФЛ

20ХМФЛ

20ХМЛ

1

2

3

4

5

1. Предел текучести, МПа

20

255

245

220

2. Доля вязкой составляющей в изломе ударного образца Шарпи (KCV),%

150/80

100/50

100/50

100/50

3. Ударная вязкость (KCV), кДж/м2

150/80

300

300

300

4. Критическое раскрытие при ударном нагружении, мм

Температура пара на входе в турбину

0,25

0,25

0,25

5. Горячая твердость, МПа

Температура пара на входе в турбину

850

950

900

6. Твердость, НВ

20

145

140

115

7. Количество пор ползучести диаметром более 2 мкм в одном поле зрения при 500-кратном увеличении

20

3 (не более)

5 (не более)

5 (не более)

6.7.2. Фактическая средняя скорость роста трещины за межремонтный период не должна превышать 10-3 мм/ч.

6.7.3. В случае невозможности удаления имеющейся трещины, а также при прочих неудовлетворительных результатах контроля металла возможность и условия дальнейшей эксплуатации определяются для корпусов с трещинами в недоступных зонах детали в соответствии с требованиями [7], в других зонах - в соответствии с [8].

6.8. Роторы турбин

6.8.1. На наружной поверхности ротора (концевых частях валов, ободе, гребнях, полотне, галтелях дисков, полумуфтах, тепловых канавках) не допускаются дефекты, превышающие требования [18]. Кроме этого на всей поверхности не допускаются трещины глубиной более 1 мм, коррозионные язвы, следы эрозионного износа, задеваний и механических повреждений, грубые риски и следы электроэрозии на поверхности шеек в местах посадки подшипников; грубые риски на призонных поверхностях отверстий под болты на полумуфтах, превышающих нормы организации - изготовителя турбины.

6.8.2. Нормы оценки качества металла в районе осевого канала:

остаточная деформация, измеренная со стороны осевого канала, не должна превышать 1 % диаметра осевого канала для роторов из сталей Р2 и Р2МА и 0,8 % для роторов из сталей других марок;

скорость ползучести не должна превышать 0,5×10-5 %/ч для роторов из сталей Р2 и Р2МА и 0,4×10-5 %/ч для роторов из сталей других марок;

в зоне с рабочей температурой металла 400 °С и более не должно быть одиночных равноосных металлургических дефектов с диаметром 3 мм и более и скоплений более мелких равноосных дефектов в количестве более 10 шт. на площади 60 см2. Точечные дефекты размером менее 1,5 мм не учитываются;

не должно быть коррозионных повреждений глубиной более 2 мм;

не допускается наличие протяженных трещиноподобных дефектов глубиной более 1 мм;

6.8.3. В объеме поковки не допускаются дефекты, размер которых по сопоставлению с плоским отражателем, а также их количество превосходят следующие нормы:

общее количество дефектов эквивалентным диаметром от 2 до 4 мм включительно - 30 шт., в том числе в районе бочки - 10 шт.; расстояние между дефектами в районе бочки должно быть более 50 мм;

расстояние между расположенными в обоих концах ротора отдельными дефектами эквивалентным диаметром от 2 до 4 мм включительно - 50 мм; при расположении их на одной прямой, параллельной оси ротора, - 30 мм, в одном радиальном направлении - 15 мм;

общее количество дефектов эквивалентным диаметром от 4 до 6 мм включительно - 10 шт., расстояние между ними должно быть более 50 мм;

дефекты эквивалентным диаметром более 6 мм.

Отдельные дефекты эквивалентным диаметром до 2 мм не учитываются.

6.8.4. Степень сфероидизации (дифференциации) второй структурной составляющей в металле высокотемпературных ступеней ротора не должна превышать 3-го балла по шкале [19].

6.8.5. Твердость металла роторов из сталей 34ХМА, Р2, Р2МА должна быть не ниже 180 НВ, а роторов из стали ЭИ415 - 200 НВ.

6.8.6. При неудовлетворительных результатах контроля возможность и условия дальнейшей эксплуатации ротора определяют специализированные организации.

6.9. Крепеж

Критериями оценки надежности металла крепежных деталей являются твердость и механические свойства, которые приведены в [20].

6.10. Лопатки

6.10.1. Рабочие и направляющие лопатки должны удовлетворять требованиям [21].

6.10.2. Коррозионные повреждения рабочих лопаток, работающих в зоне фазового перехода турбин, не должны превышать требований [15].

6.10.3. Величина эрозионного износа лопаток не должна превышать допускаемую заводом-изготовителем турбины и [22].

6.11. Диски

6.11.1. На наружной поверхности дисков (ободе, гребне, полотне, ступичной части, шпоночном пазу) не допускаются дефекты, превышающие требования [18]. Кроме этого не допускаются следы эрозионного износа, превышающие нормы завода-изготовителя турбины.

6.11.2. Нормы коррозионной поврежденности дисков, работающих в зоне фазового перехода турбин, определены в [15].

6.12. Сварные соединения

6.12.1. Качество и форма наружной поверхности сварных соединений должны удовлетворять требованиям [23].

6.12.2. Нормы кратковременных механических свойств металла сварных соединений при измерении твердости и испытании образцов на растяжение и ударный изгиб регламентированы в [23].

6.12.3. Химический состав наплавленного металла сварных швов должен удовлетворять нормам [23].

6.12.4. Нормы оценки качества сварных швов при макроанализе регламентированы [23].

При оценке микроповрежденности металла зон сварного соединении браковочным при знаком является наличие цепочек пор ползучести по границам зерен, наличие микротрещин любых размеров, для стали 20 - графитизация 2-го балла и более.

6.12.5. При оценке вязкости разрушения металла шва и зоны сплавления по результатам испытаний образцов с надрезом типа Менаже на статический изгиб браковочным признаком являются значения удельной энергии на зарождение трещины (Аз) и развитие разрушения (Ар):

Аз < 0,8 МДж/м2 при температуре 20 °С;

Ар < 0,3 МДж/м2 при температуре 20 °С;

Аз < 0,4 МДж/м2 при температуре 510 - 560 °С;

Ар < 0,7 МДж/м2 при температуре 510 - 560 °С.

6.12.6. Длительная прочность сварных соединений и коэффициент запаса прочности должны удовлетворять требованиям [9]. Допустимый минимальный уровень длительной пластичности должен быть не менее 10 % относительного сужения в месте разрушения образцов при испытании на длительную прочность.

Приложение 1

Термины и определения

Термин

Определение

1

2

1. Гиб

Колено, изготовленное с применением деформации изгиба трубы

2. Деталь

Изделие, изготовленное из однородного материала (без применения сборочных операций)

3. Дефект (ГОСТ 15467-79)

Каждое отдельное несоответствие продукции установленным требованиям

4. Дефектоскопия

Обобщающее название неразрушающих методов контроля материалов (изделий); используется для обнаружения нарушений сплошности или неоднородности макроструктуры

5. Живучесть (ГОСТ 27.002.89)

Свойство объекта, состоящее в его способности противостоять развитию критических отказов из-за дефектов и повреждений при установленной системе технического обслуживания и ремонта, или сохранять ограниченную работоспособность при воздействиях, не предусмотренных условиями эксплуатации, или сохранять ограниченную работоспособность при наличии дефектов или повреждении определенного вида, а также при отказе некоторых компонентов. Примером служит сохранение несущей способности элементами конструкции при возникновении в них усталостных трещин, размеры которых не превышают заданных значений

6. Колено

Фасонная часть, обеспечивающая изменение направления потока рабочей среды на угол от 15 до 180°

7. Колено кованое

Колено, изготовленное из поковки с последующей механической обработкой

8. Колено крутоизогнутое

Колено, изготовленное гибкой, радиусом от одного до трех номинальных наружных диаметров трубы

9. Колено штампосварное

Колено, изготовленное из листа штамповкой и сваркой

10. Коллектор (ГОСТ 23172-78)

Элемент котла, предназначенный для сборки или раздачи рабочей среды, объединяющий группу труб

11. Контроль технического состояния (ГОСТ 20911-89)

Проверка соответствия значений параметров объекта требованиям технической документации и определение на этой основе одного изданных видов технического состояния в данный момент времени.

Примечание. Видами технического состояния являются, например, исправное, работоспособное, неисправное, неработоспособное и т.п. в зависимости от значений параметров в данный момент времени

12. Наработка (ГОСТ 20911-89)

Продолжительность работы объекта

13. Предельное состояние

Состояние объекта, при котором его дальнейшая эксплуатация либо восстановление работоспособного состояния невозможны или нецелесообразны

14. Прогнозирование технического состояния (ГОСТ 20911-89)

Определение технического состояния объекта с заданной вероятностью на предстоящий интервал времени

Примечание. Целью прогнозирования технического состояния может быть определение с заданной вероятностью интервала времени (ресурса), в течение которого сохранится работоспособное (исправное) состояние объекта, или вероятности сохранения работоспособного (исправного) состояния объекта на заданный интервал времени

 

15. Ресурс

Суммарная наработка объекта от начала его эксплуатации или ее возобновления после ремонта до перехода в предельное состояние

16. Ресурс остаточный

Суммарная наработка объекта от момента контроля его технического состояния до перехода в предельное состояние

17. Ресурс парковый

Наработка однотипных по конструкции, маркам стали и условиям эксплуатации элементов теплоэнергетического оборудования, в пределах которой обеспечивается их безаварийная работа при соблюдении требований действующей нормативной документации

18. Служебные свойства металла

Комплекс механических и физических характеристик, используемый в прочностных и тепловых расчетах энергооборудования

19. Средство технического диагностирования (контроля технического состояния) (ГОСТ 20911-89)

Аппаратура и программы, с помощью которых осуществляется диагностирование (контроль)

20. Стыковое сварное соединение

Соединение, в котором свариваемые элементы примыкают друг к другу торцевыми поверхностями и включают в себя шов и зону термического влияния

21. Технический диагноз (результат контроля) (ГОСТ 20911-89)

Результат диагностирования

22. Техническое диагностирование (ГОСТ 20911-89)

Определение технического состояния объекта

Примечание. Задачами технического диагностирования являются:

контроль технического состояния; поиск места и определение причин отказа (неисправности); прогнозирование технического состояния

23. Техническое состояние объекта (ГОСТ 20911-89)

Состояние, которое характеризуется в определенный момент времени, при определенных условиях внешней среды значениями параметров, установленных технической документацией на объект

24. Толщина стенки фактическая

Толщина стенки детали, измеренная на конкретном ее участке при изготовлении или в эксплуатации

25. Условия эксплуатации объекта

Совокупность факторов, действующих на объект при его эксплуатации

Приложение 2

Методика определения деталей и элементов трубопроводов, работающих с наибольшими напряжениями, для включения их в контрольную группу элементов

Целью данной работы является выявление деталей и элементов трубопроводов (рис. 2.1), работающих с наибольшими напряжениями.

Работа включает в себя следующие этапы:

1. Проведение обследования технического состояния трубопроводов и опорно-подвесной системы их крепления (далее - ОПС):

1.1. Измерение фактических линейных размеров трасс трубопроводов с привязкой ответвлений, опор, подвесок, арматуры и пунктов контроля за тепловыми перемещениями.

1.2. Измерение геометрических характеристик установленных пружин: количества витков, диаметров прутков и диаметров навивки пружин, а также высот пружин при рабочем состоянии трубопроводов. Кроме того, в месте установки каждой пружинной подвески измеряется расстояние по прямой от узла закрепления на строительных конструкциях до оси трубопровода в месте крепления подвески.

1.3. Проверка работоспособности ОПС трубопроводов, а также возможности свободного перемещения трубопроводов в пространстве при их температурных расширениях.

1.4. Составление ведомостей дефектов трубопроводов (приложение 2.3) на основании данных пп. 1.1 - 1.3, в которых указываются необходимые мероприятия по устранению дефектов и сроки выполнения этой работы.

1.5. Разработка расчетных схем трубопроводов (приложение 2.4), на которых также указываются препятствия для свободного расширения трубопроводов (если они имеются). Расчетная схема является основным исходным материалом для выполнения расчетов трубопроводов на прочность с учетом состояния опорно-подвесной системы.

Схема паропровода

 - опора паропровода (подвижная)

 - опора паропровода (неподвижная)

 - репер для контроля и регистрации тепловых перемещений паропровода

 - репера для замеров остаточных деформаций труб паропровода

 - сварное соединение, выполненное в организации-изготовителе паропровода

 - сварное соединение, выполненное при монтаже паропровода

 - задвижка

Примечание. Схема приведена в качестве типовой, составляется эксплуатационным персоналом.

Кроме указанных данных должны быть приложены сертификаты на металл и данные по контролю в объеме требований технических условий на поставку.

Рис. 2.1. Схема трубопровода

2. Выполнение расчетов трубопроводов на прочность для выявления деталей и элементов, работающих с наибольшими напряжениями от совместного воздействия, внутреннего давления, весовой нагрузки, температурных расширений, реакций опор и подвесок, а также влияния препятствий для свободного расширения трубопроводов.

2.1. Расчеты трубопроводов проводятся по программе.

2.2. Расчеты выполняются для двух вариантов:

2.2.1. Вариант 1. Определение деталей и элементов трубопроводов, работающих с наибольшими напряжениями.

2.2.1.1. Расчет выполняется с учетом:

моделирования препятствий для свободного расширения трубопроводов (если таковые имеются);

фактического состояния трасс и ОПС трубопроводов;

фактической нагрузки пружинных опор и подвесок;

фактических длин тяг пружинных подвесок;

фактического веса деталей и элементов трубопровода и тепловой изоляции, смонтированной на трубопроводе до проведения ремонта;

фактических типоразмеров труб, овальности и толщины стенок в растянутой зоне гибов (данные предоставляются лабораторией металлов), жесткости установленных скользящих опор и жестких подвесок.

2.2.1.2. При анализе результатов проведенных расчетов определяются детали и элементы трубопроводов, работающие с наибольшими напряжениями от совместного воздействия всех нагружающих факторов, что является основанием для включения их в контрольную группу.

2.2.2. Вариант 2. Определение предполагаемого расчетного ресурса трубопроводов.

2.2.2.1. Расчет выполняется:

с учетом жесткости установленных (или замененных по результатам обследования) пружин опор и подвесок;

для состояния трубопроводов, отвечающих принятым в НТД требованиям; в частности, дефекты трубопроводов и их ОПС, а также препятствия для свободного температурного расширения должны быть устранены;

для веса тепловой изоляции, которая будет смонтирована на трубопроводе в процессе ремонта.

2.2.2.2. Результаты расчета в дальнейшем используются:

для определения индивидуального ресурса трубопровода (таблица напряжений в сечениях трубопроводов);

для проведения наладки ОПС крепления (таблица нагрузок на опоры и подвески);

для контроля за тепловыми перемещениями трубопроводов (перемещения сечений трубопроводов).

3. По результатам проведенной по пп. 1, 2 работы оформляется следующая техническая документация (приложение 2.2), которая представляется на рассмотрение экспертно-технической комиссии:

3.1. Ведомость дефектов трубопроводов (приложение 2.3) и ОПС с отметками об устранении дефектов.

3.2. Расчетная схема трубопровода (приложение 2.4).

3.3. Напряжения в сечениях трубопроводов (приложение 2.5).

3.4. Нагрузки на опоры и подвески трубопроводов (приложение 2.6).

3.5. Результаты контроля за температурными перемещениями трубопровода (приложение 2.7).

4. Последовательность выполнения работ и ответственные ее исполнители.

Проверку ОПС и ПРПС рекомендуется начинать не менее чем за два месяца до капитального ремонта оборудования.

Измерение высот пружин в упругих подвесках и опорах, а также работы по п. 1.3 должны быть выполнены в рабочем состоянии трубопровода.

Работы по пп. 1 - 3 (за исключением пп. 2.2.1.2, 2.2.2.2) могут выполняться как ответственными за состояние ОПС данного объекта, так и специализированными организациями. Работы по пп. 2.2.1.2, 2.2.2.2 должны выполняться только специализированными организациями, имеющими соответствующие лицензии.

Приложение 2.1

Утверждаю:

Главный инженер

электростанции

ФОРМУЛЯР

Отклонение температуры пара паропровода рег. ________.

Номинальная температура пара = _________ °С.

Дата

Отклонение температуры пара от номинального значения, °С

 

5

10

15

20

25

30

 

 

 

 

 

 

 

Превышение сверх нормы                 t5 °C = мин

t10 °C = мин

·

·

·

Снижение ниже нормы  t5 °C = час

t10 °C = час

·

·

·

Начальник ПТО электростанции ___________________________

Начальник лаборатории металлов __________________________

Приложение 2.2

Перечень документации

1 Ведомость дефектов трубопроводов.

2. Расчетная схема трубопровода (см. приложение 2.4) (расположение подвесок, опор, пунктов контроля за тепловыми перемещениями).

3. Напряжения в сечениях трубопроводов (см. приложение 2.5).

4. Нагрузки на опоры и подвески трубопровода (см. приложение 2.6).

5. Результаты контроля за температурными перемещениями трубопровода (см. приложение 2.7).

Представитель специализированной

организации                                   _____________________________________

(должность)             (подпись)

Представитель эксплуатации

ТЭС                                                 _____________________________________

(должность)             (подпись)

Приложение 2.3

Утверждаю:

Главный инженер____________

____________________________

«___» _____________________ г.

Ведомость дефектов трубопроводов

№ п/п дефекта

Характер дефекта

Место расположения дефекта

Рекомендации по устранению

Ответственные за устранение

Отметка о выполнении

1

2

3

4

5

6

Обследование провели:

Представитель специализированной

организации                                   _____________________________________

(должность)             (подпись)

Согласовано:

Представитель ремонтной

службы ТЭС                                   _____________________________________

(должность)             (подпись)

Представитель эксплуатации

ТЭС                                                 _____________________________________

(должность)             (подпись)

Приложение 2.4

Расчетная схема трубопровода, представлена в качестве типовой (приводятся типоразмер и материал труб, радиусы гибов, а также расчетные параметры пара)

Условные обозначения

 - неподвижная опора

 - пружинная подвеска

 - указатель температурных перемещений (репер)

 - расчетный узел

 - расчетное сечение

п.н. - номер опоры по схеме

н.о. - неподвижная опора

с.о. - скользящая опора

ш.о. - шариковая опора

п.п. - пружинная подвеска

Рис. 2.2. Расчетная схема трубопровода
(Характеристика труб: типоразмер, радиус гиба, материал)

Наработка на «___»_____________ года составляет ______________ час

Наработка на момент обследования - ________________ час

Расчетные параметры Р = ______ кгс/см2, t = ______ °С

Приложение 2.5

Напряжения в сечениях трубопроводов

Номер сечения

Расчетные данные

Фактические данные

Напряжения в сечениях, кгс/см2

Выполнение условия прочности: «да» - «нет»

Напряжения в сечениях, кгс/см2

Выполнение условия прочности: «да» - «нет»

sэкв. раб

sэкв. хол

sэкв. раб

sэкв. хол

1

2

3

4

5

6

7

Расчеты выполнил

Представитель организации _____________________________

(должность)

_____________________________

(подпись)

Приложение 2.6

Нагрузки на опоры и подвески трубопровода _____________

Наименование трубопровода

Номер опоры по схеме

Номера пружин пo MBH или ОСТ

Высота пружин в свободном состоянии Нсв, мм

Максимальная нагрузка на пружину Рдоп, кгс

Холодное состояние

Рабочее состояние

Высота пружины, мм

Нагрузка на опору, кгс

Высота пружины, мм

Нагрузка на опору, кгс

Небаланс нагрузок на опору, %

расчетная, Нхол

фактическая Нф.хол

расчетная, Рхол

фактическая Рф.хол

расчетная, Нхол

фактическая Нф.хол

расчетная, Рхол

фактическая Рф.хол

1

2

3

4

5

6

7

8

9

10

11

12

13

14

Примечания: 1. Таблица составлена на основании измерений высот пружин, произведенных:

в холодном состоянии - число, месяц, год;

в горячем состоянии - число, месяц, год.

2. Расчетные величины нагрузок на опоры взяты из расчетов по договору №_______

Представитель специализированной

организации                                   _____________________________________

(должность)             (подпись)

Представитель эксплуатации

ТЭС                                                 _____________________________________

(должность)             (подпись)

Приложение 2.7

Результаты контроля за температурными перемещениями трубопровода

Наименование трубопровода

Номер индикатора по схеме

Величина перемещений вдоль осей координат, мм

Величина небалансов перемещений вдоль осей координат, мм

´1

´2

´3

´1

´2

´3

Расч.

Факт.

Расч.

Факт.

Расч.

Факт.

Допуск.

Факт.

Допуск.

Факт.

Допуск.

Факт.

1

2

3

4

5

6

7

8

9

10

11

12

13

14

Примечания: 1. Отметки холодного состояния оси трубопроводов произведены (число, месяц, год).

2. Положение оси трубопроводов при рабочих параметрах зафиксировано (число, месяц, год).

3. Расчетные величины перемещений взяты из расчетов по договору №_________

Представитель специализированной

организации                                   _____________________________________

(должность)             (подпись)

Представитель

эксплуатации ТЭС                        _____________________________________

(должность)             (подпись)

Приложение 3

Данные по наработкам и среднегодовым температурам пара за все годы эксплуатации

___________________________________________________________________________

(наименование рассматриваемого оборудования)

Годы эксплуатации

Среднегодовые параметры по форме 3-тех

Календарная наработка

за истекший год

за все годы

Температура, °С

Давление, МПа

Часы

Пуски

Часы

Пуски

 

 

 

 

 

 

 

 

 

 

 

 

 

Начальник ПТО___________________________________________________________

Начальник КТЦ___________________________________________________________

Начальник лаборатории металлов____________________________________________

Приложение 4

_____________________________________________

(электростанция)

ФОРМУЛЯР №_______

обследования энергооборудования, отработавшего парковый ресурс или дополнительно разрешенное время

Обследование проводилось во время _______________ ремонта 200___ г.

с ___________________по __________________

Коллекторы котла___________________________________________________________

___________________________________________________________________________

___________________________________________________________________________

___________________________________________________________________________

(тип котла, станционный и регистрационный №)

Перепускные трубы котла_____________________________________________________

___________________________________________________________________________

___________________________________________________________________________

___________________________________________________________________________

(тип котла, станционный и регистрационный №)

Паропровод_________________________________________________________________

___________________________________________________________________________

___________________________________________________________________________

___________________________________________________________________________

(принадлежность, марка стали, типоразмер, расчетные параметры)

Турбина____________________________________________________________________

___________________________________________________________________________

___________________________________________________________________________

___________________________________________________________________________

(тип турбины, станционный и регистрационный №)

Перепускные трубы турбины__________________________________________________

___________________________________________________________________________

___________________________________________________________________________

___________________________________________________________________________

(тип турбины, станционный и регистрационный №)

Приложение 5

Утверждаю:

________________________

«___»_____________200__ г.

План работ на 200__ г. по обследованию металла и сварных соединений тепломеханического оборудования, выработавшего парковый ресурс

 

Объект контроля (котел, турбина, станционный трубопровод)

Контролируемый узел объекта

Контролируемые элементы узла

Контрольная операция для данного элемента

Количество элементов, подвергаемых контролю

Объем и периодичность контроля; количество (доля), ч

Наработка на момент контроля, ч

Данные последнего контроля

Планируемый на 200__ г. объем

 

Полное наименование узла

Марка стали

Типоразмер труб D´S, мм

Год контроля

Наработка на момент контроля, ч

Количество и номера контролировавшихся элементов

Количество и номера элементов

 

 

 

 

 

 

 

 

 

 

 

 

 

 

 

Приложение 6

Общие сведения по котлу

Котел типа ___________________________ изготовлен на ______________________

Расчетное давление:                                             Расчетная температура:

в барабане _____ кгс/см2                                      в барабане _____ °С

на выходе из котла _____ кгс/см2                        на выходе из котла ______ °С

Станционный номер

Регистрационный номер

Заводской номер

Дата изготовления, год

Дата пуска, год

Наработка на момент обследования, ч/пуск

 

 

 

 

 

 

 

 

 

 

 

 

Приложение 6.1

КОЛЛЕКТОРЫ КОТЛА

(для барабанных котлов, начиная от барабана, для прямоточных с Т ³ 400 °С)

Наименование ступени перегрева среды на котле

Коллекторы

входные

выходные

Марка стали

Расчетные параметры

Марка стали

Расчетные параметры

кгс/см2

°С

кгс/см2

°С

 

 

 

 

 

 

 

 

 

 

 

 

 

 

Приложение 6.2

ПЕРЕПУСКНЫЕ ТРУБЫ КОТЛА

(для барабанных котлов, начиная от барабана, для прямоточных с Т ³ 400 °С)

Наименование перепуска (перепускные трубы из _________ в ________________)

Марка стали

Типоразмер

Расчетные параметры

 

D, мм

S, мм

кгс/см2

°С

 

 

 

 

 

 

 

 

 

 

 

 

 

 

Приложение 7

Общие сведения по турбине

Станционный номер

Регистрационный номер

Заводской номер

Дата изготовления, год

Дата пуска, год

Наработка на момент обследования, ч/пуск

 

 

 

 

 

 

 

 

 

 

 

 

Приложение 7.1

Параметры турбины

Турбина____________________________________________________________________

___________________________________________________________________________

___________________________________________________________________________

___________________________________________________________________________

___________________________________________________________________________

(тип турбины)

Изготовлена в_______________________________________________________________

___________________________________________________________________________

___________________________________________________________________________

___________________________________________________________________________

___________________________________________________________________________

(организация-изготовитель)

Расчетные параметры пара на входе:

в ЦВД

давление ___________________ кгс/см2

температура ________________ °С

в ЦСД

давление ___________________ кгс/см2

температура ________________ °С

в ЦНД

давление ___________________ кгс/см2

температура ________________ °С

Приложение 7.2

Результаты контроля металла роторов турбин

Тип ротора

Организация-изготовитель, заводской №

Длина ротора, мм

Наличие прогиба, мм, по годам

Наличие задеваний, механических повреждений

Состояние осевого канала

Последний контроль

Дата, год

Метод

Результат, описание дефектов

 

 

 

 

 

 

 

 

 

 

 

 

 

 

 

 

 

 

 

 

 

 

 

 

 

 

 

Начальник лаборатории металлов____________________________________________

Начальник КТЦ___________________________________________________________

Приложение 7.3

Результаты контроля литых деталей

Наименование трубопровода, на котором установлена литая деталь

Номер схемы

Наименование литой детали

Организация-изготовитель

Dусл

Марка стали

Наработка на момент обследования, ч

Контроль поверхности

Наличие выборок дефектов

Контроль качества заварки выборок

Примечание

Дата, год

Метод контроля, результаты

Длина, мм

Ширина, мм

Глубина, мм

Метод контроля

Оценка качества

 

 

 

 

 

 

 

 

 

 

 

 

 

 

 

 

 

 

 

 

 

 

 

 

 

 

 

 

 

 

 

 

 

 

 

 

 

 

 

 

 

 

 

 

 

Начальник лаборатории металлов____________________________________________

Начальник КТЦ___________________________________________________________

Приложение 7.4

Результаты контроля металла насадных дисков

Тип ротора

Номер ступени

Наработка, ч

Визуальный осмотр

Результаты дефектоскопического контроля

Наличие задеваний

Коррозия

Метод контроля

Контролируемая зона

Координаты и размеры дефектов

 

 

 

 

 

 

 

 

Начальник лаборатории металлов___________________________________________

(Ф.И.О., подпись)

Начальник КТЦ___________________________________________________________

(Ф.И.О., подпись)

Приложение 7.5

Результаты контроля металла рабочих лопаток

Тип ротора

Номер ступени

Наработка, ч

Визуальный осмотр

Результаты дефектоскопического контроля

Наличие коррозии, балл

Наличие механических повреждений

Наличие эрозии и состояние защитных пластин

Состояние бандажа и проволоки

Метод контроля

Зона расположения трещин

Размеры трещин, мм

 

 

 

 

 

 

 

 

 

 

Начальник лаборатории металлов___________________________________________

(Ф.И.О., подпись)

Начальник КТЦ___________________________________________________________

(Ф.И.О., подпись)

Приложение 7.6

Результаты контроля металла диафрагм

Тип цилиндра

Номер ступени

Наработка, ч

Визуальный осмотр

Результаты дефектоскопического контроля

Наличие задеваний

Наличие коррозии направляющих лопаток

Состояние фиксирующих деталей

Метод контроля

Контролируемая зона

Размеры дефектов

 

 

 

 

 

 

 

 

 

Начальник лаборатории металлов___________________________________________

(Ф.И.О., подпись)

Начальник КТЦ___________________________________________________________

(Ф.И.О., подпись)

Приложение 7.7

Результаты контроля пароперепускных труб турбины

 

Перепускная труба из _ в _

Номер схемы

Типоразмеры, мм

Радиус гиба, мм

Марка стали

Измерения и контроль сплошности

D

S

Дата

Организация, проводившая контроль. Номер заключения

Наработка на момент контроля, ч

Толщина стенки растянутой зоны, мм

Максимальная овальность, %

Визуальный осмотр, описание дефектов

Дефектоскопия

Метод

Описание дефектов

Оценка качества

 

 

 

 

 

 

 

 

 

 

 

 

 

 

 

Начальник лаборатории металлов___________________________________________

(Ф.И.О., подпись)

Начальник КТЦ___________________________________________________________

(Ф.И.О., подпись)

Приложение 8

Утверждаю:

Главный инженер__________________

_________________________________

«___»___________________________ г.

АКТ

приемки паропроводов ТЭС____ после выполнения планового ремонта в ____ г.

Представитель специализированной организации______________________________

___________________________________________________________________________

(наименование организации, должность, Ф.И.О. представителя)

и представитель эксплуатации_________________________________________________

___________________________________________________________________________

(наименование организации, должность, Ф.И.О. представителя)

удостоверяют:

1. Дефекты, выявленные при проведении обследования технического состояния трубопроводов и ОПС, устранены. Если дефекты не устранены, должны быть указаны мероприятия, которые необходимо провести для устранения дефектов, и сроки их проведения.

2. Условия прочности соблюдаются для всех расчетных участков трубопроводов на расчетный срок эксплуатации ____тыс. ч с параметрами рабочей среды р = ____кгс/см2, t = ____ °С.

3. Отклонения фактических нагрузок упругих опор от расчетных не превышают допустимых значений, предусмотренных НД. Если эти отклонения превышают допустимые значения, должны быть указаны причины превышения, а также способы и сроки устранения дефекта.

4. Разницы фактических и расчетных температурных перемещений по показаниям индикаторов (реперов) не превышают допустимых значений, предусмотренных НД. Если указанные разницы превышают допустимые значения, должны быть указаны причины превышения, а также способы и сроки устранения дефекта.

Кроме того, должны быть включены (в случае необходимости) мероприятия (со сроками их выполнения) по реконструкции трубопроводов или их ОПС.

Прилагаются:

1. Ведомость дефектов трубопровода.

2. Расчетная схема трубопровода.

3. Напряжения в сечениях трубопровода.

4. Нагрузки на опоры и подвески трубопровода.

5. Результаты контроля за температурными перемещениями трубопровода.

Представитель специализированной

организации______________________________________________________________

(должность, Ф.И.О., подпись)

Представитель

эксплуатации ТЭС_________________________________________________________

(должность, Ф.И.О., подпись)

Приложение 9

РЕШЕНИЕ

по установлению возможности и сроков дальнейшей эксплуатации

___________________________________________________________________________

(коллекторов котла, пароперепускных труб котла, паропровода _______________, общестанционного коллектора, турбины, пароперепускных труб турбины)

__________________________ г.

Главный инженер_________________________________________________________

Начальник КТЦ___________________________________________________________

Начальник лаборатории металлов ___________________________________________

Представитель____________________________________________________________

рассмотрели представленную _______________________________________следующую техническую документацию:

1. Подробная техническая характеристика оборудования

___________________________________________________________________________

___________________________________________________________________________

___________________________________________________________________________

2. Подробное описание уровня технического состояния оборудования на момент обследования

___________________________________________________________________________

___________________________________________________________________________

___________________________________________________________________________

___________________________________________________________________________

___________________________________________________________________________

___________________________________________________________________________

___________________________________________________________________________

___________________________________________________________________________

___________________________________________________________________________

Перечисленная техническая документация и объем работ, проведенных при обследовании, соответствуют требованиям настоящей ТИ.

Анализ результатов обследования, отраженных в представленной технической документации, показывает, что качество металла ________________________________

___________________________________________________________________________

удовлетворяет требованиям технических условий, инструкций, циркуляров и других директивных документов.

На основании вышеизложенного решено:

1. Коллекторы котла _____ ст. № _____ считать пригодными к дальнейшей эксплуатации на ________ часов на расчетных параметрах пара с суммарной наработкой _____ часов.

2. Пароперепускные трубы котла _____ ст. № _____ считать пригодными к дальнейшей эксплуатации на _____ часов на расчетных параметрах пара с суммарной наработкой _____ часов.

3. Паропровод __________ считать пригодным к дальнейшей эксплуатации на _____ часов с параметрами пара Р = ____ кгс/см2, Т = _____ °С с суммарной наработкой _____ календарных часов (_____ эквивалентных часов).

4. Разрешить дальнейшую эксплуатацию турбины ________ ст. № ____ с параметрами пара на входе: Р = ____ кгс/см2, Т = ____ °С на _____ часов с суммарной наработкой _____ календарных часов (_____ эквивалентных часов).

5. Пароперепускные трубы турбины ______________________ считать пригодными к дальнейшей эксплуатации на _____ часов с параметрами пара Р = _____ кгс/см2, Т = _____ °С с суммарной наработкой _____ календарных часов (_____ эквивалентных часов).

СПИСОК РЕКОМЕНДУЕМЫХ НОРМАТИВНЫХ ДОКУМЕНТОВ

1. Инструкция по порядку продления срока службы барабанов котлов высокого давления. М.: Минэнерго России (в печати).

2. Методические указания по техническому диагностированию труб поверхностей нагрева паровых и водогрейных котлов с использованием магнитной памяти металла (РД 34.17.446-97). М.: НПО «Энергодиагностика», 1997.

3. Методические указания по магнитному контролю металла труб поверхностей нагрева котлов теплоэлектростанций (РД 34.17.451-98). М., 1998.

4. Методические указания о порядке проведения работ при оценке остаточного ресурса пароперегревателей котлов электростанций (РД 34.17.452-98). М., 1998.

5. РД 34.17.417. Положения об оценке ресурса, порядке контроля и замены гибов необогреваемых труб котлов с рабочим давлением 10 и 14 МПа (П 34-70-005-85). М.: СПО Союзтехэнерго, 1985.

6. Инструкция по контролю и продлению срока службы паропроводов тепловых электростанций, изготовленных из центробежнолитых труб. М.: Минэнерго России (в печати).

7. Методические указания. Индивидуальный контроль корпусных деталей паровых турбин тепловых электростанций (РД 34.17.436-92). М.: ВТИ, 1995.

8. Методика определения возможности эксплуатации с трещинами и выборками литых корпусных деталей турбин с давлением пара более 9 МПа (РД 153-34.1-17.458-98).

9. Нормы расчета на прочность стационарных котлов и трубопроводов пара и горячей воды (РД 10-249-98).

10. ОСТ 108.901.102-78. Котлы, турбины и трубопроводы. Методы определения жаропрочности металлов.

11. ГОСТ 9454-78. Металлы. Методы испытания на ударный изгиб при пониженных, комнатных и повышенных температурах.

12. Методические указания о порядке проведения работ при оценке индивидуального ресурса паровых турбин и продление срока их эксплуатации сверхпаркового ресурса (РД 34.17.440-96)-М.: АООТ «ВТИ», 1996.

13. Методические указания по проведению акустико-эмиссионного контроля цельнокованых роторов паровых турбин ТЭС (РД 153-34.1-17.457-99). М.: ВТИ, 1999.

14. Методика вихретокового контроля лопаток паровых турбин тепловых электрических станций дефектоскопом «Зонд ВД-96» (РД 34.17.449-97). М.: ВТИ, 1997.

15. Методические указания по предотвращению коррозионных повреждений дисков и лопаточного аппарата паровых турбин в зоне фазового перехода (РД 34.30.507-9263).

16. Инструкция по дефектоскопии гибов трубопроводов из перлитной стали (И. № 23 СД-80). М.: СПО Союзтехэнерго, 1981.

17. ОСТ 108.961.02-79. Отливки из углеродистых сталей для деталей паровых стационарных турбин с гарантированными характеристиками прочности при высоких температурах. Технические условия.

18. ТУ 108.1029-81. Заготовки валов и роторов паровых турбин.

19. ОСТ 34-70-690-96. Металл паросилового оборудования электростанций. Методы металлографического анализа в условиях эксплуатации. М.: ВТИ, 1998.

20. ГОСТ 20700-75. Болты, шпильки, гайки и шайбы для фланцевых и анкерных соединений, пробки и хомуты с температурой среды от 0 до 650 °С. Технические условия.

21. ОСТ 108.020.03-82. Заготовки лопаток турбин и компрессоров штампованные из коррозионно-стойкой и жаропрочной стали. Общие технические условия.

22. Методические указания о порядке оценки работоспособности рабочих лопаток паровых турбин в процессе изготовления, эксплуатации и ремонта (РД 153-34.1-17.462-00). М.: ВТИ, 2000.

23. Сварка, термообработка и контроль трубных систем котлов и трубопроводов при монтаже и ремонте оборудования электростанций (РД 153-34.1-003-01) (PTM-1c).




Яндекс цитирования



   Copyright © 2007-2026,  www.tehlit.ru.

[ ѓосты, стандарты, нормативы, инструкции, правила, строительные нормы ]