//
ТехЛит.ру
- крупнейшая бесплатная электронная интернет библиотека для "технически умных" людей.
WWW.TEHLIT.RU - ТЕХНИЧЕСКАЯ ЛИТЕРАТУРА

:: Алготрейдинг::


АЛГОТРЕЙДИНГ
шаг за шагом
с нуля по урокам!

Торговые роботы на PYTHON, BackTrader,
Pandas, Pine Script для TradingView. Связка с брокерами, телеграм и легкими приложениями.


МЕЖГОСУДАРСТВЕННЫЙ СТАНДАрт

ЕДИНАЯ СИСТЕМА КОНСТРУКТОРСКОЙ ДОКУМЕНТАЦИИ

ОСНОВНЫЕ ТРЕБОВАНИЯ К ЧЕРТЕЖАМ

ГОСТ 2.109-73

МОСКВА

2002

МЕЖГОСУДАРСТВЕННЫЙ СТАНДАРТ

Единая система конструкторской документации

ОСНОВНЫЕ ТРЕБОВАНИЯ К ЧЕРТЕЖАМ

Unified system for design documentation.
Basic requirements for drawings

ГОСТ
2.109-73

Дата введения 1974-07-01

Настоящий стандарт устанавливает основные требования к выполнению чертежей деталей, сборочных, габаритных и монтажных на стадии разработки рабочей документации для всех отраслей промышленности.

(Измененная редакция, Изм. № 8, 11).

1. ОБЩИЕ ТРЕБОВАНИЯ К РАБОЧИМ ЧЕРТЕЖАМ

1.1. Общие положения

1.1.1. При разработке рабочих чертежей предусматривают:

а) оптимальное применение стандартных и покупных изделий, а также изделий, освоенных производством и соответствующих современному уровню техники;

б) рационально ограниченную номенклатуру резьб, шлицев и других конструктивных элементов, их размеров, покрытий и т.д.;

в) рационально ограниченную номенклатуру марок и сортаментов материалов, а также применение наиболее дешевых и наименее дефицитных материалов;

г) необходимую степень взаимозаменяемости, наивыгоднейшие способы изготовления и ремонта изделий, а также их максимальное удобство обслуживания в эксплуатации.

1.1.1а. Рабочие чертежи на бумажном носителе (в бумажной форме) и электронные чертежи могут быть выполнены на основе электронной модели детали и электронной модели сборочной единицы (ГОСТ 2.052).

(Измененная редакция, Изм. № 11)

Общие требования к электронным документам - по ГОСТ 2.051

1.1.2. При ссылках в чертежах изделий серийного и массового производства на технические условия последние должны быть зарегистрированы в установленном порядке (в государствах, где государственная регистрация технических условий обязательна).

Допускается давать ссылки на технологические инструкции, когда требования, установленные этими инструкциями, являются единственными, гарантирующими требуемое качество изделия; при этом они должны быть приложены к комплекту конструкторской документации на изделие при передаче ее другому предприятию.

Не допускается давать ссылки на отдельные пункты стандартов, технических условий и технологических инструкций. При необходимости на чертеже дают ссылку на весь документ или на отдельный его раздел.

Не допускается давать ссылки на документы, определяющие форму и размеры конструктивных элементов изделий (фаски, канавки и т.п.), если в соответствующих стандартах нет условного обозначения этих элементов. Все данные для их изготовления должны быть приведены на чертежах.

(Измененная редакция, Изм. № 4, 10, 11).

1.1.3. На рабочих чертежах не допускается помещать технологические указания. В виде исключения допускается:

а) указывать способы изготовления и контроля, если они являются единственными, гарантирующими требуемое качество изделия, например, совместная обработка, совместная гибка или развальцовка и т.п.;

б) давать указания по выбору вида технологической заготовки (отливки, поковки и т.п.);

в) указывать определенный технологический прием, гарантирующий обеспечение отдельных технических требований к изделию, которые невозможно выразить объективными показателями или величинами, например, процесс старения, вакуумная пропитка, технология склеивания, контроль, сопряжения плунжерной пары и др.

1.1.4. Для изделий основного единичного* и вспомогательного производства на чертежах, предназначенных для использования на конкретном предприятии, допускается помещать различные указания по технологии изготовления и контролю изделий.

* Правила выполнения чертежей изделий единичного производства распространяются также и на вспомогательное производство.

1.1.5. На чертежах применяют условные обозначения (знаки, линии, буквенные и буквенно-цифровые обозначения), установленные в государственных (межгосударственных) стандартах.

Условные обозначения применяют без разъяснения их на чертеже и без указания номера стандарта. Исключение составляют условные обозначения, в которых предусмотрено указывать номер стандарта, например отверстие центровое С12 ГОСТ 14034.

Примечания:

1. Если в государственных (межгосударственных)стандартах нет соответствующих условных обозначений, то применяют условные обозначения, установленные в национальных стандартах и стандартах организаций с обязательными ссылками на них.

2. Допускается применять условные обозначения, не предусмотренные в государственных (межгосударственных) и национальных стандартах и стандартах организаций. В этих случаях условные обозначения разъясняют на поле чертежа.

(Измененная редакция, Изм. № 11)

1.1.6. Размеры условных знаков, не установленные в стандартах, определяют с учетом наглядности и ясности чертежа и выдерживают одинаковыми при многократном повторении.

1.1.7. На рабочем чертеже изделия указывают размеры, предельные отклонения, шероховатость поверхностей и другие данные, которым оно должно соответствовать перед сборкой (черт. 1 а).

Исключение составляет случай, указанный в п. 1.1.8.

Размеры, предельные отклонения и шероховатость поверхностей элементов изделия, получающиеся в результате обработки в процессе сборки или после нее, указывают на сборочном чертеже (черт. 1 б).

(Измененная редакция, Изм. № 3).

1.1.8. Изделие, при изготовлении которого предусматривается припуск на последующую обработку отдельных элементов в процессе сборки, изображают на чертеже с размерами, предельными отклонениями и другими данными, которым оно должно соответствовать после окончательной обработки. Такие размеры заключают в круглые скобки, а в технических требованиях делают запись типа: «Размеры в скобках - после сборки» (черт. 1 в).

1.1.9. На рабочих чертежах изделий, подвергаемых покрытию, указывают размеры и шероховатость поверхности до покрытия. Допускается указывать одновременно размеры и шероховатость поверхности до и после покрытия. При этом размерные линии и обозначения шероховатости поверхностей до покрытия и после покрытия наносят, как показано на черт. 2.

Если необходимо указать размеры и шероховатость поверхности только после покрытия, то соответствующие размеры и обозначения шероховатости поверхности отмечают знаком «*» и в технических требованиях чертежа делают запись типа: «*Размеры и шероховатость поверхности после покрытия» (черт. 3).

Черт. 1

Черт. 2

Черт. 3

1.1.10. На каждое изделие выполняют отдельный чертеж. Исключение составляет группа изделий, обладающих общими конструктивными признаками, на которые выполняют групповой чертеж по ГОСТ 2.113.

1.1.11. На каждом чертеже помещают основную надпись и дополнительные графы к ней в соответствии с требованиями ГОСТ 2.104.

1.1.12. Графы основной надписи заполняют с учетом дополнительных требований:

при выполнении чертежа на нескольких листах на всех листах одного чертежа указывают одно и то же обозначение;

в графе 5 указывают массу изделия: на чертежах для изготовления опытных образцов - расчетную массу, на чертежах, начиная с литеры О1, - фактическую. При этом под фактической массой следует понимать массу, определенную измерением (взвешиванием изделия).

На чертежах изделий единичного производства и изделий с большой массой, и крупногабаритных изделий, определение массы которых взвешиванием вызывает затруднение, допускается указывать расчетную массу. При этом на чертежах изделий, разрабатываемых по заказам Министерства обороны, указание расчетной массы допускается только по согласованию с заказчиком (представителем заказчика).

Массу изделия указывают в килограммах без указания единицы измерения.

Допускается указывать массу в других единицах измерения с указанием их, например: 0,25 т, 15 т.

При необходимости допускается указывать предельные отклонения массы изделия в технических требованиях чертежа.

На габаритных и монтажных чертежах, а также на чертежах деталей опытных образцов и единичного производства допускается массу не указывать.

(Измененная редакция, Изм. № 6).

1.1.13. (Исключен, Изм. № 11)

1.1.14. Если ребро (кромку) необходимо изготовить острым или скруглить, то на чертеже помещают соответствующее указание. Если на чертеже нет никаких указаний о форме кромок или ребер, то они должны быть притуплены.

При необходимости, в этом случае можно указать размер притупления (фаски, радиуса), помещаемый рядом со знаком «∟», например черт. .

(Измененная редакция, Изм. № 9).

Черт. 3а

1.1.15. Если в окончательно изготовленном изделии должны быть центровые отверстия, выполняемые по ГОСТ 14034, то их изображают условно, знаком  с указанием обозначения по ГОСТ 14034 на полке линии-выноски. При наличии двух одинаковых отверстий изображают одно из них (черт. 4а).

Если центровые отверстия в готовом изделии недопустимы, то при этом указывают знак  (черт. 4б).

Центровые отверстия не изображают и в технических требованиях не помещают никаких указаний, если наличие отверстий конструктивно безразлично.

(Измененная редакция, Изм. № 7).

1.1.16. В обоснованных случаях (например, при изменении размеров на чертеже в процессе его разработки, когда переоформление чертежа нецелесообразно, при использовании бланк-чертежей* и т.д.) допускается отступление от масштаба изображения, если это не искажает наглядность изображения и не затрудняет чтение чертежа в производстве.

* Бланк-чертежи - заготовки конструкторских документов, которые используются после внесения в них недостающих размеров и других необходимых данных.

(Измененная редакция, Изм. № 2, 8).

Черт. 4

1.2. Чертежи совместно обрабатываемых изделий

1.2.1. Если отдельные элементы изделия необходимо до сборки обработать совместно с другим изделием, для чего их временно соединяют и скрепляют (например, половины корпуса, части картера и т.п.), то на оба изделия должны быть выпущены в общем порядке самостоятельные чертежи с указанием на них всех размеров, предельных отклонений, шероховатости поверхностей и других необходимых данных.

Размеры с предельными отклонениями элементов, обрабатываемых совместно, заключают в квадратные скобки и в технических требованиях помещают указание: «Обработку по размерам в квадратных скобках производить совместно с ...» (черт. 5).

1. Обработку по размерам в квадратных скобках производить совместно с дет ...

2. Детали применять совместно.

Черт. 5

1.2.2. В сложных случаях при указании размеров, связывающих различные поверхности обоих изделий, рядом с изображением одного из изделий, наиболее полно отражающего условия совместной обработки, помещают полное или частичное упрощенное изображение другого изделия, выполненное сплошными тонкими линиями (черт. 6). Выпускать отдельные чертежи на совместную обработку не допускается.

1. Обработку по размерам в квадратных скобках производить совместно с дет ...

2. Детали применять совместно.

Черт. 6

1.2.3. Технические требования, относящиеся к поверхностям, обрабатываемым совместно, помещают в том чертеже, где изображены все совместно обрабатываемые изделия. Указания о совместной обработке помещают на всех чертежах совместно обрабатываемых изделий.

1.2.4. Если отдельные элементы изделия должны быть обработаны по другому изделию и (или) пригнаны к нему, то размеры таких элементов должны быть отмечены у изображения знаком «*» или буквенным обозначением, а в технических требованиях чертежа приводят соответствующие указания (черт. 7).

1.2.5. Когда обработка в изделии отверстий под установочные болты, винты, заклепки, штифты должна производиться при сборке его с другими изделиями без предварительной обработки отверстия меньшего диаметра, на чертежах детали отверстия не изображают и никаких указаний в технических требованиях не помещают.

1. Поверхн. А обработать по дет. …, выдержав размер Б.

2. Детали применять совместно.

Черт. 7

Все необходимые данные для обработки таких отверстий (изображения, размеры, шероховатость поверхностей, координаты расположения, количество отверстий) помещают на сборочном чертеже изделия, в которое данное изделие входит составной частью (черт. 8).

При применении конических штифтов на сборочных чертежах изделий указывают только шероховатость поверхности отверстия и под полкой линии-выноски с номером позиции штифта - количество отверстий.

(Измененная редакция, Изм. № 11)

1.2.6. На чертеже изделия, получаемого разрезкой заготовки на части и взаимозаменяемого с любым другим изделием, изготовленным из других заготовок по данному чертежу, изображение заготовки не помещают (черт. 9).

1.2.7. На изделие, получаемое разрезкой заготовки на части или состоящее из двух и более совместно обрабатываемых частей, применяемых только совместно и не взаимозаменяемых с такими же частями другого такого же изделия, разрабатывается один чертеж (черт. 10).

1.3. Чертежи изделий с дополнительной обработкой или переделкой

1.3.1. Чертежи изделий, изготовляемых с дополнительной обработкой других изделий, выполняют с учетом следующих требований:

а) изделие-заготовку изображают сплошными тонкими линиями, а поверхности, получаемые дополнительной обработкой, вновь вводимые изделия и изделия, устанавливаемые взамен имеющихся, - сплошными основными линиями.

Снимаемые при переделке детали не изображают;

б) наносят только те размеры, предельные отклонения и обозначения шероховатости поверхностей, которые необходимы для дополнительной обработки (черт. 11).

Допускается наносить справочные, габаритные и присоедительные размеры. Допускается изображать только часть изделия-заготовки, элементы которого должны быть дополнительно обработаны.

1.3.2. На чертеже детали, изготовляемой дополнительной обработкой заготовки, в графе 3 основной надписи записывают слово «Изделие-заготовка» и обозначение изделия-заготовки.

При использовании покупного изделия в качестве изделия-заготовки в графе 3 основной надписи указывают наименование покупного изделия и его обозначение, которые содержатся в сопроводительной документации изготовителя (поставщика).

(Измененная редакция, Изм. № 11)

Сборочный чертеж

Чертежи деталей

Черт. 8

Черт. 9

Черт. 10

1.3.3. Деталь-заготовку записывают в соответствующий раздел спецификации изделия. При этом графу «Поз.» прочеркивают.

При автоматизированном проектировании допускается изделие-заготовку записывать после доработанного изделия без учета раздела спецификации.

В графе «Наименование» после наименования изделия-заготовки указывают в скобках «Заготовка для ...ХХХХХХ...».

(Измененная редакция, Изм. № 6, 11).

1.3.4. При использовании в качестве изделия-заготовки сборочной единицы чертеж изготовляемого из заготовки изделия следует выполнять, как сборочный. В спецификацию этого изделия записывают изделие-заготовку и другие изделия, устанавливаемые при переделке. Переделанному изделию присваивают самостоятельное обозначение.

При выполнении документов в электронной форме изделие-заготовку включают в электронную структуру изделия (ГОСТ 2.053).

Черт. 11

В технических требованиях чертежа допускается указывать, какие сборочные единицы и детали при переделке заменяют вновь установленными или исключают без замены, например: «Детали поз. 4 и 6 установить взамен имеющихся валика и втулки», «Имеющуюся втулку снять» и т.п.

(Измененная редакция, Изм. № 11)

1.3.5. Если доработка изделия, являющегося сборочной единицей, заключается в снятии или замене его составных частей, то сборочный чертеж на доработанное изделие допускается не выпускать. Спецификацию такого изделия следует выполнять по ГОСТ 2.106 с учетом следующих особенностей:

дорабатываемое изделие записывают в раздел «Сборочные единицы» первой позицией;

снятые с дорабатываемого изделия составные части записывают за номером позиции по спецификации дорабатываемого изделия в соответствующие разделы под заголовком «Снятые составные части»;

вновь установленные составные части записывают в соответствующие разделы под заголовком «Вновь устанавливаемые составные части» с указанием номеров позиций, являющихся продолжением позиций, указанных в дорабатываемом изделии.

Примечание. Указанный способ не допускается применять при доработке покупных изделий.

(Введен дополнительно, Изм. № 6).

1.4. Чертежи изделия с надписями, знаками, шлаками, фотоснимками

1.4.1. Надписи и знаки, наносимые на плоскую поверхность изделия, изображают, как правило, на соответствующем виде полностью, независимо от способа их нанесения. Расположение и начертание их должно соответствовать требованиям, предъявляемым к готовому изделию. Если данные изделия на чертеже изображены с разрывами, то допускается надписи и знаки наносить на изображении не полностью и приводить их в технических требованиях чертежа.

1.4.2. Если надписи и знаки должны быть нанесены на цилиндрическую или коническую поверхность, то на чертеже помещают изображение надписи в виде развертки.

На виде, где надписи, цифры и другие данные проецируются с искажением, допускается изображать их без искажения. Допускается на таком виде изображать лишь часть наносимых данных, необходимую для связи вида с разверткой (черт. 12, 13).

1.4.3. При симметричном расположении надписи относительно контура детали вместо размеров, определяющих расположение надписи, как правило, в технических требованиях указывают предельные отклонения расположения (черт. 14).

(Измененная редакция, Изм. № 6).

1.4.4. На чертеже должен быть указан способ нанесения надписей и знаков (гравирование, штемпелевание, чеканка, фотографирование и т.п.), покрытие всех поверхностей изделия, покрытие фона лицевой поверхности и покрытие наносимых надписей и знаков (черт. 15).

1.4.5. Если нанесение на изделие надписей, знаков или других изображений должно выполняться способом фотографирования или контактной печати непосредственно с подлинника рабочего чертежа изделия, то чертеж (черт. 16) в этом случае необходимо выполнять с соблюдением следующих требований:

а) изделие должно быть вычерчено в натуральную величину или в увеличенном масштабе. Масштаб должен выбираться в зависимости от способа нанесения изображения (например, для контактной печати масштаб должен быть 1:1);

б) на изображении изделия не должно быть никаких линий построения. Все необходимые размеры, размерные и выносные линии должны быть размещены на поле чертежа, за пределами изображения.

Размеры отверстий, выполняемых на изделии, допускается приводить в технических требованиях.

1.4.4, 1.4.5. (Измененная редакция, Изм. № 5).

1.4.6. Если нанесение изображения на изделие целесообразно выполнять путем фотографирования с подлинника какого-либо конструкторского документа (например, с электрической принципиальной схемы), то чертеж такого изделия (черт. 17) должен быть выполнен с соблюдением следующих требований:

а) наносимые изображения не вычерчивают;

б) внутри контура изделия указывают границы расположения изображения (сплошной тонкой линией);

Черт. 12

Черт. 13

Отклонение от симметричного расположения надписи не более 0,5 мм.

Черт. 14

1. Фотохимическое травление плоское: а) фон лицевой поверхности - черный;

б) надписи, буквы, знаки и площадка - цвета металла.

2. Шрифт - по нормативно-технической документации.

Черт. 15

Черт. 16

в) на поле чертежа или внутри контура изделия указывают обозначение документа, с которого должно производиться фотографирование, и приводят дополнительные сведения о том, какая часть документа подлежит фотографированию;

г) внутри контура изделия вычерчивают (с указанием необходимых размеров и координат) недостающие в документе надписи, знаки и другие данные, которые должны быть добавлены к наносимому изображению.

1.5. Чертежи изделий, изготовляемых в различных производственно-технологических вариантах

1.5.1. Чертежи, допускающие изготовление изделий в двух и более производственно-технологических вариантах, следует выполнять по правилам, установленным для чертежей деталей и сборочных чертежей с учетом дополнительных требований, приведенных в пп. 1.5.2-1.5.8.

Примечание. Производственно-технологическими вариантами являются такие варианты выполнения изделия, которые предусматриваются на чертежах применительно к разным заведомо известным производственным условиям или технологическим методам и средствам изготовления.

Производственно-технологические варианты не должны нарушать взаимозаменяемость, техническую характеристику и эксплуатационные качества изделия.

1.5.2. На каждый вариант изготовления детали, отличающийся от других вариантов технологией изготовления (литьем, объемной штамповкой, сваркой, прессованием из прессматериала и т.п.), выпускают отдельный чертеж с самостоятельным обозначением.

l.5.3. На чертеже детали, которая может быть изготовлена в различных вариантах, отличающихся конструктивными элементами или их формой (канавки для выхода инструмента, фаски, накатываемая или нарезаемая резьба и т.п.), делают указание о допустимых заменах. При необходимости помещают дополнительное изображение с надписью над ним «Вариант». При нескольких вариантах в надписи указывают номер варианта. Указаний, разрешающих изготовлять детали в соответствии с изображенным вариантом, на чертеже не приводят (черт. 18).

1.5.4. Когда на сборочном чертеже предусмотрены варианты изготовления составных частей изделия по самостоятельным чертежам (например, детали, изготовляемые из металлической отливки или из штамповочной поковки, или прессуемые из пластмассы), в спецификацию этой сборочной единицы записывают отдельными позициями под своими обозначениями все варианты.

Черт. 17

Количество составных частей в графе «Кол.» спецификации не проставляют, а в графе «Примечание» указывают «... шт., допуск, замена на поз...». На полке линии-выноски от изображения составной части указывают номера позиций для всех вариантов этой части, например: «6 или 11».

1.5.5. Допускается изготовлять детали из двух и более частей (например, лист обшивки; отдельные части ограждений и т.п.); при этом в технических требованиях помещают указание о допустимости изготовления такой детали, способе соединения частей и материалах, необходимых для соединения.

Если должны быть точно определены место возможного соединения частей и подготовка их к соединению, то на чертеже помещают дополнительные данные: изображение, размеры и т.д. Место соединения изображают штрихпунктирной тонкой линией.

1.5.6. Сборочный чертеж изделия, в которое входит деталь с различными вариантами изготовления (согласно пп. 1.5.3 и 1.5.5.), оформляют без дополнительных указаний.

1.5.7. Если варианты изготовления изделия заключаются в том, что его составные части, оставаясь равнозначными, отличаются какими-либо конструктивными элементами, которые целесообразно показать на сборочном чертеже, то помешают соответствующие дополнительные изображения.

Над дополнительным изображением делают надпись, поясняющую, что это изображение относится к варианту изготовления.

При нескольких вариантах в надписи указывают номер варианта.

Черт. 18

Позиции составных частей, входящих в варианты, помешают на соответствующих дополнительных изображениях (черт. 19).

1.5.8. Если вариантом изготовления деталей является разъемное соединение, состоящее из нескольких деталей, то сборочный чертеж на такой вариант не разрабатывают.

В спецификацию изделия детали, составляющие вариант, записывают отдельными позициями.

Графу «Кол.» спецификации не заполняют, а в графе «Примечание» записывают:

для основной детали; «шт., допуск, замена на поз...», при этом указывают номера позиций всех деталей, составляющих вариант, и количество каждой из них;

для деталей варианта (разъемного соединения): «...шт., примен. с поз... взамен поз...» (черт. 20).

2. ЧЕРТЕЖИ ДЕТАЛЕЙ

2.1. Рабочие чертежи разрабатывают, как правило, на все детали, входящие в состав изделия. Допускается не выпускать чертежи на:

а) детали, изготовляемые из фасонного или сортового материала отрезкой под прямым углом, из листового материала отрезкой по окружности в том числе, с концентрическим отверстием или по периметру прямоугольника без последующей обработки;

б) одну из деталей изделия в случаях, указанных в пп. 3.3.5 и 3.3.6;

в) детали изделий с неразъемными соединениями (сварных, паяных, клепаных, склеенных, сбитых гвоздями и т.п.), являющихся составными частями изделий единичного производства, если конструкция такой детали настолько проста, что для ее изготовления достаточно трех-четырех размеров на сборочном чертеже или одного изображения такой детали на свободном поле чертежа;

г) детали изделий единичного производства, форма и размеры которых (длина, радиус сгиба и т.п.) устанавливаются по месту, например, отдельные части ограждений и настила, отдельные листы обшивки каркасов и переборок, полосы, угольники, доски и бруски, трубы и т.п.;

д) покупные детали, подвергаемые антикоррозионному или декоративному покрытию, не изменяющему характер сопряжения со смежными деталями.

Необходимые данные для изготовления и контроля деталей, на которые не выпускают чертежи, указывают на сборочных чертежах и в спецификации.

(Измененная редакция, Изм. № 8).

2.2. На чертежах деталей, в спецификации или в электронной структуре изделия условные обозначения материала должны соответствовать обозначениям, установленным стандартами на материал. При отсутствии стандарта на материал его обозначают по техническим условиям.

(Измененная редакция, Изм. № 11)

2.3. Обозначение материала детали по стандарту на сортамент записывают на чертеже только в тех случаях, когда деталь в зависимости от предъявляемых к ней конструктивных и эксплуатационных требований должна быть изготовлена из сортового материала определенного профиля и размера, например:

Черт. 19

Черт. 20

В документах, выполненных в электронной форме, горизонтальную черту, указанную в примерах, допускается заменять на косую черту (/).

Допускается в условном обозначении материала не указывать группу точности, плоскостность, вытяжку, обрезку кромок, длину и ширину листа, ширину ленты и другие параметры, если они не влияют на эксплуатационные качества изделия (детали). При этом общая последовательность записи данных, установленных стандартами или техническими условиями на материалы, должна сохраняться.

(Измененная редакция, Изм. № 8, 10, 11).

2.4. В основной надписи чертежа детали указывают не более одного вида материала. Если для изготовления детали предусматривается использование заменителей материала, то их указывают в технических требованиях чертежа или технических условиях на изделие.

2.5. Если форма и размеры всех элементов определены на чертеже готовой детали, развертку (изображение, длину развертки) не приводят.

Когда изображение детали, изготовляемой гибкой, не дает представления о действительной форме и размерах отдельных ее элементов, на чертеже детали помещают частичную или полную ее развертку. На изображении развертки наносят только те размеры, которые невозможно указать на изображении готовой детали.

Над изображением развертки помещают условное графическое обозначение  (черт. 21).

2.6. Развертку изображают сплошными основными линиями, толщина которых должна быть равна толщине линий видимого контура на изображении детали.

Черт. 21

При необходимости, на изображении развертки наносят линии сгибов, выполняемые штрихпунктирной тонкой линией с двумя точками, с указанием на полке линии-выноски «Линия сгиба».

2.7. Допускается, не нарушая ясности чертежа, совмещать изображение части развертки с видом детали. В этом случае развертку изображают штрихпунктирными тонкими линиями с двумя точками и условное графическое обозначение  не помещают (черт. 22).

2.8. Детали, у которых отдельные элементы должны быть измерены после изменения (в пределах упругих деформаций) первоначальной формы, соответствующей свободному состоянию детали, изображают сплошными основными линиями в свободном состоянии и штрихпунктирными тонкими линиями с двумя точками - после изменения первоначальной формы детали. Размеры элементов, которые должны быть измерены после изменения первоначальной формы детали, наносят на изображении, выполненном штрихпунктирными тонкими линиями с двумя точками (черт. 23).

Если у такой детали деформируемые элементы в свободном состоянии могут иметь произвольную форму, то деталь изображают на чертеже в состоянии ее измерения с соответствующим указанием на поле чертежа (черт. 24).

2.6 - 2.8. (Измененная редакция, Изм. № 3).

2.9. Если деталь должна быть изготовлена из материала, имеющего определенное направление волокон, основы и т.п. (металлическая лента, ткани, бумага, дерево), то на чертеже при необходимости допускается указывать направление волокон (черт. 25).

Указания о расположении слоев материала детали, изготовляемой из текстолита, фибры, гетинакса или другого слоистого материала, при необходимости помещают в технических требованиях (черт. 26).

2.10. На чертежах деталей, изготовляемых из материалов, имеющих лицевую и оборотную стороны (кожа, некоторые виды тканей, пленок и др.), при необходимости на полке линии-выноски указывают лицевую сторону (черт. 27). Такие указания допускается помещать и на сборочных чертежах изделий, в состав которых входят детали, имеющие лицевую и оборотную сторону (черт. 28).

2.11. Детали из прозрачных материалов изображают как непрозрачные. Нанесенные на детали с обратной стороны от наблюдателя надписи, цифры, знаки и другие подобные данные, которые у готовой детали должны быть видны с лицевой стороны, изображают на чертеже как видимые и помещают соответствующее указание в технических требованиях (черт. 29).

Черт. 22

Черт. 23

Черт. 24

а - для металла; б - для тканей; в - для бумаги; г - для дерева; д - для фанеры.

Черт. 25

Черт. 26

Черт. 27

Черт. 28

Надпись гравировать с обратной стороны.

Черт. 29

3. ЧЕРТЕЖИ СБОРОЧНЫЕ

3.1. Содержание, изображения и нанесения размеров

3.1.1. Количество сборочных чертежей должно быть минимальным, но достаточным для рациональной организации производства (сборки и контроля) изделий. При необходимости на сборочных чертежах приводят данные о работе изделия и о взаимодействии его частей.

3.1.2. Сборочный чертеж должен содержать:

а) изображение сборочной единицы, дающее представление о расположении и взаимной связи составных частей, соединяемых по данному чертежу, и обеспечивающее возможность осуществления сборки и контроля сборочной единицы.

Допускается на сборочных чертежах помещать дополнительные схематические изображения соединения и расположения составных частей изделия;

б) размеры, предельные отклонения и другие параметры и требования, которые должны быть выполнены или проконтролированы по данному сборочному чертежу.

Допускается указывать в качестве справочных размеры деталей, определяющие характер сопряжения;

в) указания о характере сопряжения и методах его осуществления, если точность сопряжения обеспечивается не заданными предельными отклонениями размеров, а подбором, пригонкой и т.п., а также указания о выполнении неразъемных соединений (сварных, паяных и др.);

г) номера позиций составных частей, входящих в изделие;

д) габаритные размеры изделия;

е) установочные, присоединительные и другие необходимые справочные размеры;

ж) техническую характеристику изделия (при необходимости);

з) координаты центра масс (при необходимости).

Примечания:

1. Данные, указанные в перечислениях д, е допускается не указывать на чертежах сборочных единиц, не являющихся предметом самостоятельной поставки.

2. Данные, указанные в подпунктах ж и з настоящего пункта, не помещают на сборочном чертеже, если они приведены в другом конструкторском документе на данное изделие, например, на габаритном чертеже.

(Измененная редакция, Изм. № 8, 11).

3.1.3. При указании установочных и присоединительных размеров должны быть нанесены:

координаты расположения, размеры с предельными отклонениями элементов, служащих для соединения с сопрягаемыми изделиями;

другие параметры, например, для зубчатых колес, служащих элементами внешней связи, модуль, количество и направление зубьев.

3.1.4. На сборочном чертеже допускается изображать перемещающиеся части изделия в крайнем или промежуточном положении с соответствующими размерами. Если при изображении перемещающихся частей затрудняется чтение чертежа, то эти части допускается изображать на дополнительных видах с соответствующими надписями, например: «Крайнее положение каретки поз. 5».

3.1.5. На сборочном чертеже изделия допускается помещать изображение пограничных (соседних) изделий («обстановки») и размеры, определяющие их взаимное расположение (черт. 30).

Составные части изделия, расположенные за обстановкой, изображают как видимые. При необходимости допускается изображать их как невидимые.

Предметы «обстановки» выполняют упрощенно и приводят необходимые данные для определения места установки, методов крепления и присоединения изделия. В разрезах и сечениях «обстановку» допускается не штриховать.

3.1.6. Если на сборочном чертеже необходимо указать наименования или обозначения изделий, составляющих «обстановку», или их элементов, то эти указания помещают непосредственно на изображении «обстановки», или на полке линии-выноски, проведенной от соответствующего изображения, например: «Автомат давления (обозначение)»; «Патрубок маслоохладителя (обозначение)» и т.п.

3.1.7. На сборочном чертеже изделия вспомогательного производства (например, штампа, кондуктора и т.п.) допускается помещать в правом верхнем углу операционный эскиз.

3.1.8. Сборочные чертежи следует выполнять, как правило, с упрощениями, соответствующими требованиям стандартов Единой системы конструкторской документации и настоящего стандарта.

Черт. 30

На сборочных чертежах допускается не показывать:

а) фаски, скругления, проточки, углубления, выступы, накатки, насечки, оплетки и другие мелкие элементы;

б) зазоры между стержнем и отверстием;

в) крышки, щиты, кожухи, перегородки и т.п., если необходимо показать закрытые ими составные части изделия. При этом над изображением делают соответствующую надпись, например: «Крышка поз. 3 не показана»;

г) видимые составные части изделий или их элементы, расположенные за сеткой, а также частично закрытые впереди расположенными составными частями;

д) надписи на табличках, фирменных планках, шкалах и других подобных деталях, изображая только их контур.

3.1.9. Изделия из прозрачного материала изображают как непрозрачные.

Допускается на сборочных чертежах составные части изделий и их элементы, расположенные за прозрачными предметами, изображать как видимые, например: шкалы, стрелки приборов, внутреннее устройство ламп и т.п.

3.1.10. Изделия, расположенные за винтовой пружиной, изображенной лишь сечениями витков, изображают до зоны, условно закрывающей эти изделия и определяемой осевыми линиями сечений витков (черт. 31).

3.1.11. На сборочных чертежах применяют следующие способы упрощенного изображения составных частей изделий:

а) на разрезах изображают нерассеченными составные части, на которые оформлены самостоятельные сборочные чертежи. Допускается выполнять чертежи так, как показано на черт. 32;

б) типовые, покупные и другие широко применяемые изделия изображают внешними очертаниями (черт. 33).

Черт. 31

Черт. 32

3.1.12. Внешние очертания изделия, как правило, следует упрощать, не изображая мелких выступов, впадин и т.п. (черт. 33, 34 а, б).

3.1.11, 3.1.12. (Измененная редакция, Изм. № 5).

Черт. 33

3.1.13а. На сборочных чертежах допускается уплотнения изображать условно, как показано на черт. 34 (в, г, д), указывая стрелкой направление действия уплотнения.

(Введен дополнительно, Изм. № 5).

3.1.13. На сборочных чертежах, включающих изображения нескольких одинаковых составных частей (колес, опорных катков и т.п.), допускается выполнять полное изображение одной составной части, а изображения остальных частей - упрощенно в виде внешних очертаний.

3.1.14. Сварное, паяное, клееное и тому подобное изделие из однородного материала в сборе с другими изделиями в разрезах и сечениях штрихуют в одну сторону, изображая границы между деталями изделия сплошными основными линиями (черт. 35). Допускается не показывать границы между деталями, т.е. изображать конструкцию как монолитное тело.

Черт. 34

3.1.15. Если необходимо указать положение центра масс изделия, то на чертеже приводят соответствующие размеры и на полке линии-выноски помещают надпись: «Ц. М.».

Линии центров масс составных частей изделия наносят штрихпунктирной линией, а на полке линии-выноски делают надпись: «Линия Ц. М.».

3.2. Номера позиций

3.2.1. На сборочном чертеже все составные части сборочной единицы нумеруют в соответствии с номерами позиций, указанными в спецификации этой сборочной единицы. Номера позиций наносят на полках линий-выносок, проводимых от изображений составных частей.

3.2.2. Номера позиций указывают на тех изображениях, на которых соответствующие составные части проецируются как видимые, как правило, на основных видах и заменяющих их разрезах.

3.2.3. Номер позиций располагают параллельно основной надписи чертежа вне контура изображения и группируют в колонку или строчку по возможности на одной линии.

3.2.4. Номер позиций наносят на чертеже, как правило, один раз. Допускается повторно указывать номера позиций одинаковых составных частей.

Черт. 35

3.2.5. Размер шрифта номеров позиций должен быть на один-два номера больше, чем размер шрифта, принятого для размерных чисел на том же чертеже.

3.2.6. Допускается делать общую линию-выноску с вертикальным расположением номеров позиций:

а) для группы крепежных деталей, относящихся к одному и тому же месту крепления (черт. 36). Если крепежных деталей две и более и при этом разные составные части крепятся одинаковыми крепежными деталями, то количество их допускается проставлять в скобках после номера соответствующей позиции и указывать только для одной единицы закрепляемой составной части, независимо от количества этих составных частей в изделии;

б) для группы деталей с отчетливо выраженной взаимосвязью, исключающей различное понимание, при невозможности подвести линию-выноску к каждой составной части (черт. 37).

В этих случаях линию-выноску отводят от закрепляемой составной части;

в) для отдельных составных частей изделия, если графически изобразить их затруднительно, в этом случае допускается на чертеже эти составные части не показывать, а местонахождение их определять при помощи линии-выноски от видимой составной части и на поле чертежа, в технических требованиях помещать соответствующее указание, например: «Жгуты поз. 12 под скобками обернуть прессшпаном поз. 22».

(Измененная редакция, Изм. № 10).

3.3. Выполнение отдельных видов сборочных чертежей

3.3.1. На сборочном чертеже изделия, включающего детали, на которые не выпущены рабочие чертежи, на изображении и (или) в технических требованиях приводят дополнительные данные к сведениям, указанным в спецификации, необходимые для изготовления деталей (шероховатость поверхностей, отклонения формы и т.д.).

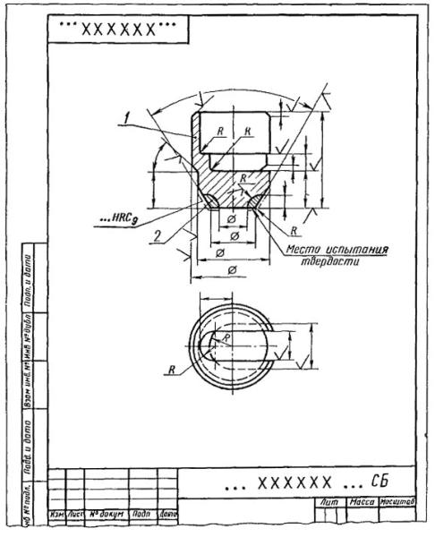
На сборочных чертежах изделий единичного производства допускается указывать данные о подготовке кромок под неразъемные соединения (сварку, пайку и т.д.) непосредственно на изображении или в виде выносного элемента (черт. 38), если эти данные не приведены на чертежах деталей.

3.3.2. В зависимости от характера производства составные части изделия, на которые допускается не выпускать чертежи, могут учитываться двумя способами: как детали с присвоением им обозначения и наименования или как материал без присвоения им обозначения и наименования и с указанием количества в единицах длины, массы или других единицах (черт. 39-42).

(Измененная редакция, Изм. № 5, 11).

3.3.3. Когда для изготовления по сборочному чертежу детали несложной конфигурации (без выпуска на нее самостоятельного чертежа) устанавливается определенный сортовой материал, то соответствующие размеры детали приводят в спецификации.

Если нет необходимости устанавливать определенный сортовой материал для детали, то на сборочном чертеже все размеры помещают на изображении этой детали, а в спецификации указывают только марку материала.

Черт. 36

Черт. 37

3.3.4. На поле сборочного чертежа допускается помещать отдельные изображения нескольких деталей, на которые допускается не выпускать рабочие чертежи, при условии сохранения ясности чертежа.

Над изображением детали наносят надпись, содержащую номер позиции и масштаб изображения, если он отличается от масштаба, указанного в основной надписи чертежа.

3.3.5. Если деталь больших размеров и сложной конфигурации соединяется запрессовкой, пайкой, сваркой, клепкой или другими подобными способами с деталью менее сложной и меньших размеров, то при условии сохранения ясности чертежа и возможностей производства допускается на сборочных чертежах изделий помещать все размеры и другие данные, необходимые для изготовления и контроля основной детали, и выпускать чертежи только на менее сложные детали.

(Измененная редакция, Изм. № 8).

3.3.6. Если сборочную единицу изготовляют наплавкой на деталь металла или сплава, заливкой поверхностей или элементов детали металлом, сплавом, пластмассой, резиной и другими материалами, то чертеж на такие детали допускается не выпускать. На чертежах этих сборочных единиц указывают размеры поверхностей или элементов под наплавку, заливку и т.п., размеры окончательно готовой сборочной единицы и другие данные, необходимые для изготовления и контроля.

3.3.7. Направляемые металл, сплав, пластмассу, резину и другие материалы, которыми заливают армирующие детали, записывают в спецификацию сборочной единицы в раздел «Материалы».

3.3.8. Примеры оформления чертежей сборочных единиц, изготовляемых наплавкой и заливкой деталей сплавом, резиной, приведены на черт. 43-45.

(Измененная редакция, Изм. № 5).

Черт. 38

3.3.9. Если при сборке изделия для его регулировки, настройки, компенсации составные части подбирают, то на сборочном чертеже их изображают в одном из возможных вариантов применения.

3.3.10. Запись «подборных» составных частей в спецификацию и указание на полках линий-выносок номеров позиций наносят в зависимости от способа применения составных частей:

а) если подбор производится одинаковыми изделиями (например, требуемая нагрузка пружины достигается установкой под нее одинаковых шайб), то в графе «Кол.» спецификации указывают наиболее вероятное при установке количество изделий, а в графе «Примечание» записывают - «Наиб. кол.».

В технических требованиях сборочного чертежа помещают необходимые указания по установке таких «подборных» частей, например: «Нагрузку пружины обеспечить установкой необходимого количества дет. поз...»;

б) если подбор производится установкой одного из изделий, имеющих разные размеры и самостоятельные обозначения (например, величина зазора должна обеспечиваться установкой только одного установочного кольца), то в спецификацию записывают каждую «подборную» часть под разными номерами позиций. В графе «Кол.» для каждой части указывают «1» и в графе «Примечание» - «Подбор». В технических требованиях помещают запись типа: «Размер (зазор, ход и т.д.) А обеспечить установкой одной из дет. поз. ...»;

в) если подбор может быть осуществлен установкой нескольких изделий с различными размерами, обозначениями и в различных количествах, то в спецификацию записывают все изделия. Каждой «подборной» части присваивают свой номер позиции и свое обозначение. В графе «Кол.» в этом случае указывают наиболее вероятное при установке количество для каждой «подборной» части и в графе «Примечание» - «Наиб. кол.».

На полках линий-выносок помещают номера позиций всех «подборных» частей. В технических требованиях соответственно указывают: «Размер (зазор, ход и т.д.) Б обеспечить установкой дет. поз. ...».

Черт. 39

Черт. 40

Черт. 41

Черт. 42

При необходимости в графе «Примечание» спецификации для «подборных» частей допускается давать ссылки на пункт технических требований, в котором даны указания по подбору, например: «См. п. ...».

3.3.11. Когда после сборки изделия на время его транспортирования и (или) хранения требуется установить защитные временные детали (крышку, заглушку и т.п.), на сборочном чертеже эти детали изображают так, как они должны быть установлены при транспортировании и хранении.

3.3.12. Если защитные временные детали на время транспортирования и хранения должны устанавливаться вместо снимаемых с изделия каких-либо приборов, механизмов, то об этом на сборочном чертеже в технических требованиях помещают соответствующие указания, например: «Насос поз. ... и регулятор поз. ... перед упаковыванием снять и на их место установить крышки поз. ..., плотно затянув их болтами поз. ...» и т.п.

На сборочном чертеже допускается помещать изображение части машины с устанавливаемой защитной временной деталью, поясняющее положение детали.

3.3.13. Присвоение наименований и обозначений защитным временным деталям, изображение их на сборочном чертеже и запись в спецификацию или электронную структуру изделия производят по общим правилам.

(Измененная редакция, Изм. № 11)

3.3.14. В случаях, когда отдельные части покупного изделия устанавливают в различные сборочные единицы изделия (например, роликовые конические подшипники), покупное изделие записывают в спецификацию той сборочной единицы, в которую оно входит в собранном виде. В технических требованиях сборочного чертежа разрабатываемого изделия указывают те сборочные единицы, в которые входят отдельные части покупного изделия. В спецификациях этих сборочных единиц в графе «Примечание» указывают обозначение той спецификации, в которую входит покупное изделие в собранном виде. При этом в графе «Наименование» указывают наименование составной части покупного изделия, а графа «Кол.» не заполняется.

(Введен дополнительно, Изм. № 8).

4. ЧЕРТЕЖИ ГАБАРИТНЫЕ

4.1. Габаритные чертежи не предназначаются для изготовления по ним изделий и не должны содержать данных для изготовления и сборки.

4.2. На габаритном чертеже изображение изделия выполняют с максимальными упрощениями. Изделие изображают так, чтобы были видны крайние положения перемещающихся, выдвигаемых или откидываемых частей, рычагов, кареток, крышек на петлях и т.п.

Допускается не показывать элементы, выступающие за основной контур на незначительную величину по сравнению с размерами изделия.

4.3. Количество видов на габаритном чертеже должно быть минимальным, но достаточным для того, чтобы дать исчерпывающее представление о внешних очертаниях изделия, о положениях его выступающих частей (рычагов, маховиков, ручек, кнопок и т.п.), об элементах, которые должны быть постоянно в поле зрения (например, шкалах), о расположении элементов связи изделия с другими изделиями.

4.4. Изображение изделия на габаритном чертеже выполняют сплошными основными линиями, а очертания перемещающихся частей в крайних положениях - штрихпунктирными тонкими линиями с двумя точками.

Допускается крайние положения перемещающихся частей изображать на отдельных видах.

(Измененная редакция, Изм. № 3).

4.5. На габаритном чертеже допускается изображать сплошными тонкими линиями детали и сборочные единицы, не входящие в состав изделия.

4.6. На габаритном чертеже наносят габаритные размеры изделия, установочные и присоединительные размеры и, при необходимости, размеры, определяющие положение выступающих частей.

Установочные и присоединительные размеры, необходимые для увязки с другими изделиями, должны быть указаны с предельными отклонениями. Допускается указывать координаты центра масс. На габаритном чертеже не указывают, что все размеры, приведенные на нем, справочные.

(Измененная редакция, Изм. № 8).

4.7. На габаритном чертеже допускается указывать условия применения, хранения, транспортирования и эксплуатации изделия при отсутствии этих данных в техническом описании, технических условиях или другом конструкторском документе на изделие.

4.8. Пример оформления габаритного чертежа приведен на черт. 46.

Черт. 43

Черт. 44

Черт. 45

5. ЧЕРТЕЖИ МОНТАЖНЫЕ

5.1. Монтажный чертеж должен содержать:

изображение монтируемого изделия;

изображения изделий, применяемых при монтаже, а также полное или частичное изображение устройства (конструкции, фундамента), к которому изделие крепится;

установочные и присоединительные размеры с предельными отклонениями;

перечень составных частей, необходимых для монтажа;

технические требования к монтажу изделия.

5.2. Монтажные чертежи выпускают на:

изделия, монтируемые на одном определенном месте (устройстве, объекте, фундаменте);

изделия, монтируемые на нескольких различных местах (устройствах, объектах).

Монтажный чертеж выпускают также в тех случаях, когда необходимо показать соединение составных частей комплекса между собой на месте эксплуатации.

5.3. Монтажный чертеж выполняют по правилам, установленным для сборочных чертежей, с учетом правил, изложенных в настоящем разделе.

5.4. Монтируемое изделие изображают на чертеже упрощенно, показывая его внешние очертания. Подробно показывают элементы конструкций, которые необходимы для правильного монтажа изделия.

Устройство (объект, фундамент), к которому крепится монтируемое изделие, изображают упрощенно, показывая только те части, которые необходимы для правильного определения места и способа крепления изделия.

Изображение монтируемого изделия и изделий, входящих в комплект монтажных частей, выполняют сплошными основными линиями, а устройство, к которому крепится изделие - сплошными тонкими линиями.

При выполнении чертежей фундаментов фундамент изображают сплошными основными линиями, а монтируемое изделие сплошными тонкими линиями.

5.5. На монтажном чертеже указывают присоединительные, установочные и другие размеры, необходимые для монтажа.

На монтажном чертеже, предназначенном для монтажа изделия на различных местах, указывают также размеры, определяющие специфические требования к размещению изделия (например, минимальное расстояние до стены помещения и т.п.).

На монтажном чертеже комплекса указывают размеры, определяющие взаимное расположение составных частей, непосредственно входящих в комплекс.

5.6. Перечень составных частей, необходимых для монтажа, может быть выполнен по форме 1 ГОСТ 2.106, за исключением граф «Формат» и «Зона», и должен быть размещен на первом листе чертежа.

Черт. 46

В перечень записывают монтируемое изделие, а также сборочные единицы, детали и материалы, необходимые для монтажа.

Допускается вместо перечня указывать обозначения этих составных частей на полках линий-выносок.

5.7. Изделия и материалы, необходимые для монтажа, поставляемые предприятием, изготовляющим монтируемое изделие, записывают в спецификацию комплекта монтажных частей по ГОСТ 2.106 или в электронную структуру комплекта монтажных частей по ГОСТ 2.053.

(Измененная редакция, Изм. № 11)

5.8. Необходимые для монтажа изделия и материалы, не поставляемые с монтируемым изделием, записывают в перечень на монтажном чертеже, и в графе «Примечание» или в технических требованиях помещают соответствующее указание, например: «Поз. 7 и 9 с изделием не поставляются» и т.п.

Если невозможно указать точные обозначения и наименования непоставляемых изделий, то в перечне указывают их ориентировочные наименования, а на чертеже, при необходимости, - размеры и другие данные, обеспечивающие правильный выбор изделий, необходимых для монтажа.

5.9. На монтажном чертеже на полке линии-выноске или непосредственно на изображении указывают наименование и (или) обозначение устройства (объекта) или части устройства, к которому крепится монтируемое изделие.

ИНФОРМАЦИОННЫЕ ДАННЫЕ

1. РАЗРАБОТАН И ВНЕСЕН Государственным комитетом стандартов Совета Министров СССР

2. УТВЕРЖДЕН И ВВЕДЕН В ДЕЙСТВИЕ Постановлением Государственного комитета стандартов Совета Министров СССР от 27.07.73 № 1843

Изменение № 9 принято Межгосударственным Советом по стандартизации, метрологии и сертификации (протокол № 13 от 28.05.98)

Зарегистрировано Техническим секретариатом МГС № 2907

За принятие изменения проголосовали:

Наименование государства

Наименование национального органа по стандартизации

Республика Беларусь

Госстандарт Республики Беларусь

Республика Казахстан

Госстандарт Республики Казахстан

Кыргызская Республика

Кыргызстандарт

Республика Молдова

Молдовастандарт

Российская Федерация

Госстандарт России

Республика Таджикистан

Таджикстандарт

Туркменистан

Главгосслужба «Туркменстандартлары»

Республика Узбекистан

Узгосстандарт

Украина

Госстандарт Украины

Изменение № 10 принято Межгосударственным Советом по стандартизации, метрологии и сертификации (протокол № 17 от 22.06.2000)

Зарегистрировано Техническим секретариатом МГС № 3526

За принятие изменения проголосовали:

Наименование государства

Наименование национального органа по стандартизации

Азербайджанская Республика

Азгосстандарт

Республика Беларусь

Госстандарт Республики Беларусь

Грузия

Грузстандарт

Республика Казахстан

Госстандарт Республики Казахстан

Кыргызская Республика

Кыргызстандарт

Республика Молдова

Молдовастандарт

Российская Федерация

Госстандарт России

Республика Таджикистан

Таджикстандарт

Туркменистан

Главгосслужба «Туркменстандартлары»

3. ВЗАМЕН ГОСТ 2.107-68, ГОСТ 2.109-68, ГОСТ 5292-60 в части разд. VIII

4. ССЫЛОЧНЫЕ НОРМАТИВНО-ТЕХНИЧЕСКИЕ ДОКУМЕНТЫ

Обозначение НТД, на который дана ссылка

Номер пункта

Обозначение НТД, на который дана ссылка

Номер пункта

ГОСТ 2.104-2006

1.1.11

ГОСТ 1133-71

2.3

ГОСТ 2.106-96

1.3.5, 5.6, 5.7

ГОСТ 1435-99

2.3

ГОСТ 2.113-75

1.1.10

ГОСТ 2590-88

3.3.2

ГОСТ 103-76

2.3

ГОСТ 8240-97

3.3.2

ГОСТ 535-88

2.3, 3.3.2

ГОСТ 8509-93

3.3.2

ГОСТ 1050-88

3.3.2

ГОСТ 8510-86

3.3.2

ГОСТ 2.051-2006

1.1.1а

ГОСТ 14034-74

1.1.5, 1.1.15

ГОСТ 2.052-2006

1.1.1а

 

 

ГОСТ 2.053-2006

1.3.4, 5.7

 

 

(Измененная редакция, Изм. № 11)

5. ИЗДАНИЕ (июнь 2002 г.) с Изменениями № 1, 2, 3, 4, 5, 6, 7, 8, 9, 10, утвержденными в феврале 1980 г., ноябре 1981 г., мае 1984 г., декабре 1984 г., марте 1985 г., сентябре 1985 г., марте 1986 г., сентябре 1987 г., феврале 1999 г., декабре 2000 г. (ИУС № 4-80, 4-82, 8-84, 3-85, 5-85, 12-85, 6-86, 12-87, 5-99, 3-2001)

СОДЕРЖАНИЕ

 




Яндекс цитирования



   Copyright © 2007-2026,  www.tehlit.ru.

[ ѓосты, стандарты, нормативы, инструкции, правила, строительные нормы ]