//
ТехЛит.ру
- крупнейшая бесплатная электронная интернет библиотека для "технически умных" людей.
WWW.TEHLIT.RU - ТЕХНИЧЕСКАЯ ЛИТЕРАТУРА

:: Алготрейдинг::


АЛГОТРЕЙДИНГ
шаг за шагом
с нуля по урокам!

Торговые роботы на PYTHON, BackTrader,
Pandas, Pine Script для TradingView. Связка с брокерами, телеграм и легкими приложениями.


ГОСТ 3.1128-93

МЕЖГОСУДАРСТВЕННЫЙ СТАНДАРТ

ЕДИНАЯ СИСТЕМА ТЕХНОЛОГИЧЕСКОЙ ДОКУМЕНТАЦИИ

ОБЩИЕ ПРАВИЛА ВЫПОЛНЕНИЯ
ГРАФИЧЕСКИХ ТЕХНОЛОГИЧЕСКИХ
ДОКУМЕНТОВ

МЕЖГОСУДАРСТВЕННЫЙ СОВЕТ
ПО СТАНДАРТИЗАЦИИ, МЕТРОЛОГИИ И СЕРТИФИКАЦИИ

Минск

Предисловие

1 РАЗРАБОТАН Российской Федерацией

ВНЕСЕН Техническим секретариатом Межгосударственного Совета по стандартизации, метрологии и сертификации

2 ПРИНЯТ Межгосударственным Советом по стандартизации, метрологии и сертификации 21 октября 1993 г. протокол № 4

За принятие проголосовали

Наименование государства

Наименование национального органа по стандартизации

Республика Беларусь

Госстандарт Беларуси

Республика Казахстан

Госстандарт Республики Казахстан

Украина

Госстандарт Украины

3 Постановлением Комитета Российской Федерации по стандартизации, метрологии и сертификации от 2 марта 1994 г. № 41 межгосударственный стандарт ГОСТ 3.1128-94 введен в действие непосредственно в качестве государственного стандарта Российской Федерации с 1 января 1995 г.

4 ВВЕДЕН ВПЕРВЫЕ

5 ПЕРЕИЗДАНИЕ. Апрель 2001 г.

СОДЕРЖАНИЕ

1 Область применения. 1

2 Нормативные ссылки. 2

3 Общие положения. 2

4 Правила выполнения эскизов. 3

5 Выполнение схем. Общие положения. 13

6 Выполнение графиков (диаграмм). Общие положения. 13

Приложение А Пример оформления карты эскизов на операцию холодной штамповки. 14

Приложение Б Пример оформления карты эскизов на операцию сборки. 14

Приложение В Пример выполнения на карте эскизов кинематической схемы.. 15

Приложение Г Пример оформления на карте эскизов графика. 15

МЕЖГОСУДАРСТВЕННЫЙ СТАНДАРТ

Единая система технологической документации

ОБЩИЕ ПРАВИЛА ВЫПОЛНЕНИЯ ГРАФИЧЕСКИХ ТЕХНОЛОГИЧЕСКИХ ДОКУМЕНТОВ

The unified system of technological documentation.
General rules fo
r drawing up of graphical technological documents

Дата введения 1995-01-01

1 Область применения

Настоящий стандарт устанавливает общие правила выполнения графических технологических документов (далее - документов) в комплектах документов на технологические процессы и операции машиностроения и приборостроения или в технологических инструкциях.

2 Нормативные ссылки

В настоящем стандарте использованы ссылки на следующие стандарты:

ГОСТ 2.004-88 Единая система конструкторской документации. Правила выполнения конструкторских документов на печатающих и графических устройствах ЭВМ

ГОСТ 2.303-68 Единая система конструкторской документации. Линии

ГОСТ 2.305-68 Единая система конструкторской документации. Изображения - виды, разрезы, сечения

ГОСТ 2.307-68 Единая система конструкторской документации. Нанесение размеров и предельных отклонений

ГОСТ 2.308-79 Единая система конструкторской документации. Указание на чертежах допусков формы и расположения поверхностей

ГОСТ 2.309-73 Единая система конструкторской документации. Обозначения шероховатости поверхностей

ГОСТ 2.310-68 Единая система конструкторской документации. Нанесение на чертежах обозначений покрытий, термической и других видов обработки

ГОСТ 2.314-68 Единая система конструкторской документации. Указания на чертежах о маркировании и клеймении изделий

ГОСТ 2.318-81 Единая система конструкторской документации. Правила упрощенного нанесения размеров

ГОСТ 3.1103-82 Единая система технологической документации. Основные надписи

ГОСТ 3.1105-84 Единая система технологической документации. Форма и правила оформления документов общего назначения

ГОСТ 3.1107-81 Единая система технологической документации. Опоры, зажимы и установочные устройства. Графические обозначения

ГОСТ 3.1125-88 Единая система технологической документации. Правила графического выполнения элементов литейных форм и отливок

ГОСТ 3.1126-88 Единая система технологической документации. Правила выполнения графических документов на поковки

ГОСТ 3.1201-85 Единая система технологической документации. Система обозначения технологической документации

ГОСТ 2789-73 Шероховатость поверхности. Параметры и характеристики

ГОСТ 15878-79 Контактная сварка. Соединения сварные. Конструктивные элементы и размеры

ГОСТ 24642-81 Основные нормы взаимозаменяемости. Допуски формы и расположения поверхностей. Основные термины и определения

ГОСТ 24643-81 Основные нормы взаимозаменяемости. Допуски формы и расположения поверхностей. Числовые значения

3 Общие положения

3.1 Графические документы следует применять совместно с текстовыми документами, в том числе документами, в которых текст разбит на графы, для описания технологических процессов и операций или других технологических действий, связанных с изготовлением (ремонтом) изделий (их составных частей), обслуживанием и подготовкой рабочих мест, средств технологического оснащения, регенерацией изделий (их составных частей), включая регенерацию материалов и газов, сбором и утилизацией отходов производства и т.п.

Обязательность выполнения графических документов определяет разработчик документов в зависимости от стадии их разработки, комплексности изложения совместно с текстовой информацией, наглядности, краткости и т.п.

3.2 Графические документы включают в себя:

- эскизы на изделия (их составные части), разрабатываемые к процессам и операциям с указанием всех необходимых параметров;

- эскизы на технологические установы и позиции;

- эскизы к картам наладки средств технологического оснащения;

- таблицы для указания исходных данных;

- схемы;

- графики и диаграммы, относящиеся к настройке оборудования, указанию режимов термической обработки, выполнению действий при испытании изделий и т.п.

3.3 Графические изображения следует выполнять на формах карт эскизов (КЭ) по ГОСТ 3.1105 или в соответствующих зонах форм операционных карт (ОК), или в других документах, установленных стандартами или рекомендациями 4-й и 5-й классификационных групп ЕСТД.

Примечания:

1 При разработке документов на стадиях предварительного проекта (литера «П») и опытного образца (литера «О», «O1», «O2») допускается:

- графические изображения к документам не выполнять, а вместо них применять соответствующие конструкторские документы;

- графические изображения выполнять в документах, в которых описывают технологический процесс, с привязкой к служебному символу «О» или в технологических инструкциях.

2 К процессам на поковки и отливки допускается взамен карт эскизов применять учтенные копии чертежей на заготовки с выполнением всех необходимых требований по ГОСТ 3.1126 и ГОСТ 3.1125.

3.4 Графические изображения в документах следует выполнять с применением:

- средств автоматизации;

- средств механизации;

- чертежного инструмента, а также руки.

3.4.1 Графические изображения в документах следует выполнять линиями, установленными ГОСТ 2.303.

3.4.2 При выполнении графических изображений с применением средств автоматизации следует руководствоваться требованиями ГОСТ 2.004.

Допускается выполнять графические изображения на алфавитно-цифровых печатающих устройствах с применением соответствующих символов (набора символов).

4 Правила выполнения эскизов

4.1 В комплектах документов на технологические процессы эскизы должны быть общими к отдельным операциям, к группе операций или к технологическому процессу (операции).

Выбор соответствующего варианта осуществляет разработчик документов.

4.1.1 Эскиз (эскизы), являющийся общим (являющиеся общими) к технологическому процессу или группе операций, следует помещать на первом и последующих листах соответствующих форм КЭ.

В этом случае КЭ следует присваивать самостоятельное обозначение по ГОСТ 3.1201 и располагать перед или за описанием операции, в которой этот документ впервые применяют, с указанием обозначения в маршрутной карте (МК), карте технологического процесса (КТП) и т.п.

4.1.2 При разработке КЭ к технологическому процессу в графе 8 основной надписи по ГОСТ 3.1103 в форме первого листа следует проставить прочерк.

4.1.3 При разработке КЭ к группе операций технологического процесса следует поставить над эскизом (эскизами) соответствующий номер (соответствующие номера) операции (операций).

Допускается указанную запись не выполнять при условии соответствующего введения обозначения КЭ к соответствующим операциям процесса (или группе операций).

4.1.4 При выполнении одним разработчиком ОК (КТП и др.) и КЭ к операции следует взамен формы первого или заглавного листа КЭ применять формы последующих листов с целью упростить процедуру оформления основных надписей в документах. КЭ следует располагать за документами, в которых описывают выполняемые действия, с указанием соответствующего обозначения ОК (или другого вида документа) и порядкового номера листа (листов).

При условии выполнения КЭ другим разработчиком (включая выполнение КЭ с использованием средств автоматизации) следует применять первый или заглавный лист КЭ с соответствующим обозначением по ГОСТ 3.1201.

4.1.5 В комплекте документов на типовые и групповые операции (ТО, ГО) КЭ следует располагать за картами типовых операций (КТО) перед ведомостью деталей к типовой операции (ВТО) или перед картами технологической информации (КТИ).

4.1.6 В технологических инструкциях (ТИ) графические изображения следует выполнять на формах ТИ или последующих листах форм КЭ по усмотрению разработчика документов.

В этом случае обозначение по (ГОСТ 3.1201) КЭ или ТИ (КЭ), выполненное на одном или нескольких листах, должно соответствовать обозначению ТИ.

4.2 Эскизы следует выполнять:

- на заготовки, получаемые различными методами формообразования;

- на детали, изготовляемые методами формообразования;

- на сборочные единицы и изделия, изготовляемые (ремонтируемые) с применением различных методов сборки.

По усмотрению разработчика документов эскизы следует выполнять на действия, связанные с раскроем и отрезанием заготовок; на процессы термической обработки, испытаний, технического контроля, упаковки, консервации и перемещений, утилизации отходов производства, регенерации изделий и материалов.

4.3 При выполнении эскизов необходимо руководствоваться следующими общими требованиями.

4.3.1 На эскизах изображения заготовок (деталей, сборочных единиц и т.п.) в основном должны быть представлены в их рабочем положении.

4.3.2 Эскизы на изображения изделий и их составные части следует выполнять:

- с соблюдением масштаба;

- без соблюдения масштаба, но с примерным выдерживанием пропорций (графических элементов, составных частей и т.п.).

4.3.3 Изображение изделия (его составной части) на поле документа следует располагать таким образом, чтобы можно было комплексно разместить следующую информацию:

- размеры и их предельные отклонения;

- обозначение шероховатости;

- обозначения опор, зажимов и установочных устройств;

- допуски формы и расположения поверхностей;

- таблицы и технические требования к эскизам (при необходимости);

- обозначения позиций составных частей изделия (для процессов и операций сборки, разборки).

4.3.4 При выполнении изображений изделий и их составных частей следует указывать соответствующие их виды, разрезы и сечения. Правила выполнения на эскизах видов, разрезов и сечений - по ГОСТ 2.305.

Количество видов, разрезов и сечений устанавливает разработчик документов.

4.3.5 Наносить размеры и их предельные отклонения необходимо по ГОСТ 2.307 с учетом следующих особенностей.

4.3.5.1 В документах предельные отклонения линейных размеров указывают только в виде числовых значений в соответствии с рисунком 1.

4.3.5.2 При указании в чертежах конусности и уклонов без приведения угловых размеров в документах следует указывать их угловые размеры и предельные отклонения в виде числовых значений в соответствии с рисунком 2.

4.3.5.3 Размеры фасок и радиусов в основном следует приводить без указания предельных отклонений в соответствии с рисунком 3.

Рисунок 1

Рисунок 2

Рисунок 3

Исключения должны быть оговорены в конструкторских документах или предусмотрены условиями изготовления.

4.3.5.4 При симметричном расположении поля допуска знаки верхнего и нижнего отклонений могут быть указаны в строку, например:

40 + -0,2.

4.3.5.5 Допускается указание для двусторонних предельных отклонений выполнять не в виде дроби, а в строку, с отделением через точку с запятой, например:

12 - 0,032; -0,059.

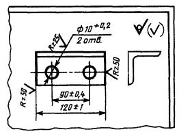
4.3.5.6 Для удобства записи информации о размерах и предельных отклонениях в документах с текстом, разбитым на графы (ОК, КТО, КТП и т.д.), рекомендуется все размеры, а также конструктивные элементы обрабатываемых поверхностей условно нумеровать арабскими цифрами. Порядковый номер размера или конструктивного элемента обрабатываемой поверхности в данном случае следует проставлять в окружности диаметром 6-8 мм и соединять с размерной или выносной линией. Простановку номеров целесообразно выполнять по часовой стрелке, начиная с левой верхней части эскиза в соответствии с рисунком 4.

Рисунок 4

Для наглядности обозначения размеров или конструктивных элементов следует выполнять на одной линии (или по периметру зоны, в которой помещен эскиз).

При выполнении в одном документе нескольких эскизов к разным операциям одного технологического процесса допускается сквозная нумерация размеров или конструктивных элементов.

В этом случае номера одной и той же обрабатываемой поверхности или конструктивного элемента, встречаемых в разных операциях, могут быть неодинаковыми.

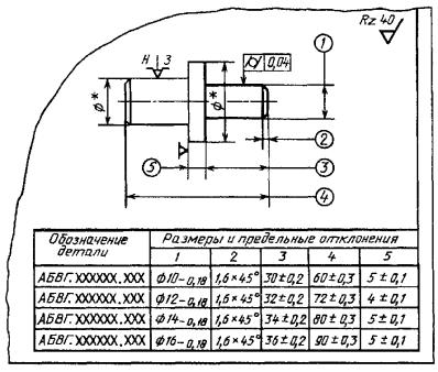
4.3.5.7 Для сложных криволинейных поверхностей, имеющих множество размеров, которые должны быть выдержаны в случае применения средств технологического оснащения (станки с ЧПУ, гидросуппорты, копиры и т.п.), следует приводить условное обозначение их поверхности, аналогичное условному обозначению размеров, только с использованием выносной линии со стрелкой в соответствии с рисунком 5.

Рисунок 5

В этом случае на эскизе показывают только основные базовые размеры.

Выполнять на эскизе надпись по требованию 1.6 ГОСТ 2.307 «Размеры обеспечиваются инструментом» не следует, так как необходимую информацию (модель и тип оборудования, обозначение управляющей программы, гидросуппорта, копира и т.п.) приводят в соответствующем документе на операцию (процесс).

4.3.5.8 При указании справочных размеров достаточно на эскизе отметить их знаком «*» без приведения текстовой записи «Размеры (размер) для справок (справки)».

4.3.5.9 В целях оптимизации записи на эскизе размеров для отверстий рекомендуется применять требования ГОСТ 2.318 в соответствии с рисунком 6.

Рисунок 6

4.3.5.10. При указании в документах на операции и процессы специальных измерительных средств (пробки, скобы и т.п.), которые позволяют контролировать предельные отклонения размеров с учетом соответствующих погрешностей измерений для данных размеров, допускается на эскизах предельные отклонения не указывать, например: поверхность с метрической резьбой и т.п.

4.3.6 На эскизах к операциям обработки резанием, давлением и т.п. поверхности деталей, подлежащих обработке, следует выделять линиями толщиной 25 по ГОСТ 2.303 в соответствии с рисунком 7.

При разработке одного эскиза к процессу (группе операций) обрабатываемые поверхности линиями толщиной 2s допускается не выделять.

4.3.7 Обозначения шероховатости поверхности на эскизах следует выполнять в соответствии с требованиями, указанными в конструкторских документах.

4.3.7.1 Обозначения шероховатости поверхности и их нанесение на поверхности деталей в эскизах следует выполнять в соответствии с ГОСТ 2.309.

4.3.7.2 Значения параметров шероховатости, диапазонов шероховатости и их предельные отклонения следует указывать по ГОСТ 2789 с приведением их в обозначении шероховатости, например:

Допускается отклонение значений параметров шероховатости от указанных на чертеже в сторону их ужесточения на основании требований к технологическому процессу изготовления изделий (их составных частей), например требования к сборке изделия.

4.3.7.3 С целью сократить обозначения шероховатости, одинаковой для некоторых поверхностей, необходимо указать его в правом верхнем углу эскиза вместе с условным обозначением  согласно рисункам 8 и 9.

Рисунок 7

Все поверхности, на которые не нанесены обозначение шероховатости или знак , должны иметь шероховатость, указанную перед условным обозначением .

4.3.7.4 При применении сечений, разрезов на одном эскизе или применении эскиза (эскизов) на группу операций обозначение шероховатости для одних и тех же поверхностей следует указывать только один раз. Дублирование указанной информации не допускается.

4.3.8 В целях оптимизации записи текстовой информации, связанной с записью переходов на установку и крепление изделия (составной части изделия) на оборудовании или в приспособлении с применением методов обработки резанием, давлением и сборки, следует указывать на эскизах обозначения опор, зажимов и установочных устройств по ГОСТ 3.1107 в соответствии с рисунком 10.

Рисунок 8

Рисунок 9

Рисунок 10

Приведенный пример базирования и крепления детали типа «вал» позволяет не включать в текст описания операции следующую запись вспомогательных переходов:

«1 Установить и закрепить на поверхн. 1 поводковый хомутик.

2 Установить дет. с поводковым хомутиком в центрах (в передней бабке - неподвижный центр, в задней бабке - вращающийся центр) и поджать задней бабкой.

3 Указывать дет. по поверхн. 2 в люнет и закрепить».

4.3.9 Указывать в эскизах допуски формы и расположения поверхностей следует на основании требований конструкторских документов и ГОСТ 2.308.

Примечания:

1 Могут быть введены в эскизы дополнительные данные о допусках формы и расположения поверхностей, не указанные в конструкторских документах, на основании требований к технологическому процессу изготовления детали или сборки изделия.

2 Могут быть введены в эскизы ужесточения числовых значений допусков формы и расположения поверхностей на основании требований производства.

В этих случаях числовые значения допусков формы и расположения поверхностей устанавливает разработчик документов по ГОСТ 24643.

Рисунок 11

Рисунок 12

4.3.9.1 Термины и определения допусков формы и расположения поверхностей - по ГОСТ 24642.

4.3.9.2 При применении сечений, разрезов на одном эскизе на группу операций указание о формах и расположении поверхностей для одних и тех же поверхностей следует приводить только один раз. Дублирование указанной информации не допускается.

4.3.9.3 Соответствующие указания в эскизах допусков формы и расположения поверхностей должны быть выполнены таким образом, чтобы вся необходимая информация была рационально расположена на поле эскиза согласно рисунку 11.

4.3.10 При необходимости в зонах для эскизов следует помещать таблицы и соответствующие технические требования.

4.3.10.1 Построение таблиц следует выполнять от нижней части зоны документа, выдерживая шаг строки, равной 8,5 мм, и оставляя места необходимых размеров для заголовков и подзаголовков.

Нанесение разделительных линий строк не носит обязательного характера.

4.3.10.2 Построение соответствующих таблиц необходимо выполнять при разработке типовых или групповых операций, имеющих общий эскиз детали, не привязанный к соответствующим обозначениям детали и их размерам, предусмотренным в конструкторских документах согласно рисунку 12. Допускается для деталей указывать обозначение позиций.

4.3.10.3 Ширину заголовков и подзаголовков таблиц следует выбирать из расчета оптимального размещения вносимой информации. Рекомендуется применять печатающие устройства (шаг печати 2,54-2,6 мм; интервал печати 4,23-4,25).

4.3.10.4 Выбор количества строк для внесения переменной информации устанавливает разработчик документов из расчета максимального количества деталей, обрабатываемых по ТО и ГО.

4.3.10.5 Таблицы к эскизам следует выполнять на первых и последующих листах КЭ.

4.3.10.6 Технические требования к выполнению изделий (заготовок, поковок, деталей, сборочных единиц), а также к операциям и процессам следует располагать в правой или нижней части зоны КЭ. При наличии таблиц технические требования следует располагать над ними. Допускается технические требования указывать на последующих листах форм КЭ.

4.3.10.7 Содержание технических требований к выполнению изделий (деталей, сборочных единиц) должно соответствовать аналогичным требованиям, приведенным на чертежах, или должно быть установлено непосредственно разработчиком документов.

4.3.11 Для упрощения выполнения на КЭ графических элементов (сложных громоздких изображений корпусов, оснований и т.п.) их следует показывать с применением обрывов в соответствии с рисунком 13.

4.3.12 В целях исключения дублирования текстовой информации на карте эскизов и в документах, в которых описаны выполняемые действия (ОК, КТП и т.п.) в КЭ взамен обозначения и наименования составных частей изделия, материалов и т.п. следует указывать только номера их позиций.

Позиции следует оформлять с применением выносной линии и полки. Нумерацию позиций следует выполнять произвольно для каждого эскиза от 1 до n с возрастанием в направлении по часовой стрелке, начиная сверху. Допускается в эскизах применять нумерацию позиций в соответствии с чертежом.

Рисунок 13

4.3.13 По аналогии с правилами выполнения эскизов для обрабатываемых деталей, все графические изображения для процессов сборки должны быть выполнены в рабочем положении изделий (их составных частей), т.е. так, как это зафиксировано при описании операций.

4.3.14 В отличие от требования при выполнении эскизов применять линии толщиной 2s для обрабатываемых поверхностей деталей для графических изображений разборных и неразборных соединений соответствующего выделения выполнять не следует, за исключением границ сопряжений деталей для операций пайки и склеивания в соответствии с рисунком 14.

Рисунок 14

4.4 Выполнение графических изображений литейных форм и отливок на КЭ - по ГОСТ 3.1125.

4.5 Выполнение графических изображений поковок на КЭ - по ГОСТ 3.1126.

4.6 При выполнении эскизов к процессам (операциям) покрытия, термической и других видов обработки необходимо руководствоваться следующими правилами оформления.

4.6.1 Если необходимые данные указаны в ОК, КТП и т.п. запись в КЭ соответствующих данных о покрытиях (показателей свойств материалов, получаемых в результате обработки, например твердости HRCэ, HRA, НБ, HV, пределов прочности δв, пределов упругости δy, ударной вязкости ak и т.п.), приводить не следует.

В этом случае указывают место покрытия (обработки и т.п.) с обведением обрабатываемых поверхностей линиями толщиной 2s в соответствии с рисунком 15.

Рисунок 15

4.6.2 Если все необходимые данные в ОК, КТП и т.п. не указаны, то их следует выполнять на КЭ в соответствии с ГОСТ 2.310.

4.7 При разработке эскизов на процессы (операции) сварки, пайки, клепки и т.п. не допускается указывать обозначения соответствующих стандартов на соединения (включая стандарты предприятий) или ссылки на них, например обозначения стандартов на типы и конструктивные элементы швов сварных соединений.

4.7.1 Исключение ссылок на соответствующие стандарты на соединения на эскизах должно быть заменено обязательным графическим изображением с указанием вида соединения (швов, паек и т.п.), размеров конструктивных элементов согласно требованиям стандарта и рисунку 16.

4.7.2 При необходимости на эскизах допускается применять обозначения видов соединений в сокращенном варианте с целью исключить дублирование информации в документах, в которых описывают операцию, в отличие от соответствующих обозначений, предусмотренных стандартами ЕСКД [и другими нормативными документами (НД)] и приведенных на чертежах изделий (сборочных единиц), согласно рисунку 17.

Рисунок 16

Рисунок 17

На эскизе сварного соединения цифрами указывают последовательность наложения сварных швов, а стрелками - направление ведения сварки.

4.8 Приводить в КЭ информацию о расположении мест клеймения и маркирования изделий следует согласно требованиям ГОСТ 2.314 и рисунку 18.

Рисунок 18:
а - при клеймении; б - при маркировании

4.9 В эскизах на процессы перемещения рекомендуется выполнять:

- схемы строповки грузов;

- схемы укладки грузов на транспортные средства и при штабелировании;

- схемы расстановки рабочих при групповом (бригадном) перемещении грузов и т.п.

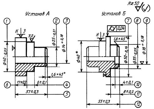
4.10 Оформление графических изображений к установам и позициям необходимо выполнять с соблюдением следующих требований.

4.10.1 Для обозначения установов следует применять прописные буквы русского алфавита, а для обозначения позиций - арабские цифры натурального ряда, например «Установ А»; «Позиция 3».

Допускается:

1 Для записи установов и позиций применять соответствующие сокращения, например «Поз. 2»; «Уст. Г» и т.д.

2 Подчеркивать информацию по позициям и установам.

4.10.2 Графические изображения к установам и к позициям следует выполнять на соответствующих формах КЭ или в формах документов с текстом, разбитым на графы, где предусмотрены соответствующие зоны для указания графических изображений.

4.10.3 При выполнении графических изображений к установам следует указывать в каждом случае рабочее положение обрабатываемой детали (заготовки) относительно исполнителя (рабочего) с приведением соответствующих данных (рисунок 19).

Рисунок 19

Допускается при необходимости указывать в установах графические изображения вспомогательного и режущего инструментов.

4.10.4 При выполнении графических изображений к позициям следует для каждого случая указывать рабочее положение детали (заготовки) с учетом состояния обрабатываемых поверхностей (размеров и т.п.) и применяемых вспомогательных и режущих инструментов в соответствии с рисунком 20.

Допускается:

1 Условные графические обозначения опор, зажимов и установочных устройств приводить только на графическом изображении к 1-й позиции.

2 Графические изображения вспомогательного и режущего инструментов не указывать или в эскизах приводить упрощенно.

Примечание - В приложениях А и Б приведены примеры оформления КЭ на операции холодной штамповки и сборки.

Рисунок 20

5 Выполнение схем. Общие положения

5.1 Схемы разрабатывают в следующих случаях:

- при проектировании процессов сборки, испытаний, наладки и настройки изделий, их ремонте и т.п.;

- при разработке технологических инструкций на наладку и обслуживание средств технологического оснащения и т.п.

5.1.1 В первом случае разработка схем должна быть осуществлена на формах КЭ на основании соответствующих схем и конструкторских документов.

5.1.2 Во втором случае разработка схем должна быть осуществлена на формах ТИ или КЭ на основании паспортов и эксплуатационных документов на средства технологического оснащения.

5.1.3 Схемы должны быть разработаны в соответствии с требованиями стандартов Единой системы конструкторской документации.

5.2 Схемы могут быть разработаны на процесс, операцию или к ТИ.

5.2.1 При условии отнесения схемы к процессу или к ТИ допускается взамен карт эскизов применять учтенные копии конструкторских документов В этом случае в чертеже над основными надписями необходимо сделать отметку «технологический экземпляр», а в сводном документе на процесс или ТИ (МК, КТП и т.п.) сделать соответствующую ссылку на обозначение конструкторского документа к той операции, где он впервые должен быть применен.

5.2.2 Схемы на операцию должны предусматривать только необходимый состав информации для выполнения операции.

Схемы к операциям должны в основном соответствовать конструкторским документам и иметь технологические признаки, необходимые для проверки выполняемых действий.

По усмотрению разработчика документов информацию, используемую в КЭ к первой операции, в последующих операциях можно не приводить, как показано на рисунке 21.

Рисунок 21

5.3 Обозначение документа, на котором выполнен эскиз схемы, должно соответствовать требованиям ГОСТ 3.1201, например 2018870.00015 (карта эскизов к единичному технологическому процессу сборки и монтажа изделий электронной техники).

Схемы, применяемые к операциям и выполненные на продолжениях форм КЭ, должны иметь обозначения тех документов, к которым они относятся, например 6018870.00341; схема к ТИ, выполненная на продолжении формы ТИ, должна иметь общее обозначение с простановкой сквозного номера листов, например 2528870.00034.

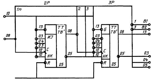
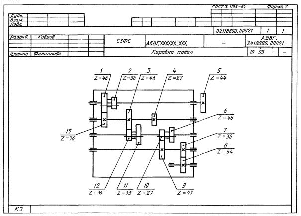
Пример кинематической схемы коробки подач для фрезерного станка на КЭ приведен в приложении В.

6 Выполнение графиков (диаграмм). Общие положения

6.1 Графики или диаграммы (далее - графики) следует выполнять при разработке процессов испытаний, перемещений, наладке и настройке изделий и средств технологического оснащения.

При проектировании процессов графики следует выполнять на КЭ.

6.2 При проектировании ТИ графики следует выполнять на формах ТИ и КЭ с применением сквозной нумерации листов в пределах всего комплекта документов.

6.3 Соответствующие формы и форматы КЭ устанавливает разработчик документов.

6.4 При разработке графиков к процессам следует руководствоваться соответствующими требованиями из конструкторских документов (технических условий, программы и методики испытаний, инструкции и т.п.).

При разработке графиков к ТИ следует руководствоваться требованиями из паспортов (описаний) на средства технологического оснащения. Допускается в особых случаях разработка графиков к ТИ на процессы, например процессы настройки и регулирования аппаратуры.

6.5 Оформленные подлинники (оригиналы) графиков, входящих в комплекты документов, подлежащих учету и хранению, должны удовлетворять требованиям различных способов репрографии.

6.6 При присвоении обозначения по ГОСТ 3.1201 следует руководствоваться правилами обозначения КЭ.

Пример оформления графика приведен в приложении Г.

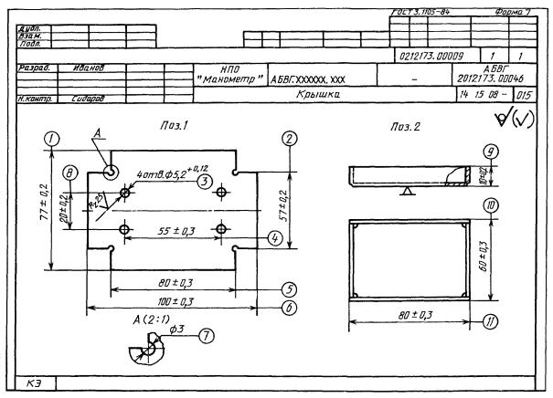
ПРИЛОЖЕНИЕ А

(рекомендуемое)

Пример оформления карты эскизов на операцию холодной штамповки

ПРИЛОЖЕНИЕ Б

(рекомендуемое)

Пример оформления карты эскизов на операцию сборки

ПРИЛОЖЕНИЕ В

(рекомендуемое)

Пример выполнения на карте эскизов кинематической схемы

ПРИЛОЖЕНИЕ Г

(рекомендуемое)

Пример оформления на карте эскизов графика

Ключевые слова: документация технологическая; графические документы; общие правила выполнения; область применения; правила выполнения эскизов; выполнение схем; выполнение графиков




Яндекс цитирования



   Copyright © 2007-2026,  www.tehlit.ru.

[ ѓосты, стандарты, нормативы, инструкции, правила, строительные нормы ]