//
ТехЛит.ру
- крупнейшая бесплатная электронная интернет библиотека для "технически умных" людей.
WWW.TEHLIT.RU - ТЕХНИЧЕСКАЯ ЛИТЕРАТУРА

:: Алготрейдинг::


АЛГОТРЕЙДИНГ
шаг за шагом
с нуля по урокам!

Торговые роботы на PYTHON, BackTrader,
Pandas, Pine Script для TradingView. Связка с брокерами, телеграм и легкими приложениями.


Центральный научно-исследовательский
и проектно-экспериментальный институт организации,
механизации и технической помощи строительству
(ЦНИИОМТП) Госстроя СССР

Справочное пособие к СНиП

Серия основана в 1989 году

РАЗРАБОТКА ПРОЕКТОВ ОРГАНИЗАЦИИ
СТРОИТЕЛЬСТВА И ПРОЕКТОВ
ПРОИЗВОДСТВА РАБОТ
ДЛЯ РЕКОНСТРУКЦИИ
ДЕЙСТВУЮЩИХ ПРЕДПРИЯТИЙ,
ЗДАНИЙ И СООРУЖЕНИЙ

Москва Стройиздат 1990

Рекомендовано к изданию секцией организации строительного производства Научно-технического совета ЦНИИОМТП Госстроя СССР.

Разработано ЦНИИОМТП (кандидаты техн. наук В.В. Шахпаронов, В.П. Володин, Ф.Ф. Джалилов, Л.П. Аблязов, В.А. Большаков, Б.Г. Борисенков, В.С. Воронцов, Р.А. Гребенник, П.П. Олейник, С.Е. Чекулаев, инженеры И.Б. Аваева, Р.Б. Степанова, Л.А. Телингатер) при участии ДИСИ (канд. техн. наук В.А. Давыдов); НИИОСП Госстроя УССР (кандидаты техн. наук В.С. Балицкий, О.Б. Белостоцкий, инж. Т.П. Третяк).

Разработка проектов организации строительства и проектов производства работ для реконструкции действующих предприятий, зданий и сооружений/ ЦНИИ организации, механизации и техн. помощи стр-ву. - М.: Стройиздат, 1990.: 76 ил. - (Справ. пособие к СНиП).

Разработано к СНиП 3.01.01.-85 "Организация строительного производства". Изложена методика проектных решений и документации в составе проектов производства работ и проектов организации строительства. Указаны особенности разработки частей проектов организации строительства и проектов производства работ.

Для инженерно-технических работников строительных, проектных и научно-исследовательских организаций.

1. ОБЩИЕ ПОЛОЖЕНИЯ

1.1. Настоящее Пособие разработано к СНиП 3.01.01-85 "Организация строительного производства" и отражает особенности разработки проектов организации строительства и проектов производства работ для реконструкции действующих предприятий, зданий и сооружений.

1.2. К реконструкции действующих предприятий относится переустройство существующих цехов и объектов основного, подсобного и обслуживающего назначения, как правило, без расширения имеющихся зданий и сооружений основного назначения, связанное с совершенствованием производства и повышением его технико-экономического уровня на основе достижений научно-технического прогресса и осуществляемое по комплексному проекту на реконструкцию предприятия в целом в целях увеличения производственных мощностей, улучшения качества и изменения номенклатуры продукции в основном без увеличения численности работающих при одновременном улучшении условий их труда и охраны окружающей среды.

При реконструкции действующих предприятий могут осуществляться: расширение отдельных зданий и сооружений основного, подсобного и обслуживающего назначения в случаях, когда новое высокопроизводительное и более совершенное по техническим показателям оборудование не может быть размещено в существующих зданиях; строительство новых и расширение существующих цехов и объектов подсобного и обслуживающего назначения в целях ликвидации диспропорций; строительство новых зданий и сооружений взамен ликвидируемых на территории действующего предприятия, дальнейшая эксплуатация которых по техническим и экономическим условиям признана нецелесообразной.

1.3. Пособие отражает особенности разработки проектов организации строительства (ПОС) и проектов производства работ (ППР), вызванные особенностями организации строительства и производства строительно-монтажных работ при реконструкции действующих предприятий, зданий и сооружений, например стесненностью рабочих зон при выполнении строительно-монтажных работ, ограниченной возможностью применения типовой технологии производства работ и поточных методов организации строительного производства и т.п.

1.4. Настоящее Пособие разработано для условий производства строительно-монтажных работ без остановки, а также с частичной и полной остановкой промышленного производства предприятий, зданий и сооружений. Названные выше методы реконструкции различаются степенью совмещения строительно-монтажных работ с основной деятельностью предприятия и в связи с этим условиями осуществления реконструкции объектов.

2. ПРОЕКТ ОРГАНИЗАЦИИ СТРОИТЕЛЬСТВА

2.1. Состав и содержание проектов организации строительства должны соответствовать требованиям, изложенным в СНиП 3.01.01-85 "Организация строительного производства". Кроме того, для условий реконструкции действующих промышленных предприятий к разработке проектов организации строительства предъявляются дополнительные требования, связанные с необходимостью учета особенностей данного вида строительства, приведенные в табл. 1.

Таблица 1

Раздел проекта, в состав которого включаются дополнительные требования

Дополнительные требования

Календарный план строительства, комплексный укрупненный сетевой график, организационно-технологические схемы реконструкции зданий (сооружений), методы производства работ с обоснованиями в текстовой части

Устанавливают очередность и порядок совмещенного с основной деятельностью предприятий выполнения строительно-монтажных работ с указанием участков и цехов, в которых на время производства работ останавливаются или изменяются технологические процессы основного производства

Устанавливают методы организации реконструкции (узловой, поточный, смешанный и др.)

Календарный план строительства и комплексный укрупненный сетевой график

Определяют состав работ подготовительного, доостановочного, остановочного и послеостановочного периодов из условий, чтобы время производства работ по реконструкции, связанных с полной или частичной остановкой производственного процесса, было минимальным

Организационно-технологические схемы реконструкции зданий (сооружений)

Устанавливают очередность и способы выполнения работ в стесненных условиях, последовательность демонтажа и монтажа технологического оборудования

Указывают:

мероприятия по сохранению устойчивости и несущей способности существующих конструкций на период производства строительно-монтажных работ;

мероприятия по изоляции мест выполнения строительно-монтажных работ от действующего производства

Строительный генеральный план

Устанавливают расположение:

действующих, разбираемых и перекладываемых инженерных сетей, мест подключения временных сетей и проездов по территории предприятия;

существующих зданий, сооружений, не подлежащих реконструкции;

возводимых зданий, сооружений и прокладываемых сетей;

реконструируемых зданий, сооружений;

путей транспортирования строительных материалов, конструкций и оборудования на территории промышленного предприятия и внутри реконструируемых цехов;

места бытового обслуживания работников предприятия;

направления безопасного прохода строителей и эксплуатационного персонала предприятия

Пояснительная записка

Устанавливают:

перечень, объемы и способы выполнения работ в стесненных условиях, на которые распространяются удорожающие факторы, а также определяют порядок защиты действующего оборудования при работе по замене стеновых ограждений, перекрытий и покрытий;

мероприятия по обеспечению совместной деятельности предприятия и строительной организации;

услуги промышленного предприятия по созданию производственных условий для строителей;

внутризаводские и внутрицеховые грузоподъемные и транспортные средства предприятия, передаваемые строителям на период его расширения и реконструкции;

мероприятия по охране труда и противопожарной безопасности с учетом технологических особенностей промышленного предприятия

2.2. Для разработки проекта организации строительства заказчик должен предоставить проектной организации дополнительно исходные материалы и данные по следующим вопросам:

состав обособленных технологических переделов предприятия, возможная последовательность их реконструкции и продолжительность остановки каждого технологического передела для выполнения строительно-монтажных работ;

последовательность разработки и перекладки инженерных сетей;

расположение мест подключения временных сетей водоснабжения, электроснабжения, газоснабжения и др. и объемов энергоресурсов, предоставляемых заказчиком;

перечень производственных и санитарно-бытовых помещений, предоставляемых строительным организациям на период производства работ по реконструкции;

условия предоставления строителям технологического транспорта предприятия (рельсового, автомобильного, мостовых кранов и др.);

условия использования рабочих предприятия на строительно-монтажных работах;

наличие и расположение зон с высокими температурами, загазованностью, взрыво- и пожароопасными средами, со стесненными условиями работ;

характер ограничений на производство специальных видов работ (буровзрывных, свайных, газосварочных, бестраншейной прокладке труб и т.д.);

характер покрытий дорог и площадок в местах планируемого производства земляных работ;

места расположения сооружений, повреждение которых при выполнении строительно-монтажных работ может вызвать тяжелые последствия и человеческие жертвы (газгольдеры, склады горючесмазочных материалов, трубопроводы для транспортирования нефтепродуктов и газа, линии электропередач и т.п.);

места расположения зеленых насаждений и других элементов благоустройства, а также дорог на территории реконструируемого предприятия, для сохранения которых в ходе реконструкции должны быть разработаны мероприятия по их предохранению или восстановлению.

2.3. Календарный план реконструкции предприятий и комплексов разрабатывается на основе установленной очередности реконструкции цехов, выделенных размеров капитальных вложений по годам и составляется по форме 1 прил. 3 СНиП 3.01.01.-85 "Организация строительного производства" с учетом дополнительных требований, указанных в табл. 1 данного Пособия.

2.4. Комплексный укрупненный сетевой график (КУСГ) реконструкции предприятий и комплексов - организационно-технологический документ, в котором отражаются временные характеристики процессов проектирования и реконструкции, в том числе сроки и продолжительность разработки рабочей документации, продолжительность и сроки реконструкции комплексов, очередность, сроки и продолжительность реконструкции отдельных объектов и цехов, сроки демонтажа, монтажа, поставок (переноса) и монтажа основного технологического оборудования, состав и сроки выполнения работ подготовительного периода в увязке с работами основного периода, работы по освоению проектной мощности предприятия и отдельных его цехов, распределение капитальных вложений и объемов работ по годам реконструкции.

2.5. КУСГ реконструкции предприятий в целом или их отдельных очередей разрабатываются в такой последовательности:

анализ исходных данных;

уточнение состава и количества пусковых комплексов;

определение методов реконструкции объектов (без остановки, с частичной и полной остановкой промышленного производства);

установление состава и технологической структуры строительно-монтажных работ по реконструкции;

подсчет трудозатрат, числа машино-смен для основных строительных машин и продолжительности выполнения отдельных видов работ;

формирование допустимых вариантов организации реконструкции предприятия с учетом ограничений действующей организации и технологии промышленного производства;

расчет временных характеристик вариантов организации работ по реконструкции предприятия;

расчет производственных мощностей предприятия в период реконструкции по вариантам организации;

выбор рационального варианта организации работ по реконструкции предприятия;

составление КУСГ на реконструкцию предприятия или комплекса по рациональному варианту организации реконструкции.

2.6. Исходными данными для составления КУСГ реконструкции предприятий являются: уточненный состав пусковых комплексов; объемно-планировочные, конструктивные параметры существующих зданий и их проектные решения, объемно-планировочные и конструктивные параметры вновь проектируемых зданий; существующая и проектная технология промышленного производства реконструируемых зданий; объемы строительно-монтажных работ по реконструкции; нормативная или директивная продолжительность реконструкции; решения по материально-техническому обеспечению; производственные мощности строительных организаций, привлеченных к реконструкции.

2.7. Реконструкция предприятий должна проводиться, как правило, без остановки или с минимальной по времени остановкой промышленного производства. Для обеспечения этих требований в процессе проведения реконструкции предприятий выполняется ряд организационно-технических мероприятий, обеспечивающих производство строительно-монтажных работ при одновременном функционировании производственных процессов предприятия; к ним относятся:

временный перенос существующего технологического оборудования реконструируемых объектов или цехов (производств, технологических переделов и т.п.) на свободные или расширяемые площади существующего здания;

временный перенос существующего технологического оборудования реконструируемых цехов на свободные или расширяемые площади других зданий, а также во вновь возводимые;

временный перенос существующего технологического оборудования реконструируемых цехов на временно сооружаемые производственные площади (полигоны);

создание необходимого запаса продукции реконструируемого цеха, рассчитанного на удовлетворение потребности предприятия в этой продукции на весь период ведения работ по реконструкции данного цеха;

возведение ограждающих конструкций для разделения действующих производственных цехов и участков производства строительно-монтажных работ.

2.8. При разработке КУСГ по реконструкции предприятий и комплексов рассматриваются строительно-монтажные работы, определяющие продолжительность реконструкции отдельных объектов, цехов и предприятия в целом. В качестве таких работ рекомендуется принимать: демонтаж заменяемого технологического оборудования и специальных сооружений; разборку и усиление фундаментов под технологическое оборудование; разборку (демонтаж) существующих строительных конструкций; разработку грунта, устройство фундаментов под оборудование и строительные конструкции, монтаж и усиление строительных конструкций, устройство стеновых ограждений, устройство кровли, монтаж технологических металлоконструкций, оборудования и трубопроводов, переустройство и переоборудование встроенных помещений, устройство полов, отделочные работы, работы по электроосвещению.

2.9. Формирование допустимых вариантов организации строительно-монтажных работ по реконструкции осуществляется с учетом ограничений действующей технологии промышленного и строительного производства. Эти ограничения можно учесть на основе построения и анализа сетевого графа структурно-функциональной взаимосвязи объектов и цехов предприятия, отражающего разные стадии проведения реконструкции (до, после и в период реконструкции). В сетевом графе наименования корпусов, цехов, технологических линий задаются дугами i, j, а события - вершинами i. Дуги i, j предшествуют дугам k, l, если j £ k (j = k означает непосредственное предшествование). Для любых событий графа должно соблюдаться условие i < j и j £ k. Фиктивными дугами описываются функциональные (технологические) связи между объектами и цехами предприятия.

Граф структурно-функциональной взаимосвязи объектов и цехов предприятия, в котором отражаются организация и технология промышленного производства до реконструкции, дополняется проектируемыми объектами и цехами и их новыми взаимосвязями. В полученном графе выделяют переустраиваемые цехи с указанием вида переустройства, вновь проектируемые цехи, а также предполагаемые к осуществлению организационно-технические мероприятия. В результате создается граф структурно-функциональной взаимосвязи действующих в период реконструкции объектов и цехов предприятия.

2.10. Формирование допустимых вариантов организации строительно-монтажных работ по реконструкции предприятия, учитывающих ограничения технологии и организации промышленного производства, осуществляется следующим образом. Вначале на основе комплексного анализа графа структурно-функциональной взаимосвязи действующих в период реконструкции объектов и цехов, состава переустраиваемых и проектируемых объектов и цехов, а также объемов работ по каждому переустраиваемому или проектируемому объекту и цеху устанавливаются этапы реконструкции предприятия*. В состав этапов включаются организационно-технические мероприятия, осуществление которых связано с выполнением комплекса строительно-монтажных работ. Этапы реконструкции предприятия позволяют описать структурную группу ограничений промышленного производства. Далее внутри каждого этапа на основе назначения запрещений функционального характера определяются допустимые организацией и технологией промышленного производства варианты организации реконструкции предприятия.

* Этап реконструкции предприятия включает в себя комплекс технологически взаимосвязанных объектов и цехов основного производственного, вспомогательного и обслуживающего назначения, энергетического, транспортного и складского хозяйства, инженерных коммуникаций и благоустройства (с учетом организационно-технических мероприятий по проведению реконструкции), составляющих часть предприятия и представляющих собой самостоятельную пусковую единицу.

Выполнение строительно-монтажных работ по реконструкции объектов и цехов этапа, с одной стороны, обеспечивает автономное опробование технологического оборудования и ввод их в эксплуатацию, с другой - сопровождается производственной деятельностью предприятия в целом.

2.11 Следующим шагом при формировании вариантов организации работ по реконструкции является уточнение вариантов на основе информации об условиях строительного производства, включающей в себя данные об объемах строительно-монтажных работ и обеспеченности строительной организации трудовыми и материально-техническими ресурсами. Для обеспечения равномерного использования ресурсов строительной организации и непрерывности выполнения строительно-монтажных работ возможно использование поточных методов организации строительного производства с учетом некоторых особенностей, вызванных условиями реконструкции. Особенности организации реконструктивных работ заключаются в том, что после завершения строительно-монтажных работ на предыдущем объекте перемещение бригад и звеньев рабочих на следующий происходит в пределах объектов, входящих в этап реконструируемого предприятия. В пределах этапа реконструкции предприятия возможно допустимое технологией строительного производства варьирование ресурсами строительной организации в пределах

,

где  - ресурсы строительной организации для выполнения работы j;

и  - соответственно минимальное и максимальное количество ресурсов строительной организации.

Аналогичное варьирование количеством исполнителей при производстве строительно-монтажных работ возможно и в пределах предприятия в целом за счет параллельного выполнения работ на этапах реконструкции предприятия.

2.12. Расчеты временных характеристик вариантов организации строительно-монтажных работ сводятся к определению продолжительности реконструкции предприятия в целом, а также к продолжительности сроков начала и окончания реконструкции отдельных этапов, объектов и цехов, базируются на расчетах временных характеристик видов работ. Срок начала работы j на объекте i в общем случае определяется следующим образом: вначале рассчитывается момент времени, в который открывается фронт работ, а затем проверяется, свободны ли ресурсы, задействованные в рассматриваемом виде работ. Вышеизложенное описывается формулой

,                                           (1)

где  - срок начала рассматриваемой работы j на данном объекте i;

,  - соответственно срок начала и продолжительность предшествующей работы j - 1 на данном объекте i;

,  - соответственно срок начала и продолжительность рассматриваемой работы j на предшествующем объекте i - 1.

Из формулы (1) следует, что если в топологии модели календарного плана отсутствует предшествующая работа j - 1 на данном объекте i, т.е. фронт работ свободен, то срок начала работы j на объекте i определяется по формуле

.                                                           (2)

При расчетах временных параметров календарных планов реконструкции предприятий необходимо соблюдение следующих условий и ограничений:

                                          (3)

где  - срок начала первой работы на первом объекте;

 - срок окончания работы j на объекте i;

 - срок окончания последней работы т на фиксированном объекте i;

 - срок начала первой работы на фиксированном объекте i;

 - срок окончания последней работы т на последнем порядковом объекте п;

, Т - продолжительность реконструкции соответственно объекта и предприятия.

2.13. Информация о сроках начала и окончания реконструкции объектов необходима для выполнения системы расчетов по определению производственных мощностей предприятия в период его реконструкции. Такие расчеты производятся по каждому варианту организации реконструкции предприятия.

Расчеты по определению производственных мощностей предприятия в период его реконструкции производятся в следующей очередности.

На основе рассчитанного варианта календарного плана формируется упорядоченный ряд, который представляет собой проекцию нарастающих значений сроков начала и окончания реконструкции цехов  и  на временной отрезок общей продолжительности реконструкции предприятия. Временной интервал между двумя смежными точками временного ряда обозначим через tk-1, tk.

На втором шаге рассчитывается производительность всех функционирующих цехов  в каждом интервале времени tk-1, tk.

На основе данных о достигнутых объемах выпуска продукции функционирующих цехов и производительности вводимых и выбывающих цехов предприятия  рассчитывается производственная мощность предприятия  в каждом интервале времени tk-1, tk.

Рис. 1. Производственные мощности домостроительного комбината по годам проведения реконструкции

I - ХII - название цехов; 275 - 513 - сроки начала и окончания реконструкции технологической линии

Определяются среднегодовые мощности предприятия или объемы выпуска готовой продукции  исходя из величин производственных мощностей предприятия в интервалах времени tk-1, tk, входящих в рассматриваемый год реконструкции и продолжительности этих интервалов tk с учетом периода освоения мощности.

2.14. Сравнительная оценка вариантов организации реконструкции предприятия и выбор наилучшего производятся по критерию оптимальности - минимуму приведенных затрат, учитывающему экономические потери предприятия и строительной организации. Составляющие приведенных затрат даны в п.2.70 настоящего Пособия.

2.15. При реконструкции предприятий и отдельных их очередей КУСГ в дополнение к уже названным данным должен содержать следующие данные: продолжительность и сроки реконструкции отдельных этапов; сроки предоставления производственных объектов и цехов для производства строительно-монтажных работ по реконструкции; состав и объемы работ, выполняемых с использованием мостовых кранов и других транспортных средств предприятия; состав функционирующих цехов и производственную мощность предприятия в каждый фиксированный интервал времени; производственные мощности предприятия по годам реконструкции.

На основании КУСГ устанавливают временные интервалы, характеризующие моменты изменения производственной мощности предприятия в период реконструкции, а также перечень функционирующих цехов реконструируемого предприятия по установленным интервалам времени. В результате появляется возможность расчета объемов выпуска промышленной продукции по годам реконструкции предприятия, значения которых приведены на рис. 1.

2.16. Выбор организационно-технологических схем и методов производства работ осуществляется с учетом влияния на строительно-монтажные работы, их совмещения с основной деятельностью реконструируемого производства и выполнения в условиях сложившегося генерального плана предприятия (эксплуатационной деятельности предприятия, характера застройки промышленной площадки, планировочных и конструктивных решений зданий и сооружений) по данным табл. 2.

2.17. Организационно-технологические схемы реконструкции промышленных предприятий могут быть представлены в следующих вариантах (рис. 2):

пристройка к существующим цехам новых производственных зданий (вариант 1). Продолжительность реконструкции при этом определяется продолжительностью работ по пристройке;

пристройка новых производственных зданий к существующим цехам в сочетании с реконструкцией существующих цехов или отдельных технологических переделов (вариант 2). При условии проведения реконструкции без остановки производства во вновь сооружаемых цехах производится монтаж технологической линии, на которой организуется выпуск продукции, аналогичной ранее выпускавшейся вторым цехом (участком). После пуска технологической линии в эксплуатацию приступают к реконструкции второго цеха (участка), затем - третьего и т.д.;

организуется временное производство по выпуску продукции с последующей реконструкцией существующих цехов по участкам (вариант 3);

производится (при условии частичной остановки основного производства по отдельным технологическим переделам) реконструкция участков в соответствии с последовательностью освобождения участков от технологического оборудования (вариант 4);

производятся (при условии полной остановки производства, когда прекращается выпуск продукции на всех реконструируемых технологических переделах, цехах) в первую очередь все демонтажные работы, а затем монтаж вновь устанавливаемого технологического оборудования и строительных конструкций (вариант 5).

2.18. Выбор организационно-технологических схем и методов проведения монтажных и демонтажных работ должен производиться на основании сопоставления технико-экономических показателей технологически возможных и безопасных вариантов механизированного выполнения заданных объемов работ в установленные сроки.

Варианты организационно-технологических схем должны учитывать условия стесненности производства работ, размещение средств механизации, направление технологических процессов и трассировку подъездных путей. При этом внешняя стесненность объекта характеризуется примыканием реконструируемых пролетов к существующим, расстоянием до существующих зданий, сооружений и коммуникаций; внутрицеховая стесненность объекта характеризуется занятостью зоны производства работ фундаментами, подвалами, технологическим оборудованием и строительными конструкциями. Кроме того, на выбор организационно-технологических схем влияют технологические факторы: характер внутренней стесненности в плане и по высоте помещений; ограничения на работу средств механизации вблизи действующих цехов; наличие подземных конструкций, сооружений и коммуникаций; взрыво- и пожароопасность и др.; степень физического износа и надежности несущих конструкций; наличие вблизи линий электропередач; физическое состояние и характер конструкций, к которым пристраивают или надстраивают здания; наличие мостовых кранов; специфика и режим работы цеха.

Таблица 2

Группы факторов, имеющие место при реконструкции действующих промышленных предприятий

Факторы, влияющие на строительно-монтажные работы

Характер влияния фактора

Факторы, вызванные эксплуатационной деятельностью реконструируемого предприятия

Превышение установленных норм санитарно-гигиенической среды реконструируемого предприятия (пыль, загазованность, шум)

Проявляется в цехах, отнесенных к разряду вредных, с большими тепло- и газовыделениями, высокой концентрацией пыли в воздухе, источниками шума и вибрации. Вызывает увеличение трудоемкости работ, дополнительные издержки строительного производства в результате внедрения мероприятий по технике безопасности и обеспечения нормальных условий работы строителей

Повышенная опасность в зоне проведения работ (взрывоопасность, пожароопасность)

Приводит к снижению производительности труда в связи с применением менее прогрессивных строительных процессов, невозможностью их механизации. Требует проведения работ по укрупнительной сборке строительных конструкций и технологического оборудования вне территории предприятия

Особенности технологических схем и процессов реконструируемого предприятия

При последовательно-непрерывном технологическом процессе:

задаются кратковременные директивные сроки производства строительно-монтажных работ, что вызывает необходимость концентрации материально-технических и людских ресурсов в зоне реконструкции. Ограниченное время остановки основного производства требует перенесения строительно-монтажных работ на неблагоприятные смены, ограничивает сроки производства строительно-монтажных работ (работы производятся в ночные смены, в общие выходные дни предприятия)

При параллельно-последовательном технологическом процессе (часть цехов функционирует с непрерывной технологией и параллельно действуют цехи, где выполняются все стадии изготовления продукции):

участки для производства строительно-монтажных работ поэтапно освобождаются предприятием, что приводит к нарушению непрерывности строительных процессов из-за неподготовленности фронта работ в связи с необходимостью полного завершения работ на свободном участке

Насыщенность зоны реконструкции действующими технологическим оборудованием и инженерными сетями

Затрудняет применение имеющихся в распоряжении строителей и монтажников средств механизации, усложняет организацию материально-технического снабжения, вынуждает производить дополнительные работы с целью предохранения технологического оборудования от повреждений

Эксплуатация внутризаводских транспортных коммуникаций строителями и производственниками

Увеличивает запланированные сроки проведения строительно-монтажных работ в связи с нарушением непрерывности производства работ, проводимых вблизи транспортных коммуникаций

Эксплуатация цехового грузоподъемного оборудования строителями и производственниками

Нарушает ритмичность строительно-монтажных работ

Факторы, вызванные характером застройки промышленной площадки

Высокая плотность застройки территории предприятия

Приводит к нерациональному складированию строительных материалов и конструкций, не позволяет организовать приобъектные склады в зоне действия кранов и промежуточные в пределах строительной площадки, что вызывает организацию перевалочных баз вне территории предприятия

Не позволяет создавать площадки для укрупнения строительных конструкций и технологического оборудования, что ограничивает возможность применения крупноблочного монтажа

Препятствует применению строительной техники, увеличивая объемы немеханизированных работ

Рассредоточенность реконструируемых объектов предприятия

Приводит к нерациональному размещению временных зданий и сооружений на строительной площадке

Увеличивает количество пересечений людского и грузового потоков строителей и эксплуатационников

Насыщенность территории предприятия подземными коммуникациями

Не позволяет при инженерной подготовке строительной площадки использовать землеройную технику с полной производительностью, так как в местах пересечений с коммуникациями ее применение затруднено или невозможно

Стесненность проездов внутризаводской автодорожной сети

Ограничивает возможность использования существующих на предприятии автомобильных дорог для перевозки длиномерных строительных конструкций и перемещения строительных машин

Усложняет транспортные схемы доставки конструкций к месту монтажа

Факторы, вызванные объемно-планировочными и конструктивными решениями зданий и сооружений

Сложная конфигурация зданий и сооружений

Усложняет трассы передвижения строительных машин, производится их многократный монтаж и демонтаж, что снижает эффективность применения строительной техники

Индивидуальность объемно-планировочных и конструктивных решений

Приводит к увеличению объемов применения строительных материалов и снижению степени сборности

Не позволяет использовать типовые технологические карты индустриальные методы производства работ

Недоступность детального обследования частей и конструкций зданий и сооружений, подвергаемых реконструкции

Приводит к возникновению непредвиденных работ по усилению, закреплению конструкций, не подвергаемых разборке при демонтаже конструкций зданий и сооружений

Рис. 2. Организационно-технологические схемы производства работ при реконструкции промышленных предприятий

Цифры на схеме означают последовательность выполнения работ на объектах. Тд и Тм - соответственно продолжительность работ по демонтажу и монтажу технологического оборудования и строительных конструкций в останавливаемых на реконструкцию цехах (участках)

Рис. 3. Типы пролетов, возводимых при реконструкции одноэтажных промзданий

а - классификация реконструируемых пролетов; б - схема разбивки цеха на участки по типам пролетов; в - фрагмент схемы изменения типа пролетов; 1 - габариты монтируемых пролетов; 2 - граница существующих пролетов; 3 - площадь, занятая существующими сооружениями; 4 - существующие коммуникации и сооружения

Рис. 4. Организационно-технологические решения монтажно-демонтажных процессов

1 - трассировка подъездных железных дорог; 2 - трассировка подъездных автомобильных дорог; 3 - расположение кранов; 4 - направление процесса; 5 - внутренняя стесненность; 6 - внешняя стесненность

Тип реконструируемого пролета с учетом его стесненности следует определять по классификации, приведенной на рис. 3. Установленный по ней тип стесненности пролета принимается в качестве основной характеристики для выбора схемы расстановки средств монтажа относительно демонтируемых (монтируемых пролетов, направления и очередности монтажа (демонтажа) пролетов, схемы доставки конструкций к месту монтажа и вывоза демонтированных конструкций.

2.19. Разработку вариантов схемы монтажа (демонтажа) рекомендуется производить с использованием данных рис. 4 и табл. 3.

Таблица 3

Тип пролета по внешней стесненности

Тип пролета по внутренней стесненности

Б1

Б2

Б3

Номер схемы организации монтажа конструкций по признаку (рис. 5)

В

Г

Д

Е

Ж

В

Г

Д

Е

Ж

В

Г

Д

Е

Ж

А1

1

1

2

3

1

1

1

2

3

1

 

 

 

 

 

1

1

4

5

2

1

1

4

5

2

 

 

-

 

 

1

2

1

2

1

1

2

1

2

1

1

2

1

2

3

1

2

1

2

2

1

2

1

2

2

 

 

-

 

 

1

2

1

2

3

1

2

1

2

3

 

 

-

 

 

1

3

6

6

1

1

3

6

6

1

1

3

6

6

3

1

3

6

6

2

1

3

6

6

2

 

 

-

 

 

1

3

6

6

3

1

3

6

6

3

 

 

-

 

 

1

4

+

1

5

1

4

-

1

5

1

4

-

1

5

1

5

1

2

1

1

5

1

2

1

1

5

1

2

3

1

5

6

6

2

1

5

6

6

2

1

5

6

5

3

1

5

6

6

3

1

5

6

6

3

 

 

-

 

 

А2

2

1

3

4

1

2

1

3

4

1

 

 

 

 

 

2

2

1

2

1

2

2

1

2

1

2

2

1

2

3

2

2

3

4

3

2

2

3

4

3

 

 

-

 

 

 

 

-

 

 

 

 

-

 

 

2

4

1

1

3

А3

2

2

1

3

3

2

2

1

3

3

2

2

1

3

3

2

2

1

3

4

2

2

1

3

4

 

 

-

 

 

3

1

5

-

4

3

1

5

-

4

 

 

-

 

 

А4

1

1

2

3

2

1

1

2

3

2

 

 

-

 

 

1

4

-

1

5

1

4

-

1

5

1

4

-

1

5

А5

1

1

2

3

2

1

1

2

3

2

 

 

-

 

 

1

1

4

5

2

1

1

4

5

2

 

 

-

 

 

1

2

1

2

2

1

2

1

2

2

1

2

1

2

3

1

2

1

2

3

1

2

1

2

3

 

 

-

 

 

1

4

-

1

5

1

4

-

1

5

1

4

-

1

5

А6

 

 

-

 

 

2

5

1

2

3

2

5

1

2

3

А7

2

2

1

-

3

2

2

1

-

3

2

2

1

-

3

2

3

6

-

3

2

3

6

-

3

2

3

6

-

3

2

5

1

-

3

2

5

1

-

3

2

5

1

-

3

2

5

6

-

3

2

5

6

-

3

2

5

6

-

3

3

1

5

-

4

3

1

5

-

4

 

 

-

 

 

А8

2

4

-

1

5

2

4

-

1

5

2

4

-

1

5

2

1

 

4

1

2

1

-

4

1

 

 

-

 

 

А9

 

 

 

 

 

2

3

6

6

3

2

3

6

6

3

 

 

-

 

 

2

5

1

2

3

2

5

1

2

3

 

 

 

 

 

2

5

6

6

3

2

5

6

6

3

Рис. 5. Схема группировки внутриплощадочных подготовительных работ в зависимости от их функционального назначения, организационной и технологической взаимосвязи

На рис. 4 по вертикали приведены типы пролетов и характерные признаки схем организации монтажа, зашифрованные буквенными индексами А - Ж; по горизонтали - возможные схемы реализации каждого из признаков, зашифрованные цифровыми индексами 1 - 9. В табл. 3 приведены возможные варианты схем организации монтажа, присущие каждому из типов реконструируемых пролетов. Варианты зашифрованы буквенными и цифровыми индексами, которым соответствует конкретное решение реализации того или иного признака схемы монтажа.

Разработка схемы организации демонтажа (монтажа) выполняется в последовательности: на плане выделяются участки реконструируемых пролетов, характеризующиеся только одним из типов внешней стесненности (см. рис. 3, б); по каждому участку выявляются характер, степень и устанавливается тип внутренней стесненности пролета; по табл. 3 находятся возможные варианты схем монтажа участков в общую схему вариантов организации демонтажа (монтажа) цеха и производятся выбор рационального варианта, его обоснование и оценка экономической эффективности.

2.20. Демонтаж и монтаж строительных конструкций каркасов реконструируемых цехов производится раздельным, комплексным и смешанным методами. Выбор метода зависит от объема работ, стесненности строительной площадки, условий совмещения монтажных работ с основной деятельностью цеха и другими видами строительно-монтажных работ, комплектности поставки конструкций, номенклатуры имеющихся монтажных кранов, конструктивных решений каркасов, технического состояния демонтируемых конструкций и узловых соединений.

Раздельный метод рекомендуется применять при демонтаже и возведении пролетов значительной протяженности в условиях небольшой внутренней стесненности при возможности: свободного прохода монтажных кранов внутри пролета; малого влияния на основную деятельность цеха; отсутствия или небольших объемов других видов строительно-монтажных работ, выполняемых в период монтажа конструкций; комплектной поставки конструкций; наличия монтажных кранов с минимально необходимыми параметрами.

Комплексный метод рекомендуется применять при демонтаже и возведении пролетов любой протяженности, характеризующихся малой и повышенной внутренней стесненностью, большим отрицательным влиянием выполняемых работ на основную деятельность цеха, значительными объемами совмещаемых различных видов строительно-монтажных работ, наличием монтажных кранов с повышенными грузовысотными параметрами, а также конструктивными решениями, обеспечивающими устойчивость демонтируемых и монтируемых ячеек.

Монтаж конструкций пролетов существующих цехов может выполняться также смешанным методом, который осуществляется при необходимости возведения пролетов выборно, отдельными участками с применением на некоторых из них раздельного и комплексного методов.

2.21. Если в пределах одного и того же пролета необходимо осуществить демонтаж и монтаж конструкций, указанные работы можно выполнять совмещение и последовательно. При этом необходимо стремиться к максимально возможному совмещению этих работ с целью сокращения продолжительности остановки действующего производства. В случае достаточного резерва времени, отсутствия требуемой строительной готовности к монтажу, а также при условии возведения нового каркаса, обрамляющего старое здание цеха, демонтаж и монтаж конструкций могут выполняться последовательно.

2.22. Очередность монтажа пролетов многопролетных реконструируемых участков цеха может устанавливаться последовательной, параллельной, параллельно-последовательной. Выбор очередности монтажа также определяется типом внешней и внутренней стесненности пролетов и необходимой интенсивностью монтажа. Последовательная схема применима при возведении пролетов всех типов внешней стесненности. Параллельная имеет ограниченное применение при возведении встраиваемых, замкнутых и обрамляющих и неприменима при возведении встраиваемых и соединительных пролетов. Параллельно-последовательная схема ограниченно применима при возведении замкнутых и объемлющих пролетов.

2.23. Производство монтажных работ при реконструкции цехов следует по возможности осуществлять поточными методами. Для монтажа и демонтажа конструкций необходимо организовывать специализированный поток.

2.24. Структуру специализированного потока рекомендуется назначать в зависимости от типов внешней и внутренней стесненности реконструируемых пролетов, выбранного комплекта монтажных механизмов, степени совмещения монтажа конструкций с основной деятельностью цеха и другими строительно-монтажными процессами.

2.25. Выбор схемы увязки потоков производится в зависимости от требуемой интенсивности монтажа (демонтажа), устанавливаемой исходя из объема работ и директивных сроков проведения реконструкции. Условно различается нормальная, повышенная и высокая интенсивность. Для определения типа интенсивности необходимо по действующим нормативам определить суммарную продолжительность монтажа конструктивных элементов, входящих в состав принятых специализированных потоков, и сопоставить с продолжительностью, установленной директивным сроком. Интенсивность монтажа считается нормальной, если расчетная продолжительность меньше или равна установленной; повышенной - при незначительном превышении; высокой - при значительном превышении.

2.26. При реконструкции многопролетных цехов, пролетов большой протяженности и с большими объемами работ, а также при рассредоточенных участках производства рекомендуется организовывать несколько специализированных потоков.

При выборе структуры специализированного потока всегда следует рассмотреть целесообразность развертывания специализированного потока по укрупнительной сборке конструкций, который может быть организован на центральном, приобъектном складе конструкций или непосредственно в зоне монтажа. Выбор места для организации такого потока зависит от объема работ, степени разукрупнения поступающих на объект конструкций, условий транспортирования их по территорий действующего предприятия и наличия соответствующих грузоподъемных средств (табл. 4).

2.27. Если проектом на реконструкцию предусмотрено повторное использование демонтируемых конструкций, следует оценить целесообразность организации специализированного потока по их восстановлению и усилению.

2.28. Выбор рационального варианта следует производить по результатам количественного анализа их параметров, обоснования и оценки экономической эффективности.

Выбор организационно-технологических схем монтажа (демонтажа) конструкций реконструируемого цеха рассматривается на примере, который характеризуется следующими типами стесненности:

внешняя стесненность по типу А4 (встраиваемые торцевые по рис. 3);

внутренняя стесненность по типу Б2 (ограниченно доступные, см рис. 3);

по табл. 3 на пересечении графы Б2 и строки А4 находят возможные варианты: направления монтажа (по графе В); схемы расположения кранов (по графе Г); трассировки подъездных дорог (автомобильных по графам Д и Е, железнодорожных - по вертикали Ж).

В данном случае:

направление монтажа может осуществляться только по одному варианту В1 (см. рис. 4);

схема расположения кранов - по вариантам Г1 и Г4 (см. рис. 4);

схема трассировки автомобильных дорог - по варианту Д2, железных дорог - Ж2 и Ж5.

В каждом конкретном случае рекомендуется рассчитывать экономическую эффективность варианта с учетом всех реальных факторов данного объекта.

2.29. При выборе организационно-технологических схем и методов производства работ подготовительного периода необходимо учитывать, что при реконструкции практически всегда отсутствуют внеплощадочные подготовительные работы, так как реконструируемые объекты находятся в составе действующих предприятий и в подготовительный период проводятся только внутриплощадочные подготовительные работы. К внутриплощадочным подготовительным работам при реконструкции действующих предприятий следует относить работы инженерной подготовке строительной площадки, ее обустройству и работы, проведение которых обеспечивает производство строительно-монтажных работ без нарушения эксплуатационной деятельности предприятия. Внутриплощадочные подготовительные работы в условиях реконструкции проводятся в целях:

создания благоприятных условий для выполнения основных строительно-монтажных работ;

обеспечения выполнения работ по реконструкции без нарушения эксплуатационной деятельности предприятия;

сокращения продолжительности реконструкции предприятия;

сокращения продолжительности периода остановки основного производства;

создания безопасных условий выполнения строительно-монтажных работ.

Таблица 4

Характеристика реконструируемых пролетов и условий производства работ

Специализированные потоки

Требуемая интенсивность монтажа

Схемы увязки специализированных потоков

Ориентировочное количество кранов в потоке, шт.

1

2

3

4

при монтаже (демонтаже)

при укрупнительной сборке

Пролеты высотой не более существующих, всех типов внешней стесненности, при свободном доступе к наружным стенам и раздельном методе монтажа (демонтажа) конструкций

К

СФ

-

-

Нормальная

1 (3)

2 (3)

3 (1)

1 -3

1

ПБ

ПП

-

-

ПФ

СО

со

п

Повышенная

1 (3)

2 (2)

3 (1)

2 - 3

1 - 2

Высокая

1 (3)

2 (2)

3 (1)

3

1 - 2

То же, при комплексном методе монтажа (демонтажа) конструкций

К

 

 

 

Нормальная

1 (2)

2 (1)

1 - 2

1

ПБ

 

 

 

ПФ

со

 

п

Повышенная и высокая

1 (2) (4)

2 (1)

2

1

СФ

 

 

 

пп

 

 

 

Пролеты высотой более существующих, всех типов внешней стесненности при свободном доступе к наружным стенам и раздельном методе монтажа (демонтажа) конструкций

 

СФ

 

 

Нормальная

1 (3)

2 (2)

3 (1)

1 - 3

1

к

пп

со

 

ПБ

со

 

 

ПФ

 

 

 

Повышенная

1 (3)

2 (2)

3 (1)

2 - 3

1 - 2

Высокая

1 (3)

3 (2)

3 (1)

3

1 - 2

То же, при комплексном методе монтажа

(демонтажа) конструкций

К

 

 

 

Нормальная

1 (2)

2 (1)

1 - 2

1

ПБ

со

 

 

ПФ

 

 

 

СФ

 

 

 

Повышенная и высокая

1 (2)

2 (1)

2

1

ПП

 

 

 

СО

 

 

 

То же, но с закрытым доступом к наружным стенам пролетов

к

 

 

 

Нормальная

1 (1)

1

1

ПБ

 

 

 

ПФ

 

 

 

СФ

 

 

 

ПП

 

 

 

со

 

 

 

Пролеты, запроектированные из однотипных конструкций под крупноблочный монтаж с применением конвейерной сборки и транспортировки блоков, возводимые с полной или частичной остановкой действующего производства; при условиях, позволяющих разместить на строительной площадке конвейерную линию и грузоподъемные средства ее обслуживания

к

 

 

 

Высокая

1

2

3

4

3 - 4

2 - 3

ПБ

 

 

СО

То же, с укрупнением конструкций прикрытия на стендах

К

СО

СО

СО

Нормальная

1

2 (3)

4

2 - 3

1

ПБ

 

 

 

Повышенная и высокая

4

2

3

4

3 - 4

1 - 2

Замена отдельных конструктивных элементов внутри существующих цехов без остановки или с частичной остановкой основного производства

Структура потока назначается в каждом отдельном случае применительно к объему работ, виду конструкций, стесненности и используемых грузоподъемных средств

Нормальная

1

2

1

-

Повышенная

(1)

1

2

-

Примечание. 1, 2, 3, 4 - специализированные по монтажу конструкций; (1), (2), (3) - то же, по демонтажу конструкций; К, ПБ, ПФ, СФ, ПП, СО, П - наименование конструктивных элементов (колонны, подкрановые балки, подстропильные фермы, строительные фермы, плиты покрытия, стеновое ограждение, перегородки).

2.30. Внутриплощадочные подготовительные работы подразделяются на внутрицеховые (проводимые внутри зданий и сооружений и на непосредственно примыкаемой к ним территории) и общеобъектные (проводимые на территории предприятия, не примыкающей к реконструируемым зданиям и сооружениям) подготовительные работы.

2.31. Примерный перечень внутриплощадочных подготовительных работ, проводимых при реконструкции действующих предприятий, приведен ниже.

Общеобъектные и внутрицеховые работы:

разборка зданий и сооружений или их отдельных конструктивных элементов;

перенос инженерных путей и оборудования;

перенос железнодорожных путей и автомобильных дорог;

установка мобильных (инвентарных) зданий и возведение временных сооружений; установка зданий производственного, служебного и санитарно-бытового назначения; сооружение складов, складских площадок, площадок для укрупнительной сборки строительных конструкций и технологического оборудования; сооружение временных железнодорожных путей и автомобильных дорог; сооружение временных путей и площадок для строительных машин и механизмов; возведение сооружений и установок, обеспечивающих производство строительно-монтажных работ; устройство временных инженерных сетей (электроснабжение, водоснабжение, канализация, теплоснабжение, газоснабжение, связь);

проведение мероприятий по противопожарной безопасности;

водопонижение осуществление зоны реконструкции;

устройство постоянных инженерных сетей, используемых для нужд реконструкции (электроснабжение, водоснабжение, канализация, теплоснабжение, газоснабжение, связь);

сооружение постоянных железнодорожных путей и автомобильных дорог, используемых для нужд реконструкции;

сооружение постоянных пешеходных путей, используемых для нужд реконструкции.

Общеобъектные:

перенос зеленых насаждений;

устройство временного ограждения строительной площадки;

вертикальная планировка;

возведение зданий и сооружений, необходимых для переноса в них действующего технологического оборудования или перевода служб предприятия на период реконструкции цеха.

Внутри цеховые работы:

ограждение зоны проведения работ: возведение временных стенок и перегородок, обеспечивающих безопасные условия производства строительно-монтажных работ и производственную деятельность реконструируемого цеха; возведение экранов, обеспечивающих защиту строителей и монтажников от вредного воздействия производственной среды предприятия; закрытие входов и въездов реконструируемого цеха, расположенных в опасной зоне проведения строительно-монтажных работ;

оборудование постоянных зданий и сооружений, используемых строителями на период реконструкции;

защита эксплуатируемых зданий, сооружений, технологического оборудования и инженерных сетей на период проведения строительно-монтажных работ: усиление оснований фундаментов зданий и сооружений; сооружение защитных настилов и перекрытий над технологическим оборудованием и инженерными сетями; усиление строительных конструкций зданий и сооружений;

демонтаж технологического оборудования.

2.32. В зависимости от функционального назначения, организационной и технологической взаимосвязи внутриплощадочные подготовительные работы выделены в четыре группы (рис. 5). Первую группу составляют работы по обустройству территории зоны реконструкции; вторую - по подготовке территории зоны реконструкции; третью - по инженерной подготовке зоны реконструкции; четвертую - работы, обеспечивающие нормальное функционирование объектов реконструируемого предприятия при проведении строительно-монтажных работ.

На строительной площадке в первую очередь выполняются работы первой группы, затем - второй, третьей и четвертой. Последовательность работ внутри групп и степень их совмещения определяются конкретными условиями реконструкции.

2.33. При разработке организационно-технологических схем проектирование внутриплощадочных подготовительных работ осуществляется с учетом условий функционирования реконструируемого производства, когда имеет место расширение существующих и строительство новых зданий и сооружений или монтаж технологического оборудования на свободных площадках действующего цеха; с полной остановкой основного производства в реконструируемом цехе при условии функционирования предприятия в целом; с частичной остановкой производства, когда работы выполняются в действующих цехах и на участках, последовательно освобождаемых предприятием. Для первых двух случаев принципиальные организационно-технологические схемы производства работ показаны на рис. 6 и 7.

На рис. 6 продолжительность подготовительного периода Тпод выражается продолжительностью общеобъектных внутриплощадочных подготовительных работ tобщ или суммой времени, требующейся для открытия внутрицеховых подготовительных работ tф, времени совмещения общеобъектных и внутрицеховых подготовительных работ  и времени совмещения общеобъектных подготовительных работ и основных строительно-монтажных работ .

Тпод = tобщ = tф +  + .                                                   (4)

В общем виде tф можно представить как продолжительность проведения части j-й работы, необходимой для начала j + 1-й работы  и определить по формуле

tф =  = Vj/Jj,                                                               (5)

где Vj - объем j-й работы, необходимой для начала j + 1-й работы;

Jj - интенсивность выполнения j-й работы.

Для случая а время совмещения общеобъектных и внутрицеховых подготовительных работ  выражается временем проведения внутрицеховых подготовительных работ tвн. Время совмещения основных и общеобъектных подготовительных работ  зависит от времени, требующегося для открытия фронта внутрицеховых подготовительных работ и продолжительности выполнения общеобъектных и внутрицеховых подготовительных работ. Чем больше работ вошло в общеобъектные работы из общего объема работ подготовительного периода (соответственно к внутрицеховым будет отнесено меньше работ), тем больше время совмещения .

Рис. 6. Принципиальная организационно-технологическая схема производства работ

а - совмещение общеобъектных подготовительных работ с внутрицеховыми подготовительными и основными работами; б - совмещение общеобъектных и внутрицеховых подготовительных работ; 1 - внутрицеховые подготовительные работы; 2 - общеобъектные подготовительные работы; 3 - основные строительно-монтажные работы

В общем виде коэффициент совмещения между смежными работами (j,j + 1) определяется по формуле

,                                                                (6)

где  - время совмещения j-й и j + 1 работ;

tj - продолжительность j-й работы.

Для случая б, когда в работах подготовительного периода преобладают внутрицеховые подготовительные работы, совмещение основных и подготовительных работ отсутствует. Время, требующееся для открытия основных строительно-монтажных работ, равно сумме времени, требующегося для открытия внутрицеховых подготовительных работ tф и их проведения tвн.

На рис. 7 продолжительность реконструкций Т равна продолжительности проведения работ подготовительного периода Тпод и продолжительности проведения последней основной работы :

Т = Тпод + .                                                                 (7)

Рис. 7. Принципиальная организационно-технологическая схема производства работ (на предприятии реконструируются три объекта)

1 - внутрицеховые подготовительные работы; 2 - общеобъектные подготовительные работы; 3 - основные строительно-монтажные работы

В общем виде продолжительность проведения работ подготовительного периода выражается суммарной величиной организационно-технологических перерывов между смежными работами и определяется по формуле

,                                                           (8)

где  - суммарная величина организационно-технологических перерывов между смежными работами;

 - продолжительность последней п работы.

Суммарную величину организационных и технологических перерывов между смежными работами, используя коэффициенты совмещения между смежными работами, получаемые по формуле (6), можно определить по формуле

.                                                  (9)

Внутрицеховые подготовительные работы на объектах начинаются после проведения некоторого объема общеплощадочных подготовительных работ, требующегося для открытия фронта внутрицеховым подготовительным работам.

Начало производства внутрицеховых подготовительных работ на каждом объекте можно определить, используя формулу (5), а их продолжительность (, , ) по формуле

tj = Vj/(PjПj),                                                                     (10)

где tj - продолжительность выполнения j-й работы;

Vj - объем j-й работы;

Pj - количество исполнителей j-й работы;

Пj - выработка рабочего при выполнении j-й работы.

Продолжительность производства общеобъектных подготовительных работ tобщ равна сумме продолжительностей производства общеобъектных работ, требующихся для открытия внутрицеховых подготовительных работ на каждом объекте (, , ),

tобщ =  +  + .                                                          (11)

Производство основных строительно-монтажных работ на каждом объекте начинается после завершения на них внутрицеховых подготовительных работ.

2.34. При реконструкции с частичной остановкой производства с поэтапным выделением участков для проведения строительно-монтажных работ принципиальная организационно-технологическая схема показана на рис. 8 (на объекте выделены три последовательно реконструируемых участка).

При реконструкции объекта, где для производства строительно-монтажных работ последовательно выделяются участки, на которых останавливается основное производство, работы начинаются с общеобъектных подготовительных работ. После выполнения некоторого объема указанных работ tф достаточно для открытия внутрицеховых подготовительных работ на первом выделенном участке, начинается производство последних продолжительностью . После производства всего комплекса работ на первом участке бригада переходит на другой, освобождаемый эксплуатационным персоналом участок. Потери времени на передислокацию бригады строителей с машинами и механизмами с одного участка на другой равны трем ( =  = 3 дн.)

После выполнения внутрицеховых подготовительных работ на втором участке продолжительностью  производятся основные строительно-монтажные работы продолжительностью . Для третьего участка все повторяется в той же последовательности.

Общая продолжительность реконструкции объекта Т равна:

.                                           (12)

2.35. При обосновании методов организации строительно-монтажных работ необходимо учитывать, что для реконструкции предприятий со сметной стойкостью строительно-монтажных работ 20 млн. руб. и более, в которых могут быть выделены технологические узлы, должен применяться узловой метод проектирования, подготовки, организации и управления строительством.

Рис. 8. Принципиальная организационно-технологическая схема производства работ при реконструкции с частичной остановкой производства

1 - общеобъектные подготовительные работы; 2 - внутрицеховые подготовительные работы; 3 - основные строительно-монтажные работы; 4 - время перехода бригад с участка на участок

2.36. Сущность узлового метода в условиях реконструкции заключается в том, что в составе реконструируемого предприятия (здания, сооружения) выделяются обособленные части - узлы, готовность которых после завершения реконструкции позволяет приступить к выпуску предусмотренной проектом продукции.

2.37. При реконструкции, как и в условиях нового строительства, по функциональному назначению узлы подразделяются на технологические, строительные и общеплощадочные.

Технологический узел - обособленная часть цеха или производства, в границах которой обеспечивается производство работ по монтажу технологического оборудования и сопутствующих ему строительно-монтажных и специальных работ, необходимых для проведения пусконаладочных работ, опробования агрегатов, а в ряде случаев - и ввод в действие реконструируемого узла.

В условиях реконструкции в составе технологического узла выполняются работы по следующему примерному перечню: демонтаж заменяемого технологического оборудования; разборка; усиление и устройство фундаментов под оборудование; монтаж технологических металлоконструкций, оборудования и трубопроводов; переустройство инженерных коммуникаций; работы по замене подъемно-транспортных средств; переустройство и переоборудование встроенных помещений.

Строительный узел - здание (сооружение) или его конструктивно обособленная часть в пределах существующих или проектируемых габаритов, в границах которой производятся строительные и специальные работы до технической готовности, обеспечивающей реконструкцию технологического узла.

При реконструкции промышленных предприятий и комплексов в составе строительного узла выполняется следующий примерный перечень работ: разборка, демонтаж, монтаж и усиление строительных конструкций; переустройство встроенных помещений подсобно-вспомогательного и обслуживающего назначения; кровельные работы; ремонт и устройство полов; отделочные работы; работы по электроосвещению.

Общеплощадочный узел - переустройство комплекса инженерных сооружений и коммуникаций, а также строительство и реконструкция объектов подсобно-вспомогательного и обслуживающего назначения или определенная их часть, завершение комплекса работ, на которых (до определенной технической готовности) обеспечиваются функционирование реконструируемых технологических узлов и нормальная работа предприятия в целом.

К общеплощадочным узлам относятся: выполнение общеплощадочных подготовительных работ (снос, перенос зданий, сооружений, путей, коммуникаций; устройство складов, площадок укрупнительной сборки; перенос отдельных переделов и производств во временные здания и сооружения; устройство временных объектов для нужд строительного производства); переустройство и возведение объектов административно-бытового, подсобно-вспомогательного назначения; строительство проектных инженерных сетей, сооружений и дорог.

В условиях реконструкции наиболее сложные и трудоемкие узлы подразделяются на подузлы с целью максимального совмещения строительных, монтажных и специальных работ и сокращения продолжительности выполнения комплекса работ по соответствующему узлу.

Если в условиях нового строительства признак законченности отдельного технологического цикла в общей технологии промышленного производства подчинен обеспечению возможности производства пусконаладочных работ и автономной сдаче узла заказчику, то в условиях реконструкции этот принцип связан с необходимостью остановки и выключения реконструируемой части производства и ввода ее в эксплуатацию по окончании реконструкции. При этом границы реконструируемой части, заключающие отдельный законченный технологический цикл производства, могут не совпадать с границами этого технологического цикла до реконструкции.

При формировании строительных узлов требования конструктивной завершенности и устойчивости необходимо обеспечить не только для части здания, где производятся строительно-монтажные работы, но и для здания в целом.

Для создания нормальных условий производственной деятельности (например, температурно-влажностного режима, безопасности труда и т.п.) на перереконструируемых производственных площадях границы строительных узлов по возможности должны совпадать с границами технологических узлов или включать их целое число.

Помимо соблюдения основного требования к формированию общеплощадочных узлов - однородности зданий и сооружений по технологическому признаку - необходимо учитывать организационно-технологические взаимосвязи между объектами общеплощадочных узлов и реконструируемыми производствами.

2.38. Формирование узлов в условиях реконструкции начинается с определения перечня, состава и границ технологических узлов. При необходимости в составе технологических узлов могут выделяться технологические подузлы. Далее определяются перечень, состав и границы строительных узлов. В пределах каждого узла выполнение строительных работ должно обеспечивать производство демонтажа и монтажа технологического оборудования в соответствии с установленной проектом реконструкции последовательностью ввода этих узлов в эксплуатацию.

Перечень, состав и границы узлов, а также последовательность их ввода согласовываются с заказчиком.

2.39. Разработка документов узлового метода в условиях реконструкции должна производиться с учетом рекомендаций, изложенных в Руководстве по организации строительного производства в условиях реконструкции промышленных предприятий, зданий и сооружений. - /ЦНИИОМТП Госстроя СССР. - М.: Стройиздат, 1982, - 222 с. и Методических рекомендациях по применению узлового метода организации реконструкции промышленных предприятий. - /НИИОУС. - М. 1985. - 33 с.

2.40. Строительный генеральный план разрабатывается на весь период реконструкции. При поэтапном проведении реконструкции на его основе разрабатываются строительные генеральные планы для каждого этапа с учетом изменений, происшедших после выполнения работ предыдущих этапов реконструкции.

Дополнительные требования к разработке строительных генеральных планов при реконструкции предприятий указаны в п. 2.1 данного Пособия.

Проект строительного генерального плана согласовывается с администрацией реконструируемого предприятия и генеральной подрядной строительно-монтажной организацией.

2.41. Геодезические работы в условиях реконструкции имеют следующие отличительные особенности, которые отражаются в пояснительной записке:

значительный объем работ по восстановлению внешней и внутренней разбивочной сети;

необходимость определения фактического положения, габаритов зданий (сооружений), деформации грунтов, несущих конструкций зданий и фундаментов технологического оборудования, что связано с большим объемом исполнительных съемок и обмерных работ и работ по наблюдениям за деформациями;

применение специальных методов, приемов работ, приборов и оборудования для работы в стесненных условиях, запыленной и загазованной среде, при действующем оборудовании и внутрицеховом транспорте;

повышенные требования к обеспечению мер по технике безопасности при ведении работ.

2.42. Исходными данными для составления геодезической части проекта организации строительства служат те же материалы, что и для составления проектов на новое строительство, а также:

данные о последовательности реконструкции;

характеристики условий и объемов реконструкции;

сводные данные о всех зданиях (сооружениях) и их конструкциях с указанием необходимых геодезических работ (исполнительные съемки, определение осадок, кренов, сдвигов, обмерные работы);

схема сохранившейся геодезической основы с указанием существующих и утраченных знаков;

генеральный план на период от возведения зданий (сооружений) до начала реконструкции.

2.43. В состав геодезической части проекта организации строительства входят полностью или частично те же материалы, что и на новое строительство, и кроме того:

схема общеплощадочной геодезической разбивочной основы с указанием существующих, утраченных и проектируемых взамен утраченных геодезических знаков;

уточненный и откорректированный (особенно для надземных инженерных сетей) генеральный план с указанием реконструируемых объектов;

схема расположения существующих и проектируемых деформационных марок на зданиях, которые в процессе реконструкции могут иметь просадку и смещения.

2.44. Построение расположения знаков геодезической разбивочной основы взамен утраченных выполняется с учетом:

сохранности геодезических знаков на весь период реконструкции;

максимального совпадения координат новых и утраченных знаков;

совмещения знаков плановой и высотной основы.

Измерения для определения координат и высот вновь заложенных знаков геодезической основы производятся в порядке и методами, установленными для сгущения геодезических сетей соответствующих классов. Рекомендуется производить повторные измерения по сохранившимся и новым геодезическим знакам и их совместное уравнивание.

2.45. До начала реконструкции необходимо выполнить комплекс работ по уточнению и корректировке генерального плана (оперативного плана), в особенности подземных инженерных сетей.

На генеральном плане должны быть показаны все существующие, входящие в строй и подлежащие реконструкции здания, сооружения и инженерные коммуникации и приведены их характеристики. На генеральном плане показываются строительная и координатная сетки, пункты геодезической основы, рельеф и ситуация местности, координаты основных и характерных точек зданий и сооружений.

2.46. В геодезической части проекта организации строительства указываются: здания, сооружения и их части, за которыми следует вести наблюдения; расположение исходных реперов и контрольных деформационных марок; периодичность наблюдений; требуемая точность измерений и определения деформаций; методика производства наблюдений.

2.47. Для перенесения проектных параметров здания (сооружения) или его частей в натуру, производства детальных разбивочных работ и исполнительных съемок на строительной площадке создается внешняя разбивочная сеть здания (сооружения) или его частей, пункты которой закрепляются на местности основными, главными и промежуточными разбивочными осями или линиями, им параллельными.

2.48. Реконструкция включает в себя работы по внутреннему переустройству существующих зданий (сооружений), частичной перестройке и строительству новых объектов, пристраиваемых или отдельно стоящих зданий. В каждом конкретном случае возможны различные схемы и варианты закрепления разбивочных осей или линий, им параллельных, геодезическими знаками.

2.49. На строительном генеральном плане показываются места расположения знаков, закрепляющих следующие разбивочные оси или линии, им параллельные:

основные, определяющие габариты здания, сооружения (крайние координационные оси по ГОСТ 21.101-79, рис. 9, 10);

главные оси симметрии здания, сооружения, технологического оборудования (рис. 11);

промежуточные (рис. 12, 13), в местах температурных (деформационных) швов, расположенные через 50 - 60 м;

вспомогательные линии, параллельные разбивочным осям (см. рис. 13).

Рис. 9. Схема закрепления основных осей здания, примыкающего под углом к существующему

1 - грунтовой знак закрепления осей; 2 - откраска осей на существующем здании

Рис. 10. Схема закрепления основных осей здания, примыкающего к углу существующего

1 - грунтовой знак закрепления осей

Рис. 11. Схема закрепления главных разбивочных осей крупного промышленного сооружения

1 - грунтовой знак закрепления осей

Рис. 12. Схема закрепления осей здания, примыкающего к существующему строению

1 - грунтовой знак закрепления осей; 2 - откраска осей на существующем здании

Рис. 13. Схема закрепления осей здания, встраиваемого между двумя существующими

1 - грунтовой знак закрепления осей

Рис. 14. Схема закрепления основных разбивочных осей цеха размером 30´30 м

1 - грунтовой знак закрепления осей

Количество разбивочных осей или вспомогательных линий, закрепляемых знаками, определяется с учетом конфигурации, размеров объекта, его положения по отношению к существующим зданиям (сооружениям), особенностей реконструкции.

В случаях когда возможно показать закрепление всех разбивочных осей, показывают закрепление ближайших промежуточных осей или вспомогательных линий, расположенных параллельно разбивочной оси на определенном расстоянии (см. рис. 12, 13).

Для небольших зданий (сооружений) допускается показ закрепления не менее двух разбивочных осей - продольной и поперечной (рис. 14).

При внутреннем переустройстве существующих зданий (сооружений) и частичной перестройке показываются разбивочные оси внутри здания (сооружения).

При строительстве отдельно стоящих зданий и сооружений, не связанных технологическими линиями, простых по конфигурации, без сложного технологического оборудования показываются осевые знаки, закрепляющие основные оси (см. рис. 9, 10).

При строительстве производственных зданий (сооружений) значительной длины (более 100 м) с поточными и автоматическими линиями, промышленных зданий с комплексами агрегатов, технологически связанных между собой, а также зданий (сооружений) сложной конфигурации показываются осевые знаки, закрепляющие главные разбивочные оси (см. рис. 11).

2.50. Для реконструируемых цехов, имеющих механизмы большой протяженности, для которых требуется точная соосность, главные разбивочные оси или вспомогательные линии совмещаются с осями механизмов.

Знаки закрепления разбивочных осей башенных сооружений целесообразно размещать по направлениям главных осей от его проектного центра (рис. 15).

При строительстве или реконструкции здания (сооружения) в несколько очередей закрепление разбивочных осей знаками производится по захваткам работ.

Каждая основная и промежуточная разбивочные оси или вспомогательная линия закрепляются двумя осевыми знаками - по одному с каждой стороны здания, сооружения (см. рис. 9, 10, 12, 13) или внутри здания.

Рис. 15. Схема закрепления главных разбивочных осей сооружений башенного типа

1 - грунтовой знак закрепления осей

Для случаев, когда здание (сооружение) пристраивается к существующему или встраивается между существующими, показываются два грунтовых знака с одной стороны и один отдельный знак с другой (см. рис. 9, 12, 13). Вспомогательные линии могут закрепляться двумя знаками, как в случае, приведенном на рис. 13.

Главные разбивочные оси закрепляются четырьмя знаками - по два знака с каждой стороны здания, сооружения (см. рис. 11).

2.51. Основные требования к местоположению знаков закрепления разбивочных осей (осевых знаков) следующие:

должна быть видимость от знака до здания, для чего необходимо предусматривать свободные полосы шириной 1 м;

неизменность положения знака на весь период строительства, особенно на период строительства подземной части здания (сооружения);

возможность выполнения геодезических измерений с учетом требований техники безопасности при производстве строительно-монтажных работ.

Осевые знаки размещаются за пределами котлована в местах, свободных от постоянных и временных зданий (сооружений), в том числе подземных и надземных коммуникаций, дорог, строительных конструкций, материалов, изделий и оборудования, складских площадок, механизмов. Они не должны попасть в зону нарушения грунта при выполнении строительно-монтажных работ.

Не рекомендуется закладывать знаки на неуплотнившиеся насыпные грунты, в зоны динамических колебаний почвы от работающих цехов и агрегатов.

В зоне местоположения знака складирование строительных конструкций и материалов допускается не ближе 2 м от центра знака.

Размещение осевых знаков увязывается с проектными решениями по организации земляных, строительно-монтажных и других работ действующего предприятия.

В целях лучшей сохранности осевые знаки размещаются на тротуарах, газонах, обочинах дорог, вдоль заборов.

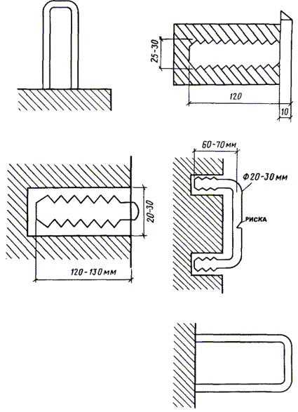
В качестве грунтовых знаков используются колодцы, камеры инженерных сетей, остающиеся неизменными на период реконструкции.

Стенные знаки закрепляются на бетонных, кирпичных горизонтальных сооружениях (стенах, колоннах), выступающих частях металлоконструкций.

При внутреннем переустройстве существующих зданий (сооружений) осевые знаки размещаются на внутренних стенах, конструкциях, полу, не подверженных изменениям.

В случае если невозможно определить местоположение знака, обеспечивающее неизменность его на весь период реконструкции, в ППГР предусматривается его перенос на устойчивое место, что оговаривается в ПОС.

2.52. Осевые знаки, как правило, показывают на расстоянии 15 - 30 м от контура здания.

Наименьшее расстояние допускается 3 м от бровки котлована и от границ призмы обрушения грунта, наибольшее - полуторная высота здания, сооружения, но не более 50 м.

Расстояние между осевыми знаками, закрепляющими промежуточные поперечные оси, может достигать 50 - 100 м.

Расстояние между парными осевыми знаками принимается в пределах от 15 до 50 м, для линейных сооружений - до 100 м.

2.53. При строительстве предприятий и группы зданий сооружений на строительном генеральном плане показываются нивелирные реперы из расчета один репер на каждое здание (сооружение). Расстояние между реперами - 200 - 300 м.

При строительстве или реконструкции отдельно строящихся зданий (сооружений) показываются два репера для каждого здания (сооружения). При строительстве инженерных сетей один репер показывается через 0,5 км. Реперы, как правило, совмещают с осевыми знаками.

Стенные реперы показываются на существующих зданиях (сооружениях), не подверженных осадкам.

Определение рациональной схемы размещения геодезических знаков, обеспечивающей их устойчивость, сохранность и доступность, является необходимым условием своевременного и качественного выполнения геодезических работ на строительной площадке.

2.54. Геодезическая разбивочная основа для строительства состоит из разбивочной сети строительной площадки и внешней разбивочной сети здания (сооружения). Они включают в себя плановые и высотные сети.

При внутреннем переустройстве существующих объектов создается внутренняя разбивочная сеть здания (сооружения).

Построение геодезической разбивочной сети выполняется по специальному проекту, разработанному специализированной проектной организацией, после сноса строений, срезки растительного грунта, выполнения предварительной вертикальной планировки, перекладки подземных коммуникаций.

При проектировании и построении разбивочной сети учитывается, что работа на территории действующего промышленного предприятия сопряжена с такими факторами, как сотрясения от работающих механизмов, цехов, от движения железнодорожных и других механизмов, ограниченная видимость, неравномерный, температурный режим атмосферы и т.д., что указывается в пояснительной записке ПОС.

2.55. Для выбора рациональной схемы, методов, точности построения геодезической разбивочной основы в проекте организации строительства указываются особенности геологических и природных условий строительства объекта, особенности новой технологии работ, новых строительных конструкций, наличие уникального технологического оборудования, а также здания, сооружения, соединенные технологическими связями, особенности конфигурации и очередность строительства и реконструкции отдельных зданий (сооружений), этапов работ.

2.56. При строительстве объектов стороны разбивочной сети строительной площадки располагаются параллельно главным или основным осям зданий, сооружений, а знаки сети - по периметру строительной площадки за ее пределами.

Для зданий (сооружений) со сложными геометрическими формами в плане в зависимости от их конфигурации построение разбивочной сети выполняется в виде сети точек в форме треугольников, многоугольников, центральных фигур или базисной линии.

При строительстве объектов с уникальным технологическим оборудованием знаки внешней разбивочной сети здания (сооружения) располагаются на главных технологических осях или линиях, им параллельных, в местах, удобных для геодезического контроля монтируемых конструкций и оборудования.

За исходное направление при проектировании и построении разбивочной сети принимают главную технологическую ось оборудования или линию, ей параллельную. В пояснительной записке проекта организации строительства указывается технологическая ось, к которой должны привязываться разбивочные оси вновь пристраиваемого или реконструируемого здания.

2.57. При расширении предприятия необходимо сохранить ранее принятую систему координат, если сохранились знаки прежней сети. В качестве исходного принимается один из пунктов прежней сети, надежно закрепленный и определяемый более точно по сравнению с остальными. Новая сеть в этом случае увязывается со старой.

Если ранее принятая система координат неудобна для пользования или не позволяет осуществить связь с вновь строящимися зданиями (сооружениями), то за исходное направление сети принимаются ось или стена какого-либо цеха, другие сооружения, четкие контуры которых имеют аналитические координаты или их можно получить графически; об этом указывается в ПОС.

2.58. Для пристраиваемых зданий (сооружений), технологически связанных с существующими, разбивочная сеть строится как продолжение прежней сети, так как смещение проектируемой части относительно существующей недопустимо.

Если знаки старой сети не сохранились, восстанавливаются на местности оси основных существующих цехов и агрегатов, с которыми технологически связаны пристраиваемые, и уже от них, как от исходных направлений, строится снова.

Необходимо соблюдать соответствие (параллельности и перпендикулярности) между осями существующих объектов и разбивочными осями пристраиваемых к ним зданий (сооружений).

Если по ряду конструкций имеется разрыв, заполняемый позже, то используется линия, параллельная оси, - вспомогательный створ, отстоящий от разбивочной оси или здания (сооружения) на определенном расстоянии.

Построение разбивочной сети выполняется с учетом поэтапного производства строительно-монтажных работ в стесненных условиях действующего производства.

2.59. Особое внимание должно быть обращено на выбор мест расположения знаков закрепления разбивочной сети с целью сохранности их максимального количества.

В целях повышения сохранности знаков разбивочной сети дополнительно грунтовым знакам устанавливаются стенные с обязательной привязкой, о чем указывается в ПОС.

Конструкция знаков должна быть запроектирована с учетом особенностей реконструкции, а также геологических и природных условий.

Технологические оси закрепляются фундаментными знаками.

2.60. Точность геодезической разбивочной основы должна удовлетворять точности строительства объекта в целом, а также отдельных зданий, сооружений и приниматься по ГОСТ 21779-82 (см. табл. 1) и СНиП 3.01.03-84 или рассчитываться на основе технических условий и проектных требований других СНиП третьей части.

2.61. Нивелирная сеть строится с таким расчетом, чтобы обеспечить передачу проектных высот (отметок) от реперов, расположенных на расстоянии не более 200 - 300 м.

Отметки высот должны определяться в единой системе.

Для устойчивости знаков нивелирной сети на строительной площадке закладываются фундаментные реперы, что оговаривается в пояснительной записке ПОС.

Количество фундаментных реперов определяется размерами строительной площадки, особенностью реконструкции, сложностью объекта, конфигурацией зданий (сооружений) и другими факторами.

2.62. Геодезический контроль точности геометрических параметров зданий (сооружений), в том числе исполнительные съемки, является составной частью производственного контроля качества.

Геодезический контроль включает определение действительного планового, высотного положений и положения относительно вертикали элементов, конструкций и частей зданий (сооружений) как на стадии временного закрепления (операционный контроль), так и после окончательного их закрепления (приемный контроль).

Методы геодезического контроля точности геометрических параметров зданий (сооружений) предусматриваются на разных стадиях производственного контроля качества строительно-монтажных работ, т.е. при входном, операционном и приемочном контролях, что должно быть оговорено в пояснительной записке ПОС.

Методы геодезического контроля точности геометрических параметров элементов, конструкций и частей зданий (сооружений) выбираются при разработке проекта производства геодезических работ с учетом особенностей реконструкции объекта, новых строительных конструкций, новой технологии работ, технологического оборудования, сложных геологических и природных условий и других факторов, о чем указывается в пояснительной записке ПОС.

2.63. Контролируемые в процессе строительства геометрические параметры строящихся и реконструируемых зданий (сооружений), перечень ответственных конструкций и частей, подлежащих геодезическому контролю в процессе строительства и реконструкции, приводятся в пояснительной записке ПОС.

2.64. Знаки геодезической разбивочной основы в процессе строительства должны находиться под наблюдением за сохранностью и устойчивостью и проверяться инструментально не реже двух раз в год (в весенний и осенне-зимний периоды).

В случаях нарушения сохранности и устойчивости знаков их необходимо своевременно восстанавливать.

2.65. При строительстве и реконструкции объектов предусматриваются геодезические измерения деформаций оснований, конструкций зданий (сооружений) и их частей в соответствии со СНиП 3.01.01-85,СНиП 3.01.03-84 и ГОСТ 24846-81.

2.66. В проекте организации строительства указывается, что акты освидетельствований скрытых работ, акты приемки работ подземной части здания, акты промежуточной приемки ответственных конструкций, другая исполнительная документация, а также оценка качества строительно-монтажных работ, должны составляться на основе данных исполнительных, геодезических схем и чертежей (СНиП 3.01.03-84).

2.67. При определении потребности в кадрах строителей учитываются работники геодезической службы.

Потребность рабочих-замерщиков определяется из расчета 1 - 2 человека на одного ИТР - геодезиста.

Потребность в кадрах геодезической службы уточняется при разработке проекта производства геодезических работ.

2.68. В ведомость объемов работ, календарный план строительства включаются геодезические работы, выполняемые в подготовительный и основной периоды строительства и реконструкции.

2.69. В ведомость потребности в основных материалах включаются материалы, используемые при закладке геодезических знаков.

2.70. Выбор эффективного варианта организации реконструкции предприятия при разработке ПОС осуществляется сопоставлением приведенных затрат, исчисляемых по формуле

,                                               (13)

где  - приведенные затраты по производству строительно-монтажных работ при реконструкции предприятия;

 - затраты на осуществление организационно-технических мероприятий;

 - потери строительной организации при усложнении условий производства работ по рассматриваемому варианту организации реконструкции;

 - потери предприятия в результате уменьшения объемов выпуска промышленной продукции в период реконструкции;

 - экономический эффект от увеличения объемов выпуска продукции за период опережения сроков выхода предприятия на полную проектную мощность по сравниваемому варианту организации;

 - экономический эффект от уменьшения размера условно-постоянных расходов строительной организации в результате сокращения продолжительности реконструкции;

z - индекс варианта организации реконструкции, z = 1, ..., z.

2.71. Приведение разновременных затрат, потерь и эффектов к базисному году - году окончания реконструкции - производится с помощью коэффициента дисконтирования

,                                                                 (14)

где Е - нормативный коэффициент приведения, равный 0,1;

tz - продолжительность реконструкции по рассматриваемому варианту организации строительно-монтажных работ;

t - порядковый год реконструкции, t = 1, ..., tz.

2.72. При расчетах приведенных затрат нормативный коэффициент эффективности капитальных вложений Ен и норматив приведения Е принимаются в соответствии с "Инструкцией по определению экономической эффективности использования в строительстве новой техники, изобретений и рационализаторских предложений" (СН 509-78), поскольку реконструкция действующих предприятий и объектов всегда связана с внедрением новых современных технических решений и технологических процессов, более совершенного технологического оборудования.

2.73. В формуле (13) приведенные затраты по производству строительно-монтажных работ по вариантам организации реконструкции () рассчитываются по формуле

,                                 (15)

где  - себестоимость строительно-монтажных работ по варианту организации реконструкции z в году t;

 - нормативный коэффициент эффективности капитальных вложений, равный 0,15;

 и  - стоимость соответственно основных производственных фондов и оборотных материальных средств строительной организации.

2.74. Себестоимость строительно-монтажных работ  определяется путем суммирования себестоимостей работ, выполняемых в t-м году, в соответствии с рассматриваемым вариантом организации реконструкции.

2.75. Стоимость основных производственных фондов по рассматриваемому варианту организации реконструкции можно определить по формуле

,                                            (16)

где  - балансовая (инвентарно-расчетная) стоимость строительных машин и механизмов, занятых на работе j;

 - число дней работы машин на объекте;

 - годовое нормативное время (число дней) работы машин, занятых на выполнении работы j.

При разработке и оценке вариантов организации реконструкции предприятий в составе ПОС, когда затруднительно определение перечня строительных машин и механизмов и распределение их для выполнения видов работ, стоимость основных производственных фондов может быть определена через коэффициент фондооснащенности строительной организации.

2.76. Стоимость оборотных материальных средств по рассматриваемому варианту организации реконструкции определяется по следующей формуле:

,                                                              (17)

где 1,06 - коэффициент, учитывающий размер плановых накоплений;

v - норматив оборотных материальных средств строительной организации.

2.77. Дополнительные затраты на осуществление организационно-технических мероприятий  связаны с необходимостью обеспечения функционирования предприятия в период его реконструкции. Методика расчета дополнительных затрат зависит от содержания. При осуществлении мероприятий, связанных с производством строительно-монтажных работ (перенос существующего комплекса технологического оборудования реконструируемых цехов на свободные или расширяемые площади, временно выделяемые производственные площади, возведение различного рода ограждающих конструктивных элементов и др.), дополнительные затраты  определяются аналогично формуле (15) и представляют собой приведенные затраты на производство работ по данной группе мероприятий.

2.78. Варианты организации реконструкции предприятия могут отличаться условиями производства строительно-монтажных работ. В этом случае потери в сфере строительного производства по вариантам организации реконструкции  могут быть рассчитаны по формуле

,                                    (18)

где  - удельный вес основной заработной платы и стоимости эксплуатации машин в себестоимости работ;

 и  - поправочный коэффициент к заработной плате и стоимости эксплуатации машин по сопоставляемым условиям производства работ;

Н - норматив накладных расходов.

2.79. Потери предприятия складываются из убытков предприятия за счет недополучения прибыли и увеличения условно-постоянных расходов в себестоимости промышленной продукции. Потери предприятия за весь период реконструкции по варианту организации z () определяются по формуле

,                         (19)

где  - достигнутый объем выпуска продукции предприятием до его реконструкции;

 - объем выпуска продукции в году t реконструкции;

az,t - полный год или его часть в общей продолжительности реконструкции предприятия az,t £ 1;

Ц и Сп - соответственно отпускная цена и себестоимость единицы реализуемой продукции;

q - доля условно-постоянных расходов в себестоимости промышленной продукции.

2.80. При обосновании эффективного варианта организации реконструкции предприятий и объектов в качестве эталона (базы) для сравнения принимается вариант организации, которому соответствует большая продолжительность реконструкции. Для сравнительной оценки вариантов организации, отличающихся продолжительностью реконструкции, необходимо учитывать разовые эффекты в сфере предприятия и строительной организации.

2.81. Экономический эффект от уменьшения размера условно-постоянных расходов строительной организации  в результате сокращения продолжительности реконструкции определяется по формуле

 = Ну (1 - Тzэ),                                                      (20)

где Ну - размер условно-постоянных расходов в себестоимости строительно-монтажных работ.

Условно-постоянные расходы в себестоимости строительно-монтажных работ определяются в соответствии с СН 509-78.

2.82. Экономический эффект от увеличения объемов выпуска продукции за период сокращения суммарной продолжительности реконструкции и освоения мощности предприятия определяется по формуле

,                                            (21)

где Мпр - проектная мощность предприятия после его реконструкции;

,  - суммарная продолжительность реконструкции и освоения мощности предприятия по сравниваемым вариантам организации.

3. ПРОЕКТ ПРОИЗВОДСТВА РАБОТ

3.1. Проект производства работ ППР по реконструкции действующего промышленного предприятия разрабатывается в том же объеме, что и на новое строительство, с учетом особенностей производства работ на действующем предприятии, и должен быть согласован с дирекцией предприятия. Дополнительные требования к разработке проектов производства работ при реконструкции действующих промышленных предприятий приведены в табл. 5.

Таблица 5

Раздел проекта, в состав которого включаются дополнительные требования

Содержание дополнительных требований

Календарный план производства работ по объекту (виду работ), комплексный сетевой график

Определяют порядок совмещения строительных работ и технологических процессов реконструируемого производства или сроки временной остановки предприятия, корпуса, цеха для производства строительно-монтажных работ

Строительный генеральный план

Устанавливают:

границы участков, отводимых для производства работ (цех, пролет, участок территории и т.п.);

расположение существующих зданий, сооружений, не подлежащих реконструкции, возводимых, реконструируемых, разбираемых зданий, сооружений;

расположение: существующих инженерных сетей с выделением функционирующих и обозначением мест примыкания новых сетей к имеющимся; прокладываемых, разбираемых и перекладываемых инженерных сетей;

пути транспортирования строительных материалов, машин и оборудования;

пути безопасного прохода рабочих в зону производства строительно-монтажных работ, к временным зданиям и к используемым строителями постоянным пунктам бытового обслуживания работников предприятия;

зоны повышенной опасности производства строительно-монтажных работ

Технологические карты

Производят увязку строительно-монтажных работ с производственными процессами предприятия (цеха)

Указывают:

условия работы строительных машин и механизмов вблизи существующих зданий и сооружений, порядок перемещения рабочих реконструируемого предприятия в зоне проведения строительно-монтажных работ

средства и способы защиты технологического оборудования и инженерных коммуникаций от возможного повреждения при производстве строительно-монтажных работ, средства защиты рабочих строительно-монтажных организаций от вредного воздействия производственной среды предприятия (цеха), специальные требования по обеспечению охраны труда, пожарной безопасности и взрывобезопасности

Пояснительная записка

Указывают мероприятия по сохранению элементов благоустройства: деревьев, кустов, посевов трав, покрытия тротуаров, пешеходных дорожек (порядок движения транспорта и строительных машин, расположение и передвижение машин в рабочих зонах, складирование строительных материалов, конструкций, оборудования, пересадка деревьев и кустов, их ограждение перед началом работ, сохранение растительного грунта, меры предохранения тротуаров, пешеходных дорожек и т.д.)

3.2. При разработке проекта производства работ следует согласовывать со службами реконструируемого предприятия: методы производства, сроки начала и окончания работ в действующих цехах, в зонах с насыщенными действующими инженерными сетями, вблизи существующих строений; порядок демонтажа оборудования; порядок восстановления дорожного покрытия после завершения работ, связанных с необходимостью его вскрытия; порядок складирования строительных материалов и конструкций и другие вопросы, возникающие при реконструкции действующего предприятия.

Примеры согласования проекта производства работ на работы подготовительного периода и по реконструкции действующих цехов приведены в табл. 6 и 7.

Таблица 6

Решения проекта

Исполнитель

Предмет согласования

Согласовывающая организация

Решения по разборке существующих зданий и сооружений

Генеральный подрядчик

Сроки выполнения работ. Способы разборки зданий и сооружений. Схемы транспортирования строительных материалов и движения машин. Использование материалов от разборки. Мероприятия по безопасности

Предприятие-заказчик (главный архитектор, бюро генерального плана). Управление, трест механизации. Органы государственного надзора и исполкома Советов народных депутатов

Решения по перекладке инженерных сетей из зоны производства работ

Специализированные субподрядные организации

Сроки выполнения работ. График отключения и подключения инженерных сетей

Предприятие-заказчик (бюро генплана, главный архитектор, отдел главного механика). Органы государственного надзора и исполкома Советов народных депутатов

Решения по устройству временных дорог, проездов и переездов

Генеральный подрядчик или специализированная субподрядная организация

Транспортные схемы. Сроки и продолжительность закрытия отдельных внутризаводских магистралей

Предприятие-заказчик (бюро генерального плана, главный архитектор, начальник транспортного цеха). Органы Госавтоинспекции и исполкома Советов народных депутатов

Решения по возведению временных и установке инвентарных зданий и сооружений

Генеральный подрядчик

Места размещения временных, мобильных (инвентарных) зданий и сооружений. Условия использования строителями существующих зданий. Места подключения временных инженерных сетей

Предприятие-заказчик (бюро генплана, главный механик, начальник силового и слаботочного цехов, пожарной охраны)

Решения по размещению площадок для складирования материалов, укрупнительной сборки, конструкций и оборудования

Генеральный подрядчик

Места складирования материалов, конструкций и технологического оборудования

Предприятие-заказчик (бюро генплана, начальник транспортного цеха, пожарной и сторожевой охраны). Органы Госавтоинспекции и исполкома Советов народных депутатов

Таблица 7

Решения проекта

Исполнитель

Предмет согласования

Согласовывающая организация

Календарный план производства работ по объекту

Генподрядчик, субподрядные специализированные организации

Очередность реконструкции участков цеха. Сроки предоставления фронта работ заказчиком. Использование технологического транспорта предприятия на строительно-монтажных работах. Использование рабочих предприятия на строительно-монтажных работах

Предприятие-заказчик (Управление капитального строительства, отдел капитального строительства, предприятия, руководство реконструируемого цеха, главный механик). Субподрядные организации

Строительный генеральный план

Генподрядчик, субподрядные специализированные организации

Места организации приобъектных складов. Места врезки сетей в действующие коммуникации предприятия. Обеспечение безопасности производства работ в действующем цехе. Порядок использования и обустройства дорог, переездов

Предприятие-заказчик [УКС (ОКС) предприятия, руководство реконструируемого цеха, главный механик, отдел генплана, пожарно-сторожевая охрана]

Технологические карты на сложные работы:

 

 

 

разборка конструкций

Генподрядчик, субподрядная специализированная организация

Сроки и методы проведения работ. Мероприятия по защите действующего оборудования от пыли, взрывной волны и т.п.

Предприятие-заказчик (руководство цеха, главный механик, главный энергетик, пожарно-сторожевая охрана)

общестроительные работы

Генподрядчик

Сроки выполнения работ. Очередность освобождения участков цеха. Мероприятия по безопасности. Схемы транспортирования строительных материалов

Предприятие-заказчик (руководство цеха, главный механик, главный энергетик)

3.3. В составе проектов производства работ на реконструкцию промышленных объектов разрабатываются календарные планы производства работ или комплексные сетевые графики (КСГ). С целью наиболее полного учета требований промышленного производства календарные планы в составе ППР составляются на комплекс объектов (объект), входящий в этап реконструкции предприятия. При разработке календарных планов в составе ППР из КУСГов в составе ПОС кроме информации о количестве и составе этапов реконструкции предприятия требуются выходные данные об очередности, сроках и продолжительности реконструкции этапов, объектов и цехов, сроки поставки технологического оборудования.

Разработка календарных планов производства работ по объекту в составе ППР производится в следующей очередности:

анализируют существующие и проектные строительно-технологические решения реконструируемых объектов;

разбивают реконструируемые объекты на участки - технологические переделы;

определяют технологическую структуру строительно-монтажных работ, а также объемы, трудозатраты и продолжительность работ;

формируют варианты организации выполнения строительно-монтажных работ при реконструкции объектов;

осуществляют увязку строительно-монтажных работ между собой и рассчитывают продолжительность реконструкции объектов по вариантам организации;

выбирают рациональный вариант организации выполнения строительно-монтажных работ по заданному критерию качества;

составляют календарный план производства работ по реконструкции объектов по выбранному варианту организации.

3.4. При разбивке реконструируемых объектов на участки наряду с требованиями технологии строительного производства учитываются и дополнительные требования, определяемые технологией промышленного производства реконструируемых объектов. В условиях реконструкции объектов участки производства работ принимают по границам отдельных технологических переделов.

Технологический передел представляет собой функционально взаимосвязанный комплекс оборудования и коммуникаций производственного объекта (цеха), объединенных выпуском определенной продукции. Границы технологического передела устанавливаются таким образом, чтобы соблюдать все условия технологии производства строительно-монтажных работ, устойчивость реконструируемого объекта и выполнения правил техники безопасности в сфере промышленного и строительного производства.

3.5. При разработке календарных планов производства работ при реконструкции объектов в составе ППР рассматривается следующий примерный перечень строительно-монтажных работ: демонтаж технологического оборудования, трубопроводов, подъемно-транспортного оборудования и специальных сооружений; разборка и усиление фундаментов под технологическое оборудование; разборка, усиление, демонтаж и монтаж строительных конструкций (по отдельным конструктивным элементам); разработка грунта; устройство фундаментов под строительные конструкции; монтаж колонн; обратная засыпка и уплотнение грунта; монтаж ферм или балок, плит покрытия, подкрановых балок, плит перекрытий, фундаментных балок, стеновых панелей; устройство внутренних кирпичных стен и перегородок или их участков; устройство оконных и дверных проемов; устройство кровли или их участков; устройство фундаментов под технологическое оборудование; монтаж технологического оборудования; санитарно-технические и электромонтажные работы; устройство полов; монтаж внутрицеховых технологических трубопроводов; монтаж систем промышленной вентиляции; отделочные работы; монтаж приборов и средств автоматизации; индивидуальное испытание и комплексное опробование оборудования; пуск и наладка.

3.6. Варианты организации строительно-монтажных работ формируются на основе целенаправленного перебора возможных методов реконструкции объектов, очередности реконструкции участков технологических переделов, последовательности выполнения работ с учетом технологически возможного их совмещения. Методы реконструкции объектов устанавливаются по специфическим особенностям промышленного производства конкретных объектов, входящих в этап реконструкции предприятия.

При формировании допустимых вариантов организации строительно-монтажных работ при реконструкции промышленных объектов необходимо учитывать ограничения, вызываемые условиями и требованиями технологии промышленного и строительного производств, которые значительно сокращают число допустимых вариантов.

3.7. Для технологически возможного сокращения продолжительности реконструкции цехов и участков необходимо совершенствование методов увязки строительно-монтажных работ и расчета продолжительности реконструкции.

Сущность организационно-технологической увязки смежных работ состоит в том, что определяется такая готовность объема предыдущей работы j на участке i, которая обеспечит выполнение всех условий для производства последующей работы j + 1.

Увязку смежных работ j и j + 1 на объекте или участке предлагается производить с помощью коэффициента организационно-технологической готовности объема работы , характеризующего степень совмещения смежных строительно-монтажных работ.

Величина коэффициента готовности фронта работ  принимает конкретные значения для каждой очередной пары работ. Для совмещаемых работ 0 £  < 1, для несовмещаемых -  ³ 1. Коэффициент  может быть больше единицы за счет учета продолжительности технологических перерывов.

3.8. Увязка смежных работ на отдельном участке или нескольких участках сводится к определению величины организационно-технологического перерыва между этими работами с учетом их совмещения. В случае рассмотрения отдельного фиксированного участка организационно-технологический перерыв между смежными работами или двумя видами работ называют также критическим сближением работ; его величину определяют по формуле

,                                                        (22)

где  - организационно-технологический перерыв между смежными работами j и j +1 на участке i;

 - критическое сближение работ j и j + 1 на участке i;

 - продолжительность выполнения работы j на участке i.

Организационно-технологическая увязка работ j и j + 1, выполняемых на множестве участков (i1, ..., im) с учетом технологически возможного совмещения между этими работами, производится на основании следующей формулы:

,                             (23)

где  - организационно-технологический интервал между работами j и j + 1 на комплексе участков с учетом совмещения работ;

 и  - продолжительность выполнения работ j и j + 1 на рассматриваемом участке k.

Если при увязке смежных видов работ  = 1, то формула принимает вид

.                                       (24)

3.9. Расчеты продолжительности реконструкции промышленных объектов производятся в зависимости от методов реконструкции объекта.

При проведении реконструкции объектов (объекта) этапа методом частичной остановки отдельных его участков вначале определяется продолжительность реконструкции каждого участка по формуле

.                                                          (25)

Величина организационно-технологического интервала между работами j и j + 1 на участке i() определяется по формуле (22).

Тогда общая продолжительность реконструкции объекта в целом определится по формуле

.                                               (26)

Реконструкция объектов (объекта) каждого этапа при полной остановке промышленного производства осуществляется с использованием поточных методов организации строительно-монтажных работ. Продолжительность реконструкции объектов в этом случае определится по формуле

.                                                              (27)

Величина организационно-технологического интервала между работами j и j + 1 на комплексе участков () с учетом допустимого совмещения работ определяется по формуле (23).

При проведении реконструкции объектов без остановки промышленного производства расчет продолжительности реконструкции производится в зависимости от очередности выполнения работ на участках - технологических переделах.

3.10. Выбор эффективных вариантов организации строительно-монтажных работ по реконструкции объектов в составе проекта производства работ производится сопоставлением приведенных затрат, исчисляемых по формуле

,                                           (28)

где , , ,  - то же, что и в формуле (13);

 - потери предприятия в результате увеличения условно-постоянных затрат в себестоимости продукции реконструируемых цехов;

 - экономический эффект от досрочного функционирования реконструируемых объектов.

3.11. При сравнительной оценке вариантов организации строительно-монтажных работ по реконструкции объектов в составе ППР возможно использование поэлементного метода расчета потерь предприятия в период реконструкции. Для выполнения расчетов по оценке вариантов организации работ необходимо определение условно-постоянных затрат по реконструируемым цехам или линиям, выделяемым в качестве участков производства работ, в годовом измерителе. При этом годовые условно-постоянные расходы в себестоимости продукции складываются из сумм амортизационных отчислений по останавливаемому технологическому оборудованию реконструируемого цеха, доплат до среднесдельного заработка рабочим, переведенным на время реконструкции цеха на нижеоплачиваемую работу, а также условно-постоянных цеховых и общезаводских расходов, приходящихся на реконструируемый цех.

3.12. Потери предприятия в период реконструкции участков и цехов определяются по формуле

,                                           (29)

где  - часть продолжительности реконструкции участка i, относящаяся к году t при варианте организации работ z,  £ 1;

 - условно-постоянные затраты в себестоимости продукции реконструируемого цеха (участка) i в годовом измерителе.

3.13. Экономический эффект, получаемый за счет досрочного ввода и функционирования промышленного объекта, определяется по формуле

,                                                              (30)

где Ф - сметная стоимость реконструкции промышленного объекта.

3.14. Рациональные организационно-технологические решения по строительному производству являются основой для составления календарного плана производства работ по реконструкции объектов. В целях отражения в календарных планах вопросов увязки строительно-монтажных работ с процессами действующего производства в них должны быть указаны методы реконструкции объектов, количество смен работы цеха и строительно-монтажных организаций до начала, во время и по окончании реконструкции участков, а также очередность реконструкции участков, последовательность и сроки выполнения работ.

Пример расчета временных характеристик календарного плана производства работ с использованием разработанных методов приведен в табл. 8, 9, 10. По результатам расчетов построен график поточного производства работ по реконструкции участков, который изображен на рис. 16.

Таблица 8

Коды участков i

Продолжительность выполнения работ ti,j, дн.

Коэффициент готовности фронта работ

ti,1

ti,2

ti,3

ti,4

ti,5

I

7

13

28

81

49

1

0,4

0,5

0,3

II

20

11

31

59

62

1

0,4

0,5

0,3

III

18

14

30

54

42

1

0,4

0,5

0,3


Таблица 9

Коэффициент соизмерения темпов готовности объемов работ

Коэффициенты технологически необходимой готовности объемов работ

Критические сближения работ на участках , дн..

 

Расчет

Значения

Расчет

Значения

Расчет

Значения

Расчет

Значения

Расчет

Значения

 

 

0

0

0

0

0

0

0,4

1

0,4

0,5

0,7

7×1

7

13×0,4

5

28×0,5

14

81×0,7

57

 

0

0

0

0

0

0

0

0

1

0,4

0,5

0,3

7 + (20 ´ 1) - 13

14

13 + (11 ´ 0,4) - 28

-11

28 + (31 ´ 0,5) - 81

-38

81 + (59 ´ 0,3) - 49

50

 

0

0

0

0

0

0

0,22

1

0,4

0,5

0,52

7 + 20 + (18 ´ l) - 13 - 11

21

13 + 11 + (14 ´ 0,4) - 28 - 31

-29

28 + 31 + (30 ´ 0,5) - 81 - 59

-6

81 + 59 + (54 ´ 0,52) - 49 - 62

57

 


Рис. 16. График поточного производства работ при реконструкции участков в циклограммной а и линейной б формах

1, 2, 3, 4, 5 - специализированные потоки; I, II, III - участки производства работ; А - работа цеха с указанием сменности

На основе графиков производства работ могут быть определены: режим работы основного производства по периодам реконструкции; сроки сдачи цехов и участков - технологических переделов для выполнения строительно-монтажных работ; продолжительность остановки цехов и участков на реконструкцию; последовательность и совмещение строительно-монтажных работ; перечень и объемы работ, выполняемых с использованием мостовых кранов и других транспортных средств предприятия.

Разработанные календарные планы реконструкции промышленных объектов служат основой для составления в составе ППР следующих графиков:

поступления на объекты строительных конструкций, деталей, полуфабрикатов, материалов, оборудования с приложением комплектовочных ведомостей;

потребности в рабочих кадрах;

потребности в основных строительных машинах;

сведений о всех ограничениях, накладываемых специфическими условиями данного производства на способы выполнения строительно-монтажных работ;

сведений о возможности, сроках и продолжительности использования существующих подъездных путей предприятия, транспортных магистралей, причалов и т.д.

3.15. При разработке календарных планов и сетевых графиков необходимо учитывать особенности членения реконструируемых зданий и сооружений на участки и структуру строительно-монтажных работ. Дирекция предприятия должна выделять строительным организациям для выполнения строительно-монтажных работ участки - технологические переделы. Основными требованиями к определению границ участков, являются: обеспечение пространственной жесткости здания и условий производства строительно-монтажных работ; соблюдение правил техники безопасности по строительному и промышленному производствам.

Таблица 10

Сроки начала работ , дн.

Сроки окончания работ , дн.

0

21

26

40

97

7

34

54

121

146

7

34

54

121

146

27

45

85

180

208

27

45

85

180

208

45

59

115

234

250

3.16. В тех случаях, когда выполнение работ связано с необходимостью временной или полной остановки технологического оборудования реконструируемого цеха (производства), на графике следует выделять работы, выполняемые в доостановочный и послеостановочный периоды.

3.17. Дополнительные требования к разработке строительных генеральных планов на реконструкцию зданий и сооружений указаны в п. 3.1 Пособия.

В качестве примера показан строительный генеральный план реконструкции здания ТЭЦ металлургического завода (рис. 17). Возведение здания и монтаж технологического оборудования предусматривается осуществлять четырьмя захватками с использованием башенного крана БК-1000 и гусеничного крана СКГ-63. На первой захватке предусматривается монтаж конструкций котельного пролета Б - В краном БК-1000. При этом выполняются монтаж конструкций здания и установка блоков конструкций котлов (масса блоков до 25 т), а также устанавливается мостовой кран. После этого производится монтаж блоков покрытия стеновых панелей по оси 1. На второй захватке предусматривается выполнение монтажа конструкций здания в пролете А - Б в осях 1 - 5 краном СКГ-63. На третьей захватке предусматривается выполнение монтажа конструкций здания в пролетах А - Б и Б - В в осях 5 - 6 кранами БК-1000 и СКГ-63. На четвертой захватке предусматривается выполнение монтажа конструкций здания в пролете Г - Д в осях 1 - 6 кранами БК-1000 и СКГ-63 после завершения работ на захватках I - III. Общее направление монтажа конструкций принято от оси 1 и оси 6.

Складирование строительных конструкций, их укрупнительную сборку и окраску предполагается производить на центральном заводском складе. Для доставки конструкций, материалов и полуфабрикатов на приобъектные площадки складирования запроектирован временный железнодорожный путь у ряда А, а также используются существующие и временные внутризаводские автодороги. Погрузочно-разгрузочные работы на приобъектном складе предполагается производить гусеничным краном МКГ-25.

Временные помещения для административно-бытовых нужд строительства предполагается разместить в бытовом отделении существующего доменного цеха, а производственные площадки - в рельсовалочном цехе.

Снабжение строительства холодной и горячей водой, сжатым воздухом, канализацией и электроэнергией предполагается производить от существующих внутризаводских сетей.

Рис. 17. Строительный генеральный план реконструкции здания ТЭЦ металлургического завода

1 - ТЭЦ мазутно-насосная; 2 - рельсобалочный цех: 3 - здание ПВС; 4 - бытовые доменного цеха; 5 - химводоочистка (сносимая); 6 - места демонтажа башенного крана БК-1000

3.18. Электроснабжение строительной площадки при реконструкции промышленного объекта должно базироваться в первую очередь на использовании постоянных питающих линий (6 - 10 кВт) и постоянных распределительных пунктов (РП) реконструируемого предприятия.

Общая потребность в электроэнергии исчисляется в кВ×А на период максимального расхода и в часы наибольшего ее потребления на основании данных о расходе на освещение (наружное и внутреннее), технологические нужды строительства, работу электродвигателей и электросварочных трансформаторов как для нового строительства, по формуле

,       (31)

где  - коэффициент потери мощности в сетях в зависимости от их протяженности, сечения и др. равен 1,05 - 1,1;

Pм - сумма номинальных мощностей всех установленных электромоторов, кВт;

Рт - сумма потребляемой мощности для технологических потребностей, кВт;

Ров - суммарная мощность осветительных приборов и устройств для внутреннего освещения объектов, кВт;

Рон - то же, для наружного освещения объектов и территории, кВт;

Рсв - то же, у всех установленных сварочных трансформаторов, кВт;

 - коэффициент мощности для групп силовых потребителей электромоторов (в среднем 0,7);

 - то же, для технологических потребителей (в среднем 0,8);

К1 - коэффициент одновременности работы электромоторов (до 5 шт. - 0,6; 6 - 8 шт. - 0,5 и 8 шт. - 0,4);

К2 - то же, для технологических потребителей (в среднем 0,4); К3 - то же, для внутреннего освещения (0,8);

К4 - то же, для наружного освещения (0,9);

К5 - то же, для сварочных трансформаторов (до 3 шт. - 0,8; 3 - 5 шт. - 0,6; 5 - 8 шт. - 0,5 и 8 шт. - 0,4) с уточнением норм расхода для реконструкции промышленного объекта по месту.

Рассчитанная по формуле (31) потребность в электроэнергии для нужд реконструкции рассматривается в отделе главного энергетика завода. Если завод может полностью или частично обеспечить необходимую потребность строительства в электроэнергии, составляется акт согласований, в котором указываются объемы, сроки и источники обеспечения строительства электроэнергией. На недостающие объемы необходимо устанавливать передвижные источники питания, необходимое количество которых определяется в том же порядке, как и для нового строительства.

3.19. Потребность в воде определяется суммой потребности на производственные Qпр, хозяйственно-бытовые Qхоз, противопожарные Qпож нужды, л/с:

Qтр = Qпр + Qхоз + Qпож.                                                         (32)

Расход воды для обеспечения производственных нужд

,

где  - коэффициент на неучтенный расход воды (1,2);

 - удельный расход воды на производственные нужды;

 - число производственных потребителей (установок, машин и др.) в наиболее загруженную смену;

Кч - коэффициент часовой неравномерности водоснабжения (средний - 1,5);

t - число учитываемых расчетом часов в смену.

Расход воды для обеспечения хозяйственно-бытовых нужд строительной площадки, л/с

,

где qх - удельный расход воды на хозяйственно-питьевые нужды (по ведомственным и районным нормам 10 - 25 л в смену);

qд - расход воды на прием душа одним рабочим (30 л в смену);

 - число работающих в наиболее загруженную смену;

 - число пользующихся душем (до 4 % );

 - продолжительность использования душевой установки (45 мин);

Кч - коэффициент часовой неравномерности водопотребления (1,5 - 2).

Расход воды для наружного пожаротушения на период строительства  принимается по справочным данным, но не менее 5 л/с.

Фактический расход воды при реконструкции промышленного объекта должен быть уточнен на месте. При этом необходимо использовать существующие внутрицеховые (внутриобъектные) хозяйственно-питьевой, технический и пожарный водопроводы.

Рассчитанная по формуле (32) потребность в воде для нужд реконструкции сравнивается с возможностями завода по обеспечению водой. При невозможности полного удовлетворения потребности реконструкции в воде от постоянных источников водоснабжения завода необходимо применять источники временного водоснабжения, мощность, количество и расположение которых определяются в установленном порядке как для нового строительства. Объемы и источники водоснабжения, выделяемые заводом для нужд реконструкции, устанавливаются соответствующим актом согласований.

3.20. Теплоснабжение строительной площадки при реконструкции промышленных объектов должно ориентироваться на использование тепла от существующих заводских котельных, ТЭЦ и внутризаводских линий теплоснабжения.

Расчет потребности тепла для отдельных хозяйств и участков реконструкции ведется для часового периода их работы по максимальному расходу зимой и среднему расходу в остальное время года как для нового строительства с уточнением норм расхода по месту.

При недостаче существующих теплоисточников следует применять децентрализованные тепловые установки в виде котлов, локомобилей, парообразователей, печей-калориферов и т.п.

3.21. Снабжение строительной площадки сжатым воздухом при реконструкции промышленного объекта должно производиться централизованно от постоянных внутрицеховых (внутризаводских) воздушных трубопроводов заводской компрессорной станции.

Расчет потребности в сжатом воздухе производится как для нового строительства с уточнением по месту.

При недостаче воздуха от заводской компрессорной следует применять передвижные компрессорные станции (ПКС-3 м, ПКС-5, ЗИФ-55 и т.п.).

3.22. Дополнительными материалами для разработки технологических карт являются:

рабочие чертежи реконструируемого объекта;

чертежи (платы и разрезы) установки действующего и проектируемого технологического, транспортного, энергетического и другого оборудования и связанных с ним коммуникаций, конструкций, устройств и схемы технологических трубопроводов;

организационно-технологические решения по реконструкции и возведению зданий и сооружений и обоснование методов производства сложных строительно-монтажных работ в составе проекта организации строительства;

дополнительные требования и ограничения, согласованные с заказчиком, при выполнении работ в условиях действующего производства с учетом стесненности и других факторов;

материалы обследования технического состояния конструкций зданий, оборудования, коммуникаций;

режим выполнения работ (в одну, две, три смены или продолжительность в часах предоставляемых "окон").

3.23. В характеристике условий и особенностей производства работ должны найти отражение следующие вопросы:

производство работ по реконструкции в условиях полной, частичной остановки производства или без его остановки;

режим выполнения работ (в одну, две, три смены или в предоставленные перерывы "окна" в деятельности предприятия и его отдельных участков, цехов, бригад);

особые условия, влияющие на производство работ (стесненность, проведение их вблизи действующего технологического оборудования и транспортных технологических путей, загазованность, взрыво- и пожароопасность среды и др.).

3.24. Устанавливается перечень строительно-монтажных работ, которые должны быть выполнены до начала работ, предусмотренных картой, а также показатели качественных и прочностных характеристик конструкций.

3.25. Указания по подготовке к выполнению строительного процесса должны содержать:

перечень монтажных приспособлений, оснастки, инвентаря и инструмента, которые необходимо доставить в рабочую зону;

минимально необходимое количество материалов и конструкций, которое должно быть доставлено (складировано) для обеспечения бесперебойного выполнения работ;

требования к подготовке машин и механизмов, в том числе и выделяемых заказчиком, к выполнению работ;

порядок устройства и обозначения временных дорог, путей движения и рабочих стоянок строительных машин и механизмов;

мероприятия по обеспечению безопасных условий труда строительных рабочих и рабочих действующего производства;

местоположение геодезических знаков (временных реперов) и их характеристики;

места и порядок подключения машин и механизмов к существующим энергетическим сетям;

порядок отключения и последовательность демонтажа или переноса сетей, расположенных в рабочей зоне реконструируемых (разбираемых) зданий и сооружений и на конструкциях;

перечень и места устройства временных ограждений, отделяющих зону строительно-монтажных работ от действующего производства или предохраняющих помещения и оборудование действующего производства от повреждений и загрязнения (пыли, мусора, выделений и др.) при производстве строительно-монтажных работ;

границы зон действия мостовых кранов и других перемещающихся грузоподъемных и транспортных средств действующего производства (цеха) и режим их работ, согласованные с администрацией предприятия;

обозначения положения всех подземных (скрытых) коммуникаций, проходящих в зоне работ и вблизи нее, и мероприятия по их защите от возможных повреждений;

порядок согласования с администрацией действующего предприятия сроков начала и окончания производства работ, остановки или обесточивания технологического оборудования и транспорта, находящегося в зоне производства работ;

мероприятия, учитывающие конкретные условия производства строительно-монтажных работ и направленные на обеспечение необходимого и достаточного фронта работ, предусмотренного картой.

3.26. Планы и разрезы конструктивной части здания (сооружения) выполняются, как правило, без излишней детализации в виде эскизов, на которых должны быть указаны:

основные оси, размеры и высотные отметки конструктивной части здания (сооружения) до и после реконструкции;

расположение действующего, демонтируемого и вновь устанавливаемого технологического и транспортного оборудования;

существующие электрические сети, технологические и энергетические трубопроводы, распределительные устройства и др.

При необходимости на листах планов и разрезов могут приводиться конструктивные решения основных элементов и узлов реконструируемой части здания (сооружения), в том числе подлежащих демонтажу (разборке).

3.27. На схемах организации строительной площадки (рабочей зоны) на время производства данного вида работ должны быть указаны:

основные размеры реконструируемого объекта, а при необходимости - расстояния до прилегающих зданий, сооружений, линий электропередачи;

места размещения строительных машин и механизмов, агрегатов, погрузочно-разгрузочных устройств, их основные габариты и зоны действия;

места складирования материалов, оборудования, изделий и конструкций, в том числе после разборки и демонтажа, остающиеся для повторного использования, площадки укрупнительной сборки оборудования и строительных конструкций;

пути подвоза и вывозки после разборки и демонтажа материалов, конструкций и оборудования;

расположение лесов, подмостей, а также ограждений и защитных устройств, отделяющих строительно-монтажное производство от действующего и от проходов для работающей смены предприятия;

временные и существующие сети электро-, тепло- и водоснабжения и др., необходимые для производства работ;

места расстановки щитов для подключения механизированного инструмента и установки светильников временного освещения и сигнальных знаков;

места устройства монтажных проемов и проездов в реконструируемом цехе.

3.28. В технологических картах на сложные и большие объемы работ, выполняемые до остановки технологического оборудования, целесообразно разрабатывать схемы организации строительной площадки (рабочих зон) для доостановочного и остановочного периодов, а в отдельных случаях и для послеостановочного периода.

3.29. В указаниях по продолжительности хранения и запасу конструкций, изделий и материалов на строительной площадке и в рабочей зоне должны быть установлены:

общая потребность и номенклатура конструкций, изделий, материалов, а также устанавливаемого оборудования*, определяемая по рабочим чертежам, спецификациям или по физическим объемам работ и нормам расходов ресурсов на строительный процесс, для которого разработана технологическая карта;

* В дальнейшем именуются "материальные ресурсы".

запас материальных ресурсов, который должен храниться (складироваться) непосредственно на строительной площадке (в рабочей зоне) и на складах строительно-монтажной организации. Запас материальных ресурсов должен обеспечить общую потребность на весь объем работ, в том числе на строительной площадке: на смену, цикл, остановочный период (в соответствии с графиком работ), чтобы полностью исключить перебои в работах (в особенности в период остановки производства);

продолжительность хранения материальных ресурсов на местах складирования и в рабочей зоне определяется с учетом требования бесперебойной деятельности производства и срока хранения, установленных действующими нормами.

3.30. В технологической карте на демонтаж и разборку зданий, сооружений должна быть установлена последовательность демонтажа конструктивных элементов. Возникающие в элементах нагрузки не должны превышать эксплуатационных; при превышении последних должны использоваться элементы временного усиления.

В процессе демонтажа должна быть обеспечена достаточная устойчивость остающихся элементов и частей зданий (сооружений). Для этой цели следует использовать устройства временного закрепления (оттяжки, расчалки, распорки, подносы, кондукторы).

Технологическая карта на демонтаж и разборку должна содержать решения о разукрупнении конструкций в процессе демонтажа (металлических блоков и др.), а также о разукрупнении составных ферм и балок. Эти решения принимаются в зависимости от размеров и массы демонтируемых конструкций, грузоподъемности кранов, стесненности мест демонтажа, условий последующего использования элементов и их транспортирования после демонтажа.

Разборку и демонтаж необходимо выполнять так, чтобы предотвратить порчу деталей, конструкций и оборудования. Все пригодные материалы, детали и конструкции должны быть сохранены и переданы заказчику.

В технологическую карту на демонтаж и разборку должны входить:

планы расположения разбираемых зданий, сооружений, дорог и площадок, территории с указанием их размеров, расстояний, определяющих их положение, расположения лесов и подмостей, ограждений;

поперечные и продольные разрезы зданий, сооружений с указанием размеров конструкций, отметок рабочих мест и характерных точек зданий с нанесением лесов, подмостей и указанием мест их крепления и расположения оборудования для разборки и демонтажа;

схемы технологических процессов разборки зданий, сооружений, конструкций с указанием способов демонтажа, подмащивания, расположения средств механизации;

схемы последовательности демонтажа;

способы временного закрепления конструкций;

способы строповки конструкций в ходе их демонтажа;

спецификации демонтируемых конструктивных элементов;

схемы установки средств подмащивания и их крепления;

схемы установки ограждений или чертежи для устройства нетиповых ограждений;

графики выполнения работ по разборке и данные о составах бригад, звеньев, комплектов машин;

таблицы потребности в средствах механизации;

указания по производству работ по технике безопасности и охране труда.

3.31. Способы разборки зданий и сооружений принимаются в зависимости от их конструктивных решений, материалов, размеров с учетом воздействия на близлежащие производства и окружающую среду.

Наиболее часто выполняются работы по разборке покрытий со снятием или без снятия ферм и балок, демонтажу подкрановых балок, снятию панелей стен, разборке фундаментов колонн и оборудования, конструкций тоннелей, подвалов, каналов, колодцев.

Перед началом разборки зданий и сооружений должны быть:

установлены или смонтированы все требующиеся конструкции и устройства для предохранения действующего производства от пыли, атмосферных осадков, падения кусков разбираемого материала, искр при применении огневых методов и электросварки (защитные стенки и настилы, шатровые укрытия и др.);

Перенесены на новые места геодезические знаки, расположенные на разбираемых зданиях [перенос осуществляется по указанию ОКС (УКС) предприятия силами предприятия или по его поручению геодезистами строительной организации];

цеховое оборудование должно быть укрыто брезентом или другими материалами, когда разборка ведется с остановкой производства силами предприятия.

При разборке покрытий из железобетонных плит предварительно по их периметру разрезается слой кровельного материала, вырубаются стяжки, утеплитель и заделка в швах. У закладных частей места стыков расчищаются для срезания сварных швов. После освобождения плит от ферм и балок они снимаются с утепляющим и кровельным слоями. Стропуют через пробиваемые отверстия, в обхват, или же с помощью специальных траверс.

С покрытий из мелких железобетонных плит, уложенных по прогонам, необходимо предварительно снять кровельный и утепляющий слои и уложить их в контейнеры, затем снять плиты и уложить их на покрытие в пакеты по 4 - 5 шт. и после этого краном погрузить в транспортные средства. Снимаются также и элементы покрытий из стальных штампованных кровельных листов.

Покрытия одноэтажных зданий при остановленном производстве можно разбирать с помощью самоходных стреловых монтажных кранов, передвигающихся по оси пролета, или специальных кранов, смонтированных на мостовых кранах.

При замене покрытий без остановки производства работы ведутся на отдельных участках; при этом разборка обязательно совмещается с монтажом новых конструкций. Краны в этом случае могут располагаться с наружной стороны пролета или на покрытии здания. Если фермы не заменяются, для безопасности работающих в цехе и предохранения оборудования по нижним поясам ферм укладывается сплошной настил из щитов по прогонам из спаренных 50-мм досок, установленных на ребро. При расстоянии между фермами более 6 м вместо деревянных прогонов применяются легкие металлические шпренгельные балки. Для предохранения от возгорания при применении сварки или резки по щитам укладываются листы из стали или асбеста.

Для предохранения действующего производства от дождя должны предусматриваться быстро собираемые тенты из водонепроницаемого материала, натянутого плоско на каркас. Тенты устанавливаются также на время перерывов в работе. На смонтированных участках покрытий, где не уложен кровельный материал, во время дождей, а также на время перерывов в работе укладывается брезентовое покрытие. Атмосферная вода с тентов и брезентовых покрытий должна отводиться к водоприемным воронкам.

Работы по смене покрытий над действующими цехами должны планироваться на теплое время года. Снятые плиты укомплектовываются в пакеты, перемещаемые краном по мере перемещения фронта работ.

При разборке панельных стен в них предварительно должны быть пробиты отверстия для строповки. При высоте стен до 12 м пользуются вышкой, а при большей высоте - подвесными люльками. Перед срезанием закладных деталей газовыми или керосиновыми резаками панели с помощью стропов берутся на крюк крана. Самоходные или башенные краны передвигаются вдоль разбираемой стены. С их помощью переставляются вышки и люльки.

Для повторного использования плит их края должны быть очищены от раствора.

Подкрановые балки могут сниматься одним из следующих способов:

при работах с остановкой производства и смене покрытия, включая фермы и балки, кранами, перемещающимися внутри цеха;

если передвижение крана внутри цеха невозможно, то с помощью лебедок и блоков, укрепленных на фермах. Лебедки должны быть предварительно доставлены и установлены у мест демонтажа с помощью мостового крана.

При демонтаже металлических колонн необходимо предусматривать их предварительное освобождение от анкеров крепления на фундаментах. Для этого с помощью отбойных молотков у пяты колонны вырубается бетон, колонна берется на крюк крана или закрепляется на стальных канатах лебедок, с помощью которых и подающей стрелы будет осуществляться ее опускание, срезаются анкерные болты.

Железобетонные колонны, пригодные для повторного использования, снимаются целиком. Для этого освобожденная от конструкций колонна берется на крюк крана, бетонная заделка в стакане фундамента вырубается со всех сторон на всю глубину. Если процесс вырубания бетона в заделке сложен и длителен, колонну на этот период закрепляют расчалками. Если колонны будут использоваться не на всю длину, их срубают выше уровня фундамента. В этом случае колонна после снятия с нее всех нагрузок подрубается так, чтобы были обнажены для перерезания все арматурные стержни, но при этом оставалась часть неподрубленного бетона - 30 - 35 % площади поперечного сечения. После взятия на крюк крана подрубается оставленная часть бетона и перерезаются арматурные стержни.

В проектах производства работ на разборку всех зданий, сооружений и конструкций должны указываться места вырубания бетона, ширина и глубина вырубок, линии перерезания арматурных стержней исходя из минимальных объемов этих работ, а также с учетом последовательности выполнения операций.

При разборке горизонтально расположенных конструкций в некоторых случаях требуется предварительная установка под ними временных опор. В качестве этих опор могут использоваться деревянные стойки, снизу подкрепляемые парой обратных деревянных клиньев. Для устойчивости стойки должны раскрепляться раскосами. Строповка частей конструкций должна быть выполнена до снятия их с места установки.

Отдельные части конструкций должны сразу же погружаться в транспортные средства. Оставлять их на временных опорах недопустимо.

3.32. При выборе монтажных средств (крана, подъемника, лебедки), используемых при реконструкции промышленных предприятий, должны соблюдаться следующие условия:

габаритные характеристики монтажных средств должны быть универсальными для реконструкции наибольшего количества зданий и сооружений;

грузоподъемность средств должна соответствовать номенклатуре индустриальных конструкций, применяемых при реконструкции;

монтажные средства должны обеспечивать выполнение подъемно-транспортных операций при монтажных и демонтажных работах;

монтажные средства должны быть мобильными, проходимыми, скоростными и маневренными, быстро переводимыми из транспортного в рабочее положение;

монтажные средства в транспортном положении должны вписываться в габариты транспортных коммуникаций предприятия;

монтажные средства должны быть безопасными при производстве работ и выполнении монтажных операций в стесненных условиях и их обслуживании.

3.33. Выбор средств механизации производится начиная с составления перечня ведущих и вспомогательных средств. Техническая возможность применения монтажных средств в условиях реконструкции зданий определяется массой монтажных единиц, высотой подъема и глубиной монтажных зон.

3.34. Необходимая грузоподъемность монтажных средств устанавливается для различных групп монтажных единиц с учетом укрупнения конструкций и массы такелажного оборудования. Количество основных монтажных средств определяется в зависимости от разновесности монтажных единиц, соответствующего экономического обоснования и требования максимального использования монтажных средств по грузоподъемности.

Грузоподъемность крана на промежуточном вылете стрелы

,                                                                    (33)

где q - грузоподъемность при максимальном вылете стрелы;

 - максимальный вылет стрелы;

Lст - промежуточный вылет стрелы.

Высота подъема крюка монтажного средства определяется в зависимости от принятого метода монтажа конструкций.

При монтаже, выполняемом через верх коробки здания (рис. 18, а), высота подъема крюка

,                                                    (34)

где Нзд - расстояние до наиболее высокого элемента здания после демонтажа конструкции;

 - величина вертикальной проекции монтируемой конструкции;

 - величина вертикальной проекции высоты строповки от центра конструкции до крюка;

0,5 - расстояние между наиболее высоким элементом здания и нижним торцом конструкции.

Рис. 18. Методы монтажа конструкций

а - монтаж, выполняемый через верх коробки здания; б - монтаж, выполняемый через проемы здания

При организации монтажа через проемы (рис. 18, б) высота подъема крюка

,                                                 (35)

где Нпр - высота от уровня земли до внешней грани нижнего бруска оконной коробки, установленной в проеме, через который конструкции подают внутрь здания;

 - высота монтируемой конструкции (от нижней грани до места строповки);

 - высота подвески;

 - высота устройства для подачи грузов в проемы.

При перемещении строительных конструкций через оконные проемы необходимая высота оконного проема должна составлять:

при использовании подвесного транспорта (рис. 19, а)

,                                           (36)

где  - высота опоры монорельса от нижней грани проема до верхней полки монорельса;

hм - высота монорельса;

hт - габарит тележки от нижней грани монорельса до низа грузоподъемного крюка;

Рис. 19. Перемещение строительных конструкций через оконные проемы

а - при использовании подвесного транспорта; б - при использовании монтажных средств, устанавливаемых на земле

при использовании машин, устанавливаемых на земле (рис. 19, б):

,                                             (37)

где 0,3 - расстояние от нижней грани верхнего бруска оконной коробки до верхней грани монорельса, заведенного внутрь здания.

Вылет стрелы (см. рис. 18, а) необходимый для обслуживания реконструируемого здания после демонтажа покрытия, определяется по формуле

,                     (38)

где  - расстояние по горизонтали от внешней стены до наиболее удаленной точки подачи груза;

hг - расстояние от нижней поверхности крюка до ограничителя грузоподъемности.

При этом

,                                                        (39)

где  - расстояние от основания крана до оси пяты стрелы;

 - величина горизонтальной проекции конструкции на подвеске.

3.35. Размещение подъемно-транспортных средств на строительной площадке зависит от конфигурации зданий в плане, расположения соседних сооружений.

При реконструкции промышленных предприятий с раскрытием крыши и полной заменой перекрытий наиболее эффективно применять башенные или стреловые краны на гусеничном (пневмоколесном) ходу.

В случае отсутствия возможности использования башенных или стреловых кранов, а также для небольших зданий с перекрытиями железобетонными, сборно-монолитными, из деревянных и стальных балок пролетом не более 6 м может быть рекомендована схема механизации с использованием легких передвижных кранов "в окно", подъемников и лебедок. На рис. 20 представлены различные схемы установки подъемно-транспортного оборудования при реконструкции. Для полного использования вылета стрелы башенного крана необходимо стремиться к наибольшему приближению рельсового пути к реконструируемому объекту. При этом следует учитывать, что расстояние между выступающими частями крана и зданием или штабелями материалов должно быть не меньше 0,7 м. Вместе с этим на плане возводимого объекта не должно оставаться "мертвых зон", т.е. мест, которые выходили бы за пределы действия стрелы крана.

3.36. Количество машин и механизмов в комплекте, необходимое для выполнения заданного объема работ в установленные сроки в стесненных условиях реконструкции, определяется по следующей формуле:

,                                                         (40)

где  - количество одинаковых машин в комплекте, шт.;

Vм - объем механизированных работ, м3;

Вэ - эксплуатационная выработка машин, м3/ч;

Т - заданные сроки выполнения работ, дн.;

Псм - количество рабочих смен в сутки, шт.;

 - продолжительность рабочей смены, ч.

Эксплуатационная выработка машин при реконструкции определяется по условию

,                                                  (41)

где bн - выработка машин при нормативной производительности в свободных условиях;

 - коэффициент использования машин во времени, Ки = 1 - К [К - коэффициент учета перерывов в работе в зависимости от влияния отдельных факторов (табл. 11)];

 - коэффициент учета совместной работы машин (табл. 12);

Рис. 20. Схемы установки подъемно-транспортного оборудования, применяемого при реконструкции

Таблица 11

Факторы, определяющие применение коэффициента

Значение коэффициента

Перерывы на изучение условий производства работ

К1 = 0,06

Перерывы на дополнительный инструктаж по технике безопасности при работе в стесненных условиях

К2 = 0,02

Оформление нарядов-допусков на работу в сложных условиях

К3 = 0,02

Ожидание в связи с параллельным выполнением в данной рабочей зоне других видов работ

К4 = 0,03

Ожидание окончания работы других организаций, работающих теми же подъемными механизмами (мостовым краном и т.п.)

К5 = 0,04

Перерывы, связанные с движением в рабочей зоне автотранспорта; интенсивность движения 10 автомобилей в час

К6 = 0,08

Перерывы, связанные с движением и нахождением в рабочей зоне железнодорожного транспорта, интенсивность движения - 1 состав в час

К7 = 0,05

Перерывы в работе, связанные с основным технологическим процессом действующих цехов

К8 = 0,08

Перерывы на техническое обслуживание машин

К9 = 0,06

Простои по метеорологическим причинам

К10 = 0,04

Регламентированный отдых рабочих

К11 = 0,04

Дополнительный отдых рабочих, связанный с загазованностью рабочих зон (работа в респираторах)

К12 = 0,04

Дополнительный отдых рабочих, связанный с повышенной температурой в рабочей зоне

К13 = 0,04

Дополнительный отдых рабочих при содержании окиси углерода в воздухе рабочей зоны 50 мг/м

К14 = 0,66

То же, при содержании окиси углерода в воздухе рабочей зоны 100 мг/м3

К15 = 0,8

То же, при содержании окиси углерода в воздухе рабочей зоны 200 мг/м3

К16 = 0,89

Таблица 12

Факторы, влияющие на применение коэффициента

Значение коэффициента Кс

Рабочие зоны машин не совмещаются

1

Расстояние между последовательно работающими машинами превышает 10 м

1

Синхронная работа машин в совмещенных рабочих зонах

0,8

Расстояние между последовательно работающими машинами в пределах 5 - 10 м

0,8

Кус - коэффициент изменения длительности рабочего цикла вследствие условий стесненности (табл. 13);

8,2 - продолжительность рабочей смены, ч;

N - единица измерения работ;

Нвр - норма времени, чел.-ч.

Примерная номенклатура машин для производства отдельных видов работ в стесненных условиях приведена в табл. 14, 15, 16.

3.37. Проект производства геодезических работ является основным документом, определяющим содержание, объем и порядок выполнения геодезических работ на строительной площадке.

Таблица 13

Факторы, определяющие применение коэффициента

Значение коэффициента Кс

Работа машин в нормальных условиях

1

Работа машин при наличии ограничений по челночным схемам при ширине рабочей зоны В = 1,6 Вм, где Вм - ширина машины

1

Работа на расстоянии до 1 м от конструкции

1,25

Работа машин при ширине рабочей зоны В = 1,4¸1,6 Вм

1,25

Работа машин при развороте на 180° и расстоянии машины до ограничения (Rmax + Rmin)/2×Bmin = (Вmax + Rmin)/2 + (Rx + 0,3), где Rmax и Rmin - максимальный и минимальный радиусы рабочей зоны машины, м; Rx > Bm/2 - радиус, описываемый хвостовой частью машины, м;

1,25

0,3 - зазор между наиболее выступающей частью машины и ограничением, м

1,25

Работа машины при Bmin = Rmin + Rx + 0,3

1,5

Работа машин при ширине рабочей зоны Bmin = 1,2¸1,4 Вм

1,5

Целью ППГР является повышение качества строительно-монтажных работ, снижение трудозатрат и процента брака из-за геометрических отступлений от проекта путем внедрения правильной организации производства геодезических работ и выполнения их с заданной точностью в соответствии с требованиями существующих нормативов.

В состав геодезической части проекта производства работ входят полностью или частично те же материалы, что и на новое строительство, и, кроме того:

схема разбивочной основы (внешней и внутренней) на отдельные здания с указанием существующих и проектируемых взамен утраченных геодезических знаков, а также осадочных марок для тех зданий, которые будут реконструированы;

программы работ по наблюдению за деформациями грунтов, зданий и сооружений;

специальные требования по точности геодезических работ, не предусмотренные в строительных нормах;

перечень нестандартизированных приборов, устройств, приспособлений и оборудования для производства геодезических работ в условиях реконструкции и необходимые сведения по их приобретению или изготовлению;

указания по производству внешних и внутренних габаритных промеров;

специальные требования по технике безопасности.

3.38. Элементы геодезического обеспечения строительно-монтажных работ должны быть отражены в разделе "Строительные решения" рабочих проектов (проектов) зданий и сооружений. Там должны приводиться:

схема базисной сети на исходном и монтажном горизонтах;

схема положения пунктов базисной сети на исходном горизонте и схема положения специальных отверстий в плитах перекрытия для перенесения осей с исходного горизонта на монтажные;

вид маяков и схема их расположения под строительными конструкциями;

схема расположения рисок на сборных элементах, по которым производятся их установка в проектное положение и контроль их положения в плане, по высоте и по вертикали;

перечень конструктивных элементов, положение которых определяется при исполнительной геодезической съемке в процессе монтажа при приемке конструкций этажа, части здания;

разбивочный чертеж с указанием привязки элементов конструкций к координационным осям и базисным геодезическим знакам;

конструкция знаков закрепления пунктов базисной сети на исходном горизонте.

Если эти данные отсутствуют в разделе "Строительные решения", они включаются в проект производства геодезических работ.

Таблица 14

Наименование земляного сооружения

Марка экскаватора

Вместимость ковша, м3

Производительность, м3 в смену

Условия применения

Минимальная высота этажа, м

Минимальная сетка колонн, м

максимальная глубина, м

ширина проходки, м

Траншея, котлован

Одноковшовый ЭО-2621А, обратная лопата

0,25

78

3

0,8

4,8

6´6

То же

Одноковшовый ЭО-3322Б, обратная лопата

0,4

138

3

1

6

6´6

¢¢

Одноковшовый ЭО-4111Б (Э-652Б), обратная лопата с устройством для зачистки дна траншеи

0,65

251

6

1

7,2

6´6

Котлован

Одноковшовый ЭО-4121А, обратная лопате

1

350

6

1

7,2

6´12

Траншея, котлован

Одноковшовый ЭО-3322Б, ЭО-3322Гс грейферным ковшом

0,36

138

11,49

0,8

8

6´6

То же

Одноковшовый ЭО-4321 с грейферным ковшом

0,65

176

6,8

1

6

6´6

Траншея

Многоковшовый ЭТЦ-161, скребковый

-

90

2

0,3

4,8

6´6

Таблица 15

Условия применения механизмов

Марка механизма

Толщина уплотняемого слоя, м

Производительность, м3/смену

Глубина засыпки, м

Минимальная высота первого этажа, м

Минимальная сетка колонн, м

Св. 3

4,8

6´6

Экскаватор ЭО-2621 с гидромолотом и плитой ГПМ-120

0,4

48

Св. 3

4,8

6х6

Трамбовочная машина ДУ-12

0,5 - 1

444

Св. 3

7,2

6´6

Кран автомобильный КС-2561ГД с подвесной вибротрамбовкой ВПТ-3

0,6 - 0,8

307

3.39. При восстановлении и создании локальной разбивочной основы для отдельных реконструируемых зданий в геодезической части проекта производства работ особое внимание должно уделяться надежности связи внешней (снаружи здания) и внутренней (внутри здания) разбивочной основы (рис. 21).

В стесненных условиях следует применять настенные плановые высотные знаки стандартного образца.

Фиксация осей может выполняться на забетонированных в стены зданий марках, скобах (рис. 22).

Для монтажа сложного технологического оборудования в процессе реконструкции создается внутренняя геодезическая разбивочная основа.

3.40. В общем объеме геодезических работ для принятия решений по усилению фундаментов и конструкций и с целью контроля за положением зданий, находящихся вблизи от разрабатываемых котлованов, выполняется комплекс работ по определению деформаций (осадок, сдвигов, кренов, трещин). В проектах производства работ приводятся указания по точности и методам производства работ, обследованию и повторным измерениям, по сохранившейся и вновь созданной высотной основе и деформационным маркам. При этом используются материалы наблюдений за деформациями в период эксплуатации. Предельно допустимые величины деформаций приведены в соответствующих нормах на проектирование.

3.41. Вертикальные перемещения зданий и сооружений определяют геометрическим, тригонометрическим или гидростатическим нивелированием, а также фотограмметрическим способом.

Рис. 21. Схема построения локальной разбивочной основы

1 - внутренняя разбивочная основа; 2 - внешняя разбивочная основа; 3 - опорная геодезическая основа

За осадочными марками, заложенными в зданиях, которые располагаются вблизи разрабатываемых котлованов, наблюдают не менее трех раз - до разработки котлована, в процессе разработки и по завершении выемки грунта.

Измерение наклонов и кренов зданий, сооружений производится аналитическим способом путем засечек (с двух базисов) точек у основания и на вершине зданий, механическим способом с помощью отвесов и кренометров или с помощью оптических центриров.

3.42. В качестве основы для определения планового положения конструкций, в частности колонн, подкрановых путей, ферм, служат линии, параллельные разбивочным осям, смещенные от последних на величину, определяемую удобством производства измерений. Промеры производятся металлическими рулетками, линейками или специальными шаблонами в зависимости от условий измерений.

Вертикальность конструкций определяется боковым визированием (теодолитом), оптическими центрирами, отвесами или уровнями-рейками.

3.43. В особых условиях реконструкции широко используются специальные устройства и оборудование:

теодолиты и нивелиры (и соответствующие насадки) с предельно коротким расстоянием визирования и искусственной подсветкой;

укороченные и прозрачные нивелирные рейки, в том числе на лавсановой основе и с искусственной подсветкой;

специальные устройства (кронштейны) для крепления геодезических приборов, рулеток к колоннам, балкам, перекрытиям и для установки их на знаках настенной полигонометрии;

оптические центриры с визированием в зенит и надир.

Таблица 16

Конструктивные элементы

Машины и механизмы (приспособления) для бетонных работ

Усредненная производительность ведущей машины, м3/смену

Условия применения

Машины и механизмы для монтажа арматуры, опалубки, сборного железобетона

высота помещения, м

минимальная сетка колонн, м

Фундаменты, приямки, тоннели, стены и перекрытия подвалов (монолитные, сборные железобетонные)

Кран автомобильный КС-2571 грузоподъемностью 4 т, вибробункеры V = 0,5 м3

20

6

6´12

Кран автомобильный КС-2571

Кран автомобильный КС-3371 грузоподъемностью 10 т, вибробункеры V = 1,4 м3

28

6

6´12

То же

Траншея

Кран автомобильный КС-4571 грузоподъемностью 16 т, вибробункеры V = 1 м3

34

6

6´12

¢¢

Фундаменты, приямки, резервуары, колонны, стены, тоннели, полы (монолитные и сборные железобетонные)

Гусеничный кран Э-505 грузоподъемностью 10 т, вибробункеры V = 1 м3

20

7

6´18

Кран Э-505

Гусеничный кран Э-1256 грузоподъемностью 20 т, вибробункеры V = 1 м3

34

7

6´18

Кран Э-1256

Гусеничный кран МКГ-25 грузоподъемностью 25 т, вибробункеры V = 2 м3

40

7

6´18

Кран МКГ-25

То же, монолитные конструкции

Передвижная пневмотранспортная установка ППТУ-2

40

3,6

6´6

Электроподъемник Балканар грузоподъемностью 3 т (со стрелой)

Передвижная пневмотранспортная установка ППТУ-3

90

3,6

6´6

Мостовой кран грузоподъемностью св. 10 т

Бетононасос СБ-7, СБ-161

100

6

6´6

То же

Автобетононасос АБН-60, СБ-126А или БН-80-20, БН-80-30 со стрелой манипулятора

200

7

6´12

Кран автомобильный КС-2571

Автобетононасос СБ-126А, АБН-60 или БН-80-20 со стрелой манипулятора

200

7

6´12

Мостовой кран грузоподъемностью св. 10 т

Автобетононасос СБ-126А (АБН-60) или БН-80-20 со стрелой-манипулятором

200

7

6´12

Электроподъемник Балканар грузоподъемностью до 3 т (со стрелой)

Фундаменты, приямки, тоннели (монолитные)

Конвейер Т-465 с вибропитателями (с секторным затвором)

80

3,6

6´6

Мостовой кран грузоподъемностью св. 10 т

Фундаменты, приямки, лотки (монолитные и сборные железобетонные)

Электроподъемник Балканар грузоподъемностью 3 т со специальным вибробункером V = 0,5 м3

15

3,6

6´6

Электроподъемник Балканар грузоподъемностью 3 т (со стрелой)

Автопогрузчик со специальным вибробункером V = 1 м3

25

3,6

6´6

Автопогрузчик грузоподъемностью 5 т

Фундаменты, приямки, перегородки

Одноковшовый пневмоколесный погрузчик ТО-19А

18

3,6

6´6

Электропогрузчик Балканар грузоподъемностью 3 т (со стрелой)

Пневмоколесный погрузчик ТО-3А с грейфером

26

3,6

6´12

Пневмоколесный погрузчик ТО-3а грузоподъемностью 0,3 т

Фундаменты, приямки, конструкции инженерных коммуникаций и встроенных помещений (монолитные и сборные железобетонные)

Кран мостовой грузоподъемностью не менее 5 т, вибробункеры V = 1 м3

32

9

6´6

Кран мостовой грузоподъемностью св. 5 т

Кран мостовой грузоподъемностью св. 10 т, вибробункеры V = 2 м3

56

9

6´6

Кран мостовой грузоподъемностью св. 10 т

Подвесная кран-балка грузоподъемностью 3 - 5 т, вибробункеры V = 0,5 м3

24

6

6´6

Подвесная кран-балка грузоподъемностью св. 3 т

Примечание. В процессе работы рекомендуемые машины и механизмы могут быть заменены другими, имеющимися в строительной организации, с одинаковыми или близкими по значению параметрами. Производительность машин и механизмов дана с учетом стесненных условий действующего цеха.

Рис. 22. Стенные знаки для фиксации оси

3.44. Элементы и конструкции зданий, сооружений, подлежащие исполнительным съемкам в плане, по высоте и по вертикали, определяются в зависимости от характера реконструкции.

Пространственные промеры в труднодоступных местах (на фасадах, стенах зданий, на большой высоте) выполняются с помощью стереофотограмметрической съемки.

На ответственные виды строительно-монтажных работ составляются схемы операционного контроля.

3.45. Решения по технике безопасности в проектах производства работ должны соответствовать требованиям главы СНиП III-4-80 "Техника безопасности в строительстве" и правилам по охране труда, действующим на данном предприятии.

Разрабатываемые решения должны предусматривать мероприятия, выполнение которых обеспечивает безопасность работников при воздействии на них опасных и вредных факторов строительно-монтажных работ и действующего производства.

Вопросы техники безопасности должны находить отражение в календарном плане производства работ, строительном генеральном плане объекта (участка) и разрабатываться в технологических картах или схемах на производство работ и пояснительной записке.

3.46. В календарном плане должно быть предусмотрено безопасное производство работ при совмещении строительно-монтажных работ и работ действующего предприятия. График совмещения работ должен согласовываться с администрацией действующего предприятия.

Устанавливаемые сроки и трудоемкость строительно-монтажных работ должны определяться с учетом затрат на выполнение мероприятий по обеспечению безопасности труда.

3.47. На строительном генеральном плане объекта (участка) необходимо обозначать опасные зоны, возникающие при производстве строительно-монтажных работ (вокруг строящегося здания или сооружения, вблизи мест перемещения грузов подъемно-транспортным оборудованием) и при работе действующего предприятия (внутри действующих электроподстанций, в загазованных помещениях, в помещениях со взрывопожароопасной средой, с повышенным содержанием пыли, вблизи действующих коммуникаций). Следует указать места размещения санитарно-бытовых помещений, автомобильных дорог, проходов для строительных рабочих, определяемых с учетом действия опасных зон, места установки ограждений участков производства работ и источников освещения.

В случае нахождения участка действующего предприятия в опасной зоне вблизи мест перемещения грузов, а также строящегося здания безопасность работающих должна обеспечиваться за счет:

предотвращения доступа людей в опасную зону или устройством защитных навесов, козырьков;

ограничениями угла поворота крана и применением оттяжек при перемещении крупногабаритных конструкций в целях ограничения размера опасной зоны.

Для проходов, расположенных вблизи опасных зон действующего предприятия, следует предусмотреть устройство ограждений, козырьков и установку знаков безопасности; последние должны быть видимыми в дневное и ночное время.

На строительном генеральном плане дороги, выделенные для проезда транспортных средств и строительных машин, должны быть рассчитаны на соответствие транспортным нагрузкам и прохождение грузов максимальных габаритов.

3.48. В технологической карте должны предусматриваться мероприятия по защите строительных рабочих и рабочих действующего предприятия при выполнении работ в опасных зонах.

При выполнении работ необходимо предусмотреть:

способы и последовательность работ (при демонтаже конструкций способом валки - определение мест и глубины подрубания конструкций, расчет глубины и ширины подрезания должен даваться в пояснительной записке);

способы временного закрепления конструкций, устойчивость которых уменьшается в ходе демонтажа или разборки;

способы временного усиления демонтируемых конструкций;

способы строповки и порядок выполнения строповочных операций;

способы защиты работающих от падающих предметов;

способы защиты действующего технологического оборудования и инженерных коммуникаций, содержащих опасные для здоровья вещества, от возможного повреждения при производстве строительно-монтажных работ;

меры безопасности при выполнении огневых работ (отключение демонтируемого оборудования и трубопроводов от действующих коммуникаций, освобождение оборудования и трубопроводов от взрывоопасных и взрывопожароопасных веществ);

способы удаления демонтируемых конструкций и строительного мусора;

способы пылеподавления.

3.49. При составлении пояснительной записки должны быть приведены расчеты размеров опасных зон, освещенности участков производства работ, ширины и глубины вырубки при демонтаже конструкций, временного усиления демонтируемых конструкций; описания методов и последовательности выполнения работ; перечни грузозахватных приспособлений, монтажной оснастки, инвентаря, тары, лестниц, организационно-технических мероприятий по обеспечению работающих в опасных зонах; опасных зон, на выполнение работ в которых необходимо выдавать наряд-допуск.

СОДЕРЖАНИЕ

 




Яндекс цитирования



   Copyright © 2007-2026,  www.tehlit.ru.

[ ѓосты, стандарты, нормативы, инструкции, правила, строительные нормы ]