//
ТехЛит.ру
- крупнейшая бесплатная электронная интернет библиотека для "технически умных" людей.
WWW.TEHLIT.RU - ТЕХНИЧЕСКАЯ ЛИТЕРАТУРА

:: Алготрейдинг::


АЛГОТРЕЙДИНГ
шаг за шагом
с нуля по урокам!

Торговые роботы на PYTHON, BackTrader,
Pandas, Pine Script для TradingView. Связка с брокерами, телеграм и легкими приложениями.


МЕЖГОСУДАРСТВЕННЫЙ СОВЕТ ПО СТАНДАРТИЗАЦИИ, МЕТРОЛОГИИ И СЕРТИФИКАЦИИ (МГС)

INTERSTATE COUNCIL FOR STANDARDIZATION, METROLOGY AND CERTIFICATION (ISC)

МЕЖГОСУДАРСТВЕННЫЙ
СТАНДАРТ

ГОСТ
31247-2004

ЧИСТОТА ПРОМЫШЛЕННАЯ

Определение загрязнения пробы жидкости
с помощью автоматических счетчиков частиц

Москва
ИПК Издательство стандартов
2005

Предисловие

Цели, основные принципы и основной порядок проведения работ по межгосударственной стандартизации установлены ГОСТ 1.0-92 «Межгосударственная система стандартизации. Основные положения» и ГОСТ 1.2-97 «Межгосударственная система стандартизации. Стандарты межгосударственные, правила и рекомендации по межгосударственной стандартизации. Порядок разработки, принятия, применения, обновления и отмены»

Сведения о стандарте

1 РАЗРАБОТАН ОАО «Научно-исследовательский центр контроля и диагностики технических систем», «Самарский государственный аэрокосмический университет имени академика С.П. Королева»

2 ВНЕСЕН Федеральным агентством по техническому регулированию и метрологии

3 ПРИНЯТ Межгосударственным советом по стандартизации, метрологии и сертификации (протокол № 25 от 26 мая 2004 г.)

За принятие проголосовали:

Краткое наименование страны по МК (ИСО 3166) 004-97

Код страны по МК (ИСО 3166) 004-97

Сокращенное наименование национального органа по стандартизации

Армения

AM

Армстандарт

Беларусь

BY

Госстандарт Республики Беларусь

Казахстан

KZ

Госстандарт Республики Казахстан

Кыргызстан

KG

Кыргызстандарт

Молдова

MD

Молдова-Стандарт

Российская Федерация

RU

Госстандарт России

Таджикистан

TJ

Таджикстандарт

Узбекистан

UZ

Узстандарт

Украина

UA

Госпотребстандарт Украины

4 Настоящий стандарт разработан с учетом основных нормативных положений международного стандарта ИСО 11500:1997 «Гидроприводы. Определение загрязненности рабочей жидкости с помощью автоматических счетчиков частиц» (ISO 11500:1997 «Hydraulic fluid power - Determination of particulate contamination by automatic counting using the light extinction principle», NEQ)

5 Приказом Федерального агентства по техническому регулированию и метрологии от 16 февраля 2005 г. № 24-ст межгосударственный стандарт ГОСТ 31247-2004 введен в действие непосредственно в качестве национального стандарта Российской Федерации с 1 сентября 2005 г.

6 ВВЕДЕН ВПЕРВЫЕ

СОДЕРЖАНИЕ

1 Область применения. 2

2 Нормативные ссылки. 2

3 Термины и определения. 3

4 Аппаратура. 3

5 Материалы.. 4

6 Порядок подготовки к проведению автоматического подсчета частиц. 5

7 Определение уровня загрязнения жидкости автоматическим счетчиком частиц. 7

8 Правила оформления результатов автоматического подсчета частиц. 10

9 Сообщение об идентификации. 11

Приложение А. Жидкости для разбавления проб и материалы для очистки посуды.. 11

Приложение Б. Предварительная очистка разбавителя и добавление примесей к разбавителю для исключения влияния воды на подсчет частиц. 11

Приложение В. Выполнение статистической проверки автоматического счетчика частиц. 13

Приложение Г. Форма представления уровня загрязнения пробы жидкости микрочастицами при помощи автоматического подсчета частиц. 13

ГОСТ 31247-2004

МЕЖГОСУДАРСТВЕННЫЙ СТАНДАРТ

ЧИСТОТА ПРОМЫШЛЕННАЯ

Определение загрязнения пробы жидкости с помощью автоматических счетчиков частиц

Industrial cleanliness.

Determination of fluid sample contamination using automatic particle counter

Дата введения - 2005-09-01

1 Область применения

Настоящий стандарт устанавливает метод автоматического подсчета частиц, находящихся во взвешенном состоянии, в пробе жидкости с целью определения их размера и количественного распределения по размерам.

Метод количественного анализа применяют для контроля:

- количества частиц в жидкостях гидравлических систем;

- качества процессов промывки узлов и гидроагрегатов;

- работы вспомогательного оборудования и испытательных установок;

- состояния жидкости в упаковке (таре).

Метод используют для однородных (гомогенных) жидкостей и при условии отсутствия крупномасштабных оптических неоднородностей и межфазовой границы в анализируемой жидкости, создающей ложные электрические сигналы на выходе автоматического счетчика частиц (АСЧ).

2 Нормативные ссылки

В настоящем стандарте использованы нормативные ссылки на следующие стандарты:

ГОСТ ИСО 14644-1-2002 Чистые помещения и связанные с ними контролируемые среды. Часть 1. Классификация чистоты воздуха

ГОСТ 17216-2001 Чистота промышленная. Классы чистоты жидкостей

ГОСТ 18300-87 Спирт этиловый ректификованный технический. Технические условия

ГОСТ 23402-78 Порошки металлические. Микроскопический метод определения размеров частиц

ГОСТ 30764-2002 Чистота промышленная. Стандартные образцы гранулометрического состава загрязнителей жидких технологических сред. Общие технические требования

Примечание - При пользовании настоящим стандартом целесообразно проверить действие ссылочных стандартов по указателю «Национальные стандарты», составленному по состоянию на 1 января текущего года, и по соответствующим информационным указателям, опубликованным в текущем году. Если ссылочный документ заменен (изменен), то при пользовании настоящим стандартом следует руководствоваться замененным (измененным) документом. Если ссылочный документ отменен без замены, то положение, в котором дана ссылка на него, применяют в части, не затрагивающей эту ссылку.

3 Термины и определения

В настоящем стандарте применены следующие термины с соответствующими определениями:

3.1 агломераты: Две или более частицы, которые находятся в тесном контакте и не могут быть разделены легким встряхиванием.

3.2 совпадение; максимально допустимый уровень концентрации: Наличие в чувствительном (измерительном) объеме более одной частицы одновременно на пути луча света АСЧ.

Примечание - Совпадение приводит к завышению результата при подсчете крупных частиц и занижению результата при подсчете более мелких частиц. Предел совпадения счетчика (не путать с пределом насыщения) - это приемлемый максимальный уровень концентрации всех частиц, более крупных по сравнению с частицей, различимой для данного прибора. Обычно эту концентрацию указывает изготовитель прибора. Совпадение снижают разбавлением (7.1).

3.3 затухание (экстинкция) света: Уменьшение интенсивности луча света, проходящего через чувствительный объем, вызываемое поглощением и/или рассеиванием луча отдельными частицами.

3.4 уровень собственного шума автоматического счетчика частиц; уровень шума АСЧ: Минимальный уровень порогового напряжения на входе схемы анализатора, при котором ложные электрические сигналы помех не регистрируются как наличие частиц.

3.5 уровень насыщения: Предельная концентрация частиц, превышение которой приводит к насыщению в электрических цепях счетчика и, как следствие, к неправильным (заниженным) показаниям.

Примечание - Насыщение может возникнуть также при контроле изучаемых образцов с содержанием очень большого числа частиц, размер которых меньше, чем у наименьшей частицы, различимой для данного прибора. В большинстве вариантов при контроле концентрации частиц перед тем, как наступает насыщение, возникает проблема совпадения.

3.6 чувствительный объем: Часть освещенной области датчика, через которую проходит поток жидкости и свет от которой собирается оптической системой.

4 Аппаратура

4.1 Счетчик частиц автоматический, работающий по принципу измерения ослабления (затухания) или рассеяния света, включающий в себя устройства для измерения и записи электрических сигналов, возникающих при прохождении отдельных частиц через чувствительный объем датчика, который предназначен для их подсчета в заданном диапазоне. В состав АСЧ может входить автоматическое устройство для отбора проб (пробоотборник) или устройство, обеспечивающее прокачку жидкости через чувствительный объем датчика и исключающее доступ посторонних частиц, а затем в калиброванное по объему устройство.

4.2 Пробоотборник может быть дополнительным компонентом или непосредственной частью АСЧ. Используется для отбора и переноса пробы анализируемой жидкости от мест отбора до АСЧ.

Примечание - Если пробоотборник является пневматическим, то газ или воздух должен быть отфильтрован через мембранный фильтр номинальной тонкостью фильтрации 0,45 мкм. Не допускается наличие в газе масла и воды.

4.3 Измеритель плотности погрешностью не более 0,001 кг/м3 при использовании метода разбавления по массе.

4.4 Весы электронные калиброванные, предел допускаемой погрешности 0,1 мг.

4.5 Плитка электрическая, обеспечивающая нагревание жидкости до температуры 150 °С.

4.6 Устройство для встряхивания пробы для равномерного распределения частиц в пробе жидкости. Это устройство, например лабораторный прибор для встряхивания пробирок, не должно изменять распределение основных размеров частиц загрязнения.

4.7 Сосуды для проб, обычно цилиндрические стеклянные или пропиленовые, снабженные либо крышками с резьбой, плотно прилегающими без уплотнения, либо крышками с внутренним уплотнением. Размеры сосуда зависят от типа устройства для отбора проб, используемого в АСЧ, при этом его объем должен быть не более 250 см3. Форма внутренней полости сосуда для проб и ее поверхность должны позволять легкую промывку и обеспечивать достоверность пробоотбора. Сосуды должны быть химически устойчивы к воздействию анализируемых жидкостей.

4.8 Дозаторы растворителя, оснащенные на выходе мембранным фильтром номинальной тонкостью фильтрации 0,45 мкм.

4.9 Прибор для измерения температуры погрешностью не более ±0,1 °С.

4.10 Таймер с погрешностью измерения не более ±0,1 с.

4.11 Ванна ультразвуковая мощностью от 3000 до 10000 Вт/м2 базовой площади для диспергирования агломерированных частиц в жидкости и удаления пузырьков воздуха, появившихся в результате перемешивания вручную.

4.12 Микроскоп оптический для проверки пригодности образца для подсчета частиц с использованием АСЧ. Микроскоп должен позволять проводить увеличение до 200х и содержать:

- предметный столик с устройством для перемещения образцов;

- окулярную сетку;

- внутренний дополнительный источник освещения с возможностью углового перемещения.

4.13 Насос вакуумный, пригодный для фильтрации и дегазации различных жидкостей, используемых в процессе анализа. Фильтрация осуществляется через мембранный фильтр номинальной тонкостью фильтрации 0,45 мкм, совместимый с данными жидкостями.

5 Материалы

5.1 Жидкость для разбавления (разбавитель) анализируемой пробы должна быть физически и химически совместимой как с пробой, так и с используемой аппаратурой. В качестве разбавителя анализируемой пробы рекомендуется использовать жидкость, идентичную пробе. В качестве разбавителя может использоваться жидкость, если она имеет уровень чистоты на три-четыре класса выше анализируемой. Информация о жидкостях для разбавления проб приведена в приложении А.

Метод предварительной очистки разбавителя приведен в приложении Б.

5.2 Стандартный порошок для испытаний АСЧ, калиброванный в соответствии с ГОСТ 30764.

5.3 Калиброванные металлические шарики или иные средства, рекомендуемые разработчиком АСЧ.

6 Порядок подготовки к проведению автоматического подсчета частиц

6.1 Меры предосторожности

6.1.1 Реактивы

Химические вещества, используемые в работе, могут быть вредными, токсичными или огнеопасными. При подготовке к работе и во время работы с ними необходимо соблюдать требования безопасности и обеспечивать химическую совместимость используемых материалов.

6.1.2 Электрические помехи

АСЧ является высокочувствительным устройством, поэтому на него могут воздействовать радиочастотные или электромагнитные помехи. Следует принять меры к тому, чтобы в месте испытаний указанные помехи не нарушали нормальной работы АСЧ.

Источник питания АСЧ должен обеспечивать стабильное напряжение питания и не создавать помех. Рекомендуется использовать стабилизатор напряжения.

6.1.3 Расположение АСЧ

АСЧ должен находиться в чистом помещении, чтобы во время работы исключать проникание внутрь пробы анализируемой жидкости находящихся в воздухе частиц.

Уровень чистоты помещения определяет пользователь в зависимости от класса чистоты пробы анализируемой жидкости. Как правило, уровень чистоты помещения должен соответствовать 6-му классу ГОСТ ИСО 14664-1 или выше.

6.1.4 Относительная влажность

Относительная влажность воздуха в лаборатории рекомендуется от 40 % до 70 %, так как она может влиять на подсчет частиц.

6.1.5 Хранение проб

Пробы следует хранить в холодильнике, если возможен рост бактерий в пробе. Перед контролем уровня загрязнения замороженные пробы жидкости необходимо разогреть до комнатной температуры.

6.2 Порядок калибровки АСЧ

Калибровку АСЧ проводят в соответствии с рекомендациями изготовителя. АСЧ калибруют при любой перенастройке прибора, а также в случае сомнений в исправности его работы.

6.3 Очистка посуды для отбора пробы жидкости

6.3.1 Посуду для отбора пробы жидкости очищают и контролируют в соответствии с рекомендациями разработчика АСЧ.

Примечание - Способ очистки и контроль сосудов может определять пользователь в зависимости от класса чистоты пробы анализируемой жидкости.

Для очистки посуды используют следующие материалы:

- органический растворитель, если анализируют бензин или синтетическую жидкость;

- изопропиловый спирт или дистиллированную воду, если проба на основе воды.

6.3.2 Уровень чистоты посуды должен быть таким, чтобы загрязнение посуды не могло повлиять на результаты автоматического подсчета частиц.

6.3.3 Жидкости, используемые для очистки и ополаскивания, должны фильтроваться через мембранный фильтр номинальной тонкостью фильтрации 1 мкм и менее.

6.3.4 Материалы для очистки посуды приведены в приложении А.

6.4 Магнитная мешалка

Если пробы содержат частицы черных металлов или другие магнитные частицы, не рекомендуется использовать магнитную мешалку. Если магнитная мешалка входит в стандартный набор, возможно, понадобится удалить магнит.

6.5 Подготовка пробы перед началом счета

6.5.1 На рисунке 1 приведена диаграмма подготовки жидкой пробы для автоматического подсчета частиц.

Рисунок 1 - Схема подготовки пробы жидкости для автоматического подсчета частиц

6.5.2 Пробу проверяют визуально на наличие мутности, макроскопических частиц, чистой воды, неподходящих контейнеров и избыточного объема (колба с пробой наполнена более чем на 80 %). Если загрязнение пробы очевидно при визуальном контроле (например, содержатся видимые частицы или чистая вода) и вероятность его влияния на работу датчика велика, данную пробу не анализируют методом, приведенным в настоящем стандарте. Результаты визуального контроля должны быть записаны в протоколе о результатах автоматического подсчета частиц. Видимые загрязнения с наружной поверхности закрытого сосуда с пробой удаляют при помощи ткани, не оставляющей ворсинок.

6.5.3 Настоящий стандарт не требует микроскопической проверки пробы, при желании она может быть проведена в соответствии с ГОСТ 23402.

6.5.4 Если проба не является водосодержащей, проверяют наличие в пробе эмульгированной воды, выполняя следующие операции:

- разогревают плитку до температуры (140 ± 2) °С;

- перемешивают жидкую пробу в соответствующем приборе в течение 5 мин;

- помещают жидкую пробу в ультразвуковую ванну и подают напряжение в течение 30 с или до тех пор, пока не исчезнут воздушные пузырьки с поверхности пробы;

- помещают 1 - 2 см3 жидкой пробы на плитку и следят за реакцией жидкости. Если жидкость разбрызгивается или пузырится, то она содержит воду. Если жидкость растекается тонкой пленкой без разбрызгивания, она не содержит воды;

- если определено, что проба не содержит воды в количествах, которые будут влиять на подсчет частиц АСЧ, данную пробу можно использовать для автоматического подсчета частиц. Если проба содержит достаточно воды для того, чтобы влиять на счет частиц, ее анализируют после того, как она разбавлена растворителем (10 % жидкой пробы на 90 % растворителя). Если данный метод не подходит, следует использовать альтернативные методы подсчета частиц.

6.5.5 Определяют содержание макроскопических частиц в жидкости. Если жидкость содержит макроскопические частицы, операции, приведенные в настоящем стандарте, не применяют.

6.5.6 Оценивают объем жидкости в сосуде с пробой. Жидкая проба может использоваться, если она занимает менее 80 % объема сосуда. Если она занимает более 80 % объема сосуда, следует снизить объем, для чего выполняют следующие операции:

- оценивают объем пробы и подбирают подходящий чистый сосуд (сосуд большего объема), который будет заполнен приблизительно на 80 % после того, как в него поместят всю пробу. Сосуд должен соответствовать устройству для встряхивания пробы;

- переливают всю пробу в сосуд большего объема, проявляя при этом особую осторожность, чтобы не пролить пробу. Если часть пробы пролилась или утратилась при переливании, пробу не анализируют;

- закрывают сосуды с пробой.

Примечание - Обычно сложно повторно диспергировать загрязнители в сосудах с пробой, наполненных более чем на 80 %, до гомогенной суспензии. Использование перечисленных операций решает эту проблему. Следует проявлять осторожность, чтобы не добавить загрязнения, выполняя данные процедуры.

6.6 Условия необходимости разбавления пробы жидкости

Анализировать пробу жидкости лучше в неразбавленном виде. Однако разбавление часто бывает необходимо для снижения оптической плотности пробы или при ее высокой вязкости, или большой концентрации частиц. Указания по разбавлению приведены в 7.1.

6.7 Работа АСЧ

6.7.1 АСЧ используют в соответствии с рекомендациями производителя. Измерения проводят при концентрации частиц менее 50 % указанного производителем предела совпадения (см. 3.2) и размере частиц, не менее чем в 1,5 раза превышающем уровень шума АСЧ.

6.7.2 АСЧ должен быть включен в течение времени, необходимого для обеспечения выхода на устойчивый режим работы.

6.7.3 Перед использованием датчик и соответствующий трубопровод очищают фильтрованным растворителем. Для этого наполняют чистый сосуд фильтрованным растворителем и промывают датчик и трубопровод растворителем при скорости потока на 50 % больше, чем во время подсчета частиц.

6.7.4 Если ранее датчик был использован для анализа жидкости, несовместимой с анализируемой в данный момент, его очищают согласно 7.3.

6.7.5 Если позволяет конструкция АСЧ, рекомендуется регулярно осматривать измерительный тракт АСЧ на наличие частиц загрязнителей внутри него.

6.7.6 Для проверки уровня чистоты измерительного тракта АСЧ его промывают разбавителем (5.1), берут пробу разбавителя после промывки и выполняют анализ в соответствии с 7.2.

7 Определение уровня загрязнения жидкости автоматическим счетчиком частиц

7.1 Разбавление пробы

7.1.1 Пробу анализируемой жидкости разбавляют в целях:

- уменьшения вязкости пробы для того, чтобы она оказалась соизмеримой с предельными (техническими) характеристиками АСЧ;

- уменьшения концентрации частиц до уровня ниже предела совпадения АСЧ;

- снижения оптической плотности пробы до эксплуатационного уровня, указанного в паспорте АСЧ;

- проведения экспериментального автоматического подсчета частиц или проверки правильности данных подсчета.

Если жидкость относительно чистая, т.е. частицы невидимы невооруженным глазом, первый подсчет частиц может быть проведен без разбавления. Если жидкость темная (например, аналогична по цвету новой смазочной или трансмиссионной жидкости), то перед подсчетом она должна быть разбавлена разбавителем в соотношении 10 % пробы к 90 % разбавителя.

Существуют два способа разбавления:

- гравиметрический - по массе,

- волюмометрический - по объему, при этом требуется мерная лабораторная посуда.

Точное однократное разбавление пробы жидкости возможно при условии разбавления пробы по массе.

7.1.2 Меры предосторожности

Процесс разбавления может вызывать ошибки в результатах подсчета из-за постороннего загрязнения, которое увеличивается в результате разбавления пробы. Для уменьшения погрешности разбавление пробы необходимо проводить в чистом помещении, отвечающем требованиям 6.1.3. Все используемые приборы (их внутренние полости) должны быть тщательно очищены (промыты) до уровня, обеспечивающего требуемую точность измерений.

7.1.3 Волюмометрический способ разбавления

7.1.3.1 Используют мерную посуду, соответствующую требованиям 4.8.

7.1.3.2 Пробу помещают в ультразвуковую ванну или устройство для вакуумирования проб и выдерживают до тех пор, пока не исчезнут воздушные пузырьки на поверхности жидкости.

7.1.3.3 Выбирают соотношение разбавления (например, 10 % пробы к 90 % разбавителя).

7.1.3.4 В отдельный чистый сосуд помещают разбавитель в количестве, необходимом для достижения соотношения разбавления, и записывают объем разбавителя Vd.

7.1.3.5 Для достижения соотношения разбавления берут требуемый объем пробы.

7.1.3.6 Взятую пробу добавляют к чистому разбавителю и записывают общий объем Vt.

Действительное соотношение разбавления DR вычисляют по формуле

                                                             (1)

7.1.4 Гравиметрический способ разбавления

7.1.4.1 Для подготовки пробы для разбавления выполняют действия 7.1.3.1 - 7.1.3.3.

7.1.4.2 Определяют и записывают плотность жидкости в пробе и разбавителе.

7.1.4.3 Помещают на весы пустой сосуд для отбора пробы жидкости и записывают массу сосуда.

7.1.4.4 Переливают пробу, используя пипетку, и записывают массу пробы ms.

7.1.4.5 Сосуд с пробой встряхивают при помощи устройства для встряхивания пробы не менее 5 мин.

7.1.4.6 Добавляют к пробе чистый разбавитель для достижения желаемого соотношения разбавления, записывают общую массу mi (т.е. массу пробы, разбавителя и пустого сосуда).

7.1.4.7 Действительное соотношение разбавления DR вычисляют по формуле

                                                  (2)

где ρd - плотность разбавителя;

ρs - плотность пробы жидкости.

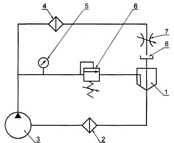
7.2 Проведение анализа (см. рисунок 2)

Рисунок 2 - Схема определения загрязнения отобранных проб жидкости с помощью АСЧ

7.2.1 Необходимо нарушить агломерацию частиц и повторно диспергировать частицы, если проба анализируемой жидкости находилась в покое. Для этого сосуд с жидкостью встряхивают при помощи устройства для встряхивания пробы в течение 5 мин (см. 4.7) или при помощи электромеханической мешалки (время размешивания от 5 до 10 мин).

7.2.2 Перед анализом отобранную пробу жидкости дегазируют в устройстве для вакуумирования проб, создавая разрежение не менее 54 кПа (540 мбар) либо помещают в открытую ультразвуковую ванну и выдерживают пробу до тех пор, пока не исчезнут все пузырьки воздуха с поверхности отобранной пробы жидкости (см. 4.11).

7.2.3 Частицы подсчитывают в соответствии с указаниями изготовителя АСЧ при скорости потока жидкости, с которой проводилась его калибровка.

7.2.4 Получают четыре последовательных числа частиц для каждого установленного диапазона размеров частиц анализированной жидкости, одновременно проверяют скорость потока жидкости через датчик. Процесс выполнения статистической проверки АСЧ приведен в приложении В.

7.2.5 Первое число отбрасывают, остальные три усредняют. Результаты анализа пробы жидкости не должны учитываться, если вариация между числами для наименьшего размера анализируемых частиц превышает ±10 % среднего.

7.2.6 Определяют, превышает ли число частиц для наименьшего размера предел погрешности совпадения АСЧ.

Примечание - Совпадение вызывает избыток больших и недостаток малых частиц. Предел погрешности совпадения АСЧ (не путать с пределом насыщения) представляет собой максимально допустимый уровень концентрации частиц, который больше минимального установленного изготовителем АСЧ. Измерения проводят при концентрации частиц ниже 50 % указанного изготовителем АСЧ предела погрешности совпадения. Совпадение снижается при разбавлении (см. 7.1).

7.2.7 Если погрешность определения совпадения частиц превышает допустимую (например, нормативные числа частиц, полученные при различных разбавлениях, дают разные результаты или АСЧ показывает излишнюю концентрацию частиц), выбирают оптимальное соотношение разбавления (рекомендуется 10 % жидкой пробы к 90 % разбавителя) и повторяют действия 7.2.1 - 7.2.7.

7.2.8 Если погрешность совпадения частиц отсутствует или не превышает допустимую, продолжают работу с данными, полученными в результате анализа, которые корректируют с учетом соотношения разбавления пробы для получения действительного числа частиц в 1 см3 или в 100 см3 пробы жидкости.

7.2.9 Если погрешность совпадения частиц превышает допустимую, повторяют 7.2.1 - 7.2.5 с более высоким соотношением разбавления, чем выбранное соотношение по 7.2.7, и продолжают анализ.

7.3 Анализ различных жидкостей

При использовании датчика для последовательного анализа несовместимых жидкостей необходимо проявлять осторожность. На прозрачных стенках датчика могут быть пленки или жидкость после использования предыдущей жидкости, а это приведет к ошибкам при подсчете. Процедура чередования жидкостей включает в себя промывание несколькими растворителями, каждый из которых совместим с предыдущим. Например, чтобы после воды заливать масло, можно использовать растворители в такой последовательности:

- дистиллированная вода;

- изопропиловый спирт;

- органический или подобный растворитель;

- сухой, не содержащий капель масла, сжатый воздух для просушивания. Класс чистоты сжатого воздуха устанавливает пользователь АСЧ по ГОСТ 17216 исходя из допустимой погрешности класса чистоты анализируемых проб жидкости;

- анализируемая жидкость, если в распоряжении имеется достаточный объем отобранной пробы.

8 Правила оформления результатов автоматического подсчета частиц

Результаты автоматического счета частиц должны быть представлены в протоколе по форме, приведенной в приложении Г.

В протокол оформления результатов автоматического счета частиц включают следующие данные:

- комментарии;

- класс чистоты или код уровня загрязненности анализируемой жидкости, характеризующий совокупность данных в каждой серии измерений среднего числа частиц каждого подсчета в соответствии с ГОСТ 17216;

- дату проведения анализа;

- дату калибровки АСЧ;

- используемый разбавитель;

- соотношение разбавления;

- идентификацию лаборатории;

- метод калибровки АСЧ;

- число частиц на 1 см3 (или на 100 см3) для анализируемых размеров частиц;

- производитель АСЧ и модель;

- идентификацию пробы;

- уровень расхода жидкости через датчик;

- модель датчика;

- объем анализируемой пробы.

Примечание - Допускаются другие формы отчета об испытаниях.

9 Сообщение об идентификации

В отчеты, протоколы по результату автоматического счета загрязняющих частиц в жидкости, каталоги включают следующее сообщение о соответствии настоящему стандарту:

«Определение уровня загрязнения жидкости микрочастицами выполнено с помощью автоматического счетчика частиц в соответствии с ГОСТ 31247-2004 «Чистота промышленная. Определение загрязнения пробы жидкости с помощью автоматических счетчиков частиц».

Приложение А

(рекомендуемое)

Жидкости для разбавления проб и материалы для очистки посуды

А.1 В качестве разбавителей используют следующие жидкости:

- жидкость, идентичную с анализируемой пробой;

- MIL-H-5606;

- толуол;

- изопропиловый спирт.

А.2 Для очистки стеклянной посуды применяют следующие материалы:

- дистиллированную воду;

- растворимое в воде жидкое моющее средство;

- изопропиловый спирт соответствующей степени очистки или фильтрованный через мембранный фильтр номинальной тонкостью фильтрации 0,45 мкм;

- органический растворитель (с точкой кипения от 100 °С до 120 °С) или подходящий растворитель со сходными обезжиривающими свойствами, фильтрованный через мембранный фильтр номинальной тонкостью фильтрации 0,45 мкм;

- спирт этиловый ректификованный технический марки «Экстра» по ГОСТ 18300.

Приложение Б

(справочное)

Предварительная очистка разбавителя и добавление примесей к разбавителю для исключения влияния воды на подсчет частиц

Б.1 Предварительная очистка разбавителя

Б.1.1 Система предварительной очистки разбавителя должна быть разработана таким образом, чтобы разбавитель соответствовал требованиям раздела 5 настоящего стандарта. Типовая схема системы предварительной очистки разбавителя приведена на рисунке Б.1.

1 - расходный бак; 2 - фильтр I; 3 - насос; 4 - фильтр II; 5 - манометр; 6 - клапан; 7 - шаровой кран для отбора пробы жидкости; 8 - чистая рабочая жидкость

Рисунок Б.1 - Типовая схема системы предварительной очистки разбавителя

Б.1.2 Бак для предварительной очистки разбавителя должен иметь дно конической формы с углом, не превышающим 90°. Жидкость, которая подается в насос, следует брать с нижней точки конуса. Дно конической формы предохраняет более тяжелые частицы от накапливания на дне резервуара и беспорядочного заполнения потока жидкости. Трубы должны быть из полимерного материала, нержавеющей стали или меди. Железо или резину не применяют, так как они плохо отмываются в процессе «обкатки» стенда.

Б.1.3 Используют центробежный насос с приводом от двигателя и высокоэффективный фильтр, имеющий возможность очищать жидкость до требуемого уровня чистоты.

Б.1.4 Для контроля распределения жидкости используют шаровой клапан. Не допускается использовать игольчатый клапан. Шаровой клапан используют при крайней открытой или крайней закрытой позиции и не используют для измерения уровня потока. Следует избегать использования клапанов, основа которых наполнена графитом или силиконовыми материалами. Клапан должен быть расположен таким образом, чтобы предотвратить осадок частиц на нем.

Б.1.5 Перед использованием систему предварительной очистки разбавителя следует промыть.

Б.2 Порядок определения уровня чистоты предварительно очищенного разбавителя

Б.2.1 Открывают клапан и запускают систему предварительной очистки оборудования для получения гомогенной жидкости.

Примечание - В процессе работы с жидкими пробами соблюдают стандартные меры безопасности при эксплуатации гидравлического оборудования.

Б.2.2 Используя чистый сосуд необходимого объема, берут пробу из системы предварительной очистки разбавителя для заполнения сосуда приблизительно на 75 % (шаровой кран).

Б.2.3 Колбу накрывают крышкой и помещают в устройство встряхивания пробы.

Б.2.4 Анализ разбавителя проводят, выполняя операции 7.2.1 - 7.2.9.

Б.2.5 Если требуемый уровень чистоты не достигнут, разбавитель не используют и продолжают очистку разбавителя до достижения требуемого уровня чистоты. Неудовлетворительные результаты могут означать, что система предварительной очистки разбавителя требует реконструкции или дополнительного обслуживания.

Б.3 Добавление примесей к разбавителю для ликвидации влияния воды на подсчет частиц

Готовят концентрированный раствор аэрозоля ОТ добавлением 120 г аэрозоля ОТ на 1 дм3 разбавителя, нагревают смесь до (60 ± 2) °С и перемешивают до тех пор, пока аэрозоль ОТ не растворится.

Аэрозоль ОТ (диоктилсульфосукцинат, соль натрия) представляет собой парафинообразное сухое вещество, обладающее гигроскопическими свойствами. Если обнаружится, что оно влажное или абсорбировало воду, то перед применением его высушивают не менее 18 ч при температуре 150 °С.

Приложение В

(рекомендуемое)

Выполнение статистической проверки автоматического счетчика частиц

В.1 После получения четырех чисел частиц загрязнителя для определенной пробы жидкости первое число отбрасывают, а остальные три усредняют.

В.2 Вычисляют в процентах разность наибольшего и наименьшего измеренных чисел частиц для каждого размера.

В.3 Вычисленные разности сравнивают с приведенными в таблице В.1 для соответствующего среднего числа частиц. Если вычисленная разность меньше или равна максимально допустимой процентной разнице в таблице В.1, данные корректируют на соотношение разбавления и объем для определения числа частиц на 1 см3 пробы. Если вычисленная разность превышает значение, приведенное в таблице В.1, данные не принимают во внимание и проводят соответствующие действия для исправления ошибок анализа.

Таблица В.1 - Максимально допустимая разность чисел частиц между циклами измерений

Среднее число частиц за цикл измерений X

Максимально допустимая разность, %

1000 £ Х <

11,0

5000 £ Х < 10000

11,3

2000 £ Х < 5000

11,9

1000£ Х < 2000

13,4

500 £ Х < 1000

15,6

200 £ Х < 500

19,3

100 £ Х < 200

27,5

50 £ Х < 100

37,4

20 £ Х < 50

51,8

Приложение Г

(рекомендуемое)

Форма представления уровня загрязнения пробы жидкости микрочастицами при помощи автоматического подсчета частиц

Идентификация пробы ______________________________________________________

Дата проведения анализа ____________________________________________________

Модель счетчика частиц _________________ Модель датчика _____________________

Дата калибровки _____________ Уровень расхода через датчик ____________ см3/мин

Метод калибровки ______________ Объем анализируемой жидкости ____________ см3

Жидкая проба _________________________ Разбавитель __________________________

Проба

Номер цикла

Число частиц загрязнителя при размере частиц, мкм

*

*

*

*

*

*

Разбавитель

1

 

 

 

 

 

 

2

 

 

 

 

 

 

3

 

 

 

 

 

 

Среднее

 

 

 

 

 

 

Номер пробы

1

 

 

 

 

 

 

2

 

 

 

 

 

 

3

 

 

 

 

 

 

Среднее

 

 

 

 

 

 

Соотношение разбавления:

 

 

 

 

 

 

 

Общее

 

 

 

 

 

 

Действительное

 

 

 

 

 

 

Соотношение разбавления:

1

 

 

 

 

 

 

2

 

 

 

 

 

 

3

 

 

 

 

 

 

Среднее

 

 

 

 

 

 

 

 

 

 

 

 

 

Общее

 

 

 

 

 

 

Действительное

 

 

 

 

 

 

* Размер частиц указывают в соответствии с таблицей 1 или таблицей А.1 ГОСТ 17216.

Ключевые слова: чистота промышленная, загрязненность, метод автоматического подсчета частиц, жидкость




Яндекс цитирования



   Copyright © 2007-2026,  www.tehlit.ru.

[ ѓосты, стандарты, нормативы, инструкции, правила, строительные нормы ]