//
|
|
А.В. Сакара ОРГАНИЗАЦИОННЫЕ Москва Энергосервис 2004 Организационные и методические рекомендации по проведению испытаний электрооборудования и аппаратов электроустановок потребителей — М.: ЗАО «Энергосервис», 2004. — 240 с Автор: кандидат технических наук Сакара Александр Васильевич. Под редакцией кандидата технических наук Титова Владимира Леонтьевича.
Предлагаемые рекомендации составлены на основе требований нормативных документов, регламентирующих организацию, объем и нормы испытаний электрооборудования и аппаратов электроустановок потребителей. Рекомендуемые методики испытаний большей частью ориентированы на приемосдаточные, сертификационные и профилактические испытания электроустановок жилых и общественных зданий. Вместе с тем они могут быть использованы для испытаний отдельных видов оборудования промышленных электроустановок. Книга рассчитана на персонал электроиспытательных и электроизмерительных лабораторий и может послужить основой разработки рабочих методик испытаний и измерений параметров электрооборудования, а также может быть использована преподавателями и слушателями системы подготовки электротехнического персонала к проведению испытаний оборудования электроустановок.
Все предложения и замечания по настоящему изданию направлять по адресу: 109147, Москва, а/я №3. ЗАО «Энергосервис».
I. ОРГАНИЗАЦИЯ ПРОВЕДЕНИЯ ИСПЫТАНИЙ И ИЗМЕРЕНИЙ1. ОБЩИЕ ТРЕБОВАНИЯИспытания и измерения в электроустановках проводятся перед приемкой их в эксплуатацию в сроки, определяемые периодичностью профилактических испытаний, а также при капитальном и текущем ремонтах электрооборудования. Нормы и периодичность испытаний электрооборудования и аппаратов электроустановок приведены в Правилах устройства электроустановок (ПУЭ гл. 1.8), ГОСТ Р 50571.16-99, Правилах технической эксплуатации электроустановок потребителей (ПТЭЭП. Пр. 3; 3.1). К проведению испытаний и измерений допускаются лица электротехнического персонала, достигшие 18-летнего возраста, прошедшие медицинское освидетельствование, специальную подготовку и проверку знаний и требований Межотраслевых правил по охране труда при эксплуатации электроустановок (МПБЭЭ) в объеме раздела 5. Указанная проверка проводится одновременно с общей проверкой знаний норм и правил работы в электроустановках и присвоением группы по электробезопасности в те же сроки и в той же комиссии с включением в ее состав специалиста по испытанию электрооборудования, имеющего V группу по электробезопасности в установках напряжением выше 1000 В и IV - в электроустановках напряжением до 1000 В. Результаты проверки оформляются в журнале учета проверки знаний норм и правил работы в электроустановках и в удостоверении в разделе «Свидетельство на право проведения специальных работ». Испытания и измерения проводятся бригадами в составе не менее 2-х человек, требования к квалификации которых определяются конкретными проводимыми работами и изложены в приведенных методиках. В электроустановках напряжением до 1000 В, расположенных в помещениях, кроме особо опасных в отношении поражения электрическим током, работник, имеющий группу III и право быть производителем работ, может работать единолично по распоряжению. При испытаниях в электроустановках выше 1000 В и до 1000 В с подачей повышенного напряжения от постороннего источника один из работников (производитель работ) должен иметь IV группу по электробезопасности, второй (член бригады) - III группу. В остальных случаях все работники должны иметь группу не ниже III. 2. ОРГАНИЗАЦИОННЫЕ И ТЕХНИЧЕСКИЕ МЕРОПРИЯТИЯИспытания и измерения в электроустановках проводятся по наряду-допуску или по распоряжению. В порядке текущей эксплуатации допускается проводить массовые испытания материалов и изделий повышенным напряжением стационарных испытательных установок, у которых токоведущие части закрыты сплошными или сетчатыми ограждениями, а двери снабжены блокировкой. Испытания электрооборудования выше 1000 В и до 1000 В с подачей повышенного напряжения от постороннего источника, в том числе и вне электроустановок, проводимые с использованием передвижной испытательной установки, должны выполняться по наряду, в остальных случаях - по распоряжению. При выполнении работ по испытаниям и измерениям персоналом электролабораторий в других организациях указанный персонал является командированным персоналом. Организация работ в этих случаях осуществляется в соответствии с требованиями раздела 12 МПБЭЭ. Подготовку рабочих мест и допуск к работе персонала электролабораторий в этих случаях осуществляет оперативный (административно-технический) персонал эксплуатирующей, а при приемо-сдаточных испытаниях - монтажной организации. Право выдачи нарядов и распоряжений на проведение испытательных и электроизмерительных работ предоставляется лицам административно-технического персонала, уполномоченным на это приказом или распоряжением руководителя организации (руководителя электролаборатории). Указанные лица должны иметь V группу по электробезопасности в электроустановках напряжением выше 1000 В и не ниже IV в электроустановках напряжением до 1000 В. Перед началом испытаний и измерений производитель работ совместно с допускающим обязан: - проверить выполнение всех технических мероприятий по подготовке рабочего места; - провести целевой инструктаж членов бригады с последующим оформлением в таблице бланка наряда-допуска «Регистрация целевого инструктажа при первичном допуске» или в журнале учета работ по нарядам и распоряжениям; - принять рабочее место от допускающего, оформив это росписью в наряде-допуске или оперативном журнале и журнале учета работ по нарядам и распоряжениям. По окончании работы производитель работ обязан: - разобрать испытательную (измерительную) схему, привести в порядок рабочее место; - удалить бригаду с рабочего места; - сдать рабочее место ответственному руководителю (допускающему) с записью об окончании работ в наряде, оперативном журнале и журнале учета работ по нарядам и распоряжениям. Особое внимание обратить на следующие меры безопасности: - при проведении испытаний и измерений без снятия напряжения на токоведущих частях и вблизи них использовать не менее одного основного и не менее одного дополнительного изолирующих электрозащитных средств; - запрещается собирать испытательные схемы на столах с металлической поверхностью или имеющих металлическое обрамление, а также использовать металлические подставки и лестницы; - металлические корпуса переносных приборов и аппаратов должны быть заземлены; - запрещается измерять сопротивление изоляции воздушной линии электропередачи во время грозы, а также, если она находится хотя бы на небольшом участке вблизи другой воздушной линии, находящейся под напряжением; - выводы силовых и измерительных трансформаторов во время работы, за исключением времени проведения испытаний и измерений, должны быть замкнуты и заземлены; - при работе без снятия напряжения в цепях вторичных обмоток трансформаторов тока не допускать их разрыва, а трансформаторов напряжения - их замыкания; - неиспользуемые вторичные обмотки трансформаторов тока должны быть замкнуты и заземлены. 3. ТРЕБОВАНИЯ К ИЗМЕРЕНИЯМ. УЧЕТ ПОГРЕШНОСТИ ИЗМЕРЕНИЙИзмерения электрических величин производятся аналоговыми (стрелочными) и цифровыми измерительными приборами, каждый из которых имеет погрешность измерений. Для получения достоверных результатов измерений необходимо учитывать эти погрешности. Относительная погрешность измерений в общем случае определяется по формуле: где: d0 - основная приведенная относительная инструментальная погрешность, определяемая классом точности прибора; di - относительная погрешность измерения, обусловленная i-м внешним фактором, снижающим точность измерения (температура, положение прибора, угол зрения к плоскости шкалы и другие методические погрешности). Учесть все значения относительных погрешностей, обусловленные всеми внешними факторами, на практике затруднительно. Исходя из этого учитывается относительная инструментальная погрешность прибора и основные погрешности, обусловленные условиями проведения измерений где: здесь g - класс точности прибора; Апр - предел измерения (длина шкалы) прибора; Аизм - показания прибора в единицах измерения (длины шкалы); dнс - погрешность, обусловленная нестабильностью показаний прибора в установившемся режиме;
здесь Аmах - максимальное значение, a Amin - минимальное значение измеряемой величины. В качестве измеренного значения величины в данном случае следует принимать:
dгор - погрешность, обусловленная отклонением прибора от горизонтального положения, учитывается при проведении измерений аналоговыми приборами, ее значение указывается в паспорте прибора. При отсутствии этих данных в паспорте прибора, dгор = g при отклонении прибора от горизонтального положения не более чем на 30°;
Исходя из принципа действия некоторых приборов их основная приведенная инструментальная погрешность (d0) определяется по формуле:
где: Аизм - показания прибора, Апр - предел измерения прибора, к - коэффициент зависимости величины основной погрешности от показаний прибора. В этих случаях формула для определения этой погрешности указывается в паспорте прибора, например, у измерителя тока короткого замыкания Щ41160 основная погрешность определяется выражением:
Для некоторых приборов (мегаомметры ЭС0202, омметры М-372) величина d0 не зависит от показаний прибора и является фиксированной на всем диапазоне измерения. Это также указывается в паспортных данных прибора. Формула (2) позволяет с достаточной степенью точности оценить погрешность измерений при строгом соблюдении следующих правил работы с электроизмерительными приборами: - прибор должен быть исправен и поверен госповерительными органами; - аналоговые приборы при проведении измерений должны находиться на горизонтальном жестком основании (за исключением приборов с вертикальным рабочим положением); - при использовании многопредельных приборов выбирать пределы измерений, максимально приближенные к значениям измеряемых величин, однопредельные приборы выбирать по тому же принципу; - показания приборов определять под углом зрения к плоскости шкалы 90° (при использовании приборов с зеркальной шкалой стрелка прибора должна быть совмещена с ее отражением); - не располагать измерительные приборы на поверхностях и основаниях, подверженных вибрациям и колебаниям; - при отсутствии жестких поверхностей и оснований держа прибор в руках придать ему горизонтальное положение, измерения проводить только после совмещения стрелки прибора с нулевой отметкой шкалы. При использовании цифровых приборов погрешность измерений определяется выражением: dп ± n, где: dп - постоянная составляющая относительной погрешности на всем диапазоне измерения, n - количество единиц разрешающей способности прибора. Например, погрешность трехразрядного мультиметра MY-68 в диапазоне измерения напряжения от 0 до 1000 В определяется выражением (0,7 % ± 3). Приведенные в паспортах таких приборов записи не корректны, так как представляют алгебраическую сумму относительных и абсолютных единиц. Для определения погрешности измерения необходимо перейти к одному виду единиц. Например, если в данном случае прибор показал 218 В, то 3 единицы разрешающей способности по отношению к измеренной величине составит
далее по формуле (1) определяем
Тогда измеренное значение напряжения будет равно (218 ± 3,38) В. 4. ПРИМЕРЫ ОБРАБОТКИ РЕЗУЛЬТАТОВ ИЗМЕРЕНИЙЗаключение о соответствии измеренной электрической величины требованиям нормативных документов должно быть сделано с учетом диапазона, в котором она может находиться вследствие погрешности измерений. 4.1. Измерение сопротивления изоляции электропроводкиИзмерение сопротивления изоляции между фазным и нулевым рабочим проводниками проводилось мегаомметром ЭСО202Г. Основная относительная погрешность ±15 %, температура окружающей среды - 10 °С, установить прибор строго горизонтально невозможно, показания прибора - 0,6 МОм. По паспортным данным прибора определяем: d0 = ±15 %;
Следовательно сопротивление изоляции в данном случае будет 0,6 ± 0,18 МОм. Заключение о пригодности изоляции сделано быть не может, так как нижний предел диапазона, в котором может находиться измеренное значение сопротивления изоляции, не удовлетворяет нормативным требованиям (³0,5 МОм). 4.2. Измерение дифференциального отключающего тока УЗО и токов утечки групповых линий сетиИзмерение дифференциального отключающего тока УЗО20ВАД-1 с номинальным отключающим током IDn = 30 мА, предназначенного для защиты трех групповых линий сети, установленного перед автоматическими выключателями этих линий, проводились комбинированным прибором Ц4312. Класс точности 2,5, предел измерения 30 мА, температура окружающей среды +18 °С, прибор установлен горизонтально. При измерении дифференциального отключающего тока УЗО (автоматические выключатели отключены) показания прибора - 20 мА (IDизм = 20 мА). При измерении отключающего тока УЗО с учетом токов
утечки сети (автоматические выключатели включены) показания прибора - 12 мА ( В первом случае
что удовлетворяет требованиям ГОСТ Р 51356-1-99 (0,5I Dn < I D £ I Dn). Во втором случае
а
ток утечки сети I ут = I D - 4.3. Измерение тока однофазного замыкания на корпус электроприемникаИзмерения проводились на самом удаленном щите освещения, запитанном через автоматический выключатель ВА66-29-34-С40 с номинальным током теплового расцепителя 40А, цифровым прибором Щ41160, основная погрешность измерений которого по паспортным данным составляет:
где: Iпр - предел измерения, в котором нормируется указанная погрешность (1000 А), Iизм - измеренная величина тока короткого замыкания, которая составила 100 А. Тогда d0 = ±19 %, следовательно Iкз = 100 ± 19 А. Кратность этого тока по отношению к номинальному составляет 2,5 ± 0,475. По время - токовой характеристике (рис. 26 а, стр. 186) разброс времени отключения этого автоматического выключателя с учетом разброса кратности I кз по отношению к номинальному току составит от 6 минут до 40 секунд, что не удовлетворяет требованиям п. 1.7.79 ПУЭ, а именно: время отключения в данном случае не должно превышать 5 с. II. ПРОВЕРКА СООТВЕТСТВИЯ СМОНТИРОВАННОЙ ЭЛЕКТРОУСТАНОВКИ ТРЕБОВАНИЯМ НОРМАТИВНОЙ И ПРОЕКТНОЙ ДОКУМЕНТАЦИИ1. ЦЕЛЬ ПРОВЕРКИОценить качество выполненных электромонтажных работ и соответствие смонтированной электроустановки здания требованиям нормативной и проектной документации. 2. ОБЪЕКТЫ ПРОВЕРКИОбъектами проверки являются полностью смонтированные электроустановки зданий, их соответствие утвержденному проекту, требованиям нормативных документов (НД) и качество электромонтажных работ (ЭМР). Проверке подлежат: 1. Система молниезащиты и заземляющие устройства. 2. Распределительные устройства и щитовые помещения. 3. Устройства автоматического включения резервного питания. 4. Вторичные цепи схем защиты, автоматики, управления, сигнализации и измерения. 5. Приборы учета электроэнергии и измерительные трансформаторы. 6. Аппараты защиты. 7. Электропроводки и кабельные линии. 8. Маркировка, надписи. 9. Рекламное и внутреннее освещение. 10. Приемо-сдаточная документация. Проверка производится в соответствии с программой испытаний. Программы сертификационных и приемосдаточных испытаний прилагаются, программу профилактических испытаний определяет технический руководитель или ответственный за электрохозяйство организации. I. ПРОГРАММА ПРИЕМО-СДАТОЧНЫХ ИСПЫТАНИЙ ЭЛЕКТРОУСТАНОВКИ ЗДАНИЯ
* данным испытаниям подвергается только оборудование, которое изготовлено или модернизировано на месте установки. Примечание. Согласно требованиям гл. 1.8 ПУЭ сопротивление изоляции распределительных устройств, щитов и токопроводов должно быть не менее 0,5 Мом; согласно требованиям ПТЭПП (табл. 37 прил. 3.1.) - не менее 1 Мом. Поэтому в п. 2, кол. 6 в качестве минимального сопротивления изоляции внутренних цепей РУ указано 1 Мом. II. ПРОГРАММА ИСПЫТАНИЙ ЭЛЕКТРОУСТАНОВКИ ЗДАНИЯ ДЛЯ ЦЕЛЕЙ СЕРТИФИКАЦИИ
* данным испытаниям подвергается только оборудование, которое изготовлено или модернизировано на месте установки. 2.1. Порядок проведения проверки2.1.1. Оценка уровня качества ЭМР и соответствия их требованиям НД проводятся на полностью смонтированной электроустановке здания (объекта). 2.1.2. Проверка производится в соответствии с согласованным и утвержденным комплектом приемо-сдаточной документации, в который согласно ВСН 193-90 входит проектная документация, документация заводов-изготовителей электрооборудования, сертификаты на электротехнические изделия. 2.1.3. Электромонтажные работы должны быть выполнены организацией, имеющей лицензию на их выполнение, в соответствии с утвержденным проектом. Отступления от проекта должны быть документально согласованы с проектной организацией и территориальным органом Госэнергонадзора. 2.1.4. Характеристики электрооборудования не должны ухудшаться в процессе электромонтажных работ. 2.1.5. Идентификация электроустановки здания, ее комплектующих, установочных изделий проводится визуально путем сравнения установленных типов электрооборудования (комплектующих, установочных) с проектом, технической документацией завода-изготовителя, сертификатами на электрооборудование. 2.1.6. Идентификация технологии выполнения ЭМР проводится путем визуального сравнения образца с технологической картой пооперационного выполнения работы. 2.1.7. При идентификации сечений токоведущих частей, заземляющих и защитных проводников применяются инструментальные методы измерений с последующим расчетом их сечений. 2.1.8. При идентификации контактных соединений, проверке подлежат до трех процентов соединений, но не менее десяти. 3. ОПРЕДЕЛЯЕМЫЕ ХАРАКТЕРИСТИКИ И НОРМИРУЕМЫЕ ВЕЛИЧИНЫ3.1. Заземляющие устройства и системы уравнивания потенциалов3.1.1. Заземляющие устройства защитного и повторного заземления электроустановок зданий и сооружений и молниезащиты всех уровней этих зданий и сооружений, как правило, должны быть общими. Для объединения заземляющих устройств разных электроустановок в одно общее заземляющее устройство могут быть использованы естественные и искусственные заземляющие проводники. Их число должно быть не менее двух (п. 1.7.55 ПУЭ). 3.1.2. Электроустановки напряжением до 1 кВ жилых, общественных и промышленных зданий и наружных установок должны, как правило, получать питание от источника с глухо-заземленной нейтралью с применением системы TN (п. 1.7.57 ПУЭ). 3.1.3. В электроустановках с глухо-заземленной нейтралью нейтраль трансформатора на стороне до 1 кВ должна быть присоединена к заземлителю при помощи заземляющего проводника (п. 1.7.100 ПУЭ). 3.1.4. При применении системы TN рекомендуется выполнять повторное заземление РЕ - и PEN-проводников на вводе в электроустановки зданий, а также в других доступных местах. Для повторного заземления в первую очередь следует использовать естественные заземлители. Сопротивление заземлителя повторного заземления не нормируется (п. 1.7.61 ПУЭ). Сечение заземляющих проводников повторных заземлений должно быть не менее указанного в табл. 1.7.4. ПУЭ. 3.1.5. При выполнении автоматического отключения питания в электроустановках напряжением до 1 кВ все открытые проводящие части должны быть присоединены к глухо-заземленной нейтрали источника питания, если применена система TN, и заземлены, если применены системы IT или ТТ. При этом характеристики защитных аппаратов и параметры защитных проводников должны быть согласованы, чтобы обеспечивалось нормированное время отключения поврежденной цепи защитно-коммутационным аппаратом в соответствии с номинальным фазным напряжением питающей сети. В электроустановках, в которых в качестве защитной меры применено автоматическое отключение питания, должно быть выполнено уравнивание потенциалов. Для автоматического отключения питания могут быть применены защитно-коммутационные аппараты, реагирующие на сверхтоки или дифференциальный ток (п. 1.7.78 ПУЭ). 3.1.6. Нулевые защитные проводники в электроустановках до 1 кВ должны иметь сечения, не менее приведенных в таблице п. 1.7.5 ПУЭ. 3.1.7. Сечение PEN-проводника должно быть не менее 10 мм2 по меди и 16 мм2 по алюминию (п. 1.7.100 ПУЭ) 3.1.8. Изоляция PEN-проводника должна быть равноценна изоляции фазных проводников (п. 1.7.134 ПУЭ). 3.1.9. В цепи РЕ - и PEN-проводников не должно быть разъединяющих приспособлений и предохранителей за исключением питания электроприемников при помощи штепсельных соединений. Допускается одновременное отключение всех проводников на вводах индивидуальных домов и аналогичных объектов, запитанных от однофазных ответвлений от ВЛ при условии разделения PEN-проводника на РЕ и N до вводного защитно-комутационного аппарата (п. 1.7.145 ПУЭ). 3.1.10. Заземляющие и нулевые защитные проводники, должны иметь покрытие, предохраняющее от коррозии. Открыто проложенные стальные заземляющие проводники, должны иметь черную окраску (п. 2.7.5 ПЭЭП). 3.1.11. Соединения РЕ-проводников должны быть доступны для осмотра. Соединения должны обеспечивать надежный контакт по 2-ому классу соединений (ГОСТ 10434-82 «Соединения контактные электрические», п. 1.7.139, 1.7.140 ПУЭ). 3.1.12. При использовании строительных и технологических конструкций в качестве заземляющих и нулевых защитных проводников на перемычках между ними, а также в местах присоединений и ответвлений проводников должно быть нанесено не менее двух полос желтого цвета по зеленому фону (п. 3.260 СНиП 3.05.06-85). 3.1.13. Присоединения заземляющих и РЕ-проводников к открытым проводящим частям должно быть доступно для осмотра и выполнено сваркой или болтовыми соединениями. Присоединение оборудования, подвергающегося частому демонтажу или установленного на движущихся частях или частях, подверженных сотрясениям и вибрациям, должны выполняться при помощи гибких проводников. Соединения защитных проводников электропроводок, ВЛ, КЛ следует выполнять теми же методами, что и соединения фазных проводников (п. 1.7.142 ПУЭ). Места соединения стыков после сварки должны быть окрашены (п. 3.248 СНиП 3.05.06-85). 3.1.14. Присоединение каждой открытой проводящей части электроустановки к нулевому защитному или заземляющему проводнику должно быть выполнено при помощи отдельного ответвления. Последовательное включение в защитный проводник открытых проводящих частей не допускается. 3.1.15. В каждой электроустановке здания должна быть выполнена основная система уравнивания потенциалов, соединяющая между собой следующие проводящие части: - защитный проводник (РЕ-проводник или PEN-проводник питающей линии); - заземляющий проводник, присоединенный к естественному или искусственному заземлителю (если заземлитель имеется); - металлические трубы коммуникаций, входящих в здание (трубы горячего и холодного водоснабжения, канализации, отопления, газоснабжения и т.п.); - металлический каркас здания; - металлические части централизованных систем вентиляции и кондиционирования. При наличии децентрализованных систем вентиляции и кондиционирования металлические воздуховоды следует присоединять к шине РЕ шкафов питания кондиционеров и вентиляторов; - система молниезащиты; - заземляющий проводник функционального (рабочего) заземления, если такое имеется и если отсутствуют ограничения на присоединения цепей рабочего заземления к заземляющему устройству защитного заземления. Соединения указанных проводящих частей между собой следует выполнять при помощи главной заземляющей шины (ГЗШ). Главная заземляющая шина может быть выполнена внутри вводного устройства ВУ (ВРУ) или отдельно от него. Внутри вводного устройства в качестве главной заземляющей шины следует использовать шину РЕ. При выполнении основной системы уравнивания потенциалов в зданиях следует руководствоваться следующим: Если здание имеет несколько обособленных вводов, то ГЗШ должна быть выполнена для каждого вводного устройства (ВУ) или вводно-распределительного устройства (ВРУ), а при наличии одной или нескольких встроенных трансформаторных подстанций - для каждой подстанции. В качестве ГЗШ может быть использована РЕ-шина ВУ, ВРУ или РУНН, при этом все главные заземляющие шины и РЕ-шины НКУ должны соединяться между собой проводниками системы уравнивания потенциалов (магистралью) сечением (с эквивалентной проводимостью), равным сечению меньшей из попарно сопрягаемых шин. Сечение РЕ-шины в вводных устройствах (ВУ, ВРУ) электроустановок зданий и соответственно ГЗШ принимается по ГОСТ Р 51321.1-2000 (таблица 1). Если ГЗШ установлены отдельно и к ним не подключаются нулевые защитные проводники установки, в том числе PEN (РЕ) - проводники питающей линии, то сечение (эквивалентная проводимость) каждой из отдельно установленных ГЗШ принимается равным половине сечения РЕ-шины наибольшей из всех РЕ-шин, но не менее меньшего из сечений РЕ-шин вводных устройств. Таблица 1 Сечения РЕ-шин
При этом для ВУ и ВРУ зданий под сечением фазных проводников понимается сечение сборных фазных шин, которое определяется по номинальным токам вводных аппаратов (ГОСТ Р 51732-2001). Площади поперечного сечения приведены для случая, когда защитные проводники изготовлены из того же материала, что и фазные проводники. Защитные проводники, изготовленные из других материалов, должны иметь эквивалентную проводимость. РЕ-шина низковольтных комплектных устройств (НКУ) должна проверяться по нагреву по максимальному значению рабочего тока в PEN-проводнике (например, в неполно фазных режимах, возникающих при перегорании предохранителей, при наличии третьей гармоники и т.д.). Для ГЗШ, не являющейся РЕ-шиной НКУ, такая проверка не требуется. Сечение главных проводников основной системы уравнивания потенциалов должно быть не менее 6 мм2 по меди, 16 мм2 по алюминию и 50 мм2 по стали. Это условие распространяется и на заземляющие проводники, соединяющие ГЗШ с заземлителями защитного заземления и/или рабочего (функционального) заземления (при их наличии), а также с естественными заземлителями. Сечения проводников основной системы уравнивания потенциалов, используемых для присоединения к ГЗШ металлических труб коммуникаций, имеющих дополнительную металлическую связь с нейтралью трансформатора и через которые возможно протекание токов короткого замыкания (например, трубопроводы отдельно стоящих насосных, которые питаются от тех же трансформаторов, что и вводы в здание) должны выбираться по термической стойкости в соответствии с п.п. 1.7.113 и 1.7.126 ПУЭ. Присоединение к заземлителю молниезащиты заземляющих проводников основной системы уравнивания потенциалов и заземляющих проводников от естественных заземлителей (при использовании естественных заземлителей в качестве заземлителей системы молниезащиты) должно производиться в разных местах. Если имеется специальный контур заземления молниезащиты, к которому подключены молниеотводы, то такой контур также должен подключаться к ГЗШ. При наличии в здании нескольких электрических вводов трубопроводные системы и заземлители рекомендуется подключать к ГЗШ основного ввода. Соединения сторонних проводящих частей с ГЗШ могут выполняться: по радиальной схеме, по магистральной схеме с помощью ответвлений, по смешанной схеме. Трубопроводы одной системы, например, прямая и обратная труба центрального отопления, не требуют выполнения отдельных присоединений. В этом случае достаточно иметь одно ответвление от магистрали или одну радиальную линию, а прямую и обратную трубы достаточно соединить перемычкой сечением, равным сечению проводника системы уравнивания потенциалов. Для проведения измерений сопротивления растекания заземляющего устройства на ГЗШ должно быть предусмотрено разборное соединение заземляющего проводника, подключаемого к заземляющему устройству. В качестве проводников основной системы уравнивания потенциалов в первую очередь следует использовать открыто проложенные неизолированные проводники. Ввод защитных проводников в НКУ класса защиты 2 следует выполнять изолированными проводниками, поскольку РЕ-шина в них выполняется изолированной. Отдельно устанавливаемые ГЗШ рекомендуется выполнять из стали. В низковольтных комплектных устройствах РЕ-шина, как правило, выполняется медной (допускается выполнять из стали, использование алюминия не допускается). Стальные шины должны иметь металлическое покрытие, обеспечивающее выполнение требований ГОСТ 10434 для разборных контактных соединений класса 2. При использовании разных материалов для ГЗШ и для проводников системы уравнивания потенциалов необходимо принять меры по обеспечению надежного электрического соединения. В местах, доступных только квалифицированному электротехническому персоналу, ГЗШ может устанавливаться открыто. В местах, доступных неквалифицированному персоналу, ГЗШ должна иметь защитную оболочку. Степень защиты оболочки выбирается по условиям окружающей среды, но не ниже 1Р21. ГЗШ на обоих концах должна быть обозначена продольными или поперечными полосами желто-зеленого цвета одинаковой ширины. Изолированные проводники уравнивания потенциалов должны иметь изоляцию, обозначенную желто-зелеными полосами. Неизолированные проводники основной системы уравнивания потенциалов в местах их присоединения к сторонним проводящим частям должны быть обозначены желто-зелеными полосами, например, выполненными краской или клейкой двухцветной лентой. Указания по выполнению основной системы уравнивания потенциалов на вводе в здания должны быть предусмотрены в проектной документации на электроустановку здания. (Технический циркуляр «Росэлектромонтаж» от 16.02.04 № 6/2004, согласованный с руководителем ГЭН Минэнерго России 12.02.04). 3.1.16. Сечение проводников основной системы уравнивания потенциалов должно быть не менее половины наибольшего сечения защитного проводника электроустановки, если сечение проводника уравнивания потенциалов при этом не превышает 25 мм2 по меди или равноценное ему из других материалов. Применение проводников большего сечения, как правило, не требуется. Сечение проводников основной системы уравнивания потенциалов в любом случае должно быть не менее: медных - 6 мм2, алюминиевых - 16 мм2, стальных - 50 мм2 (п. 1.7.137 ПУЭ). 3.1.17. Система дополнительного уравнивания потенциалов должна соединять между собой все одновременно доступные прикосновению открытые проводящие части стационарного электрооборудования и сторонние проводящие части, включая доступные прикосновению металлические части строительных конструкций здания, а также нулевые защитные проводники в системе TN и защитные заземляющие проводники в системах IT и ТТ, включая защитные проводники штепсельных розеток (п. 1.7.83 ПУЭ). 3.1.18. Сечение проводников дополнительной системы уравнивания потенциалов должно быть не менее: при соединении двух открытых проводящих частей - сечения меньшего из защитных проводников, подключенных к этим частям; при соединении открытой проводящей части и сторонней проводящей части - половины сечения защитного проводника, подключенного к открытой проводящей части (п. 1.7.138 ПУЭ). 3.1.19. Во всех случаях сечение медных защитных проводников, не входящих в состав кабеля или проложенных не в общей оболочке (трубе, коробе, на одном лотке) с фазными проводниками, должно быть не менее: 2,5 мм2 - при наличии механической защиты; 4 мм2 - при отсутствии механической защиты. Сечение отдельно проложенных алюминиевых проводников должно быть не менее 16 мм2 (п. 1.7.137 ПУЭ). 3.2. Система молниезащитыЗащита от прямых ударов молнии осуществляется внешней молниезащитой (МЗС). Внешняя МЗС в общем случае состоит из молниеприемников, токоотводов и заземлителей. В случае специального изготовления их материал и сечения должны удовлетворять требованиям табл. 2. Таблица 2 Материал и минимальные сечения элементов внешней МЗС
Примечание. Указанные значения могут быть увеличены в зависимости от повышенной коррозии или механических воздействий. 3.2.1. Молниеприемники. Молниеприемники могут быть специально установленными, в том числе на объекте, либо их функции выполняют конструктивные элементы защищаемого объекта; в последнем случае они называются естественными молниеприемниками. Молниеприемники могут состоять из произвольной комбинации следующих элементов: стержней, натянутых проводов (тросов), сетчатых проводников (сеток). 3.2.2. Естественные молниеприемники. Следующие конструктивные элементы зданий и сооружений могут рассматриваться как естественные молниеприемники: а) металлические кровли защищаемых объектов при условии, что: - электрическая непрерывность между разными частями обеспечена на долгий срок; - толщина металла кровли составляет не менее величины t, приведенной в табл. 3, если необходимо предохранить кровлю от повреждения или прожога; - толщина металла кровли составляет не менее 0,5 мм, если ее необязательно защищать от повреждений и нет опасности воспламенения находящихся под кровлей горючих материалов; - кровля не имеет изоляционного покрытия. При этом небольшой слой антикоррозионной краски или слой 0,5 мм асфальтового покрытия, или слой 1 мм пластикового покрытия не считается изоляцией; - неметаллические покрытия на/или под металлической кровлей не выходят за пределы защищаемого объекта; б) металлические конструкции крыши (фермы, соединенная между собой стальная арматура); в) металлические элементы типа водосточных труб, украшений, ограждений по краю крыши и т.п., если их сечение не меньше значений, предписанных для обычных молниеприемников; г) технологические металлические трубы и резервуары, если они выполнены из металла толщиной не менее 2,5 мм и проплавление или прожог этого металла не приведет к опасным или недопустимым последствиям; д) металлические трубы и резервуары, если они выполнены из металла толщиной не менее значения t, приведенного в табл. 3, и если повышение температуры с внутренней стороны объекта в точке удара молнии не представляет опасности. Таблица 3 Толщина кровли, трубы или корпуса резервуара, выполняющих функции естественного молниеприемника
3.2.3. Токоотводы. В целях снижения вероятности возникновения опасного искрения токоотводы должны располагаться таким образом, чтобы между точкой поражения и землей: а) ток растекался по нескольким параллельным путям; б) длина этих путей была ограничена до минимума. 3.2.4. Расположение токоотводов в устройствах молниезащиты, изолированных от защищаемого объекта. Если молниеприемник состоит из стержней, установленных на отдельно стоящих опорах (или одной опоре), на каждую опору должен быть предусмотрен минимум один токоотвод. Если молниеприемник состоит из отдельно стоящих горизонтальных проводов (тросов) или из одного провода (троса), на каждый конец троса требуется минимум по одному токоотводу. Если молниеприемник представляет собой сетчатую конструкцию, подвешенную над защищаемым объектом, на каждую ее опору требуется не менее одного токоотвода. Общее количество токоотводов должно быть не менее двух. 3.2.5. Расположение токоотводов при неизолированных устройствах молниезащиты. Токоотводы располагаются по периметру защищаемого объекта таким образом, чтобы среднее расстояние между ними было не меньше значений, приведенных в табл. 4. Токоотводы соединяются горизонтальными поясами вблизи поверхности земли и через каждые 20 м по высоте здания. Таблица 4
3.2.6. Указания по размещению токоотводов. Желательно, чтобы токоотводы равномерно располагались по периметру защищаемого объекта. По возможности они прокладываются вблизи углов зданий. Неизолированные от защищаемого объекта токоотводы прокладываются следующим образом: - если стена выполнена из негорючего материала, токоотводы могут быть закреплены на поверхности стены или проходить в стене; - если стена выполнена из горючего материала, токоотводы могут быть закреплены непосредственно на поверхности стены так, чтобы повышение температуры при протекании тока молнии не представляло опасности для материала стены; - если стена выполнена из горючего материала и повышение температуры токоотводов представляет для него опасность, токоотводы должны располагаться таким образом, чтобы расстояние между ними и защищаемым объектом всегда превышало 0,1 м. Металлические скобы для крепления токоотводов могут быть в контакте со стеной. Не следует прокладывать токоотводы в водосточных трубах. Рекомендуется размещать токоотводы на максимально возможных расстояниях от дверей и окон. Токоотводы прокладываются по прямым и вертикальным линиям так, чтобы путь до земли был по возможности кратчайшим. Не рекомендуется прокладка токоотводов в виде петель. 3.2.7. Естественные элементы токоотводов. Следующие конструктивные элементы зданий могут считаться естественными токоотводами: а) металлические конструкции при условии, что: электрическая непрерывность между разными элементами является долговечной и соответствует требованиям п. 3.2.4.2; они имеют не меньшие размеры, чем требуются для специально предусмотренных токоотводов; металлические конструкции могут иметь изоляционное покрытие; б) металлический каркас здания или сооружения; в) соединенная между собой стальная арматура здания или сооружения; Примечание. Если используется преднапряженный бетон, необходимо учитывать опасность недопустимых механических воздействий. Разрушение преднапряженного бетона происходит при плотности тока, превышающей 30 кА на 1 м2. г) части фасада, профилированные элементы и опорные металлические конструкции фасада при условии, что: их размеры соответствуют указаниям, относящимся к токоотводам, а их толщина составляет не менее 0,5 мм; металлическая арматура железобетонных строений считается обеспечивающей электрическую непрерывность, если она удовлетворяет следующим условиям: ▪ примерно 50 % соединений вертикальных и горизонтальных стержней выполнены сваркой или имеют жесткую связь (болтовое крепление, вязка проволокой); ▪ электрическая непрерывность обеспечена между стальной арматурой различных заранее заготовленных бетонных блоков и арматурой бетонных блоков, подготовленных на месте. В прокладке горизонтальных поясов нет необходимости, если металлические каркасы здания или стальная арматура железобетона используются как токоотводы. 3.2.8. Заземлители. Во всех случаях, за исключением использования отдельно стоящего молниеотвода, заземлитель молниезащиты следует совместить с заземлителями электроустановок и средств связи. Если эти заземлители должны быть разделены по каким-либо технологическим соображениям, их следует объединить в общую систему с помощью системы уравнивания потенциалов. 3.2.9. Специально прокладываемые заземляющие электроды. Целесообразно использовать следующие типы заземлителей: один или несколько контуров, вертикальные (или наклонные) электроды, радиально расходящиеся электроды или заземляющий контур, уложенный на дне котлована, заземляющие сетки. Сильно заглубленные заземлители оказываются эффективными, если удельное сопротивление грунта уменьшается с глубиной и на большой глубине оказывается существенно меньше, чем на уровне обычного расположения. Заземлитель в виде наружного контура предпочтительно прокладывать на глубине не менее 0,5 м от поверхности земли и на расстоянии не менее 1 м от стен. Заземляющие электроды должны располагаться на глубине не менее 0,5 м за пределами защищаемого объекта и быть как можно более равномерно распределенными; при этом надо стремиться свести к минимуму их взаимное экранирование. Глубина закладки и тип заземляющих электродов выбираются из условия обеспечения минимальной коррозии, а также возможно меньшей сезонной вариации сопротивления заземления в результате высыхания и промерзания грунта. 3.2.10. Естественные заземляющие электроды. В качестве заземляющих электродов может использоваться соединенная между собой арматура железобетона или иные подземные металлические конструкции, отвечающие требованиям п. 3.2.2.5. Если арматура железобетона используется как заземляющие электроды, повышенные требования предъявляются к местам ее соединений, чтобы исключить механическое разрушение бетона. Если используется преднапряженный бетон, следует учесть возможные последствия протекания тока молнии, который может вызвать недопустимые механические нагрузки. 3.2.11. Крепление и соединения элементов внешней МЗС. Молниеприемники и токоотводы жестко закрепляются так, чтобы исключить любой разрыв или ослабление крепления проводников под действием электродинамических сил или случайных механических воздействий (например, от порыва ветра или падения снежного пласта). Количество соединений проводника сводится к минимальному. Соединения выполняются сваркой, пайкой, допускается также вставка в зажимной наконечник или болтовое крепление. 3.3. Щитовые помещения3.3.1. Щитовые помещения не допускается располагать под санузлами, ванными комнатами, душевыми, кухнями, мойками, моечными и парильнями, стиральными, химчистками и т.п. Трубопроводы, короба, прокладываемые через щитовые помещения, не должны иметь ответвлений, люков, задвижек, фланцев. Прокладка через эти помещения газопроводов и трубопроводов с ЛВЖ, канализации и внутренних водостоков не допускается (п. 7.1.29 ПУЭ). Двери щитовых должны открываться наружу. 3.3.2. Щитовые должны иметь естественную вентиляцию и электрическое освещение, отопление, обеспечивающее температуру не ниже +5 °С (п. 7.1.30, ПУЭ). 3.3.3. Щитовые помещения должны быть снабжены средствами защиты и средствами оказания первой помощи в соответствии с п. 1.1.36 ПУЭ. 3.4. Распределительные устройства3.4.1. РУ должны иметь четкие надписи, указывающие назначение отдельных цепей и панелей на лицевой стороне устройства (п. 4.1.3 ПУЭ). 3.4.2. Все металлические части РУ должны быть окрашены (п. 4.1 ПУЭ). 3.4.3. РУ должно быть заземлено (п. 4.1 ПУЭ). 3.4.4. На приводах коммутационных аппаратов должны быть четко указаны положения «Вкл.» и «Откл.» (п. 4.1.11 ПУЭ). 3.4.5. Цветовое обозначение шин должно соответствовать п. 1.1.29 ПУЭ: наиболее удаленная - желтый (А), средняя - зеленый (В), ближайшая - красный (С); в вертикальной плоскости: А-В-С - сверху вниз или слева направо. Шины постоянного тока: положительная (+) - красный, отрицательная (-) - синий, нулевая рабочая (М) - голубой. Наиболее удаленная - М, средняя - (-), ближайшая (+); в вертикальной плоскости: М, (-), (+) слева направо или сверху вниз. Нулевая рабочая шина обозначается голубым цветом, если эта же шина используется в качестве нулевой защитной - голубым по всей длине и полосами желтого и зеленого цвета на концах (п. 1.1.29 ПУЭ). Цветовые обозначения проводов должны соответствовать п. 2.1.31 ПУЭ: голубой - нулевой рабочий или средний проводник; зелено-желтый - защитный или нулевой защитный проводник; зелено-желтый с голубыми метками на концах - совмещенный нулевой рабочий и нулевой защитный проводник. Фазные проводники: черный, коричневый, красный, фиолетовый, серый, розовый, белый, оранжевый, бирюзовый. 3.4.6. Аппараты и приборы следует располагать так, чтобы возникающие в них при эксплуатации искры или электрические дуги не могли причинить вреда обслуживающему персоналу, воспламенить или повредить окружающие предметы, вызвать КЗ или замыкание на землю (п. 4.1.8 ПУЭ). Если в вводной панели многопанельного ВРУ предусмотрено два блока ввода, присоединяемых к различным питающим сетям, то они должны разделяться перегородкой. Перегородку следует предусматривать также между вводными аппаратами АВР (ГОСТ Р 51732-2001, п. 6.2.10). В однопанельных и шкафных ВРУ блоки ввода и распределения следует разделять перегородками (ГОСТ Р 51732-2001, п. 6.2.11). Если в одной распределительной панели многопанельного ВРУ размещаются два блока распределения, присоединяемых к различным вводам, то между ними должна предусматриваться перегородка (ГОСТ Р 51732-2001, п. 6.2.12). 3.4.7. Должна быть возможность снятия напряжения с каждого коммутационного аппарата на время его ремонта или демонтажа. Для этой цели в необходимых местах должны быть установлены рубильники или другие отключающие аппараты (п. 4.1.12 ПУЭ). 3.4.8. Установку приборов и аппаратов на РУ и НКУ следует производить в зоне от 400 до 2000 мм от уровня пола. Аппараты ручного оперативного управления (переключатели, кнопки) рекомендуется устанавливать на высоте от 700 до 1900 мм от уровня пола. Измерительные приборы рекомендуется устанавливать так, чтобы шкала каждого прибора находилась на высоте от 1000 до 1800 мм от пола (п. 4.1.14 ПУЭ). 3.4.9. Между неподвижно укрепленными неизолированными токоведущими частями, а также между ними и неизолированными нетоковедущими металлическими частями должны быть обеспечены расстояния не менее 20 мм по поверхности изоляции и 12 мм по воздуху. От неизолированных токоведущих частей до ограждения должны быть обеспечены расстояния не менее 40 мм (п. 4.1.15 ПУЭ). 3.4.10. В электропомещениях проходы обслуживания, находящиеся с лицевой или задней стороны щита, должны соответствовать следующим требованиям: 1,0 м - при напряжении ниже 660 В при длине щита до 7 и 1,2 м при длине щита более 7 м, 1,5 м - при напряжении 660 В и выше. Длиной щита в данном случае называется длина прохода между двумя рядами сплошного фронта панелей (шкафов) или между одним рядом и стеной; 1,5 м - при напряжении ниже 660 В; 2 м - при напряжении 660 В и выше; 4) неизолированные токоведущие части, находящиеся на расстояниях, меньших приведенных в пп. 2 и 3, должны быть ограждены. При этом ширина прохода с учетом ограждений должна быть не менее оговоренной в п. 1; 5) не огражденные неизолированные токоведущие части, размещенные над проходами, должны быть расположены на высоте не менее 2,2 м; 6) ограждения, горизонтально размещаемые над проходами, должны быть расположены на высоте не менее 1,9 м; 7) проходы для обслуживания щитов при длине щита более 7 м, должны иметь два выхода. Выходы из прохода с монтажной стороны щита могут быть выполнены как в щитовое помещение, так и в помещение другого назначения. При ширине прохода обслуживания более 3 м и отсутствии маслонаполненных аппаратов второй выход необязателен. Двери из помещений РУ должны открываться в сторону других помещений (за исключением РУ выше 1 кВ переменного тока и выше 1,5 кВ постоянного тока) или наружу и иметь самозапирающиеся замки, отпираемые без ключа с внутренней стороны помещения. Ширина дверей должна быть не менее 0,75 м, высота - не менее 1,9 м (п. 4.1.23 ПУЭ). 3.4.11. Вводы в здания должны быть оборудованы ВУ или ВРУ. Перед вводами в здание не допускается устанавливать дополнительные кабельные ящики для разделения сферы обслуживания наружных питающих сетей и сетей внутри здания. Такое разделение должно быть выполнено во ВРУ или ГРЩ (п. 7.1.23 ПУЭ). 3.4.12. ВУ, ВРУ, ГРЩ должны иметь аппараты защиты на всех вводах питающих линий и на всех отходящих линиях (п. 7.1.24 ПУЭ). 3.4.13. Электрические цепи ВУ, ВРУ, ГРЩ, ВРЩ, распределительных пунктов, групповых щитков следует выполнять проводами с медными жилами (п. 7.1.31 ПУЭ). 3.4.14. После счетчика на групповых линиях должны быть установлены аппараты защиты (п. 7.1.65 ПУЭ). 3.4.15. Перед счетчиком должен быть установлен коммутационный аппарат для снятия напряжения со всех фаз, присоединенных к счетчику (п. 7.1.64 ПУЭ). 3.5. Устройства автоматического включения резервного питанияУстройства АВР должны предусматриваться для восстановления питания потребителей путем автоматического присоединения резервного источника питания при отключении рабочего источника питания, приводящего к обесточиванию электроустановок потребителей (п. 3.3.30 ПУЭ). 3.5.1. Устройство АВР должно обеспечивать возможность его действия при исчезновении напряжения на шинах питаемого элемента, вызванном любой причиной (п. 3.3.31 ПУЭ). 3.5.2. Устройство АВР при отключении выключателя рабочего источника питания должно включать без дополнительной выдержки времени выключатель резервного источника питания. При этом должна быть обеспечена однократность действия устройства (п. 3.3.32 ПУЭ). 3.5.3. Для обеспечения действия АВР должен быть предусмотрен пусковой орган напряжения (п. 3.3.33 ПУЭ). 3.6. Вторичные цепи3.6.1. Жилы контрольных кабелей по условиям механической прочности должны иметь сечения: для меди - не менее 1,5 мм2; для алюминия не менее 2,5 мм2; для токовых цепей - 2,5 мм2 для меди; 4 мм2 для алюминия (п. 3.4.4 ПУЭ). 3.6.2. Кабели следует присоединять к сборкам зажимов. Присоединение двух медных жил под один винт не рекомендуется, а двух алюминиевых жил не допускается (п. 3.4.7 ПУЭ). 3.6.3. Кабели вторичных цепей, жилы кабелей и провода должны иметь маркировку (п. 3.4.9 ПУЭ). 3.7. Измерительные трансформаторы3.7.1. Класс точности трансформаторов тока для присоединения расчетных счетчиков электроэнергии должен быть не более 0,5 (п. 1.5.16 ПУЭ). 3.7.2. Присоединение токовых цепей к вторичным обмоткам трансформаторов тока производить совместно с электроизмерительными приборами (п. 1.5.18 ПУЭ). 3.7.3. Цепи учета следует выводить на самостоятельные сборки зажимов для обеспечения закорачивания вторичных цепей трансформаторов тока при отсоединении токовых цепей (п. 1.5.23 ПУЭ). 3.7.4. Неиспользуемые вторичные обмотки трансформаторов тока должны быть закорочены на их зажимах. Один из полюсов вторичных обмоток трансформаторов тока должен быть заземлен во всех случаях, кроме специально оговоренных в рабочих чертежах (СНиП 3.05.06-85, п. 3.189). 3.8. Приборы учета электроэнергии3.8.1. Допустимый класс точности расчетных счетчиков 2,0 (п. 1.5.15 ПУЭ). 3.8.2. Для счетчиков должен предусматриваться запирающийся шкаф с окошком на уровне циферблата (п. 1.5.30 ПУЭ). 3.8.3. Конструкция крепления счетчика должна обеспечивать возможность установки и съема с лицевой стороны (п. 1.5.31 ПУЭ). 3.8.4. В электропроводке к расчетным счетчикам соединений не допускается (п. 1.5.33 ПУЭ). 3.8.5. При монтаже около счетчиков необходимо оставлять концы проводов длиною не менее 120 мм. Изоляция или оболочка нулевого провода на длине 100 мм перед счетчиком должна иметь отличительную окраску (п. 1.5.35 ПУЭ). 3.8.6. Заземление (зануление) счетчиков и трансформаторов тока выполняется в соответствии с требованиями главы 1.7 ПУЭ. При этом заземляющие и нулевые защитные проводники от счетчиков и трансформаторов тока до ближайшей сборки зажимов должны быть медными (п. 1.5.37 ПУЭ). 3.9. Аппараты защиты3.9.1. В качестве аппаратов защиты должны применяться автоматические выключатели или предохранители (п. 3.1.5 ПУЭ). Для защиты групповых линий рекомендуется устанавливать устройство защитного отключения (УЗО). При присоединении к одному УЗО одной или нескольких групповых линий, в каждой из этих линий необходимо устанавливать устройство защиты от сверхтока (п. 7.1.71; п. 7.1.76; п. 7.1.79 ПУЭ). 3.9.2. Присоединение питающего проводника к аппарату защиты должно выполняться, как правило, к неподвижным контактам (п. 3.1.6 ПУЭ). 3.9.3. Каждый аппарат защиты должен иметь надпись, указывающую номинальный ток и ток плавкой вставки (п. 3.1.7 ПУЭ). 3.10. Электропроводки3.10.1. Сечения токопроводящих медных жил проводов и кабелей должны быть не менее указанных в таблице 7.1.1. ПУЭ; алюминиевых (распределительных сетей) - 16 мм2 и более, алюминиевых (отдельные электроприемники инженерного оборудования) - 2,5 мм2 и более. 3.10.2. В местах соединения, ответвления и присоединения жил проводов и кабелей должен быть предусмотрен запас, обеспечивающий возможность повторного соединения, ответвления или присоединения (п. 2.1.22 ПУЭ). 3.10.3. Места соединения и ответвления должны быть доступны для осмотра и ремонта (п. 2.1.23 ПУЭ, п. 526.3 ГОСТ 50571 15-97). Цветовое обозначение жил проводов и кабелей - см. п. 3.4.5 настоящей методики. 3.10.4. В местах соединения провода не должны испытывать механических усилий тяжения (п. 2.1.24 ПУЭ). 3.10.5. Места соединения должны иметь изоляцию, равноценную изоляции жил (п. 2.1.25 ПУЭ). 3.10.6. Соединения и ответвления проводов и кабелей должны выполняться в соединительных и ответвительных коробках (п. 2.1.26 ПУЭ). 3.10.7. Линии групповой сети, прокладываемые от групповых щитков до штепсельных розеток, должны выполняться трехпроводными (фазный, нулевой рабочий и нулевой защитный проводники). Питание стационарных однофазных электроприемников следует выполнять трехпроводными линиями. При этом нулевой рабочий и нулевой защитный проводники не следует подключать на щитке под один контактный зажим (п. 7.1.36 ПУЭ). 3.10.8. Электропроводка должна быть выбрана и смонтирована таким образом, чтобы предотвращалось повреждение оболочки и изоляции кабелей или изолированных проводников, а также их присоединений в процессе монтажа и эксплуатации (ГОСТ Р 50571.15-97, п. 522.8.1.7). 3.10.9. Электропроводки, жестко закрепляемые и заделываемые в стены, должны располагаться горизонтально, вертикально или параллельно кромкам стен помещения. Электропроводки, проложенные в строительных конструкциях без крепления, можно располагать по кратчайшему пути (ГОСТ Р 50571.15-97, п. 522.8.1.7). 3 10.10. Монтаж электропроводки не должен снижать эксплуатационные качества строительных конструкций и пожарную безопасность (ГОСТ Р 50571.15-97, п. 527.1.2). 3.10.11. Электропроводки, выполненные в трубах, специальных каналах, коробах, которые проходят через элементы конструкций зданий, имеющие установленную огнестойкость, должны иметь внутреннее уплотнение, обеспечивающее ту же огнестойкость, что и соответствующие элементы конструкции здания. Равным образом они должны быть загерметизированы снаружи (ГОСТ Р 50571.15-97, п. 527.2.2). 3.10.12. Электрические цепи с напряжением диапазонов I и II по ГОСТ Р МЭК 449-96 (380 В и 42 В) не должны находиться в одной и той же электропроводке. Кабели, имеющие изоляцию на разные напряжения, монтируются в отдельных секциях специальных кабельных каналов или коробов; или применяется прокладка в разных трубах (ГОСТ Р 50571.15-97, п. 528.1.1). 3.10.13. Провода и кабели, прокладываемые в коробках и на лотках, должны иметь маркировку в начале и конце лотков и коробов, а также в местах подключения их к электрооборудованию, а кабели, кроме того, также на поворотах трассы и ответвлениях (п. 3.22 СНиП 3.05.06-85). 3.11. Кабельные линии внутри зданий3.11.1. Каждая кабельная линия должна быть промаркирована. На открыто положенных кабелях должны быть бирки. Обозначение наносится несмываемой краской. Бирка должна быть закреплена капроновой нитью, пластмассолентой (п. 3.104 - 3.106 СНиП 3.05.06-85). 3.11.2. Кабели должны быть уложены с запасом по длине и закреплены так, чтобы была предотвращена деформация оболочек и не нарушались соединения жил в муфтах (п. 2.3.15 ПУЭ). 3.11.3. Кратность радиуса внутренней кривой изгиба по отношению к наружному диаметру не менее 6 (п. 2.3.20 ПУЭ). 3.11.4. В четырехпроводных сетях должны применяться четырехжильные кабели. Прокладка нулевых жил отдельно от фазных не допускается (п. 2.3.52 ПУЭ). 3.11.5. Прокладка кабелей в полу и междуэтажных перекрытиях должна производиться в каналах или в трубах. Заделка в них кабелей наглухо не допускается. Прокладка кабелей в вентиляционных каналах запрещается. Открытая прокладка кабеля по лестничным клеткам не допускается (п. 2.3.135 ПУЭ). 3.11.6. Бронированные и небронированные кабели внутри помещений и снаружи в местах, где возможны механические повреждения и доступ посторонних лиц, должны быть защищены по высоте на 2 м от уровня пола или земли и на глубине 0,3 м в земле (п. 2.3.15 ПУЭ). Защита может быть выполнена профильной сталью или прокладкой в трубах. 3.12. Внутреннее освещение3.12.1. Присоединение светильников к групповой сети должно быть выполнено с помощью клеммных колодок, обеспечивающих присоединение как медных, так и алюминиевых проводов сечением до 4 мм2 (п. 3.2.32 СНиП 3.05.06-85). 3.12.2. Крюки и шпильки для подвеса светильников должны иметь устройства, изолирующие их от светильников (п. 3.2.38 СНиП 3.05.06-85). 3.12.3. Размеры крюков для подвеса бытовых светильников: - внешний диаметр полукольца - 35 мм; - расстояние от перекрытия до начала изгиба - 12 мм; - диаметр стального прутка для изготовления крюков - 6 мм (п. 2.40 ВСН 59-88). Применение горючих материалов при изготовлении крышек, закрывающих отверстия в панелях, не допускается (п. 6.6.22 ПУЭ). 3.12.5. Штепсельные розетки, устанавливаемые в запираемых складских помещениях, содержащих горючие материалы или материалы в горючей упаковке, должны иметь степени защиты в соответствии с требованиями гл. 7.4 ПУЭ (п. 6.6.23 ПУЭ). 3.12.6. Штепсельные розетки для переносных электроприемников с частями, подлежащими защитному заземлению, должны быть снабжены защитным контактом для присоединения РЕ-проводника. При этом конструкция розетки должна исключать возможность использования токоведущих контактов в качестве контактов, предназначенных для защитного заземления. Соединение между заземляющими контактами вилки и розетки должно устанавливаться до того, как войдут в соприкосновение токоведущие контакты; порядок отключения должен быть обратным. Заземляющие контакты штепсельных розеток и вилок должны быть электрически соединены с их корпусами, если они выполнены из токопроводящих материалов (п. 6.6.24 ПУЭ). 3.12.7. Вилки штепсельных соединителей должны быть выполнены таким образом, чтобы их нельзя было включать в розетки с более высоким номинальным напряжением, чем номинальное напряжение вилки. Конструкция розеток и вилок не должна допускать включения в розетку только одного полюса двухполюсной вилки, а также одного или двух полюсов трехполюсной вилки (п. 6.6.25 ПУЭ). 3.12.8. Конструкция вилок штепсельных соединителей должна исключать натяжение или излом присоединяемых к ним проводов в местах присоединения (п. 6.6.26 ПУЭ). Выключатели и переключатели переносных электроприемников должны, как правило, устанавливаться в самих электроприемниках или в электропроводке, проложенной неподвижно. На подвижных проводах допускается устанавливать выключатели только специальной конструкции, предназначенных для этой цели (п. 6.6.27 ПУЭ). 3.12.9. В трех- или двухпроводных однофазных линиях сетей с заземленной нейтралью могут использоваться однополюсные выключатели, которые должны устанавливаться в цепи фазного провода, или двухполюсные, при этом должна исключаться возможность отключения одного нулевого рабочего проводника без отключения фазного (п. 6.6.28 ПУЭ). 3.12.10. В трех- или двухпроводных групповых линиях сетей с изолированной нейтралью или без изолированной нейтрали при напряжении выше 50 В, а также в трех- или двухпроводных двухфазных групповых линиях в сети 220/127 В с заземленной нейтралью в помещениях с повышенной опасностью и особо опасных должны устанавливаться двухполюсные выключатели (п. 6.6.29 ПУЭ). 3.12.11. Штепсельные розетки должны устанавливаться: 1. В производственных помещениях, как правило, на высоте 0,8 - 1 м; при подводе проводов сверху допускается установка на высоте до 1,5 м. 2. В административно-конторских, лабораторных, жилых и других помещениях - на высоте, удобной для присоединения к ним электрических приборов, в зависимости от назначения помещения и оформления интерьера, но не выше 1 м. Допускается установка штепсельных розеток в (на) специально приспособленных для этого плинтусах, выполненных из негорючих материалов. 3. В школах и детских учреждениях (в помещениях для пребывания детей) на высоте 1,8 м (п. 6.6.30 ПУЭ). 3.12.12. Выключатели для светильников общего освещения должны устанавливаться на высоте от 0,8 до 1,7 м от пола, а в школах, детских яслях и садах в помещениях для пребывания детей - на высоте 1,8 м от пола. Допускается установка выключателей под потолком с управлением при помощи шнура (п. 6.6.31 ПУЭ). 3.12.13. Требования, приведенные в пп. 3.12.4 - 3.12.12 распространяются на устройства (выключатели, переключатели и штепсельные розетки) для номинального тока до 16 А и напряжения до 250 В, а также на штепсельные соединения с защитным контактом для номинального тока до 63 А и напряжения до 380 В (п. 6.2.21 ПУЭ). 3.12.14. Проводники должны вводиться в осветительную арматуру так, чтобы в месте ввода они не подвергались механическим повреждениям, а контакты патронов были разгружены от механических усилий (п. 6.6.12 ПУЭ). 3.13. Рекламное освещение3.13.1. Для питания газосветных трубок должны применяться сухие трансформаторы в металлическом кожухе, имеющие вторичное напряжение не выше 15 кВ. Открытые токоведущие части открыто установленных трансформаторов должны быть удалены от сгораемых материалов и конструкций не менее чем на 50 мм (п. 6.4.1 ПУЭ). 3.13.2. Трансформаторы для питания газосветных трубок устанавливаются в металлических ящиках, сконструированных таким образом, чтобы при открывании ящика трансформатор отключался со стороны первичного напряжения (п. 6.4.2 ПУЭ). 3.13.3. Все части газосветной установки должны находиться на высоте не менее 3 м над уровнем земли и не менее 0,5 м над поверхностями площадок обслуживания крыш и других строительных конструкций (п. 6.4.5 ПУЭ). 3.13.4. Доступные для посторонних лиц и находящиеся под напряжением части газосветной установки должны быть ограждены в соответствии с гл. 4.2 и снабжены предупредительными плакатами (п. 6.4.6 ПУЭ). 3.13.5. Открытые токоведущие части газосветных трубок должны отстоять от металлических конструкций или частей здания на расстоянии не менее 20 мм, а изолированные части - не менее 10 мм (п. 6.4.7 ПУЭ). 3.13.6. Расстояние между открытыми токоведущими частями газосветных трубок, не находящимися под одинаковым потенциалом, должно быть не менее 50 мм (п. 6.4.8 ПУЭ). 3.13.7. Открытые проводящие части газосветной установки на стороне высшего напряжения, а также один из выводов или средняя точка вторичной обмотки трансформаторов, питающих газосветные трубки, должны быть заземлены (п. 6.4.9 ПУЭ). 3.13.8. Трансформаторы или группа трансформаторов, питающие газосветные трубки, должны отключаться со стороны первичного напряжения во всех полюсах аппаратом с видимым разрывом, а также защищаться аппаратом, рассчитанным на номинальный ток трансформатора. Для отключения трансформаторов допускается применять пакетные выключатели с фиксированным положением рукоятки (головки) (п. 6.4.10 ПУЭ). 3.13.9. Электроды газосветных трубок в местах присоединения проводов не должны испытывать натяжения (п. 6.4.11 ПУЭ). 3.14. Приемно-сдаточная документация3.14.1. Электромонтажной организацией представляется техническая документация по сдаче-приеме электромонтажных работ, скомплектованная по форме 1 совместно с актом технической готовности электромонтажных работ по форме 2 п. 2.3 ВСН 123-90. 3.14.2. Изменения и отступления от проекта должны быть согласованы и отражены в ведомости и электротехнической части исполнительной документации по форме 3 п. 2.1 ВСН 123-90. 3.14.3. К комплекту документации заводов-изготовителей электрооборудования кроме документов, перечисленных в форме 1, прикладываются сертификаты на электрооборудование, кабельную продукцию, установочные изделия. 3.14.4. По электрооборудованию щитовых, ВРУ, этажных и квартирных щитков представляется протокол по форме 8 п. 3 ВСН 123-90. 3.14.5. По электропроводкам представляется акт осмотра по форме 11 п. 5 ВСН 123-90. 3.14.6. По кабельным линиям представляется акт приемки, акт осмотра и журнал прокладки по форме 14, форме 15 и форме 18 п. 3 ВСН 123-90, соответственно. 3.14.7. По заземляющим устройствам представляется акт освидетельствования скрытых работ по форме 24 п. 8 ВСН 123-90. 4. УСЛОВИЯ ПРОВЕРКИ4.1. Характеристики окружающей среды: 4.1.1. Время года - в течение года. 4.1.2. Время суток - с 8 до 17 часов. 4.1.3. Температура - не ниже 5 °С. 4.1.4. Влажность - до 70 %. 5. СРЕДСТВА ПРОВЕРКИ5.1. Рулетка измерительная с диапазоном измерения до 15 м, точность измерения 1 см. 5.2. Рулетка измерительная с диапазоном измерения до 3 м, точность измерения 1 см. 5.3. Штангенциркуль с диапазоном измерения до 25 см, точность измерения 0,1 мм. 5.4. Секундомер с диапазоном измерения до 30 минут, точность измерения 1 сек. 6. ОБРАБОТКА ДАННЫХ И ОФОРМЛЕНИЕ РЕЗУЛЬТАТОВ ПРОВЕРКИФиксация данных, полученных при контроле и оценке уровня качества ЭМР, производится в рабочих журналах испытателей. Определение сечений токоведущих частей и защитных проводников производится расчетами с использованием данных инструментальных замеров и геометрии проводников. Полученные значения сравниваются с проектом и соответствующими нормируемыми значениями, приведенными в НД. Все результаты испытаний, проверок, осмотров заносятся в протоколы установленной формы. Все данные о несоответствии смонтированной электроустановки и качества ЭМР требованиям проектной и нормативной документации заносятся в рабочие журналы испытателей и протокол визуального осмотра, форма которого прилагается. ИСПЫТАТЕЛЬНАЯ ЛАБОРАТОРИЯ ЭЛЕКТРОУСТАНОВОК ЗДАНИЙ (наименование организации)
ПРОТОКОЛ № ___ ВИЗУАЛЬНОГО ОСМОТРА от _________________ 1. Анализ проектной документации. 2. Проверка соответствия электроустановок нормативной и проектной документации.
ЗАКЛЮЧЕНИЕ: Смонтированная электроустановка здания соответствует (не соответствует) нормативной документации, правилам выполнения электромонтажных работ. Осмотр провели: Протокол проверил: Частичная или полная перепечатка и размножение только с разрешения испытательной лаборатории. Исправления не допускаются. Протокол распространяется только на элементы электроустановки, подвергнутые испытаниям. III. ИЗМЕРЕНИЯ СОПРОТИВЛЕНИЯ ЗАЗЕМЛЯЮЩИХ УСТРОЙСТВ И ЗАЗЕМЛИТЕЛЕЙ1. ЦЕЛЬ ПРОВЕДЕНИЯ ИЗМЕРЕНИЙИзмерение сопротивления заземляющих устройств проводится с целью проверки его соответствия требованиям нормативных документов (ПУЭ гл. 1.8.; ПТЭЭП пр. 3; 3.1). 2. МЕРЫ БЕЗОПАСНОСТИ2.1. Организационные мероприятияРаботы по измерению сопротивления заземляющих устройств выполняется по наряду-допуску или по распоряжению. Численный состав бригады должен быть не менее двух человек: производителя работ с группой по электробезопасности не ниже IV и члена бригады с группой по электробезопасности не ниже III при измерениях в действующих распределительных устройствах (РУ) напряжением выше 1000 В или производителя работ с III группой по электробезопасности и члена бригады со II группой по электробезопасности при измерениях в РУ напряжением до 1000 В, а также до подключения электроустановок к сети электроснабжения. 2.2. Технические мероприятияПеречень необходимых технических мероприятий определяет допускающий совместно с производителем работ в соответствии с разделом 3 МПБЭЭ. Особое внимание необходимо обратить на принятие мер, исключающих однофазные замыкания в действующих распределительных устройствах во время проведения измерений. Бригада, проводящая измерения, должна работать в диэлектрических ботах, диэлектрических перчатках, пользоваться изолированным инструментом. При сборке измерительных схем провода, в первую очередь, присоединять к вспомогательным электродам (токовым, потенциальным), затем к соответствующему прибору и после этого к заземляющему устройству (заземлителю). 3. НОРМИРУЕМЫЕ ВЕЛИЧИНЫВ электроустановках с глухо-заземленной нейтралью напряжением до 1000 В сопротивление заземляющего устройства, к которому присоединены нейтрали генераторов и трансформаторов или выводы источника однофазного тока, в любое время года должно быть не более 2, 4 и 8 Ом соответственно при линейных напряжениях 660, 380 и 220 В источника трехфазного тока или 380, 220 и 127 В источника однофазного тока. Сопротивление заземляющих устройств повторных заземлений на вводах в здания не нормируется. При удельном сопротивлении земли (r) более 100 Ом × м допускается увеличение указанных выше норм в 0,01r раз, но не более десятикратного (п. 1.7.101 ПУЭ). В электроустановках с изолированной нейтралью напряжением до 1000 В сопротивление заземляющего устройства, используемого в качестве защитного заземления, должно удовлетворять условию: RзуIз £ 50 В, где: Rзу - сопротивление заземляющего устройства; Iз - полный ток замыкания на землю. При мощности генераторов и трансформаторов 100 кВ × А и меньше заземляющие устройства могут иметь сопротивление не более 10 Ом (п. 1.7.104 ПУЭ). При испытаниях заземляющих устройств требования, предъявляемые к ним, представлены в таблицах 5, 6, 7. Таблица 5 Объем и сроки испытания заземляющих устройств («К, Т, М» проводятся в сроки, устанавливаемые системой ППР)
Таблица 6 Наибольшие допустимые значения сопротивлений заземляющих устройств электроустановок
* Iр - расчетный ток замыкания на землю, А. ** - сопротивление заземляющего устройства с учетом повторных заземлений нулевого провода должно быть не более 2,4 и 8 Ом при линейных напряжениях соответственно 660, 380 и 220 В источника трехфазного тока и напряжениях 380, 220 и 127 В источника однофазного тока. Таблица 7 Наибольшие допустимые значения сопротивлений заземлителей опор воздушных линий электропередачи
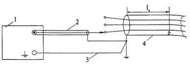
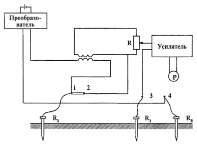
* Для опор высотой более 40 м на участках ВЛ, защищенных тросом, сопротивление заземлителей должно быть в 2 раза меньше указанных в таблице. ** Ir - расчетный ток замыкания на землю, в качестве которого принимается: в сетях без компенсации емкостного тока замыкания на землю - ток замыкания на землю; в сетях с компенсацией емкостного тока замыкания на землю: - для электроустановок, к которым не присоединены компенсирующие аппараты, ток, равный 12 % номинального тока наиболее мощного из этих аппаратов; - для электроустановок, к которым не присоединены компенсирующие аппараты, - ток замыкания на землю, проходящий в данной сети при отключении наиболее мощного из компенсирующих аппаратов; *** При удельном эквивалентном сопротивлении грунта более 100 Ом допускается увеличение приведенных значений в 0,01r раз, но не более десятикратного. 4. ИЗМЕРЕНИЯ СОПРОТИВЛЕНИЯ ЗАЗЕМЛИТЕЛЕЙ4.1. Общие требования к проведению измеренийДля измерения сопротивления заземлителей создается искусственная цепь протекания тока через испытываемый заземлитель. Для этого на некотором расстоянии от испытываемого заземлителя располагается вспомогательный заземлитель (токовый электрод), подключаемый вместе с испытываемым заземлителем к источнику напряжения. Для измерения падения напряжения на испытываемом заземлителе при прохождении через него тока в зоне нулевого потенциала располагается зонд (потенциальный электрод). В качестве вспомогательного заземлителя и зонда могут применяться стальные неокрашенные электроды диаметром 12 - 20 мм длиной 0,8 - 1 м с болтами и барашковыми гайками для присоединения проводов. Точность измерения сопротивления заземлителей зависит от взаимного расположения испытываемого и вспомогательного заземлителей, а также от расстояния между ними. Схемы расположения электродов вспомогательного заземлителя и зонда относительно испытываемого заземлителя показаны на рис. 1, 2 (для сложных заземлителей) и рис. 3 (для одиночных заземлителей). Для заземлителей, состоящих из вертикальных электродов, расположенных в ряд и объединенных горизонтальной полосой, в качестве размера «D» следует принимать длину полосы. Размер «а» следует принимать в зависимости от размера «D», исходя из следующих соотношений:
При измерении сопротивления одиночных вертикальных заземлителей длиной до 6 метров следует применять схемы расположения электродов, изображенные на рис. 3, с указанными между ними расстояниями. Для заземлителей длиной свыше 6 метров расстояние между электродами следует принимать не менее 3l, где l - длина вертикального заземлителя. Относительная погрешность измерения, обусловленная уменьшенными расстояниями между электродами при измерениях по схемам, приведенным на рис. 3, не превышает 5 %. Направление разноса электродов нужно выбирать таким образом, чтобы электроды не оказались ближе 10 м от подземных металлических конструкций (кабели, трубопроводы, заземлители опор ВЛ и т.п.). В некоторых случаях при наличии большого количества подземных коммуникаций может потребоваться несколько измерений при различных направлениях лучей и различных расстояниях «а» и «b». Из нескольких измеренных значений в качестве действительного значения принимают наихудший результат. Рис. 1. Схемы расположения электродов при измерении сложных заземлителей (двухлучевая схема) Рис. 2. Схемы расположения электродов при измерении сложных заземлителей (однолучевая схема) Рис. 3. Схемы расположения электродов при измерении одиночных вертикальных заземлителей где: Rx - испытываемый заземлитель; Rв - вспомогательный заземлитель (токовый электрод); Rз - зонд (потенциальный электрод); b ³ 3L (L - длина вертикального заземлителя). Для некоторых приборов указанные расстояния могут отличаться от приведенных, что указано в данной Методике (п. 4.2; 4.3). Полный комплект принадлежностей для производства работ по замерам сопротивления заземлителя (П4126М) должен состоять: - 4 - 6 электродов (Rв и Rз), заостренных с одного конца или со спиралью типа «буравчик», а со второго конца - с поперечными рукоятками для ввертывания их в грунт, а также с болтами и гайками-барашками; - два барабана гибкого медного провода типа ПВГ (ПВ-2) сечением 1,5 - 2,5 мм2 и длиной 100 - 120 м; - гибкий провод типа ПВГ (ПВ-2) - 5 - 10 метров для подсоединения измерителя к заземлителю; - рулетка 10 - 20 метров; - молоток или кувалда весом 2 - 5 кг; - напильник для зачистки контактов. Электроды вворачиваются или забиваются в плотный грунт (не насыпной) на глубину не менее 0,5 метра. В грунтах с большим удельным сопротивлением (например, песок) места, где нужно забивать вспомогательные заземлители, уплотняют или увлажняют водой, раствором соли или кислоты. Количество штырей в измерительном (вспомогательном) электроде Rв зависит от удельного сопротивления поверхностного слоя земли. В сухих, песчаных и мерзлых грунтах может потребоваться несколько соединенных электродов. Для устройства потенциального электрода (зонда Rз) в большинстве случаев достаточно одного штыря. При измерении сопротивления заземления опор линии электропередачи, соединенных между собой грозозащитным тросом, последний должен отсоединяться от испытываемой опоры. Сопротивление заземлителя не должно превышать нормируемого значения в любое время года. Для получения максимально возможного значения на протяжении года (при наибольшем промерзании почвы зимой и высыхании летом) измеренные значения сопротивления должны быть умножены на поправочный коэффициент К, т.е. расчетное значение сопротивления заземлителя определяется из выражения: R = Rизм × К. Учитывая, что ПТЭЭП 2003 года предписывают измерять сопротивление заземляющих устройств в период наибольшего высыхания грунта, что невозможно при приемосдаточных и сертификационных испытаниях и таблица поправочных коэффициентов, определенных ПЭЭП 1993 г. (таблица 40 приложения 1.1) в ПТЭЭП 2003 г. отсутствует, в данной ситуации целесообразно следующее: - воспользоваться указанной таблицей, как зарекомендовавшей себя достаточно достоверными данными поправочных коэффициентов (К); - на основе обработки достаточного количества статистических данных определить коэффициенты приведения результатов измерений Rзy к условиям наибольшего высыхания грунта. Величины коэффициента К по ПЭЭП 1993 г. приведены в таблице 8. К1 применяется, если земля влажная, моменту измерения предшествовало выпадение большого количества осадков, или после весеннего паводка. К2 - если земля нормальной влажности. К3 - если земля сухая, количество осадков ниже нормы. При разветвленной заземляющей сети измерения производят раздельно: сопротивление заземлителей и сопротивление заземляющих проводников, т.е. металлической связи корпусов электрооборудования с контуром заземления. При замерзшем грунте или нахождении заземлителя ниже глубины промерзания К = 1. При приемо-сдаточных испытаниях электроустановок зданий для повторных заземлений PEN- (РЕ)-проводников питающих сетей на вводах в здания этот коэффициент можно не учитывать, так как сопротивление повторных заземляющих устройств PEN- (РЕ)-проводников не нормируется (за исключением повторных заземлений ВЛ). При этом периодические измерения сопротивления этих заземляющих устройств в процессе эксплуатации следует производить в тех же климатических условиях (в то же время года) и по той же схеме измерения, что и при приемо-сдаточных испытаниях. В таблице 8 приняты следующие обозначения: t - глубина расположения в земле верхней части заземлителя; S - площадь контура или сетки; n - количество электродов контура; l - длина горизонтальной полосы или вертикального заземлителя. Таблица 8 (ПЭЭП табл. 40)
4.2. Измерение сопротивления заземляющих устройств прибором М416Принцип действия прибора основан на компенсационном методе измерения. Структурная схема прибора приведена на рис. 4. Переменный ток от преобразователя через первичную обмотку трансформатора, токовые зажимы 1 и 4 прибора поступает во внешнюю цепь. Вторичная цепь прибора подключена к резистору R, с помощью которого производится компенсация напряжения на измеряемом сопротивлении. При такой схеме включения на измерительное устройство (усилитель, детектор и индикатор «Р») подается разность напряжений на резисторе R и на измеряемом сопротивлении. В момент компенсации (равенства сравниваемых напряжений) ток в цепи индикатора будет равен нулю. Прибор снабжен шкалой, позволяющей непосредственно определить значение измеряемого сопротивления. Пределы измерения прибора М416 от 0,1 до 1000 Ом, изменение пределов измерения осуществляется переключателем путем включения параллельно с резистором R сопротивлений, величина которых зависит от предела измерений. Предел измерения прибора разбит на 4 диапазона: 0,1 - 10; 0,5 - 50; 2 - 200; 10 - 1000 Ом. Основная погрешность прибора сохраняется в пределах паспортных данных при сопротивлениях вспомогательного заземлителя и зонда не более: 500 Ом в диапазоне измерений 0,1 - 10 Ом; 1000 Ом - 0,5 - 50 Ом; 2500 Ом - 2 - 200 Ом; 5000 Ом - 10 - 1000 Ом. Источником питания прибора служат три последовательно соединенных сухих элемента типа «373» (1,5 В). Измерение прибором может производиться как по трехзажимной схеме (рис. 5, измерение сопротивлений более 50 Ом), так и по четырехзажимной (рис. 6, измерение сопротивлений менее 50 Ом). При измерениях по трехзажимной схеме между клеммами 1 - 2 ставят перемычку, При этом сопротивление провода от клеммы 1 до Rx вносит погрешность в измерения. При измерениях по однолучевой схеме расстояние от заземлителя до зонда (Rз) должно быть не менее 5D + 20 м, где: D - наибольшая диагональ сложного заземлителя (для простого заземлителя D = 0), а от зонда до вспомогательного электрода не менее 20 м для сложного заземлителя и 10 м - для простого. При сопротивлении электродов, используемых в качестве вспомогательного заземлителя и зонда, больше вышеуказанных, его необходимо уменьшить путем увлажнения грунта в месте их забивки (вворачивания) или использовать вместо одного несколько соединенных между собой электродов. Измерение сопротивления электродов проводится по двухзажимной схеме (рис. 10) независимо от типа используемого прибора (М416, Ф-4301-М1). Рис. 4. Структурная схема прибора М416 Рис. 5. Измерение больших сопротивлений R > 50 Ом Рис. 6. Измерение малых сопротивлений R < 50 Ом Порядок измерений следующий: установить переключатель в положение «Контроль 5 Ом», нажать кнопку и вращением ручки «Реохорд» добиться установки стрелки индикатора на нулевую отметку, на шкале при этом должно быть показание 5 ± 0,3 Ом; собрать схему измерения; переключатель диапазонов установить в положение «XL», нажать кнопку и вращением реохорда установить стрелку на нуль. Если измеряемое сопротивление более 10 Ом, выбрать другой предел измерений. Для точного измерения очень малых сопротивлений заземлителя может быть использован метод «амперметра-вольтметра», схема которого представлена на рис. 7. При этом Этот метод требует наличия постороннего источника напряжения или сети 220/380 В, что ограничивает возможности его применения. Рис. 7. Схема измерения сопротивления заземлителя методом амперметра-вольтметра 4.3. Измерение сопротивления заземляющих устройств прибором Ф4103-М1Прибор Ф4103-М1 позволяет измерять сопротивление заземляющих устройств электроустановок практически всех напряжений. Принцип действия прибора аналогичен принципу действия прибора М416. Прибор имеет встроенный источник постоянного тока, обеспечивающий не менее 800 измерений, преобразователь переменного тока в стабилизированный переменный ток частотой 280 Гц и обладает высокой помехозащищенностью. Измерение сопротивления заземляющих устройств выполняется по схеме, приведенной на рис. 8. Рис. 8. Схема измерения заземляющих устройств прибором Ф4103-М1 Направление разноса электродов Измерение сопротивления ЗУ проводится при установке потенциального электрода в каждой из указанных точек. По данным измерений строится кривая «Б» зависимости сопротивления ЗУ от расстояния потенциального электрода до заземляющего устройства. Пример такого построения представлен на рис. 9. Рис. 9. Зависимость сопротивления ЗУ от расстояния потенциального электрода до заземляющего устройства LЗT - расстояние от края ЗУ до токового электрода. Полученная кривая «Б» сравнивается с кривой «А». Если кривая «Б» имеет монотонный характер (такой же, как у кривой «А») и значения сопротивления ЗУ, измеренные при положениях потенциального электрода на расстояниях 0,4 LЗT и 0,6 LЗT отличаются не более чем на 10 %, то место забивки электродов выбраны правильно, и за сопротивление ЗУ принимается значение, полученное при расположении потенциального электрода на расстоянии 0,5 LЗT. Если эта кривая («Б1») принципиально отличается от кривой «А» (не имеет монотонного характера), что может быть следствием влияния надземных и подземных металлоконструкций, то измерения необходимо повторить при расположении токового электрода в другом направлении от заземляющего устройства. Если значения сопротивления ЗУ, измеренное при положениях потенциального электрода на расстоянии 0,4 LЗT и 0,6 LЗT отличаются более чем на 10 %, то повторить измерения сопротивления ЗУ при увеличенном в 1,5 - 2 раза расстоянии от ЗУ до токового электрода. Порядок проведения измерений Измерения проводятся в следующей последовательности: 1. Проверить напряжение источника питания. Для этого замкнуть зажимы Т1; П1; П2; Т2, установить переключатели в положения КАЛИБР и «0,3». Ручку КАЛИБР - установить в крайнее правое положение. Нажать кнопку ИЗМЕР. Если при этом лампа КП не загорается, напряжение питания в норме. 3. Проверить работоспособность измерителя. Для этого, в положении КАЛИБР переключателя установить ноль ручкой УСТАН. О, нажать кнопку ИЗМЕР., ручкой КАЛИБР установить стрелку на отметку «30». Присоединить провода от 4. Проверить уровень помех в поверяемой цепи. Для этого установить переключатель в положение ИЗМЕР II и «0,3» и нажать кнопку ИЗМЕР. Если лампа КПм загорается - уровень помех превышает допустимый для диапазона 0 - 0 - 3 Ом (3В), необходимо перейти на диапазон 0 - 1 Ом, где допустимый уровень помех 7В. Если в этом случае лампа не загорается, можно проводить измерения на всех диапазонах (кроме 0 - 0,3 Ом). Внимание! Запрещается подключать провода к зажимам П1 и П2, проводить измерения, если лампа КПм загорается на диапазоне 0 - 1 Ом во избежание выхода измерителя из строя. При кратковременном повышении уровня помех выше допустимого провести повторный контроль по истечении некоторого времени. 5. Измерить сопротивление потенциального электрода по схеме (рис. 10). Рис. 10. Двухзажимная схема измерения сопротивления потенциального электрода Для этого установить диапазон изменения, ориентировочно соответствующий измеряемому сопротивлению электрода, и провести калибровку прибора. Перевести переключатель в положение ИЗМЕР II и определить значение сопротивления. Если оно превышает допустимое, указанное в табл. 1 паспорта прибора для выбранного диапазона измерения, его необходимо уменьшить одним из ранее указанных способов. Подключить измеритель к схеме измерения в соответствии с рис. 8. 6. Установить необходимый диапазон измерений, затем провести установку нуля и калибровку. Если при калибровке стрелка находится левее отметки «30» - уменьшить сопротивление токового электрода, либо провести измерение при повышенных сопротивлениях электродов. 7. Перевести переключатель «РОД РАБОТ» в положение ИЗМЕР II и отсчитать значение сопротивления. Если стрелка под воздействием помех совершает колебательные движения, устранить их вращением ручки ПОДСТР. 1. При необходимости использовать более высокий диапазон измерения, переключив ПРЕДЕЛЫ П в необходимое положение. 4.4. Измерение удельного сопротивления грунтаИзмерение удельного сопротивления грунта проводится, когда измеренное сопротивление заземлителя больше проектного (расчетного) значения или не соответствует нормативным требованиям (табл. 2, 3). В этом случае проверяется допустимая степень этого несоответствия при повышенных удельных сопротивлениях грунта (табл. 2, 3). Измерения проводятся по методу «вертикального зондирования» с помощью приборов М416, Ф4103-М1 (рис. 11). Рис. 11. Схема измерения удельного сопротивления грунта Зажимы 1, 2, 3, 4 прибора М416 соответствуют зажимам Т1; П1; П2; Т2 прибора Ф-4103-М1. Удельное сопротивление определяется по формуле r = 2paR, (Ом × м), R - измеренное сопротивление заземлителей (показание прибора); а - расстояние между электродами, которое следует принимать не менее чем в 5 раз больше глубины погружения электродов. 4.5. Проверка цепи между заземленной электроустановкой и
элементами заземленной установки
| ||||||||||||||||||||||||||||||||||||||||||||||||||||||||||||||||||||||||||||||||||||||||||||||||||||||||||||||||||||||||||||||||||||||||||||||||||||||||||||||||||||||||||||||||||||||||||||||||||||||||||||||||||||||||||||||||||||||||||||||||||||||||||||||||||||||||||||||||||||||||||||||||||||||||||||||||||||||||||||||||||||||||||||||||||||||||||||||||||||||||||||||||||||||||||||||||||||||||||||||||||||||||||||||||||||||||||||||||||||||||||||||||||||||||||||||||||||||||||||||||||||||||||||||||||||||||||||||||||||||||||||||||||||||||||||||||||||||||||||||||||||||||||||||||||||||||||||||||||||||||||||||||||||||||||||||||||||||||||||||||||||||||||||||||||||||||||||||||||||||||||||||||||||||||||||||||||||||||||||||||||||||||||||||||||||||||||||||||||||||||||||||||||||||||||||||||||||||||||||||||||||||||||||||||||||||||||||||||||||||||||||||||||||||||||||||||||||||||||||||||||||||||||||||||||||||||||||||||||||||||||||||||||||||||||||||||||||||||||||||||||||||||||||||||||||||||||||||||||||||
ПРОТОКОЛ № _____ проверки сопротивлений заземлителей и заземляющих устройств Климатические условия при проведении измерений Температура воздуха _______ °С. Влажность воздуха _______ %. Атмосферное давление _______ мм. рт. ст. Цель измерений (испытаний) __________________________________________________________________________ (приёмо-сдаточные, сличительные, контрольные испытания, эксплуатационные, для целей сертификации) Нормативные и технические документы, на соответствие требованиям которых проведены измерения (испытания): ___________________________________________________________________________ 1. Вид грунта: ______________________ 2. Характер грунта: ____________________ (влажный, средней влажности, сухой) 3. Заземляющее устройство применяется для электроустановки: _________________ (до 1000 В, до и выше 1000 В, свыше 1000 В) 4. Режим нейтрали: _______________________________________________________ 5. Удельное сопротивление грунта: ___________________________________Ом ´ м. 6. Расчётный ток замыкания на землю: ____________________________________ А. 7. Результаты измерений:
2. Измерения проведены приборами:
Примечание: к протоколу прилагается схема проведения измерений. Выводы: Заключение: ___________________________________________________________________________ ___________________________________________________________________________ Испытания провели: _____________ ____________ ____________ (должность) (подпись) (Ф. И. О.) ______________ ____________ ____________ (должность) (подпись) (Ф. И. О.) Протокол проверил: ______________ ____________ ____________ (должность) (подпись) (Ф. И. О.) Частичная или полная перепечатка и размножение только с разрешения испытательной лаборатории. Исправления не допускаются. Протокол распространяется только на элементы электроустановки, подвергнутые испытаниям. |
|||||||||||||||||||||||||||||||||||||||||||||||||||||||||||||||||||||||||||||||||||||||||||||||||
ПРОТОКОЛ № _____ Проверки наличия цепи между заземлёнными установками и элементами заземлённой установки Климатические условия при проведении измерений Температура воздуха _______ °С. Влажность воздуха _______ %. Атмосферное давление _______ мм. рт. ст. Цель измерений (испытаний) _________________________________________________________________________ (приёмо-сдаточные, сличительные, контрольные испытания, эксплуатационные, для целей сертификации) Нормативные и технические документы, на соответствие требованиям которых проведены измерения (испытания): ___________________________________________________________________________ 1. Результаты измерений
Проверена целостность проводников заземления и зануления, стабилизация разъёмных контактных соединений по II классу в соответствии с ГОСТ 10434 визуальным осмотром, надёжность сварных соединений - ударом молотка. Примечание: при приёмо-сдаточных испытаниях и испытаниях для целей сертификации проверяются переходные сопротивления контактных соединений защитных проводников, непрерывность которых измерением параметров цепи «фаза-нуль» проверить невозможно (например, проводники основной системы уравнивания потенциалов). 2. Измерения проведены приборами:
Выводы: Заключение: __________________________________________________________________________ __________________________________________________________________________ Испытания провели: ______________ ____________ _____________ (должность) (подпись) (Ф. И. О.) _____________ ____________ _____________ (должность) (подпись) (Ф. И. О.) Протокол проверил: ______________ ____________ _____________ (должность) (подпись) (Ф. И. О.) Частичная или полная перепечатка и размножение только с разрешения испытательной лаборатории. Исправления не допускаются. Протокол распространяется только на элементы электроустановки, подвергнутые испытаниям. |
||||||||||||||||||||||||||||||||||||||||||||||||||||||||||||||||||||||||||||||||||
Измерения проводятся с целью проверки соответствия сопротивления изоляции установленным нормам.
Измерения сопротивления изоляции мегаомметром разрешается выполнять в электроустановках напряжением выше 1000 В по наряду составом бригады не менее двух человек, один из которых должен иметь группу по электробезопасности не ниже IV.
В электроустановках напряжением до 1000 В измерения выполняются по распоряжению двумя работниками, один из которых должен иметь группу по электробезопасности не ниже III.
В электроустановках до 1000 В, расположенных в помещениях, кроме особо опасных в отношении поражения электрическим током, работник, имеющий группу III и право быть производителем работ, может проводить измерения единолично.
Измерения сопротивления изоляции ротора работающего генератора разрешается выполнять по распоряжению двумя работниками, имеющими IV и III группу по электробезопасности.
В случаях, когда измерения мегаомметром входят в содержание работ по испытаниям (например испытания электрооборудования повышенным напряжением промышленной частоты), оговаривать эти измерения в наряде или распоряжении не требуется.
Перечень необходимых технических мероприятий определяет лицо, выдающее наряд или распоряжение в соответствии с разделом 3 и главой 5.4. МПБЭЭ. Измерения сопротивления изоляции мегаомметром должно осуществляться на отключенных токоведущих частях, с которых снят заряд путем предварительного их заземления. Заземление с токоведущих частей следует снимать только после подключения мегаомметра.
Периодичность испытаний и минимальная допустимая величина сопротивления изоляции должны соответствовать указанным в нормах испытаний электрооборудования и аппаратов Правил устройства электроустановок (ПУЭ), Правил технической эксплуатации электроустановок потребителей (ПТЭЭП).
В соответствии с ГОСТ Р 50571.16-99 нормируемые величины сопротивления изоляции электроустановок зданий приведены в таблице 9.
Таблица 9
|
Испытательное напряжение постоянного тока, В |
Сопротивление изоляции, МОм |
|
|
Системы безопасного сверхнизкого напряжения (БССН) и функционального сверхнизкого напряжения (ФССН) |
250 |
³0,25 |
|
До 500 включительно, кроме систем БССН и ФССН |
500 |
³0,5* |
|
Выше 500 |
1000 |
³1,0 |
* Сопротивление стационарных бытовых электрических плит должно быть не менее 1 МОм.
Вместе с тем, в соответствии с гл. 1.8 ПУЭ для электроустановок, напряжением до 1000 В допустимые значения сопротивления изоляции представлены в таблице 10.
|
Испытуемый элемент |
Напряжение мегаомметра, В |
Наименьшее допустимое значение сопротивления изоляции, МОм |
|
1. Шины постоянного тока на щитах управления и в распределительных устройствах (при отсоединенных цепях) |
500 - 1000 |
10 |
|
2. Вторичные цепи каждого присоединения и цепи питания приводов выключателей и разъединителей1 |
500 - 1000 |
1 |
|
3. Цепи управления, защиты, автоматики и измерений, а также цепи возбуждения машин постоянного тока, присоединенные к силовым цепям |
500 - 1000 |
1 |
|
4. Вторичные цепи и элементы при питании от отдельного источника или через разделительный трансформатор, рассчитанные на рабочее напряжение 60 В и ниже2 |
500 |
0,5 |
|
5. Электропроводки, в том числе осветительные сети3 |
1000 |
0,5 |
|
6. Распределительные устройства4, щиты и токопроводы (шинопроводы) |
500 - 1000 |
0,5 |
1 Измерение производится со всеми присоединенными аппаратами (катушки проводов, контакторы, пускатели, автоматические выключатели, реле, приборы, вторичные обмотки трансформаторов тока и напряжения и т.п.)
2 Должны быть приняты меры для предотвращения повреждения устройств, в особенности микроэлектронных и полупроводниковых элементов.
3 Сопротивление изоляции измеряется между каждым проводом и землей, а также между каждыми двумя проводами.
4 Измеряется сопротивление изоляции каждой секции распределительного устройства.
Анализ этих требований показывает противоречия в части тестирующего напряжения и сопротивления изоляции для вторичных цепей напряжением до 60 В (ПУЭ, гл. 1.8) и систем БССН и ФССН, входящих в этот диапазон (50 В и ниже), согласно ГОСТ 50571.16-99.
Кроме того сопротивление внутренних цепей вводно-распределительных устройств, этажных и квартирных щитков жилых и общественных зданий в холодном состоянии в соответствии с требованиями ГОСТ 51732-2001 и ГОСТ 51628-2000 должно быть не менее 10 МОм (по ПУЭ, гл. 1.8 - не менее 0,5 МОм).
В данной ситуации при определении нормированных величин сопротивления изоляции до введения в действие соответствующих технических регламентов следует руководствоваться более четкими требованиями.
Для изменения сопротивления изоляции могут применяться мегаомметры типов: ЭСО 202/1, ЭСО 202/1-Г с выходным напряжением 500, 1000, 2500 В, М4100 и его модификации, Ф4100 электронного типа.
При измерении сопротивления изоляции необходимо учитывать следующее:
- измерение сопротивления изоляции кабелей (за исключением кабелей бронированных) сечением до 16 мм2 производится мегаометром на 1000 В, а выше 16 мм2 и бронированных - мегаометром на 2500 В; измерение сопротивления изоляции проводов всех сечений производится мегаометром на 1000 В.
При этом необходимо производить следующие замеры:
- на 2- и 3-проводных линиях - три замера: L-N, N-РЕ, L-PE;
- на 4-проводных линиях - 4 замера: L1-L2L3PEN, L2-L3L1PEN, L3-L1L2PEN, PEN-L1L2L3, или 6 замеров: L1-L2, L2-L3, L1-L3, L1-PEN, L2-PEN, L3-PEN;
- на 5-проводных линиях - 5 замеров: L1-L2L3NPE, L2-L1L3NPE, L3-L1L2NPE, N-L1L2L3PE, PE-NL1L2L3, или 10 замеров: L1-L2, L2-L3, L1-L3, L1-N, L2-N, L3-N, L1-PE, L2-РЕ, L3-РЕ, N-PE.
Если электропроводки, находящиеся в эксплуатации, имеют сопротивление изоляции менее 1 МОм, то заключение об их пригодности делается после испытания их переменным током промышленной частоты напряжением 1 кВ в соответствии с приведенными в данном издании рекомендациями.
Значение сопротивления изоляции электрических машин и аппаратов в большой степени зависит от температуры. Замеры следует производить при температуре изоляции не ниже +5 °С кроме случаев, оговоренных специальными инструкциями. При более низких температурах результаты измерения из-за нестабильного состояния влаги не отражают истинной характеристики изоляции. При существенных различиях между результатами измерений на месте монтажа и данными завода-изготовителя, обусловленных разностью температур, при которых проводились измерения, следует откорректировать эти результаты по указаниям изготовителя.
Степень увлажненности изоляции характеризуется коэффициентом абсорбции, равным отношению измеренного сопротивления изоляции через 60 секунд после приложения напряжения мегаомметра (R60) к измеренному сопротивлению изоляции через 15 секунд (R15), при этом:
![]()
При измерении сопротивления изоляции силовых трансформаторов используются мегаомметры с выходным напряжением 2500 В. Измерения проводятся между каждой обмоткой и корпусом и между обмотками трансформатора. При этом R60 должно быть приведено к результатам заводских испытаний в зависимости от разности температур, при которых проводились испытания. Значение коэффициента абсорбции должно отличаться (в сторону уменьшения) от заводских данных не более, чем на 20 %, а его величина должна быть не ниже 1,3 при температуре 10 - 30 °С. При невыполнении этих условий трансформатор подлежит сушке. Минимально допустимое сопротивление изоляции для установок, находящихся в эксплуатации, приведены в таблице 11.
Сопротивление изоляции автоматических выключателей и УЗО производятся:
3. Между всеми соединенными между собой полюсами и корпусом, обернутым металлической фольгой.
При этом для автоматических выключателей бытового и аналогичного назначения (ГОСТ Р 50345-99) и УЗО при измерениях по пп. 1, 2 сопротивление изоляции должно быть не менее 2 Мом, по п. 3 - не менее 5 Мом.
Для остальных автоматических выключателей (ГОСТ Р 50030.2-99) во всех случаях сопротивление изоляции должно быть не менее 0,5 Мом.
Таблица 11
Минимально допустимые значения сопротивления изоляции электроустановок напряжением до 1000 В
(Приложение 3; 3.1 ПТЭЭП)
|
Напряжение мегаомметра, В |
Сопротивление изоляции, МОм |
Примечание |
|
|
1 |
2 |
3 |
4 |
|
Электроизделия и аппараты на номинальное напряжение, В: |
|
|
|
|
до 50 |
100 |
Должно соответствовать указаниям изготовителей, но не менее 0,5 |
При измерениях полупроводниковые приборы в изделиях должны быть зашунтированы |
|
свыше 50 до 100 |
250 |
||
|
свыше 100 до 380 |
500 - 1000 |
||
|
свыше 380 |
1000 - 2500 |
||
|
Распределительные устройства, щиты и токопроводы |
1000 - 2500 |
Не менее 1 |
При измерениях полупроводниковые приборы в изделиях должны быть зашунтированы |
|
Электропроводки, в том числе осветительные сети |
1000 |
Не менее 0,5 |
Измерения сопротивления изоляции в особо опасных помещениях и наружных помещениях производятся 1 раз в год. В остальных случаях измерения производятся 1 раз в 3 года. При измерениях в силовых цепях должны быть приняты меры для предотвращения повреждения устройств, в особенности микроэлектронных и полупроводниковых приборов. В осветительных сетях должны быть вывинчены лампы, штепсельные розетки и выключатели присоединены |
|
Вторичные цепи распределительных устройств, цепи питания приводов выключателей и разъединителей, цепи управления, защиты, автоматики, телемеханики и т.п. |
1000 - 2500 |
Не менее 1 |
Измерения производятся со всеми присоединенными аппаратами (катушки, контакторы, пускатели, выключатели, реле, приборы, вторичные обмотки трансформаторов напряжения и тока) |
|
Краны и лифты |
1000 |
Не менее 0,5 |
Производится не реже 1 раз в год |
|
Стационарные электроплиты |
1000 |
Не менее 0,5 |
Производится при нагретом состоянии плиты не реже 1 раз в год |
|
Шинки постоянного тока и шинки напряжения на щитах управления |
500 - 1000 |
Не менее 10 |
Производится при отсоединенных цепях |
|
Цепи управления, защиты, автоматики, телемеханики, возбуждения машин постоянного тока на напряжение 500 - 1000 В, присоединенных к главным цепям |
500 - 1000 |
Не менее 1 |
Сопротивление изоляции цепей, напряжением до 60 В, питающихся от отдельного источника, измеряются мегаомметром на напряжение 500 В и должно быть не менее 0,5 МОм |
|
Цепи, содержащие устройства с микроэлектронными элементами, рассчитанные на напряжение, В: |
|
|
|
|
до 60 |
100 |
Не менее 0,5 |
|
|
выше 60 |
500 |
Не менее 0,5 |
|
|
Силовые кабельные линии |
2500 |
Не менее 0,5 |
Измерение производится в течение 1 мин. |
|
Обмотки статора синхронных электродвигателей |
1000 |
Не менее 1 |
При температуре 10 - 30 °С |
|
Вторичные обмотки измерительных трансформаторов |
1000 |
Не менее 1 |
Измерения производятся вместе с присоединенными к ним цепями |
Анализ требований ПУЭ (приемо-сдаточные испытания) и ПТЭПП (эксплуатационные испытания) к минимально допустимым значениям сопротивления изоляции показывает наличие серьезных противоречий, а именно: для распределительных устройств при приемо-сдаточных испытаниях достаточное сопротивление изоляции 0,5 МОм, а при межремонтных профилактических - 1 Мом.
Данное обстоятельство может привести к тому, что при приемо-сдаточных испытаниях РУ может быть признано годным, а при первых межремонтных - забракованным (при 0,5 < Rиз < 1 МОм).
При измерении сопротивления изоляции следует учитывать, что для присоединения мегаомметра к испытываемому объекту необходимо пользоваться гибкими проводами с изолирующими рукоятками на концах и ограничительными кольцами перед контактными щупами. Длина соединительных проводов должна быть минимальной исходя из условий проведения измерений, а сопротивление их изоляции не менее 10 МОм.
Измерения мегаомметрами типа ЭСО 202 проводятся в следующей последовательности:
- проверить отсутствие напряжения на испытываемом объекте;
- очистить изоляцию от пыли и грязи вблизи присоединения мегаомметра к испытываемому объекту;
- присоединить испытываемый объект к гнездам «r», «х», а экран объекта к гнезду «э»;
- переключатель диапазонов выходного напряжения установить в положение, соответствующее испытываемому объекту (табл. 8, 9), а переключатель диапазонов измерений - в положение I;
- для проведения измерений вращать рукоятку генератора со скоростью 120 - 140 оборотов в минуту или держать нажатой кнопку «Сеть» при питании мегаомметра от сети до устойчивого положения стрелки прибора;
- снять показания мегаомметра и оценить погрешность измерения в соответствии с методикой оценки погрешности (часть I настоящих рекомендаций).
Внимание! После каждого измерения необходимо снимать емкостной заряд путем кратковременного заземления частей испытываемого объекта, на которые подавалось выходное напряжение мегаомметра.
Результаты измерений оформляются протоколами, формы которых прилагаются.
ПРОТОКОЛ № _____ Проверки сопротивления изоляции проводов, кабелей и обмоток электрических машин Климатические условия при проведении измерений Температура воздуха _______ °С. Влажность воздуха _______ %. Атмосферное давление _______ мм. рт. ст. Цель измерений (испытаний) __________________________________________________________________________ (приёмо-сдаточные, сличительные, контрольные испытания, эксплуатационные, для целей сертификации) Нормативные и технические документы, на соответствие требованиям которых проведены измерения (испытания): ___________________________________________________________________________ 1. Результаты измерений
2. Измерения проведены приборами:
Примечание: Допустимое сопротивление изоляции проводов в электроустановке напряжением <60 В не менее 0,5 МОм. Выводы: Заключение: ___________________________________________________________________________ ___________________________________________________________________________ Испытания провели: ______________ _____________ _____________ (должность) (подпись) (Ф. И. О.) ______________ _____________ _____________ (должность) (подпись) (Ф. И. О.) Протокол проверил: ______________ _____________ _____________ (должность) (подпись) (Ф. И. О.) Частичная или полная перепечатка и размножение только с разрешения испытательной лаборатории. Исправления не допускаются. Протокол распространяется только на элементы электроустановки, подвергнутые испытаниям. |
|||||||||||||||||||||||||||||||||||||||||||||||||||||||||||||||||||||||||||||||||||||||||||||||||||||||||||||||||||||||||||||
ПРОТОКОЛ № _____ Проверки сопротивления изоляции электрических аппаратов Климатические условия при проведении измерений Температура воздуха _______ °С. Влажность воздуха _______ %. Атмосферное давление _______ мм. рт. ст. Цель измерений (испытаний) __________________________________________________________________________ (приёмо-сдаточные, сличительные, контрольные испытания, эксплуатационные, для целей сертификации) Нормативные и технические документы, на соответствие требованиям которых проведены измерения (испытания): ___________________________________________________________________________ 1. Результаты измерений
2. Измерения проведены приборами:
Выводы: Заключение: __________________________________________________________________________ __________________________________________________________________________ Испытания провели: ______________ _____________ _____________ (должность) (подпись) (Ф. И. О.) ______________ _____________ _____________ (должность) (подпись) (Ф. И. О.) Протокол проверил: ______________ _____________ _____________ (должность) (подпись) (Ф. И. О.) Частичная или полная перепечатка и размножение только с разрешения испытательной лаборатории. Исправления не допускаются. Протокол распространяется только на элементы электроустановки, подвергнутые испытаниям. |
||||||||||||||||||||||||||||||||||||||||||||||||||||||||||||||||||||||||||||||||||||||||||||||||||||||||||||||||||||||||||||||||||||||||||||||||||||||||||||||||||||||
Целью испытаний является определение наличия необходимого запаса диэлектрической прочности изоляции электрооборудования путем воздействия на нее повышенным напряжением промышленной частоты в течение определенного времени.
Указанный запас прочности изоляции считается обеспеченным, если в течение времени приложения испытательного напряжения не произошло пробоя (периодических пробоев) или колебаний токов утечки изоляции.
Испытания изоляции электрооборудования повышенным напряжением проводятся по наряду-допуску бригадой, численным составом не менее двух человек, один из которых (производитель работ) должен иметь не ниже IV группы по электробезопасности, второй (член бригады) - не ниже III.
Член бригады, которому поручается охрана, должен иметь II группу по электробезопасности.
Испытательные установки (электролаборатории) должны быть зарегистрированы в органах Госэнергонадзора.
Особое внимание следует обратить на недопустимость одновременного проведения испытаний и других работ разными бригадами в пределах одного присоединения.
Перечень необходимых технических мероприятий определяет лицо, выдающее наряд в соответствии с разделами 3 и 5 МПБЭЭ.
Особое внимание следует обратить на следующие мероприятия:
- присоединение испытательной установки к испытываемому электрооборудованию и отсоединение ее, а также наложение и снятие переносных заземлений производятся каждый раз только по указанию руководителя испытаний одним и тем же членом бригады и выполняются в диэлектрических перчатках;
- провода, кабели, перемычки, которыми выполняются временные соединения при сборке испытательной схемы, должны четко отличаться от стационарных соединений электрооборудования;
- место испытаний, временные соединения, испытываемые цепи и аппараты должны быть ограждены и выставлен наблюдающий, двери помещений, в которых находятся противоположные концы испытываемых кабелей, должны быть заперты, на ограждениях и дверях должны быть вывешены плакаты: «Испытания, опасно для жизни». Если двери не заперты, должна быть выставлена охрана из членов бригады, имеющих II группу по электробезопасности.
Испытания электрооборудования повышенным напряжением проводятся перед приемкой в эксплуатацию, в сроки, предусмотренные графиком планово-предупредительных ремонтов и профилактических испытаний электрооборудования.
Нормы, условия испытаний и порядок их проведения представлены в таблице 12.
Таблица 12
|
Нормы испытания |
Указания |
|
|
1 |
2 |
3 |
|
1. Изоляция обмоток и токоведущих частей кабеля ручного электроинструмента относительно корпуса и наружных металлических деталей |
Для электроинструмента напряжением до 50 В испытательное напряжение - 550 В, для электроинструмента напряжением выше 50 В, мощностью до 1 кВт - 900 В, мощностью более 1 кВт - 1350 В. Время испытаний - 1 мин. |
У электроинструмента корпус и соединенные с ним детали, выполненные из диэлектрического материала, должны быть обернуты металлической фольгой и соединены с заземлителем. Если сопротивление изоляции не менее 10 МОм, то испытание изоляции повышенным напряжением можно заменить одноминутным измерением сопротивления изоляции мегаомметром, напряжением 2500 В |
|
2. Изоляция обмоток понижающих трансформаторов |
При номинальном напряжении первичной обмотки трансформатора 127 - 220 В испытательное напряжение 1350 В, при номинальном напряжении первичной обмотки 380 - 440 В испытательное напряжение 1800 В. Длительность испытаний - 1 мин. |
Испытательное напряжение прикладывается поочередно к каждой из обмоток. При этом остальные обмотки должны быть соединены с заземленным корпусом и магнитопроводом |
|
3. Изоляция распределительных устройств, элементов приводов выключателей, короткозамыкателей, отделителей, аппаратов, а также вторичных цепей управления, защиты, автоматики, телемеханики, измерения со всеми присоединительными аппаратами, напряжением выше 60 В, не содержащих устройств с микроэлектронными элементами |
Испытательное напряжение 1000 В. Продолжительность испытаний - 1 мин. |
Допускается вместо испытаний напряжением промышленной частоты одноминутное измерение сопротивления изоляции мегаомметром, напряжением 2500 В, кроме цепей релейной защиты и автоматики |
|
4 Изоляция силовых и осветительных электропроводок |
Испытательное напряжение 1000 В. Продолжительность испытаний - 1 мин. |
Производится в случае, если измеренное сопротивление изоляции оказалось меньше 1 МОм |
|
6. Кабели напряжением до 10 кВ |
Испытательное напряжение в зависимости от номинального рабочего, кВ, для кабелей: |
|
|
- с бумажной изоляцией |
||
|
2 - 12 (10-17) |
||
|
3 - 18 (15 - 25) |
||
|
6 - 36 (36) |
||
|
10 - 60 (60) |
||
|
- с резиновой изоляцией |
||
|
3 - 6 (6) |
||
|
6 - 12 (12) |
||
|
10 - 20 (20) |
||
|
Без скобок указанные значения испытательных напряжений при приемосдаточных испытаниях, в скобках - при эксплуатационных. Длительность приложения испытательного напряжения при приемо-сдаточных испытаниях - 10 мин., при эксплуатационных - 5 мин. Для кабелей с резиновой изоляцией длительность приложения испытательного напряжения при всех видах испытаний - 5 мин. |
Для испытания электрооборудования повышенным напряжением могут быть использованы следующие приборы и оборудование:
- установка пробойная испытательная УПИ-3, диапазон изменения выходного напряжения (0 - 3000) В;
- аппарат испытания изоляции АИИ-2, диапазон изменения выходного напряжения (0 - 2000) В;
- испытательная установка АИМ-80, диапазон изменения выходного напряжения: ~U - (0 - 42) кВ; -U - (0 - 60) кВ;
- переносной малогабаритный аппарат ИКМ-10М, диапазон изменения выходного напряжения: ~U - (0 - 42) кВ; -U - (0 - 60) кВ;
- испытательная установка АИД-70, диапазон изменения выпрямленного напряжения (0 - 70) кВ;
- мегаомметры типа Ф4102 и ЭСО202 с выходным напряжением 2500 В.
5.1. Измерить сопротивление изоляции испытываемого объекта.
5.2. Собрать испытательную схему в следующей последовательности:
- подготовить к работе испытательную установку в соответствии с инструкцией завода-изготовителя;
- наложить переносное заземление на высоковольтный вывод испытательной установки;
- произвести необходимые отключения (отсоединения) испытуемого электрооборудования;
- наложить переносные заземления на испытуемое электрооборудование или включить заземляющие ножи;
- установить регулятор напряжения испытательной установки в положение, соответствующее нулевому значению напряжения на выходе;
- присоединить высоковольтный вывод к испытываемому объекту (шина, кабель, провод, вывод обмотки двигателя, трансформатора и т.д.);
- снять переносное заземление с высоковольтного вывода испытательной установки (с этого момента производить изменения в схеме испытаний категорически запрещено).
Все изменения в испытательной схеме производить только при отсоединенном и заземленном высоковольтном выводе;
- включить испытательную установку в сеть.
Перед снятием переносного заземления с высоковольтного вывода и включением испытательной установки в сеть производитель работ обязан громко и отчетливо предупредить бригаду о подаче напряжения на испытываемый объект и убедиться, что его предупреждение услышано всеми членами бригады.
5.3. После включения испытательной установки необходимо увеличить выходное напряжение от нуля до испытательного значения. Скорость подъема напряжения до 1/3 испытательного значения может быть произвольной. После этого скорость подъема испытательного напряжения должна допускать визуальный отсчет по измерительным приборам и по достижении установленного значения напряжения оно должно поддерживаться неизменным в течение требуемого времени испытаний.
По истечении времени испытаний напряжение плавно снижается до нуля, после чего испытательную установку можно отключить. После этого необходимо повторно измерить сопротивление испытанной изоляции.
5.4. Измерить сопротивление испытанной изоляции.
Результаты испытаний повышенным напряжением считаются удовлетворительными, если в течение времени испытаний не было скользящих разрядов, толчков тока утечки или нарастания установившегося значения тока, пробоев или перекрытий изоляцией и сопротивление изоляции после испытаний повышенным напряжением осталось прежним. Следует помнить, что испытаниям, повышенным напряжением должен предшествовать тщательный внешний осмотр испытываемого оборудования. Если в результате осмотра выявлены явные дефекты изоляции, то независимо от результатов испытаний данное электрооборудование подлежит ремонту или замене. Результаты испытаний оформляются протоколом, форма которого прилагается.
Протокол № ___ от «___» _____________ 200 __ г. Испытания изоляции повышенным напряжением __________________ тока (пост. или перем.) Измерения проводились устройством (прибором) _____________ заводской № _____ дата поверки __________________
Заключение: _______________________________________________________________ _______________________________________________________________ Исполнители: _______________ _______________ _____________ _________________ _______________ _____________ Проверил: __________________ _______________ _____________ (должность) (подпись) (Ф. И. О.) |
||||||||||||||||||||||||||||||||||||||||||||||||||||||||||||||||||||
Однофазные повреждения - самый распространенный вид повреждений силовых кабельных линий напряжением 1 - 10 кВ. При этом виде повреждений одна из жил кабеля замыкается на его экранирующую оболочку.
Однофазные повреждения можно разделить на три группы по значению переходного сопротивления в месте замыкания.
К первой группе относятся повреждения с переходным сопротивлением, равным десяткам и сотням мегаом (заплывающий пробой). Ко второй группе относятся повреждения с переходным сопротивлением от единиц ом до сотен килоом и к третьей группе - повреждения с сопротивлением, близким к нулю.
Междуфазные повреждения составляют около 20 % всех видов повреждений кабельных линий. Их можно разделить на две группы.
К первой относятся повреждения с переходным сопротивлением в месте дефекта, близким к нулю, и ко второй группе - с сопротивлением от единиц килоом до сотен мегаом.
В первом случае часто все три жилы свариваются между собой и с экранирующей оболочкой. При большом токе короткого замыкания кабель может перегореть на две части. При междуфазных повреждениях, относящихся ко второй группе, обычно между жилами и оболочкой кабеля имеется переходное сопротивление, и замыкание между собой двух жил происходит через экранирующую оболочку. Замыкание двух жил между собой без замыкания на оболочку происходит редко.
Данный вид повреждения образуется из-за перемещения слоев почвы в местах расположения муфт, вследствие чего происходит вытягивание жил кабеля, а в муфтах, как правило, разрыв жил (растяжка).
Разрыв жил кабельных линий может произойти также из-за различных механических воздействий или заводского брака.
Для поиска места повреждения кабеля необходимо определить вид повреждения, что позволит выбрать наиболее эффективный метод определения места повреждения. Для этого на отсоединенном кабеле мегаомметром и омметром необходимо измерить сопротивление изоляции между жилами, каждой жилой и оболочкой кабеля, а также сопротивление жил кабеля.
По результатам измерений можно определить вид повреждения с переходным сопротивлением в месте повреждения от нуля до сотен килоом.
Однако при больших значениях переходных сопротивлений определить, таким образом, вид повреждения затруднительно. В этом случае необходимо испытать кабель повышенным напряжением постоянного тока.
Для этого поочередно прикладывая высокое напряжение между жилами и между каждой жилой и оболочкой кабеля, плавно увеличивая его от нуля до значения, вызывающего резкие изменения тока утечки (но не выше испытательного для конкретного кабеля), по характеру изменения тока утечки определяется вид повреждения.
Для эффективного использования существующих методов определения места повреждения кабельных линий необходимо, чтобы переходное сопротивление изоляции в месте повреждения было от единиц до десятков килоом.
В большинстве случаев для этого необходимо прожигание изоляции кабельных муфт, прожигание изоляции кабельных жил в месте их повреждения и разрушение металлического спая (сварки) жил кабеля и оболочки при однофазных повреждениях.
После снижения сопротивления в месте повреждения используется один из самых эффективных методов - акустический.
В случае невозможности определения места однофазного повреждения на трассе кабельной линии акустическим методом (сильные акустические помехи, большая глубина прокладки кабеля, отсутствие документации на прокладку кабеля и т.д.) производят прожигание места повреждения с помощью силовой прожигающей установки в целях перевода однофазного повреждения в междуфазное (двухфазное).
Определение места повреждения в этом случае осуществляют индукционным методом.
Описание методов определения мест повреждений кабельных линий приведены в разделах 3, 4 настоящей методики.
Прожигание производят за счет энергии, выделяющейся в канале пробоя. При этом происходит обугливание изоляции в месте повреждения и снижение переходного сопротивления.
Следует отметить, что прожигание также позволяет сравнительно просто выявлять повреждения в концевых заделках и на вскрытых кабелях по нагреву, появлению дыма и запаха гари. Следует иметь в виду, что эффективный прожиг имеет место лишь до тех пор, пока значение сопротивления в месте повреждения имеет тот же порядок, что и внутреннее сопротивление прожигательной установки.
Практически нельзя создать прожигательную установку, обеспечивающую достаточно высокое напряжение и малое внутреннее сопротивление. Поэтому единственно целесообразным методом прожигания является ступенчатый способ.
Сущность его состоит в смене источников питания по мере снижения напряжения пробоя и сопротивления в месте повреждения. Источник питания более низкого напряжения легче сконструировать с меньшим внутренним сопротивлением. В настоящее время прожигающие установки имеют от 3 до 6 ступеней прожигания.
Прожигание может проводиться как на постоянном, так и на переменном токе. Верхние ступени прожигания выполняются на выпрямленном напряжении, а последняя ступень на переменном напряжении.
Рассмотрим три основных случая прожигания в силовых кабелях.
В кабельных муфтах возникают повреждения, вызванные дефектом монтажа, а также воздействием климатических факторов (возникновение трещин и пустот в мастике). Данный вид повреждений выявляется при профилактических испытаниях.
С помощью испытательной высоковольтной установки на поврежденной жиле кабеля, поднимается напряжение до пробоя.
При этом, если после нескольких пробоев напряжение пробоя не снижается или при сниженном напряжении электрическая прочность вновь возрастает, то такой характер процесса указывает на повреждения соединительных (и очень редко концевых) муфт.
В соединительных муфтах часто образуются трещины, пустоты, играющие роль как бы разрядников в газовой среде. Газы образуются вследствие разложения кабельной массы под действием дуги.
В момент пробоя в таких полостях давление резко повышается, способствуя гашению дуги. Кроме того, разряды в муфтах по более удлиненным, чем в кабеле, путям расплавляют кабельную массу, заливая канал разряда свежей массой. Такие пробои носят название «заплывающий пробой».
Если через 5 - 10 мин непрерывного повторения пробоев разрядное напряжение не снижается, прожигание следует прекратить. Для определения места повреждения кабельной линии в этом случае необходимо использовать один из методов, наиболее соответствующий значению достигнутого переходного сопротивления.
При профилактических испытаниях повреждение может быть выявлено непосредственно в кабеле. При этом, если изоляция хорошо пропитана маслом, пробои могут повторяться длительное время до 5 - 10 мин, а иногда и дольше.
После многократного повторения разрядов напряжение пробоя начинает снижаться, что позволяет (при максимальном значении тока испытательной установки) иметь повышенную частоту пробоев.
Как только напряжение пробоя снизится до более низких значений, включают прожигательную установку на верхнюю ступень прожигания.
После того как произойдет осушение и обугливание изоляции, процесс непрерывного чередования заряда и разряда в кабеле переходит в устойчивое протекание тока через место повреждения с постепенным снижением переходного сопротивления.
При этом, как только удается снизить напряжение прожигания, необходимо переключить прожигательную установку на более низкую ступень прожигания. В процессе прожигания сопротивление в месте повреждения может увеличиться и в этом случае необходимо вернуться на более высокую ступень прожигания, чтобы добиться снижения сопротивления в месте повреждения и напряжения прожигания. На низких ступенях прожигания при больших токах в канал повреждения попадают частицы расплавленного металла, как жилы, так и оболочки кабеля, что вызывает значительное снижение сопротивления в месте повреждения. При образовании сплошного металлического канала переходное сопротивление снижается до долей ома.
В случае, когда необходимо перевести однофазное повреждение в междуфазное, используется схема, изображенная на рис. 12.
Рис. 12. Схема подключения оборудования при переводе однофазного повреждения в междуфазное (двухфазное):
1 - испытательная установка постоянного тока; 2 - прожигательная установка; 3 - разрядник; 4 - поврежденный кабель
С помощью прожигательной установки осуществляется прожигание изоляции поврежденной жилы L3 кабеля. Испытательная установка постоянного тока включена на две неповрежденные жилы и через разрядник к поврежденной жиле L3.
Емкость двух жил кабеля заряжается с помощью испытательной установки до напряжения пробоя разрядника, которое устанавливается равным 5 - 10 кВ, и импульс тока разряда разрушает образующийся под действием тока от прожигательной установки проводящий мостик в месте повреждения.
Периодическое создание за счет тока прожигания и разрушение вследствие тока разряда емкости двух неповрежденных жил проводящего мостика увеличивает объем разрушения изоляции.
Наличие напряжения от испытательной установки на неповрежденных жилах кабеля в переходном режиме увеличивает вероятность пробоя этих жил на поврежденную. В случае пробоя становится невозможным поднять напряжение от испытательной установки, вследствие чего перестает срабатывать разрядник.
Следует отметить, что не всегда удается перевести однофазное замыкание в междуфазное, а увеличение напряжения испытательной установки и напряжения срабатывания разрядника может привести к пробою изоляции жил кабеля в другом месте.
В случае, когда прожигание происходит в течение длительного времени при постоянном токе от прожигательной установки, а сопротивление в месте повреждения не снижается и составляет около 1000 - 5000 Ом, прожигание следует прекратить, так как место повреждения с отверстием в оболочке кабеля может находиться во влажной среде.
Снизить сопротивление в месте дефекта при таких повреждениях не удается.
Если через поврежденную жилу кабеля длительно протекал ток однофазного короткого замыкания на оболочку, то в месте повреждения возможно сваривание токоведущей жилы с экранирующей оболочкой.
Разрушить место сварки прожиганием часто не удается, без чего не всегда можно определить место повреждения на трассе кабельной линии.
Для разрушения места спая можно использовать батарею конденсаторов, емкость которой изменяется в зависимости от их соединения (параллельное, последовательное) от 5 до 200 мкф при напряжении заряда 30 и 5 кВ соответственно.
При этом дополнительно используется емкость неповрежденных жил кабеля относительно оболочки.
Конденсаторы, подключенные к поврежденной жиле и оболочке кабеля через управляемый разрядник, заряжаются от высоковольтной испытательной установки.
При импульсном разряде конденсаторов происходит разрушение проводящего спая за счет ударных электродинамических воздействий, сопровождающих протекание тока разряда.
При достаточно прочных спаях, когда подобным способом разрушить их не удается, используют «отжигающие» установки, представляющие собой регулируемые выпрямительные устройства с пределами измерения выпрямленного тока от нуля до 1000 А.
В этом случае разрушение спая происходит за счет его расплавления при прохождении через него тока большой величины.
Методы определения расстояния от места измерения (начала кабеля) до места повреждения называются относительными методами.
Относительные методы не гарантируют высокую точность определения места повреждения.
Эти методы лишь указывают зону, в которой имеется повреждение, и дают возможность использовать именно в этой зоне абсолютные методы, то есть методы, с помощью которых можно точно определить место повреждения. Описания абсолютных методов приведены в разд. 4 настоящей методики.
С помощью импульсного метода можно измерить полную длину кабельной линии, определить расстояние до места повреждения, имеющего переходное сопротивление менее 200 Ом, а также расстояние до разрывов (растяжек) жил кабеля.
Принцип импульсного метода заключается в том, что в поврежденную кабельную линию посылаются импульсы напряжения (зондирующие импульсы).
Вследствие неоднородности волнового сопротивления, вызванной повреждением кабеля, возникают отраженные сигналы от мест повреждений. Эти сигналы фиксируются на экране прибора, который определяет неоднородность кабельной линии (Р5-10, Р5-11).
Схема, реализующая данный метод, представлена на рис. 13.
Неоднородности волнового сопротивления появляются в соединительных муфтах в местах однофазных и междуфазных повреждений кабеля с переходным сопротивлением в месте повреждения менее 200 Ом, в растяжках жил кабеля, в конце кабельной линии.
Рис. 13. Схема подключения измерителя неоднородностей линии к поврежденному кабелю
1 - измеритель неоднородностей линии Р5-10, (Р5-11); 2 - соединительный кабель; 3 - провод защитного заземления; 4 - поврежденный силовой кабель
Импульсные характеристики кабельной линии с различными видами повреждений показаны на рис. 14.
Рис. 14. Импульсная характеристика кабельной линии при:
а - измерении расстояния до обрыва или полной длины кабеля;
б - измерении расстояния до короткого замыкания в кабеле
1 - начало кабельной линии; 2 - отражение импульса от муфты; 3 - отражение импульса от обрыва или полной длины кабельной линии (а), отражение импульса от замыкания (б)
При определении расстояния до места обрыва (растяжки) или измерении полной длины кабеля полярность отраженного сигнала совпадает с полярностью зондирующего импульса. На экране прибора при этом наблюдается всплеск сигнала (рис. 14а). Полярность сигнала, отраженного от места замыкания жилы, противоположна полярности зондирующего импульса (рис. 14б). На экране прибора при этом наблюдается провал сигнала. При значительных помехах, например от блуждающих токов, измерители неоднородности подключают к поврежденной и неповрежденной жилам. В случае, если невозможно снизить сопротивление в месте повреждения ниже 200 Ом, можно провести сравнение импульсных характеристик поврежденной и неповрежденной жил кабеля. На тех участках импульсных характеристик, где имеются заметные различия, можно предполагать наличие повреждения.
При определении расстояний до мест однофазных повреждений с переходным сопротивлением в месте повреждения, равным десяткам и сотням мегаом («заплывающий пробой»), используется метод колебательного разряда.
Схема подключения приборов при определении расстояния до места «заплывающего пробоя» показана на рис. 15.
Место повреждения пробивается напряжением высоковольтной испытательной установки. Электромагнитный импульс, возникающий в месте пробоя, распространяется в разные стороны со скоростью 160 м/мкс. Достигнув начала линии, он фиксируется измерителем расстояния до места повреждения кабеля (t1, рис. 16). Расстояние до места повреждения кабеля при этом определяется по формуле:
![]()
где:
t1 - передний фронт прямоугольного импульса измерителя при приходе на него прямого сигнала;
t3 - задний фронт того же импульса при переходе на измеритель отраженного от места повреждения сигнала.
На эпюре колебательного процесса при пробое места повреждения видны всплески сигнала в момент времени tn1 и tn2, что обусловлено некоторой неоднородностью волнового сопротивления неповрежденного участка кабеля, которые могут вызвать ложные срабатывания измерителя, что приведет к неправильному измерению расстояния до места повреждения.
Для исключения ложных срабатываний в измерителях предусматривается плавное изменение уровня входного сигнала и введение импульсов задержки, которые нейтрализуют сигналы помех.
Рис. 15. Схема подключения приборов при измерении расстояния до места «заплывающего» пробоя в трехфазном кабеле:
1 - высоковольтная испытательная установка; 2 - резистор, ограничивающий ток заряда конденсаторов С; 3 - измеритель расстояния до места повреждения в кабеле ЦРО200; 4 - соединительный кабель; 5 - провод защитного заземления измерителя ЦРО200; 6 - цепь заземления высоковольтной выпрямительной установки; 7 - поврежденный силовой кабель
Рис. 16. Эпюры напряжений колебательного процесса при пробое заряженной кабельной линии, снятые на зажимах кабеля, и эпюры напряжений после дифференцирования колебательного процесса входными цепями измерителя:
t0 - время начала пробоя в поврежденной жиле кабеля; t1 - время прихода электромагнитной волны к началу кабеля; tn1, tn2 - время прихода отраженной от неоднородности электромагнитной волны; t2 - время прихода отраженной волны к месту пробоя; t3 - время прихода отраженной от места пробоя электромагнитной волны к началу кабеля
В настоящее время для измерения расстояния до места пробоя («заплывающий пробой») промышленностью выпускается измеритель расстояния до места повреждения кабеля ЦР0200 взамен выпускаемого ранее измерителя Щ4120.
Волновой метод применяется в случае, если сопротивление в месте повреждения составляет от нуля ом до сотен килоом.
На рис. 17 показана принципиальная схема подключения приборов при измерении расстояния до места повреждения с переходным сопротивлением от единиц до сотен килоом при установке измерителя ЦР0200 и присоединительного устройства тока в передвижной измерительной лаборатории.
Рис. 17. Схема, используемая для определения расстояния до места повреждения КЛ волновым методом
1 - высоковольтная испытательная установка; 2 - резистор, ограничивающий ток заряда батареи конденсаторов; 3 - управляемый разрядник; 4 - высоковольтный экранированный кабель; 5 - батарея конденсаторов; 6 - поврежденный кабель; 7 - присоединительное устройство (датчик тока); 8 - экранированный соединительный кабель
В основу данного метода положено известное явление отражения электромагнитных импульсов от мест повреждения КЛ.
Заряженная от высоковольтной испытательной установки батарея конденсаторов разряжается при возникновении пробоя (при большом переходном сопротивлении в месте повреждения) или при достижении напряжения срабатывания разрядника (при малых сопротивлениях в месте повреждения кабеля).
В обоих случаях электромагнитный импульс поочередно отражаясь от места повреждения и источника (батареи конденсаторов) вызывает затухающий колебательный процесс в цепи разряда конденсатора, период которого пропорционален расстоянию от источника импульсов (батареи конденсаторов) до места повреждения. Эпюры тока в цепи конденсатора и напряжения на входе измерителя представлены на рис. 18.
Рис. 18. Эпюры тока в цепи конденсатора и эпюры напряжения на выходе присоединительного устройства
t0 - момент начала пробоя в поврежденной жиле кабеля; Dt - время пробоя; t1, t2, t3, ... - момент прихода отраженных импульсов к началу кабеля
На эпюрах видно, что интервал времени t0 - t1 между первым прямым и отраженными импульсами не равен интервалам времени между последующими прямыми и отраженными импульсами (t1 - t2; t2 - t3 и т.д.) Разность DT определяется временем пробоя места повреждения или разрядника (крутизной фронта импульса).
Следовательно для того, чтобы измерить точно расстояние до места повреждения, следует измерить временной интервал t1 - t2 или t2 - t3, или t3 - t4 и т.д.
В кабельных линиях могут иметься значительные неоднородности волнового сопротивления по длине линии, вызванные соединением кабелей различных типов и сечений, а также соединительными муфтами.
Такие неоднородности вызывают дополнительные отражения электромагнитных волн, что приводит к ложным измерениям.
Ложные измерения вследствие таких помех могут быть исключены путем регулируемого уменьшения чувствительности прибора и путем введения регулируемых по времени импульсов задержки срабатывания схемы прибора как в цепи пуска прибора (в интервале времени t0 - t1), так и в цепи останова прибора (в интервале времени (t1 - t2).
Для определения этих видов повреждений применяется измеритель расстояния до места повреждения кабеля ЦРО200, использующий волновой метод и обладающий вышеперечисленными возможностями.
При определении места повреждения защитной пластмассовой изоляции используется петлевой метод. Схема подключения приборов при использовании петлевого метода показана на рис. 19.
Необходимым условием для определения расстояния до места повреждения пластмассовой защитной оболочки является снятие заземления с концевых воронок и полная уверенность в том, что все муфты, установленные по трассе кабеля, изолированы от земли.
В противном случае применить петлевой метод невозможно.
Для определения расстояния до места повреждения переключатель устанавливается в положение I. Ток от источника протекает по цепи: экранирующая оболочка кабеля (длина lх), сопротивление в месте повреждения и заземленный вывод источника.
При этом с помощью вольтметра производят измерение напряжения на участке lх (U1). Далее переключатель устанавливают в положение II.
При этом ток от источника будет протекать по цепи: неповрежденная жила кабеля, экранирующая оболочка кабеля (участок L - lх), сопротивление в месте повреждения и заземленный вывод источника.
С помощью вольтметра производят измерение падения напряжения на участке L - lх (U2). На основании уравнения
![]()
определяем:
![]()
Точность определения расстояния до места повреждения пластмассовой изоляции данным методом невелика и составляет всего лишь около ±15 %.
Это обстоятельство и условие изоляции всех муфт на трассе кабеля от земли ограничивает применение данного метода.
Рис. 19. Схема подключения приборов и установки перемычек при использовании петлевого метода:
1 - источник постоянного тока; 2 - алюминиевая оболочка кабеля; 3 - пластмассовая оболочка кабеля; 4 - место повреждения пластмассовой оболочки кабеля; 5 - переключатель
Акустический метод основан на прослушивании над местом повреждения кабельной линии звуковых колебаний, вызванных искровым разрядом в канале повреждения. Акустический метод практически универсален и в большинстве случаев является основным абсолютным методом. Им можно определять повреждения различного характера: однофазные и междуфазные замыкания с различными переходными сопротивлениями, обрывы одной, двух или всех жил.
В отдельных случаях возможно определение нескольких повреждений на одной кабельной линии.
Искровые разряды, получаемые в месте повреждения кабеля, образуются двумя способами.
При «заплывающем пробое», который, как правило, обнаруживается при контрольных испытаниях, повреждение, в основном, бывает в муфтах.
Сопротивление в месте повреждения большое - единицы и десятки мегаом.
С помощью испытательной установки постоянного тока (см. рис. 15) к поврежденной жиле прикладывается напряжение (не более 5Uном, где Uном - рабочее напряжение кабеля).
Как только в месте повреждения происходит пробой, определяют расстояние до места повреждения с помощью метода колебательного разряда (п. 3.2).
После первого пробоя сопротивление в поврежденной жиле кабеля восстанавливается и напряжение от испытательной установки постоянного тока возрастает опять до напряжения пробоя. Такая периодичность пробоев может продолжаться длительное время. В зоне измеренного расстояния до места повреждения оператор, передвигаясь вдоль трассы кабельной линии, четко фиксирует акустические сигналы, вызываемые пробоями в месте повреждения.
При замыканиях, имеющих переходное сопротивление в месте повреждения от единиц ом до десятков килоом, используется высоковольтная установка постоянного тока, с помощью которой производится заряд конденсатора, после чего через разрядник (разрядник может быть как управляемый, так и неуправляемый - воздушный) в месте повреждения происходит пробой, вызывающий акустический сигнал. В передвижных измерительных лабораториях имеются, как правило, две группы высоковольтных конденсаторов. Одна группа на рабочее напряжение до 5 кВ при емкости конденсаторов до 200 мкф (низковольтная акустика), другая группа на рабочее напряжение до 30 кВ при емкости конденсаторов до 5 мкф (высоковольтная акустика).
Установки для заряда конденсаторов первой группы имеют большую мощность, которая необходима для быстрой зарядки конденсаторов большой емкости (единицы секунд).
Если при использовании первой группы конденсаторов невозможно создать пробой вследствие большого сопротивления в месте повреждения, то необходимо использовать вторую группу конденсаторов. Оператор, перемещаясь вдоль трассы кабельной линии в предполагаемой зоне повреждения, измеренной импульсным или волновым методом, может точно определить место повреждения следующим способом.
При использовании кабелеискателя, например, КАИ-80, имеющего один канал усиления, сигнал от акустического преобразователя усиливается приемником и поступает на стрелочный индикатор и головные телефоны. Передвигаясь по трассе кабельной линии, оператор прослушивает сигналы с помощью головных телефонов и только в месте непосредственного повреждения кабеля, когда акустические сигналы четко фиксируются, необходимо с помощью стрелочного индикатора выявить на трассе точку с максимальным отклонением стрелки, где и находится повреждение.
При использовании кабелеискателя, например, КАИ-90, имеющего два канала усиления (один для усиления сигналов акустического преобразователя, а другой для усиления сигналов, наведенных в индукционном преобразователе), поиск осуществляется следующим образом.
При перемещении вдоль кабельной линии сигнал, наведенный в индукционном преобразователе, поступает через усилительный тракт приемника на стрелочный индикатор, а сигнал с акустического преобразователя поступает через свой усилительный тракт на головные телефоны.
В зоне места повреждения, когда становится слышен акустический сигнал в головных телефонах, следует перейти в режим акустического поиска.
При этом акустический сигнал будет поступать через усилительный тракт приемника КАИ-90 как на головные телефоны, так и на стрелочный индикатор, по которому при максимальном его отклонении можно найти точное место повреждения.
При определении места растяжки (разрыва) жил в кабеле высоковольтную испытательную установку постоянного тока подключают поочередно к одной из жил или сразу ко всем трем жилам кабеля (рис. 20).
При подъеме испытательного напряжения до 5Uном зa счет ослабленной изоляции возникает пробой в месте разрыва между одной из жил и оболочкой кабеля. В случае, если пробой в месте повреждения не происходит, необходимо установить перемычку на дальнем конце кабеля между всеми жилами и оболочкой кабеля.
В этом случае при поднятии испытательного напряжения пробой происходит в месте разрыва жил кабеля.
В обоих случаях место повреждения находится акустическим методом.
Рис. 20. Схема подключения высоковольтной испытательной установки при растяжке жил в кабеле:
1 - высоковольтная испытательная установка; 2 - поврежденный кабель; 3 - перемычка между жилами и оболочкой кабеля
Индукционно-импульсный метод используется при определении места повреждения вида «заплывающий пробой» на трассе кабельной линии. Определение места пробоя в кабеле производится методом контроля направления распространения электромагнитных волн, возникших в месте пробоя.
Так как при пробое возникают электромагнитные волны, направленные от места повреждения к концам кабельной линии, то место на трассе кабельной линии, в котором происходит изменение направления волн, соответствует месту повреждения.
Для определения места «заплывающего пробоя» кабельной линии к поврежденной жиле кабеля подключают высоковольтную установку и плавно поднимают постоянное напряжение до обеспечения периодических пробоев в кабеле.
Методом колебательного разряда производят измерение расстояния до места повреждения.
Точный поиск места повреждения в найденной зоне производится индукционно-импульсным кабеле искателем КИИ-83 или КИИ-89, переносимым вдоль трассы при создании в линии периодических пробоев.
При каждом пробое в линии в индукционном преобразователе (датчике) наводится напряжение, полярность которого фиксируется кабеле искателем (отклонением стрелки прибора).
Если место повреждения будет пройдено, то прибор будет фиксировать другой знак полярности, что является основанием для возвращения назад, и точного определения места повреждения кабеля.
Кабеле искатели КИИ-83 и КИИ-89 позволяют однозначно определить, в каком направлении следует вести поиск вдоль трассы линии, чтобы приблизиться к месту повреждения.
Это исключает ошибочные действия оператора. На трассе кабельной линии в зоне предполагаемого места повреждения (при изменении знака показывающего прибора) целесообразно для более точного определения места повреждения использовать акустический метод.
Индукционный метод определения места повреждения, основан, на принципе определения характера изменения магнитного поля, над кабелем, по которому пропускается ток от генератора звуковой частоты. Частота тока от 1000 до 10000 Гц. Метод обеспечивает высокую точность определения места повреждения и имеет широкое распространение.
Индукционным методом можно определить:
- трассу кабельной линии;
- глубину прокладки кабельной линии;
- искомый кабель в пучке кабелей;
- междуфазные повреждения кабельной линии;
- однофазные повреждения кабеля.
4.3.1. Определение трассы кабельной линии
При определении трассы кабельной линии (рис. 10) генератор звуковой частоты включается по схеме фаза - земля.
При использовании генератора с выходной частотой 1000 Гц (рис. 21 а) на дальнем конце кабельной линии устанавливается перемычка между жилой и оболочкой кабеля.
При использовании генератора с выходной частотой 10000 Гц (рис. 21 б) установка перемычки на дальнем конце кабеля не обязательна. Звуковой сигнал будет формироваться емкостным током, протекающим через распределенную емкость кабеля Ск.
а) схема определения трассы кабельной линии на частоте 1000 Гц; б) схема определения трассы кабельной линии на частоте 10000 Гц; в) схема определения трассы кабельной линии на частоте 1000 Гц или 10000 Гц при подключении генератора к двум жилами кабеля;

г) ЭДС, наводимая в горизонтально расположенном индукционном преобразователе при перемещении его вправо и влево от оси кабеля; д) ЭДС, наводимая в вертикально расположенном индукционном преобразователе при перемещении его вправо и влево от оси кабеля; е) расположение индукционного преобразователя при определении глубины прокладки кабельной линии;
1 - генератор; 2 - кабельная линия; 3 - перемычка; 4 - распределенная емкость кабеля Ск
Рис. 21. Схема подключения генератора при определении трассы и глубины прокладки кабельной линии:
Определение трассы кабельной линии основано на изменении уровня звукового сигнала, который наводится в индукционном преобразователе (ИП) и усиливается приемником.
Оператор, передвигаясь вдоль трассы кабельной линии при горизонтально расположенном индукционном преобразователе (рис. 21 г) (параллельно плоскости земли и перпендикулярно кабельной линии), слышит максимальный сигнал в головных телефонах непосредственно над кабелем, а при перемещении преобразователя вправо или влево от оси кабеля сигнал будет ослабевать.
При вертикально расположенном индукционном преобразователе (рис. 21 д) оператор слышит в головных телефонах над кабелем слабый сигнал, который усиливается при перемещении преобразователя вправо или влево от трассы кабельной линии.
Таким образом, при передвижении по направлению максимального (при горизонтально расположенном ИП) или минимального (при вертикально расположенном ИП) сигнала определяют трассу кабельной линии. Иногда, вследствие разрывов оболочки кабеля и муфт, ток от генератора протекает по оболочкам соседних кабелей, находящихся под рабочим напряжением.
При этом минимум звукового сигнала получается над тем кабелем, по оболочке которого течет ток. Вследствие этого, трасса кабельной линии будет определена неправильно. В этом случае для исключения ложного определения трассы кабельной линии генератор включается между двумя жилами кабеля (рис. 21 в) (бифилярная схема). Оператор, перемещаясь по трассе кабельной линии, прослушивает максимумы и минимумы звучания сигналов в головных телефонах, вызванные шагом спирали жил кабеля (шаг спирали жил в силовых кабелях может изменяться от 0,5 до 1,5 м в зависимости от сечения жил кабеля). По уровню этих звуковых сигналов определяется трасса кабельной линии.
4.3.2. Определение глубины прокладки кабельной линии
Для определения глубины прокладки кабельной линии используется та же схема подключения генератора, что и для определения трассы кабеля.
В месте, где требуется определить глубину прокладки кабеля, необходимо точно определить трассу кабельной линии при вертикальном расположении оси индукционного преобразователя (рис. 21 е).
Затем индукционный преобразователь с помощью фиксирующего устройства необходимо установить под углом 45° к плоскости земли.
Перемещая, преобразователь перпендикулярно трассе, находят точку на поверхности земли, в которой пропадает звучание сигнала в головных телефонах.
Расстояние от этой точки до трассы равно глубине прокладки кабеля.
4.3.3. Определение искомого кабеля в пучке кабелей
После проведения работ по раскопке траншей в зоне предполагаемого места повреждения необходимо определить поврежденный кабель в пучке других кабелей, находящихся под рабочим напряжением.
Для определения искомого кабеля генератор настраивают на частоту 1000 Гц (рис. 21 в) и подключают к двум неповрежденным жилам кабеля, которые закорочены на противоположном конце перемычкой.
В месте раскопки индукционный преобразователь устанавливают в вертикальное положение и, перемещая его перпендикулярно расположенным кабелям, находят искомый кабель по резкому изменению уровня звучания сигнала в головных телефонах по обеим сторонам найденного кабеля. Для более точного определения искомого кабеля в пучке необходимо применять накладную индукционную рамку, которая подключается к входу кабелеискателя.
Если при вращении ее вокруг очищенного от земли искомого кабеля в головных телефонах прослушиваются два максимума и два минимума сигнала частоты 1000 Гц, то искомый кабель определен правильно.
4.3.4. Определение места междуфазного повреждения кабельной линии
Междуфазные повреждения кабельных линий, как правило, получаются из однофазных повреждений путем разрушения изоляции неповрежденной жилы (см. п. 2.1).
При трудности определения места однофазного повреждения (плохая слышимость акустических сигналов, нет четкого изменения сигнала при определении однофазного повреждения индукционным методом, нет четкой привязки к трассе кабельной линии и т.д.) производят его перевод в междуфазное повреждение с помощью прожигательной установки.
Следует учесть, что сопротивление между жилами и оболочкой или между двумя жилами должно быть близким к нулю.
В случае, если в месте замыкания двух жил сопротивление составит единицы Ом, определение места повреждения затруднительно, особенно на частоте 10000 Гц из-за емкостного тока, который будет протекать за местом повреждения.
При этом по трассе кабельной линии за местом повреждения будут прослушиваться сигналы в головных телефонах, обусловленные спиральностью жил.
После перевода однофазного повреждения в междуфазное и измерения расстояния до места повреждения с помощью приборов, использующих импульсный метод, генератор подключают к двум поврежденным жилам кабеля (рис. 22 а).
Рис. 22. Определение места междуфазного повреждения индукционным методом:
а) схема подключения генератора звуковой частоты:
1 - генератор звуковой частоты; 2 - поврежденный кабель; 3 - место междуфазного повреждения кабеля;
б) кривая изменения напряженности электромагнитного поля по трассе кабеля с междуфазным замыканием жил (остаточное сопротивление в месте повреждения десятые доли ома): d - шаг спиральности жил кабеля; с = d на участке расположения муфт; в) трасса прокладки поврежденного кабеля
При такой схеме подключения от генератора до места повреждения протекают прямой и обратный токи, которые создают магнитное поле. Это магнитное поле из-за наличия спиральности жил поворачивается вокруг оси кабеля.
Благодаря этому ЭДС, наводимая в индукционных преобразователях, и звуковой сигнал в головных телефонах будут иметь минимальное и максимальное значения.
Расстояние между максимумами и минимумами определяется шагом спирали и может изменяться от 0,5 до 1,5 м. Над местом междуфазного повреждения при малом сопротивлении между жилами слышимость принимаемого сигнала увеличивается, а за местом повреждения сигнала практически не слышно. При перемещении над кабелем в местах расположения муфт длина интервала с максимальным звучанием увеличивается, при этом слышимость сигнала будет выше за счет большого расстояния между жилами в муфте (рис. 22 б).
По этим признакам определяется расположение муфт кабеля. При передвижении по трассе кабельной линии слышимость принимаемого сигнала может меняться из-за изменения глубины (рис. 22 в) прокладки кабеля; слышимость меняется, если кабель пересекает коммуникации или проезжие магистрали (при этом на отрезке прокладки кабеля в металлической трубе слышимость сигнала прекращается). Следует указать, что при прохождении кабельной линии по трассе через участки с различными типами кабелей (например, кабель АСБ соединен с помощью муфты с кабелем ААБ) ЭДС, наводимая в индукционном преобразователе, будет разная: над кабелем ААБ она будет меньше, чем над кабелем АСБ или СБ. Это происходит вследствие того, что кабель ААБ имеет лучшее экранирование.
Кроме того, уменьшение сигнала после муфты создает впечатление, что место повреждения найдено. Чтобы избежать ошибки, следует после уменьшения сигнала увеличить чувствительность приемника и прослушать зону кабельной линии с пониженным сигналом.
Если в головных телефонах прослушиваются максимумы и минимумы принимаемого сигнала, то повреждение следует искать дальше по трассе кабельной линии.
При работе в зоне сильных электромагнитных помех, вызванных токами промышленной частоты 50 Гц (воздушные линии, трансформаторные подстанции, действующие кабельные линии и т.д.), следует перейти на частоту 10000 Гц, при этом влияние поля частоты 50 Гц будет уменьшено.
4.3.5. Определение однофазных повреждений кабеля (метод «аномалии нуля»)
Метод «аномалии нуля» используется в тех случаях, когда другими методами невозможно определить место однофазного повреждения, например, из-за большой глубины прокладки кабеля, из-за сильных акустических помех и т.д., а также невозможности перевести однофазное повреждение в междуфазное.
Этим методом можно определить место повреждения примерно в 50 % случаев.
При использовании данного метода с помощью прожигательной установки необходимо получить сопротивление в месте повреждения несколько десятков ом, но при этом не приварить жилу к оболочке кабеля. В отдельных случаях методом «аномалии нуля» можно определить однофазные повреждения, имеющие сопротивление в месте дефекта, близкое к нулю («глухая земля»).
Генератор на частоте 1000 или 10000 Гц подключается к поврежденной жиле и оболочке кабеля.
Оператор, передвигаясь по трассе кабельной линии в зоне места повреждения с вертикально расположенным индукционным преобразователем, слышит в головных телефонах минимальный сигнал.
Вправо или влево от трассы кабельной линии сигнал возрастает.
С помощью ручки регулировки чувствительности индикатора точно над трассой кабельной линии устанавливается минимальное показание индикатора. Его стрелка должна быть в диапазоне, не превышающем 20 % длины шкалы.
При перемещении точно над трассой кабельной линии, над местом повреждения произойдет резкое увеличение показания индикатора, при этом слышимость сигнала в головных телефонах не изменится. После прохода места повреждения показания индикатора будут такими же, как и до места повреждения.
При использовании данного метода следует точно знать расположение соединительных муфт, так как они, как правило, дают ложное увеличение сигнала.
Увеличение сигнала может быть и в неповрежденной части кабельной линии, при этом следует пройти дальше по линии, где могут также чередоваться увеличения и уменьшения сигналов, которые измеряются индикатором прибора.
В этом случае повреждение находится в последней точке увеличения сигнала.
1. Испытательная установка постоянного тока с плавным изменением напряжения от 0 до 70 кВ.
2. Прожигательная установка постоянного тока с плавным и ступенчатым переключением выходного напряжения до 10 кВ.
3. Батарея конденсаторов емкостью от 5 до 200 мкф, напряжением 30 кВ и 5 кВ. Максимальное выходное напряжение при емкости конденсатора 200 мкф равно 5 кВ.
4. Генератор звуковой частоты (1000 Гц - 10000 Гц) с выходной мощностью от 200 до 500 Вт.
5. Измеритель неоднородности линии Р5-9, Р5-10, Р5-11, Рейс-105.
6. Измеритель расстояния до места повреждения кабеля ЦРО200 или Щ4120.
7. Комплект акустических и индукционных кабелеискателей КАИ-8С, ГК-80 или КАИ-90, ИК-90.
8. Комплект аппаратуры КИИ-83 или КИИ-89.
9. Мегаомметр.
10. Омметр.
11. Управляемые и неуправляемые разрядники.
Работы по определению расстояний до мест повреждений кабельных линий и непосредственного определения мест повреждений по опасности поражения электрическим током относятся к работам по испытанию электрооборудования повышенным напряжением от постороннего источника.
Организационные и технические мероприятия, обеспечивающие безопасность этих работ, приведены в методических рекомендациях по испытаниям электропроводок, силовых кабельных линий, электрических машин, вторичных цепей и электрических аппаратов повышенным напряжением промышленной частоты.
Дополнительно меры безопасности при производстве земляных работ приведены в гл. 4.19 МПБЭЭ.
Рекомендуемые методы определения мест повреждений кабельных линий (ОМП КЛ) в зависимости от вида повреждения и его характеристик приводятся в таблице № 13.
Таблица 13
|
Вид повреждения |
Переходное сопротивление в месте повреждения, Ом |
Пробивное напряжение в месте повреждения, кВ |
Рекомендуемый метод определения места повреждения |
||
|
Относительный |
Абсолютный |
||||
|
1 |
2 |
3 |
4 |
5 |
6 |
|
1 |
Однофазное |
0 |
0 |
Импульсный |
Акустический, индукционный, метод накладной рамки |
|
2 |
Однофазное |
200 - 50000 |
0 |
Волновой, импульсно-волновой |
Акустический |
|
3 |
Однофазное |
Свыше 500000 |
От 1 до 50 («заплывающий пробой») |
Колебательный разряд |
Акустический, индукционно-импульсный |
|
4 |
Междуфазное с замыканием двух жил на оболочку |
0 - 1000 |
0 |
Импульсный |
Акустический, индукционный |
|
5 |
Междуфазное с замыканием двух жил на оболочку |
200 - 50000 |
0 |
Волновой, импульсно-волновой |
Акустический, индукционный с предварительным снижением переходного сопротивления |
|
6 |
Междуфазное с замыканием всех трех жил на оболочку |
0 |
0 |
Импульсный |
Индукционный, акустический |
|
7 |
Междуфазное с замыканием всех трех жил на оболочку |
Свыше 500000 |
От 1 до 50 |
Колебательный разряд |
Индукционно-импульсный, акустический |
|
8 |
Междуфазное без замыкания на оболочку |
0 - 1000 |
0 |
Импульсный |
Индукционный с предварительным снижением переходного сопротивления |
|
9 |
Растяжка фаз, пробой на оболочку КЛ |
От 200 до 500000 |
До испытательного |
Импульсный |
Акустический, индукционно-импульсный |
|
10 |
Растяжка одной, двух, трех фаз |
Свыше 500000 |
До испытательного через растяжку на заземленные жилы КЛ |
Импульсный |
Акустический |
|
11 |
Повреждение оболочки полиэтиленового кабеля |
От 0 до 5000 |
0 |
Петлевой |
Акустический, потенциальный (шагового напряжения) |
|
12 |
Замыкание жил контрольного кабеля |
От 0 до 200 |
- |
Импульсный |
Акустический, индукционный |
6.1. Перед началом работ по ОМП КЛ производитель работ должен иметь схему всей трассы КЛ с указанием способов прокладки кабелей (в земле, кабельных сооружениях и т.п.), проанализировать внешние проявления повреждения (автоматическое отключение КЛ, отключение с индикацией замыкания фазы на землю, пробой изоляции при испытаниях), после чего определить вид повреждения кабельной линии.
6.2. При однофазном повреждении с сопротивлением в месте повреждения, близким к нулю, при ОМП рекомендуется следующая технология:
- определить расстояние до зоны повреждения импульсным методом;
- при расположении зоны повреждения в кабельном сооружении или на расстоянии от края кабельного сооружения не более 100 метров для ОМП КЛ целесообразно использовать акустический метод или метод накладной рамки;
- при возникновении трудностей определения места повреждения кабельной линии вышеуказанными методами, необходимо разрушить спай жила-оболочка, используя батарею конденсаторов и емкость двух неповрежденных жил, заряженные напряжением высоковольтной испытательной установки для КЛ 6 кВ не более 18 кВ; для КЛ 10 кВ не более 25 кВ во избежание пробоя кабеля в другом месте;
- если удалось разрушить спай жила-оболочка, то для точного ОМП целесообразно использовать акустический метод.
Следует помнить, что при расположении зоны повреждения в пределах 100 метров от начала или конца кабельного сооружения использование силовых трансформаторов или других нерегулируемых мощных источников электрической энергии для разрушения спая жилы с оболочкой категорически запрещено.
В этих случаях допускается использовать выпрямительные установки с регулятором тока отжига. Если есть полная уверенность, что место повреждения находится в грунте, то для разрушения спая, прожигания изоляции кабелей можно использовать любые предназначенные для этих целей источники электрической энергии.
Если в зоне повреждения КЛ находится концевая воронка противоположного конца кабеля, то поиск места повреждения (сборка схем) необходимо производить с этого конца кабеля.
Если это затруднительно и возникает необходимость разрушения спая жилы с оболочкой, то на противоположном конце кабеля необходимо выставить наблюдающего.
6.3. При повреждениях, переходные сопротивления которых достаточно велики и использование импульсного метода для определения зоны повреждения не эффективно, рекомендуется следующая технология ОМП КЛ:
- если вся кабельная линия проложена в грунте, прожечь изоляцию в месте повреждения для снижения переходного сопротивления до уровня, позволяющего эффективно использовать импульсный метод (<200 Ом);
- если снизить сопротивление в месте повреждения не удается или часть трассы КЛ находится в кабельных сооружениях, определить расстояние до зоны повреждения методом колебательного разряда или волновым методом, при этом напряжение высоковольтной установки не должно превышать для КЛ 6 кВ не более 18 кВ, для КЛ 10 кВ не более 25 кВ - во избежание пробоя кабеля в другом месте;
- если зона повреждения находится ближе 300 метров от края кабельного сооружения (при ее определении приборами Щ4120 или ЦР0200) для определения места повреждения использовать акустический метод;
- если акустическим методом место повреждения не обнаружено, использовать индукционный метод, при этом выходное напряжение звукового генератора не должно превышать 115 В, а его мощность должна быть не более 1500 Вт.
6.4. При определении мест повреждений КЛ, вызванных растяжкой (разрывом) одной, двух или трех жил, рекомендуется следующая технология ОМП:
- определить расстояние до места повреждения импульсным методом;
- на противоположном конце кабеля заземлить все три фазы, место повреждения определить акустическим методом;
- если место повреждения акустическим методом не определяется, то целесообразно использовать индукционный метод, причем частота звукового генератора должна быть 10000 Гц и подключить его необходимо к поврежденной фазе и оболочке.
Если при этом в предполагаемом месте повреждения находится соединительная муфта, то с большой степенью вероятности можно сделать вывод, что повреждение находится в ней.
6.5. При ОМП контрольных кабелей рекомендуется следующая технология:
- определить расстояние до зоны повреждения импульсным методом, при необходимости снизив переходное сопротивление путем прожига изоляции (для повышения точности определения зоны повреждения измерения рекомендуется производить с двух концов отсоединенного кабеля);
- определить место повреждения индукционным методом, при необходимости уточнить место повреждения акустическим методом, используя при этом аппаратуру «низковольтной акустики» при напряжении заряда конденсаторов не более 500 В.
6.6. При определении места повреждения КЛ напряжением до 1000 В используются вышеописанные технологии в зависимости от вида повреждения и переходного сопротивления в месте повреждения, при этом:
- нулевая жила и оболочка кабеля должны быть отсоединены со стороны ввода;
- использование аппаратуры «высоковольтной акустики» запрещается;
- для ОМП КЛ до 1000 В разрешается использовать аппаратуру «низковольтной акустики» при этом напряжение заряда конденсаторов не должно превышать 1500 В.
6.7. При определении поврежденного кабеля в пучке (в месте раскопки или в коллекторе) рекомендуется использовать следующую технологию:
- заземлить все жилы кабеля на одном из его концов;
- на противоположном конце кабеля подключить к генератору звуковой частоты две неповрежденные жилы кабеля, в пучке этот кабель определяется с помощью накладной индукционной рамки (п. 4.3.3);
- в случае растяжки (разрыва) двух и более жил, генератор настроить на частоту 9600 - 1000 Гц и подключить его к двум разным жилам.
Искомый кабель определяется при помощи накладной рамки по изменению уровня сигнала, обусловленного спиральностью жил;
- в случае отсутствия четкого прослушивания двух максимумов «сигнала спиральности» делать заключение о правильности определения искомого кабеля запрещается, при этом необходимо расширить зону раскопки;
- окончательное заключение о правильности определения искомого кабеля в пучке (в случае обрыва жил) делается после подключения генератора с противоположного конца кабеля и повторения вышеописанных операций по его определению в пучке;
- определенный поврежденный кабель должен быть перевязан сигнальной лентой и показан допускающему, после чего производятся работы по ремонту КЛ.
Испытания устройства защитного отключения (УЗО) проводятся с целью проверки его способности быстрого отключения аварийных участков сети и потребителей электрической энергии, а также отключения сети при случайных прикосновениях людей и животных к токоведущим и открытым проводящим частям электроустановок до момента достижения протекающего тока смертельно опасной величины.
Испытания УЗО проводятся:
- перед приемкой электроустановок в эксплуатацию;
- после планово-предупредительных и текущих ремонтов;
- после капитальных ремонтов электроустановок;
- не реже одного раза в квартал по п. 6.3.2 настоящей методики.
Работы по испытаниям УЗО выполняются по распоряжению. В помещениях, кроме особо опасных в отношении поражения электрическим током, работник, имеющий III группу по электробезопасности и право быть производителем работ, может проводить испытания УЗО единолично. Перечень необходимых технических мероприятий по подготовке рабочего места определяет работник, выдающий распоряжение. Особое внимание необходимо обратить на пп. 1.4.5; 1.4.6; 1.4.7; 1.4.11 МПБЭЭ.
При проведении испытаний необходимо использовать не менее одного основного и одного дополнительного средств защиты.
Устройства защитного отключения относятся к классу коммутационных устройств, управляемых дифференциальным током, и по выполняемым функциям подразделяются на выключатели дифференциального тока (ВДТ) и автоматические выключатели дифференциального тока (АБДТ). ВДТ представляет собой контактный коммутационный аппарат, управляемый только дифференциальным током, и обеспечивает защиту от косвенного прикосновения. АВДТ представляет собой контактный коммутационный аппарат, управляемый дифференциальным током в сочетании с (или используемым в качестве неотъемлемой части) автоматическим выключателем, выполняя при этом двойную функцию, а именно:
- обеспечение защиты от косвенного прикосновения;
- обеспечение защиты электроустановок от перегрузок и токов короткого замыкания.
Устройства защитного отключения, имеющие номинальный дифференциальный отключающий ток не более 30 мА, могут также быть использованы в качестве средства дополнительной защиты при прямом контакте в случае повреждения изоляции или выхода из строя основных защитных средств.
По видам дифференциальных токов устройства защитного отключения подразделяются на УЗО типа «АС», которые срабатывают при синусоидальных переменных защитных токах, и УЗО типа «А», которые срабатывают как при синусоидальных, так и пульсирующих постоянных дифференциальных токах. По наличию выдержки времени срабатывания устройства защитного отключения подразделяются на УЗО общего назначения (без выдержки времени срабатывания) и УЗО типа «S», которые имеют выдержку времени срабатывания для обеспечения селективности отключения при последовательном их соединении с УЗО общего назначения.
В соответствии с требованиями ГОСТ Р 50030.2-99, ГОСТ Р 50345-99, ГОСТ Р 51326-99, ГОСТ Р 51327-99, нормируемые и предпочтительные параметры УЗО, представленные в таблице 14.
Таблица 14
|
Наименование |
Условные обозначения |
Нормируемая величина |
|
|
1. |
Номинальное напряжение |
Un |
230; 400 В |
|
2. |
Номинальный ток основной цепи |
In |
6, 8, 13, 16, 20, 25, 32, 40, 50, 63, 80, 100, 125 (А)* |
|
3. |
Номинальный отключающий дифференциальный ток |
IDn |
0,006; 0,01; 0,03; 0,1; 0,3; 0,5; 1; 3; 10; 30 (А)** |
|
4. |
Номинальный неотключающий дифференциаль- ный ток |
IDnO |
0,5 IDn |
|
5. |
Уставка расцепителя короткого замыкания для АВДТ |
Ik |
по данным изготовителя |
|
6. |
Предельное время отключения для УЗО общего назначения |
Тпо |
IDn - 0,3 с |
|
2 IDn - 0,15 с |
|||
|
5 IDn - 0,04 с |
|||
|
10 IDn - 0,04 с |
|||
|
7. |
Предельное время отключения для УЗО типа «S» |
Tпs |
IDn - 0,13 с < Tпs £ 0,5 с |
|
2 IDn - 0,06 с < Tпs £ 0,2 с |
|||
|
5 IDn - 0,05 с < Tпs < 0,15 с |
* Предпочтительные значения для АВДТ и ВДТ бытового и аналогичного назначения.
** Предпочтительные значения для всех АВДТ.
В соответствии с ГОСТ Р 50571 при испытании УЗО измеряется дифференциальный отключающий ток, который должен находиться в пределах 0,5IDn - IDn.
Данная методика носит рекомендательный характер В соответствии с ГОСТ Р 51326-99 и ГОСТ Р 51327-99 (Раздел «Приемо-сдаточные испытания») проверяется на срабатывание УЗО при 0,5IDn и его срабатывание при IDn в течение нормативного времени, указанного в таблице 12. Эта методика обязательна при приемо-сдаточных испытаниях УЗО.
Для испытания УЗО применяются вольтамперметры, устройства для определения дифференциального отключающего тока серии «MRP», миллиамперметры, переменные резисторы мощностью не менее 100 Вт сопротивлением не менее 100 кОм, секундомеры ПВ-53 Щ (Л).
Комплект технической документации должен включать:
- сертификат на соответствие УЗО ГОСТ Р 51356-1-99;
- паспорт (руководство по эксплуатации) на УЗО со штампом ОТК предприятия-изготовителя, датой изготовления, отметкой о продаже, указанием гарантийного срока;
- сопроводительную техническую документацию предприятия-изготовителя.
Сопроводительная техническая документация и маркировка УЗО должны содержать сведения о способе и месте установки, числе полюсов и числе токоведущих проводников, номинальном напряжении, номинальном токе, номинальном отключающем дифференциальном токе, максимальном времени отключения, номинальном не отключающем дифференциальном токе, номинальной включающей и отключающей способности, а также по дифференциальному току, предельном значении не отключающего тока в условиях сверхтока, номинальном условном токе короткого замыкания, рекомендуемой схеме включения.
Проверка должна включать в себя обоснованность зоны защиты УЗО, соответствие его параметров нормируемым величинам, параметрам устройств защиты от сверхтоков, соответствие характеристик защиты от сверхтока УЗО расчетным параметрам сети.
Применение УЗО в двух приводных линиях не допускается.
1. Проверка фиксации органа управления УЗО в двух крайних положениях: «ВКЛ»; «ОТКЛ».
2. Проверка срабатывания УЗО при включенном рабочем напряжении путем пятикратного нажатия кнопки «Тест».
При каждом нажатии кнопки контакты УЗО должны размыкаться.
3. Проверка калибровки расцепителя дифференциального тока и времени отключения при IDn с помощью испытательной схемы (рис. 23) или прибора серии «MRP».
4. Проверка калибровки расцепителей перегрузки и короткого замыкания (производится по методике проверки расцепителей автоматических выключателей).
Измерение тока утечки групповой сети (при необходимости) производится с использованием той же испытательной схемы.
7.1. Пример испытательной схемы для проверки УЗО приведен на рис. 23.
7.2. Испытательная схема должна обеспечивать:
- регулирование тока в пределах от 0,3IDn до 5IDn;
- измерение времени срабатывания УЗО при различных значениях дифференциального тока.
7.3. Порядок испытаний расцепителя дифференциального тока:
- отключить автоматические выключатели потребителей (QF1, QF2);
- отключить УЗО;
- подключить к сети испытательную схему, как показано на рис. 23;
- переключатели Q1 и Q2 установить в положения «2» и «1» соответственно;
- включить УЗО;
- установить потенциометром R2 ток, равный IDn проверяемого УЗО;
- переключатель Q1 перевести в положение «1»;
- установить потенциометром R1 ток, равный 0,5 IDn проверяемого УЗО;
- обнулить секундомер, т.к. во втором положении переключателя Q2 на него подается напряжение и он запускается;
- переключатель Q2 перевести в положение «2», при этом в цепи «фаза - РЕ-проводник» будет протекать ток, равный 0,5IDn, УЗО сработать не должно;
- переключатель Q1 перевести в положение «2», при этом в цепи «фаза - РЕ-проводник» будет протекать ток, равный IDn, одновременно запускается электрический секундомер ПВ-53. УЗО должно сработать, а секундомер остановиться, т.к. его цепь питания разрывается контактами УЗО. Время срабатывания УЗО определяется по секундомеру.
Рис. 23
Испытательная схема проверки УЗО
7.4. Порядок измерения фонового тока утечки групповых сетей:
- отключить УЗО и все автоматические выключатели групповых линий потребителей (QF1, QF2);
- переключатели Q1 и Q2 установить в положения «1» и «2» соответственно;
- потенциометр R1 установить в положение, соответствующее минимальному току в цепи;
- включить УЗО;
- измерить дифференциальный отключающий ток УЗО, для чего, плавно увеличивая его потенциометром R1 до срабатывания УЗО, определить его значение по амперметру;
- включить все автоматические выключатели групповых линий потребителей (QF1, QF2);
- проделать все предыдущие операции по измерению дифференциального отключающего тока УЗО. Расчет фонового тока утечки производится по формуле:
Iут = ID1 - ID2
где: ID1 - значения дифференциального тока срабатывания УЗО при отключенных автоматах QF,
ID2 - измеренное значение тока срабатывания УЗО при включенных автоматах QF.
Iyт не должен превышать 1/3 IDn
Указанные приборы производятся фирмой «Sonel» (Польша) и являются многофункциональными электронными приборами. В части, касающейся проверки УЗО, указанные приборы позволяют непосредственно измерять дифференциальный ток и время срабатывания УЗО при IDn.
Для измерения отключающего дифференциального тока необходимо:
1. Присоединить L-проводник прибора к фазному проводнику сети, РЕ-проводник прибора - к нулевому защитному проводнику сети на выходе проверяемого УЗО.
2. Включить УЗО.
3. Включить прибор кнопкой «О».
4. Установить переключатель вида измерений в положение «UВ, IА».
5. Нажать кнопку «S» (для УЗО с выдержкой времени срабатывания).
6. Кнопкой «IDn» установить верхний предел дифференциального отключающего тока проверяемого УЗО.
7. Нажатием кнопки «START» произвести измерение. После срабатывания УЗО на дисплее высветится величина отключающего дифференциального тока. Если после срабатывания УЗО на дисплее высветилось значение напряжения (в этом положении прибор также определяет напряжение прикосновения, UВ), то нажатием кнопки «SEL» нужно высветить на дисплее величину отключающего дифференциального тока проверяемого УЗО. Для измерения времени срабатывания УЗО следует:
1. Аналогично присоединить прибор к сети, включить УЗО и прибор.
2. Установить переключатель вида измерений в положение «RE, tA».
3. Нажать кнопку «S» (для УЗО с выдержкой времени срабатывания).
4. Кнопкой «IDn» установить номинальный дифференциальный отключающий ток проверяемого УЗО.
5. Нажатием кнопки «START» произвести измерение.
После срабатывания УЗО на дисплее высветится время срабатывания УЗО при установленном IDn. Если на дисплее высветилось значение сопротивления (в данном режиме измерений прибор дополнительно измеряет сопротивление заземляющего устройства с учетом сопротивления РЕ-проводника), то нажатием кнопки «SEL» нужно высветить на дисплее время срабатывания УЗО при установленном IDn.
Результаты измерений оформляются протоколом, форма которого прилагается.
|
_________________________________ (наименование организации, предприятия) |
|
|
_________________________________ |
|
|
Свидетельство о регистрации № _______________ |
Заказчик: _______________________________ |
|
Действительно до «___» __________________ 200г. |
Объект: ________________________________ |
|
Лицензия Минэнерго РФ № ___________________ |
Адрес: _________________________________ |
|
Действительна до «___» __________________ 200 г. |
Дата проведения измерений: до «__» ____ 200 г. |
ПРОТОКОЛ № _____
проверки выключателей автоматических, управляемых дифференциальным током УЗО
Климатические условия при проведении измерений
Температура воздуха _______ °С. Влажность воздуха _______ %. Атмосферное давление _______ мм. рт. ст.
Цель измерений (испытаний)
_________________________________________________________________________
(приёмо-сдаточные, сличительные, контрольные испытания, эксплуатационные, для целей сертификации)
Нормативные и технические документы, на соответствие требованиям которых проведены измерения (испытания):
___________________________________________________________________________
1. Результаты измерений
|
№ п/п |
Типовое обозначение УЗО, место установки по проекту |
№ и пункт протокола проверки защиты от сверхтока (для АВДТ) |
Номинальный ток нагрузки, А |
Вид дифференциального тока, (А, АС) |
Номинальный дифференциальный неотключающий ток IDо, мА |
Номинальный дифференциальный отключающий ток IDо, мА |
Минимальное время не отключения при IDн |
Вид испытательного тока (синусоидальный, пульсир.) |
Испытательный ток не срабатывания (0,5IDн) мА |
Реакция расцепителя дифференциального тока (+, -) |
Испытательный ток срабатывания (0,5IDн) мА |
Реакция расцепителя дифференциального тока (+, -) |
Время срабатывания tcp при IDн, с |
|
|
Допустимое |
Измеренное |
|||||||||||||
|
1 |
2 |
3 |
4 |
5 |
6 |
7 |
8 |
9 |
10 |
11 |
12 |
13 |
14 |
15 |
|
|
|
|
|
|
|
|
|
|
|
|
|
|
|
|
2. Измерения проведены приборами:
|
№ п/п |
Тип |
Заводской номер |
Метрологические характеристики |
Дата поверки |
№ аттестата (свидетельства) |
Орган государственной, метрологической службы, проводивший поверку |
||
|
Диапазон измерения |
Класс точности |
последняя |
очередная |
|||||
|
1 |
2 |
3 |
4 |
5 |
6 |
7 |
8 |
9 |
|
|
|
|
|
|
|
|
|
|
Выводы:
Заключение:
__________________________________________________________________________
__________________________________________________________________________
Испытания провели: _______________ _______________ _____________
(должность) (подпись) (Ф. И. О.)
_______________ _______________ _____________
(должность) (подпись) (Ф. И. О.)
Протокол проверил: _______________ _______________ _____________
(должность) (подпись) (Ф. И. О.)
Частичная или полная перепечатка и размножение только с разрешения испытательной лаборатории.
Исправления не допускаются.
Протокол распространяется только на элементы электроустановки, подвергнутые испытаниям.
Испытания проводятся с целью проверки качества крепления розеток и потолочных крюков и его соответствия требованиям ГОСТ 7396.0-89, ПУЭ 7 изд. п. 6.6.9.
Работа по испытаниям крепежных деталей розеток и потолочных крюков проводится по распоряжению. В состав бригады по проведению испытаний должны входить не менее двух человек: производитель работ с группой по электробезопасности не ниже III и член бригады с группой по электробезопасности не ниже II.
Работы по испытаниям качества крепежа розеток и потолочных крюков выполняются только со снятием напряжения с испытываемых объектов.
Перечень необходимых технических мероприятий определяет лицо, выдающее распоряжение в соответствии с разделом 3 МПБЭЭ. При работе необходимо использовать индивидуальные средства защиты головы (каски).
Розетки вместе с монтажной коробкой должны выдерживать в течение 10 мин. усилие, перпендикулярное поверхности крепления, направленное от этой поверхности, не менее 180 Н. Приспособления для подвешивания светильников должны выдерживать в течение 10 минут без повреждения и остаточных деформаций усилие, соответствующее 5-кратному весу светильника, а для сложных многоламповых люстр массой 25 кг и более - 2-кратному весу люстры плюс 800 Н. При неизвестном весе светильника он принимается равным 100 Н.
Устройство для проверки качества крепления розеток и приспособлений для подвешивания светильников, динамометр ДПУ-1-2-5031 (схема устройства прилагается).
Собрать и подготовить к работе приспособление для испытаний (рис. 24).
Для испытания розеток необходимо использовать захваты типа скобы или хомута, накладываемые на корпус розетки.
Если это затруднительно вследствие особенностей конструкции розетки, допускается качество крепления розеток проверять путем внешнего осмотра и проверки отсутствия люфта розетки в горизонтальной и вертикальной плоскостях.
Вращая ручку механизма натяжения, плавно увеличивать прикладываемую силу от 0 до 180 Н (при испытаниях розеток) и от 0 до величины, определенной п. 4 (при испытаниях приспособлений для подвешивания светильников).
Время приложения усилия не менее десяти минут.
Приспособление для подвешивания светильника соответствует предъявляемым требованиям, если по истечении времени приложения силы отсутствует его видимая деформация.
Результаты испытаний оформляются протоколом, форма которого прилагается.
ПРОТОКОЛ № _____ Испытаний крюков для подвески светильников и узлов крепления розеток Климатические условия при проведении измерений Температура воздуха _______ °С. Влажность воздуха _______ %. Атмосферное давление _______ мм. рт. ст. Цель измерений (испытаний) ___________________________________________________________________________ (для целей сертификации) Нормативные и технические документы, на соответствие требованиям которых проведены измерения (испытания): ___________________________________________________________________________ 1. Результаты измерений
2. Измерения проведены приборами:
Примечание: Для испытания розеток использовать захваты типа скобы или хомута, накладываемые на корпус розетки. Если это затруднительно вследствие особенностей конструкции розетки, допускается качество крепления розеток проверять путем внешнего осмотра и проверки отсутствия люфта розетки в горизонтальной и вертикальной плоскостях. Выводы: Заключение: ___________________________________________________________________________ ___________________________________________________________________________ Испытания провели: _______________ _______________ _____________ (должность) (подпись) (Ф. И. О.) _______________ _______________ _____________ (должность) (подпись) (Ф. И. О.) Протокол проверил: _______________ _______________ _____________ (должность) (подпись) (Ф. И. О.) Частичная или полная перепечатка и размножение только с разрешения испытательной лаборатории. Исправления не допускаются. Протокол распространяется только на элементы электроустановки, подвергнутые испытаниям. |
|||||||||||||||||||||||||||||||||||||||||||||||||||||||||||||||||||||||||||||||||||||||||||||||||||||||||
Рис. 24. Устройство для проверки качества крепления приспособлений для подвешивания светильников
1. Крюк
2. Планка крюка
3. Перекрытие потолка
4. Корзина
5. Тросик
6. Ограничивающая пластина
7. Динамометр
8. Механизм натяжения с фиксацией
9. Подшипники
10. Винт с резьбой
11. Опорная плита
12. Узел соединения
13. Опорная конструкция испытательного устройства
Измерения сопротивления петли «фаза-нуль» и токов однофазных замыканий проводится с целью проверки временных параметров срабатывания устройств защиты электрооборудования от сверхтоков при замыкании фазы на корпус.
По измеренному полному сопротивлению петли «фаза-нуль» определяется ток однофазного короткого замыкания. По полученной расчетом величине этого тока определяется время срабатывания защитного аппарата. При прямых измерениях токов однофазных замыканий время срабатывания защитного аппарата определяется по измеренной величине этого тока.
Это время должно удовлетворять требованиям п. 1.7.79 ПУЭ по защите от поражения электрическим током при косвенных прикосновениях путем автоматического отключения питания.
Работы по измерению полного сопротивления петли «фаза-нуль» и токов однофазных замыканий выполняется по наряду-допуску или по распоряжению. Вид оформления работ определяет работник, имеющий право выдачи нарядов и распоряжений. Состав бригады должен быть не менее двух человек:
- производитель работ с группой по электробезопасности не ниже III;
- член бригады с группой по электробезопасности не ниже III.
Перечень необходимых технических мероприятий при проведении измерений определяет лицо, выдающее наряд или распоряжение в зависимости от используемого метода измерения.
При измерении полного сопротивления петли «фаза-нуль» со снятием напряжения с использованием отдельного регулируемого источника сверхнизкого напряжения (ССН) перечень технических мероприятий определяется разделом 3 МПБЭЭ.
При измерениях без снятия напряжения как полного сопротивления цепи «фаза-нуль», так и тока однофазного замыкания перечень необходимых технических мероприятий определяется пп. 1.4.5; 1.4.6; 1.4.7; 1.4.11 указанных Правил.
Измерения сопротивления петли «Фаза-нуль» и токов однофазных замыканий проводятся:
- перед приемкой электрооборудования в эксплуатацию;
- в сроки, определенные графиком планово-предупредительных ремонтов;
- после капитального ремонта электрооборудования.
По сопротивлению петли «фаза-нуль» Zфo (Ом) ток короткого замыкания Iкз (А) определяется по формуле Iкз = U0/Zфо, где U0 - номинальное значение фазного напряжения, В.
В электроустановках до 1000 В в системах с глухозаземленной нейтралью ток однофазного замыкания на корпус электроприемника должен обеспечивать нормированное время отключения поврежденного участка цепи защитным аппаратом, реагирующим на сверхток, в пределах указанного в таблице 15. Данные ограничения на время отключения распространяются на групповые сети.
Таблица 15
Наибольшее допустимое время защитного автоматического отключения для систем с глухозаземленной нейтралью (TN)
|
Время отключения (с) |
|
|
127 |
0,8 |
|
220 |
0,4 |
|
380 |
0,2 |
|
Более 380 |
0,1 |
В соответствии с п. 1.7.79 ПУЭ указанное время отключения считается достаточным для обеспечения защиты от поражения электрическим током при косвенных прикосновениях (электрический контакт людей или животных с открытыми проводящими частями, находящимися под напряжением вследствие повреждения изоляции).
В цепях, питающих распределительные, групповые, этажные и др. щиты или щитки, время отключения не должно превышать 5 с.
В цепях, питающих только стационарные электроприемники от распределительных устройств также допускается время автоматического отключения питания до 5 с при выполнении следующих условий:
1. Полное сопротивление защитного проводника между главной заземляющей шиной и корпусом распределительного устройства (ZPE) должно удовлетворять следующему требованию:
![]()
Это означает, что падение напряжения на данном защитном проводнике при однофазном замыкании (ожидаемое напряжение прикосновения) не превысит сверхнизкого напряжения (ССН), равного 50 В (п. 1.7.43 ПУЭ).
2. К шине РЕ распределительного устройства присоединена дополнительная система уравнивания потенциалов, охватывающая те же сторонние проводящие части, что и основная система уравнивания потенциалов.
В системах с изолированной нейтралью время защитного автоматического отключения питания при двойном замыкании на открытые проводящие части не должно превышать указанного в таблице 16.
Таблица 16
Наибольшее допустимое время защитного автоматического отключения для систем с изолированной нейтралью (IT)
|
Время отключения (с) |
|
|
220 |
0,8 |
|
380 |
0,4 |
|
660 |
0,2 |
|
Более 660 |
0,1 |
Для проверки выполнения этих требований в системах с изолированной нейтралью, имеющих только аппараты защиты от сверхтока, производится измерение параметров цепи «фаза-фаза» (полное сопротивление этой цепи или ток междуфазного замыкания).
Учитывая, что в данных системах электроустановки до 1000 В находят крайне ограниченное применение и принципы этих измерений те же, что и при измерениях параметров «фаза-нуль», в данной методике рассматриваются только вопросы указанных параметров цепей с глухозаземленной нейтралью.
Измерение сопротивления цепи «фаза-нуль» проводится специальным прибором типа М-417, позволяющим измерять сопротивление петли «фаза-нуль» при наличии напряжения на источнике питания в электроустановках напряжением 380 В с глухозаземленной нейтралью питающего трансформатора.
При отсутствии напряжения питающей сети измерения проводятся с использованием нагрузочного, сварочного или котельного трансформатора, регулировочного реостата мощностью не менее 500 Вт, амперметра и вольтметра (рис. 25) или цифровым измерителем малых комплексных сопротивлений «Вымпел».
Измерение токов однофазных замыканий производится приборами типа Щ41160, ЭК0200 при наличии напряжения питающей сети.
Для измерения параметров цепи «фаза-нуль» (как сопротивления, так и тока однофазного замыкания), при наличии напряжения питающей сети, могут быть использованы малогабаритные цифровые измерительные приборы «Вектор» или аналогичные импортные приборы серии MZC (MZC-300, MZC-301 и т.п.).
Измерение проводится при отключенном питающем трансформаторе по схеме, представленной на рис. 25.
Рис. 25. Схема измерения участка петли «фаза-нуль» с использованием отдельного источника питания
Напряжение подается от сварочного, котельного или нагрузочного трансформатора, подключаемого к ближайшему источнику питания.
Ток в измеряемой цепи должен быть не менее 10 А. Для создания цепи фазный провод присоединяется к корпусу электроприемника.
Сопротивление участка цепи «фаза-нуль» определяется по формуле:
![]()
Для определения модуля сопротивления петли фаза-нуль с учетом питающего трансформатора достаточно полученное значение сложить с расчетным значением полного сопротивления одной фазы трансформатора Zт/3.
Полное сопротивление цепи «фаза-нуль» с достаточной точностью определяется из выражения:
![]()
а возможный ток однофазного КЗ по формуле:
![]()
где U0 - фазное напряжение, В;
Zт - полное сопротивление трансформатора.
Значения Zт для различных трансформаторов приведены в таблице 17.
Следует учесть, что алгебраическое сложение комплексных сопротивлений не приведет к большой погрешности результата только в случае, если реактивная составляющая полного сопротивления цепи «фаза-нуль» не превышает половины активной составляющей.
Таблица 17
Значения полных сопротивлений питающих трансформаторов
|
Первичное напряжение, кВ |
Схема соединения обмоток |
Полное сопротивление трансформатора 220/400 В; Ом |
|
|
1 |
2 |
3 |
4 |
|
25 |
6 - 10 |
Y/Yo |
3,110 |
|
40 |
6 - 10 |
Y/Yo |
1,949 |
|
63 |
6 - 10 |
Y/Yo |
1,237 |
|
100 |
6 - 10 |
Y/Yo |
0,779 |
|
160 |
6 - 10 |
Y/Yo |
0,487 |
|
250 |
6 - 10 |
D/Yo |
0,312 |
|
250 |
6 - 10 |
Y/Yo |
0,106 |
|
250 |
20 - 35 |
Y/Yo |
0,305 |
|
400 |
6 - 10 |
Y/Yo |
0,195 |
|
400 |
6 - 10 |
D/Yo |
0,066 |
|
630 |
6 - 10 |
Y/Yo |
0,129 |
|
1000 |
6 - 10 |
Y/ Yo |
0,081 |
|
1000 |
6 - 10 |
D/ Yo |
0,026 |
Однако данный метод в настоящее время на практике применяется достаточно редко, так как требует больших трудозатрат и наличие постороннего источника переменного напряжения 220 В.
Для измерения сопротивления участка цепи «фаза-нуль» до питающего трансформатора эффективнее использовать разработанный в учебно-методическом и инженерно-техническом центре Мосгосэнергонадзора (ныне Московский институт энергобезопасности и энергосбережения) измеритель малых комплексных сопротивлений «Вымпел».
Данный прибор позволяет измерять в обесточенных электрических цепях модуль сопротивления в диапазоне 0,05 - 5 Ом, угол сопротивления в диапазоне 0 ± 90°, что соответствует разности фаз между током и напряжением в режиме однофазного замыкания при наличии питающей сети, а также рассчитывает ток однофазного замыкания, исходя из величины фазного напряжения 220 В.
Измерения проводятся непосредственно на электроприемниках, наиболее удаленных от проверяемого аппарата защиты, ответвлениях (на входных контактах аппарата, обеспечивающего селективность защиты сети в данном ответвлении); розетках групповых линий.
В цепях электроприемников, присоединенных к одному аппарату защиты в пределах одного помещения, допускается проводить измерения только у наиболее отдаленных электроприемников (розеток) каждого ответвления групповой линии.
У розеток, имеющих защитный заземляющий контакт, измерение сопротивления петли «фаза-нуль» производится между фазным и нулевым защитным проводником.
Однако, если эти розетки включены через устройства защитного отключения (УЗО), то прямые измерения полного сопротивления цепи «фаза-нуль» произвести невозможно, т.к. тестирующие токи существующих приборов, осуществляющих эти измерения, больше номинальных дифференциальных отключающих токов УЗО. В этом случае, для избежания демонтажа или шунтирования УЗО, измерения проводятся по участкам цепи.
Для этого необходимо отключить УЗО и измерить сопротивление участка цепи «выход УЗО - розетка» упоминавшимся ранее измерителем малых комплексных сопротивлений «Вымпел».
При этом измерения следует производить в распредустройстве на выходных контактах УЗО, предварительно замкнув фазный и заземляющий контакты розетки перемычкой, которую легко изготовить из стандартной штепсельной вилки.
Перед включением замыкающей штепсельной вилки и производством измерений необходимо убедиться в отсутствии напряжения в розетке и на выходных контактах УЗО.
После этого прибором М-417 измерить полное сопротивление участка цепи «фаза-нуль» (входные контакты УЗО - питающий трансформатор), далее сложить полученные значения сопротивлений - Zфо = Z1 + Z2,
где: Zфо - полное сопротивление цепи «фаза-нуль»;
Z1 - сопротивление первого обесточенного участка;
Z2 - сопротивление второго участка (под напряжением).
Если к УЗО присоединены несколько отходящих групповых линий, то для определения полных сопротивлений «фаза-нуль» этих линий достаточно один раз измерить сопротивление участка цепи «УЗО - питающий трансформатор» прибором М-417, после чего измерить сопротивления обесточенных участков отходящих групповых линий прибором «Вымпел» по вышеописанной методике.
Сложив каждое полученное значение сопротивления обесточенных линий с измеренным сопротивлением участка цепи «УЗО - питающий трансформатор» - получим полные сопротивления цепей «фаза-нуль» групповых линий, подключенных к этому УЗО.
Для проведения измерений прибором М-417 необходимо: присоединить прибор к электроприемнику или участнику сети, защита которых проверяется, и провести измерения, для чего:
- присоединить соединительные провода к зажимам прибора;
- ручку «Калибровка» установить в крайне левое положение;
- один из проводов с помощью пружинного зажима присоединить к корпусу электроприемника (РЕ- и PEN-проводнику ответвления), обеспечив в месте присоединения надежный контакт, а второй провод подсоединить к фазному проводу в месте его подключения к электроприемнику (присоединения РЕ- и PEN-проводников ответвления).
Эту работу необходимо выполнять отключив электроприемник от сети.
Если это невозможно, то подключение прибора выполнять в диэлектрических перчатках, защитных очках, стоя на резиновом диэлектрическом ковре или в резиновых диэлектрических галошах.
Если подключение выполнялось со снятием напряжения - подать напряжение. При наличии заземляющей (зануляющей) цепи загорится лампа Z ¹ ¥. Если лампа не загорелась - это говорит об обрыве заземляющей (зануляющей) цепи. В этом случае измерения проводить запрещается.
При загорании лампы продолжить процесс измерений, для чего:
- нажать кнопку «Проверка калибровки» и с помощью ручки «Калибровка» установить стрелку прибора на нуль;
- отпустить ручку «Проверка калибровки»; нажать кнопку «Измерение» и произвести отсчет по шкале прибора;
- время измерения не должно превышать 4 - 7 секунд с интервалами не менее 1 минуты;
- загорание сигнальной лампы «Z = 2 Om» при нажатой кнопке «Измерение» свидетельствует о сопротивлении петли «фаза-нуль» больше 2 Ом.
В этом случае необходимо произвести измерения по участкам цепи по ранее изложенной методике.
При этом коммутационный аппарат, разделяющий исследуемую цепь на обесточенный участок (для измерения сопротивления этого участка прибором М-417 на входе этого аппарата) следует выбирать из следующих противоречивых требований:
- данный аппарат, по возможности, должен находиться как можно ближе к источнику энергии, чтобы сопротивление участка цепи, измеряемое прибором М-417, укладывалось в диапазон его измерения;
- отключение данного аппарата, с другой стороны, не должно обесточивать слишком большое количество потребителей и приводить к нарушению технологических процессов.
Измерения токов однофазных замыканий проводятся на тех же электроприемниках и в тех же сетях электрических цепей, что и измерения полного сопротивления петли «фаза-нуль» в соответствии с п. 6.2 настоящих рекомендаций.
Измерения проводятся прибором Щ41160, измеряющим реальный ток однофазного замыкания в течение одного периода напряжения сети.
Для проведения измерений необходимо:
- достать соединительные провода из футляра и присоединить к измерителю согласно нанесенной на них и измерителе маркировке. В случаях, когда порядок тока короткого замыкания цепи «фаза-нуль» неизвестен, измерения необходимо начинать с ограничивающим резистором, т.е. соединительный провод «ФАЗА» присоединить к зажиму «ФАЗА огран»;
- соблюдая маркировку («фаза», «корпус») подключить прибор к испытываемому объекту, обеспечив надежное контактное соединение. Эту работу выполнять, отключив электроприемник от сети. Если это невозможно, то подключать прибор следует в диэлектрических перчатках, защитных очках, стоя на резиновом диэлектрическом ковре или в резиновых диэлектрических галошах;
- нажать кнопку ПТН (питание). Загорание индикации (должны высвечиваться нули) свидетельствует о том, что измеритель исправен и готов к работе;
- нажать кнопку ИЗМ. (измерение). На время измерения индикация гаснет, а затем высвечивается результат измерения. На время измерения в течение 5 сек. возможно подсвечивание индикации, которое не отражается на результате измерения;
- если результат измерения тока короткого замыкания с ограничивающим резистором превышает 535 А, то ориентировочное значение тока КЗ определяется по формуле:

где Iизм - показания измерителя.
Следует учитывать, что наиболее достоверный результат, определенный по данной формуле, будет для цепей «фаза-нуль» с минимальной индуктивностью.
ВНИМАНИЕ: Категорически запрещается производить измерения без ограничивающего резистора, когда результат измерения с ограничивающим резистором превышает 535 А, так как это может привести к выходу из строя прибора.
Если результат измерения тока короткого замыкания с ограничивающим резистором не превышает 535 А, то измерение необходимо повторить без ограничивающего резистора, отключив соединительный провод «ФАЗА» от зажима «ФАЗА огран» и подключив его к зажиму «ФАЗА».
При этом следует иметь в виду, что предел допускаемой относительной основной погрешности в диапазоне от 1000 до 2000 А - не нормируется.
Если при измерении тока короткого замыкания происходит отключение объекта (срабатывает защита) и не удается зафиксировать результат измерения, то измерение необходимо повторить в следующем порядке:
соблюдая полярность, установить в отсек питания 6 гальванических элементов;
включить автомат защиты;
нажать кнопку ПТН (ПИТАНИЕ);
нажать кнопку ПМТ (ПАМЯТЬ), переведя измеритель в режим запоминания результата измерения;
произвести измерение, нажав кнопку ИЗМ (ИЗМЕРЕНИЕ);
включить автомат защиты, если произошло отключение измерителя от сети;
кнопку ПТН отжать и через 10 - 15с нажать. На отсчетном устройстве высвечивается результат предыдущего измерения.
Следует отметить, что использование данного прибора и аналогичных по принципу действия (ЭК0200) для измерения токов однофазных замыканий связано с рядом неудобств в процессе измерений.
Несмотря на незначительное время протекания в цепи «фаза-нуль» и измерительной цепи прибора реального тока замыкания (20 мс), при токах более 100 А использование щупов и зажимов типа «крокодил» недопустимо, т.к. происходит подгорание контактов, а при больших токах - сваривание щупа и токоведущей части.
Обеспечение надежных контактов при подключении прибора к токоведущим частям, используя болтовые, винтовые соединения и струбцины, требует больших затрат времени и производительность труда при массовых измерениях низка.
Кроме того, при достаточно больших величинах измеряемого тока замыкания срабатывают электромагнитные расцепители автоматических выключателей, у которых проверяется согласование характеристик с параметрами цепи «фаза-нуль» (при номинальных токах автоматических выключателей менее 25 А это происходит практически всегда).
Данное обстоятельство приводит к временному обесточиванию электроустановок и нарушению производственных технологических процессов.
Одним из недостатков данного прибора является также ненормированная погрешность измерений в диапазоне токов однофазных замыканий от 1000 до 2000 А, что не обеспечивает достоверности результатов измерений в этом диапазоне.
Вышеперечисленных недостатков лишены малогабаритные цифровые измерители параметров цепи «фаза-нуль» «Вектор», разработанные в Учебно-методическом и инженерно-техническом центре Мосгосэнергонадзора (ныне Московский институт энергобезопасности и энергосбережения), и импортные аналогичные приборы серии «MZC». Принцип действия этих приборов основан на поочередной нагрузке исследуемой сети двумя эталонными сопротивлениями: активным и реактивным (емкостным). При этом тестирующий ток составляет порядка 20 А (в зависимости от реального напряжения в сети), а отношение потерь напряжения к тестирующему току в первом случае (DU1/Iт) с достаточной степенью точности равно активной составляющей комплексного сопротивления цепи «фаза-нуль»; а во втором (DU2/Iт) - реактивной составляющей той же цепи «фаза-нуль».
Здесь DU1 и DU2 - разности действующих значений напряжений сети до подключения и после подключения эталонных, соответственно, активной и реактивных нагрузок.
Эти измерения и последующие вычисления осуществляют микропроцессоры, после чего на мини дисплей прибора выводятся: напряжение сети, модуль комплексного сопротивления исследуемой цепи «фаза-нуль», ток однофазного замыкания и разность фаз между током и напряжением.
Если потребители включены через УЗО, то измерения следует проводить по участкам цепи «фаза-нуль» по методике, изложенной в п. 6.2.
При этом сопротивление участка цепи, находящегося под напряжением, определяется по измеренному току однофазного замыкания (на входных контактах УЗО) и фазному напряжению.
Измерение параметров цепи «фаза-нуль» целесообразно производить приборами, позволяющими измерять разность фаз между током и напряжением («Вымпел», «Вектор», «MZC»), т.к. по этой разности фаз, характеризующей величину реактивной составляющей полного сопротивления цепи «фаза-нуль», можно оценить качество монтажа электрических сетей, существенно влияющего на токи однофазных замыканий.
Это актуально при прокладке распределительных сетей одножильными проводами и кабелями больших сечений, не находящихся в одной оболочке. Как известно, индуктивность отдельно проложенных одножильных проводов и кабелей составляет от 0,73 × 10-3 (при сечении 6 мм2) до 0,57 × 10-3 (при сечениях > 120 мм2) Гн. Для жил проводов и кабелей, находящихся в одной оболочке (жгуте), эта индуктивность компенсируется распределенной емкостью между жилами, а также бифилярностью рядом расположенных проводников*. При этом основной составляющей комплексного сопротивления цепи «фаза-нуль» будет активная составляющая. Для несожгутованных фазных и нулевых защитных проводников при прокладке сети одножильными проводами и кабелями малых сечений в модуле комплексного сопротивления этой цепи будет также преобладать активная составляющая за счет большого активного сопротивления проводников малого сечения, т.к. распределенная индуктивность незначительно зависит от сечения проводника. Влияние индуктивности отдельно проложенных фазных и нулевых защитных проводников больших сечений на токи однофазных замыканий рассмотрим на примере распределительной сети секции многоэтажного здания, выполненной одножильными проводами или кабелями с медными жилами сечением 240 мм2 протяженностью около 50 м.
* Для сравнения: полное индуктивное сопротивление трехжильного кабеля сечением 120 мм2 составляет 0,0602 Ом/км, а отдельно проложенного провода того же сечения - 0,18 Ом/км, что для двухпроводного участка цепи (L, РЕ) в 6 раз больше, чем у кабеля.
При этом XL = 2pfL, где: XL - индуктивная составляющая сопротивления фазного и нулевого защитного проводника. При суммарной их длине 100 м, L = 0,57 × 10-4 Гн, a XL = 0,018 Ом. При этом активная составляющая сопротивления этих проводников
![]()
Как видно, индуктивная составляющая сопротивления в 2,4 раза выше активной, а модуль комплексного сопротивления
![]()
что почти в 2,6 раза больше активной составляющей.
Для определения полного сопротивления петли
«фаза-нуль» прибавим к этой активной составляющей сопротивление питающего
кабеля (~0,0025 Ом) и одной фазы
питающего трансформатора (ТМ-1000, D/Yo,
= 0,0087 Ом) и
произведя аналогичные вычисления получим полное Zфо =
0,0259 Ом. Величина расчетного тока однофазного замыкания составит 8462 А.
Если проводники рассматриваемой сети входят в состав кабеля или хорошо сожгутованы и распределенная индуктивность скомпенсирована бифилярностью и емкостью между ними, то в расчетном Zфo индуктивной составляющей сопротивления можно пренебречь. Тогда Zфо = 0,0075 + 0,0025 + 0,0087 = 0,0187 Ом и расчетный ток однофазного замыкания составит 11765 А, что в 1,4 раза больше предыдущего.
В процессе измерений недостатки монтажа выявляются по большей величине разности фаз между током и напряжением в режиме однофазного замыкания. Отношения реального тока однофазного замыкания к максимально возможному в зависимости от этой разности фаз приведены в табл. 18.
Таблица 18
Зависимость относительного тока однофазного замыкания от параметров цепи «фаза-нуль»
|
j (град) |
|
|
|
|
0,1 |
5,7 |
1,0 |
1,0 |
|
0,2 |
11,3 |
1,02 |
0,98 |
|
0,3 |
16,7 |
1,04 |
0,96 |
|
0,4 |
21,8 |
1,08 |
0,93 |
|
0,5 |
26,6 |
1,12 |
0,89 |
|
0,6 |
31,0 |
1,17 |
0,85 |
|
0,7 |
35,0 |
1,22 |
0,82 |
|
0,8 |
38,7 |
1,28 |
0,78 |
|
0,9 |
42,0 |
1,36 |
0,74 |
|
1,0 |
45,0 |
1,41 |
0,71 |
|
1,1 |
47,7 |
1,49 |
0,67 |
|
1,2 |
50,2 |
1,56 |
0,64 |
|
1,3 |
52,4 |
1,64 |
0,61 |
|
1,4 |
54,5 |
1,72 |
0,58 |
|
1,5 |
56,3 |
1,80 |
0,56 |
|
1,6 |
58,0 |
1,89 |
0,53 |
|
1,7 |
59,5 |
1,97 |
0,51 |
|
1,8 |
60,9 |
2,06 |
0,49 |
|
1,9 |
62,2 |
2,15 |
0,47 |
|
2,0 |
63,4 |
2,24 |
0,45 |
Из приведенных данных видно, что существенное влияние индуктивной составляющей модуля сопротивления цепи «фаза-нуль» на уменьшение токов однофазных замыканий происходит при соотношении: XL/R > 0,5. Из этого неравенства можно определить минимальные сечения проводников, при которых способы прокладки и качество монтажа распределительных сетей будут существенно влиять на токи однофазных замыканий.
Учитывая, что L = 5,7 ×
10-4 Гн,
получим:
. После несложных
алгебраических преобразований получаем:
. При этом для медных проводников (r = 0,018 Ом М/мм2) это сечение будет 50,3
мм2 (ближайшее стандартное 50 мм2), а для алюминиевых (r = 0,029 Ом М/мм2) - 81 мм2
(ближайшее стандартное - 70 мм2).
Из этого следует, что прокладка распределительных сетей несожгутованными одножильными проводами и кабелями сечениями, больше указанных, может привести к снижению токов однофазных замыканий и, как следствие, быстродействия срабатывания защиты. Например, для автоматических выключателей с характеристиками «D» и «С» при кратностях токов однофазных замыканий, близких к 10 и 5 соответственно. Как видно из приведенных характеристик расцепления автоматических выключателей (рис. 26 а, б) (ГОСТ Р 50345-99), уменьшение расчетного тока однофазного замыкания более чем на 10 % для автоматических выключателей с характеристикой «D» (рис. 26 б) может привести к увеличению времени их срабатывания от сотых долей до единиц секунд.
Время срабатывания автоматических выключателей с характеристиками по ГОСТ Р 50030.2-99 при аналогичных уменьшениях токов однофазных замыканий может увеличиться до десятков секунд.
Тип мгновенного расцепления С Тип мгновенного расцепления D
а) б)
Рис. 26
Соответствие измеренного или расчетного тока однофазного замыкания требованиям нормированного времени отключения, установленного в цепи защитного аппарата, определяется по его времятоковой характеристике.
Если кратность измеренного тока однофазного замыкания по отношению к номинальному току теплового расцепителя превышает верхний предел диапазона токов мгновенного расцепления, то требования п. 1.7.79 ПУЭ (приведены в п. 4 настоящей методики) выполнены.
Диапазоны токов мгновенного расцепления определяются типами расцепления (В, С, D и т.п.) или указываются в паспортных данных.
Если измеренный или расчетный ток однофазного замыкания не превышает верхнего предела диапазона токов мгновенного расцепления, то необходимо измерить время отключения установленного в цепи аппарата защиты от сверхтока, пропустив через каждый его полюс ток, равный измеренному или расчетному току однофазного замыкания. (См. методику «Испытания расцепителей автоматических выключателей»).
Результаты испытаний оформляются протоколом, форма которого прилагается.
|
_________________________________ (наименование организации, предприятия) |
|
|
_________________________________ |
|
|
Свидетельство о регистрации № ____ |
Заказчик: _____________________ |
|
Действительно до «___» ______ 200 г. |
Объект: _______________________ |
|
Лицензия Минэнерго РФ № ________ |
Адрес: _________________________ |
|
Действительна до «____» _____ 200 г. |
Дата проведения измерений: до «__» ____ 200 г. |
ПРОТОКОЛ № _____
проверки согласования параметров цепи «фаза - нуль» с характеристиками аппаратов защиты и непрерывности защитных проводников
Климатические условия при проведении измерений
Температура воздуха _______ °С. Влажность воздуха _______ %. Атмосферное давление _______ мм. рт. ст.
Цель измерений (испытаний)
___________________________________________________________________________
(приёмо-сдаточные, сличительные, контрольные испытания, эксплуатационные, для целей сертификации)
Нормативные и технические документы, на соответствие требованиям которых проведены измерения (испытания):
___________________________________________________________________________
1. Результаты измерений
|
№ п/п |
Проверяемый участок цепи, место установки аппарата защиты |
Аппарат защиты от сверхтока |
Измеренное значение сопротивления цепи «фаза-нуль», Ом |
Измеренное (расчётное) значение тока однофазного замыкания, А |
Время срабатывания аппарата защиты, с |
||||||||
|
Типовое обозначение |
Тип расцепителя |
Номин. ток |
Диапазон тока срабатывания расцепителя короткого замыкания |
L1 (A) |
L2 (B) |
L3 (C) |
L1 (A) |
L2 (B) |
L3 (C) |
Допустим. |
По время-токовой хар-ке |
||
|
1 |
2 |
3 |
4 |
5 |
6 |
7 |
8 |
9 |
10 |
11 |
12 |
13 |
14 |
|
|
|
|
|
|
|
|
|
|
|
|
|
|
|
2. Измерения проведены приборами:
|
№ п/п |
Тип |
Заводской номер |
Метрологические характеристики |
Дата поверки |
№ аттестата (свидетельства) |
Орган государственной, метрологической службы, проводивший поверку |
||
|
Диапазон измерения |
Класс точности |
последняя |
очередная |
|||||
|
1 |
2 |
3 |
4 |
5 |
6 |
7 |
8 |
9 |
|
|
|
|
|
|
|
|
|
|
3. При проведении измерений проверено:
a) Отсутствие предохранителей и однополюсных выключающих аппаратов в нулевых рабочих проводниках.
b) Соответствие плавких вставок и уставок автоматических выключателей проекту и требованиям нормативной и технической документации.
c) Качество сварных соединений - ударами молотка, стабилизация разъёмных контактных соединений по II классу в соответствии с ГОСТ 10434.
Обозначение типов расцепителей:
1. В, С, D - тип мгновенного расцепления по ГОСТ Р 50345-99.
2. ОВВ - максимальный расцепитель тока с обратно-зависимой выдержкой времени.
3. НВВ - максимальный расцепитель тока с независимой выдержкой времени.
4. МД - максимальный расцепитель тока мгновенного действия.
Примечание: При испытаниях электроустановок больших и многоэтажных зданий для каждой линии питания нескольких потребителей от одного автоматического выключателя (розеточные группы, линии освещения и т.д.) допускается в одной строке протокола указать вид и количество этих потребителей и занести в протокол наименьшее из измеренных на каждом потребителе (оконечном устройстве) значение тока однофазного замыкания.
Выводы:
Заключение:
____________________________________________________________________
____________________________________________________________________
Испытания провели: _______________ _______________ _____________
(должность) (подпись) (Ф. И. О.)
_______________ _______________ _____________
(должность) (подпись) (Ф. И. О.)
Протокол проверил: _______________ _______________ _____________
(должность) (подпись) (Ф. И. О.)
Частичная или полная перепечатка и размножение только с разрешения испытательной лаборатории.
Исправления не допускаются.
Протокол распространяется только на элементы электроустановки, подвергнутые испытаниям.
Испытания расцепителей автоматических выключателей проводятся с целью проверки соответствия пределов их срабатывания данным завода-изготовителя, требованиям ГОСТ Р 50345-99, ГОСТ Р 50030.2-99.
Испытания автоматических выключателей могут проводится по распоряжению, бригадой составом не менее двух человек, каждый из которых производитель работ и член бригады, должны иметь не ниже III группы по электробезопасности.
Перечень необходимых технических мероприятий определяет лицо, выдающее распоряжение в соответствии с пп. 1.4.5; 1.4.6; 1.4.7; 1.4.11 и главой 2.3 МПБЭЭ.
Для автоматических выключателей, находящихся во взаиморезервируемых цепях или в цепях источников электрической энергии, включаемых на параллельную работу, особое внимание обратить на отсоединение проводов, кабелей, шин как подходящих, так и отходящих линий.
Работы по отсоединению автоматических выключателей выполнять со снятием напряжения.
Допускается выполнять эти работы без снятия напряжения при обязательном использовании изолированного инструмента, перчаток резиновых диэлектрических, ковров резиновых диэлектрических или резиновых диэлектрических галош.
Отсоединенные провода, кабели, шины, оставшиеся под напряжением, следует надежно изолировать кабельными наконечниками, изолирующими накладками или покрытиями.
Параметры срабатывания автоматических выключателей должны соответствовать данным завода-изготовителя и обеспечивать:
- защиту от поражения электрическим током (в случае недостаточности других защитных мер) при коротких замыканиях;
- защиту сетей от перегрузок и пожаров, вызванных технологическими перегрузками или повреждениями изоляции.
Обеспечение требований защиты от поражения электрическим током при косвенных прикосновениях путем автоматического отключения питания достигается нормированным временем отключения поврежденного участка цепи, зависящего от тока однофазного замыкания (см. п. 4 Методики измерения полного сопротивления цепи «фаза-нуль» и токов однофазных замыканий).
Время срабатывания автоматического выключателя проверяется в случае, когда измеренный или расчетный ток однофазного замыкания меньше верхнего предела диапазона токов мгновенного расцепления этого выключателя и разброс времени срабатывания выключателя по время-токовой характеристике выходит за пределы нормированного времени отключения, приведенного в таблице 13 указанной методики. При этом расцепители автоматических выключателей испытываются током, равным измеренному или расчетному значению тока однофазного замыкания.
При проверке защиты сетей от перегрузок для автоматических выключателей допустимое время срабатывания в зависимости от кратности номинального тока и температуры окружающей среды определяется по паспортным данным.
При проверке времени срабатывания автоматического выключателя кратность тока испытания должна приниматься такой, чтобы время срабатывания было не менее 5 секунд. При этом необходимая кратность испытательного тока ориентировочно определяется по формуле:

где: I7, t7 - семикратный ток испытаний и время срабатывания теплового расцепителя при этом токе;
tx - заданное время срабатывания;
Ix - ток, при котором время срабатывания будет соответствовать заданному.
Время срабатывания должно соответствовать данным завода-изготовителя.
Автоматические выключатели (далее по тексту «выключатели») выпускаются с расцепителями с обратнозависимой выдержкой времени (тепловыми), с независимой выдержкой времени и мгновенного действия (электромагнитные и электронные).
Тепловые расцепители срабатывают с выдержкой времени, зависящей от величины тока - чем больше ток, тем меньше выдержка времени. Электромагнитные расцепители (отсечка) срабатывают без выдержки времени.
Выключатели бытового и аналогичного назначения по ГОСТ Р 50345-99 классифицируются по диапазонам токов мгновенного расцепления и подразделяются на типы расцепления В, С, D.
Диапазоны токов мгновенного расцепления выключателей этих типов приведены в таблице 19.
Таблица 19
|
Диапазоны токов мгновенного расцепления |
|
|
В |
3 In < Ia < 5 In |
|
С |
5 In < Ia < 10 In |
|
D |
10 In < Ia < 50 In |
Где: In - номинальный ток выключателя (номинальный ток расцепителя с обратнозависимой выдержкой времени);
Iа - ток мгновенного расцепления.
Дополнительно к этим типам выключателей, в соответствии со стандартом МЭК 898, отечественной промышленностью выпускаются выключатели с типами расцепления L, 1С, 2С, 3С, 4С.
Разновидность типов расцепления импортных выключателей гораздо шире, но наиболее широкое применение в отечественной практике находят выключатели вышеуказанных типов.
Диапазоны токов мгновенного расцепления для каждого типа выключателя указываются в паспортных данных.
Остальные выключатели, не относящиеся к категории «бытового и аналогичного назначения» (ГОСТ Р 50030.2-99), имеют конкретные значения уставок расцепителей по токам коротких замыканий.
Токи мгновенного расцепления этих выключателей должны находиться в диапазоне 0,8 Iук < Iа £ 1,2 Iук, где Iук - уставка расцепителя по току короткого замыкания (отсечка).
Расцепители регулируют и калибруют на заводе-изготовителе, после чего их крышки пломбируют. Открывать крышки и регулировать расцепители не допускается. При наружном осмотре проверяют отсутствие повреждений основания кожуха и крышки автомата, производят несколько включений и отключений вручную, проверяя действие расцепителей.
Тепловые расцепители проверяют по схеме, приведенной на рис. 27 (а, б).
На заводе-изготовителе тепловые расцепители калибруют по начальному току срабатывания.
Проверка этого тока требует больших затрат времени. Поэтому при приемосдаточных и эксплуатационных испытаниях проверку производят в форсированном режиме: при 3 - 5-кратном номинальном токе расцепителя.
Для каждого типа выключателя и расцепителя время срабатывания при 3 - 5-кратной нагрузке не должно превышать указанного заводом. Заводские данные даются для случая одновременной нагрузки испытательным током всех полюсов выключателя, соединенных последовательно (рис. 27 б).
Однако при одновременной нагрузке всех полюсов проверка не дает гарантии исправности каждого расцепителя. Поэтому, кроме проверки при одновременной нагрузке всех полюсов выключателя, целесообразно проверить каждый тепловой расцепитель в отдельности.
При испытании тепловых расцепителей необходимо помнить, что если тепловой элемент не сработает и не произойдет отключения автомата за максимально допустимое для него время, то необходимо отключить испытательный ток во избежание перегрева и порчи расцепителя.
Максимально допустимое время равно примерно двойному времени срабатывания при форсированном режиме испытания.
Электромагнитные расцепители проверяются только при поочередной нагрузке испытательным током каждой фазы автомата (рис. 27 а). При этом нагрузочный ток повышают до 0,8 значения тока отсечки, указанного в паспортных данных выключателя, или до нижнего предела тока мгновенного расцепления для выключателей типов В, С, D и аналогичных.
Электромагнитный расцепитель не должен сработать. После этого нагрузочный ток увеличивается до 1,2 тока отсечки или до верхнего предела тока мгновенного расцепления для выключателей типов В, С, D.
Электромагнитный расцепитель должен сработать. Это означает, что ток отсечки находится в допустимых пределах.
При проверке комбинированных расцепителей (с тепловыми и электромагнитными элементами) нагрузочный ток необходимо повышать быстро, чтобы не успел сработать тепловой расцепитель. Чтобы убедиться в том, что тепловой расцепитель не сработал, сразу после отключения выключатель включают вручную, при срабатывании теплового расцепителя повторное его включение не произойдет.
Принципиальная схема проверки тепловых и электромагнитных расцепителей автоматического выключателя предусматривает:
- проверка каждого полюса в отдельности (рис. 27 а);
- проверка при одновременной нагрузке всех полюсов (рис. 27 б);
R - реостат (автотрансформатор);
НТ - нагрузочный трансформатор.
В качестве испытательных устройств в схеме могут быть использованы следующие нагрузочные устройства и трансформаторы:
- ТН-3 (разработчик ЦЛЭМ Мосэнерго), максимальный ток нагрузки 1800 А;
- НТ-10 (разработчик ВНИИПЭМ), максимальный ток нагрузки 10000 А;
- нагрузочное устройство РТ-2048 в комплекте с однофазным нагрузочным трансформатором ТОН-7М2 (Ассоциация наладочных организаций, Санкт-Петербург, завод «Электросила»), максимальный ток нагрузки 11000 А, снабжено электронным секундомером для измерения времени срабатывания расцепителей.
Рис. 27
В качестве нагрузочных устройств могут также использоваться сварочные или котельные трансформаторы с регулировкой напряжения по первичной стороне (регулировочные автотрансформаторы типа РНО или регулировочные реостаты). В настоящее время широкое распространение получили разработанные НПО «Радиус» совместно с фирмой ОРГРЭС специализированные испытательные устройства серии «Сатурн», выполняемые в двух вариантах: «Сатурн-М» и «Сатурн-М1», а также разработанные Ассоциацией наладочных организаций комплекты НТИ-1 с пультом РТ2048Н, НТИ-10 с пультом РТ2048. Устройство «Сатурн-М» представляет собой одноблочное устройство, а «Сатурн-М1» - двухблочное, состоящее из полностью аналогичного «Сатурн-М» базового блока и силового блока, соединяемых при работе кабелем. Базовый блок может использоваться автономно, аналогично устройству «Сатурн-М», а также с нагрузочным трансформатором.
4.2.1. Диапазон регулирования и измерения тока в схеме без нагрузочного трансформатора: «Сатурн-М», базовый блок «Сатурн-М1» - 10 - 2000 А, «Сатурн-М1» с силовым блоком - 30 - 12000 А.
4.2.2. Диапазон регулирования первичного тока в схеме с нагрузочным трансформатором - (0,5 - 300) А.
4.2.3. Диапазон измерения тока со встроенным трансформатором тока 10 - 2500 А, с внешним трансформатором тока 0,1 - 99,99 КА.
4.2.4. Диапазон задания и измерения длительности протекания тока и времени отключения аппарата - 0,01 - 99,99 с.
4.2.5. Диапазон регулирования угла открытия тиристоров - 1 - 100 %.
4.2.6. Диапазон задания роста угла открытия тиристоров - 1 - 10 %.
4.2.7. Допустимая длительность протекания тока в схеме без нагрузочного трансформатора для «Сатурна-М», базового блока «Сатурн-М1»:
- при токе 100 А - 100 с.
- при токе 200 А - 20 с.
- при токе 300 А - 12 с.
- при токе 500 А - 5 с.
- при токе 1000 А - 1 с.
- при токе 1500 А - 0,3 с.
- при токе 2500 А - 0,06 с.
Для силового блока «Сатурн-М1»:
- при токе 300 А - 100 с.
- при токе 400 А - 50 с.
- при токе 500 А - 40 с.
- при токе 800 А - 20 с.
- при токе 1000 А - 10 с.
- при токе 1500 А - 5 с.
- при токе 2000 А - 3 с.
- при токе 5000 А - 0,4 с
- при токе 8000 А - 0,15 с.
- при токе 12000 А - 0,06 с.
4.2.8. Относительная погрешность измерения эффективного значения тока в рабочем диапазоне - 8 %.
4.2.9. Абсолютная погрешность измерения времени отключения аппарата и установки заданной длительности тока при частоте 50 Гц не превышает (0,01 ´ Тизм + 0,01) сек.
4.2.10. Напряжение питания 220 В, 50 Гц.
4.2.11. Допустимое отклонение напряжения питания +10, -15 %.
Испытательные схемы с использованием устройства «Сатурн» приведены в инструкциях завода-изготовителя.
Комплект состоит из:
- силового блока НТИ-1 с максимальным испытательным током в импульсном режиме - 1000 А; в силовой блок НТИ-1 встроена тиристорная панель регулирования первичного тока трансформатора;
- пульта РТ-2048М, предназначенного для управления тиристорной панелью и цифровой индикации величин испытательного тока и времени срабатывания расцепителей;
- соединительных проводов сечением 25 мм2.
Комплект обеспечивает два режима работы со следующими параметрами:
- кратковременный (импульсный) с диапазоном установки длительности протекания тока через НТИ-1 от 0,02 до 1,6 с;
- длительный;
- максимальный испытательный ток в импульсном режиме для прогрузки максимальных (электромагнитных и полупроводниковых) расцепителей - 1000 А; при этом потребляемый из сети импульсный ток составляет около 20 А;
- максимальный испытательный ток в длительном режиме - 300 А;
- испытательный ток при длительности цикла не более 30 с (для прогрузки тепловых и полупроводниковых расцепителей в режиме перегрузки) - не более 600 А;
- минимальный испытательный ток - 10 А;
- встроенное в РТ-2048М устройство позволяет производить пересчет испытательного несинусоидального тока в синусоидальный, регистрируемый цифровым индикатором.
Для измерения времени отключения расцепителя как электромагнитного, так и теплового, в приборе имеется электронный секундомер, измеряющий время от 0,01 до 99,99 с;
- питание комплекта от напряжения 220 В (380 В только кратковременно), в зависимости от требуемой величины испытательного тока;
- погрешность измерения испытательного тока - 5 %;
- масса комплекта - 5,5 кг.
Комплект состоит из:
- силового блока НТИ-10 с максимальным испытательным током в импульсном режиме - 10 кА; в трансформатор НТИ-10 встроена тиристорная панель регулирования первичного тока трансформатора;
- индуктивного датчика тока;
- пульта управления (РТ-2048), предназначенного для управления тиристорной панелью, и цифровой индикации величин испытательного тока и времени срабатывания расцепителей;
- соединительных проводов сечением 240 мм2;
- дипломата для хранения пульта управления и индуктивного датчика тока.
Комплект обеспечивает два режима работы со следующими параметрами:
- кратковременный (импульсный) с диапазоном установки длительности протекания тока через НТИ-10 от 0,02 до 1,6 с;
- длительный;
- максимальный испытательный ток в импульсном режиме для прогрузки максимальных (электромагнитных и полупроводниковых) расцепителей - 10 кА; при этом потребляемый из сети импульсный ток составляет около 400 А;
- максимальный испытательный ток в длительном режиме - 1 кА;
- испытательный ток при длительности цикла не более 40 с (для прогрузки тепловых и полупроводниковых расцепителей в режиме перегрузки) - не более 6 кА;
- минимальный испытательный ток - 100 А;
- встроенное в РТ-2048 устройство позволяет производить пересчет испытательного несинусоидального тока синусоидальный, регистрируемый цифровым индикатором. Для измерения времени отключения расцепителя как электромагнитного, так и теплового, в приборе имеется электронный секундомер, измеряющий время от 0,01 до 99,99 с;
- питание комплекта от напряжения 220 В либо 380 В, в зависимости от требуемой величины испытательного тока;
- относительная погрешность измерения испытательного тока - 5 %;
- масса комплекта - 27 кг.
- Собрать схему проверки в соответствии с инструкцией изготовителя используемого нагрузочного устройства.
- Для проверки тепловых расцепителей пропустить через каждый, находящийся в холодном состоянии, полюс выключателя ток, равный 2,55Iп.
Время расцепления должно составлять не менее 1 с и не более:
60 с - при номинальных токах выключателей до 32 А;
120 с - при номинальных токах выключателей выше 32 А.
- Для проверки электромагнитных расцепителей типа «В» пропустить через каждый полюс ток, равный 3Iп.
Время расцепления должно быть не менее 0,1 с.
Пропустить через каждый полюс ток, равный 5Iп.
Время расцепления должно быть менее 0,1 с.
- Для проверки электромагнитных расцепителей типа «С» пропустить через каждый полюс ток, равный 5Iп.
Время расцепления должно быть не менее 0,1 с.
Пропустить через каждый полюс ток, равный 10Iп.
Время расцепления должно быть менее 0,1 с.
- Для проверки электромагнитных расцепителей типа «D» пропустить через каждый полюс ток, равный 10 Iп.
Время расцепления должно быть не менее 0,1 с.
Пропустить через каждый полюс ток, равный 50 Iп.
Время расцепления должно быть менее 0,1 с.
Также, как и при проверке тепловых расцепителей, полюса выключателей перед каждым испытанием должны находиться в холодном состоянии.
Термин «холодное» означает: «Без предварительного пропускания тока при контрольной температуре калибровки» (ГОСТ Р 50345-99). Контрольная температура калибровки - 30 °С.
Испытания проводят при любой температуре, а результаты корректируют к температуре 30 °С на основании поправочных коэффициентов изготовителя. При отсутствии данных изготовителя испытательные токи устанавливают отличными от указанных на 1,2 % на каждый градус изменения температуры, при которой проводятся испытания.
Пример: при проведении испытаний при температуре 20 °С испытательные токи следует увеличивать на 12 %.
4.6.1. Проверка расцепителей перегрузки
Расцепители перегрузки рассматриваемых выключателей подразделяются на:
- расцепители мгновенного действия;
- расцепители с независимой выдержкой времени;
- расцепители с обратнозависимой выдержкой времени (преимущественно тепловые).
При проверке расцепителей мгновенного действия или с независимой выдержкой времени через каждый полюс выключателя пропустить испытательный ток, равный 90 % уставки по току перегрузки.
При этом расцепитель не должен сработать с начала прохождения тока в течение:
- 0,2 с для расцепителей мгновенного действия;
- удвоенной выдержке времени, указанной изготовителем, для расцепителей с независимой выдержкой времени.
Пропустить через каждый полюс ток, равный 110 % уставки по току нагрузки. При этом расцепитель должен сработать в течение:
- 0,2 с для расцепителей с независимой выдержкой времени;
- удвоенной выдержке времени, указанной изготовителем, для расцепителей мгновенного действия.
При проверке расцепителей с обратнозависимой выдержкой времени (тепловых) при контрольной температуре (30 ± 2) °С (холодное состояние полюсов) через последовательно соединенные полюса выключателя пропускают ток, равный 1,05 уставки расцепителя в течение 1 часа. В течение этого времени расцепитель сработать не должен.
По истечении этого времени значение испытательного тока в течение 5 с повышают до 1,3 уставки расцепителя. При протекании этого тока расцепитель должен сработать в течение 2 часов с момента увеличения испытательного тока. Данные испытания требуют больших затрат времени, поэтому проверку соответствия параметров расцепителей с обратнозависимой выдержкой времени данным изготовителя при массовых испытаниях производят в форсированном режиме при условии, что время расцепления должно быть не менее 5 с.
При этом кратность тока, обеспечивающая данное условие, определяется по паспортным данным выключателя по формуле 3.2.1 п. 3.2 настоящей методики. При проведении испытаний при температуре, отличной от контрольной, результаты необходимо корректировать к температуре 30 °С по указаниям изготовителя.
4.6.2. Проверка расцепителей короткого замыкания
Расцепители токов короткого замыкания рассматриваемых выключателей подразделяются на:
- расцепители мгновенного действия;
- расцепители с независимой выдержкой времени.
При проверке параметров указанных расцепителей через каждый полюс необходимо пропустить испытательный ток, равный 80 % уставки расцепителя.
Расцепитель не должен сработать с начала прохождения тока в течение:
- 0,2 с для расцепителей мгновенного действия;
- удвоенной выдержке времени, указанной изготовителем, для расцепителей с независимой выдержкой времени.
Пропустить испытательный ток, равный 120 % уставки расцепителя.
Расцепитель должен сработать в течение:
- 0,2 с для расцепителей мгновенного действия;
- удвоенной выдержке времени, указанной изготовителем, для расцепителей с независимой выдержкой времени.
Результаты испытаний оформляются протоколом, форма которого прилагается.
|
____________________________________________________ (наименование организации, предприятия) |
|
|
____________________________________________________ |
|
|
Свидетельство о регистрации № ________________________ |
Заказчик: ____________________________________________ |
|
Действительно до «___» ____________________ 200 г. |
Объект: _____________________________________________ |
|
Лицензия Минэнерго РФ № ____________________________ |
Адрес: ______________________________________________ |
|
Действительна до «___» _________________ 200 г. |
Дата проведения измерений: до «___» _______________ 200 г. |
ПРОТОКОЛ № _____
проверки автоматических выключателей напряжением до 1000 В
Климатические условия при проведении измерений
Температура воздуха _______ °С. Влажность воздуха _______ %. Атмосферное давление _______ мм. рт. ст.
Цель измерений (испытаний)
_____________________________________________________________________________________________________
(приёмо-сдаточные, сличительные, контрольные испытания, эксплуатационные, для целей сертификации)
Нормативные и технические документы, на соответствие требованиям которых проведены измерения (испытания):
________________________________________________________________________________________________________
1. Результаты измерений
|
№ п/п |
Обозначение по схеме, место установки |
Типовое обозначение (маркировка) |
Типы расцепителей |
Заданная выдержка времени (для категор. В) (сек) |
Номинальн. ток, А |
Уставка расцепителей |
Проверка расцепителя |
|||||||||
|
Тока перегрузки |
Тока короткого замыкания |
|||||||||||||||
|
токов перегрузки, А |
токов корот. замыкания, А |
токов перегрузки, А |
токов корот. замыкания, А |
Номинальн. ток. А |
Время срабатывания, с |
Длительность приложения испытательного тока |
Испытательный ток несрабатывания, А |
Реакция расцепителя, (+/-) |
Испытательный ток срабатывания, А |
Реакция расцепителя, (+/-) |
||||||
|
Допустимое |
Измеренное |
|||||||||||||||
|
1 |
2 |
3 |
4 |
5 |
6 |
7 |
8 |
9 |
10 |
11 |
12 |
13 |
14 |
15 |
16 |
17 |
|
|
|
|
|
|
|
|
|
|
|
|
|
|
|
|
|
|
2. Измерения проведены приборами:
|
№ п/п |
Тип |
Заводской номер |
Метрологические характеристики |
Дата поверки |
№ аттестата (свидетельства) |
Орган государственной, метрологической службы, проводивший поверку |
||
|
Диапазон измерения |
Класс точности |
последняя |
очередная |
|||||
|
1 |
2 |
3 |
4 |
5 |
6 |
7 |
8 |
9 |
|
|
|
|
|
|
|
|
|
|
Обозначения:
1. Типы расцепителей:
1.1. ОВВ - максимальный расцепитель тока с обратно-зависимой выдержкой времени.
1.2. НВВ - максимальный расцепитель тока с независимой выдержкой времени.
1.2. МД - максимальный расцепитель тока мгновенного действия.
1.3. B, C, D - тип мгновенного расцепителя по ГОСТ Р 50345.1-99
Выводы:
Заключение:
___________________________________________________________________________________________________________________
___________________________________________________________________________________________________________________
Испытания провели: _______________ _______________ _______________
(должность) (подпись) (Ф. И. О.)
_______________ _______________ _______________
(должность) (подпись) (Ф. И. О.)
Протокол проверил: _______________ _______________ _______________
(должность) (подпись) (Ф. И. О.)
Частичная или полная перепечатка и размножение только с разрешения испытательной лаборатории.
Исправления не допускаются.
Протокол распространяется только на элементы электроустановки, подвергнутые испытаниям.
Испытания АВР проводятся с целью проверки его функционирования как устройства, автоматически присоединяющего резервный источник питания к потребителям I категории при исчезновении напряжения на шинах основного, вызванного любой причиной, в том числе короткими замыканиями (КЗ) на этих шинах.
Работы по испытанию АВР выполняются по распоряжению бригадой, численным составом не менее двух человек, каждый из которых, производитель работ и член бригады, должны иметь группу по электробезопасности не ниже III.
Перечень необходимых технических мероприятий определяет допускающий совместно с производителем работ в соответствии с пп. 1.4.5; 1.4.6; 1.4.7; 1.4.11 МПБЭЭ, обязательными из которых являются:
- отключение всех отходящих от АВР линий, питающих потребителей I-й категории;
- отключение от обоих вводов всех отходящих линий, питающих потребителей II-й категории;
Испытания АВР проводятся перед приемкой электрооборудования в эксплуатацию, после капитальных и текущих ремонтов, а также в сроки, установленные графиком межремонтных профилактических испытаний.
Проверке подлежат напряжение срабатывания и выдержка времени отключения основного ввода АВР. Выдержка времени устанавливается такой, чтобы исключить ложные срабатывания АВР при кратковременных снижениях напряжения на вводах РУ.
Напряжение срабатывания и время срабатывания должны соответствовать данным завода-изготовителя.
Проверка функционирования реле и контакторов проводится по методике проверки правильности функционирования полностью собранных схем при различных значениях напряжения оперативного тока.
Для испытания АВР могут быть использованы:
- комбинированный электроизмерительный прибор Ц4113 или аналогичные;
- автотрансформатор (ЛАТР), регулятор напряжения типа РНО;
- электрический секундомер ПВ 53-Л.
Принципиальная схема одного из распространенных типов АВР представлена на рис. 28.
Исходное положение контактов реле и контакторов на схеме соответствует отсутствию напряжения на обоих вводах питающей сети. При подаче напряжения на резервный ввод через нормально замкнутые контакты К4, К1, К2, К3 запитывается обмотка контактора К5, который своими силовыми нормально разомкнутыми контактами формирует цепь питания сборных шин потребителей I категории. Одновременно через контакт К5 включается индикаторная лампа Е2, свидетельствующая о питании потребителей I категории от резервного ввода.
Рис. 28
Схема электрическая
принципиальная панелей ЗАВР-100, ЗАВР-160, ЗАВР-250, ЗАВР-400,
(линии
питания потребителей II категории от обоих вводов
не показаны, пунктирными линиями показаны цепи подключения электрического
секундомера ПВ53-Л при испытаниях АВР по пп. 5.5.1; 5.5.2).
При подаче напряжения на основной ввод (рабочий) реле контроля фаз K1, К2, К3 своими нормально замкнутыми контактами K1, К2 и К3 разрывает цепь питания силового контактора К4, после чего теми же нормально разомкнутыми контактами К2 и К3 (нормально разомкнутая контактная группа К1 не задействована) формируется цепь питания обмотки контактора К4.
При этом силовые контакты К5 приходят в свое нормально разомкнутое положение, разрывая цепь питания сборных шин потребителей первой категории от резервного ввода, после чего силовые контакты К4 формируют цепь питания сборных шин потребителей первой категории от рабочего ввода.
Контакт К4 формирует цепь питания индикаторной лампы Е1.
При пропадании напряжения на одной, двух или трех фазах рабочего ввода или снижения его ниже допустимых пределов контактами К2 и (или) К3 реле контроля фаз, разрывается цепь питания обмотки контактора К4.
При «пропадании» фазы L1 обмотка контактора К4 обесточивается, т.к. она непосредственно подключена к этой фазе через выпрямительное устройство.
При этом нормально замкнутые контакты K1, K2, К3 реле контроля фаз (достаточно одного из них при пропадании напряжения на одной из фаз основного ввода) начинают формирование цепи питания обмотки контактора К5.
Окончательное формирование цепи питания этой обмотки осуществляется нормально замкнутыми контактами К4 после обесточивания обмотки контактора К4, что исключает в данной ситуации замыкание силовых контактов К5, до размыкания силовых контактов К4.
После замыкания силовых контактов К5 питание сборных шин потребителей первой категории осуществляется от резервного ввода.
Нормально разомкнутый контакт К4 разрывает цепь питания индикаторной лампы Е1, а контакт К5 формирует цепи питания индикаторной лампы Е2.
Исходное состояние схемы: вводные рубильники Q1 и Q2 отключены, автоматический выключатель PQ включен.
На обоих вводах номинальное напряжение питающей сети.
Проверить отсутствие напряжения на шинах потребителей I категории (шинах АВР).
Включить рубильник Q2. Загорание индикаторной лампы Е2 свидетельствует о подключении шин АВР к резервному вводу.
Проверить наличие напряжения на шинах АВР.
Проверить фазировку резервного ввода и шин АВР. Правильность фазировки определяется по отсутствию напряжения между одноименными фазами резервного ввода и шин АВР.
Включить рубильник Q1. Погасание индикаторной лампы Е2 и загорание индикаторной лампы Е2 свидетельствует о переводе питания шин АВР с резервного ввода на основной.
В случае несрабатывания контактора К4 проверить напряжение питания его обмотки и установить его 110 В реостатом R1.
Проверить наличие напряжения на шинах АВР.
Проверить фазировку основного ввода и шин АВР.
Отключить вводные рубильники Q1 и Q2 в указанной последовательности.
Вынуть плавкую вставку F1 и подключить реле контроля этой фазы через ЛАТР (РНО), как показано на фрагменте схемы АВР (рис. 29).
Рис. 29
Фрагмент схемы АВР для включения реле контроля одной фазы через ЛАТР (РНО)
Регулятор напряжения ЛАТР установить в положение, соответствующее выходному напряжению 220 В.
Включить автоматический выключатель QF и рубильники Q1 и Q2 в указанной последовательности.
Плавно уменьшая напряжение питания К1 зафиксировать показания вольтметра, при которых произойдет его срабатывание.
Погасание лампы Е1 и загорание лампы Е2 свидетельствует о правильной последовательности функционирования элементов схемы.
В случае, если контактор К4 сработает раньше чем реле контроля фаз К1, то до его срабатывания (К1) переключение шин АВР на резервный ввод не произойдет, т.к. К1 не сформирует цепь питания контактора К5 своими нормально замкнутыми контактами К1.
Тогда потребители I категории будут обесточены до тех пор, пока напряжение фазы L1 не снизится до напряжения срабатывания К1.
В этом случае необходимо увеличить напряжение питания обмотки К4 реостатом R1, но не выше номинального (110 В).
Отключить рубильники Q2 и Q1 в указанной последовательности.
Вставить плавкую вставку F1.
Последовательно подключая аналогичным образом реле контроля оставшихся фаз через ЛАТР (РНО) повторить вышеописанные операции.
Напряжение срабатывания АВР на каждой фазе должно находиться в пределах паспортных данных.
5.5.1 Проверка времени переключения шин с основного ввода на резервный
Отключить рубильники Q2 и Q1.
Вынуть плавкие вставки F2 и F5 (в фазах L2 основного и резервного вводов).
Собрать схему включения электрического секундомера ПВ53-Л (цепи, изображенные пунктирными линиями на рис. 28).
Клемму «220 В» секундомера подключить к фазе L1 резервного ввода по схеме (1) клеммы «К» и «*» подсоединить к контактам фазы L2 автоматического выключателя QF.
Зашунтировать нормально разомкнутые контакты к реле контроля фаз перемычкой.
Это делается для обеспечения работы АВР при отсутствии напряжения фазы L2.
Включить автоматический выключатель QF, рубильники Q2 и Q1. Запуска электрического секундомера не происходит, т.к. его измерительный блок зашунтирован контактами автоматического выключателя QF.
Отключить автоматический выключатель QF, что имитирует пропадание напряжения на основном вводе. Происходит запуск секундомера.
После замыкания силовых контактов К5 происходит останов секундомера вследствие шунтирования его измерительного блока этими контактами в цепи фазы L2. Время с момента исчезновения напряжения основного ввода до переключения шин АВР на резервный ввод должно соответствовать данным завода-изготовителя.
Следует отметить, что шунтирование секундомера надо осуществлять только обесточенными контактами автоматического выключателя QF и контактора К5.
5.5.2 Проверка времени отключения основного ввода
Время переключения шин АВР с основного на резервный ввод характеризует продолжительность отсутствия напряжения на шинах АВР.
Однако часто необходимо знать время отключения основного ввода с момента исчезновения напряжения сети, чтобы при пуско-наладочных работах установить выдержку времени срабатывания реле для исключения ложных срабатываний АВР при кратковременных «провалах» напряжения.
Для измерения этого времени необходимо при отключенных рубильниках Q2 и Q1 и вынутых плавких вставках F2 и F5 подать питание на электрический секундомер по схеме (2). (Клемму «220 В» подключить к выходу силового контакта К4 фазы L1). Остальная часть схемы остается неизменной (можно отсоединить проводники с силового контакта К5 в фазе L2).
Для исключения повторного запуска секундомера реостат R2 отсоединить от N (PEN) проводника.
Включить автоматический выключатель QF, рубильники Q1 и Q2.
Выключить автоматический выключатель QF. Происходит запуск секундомера.
После размыкания силовых контактов К4 происходит останов секундомера вследствие разрыва его цепи питания.
Суммарное время срабатывания реле контроля фаз и К4 должно соответствовать заводским данным или согласованному с энергоснабжающей организацией.
Примечание:
В рассматриваемой принципиальной схеме панелей ЗАВР-100; 160; 250; 400 используются реле напряжения (K1, K2, К3) типа РЭП15-220БУЗ, которые совместно с контакторами КТП601/3БУЗ регулировку выдержки времени срабатывания не обеспечивают.
Проверка АВР по п. 5.5.2 в этих случаях не производится.
Результаты испытаний оформляются протоколом, форма которого прилагается.
|
____________________________________________________ (наименование организации, предприятия) |
|
|
____________________________________________________ |
|
|
Свидетельство о регистрации № ________________________ |
Заказчик: ____________________________________________ |
|
Действительно до «___» ____________________ 200 г. |
Объект: _____________________________________________ |
|
Лицензия Минэнерго РФ № ____________________________ |
Адрес: ______________________________________________ |
|
Действительна до «____» _________________ 200 г. |
Дата проведения измерений: до «____» _____________ 200 г. |
ПРОТОКОЛ № _____
Проверки работоспособности системы АВР
Климатические условия при проведении измерений
Температура воздуха _______ °С. Влажность воздуха _______ %. Атмосферное давление _______ мм. рт. ст.
Цель измерений (испытаний)
_____________________________________________________________________________________________________
(для целей сертификации)
Нормативные и технические документы, на соответствие требованиям которых проведены измерения (испытания):
_____________________________________________________________________________________________________
1. Результаты измерений
|
№ п/п |
Типовое обозначение АВР, место установки |
Номинальный ток |
Тип реле контроля фаз |
Тип силовых контакторов (секционных выключателей) |
Напряжение срабатывания реле контроля фаз, В |
Время (задержка по времени) отключения основного ввода, с |
Время переключения с основного ввода на резервный |
|||
|
допустимое |
измеренное |
допустимое |
измеренное |
по паспорту |
измеренное |
|||||
|
1 |
2 |
3 |
4 |
5 |
6 |
7 |
8 |
9 |
10 |
11 |
|
|
|
|
А(L1) |
|
|
А(L1) |
|
|
|
|
|
B(L2) |
|
B(L2) |
||||||||
|
С(L3) |
|
С(L3) |
||||||||
2. Измерения проведены приборами:
|
№ п/п |
Тип |
Заводской номер |
Метрологические характеристики |
Дата поверки |
№ аттестата (свидетельства) |
Орган государственной метрологической службы, проводивший поверку |
||
|
Диапазон измерения |
Класс точности |
последняя |
очередная |
|||||
|
1 |
2 |
3 |
4 |
5 |
6 |
7 |
8 |
9 |
|
|
|
|
|
|
|
|
|
|
|
|
|
|
|
|
|
|
|
|
|
|
|
|
|
|
|
|
|
|
|
|
|
|
|
|
|
|
|
|
Примечания: 1. Время отключения основного ввода и переключения с основного ввода на резервный измеряется при имитации пропадания напряжения на основном вводе.
2. гр. 8, 9 заполняется при наличии требований энергосбытовой организации по задержке срабатывания АВР.
Выводы:
Заключение:
___________________________________________________________________________________________________________________
Испытания провели: _______________ _______________ _______________
(должность) (подпись) (Ф. И. О.)
_______________ _______________ _______________
(должность) (подпись) (Ф. И. О.)
Протокол проверил: _______________ _______________ _______________
(должность) (подпись) (Ф. И. О.)
Частичная или полная перепечатка и размножение только с разрешения испытательной лаборатории.
Исправления не допускаются.
Протокол распространяется только на элементы электроустановки, подвергнутые испытаниям.
Испытания трансформаторов тока проводятся с целью определения соответствия их параметров паспортным данным и требованиям нормативных документов.
При испытаниях трансформаторов тока проверяются:
- соответствие типа и параметров проверяемого трансформатора тока указанному в проекте;
- отсутствие внешних механических повреждений;
- степень защищенности контактов вторичной обмотки от несанкционированного доступа к ним;
- правильность присоединения первичных и вторичных обмоток согласно схеме подключения;
- соответствие измеренных параметров (коэффициента трансформации, характеристики намагничивания, сопротивления изоляции) данным завода-изготовителя и требованиям нормативных документов: ГОСТ 7746-2001; п. 1.7.18 ПУЭ, пп. 20.1; 20.4; 20.5 Приложения 3 ПТЭЭП.
Работы по испытанию трансформаторов тока проводятся со снятием напряжения и выполняются по распоряжению бригадой из двух человек, каждый из которых должен иметь не ниже III группы по электробезопасности.
Перед началом испытаний первичная обмотка должна быть заземлена, а незадействованные в испытаниях вторичные обмотки должны быть замкнуты. Лабораторные автотрансформаторы (ЛАТР) должны быть расположены на резиновых диэлектрических коврах, работы по испытаниям трансформаторов тока также следует проводить стоя на резиновых диэлектрических коврах.
В соответствии с ГОСТ 7746-2001 пределы допускаемых токовых погрешностей вторичных обмоток для измерения и учета в рабочих условиях приведены в таблице 20.
Таблица 20
|
Первичный ток, % номинального значения |
Предел допускаемой токовой погрешности, % |
Предел вторичной нагрузки, % номинального значения |
|
|
0,1 |
5 |
±0,4 |
25 - 100 |
|
20 |
±0,2 |
||
|
100 - 120 |
±0,1 |
||
|
0,2 |
5 |
±0,75 |
|
|
20 |
±0,35 |
||
|
100 - 120 |
±0,2 |
||
|
0,2S |
1 |
±0,75 |
|
|
5 |
±0,35 |
||
|
20 |
±0,2 |
||
|
100 |
±0,2 |
||
|
120 |
±0,2 |
||
|
0,5 |
5 |
±1,5 |
|
|
20 |
±0,75 |
||
|
100 - 120 |
±0,5 |
||
|
0,5S |
1 |
±1,5 |
|
|
5 |
±0,75 |
||
|
20 |
±0,5 |
||
|
100 |
±0,5 |
||
|
120 |
±0,5 |
||
|
1 |
5 |
±3,0 |
|
|
20 |
±1,5 |
||
|
100 - 120 |
±1,0 |
||
|
3 |
50 - 120 |
±3,0 |
50 - 100 |
|
5 |
±5,0 |
||
|
10 |
±10 |
Относительная токовая погрешность трансформаторов тока с достаточной степенью точности может быть выражена:

где: I1 - ток первичной обмотки;
Кп - паспортное значение коэффициента трансформации;
К - реальное значение коэффициента трансформации.
Тогда относительная токовая погрешность трансформатора тока с достаточной степенью точности может быть определена погрешностью его коэффициента трансформации (далее по тексту «собственная погрешность трансформатора тока»).
В соответствии с требованиями п. 1.8.17.5 ПУЭ и п. 20.5 Приложения 3 ПТЭЭП отклонение измеренного коэффициента трансформации от паспортного не должно превышать 2 %.
Однако отклонение измеренного коэффициента трансформации от паспортного значения определяется собственной погрешностью трансформатора тока и погрешностью измерений:
![]()
где: dк - результирующая относительная погрешность определения коэффициента трансформации;
d - относительная погрешность измерений, определяемая в соответствии с п. 3 главы I настоящих методических рекомендаций;
dт - максимально допустимая собственная погрешность трансформатора тока, которая определяется по таблице 20 в зависимости от его нагрузки.
Из этого следует, что для объективной оценки технического состояния испытываемого трансформатора тока необходимо, чтобы результирующая погрешность определения коэффициента трансформации (dк) также не превышала 2 %. Анализируя данное условие получаем:
![]()
Для наиболее широко используемых в системах учета электрической энергии трансформаторов тока класса точности 0,5 (максимальная собственная погрешность при 5 % нагрузке - 1,5 %) классы точности применяемых приборов должны обеспечивать погрешность измерений не более 1,32 %. Для трансформаторов тока класса точности 3 и более объективная оценка коэффициента трансформации по данной методике невозможна. В этих случаях необходим их демонтаж и испытания в специализированных лабораториях в соответствии с указаниями ГОСТ 7746-2001.
Коэффициент трансформации трансформаторов тока определяется отношением токов в первичной и вторичной обмотках или напряжений на вторичной и первичной обмотках.
Проверка коэффициента трансформации проводится на смонтированной электроустановке по одной из схем, представленных на рис. 30а и рис. 30б.
Рис. 30а. Схема измерений для проверки коэффициента трансформации трансформаторов тока методом измерений токов
Рис. 30б. Схема измерений для проверки коэффициента трансформации трансформаторов тока методом измерений напряжений
ТТ - проверяемый трансформатор тока;
ТТи - измерительный трансформатор тока;
НУ - нагрузочное устройство;
РН - регулятор напряжения (ЛАТР).
Определение коэффициента трансформации обоими методами
производится в трех контрольных точках: при 5 %, 20 % и 120 % значениях номинального
тока первичной обмотки. При определении коэффициента трансформации методом
измерения токов испытательный ток устанавливается нагрузочным устройством и
контролируется амперметром А1. При определении коэффициента
трансформации методом измерения напряжений ток вторичной обмотки
устанавливается из расчета
.
В первом случае коэффициент трансформации определяется
отношением
, во втором -
.
Использование двух последовательно соединенных РН в схеме рис. 31б необходимо для обеспечения плавности регулировки тока вторичной обмотки, так как дискретность изменения тока при использовании одного РН превышает 1А, что не позволяет точно установить требуемый испытательный ток.
Отклонение коэффициента трансформации определяется из соотношения:

Перед проведением измерений необходимо рассчитать результирующие погрешности определения коэффициента трансформации в каждой контрольной точке измерений (5 %, 20 % и 120 % значениях номинального тока) исходя из метрологических характеристик используемых приборов.
При проведении измерений по схеме рис. 30а результирующая погрешность определения коэффициента трансформации вычисляется по формуле (п. 3 разд. I настоящих рекомендаций):

где: dт - собственная погрешность проверяемого трансформатора в каждой контрольной точке измерений, определяется по таблице 21;
dти - собственная погрешность измерительного трансформатора определяется аналогично;
I1пр - предел шкалы амперметра А1;
I1изм - значение устанавливаемого испытательного тока в каждой контрольной точке измерений;
I2пр - предел шкалы амперметра А2;
I2изм -
ожидаемое значение тока вторичной обмотки
;
g1 и g2 - классы точности амперметров А1 и A2.
Измерения следует проводить при температуре окружающей среды (20 ± 5) °С, аналоговые (стрелочные) приборы надо располагать на горизонтальной поверхности с целью исключения дополнительных погрешностей измерения. Погрешность измерений цифровых приборов от их расположения не зависит.
При проведении измерений по схеме рис. 30б результирующая погрешность определения коэффициента трансформации вычисляется по формуле:

где: dт - собственная погрешность проверяемого трансформатора;
V1пр - предел шкалы вольтметра V1;
V1изм - измеренное значение напряжения на первичной обмотке в каждой контрольной точке измерений;
g1 - класс точности вольтметра V1;
V2пр, V2изм, g2 - аналогичные параметры прибора и измеренное значение напряжения на вторичной обмотке.
Погрешность амперметра можно не учитывать, так как она незначительно влияет на результирующую погрешность определения коэффициента трансформации.
В каждой контрольной точке измерений
и
не должны превышать 2
%.
Если это условие не выполняется, необходимо использовать приборы более высокого класса точности.
Рекомендуется использовать цифровые измерительные приборы, погрешности которых в меньшей степени зависят от значения измеренной величины.
Например, у мультиметров типа MY68 при нахождении измеренной величины в диапазоне (0,25 - 1) предела измерений паспортное значение погрешности измерений остается практически неизменным (на пределе измерения 326 мВ погрешность измерения составляет ± 0,5 % ± 2 единицы разрешающей способности; на остальных пределах измерения напряжения - ± 0,8 % ± 3).
В соответствии с требованиями п. 1.8.17 ПУЭ, п. 20.4 Приложения 3 ПТЭПП характеристика намагничивания (зависимость напряжения на вторичной обмотке от тока намагничивания в ней) в каждой контрольной точке не должна отличаться от значений, измеренных на заводе-изготовителе или однотипном исправном трансформаторе тока, более чем на 10 %. Снятие характеристики намагничивания проверяемого трансформатора тока целесообразно проводить в тех же контрольных точках, в которых проверяется коэффициент трансформации (5 %, 20 % и 120 % значения I1n/Kп, где I1n - номинальный ток первичной обмотки).
Измерения проводятся по схеме рис. 30б одновременно с проверкой коэффициента трансформации. Результирующая погрешность измерений в этом случае будет меньше предельно допустимого отклонения (10 %) характеристики намагничивания.
У трансформатора тока напряжением до 1000 В измеряется сопротивление изоляции вторичной обмотки относительно соединенных между собой корпуса и заземленной первичной обмотки. Измерения производятся мегаомметром с выходным напряжением 1000 В при присоединенных вторичных цепях в соответствии с разделом IV настоящих рекомендаций.
Измеренное сопротивление изоляции должно быть не менее 1 МОм.
Результаты измерений оформляются протоколом, форма которого прилагается.
|
____________________________________________________ (наименование организации, предприятия) |
|
|
____________________________________________________ |
|
|
Свидетельство о регистрации № ________________________ |
Заказчик: ____________________________________________ |
|
Действительно до «___» ____________________ 200 г. |
Объект: _____________________________________________ |
|
Лицензия Минэнерго РФ № ____________________________ |
Адрес: ______________________________________________ |
|
Действительна до «____» _________________ 200 г. |
Дата проведения измерений: до «____» _____________ 200 г. |
ПРОТОКОЛ № _____
Проверки измерительных трансформаторов тока комплекса расчётного учета электроэнергии
Климатические условия при проведении измерений
Температура воздуха _______ °С. Влажность воздуха _______ %. Атмосферное давление _______ мм. рт. ст.
Цель измерений (испытаний)
_____________________________________________________________________________________________________
(приёмо-сдаточные, сличительные, контрольные испытания, эксплуатационные, для целей сертификации)
Нормативные и технические документы, на соответствие требованиям которых проведены измерения (испытания):
________________________________________________________________________________________________________
1. Результаты измерений
|
№ п/п |
Тип, заводской №, место установки, дата последней |
Номинальное напряжение, В |
Номинальный ток первичной обмотки, А |
Паспортный коэффициент трансформации |
Номинальная нагрузка вторичной обмотки, ВА |
Проверка параметров |
|||||||||||||
|
Полярность |
Характеристика намагничивания |
Коэффициент трансформации |
Сопротивление изоляции вторичной обмотки, МОм |
||||||||||||||||
|
Ток вторичной обмотки, А |
Напряжение вторичной обмотки, В |
Отклонение характеристики намагничивания, % |
Ток первичной обмотки, А |
Напряжение первичной обмотки, А |
Измеренный коэффициент трансформации |
Отклонение коэффициента трансформации, % |
Результирующая погрешность измерений, % |
||||||||||||
|
По типовой характеристике |
измеренное |
допустимое |
расчетное |
допустимое |
расчетное |
допустимое |
измеренное |
||||||||||||
|
1 |
2 |
3 |
4 |
5 |
6 |
7 |
8 |
9 |
10 |
11 |
12 |
13 |
14 |
15 |
16 |
17 |
18 |
19 |
20 |
|
|
|
|
|
|
|
|
|
|
|
|
|
|
|
|
|
|
|
|
|
2. Измерения проведены приборами:
|
№ п/п |
Тип |
Заводской номер |
Метрологические характеристики |
Дата поверки |
№ аттестата (свидетельства) |
Орган государственной метрологической службы, проводивший поверку |
||
|
Диапазон измерения |
Класс точности |
последняя |
очередная |
|||||
|
1 |
2 |
3 |
4 |
5 |
6 |
7 |
8 |
9 |
|
|
|
|
|
|
|
|
|
|
|
|
|
|
|
|
|
|
|
|
|
|
|
|
|
|
|
|
|
|
|
|
|
|
|
|
|
|
|
|
Выводы:
Заключение:
___________________________________________________________________________________________________________________
Испытания провели: _______________ _______________ _______________
(должность) (подпись) (Ф. И. О.)
_______________ _______________ _______________
(должность) (подпись) (Ф. И. О.)
Протокол проверил: _______________ _______________ _______________
(должность) (подпись) (Ф. И. О.)
Частичная или полная перепечатка и размножение только с разрешения испытательной лаборатории.
Исправления не допускаются.
Протокол распространяется только на элементы электроустановки, подвергнутые испытаниям.
1. Закон РФ от 27.04.1993 № 4871-1 «Об обеспечении единства измерений».
2. ГОСТ Р 8.536-96. Государственная система обеспечения единства измерений. Методики выполнения измерений. М.: Издательство стандартов, 1996.
3. ГОСТ 12.03.019-80. ССБТ. Испытания и измерения электрические. Общие требования безопасности. М.: Издательство стандартов, 1981.
4. Межотраслевые правила по охране труда (правила безопасности) при эксплуатации электроустановок (ПОТ РМ-016-2001), М.: Издательство НЦ ЭНАС, 2001.
5. Правила устройства электроустановок (изд. 7), разд. 1, гл. 1.1; 1.2; 1.7; 1.9; разд. 6; разд. 7 гл. 7.1; 7.2; 7.5; 7.6; 7.10. М.: ЗАО «Энергосервис», 2003.
6. Правила устройства электроустановок (изд. 7), разд. 4, гл. 4.1; 4.2. М.: ЗАО «Энергосервис», 2003.
7. Правила устройства электроустановок (изд. 7), разд. 1, гл. 1.8. М.: ЗАО «Энергосервис», 2004.
8. Правила технической эксплуатации электроустановок потребителей. М.: ЗАО «Энергосервис», 2003.
9. ГОСТ Р 50571. (1 - 16) - (1992 - 1999). Часть 1 - 6. Электроустановки зданий. М.: Издательство стандартов, 2001.
10. ГОСТ Р 51326.1-99. Выключатели автоматические, управляемые дифференциальным током, бытового и аналогичного назначения без встроенной защиты от сверхтока. М.: Издательство стандартов, 2000.
11. ГОСТ Р 51327.1-99. Выключатели автоматические бытового и аналогичного назначения, управляемые дифференциальным током со встроенной защитой от сверхтоков. М.: Издательство стандартов, 2000.
12. ГОСТ Р 50030.2-99. Автоматические выключатели. М.: Издательство стандартов, 2000.
13. ГОСТ Р 50345-99. Автоматические выключатели для защиты от сверхтоков бытового и аналогичного назначения. М.: Издательство стандартов, 2000.
14. ГОСТ Р 51732-2001. Устройства вводно-распределительные для жилых и общественных зданий. М.: Издательство стандартов, 2001.
15. ГОСТ Р 51628-2000. Щитки распределительные для жилых зданий. М.: Издательство стандартов, 2001.
16. ГОСТ 7746-2001. Трансформаторы тока. М: Издательство стандартов, 2002.
17. ГОСТ 10434-82. Соединения контактные. М.: Издательство стандартов, 1984.
18. Приказ Минэнерго от 30.06.03. Инструкция по устройству молниезащиты зданий, сооружений и промышленных коммуникаций.
19. Технический циркуляр ассоциации «Росэлектромонтаж» от 16.02.04 № 6/2004 о выполнении основной системы уравнивания потенциалов на вводе в здания.
20. СНиП 3.05.06-85. Электротехнические устройства. М.: ЦИТП Госстроя СССР, 1988.
21. Инструкция VII-Б-1 по испытаниям кабельных линий, оборудования распредустройств защитных средств и определению мест повреждений на кабельных линиях, МКС ОАО МОСЭНЕРГО, М. - 2001 г.
22. Методические указания по определению мест повреждений силовых кабелей напряжением до 10 кВ, РД 34.20.516-90 ВНИИЭ, ОРГРЭС, М. - 1991.
23. Правила устройства электроустановок (изд. 6, за исключением разделов и глав, перечисленных в изд. 7), М.: ЗАО «Энергосервис», 1998.
СОДЕРЖАНИЕ
|
|
|
|