//
ТехЛит.ру
- крупнейшая бесплатная электронная интернет библиотека для "технически умных" людей.
WWW.TEHLIT.RU - ТЕХНИЧЕСКАЯ ЛИТЕРАТУРА

:: Алготрейдинг::


АЛГОТРЕЙДИНГ
шаг за шагом
с нуля по урокам!

Торговые роботы на PYTHON, BackTrader,
Pandas, Pine Script для TradingView. Связка с брокерами, телеграм и легкими приложениями.


ПРАВИЛА МЕТОДИКИ ● ИНСТРУКЦИИ

МОСКВА

«ЭНЕРГОСЕРВИС»

2003

МИНИСТЕРСТВО ЭНЕРГЕТИКИ
РОССИЙСКОЙ ФЕДЕРАЦИИ

УТВЕРЖДЕНЫ

Заместителем руководителя

Госэнергонадзора

В.Н. Белоусовым

15.07.2002

МЕТОДИЧЕСКИЕ УКАЗАНИЯ
ПО КОНТРОЛЮ И АНАЛИЗУ КАЧЕСТВА
ЭЛЕКТРИЧЕСКОЙ ЭНЕРГИИ
В СИСТЕМАХ ЭЛЕКТРОСНАБЖЕНИЯ
ОБЩЕГО НАЗНАЧЕНИЯ

Часть 2. Анализ качества
электрической энергии

РД 153-34.0-15.502-2002

ФР.1.34.2003.00822

СОГЛАСОВАНЫ
Директором ВНИИ
МСа
А.И. Асташенковым

РАЗРАБОТАНЫ

Научно-методическим центром ООО «Научный центр ЛИНВИТ»

МОСКВА

ЭНЕРГОСЕРВИС

2003

Настоящий документ РД 153-34.0-15.502-2002 «Методические указания по контролю и анализу качества электрической энергии в системах электроснабжения общего назначения. Часть 2. Анализ качества электрической энергии» устанавливает методы анализа качества электрической энергии, применяемые при выявлении причин несоответствия требованиям ГОСТ 13109-97, а также порядок проведения работ при анализе качества электрической энергии, в том числе - операции выполнения измерений, обработки и представления результатов измерений.

Настоящий документ зарегистрирован в Федеральном Реестре методик выполнения измерений ФР.1.34.2003.00.822.

Данная часть методических указаний предназначена для применения организациями, занимающимися вопросами анализа качества электрической энергии.

С введением в действие настоящего документа утрачивает силу на территории Российской Федерации Дополнение № 1 к РД 34.15.501-88 «Методика контроля и анализа качества электрической энергии в электрических сетях общего назначения» (Москва, Екатеринбург, 1995 г.).

ОСНОВНЫЕ ИСПОЛНИТЕЛИ

Никифорова В.Н. - руководитель Научно-методического центра ООО «НЦ ЛИНВИТ»

Мамошин P.P. - профессор МГУИПС

Гамазин С.И. - заведующий кафедрой, профессор МЭИ

Киселев В.В. - начальник отдела ФГУП «ВНИИМС»

Штиллерман B.C. - ведущий инженер ФГУП «ВНИИМС»

Методические указания по контролю и анализу качества электрической энергии в системах электроснабжения общего назначения. Часть 2. Анализ качества электрической энергии

 

РД 153-34.0-15.502-2002

Срок действия установлен

с 01.08.2002 г.

до 01.08.2006 г.

1. ОБЛАСТЬ ПРИМЕНЕНИЯ

1.1. Настоящая часть Методических указаний по контролю и анализу качества электрической энергии в системах электроснабжения общего назначения (далее - Указания) устанавливает методы анализа качества электрической энергии (КЭ) и методики измерений показателей КЭ в системах электроснабжения общего назначения однофазного и трехфазного переменного тока частотой 50 Гц, с целью выявления причин несоответствия установленным требованиям к КЭ.

Положения, изложенные в настоящем документе, распространяются на следующие показатели качества электрической энергии (ПКЭ):

- установившееся отклонение напряжения;

- коэффициент n-ой гармонической составляющей напряжения;

- коэффициент искажения синусоидальности кривой напряжения;

- коэффициент несимметрии напряжений по обратной последовательности;

- коэффициент несимметрии напряжений по нулевой последовательности;

- отклонение частоты.

1.2. Настоящая часть Методических указаний предназначена для применения организациями, занимающимися вопросами анализа качества электрической энергии.

2. НОРМАТИВНЫЕ ССЫЛКИ

В Указаниях использованы ссылки на следующие нормативные документы:

[1] ГОСТ 13109-97 «Электрическая энергия. Совместимость технических средств электромагнитная. Нормы качества электрической энергии в системах электроснабжения общего назначения»;

[2] РД 153-34.0-15.501-00 «Методические указания по контролю и анализу качества электрической энергии в системах электроснабжения общего назначения. Часть 1. Контроль качества электрической энергии»;

[3] ГОСТ Р 8.563-96 ГСИ «Методики выполнения измерений»;

[4] РМГ 29-99. ГСИ «Метрология. Основные термины и определения»;

[5] ГОСТ 16504-81 СГИП «Испытания и контроль качества продукции. Основные термины и определения»;

[6] ГОСТ 22261-94 «Средства измерений электрических и магнитных величин»;

[7] РД 153-34.0-03.150-00«Межотраслевые правила по охране труда (правила безопасности) при эксплуатации электроустановок».

3. ОПРЕДЕЛЕНИЯ, СОКРАЩЕНИЯ И ОБОЗНАЧЕНИЯ

3.1. В настоящих Указаниях применяют следующие термины и определения:

- анализ КЭ - выявление причин несоответствия показателей КЭ установленным требованиям;

- входной контроль КЭ (для энергоснабжающей организации) - контроль показателей КЭ в точке поставки электрической энергии (ЭЭ) от вышестоящей энергоснабжающей организации;

- допустимый вклад - значения показателей КЭ, установленные в договоре энергоснабжения или в технических условиях на присоединение и определяющие допустимое влияние искажающих электроприемников потребителя на КЭ в точке общего присоединения или в точке коммерческого контроля;

- искажающий электроприемник - приемник электрической энергии с нелинейной электрической характеристикой или с несимметричным или колебательным режимом работы, подключение которого к сети приводит или может привести к несинусоидальности, колебаниям напряжения или несимметрии трехфазной системы напряжений в электрической сети;

- контроль КЭ - проверка соответствия показателей КЭ установленным требованиям;

- корректирующее мероприятие - мероприятие, предпринятое для устранения причин существующего несоответствия и предотвращения их повторного возникновения;

- несоответствие - отличие одного или нескольких показателей КЭ от установленных в нормативных документах требований;

- периодический контроль КЭ - контроль, осуществляемый в целях управления КЭ, при котором поступление информации о контролируемых показателях и их оценка происходит периодически с интервалами, определяемыми организацией, осуществляющей контроль КЭ, но в пределах, установленных ГОСТ 13109-97;

- потенциальное несоответствие - несоответствие показателей КЭ установленным требованиям, возникновение которого возможно через некоторый промежуток времени или при определенных условиях;

- предупреждающее мероприятие - мероприятие, предпринятое для устранения возможных причин потенциального несоответствия и предотвращения его возникновения;

- пункт контроля КЭ - пункт электрической сети, в котором проводят измерение показателей КЭ при контроле качества ЭЭ.

В качестве пункта контроля КЭ может быть использована точка общего присоединения, граница раздела балансовой принадлежности, выводы приемников электрической энергии, а также другие точки электрической сети, в том числе выбранные по согласованию между энергоснабжающей организацией и потребителем;

- разрешенная мощность (потребителя) - наибольшая полная мощность электроустановок потребителя, разрешенная для присоединения к сети энергоснабжающей организации.

Разрешенная мощность устанавливается в технических условиях на присоединение, выдаваемых потребителю;

- распределительная электрическая сеть - электрическая сеть, присоединенная к центру питания, обеспечивающая распределение между потребителями или передачу ЭЭ организациям, заключающим договора энергоснабжения с потребителями;

- технологический контроль КЭ - контроль КЭ с длительностью и (или) погрешностью измерений, которые могут отличаться от требований ГОСТ 13109-97;

- точка общего присоединения - электрически ближайшая к рассматриваемому потребителю ЭЭ точка электрической сети энергоснабжающей организации, к которой присоединены или могут быть присоединены другие потребители ЭЭ;

- точка коммерческого контроля КЭ - точка общего присоединения, граница балансовой принадлежности или другая точка электрической сети, принятая по согласованию между энергоснабжающей организацией и потребителем в качестве точки сети, в которой при наличии претензий какой-либо из сторон договора будет производиться проверка соблюдения договорных условий по КЭ и расчеты за их нарушение;

- установленные требования к КЭ - требования к КЭ, установленные в законах, регламентах, нормативных документах, договорах энергоснабжения, технических условиях на присоединение, а также в иных документах;

- фактический вклад - измеренные в точке общего присоединения или в точке коммерческого контроля значения показателей КЭ, характеризующие фактическое влияние искажающих электроприемников рассматриваемого потребителя на КЭ в этой точке;

- центр питания - распределительное устройство генераторного напряжения электростанции или вторичного напряжения (6 кВ и выше) подстанции энергоснабжающей организации, к которому присоединены электрические сети данного района (региона) по месторасположению рассматриваемых потребителей.

Центр питания и присоединенные к нему электрические сети могут принадлежать разным энергоснабжающим организациям.

3.2. В настоящих Указаниях приняты следующие сокращения:

АРН - автоматический регулятор напряжения;

АСДУ - автоматизированная система диспетчерского управления;

АСКУЭ - автоматизированная система коммерческого учета электроэнергии;

ДВ - допустимый вклад;

ДЭ - договор энергоснабжения;

КЭ - качество электрической энергии;

КБ - конденсаторная батарея;

ПКЭ - показатель качества электрической энергии;

РПН - трансформатор с регулированием напряжения под нагрузкой;

ТКЭ - точка коммерческого контроля КЭ;

ТН - измерительный трансформатор напряжения;

ТОП - точка общего присоединения;

ТТ - измерительный трансформатор тока;

ТУ - технические условия на присоединение;

ФВ - фактический вклад;

ЦП - центр питания;

ЭП - электроприёмник;

ЭСО - энергоснабжающая организация;

ЭЭ - электрическая энергия.

3.3. В настоящих Указаниях установлены следующие обозначения:

Δf - отклонение частоты;

δU - установившееся отклонение напряжения;

Ет - добавка напряжения, создаваемая изменением отпайки трансформатора 6-10/0,4 кВ;

IA, IB, IC - фазные токи;

I0 - ток в нулевом проводе;

I1k - ток основной частоты в k-ой линии;

I(1)Σ - суммарный ток основной частоты;

I1(1)k - ток основной частоты прямой последовательности в k-ой линии;

I1(1)Σ - суммарный ток основной частоты прямой последовательности;

I2k - ток обратной последовательности в k-ой линии, присоединенной к ТОП;

I2Σ - суммарный ток обратной последовательности в присоединении ТОП к вышерасположенным электрическим сетям ЭСО;

I(n)k - n-ая гармоническая составляющая тока в k-ой линии, присоединенной к ТОП;

I(n)Σ - n-ая гармоническая составляющая суммарного тока в присоединении ТОП к вышерасположенным электрическим сетям ЭСО;

KU - коэффициент искажения синусоидальности кривой напряжения;

KU(n) - коэффициент n-ой гармонической составляющей напряжения;

K2U - коэффициент несимметрии напряжений по обратной последовательности;

K0u - коэффициент несимметрии напряжений по нулевой последовательности;

KI(n)k - коэффициент n-ой гармонической составляющей тока в k-ой линии;

KI(n)Σ - коэффициент n-ой гармонической составляющей суммарного тока;

Р(n)k - активная мощность n-ой гармоники, потребляемая (генерируемая) потребителями k-ой линии;

Р(n)Σ - активная мощность n-ой гармоники, потребляемая (генерируемая) ЭСО;

Р2k - активная мощность по обратной последовательности, потребляемая (генерируемая) потребителями k-ой линии;

Р2Σ - активная мощность по обратной последовательности, потребляемая (генерируемая) ЭСО;

Sиск - суммарная установленная мощность искажающих электроприемников потребителя с нелинейной вольт-амперной характеристикой или несимметричной нагрузкой;

Sкз.нм - наименьшая мощность короткого замыкания сети в ТОП;

Sразр - разрешенная присоединенная мощность объекта;

SнΣ - суммарная нагрузка в ТОП (ТКЭ);

UA, UB, UC - фазные напряжения;

U0 - напряжение нулевой последовательности;

U(1)ТОП - напряжение основной частоты в ТОП;

U(1)ТОП - напряжение основной частоты прямой последовательности в ТОП;

U(n)ТОП - n-ая гармоническая составляющая напряжения в ТОП;

U2ТОП - напряжение обратной последовательности в ТОП;

φUI(n)k - фазовый угол сдвига между n-ой гармонической составляющей напряжения U(n)ТОП в ТОП и n-ой гармонической составляющей I(n)k тока в k-ой линии;

φUI(n)k - фазовый угол сдвига между n-ой гармонической составляющей напряжения U(n)ТОП в ТОП и n-ой гармонической составляющей суммарного тока I(n)Σ в присоединении ТОП к вышерасположенным электрическим сетям ЭСО;

φUI2k - фазовый угол сдвига между напряжением U2ТОП обратной последовательности в ТОП и током I2k обратной последовательности в k-ой линии, присоединенной к ТОП;

φUI2Σ - фазовый угол сдвига между напряжением U2ТОП обратной последовательности в ТОП и током I2Σ обратной последовательности в присоединении ТОП к вышерасположенным электрическим сетям ЭСО.

3.4. В настоящих Указаниях, если не отмечено иное, соответствующие обозначения установлены для действующих значений напряжения и тока, а также гармонических и иных составляющих этих величин (см. также 3.3).

4. МЕТОДЫ АНАЛИЗА КАЧЕСТВА ЭЛЕКТРИЧЕСКОЙ ЭНЕРГИИ

4.1. Общие положения

4.1.1. Анализ качества электрической энергии проводят при наличии претензий или замечаний от потребителей, а также в случае выявления существующих или потенциальных несоответствий по результатам:

- входного контроля КЭ;

- периодического контроля КЭ;

- технологического контроля КЭ, проводимого энергоснабжающей организацией (ЭСО) в питающих и распределительных электрических сетях;

- испытаний ЭЭ органами государственного надзора;

- сертификационных испытаний ЭЭ и испытаний при инспекционном надзоре за сертифицированной ЭЭ.

4.1.2. Для анализа причин потенциальных несоответствий дополнительно могут быть использованы источники информации:

- проектная документация и технические условия на проектирование новых источников ЭЭ и на развитие электрических сетей;

- данные о предполагаемых потребителях ЭЭ новых сетевых объектов;

- выданные технические условия и заключенные договора энергоснабжения;

- расчеты режимов работы электрических сетей, в том числе с нагрузками искажающих потребителей для нормальных и ремонтных схем электроснабжения;

- результаты обследований выполнения правил технической эксплуатации;

- другие источники информации.

4.1.3. Анализ качества электрической энергии при нарушении требований к КЭ включает следующие операции:

- установление причин несоответствий;

- выявление объектов, режимы работы электрооборудования которых обусловили появление несоответствия в ТОП.

4.1.4. По результатам анализа принимают решения о корректирующих и (или) предупреждающих мероприятиях.

4.1.5. После проведения соответствующих мероприятий должна быть оценена их результативность.

Оценку выполняют на основе протоколов контроля КЭ, который должен быть проведен непосредственно после выполнения указанных мероприятий, а также, при необходимости, протоколов измерений с целью анализа КЭ.

Для оценки результативности принятых мер в течение определенного периода времени, например, в течение года, следует использовать результаты планового периодического контроля КЭ или данные, получаемые от автоматизированной системы диспетчерского управления (АСДУ).

4.2. Отклонение частоты

4.2.1. Основными причинами несоответствий по отклонению частоты Δf могут быть:

- отсутствие достаточного резерва мощности и пропускной способности элементов сети;

- ошибки в планировании диспетчерских графиков спроса и предложения в активной мощности, в подборе электростанций для размещения первичного резерва, в том числе - необходимого при аварийных нарушениях баланса мощности, в планировании дополнительных резервов пропускной способности линий для выдачи первичного резерва при внезапных нарушениях баланса;

- несвоевременность предоставления резерва мощности для его использования в режимах первичного, вторичного или третичного регулирования в соответствии с заданными системным оператором требованиями.

4.2.2. Выяснение причин несоответствия проводится на основе анализа информации, получаемой от АСДУ, в том числе:

- телеинформации (телеизмерений параметров режима в контрольных точках, телесигнализации состояния основного коммутационного оборудования и элементов вторичной коммутации на энергообъектах, команд телеуправления и телерегулирования и др.);

- данных суточной диспетчерской ведомости о балансах активной и реактивной мощности в контрольных точках;

- данных автоматизированной системы коммерческого учета электроэнергии (АСКУЭ);

- оперативно-технологической информации (данных о балансах электрической и тепловой энергии, запасах топлива, гидроресурсов, прогнозе нагрузок, информации о нарушении диспетчерского графика и др.).

4.3. Отклонение напряжения

4.3.1. Причинами несоответствий по установившемуся отклонению напряжения δUy могут быть:

- неверно выбранный коэффициент трансформации трансформатора 6-10/0,4 кВ или не проведенное своевременно сезонное переключение отпаек этих трансформаторов;

- разнородность нагрузок линий 0,38 кВ и несовместимость требований потребителей к δUy на шинах 0,4 кВ трансформаторов 6-10/0,4 кВ;

- значительная несимметрия фазных нагрузок в сетях 0,4 кВ;

- значительные потери напряжения в распределительной сети, превышающие предельные значения, установленные в [2, приложение А, раздел А.4];

- отсутствие трансформаторов с регулированием напряжения под нагрузкой (РПН) в центре питания (ЦП) распределительной сети;

- отсутствие автоматического регулятора напряжения (АРН) в ЦП или его неиспользование;

- некорректная работа АРН или неправильно выбранный закон регулирования напряжения в ЦП;

- разнородность нагрузок распределительных линий 6 - 10 кВ и несовместимость требований потребителей всей распределительной сети к δUy на шинах ЦП;

- ошибки в планировании диспетчерских графиков спроса и предложения в реактивной мощности;

- отсутствие договорных отношений или некорректно определенные договорные условия по допустимому диапазону δUy в ТКЭ;

- неверно заданные уставки регулирующих устройств на генераторах, повышающих трансформаторах и автотрансформаторах связи, отсутствие или недостаточное использование специальных устройств в межсистемных линиях и питающих сетях энергосистем, регулирующих реактивную мощность (синхронных компенсаторов, батарей статических компенсаторов и шунтирующих реакторов), пониженная пропускная способность питающих сетей и др.;

- превышение потребителем разрешенной ему мощности или нарушение договорных условий с ЭСО по использованию специальных средств, регулирующих реактивную мощность (батарей статических конденсаторов, синхронных двигателей).

4.3.2. Для выявления причин несоответствия по δUy и разработки возможных корректирующих и предупреждающих мероприятий рекомендуется последовательно выполнить операции по 4.3.2.1 - 4.3.2.4:

4.3.2.1. Провести анализ протоколов измерений δUy в рассматриваемой точке сети.

При анализе протоколов измерений δUy следует:

- сопоставить полученные результаты с допустимыми пределами изменений δUy и установить вид несоответствия по δUy - значения, большие верхних или меньшие нижних допустимых пределов;

- установить потенциальную возможность появления несоответствия по δUy через определенный интервал времени, оценивая близость полученных результатов измерений δUy к допустимым пределам и возможность выхода результатов измерений за указанные допустимые пределы диапазона изменений δUy при прогнозируемых изменениях режимов работы электрической сети;

- сопоставить ширину допустимого и фактического диапазона изменений δUy в рассматриваемой точке сети;

- определить интервалы времени суток, в которых отмечены нарушения по δUy т.е. выходы результатов измерений за указанные допустимые пределы диапазона изменений δUy.

4.3.2.2. В случае, когда ширина фактического диапазона изменений δUy в рассматриваемой ТОП не превышает ширину допустимого диапазона, то следует рассмотреть возможность применения местных средств регулирования напряжения, устраняющих причины несоответствия по δUy, в том числе - средств регулирования напряжения и компенсации реактивной мощности, установленных у потребителей, присоединенных к ТОП.

4.3.2.3. Если ширина фактического диапазона изменений δUy в рассматриваемой точке сети превышает ширину допустимого диапазона или возможные местные средства регулирования напряжения не устраняют причину несоответствия по δUy, следует проверить соответствие фактической нагрузки присоединенных к ТОП потребителей суммарной нагрузке, заданной при расчете требуемого режима напряжения в сети, и оценить возможность влияния суммарной полной нагрузки потребителей в ТОП на режим напряжения в этой точке по соотношению (в процентах):

(SнΣ/Sкз.нм) · 100 ≤ 0,5,                                                 (4.1)

4.3.2.4. В случае, когда соотношение (4.1) выполняется, то влиянием суммарной нагрузки потребителей, присоединенных к ТОП, на режим напряжения можно пренебречь.

4.3.2.5. Если соотношение (4.1) не выполняется, следует провести одновременный анализ протоколов измерений, полученных во всех характерных точках распределительной сети, с выявлением интервалов времени нарушения установленных требований, и выбрать возможные централизованные и местные способы и средства регулирования напряжения.

4.3.2.6. Если применение установленных в сети средств регулирования напряжения и компенсации реактивной мощности не приведет к устранению несоответствия по δUy, то должны быть разработаны корректирующие мероприятия, снижающие потери напряжения в электрической сети или предусматривающие установку дополнительных средств регулирования напряжения.

4.3.3. Операции анализа при наличии несоответствий по δUy в разных точках электрических сетей рассмотрены в приложении А.

4.4. Несинусоидальность напряжения

4.4.1. Основными причинами потенциальных и существующих несоответствий по несинусоидальности напряжения (по KU и KU(n)) могут быть:

- развитие инфраструктуры электрических сетей (схем, оборудования и параметров питающих и распределительных сетей) без учета существующей несинусоидальности напряжения и возможных новых источников несинусоидальности;

- присоединение источников несинусоидальности и источников реактивной мощности, в том числе резонансных фильтров, к существующим электрическим сетям ЭСО без учета их возможного влияния на искажение синусоидальности напряжения в сети;

- отсутствие договорных условий между ЭСО и потребителями с искажающими электроприемниками, оказывающими влияние на уровень несинусоидальности напряжения в ТОП;

- отсутствие расчетов напряжений высших гармоник в электрических сетях, к которым присоединены потребители с искажающими электроприёмниками, при возможных переключениях, вызванных плановыми ремонтами или аварийными режимами.

4.4.2. Появление потенциальных несоответствий по KU и KU(n) можно спрогнозировать, оценивая близость полученных результатов измерений к допустимым пределам и возможность их нарушения при планируемых изменениях режимов работы электрической сети, а также на основе информации, перечисленной в 4.1.2.

4.4.3. Источником несинусоидальности напряжения в электрических сетях является электрооборудование и электроприемники с нелинейной вольт(вебер)-амперной характеристикой, к которым относят:

- преобразовательные установки различных видов (выпрямители, инверторы, частотные преобразователи, регуляторы напряжения, электроподвижной состав переменного и постоянного тока и т.д.);

- аппараты с электрической дугой или аппараты, использующие электрический разряд (дуговые печи, сварочные установки, люминесцентное освещение и т.д.);

- установки с магнитными цепями, работающими в режиме насыщения (трансформаторы, дроссели с сердечником и т.д.);

- вращающиеся машины (генераторы, двигатели).

4.4.4. Несинусоидальность напряжения в ТОП может создаваться как искажающими ЭП потребителей, непосредственно присоединенных к ТОП, так и оборудованием ЭСО, работающим в режимах, способствующих проявлению нелинейности их вольт-амперных характеристик (см. 4.4.3) или появлению резонансных режимов.

Кроме того, через электрическую сеть ЭСО на несинусоидальность напряжения в рассматриваемой ТОП могут оказывать влияние искажающие ЭП потребителей, присоединенных к другим точкам ЭСО.

4.4.5. Для выявления причин несоответствия в ТОП по KU и KU(n) определяют фактический вклад (ФВ) в значения KU и KU(n), оказываемый искажающими ЭП (электрооборудованием) каждого объекта, присоединенного к рассматриваемой ТОП, а также фактический уровень искажений синусоидальности напряжений, генерируемый в ТОП из вышерасположенных сетей ЭСО.

Для этого следует выполнить операции, указанные ниже:

4.4.5.1. Определить ТОП, ближайшую к точке, в которой выявлено несоответствие по KU и KU(n) и измерить одновременно следующие величины:

- коэффициенты n-ых гармонических составляющих тока Ki(n)k в каждой k-ой линии, присоединенной к ТОП (в процентах);

- токи I(1)k основной частоты в каждой k-ой линии, присоединенной к ТОП (в амперах);

- коэффициенты n-ых гармонических составляющих суммарного тока Ki(n)Σ в присоединении ТОП к вышерасположенным сетям ЭСО (в процентах);

- суммарный ток I(1)Σ основной частоты в присоединении ТОП к вышерасположенным сетям ЭСО (в амперах);

-коэффициенты n-ых гармонических составляющих KU(1)ТОП напряжения в ТОП (в процентах);

- напряжение основной частоты U(1)ТОП в ТОП (в вольтах);

- фазовые углы сдвига φUI(n)k между n-ми гармоническими составляющими напряжения в ТОП и тока в каждой k-ой линии, присоединенной к ТОП;

- фазовые углы сдвига φUI(n)k между n-ми гармоническими составляющими напряжения в ТОП и суммарного тока в присоединении ТОП к вышерасположенным сетям ЭСО.

Определение гармонических составляющих тока и напряжения производится пересчетом по формулам:

I(n)k = KI(n)k · I(1)k/100                                                     (4.2a)

или I(n)Σ = KI(n)Σ · I(1)Σ/100                                                (4.2б)

U(n)ТОП = KU(n)ТОП · U(1)ТОП/100                                               (4.3)

4.4.5.2. При невозможности проведения одновременных измерений коэффициентов n-ых гармонических составляющих тока в каждой k-ой линии, питающей потребителей, особенно при несимметрии нагрузок отдельных потребителей, следует провести измерения Ki(n)k и I(1)k в тех линиях, к которым присоединены объекты с искажающими ЭП, оказывающими влияние на несинусоидальность напряжения в ТОП.

Для выявления таких объектов следует:

1) Вычислить значение а как отношение разрешенной присоединенной мощности объекта к наименьшей мощности короткого замыкания в ТОП (в процентах):

a = (Sразр/Sкз.нм) · 100,                                                   (4.4)

Допустимые значения отношения адоп для ТОП в электрических сетях:

- 6 кВ и выше - адоп не более 0,3 %;

- 0,22/0,38 кВ - адоп не более 0,2 %.

Если аадоп, то рассматриваемый объект относят к группе объектов с ЭП, не оказывающими влияние на несинусоидальность напряжения в ТОП.

Если а > адоп, то на основе состава нагрузок объекта необходимо определить суммарную установленную мощность искажающих ЭП с нелинейной вольт-амперной характеристикой Sиск.

2) Вычислить значение а1 как отношение суммарной установленной мощности искажающих ЭП объекта к наименьшей мощности короткого замыкания в ТОП (в процентах):

а1 = (Sиск/Sкз.нм) · 100.                                                  (4.5)

Если а1 адоп, то данный объект также относят к группе объектов с искажающими ЭП, не оказывающими влияние на несинусоидальность напряжения в ТОП.

Если а1 > адоп, то данный объект относят к группе объектов с искажающими ЭП, создающими несинусоидальность напряжения в рассматриваемой ТОП.

Если k-ая линия питает несколько объектов, то расчеты по формулам (4.4) и (4.5) проводят для эквивалентного объекта, состав нагрузок которого является суммой нагрузок отдельных объектов с учетом типов конкретных ЭП.

4.4.5.3. Для данных, полученных в соответствии с п.п. 4.4.5.1, 4.4.5.2, следует определить на каждом интервале усреднения, равном 3 с (см. [1]), расположение источников n-ых гармонических составляющих токов следующим образом:

1) В случае, когда фазовый угол сдвига φUI(n)k между n-ой гармонической составляющей U(n)ТОП напряжения в ТОП и n-ой гармонической составляющей I(n)k тока k-ой линии больше 90° или меньше минус 90°, то объект, присоединенный к k-ой линии, на рассматриваемом интервале усреднения содержит источник n-ой гармонической составляющей I(n)k тока.

2) Если фазовый угол сдвига φUI(n)k между n-ой гармонической составляющей U(n)ТОП напряжения в ТОП и п-ой гармонической составляющей I(n)k тока k-ой линии меньше 90° или больше минус 90°, то объект, присоединенный к k-ой линии, на рассматриваемом интервале усреднения не содержит источник n-ой гармонической составляющей I(п)k тока и эквивалентен пассивному элементу с сопротивлением Z(n)k.

3) Аналогично, если фазовый угол сдвига φUI(n)Σ между n-ой гармонической составляющей U(n)ТОП напряжения в ТОП, и n-ой гармонической составляющей I(n)Σ суммарного тока в присоединении ТОП к вышерасположенным сетям ЭСО больше 90° или меньше минус 90°, то на рассматриваемом интервале усреднения ЭСО содержит источник n-ой гармонической составляющей I(n)Σ тока.

4) Если фазовый угол сдвига φUI(n)Σ между n-ой гармонической составляющей U(n)ТОП напряжения в ТОП и n-ой гармонической составляющей I(n)Σ суммарного тока в присоединении ТОП к вышерасположенным сетям ЭСО меньше 90° или больше минус 90°, то на рассматриваемом интервале усреднения ЭСО не содержит источник n-ой гармонической составляющей I(n)Σ суммарного тока, и может быть представлена пассивным элементом с сопротивлением Z(n)Σ.

Расположение источников гармонических составляющих тока может быть определено также по знаку активной мощности Р(п) n-ой гармоники:

1) Если активная мощность n-ой гармоники Р(n)k, измеряемая в k-ой линии, имеет отрицательный знак, то на рассматриваемом интервале усреднения потребитель, присоединенный к k-ой линии, содержит источник n-ой гармонической составляющей I(n)k тока.

2) Если активная мощность n-ой гармоники Р(n)k измеряемая в k-ой линии, имеет положительный знак, то на рассматриваемом интервале усреднения данный потребитель не содержит источник n-ой гармонической составляющей I(n)k тока.

3) Аналогично, если активная мощность n-ой гармоники P(n)Σ измеряемая в присоединении ТОП к вышерасположенным электрическим сетям ЭСО, имеет отрицательный знак, то на рассматриваемом интервале усреднения ЭСО содержит источник n-ой гармонической составляющей I(n)Σ суммарного тока.

4) Если активная мощность n-ой гармоники P(n)Σ измеряемая в присоединении ТОП к вышерасположенным электрическим сетям ЭСО, имеет положительный знак, то ЭСО на рассматриваемом интервале усреднения не содержит источник n-ой гармонической составляющей I(n)Σ суммарного тока.

4.4.5.4. Аналитический метод определения фактического вклада, вносимого источником n-ой гармонической составляющей I(n)k тока объекта в искажение синусоидальности напряжения в ТОП на рассматриваемом интервале усреднения, приведен в приложении Б.

4.4.5.5. Для определения фактического вклада, вносимого источником n-ой гармонической составляющей тока в искажение синусоидальности напряжения в ТОП на расчетном интервале времени, равном 24 ч, следует провести статистическую обработку результатов определения фактических вкладов, полученных на интервалах усреднения 3 с в соответствии с алгоритмом, установленным в [2, раздел 15].

Наибольшее значение фактического вклада и значение фактического вклада, соответствующее вероятности 95 %, полученные в результате статистической обработки данных за каждые сутки, следует сравнить с соответствующими предельно допустимым и нормально допустимым значениями допустимого вклада, установленного для искажающих ЭП k-го объекта.

Если фактический вклад превышает допустимый, то существующее несоответствие по KU и KU(n) полностью или частично обусловлено наличием искажающих ЭП у данного объекта.

4.5. Несимметрия напряжений

4.5.1. Возникновение несоответствий по K2U вызывается причинами, аналогичными приведенным в п. 4.4.1 (за исключением случаев резонанса).

Основными причинами появления несоответствий по K0U могут являться:

- несимметрия нагрузок по фазам в электрических сетях 0,22/0,38 кВ;

- значительные сопротивления элементов схемы замещения, в том числе - сопротивление нулевой последовательности линий и распределительных трансформаторов 6-10/0,4 кВ.

Причиной потенциальных несоответствий по K0U может быть проектирование распределительных сетей 0,22/0,38 кВ без учета несимметрии фазных нагрузок.

4.5.2. Информацию о потенциальных несоответствиях получают из данных, указанных в п.п. 4.4.2, 4.1.2.

4.5.3. К источникам несимметрии напряжений и токов относят следующие:

- нетранспонированные линии электропередачи и неравномерно присоединенные однофазные бытовые нагрузки, создающие систематическую несимметрию напряжений;

- дуговые сталеплавильные печи, однофазные печи электрошлакового переплава, электроподвижной состав переменного тока, однофазные сварочные агрегаты, разновременно включающиеся по фазам бытовые нагрузки и др., создающие случайную несимметрию напряжений.

4.5.4. Несимметрия напряжений в ТОП может создаваться как искажающими ЭП потребителей, непосредственно присоединенных к ТОП, так и оборудованием ЭСО, работающим в режимах, способствующих появлению несимметрии напряжений в ТОП (см. п. 4.5.3).

Кроме того, через электрическую сеть ЭСО на несимметрию напряжений в рассматриваемой ТОП могут оказывать влияние искажающие ЭП потребителей, присоединенных к другим точкам этой электрической сети ЭСО.

4.5.5. Для выявления причин существующего несоответствия по K2U, обнаруженного в ТОП напряжением 6 кВ и выше, определяют фактический вклад в значения K2U, оказываемый несимметричными ЭП (электрооборудованием) каждого объекта, присоединенного к рассматриваемой ТОП, а также фактический уровень несимметрии напряжений, генерируемый в ТОП из вышерасположенных сетей ЭСО.

Для этого следует выполнить операции, указанные ниже.

4.5.5.1. Измерить одновременно следующие величины:

- коэффициенты обратной последовательности тока K2Ik в каждой k-ой линии, присоединенной к ТОП (в процентах);

- токи I1(1)k прямой последовательности основной частоты в каждой k-ой линии, присоединенной к ТОП (в амперах);

- коэффициент обратной последовательности суммарного тока K2 всех k линий в присоединении ТОП к вышерасположенным сетям ЭСО (в процентах);

- суммарный ток II(1)Σ прямой последовательности основной частоты всех k линий в присоединении ТОП к вышерасположенным сетям ЭСО (в амперах);

- коэффициент обратной последовательности K2UТОП напряжения в ТОП (в процентах);

- напряжение прямой последовательности основной частоты U1(1)ТОП в ТОП (в вольтах);

- фазовые углы сдвига φUI2k между напряжением обратной последовательности в ТОП и током обратной последовательности в каждой k-ой линии;

- фазовый угол сдвига φUI2Σ между напряжением обратной последовательности в ТОП и суммарным током обратной последовательности в присоединении ТОП к вышерасположенным электрическим сетям ЭСО.

Определение тока и напряжения обратной последовательности производится пересчетом по формулам:

I2k = K2Ik · I1(1)k/100                                                       (4.6)

или I = K2IΣ · I1(1)Σ/100                                              (4.7)

U2ТОП = KU2ТОП · U1(1)ТОП/100                                       (4.8)

4.5.5.2. При невозможности проведения одновременных измерений коэффициентов обратной последовательности тока K2Ik в каждой k-ой линии, питающей потребителей, следует провести измерения K2Ik и I1(1)k только в тех линиях, к которым присоединены объекты с искажающими ЭП, оказывающими влияние на несимметрию напряжений в ТОП.

Для выявления таких объектов следует воспользоваться классификацией объектов по методике, представленной в п.п. 4.4.5.2.1 и 4.4.5.2.2. При этом в числитель формулы (4.5) следует подставить установленную мощность несимметричных нагрузок.

4.5.5.3. Для данных, полученных в соответствии с п.п. 4.5.5.1 и 4.5.5.2, следует определить на каждом интервале усреднения, равном 3 с (см.[1]), расположение источников обратной последовательности следующим образом:

1) В случае, когда фазовый угол сдвига φUI2k между напряжением обратной последовательности U2ТОП в ТОП и током обратной последовательности I2k в k-ой линии больше 90° или меньше минус 90°, то объект, присоединенный к k-ой линии, на рассматриваемом интервале усреднения содержит источник обратной последовательности I2k тока.

2) Если фазовый угол сдвига φUI2k между напряжением обратной последовательности U2ТОП в ТОП и током обратной последовательности I2k в k-ой линии меньше 90° или больше минус 90°, то объект, присоединенный к k-ой линии, на рассматриваемом интервале усреднения не содержит источник тока обратной последовательности и эквивалентен пассивному элементу с сопротивлением Z2k.

3) Аналогично, если фазовый угол сдвига φUI2Σ между напряжением обратной последовательности U2ТОП в ТОП, и током обратной последовательности I2Σ в присоединении ТОП к вышерасположенным сетям ЭСО больше 90° или меньше минус 90°, то на рассматриваемом интервале усреднения ЭСО содержит источник тока обратной последовательности.

4) Если фазовый угол сдвига φUI2Σ между напряжением обратной последовательности U2ТОП в ТОП и током обратной последовательности I2Σ в присоединении ТОП к вышерасположенным сетям ЭСО меньше 90° или больше минус 90°, то на рассматриваемом интервале усреднения ЭСО не содержит источник тока обратной последовательности и может быть представлена пассивным элементом с сопротивлением Z2Σ.

Расположение источников тока обратной последовательности может быть определено также по знаку активной мощности по обратной последовательности Р2k:

1) Если активная мощность по обратной последовательности Р2k, измеряемая в k-ой линии, имеет отрицательный знак, то потребитель, присоединенный к k-ой линии, на рассматриваемом интервале усреднения содержит источник тока обратной последовательности.

2) Если активная мощность по обратной последовательности Р2k, измеряемая в k-ой линии, имеет положительный знак, то на рассматриваемом интервале усреднения данный потребитель не содержит источник тока обратной последовательности.

3) Аналогично, если активная мощность по обратной последовательности P2Σ, измеряемая в присоединении ТОП к вышерасположенным электрическим сетям ЭСО, имеет отрицательный знак, то на рассматриваемом интервале усреднения ЭСО содержит источник тока обратной последовательности.

4) Если активная мощность по обратной последовательности P2Σ, измеряемая в присоединении ТОП к вышерасположенным электрическим сетям ЭСО, имеет положительный знак, то ЭСО на рассматриваемом интервале усреднения не содержит источник тока обратной последовательности.

4.5.5.4. Определение фактического вклада, вносимого источниками токов обратной последовательности каждого объекта на интервале усреднения, равном 3 с, проводится в соответствии с приложением Б.

4.5.5.5. Для определения фактического вклада, вносимого источником тока обратной последовательности в искажение симметрии напряжений в ТОП на расчетном интервале времени, равном 24 ч, следует провести статистическую обработку результатов определения фактических вкладов, полученных на интервалах усреднения 3 с в соответствии с алгоритмом, установленным в [2, раздел 15].

Наибольшее значение фактического вклада и значение фактического вклада, соответствующее вероятности 95 %, полученные в результате статистической обработки данных за каждые сутки, следует сравнить с соответствующими предельно допустимым и нормально допустимым значениями допустимого вклада, установленного для искажающих ЭП k-го объекта.

Если фактический вклад превышает допустимый, то существующее несоответствие по K2U полностью или частично обусловлено наличием искажающих ЭП у данного объекта.

4.5.6. Для определения причин несоответствий по K0U следует:

- провести одновременные измерения коэффициента несимметрии K0U по нулевой последовательности, фазных напряжений UA, UB, UC и токов IА, IB, IC, а также тока I0 в нулевом проводе;

- произвести статистическую обработку результатов измерений с помощью программного обеспечения, прилагаемого к средству измерений, и получить математические ожидания токов нагрузок по фазам (IА, IB, IC) и в нулевом проводе (I0).

4.5.7. Если выполняется соотношение:

I0 > (0,05 - 0,07)(IА + IB + IC),                                     (4.9)

то причиной несоответствия может быть неравномерность присоединения нагрузок по фазам.

Если соотношение (4.9) не выполняется, то причиной несоответствия может быть значительное сопротивление Z0 четырехпроводной сети по нулевой последовательности.

Сопротивление сети по нулевой последовательности определяют из соотношения:

                                  (4.10)

При больших значениях Z0 принимают решения о возможных мероприятиях по его уменьшению (увеличению сечения нулевого провода воздушных линий электропередачи, замене кабельных линий и трансформаторов, установке шунтовых симметрирующих устройств).

5. МЕТОДИКИ ВЫПОЛНЕНИЯ ИЗМЕРЕНИЙ

5.1. Требования к погрешности измерений

Измеряемые величины, применяемые при анализе КЭ, а также, пределы и погрешности измерений этих величин (без учета коэффициентов трансформации и погрешности трансформаторов напряжения и тока) приведены в табл. 5.1.

5.2. Требования к средствам измерений

5.2.1. При испытаниях ЭЭ с целью анализа КЭ, а также при допуске в эксплуатацию искажающих электроустановок, должны использоваться средства измерений показателей качества электрической энергии, соответствующие требованиям, указанным в [2, раздел 8], и имеющие при измерении величин, используемых при анализе КЭ, метрологические характеристики не хуже приведенных в табл. 5.2.

Таблица 5.1 - Измеряемые величины, пределы и погрешности измерений

Наименование измеряемой величины X

Номинальное значение

Xном

Пределы измерений

Предел допускаемой погрешности измерений

 

Xмин

Xмакс

абсолютной ΔX

относительной δX, %

 

1 Напряжение U(1) (действующее значение основной частоты), В

57,735

46,19

69,28

±0,12

-

 

220

176,0

264,0

±0,44

 

2 Ток I(1) (действующее значение основной частоты), А

1

0,02

1,00

±0,002

-

 

5

0,10

5,00

±0,01

 

3 Напряжение U1(1) (основной частоты прямой последовательности), В

57,735

46,19

69,28

±0,12

-

 

220

176,0

264,0

±0,44

 

4 Ток I1(1) (основной частоты прямой последовательности), А

1

0,02

1,00

±0,002

-

 

5

0,10

5,00

±0,01

 

5 Коэффициент KU(n) п-ой гармонической составляющей напряжения, %

-

0,1

15

±0,051)

±52)

 

6 Коэффициент KI(n) и п-ой гармонической составляющей тока, %

-

0,1

50

±0,153)

±54)

 

7 Фазовый угол φUI(n) между напряжением и током n-ой гармонической составляющей

-180°

180°

±3°

-

 

8 Коэффициент несимметрии K2U напряжений по обратной последовательности, %

-

0,1

15

±0,2

-

 

9 Коэффициент несимметрии K2I токов по обратной последовательности, %

-

0,1

50

±1,0

-

 

10 Фазовый угол сдвига между составляющими φUI2 напряжения и тока обратной последовательности

-180°

180°

±3°

-

 

11 Коэффициент несимметрии K0U напряжений по нулевой последовательности, %

-

0,1

15

±0,3

-

 

12 Коэффициент несимметрии K0I токов по нулевой последовательности, %

-

0,1

50

±1,0

-

 

13 Мощность

активная Р, Вт

полная S, В · А

Pном

Sном

57,74

0,1 · Pном

0,1 · Sном

1,2 · Pном

1,2 · Sном

±0,005 · Pном

 

220,0

14 Активная мощность n-ой (n - от 2 до 40) гармонической составляющей Р(n)5), Вт

0,003 · Pном

0,05 · Pном

-

±10

288,7

15 Активная мощность обратной последовательности Р25), Вт

1100,0

0,01 · Pном

0,1 · Pном

±0,0025 · Pном

 

 

1) - при KU(n) < 1 %;

2) - при KU(n)1 %;

3) - при KU(n) < 3 %;

4) - при KU(n) ≥ 3 %;

5) - см. таблицу 5.2

 

Таблица 5.2 - Метрологические характеристики СИ, применяемых при анализе КЭ

Наименование измеряемой величины X

Пределы измерений

Пределы допускаемой основной погрешности

Время усреднения, с

 

абсолютной

ΔX

относительной δХ, %

приведенной

γХ, %

Xмин

Xмакс

 

1 Напряжение U(1) (действующее значение основной частоты), В

Uном

57,735

0,8 · Uном

1,2 · Uном

-

-

±0,2

60

 

220,00

 

2 Ток I(1) (действующее значение основной частоты), А

Iном

1

0,02 · Iном

1,0 · Iном

-

-

±0,2

60

 

5

 

3 Напряжение U1(1) (основной частоты прямой последовательности), В

Uном

57,735

0,8 · Uном

1,2 · Uном

-

-

±0,2

60

 

220,00

 

4 Ток I1(1) (основной частоты прямой последовательности), А

Iном

1

0,02 · Iном

1,0 · Iном

-

-

±0,2

60

 

5

 

5 Коэффициент несимметрии напряжений по обратной последовательности K2U, %

0,1

15

±0,2

-

-

3

 

6 Коэффициент несимметрии K2I токов по обратной последовательности, %

0,1

50

±0,5

-

-

3

 

7. Фазовый угол φUI2 между составляющими напряжения U2 и тока I2 обратной последовательности

-180°

+180°

±3°

-

-

3

 

8 Коэффициент несимметрии напряжений по нулевой последовательности K0U, %

0,1

15

±0,2

_

_

3

 

9 Коэффициент несимметрии токов по нулевой последовательности K0I, %

0,1

20

±0,5

-

-

3

 

10 Коэффициенты искажения синусоидальности KU и n-ой гармонической составляющей напряжения KU(n), %

0,1

15

±0,051)

±52)

-

3

 

11 Коэффициенты искажения синусоидальности KI и n-ой гармонической составляющей тока KI(n), %

0,1

15

±0,153)

±54)

-

3

 

12 Фазовый угол φUI(n) между напряжением U(n) и током I(n) n-ой гармонической составляющей

-180°

180°

±3°

-

-

3

 

13 Мощность

активная Р, Вт

полная S, В · А

Pном

Sном

57,74

0,1 · Pном

0,1 · Sном

1,2 ·

1,2 · Sном

-

-

±0,5

3

 

220,0

14 Активная мощность n-ой (п - от 2 до 40) гармонической составляющей P(n)5), Вт

0,003 · Pном

0,05 · Pном

-

±10

-

288,7

 

15 Активная мощность обратной последовательности P25), Вт

1100,0

0,01 · Pном

0,1 · Pном

-

±5,0

 

1) - при KU(n) < 1 %;

2) - при KU(n)1 %;

3) - при KU(n) < 3 %;

4) - при KU(n) ≥ 3 %;

5) - см. таблицу 5.2

 

 

5.2.2. При проведении испытаний ЭЭ с целью рассмотрения причин претензий должны использоваться трансформаторы напряжения ТН и тока ТТ класса точности не хуже 0,5, поверенные в установленном порядке, с указанием в протоколах поверки значения погрешностей в зависимости от тока (для ТТ) или нагрузки (для ТН) вторичных цепей.

5.2.3. При проведении испытаний ЭЭ с целью определения технических условий или договорных условий с потребителем, а также при измерениях с целью разработки корректирующих и предупреждающих мероприятий допускается использовать средства измерений, погрешность которых не превышает установленную в табл. 5.2 для средств измерений, подключаемых непосредственно к электрическим сетям 220/380 В.

5.3. Метод измерений

5.3.1. При выполнении измерений используют метод непосредственной оценки ПКЭ и величин, перечисленных в табл. 5.1.

5.3.2. При измерениях с целью анализа КЭ в трёхфазных четырехпроводных и однофазных электрических сетях следует измерять фазные напряжения и фазные токи, в трехфазных трёхпроводных сетях - напряжения между фазными проводами и землей и фазные токи.

5.4. Требования безопасности

5.4.1. При анализе КЭ должны быть соблюдены требования безопасности, установленные в [2, раздел 10] и [7].

5.5. Требования к квалификации операторов

5.5.1. К выполнению измерений могут быть допущены лица, имеющие квалификацию в соответствии с Межотраслевыми правилами по технике безопасности.

5.5.2. Анализ результатов измерений и оформление протоколов должны производиться специалистами со средним специальным и высшим образованием в области управления режимами работы электрической сети.

5.6. Условия измерений

5.6.1. Измерения с целью анализа КЭ проводят в любых режимах работы систем электроснабжения за исключением аварийных режимов.

5.6.2. При измерениях обеспечивают выполнение рабочих условий применения используемых СИ.

5.7. Подготовка к измерениям

5.7.1. Перед началом измерений в электрических сетях выше 1000 В выполняют операции, установленные в [2, раздел 13].

5.8. Выполнение измерений

5.8.1. Выполнение измерений производят в соответствии с инструкцией по эксплуатации используемого СИ.

5.8.2. Климатические условия окружающей среды должны контролироваться средствами измерений с классом точности не хуже 2,0.

5.8.3. Продолжительность измерений с целью анализа - не менее 7 дней. По согласованию между сторонами (потребителями и ЭСО) допускается уменьшение общей продолжительности измерений, но не менее чем до 1 суток.

5.8.4. Перед завершением измерений проверяют выполнение требований по суммарному перерыву в измерениях, установленных в [2, пункт 6.1]. В случае невыполнения требований измерения повторяют.

5.9. Обработка результатов измерений

5.9.1. Результаты измерений Δf и δUy каждые сутки общей продолжительности измерений должны быть статистически обработаны в соответствии с алгоритмом обработки, установленным в [2, раздел 15].

5.9.2. Обработка результатов измерений фактического вклада и других параметров для определения причины несоответствия по KU, KU(n), K2U, K0U проводится в соответствии с п.п. 4.4.5.5 и 4.5.6.

5.10. Оформление результатов измерений

Результаты измерений с целью анализа КЭ оформляются в виде «Протокола испытаний электрической энергии с цепью анализа КЭ по следующим показателям __» (далее - протокол).

5.10.1. В протоколе приводят следующие данные:

а) наименование и адрес испытательной лаборатории (организации или подразделения), проводившей измерения КЭ;

б) наименование и адрес организации (подразделения энергоснабжающей организации), являющейся заказчиком испытаний (измерений) КЭ;

в) наименование и адрес объекта испытаний (пункта контроля качества ЭЭ);

г) наименование и адрес (номер) центра питания, распределительного пункта, трансформаторной подстанции и т.д.;

д) цель испытаний (категория испытаний - арбитражные, претензионные и др.), наименование и номер нормативной документации (ГОСТ 13109-97) или договор энергоснабжения с указанием пунктов, устанавливающих допускаемые значения ПКЭ;

е) сроки проведения испытаний (год, месяц, число, время начала и окончания измерений);

ж) методика испытаний (нормативный документ, устанавливающий методы испытаний при анализе КЭ);

з) средства измерений:

- тип прибора для измерения необходимых для анализа характеристик КЭ, заводской номер, сведения о погрешностях, дата последней поверки, срок действия свидетельства о поверке;

- тип измерительного трансформатора напряжения (ТН), заводской номер, класс точности, сведения о погрешностях ТН, срок действия свидетельства о поверке;

- протокол измерения нагрузки ТН;

- тип измерительного трансформатора тока (ТТ), заводской номер, класс точности, сведения о погрешностях ТТ, срок действия свидетельства о поверке;

и) условия выполнения измерений:

-температура окружающего воздуха, °С;

- относительная влажность воздуха, %;

- атмосферное давление(мм рт. ст.) - только для сертификационных и арбитражных испытаний;

к) требования к показателям качества электроэнергии в пункте контроля;

л) заключение по результатам измерений с целью анализа КЭ (причина несоответствия, фактический вклад от каждого из субъектов и фактический вклад со стороны ЭСО, возможные мероприятия и др.).

В приложениях к протоколу приводятся результаты измерений необходимых характеристик КЭ в пункте контроля за каждые 24 ч, описание мер, предпринятых для поддержания необходимых условий измерений, а также дополнительные сведения, необходимость представления которых определяют испытательная организация и (или) заказчик.

ПРИЛОЖЕНИЕ А

Методы анализа качества электрической энергии по установившемуся отклонению напряжения

А. 1. Если несоответствие по δUy зафиксировано в ТКЭ между двумя ЭСО (или между ЭСО и потребителем), причем ТКЭ принадлежит к сетям вышестоящей ЭСО с напряжением 110 кВ и выше, а нагрузка нижестоящей ЭСО (или потребителя) в ТКЭ не выходит за заявленные пределы, то наиболее вероятные причины несоответствия связаны с режимами работы сетей вышестоящей ЭСО. Конкретные причины появления несоответствия выясняют на основе анализа информации, указанной в п. 4.3.1, относящейся к сетям вышестоящей ЭСО.

Если ТКЭ принадлежит нижестоящей ЭСО (или потребителю), то одновременно с измерениями в ТКЭ следует провести измерения δUy в точке сети, принадлежащей вышестоящей ЭСО и являющейся точкой, электрически ближайшей к рассматриваемой ТКЭ, например, на шинах высокого напряжения понижающего трансформатора. Причины несоответствия могут быть связаны как с режимами работы электрических сетей вышестоящей ЭСО, так и с режимами работы электрооборудования сетей нижестоящей ЭСО (потребителя), например, при неправильно выбранных уставках встроенного в трансформатор устройства РПН, при отсутствии или недоиспользовании устройств, регулирующих напряжение и компенсирующих реактивную мощность.

А.2. Если несоответствие по δUy зафиксировано в ТКЭ между двумя ЭСО (или между ЭСО и потребителем), причем ТКЭ принадлежит к сетям вышестоящей ЭСО с напряжением ниже 110 кВ, а нагрузка нижестоящей ЭСО (или потребителя) в ТКЭ не выходит за заявленные пределы, то наиболее вероятные причины несоответствия связаны с режимами работы сетей вышестоящей ЭСО. Конкретные причины появления несоответствия выясняют, принимая во внимание:

- информацию о режиме напряжения в контрольных точках питающих сетей вышестоящей ЭСО;

- информацию о суточных (сезонных) изменениях нагрузки в центре питания и рассматриваемой ТКЭ;

- информацию о состоянии регулирующих напряжение устройств, установленных в сети вышестоящей ЭСО, и о выполнении диспетчерского графика регулирования напряжения в центре питания;

- информацию о режимах работы средств компенсации реактивной мощности, принадлежащих нижестоящей ЭСО (потребителю), которые могут повлиять на режим напряжения в ТКЭ.

А.3. Влияние источников реактивной мощности, принадлежащих нижестоящей ЭСО (потребителю), на режим напряжения в ТКЭ определяют по формуле:

dp = QxyX/(10UТКЭUном)                                               (А.1)

где dp - диапазон повышения напряжения в ТКЭ, вызванный генерацией реактивной мощности в эту точку, %;

Qxy - реактивная мощность, генерируемая компенсирующим устройством в ТКЭ, квар;

X - эквивалентное индуктивное сопротивление внешней сети ЭСО до ТКЭ, Ом;

UТКЭ - напряжение в ТКЭ, кВ;

Uном - номинальное напряжение сети, кВ.

А.4. При обнаружении несоответствия по δUу в ТКЭ с напряжением 220/380 В или в пунктах периодического контроля δUу, расположенных в сетях 220/380 В, конкретные причины появления несоответствия выясняют, принимая во внимание:

- информацию об изменениях напряжения на шинах 0,4 кВ трансформаторов 6-10/0,4 кВ и режиме напряжения в центре питания;

- информацию о суточных изменениях нагрузки трансформатора 6-10/0,4 кВ и линии 0,38 кВ, питающей рассматриваемого потребителя и соответствующих потерях напряжения в трансформаторе и в линии;

- информацию об установленном коэффициенте трансформации трансформатора 6-10/0,4 кВ.

Рекомендуется следующий порядок установления причины несоответствия.

А.4.1. Проводят контроль КЭ одновременно на шинах 0,4 кВ трансформаторной подстанции 6-10/0,4 кВ и в ТКЭ с потребителем.

А.4.2. По результатам контроля КЭ определяют ширину нормально допустимого диапазона изменений напряжения δUу в ТКЭ - dнд (d1нд, dIIнд) по формулам:

dнд = δU1нд.в - δUIIнд.н

или d1нд = δU1нд.в - δU1нд.н

dIIнд = δUIIнд.в - δUIIнд.н

где δU1нд.в, δU1нд.н, δUIIнд.в, δUIIнд.н - значения отклонения напряжения, записанные в договорных условиях и установленные в соответствии с [2].

По приведенным выше формулам определяют ширину наибольшего фактического диапазона изменений δUy в пункте контроля dнд (d1нд, dIIнд), исходя из полученных результатов измерений δU1нд.в, δU1нд.н, δUIIнд.в, δUIIнд.н, а также ширину фактического диапазона, в который попали 95 % значений δUy.

А.4.3. Сопоставляют ширину нормально допустимого и фактического диапазонов изменений δUy в ТКЭ в режимах наибольших и наименьших нагрузок.

Если ширина фактического диапазона не превышает допустимый, но фактический диапазон смещен относительно допустимого так, что нарушаются установленные требования, то причиной несоответствия могут быть:

- неправильно выбранная отпайка трансформатора 6-10/0,4 кВ;

- неверно выбранные уставки РПН в ЦП;

- потери напряжения в сети 0,38 кВ, превышающие допустимые;

- неоднородность нагрузок потребителей, присоединенных в сети 220/380 В;

- постоянно включенная мощность конденсаторной батареи (КБ).

А.4.4. Поиск конкретной причины несоответствия проводят, используя последовательно все возможные корректирующие мероприятия, с учетом необходимости выполнения установленных требований у других потребителей распределительной электрической сети.

А.4.4.1. Если добавка напряжения ET, создаваемая изменением коэффициента трансформации трансформатора 6-10/0,4 кВ, позволяет ввести фактический диапазон изменений напряжения в допустимый, то наиболее предпочтительным мероприятием является переключение регулировочного ответвления трансформатора. Однако следует убедиться, что переключение регулировочного ответвления не противоречит электроснабжению других потребителей низковольтной сети. Для этого следует сместить по оси δUy фактический диапазон изменений на шинах 0,4 кВ трансформатора на величину добавки Е и сопоставить с допустимым диапазоном в этом пункте контроля.

А.4.4.2. Если переключение регулировочного ответвления трансформатора не решает проблему устранения несоответствия, то могут быть рассмотрены мероприятия по изменению уставок по напряжению АРН и т.п. Для оценки возможности применения этих мероприятий следует располагать протоколами измерений в ЦП, провести прогнозирование изменения режима напряжения в этом пункте и сопоставить прогнозируемый режим с допустимым.

А.4.4.3. Если мероприятия, указанные в п.п. А.4.4.1 и А.4.4.2, не позволяют устранить несоответствие, то следует рассмотреть возможность применения других средств местного регулирования напряжения, например, изменение постоянно включенной мощности конденсаторных батарей КБ, включение устройств вольтодобавки и др.

А.4.4.4. Если мероприятия, указанные в п.п. А.4.4.1 - А.4.4.3, не устраняют несоответствие, то следует рассмотреть мероприятия, позволяющие уменьшить ширину фактического диапазона изменений δUy. Это может быть обеспечено повышением напряжения в ТКЭ в часы наибольших нагрузок ЦП и понижением напряжения в часы наименьших нагрузок ЦП, для чего могут быть применены следующие средства:

- включение и отключение дополнительной мощности КБ в соответствующие часы нагрузок;

- изменение режима возбуждения синхронного двигателя, а также применение других средств местного регулирования напряжения;

- использование централизованных средств регулирования напряжения, например, АРН, позволяющих изменить параметры закона встречного регулирования напряжения и др., если это не ухудшает режим напряжения у остальных потребителей электрической сети.

А.4.5. Если ширина фактического диапазона изменений δUy в ТКЭ больше допустимого, то следует рассмотреть мероприятия, перечисленные в п.п. А.4.4.3 - А.4.4.4.

А.4.6. При наличии несоответствия по δUy в ТКЭ с потребителем, присоединенным к сети 6 - 10 кВ, целесообразно располагать результатами контроля КЭ, проведенными одновременно на шинах 6 - 10 кВ ЦП и в ТКЭ с потребителем.

Выбор возможных мероприятий проводят в соответствии с рекомендациями, указанными в п.п. А.4.4.2 - А.4.4.4.

ПРИЛОЖЕНИЕ Б

Метод определения фактического вклада объекта с искажающими электроприемниками в уровень несинусоидальности (несимметрии) в ТОП

Б.1. В соответствии с методом, изложенным в настоящем приложении, фактический вклад (ФВ) в ТОП от источников гармонических составляющих тока или источников тока обратной последовательности определяется как модуль вектора напряжения n-ой гармоники UФВ(n).k или модуль вектора напряжения обратной последовательности UФВ2.k, создаваемого искажающими ЭП данного субъекта.

Б.2. В основе предлагаемого метода лежат следующие положения:

- схема электроснабжения любого k-го субъекта, присоединенного к ТОП, на интервале усреднения равном 3 с, может быть представлена в виде двухполюсника, состоящего из соединенных параллельно источника тока искажений (источника гармонических составляющих тока J(n)k или источника тока обратной последовательности J2k и внутреннего сопротивления этого источника тока (см. рис. Б.1). Такой схемой замещения могут быть представлены схемы электроснабжения как потребителей, так и ЭСО;

- если мощность источника тока искажений пренебрежимо мала, то схема электроснабжения такого объекта может быть представлена только пассивным элементом - сопротивлением;

- если на интервале усреднения 3 с мощность источника тока искажений оказывается меньшей, чем мощности других источников, вследствие чего токи искажений, измеряемые на головном участке k-ой линии, направлены к объекту, то схема электроснабжения такого объекта также может быть представлена пассивным элементом - сопротивлением (см. рис. Б.2);

- если на интервале усреднения 3 с токи искажений, измеряемые на головном участке k-ой линии, имеют направление от объекта к ТОП, то такая схема электроснабжения k-го объекта представляется источником тока искажений (см. рис. Б.2);

- фактический вклад на интервале усреднения 3 с определяется для тех объектов, которые на рассматриваемом интервале содержат источники тока искажений.

Б.3. Реализация метода определения ФВ от источников гармонических составляющих основана на одновременных измерениях величин, указанных в п. 4.4.5.1.

Реализация метода определения ФВ от источников токов обратной последовательности основана на одновременных измерениях величин, указанных в п. 4.5.5.1.

При невозможности проведения одновременных измерений токов искажений на всех присоединениях к ТОП следует произвести предварительное выявление объектов, содержащих искажающие ЭП, в соответствии с п.п. 4.4.5.2 и 4.5.5.2.

Б.4. Выявление объектов, схемы электроснабжения которых на рассматриваемом интервале усреднения могут быть представлены источниками тока искажений J(n)k или J2k, осуществляется в соответствии с п.п. 4.4.5.3 и 4.5.5.3 на основании результатов измерений соответствующих фазовых углов сдвига или определения знака активных мощностей.

Б.5. Определяют суммарный ток эквивалентного источника JΣ(n) или JΣ2 путем векторного суммирования токов искажений J(n)k или J2k, генерируемых в ТОП выявленными источниками искажений, и определяют его модуль по формулам

                                                             (Б.1а)

или

                                                                (Б.1б)

где J(n)k, J2k - токи искажений объектов, выявленных в соответствии с п. 4.4.5.3 или п. 4.5.5.3.

Б.6. Остальные объекты на этом же интервале усреднения представляются эквивалентным пассивным элементом с сопротивлением, модуль которого определяется по формулам

                                                 (Б.2а)

или                                                (Б.2б)

Б.7. Модуль вектора n-ой гармонической составляющей напряжения или напряжения обратной последовательности, создаваемого k-ым источником тока искажений J(n)k или J2k на рассматриваемом интервале усреднения, определяют по формулам:

                                                       (Б.3а)

или

                                                         (Б.3б)

Рис. Б.1. Схема замещения субъектов, подключенных к точке общего присоединения

Рис. Б.2. Схема замещения субъектов, подключенных к точке общего присоединения на интервале наблюдения (усреднения)

Б.8. Фактический вклад в искажение синусоидальности напряжения или искажения симметрии напряжений в ТОП (в процентах) на рассматриваемом интервале усреднения определяют по формулам

                                                   (Б.4а)

или

                                                   (Б.4б)

Б.9. Фактический вклад в искажение синусоидальности напряжения или искажения симметрии напряжений в ТОП на расчетном интервале времени, равном 24 часа, определяют статистической обработкой результатов определения фактических вкладов, полученных на интервалах усреднения 3 с в соответствии с алгоритмом, установленным в [2, раздел 15].

Б.10. На основе данных о фактическом вкладе в ТОП по отдельным гармоническим составляющим напряжения рассчитывают фактический вклад по коэффициенту искажения синусоидальности кривой напряжения в ТОП.

Рис. Б.3. Принципиальная схема 8-ой секции шин подстанции

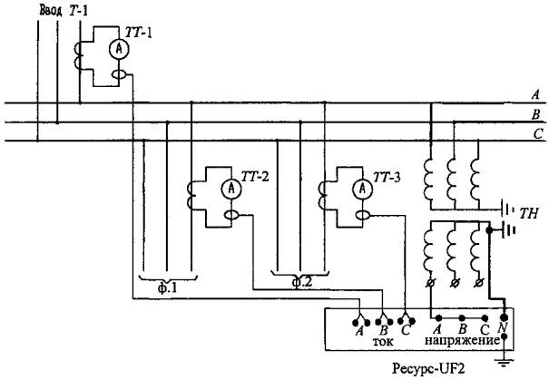
Рис. Б.4. Схема подключения прибора «Pecypc-UF

Таблица Б.1 - Пример результатов измерений

n гармоники

Ввод Т-1

ф. 1

ф. 2

KU(n), %

KI(n), %

φUI(n)

KI(n), %

φUI(n)

KI(n), %

φUI(n)

1

100

100

166,0°

100

-6,9°

100

-16,9°

3

1,37

1,04

224,7°

1,05

52,7°

1,13

31,

5

3,06

13,48

-76,5°

18,85

-6,2°

17,22

109,

7

1,69

7,55

-71,9°

10,41

20,7°

8,87

111,5°

9

0,14

0,4

191,0°

0,84

-43,0°

0,74

77,6°

11

1,86

3,19

-84,4°

6,75

201,7°

4,53

104,1°

13

0,76

1,38

-64,4°

4,43

167,2°

2,43

84,

Таблица Б.2 - Расчетные значения напряжений и токов n-ых гармонических составляющих

n гармоники

U(n)T-1, В

I(n)T-1, А

I(n)Ф1, А

I(n)Ф2, А

1

5934,4

422,7

71,1

364,1

3

81,2

4,4

0,75

4,1

5

181,7

57,0

13,4

62,7

7

100,2

31,9

7,4

32,3

9

8,3

1,7

0,6

2,7

11

110,6

13,5

4,8

16,5

13

45,3

5,85

3,15

8,85

Пример

Целью проведения специализированных измерений являлось определение фактического вклада каждого из объектов с искажающими электроприемниками в уровень несинусоидальности в ТОП.

На рис. Б.3 представлена принципиальная схема рассматриваемой секции шин подстанции и присоединенных объектов. К линиям 1 и 2 присоединены соответственно подстанции метрополитена и трамвайно-троллейбусного депо, нагрузка которых носит нелинейный характер. Других нагрузок на этой секции шин нет.

В качестве средства измерения был использован прибор «Ресурс-UF2». Схема подключения прибора показана на рис. Б.4.

В ходе измерений, согласно методике, приведенной в п. 4.4 настоящего РД, регистрировались: напряжение 1-ой гармонической составляющей и коэффициенты n-ых гармонических составляющих напряжения KU(n) в ТОП, токи 1-ой гармонической составляющей и коэффициенты n-ых гармонических составляющих тока KI(n) во всех присоединениях, и фазовые углы сдвига φUI(n)k между токами n-ой гармонической составляющей во всех присоединениях и напряжением n-ой гармонической составляющей в ТОП.

Пример результатов измерений представлен в табл. Б.1.

При этом напряжение основной частоты в ТОП составляло U(1)T-1 = 5934,4 В, а токи основной частоты во всех присоединениях определялись следующими значениями: I(1)Т-1 = 422,7 А, I(1)Ф1 = 71,1 А, I(1)Ф2 = 364,1 А.

Значения токов и напряжений, приведенные в табл. Б.1, указаны с учетом коэффициентов трансформации напряжений и токов измерительных трансформаторов ТН и ТТ.

Решение:

Определение напряжений и токов n-ых гармонических составляющих во всех присоединениях следует выполнять по формулам (4.2а), (4.2б) и (4.3) настоящего РД.

Результаты расчета напряжений и токов n-ых гармонических составляющих сведены в табл. Б.2.

Фактический вклад присоединенных объектов по каждой гармонической составляющей определяется следующим образом.

1-ая гармоника:

Источником напряжения 1-ой гармоники является ввод Т-1 (энергосистема).

3-я гармоника:

Фазовый угол сдвига между током 3-ей гармонической составляющей ввода Т-1 (энергосистема) и напряжением 3-ей гармонической составляющей в ТОП больше +90°, но меньше -90°, в то время как фазовые углы между токами 3-ей гармонической составляющей фидеров 1, 2 и напряжением 3-ей гармонической составляющей в ТОП меньше +90°, но больше -90°. Следовательно, энергосистема является единственным источником искажений по 3-ей гармонической составляющей и ее фактический вклад определяется уровнем 3-ей гармонической составляющей напряжения в ТОП и равен 1,37 %.

5-ая гармоника:

Фазовый угол сдвига между током 5-ой гармонической составляющей фидера 2 (метрополитен) и напряжением 5-ой гармонической составляющей в ТОП больше +90°,но меньше -90°, а фазовые углы токов 5-ой гармонической составляющей ввода Т-1 и фидера 1 меньше +90°, но больше -90°. Следовательно, нагрузка метрополитена является единственным источником искажений по 5-ой гармонической составляющей, фактический вклад которой определяется уровнем 5-ой гармонической составляющей напряжения в ТОП и равен 3,06 %.

7-ая гармоника:

Фазовые углы сдвига по 7-ой гармонической составляющей напряжения распределены аналогично 5-ой гармонике, представленной выше. Следовательно, единственным источником искажений по 7-ой гармонической составляющей является нагрузка метрополитена, фактический вклад которой определяется уровнем 7-ой гармонической составляющей напряжения в ТОП и равен 1,69 %.

9-ая гармоника:

Фазовый угол сдвига между током 9-ой гармонической составляющей ввода Т-1 (энергосистема) и напряжением 9-ой гармонической составляющей в ТОП больше +90°,но меньше -90°, в то время как фазовые углы между токами 9-ой гармонической составляющей фидеров 1, 2 и напряжением 9-ой гармонической составляющей в ТОП меньше +90°, но больше -90°. Следовательно, энергосистема является единственным источником искажений по 9-ой гармонической составляющей и ее фактический вклад определяется уровнем 9-ой гармонической составляющей напряжения в ТОП и равен 0,14 %.

11-ая гармоника:

Фазовые углы сдвига между токами 11-ой гармонической составляющей фидеров 2 (метрополитен) и 1 (трамвайно-троллейбусное депо) и напряжением 11-ой гармонической составляющей в ТОП больше +90°, но меньше -90°, а фазовый угол между током 11-ой гармонической составляющей ввода Т-1 и напряжением 11-ой гармонической составляющей в ТОП меньше +90°, но больше -90°. Следовательно, нагрузки метрополитена и трамвайно-троллейбусного депо являются источниками искажений по 11-ой гармонической составляющей. Эквивалентное пассивное сопротивление IΣ(11) определяют по формуле (Б.2а):

где модуль действующего значения суммарного тока эквивалентного источника IΣ(11) определяется по следующей формуле:

модуль вектора 11-ой гармонической составляющей напряжения, создаваемого трамвайно-троллейбусным депо, определяется по формулам (Б.3а), (Б.4а), (4.3) и равен:

UФВ(11)Ф1 = 4,8 · 6,67 = 32,02 В,

KФВU(11)Ф1 =  = 0,54 %.

Модуль вектора 11-ой гармонической составляющей напряжения, создаваемого метрополитеном, определяется по формулам (Б.3а), (Б.4а), (4.3) и равен:

UФВ(11)Ф2 = 16,5 · 6,67 = 110,06 В,

KФВU(11)Ф2 =  = 1,85 %.

13-ая гармоника:

Фазовый угол сдвига между током 13-ой гармонической составляющей фидера 1 (трамвайно-троллейбусное депо) и напряжением 13-ой гармонической составляющей в ТОП больше +90°,но меньше -90°, а фазовые углы токов 13-ой гармонической составляющей ввода Т-1 и фидера 2 меньше +90°,но больше -90°. Следовательно, нагрузка трамвайно-троллейбусного депо является единственным источником искажений по 13-ой гармонической составляющей, фактический вклад которой определяется уровнем 13-ой гармонической составляющей напряжения в ТОП и равен 0,76 %.

Результаты расчетов сведены в таблицу Б.3.

Таблица Б.3 - Фактический вклад объектов в уровень несинусоидальности в ТОП

n гармоники

KФВU(n)T-1, %

KФВU(n)Ф1, %

KФВU(n)Ф2, %

1

100

-

-

3

1,37

-

-

5

-

-

3,06

7

-

-

1,69

9

0,14

-

-

11

-

0,54

1,85

13

-

0,76

-

содержание

1. ОБЛАСТЬ ПРИМЕНЕНИЯ.. 2

2. НОРМАТИВНЫЕ ССЫЛКИ.. 2

3. ОПРЕДЕЛЕНИЯ, СОКРАЩЕНИЯ И ОБОЗНАЧЕНИЯ.. 2

4. МЕТОДЫ АНАЛИЗА КАЧЕСТВА ЭЛЕКТРИЧЕСКОЙ ЭНЕРГИИ.. 4

4.1. Общие положения. 4

4.2. Отклонение частоты.. 5

4.3. Отклонение напряжения. 5

4.4. Несинусоидальность напряжения. 6

4.5. Несимметрия напряжений. 8

5. МЕТОДИКИ ВЫПОЛНЕНИЯ ИЗМЕРЕНИЙ.. 10

5.1. Требования к погрешности измерений. 10

5.2. Требования к средствам измерений. 10

5.3. Метод измерений. 11

5.4. Требования безопасности. 11

5.5. Требования к квалификации операторов. 11

5.6. Условия измерений. 12

5.7. Подготовка к измерениям.. 12

5.8. Выполнение измерений. 12

5.9. Обработка результатов измерений. 12

5.10. Оформление результатов измерений. 12

ПРИЛОЖЕНИЕ А.. 12

Методы анализа качества электрической энергии по установившемуся отклонению напряжения. 12

ПРИЛОЖЕНИЕ Б.. 14

Метод определения фактического вклада объекта с искажающими электроприемниками в уровень несинусоидальности (несимметрии) в ТОП.. 14

 




Яндекс цитирования



   Copyright © 2007-2026,  www.tehlit.ru.

[ ѓосты, стандарты, нормативы, инструкции, правила, строительные нормы ]