//
ТехЛит.ру
- крупнейшая бесплатная электронная интернет библиотека для "технически умных" людей.
WWW.TEHLIT.RU - ТЕХНИЧЕСКАЯ ЛИТЕРАТУРА

:: Алготрейдинг::


АЛГОТРЕЙДИНГ
шаг за шагом
с нуля по урокам!

Торговые роботы на PYTHON, BackTrader,
Pandas, Pine Script для TradingView. Связка с брокерами, телеграм и легкими приложениями.


Ленинградский зональный

научно-исследовательский и проектный институт типового и экспериментального проектирования жилых и общественных зданий

(ЛенЗНИИЭП) Госгражданстроя

 

Рекомендации по проектированию фундаментов мобильных (инвентарных) зданий на вечномерзлых грунтах

 

Москва Стройиздат 1988

 

Рекомендованы к изданию решением секции строительных конструкций Научно-технического совета ЛенЗНИИЭП Госгражданстроя.

Изложены указания по подготовке оснований, конструированию и методам расчета фундаментов мобильных (инвентарных) зданий, возводимых на вечномерзлых грунтах, а также по инженерным изысканиям для комплексов этих зданий. Рассмотрены новые конструктивные решения нулевого цикла и новые методы расчета, позволяющие уменьшить габариты и вес фундаментов.

Для инженерно-технических работников проектных, строительных и изыскательских организаций.

ПРЕДИСЛОВИЕ

Настоящие Рекомендации содержат сведения по подготовке оснований, выбору типа и конструктивных решений фундаментов мобильных (инвентарных) зданий, возводимых в условиях распространения вечно-мерзлых грунтов. Такие здания относятся к III классу ответственности и отличаются от капитальных ограниченным сроком службы на одной площадке, повышенной сборностью малой массой и возможностью регулирования положения опорных конструкций в процессе эксплуатации. Классификация зданий установлена ГОСТ 25957-83 "Здания и сооружения мобильные (инвентарные). Классификация. Термины и определения".

Указания по оценке инженерно-геологических условий площадки строительства с учетом природного вечномерзлого состояния грунтов и по расчету оснований и фундаментом предусматривают использование материалов изысканий, выполненных и сокращенном объеме.

Проектные решения оснований и фундаментов приведены по результатам разработок ЛенЗНИИЭПа, НИИОСП, Фундаментпроекта, Красноярского и Дальневосточного ПромстройНИИпроектов, ВНИИСТ, ГСПИ Министерства связи, Ленаэропроекта и некоторых других организаций.

Используемые для мобильных зданий способы расчета оснований упрощены в сравнении с применяющимися для капитальных зданий. Наряду с такими упрощенными способами, для случаев, не рассмотренных в нормативных документах, приведены новые методы расчета. Они изложены достаточно подробно и представлены в форме, доступной для проектировщика, не имеющего специальной подготовки по проектированию фундаментов на вечномерзлых грунтах.

Для расчета оснований и фундаментов в обычных условиях распространения вечномерзлых грунтов, помимо формул, таблиц, карт и графиков данных Рекомендаций, можно использовать таблицы теплофизических и механических характеристик СНиП II-18-76 "Основания и фундаменты на вечномерзлых грунтах". В особых условиях, когда вечномерзлые грунты вмещают массивы подземного льда или отличаются заторфованностью, высокой засоленностью, нерегулярным залеганием и другими особенностями, проектировщику необходимо воспользоваться не только указанными нормами, но и дополнительно специальными инструктивными материалами, которые даны в настоящих Рекомендациях.

Рекомендации подготовлены ЛенЗНИИЭП (кандидаты техн. наук А.С. Герасимов - разд. 1 - 6, 8 - 10,12, 1 3 и Д.Р. Шейнкман - разд. 11. инженеры А.И. Золотарь - разд. 7, 8, прил. 2 и 3 и Г.А. Коньков - разд. 1) и ПНИИИС (канд. техн. наук И.В. Шейкин - прил. 1). Общее редактирование произведено д-р. техн. наук В.В. Докучаевым и канд. техн. наук А.С. Герасимовым.

ОГЛАВЛЕНИЕ

Предисловие

1. Особенности фундаментов мобильных зданий и их конструктивные решения

2. Оценка инженерно-геологических условий площадки

3. Принципы использования грунтов в качестве оснований и требования к инженерной подготовке площадки

4. Общие указания по расчету оснований и фундаментов

5. Сезонное протаивание грунтов

6. Расчетные температуры грунтов

7. Многолетнее протаивание грунтов под зданиями

8. Подсыпки

9. Фундаменты малого заложения

10. Свайные фундаменты, заглубленные в вечномерзлые грунты

11. Свайные фундаменты на оттаивающих и талых грунтах

12.Проектирование фундаментов в условиях распространения пучинистых грунтов

13. Примеры расчета

Приложение 1. Рекомендации по составу инженерных изысканий для комплексов мобильных зданий

Приложение 2. Рекомендации по демонтажу инвентарных металлических свай

Приложение 3. Таблицы для расчета многолетнего протаивания оснований

 

1. ОСОБЕННОСТИ ФУНДАМЕНТОВ МОБИЛЬНЫХ ЗДАНИЙ И ИХ КОНСТРУКТИВНЫЕ РЕШЕНИЯ

1.1. Для фундаментов рекомендуется применять такие конструктивные решения, которые в наиболее полной мере отвечают общим принципам проектирования мобильных зданий. Эти решения следует выбирать с учетом:

необходимости обеспечения высокой скорости монтажа и демонтажа конструктивных элементов, собираемых из деталей, габариты и вес которых должны удовлетворять требованиям, обусловленным применяемыми транспортными средствами и монтажными механизмами;

ограниченного срока эксплуатации здания на одной площадке, не превышающего, как правило, трех лет - для контейнерных зданий, пяти лет - для сборно-разборных из блок-контейнеров и 20 лет - для сборно-разборных других типов;

незначительных расчетных вертикальных нагрузок на фундаменты, которые обычно не превышают: в одноэтажных жилых и общественных зданиях - 100 кН на один фундамент; в 2-3-этажных зданиях указанного назначения и производственных - 250 кН (для некоторых производственных - 600 кН);

повышенных значений предельных деформаций оснований, в частности для зданий, допускающих регулирование отметок их опорных элементов в процессе эксплуатации.

1.2. Для мобильных зданий следует отдавать предпочтение легким сборным и инвентарным фундаментам, возводимым в сжатые сроки, с возможно меньшими затратами труда на стройплощадке и без применения мокрых процессов. При соответствующем технико-экономическом обосновании для фундаментов могут быть использованы местные материалы. Деревянные фундаменты применяются, как правило, в лесных районах, а железобетонные - в индустриальных. Вес монтажных элементов фундаментов ограничивается возможностями применяемых механизмов и, как правило, не должен превышать 10 кН.

1.3. Облегчение фундаментов достигается как путем совершенствования их конструктивных решений, так и за счет уточнения методов расчета.

К конструктивным приемам относятся:

а) выбор соответствующих материалов и конструкций фундаментов, а также опорных элементов;

б) применение фундаментов малого заложения, когда это возможно по инженерно-геологическим и мерзлотным условиям площадки - природной или специально-подготавливаемой к застройке путем выполнения мер, указанных в п. в, г, д;

в) регулирование промерзания-протаивания природных грунтов, достигаемое подсыпкой территории застройки, применением теплоизоляции основания и др.;

г) снижение деформируемости грунтов основания;

д) увеличение несущей способности фундаментов по грунту;

е) применение компенсационных фундаментов, допускающих выравнивание опорных конструкций здания при возникновении чрезмерных деформаций основания.

К числу особенностей, учитываемых в расчетах и способствующих облегчению фундаментов, относятся пониженная степень ответственности мобильных зданий, ограниченный срок их эксплуатации на одной площадке и значительная доля временных нагрузок, в связи с чем появляются возможности увеличения расчетных сопротивлений грунтов, уменьшения осадок фундаментов на пластично мерзлых и сильнольдистых грунтах, а также допущения повышенных деформаций основания.

1.4. Инвентарные фундаменты, поставляемые в комплекте деталей здания, проектируются с расчетом их многоразового использования, а фундаменты из местных материалов - с учетом необходимости ликвидации их надземной части по истечении срока службы здания с тем, чтобы восстановить эксплуатационную пригодность площадки.

1.5. Компенсационные фундаменты проектируются из условия обеспечения возможности изменения их высоты с целью регулирования отметок опорных конструкций при неравномерных деформациях основания. Такие фундаменты рекомендуется устраивать без собственного привода, предусматривая возможность применения инвентарных подъемных устройств (домкратов и др.). Регулирование положения здания производится при появлении деформаций основания, близких к предельным значениям, исходя из результатов геодезических наблюдений за осадками фундаментов.

1.6. Для мобильных зданий целесообразно применять отдельно стоящие фундаменты. В сборно-разборных зданиях, собираемых из блок-контейнеров, эти фундаменты проектируются, как правило, из условия опирания на них 2-4 смежных блок-контейнеров. В отдельных случаях при неравномерно деформируемых грунтах возможно применение ленточных, рамных и плитных фундаментов.

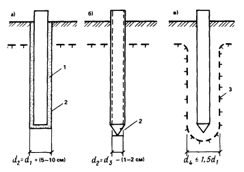
Неинвентарные фундаменты проектируются, как правило, деревянные или из сборных железобетонных элементов, изготавливаемых на местной производственной базе. Возможно применение также столбчатых фундаментов с верхним металлическим и нижним железобетонным элементами, дерево-металлических и дерево-железобетонных свай; фундаменты из этих свай целесообразно применять для производственных и 2-3-этажных жилых и общественных зданий со значительными горизонтальными нагрузками в районах с высокими среднегодовыми температурами вечномерзлых грунтов (рис. 1 - 6).

Инвентарные незаглубленные фундаменты проектируются при вертикальной нагрузке N < 100 кН, как правило, из дерево-металлических или металлических элементов, а при N > 100 кН - из железобетонных или металло-железобетонных элементов заводского изготовления (рис. 7), Инвентарные сваи изготавливаются стальными (прил. 2). При проектировании свайных фундаментов, заглубляемых в вечномерзлые грунты, рекомендуется отдавать предпочтение деревянным и инвентарным стальным сваям.

Рис. 1. Малозаглубленные фундаменты зданий из блок-контейнеров и крупнопанельных
а, д - столбчатые из бетонных (железобетонных) элементов или кирпича; б - в виде деревянной клетки; в, г - из перекрестных деревянных балок; 1 - здание; 2 - подкладка; 3 - балка; 4 - нагели; 5 - песчаная подсыпка толщиной не менее 10 см; 6 - стальные скобы

1.7. При выборе типа фундаментов прежде всего необходимо установить возможность устройства незаглубленных и малозаглубленных фундаментов, располагаемых в слое сезонного протаивания-промерзания. Такие фундаменты рекомендуется применять:

а) для всех мобильных зданий, когда фундаменты не подвергаются воздействию сил морозного пучения грунтов, а также в случаях, когда здание специально приспособлено к повышенным неравномерным деформациям основания; последнее считается обеспеченным, если:

надземные конструкции или только опорные (ленточные фундаменты, столбчатые фундаменты с неразрезными фундаментными балками, фундаментная плита и т.п.) запроектированы по жесткой схеме с учетом усилий, возникающих при возможных неравномерных перемещениях фундаментов;

блок-контейнеры, запроектированные по гибкой схеме, устанавливаются с зазором не менее 3 см и при этом обеспечена возможность периодического выравнивания отметок опорных конструкций при эксплуатации здания;

 

Рис. 2. Малозаглубленные фундаменты зданий из блок-контейнеров и крупнопанельных
а - плоская плита; б - ребристая плита; в - ряжевый фундамент; г - лежневый фундамент; д, е - железобетонные балочные фундаменты; 1 -плита; 2 - арматурная сетка; 3 - гидроизоляция; 4 - песчаная или бетонная подготовка; 5 - арматурный каркас

Рис. 3. Опорные конструкции зданий из блок-контейнеров (а - д)
1 - монтажный столик; 2 - фитинг; 3 - инвентарный фундамент; 4 - стойка каркаса блок-контейнера; 5 - шпальный лежень; 6 - бревенчатый лежень; 7 - столбчатый, ленточный или свайный фундамент; 8 - плитный фундамент

Рис. 4. Сборные деревянные фундаменты производственных зданий
а - свайный фундамент; б - ленточно-лежневой фундамент; 1 - стальные монтажные детали; 2 - отверстия для пропуска крепежных болтов; 3 - стальные нагели; 4 - деревянная свая; 5 - лежень; 6 - решетчатый настил из досок; 7 - стальные уголки для крепления стены; 8 -слив (для отвода дождевой воды); 9 – стена

б) для одноэтажных зданий, если толщина слоя пучинистых грунтов под подошвой фундамента h2 (рис. 8), подвергающегося сезонному протаиванию-промерзанию, не превосходит допустимой h2u; значение h2u принимается в зависимости от расстояния между подошвой фундамента и верхней границей указанного пучинистого слоя h1

 

h1, см

50

100

150

200

h2u,CM

20

65

150

250

Примечание. При сильнопучинистых грунтах значения h - принимаются с коэффициентом 0,6.

1.8. Тип фундаментов следует выбирать на основании технико-экономического сравнения вариантов. Приведенные затраты по сравниваемым вариантам проектных решений при использовании инвентарных фундаментных конструкций рекомендуется определять согласно п. 4.6 "Рекомендаций по технико-экономической оценке инвентарных зданий" (Л.: ЛенЗНИИЭП, 1983. - 59 с), в остальных случаях - согласно указаниям "Инструкции по определению экономической эффективности капитальных вложений в строительстве" (СН 423-71) и "Инструкции по определению экономической эффективности использования в строительстве новой техники, изобретений и рационализаторских предложений" (СН 509-78).

Рис. 5. Железобетонные фундаменты промышленных каркасных зданий
а, в - стаканного типа; б, г, д - столбчатого типа; 1 - колонна (стойка); 2 - фундамент стаканного типа; 3 - заполнение бетоном; 4 - стальной опорный лист; 5 - фундамент с анкерными болтами; б - анкерные болты; 7 - сборный ростверк; 8 - сваи; 9 - закладная деталь; 10 - крепежные болты; 11 - стальная накладка; 12 - деревянный составной элемент каркаса.

1.9. Деревянные конструкции фундаментов изготавляются из древесины II-III сорта хвойных пород; для надземных конструкций при сроке эксплуатации не более трех лет могут применяться и лиственные породы. Марки бетона назначаются по указаниям СНиП 2.03.01-84 "Бетонные и железобетонные конструкции" с учетом табл. 1 данных Рекомендаций, а марки стали и ее ударная вязкость - по указаниям СНиП II-23-81 "Стальные конструкции".

Таблица 1

Группа конструкций

Условия работы конструкций фундаментов

 

Минимальные проектные классы бетона

Тип фундаментов и характеристи­ка режима эксплуатации

Показатель водной среды, воздействующей на бетон конструкций

по морозо­стойкости

по водо­проница­емости

по проч­ности на сжатие

по степени агрес­сивности

по суммарному содержанию хло­ридов, сульфатов, нитратов и дру­гих солей (г/л)

I

Сваи и столбчатые фундаменты при постоянном насыщении их водой (при степени влажности песчаных грунтов слоя сезонного протаивания-промерзания Sr > 0,5 и показателе текучести глинистых грунтов этого слоя Il ≥ 0,75)

Неагрессивная

До 5

F150

W2

В 25

Слабоагрессивная

От 5 до 15 и > 150

F200

W4

Среднеагрессивная

"15" 35

"70" 150 включительно

F300

W6

Сильноагрессивная

"35" 70

F150

W8

II

То же, при эпизодическом насыщении водой (Sr «0,5; IL < 0,75), а также фундаменты, защищенные от воздействия влаги выше ВГВМ

Неагрессивная

До 5

F100

-

В20

Слабоагрессивная

От 5 до 15 и > 150

F150

W2

Среднеагрессивная

"15" 35 "70" 150 включительно

F200

W4

Сильноагрессивная

"35" 70

F400

W6

III

Башмаки столбчатых фундаментов, расположенные в вечномерзлом грунте

Неагрессивная

До 5

F75

-

В15

Слабоагрессивная

От 5 до 15 и > 150

F100

W2

Среднеагрессивная

"15" 35 "70" 150 включительно

F150

W2

Сильноагрессивная

"35" 70

F300

W6

Примечания: 1. Расчетные марки бетона по морозостойкости, указанные в таблице, соответствуют расчетной температуре наружного воздуха Т < - 40°С; при Т > - 40°С расчетные марки по морозостойкости принимаются на одну ступень ниже. 2. Требования по морозостойкости, водонепроницаемости и прочности нижней части сваи, располагаемой на глубине от поверхности грунта более dth + 1 м, допускается принимать как для группы III.

Рис. 6. Дерево-металлические и дерево-железобетонные буроопускные сваи (по материалам, института "Фундаментпроект")
а - нагельное крепление; б - болтовое крепление; 1 - бетонное заполнение; 2 - стальная часть сваи; 3 - деревянная часть сваи; 4 - стальной сегмент; 5 - нагель; 6 - болт; 7 - железобетонная часть сваи

Все деревянные фундаментные конструкции антисептируются, а железобетонные и стальные защищаются антикоррозийным покрытием в соответствии со СНиП 2.03.11-85 "Защита строительных конструкций от коррозии". Антисептирование, а также нанесение защитного покрытия, производится лишь на той части фундамента, которая находится выше верхнего горизонта вечной мерзлоты.

1.10. Для фиксирования разбивочных осей в здании и выравнивания отметок верха свай и стоек столбчатых фундаментов на последние могут устанавливаться оголовки. Оголовки устраиваются, как правило, съемными с целью их повторного использования при передислокации здания (рис. 9-12).

 

Рис. 7. Инвентарные фундаменты (по материалам Красноярского ПромстройНИИ проекта)
а - бесподкосный фундамент, встроенный в блок-контейнер; б - фундамент с подвижными подкосами; в - фундамент с деревянной стойкой

Рис. 8. Схема малозаглубленного фундамента на пучинистых грунтах
1 - непучинистый грунт; 2 - пучинистый грунт

Для исключения "мостиков холода" в сборно-разборных зданиях каркасного типа, проектируемых с холодным подпольем и положительной температурой в помещениях, между стойками каркаса и оголовками устанавливаются теплопакеты из малотеплопроводных материалов (рис. 9-10). В сборно-разборных зданиях панельного типа при отсутствии в панелях стен нижних обвязочных балок на оголовки устанавливаются фундаментные балки. Контейнерные и сборно-разборные здания с нижними обвязочными балками опираются, как правило, непосредственно на оголовки. При применении забивных свай, погружаемых в грунты без кондукторов, для уменьшения размеров оголовков и усилий в сваях, возникающих при их эксцентричной установке, между оголовками и обвязочными балками могут быть уложены распределительные балки.

 

Рис. 9. Опорные узлы каркасных зданий (a - г)
1 - колонна каркаса: 2 - теплопакет; 3 - оголовок; 4 - стальные или деревянные подкладки; 5 -металлическая свая (стойка); 6 - установочный болт; 7 - выпуски арматуры; 8 - бетон класса В-25; 9 - железобетонная свая (стойка); 10 - деревянная свая (стойка)

1.11. Для уменьшения усилий в фундаментах зданий с холодным подпольем, вызываемых температурно-влажностными воздействиями связанных с ними фундаментных балок, рекомендуется предусматривать возможность перемещения концов балок в горизонтальном направлении, за исключением случаев, когда к балкам крепятся связи. С этой целью отверстия для крепежных болтов в балках делаются овальными (либо вообще исключаются болтовые соединения) и опирание балок на фундаменты производится через антифрикционные прокладки с обеспечением восприятия фундаментами горизонтальных нагрузок (ветровых и т.п.). Узлы опирания балок и ростверков на фундаменты при холодных подпольях рекомендуется устраивать шарнирными (см. рис. 9-12).

Рис. 10. Опорный узел каркасного здания
7 - колонна каркаса; 2 - теплопакет; 3,5 - монтажные детали; 4 - ростверк; 6 - оголовок; 7 - подкладки; 8 - инвентарная свая (стойка); 9 - установочный болт

1.12. Проектирование фундаментов рекомендуется выполнять, как правило, в следующем порядке:

оцениваются мерзлотно-грунтовые и климатические условия площадки (пп. 2.1-2.4) и проверяется соблюдение требований по защите площадки, указанных в пп. 3.5-3.7;

вычисляются расчетные глубины сезонного протаивания (или промерзания) грунтов на площадке (п. 5.6, СНиП II-18-76) и многолетнего протаивания под зданием (пп 7.1-7.4);

устанавливается принцип использования вечномерзлых грунтов в качестве основания (п. 3.1) в условиях природного их сложения, а так же при регулировании их температурного режима в случае необходимости путем применения подсыпки или теплоизоляции;

выявляются возможные варианты фундаментов, производится их сопоставление и выбор проектного решения (пп. 1.6 - 1.8);

выполняется детальное проектирование оснований и фундаментов выбранного типа по рекомендациям разд. 9-12.

 

Рис. 11. Опорные узлы зданий из блок-контейнеров и крупнопанельных (а-е)
1 - монтажная деталь; 2 - антифрикционная прокладка; 3 – деревянная прокладка; 4 - оголовок; 5 - свая (стойка); 6 - фундаментная балка; 7 - деревянный ростверк; 8 – скобы

Рис. 12. Опорные узлы зданий из блок-контейнеров и крупнопанельных (а-ж)
1 - опорная рама; 2 - монтажная деталь; 3 - оголовок; 4 - свая (стойка); 5 - подкладки; 6 - связь из круглой стали; 7 - фундаментная балка; 8 - скобы; 9 - досчатая связь

2. ОЦЕНКА ИНЖЕНЕРНО-ГЕОЛОГИЧЕСКИХ УСЛОВИЙ ПЛОЩАДКИ

2.1. Из материалов изысканий должны быть установлены необходимые для проектирования данные о грунтах: их состав, свойства и расчетные значения характеристик, условия распространения вечной мерзлоты на площадке, глубины сезонного протаивания-промерзания и среднегодовая температура грунтов T0 (прил. 1).

При оценке состава и свойств грунтов, отражаемых их характеристиками, должно быть определено - относятся ли грунты к особым разновидностям:

к засоленным - по степени засоленности Dsal (%), которая превышает 0,1 - для песков; 0,15 - для супесей; 0,2 - для суглинков и 0,25 -для глин;

к сильнольдистым - по величине льдистости за счет включений льда Ii, которая для сильнольдистых грунтов превышает 0,4;

к заторфованным - по величине относительного (весового) содержания растительных остатков Iom, которая для песчаных грунтов превышает 0,03; для глинистых - 0,05;

к пучинистым - по характеристикам, указанным в п. 2.2.

Из материалов изысканий необходимо также установить состояние вечномерзлых грунтов в природных условиях, т.е. относятся ли они к твердомерзлым или пластичномерзлым, так как от этого зависят выбор расчетных предельных состояний и порядок расчета основания. Состояние грунтов может быть проверено сопоставлением их расчетной температуры с температурой Т, которая характеризует переход их из твердомерзлого состояния в пластичномерзлое и составляет для незаселенных грунтов: крупнообломочных - 0°С; песков крупных и средней крупности -0,1°С; песков мелких и пылеватых - 0,3°С; супесей - 0,6°С; суглинков - 1°С; глин - 1,5°С. За расчетную температуру грунта в данном случае принимаются: при столбчатых фундаментах - максимальная температура Тm, при свайных - эквивалентная Тe; способы их определения приведены в разд. 6.

2.2. Наименование грунта по степени морозной пучинистости принимается в зависимости от показателя текучести IL - для пылеватых глинистых грунтов или степени влажности Sr - для песчаных (табл. 2).

Таблица 2

№ п.п.

Характеристика грунтов

Наименование грунта по степени морозной пучинистости

1

Пылевато-глинистые при IL > 0,5; пески пылеватые и мелкие при Sr > 0,95

Сильнопучинистый

2

Пылевато-глинистые при 0,25 < IL ≤ 0,5; пески пылеватые и мелкие при 0,8 < Sr. < 0,95; крупнообломочные с заполнителем (пылевато-глинистым, песком пылеватым и мелким) более 30%

Среднепучинистый

3

Пылевато-глинистые при 0 < IL < <0,25; пески пылеватые и мелкие при 0,6 < Sr < 0,8; крупнообломочные с заполнителем (пылевато-глинистым, песком мелким и пылеватым) от 10 до 30%

Слабопучинистый

4

Пылевато-глинистые при IL < 0; пески гравелистые, крупные и средней крупности; пески мелкие и пылеватые при Sr < 0,6, а также пески мелкие и пылеватые, содержащие менее 15% по весу частиц размером не крупнее 0,05 мм (независимо от величины Sr), крупнообломочные грунты с заполнителем (пылевато-глинистым, песком пылеватым и мелким) до 10%

Практически непучинистый

2.3. Просадочность грунтов оценивается по величине коэффициента оттаивания А, определяемого при инженерных изысканиях, или по величине относительного сжатия εth, определяемого по указаниям п. 2.4. Приближенное суждение о сжимаемости грунтов при оттаивании может быть составлено по величине их суммарной влажности wtot или плотности в сухом состоянии (плотности скелета мерзлого грунта) Pd,f

Грунты оказываются, как правило, просадочными (εth > 0,02), когда wtot превышает,а Pd,fменее следующих значений:

 

Wtot

Pd,f (τ/м3)

Для гравийно-галечниковых грунтов из изверженных пород

0,11-0,17

2,1-1,9

Для гравийно-галечниковых грунтов из осадочных пород

0,11-0,17

1,9-1,7

Для песков гравелистых

0,17-0,21

1,8-1,7

Для песков пылеватых

0,24 0,28

1,6-1,5

Для супесей

>WL

1,9-1,5

суглинков

>WL

1,6-1,2

(Здесь WL - влажность обтаявшего грунта на границе текучести.)

Оценка грунтов по этим данным особенно полезна тогда, когда значения wtot (или Pd,f), определенные при изысканиях, заметно отличаются в большую или меньшую сторону от указанных; в этих случаях грунты являются либо просадочными при оттаивании и необходимость сохранения их мерзлого состояния оказывается очевидной, либо малосжимаемыми и может быть допущено их оттаивание при эксплуатации здания.

2.4. Относительное сжатие грунтов при оттаивании εth устанавливается при изысканиях либо определяется приближенно исходя из физических характеристик грунтов по формулам СНиП II-18-76 или графикам (рис. 13, 14). По графикам значение εth определяется в зависимости от суммарной влажности грунта wtot и числа пластичности глинистых грунтов Ip. Если грунты содержат крупнообломочные включения, то полученные по графикам значения εth, умножаются на коэффициент, равный 1 – х, где х - объемное содержание крупнообломочных включений в долях единицы.

Рис. 13. Относительное сжатие при оттаивании песчаных грунтов
пески: 1 - крупные; 2 – средней крупности; 3 - мелкие и пылеватые

Рис. 14. Относительное сжатие при оттаивании глинистых грунтов

Если грунты вмещают ледяные прослойки, которые не были учтены при определении влажности, то расчетное значение относительного сжатия εth принимается в зависимости от значения ε’th установленного указанными способами, по формуле

                                                (1)

где  - льдистость за счет неучтенных включений льда, равная разности между суммарной льдистостью слоя грунта и льдистостью образца грунта, взятого из этого слоя для определения влажности; Ki - коэффициент смыкания макропор, образующихся при вытаивании льда, принимаемый в зависимости от средней толщины ледяных прослоек Δ: при Δ≤ 1 см равным 0,7, при Δ≥ 3 см равным 0,9.

Относительное сжатие торфа при его оттаивании под слоем грунта (в частности, подсыпки) можно оценить приближенно и принять равным 0,45 - для топяной залежи; 0,4 - для лесотопяной залежи и 0,3 - для торфомохового покрова.

3. ПРИНЦИПЫ ИСПОЛЬЗОВАНИЯ ГРУНТОВ В КАЧЕСТВЕ ОСНОВАНИЙ И ТРЕБОВАНИЯ К ИНЖЕНЕРНОЙ ПОДГОТОВКЕ ПЛОЩАДКИ

3.1. Для мобильных зданий может применяться как принцип I, так и принцип II использования вечномерзлых грунтов в качестве оснований. Вначале рассматривается возможность применения принципа II, т.е. допущения многолетнего протаивания вечномерзлых грунтов под фундаментами в процессе эксплуатации здания, путем сопоставления ожидаемых деформаций оттаивающего основания за срок эксплуатации здания (п. 3.8) с предельными (п. 4.6). Если ожидаемые деформации превосходят предельные, то рассматриваются возможные меры по их ограничению. Для этого могут применяться подсыпки как со слоем эффективной теплоизоляции (например, пенополистирола), так и без него, изменена система блокировки блок-контейнеров с тем, чтобы уменьшить общую ширину здания и соответственно сократить размеры чаши оттаивания, усилено термическое сопротивление пола 1-го этажа и другие меры.

Если в условиях проектируемой площадки эти меры не могут быть применены по производственным возможностям или они оказываются достаточно сложными и их экономичность не является очевидной, то рассматривается решение фундаментов при использовании грунтов основания по принципу I, т.е. недопущения многолетнего протаивания вечномерзлых грунтов под фундаментами в процессе эксплуатации здания. В спорных случаях окончательно принцип использования грунтов устанавливается исходя из сопоставления конкурирующих вариантов.

При установлении принципа использования вечномерзлых грунтов следует учитывать, что иногда по условиям регулирования отметок опорных элементов, эксплуатации здания или ввода в него инженерных сетей под ним проектируется подполье. Высота холодного подполья обычно составляет не менее 30 см для зданий шириной В ≤ 6 м, не менее 50 см при 6 м < В ≤ 12 м, не менее 1 м при 12 м < В ≤ 24 м, не менее 1,5 м при В > 24 м и оказывается достаточной для сохранения мерзлого состояния грунтов в основаниях.

3.2. Проектные решения могут предусматривать как сохранение природного температурного режима грунтов, так и его изменение в течение срока эксплуатации здания на площадке. При принципе I может быть предусмотрено ограничение сезонного или многолетнего протаивания грунтов с таким расчетом, чтобы в течение всего заданного срока фундаменты непосредственно или через подсыпку опирались не мерзлый грунт, а при принципе II - ограничение глубины многолетнего протаивания с тем, чтобы развивающиеся деформации оттаивающего основания не превышали предельных (рис.15 - 17).

3.3. При глубоком положении верхней границы вечной мерзлоты (ВГВМ), несливающейся со слоем сезонного промерзания, подошвы фундаментов или острия свай могут опираться на слой талого грунта, нижняя граница которого стабилизируется на заданном уровне (см. разд. 11).

3.4. Для сохранения мерзлого состояния оснований в условиях высокотемпературных вечномерзлых грунтов могут применяться сезонно-действующие горизонтальные и вертикальные охлаждающие устройства в виде труб, заполненных воздухом или жидкостью. Устройство оснований в этих случаях может производиться в соответствии с разработанными Красноярским ПромстройНИИпроектом рекомендациями по проектированию подсыпок с сезоннодействующими охлаждающими устройствами под инвентарные здания.

Рис. 15. Схемы фундаментов на естественном основании при принципе I
а, б - свайные и столбчатые фундаменты, заглубленные в вечномерзлый грунт; в - незаглубленные или малозаглубленные отдельно стоящие фундаменты; г - тоже, балочные, ленточные фундаменты; д - тоже, плитные фундаменты; 1 - расчетный ВГВМ

Рис. 16. Схемы фундаментов на подсыпках при принципе I
а, б - незаглубленные или малозаглубленные фундаменты; в, г, д - то же, на подсыпке с теплоизоляцией; 1 - расчетный ВГВМ; 2 - насыпной грунт; 3 – теплоизоляция

Рис. 17. Схемы фундаментов при принципе II
а, б - свайные и столбчатые фундаменты; в - балочные (ленточные) или плитные фундаменты; г - отдельно стоящие, балочные (ленточные) или плитные фундаменты на подсыпке; 1 - расчетный ВГВМ; 2 - насыпной грунт.

3.5. Одновременно с выбором принципа использования вечномерз-лых грунтов как оснований должны быть установлены необходимые мероприятия по охране окружающей среды, защите площадки от подтопления и таких опасных для зданий мерзлотных процессов, как термокарстовые образования, солифлюкция, оползни, наледи, бугры пучения, эррозия и др. Проектные решения дорог, инженерных сетей и вводов их в здания принимаются в соответствии с выбираемым принципом использования грунтов в качестве основания.

3.6. При проектировании фундаментов необходимо убедиться в том, что температурный режим оснований мобильных зданий находится вне влияния подземных инженерных сетей, в особенности тепловых, влияние которых может сказываться на расстоянии до 15 м, а в случае фильтрации подогреваемых ими подземных вод - на многие десятки метров. Подземные вводы не должны служить дренажами, подводящими надмерзлотные воды к основанию, для чего при сроке эксплуатации зданий более трех лет предусматриваются противофильтрационные диафрагмы из слабо-фильтрующих глинистых грунтов.

Во всех случаях подземные вводы санитарно-технических сетей могут устраиваться только в вентилируемых наружным воздухом каналах, запроектированных на основании расчета, в котором должно быть также выявлено их влияние на расчетную температуру грунта у фундамента.

3.7. Для исключения влияния поверхностных вод на проектный температурный режим основания поверхность грунта, прилежащая к зданию (а при устройстве подполий и под ним), должна быть спланирована и при фильтрующих грунтах сезонно протаивающего слоя защищена покрытием. Уклоны спланированной поверхности с асфальтовым или бетонным покрытием рекомендуются не менее 5%, с грунтовыми - не менее 10%, и без покрытия - не менее 30%в.Для отмосток с асфальтовым или бетонным покрытием уклоны обычно принимаются равными 30-50 %.

Вертикальная планировка участка застройки должна исключать образование замкнутых контуров, из которых невозможен или затруднен поверхностный сток воды. С другой стороны, должны быть исключены сосредоточенные потоки сбрасываемой поверхностной воды, приводящие к образованию термокарста или наледей.

3.8. Ожидаемая осадка оттаивающего основания при выборе принципа использования грунтов вычисляется по формуле

                                                                 (2)

где n - количество слоев, на которое в расчетной схеме разделяется основание в пределах ожидаемой глубины протаивания, определяемой по рекомендациям разд. 7;  - относительное сжатие грунтов i -го слоя при оттаивании, определяемое по указаниям п. 2.4; hi - толщина io слоя грунтов.

4. ОБЩИЕ УКАЗАНИЯ ПО РАСЧЕТУ ОСНОВАНИЙ И ФУНДАМЕНТОВ

4.1. Основания рассчитываются, как правило, по двум группам предельных состояний (по несущей способности и по деформациям) в соответствии с рекомендациями разд. 4, 9 - 12.

4.2. Нагрузки и воздействия на основания, передаваемые фундаментами мобильных зданий, допускается устанавливать без учета совместной работы основания и здания (фундамента) в соответствии с требованиями СНиП 2.01.07-85 "Нагрузки и воздействия".

Значения нагрузок и воздействий, используемые в расчетах, приводятся в проекте.

4.3. Расчет оснований по деформациям должен производиться на основное сочетание нагрузок; по несущей способности - на основное сочетание, а при наличии особых нагрузок и воздействий - на основное и особое сочетания. При этом нагрузки на перекрытия и снеговые нагрузки, которые согласно СНиП 2.01.07-85 могут относиться как к длительным, так и к кратковременным, при расчете оснований по несущей способности считаются кратковременными, а при расчете по деформациям - длительными. Нагрузки от подвижного подъемно-транспортного оборудования в обоих случаях считаются кратковременными.

4.4. В расчетах оснований необходимо учитывать нагрузки от складируемого материала и оборудования, размещаемых вблизи фундаментов. Усилия в конструкциях зданий с холодным подпольем, вызываемые климатическими температурными и усадочными воздействиями, не учитываются, если узлы опирания надземных конструкций на фундаментные допускают перемещение первых в горизонтальном направлении (п. 1.11). Горизонтальная составляющая ветровой нагрузки в зданиях, имеющих жесткое цокольное перекрытие, принимается равномерно распределенной по фундаментам отсека здания (между деформационными швами), кроме случаев применения фундаментов различной жесткости, наклонных свай и проектирования высоких подполий, имеющих разную высоту надземной части. При определении усилий в фундаментах при необходимости дополнительно учитываются конструктивный, производственный и случайный эксцентриситеты приложения вертикальной нагрузки.

4.5. Характеристики грунтов, используемые в расчетах оснований, определяются, как правило, по таблицам норм и настоящих Рекомендаций с учетом данных инженерно-геологических изысканий, производимых в сокращенном объеме в соответствии с прил. 1. Допускается также пользоваться согласованными с Госстроем СССР или Госстроем РСФСР региональными таблицами характеристик грунтов.

4.6. Предельные деформации основания, как правило, устанавливаются в типовых проектах зданий. Если в применяемом проекте они отсутствуют, то для зданий и сооружений, ограничения деформаций которых вызваны особенностями технологического процесса (например, нефте- и газопромысловых зданий) следует руководствоваться ведомственными нормами, для остальных зданий со сроком эксплуатации более пяти лет - табл. 3. При меньшем сроке табличные значения увеличиваются на 10%; при этом необходимо учитывать следующие особенности:

предельные значения относительных деформаций здания не устанавливаются, если его конструкции рассчитаны на усилия, возникающие при ожидаемых значениях деформаций основания на данной площадке;

предельные значения крена зданий, указанных в п. 2 табл. 3, не устанавливаются, если ширина осадочных швов компенсирует ожидаемые крены смежных отсеков;

средние и максимальные значения предельных осадок (подъемов) могут не ограничиваться, если соблюдаются следующие условия:

не нарушаются технологические требования к эксплуатации оборудования при ожидаемых деформациях;

вертикальная планировка территории, габариты и отметки въездов и входов в здания запроектированы с учетом ожидаемых деформаций основания;

вводы инженерных сетей в здание запроектированы таким образом, чтобы при ожидаемых деформациях основания их уклоны находились бы в допустимых пределах и не происходило бы их разрушения в местах сопряжения с ограждающими и несущими конструкциями здания.

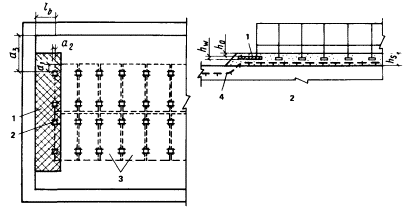
4.7. Зазор между смежными блок-контейнерами (отсеками здания) а должен назначаться из условия отсутствия их соприкосновения при перемещениях фундаментов

                                                                     (3)

где

 - крены смежных блок-контейнеров (отсеков); S1, S2, S3, S4 - осадки (подъемы) фундаментов или краевых точек отсеков 1,2,3,4; l1,2; l3,4 расстояния

соответственно между фундаментами (краевыми точками) 1, 2 и 3, 4; hc - высота блок-контейнера или отсека (при сопряжении отсеков разной высоты значение hc принимается как наименьшее), рис. 18.

Значение зазора между блок-контейнерами (отсеками) не ограничивается, если фундаменты опираются на малодеформируемые грунты, например, скальные, малосжимаемые при оттаивании (е < 0,02) , подсыпку из непучинистых материалов, запроектированную из условия отсутствия сезонного протаивания природных пучинистых грунтов и т.п.

Таблица 3

№ п.п.

Типы зданий

Предельные деформации основания

относительная разность осадок (ΔS/L)u

крен 1Ц

средняя осадка  Su, см

1

Сборно-разборные здания с полным каркасом

0,0045

-

(13)*

2

То же, бескаркасные с несущими стенами из панелей

0,0018

0,0055

11

3

Контейнерные здания и сборно-разборные из блок-контейнеров, установленных с достаточным зазором, при обеспеченной возможности выравнивания опорных конструкций

0,01

В зависимости от зазора между блок-контейнерами (п. 4.7)

25

4

То же, сборно-разборные при невозможности выравнивания опорных конструкций

0,007

Тоже

16

5

Сборно-разборные здания из блок-контейнеров, установленных с зазором менее 1 см

0,0025

 

16

*В скобках дана максимальная осадка основания Smax,u, см.

Примечания: 1. Предельные значения относительного прогиба (выгиба) зданий, указанных в п. 2 таблицы, принимаются равными 0,5 (ΔS/L)u. 2. Если основание сложено горизонтальными (с уклоном не более 100%), выдержанными по толщине слоями грунтов, предельные значения максимальных и средних осадок увеличиваются на 20%. 3. Для зданий с фундаментами в виде сплошных плит предельные значения средних осадок увеличиваются в 1,5 раза. 4. Для зданий, указанных в п. 3 таблицы, при достижении деформациями основания предельных значений производится регулирование положения опорных конструкций.

Рис. 18. Схема к определению необходимого зазора между блок-контейнерами
1, 2, 3,4 - номера фундаментов

5. СЕЗОННОЕ ПРОТАИВАНИЕ ГРУНТОВ

5.1. Нормативную глубину сезонного протаивания грунтов , рекомендуется определять по картам (п. 5.2), а в районах, не указанных на картах, а также высокогорных, расчетом по рекомендациям п. 5.3. Влияние теплоизоляционного слоя и откосов подсьшок на глубину сезонного протаивания рассматривается в разд. 8.

Расчетное значение Шубины сезонного протаивания  определяется согласно п. 5.6.

5.2. Нормативная глубина сезонного протаивания по картам определяется с учетом поправки на влажность грунтов, которая может установиться на площадке после ее застройки

                                                                     (4)

где - глубина сезонного протаивания грунтов, определяемая по картам (рис. 19 - 22); Кw - коэффициент, зависящий от суммарной влажности грунта wtot, определяемый по графикам при этих же картах.

Расчетное значение wtot при определении Kw принимается для насыпных грунтов: крупнообломочных - 0,04; песков, кроме пылеватых - 0,07; пылеватых песков - 0,1; пылевато-глинистых - равной влажности на границе раскатывания Wp, увеличенной на половину числа пластичности Iр, заторфованных пылевато-глинистых грунтов - 1,1 Wp. В грунтах природного сложения указанные расчетные значения увеличиваются на 25%.

Рис. 19. Изолинии глубин сезонного протаивания глинистых грунтов

Рис. 20. Изолинии глубин сезонного протаивания песчаных грунтов

Рис. 21. Изолинии глубин сезонного протаивания песчаных грунтов, подстилаемых глинистыми

Рис. 22. Изолинии глубин сезонного протаивания заторфованных грунтов

5.3. Расчет нормативной глубины сезонного протаивания производится по формуле

                                          (5)

где

                             (6)

    (7)

;                                     (8)

В формулах (5) - (8) обозначено:

,  - коэффициенты теплопроводности соответственно талого и мерзлого грунта (Вт/(м˚С), принимаемые по СНиП II-18-76; Сth, Сf - объемная теплоемкость соответственно талого и мерзлого грунта [Дж/(м·ºС)], принимаемая так же; Tb,f - температура начала замерзания грунта (˚С), определяемая по указаниям п. 5.4; Т0 - среднегодовая температура веч-номерзлого грунта (°С), устанавливаемая при инженерных изысканиях (прил. 1); t1’ - время, равное 13*106 с; km - коэффициент для песчаных грунтов, принимаемый равным единице, для глинистых, определяемый по табл. 4 при температуре

                                                       (9)

L 0- удельная теплота фазового превращения вода-лед, принимаемая равной 3,35·108 Дж/т; wtot - суммарная влажность грунта в долях единицы; Ww - количество незамерзшей воды в долях единицы, определяемое по указаниям п. 5.5 для температуры, равной 0,5Т; Pd,f - плотность мерзлого грунта в сухом состоянии (плотность мерзлого грунта, учитывающая только массу скелета), т/м3; t1’’ - время, равное 27-106 с; Tout,p, tp - соответственно средняя температура воздуха за период положительных температур (°С) и продолжительность этого периода, принимаемые по СНиП 2.01.01-82 "Строительная климатология и геофизика", причем для климатических подрайонов 1Б и 1г значения Tout,p и  tp принимаются с коэффициентом 0,9.

Таблица 4

Т(°С)

Коэффициент km при Сf Дж/(м3-°С)

1,3·106

1,7·106

2,1·106

- 1

- 2

- 4

- 6

- 8

-10

6,8

5,2

3,7

3

2,5

1,8

5,9

4,5

3,2

2,6

2,2

1,6

5,3

4

2,8

2,3

1,9

1,4

 

В формулах (5) и (7) значение Lv1 вычисляется при характеристиках грунта слоя сезонного протаивания, а значение Q - при характеристиках вечномерзлого грунта, подстилающего этот слой. Значения T1 и t1 могут также определяться по картам (рис. 23, 24).

5.4. Температура начала замерзания Тb,f принимается для крупнообломочных и песчаных грунтов равной нулю, дня Супесей равной -0,1°С, для суглинков и глин равной -0,2°С, кроме засоленных и заторфованных грунтов, для которых она устанавливается по СНиП II-18-76.

5.5. Влажность мерзлого грунта за счет содержащейся в нем незамерзшей воды ww для всех видов грунтов (кроме засоленных), включая заторфованные (при степени заторфованности I < 0,1), определяется по формуле

                                                                        (10)

где kw - коэффициент, принимаемый по табл. 5; w - влажность грунта на границе раскатывания в долях единицы.

Значение Ww для засоленных грунтов определяется по СНиП II-18-76.

Таблица 5

Грунты

Коэффициент kw при температуре грунта, ˚С

-0,3

-0,5

-1

-2

-3

-4

-6

-8

-10

Пески и супеси (Ip ≤0,02)

0

0

0

0

0

0

0

0

0

Супеси (0,02≤Ip<0,07)  

0,6

0,5

0,4

0,35

0,33

0,3

0,28

0,26

0,25

Суглинки (0,07 < Ip ≤0,13)

0,7

0,65

0.6

0,5

0,48

0,45

0,43

0,41

0,4

Суглинки (0,13 < Ip ≤0,17)

*

0,75

0,65

0,55

0,53

0,5

0,48

0,46

0,45

Глины (1р>0,17)

*

0,95

0,9

0,65

0,63

0,6

0,58

0,56

0,55

Примечание. Знаком «*» обозначена вода, в порах грунта незамёрзшая.

Рис. 23. Карта значений Т1

Рис. 24. Карта значений t1 (ч)

5.6. Расчетная глубина сезонного протаивания грунтов dth определяется через нормативную dth,n по формуле

                                                                          (11)

где kh - коэффициент теплового влияния, принимаемый равным у наружных стел под отмостками с асфальтовым и другим черным покрытием - 1;2; то же, без таких покрытий - 0,9; у внутренних опор - 0,8.

6. РАСЧЕТНЫЕ ТЕМПЕРАТУРЫ ГРУНТОВ

6.1. При использовании вечномерзлых грунтов по принципу I применяются следующие их расчетные температуры:

при расчете столбчатых фундаментов Тm - максимальная на глубине z от ВГВМ;

при расчете свай - Тe - эквивалентная в пределах глубины z; Tz -расчетная на глубине z.

6.2. Расчетные температуры Т для зданий с холодным подпольем, когда не производится предпостроечное охлаждение основания или не предусматривается повышение природных температур вечномерзлых грунтов, вычисляются по формуле (12) ; в остальных случаях - по указаниям СНиП II-18-76.

                                                                  (12)

где T0 - среднегодовая температура грунта (°С), принимаемая равной температуре на глубине 10 м и определяемая по данным изысканий с учетом прогноза ее изменения при застройке территории; - то же, что и в (5); аm,e,z - безразмерные коэффициенты, определяемые по графикам (рис. 25) для соответствующего вида грунта в зависимости от z.

Графики для определения коэффициентов аm,e,z построены для грунтов со степенью заполнения пор льдом и незамерзшей водой Sr ≥ 0,8. При других значениях Sr коэффициенты аm,e,z принимаются по табл. 6 в зависимости от величины при теплофизических характеристиках Сf и λf, осредненных в пределах z.

Таблица 6

0

1500

3000

4500

6000

7500

9000

10500

am

ae

az

0

0

0

0,38

0,19

0,4

0,61

0,35

0,69

0,76

0,48

0,87

0,85

0,58

0,97

0,91

0,65

1,02

0,94

0,71

1,03

0,96

0,75

1,03

 

Рис. 25. Графики для определения коэффициентов α
______ - песчаные и крупнообломочные грунты (левый график); ----------глинистые грунты- - - - - -суглинки и глины;______ - супеси (правый график)

7. МНОГОЛЕТНЕЕ ПРОТАИВАНИЕ ГРУНТОВ ПОД ЗДАНИЯМИ

7.1. Глубина многолетнего протаивания грунтов под зданиями определяется:

по таблицам в случаях, указанных в п. 7.2;

по формулам СНиП II-18-76 - в остальных случаях.

7.2. Глубина многолетнего протаивания определяется по таблицам прил. 3 при следующих условиях:

ширина здания В = 6 - 15 м;

термическое сопротивление пола первого этажа R0 = 0-5,2 м2°C/Вт;

расчетная температура в помещениях Тin = 20°С;

время протаивания t = 1 - 50 лет;

разность температур среднегодовой и начала замерзания Т0b,f =(-0,5)-(-8) °C

грунты:

песчаные с суммарной влажностью wtot = 0,1 - 0,2;

пылевато-глинистые с суммарной влажностью wtot = 0,2 - 0,3.

7.3. При пользовании таблицами (прил. 3) следует учитывать:

а) значения глубин протаивания под серединой здания dc и его краем de, приведенные над чертой, относятся к песчаным грунтам с влажностью wtot = 0,1 и суглинкам с wtot = 0,2, а под чертой - к песчаным грунтам c wtot = 0,2 и суглинкам с wtot = 0,3;

б) предельные значения глубин протаивания dc,max и de,max для тех случаев, когда они достигаются за срок t ≤ 50 лет, приведены в графе для t = 50 лет и обозначены звездочкой;

в) для учета длины L прямоугольных в плане зданий шириной В к приведенным в таблицах значениям dc и de вводится поправочный коэффициент kI.

Если за расчетный период времени значения dc и de равны предельным dc,max и de,max или отличаются от них не более чем на 10%, значение kI определяется по табл. 7

Таблица 7

Т0b,f

°C

Значения kI при L/B, равном

1

2

3

4

5

10

-4

0,46

0,63

0,73

0,80

0,85

1

-8

0,56

0,75

0,84

0,89

0,92

1

 

В остальных случаях коэффициент kI определяется в зависимости от параметра

ψ = χt/B2 ,                                                                              (13)

где χ - коэффициент, определяемый по табл. 8; t - расчетное время, годы.

Таблица 8

Грунт

Wtot

Значения, χ, м2/год при Т0b,f °C

-0,5

-2

-4

-8

Песок

0,1

0,2

17,1

12,7

17,1

12,7

17,1

12,7

17,1

12,7

Суглинок

0,2

0,3

15

11,4

12,3

9,5

11,6

9,2

11,1

8,9

 

Значения kI при L/B = 1 и 2 и Т0b,f  = -0,5 и - 8°С даны в табл. 9. При промежуточных значениях Т0b,f  величина kI определяется интерполяцией; при L/B > 2 принимается kI = 1;

г) когда здание устанавливается на протаявший слой природного грунта толщиной hp,th предварительно по таблице, соответствующей природному грунту и рассматриваемой точке, определяется время t0, необходимое для протаивания на глубину hp,th, а затем по этой же таблице определяется расчетное значение dc (de) за приведенное время tou = t0 + tu, где tu -расчетный срок эксплуатации здания (или расчетное время в годах ttu ) ;

Таблица 9

L/B

Т0b,f

°C

Значения kI при ψ, равном

0,1

0,25

0,5

1

1,5

2,5

>3,5

1

-0,5

1

0,95

0,94

0,92

0,90

0,89

0,88

-8

0,92

0,84

0,77

0,69

0,64

0,58

0,58

2

-0,5

1

1

0,99

0,97

0,96

0,95

0,94

-8

1

0,96

0,94

0,89

0,86

0,84

0,83

д) при устройстве под зданием подсыпки толщиной hs по таблице, соответствующей природному грунту и рассматриваемой точке, определяется время t0, необходимое для протаивания на глубину

                                                        (14)

где ,  - коэффициенты теплопроводности природного грунта и грунта подсыпки в талом состоянии, Вт/(м°C)

Затем по той же таблице определяется приведенная глубина протаивания d' за время tou = t0 + tu. Расчетные глубины dc и de определяются по формуле

                                                      (15)

Если грунт подсыпки имеет суммарную влажность wtot < 0,05, то при определении глубин протаивания ее следует учитывать как дополнительный слой теплоизоляции с термическим сопротивлением R = hs /

7.4. Если определенная расчетом или по таблицам глубина протаивания под краем здания dе составляет менее 1,5 dth,n, где dth,n нормативная глубина сезонного протаивания грунта, определяемая по п. 5.6, то в качестве dе принимается наименьшее из двух значений 1,5 dth,n и dc (но не менее dth,n).

8. ПОДСЫПКИ

8.1. Подсыпки на площадках, застраиваемых мобильными зданиями, по функциональному назначению подразделяются на:

планировочные, предназначенные только для выравнивания природного рельефа, организации поверхностного стока атмосферных вод и защиты площадки от подтопления паводковыми водами;

теплозащитные, устраиваемые не только для планировки площадки, но и для ее защиты от недопустимых деформаций, которые могут возникнуть в результате изменения положения верхнего горизонта вечномерзлых грунтов при застройке;

конструктивные, отсыпаемые с целью создания на поверхности природных грунтов слоя из непучинистых грунтов, способного воспринимать нагрузки от фундаментов малого заложения и уменьшать или исключать нормальные силы морозного пучения природных грунтов; как правило, такие подсыпки одновременно являются и теплозащитными.

Планировочные и теплозащитные подсыпки разрабатываются в составе проекта вертикальной планировки всей застраиваемой площадки, Теплозащитные и конструктивные подсыпки для отдельных зданий или их групп проектируются в соответствии с рекомендациями п. 8.2 - 8.16.

В районах, где температура вечномерзлых грунтов на глубине 10 м выше -2°С, возможность применения подсыпки при использовании вечномерзлых грунтов оснований по принципу I должна быть подтверждена мерзлотным прогнозом, как для всей осваиваемой территории в целом, так и для площадок отдельных зданий. При использовании оснований по принципу II подсыпки могут применяться без ограничений,

8.2. При проектировании подсыпки в плане необходимо избегать замкнутых контуров, из которых затруднен сток поверхностных вод, и фильтрацию через нее воды, поскольку это приводит к образованию таликов в ее основании, дополнительному увлажнению пучинистых грунтов и заиливанию насыпных. Рекомендуется предусматривать отвод поверхностных и надмерзлотных вод при помощи мерзлотных валиков, неглубоких канав (глубиной до 0,5 м), открытых дренажей и при необходимости устраивать водонепроницаемые диафрагмы. Планировка срезкой применяется в исключительных случаях при малольдистых вечномерзлых грунтах (ii < 0,03).

8.3. Ширина бермы подсыпки (расстояние от поверхности наружной стены здания до бровки откоса) 1, назначается по условиям эксплуатации застраиваемой площадки и с учетом требований производства работ при монтаже здания, но она должна быть не менее принятой в расчете (п. 8.11 - 8.15) и не менее 1,5 м; при неглубоком залегании кровли сильнольдистых грунтов (менее 1 м от природной верхней границы вечной мерзлоты) - не менее 3 м.

Крутизна откосов принимается в зависимости от материала подсыпки и должна быть не более: 670 %- при крупнообломочных грунтах, 570 % - при песчаных и 500 % - при прочих материалах.

Откосы подсыпок при необходимости укрепляются посевом трав, одерновкой, мощением плитами и другими способами. Для исключения оползания подсыпки с южной стороны нижняя половина откоса и прилегающая к его основанию полоса поверхности природного грунта шириной 1 м защищаются теплоизоляцией (обычно из местных материалов),

8.4. Для обеспечения проектного температурного режима основания и предупреждения просадок в первые годы эксплуатации здания подсыпку рекомендуется выполнять при использовании грунтов по принципу I -после промерзания слоя сезонного протаивания (предпочтительно в конце зимы и начале весны), а при использовании грунтов по принципу II - после протаивания слоя сезонного промерзания, т.е. осенью. Возможно устройство подсыпки при принципе I в две стадии: нижнего слоя толщиной не менее 0,5 м - в зимний период и верхнего - в летний (в сроки, при которых обеспечивается мерзлое состояние грунтов основания ниже расчетной нулевой изотермы).

8.5. Устройство планировочных и теплозащитных подсыпок следует производить без повреждения растительного (торфомохового) покрова. При устройстве конструктивных подсыпок в случае, если расчетная нулевая изотерма находится в теле подсыпки, также следует избегать повреждения растительного покрова; если же расчетная нулевая изотерма находится в природных грунтах и проектируются незаглубленные и малозаглубленные фундаменты на подсыпке, то он подлежит, как правило, срезке во избежание осадок фундаментов, обусловленных его сжатием при оттаивании. Снижение теплозащитных качеств этого покрова в результате уплотнения под нагрузкой или его удаление компенсируется, при необходимости, выбором по расчету соответствующей толщины подсыпки или введением в нее теплоизоляции.

8.6. Для конструктивных подсыпок рекомендуется применять пески (кроме пылеватых, а также мелких, если обнаружено, что они обладают пучинистыми свойствами), крупнообломочные грунты, вскрышные породы, хвосты обогатительных фабрик (содержание пылеватых и глинистых частиц не более 15 %), различные промышленные отходы (шлаки, золошлаки, шламы), не подвергающиеся набуханию, морозному выветриванию, механической и химической суффозии.

При использовании для подсыпки крупнообломочных материалов, отсыпаемых на слабые природные грунты, во избежание проникновения в них крупных фракций следует сохранять природные грунты в мерзлом состоянии, не допуская их сезонного оттаивания. Защитной мерой может также служить слой песка толщиной 15 см, отсыпаемый на природные слабые грунты.

Для планировочных и теплозащитных подсыпок применяются все виды грунтов, находящихся в талом состоянии, вскрышные породы, хвосты обогатительных фабрик, различные промышленные отходы без указанных ранее ограничений.

8.7. Для грунтов, используемых в конструктивных подсыпках, в проекте указываются их физико-механические характеристики после укладки. Плотность грунтов в конструктивных подсыпках назначается не менее 0,95 максимальной, получаемой путем их опытного уплотнения при оптимальной влажности в полевых или лабораторных условиях.

8.8. Для уменьшения толщины теплозащитных подсыпок рекомендуется применять теплоизоляционные материалы, сохраняющие свои свойства в течение срока эксплуатации здания, в частности пенополистирол марок ПСБ и ПС-1 с замкнутой ячеистой структурой и хорошим спеканием гранул. Указанные теплоизоляционные материалы целесообразно помещать возможно ближе к поверхности подсыпки, но при этом следует предусматривать меры по их защите от механических повреждений, что может быть обеспечено укладкой над ними слоя песка толщиной не менее 10 см под зданием и 20 см на прилегающей территории, кроме подъездов, где толщина песчаного покрытия должна быть увеличена не менее чем до 30 см, а его поверхность защищена железобетонными плитами для предупреждения образования колей транспортными средствами.

Рис. 26. Малозаглубленные фундаменты при ограниченной зоне протаивания
а - при наличии теплых отмосток; б - при отсутствии теплых отмосток; 1 - эффективная теплоизоляция; 2 - подсыпка из непучинистого материала; 3 - бетонная или асфальтовая отмостка; 4 - расчетный ВГВМ; 5 -фундаментная балка

Плиты пенополистирола укладываются с перевязкой швов, заполняемых гидроизоляцией, и закрепляются деревянными штырями. Для обеспечения стока поверхностных вод плиты укладываются с уклоном, повторяющим уклон поверхности подсыпки.

8.9. При применении теплоизоляции для регулирования температурного режима основания рекомендуется принимать во внимание следующее:

сохранение вечномерзлого состояния грунтов под зданиями без подполий за счет увеличения термического сопротивления пола может быть достигнуто только при небольшом сроке их службы на одной площадке в районах с низкими среднегодовыми температурами воздуха;

утепление отмосток для уменьшения глубины сезонного промерзания у здания без подполья увеличивает глубину многолетнего протаивания грунтов под его серединой, что может вызвать необходимость дополнительного заглубления фундаментов; в этих случаях для исключения нормальных сил пучения под подошвами малозаглубленных фундаментов может оказаться более целесообразной сдвижка их внутрь здания (рис. 26);

аналогичную сдвижку фундаментов в плане целесообразно производить и под зданиями с вентилируемыми подпольями, проектируя утепленные отмостки лишь там, где эта сдвижка не может быть произведена по конструктивным условиям.

8.10. Возможные схемы применения подсыпок показаны на рис. 27:

схема I - теплозащитная подсыпка, устраиваемая для сохранения природного положения ВГВМ с целью предупреждения сезонного протаивания грунтов с повышенной льдистостью (ii > 0,1), либо конструктивная подсыпка, устраиваемая для уменьшения влияния нормальных сил пучения на незаглубленные и малозаглубленные фундаменты;

схема II - конструктивная подсыпка, устраиваемая для опирания на нее фундаментов и обеспечения необходимой несущей способности природных грунтов, что достигается понижением их максимальной температуры на уровне природной поверхности до требуемой;

схема III - то же, но с применением слоя эффективной теплоизоляции для уменьшения толщины подсыпки;

схема IV - частный случай схемы III, соответствующий минимальной толщине подcыпки.

Рис. 27. Схемы теплоизоляционных подсыпок (I-IV) при принципе I
1 - насыпной грунт; 2 - природный грунт; 3 - расчетный ВГВМ; 4 - вечно-мерзлый грунт с ледяными включениями; 5 - эпюра изменения максимальной температуры Тm по глубине; 6 - природный ВГВМ; 7 – теплоизоляция

Определение необходимой толщины подсыпок при допущении многолетнего протаивания грунтов производится по рекомендациям п. 7.3, д, при допущении сезонного протаивания под зданиями, запроектированными с холодным подпольем, по рекомендациям п. 8.11 (схема I), п. 8.12 (схема II), п. 8.13 (схема III) и п.8.15 (схема IV).

В расчетах, выполняемых для определения толщины подсыпок, среднегодовая температура грунта Т0 принимается равной температуре, замеренной на глубине 10 м учетом прогноза ее изменения при застройке территории (прил. 1) ; при отсутствии такого прогноза значение замеренной температуры повышается на 1°С (см. п. 8.1).

8.11. Расчет подсыпки по схеме I сводится к определению ее толщины hs’, которая вначале вычисляется без учета влияния откоса:

                                                    (16)

где  - нормативная глубина сезонного протаивания, определяемая рекомендациями п. 5.1 - 5.3, для материала подсыпки, подстилаемой природным грунтом, м; к - коэффициент, в данном случае равный единице;  - то же, что в формуле (11); - толщина сезоннопротаивающего слоя в природных грунтах, м; - нормативная глубина сезонного протаивания природных грунтов, определяемая рекомендациями п. 5.1 - 5.3, м.

Если вычисленная по формуле (16) величина h не превосходит одной трети ширины бермы lВ, то расчет считается законченным и принимается hs = hs , в противном случае толщина подсыпки рассчитывается вторично по формуле

                             (17)

где  - определяется по формуле (16) при к = 1,62.

8.12. Расчет подсыпки по схеме II производится вначале по формуле

                                                               (18)

где - то же, что в формуле (16); Δh - необходимая высота поднятия ВГВМ в толщу подсыпки для обеспечения несущей способности природных грунтов, м; значение Δh определяется в зависимости от допустимого максимального значения отрицательной температуры грунтов на уровне природной поверхности Тm1 и среднегодовой температуры T0:

                                                                      (19)

где m - параметр, равный 1 м.

При hslB/3 толщина подсыпки hs принимается равной hs; при hs >lB/3 значение hs определяется по формуле (17), в которой hs вычисляется по формуле (18) при к = 1,62.

При залегании в основании сильнольдистых грунтов (ii ≥ 0,4) расстояние от верхнего расчетного горизонта мерзлоты до кровли этих грунтов должно быть не менее 0,5 м.

8.13. Расчет подсыпки по схеме III производится с целью определения толщины теплоизоляции hw, под которой протаивание будет ограничено заданной величиной h’.

                                       (20)

где ,, - коэффициенты теплопроводности, соответственно теплоизоляции, материала подсыпки под изоляцией и над ней, Вт/(м°С) ; - коэффициент теплового влияния откоса, принимаемый по табл. 10; h0 - толщина защитного слоя над теплоизоляцией, м; R1 - сопротивление Теплообмену между воздухом и поверхностью грунта, учитываемое при расчете теплоизоляции под зданием и принимаемое равным 0,2 м2°С /Вт; v - коэффициент, определяемый по графику (рис. 28) в зависимости от комплекса.

                                                         (21)

где Q и Lv1 - величины, вычисляемые по формулам (6) и (7) соответственно для характеристик материала подсыпки и природного грунта деятельного слоя с заменой в этих формулах Т1 на Т2, t1 на t2 и Т0 на T0* вычисляемые по формулам (22), (23) и (24).

Таблица 10

Материал подсыпки

Значения kh,s при IB/hs,

0,5

1

1,5

2

≥3

Пески и крупнообломочные грунты

0,65

0,7

0,75

0,8

1

Горелые породы и шлаки

0,75

0,9

0,95

1

1

                                (22)

                                                                                (23)

                                              (24)

Рис. 28. График для определения коэффициента υ

где Тd и td - расчетные значения температуры (°С) и времени (с), принимаемые по рекомендациям п. 8.14; m2 - коэффициент, определяемый по табл. 11; T0 - среднегодовая температура вечномерзлого грунта, принимаемая по рекомендациям п. 8.10; кd - параметр, равный 0,3°С /м;  и  - расчетные глубины сезонного протаивания соответственно при отсутствии теплоизоляции и при ее наличии (см. рис. 27).

Таблица 11

ho, м

Коэффицент m2

вне здания при Тd и td град·с

под зданием при Тd и td, град·с

36·106

72·106

144·106

36·106

72·106

l44·106

0

1

1

1

1

1

1

0,1

0.96

0,97

0,98

0,90

0,93

0,96

0,2

0,92

0,94

0,97

0,85

0,90

0,94

0,3

0,88

0,91

0,95

0,80

0,86

0,92

 

8.14. Расчетные значения времени td и температуры Тd при расчете теплоизоляции по схеме III вне здания принимаются соответственно равными t1 и m1T1 где t1 - время (с) и Т1 - температура, °С, определяемые по формуле (8) или картам (см. рис 23, 24) при среднегодовой температуре T0* , вычисляемой по формуле (24); m1 - коэффициент, равный 1,45 при асфальтовом или другом черном покрытии и равный единице в остальных случаях.

Значения td и Тd при расчете теплоизоляции под зданием с открытым подпольем определяются по формулам (25) и (26), а под зданием с закрытым проветриваемым подпольем - по формулам (25) и (27):

                                                     (25)

                                                             (26)

           (27)

где ;  - при естественной вентиляции через продухи и при вентилировании через вытяжные трубы с дефлекторами;  - при вентиляции с механическим побуждением; R0 - сопротивление теплопередаче перекрытия над подпольем, м2·°С/Вт;  - среднее значение, коэффициента теплопроводности грунтов слоя сезонного протаивания в талом состоянии, Вт/(м°С);  - то же, что в формуле (7); td , Тd - величины, определяемые по формулам (25) и (26); к1, к2 - параметры, равные соответственно, 385 Дж/(м3·°С) и 1160 Дж/(м3·°С);М - модуль вентилирования подполья, равный отношению общей площади продухов Аυ к площади здания в плане по наружному контуру Аb, при вентилировании через вытяжные трубы с дефлекторами А принимается равным суммарной площади отверстий, работающих на приток, а при вентиляции с механическим побуждением - равным суммарной площади отверстий, работающих на вытяжку; Vp - средняя скорость ветра за период с положительными температурами наружного воздуха, м/с; Ve - скорость воздуха в приточных отверстиях при механическом побуждении, м/с; Тin - расчетная температура воздуха в помещении, С.

8.15. Расчет по схеме IV сводится к определению толщины теплоизоляции, которая ограничивает допустимую максимальную температуру подстилающего грунта Т:

     (28)

где

                                                  (29)

                                                        (30)

,- коэффициент теплопроводности, Вт/(м3·°С), и объемная теплоемкость, Дж/(м3·°С) мерзлого грунта, принимаемые по СНиП II-18-76; t - время, равное году, 31,56·106с; R  - то же> что в формуле (20); t2, Т2 - то же, что в формулах (22) и (23); - то же, что в формуле (24); π = 3,14.

Рис. 29. Схемы укладки теплоизоляции у края здания
а - сплошная подсыпка; б - подсыпка под отдельное здание; 1 - насыпной грунт; 2 - теплоизоляция; 3 - расчетный ВГВМ

Дня расчета толщины теплоизоляции вне здания формула (28) применима, если IB/hS ≥3.

8.16. Для исключения теплового влияния участков с различными условиями на поверхности вылет теплоизоляции, укладываемой вне здания, за наружную грань крайних фундаментов Δ1, и за край здания Δ2 (рис. 29) определяется из условий: для случая

Кроме того, в пределах теплоизоляции полностью исключаются металлические элементы в фундаментах, а расстояние от ее низа до подошвы фундаментов h3, рекомендуется принимать не менее 0,5 м (рис. 29),

9. ФУНДАМЕНТЫ МАЛОГО ЗАЛОЖЕНИЯ

9.1. Незаглубленные и малозаглубленные фундаменты, подошвы которых располагаются в пределах слоя сезонного протаивания-промерзания, следует проектировать в случаях, указанных в п. 1.7. При проектировании фундаментов в условиях распространения пучинистых грунтов следует дополнительно учитывать рекомендации разд. 12.

9.2. Фундаменты малого заложения при использовании вечномерзлых грунтов по принципу I рекомендуется проектировать в следующем порядке:

разрабатывается проектное решение подсыпки, если она необходима, в соответствии с рекомендациями разд. 8;

устанавливаются материал и конструкция фундаментов по рекомендациям разд. 1;

уточняются разбивка фундаментов и действующие на них нагрузки;

определяются размеры подошв фундаментов (п. 9.3);

при необходимости (п. 9.7) основание рассчитывается по несущей способности;

выполняется расчет фундаментов по материалу.

9.3. При использовании грунтов по принципу I, когда исключается их многолетнее протаивание, размеры подошв малозаглубленных фундаментов, находящихся в слое сезонного протаивания, определяются в зависимости от расчетных сопротивлений грунтов в талом состоянии (п. 9.4) с учетом следующих особенностей:

а) если под слоем грунта, на который опирается подошва фундамента, залегает более слабый грунт, то передаваемое на него давление не должно превосходить расчетного сопротивления этого грунта;

б) основание, вмещающее прослойки сильносжимаемых грунтов (например, торфа) или текучих под нагрузкой (например, сильнольдистых или льда), должно быть дополнительно рассчитано по деформациям. Указанная проверка может не производиться, если такие прослойки залегают на глубине от подошвы более ее двухкратной ширины (меньшего размера), при этом рекомендуется предусматривать возможность выравнивания опорных элементов здания в случае неравномерных деформаций основания;

в) расчеты оснований по деформациям могут не производиться, если здание специально к ним приспособлено, применяются компенсационные фундаменты, обеспечивающие возможность регулирования положения опорных элементов здания при неравномерных деформациях основания (пп. 1.5, 1.7а), или под фундаментами устраивается буферный слой из непучинистого материала (см. разд. 8), толщина которого удовлетворяет условиям п. 1.7б.

9.4. Размеры подошв фундаментов, опирающихся на нескальное основание, при центральной вертикальной нагрузке или при ее эксцентриситете е ≤1/30, где 1- размер подошвы в направлении эксцентриситета, рекомендуется назначать исходя из условия (31), а при е > 1/30 - исходя из условия (32).

                                                                              (31)

                                                                        (32)

где р - среднее давление на грунт под подошвой от нормативной нагрузки; R - расчетное сопротивление грунтов основания (п. 9.5); Pmax - максимальное краевое давление на грунт под подошвой (п. 9.6) ; k - коэффициент, равный 1,2 при определении Pmax вдоль оси фундамента и равный 14 при определении рmax в угловой точке подошвы; γn - коэффициент надежности по назначению сооружения, принимаемый равным 0,8 для зданий со сроком эксплуатации менее 5 лет и равным 0,9 при более длительном сроке.

9.5. Для предварительного назначения размеров фундаментов расчетное сопротивление грунтов R определяется по формуле

                                                                              (33)

где  - коэффициент условий работы, принимаемый для контейнерных зданий и сборно-разборных из блок-контейнеров в зависимости от отношения длины блок-контейнера к его высоте L/H по табл. 3 СНиП 2.02.01-83 "Основания зданий и сооружений", для остальных зданий - равным 1; R0 - табличное значение расчетного сопротивления, определяемое с учетом размеров фундамента по прил. 3 СНиП 2.02.01-83.

Значениями R, рассчитанными по формуле (33), можно также пользоваться для окончательного назначения размеров фундаментов, если основание сложено горизонтальными, выдержанными по толщине слоями грунта (уклон не более 100%), сжимаемость которых не увеличивается в пределах глубины, равной двойной ширине наибольшего фундамента, считая от его подошвы.

В случаях, когда расчетные значения сцепления сII и угла внутреннего трения грунта φII определены при изысканиях или по таблицам, составленным на основании обобщения региональных данных, значения R рекомендуется определять по формуле (7) СНиП 2.02.01-83 с учетом возможного его повышения на 20% в соответствии с указаниями п. 2.47 СНиП. При опирании фундаментов на конструктивную подсыпку (схема II, п. 8.10) указанное повышение рекомендуется производить как при расчете R по формуле (7) СНиП, так и по формуле (33) настоящих Рекомендаций без определения деформаций основания.

9.6. Краевое давление на грунт под подошвой вдоль оси внецентренно нагруженного фундамента вычисляется по формуле

                                              (34)

где N - нормативная вертикальная нагрузка; b, 1 - ширина и длина подошвы;  - среднее значение удельного веса фундамента и грунта на его уступах; d - глубина заложения фундамента в грунт; Мb, 1 - нормативный изгабаюший момент на уровне подошвы в направлении размера b, 1; Wb, 1 - момент сопротивления подошвы в направлении размера b, 1.

Если при расчете оказывается, что рmin < 0, то подошва фундамента неполностью касается грунта и принимается рmin = 0

                                                 (35)

где                                                (36)

Здесь 3с0 - условная длина подошвы, в пределах которой имеет место ее касание с грунтом и давление изменяется по линейному закону от 0 до рmax.

Максимальное краевое давление на грунт в угловой точке подошвы вычисляется по формуле

                                   (37)

Неполное касание подошвы с грунтом, см. формулу (35), при основном сочетании нагрузок допускается только для бескрановых зданий, а также зданий с подвесным крановым оборудованием. Кроме того, при слабых грунтах, когда R < 0,15 МПа, величину отношения Pmin/Pmax при основном сочетании нагрузок рекомендуется принимать не менее 0,25.

9.7. Расчет оснований по несущей способности производится в случаях, если:

а) на основание передаются значительные горизонтальные нагрузки, в том числе сейсмические;

б) здание расположено на откосе или вблизи откоса;

в) основание сложено скальными грунтами;

е) ниже подошв фундаментов залегают слабые мерзлые грунты, подстилающие более прочные грунты.

Расчеты в случаях "а" - "в" производятся по СНиП 2.02.01-83 с учетом пониженной ответственности мобильных зданий и рекомендаций п. 9.8, в случае "е" - по п. 9.9. Расчет в случаях "а" и "б" допускается не производить, если конструктивными мероприятиями обеспечивается невозможность смещения фундамента в горизонтальном направлении.

9.8. Вертикальная составляющая силы предельного сопротивления материала подсыпки может определяться по указаниям п. 2.62 СНиП 2.02.01-83, если:

под подошвой фундамента в слое толщиной 4b, где b - ширина подошвы, отсутствует природный грунт, прочность которого меньше прочности материала подсыпки;

расчетное положение верхней границы вечномерзлых грунтов находится на глубине h от подошвы фундамента, превышающей значения hmах

ширина бермы lB не менее значения lB, а при hmах < h ≤4b также не менее значения lB“, определяемых по формулам (38) и (39), - для крайних фундаментов.

Таблица 12

Угол наклона нагрузки к вертикали, град

Значения hmax /b при φI ,  град

20

30

40

50

0

5

10

15

20

25

30

1,06

0,88

0.67

0,43

0,0

-

-

1,34

1,16

0,98

0,78

0,58

0,37

0,0

1,74

1,54

1,34

1,13

0,93

0,73

0,53

2,4

2,13

1,86

1,6

1,36

1,13

0,9

                                                                          (38)

                                                                  (39)

В формулах (38) и (39) обозначено:

K1, K2 - коэффициенты, определяемые по табл. 13 и 14; I- размер подошвы фундамента в направлении откоса; а - расстояние от оси фундамента до внешней поверхности наружной стены;  - высота подсыпки.

Таблица 13

d /l

Значение КI при φI ,  град

20

30

40

50

0

1

2

3,1

4,1

5,9

4,8

4,9

5,3

8,5

8,0

7,5

15,8

15,7

15,6

Таблица 14

Угол наклона нагрузки к вертикали, град

Значение К2 при φI , град

20

30

40

50»

0

5

10

15

20

25

30

1,78

1,74

1,68

1,62

1,51

1,50

1,50

2,05

1,98

1,90

1,33

1,74

1,65

1,50

2,51

2,39

2,27

2,15

2,04

1,92

1,81

3,34

3,13

2,93

2,73

2,54

2,36

2,20

 

9.9. Проверка давления на кровлю слабых мерзлых грунтов, подстилающих более прочные грунты, на которые опирается подошва фундамента (например, глинистых и заторфованных грунтов, подстилающих песчаные), производится из условия

                                                                  (40)

- дополнительное вертикальное нормальное напряжение на кровле слабого грунта, МПа, определяемое СНиП 2.02.01-83 (прил. 2) от расчетной нагрузки N, МН;

 - коэффициент условной работы, принимаемый при среднегодовой температуре  равным 1,1 при    равным 1,2;

  - то же, что в формулах (31) и (32);  -коэффициент надежности по основанию, принимаемый при среднегодовой температуре грунтов  равным 1,2, при равным 1,1 и при равным 1,05; R - расчетное сопротивление слабого грунта, МПа, определяемое по СНиП II-18-76 при максимальной температуре на глубине z, м, от ВГВМ:

                                     (41)

где  - расстояние от ВГВМ до кровли слабого слоя, - размеры подошвы фундамента, м (L > b).

При толщине слабого слоя значение R определяется на глубине  от ВГВМ.

Приведенные значения  можно увеличивать пропорционально отношению , где  - то же что , но от нагрузки , равной сумме расчетных постоянной и длительных долей временных нагрузок;  - осредненное значение удельного веса грунтов в пределах глубины , отсчитываемой от подошвы фундамента до уровня, где определяется R. Указанное увеличение не должно превышать 20%.

9.10. Фундаменты малого заложения при использовании вечномерзлых грунтов по принципу II рекомендуется проектировать в следующем порядке:

намечается конструктивное решение фундаментов (п. 9.11);

рассчитываются глубины протаивания грунтов под зданием для следующих моментов времени (в годах), считая от начала его эксплуатации; 1; 5; 10 … и , где   - расчетный срок эксплуатации здания (п. 7.1);

определяется расчетная глубина сезонного промерзания грунтов (СНиП II-18-76), с учетом которой выбирается глубина заложения фундаментов;

рассчитывается основание по деформациям без учета жесткости конструкций (пп. 9.4; 9.12) и корректируются размеры фундаментов;

при необходимости разрабатываются мероприятия по уменьшению средних  и максимальных  осадок основания и (или) увеличению их предельных значений  (пп. 3.1, 4.6) для того чтобы привести их в соответствие;

при необходимости (п. 9.7) основание рассчитывается по несущей способности;

выполняется расчет фундаментов по материалу.

9.11. При выборе конструктивных решений фундаментов на основаниях, используемых по принципу II, следует последовательно рассмотреть возможность применения следующих решений:

без специального усиления цокольно-фундаментной части (в благоприятных инженерно-геологических условиях, когда относительное сжатие грунтов при их оттаивании εth≤0,01) ;

с устройством поясов в цокольно-фундаментной части или компенсационных фундаментов (εth≤0,02);

со значительным усилением цокольно-фундаментной части или устройством компенсационных фундаментов (εth≤0,02).

На оттаивающих грунтах используются как ленточные, так и столбчатые фундаменты. Столбчатые фундаменты применяются для каркасных зданий; в бескаркасных зданиях они проектируются, когда деформации основания значительно меньше предельных, а также как фундаменты компенсационного типа. При выборе решения фундаментов необходимо принимать во внимание, что с увеличением предельного давления на основание увеличивается концентрация давления на его отдельных участках, вызываемая неравномерными осадками, в связи с чем возрастают усилия в фундаментных и надземных конструкциях. К мероприятиям, приводящим к уменьшению этого давления, относятся:

укладка фундаментов на слой талого или искусственно-оттаянного грунта (природного или подсыпки) толщиной не менее ширины их подошвы, защищенного от промерзания при строительстве и эксплуатации здания;

устройство песчаной подушки из талых грунтов, заменяющей более прочные крупнообломочные или разрушенные скальные грунты под подошвой фундаментов;

уменьшение ширины подошвы и глубины ее заложения.

9.12. Расчет оснований по деформациям при принципе II производится по указаниям СНиП II-18-76. При отсутствии в материалах изысканий сведений о коэффициентах оттаивания и сжимаемости расчет может производиться, как и при выборе принципа использования грунтов, по рекомендациям п. 3.8. При этом, когда деформации основания S близки к предельным Su (п. 4.6), рекомендуется обеспечивать возможность регулирования положения опорных конструкций здания при неравномерных деформациях.

10. СВАЙНЫЕ ФУНДАМЕНТЫ, ЗАГЛУБЛЕННЫЕ В ВЕЧНОМЕРЗЛЫЕ ГРУНТЫ

10.1. Свайные фундаменты рекомендуется проектировать в следующем порядке:

производится выбор их конструктивного решения и способа погружения с учетом конструкции здания, мерзлотно-геологических условий площадки и технической оснащенности строительных организаций (пп. 10.2-10.4);

вычисляется расчетная глубина сезонного протаивания грунтов (п. 5.6);

уточняется разбивка свай и действующие на них нагрузки;

производится расчет свай на горизонтальные и моментные нагрузки (п. 10.5);

проверяется трещиностойкость железобетонных свай при морозном пучении грунтов (п. 12.15);

производится расчет несущей способности оснований свай выбранных сечений при некоторой произвольно выбранной их длине; указанный расчет повторяется при измененной (увеличенной или уменьшенной) длине свай таким образом, чтобы был перекрыт весь интервал требуемой несущей способности свай по грунту;

проверяется устойчивость свай при действии сил морозного пучения по рекомендациям п. 12.10 и при необходимости производится корректировка их длин;

при сильнольдистых и пластичномерзлых грунтах дополнительно по указаниям СНиП II-18-76 производится расчет оснований по деформациям*, а если он невозможен из-за отсутствия данных о деформационных характеристиках грунтов, в проекте предусматриваются устройства, позволяющие регулировать отметки опорных конструкций при эксплуатации здания;

выполняется расчет свай на усилия, возникающие при транспортировке и монтаже, если применяются нетиповые сваи;

окончательно унифицируются типоразмеры свай.

*См. также "Рекомендации по расчету осадок свай в пластичномерзлых грунтах". - М.: изд. НИИОСП, 1983. - 13 с.

10.2. Конструктивное решение надземной части свайных фундаментов выбирается с учетом рекомендаций пп. 1.5 - 1.6; 1.8 - 1.11; 3.1. В зданиях с высокими подпольями для уменьшения усилий от горизонтальных нагрузок между сваями рекомендуется устраивать связи (рис. 30).

10.3. Возможные способы погружения свай показаны на рис. 31.

10.4. В сильнольдистых грунтах применяется только буроопускной способ погружения свай. При незначительной толще сильнольдистых грунтов рекомендуется их прорезать и опирать концы свай на мерзлый несильнольдистый грунт. Если сильнольдистые грунты залегают слоем значительной мощности, под торцом сваи необходимо предусматривать уплотненную подушку из песчаного или крупнообломочного грунта толщиной не менее диаметра скважины.

Следует иметь в виду, что буроопускной способ по сравнению с другими методами погружения приводит к снижению изгибающих моментов от вертикальной нагрузки, возникающих в сваях при их эксцентричной установке, однако по сравнению с бурозабивным способом увеличивается объем бурения и удлиняется время их вмерзания.

Максимально возможные размеры сечений у буроопускных и буро-забивных свай определяются в зависимости от диаметра скважин, устанавливаемого для данного бурового оборудования. Для мобильных зданий рекомендуется производить бурение скважин малого диаметра (не более 23 см) при помощи высокопроизводительных легких буровых станков, используемых при изысканиях.

Проектный зазор между стенками скважин и буроопускными сваями устанавливается, как правило, не менее 25 мм (см. рис. 31). При диаметре скважин до 23 см и глубине до 6 м указанный зазор может быть уменьшен до 15 мм.

Прочность растворов, применяемых при буроопускных сваях, должна быть не меньше прочности природных грунтов. Заделка свай в скальный грунт производится цементно-песчаным раствором марки В10. Для обеспечения твердения последнего применяются химические добавки.

10.5. Расчетные усилия в свае при совместном действии горизонтальных и вертикальных нагрузок определяются по указаниям СНиП II-18-76. Для мобильных зданий обычно применяется расчетная схема, при которой свая рассматривается как стойка со свободным верхним концом, заделанная на глубине от поверхности.

                                                                        (42)

где - расчетная глубина сезонного протаивания, м, определяемая по рекомендациям п. 5.6; b - размер сечения сваи в направлении действия горизонтальной силы.

Сопротивление грунтов слоя сезонного протаивания по этой схеме не учитывается. Схема применяется в случаях, когда нижняя часть сваи находится в твердомерзлом грунте и выполняется одно из следующих условий:

Рис. 30. Схемы связей между фундаментами при принципе I
1 - жесткие связи; 2 - гибкие связи, подвергнутые предварительному натяжению

Рис. 31. Типы свай по способу их установки
а - буроопускные ; б - бурозабивные на пластичномерзлых грунтах без крупнообломочных включений; в - опускные на твердо-мерзлых грунтах с содержанием крупнообломочных включений не более 15% при ; 1 - раствор; 2 - стенка скважины; 3 - граница оттаивания;  - диаметр окружности, описанной вокруг поперечного сечения сваи;  - то же, вписанной в это сечение;  - диаметр скважины;  - диаметр зоны оттаивания

слой сезонного протаивания сложен текучими глинистыми грунтами или грунтами, содержащими растительные остатки, более 5%;

применяются буроопускные сваи с заполнением скважин глинисто-песчаным раствором.

Расчетная длина сваи при продольном изгибе  по этой схеме принимается равной:

                                                                      (43)

где - коэффициент приведения длины, принимаемый равным 2 при отсутствии связей между сваями и равным 1 при их наличии в плоскости изгиба и бесконечно жестком ригеле, если ригель имеет конечную жесткость, то значения  для связевой системы устанавливаются по данным расчетов рам на устойчивость;  - длина надземной части сваи, измеряемая от поверхности грунта до уровня приложения горизонтальных и моментных нагрузок, передаваемых свае надземными конструкциями; - длина подземной части сваи, определяемая по формуле (42).

10.6. При определении усилий от горизонтальных нагрузок одновременно в случае необходимости учитываются конструктивный и случайный эксцентриситеты, а также возможное смещение оси сваи на величину допуска, принимаемую равной для буроопускных свай - 3 см, для забивных - 5 см; влияние деформаций рандбалок (ростверков) от температурно-влажностных воздействий, как правило, не учитывается, так как узлы опирания надземных конструкций на фундаменты проектируются так, чтобы они допускали возможность независимого свободного перемещения сопрягаемых элементов в горизонтальном направлении (п. 1.11).

Допускаемые изгибающие моменты при расчете на горизонтальные и моментные нагрузки для стальных трубчатых свай могут приниматься по табл. 15 (при составлении таблицы расчетное сопротивление стали принималось равным 320 и 310 МПа соответственно для труб с толщиной стенок Δ = 6 - 9 и 10 мм); для железобетонных свай расчетом по СНиП 2.03.01-84 "Бетонные и железобетонные конструкции"; для деревянных свай их следует определять исходя из указаний СНиП II-25-80 "Деревянные конструкции".

Таблица 15

Размеры свай

Предельный изгибающий момент Мu, кНм, при нагрузке N, кН

dl , мм

Δ, мм

,м

50

100

150

200

89

6

3

11,2

8,2

5,9

4,3

108

6

3

18,2

13,8

11,2

8,5

4

13,8

10,9

8,0

5,1

159

6

3

35,5

33,6

32

36,2

4

35,5

33,6

32

36,2

6

35,5

32,1

32

19,7

8

3

46,2

44,3

42,5

40,8

4

46,2

44,3

42,5

40,8

6

46,2

44,3

38,4

32

219

6

3

70,4

67,8

65,3

62,6

4

70,4

67,8

65,3

62,6

6

70,4

67,8

65,3

62,6

8

70,4

67,8

65,3

62,6

8

3

92

89,5

87

84,4

4

92

89,5

87

84,4

6

92

89,5

87

84,4

8

92

89,5

87

84,4

245

7

3

103,3

100,4

97,5

94,7

4

103,3

100,4

97,5

94,7

6

103,3

100,4

97,5

94,7

8

103,3

100,4

97,5

94,7

10

3

140,1

137,3

134,4

131,6

4

140,1

137,3

134,4

131,6

6

140,1

137,3

134,4

131,6

8

140,1

137,3

134,4

131,6

 

10.7. При выбранном сечении сваи необходимая ее длина определяемся исходя из обеспечения несущей способности сваи по грунту

                                                                      (44)

где N - расчетная вертикальная нагрузка на основание, определяемая по указаниям п. 4.2; 4.3, МН;  - расчетная сила предельного сопротивления основания, МН, именуемая в дальнейшем несущей способностью основания и определяемая по указаниям п. 10.8 - 10.12;  - то же, что в п. 9.4;  - коэффициент надежности по основанию, принимаемый при среднегодовой температуре грунтов равным 1,2, при равным 1,1 и при равным 1,05. Указанные значения  допускается уменьшать на 10%, если значения Nu определены по данным полевых испытаний свай или испытаний грунтов застраиваемой площадки, при этом откорректированные значения должны быть не менее единицы.

10.8. Несущая способность основания свай, погружаемых в однородные по составу грунты, определяется по формуле

                                                          (45)

где  - коэффициент условий работы; - расчетное сопротивление мерзлого грунта под нижним концом сваи и расчетное сопротивление грунта или грунтового раствора сдвигу по поверхности смерзания, МПа, определяемые по СНиП II-18-76 соответственно при температурах  (п. 6.1); А - площадь сечения свай у ее нижнего конца, м2;  - площадь поверхности смерзания вечномерзлого грунта с боковой поверхностью сваи, м2.

Значение коэффициента условий работы  принимается для буро-опускных свай равным 1,1; для бурозабивных, забивных и бурообсадных - 1,2. Указанные значения  следует увеличивать пропорционально отношению полной расчетной вертикальной нагрузки на фундамент N к сумме расчетных вертикальных постоянной и длительных долей временных нагрузок N1, но не более чем в 1,2 раза. Для жилых и общественных зданий значения у могут приниматься соответственно равными 1,32 и 1,44.

10.9. Несущая способность основания свай, погружаемых в разнородные грунты, определяется по формуле

                                 (46)

где - то же, что в формуле (45); U - периметр сечения сваи, м; n - число разнородных слоев грунта, на которое разбивается основание ниже ВГВМ в пределах длины сваи в вечномерзлых грунтах ; - то же, что в формуле (45), но при значениях температуры  для глубин и , МПа, определяемые для той разновидности грунта, которая залегает в i-м слое; - расстояния от верхней границы вечномерзлого грунта до подошвы и кровли io слоя, при которых определяются сопротивления

10.10. Несущая способность основания буроопускных свай  погруженных с заполнением скважин песчаным или известково-песчаным раствором, определяется как наименьшее из двух значений , где  - несущая способность основания по контакту сваи с раствором, определяемая по формуле (45),  - несущая способность основания по контуру скважины, определяемая по формулам (45) и (46) как для сваи диаметром, равным диаметру скважины, с подстановкой в них вместо Raf значения сопротивления сдвигу природного грунта Raf, а при диаметре скважины, превышающем размер поперечного сечения сваи более чем на 5 см, вместо А - приведенной площади А1, определяемой по формуле (47), но не более площади поперечного сечения скважины

                        (47)

где A, R, U - то же, что в формулах (45) и (46); Raf и Raf - сопротивления сдвигу соответственно раствора и природного грунта по поверхности фундамента, МПа, определяемые по СНиП II-18-76 при температуре Тz, вычисляемой по рекомендациям п. 6.2 на глубине погружения сваи в вечномерзлый грунт z = hf; Δа - средняя толщина зазора между сваей и стенкой скважины, м; U2 - периметр сечения скважины, м.

10.11. Несущая способность основания буроопускных свай, погруженных в сильнольдистые грунты, определяется как наименьшее из двух значений  и , где  определяется по формуле (45), а  - по формуле

      (48)

где , R, n, , z. - то же, что в формуле (46); А1 - то же, что в формуле (47); ii,i - льдистость грунта за счет ледяных включений io слоя; , - расчетные сопротивления сдвигу грунтового раствора по природному грунту соответственно для глубин ,, МПа, определяемые по СНиП II-18-76 при растворе более прочном, - чем окружающий грунт, для той разновидности природного грунта, которая залегает в i-м слое, а при менее прочном - для грунтового раствора; ,  - расчетные сопротивления льда сдвигу по поверхности смерзания с грунтовым раствором соответственно для глубин и , МПа, определяемые по СНиП II-18-76.

Слагаемые в формуле (48), обусловленные сопротивлением сдвигу льда, а также сопротивлением грунта под торцом сваи (если она опирается на лед), могут не учитываться; в этом случае расчет основания по деформациям не производится и допускаемая нагрузка на сваи определяется только из условия обеспечения несущей способности основания.

10.12. Несущая способность основания свай, сечения которых имеют входящие углы (крестообразных, двутавровых и т.п.), принимается как наименьшая при сдвиге по следующим возможным поверхностям:

по контакту грунта со сваей - ;

по контуру скважины -  (для буроопускных свай);

по наименьшей, след которой на горизонтальной плоскости не имеет

входящих углов - .

Значения , и  определяются в соответствии с рекомендациями пп. 10.8 - 10.10, а значение  вычисляется по формулам: для буроопускных свай в однородных грунтах

                   (49)

для опускных, бурозабивных и забивных свай, погруженных в разнородные грунты,

      (50)

где  - то же, что в формулах (45) и (46); U0 - периметр горизонтального следа наименьшей возможной поверхности сдвига, м; U1 - часть периметра сечения сваи, в пределах которого учитывается смерзание грунта с ее поверхностью, м; ,  - расчетные сопротивления сдвигу грунта по грунту, МПа, определяемые по СНиП II-18-76 при температуре Tе соответственно для глубин

Для металлических свай с поперечным сечением в виде креста, двух полуколец или прокатного двутавра, боковой поверхности которых не придана повышенная шероховатость, несущую способность основания можно определять в соответствии с рекомендациями пп. 10.8 - 10.10. Периметр прокатных двутавров U принимается при этом равным:

 

Номер профиля

10

16

20

24

30

36

40

U, м

0,386

0,601

0,75

0,886

1,076

1,229

1,343

 

10.13. Для увеличения несущей способности основания свай и уменьшения их длины рекомендуется применять оптимальную форму их поперечного сечения (п. 10.14), использовать для заполнения скважин, в которые погружаются буроопускные сваи, известково-песчаные или песчаные растворы взамен глинисто-песчаного, устраивать под торцами свай подушки из песчаного и крупнообломочного грунта толщиной 1-3 их диаметра, а также производить обработку части их боковой поверхности, располагаемой ниже верхнего горизонта вечной мерзлоты, для придания ей повышенной шероховатости или ребристого профиля. Для металлических свай такая обработка достигается:

корродированием боковой поверхности;

нанесением растворов, например полимеропесчаных*;

приваркой полосы или проволоки;

плазменной (или дробеструйной) обработкой;

прокатом через валки с регулярным рельефом или виброобкатыванием (при изготовлении проката).

Для железобетонных свай требуемое состояние поверхности достигается применением соответствующей опалубки, рифлением свежеуложенного бетона на свободной от опалубки грани, а также путем обнажения зерен крупного заполнителя бетона за счет удаления с поверхности свай растворной составляющей механическим или химическим способами.

Деревянные буроопускные сваи для обеспечения повышенной несущей способности устанавливаются в скважины комлем вверх с предварительной очисткой их от коры, при этом в пределах слоя сезонного протаивания, сложенного пучинистыми грунтами, они изготавливаются без уширения кверху. При опирании деревянных свай на скалу они устанавливаются в скважины комлем вниз.

* А.С. №592929 (СССР). А.С Герасимов и В. В. Докучаев. Способ изготовления свай для вечномерзлых грунтов, БИ№6, 1978.

10.14. При выборе поперечного сечения металлических свай следует учитывать, что в случаях повышенной шероховатости или ребристого профиля их боковых поверхностей наибольшей несущей способностью обладает трубчатое сечение, а в случае необработанной поверхности - крестообразное (+), состоящее из двух полуколец (х) и сварное двутавровое (I) с отношением ширины полки к высоте двутавра 0,93 и 0,67 соответственно для некоррелированной и корродированной поверхностей, причем последнее сечение предпочтительнее для внецентренно нагруженных свай.

11. СВАЙНЫЕ ФУНДАМЕНТЫ НА ОТТАИВАЮЩИХ И ТАЛЫХ ГРУНТАХ

11.1. Свайные фундаменты, погружаемые в протаивающие и талые грунты (рис.32), рекомендуется применять, если сверху залегают сильно-просадочные при оттаивании грунты, не позволяющие применять фундаменты малого заложения, а на доступной глубине (примерно до 7 м) - практически несжимаемые или малосжимаемые (крупнообломочные с песчаным заполнителем, песчаные плотные и средней плотности, а также талые глинистые полутвердой консистенции).

Сваи-стойки устанавливаются буроопускным, бурозабивным или опускным способами; висячие сваи, как правило, опускным способом. Погружение свай-стоек буроопускным способом производится в скважины, которые рекомендуется заполнять цементно-песчаным или известково-песчаным растворами; применение грунтовых растворов для заполнения нижней части скважин не рекомендуется.

Погружение свай опускным способом (забивкой или вибропогружением) производится в грунты, локально оттаянные в местах расположения свай. Размеры локально оттаиваемых зон грунтов и расстояния между ними определяются расчетом с учетом данных испытаний опытных свай*.

11.2. Свайные фундаменты рекомендуется проектировать в следующем порядке:

на основе анализа мерзлотно-геологических условий и оценки деформативности основания намечаются сваи-стойки или висячие сваи;

устанавливаются требования к материалу фундаментов, шаг свай, а также способ погружения и возможные их сечения с учетом производственных возможностей строительной организации;

при пучинистых грунтах производится расчет по указаниям СНиП II-18-76 глубины сезонного промерзания;

производится расчет свай по прочности на внешние нагрузки и воздействия, а для железобетонных свай еще и по трещиностойкости (п. 11.3);

рассчитывается основание по несущей способности (п. 11.4);

при проектировании висячих свай выполняется теплотехнический расчет основания (разд. 7) и его расчет по деформациям (п. 11.11);

рассчитывается устойчивость свай при действии сил пучения (п. 12.10) и при необходимости корректируются их длины или намечаются другие противопучинные меры (пп. 12.3; 12.4);

выполняется расчет железобетонных свай на усилия, возникающие при транспортировке и монтаже, если применяются нетиповые сваи;

унифицируются размеры свай.

*Рекомендации по устройству и расчету оснований с применением локального оттаивания вечномерзлых крупнообломочных грунтов - М: НИИОСП, 1983. - 55с.

11.3. Расчет свай по прочности должен производиться в зависимости от их материала (железобетон, сталь, дерево) по соответствующим СНиП с учетом их продольного изгиба, определяемого по СНиП 2.02.03-85 "Свайные фундаменты". При расчете свай-стоек и висячих свай, прорезающих слой мерзлого грунта и заглубленных в природно-талый грунт (см. рис. 32, а, г, д), следует учитывать пригрузку от сил негативного трения, величина которого определяется по рекомендациям пп. 11.9; 11.10, при этом коэффициент надежности по нагрузке принимается равным единице.

Проверка трещиностойкости свай при морозном пучении грунтов выполняется по указаниям п. 12.15.

Рис. 32. Примеры свайных фундаментов на оттаивающих и талых грунтах (а-д)
1 - грунты, сильнопросадочные при оттаивании; 2 - грунты практически несжимаемые при оттаивании; 3 - сваи-стойки; 4 - граница зоны многолетнего прошивания вечномерзлых грунтов; 5 - висячие сваи; 6 - мало-сжимаемые при оттаивании грунты, подвергаемые локальному предпостроечному протаиванию; 7 - природноталый грунт

11.4. Расчет свайных оснований по несущей способности производится из условия

                                                                           (51)

где  - расчетная вертикальная нагрузка, кН, передаваемая на сваю (пп. 4.2; 4.3);  - расчетная сила предельного сопротивления основания сваи, кН, именуемая в дальнейшем несущей способностью сваи, определяемая по рекомендациям п. 11.5;  - то же, что в п. 9.4;  - коэффициент надежности по основанию, принимаемый равным 1,4.

11.5. Несущая способность , кН, по грунту свай-стоек в протаивающих грунтах (см. рис. 32, а) и висячих свай, прорезающих слой мерзлого грунта и заглубленных на необходимую длину в природноталый грунт (см. рис. 32, г, д), определяется по формуле

                                                                 (52)

где  - коэффициент условий работы сваи в грунте, принимаемый равным 1;  - несущая способность сваи по грунту, кН, без учета негативного трения, определяемая по рекомендациям пп. 11.6; 11.8; Nn суммарная сила негативного трения, кН, действующая на сваю при протаива-нии грунта, определяемая по рекомендациям пп. 11.9; 11.10.

Несущая способность свай, погруженных в локально оттаянные грунты, определяется с использованием имеющихся данных их полевых испытаний, производимых по специальной программе, предусматривающей возможность изменения несущей способности при последующем сплошном протаивании грунта под зданием.

11.6. Несущая способность сваи-стойки , кН (без учета негативного трения), определяется по формуле

                                                                     (53)

где  - коэффициент условий работы, равный 0,6 для неэащемленнкх свай-стоек и 0,7 - для защемленных (заглубление которых в скальные не-выветрелые грунты составляет не менее чем два диаметра сваи); А - площадь опирания сваи, м2, на грунт, принимаемая для незащемленных свай сплошного сечения или полых, нижний конец которых заполнен в пределах трех диаметров бетоном, равной площади сечения брутто; для защемленных свай - площади поперечного сечения нижней части (забоя) скважины; R - расчетное сопротивление грунта под нижним концом сваи-стойки, кПа, определяемое по рекомендациям п. 11.7.

11.7. Расчетное сопротивление скальных и крупнообломочных грунтов R, меняющих свои прочностные и деформативные характеристики при оттаивании, должно устанавливаться по имеющимся данным испытаний свай. Для скальных, малосжимаемых крупнообломочных и плотных песчаных грунтов, не меняющих своих прочностных и деформативных характеристик при оттаивании, значение R рекомендуется принимать:

для защемленных свай-стоек по указаниям СНиП 2.02.03-85 как для набивных свай, заделанных в невыветрелый скальный грунт не менее чем на 0,5 м;

для незащемленных свай-стоек по указаниям той же главы СНиП как для свай-оболочек, равномерно опираемых на поверхность невыветрелого скального грунта, прикрытого слоем нескальных неразмываемых грунтов толщиной не менее трех диаметров сваи.

11.8. Несущая способность висячей сваи , кН, прорезающей слой мерзлого грунта и заглубленной на необходимую длину в природно-талый грунт (без учета негативного трения), определяется сопротивлением природно-талого грунта сдвигу, которое принимается по указаниям СНиП II-17-77.

11.9. Суммарная сила негативного трения, действующая на сваю-стойку при протаивании грунта, определяется по формуле

                                                         (54)

Где  - коэффициент условий работы, принимаемый равным 1; U - периметр поперечного сечения сваи, м2. Для буронабивных свай и буро-опускных при заполнении скважин цементным раствором U принимается равным периметру поперечного сечения скважины; n - количество слоев, на которое разбивается толща грунта от поверхности до кровли скальных пород;  - толщина i-ro слоя грунта, м;  - расчетное значение удельной силы негативного трения, кПа, в пределах 1-го слоя протаивающего грунта, определяемое по формуле

          (55)

где - удельный вес грунта i-го слоя, кН/м3, определяемый с учетом взвешивающего действия воды (в пределах той части длины сваи, где оно будет проявляться после полного протаивания грунта);  - коэффициент бокового давления i-uo слоя грунта в состоянии покоя, принимаемый для водонасыщенных крупнообломочных и песчаных грунтов равным 0,3 и для маловлажных -0,45; для глинистых грунтов маловлажных - 0,5 и водонасыщенных - 0,7; ,  - соответственно угол трения оттаивающего грунта по материалу свай, град, и сцепление этого грунта с материалом сваи, кПа, принимаемые для буроопускных свай при цементном растворе и буронабивных равными углу внутреннего трения грунта - и его сцеплению сIi , для прочих видов свай - равными некоторым долям от  и сIi, величины которых устанавливаются по табл. 16, где над чертой указаны значения коэффициентов kφ и kc для маловлажных, под чертой - для грунтов в водонасыщенном состоянии.

Таблица 16

Материал сваи

Значения kφ и kc для грунтов

песков

Супесей

суглинков

kφ

kφ

kc

kφ

kc

Сталь

0,55

0,65

0,8

0,7

0,3

0,3

0,4

0,4

0,3

0,3

Сталь корродированная

0,75

0,85

0,95

0,75

0,35

0,35

0,65

0,65

0,35

0,35

Бетон

0,75

0,8

0,9

0,85

0,4

0,4

0,85

0,85

0,4

0,4

 

При применении специальных покрытий (например, битумных) для уменьшения сил негативного трения в буроопускных сваях значение Nn рекомендуется устанавливать по имеющимся данным испытаний свай на выдергивание.

11.10. Суммарная сила негативного трения N, действующая на висячую сваю при протаивании слоя мерзлого грунта, прорезаемого ею, для буроопускных свай определяется по формуле (54), а при других способах погружения сваи - по этой же формуле при значениях fn,i, определяемых по указаниям СНиП 2.02.03-85 как для расчетных сопротивлений i-x слоев грунта при выдергивании свай, при этом  принимается равным 0,7. Негативное трение учитывается до подошвы многолетнепротаивающего мерзлого грунта.

11.11. Расчет свайных фундаментов, погруженных в локально оттаянные грунты, по деформациям производится с использованием имеющихся данных статических испытаний свай (п. 11.5), а погруженных в природно-талые грунты - по указаниям СНиП 2.02.03-85.

Если сваи опираются на талые крупнообломочные грунты, плотные пески и твердые глины, расчет по деформациям не требуется. Деформации могут не рассчитываться также при устройстве компенсационных фундаментов, позволяющих обеспечить проектные отметки надземных конструкций при эксплуатации здания.

12. ПРОЕКТИРОВАНИЕ ФУНДАМЕНТОВ В УСЛОВИЯХ РАСПРОСТРАНЕНИЯ ПУЧИНИСТЫХ ГРУНТОВ

12.1. Минимальная глубина заложения фундаментов в вечномерзлые грунты, используемые по принципу I, может не ограничиваться, если проектное решение оснований и фундаментов обосновано расчетом на все виды нагрузок и воздействий, в том числе по устойчивости и прочности на воздействие сил морозного пучения.

Глубину заложения фундаментов при использовании вечномерзлых грунтов по принципу II рекомендуется назначать:

для наружных фундаментов (от уровня планировки) - не менее расчетной глубины промерзания df, определяемой по СНиП II-18-76;

для внутренних фундаментов отапливаемых зданий - независимо от df.

Рекомендуется в последнем случае расстояние от наружных граней внутренних фундаментов до края здания принимать не менее половины расчетной глубины сезонного промерзания, и для предохранения от промерзания грунтов под их подошвами устраивать снаружи здания обвалование.

Глубина заложения фундаментов может назначаться меньше расчетной глубины протаивания-промерзания, если: в проекте оснований и фундаментов предусмотрены мероприятия, не допускающие увлажнения пучинистых грунтов основания, а также промораживания их в период строительства (пп. 12.6, 12.7); здания специально приспособлены к неравномерным деформациям пучения грунтов (п. 1.7а) или между подошвами фундаментов одноэтажных зданий и кровлей пучинистых грунтов имеется буферный слой из непучинистого материала (п. 1.7б).

12.2. Исключение (или уменьшение) перемещений незаглубленных и малозаглубленных фундаментов в результате пучения грунтов под их подошвами обеспечивается путем сокращения толщины промерзающего слоя или снижения его пучинистых свойств.

Уменьшение толщины промерзающего слоя пучинистого грунта под подошвой фундамента достигается уменьшением расчетной глубины сезонного протаивания-промерзания природных пучинистых грунтов за счет устройства подсыпок из непучинистого грунта толщиной не менее 10 см, теплоизоляции на поверхности грунта (см. разд. 8; пп. 12.6; 12.7) или смещением фундаментов внутрь здания (пп. 8.9; 12.1); такое смещение особенно эффективно в сборно-разборном здании, собираемом из блок-контейнеров, в конструкциях которых предусмотрены опорные стальные рамы.

Снижение пучинистых свойств грунтов достигается:

уменьшением влажности грунтов, залегающих ниже подошв фундаментов (п. 12.5);

заменой природного грунта под подошвами фундаментов в пределах расчетной глубины сезонного протаивания-промерзания менее пучинистым или непучинистым грунтом;

локальным уплотнением основания под фундаментами втрамбованием в него крупнообломочного грунта1;

засолением грунтов веществами, не вызывающими коррозию стали и бетона (при сроке эксплуатации зданий на площадке не более трех лет, возводимых на талых и оттаивающих грунтах).

12.3. Снижение сил, выпучивающих фундамент вследствие смерзания его поверхностей с окружающим грунтом, достигается:

уменьшением расчетной глубины сезонного протаивания-промерзания природных пучинистых грунтов за счет устройства подсыпок, теплоизоляции на поверхности грунта (см. разд. 8; пп. 12.6; 12.7) или смещения фундаментов внутрь здания (пп. 8.9; 12.1);

уменьшением влажности грунтов в пределах глубины сезонного промерзания (п. 12.5);

засолением грунтов (п. 12.2);

уменьшением периметра сечения фундамента в пределах зоны развития касательных сил пучения;

уменьшением прочности смерзания грунта с поверхностью фундамента в пределах глубины сезонного протаивания-промерзания путем ее обработки - нанесением противопучинных покрытий, обертыванием полиэтиленовой пленкой и т.п1,2.

12.4. Повышение анкерующей способности фундаментов обеспечивается увеличением глубины их заложения ниже слоя сезонного протаивания-промерзания и устройством анкерных плит (башмаков) (рис. 33).

1Руководство по проектированию оснований и фундаментов на пучинистых грунтах. - М.: Стройиздат, 1979.-39 с.

2Рекомендации по уменьшению касательных сил морозного выпучивания фундаментов с применением пластических смазок. - М.: НИИОСП, 1983.-19 с.

Рис. 33. Сопряжение стоем с башмаками столбчатых фундаментов
1 - цементный раствор; 2 - железобетонная (стальная) стойка; 3 - ваза стойки; 4 - железобетонный башмак; 5 - крепежные болты; 6 - деревянная стойка; 7 - опорные бревна

12.5. Уменьшение влажности грунтов с целью снижения их пучинистых свойств производится на площадках, сложенных малосжимаемыми при оттаивании вечномерзлыми грунтами, и обеспечивается мерами по защите площадки от подтопления и организации поверхностного стока.

Для защиты грунтов от местного переувлажнения по контуру зданий со сроком службы более 5 лет проектируются отмостки шириной 14 м с уклоном 30-50%.

12.6. При проектировании и возведении малозаглубленных фундаментов следует стремиться обеспечивать одинаковые условия промерзания и оттаивания пучинистых грунтов под их подошвами: устраивать подсыпку, подушки и теплоизоляцию одинаковой толщины, не опирать фундаменты на частично оттаянные или частично промерзшие грунты разной толщины; работы нулевого цикла выполнять без перерывов в кратчайшие сроки, не допуская разрыхления и дополнительного увлажнения грунтов в основаниях; подземные сети укладывать одновременно с устройством фундаментов; минимально нарушать дерново-почвенный покров вне фундаментов.

12.7. Противопучинная защита зданий должна быть обеспечена как в течение их эксплуатации, так и в период строительства. В зданиях, не сданных в эксплуатацию, если не обеспечивается устойчивость фундаментов при пучении, рекомендуется предохранять грунты от промерзания путем укладки вблизи поверхности теплоизоляции (шлака, опилок, керамзита, пенопласта и т.п.). Если и в этом случае не обеспечивается устойчивость фундаментов, целесообразно при принципе II предусмотреть отопление помещений, примыкающих к фундаментам.

12.8. Надземные конструкции зданий, возводимых на пучинистых грунтах, для исключения нормальных сил пучения должны укладываться с зазором относительно поверхности грунта, величина которого принимается не менее 15 см. При устройстве полов по грунту они должны быть защищены от промерзания у наружных стен.

12.9. При проектировании фундаментов производится проверка их устойчивости, прочности и трещиностойкости с учетом усилий, возникающих при их взаимодействии с пучинистыми грунтами.

Расчеты фундаментов выполняются:

по устойчивости согласно п. 12.10;

по прочности и трещиностойкости согласно п. 12.15.

12.10. Проверка устойчивости фундамента при действии касательных сил пучения производится из условия

                        (56)

где  и  - коэффициенты сочетаний, принимаемые равными соответственно 1 и 0,8, если  >  или 0,8 и 1, если  , tfh - расчетная удельная касательная сила пучения, МПа, принимаемая по п. 12.11;  - площадь боковой поверхности фундамента в пределах расчетной глубины сезонного протаивания-промерзания м2;  - коэффициент снижения выпучивающей силы за счет вертикального давления на башмаки столбчатых фундаментов, принимаемый по рекомендациям п. 12.12 (для свай k0 = 1);  - расчетная вертикальная выдергивающая нагрузка на фундамент (ветровая, крановая и т.п.), МН; - расчетная постоянная нагрузка, МН, передаваемая зданием на фундамент к моменту начала промерзания грунтов и определяемая при коэффициенте надежности по нагрузке 0,9;  - то же, что в п. 9.4;  - коэффициент надежности по основанию, принимаемый равным 1,1;  - расчетная сила, удерживающая фундамент от выпучивания, МН, вследствие сопротивления сдвигу грунтов ниже слоя сезонного протаивания-промерзания, определяемая по рекомендациям пп. 12.13 и 12.14.

При проектировании фундамента с анкерной плитой, боковая поверхность которой соприкасается с пучинистым грунтом, вместо выражение (56) подставляется   здесь и  вычисляются соответственно для стойки и анкерной плиты.

12.11. Расчетная удельная касательная сила пучения tfh определяется по табл. 17.

Таблица 17

Грунт по степени морозной пучинистости (табл. 2)

Значения tfh, МПа, при расчетной глубине сезонного протаивания-промерзания, м

1

2

3

Силыюпучинистый

Среднепучинистый

Слабопучинистый

0,13

0,1

0,08

0,11

0,09

0,07

0,09

0,07

0,05

Примечания: 1. Значения tfh, для грунтов, используемых при обратной засыпке котлованов, принимаются по поз. 1 таблицы. 2. Табличные значения т« умножаются на коэффициент kfh, учитывающий состояние поверхностей фундаментов, смерзающихся с пучинистым грунтом:

Виды поверхностей                                                                           Значение kfh

 

Бетонные, изготовленные в металлической

опалубке................................................................……………………………..1

Бетонные, в деревянной опалубке...................……………………………. 1,2

Бутобетонные и бетонные с повышенной

шероховатостью ..................................................……………………………1,4

Стальные:

хоподнодеформированные.................................……………………….0,7

горячедеформированные.....................................………………………0,8

корродированные ................................................…………………………1

Деревянные:

необработанные...................................................……………………….1,2

антисептированные............................................………………………..0,9

Все виды поверхностей, покрытые пластическими

смазками БАМ-3(4)*............................................……………………………0,4

 

3. При обработке грунта слоя сезонного промерзания вблизи фундамента (на расстоянии 0,25 м от его поверхности) солями хлористого калия и фтористого натрия табличные значения  умножаются на коэффициент 0,7**.

12.12. Значения коэффициента снижения выпучивающей силы  в формуле (56) определяются по табл. 18 в зависимости от , где d’ - глубина заложения верхней грани анкерной плиты, dth(f) - расчетная глубина сезонного протаивания-промерзания, b - ширина квадратной анкерной плиты, bp - размер квадратного поперечного сечения стойки фундамента в пределах глубины сезонного промерзания. Вариант 1 применяется для промерзающего слоя сезонного протаивания в условиях сливающихся вечномерзлых грунтов, вариант II - в остальных случаях.

*Рекомендации по уменьшению касательных сил морозного выпучивания фундаментов с применением пластических смазок М.- НИИОСП, 1983 -19 с.

Таблица 18

d' /b

dth(f)/b

Значения  (вариант I) при l/ bp, равном

Значения (вариант II) при b/ bp, равном

2

3

4

5

2

3

4

5

0,5

0,5

0,61

0,50

0,41

0,4

0,58

0,41

0,27

0,23

1

0,5

0,71

0,65

0,61

0,59

0,63

0,5

0,47

0,44

1

0,71

0,65

0,61

0,59

0,61

0,46

0,4

0,37

2

0,5-1

0,9

0,88

0,87

0,87

0,85

0,81

0,79

0,79

2

0,88

0,85

0,83

0,83

0,76

0,67

0,65

0,63

3

0,5-2

0,96

0,95

0,94

0,93

0,9

0,9

0,88

0,87

3

0,93

0,92

0,91

0,9

0,84

0,8

0,77

0,76

5

0,5-3

0,98

0,98

0,98

0,97

0,97

0,97

0,96

0,95

5

0,96

0,96

0,96

0,96

0,9

0,89

0,88

0,87

 

12.13. Расчетная сила, удерживающая фундамент от выпучивания за счет смерзания его с вечномерзлыми грунтами, Nrf, МН, принимается для свайных фундаментов равной второму слагаемому в скобках формул (45), (46), (48), (49) и (50), для столбчатых фундаментов - значению, определяемому по формуле

                  (57)

где  - коэффициент условий работы, принимаемый равным 1; b и l -ширина и длина подошвы фундамента, м;  - высота нижней ступени башмака, м;  - глубина заложения фундамента в вечномерзлый грунт, м;  - расчетное сопротивление сдвигу по поверхности смерзания с вертикальной гранью нижней ступени башмака, МПа, определяемое при температуре Тm (п. 6.1) на глубине от ВГВМ z = - 0,5;  - сопротивление мерзлого грунта сдвигу, МПа, определяемое по СНиП II-18-76 - при температуре Тm на глубине z = - 0,5.

12.14. Расчетная сила, удерживающая фундамент от выпучивания за счет трения его о талый грунт, Nrf, МН, определяется по формуле

                                                          (58)

где  и - коэффициенты условий работы соответственно фундамента в грунте и грунта по боковой поверхности фундамента, принимаемые согласно указаниям СНиП 2.02.03-85 (для анкерных фундаментов как для набивных свай); n - число слоев талого грунта от расчетной глубины сезонного протаивания-промерзания до середины анкерной плиты (в анкерных фундаментах) или до подошвы фундаментов (в остальных случаях); fi - расчетное сопротивление грунтов сдвигу по боковой поверхности фундамента в i-м слое, МПа, принимаемое согласно указаниям СНиП 2.02.03-85 (для анкерных фундаментов, как для набивных свай) ;  - площадь вертикальной поверхности сдвига, м2, в i-м слое, принимаемая равной для анкерных фундаментов - произведению толщины i -го слоя талого грунта на периметр анкерной плиты; для свай и столбов без анкерной плиты - произведению толщины i-го слоя на периметр их сечения.

12.15. Железобетонные сваи (стойки) должны удовлетворять требованиям трещиностойкости при морозном пучении грунтов, а соединение стойки и башмака столбчатого фундамента должно быть проверено на отрыв при действии касательных сил пучения.

Расчетное усилие N, МН, разрывающее фундамент, определяется по формуле

                                          (59)

где - то же, что в формуле (56), причем при определении нагрузки для столбчатого фундамента собственный вес грунта и анкерной плиты не учитывается.

При проектировании фундаментов с анкерной плитой в формуле (59) под  понимается площадь боковой поверхности стойки в пределах расчетной глубины сезонного протаивания-промерзания.

13. ПРИМЕРЫ РАСЧЕТА

Пример 1. Требуется определить толщину подсыпки под сборно-разборное каркасное здание, обеспечивающую на поверхности природных глинистых грунтов максимальную температуру Тm1 = -0,2°С. Здание с холодным подпольем возводится в пос. Амдерма, отмостки запроектированы без покрытий. Природные грунты - суглинки с плотностью мерзлого грунта в сухом состоянии 1,4 т/м3, суммарной влажностью wtot = 0,3, влажностью на границах текучести и раскатывания wL = 0,3 и wD = 0,17. Материал подсыпки - песок с плотностью в сухом состоянии 1,65 т/м3 и wtot = 0,07. Проектная ширина бермы подсыпки lB = 2 м. Среднегодовая температура грунта Т0 с учетом прогноза ее изменения при застройке территории, в том числе за счет устройства подсыпки, составляет -4°С.

Толщину подсыпки hs рассчитываем в соответствии со схемой II (см. рис. 27), Нормативная глубина сезонного протаивания песчаных грунтов, подстилаемых глинистыми, определенная в соответствии с п. 5.2

dth, s, n = 1,9 м. По формуле (18) с учетом (19) при k = kh = 1 определяем величину

Так как , то уточняем значение , принимая к =1,62:

.

Далее по формуле (17) рассчитываем hs

Пример 2. Требуется определить размеры подсыпки из условий равенства глубин сезонного протаивания под сборно-разборным зданием из блок-контейнеров и вне его и обеспечения на поверхности природных глинистых грунтов максимальной температуры Тm = -0,2°С. Мерзлотно-грунтовые условия те же, что в примере 1. Наружные грани подошв фундаментов у наружных продольных стен сдвинуты относительно граней последних внутрь здания на величину а1 = 1,2 м, а у наружных поперечных стен - наружу на величину а2 = 0,6 м (рис. 34).

Нормативная глубина сезонного протаивания природных грунтов, определенная в соответствии с п. 5.2, dth, n =1,4 м. Расчетная глубина сезонного протаивания под краем здания по формуле (11) dth = 0,9x1,4= 1,26 м.

Исходя из схемы II, по формуле (18) при k = 1 и kh =0,8 определяем толщину подсыпки под зданием  = 1·0,8·1,9 + 3(-0,2)/(-4) = 1,67 м, при этом расчетная глубина сезонного протаивания подсыпки под зданием dth, s = 0,8-1,9 = 1,52 м.

Учитывая, что dth, s = dth, s1 (глубины протаивания под зданием, где нет теплоизоляции, и вне здания, где она укладывается, должны быть равны) и hs = 1,67 м, в соответствии с п. 8.16 получаем  = dth + hs - dth, s1 = 1,26 + 1,67 - 1,52  1,4 м. Ширину бермы у торцов здания lg вычисляем из условия

Далее определяем толщину теплоизоляции вне здания исходя из схемы III (см. рис. 27). Коэффициент теплового влияния откоса kh,s, при lB/hs = 2/1,67 = 1,2 принимаем по табл. 10 равным 0,72. Толщину защитного слоя песка над теплоизоляцией принимаем h0 = 0,3 м, а толщину слоя теплоизоляции в первом приближении полагаем hw = 0,03 м, тогда глубина протаивания под теплоизоляцией h’ = d dth, s - h0 - hw = 1,52 - 0,3 - 0,03 = 1,19 м. Полагая, что отмостки устраиваются без черного покрытия, принимаем согласно п. 8.14, по картам Тd = Т1 = 9,5°С и td=t1=11,5·106c

Рис. 34. План и разрез здания из блокконтейнеров
1 - теплоизоляция (пенополистирол ПСБ-с; 2 - фундаменты; 3 - блокконтейнеры; 4 - расчетный ВГВМ

При и h0= 0,3 м по табл.11 принимаем m2 = 0,93. По формулам (22) и (23) при R1 = 0 (случай расчета вне здания) находим Т2 и t2:

Для определения по формуле (21) комплекса ц вычисляем по формулам (7) и (6) величины Lv1 и Q, причем при вычислении Lv1 используем характеристики песка, a Q - характеристики суглинка. Для этого определяем:

1) по СНиП II-18-76 для грунта подсыпки ; ; ; для природных грунтов (суглинков) ; ;

2) по рекомендациям п. 5.4 принимаем:

Тb,f= 0 (для песков) Тb,f = -0,2°С (для суглинков);

3) по формуле (24) находим для грунта подсыпки (вне здания)

4) по формуле (9) температуру

 и соответствующее этой температуре к =3,8 (табл.4).

Исходя из вычисленных значений находим

η = 0,72·1,19(46·106·0,72·l, 19 + 48·106) / (l,32·10,110,7·106) = 0,52.

Далее по графику на рис. 28 при η = 0,52 принимаем υ = 1,3 и вычисляем требуемую толщину теплоизоляции по формуле (20)

Полученное значение  совпадает с ранее принятым, поэтому пересчета hw не требуется. Таким образом, поставленному условию удовлетворяет подсыпка толщиной 1,67 м с теплоизоляцией толщиной  = 0,03 м, уложенной в ее теле по контуру здания на глубине от поверхности  = 0,3 м. Ширина берм у торцов здания lB = 2 м. У наружных продольных стен можно назначить ее исходя из условия, чтобы наружный контур теплоизоляции совпадал с бровкой подсыпки, тогда . Внутренний контур теплоизоляции отодвинут внутрь здания на величину  (п. 8.16). Та ким образом, полная ширина теплоизоляции у торцов здания , а у продольных стен 0,8 + 0,5 = 1,3 м.

Так как фундаменты у наружных продольных стен сдвинуты относительно края здания на величину , то можно отказаться от укладки теплоизоляции у продольных стен (см. рис. 34), однако при этом необходимо, чтобы , поскольку в этом случае тепловое влияние откосов на глубину сезонного протаивания под этими фундаментами можно не учитывать (п. 8.12).

Пример 3. Требуется рассчитать сваи под внутренние стены жилого двухэтажного сборно-разборного здания, возводимого в пос. Амдерма на срок 15 лет. Грунты представлены суглинками с льдистостью ii < 0,2, при оттаивании текучими. Их суммарная влажность в слое сезонного протаивания wtot = 0,3, влажность на границе раскатывания wp = 0,17, число пластичности Ip = 0,14. Среднегодовая температура грунтов T0 = -4°С. Проектом предусмотрены металлические сваи из горячедефор-мированных труб диаметром d = 159 мм с толщиной стенок  = 6 мм. Сваи устанавливаются в пробуренные скважины, заполняемые глинисто-песчаным раствором. Длина надземной части сваи до места приложения горизонтальной нагрузки l0 = 1,6 м. Нагрузки на сваю: расчетная вертикальная N = 150 кН, расчетная горизонтальная от действия ветра Р = 6,2 кН.

Нормативная глубина сезонного протаивания, определенная по п. 5.2, dth,n = 1,4 м. Расчетная глубина сезонного протаивания под серединой здания по формуле (11) dth = 0,8-1,4 = 1,15 м.

Рассчитываем сваю на горизонтальную и моментную нагрузки. Учитывая, что заполнение скважин производится глинисто-песчаным раствором, сопротивление хруктов слоя сезонного протаивания в соответствии с п. 10 5 не учитываем. Вертикальная нагрузка вызывает момент в свае М '= Ne' = 150·0,03 = 4,5 кН·м, где е' - допускаемое смещение сваи в плане, принимаемое по рекомендациям п. 10.6 равным 0,03 м. Момент, приведенный к месту заделки, с учетом зависимости (42): М = М' + P(lo + dth + 1,5b) = 4,5 + 6,2(1,6 + 1,15 + 1,5·0,159) = 23,1 кН·м < Мu =32 кН·м (п. 10.6), при определении предельного момента Мu по табл. 15 расчетная длина сваи lef принималась по формуле (43): lef = 2(1,6 + 1,39) = 5,98 м.

Таким образом, выбранное поперечное сечение удовлетворяет требованиям работы материала сваи.

Рассчитываем длину сваи в вечномерзлом грунте hf из условия обеспечения несущей способности основания. Расчет производим по формуле (45). Предварительно задаем hf = 2 м. По рекомендациям п. 10.8 находим коэффициент условий работы  = 1,32. Для нахождения по таблицам СНиП II-18-76 расчетных сопротивлений мерзлых грунтов R и Raf, вычисляем по формуле (12) расчетные температуры, пользуясь графиком рис. 25 для определения коэффициентов аz:

Tz= [-4- (-0,2)] 0,57 + (-0,2) = -2,4°С, Те = [ (-4 - (-0,2) ]х 0,29 + (-0,2) = -1,3°С; R= 1,2 МПа; Raf = 0,12-0,7 = 0,084 МПа,

Площадь торца сваи А = 0,25·3,14-0,1592 = 0,02 м2, площадь ее боковой поверхности ниже ВГВМ - Aaf = 3,14·0,159·2 = 1 м2. Несущая способность основания Nu = 1,32 (1,2·0,02 + 0,084·1,0) = 0,14 МН.

Несущую способность сравниваем с расчетной нагрузкой исходя из условия (44) : N = 0,15 > Nu/ (gn · gk) = 0, 14/ (0, 9·1,2 ) = 0,13 МН. Следовательно, необходимая несущая способность основания при hf = 2 м не достигается. Требуемая несущая способность может быть получена в частности путем увеличения длины сваи в вечномерзлом грунте или изменения состояния ее боковой поверхности ниже ВГВМ. Принимается, что сваи предварительно корродируют. В этом случае Raf = 0,12·0,9 = = 0,108 МПа, Nu = 1,32 (1,2·0,02 + 0,108·1) = 0,17 МH и N < Nu / (gn · gk )=0,16 МН, т.е. несущая способность сваи обеспечивается.

Производим проверку устойчивости сваи при пучении грунта по формуле (56). Определяем входящие в нее параметры: коэффициенты g1= 1; gn = 0,9; gk = 1,1; расчетную удельную силу пучения для  = 1,15 м по рекомендациям п. 12.11  = 0,127·1 = 0,127 МПа, площадь поверхности сваи в пределах глубины : = 3,14· 0,159·1,15 = 0,57 м2. Так как в этой формуле  = 1·0,127·0,57 = 0,072 МН< Nrf/(gn · gk) =0,108·1/(0,9·1,1) =0,109 МН, то устойчивость сваи обеспечивается как в строительной, так и эксплуатационной периоды.

Пример 4. Требуется определить размеры подошвы отдельно стоящего незаглубленного фундамента сборно-разборного здания, состоящего из блок-контейнеров, установленных с зазорами 3 см при обеспеченной возможности периодического выравнивания отметок опорных конструкций в условиях эксплуатации. Расчетный срок эксплуатации здания на площадке - 5 лет. Вечномерзлые грунты используются по принципу I. Грунты слоя сезонного протаивания представлены суглинками, имеющими после оттаивания коэффициент пористости е = 1 и показатель текучести IL = 1. Нормативная вертикальная нагрузка на уровне квадратной в плане подошвы фундамента N = 35 кН. Нормативный момент на уровне подошвы от ветровой нагрузки М = 1,1 кН·м.

Поскольку блок-контейнеры устанавливаются с зазорами не менее 3 см и обеспечивается возможность периодического выравнивания отметок опорных конструкций, то в соответствии с указаниями пп. 1.7 и 12.1 здание может рассматриваться как'приспособленное к деформациям пучения грунтов слоя сезонного протаивания.

Размер подошвы определяем в зависимости от расчетного сопротивления грунта, при этом расчет основания по деформациям может не производиться (п. 9.3 в). Вначале по рекомендациям п. 9.5 и указаниям п.3 прил. 3 СНиП 2.02.01-83 вычисляем расчетное сопротивление глинистого грунта слоя сезонного протаивания R, предварительно задаваясь сторонами подошвы b = l = 0,9 м; R = R0 (1 + k1 (b - bо)/bо) (d + d0 /(2 d0) = 1·100(1+0,05(0,9 - 1)/1)2/(2·2) = 49,8 кПа.

В соответствии с рекомендациями п. 9.4 при эксцентриситете вертикальной нагрузки е= M/N = 1,1/35 = 0,031 м>1/30 = 0,9/30 = 0,03 м размеры подошвы должны определяться из условия (32), т.е. ограничения краевого давления рmax величиной 1,2R/0,9 = 66,4 кПа. По формуле (34) получаем

,

Т.е. данное условие выполняется.

Аналогичный расчет при b = 0,8 м дает R = 49,5 кПа, рmax = 67,6 >1·2·49,5/0,9 = 66 кПа, следовательно, принятые размеры сторон подошвы b = 1= 0, 9 м сохраняются.

Пример 5. Требуется определить размеры подошвы отдельно стоящего наружного незаглубленного фундамента одноэтажного сборно-разборного панельного здания, возводимого в пос. Амдерма. Расчетный срок эксплуатации здания на площадке 10 лет. Вечномерзлые грунты используются по принципу I. Грунты слоя сезонного протаивания представлены суглинками, имеющими после оттаивания коэффициент пористости е = 1, показатель текучести IL = 1, суммарную влажность wtot = 0,3. Нормативная вертикальная нагрузка на уровне квадратной в плане подошвы фундамента N = 35 кН. Нормативный момент на уровне подошвы от ветровой нагрузки М = 1 кН·м.

В соответствии с указаниями п. 12.1 незаглубленные отдельно стоящие фундаменты могут быть применены, если между их подошвами и кровлей пучинистых грунтов будет располагаться буферный слой из непучинистых грунтов. С этой целью применяем подсыпку из песков средней крупности, уплотненных до средней плотности в сухом состоянии 1,65 т/м3.

Предварительно задаемся толщиной подсыпки . Нормативная глубина сезонного протаивания песчаных грунтов, подстилаемых глинистыми,  (см. пример 1); то же, глинистых  (см. пример 2). При известных значениях находим из формулы (16) толщину сезоннопротаивающего слоя в природных грунтах , полагая, что ширина бермы :

. Допустимая толщина слоя пучинистых грунтов, подстилающих непучинистые, согласно п. 1.7 б, . Поскольку , принятую толщину подсыпки оставляем без изменения.

Размер подошвы определяем в зависимости от расчетного сопротивления грунта, при этом расчет основания по деформациям может не производиться (п. 9.3 в). Вначале по рекомендациям п. 9.5 и указаниям п. 3 прил. 3 СНиП 2.02.01-83 вычисляем расчетное сопротивление песчаного грунта слоя сезонного протаивания, предварительно задаваясь сторонами подошвы

В соответствии с рекомендациями п. 9.4 при эксцентриситете вертикальной нагрузки  более размеры подошвы должны определяться из условия (32), т.е. ограничения краевого давления  величиной .

По формуле (34) получаем:

Поскольку в основании фундамента залегает слой глинистого грунта, для которого значение R меньше, чем для песчаного, то, согласно п. 9.3, необходимо произвести проверку давления на этот слабый слой (см. п. 2.48 СНиП 2.02.01-83).

Для определения  дополнительного вертикального напряжения на глубине  находим дополнительное давление на основание , затем при находим по табл. 1 прил. 2 СНиП 2.02.01 -83 а = 0,108. Тогда

Для определения - вертикального напряжения на глубине г от собственного веса грунта при суммарной влажности грунта подсыпки находим его удельный вес . Тогда  Ширина условного фундамента по формуле (10) СНиП 2.02.01-83

Для расчетное сопротивление глинистого грунта слоя сезонного протаивания

Сравнение этого значения с действующим давлением  показывает, что принятые размеры подошвы фундамента  удовлетворяют необходимым требованиям.

Пример 6. Требуется определить размеры подошв отдельно стоящих незаглубленных фундаментов, которые располагаются под серединой и краем одноэтажного сборно-разборного здания (из блок-контейнеров, имеющих отношение длины L к высоте Н, равное -2) шириной 6 м и длиной 15 м, возводимого с использованием грунтов основания по принципу II на срок  Термическое сопротивление пола . Ширина подошв фундаментов . Нормативная вертикальная нагрузка на уровне подошв . Нормативный момент на уровне подошв от ветровой нагрузки .

Мерзлотно-грунтовые условия площадки: грунты основания - в пределах глубины сезонного протаивания - влажные мелкие пески средней плотности, непучинистые, ниже этой глубины - мелкие пески с суммарной влажностью , плотностью оттаявшего грунта при максимальном уплотнении и плотностью мерзлого грунта в сухом состоянии . Толщина сезоннопротаивающего слоя в природных условиях  нормативная глубина сезонного протаивания среднегодовая температуравечномерзлого грунта . Фундаменты опираются на природные грунты.

Расчеты производим в соответствии с указаниями пп. 7.2, 7.3 и 9.10. Предварительно вычисляем глубины протаивания грунтов за срок эксплуатации здания под его серединой  и краем , полагая, что оно устанавливается на протаявший слой толщиной . Время , необходимое для протаивания на глубину , по таблицам 1 и 5 прил. 3, составляет под серединой здания - 6,4 года, под краем - 12 лет. Расчетные значения глубин протаивания за приведенное время  лет из тех же таблиц:  . Так как  принимаем  (п. 7.4). Следовательно, под фундаментами вечномерзлый грунт дополнительно протаивает на глубину . Относительная осадка оттаивающих грунтов по СниП II-18-76 . Осадка фундамента по формуле (2)  (осадку, вызванную уплотнением песчаных грунтов слоя сезонного протаивания, в связи с ее малостью, не учитываем). Значение S существенно меньше предельной средней осадки  (п.4.6).

Поскольку и относительная разность осадок среднего и крайнего фундаментов близка к нулю (и на фундаменты действуют одинаковые нагрузки), размеры ил подошв определяем из условия ограничения среднего давления на грунт его расчетным сопротивлением.

Предварительно по рекомендациям п. 9.5 и указаниям п. 3 прил. 3 СНиП 2.02.01-83 находим расчетное сопротивление

Требуемая длина подошвы фундамента исходя из расчета основания центрально нагруженного фундамента  [см. формулу (31)]. Принимаем . Так как эксцентриситет вертикальной нагрузки  меньше , то, согласно указаниям п. 9.4, принятые размеры подошвы  сохраняются.

ПРИЛОЖЕНИЕ 1

РЕКОМЕНДАЦИИ ПО СОСТАВУ ИНЖЕНЕРНЫХ ИЗЫСКАНИЙ ДЛЯ КОМПЛЕКСОВ МОБИЛЬНЫХ ЗДАНИЙ

Общие положения

1. Настоящие рекомендации определяют состав и содержание инженерных изысканий, выполняемых на площадках, которые застраиваются мобильными зданиями. Они дополняют указания "Руководства по инженерным изысканиям для строительства" (М.: Стройиздат, 1982) по выполнению инженерно-геодезических и инженерно-геологических работ с учетом особенностей зданий указанного типа, отмеченных в п. 3.

Изыскания для трасс внеплощадочных коммуникаций и сооружений, источников водоснабжения, местных строительных материалов и другие проводятся в соответствии с требованиями специальных нормативных документов и стандартов.

2. При проведении изысканий необходимо соблюдать общие требования, содержащиеся в нормативных документах: СНиП 2.02.01-83, СНиП II-18-76, СНиП II-7-81 "Строительство в сейсмических районах".

3. Инженерные изыскания выполняются в соответствии с программой, составляемой изыскательской организацией на основании технического задания и разрешения на проведение изысканий, представляемых заказчиком. Программа изысканий определяет состав и объем работ, очередность их выполнения и содержание отчетной документации.

4. Изыскания должны производиться, как правило, одностадийно и комплексно, предпочтительно в бесснежный период года. При численности инвентарного поселка более 350 чел. изыскания рекомендуется производить в два этапа: для разработки генерального плана, совмещенного с проектом детальной планировки, и для рабочего проекта.

5. При проведении изыскательских работ должны соблюдаться требования по охране окружающей среды, указанные в СНиП II-18-76. Эти работы не должны сопровождаться:

разрушением растительного покрова и подлеска неорганизованным движением транспортных средств;

вырубкой леса;

возникновением пожаров и палов;

загрязнением вод, почв и полос стока горюче-смазочными материалами и буровыми растворами с вредными компонентами.

После завершения изыскательских работ должен быть произведен ликвидационный тампонаж горных выработок и осуществлена рекультивация растительных покровов в местах проведения работ.

Инженерно-геодезические изыскания

6. Топографо-геодезические работы на площадке проводятся при отсутствии топографических планов масштабов 1:500 - 1:1000 по изучаемому району.

7. Топографо-геодезические работы включают: маршрутное обследование района площадки (совместно с геологом) для уточнения границ площадки; развитие (при необходимости) сети геодезического обоснования; топографическую съемку выбранной площадки в масштабе 1:500 с сечениями горизонталями через 0,5 м; выбор и закрепление контуров площадки в натуре временными знаками; установку и привязку трех постоянных реперов (при отсутствии в районе, работ геодезического пункта) ; привязку инженерно-геологических выработок.

8. Для площадок автономных комплексов мобильных зданий, удаленных от пунктов государственной геодезической сети и не связанных с существующими сетями дорог и инженерных коммуникаций, допускается использовать систему условных отметок и координат.

9. На территории с сетями действующих подземных коммуникаций необходимо проверить и при необходимости уточнить положение подземных сетей в пределах выбранной площадки и нанести их на топографический план.

Инженерно-геологические изыскания

10. Инженерно-геологические изыскания включают: сбор и анализ материалов по инженерно-геологической изученности района, рекогносцировочное маршрутное обследование выбранной площадки, установление геологического строения с выделением инженерно-геологических элементов (ИГЭ) и показателей свойств грунтов, мерзлотную съемку и прогноз изменения состояния и свойств грунтов в период эксплуатации зданий, оценку неблагоприятных для строительства геологических процессов и явлений и оконтуривание участков, непригодных для строительства.

11. Сбор и анализ материалов инженерно-геологической изученности района производятся в предполевой сезон. В полевой сезон выполняются рекогносцировочное маршрутное, обследование площадки, мерзлотная съемка, проходка горных выработок, отбор и исследование образцов грунта для установления показателей их физико-механических свойств, а также камеральная обработка материалов - составление инженерно-геологической карты в масштабе 1:500 - 1:1000, разрезов, полевой карты фактического материала, ведомости показателей и свойств грунтов и их статистически обоснованных значений.

Окончательный отчет по инженерно-геологическим изысканиям составляется по завершении полевых исследований и включается в сводный отчет по комплексным изысканиям, разрабатываемый в соответствии с указаниями пп. 3.203-3.213 "Руководства по инженерным изысканиям для строительства" (М.: Стройиздат, 1982).

12. В ходе маршрутного обследования площадки разрабатываются рабочая гипотеза и предварительная схематическая карта предполагаемого строения территории, исходя из геологических ландшафтных признаков, выявляемых путем осмотра обнажений, строения рельефа и выборочной проходки шурфов и закопушек. В соответствии с гипотезой намечается расположение инженерно-геологических выработок с целью уточнения геологического строения площадки и установления показателей свойств грунтов по каждому ИГЭ.

13. При отсутствии на площадке ярко выраженных геологических признаков намечают первую серию разведочных скважин. При конфигурации площадки, близкой к квадрату, скважины располагают вблизи углов и по осям площадки, при ленточной конфигурации - по ее главной оси, через 50-60 м, вне зависимости от расположения проектируемых объектов. Число скважин рекомендуется принимать равным 6-9 на каждый гектар площадки, но не менее 5 на площадку. Две скважины из первой серии рекомендуется оборудовать для определения температуры грунтов на глубине 10 м в соответствии с ГОСТ 25358-82. При этом одну скважину выбирают на возвышенном участке микрорельефа, а другую - в пониженном (т.е. в условиях различного снегонакопления).

14. По результатам разведочного бурения скважин первой серии, выполняемого с полным отбором и описанием кернов и взятием образцов грунта для анализов, оценивают сложность инженерно-геологических условий и выдержанность свойств грунтов по площадке, а по характеру залегания и мощности выделенных ИГЭ разрабатывают или уточняют рабочую гипотезу и схематическую карту геологического строения площадки.

15. В ходе маршрутного обследования выявляют признаки, характеризующие наличие неблагоприятных для строительства геологических, в том числе мерзлотных, процессов и явлений с указанием на карте участков их проявления, и прогнозируют направления их развития на срок эксплуатации мобильных зданий.

16. Последующие серии разведочных скважин на площадке назначаются для уточнения характера залегания выделенных ИГЭ и установления нормативных и расчетных значений показателей свойств грунтов, при этом особое внимание уделяется уточнению расположения сильнодеформируемых грунтов (пучинистых, заторфованных, сильнольдистых и т.п.). При привязке типовых проектов комплексов мобильных зданий расположение этих скважин следует выбирать в пределах контуров сооружений, ближе к их осям.

Если скальные коренные породы залегают близко к поверхности, скважины рекомендуется заглублять в кровлю этих пород не менее толщины невыветрелой скалы плюс 0,5 м.

17. Установление показателей свойств грунтов производится в пределах выделенных ИГЭ, при этом обязательно определяются характеристики грунтов слоя сезонного протаивания-промерзания. Глубина опробования свойств грунтов принимается в соответствии с указаниями п. 3.13 "Руководства по инженерным изысканиям для строительства" (М.. Стройиздат, 1982), но не более 10 м.

18. В процессе инженерно-геологического опробования в общем случае определяются классификационные типы, виды и разновидности грунтов по ГОСТ 25100-82 и показатели их свойств:

гранулометрический состав;

пределы пластичности и показатель текучести глинистых грунтов;

естественная влажность;

плотность грунта ненарушенной структуры;

плотность частиц грунта;

коэффициент пористости (для грунтов слоя сезонного протаивания-промерзания - после их оттаивания);

относительное содеражание органического вещества;

степень засоленности;

характеристики агрессивности грунтовых вод к материалу фундаментов.

Для мерзлых грунтов-дополнительно определяются:

криогенная текстура;

льдистость за счет ледяных включений;

коэффициенты оттаивания и сжимаемости грунтов при оттаивании или относительное их сжатие при оттаивании;

плотность оттаявшего песчаного грунта при максимальном уплотнении;

плотность мерзлого грунта в сухом состоянии (плотность скелета мерзлого грунта);

влажность грунта, расположенного между ледяными включениями;

среднегодовая температура вечномерзлого грунта, принимаемая равной температуре на глубине Юме учетом прогноза ее изменения при застройке территории (за счет удаления или уплотнения торфомохового покрова, устройства подсыпки и т.п.).

Кроме того, устанавливаются и прогнозируются горизонты появления и стабилизации подземных вод и отметки кровли и подошвы мерзлых грунтов в пределах исследуемой толщи.

Количество одноименных определений характеристик устанавливается в соответствии с требованиями действующих нормативных документов.

В результате опробования определяются нормативные и расчетные значения характеристик грунтов (ГОСТ 20522-75), при этом доверительная вероятность расчетных значений принимается равной 0,85 для всех характеристик, за исключением плотности грунта ненарушенной структуры, для которой она устанавливается равной 0,85 и 0,95.

Нормативные значения модуля деформации, удельного сцепления, угла внутреннего трения и расчетного сопротивления, а также расчетные значения удельного сцепления и угла внутреннего трения немерзлых грунтов определяются, как правило, по таблицам СНиП 2.02.01-83 или региональным данным.

При соответствующем обосновании допускается ограничивать количество определяемых показателей свойств грунтов.

19. При выявлении участков неблагоприятных для строительства (открытые и погребенные торфяники, жильные льды, сильнольдистые и текучие глинистые грунты, полосы скрытого стока и т.п.) рекомендуется производить уточнение границ этих участков с помощью инженерно-геологических выработок или методами геофизической разведки.

20. При выполнении инженерно-геологических изысканий целесообразно применять:

геофизические методы электро- и сейсморазведки, а также дешифрирование аэрофотоматериалов масштаба 1:12000 - 1:20000 (для оконтуривания массивов вечномерзлых грунтов);

радиоизотопные влаго- и плотномеры, например, типа ВПГР-1 и ППГР-1, в скважинных вариантах (для определения влажности и плотности грунтов);

установки статического или динамического зондирования (для оценки механических характеристик и выдержанности свойств грунтов).

21. При сложной инженерно-геокриологической обстановке района вечной мерзлоты результаты мерзлотной съемки рекомендуется представлять картой мерзлотных условий, содержащей изолинии льдистости и среднегодовых температур грунтов, а также контуры участков с неблагоприятными мерзлотными процессами и явлениями, влияющими на выбор проектных решений.

ПРИЛОЖЕНИЕ 2

РЕКОМЕНДАЦИИ ПО ДЕМОНТАЖУ ИНВЕНТАРНЫХ МЕТАЛЛИЧЕСКИХ СВАЙ

1. Извлечение инвентарных свай производится после оттаивания окружающих их грунтов или растворов при помощи электролитического нагрева (рис. 1).

2. Для электролитического нагрева рекомендуется использовать переменный ток напряжением 30 В, подаваемый от сварочного трансформатора с номинальным током ~500 А (например, ТД-500 или ТС-500). Ориентировочный расход электроэнергии в расчете на одну сваю Е при ее длине, находящейся в мерзлом грунте, lf = 3-8 м составляет для свай диаметром d = 89 мм - 2-4 кВт*ч, а для свай d = 245 мм - 5-10 кВт*ч (меньшие значения Е соответствуют меньшим значениям lf, а большие - большим); ориентировочное время прогрева tth . находится по графикам (рис. 2).

3. Концентрация раствора поваренной соли С, используемого в качестве электролита, определяется по графикам (рис. 3), при этом следует иметь в виду, что в источниках водоснабжения вода может иметь концентрацию солей до 0,05 - 0,1% и поэтому при изготовлении электролита необходимо учитывать данные анализа воды на засоленность.

4. При извлечении сваи рекомендуется следующий порядок производства работ. После заполнения сваи электролитам к се верхней части присоединяется выдергивающее устройство и подается питающее напряжение. В случае закипания электролита сила тока уменьшается при помощи регулирования вторичного напряжения питающего трансформатора.

Рис. 1. Схема устройства для устранения смерзания свай с грунтом
1 - контакты (металлические пластины с отверстиями под болты, или болты М10-М12, приваренные головкой к свае); 2 - трубчатая свая; 3 - стальная труба или стальной стержень диаметром 20-25мм; 4 - электролит; 5 - электроизоляторы с шагом 1 м

Рис. 2. Зависимость времени прогрева tth от диаметра сваи d и длины ее вмороженной части lf

Рис. 3. Зависимость концентрации электролита С от диаметра сваи d и длины ее вмороженной части lf

Время прогрева грунта, достаточное для извлечения сваи, может оказаться меньше, определенного по графикам (рис. 2), поэтому для уменьшения расхода электроэнергии и сокращения времени демонтажа выдергивающая нагрузка прикладывается к свае непрерывно (или периодически) в течение всего времени прогрева. При начале подвижки сваи подача электроэнергии прекращается, производится отсоединение подводящих проводов и извлечение сваи.


ПРИЛОЖЕНИЕ 3

ТАБЛИЦЫ ДЛЯ РАСЧЕТА МНОГОЛЕТНЕГО ПРОТАИВАНИЯ ОСНОВАНИЙ

Таблица 1

В, м

R0, м2х

°C/Bт

Глубина протаивания dc, м, в песчаных грунтах при температуре T0Tb,f

-0,5°C

-2°C

Время протаивания t, лет

1

2

3

5

10

20

30

40

50

1

2

3

5

10

20

30

40

50

6

0

4,5

5,8

6,7

7,9

10

12,3

14,1

15,5

16,5

4,4

5,5

6,3

7,4

9,1

11

12,1

12,9

13,5

4,1

5,2

6

7,2

9,1

11,3

12,9

14,1

15 3

3,9

5

5,7

6 7

8 4

10,1

11 3

12

12 7

1,72

2,4

3,5

4,3

5,5

7,5

9,9

11,5

12,8

13,9

2,1

3,1

3,8

4,7

6,2

7,8

8,8

9,6

10,1

1.3

2,1

2,8

3,8

5,5

7,6

9,1

10,5

11,1

1,2

1,8

2,3

3

4,2

5,6

6,5

7,1

7,5

3,44

1,1

1,8

2,5

3,4

5,3

7,3

8,9

10,1

11,2

0,9

1,4

1,8

2,4

3,3

4,3

5

5,5

5,9

0,4

0,7

1,1

1,6

2,7

4,3

5,5

6,5

7,3

0,2

0,3

0,4

0,6

1

1,3

1,5

1,6

1,7*

5,16

0,5

0,9

1,3

2,0

3,1

5,1

6,4

7,6

8,5

0,2

0,4

0,5

0,7

1,1

1,3

1,4

1,5

1,5*

<0,3

0,3

0,4

0,7

1,2

2

2,7

3,3

3,9

<0,3

<0,3

<0,3

<0,3

<0,3

<0,3

<0,3

<0,3

<0,3*

9

0

5

6,5

7,5

9

11,5

14,4

16,5

18

19,4

4,8

6,3

7,2

8,6

10,6

13,1

14,7

15,9

16,8

4,4

5,8

6,8

8,2

10,4

13,1

15

16,4

17,6

4,3

5,6

6,6

7,8

9,8

12

13,4

14,7

15,6

1,72

2,8

4,2

5,2

6,6

9

12

14

15,4

16,7

2,7

3,9

4,8

6

8,1

10,3

11,7

12,8

13,7

1,7

2,8

3,6

4,8

6,8

9,4

11,2

12,6

13,8

1,5

2,5

3,3

4,2

6

8

9,3

10,3

11,1

3,44

1,6

2,4

3,3.

4,6

7

9,7

11,4

12,9

14,1

1,3

2,2

2,9

3,9

5,5

7,4

8,7

9,6

10,4

0,6

1,2

1,6

2,5

4

6,2

7,8

9

10,1

0,6

0,9

1,2

1,9

2,9

4,2

5,1

5,7

6,3

5,16

0,8

1,5

2,1

3

4,8

7,2

9

10,4

11,6

0,6

1,1

1,5

2,1

3,4

4,7

5,6

6,3

6,8

0,3

0,6

0,8

1,2

2,1

3,7

4,9

6,0

6,9

0,1

0,2

0,3

0,6

0,9

1,5

1,8

2

2,1

*См. п. 7.3 6.

12

0

5,2

6.9

8.1

9,9

12,6

15,9

18,2

20

21,5

5,1

6,7

7,8

9,4

12,1

14,8

16,7

17,9

19,3

4,6

6,1

7.2

8.8

11,3

14,4

16,5

18,1

19,5

4,5

6

7

8,5

10,7

13,4

15,3

16,6

17,7

1,72

3,2

4,7

5,8

7,5

10,1

13,4

15,6

17,4

18,9

3,1

4,5

5,5

7

9,3

12,1

13,9

15,2

16,4

1,9

3,1

4

5.4

7,8

10,7

12,8

14,4

15,7

1,8

3

3,8

5,1

7,2

9,6

11,3

12,5

13,4

3,44

1,8

3

3,9

5.4

7,9

11,1

13,2

15

16,4

1,7

2,7

3,6

4,8

6,9

9,4

11,1

12,3

13,3

0,9

1,5

2.1

3,1

5

7,5

9.4

10,9

12,2

0,7

1,3

1,8

2,7

4,2

6,1

7,3

8,4

9,3

5,16

1

1.9

2,6

3,8

6

8,8

10,9

12,5

13,9

0,9

1,6

2,2

3,2

4,8

6,9

8,3

9,4

10,3

0.4

0,7

1.1

1,8

3

5,1

6,6

7.8

9

0,3

0,6

0,8

1,2

2,1

3,3

4,1

4,8

5,4

15

0

5,4

7,4

8,6

10,4

13,4

17,1

19,6

21,6

23,3

5,4

7,1

8,3

10,1

12,9

16,1

18,3

19,9

21,2

4.8

6,4

7,5

9,3

12

15,4

17,7

19,5

21

4,8

6,3

7,3

9

11,7

14,7

16,7

18,2

19,5

1,72

3,3

5,1

6,3

8,1

11

14,7

17,1

19,1

20,7

3,3

4,8

6

7,7

10,3

13,4

15,6

17,1

18,4

2.1

3,4

4.4

6

8,6

11,8

14,1

15,9

17,4

2,1

3,3

4,2

5,7

8,1

10,7

12,8

14,2

15,4

3,44

2

3,3

4,4

6

8,8

12,3

14,7

16.6

18,2

2

3,2

4,1

5,6

8,1

10,9

12,9

14,4

15,6

1.1

1.8

2,4

3.6

5,7

8,7

10,7

12,4

13,8

0,9

1,7

2,2

3,3

5,1

7,5

9

10,4

11,4

5,16

1,2

2,2

3

4,4

6,8

10,1

12,4

14,2

15,8

1,1

2

2,7

3,9

6

8,5

10,3

11,7

12,8

0.6

0.9

1.3

2.1

3.7

6

7,8

9,3

10.6

0,4

0,8

1,2

1,8

3

4,7

5,9

6,9

7,7

Таблица 2

В, м

R0, м2х

°C/Bт

Глубина протаивания dc, м, в песчаных грунтах при температуре T0Tb,f

-4°С

-8°

Время протаивания t, лет

1

2

3

5

10

20

30

40

50

1

2

3

5

10

20

30

40

50

6

0

4,2

5.1

5,8

6.6

7,8

8.9

9.3

9,6

9.8

3,7

4,2

4,8

5,2

5,4

5,6

5,6

5,6

5,6*

3,8

4,8

5.4

6,1

7.3

8,4

9

9,3

9.6

3,5

 

4,5

5

5,4

5,6

5,7

5,8

5,9*

1.72

1.8

2.5

3,1

3,6

4,4

5

5.1

5,2

5,3

1,3

1,6

1,8

1,9

2

2

2

2

2*

0.9

1,4

1,8

2.1

2,7

3

3,1

3,2

3,2*

0,4

0,6

0,7

0,8

0,8

0,8

0,8

0,8

0,8*

3.44

0.5

0,8

0,9

1,1

1,3

1,4

1,4

1,5

1,5*

<0,3

< 0,3

<0,3

<0,3

<0,3

<0,3

<0,3

< 0,3

<0,3*

<0,3

<0,3

<0,3

<0,3

<0,3

<0,3

<0,3

<0,3

<0,3*

<0.3

<0,3

<0.3

< 0,3

<0,3

<0,3

<0,3

<0,3

<0,3*

9

5,16

<0,3

<0,3

<0.3

<0,3

<0,3

<0,3

<0,3

<0,3

<0,3*

<0,3

<0,3

<0,3

<0,3

<0,3

<0,3

<0,3

< 0,3

<0,3*

<0,3

<0,3

< 0,3

<0,3

<0,3

<0,3

<0,3

<0,3

<0,3*

<0,3

<0,3

<0,3

<0,3

<0,3

<0,3

<0,3

<0,3

<0,3*

0

4,7

6

6,8

8

9,6

11,4

12,4

13

13,4

4,3

5,4

6

6,8

7,7

8,2

8,4

8,5

8,6*

4,2

5,4

6.2

7,3

9

10,6

11,7

12,4

12,9

4

4,9

5,6

6,3

7,3

8,1

8,4

8,5

8,6*

1,72

2,5

3,6

4.3

5,3

6,7

8,1

8,9

9,4

9,7

2,1

2,9

3,3

3,9

4,4

4,6

4,7

4,7

4,7*

1,4

2,2

2.8

3,6

4.8

6

6.7

7,2

7,5

1,2

1,6

2

2,4

2,8

3

3,1

3,2

3,2*

3,44

1,1

1,8

2,3

3

3.9

4,8

5,1

5,4

5,6*

0,7

1

1.2

1,5

1,6

1,7

1,7

1,7

1,7*

0,3

0,6

0,8

1,1

1,5

1,8

2

2.2

2,3*

<0,3

< 0,3

<0,3

<0,3

< 0,3

<0,3

<0,3

<0,3

<0,3*

5,16

0,4

0,6

0,9

1,2

!,6

1,8

1,9

2

2*

<0,3

<0,3

<0,3

<0,3

<0,3

<0,3

<0,3

<0,3

<0,3*

<0,3

<0,3

<0,3

<0,3

<0.3

<0,3

<0,3

<0,3

<0,3*

<0,3

< 0,3

<0,3

<0,3

<0,3

<0,3

<0,3

< 0,3

<0,3*

12

0

5

6,5

7,5

8,9

11,1

13,1

14,6

15,6

16,2

4,8

6

6,9

7,9

9,3

10,4

10,7

11,1

11,3*

4,5

5,8

6,8

8,1

10,1

12.3

13,7

14,7

15,4

4,2

5,4

6,3

7,3

8,7

10,0

10,6

10,8

11.1

1,72

2,9

4,2

5,1

6,4

8,3

10.3

11,5

12,3

12,9

2,6

3,6

4,3

5,2

6,3

7

7,2

7,3

7,4*

1,7

2,7

3,5

4,5

6,3

8,1

9,2

9,9

10,5

1,5

2,3

2,9

3,6

4,5

5,4

5,5

5,6

5,7

3,44

1,5

2,4

3,1

4,2

5,7

7,3

8,2

8,8

9,3

1,2

1,8

2,3

2,9

3,6

3,9

4

4,1

4,1*

0,6

3

1,5

2,1

3,2

4,2

4,8

5,2

5,5

0,3

0,6

0,9

1

1,4

1,5

1,6

1,7

1,7*

5,16

0.7

1,3

1,7

2,4

3,4

4,5

5,1

5,4

5,6

0,3

0,6

0,8

1

1,2

1,3

1,4

1,4

1,4*

<0,3

0,3

0,4

0,6

0,9

1,3

1,5

1,6

1,7*

<0,3

<0,3

<0,3

<0,3

<0,3

<0,3

<0,3

<0,3

<0,3*

15

0

5,2

6,9

8

9,6

11,9

14,7

16,4

17,6

18,6

5

6,5

7,4

8,7

10,5

12,2

12,9

13,4

13,7

4,8

6,1

7,2

3,7

11,1

13,4

15,3

16,4

17,4

4,5

5,8

6,7

8

9,8

11,5

12,4

13

13,3

1,72

3,1

4,6

5,7

7,2

9,4

11,8

13,4

14,6

15,4

2,9

4,2

5

6,2

7,7

9

9,6

9,9

10,1

1,9

3,1

3,9

5,2

7,2

9,6

11

11,9

12,9

1,8

2,7

3,5

4,5

5,9

7,2

7,8

8,1

8,3

3,44

1,8

2,9

3,7

5

7,1

9,2

10,5

11,4

12

1,5

2,4

3

3,9

5,1

6

6,3

6,5

6,5*

0,8

1.4

1,9

2,7

4,2

5,9

6,9

7,8

8,4

0,6

0,9

1,3

1,8

2,7

3,3

3,5

3,7

3,8*

5,16

1

1,7

2,3

3,3

4,8

6,6

7.5

8,3

8,8

0,7

1,2

1,5

2,9

3,3

3,4

3,5

3,5*

0,3

0,6

0,8

1,2

2

3

3,6

3,9

4,2

<0,3

<0,3

<0,3

0,3

0,3

0,4

0,5

0,5

0,5*

Таблица 3

В, м

R0, м2х

°C/Bт

Глубина протаивания dc, м, в песчаных грунтах при температуре T0Tb,f

-4°С

-8°

Время протаивания t, лет

1

2

3

5

10

20

30

40

50

1

2

3

5

10

20

30

40

50

6

0

4,3

5,5

6,4

7,6

9,6

11,9

13,5

14,9

15,9

3,9

5

5,7

6,6

8,3

10,0

11,1

12

12,6

3,9

5,1

5,8

6,9

8,7

11

12,5

13,7

14,7

3,6

4,5

5,2

6,2

7,7

9,4

10,5

11,3

12

1,72

2,4

3,6

4,4

5,6

7,4

9,8

11,4

12,6

13,7

2,1

3

3,6

4,5

5,9

7,5

8,5

9,3

9,9

1,8

2,7

3,3

4,4

6.3

8.2

9,7

10,8

11,8

1,4

2,1

2,7

3,5

4,8

6,3

7,2

7,9

8,5

3,44

1.4

2,1

2,7

3,7

5,5

7,7

9,2

10,4

11,4

0,9

1,5

1,9

2,6

3,7

4,8

5,7

6,3

6,7

0,7

1,2

1,7

2,4

3,8

5,7

7

8,1

9

0,4

0,8

1,1

1,5

2,2

3,1

3,7

4,2

4,5

5,16

0,6

1,2

1.6

2,4

3,8

5,7

7,1

8,2

9,2

0,3

0,6

0,8

1,2

1,8

2,4

2,7

3,0

3,1

0,3

0,6

0,8

1,2

2,1

3,6

4,6

5,5

6,3

0,1

0,2

0,3

0,4

0,6

0,9

1

1,1

1,1*

9

0

4,8

6,2

7,2

8,7

11

13,8

15,8

17,3

18,6

4,2

5,6

6,5.

7,7

9,6

12

13,3

14,5

15,4

4,2

5,6

6,5

7,8

10

12,6

14,4

15,9

17,1

3,9

5,1

5,9

7,1

9

11,1

12,5

13,7

14,5

1,72

2,9

4,2

5,2

6,6

8,9

11,7

13,5

15,1

16,4

2,4

3,6

4,5

5,6

7,5

9,6

11

12,1

12,9

2,1

3,3

4,1

5,4

7,4

9,9

11,7

13,1

14,3

1,8

2,7

3,4

4,5

6,3

8,2

9,6

10,5

11,4

3,44

1,7

2,7

3,6

4,8

6,9

9,6

11,5

12,9

14,2

1,3

2,2

2,9

3,8

5,4

7,3

8,6

9,6

10,3

1

1,7

2,4

3,3

5,1

7,5

9

10,5

11,6

0,7

1,3

1,8

2,5

3,8

5,5

6,6

7,4

8,1

5,16

0,9

1,7

2,4

3,3

5,3

7,7

9,5

10,8

12

0,8

1,2

1,7

2,4

3,6

5,1

6,2

6,9

7,6

0,5

0,9

1,3

2

3,3

5,4

6,9

8

9

0,3

0,6

0,9

1,2

2,1

3,1

3,9

4,5

4,9

12

0

5

6,6

7,8

9,3

12

15,3

17,4

19,1

20,6

4,5

6

6,9

8,4

10,6

13,3

15,1

16,5

17,6

4,4

5,9

6,9

8,4

10,9

13,9

15,9

17,9

18,9

4

5,4

6,3

7,7

9,9

12,4

14,1

15,3

16,4

1,72

3,2

4,7

5,7

7,4

9,9

13,2

15,3

17

18,4

2,7

4,1

5

6,3

8,6

11,1

12,9

14,1

15,2

2,3

3,6

4,5

6

8,4

11,2

13,2

14,8

16,2

2

3,1

3,9

5,1

7,2

9,6

11,2

12,4

13,4

3,44

2

3,2

4,2

5,6

8,1

11,1

13,2

14,9

16,2

1,5

2,6

3,4

4,5

6,6

9

10,5

11,7

12,8

1,2

2,1

2,8

3,9

6

8,7

10,7

12,2

13,5

1,1

1,7

2,2

3,2

4,8

7

8,4

9,6

10,5

5,16

1,2

2,1

2,9

4,2

6,3

9,2

11,3

12,9

14,2

0,9

1,6

2,2

3,2

4,8

6,9

8,4

9,5

10,4

0,6

1,2

1,7

2,6

4,2

6,6

8,4

9,8

11

0,5

0,9

1,2

1,8

3,1

4,7

5,9

6,9

7,7

15

0

5,1

6,9

8,1

9,9

12,9

16,4

18,7

20,7

22,2

4,6

6,2

7,3

9

11,4

14,5

16,5

18

19,2

4,5

6,1

7,2

8,9

11,6

14,9

17,1

18,9

20,4

4,2

5,6

6,6

8,1

10,5

13,4

15,3

16,7

18

1,72

3,3

5

6,2

7,9

10,7

14,3

16,7

18,6

20,1

3

4,4

5,4

6,9

9,3

12,3

14,3

15,7

17

2,4

3,9

4,9

6,4

9

12,3

14,4

16,2

17,7

2,1

3,3

4,2

5,7

7,9

10,6

12,5

13,8

15

3,44

2,1

3,5

4,5

6,2

8,9

12,3

14,6

16,5

18

1,8

3

3,8

5,1

7,5

10,2

11,9

13,5

14,7

1,3

2,4

3,1

4,5

6,8

9,8

12

13,6

15

1,1

1,9

2,6

3,7

5,7

8,1

9,9

11,1

12,2

5,16

1,4

2,4

3,3

4,7

7,2

10,4

12,6

14,4

16

1,1

1,9

2,7

3,8

5,7

8,3

10

11,4

12,4

0,8

1,4

2

3

5

7,6

9,6

11,2

12,6

0,6

1,1

1,5

2,4

3,9

6

7,4

8,5

9

Таблица 4

В, м

R0, м2х

°C/Bт

Глубина протаивания dc, м, в песчаных грунтах при температуре T0Tb,f

-4°С

-8°

Время протаивания t, лет

1

2

3

5

10

20

30

40

50

1

2

3

5

10

20

30

40

50

6

0

3,6

4,6

5,2

6

7,2

8,3

8,9

9

9,3

3,3

4

4,4

4,9

5,4

5,5

5,6

5,7

5,8

3,3

4,2

4,8

5,7

6,9

8

8,7

9,1

9,4

3

3,8

4,2

4,8

5,4

5,7

5,8

5,9

5,9*

1,72

1,8

2,5

3

3,6

4,5

5,3

5,7

5,9

6

1,3

1,8

2,1

2,3

2,4

.2,5

2,6

2,6

2,6*

1,2

1,8

2,2

2,8

3,6

4,3

4,8

4,9

5,1

0,9

1,2

1,5

1,6

1,8

1,9

2

2

2*

3,44

0,6

0,9

1,2

1,5

2

2,2

2,3

2,3

2,3*

0,2

0,3

0,4

0,5

0,5

0,5

0,5

0,5

0,5*

0,3

0,4

0,5

0,7

0,9

1

1,1

1,1

1,1*

<0,3

<0,3

<0,3

<0,3

<0,3

<0,3

<0,3

<0,3

<0,3*

5.16

<0,3

<0,3

<0,3

<0,3

<0,3

<0,3

<0,3

<0,3

<0,3*

<0,3

<0,3

<0,3

<0,3

<0,3

<0,3

<0,3

< 0,3

<0,3*

<0,3

<0,3

<0,3

<0,3

<0,3

<0,3

<0,3

<0,3

<0,3*

<0,3

<0,3

<0,3

<0,3

<0,3

<0,3

<0,3

<0,3

<0,3*

9

0

4

5,2

6,0

7,1

8,7

10,4

11,4

12,3

12,6

3,7

4,8

5,4

6,1

7,2

8

8,2

8,4

8,4

3,6

4,8

5,6

6,6

8,2

9,9

11

11,7

12,3

3,5

4,5

5,1

5t9

6,9

7,9

8,3

8,5

8,6

1,72

2,3

3,3

3,9

4,9

6,3

7,8

8,7

9,3

9,8

1,9

2,7

3,3

3,9

4,5

5,1

5,2

5,3

5,3*

1,6

2,4

3,1

3,9

5,3

6,7

7,6

8,2

8,7

1,2

2,1

2,4

3

3,8

4,2

4,5

4,6

4,7*

3,44

1,2

1,8

2,3

3

4,2

5,3

5,9

6,3

6,6

0,8

1,2

1,5

1,8

2,2

2,4

2,5

2,6

2,6*

0,6

1

1,4

1,9

2,8

3,7

4,2

4,5

4,8

0,3

0,6

0,7

0,9

1,2

1,3

1,4

1,4

1,4*

5,16

0,5

0,9

1,2

1,7

2,3

2,9

3,1

3,3

3,4

0,2

0,3

0,4

0,5

0,5

0,5

0,5

0,5

0,5*

0,2

0,3

0,4

0,6

0,9

1

1,5

1,6

1,7*

<0,3

<0,3

<0,3

<0,3

<0,3

<0,3

<0,3

<0,3

<0,3*

12

0

4,2

5,7

6,6

7,8

9,8

12

13,3

14,3

15

4

5,2

6

7

8,4

9,7

10,4

10,7

11

3,9

5,1

6

7,2

9,2

11,3

12,6

13,6

14,4

3,6

4,8

5,6

6,6

8,1

9,5

10,2

10,7

11

1,72

2,5

3,7

4,5

5,7

7,5

9,6

10,8

11,7

12,4

2,2

3,3

3,9

4,8

6

7,1

7,5

7,8

8

1,8

2,9

3,6

4,7

6,4

8,4

9,6

10,4

11,1

1,6

2,5

З,1

3,9

5,1

6,3

6,8

7

7,2

3,44

1,4

2,3

3

3,9

5,5

7,2

8,3

9

9,6

1,1

1,8

2,4

3

3,9

4,5

4,8

4,9

5*

0,9

1,5

1,9

2,7

4

5,6

6,5

7,2

7,7

0,6

1

1,4

1,9

2,7

3,3

3,5

3,6

3,7

5,16

0,8

1,3

1,8

2,5

3,7

5,1

5,9

6,4

6,8

0,5

0,9

1,2

1,5

2,1.

2,4

2,5

2,6

2,6*

<0,3

0,6

0,9

1,4

2,2

3,2

3,8

3,2

4,5

0,2

0,3

0,4

0,6

0,9

1

1,1

1,1*

15

0

4,4

5,9

6,9

8,4

10,8

13,2

14,8

16

17

4,2

5,5

6,4

7,6

9,4

11,1

12

12,7

13,1

4

5,4

6,3

7,8

9,9

12,3

14

15,2

16,1

3,9

5,1

6

7,2

8,9

10,7

11,7

12,5

12,9

1,72

2,7

4

5

6,3

8,5

10,8

12,4

13,4

14,4

2,4

3,6

4,5

5,6

7,2

8,7

9,5

9,9

10,2

2

3,2

3,9

5,2

7,2

9,6

11

12

12,9

1,8

2,8

3,6

4,5

6,1

7,7

8,5

9

9,4

3,44

1,6

2,6

3,4

4,6

6,6

8,7

10,1

11,1

11,8

1,3

2,2

2,9

3,8

5,1

6,3

6,9

7,2

7,4

1

1,7

2,4

3,3

4,9

6,9

8,1

9,1

9,9

0,8

1,4

1,8

2,6

3,7

4,9

5,4

5,7

6

5,16

0,9

1,7

2,2

3,2

4,8

6,6

7,8

8,7

9,3

0,7

1,2

1,7

2,3

3,3

4,2

4,5

4,7

4,8

0,5

0,9

1,3

1,9

3,1

4,6

5,6

6,3

6,9

0,3

0,6

0,9

1,2

1,8

2,5

2,8

3

З,1

Таблица 5

В, м

R0, м2х

°C/Bт

Глубина протаивания dc, м, в песчаных грунтах при температуре T0Tb,f

-4°С

-8°

Время протаивания t, лет

1

2

3

5

10

20

30

40

50

1

2

3

5

10

20

30

40

50

6

0

2,6

3,8

4,7

6

8,3

11

12,8

14,3

15,4

2,5

3,5

4,3

5,5

7,4

9,5

10,8

11,8

12,5

2,3

3,2

4

5,2

7,3

9,8

11,5

12,8

ij,9

2,1

3

3,7

4,8

6,5

8,6

9,8

10,8

11,5

1,72

1

1,9

2,6

3,8

5,9

8,5

10,2

11,6

12,8

<0,3

<0,3

0,7

2,4

3,6

4,9

6

6,9

7,5

0,4

0,9

1,3

2,2

3,9

6,1

7,7

8,9

10

<0,3

<0,3

<0,3

1,3

2,3

3,6

4,6

5,4

6

3,44

<0,3

<0,3

<0,3

0,7

2,6

5,3

7,1

8,5

9,7

<0,3

<0,3

<0,3

<0,3

<0,3

<0,3

<0,3

<0,3

<0,3*

<0,3

<0,3

<0,3

<0,3

1,6

3,2

4,4

5,1

5,5

<0,3

<0,3

<0,3

<0,3

<0,3

<0,3

<0,3

<0,3

<0,3*

5,16

<0,3

<0,3

<0,3

<0,3

<0,3

<0,3

<0,3

<0,3

<0,3*

<0,3

<0,3

<0,3

<0,3

<0,3

<0,3

<0,3

<0,3

<0,3*

<0,3

<0,3

<0,3

<0,3

<0,3

< 0,3

<0,3

<0,3

<0,3*

<0,3

<0,3

<0,3

<0,3

<0,3

<0,3

<0,3

<0,3

<0,3*

9

0

2,6

3,8

4,7

6

8,4

11,8

14

15,8

17,2

2,5

3,5

4,3

5,6

7,8

10,5

12,3

13,7

14,7

2,3

3,2

4

5,2

7,4

10,3

12,4

14

15,3

2,2

3

3,7

4,8

6,8

9,3

11

12,3

13,3

1,72

1

1,9

2,6

3,9

6,2

9,4

11,5

13,2

14,6

0,7

1,4

1,9

2,4

4,9

7

9

10,3

11,3

0,6

1,3

1,5

2,4

4,3

6,9

8,8

10,3

11,6

0,4

0,9

1,1

1,9

3

4,6

5,7

6,5

7,1

3,44

0,4

0,9

1,4

2,3

4,3

7,1

9,1

10,7

12,1

<0,3

0,8

1,1

1,8

2,7

4

5,2

6,2

7

<0,4

<0,3

<0,3

<0,3

2

3,7

5

6,2

7,2

<0,3

<0,3

<0,3

<0,3

<0,3

<0,3

<0,3

<0,3

<0,3*

5,16

<0,3

<0,3

<0,3

<0,3

0,7

3,4

5,5

7,2

8,6

<0,3

<0,3

<0,3

<0,3

<0,3

<0,3

<0,3

<0,3

<0,3*

<0,3

<0,3

<0,3

<0,3

0,5

2,1

3

3,6

4

<0,3

<0,3

<0,3

<0,3

<0,3

<0,3

<0,3

<0,3

<0,3*

12

0

2,7

3,8

4,7

6

8,5

12,1

14,6

16,6

18,2

2,6

3,5

4,3

5,6

7,9

11

13,1

14,7

16

2,3

3,2

4

5,2

7,4

10,4

12,7

14,5

16

2,3

3,1

3,7

4,8

6,8

9,6

11,5

13

14,3

1,72

1

1,9

2,6

3,9

6,3

9,7

12,1

14,1

15,7

0,8

1,6

2,3

3,4

5,3

8,2

10

11,6

12,9

0,7

1,3

1,7

2,5

4,3

7,1

9,3

11

12,4

0,6

0,9

1,3

1,8

3,2

5,6

7,3

8,5

9,6

3,44

0,5

1

1,5

2,5

4,6

7,6

9,9

11,7

13,3

<0,3

0,8

1,2

1,9

3,5

5,3

6,5

7,5

8,3

0,3

0,7

1

1,7

2,7

4,5

6,3

7,8

9,1

<0,3

<0,3

0,5

0,8

1,7

2,8

3,5

4,2

4,5

5,16

<0,3

<0,3

<0,3

1,3

2,9

5,6

7,7

9,4

10,9

<0,3

<0,3

<0,3

1

2

3,2

4,1

4,9

5,5

<0,3

<0,3

<0,3

<0,3

0,8

2,8

4

5,1

5,8

<0,3

<0,3

<0,3

<0,3

<0,3

<0,3

<0,3

<0,3

<0,3*

15

0

2,8

3,8

4,7

6

8,5

12,1

14,8

17

18,8

2,7

3,6

4,3

5,6

7,9

11,1

13,5

15,3

16,8

2,4

3,3

4

5,2

7,4

10,4

12,8

14,7

16,4

2,4

3,1

3,8

4,8

6,8

9,6

11,7

13,4

14,8

1,72

1

1,9

2,6

3,9

6,3

9,7

12,4

14,5

16,3

0,9

1,7

2,3

3,5

5,5

8,4

10,8

12,7

14,2

0,7

1,4

1,8

2,6

4,4

7,3

9,6

11,4

13

0,6

1

1,4

2,1

3,7

5,9

7,8

9,3

10,5

3,44

0,7

1,5

2,1

3

4,6

8,1

10,5

12,6

14

0,5

1

1,4

2,1

3,6

6

7,8

9,4

10,5

0,5

0,8

1,1

1,8

3

5,2

7,1

8,6

10

0,5

0,7

0,9

1,2

2,2

3,8

4,8

5,5

6,1

5,16

0,6

1

1,5

2,4

3,5

6,5

8,5

10,2

11,8

0,4

0,7

1

1,5

2,7

4,3

5,5

6,6

7,2

<0,3

<0,3

<0,3

<0,3

0,8

3

4,4

5,6

6,7

<0,3

<0,3

<0,3

<0,3

<0,3

<0,3

<0,3

<0,3

<0,3*

Таблица 6

В, м

R0, м2х

°C/Bт

Глубина протаивания dc, м, в песчаных грунтах при температуре T0Tb,f

-4°С

-8°

Время протаивания t, лет

1

2

3

5

10

20

30

40

50

1

2

3

5

10

20

30

40

50

6

0

2,3

3,2

3,8

4,8

6,1

7,5

8,2

8,6

8,8

1,9

2,4

2,8

3,4

3,9

4,2

4,2

4,2

4,2*

2

2,7

3,3

4,2

5,6

7

7,7

8,2

8,5

1,7

2,2

2,6

ЗД

3,7

4,2

4,2

4,2

4,2*

1,72

<0,3

<0,3

<0,3

0,8

2,4

3,8

4,5

5,1

5,5

<0,3

<0,3

<0,3

<0,3

<0,3

<0,3

<0,3

<0,3

<0,3*

<0,3

<0,3

<0,3

<0,3

<0,3

<0,3

<0,3

<0,3

<0,3*

<0,3

<0,3

<0,3

< 0,3

<0,3

<0,3

<0,3

<0,3

<0,3*

3,44

<0,3

<0.3

<0,3

<0,3

<0,3

<0,3

<0,3

<0,3

<0,3*

<0,3

<0,3

<0,3

<0,3

<0,3

<0,3

<0,3

<0,3

<0,3*

<0,3

<0,3

<0,3

<0,3

<0,3

<0,3

<0,3

<0,3

<0,3*

<0,3

<0,3

<0,3

<0,3

<0,3

<0,3

<0,3

<0,3

<0,3*

5,6

<0,3

<0,3

<0,3

<0,3

<0,3

<0,3

<0,3

<0,3

<0,3*

<0,3

<0,3

<0,3

<0,3

<0,3

<0,3

<0,3

<0,3

<0,3*

<0,3

<0,3

<0,3

<0,3

<0,3

<0,3

<0,3

<0,3

<0,3*

<0,3

<0,3

<0,3

<0,3

<0,3

<0,3

<0,3

<0,3

<0,3*

9

0

2,3

3,2

3,9

5

6,8

8,9

10,1

10,9

11,5

2

2,7

3,1

3,8

4,9

5,8

6,1

6,3

6,3*

2,1

2,8

3,4

4,3

6

8

9,2

10,1

10,7

1,8

2,4

2,8

3,4

4,4

5,5

5,9

6,2

6,3*

1,72

0,6

1,1

1,5

2,2

3,7

5,4

6,5

7,3

7,9

<0,3

<0,3

<0,3

<0,3

<0,3

<0,3

<0,3

<0,3

<0,3*

0,3

0,6

0,9

1,3

2,3

3,3

4,1

4,7

5.1

<0,3

<0,3

<0,3

<0,3

<0,3

<0,3

<0,3

<0,3

<0,3*

3,44

<0,3

<0,3

<0,3

<0,3

<0,3

<0,3

<0,3

<0,3

<0,3*

<0,3

<0,3

<0,3

<0,3

<0,3

<0,3

<0,3

<0,3

<0,3*

<0,3

<0,3

<0,3

<0,3

<0,3

<0,3

<0,3

<0,3

<0,3*

<0,3

<0,3

<0,3

<0,3

<0,3

<0,3

<0,3

<0,3

<0.3*

5,16

<0,3

<0,3

<0.3

<0,3

<0,3

<0,3

<0,3

<0,3

<0,3*

<0,3

<0,3

<0,3

<0,3

<0,3

<0,3

<0,3

<0,3

<0,3*

<0,3

<0,3

<0,3

<0,3

<0,3

<0,3

<0,3

<0,3

<0,3*

<0,3

<0,3

<0,3

<0,3

<0,3

<0,3

<0,3

<0,3

<0,3*

12

0

2,4

3,3

4

5,1

7

9,5

11,1

12,3

13,2

2,1

2.8

3,3

4,1

5,3

6,7

7,4

7,9

8,1

2,2

2,9

3,5

4,4

6,1

8,4

9,9

11,1

12

1,9

2,5

2,9

3,6

4,8

6,2

7

7,5

7,8

1,72

0,6

1,3

1,8

2,6

4,4

6,6

7,9

9

9,7

<0,3

<0,3

<0,3

<0,3

<0,3

<0,3

<0,3

< 0,3

<0,3*

0,4

0,7

1

1,3

2,6

4,4

5,5

6,5

7,3

<0,3

<0,3

<0,3

<0,3

<0,3

<0,3

<0,3

<0,3

<0,3*

3,44

0,4

0,6

0,8

1,4

2,4

3,7

4,8

5,6

6,1

<0,3

<0,3

<0,3

<0,3

<0,3

<0,3

<0,3

< 0,3

<0,3*

<0,3

<0,3

<0,3

<0,3

<0,3

<0,3

<0,3

<0,3

<0,3*

<0,3

<0,3

<0,3

<0,3

<0,3

<0,3

<0,3

<0,3

<0,3*

5,16

<0,3

<0,3

<0,3

< 0,3

<0,3

< 0,3

<0,3

<0,3

<0,3*

<0,3

<0,3

<0,3

<0,3

<0,3

<0,3

<0,3

<0,3

<0,3*

<0,3

<0,3

<0,3

<0,3

<0,3

<0,3

<0,3

<0,3

<0,3*

<0,3

<0,3

<0,3

<0,3

<0,3

<0,3

<0,3

<0,3

<0,3*

15

0

2,5

3,4

4

5,1

7,1

9,8

11,7

13,1

14,2

2,3

3

3,5

4,3

5,6

7,3

8,3

9

9,4

2,3

3

3,5

4,5

6,2

8,6

10,3

11,7

12,8

2

2,6

3,1

3,8

5

6,6

7,6

8,3

8,9

1,72

0,6

1,3

1,8

2,9

4,6

7,1

9

10,4

11,4

<0,3

<0,3

<0,3

<0,3

<0,3

<0,3

<0,3

<0,3

<0,3*

0,4

0,7

1,1

1,6

2,9

4,3

6,3

7,3

8,2

<0,3

<0,3

<0,3

<0,3

<0,3

<0,3

<0,3

<0,3

<0,3*

3,44

0,4

0,7

1

1,7

2,7

4,5

6,1

7,2

8

<0,3

<0,3

<0,3

<0,3

<0,3

<0,3

<0,3

<0,3

<0,3*

<0,3

<0,3

<0,3

<0,3

<0,3

<0,3

<0,3

<0,3

<0,3

<0,3

<0,3

<0,3

<0,3

<0,3

<0,3

<0,3

<0,3

<0,3*

5,16

<0,3

<0,3

<0,2

<0,3

<0,3

<0,3

<0,3

<0,3

<0,3*

<0,3

<0,3

<0,3

< 0,3

<0,3

<0,3

<0,3

<0,3

<0,3*

< 0,3

< 0,3

< 0,3

<0,3

<0,3

<0,3

< 0,3

<0,3

<0,3*

<0,3

<0,3

<0,3

<0,3

<0,3

<0,3

<0,3

<0,3

<0,3*

Таблица 7

В, м

R0, м2х

°C/Bт

Глубина протаивания dc, м, в песчаных грунтах при температуре T0Tb,f

-4°С

-8°

Время протаивания t, лет

1

2

3

5

10

20

30

40

50

1

2

3

5

10

20

30

40

50

6

0

2,5

3,5

4,4

5,7

7,8

10,4

12,2

13,6

14,7

2,1

3

3,7

4,7

6,4

8,4

9,7

10,7

11,4

2,1

3,1

3,8

5

6,9

9,4

11

12,3

13,4

1,7

2,6

3,2

4,2

5,8

7,7

9

9,9

10,7

1,72

1

1,9

2,6

3,8

5,8

8,3

10

11,4

12,5

0,7

1,2

1,7

2,5

3,7

5,3

6,5

7,3

7,8

0,6

1,2

1,8

2,7

4,5

6,7

8,3

9,5

10,6

0,5

0,9

1,2

1,7

2,6

3,7

4,6

5,3

5,8

3,44

<0,3

0,7

1,2

2,1

3,8

6,2

7,8

9,1

10,2

<0,3

<0,3

<0,3

<0,3

0,8

2,3

3,3

4

4,5

<0,3

<0,3

0,4

0,8

2

3,9

5,4

6,6

7,6

<0,3

<0,3

<0,3

<0,3

<0,3

<0,3

<0,3

<0,3

<0,3*

5,16

<0,3

<0,3

<0,3

<0,3

<0,3

<0,3

<0,3

<0,3

<0,3*

<0,3

<0,3

<0,3

<0,3

<0,3

<0,3

<0,3

<0,3

0,3*

<0,3

<0,3

<0,3

<0,3

<0,3

<0,3

<0,3

<0,3

<0,3*

<0,3

<0,3

<0,3

<0,3

<0,3

<0,3

<0,3

<0,3

<0,3*

9

0

2,5

3,5

4,4

5,7

8

11,1

13,3

15

16,3

2,1

3

3,7

4,7

6,7

9,2

10,9

12,1

13,2

2,2

3,1

3,8

5

7

9,8

11,8

13,4

14,7

1,9

2,6

3,2

4,2

5,9

8,2-

9,9

11,1

12,1

1,72

1

1,9

2,6

3,8

6

8,9

11,2

12,8

14,2

0,7

1,2

1,8

2,7

4,3

6,6

8,3

9,5

10,3

0,6

1,2

1,8

2,8

4,7

7,3

9,2

10,7

12

0,5

0,9

1,2

1,8

3,1

5

6,4

7,5

8,3

3,44

0,5

1

1,6

2,5

4,5

7,2

9,2

10,8

12,1

0,4

0,7

1,1

1,6

2,7

4,1

5

5,7

6,2

<0,3

0,5

0,8

1,4

2,8

5,1

6,8

8,2

9,4

<0,3

0,5

0,7

1,1

1,9

2,9

3,6

4

4,2

5,16

<0,3

0,4

0,6

1,2

2,8

5,2

7,1

8,6

9,9

<0,3

<0,3

<0,3

<0,3

<0,3

1,1

2,1

3

3,8

<0,3

<0,3

0,3

0,4

1

2,6

4

5,3

6,4

<0,3

<0,3

<0,3

<0,3

<0,3

<0,3

<0,3

<0,3

<0,3*

12

0

2,5

3,5

4,4

5,7

8

11,3

13,7

15,6

17,2

2,2

3

3,7

4,7

6,7

9,4

11,3

12,9

14,1

2,2

3,1

3,8

5

7

9,9

12,1

13,9

15,3

2

2,7

3,3

4,2

5,9

8,4

10,2

11,6

12,8

1,72

1

1,9

2,6

3,8

6

9,3

11,6

13,5

15,1

0,8

1,3

1,9

2,8

4,6

6,9.

8,9

10,5

11,7

0,6

1,2

1,8

2,8

4,7

7,4

9,5

11,2

12,7

0,5

1

1,3

1,9

3,2

5,5

7,2

8,5

9,6

3,44

0,5

1,6

2,6

4,6

7;6

9,8

11,6

13,1

0,5

0,7

1,7

2,9

5

6,5

7,6

8,5

0,3

0,6

0,9

1,6

3,1

5,5

7,4

8,9

10,3

0,3

0,5

0,7

1,4

2

3,6

4,6

5,4

6,1

5,16

0,3

0,6

1

1,7

3,3

6

8

9,7

11,1

0,3

0,6

0,8

1,2

2,2

3,6

4,5

5,2

5,7

<0,3

<0,3

0,4

0,7

1,6

3,5

5,1

6,6

7,8

<0,3

<0,3

<0,3

<0,3

<0,3

0,6

1,3

1,8

2,2

15

0

2,6

3,5

4,4

5,7

8

11,3

13,9

15,9

17,7

2,3

3,1

3,7

4,7

6,7

9,5

11,5

13,2

14,6

2,3

3,1

3,8

5

7

9,9

12,1

14

15,6

2,1

2,8

3,3

4,2

6

8,5

10,3

11,8

13,1

1,72

1

1,9

2,6

3,8

6

9,3

11,8

13,8

15,6

0,8

1,4 ,

1,9

2,9

4,8

7,1

9,1

10,9

12,1

0,7

1,2

1,8

2,8

4,7

7,4

9,6

11,4

13

0,5

1,1

1,4

2

3,3

5,4

7,1

8,3

9,4

3,44

0,5

1,1

1,6

2,6

4,6

7,6

10

12

13,6

0,5

0,7

1,8

3

5,6

7,3

8,6

3,7

0,3

0,6

1

1,6

3,1

5,6

7,6

9,2

10,7

0,3

0,5

0,8

1,2

2

3,6

4,9

5,9

5,8

15,6

0,3

0,7

1

1,8

3,4

6,2

8,4

10,2

11,8

0,4

0,6

0,8

1,2

2,3

4

5,2

6,1

7

<0,3

0,4

0,5

0,9

2

4

5,7

7,2

8,5

<0,3

0,4

0,5

0,9

1,5

2,6

3,5

4,2

4,8

Таблица 8

В, м

R0, м2х

°C/Bт

Глубина протаивания dc, м, в песчаных грунтах при температуре T0Tb,f

-4°С

-8°

Время протаивания t, лет

1

2

3

5

10

20

30

40

50

1

2

3

5

10

20

30

40

50

6

0

1,9

2,6

3,2

4

5,4

6,8

7,5

8

8,4

1,6

2,1

2,4

2,9

3,6

4,1

4,2

4,3

4,3*

1,7

2,4

2,9

3,7

4,9

6,4

7,2

7,8

8,2

1,5

1,9

2,3

2,8

3,5

4,1

4,4

4,4

4,4*

1,72

0,5

0,9

1,3

1,8

2,7

3,7

4,5

5,1

5,5

<0,3

<0,3

<0,3

< 0,3

<0,3

<0,3

<0,3

<0,3

<0,3*

<0,3

<0,3

<0,3

<0,3

<0,3

<0,3

<0,3

<0,3

<0,3*

<0,3

<0,3

<0,3

<0,3

<0,3

<0,3

<0,3

<0,3

<0,3*

3,44

<0,3

<0,3

< 0,3

<0,3

<0,3

<0,3

<0,3

<0,3

<0,3*

<0,3

<0,3

<0,3

<0,3

<0,3

<0,3

<0,3

<0,3

<0,3*

<0,3

< 0,3

<0,3

< 0,3

<0,3

<0,3

< 0,3

< 0,3

<0,3*

<0,3

<0,3

<0,3

<0,3

<0,3

< 0,3

<0,3

<0,3

<0,3*

5,16

< 0,3

<0,3

<0,3

< 0,3

<0,3

<0,3

<0,3

<0,3

<0,3*

<0,3

<0,3

< 0,3

< 0,3

< 0,3

<0,3

< 0,3

< 0,3

<0,3*

< 0,3

<0,3

< 0,3

<0,3

< 0,3

< 0,3

<0,3

< 0,3

<0,3*

< 0,3

< 0,3

< 0,3

<0,3

<0,3

<0,3

< 0,3

< 0,3

<0,3*

9

0

2

2,7

3,3

4,1

5,7

7,7

8,9

9,8

10,5

1,7

2,2

2,6

3,2

4,2

5,3

5,8

6,1

6,2*

1,8

2,4

2,9

3,7

5,2

7,1

8,3

9,2

9,9

1,6

2,1

2,4

3

4

5,1

5,7

6

6,2*

1,72

0,5

1

1,4

2,2

3,3

5,1

6

6,8

7,4

<0,3

<0,3

<0,3

<0,3

< 0,3

< 0,3

< 0,3

<0,3

<0,3*

0,4

0,6

0,9

1,4

2,3

3,8

4,9

5,6

6

<0,3

<0,3

<0,3

<0,3

<0,3

<0,3

<0,3

< 0,3

<0,3*

3,44

<0,3

<0,3

<0,3

< 0,3

<0,3

<0,3

<0,3

<0,3

<0,3*

<0,3

<0,3

<0,3

<0,3

<0,3

<0,3

<0,3

<0,3

<0,3*

<0,3

<0,3

<0,3

<0,3

<0,3

<0,3

<0,3

<0,3

<0,3*

<0,3

<0,3

<0,3

<0,3

<0,3

<0,3

<0,3

<0,3

<0,3*

5,16

<0,3

<0,3

<0,3

<0,3

<0,3

<0,3

<0,3

<0,3

<0,3*

<0,3

<0,3

<0,3

<0,3

<0,3

<0,3

<0,3

<0,3

<0,3*

<0,3

<0,3

<0,3

<0,3

<0,3

<0,3

<0,3

<0,3

<0,3*

<0,3

<0,3

<0,3

<0,3

<0,3

<0,3

<0,3

<0,3

<0,3*

12

0

2,1

2,8

3,3

4,2

5,9

8,1

9,6

10,7

11,6

1,8

2,4

2,8

3,4

4,5

5,9

6,7

7,2

7,6

1,9

2,5

3

3,8

5,3

7,3

8,8

9,9

10,8

1,7

2,2

2,6

3,2

4,2

5,5

6,4

7

7,5

1,72

0,5

1,1

1,6

2,3

3,7

5,6

7,2

8,3

9

<0,3

<0,3

<0,3

<0,3

<0,3

<0,3

<0,3

<0,3

<0,3*

0,4

0,6

1

1,5

2,5

4,2

5,4

6,4

7,2

< 0,3

<0,3

< 0,3

<0,3

< 0,3

< 0,3

<0,3

<0,3

<0,3*

3,44

0,4

0,5

0,7

1,2

2,2

3,7

4,7

5,5

6,2

<0,3

<0,3

< 0,3

< 0,3

< 0,3

<0,3

<0,3

<0,3

<0,3*

<0,3

<0,3

<0,3

<0,3

<0,3

<0,3

<0,3

<0,3

<0,3*

<0,3

<0,3

< 0,3

<0,3

<0,3

< 0,3

<0,3

<0,3

<0,3*

5,16

<0,3

<0,3

< 0,3

<0,3

<0,3

<0,3

< 0,3

< 0,3

<0,3*

<0,3

< 0,3

<0,3

<0,3

< 0,3

<0,3

<0,3

<0,3

<0,3*

<0,3

<0,3

<0,3

<0,3

<0,3

<0,3

<0,3

<0,3

<0,3

< 0,3

<0,3

<0,3

<0,3

< 0,3

<0,3

<0,3

<0,3

<0,3*

15

0

2,2

2,9

3,4

4,3

5,9

8,2

9,9

11,2

2,3

1,9

2,5

2,9

3,6

4,7

6,2

7,2

8

8,5

2

2,6

3,1

3,9

5,4

7,4

9

10,2

11,3

1,8

2,3

2,7

3,3

4,4

5,8

6,8

7,6

8,2

1,72

0,5

1,1

1,6

2,3

3,8

5,9

7,4

8,7

9,8

<0,3

<0,3

<0,3

<0,3

<0,3

<0,3

<0,3

<0,3

<0,3*

0,4

0,6

1

1,6

2,7

4,6

6

7,1

8

<0,3

<0,3

<0,3

<0,3

<0,3

<0,3

< 0,3

<0,3

<0,3*

3,44

0,4

0,5

0,7

1,2

2,3

3,9

5,3

6,3

7,2

<0,3

<0,3

<0,3

<0,3

<0,3

<0,3

<0,3

<0,3

<0,3*

<0,3

0,3

0,5

0,8

1,5

2,8

3,8

4,6

5,1

<0,3

<0,3

< 0,3

< 0,3

< 0,3

<0,3

<0,3

<0,3

<0,3*

5,16

<0,3

<0,3

<0,3

<0,3

<0,3

<0,3

<0,3

<0,3

<0,3*

<0,3

<0,3

<0,3

< 0,3

<0,3

<0,3

<0,3

<0,3

<0,3*

<0,3

< 0,3

< 0,3

<0,3

< 0,3

<0,3

< 0,3

<0,3

<0,3*

< 0,3

< 0,3

<0,3

< 0,3

<0,3

<0,3

<0,3

<0,3

<0,3*

 




Яндекс цитирования



   Copyright © 2007-2026,  www.tehlit.ru.

[ ѓосты, стандарты, нормативы, инструкции, правила, строительные нормы ]