//
|
|
СССР ВСЕСОЮЗНЫЙ ОРДЕНА ОКТЯБРЬСКОЙ РЕВОЛЮЦИИ УТВЕРЖДАЮ МЕТОДИЧЕСКИЕ РЕКОМЕНДАЦИИ Москва СодержаниеПРЕДИСЛОВИЕВ настоящих Методических Рекомендациях рассматриваются инженерные способы расчета железобетонных конструкций транспортных сооружений на длительные воздействия на базе теории ползучести. Основные положения Методических рекомендаций и предлагаемый алгоритм расчета могут быть использованы для построения самых общих (в том числе численных) способов расчета на длительные воздействия при проектировании как транспортных, так и других сооружений из железобетона. Методические рекомендации уточняют и развивают прикладные методы расчета в соответствии с указаниями действующих СНиП 2.05.03-84 "Мосты и трубы" (п. 3.15) и СНиП 2.03.01-84 "Бетонные и железобетонные конструкции (пп. 2.14 и 1.26). Методика расчета основывается на применении аналитических решений, представленных в форме простых алгебраических выражений. Приведенный способ оценки числовых значений всех параметров, необходимых для расчета, получен в резу1льтате выполненного в ЦНИИСе статистического анализа опытных данных, включающих более 50 тысяч измерений кратковременных и длительных деформаций различных бетонов. Методические рекомендации разработаны в отделении строительных материалов, прочности и долговечности железобетонных конструкций канд. техн. наук Е.Н. Щербаковым и инж. В.Л. Хасиным. В подготовке материалов разд. 2 принимала участие канд. техн. наук Н.Г. Хубова.
1. ОСНОВНЫЕ ПОЛОЖЕНИЯ1.1. Настоящие Методические рекомендации позволяют существенно уточнить методику расчета железобетонных конструкций, впервые регламентированную для транспортных сооружений в документах [l], [2]. Они распространяются на расчет стержневых железобетонных элементов железнодорожных, автодорожных и городских мостов, работающих без поперечных (нормальных к продольной оси элемента) трещин в бетоне под действием постоянной внешней нагрузки и (или) усилий предварительного напряжения (конструкций, отвечающих категориям требований по трещиностойкости 2а и 2б согласно СНиП 2.05.03-84). 1.2. Методика расчета, изложенная в настоящих Методических рекомендациях, основана на предпосылках наследственной теории старения (теории упругоползучего тела) Г.Н. Маслова - Н.Х. Арутюняна. При этом использован предложенный в ЦНИИСе вариант аналитического выражения для семейства кривых удельной ползучести, позволяющий в сравнительно простой форме отразить главные из известных особенностей длительного деформирования бетона как в линейной, гак и в нелинейной области [3] – [9]. 1.3. Все расчеты в данной методике осуществляются на базе общепринятых рабочих гипотез феноменологических теорий ползучести [3], [8], [9]. Суммарная деформация бетона под нагрузкой рассматривается как состоящая из трех компонентов: упругомгновенной деформации, линейно зависящей от вызвавших ее напряжений и полностью обратимой при разгрузке; деформации ползучести, также линейно зависящей от напряжений, подчиняющейся, принципу наложения воздействий с учетом старения бетона, и частично обратимой при разгрузке; деформации ползучести, нелинейно зависящей от напряжений, не подчиняющейся принципу наложения воздействий и полностью необратимой при разгрузке. Интегральное уравнение связи между деформациями бетона и напряжениями записывается соответственно: для линейной составляющей деформаций - в форме теории упругоползучего тела; для нелинейной составляющей - в форме теории старения [3]. Нарастание во времени модули упругости бетона после приложения нагрузки не учитывается. 1.4. В целях унификации расчетов транспортных и других видов сооружений на длительные воздействия аналитическое выражение меры ползучести в Методических рекомендациях принято в форме, аналогичной Рекомендациям по учету ползучести и усадки бетона при расчете бетонных, и железобетонных конструкций. Отличительной особенностью функциональной зависимости для меры линейной ползучести, принятой в настоящей работе, является использование специальным образом подобранной (приведенной) шкалы времени. Это дает возможность простого аналитического описания семейства кривых ползучести стареющего бетона при учете фактического отсутствия их аффинного подобия (согласно С.В. Александровскому [3]). Одновременно обеспечивается лучшее соответствие расчетных кривых среднестатистическим опытным данным и строгое соблюдение физических условий для деформаций последействия при разгрузке [3], [8]. 1.5. Влияние быстронатекаюшей (вслед за приложением нагрузки) части длительных деформаций бетона учтено в Методических рекомендациях в форме вертикальных отрезков кривых ползучести [3]. Одновременно с этим работа содержит данные, позволяющие при необходимости более точно отразить характер нарастания длительных деформаций на указанном начальном участке (в течение нескольких суток после приложения нагрузки). 1.6.
Предполагается, что физическая нелинейность деформаций ползучести проявляется
при всех уровнях напряжений, однако наиболее существенно, когда напряжения в
бетоне превышают нижний параметрический уровень трещинообразования В целях упрощения процедуры вычислений допускается использование в расчетах линейной теории ползучести, если максимальные суммарные напряжения в бетоне, вызванные приложением постоянной нагрузки и усилий предварительного напряжения, превосходят указанный параметрический уровень не более чем на 20 % (условно-линейная ползучесть). 1.7. Учет нелинейности деформаций ползучести бетона основан в Методических рекомендациях на использовании функции напряжений, отражающей отсутствие аффинного подобия кривых простой ползучести бетона при действии напряжений разного уровня [11]. Соответствующая функция нелинейности предложена также для учета специфики быстронатекаюших деформаций. 1.8. Числовые параметры, входящие в аналитические выражения для описания семейств кривых ползучести, а также все другие необходимые для расчетов параметры прочностных и деформационных характеристик бетона приведены в разд.2. Значения этих параметров, обоснованные результатами статистического анализа [11], обеспечивают высокую достоверность расчетной оценки деформационных свойств цементных бетонов. 1.9. В основу принятой в Методических рекомендациях практической методики расчета с учетом ползучести и усадки бетона положен разработанный в ЦНИИСе [12], [13] общий способ решения системы интегральных уравнений совместности деформаций упругих (арматура) и упруго-пластических (бетон) элементов сечения, осуществляемый путем замены исходных геометрических характеристик железобетонного поперечного сечения специально выбранными обобщенными параметрами Рj (разд. 3). Это позволяет математически строго применить хорошо апробированные точные решения, предназначенные для расчета железобетонных сечений с одиночной арматурой, к любым (в том числе сколь угодно сложным) случаям армирования. Предлагаемый способ расчета, в том числе в самом общем случае (рекомендуемое приложение 1), является математически строгим и точным (в рамках точности предпосылок избранной линейной теории ползучести). Он не накладывает никаких ограничений, касающихся геометрической формы поперечного сечения элемента, расположения в сечении гибких (арматура) или жестких упругих элементов, ориентации плоскости действия равнодействующих внутренних усилий по отношению к главным осям инерции поперечного сечения. Данный способ инвариантен также по отношению к математической форме записи меры ползучести в реологических уравнениях совместности деформаций бетона и упругих элементов. 1.10. Все расчетные формулы, приведенные в разделах [4] – [7], относятся к наиболее распространенному в инженерной практике случаю - расчету железобетонных элементов с двойной (многорядной) арматурой, поперечное сечение которых симметрично относительно вертикальной оси, а равнодействующие внешней нагрузки приложены в плоскости симметрии. Для железобетонных элементов с одиночным армированием предлагаемые расчетные формулы строго, соответствуют точному решению для этого частного случая. 1.11. Методика расчета железобетонных элементов, отвечающих условиям п. 1.10, с учетом ползучести в линейной постановке (или в предположении условно-линейной ползучести бетона согласно п. 1.6) изложена в разд. 4. Расчетные формулы, приведенные в этом разделе, представляют частный случай общего алгоритма решения задачи (см. рекомендуемое приложение 1) и полностью сохраняют математическую строгость и точность. 1.12. Способ учета нелинейной зависимости между деформациями ползучести бетона и напряжениями, содержащийся в разд. 5, основан на комбинации двух математически строгих решений. При некоторых упрощающих попущениях это позволяет с достаточным для практики приближением оценить сложный характер перераспределения усилий в поперечном сечении железобетонного элемента с двойной арматурой в условиях нелинейной ползучести бетона, в том числе при учете скоропреходящего влияния нелинейности деформаций (согласно п. 1.7). Погрешность способа по сравнению с точным численным решением (при полном соответствии исходных условий) в большинстве практически встречающихся случаев не превосходит ± 5%. Если влияние нелинейной составляющей деформации исключается из рассмотрения согласно п. 1.6, расчетные формулы разд. 5 становятся тождественными соответствующим точным формулам разд. 4. 1.13. Способ учета влияния усадки бетона на напряженно-деформированное состояние железобетонных элементов, изложенный в разд. 7, содержит допущение об аффинном подобии кривых деформаций усадки и линейной ползучести бетона. Хотя фактически указанное допущение строго не выполняется, оно незначительно сказывается на результатах расчета, но существенно упрощает вычисления. При этом допущении расчетные формулы, приведенные в разд. 7, также являются математически строгими и точными. 1.14. Все расчетные формулы,
содержащиеся в разделах 4-7,
представлены в виде однотипных по структуре алгебраических выражений,
включающих наследственные функции Числовые значения функций Аналогичным образом табулированы числовые значения функции F , входящей в расчетные формулы для определения промежуточных величин приращений напряжений в арматуре и бетоне (табл. 5 рекомендуемого приложения 2). Числовые значения функции Общая схема расчета железобетонных конструкций транспортного назначения изложена в разд. 8 и иллюстрируется двумя примерами (справочное приложение 3). 1.15. Содержащаяся в Методических рекомендациях методика может быть использована для расчета железобетонных элементов не только из обычного тяжелого, но и мелкозернистого бетона (согласно СНиП 2.03.01-84) с учетом характерных для меры значений параметров в математическом выражении ядра ползучести (см. разд.2). Предлагаемая методика может быть равным образом использована в расчетах железобетонных конструкций различного назначения с применением других видов бетона при условии, что для этих бетонов обоснованы необходимые числовые параметры деформаций, а также определены предпосылки теории ползучести [16] , включая аналитическое выражение соответствующих наследственных функций. В этих случаях корректировке подлежат только табулирование значения функций, приведенные в рекомендуемом приложении 2. 1.16. Приводимая в данной работе методика расчета может быть эффективно использована для расчетной опенки перераспределения усилий (напряжений), вызванного ползучестью и усадкой бетона, а также температурными перепадами в сталежелезобетонных конструкциях пролетных строений мостов (разд. 5 СНиП 2.05.03-84), железобетонная часть которых отвечает указанным в п. 1.1 требованиям по трещиностойкости. При соблюдении условий, оговоренных в пп. 1.10 и 1.13, все приведенные формулы применимы для расчета поперечных сечений сталежелезобетонных элементов и нуждаются лишь в незначительной корректировке, связанной с принятым в СНиП 2.05.03-84 способом приведения упругих характеристик стали и бетона для этого вида конструкций. При этом целиком сохраняется строгость решений (п. 1.9). 2. ЧИСЛОВЫЕ ПАРАМЕТРЫ ПРОЧНОСТНЫХ И ДЕФОРМАЦИОННЫХ ХАРАКТЕРИСТИК БЕТОНА2.1. Прочностные и деформационные характеристики бетона, применяемые в расчетах железобетонных конструкций (разд. 4-7), определяют, как правило, исходя из предусмотренного проектом класса бетона по прочности на сжатие В. 2.2. Класс бетона по прочности на сжатие устанавливается в возрасте 28 суток и контролируется испытанием кубов с размером ребра 150 мм (согласно СТ СЭВ 1406-78) При наличии необходимых данных рекомендуется учитывать, кроме того, особенности структурных характеристик бетона данного класса, обусловленные влиянием дозировки и качества составляющих бетонной смеси или иными факторами. При нормировании величин длительных деформаций ползучести и усадки учитывают дополнительно гарантированную прочность (возраст) бетона к моменту приложения длительной нагрузки (началу высыхания), размеры поперечного сечения элементов и влажность среды. 2.3. Нормируемые числовые параметры деформаций приведены в настоящем разделе с обеспеченностью 50 %. При необходимости нормировать значения деформаций с обеспеченностью, отличной от 50 %, последние должны быть скорректированы с учетом следующих данных коэффициентов вариации: для начального модуля упругости 0,12; для предельного значения меры ползучести 0,22; для предельного значения деформаций 0,15. Прочность и деформации при кратковременном нагружении 2.4. Гарантированное с
обеспеченностью 0,95 значение кубиковой прочности бетона при сжатии
где B - класс бетона по прочности на сжатие по п. 2.1; a, c, d - коэффициенты, числовые значения которых назначаются в зависимости от вида используемого цемента (табл. 1).
Соответствующие значения нормативного сопротивления бетона осевому сжатию вычисляют по формуле
2.5. Значения начального модуля упругости бетона Ев, МПа, при загружении в возрасте t определяют по формуле
где pz - удельное (по массе) содержание цементного теста в бетонной смеси; s - коэффициент, учитывающий влияние вида заполнителя; для тяжелого бетона (N) на гранитном щебне и кварцевом песке s = 135 МПа; для мелкозернистого бетона (М) на кварцевом песке s = 155 МПа (соответствует мелкозернистому бетону группы А по СНиП 2.03.01-84). При наличии данных о максимальной крупности заполнителя, используемого для приготовления бетона, значения Ев (t) по формуле (3) рекомендуется дополнительно умножать на коэффициенты, приведенные в табл. 2. Таблица 2
2.6. Если необходимые данные для расчетов по формуле (3) отсутствуют, значения начального модуля упругости бетона Ев(t), МПа, допускается принимать в зависимости от гарантированной прочности бетона на сжатие и подвижности (удобоукладываемости) бетонной смеси по ГОСТ 10.181.1-81 согласно табл. 3. Длительные деформации ползучести и усадки 2.7. Нормативные предельные (при t → ∞) значения меры линейной ползучести бетона, загруженного в возрасте 28 суток, и относительных деформаций усадки по истечении 7 суток твердения во влажных условиях определяют по формулам:
где W - удельное (по объему) количество воды затворения в бетонной смеси, л/м3; V - удельное (по объему) количество вовлеченного воздуха в уплотненной бетонной смеси, л/м3; КC - безразмерный коэффициент, принимаемый равным 15,5·10-6 для тяжелых и мелкозернистых бетонов; KS - безразмерный коэффициент, принимаемый равным: для тяжелых бетонов (N) 0,14·10-6, для мелкозернистых бетонов (М) 0,16·10-6. 2.8. В формулах (4) и (5) количество вовлеченного воздуха в уплотненной бетонной смеси принимают: для бетонов с воздухововлекающими химическими добавками - по фактическим данным, а при отсутствии таких данных V = 30 л/м3; для бетонов с пластифицирующими добавками (включая добавки суперпластификаторов) V = 10 л/м3, 2.9. При отсутствии данных о составе бетонной смеси нормативные значения Сп(28) и εsn(7) назначают по табл. 4. 2.10. Предельные (при t → ∞) значения меры линейной ползучести С(t0) и относительных деформаций усадки εs(tw), соответствующие фактическим условиям изготовления и эксплуатации конструкций, определяют по формулам:
где Cn(28) и εsn(7) - нормативные значения по формулам (4) и (5) или табл. 4; ξ1, ξ2, ξ3 - коэффициенты, учитывающие влияние на ползучесть и усадку соответственно зрелости бетона, размеров поперечного сечения элемента и относительной влажности среды согласно данным табл. 5. Таблица 3
Примечания: 1. Данные табл. 3 соответствуют тяжелым бетонам (N), изготовленным на гранитном щебне с максимальной крупностью 40 мм и кварцевом песке с модулем крупности 2,5 и мелкозернистым бетоном (М) на том же песке. Значения, заключенные в рамку, совпадают с данными СНиП 2.03.01-84. 2. Для бетонов, подвергнутых тепловлажностной обработке, значения Eв(t) по формуле (3) или табл. 3 следует умножить на коэффициент 0,9. Таблица 4
Примечания: 1. Данные табл. 4 соответствуют бетонам с теми же характеристиками, что и в табл. 3. Значения, заключенные в рамку, совпадают с данными СНиП 2.05.03-84. 2. Для бетонов, подвергнутых тепловлажностной обработке, значения Сn(28) и εsn(7), найденные по формулам (4) и (5) или по табл. 4, следует умножить на коэффициент 0,9. 3. Значения Сn(28) по формуле (4) или табл. 4 следует, кроме того, умножить на коэффициент, принимаемый равным: для бетонов, изготовленных на пуццолановом портландцементе 1,35; для бетонов, изготовленных на шлаковом портландцементе при загружении: в условиях атмосферной влажности 1,15; во влагонасыщенной среде 0,85; для бетонов, изготовленных на крупном заполнителе из известняка 0,85.
Примечания: 1. При
назначении коэффициента ξ1с отличным от единицы
принимают во всех случаях только одно из двух рядов значений, приведенных в
строках 1 и 2 (при 2. Модуль открытой поверхности элемента М вычисляют как отношение М = А/V (А - площадь поверхности элемента, открытой для испарений влаги, м2; V – объем элемента, м3). Для стержневых элементов модуль открытой поверхности допускается вычислять по формуле М = Р/А (Р - периметр поперечного сечения, соответствующий указанной открытой поверхности, м; А - площадь поперечного сечения элемента, м2 ). 3. Относительную влажность среды θ принимают в соответствии с заданием на проектирование; для конструкций, эксплуатируемых на открытом воздухе, значение устанавливают в зависимости от климатического района расположения сооружения согласно СНиП 2.01.01-82, как среднюю относительную влажность наружного воздуха наиболее жаркого месяца. 4. Для районов, относящихся согласно СНиП 2.01.01-82 к IV климатической зоне, относительную влажность воздуха рекомендуется устанавливать как среднемесячную влажность, соответствующую фактическому времени загружения (начала высыхания) бетона в элементах конструкции. 5. Для типовых конструкций, климатический район которых заранее неизвестен, допускается принимать коэффициенты ξ3c и ξ3s равными 1. 6. Для массивных элементов с открытой удельной поверхностью менее 4 м-1 вне зависимости от влажности воздуха принимают ξ3c = ξ3s = 1. 7. Для элементов, постоянно находящихся в воде или насыщенном водой грунте, независимо от их массивности принимают ξ2c = ξ2s = 1. 2.11. Аналитическое выражение меры линейной ползучести (при постоянных напряжениях σв→0) для бетона, загруженного в разных возрастах t0, принимают в виде:
где t0 и t - фактический возраст бетона, сут., (со времени окончания бетонирования) соответственно к моменту приложения нагрузки и в момент наблюдения; e = 2.718 - основание натурального логарифма. Если фактический возраст t0 к моменту достижения бетоном передаточной прочности неизвестен (в том числе, всегда после тепловлажностной обработки), приведенный возраст t0 при отпуске предварительного напряжения вычисляют по формуле
где коэффициент ξ1c принимают по строкам 1 или 2 табл. 5. Значения C(28) в уравнении (8) определяют по формуле (6), полагая при этом ξ1c = 1. Числовые значения параметров принимают равными c = 0,3, ω = 870 сут., δ = 50 сут. Значения остальных параметров в (8) и (9) находят по табл. 6. 2.12. Аналитическое выражение для удельных деформаций ползучее и бетона, вызванных приложением в возрасте t0 постоянных напряжений различного относительного уровня η = 0,78·σв/Rвn(t0)(0,78 - коэффициент, учитывающий заданную обеспеченность нормативных значений сопротивления бетона осевому сжатию Rвn в возрасте t0) представляется в виде: C(η, t, t0) = C(t, t0) + Vt·ηm·C(t, t0), (10) где C(t, t0) - мера линейной ползучести по уравнению (8); Vt = V0e-f - функция, учитывающая смягчение нелинейности деформаций ползучести во времени;
V0 и m - постоянные коэффициенты, принимаемые равными соответственно 3,5 и 4.
2.13. Предельные (при t → ∞) значения характеристики линейной ползучести бетона, загруженного в возрасте t0, в общем случае определяют по формуле
где C(t0) находят по формуле (6), a Eв(t0) - согласно указаниям пп. 2.3 и 2.4 при t = t0. Аналогичным образом находят промежуточные значения характеристики ползучести φt(t0) к любому моменту времени наблюдения t > t0, используя взамен C(t0) расчетные значения C(t, t0) по уравнению (8). Особенности учета быстронатекающих деформаций ползучести При необходимости более точного учета
развития деформаций ползучести на указанном начальном отрезке времени
наблюдения
в котором C(tj,t0) определяют из уравнения (8) при t = tj. Числовые значения параметра q в (12) вычисляют не формуле q = 0,2 + 0,00125·M(M, м-1), (13) а значения
При t > tj нарастание во времени линейной ползучести бетона определяют по уравнению (8). 2.15. При учете нелинейного характера связи между напряжениями и деформациями быстронатекающей ползучести бетона используют выражение (10), в котором принимают m = 4, а функцию Vt в виде
Числовые значения параметров V0 и æ назначают в зависимости от проектного класса бетона по табл. 8. Таблица 8
В этом случае функцию (14) с числовыми параметрами из табл. 8 используют как на начальных t ≤ tj, так и на последующих t ≥ tj отрезкам времени наблюдения, совмещая ее соответственно с выражениями (12) или (8). 2.16. Переход от приведенной Таблица 9
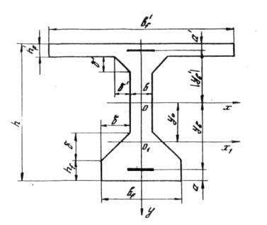
После линейной интерполяции по данным табл.9 фактическое время (возраст) округляет до целых суток. Для определения более точных соотношений фактического и приведенного времени используют выражения, приведенные в п. 2.9. 3. ОБОБЩЕННЫЕ ГЕОМЕТРИЧЕСКИЕ ХАРАКТЕРИСТИКИ ПОПЕРЕЧНОГО СЕЧЕНИЯ ЖЕЛЕЗОБЕТОННОГО ЭЛЕМЕНТА3.1. Исходные геометрические характеристики поперечного сечения железобетонного элемента с двойной арматурой (см. рисунок справочного приложения 3) определяют по формулами:
где 3.2. Обобщенные геометрические характеристики p1 и p2 поперечного сечения железобетонного элемента вычисляют по формуле
где все исходные геометрические характеристики сечения приняты по п. 3.1. 3.3. При многорядном расположении в сечении нижней и (или) верхней напрягаемой и ненапрягаемой арматуры задачу сводят к рассмотрению сечения с двойной заменяющей арматурой. При этом расстояние от центра тяжести одной из заменяющих арматур до центра тяжести бетонного сечения yв принимают соответствующим ряду арматуры, ближайшей к наиболее напряженной грани сечения, а аналогичную координату центра тяжести второй заменяющей арматуры находят по формуле
где rs - радиус инерции всей арматуры, расположенной в сечении, относительно ее центра тяжести; y0 - расстояние между центрами тяжести всей арматуры и бетонной части сечения. Эквивалентные площади заменяющих
арматур
где 3.4. При расчетах по формулам (15) - (18) площади Аs и A's ненапрягаемой арматуры, расположенной в сечении, следует, как правило, вводить с учетом фактических соотношений модулей упругости Es/Ep ненапрягаемой и напрягаемой арматуры (приведенная площадь арматуры). Влияние ненапрягаемой арматуры допускается не учитывать, если ее площадь составляет менее 20 % суммарного содержания нижней Aps или верхней A'ps арматуры. 4. НАПРЯЖЕННОЕ СОСТОЯНИЕ ЖЕЛЕЗОБЕТОННЫХ ЭЛЕМЕНТОВ В УСЛОВИЯХ ЛИНЕЙНОЙ ПОЛЗУЧЕСТИ4.1 .Предельное (при t → ∞) приращение напряжений в нижней ∆σр и в верхней ∆σ'р напрягаемых арматурах после приложения в возрасте t0 усилия предварительного напряжения и (или) постоянной внешней нагрузки определяют по формулам:
Соответствующие приращения напряжений в бетоне на, уровнях центров тяжести нижней ∆σв и верхней ∆σ'р арматуры вычисляют по формулам:
В формулах (19) - (22):
µ, µ', ρ1, ρ2, ρ3 - геометрические характеристики железобетонного сечения, вычисляемые по формулам (15) разд. 3; p1 и p2 - обобщенные геометрические характеристики того же сечения по формуле (16) разд. 3;
4.2. Значения функций
где φ(28) - предельное значение характеристики ползучести бетона при загружении в возрасте t0 = 28 сут., определяемое согласно п. 2.13; α = Ep/Eв - отношение модуля упругости напрягаемой арматуры Ep к модулю упругости бетона Eв, соответствующему его проектному классу. Числовые значения функций 4.3. Значения начальных напряжений в бетоне σвр и σ'вр в формулах (19) - (22) вычисляют в зависимости от стадии работы предварительно напряженного элемента, руководствуясь указаниями п. 3.14 и обязательного приложения 11 СНиП 2.05.03-84, а также п. 1.28 СНиП 2.03.01-84. При этом приращения напряжений (первые
потери) в напрягаемой арматуре от быстронатекающей ползучести бетона при
натяжении на упоры (поз. 6 обязательного приложения 11 СНиП 2.05.03-84) определяют по формулам (19), (20),
полагая значения наследственных функций
и вычисляя
при каждом из двух соответствующих параметров λ1 и λ2 - по формулам (23), (24) и значениях параметров ξ1c и к по табл.6 и 7. При натяжении арматуры на бетон приращения (первые потери) напряжений в ней от быстронатекающей ползучести согласно СНиП 2.05.03-84 не учитывают. 4.4. Приращения напряжений ∆σs ∆σ's в верхней и нижней ненапрягаемой арматурах, на указанных стадиях работы железобетонного элемента также определяют по формулам (19) и (21) или (25), умножая полученный результат на отношение модулей упругости ненапрягаемой и напрягаемой арматуры Es/Ep. При этом приращения напряжений в ненапрягаемой арматуре учитывают согласно п. 1.28. СНиП 2.03.01-84 независимо от способа натяжения напрягаемой арматуры. 4.5. Для
поперечных сечений с многорядным расположением арматуры все вычисления
производят с учетом эквивалентных площадей сечения заменяющих арматур 4.6. Для сечений с одиночной напрягаемой и (или) ненапрягаемой арматурой (при µ' = 0) вычисление предельных приращений напряжений в напрягаемой арматуре и бетоне осуществляют по формулам (19) - (22) которые для данного частного случая приводятся к виду:
Приращение напряжений в крайней верхней фибре поперечного сечения с одиночной арматурой вычисляют по формуле
Приращения напряжений в ненапрягаемой арматуре определяют с учетом указаний пп. 4.4 и 4.5. 5. НАПРЯЖЕННОЕ СОСТОЯНИЕ ЖЕЛЕЗОБЕТОННЫХ ЭЛЕМЕНТОВ В УСЛОВИЯХ НЕЛИНЕЙНОЙ ПОЛЗУЧЕСТИ5.1. Предельные (при t → ∞) приращения напряжений в нижней ∆σр и верхней ∆σ'р напрягаемых арматурах после приложения (в возрасте t0) усилия предварительного напряжения и (или) постоянной внешней нагрузки определяют по формулам:
Соответствующие приращения напряжений в бетоне на уровнях центров тяжести нижней ∆σв и верхней ∆σ'в арматуры вычисляют по формулам:
5.2. Числовые значения
наследственных функций
χ - функция, учитывающая влияние начального уровня приложенные напряжений в бетоне, а также отсутствия аффинного подобия соответствующих кривых простой ползучести согласно п. 5.3. 5.3. Значения функций χ определяют в зависимости от относительного значения начальных напряжений в бетоне на уровне центра тяжести соответствующей арматуры
где λ1 и λ2 вычисляют по формулам (23) и (24) при φ(28) согласно п. 2.13. Числовые значения функций χ1 (χ'1) и χ2 (χ'2) при натяжении арматуры на упоры принимают по табл. 3, а при натяжении на бетон - по табл. 4 рекомендуемого приложения 2. 5.4.
Приращения напряжений (первые потери) в напрягаемой арматуре от
быстронатекающей ползучести бетона при натяжении
на упоры определяют по формулам (30), (31) по методике, аналогичной изложенной
в п.4.3. Значения функций 5.5. Для случаев
многорядного или одиночного армирования предельные значения приращений
напряжений в арматуре и бетоне также определяют по формулам (30) - (33), в
которых значения нелинейных наследственных функций
6. ОПРЕДЕЛЕНИЕ ТЕКУЩИХ ЗНАЧЕНИЙ ПРИРАЩЕНИЙ НАПРЯЖЕНИЙ, ВЫЗВАННЫХ ПОЛЗУЧЕСТЬЮ БЕТОНА6.1. В условиях
линейной ползучести приращения напряжений в напрягаемой арматуре ∆σр(t) и в бетоне ∆σв(t) к любому промежуточному моменту времени наблюдения t > t0 определяют по
формулам (19) - (22), но входящие в них наследственные функции при натяжении арматуры на упоры
при натяжении арматуры на бетон
где по формуле (26) при тех же значениях λ1 и λ2 остальные параметры по пп. 2.9 и 2.11. Числовые значения наследственных функций Числовые значения функций F(t) и F(t0) в тех же формулах находят аналогичным образом по табл. 5 рекомендуемого приложения 2 независимо от способа натяжения арматуры. При этом значения коэффициента ξ1с определяют по табл. 6 соответственно для моментов времени наблюдения t и загружения t0 при каждом из заданных значений λ1 и λ2. 6.2. В условиях
нелинейной ползучести приращения напряжений в напрягаемой арматуре ∆σр(t) и в
бетоне ∆σв(t) к моменту времени наблюдения t > t0 определяют по формулам (30) - (33) с
заменой наследственных функций
где
где
Все числовые параметры, входящие в выражение (43) находят по пп. 2.11 - п. 2.13 и табл. 5. 6.3. Допускается
использовать более простую аппроксимацию для непосредственного вычисления
значений наследственных функций
где Аналогичным образом допускается
приближенно определять также значения наследственных функций Для определения приращений напряжений, обусловленных
только быстронатекающей ползучестью бетона значение 6.4.
Выражение (44) применимо равным образом для приближенной расчетной оценки не
только текущих Полученные таким путем
расчетные значения 6.5. Определение приращений напряжений ∆σр(t) и ∆σв(t) для случаев одиночного и многорядного армирования производится аналогичными способами с учетом указаний пп. 4.5, 4.6 и 5.5. 7. УЧЕТ ВЛИЯНИЯ УСАДКИ БЕТОНА7.1. Предельные (при t → ∞) приращения напряжений в нижней ∆σps и верхней ∆σ'ps напрягаемой арматуре, вызванные воздействием деформаций усадки бетона после окончания (в возрасте tw) влажного хранения или тепловлажностной обработки, определяют по формулам:
Соответствующие приращения напряжений в бетоне на уровнях центров тяжести нижней ∆σвs и верхней ∆σ'вs арматуры вычисляют по формулам:
В формулах (45) - (48)
коэффициент пропорциональности Допускается вычисление функции
7.2. При многорядном расположении нижней и (или) верхней арматуры в сечении используют способ определения координат расположения центров тяжести и площадей заменяющих арматур, изложенный в разд. 3. с последующим расчетом по формулам (45) - (48). 7.3. При наличии в поперечном сечении только одиночной арматуры (µ' = 0) формулы (45) - (48) приводятся к виду:
Приращение напряжений в верхней крайней фибре поперечного сечения с одиночной арматурой определяют по формуле
7.4. Предельные значения приращений напряжений в ненапрягаемой арматуре ∆σss и ∆σ'ss, вызванных усадкой бетона, определяют аналогичным способом с учетом указаний п. 4.4 и 4.5. 7.5. Приращение напряжений в напрягаемой арматуре ∆σрs(t) и ∆σвs(t) к любому промежуточному моменту времени t > tw определяют, используя соотношения:
где 8. СХЕМА РАСЧЕТА НАПРЯЖЕННОГО СОСТОЯНИЯ ЖЕЛЕЗОБЕТОННЫХ КОНСТРУКЦИЙ ТРАНСПОРТНЫХ СООРУЖЕНИЙ8.1 . Принимая во внимание обычную последовательность изготовления и монтажа сборных железобетонных конструкций транспортных сооружений (в первую очередь, предварительно напряженных), расчет напряженного состояния железобетонных элементов в стадии эксплуатации рекомендуется производить по формулам приведенным в разд. 4-7, исходя из двухстадийной схемы приложения постоянной нагрузки. I стадия: вычисление приращений напряжений, вызванных усилием предварительного обжатия и собственной массой железобетонного элемента с момента времени t01. В зависимости от относительного уровня начальных напряжений в бетоне ∆σвр и ∆σ'вр, вычисляемого с учетом передаточной прочности Rвn в указанной стадии, используют формулы (19) - (22) или (30) - (33). II стадия: вычисление приращений напряжений, вызванных приложением постоянной эксплуатационной нагрузки в возрасте бетона. Для расчета изменения напряжений в этой стадии используют только формулы (19) - (22). 8.2. Входящие в указанные формулы значения функции определяют по таблицам рекомендуемого приложения 2 и формулам (34). Необходимые для этого значения коэффициента ε1c принимают по табл. 5 разд. 2 в зависимости от передаточной прочности или фактического возраста бетона с учетом стации приложения нагрузки. Значения характеристики ползучести бетона независимо от рассматриваемой стадии вычисляют по формуле (11), полагая t0 = 28 сут. 8.3. Суммарное значение приращений напряжений от ползучести бетона находят как алгебраическую сумму указанных величин, вычисленных для обеих стадий согласно п. 8.1. 8.4. Приращения напряжений в арматуре и бетоне, вызванные воздействием усадки бетона и вычисленные согласно разд. 7, алгебраически суммируют с указанными в п. 8.3 приращениями напряжений от ползучести бетона. В целях упрощения расчетов допускается принимать, что начало высыхания (начало воздействия усадки) tw совпадает со временем t01 начала 1 стадии по п. 8.1. При отсутствии данных о фактическом возрасте tw допускается принимать его равным 7 суткам. 8.5. Текущие значения напряжений в напрягаемой (ненапрягаемой) арматуре и в бетоне к любому заданному моменту времени наблюдения t определяют как алгебраическую сумму начальных и соответствующих приращений напряжений во времени с учетом указаний п. 1.28 СНиП 2.03.01-84. Приложение 1
| ||||||||||||||||||||||||||||||||||||||||||||||||||||||||||||||||||||||||||||||||||||||||||||||||||||||||||||||||||||||||||||||||||||||||||||||||||||||||||||||||||||||||||||||||||||||||||||||||||||||||||||||||||||||||||||||||||||||||||||||||||||||||||||||||||||||||||||||||||||||||||||||||||||||||||||||||||||||||||||||||||||||||||||||||||||||||||||||||||||||||||||||||||||||||||||||||||||||||||||||||||||||||||||||||||||||||||||||||||||||||||||||||||||||||||||||||||||||||||||||||||||||||||||||||||||||||||||||||||||||||||||||||||||||||||||||||||||||||||||||||||||||||||||||||||||||||||||||||||||||||||||||||||||||||||||||||||||||||||||||||||||||||||||||||||||||||||||||||||||||||||||||||||||||||||||||||||||||||||||||||||||||||||||||||||||||||||||||||||||||||||||||||||||||||||||||||||||||||||||||||||||||||||||||||||||||||||||||||||||||||||||||||||||||||||||||||||||||||||||||||||||||||||||||||||||||||||||||||||||||||||||||||||||||||||||||||||||||||||||||||||||||||||||||||||||||||||||||||||||||
|
φs |
Значения коэффициента ξ1с (по табл. 5 основного текста) |
|||||
|
0,4 |
0,6 |
0,8 |
1,0 |
1,2 |
1,4 |
|
|
0 |
0 |
0 |
0 |
0 |
0 |
0 |
|
0,02 |
0,0078 |
0,0119 |
0,0158 |
0,0197 |
0,0236 |
0,0275 |
|
0,04 |
0,0158 |
0,0236 |
0,0313 |
0,0389 |
0,0465 |
0,0541 |
|
0,06 |
0,0235 |
0,0350 |
0,0464 |
0,0576 |
0,0687 |
0,0797 |
|
0,08 |
0,0311 |
0,0463 |
0,0612 |
0,0758 |
0,0002 |
0,1044 |
|
0,10 |
0,0386 |
0,0573 |
0,0756 |
0,0936 |
0,1111 |
0,1283 |
|
0,12 |
0,0460 |
0,0682 |
0,0898 |
0,1108 |
0,1314 |
0,1514 |
|
0,14 |
0,0533 |
0,0789 |
0,1036 |
0,1277 |
0,1510 |
0,1737 |
|
0,16 |
0,0606 |
0,0893 |
0,1171 |
0,1440 |
0,1700 |
0,1952 |
|
0,18 |
0,0677 |
0,0996 |
0,1304 |
0,1600 |
0,1885 |
0,2160 |
|
0,20 |
0,0747 |
0,1097 |
0,1433 |
0,1756 |
0,2065 |
0,2361 |
|
0,25 |
0,0918 |
0,1343 |
0,1745 |
0,2128 |
0,2491 |
0,2835 |
|
0,30 |
0,1084 |
0,1577 |
0,2041 |
0,2477 |
0,2886 |
0,3272 |
|
0,35 |
0,1245 |
0,1802 |
0,2321 |
0,2804 |
0,3254 |
0,3674 |
|
0,40 |
0,1400 |
0,2018 |
0,2588 |
0,3113 |
0,3597 |
0,4044 |
|
0,45 |
0,1551 |
0,2225 |
0,2840 |
0,3403 |
0,3916 |
0,4386 |
|
0,50 |
0,1696 |
0,2423 |
0,3081 |
0,3676 |
0,4214 |
0,4703 |
|
0,55 |
0,1838 |
0,2614 |
0,3309 |
0,3933 |
0,4493 |
0,4995 |
|
0,60 |
0,1975 |
0,2797 |
0,3527 |
0,4175 |
0,4753 |
0,5267 |
|
0,65 |
0,2108 |
0,2973 |
0,3734 |
0, 4404 |
0,4996 |
0,5518 |
|
0,70 |
0,2237 |
0,3143 |
0,3932 |
0,4621 |
0,5223 |
0,5751 |
|
0,75 |
0,2363 |
0,3305 |
0,4120 |
0,4825 |
0,5437 |
0,5968 |
|
0,80 |
0,2485 |
0,34 62 |
0,4299 |
0,5018 |
0,5637 |
0,6170 |
Таблица 2
Числовые значения наследственной функции
(натяжение арматуры
на бетон)
|
φs |
Значения коэффициента ξ1с (по табл. 5 основного текста) |
|||||
|
0,4 |
0,6 |
0,8 |
1,0 |
1,2 |
1,4 |
|
|
0 |
0 |
0 |
0 |
0 |
0 |
0 |
|
0,02 |
0,0073 |
0,0109 |
0,0115 |
0,0181 |
0,0217 |
0,0253 |
|
0,04 |
0,0145 |
0,0217 |
0,0288 |
0,0358 |
0,0428 |
0,0499 |
|
0,06 |
0, 0216 |
0,0322 |
0,0427 |
0,0531 |
0,0633 |
0,0785 |
|
0,08 |
0,0286 |
0,0426 |
0,0564 |
0,0699 |
0,0832 |
0,0961 |
|
0,10 |
0,0355 |
0,0528 |
0, 0897 |
0,0863 |
0,1026 |
0,1185 |
|
0,12 |
0,0423 |
0,0628 |
0,0828 |
0,1023 |
0,1214 |
0,1400 |
|
0,14 |
0,0491 |
0,0727 |
0,0956 |
0,1179 |
0,1396 |
0,1607 |
|
0,16 |
0, 0558 |
0,0823 |
0,1081 |
0,1330 |
0,1573 |
0,1808 |
|
0,18 |
0,0623 |
0,0918 |
0,1204 |
0,1479 |
0,1745 |
0,2002 |
|
0,20 |
0,0688 |
0,1012 |
0,1323 |
0,1624 |
0,1913 |
0,2190 |
|
0,25 |
0,0845 |
0,1239 |
0,1613 |
0,1971 |
0,2311 |
0,2634 |
|
0,30 |
0,0998 |
0,1456 |
0,1888 |
0,2296 |
0,2681 |
0,3046 |
|
0,35 |
0,1147 |
0,1664 |
0,2149 |
0,2603 |
0,3027 |
0,3426 |
|
0,40 |
0,1290 |
0,1865 |
0,2398 |
0,2849 |
0,3351 |
0,3777 |
|
0,45 |
0,1429 |
0,2057 |
0,2634 |
0,3166 |
0,3653 |
0,4103 |
|
0,50 |
0,1563 |
0,2241 |
0,2860 |
0,3423 |
0,3936 |
0,4406 |
|
0, 55 |
0,1694 |
0,2419 |
0,3073 |
0,3666 |
0,4202 |
0,4687 |
|
0,60 |
0,1821 |
0,2590 |
0,3278 |
0,3895 |
0,4451 |
0,4940 |
|
0,65 |
0,1944 |
0,2754 |
0,3473 |
0,4113 |
0,4684 |
0,5192' |
|
0,70 |
0,2063 |
0,2913 |
0,3660 |
0,4320 |
0,4902 |
0,5418 |
|
0,75 |
0,2180 |
0,3064 |
0,3838 |
0,4514 |
0,5108 |
0,5829 |
|
0,80 |
0,2293 |
0,3211 |
0,4065 |
0,4699 |
0, 5302 |
0,5827 |
Числовые значения функции χ (натяжение арматуры на упоры)
|
φs ξ1с |
|
Относительный уровень напряжений в бетоне η |
||||||
|
0,45 |
0,50 |
0,55 |
0,60 |
0,65 |
0,70 |
0,75 |
0,80 |
|
|
0 |
1,0 |
1,0 |
1,0 |
1,0 |
1,0 |
1,0 |
1,0 |
1,0 |
|
0,05 |
0,9975 |
0,9962 |
0,9945 |
0,9923 |
0,9894 |
0,9859 |
0,9816 |
0,9765 |
|
0,10 |
0,9953 |
0,9929 |
0,9897 |
0,9856 |
0,9804 |
0,9741 |
0,9665 |
0,9576 |
|
0,15 |
0, 9934 |
0,9899 |
0,9855 |
0,9798 |
0,9726 |
0,9640 |
0,9538 |
0,9421 |
|
0,20 |
0,9916 |
0, 9874 |
0,9818 |
0,9747 |
0,9659 |
0,9554 |
0,9431 |
0,9291 |
|
0,25 |
0,9901 |
0,9851 |
0,9785 |
0,9702 |
0,9600 |
0,9479 |
0,9340 |
0,9182 |
|
0,30 |
0,9887 |
0,9830 |
0,9755 |
0,9662 |
0,9548 |
0,9414 |
0,9260 |
0,9088 |
|
0,35 |
0,9874 |
0,9811 |
0,9729 |
0,9627 |
0,9503 |
0,9357 |
0,9191 |
0,9007 |
|
0,40 |
0,9863 |
0,9794 |
0,9706 |
0,9595 |
0,9462 |
0,9307 |
0,9131 |
0,8936 |
|
0,45 |
0,9852 |
0,9779 |
0,9684 |
0,9567 |
0,9426 |
0,9262 |
0,9077 |
0,8874 |
|
0,50 |
0,9843 |
0,9765 |
0,9665 |
0,9541 |
0,9393 |
0,9222 |
0,9030 |
0,8819 |
|
0,55 |
0,9834 |
0,9753 |
0,9648 |
0,9518 |
0,9364 |
0,9186 |
0,8987 |
0,8770 |
|
0,60 |
0,9826 |
0,9741 |
0,9632 |
0,9497 |
0,9337 |
0,9153 |
0,8949 |
0,8727 |
|
0,65 |
0,9819 |
0,9731 |
0,9617 |
0,9478 |
0,9313 |
0,9124 |
0,8914 |
0,8687 |
|
0,70 |
0,9813 |
0,9721 |
0,9604 |
0,9461 |
0,9291 |
0,9097 |
0,8883 |
0,8652 |
|
0,75 |
0,9807 |
0,9712 |
0,9592 |
0,9445 |
0,9271 |
0,9073 |
0,8855 |
0,8620 |
|
0,80 |
0,9801 |
0,9704 |
0,9581 |
0,9430 |
0,9253 |
0,9051 |
0,8829 |
0,8591 |
Числовые значения функции χ (натяжение арматуры на бетон)
|
φs ξ1с |
Относительный уровень напряжений в бетоне η |
|||||||
|
0,45 |
0,50 |
0,55 |
0,60 |
0,65 |
0,70 |
0,75 |
0,80 |
|
|
0 |
1,0 |
1,0 |
1,0 |
1,0 |
1,0 |
1,0 |
1,0 |
1,0 |
|
0,05 |
0,9980 |
0,9970 |
0,9957 |
0,9939 |
0,9917 |
0,9889 |
0,9856 |
0,9816 |
|
0,10 |
0,9964 |
0,9945 |
0,9920 |
0,9888 |
0,9848 |
0,9799 |
0,9742 |
0,9674 |
|
0,15 |
0,9949 |
0,9923 |
0,9889 |
0,9845 |
0,9791 |
0,9726 |
0,9651 |
0,9564 |
|
0,20 |
0,9936 |
0,9904 |
0,9863 |
0,9809 |
0,9744 |
0,9667 |
0,9577 |
0,9477 |
|
0,25 |
0,9926 |
0,9889 |
0,9840 |
0,9779 |
0,9705 |
0,9618 |
0,9518 |
0,9407 |
|
0,30 |
0,9917 |
0,9875 |
0,9821 |
0,9754 |
0,9672 |
0,9577 |
0,9470 |
0,9352 |
|
0,35 |
0,9909 |
0,9863 |
0,9805 |
0,9732 |
0,9645 |
0,9544 |
0,9431 |
0,9308 |
|
0,40 |
0,9902 |
0,9853 |
0,9791 |
0,9714 |
0,9622 |
0,9517 |
0,9399 |
0,9273 |
|
0,45 |
0,9896 |
0,9845 |
0,9779 |
0,9699 |
0,9603 |
0,9494 |
0,9374 |
0,9245 |
|
0,50 |
0,9891 |
0,9838 |
0,8769 |
0,9686 |
0,9588 |
0,6477 |
0,9353 |
0,9223 |
|
0,55 |
0,9886 |
0,9831 |
0,9761 |
0,9676 |
0,9575 |
0,9461 |
0,9337 |
0,9206 |
|
0,60 |
0,9883 |
0,9826 |
0,9754 |
0,9669 |
0,9564 |
0,9450 |
0,9325 |
0,9194 |
|
0,65 |
0,9880 |
0,9822 |
0,9749 |
0,9660 |
0,9556 |
0, 9440 |
0,9315 |
0,9184 |
|
0,70 |
0,9878 |
0,9819 |
0,9744 |
0,9654 |
0,9550 |
0,9434 |
0,9308 |
0,9178 |
|
0,75 |
0,9875 |
0,9816 |
0,9740 |
0,9650 |
0,9545 |
0,9428 |
0,9304 |
0,9175 |
|
0,80 |
0,9874 |
0,9814 |
0,9737 |
0,9646 |
0,9541 |
0,9425 |
0,9301 |
0,9173 |
Таблица 5
Числовые значения функции F (независимо от способа натяжения арматуры)
|
φs ξ1с |
Значения коэффициента ξ1с (по табл. 5 основного текста) |
|||||
|
0,4 |
0,6 |
0,8 |
1,0 |
1,2 |
1,4 |
|
|
0 |
1,0 |
1,0 |
1,0 |
1,0 |
1,0 |
1,0 |
|
0,02 |
1,0059 |
1,0074 |
1,0093 |
1,0110 |
1,0127 |
0,0144 |
|
0,04 |
1,0118 |
1,0152 |
1,0187 |
1,0221 |
1,0256 |
1,0291 |
|
0,06 |
1,0178 |
1,0229 |
1,0282 |
1,0334, |
1,0387 |
1,0440 |
|
0,08 |
1,0238 |
1,0307 |
1,0377 |
1,0448 |
1,0519 |
1,0591 |
|
0,10 |
1,0298 |
1,0386 |
1,0474 |
1,0564 |
1,0654 |
1,0746 |
|
0,12 |
1,0358 |
1,0464 |
1,0572 |
1,0681 |
1,0791 |
1,0902 |
|
0,14 |
1,0419 |
1,0544 |
1,0671 |
1,0799 |
1,0930 |
1,1062 |
|
0,16 |
1,0480 |
1,0624 |
1,0771 |
1,0919 |
1,1071 |
1,1224 |
|
0,18 |
1,0451 |
1,0705 |
1,0871 |
1,1041 |
1,1214 |
1,1389 |
|
0,20 |
1,0603 |
1, 0784 |
1,0973 |
1,1164 |
1,1359 |
1,1557 |
|
0,25 |
1,0759 |
1,0993 |
1,1232 |
1,1478 |
1,1731! |
1,1990 |
|
0,30 |
1,0916 |
1,1203 |
1,1498 |
1,1803 |
1,2117 |
1,2440 |
|
0,35 |
1,1076 |
1,1417 |
1,1771 |
1,2137 |
1,2517 |
1,2910 |
|
0,40 |
1,1237 |
1,1635 |
1,2050 |
0,2482 |
1,2932 |
1,3400 |
|
0,45 |
1,1400 |
1,1858 |
1,2336 |
1,2837 |
1,336,1 |
1,3910 |
|
0,50 |
1,1566 |
1,2084 |
1,2630 |
1,3203 |
1,3807 |
1,4441 |
|
0,55 |
1,1733 |
1,2315, |
1,2930 |
1,3581 |
1,4268 |
1,4994 |
|
0,60 |
1,1902 |
1,2550 |
1,3238 |
1,3969 |
1,4746 |
1,5570 |
|
0,65 |
1,2074 |
1,2789 |
1, 3554 |
1,4370 |
1,5240 |
1,6170 |
|
0,70 |
1,2247 |
1,3033 |
1,3877 |
1,4782 |
1,5752 |
1,6793 |
|
0,75 |
1,2422 |
1,3281 |
1,4208, |
1,5206 |
1,6282 |
1,7442 |
|
0,80 |
1,2600 |
1,3534 |
1,4546 |
1,5643 |
1,6831 |
1,8117 |
Формулы расчета функций
, χ и F по таблицам:
Таблица 1
. (1)
Таблица 2
(2)
Таблица 3
(3)
Таблица 4
. (4)
Таблица 5
, (5)
где

![]()
;
;
![]()
![]()
m = 4; v0 = 3,5; c = 0,3; к = 0,92.
Пример 1. Исходные
данные: пролетное строение моста под железную дорогу с расчетным пролетом L =
Требуется определить предельные значения потерь предварительного напряжения в нижней и верхней напрягаемой арматурах от ползучести и усадки бетона.
Расчет. Геометрические характеристики бетонной части сечения Ав
=
Согласно табл. 3 основного текста модуль упругости бетона с учетом тепловлажностной обработки Ев(28) = 32,5·0,9 = 29,25·103 МПа, отношение модулей упругости стали и бетона α = 6,15.

Поперечное сечение железобетонного элемента, имеющего одну плоскость симметрии
Геометрические размеры поперечного сечения в примерах расчета, см, приведены в табл. 1.
Таблица 1
|
Номер примера |
h |
hf |
h'f |
вf |
в'f |
δ |
δ' |
в |
а |
а' |
|
1 |
225 |
35 |
22,5 |
80 |
208 |
27 |
20 |
26 |
19,4 |
8 |
|
2 |
115 |
23 |
15 |
40 |
130 |
0 |
15 |
16 |
20 |
- |
Характеристики приведенного поперечного сечения при α = 6,15; Ared =
Напряжение в бетоне на уровне центров тяжести напрягаемой арматуры от сил предварительного напряжения и собственного веса:
![]()
![]()
По формуле (2) нормативное сопротивление бетона осевому сжатию в момент отпуска предварительного напряжения Rвn(t0) = [0,77 - 0,001 - 23,4]23,4 = 17,47 МПа. Соответствующие относительные уровни напряжений в бетоне: η = 0,78·σвр/Rвn(t0) = 0,78·14,22/17,47 = 0,635; η' = 0,78·1,7/17,47 = 0,076.
Исходные геометрические характеристики поперечного сечения по формулам (15):
ρ1 = 2,85; ρ2 = 2,14; ρ3 = - 0,45;
µ = 7,68·10-3; µ' = 0,73·10-3.
Обобщенные геометрические характеристики сечения по формуле (16):
p1 = 21,91·10-3; p2 = 1,51·10-3.
Определяем числовые параметры длительных деформаций. По табл. 4 с учетом тепловлажностной обработки нормативное значение меры ползучести Сn(28) = 80·10-6·0,9 = 72·10-6 МПа-1.
С учетом условий изготовления и эксплуатации поправочные коэффициенты по табл. 5 (для t0 = 28 сут.) ξ2c = 0,673 (по интерполяции для М0 = 6,04 м-1); ξ3c = 0,87. По формуле (6) определяем предельное значение меры линейной ползучести С(28) = 72·10-6·0,673·0,87 = 42,15·10-6 МПа-1.
Соответствующее значение характеристики ползучести бетона по формуле (11) с учетом указаний п. 8.1 при Eв(t0) = Eв(28):
φ(28) = (42,15·10-6)·(29,25·103) = 1,23.
По формулам(23) и (24) находим:
λ1 = 0,1187; λ2 = 0,0103.
Соответствующие значения φs = λ × φ(28):
φs1 = 0,1463; φs2 = 0,0127.
С учетом относительной передаточной прочности Rвр/B = 0,78 по табл. 5 находим ξ1с = 1,22.
По табл.
1 рекомендуемого приложения 2,
применяя линейную интерполяцию, находим числовые значения наследственных
функций
:
= 0,1594;
= 0,0152.
По табл. 3 рекомендуемого приложения 2 для η = 0,635 находим аналогично числовые значения функций χ:
при φs1ξ1c = 0,178, χ1 = 0,971;
при φs2 ξ1c = 0,178, χ2 = 0,971;
По формулам (34) вычисляем значения функций
:
= 1 - (1 - 0,1594)·0,97 = 0,1838;
= 1 - (1 -
0,0152)·0,997 = 0,0182.
Потери напряжения в арматуре, вызванные ползучестью бетона от усилия предварительного обжатия и собственного веса, определяем по формулам (30) и (31):
|
|
Вычисляем напряжения в бетоне (на уровнях соответствующих арматур) от постоянной эксплуатационной нагрузки:
![]()
![]()
С учетом возраста приложения указанной
части нагрузки по табл.
6 находим новое значение ξ1с' = 0,7, а по табл.
1 рекомендуемого приложения 2 -
соответствующие значения наследственных функций
(при тех же φs1 = 0,1463
и φs2 = 0,0127):
= 0,0950;
= 0,0088.
По формулам (19) и (20) с
учетом найденных значений
определяем приращения
напряжений в арматуре, вызванные ползучестью бетона под действием постоянной
эксплуатационной нагрузки:
∆σp = -8,78 МПа; ∆σ'p = 8,83 МПа.
Для вычисления потерь от усадки бетона, действующей с момента предварительного обжатия, по табл. 4 находим нормативное значение ξsn(7) = 365·10-6, а по табл. 5 (полагая tw = 7 сут.) ξ1s = 1; ξ2s = 0,565; ξ3s = 0,91. Предельное значение деформаций усадки по формуле (7) с учетом тепловлажностной обработки ξs(7) = 365·10-6·0,565·0,91·0,9 = 169·10-6.
Поскольку мера линейной ползучести бетона, соответствующая началу воздействия усадки (моменту предварительного обжатия) составляет C(t0) = ξ1sC(28) = 1,22·42,15·10-6 = 51,42·10-6 МПа-1, значение коэффициента пропорциональности
q = εs(7)/C(t0) = 3,29 МПа.
Потери предварительного напряжения в
арматуре, вызванные усадкой бетона, определяем по формулам
(45) и (46),
принимая ранее найденные значения наследственных функций
для момента
предварительного обжатия:
∆σps = 24,1 МПа; ∆σ'ps = 32,6 МПа.
В табл. 2 приведено сравнение потерь предварительного напряжения в арматуре, вычисленных по изложенной методике и методике действующих строительных норм и правил.
Таблица 2
|
Методика расчета |
Расчетная величина потерь, МПа, в напрягаемой арматуре |
|||||
|
от ползучести бетона |
от усадки бетона |
суммарные |
||||
|
нижней |
верхней |
нижней |
верхней |
нижней |
верхней |
|
|
По СНиП 2.05.03-84 По СНиП 2.03.01-84 По настоящим Методическим рекомендациям |
95,7 |
12,115,2 |
35,0 |
35,0 |
130,7 |
47,1 |
|
120,4 |
|
46,6 |
46,6 |
167,0 |
61,8 |
|
|
110,6 |
34,7 |
24, 1 |
32,6 |
134,7 |
67,3 |
|
Пример 2. Исходные данные: пролетное строение моста под
автомобильную дорогу с расчетным пролетом L =
Требуется определить предельные значения потерь предварительного напряжения от ползучести и усадки бетона.
Расчет. Геометрические характеристики бетонной части сечения:
Ав =
Модуль упругости бетона (при t0 = 28 суток) определяем по формуле (3):
Ев(28) = 25,4·103 МПа; α = Ер/Ев = 7,08.
Характеристики приведенного сечения: Ared =
Напряжение в бетоне на уровне центра тяжести нижней арматуры по окончании предварительного напряжения
![]()
Нормативное сопротивление бетона осевому сжатию к моменту предварительного напряжения по формуле (2)
Rвn(t) = 22,2 МПа.
Относительный уровень обжатия η = 0,78·12,9/22,2 = 0,453.
В соответствии с п. 1.6 расчет можно производить с учетом условно-линейной ползучести.
Исходные геометрические характеристики поперечного сечения по формулам (15):
ρ1 = 2,82; µ = 0,00653.
Обобщенная геометрическая характеристика по формуле (16)
ρ1 = ρ1µ = 0,0184.
Нормативное значение меры линейной ползучести бетона по формуле (4)
Cn(28) = 95,7·10-6 МПа-1.
Для условий изготовления и эксплуатации конструкции при t0 = 28 сут. с учетом коэффициентов из табл. 5:
ξ2c = 0,794 и ξ2c = 0,87;
по формуле (6)
С(28) = 95,7·10-6·0,794·0,87 = 66,1·10-6 МПа-1.
По формуле (23) определяем λ = 0,1153 и по формуле (11) находим φs = 0,1153·66,1·10-6·26,42·103 = 0,1936.
По табл.
2 рекомендуемого приложения 2 при найденном φs и ξ1с =
1,
= 0,1578,
Потери напряжений в арматуре от усилий предварительного обжатия и собственного веса по формуле (27)
∆σp = 110,9 МПа.
Напряжения в бетоне от эксплуатационной нагрузки
σвq = -2,97 МПа.
По табл.
5 ξ1c = 0,7 (t0 = 90 сут.) и
по табл.
2 рекомендуемого приложения 2 (при φs = 0,1936)
= 0,1127.
Потери напряжений от постоянной эксплуатационной нагрузки по формуле (27)
∆σp = -18,2 МПа.
Для учета влияния усадки находим по формуле (5)
ξsn(7) = 426·10-6. Из табл. 5 – ξ1s = 0,95 (tw = 28 сут.); ξ2s = 0,712; ξ3s = 0,91. По формуле (7) εs(28) = 426·10-6·0,95·0,712·0,91 = 262·10-6.
В соответствии с п. 7.1 q = εs(28)/С(28) = 3,97 МПа.
Потери напряжений в арматуре от усадки бетона по формуле (49)
∆σps = 34,1 МПа.
Суммарная величина потерь напряжений в арматуре, вызванных ползучестью и усадкой бетона.
∆σp = 110,9 + 34,1 – 18,2 = 126,8 МПа.
5. Александровский С.В., Бондаренко В.М., Прокопович И.Е. Приложение теории ползучести к практическим расчетам железобетонных конструкций, В сб. научн. трудов "Ползучесть и усадка бетона и железобетонных конструкций". М., Стройиздат, 1976.
6. Васильев П.И., Лившиц Я.Д. Приложение теории ползучести бетона к расчетам массивных конструкций и мостов, В сб. научн. трудов "Ползучесть и усадка бетонов и железобетонных конструкций". М., Стройиздат, 1976.
7. Гвоздев А.А. и др. Прочность, структурные изменения и деформации бетона, М., Стройиздат, 1978.
8. Прокопович И.Е., Зедгенидзе В.А., Прикладная теория ползучести, М., Стройиздат, 1980.
10. Берг О.Я., Щербаков Е.Н., Писанко Г.Н. Высокопрочный бетон, М., Стройиздат, 1971.
14. Филиппов А.И., Медведев Г.С., Попов В.М. Расчет стержневых предварительно напряженных конструкций при различных уровнях и режимах нагружения, - Доклад на X Международном Конгрессе ФИП (Нью-Дели, 16-20 февраля 1986), М.-Л., 1986.
|
|
|
|