//
ТехЛит.ру
- крупнейшая бесплатная электронная интернет библиотека для "технически умных" людей.
WWW.TEHLIT.RU - ТЕХНИЧЕСКАЯ ЛИТЕРАТУРА

:: Алготрейдинг::


АЛГОТРЕЙДИНГ
шаг за шагом
с нуля по урокам!

Торговые роботы на PYTHON, BackTrader,
Pandas, Pine Script для TradingView. Связка с брокерами, телеграм и легкими приложениями.


МИНИСТЕРСТВО ТРАНСПОРТНОГО СТРОИТЕЛЬСТВА

ТЕХНИЧЕСКОЕ УПРАВЛЕНИЕ

ЦЕНТРАЛЬНЫЙ ИНСТИТУТ НОРМАТИВНЫХ ИССЛЕДОВАНИЙ
И НАУЧНО-ТЕХНИЧЕСКОЙ ИНФОРМАЦИИ «ОРГТРАНССТРОЙ»

РУКОВОДСТВО
ПО ОРГАНИЗАЦИИ ТРУДА

ПРИ ПРОИЗВОДСТВЕ
СТРОИТЕЛЬНО-МОНТАЖНЫХ РАБОТ

СВАЙНЫЕ РАБОТЫ
В ТРАНСПОРТНОМ СТРОИТЕЛЬСТВЕ

Глава V

МОСКВА 1971

Настоящее Руководство по организации труда при производстве свайных работ в транспортном строительстве составлено на основе обобщения передового опыта на строительстве фундаментов опор мостов и портовых гидротехнических сооружений и рассчитано на инженерно-технических работников проектных и строительных организаций, занимающихся вопросами организации труда, а также на бригадиров.

Руководство содержит рекомендации по рациональному составу звеньев и бригад, оснащению их оборудованием, инструментом, механизмами и приспособлениями, разделению труда, организации и обслуживанию рабочих мест, методам и приемам труда.

Руководством рекомендуется пользоваться при разработке и привязке к местным условиям проектов производства работ, при составлении карт трудовых процессов, технологических карт и производственных инструкций для бригадиров и рабочих, при организации труда непосредственно на объектах строительства.

Предлагаемый материал иллюстрирован - 48 рисунками и фотографиями.

Содержание

ПРЕДИСЛОВИЕ

I. ОБЩИЕ ПОЛОЖЕНИЯ

II. ПОДГОТОВКА СВАЙ, ОБОЛОЧЕК И ШПУНТА К ЗАБИВКЕ

III. СВАЙНОЕ И БУРОВОЕ ОБОРУДОВАНИЕ

1. Выбор свайного оборудования

2. Сборка и разборка копров

3. Буровое оборудование

IV. ОРГАНИЗАЦИЯ ТРУДА ПРИ ПОГРУЖЕНИИ ШПУНТА, СВАЙ И ОБОЛОЧЕК ДИАМЕТРОМ 0,4-0,8 м

1. Общие указания

2. Опоры мостов, сооружаемые на суше

3. Опоры мостов, сооружаемые на воде

4. Морские и речные причалы и другие гидротехнические сооружения

V. ОРГАНИЗАЦИЯ ТРУДА ПРИ ПОГРУЖЕНИИ ОБОЛОЧЕК ДИАМЕТРОМ 1 м И БОЛЕЕ

1. Общие указания

2. Опоры мостов

3. Причалы и другие гидротехнические сооружения

VI. ОРГАНИЗАЦИЯ ТРУДА ПРИ ПРИМЕНЕНИИ ПОДМЫВА В ПРОЦЕССЕ ПОГРУЖЕНИЯ СВАЙ И ОБОЛОЧЕК

VII. ОРГАНИЗАЦИЯ ТРУДА ПРИ УСТРОЙСТВЕ БУРОВЫХ СТОЛБОВ ИЛИ СТОЛБОВ ИЗ ОБОЛОЧЕК С ЗАБУРИВАНИЕМ В СКАЛЬНУЮ ПОРОДУ ИЛИ С УШИРЕННОЙ ПЯТОЙ В ОСНОВАНИИ

VIII. ОРГАНИЗАЦИЯ ТРУДА ПРИ УСТРОЙСТВЕ КАМУФЛЕТНЫХ УШИРЕНИЙ В ОСНОВАНИИ БУРОВЫХ СТОЛБОВ И ЗАБИВНЫХ СВАЙ

Приложение 1 ОСНОВНЫЕ ТРЕБОВАНИЯ ТЕХНИКИ БЕЗОПАСНОСТИ НА СВАЙНЫХ РАБОТАХ

Приложение 2 НОРМАТИВЫ ВРЕМЕНИ НА ОТДЫХ И ЛИЧНЫЕ НАДОБНОСТИ

Приложение 3 ОСНОВНЫЕ ХАРАКТЕРИСТИКИ КОПРОВЫХ УСТАНОВОК, ПЛАВУЧИХ КОПРОВ И КРАНОВ

Приложение 4 ВЫБОР МОЛОТА ИЛИ ВИБРОПОГРУЖАТЕЛЯ ДЛЯ ПОГРУЖЕНИЯ СВАИ, ШПУНТА И ОБОЛОЧЕК

Приложение 5 НАГОЛОВНИКИ, ПРИМЕНЯЕМЫЕ ПРИ ПОГРУЖЕНИИ ШПУНТА, СВАЙ И ОБОЛОЧЕК

Приложение 6 ТЕХНИЧЕСКИЕ ХАРАКТЕРИСТИКИ БУРОВЫХ СТАНКОВ

Приложение 7 ПЕРЕЧЕНЬ рекомендуемого оборудования, инструмента и инвентаря для погружения свай и шпунта сухопутными копрами и кранами

Приложение 8 ПЕРЕЧЕНЬ рекомендуемого оборудования, инструмента и инвентаря для погружения свай и шпунта плавучими копрами и кранами

Приложение 9 ПЕРЕЧЕНЬ рекомендуемого оборудования, инструмента и инвентаря для погружения оболочек диаметром 1,2-1,6 м вибропогружателями

Приложение 10 ПЕРЕЧЕНЬ рекомендуемого оборудования, инструмента и инвентаря для бурения скважин и уширений станком ЦНИИС

Приложение 11 ПЕРЕЧЕНЬ рекомендуемого оборудования, инструмента и инвентаря для бурения скважин станком УКС-30

ПРЕДИСЛОВИЕ

«Руководства по организации труда при производстве строительно-монтажных работ» состоят из тридцати глав, издаваемых отдельными выпусками. В том числе их вводная глава 1 «Общая часть», в которой приводятся общие для всех глав «Руководств» сведения по организации труда, и 29 глав, специализированных по видам работ.

В состав «Руководств» входят следующие главы:

гл. 1. Общая часть,

гл. 2. Земляные работы,

гл. 3. Буровзрывные работы,

гл. 4. Гидромеханизированные земляные работы,

гл. 5. Свайные работы в транспортном строительстве,

гл. 6. Свайные работы в жилищном строительстве,

гл. 7. Каменные работы,

гл. 8. Железобетонные и бетонные работы,

гл. 9. Монтаж сборных железобетонных и стальных конструкций промышленных зданий,

гл. 10. Монтаж крупнопанельных домов,

гл. 11. Устройство рулонных кровель,

гл. 12. Работы по устройству полов,

гл. 13. Штукатурные и облицовочные работы,

гл. 14. Малярные, обойные и стекольные работы,

гл. 15. Внутренние санитарно-технические работы,

гл. 16. Теплоизоляционные работы,

гл. 17. Кладка промышленных печей и кирпичных дымовых труб,

гл. 18. Электромонтажные работы,

гл. 19. Возведение железобетонных промышленных труб,

гл. 20. Погрузочно-разгрузочные работы,

гл. 21. Антикоррозионные работы,

гл. 22. Монтаж подъемно-транспортного оборудования,

гл. 23. Монтаж машин и аппаратов химических и нефтеперерабатывающих производств,

гл. 24. Монтаж технологических трубопроводов и арматуры,

гл. 25. Монтаж металлургического, дробильно-размольного и агломерационного оборудования,

гл. 26. Работы по строительству мостов и труб,

гл. 27. Укладка верхнего строения железнодорожного пути широкой колеи,

гл. 28. Дорожные работы,

гл. 29. Железнодорожные и автодорожные тоннели,

гл. 30. Сварочные работы.

Глава V «Свайные работы в транспортном строительстве» разработана институтом «Оргтрансстрой» (исполнители канд. техн. наук Г.И. Гришин, канд. техн. наук Е.А. Тюленев, инж. Н.Ф. Бобриков).

Методическое руководство осуществлялось ЦНИИОМТП и ВНИПИ труда в строительстве (Е.П. Филиппов, В.В. Кузьминова, Р.С. Беккерман).

Замечания и предложения просим направлять по адресам Москва, Б-66, ул. Ново-Басманная, 23, ВНИПИ труда в строительстве и Москва, Г-34, 2-й Зачатьевский пер., д. 2, корп. 7, институт «Оргтрансстрой».

Примечание. Главы 1, 2 - 4, 6 - 14, 20 издаются через Строй издат;

главы 15 - 19, 21 - 25 и 30 издаются Минмонтажспецстроем СССР;

главы 5, 26, 27, 28 и 29 издаются институтом «Оргтрансстрой» Минтрансстроя.

I. ОБЩИЕ ПОЛОЖЕНИЯ

1.1. Рекомендации настоящей главы распространяются на следующие виды работ:

погружение железобетонных и стальных свай, шпунта и свай-оболочек* диаметром 0,4 - 0,8 м для фундаментов опор мостов и причалов;

погружение железобетонных оболочек диаметром более 0,8 м для тех же сооружений;

использование подмыва при погружении спай и оболочек;

устройство буровых столбов;

устройство уширенных пят в основании свай и оболочек.

При выполнении новых видов работ, не предусмотренных настоящим «Руководством» до создания специальных указаний, следует соблюдать требования местных инструкций и нормативных документов, утвержденных в установленном порядке.

________________

* Далее в тексте вместо слова «свая-оболочка» будет употребляться слово «оболочка».

1.2. «Руководство» базируется на передовом опыте строительного производства и имеет целью способствовать повышению уровня организации труда в строительстве для обеспечения дальнейшего роста производительности труда, улучшения качества и снижения стоимости строительных и монтажных работ.

1.3. «Руководство» предназначается для инженерно-технических работников проектных и строительных организаций, занимающихся вопросами организации труда в строительстве, применяется:

при разработке и привязке к местным условиям проектов производства работ и разделов «Организация труда» в технологических картах;

при разработке и проведении мероприятий по организации труда непосредственно на объектах строительства (формирование бригад и звеньев рабочих, организация рабочих мест, выбор рациональных методов и приемов работ и т.д.);

при составлении инструкций по организации труда для бригадиров и рабочих;

при разработке и внедрении планов научной организации труда.

1.4. Настоящее «Руководство» действует одновременно с правилами глав СНиП III-Б.6-62 «Фундаменты и опоры из сваи и оболочек. Шпунтовые ограждения. Правила производства и приемки работ»; СНиП III-И.2-62 «Гидротехнические сооружения морские и речные транспортные. Правила организации строительства и приемки в эксплуатацию», а также с «Правилами техники безопасности и производственной санитарии на строительстве мостов и труб», «Правилами техники безопасности и производственной санитарии при производстве строительно-монтажных работ по постройке портовых гидротехнических сооружений» и ВСН 110-64 «Технические указания по вибропогружению оболочек», Тарифно-квалификационным справочником 1969 г. и главой 1 «Общая часть» к «Руководствам по организации труда».

Глава 1 «Общая часть», входящая в состав «Руководств по организации труда», содержит положения, являющиеся общими для всех видов работ, - принципы формирования бригад и звеньев, определение их рационального численного и профессионально-квалификационного состава, совмещения профессий, организации рабочих мест, применения высокопроизводительных трудовых движений и приемов.

Глава 1 содержит также сведения о материальном стимулировании рабочих, организации условий их труда, организации инструментального хозяйства на строительной площадке.

1.5. Учитывая непрерывное совершенствование организации и технологии строительного производства, «Руководством» не ограничивается применение других рациональных решений по организации труда, выдвигаемых в практике строительства и одобренных техническим советом строящей организации.

Применение наиболее рациональных приемов и методов труда должно осуществляться на базе непрерывного их совершенствования с использованием принципов научной организации труда.

1.6. Приведенные в «Руководстве» показатели производительности труда служат для оценки фактической организации работ и выявления резервов повышения производительности труда на объектах строительства.

1.7. Для производства свайных работ технический персонал стройки должен вести исполнительную документацию, содержащую:

журнал работ;

акты освидетельствования элементов до их погружения;

исполнительные планы расположения шпунта, сваи, оболочек и столбов;

журналы погружения шпунта, свай, оболочек или сооруженных на месте столбов;

сводные ведомости погружения шпунта, сваи, оболочек или сооруженных на месте столбов;

документы по испытаниям этих элементов (если таковые производили);

развертку шпунтового ограждения;

паспорта на сваи, шпунт и оболочки, а также на материалы для бетонирования;

акты на скрытые работы.

1.8. До начала производства основных свайных работ должны быть выполнены следующие подготовительные работы:

выданы исполнителям (производителю работ, мастеру) проект производства работ, разработанный в соответствии с указаниями главы СНиП III-A.6-62 с учетом местных условии (наличия дорог, электроэнергии, местных материалов и т.п.), и технологические карты;

спланированы площадки и построены временные сооружения, помещения для рабочих, подъезды к месту работ и пр.;

разбиты и надежно закреплены на местности оси котлованов, свай или шпунтовых рядов;

вырыт котлован с планировкой дна;

отведены поверхностные и грунтовые воды;

перенесены (при необходимости) подземные и надземные коммуникации или сооружения;

устроено освещение для обеспечения работ во вторую и третью смены;

закреплены (при работах на воде) оси свай или шпунта на водной акватории с установкой знаков на берегу или специальных каркасов и буев на воде;

обследовано водолазами и расчищено дно акватории от предметов, которые могут служить препятствием для точного погружения свай (обломков сооружения и других затонувших предметов);

подвезен необходимый запас конструкции (свай, шпунта, оболочек), обеспечивающий непрерывный технологический процесс, завезены предусмотренные проектом механизмы, приспособления, инструменты, инвентарь и материалы;

произведен инструктаж всех занятых на объекте рабочих по безопасным методам и приемам труда;

выдано наряд - задание на весь комплекс свайных работ.

1.9. При проектировании и организации трудовых процессов необходимо широко применять эффективные средства доставки материалов и конструкций для употребления их в дело непосредственно с транспортных средств без дополнительных перегрузок.

Доставляемые на рабочее место сваи, оболочки и шпунт должны по своим качествам полностью отвечать требованиям проекта и соответствующих глав СНиП или ГОСТ.

Каждая партия элементов должна иметь паспорт завода-изготовителя.

1.10. При подъеме, транспортировке и хранении свай, оболочек и шпунта необходимо соблюдать особую осторожность во избежание появления в элементах недопустимых изгибающих моментов, сколов и трещин, а также других дефектов.

1.11. Сваи, оболочки и шпунтины до подачи их на место погружения должны быть размечены по длине и полностью подготовлены: секции оболочек состыкованы по длине, а шпунтины, при возможности, объединены в пакеты (сплотки).

1.12. Хранение, подготовку к работе и выдачу инструмента, приспособлений и строительного инвентаря, а также ремонт инструмента и приспособлений непосредственно на строительной площадке следует производить в соответствии с «Положением об организации инструментального хозяйства в строительстве», утвержденным Госстроем СССР 11 ноября 1967 г.

1.13. Оснащение бригад, звеньев и отдельных рабочих средствами малой механизации, ручным измерительным инструментом, контрольно-измерительными приборами, приспособлениями и строительным инвентарем должно производиться в соответствии с настоящим «Руководством» и перечнем, прилагаемым к нему.

1.14. Рабочее место должно быть подготовлено к началу работы и должно отвечать следующим требованиям:

- размеры рабочего места, определяемые проектом производства работ, должны быть достаточными для размещения необходимого оборудования, приспособлений, запаса конструкций и материалов и для свободного передвижения рабочих по фронту работ, а также должны соответствовать требованиям техники безопасности и охраны труда;

- электроэнергия для работы механизмов и оборудования, особенно вибропогружателей, должна подаваться по самостоятельной линии от местных источников; в случае их отсутствия необходимо иметь передвижную электростанцию достаточной мощности;

- освещенность рабочих мест должна соответствовать действующим нормам; светильники должны быть расставлены в таких местах, чтобы освещение было равномерным и не ослепляло рабочих;

- размещение на рабочем месте оборудования, материалов и конструкций должно быть таким, чтобы исключались лишние движения работающих, дополнительные передвижки и развороты копра или крана, повторные сортировки, а также повреждения конструкций (при неправильной разгрузке и хранении).

1.15. Для обеспечения безопасных условий труда при выполнении свайных работ, связанных с эксплуатацией механизмов с применением электроэнергии, пара и сжатого воздуха, а также с перемещением и подъемом длинномерных и тяжелых грузов, производители работ и мастера должны хорошо знать общестроительные и специальные правила техники безопасности и обеспечивать строгое их выполнение (основные требования техники безопасности приведены в приложении 1)

1.16. Численный и профессионально-квалификационный состав бригады должен определяться в каждом конкретном случае в зависимости от объема и вида работ, степени их механизации и возможных, в условиях данной стройки, темпов выполнения работ.

При этом должны быть соблюдены следующие условия:

максимальное использование средств механизации, обслуживающих данную бригаду;

максимальное использование труда всех рабочих в соответствии с их квалификацией;

соответствие среднего тарифного разряда рабочих в бригаде среднему разряду работ.

1.17. Рекомендуемые в единых нормах и расценках на свайные работы (ЕНиР-12), типовых технологических картах и на стоящем «Руководстве» численно-профессиональные и квалификационные составы бригад необходимо уточнять при привязке этих документов к конкретным условиям строительства.

1.18. При проектировании и организации трудового процесса необходимо, чтобы каждый рабочий, выполняя соответствующую его разряду работу, был загружен этой работой полностью и равномерно в течение всей смены. В случае наличия работ, удельная трудоемкость которых относительно мала по отношению к трудоемкости всего комплекса работ, может иметь место совмещение профессий.

1.19. Бригадир (или звеньевой) должен самостоятельно руководить всеми работами по погружению свай и сам принимать участие в работе, умело, обращаясь с оборудованием, применяющимся при свайных работах, и выполняя правила техники безопасности.

Все операции копром (краном) при погружении сваи, оболочек и шпунта выполняются по сигналу бригадира (звеньевого).

Копровщики находятся в ведении бригадира и выполняют работы по передвижке копра, подтаскиванию свай к копру, подъему их на копер, установке и закреплению в стрелах копра и т.д.

1.20. Машинист копра (крана) должен самостоятельно управлять сваебойным агрегатом, двигателем и другими видами оборудования, обслуживать паровой котел, определять неисправности в механизмах и устранять их, вместе с помощником машиниста производить профилактический и текущий ремонты копрового оборудования, производить его монтаж и демонтаж, вести журнал ремонта.

Машинист и его помощник должны производить регулярную смазку всех трущихся частей оборудования, содержать его в чистоте, следить за исправным его состоянием. Перед началом каждой смены машинист должен тщательно осмотреть все механизмы и болтовые соединения и устранить обнаруженные неисправности.

1.21. До начала смены бригадир должен лично проверить состояние рабочего места, инструмента, спецодежды и предохранительных приспособлений.

1.22. Каждой бригаде необходимо выдавать суточные и месячные промежуточные планы - задания с указанием объемов работ. Если работы производятся в две смены, то, в целях лучшего использования копра и повышения производительности труда, следует выдать объединенное задание на один копер обеим сменам. При приеме смены бригадир (звеньевой), принявший смену, должен объявить бригаде состав сменного задания.

1.23. Основным документом, устанавливающим задание бригаде, является наряд на работу. Наряд рекомендуется составлять на основании акта на пробную забивку не менее пяти свай. В наряде должны быть указаны сроки выполнения задания, описание заданных работ и условия их выполнения, количество работ, расценки на единицу работы. По окончании работ мастер делает запись в наряде о приемке выполненных работ для производства расчета заработка бригады.

1.24. Работу каждого члена бригады необходимо учитывать в специальном журнале - табеле учета времени. Рабочий бригады должен получать заработную плату по отработанному времени и присвоенному разряду.

1.25. Режим труда и отдыха рабочих, занятых на свайных работах, определяется технологией производства свайных работ.

Перерывы для отдыха рекомендуется приурочивать к окончанию работ по отдельным операциям и к технологическим остановкам механизмов.

Нормативы времени на отдых, и личные надобности приведены в приложении 2.

1.26. Свайные работы должны выполняться под руководством производителей работ или строительных мастеров, которые обязаны предоставлять бригадирам необходимый фронт работ, руководить работой бригад в соответствии с проектом производства работ и принимать от бригадиров работы, выполненные бригадами.

1.27. Руководители работ должны обеспечить внедрение передовых методов труда, оказывать всестороннюю помощь изобретателям, новаторам производства.

1.28. В ведении бригадира на рабочем месте должен находиться запас электроматериалов, запасных и крепежных деталей, стальных канатов, цепей, инструментов для ухода за машинами и устранения мелких неисправностей.

II. ПОДГОТОВКА СВАЙ, ОБОЛОЧЕК И ШПУНТА К ЗАБИВКЕ

2.1. Подготовка свай, оболочек и шпунта состоит из складирования, их укрупнительной сборки и разметки.

2.2. Складирование элементов производит звено рабочих, состоящее из машиниста крана или тракториста 5 разр. и двоих такелажников 3 разр.

2.3. При приемке свай, оболочек и шпунта на рабочем месте особенно внимательно должно быть проверено отсутствие повреждений при транспортировке. Приемку свай необходимо оформить актом.

2.4. В стальном шпунте должны быть проверены его прямолинейность и правильность замков.

Проверку производят двое копровщиков 3 разр. путем протаскивания с помощью лебедки шаблона (отрезка шпунтины длиной около 1,5м) по замкам шпунтин.

Шпунтины на место проверки укладывают краном.

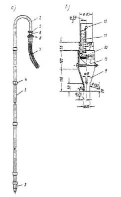
2.5. Для подъема свай, оболочек и шпунта рабочее место должно быть обеспечено необходимым количеством стропов (рис. 1), строповочных устройств (рис.2) и захватов (рис.3, 4).

2.6. Подъем железобетонных свай и шпунта следует осуществлять двумя крюками за петли, расположенные на расстоянии от концов, равном 0,2 длины элемента.

Длинные элементы необходимо поднимать при помощи траверсы.

Сваи длиной до 10 м разрешается поднимать без траверсы, если длина концов стропа больше расстояния между петлями на столько, что угол между ветвями стропа у гака не превышает 90°.

Строповку свай или шпунта за одну петлю допускается производить при условии дополнительной проверки их расчетом на трещиностойкость.

2.7. Подача сваи, оболочки или шпунтины к копру и перевод ее из горизонтального положения в вертикальное, должны быть выполнены так, чтобы элемент был застроплен за предусмотренные проектом точки и поднимался плавно, без рывков. При переводе оболочки в вертикальное положение следует использовать второй крюк крана, если его грузоподъемность не менее 50% веса оболочки, или закрепить нижний конец оболочки оттяжкой к крану.

Рис. 1. Стропы для подъема и переноски сваи и шпунта:

а - двухветвевые грузоподъемностью до 4 Т; б - четырехветвевые для строповки одновременно двух свай; 1 - скоба грузоподъемностью до 8 Т; 2 - скоба грузоподъемностью до 5 Т; 3 - строп; 4 - крюк

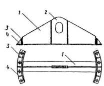
Рис. 2. строповочное устройство для оболочек:

1 - элемент таврового сечения; 2 - накладка; 3 - уголок; 4 - ребра жесткости

Рис. 3. захват для оболочек диаметром 1,6 м

Рис. 4. Фрикционный захват для строповки свай

1 - траверса; 2 - тросы захвата; 3 - блочки для запасовки тросов; 4 - прижимы; 5 - цепь ограничителя; 6 - свая; 7 - тросик поднятия прижимов при расстроповке; 8 - защелка

2.8. При хранении или перевозке сваи, шпунтины и секции оболочек диаметром до 2 м необходимо укладывать горизонтально на две деревянные подкладки одинаковой толщины или подставки (рис. 5). Подкладки или подставки следует располагать на расстоянии от концов, равном 0,2 длины элемента (около подъемных петель). Прокладки должны иметь толщину на 20 мм больше высоты петель и ширину не меньше 150 мм. Оболочки диаметром 3 м и более следует хранить в вертикальном положении. на время перевозки на транспортных средствах элементы необходимо раскреплять оттяжками.

Рис. 5. Подставки для хранения и перевозки свай, оболочек и шпунта:

а - для свай; б - для оболочек

2.9. Место складирования запаса свай, шпунта и оболочек необходимо выбирать, возможно, ближе к копрам или кранам.

Элементы следует укладывать головами в одну сторону, обращенную к копру или крану, с таким расчетом, чтобы не производить их перекантовки при строповке или подъеме.

Сваи и шпунтины при переноске и хранении должны быть предохранены от ударов; перетаскивать их волоком или кантовать ломом запрещается.

2.10. На складе, для ускорения работ на месте погружения, следует производить заблаговременную укрупнительную сборку шпунтин в пакеты и секций - в оболочки, а также прорезку отверстий в стальном шпунте и изготовление угловых шпунтин.

2.11. Шпунтины в пакеты собирают в горизонтальном положении на стеллаже, оборудованном катками или без них, с помощью крана и лебедки. Сборку пакетов производит звено, состоящее из машиниста крана 5 разр. и двух монтажников 3 разр. Монтажники с помощью крана и оттяжек выкладывают на стеллаже крайние шпунтины и между ними заводят среднюю.

Шпунтины в пакетах закрепляют сваркой или инвентарными хомутами.

Для сборки пакетов также рекомендуется использовать стенды, позволяющие набирать шпунтины в вертикальном положении.

2.12. Укрупнительную сборку оболочек рекомендуется производить на специальных стендах, обеспечивающих соосность секций и облегчающих обработку стыков.

Работы выполняются звеном монтажников (5 разр. - 1 чел.; 3 разр. - 2 чел.). Сварку фланцевых стыков и приварку ножа производит электросварщик 5 разр.

В случае наращивания оболочек в процессе погружения на ранее подобранных секциях необходимо нанести несмываемой краской метки для правильного и быстрого их соединения.

2.13. Противокоррозионное покрытие свай, оболочек и шпунта рекомендуется наносить, как правило, на заводе, и только в исключительных случаях при укрупнительной сборке элементов, на приобъектном складе.

2.14. Для измерения глубины погружения свай, оболочек и шпунта необходимо нанести на их поверхность разметку длины.

На глубину воды отметки наносят через метр, а выше: у сваи и шпунта - через полметра, у оболочек - через 10 см. Отметки метров обозначают цифрами.

Разметку наносит копровщик 3 разр. несмываемой краской при помощи трафарета-шаблона.

III. СВАЙНОЕ И БУРОВОЕ ОБОРУДОВАНИЕ

1. Выбор свайного оборудования

3.1. Сваебойное оборудование выбирается в зависимости от вида и размеров погружаемого элемента, от конструкции сооружения, от условий и объема работ, а также возможностей строительной организации.

3.2. Технология производства свайных работ должна обеспечивать максимальное сокращение затрат времени на вспомогательные операции (подтаскивание свай к копру, подъем и установку на место забивки, передвижку копра к следующей точке), которые обычно составляют 65-80% общего времени на рабочий цикл.

3.3. Для забивки свай, оболочек и шпунта следует использовать универсальные и не универсальные сухопутные или плавучие копры, изготовляемые на заводах или в строительных организациях. Основные характеристики таких копров приведены в приложении 3.

3.4. При наличии на объекте стреловых или портальных кранов рекомендуется использовать их для погружения (особенно с применением вибропогружателей) свай, оболочек и шпунта, обеспечив их направляющими стрелами (рис. 6-7).

рис. 6. использование экскаватора для погружения свай и шпунта:

1 - кран (экскаватора); 2 - направляющая стрела; 3 - дизель - молот; 4 - подвеска для дизель - молота; 5 - стрела экскаватора; 6 - гидравлический привод для изменения положения направляющей стрелы; 7 - механизм поворота направляющей стрелы.

Рис. 7. Использование железнодорожного крана для погружения свай и шпунта:

а - присоединение рамы вибропогружатели; 1 - вибропогружатель; 2 - направляющие ролики; 3 - швеллеры направляющей рамы; 4 - подвесная стрела; 5 - соединительные планки; б - установка направляющих стрел

3.5. Для производства свайных работ на воде при отсутствии плавучих копров или кранов по согласованию с морским (речным) регистром СССР допускается устанавливать сухопутные копры или краны на плавсредства.

3.6. При небольшом объеме свайных работ можно производить забивку не универсальным копром с ручным приводом.

3.7. Погружение свай и оболочек рекомендуется производить с использованием направляющих устройств в виде стрел, каркасов и кондукторов.

3.8. Направляющие стрелы на стреловых и портальных кранах или в виде копров (рис. 8) рекомендуется использовать для погружения наклонных призматических свай и оболочек диаметром до 1,6 м (включительно).

Рис. 8. Направляющая стрела-копер из УИКМ:

1 - -станина; 2 - стрела; 3 - винтовая распорка; 4 - направляющие аппарели; 5 - рельсовый путь; 6 - противовес; 7 - погружаемая оболочка; 8 - вибропогружатель; 9 - ролики; 10 - лебедка

3.9. Направляющие каркасы, состоящие из одной или нескольких решетчатых горизонтальных плоскостей с ячейками для пропуска свай или оболочек для опор мостов, должны иметь приспособления для правильной установки шпунта или закладных инвентарных щитов водозащитной перемычки, устанавливаемой для сооружения плиты ростверка и тела опоры.

Установку направляющих каркасов в воду следует выполнять плавучими кранами или с помощью пышек, собираемых из инвентарных конструкций УИКМ.

3.10. Направляющие кондукторы в зависимости от размера сваи и оболочек, их количества в захватке, а также способа передвижения кондуктора по фронту работ разделяются на переставные и плавучие.

3.11. Молот или вибропогружатель необходимо выбирать в зависимости от веса и размера погружаемого элемента, категории грунта и характеристик механизма. Рекомендации по выбору молота или вибропогружателя приведены в приложении 4.

При забивке глубоких свай в песчаных грунтах рекомендуется применять вибропогружатели, а в связных грунтах - молоты двойного или одиночного действия.

3.12. Для передачи ударов молота или вибрации вибропогружателей на сваю, оболочку или шпунт при погружении не обходимо использовать специальные наголовники.

Форма и размеры наголовника должны соответствовать способу погружения, а также форме, размерам и материалу погружаемого элемента.

Типы применяемых наголовников приведены в приложении 5.

При вибропогружении железобетонных свай, оболочек и шпунта рекомендуется использовать автоматические самозакрепляющиеся наголовники.

3.13. Железобетонные сваи, оболочки и шпунт молотом следует забивать через наголовник с амортизирующим вкладышем, предохраняющим бетон головы погружаемого элемента от разрушения.

Наголовники для вибропогружения должны обеспечивать жесткую связь между вибропогружателем и погружаемым элементом.

2. Сборка и разборка копров

3.14. Сборку копров выполняют в следующем порядке.

На месте погружения свай планируют площадку и укладывают рельсовый путь под копер.

Копры С-955 и С-908 со снятой стрелой и противовесом заводят на рельсовый путь и опускают с пневматических колес на рельсы; устанавливают противовес; нижние шарниры стрелы закрепляют в гнездах на поворотной раме и гидротягами поднимают стрелу в вертикальное положение.

Таблица 1

Профессия и разряд рабочих

Вид копра

универсальный

не универсальный

СССМ-680

сссм-582

СССМ-570

T-176

ЦУМЗ-МПС 1800 и 1200

Машинист копра 6 разр.

1

1

-

-

-

То же 5 разр

-

-

1

1

1

Копровщик 5 разр

1

1

-

 

-

То же 4 разр

-

-

1

1

1

То же 3 разр

2

2

2

2

3

Монтажник конструкций 5 разр

1

-

1

-

-

То же 4 разр

2

2

2

1

-

Слесарь - монтажник 4 разр

1

1

-

-

-

То же 3 разр

3

2

1

1

-

Всего, чел.

11

9

8

6

5

У копров типа СССМ на рельсовом пути монтируют нижнюю тележку (или раму), копра, устанавливают поворотную платформу, механизмы вращения, подъема стрелы и передвижения. Сборку производят кранами или с помощью монтажных приспособлений (лебедок, блоков, полиспастов, тросов, якорей). В последнем случае стрелу копра (рис. 9) собирают на козлах в наклонном положении с некоторым подъемом к вершине, где высота козел составляет около 9 м. Механическую лебедку копра устанавливают на расстоянии 10-12 м от тележки по оси стрелы: между лебедкой и тележкой укладывают распорки. Затем устанавливают подъемную мачту и к ней крепят трос от лебедки.

Другим тросом мачту крепят к верхнему концу стрелы. Подтягивая лебедкой трос, поднимают стрелу в положение, близкое к вертикальному, и крепят к поворотной платформе копра. После этого монтируют котел, устанавливают лебедки, блоки, запасовывают тросы, подвешивают молот, монтируют паропроводы и производят опробование копра.

Разборку копров производят в обратном порядке.

Рис. 9. Схема сборки копра:

1 - подъемная мачта; 2 - расчалка; 3 - опорные винты; 4-распорки из профильного металла или бревен; 5 - стрела копра; 6 - котел с лебедкой; 7 - нижняя тележка; 8 - поворотная платформа копра; 9 - якорь

3.15. Работы по сборке и разборке копра выполняет звено рабочих, состав которого зависит от типа копра (табл. 1).

3. Буровое оборудование

3.16. Для производства буровых работ при устройстве опирания оболочек или столбов на основание из скальных пород, а также для преодоления топких скальных прослоек при погружении оболочек следует использовать станки ударно-канатного бурения УКС-30 с литыми долотами. При небольшом объеме бурения в скальных породах работы можно производить тем же долотом, подвешенным к крану или копру.

Рис. 10 Буровая установка МБС-1,7:

1 - главная стрела; 2 - телескопическая штанга; 3 - ротор; 4 - консоль; 5 - ковшовый бур; 6 - обсадной патрубок; 7 - корпус крана (экскаватора); 8 - грейфер (долото); 9 - задняя стрела

3.17. Скважины под набивные сваи или для оболочек рекомендуется бурить установкой МБС-1,7 (рис. 10) или самоходной вышкой. Разбуривание уширений в основании скважин или оболочек следует производить буровой установкой ЦНИИС, которую подвешивают на универсальный копер или на специальную вышку (рис. 11).

Рис. 11. Буровая установка ЦНИИС на специальной вышке:

1 - рама; 2 - обсадная труба или железобетонная оболочка; 3 - ротор; 4 - приводная штанга; 5 - электропривод; 6 - режущие ножи; 7 - фреза для разработки и извлечения грунта; 8 - гидропривод для раскрытия ножей

3.18. Основные технические характеристики буровых станков, применяемых строителями транспортных сооружений, приведены в приложении 6.

IV. ОРГАНИЗАЦИЯ ТРУДА ПРИ ПОГРУЖЕНИИ ШПУНТА, СВАЙ И ОБОЛОЧЕК ДИАМЕТРОМ 0,4-0,8 м

1. Общие указания

4.1. При погружении вертикальных свай и оболочек молотами в состав работ входят: передвижка копра от сваи к свае, установка и закрепление копра, поворот и наклон стрелы за сваей, строповка и подтягивание сваи к копру, подъем молота с наголовником в верхнее положение и закрепление его, подъем, установка и выверка положения сваи, установка молота и наголовника на сваю, пуск молота, погружение сваи с выверкой ее положения, снятие молота и наголовника со сваи, раскрепление копра.

4.2. При погружении наклонных свай и оболочек молотами дополнительно выполняется операция по наклону стрелы копра вместе со сваей на требуемый угол и закрепление ее в этом положении до конца погружения.

4.3. При погружении шпунта дополнительно выполняется операция по заводке шпунтины в замок уже установленной или установке паза шпунтины на гребень уже забитой шпунтины. Для облегчения заводки шпунтин рекомендуется использовать приспособления - улавливатели.

4.4. Состав звена в зависимости от типа копра или молота принимается по табл. 2.

Таблица 2

Состав звена

Разряд

Тип копра

универсальный

неуниверсальный с приводной лебедкой

Тип молота

паровой

дизельный

паровой

пневматический

подвесной

Машинист копра

6

1

-

-

-

-

Машинист копра

5

-

1

1

1

-

Помощник машиниста

4

1

-

1

-

-

Копровщик

6

1

-

-

-

-

Копровщик

5

-

1

1

1

1

Копровщик

3

2

2

2

2

2

Машинист компрессора

4

-

-

-

1

-

Всего

-

5

4

5

5

3

4.5. При забивке свай, оболочек и шпунта молотами необходимо установить следующую организацию труда и распределение работ между рабочими в звене:

а) перед началом работ мастер и бригадир (или звеньевой) выверяют горизонтальность пути для передвижения копра или крана. Для предотвращения отклонений и завалов шпунтовых стенок рельсы, по которым передвигается копер, должны быть уложены так, чтобы ось вилки наголовника совпала с осью стенки;

б) машинист копра (крана) опускает молот в крайнее нижнее положение, передвигает копер и устанавливает его так, чтобы ось стрелы совпала с направлением погружения сваи;

в) звеньевой (бригадир) выверяет положение копра, и двое копровщиков закрепляют его на рельсах неподвижно с помощью клиньев и захватов;

г) машинист поднимает молот в верхнее положение и закрепляет его штырем в стрелах копра. Двое копровщиков 3 разр. стропят сваю и крепят к ее нижнему концу пеньковые канаты - оттяжки. С помощью лебедки (и отводного блока) по сигналу звеньевого машинист подтягивает сваю к копру, поднимает ее и заводит в стрелы копра. В это время двое копровщиков 3 разр. оттяжками придерживают сваю от навала и удара о копер или подмости. При подъеме шпунтин под стропы необходимо закладывать деревянные подкладки, предохраняющие пазы, гребни и замки от повреждений. Подкладки от выпадения должны быть прикреплены к шпунтине;

д) копровщики закрепляют сваю в стрелах копра хомутами-ползунами, которые обеспечивают правильное положение свай во время погружения. Для железобетонных свай такие хомуты совмещены с наголовником. В случае необходимости монтажные петли на железобетонных сваях срезают после установки в стрелы копра или во время забивки;

е) после установки и выверки положения сваи по команде звеньевого машинист опускает молот на сваю. Под давлением веса молота и собственного веса свая погружается на некоторую глубину в грунт.

Первые удары производят при небольшом подъеме молота, при этом звеньевой и копровщики строго следят за правильным положением свай и после того, как будет обеспечено ее погружение по заданному направлению, дальнейшее погружение производят с нормальным подъемом молота;

ж) после погружения на заданную глубину и получения расчетного отказа погружение прекращают, машинист приподнимает молот над сваей, копровщики снимают хомуты и наголовник и освобождают копер от креплений.

4.6. В процессе погружения звеньевой должен следить, чтобы была обеспечена центральная передача ударов молота свае, соблюдалась максимальная высота падения ударной части молота и полное (паспортное) давление пара или воздуха в цилиндре молота. Копровщики должны принимать необходимые меры к выправке положения стрелы и сваи постановкой клиньев, стяжек и т.п., следить за состоянием головы сваи и наголовника, не допуская их повреждения.

4.7. Сваи и оболочки необходимо погружать до проектной отметки или до проектного пласта грунта и до получения расчетного отказа.

Шпунт следует погружать до проектной отметки.

4.8. Наблюдение за заглублением сваи следует производить по отметкам на ней, отсчеты которых ведут от принятой постоянной горизонтальной линии.

При забивке сваи молотами одиночного действия необходимо отмечать число ударов на каждый метр погружения и среднюю высоту падения ударной части молота. Когда острие сваи приближается к заданной глубине, забивку следует производить залогами по 10 ударов и заглубление (отказ) измерять после каждого залога.

При забивке свай молотами двойного действия необходимо отмечать: время работы молота, расходуемое на каждый метр погружения сваи, среднее давление пара или воздуха и частоту ударов молота в минуту. Отказ в конце забивки измеряют за 1 мин, фиксируя при этом частоту ударов молота и давление пара или воздуха.

Для дизель - молота в отличие от молота двойного действия вместо давления должна быть зафиксирована высота подъема ударной части.

Отказ замеряют на протяжении не менее трех последовательных залогов.

Во время вибропогружения свай фиксируют напряжение и силу тока в сети, питающей вибропогружатель, измеряют амплитуду вибросистемы, а в последние 5 мин и скорость погружения.

4.9. Состав работ при погружении сваи, оболочек и шпунта вибропогружателями в основном сохраняется таким же, как и при забивке молотами, но прибавляется операция по закреплению вибропогружателя на погружаемом элементе.

Подрессорные вибропогружатели (ВПП-2 и ВПП-4) закрепляют на сваях и шпунте до подачи их на место погружения.

4.10. Состав звена при погружении свай, шпунта и оболочек вибропогружателями принимают по табл. 3.

4.11. При погружении свай и шпунта подрессорными вибропогружателями (возмущающая сила не передается на трос и стрелу крана) необходимо установить следующие организацию труда и распределение работ между рабочими в звене:

а) по команде бригадира или звеньевого (копровщик 5 разр.), копровщики 4 и 3 разр. зацепляют вибропогружатель подвеской к предохранительному стропу, который подвешивают к крюку крана (крюк должен иметь запорное устройство, предохраняющее строп от самопроизвольного снятия с крюка). Копровщики подвешивают электрокабель вибропогружателя к стреле крана таким образом, чтобы кабель не мешал подъему и спуску крюка и повороту крана;

Таблица 3

Состав звена

Разряд

Бескопровые вибропогружатели с возмущающей силой и весом

до 40 Т и весом до 5 т

более 40 Т и весом более 5 т

Машинист крана

5

1

1

Копровщик

6

-

1

Копровщик

5

1

-

Копровщик

4

1

1

Копровщик

3

1

2

Машинист вибропогружателя

5

-

1

Всего

 

4

6

б) звеньевой осматривает сваю шли шпунтину, двое других копровщиков укладывают ее с помощью крана (копра) на подкладку в положение, удобное для крепления к вибропогружателю;

в) машинист крана перемещает стрелу с крюком так, чтобы наголовник вибропогружателя был подведен к подготовленной свае. Копровщики 4 и 3 разр. скрепляют вибропогружатель со сваей и привязывают к нижнему концу сваи два пеньковых каната-оттяжки;

г) по сигналу звеньевого машинист крана поднимает вибропогружатель со сваей, поворотом стрелы переносит их к месту погружения и устанавливает в направляющие. Двое других копровщиков оттяжками удерживают сваю от раскачивания и разворачивают в требуемое положение (при погружении шпунта заводят в замок ранее погруженной шпунтины);

д) машинист крана опускает сваю в направляющих до уровня на 0,3-0,5 м выше поверхности грунта. Звеньевой проверяет правильность положения сваи в направляющих и направление движения;

е) машинист крана включает вибропогружатель и, плавно опуская крюк, начинает погружение сваи, при этом строго следит за тем, чтобы скорость опускания крюка не превышала скорости заглубления сваи, т.е. чтобы вибропогружатель со сваей висели на крюке. Последние 2-3 м свая должна погружаться в грунт при ослабленном несущем тросе крана;

ж) после погружения сваи до заданной отметки монтажники освобождают наголовник вибропогружателя от сваи и машинист крана переносит вибропогружатель к следующей свае.

4.12. В процессе погружения звеньевой должен следить за тем, чтобы не допускались ослабление жесткого крепления вибропогружателя со сваей во избежание возможных ударов вибропогружателя по голове сваи и отклонение вибросистемы от заданного направления.

4.13. При погружении свай и шпунта низкочастотными вибропогружателями (ВП-1, ВП-IV, ВП-30 и ВП-3) работающая вибросистема не должна передавать возмущающую силу на стрелу крана. Поэтому операции, указанные в «д» и «е» пункта 4.11, изменяются следующим образом:

д) машинист крана устанавливает сваю с вибропогружателем в направляющие, где копровщики 4 и 3 разр. ее закрепляют хомутами, опускает на грунт и отцепляет подъемный трос. При этом свая под действием собственного веса и веса вибропогружателя погружается в грунт;

е) звеньевой или машинист вибропогружателя включает вибропогружатель и производит погружение (п. 4.8). Погружение ведут залогами по 3-15 мин с остановками для осмотра состояния крепления вибропогружателя к свае и проверки соблюдения заданного направления погружения. В процессе погружения необходимо следить за положением подводящего электрокабеля.

4.14. Расчетный отказ при вибропогружении сваи следует определять по скорости ее погружения в последние минуты погружения.

4.15. В целях обеспечения замыкания стального шпунта по периметру котлована и предотвращения наклона шпунтового ряда рекомендуется стальной шпунт ставить пакетами на все ограждение и осаживать его секциями в 2-3 приема в зависимости от высоты стенки. Количество шпунтин или пакетов в секции зависит от мощности вибропогружателя (молота) и характеристики грунта.

Для замыкания выставленного ограждения его края, при необходимости, следует стянуть талью или развести домкратом на ширину замыкающей шпунтины Если края ограждения имеют различное направление замков, то замыкающую шпунтину сваривают из двух шпунтин.

Звеньевой должен систематически проверять вертикальность погружаемой секции шпунтовой стенки, особенно в начале погружения.

4.16. Закрепление вибропогружателя с наголовником на погружаемой секции и последующее открепление производят два копровщика 4 и 3 разр., которые располагаются на боковых площадках копра или на подвесных переставных площадках-люльках.

При работающем вибраторе копровщикам запрещается находиться в подвесных люльках.

4.17. Если грузоподъемность крана недостаточна для подъема сваи или оболочки вместе с вибропогружателем, то их устанавливают на место погружения раздельно.

4.18. При применении копра или крана с направляющими стрелами для погружения оболочек или тяжелых свай следует принимать следующие организацию труда и распределение работ между рабочими в звене:

а) по сигналу звеньевого (копровщика 6 или 5 разр.) машинист перемещает копер с вибропогружателем, опущенным в нижнее положение, к месту погружения сваи. После проверки звеньевым правильности расположения копра в плане и профиле копровщики 4 и 3 разр. закрепляют копер;

б) машинист копра поднимает вибропогружатель по направляющим стрелам в крайнее верхнее положение и закрепляет его;

в) звеньевой свайным тросом поднимает сваю, заводит ее в направляющие стрелы и опускает на грунт. Во время этой операции два копровщика оттяжками, закрепленными за нижний конец сваи, придерживают последнюю в нужном положении, предохраняя от ударов;

г) машинист копра опускает вибропогружатель на голову сваи. Два копровщика, находящиеся на боковых площадках копра, закрепляют наголовник вибропогружателя на свае. При применении автоматического наголовника происходит самозакрепление его на свае.

Остальные операции по погружению аналогичны приведенным в п. 4.11.

4.19. При погружении длинных оболочек, наращиваемых в процессе работ, операции подъема вибропогружателя в верхнее положение, установки новой секции и скрепления ее с вибропогружателем повторяются.

4.20. При применении направляющих каркасов или кондукторов сначала в ячейки направляющего устройства краном, устанавливают погружаемым элемент, а потом на ней закрепляют вибропогружатель.

4.21. При большой глубине воды оболочки устанавливают из нескольких состыкованных секций. Состав звена принимают в соответствии с табл. 4 (вибропогружатель с возмущающей силой более 40 Т).

При погружении оболочек, состыкованных из отдельных секции, рекомендуется следующая организация труда и распределение работ в звене:

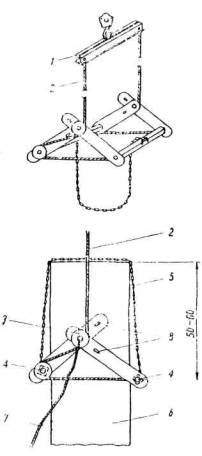
а) два копровщика 6 и 3 разр. устанавливают удерживающий хомут (рис. 12) около ячейки каркаса и стропят нижнюю секцию оболочки;

Рис. 12. Удерживающий хомут:

а - общий вид; б - крепление оболочки хомутом; 1 - секция оболочки; 2 - фланец; 3 - распределительные балки; 4 - подмости; 5 - корпус хомута; 6 - захваты; 7 - подкладки

б) машинист крана подает нижнюю секцию оболочки и опускает ее в ячейку так, чтобы верхний торец секции был на 0,8-1 м выше поверхностей на каркасе;

в) два копровщика 6 и 3 разр. закрепляют хомут на оболочке и отцепляют оболочку от крюка крана;

г) копровщики 3 и 4 разр. закрепляют наверху второй секции переставные подмости-люльку;

д) машинист крана подает вторую секцию и устанавливает ее с помощью копровщиков на торец первой секции;

е) два копровщика 3 и 4 разр. по команде звеньевого соединяют секции между собой, обеспечивая требуемую для них соосность. Во фланцевых соединениях гайки после затягивания прихватывают сваркой к болтам. Наружную поверхность металлических частей стыка копровщик 3 разр. обмазывает в два слоя разогретым битумом или покрывает оклеечной гидроизоляцией;

ж) машинист крана по команде звеньевого приподнимает соединенные по длине секции и после снятия двумя копровщиками 4 и 3 разр. хомута опускает оболочку на грунт;

з) машинист крана по команде звеньевого подает застропленный копровщиком 3 разр. вибропогружатель с переходником и устанавливает на торец оболочки. Два копровщика 3 и 4 разр., находящиеся в люльке, закрепляют вибропогружатель на оболочке. На болты, кроме гаек, дополнительно ставят контргайки;

и) машинист вибропогружателя после удаления рабочих из опасной зоны включает вибропогружатель и начинает погружение оболочки.

Остальные операции по погружению оболочек остаются прежними.

2. Опоры мостов, сооружаемые на суше

4.22. При устройстве свайных фундаментов на сухих местах (опоры мостов на поймах, опоры путепроводов и других подобных сооружений) должны выполняться следующие работы:

а) планировка стройплощадки;

б) устройство шпунтового ограждения (при наличии грунтовых вод);

в) разработка грунта в котловане;

г) погружение свай или оболочек;

д) устройство подмостей под копер или кран;

е) устройство бетонной плиты ростверка и тела опоры.

4.23. Размеры котлована, шпунтовых ограждений, конструкцию подмостей под копры назначают в соответствии с проектом производства работ, разрабатываемым для каждого конкретного объекта.

4.24. В рабочее место при производстве свайных работ на суше включаются котлован с ограждением, подмости, по которым перемещается копер или кран, места установки лебедок, площадки для оборудования и инструмента, участок с запасом свай и шпунта, а также подсобные помещения.

При открытом котловане без ограждения передвижение в пределах призмы обрушения грунта или хранение на ней оборудования и материалов запрещается.

4.25. Рабочее место для забивки сваи и шпунта должно быть оснащено необходимым оборудованием, приспособлениями и инструментом, перечень которых приведен в приложении 7.

4.26. В зависимости от местных условий и имеющегося оборудования забивку свай рекомендуется производить:

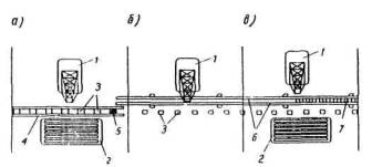
а) непосредственно со дна котлована, передвигая копер по настилу из бревен, - способ наиболее простой, но требующий увеличенных размеров котлована, а также оборудования для осушения котлована при наличии грунтовых вод;

б) с временных подмостей, перекрывающих котлован, в этом случае необходимо копровое оборудование с опускными стрелами, а также требуются дополнительные затраты времени и материалов на переустройство подмостей в процессе забивки;

Рис. 13. Схема забивки свай с передвижных подмостей:

1 - копер; 2 - ходовая тележка; 3 - мост под копер; 4-погружаемая свая; 5 - штабель свай

стрелками указан путь передвижения копра

в) с передвижных подмостей, перекрывающих котлован и передвигающихся вместе с копром по путям, которые укладываются за ограждением котлована (рис. 13), - способ наиболее механизированный и производительный.

4.27. При сооружении фундамента, имеющего более трех рядов свай и в каждом ряду более трех свай, погружение следует вести в направлении от центра к краям по спиральной схеме или по последовательной схеме (рис. 14).

Рис. 14. Схемы последовательности погружения свай фундамента под опоры мостов:

а - спиральная схема; б - последовательно-рядовая схема

Рис. 15. Схема устройства свайного фундамента в шпунтовом ограждении.

I - забивка стального шпунта; II - разработка котлована на глубину 3 м; III-установка крепления и забивка свай; IV-разработка котлована на глубину 5 м; V - укладка бетонного крепления на грунт (без воды); VI - разработка котлована на глубину 6,5 м; VII - укладка бетонной подушки, срубка свай (без воды); VIII - устройство железобетонной плиты и тела опоры

4.28. Пример сооружения фундамента береговой опоры городского моста приведен на рис. 15. Железобетонные сваи сечением 40×40 см и длиной до 20 м погружали по 15 шт. в ряд по последовательно-рядовой схеме. Сваи крайних рядов забивали с наклоном 6 : 1; соседние с ними - с наклоном 10 : 1: остальные - вертикально. Шпунт для ограждения котлована глубиной 6,5 м забивали на глубину 9 м дизель - молотом с весом ударной части 1800 кг на кране с направляющей стрелой.

После погружения шпунта котлован разрабатывали на глубину 3 м с помощью гидромеханизации с установкой верхнего пояса креплений из инвентарных конструкций.

Сваи забивали универсальным полноповоротным копром СССМ-680 с паровоздушным молотом весом ударной части 6 т. Копер был установлен на специальный передвижной мостик, который со стороны реки опирался через тележку на рельс, уложенный по обстройке верха стального шпунта, а со стороны берега - на рельс, уложенный по брусьям на грунте. Мостик на тележках передвигали вдоль котлована двумя трехтонными приводными лебедками. Поперек котлована перемещали копер по рельсам, уложенным на передвижном мостике. Рабочим местом являлись котлован, мостик под копер, пути под тележку мостика, лебедки для его перемещения и склад свай.

После забивки свай грунт разрабатывали еще на глубину 2 м, затем на дне котлована по контуру бетонировали крепление высотой 0,5 м и шириной по 2 м. После этого котлован затопляли водой.

Через 5 дней разработали грунт до проектной отметки, откачивали воду из котлована и бетонировали все остальное пространство от дна котлована до верха бетонного крепления и снова заливали водой.

После твердения бетона откачивали воду, разбивали головы свай, бетонировали плиту ростверка и тело опоры.

3. Опоры мостов, сооружаемые на воде

4.29. При небольшой глубине воды и скорости течения менее 1 м/сек организация труда и состав работ по сооружению свайного фундамента сохраняются такими же, как и при производстве работ на суше, только дополнительно выполняется отсыпка островка, когда это экономически оправдывается с помощью гидромеханизации или автотранспорта.

4.30. В состав работ при сооружении свайного фундамента на воде без отсыпки островка при расположении плиты ростверка в пределах грунта вместо планировки площадки выполняется установка и закрепление направляющего каркаса, который служит распорным креплением ограждения и подмостями.

4.31. При сооружении свайного фундамента, плита ростверка которого расположена в пределах воды, для ограждения котлована вместо шпунта используют инвентарные щиты и дощатые днища, закрепляемые на направляющем каркасе. Соответственно изменяется и состав работ.

4.32. В рабочее место включаются котлован, направляющий каркас, подмости и ограждение, плавсредства, на которых располагают сваебойное, крановое и вспомогательное оборудование (компрессор, насос, электростанция, бетонный завод и т.п.), запасы свай, шпунта и других материалов, необходимых для обеспечения суточной работы.

4.33. Рабочее место для забивки свай и шпунта должно быть оснащено необходимым оборудованием и инструментом, перечень которых приведен в приложении 8.

4.34. При погружении свай и шпунта универсальным сухопутным копром его размещают на специальном мостике, установленном на плавсредства (плашкоуты) (рис. 16). Расстояние в свету между плашкоутами принимают немного больше ширины ограждения. Поперек котлована копер перемещается по мостику, вдоль котлована - вместе с плавсредствами с помощью лебедок, расчалок и якорей или по плавсредствам, закрепленным неподвижно к ограждению котлована.

4.35. Установка направляющего каркаса в русле реки должна выполняться в следующем порядке (рис. 17):

а) с помощью буксира развозят и укладывают с верховой стороны от сооружаемого фундамента на расстоянии, указанном в проекте производства работ, становые якоря;

б) при применении якорницы (на реках со скоростью течения воды более 1 м/сек) закрепляют ее за становые якоря и укладывают два боковых якоря;

в) с помощью буксира или установленных на берегу приводных лебедок выводят плавучую систему с направляющим каркасом вверх по течению реки на расстояние 10-15 м от проектного положения и закрепляют ее за якорницу или становые якоря;

г) устанавливают боковые и низовые якоря плавучей системы;

рис. 16. Погружение сваи с помощью плавредств:

а - передвижение плавсредств с мостиком; б - передвижение мостика по плавсредствам; 1 - копер; 2 - плашкоут (понтоны); 3 - мостик под копер; 4 - погружаемая свая; 5 - ходовая тележка

Стрелками указан путь передвижения копра

д) с помощью якорных лебедок на плавучей системе устанавливают направляющий каркас в проектное положение по осям фундамента;

е) через направляющие ячейки каркаса устанавливают на грунт маячные сваи (или оболочки), проверяя положение каркаса;

ж) с помощью вышек или плавучих кранов каркас приподнимают со шпальных клеток, погружают маячные сваи до заданной отметки и отказа и устанавливают закладные балки для подвешивания на маячных сваях;

з) опускают каркас в проектное положение по высоте и освобождают плавучую систему.

Рис. 17. Схема раскрепления направляющего каркаса на водотоке:

1 - направляющий каркас; 2 - поддерживающие плавсредства; 3 - якорница (понтон); 4 - становые якоря; 5 - задние и боковые якоря плавучей системы; 6 - боковые якоря якорницы; 7 - якорные тросы

Обслуживание плавсредств выполняет команда из 4-6 чел., которая закладывает якоря, устанавливает якорницы, выводит плавучую систему на ось опоры, регулирует ее положение в процессе установки и закрепления.

4.36. При погружении на воде фундамента опоры из железобетонных центрифугированных сваи диаметром 0,6 м длиной 40 м и плитой, расположенной в пределах грунта, необходимо соблюдать следующую последовательность работ (рис. 18):

а) установка шпунтового ограждения вокруг каркаса и погружение вибропогружателем ВП-1 с помощью плавучего крана сплотками из трех шпунтин за два приема;

б) установка свай из двух секций плавучим краном в ячейки каркаса и забивка их универсальным копром СССМ-680 с паровым молотом одиночного действия весом ударной части 6 т;

в) извлечение эрлифтом грунта из котлована до проектной отметки (с учетом толщины водозащитной бетонной подушки);

г) подводное бетонирование водозащитной подушки методом вертикально перемещаемой трубы, приготовление бетонной смеси на плавучем бетонном заводе;

д) откачивание воды из котлована после твердения бетона водозащитной подушки, разбивка и, при необходимости, срубка верхней части свай, очистка поверхности подводного бетона, установка опалубки и арматуры плиты, а также бетонирование плиты и тела опоры;

Рис. 18. Схема сооружения опоры при расположении  плиты ростверка в пределах грунта:

I - погружение шпунта; II - погружение свай с копра; III - выемка грунта эрлифтом из котлована; IV - подводное бетонирование водозащитной подушки; V - бетонирование  плиты ростверка и тела опоры; VI - разборка каркаса и извлечение шпунта

е) разборка каркаса и опалубки с распиранием шпунтового ограждения в готовую часть опоры, заполнение котлована водой и разборка шпунтового ограждения с извлечением шпунта.

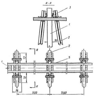
Рис. 19. Схема сборки направляющего каркаса и перемычки:

I - сборка направляющего каркаса; II - устройство дощатого днища и установка щитов перемычки; III - устройство замыкающих элементов перемычки: IV - подвешивание каркаса на вышках; V - опускание каркаса в воду и погружение маячных свай

4.37. Для работ по установке и закреплению направляющего каркаса, по погружению шпунта и свай, а также всех остальных работ целесообразно организовать комплексную бригаду из четырех звеньев. Состав звена комплексной бригады, квалификация и разряды рабочих подбираются на месте работ в зависимости от наличия оборудования и оснастки и в соответствии с действующими ТКС и ЕНиР.

Звено 1. Монтажники стальных конструкций - 4-5 чел. Выполняют работы по установке каркаса, подвешиванию его на маячные сваи и другие монтажные работы.

Звено 2. Копровщики и машинисты копра и крана - 4-5 чел. Выполняют работы по погружению свай и шпунта.

Звено 3. Бетонщики, арматурщики и плотники - 3-5 чел. Выполняют работы по подводному бетонированию, устройству опалубки, установке арматуры, бетонированию плиты ростверка и тела опоры.

Звено 4. Монтажники, машинист компрессора, слесарь - 1-5 чел. Выполняют работы по сборке и установке эрлифта, извлечению грунта из котлована и заполнению его водой.

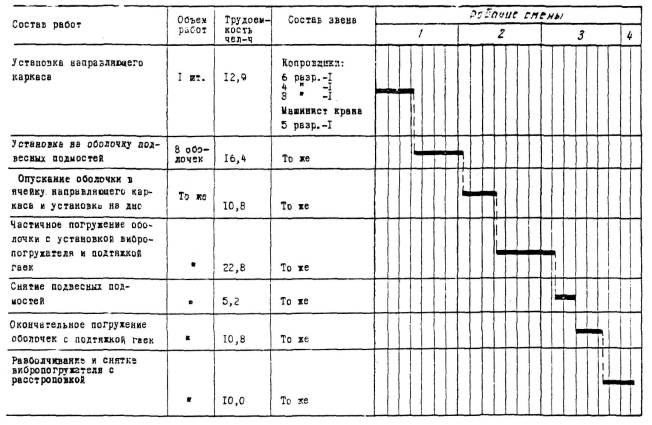
4.38. Достигнутые передовиками производства затраты труда при сооружении свайной опоры в шпунтовом ограждении для примера, указанного на рис. 19, и рациональный состав звена приведены в табл. 4.

Таблица 4

Наименование работ

Единица измерения

Затраты труда на единицу, чел-ч

Количество рабочих и разряды

Опускание каркаса в воду

1 каркас

12,9

Монтажники конструкций:

6 разр - 1, 4 разр - 1,

3 разр - 2

Погружение маячных свай (при длительности до 10 мин)

1 свая

9,25

Машинист крана

6 разр - 1

Помощник машиниста 4 разр - 1

Копровщик:

6 разр - 1, 3 разр - 2

Забивка шпунта вокруг каркаса

1 шт

11,05

Машинист крана

6 разр - 1

Помощник машиниста

4 разр - 1

Копровщик:

6 разр - 1, 3 разр - 2

Погружение свай с помощью плавучего крана и копра (при длительности до 20 мин)

1 свая

10

То же

Извлечение грунта из котлованов с помощью эрлифтов

1 м3

0,25

Машинист компрессора

4 разр - 1

Подводное бетонирование водозащитной подушки

1 м3

0,47

Бетонщики:

4 разр - 1, 2 разр - 1

Очистка и обработка поверхности подводного бетона

100 м3

6,7

Бетонщик 3 разр. - 1

Вырубка бетона и срубка верха свай

1 свая

2,56

То же

Установка опалубки и арматуры ростверка

1 м3

2,5

Плотники:

4 разр - 1, 3 разр - 1

Арматурщики:

5 разр - 1, 3 разр - 1

Бетонирование плиты ростверка с водоотливом

1 м3

0,41

Бетонщики: 4 разр - 1, 2 разр - 2

Извлечение элементов каркаса

1 м3

0,42

Плотники: 4 разр - 1, 2 разр - 1

Установка блоков опалубки тела опоры плавучим краном

1 м3

0,60

Плотники: 5 разр - 1, 3 разр - 2

Бетонирование тела опоры

1 м3

0,72

Бетонщики: 4 разр - 1, 2 разр - 2

4.39. Обстройку направляющего каркаса щитами и днищем для опор с плитой ростверка, расположенной в пределах воды, следует производить во время его сборки на плавучей системе.

4.40. Остальные работы по возведению опоры (погружение свай, бетонирование водозащитной подушки, плиты ростверка и тела опоры) остаются без изменения (рис. 20). В последнюю очередь разбирают перемычку, начиная с замыкающих элементов.

Количественный состав звеньев и квалификация рабочих по отдельным видам работ такие же, как при сооружении опоры с плитой, расположенной в грунте.

4. Морские и речные причалы и другие гидротехнические сооружения

4.41. Отличительной чертой причалов, пирсов, ограждающих стенок и других гидротехнических сооружений по сравнению с опорами мостов является их большая длина. Поэтому фронт работ по строительству таких сооружений следует разбивать на отдельные захватки, на каждой из которых последовательно выполняется весь комплекс работ.

Рис. 20. Схема сооружения опоры при расположении  плиты ростверка в пределах воды:

I - погружение свай; II - подводное бетонирование водозащитной подушки; III - бетонирование плиты ростверка; IV - бетонирование тела опоры; V - разборка перемычки

4.42. В рабочее место по строительству гидротехнических сооружений включается участок, на котором производят весь комплекс работ.

Рабочее место должно быть оснащено оборудованием, инвентарем и инструментом подобно рабочему месту при строительстве опор мостов на воде.

Рис. 21. Схема погружения свай для причала:

1 - плавучий копер; 2 - кордонная маячная свая; 3 - тыловая маячная свая; 4 - переставной направляющий кондуктор; 5 - промежуточные сваи; 6 - плавучий кран

4.43. При сооружении температурной секции причала эстакадного типа, состоящей из 136 железобетонных призматических свай, расположенных в 17 рядов, рекомендуется следующая организация работ.

Грейфером с плавучего крана на всю длину секции разрабатывают котлован до проектной глубины.

Остальные операции выполняются поточным методом с разбивкой секции на 4 захватки (4+4+4+5 рядов свай).

Погружение свай начинается с первой захватки универсальным плавучим копром (рис. 21). Запас свай располагается на плашкоуте, а подача свай на копер или в отверстия направляющего каркаса осуществляется плавучим краном.

В каждом ряду в первую очередь погружают кордонную и тыловую сваи, которые используют как маячные для переставного направляющего каркаса (рис. 22). Точность погружения этих свай контролируют двумя теодолитами.

Устанавливают плавучим краном и закрепляют направляющий каркас на маячных сваях.

Через отверстия направляющего каркаса погружают остальные шесть свай ряда.

После погружения свай на первой захватке отсыпают подпричальный откос, обстраивают головы свай и устанавливают элементы верхней надстройки. Погружение свай продолжают на второй захватке.

4.44. Для выполнения работ по погружению свай при сооружении сборного железобетонного причала на призматических сваях рекомендуется организовать комплексную бригаду из двух звеньев (по числу захваток).

Звено 1. Машинист копра 6 разр. и его помощник 4 разр., копровщики: 6 разр. - 1 и 3 разр. - 2. Выполняет работы по погружению свай.

Звено 2. Монтажники конструкций (5 разр. - 1, 4 разр. - 1). Выполняет работы по устройству направляющего каркаса и установке в него свай.

4.45. Состав и объем свайных работ при забивке одного ряда (8 свай сечением 45×45 см и длиной 30 м), их трудоемкость, количество и квалификация рабочих, а также график этих работ приведены на рис. 23.

4.46. Сооружение температурной секции причала типа «Больверк» длиной 25 м, состоящей из 16 одиночных свай и 48 шпунтин (сваи и шпунтины железобетонные сечением 45×45 см, длиной 21,5 м), рекомендуется выполнять в следующем порядке (рис.24):

Рис. 22. Схема и конструкция переставного направляющего каркаса для погружения свай причала

Примечание: Во время производства сопутствующих работ бригада копровщиков выполняет забивку свай на других объектах.

Рис. 23. Забивка маячных и промежуточных свай сечением 15×45 см длиной 30 м

Рис. 24. Погружение свай и шпунта для причальной стенки типа «Больверк»:

а - забивка одиночных свай; б - установка направляющих для забивки шпунта; в - забивка шпунта; 1 -плавучий копер; 2 - баржа со сваями; 3 - одиночные железобетонные сваи; 4 - кондуктор для погружения одиночных железобетонных свай; 5 - стальная свая-коробка для крепления кондуктора; 6 - направляющие для забивки шпунтовых свай; 7 - забитый шпунт

Рис. 25. Направляющий кондуктор для погружения шпунта:

1 - железобетонный шпунт; 2 - сваи-коробки; 3 - направляющие из шпунтин типа «Ларсен V»

Рис. 26. Прижимная тележка конструкции ВНИИГС:

1 - железобетонный шпунт; 2 - сваи-коробки; 3 - прижимная тележка; 4 - натяжной трос; 5 - направляющие из шпунта типа «Ларсен V»

а) грунт в котловане до проектной глубины разрабатывают земснарядом и отвозят на баржах;

б) место погружения первой одиночной сваи «Больверка» тщательно проверяют двумя теодолитами.

Сваи и шпуптины поднимают с баржи универсальным плавучим копром «Юбигау» и забивают паровым молотом одиночного действия с весом ударной части 6 т;

Рис. 27. Забивка свай и шпунтин типа «Ларсен V» температурной секции причальной стенки

г) постепенно передвигая копер вдоль кондуктора, устанавливают сваи в ячейки и забивают их до проектной отметки (рис. 24, а);

д) сваевыдергивателем, которым должен быть оборудован копер, выдергивают сваю-коробку, переставляют кондуктор дальше по фронту работ и снова забивают сваю-коробку в крайнюю ячейку;

е) в зависимости от местных условий (заделки шпунта в грунте, степени волнения в акватории и т.п.) шпунт забивают с применением кондукторов или постоянных направляющих. В первом случае монтаж и демонтаж кондуктора для забивки шпунтин также производят универсальным копром. Этот кондуктор (рис. 25) состоит из двух направляющих и трех инвентарных козловых опор. Основные элементы его изготовлены из шпунтин типа «Ларсен V».

Две сваи-коробки козловой опоры забивают с небольшим наклоном и на них устанавливают рамку-фиксатор, на которой закрепляют направляющие. По мере забивки шпунта переднюю опору кондуктора разбирают, передвигают направляющие дальше (см. рис. 24, б) и собирают опору на очередном месте;

ж) шпунтины устанавливают в направляющие и забивают до проектной отметки по одной (см. рис. 24, в). Для обеспечения плотного прилегания шпунтин друг к другу следует использовать при забивке прижимную тележку конструкции ВНИИГС (рис. 26);

з) со специальной площадки, навешиваемой на шпунтовую стенку, разбивают пневматическими молотками головы свай и шпунтин и обнажают арматурный каркас для соединения с элементами верхнего строения.

4.47. Фактические, достигнутые передовиками производства, затраты труда, количество рабочих в звене и их квалификация, а также график работ по забивке свай и шпунтин одной температурной секции причальной стенки см. на рис. 27.

V. ОРГАНИЗАЦИЯ ТРУДА ПРИ ПОГРУЖЕНИИ ОБОЛОЧЕК ДИАМЕТРОМ 1 м И БОЛЕЕ

1. Общие указания

5.1. В состав работ по погружению оболочек входят следующие операции:

а) установка укрупненной оболочки (или отдельных ее секций) в ячейку направляющего устройства;

б) установка и закрепление вибропогружателя с наголовником на оболочке;

в) погружение оболочки вибропогружателем;

г) снятие вибропогружателя;

д) удаление грунта из полости оболочки (при необходимости).

Если оболочку собирают в процессе погружения, то после наращивания погруженной части следующей секцией все операции, кроме первой, повторяются.

При применении подмыва выполняется дополнительно операции по установке и снятию подмывных трубок, подключению и отключению насосной установки.

Грунт из оболочки, погружаемой вибропогружателем ВУ-1,6, удаляется без снятия последнего с оболочки.

5.2. Состав звена при погружении оболочек следует принимать в зависимости от диаметра оболочки и состава работ (табл. 5).

Таблица 5

Профессия и разряд рабочих

Вид работ

Установка секций оболочки (или подбабка) диаметром в м

сболчивание стыка

обварка стыка и приварка гаек к болтам

гидроизоляции стыка

Установка вибропогружателя с переходником и снятия его или подбабка

Крепление вибропогружателя к оболочке (переходнику), отсоединение его или подбабка

обмазкой

оклейкой

1,6

2-1

Копровщик 6 разр

1

1

-

-

-

-

-

-

Копровщик 5 разр

-

-

-

-

-

-

1

-

Копровщик 4 разр

1

1

1

1

-

-

-

-

Копровщик 3 разр

1

2

1

-

-

-

2

2

Электросварщик 4 разр.

-

-

-

1

-

-

-

-

Гидроизолировщик 4 разр

-

-

-

-

-

2

-

-

Гидроизолировщик 3 разр

-

-

-

-

1

-

-

-

Примечание. При совмещении профессий электросварщика и гидроизолировщиков все работы производит основное звено из четырех копровщиков в составе: 6 разр. (звеньевой) - 1, 4 разр. - 1 и 3 разр. - 2.

5.3. При погружении оболочек рекомендуется следующая организация труда и распределение работ между рабочими в звене:

а) 2 копровщика (4 и 3 разр.) закрепляют траверсу к оболочке (или секации) и стронуют ее;

б) машинист крана поднимает оболочку, переводит ее в вертикальное положение и устанавливает в ячейку направляющего устройства.

При большой глубине воды и секционной установке оболочек необходимо использовать удерживающий хомут (см. п. 4.21) или установить у нижнего конца оболочки временную водонепроницаемую перегородку.

Таким же образом устанавливают следующую секцию оболочки.

В направляющее устройство рекомендуется устанавливать по нескольку оболочек для того, чтобы можно было вести поточное их погружение, а также не задерживать под выгрузкой плашкоут;

в) 3 копровщика (5 разр. - 1 и 3 разр. - 2) стронуют вибропогружатель с наголовником и круговой площадкой и машинист крана устанавливает его наверх оболочки;

г) 2 копровщика 3 разр. закрепляют вибропогружатель на оболочке, устанавливая на каждый болт или шпильку гайку и контргайку;

д) машинист вибропогружателя по сигналу бригадира (или звеньевого) после удаления рабочих из опасной зоны начинает погружение оболочки, включая вибропогружатель залогами по 3 - 13 мин с остановками для осмотра состояния оболочки и крепления к ней наголовника.

Погружение прекращают при достижении оболочкой проектном отметки, снижения скорости погружения до 3 см/мин или появления горизонтальных колебаний верха оболочки с амплитудой более 3 см, а также при встрече с препятствием;

е) 2 копровщика 3 разр. открепляют вибропогружатель от оболочки и машинист крана переносит его на другую оболочку или на место стоянки;

ж) несвязные грунты извлекают эрлифтом, который собирают с помощью крана монтажник 4 разр. и копровщик 3 разр. и опускают в оболочку. За работой компрессора, питающего эрлифт воздухом, следит машинист компрессора. По окончании разработки грунта эрлифт разбирают.

Связные грунты в оболочке разрабатывают и извлекают грейфером, подвешенным к крюку крана.

5.4. Во всех случаях, где это возможно, оболочки следует погружать на заданную глубину без извлечения грунта из их полости.

При недостаточной мощности вибропогружателя или при погружении оболочек в плотные грунты необходимо периодически удалять грунт из полости погружаемых оболочек.

Несвязные грунты следует удалять до уровня ножа или на 1-2 м выше его. На последнем этапе (залоге) погружения, после того как в полости оболочки образовалась грунтовая пробка высотой не менее 2 м, оболочку необходимо провибрировать не менее 10 мин.

Плотные связные грунты рекомендуется удалить в процессе погружения на 2-3 м ниже ножа. При достижении проектной отметки разрешается прекращать вибрирование при скорости погружения оболочки не более 2 см/мин.

5.5. Работы по погружению оболочек следует вести по поточной технологии. Для этого погружают одновременно четыре оболочки, на каждой из которых последовательно выполняют следующие операции:

устанавливают оболочку в направляющее устройство или наращивают ее очередной секцией;

подготовляют оболочку к погружению после установки ее в направляющее устройство или после наращивания;

устанавливают вибропогружатель и погружают оболочку в грунт, после чего снимают вибропогружатель;

после погружения и снятия вибропогружателя из оболочки удаляют грунт.

Наращивание и омоноличивание стыков секции бетоном может выполняться на нескольких оболочках, количество которых зависит от продолжительности выдерживания бетона для набора необходимой прочности.

2. Опоры мостов

5.6. При сооружении фундаментов мостовых опор на оболочках диаметром 1 м и более выполняются следующие работы:

а) планировка стройплощадки или отсыпка островка;

б) установка направляющего устройства и ограждения котлована;

в) разработка грунта при расположении в нем плиты ростверка;

г) погружение оболочек с удалением из них грунта;

д) подводное бетонирование полостей оболочек;

е) устройство плиты ростверка и разборка ограждения.

Рис. 28. Погружение оболочек для опор мостов с плавучих средств:

а - оболочки диаметром 3 м и более, погружаемые вертикально; б - оболочки диаметром до 2 м включительно, погружаемые наклонно; 1 - плашкоут из понтона КС; 2 - направляющий каркас из УИКМ; 3 - портальный кран; 4 - плашкоут из понтонов КС для перевозки секций оболочек; 5 - гусеничный кран грузоподъемностью 5-10 Т; 6 - насосная; 7 - компрессорная; 8 - сборная железобетонная оболочка; 9 - вибропогружатель; 10 - эрлифт; 11 - направляющий копер и; УИКМ; 12 - гусеничный кран грузоподъемностью 15-25 Т

5.7. При погружении оболочек диаметром 1 м и более применяется такое же оборудование и оснащение, как и при погружении оболочек меньшего диаметра. Грузоподъемность кранов, плавучих и транспортных средств, мощность вибропогружателей и других механизмов должны соответствовать весу погружаемых оболочек.

5.8. Схема погружения сборных железобетонных оболочек с плавучих средств для опор мостов приведена на рис. 28.

5.9. Организацию труда и состав работ по сооружению фундамента речной опоры моста из 5 вертикальных и 8 наклонных оболочек диаметром 1,6 м при глубине воды 5 м и скорости ее течения 0,8 м/сек рекомендуется принимать следующими.

Оболочку общей длиной 24 м собирают во время погружении из трех секций по 8 м и заглубляют на 22 м в грунт вибропогружателем ВП-80 с внутренним подмывом и извлечением грунта эрлифтом. Наголовник высотой 5 м позволяет производить подмыв и извлечение грунта, не снимая вибропогружатель с оболочки.

Оболочки погружают с плавучей системы, собранной из понтонов КС и элементов УИКМ. На плавучей системе установлены гусеничный кран грузоподъемностью 20 Т, направляющий копер для погружения наклонных оболочек и вибропогружатель, а также расположены пульт управления вибропогружателем, насосная, компрессорная и подсобное помещение.

Операции по установке плавучей системы из понтонов и элементов УИКМ

Состав работ и порядок их выполнения на месте погружении оболочек диаметром 1 м и более остается таким же, как при погружении оболочек диаметром 0,4-0,8 м (см. п. 4.35).

Операции по погружению оболочек

а) поднимают краном ножевую секцию оболочки с транспортного плашкоута, подают ее под копер (наклонные оболочки) или в направляющую ячейку (вертикальные оболочки) и опускают в воду до опирания на дно;

б) устанавливают следующую секцию оболочки, сболчивают 24 болтовых фланцевых соединения, приваривают ганки к болтам, сваривают стык нерасчетным швом, обивают шлак и покрывают стальные части стыка в два слоя горячим битумом;

в) устанавливают вибропогружатель с наголовником на оболочку и сболчивают стык наголовника с оболочкой (на каждый болт ставят гайку и контргайку);

г) погружают оболочку в грунт на глубину 10 м.;

д) снимают вибропогружатель с наголовником;

е и ж) повторяют операции, указанные в п. «б» и «в»;

з) опускают в оболочку эрлифт с подмывной трубкой (рис. 29), извлекают грунт до глубины 9 м, внимательно следя, чтобы уровень воды в оболочке не опускался ниже уровня в реке, и вынимают эрлифт;

и) опускают в оболочку подмывную трубку (рис. 30), собирая ее из секций;

к) погружают оболочку на глубину 16 м с подмывом;

л) повторяют операцию, указанную в п. «з», удаляя грунт до глубины 15 м.;

м) погружают оболочку на глубину 20 м с подмывом и извлекают подмывную трубку;

и) повторяют операцию, указанную в п. «з», удаляя грунт до глубины 19 м.;

о) погружают оболочку на проектную глубину (22 м);

п) снимают вибропогружатель без наголовника;

р) бетонируют полость оболочки до уровня 1 - 1,5 м ниже наголовника;

с) снимают наголовник с оболочки (с помощью водолаза).

После погружения всех оболочек опоры устраивают ограждение котлована из понтонов КС, которые устанавливают в такое положение, чтобы высота боковых стенок ограждения составляла 3,6 м. Снизу понтоны наращивают деревянными щитами высотой 2 м.

Операции по устройству ограждении котлована

а) собирают ограждение из четырех блоков путем установки угловых элементов-замков;

б) заливают понтоны водой так, чтобы нижние кромки деревянных щитов оперлись на грунт;

в) бетонируют водозащитную подушку толщиной 0,8-1,2 м на дне котлована;

После твердения бетона подушки откачивают воду из котлована.

Операции по устройству платы, ростверка и тела опоры

а) очищают поверхность бетона в оболочках и водозащитной подушки, срубают фланцы и оголяют продольную арматуру оболочек;

Рис. 29. Эрлифт с подмывной трубкой:

1 - эрлифт; 2 - стояк эрлифта; 3 - съемная заглушка; 4 - вентиль; 5 - шланг для промывки эрлифта; 6 - трубка для воздуха; 7 - подмывная трубка; 8 - шланг для подачи воды; 9 - хомут; 10 - шланг для подачи воздуха

Рис. 30. Подмывная трубка:

а - общий вид; б - конструкция наконечника; 1 - секция трубки; 2 - колено; 3 - наконечник; 4 - соединительная муфта; 5 - фланец; 6 - патрубок; 7 - резиновый шланг; 8 - хомуты; 9 - корпус наконечника; 10 - клапан; 11 - пружина; 12 - болт крепления пружины; 13 - ограничительный болт

б) устанавливают опалубку и арматуру плиты;

в) бетонируют плиту;

г) устанавливают опалубку тела опоры и заменяют распорки ограждения;

д) бетонируют тело опоры до отметки выше уровня воды:

е) затопляют котлован;

ж) разбирают ограждение.

5.10. Погружение оболочек следует выполнять комплексной бригадой, состоящей из 5 звеньев, из которых четыре звена выполняют сопутствующие работы и одно звено - свайные работы. Состав звеньев, квалификация и разряды рабочих уточняются на месте работ в зависимости от имеющегося оборудования и оснастки.

Звено 1. Монтажники конструкций - 5-6 чел. Выполняет перестановку направляющих копров и ячеек, монтаж подмывной трубки, эрлифта и приспособлений для подводного бетонирования, сборку и разборку ограждения котлована.

Звено 2. Команда, обслуживающая плавсредства, - 4-6 чел. Выполняет закладку якорей, установку якорниц, вывод плавучей системы и раскрепление ее на оси оболочки, регулирование положения плавучей системы в процессе работ.

Звено 3. Копровщики, машинисты крана и вибропогружателя - 4-6 чел. Выполняет установку и погружение оболочек

Звено 4. Машинист и слесари компрессорной и насосной - 3-5 чел. Выполняет обслуживание компрессора, насоса эрлифта, подмывной трубки и пневматических молотков.

Звено 5. Бетонщики, арматурщики и плотники - 3-5 чел. Выполняет срубку фланцев, установку опалубки и арматуры, бетонирование полостей оболочек водозащитной подушки, ростверка и тела опоры.

Кроме того, работы должны обслуживать дежурные электрик и слесарь.

5.11. Достигнутые передовиками производства затраты труда на вибропогружение оболочки, количество и квалификация рабочих приведены в табл. 6.

Таблица 6

Наименование работ

Единица измерения

Объем работ

Состав звена

На единицу измерения

На 1 оболочку

Установка первой (ножевой) секции оболочек

1 установка

1

Копровщики:

2,8

2,8

6 разр - 1

4 разр - 1

3 разр - 1

Установка секций оболочки при наращивании

1 установка

1

Копровщики:

2,13

6,39

6 разр - 1

4 разр - 1

3 разр - 1

Сболчивание стыка секций оболочки

100 болтов

0,72

Копровщики:

10

7,2

4 разр - 1

3 разр - 1

Электросварка стыка с двух сторон

1 стык

3

Электросварщик 4 разр - 1

2,5

7,5

Приварка гаек к болтам

100 болтов

0,72

То же

2,7

1,94

Гидроизоляция стыка

1 стык

3

Гидроизолировщик 3 разр - 1

1,9

5,7

Установка на оболочку вибропогружателя

1 установка

4

Копровщики:

1,62

6,48

5 разр - 1

3 разр - 2

Крепление вибропогружателя с наголовником к оболочке

100 болтов

0,96

Копровщики 3 разр - 2

9

8,64

Отсоединение вибропогружателя с наголовником от оболочки

То же

0,96

То же

4,6

4,42

Снятие вибропогружателя с оболочки

1 снятие

1

Копровщики:

1

4

5 разр - 1

3 разр - 1

Установка в оболочку эрлифта

1 установка

3

Монтажники конструкции:

2

6

4 разр - 1

3 разр - 1

Извлечение грунта из оболочки эрлифта

1 м3

40

Монтажники конструкции:

0,25

10

4 разр - 1

Вытаскивание эрлифта из оболочки

1 вытаскивание

3

Монтажники конструкции:

0,34

0,68

4 разр - 1

3 разр - 1

Опускание в оболочку первой секции подмывной трубы

1 секция

2

То же

0,34

0,68

Наращивание последующих секций подмывной трубы

1 секция

5

То же

0,7

3,5

Вытаскивание подмывной трубы из оболочки отдельными секциями с разболчиванием стыка

1 секция

5

Монтажники конструкции:

0,52

2,6

4 разр - 1

3 разр - 1

Вытаскивание последней секции подмывной трубы

«

2

«

0,22

0,11

Присоединение шлангов

1 присоединение

4

«

0,72

2,88

Погружение оболочки на проектную глубину с подтяжкой болтов крепления вибропогружателя и выверкой положения оболочки при длительности погружения:

 

 

 

 

 

до 15 мин

1 погружение

2

«

2,3

1,6

до 10 мин

«

2

«

1,3

2,6

Итого на одну оболочку

 

91,73

3. Причалы и другие гидротехнические сооружения

5.12. Состав работ и организация рабочего моста при строительстве гидротехнических сооружении из железобетонных оболочек аналогичны составу работ и организации рабочего места как и из призматических свай, но для погружения оболочек требуются более мощные краны и вибропогружатели (приложение 9).

5.13. Организацию труда и состав работ по сооружению температурной секции причала эстакадного типа, состоящей из 36 железобетонных оболочек диаметром 1,2 м, расположенных в 9 рядов с расстоянием между рядами и оболочками в ряду, равным 5,25м, рекомендуется принимать следующими (рис. 31 и 32).

Оболочку общей длиной 14 м предварительно стыкуют из двух секции по 7 м. Погружение оболочки производят вибропогружателем ВП-3 с помощью плавучего направляющего каркаса без извлечения грунта из ее полости. Каркас имеет 12 направляющих ячеек и смонтирован на трех понтонах КС. Все грузоподъемные операции выполняют 15-тонным плавучим краном.

Рис. 31. Схема организации рабочего места по погружению оболочек при строительстве причалов эстакадного типа с помощью направляющего каркаса для температурной секции причала:

1 - погруженная оболочка; 2 - направляющий каркас; 3 - лебедки направляющего каркаса; 4 - ячейки направляющего каркаса; 5 - место складирования оболочек; 6 - плавкран грузоподъемностью 15 Т; 7 - тыловая часть причала; 8 - ранее сооруженная секция

Работы на температурной секции ведут захватками, объединяющими: первая - три ряда оболочек, а остальные - по два; ряда (3+2+2+2 рядов).

Грунт в котловане до проектной глубины разрабатывают экскаватором на всю температурную секцию. Экскаватор перемещается по берегу вдоль котлована.

Направляющий каркас закрепляют в проектном положении (с помощью якорей и расчалок или жестких распорок за сооруженную секцию причала) и частично заливают понтоны водой.

На оболочке закрепляют строповочное устройство, затем ее приподнимают и укладывают на специальную подкладку и надевают круговую площадку с лестницей.

Оболочку поднимают и устанавливают в угловую ячейку направляющего каркаса на дно котлована и открепляют строповочное устройство. При установке и погружении двух первых угловых оболочек тщательно проверяют их положение в продольном и поперечном направлениях.

Рис. 32. Схема поточного вибропогружения оболочек:

I - установка направляющего каркаса; II - укладка оболочки на подкладку и установка круговой площадки; III - опускание оболочки через ячейку направляющего каркаса; IV - установка и приболчивание вибропогружателя; V - частичное погружение оболочки; VI - снятие металлических подмостей; VII - окончательное погружение оболочки; VIII - снятие вибропогружателя; IX - операции I-VIII повторяются с каждой оболочкой в захватке; Х - вывод направляющего каркаса и установка на следующей захватке; 1 - погружаемая оболочка; 2 - погруженная оболочка; 3 - ранее сооруженная секция причала; 4 - направляющий каркас; 5 - ячейка направляющего каркаса; 6 - металлические сборно-расборные подмости; 7 - вибропогружатель; 8 - подкладка; 9 - стрела плавучего крана; 10 - траверса

Рис. 33. Погружение 8 оболочек на захватке

При необходимости положение оболочки выправляют при помощи оттяжек, лебедок направляющего каркаса и плавучего крана.

Вибропогружатель с наголовником устанавливают на оболочку и закрепляют, завертывая гайки и контргайки на шпильки.

Оболочку погружают залогами, проверяя в перерывы плотность затяжки гаек на шпильках.

При приближении круговой площадки к брусьям каркаса площадку снимают и переносят для установки на следующем оболочке.

После погружения оболочки до проектной отметки отвинчивают ганки со шпилек, отсоединяют вибропогружатель с наголовником от оболочки и переставляют на следующую оболочку.

Посте погружения всех оболочек на первой захватке раскрывают направляющие ячейки и освобождают понтоны от воды.

Всплывший направляющий каркас (головы погруженных оболочек оказываются ниже кромки каркаса) передвигают на новую захватку, снова заливают понтоны водой и, закрывая направляющие ячейки, закрепляют каркас за 4 погруженных оболочки.

На первой захватке приступают к монтажу ростверков.

5.14. Погружение оболочек выполняет звено в составе трех копровщиков (6, 4 и 3 разр.) и машиниста крана 5 разр.

5.15. Затраты труда, состав, объем и трудоемкость работ, квалификация рабочих, а также график работ по погружению оболочек на одной захватке (8 оболочек) приведены на рис. 33.

5.16. Организация труда и состав работ по сооружению температурной секции причала эстакадного типа, состоящей из 15 оболочек диаметром 1,6 м, расположенных в 5 рядов с расстоянием между рядами 12 м и между оболочками в ряду 5,5 м, рекомендуется принимать следующими (рис. 34).

Оболочку общей длиной 28 м собирают на берегу из четырех секций по 7 м на специальном стенде. Секции соединяют сваркой обечаек и выпусков арматуры. Наружную поверхность стыка покрывают торкрет-бетоном. В условиях сильной агрессивной среды стык секций оболочек снаружи и внутри обмазывают эпоксидной смолой или оклеивают рулонной гидроизоляцией.

Каждую оболочку транспортируют со склада к месту погружения и устанавливают в ячейку кондуктора плавучим краном грузоподъемностью 100 Т. Перевод оболочки из горизонтального положения в вертикальное; осуществляют с помощью траверсы и дополнительного троса. В некоторых случаях для перевода оболочки из горизонтального в вертикальное положение рекомендуется использовать береговой откос, на котором производят ее перестроповку за верхний конец.

Рис. 34. Схема организации рабочего места по погружению оболочек с помощью плавучего кондуктора для секции причала:

1 - плавучий кран грузоподъемностью 100 Т; 2 - плавкондуктор; 3 - плавучая электростанция; 4 - плавучий кран грузоподъемностью 15 Т; 5 - плавучий инвентарный мостик; 6 - понтон; 7 - баржа с открывающимся днищем

Для погружения первых четырех маячных оболочек первых двух рядов плавучий кондуктор устанавливают на якорях, отдельно для погружения двух оболочек через носовые направляющие.

Погружение первых четырех оболочек необходимо производить в штилевую погоду с тщательной проверкой проектного положения двумя теодолитами.

Для обеспечения точности погружения применяют плавучий кондуктор, имеющий две носовые и одну кормовую направляющие и четыре захвата. После погружения первых четырех оболочек с применением временных направляющих кондуктор заводят между ними и крепят за них захватами (рис. 35).

После погружения первой и второй оболочек через носовые направляющие и третьей через кормовую направляющую кондуктор раскрепляют и перемещают с помощью лебедок вперед на следующую захватку.

На оболочку, заведенную в направляющую кондуктора и опущенную на грунт плавучим краном грузоподъемностью 15 Т, устанавливают вибропогружатель типа ВУ-1,6 с наголовником и крепят его к оболочке гайками, которые навертывают на резьбовые выпуски арматуры. Для этого в отверстия фланца наголовника пропускают выпуски арматуры оболочки, используя конические оправки (рис. 36).

Рис. 35. Схема движения плавкондуктора по фронту работ:

I - первое положение плавкондуктора; II - второе положение плавкондуктора; 1 - оболочки, за которые кропится плавкондуктор; 2 - первая и вторая погружаемые оболочки в носовой части при первом положении кондуктора; 3 - третья погружаемая свая в корневой части при первом положении кондуктора; 4 - погружаемые оболочки при втором положении кондуктора

Рис. 36. Использование направляющей оправки при установке вибропогружателя на оболочку:

1 - наголовник вибропогружателя; 2 - оболочка; 3 - коническая оправка; 4 - нарезные выпуски арматуры оболочки

Рис. 37. Прикрепление вибропогружателя ВУ-1,6 с наголовником к оболочке с навесной площадкой

Тремя коническими оправками через отверстия во фланце наголовника «ловят» выпуски рабочей арматуры оболочки, а затем наголовник с вибропогружателем опускают на ее торец.

Для плотного прилегания наголовника и вибропогружателя к оболочке между фланцем наголовника и оболочкой ставят прокладку из прессованного войлока.

Во время выполнения этой операции рабочие должны обращать особое внимание на хорошую затяжку гаек, так как при слабой затяжке резко снижается эффективность работы вибропогружателя.

Перед окончательной затяжкой гаек и постановкой контргаек включают на 10-15 сек вибропогружатель.

Соединение наголовника с оболочкой и подтяжку гаек рабочие выполняют с инвентарной площадки с перилами, подвешенной к вибропогружателю (рис. 37).

Погружение оболочек ведут залогами, включая вибропогружатель на 3-15 мин. В перерывы между залогами, необходимые для остывания электродвигателя, осматривают состояние оболочки и крепление к ней вибропогружателя.

Продолжительность залогов определяют в результате опытного погружения первых оболочек.

Величину погружения от каждого залога замеряют с помощью геодезических инструментов и заносят в журнал.

При снижении скорости заглубления оболочки до 3 см/мин. прекращают вибропогружение и начинают извлекать грунт из полости оболочки эрлифтом, опускаемым в оболочку в собранном виде плавучим краном грузоподъемностью 15 Т.

Для предотвращения наплыва грунта из-под ножа в оболочку при работе эрлифта уровень воды в ней поддерживают выше горизонта воды в акватории.

Грунт извлекают до отметки на 0,8-1 м выше ножа оболочки и после этого вытаскивают из нее эрлифт. Затем продолжают погружение оболочки до проектной отметки. Отвертывают гайки крепления вибропогружателя к оболочке, снимают вибропогружатель с наголовником и переносят на следующую оболочку.

После перемещения плавучего кондуктора на следующую захватку разбивают головы погруженных оболочек отбойными молотками до проектной отметки и срезают фланец.

Работы производят с плавучего инвентарного мостика, состоящего из двух полуколец, которые на плаву подводятся к оболочке и замыкаются вокруг нее.

Для предохранения оболочек от больших отколов бетона и обеспечения точности срубки на оболочку надевают бандаж из полосовой стали толщиной 5-6 мм и высотой 100 мм.

Примечание: во время перестановки кондуктора бригада копровщиков находится в технологическом перерыве Пунктиром показано начало следующего цикла.

Рис. 38. Цикл погружения трех оболочек на одной захватке

Подрубленную часть оболочки с фланцем стропят к крюку плавучего крана грузоподъемностью 15 Т и после обрезки арматуры бензорезом убирают.

5.17. Для выполнения работ целесообразно организовать комплексную бригаду из трех звеньев следующего состава:

Звено 1. Команда плавкондуктора - 4 чел. Устанавливает и перемещает плавучий кондуктор.

Звено 2. Копровщики и машинисты - 6 чел. Выполняет вибропогружение оболочек.

Звено 3. Бетонщики и сварщик - 4 чел. Выполняет работы по срубке голов оболочек, срезке стержней и укладке их на транспортные средства.

5.18. Затраты труда, состав, объем и трудоемкость работ, квалификация рабочих, а также график работ по погружению оболочек на одной захватке (3 оболочки) приведены на рис. 38.

VI. ОРГАНИЗАЦИЯ ТРУДА ПРИ ПРИМЕНЕНИИ ПОДМЫВА В ПРОЦЕССЕ ПОГРУЖЕНИЯ СВАЙ И ОБОЛОЧЕК

6.1. Конструкция подмывных трубок, их количество, расположение и прикрепление к погружаемому элементу, а также необходимые напор и расход воды на каждую подмывную трубку должны быть приведены в проекте производства работ и уточнены при опытном погружении первых оболочек.

6.2. Рабочее место должно быть оснащено достаточным количеством подмывных трубок и приспособлениями для их крепления, водяным насосом необходимого напора и производительности, разводящей сетью с водораспределителем и вентилями.

6.3. Состав звена при производстве работ с применением подмыва зависит от количества подмывных трубок и общей организации труда.

Например, при погружении сваи или оболочек с использованием одной подмывной трубки достаточно ввести в состав звена для обслуживания водяного насоса одного слесаря. Устанавливают подмывную трубку копровщики, выполняющие основные работы.

При погружении оболочек диаметром 1,6 м и более с применением наружного и внутреннего подмыва необходимо вводить в звено еще 1-3 монтажников, которые вместе с копровщиками монтируют подмывные трубки на оболочке, а во время погружения следят за работой каждой подмывной трубки и наращивают их новыми секциями.

6.4. При применении подмыва выполняются следующие дополнительные операции:

а) перед началом погружения укладывают разводящую линию от водяного насоса до места работ;

б) при подготовке сваи к погружению закрепляют на ней хомутами подмывные трубки;

в) после установки сваи в направляющие копра подключают гибкие шланги от подмывных трубок к разводящей линии;

г) в момент касания острием сваи грунта начинают подачу воды в подмывные трубки (при этом заглубление сваи в грунт может происходить и без работы сваебойного механизма).

Подмыв прекращают и извлекают подмывные трубки, когда острие сваи достигает глубины, отметка которой на 1 - 1,5 м выше проектной отметки. Допогружение сваи до расчетного отказа или проектной отметки производят сваебойным оборудованием без применения подмыва.

При погружении оболочек с применением внутреннего подмыва одной трубкой последнюю не закрепляют на оболочке, а опускают в нее на специальном тросе и включают подмыв только во время непосредственного погружения.

Рис. 39. Схема прикрепления подмывных трубок к вертикальной оболочке:

1 - оболочка; 2 - нож; 3 - подмывные трубки; 4 - направляющий хомут; 5 - удерживающий хомут; 6 - резиновый шланг

В случае секционного погружения оболочек одновременно производят наращивание подмывной трубки новыми секциями.

6.5. Вертикальные оболочки диаметром 1,6 м и более погружают с наружным подмывом несколькими подмывными трубками, расположенными равномерно по периметру оболочки (рис. 39). При этом в состав работ входят следующие операции:

а) укладка разводящей линии;

б) установка и закрепление трубок на погружаемой части оболочек;

в) подключение трубок к разводящей линии;

г) подача воды в трубки и осаживание вибросистемы сначала под действием собственного веса, а потом и возмущающейся силы вибропогружателя;

д) наращивание подмывных трубок одновременно с наращиванием оболочки и повторение цикла операции по погружению.

Для предотвращения наплыва грунта внутрь оболочки в процессе вибропогружения с подмывом концы трубок следует располагать на 1,5-2 м выше ножа оболочки. Опускать трубки разрешается при наличии в полости оболочки грунтовой пробки высотой не менее 3 м.

Подмыв необходимо прекращать, когда нож оболочки не дошел до проектной отметки на 0,5 м.

Дальнейшее погружение оболочки производится после извлечения подмывных трубок, при этом подмыв оболочек, расположенных в радиусе 5 м, запрещается.

6.6. Организация труда, состав работ и затраты труда при погружении оболочек диаметром 1,6 м с использованием внутреннего подмыва приведены в п. 5.9. и табл. 6.

VII. ОРГАНИЗАЦИЯ ТРУДА ПРИ УСТРОЙСТВЕ БУРОВЫХ СТОЛБОВ ИЛИ СТОЛБОВ ИЗ ОБОЛОЧЕК С ЗАБУРИВАНИЕМ В СКАЛЬНУЮ ПОРОДУ ИЛИ С УШИРЕННОЙ ПЯТОЙ В ОСНОВАНИИ

7.1. В состав работ по устройству буровых столбов или столбов из оболочек с уширенной пятой в основании входят:

а) установка технологического оборудования;

б) бурение скважин с извлечением грунта;

в) разбуривание уширения в основании скважины или оболочки;

г) приемка скважины и уширения;

д) установка арматурного каркаса в скважину;

е) бетонирование уширенной пяты и скважины;

ж) устройство плиты ростверка.

При забуривании в скальную породу основания бурового столба дополнительно должно быть подготовлено буровое технологическое оборудование, проверено состояние поверхности скальной породы в скважине и, при необходимости, проведено ее выравнивание, а затем пробуренная скважина должна быть очищена от разбуренной породы.

При устройстве столбов из оболочек с забуриванием в скальную породу отпадает необходимость в оборудовании и работах для бурения в нескальных грунтах, а грунт из полости оболочки извлекают грейфером или эрлифтом. Кроме того, иногда производится тампонаж зазоров между скалой и ножом оболочки.

7.2. В рабочее место для производства буровых работ включаются подмости, на которых размещаются станки для бурения и другое вспомогательное оборудование. Перечень необходимого оборудования, приспособлений и инструментов приведен в приложениях 10 и 11.

7.3. При устройстве буровых столбов и столбов из оболочек должно быть обращено особое внимание на сохранность стенок скважины и уширения в неустойчивых грунтах как в процессе бурения, так и при выполнении остальных работ.

Крепление стенок скважины и уширений от обрушения необходимо осуществлять с применением глинистого раствора или избыточного давления воды.

Бурение скважин и уширений в связных грунтах допускается производить без применения глинистого раствора или избыточного давления воды (сухой способ).

7.4. Состав глинистого раствора подбирают в зависимости от физико-механических свойств проходимых грунтов (табл. 7).

Таблица 7

Рекомендуемые параметры глинистого раствора

Параметр раствора

Размерность

Наименование грунта

Прибор для определения

пески

супеси

суглинки и глины

Вязкость

сек

25-30

20-25

17-20

СВП-5

Удельный вес

г/см3

1,3-1,4

1,2-1,3

1,1-1,2

Ареометр

Водоотдача

см/мин

0,5

0,5

0,5

ВМ-6

Стабильность

г/м3

сутки

Не более 0,03

Цилиндр с краном по середине высоты

Отстой

сутки

Не более 5

Мензурка

Содержание песка

%

Не более 10

То же

В процессе бурения следует периодически проверять основные показатели глинистого раствора (вязкость, удельный вес, содержание песка).

7.5. Бурение скважин и уширенной пяты на пойме или с искусственного островка рекомендуется выполнять в следующем порядке:

а) копер или вышку с буровым агрегатом устанавливают на месте бурения так, чтобы ось бурового агрегата совпадала с осью скважины;

б) в грунт давлением от собственного веса бурового механизма погружают патрубок (стальная труба длиной 1,5-2 м с толщиной стенки 8-10 мм и внутренним диаметром, превышающим на 5-15 см диаметр бура). В плотных грунтах для патрубка предварительно пробуривают лидерную скважину;

в) ковшовый бур опускают в патрубок и включают механизм вращения. Скважину бурят отдельными циклами: за каждый цикл бур углубляется на 0,3-0,5 и до заполнения его грунтом, бур извлекают из скважины и грунт выгружают;

г) после пробуривания скважины на глубину патрубка в скважину заливают глинистый раствор, заготовленный в емкостях. Глинистый раствор следует приготовлять в механических глиномешалках. Продолжительность перемешивания устанавливают опытным путем, но не менее 1,5 ч. Глинистый раствор, не использованный в течение суток и более, необходимо перед заливкой в скважину дополнительно перемешать в глиномешалке или сжатым воздухом;

д) продолжают бурение скважины циклами до проектной отметки или поверхности скалы, все время доливая глинистый раствор до верха скважины;

е) при устройстве уширения к наголовнику, находящемуся на верху буровой колонны, присоединяют шланги от масляного насоса для питания гидродомкратов уширителя;

ж) продолжают вращение бурового механизма, постепенно за несколько циклов открывают ножи уширителя до проектного диаметра. Уширение разбуривают ковшовым буром, поднятым над дном скважины на высоту цилиндрической части уширення, и, постепенно опуская механизм с открытыми ножами (тоже за несколько циклов) до проектной отметки, срезают грунт в нижней части уширения. Продолжительность каждого цикла при разбуривании уширения определяется временем, необходимым для наполнения бур разрушенным грунтом;

з) при закрытых ножах, опуская с вращением бур на 5- 10 см ниже проектной отметки, зачищают забой скважины от осыпавшегося грунта при разбуривании уширения.

7.6. Режим резания грунта буром и ножами необходимо контролировать по показаниям ваттметра, включенного в цепь питания электромоторов ротора. Регулирование работы ротора осуществляется изменением величины подачи рабочего органа на грунт. При перегрузке ротора необходимо уменьшать величину подачи, тем самым сократить толщину срезаемой стружки грунта.

7.7. Величину раскрытия ножей следует контролировать по объему жидкости, подаваемой в гидропривод ножей, для чего необходимо провести соответствующую тарировку резервуара, из которого жидкость подают в гидропривод. Дополнительным показателем предельного раскрытия ножей до упоров является повышение давления в гидравлической системе (по показаниям манометра) при постепенном снижении потребляемой мощности электроприводом ротора (по показаниям ваттметра).

7.8. Проверку соответствия размеров уширения проектным производят следующим образом.

Буровую колонну опускают в скважину так, чтобы верх сложенных пожен оказался на уровне верха свода уширения.

Вращая колонну, медленно раскрывают ножи до проектного диаметра. Если при этом манометр масляного насоса и ваттметр ротора дают показания, соответствующие холостому ходу, то, следовательно, размеры верха уширения соответствуют проекту.

После полного раскрытия ножей колонну медленно опускают до крайнего нижнего положения ножей и бура. Если при этом показания приборов не меняются, то в скважине нет недовыработанного или обвалившегося грунта.

7.9. По окончании бурения скважины буровую колонну демонтируют, опускают в заранее пробуренную вспомогательную скважину и закрепляют деревянными брусьями так, чтобы ковшовой бур не доставал до дна скважины.

Наголовник отсоединяют и поднимают в верхнее положение. Роторную площадку также поднимают в верхнее положение, снимают с троса и закрепляют на стреле копра шкворнями.

7.10. Краном подают к копру арматурный каркас и при помощи лебедки копра устанавливают его в скважину. Чтобы арматурный каркас при опускании не повреждал стенки скважины, к нему прикрепляют снаружи направляющие.

7.11. Бетонирование скважины и уширения выполняют в соответствии с требованиями главы СНиП III-В.6-62. В скважину (внутрь арматурного каркаса) опускают бетонолитную трубу. Бункер трубы с площадкой подвешивают к тросу (рис. 40), идущему через верх копра на лебедку.

Бетонирование скважины и уширения ведут способом вертикально перемещаемой трубы (ВПТ), при этом необходимо не допускать перерывов в укладке бетонной смеси и строго наблюдать за тем, чтобы низ трубы постоянно находился ниже уровня бетонной смеси в скважине не менее чем на 2 м.

7.12. Для круглосуточного выполнения буровых работ целесообразно организовать сквозную бригаду в составе 12 чел. из трех сменных звеньев по 4 чел.

Кроме того, при бетонировании свай участвуют машинист автокрана на подаче бетонной смеси и шоферы на подвозке. Бетонирование свай целесообразно производить тем же звеном копровщиков, для чего необходимо, чтобы копровщики освоили профессию бетонщиков.

Рис. 40. Бетонирование скважины вертикально перемещаемой трубы

Текущие неисправности механизмов должны устраняться дежурным слесарем и электриком, обслуживающими все строительство.

В зимнее время должен обслуживать работы дежурный кочегар локомобиля, обеспечивающий паром обогрев тепляка, прогрев глинистого раствора, воды, труб, шлангов и т.д.

7.13. Фактические, достигнутые передовиками производства, затраты труда, состав, объем и трудоемкость работ на устройство бурового столба глубиной 18 м диаметром 1,3 м с уширенной пятой диаметром 2,4 м, квалификация рабочих в звене, а также график работ приведены на рис. 41.

7.14. Последовательность работ по подготовке, бурению лидерной скважины и разбуриванию уширения в основании погруженной оболочки с использованием специальной вышки приведена на рис. 42.

7.15. Разбуривание уширений диаметром 3,5 м под оболочкой наружным диаметром 2 м следует выполнять сквозной бригадой из трех звеньев. Состав каждого звена бурильщиков: 6 разр. - 1 чел.; 4 разр. - 1 чел. и 3 разр. - 2 чел.

Рис. 41. Организация труда на устройство одного бурового столба диаметром 1,3 м с уширением до 2,4 м

Рис. 42. Схема разбуривания уширения в основании оболочки:

I - установка агрегата на оболочку; II - начало сборки буровой колонны; III - окончание сборки буровой колонны: IV - бурение скважины ниже ножа оболочки: V - бурение уширения до диаметра 3-м (I этап); VI - бурение уширения до полного диаметра 3,5 м (II этап); VII - бурение цилиндрической части уширения (III этап)

Устранение мелких неисправностей производят дежурные механик и электрик, обслуживающие все строительство.

7.16. Фактические, достигнутые передовиками производства, затраты времени на разбуривание скважины ниже ножа оболочки на глубину 4,5 м приведены в табл. 8, а на разбуривание одного уширения диаметром 3,5 м - в табл. 9.

Таблица 8

Наименование циклов

Количество циклов на одну скважину

Затраты времени, маш-мин

на 1 цикл

на 1 скважину

Опускание бурового механизма в оболочку на глубину до 38 м

18

5

90

Бурение скважины (за один цикл) на глубину 25 см

18

10

180

Извлечение бурового механизма из скважины

18

6

108

Разгрузка, очистка и закрытие бура

18

15

270

Таблица 9

Наименование циклов

Количество циклов на одно уширение

Затраты времени, маш-мин

на 1 цикл

на 1 уширение

Опускание бурового механизма в скважину на глубину до 38 м

4

5

20

Закачка масла в маслосистему раскрытия ножей

1

5

5

Бурение уширения с одновременным раскрытием ножей до 3,5 м

1

68

68

Открывание ножей до ранее разбуренного диаметра каждого цикла

3

4

12

Закрытие ножей после каждого разбуривания

4

5

20

Бурение цилиндрической части уширения высотой 10 см (с раскрытыми ножами на 3,5 м и одновременным опусканием бурового механизма на 10 см)

1

23

23

Извлечение бурового механизма из оболочки для опорожнения

4

6

24

Разгрузка грунта, очистка и закрытие ковшового бура

4

15

60

Подключение и отключение масляных шлангов до и после каждого цикла разбуривания уширения

4

14

56

Очистка скважины после разбуривания уширения

1

36

36

К данным хронометражных наблюдений следует добавить 10% времени на осмотр, проверку и мелкий ремонт уширителя в процессе работы.

Затраты труда на демонтаж, перестановку уширителя на следующую оболочку и монтаж его составляют 21 чел-ч.

7.17. В состав звена для выполнения работ на каждом станке по забуриванию основания столбов в скальную породу входят бурильщики: 5 разр. - 1 чел.; 4 разр. - 1 чел.; 3 разр. - 1 чел.; и бетонщик 4 разр. - 1 чел.

7.18. Перед началом бурения скважины в скале (для заделки столба из оболочки) мастер вместе с бурильщиком 5 разр. осматривают подмости и проверяют гидрощупом состояние поверхности скальной породы.

При необходимости рабочие звена ремонтируют подмости, извлекают из оболочки грунт эрлифтом или грейфером, а также производят тампонаж зазоров между оболочкой и скалой

Бурильщики 5 и 4 разр. краном устанавливают над местом бурения станок и проверяют его исправность; вблизи от станка размещают долота, желонку, мерник и шламоприемник. Бурильщик 3 разр. заготовляет камень и глину.

7.19. Буровые станки УКС-30 рекомендуется устанавливать на подмости в собранном виде. При отсутствии крана необходимой грузоподъемности допускается сборка станка на подмостях.

Правильность установки станка над оболочкой должна быть проверена следующим образом: к верхней части мачты прикрепляют отвес; долото поднимают на 0,5 м над забоем и устанавливают его по центру нижней части оболочки, при этом инструментальный трос и шнур отвеса должны быть параллельны.

7.20. Бурение скальной породы рекомендуется выполнять в такой последовательности:

а) бурильщик 5 разр. по указанию мастера настраивает станок на заданную частоту ударов и высоту подъема долота, бурильщик 4 разр. замеряет и мастер записывает в журнале бурения расстояние от поверхности рабочего настила до поверхности скальной породы или тампонажного слоя в оболочке;

б) бурильщик 3 разр. забрасывает в оболочку глину до образования на дне слоя высотой 0,2-0,5 м (при бурении под глинистым раствором) и дополнительно слой камня высотой 0,2-0,3 м (при тампонаже глиной);

в) бурильщик 5 разр. опускает долото на забой, бурильщик 4 разр. фиксирует меткой на натянутом тросе положение дна забоя.

Метку на натянутом тросе следует располагать выше настила в удобном для замеров месте. Метка делается плотной оплеткой троса мягкой проволокой или тонкой веревкой;

г) бурильщик 5 разр. включает буровой станок и начинает бурение, следя за натяжением троса по его колебаниям в уровне настила. Амплитуда колебаний более 15 см указывает на слабое натяжение троса, при котором возможны раскачивание долота и удары его о стенки оболочки или скважины. Амплитуда менее 5 см указывает на излишнее натяжение долота, ускоряющее износ троса и станка;

д) бурильщик 5 разр. по мере углубления скважины соответственно увеличивает длину инструментального троса. Бурение прекращают при углублении на 0,3-0,5 м при глинистом растворе и на 0,2-0,3 м без него для последующего удаления шлама;

е) бурильщики 5 и 4 разр. поднимают долото и очищают скважину от шлама. При бурении под глинистым раствором шлам необходимо удалять желонкой и после очистки снова забрасывать глину в скважину из расчета 0,2-0,3 м3 на 1 м2 поверхности забоя. При бурении без глинистого раствора очистку рекомендуется вести эрлифтом. Долото при этом разрешается не вынимать из скважины, а приподнимать над забоем на 2-3 м. Во время бурения эрлифт также может быть оставлен в оболочке поднятым на 2-3 м выше долота. При работе эрлифта уровень воды в скважине или оболочке, во избежание наплыва грунта, необходимо поддерживать выше уровня воды в акватории.

Повторяя операции «в», «г», «д» и «е», пробуривают скважину до проектной отметки;

ж) периодически мерником проверяют глубину и форму разбуренной скважины;

з) пробуренную до проектной отметки, скважину очищают от шлама и сдают представителю заказчика.

7.21. При длительных остановках станка долото необходимо поднять из оболочки и установить на шпальную клетку. При перерывах в бурении до 15 мин разрешается долото не извлекать из оболочки, а держать его в подвешенном состоянии на 3-5 м выше забоя. Категорически запрещается оставлять долото на забое во избежание его заклинивания оседающим грунтом.

7.22. При каждом подъеме долота на поверхность необходимо тщательно проверять состояние долота и инструментального троса.

При осмотре долота следует особое внимание обращать на состояние резцов и отсутствие в них трещин. Использование долота при наличии трещин не разрешается.

Инструментальный трос, имеющий износ или обрывы проволок, должен быть заменен новым.

7.23. При обрыве инструментального троса необходимо установить причину обрыва и положение долота в скважине. Подъем долота из скважины следует производить с помощью «кошки» при обязательном контроле усилия в тросе.

7.24. Аналогично выполняют работы по забуриванию основания бурового столба в скальную породу.

7.25. Без изменения сохраняются состав работ и организация труда по установке арматурного каркаса в скважине и ее подводное бетонирование способом ВПТ (п.п. 7.9 - 7.11).

VIII. ОРГАНИЗАЦИЯ ТРУДА ПРИ УСТРОЙСТВЕ КАМУФЛЕТНЫХ УШИРЕНИЙ В ОСНОВАНИИ БУРОВЫХ СТОЛБОВ И ЗАБИВНЫХ СВАЙ

8.1. Взрывные работы по образованию камуфлетных уширений разрешается выполнять специальными подрывниками, имеющими право производства взрывных работ и при строгом соблюдении «Единых правил безопасности при взрывных работах» Госгортехнадзора.

8.2. Организация труда и состав работ по погружению оболочек или по бурению стволов скважин, в основании которых предусмотрено устройство камуфлетных уширений, остаются такими же, как и для обычных свай.

8.3. В состав работ по устройству камуфлетных уширений входят:

а) опускание заряда ВВ на дно полости обсадной трубы или оболочки;

б) подача бетонной смеси в полость трубы или оболочки в объеме, достаточном для заполнения образующегося камуфлетного уширения и части оболочки или полости обсадной трубы на высоту 2 м;

в) производство взрыва;

г) заполнение бетонной смесью ствола сваи до проектной отметки.

8.4. Рабочее место должно быть дополнительно оснащено оборудованием для производства взрыва.

8.5. В состав звена, выполняющего основные работы по бурению скважин или погружению свай, включают специалиста-подрывника 5 или 4 разр.

8.6. Организацию труда и распределение работ при устройстве уширения в основании буровой сваи при отсутствии поступления грунтовой воды в скважину (рис. 43) следует принимать следующими:

а) после бурения и обсадки скважины бурильщик 3 разр. и бетонщик 4 разр. с помощью крана опускают в скважину бетонолитную трубу с вибробункером и закрепляют ее удерживающим хомутом, не допуская ее опирания на дно скважины;

Рис. 43. Схема устройства камуфлетного уширения в основании буровой сваи:

I - бурение скважины; II - установка обсадной трубы; III - опускание заряда ВВ, постановка воронки, укладка в скважину бетонной смеси литой конструкции; IV - приподнимание обсадной трубы, постановка удерживающего хомута; V - взрывание наряда и образование камуфлетного уширения; VI - поднятие обсадной трубы, постановка арматурных стержней, бетонирование ствола скважины; 1 - буровой агрегат; 2 - буровая скважина; 3 - обсадная труба; 4 - кран; 5 - заряд ВВ; 6 - электропровода; 7 - литая бетонная смесь; 8 - воронка; 9 - бадья; 10 - хомут

б) специалист-подрывник подготовляет и вместе с бурильщиком 3 разр. опускают на дно скважины заряды взрывчатого вещества (ВВ), которые основной и дублирующей электросетями соединяют с подрывной машинкой.

Заряды ВВ необходимо опускать на тросе или проволоке. Запрещается использование для этой цели проводов или трубок, защищающих электровзрывную цепь.

Провода основной и дублирующей сети должны иметь хорошую гидроизоляцию;

в) опущенный на дно скважины заряд ВВ присыпают слоем песка толщиной 10-15 см для предохранения от детонации при ударе падающей бетонной смеси в скважину;

г) после установки заряда и проверки подрывником сохранности и общего сопротивления у всей электровзрывной цепи двое рабочих (бетонщик 4 разр. и бурильщик 3 разр.) и машинист крана подают бадью с бетонной смесью литой консистенции и заполняют скважину на высоту, предусмотренную проектом, с таким расчетом, чтобы после взрыва заряда ВВ и заполнения бетонной смесью камуфлетного уширения в оболочке оставался столб смеси высотой не менее 2 м;

д) после подачи бетонной смеси в скважину подрывник подает сигнал, следит за удалением всех работающих из опасной зоны работ и производит взрыв для образования камуфлетного уширения;

е) затем двое рабочих (бетонщик 4 разр. и бурильщик 3 разр.) и машинист крана производят укладку бетонной смеси в сваю. После окончания бетонирования трубу с вибробункером переносят на другую сваю.

8.7. При наличии в скважине грунтовой воды все процессы устройства уширения, кроме заполнения бетонолитной трубы бетоном (пп. «г», «д»), остаются без изменения. В этом случае после присыпки заряда ВВ песком производятся следующие операции:

г) бетонщик и бурильщик 3 разр. устанавливают в месте соединения воронки и бетонолитной трубы пробку и подвешивают ее пеньковыми канатами за верхний край воронки;

д) машинист крана заполняет воронку бетонной смесью литой консистенции. Объем воронки должен быть рассчитан с таким расчетом, чтобы после взрыва заряда ВВ и заполнения бетонной смесью камуфлетного уширения в бетонолитной трубе оставался столб бетона высотой не менее 1 м;

е) бетонщик 3 разр., после заполнения воронки бетоном, перестроповывает пеньковые канаты, удерживающие пробку за самоотстрапливающийся гак крана;

ж) после удаления всех работающих из опасной зоны по сигналу мастера производят расстроповку пробки и одновременный взрыв. Затем продолжается укладка бетонной смеси до полного заполнения сваи бетоном.

Приложение 1

ОСНОВНЫЕ ТРЕБОВАНИЯ ТЕХНИКИ БЕЗОПАСНОСТИ НА СВАЙНЫХ РАБОТАХ

1. К работам по погружению сваи, оболочек и шпунта, а также устройству буровых свай допускаются лица, сдавшие техническим минимум, знающие правила обращения с оборудованием и прошедшие инструктаж по технике безопасности.

2. Площадки, с которых производится погружение спаи, оболочек или бурение скважин, должны быть ограждены, освещены в ночное время и оборудованы связью, а также противопожарными средствами.

Строительная площадка, расположенная в русле реки, должна обеспечиваться спасательными средствами.

3. При ветре силой более 6 баллов не допускается подъем копра, а также забивка свай. Все копры и краны для свайных работ должны быть надежно закреплены на месте и плотно подклинены во избежание их опрокидывания или произвольного перемещения.

4. Погружение свай и шпунта с плавучих копров при волнении, превышающем 2 балла, не допускается. При забивке свай с применением плавсредств и плавучего оборудования должны выполняться правила и требования местного портнадзора.

5. В начале каждой смены и после перерывов в работе необходимо проверить состояние копра (крана), погружающего или бурового оборудования, механизмов, ограждений, заземлений, путей для передвижения станка и выявленные неисправности устранить.

6. Монтаж и демонтаж копров, кранов, установок и т.п. следует выполнять по имеющейся в паспорте схеме или проекту, утвержденному главным инженером строительства. Работы должны выполняться под руководством ответственного лица, назначенного приказом начальника строительства.

7. Во время подъема копра, собранного в горизонтальном положении, должны быть прекращены все работы в радиусе, равном длине поднимаемой конструкции копра с временными обустройствами плюс 5 м. С копра до его подъема необходимо снять нее незакрепленные детали, а также инструмент и другие предметы.

8. Не разрешается удерживать поднимаемый копер на тормозе лебедки. Если в подъеме копра происходит перерыв, то копер должен быть опущен в первоначальное положение, а лебедка разгружена.

9. Для подачи пара должны приниматься жесткие паропроводы с шарнирными соединениями. Гибкие паропроводные шланги высокого давления разрешается применять только в пределах копра.

10. Соединения паровых (воздушных) шлангов между собой и со свайными молотами должны укрепляться не менее чем двумя хомутами. Особенно внимательно необходимо следить за надежностью креплений парового шланга к молоту, так как при прорыве пар может вызвать ожоги у рабочих, обслуживающих копер.

11. Осмотр и ремонт погружаемого оборудования должен производиться только тогда, когда оно находится в безопасном положении (закрепленное в нижней части стрелы копра или опущенное на специальные подмости).

12. Для подтаскивания шпунта или свай лебедкой канат допускается пропускать через блок, укрепленный у основания копра. В случае использования отводного блока подталкивание элементов допускается только по прямой линии и моторист лебедки должен видеть всю зону работ.

13. При строповке железобетонных спай и шпунта следует применять подкладки для предохранения каната от резких перегибов и перетирания на ребрах свай. Стальной шпунт необходимо стропить за серьгу, которую продевают через отверстия в шпунте, запирают болтом и надевают на крюк, оборудованный замыкающим устройством.

14. Установку свай (оболочек или шпунта) и погружающего оборудования следует вести без перерыва до полного их закрепления на месте. Гели невозможно закончить установку и закрепление поднимаемого груза, его необходимо опустить на устойчивое основание. Оставлять груз на весу не допускается.

15. Нельзя отрывать примерзшую сваю или шпунтину при помощи копра или крана.

16. Все операции по подъему, опусканию молота, подтягиванию, подъему свай, передвижкам и разворотам копра должны производиться только по сигналу бригадира.

17. Во время работы копер должен быть наглухо закреплен на рельсах.

18. На время длительных перерывов в работе копра пар или воздух должны быть выключены, а сваебойный снаряд опущен на погружаемый элемент или посажен на предохранительный шкворень в нижнем положении и подъемный трос ослаблен. Во время установки (наращивания) сваи или при кратковременных перерывах допускается закреплять сваебойный снаряд предохранительным шкворнем в верхнем положении.

19. Для перемещения, подъема и установки сваи или оболочек стропить их допускается только в фиксированных точках (за петли, скобы) способом, предусмотренным проектом. Поднимаемый элемент необходимо удерживать от раскачивания и кручения с помощью расчалок.

20. В зимнее время нижняя рама и рабочие площадки копра должны очищаться от снега (льда) и посыпаться песком.

21. При забивке свай со льда рабочая площадка должна быть очищена от снега.

Складывать сваи и другие материалы на льду разрешается только на расстоянии не ближе 25 м от места забивки.

22. Отверстия под оболочки или сваи в рабочем настиле, оболочки, возвышающиеся над рабочим настилом менее 1 м, пробуренные скважины и лунки во льду должны быть, закрыты прочными щитами, снимаемыми только на время выполнения в них (отверстиях, скважинах и т.п.) работ.

23. При повреждении троса или отдельных его проволок необходимо немедленно прекратить работу и поставить в известность инженерно-технический персонал стройки.

24. Основным условием безопасного ведения работ является обеспечение исправности всех копровых механизмов и правильной их эксплуатации.

Лебедки и электромоторы, установленные на копрах, должны быть прочно прикреплены к раме, валы, шестеренки, фрикционные диски и передаточные ремни - надежно ограждены.

Электрические установки (электродвигатели, пусковые аппараты, рубильники, контакторы и т.д.), а также металлические части машин и механизмов, не находящиеся под напряжением, должны быть выполнены в соответствии с требованиями главы III «Правил техники безопасности и промышленной санитарии при сооружении мостов и труб». (Москва, 1969 г).

25. При устройстве буровых столбов для монтажа и демонтажа буровой колонны и работы ротора должна быть устроена специальная площадка с ограждениями, передвигающаяся по высоте вместе с ротором.

Через каждые 2,5-3,0 м по высоте копра или буровой установки также должны быть устроены площадки с ограждениями для безопасного ремонта.

Для сообщения между площадками должны быть, устроены лестницы с перилами.

26. Все погружаемые в грунт оболочки диаметром 0,8 м и более, а также ячейки в направляющих должны быть закрыты щитами, снимаемыми только на период производства работ.

27. Направляющие устройства для погружения оболочек должны исключать возможность падения оболочки на рабочие подмости.

В ячейках направляющих каркасов и кондукторов должны быть предусмотрены устройства, облегчающие заводку нижнего конца оболочки в ячейку.

28. Во время перемещения оболочки краном рабочие должны находиться вне пределов опасной зоны. Подход рабочих к оболочке разрешается после того, как низ оболочки будет располагаться точно над направляющей ячейкой на высоте 0,1-0,2 м от верхних концов направляющих брусьев

29. Доступ рабочих на верхнюю площадку оболочки для прикрепления к ней секции оболочки или вибропогружателя разрешается только после того как наголовник будет опущен до верха оболочки на расстояние не более 15 см.

30. На первом этапе погружения оболочки присутствие людей на стройплощадке допускается не ближе чем на расстоянии, равном высоте оболочки над рабочим настилом плюс 5 м, а при дальнейшем ее погружении не ближе 5 м.

Запрещается нахождение водолазов в полости оболочки или в котловане фундамента во время погружения оболочек.

31. Запрещается производить какие-либо работы по ремонту станка УКС-30 при подвешенном долоте.

Осмотр долота и прикрепление его к тросу должны осуществляться только при опирании долота на шпальную клетку.

32. Подводное обследование скважины водолазом допускается производить только в присутствии лиц технического надзора.

33. Запрещается выдергивать станком долото, которое застряло в скважине или засыпано несвязным грунтом, наплывшим в полость скважины и оболочки.

34. Инструментальный трос, бурового станка должен быть огражден на участке от верха оболочки до барабана лебедки во избежание травмирования рабочих при обрыве троса.

Приложение 2

НОРМАТИВЫ ВРЕМЕНИ НА ОТДЫХ И ЛИЧНЫЕ НАДОБНОСТИ

Профессии рабочих и выполняемая работа

Нормы от затрат труда в %

Машинисты

Управление, кранами, мотовозами и другими нестационарными машинами

10

Управление бетономешалками, подъемниками, транспортерами, компрессорами, растворонасосами и другими стационарными машинами

8

Арматурщики

Установка и сборка тяжелых пространственных каркасов при помощи крана

10

Сборка и установка вручную простых арматурных сеток весом до 100 кг

10

Бетонщики

Укладка бетонной смеси с уплотнением вибраторами

15

Приемка бетонной смеси из транспортных приборов, перекидка и спуск по лоткам и хоботам

12

Землекопы

Рыхление мерзлых и скальных грунтов пневматическими молотками

30

Устройство и разборка креплений траншей и котлованов

12

Разравнивание и откидывание грунта, планировка грунта вручную, засыпка траншей

12

Монтажники конструкций

Монтаж сборных железобетонных конструкций

12

Подъем и установка отдельных конструкций при помощи кранов

12

Путевые рабочие

Раскладка и выравнивание рельсов по угольнику, пришивка рельсов вручную, подштопка шпал вручную

15

Балластировка пути вручную

15

Такелажники и транспортные рабочие

Строповка и расстроповка грузов, погрузка и выгрузка их при помощи кранов

10

Подъем и опускание грузов при помощи ручных лебедок

12


Приложение 3

ОСНОВНЫЕ ХАРАКТЕРИСТИКИ КОПРОВЫХ УСТАНОВОК, ПЛАВУЧИХ КОПРОВ И КРАНОВ

Таблица 1

Основные характеристики копровых установок

Показатели

Единица измерения

Тип копровых установок

С-427

С-428

С-429

С-532

С-680

СССМ-680

СССМ-582

СССМ-570

Т-176

ЦУМЗ-МНС 1800

ЦУМЗ МНС 1200

С-955

С-908

КП-20

Вес копра

т

1,98

3,796

6,100

10,5

20

86

45

30

15

10

4

44,8

46,1

47,6

 

 

(вес копра с лебедкой)

(с лебедкой и оборудованием)

(с противовесом)

Вес противовеса

т

-

-

-

-

-

-

-

-

-

-

-

21

21,8

15,1

Полная высота стрелы

м

12

14,4

18,0

23,4

25,5

30,5

29

22

16

18

12

-

-

-

Полезная высота стрелы

м

8

10

13

17,5

20

23

20

14

12

12

8

12

16

20

Удлинение стрелы ниже основания копра

м

2

-

4

4

6

4,5

-

-

-

-

-

-

-

-

Грузоподъемность (вес молота и сваи)

Т

2

4

7,5

9

14

 

-

-

-

-

-

10

14

21

Наклон стрелы (назад)

-

1:6

-

 

1:3

1:3

1:3

-

-

-

-

-

1:3

1:3

-

Ширина колеи

м

4

4

5,5

5,5

7

4,88

-

-

-

-

-

4

4

4,5

Вес ударной части молота

т

0,6

-

-

-

-

6

3

3

2

1,8

1,2

-

-

-

Таблица 2

Основные характеристики плавучих копров и кранов

Показатели

Единица измерения

Плавучие копры

Плавучие краны

«ИМК»

«Ниленс»

«КСПК»

«Юбигуа»

«Валмет»

«Блейхерт»

«Доломайт»

«Блейхерт»

«Ганц»

Высота копра (крана)

м

24,6

33,4

33

34

-

-

-

-

-

Полезная высота (до молота)

м

17,9

25,4

26,2

25,8

-

-

-

-

-

Высота подъема

м

-

-

-

-

25

15

13,5

36,5

26,2

Вылет стрелы

м

-

-

-

-

26

25

15,6

28,5

-

Вес молота полн. уд. часть

т

7,5/6

8

7,5/6

-

-

-

-

-

-

Грузоподъемность

Т

4,25

10

10

12

10

15

30

50

100

Максимальная длина забиваемой сваи

м

17,5

25

25

25

-

-

-

-

-

Габаритные размеры понтона:

 

 

 

 

 

 

 

 

 

 

длина

«

23,8

25

20,54

28,5

22,79

38

18,4

40

34,3

ширина

«

14,9

10

14,7

13,4

15

14

12,9

20

19,3

Высота борта

«

2,5

2,5

2,72

2,55

2,95

2,8

2,85

3,3

3,45


Приложение 4

ВЫБОР МОЛОТА ИЛИ ВИБРОПОГРУЖАТЕЛЯ ДЛЯ ПОГРУЖЕНИЯ СВАИ, ШПУНТА И ОБОЛОЧЕК

Для забивки свай и шпунта рекомендуется выбирать молот в зависимости от веса и материала сваи исходя из энергии ударов и коэффициентов применимости молотов.

Коэффициент применимости молотов определять по формуле:

где К - коэффициент применимости молотов;

Q - полный вес молота в кг;

q - вес сваи в кг;

W - энергия удара в кГм.

Коэффициент применимости К не должен превышать значений, приведенных в табл. 1.

Таблица 1

Значения коэффициентов применимости

Тип молота

Материал свай

дерево

сталь

железобетон

Молоты двойного действия и трубчатые дизель-молоты

5

5,5

6

Молоты одиночного действия и штанговые дизель-молоты

3,5

4

5

Подвесные молоты

2

2,5

3

При выборе низкочастотного вибропогружателя следует выполнить условие, чтобы число, выражающее момент эксцентриков вибропогружатели в кГм, превосходило не менее чем в 7 раз число, выражающее вес вибросистемы в кг (вес вибропогружателя, наголовника и свай или оболочки) для легких грунтов и не менее чем в 11 раз для средних и тяжелых грунтов.

Рекомендации по выбору вибропогружателя приведены в табл. 2

Таблица 2

Рекомендации по выбору вибропогружателя

Наименование элемента и его размеры в м

Мягкопластичные глины и суглинки, рыхлые пески

Тугопластичные глины и суглинки, пески средней плотности

Плотные глины, суглинки и пески

Глубина погружения в м

до 15

до 25

до 15

до 25

до 15

Деревянный шпунт

ВПП-4

-

ВПП-2

-

-

Стальной шпунт

ВПП-4

ВПП-2

ВПП-2

ВП-IV

ВП-IV

 

 

ВПП-1

ВП-1

 

 

Деревянные сваи диаметром до 0,3

ВПП-2 ВП-1

-

ВП-IV

-

ВП-30

Железобетонные сваи 0,3×0,3; 0,4×0,4

ВП-IV

ВП-30

ВП-30

ВП-30 ВП-3

ВП-30 ВП-3

Железобетонные оболочки диаметром 0,4-0,6

ВП-IV ВП-30

ВП-30 ВП-3

ВП-30 ВП-3

ВП-30 ВП-80

ВП-30 ВП-80

То же 0,8-1,0

ВП-30 ВП-3

ВП-30 НВП-56

ВП-30 НВП-56

ВП-80

ВП-80

То же 1,2-1,4

ВП-30 НВП-56

ВП-80 ВУ-1,6

ВП-80 ВУ-1,6

ВУ-1,6

ВУ-1,6

То же 1,6-2,0

ВП-80 ВУ-1,6

ВУ-1,6 ВП-160

ВУ-1,6 ВП-160

ВУ-1,6 ВП-170

ВУ-1,6 ВП-170

То же 2,0-3,0

ВП-160

ВП-170

ВП-170

ВП-250

ВП-250

Характеристика молотов и вибропогружателей приведена в табл. 3-6

Таблица 3

Технические характеристики молотов одиночного действия

Показатель

Единица измерения

Модель

Модель СССМ

1100

1500

007

570

582

680

Вес ударной части

кг

1100

1500

1250

1800

3000

6000

Высота подъема ударной части

мм

1550

1550

1400

1500

1300

1373

Число ударов в минуту

 

38

20-26

30

30

30

30

Энергия одного удара

кГм

1215

2190

1800

2700

3900

8200

Вес молота

кг

1300

1750

1932

2700

4300

8845

Таблица 4

Технические характеристики молотов двойного действия

Показатели

Единица измерения

СССМ-503

У-5

Модели СССМ

С-35

С-32

СССМ 724-А

С-232

БР-28

502

501

708

Вес ударной части

кг

90

95

180

365

680

614

665

1130

1120

1450

Высота подъема ударной части

мм

177

210

222

212

406

450

525

508

508

500

Число ударов в минуту

 

275

220

275

225

123

125

120

90

95-112

110

Энергия одного удара

кГм

138

-

322

573

1120

-

-

1820

1800

2380

Вес молота

кг

700

625

1432

2088

2968

3767

4095

4450

4650

6550

Таблица 5

Технические характеристики штанговых дизель-молотов

Наименование характеристики

Единица измерения

Тип дизель-молота

150

600 (С-254)

600 с удлиненными штангами

1200 (С-222А)

1800 (С-268)

С-330

Вес ударной части

кг

460

600

600

1200

1800

2500

Высота подъема ударной части

мм

1500

1550

1855

1790

1795

2300

Число ударов в минуту

 

55-60

55-60

55-60

55-60

55-60

50-55

Энергия одного удара

кГм

260

345

310

820

1220

3290

Вес молота

"

810

1225

1300

2700

3500

4200

Таблица 6

Технические характеристики трубчатых дизель-молотов

Наименование характеристики

Единица измерения

Тип вибропогружателя

УР-500

УР-1250

УР-2500

С-858

С-859

С-994

С-995

С-996

С-1047

С-1048

CН-51

Вес ударной части

кг

500

1250

2500

1250

1800

600

1250

1800

2500

3500

5000

Высота подъема ударной части

мм

2200

2400

2500

2300

2300

3000

3000

3000

3000

3000

3000

Число ударов в минуту

 

 

46-55

47-55

43-55

43-55

43-55

43-55

43-55

43-55

43-55

43-55

Энергия одного удара

кГм

600

1600

3100

1560

2200

1060

2250

3200

4350

6100

9000

Вес молота

кг

980

2300

4800

2300

3400

1500

2600

3500

5600

8000

10000

Таблица 7

Технические характеристики вибропогружателей

Параметры вибропогружателей

Единица измерения

Тип вибропогружателя

Высокочастотные

Низкочастотные

ВПП-4

впп-2

ВП-1

вп-IV

ВП-30

вп-3

ВП-80

ВП-160

ВП-170

ВП-250

ВУ-1,6

нвп-56

Величина возмущающей силы

Т

14

25

19

30

38-57

43,2

51-91

100-160

100-170

184-286

96

48,5

Максимальный момент эксцентриков

кГм

5,5

10

93

 

202

236

275

352

510

314-565

346

500

Число оборотов грузовых валов

об/мин

1500

1500

420

 

414-505

408

408-545

405-505

408-550

540-667

498

300

Число грузовых валов

шт.

2

4

4

4

4

4

4

8

8

2

4

 

Мощность электродвигателя

квт

28

30

60

 

100

100

100

160

160

2500

2×75

2×80

Вес вибропогружателя

т

2,0

4,5

4,7

 

6,1

8,0

9,2

11,2

13,3

11,0

11,0

12,0

Приложение 5

НАГОЛОВНИКИ, ПРИМЕНЯЕМЫЕ ПРИ ПОГРУЖЕНИИ ШПУНТА, СВАЙ И ОБОЛОЧЕК

1. Клепано-сварной наголовник (рис. 1) для погружения стальных шпунтин низкочастотным вибропогружателем типа ВП с возмущающей силой 19-30 Т. Вес наголовника - 325 кг.

Рис. 1. Наголовник для стального шпунта:

1 - плита; 2 - ребро жесткости; 3 - направляющая; 4 - пружина; 5 - палец клиновидный; 6 - шпунтина типа «Ларсен V»

Наголовник состоит из плиты толщиной 40 мм, направляющих с улавливающими скосами (ребер жесткости) и клиновидного пальца с затяжной пружиной и ганками. Плита соединена с направляющими и ребрами жесткости через пальцы, приклепанные к плите.

Наголовник болтами кренят к нижней плите вибропогружателя.

В голове шпунтины по оси на расстоянии 1500 мм от торца вырезают отверстие размером 120×60 мм.

Вибропогружатель вместе с наголовником устанавливают на шпунтину. Отверстие в шпунтине совмещают с гнездом в наголовнике, вставляют клин в отверстие, надевают пружину и затягивают гайки.

При вибропогружении клин под действием пружины все глубже входит и отверстие, обеспечивая жесткое соединение шпунтины с наголовником.

2. Сварной вильчатый наголовник (рис. 2) для набивки плоского железобетонного шпунта.

Рис. 2. Наголовник для железобетонного шпунта:

1 - вилка; 2 - диафрагма; 3 - стакан; 4 - подъемная петля; 5 - деревянная пробка

Наголовник состоят из вилки с улавливающими скосами и ребрами жесткости, распределяющей плиты-диафрагмы, стакана-обоймы для деревянного амортизирующего вкладыша и хвостовика, входящего в направляющие стрелы копра. Вес наголовника - 465 кг.

В тяжелые грунты шпунтины погружают по одной. Вильчатый наголовник через дощатую прокладку передает удар на центральную часть торца шпунтины. Таким образом, уменьшается вероятность более слабых частей профиля шпунтины - гребня и стенки паза.

В легкие грунты вильчатый наголовник позволяет погружать шпуптины попарно с помощью бруса, заложенного в вилку и распределяющего удар на торцы обеих шпуптин.

По мере измочаливания дощатая прокладка или брус заменяются новыми.

3. Автоматический наголовник типа АСН -40 (рис. 3) для погружения призматических железобетонных свай вибропогружателем с возмущающей силой 15-30 Т.

Рис. 3. Автоматический самозакрепляющийся наголовник для железобетонных свай;

1 - вибропогружатель; 2 - блок; 3 - трос; 4 - боек; 5 - корпус; 6 - свая; 7 - верхняя гайка; 8 - шток; 9 - верхним стакан; 10 - пружина; 11 - нижний стакан; 12 - нижняя гайка; 13 - серьга; 14 - зажимной башмак

Наголовник состоит из корпуса с бойком и зажимных башмаков, приводимых в действие пружинами. Каждая пружина помещена в раздвижной цилиндр со штоком.

Наголовник через боек болтами крепят к нижней плите вибропогружателя.

При подъеме вибропогружателя за тросы, соединенные со штоками цилиндров, под действием веса вибропогружателя и наголовника пружины сжимаются, раздвигая зажимные башмаки. Вибропогружатель с наголовником устанавливают на голову сваи. При ослаблении тросов пружины освобождаются и надежно зажимают башмаками со всех сторон голову свай. Натягивая краном после погружения сваи тросы от штоков, автоматически освобождают сваю от зажимания башмаками.

4. Самозакрепляющийся наголовник СН-60 (рис. 4) с дистанционным управлением для погружения железобетонных свай оболочек диаметром 0,6 м вибропогружателем ВП-3 пли ВП-80.

Наголовник СН-60 состоит из корпуса с цилиндрической и конической частями, траверсы, восьми зажимных клиньев, двухступенчатого червячного редуктора и электродвигателя мощностью 28 квт.

При установке вибропогружателя с таким наголовником на оболочку зажимные клинья с траверсой подтянуты внутрь корпуса, при этом диаметр цилиндрического отверстия между зажимными клиньями больше диаметра оболочки. Вибропогружатель с наголовником поднимают краном на 5-10 см выше головы оболочки и центрируют над ней так, чтобы торец находился в пределах отогнутых лапок зажимных клиньев наголовника. При опускании вибропогружателя наголовник свободно надевается на оболочку.

Рис. 4, Самозакрепляющийся наголовник СН-60 для свай-оболочек:

1 - корпус (цилиндрическая часть); 2 - корпус (коническая часть); 3 - траверса; 4 - зажимные клинья; 5 - червячный редуктор; 6 - электродвигатель; 7 - вибропогружатель

Для закрепления наголовника дистанционным управлением включают электродвигатель, который через червячный редуктор опускает траверсу. Соединенные с траверсой зажимные клинья перемещаются и конической части корпуса наголовника и зажимают оболочку. Удельное давление клиньев на боковую поверхность оболочки достигает 25 кг/см2.

После погружения оболочки включают электродвигатель с вращением вала в обратном направлении и наголовник отсоединяется от оболочки.

5. Разъемный наголовник (рис. 5) для погружения железобетонных оболочек диаметром 1,6 м вибропогружателем ВП-160 или ВП-170.

Наголовник состоит из двух частей (верхней и нижней). Верхнюю часть наголовника болтами крепят к нижней плите вибропогружателя. Нижнюю часть своим фланцем приболчивают к верхнему фланцу оболочки.

Соединение и разборку верхней и нижней частей наголовника производят с помощью двух откидных болтов и зубьев, которые имеются на обеих частях наголовника. После установки верхней части на нижнюю и поворота зубья заклиниваются, а откидные болты затягивают.

Рис. 5. Разъемный наголовник для оболочек диаметром 1,6 м:

1 - нижняя часть наголовника; 2 - верхняя часть; 3 - зубья; 4 - откидной болт; 5 - ребра жесткости

Наголовник позволяет быстро снимать вибропогружатель после окончания погружения оболочки или при перерыве для наращивания ее новой секцией.

Для повышения производительности вибропогружателя нижнюю часть наголовника изготовляют в количестве 5-6 шт., которые заранее крепят к оболочкам.

Приложение 6

ТЕХНИЧЕСКИЕ ХАРАКТЕРИСТИКИ БУРОВЫХ СТАНКОВ

Характеристики

Тип станка

МБС-1,7

МСТ-2

ЦНИИС

СБВ ЦНИИС

укс-30

Диаметр скважины, м

до 1,7

0,6-0,9

1,2-1,5

1,7

0,8-1,4

Диаметр уширения, м

-

до 2,5

до 3,0

до 3,5

-

Предельная глубина бурения, м

28

18

25

50

100

Предельный наклон оси скважины

-

3,5 : 1

4 : 1

-

-

Крутящий момент ротора, тм

9,85

3

3,5

3,5

-

Рабочие органы

Ковшовый бур, грейфер, долото

Ковшовый бур, уширитель

Ковшовый бур, уширитель

Ковшовый бур, грейфер, долото

Долото

Мощность двигателя, квт

210

37

80

120

40

Вес установки, т

70

20

80

95

11

Приложение 7

ПЕРЕЧЕНЬ
рекомендуемого оборудования, инструмента и инвентаря для погружения свай и шпунта сухопутными копрами и кранами

Наименование

№ ГОСТ, МРТУ, СТУ, МН,

Единица измерения

Количество

Назначение

марка или № чертежа организации - калькодержателя

Копер стандартный деревянный, металлический или универсальный

СССМ

шт

1

Погружение спай

Паровоздушный или дизельный молот

ДМ или УР

«

1

То же

Паровой котел или компрессор

Котел типа ВГД, компрессор типа «ЗИФ»

«

1

 

Сварочный аппарат

CAК-2M-IV

«

1

 

Пила ленточная для распиловки бревен и брусьев

ГОСТ 0670-63

 

 

 

Топоры плотничные

ГОСТ 1399-56

«

2-4

 

Кувалды тупоносые

ГОСТ 11402-65

«

2-4

 

Ломы стальные строительные

ГОСТ 1405-65

«

4-6

 

Лопаты стальные подборочные

ГОСТ 3620-63

«

2-4

 

Канат пеньковый

ГОСТ 483-55

«

2-4

 

Ключи гаечные

ГОСТ 767-55

«

2-4

 

Ключи газовые

ГОСТ 2839-62

«

2-4

 

Ключи торцовые

ГОСТ 767-55

«

2

 

Отвес типа О-400

ГОСТ 7948-63

«

4

Проверка правильности установки

Рулетка измерительная металлическая 20 м

ГОСТ 7502-69

«

1

 

Уровень контрольный

ГОСТ 3059-60

«

1

 

Метр складной металлический

ГОСТ 7253-54

«

1

 

Домкрат реечный винтовой или гидравлический грузоподъемностью 3-5 Т

Промстальконструкция Минмонтажспецстроя СССР

 

 

Подъемка копра

Примечание. Вместо копра может применяться кран с направляющей стрелой

Приложение 8

ПЕРЕЧЕНЬ
рекомендуемого оборудования, инструмента и инвентаря для погружения свай и шпунта плавучими копрами и кранами

Наименование

№ ГОСТ, МРТУ, СТУ, МН,

Единица измерения

Количество

Назначение

Примечание

марка или № чертежа организации - калькодержателя

Универсальный плавучий копер с паровым котлом (вес ударной части молота 6 - 8 т)

Туапсинский механический завод Минтрансстроя

шт.

1

Погружение свай

 

Плавучий кран (если условия погружения не позволяют копру поднимать сваи непосредственно с баржи)

Фирмы «Блейхерт»

*

1

То же

Изготовитель - ГДР

Баржа для перевозки свай грузоподъемностью 100-400 Т

 

»

1

Перевозка свай

Изготовитель - Николаевский и Ленинградский судоремонтные заводы

Буксирный катер (120-150 л. с.)

Типа «Буг» Минморфлота

»

1

То же

 

Компрессор производительностью 9 м3

ГОСТ 6791-53

»

1

Для срубки голов свай

 

Сварочный аппарат

CAК-2M-VI

»

1

Для сварки закладных частей и фланцев свай

 

Шлюпка

ГОСТ 8403-57

»

1

 

 

Нивелир

ГОСТ 10528-63

»

1

 

 

Теодолит

ГОСТ 10529-63

-

2

 

 

Рулетка измерительная металлическая 20 м

ГОСТ 7502-69

»

1

 

 

Водомерная рейка

ГОСТ 11158-65

»

2

 

 

Мегафон

ЦКБ Минречфлота РСФСР

»

1

 

 

Приложение 9

ПЕРЕЧЕНЬ
рекомендуемого оборудования, инструмента и инвентаря для погружения оболочек диаметром 1,2-1,6 м вибропогружателями

Наименование

№ ГОСТ, МРТУ, СТУ. МН, марка или № чертежа организации - калькодержателя

Единица измерения

Количество

Назначение

Плавучий кран грузоподъемностью 15 Т

Фирмы «Блейхерт» (ГДР)

шт.

1

Установка вибропогружателя на оболочку

Вибропогружатель

Типа ВП или ВУ

»

1

Погружение оболочек

Плавучий крап грузоподъемностью 100 Т (для оболочек 1,6 м)

Типа «Черноморец» или фирмы «Ганц»

»

1

Транспортировка и установка оболочек в направляющие

Буксирный катер 120-150 л. с.

Типа «Бут» Минморфлота

»

1

 

Плавучий кондуктор (для оболочек 1,6 м)

ПКК треста «Трансгидромеханизация» Минтрансстроя

»

1

Установка оболочек

Направляющий каркас с двенадцатью ячейками (для оболочек 1,2 м)

ПКБ треста «Балтморгидрострой» Минтрансстроя

»

1

То же

Понтон типа «КС»

ЦПКБ Мостотреста Минтрансстроя

»

3

Для размещения вспомогательного оборудования и инструмент

Шлюпка

ГОСТ 8403-57

»

1

 

Компрессор производительностью 9 м3

ГОСТ 6791-53

»

1

 

Отбойный молоток

ГОСТ 6453-61

»

3

Для срубки голов оболочек

Грейфер

ГОСТ 8572-57

»

1

Для заполнения оболочек песком

Лом стальной строительный

ГОСТ 1405-65

шт.

4

 

Кувалда кузнечная тупоносая

ГОСТ 11402-65

»

4

 

Молоток слесарный

ГОСТ 2310-54

»

2

 

Топор плотничный

ГОСТ 1399-56

»

2

 

Нивелир

ГОСТ 10528-63

»

1

 

Теодолит

ГОСТ 10529-63

»

2

 

Мерная рейка

ГОСТ 11158-65

»

2

 

Рулетка измерительная металлическая 20 л;

ГОСТ 7502-61

»

1

 

Метр складной металлический

ГОСТ 7253-54

»

1

 

Трап

ГОСТ 1811-62

»

6

 

Плот

ГОСТ 11594-65

»

2

 

Коническая оправка

ГОСТ 7214-54

»

3

Для установки вибропогружателя

Строп диаметром до 32 мм

МН 5792-65-МН 5799-65

компл.

2

 

Серьга строповочная

То же

шт.

8

 

Приложение 10

ПЕРЕЧЕНЬ
рекомендуемого оборудования, инструмента и инвентаря для бурения скважин и уширений станком ЦНИИС

Наименование

№ ГОСТ, МРТУ, СТУ, МН. марка

Единица измерения

Количество

Назначение

или № чертежа организация - калькодержателя

Буровая установка МБС-1,7 или буровой станок на копре СССМ-680 с уширителем и буром

Системы ЦНИИС Минтрансстроя

шт.

1

Бурение и уширение скважин

Кран грузоподъемностью до 15 Т с удлиненной стрелой

УМК-1, ЦПКБ Мостотреста Минтрансстроя

»

1

Подъем и опускание уширителя, арматурного каркаса и бетонолитной трубы

Грязевой насос продолжительностью 16-20 м2

ЦПКБ Мостотреста Минтрансстроя

»

1

Перекачивание глинистого раствора

Глиномешалка

С-289А

»

1

Приготовление глинистого раствора

Топор плотничный

ГОСТ 1399-56

»

1

 

Пила поперечная

ГОСТ 979-60

»

1

 

Рулетка измерительная металлическая 20 м

ГОСТ 7502-64

»

1

 

Метр складной металлический

ГОСТ 7253-54

»

1

 

Емкость для хранения глинистого раствора 10-12 м3

ЦПКБ Мостостроя-2 Минтрансстроя

»

2

 

Бетонолитная труба с бункером и вибратором

Чертежи ПКК треста «Трансгидрострой»

компл.

1

 

Бадья для подачи бетона

Чертежи ПКК треста «Трансгидрострой»

шт.

2

 

Строп диаметром до 26 мм

МН 5792-65-МН 5799-65

»

1

Для строповки бадьи

Серьга строповочпая

То же

»

4

То же

Приложение 11

ПЕРЕЧЕНЬ
рекомендуемого оборудования, инструмента и инвентаря для бурения скважин станком УКС-30

Наименование

№ ГОСТ. МРТУ, СТУ, МН, марка или № чертежа организации - калькодержателя

Единица измерения

Количество

Назначение

Буровой станок

Тип УКС-30

шт.

1

Бурение скважин

Лопата стальная подборочная

ГОСТ 3620-63

»

2

Уборка шлама на площадке бурения

Кувалда кузнечная тупоносая

ГОСТ 11402-65

»

1

Вспомогательный инвентарь

Лом стальной строительный

ГОСТ 1405-65

»

1

 

Долото (литое) диаметром 1,3 м

ЦПКБ Люберецкого завода Минтрансстроя

»

2

Разбуривание породы

Желонка

То же

»

1

Извлечение разбуренной породы из скважины

Отвес типа О-400

ГОСТ 7948-63

»

1

Проверка вертикальности

Рулетка измерительная металлическая 20 м

ГОСТ 7502-61

»

1

Проверка длины сваи

Метр складной металлический

ГОСТ 7253-54

»

1

То же

Мерный трос диаметром 6- 9 мм с грузом 5 кг

ПКБ Люберецкого завода Минтрансстроя

»

1

Проверка глубины скважины

Мерник

То же

»

1

То же

Кошка

ГОСТ 6899-65

»

1

»

Серьга строповочная

МН 5792-65-МН 5799-65

»

4

Строповка инвентаря

 




Яндекс цитирования



   Copyright © 2007-2026,  www.tehlit.ru.

[ ѓосты, стандарты, нормативы, инструкции, правила, строительные нормы ]