//
ТехЛит.ру
- крупнейшая бесплатная электронная интернет библиотека для "технически умных" людей.
WWW.TEHLIT.RU - ТЕХНИЧЕСКАЯ ЛИТЕРАТУРА

:: Алготрейдинг::


АЛГОТРЕЙДИНГ
шаг за шагом
с нуля по урокам!

Торговые роботы на PYTHON, BackTrader,
Pandas, Pine Script для TradingView. Связка с брокерами, телеграм и легкими приложениями.


МЕЖГОСУДАРСТВЕННЫЙ СОВЕТ ПО СТАНДАРТИЗАЦИИ, МЕТРОЛОГИИ И СЕРТИФИКАЦИИ

(МГС)

INTERSTATE COUNCIL FOR STANDARDIZATION, METROLOGY AND CERTIFICATION

(ISC)

МЕЖГОСУДАРСТВЕННЫЙ
СТАНДАРТ

ГОСТ
21780-
2006

СИСТЕМА ОБЕСПЕЧЕНИЯ ТОЧНОСТИ
ГЕОМЕТРИЧЕСКИХ ПАРАМЕТРОВ
В СТРОИТЕЛЬСТВЕ

Расчет точности

МЕЖГОСУДАРСТВЕННАЯ НАУЧНО-ТЕХНИЧЕСКАЯ КОМИССИЯ
ПО СТАНДАРТИЗАЦИИ, ТЕХНИЧЕСКОМУ НОРМИРОВАНИЮ
И СЕРТИФИКАЦИИ В СТРОИТЕЛЬСТВЕ
(МНТКС)
2007

Предисловие

Цели, основные принципы и основной порядок проведения работ по межгосударственной стандартизации установлены ГОСТ 1.0-92 «Межгосударственная система стандартизации. Основные положения» и МСН 1.01-01-96 «Система межгосударственных нормативных документов в строительстве. Основные положения»

Сведения о стандарте

1 РАЗРАБОТАН Открытым акционерным обществом «Центр методологии нормирования и стандартизации в строительстве» (ОАО «ЦНС»)

2 ВНЕСЕН Техническим комитетом по стандартизации ТК 465 «Строительство»

3 ПРИНЯТ Межгосударственной научно-технической комиссией по стандартизации, техническому нормированию и сертификации в строительстве (МНТКС) (протокол № 30 от 23 ноября 2006 г.)

За принятие стандарта проголосовали:

Краткое наименование страны по МК (ИСО 3166) 004-97

Код страны по МК (ИСО 3166) 004-97

Сокращенное наименование органа государственного управления строительством

Армения

AM

Министерство градостроительства

Беларусь

BY

Минстройархитектуры

Казахстан

KZ

Казстройкомитет

Киргизия

KG

Государственное Агентство по архитектуре и строительству при Правительстве

Молдова

MD

Агентство строительства и развития территорий

Россия

RU

Росстрой

Таджикистан

TJ

Госстрой

Узбекистан

UZ

Госархитектстрой

Украина

UA

Министерство строительства, архитектуры и жилищно-коммунального хозяйства

4 Приказом Федерального агентства по техническому регулированию и метрологии от 30 марта 2007 г. № 59-ст межгосударственный стандарт ГОСТ 21780-2006 введен в действие в качестве национального стандарта Российской Федерации с 1 января 2008 г.

5 ВЗАМЕН ГОСТ 21780-83

Содержание

1 Область применения

2 Нормативные ссылки

3 Термины и определения

4 Основные положения

5 Методические принципы расчета точности

6 Порядок расчета точности

Приложение А (справочное) Основные виды результирующих параметров

Приложение Б (рекомендуемое) Предпочтительные значения уровня собираемости конструкций и приемочного уровня дефектности составляющих параметров

Приложение В (рекомендуемое) Определение расчетных предельных отклонений результирующих параметров и обеспечиваемого уровня собираемости в общем случае статистического расчета

Приложение Г (рекомендуемое) Определение расчетных предельных отклонений результирующих параметров и обеспечиваемого уровня собираемости при упрощенном статистическом расчете

Приложение Д (рекомендуемое) Определение расчетных предельных отклонений результирующих параметров при расчете методом «минимума-максимума»

Библиография

 

МЕЖГОСУДАРСТВЕННЫЙ СТАНДАРТ

СИСТЕМА ОБЕСПЕЧЕНИЯ ТОЧНОСТИ ГЕОМЕТРИЧЕСКИХ ПАРАМЕТРОВ В СТРОИТЕЛЬСТВЕ

Расчет точности

System of ensuring the accuracy of geometrical parameters in constructions
Accuracy calculation

Дата введения - 2008-01-01

1 Область применения

Настоящий стандарт распространяется на проектирование зданий, сооружений и их элементов и устанавливает общие положения, методические принципы и порядок расчета точности геометрических параметров в строительстве.

На основе настоящего стандарта разрабатываются методические документы, устанавливающие конкретные методы и особенности расчетов точности геометрических параметров конструкций различ­ных видов (с примерами расчетов).

2 Нормативные ссылки

В настоящем стандарте использованы ссылки на следующие стандарты:

ГОСТ 21.113-88 Система проектной документации для строительства. Обозначения характеристик точности

ГОСТ 21778-81 Система обеспечения точности геометрических параметров в строительстве. Основные положения

ГОСТ 21779-82 Система обеспечения точности геометрических параметров в строительстве. Технологические допуски

ГОСТ 23615-79 Система обеспечения точности геометрических параметров в строительстве. Статистический анализ точности

ГОСТ 23616-79 Система обеспечения точности геометрических параметров в строительстве. Контроль точности

ГОСТ 26433.1-89 Система обеспечения точности геометрических параметров в строительстве. Правила выполнения измерений. Элементы заводского изготовления

ГОСТ 26433.2-94 Система обеспечения точности геометрических параметров в строительстве. Правила выполнения измерений параметров зданий и сооружений

ГОСТ 26607-85 Система обеспечения точности геометрических параметров в строительстве. Функциональные допуски

Примечание - При пользовании настоящим стандартом целесообразно проверить действие ссылочных стандартов по указателю «Национальные стандарты», составленному по состоянию на 1 января текущего года, и по соответствующим информационным указателям, опубликованным в текущем году. Если ссылочный стандарт заменен (изменен), то при пользовании настоящим стандартом следует руководствоваться замененным (измененным) документом. Если ссылочный стандарт отменен без замены, то положение, в котором дана ссылка на него, применяется в части, не затрагивающей эту ссылку.

3 Термины и определения

В настоящем стандарте применены термины по ГОСТ 21778, а также следующие термины с соответствующими определениями:

расчетная схема: Графическое изображение непрерывной цепи составляющих геометрических параметров, последовательно реализуемых в натуре в определенном цикле технологических операций возведения здания (сооружения), который завершается получением результирующего параметра.

составляющий параметр: Геометрический параметр, входящий в расчетную схему, реализуемый непосредственно в результате выполнения определенной технологической операции разбивочных работ, изготовления или установки элементов.

результирующий параметр: Входящий в расчетную схему геометрический параметр конструкции здания (сооружения), реализуемый последним в определенном цикле технологических операций по возведению данной конструкции и зависящий от ряда составляющих параметров, получаемых в результате разбивочных работ, изготовления или установки элементов.

случайная величина: В теории вероятностей величина, получающая в результате опыта то или иное значение, причем заранее неизвестно, какое именно. В данном стандарте в качестве случайных величин рассматриваются только те геометрические параметры, которые должны быть реализованы в натуре и затем измерены для оценки соответствия полученных (действительных) значений заданным в проектной документации предельным значениям.

собираемость: Возможность возведения конструкций здания (сооружения) с действительными значениями их результирующих параметров, не превышающими предельных значений, установленных для них как для функциональных геометрических параметров, и компенсацией накапливающихся в процессе возведения конструкций отклонений в предусмотренных местах без выполнения специальных операций по подбору, пригонке или регулированию положения элементов.

уровень собираемости: Вероятность того, что действительные значения результирующих параметров конструкции не превысят установленных для них допустимых предельных значений (величина, обратная вероятности выхода действительных значений результирующего параметра за допустимые предельные значения).

функциональный геометрический параметр: По ГОСТ 26607.

4 Основные положения

4.1 Расчет точности геометрических параметров зданий, сооружений и их элементов выполняют при разработке рабочей документации и технологических регламентов производства строительных работ с целью обеспечения собираемости конструкций с требуемыми эксплуатационными свойствами в реальных технологических условиях при наименьших затратах.

4.2 Расчет точности выполняют на основе:

- информации о допустимой изменчивости результирующих геометрических параметров конструкций зданий и сооружений, установленной на основе функциональных требований. Диапазон допустимых действительных значений результирующего геометрического параметра, рассматриваемого в качестве функционального по ГОСТ 26607, ограничивают наименьшим и наибольшим допустимыми предельными значениями этого параметра, устанавливаемыми при проектировании путем расчета прочности и устойчивости, в соответствии с результатами испытаний или исходя из изоляционных, эстетических и других требований;

- информации о точности применяемых технологических процессов и операций изготовления элементов, разбивочных работ и сборки конструкций.

4.3 В процессе расчета точности в соответствии с принятой расчетной схемой по характеристикам точности составляющих параметров определяют расчетные предельные значения результирующего параметра, которые сравнивают затем с допустимыми предельными значениями этого параметра, установленными на основе функциональных требований.

4.4 Соответствие точности результирующего параметра функциональным требованиям обеспечивается, если соблюдены следующие условия:

,                                                                                 (1)

,                                                                             (2)

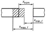
где хmin и хmах - расчетные предельные значения результирующего параметра х;

хmin,f и хmах,f - допустимые предельные значения результирующего параметра х, разность которых  составляет функциональный допуск Δxf по ГОСТ 26607.

4.5 Задача расчета точности может быть:

- прямой, когда расчетные предельные значения результирующего параметра определяют по известным характеристикам точности составляющих параметров (проверочный расчет);

- обратной, когда по установленным допустимым предельным значениям результирующего параметра определяют необходимые характеристики точности составляющих параметров.

4.6 В соответствии с результатами расчета точности устанавливают:

- в рабочих чертежах - требования к точности результирующих и составляющих параметров в соответствии с ГОСТ 21.113, уточняют, при необходимости, номинальные значения этих параметров, устанавливают правила контроля точности этих параметров по ГОСТ 23616;

- в технологической документации на изготовление элементов, разбивку осей и производство строительно-монтажных работ - способы и последовательность выполнения технологических операций, методы и средства обеспечения их точности, а также методы контроля точности по ГОСТ 23616 и правила выполнения измерений по ГОСТ 26433.1 и ГОСТ 26433.2.

5 Методические принципы расчета точности

5.1 В расчет точности включают параметры, рассматриваемые в качестве случайных величин, которые по завершении соответствующих технологических процессов и операций получают конкретные действительные значения хi, отличающиеся от заданных проектом номинальных значений хnom на неизвестное до выполнения измерений значение действительного отклонения δхi. Поскольку эти отклонения заранее неизвестны, расчеты выполняют на основе расчетных характеристик точности составляющих параметров.

5.2 Принимаемые в результате расчетов точности статистическими методами решения могут обеспечивать минимальные трудовые и материальные затраты при возведении строительных конструкций зданий и сооружений и изготовлении их элементов. С этой целью при выполнении расчетов следует предусматривать максимально возможные значения допусков, а также конструктивные и технологические мероприятия по снижению влияния точности технологических процессов и операций на точность результирующих параметров.

5.3 Расчет точности следует выполнять из условия полной собираемости конструкций.

В некоторых случаях при технической возможности и экономической целесообразности может предусматриваться неполная собираемость. При этом для случаев, когда действительные значения результирующего параметра будут выходить за допустимые предельные значения хmin,f и хmах,f, в рабочей документации должны быть предусмотрены дополнительные операции по подбору элементов, пригонке отдельных размеров или, при необходимости, конструктивные решения по усилению конструкций.

5.4 Исходным уравнением для расчета точности является уравнение, выражающее зависимость между результирующим и составляющими параметрами, входящими в расчетную схему;

,                                                                  (3)

где х - результирующий параметр;

хk - составляющий параметр;

n - число составляющих параметров в расчетной схеме;

сk - коэффициент, характеризующий геометрическую зависимость результирующего параметра х от составляющего хk .

5.5 В качестве результирующих параметров, как правило, рассматривают расстояния между элементами конструкций (в том числе в узлах их сопряжений), отклонения положения и взаимного положения элементов в конструкциях (см. приложение А), для которых при проектировании на основе функциональных требований в соответствии с ГОСТ 26607 устанавливают допустимые предельные значения. При составлении расчетной схемы результирующий параметр рассматривают как завершающий определенный цикл технологических операций по разбивке осей, изготовлению и установке элементов (возведению элементов), при этом результирующий  параметр является компенсатором погрешностей этих операций.

5.6 В качестве составляющих параметров рассматривают размеры элементов, размеры, определяющие расстояния между разбивочными осями, высотными отметками и другими ориентирами, а также другие получаемые в результате выполнения указанных технологических операций параметры, точность которых влияет на точность результирующего параметра. Номенклатура составляющих параметров - по ГОСТ 21779.

Характеристики точности составляющих параметров могут быть получены в результате статистического анализа точности технологических процессов и операций в соответствии с ГОСТ 23615 или приняты в соответствии с требованиями:

- стандартов и (или) технических условий на поставляемые материалы, изделия и конструкции;

- [1], другой действующей нормативно-технической и инструктивно-методической документации на геодезические работы в строительстве, технологической документации производителя работ, согласованной с проектировщиком;

- [2], технологической документации производителя работ на выполнение строительно-монтажных работ, согласованной с проектировщиком.

5.7 Если составляющие геометрические параметры статистически зависимы, то при определении расчетных характеристик точности результирующего параметра эта зависимость должна быть учтена. Статистическую зависимость допускается характеризовать коэффициентом корреляции.

5.8 Расчетные предельные значения результирующих геометрических параметров хmin и хmах вычисляют по формулам:

,                                                                          (4)

,                                                                         (5)

где хnom - номинальное значение рассчитываемого параметра, определяемое по уравнению номинальных значений;

δxinf и δxsup- нижнее и верхнее расчетные предельные отклонения этого параметра соответственно, определяемые по уравнениям характеристик точности.

5.9 Уравнение номинальных значений составляют в соответствии с исходным уравнением (3):

,                                               (6)

где хnom,k - номинальное значение составляющего параметра.

Для результирующих параметров, представляющих собой отклонения формы, положения и положения в пространстве, номинальное значение равно нулю.

5.10 Уравнения характеристик точности составляют в соответствии с исходным уравнением (3) с учетом выбранного метода расчета.

5.11 Расчет точности выполняют на основе статистических методов. В общем случае статистического расчета расчетные предельные отклонения результирующих параметров в формулах (4) и (5) и обеспечиваемый уровень собираемости определяют в соответствии с приложением В.

5.12 В случае, если для выполнения расчета точности характеристики точности составляющих геометрических параметров принимают по соответствующим нормативно-техническим документам или проектной (технологической) документации, где для контроля точности установлены планы контроля с одинаковым приемочным уровнем дефектности, расчетные предельные отклонения результирующих параметров в формулах (4) и (5) и обеспечиваемый уровень собираемости определяют упрощенным статистическим расчетом в соответствии с приложением Г.

5.13 При отсутствии данных о статистических характеристиках распределения составляющих параметров для приближенного определения расчетных предельных отклонений может применяться метод «минимума-максимума». В этом случае расчетные предельные отклонения результирующих параметров в формулах (4) и (5) определяют в соответствии с приложением Д.

Этот метод расчета обеспечивает полную собираемость при соблюдении условий (1) и (2).

5.14 Проектный (номинальный) размер расстояния (в том числе зазора) между элементами, глубины опирания элемента, достаточный для компенсации отклонений составляющих геометрических параметров без выполнения специальных операций по подбору, пригонке или регулированию положения элементов, вычисляют по формуле

,                                                                          (9)

где хmin,f - допустимое наименьшее предельное значение размера расстояния (зазора) между элементами или глубины опирания элемента, необходимое для обеспечения какого-либо эксплуатационного свойства, зависящего от действительного значения этого размера. Для зазоров (пролетов) между двумя частями здания или сооружения, состоящими из нескольких элементов, где допустимое наименьшее предельное значение размера зазора (пролета) должно быть гарантировано на всем его протяжении, например в деформационно-осадочном шве, шахте лифта, проектные (номинальные) размеры вычисляют по формуле

,                                                                (10)

где δxsup,1 и δxsup,2 - расчетные предельные отклонения положения элементов двух частей здания или сооружения, уменьшающие действительный размер этого зазора.

В случае если допускается смыкание элементов, принимают хmin,f = 0.

6 Порядок расчета точности

6.1 Для расчета точности в соответствии с 4.2 выявляют результирующие геометрические параметры, от точности которых зависит обеспечение функциональных требований, предъявляемых к строительным конструкциям здания или сооружения, и определяют допустимые предельные значения этих параметров.

При этом для расчета выбирают те из однотипных повторяющихся параметров, расчетные характеристики точности которых могут получить наибольшее абсолютное значение.

6.2 Для каждого из выбранных результирующих параметров в соответствии с проектируемой технологией и последовательностью выполнения разбивочных и сборочных работ устанавливают базу, служащую началом выполнения определенного цикла технологических операций и являющуюся началом накопления погрешностей, которые должны компенсироваться этим параметром, выявляют составляющие параметры и составляют расчетную схему и исходное уравнение.

6.3 Для каждой расчетной схемы составляют исходное уравнение (3), уравнение номинальных размеров (6), выбирают метод расчета и в соответствии с приложением для принятого метода расчета составляют уравнения точности, а также характеристик точности результирующего параметра.

Характеристики точности составляющих параметров, являющихся результатом выполнения определенного технологического процесса или операции, принимают на основе требований, установленных соответствующими стандартами, другими нормативно-техническими документами, техническими условиями, проектной (технологической) документацией, а также полученных в результате статистического анализа точности аналогичных технологических процессов и операций в соответствии с ГОСТ 23615, или назначают по ГОСТ 21779. В случае, если составляющий параметр является результатом выполнения нескольких технологических процессов и операций, характеристики его точности следует определять с помощью расчета.

При составлении уравнений для определения характеристик точности результирующего параметра следует также учитывать собственные отклонения составляющих параметров, возникающие в процессе монтажа и эксплуатации конструкций в результате температурных и других внешних воздействий.

6.4 В зависимости от типа задачи методом пробных расчетов решают уравнения точности, исходя из условия выполнения требований 4.4.

При прямой задаче на основе принятых характеристик точности и номинальных значений составляющих параметров определяют расчетные номинальные и предельные значения (отклонения) результирующего параметра и проверяют условия точности.

При обратной задаче на основе условий точности по допустимым предельным значениям (отклонениям) и номинальному значению результирующего параметра определяют номинальные значения и характеристики точности некоторых составляющих параметров.

6.5 Если в результате расчета установлено, что при принятых конструктивном решении, технологии производства и других исходных данных условия точности не соблюдаются, то в зависимости от технической возможности и экономической целесообразности следует принять одно из следующих решений:

- повысить точность составляющих параметров, оказывающих наибольшее влияние на точность результирующего параметра, за счет введения более совершенных технологических процессов;

- уменьшить влияние составляющих параметров на точность результирующего параметра путем сокращения числа этих параметров в расчетной схеме за счет изменения способа ориентирования (замены базы) и последовательности выполнения технологических процессов и операций;

- пересмотреть конструктивные решения узлов строительных конструкций здания, сооружения и их элементов с целью изменения допустимых предельных и номинального значений результирующего параметра;

- предусмотреть неполную собираемость конструкций.

Приложение А
(справочное)
Основные виды результирующих параметров

Вид результирующего параметра

Схема

Расстояние, в том числе зазор между элементами

Глубина опирания элемента

Несоосность элементов (хnom=0)

Несовпадение поверхностей элементов (хnom=0)

Невертикальность элемента (хnom=0)

Примечание - хnom - номинальное значение результирующего параметра; хmin,f  и хmax,f допустимые предельные значения результирующего параметра.


Приложение Б
(рекомендуемое)
Предпочтительные значения уровня собираемости конструкций и приемочного уровня дефектности составляющих параметров

Таблица Б.1

Значения t

3

2,9

2,8

2,7

2,6

2,5

2,4

2,35

2,3

2,2

2,1

2,05

2,0

1,9

1,8

1,7

1,65

Уровень собираемости конструкций (при хmin,fхi хmax,f),%

99,73

99,62

99,48

99,3

99,06

98,76

98,36

98,5

97,86

97,22

96,42

96

94,44

94,26

92,82

91,08

90

Вероятность аmin появления хi, за пределом хmin,f, %

0,13

0,19

0,26

0,35

0,47

0,62

0,82

0,75

1,07

1,39

1,79

2

2,28

2,87

3,59

4,46

5

Вероятность аmax появления хi, за пределом хmax,f, %

0,13

0,19

0,26

0,35

0,47

0,62

0,82

0,75

1,07

1,39

1,79

2

2,28

2,87

3,59

4,46

5

Приемочный уровень дефектности составляющих параметров при контроле по ГОСТ 23616, %

0,25

 

 

 

 

 

 

1,5

 

4

 

10

 

 

 

 

 

Примечание – Полужирным шрифтом выделены значения, соответствующие стандартным значениям приемочного уровня дефектности по ГОСТ 23616.


Приложение В
(рекомендуемое)
Определение расчетных предельных отклонений результирующих параметров и обеспечиваемого уровня собираемости в общем случае статистического расчета

В.1 В общем случае при статистическом расчете расчетные предельные отклонения результирующих параметров в формулах (4) и (5) определяют по следующим уравнениям точности:

,                                                                          (B.1)

,                                                                        (B.2)

где δmx - систематическое отклонение результирующего параметра;

σx - среднеквадратическое отклонение результирующего параметра;

tmin,f и tmax,f - значения стандартизованной случайной величины t, выбираемые в приложении Б в зависимости от допускаемой при проектировании вероятности amin,f и amax,f выхода действительных значений хi результирующего параметра за допустимые предельные значения хmin,f и хmax,f соответственно; amin,f и amax,f 0,13 % соответствует полной собираемости.

В.2 Статистические характеристики точности δmx и σx результирующего параметра определяются по уравнениям, составляемым на основе исходного уравнения (3):

;                                                   (В.3)

,                                                            (B.4)

где δmx,k и σmx,k - систематическое и среднеквадратическое отклонения составляющего параметра соответственно.

В.3 Характеристики δmx,k и σmx,k в зависимости от имеющихся для расчета исходных данных определяют по результатам статистического анализа точности соответствующих технологических процессов и операций по ГОСТ 23615 или по предельным отклонениям составляющих параметров, а также по планам их контроля, установленным в соответствующих стандартах, других нормативно-технических документах, технических условиях или проектной (технологической) документации. Для перехода от предельных отклонений и планов контроля к статистическим характеристикам точности применяют выражения:

;                                                          (В.5)

,                                                                      (B.6)

где δxc,k - отклонение середины поля допуска составляющего параметра;

δxsup,k и δxinf,k - предельные отклонения этого параметра;

tk значение стандартизованной случайной величины, соответствующее приемочному уровню дефектности АQL составляющего параметра, принятого в планах контроля точности этого параметра в соответствии с ГОСТ 23616.

B.4 Значения величин tmin,f и tmax,f при определении расчетных предельных отклонений по формулам (В.1) и (В.2) выбирают по таблице Б.1 (приложение Б) в зависимости от допускаемой при проектировании вероятности amin и amax выхода действительных значений результирующего параметра за допустимые предельные значения xmin,f и xmax,f При этом значение (100-amin-amax)% определяет уровень собираемости; amin=amax 0,13 % соответствует полной собираемости.

8.5 В случае, если для данного результирующего геометрического параметра при расчетных предельных значениях xmin и xmax, вычисленных по формулам (4) и (5) на основе расчетных предельных отклонений δxinf и δx suр, вычисленных по формулам (В.1) и (В.2), а условия точности (1) и (2) не соблюдаются, может быть определен уровень собираемости, соответствующий принятым для расчета исходным данным. С этой целью определяют значения

,                                                                (B.7)

,                                                               (B.8)

Далее по вычисленным значениям tmin и tmax в таблице приложения Б определяют соответствующие им значения amin и amax вероятности выхода действительных значений параметра за пределы xmin,f и xmax,f Обеспечиваемый уровень собираемости определяют по этим значениям как

(100-amin-amax)%.                                                                     (B.9)

В случае, если вычисленные по формулам (В.7) и (В.8) значения tmin и tmax равны, уровень собираемости, соответствующий значению t=tmin=tmax, без дополнительных вычислений принимают по таблице Б.1 (приложение Б).

Приложение Г
(рекомендуемое)
Определение расчетных предельных отклонений результирующих параметров
и обеспечиваемого уровня собираемости при упрощенном статистическом расчете

Г.1 Расчетные предельные отклонения результирующих параметров в формулах (4) и (5) при упрощенном статистическом расчете определяют по следующим уравнениям точности:

;                                                                              (Г.1)

,                                                                             (Г.2)

где δхс - расчетное отклонение середины поля допуска результирующего параметра;

Δх - расчетный допуск результирующего параметра.

Г.2 Характеристики точности δхс и Δх результирующего параметра определяют по уравнениям, составляемым на основе исходного уравнения (3):

,                                                         (Г.3)

,                                                           (Г.4)

где  - отклонение середины поля допуска составляющего параметра;

 - допуск составляющего параметра, определяемый как разность предельных отклонений  установленных соответствующими стандартами, нормативно-техническими документами, техническими условиями.

Г.3 При вычислении расчетных предельных отклонений упрощенным статистическим методом уровень собираемости определяют по таблице Б.1 (приложение Б) по значению tк, соответствующему одинаковому приемочному уровню дефектности АQL составляющих параметров, принятому в планах контроля точности этих параметров в соответствии с ГОСТ 23616. В случае, если требуется другой уровень собираемости конструкций, значение допуска результирующего параметра в формулах (Г.1) и (Г.2) следует пересчитать по формуле

,                                                                      (Г.5)

где  - значение расчетного допуска результирующего параметра, соответствующее требуемому уровню собираемости;

 - значение t, принимаемое по таблице Б.1 (приложение Б) в зависимости от требуемого уровня собираемости;

 - расчетный допуск результирующего параметра, вычисленный по формуле (Г.3).

Г.4 В случае, если для данного результирующего геометрического параметра при расчетных предельных значениях xmin и xmax, вычисленных по формулам (4) и (5) на основе расчетных предельных отклонений  и , вычисленных по формулам (Г.1) и (Г.2), а условия точности (1) и (2) не соблюдаются, может быть определен уровень собираемости, соответствующий принятым характеристикам точности составляющих параметров. С этой целью определяют значения tmin и tmax по формулам:

;                                                              (Г.6)

,                                                             (Г.7)

Далее по вычисленным значениям tmin и tmax в таблице Б.1 (приложение Б) выбирают значения amin и amax Обеспечиваемый уровень собираемости определяется по этим значениям как

(100-amin-amax)%.                                                                             (Г.8)

В случае, если вычисленные по формулам (Г.6) и (Г.7) значения tmin и tmax равны, уровень собираемости, соответствующий значению t=tmin=tmax без дополнительных вычислений принимают по таблице Б.1 (приложение Б).

Приложение Д
(рекомендуемое)
Определение расчетных предельных отклонений результирующих параметров при расчете методом «минимума-максимума»

Д.1 Расчетные предельные отклонения результирующих параметров в формулах (4) и (5) при расчете методом «минимума-максимума» определяют по следующим уравнениям точности:

;                                                                              (Д.1)

,                                                                             (Д.2)

где  - расчетное отклонение середины поля допуска результирующего параметра;

* - расчетный допуск результирующего параметра.

Д.2 Характеристики точности  и * результирующего параметра определяются по уравнениям, составляемым на основе исходного уравнения (3):

;                                                        (Д.3)

,                                                               (Д.4)

где δxc,k - отклонение середины поля допуска составляющего параметра;

Δxk - допуск составляющего параметра, определяемый как разность предельных отклонений δxsup,k - δxinf,k, установленных соответствующими стандартами, нормативно-техническими документами, техническими условиями.

Библиография

[1] СНиП 3.01.03-84 Геодезические работы в строительстве

[2] СНиП 3.03.01-87 Несущие и ограждающие конструкции

Ключевые слова: функциональный геометрический параметр, результирующий параметр, составляющий параметр, расчетная схема, исходное уравнение, собираемость, уровень собираемости, полная собираемость

 




Яндекс цитирования



   Copyright © 2007-2026,  www.tehlit.ru.

[ ѓосты, стандарты, нормативы, инструкции, правила, строительные нормы ]