Система нормативных документов
в строительстве
2007
Предисловие
1 РАЗРАБОТАН Научно-исследовательским,
проектно-конструкторским и технологическим институтом бетона и железобетона
(НИИЖБ) - филиалом ФГУП «НИЦ «Строительство»
2 РЕКОМЕНДОВАН К УТВЕРЖДЕНИЮ И ПРИМЕНЕНИЮ конструкторской
секцией НТС НИИЖБ 27 апреля 2006 г.
3 УТВЕРЖДЕН И ВВЕДЕН В ДЕЙСТВИЕ приказом и.о.
генерального директора ФГУП «НИЦ «Строительство» от 12 июля 2007 г. № 123.
4 ВВЕДЕН впервые
Содержание
Настоящий Свод правил разработан в развитие СНиП
52-01-2003 «Бетонные и железобетонные конструкции. Основные положения».
Объем строительства зданий различного назначения из монолитного
железобетона в последние годы значительно возрос. В то же время практика
проектирования не имеет в своем распоряжении документа, где были бы объединены
основные требования, выполнение которых обеспечивает надежность и безопасность
такого вида зданий. Настоящий Свод правил ставит своей целью восполнить этот
пробел.
Свод правил содержит рекомендации по расчету и проектированию
железобетонных монолитных конструкций зданий жилого и гражданского назначения
из тяжелого бетона без предварительного напряжения арматуры.
Решение вопроса о применении данного Свода правил при проектировании
монолитных зданий относится к компетенции заказчика или проектной организации.
В случае принятия решения о применении настоящего Свода правил должны быть
выполнены все установленные в нем требования.
Свод правил разработали д-ра техн. наук
А. С. Залесов, А.С. Семченков, Е.А. Чистяков, С.Б. Крылов, канд.
техн. наук Р.Ш. Шарипов (НИИЖБ -
филиал ФГУП «НИЦ «Строительство»).
СП 52-103-2007
ЖЕЛЕЗОБЕТОННЫЕ МОНОЛИТНЫЕ КОНСТРУКЦИИ ЗДАНИЙ
CONCRETE
MONOLITHIC
BUILDING STRUCTURES
Дата введения 2007-07-15
Настоящий Свод
правил (далее - СП) распространяется на проектирование железобетонных
монолитных конструкций зданий жилого и гражданского назначения из тяжелого
бетона без предварительного напряжения арматуры.
В настоящем
Своде правил использованы ссылки на следующие основные нормативные документы:
СНиП 52-01-2003 Бетонные и
железобетонные конструкции. Основные положения
СП 52-101-2003 Бетонные и
железобетонные конструкции без предварительного напряжения арматуры
СП
52-104-2004 Сталефибробетонные конструкции.
Другие
нормативные и рекомендательные документы, ссылки на которые использованы в
настоящем СП, приведены в приложении Б.
В настоящем
Своде правил использованы основные термины и определения по СНиП 52-01,
СП
52-101, СП
52-104 и другим нормативным документам.
4.1
Рекомендации настоящего Свода правил распространяются на проектирование
различных конструктивных систем зданий, в которых все основные несущие
конструкции (колонны, стены, перекрытия, покрытия, фундаменты) выполняются из
монолитного железобетона с жесткими и податливыми сопряжениями между ними.
4.2
Проектирование конструкций зданий, подвергающихся климатическим
температурно-влажностным воздействиям, следует выполнять по СНиП 2.01.07.
4.3 Расчет и
конструирование зданий при сейсмических воздействиях следует выполнять согласно
СниП II-7. Огнестойкость конструкций и огнесохранность зданий
должны отвечать требованиям СНиП 21-01 и СТО
36554501-006.
4.4 Несущие
конструкции здания следует проектировать с учетом долговечности и
ремонтопригодности согласно СНиП 31-01, защиту конструкций от
коррозии следует выполнять согласно указаний СНиП 2.03.11.
4.5 Значения
предельных деформаций основания зданий регламентируются СНиП 2.02.01. Предельные прогибы,
перемещения конструкций и перекосы вертикальных и горизонтальных ячеек зданий
не должны превышать допустимых значений, приведенных в СНиП 2.01.07.
4.6 Для
зданий, рассчитываемых на совместное воздействие вертикальных и горизонтальных
нагрузок по недеформированной схеме, прогиб верха здания с учетом податливости
основания рекомендуется принимать не более 0,001 высоты здания. При больших
значениях прогибов необходимо выполнить расчет по деформированной схеме. При
этом значение прогиба здания не должно превышать 0,002 его высоты.
4.7 Настоящий
Свод правил следует применять совместно с СП
52-101 и СП
52-104.
4.8
Железобетонные конструкции должны быть сконструированы таким образом, чтобы с
достаточной надежностью предотвратить возникновение всех видов предельных
состояний. Это достигается выбором показателей качества материалов, назначением
размеров и конструированием согласно рекомендациям настоящего СП и действующих
нормативных документов. При этом должны быть выполнены технологические
требования при изготовлении конструкций, соблюдены требования по эксплуатации
зданий, а также требования по экологии, энергосбережению, противопожарной
безопасности и долговечности, устанавливаемые соответствующими нормативными
документами, и учтены неравномерные осадки основания.
4.9 При
проектировании железобетонных конструкций их надежность должна быть установлена
расчетом по предельным состояниям первой и второй групп путем использования
расчетных значений нагрузок, характеристик материалов, определяемых с помощью
соответствующих частных коэффициентов надежности по нормативным значениям этих
характеристик с учетом степени ответственности зданий.
Нормативные
значения нагрузок, коэффициентов сочетаний нагрузок и коэффициентов надежности
ответственности конструкций, а также разделение нагрузок на постоянные и
временные (длительные и кратковременные) следует принимать согласно СНиП 2.01.07.
Порядок
приложения постоянных и длительно действующих нагрузок должен определяться
графиком производства работ или по факту.
4.10 Наряду с
контролем прочности бетона по образцам рекомендуется контроль прочности бетона
в готовой конструкции проводить с использованием неразрушающих методов по ГОСТ
22690.
4.11 При
применении арматуры класса А500С с эффективным профилем, разработанным в НИИЖБ,
следует пользоваться рекомендациями СТО
36554501-005. Стыковку арматуры в торец на стройплощадке следует
осуществлять с помощью ванной сварки, а также винтовых и опресованных
механических соединений.
Рекомендуется
применение арматуры малого диаметра расширенного сортамента: 5,5; 6; 6,5; 7; 8;
9; 10; 11; 12 мм нового периодического профиля с сердечником в форме квадрата
со скругленными углами в соответствии с ТУ 14-1-5500, ТУ 14-1-5501.
5.1
Конструктивное решение включает строительную и конструктивную системы, а также
конструктивную схему.
5.2
Строительная система здания определяется материалом, наиболее массовой конструкцией
и технологией возведения несущих элементов (монолитный железобетон).
5.3
Конструктивная система (далее - КС) здания представляет собой совокупность
взаимосвязанных несущих конструктивных элементов, обеспечивающих его прочность,
устойчивость и необходимый уровень эксплуатационных качеств.
5.4 Несущая КС
монолитного железобетонного здания состоит из фундамента, опирающихся на него
вертикальных несущих элементов (колонн и стен) и объединяющих их в единую
пространственную систему горизонтальных элементов (плит перекрытий и покрытия).
5.5 В
зависимости от типа вертикальных несущих элементов (колонны и стены)
конструктивные системы разделяют на (рис. 5.1, а,
б, в):
- колонные,
где основным несущим вертикальным элементом являются колонны;
- стеновые, где
основным несущим элементом являются стены;
-
колонно-стеновые, или смешанные, где вертикальными несущими элементами являются
колонны и стены.

а - колонная КС; б - стеновая КС; в -
смешанная КС;
1 - плита перекрытия; 2 - колонны; 3 - стены
Рисунок 5.1 - Фрагменты планов зданий
Нижние этажи
часто решают в одной конструктивной системе, а верхние - в другой.
Конструктивная система таких зданий является комбинированной.
5.6 В
зависимости от инженерно-геологических условий, нагрузок и проектного задания
фундаменты выполняют в виде отдельных плит переменной толщины под колонны (рис.
5.2, а), ленточных плит под
колонны и стену (рис. 5.2, б) и
общей фундаментной плиты по всей площади конструктивной системы (рис. 5.2, в). При большой толщине плит применяют
более экономичные, чем сплошные, ребристые и коробчатые плиты (рис. 5.2, г, д).
При слабых грунтах устраивают свайные фундаменты.

а - отдельный; б -
ленточный; в, г, д - плитные:
сплошной, ребристый и коробчатый
Рисунок 5.2
- Фундаменты
5.7 Колонны могут
иметь поперечное сечение квадратное, прямоугольное, круглое, кольцевое,
уголковое, тавровое и крестовое (рис. 5.3, а-ж).

а - квадратное; б - круглое;
в - кольцевое; г - прямоугольное; д - уголковое; е - тавровое; ж - крестовое
Рисунок
5.3 - Поперечные сечения колонн
Прямоугольные
колонны (пилоны) с вытянутым поперечным сечением имеют соотношения b/а<4 или hэт/b>4.
Более вытянутые в плане колонны следует относить к стенам.
5.8 Несущие
стены в плане могут быть отдельно стоящими (рис. 5.1, в);
продольными и поперечными; перекрестными (рис. 5.1, б),
образующими вертикальные тонкостенные стержни открытого и замкнутого сечений.
5.9 Плиты перекрытий
в колонных КС бывают:
- безбалочные
в виде гладкой плиты (рис. 5.4, а);
плиты с капителями (рис. 5.4, б);
плиты гладкие или с капителями и с контурными балками по периметру здания;
- с
межколонными балками в одном (рис. 5.5, а,
б) и в двух направлениях (рис.
5.5, в, г).
5.10 Плиты
перекрытий в колонных КС с балками и в стеновых КС бывают:
- сплошные,
пустотные и ребристые, если балки и стены водном направлении (рис. 5.5, а, б);
- сплошные,
кессонные пустотные и ребристые, если балки и стены в двух направлениях (рис.
5.5, в г);
- ребристые с
ребрами вверх для устройства плавающего пола и получения гладкого потолка,
укладки звукоизоляции и инженерных коммуникаций (рис. 5.5, а).

а - гладкая плита; 6 - плита
с капителями
Рисунок 5.4
- Безбалочные перекрытия

а, б - балки и стены в одном направлении; в, г - балки и стены в двух направлениях;
1 - колонны; 2 - балки или
стены; 3 - плита сплошная или
пустотная; 4 - плита сплошная или
пустотная кессонная;
5 и 6 -
ребра и полки ребристой и кессонной плит
Рисунок
5.5. - Плиты перекрытий в колонных КС с балками и в стеновых КС
5.11
Ограждающие наружные стены бывают:
- несущие,
передающие временную и постоянную нагрузки с этажей и собственный вес стены
непосредственно на фундамент;
- самонесущие,
передающие непосредственно на фундамент только собственный вес стены;
- ненесущие,
опирающиеся в пределах этажа на перекрытия или вертикальные несущие элементы КС
и непосредственно не передающие нагрузку на фундамент.
5.12
Конструктивные схемы в стеновых КС определяются взаимным расположением стен, а
в колонных КС - взаимным расположением межколонных балок (рис. 5.5)
относительно поперечных и продольных осей здания. Схемы бывают поперечные,
продольные и перекрестные. В реальных монолитных зданиях конструктивные схемы обычно перекрестные
(рис. 5.5, в, г; 6.2, а). Чисто поперечные и продольные схемы (рис. 6.1, б, в)
рассматриваются при разделении пространственной КС на две независимые (рис.
6.1, б, в и 6.2, б, в) с целью упрощения расчетов.
(Опечатка,
Информационный бюллетень о нормативной, методической и типовой проектной
документации, № 3 2008 г.)
5.13
Горизонтальные нагрузки перераспределяются дисками перекрытий между
защемленными в фундаменте вертикальными опорными консольными конструкциями
(устоями) в виде:
-
пространственных рам в колонных КС;
- стен в двух
направлениях и образуемых стенами тонкостенных стержней открытого и замкнутого
профилей в стеновых КС;
-
пространственных рам, стен и тонкостенных стержней в смешанных КС.
Устои в КС
воспринимают все горизонтальные и вертикальные нагрузки.
5.14 В колонных
КС стыки пространственных рам-этажерок считаются жесткими при наличии капителей
в плитах или вутов в главных балках. Стыки колонн с гладкой плитой или балками
являются условно жесткими. После образования в стыках колонн наклонных трещин,
их податливость еще более возрастает. Податливость стыков учитывают введением
коэффициентов, понижающих изгибную жесткость элементов.
5.15 В
многоэтажных зданиях наиболее часто применяют смешанные колонно-стеновые КС.
Стеновые,
особенно перекрестные, КС обладают большей жесткостью и большим сопротивлением
горизонтальным и вертикальным нагрузкам и потому более подходят для высоких
зданий.
5.16 Несущие
конструктивные системы могут быть регулярными, с одинаковым шагом колонн и стен
по длине, ширине и высоте здания, или нерегулярными в плане и по высоте здания.
5.17
Нерегулярную несущую конструктивную систему рекомендуется проектировать таким
образом, чтобы центр жесткости и центр масс конструктивной системы были как
можно ближе к месту расположения равнодействующей вертикальной нагрузки.
5.18 Несущую
конструктивную систему рекомендуется проектировать таким образом, чтобы
вертикальные несущие элементы (колонны, стены) располагались от фундамента один
над другим по высоте здания, т.е. были соосными. В тех случаях, когда колонны и
стены не выполняются по одной оси, под «висячими» колоннами и стенами следует
предусматривать устройство ребер жесткости и балок-стенок.
5.19
Конструктивную систему зданий рекомендуется разделять осадочными швами при
различной высоте здания, а также в зависимости от длины здания -
температурно-усадочными швами. Требуемые расстояния между
температурно-усадочными швами по длине здания следует устанавливать расчетом.
На период строительства возможно устройство временных деформационных швов,
которые потом ликвидируются.
5.20 При
проектировании несущих конструктивных систем следует стремиться к простым
техническим решениям, в наибольшей степени обеспечивающим прочность и жесткость
конструктивной системы: симметричным в плане и одинаковым по высоте, с регулярным
расположением вертикальных несущих элементов в плане и по высоте, без больших
консолей и проемов в плане и по высоте здания и т.п.
5.21
Отдельностоящие высокие здания рекомендуется выполнять ширококорпусными:
круглыми, овальными, квадратными или прямоугольными с небольшим соотношением
длинной и короткой сторон для снижения ветрового давления и затрат на
отопление.
5.22 Секции
здания разной высоты должны быть разделены деформационными швами. Не
рекомендуется устраивать подземный гараж и стилобат, выступающие за пределы
площади высокой части здания.
6.1.1
Расчетная схема здания включает данные о нагрузках и физическую модель.
6.1.2
Физическая модель здания представляет собой трехмерную систему из колонн, стен,
плит, балок и их сопряжений, а также данные о физико-механических свойствах
материалов.
6.1.3
Распределение усилий в пространственно-деформируемых системах в значительной
степени определяется жесткостными характеристиками элементов и их сопряжениями,
которые зависят как от материала и его напряженного состояния, так и от
качества изготовления и монтажа, наличия дефектов, предыстории загружения, типа
конструкции, влажности материала, степени повреждения (износа), температуры и
других факторов. Влияние этих факторов при проектировании учесть сложно.
Поэтому геометрические параметры и физические характеристики материалов и
конструкций в расчетах принимаются заданными.
6.1.4 Расчеты
напряженно-деформированного состояния железобетонных линейных, плоских и
объемных элементов и их сопряжений разработаны только для нормальных сечений
при простых воздействиях.
Расчеты по
наклонным и пространственным сечениям с трещинами имеются лишь для частных
случаев, а для сложных воздействий и учета многих факторов (см. п. 6.1.3)
применяют различные упрощения.
6.1.5 Сложные
пространственные геометрические схемы упрощают путем замены реальной
конструкции условной схемой. Ребристый и пустотный диски перекрытий, так же как
и структурное покрытие из стержней, заменяются условной анизотропной пластиной
постоянной толщины. Колонны и балки аппроксимируются стержнями, приведенными к
оси, а плиты и стены - пластинами, приведенными к срединной плоскости.
6.1.6
Применяют континуальные, дискретно-континуальные и дискретные расчетные модели.
Наиболее широкое распространение получили дискретные расчетные модели,
основанные на математической и геометрической дискретизации пространственных
конструкций, рассчитываемых методом конечных элементов (МКЭ).
6.2
Требования к расчету
6.2.1 Расчет
несущих конструктивных систем включает:
- определение
усилий в элементах конструктивной системы (колоннах, плитах перекрытий и
покрытия, фундаментных плитах, стенах, ядрах) и усилий, действующих на
основания фундаментов;
- определение
перемещений конструктивной системы в целом и отдельных ее элементов, а также
ускорений колебания перекрытий верхних этажей;
- расчет на
устойчивость конструктивной системы (устойчивость формы и положения);
- оценку
сопротивляемости конструктивной системы прогрессирующему разрушению;
- оценку
несущей способности и деформации основания.
6.2.2 Расчет
несущей конструктивной системы, включающей надземные и подземные конструкции и
фундамент, следует производить для всех последовательных стадий возведения (в случае
существенного изменения расчетной ситуации) и для стадии эксплуатации, принимая
расчетные схемы, отвечающие рассматриваемым стадиям. При этом следует
учитывать:
- порядок
приложения и изменения вертикальной нагрузки и жесткостей элементов в процессе
монтажа и эксплуатации;
- образование
трещин от температурно-усадочных деформаций бетона в процессе твердения и
наличие технологических швов при бетонировании захватками;
- величину
прочности и жесткости бетона в момент освобождения конструкции от опалубки и
передачи нагрузки от вышележащих этажей.
6.2.3 Расчет
несущей конструктивной системы в общем случае следует производить в
пространственной постановке с учетом совместной работы надземных и подземных
конструкций, фундамента и основания под ним.
6.2.4 Расчет
несущих конструктивных систем производят с использованием линейных и нелинейных
жесткостей железобетонных элементов.
Линейные
жесткости железобетонных элементов определяют как для сплошного упругого тела.
Нелинейные
жесткости железобетонных элементов определяют по поперечному сечению с учетом
возможного образования трещин, а также с учетом развития неупругих деформаций в
бетоне и арматуре, отвечающих кратковременному и длительному действиям
нагрузки.
6.2.5 Значения
нелинейных жесткостей железобетонных элементов следует устанавливать в
зависимости от стадии расчета, требований к расчету и характера
напряженно-деформированного состояния элемента.
На первой
стадии расчета конструктивной системы, характеризуемой тем, что армирование
железобетонных элементов неизвестно, нелинейную работу элементов рекомендуется
учитывать путем понижения их жесткостей с помощью условных обобщенных
коэффициентов.
На последующих
стадиях расчета конструктивной системы, когда известно армирование
железобетонных элементов, в расчет следует вводить уточненные значения
жесткостей элементов, определяемые с учетом армирования, образования трещин и
развития неупругих деформаций в бетоне и арматуре согласно указаниям
действующих нормативных документов по проектированию железобетонных конструкций.
6.2.6 В
результате расчета несущей конструктивной системы должны быть установлены: в
колоннах - значения продольных и поперечных сил, изгибающих моментов, а в
необходимых случаях - и крутящих моментов; в плоских плитах перекрытий,
покрытия и фундаментов - значения изгибающих и крутящих моментов, поперечных и
продольных сил; в стенах - значения нормальных и сдвигающих продольных сил,
изгибающих и крутящих моментов и поперечных сил.
Определение
усилий в элементах конструктивной системы следует производить от действия
расчетных постоянных, длительных и кратковременных нагрузок, особых нагрузок, а
также их расчетных сочетаний.
На первой
стадии расчета для оценки усилий в элементах конструктивной системы допускается
принимать приближенные значения жесткостей элементов, имея в виду, что
распределение усилий в элементах конструктивных систем зависит не от величины,
а, в основном, от соотношения жесткостей этих элементов. Для более точной
оценки распределения усилий в элементах конструктивной системы рекомендуется
принимать уточненные значения жесткостей с понижающими коэффициентами. При этом
необходимо учитывать существенное снижение жесткостей в изгибаемых плитных
элементах (в результате возможного образования трещин) по сравнению с
внецентренно сжатыми элементами. В первом приближении рекомендуется принимать
модуль упругости материала равным Ев
с понижающими коэффициентами: 0,6 - для вертикальных сжатых элементов; 0,3 -
для плит перекрытий (покрытий) с учетом длительности действия нагрузки.
На последующих
стадиях расчета жесткости следует определять согласно п. 6.2.5.
6.2.7 В
результате расчета несущей конструктивной системы должны быть установлены
значения вертикальных перемещений (прогибов) перекрытий и покрытий,
горизонтальные перемещения конструктивной системы, а также для зданий
повышенной этажности - ускорения колебаний перекрытий верхних этажей. Величины
указанных перемещений и ускорения колебаний не должны превышать допустимых
значений, установленных соответствующими нормативными документами.
Определение
горизонтальных перемещений конструктивной системы следует производить от
действия расчетных (для предельных состояний второй группы*)
постоянных, длительных и кратковременных горизонтальных и вертикальных
нагрузок. При этом на первой стадии расчета рекомендуется принимать пониженные
значения жесткостей элементов конструктивной системы, поскольку горизонтальные
перемещения напрямую зависят от жесткостных свойств элементов.
_______________________
*
Далее по тексту расчетные значения нагрузки и характеристик материалов,
используемые для расчета по предельным состояниям второй группы, в тех случаях,
когда коэффициенты надежности равны единице, названы «нормативными».
Определение
вертикальных перемещений (прогибов) перекрытий и покрытий производят от действия
нормативных постоянных и длительных вертикальных нагрузок. При этом на первой
стадии расчета рекомендуется принимать пониженные значения жесткостей элементов
конструктивной системы, в частности плит перекрытий, поскольку вертикальные
перемещения (прогибы) напрямую зависят от деформационных свойств плит.
В первом
приближении значения понижающих коэффициентов относительно начального модуля
упругости бетона с учетом длительности действия нагрузки рекомендуется
принимать: для вертикальных несущих элементов - 0,6, а для плит перекрытий
(покрытий) - 0,2 при наличии трещин или 0,3 - при отсутствии трещин.
На последующих
стадиях расчета при известном армировании следует принимать уточненные
жесткости плит с учетом армирования, наличия трещин и неупругих деформаций в
бетоне и арматуре, определяемые согласно действующим нормативным документам.
Ускорения
колебаний перекрытий верхних этажей здания следует определять при действии
пульсационной составляющей ветровой нагрузки.
6.2.8 При
расчете на устойчивость конструктивной системы следует производить проверку
устойчивости формы конструктивной системы, а также устойчивости положения
конструктивной системы на опрокидывание и на сдвиг.
Расчет на
устойчивость конструктивной системы следует производить на действие расчетных постоянных,
длительных и кратковременных вертикальных и горизонтальных нагрузок.
При расчете
устойчивости формы конструктивной системы рекомендуется принимать пониженные
жесткости элементов конструктивной системы (учитывая нелинейную работу
материала), поскольку устойчивость конструктивной системы связана с
деформативностью системы и отдельных элементов. При этом значение понижающих
коэффициентов в первом приближении рекомендуется принимать, как указано в пп. 6.2.6, 6.2.7 с учетом того, что
устойчивость конструктивной системы зависит от сопротивления в основном
внецентренно сжатых вертикальных элементов при длительном действии нагрузки и в
стадии, приближающейся к предельной. Запас по устойчивости должен быть не менее
чем двукратным.
При расчете
устойчивости положения конструктивные системы следует рассматривать как жесткое
недеформированное тело. При расчете на опрокидывание удерживающий момент от
вертикальной нагрузки должен превышать опрокидывающий момент от горизонтальной
нагрузки с коэффициентом 1,5. При расчете на сдвиг удерживающая горизонтальная
сила должна превышать действующую сдвигающую силу с коэффициентом 1,2. При этом
следует учитывать наиболее неблагоприятные значения коэффициентов надежности по
нагрузке.
6.2.9 Расчет
на прогрессирующее разрушение должен обеспечивать прочность и устойчивость
конструктивной системы в целом при выходе из строя одного какого-либо элемента
конструктивной системы (колонны, участка стены, участка перекрытия) и возможном
последующем разрушении близлежащих элементов. Кроме того, в обоснованных
случаях рассматривается расчетная ситуация с выходом из строя части основания
под фундаментами (например, в случае образования карстовых провалов).
Расчет на прогрессирующее
разрушение следует производить при действии нормативных вертикальных нагрузок с
нормативными значениями сопротивления бетона и арматуры, принимая линейные
жесткости элементов конструктивной системы.
6.2.10 Оценку
несущей способности и деформации основания следует производить согласно
соответствующим нормативным документам по усилиям, действующим на основание,
найденным при расчете конструктивной системы здания.
6.2.11 Расчет
перекосов вертикальных ячеек от неравномерных вертикальных деформаций соседних
несущих конструкций (стен и колонн) следует производить с учетом фактического
порядка возведения здания, а также времени и длительности приложения нагрузок
для учета нелинейных деформаций в железобетонных конструкциях.
6.3.1 Пространственная
конструктивная система является статически неопределимой системой. Для расчета
несущих конструктивных систем рекомендуется использовать дискретные расчетные
модели, рассчитываемые методом конечных элементов.
Расчет
регулярных (или близких к ним) колонных и стеновых КС можно производить методом
заменяющих (эквивалентных) рам (рис. 6.1), а стеновых КС - путем разложения на
поперечную и продольную схемы (рис. 6.2).
Для оценки
максимальной несущей способности перекрытий может быть использован расчет
методом предельного равновесия.

а - общая схема; 6 - поперечная схема; в
- продольная схема;
1, 4 и
2, 3 - две крайние и две средние поперечные рамы; 5, 7
и 6 - две крайние и средняя
продольные рамы; l1, l2, l3 - шаги поперечных рам; b1, b2 - шаги продольных рам
Рисунок
6.1 - План типового этажа здания с регулярной колонной КС

а - общая схема; б - поперечная схема; в -
продольная схема;
1, 2
- наружные и внутренние поперечные стены; 3,
4 - наружные и внутренние
продольные стены; 5 - участки примыкающих
стен перпендикулярного направления
Рисунок
6.2 - К расчету стеновой конструктивной системы
6.3.2
Дискретизацию конструктивных систем производят с применением оболочечных,
стержневых и объемных (если это необходимо) конечных элементов, используемых в
принятой расчетной программе.
При создании
пространственной модели конструктивной системы необходимо учитывать характер
совместной работы стержневых, оболочечных и объемных конечных элементов,
связанный с различным количеством степеней свободы для каждого из указанных
элементов.
6.3.3
Деформативные свойства основания следует учитывать путем использования
общепринятых расчетных моделей основания, применения различных типов конечных
элементов или краевых условий с заданной податливостью, моделирования всего
массива грунта под зданием из объемных конечных элементов, либо комплексно - с
использованием всех вышеперечисленных методов в случае сложной совместной
работы конструкции фундамента и основания.
На первой
стадии расчета конструктивной системы допускается деформативность основания
учитывать с помощью коэффициента постели, принимаемого по усредненным
характеристикам грунтов.
При
использовании свайных или свайно-плитных фундаментов сваи следует моделировать
как железобетонные конструкции или учитывать их совместную работу с грунтом
обобщенно, как единое основание с использованием приведенного коэффициента
постели основания.
6.3.4 При
отсутствии данных о порядке и времени приложения постоянных и длительно
действующих нагрузок допускается проверять прочность, трещиностойкость и
деформации несущей КС с обязательным учетом деформативности основания при двух
крайних случаях:
1) наиболее
опасном поэтажном приложении нагрузки и изменении жесткостей в процессе
монтажа;
2) одновременном
приложении всей нагрузки на всех этажах.
6.3.5 При
построении конечно-элементной расчетной модели размеры и конфигурацию конечных
элементов следует задавать, исходя из возможностей применяемых конкретных
расчетных программ, и принимать такими, чтобы была обеспечена необходимая
точность определения усилий подлине колонн и по площади плит перекрытий,
фундаментов и стен с учетом общего числа конечных элементов в расчетной схеме,
влияющего на продолжительность расчета.
6.3.6
Жесткости конечных элементов на первоначальной стадии расчета конструктивной
системы, когда армирование конструкций еще не известно, следует определять с
учетом рекомендаций разд.
6.2.
После
определения арматуры в плитах перекрытий и покрытий следует произвести
дополнительный расчет конструктивной системы для уточнения прогибов этих
конструкций, принимая уточненные значения изгибных жесткостей конечных
элементов плит с учетом армирования в двух направлениях согласно действующим
нормативным документам.
Аналогичный
дополнительный расчет следует выполнить для более точной оценки изгибающих
моментов в элементах перекрытий, покрытий и фундаментных плитах, а также
продольных сил в стенах и колоннах с учетом нелинейной работы арматуры и бетона
вплоть до предельных значений.
6.3.7 Расчет
конструктивных систем методом конечных элементов следует производить с
использованием специальных сертифицированных в России компьютерных программ,
согласованных с НИИЖБ: Лира, Мономах, STARK-ES и других.
6.3.8 Расчет
регулярной колонной конструктивной системы методом заменяющих (эквивалентных)
рам производят путем выделения отдельных рам вертикальными сечениями,
проходящими по середине шага колонн, в двух взаимно перпендикулярных направлениях
(рис.
6.1).
Расчет
выделенных в каждом направлении рам, состоящих из колонн и полос плоской плиты
(условного ригеля), следует производить независимо друг от друга по общим
правилам строительной механики на действие вертикальных и горизонтальных
нагрузок, принимая при определении усилий линейные жесткости элементов рам.
Изгибающие
моменты и поперечные силы в опорных и пролетных сечениях условного ригеля
распределяют между его надколонными и межколонными полосами в зависимости от
расположения колонн в раме (крайняя или промежуточная колонна) и соотношения
между поперечными и продольными (вдоль оси рамы) пролетами.
Расчет
конструктивных систем методом заменяющих рам следует производить по специальным
рекомендациям, согласованным с НИИЖБ.
6.3.9 Расчет
стеновой КС (рис.
6.2, а) на горизонтальные
нагрузки можно выполнять методом разделения перекрестной КС на независимые
поперечную (рис.
6.2, б) и продольную схемы (рис. 6.2, в).
Горизонтальные
нагрузки принимают действующими в обоих направлениях. При допущении абсолютной
жесткости плит перекрытий в своей плоскости горизонтальные перемещения и углы
наклона всех несущих стен будут одинаковыми при симметричных в плане схемах и
нагрузках. Поэтому можно принять все стены одного направления, расположенные в
одной плоскости, соединенными последовательно друг с другом в уровне перекрытий
шарнирными связями, абсолютно жесткими вдоль своей оси. При несущих монолитных
наружных стенах следует учитывать участки примыкающих стен перпендикулярного
направления (рис.
6.2, б, в).
6.3.10 Расчет
несущей способности перекрытий методом предельного равновесия следует
производить, принимая в качестве критерия равенство работ внешних нагрузок и
внутренних сил на возможных перемещениях в предельном равновесии плиты
перекрытия с наиболее опасной схемой излома, характеризующей ее разрушение.
6.3.11 На
начальной стадии расчета для ориентировочной оценки жесткости принятой конструктивной
системы зданий повышенной этажности (п. 5.12)
допускается выполнить расчет системы на устойчивость и горизонтальные
перемещения по условной стержневой консольной схеме, включающей только стены и
колонны (с линейными деформационными характеристиками), жестко заделанные в
основании и объединенные шарнирно примыкающими к ним жесткими дисками
перекрытий.
7 Несущие железобетонные конструкции
7.1 Основными
несущими элементами (рис. 5.1-5.5)
конструктивной системы являются колонны, стены, плиты перекрытий и покрытий,
различные фундаменты, в том числе свайные ростверки и т.п. (см. пп. 5.6-5.11).
7.2 Основными
конструктивными параметрами колонн являются их высота, размеры поперечного
сечения, класс бетона по прочности на сжатие и содержание продольной арматуры
(процент армирования), определяемые в зависимости от высоты здания, нагрузки на
перекрытия (с учетом собственного веса перекрытий) и шага колонн.
При
проектировании рекомендуется принимать оптимальные конструктивные параметры
колонн, устанавливаемые на основе технико-экономического анализа. При этом
минимальный размер поперечного сечения квадратных и круглых колонн (рис. 5.3) рекомендуется
принимать не менее 30 см, для колонн с вытянутым поперечным сечением - не менее
20 см, класс бетона, как правило, - не менее В25 и не более В60, процент
армирования в любом сечении (включая участки с нахлесточным соединением
арматуры) - не более 10.
7.3
Конструктивные параметры колонн рекомендуется принимать одинаковыми на одном
уровне перекрытий.
7.4 В тех
случаях, когда технико-экономический анализ конструктивных параметров колонн
показывает, что требуемое армирование превышает максимальные значения,
приведенные в п. 7.3, рекомендуется применять сталежелезобетонные, в том числе
трубобетонные, а также сталефибробетонные колонны.
В тех случаях,
когда технико-экономический анализ конструктивных параметров колонн показывает,
что требуемый класс бетона превышает В60, рекомендуется применять для колонн
высокопрочный бетон классов В80 и выше. Расчет и конструирование
сталежелезобетонных колонн, колонн с высокопрочным бетоном выше класса В80
следует производить по специальным документам, согласованным с НИИЖБ, а
сталефибробетонных колонн - по СП 52-104.
7.5 Основными
конструктивными параметрами стен являются размеры (толщина стен), класс бетона
по прочности на сжатие и содержание вертикальной арматуры (процент армирования),
определяемые в зависимости от высоты здания, нагрузки на перекрытия, шага стен.
При
проектировании рекомендуется принимать оптимальные конструктивные параметры
стен, устанавливаемые на основе технико-экономического анализа. При этом
размеры поперечного сечения (толщину) стен рекомендуется принимать не менее 18
см, класс бетона - не менее В20, процент армирования в любом сечении стены
(включая участки с нахлесточным соединением арматуры) - не более 10.
При применении
высоких процентов армирования сечений должны выполняться указания СП
52-101 п. 8.3.3, при этом максимальная крупность заполнителя в бетонной
смеси не должна превышать 10 мм.
7.6 При
пролетах до 6-8 м перекрытия рекомендуется выполнять плоскими, при больших
значениях - плоскими с капителями (рис.
5.4, а, б) или межколонными балками и стенами (рис.
5.5, а), а при пролетах до 12
м - с межколонными балками или стенами и ребристыми, и пустотными плитами (рис.
5.5, а, б).
Для зальных
помещений пролетом 12-15 м рекомендуются кессонные, ребристые или пустотные
плиты при опирании по четырем сторонам на балки и стены (рис. 5.5, в, г).
7.7 Основными
конструктивными параметрами плоских плит перекрытий являются размеры
поперечного сечения (толщина плиты), класс бетона по прочности на сжатие и
содержание продольной арматуры, определяемые в зависимости от нагрузки на
перекрытие и длины пролетов.
При
проектировании рекомендуется принимать оптимальные конструктивные параметры
перекрытий, устанавливаемые на основе технико-экономического анализа. При этом
толщину плоских плит перекрытий сплошного сечения рекомендуется принимать не
менее 16 см и не менее 1/30 длины наибольшего пролета и не более 25 см, класс
бетона - не менее В20. Высота пустотных, ребристых и кессонных плит принимается
не менее 25 см и не более 50 см, класс бетона - не менее В25.
7.8 При пролетах
более 7 м рекомендуется применение дополнительной предварительно напряженной
арматуры из высокопрочных канатов класса К-7 без сцепления с бетоном.
Для снижения
массы перекрытий желательно применять легкие бетоны, пустотелые вкладыши или
вкладыши в виде плит и блоков из особо легких бетонов.
7.9 В плоских
плитах перекрытий, на густо армированных участках, вокруг колонн, где действуют
максимальные поперечные силы, изгибающие и крутящие моменты, для предотвращения
продавливания, упрощения армирования и облегчения бетонирования рекомендуется
укладка фибробетона класса по прочности на растяжение не менее Bt2.
7.10 Основными
конструктивными параметрами плоских фундаментных плит являются размеры (толщина
плиты), класс бетона по прочности на сжатие и содержание продольной арматуры,
определяемые в зависимости от реактивного давления грунта основания и шага
колонн и стен.
При
проектировании рекомендуется принимать оптимальные конструктивные параметры
фундаментных плит, устанавливаемые на основе технико-экономического анализа.
При этом толщину фундаментных плит рекомендуется принимать не менее 50 см и не
более 200 см, класс бетона - не менее В20, армирование - не менее 0,3 %, а
марку по водонепроницаемости - не менее W6.
7.11 Ребристые
и коробчатые фундаменты состоят из плитных и стеновых элементов и применяются
для повышения жесткости здания, а при высоте более 2 м и для использования
подземного пространства в качестве технических этажей.
7.12 Свайные
фундаменты состоят из монолитных ростверков в виде общих фундаментных плит,
ленточных фундаментных плит под стенами, отдельно стоящих фундаментных плит под
колоннами и забивных, буронабивных, буроинъекционных и других свай.
Тип и
расположение свай по полю фундаментной плиты следует выбирать в зависимости от
конструктивной системы здания, нагрузок, приходящихся на сваи и
инженерно-геологических условий основания.
Расчет и
конструирование свайных фундаментов следует производить по специальным
нормативным документам.
7.13 Для
обеспечения термической трещиностойкости массивных фундаментных плит объемом до
14000 м3 без разбивки на отдельные технологические блоки
рекомендуется применять метод непрерывной укладки высокоподвижной и
самоуплотняющейся смеси из модифицированных бетонов с низкой экзотермией и
содержащие поликомпонентные модификаторы, разработанные в НИИЖБ.
7.14
Допускается не делать оклеечную гидроизоляцию для фундаментных плит и наружных
стен подземных этажей при устройстве разработанных в НИИЖБ конструкций
технологических и осадочных швов, предотвращающих протечки, и применении
бетонов с компенсированной усадкой за счет добавки РД и маркой по
водонепроницаемости W12-W16.
7.15 Для
несущих элементов конструктивных систем зданий высотой более 75 м следует
учитывать требования к конструктивным параметрам, регламентируемые специальными
документами.
8.1 Расчет
несущих железобетонных элементов конструктивной системы (колонн, стен, плит
перекрытий, покрытий и фундаментов) следует производить по предельным
состояниям двух групп: по несущей способности (по прочности и устойчивости) и
по эксплуатационной пригодности (по трещиностойкости и деформациям). При этом
расчет на устойчивость отдельных сжатых элементов (колонн и стен) рекомендуется
производить в рамках расчета по прочности этих элементов с учетом влияния
продольного изгиба или в рамках расчета конструктивной системы по
деформированной схеме, а расчет по деформациям элементов - в рамках расчета
статически неопределимой конструктивной системы.
8.2 Расчет по
прочности колонн следует производить по нормальным сечениям на действие
изгибающих моментов и продольных сил и по наклонным сечениям на действие
поперечных и продольных сил, полученных из расчета конструктивной системы (рис.
8.1).

Рисунок 8.1 - Схема усилий, действующих на выделенный стержневой элемент
Расчет по
прочности колонн по нормальным сечениям рекомендуется производить по предельным
усилиям или с использованием деформационной модели согласно СП
52-101.
Влияние
продольного изгиба следует учитывать умножением изгибающих моментов, полученных
из расчета конструктивной системы по недеформированной схеме, или
эксцентриситета продольной силы на коэффициент, определяемый в зависимости от
условной критической силы согласно СП
52-101.
8.3 Расчет по
прочности плоских плит перекрытий, покрытий и фундаментных плит следует
производить как плоских выделенных элементов на совместное действие изгибающих
моментов в направлении взаимно перпендикулярных осей и крутящих моментов,
приложенных по боковым сторонам плоского выделенного элемента, а также на
действие продольных и поперечных сил, приложенных по боковым сторонам плоского
элемента, полученных из статического расчета несущей конструктивной системы
методом конечных элементов (рис. 8.2).

Рисунок 8.2 - Схема усилий, действующих на выделенный плоский элемент единичной ширины
Кроме того,
при опирании плоских плит на колонны следует производить расчет плит на
продавливание на действие сосредоточенных нормальных сил и моментов согласно СП
52-101. При применении сталефибробетона расчет производится по СП 52-104.
8.4 Расчет по
прочности плоских плит в общем случае рекомендуется производить путем разделения
плоского элемента на отдельные слои сжатого бетона, растянутой и сжатой
арматуры и расчета каждого слоя отдельно на действие нормальных и сдвигающих
сил в этом слое, полученных от действия изгибающих и крутящих моментов и
нормальных сил (рис. 8.3).

Рисунок 8.3 - Схема усилий, действующих в
бетонном и арматурном слоях выделенного плоского элемента плиты (усилия на
противоположных сторонах условно не показаны)
Расчет плоских
элементов плит может также производиться без разделения на слои бетона и
растянутой арматуры на совместное действие изгибающих и крутящих моментов из
условий, основанных на обобщенных уравнениях предельного равновесия:
(8.1)
(8.2)
(8.3)
(8.4)
где Мх, Мy, Mxy - изгибающие и крутящие
моменты, действующие на выделенный плоский элемент;
Мх,ult, Мy,ult,
Mxy,ult - предельные изгибающие и крутящие моменты, воспринимаемые
плоским выделенным элементом.
Значения
предельных изгибающих моментов Мх,ult
и Мy,ult
следует определять из расчета нормальных сечений, перпендикулярных осям Х и Y, плоского выделенного элемента с
продольной арматурой, параллельной осям Х
и Y,
согласно СП
52-101.
Значения
предельных крутящих моментов следует определять по бетону Mbxy,ult и по растянутой продольной арматуре Msxy,ult
по формулам:
Mbxy,ult = 0,1rbb2h, (8.5)
где b и h -
соответственно меньший и больший размеры плоского выделенного элемента;
Msxy,ult = 0,5rs(Asx
+ Asy) h0, (8.6)
где Asx и Asy - площади сечения продольной
арматуры в направлении X и Y;
h0 -
рабочая высота поперечного сечения плиты.
Допускается
применять и другие методы расчета по прочности плоского выделенного элемента,
полученные на основе равновесия внешних усилий, действующих по боковым сторонам
выделенного элемента и внутренних главных усилий в диагональном сечении плоского
выделенного элемента.
При действии
на выделенный плоский элемент плит также продольной силы расчет следует
производить как для выделенного плоского элемента стен.
(Опечатка,
Информационный бюллетень о нормативной, методической и типовой проектной
документации, № 3 2008 г.)
8.5 Расчет
плоского выделенного элемента на действие поперечных сил следует производить из
условия:
(8.7)
где Qx и Qy - поперечные силы, действующие по боковым
сторонам плоского выделенного элемента;
Qх,ult и Qy,ult - предельные поперечные силы, воспринимаемые плоским
выделенным элементом.
Значения
предельных поперечных сил определяют по формуле:
Qult = Qb
+ Qsw, (8.8)
где Qb
и Qsw
- предельные поперечные силы, воспринимаемые соответственно бетоном и поперечной
арматурой и определяемые по формулам:
Qb = 0,5rbtbh0; (8.9)
Qsw = qsw
h0, (8.10)
где qsw
- интенсивность поперечного армирования, определяемая по СП
52-101.
8.6 Расчет по
прочности стен в общем случае следует производить как плоских выделенных
элементов на совместное действие нормальных сил, изгибающих моментов, крутящих
моментов, сдвигающих сил, поперечных сил, приложенных по боковым сторонам
плоского выделенного элемента и полученных из расчета конструктивной системы
методом конечных элементов (рис. 8.4).

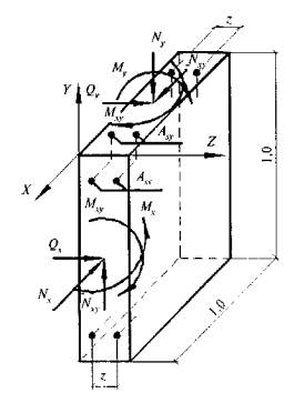
Рисунок 8.4 - Схема усилий, действующих на
выделенный плоский элемент единичной ширины стены (усилия на противоположных сторонах
условно не показаны)
8.7 Расчет
стен в общем случае рекомендуется производить путем разделения плоского
элемента на отдельные слои сжатого бетона и растянутой и сжатой арматуры и
расчета каждого слоя отдельно на действие нормальных и сдвигающих сил в этом
слое, полученных от действия изгибающих и крутящих моментов, общих нормальных и
сдвигающих сил.
Допускается
производить расчет без разделения на слои бетона и растянутой арматуры отдельно
из плоскости стены на совместное действие изгибающих моментов, крутящих
моментов и нормальных сил и в плоскости стены на совместное действие нормальных
и сдвигающих сил.
Расчет стены в
своей плоскости рекомендуется производить из условий, основанных на обобщенных
уравнениях предельного равновесия:
(8.11)
(8.12)
(8.13)
(8.14)
где Nх,
Ny,
Nxy
- нормальные и сдвигающие силы, действующие по боковым сторонам плоского
выделенного элемента;
Nх,ult,
Ny,ult,
Nxy,ult - предельные нормальные и сдвигающие силы, воспринимаемые
плоским выделенным элементом.
Значения
предельных нормальных сил Nх,ult
и Ny,ult
следует определять из расчета нормальных сечений, перпендикулярных осям X и Y, плоского выделенного элемента с
вертикальной и горизонтальной арматурой, параллельной осям X и Y, согласно СП
52-101.
Значения
предельных сдвигающих сил следует определять по бетону Nbxy,ult и по арматуре Nsxy,ult
по формулам:
Nbxy,ult = 0,3RbAb,
(8.15)
где Ab
- рабочая площадь поперечного сечения бетона выделенного элемента.
Nsxy,ult =0,5Rs
Rb(Asx + Asy), (8.16)
где Asx и Asy - площадь сечения арматуры в
направлении осей X и Y в выделенном элементе.
Расчет из
плоскости стены производят аналогично расчету плоских плит перекрытий,
определяя значения предельных изгибающих моментов с учетом влияния нормальных
сил.
Допускается
применять и другие методы расчета по прочности плоского выделенного элемента,
полученные на основе равновесия внешних усилий, действующих по боковым сторонам
выделенного элемента, и внутренних усилий в главном диагональном сечении
выделенного элемента.
8.8 Расчет по прочности
плоских выделенных элементов стен на действие поперечных сил следует
производить аналогично расчету плит, но с учетом влияния продольных сил.
8.9 Расчет по
трещиностойкости плит (по образованию и раскрытию трещин, нормальных к
продольной оси элемента) следует производить на действие изгибающих моментов
(без учета крутящих моментов) согласно СП
52-101.
8.10. При
использовании в расчетах объемных конечных элементов (например, в толстых
фундаментных плитах) растягивающие усилия должны быть восприняты продольной,
поперечной или фибровой арматурой, а сжимающие усилия - бетоном.
9.1 При
конструировании основных несущих элементов конструктивной системы (колонн,
стен, плит перекрытий и покрытий, фундаментных плит) следует соблюдать общие
требования по конструированию железобетонных конструкций согласно СП
52-101, а также рекомендации раздела 7 настоящего СП.
9.2 Колонны
армируют продольной, как правило, симметричной арматурой, расположенной по
контуру поперечного сечения и, в необходимых случаях, внутри поперечного
сечения, и поперечной арматурой по высоте колонны, охватывающей все продольные
стержни и расположенной по контуру и внутри поперечного сечения.
Конструкцию
поперечной арматуры в пределах поперечного сечения и максимальные расстояния
между хомутами и связями по высоте колонны следует принимать такими, чтобы
предотвратить выпучивание сжатых продольных стержней и обеспечить равномерное
восприятие поперечных сил по высоте колонны.
9.3 Стены
рекомендуется армировать, как правило, вертикальной и горизонтальной арматурой,
расположенной симметрично у боковых сторон стены, и поперечными связями,
соединяющими вертикальную и горизонтальную арматуру, расположенную у
противоположных боковых сторон стены.
Максимальное
расстояние между вертикальными и горизонтальными стержнями, а также
максимальное расстояние между поперечными связями следует принимать такими,
чтобы предотвратить выпучивание вертикальных сжатых стержней и обеспечить
равномерное восприятие усилий, действующих в стене.
9.4 На
торцевых участках стены по ее высоте следует устанавливать поперечную арматуру
в виде П-образных или замкнутых хомутов, создающих требуемую анкеровку концевых
участков горизонтальных стержней и предохраняющих от выпучивания торцевые
сжатые вертикальные стержни стен.
9.5 Сопряжения
стен в местах их пересечения следует армировать по всей высоте стен
пересекающимися П-образными или гнутыми хомутами, обеспечивающими восприятие
концентрированных горизонтальных усилий в сопряжениях стен, а также
предохраняющими вертикальные сжатые стержни в сопряжениях от выпучивания и
обеспечивающими анкеровку концевых участков горизонтальных стержней.
9.6
Армирование пилонов, занимающих по своим геометрическим характеристикам
промежуточное положение между стенами и колоннами, производят как для колонн
или как для стен в зависимости от соотношения длины и ширины поперечного
сечения пилонов.
9.7 Количество
вертикальной и горизонтальной арматуры в стене следует устанавливать в
соответствии с действующими в стене усилиями. При этом рекомендуется
предусматривать равномерное армирование по площади стены с увеличением
армирования у торцов стены и у проемов.
9.8
Армирование плоских плит следует осуществлять продольной арматурой в двух
направлениях, располагаемой у нижней и верхней граней плиты, а в необходимых
случаях (согласно расчету) и поперечной арматурой, располагаемой у колонн, стен
и по площади плиты.
9.9 На
концевых участках плоских плит следует устанавливать поперечную арматуру в виде
П-образных хомутов, расположенных по краю плиты, обеспечивающих восприятие
крутящих моментов у края плиты и необходимую анкеровку концевых участков
продольной арматуры.
9.10
Количество верхней и нижней продольной арматуры в плите перекрытий (покрытия)
следует устанавливать в соответствии с действующими усилиями. При этом
рекомендуется для нерегулярных конструктивных систем с целью упрощения
армирования устанавливать: нижнюю арматуру одинаковой по всей площади
рассматриваемой конструкции в соответствии с максимальными значениями усилий в
пролете плиты; основную верхнюю арматуру принимать такой же, как и нижнюю, а у
колонн и стен устанавливать дополнительную верхнюю арматуру, которая в сумме с
основной должна воспринимать опорные усилия в плите. Для регулярных
конструктивных систем продольную арматуру рекомендуется устанавливать по
надколонным и межколонным полосам в двух взаимно перпендикулярных направлениях
в соответствии с действующими в этих полосах усилиями.
Для сокращения
расхода арматуры можно также рекомендовать установку по всей площади плиты
нижней и верхней арматуры, отвечающей минимальному проценту армирования, а на
участках, где действующие усилия превышают усилия, воспринимаемые этой арматурой,
устанавливать дополнительную арматуру, в сумме с вышеуказанной арматурой,
воспринимающей действующие на этих участках усилия. Такой подход приводит к
более сложному армированию перекрытий, требующему более тщательного контроля
арматурных работ.
Армирование
фундаментных плит следует производить аналогичным образом.
9.11 В толстых
фундаментных плитах помимо продольной арматуры, устанавливаемой у верхней и
нижней граней плиты, следует предусматривать продольную арматуру, располагаемую
в средней зоне по толщине плиты.
Для
предотвращения продавливания плиты возле колонн и стен в плиты рекомендуется
дополнительно укладывать в качестве одного из возможных способов
сталефибробетон по СП
52-104.
9.12 Для
сталебетонных конструкций в качестве жесткой арматуры следует применять
прокатные стальные профили и другие элементы, марки стали которых принимать
согласно СниП II-23.
9.13 Для
снижения расхода стали и облегчения бетонирования в колоннах, балках и
фундаментных плитах вместо стыковки стержневой арматуры диаметром 20 мм и более
путем перепуска рекомендуется ее стыковать в торец с помощью ванной сварки или
обжимных муфт.
Приложение А
Усилия
от внешних нагрузок в сечении элемента
N, Nх, Ny -
продольная сила;
Nxy -
сдвигающая сила;
Mх, My
- изгибающий момент;
Mxy -
крутящий момент;
Qx, Qy - поперечная сила.
Характеристики
материалов
Rb - расчетное сопротивление бетона
осевому сжатию;
Rbt - расчетное сопротивление бетона
осевому растяжению;
Rs - расчетное сопротивление
арматуры.
Приложение Б
|
СНиП 2.01.07-85*
|
Нагрузки и воздействия
|
|
СНиП 2.02.01-83*
|
Основания зданий и сооружений
|
|
СНиП
2.03.11-85*
|
Защита строительных
конструкций от коррозии
|
|
СНиП
21-01-97*
|
Пожарная безопасность
зданий и сооружений
|
|
СНиП 31-01-2003
|
Здания жилые многоквартирные
|
|
СниП II-7-81*
|
Строительство в сейсмических районах
|
|
СниП II-23-81*
|
Стальные конструкции
|
|
ГОСТ
22690-88
|
Бетоны. Определение
прочности механическими методами неразрушающего контроля
|
|
СТО
36554501-005-2006
|
Применение арматуры класса
А500 СП в железобетонных конструкциях
|
|
СТО
36554501-006-2006
|
Правила по обеспечению
огнестойкости и огнесохранности железобетонных конструкций
|
|
ТУ
14-1-5500-2004
|
Прокат свариваемый
периодического профиля номинальным диаметром 5,5 мм для армирования
железобетонных конструкций
|
|
ТУ
14-1-5501-2004
|
Прокат свариваемый
периодического профиля в мотках для армирования железобетонных конструкций
|
Ключевые
слова: конструктивная система, расчет несущих конструктивных систем, расчет
несущих железобетонных конструкций, конструирование основных несущих
железобетонных конструкций
Текст соответствует официальному изданию ФГУП ЦПП