//
ТехЛит.ру
- крупнейшая бесплатная электронная интернет библиотека для "технически умных" людей.
WWW.TEHLIT.RU - ТЕХНИЧЕСКАЯ ЛИТЕРАТУРА

:: Алготрейдинг::


АЛГОТРЕЙДИНГ
шаг за шагом
с нуля по урокам!

Торговые роботы на PYTHON, BackTrader,
Pandas, Pine Script для TradingView. Связка с брокерами, телеграм и легкими приложениями.


Государственный комитет по архитектуре и градостроительству при Госстрое СССР

Центральный ордена Трудового Красного Знамени
научно-исследовательский и проектный институт типового
и экспериментального проектирования жилища
(ЦНИИЭП жилища)

РЕКОМЕНДАЦИИ
ПО РАСЧЕТУ И КОНСТРУИРОВАНИЮ СПЛОШНЫХ ПЛИТ ПЕРЕКРЫТИЙ КРУПНОПАНЕЛЬНЫХ ЗДАНИЙ

Утверждены
председателем Научно-
технического совета,
директором института
С.В. Николаевым
(протокол № 11 от 25 мая 1989 г.).

Москва
1989 г.

Содержание

ОСНОВНЫЕ БУКВЕННЫЕ ОБОЗНАЧЕНИЯ

ВВЕДЕНИЕ

1. ОБЩИЕ ПОЛОЖЕНИЯ

2. РАСЧЕТ ПРОЧНОСТИ

3. РАСЧЕТ ПЛИТ ПО ПРЕДЕЛЬНЫМ СОСТОЯНИЯМ ВТОРОЙ ГРУППЫ

4. ОСОБЕННОСТИ РАСЧЕТА ПРЕДВАРИТЕЛЬНО НАПРЯЖЕННЫХ ПЛИТ

5. РАСЧЕТ ПЛИТ НА МОНТАЖНЫЕ ВОЗДЕЙСТВИЯ

6. ОСОБЕННОСТИ КОНСТРУИРОВАНИЯ ПЛИТ

Приложение 1 ОБОСНОВАНИЯ И ПОЯСНЕНИЯ НЕКОТОРЫХ РАСЧЕТНЫХ ПОЛОЖЕНИЙ

Приложение 2 ПАРАМЕТРЫ ВИРТУАЛЬНЫХ РАБОТ МЕСТНЫХ НАГРУЗОК

Приложение 3 ОРИЕНТИРОВОЧНЫЕ ПАРАМЕТРЫ РАБОЧЕЙ АРМАТУРЫ ПЛИТ ПЕРЕКРЫТИЙ

Литература

Настоящие Рекомендации составлены в развитие СНиП 2.03.01-84 и содержат методы расчета и конструирования опертых по контуру и трем сторонам сплошных плит перекрытий крупнопанельных зданий. Расчет плит на действие эксплуатационных нагрузок производится с учетом пространственной работы. При расчете по деформациям в зданиях с платформенными стыками учитывается защемление в них перекрытий. Методика расчета иллюстрируется примерами.

Автор Рекомендаций - канд. техн. наук В.С. Зырянов.

ОСНОВНЫЕ БУКВЕННЫЕ ОБОЗНАЧЕНИЯ

Геометрические характеристики

l1 - короткий пролет плит, опертых по контуру, и пролет вдоль свободного края плит, опертых, по трем сторонам (см; м);

l2 - пролет в перпендикулярном к U направлении (см; м);

λ - отношение пролетов: λ = l2/l1;

h - толщина плиты (см);

γ - относительная гибкость; γ = l1/h

Характеристики армирования

Аs1 - суммарная площадь арматуры вдоль пролета l1 (см2);

As2 - то же, вдоль пролета l2 (см2);

as1, as2 - площади арматуры, соответствующие Аs1 и As2 на 1м сечения плиты (см2);

Аs11 - часть арматуры , пересекающая сечение плиты EF(см2);

Аs1 - то же, пересекающая остальную часть сечения 1-1 (см2);

as11, as12 - площади арматуры, соответствующие Аs11 и Аs12 , на 1 м сечения плиты (см2);

φc - коэффициент концентрации арматуры у центра плиты, опертой по контуру, или у свободного края плиты, опертой по трем сторонам; φc = as11/as12;

h01, h02 - рабочие высоты арматуры соответственно Аs1 и As2 (см);

Нагрузки

а) равномерно распределенные по площади (кПа)

q - расчетная;

qn - полная нормативная;

ql - полная длительно действующая нормативная;

qw - нормативная от собственного веса;

Ps - нормативная от веса перегородок (панельных), сантехоборудования (сантехкабин), передаваемая до защемления перекрытий стенами;

Рr - нормативная от веса перегородок (мелкоштучных) сантехоборудования ("россыпью"), конструкций пола, передаваемая после защемления перекрытий стенами;

Рn - полная временная;

Pl - длительно действующая временная;

qs, qr, qrl - сочетания нагрузок для расчетов по образованию трещин и деформациям.

б) линейные (кН/м)

 - действующие аналогично qn, ql

в) сосредоточенные (кН)

Qi, - то же.

Действующие усилия

Msp - момент в пролете от нормативной нагрузки на 1 м в сечении 1-1 в центре при опирании по контуру и у свободного края при опирании по трем сторонам;

Msup - то же в опорных сечениях;

m - отношение максимальных моментов на 1 м сечений, нормальных к пролетам l2 и l1; m = m2/m1;

αi- табличные коэффициенты для определения моментов Мi.

Внутренние усилия

 - предельный момент усилий в арматуре, пересекающей сечение EF , относительно приведенного центра тяжести сжатой зоны деформированной плиты (кНм);

 - то же, обобщенный момент усилий в арматуре, пересекающей сечения АЕ , BF , CF, DE (кНм);

 - предельный момент усилий в арматуре, пересекающей сечение 1-1, для недеформированной схемы (кНм);

 - то же, в сечении 11-11 (кНм);

Ksp - коэффициент, учитывающий повышение прочности при расчете плит, опертых по контуру, с учетом пространственной работы;

Кc - коэффициент, учитывающий эффект концентрации арматуры у свободного края плит, опертых по трем сторонам;

xi - высоты сжатых зон (см);

d - расстояние от верха недеформированной плиты до центра тяжести сжатой зоны деформированной плиты (см);

Zi - плечи внутренних сил деформированной плиты (см);

Мcrc - момент трещинообразования (кНм);

Nsi - равнодействующие усилий в арматуре i-го направления (кН).

Несущая способность (кПа)

qul - предельная нагрузка по прочности;

qul,2 - то же, при характеристиках материалов, соответствующих расчету по предельным состояниям второй группы.

Трещиностойкость (кПа)

qcrc - нагрузка в момент образования трещин;

qscrc - то же при свободном (шарнирном) опирании.

Прогибы

f - прогиб от нормативной длительной нагрузки (см);

fcrc - прогиб перед образованием трещин (см);

ful - прогиб в предельном состоянии по прочности (см);

ful,2 - то же, при характеристиках материалов для предельных состояний второй группы (см);

 - кривизна сечения АЕ ... ДЕ в предельном состоянии по прочности (1/см);

 - то же, при характеристиках материалов для предельных состояний второй группы (1/см);

Кr - коэффициент, учитывающий влияние защемления опорного контура на ful,2

Kf - коэффициент, учитывающий отличие величины ful,2 в центре плит, опертых по контуру, и в середине свободного края плит, опертых по трем сторонам, от величины ful,2 в точках пересечения линий излома;

βi - табличные коэффициенты для определения прогиба плит в упругой стадии;

d - отношение модулей упругости арматуры и бетона;

ξul - относительная высота сжатой зоны в сечениях АЕ...ДЕ в предельном состоянии по прочности;

ξul,2 - то же, при характеристиках материалов для предельных состояний второй группы;

ξсгс - относительная высота сжатой зоны после образования трещин;

η - коэффициент, учитывающий возможные отклонения в толще защитного слоя арматуры.

ВВЕДЕНИЕ

Перекрытия в крупнопанельных жилых домах в большинстве случаев выполняют из сплошных железобетонных плит размером на комнату или на половину конструктивной ячейки, опертых по контуру или трем сторонам и работающих в двух направлениях.

В ЦНИИЭП жилища разработан новый метод расчета этих плит, учитывающий их пространственную работу и позволяющий снизить расход материалов [7-10]. В отличие от существующего новый метод учитывает изменение геометрии плиты в процессе деформирования и увеличение в связи с этим плеч и моментов внутренних сил в расчетных сечениях за счет прогибов.

Учитывается также положительное влияние защемления плит в платформенных стыках, что принимается во внимание при расчетах по предельным состояниям второй группы и позволяет во многих случаях полностью использовать эффект пространственной работы при расчете прочности.

После определения моментов все остальные расчеты выполняются в полном соответствии с действующими СНиП 2.03.01-84. При использовании нового метода прочность по расчету увеличивается от 5 до 20 % в зависимости от отношения пролетов и относительной гибкости плит. Соответственно может быть снижен расход стали [1].

Разработанный метод расчета базируется на теории предельного равновесия. Его эффективность и надежность подтверждены многочисленными опытами, проведенными как в лабораторных условиях, так и на натурных образцах плит серий 75, 83, 90, 91, 93, 121, 135.

Расчет плит по новому методу был представлен в "Рекомендациях по расчету плит перекрытий крупнопанельных зданий с учетом пространственной работы" [18] и прошел широкую апробацию во многих проектных организациях страны. Настоящее издание Рекомендаций предпринято в связи с выходом СНиП 2.03.01-84 [20] и СНиП 2.01.07-85 [21] и введением в них новой системы обозначений. В новой редакции Рекомендаций наиболее важными дополнениями являются:

- более широкое варьирование отношений арматуры в двух направлениях и коэффициента концентрации арматуры;

- учет эффекта концентрации арматуры у свободного края плит, опертых по трем сторонам;

- новая методика учета неравномерных нагрузок от санитарно-технических кабин объемно-блочной конструкции (п. 2.10);

- расчет по предельным состояниям второй группы при qcrc < qs (п.п. 3.4 - 3.6);

- расчет прогибов плит, опертых по трем сторонам, с участками у свободного края, работающими по балочной схеме, и балочных плит с трещинами в растянутой зоне (п. 3.6);

- расчет на монтажные воздействия (раздел 5).

1. ОБЩИЕ ПОЛОЖЕНИЯ

1.1. Рекомендации распространяются на проектирование железобетонных перекрытий сборных крупнопанельных жилых и общественных зданий из бетона класса по прочности на сжатие В12,5 и выше.

1.2. При расчете по предельным состояниям первой группы (на прочность) моменты защемления в платформенных стыках не учитываются.

1.3. При расчете по предельным состояниям второй группы (трещиностойкость, раскрытие трещин, прогибы) защемление в платформенных стыках учитывается для всех междуэтажных перекрытий при применении раствора швов проектной марки «100» и выше.

1.4. Получаемые из расчета значения несущей способности и моментов трещинообразования делятся, а прогибов и раскрытия трещин умножаются на коэффициент надежности по назначению γn. В формулы для подбора арматуры включена величина γn = 0,95.

1.5. Временные нагрузки на плиты, а также коэффициенты надежности по нагрузкам и по назначению здания принимаются по СНиП 2.01.07-85 [21] постоянные нагрузки - по проекту.

2. РАСЧЕТ ПРОЧНОСТИ

Подбор арматуры свободно опертых плит

2.1. Свободно опертыми считаются плиты, у которых имеющиеся в их плоскости по контуру связи относительно слабые и их работой можно пренебречь (в запас прочности). К таким связям можно отнести, в частности, анкерные стержни, соединяющие соседние плиты в обычных (несейсмических) условиях, силы трения на опорах, вызываемые нагрузкой только на рассматриваемое перекрытие, например, в верхнем этаже. Опорные моменты, возникающие от защемления в платформенных стыках, при расчете прочности не учитывается. Свободное опирание по статической схеме эквивалентно опиранию на подвижные шарниры. Углы плит считаются закрепленными, что соответствует положению плит в реальных зданиях на всех этажах.

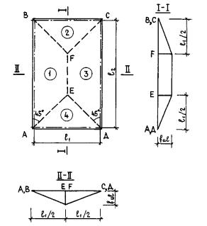
2.2. В плитах, свободно опертых по контуру (рис. 1), с отношением пролетов λ = l2/ l1 ≤ 3 при равномерно распределенной нагрузке q, необходимая площадь арматуры определяется по формулам:

где As1 и As2 - суммарные площади арматуры, пересекающей сечения 1-1 и II-II соответственно в коротком и длинном направлениях;

l1 и l2 - соответственно короткий и длинный расчетные пролеты; λ = l2/ l1;

q - расчетная нагрузка на единицу площади плиты;

Rs1 и Rs2 - расчетные сопротивления арматуры соответственно As1 и As2;

h01 и h02 - рабочие высоты арматуры As1 и As2;

m - коэффициент, определяемый по графикам на рис. 2;

Ksp - коэффициент, учитывающий влияние пространственной работы и концентрации арматуры в центре плит, определяемый по графикам на рис. 3.

При неравномерной нагрузке вместо q в формулы (2.1), (2.2) подставляется эквивалентная нагрузка qэ определяемая в соответствии с п.п. 2.9; 2.10 с учетом требований рационального армирования (см. п. 6.2).

Рис. 1. Расчетная схема прямоугольной плиты, свободно опертой по контуру:

1 ÷ 4 - диски; ful - прогиб точек Е и F в предельном состоянии;

---------------------- - линии излома

2.3. В плитах, свободно опертых по трем сторонам (рис. 4), при равномерно распределенной нагрузке а, необходимая площадь арматуры определяется по формулам:

Рис. 2. Зависимости m от λ в плитах, свободно опертых по контуру (1) и трем сторонам (2):
m1 и m2 - максимальные погонные моменты;

----- - нижние допустимые пределы

при λ ≥ 0,5

Рис. 3. Зависимость коэффициента Ksp от λ и γ в плитах, свободно опертых по контуру:

а - при равномерном армировании; б - с концентрацией арматуры As1 у центра (см. рис. 15) с коэффициентом φс = 2; φс = as11/as12.

Рис. 4. Расчетные схемы плит, опертых по трем сторонам:

а - при λ ≥ 0,5; б - при λ < 0,5; 1 - 3 - диски; ful -прогибы точек Е и F в предельном состоянии; ВС - свободный край;----------- линии излома

при λ ≤ 0,5

(2.5)

(2.6)

где As1 и As2 ~ суммарные площади арматуры, направленной соответственно параллельно и перпендикулярно к свободному краю;

l1 и l2 - расчетный пролет, соответственно параллельный и перпендикулярный свободному краю;

λ = l2/l1;

Кc - коэффициент, учитывающий эффект концентрации арматуры у свободного края:

где φс = as11/as12. Остальные обозначения в выражениях (2.3) - (2.6) те же, что и в (2.1), (2.2).

При λ ≥ 1,5 подбор арматуры полосы плиты у края ВС (см. рис. 4, а) шириной b = l2. – 1,5 l1 производится как балочной плиты пролетом l1, остальной части плиты - по формулам (2.3), (2.4) как плиты, опертой по трем сторонам. При этом арматуру суммарной площадью As1 рекомендуется располагать согласно (рис. 15, б).

2.4. При подборе арматуры плит, опертых по контуру или трем сторонам, не требуется выполнять ограничения, накладываемые п. 1.19 СНиП [20] на плиты, опертые по двум сторонам (балочные).

2.5. Арматуру плит, опертых по двум сторонам (балочных), подбирают согласно [15, 17, 20].

Проверка прочности свободно опертых плит

2.6. Прочность свободно опертых по контуру прямоугольных плит с отношением пролетов λ ≤ 3 при равномерно распределенной нагрузке q считается обеспеченной, если

где  - предельный момент усилий в арматуре, пересекающей сечение (см. рис. 1), относительно приведенного центра тяжести сжатой зоны, определенного с учетом увеличения плеч сил за счет прогиба плиты;

 - предельный обобщенный момент усилий в арматуре, пересекающей сечения АЕ, BF, CF и ДЕ;

qul - расчетная несущая способность плиты;

γn - коэффициент надежности по назначению [21].

Моменты  и  находятся по формулам:

где Rs11, As11 - соответственно расчетные сопротивления и площади сечения арматуры в направлении на участке EF;

Rs12, As12 - то же, на остальной части сечения 1-1; при этом As1 = As11 + As12

Rs2, As2 - то же  в сечении II-II;

Zi - плечи внутренних сил

z1 = h01 + fuld;

(2.11)

z12 = h01 + 0,5 fuld;

(2.12)

z2 = h02 + 0,5 fuld;

(2.13)

где ful - прогиб в предельном состоянии;

d - расстояние от верха недеформированной плиты до центра тяжести сжатой зоны деформированной плиты;

ho1 и ho2 - см. п. 2.2.

При равномерном армировании в обоих направлениях в формулы (2.9), (2.10) вместо Rs11 As11 и Rs12 As12 подставляется соответственно величины

Rs11 As11 = Rs1 As1 (1 – 1/λ); Rs12 As12 = Rs1 As1/λ.

(2.14)

Прогиб ful в предельном состоянии определяется по формуле

где

(2.16)

В формуле (2.16): α = Es1 / Eb;

(2.17)

(2.18)

αs12 - площадь арматуры на 1 м сечения 1-1, за исключением части EF; при равномерном армировании as12 = as1;

αs2 - то же, сечения II-II.

Полученная по формуле (2.15) величина ful не должна превышать предельных значений [fullim]ограничиваемых условием

где

Величины di в выражениях (2.11) - (2.13) определяются по формулам:

при λ ≤ 1,5

при λ > 1,5

(2.20)

где

x = 0,5 (3,5 - λ) A;

(2.21)

x1 = (λ – 1,5) A/B; x2 = 3 A/B;

(2.22)

A = ∑ Nsi/Rb l1; B = λ2 – 1,5 λ + 6;

Nsi = Rs1·As1 + Rs2·As2.

(2.23)

Допускается проверять прочность свободно опертых по контуру плит по формуле

(2.24)

где  и  - предельные моменты усилий в арматуре, пересекающей соответственно сечения 1-1 и II-II (см. рис. 1), рассчитываемые по формулам:

 

где x1 и x2 - высоты сжатых зон в сечениях соответственно 1-1 и II-II

(2.26)

(2.27)

(2.28)

Остальные обозначения те же, что в выражениях (2.1), (2.2).

2.7. Прочность плит, свободно опертых по трем сторонам (при l < 1 необходимо хотя бы шарнирное прижатие края АД или краев ВС и СД весом конструкций не менее одного этажа), при равномерно распределенной нагрузке q считается обеспеченной, если выполняются условия:

при λ ≥ 0,5

при λ < 0,5

где  и  - то же, что в выражении (2.24), определяемые по формулам (2.25), (2.26). Остальные обозначения те же, что в выражениях (2.3) - (2.6).

2.8. Прочность плит, опертых по двум сторонам (балочных), проверяется согласно [15, 17, 20].

Расчет прочности плит с неравномерными нагрузками

2.9. При наличии нескольких нагрузок различной интенсивности q1, q1,….qi на площади А1, А2, Аi, линейных нагрузок , , …. протяженностью , ,… и сосредоточенных нагрузок Q1, Q2,…Qi, (рисунки 5, 6) от сантехоборудования, навесных стен, перегородок в случаях, когда можно пренебречь асимметрией линий излома, т.е. для большинства перекрытий жилых и общественных зданий, нагрузки приводятся к эквивалентной равномерно распределенной

где vi; Ai - объемы и площади фигур, образующихся под соответствующими нагрузками при вертикальном перемешивании точек Е и F на безразмерную единицу (см. рисунки 5, 6; прилож. 2);

wi - ординаты точек под грузами Qi, при том же перемещении точек Е и F (см. рисунки 5, 6; прилож. 2);

v - объем тела, образующегося под всей плитой при том же перемещении точек Е и F.

Для плит, опертых по контуру,

(2.32)

для плит, опертых по трем сторонам,

при λ ≥ 0,5

(2.33)

при λ < 0,5

(2.34)

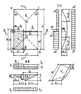
2.10. Неравномерная нагрузка от санитарно-технической кабины объемно-блочной конструкции должна передаваться в виде сосредоточенных сил в углах кабины, величины которых допускается принимать равными 1/4 веса кабины. Если кабина располагается в опертом углу плиты (см. рис. 5, т. А) и известно положение ее центра тяжести, рекомендуется передавать нагрузку от веса кабины в точках "в' " и "d' ", отстоящих от расчетных осей опирания плиты перекрытия на стены на расстоянии

где xс и yc - расстояния от расчетных осей опирания перекрытия на стены до мест передачи равнодействующих веса кабины на плиту, т.е. до точек "в" и "d" (должно приниматься по проекту и условиям монтажа ≈ 70 - 100 мм);

eс - расстояние от центра тяжести кабины до оси в - d (при расположении центра тяжести на оси в - d , a также между этой осью и опертым углом плиты "А" принимается eс = 0).

Интенсивность работы внешних сил, т.е. двух равнодействующих, приложенных в точках "в' " и "d' ", при единичных перемещениях точек Е и F составляет

(2.35)

где Qc - расчетный вес кабины.

Величину Wc подставляют в числитель выражения (2.31), суммируя ее с другими нагрузками.

2.11. У плит, опертых по трем сторонам, при нагрузках большей интенсивности у свободного края, чем на остальной части плиты (см. рис. 6), следует при λ ≥ 1 участок шириной к", на котором расположены указанные нагрузки, рассчитывать как балочную плиту пролетом l1 принимая вкl2 - 0,5 l1. Остальную часть плиты рекомендуется рассчитывать по формулам (2.3) - (2.6) на нагрузки, расположенные на этой части плиты и приведенные к равномерной (см. п.п. 2.9; 2.10); также следует рассчитывать плиты при λ < 1. Полученную при расчете арматуру суммарной площадью As1 следует устанавливать согласно рис. 15, б, в.

При сосредоточенных и линейных нагрузках у свободного края концентрацию арматуры под ними следует увеличивать в соответствии с долей производимой ими работы согласно (2.31).

Рис. 5. Схема определения эквивалентной нагрузки в плитах, опертых по контуру или трем сторонам, при расположении нагрузки большей интенсивности на половине плиты, удаленной от свободного края ВС:

qi - равномерно распределенные по площади нагрузки;  - линейные нагрузки; Qi - сосредоточенные нагрузки; Vi, Аi wi - объемы, площади и перемещения соответственно под нагрузками qi, , Qi

Рис. 6. Схемы определения эквивалентных нагрузок в плитах, опертых по трем сторонам, при расположении нагрузок большей интенсивности вблизи свободного края ВС или перпендикулярно ему:

а - при опирании по одной короткой и двум длинным сторонам; б - то же, по одной длинной и двум коротким сторонам

3. РАСЧЕТ ПЛИТ ПО ПРЕДЕЛЬНЫМ СОСТОЯНИЯМ ВТОРОЙ ГРУППЫ

Сочетания нагрузок

3.1. Расчет по предельным состояниям второй группы (прогибы и раскрытие трещин) выполняется с учетом только длительно действующих нагрузок; при этом наличие или отсутствие трещин определяется с учетом всей нормативной нагрузки.

При платформенных стыках перекрытий со стенами междуэтажные перекрытия рассчитываются с учетом защемления их опорных концов. Отсюда принимаются следующие сочетания нормативных нагрузок:

для оценки трещинообразования

qs = qw + Ps

(3.1)

или

qs = qw;

(3.1, a)

qr = Pr + Pn;

(3.2)

для расчета прогибов и раскрытия трещин

qs - по формулам (3.1), (3.1,а);

qrl = Pr + Pl,

(3.3)

где qw - нагрузка от собственного веса плиты;

Ps - нагрузка от панельных перегородок, санитарно-технических кабин и т.п., передаваемая до защемления перекрытий стенами;

Pr - нагрузка от мелкоштучных перегородок, санузлов "россыпью", конструкций пола и т.п., передаваемая после защемления перекрытий стенами;

Рn - полная временная нагрузка;

Pl - длительно действующая часть временной нагрузки, равная для жилых помещений 0,3 кПа, для других помещений принимается по СНиП 2.01.07-85 [21].

Формула (3.1, а) принимается, когда нагрузки от перегородок, сантехоборудования и т.п. передаются после защемления перекрытий в платформенных стыках.

Оценка трещинообразования чердачных перекрытий, а также свободно опертых междуэтажных перекрытий (без платформенных стыков) производится по полной нормативной нагрузке qn = qs + qr проверка прогибов и раскрытия трещин – по нагрузке ql = qs + qrl.

Проверка по образованию трещин

3.2. Перед расчетом прогибов необходимо произвести проверку перекрытия по образованию трещин. При отсутствии трещин прогибы рассчитываются по п. 3.3, а при их наличии - по п. 3.4.

Наличие или отсутствие трещин определяется из условия

MiMcrc,in,

(3.4)

где Mi, - действующий момент от нормативной нагрузки в i-ом сечении;

Мсгс,i - момент трещинообразования (внутренних сил) с io сечения.

Величины действующих моментов Мi находятся по формулам строительной механики в зависимости от вида опирания и соотношения пролетов исходя из упругой работы перекрытия. Для плит, опертых по контуру и трем сторонам с защемлением на опорах, . максимальные изгибающие моменты перед образованием трещин вычисляются по формулам:

в середине пролета

Msp = (α1·qs + α2·qrb·l21;

 

(3.5)

у опор

Msup = Ksup·α3·qr·b·l21

 

(3.6)

где a1, a2, a3 - коэффициенты (рисунки 7 и 8);

qs и qr- находятся по формулам (3.1) и (3.2);

b = 1 м (1 см);

Кsup =1,1 - коэффициент, учитывающий перераспределение усилий с пролета на опоры при длительном действии нагрузки.

Для плит, свободно опертых по контуру, а также по трем сторонам при λ ≥ 1 или при λ < 1, но с закрепленными углами А и Д (прижатыми или защемленными краями АД или АВ и СД) максимальные действующие пролетные моменты следует определять по формуле (3.5), принимая qr = 0 и заменяя qs полной нормативной нагрузкой qn. При незакрепленных углах величины моментов умножаются на коэффициент К0 - 1,05. В плитах, свободно опертых по трем сторонам при λ < 1 с незакрепленными углами, моменты следует определять как для балочных плит пролетом l1.

Рис. 7. Коэффициенты ai, для расчета прямоугольных плит, опертых по контуру, при свободном опирании (a1) и защемлении a2, a3

Рис. 8. Коэффициенты ai для расчета прямоугольных плит, опертых по трем сторонам при свободном опирании с (a1) и защемлении a2, a3. При λ > 2 значения ai ; принимаются как при λ = 2

Для плит, опертых по трем сторонам при λ > 1,5, участков плит, рассчитываемых по балочной схеме при λ ≤ 1,5 (см. п.п. 2.3; 2.11), а также балочных плит, кроме проверки наличия трещин в середине пролета и у опор (при образовании трещин в одном из этих сечений), требуется проверка наличия трещин в 1/3, а при необходимости и в 1/6 пролета. В этом случае действующие моменты определяются по формулам:

(3.7)

(3.8)

Величина Мcrc в выражении (3.4) определяется по формуле (125) [20], в которой при отсутствии напрягаемой арматуры Мrр = 0, а величина Wpl определяется по формуле (24) [20] или по формуле (243) [15] .

Трещиностойкость балочных плит проверяется в соответствии с общими нормативными документами [15, 17, 20] с учетом защемления в платформенных стыках.

Расчет прогибов при отсутствии трещин

3.3. При отсутствии трещин по всему пролету прогиб сплошных плит, опертых по контуру или трем сторонам и защемленных на опорах в платформенных стыках, определяется по формуле

где φв2 - коэффициент, учитывающий влияние длительной ползучести бетона, определяемый по табл. 34 [20]

φb1 - коэффициент, учитывающий влияние кратковременной ползучести бетона, определяемый по п. 4.24 [20];

Ев - начальный модуль упругости бетона;

β1; β2 - коэффициенты (рисунки 9 и 10).

Рис. 9. Коэффициенты βi для расчета прямоугольных плит, опертых по контуру, при свободном опирании β1 и защемлении β2

Рис. 10. Коэффициенты βi, для расчета прямоугольных плит, опертых по трем сторонам, при свободном опирании β1 и защемлении  β2 λ > 2 значения βi принимаются как при λ = 2

Для плит, свободно опертых по контуру и трем сторонам при λ ≥ 1 или λ < 1 с закрепленными углами А и Д (прижатыми шарнирно или защемленными краями АД или АВ и СД) прогиб следует определять по формуле (3.9), принимая qrl = 0 и заменяя qs величиной ql. При незакрепленных углах величины прогибов следует умножать на коэффициент К0 = 1,05. При λ < 1 прогиб свободно опертых по трем сторонам плит с незакрепленными углами следует определять как балочных плит пролетом l1.

Прогиб балочных плит следует определять согласно  общим

нормативным документам [15, 17, 20] с учетом защемления в платформенных стыках.

Расчет прогибов при наличии трещин

3.4. Прогиб плит, опертых по контуру, а также по трем сторонам при λ1,5 (при λ < 1 с закрепленными углами А и Д), в случае образования трещин в пролете определяется по формулам:

при qcrc > ql

при qcrcqc

(3.11)

при qcrcqs

где

φв2- см. формулу (3.9);

fсгс и qcrc - прогиб и нагрузка при образовании трещин в пролете (fscrc и qscrc) - при свободном опирании);

ful,2 и qul,2 прогиб и нагрузка в условном предельном состоянии по прочности при характеристиках материалов для предельных состояний второй группы (fsul,2 и qsul,2 при свободном опирании).

Прогиб fcrc следует вычислять по формуле (3.9), подставляя для защемленных плит вместо qrl разность qcrc qs, а для свободно опертых плит принимая qrl = 0 и qs = qcrc и умножая величину прогиба на К0 = 1,05. В обоих случаях при определении fсгс принимается φв2 = 1.

Величина qcrc (qscrc) определяется по формулам: для свободно опертых плит

для плит, защемленных на опорах

Прогиб ful,2 - защемленных на опорах плит определяется по формуле

(3.16)

где Кr - коэффициент, учитывающий влияние защемления опорного контура

 - кривизна в условном предельном состоянии, соответствующем расчетным сопротивлениям материалов для предельных состояний второй группы; определяется по формуле (3.23);

Кf - коэффициент, учитывающий увеличение предельного прогиба в центре прямоугольных плит, опертых по контуру, и увеличение или уменьшение прогиба у середины свободного края плит, опертых по трем сторонам, по сравнению с прогибами в точках пересечения линий излома; определяется по формулам (3.28), (3.29).

Предельная нагрузка qul,2 , входящая в выражения (3.10) - (3.18) и (3.17), находится по формуле

(3.18)

где

(3.19)

qul - находится из расчета прочности,

qrul - определяется по формулам: для плит, опертых по контуру,

(3.20)

для плит, опертых по трем сторонам,

(3.21)

(3.22)

Msup - по формуле (3.6);

m - по графикам на рис. 2 (сплошные линии).

Величина кривизны 1 / rub,2 определяется по формуле

(3.23)

где

(3.24)

(3.25)

α = Es1/Eb

(3.26)

(3.27)

В формуле (3.27) h01 – в см; величина η принимается не более 1,2.

Коэффициент Кf. находится по формулам:

для плит, опертых по контуру,

Kf = 1 + 0,2 (λ – 1),

(3.28)

для плит, опертых по трем сторонам,

Прогиб защемленных в платформенных стыках плит, опертых по трем сторонам при λ > 1,5, участков плит, рассчитываемых по балочной схеме при λ ≤ 1,5 (см. п.п. 2.3; 2.11), а также балочных плит с трещинами в растянутой зоне наиболее напряженных сечений следует рассчитывать с учетом переменного по длине пролета сечения по формуле

где  - величины кривизны в сечениях соответственно у опор, на расстоянии 1/6 и 1/3 пролета от опор и в середине пролета.

Все значения кривизны принимаются по их абсолютной величине без учета знаков и определяются по формулам [15, 17, 20] от длительно действующей нормативной нагрузки. Моменты в соответствующих сечениях следует вычислять по формулам (3.5) (3.8), подставляя вместо qr. величину qrl и принимая Кsup = 1.

При свободном опирании (без защемления в платформенных стыках) в выражении (3.30) следует принимать , а при вычислении моментов в формулы (3.5) - (3.8) вместо qs, подставлять qr и qr = 0.

Проверка раскрытия трещин

3.5. Раскрытие трещин требуется проверять в случаях, когда не выполняется условие (3.4) и, следовательно, трещины образуются. В плитах перекрытий жилых и общественных зданий необходимо учитывать длительное раскрытие трещин от действия постоянных и длительных нагрузок (см. п. 3.1). Раскрытие трещин следует проверять в центре плит, опертых по контуру, и у свободного края плит, опертых по трем сторонам.

3.6. Для оценки ширины раскрытия трещин в плитах, опертых по контуру и трем сторонам, рекомендуется напряжения в арматуре наиболее напряженных сечений плиты определять от длительно действующей нагрузки по формулам:

при qcrc > ql

при qcrcql

(3.32)

при qcrc < qs

где

(3.34)

(3.35)

qi - нагрузки, используемые при проверке прогибов (см. п. 3.4);

Мcrc - момент трещинообразования, определяемый согласно п. 3.2;

ξcrc - относительная высота сжатой зоны после образования трещин

ξcrc = 0,5 (ξul,2 + 0,4);

(3.36)

ξul,2 - относительная высота сжатой зоны, определяемая по формуле (3.25) с учетом того, что коэффициент армирования μ для сечений АЕ … ДЕ находится по формуле (3.24), а для сечений, пересекаемых только арматурой в направлении l1 , по формуле

(3.37)

asэ - эквивалентная площадь арматуры на 1 м для сечений АЕ … ДЕ

(3.38)

для сечений, пересекаемых арматурой направления l1,

asэ = as1 (или as11),

h - приведенная рабочая высота сечения

Эквивалентная величина диаметра арматуры определяется по формуле

(3.40)

После определения всех параметров по формулам (3.36) - (3.40) и напряжения в арматуре σs по формулам (3.31) - (3.34) величина раскрытия трещин проверяется по формуле (144) [20] или по формуле (249) [15].

Расчет прогибов и раскрытия трещин при неравномерных нагрузках

3.8. При наличии нескольких разнотипных нагрузок, аналогичных перечисленным в п.п. 2.9; 2.10, проверка прогибов и раскрытия трещин производится по общим формулам п.п. 3.1 - 3.7 с приведением разнотипных нагрузок к эквивалентным, равномерно распределенным или гидростатическим. При этом для плит, опертых по контуру, сосредоточенные нагрузки приводятся к равномерно распределенной по формуле

(3.36)

где βxi, βyi - коэффициенты, определяемые по графикам на рис. 11;

Qi - сосредоточенные нагрузки.

Равномерно распределенные и линейные нагрузки местного характера сначала приводятся соответственно к четырем и двум сосредоточенным нагрузкам, а затем также к эквивалентным равномерно распределенным по формуле (3.36).

Для плит, опертых по трем сторонам, при расположении сосредоточенных, линейных и местных равномерно распределенных нагрузок преимущественно на половине, противоположной свободному краю, все нагрузки следует заменять эквивалентной равномерно распределенной по всей плите, определяемой по формуле

(3.37)

где q1 - минимальная из равномерно распределенных нагрузок у свободного края (рис. 12);

βh; β1 - коэффициенты, определяемые по рисункам 13 и 10;

qh - максимальная интенсивность эквивалентной гидростатической нагрузки у края АД (см. рис. 12)

(3.38)

где Pi, , qi - сосредоточенные, линейные и местные равномерно распределенные нагрузки;

Li, - протяженность i-й линейной нагрузки;

Ai - площадь под i -й равномерно распределенной нагрузкой.

Рис. 11. Коэффициенты приведения сосредоточенных нагрузок к равномерно распределенным, эквивалентным по прогибу, для расчета плит, опертых по контуру

Рис. 12. Схема приведения сосредоточенных и местных равномерно распределенных нагрузок к эквивалентным по прогибам гидростатической и равномерно распределенной

Рис. 13. Коэффициент βh для расчета плит, свободно опертых по трем сторонам и не опертых по четвертой стороне (ВС), при гидростатической нагрузке

3.9. У плит, опертых по трем сторонам, при нагрузках у свободного края большей интенсивности, чем на остальной части плиты (см. рис. 6), расчет производится в следующем порядке: 1) при λ > 1,5 трещиностойкость и прогибы проверяются как для плиты, опертой по двум сторонам (балочной), пролетом l1 и шириной b = l2 - 1,5 l1 , на нагрузки, расположенные на участке b и приведенные к равномерно распределенной нагрузке также по балочной схеме, с учетом (при наличии) защемления в платформенных стыках; 2) при λ ≤ 1,5 сначала определяются изгибающие моменты у свободного края от равномерно распределенной нагрузки q1, расположенной по всей площади плиты (см. п. 3.2), затем все остальные нагрузки приводятся к линейной, расположенной у свободного края

(3.39)

С учетом этой нагрузки и коэффициентов, данных в табл. 47 [22] определяются изгибающие моменты у свободного края плиты. Моменты от нагрузок q1 и  суммируются.

По суммарному моменту оценивается трещиностойкость (см. п. 3.2). Для проверки прогиба и раскрытия трещин находятся эквивалентные равномерно распределенные нагрузки, равные

(3.40)

где α1(2) - коэффициенты, принимаемые по графикам на рис. 8;

М1(2) - суммарные моменты у свободного края плиты на ширину b - 1 м (см); индексы 1 и 2 соответствуют схемам работы до и после защемления концов плиты в платформенных стыках. Прогиб определяется по формулам и графикам п.п. 3.3; 3.4, ширина раскрытия трещин - п. 3.5.

4. ОСОБЕННОСТИ РАСЧЕТА ПРЕДВАРИТЕЛЬНО НАПРЯЖЕННЫХ ПЛИТ

4.1. Расчетные сопротивления напрягаемой арматуры умножаются на коэффициент γs6 определяемый по формулам [20]. При подборе сечений в формуле (27) [20] принимается ξR ≈ 0,5. При наличии в одном направлении напрягаемой и ненапрягаемой арматуры при подборе сечений вместо Rsp,i и Rsi используются эквивалентные сопротивления арматуры Rsэi, определяемые по формуле

(4.1)

где  - отношение площадей напрягаемой и ненапрягаемой арматуры в i -м сечении, задаваемое с учетом требований рационального армирования.

4.2. В плитах, свободно опертых по контуру (см. п.п. 2.1, 2.2) с предварительным напряжением арматуры в обоих направлениях, необходимая площадь арматуры Aspi или Аsэi определяется по формулам (2.1) и (2.2) с заменой Rsi на Rspi или R.sэi. При этом коэффициент Ksp принимается равным 1.

4.3. Проверка прочности опертых по контуру предварительно напряженных в двух направлениях плит производится по формуле (2.8), в которой моменты  и  заменяются на  и , определяемые по формулам (2.25), (2.26), при Ksp = 1.

4.4. В плитах, опертых по трем сторонам, с напрягаемой арматурой только в направлении l1 , параллельном свободному краю, необходимая площадь арматуры определяется по формулам (2.3) - (2.6), в которых их правая часть умножается на коэффициент К0, учитывающий отклонение диагональных линий излома от 45° и определяемый по формуле

4.5. Проверка прочности опертых по трем сторонам плит с напрягаемой арматурой в одном направлении l1 производится по формулам (2.29), (2.30), в которых их правые части умножаются на коэффициент К0, определяемый по формуле (4.2). Моменты  и , определяются по формулам (2.25), (2.26), в которые вместо Rs1 и Аs1 подставляются соответственно Rsэ1 и Аsэ1.

4.6. Проверка предварительно напряженных плит по образованию трещин производится по формуле (3.4) с учетом (3.5) и (3.6). При этом величина Мcrc определяется по формуле (125) [20] или по формуле (164) [17].

4.7. В случае, когда трещины в плитах в стадии эксплуатации не образуются, прогибы определяются по формуле

fsp = (f - fb) γn,

(4.3)

где f - прогиб, определяемый по формуле (3.9) при γn = 1;

fb - выгиб, определяемый по формуле

где   - кривизна, определяемая по формуле (157) [20];

 - то же, по формуле (158);

Кs, и Kl - коэффициенты, равные

В выражении (4.4) индексы 1 и 2 соответствуют сечениям, нормальным к пролетам l1 и l2. При натяжении арматуры только в одном направлении члены формулы с индексом другого направления принимаются равными нулю.

5. РАСЧЕТ ПЛИТ НА МОНТАЖНЫЕ ВОЗДЕЙСТВИЯ

5.1. Для монтажа плит перекрытий рекомендуется предусматривать статически определимые схемы подъема. Распределение усилий от собственного веса плиты в точках подвески ее к монтажной траверсе задается конструкцией траверсы, выполняемой в виде рычажного механизма или системы вращающихся блоков. Применение статически неопределимых систем подъема (траверсы с постоянным закреплением четырех стропов на кольце) допускается только для плит шириной до 2 м, опираемых по коротким сторонам. В этом случае плита рассчитывается как подвешенная на двух петлях, расположенных по диагонали.

5.2. При проектировании системы подъема и размещения монтажных петель или отверстий следует стремиться к тому, чтобы изгибающие моменты от монтажных воздействий не превосходили моментов от полной нормативной нагрузки. Если это условие не выполняется, при расчете деформаций плиты в эксплуатационной стадии следует учитывать снижение ее жесткости в результате кратковременного действия монтажных нагрузок в тех случаях, когда они вызывают образование трещин.

Изгибающие моменты от монтажных воздействий не должны превосходить моменты трещинообразования при расчетных характеристиках бетона, соответствующих его отпускной прочности. Если это условие для каких-либо сечений не выполняется, их следует проверить по ширине раскрытия трещин, которая не должна превышать 0,2 мм.

5.3. При расчете плит на монтажные воздействия их собственный вес, определяемый с учетом производственной влажности, принимается с коэффициентом динамичности ξ = 1,4. Все расчетные характеристики бетона уменьшаются пропорционально отношению отпускной прочности к проектной. С учетом кратковременности динамических перегрузок эти характеристики следует умножать на коэффициент условий работы γb2 = 1,1.

5.4. На монтажные воздействия проверяются сечения, параллельные сторонам прямоугольных плит, проходящие через оси подъемных петель или монтажных отверстий, а также те, в которых значения поперечной силы равны нулю, а изгибающие моменты максимальны (в середине между рядами петель или отверстий - при двух рядах, на расстояниях 1/3 от краев плиты - при трех рядах петель или отверстий). Изгибающие моменты в указанных сечениях определяются по формулам строительной механики и умножаются на коэффициент неравномерности распределения напряжений по ширине сечения γ0. Величина этого коэффициента принимается: при проверке прочности, обеспечиваемой бетоном растянутой зоны, γ10 = 1,4 для сечений по осям петель или отверстий и γ0 = 1,2 для сечений, в которых поперечная сила равна нулю; при расчете необходимого армирования соответственно γ10 = 1,2 и γ0 = 1.

5.5. Плиты, поднимаемые за шесть точек с помощью балансирующей траверсы или стропов, рассчитываются в предположении неодинакового наклона стропов и неравенства вследствие этого вертикальных составляющих усилий, приложенных к монтажным петлям или отверстиям. В этом случае вертикальные составляющие усилий, приложенных к средней паре петель или отверстий, принимаются с коэффициентом 1,2, а к крайним парам - с коэффициентом 0,9 к усредненной величине всех этих составляющих.

С учетом изложенного изгибающие моменты в сечениях прямоугольных плит (рис. 14) равны:

в сечении l'- l'

(5.1)

Рис. 14. Схема расположения петель (отверстий) при монтаже плит за шесть точек

в сечении 1-1

;

(5.2)

в сечении 2'-2'

(5.3)

в сечении 2-2

(5.4)

в сечении 2"-2"

(5.5)

где  и γ0 - коэффициенты, принимаемые согласно п. 5.4;

G0 - монтажный вес плиты, умноженный на коэффициент ξ = 1,4.

Остальные обозначения - см. рис. 14,

Найденные по формулам (5.1) - (5.5) моменты не должны превышать моментов трещинообразования соответствующих сечений, определяемых по формулам [20], в которых Rbt, заменена на R0bt, т.е. учтена отпускная прочность бетона, или предельных моментов внутренних сил этих сечений как железобетонных, рассчитываемых также по формулам [20]. При определении моментов трещинообразования и предельных моментов внутренних сил должно учитываться наличие отверстий, вырезов и др.

Рис. 15. Принципиальные схемы рационального расположения арматуры в направлении l1 в прямоугольных плитах:

а - опертых по контуру; б, в - опертых по трем сторонам (ВС - свободный край)

5.6. При расчете на монтажные воздействия плит, поднимаемых за четыре петли небалансирующей траверсой, проверяется необходимость постановки и сечение верхней арматуры в более коротком направлении. Такая арматура не требуется, если

(5.6)

где L, b, h - длина, ширина и толщина плиты.

При несоблюдении (5.6) верхняя поперечная арматура, распределенная по длине элемента, подбирается из условия восприятия изгибающего момента

M = 0,15 G0b.

(5.7)

6. ОСОБЕННОСТИ КОНСТРУИРОВАНИЯ ПЛИТ

6.1. В настоящем разделе рассматриваются особенности конструирования плит, в основном связанные с расчетом рабочей арматуры. По всем другим аспектам конструирования надлежит руководствоваться требованиями [15, 17, 20].

6.2. В плитах перекрытий, опертых по контуру и трем сторонам, с целью экономии стали следует устанавливать арматуру Аs1 в направлении l1 c концентрацией в следующих местах: при опирании по контуру - в центре (рис. 15, а), при опирании по трем сторонам - у свободного края ВС (рис. 15, б, в). При этом сечение арматуры в местах концентрации acs1 увеличивается в φc раз по сравнению с ее сечением в местах разрежения ars1.

При ширине полос концентрации, равной lc = ξcl2, площади арматуры определяются по формулам:

(6.1)

ars1 = acs1/φc,

(6.2)

где  - усредненная площадь арматуры Аs1 на 1 м сечений, нормальных к пролету l1.

Ширина полос концентрации назначается по условию оптимальной технологии изготовления арматурных сеток: а) в виде одной сетки с переменным шагом стержней в зонах концентрации и разрежения; б) в виде дополнительных узких сеток или отдельных стержней, накладываемых на основную сетку.

Если по расчету на действие нормативных нагрузок трещины в плитах не образуются, что имеет место, например, в большинстве плит, опираемых по контуру в зданиях с малым шагом несущих стен, допускается устанавливать рабочую арматуру в обоих направлениях в пролете с шагом до 400 мм, а упор - до 500 мм, в остальных случаях - согласно [15, 17, 20].

6.3. В плитах, нагруженных равномерными, линейными или сосредоточенными нагрузками различной интенсивности, рассчитываемых по п.п. 2.9 - 2.11, кроме выполнения требований п. 6.2, рекомендуется арматуру As1 концентрировать в местах приложения нагрузок большей интенсивности. Если эти нагрузки расположены вблизи коротких краев плит, опертых по контуру, или у края, противоположного свободному, плит, опертых по трем сторонам, концентрация арматуры под ними необязательна.

6.4. При подборе арматуры необходимо обеспечивать такие условия, чтобы по сечениям излома плит армирование было не меньше минимального, требуемого [20]. Эквивалентный процент армирования определяется по формулам:

плит, опертых по контуру,

плит, опертых по трем сторонам, при λ ≤ 1,5

(6.4)

где as1 и as2 - усредненные площади арматуры Аs1 и Аs2 на 1 м сечений 1-1 и II-II (см. рис. 1 и 4);

hоэ - усредненная рабочая высота hоэ = 0,5 (hо1 + hо2).

Эквивалентный процент армирования плит, опертых по трем сторонам при λ > 1,5, и балочных плит определяется по формуле

(6.5)

При расчете плит на действие монтажных усилий выполнения требований СНиП по минимальному армированию не требуется.

6.5. В плитах перекрытий, опертых по контуру или по трем сторонам, рекомендуется 50 % арматуры короткого направления не доводить до опор на расстояние a = 0,14 l - 20 d . где l - короткий пролет, d - диаметр арматуры. В балочных плитах эта рекомендация распространяется на рабочую арматуру.

При применении арматуры периодического профиля, заводимой за грань опоры, при выполнении требований п. 5.15 [20] разрешается крайние (ближние к опоре) стержни перпендикулярного направления отодвигать от опор на расстояние, равное до полушага арматуры, заводимой на опору.

6.6. В плитах с отверстиями или вырезами для пропуска санитарно-технических коммуникаций пересекающая их арматура сеток обычно перерезается. Для ее компенсации следует устанавливать по контуру отверстий или вырезов укороченные стержни или плоские каркасы сечением, эквивалентным по прочности вырезанной арматуре.

Стержни должны заводиться за грань отверстия или выреза на расстояние, равное 50 диаметрам, а при расположении отверстия вблизи опоры - до края сетки над опорой. При несимметричном относительно центра плиты положении отверстия или выреза большую часть компенсирующих стержней следует располагать: у плит, опертых по контуру, ближе к центру, у плит, опертых по трем сторонам; ближе к свободному краю плиты (рис. 16).

6.7. При необходимости замены проектной арматуры арматурой другого диаметра или класса не требуется сохранять заданные проектом шаги стержней, необходимо лишь выполнять требования нормативных документов в части расстояния между стержнями (см. п. 6.4) и достаточности прочности заменяемой арматуры. При этом величина расчетного усилия в заменяющей (n) арматуре на 1 м сечения плиты должна быть не менее, чем в заменяемой (b), т.е.

(6.6)

Рис. 16. Схема расположения компенсирующих

стержней по периметру вырезов (отверстий)

7. ПРИМЕРЫ РАСЧЕТА

ПРИМЕР 1. Определить расчетное армирование, проверить прогиб и при необходимости раскрытие трещин опертой по контуру плиты для конструктивной ячейки 3,6 × 6 м, толщиной 12 см, защемленной на опорах стенами в платформенных стыках. Нагрузки равномерно распределены по площади.

1) Исходные данные. Плита кассетного производства. Бетон тяжелый класса В15 с расчетными характеристиками (МПа): Rb = 6,5 (при γb2 = 0,9; γb3 = 0,85; Rbt,ser = 1,15; Eb = 20900. Арматура вдоль пролета l1 из стали класса А-III диаметром 6 - 8 мм, вдоль пролета l2 из проволоки класса Вр-1 диаметром 5 мм; расчетные характеристики арматуры (МПа): Rs1 = 355; Rs2 = 360; защитный слой бетона до нижнего ряда арматуры в свету 1,5 см; армирование в направлении l1 неравномерное (см. рис. 15, а) с коэффициентом концентрации φс = 2; армирование в направлении l2 равномерное. Нормативные нагрузки (кПа): от собственного веса qw = 3, нагрузка от конструкций пола, прикладываемая после защемления стенами, Pr = 0,8, временная Рn = 1,5, в том числе длительно действующая Pl = 0,3.

2) Сочетания нагрузок (кПа): расчетная q = qw 1,1 + Pr 1,2 + Pn 1,3 = 3·1,1 + 0,8·1,2 + 1,5·1,3 = 6,21; для проверки трещинообразования qs = qw = 3; qr = Pr + Pn = 0,8 + 1,5 = 2,3; для проверки прогибов и раскрытия трещин qrl = Pr + Pl = 0,8 + 0,3 = 1,1; qn = qs + qr = 3 + 2,3 = 5,3; ql = qs + qrl = 3 + 1,1 + 4,1.

3) Подбор рабочей арматуры по условию прочности. Плита рассматривается как свободно опертая с закрепленными от подъема углами. Расчетные пролеты (см): l1 = 352; l2 = 592; рабочие высоты (см): h01 = 10,1; h02 = 9,5; λ = l2/l1 = 592/352 = 1,68; γ = l1/h = 352/12 = 29,4; коэффициент m = 0,43 (см. рис. 2); коэффициент Ksp = 0,86 (см. рис. 3, б).

По формулам (2.1), (2.2):

По формулам (6.1), (6.2):

4) Проверка выполнения п. 5.16 [20] на минимальное армирование. Эквивалентный процент армирования по формуле (6.3)

требование [20] выполнено.

5) Проверка прогиба. Для проверки трещинообразования находим по графику на рис. 7:

a1 = 0,0865; a2 = 0,0385; a3 = 0,0785.

По формулам (3.5), (3.6):

Msp = (a1qs + a2qr)bl21 = (0,0865·3 + 0,0385·2,3) 1·3,522 = 4,33 кНм;

Msup = Ksup a3 qrbl21 = 1,1 0,0785·2,3·1·3,522 = 2,46 кНм.

По формулам (24) и (125) [20]:

Так как Msp < Mcrc и Msup < Mcrc, трещины в пролете и у опор не образуются. В связи с этим расчет по раскрытию трещин не требуется.

Для проверки прогиба находим по графику на рис. 9:

β1 = 0,0995; β2 = 0,0275; по формуле (3.9):

Таким образом, жесткость обеспечена.

ПРИМЕР 2. Определить расчетное армирование опертой по контуру плиты для конструктивной ячейки 3,6 × 5,7 м, толщиной 16 см, защемленной на опорах в платформенных стыках. Нагрузки равномерно распределены по площади.

1. Исходные данные. Плита изготовлена в горизонтальном положении. Бетон тяжелый класса В12,5 с расчетными характеристиками (МПа): Rb = 6,75 (при γb2 = 0,9); Rbt, ser = 1; Еb = 19000. Характеристики арматуры - см. пример 1, армирование равномерное. Нормативные нагрузки (кПа): от собственного веса qw = 3; от конструкций пола Рr - 0,2; временная Pn = 1,5, в том числе Pl = 0,3.

2) Сочетание нагрузок (кПа): Расчетная q = qw·1,1 + Pr·1,2 + Pn·1,3 = 3·1,1 + 0,2·1,2 + 1,5·1,3 = 6,6.

3) Подбор арматуры по условию прочности. Расчетные пролеты (см): l1 = 851; l2 = 561; рабочие высоты (см): h01 = 14,1; h02 = 13,6; λ = l2/l1 = 561/351 = 1,6; γ = l1/h = 351/16 = 22; по рис. 2 коэффициент m = 0,48; по рис. 3, а коэффициент Ksp = 0,95. По формулам (2.1), (2.2):

4) Проверка на минимальное армирование. Эквивалентный процент армирования по формуле (6.3):

требование п. 5.16 [20] соблюдено.

5) Проверка прогиба - производится по аналогии с примером 1.

ПРИМЕР 3. По данным примера 2 определить расчетное армирование плиты, несущей дополнительную нагрузку от санитарно-технической кабины объемно-блочной конструкции нормативным весом Qnc = 27,6 кН, расчетным весом Qc = Qnc·1,1 = 27,6·1,1 = 30,4 кН. Размеры кабины в плане а·в = 1,68·2,81 м; кабина расположена в опертом углу плиты А (см. рис. 5), координаты xc = yc = 10 см. Центр тяжести кабины находится на диагонали b d, т.е. еc = 0. По формулам п.п. 2.9; 2.10 находим:

По формулам (2.1), (2.2):

ПРИМЕР 4. Проверить прочность, прогиб и при необходимости раскрытие трещин опертой по контуру плиты для конструктивной ячейки 3,2 × 5,7 м, толщиной 10 см, защемленной на опорах в платформенных стыках. Нагрузки равномерно распределены по площади.

1). Исходные данные. Плита кассетного производства. Бетон тяжелый класса В15, расчетные характеристики - см. пример 1. Арматура вдоль пролета l1 из стали класса А-Ш диаметром d1 = 6 мм, вдоль пролета l2 из проволоки класса Вр-1 диаметром d2 = 4 мм, расчетные характеристики (МПа): Rs1 =355, Rs2 = 365, Es1 = 2·105; защитный слой бетона до нижнего слоя арматуры 1 см; рабочие высоты: h01 = 8,6 см, h02 = 8,1 см; армирование равномерное с шагами стержней в обоих направлениях по 250 мм. Нормативные нагрузки (кПа): от собственного веса qw = 2,5; от конструкций пола, прикладываемая после защемления перекрытий стенами, Pr = 0,4; временная Pn = 15, в том числе длительная Pl = 0,3.

2) Сочетания нагрузок (кПа): расчетная q = qw·1,1 + Pr·1,2 + Pn·1,3 = 2,5·1,1 + 0,4·1,2 + 1,5·1,3 = 5,2; для проверки трещинообразования qs = qw = 2,5; qr = Pr + Pn = 0,4 + 1,5 = 1,9; для проверки прогиба и раскрытия трещин qs = 2,5; qrl = Pr + Pl = 0,4 + 0,3 = 0,7.

3) Проверка прочности. Расчетные пролеты (см): l1 = 312; l2 = 562; as1 = 4 Ø 6 = 1,13 см2; as2 = 4 Ø 4= 0,5 см2; As1 = as1·l2 = 1,13·5,62 = 6,35 см2; As2 = as2·l1 = 0,5·3,52 = 1,76 см2;

По формулам (2.15) - (2.18):

Условие ограничения ful соблюдено. По формулам (2.19) - (2.23):

x1 = (λ – 1,5) A/B=(1,8 – 1,5)·1,43/6,54 = 0,066 см;

x2 = 6A/B = 6·1,43/6,54 = 1,31 см;

По формулам (2.11) - (2.13): z1 = h01 + ful d = 8,6 + 6,12 – 3 = 11,72 см; z12 = h01 + 0,5 ful - d = 8,6 + 0,5·6,12 - 3 = 8,66 см; z2 = h02 + 0,5 ful d = 8,1 + 0,5·6,12 – 3 = 8,16 см; по формулам (2.8) - (2.10) с учетом (2.14):

прочность обеспечена.

4) Проверка прогиба. Для проверки трещинообразования - по графику на рис. 7: a1 = 0,092; a2 = 0,04; a3 = 0,081;

по формулам (3.5), (3.6):

Msp = (a1 qs + a2 qr) bl21 = (0,092·2,5 + 0,04·1,9)·1·3,522 = 2,97 кНм;

Msup = Ksup a3 qr bl21 = 1,1·0,081·1,9·1·3,522 = 1,64 кНм;

по формулам (24) и (125) СНиП [20]:

Так как Msp < Mcrc и Msup < Mcrc трещины в пролете и у опор не образуются, в связи с чем проверка ширины раскрытия трещин не нужна.

Для проверки прогиба - по графику на рис. 9: β1 = 0,106; β2 = 0,028; по формуле (3.9):

жесткость обеспечена.

ПРИМЕР 5. Определить расчетное армирование, проверить прогиб и (при необходимости) раскрытие трещин опертой по трем сторонам (одной длинной и двум коротким) преднапряженной плиты перекрытия размером 5,98 × 3,28 м, толщиной 16 см, защемленной на опорах стенами в платформенных стыках. Нагрузки равномерно распределены по площади.

1) Исходные данные. Плита изготовлена в горизонтальном положении. Бетон тяжелый класса В20, расчетные характеристики (МПа): Rb = 10,2 (при φb2 = 0,9), Rbt,ser = 1,4, Eb= 24000. Напрягаемая арматура, параллельная свободному краю, из стали класса А-У диаметром 12 мм, с концентрацией у свободного края; ненапрягаемая арматура: в направлении l1 , параллельная свободному краю, из проволоки класса Вр-1 диаметром 4 мм, в направлении l2 = из стали класса A-III диаметром 6 мм расположена в нижнем ряду, защитный слой бетона до ее низа 1,5 см. Расчетные характеристики арматуры (МПа): Rsp = 680, Rs1 = 365, Rs2 = 355, Rsp,ser = 785, Esp = 19·104. Нормативные нагрузки (кПа): от собственного веса qw = 4, от перегородок Ps = 0,7, от конструкций пола Pr = 0,4, временная Рn = 1,5, в том числе длительная Pl = 0,3.

2) Сочетания нагрузок (кПа): расчетная q = qw ·1,1 + (Ps + Рr)·1,2 + Pn·1,3 = 4·1,1 + (0,7 + 0,4)·1,2 + 1,5·1,3 = 7,7; для проверки трещинообразования: qs = qw + Ps = 4 + 0,7 = 4,7; qr = Pг + Pn = 0,4 + 1,5 = 1,9; для проверки прогибов: qs = 4,7; qrl = Рr + Pl = 0,4 + 0,3 = 0,7.

3) Подбор арматуры по условию прочности. Плита рассматривается как свободно опертая с закрепленными от подъема углами. Расчетные пролеты (см): l1 = 591; l2 = 325; λ = l2/l1 = 325/591 = 0,55; рабочие высоты (см): h01 = 13,2, h02 = 14,1; по рис. 2 коэффициент m = 0,46 – 0,23; принимаем m = 0.35. По формуле (27) [20], задаваясь с небольшим запасом ξ/ξr = 0,5; γs6 = η – (η - 1) (2·ξ/ξr - 1) = 1,15 – (1,15 - 1) (2·0,5 - 1) = 1,15.

По формуле (4.1), задаваясь отношением напрягаемой и ненапрягаемой арматуры ns1 = 4,

По формуле (4.2): Кө = 1,5 - 0,15 λ = 1,15 - 0,15 = 0,55 = 1.07; коэффициенты Кsр = 1 и Кс = 1.

По формулам (2.3), (2.4) с учетом Kө:

принимается As1Э = Asp + As1 = 5 Ø 12 А-У + 9 Ø 4 (Bp-1) = 5,65 + 1,13 = 6,78 см2; Аs2 = 30 Ø 6 (A-III) - 8,5 см2 шаг 200 мм).

4. Проверка трещинообразования. По графикам на рис. 8: a1 = 0,068; a2 = 0,03; a3 = 0,076. По формулам (3.5), (3.6): Мsр = (a1qs + a2qr) bl21 = (0,068·4,7 + 0,03·1,9)·1·5,912 = 13,21 кНм; Msup = Ksup a3 qr bl21 = 1,1·0,76·1,91·1·5,912 = 5,7 кНм; Msp,l = (a1·qs + a2·qrl) bl21 = (0,068·4,7 + 0,03·0,7)·1·5,912 = 11,94кНм. Геометрические характеристики сечения 1-1 (b = 1 м): asp = Asp/ l2 = 5,65/3,25 = 1,74 см2/м (арматурой As1 пренебрегаем); α = Esp /Еb = 19·104/24·103 = 7,92; Агеd = bh + asp·α = 100·16 + 1,74·7,92 = 1644 см2; a1 = h h01 = 16 - 13,2 = 2,8 см; Sred = bh2/2 + as1 α a1 = 100·162/2 + l,74·7,92·2,8 = 12839 см3; y0 = Sred/Ared = 12839/1614 = 7,96 см; еop = y0a1 = 7,96 - 2,8 = 5.16 см; Yred = bh3/12 + bh (h/2 – y0)2 + asp·α· е2op = 100·163/12 + 100·16 (8 - 7,96)2 + 1,74·7,92·5,162 =  34500 см4. Усилия обжатия: по формулам (1), (2) [20]: P = 30 + 360/6 = 90 МПа; σsp = Rs,ser P = 785 - 90 = 695 МПа. Потери напряжений по табл. 5 [20]. Первые потери: σ1 = 0,03 σsp = 0,03·695 = 21 МПа; σ2 = 1,25·65 = 81 МПа; σ1,2 = σ1 + σ2 = 21 + 81 = 102 МПа; σsp1 = σsp - σ1,2  = 695 – 102 = 593 МПа; P1 = σsp1·asp = 593·1,74·10-1 = 103 кН; MP,1 = P1·eop = 103·5,16·10-2 = 5,31 кНм;

σb = 0; σ1-6 = σ1,2 + σ6 = 102 + 0 = 102 МПа; σsp,1 = σspσ1-6 = 695 – 102 = 593 МПа; Вторые потери: σb = 35 МПа; σ9 = 0 (по аналогии с σ6); σ1-9 = σ1-6 + σ8 + σ9 = 102 + 35 + 0 = 137 МПа; σsp,2 = σspσ1-9 = 695 - 137 = 558 МПа; Р2 = σsp,2 asp = 558·1,74·10-1 = 97 кН; Мp1,2 = P2 eop = 97·5,16·10-2 = 5,01 кНм. Моменты трещинообразования:

 принимается φ = 1; Wred = Yred/y0 = 34500/7,96 = 4330 см3;

r = φ Wred/Ared = 1·4330/1614 = 2,68 см; Mrp = P2 (eop + r) = 97·(5,16 + 2,68)·10-2 = 7,61 кНм; Wpl = 1,75 Wred = 1,75·4330 = 7585 см3; Mcrc = Rbt,ser·Wpl + Mrp = 1,4·7585·10-3 + 7,61 = 18,23 кНм; Mcrc = Rbt,crc·Wpl = 1,4·7585·10-3 = 10,62 кНм.

Так как Msp < Mcrc и Мsup < Мсгс, трещины ни в пролете, ни у опор не образуются, поэтому необходимость проверки раскрытия трещин отпадает.

5) Проверка прогиба. По графикам на рис. 10: β1 = 0,085; β2 = 0,025. По формуле (3.9):

По формулам (157) - (159) [20]:

σb = σ6 + σ8 + σ9 = 0 + 35 + 0 = 35 МПа;

σ6 = σq = 0; σ6 = 35 МПа; σb = σ6 + σ8 + σq = 0 + 35 +0 = 35 МПа;

εb = σb/Esp = 35/19·104 = 18,4·10-5;

По формулам (4.4), (4.5): Ks = β1/0,156 = 0,085/0,156 = 0,55; Kl = β2/0,0312 = 0,025/0,0312 = 0,8;

f = (fq - fb) γn = (1,22 – 0,02)·0,95 = 1,14 см;

жесткость обеспечена.

ПРИМЕР 6. Проверить прочность, прогиб и раскрытие трещин опертой по трем сторонам (одной длинной и двум коротким) плиты перекрытия размером 5,98 × 3,28 м, толщиной 16 см, защемленной на опорах стенами в платформенных стыках. Нагрузки равномерно распределены по площади.

1) Исходные данные. Плита кассетного производства. Бетон тяжелый класса В20 с расчетными характеристиками (МПа): Rb = 8,65 (при γb2 = 0,9; γb3 = 0,85); Rb,n = 15; Rbt,ser = 1,4; Eb = 24000. Рабочая арматура в обоих направлениях из стали класса А-III: вдоль пролета l1 (параллельно свободному краю) диаметром d1 = 12 мм, расположенная в нижнем ряду; вдоль пролета l2 диаметром d2 = 6 мм; армирование в направлении l1 с концентрацией у свободного края на ширине l2/2 с коэффициентом φс = 2, в направлении l2 - равномерное; защитный слой бетона до нижнего ряда арматуры a1 = 1,5 см. Расчетные характеристики арматуры (МПа): Rs1 = 375; Rs2 = 355; Rs1,n = Rs2,n = 390; Es = 2·105.

Нормативные нагрузки и сочетания нагрузок - см. пример 5.

2) Проверка прочности. Расчетные пролеты (см): l1 = 591; l2 = 325. Принятая арматура: As1 = 14 Ø 12 А-Ш = 15,83 см2; Аs2 = 25 Ø 6 А-Ш = 7,12 см2; h01 = 13,9 см; h02 = 12,9 см; λ = l2 / l1 = 325/591 = 0,55; по формуле (2.7) Кс = 1.

По формулам (2.25) - (2.29):

3) Проверка прогиба. Для проверки трещинообразования находим по графику на рис. 8: α1 = 0,068; α2 = 0,03; α3 = 0,076; по формулам (3.5), (3.6): Msp = (α1·qs + α2·qr) bl21 = (0,068·4,7 + 0,03·1,9)·1·5,912 = 11,94 кНм; Msup = Ksup·α3·qr·b·l21 = 1,1·0,076·1,9·1·5,912 = 5,56 кНм;, по формулам (24) и (125) [20]:

Так как Msp > Mcrc, Msup < Mcrc трещины в пролете образуются, а у опор их нет.

Для проверки прогиба по графику на рис. 10 находим: β1 = 0,085; β2 = 0,025; по формулам (3.14), (3.15):

qcrc = qscrc = 4,52 кПа; по формуле (3.9) при φb2 = 1, qs = qscrc, qrb = 0 и γn = 1;

по формулам (3.12), (3.28):

qul,2 = qsul,2 + qrul = 10,18 + 2,74 = 12,92 кПа;

Kf = 1 + 0,2 (2λ - 1) = 1 + 0,2 (2·0,55 - 1) = 1,02;

 жесткость обеспечена.

4) Проверка раскрытия трещин. По формулам (3.33) - (3.39):

asэ = 0,5 (as11 + as2) = 0,5 (6,49 + 1,2) = 3,85 см2/м;

 по формуле (144) [20] при δ = η = 1;

φl = 1,6 - 15μэ·= 1,6 - 15·0,0028 = 1,56:

условие ограничения ширины раскрытия трещин выполнено.

ПРИМЕР 7. По данным примера 2 рассчитать плиту на действие монтажных нагрузок. Размеры плиты в плане (см.): L1 = 358; L2 = 568. Характеристики бетона принимаются исходя из набора 70 %-ой прочности, с коэффициентом условий работы γb2= 1,1; R0b = 1,1·0,7·7,5 = 5,78 МПа; R0bt = 1,1·0,7·0,66 = 0,51 МПа. Подъем плиты осуществляется за шесть петель (см. рис. 14) балансирующей траверсой или стропами; петли располагаются вдоль длинных краев плиты на расстоянии aк = 600 мм от них, расстояние между рядами петель a0 = L1 2 aк = 358 - 2·60 = 238 см; от коротких краев ближние ряды петель находятся на расстоянии bк = 600 мм, расстояние между рядами петель b0 = 0,5 L2 - bк = 0,5·568 - 60 = 224 см. Коэффициент динамичности при подъеме и монтаже ξ = 1,4, при этом G0 = ξ0·qw·L1·L2 = 1,4·4·3,58·5,68 = 114 кН; коэффициенты неравномерности усилий по сечениям плиты γ0 - по 5.4.

1) Проверка сечений 1'-1' и 1-1, нормальных к коротким краям. Расчетная схема - однопролетная балка пролетом a0 (см. рис. 14) с двумя консолями вылетом aк, шириной L2 изгибающие моменты в расчетных сечениях:

1'-1':

1-1:

предельный момент трещинообразования по бетону:

Так как  и M1 < M0crc,1, прочность сечений 1'-1' и 1-1 обеспечивается бетоном.

2) Проверка прочности сечений 2'-2'; 2-2, 2''-2'' . нормальных к длинным краям. Расчетная схема - двухпролетная балка с пролетами b0 (см. рис. 14) и двумя консолями вылетом bк, шириной L1; изгибающие моменты в расчетных сечениях:

2 - 2: M2 = γ0·G0 (0,0444 L2 – 0,3 bк) = 1,2·114 (0,0444·5,68 – 0,3·0,6) = 9,85 кНм;

предельный момент трещинообразования

Так как , и , прочность сечений 2'-2'; 2-2, 2''-2'' обеспечивается бетоном.

Приложение 1
ОБОСНОВАНИЯ И ПОЯСНЕНИЯ НЕКОТОРЫХ РАСЧЕТНЫХ ПОЛОЖЕНИЙ

К п. 2.1. Свободно опертыми считаются плиты, опираемые на подвижные в плоскости опор шарниры. К такому типу плит условно с некоторым запасом можно отнести плиты, защемленные в платформенных стыках. Испытания показали, что опорные моменты, возникающие в плитах перекрытий, защемленных в платформенных стыках, сохраняются полностью или частично вплоть до исчерпания несущей способности плит и существенно ее повышают. В то же время исследования в строящихся зданиях выявили нестабильность толщин растворных швов и качества раствора, а также глубины опирания плит на стены. Это послужило основанием для того, чтобы не учитывать влияние опорных моментов при расчете плит по предельным состояниям первой группы (подробнее см. [18]).

К п.п. 2.2; 2.3. При расчете по деформированной схеме плит, опертых по контуру и трем сторонам, прочность зависит от большого числа параметров, и непосредственное решение задачи подбора слишком громоздко. Поэтому предложен следующий способ: вначале по формулам для проверки прочности определялись величины прочности при расчете по деформированной и по недеформированной схемам. Затем находились корреляционные зависимости между величинами прочности по обеим расчетным схемам и на их основе вводились поправочные коэффициенты в более простые формулы подбора сечений по недеформированной схеме. Для разрешения статической неопределимости плит соотношение моментов по двум направлениям принималось как для упругих плит [2, 22], а плечи внутренних сил усреднялись и принимались в постоянной зависимости от h0. Для получения коэффициентов корреляции между результатами расчетов по разным схемам варьировались важнейшие параметры: λ = l2/l1; γ = l1/h; μi = asi/abi; φc = acs1/ars1 (см. рис. 3). Подробнее см. [18].

Коэффициент Kc рассчитываемый по формуле (2.7), получен на основании аппроксимации экспериментальных данных [23].

К п. 2.4. Как показывают многочисленные опыты, в плитах, опертых по контуру, даже при слабом армировании трещинообразование происходит постепенно, т.е. сначала обычно образуется трещина протяженностью 0,1-0,2 от суммарной протяженности всех линий излома, и от начала до завершения процесса трещинообразования нагрузка увеличивается на 30-40 %, а до стадии, характеризующей исчерпание несущей способности, в 1,5-2 раза. Следовательно, с образованием первых трещин исчерпания несущей способности плит не происходит (с большим запасом). В связи с этим нецелесообразно и нелогично распространять требование п. 1.19 [20] на плиты, опертые по контуру, а также близкие по характеру работы плиты, опертые по трем сторонам.

К п.п. 3.1; 3.2. Исследованиями установлено, что при расчете плит, защемленных в платформенных стыках, по предельным состояниям второй группы с достаточной надежностью можно учитывать наличие опорных моментов, поскольку при нормативных нагрузках напряжения как в бетоне опорных сечений плит, так ив растворных швах обычно не столь значительны, что и обеспечивает правомерность таких расчетов даже при утолщенных швах и отклонениях в геометрии платформенных стыков. Расчетные формулы построены с учетом последовательности передачи нагрузок на перекрытия: до и после защемления их стенами в платформенных стыках.

Изгибающие моменты в сечениях определяются по формулам строительной механики как для упругих пластин. Податливость горизонтальных растворных швов в платформенном стыке и образование трещин в пролетных сечениях при этом не учитываются по следующим соображениям. У плит, опертых по контуру или трем сторонам, максимальные моменты в опорных сечениях и трещины в пролете возникают лишь на участках малой протяженности. Поэтому влияние возможной податливости растворных швов этих участков и локальных трещин в пролете на усилия, возникающие в плите, будет несущественным (см. также [18]).

К п.п. 3.2.-3.6. При проверке по образованию трещин величина Wpl железобетонных плит определяется как бетонных элементов. Это связано с тем, что при обычных процентах армирования плит в жилых зданиях влияние арматуры на Wpl пренебрежимо мало. Такое допущение идет в запас при одновременном упрощении расчета. Аналогичное допущение сделано при расчете жесткости, т.е. вместо Yn, как было в [18], принятое Y = bh3/12, что также упростило расчет с небольшим запасом (в 2-3 %).

Формулы (3.10) - (3.13) и (3.26) - (3.30) построены исходя из классического интерполяционного принципа [14, 19] с дополнениями и уточнениями, разработанными автором.

Коэффициент К0 = 1,05 при расчете свободно опертых по контуру плит с незакрепленными углами принят по следующим соображениям. Согласно расчетам, выполненным по программе "Микрон" в НИИЖБ, в интервале 1 ≤ λ ≤ 3 этот коэффициент имеет нелинейную зависимость от λ = l2/l1, линеаризируя которую, с незначительной погрешностью получим К0 = 1,06 - 0,02 (λ - 1), а для наиболее распространенных типоразмеров плит с 1,5 < λ < 2 можно с некоторым запасом принять К0 = 1,05. Для плит, опертых по трем сторонам, в интервале 0,5 ≤ λ ≤ 1,5 (по аналогии с плитами, опертыми по контуру, в интервале 1 ≤ λ ≤ 3), логично уменьшение величины К0 - 1 в два раза, поэтому принято с запасом К0 = 1,03.

К п. 4.7. Коэффициенты Ks и Kl в формуле (4.4) отражают влияние на прогибы (выгибы) опирания по четырем или трем сторонам по сравнению с балочным опиранием, которое является исходным для выражения (4.4) в целом; величины этих коэффициентов получены из сопоставления соответствующих формул теории упругости и сопротивления материалов:

Коэффициент 2 в знаменателях вторых членов формулы (4.4) введен на основании следующих соображений. Статистический анализ показал, что коэффициент Кr, вычисляемый по формуле (3.17), в среднем составляет 0,85, откуда знаменатели равны: 1 + 0,85 = 1,85, с небольшим запасом они округлены до 2.

К п. 5. При расчете плит, поднимаемых за шесть петель или отверстий, на монтажные воздействия коэффициенты неравномерности изгибающих моментов по ширине сечений γ0 и γ'0, а также величины вертикальных составляющих усилии, приложенных к средней и крайним парам отверстий или петель (1,2 и 0,9) приняты по [16].

К п.п. 6.2; 6.3. Концентрация арматуры в местах возникновения наибольших изгибающих моментов позволяет полнее использовать эффект пространственной работы плит, опертых по контуру и трем сторонам, в ряде случаев повысить технологичность изготовления арматурных сеток, компенсировать неравномерность нагрузок, наличие отверстий и вырезов, например, в плитах, несущих нагрузки от сантехоборудования. Изучение работы плит с концентрацией арматуры при коэффициенте φс = 2 [11] подтвердило эффективность и надежность их работы.

Регламентация СНиП 2.01.03-84 максимальных шагов стержней рабочей арматуры плит связана в основном с необходимостью ограничения ширины раскрытия трещин для обеспечения сохранности арматуры от коррозии. В связи с тем, что в плитах перекрытий жилых зданий, опираемых по контуру, в большинстве случаев трещины при эксплуатационных (нормативных) нагрузках не образуются, можно увеличить шаги арматуры (в пролете) до 400 мм (рекомендации НИИЖБ). В таких плитах расстояние между стержнями, доводимыми до опор, можно в принципе не ограничивать ввиду больших запасов прочности при работе их по наклонным сечениям на поперечную силу. Однако для большей надежности в плитах, опертых по контуру или трем сторонам, следует не менее двух стержней доводить до опор на 1 м, ограничив расстояние между стержнями до 500 мм. В случаях, когда при нормативных нагрузках трещины в плитах по расчету образуются, увеличенные по сравнению с [20] расстояния между стержнями могут допускаться при условии ограничения раскрытия трещин.

Приложение 2
ПАРАМЕТРЫ ВИРТУАЛЬНЫХ РАБОТ МЕСТНЫХ НАГРУЗОК

Объемы V2 фигур, образующихся под местными нагрузками q2 при единичных перемещениях точек Е и F (см. рисунки 5, 6).

Продолжение приложения 2

Поверхности  фигур, образующихся под местными линейными нагрузками  при единичных перемещениях точек Е и F (см. рисунки 5, 6).

Продолжение приложения 2

Скорости линейных перемещений ω под сосредоточенными нагрузками Q

Приложение 3
ОРИЕНТИРОВОЧНЫЕ ПАРАМЕТРЫ РАБОЧЕЙ
АРМАТУРЫ ПЛИТ ПЕРЕКРЫТИЙ

Плиты, опертые по контуру

Размеры ячейки в осях стен, м

Толщина h

мм

Расчетная нагрузка q кПа

Арматура в направлении

коротком
(кл. А-
III)

длинном
(кл. Вр-1)

диаметр;

шаг (мм)

3,6 × 5,7

160

6,5

6; 250*

8; 400

4; 200

5; 300

3,6 × 6,0

120

6,0

6; 200

8; 300

4; 150

5; 250

3,2 × 5,7

100

5,2

6; 250

8; 400

4; 250

5; 400

Плиты, опертые по трем сторонам (одной длинной и двум коротким)

Размеры плиты, м

h,
мм

q
кПа

Арматура в направлении

длинном

коротком

число стержней; диаметр; класс

диаметр; шаг (мм); класс

5,98 × 3,28

160

7,7

5 Ø 12, A-V

(или  5 Ø 14A-IV) + 9 Ø 5 Вр-1

5; 150; Вр-1

14 Ø 12, A-III
(20 Ø 10, A-III)

6; 250; A-III

8; 400; A-III

Примечания:

1. Класс бетона плит, опертых по контуру, В 12,5-В 15, опертых по трем сторонам - В 20.

2. При расчете на эксплуатационные нагрузки по второй группе предельных состояний учтено защемление плит в платформенных стыках.

3. При расчете на монтажные воздействия учтено рациональное расположение петель (отверстий).

4. Армирование плит, опертых по контуру, равномерное, опертых по трем сторонам с концентрацией у свободной края.

* Под и над чертой даны близкие, взаимозаменяемые варианты арматуры.

Литература

1. Баулин Д.К., Зырянов B.C. Эффективный путь снижения расхода стали в перекрытиях // Жилищное строительство. - 1983. - № 1.

2. Вайнберг Д.В., Вайнберг Е.Д. Расчет пластин. Киев: Будiвельник, 1970.

3. Гвоздев А.А. Обоснование § 33 Норм проектирования железобетонных конструкций // Строительная промышленность. - 1939, № 3.

4. Гуща Ю.П. Об учете неупругих деформаций бетона и арматуры в расчете железобетонных конструкций по первой и второй группам предельных состояний // Сб. н. тр. / НИИЖБ. Совершенствование конструктивных форм, методов расчета и проектирования железобетонных конструкций. - М., 1983.

5. Зайцев Л.Н. Исследование трещинообразования, деформаций и несущей способности неразрезных железобетонных плит // Сб. ст. /НИИЖБ. Воздействие статических, динамических и многократно повторяющихся нагрузок на бетон и элементы железобетонных конструкций. - М.: Стройиздат, 1972.

6. Залесов А.С., Кодыш Э.Н., Лемыш Л.Л., Никитин И.К. Расчет железобетонных конструкций по прочности, трещиностойкости и деформациям. - М.: Стройиздат, 1988.

7. Зырянов B.C. К расчету по деформированной схеме плит, опертых по контуру. - Бетон и железобетон. - 1977. - № 4.

8. Зырянов B.C. К расчету прочности свободно опертых по контуру плит. - Бетон и железобетон. - 1980. - № 8.

9. Зырянов B.C. К расчету прочности опертых по контуру плит перекрытий панельных зданий. // Сб. н. тр. / ЦНИИЭП жилища. Конструкции крупнопанельных зданий. - М., 1980.

10. Зырянов B.C. Ограничение предельных прогибов плит, опертых по контуру // Бетон и железобетон. - 1981. - № 3.

11. Зырянов B.C. - О рациональном армировании пере­крытий, опертых по трем сторонам // Жилищное строительство. -1979. - № 10.

12. Зырянов B.C. Резерв экономии стали в перекрытиях// Жилищное строительство. - 1987. - № 3.

13. Карпенко Н.И. Теория деформирования железобетона с трещинами. - М.: Стройиздат, 1976.

14. Крылов СМ. Перераспределение усилий в статически неопределимых железобетонных конструкциях. - М.: Стройиздат, 1964.

15. Пособие по проектированию бетонных и железобетонных конструкций из тяжелых и легких бетонов без предварительного напряжения арматуры (к СНиП 2.03.01-84). - М.: Стройиздат, 1987.

16. Пособие по проектированию жилых зданий. Вып. 3. Конструкции жилых зданий (к СНиП 2.08.01-85). - М.: Стройиздат, 1989.

17. Пособие по проектированию предварительно напряженных железобетонных конструкций из тяжелых и легких бетонов (к СНиП 2.03.01-84). - М.: ЦНИИпромзданий, НИИЖБ, 1988.

18. Рекомендации по расчету плит перекрытий крупнопанельных зданий с учетом пространственной работы. - М.: ЦНИИЭП жилища, 1988.

19. Руководство по расчету статически неопределимых железобетонных конструкций. - М.: Стройиздат, 1975.

20. СНиП 2.03.01-84-84 * Бетонные и железобетонные конструкции. - М.: Стройиздат, 1989.

21. СНиП 2.01.07-85. Нагрузки и воздействия. - М.: Стройиздат, 1976.

22. Шадурекий В.Л. Таблицы для расчета упругих прямоугольных плит. - М.: Стройиздат, 1976.

23. Штритер К.Ф., Зырянов B.C. Плиты перекрытий большого пролета, опертые по трем сторонам // Жилищное строительство. - 1987. - № 11.

 




Яндекс цитирования



   Copyright © 2007-2026,  www.tehlit.ru.

[ ѓосты, стандарты, нормативы, инструкции, правила, строительные нормы ]