//
|
|
Контейнеры грузовые серии 1 ФИТИНГИ Технические условия ISO 1161:1984
Предисловие Цели и принципы стандартизации в Российской Федерации установлены Федеральным законом от 27 декабря Сведения о стандарте 1 ПОДГОТОВЛЕН Закрытым акционерным обществом «Промтрансниипроект» (ЗАО «Промтрансниипроект») и Открытым акционерным обществом «НИИВагоностроения» (ОАО «НИИВагоностроения») на основе собственного аутентичного перевода международного стандарта, указанного в пункте 4 2 ВНЕСЕН Техническим комитетом по стандартизации ТК 246 «Контейнеры» 3
УТВЕРЖДЕН И ВВЕДЕН В ДЕЙСТВИЕ Приказом Федерального агентства по техническому
регулированию и метрологии от 23 июня 4 Настоящий стандарт является модифицированным по отношению к международному стандарту ИСО 1161:1984 «Контейнеры грузовые серии 1. Фитинги угловые. Технические условия» (ISO 1161:1984 «Series 1 freight containers - Corner fittings - Specification») путем внесения технических отклонений, объяснение которых приведено во введении к настоящему стандарту, и изменения его структуры. Дополнительные слова, показатели и их значения, включенные в текст стандарта для учета потребностей национальной экономики Российской Федерации, выделены курсивом. Сравнение структуры настоящего стандарта со структурой указанного международного стандарта приведено в дополнительном приложении Е. Наименование настоящего стандарта изменено относительно наименования указанного международного стандарта для приведения в соответствие с ГОСТ Р 1.5-2004 (подраздел 3.5) 5 ВЗАМЕН ГОСТ Р 51891-2002 (ИСО 1161:1984) Информация об изменениях к настоящему стандарту публикуется в ежегодно издаваемом информационном указателе «Национальные стандарты», а текст изменений и поправок - в ежемесячно издаваемых информационных указателях «Национальные стандарты». В случае пересмотра (замены) или отмены настоящего стандарта соответствующее уведомление будет опубликовано в ежемесячно издаваемом информационном указателе «Национальные стандарты». Соответствующая информация, уведомления и тексты размещаются также в информационной системе общего пользования - на официальном сайте Федерального агентства по техническому регулированию и метрологии в сети Интернет Содержание Введение Настоящий стандарт является модифицированным по отношению к международному стандарту ИСО 1161:1984 «Контейнеры грузовые серии 1. Фитинги угловые. Технические условия». По сравнению с примененным международным стандартом ИСО 1161:1984 в текст настоящего стандарта внесены следующие изменения: - в разделе 2 международные стандарты заменены на аналогичные национальные и добавлены ссылки на ГОСТ 977-88, ГОСТ 9454-78, ГОСТ 15150-69, которыми установлены используемые в стандарте технические условия и методы испытаний стальных отливок; - стандарт дополнен разделом 3 «Термины и определения»; - в разделе 4 пункт 4.1.1 дополнен объяснением, как определять правосторонние и левосторонние фитинги контейнера; - в разделе 4 пункт 4.1.2 дополнен рисунком 5 общего вида контейнера типа Е; - в разделе 6, подраздел 6.1, в таблице 1 представлены минимальные расчетные и испытательные нагрузки на угловые и промежуточные фитинги контейнера, которые в международном стандарте ИСО 1161:1984 представлены в пунктах 5.1.1, 5.1.2, 5.1.3, 5.1.4 и 5.1.5; изменены номера рисунков 6 и 7; - таблицы С.1, С.2, С.3, С.5, С.6, С.7 и С.8 в приложении С дополнены контейнером типа 1DD; - стандарт дополнен приложением D, содержащим требования, отражающие потребности экономики страны; - стандарт дополнен приложением Е, содержащим изменение структуры настоящего стандарта по отношению к ИСО 1161:1984; - стандарт дополнен структурным элементом «Библиография». НАЦИОНАЛЬНЫЙ СТАНДАРТ РОССИЙСКОЙ ФЕДЕРАЦИИ
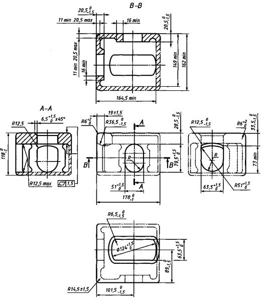
Дата введения - 2009-01-01 1 Область примененияНастоящий стандарт устанавливает основные размеры и требования к прочности угловых и промежуточных фитингов, предназначенных для грузовых контейнеров серии 1, соответствующих [1] и ГОСТ Р 51876. Настоящий стандарт не распространяется на угловые фитинги авиационных контейнеров [2]. 2 Нормативные ссылкиВ настоящем стандарте использованы нормативные ссылки на следующие стандарты: ГОСТ Р 51876-2002 (ИСО 1496-1-90) Контейнеры грузовые серии 1 Технические требования и методы испытаний. Часть 1. Контейнеры общего назначения (ИСО 1496-1:1990, MOD) ГОСТ Р 52202-2004 (ИСО 830-99) Контейнеры грузовые. Термины и определения (ИСО 830:1999, MOD) ГОСТ 977-88 Отливки стальные. Общие технические условия ГОСТ 9454-78 Металлы. Метод испытания на ударный изгиб при пониженных, комнатной и повышенных температурах ГОСТ 15150-69 Машины, приборы и другие технические изделия. Исполнения для различных климатических районов. Категории, условия эксплуатации, хранения и транспортирования в части воздействия климатических факторов внешней среды Примечание - При пользовании настоящим стандартом целесообразно проверить действие ссылочных стандартов в информационной системе общего пользования - на официальном сайте Федерального агентства по техническому регулированию и метрологии в сети Интернет или по ежегодно издаваемому информационному указателю «Национальные стандарты», который опубликован по состоянию на 1 января текущего года, и по соответствующим ежемесячно издаваемым информационным указателям, опубликованным в текущем году. Если ссылочный стандарт заменен (изменен), то при пользовании настоящим стандартом следует руководствоваться заменяющим (измененным) стандартом. Если ссылочный стандарт отменен без замены, то положение, в котором дана ссылка на него, применяется в части, не затрагивающей эту ссылку. 3 Термины и определенияВ настоящем стандарте применены термины по ГОСТ Р 52202, а также следующий термин с соответствующим определением: промежуточные фитинги: Элементы конструкции контейнеров типа Е, расположенные симметрично от вертикальной оси контейнера между угловыми фитингами на расстоянии, равном габаритным размерам контейнера типа А, и обеспечивающие установку, штабелирование, перегрузку и крепление контейнеров. 4 Требования к размерам4.1 Общие требования4.1.1 Размеры угловых нижних и верхних фитингов как правосторонних, так и левосторонних и допуски к ним должны соответствовать приведенным на рисунках 1 и 2. Каждый контейнер серии 1, кроме типа Е, должен иметь два верхних правосторонних и два верхних левосторонних угловых фитинга. Правосторонние и левосторонние фитинги определяют при размещении наблюдателя снаружи контейнера лицом против торца контейнера с дверями. Нижние угловые фитинги должны иметь аналогичную конструкцию, за исключением торцевого отверстия. На рисунках 1 и 2 изображены верхний и нижний правосторонние угловые фитинги; размеры левосторонних угловых фитингов соответственно идентичны. 4.1.2 Контейнеры типа Е, помимо указанных в 4.1.1 угловых фитингов, должны дополнительно иметь два верхних правосторонних и два верхних левосторонних (рисунок 3), и два нижних правосторонних, и два нижних левосторонних (рисунок 4) промежуточных фитинга, соответствующие габаритным размерам контейнера типа А. Общий вид контейнера типа Е с угловыми и промежуточными фитингами представлен на рисунке 5. 4.1.3 Типовые наружные размеры, которые могут быть использованы при разработке конструкций угловых и промежуточных фитингов, приведены в качестве примера в приложении А.
Примечания 1 Сплошные и пунктирные линии обозначают обязательные элементы конструкции углового фитинга. 2 Штрихпунктирные линии обозначают вспомогательные элементы. Рисунок 1 - Верхний правосторонний угловой фитинг
Примечания 1 Сплошные и пунктирные линии обозначают обязательные элементы конструкции углового фитинга. 2 Штрихпунктирные линии обозначают вспомогательные элементы. Рисунок 2 - Нижний правосторонний угловой фитинг
Рисунок 3 - Верхний промежуточный фитинг
Рисунок 4 - Нижний промежуточный фитинг
Рисунок 5 - Контейнер типа Е с угловыми и промежуточными фитингами 4.2 Дополнительные требования к размерам и изготовлению угловых и промежуточных фитингов4.2.1 Острые кромки необходимо притупить. 4.2.2
Необозначенный радиус скругления внутренних и наружных кромок отверстий должен быть
4.2.3
Угол пересечения двух кромок радиусом скругления 4.2.4
Если в угловом и промежуточном фитингах расстояние между наружной поверхностью
основной стенки и внутренней поверхностью противоположной вспомогательной стенки равно минимально допустимому ( 5 Требования к прочностиКонструкция и материалы, из которых изготовляют угловые и промежуточные фитинги, должны соответствовать требованиям к прочности, эксплуатации и испытаниям, установленным ГОСТ Р 51876. 6 Требования к конструкции6.1 НагрузкиУгловые и промежуточные фитинги должны выдерживать нагрузки, соответствующие требованиям ГОСТ Р 51876. Минимальные расчетные и испытательные нагрузки на угловые и промежуточные фитинги контейнера указаны в таблице 1. Таблица 1 - Минимальные расчетные и испытательные нагрузки
6.2 Основные элементы конструкции угловых и промежуточных фитинговОсновными обязательными элементами конструкции угловых и промежуточных фитингов являются: - верхних - стенка, образующая верхнюю грань; наружная боковая стенка и наружная торцевая стенка для угловых фитингов; - нижних - стенка, образующая нижнюю грань; наружная боковая стенка и наружная торцевая стенка для угловых фитингов. 7 Минимальная контактная поверхность верхнего углового и верхнего промежуточного фитинговУ поворотных замков подъемных приспособлений, которые входят в верхние отверстия четырех верхних угловых и четырех верхних промежуточных фитингов, площадь опорной поверхности, контактирующая с горизонтальной верхней внутренней плоскостью этих фитингов, должна быть не менее 800 мм2 для каждого верхнего фитинга. Примеры типовых поворотных замков подъемных приспособлений приведены в приложениях В и С. 8 Маркировка угловых и промежуточных фитинговМаркировку на верхних и нижних угловых и промежуточных фитингах размещают так, чтобы она была четко видна после установки фитингов на контейнерах и не препятствовала нормальному применению перегрузочных, установочных и крепежных устройств, используемых вместе с угловыми и промежуточными фитингами. Приложение А
| |||||||||||||||||||||||||||||||||||||||||||||||||||||||||||||||||||||||||||||||||||||||||||||||||||||||||||||||||||||||||||||||||||||||||||||||||||||||||||||||||||||||||||||||||||||||||||||||||||||||||||||||||||||||||||||||||||||||||||||||||||||||||||||||||||||||||||||||||||||||||||||||||||||||||||||||||||||||||||||||||||||||||||||||||||||||||||||||||||||||||||||||||||||||||||||||||||||||||||||||||||||||||||||||||||||||||||||||||||||||||||||||||||||||||||||||||||||||||||||||||||||||||||||||||||||||||||||||||||||||||||||||||||||||||||||||||||||||||||||||||||||||||||||||||||||||||||||||||||||||||||||||||||||||||||||||||||||||||||||||||||||||||||||||||||||||||||||||||||||||||||||||||||||||||||||||
|
Тип контейнера |
Длина St = Sc |
Ширина Рt = Рс |
|
1ЕЕЕ, 1ЕЕ |
13509,0 |
2259,0 |
|
1ААА, 1АА, 1А, 1АХ |
11985,5 |
2259,0 |
|
1ВВВ, 1ВВ, 1В, 1ВХ |
8918,5 |
2259,0 |
|
1СС, 1С, 1СХ |
5853,5 |
2259,0 |
|
1DD, 1D, 1DX |
2787,0 |
2259,0 |
С.2.9 Для кулачков (фиксаторов) поворотных замков определенного размера назначают допуски, приведенные в таблице С.2, если соотношение между допусками на размеры между центрами по длине и разницей между размерами диагоналей кулачков (фиксаторов) поворотных замков будет приблизительно равно соотношению для соответствующих показателей контейнера.
[Допуски, применяемые для размеров, относящихся к контейнерам, не могут быть применены для размеров между кулачками (фиксаторами) поворотных замков.]
С.2.10 Если поворотные замки имеют люфт в кулачках (фиксаторах), в которых они закреплены, или убирающиеся поворотные замки имеют свойственный им люфт, то на каждый ±
Таблица С.2 - Допуск tst на размеры между центрами кулачков (фиксаторов) по длине St и допуск tpt на размеры по ширине Pt (с учетом теоретически предсказуемого экстремального случая)
В миллиметрах
|
Тип контейнера |
tst |
tpt |
Допустимая разность диагоналей k |
||||||
|
Обозначение кулачка (фиксатора)1) |
|||||||||
|
А |
В |
С |
А |
В |
C |
А |
В |
С |
|
|
1ЕЕЕ, 1ЕЕ |
± 2,5 |
± 3,5 |
± 4,5 |
± 2,0 |
± 3,0 |
± 4,0 |
4,5 |
8,5 |
10,5 |
|
1ААА, 1АА, 1А, 1АХ |
± 2,5 |
± 3,5 |
± 4,5 |
± 2,0 |
± 3,0 |
± 4,0 |
4,5 |
8,5 |
10,5 |
|
1ВВВ, 1ВВ, 1В, 1ВХ |
± 2,5 |
± 4,5 |
± 5,5 |
± 2,0 |
± 3,0 |
± 4,0 |
7,0 |
9,0 |
11,0 |
|
1СС, 1С, 1СХ |
± 4,0 |
± 5,5 |
± 7,0 |
± 2,0 |
± 3,0 |
± 4,0 |
10,0 |
13,0 |
14,0 |
|
1DD, 1D, 1DX |
± 4,0 |
± 5,5 |
± 7,0 |
± 2,0 |
± 3,0 |
± 4,0 |
10,0 |
12,5 |
13,5 |
|
1) Для кулачков (фиксаторов) следующих размеров: А - длина (диаметр) 100, ширина 57; В - длина (диаметр) 97, ширина 56; С - длина (диаметр) 95, ширина 55. |
|||||||||
С.2.11 Если вероятность возникновения экстремального случая (при котором наихудшее возможное сочетание допусков контейнера и его угловых или промежуточных фитингов в одном направлении совпадает с наихудшим сочетанием допусков рамы и ее поворотных замков в другом направлении) чрезвычайно мала (и, следовательно, не потребуются дополнительные расходы, связанные с соблюдением теоретических допусков, т.е. исключается подгонка не соединяющихся частей), то могут быть использованы «свободные теоретические» допуски, которые приведены в таблице С.3.
Это относится также и к вариантам с жестко устанавливаемыми кулачками (фиксаторами) поворотных замков, а положения С.2.9 могут быть применены к вариантам с кулачками (фиксаторами) поворотных замков, имеющими некоторую свободу.
Таблица С.3 - «Практические» допуски, предложенные США для кулачка (фиксатора) поворотного замка А размерами 100
В миллиметрах
|
Тип контейнера |
«Свободные теоретические» допуски |
«Практические» допуски |
||||
|
tst |
tpt |
k |
tst |
tpt |
k |
|
|
1ЕЕЕ, 1ЕЕ |
± 4,5 |
± 2,5 |
7,0 |
± 6,0 |
+0 |
16,0 |
|
1ААА, 1АА, 1А, 1АХ |
± 4,5 |
± 2,0 |
7,0 |
± 6,0 |
+0 |
16,0 |
|
1ВВВ, 1ВВ, 1В, 1ВХ |
± 4,5 |
± 2,0 |
10,0 |
± 6,0 |
+0 |
13,0 |
|
1СС, 1С, 1СХ |
± 6,0 |
± 2,0 |
13,0 |
± 6,0 |
+0 |
10,0 |
|
1DD, 1D, 1DX |
± 6,0 |
± 2,0 |
13,0 |
± 6,0 |
+0 |
6,0 |
|
Примечания 1 Настоящую таблицу следует применять с учетом положений, содержащихся в С.2.10 и С.2.11. 2 Не рекомендуется уменьшать допуск tpt на размеры между кулачками (фиксаторами) поворотных замков и горизонтальной плоскостью. 3 Подобный ряд «свободных теоретических» допусков может быть определен для размеров кулачков (фиксаторов) поворотных замков, обозначенных В и С в таблице С.2, путем уменьшения размеров. |
||||||
С.2.12 В таблице С.3 приведен ряд значений «практических» допусков, предложенных США.
Крупногабаритные контейнеры могут быть изготовлены по размерам - длине и ширине и с разницей между диагоналями, ограниченными точно установленными допусками, что позволяет применять на практике большие допуски при установке кулачков (фиксаторов) поворотных замков, чем теоретические допуски, основанные на экстремальном (неблагоприятном) случае.
Значительная часть крупногабаритных контейнеров, как правило не имеющих в конструкции основания диагональных узлов жесткости, обладает определенной гибкостью, позволяющей установить их на штыри поворотных замков, закрепленных недостаточно точно.
Автотранспортные средства, в первую очередь предназначенные для перевозки легких грузов, обладают достаточной гибкостью, что облегчает установку на них контейнеров.
Примечание - Это положение не распространяется на железнодорожные платформы, которые обладают большой жесткостью.
С.3.1 Крепление контейнеров к полуприцепам с седельным устройством типа «шея гуся» обычно проводят с передней стороны (у торца тоннеля типа «шея гуся») с помощью штырей, которые вставляют в торцевые отверстия угловых фитингов, примыкающих к тоннелю, а с задней - двумя запирающими поворотными замками.
С.3.2 Переднее запирающее устройство состоит:
a) из штыря, скользящего в горизонтальной плоскости параллельно продольной оси шасси;
b) из рукоятки с рычагом для перемещения штыря.
С.3.3 Каждый штырь располагают в углублении, предусмотренном в раме шасси с устройством типа «шея гуся», таким образом, чтобы ось штыря совпадала с осью переднего торцевого отверстия нижнего углового фитинга.
С.3.4 Приспособления, состоящие из двух штырей и двух поворотных замков, предназначены для контейнеров типов 1ЕЕЕ, 1ЕЕ, 1AAA, 1АА, 1А, 1АХ.
С.3.5 Длина контейнеров, размеры и допуски шасси с устройством типа «шея гуся» для размещения контейнеров приведены в таблице С.4 и на рисунке С.3.
Таблица С.4 - Длина контейнеров, размеры и допуски шасси с устройством типа «шея гуся» для размещения контейнеров
В миллиметрах
|
Тип контейнера |
Длина контейнера Lk |
Длина шасси L |
kmах |
|
1ЕЕЕ, 1ЕЕ |
13716 |
13622 ± 6 |
16 |
|
1ААА, 1АА, 1А, 1АХ |
12192 |
12098 ± 6 |
16 |
|
1ВВВ, 1ВВ, 1В, 1ВХ |
9125 |
9030 ± 6 |
13 |
|
1СС, 1С, 1СХ |
6058 |
5962 ± 6 |
10 |
|
Примечания 1
Расстояние в поперечном направлении между центрами кулачков (фиксаторов) и штырей составляет 2 Разность диагоналей для шасси kmах не должна превышать следующие значения: 3 Все закрепительные устройства должны обеспечивать удобное и надежное крепление груженого и порожнего контейнеров за их нижние угловые фитинги, когда передняя часть шасси опирается на стойку домкрата или на какое-либо опорное приспособление. |
|||

1 - точки осей закрепительного устройства для контейнера, между которыми выполняют измерение диагоналей; 2 - поверхность закрепительного устройства, воспринимающая горизонтальные усилия при транспортировании контейнера; Р = 32 min (минимальный заход штыря в угловой фитинг). Измерение выполняют от торца углового фитинга до торца штыря. Е = 67 min (длина штыря). Измерение выполняют от поверхности устройства, воспринимающей нагрузку, до торца штыря, входящего в угловой фитинг; 3 - размер рекомендован как максимальный для переднего отверстия нижнего углового фитинга
Рисунок С.3 - Основные размеры закрепительного устройства с приспособлением типа «шея гуся» для контейнеров типов 1ААА, 1АА, 1АХ
|
Для контейнеров (индекс с) |
Для кулачков (фиксаторов) поворотных замков (индекс t) |
|
|
|
|
L - длина контейнера; W - ширина контейнера; D1 и D2 - расстояние между центрами отверстий диагонально противоположных угловых фитингов - по [1] |
Получение St и Pt и допусков для них показано ниже. |
|
Sc и Рс выведены из L и W. Поскольку соответствующие размеры взяты из настоящего стандарта, то Sc и Рс обозначают расстояние между центрами с допусками TSc и ТРс (как показано ниже). |
Допуски TSc, tst, ТРс и tpt являются «половинными», т.е. симметрично расположенными относительно уровня проставления номинального размера. |
|
|
|
|
По правилу подобия треугольников и теореме Пифагора
|
По аналогии
то |
|
Примечание - В отдельных случаях для определения размера кулачка (фиксатора) поворотного замка w и v можно получить графически (рисунок С.4). |
|

А - симметричный допуск для St в продольном направлении; В - симметричный допуск для Pt в поперечном направлении; w и v - эксцентриситеты
Рисунок С.4 - Отверстие углового фитинга (рассматривают минимальные значения)
Вариант 1
|
Контейнер, имеющий: |
Кулачки (фиксаторы) поворотных замков, имеющие: |
|
- максимальный размер по длине между центрами фитингов Sc max; |
- минимальный размер по длине между центрами St min; |
|
- максимальный размер по ширине между центрами фитингов Рс mах; |
- минимальный размер по ширине между центрами Pt min; |
|
- Кmах - разность диагоналей между центрами отверстий угловых фитингов. |
Kmax - разность диагоналей между центрами гнезд для установки поворотных замков и противолежащих отверстий нижних угловых фитингов. |
Вариант 2
|
Контейнер, имеющий: |
Кулачки (фиксаторы) поворотных замков, имеющие: |
|
- минимальный размер по длине между центрами фитингов Sc min; |
- максимальный размер по длине между центрами St max; |
|
- минимальный размер по ширине между центрами фитингов Pc min; |
- максимальный размер по ширине между центрами Pt max; |
|
- Kmax - см. вариант 1. |
- Kmax - см. вариант 1. |
Могут быть выведены следующие равенства:
|
St max = Sс min - X + 2v - x; St min = Sc max + X - 2v + x, откуда: tst = -TSc - X + 2v - x |
(C.1) |
|
и из Pt max и Рt min tpt = -ТРс + 2w. |
(C.2) |
Примечание - Поскольку Tsc известно и v может быть получено вышеизложенным способом, то tst может быть выведено в соответствии с Х (или К).
Поэтому для любого данного размера кулачка (фиксатора) поворотного замка существует теоретическая возможность использовать допуски различных видов, например такие, как «сжатые» - для расстояний в продольном направлении и «свободные» - приводящие к превращению прямоугольного сечения по вертикальной плоскости контейнера в сечение в виде параллелограмма.
В таблицах С.5 - С.8 приведены допуски предельных разностей диагоналей с учетом:
- наименее благоприятных сочетаний допусков, установленных для контейнеров серии 1 и их угловых фитингов;
- жесткой установки закрепительных устройств и невозможности их перемещения относительно рамы (примечание 2 к таблице С.8).
Таблица С.5 - Допуски предельных разностей диагоналей [независимо от размера кулачка (фиксатора) поворотных замков]
В миллиметрах
|
Тип контейнера |
St(=Sc) |
TSc |
Pt(=Pc) |
ТРс |
К |
X |
|
|
1ЕЕЕ, 1ЕЕ (угловые фитинги) 1ЕЕЕ, 1ЕЕ (промежуточные фитинги) |
13509 11985,5 |
± 6,5 ± 6,5 |
2259,0 2259,0 |
± 4,0 ± 4,0 |
19 19 |
10,0 9,7 |
1,9 1,96 |
|
1ААА, 1АА, 1А, 1АХ |
11985,5 |
± 6,5 |
2259,0 |
± 4,0 |
19 |
9,7 |
1,96 |
|
1ВВВ, 1ВВ, 1В, 1ВХ |
8918,5 |
± 6,5 |
2259,0 |
± 4,0 |
16 |
8,3 |
1,93 |
|
1СС, 1С, 1СХ |
5853,5 |
± 4,5 |
2259,0 |
± 4,0 |
13 |
7,0 |
1,86 |
|
1DD, 1D, 1DX |
2787,0 |
± 1,0 |
2259,0 |
± 4,0 |
10 |
6,4 |
1,56 |
Таблица С.6 - Допуски предельных разностей диагоналей для кулачков (фиксаторов) поворотных замков длиной
В миллиметрах
|
Тип контейнера |
По формуле
(С.1) |
tst |
x |
|
По формуле
(С.2) |
|
1ЕЕЕ, 1ЕЕ |
9,8 |
4,0 |
5,8 |
11,5 |
4,0 |
|
4,5 |
5,3 |
10,5 |
4,0 |
||
|
5,0 |
4,8 |
9,5 |
4,0 |
||
|
1ААА, 1АА, 1А, 1АХ |
9,8 |
4,0 |
5,8 |
11,5 |
4,0 |
|
4,5 |
5,3 |
10,5 |
4,0 |
||
|
5,0 |
4,8 |
9,5 |
4,0 |
||
|
1ВВВ, 1ВВ, 1В, 1ВХ |
11,2 |
5,0 |
6,2 |
12,0 |
4,0 |
|
5,5 |
5,7 |
11,0 |
4,0 |
||
|
6,0 |
5,2 |
10,0 |
4,0 |
||
|
1СС, 1С, 1СХ |
14,5 |
6,0 |
8,5 |
16,0 |
4,0 |
|
6,5 |
8,0 |
15,0 |
4,0 |
||
|
7,0 |
7,5 |
14,0 |
4,0 |
||
|
1DD, 1D, 1DX |
15,6 |
6,0 |
9,6 |
15,0 |
4,0 |
|
7,0 |
8,6 |
13,5 |
4,0 |
||
|
8,0 |
7,6 |
12,0 |
4,0 |
||
|
Примечание - Значения tst и k - по таблице С.2; v, w - определяют графически. |
|||||
Таблица С.7 - Допуски предельных разностей диагоналей для кулачков (фиксаторов) поворотных замков длиной (диаметром)
В миллиметрах
|
Тип контейнера |
По формуле
(С.1) |
tst |
x |
|
По формуле
(С.2) |
|
1ЕЕЕ, 1ЕЕ |
7,8 |
3,0 |
4,8 |
9,5 |
3,0 |
|
3,5 |
4,3 |
8,5 |
3,0 |
||
|
4,0 |
3,8 |
7,5 |
3,0 |
||
|
1ААА, 1АА, 1А, 1АХ |
7,8 |
3,0 |
4,8 |
9,5 |
3,0 |
|
3,5 |
4,3 |
8,5 |
3,0 |
||
|
4,0 |
3,8 |
7,5 |
3,0 |
||
|
1ВВВ, 1ВВ, 1В, 1ВХ |
9,2 |
3,5 |
5,7 |
11,0 |
3,0 |
|
4,0 |
5,2 |
10,0 |
3,0 |
||
|
4,5 |
4,7 |
9,0 |
3,0 |
||
|
1СС, 1С, 1СХ |
12,5 |
4,5 |
8,0 |
15,0 |
3,0 |
|
5,0 |
7,5 |
14,0 |
3,0 |
||
|
5,5 |
7,0 |
13,0 |
3,0 |
||
|
6,0 |
6,5 |
12,0 |
3,0 |
||
|
1DD, 1D, 1DX |
13,6 |
5,5 |
8,1 |
12,5 |
3,0 |
|
6,0 |
7,6 |
12,0 |
3,0 |
||
|
Примечание - Значения tst и k - по таблице С.2. |
|||||
Таблица С.8 - Допуски предельных разностей диагоналей для кулачков (фиксаторов) поворотных замков длиной (диаметром)
В миллиметрах
|
Тип контейнера |
По формуле
(С.1) |
tst |
x |
|
По формуле
(С.2) |
|
1ЕЕЕ, 1ЕЕ |
4,8 |
2,0 |
2,8 |
5,5 |
3,0 |
|
2,5 |
2,3 |
4,5 |
3,0 |
||
|
3,0 |
1,8 |
3,5 |
3,0 |
||
|
1ААА, 1АА, 1А, 1АХ |
4,3 |
2,0 |
2,8 |
5,5 |
3,0 |
|
2,5 |
2,3 |
4,5 |
3,0 |
||
|
3,0 |
1,8 |
3,5 |
3,0 |
||
|
1ВВВ, 1ВВ, 1В, 1ВХ |
6,2 |
2,5 |
3,7 |
7,0 |
3,0 |
|
3,0 |
3,2 |
6,0 |
3,0 |
||
|
1СС, 1С, 1СХ |
9,5 |
3,5 |
6,0 |
11,0 |
3,0 |
|
4,0 |
5,5 |
10,0 |
3,0 |
||
|
WD, 1D, 1DX |
- |
4,0 |
6,6 |
10,0 |
- |
|
4,5 |
6,1 |
9,5 |
3,0 |
||
|
5,0 |
5,6 |
9,0 |
3,0 |
||
|
Примечания 1 Значения tst и k - по таблице С.2. 2 Если кулачки (фиксаторы) поворотных замков (и
гнезда для их установки) укреплены на раме свободно (крепление по типу
«поплавок»), то для каждого кулачка (фиксатора) предусмотрен свободный допуск
± a) значения tst и tpt не изменяются, если размеры кулачка (фиксатора)
поворотного замка увеличиваются на b) для некоторых случаев при определении размеров кулачков (фиксаторов) следует учитывать, что: - значения tst и tpt могут быть увеличены на - значение k может быть
увеличено на 3- - значения tst и tpt могут быть увеличены на |
|||||
Угловые и промежуточные фитинги должны быть изготовлены под техническим наблюдением Российского морского регистра судоходства в соответствии с [3] и [4].
Климатическое исполнение угловых и промежуточных фитингов - У категории 1 по ГОСТ 15150 для эксплуатации при температуре от минус 50°С до плюс 70°С (от 223 до 343 К). По согласованию с заказчиком может быть принят диапазон предельных температур от минус 40°С до плюс 50°С (от 233 до 323 К).
D.2.1 Примеры условных обозначений верхнего правостороннего углового и верхнего правостороннего промежуточного фитингов крупнотоннажного контейнера:
Фитинг ВП ГОСТ Р 51891-2008
Фитинг ВПП ГОСТ Р 51891-2008
То же, нижнего левостороннего углового и нижнего левостороннего промежуточного фитингов:
Фитинг НЛ ГОСТ Р 51891-2008
Фитинг НЛП ГОСТ Р 51891-2008
D.2.2 Предельные габаритные размеры отечественных угловых и промежуточных фитингов 178´162´118 мм (наиболее часто встречаемые).
D.3.1 Угловые и промежуточные фитинги должны быть изготовлены из конструкционной легированной стали. Выбор марки стали осуществляют по согласованию с Российским морским регистром судоходства.
Механические свойства стали после термической обработки угловых и промежуточных фитингов должны соответствовать показателям, приведенным в таблице D.1.
Таблица D.1 - Механические свойства стали
|
Предел текучести, МПа, min |
Предел прочности, МПа, min |
Относительное удлинение, %, min |
Относительное сужение, %, min |
Работа удара KV1), Дж, min, при температуре |
||
|
-20°С |
-40°С |
-50°С2) |
||||
|
245 |
441 |
25 |
40 |
27 |
21 |
19 |
|
1) Применяют среднее значение трех образцов с острым надрезом по ГОСТ 9454. Допускаются значения работы удара на одном образце меньшие, чем в настоящей таблице, но не менее 70 % этого значения. 2) Испытания при указанной температуре проводят факультативно по требованию заказчика на фитингах, предназначенных для эксплуатации в районах Крайнего Севера. |
||||||
Технические требования, приемка, методы испытаний, упаковка, транспортирование и хранение отливок угловых и промежуточных фитингов - по ГОСТ 977.
D.3.2 Угловые и промежуточные фитинги должны быть изготовлены из хорошо свариваемой стали. Свариваемость стали в процентах определяют по значению углеродного эквивалента - СЕ.
|
СЕ = С + Мn/6 + (Cr + Mo + V)/5 + (Ni + Сu)/15, |
(D.1) |
при этом углеродный эквивалент должен быть не более 0,45 %.
Каждый угловой и промежуточный фитинг должен иметь маркировку, содержащую:
- товарный знак или условный номер предприятия-изготовителя;
- номер плавки;
- год изготовления (две последние цифры).
Маркировка должна быть размещена так, чтобы четко была видна после установки фитингов на контейнере.
D.5.1 Угловые и промежуточные фитинги предъявляют к приемке партиями, состоящими из отливок, выполненных на одной шихте по одинаковой технологии, прошедших термическую обработку в одном режиме.
Общее число угловых и промежуточных фитингов в партии должно быть не более 800, в том числе каждого исполнения - не более 200.
D.5.2 Для проверки соответствия угловых и промежуточных фитингов требованиям настоящего стандарта предприятие-изготовитель должно проводить приемо-сдаточные испытания, включающие в себя проверку:
- внешнего вида на соответствие требованиям раздела 4 - сплошные;
- размеров на соответствие требованиям 4.1, 4.2 - по рабочим чертежам, утвержденным в установленном порядке;
- механических свойств стали - на соответствие требованиям раздела 5 и D.3.1;
- качества отливок неразрушающим дефектоскопическим методом по технической документации предприятия-изготовителя, утвержденной в установленном порядке, - 2 % партии, но не менее чем на трех угловых или трех промежуточных фитингах каждой плавки;
- прочности на соответствие требованиям таблицы 1 (6.1) и соответствия массы углового фитинга технической документации предприятия-изготовителя - 1,5 % фитингов каждого исполнения от партии.
D.5.3 Виды и характер допускаемых остаточных деформаций и дефектов после испытания угловых и промежуточных фитингов на прочность - по нормативной документации, утвержденной в установленном порядке.
D.5.4 Для контроля режима термической обработки при установившемся технологическом процессе не реже одного раза в месяц проводят проверку микроструктуры углового и промежуточного фитингов по нормативному документу.
D.5.5 Угловые и промежуточные фитинги для грузовых контейнеров серии 1 предприятия-изготовители и ремонтные предприятия поставляют с сертификатами Российского морского регистра судоходства.
D.5.6 Ремонт угловых и промежуточных фитингов осуществляют по [3].
D.6.1 Наличие любых сплошных трещин требует замены фитинга.
D.6.2 Наличие любой деформации фитинга с наружной стороны контейнера требует замены фитинга.
D.6.3 Наличие любой деформации фитинга, которая может привести к полному нарушению безопасности, требует замены фитинга.
D.6.4 Наличие износов, превышающих размер допусков, определенных настоящим стандартом, не допускается.
Указанное в таблице Е.1 изменение структуры национального стандарта относительно структуры приведенного международного стандарта обусловлено приведением в соответствие с требованиями ГОСТ Р 1.5-2004.
Таблица Е.1
|
Структура международного стандарта ИСО 1161:1984 |
Структура настоящего стандарта |
||
|
Раздел |
Пункт |
Раздел |
Пункт |
|
- |
|
3 |
|
|
3 |
3.1 |
4 |
4.1 |
|
3.2 |
4.2 |
||
|
4 |
|
5 |
|
|
5 |
5.1 |
6 |
6.1 |
|
5.2 |
6.2 |
||
|
6 |
- |
7 |
- |
|
7 |
- |
8 |
- |
|
- |
|||
|
- |
Приложение Е |
||
|
- |
Библиография |
||
|
Примечание - Структурные элементы настоящего стандарта и международного стандарта ИСО 1161:1984, не указанные в данной таблице, идентичны. |
|||
|
[1] ИСО 668-951) |
Контейнеры грузовые серии 1. Классификация, размеры и масса |
|
[2] ИСО 8323-19851) |
Контейнеры грузовые, контейнеры универсальные для воздушных и наземных перевозок (интермодальные). Технические условия и методы испытаний |
|
[3] Общие положения по техническому наблюдению за контейнерами. Правила изготовления контейнеров. Правила допущения контейнеров к перевозке грузов под таможенными печатями и пломбами. Правила технического наблюдения за контейнерами в эксплуатации. - СПб: Российский морской регистр судоходства |
|
|
[4] Руководство по техническому наблюдению за изготовлением контейнеров. - СПб: Российский морской регистр судоходства |
|
1) Перевод данного международного стандарта находится в Федеральном информационном фонде технических регламентов и стандартов.
Ключевые слова: контейнеры, грузовые контейнеры, фитинги угловые, фитинги промежуточные, технические требования, требования к размерам, требования к прочности конструкции, маркировка
|
|
|
|