
ГОСУДАРСТВЕННЫЙ
СТАНДАРТ СОЮЗА ССР
ФЛАНЦЫ ЛИТЫЕ ИЗ СЕРОГО ЧУГУНА
НА Ру от 0,1 до 1,6 МПа (от 1 до 16 кгс/см2)
КОНСТРУКЦИЯ И РАЗМЕРЫ
ГОСТ 12817-80
ГОСУДАРСТВЕННЫЙ КОМИТЕТ СССР ПО УПРАВЛЕНИЮ
КАЧЕСТВОМ ПРОДУКЦИИ И СТАНДАРТАМ
Москва
ГОСУДАРСТВЕННЫЙ
СТАНДАРТ СОЮЗА ССР
|
ФЛАНЦЫ ЛИТЫЕ ИЗ СЕРОГО ЧУГУНА
на Ру от 0,1 до 1,6 МПа
(от 1 до 16 кгс/см2)
Конструкция и размеры
Cast gray iron
flanges for Pnom from
0,1 to 1,6 MPa (from 1 to 16 kgf/cm2).
Design and dimensions
|
ГОСТ
12817-80
|
Срок действия с 01.01.83
до 01.01.93
1. Настоящий
стандарт распространяется на фланцы литой арматуры, соединительных частей,
машин, приборов, патрубков аппаратов и резервуаров из серого чугуна на условное
давление Ру от 0,1 до 1,6 МПа (от 1 до 16 кгс/см2)
и температуру среды от 258 К до 573 К (от минус 15 до плюс 300 °С).
Требования пп. 1 - 4, 6, 7 настоящего стандарта
являются обязательными, остальные требования - рекомендуемыми.
(Измененная редакция, Изм. №
1, 2).
2. Пределы применения фланцев, в
зависимости от величины условного давления и температуры среды, должны
соответствовать указанным в табл. 1.
Таблица 1
|
Давление условное Ру, МПа (кгс/см2)
|
Проход условный Dy, мм, для температур среды, к (°С)
|
|
до 393 (120)
|
до 473 (200)
|
до 523 (250)
|
до 533 (300)
|
|
0,25
(2,5)
|
15 - 3000
|
15 - 2400
|
15 - 800
|
15 - 800
|
|
0,6
(6)
|
15 - 2400
|
15 - 800
|
15 - 500
|
15 - 500
|
|
0,1
(10)
|
15 - 2000
|
15 - 600
|
15 - 500
|
15 - 300
|
|
1,6
(16)
|
15 - 1000
|
15 - 300
|
15 - 200
|
15 - 200
|
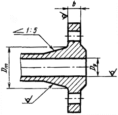
3. Конструкция и размеры фланцев
должны соответствовать указанным на чертеже и
в табл. 2.
4. Фланцы должны
изготовляться с уплотнительными поверхностями исполнений 1, 2, 3 и
присоединительными размерами по ГОСТ 12815-80.

Таблица 2
Размеры, мм
|
Проход условный Dy
|
Ру, МПа (кгс/см2)
|
|
0,1 и 0,25 (1 и 2,5)
|
0,6 (6)
|
1,0 (10)
|
1,6 (16)
|
|
b
|
Dm
|
b
|
Dm
|
b
|
Dm
|
b
|
Dm
|
|
15
|
10
|
31
|
10
|
31
|
12
|
37
|
12
|
37
|
|
20
|
12
|
38
|
12
|
38
|
14
|
42
|
14
|
42
|
|
25
|
47
|
47
|
49
|
49
|
|
32
|
13
|
56
|
13
|
56
|
16
|
60
|
16
|
60
|
|
40
|
64
|
64
|
68
|
68
|
|
50
|
74
|
74
|
17
|
80
|
17
|
80
|
|
65
|
94
|
94
|
100
|
100
|
|
80
|
15
|
108
|
15
|
108
|
19
|
114
|
19
|
114
|
|
100
|
128
|
128
|
134
|
21
|
136
|
|
125
|
17
|
155
|
17
|
155
|
21
|
161
|
23
|
165
|
|
150
|
180
|
180
|
186
|
25
|
192
|
|
(175)
|
19
|
209
|
19
|
209
|
23
|
215
|
217
|
|
200
|
234
|
234
|
240
|
27
|
246
|
|
(225)
|
261
|
259
|
265
|
271
|
|
250
|
20
|
286
|
20
|
286
|
25
|
292
|
29
|
298
|
|
300
|
336
|
336
|
342
|
30
|
352
|
|
350
|
22
|
390
|
22
|
390
|
26
|
396
|
34
|
498
|
|
400
|
24
|
442
|
24
|
442
|
28
|
448
|
36
|
460
|
|
(450)
|
492
|
492
|
498
|
40
|
516
|
|
500
|
25
|
546
|
25
|
546
|
30
|
552
|
42
|
570
|
|
600
|
646
|
646
|
31
|
654
|
49
|
682
|
|
(700)
|
746
|
27
|
738
|
35
|
760
|
782
|
|
800
|
848
|
29
|
852
|
39
|
866
|
882
|
|
(900)
|
948
|
31
|
954
|
41
|
970
|
982
|
|
1000
|
1048
|
1054
|
45
|
1076
|
1090
|
|
1200
|
1250
|
35
|
1260
|
51
|
1284
|
55
|
-
|
|
1400
|
1452
|
39
|
1466
|
57
|
1494
|
-
|
-
|
|
1600
|
27
|
1654
|
43
|
1672
|
63
|
1702
|
-
|
-
|
|
(1800)
|
29
|
1856
|
45
|
1876
|
67
|
1910
|
-
|
-
|
|
2000
|
2056
|
49
|
2082
|
69
|
2116
|
-
|
-
|
|
(2200)
|
30
|
2260
|
54
|
2292
|
-
|
-
|
-
|
-
|
|
2400
|
32
|
2464
|
56
|
2496
|
-
|
-
|
-
|
-
|
|
(2600)
|
34
|
2670
|
-
|
-
|
-
|
-
|
-
|
-
|
|
(2800)
|
38
|
2872
|
-
|
-
|
-
|
-
|
-
|
-
|
|
3000
|
40
|
3072
|
-
|
-
|
-
|
-
|
-
|
-
|
Примечание. Фланцы, с условными проходами, указанными в
скобках, не допускается применять для арматуры общего назначения.
5. Предельные
отклонения размеров отливок - по 9 классу точности ГОСТ 26645-85.
(Измененная редакция, Изм. № 2).
6. Неуказанные
размеры и предельные отклонения - по рабочим чертежам, утвержденным в
установленном порядке.
7. Технические
требования, материалы фланцев, крепежных деталей, прокладок - по ГОСТ 12816-80.
ИНФОРМАЦИОННЫЕ ДАННЫЕ
1. РАЗРАБОТАН И ВНЕСЕН
Министерством химического и нефтяного машиностроения СССР.
ИСПОЛНИТЕЛИ
М. И. Власов,
О. Н. Шпаков, Р. И. Хасанов, О. И. Федоров (руководитель темы), Б. В.
Бурмистров, А. П. Келка, Н. С. Сизова.
2. УТВЕРЖДЕН И ВВЕДЕН В ДЕЙСТВИЕ
Постановлением Государственного комитета СССР по стандартам от 20.05.80 № 2238.
3. Срок первой проверки - 1991
г.; периодичность проверки - 5 лет.
4. ВЗАМЕН ГОСТ 1235-67, ГОСТ 12815-67, ГОСТ
12816-87.
5. ССЫЛОЧНЫЕ
НОРМАТИВНО-ТЕХНИЧЕСКИЕ ДОКУМЕНТЫ
6. Переиздание (ноябрь
1987 г.) с Изменениями № 1, 2, утвержденными в декабре 1987 г., апреле 1992 г.
(ИУС 4-88, 7-92)