//
ТехЛит.ру
- крупнейшая бесплатная электронная интернет библиотека для "технически умных" людей.
WWW.TEHLIT.RU - ТЕХНИЧЕСКАЯ ЛИТЕРАТУРА

:: Алготрейдинг::


АЛГОТРЕЙДИНГ
шаг за шагом
с нуля по урокам!

Торговые роботы на PYTHON, BackTrader,
Pandas, Pine Script для TradingView. Связка с брокерами, телеграм и легкими приложениями.


СССР

АЛЬБОМ ТИПОВЫХ КОНСТРУКЦИЙ

ФЛАНЦЫ, КРЫШКИ И ПРОКЛАДКИ ДЛЯ
МАЛОГАБАРИТНЫХ ХИМИЧЕСКИХ АППАРАТОВ

Конструкция и размеры.
Технические требования

АТК 24.201.18-91

УТВЕРЖДЕНО

Указанием Министерства

тяжелого машиностроения СССР

от 03.04.91 № ВА-002-1829

Дата введения 01.07.91

ЛИСТ УТВЕРЖДЕНИЯ

АЛЬБОМ ТИПОВЫХ КОНСТРУКЦИЙ

ФЛАНЦЫ, КРЫШКИ И ПРОКЛАДКИ ДЛЯ МАЛОГАБАРИТНЫХ ХИМИЧЕСКИХ АППАРАТОВ

Конструкция и размеры.
Технические требования

АТК 24.201.18-91

Первый Зам. начальника

Научно-Технического Отдела

Минтяжмаша СССР                                                                           В. А. Мажукин

Начальник сектора НТО                                                                   А. Н. Полтарецкий

Зам. директора УкрНИИхиммаша                                                   Л. П. Перцев

Зав. отделом стандартизации                                                           В. В. Проголаев

Зав. отделом прочности                                                                    В. Н. Стогний

Зав. лабораторией методов расчета                                                 П. С. Марченко

Руководитель темы                                                                            Л. П. Гапонова

Исполнитель                                                                                      Т. П. Голубова

СОИСПОЛНИТЕЛИ

Завод «Карпаты»

Главный инженер                                                                              А. А. Мельничук

Начальник ТО                                                                                    В. П. Лазорик

Начальник КБ х/а                                                                               Б. М. Медведева

АЛЬБОМ ТИПОВЫХ КОНСТРУКЦИЙ

ФЛАНЦЫ, КРЫШКИ И ПРОКЛАДКИ ДЛЯ МАЛОГАБАРИТНЫХ ХИМИЧЕСКИХ АППАРАТОВ

Конструкция и размеры.
Технические требования

АТК 24.201.18-91

Дата введения 01.07.91.

Настоящий альбом распространяется на фланцы, крышки и прокладки малогабаритных химических аппаратов, работающих под давлением до 0,6 МПа, под вакуумом с остаточным давлением не ниже 665 Па и температуре от минус 20 до плюс 300 °С.

Альбом устанавливает конструкции, размеры и технические требования для фланцев, крышек и прокладок.

1. ПРЕДЕЛЫ ПРИМЕНЕНИЯ

1.1. Пределы применения фланцев и крышек в зависимости от расчетной температуры должны соответствовать указанным в таблице 1.

Таблица 1

Материал фланца, корпуса, крышки

Давление рабочее избыточное предельное МПа при температуре среды °С

20

100

150

200

250

300

Ст.08пс

0,6

0,6

-

-

ВСт3сп2

0,57

0,56

0,54

-

-

12Х18Н10Т

0,55

0,52

0,50

0,48

1.2. Первая ступень рабочего избыточного предельного давления распространяется и на фланцы, работающие в условиях минусовых температур, значения которых не должны быть ниже установленных Правилами Госгортехнадзора СССР или другой нормативно-технической документацией для материалов приведенных в таблице 1 элементов.

1.3. Допускается фланцы исполнения 1 применять для малогабаритных химических аппаратов с эмалевым покрытием, изготовляемых в соответствии с требованиями ОСТ 26-01-1.

Значения рабочих избыточных предельных давлений следует определять по формуле

где [s]20, [s] - допускаемые напряжения при температуре 20 °С и расчетной, МПа, определяемые по ОСТ 26-01-949.

Отношение [s]/[s]20 следует принимать по материалу элемента соединения (фланца, корпуса, крышки) для которого оно является наименьшим.

1.4. При использовании материалов, которые по своим свойствам отличаются от свойств сталей, приведенных в табл. 1, значения рабочих избыточных предельных давлений следует определять по п. 1.3.

Допускаемые напряжения следует определять по ГОСТ 14249 или другой нормативно-технической документации.

1.5. Расчет фланцевых соединений выполнен при температуре 20 °С с учетом прибавки на компенсацию коррозии для углеродистых сталей С = 1 мм. При расчете принята прокладка из паронита. Метод расчета приведен в обязательном приложении.

2. КОНСТРУКЦИЯ И РАЗМЕРЫ

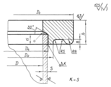
2.1. Конструкция и размеры фланцев исполнения 1 для аппаратов внутренним диаметром от 250 до 1000 мм, количество зажимов для них должны соответствовать указанным на черт. 1 и в табл. 2.

2.2. Конструкция и размеры фланцев исполнений 2 - 3 для аппаратов внутренним диаметром от 700 до 1000 мм, количество зажимов для них должны соответствовать указанным на черт. 2 и в табл. 3.

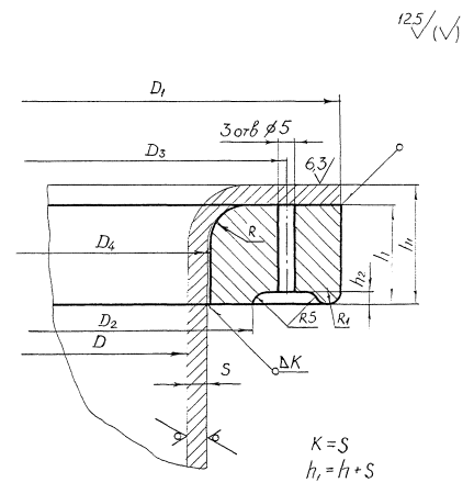
2.3. Конструкция и размеры плоских крышек должны соответствовать указанным на черт. 3 и в табл. 4.

2.4. Конструкция и размеры прокладок должны соответствовать указанным на черт. 4 и в табл. 5.

ИСПОЛНЕНИЕ 1

Черт. 1.

Таблица 2

Размеры в мм

Внутренний диаметр аппарата D

D1

D2

D3

D4

h

h2

s

R

R1

Зажимы

Масса, кг

диаметр болта

количество

250

330

270

280

260

22

6

4

16

6

М16

12

4,7

350

430

370

380

362

5

20

14

6,1

400

480

430

440

412

18

7,2

500

580

530

540

514

24

6

24

24

9,4

600

680

630

640

614

26

28

12,2

700

785

730

745

714

32

8

8

М24

18

18,8

800

890

830

850

818

22

21,3

1000

1090

1030

1050

1018

40

8

40

33,8

Примечание: Масса посчитана при плотности материала 7,85 г/см3.

ИСПОЛНЕНИЕ 2

ИСПОЛНЕНИЕ 3

(остальное см. исполнение 2)

Черт. 2.

Таблица 3

Размеры в мм

Внутренний диаметр аппарата D

D1

D2

D4

D5

D6

h

s для аппарата

Зажимы

Масса, кг

с рубашкой

без рубашки

диаметр болта

количество

700

785

730

714

760

744

32

8

6

М24

16

21,9

800

890

830

818

860

844

35

24

28,0

1000

1090

1030

1018

1060

1051

40

8

32

40,5

Примечание: Масса посчитана при плотности материала 7,85 г/см3.

Пример условного обозначения фланца исполнения 1 для аппарата внутренним диаметром 700 мм из стали 12Х18Н10Т.

ФЛАНЕЦ 1-700-12Х18Н10Т АТК 24.201.18-91

Черт. 3.

Таблица 4

Размеры в мм

Внутренний диаметр аппарата D

D1

D2

D3

D4

d

d1

d2

n

шт.

s

Масса, кг

из углеродистых сталей

из коррозионно-стойких сталей

250

330

200

290

260

28

55

75

8

16

16

9,3

350

430

260

390

360

12

16,5

400

480

290

440

410

43

75

100

18

23,5

500

580

360

540

510

20

18

39,0

600

680

400

640

610

22

20

59,9

Примечание: Масса посчитана при плотности материала 7,85 г/см3.

Пример условного обозначения крышки для аппарата внутренним диаметром 350 мм из стали 08пс

КРЫШКА 350-08ПС АТК 24.201.18-91

ИСПОЛНЕНИЕ 1

ИСПОЛНЕНИЕ 2

1 - чехол, 2 - наполнитель, 3 - сердцевина.

ИСПОЛНЕНИЕ 3

1 - чехол, 2 - наполнитель, 3 - сердцевина.

Черт. 4.

Таблица 5

Размеры в мм

Внутренний диаметр аппарата D

D1

D2

D3

D4

Масса, кг

исполнение 1

исполнение 2

250

330

280

272

240

0,14

0,30

350

430

380

372

340

0,19

0,40

400

480

430

422

388

0,21

0,44

500

580

530

522

488

0,26

0,54

600

680

630

822

-

0,31

0,63

700

790

740

732

-

0,36

0,74

800

890

840

832

-

0,41

0,84

1000

1090

1040

1032

-

0,50

1,03

Примечание: Масса посчитана при плотности материала 7,85 г/см3.

Пример условного обозначения прокладки исполнения 1 для аппаратов внутренним диаметром 400 мм

ПРОКЛАДКА 1-400 АТК 24.201.18-91

Материал прокладки оговаривается при заказе

3. ТЕХНИЧЕСКИЕ ТРЕБОВАНИЯ

3.1. Фланцы и крышки должны изготовляться в соответствии с требованиями настоящего альбома, Правил Госгортехнадзора, ОСТ 26-291, ОСТ 26-01-1 по рабочей документации.

3.2. Материал фланцев, крышек - сталь С8пс по ГОСТ 4041, ГОСТ 19303, технические требования на материал - по ГОСТ 1577, ВСт3сп2 по ГОСТ 380, 12Х18Н10Т по ГОСТ 7350.

Допускается применение сталей других марок, отвечающих требованиям Правил Госгортехнадзора, ОСТ 26-231,ОСТ 26-01-1.

3.3. Зажимы по ОСТ 26-01-64.

Допускается применение зажимов по действующей нормативно-технической документации с нагрузочной способностью не ниже приведенной в указанном ОСТе.

3.4. Для фланцев исполнений 1, 2 допускается приварка эллиптических днищ толщиной равной или более толщина обечайки корпуса.

3.5. Предельные отклонения размеров фланца, крышки

Н14; h14; .

3.6. Допуск плоскостности (или торцевого биения) уплотнительных поверхностей фланцев, крышек в готовом изделии должен соответствовать II степени точности по ГОСТ 24643.

3.7. Допускается изготовлять фланцы сварными из частей при условии выполнения сварных швов с полным проваром по всему сечению фланца.

3.8. При поставке фланцев, крышек должна быть выполнена маркировка:

товарный знак предприятия-изготовителя или его сокращенное наименование;

условное обозначение (без наименования детали) и марка материала.

Маркировку производить на торце.

3.9. Материал прокладок исполнения 1 - паронит по ГОСТ 481, резина по ГОСТ 7338, картон асбестовый по ГОСТ 2850.

Допускается применение прокладок из других неметаллических материалов исходя из условий эксплуатации по действующей нормативно-технической документации. Для фланцев исполнения 1, 2 допускается применение прокладок комбинированных с фторопластовым чехлом - исполнения 2, 3. Материал чехла (поз. 1) - фторопластовая лента по ГОСТ 24222, наполнителя (поз. 2) - картон асбестовый по ГОСТ 2850, сердцевины (поз. 3) - паронит по ГОСТ 431.

3.10. Допускается изготовление прокладок исполнения 1, а также сердцевины (поз. 3) и наполнителя (поз. 2) прокладок исполнения 2, 3 составными.

Склеивание отдельных секторов из паронита производится в соответствии с требованиями ГОСТ 431, из картона асбестового - клеем марки ХКС или БФ-2. Соединение отдельных секторов должно осуществляться «под углом внахлестку».

3.11. Предельные отклонения размеров D1 и D2:

h15, H15 - для прокладок из паронита и картона асбестового;

h14, H14 - для прокладок из резины.

Для прокладок, изготовляемых из отдельных секторов, предельные отклонения не регламентируются.

3.12. Не допускаются на уплотняющих поверхностях прокладок трещины, а также царапины в радиальном направлении. Сварной шов во фторопластовом чехле прокладки исполнения 2 должен быть зачищен. Сплошность фторопластового чехла следует проверять электродефектоскопом напряжением 1500 В.

ПРИЛОЖЕНИЕ

Обязательное

МЕТОД РАСЧЕТА НА ПРОЧНОСТЬ И ГЕРМЕТИЧНОСТЬ ФЛАНЦЕВЫХ СОЕДИНЕНИЙ

Альбом устанавливает метод расчета на прочность и герметичность фланцевых соединений для малогабаритной химаппаратуры, работающей в условиях воздействия статических и повторно-статических нагрузок.

Метод расчета применим при соблюдении «Правил устройства и безопасной эксплуатации сосудов, работающих под давлением», утвержденных Госгортехнадзором СССР, ОСТ 26-291.

Допускается применять настоящий метод для расчета фланцевых соединений малогабаритной химической аппаратуры с эмалевым покрытием, изготовляемой в соответствии с требованиями ОСТ 26-01-1.

1. ОБЩИЕ ТРЕБОВАНИЯ

1.1. Условные обозначения

bп - ширина прокладки, мм;

с - прибавка к расчетной толщине, мм;

D - внутренний диаметр фланца, мм;

D1 - наружный диаметр фланца, крышки, мм;

Dсп - средний диаметр прокладки, мм;

Ds - диаметр окружности расположения зажимов, мм;

h, sк- толщина фланца, крышки, мм;

hп - толщина прокладки, мм;

s - толщина обечайки, мм;

hт - толщина траверсы зажима, мм;

fб - площадь поперечного сечения болта по внутреннему диаметру резьбы, мм2;

n - число зажимов, шт;

Е - модуль продольной упругости материала фланца, обечайки, МПа;

Еп - модуль упругости материала прокладки, МПа;

р, рг - расчетное давление и давление испытания, МПа;

t, ts - расчетная температура среды, зажимов, °С;

aф, aо, aт, aб, aш - коэффициенты линейного расширения материалов фланца, обечайки, траверс, болта, шайбы, 1/град;

[s]20, [s] - допускаемое напряжение для материалов фланца при температуре 20 °С и расчетной, МПа;

[s]б20, [s]б - допускаемое напряжение для материала болтов зажимов при температуре 20 °С и расчетной, МПа;

Rp02, Rm - расчетное значение предела текучести и временного сопротивления для материалов фланца, обечайки при расчетной температуре, МПа;

n - коэффициент Пуассона.

1.2. Расчетная схема и схема нагружения фланца приведены на черт. 4.

1.3. Расчетные формулы применимы при

.

1.4. Расчетная температура элементов фланцевых соединений определяется на основании теплотехнических расчетов или результатов испытаний.

Допускается принимать расчетную температуру:

для теплоизолированных аппаратов и аппаратов с рубашками

фланца, крышки - t;

зажимов - 0,55 · t;

для нетеплоизолированных аппаратов

фланца, крышки - 0,96 · t;

зажимов - 0,55 · t.

1.5. Допускаемые напряжения для болтов определяются по формуле:

где sт - минимальное значение предела текучести для материала болтов при расчетной температуре, МПа

nт - коэффициент запаса прочности по пределу текучести,

для затяжки и условий эксплуатации

nт = 2,3 - 2,6

для условий испытаний

nт = 2,0

1.6. Допускаемые напряжения

В кольце фланца:

- в условиях эксплуатации

[s]ф = 1,5 [s]

- при испытании

[s]фг = 2,0 [s]20

В обечайке над сварным швом

- в условиях эксплуатации

- при испытании

Rp02, Rm, [s]20, [s] - принимаются по ГОСТ 14249 или другой нормативно-технической документации.

Допускаемые напряжения для фланцев малогабаритной химической аппаратуры с эмалевым покрытием

В кольце фланца:

- в условиях эксплуатации

[s]ф = [s]

- при испытании

[s]ф = [s]г

В обечайке над сварным швом

- в условиях эксплуатации:

[s]s = [s]

- при испытании:

[s]sг = [s]г

[s], [s]г - принимаются по ОСТ 26-01-949.

1.7. Расчет фланцевого соединения для условий испытаний не производится, если расчетное давление для условий испытания будет меньше, чем расчетное давление в условиях эксплуатации, умноженное на .

1.8. Прибавка к расчетным толщинам определяется по формуле

С = С1 + С2

Для фланцев малогабаритной химической аппаратуры с эмалевым покрытием

С = С2 + С3

где С1 - прибавка для компенсации коррозии, мм;

С2 - прибавка для компенсации минусового допуска, мм;

С3 - технологическая прибавка, компенсирующая уменьшение толщины металла во время обжига аппарата в процессе изготовления,

С3 = 0,5 мм.

2. РАСЧЕТ ВСПОМОГАТЕЛЬНЫХ ВЕЛИЧИН

2.1. Эффективная ширина прокладки, мм

bo = bn при bn £ 15 мм

2.2. Характеристики прокладки m, qобж, [q], к, Еп принимаются по таблице 6.

2.3. Податливость прокладки, мм

2.4. Угловая жесткость прокладки, мм·Н

2.5. Податливость зажимов, мм/Н

где  - принимается по действующей нормативно-технической документации.

2.6. Параметры крышки

.

Расчетная схема фланца

Схема нагружения фланцевого кольца

Черт. 4.

Таблица 6

Материал прокладки

Коэффициент m

Коэффициент k1

Удельное давление обжатия прокладки qобж

Допускаемое удельное давление [q], МПа

Модуль упругости En·10-5, МПа

Резина по ГОСТ 7333 с твердостью по Шору А до 65 единиц

0,5

0,04

2,0

18,0

Резина по ГОСТ 7338 с твердостью по Шору А более 65 единиц

1,0

0,09

4,0

20,0

Картон асбестовый по ГОСТ 2850 при толщине 1-3 мм

2,5

0,90

20,0

130,0

0,02

Паронит по ГОСТ 481 при толщине 3 мм

2,5

0,90

10,0*

130,0

0,02

Прокладка комбинированная во фторопластовом чехле

2,5

0,75

10,0

80,0

0,02

* Примечание: Для сред с высокой проникающей способностью (водород, гелий, легкие нефтепродукты, сжиженные газы и т.п.)

qобж = 35,0 МПа.

2.7. Параметры фланца

Координаты центра тяжести, мм

где

при h1 £ 0,                      h1p = 0,              b2p = b2 - h1,         h2p = h2 + h1

при h1 > 0,                      h1p = h1,             b2p = b2,                h2p = h2

F1 = bф · h1p,          F2 = bф · h2p,

R3 = h2p,         z3 = 0,4244 R3,     

Для фланца без отбортовки

где

.

Момент инерции, мм

Для фланца без отбортовки

где

для фланца без отбортовки

Радиус центра тяжести а = 0,5 D + xc.

Эквивалентная толщина обечайки, мм

sэ = c s

где

Параметры обечайки

При l < 0,3

При 0,3 £ l £ p

2.8. Угловая жесткость фланца, 1/H·мм

2.9. Угловая податливость системы, 1/H·мм

фланец - плоская крышка - прокладка

фланец - эллиптическая крышка - прокладка

2.10. Плечи моментов, мм

где

Для фланца без отбортовки

3. КОЭФФИЦИЕНТ ЖЕСТКОСТИ СОЕДИНЕНИЯ ФЛАНЦА

С плоской крышкой

где .

с эллиптической крышкой

где .

4. РАСЧЕТ НАГРУЗОК

4.1. Равнодействующая внутреннего давления, Н

в условиях эксплуатации

при испытании

4.2. Реакция прокладки, Н

в условиях эксплуатации

при испытании

4.3. Нагрузка, возникающая от температурных деформаций, Н

где для соединения с плоской крышкой

для соединения с эллиптической крышкой

4.4. Нагрузка в болтах зажимов при затяжке, Н

где Рб2 = 0,4 · В · n,

Pобж = p Dcn bo qобж,

Pбэ* = Rп + a · T - Qt,

Pбг = Rпг+ a · Tг,

В - нагрузочная способность зажимов, принимается по нормативно-технической документации.

__________

* При определении Pбэ величина Qt учитывается при Qt < 0.

4.5. Нагрузка в болтах зажимов, Н

в условиях эксплуатации

при испытании

5. РАСЧЕТ БОЛТОВ ЗАЖИМОВ

5.1. Условие прочности болтов

при затяжке

в условиях эксплуатации

при испытании

6. РАСЧЕТ НАГРУЗОК И ДЕФОРМАЦИИ ВО ФЛАНЦЕ

в условиях эксплуатации

где ;

для фланца без отбортовки

где

где .

для фланца без отбортовки N = 0.

При испытании

где

для фланца без отбортовки

где

где

для фланца без отбортовки Nг = 0.

7. УСЛОВИЯ ПРОЧНОСТИ ФЛАНЦА

7.1. Условия прочности обечайки над сварным швом:

в условиях эксплуатации

где

для фланцев с эмалевым покрытием

при испытаниях

где

для фланцев с эмалевым покрытием

7.2. Условия прочности кольца фланца:

в условиях эксплуатации

где

для фланца без отбортовки

при испытаниях

где

для фланца без отбортовки

7.3. Оценка прочности приварки отбортовки к кольцу фланца:

в условиях эксплуатации

где

при испытании

где

.

8. УСЛОВИЕ ПРОЧНОСТИ ПРОКЛАДКИ

где для условий эксплуатации

для фланца без отбортовки

при испытании

для фланца без отбортовки

9. УСЛОВИЕ ГЕРМЕТИЧНОСТИ

в условиях эксплуатации

при испытании

ИНФОРМАЦИОННЫЕ ДАННЫЕ

1. РАЗРАБОТАН И ВНЕСЕН УкрНИИхиммашем, заводом «Карпаты»

ИСПОЛНИТЕЛИ

Л. П. Гапонова (руководитель темы); Т. П. Голубова; П. С. Марченко, канд. техн. наук

2. УТВЕРЖДЕН И ВВЕДЕН В ДЕЙСТВИЕ Указанием Министерства тяжелого машиностроения СССР от 03.04.91 № ВА-002-1829

3. ЗАРЕГИСТРИРОВАН НИИХИММАШ за № 24.201.18 от 26.03. 1991 г.

4. Сведения о сроках и периодичности проверки документа

Срок первой проверки 1997 г.

Периодичность проверки 5 лет.

5. ВЗАМЕН ВПЕРВЫЕ

ССЫЛОЧНЫЕ НОРМАТИВНО-ТЕХНИЧЕСКИЕ ДОКУМЕНТЫ

Обозначение НТД на которые дана ссылка

Номер пункта, подпункта, приложения

ГОСТ 380-88

п. 3.2

ГОСТ 481-80

п. 3.9; п. 3.10

ГОСТ 1577-81

п. 3.2

ГОСТ 2850-80

п. 3.9

ГОСТ 4041-71

п. 3.2

ГОСТ 7338-77

п. 3.9

ГОСТ 7350-77

п. 3.2

ГОСТ 14249-80

п. 1.4; приложение

ГОСТ 19903-74

п. 3.2

ГОСТ 24222-80

п. 3.9

ОСТ 26-01-1-85

п. 1.3; п. 3.1; п.3.2

ОСТ 26-01-64-83

п. 3.3

ОСТ 26-291-87

п. 3.1; п. 3.2; приложение

ОСТ 26-01-949-80

п. 1.3; приложение

СОДЕРЖАНИЕ

 




Яндекс цитирования



   Copyright © 2007-2026,  www.tehlit.ru.

[ ѓосты, стандарты, нормативы, инструкции, правила, строительные нормы ]