//
ТехЛит.ру
- крупнейшая бесплатная электронная интернет библиотека для "технически умных" людей.
WWW.TEHLIT.RU - ТЕХНИЧЕСКАЯ ЛИТЕРАТУРА

:: Алготрейдинг::


АЛГОТРЕЙДИНГ
шаг за шагом
с нуля по урокам!

Торговые роботы на PYTHON, BackTrader,
Pandas, Pine Script для TradingView. Связка с брокерами, телеграм и легкими приложениями.


ВСЕСОЮЗНЫЙ ОРДЕНА ТРУДОВОГО КРАСНОГО ЗНАМЕНИ
НАУЧНО-ИССЛЕДОВАТЕЛЬСКИЙ ИНСТИТУТ ВОДОСНАБЖЕНИЯ
КАНАЛИЗАЦИИ, ГИДРОТЕХНИЧЕСКИХ СООРУЖЕНИЙ
И ИНЖЕНЕРНОЙ ГИДРОГЕОЛОГИИ
(ВНИИ ВОДГЕО) ГОССТРОЯ СССР

ПОСОБИЕ
по проектированию градирен

(к СНиП 2.04.02-84)

Утверждено
приказом ВНИИ ВОДГЕО Госстроя СССР
от 20 марта 1985 г. № 27

Москва
Центральный институт типового проектирования
1989

Приведены материалы для проектирования вентиляторных, башенных, открытых и радиаторных градирен, методы технологического расчета охлаждающей способности, рекомендации по проектированию строительных конструкций, а также оценке шума вентиляторных градирен.

Для инженерно-технических работников проектных, строительных и эксплуатационных организаций.

Пособие разработано ВНИИ ВОДГЕО Госстроя СССР (руководитель и ответственный исполнитель д-р техн. наук, проф. В. А. Гладков - разд. 1, 2, пп. 7.1, 7.2, 7.15 - 7.29, канд. техн. наук Ю. И. Арефьев - разд. 2, пп. 7.3 - 7.14, канд. техн. наук В. С. Пономаренко - разд. 2) с участием Союзводоканалпроекта Госстроя СССР (инженеры В. А. Трубников и Л. Г. Стулова - разд. 2, 4, 5); ВНИИГ им. Б. Е. Веденеева Минэнерго СССР (кандидаты техн. наук Е. А. Сухов и Р. Е. Гельфанд - разд. 3); Ленинградского отделения Атомтеплоэлектропроекта Минэнерго СССР (инженеры В. А. Морозов и Ф. А. Шершнев - разд. 3, пп. 6.1 - 6.19, 6.103 - 6.117); НИИЖБ Госстроя СССР (канд. техн. наук М. М. Капкин - пп. 6.20 - 6.45); Промстройпроекта Госстроя СССР (инж. И. Л. Генешта - пп. 6.75 - 6.101); Проектстальконструкции Госстроя СССР (инж. Г. И. Дубовик - пп. 6.46 - 6.74), Сантехпроекта Госстроя СССР (инж. Р. Г. Котляр - пп. 7.3 - 7.14) и Института общей и коммунальной гигиены им. А. Н. Сысина АМН СССР (канд. мед. наук Л. X. Цыгановская - пп. 7.15 - 7.29).

При пользовании Пособием следует учитывать утвержденные изменения строительных норм и правил и государственных стандартов, публикуемые в журнале «Бюллетень строительной техники», «Сборнике изменений к строительным нормам и правилам» Госстроя СССР и информационном указателе «Государственные стандарты СССР» Госстандарта СССР.

1. ОБЩИЕ ПОЛОЖЕНИЯ

1.1. Градирня представляет собой сооружение для охлаждения воды в оборотных системах водоснабжения.

1.2. Применение охлажденной воды в энергетике и промышленности связано с конденсацией отработавшего пара после расширения его в паровых двигателях, с конденсацией и охлаждением газообразного и жидкого продукта химического производства, с охлаждением оборудования в целях предохранения его от быстрого разрушения под влиянием высоких температур (например, цилиндров компрессоров, кладки производственных печей) и т.п.

В зависимости от назначения охлажденной воды требования, предъявляемые к температуре этой воды, могут сильно различаться. Эти требования диктуются условиями производственных процессов, экономичностью и надежностью работы установок. Они определяются, как правило, технологией производства.

1.3. По способу передачи тепла атмосферному воздуху можно классифицировать градирни на:

испарительные, в которых передача тепла от воды воздуху осуществляется в основном за счет испарения;

радиаторные, или сухие, в которых передача тепла от воды воздуху осуществляется через стенку радиаторов за счет теплопроводности и конвекции;

смешанные, в которых используется передача тепла за счет испарения, теплопроводности и конвекции.

1.4. Теоретическим пределом охлаждения воды в испарительных градирнях является температура атмосферного воздуха по смоченному термометру, которая может быть ниже температуры по сухому термометру на несколько градусов.

Теоретическим пределом охлаждения воды в радиаторных градирнях является температура атмосферного воздуха по сухому термометру.

1.5. Испарительные градирни обеспечивают более глубокое охлаждение воды по сравнению с радиаторными и могут быть выполнены из дешевых и менее дефицитных материалов.

1.6. Радиаторные градирни получили незначительное применение из-за малой глубины охлаждения воды и низких коэффициентов теплоотдачи поверхности контакта с воздухом. Вследствие этого поверхность контакта таких градирен возрастает в несколько десятков раз по сравнению с испарительными. Кроме этого, из-за малой теплоемкости воздуха для радиаторных градирен требуется значительно большее количество воздуха, чем для испарительных. Радиаторные градирни обладают рядом недостатков при эксплуатации в условиях отрицательных температур наружного воздуха. Однако радиаторные градирни рекомендуют к применению, когда можно или требуется обеспечить отсутствие контакта охлаждаемой воды с воздухом или в районах с дефицитом воды.

1.7. В комбинированных радиаторно-испарительных градирнях, так же как и в сухих, охлаждение воды происходит через стенки радиаторов, орошаемые снаружи водой. Отдача тепла водой, протекающей через радиаторы к воздуху, осуществляется за счет теплопроводности через стенки и испарения орошающей воды. Указанные градирни получили меньшее распространение, чем испарительные и радиаторные из-за неудобств при эксплуатации.

1.8. По способу создания тяги воздуха градирни разделяются на:

вентиляторные, через которые воздух прокачивается нагнетательными или отсасывающими вентиляторами;

башенные, в которых тяга воздуха создается высокой вытяжной башней;

открытые, или атмосферные, в которых для протока воздуха через них используются естественные токи воздуха - ветер и отчасти естественная конвекция.

1.9. В зависимости от конструкции оросительного устройства и способа, которым достигается увеличение поверхности соприкосновения воды с воздухом, градирни подразделяются на пленочные, капельные и брызгальные.

Каждый из указанных видов градирен может иметь разнообразные конструкции отдельных элементов оросительного устройства, отличаться их размерами, расстояниями между ними и может быть выполнен из различных материалов.

1.10. Башенные градирни выполняются отдельно стоящими, круглыми или многоугольными в плане, вентиляторные - секционными или отдельно стоящими, в плане могут иметь форму квадрата, прямоугольника, многоугольника или круга.

1.11. На вентиляторные градирни допускается удельная тепловая нагрузка 335 - 419 МДж/ (м2 × ч) [80 - 100 тыс. ккал/ (м2 × ч)] и выше, на башенные, в зависимости от высоты башни, - удельная нагрузка 251 - 419 МДж/ (м2 × ч) [60 - 100 тыс. ккал/ (м2 × ч)]. На атмосферные градирни допускается удельная тепловая нагрузка 29,3 - 62,6 МДж/ (м2 × ч) [7 - 15 тыс. ккал/ (м2 × ч)]. Зависимость охладительного эффекта атмосферных градирен от силы и направления ветра ограничивает их применение.

1.12. Удельная гидравлическая нагрузка на градирни определяется технологическими расчетами, приведенными в разд. 2. Она зависит от расчетных параметров атмосферного воздуха при заданном проценте обеспеченности, требуемых перепадов температуры воды, расчетных температур охлажденной воды и выбранного вида и конструкции градирен.

Ориентировочно для градирен, проектируемых для средней полосы нашей страны, удельная гидравлическая нагрузка принимается, м3/ (м2 × ч), при оросителе:

пленочном                              8 - 12

капельном                              6 - 10

брызгальном                          5 - 6

Для открытых атмосферных градирен расчетная удельная гидравлическая нагрузка обычно недолжна превышать 3 - 5 м3/ (м2 × ч).

1.13. Выбор типа градирен следует производить по технологическим расчетам с учетом заданных в проекте расходов воды и количества тепла, отнимаемого от продуктов, аппаратов и охлаждаемого оборудования, температур охлаждаемой воды и требований к устойчивости охладительного эффекта, метеорологических параметров, инженерно-геологических и гидрологических условий площадки строительства градирни, условий размещения охладителя на площадке предприятия, характера застройки окружающей территории и транспортных путей, химического состава добавочной и оборотной воды и санитарно-гигиенических требований к нему, технико-экономических показателей процесса строительства этих сооружений.

1.14. При наличии в оборотной воде взвесей в сочетании с маслами и нефтепродуктами, образующих на элементах оросителя трудноудаляемые отложения, рекомендуется применять градирни брызгального типа. Такого же типа градирни рекомендуется применять при возможности выделения из оборотной воды карбоната кальция в виде накипи на элементах оросителя в больших количествах, угрожающих обрушению оросителя. Возможность выделения карбоната кальция устанавливается по аналогии с действующими соседними системами оборотного водоснабжения предприятий, использующими ту же добавочную воду и работающими в сходных гидротермических режимах.

1.15. По условиям предотвращения разрушения конструкционных материалов (бетона и древесины) температура воды, поступающей на градирни, не должна, как правило, превышать 60 °С. При температуре поступающей воды выше 60 °С следует применять защитные покрытия конструкций или термоустойчивые материалы.

1.16. По условиям надежности, удобства и экономичности эксплуатации рекомендуется от 2 до 12 секций или градирен в одном оборотном цикле водоснабжения. Если по технологическим расчетам число секций или градирен составляет более 12 или менее 2, следует выбрать другой типоразмер градирен.

1.17. При расположении градирен на площадке предприятия следует обеспечивать беспрепятственный доступ атмосферного воздуха к ним и благоприятные условия для отвода увлажненного воздуха, выбрасываемого из градирен. По этим соображениям не рекомендуется группу градирен располагать в окружении высоких зданий или на близком расстоянии от них. Расстояние должно быть свыше полуторной высоты зданий. При этом необходимо учитывать розу ветров и направление зимних ветров для предупреждения увлажнения и обмерзания зданий и сооружений возле градирен.

Расстояния от соседних зданий, до градирен и между градирнями следует принимать по СНиП II-89-80.

1.18. Расчетные атмосферные параметры для проектирования строительной части градирен необходимо принимать по СНиП 2.01.01-82.

2. ВЕНТИЛЯТОРНЫЕ ГРАДИРНИ

ОБЩАЯ ЧАСТЬ

2.1. Вентиляторные градирни надлежит применять в системах оборотного водоснабжения, требующих устойчивого и глубокого охлаждения воды, при высоких удельных гидравлических и тепловых нагрузках, при необходимости сокращения объема строительных работ, маневренного регулирования температуры охлажденной воды средствами автоматизации.

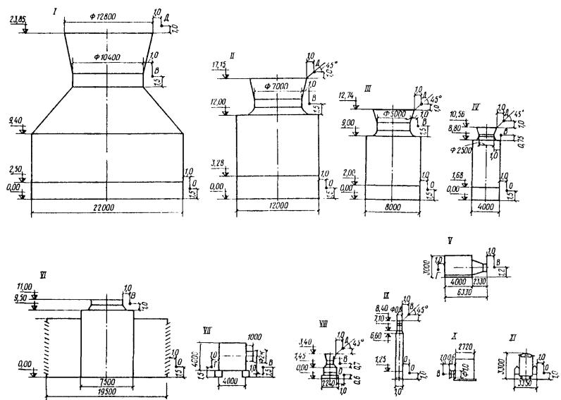
2.2. Схемы некоторых видов вентиляторных градирен, проекты которых разработаны Союзводоканалпроектом при участии ВНИИ ВОДГЕО, приведены на черт. 1 - 5.

2.3. Технологическая схема вентиляторной градирни включает в себя следующие основные элементы: оболочку (корпус), состоящую из каркаса, обшитого листовым материалом, водораспределительное устройство, ороситель, водоуловитель, водосборный бассейн и вентиляторную установку.

2.4. Для вентиляторов марок ВГ 25, ВГ 50, ВГ 70 и ВГ 104 разработаны типовые проекты градирен площадью 25, 64, 144, 192 и 400 м2. Для вентиляторов с рабочим колесом диаметром 10 и 18 м, подачей соответственно 2,7 и 10 млн. м3/ч воздуха и площадью 380 и 1200 м2 разработаны индивидуальные проекты.

ВЕНТИЛЯТОРНЫЕ УСТАНОВКИ

2.5. В градирнях для создания искусственной тяги применяются серийно изготовляемые осевые вентиляторы для градирен марки ВГ и осевые вентиляторы общепромышленного назначения марки 06-300. Технические характеристики вентиляторов приведены в табл. 1 и на черт. 6 - 11.

В марке вентилятора для градирен первая цифра означает номер модификации, цифры после букв ВГ - условный диаметр рабочего колеса в дециметрах. Например, вентилятор марки 3ВГ 25 - это вентилятор для градирен модификации номер 3 с рабочим колесом условным диаметром 25 дм.

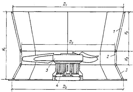
Черт. 1. Схема вентиляторной противоточной градирни

1 - диффузор; 2 - вентилятор; 3 - водоуловитель; 4 - водораспределительная система; 5 - оросительное устройство; 6 - воздухонаправляющий козырек; 7 - воздуховходные окна; 8 - воздухораспределительное пространство; 9 - переливной водовод; 10 - грязевой водовод; 11 - водосборный бассейн; 12 - ветровая перегородка; 13 - отводящий водовод; 14 - подводящий водовод

Черт. 2. Схема поперечноточной градирни с отсасыванием воздуха вентилятором

1 - диффузор; 2 - вентилятор; 3 - подводящий водовод; 4 - водораспределительная система; 5 - водоуловитель; 6 - оросительное устройство; 7 - жалюзи; 8 - водосборный бассейн; 9 - отводящий водовод; 10 - переливной водовод

Черт. 3. Схема одновентиляторной градирни площадью 400 м2 с вентилятором марки 1ВГ 104

1 - диффузор; 2 - вентилятор; 3 - водоуловитель; 4 - водораспределительная система; 5 - оросительное устройство; 6 - ветровая перегородка; 7 - водосборный бассейн; 8 - подводящий водовод; 9 - отводящий водовод

Черт. 4. Схема вентиляторной градирни, располагаемой на зданиях

1 - водоуловитель; 2 - водораспределительная система; 3 - оросительное устройство; 4 - вентилятор

Черт. 5. Схема поперечноточной градирни с нагнетанием воздуха вентилятором

1 - водораспределительная система; 2 - водоуловитель; 3 - оросительное устройство; 4 - водосборный поддон; 5 - вентилятор

Таблица 1

Техническая характеристика вентилятора

Марка вентилятора

06-300 № 8

06-300 № 12,5

1ВГ 25

3ВГ 25

2ВГ 50

2ВГ 70

1ВГ 104

06-300 № 8

Номинальная подача воздуха, тыс. м3

15

45

120

156

500

1100

2700

23

Статический напор, Па (кгс/м2)

-

-

137 (14)

-

147 (15)

157 (16)

167 (17)

-

Полное давление, Па (кгс/м2)

98 (10)

157 (16)

-

137 (14)

-

-

-

235 (24)

КПД вентилятора

0,78

0,78

-

0,63

-

-

-

0,78

Частота вращения, об/мин

930

730

365

365

178

178

110

1410

Число лопастей, шт.

3

3

3

6

3

3

6

3

Угол установки лопастей, град

-

-

16

22

16

15

13

-

Диаметр рабочего колеса, м

0,8

1,25

2,5

2,5

5,0

7,0

10,4

0,8

Диаметр втулки, м

0,32

0,5

0,75

-

1,5

2,1

3,64

0,32

Марка электродвигателя

AOЛ2-21-6

A02-42-8

BACO 10-19-16

BACO 10-19-16

BACO 14-16-32

BACO 15-23-34

BACB 17-40-52

АОЛ2-32-4

Мощность, кВт

0,8

3,0

11,0

11,0

30,0

75,0

200,0

3,0

Напряжение, В

380

380

380

380

380

380

6000

380

Частота тока, Гц

50,0

50,0

50,0

50,0

50,0

50,0

50,0

50,0

КПД электродвигателя

-

-

0,885

0,885

0,83

0,875

-

-

Габариты вентилятора, м:

 

 

 

 

 

 

 

 

диаметр

0,86

1,32

3,00

3,00

6,00

8,40

10,45

0,86

высота

0,98

1,51

1,87

1,87

3,74

5,15

13,5

0,98

Масса вентилятора, кг

-

-

1200

-

4960

9300

16250

-

То же, без электродвигателя, кг

51

157

 

-

-

-

-

51

Черт. 6. Аэродинамическая характеристика вентилятора марки 1ВГ 25

Зависимости а - мощности N, б - КПД h; в - напора Н от подачи воздуха вентилятором G"в.

2.6. Срок службы вентиляторов устанавливается не менее десяти лет. Ресурс работы до первого капитального ремонта должен составлять не менее 20000 ч.

2.7. На черт. 12 приведена обобщенная схема вентиляторной установки марок ВГ 25, ВГ 50 и ВГ 70 и ее габариты.

Рабочее колесо, состоящее из ступицы с закрепленными на ней лопастями и втулки ротора, насажено непосредственно на вал тихоходного электродвигателя, прикреплено к нему болтами и вращается в полости среднего патрубка (обечайки), расположенного соосно с ним.

Лопасти вентиляторов марок 1ВГ 25, 2ВГ 50 и 2ВГ 70 - стальные марки ЦЗ-04. Лопасти вентилятора марки 3ВГ 25 - алюминиевые марки К-121а. Лопасти вентилятора марки 1ВГ 104 - стеклопластиковые марки К-100.

Диффузор состоит из отдельных щитов, коллектор и средний патрубок - из отдельных секторов.

Черт. 7. Аэродинамическая характеристика вентилятора марки 3ВГ 25

Зависимости а - мощности N; б - КПД h; в - напора Н от подачи воздуха вентилятором G"в

Привод вентиляторов - тихоходный электродвигатель вертикального исполнения.

Последняя буква в марке двигателя указывает вид его охлаждения: например, О - воздушное, В - водяное. Привод крепится на специальной раме, относящейся к строительной части градирен.

Подачу воздуха вентилятором можно регулировать изменением угла наклона лопастей.

Черт. 8. Аэродинамическая характеристика вентилятора марки 2ВГ 50

Зависимости а - мощности N, б - напора Н от подачи воздуха вентилятором G"в

Черт. 9. Аэродинамическая характеристика вентилятора марки 2ВГ 70

Зависимости а - мощности N, б - напора Н от подачи воздуха вентилятором G"в

2.8. В марке вентилятора общепромышленного назначения номер указывает величину условного диаметра рабочего колеса вентилятора в дециметрах. Например, вентилятор общепромышленного назначения марки 06-300 № 12,5 имеет условный диаметр рабочего колеса 12,5 дм. Конструктивные размеры осевых вентиляторов общепромышленного назначения марок 06-300 № 4, 06-300 № 5, 06-300 № 6,3; 06-300 № 8; 06-300 № 10 и 06-300 № 12,5 приведены на черт. 13 и в табл. 2.

Черт. 10. Аэродинамическая характеристика вентилятора марки ВГ 104

Зависимости а - мощности N, б - напора Н от подачи воздуха вентилятором G"в

Лопасти вентиляторов марки 06-300 - стальные, привод - асинхронный электродвигатель горизонтального исполнения. Вентиляторы марок 06-300 № 4, 06-300 № 5, 06-300 № 6,3 изготавливаются без станин, вентиляторы марок 06-300 № 8, 06-300 № 10 и 06-300 № 12,5 - со станинами. В типовых проектах градирен применяются вентиляторы марок 06-300 № 8 и 06-300 № 12,5. В индивидуальных проектах могут применяться и другие марки вентиляторов.

Черт. 11. Аэродинамические характеристики осевых вентиляторов марки 06-300 общепромышленного назначения № 4; 5; 6,3; 8; 10 и 12,5

Черт. 12. Вентиляторная установка марок ВГ

1 - диффузор; 2 - корпус; 3 - коллектор; 4 - привод; 5 - рабочее колесо

Марка вентилятора

Размеры, мм

D1

D2

D3

Н1

Н2

H3

ВГ 25

3000

3000

2520

1870

1000

480

ВГ 50

6000

5910

5040

3720

2200

700

ВГ 70

8400

8400

7050

5150

3000

1000

Черт. 13. Осевые вентиляторы марки 06-300 общепромышленного назначения № 4; 5; 6,3; 8; 10 и 12,5

Таблица 2

Номер вентилятора

Диаметр рабочего колеса вентилятора, мм

Размеры, мм (см. черт. 13)

D

D1

D2

D3

A

Б

Г

Е

Ж

К

H

4

400

160

403

430

460

-

-

-

200

-

-

-

5

500

200

503

530

560

-

-

-

250

-

-

-

6,3

630

252

633

650

690

-

-

-

315

-

-

-

8

800

320

805

830

860

750

250

550

320

32,5

806

315

10

1000

400

1006

1035

1060

900

330

670

400

32,0

960

394

12,5

1250

500

1258

1285

1320

1100

400

850

500

47,0

1160

494

ВОДОРАСПРЕДЕЛИТЕЛЬНЫЕ СИСТЕМЫ

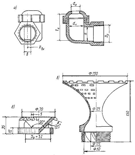
2.9. В вентиляторных градирнях следует применять преимущественно низконапорные трубчатые системы распределения воды с разбрызгивающими соплами. К этим системам предъявляются требования: возможно равномернее распределять охлаждаемую воду по оросителю и обеспечивать расчетную подачу воды в процессе эксплуатации градирен. Схемы и конструктивные размеры пластмассовых сопел - тангенциального, ударного с зубчатым отражателем и раструбного - приведены на черт. 14 и в табл. 3, их гидравлические характеристики - в табл. 4. В башенных градирнях применяются, в основном, ударные сопла с чашечными отражателями, схема и гидравлическая характеристика которых приведены на черт. 15.

Таблица 3

Условный диаметр сопла: входного и выходного отверстий, Dу, мм

Размеры, мм (см. черт. 14)

d0

dк

lк

Rвх

a

b

20 ´ 12

12

26

40

8

18

10

32 ´ 16

16

32

60

9,5

32

15

32 ´ 22

22

45

70

12,5

31

20

Черт. 14. Разбрызгивающие пластмассовые сопла

а - тангенциальное; б - ударное с зубчатым отражателем; в - раструбное

Таблица 4

hc, м

qс, м3

К¢н.р

Rф, м

hф, м

Направление выходного отверстия и расстояние от сопла до оросителя, м

вниз
1

вниз
0,5

вверх
0,25

вниз
1

вверх
0,25

вверх
0,25

Тангенциальное сопло, Dy = 20 ´ 12 мм, m = 0,53

1,5

1,15

0,79

0,70

0,50

0,55

1,7

1,0

2,0

1,28

0,82

0,72

0,44

0,65

2,0

1,2

3,0

1,46

0,88

0,79

0,35

0,75

2,5

1,8

4,0

1,65

0,94

0,83

0,30

0,80

2,9

2,5

Тангенциальное сопло, Dу = 32 ´ 16 мм, m = 0,51

1,5

2,70

0,74

0,72

0,79

0,45

1,8

1,2

2,0

3,06

0,75

0,80

0,62

0,50

2,1

1,4

3,0

3,50

0,94

0,89

0,50

0,62

2,8

1,9

4,0

3,80

0,94

0,76

0,40

0,70

3,1

2,6

Тангенциальное сопло, Dy = 32 ´ 22 мм, m = 0,50

1,5

3,90

0,67

0,57

0,74

0,75

1,9

1,1

2,0

4,25

0,70

0,65

0,65

0,82

2,1

1,3

3,0

5,26

0,72

0,65

0,55

0,90

2,6

1,8

4,0

6,00

0,73

0,68

0,50

0,95

3,0

2,5

Ударное сопло с отражателем, Dy = 32 мм, m = 0,91

1,0

7,50

-

-

0,80

-

1,9

0,30

1,5

9,76

-

-

0,75

-

2,5

0,45

2,0

11,25

-

-

0,66

-

2,9

0,55

Раструбное сопло, Dy = 50 мм, m = 0,94

0,6

5,69

5,5

0,60

0,90

0,5

1,0

0,4

1,0

7,35

7,0

0,70

0,80

0,65

1,5

0,55

1,2

8,05

7,75

0,80

0,75

0,7

1,6

0,6

Черт. 15. Разбрызгивающее пластмассовое сопло с чашечным отражателем и график зависимости расхода воды qс от напора Нс перед соплом диаметрами входного отверстия 0,024, 0,026 и 0,028 м

2.10. Коэффициент неравномерности распределения воды в факелах разбрызгивания группы сопел рекомендуется определять по формуле

,                                                (1)

где Мс - безразмерный коэффициент, равный 0,6 при работе сопел с факелами, направленными вверх, и 0,5 - направленными вниз;

fс - площадь ячейки в сетке размещения сопел в плане, м2.

Чем ниже величины коэффициентов К′н.р и Кн.р, тем равномернее распределяется вода в факелах разбрызгивания.

2.11. Диаметр капель в факелах разбрызгивания сопел приближенно можно вычислить по зависимости

,                                                                     (2)

где dэ - средний «эквивалентный» диаметр капель (отношение суммы объема капель к сумме их поверхности), мм;

Сс - безразмерный коэффициент, равный 38 для тангенциального сопла, Dy = 20 ´ 12 мм, 48 - для тангенциального сопла, Dy = 32 ´ 16 мм, и сопла с зубчатым отражателем, Dy = 32 мм.

Средний диаметр капель меньше dэ примерно на 40 %.

2.12. Сопла при проектировании и привязке градирен необходимо подбирать с учетом их пропускной способности, размеров факела разбрызгивания, незасоряемости примесями оборотной воды и диаметра капель.

В секционных и отдельно стоящих градирнях с капельным, пленочным и брызгальным оросителями рекомендуется применять сопла тангенциальные и с зубчатым отражателем. Тангенциальные сопла устанавливаются, как правило, выходными отверстиями вниз, сопла с зубчатым отражателем могут устанавливаться выходными отверстиями, направленными вверх или вниз. Предпочтительнее принимать верхнее направление выходного отверстия.

При установке сопел с направлением выходного отверстия вниз расстояние от сопел до верха капельного или пленочного оросителя следует принимать 0,8 - 1 м, при направлении выходного отверстия вверх расстояние от верха факела до низа водоуловителя должно быть не менее 0,5 м, а расстояние от водораспределительных труб до верха капельного или пленочного оросителя рекомендуется принимать не менее 0,5 м.

В градирнях, в которых возможно засорение тангенциальных сопел и сопел с зубчатым отражателем примесями оборотной воды, рекомендуется устанавливать раструбные сопла. Выходное отверстие этих сопел может быть направлено вверх или вниз, предпочтительнее верхнее, так как оно обеспечивает более равномерное распределение воды по оросителю. Раструбные сопла могут применяться вместо тангенциальных сопел и сопел с зубчатым отражателем в градирнях площадью 144 м2 и более.

Во избежание попадания воды на наружную обшивку градирни крайние ряды сопел целесообразно устанавливать под углом к вертикали 30 - 45° внутрь градирни. Такая установка особенно рекомендуется при напорах воды более 3 м перед соплами, т.е. при большом радиусе их факелов разбрызгивания.

2.13. В брызгальных градирнях рекомендуется устанавливать сопла на двух и более ярусах по высоте. При этом в верхнем ярусе выходное отверстие сопел следует направлять вниз, в нижних - вверх. Расстояние между ярусами сопел может быть 1 - 1,5 м и более.

2.14. Пластмассовые сопла изготовляются, как правило, из полиэтилена низкого давления высокой плотности марок 20908-040 и 21008-075 по ГОСТ 16338-77.

2.15. Диаметр магистральных труб водораспределительной системы подбирается из расчета скорости движения воды в них не более 1,5 м/с. В распределительных трубах скорость движения воды может быть увеличена до 2 м/с.

ОРОСИТЕЛЬНЫЕ УСТРОЙСТВА

2.16. В вентиляторных градирнях применяются три типа оросительных устройств: пленочные, капельные и брызгальные. На черт. 16 - 18 представлены пленочные и капельные оросители. Основным типом является пленочный ороситель, обеспечивающий наибольшую поверхность соприкосновения для тепломассообмена воды с воздухом при меньших по сравнению с другими типами аэродинамических сопротивлениях и соответственно наиболее высокий эффект охлаждения воды. При наличии в воде загрязнений, исключающих применение пленочного оросителя из-за зарастания зазоров между щитами следует применять градирни с капельным или брызгальным оросителем.

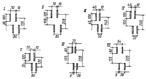
Черт. 16. Схемы деревянных пленочных оросителей

Черт. 17. Схемы деревянных капельных (I - III) и капельно-пленочного (IV) оросителей

Черт. 18. Схемы пленочных пластмассовых (I - V) и асбестоцементного (VI) оросителей

2.17. Ороситель брызгального типа представляет собой обычно воздухо-направляющие щиты, которые одновременно несколько увеличивают поверхность соприкосновения воды с воздухом и время контакта этих сред. Расстояние между щитами составляет 500 мм. В отдельных случаях при необходимости увеличения эффективности охлаждения это расстояние уменьшают до 100 - 200 мм и тогда брызгальный ороситель работает как разреженный пленочный.

2.18. При разработке проектов новых и реконструкции существующих градирен выбор типа оросителя в каждом конкретном случае производится на основании технико-экономических расчетов с учетом требований технологии производства, тепловой и аэродинамической характеристик оросителя, наличия материалов для его изготовления и минимальной материалоемкости конструкции, а также качества оборотной воды.

2.19. Одним из возможных путей экономии материалов при устройстве пленочных оросителей без существенного ухудшения охладительного эффекта является установка элементов таких оросителей в 2 - 3 яруса с разрывом между ними не более 1 м (см. черт. 18, V).

2.20. Для удобства установки оросительных устройств в градирню отдельные элементы их монтируются в блоки. Размеры блоков в плане не должны превышать 1 - 1,5 м2, а высота их принимается по конструктивным соображениям с учетом общей высоты оросительного устройства. Блоки могут быть закреплены на подвесках или установлены на опорных балках. Многоярусные оросители из полимерных материалов целесообразно крепить на подвесках.

ВОДОУЛОВИТЕЛИ

2.21. К водоуловителям предъявляются требования максимально возможного снижения выноса капель из градирни с потоком воздуха при минимальном аэродинамическом сопротивлении. Этим требованиям удовлетворяют конструкции водоуловителей, схемы которых изображены на черт. 19. Технологические характеристики водоуловителей приведены в табл. 5.

2.22. Водоуловители рекомендуется устанавливать на расстоянии около 2,0 м над водораспределительными системами, обеспечивающем доступ к водоразбрызгивающим соплам. При необходимости снижения общей высоты градирни этого условия можно не придерживаться, однако расстояние от водоуловителей до водораспределительных систем в этом случае должно быть не менее 0,5 м.

Черт. 19. Схемы водоуловителей

Таблица 5

Номер позиции на черт. 19

Водоуловитель

Угол наклона планок, a, град

Расстояние между планками, d, мм

Коэффициент сопротивления, zву

Унос капельной влаги, % расхода охлаждающей воды

I

Деревянный двухрядный с толщиной планок d = 8 мм при скорости воздуха w = 2,0 м/с

60

70

3,7

0,1 - 0,2

I

То же, с толщиной планок d = 10 мм при w = 2,5 м/с

60

70

4,7

0,1 - 0,2

I

То же

60

40

6,5

0,05

II

Пластмассовый уголковый конструкции ВНИИГ при w = 2,0 м/с

45

35

3,5

0,05

III

Асбестоцементный с криволинейным очертанием лопаток при w = 2,5 м/с

-

40

3,1

0,05

IV

Пластмассовый с криволинейным очертанием лопаток при w = 2,0 м/с

-

35

3,8

0,05

IV

То же

-

45

3,0

0,05

V

Пластмассовый трехрядный при w = 1,0 м/с

45

30

3,9

0,05

Примечание. Данные таблицы приведены для плотности орошения qж = 6,2 м3/ (м2 × ч).

2.23. Скорость движения воздуха в створе перед водоуловителем не следует принимать более 3 м/с во избежание значительного повышения уноса капель.

2.24. В вентиляторных градирнях водоуловители надлежит размещать на расстоянии от рабочего колеса вентилятора не менее 0,5 диаметра его лопастей; при этом наклон верхнего ряда лопаток водоуловителя должен быть направлен к центру градирни или в обратную сторону вращения вентилятора. При соблюдении этих условий практически исключается неблагоприятное воздействие водоуловителя на работу вентилятора.

2.25. Применение токсичных ингибиторов коррозии, а также использование сточных вод в качестве добавки в системы оборотного водоснабжения накладывает ограничения на величину выноса капельной влага из градирен, так как в атмосферном воздухе в районе градирен образующиеся аэрозоли могут содержать вредные вещества в недопустимых концентрациях.

2.26. При применении токсичных ингибиторов и сточных вод в системах оборотного водоснабжения рекомендуется определять концентрацию вредных веществ, содержащихся в воздухе, выходящем из градирни. Эта концентрация не должна быть более предельно допустимой для рабочей зоны (ПДКр.з). При этом предполагается, что разбавления выходящего из градирни потока воздуха атмосферным воздухом не происходит. Такое явление наблюдается при ветре, когда этот поток прижимается к земле в рабочей зоне возле градирни без рассеивания. Учитывая, что это допущение связано с защитой окружающей среды от загрязнения, следует считать допустимым оценку санитарно-гигиенического состояния в рабочей зоне возле градирен с некоторым запасом по ПДКр.з вредных веществ в потоке воздуха, выходящего из градирни. Концентрация вредных веществ в потоке воздуха, выходящего из градирни, может быть определена по формуле

,                                                            (3)

где Св.в - концентрация вредного вещества в потоке воздуха, выходящего из градирни, мг/м3;

Cв.о - концентрация вредного вещества в оборотной воде, мг/л;

Gж - расход оборотной воды, м3/ч;

qун - унос капельной влаги из градирни, % расхода оборотной воды;

Gв - подача воздуха вентилятором, м3/ч.

Пример. Необходимо определить концентрацию ингибитора коррозии - бихромата натрия Na2Сr2О7 в расчете на СrОз в воздухе, выходящем из градирни, при следующих исходных данных: Св.о = 2 мг/л (в расчете на СrО3), Gж = 10000 м3/ч, qун = 0,05 %, Gв = 10000000 м3/ч.

 мг/м3.

ПДКр.з бихромата натрия в расчете на СrO3 составляет 0,01 мг/м3. Следовательно, добавка бихромата натрия дозой 2 мг/л СrO3 допустима.

ТЕХНОЛОГИЧЕСКИЙ РАСЧЕТ ВЕНТИЛЯТОРНЫХ ГРАДИРЕН

Общая часть

2.27. Технологический - тепловой и аэродинамический - расчет необходим при проектировании новых и привязке существующих проектов градирен к местным метеорологическим условиям с учетом требований к температуре охлажденной воды и гидравлическим нагрузкам.

2.28. Перед началом расчета новых градирен надлежит разработать тип и конструкцию градирни, наметить марку вентилятора, выбрать основные размеры градирни (секции), воздуховходных окон, воздухораспределителя, оросителя, водоуловителя.

2.29. При привязке существующих проектов указанные в п. 2.28 параметры являются заданными.

2.30. Конечной целью расчета вентиляторных градирен является определение плотности орошения qж и числа градирен (или секций, если градирни секционные), обеспечивающих охлаждение заданного количества воды Gж от температуры t1 до температуры t2 при расчетных параметрах атмосферного воздуха J1, j1 (t1) и Pб.

Конечной целью расчета башенных градирен обычно является определение величины t2 при заданных значениях fор, qж, Dt, J1 и j1.

Выбор исходных данных для расчета

2.31. Гидравлическая нагрузка Gж и температура воды на входе в градирню t1 и на выходе из нее t2 обычно задаются исходя из теплотехнических расчетов охлаждаемых водой теплообменных аппаратов (конденсаторов, холодильников и др.).

2.32. При теплотехнических расчетах важно определить оптимальную температуру tпр, до которой должны охлаждаться производственные продукты в аппаратах, и температуру воды t2, выходящей из градирни. Выбор более низких значений tпр и t2 увеличивает размеры теплообменных аппаратов и градирен, а выбор более низкой температуры t2 при заданном значении tпр уменьшает размеры теплообменных аппаратов, но увеличивает размеры градирни и затраты энергии на вентиляторы (при заданной величине Gж). Значительное повышение температуры tпр в результате увеличения разности tпp - t2 или увеличения t2 может повлечь за собой снижение качества продукции и уменьшение производительности технологических установок. Целесообразно определять tпр и t2, а также расход охлаждаемой воды Gж исходя из требований технологического процесса и экономических соображений путем расчетов совместной работы теплообменных аппаратов, градирен и циркуляционной насосной станции.

2.33. Поскольку указанные в п. 2.32 технико-экономические расчеты не всегда выполнимы, то при выборе температур tпр и t2 надлежит учесть следующее. Вода может быть охлаждена в градирне до температуры более низкой, чем температура атмосферного воздуха по сухому термометру J1. Теоретическим пределом охлаждения воды в градирне считается температура атмосферного воздуха по влажному термометру t1. Учитывая, что с приближением расчетной температуры воды t2 к теоретическому пределу охлаждения t1 требующийся размер градирни увеличивается, при проектировании рекомендуется принимать расчетную температуру t2 исходя из условия, чтобы разность t2 - t1 была не менее 4 - 5 °С. Разность tпр - t2 принимается равной 4 - 8 °С. Самые низкие значения разностей t2 - t1 и tпр - t2 могут быть приняты лишь в тех случаях, когда это диктуется жесткими требованиями технологического процесса производства обеспечить максимально низкую температуру tпр. Однако по практическим соображениям во всех случаях расчетная разность t2 - t1 не должна быть ниже 2 - 2,5 °С.

Определение расчетных параметров атмосферного воздуха

2.34. Тепловой расчет градирен производится на неблагоприятные для работы этих сооружений атмосферные условия в летние месяцы года. Однако выполнять расчет на более высокие температуру и влажность атмосферного воздуха нецелесообразно, так как они могут наблюдаться в течение года лишь кратковременно, и чем выше расчетные температуры и влажность, тем больших размеров будет градирня и соответственно выше затраты на ее сооружение. С другой стороны, слишком низкие расчетные температура и влажность воздуха могут привести к тому, что фактическая температура воды на выходе из градирни в течение длительного периода в летнее (жаркое) время года не будет обеспечивать охлаждение технологических продуктов до требуемой температуры tпр.

Следовательно, при выборе расчетных параметров атмосферного воздуха необходимо учитывать допустимость повышения температуры воды t2 сверх расчетной из условий технологического производства, но ограничивать период этого повышения.

2.35. Расчет градирен согласно СНиП 2.04.02-84 надлежит выполнять исходя из среднесуточных температур атмосферного воздуха по сухому и влажному термометрам (или относительной влажности воздуха) по многолетним наблюдениям при обеспеченности 1 - 10 % за летний период года (июнь, июль, август). Выбор обеспеченности можно производить в зависимости от категории водопотребителя по табл. 6, в которой все водопотребители условно разделены на три категории по уровню требований к температурам охлаждаемой воды.

2.36. Расчетные параметры атмосферного воздуха для района строительства градирни определяются по табл. 7 - по величине выбранной в табл. 6 обеспеченности метеорологических параметров.

Указанной в табл. 7 обеспеченности 1 % за три летних месяца соответствует обеспеченность примерно 0,25 % в разрезе года. Аналогично обеспеченности 5 % соответствует обеспеченность 1,25 % и обеспеченности 10 % - обеспеченность 2,5 %.

Таблица 6

Категория водопотребителя

Зависимость технологического процесса производства или работы оборудования от превышения температуры охлажденной воды (или охлажденного продукта) над расчетной

Обеспеченность метеорологических параметров за летний период года (июнь, июль, август) при расчете градирен, %

I

Нарушение технологического процесса производства в целом и, как следствие, значительные убытки

1 (1 дн.)

II

Допускаемое временное нарушение технологического процесса отдельных установок

5 (5 дн.)

III

Временное снижение экономичности технологического процесса производства в целом и отдельных установок

10 (10 дн.)

Обеспеченности 1 %, указанной в табл. 7, соответствует продолжительность стояния температур J1 и t1 и влажности j1 примерно 1 дн. в году. Аналогично обеспеченности 5 % соответствует 5 дн. в году и обеспеченности 10 % соответствует 10 дн. в году.

2.37. При отсутствии готовых данных для района строительства градирни аналогично приведенным в табл. 7 можно построить кривые длительности стояния температур J1 и t1 и влажности j1. Для этой цели необходимо составить таблицы распределения среднесуточных температур J1 и t1 по зонам, например, через интервал 1 °С и среднесуточной влажности атмосферного воздуха j1 по зонам через интервал 5 %.

2.38. Данные, приведенные в табл. 6 и 7, относятся к летнему периоду года (июнь, июль, август). Кривые длительности стояния температур и влажности могут быть построены и для другого периода. В этом случае процент обеспеченности этих параметров атмосферного воздуха назначается по согласованию с технологами производства.

2.39. В табл. 8 как пример приведено распределение среднесуточных температур атмосферного воздуха по сухому термометру J1 по зонам за летний период с 14 мая по 15 сентября за 9 лет одного из южных городов нашей страны.

По данным табл. 8 (гр. 1, 13 и 14) построена кривая длительности стояния температуры J1 (черт. 20). По этой кривой определяется расчетная температура J1, при выбранном по табл. 6 проценте обеспеченности и соответствующее число дней с температурой, превышающей расчетную.

Таблица 7

Пункты наблюдения

Обеспеченность параметров атмосферного воздуха, %

1

5

10

J1

j1

t1

J1

j1

t1

J1

j1

t1

Алма-Ата

32,0

28

19,8

27,7

31

17,4

26,5

34

17,0

Астрахань

30,4

52

23,2

28,8

55

22,4

27,8

56

21,6

Ашхабад

36,3

18

20,2

34,8

20

19,8

33,9

22

19,7

Горький

26,8

48

19,6

24,0

52

17,8

22,7

56

17,3

Иркутск

22,0

63

17,6

20,5

68

16,9

19,7

71

16,5

Казань

26,8

43

18,7

24,6

51

18,2

23,4

55

17,8

Краснодар

28,0

55

21,6

26,5

57

20,6

25,5

59

20,1

Красноярск

24,4

55

18,6

22,5

61

17,8

21,4

64

17,2

Ленинград

26,0

56

20,1

23,2

60

18,3

21,7

63

17,4

Луганск

30,1

30

18,8

27,0

37

17,8

25,7

44

18,0

Москва

27,0

55

20,8

24,5

57

19,0

22,9

59

17,9

Новосибирск

25,4

54

19,3

23,3

59

18,2

22,0

63

17,6

Омск

27,4

44

19,4

24,1

50

17,6

22,5

55

17,0

Свердловск

25,8

49

18,8

23,2

57

17,8

21,5

62

17,0

Ташкент

31,2

37

21,0

29,4

38

19,8

28,6

40

19,6

Томск

24,3

60

19,2

22,3

64

18,0

21,0

68

17,4

Тула

25,5

56

19,6

23,1

60

18,2

21,6

63

17,3

Уфа

27,6

44

19,5

25,3

48

18,3

23,8

53

17,8

Харьков

28,5

38

19,2

26,4

45

18,8

24,9

52

18,6

Челябинск

26,0

51

19,4

23,7

54

15,8

22,4

58

17,3

Черт. 20. Кривая длительности стояния среднесуточных температур J1 с 15 мая по 15 сентября для одного из южных городов

Таблица 8

Зоны температуры, °С

Число дней стояния температур по годам

Нарастающий итог

Обеспеченность за период с 15.05 по 15.09, %

Число дней с температурой, превышающей температуру зон с 15.05 по 15.09

Обеспеченность за год, %

1-й

2-й

3-й

4-й

5-й

6-й

7-й

8-й

9-й

всего за 9 лет

1

2

3

4

5

6

7

8

9

10

11

12

13

14

15

34 - 33

-

-

1

-

-

-

-

-

-

1

1

0,09

0,1

0,03

33 - 32

-

-

1

-

-

-

-

1

-

2

3

0,27

0,3

0,1

32 - 31

-

-

1

6

2

-

-

3

-

12

15

1,34

1,7

0,5

31 - 30

2

-

3

3

4

-

3

8

1

24

39

3,49

4,3

1,2

30 - 29

4

-

4

5

8

-

4

13

4

42

81

7,26

9,0

2,5

29 - 28

1

5

5

8

7

3

7

3

8

45

126

11,29

14,0

3,8

28 - 27

1

9

6

15

9

11

14

3

11

79

205

18,37

22,8

6,2

27 - 26

17

13

7

13

10

8

16

3

14

101

306

27,42

34,0

9,3

26 - 25

13

16

11

11

11

19

12

8

16

117

423

37,90

47,0

12,9

25 - 24

13

26

10

11

12

14

9

12

12

119

542

48,57

60,2

16,5

24 - 23

10

8

18

5

12

13

5

15

14

100

642

57,53

71,3

19,5

23 - 22

12

12

11

13

6

12

15

7

16

104

746

66,85

82,9

22,7

22 - 21

7

8

11

4

8

11

6

8

8

71

817

73,21

90,8

24,9

21 - 20

12

6

8

8

11

8

7

17

4

81

898

80,47

99,8

27,3

20 - 19

6

12

10

4

9

6

8

6

5

66

964

86,39

107,1

29,3

19 - 18

10

3

7

5

7

9

3

8

4

56

1020

91,40

113,3

32,0

18 - 17

3

3

5

9

2

4

5

3

1

35

1055

94,53

117,2

32,1

17 - 16

5

2

3

2

3

2

5

2

1

25

1080

96,77

120,0

32,9

16 - 15

1

-

2

2

2

3

3

1

1

15

1095

98,12

121,7

33,3

15 - 14

2

1

1

-

1

1

1

2

2

11

1106

99,10

122,9

33,7

14 - 13

5

-

1

-

-

-

1

-

1

8

1114

99,82

123,8

33,9

13 - 12

-

-

-

-

-

-

-

1

1

2

1116

100,00

124,0

34,0

Расчетная температура по проценту обеспеченности может быть определена по табл. 8 методом линейной экстраполяции.

Участок кривых длительности стояния параметров атмосферного воздуха, построенных для 3 - 4 месяцев летнего (жаркого) периода (примерно до 45 - 50 дн.), можно рассматривать с достаточной степенью точности соответствующим длительности стояния параметров в течение всего года. На черт. 20 такой участок на кривой показан сплошной линией. В остальное время года эти параметры не повторяются вовсе или наблюдаются кратковременно.

Среднесуточные температуры и влажности, необходимые для составления таблиц, подобных табл. 8, вычисляются по данным четырехкратных замеров этих параметров в течение дня: в 9 ч 00 мин, 12 ч 00 мин, 15 ч 00 мин и 18 ч 00 мин. Данные об этих параметрах для районов строительства (или ближайшего к нему района) можно получить в территориальных управлениях гидрометслужбы или в Бюро гидрометеорологических расчетов и справок Центральной высотной гидрометеорологической обсерватории Госкомгидромета (109028, Москва, Подкопаевский пер., д. 5).

2.40. При расчете градирен по среднесуточным параметрам атмосферного воздуха следует иметь в виду, что усреднение их даже за дневной период приводит к тому, что в дневные часы довольно длительного периода лета охладительный эффект градирни будет недостаточным, т.е. фактическая температура охлажденной воды t2 будет выше расчетной. Общее число часов работы градирни в летний период, когда фактическая температура t2 выше расчетной, может быть в 3 - 4 раза больше допускаемого исходя из процента обеспеченности, среднесуточных температур и относительной влажности воздуха.

Расчет противоточных градирен по формулам

2.41. Технологический расчет можно условно разделить на два этапа. На первом этапе определяется удельный расход воздуха l, на втором - плотность орошения qж и число градирен (секций) N.

Первый этап. Для определения величины l вычисляются вспомогательные величины Y, U и R по формулам:

,                                                            (4)

;                                                           (5)

;                                                                (6)

.                                                                   (7)

Величины удельных энтальпий воздуха, входящих в формулы (4) и (5), могут быть определены по номограмме черт. 21 или вычислены по формулам:

;                     (8)

;                  (9)

i²1 = f (t1, j, Pб), кДж/кг при j = 1;

i²2 = f (t2, j, Pб) кДж/кг при j = 1;

i1 = f (J1, j1, Pб) кДж/кг при j = 1.

Таблица 9

Температура воды t, °C

Парциальное давление насыщенных паров воды р²п

Плотность насыщенных паров воды g²п

кПа

кгс/м2

Н/м3

кг/м3

15

1,704

173,8

125,5

12,8

16

1,817

185,3

133,4

13,6

17

1,936

197,4

142,2

14,5

18

2,062

210,3

151,0

15,4

19

2,196

223,9

160,0

16,3

20

2,377

238,3

169,7

17,3

21

2,485

253,4

179,5

18,3

22

2,642

269,4

190,3

19,4

23

2,808

286,3

202,0

20,6

24

2,981

304,0

213,8

21,8

25

3,168

323,0

225,6

23,0

26

3,364

343,0

239,3

24,4

27

3,560

363,0

253,0

25,8

28

3,776

385,0

266,0

27,2

29

4,001

408,0

281,5

28,7

30

4,246

433,0

297,2

30,3

31

4,492

458,0

314,8

32,1

32

4,756

485,0

332,5

33,9

33

5,031

513,0

350,1

35,7

34

5,315

542,0

368,7

37,6

35

5,619

573,0

388,4

39,6

36

5,943

606,0

409,9

41,8

37

6,276

640,0

431,5

44,0

38

6,630

676,0

454,1

46,3

39

6,992

713,0

477,6

48,7

40

7,375

752,0

502,1

51,2

Черт. 21. Номограмма для определения величины удельных энтальпий воздуха

В формулах (8) и (9):

Rв.с. = 29,27 кгс × м/ (кг × °С);

g²п - плотность насыщенных водяных паров, кг/м3, определяемая по табл. 9;

р²п - парциальное давление насыщенных водяных паров, кПа (кгс/м2), определяемое по табл. 9;

r = 2493 кДж/кг (595 ккал/кг);

Рб - барометрическое давление, кПа (кгс/м2). Для пересчета барометрического давления в мм рт. ст. или кгс/м2 в кПа приводится табл. 10.

Величина di² вычисляется по формуле

;                                                       (10)

im = f (tср, j, Рб) при j = 1;

Входящие в формулу (7) величины m и А принимаются в зависимости от выбранной конструкции оросителя по черт. 16 - 18 и по табл. 11, 12 - с учетом выбранного проекта градирни.

В формулу (7) входит высота оросителя hор. В табл. 11 и 12 приведена величина коэффициента А, определенная по экспериментальным данным для указанной в этих таблицах высоты оросителя.

В тех случаях, когда в проекте применен ороситель другой высоты, но той же самой конструкции, необходимо произвести корректировку величины А по формуле

,                                                                 (11)

где  определяется по формуле

.                                                            (12)

По формуле (12) построен график (черт. 22). Формулами (11) и (12) и графиком черт. 22 не рекомендуется пользоваться при коэффициенте

 £ 0,75 или  ³ 1,25.

Таблица 10

Барометрическое давление Рб

Барометрическое давление Рб

мм рт. ст.

кПа

кгс/м2

мм рт. ст.

кПа

кгс/м2

735,56

98,07

10000

754,69

100,62

10260

736,80

98,17

10010

755,42

100,72

10270

737,04

98,27

10020

756,16

100,82

10280

737,77

98,38

10030

756,90

100,91

10290

738,51

98,46

10040

757,63

101,01

10300

739,24

98,56

10050

 

 

 

739,98

98,66

10060

758,37

101,11

10310

740,72

98,76

10070

759,10

101,21

10320

741,45

98,85

10080

759,84

101,31

10330

742,18

98,95

10090

760,57

101,40

10340

742,92

99,05

10100

761,31

101,50

10350

743,66

99,15

10110

762,04

101,60

10360

744,39

99,25

10120

762,78

101,70

10370

745,13

99,34

10130

763,52

101,80

10380

745,86

99,44

10140

764,25

101,90

10390

746,60

99,54

10150

764,99

101,99

10400

747,33

99,64

10160

765,73

102,09

10410

748,08

99,74

10170

766,46

102,19

10420

748,81

99,84

10180

767,19

102,29

10430

749,54

99,93

10190

767,93

102,39

10440

750,28

100,03

10200

768,66

102,48

10450

751,01

100,13

10210

769,40

102,58

10460

751,75

100,23

10220

770,14

102,68

10470

752,48

100,33

10230

770,87

102,78

10480

753,22

100,42

10240

771,61

102,38

10490

753,95

100,52

10250

772,34

102,97

10500

В формулах (11) и (12):

hор - высота оросителя, приведенная в табл. 11 и 12;

А - коэффициент, приведенный в табл. 11 и 12, соответствующий высоте оросителя hор;

hпр - принятая в проекте высота оросителя hор, отличающаяся от табличной;

Апр - поправочный коэффициент к величине hор.

Значения коэффициента А и показателя степени m для привязки к местным условиям типовых проектов градирен, разработанных Союзводоканалпроектом совместно с ВНИИ ВОДГЕО, приведены в табл. 12. По графикам черт. 23 - 27 определяется вспомогательная величина х в зависимости от показателя степени m и от вспомогательных величин Y и R, вычисленных по формулам (4) и (7). Эти графики составлены для значений m от 0,4 до 0,8. Для промежуточных значений m величинах определяется экстраполяцией. Допускается округлять значение m исходных данных до величин, для которых составлены графики черт. 23 - 27.

Черт. 22. График для определения коэффициента  по формуле (12)

Таблица 11

Номер чертежа (позиция)

Высота оросителя hор, м

А, м-1

A h

m

zc.o, 1/м

kоp × 103, м2 ∙ ч/кг

Расход материала на 1 м3 оросителя, м3

Ороситель пленочный - деревянные прямоугольные бруски, поставленные на ребро

16 (I)

3,70

0,277

1,025

0,513

1,11

0,073

0,0791

16 (II)

3,70

0,241

0,892

0,498

0,74

0,077

0,0600

16 (III)

2,60

0,342

0,889

0,385

1,75

0,071

0,1380

16 (IV)

2,00

0,360

0,720

0,570

-

-

0,1000

16 (V)

1,34

0,580

0,777

0,540

2,21

0,153

0,1280

16 (V)

2,01

0,470

0,945

0,462

2,21

0,153

0,1280

16 (V)

2,68

0,430

1,152

0,462

2,21

0,153

0,1280

Ороситель пленочный из модифицированной фенолспиртами древесины

16 (VI)

2,85

0,394

1,123

0,290

1,50

0,056

0,073

16 (VII)

2,85

0,367

1,046

0,289

1,20

0,056

0,037

Ороситель капельный - деревянные прямоугольные бруски, уложенные плашмя

17 (I)

3,70

0,213

0,788

0,614

3,51

0,039

0,0163

17 (II)

2,85

0,386

1,100

0,438

22,54

0,011

0,0278

17 (III)

2,85

0,300

0,855

0,447

11,46

0,137

0,0167

Ороситель деревянный капельно-пленочный

17 (IV)

4,70

0,324

1,523

0,733

4,64

0,086

0,31

Ороситель пластмассовый (винипласт) из волнистых листов с вертикальной волной

18 (I)

2,85

0,305

0,869

0,249

3,00

0,033

0,0342

Ороситель пластмассовый (винипласт) из волнистых листов с горизонтальной волной

18 (II)

0,70

0,890

0,623

0,531

21,86

0,107

0,0342

18 (II)

1,40

0,540

0,756

0,670

21,86

0,107

0,0342

18 (II)

2,10

0,450

0,945

0,670

21,86

0,107

0,0342

18 (II)

2,80

0,390

1,092

0,670

21,86

0,107

0,0342

Ороситель пластмассовый (винипласт) из волнистых листов - перекрестная волна под углом 90°

18 (III)

0,70

1,170

0,819

0,332

12,38

0,120

0,0342

18 (III)

1,40

0,630

0,882

0,569

12,38

0,120

0,0342

18 (III)

2,10

0,580

1,218

0,609

12,38

0,120

0,0342

18 (III)

2,80

0,540

1,512

0,622

12,38

0,120

0,0342

Ороситель пластмассовый (винипласт) из волнистых листов - перекрестная волна под углом 60°

18 (IV)

1,050

0,805

0,888

0,403

5,51

0,153

0,0342

18 (IV)

1,575

0,585

0,921

0,488

5,51

0,153

0,0342

18 (IV)

2,100

0,360

0,756

0,422

5,51

0,153

0,0342

18 (IV)

2,625

0,343

0,900

0,439

5,51

0,153

0,0342

Ороситель пленочный асбестоцементный с вертикальной волной при толщине листов 8 мм

Расстояние между листами в свету 15 мм

18 (V)

2,8

0,468

1,310

0,657

6,75

0,49

0,4210

Расстояние между листами в свету 25 мм

18 (V)

2,8

0,441

1,235

0,663

4,36

0,37

0,2930

Расстояние между листами в свету 35 мм

18 (V)

2,8

0,368

1,030

0,518

3,60

0,26

0,2250

Расстояние между листами в свету 45 мм

18 (V)

2,8

0,345

0,966

0,527

3,11

0,13

0,1835

Ороситель капельно-пленочный пластмассовый из трех ярусов - вертикальные гофрированные трубы диаметром 63 мм из ПЭВП по ТУ-6-05-224-83

18 (VI)

2,35

0,70

1,645

0,522

2,10

0,019

0,0177

Таблица 12

Марка вентилятора

Номер проекта

Площадь секции, м2

Вид оросителя

hор, м

A, м-1

m

zс.о, м-1

kop × 103, м×ч/кг

Gв × 10-3, м3

ВГ 104

901-6-65 и 901-6-66

324

Пленочный

3,50

0,350

0,365

1,18

0,075

2720

2ВГ 70

901-6-43

192

Капельный

3,80

0,293

0,45

10,7

0,137

1240

Брызгальный

3,60

0,252

0,29

0,92

0,610

1400

2ВГ 70

901-6-46

192

Капельный

3,64

0,293

0,45

10,70

0,137

1250

Брызгальный

3,70

0,222

0,29

0,92

0,610

1400

2ВГ 70

901-6-48

144

Пленочный

3,36

0,310

0,38

0,77

0,075

1290

2ВГ 70

901-6-61

192

Капельный

3,67

0,359

0,45

17,19

0,137

1130

2ВГ 70

901-6-62

192

Брызгальный

2,00

0,261

0,29

0,77

0,610

1425

1ВГ 50

901-6-29

64

Пленочный

3,68

0,341

0,38

1,08

0,075

580

Капельный

3,68

0,309

0,45

12,5

0,137

465

Брызгальный

3,80

0,255

0,29

0,92

0,610

550

1ВГ 50

901-6-34

64

Пленочный

3,68

0,341

0,38

1,08

0,075

580

Капельный

3,38

0,309

0,45

12,5

0,137

470

1ВГ 50

901-6-51

64

Пленочный

3,36

0,310

0,38

0,77

0,075

585

Капельный

3,48

0,293

0,45

10,7

0,137

490

Брызгальный

3,00

0,255

0,29

0,92

0,610

570

2ВГ 25

901-6-59

16

Пленочный

3,42

0,324

0,38

0,93

0,075

140

Капельный

3,60

0,302

0,45

11,6

0,137

110

Брызгальный

3,40

0,257

0,29

0,92

0,610

135

1ВГ 25

901-6-39

16

Пленочный

3,76

0,318

0,38

0,84

0,075

140

Капельный

3,78

0,302

0,437

11,6

0,137

110

2ВГ 25

901-6-60

16

Пленочный деревянный

2,97

0,357

0,38

1,18

0,075

140

Пленочный винипластовый

2,64

0,363

0,70

5,27

0,419

130

Капельный

3,00

0,374

0,45

11,6

0,137

115

2ВГ 25

901-6-56

16

Пленочный

3,81

0,351

0,38

1,21

0,075

140

Капельный

3,86

0,302

0,45

11,6

0,137

110

Брызгальный

2,50

0,250

0,29

0,92

0,610

140

2ВГ 25

901-6-58

16

Пленочный асбестоцементный

3,50

0,344

0,59

2,73

0,290

130

3ВГ 25

901-6-67.83

24

Брызгальный

1,76

0,250

0,29

0,92

0,610

180

06-300 № 12,5

901-6-5/75

8

Пленочный

3,08

0,363

0,70

5,27

0,419

53

Капельный

3,45

0,293

0,45

10,7

0,137

50

06-300 № 12,5

901-6-49

8

Пленочный

3,68

0,335

0,38

1,02

0,075

56

Капельный

3,54

0,302

0,45

11,6

0,137

49

06-300 № 12,5

901-6-50

8

Пленочный

3,36

0,338

0,38

1,04

0,075

56

Капельный

3,54

0,302

0,45

11,6

0,137

49

06-300 № 8

901-6-52

2

Пленочный

3,42

0,339

0,38

1,06

0,075

15

Капельный

3,43

0,309

0,45

12,5

0,137

12

06-300 № 8

901-6-53

2

Пленочный

3,40

0,352

0,38

1,24

0,075

15

Капельный

3,43

0,309

0,45

12,5

0,137

20

06-300 № 8

901-6-55

2

Пленочный

3,21

0,363

0,70

5,27

0,419

13

Величина l вычисляется по формуле

.                                                                (13)

Второй этап. На втором этапе технологического расчета определяется плотность орошения qж, кг/ (м2 × ч), и по ней число градирен (секций) N.

Черт. 23. Зависимость величины х от Y и R при m = 0,4

Черт. 24. Зависимость величины х от Y и R при m = 0,5

Плотность орошения определяется по уравнению

,                                              (14)

где

;                                                         (15)

Черт. 25. Зависимость величины х от Y и R при m = 0,6

,                                         (16)

,                                                          (17)

z1 = kор hор + 0,000025 l + 0,0002,                                         (18)

z2 = zгр + zс.о. hор + 0,1 l + zв.у.                                         (19)

Черт. 26. Зависимость величины х от Y и R при m = 0,7

Коэффициенты Л, М и dв принимаются по табл. 13. Плотность влажного атмосферного воздуха g1, кгс/м3, определяется по графику черт. 28 или по формуле

,                                   (20)

где р¢¢п определяется при величине J1 по табл. 9.

Черт. 27. Зависимость величины х от Y и R при m = 0,8

Значения коэффициента аэродинамического сопротивления сухого оросителя zc.o и коэффициента kор, учитывающего дополнительные аэродинамические сопротивления от стекающей по оросителю воды, принимаются по табл. 11 или 12 в зависимости от выбранной конструкции оросителя. Значения этих двух коэффициентов определены по данным аэродинамических испытаний оросителей на опытных установках градирен.

Значение коэффициента аэродинамического сопротивления градирни без оборудования (оросителя и водоуловителя) zгр определяется по черт. 29 в зависимости от отношения площади воздуховходных окон градирни (секции) fок к площади градирни (секции) в плане fоp.

Черт. 28. График для определения плотности влажного воздуха

Таблица 13

Марка вентилятора

Частота вращения, мин-1

Мощность двигателя, кВт

Угол установки лопастей, град

Коэффициенты в формуле

Номинальная подача воздуха вентилятором G²в, тыс. м3

(16)
Л
, кг
×ч28

(17)
М, кг
×ч/м3

(14)
dв, кг/м2

06-320 № 8

980

1,1

-

- 0,0338 × 10-6

0,1312 × 10-3

14,793

-

1440

4,5

-

- 0,0427 × 10-6

0,6102 × 10-3

31,198

-

06-320 № 12

980

7,0

-

- 9,270 × 10-9

361,89 × 10-6

30,150

-

730

5,5

-

- 6,831 × 10-9

114,29 × 10-6

19,125

-

ВГ 25

1ВГ 25

380

10,0

17,5

- 760,98 × 10-12

94,73 × 10-6

12,162

125,0

380

-

12

- 397,77 × 10-12

28,84 × 10-6

16,739

-

380

-

16

- 436,25 × 10-12

1,897 × 10-6

19,149

-

380

10,0

20

- 476,03 × 10-12

61,95 × 10-6

14,722

120,0

ВГ 50

178

30,0

16

- 40,72 × 10-12

20,54 × 10-6

11,294

500,0

1ВГ 50

178

-

12

- 199,64 × 10-12

155,14 × 10-6

- 15,507

-

178

-

12

152,75 × 10-12

124,48 × 10-6

- 9,049

-

178

32,0

20

- 169,33 × 10-12

157,33 × 10-6

- 17,959

500,0

ВГ 70

147

100,0

25

- 9,731 × 10-12

15,287 × 10-6

12,45

1200,0

2ВГ 70

147

-

12

- 43,315 × 10-12

75,214 × 10-6

- 18,517

-

147

-

16

- 23,593 × 10-12

38,735 × 10-6

2,013

-

147

100,0

20

- 20,772 × 10-12

42,961 × 10-6

- 2,697

1100,0

1ВГ 104

118

-

10

- 2,214 × 10-12

0,807 × 10-6

21,993

-

118

-

15

- 1,455 × 10-12

0,255 × 10-6

26,067

-

118

-

20

- 0,908 × 10-12

- 1,256 × 10-6

31,589

-

118

-

25

- 0,633 × 10-12

- 1,358 × 10-6

32,574

2700,0

2ВГ 50

-

-

12

- 156,816 × 10-12

112,442 × 10-6

- 5,141

-

 

-

16

- 197,908 × 10-12

175,603 × 10-6

- 23,405

-

 

-

20

- 243,681 × 10-12

253,258 × 10-6

- 48,944

1100,0

«Нема» с нижним приводом

95

250

25

- 1,696 × 10-12

5,775 × 10-6

12,597

2700,0

3ВГ 25

-

-

25

7,786 × 10-10

- 34,454 × 10-5

48,876

156,0

Черт. 29. График зависимости zгр от отношения fок / fор

1 - башенные градирни; 2 - отдельно стоящие градирни с конфузором и диффузором перед и после вентилятора; 3 - квадратные секционные градирни; 4 - прямоугольные секционные градирни (отношение сторон 1 : 1,5)

Коэффициент аэродинамического сопротивления водоуловителей zву принимается по черт. 19 и табл. 5.

Буквой l в формулах (18) и (19) обозначена длина воздухораспределителя; при двухпоточной градирне (входные окна для воздуха с двух противоположных сторон) величина l равна 1/4 ширины градирни, при однопоточной - 1/2 ширины градирни. Для градирни с забором воздуха со всех сторон l равна половине радиуса круглой градирни в плане или половине длины стороны квадрата для градирни, квадратной в плане.

Величину qж в уравнении (14) можно определить любым методом, указанным в справочниках по математике. Наиболее удобным является метод с использованием тригонометрических функций. В примере приводится последовательность вычисления qж по этому методу. Допускается определять величину qж из уравнения (14) методом подбора.

По величине qж, определенной по уравнению (14), вычисляется число градирен N:

.                                                             (21)

2.42. После определения плотности орошения по формуле (14) необходимо проверить соответствие аэродинамических сопротивлений градирни напору, развиваемому вентилятором. Для этой цели вычисляется подача воздуха вентилятором, Gв, м3/ч, исходя из формулы

.                                                               (22)

Если окажется, что вычисленная таким образом подача воздуха вентилятором будет равна номинальной или близка к ней, то аэродинамическое сопротивление градирни считается соответствующим напору вентилятора. Отклонение от номинальной подачи допускается до ± 20 %.

При превышении этого предела рекомендуется выбрать другую градирню для расчета или в данной градирне изменить ее размеры в плане, размеры входных окон, тип оросителя, водоуловителя или принять к установке другой вентилятор.

Подача воздуха вентилятором, принятая в типовых проектах и номинальная, приведена в табл. 12 и 13.

Пример расчета. Требуется определить необходимое число градирен при следующих расчетных данных: Gж = 5900 × 103 кг/ч; t1 = 35 °С; t2 = 25°С; J1 = 23°C; j1 = 0,6; Pб = 99,98 кПа (750 мм рт. ст.) - по табл. 10.

Градирня вентиляторная отдельно стоящая: fор = 380 м2; hор = 4,70 м.

Ороситель капельно-пленочный (см. черт. 17).

По табл. 11: А = 0,324; m = 0,733; kоp = 0,086 × 10-3; zс.o = 4,64.

Водоуловитель № 2 (см. черт. 19) - по табл. 5 zв.у = 12,5.

Вентилятор «Нема» с нижним приводом: по табл. 13 Л = - 1,7 × 10-12; М = 5,78 × 10-6; dв = 12,597; по черт. 29 при  = 0,42 zгр = 20.

Величина  - принята для одновентиляторной градирни с вентилятором «Нема» по проекту Гипрокаучука. Величина l этой градирни равна 4,7 м.

Решение. Первый этап расчета.

При J1 = 23 °С по табл. 9 рп = 2,805 кПа (286 кгс/м2); gп = 20,6 ´ 10-3 кгс/м3.

По формуле (20) или черт. 28 g1 = 1,17 кгс/м3.

По табл. 9:

при t1 = 35 °С       pп = 5,619 кПа (573 кгс/м2);     gп = 39,6 × 10-3 кгс/м3;

при t2 = 25 °С       рп = 3,168 кПа (323 кгс/м2);      gп = 29,0 × 10-3 кгс/м3;

при tср = 30 °С      рп = 4,246 кПа (433 кгс/м2);     gп = 30,3 × 10-3 кгс/м3.

По формуле (8) или номограмме черт 21:

i1 = 130,73 кДж/кг (31,2 ккал/кг);

i2 = 77,10 кДж/кг (18,4 ккал/кг);

im = 100,56 кДж/кг (24,0 ккал/кг).

По формуле (9) или номограмме черт. 21 i1 = 50,24 кДж/кг (11,99 ккал/кг).

По формуле (10)

, кДж/кг (0,4 ккал/кг)

По формуле (4)

По формуле (6)

.

По формуле (5)

.

По формуле (7)

.

По графику черт. 26 определяется вспомогательная величина х по значениям вспомогательных величин Y и R: х = 1,89.

По формуле (13)

.

Второй этап расчета.

По формуле (18)

z1 = 0,086 × 10-3 × 4,7 + 0,000025 × 4,7 + 0,0002 = 0,722 × 10-3.

По формуле (19)

z2 = 20,0 + 4,64 × 4,7 + 0,1 × 4,7 + 12,5 = 54,78.

По формуле (15)

.

По формуле (16)

.

По формуле (17)

.

Уравнение (14) с численными значениями коэффициентов имеет вид

.

Следует иметь в виду, что коэффициенты ав, bв, св при вычислений величин p1 и р2 подставляются с тем знаком, который стоит перед этими коэффициентами в уравнении (14).

D = p12 + p23 = (137,03 × 1012)2 + (- 27,04 × 108)3 = - 1,004 × 1027 < 0;

;

;

j = 13° 00¢;  = 4° 20¢;

;

, кг/ (м2 × ч).

По формуле (21)

.

Принимаем к установке две градирни.

По формуле (22)


Таблица 14

Gж, кг/ч

t2, °С

Dt, °C

t1, °C

J1, °C

j1, %

Pб,

А, м-1

m

hор, м

kор, м2 × ч/кг

l, м

fop, м2

zгр

zc.o, м-1

zв.y

Л, кг×ч28

М, кг×ч/м5

dв, кг/м2

i1,

i1,

tср, °C

im,

i2,

1

2

3

4

5

6

7

8

9

10

11

12

13

14

15

16

17

18

19

20

21

22

23

24

5900 × 103

25

10

35

23

60

0,468

0,657

4,7

0,49 × 10-3

4,7

380

20,0

6,75

12,5

- 1,7 × 10-12

5,78 × 10-6

12,6

30

5900 × 103

25

10

35

23

60

0,441

0,663

4,7

0,37 × 10-3

4,7

380

20,0

4,36

12,5

- 1,7 × 10-12

5,78 × 10-6

12,6

30

5900 × 103

25

10

35

23

60

0,324

0,773

4,7

0,086 × 10-3

4,7

380

20,0

4,64

12,5

- 1,7 × 10-12

5,78 × 10-6

12,6

30

Продолжение табл. 14

di″,

Y

k

и

R

x

l

z1

g1, кг/м3

aв

z2

bв

св

р1

р2

25

26

27

28

29

30

31

32

33

34

35

36

37

38

39

3,14

0,96

1,75

0,551

2,370

0,738

2,621 × 10-3

1,17

4,103 × 10-12

64,695

182,9 × 10-9

1154,6 × 10-6

4,092 × 1012

- 3,146 × 108

3,14

0,96

1,75

0,583

2,458

0,712

2,057 × 10-3

1,17

3,000 × 10-12

54,731

155,7 × 10-9

1113,7 × 10-6

6,644 × 1012

- 4,232 × 108

3,13

0,96

1,74

0,762

1,89

0,92

0,722 × 10-3

1,17

2,05 × 10-12

54,78

259,7 × 10-9

- 1439,2 × 10-6

137,03 × 1012

- 27,04 × 108

Продолжение табл. 14

D

r

cos j

j

Z

qж, кг/ (м2/ч)

N

Gв

40

41

42

43

44

45

46

47

48

- 0,014 × 1027

1,774 × 104

0,733

42° 52¢

14° 17¢

24,779 × 103

9,919 × 103

1,565

2,4 × 106

- 0,032 × 1027

2,057 × 104

0,763

40° 18¢

13° 26¢

18,251 × 103

10,947 × 103

1,418

2,5 × 106

- 1,004 × 1027

5,2 × 104

0,9745

13° 00¢

4° 20¢

58,66 × 103

9,35 × 103

1,66

2,8 × 106

Примечание. В гр. 7, 20, 21, 23, 24 над чертой даны размерности в системе СИ, под чертой - в системе, допущенной к применению.


Номинальная подача вентилятора 2,7 × 106 м3/ч воздуха. Отклонение от номинальной подачи составляет 4 %, что можно считать допустимым.

Типовой методический бланк с исходными данными и примерами для расчета противоточных вентиляторных градирен по изложенной методике приводится в табл. 14.

Расчет противоточных градирен исходя из номинальной подачи воздуха вентилятором

2.43. В ряде случаев при отсутствии надежных данных о сопротивлениях отдельных элементов градирен или (и) характеристики вентилятора, можно приблизительный расчет градирни производить исходя из номинальной подачи воздуха вентилятором.

При этом первый этап расчета выполняется по методике, изложенной выше. По величине l, полученной в результате первого этапа, и по номинальной подаче воздуха вентилятором Gв, м3/ч, определяется плотность орошения по формуле

.                                                                  (23)

Определение плотности орошения qж противоточных градирен по графикам

2.44. Расчетные графики (см. черт. 30 - 59) для определения плотности орошения составлены по приведенной выше методике для номинальной подачи воздуха вентилятором, при которой скорость движения воздуха в градирне составляет 2 м/с. В типовых проектах градирен, разработанных Союзводоканалпроектом с участием ВНИИ ВОДГЕО, как правило, скорость воздуха при номинальной подаче воздуха вентилятором равна приблизительно 2 м/с. Например, в градирнях площадью 64 м2 скорость составляет 2,17 м/с, 144 м2 - 2,12 м/с, 400 м2 - 1,86 м/с, 380 м2 - 1,97 м/с, 1200 м2 - 2,3 м/с.

Определение плотности орошения для указанных градирен при номинальной подаче воздуха вентилятором по графикам (см. черт. 30 - 59) будет обеспечивать достаточную точность для ориентировочных (поверочных) расчетов. Плотность орошения qж по графикам определяется в зависимости от:

температуры воды на выходе из градирни t2, °С;

перепада температур воды в градирне Dt, °С;

температуры атмосферного воздуха по сухому (или смоченному) термометру J1 (t1), °C;

относительной влажности атмосферного воздуха j1, %;

коэффициента (характеристики оросителя) А;

высоты оросителя hop, м;

скорости воздуха в оросителе w = 2 м/с.

Перед началом расчета необходимо вычислить произведение величины А на hор.

Графики составлены для следующих расчетных параметров:

t2      от 23   до 30 °С                      через   0,1 °С

Dt     »   5     »   15 °С                           »     5 °С

J1     »   23   »   30 °С                           »     1 °C

j1     »   0,4  »   0,7                                »     0,1 доли единицы

Ahор  »   0,5  »   2                                   »     0,1     »          »

w = 2 м/с

Для промежуточных значений расчетных параметров плотность орошения qж определяется интерполяцией между соседними графиками.

При построении графиков показатель степени m для всех оросителей принят равным 0,6. Фактически этот показатель изменяется, как правило, в пределах от 0,35 до 0,8. Такое допущение может привести в определении qж по графикам при часто встречающихся относительных расходах воздуха (0,85 - 1,25) к относительной погрешности не более 5 - 5,5 %.

Черт. 30. График охлаждения воды для вентиляторных градирен
при
hор А = 0,5, Dt = 5 °С, j1 = 0,4 - 0,7

Черт. 31. График охлаждения воды для вентиляторных градирен
при
hор А = 0,6, Dt = 5 °С, j1 = 0,4 - 0,7

Черт. 32. График охлаждения воды для вентиляторных градирен
при
hор А = 0,7, Dt = 5 °С, j1 = 0,4 - 0,7

Черт. 33. График охлаждения воды для вентиляторных градирен
при
hор А = 0,8, Dt = 5 °С, j1 = 0,4 - 0,7

Черт. 34. График охлаждения воды для вентиляторных градирен
при
hор А = 0,9, Dt = 5 °С, j 1 = 0,4 - 0,7

Черт. 35. График охлаждения воды для вентиляторных градирен
при
hор А = 1,0, Dt = 5 °С, j 1 = 0,4 - 0,7

Черт. 36. График охлаждения воды для вентиляторных градирен
при
hор А = 1,1, Dt = 5 °С, j1 = 0,4 - 0,7

Черт. 37. График охлаждения воды для вентиляторных градирен
при
hор А = 1,2, Dt = 5 °С, j1 = 0,4 - 0,7

Черт. 38. График охлаждения воды для вентиляторных градирен
при
hор А = 1,3, Dt = 5 °С, j1 = 0,4 - 0,7

Черт. 39. График охлаждения воды для вентиляторных градирен
при
hор А = 0,8, Dt = 10 °С, j1 = 0,4 - 0,7

Черт. 40. График охлаждения поды для вентиляторных градирен
при
hор А = 0,9, Dt = 10 °С, j1 = 0,4 - 0,7

Черт. 41. График охлаждения воды для вентиляторных градирен
при
hор А = 1,0, Dt = 10 °С, j1 = 0,4 - 0,7

Черт. 42. График охлаждения воды для вентиляторных градирен
при
hор А = 1,1, Dt = 10 °С, j1 = 0,4 - 0,7

Черт. 43. График охлаждения воды для вентиляторных градирен
при
hор А = 1,2, Dt = 10 °С, j1 = 0,4 - 0,7

Черт. 44. График охлаждения воды для вентиляторных градирен
при
hор А = 1,3, Dt = 10 °С, j1 = 0,4 - 0,7

Черт. 45. График охлаждения воды для вентиляторных градирен
при
hор А = 1,4, Dt = 10 °С, j1 = 0,4 - 0,7

Черт. 46. График охлаждения воды для вентиляторных градирен
при
hор А = 1,5, Dt = 10 °С, j1 = 0,4 - 0,7

Черт. 47. График охлаждения воды для вентиляторных градирен
при
hор А = 1,6, Dt = 10 °С, j1 = 0,4 - 0,7

Черт. 48. График охлаждения воды для вентиляторных градирен
при
hор А = 1,7, Dt = 10 °С, j1 = 0,4 - 0,7

Черт. 49. График охлаждения воды для вентиляторных градирен
при
hор А = 1,0, Dt = 15 °С, j1 = 0,4 - 0,7

Черт. 50. График охлаждения воды для вентиляторных градирен
при
hор А = 1,1, Dt = 15 °С, j1 = 0,4 - 0,7

Черт. 51. График охлаждения воды для вентиляторных градирен
при
hор А = 1,2, Dt = 15 °С, j1 = 0,4 - 0,7

Черт. 52. График охлаждения воды дли вентиляторных градирен
при
hор А = 1,3, Dt = 15 °С, j1 = 0,4 - 0,7

Черт. 53. График охлаждения воды для вентиляторных градирен
при
hор А = 1,4, Dt = 15 °С, j1 = 0,4 - 0,7

Черт. 54. График охлаждения воды для вентиляторных градирен
при
hор А = 1,5, Dt = 15 °С, j1 = 0,4 - 0,7

Черт. 55. График охлаждения воды для вентиляторных градирен
при
hор А = 1,6, Dt = 15 °С, j1 = 0,4 - 0,7

Черт. 56. График охлаждения воды для вентиляторных градирен
при
hор А = 1,7, Dt = 15 °С, j1 = 0,4 - 0,7

Черт. 57. График охлаждения воды для вентиляторных градирен
при
hор А = 1,8, Dt = 15 °С, j1 = 0,4 - 0,7

Черт. 58. График охлаждения воды для вентиляторных градирен
при
hор А = 1,9, Dt = 15 °С, j1 = 0,4 - 0,7

Черт. 59. График охлаждения воды для вентиляторных градирен
при
hор А = 2,0, Dt = 15 °С, j1 = 0,4 - 0,7

Пример расчета. Требуется определить необходимую плотность орошения при следующих расчетных данных: t2 = 25 °С; Dt = 10 °С; J1 = 23 °С; j1 = 0,6; A = 0,324 м-1; hор = 4,7 м; w = 2 м/с.

Решение.

Ahop = 0,324 × 4,7 = 1,5.

По графику черт. 46 при указанных расчетных данных qж = 8,7 м3/ (м2 × ч).

2.45. В том случае, когда скорость движения воздуха отличается от 2 м/с не более чем на ± 10 %, можно ввести поправку к плотности орошения, определенной по графиком, несколько уточняющую результаты расчета. Плотность орошения с учетом поправки будет равна

.                                                           (24)

2.46. Расчет поперечно-точных градирен рекомендуется выполнять по «Указаниям по расчету капельных вентиляторных градирен с поперечным током воздуха», ВНИИ ВОДГЕО, 1958.

ТЕХНИКО-ЭКОНОМИЧЕСКИЕ РАСЧЕТЫ ВЕНТИЛЯТОРНЫХ ГРАДИРЕН. ОСНОВНЫЕ ПОЛОЖЕНИЯ

2.47. Целью технико-экономических расчетов при разработке новых индивидуальных экспериментальных или типовых проектов является определение оптимальных технологических и конструктивных параметров градирни (площади орошения, расхода воды, размеров оросительного устройства, диаметров труб водораспределения, типа вентилятора и др.).

При выборе типа и числа градирен по действующим типовым проектам следует сравнить технико-экономические показатели рассматриваемых вариантов градирен.

Критерием сравнительной экономической эффективности по вариантам является минимум годовых приведенных затрат на строительство и эксплуатацию с учетом технологии производства.

При разработке новых индивидуальных, экспериментальных или типовых проектов экономические показатели сравниваются с показателями утвержденного проекта-аналога.

2.48. В состав технико-экономических показателей, как правило, включаются:

производительность градирен, м3/ч, м3/сут и м3/год;

капитальные затраты, тыс. руб.;

годовые эксплуатационные расходы, тыс. руб.;

стоимость охлаждения 1 м3 воды, руб.;

снижение стоимости охлаждения воды, %;

годовой расход электроэнергии, кВт × ч;

снижение расхода электроэнергии, %;

приведенные затраты, тыс. руб.;

годовой экономический эффект по приведенным затратам, тыс. руб.

2.49. Капитальные затраты определяются по сметной стоимости строительно-монтажных работ.

В случае блокирования градирен с насосными станциями или производственными зданиями следует учитывать дополнительно протяженность и стоимость инженерных коммуникаций и стоимость освоения территории генерального плана объекта.

2.50. Эксплуатационные расходы определяются по составу показателей работы градирен. Такими показателями являются:

расчетное число дней работы в году;

расчетное число часов работы в сутки;

расчетное число часов работы в году;

расчетное число часов работы в году вентиляторов;

расход и стоимость электроэнергии;

амортизационные отчисления;

стоимость обслуживания градирен;

стоимость текущего ремонта;

прочие расходы.

2.51. При определении значений технико-экономических показателей следует руководствоваться методикой, изложенной в нормативных материалах: СН 423-71, СН 509-78, СН 514-79.

3. БАШЕННЫЕ ГРАДИРНИ

ОБЩАЯ ЧАСТЬ

3.1. Башенные градирни надлежит применять в системах оборотного водоснабжения, требующих устойчивого и глубокого охлаждения воды при высоких удельных гидравлических и тепловых нагрузках.

3.2. Башенные градирни применяются, главным образом, на атомных и тепловых электростанциях и в некоторых случаях в других отраслях.

От эффективности работы башенных градирен на электростанциях в значительной мере зависят технико-экономические показатели их работы - выработка электроэнергии и расход топлива.

3.3. Башенные градирни могут быть испарительными, радиаторными, или сухими и смешанными - испарительно-сухими. К испарительно-сухим относятся сухие градирни, в которых для увеличения глубины охлаждения осуществляется набрызг воды (как правило, обессоленной) на радиаторы.

3.4. Башенные градирни разрабатываются, как правило, испарительные и с противоточной схемой движения воды и воздуха.

3.5. Основные технологические элементы - водораспределительное устройство, ороситель, водосборный бассейн, водоуловитель и воздухорегулирующее устройство - в башенных градирнях выполняют те же функции, что и в вентиляторных, и часто могут быть сходными по конструктивному оформлению.

ТЕХНОЛОГИЧЕСКИЕ И КОНСТРУКТИВНЫЕ ЭЛЕМЕНТЫ БАШЕННЫХ ГРАДИРЕН

3.6. Подземные конструкции башенных градирен выполняются из монолитного железобетона, однако допускается фундамент башни и стенку водосборного бассейна выполнять из сборного железобетона.

Фундаменты железобетонных вытяжных башен градирен выполняются ленточными, каркасно-обшивных башен - отдельно стоящими или ленточными.

При назначении размеров фундаментов башен градирен не допускается отрыв фундамента от грунта.

3.7. Водосборный бассейн состоит из днища толщиной, как правило, 25 см и стенки, которая для градирни с железобетонной башней является также стенкой кольцевого фундамента.

При неблагоприятных грунтовых условиях толщина днища может быть увеличена. Водосборный бассейн может быть выполнен на свайном основании. При небольшой мощности грунта неудовлетворительного качества данный грунт может быть полностью заменен песчано-гравийной смесью.

При высоком стоянии грунтовых вод, обладающих сильной агрессией, в основании бассейна надлежит устраивать гравийную подушку с проливкой битумом.

Водосборный бассейн башенных градирен может, быть с разделительными перегородками или без перегородок в зависимости от режима работы градирни, ее размеров в плане и др. Во всех случаях бассейн оборудуется уровнемером с выводом показаний на щит управления процессом охлаждения воды.

3.8. Вытяжная башня выполняется или из стального каркаса с внутренней обшивкой, или из монолитного, или из сборного железобетона. Форма вытяжной башни может быть гиперболической, конической или пирамидальной.

В качестве примера на черт. 60 приведена схема башенной противоточной градирни с каркасно-обшивной вытяжной башней гиперболической формы.

Вытяжные башни, возводимые в монолитном железобетоне, следует проектировать гиперболической формы - наиболее рациональной в аэродинамическом и экономическом отношениях.

Черт. 60. Башенная противоточная градирня

1 - вытяжная башня; 2 - водоуловитель; 3 - водораспределительная система; 4 - оросительное устройство; 5 - воздухорегулирующее устройство; 6 - водосборный бассейн

Вытяжные башни из сборных железобетонных панелей, а также металлические могут иметь различную форму в зависимости от размеров. Так, вытяжные башни градирен малой и средней производительности имеют пирамидальную форму, градирен большой производительности - гиперболическую или близкую к ней форму.

Вытяжные башни градирен должны иметь дневную маркировку - две горизонтальные полосы с разрывами красного и белого цветов в верху башни и световое ограждение, необходимость выполнения которых в каждом конкретном случае согласовывается с местным территориальным управлением Министерства гражданской авиации.

Вытяжные башни градирен должны быть оборудованы молниеприемниками и заземлением (на металлических башнях молниеприемники не устанавливаются).

Токоотводы закладываются в бетон оболочки башни.

Армирование монолитной железобетонной оболочки башни должно быть двухрядным и выполняться из стержней кольцевой и меридиональной арматуры. При этом стержни кольцевой арматуры следует располагать ближе к граням оболочки.

В качестве рабочей арматуры должна применяться только арматура периодического профиля. Стыки рабочей арматуры должны выполняться без сварки внахлестку с перепуском, равным 40 диаметрам арматуры. В одном сечении должно стыковаться не более 50 % стержней одного направления.

В верхней части железобетонной каркасно-обшивной башни надлежит предусматривать кольцо жесткости шириной не менее 1 м, а также площадку для обслуживания светоограждения и для подвески люлек во время ремонтных работ.

Для подъема на площадку вытяжная башня должна быть оборудована лестницей на всю высоту. Ширина лестницы, а также всех площадок должна быть не менее 700 мм. Высота перил должна быть не менее 1200 мм.

3.9. Схема разбивки несущего опорного каркаса оросителя, водораспределителя и водоуловителя башенных градирен должна быть, как правило, ортогональная с шагом колонн 6,0 ´ 6,0 м. Несущий каркас должен состоять из фундаментов стаканного типа, колонн, ригелей и балок. Сопряжения сборных железобетонных элементов следует проектировать без открытых стальных закладных и накладных деталей. В отдельных случаях допускается применение открытых закладных и накладных деталей при условии защиты их и сварных соединений комбинированными металлоизоляционными лакокрасочными покрытиями в соответствии с требованиями СНиП 2.03.11-85.

Монтаж каркасно-обшивных башен градирен должен осуществляться с помощью башенных, а также гусеничных кранов серийного производства, что обеспечивает возведение башен на современном индустриальном уровне.

3.10. Крепление обшивки к стальному каркасу башни осуществляется оцинкованными болтами и кляммерами. Применение самонарезных болтов для крепления обшивки запрещается.

Обшивка металлических каркасных башен принимается из алюминиевых гофрированных листов толщиной не менее 1,0 мм. Возможно применение обшивки из асбестоцементных волнистых листов усиленного профиля и пластмассовых волнистых листов, а в отдельных случаях - из деревянных щитов.

3.11. Водораспределительное устройство башенных градирен выполняется, как правило, напорным. Магистральные трубы водораспределительного устройства - стальные. Ответвления от магистральных труб (рабочие трубы) могут быть асбестоцементными, пластмассовыми или стальными. Схема разбивки сети труб может быть ортогональной или радиальной. На ответвлениях труб устанавливаются разбрызгивающие цельнолитые пластмассовые сопла с чашечными отражателями воды.

Применение стальных рабочих труб в каждом конкретном случае должно обосновываться технико-экономическими расчетами.

Водораспределительное устройство рассчитывается так, чтобы обеспечивать нормальную работу градирен в широком диапазоне удельных гидравлических нагрузок. Например, водораспределительное устройстве новой серии градирен площадью 1100, 1600, 2300 и 3200 м2 разработано в двух вариантах: для плотности орошения 6 - 8 м3/ (м2 × ч) и 8 - 11 м3/ (м2 × ч).

3.12. Ороситель башенных градирен, как правило, изготовляется из плоских (реже из волнистых) асбестоцементных листов в один или два яруса, а также из деревянных блоков. Величина поверхности контакта воды с воздухом, а, следовательно, и охладительный эффект, зависят от расстояния между листами «в свету» и от высоты оросителя. В каждом конкретном случае эти размеры обосновываются технико-экономическими расчетами.

3.13. В современных крупных башенных градирнях (площадью 1000 м2 и более) предусматривается водоуловитель. Он, как правило, жалюзийного типа с прямолинейным или криволинейным очертанием лопаток. Может изготовляться из дерева, асбестоцемента и пластмассы.

3.14. В градирнях должны предусматриваться мероприятия против обледенения их конструкций. Воздуховходные окна должны быть оборудованы щитами (поворотными, навесными или шандорными) для регулирования входящего в градирню воздуха в зимний период.

Допускается повышение тепловой и гидравлической нагрузки в периферийной зоне оросителя. В периферийной части каркаса оросителя должны быть установлены ветровые перегородки в радиальном направлении.

По периметру башни на уровне верха воздуховходного окна может быть уложен кольцевой трубопровод с горячей водой.

3.15. Воздухорегулирующее устройство применяется в каждом конкретном случае по технико-экономическим расчетам, в зависимости от климатических условий (величины и длительности стояния отрицательных температур наружного воздуха) и режима работы градирен в зимнее время. Воздуховходные окна должны быть оборудованы козырьком плавного очертания.

3.16. К градирням должны предусматриваться подъезды и площадки для установки пожарных автомобилей с целью использования воды градирен в качестве резервного источника водоснабжения при пожарах на объектах. Территория, примыкающая к градирням, должна быть спланирована и иметь травяной покров или щебеночное покрытие.

БЕЗВОЗВРАТНЫЕ ПОТЕРИ ВОДЫ В БАШЕННЫХ ГРАДИРНЯХ

3.17. Потери воды на испарение Gи определяются по формуле

Gи = kи Dt Gж, м3/ч,                                                       (22)

где kи - коэффициент, учитывающий долю теплоотдачи испарением в общей теплоотдаче, принимаемый в зависимости от температуры наружного воздуха по сухому термометру по графику черт. 61 (график составлен по данным результатов натурных исследований 26 башенных градирен).

3.18. Потери на унос через башни: для градирни, оборудованной водоуловителем, - равны или меньше 0,05 %, без водоуловителя - равны 0,5 - 0,8 % циркуляционного расхода воды.

Потери воды на унос ветром через воздуховходные окна составляют 0,02 - 0,05 % циркуляционного расхода воды (при средней скорости ветра до 3 м/с).

Большие значения потерь, указанные в диапазонах, рекомендуются для башенных градирен небольшой площади (до 1000 м2).

ПРОЕКТЫ БАШЕННЫХ ГРАДИРЕН БОЛЬШОЙ ПРОИЗВОДИТЕЛЬНОСТИ

3.19. Проекты башенных градирен большой производительности площадью в плане 1000 м2 и более разрабатываются Ленинградским отделением Атомтеплоэлектропроекта (ЛОАТЭП) совместно с ВНИИГ им. Б. Е. Веденеева.

Черт. 61. График зависимости коэффициента kи от температуры воздуха по сухому термометру

3.20. В настоящее время имеются проекты двух серий градирен, условно названных «новая» и «старая». Все эти градирни испарительные.

3.21. Новая серия градирен - площадью 1100, 1600, 2300 и 3200 м2; старая серия - площадью 1200, 1600, 2100, 2600, 3200 и 4000 м2.

В градирнях новой и старой серий устанавливается двухъярусный асбестоцементный ороситель с ярусом высотой 1,2 м, расстоянием между ярусами 0,05 м и расстоянием между асбестоцементными листами 25 мм.

3.22. Проекты старой серии исключены из каталога-перечня типовых проектов и могут применяться как материалы для проектирования.

ТЕХНОЛОГИЧЕСКИЕ РАСЧЕТЫ БАШЕННЫХ ГРАДИРЕН

3.23. Задачей технологического расчета является определение температуры охлажденной в градирне воды. Каждый типовой проект имеет свои графики, являющиеся технологическим паспортом градирни, по которым определяется температура охлажденной воды или выбранный типоразмер градирни.

3.24. Температуру охлажденной воды башенных градирен следует определять по графикам черт. 62 - 65 - для новой серии градирен, черт. 66 - 77 - старой серии градирен.

Графики составлены для барометрического давления 0,0981 МПа.

3.25. Технологические расчеты, положенные в основу построения этих графиков, выполнены на ЭВМ по программам, разработанным в математической лаборатории ВНИИГ им. Б. Е. Веденеева.

Технологические расчеты выполнены в основном в соответствии с «Техническими указаниями по расчету и проектированию башенных противоточных градирен для тепловых электростанций и промышленных предприятий» (ВСН 14-67, М., Энергия, 1973).

3.26. Температура охлажденной воды, определенная по графикам, соответствует условиям работы градирен при штиле. Поправочная кривая в условиях ветра составляется по данным натурных исследований градирен в процессе их эксплуатации.

3.27. Исходными данными для технологических расчетов являются:

многолетние среднемесячные температуры атмосферного воздуха, относительная влажность атмосферного воздуха, скорость ветра и барометрическое давление;

график обеспеченности температуры атмосферного воздуха для среднего и жаркого года и кривые связи температуры и относительной влажности воздуха;

средние температуры и влажности воздуха в 13 ч для наиболее жаркого месяца;

температура воздуха наиболее холодной пятидневки;

роза ветров, преобладающее направление ветра в летний и зимний периоды года;

расчетный ветровой район.

3.28. Расчетные графики для новой серии градирен (см. черт. 62 - 65) позволяют определять для каждого типоразмера градирни гарантийную температуру охлажденной воды t2 в зависимости от температуры наружного воздуха по сухому термометру J1 и его относительной влажности j1, плотности орошения qж и температурного перепада Dt в следующих диапазонах:

J1 от минус 10 ° до плюс 40 °С;

j1       »          20        »      100 %;

qж      »          6          »      10 м3/ (м2 × ч);

Dt       »          6          »      12 °С.

3.29. Расчетные графики для старой серии (см. черт. 66 - 77) для каждого типоразмера градирни состоят из двух графиков: основного и вспомогательного графика поправок на температурный перепад. По основному графику температура t2 определяется в зависимости от J1, j1, qж и Dt в следующих диапазонах:

J1 от минус 10° до плюс 35 °С;

j1       »          20        »      100 %;

qж      »          6          »      10 м3/ (м2 × ч),

Dt = 10 °С.

Для значений Dt, отличающихся от 10 °С (в диапазоне от 4 до 16 °С), к температуре воды t вводится поправка, определяемая по вспомогательному графику в зависимости от Dt и J1.


Черт. 62. График охлаждения воды для башенной градирни площадью fор = 1100 м3

высота градирни 52 м, высота воздуховходных окон 4,5 м; диаметр башни на уровне верха оросителя 38,2 м; диаметр выходного сечения башни 25 м

Черт. 63. График охлаждения воды для башенной градирни площадью fор = 1600 м3

высота градирни 62 м; высота воздуховходных окон 5,5 м; диаметр башни на уровне верха оросителя 46 м; диаметр выходного сечения башни 30 м

Черт. 64. График охлаждения воды для башенной градирни площадью fор = 2300 м3

высота градирни 75 м, высота воздуховходных окон 6,5 м; диаметр башни на уровне верха оросителя 55 м; диаметр выходного сечения башни 36 м

Черт. 65. График охлаждения воды для башенной градирни площадью fор = 3200 м3

высота градирни 88 м; высота воздуховходных окон 7,5 м; диаметр башни на уровне верха оросителя 65 м; диаметр выходного сечения башни 42 м

Черт. 66. Графики охлаждения воды и поправок на Dt для градирен площадью fор = 1200; 1600; 2600 м2

соответственно высота градирен 48,4; 53,7; 71,0 м; высота воздуховходных окон 3,3; 3,3; 4,3 м; диаметр башен на уровне верха оросителя 40,0; 46,0; 58,2 м; диаметр выходного сечения башен 26,0; 30,4; 37,9 м; плотность орошения qж = 6 м3/ (м2 × ч); перепад температур воды Dt = 10 °С; для градирни fор = 2600 м2 к температуре охлажденной воды t2, определенной по графику, вводится поправка dt2 = - 0,2 °С

Черт. 67. Графики охлаждения воды и поправок на Dt для градирен площадью fор = 1200; 1600; 2600 м2

соответственно высота градирен 48,4; 53,7; 71,0 м; высота воздуховходных окон 3,3; 3,3; 4,3 м; диаметр башен на уровне верха оросителя 40,0; 46,0; 58,2 м; диаметр выходного сечения башен 26,0; 30,4; 37,9 м; плотность орошения qж = 8 м3/ (м2 × ч); перепад температур воды Dt = 10 °С; для градирни fор = 2600 м2 к температуре охлажденной воды t2, определенной по графику, вводится поправка dt2, = - 0,2 °С

Черт. 68. Графики охлаждения воды и поправок на Dt для градирен площадью fор = 1200; 1600; 2600 м2

соответственно высота градирен 48,4; 53,7; 71,0 м; высота воздуховходных окон 3,3; 3,3; 4,3 м; диаметр башен на уровне верха оросителя 40,0; 46,0; 58,2 м; диаметр выходного сечения башен 26,0; 30,4; 37,9 м; плотность орошения qж = 10 м3/ (м2 × ч); перепад температур воды Dt = 10 °С; для градирни fор = 2600 м2 к температуре охлажденной воды t2, определенной по графику, вводится поправка dt2, = - 0,2 °С

Черт. 69. Графики охлаждения воды и поправок на Dt для градирни площадью fор = 2100 м2

высота градирни 64,8 м; высота воздуховходных окон 3,8 м; диаметр башни на уровне верха оросителя 52,2 м; диаметр выходного сечения башни 33,0 м; плотность орошения qж = 6 м3/ (м2 × ч); перепад температур воды Dt = 10 °С

Черт. 70. Графики охлаждения воды и поправок на Dt для градирни площадью fор = 2100 м2

высота градирни 64,8 м; высота воздуховходных окон 3,8 м; диаметр башни на уровне верха оросителя 52,2 м; диаметр выходного сечения башни 33,0 м; плотность орошения qж = 8 м3/ (м2 × ч); перепад температур воды Dt = 10 °С

Черт. 71. Графики охлаждения воды и поправок на Dt для градирни площадью fор = 2100 м2

высота градирни 64,8 м; высота воздуховходных окон 3,8 м; диаметр башни на уровне верха оросителя 52,2 м; диаметр выходного сечения башни 33,0 м; плотность орошения qж = 10 м3/ (м2 × ч); перепад температур воды Dt = 10 °С

Черт. 72. Графики охлаждения воды и поправок на Dt для градирни площадью fор = 3200 м2

высота градирен 81 м; высота воздуховходных окон 5,0 м; диаметр башни на уровне верха оросителя 64,4 м; диаметр выходного сечения башни 40,4 м, плотность орошения qж = 6 м3/ (м2 × ч); перепад температур воды Dt = 10 °С

Черт. 73. Графики охлаждения воды и поправок на Dt для градирни площадью fор = 3200 м2

высота градирен 81 м; высота воздуховходных окон 5,0 м; диаметр башни на уровне верха оросителя 64,4 м; диаметр выходного сечения башни 40,4 м, плотность орошения qж = 8 м3/ (м2 × ч); перепад температур воды Dt = 10 °С

Черт. 74. Графики охлаждения воды и поправок на Dt для градирни площадью fор = 3200 м2

высота градирен 81 м; высота воздуховходных окон 5,0 м; диаметр башни на уровне верха оросителя 64,4 м; диаметр выходного сечения башни 40,4 м, плотность орошения qж = 10 м3/ (м2 × ч); перепад температур воды Dt = 10 °С

Черт. 75. Графики охлаждения воды и поправок на Dt для градирни площадью fор = 4000 м2

высота градирни 91,5 м; высота воздуховходных окон 5,5 м; диаметр башни на уровне верха оросителя 72 м; диаметр выходного сечения башни 41,6 м; плотность орошения qж = 6 м3/ (м2 × ч); перепад температур воды Dt = 10 °С

Черт. 76. Графики охлаждения воды и поправок на Dt для градирни площадью fор = 4000 м2

высота градирни 91,5 м; высота воздуховходных окон 5,5 м; диаметр башни на уровне верха оросителя 72 м; диаметр выходного сечения башни 41,6 м; плотность орошения qж = 8 м3/ (м2 × ч); перепад температур воды Dt = 10 °С

Черт. 77. Графики охлаждения воды и поправок на Dt для градирни площадью fор = 4000 м2

высота градирни 91,5 м; высота воздуховходных окон 5,5 м; диаметр башни на уровне верха оросителя 72 м; диаметр выходного сечения башни 41,6 м; плотность орошения qж = 10 м3/ (м2 × ч); перепад температур воды Dt = 10 °С


3.30. При определении температур охлажденной воды при отрицательной температуре наружного воздуха необходимо иметь в виду, что температура охлажденной воды в зимнее время не должна снижаться ниже определенного уровня во избежание обледенения конструкций градирен. Для типовых башенных градирен ЛОАТЭП и ВНИИГ им. Б. Е. Веденеева минимальная температура охлажденной воды поддерживается на уровне 10 - 12 °С.

3.31. Расчетные графики для обеих серий градирен могут быть уточнены по результатам натурных исследований.

Примеры определения температуры охлажденной воды по графикам

Пример 1. Градирня новой серии. Площадь орошения Fор = 3200 м2. Плотность орошения qж = 8 м3/ (м2 × ч). Перепад температур воды Dt = 8 °С. Температура атмосферного воздуха по сухому термометру J1 = 24 °С. Относительная влажность атмосферного воздуха j1 = 60 %.

По графику черт. 65 для Fор = 3200 м2 находим t2 в зависимости от J1, j1, qж, Dt; t2 = 29,4 °С.

Пример 2. Градирня старой серии. Площадь орошения Fор = 3200 м2. Плотность орошения qж = 6 м3/ (м2 × ч). Перепад температур воды Dt = 8 °С. Температура воздуха по сухому термометру J1 = 24 °С. Относительная влажность воздуха j1 = 60 %.

По основному графику черт. 72 для Fоp = 3200 м2 находим величину t¢2 в зависимости от J1, j1 при Dt = 10 °С; t¢2 = 30,8 °С.

Поправка к t¢2 на перепад температуры Dt, отличающийся от 10 °С, при Dt = 8,0 °С и J1 = 24 °С по поправочному графику черт. 72 dt2 = - 1,0 °С.

Следовательно, t2 = t¢2 - dt2 = 30,8 - 1,0 = 29,8 °С.

В ряде случаев возникает задача определения температуры охлажденной воды t2 по тем же параметрам, что и в примерах 1 и 2, за исключением перепада температур воды Dt. Вместо Dt в этом случае задается расчетное значение температуры воды на входе в градирню t1. Эта задача может быть решена с помощью графиков для градирен новой и старой серий. Она иллюстрируется для старой серии на примере 3.

Пример 3. Градирня старой серии. Площадь орошения Fop = 1200 м2. Плотность орошения qж = 8 м3/ (м2 × ч). Температура воздуха по сухому термометру J1 = 15,5 °С. Относительная влажность воздуха j1 = 73 %. Температура воды, поступающей на градирню, t1 = 38,4 °С.

По основному графику (см. черт. 67) для Fор = 1200 м2 находим величину t¢2 в зависимости от qж, J1, j1 при Dt = 10 °C; t¢2 = 29,7 °С.

Далее задаемся тремя значениями перепада температур: Dt1 = 8 °С, Dt2 = 12 °С и Dt3 = 16 °С.

По поправочному графику (см. черт. 67) определяем поправку dt2 к температуре t¢2 при каждом принятом значении Dt:

при  Dt1 = 8 °С    и J1 = 15,5 °С     dt2 = - 1,5 °С;

»       Dt2 = 12 °С  и J1 = 15,5 °С     dt2 = + 1,1 °С;

»       Dt3 = 16 °С  и J1 = 15,5 °С     dt2 = + 2,8 °С.

Температура охлажденной воды для этих условий будет равна:

t2 = t¢2 - dt2

при  Dt1 = 8 °С       t2 = 29,7 - 1,5 = 28,2 °С;

»       Dt2 = 12 °С     t2 = 29,7 + 1,1 = 30,8 °С;

»       Dt3 = 16 °С     t2 = 29,7 + 2,8 = 32,5 °С.

Температура поступающей воды соответственно будет равна:

t1 = t2 + Dt

при  Dt1 = 8 °С       t1 = 28,2 + 8 = 36,2 °С;

»       Dt2 = 12 °C     t1 = 30,8 + 12 = 42,8 °C;

»       Dt3 = 16 °С     t1 = 32,5 + 16 = 48,5 °С.

Черт. 78. График поправок (к примеру расчета 3)

Строим график зависимости t2 от t1, при трех разных значениях Dt = 8, 12 и 16 °С (черт. 78). По этому графику определяем искомое значение t2 при заданном в примере значении t1 = 38,4 °С. Оно равно t2 = 28,1 °С, тогда перепад температур воды составит:

Dt = 38,4 - 29,1 = 9,3 °С.

ТЕХНИКО-ЭКОНОМИЧЕСКИЕ РАСЧЕТЫ БАШЕННЫХ ГРАДИРЕН. ОСНОВНЫЕ ПОЛОЖЕНИЯ

3.32. Опыт проектирования башенных градирен ЛОАТЭП для атомных и тепловых электростанций показывает, что технико-экономические расчеты следует производить на основании:

данных для технологических расчетов градирен по графикам черт. 62 - 67;

типа и числа турбин;

данных по турбинам (поправки на вакуум, предельно допустимого давления пара в конденсаторе);

данных по конденсатору (номинальных и максимальных значений расхода пара, давления в конденсаторе в зависимости от переменных значений температур охлажденной воды, расхода воды и пара);

данных по режиму работы турбин (среднего расчетного расхода пара в конденсаторе по каждой турбине в разрезе года по календарным периодам, графика вывода основного оборудования в ремонт, годового числа часов использования установленной мощности, графика ввода турбин в эксплуатацию);

замыкающих затрат на производство электроэнергии, стоимости установленного киловатта замещаемой мощности;

данных по подпиточной воде (расстояния до источника подпиточной воды, физико-химического состава подпиточной воды: концентрации механических примесей (взвесей), сульфатов SO4-2, хлоридов Сl-, кальция Са2+, магния Mg2+, щелочности (ион НСО3-), суммы натрия и калия Na+ + К+, диоксида углерода СО2 и рН).

3.33. Технико-экономические расчеты по выбору типа и числа башенных градирен, оптимизации кратности охлаждения и др. Рекомендуется выполнять в соответствии с руководством по оптимизации оборотной системы водоснабжения электростанций с градирнями» (М.: Минэнерго СССР, 1981) и технологических требований СНиП 2.04.02-84 с учетом унификации строительных конструкций.

3.34. При определении капитальных вложений конструкция градирни должна быть разделена на отдельные элементы:

оболочка башни;

опорная колоннада и фундамент башни;

водосборный бассейн;

несущий каркас;

оросительное и водоулавливающее устройства;

подводящие трубы и трубы водораспределения.

По каждому элементу градирни должна быть определена стоимость при переменных размерах, а капитальные вложения на градирню в целом должны быть определены как сумма стоимости отдельных элементов. При переменных размерах элементов градирни определяются приведенные затраты, связанные с потерей полезной мощности электростанции. При этом необходимо рассматривать 3 - 4 размера элемента градирни.

На основании приведенных затрат должны быть определены суммарные приведенные затраты при переменных размерах градирен, связанные со снижением мощности станции, на основании которых определяются оптимальные размеры градирни (в плане, по высоте, размеры воздуховходных окон и др.).

ПРОЕКТЫ БАШЕННЫХ ГРАДИРЕН МАЛОЙ ПРОИЗВОДИТЕЛЬНОСТИ

3.35. Серия типовых проектов малой производительности градирен разработана Союзводоканалпроектом совместно с ВНИИ ВОДГЕО. Площади орошения этих градирен 16, 64, 144 и 256 м2.

Градирни предназначаются для применения в системах оборотного водоснабжения производительностью от 50 до 1800 м3/ч воды.

Указанная серия проектов в настоящее время распространяется как материал для проектирования.

Схемы башенных градирен малой производительности приведены на черт. 79 и 80.

3.36. Основные размеры малых башенных градирен приведены в табл. 15.

3.37. Градирни площадью в плане 64, 144 и 256 м2 имеют стальной каркас, площадью 16 м2 запроектированы в двух вариантах - со стальным и деревянным каркасами.

3.38. Обшивка стального каркаса башни во всех градирнях - деревянная из вертикально установленных шпунтованных досок шириной не более 150 мм, толщиной 30 - 40 мм с увеличенной высотой шпунта (20 - 25 мм).

3.39. Обшивка деревянного каркаса градирен площадью 16 м2 в нижней части состоит из досок, установленных под утлом 60°, в верхней части - вертикальная.

3.40. Для предупреждения сквозного продувания ветром через воздуховходные окна на всю высоту воздухораспределительного пространства градирен (от низа оросителя до уровня воды в водосборном бассейне) предусмотрены ветровые перегородки.

Черт. 79. Схема башенной градирни с деревянным каркасом площадью fор = 16 м2

1 - каркас вытяжной башни; 2 - обшивка; 3 - оросительное устройство; 4 - воздухораспределительное пространство; 5 - водосборный бассейн; 6 - подводящий водовод

Черт. 80. Схема башенной градирни со стальным каркасом площадью fор = 144 м2

1 - каркас вытяжной башни; 2 -обшивка; 3 - оросительное устройство; 4 - воздухораспределительное пространство; 5 - водосборный бассейн; 6 - подводящий водовод

Таблица 15

Площадь градирни в плане, м2

Высота башни от уровня земли, м

Каркас башни

Форма градирни в плане

Высота подачи воды, м

Отношение площади выходного сечения башни к площади градирни

Архивный номер чертежа Союзводоканалпроекта

16

18,1

Деревянный

Квадрат

5,5

0,3

Т-1973

16

18,1

Стальной

«

5,5

0,3

Т-1974

64

20,7

«

«

5,5

0,3

Т-1975

144

28,6

«

«

5,5

0,3

Т-1976

256

31,2

«

«

5,5

0,3

Т-1977

3.41. Водосборный бассейн всех малых градирен выполнен из железобетона.

3.42. Водораспределительная система малых градирен безнапорная, лотковая. Лотки оборудованы сливными трубками, из которых вода поступает на отражатели струи - разбрызгивающие розетки, расположенные на верху оросителя. Высота падения воды от сливных трубок до розеток 0,6 - 0,7 м.

3.43. Вместо лотковой безнапорной водораспределительной системы может быть применена трубчатая напорная с водоразбрызгивающими соплами.

3.44. В малых градирнях водоуловители для предупреждения выноса капельной влаги через верх градирен не предусматриваются ввиду низких скоростей воздуха в них.

3.45. Оросители всех малых градирен изготовляют из деревянных щитов, собранных из планок размером 10 ´ 100 мм, установленных на ребро с промежутками по высоте 150 мм. Расстояние между щитами в свету 25 - 40 мм.

3.46. Технологический расчет малых градирен: определение плотности орошения qж, м3/ (м2 × ч) при заданных параметрах атмосферного воздуха - температуре J1 и относительной влажности j1, %, при заданных температурах воды на входе t1 и выходе t2 из градирни - осуществляется по графикам, приложенным к проектам.

4. ОТКРЫТЫЕ ГРАДИРНИ

4.1. Открытые градирни - капельные и брызгальные - предназначаются преимущественно для систем с расходом оборотной воды от 10 до 500 м3/ч, обслуживающих водопотребителей II и III категорий согласно СНиП 2.04.02-84. На черт. 81 приведена схема открытой капельной градирни площадью в плане 2 ´ 4 м.

Черт. 81. Схема открытой капельной градирни

1 - водораспределительная система; 2 - оросительное устройство; 3 - воздухонаправляющие жалюзи; 4 - переливной водовод; 5 - грязевой водовод; 6 - отводящий водовод

Градирни характеризуются высоким охладительным эффектом без затраты электроэнергии на подачу воздуха, простотой строительных конструкций, условий эксплуатации и ремонта. Однако применение их ограничивается возможностью размещения на незастроенной площадке, сильно продуваемой ветром, а также допустимостью кратковременного повышения температуры охлаждаемой воды в период штиля.

4.2. Охладительный эффект работы открытых градирен надежно обеспечивается при оптимальных условиях:

удельной тепловой нагрузке 29,3 - 62,6 МДж/ (м2 × ч) [7 - 15 тыс. ккал/ (м2 × ч)];

перепада температуры воды 5 - 10 °С;

глубине охлаждения воды t2 - t1 = 10 - 12 °С.

4.3. Определение площади оросителя и охладительного эффекта открытых градирен производится по графику, приведенному на черт. 82.

4.4. Высота оросителя открытой капельной градирни принимается не более 10 м при числе ярусов решетника от 10 до 12. Расстояние между щитами решетника по высоте принимается от 0,75 до 0,9 м.

4.5. Ширина активной зоны оросителя без учета жалюзей должна быть не более 4 м (из условия продуваемости ветром).

4.6. Щиты решетника изготавливаются из нестроганых планок шириной 60 - 80 мм и толщиной 8 - 10 мм.

Планки крепятся к брускам щитов решетника в два ряда так, чтобы вода, стекая с планки верхнего ряда, попадала на середину планки нижнего ряда.

Щиты в градирне устанавливаются с переменой направления планок на 90° в соседних по высоте ярусах.

4.7. Жалюзи в открытых градирнях изготовляются в виде дощатых щитов шириной 1000 - 1500 мм и устанавливаются на градирне наклонно под углом 60° с заходом по высоте один над другим на 450 - 200 мм для уменьшения уноса воды или вертикально, выполненными из решетчатых вертикальных жалюзи типа аэратор.

4.8. Распределение воды по площади оросителя осуществляется в виде напорной трубчатой системы с водоразбрызгавающими соплами или безнапорной системы с применением желобов со сливными трубками и разбрызгивающими розетками.

В современных проектах открытых градирен применяется, в основном, напорная система, обеспечивающая больший охладительный эффект.

Водораспределительная система, как правило, выполняется двухзонной; верхняя (расчетная) - для летних условий эксплуатации и нижняя - для зимних.

Нижняя зона водораспределения устраивается упрощенной конструкции без разбрызгивания с разливом воды из перфорированных дырчатых труб (или из переливных желобов с зубчатыми бортами).

Черт. 82. График охлаждения воды для открытой капельной градирни

Для предупреждения переохлаждения воды следует предусматривать трубы для сброса теплой воды непосредственно в бассейн, минуя ороситель.

4.9. В безнапорной системе насадки (сливные трубки) в водораспределительных желобах устанавливаются равномерно по всей площади оросителя на расстоянии 500 - 700 мм одна от другой.

Высота падения струи от насадки до розетки должна быть не менее 500 - 600 мм, считая от нижнего края насадки.

4.10. Диаметр сливной трубки dс следует определять исходя из расчетного расхода воды по формуле

.                                                      (23)

Коэффициент расхода m следует принимать:

при  остром выходном        крае трубки          0,82

»       слегка закругленном      »        »               0,90

»       хорошо       »                    »        »               0,95

Внутренний диаметр сливных трубок должен быть не менее 15 мм во избежание их быстрого засорения. Слой воды над дном рабочего желоба должен составлять при расчетном режиме не менее 120 - 150 мм. Высота бортов желоба над уровнем воды в них принимается не менее 50 - 100 мм или определяется необходимостью пропуска форсированного расхода охлаждаемой воды.

4.11. Градирни значительных размеров рекомендуется разделять на отдельные секции, допускающие их отключение на время ремонта или очистки водосборного бассейна.

В этом случае высоту рабочих водораспределительных желобов следует принимать из условия пропуска всего (форсированного) расхода воды на остающиеся в работе секции градирни.

4.12. В открытых брызгальных градирнях оросительное пространство остается свободным от решетника для беспрепятственного падения капель воды в водосборный бассейн.

Водораспределительная система выполняется трубчатой с соплами различной конструкции, применяемыми для других типов градирен или брызгальных бассейнов.

Расстояние между рядами сопел принимается в зависимости от их конструкции.

При ширине градирни 4,0 м расстояние между рядами сопел принимается 0,8 - 1,0 м и от крайних сопел до жалюзи - не менее 0,5 - 0,6 м с учетом диаметра факела разбрызгивания сопла.

4.13. Сопла следует устанавливать на высоте 2,0 м от уровня воды в водосборном бассейне с направлением факела разбрызгивания вверх или на высоте 4,0 м - с направлением факела разбрызгивания вниз.

4.14. Водосборный бассейн открытых градирен выполняется под всем оросителем на ширину активной зоны. В зонах жалюзей предусматривается водосборная розетка с уклоном в сторону бассейна для стока воды и с ограждающим по внешнему контуру бортиком.

4.15. Размещение градирен на генплане промышленного предприятия должно осуществляться только в один ряд с учетом беспрепятственного доступа к ним воздуха. Расстояния между отдельными градирнями в ряду следует принимать не менее 5 - 6 м. Градирни следует располагать длинной стороной перпендикулярно господствующему направлению ветра в летний период.

Направление ветра в зимний период по возможности должно обеспечивать унос паров и капель воды в сторону от близрасположенных сооружений и дорог.

4.16. Градирни открытого типа с капельным оросителем площадью 4, 8, 12, 16, 32, 48, 64 и 80 м2 с наклонными жалюзи разработаны Союзводоканалпроектом.

Градирни брызгальные открытого типа широкого применения не имеют, и типовые проекты на них в настоящее время не разработаны.

Расчет открытой капельной градирни по графику охлаждения воды

График охлаждения составлен для расчетных данных: пр = 10, t1 = 20 °С и W = 1,5 м/с. Угол наклона жалюзи 45°, ширина градирен без учета жалюзи 4 м.

При других значениях пр, t1 и W к данным графика вносятся поправки с применением коэффициентов, определяемых по графикам поправок (черт. 83).

Расчет градирни сводится к определению требуемой площади градирни fор или температуры охлажденной воды t2.

Пример 1. Требуется определить площадь градирни при условиях: Gж = 60 м3/ч, t1 = 19 °С; Dt = 12 °С; t2 = 28 °С; W = 1,0 м/с; пр = 10.

По графику черт. 82 для Dt = 12 °С и t2 - t1 = 28 - 19 = 9 °С определяется расчетная плотность орошения q¢ж = 4,8 м3/ (м2 × ч).

По графикам черт. 83 принимаются коэффициенты: at = 0,95; aw = 0,9; aп = 1,0.

Расчетная плотность орошения с поправками будет равна:

qж = 4,8 × 0,95 × 0,9 × 1 = 4,1 м3/ (м2 × ч).

Требуемая площадь орошения градирни fор = 60 : 4,1 = 14,6 м2.

К установке принимается градирня площадью 16 м2.

Черт. 83. Графики поправок к расчету открытой капельной градирни

а - поправка к плотности орошения на величину температуры по смоченному термометру; б - то же, на величину скорости ветра; в - то же, на число рядов решеток оросителя

Пример 2. Требуется определить температуру охлажденной воды при условиях: Gж = 60 м3/ч; fор = 16 м2, Dt = 12 °С; W = 1,0 м/с; пp = 10; t1 = 19 °С.

Расчетная плотность орошения составляет q¢ж = 60 : 16 = 3,75 м3/ (м2 × ч).

Коэффициенты по графикам черт. 83: at = 0,95; aw = 0,9; aп = 1,0.

Плотность орошения qж, приведенная к условиям графика, равна:

, м3/ (м2 × ч).

По графику черт. 82 при Dt = 12 °С и qж = 4,38 м3/ (м2 × ч) принимается разность температур t2 - t1 = 8,4 °С. Искомая температура охлажденной воды на градирне равна: t2 = 19 + 8,4 = 27,4 °С.

5. РАДИАТОРНЫЕ ГРАДИРНИ

5.1. Радиаторные градирни или аппараты воздушного охлаждения воды (АВО), иногда называемые сухими градирнями, состоят из элементов: радиаторов из оребренных алюминиевых, углеродистых, нержавеющих или латунных труб, по которым протекает охлаждаемая вода; осевых вентиляторов, прокачивающих атмосферный воздух через радиаторы; воздухоподводящих патрубков, обеспечивающих плавный подвод воздуха к вентилятору, и опорных конструкций.

В радиаторных градирнях применяются различные типы вентиляторов, в том числе диаметром 7 м, которые устанавливаются и на испарительных градирнях.

5.2. На черт. 84 в качестве примера приведена схема радиаторной градирни с вентилятором 2ВГ 70.

5.3. Радиаторные градирни следует применять:

при необходимости иметь закрытый, изолированный от атмосферного воздуха контур циркуляции воды в системе оборотного водоснабжения;

при высоких температурах нагрева оборотной воды в теплообменных технологических аппаратах, не допускающих ее охлаждения в градирнях испарительного типа;

при отсутствии или серьезных затруднениях в получении свежей воды на пополнение потерь в оборотных циклах.

5.4. Радиаторные градирни имеют более высокую стоимость, меньшую производительность, больший расход электроэнергии по сравнению с градирнями с испарительным охлаждением воды. На черт. 85 и в табл. 16 приведен пример сопоставления технико-экономических показателей вентиляторных радиаторной градирни с испарительной.

У радиаторной градирни капитальные затраты, расход электроэнергии и площадь, занимаемая сооружениями на генплане, значительно выше, чем у испарительной градирни.

5.5. Радиаторные градирни, оборудованные вентилятором 2ВГ 70, при использовании для охлаждения воды, с уровнем температур, принятым для испарительных градирен, имеют производительность 170 - 200 м3/ч, тогда как секция испарительной градирни с тем же вентилятором имеет производительность 1000 - 2000 м3/ч при одинаковой стоимости.

Черт. 84. Схема радиаторной градирни

1 - секции оребренных труб; 2 - вентилятор 2ВГ 70

Кроме того, эксплуатация радиаторных градирен усложняется, особенно в зимний период из-за опасности замерзания циркуляционной воды при недостаточном ее нагреве у потребителя или во время внезапного прекращения подачи воды циркуляционными насосами.

Для предупреждения замерзания воды в трубках радиаторов и их повреждения требуется устройство емкостей для спуска воды из системы при аварийных ситуациях в зимнее время или заполнение системы низкозамерзающими жидкостями (антифризами).

Черт. 85. Схемы размещения водоблоков на генплане
(к примеру сопоставления технико-экономических показателей вентиляторных радиаторной и испарительной градирен в табл. 16)

а - водоблок с испарительной градирней; б - водоблок с радиаторной градирней; 1 - испарительная градирня; 2 - насосная станция; 3 - помещение электрооборудования; 4 - реагентная; 5 - радиаторная градирня; 6 - резервная емкость

5.6. Циркуляционный контур воды с радиаторными градирнями работает, как правило, на умягченной воде. При аварийных ситуациях или при ремонте сооружений на циркуляционном контуре рекомендуется сливать воду из системы в какую-либо емкость, так как вода в системе была специально подготовлена.

Таблица 16

Показатель

Градирня

испарительная

радиаторная

Количество охлажденной воды, м3

2000,0

2000,0

Температура нагретой воды, °С

40,0

40,0

Температура охлажденной воды, °С

28,0

28,0

Температура воздуха по влажному термометру, °С

19,3

19,3

Количество воды, охлаждаемое секцией градирни, м3

640,0

200,0

Число секций градирни, установленных в системе

3

10

Марка вентилятора

1ВГ 50

1ВГ 70

Мощность вентилятора, кВт

32,0

75,0

Количество свежей воды на восполнение потерь, м3

100,0

-

Количество свежей воды на увлажнение воздуха или добавок, м3

-

52,5

Площадь, занимаемая сооружениями на генплане, м2

3876,0

6480,0

Стоимость секции градирни, тыс. руб.

20,0

50,0

Капитальные затраты на все секции градирни, тыс. руб.

60,0

500,0

Расход электроэнергии при работе градирни 4000 ч в год, тыс. кВт × ч

384,0

3000,0

В циркуляционных системах с радиаторными градирнями практически отсутствуют безвозвратные потери на испарение и вынос.

Радиаторные градирни изготовляются по технической документации ВНИИнефтемаша Миннефтемаша СССР.

Технические параметры и характеристики радиаторных градирен (АВО) приведены в отраслевых стандартах ОСТ 26-02-1522-77, ОСТ 26-02-2018-77, ТУ 02-800-78.

Тепловые и аэродинамические расчеты радиаторных градирен (АВО) осуществляются по методике, разработанной ВНИИнефтемашем.

6. СТРОИТЕЛЬНЫЕ КОНСТРУКЦИИ ГРАДИРЕН

ОБЩАЯ ЧАСТЬ

6.1. Настоящими рекомендациями следует руководствоваться при проектировании и строительстве градирен в дополнение к действующим нормативным документам и государственным стандартам по проектированию и строительству.

6.2. Проекты типовых, индивидуальных и экспериментальных градирен следует выполнять на основании технологических заданий.

6.3. В разрабатываемых проектах градирен строительные конструкции, расположенные внутри градирен, должны оказывать минимальное сопротивление воздушному потоку, проходящему через градирни.

6.4. При проектировании строительных конструкций необходимо учитывать специфические условия их работы:

влажность воздуха внутри градирни достигает 100 %;

орошение конструкций оборотной водой температурой от 10 до 60 °С;

возникновение значительных внутренних напряжений в зимнее время при замораживании в водонасыщенном состоянии пористых строительных материалов;

попеременное увлажнение и высушивание строительных конструкций в летнее время;

агрессивность оборотной воды и воздуха, проходящих через градирни к строительным конструкциям.

Агрессивность воздействий усугубляется их цикличным характером, зависящим от климатических факторов (колебания наружных температур, изменения направления и скорости ветра, воздействия солнечной радиации и др.) и от технологических условий работы градирен (величины тепловой нагрузки, частоты и длительности перерывов в работе сооружений и др.).

6.5. При разработке типовых проектов градирен необходимо учитывать степень агрессивности воздействия на строительные конструкции климатических факторов и величины тепловой нагрузки.

При привязке типовых проектов и разработке индивидуальных или экспериментальных проектов следует учитывать не только климатическое воздействие на строительные конструкции, но и все технологические условия работы градирен (частоту и длительность перерывов, величины тепловой нагрузки, химический состав воздушной среды и оборотной воды и др.).

По выданным технологической организацией исходным данным (технологическим условиям работы градирен) и климатическим воздействиям на строительные конструкции выбирается материал строительных конструкций и назначается антикоррозионная защита, если она необходима, в соответствии со СНиП 2.03.11-85.

6.6. В проектах градирен, кроме соблюдения приведенных в настоящем Пособии рекомендаций, предлагается предусматривать специальные технологические мероприятия, улучшающие условия эксплуатации строительных конструкций:

при отрицательных температурах наружного воздуха рекомендуется обеспечивать высокие тепловые нагрузки путем увеличения плотности орошения (например, за счет отключения отдельных секций или градирен), отвод оборотной воды от конструкций в зоне расположения входных окон, применение средств противообледенительной защиты и др.;

при особенно агрессивной по отношению к строительным конструкциям оборотной воде целесообразна ее обработка с целью исключения или уменьшения степени агрессивности.

6.7. Строительные несущие конструкции градирен могут быть выполнены из монолитного или сборно-монолитного железобетона, стали и дерева.

Водосборные бассейны градирен следует проектировать из монолитного или сборно-монолитного железобетона.

При высоком стоянии уровня грунтовых вод, которые могут быть слабо-, средне- и сильноагрессивной средой по отношению к бетону и железобетону, к поверхности соприкосновения с агрессивными водами следует применять антикоррозионную защиту согласно СНиП 2.03.11-85.

Отметки верха водосборного бассейна и розеты градирен, а также фундаментов каркаса оросителей градирни должны быть расположены выше планировочной отметки грунта вокруг градирни не менее чем на 0,25 м.

Глубина воды водосборного бассейна должна быть не менее 1,7 м, днище бассейна должно иметь уклон не менее 0,003 в сторону приямка для отвода воды.

Расстояния от уровня воды до верха борта бассейна должно быть не менее 0,3 м.

Укладка насыпных оснований под водосборным бассейном должна выполняться с особой надежностью.

Водосборные бассейны - поддоны для вентиляторных градирен, располагаемых на кровлях насосных станций или производственных зданий, допускается выполнять стальными.

6.8. Категорию производств по взрывной, взрывопожарной и пожарной опасности следуют принимать по нормам технологического проектирования или перечням производств, устанавливающим эти категории и утвержденным в установленном порядке соответствующими министерствами и ведомствами.

6.9. Вентиляторные градирни с железобетонным несущим каркасом следует применять в районах с расчетной температурой наружного воздуха минус 40 °С и выше (расчетная температура наружного воздуха принимается средней наиболее холодной пятидневки по СНиП 2.01.01-82), кроме градирен, эксплуатируемых в условиях, когда:

оборотная вода агрессивна к сульфатостойкому бетону;

происходит частая остановка градирен в течение суток или недели из-за отрицательных температур атмосферного воздуха.

Вентиляторные градирни со стальным несущим каркасом могут быть применены:

в местностях с расчетной температурой наружного воздуха ниже 40 °С;

в случаях установки их на кровлях зданий и сооружений;

в районах, труднодоступных или отдаленных от предприятий, изготовляющих элементы сборных железобетонных конструкций;

в случаях частой остановки работы градирен из-за отрицательных температур атмосферного воздуха (в течение суток или недели).

В башенных градирнях вытяжную башню из монолитного железобетона рекомендуется применять в районах с расчетной температурой наиболее холодной пятидневки минус 28 °С и выше.

Градирни с каркасно-обшивными башнями применяются в районах с расчетной температурой наиболее холодной пятидневки, как правило, до минус 40 °С. При этом в районах с расчетной температурой пятидневки до минус 23 °С обшивка башни выполняется из асбестоцементных волнистых листов усеченного профиля, при более низкой температуре - из деревянных щитов или алюминиевых гофрированных листов.

6.10. Вентиляторные градирни с деревянным несущим каркасом могут быть применены:

при секции градирни площадью не более 64 м2;

при оборотной воде или газовой среде, имеющей слабоагрессивную кислую среду;

в районах, где древесина не является дефицитным материалом.

6.11. Ограждающие конструкции градирен (обшивку) следует выполнять из асбестоцементных волнистых листов усиленного профиля, деревянных щитов, листового стеклопластика, алюминиевого или оцинкованного стального профилированного листа и железобетонных стеновых панелей. Асбестоцементные волнистые листы, оцинкованные стальные листы, деревянные щиты и стеклопластик в ограждающих конструкциях могут применяться в зависимости от местных условий и агрессивности оборотных вод (см. СНиП 2.03.11-85). Железобетонные стеновые панели могут применяться при температурах минус 30 °С и выше, при оборотной воде, не агрессивной к сульфатостойкому бетону, и работе градирни при отрицательных температурах, без частых остановок в течение суток или недели. Алюминиевые и стальные оцинкованные профилированные листы могут применяться в стальных каркасах градирен при соблюдении условий:

при применении алюминиевых листов должны быть решены вопросы защиты обшивки от электрохимической, межкристаллитной, щелевой и кавитационной коррозии;

алюминиевые и стальные оцинкованные листы в качестве обшивки рекомендуется применять при режиме работы градирен с частыми остановками в период отрицательных температур воздуха;

стальные оцинкованные листы применяются в качестве обшивки, в основном, в вентиляторных градирнях и только при слабоагрессивных средах.

6.12. При проектировании и расчете строительных конструкций градирен необходимо учесть коэффициент надежности gн, зависящий от класса ответственности зданий и сооружений.

6.13. Расчет строительных конструкций производится на основные и особые сочетания нагрузок:

основные сочетания нагрузок состоят из постоянных, длительных и кратковременных;

особые сочетания нагрузок состоят из постоянных, длительных, кратковременных и одной из особых.

6.14. К постоянным нагрузкам относятся:

вес сооружения (вес несущих и ограждающих конструкций);

вес и давление грунтов (насыпка и засыпка).

6.15. К длительным относятся нагрузки:

от водораспределительной системы;

от оросителей и веса водяной пленки;

от водоуловителей;

от веса вентилятора, электродвигателя, конфузора и диффузора;

от пыли;

от снега, принимаемая по СНиП 2.01.07-85 с коэффициентами: 0,3 - для III, 0,5 - для IV и 0,6 - для V и VI климатических районов.

6.16. К кратковременным нагрузкам относятся:

вес людей, ремонтных материалов в зонах ремонта оборудования;

снеговая нагрузка, принимаемая по СНиП 2.01.07-85 с коэффициентами: 0,7 - для III, 0,5 - для IV и 0,4 - для V и VI климатических районов;

от наледей;

аэродинамическая.

6.17. К особым нагрузкам относятся:

сейсмические;

от дебаланса ротора вентилятора;

аварийная при отрыве лопасти у вентилятора.

Нормативные нагрузки от оросителей, пыли на кровле, водоуловителей, водораспределительной системы, наледей, дебаланса ротора, аварийная при отрыве лопасти вентилятора, аэродинамическая от вентилятора, электродвигателей, конфузоров, диффузоров, а также места их приложения с коэффициентами перегрузки и динамичности выдаются технологическими организациями в виде заданий на основании стандартов или каталогов, а для нестандартного оборудования - в соответствии с паспортными данными заводов-изготовителей или по рабочим чертежам.

6.18. При работе вентиляторов наблюдаются ощутимые колебания каркаса градирни. Эти колебания градирен не влияют на людей и производственные процессы, а оценивается лишь их влияние на несущую способность строительных конструкций градирен.

Динамические нагрузки от вентиляторов в эксплуатационном режиме, как правило, значительно превышают значения, рекомендуемые заводами-изготовителями и принятые в типовых проектах, поэтому при установке вентиляторов необходимо обратить особое внимание на балансировку и ее проверку в процессе эксплуатации.

При балансировке вентиляторов в процессе эксплуатации рекомендуется применять метод пробного груза. Этот метод легко позволяет определить вес и положение уравновешивающего груза.

6.19. К градирням должны предусматриваться подъезды и площадки для установки пожарных автомобилей с целью использования воды водосборного бассейна в качестве резервного источника водоснабжения при пожарах на объекте.

Территория, примыкающая к градирням, должна быть спланирована и иметь травяной покров или щебеночное покрытие. Вокруг водосборного бассейна должна быть асфальтобетонная площадка шириной не менее 2,5 м.

ЖЕЛЕЗОБЕТОННЫЕ КОНСТРУКЦИИ

Общая часть

6.20. При назначении требований к бетону и железобетонным конструкциям должны учитываться конкретные условия эксплуатации:

а) расчетная зимняя температура наружного воздуха, определяемая как средняя температура наиболее холодной пятидневки по СНиП 2.01.01-82;

б) технологический режим эксплуатации (величины тепловых нагрузок, сезонность работы градирен и др.);

в) степень агрессивного воздействия на бетон газовой среды и оборотной воды, которую следует определять по СНиП 2.03.11-85.

6.21. В зависимости от интенсивности воздействия внешней среды на различные конструкции их подразделяют на две зоны:

1-я - надземная часть градирен, каркасы и водосборные бассейны, за исключением днищ;

2-я - днища водосборных бассейнов и фундаменты.

6.22. Антикоррозионная защита железобетонных конструкций должна предусматриваться:

а) для элементов, находящихся в зоне входных окон вентиляторных и башенных градирен (кроме случаев, когда градирни эксплуатируются только в летнее время);

б) для внутренних поверхностей оболочек башенных градирен и ограждающих конструкций из железобетонных панелей вентиляторных градирен.

Требования к железобетонным конструкциям

6.23. Сборные железобетонные конструкции градирен должны соответствовать требованиям ГОСТ 13015.0-83 и рекомендациям настоящего Пособия.

6.24. При проектировании железобетонных конструкций градирен необходимо предусмотреть:

а) минимальное число стыков сборных элементов;

б) сопряжение сборных конструкций, как правило, без открытых закладных деталей. В тех случаях, когда не удается избежать применения открытых закладных деталей, защита их и сварных соединений должна производиться комбинированными металлизационно-лакокрасочными покрытиями в соответствии с требованиями СНиП 2.03.11-85;

в) толщину монолитной оболочки башенных градирен при двухрядном армировании - не менее 160 мм. Толщину поля ребристой плиты при однорядном армировании для ограждающих конструкций вентиляторных градирен - не менее 50 мм;

г) требования к наименьшей допустимой (по условиям расчета) прочности бетона оболочки башенных градирен, которую бетон должен набрать к моменту окончания его прогрева в зимних условиях или снятия опалубки в летнее время;

д) требования к подготовке поверхностей швов бетонирования, а также к конструкции этих швов;

е) конструктивные решения в оболочках башенных градирен, позволяющие выполнить осмотр и профилактический ремонт в процессе эксплуатации; устройство площадок, закладных элементов для крепления подвесных люлек и т.п.

6.25. Толщина защитного слоя бетона для рабочей арматуры должна приниматься по табл. 17.

Таблица 17

Элементы конструкций

Толщина защитного слоя бетона для рабочей арматуры, мм, не менее, в конструкциях

сборных

монолитных

Плиты и стенки толщиной, мм:

 

 

£ 100

20

25

> 100

25

30

Балки и ребра высотой, мм:

 

 

< 250

25

30

³ 250

30

35

Колонны с большей стороной сечения, мм:

 

 

< 250

25

30

³ 250

30

35

Днища водосборных бассейнов и фундаменты:

 

 

при наличии бетонной подготовки

35

35

при отсутствии бетонной подготовки

35

70

Толщина защитного слоя бетона для торцов продольных и поперечных стержней арматурных каркасов и сеток (при отсутствии специальных защитных мероприятий) должна быть во всех элементах конструкций не менее 10 мм.

6.26. Ширина раскрытия трещин в железобетонных конструкциях не должна превышать величин, приведенных в табл. 18.

При расчете элементов железобетонных конструкций по раскрытию трещин не должны учитываться особые нагрузки и воздействия (по классификации, принятой в СНиП 2.03.01-84). При расчете башни градирен на особые нагрузки ветровую нагрузку следует принимать в размере 30 % расчетного значения скоростного напора.

Таблица 18

Элементы

Предельно допустимая ширина кратковременного и длительного раскрытия трещин acrc1 и acrc2 ненапрягаемой арматуры элементов конструкций, мм

Расчетная зимняя температура наружного воздуха (средняя наиболее холодной пятидневки), °С (по СНиП 2.01.01-82)

ниже минус 20

минус 20 и выше

1-я зона конструкций

2-я зона конструкций

1-я зона конструкций

2-я зона конструкций

С полностью растянутым сечением

acrc1 = 0,1

acrc1 = 0,15

acrc1 = 0,15

acrc1 = 0,2

acrc2 = 0,05

acrc2 = 0,1

acrc2 = 0,1

acrc2 = 0,1

С частично сжатым сечением

acrc1 = 0,15

acrc1 = 0,2

acrc1 = 0,2

acrc1 = 0,3

acrc2 = 0,1

acrc2 = 0,15

acrc2 = 0,15

acrc2 = 0,2

Требования к бетону и бетонной смеси

6.27. Бетон для сборных и монолитных конструкций должен отвечать требованиям, изложенным в табл. 19 и 20.

Для омоноличивания узлов и стыков следует применять бетоны проектного класса по прочности и марок по морозостойкости и водонепроницаемости не ниже класса и марок бетона основных конструкций, если класс его по прочности на сжатие В30 и выше. Для конструкций с классом бетона по прочности на сжатие ниже В30 омоноличивание должно осуществляться с марками на ступень выше марок бетона основной конструкции.

Таблица 19

Режим эксплуатации градирен

Расчетная зимняя температура наружного воздуха (средняя наиболее холодной пятидневки) по СНиП 2.01.01-82

Минимальные марки и классы бетона в возрасте 28 дней по

Водоцементное отношение (В/Ц), не более

морозостойкости

водонепроницаемости

прочности на сжатие в конструкциях

сборных

монолитных

1. Попеременное замораживание и оттаивание в водонасыщенном состоянии:

 

 

 

 

 

 

а) надземных конструкций кроме (вытяжных башен градирен) и стен водосборных бассейнов при тепловой нагрузке в зимнее время на 1 м2 площади орошения 209 тыс. кДж (50 тыс. ккал/ч) и более

Ниже минус 40 °С

F400

W8

В30

В25

0,40

Ниже минус 30 °С до минус 40 °С включ.

F300

W8

В30

В25

0,40

Ниже минус 20 °С до минус 30 °С включ.

F200

W8

В30

В25

0,40

Минус 30 ° С и выше

F100

W8

В25

В20

0,45

б) то же, при тепловой нагрузке менее 209 тыс. кДж (50 тыс. ккал/ч)

Ниже минус 40 °С

F400

W8

В30

В25

0,40

Ниже минус 30 °С до минус 40 °С включ.

F400

W8

В30

В25

0,40

Ниже минус 20 °С до минус 30 °С включ.

F300

W8

В30

В25

0,40

Минус 20° С и выше

F200

W8

В30

В25

0,40

в) вытяжных башен градирен

Ниже минус 20 °С

F400

W8

В30

В25

0,40

Минус 20 °С и выше

F300

W8

В30

В25

0,40

2. Эпизодическое замораживание и оттаивание днищ водосборных бассейнов:

 

 

 

 

 

 

а) при тепловой нагрузке в зимнее время на 1 м2 площади орошения 209 тыс. кДж (50 тыс. ккал/ч) и более

Ниже минус 40 °С

F200

W6

В25

В25

0,45

Ниже минус 30 °С до минус 40 °С включ.

F150

W6

В25

В20

0,45

Ниже минус 20 °С до минус 30 °С включ.

F100

W6

В20

В20

0,50

Минус 20 °С и выше

F50

W6

В20

В20

0,50

б) то же, менее 209 тыс. кДж (50 тыс. ккал/ч)

Ниже минус 40 °С

F300

W8

В30

В25

0,40

Ниже минус 30 °С до минус 40 °С включ.

F200

W6

В25

В25

0,45

Ниже минус 20 °С до минус 30 °С включ.

F150

W6

В25

В20

0,45

Минус 20 °С и выше

F100

W6

В20

В20

0,50

Примечание. Марки бетона по морозостойкости даны для сооружений II класса ответственности. Для сооружений I класса ответственности марки бетона по морозостойкости должны быть повышены на одну ступень, а для сооружений III класса ответственности понижены на одну ступень, но не ниже F50.

Таблица 20

Уровень эксплуатационных напряжений сжатия бетона конструкций в долях Rbn

Марки бетона по морозостойкости, принимаемые по табл. 19

F50

F100

F150

F200

F300

F400

До 0,20

F50

F100

F150

F200

F300

F400

Св. 0,20   до  0,40

F50

F75

F100

F150

F200

F300

»    0,40   »    0,55

F50

F100

F150

F200

F300

F400

»    0,55   »    0,65

F100

F150

F200

F300

F400

F500

»    0,65   »    0,70

F150

F200

F300

F400

F400

F500

6.28. Расход цемента в бетонной смеси должен быть не более 450 кг/м2.

6.29. Расход воды в бетонной смеси должен быть не более 180 л/м3.

6.30. При назначении подвижности и жесткости бетонной смеси следует учитывать предельные допустимые показатели подвижности и жесткости смеси, приведенные в табл. 21.

Таблица 21

Железобетонные конструкции

Подвижность бетонной смеси (осадка конуса), см, не более

Жесткость бетонной смеси по техническому вискозиметру, с, не менее

Сборные

1

40 (при укладке бетонной смеси с пригрузом)

2

25

Монолитные

8

10

Примечание. Применение жестких бетонных смесей рекомендуется лишь при условии обеспечения возможности качественного их уплотнения.

Требования к материалам для приготовления бетона

6.31. Материалы для приготовления бетона должны отвечать требованиям ГОСТ 4795-68, предъявляемым к материалам для бетонов конструкций зоны переменного горизонта воды.

6.32. Для бетона конструкций 1-й зоны градирен следует применять сульфатостойкий портландцемент по ГОСТ 22266-76.

6.33. Для бетона конструкций 2-й зоны допускается применение цементов марки не ниже 300, удовлетворяющих требованиям ГОСТ 10178-76.

6.34. Для замоноличивания стыков следует применять бетоны на цементах, предусмотренных для изготовления конструкций, в соответствии с пп. 6.32 и 6.33 настоящего Пособия.

Применение для этих бетонов расширяющихся и безусадочных цементов недопустимо.

6.35. При выборе вида цемента для бетонов конструкций следует учитывать наряду с рекомендациями, изложенными в пп. 6.32 - 6.34 настоящего Пособия, агрессивность воды - среды в соответствии со СНиП 2.03.11-85.

6.36. Заполнители бетона должны быть чистыми, обладать постоянством зернового состава. Не допускается применение нефракционированных и загрязненных заполнителей, а также гравийно-песчаных смесей.

6.37. Мелкий заполнитель (песок кварцевый) должен иметь модуль крупности не ниже 2,5, а количество содержащихся в нем пылевидных, илистых и глинистых частиц, определяемых отмучиванием, допускается не более 1 %.

Примечание. При соответствующем технико-экономическом обосновании может быть допущено применение мелкого заполнителя с модулем крупности не ниже 1,7.

6.38. Крупный заполнитель (щебень, гравий) в зависимости от наибольшего размера зерен должен состоять из 2 - 3 фракций и соответствовать табл. 22.

Соотношение фракций крупного заполнителя в бетоне при различной наибольшей крупности зерен устанавливается подбором. Рекомендуемые соотношения фракции крупного заполнителя бетона приведены в табл. 23.

Для бетона, применяемого для замоноличивания стыков сборных элементов конструкций, должен применяться крупный заполнитель с наибольшим размером зерен 10 мм.

6.39. Для улучшения технологических свойств бетонной смеси, повышения морозостойкости и водонепроницаемости бетона следует вводить в бетонную смесь поверхностно-активные органические добавки в соответствии с ГОСТ 24211-80.

Таблица 22

Характеристика крупных заполнителей бетона - гравия и щебня

Для бетона зон конструкций (см. п. 6.21)

1-й

2-й

Крупный заполнитель должен быть из невыветрившихся изверженных пород1 (например, гранит, сиенит, диорит) с временным сопротивлением сжатию образцов в водонасыщенном состоянии, МПа (кгс/см2), не менее

120,0 (1200)

80,0 (800)

Прочность (дробимость в цилиндре) гравия и щебня

Др 8

Др 8

Содержание зерен в гравии слабых пород, % (по массе), не более

5

10

Содержание игловатых и лещадных зерен гравия и щебня, % (по массе), не более

5

10

Водопоглощение материала - зерен щебня и гравия, % (по массе), не более

0,5

2

Объемная масса горной породы (зерен), г/см3, не менее

2,6

2,4

Содержание в гравии и щебне пылевидных, илистых и глинистых частиц, определяемое отмучиванием, % (по массе), не более

0,5

1

1 Для 2-й зоны конструкций градирен допускается применять щебень из метаморфических пород.

Таблица 23

Наибольшая крупность зерен, мм

Соотношение фракций крупного заполнителя бетона, %, при их размерах, мм

5 - 10

10 - 20

20 - 40

40 - 70

20

25 - 50

50 - 75

-

-

40

25 - 30

20 - 30

40 - 55

-

70

20 - 25

15 - 20

-

50 - 65

6.40. Применение химических добавок в качестве ускорителей твердения бетона (в виде солей электролитов), предназначенного для изготовления сборных и монолитных конструкций градирен, не допускается.

6.41. Вода для приготовления бетонной смеси, для промывки заполнителей, а также для поливки твердеющего бетона должна отвечать требованиям ГОСТ 23732-79.

Требования к технологии приготовления бетонной смеси, изготовлению изделий и к производству работ

6.42. Отформованные элементы сборных конструкций градирен должны твердеть в естественно-влажностных условиях или с применением пропаривания.

Для элементов 1-й зоны конструкций рекомендуется предусматривать твердение бетона в естественно-влажностных условиях при положительной температуре с одновременным обильным увлажнением, после однодневного твердения в условиях, не допускающих высыхания поверхностей изделия.

6.43. Режим пропаривания элементов сборных конструкций должен быть следующим:

а) отформованные изделия до тепловлажностной обработки следует выдерживать не менее 5 ч в отапливаемом помещении при положительной температуре (не ниже 5 °С); при введении в бетонную смесь газообразующих, воздухововлекающих или пластифицирующих добавок, а также при применении пластифицированных и гидрофобных цементов время предварительного выдерживания изделий должно быть не менее 8 ч;

б) в пропарочной камере температуру следует повышать плавно до 50 °С с увеличением не более чем на 10 °С в 1 ч для изделий, изготавливаемых из бетонной смеси с осадкой конуса до 2 см, и не более чем на 15 °С в 1 ч для изделий, изготавливаемых из бетонной смеси с осадкой конуса до 1 см.

При температуре 50 °С изделия надлежит выдерживать 2 - 3 ч, затем плавно повышать температуру пропарочной камеры (по 10 - 15 °С в 1 ч) до температуры изотермического прогрева, т.е. до 70 °С;

в) продолжительность изотермического прогрева изделий в зависимости от вида цемента и подвижности бетонной смеси рекомендуется устанавливать опытным путем из расчета достижения бетоном к концу пропаривания не менее 70 % проектного класса по прочности на сжатие;

г) пропаривание следует производить в безнапорных камерах в среде насыщенного влагой воздуха при относительной влажности 100 %; сухой пар с избыточным давлением свыше 0,05 МПа должен пропускаться через воду при высоте слоя воды не менее 20 см;

д) скорость снижения температуры после окончания изотермического прогрева до температуры, при которой производится разгрузка камеры, не должна превышать 10 - 12 °С в 1 ч; разгрузку камеры следует производить при перепаде температур воздуха в камере и в цехе не более 20 °С;

е) после выгрузки изделия из камеры складывают и выдерживают не менее 10 сут летом в естественно-влажностных условиях, а зимой - в помещении при температуре воздуха не ниже 10 °С, при этом необходимо постоянно поддерживать изделие во влажном состоянии.

6.44. Распалубка элементов сборных-конструкций должна производиться только после их тепловлажностной обработки, а при твердении в естественных условиях - не ранее достижения бетоном 70 % проектного класса бетона по прочности на сжатие.

6.45. Прочность бетона изделий, отпускаемых заводом-изготовителем, должна быть не менее 100 % проектного класса по прочности на сжатие.

СТАЛЬНЫЕ КОНСТРУКЦИИ

6.46. Стальные конструкции градирен следует проектировать в соответствии со СНиП II-23-81.

6.47. Марки сталей для конструкций следует принимать по СНиП II-23-81 в зависимости от расчетной температуры наружного воздуха, при этом следует относить:

к группе 1 - конструкции ригелей, балок и ферм под вентиляторы;

к группе 2 - конструкции балок покрытий и перекрытий (кроме обслуживающих площадок);

к группе 3 - конструкции каркаса (стойки и колонны, опорные плиты, конструкции, поддерживающие ороситель и водораспределительную систему, конструкции водосборного бассейна);

к группе 4 - конструкции фахверка, связей, ограждений, патрубков градирен, площадок и лестниц для обслуживания.

Марки стали для каркасов вытяжных башен башенных градирен следует применять по 2-й группе соответственно СНиП II-23-81.

Предпочтительные марки сталей соответственно группам конструкций:

для   1   группы   - 10Г2С1Д, 15ХСНД;

«       2        «        - ВСт3СП5, ВСт3СП6, 18ГПС;

«       3        «        - 18КП, ВСт3ПС6, 10Г2С1;

«       4        «        - 18КП, ВСт3КП2

Для элементов конструкций, эксплуатирующихся в труднодоступных либо недоступных, без демонтажа оборудования, зонах, следует применять стали марок: 10Г2С1Д, 15ХСНД, 10ХСНД. При технико-экономическом обосновании для таких конструкций следует также применять нержавеющую сталь типа Х13 для обеспечения без окраски долговечности конструкций не ниже долговечности конструкций технологического оборудования.

6.48. Расчет конструкций следует производить в соответствии со СНиП 2.01.07-85 и СНиП II-7-81.

Кроме обычных постоянных и технологических нагрузок (см. общую часть), при расчетах необходимо учитывать аварийную нагрузку (отрыв лопасти вентилятора и обледенение). Обледенение может возникнуть практически в любом месте каркаса градирни, но наиболее вероятные места обледенения - зона окон для входа воздушного потока.

Из опыта проектирования и эксплуатации вентиляторных градирен при средней зимней температуре наиболее холодной пятидневки ниже минус 10 °С как для каркаса в целом, так и для оросителя, можно принимать расчетную равномерно распределенную нагрузку от обледенения по всей площади оросителя равной 200 кг/м2. При температуре от минус 10 до минус 5 °С эту нагрузку можно принимать равной 100 кг/м2. При температуре выше минус 5 °С нагрузку от обледенения можно не учитывать. Нагрузку от обледенения не следует учитывать и при наличии проверенных, практикой надежных способов предотвращения образования льда.

6.49. При проектировании каркасов следует, как правило, учитывать пространственную работу каркаса с передачей горизонтальных воздействий через жесткие диски в уровне покрытия и перекрытия на жесткие связевые торцы и вертикальные связи в продольном направлении (черт. 86 и 87).

При этом стойки (колонны) каркасов следует выполнять в основном с шарнирным примыканием к фундаментам и ригелям покрытия.

Для каркасов вентиляторных градирен площадью орошения 144 м2 и более каждой секции (типовые проекты) возможна другая схема компановки каркасов - центральный железобетонный элемент (башня или столб крестообразного сечения), воспринимающий вертикальную нагрузку от вентилятора, каркас, объединенный жесткими дисками со связевыми торцами и вертикальными связями в продольном направлении, воспринимает все горизонтальные воздействия (ветра, динамические и аварийные, сейсмические нагрузки).

Черт. 86. Схема стального каркаса капельной градирни с секциями размером 12 ´ 16 м

1 - вентилятор 2ВГ 70; 2 - плоское перекрытие

6.50. В градирнях площадью орошения 64 м2 и более каждой секции следует применять одноярусную схему с конфузорным покрытием.

Одноярусная схема градирен позволяет:

снизить материалоемкость;

повысить производительность;

повысить надежность обшивки градирен за счет значительного сокращения мест протыкания обшивки элементами перекрытий, которые в одноярусной градирне крепятся не к стойкам каркаса, а подвешены к балочной клетке в уровне низа конфузорного покрытия.

6.51. Вертикальные связи в продольном направлении должны быть выполнены в двух панелях каждой оси и устанавливаться на болтах в зонах смены или ремонта технологического оборудования, что обеспечивает неизменяемость сооружения при проведении вышеуказанных работ только при одной панели вертикальных связей.

6.52. Учитывая, что металлические конструкции градирен находятся в весьма неблагоприятных условиях эксплуатации (высокая влажность, усиленный приток кислорода), при проектировании необходимо предусматривать конструктивные мероприятия, направленные на снижение коррозии, а именно:

элементы каркаса должны быть вынесены из зоны непосредственного увлажнения (там, где это возможно) и иметь доступ для осмотра и окраски;

все элементы каркаса, как правило, проектируются сплошностенчатыми (из прокатных и гнутых открытых профилей);

составные элементы не должны иметь тавровых сечений из двух уголков, двутавровых - из двух швеллеров, крестовых - из четырех уголков и т.д.

Черт. 87. Схема шального каркаса пленочной градирни с секциями размером 12 ´ 12 м и насосной станцией

1 - вентилятор 2ВГ 70; 2 - конфузорнoe перекрытие

6.53. Внутренняя поверхность элементов их электросварных труб или гнутосварных профилей должна быть герметизирована.

6.54. Монтажные соединения основных элементов каркасов градирен (ригеля, фермы, колонны, балки под вентилятор) следует выполнять, как правило, сварными или на высокопрочных болтах. Монтажные соединения второстепенных элементов каркаса (ригели фахверка, лестницы, площадки обслуживания, связи) - на болтах нормальной прочности.

6.55. С целью повышения коррозионной стойкости соединений монтажные болты после монтажной сварки допускается не демонтировать.

6.56. Изготовление и монтаж металлоконструкций каркаса градирен следует производить укрупненными блоками. Все наплывы от заводских и монтажных швов должны быть зачищены перед нанесением защитных лакокрасочных покрытий.

6.57. В конструкциях со сварными соединениями следует обеспечивать свободный доступ к месту выполнения сварных соединений с учетом выбранного способа и технологии сварки.

6.58. Применение односторонних и прерывистых швов не допускается.

6.59. В листовых конструкциях конфузора и диффузора следует, как правило, применять сварные соединения встык. Соединение листов толщиной 5 мм и менее, а также монтажные соединения допускается предусматривать внахлестку.

Размер нахлестки должен быть не менее пяти толщин наиболее тонкого из свариваемых элементов.

6.60. При конструировании листовых конструкций необходимо предусматривать индустриальные методы их изготовления и монтажа путем применения:

листов и лент больших размеров;

раскроя, обеспечивающего наименьшее количество отходов;

автоматической сварки;

минимального числа сварных швов, выполняемых при монтаже.

6.61. В целях обеспечения противопожарной безопасности сварочные работы следует выполнять по монтажу возгораемых элементов строительных и технологических конструкций.

6.62. Защита стальных конструкций градирен от коррозии должна осуществляться в строгом соответствии с требованиями СНиП 2.03.11-85 и СНиП III-18-75.

6.63. Окраску лакокрасочными материалами (лакокрасочные покрытия) необходимо предусматривать для защиты от коррозии стальных конструкций со сварными, болтовыми соединениями на высокопрочных болтах в случаях, указанных в СНиП 2.03.11-85. Монтажные соединения на высокопрочных болтах и на сварке должны защищаться лакокрасочными покрытиями после монтажа конструкций. До монтажа допускается огрунтовка в один слой мест монтажной сварки. При этом все болты и шайбы должны быть защищены путем гальванического цинкования или кадмирования (при толщине слоя 40 мкм) с последующим хромированием. Толщина покрытия в резьбе не должна превышать плюсовых допусков.

Стальные конструкции следует проектировать доступными для периодической осмотров и повторного нанесения антикоррозионных покрытий без демонтажа оборудования.

6.64. Для предотвращения щелевой коррозии поверхности листов в местах болтовых сопряжений необходимо прокрашивать.

6.65. Элементы стальных конструкций внутри градирни, эксплуатируемые в кислой, нормальной и щелочной среде, т.е. в воде с рН от 3 до 11 и суммарной концентрацией сульфатов, и хлоридов 5 г/л, а также во влажной среде, т.е. в парах воды, необходимо защищать от коррозии покрытиями, предусмотренными СНиП 2.03.11-85 для среднеагрессивных сред.

6.66. Элементы наружных стальных конструкций, подверженные воздействиям влажной среды и содержащихся в воздухе агрессивных газов различной концентрации в зависимости от группы газов, должны быть защищены покрытиями, предусмотренными СНиП 2.03.11-85, стойкими в средне- или сильноагрессивной среде.

6.67. Поверхность металлоконструкций перед нанесением защитных покрытий следует очищать от загрязнений, окалины и ржавчины пескоструйным или дробеструйным методом (вторая степень очистки поверхности) согласно СНиП 2.03.11-85.

Качество поверхности алюминиевых конструкций перед электрохимическим анодированием должно соответствовать требованиям ГОСТ 3002-70, а перед нанесением лакокрасочных покрытий к качеству поверхности требования не предъявляются.

Операция по очистке поверхности должна производиться на заводе-изготовителе.

6.68. Способы защиты стальных, алюминиевых конструкций от коррозии приведены в СНиП 2.03.11-85.

6.69. Рекомендуются следующие виды покрытий стальных конструкций из углеродистой и низколегированной сталей:

внутри градирни при среднеагрессивной среде - 5 слоев шпатлевки ЭП-0010 общей толщиной покрытия 130 мкм;

снаружи градирни при среднеагрессивной среде - 3 слоя эмали ЭП-1155 общей толщиной 80 мкм;

снаружи градирни при сильноагрессивной среде - 5 слоев эмали ЭП-5115 общей толщиной 130 мкм.

При применении каждого из вариантов покрытия последний покрывной слой следует наносить на монтажной площадке.

6.70. Внутренняя поверхность обшивки из алюминиевых листов, смачиваемых водой, должна быть покрыта анодной пленкой с последующим нанесением одного слоя грунтовки АК-069 или АК-070 (ОСТ-6-10-401-76) и одного слоя эмали ХВ-16 или ХВ-124. Наружная поверхность алюминиевых листов должна быть покрыта анодной пленкой. Места сопряжения алюминиевых листов во избежание щелевой коррозии следует защищать одним слоем грунтовки АК-069 или АК-070 и одним слоем эмали ХВ-16 или ХВ-124.

6.71. Для предотвращения контактной коррозии между алюминиевыми листами и стальным каркасом необходимо применять паронитовые прокладки по ГОСТ 481-80.

6.72. Все крепежные детали должны быть оцинкованы и дополнительно окрашены тремя слоями эмали общей толщиной 80 мм в соответствии с п. 6.68.

6.73. Перечень лакокрасочных материалов, рекомендуемых для защиты стальных и алюминиевых конструкций, приведен в СНиП 2.03.11-85.

6.74. Для обеспечения долговечности градирен металлоконструкции следует систематически (один-два раза в год) осматривать и в случае необходимости окрашивать вновь.

ДЕРЕВЯННЫЕ КОНСТРУКЦИИ

6.75. Проектирование деревянных конструкций градирен следует осуществлять по СНиП II-25-80.

6.76. Каркасы деревянных градирен при расположении вентиляторов наверху следует рассчитывать на работу в дорезонансном режиме. Расчетные характеристики материалов следует принимать с учетом влияния повышенной температуры и постоянного увлажнения каплями воды.

При расчете на сочетание нагрузок с учетом веса наледей, образующихся в зоне оросителя в зимний период, влияние повышенной температуры учитывать не следует.

Пример крепления деревянных щитов к каркасам вентиляторных градирен представлен на черт. 88.

Черт. 88. Детали крепления деревянных щитов к железобетонному каркасу градирни

1 - сборный железобетонный ригель; 2 - сборная железобетонная колонна; 3 - крепежный прибор; 4 - деревянный щит

6.77. При проектировании деревянных конструкций необходимо предусмотреть возможность устройства площадок или крепления подвесных люлек для осмотра деревянных конструкций и профилактического ремонта в процессе эксплуатации градирни.

6.78. При проектировании деревянных конструкций градирен следует предусмотреть:

минимальное число стыков несущих и ограждающих конструкций;

защиту стальных соединительных элементов и гвоздей металлическими или комбинированными лакокрасочными по металлизационному слою покрытиями в соответствии с требованиями СНиП 2.03.11-85.

6.79. Деревянные конструкции градирен необходимо проектировать и изготовлять из древесины хвойных пород не ниже II сорта.

6.80. Изготовление и монтаж деревянных элементов следует производить с тщательной разметкой и выполнением отверстий и врубок по проекту и в соответствии со СНиП III-19-76.

6.81. При изготовлении деревянных конструкций градирен следует обратить особое внимание на увеличение их долговечности, так как конструкции в процессе эксплуатации подвергаются:

гниению в местах, где древесина увлажнена, но не покрыта постоянно водой;

химической делигнинофикации в местах, где вода постоянно омывает древесину;

механическому разрушению древесины ржавчиной, образующейся в местах соприкосновения древесины со стальными элементами (гвозди, болты, стальные элементы конструкций).

6.82. Для защиты от гниения древесину следует пропитывать растворами антисептического препарата ХМ-11 по ГОСТ 23787.8-80. Для сборки изделия следует пропитывать в готовом виде с врубками и отверстиями.

6.83. Растворы препарата ХМ-11 негорючи и невзрывоопасны, но обладают токсичностью, в связи с чем пропитку древесины необходимо осуществлять с соблюдением требований безопасности, производственной санитарии и личной гигиены.

Для пропитки древесины применять каменноугольные масла типа креозот не допускается, так как они со временем вымываются водой и замасливают поверхности теплообменных аппаратов.

6.84. Для защиты древесины от процессов гниения охлаждающую воду можно хлорировать.

6.85. Делигнинофикация древесины происходит при смывании поверхности дерева водой высокой щелочности, растворяющей лигнин, связывающий клетки древесины. По мере развития процесса делигнинофикации прочность древесины со временем падает, что ведет к разрушению конструкций. Оборотная вода с рН8,5 и менее с содержанием свободного хлора в воде около 1 мг/л процесс растворения лигнина не ускоряет. Более высокое содержание хлора для строительных конструкций нежелательно.

Древесина обладает морозостойкостью и химической стойкостью к кислой среде.

6.86. Оцинкованные гвозди рекомендуется забивать молотками из мягкого металла (медь, баббит). Деревянные заготовки необходимо пропитывать без стальных соединительных элементов, так как в процессе антисептирования последние подвергаются коррозии.

6.87. Ограждающие конструкции и технологическое оборудование (оросители и водоуловительные решетки) градирен могут быть изготовлены из древесины мягколиственных пород (березы, осины, липы и др.), модифицированной фенолспиртами или другими синтетическими полимерами по ГОСТ 24329-80, ГОСТ 24588-81.

6.88. Древесину, предназначенную для модификации, следует высушивать. Пропитку древесины необходимо производить с введением в состав растворов антипиренов с целью превращения ее в трудносгораемый материал. Пропитка древесины растворами фенолспиртов может осуществляться всеми известными способами в области консервирования древесины, за исключением способа пропитки в горяче-холодных ваннах.

6.89. Элементы градирен, изготовляемые из древесины мягколиственных пород, должны подвергаться пропитке в готовом виде для сборки с врубками и отверстиями.

6.90. Сушку пропитанной модифицированной древесины и отвердение смол в древесине рекомендуется осуществлять двумя способами: конвективным или с помощью теплоносителя.

АСБЕСТОЦЕМЕНТНЫЕ КОНСТРУКЦИИ

6.91. В градирнях применяются асбестоцементные волнистые листы усиленного профиля по ГОСТ 16233-77 для ограждающих стеновых конструкций (обшивки), межсекционных и ветровых перегородок, водоуловителей и оросителей.

6.92. Асбестоцементные волнистые листы усиленного профиля рассчитываются на ветровую нагрузку согласно СНиП 2.01.07-85.

6.93. Асбестоцементные волнистые листы ограждающих конструкций и ветровых перегородок градирен, эксплуатируемых при отрицательных температурах, для увеличения их долговечности следует пропитывать на всю глубину петролатумом или каменноугольным пеком методом горяче-холодных ванн или под давлением в автоклавах. При эксплуатации градирен в условиях положительных температур асбестоцементные листы можно не пропитывать. Асбестоцементные листы, применяемые для конструкций оросителей и водоуловителей, также не пропитываются.

6.94. Крепление асбестоцементных волнистых листов к несущему каркасу (железобетонному или стальному) и между собой осуществляется при помощи стальных оцинкованных крепежных изделий (черт. 89 и 90).

Черт. 89. Детали крепления асбестоцементных листов к железобетонному каркасу градирни

1 - асбестоцементный лист; 2 - сборный железобетонный ригель; 3 - крепежный прибор

Черт. 90. Детали крепления асбестоцементных листов к стальному каркасу градирни

1 - асбестоцементный лист; 2 - крепежный прибор; 3 - стальная балка

ПЛАСТМАССОВЫЕ КОНСТРУКЦИИ

6.95. Пластмассовые ограждающие конструкции и ветровые перегородки градирен, выполненные из полиэфирного листового стеклопластика, не подвергаются усушке и гниению, обладают хорошей морозостойкостью и гидрофобностью.

6.96. Листы полиэфирного стеклопластика для ограждающих конструкций градирен следует принимать размерами: шириной 1200 мм; толщиной 1,9 мм; шагом волны 125 мм; высотой волны 51 мм; водопоглощением 0,7; наибольшей длиной 4800 мм.

6.97. Для повышения огнестойкости ограждающих конструкций рекомендуется применять стеклопластик самозатухающего типа.

6.98. В качестве ограждающих конструкций градирен стеклопластик имеет большое преимущество перед другими материалами (дерево, асбестоцемент) по герметичности, пластичности, легкости (имеет поверхностную плотность 1,4 кг/см2), высокой прочности на изгиб (130 МПа).

Ограждающие конструкции градирен из стеклопластика необходимо выполнять наибольшей длины с обеспечением надежной герметичности обшивки путем склеивания листов.

Черт. 91. Детали крепления листового стеклопластика к железобетонному каркасу градирни

1 - листовой стеклопластик; 2 - сборный железобетонный ригель; 3 - крепежный прибор

Черт. 92. Детали крепления листового стеклопластика к стальному каркасу градирни

1 - листовой стеклопластик; 2 - крепежный прибор; 3 - стальная балка

6.99. Для герметичности наружной и межсекционной обшивок плоскости соединения листов (горизонтальные и вертикальные) следует промазать перед их креплением клеем следующего состава:

полиэфирная смола ПН-1 или ПН-3;

нефтенат кобальта 8 % массы смолы;

гидроперекись изопропиленбензола (гипериз) 3 % массы смолы;

наполнитель - белая сажа У-383 5 % массы смолы.

6.100. Крепление листов стеклопластика к каркасу и между собой следует осуществлять при помощи стальных оцинкованных крепежных изделий (черт. 91 и 92).

6.101. Выбор цвета стеклопластика следует производить в зависимости от общего цветового решения окружающих зданий и сооружений.

РАСЧЕТ СТРОИТЕЛЬНЫХ КОНСТРУКЦИЙ БАШЕННЫХ ГРАДИРЕН

6.102. Расчет железобетонных конструкций градирен следует выполнять по СНиП 2.03.01-84.

6.103. Ленточный фундамент башни должен рассчитываться как многопролетная неразрезная балка. Нагрузки на фундамент следует принимать из расчета веса оболочки башни с учетом собственного веса и ветрового воздействия.

Расчет отдельно стоящих фундаментов металлических башен градирен следует производить как внецентренно нагруженных на основное сочетание нагрузок.

Расчет кольцевого фундамента железобетонной башни выполняется в последовательности:

производится сбор нагрузок от собственного веса фундамента, от веса грунта на обрезе фундамента, от давления воды, от максимальной ветровой нагрузки и нормативной нагрузки от собственного веса башни;

определяется среднее напряжение на грунт;

определяется расчетное давление на основание (по СНиП 2.02.01-83);

производится проверка устойчивости фундамента, расчет на сдвиг;

определяется расчетная нагрузка на 1 м длины фундамента от максимальной расчетной вертикальной сжимающей нагрузки от ветра и собственного веса башни;

определяются крутящий и изгибающий моменты, воспринимаемые фундаментом;

определяются усилия в фундаменте без учета термовлажностных воздействий: изгибающий момент, горизонтальная составляющая нагрузки от собственного веса башни на 1 м длины, растягивающее усилие (распор);

определяются усилия в фундаменте с учетом термовлажностных воздействий и потребная площадь сечения арматуры;

проверяется ширина раскрытия трещин.

Для типовых проектов градирен грунты в основании надлежит принимать непучинистые, непросадочные, уровень грунтовых вод - ниже подошвы фундаментов. При неблагоприятных грунтовых условиях следует принимать дополнительные мероприятия по обеспечению надежности фундамента башни градирни.

6.104. Плита днища бассейна должна быть разрезана деформационными швами и в швы заложена профильная резиновая лента.

Расстояния между температурно-деформационными швами устанавливаются расчетом. Расчет допускается не производить при расчетных зимних температурах наружного воздуха выше минус 40 °С, если принятые расстояния между швами не превышают 40 м.

Статический расчет днища бассейна следует выполнять как плиты на упругом основании на нагрузку от собственного веса оросителя, водораспределителя и водоуловителя, передаваемую колоннами сборного железобетонного несущего каркаса. При этом следует проверить несущую способность и жесткость плиты при заданном ее армировании. Расчет необходимо выполнять по формулам для бесконечной плиты. Следует определить также момент в плите днища у края фундамента.

Армирование плиты должно выполняться двухрядным.

6.105. Вытяжные башни градирен следует рассчитывать на нагрузки от собственного веса, от ветра (с учетом его динамического воздействия) и от термовлажностных воздействий (железобетонные башни).

6.106. Ветровая нагрузка на вытяжную башню принимается согласно СНиП 2.01.07-85.

6.107. Эпюра аэродинамических коэффициентов по периметру каркасно-обшивной башни принимается по данным лабораторных аэродинамических исследований. Для башен градирен, имеющих 12 граней и более, допускается принимать аэродинамические коэффициенты в соответствии с «Руководством по расчету зданий и сооружений на действие ветра» (М.: Стройиздат, 1978) как для шероховатых оболочек.

Учет динамического воздействия скоростного напора на каркасно-обшивные башни производится умножением расчетной ветровой нагрузки на коэффициент b, равный 1,3 для башен высотой до 90 м и 1,4 для башен высотой 90 - 150 м.

6.108. Аэродинамические коэффициенты ветровой нагрузки для железобетонных башен градирен определяются в зависимости от степени шероховатости башен по СНиП 2.01.07-85.

Нормативное значение динамической составляющей ветровой нагрузки определяется по СНиП 2.01.07-85 в зависимости от максимального периода собственных колебаний башни.

6.109. Кроме внешнего давления ветровой нагрузки на железобетонные и каркасные башни градирен, необходимо учитывать распределенное по ее поверхности внутреннее давление с коэффициентом минус 0,5.

6.110. Устойчивость верхнего края железобетонной оболочки обеспечивается устройством ребра жесткости, ширина которого должна составлять не менее 1,0 м. Момент инерции верхнего ребра жесткости вместе с примыкающими к нему сверху и снизу участками оболочки относительно нейтральной оси этой части башни должен быть не менее 0,003 r4, где r - радиус срединной поверхности оболочки на уровне верхнего ребра жесткости.

6.111. Расчет железобетонной оболочки башни градирни выполняется по методике и программе, разработанным во ВНИИГ им. Б. Е. Веденеева.

Программа позволяет определить напряженно-деформированное состояние железобетонной оболочки, верхняя часть которой является гиперболоидом вращения, а нижняя - усеченным конусом.

Толщина оболочки задается непрерывной кусочно-линейной функцией. Предусмотрены следующие непрерывные по окружности условия опирания верхнего и нижнего торцов оболочки:

свободный край;

упругое защемление в кольцо;

линейно-деформируемая опора;

защемление;

шарниры всех видов.

Основными воздействиями на оболочку являются:

собственный вес;

ветровая нагрузка;

температурное воздействие.

Материал конструкции предполагается идеально упругим, линейно деформируемым, однородным и изотропным.

В результате решения задачи определяются компоненты перемещений, усилий, моментов в оболочке и выводятся на печать в табличной форме. Оболочка схематизируется в рамках теории тонких оболочек. Принимается, что компоненты поверхностной нагрузки представлены в виде отрезков ряда Фурье.

Предполагается, что температура линейно меняется по толщине оболочки, произвольная по высоте и представлена в виде отрезка тригонометрического ряда по широте.

Оболочка вращения разбивается на кольцевые элементы равной высоты.

Число неизвестных для одного узла равно четырем.

При составлении исходных данных необходимо иметь геометрию срединной поверхности оболочки и колоннады, условия закрепления торцов башни, наличие колец жесткости, систему координат, в которой заданы граничные условия, физико-механические характеристики материала оболочки, тип нагрузки (собственный вес, ветровую, температурную и пр.) и законы ее изменения по периметру и в вертикальном направлении. При расчете оболочки градирни необходимо учитывать термовлажностные воздействия на нее.

Расчет производится для термовлажностных условий зимнего периода.

Принято, что перепад температуры и влажности по толщине оболочки имеет вид трапеции.

Изгибающие моменты от термовлажностных воздействий определяются как моменты для бесконечно длинного цилиндра.

6.112. Расчет трещиностойкости оболочки башни выполняется по СНиП 2.03.01-84 для бетона В30 и арматуры класса А-III.

6.113. Прочность сечений оболочки необходимо проверять в зависимости от соотношения между величиной относительной высоты сжатой зоны бетона zсж, определяемой из условия равновесия, и граничным значением относительной высоты сжатой зоны бетона zR, при котором предельное состояние элемента наступает одновременно с достижением растянутой арматурой величины Rc. При этом из общих уравнений равновесия прямоугольного сечения элемента получаем выражения для определения количества арматуры для внецентренно сжатого и для внецентренно растянутого элемента.

6.114. Расчет нижнего края оболочки выполняется как многопролетной неразрезной балки-стенки бесконечной высоты.

Расчет ведется в двух направлениях:

в меридиональном - край оболочки свободен от нагрузки; выполняется проверка на опоре по скалыванию;

в кольцевом - на опоре сжатие или растяжение.

6.115. Минимальный диаметр стойки опорной колоннады башни должен быть не менее 400 мм, а гибкость стойки £ 200. В поперечном сечении стойки могут быть круглые, квадратные и прямоугольные.

Расчетные нормальные усилия в стойках определяются от собственного веса оболочки и ветровой нагрузки. При этом расчетная длина стойки принимается равной 0,8 ее геометрической длины. Собственный вес стойки учитывается только при расчете сжатой стойки.

7. ОХРАНА ОКРУЖАЮЩЕЙ СРЕДЫ

ОБЩАЯ ЧАСТЬ

7.1. В последнее время значительно повышены требования к защите окружающей среды. Градирню как источник вредного воздействия на окружающую среду следует рассматривать в двух аспектах - как источник шума и как источник выбросов вредных веществ вместе с выходящим из нее насыщенным воздухом в атмосферу.

При согласовании строительства вентиляторных градирен санитарная инспекция прежде всего рассматривает их как источник шума. Градирни должны отвечать требованиям защиты окружающей среды от шума в соответствии с допустимыми санитарными нормами.

7.2. При размещении градирен на жилых или производственных территориях с нормируемым уровнем шума требуется производить акустический расчет и при необходимости предусматривать мероприятия по снижению шума.

ШУМОВЫЕ ХАРАКТЕРИСТИКИ ВЕНТИЛЯТОРНЫХ ГРАДИРЕН

7.3. Градирня как источник шума представляет собой сооружение, шум в котором может создаваться вентиляторной установкой с приводом преимущественно на низких и средних частотах 63 - 500 Гц и движением воды (шум дождя) - на частотах 500 - 8000 Гц.

7.4. В зависимости от конструкций и размеров вентиляторной градирни в создаваемом ею шуме может преобладать один из указанных источников или они могут быть равны по мощности звука.

7.5. На уровень шума, создаваемого вентилятором градирни, влияют окружная скорость колеса, профиль лопаток, их число, конструкция подшипников, работа электродвигателя и тип привода.

7.6. Дополнительные шумы могут возникать также при колебаниях и вибрациях отдельных элементов градирни (оболочки, диффузора и т.п.). В качественно изготовленных градирнях влияние дополнительных шумов от электродвигателя, редуктора, вибрации конструкций, дебаланса лопастей вентилятора на общий шум несущественно.

7.7. В малых вентиляторных градирнях (площадь секции не более 16 м2) преобладающим источником шума является вентиляторная установка. При больших размерах секции значительную долю в общий шум, создаваемый градирней, может вносить и шум дождя, особенно на высоких частотах.

Разница в шуме градирни с различными типами капельных и пленочных оросителей несущественна и колеблется в пределах 3 дБ.

7.8. Величина шума, создаваемого градирней, оценивается по ее шумовой характеристике.

Шумовой характеристикой вентиляторной градирни принято считать уровень звукового давления на среднегеометрических частотах октавных полос в диапазоне 63 - 8000 Гц на расстоянии 1 м от звукоактивных поверхностей.

Звукоактивная поверхность - часть поверхности градирни с наибольшим излучением шума (входные окна, корпус вентилятора, выход из диффузора, выход из поперечноточных градирен).

Уровень звукового давления L, дБ, - величина, вычисляемая по формуле

,                                                          (24)

где

P0 = 2 × 10-5 Па.

Для ориентировочной оценки шума (например, при проверке органами надзора, выявлении необходимости мер по шумоглушению и др.) допускается за характеристику постоянного шума на рабочем месте принимать уровень звука, дБА, измеряемый по шкале А шумомера и определяемый по формуле

,                                                       (25)

где Ра - среднеквадратичная величина звукового давления с учетом коррекции А шумомера, Па.

7.9. Шумовые характеристики вентиляторных градирен, составленные по данным натурных исследований, выполненных ВНИИ ВОДГЕО, приведены в табл. 24. Схемы этих градирен даны на черт. 93.

Измерения шума были проведены в четырех наиболее звукоактивных точках градирни при обычных эксплуатационных режимах работы градирен:

Д - на расстоянии 1 м над верхней кромкой диффузора;

В - на расстоянии 1 м сбоку от вентилятора или вдоль его оси (для вентиляторов с горизонтальной осью);

О - на расстоянии 1 м от середины входных окон (на высоте 1,5 м от борта резервуара);

Г - на расстоянии 1 м от поперечноточной градирни со стороны выхода воздуха.

Возможные отклонения от средних уровней звукового давления, приведенные в табл. 24, зависят от качества монтажа градирни и вентилятора, марки вентилятора (1ВГ или 2ВГ, 06-300 или 06-320 и т.п.), гидравлической нагрузки и находятся, как правило, в пределах ± 3 дБ.

7.10. Для удобства пользования в табл. 25 для каждой градирни приведены значения уровней звукового давления по максимальным величинам из указанных в табл. 24 четырех точек.

Таблица 24

Номер схемы на черт. 93

Площадь секции градирни, м2

Марка вентилятора градирни

Частота вращения вентилятора, об/мин

Расчетная точка для определения шума

Уровень звукового давления L, дБ, при среднегеометрических частотах октавных полос, Гц

Уровень звука, дБА

63

125

250

500

1000

2000

4000

8000

I

400

1ВГ 104

110

Д

84

82

80

83

75

69

65

60

82

В

80

77

73

75

66

61

58

52

73

O

78

78

77

83

77

79

81

79

86

II

192

2ВГ 70

145

Д

90

88

85

84

76

70

67

65

83

В

84

81

76

75

66

64

61

57

74

O

86

88

86

86

79

79

79

79

86

III

64

2ВГ 50

178

Д

89

87

82

78

73

69

64

62

78

В

87

83

76

71

65

63

58

53

71

О

85

85

82

78

78

80

81

79

87

IV

16

1ВГ 25

380

Д

88

88

87

84

83

77

71

63

86

В

84

82

80

77

73

66

62

57

77

О

80

81

79

76

73

70

72

72

79

V

8

06-300 № 12,5

730

Д

84

88

86

85

82

79

71

64

86

Г

88

86

87

85

79

73

68

65

84

VI

107

1ВГ 47

95

В

92

90

92

92

85

78

73

66

91

О

69

64

63

71

75

76

81

82

86

VII

16

Осевой, D = 2 м

-

Г

90

87

84

82

75

71

70

68

84

VIII

4

06-300 № 12,5

730

Д

85

84

84

83

82

73

66

60

84

В

83

83

79

76

84

66

60

56

85

О

83

85

78

74

77

69

68

66

79

IX

1

06-300 № 8

930

В

83

87

86

83

79

75

67

61

84

О

86

82

80

80

75

68

67

65

80

Х

4

KKT-100

-

В

80

81

83

86

84

83

78

72

89

XI

9

«Балтимор» (США)

-

О

81

80

83

87

81

75

73

63

86

Таблица 25

Площадь секции градирни, м2

Марка вентилятора градирни

Частота вращения вентилятора, об/мин

Уровень звукового давления, дБ, при среднегеометрических частотах октавных полос, Гц

Уровень звука, дБА

63

125

250

500

1000

2000

4000

8000

400

1ВГ 104

110

84

82

80

83

77

79

81

79

86

192

2ВГ 70

145

90

88

86

84

79

79

79

79

86

64

2ВГ 50

178

89

87

82

78

78

80

81

79

87

16

1ВГ 25

380

88

88

87

84

83

77

72

72

86

8

06-300 № 12,5

730

88

88

87

85

82

79

71

65

86

107

1ВГ 47

95

92

90

92

92

85

78

73

66

91

16

Осевой, D = 2 м

-

90

87

84

82

75

71

70

68

84

4

06-300 № 12,5

730

85

85

84

83

84

73

68

66

84

1

06-300 № 8

930

86

87

86

83

79

75

67

65

84

4

KKT-100

 

80

81

83

86

84

83

78

72

89

9

«Балтимор» (США)

-

81

80

83

87

81

75

73

63

86


Черт. 93. Схемы основных типов вентиляторных градирен, для которых установлены шумовые характеристики


ДОПУСТИМЫЕ УРОВНИ ШУМА

7.11. Допустимые уровни звукового давления, дБ, в октавных полосах частот, уровни звука, дБА, для жилых, общественных, производственных зданий и их территорий следует принимать в соответствии с табл. 26 с поправками к ним по табл. 27. Нормы допустимого шума следует принимать в соответствии с ГОСТ 12.1.036-81 (СТ СЭВ 2834-80).

Таблица 26

Территории, здания и помещения

Допустимые уровни звукового давления, дБ, в октавных полосах частот со среднегеометрическими частотами, Гц

Уровень звука, дБА

63

125

250

500

1000

2000

4000

8000

Больниц, санаториев, непосредственно прилегающих к зданию

59

48

40

34

30

27

25

23

35

Непосредственно прилегающие к жилым домам, площадки отдыха, микрорайонов, площадки детских дошкольных учреждений, участки школ

67

57

49

44

40

37

35

33

45

Производственные предприятия

99

92

86

83

80

78

76

74

85

Жилые и общественные здания

 

 

 

 

 

 

 

 

 

Палаты больниц и санаториев, операционные больниц

51

39

31

24

20

17

14

13

25

Жилые комнаты квартир, жилые помещения домов отдыха и пансионатов, спальные помещения в детских дошкольных учреждениях и интернатах

55

44

35

29

25

22

20

18

30

Кабинеты врачей больниц, санаториев, поликлиник, концертные залы, номера гостиниц, жилые комнаты в общежитиях

59

48

40

34

30

27

25

23

35

Классные помещения, аудитории учебных заведений, конференц-залы, читальные залы, зрительные залы театров, клубов, кинотеатров, залы судебных заседаний и совещаний

63

52

45

39

35

32

30

28

40

Рабочие помещения управлений, конструкторских и проектных организаций и научно-исследовательских институтов, холлы гостиниц, общежитий и учреждений отдыха

71

61

54

49

45

42

40

38

50

Залы кафе, ресторанов, столовых, фойе театров и кинотеатров

75

66

59

54

50

57

45

43

55

Торговые залы магазинов, спортивные залы, залы для пассажиров аэропортов и вокзалов, приемные пункты предприятий бытового обслуживания

79

70

63

58

55

52

50

49

60

Производственные помещения

 

 

 

 

 

 

 

 

 

Помещения конструкторских бюро, расчетчиков и программистов вычислительных машин, лабораторий для теоретических работ и обработки экспериментальных данных, приема больных в здравпунктах

71

61

54

49

45

42

40

38

50

Помещения управления, рабочие комнаты

79

70

63

58

55

52

50

49

60

Кабины наблюдений и дистанционного управления:

 

 

 

 

 

 

 

 

 

без речевой связи по телефону

95

87

82

78

75

73

71

70

80

с речевой связью по телефону

83

74

68

63

60

57

55

54

65

Помещения счетно-электронных машин и участки точной сборки, машинописное бюро

83

74

68

63

60

57

55

54

65

Помещения лабораторий для проведения экспериментальных работ, размещения шумных агрегатов вычислительных машин

95

87

82

78

75

73

71

70

80

Постоянные рабочие места и рабочие зоны производственных помещений

99

92

86

83

80

78

76

74

85

Таблица 27

Влияющий фактор

Условия

Поправки к Lдоп, дБ

Время суток

Ночное время с 23 до 7 ч

0

Дневное время с 7 до 23 ч

+ 10

Местоположение объекта

Курортный район

- 5

Новый проектируемый городской жилой район

0

Жилая застройка, расположенная в существующей (сложившейся) застройке

+ 5

Примечания: 1. Поправки к времени суток вносятся при определении допустимых уровней звукового давления для жилых комнат квартир, спальных помещений домов отдыха и пансионатов, спальных помещений в детских дошкольных учреждениях и школах-интернатах, палат больниц и спальных комнат санаториев, жилых комнат общежитий, номеров гостиниц, для территорий, непосредственно прилегающих к жилым домам, территорий больниц, санаториев, непосредственно прилегающих к зданиям.

2. Поправки для местоположения объекта следует учитывать только для внешних источников шума при определении допустимых уровней звукового давления и уровней звука для жилых комнат квартир, спальных помещений домов отдыха и пансионатов, спальных помещений в детских дошкольных учреждениях и школах-интернатах, палат больниц и спальных комнат санаториев, жилых комнат общежитий и номеров гостиниц. Поправку для местоположения объекта не следует принимать для вновь строящихся зданий в существующей (сложившейся) застройке.

РАСЧЕТ ТРЕБУЕМОГО СНИЖЕНИЯ ШУМА, СОЗДАВАЕМОГО ГРАДИРНЯМИ

7.12. Определение требуемого снижения шума производится на основании акустического расчета.

Акустический расчет следует выполнять в восьми октавных полосах со среднегеометрическими частотами 63, 125, 250, 500, 1000, 2000, 4000 и 8000 Гц.

Расчет производится в следующем порядке.

Определяются шумовые характеристики (октавные уровни звукового давления градирен) по табл. 25.

Выбираются точки в помещениях или на территориях, для которых производится расчет (расчетные точки).

Выбор расчетных точек производится на территории или в помещениях, наиболее близко расположенных к градирне, а также в помещениях с наименьшим допустимым уровнем шума. Акустический расчет производится отдельно для каждой из выбранных расчетных точек.

Определяются допустимые уровни звукового давления в расчетных точках Lдоп, дБ.

Октавные уровни звукового давления, создаваемые градирнями в расчетных точках на территории Lтер (территория или близлежащее помещение), определяются по формуле

Lтер = L - DLрас + DLн - DLзел.                                                (26)

Уровень звукового давления, создаваемый градирней L, определяется по табл. 25; снижение уровня звукового давления в зависимости от расстояния между градирней и расчетной точкой DLрас определяется по графику черт. 94; показатель направленности излучения шума DLн определяется по табл. 28; снижение уровня звукового давления полосами зеленых насаждений определяется по формуле

DLзел = aзел C.                                                             (27)

Черт. 94. График снижения шума Lрас, дБ, в зависимости от расстояния между градирней и расчетной точкой

Постоянная затухания шума aзел определяется по табл. 29.

Результаты натурных измерений показали, что уровень звукового давления, создаваемый градирней при одной работающей секции, и суммарный уровень звукового давления нескольких работающих секций (градирен), отличаются между собой не более чем на 1 - 2 дБ, что находится в пределах точности измерений. Это объясняется тем, что из-за больших размеров секции (градирни) шум от соседних секций до расчетной точки доходит значительно сниженным по сравнению с шумом от секции, расположенной на минимальном расстоянии от расчетной точки.

Таблица 28

Выход звуковой энергии в градирне

Показатель направленности излучения шума DLн, дБ, при направлении звуковой энергии

в сторону объекта

под углом 90° к объекту

в противоположную сторону от объекта

Круговой

0

0

0

Двухсторонний

0

- 5

0

В одну сторону

0

- 5

- 15

Таблица 29

Зеленые насаждения

Постоянная затухания шума aзел, дБ/м, при среднегеометрических частотах октавных полос, дБ/м

63

125

250

500

1000

2000

4000

8000

 

Кроны сосен

0,06

0,08

0,11

0,14

0,15

0,16

0,19

0,2

 

Сосновый лес

0,08

0,1

0,11

0,13

0,14

0,16

0,18

0,2

 

Кроны елей

0,08

0,1

0,12

0,16

0,18

0,17

0,25

0,3

 

Густой лиственный лес

0,03

0,04

0,05

0,07

0,1

0,15

0,2

0,25

 

Зеленая густая изгородь

0,1

0,13

0,15

0,25

0,35

0,4

0,5

0,6

 

Расчеты суммарных уровней звукового давления показывают, что они численно равны уровню звукового давления одной секции.

Октавные уровни звукового давления L, дБ, создаваемого градирнями при проникновении шума с прилегающей территории в близрасположенное помещение через ограждения окна, следует определять по формуле

L = Lтер - 10 lg B + 10 lg S - Rок + 1.                                     (28)

Звукоизолирующая способность остекления окон Rок, дБ, определяется по табл. 30. При открытых окнах величина Rок = 0.

Постоянную помещения В, м2, в октавных полосах частот следует определять по формуле

В = В1000 mмн.                                                         (29)

Постоянная помещения В1000, м2, на среднегеометрической частоте 1000 Гц определяется по табл. 31, частотный множитель mмн - по табл. 32.

Требуемое снижение октавных уровней звукового давления DLтер при проникновении шума в расчетные точки на территории или с прилегающей территории в близрасположенное помещение определяется по формуле

DLтер = L - Lдоп.                                                       (30)

Таблица 30

Номер схемы

Схема (размеры в мм)

Значения звукоизолирующей способности окон, дБ, при среднегеометрических частотах октавных полос, Гц

63

125

250

500

1000

2000

4000

8000

Одинарное остекление

1

12

17

17

22

28

31

30

38

2

12

18

23

26

31

32

40

48

3

17

22

22

26

30

27

35

43

Двойное остекление

4

С одной прокладкой

12

16

24

27

31

33

32

32

С двумя прокладками

-

16

26

34

36

38

40

-

5

1 - перфорированный экран из листового алюминия; 2 - поливинилхлоридный войлок толщиной 40 мм

-

17

28

42

47

51

-

-

6

-

21

29

38

44

50

-

-

7

1 - перфорированный экран из листового алюминия; 2 - поливинилхлоридный войлок толщиной 40 мм

-

24

31

43

46

51

-

-

8

-

21

31

38

46

49

-

-

9

1 - перфорированный экран из листового алюминия; 2 - поливинилхлоридный войлок толщиной 40 мм

-

24

33

41

47

51

-

-

10

-

25

33

41

47

48

-

-

11

-

23

27

35

42

45

-

-

12

-

27

30

37

43

46

-

-

Тройное остекление

13

-

10

23

33

46

47

-

-

14

-

15

25

36

48

51

-

-

15

-

21

29

38

46

51

-

-

16

-

13

25

33

44

49

-

-

17

-

28

31

41

48

51

-

-

18

-

18

27

38

46

51

-

 

19

-

26

35

41

48

51

-

-

Таблица 31

Тип помещения

Помещения

Постоянная помещения В1000, м2

1

С небольшой численностью работающих (металлообрабатывающие цехи, вентиляционные камеры, генераторные, машинные залы, испытательные стенды и т.п.)

2

С жесткой мебелью и большой численностью работающих или с небольшой численностью и мягкой мебелью (лаборатории, ткацкие и деревообрабатывающие цехи, кабинеты и т.п.)

3

С большой численностью работающих и мягкой мебелью (рабочие помещения зданий управлений, залы конструкторских бюро, аудитории учебных заведений, залы ресторанов, торговые залы магазинов, залы ожидания аэропортов и вокзалов, номера гостиниц, классные помещения в школах, читальные залы библиотек, жилые помещения и т.п.)

4

Со звукопоглощающей облицовкой потолка и части стен

Таблица 32

Объем помещения V, м3

Частотный множитель mмн для среднегеометрических частот октавных полос, Гц

63

125

250

500

1000

2000

4000

8000

< 200

0,8

0,75

0,7

0,8

1

1,4

1,8

2,5

200 - 1000

0,65

0,62

0,64

0,75

1

1,5

2,4

4,2

> 1000

0,5

0,5

0,55

0,7

1

1,6

3

6

ОСНОВНЫЕ МЕРОПРИЯТИЯ ПО СНИЖЕНИЮ ШУМА ГРАДИРЕН

7.13. Уровень шума от вентиляторных градирен, как правило, не превышает допустимый уровень по санитарным нормам для территорий промышленных предприятий уже на расстоянии 10 м (см. табл. 26), поэтому их можно размещать в любом месте промышленного предприятия без проведения каких-либо мероприятий по защите от шума. Однако если поблизости находятся жилые или другие здания, уровень шума для которых ограничен санитарными нормами, следует предусматривать мероприятия для снижения уровня шума в расчетных точках до величин, допустимых санитарными нормами.

Эти мероприятия необходимо предусматривать на стадии проектирования и привязки градирни к местности, что обходится обычно в 2 - 3 раза дешевле, чем обеспечение защиты от шума после пуска градирен в эксплуатацию.

7.14. Борьбу с шумом вентиляторных градирен следует осуществлять по следующим основным направлениям:

а) уменьшение шума в источнике (градирне) - конструктивными и административными методами (создание и применение малошумного источника, регламентация времени его работы и мест расположения на территории);

б) снижение шума на пути его распространения в городской среде от источника (градирни) до объекта шумозащиты;

в) устройство шумозащиты непосредственно на объекте - конструктивно-строительными методами, обеспечивающими повышение звукоизолирующих качеств ограждающих конструкций, зданий и сооружений.

В качестве мероприятий по борьбе с шумом внутри источника (градирни) могут быть рекомендованы:

в противоточной градирне с вентилятором марки 06-300 установка вентилятора на «плавающем» основании, «мягкое» соединение вентилятора с корпусом градирни;

снижение скорости вращения вентиляторов за счет изменения конструкции или применения двухскоростных двигателей;

устройство удлиненных диффузоров с непрерывным течением потока при покрытии внутренней поверхности диффузора звукопоглощающим материалом с пластмассовой пленкой для защиты от воды;

усовершенствование аэродинамических характеристик лопастей проточной части вентиляторов;

в тех случаях, где это возможно, целесообразно предусматривать режим работы градирни с остановкой в ночное время (с 23 до 7 ч);

размещение градирен с выходом звуковой энергии в сторону, противоположную рассматриваемому помещению.

В качестве мероприятий по борьбе с шумом на путях его распространения могут быть рекомендованы:

удаление градирен от жилых домов на достаточное расстояние;

размещение градирен в естественных или искусственных выемках или среди зданий;

устройство между градирней и рассматриваемым объектом экранов в виде насыпей, ограждений, стенок, полос зеленых насаждений;

размещение вентиляторных градирен с использованием в качестве экранов существующих сооружений зданий, рельефа местности (см. СНиП II-12-77);

снижение уровней шума по пути распространения может быть осуществлено путем устройства глушителей (см. типовой проект «Глушители вентиляционных установок» серии 5.904-17 1982 г.).

Пример расчета шума, создаваемого поперечноточной градирней. На крыше здания расположена двухсекционная поперечноточная градирня с вентиляторами марки 06-300 № 12,5 на расстоянии rш = 100 м от помещения архива. Ось вентилятора градирни расположена горизонтально с выходом звуковой энергии в сторону архивного помещения. Объем помещения архива V = 125 м2. Градирня работает круглосуточно. Шум от градирни в помещение архива проникает через два окна. Площадь окна S = 3,9 м2. Площадь двух окон S = 7,8 м2. Уровень шума от градирни в помещении архива не должен превышать 50 дБА (см. табл. 26). Между градирней и рассматриваемым помещением имеется полоса зеленой густой изгороди шириной 10 м.

Необходимо определить требуемое снижение уровня звукового давления, создаваемого градирней при проникании шума в помещение архива через закрытые окна.

Результаты расчета и промежуточные данные сведены в табл. 33. Как видно из поз. 13, б табл. 33 дополнительные мероприятия по снижению шума от градирни в помещении архива при закрытых окнах не требуются. В то же время из поз. 13, а следует, что октавные уровни звукового давления в помещении архива при проникании шума с прилегающей территории к градирне при открытых окнах превышают допустимые уровни звукового давления, установленные нормами. Следовательно, необходимо обеспечить дополнительные мероприятия по снижению уровня звукового давления в помещении архива. Располагаем градирню так, чтобы выход звуковой энергии от вентилятора был направлен под углом 90° к помещению архива. При этом показатель направленности DLн равен минус 5 дБ (см. табл. 28).

Из поз. 15 табл. 33 следует, что превышение уровня звукового давления в расчетных точках над санитарными нормами после изменения размещения градирни составляет 5,5 дБ. Дальнейшее снижение уровня звукового давления может быть осуществлено путем изменения режима работы градирни - отключения ее на период с 23 до 7 ч (см. табл. 27) или устройством защитных экранов, с помощью которых можно снизить уровень звукового давления на 10 - 25 дБ.

Таблица 33

Номер позиции

Показатель

Ссылка

Рассчитываемое значение при среднегеометрической частоте октавной полосы, Гц

63

125

250

500

1000

2000

4000

8000

1

Шумовая характеристика секционной поперечноточной градирни L, дБ, с вентилятором марки 06-300 № 12,5

Табл. 24, поз. V

88

88

87

85

82

79

71

65

2

Величина DLрас, дБ, при rш = 100 м

Черт. 94

23

23

23

23

23

23

23

23

3

Показатель направленности излучения звука DLн, дБ

Табл. 29

0

0

0

0

0

0

0

0

4

Снижение уровня звукового давления полосами зеленых насаждений DLзел, дБ, l = 10 м

Табл. 30

1

1,3

1,5

2,5

3,5

4

5

6

5

Октавные уровни звукового давления, Lтер, дБ, создаваемого градирней на расстоянии rш = 100 м у фасада помещения архива

Формула (28)

64

63,5

62,5

59,5

55,5

52

43

36

6

Частотный множитель m

Табл. 33

0,8

0,75

0,7

0,8

1

1,4

1,8

2,5

7

Постоянная помещения

В1000 =  = 12,5;

В = В1000 m, дБ

Табл. 32

10

9

8,5

10

12,5

17,5

22,5

31

8

10 lg B, дБ

 

10

9,5

9,5

10

11

12,5

13,5

15

9

10 lg S, дБ (S = 7,8 м2)

 

9

9

9

9

9

9

9

9

10

Звукоизолирующая способность окон R, дБ:

 

 

 

 

 

 

 

 

 

а) открытых

 

0

0

0

0

0

0

0

0

б) закрытых

 

10

16

24

27

31

33

32

32

11

Октавные уровни звукового давления, L, дБ, создаваемые в помещении архива при проникании шума от рассматриваемой градирни через окна:

Формула (30)

 

 

 

 

 

 

 

 

а) открытые

 

64

64

63

59,5

54,5

49,5

39,5

31

б) закрытые

 

54

48

35,5

32,5

23,5

16,5

7,5

-

12

Допустимые уровни звукового давления в помещении архива Lдоп, дБ

Табл. 27

71

61

54

49

45

42

40

38

13

Величины требуемого снижения уровня звукового давления DLтр, дБ, при окнах:

Формула (32)

 

 

 

 

 

 

 

 

а) открытых

 

-

3

9

10,5

9,5

7,5

-

-

б) закрытых

 

-

-

-

-

-

-

-

-

14

Показатель направленности излучения звука DLн, дБ

Табл. 29

- 5

- 5

- 5

- 5

- 5

- 5

- 5

- 5

15

Требуемое снижение уровня звукового давления при открытых окнах DLтер, дБ

Разность между поз. 13, а и 14

-

-

4

5,5

4,5

2,5

-

-

ВОЗДЕЙСТВИЕ АЭРОЗОЛЕЙ, ВЫБРАСЫВАЕМЫХ ИЗ ГРАДИРЕН, НА ОКРУЖАЮЩУЮ СРЕДУ

7.15. При использовании городских и промышленных сточных вод, а также сильно минерализованных природных вод (например, морской воды) градирни могут быть источником вредного воздействия на окружающую среду - на атмосферу, почву, водные объекты.

Вредное воздействие происходит в результате выброса капель оборотной воды в атмосферу, осаждения капель на почву и на поверхность воды водных объектов.

Выбрасываемые капли будут содержать в сконцентрированном виде за счет упаривания воды в градирне вредные примеси, оставшиеся после очистки сточных вод, добавляемых в систему оборотного водоснабжения для восполнения неизбежных потерь воды из системы.

В каплях могут содержаться также ингибиторы коррозии, накипеобразования и химические реагенты для предотвращения биологических обрастаний, добавляемые в оборотную воду.

Кроме этого, в каплях могут быть патогенные микроорганизмы, свойственные городским сточным водам, бактерии, вирусы, грибы. Некоторые микроорганизмы в градирнях при благоприятных условиях для их жизнедеятельности могут размножаться.

7.16. Минздравом СССР опубликованы следующие документы, регламентирующие способы применения сточных вод в системах оборотного водоснабжения с градирнями:

«Методические указания по гигиенической оценке использования доочищенных городских сточных вод в промышленном водоснабжении». № 3224-85 от 4.03.85. Главное санитарно-эпидемиологическое управление Министерства здравоохранения СССР;

«Временные методические рекомендации к использованию очищенных городских сточных вод и смеси их с очищенными сточными водами предприятий синтетического каучука в оборотных системах охлаждающего водоснабжения». Министерство здравоохранения СССР. Главное санитарно-эпидемиологическое управление (утверждены 3 декабря 1981 г. № 2501-81).

7.17. Работающая градирня выбрасывает в атмосферу нагретый до 35 - 45 °С насыщенный водяными парами воздух, содержащий капли воды размером от 100 до 500 мкм в количестве от 0,5 до 1 г на 1 м3 воздуха.

7.18. Капли воды распространяются в атмосфере в районе градирен и увлажняют поверхность земли и близрасположенные сооружения, а в зимний период вызывают их обледенение, поэтому в СНиП II-89-80 приведены допустимые минимальные расстояния от градирен до ближайших сооружений.

7.19. Зона выпадения капельной влаги на поверхности земли имеет форму эллипса с большой осью, проходящей через центр градирни в направлении ветра. Наибольшая интенсивность выпадения капель на поверхность земли в этой зоне находится на большой оси эллипса на расстоянии примерно двух высот градирни. Размер зоны зависит от высоты градирни, скорости ветра, степени турбулентности воздуха в приземном слое, концентрации и крупности капель, а также от температуры и влажности атмосферного воздуха.

7.20. При наличии в атмосферном воздухе газообразных примесей, выходящая из градирен влага может с ними взаимодействовать и образовывать вредные для окружающей среды соединения. Например, при взаимодействии влаги с окислами серы происходит окисление сернистого ангидрида в более вредные для человека сульфаты.

7.21. Применение в оборотной воде для борьбы с коррозией токсичных ингибиторов, например, содержащих шестивалентный хром, требует контроля воздушной среды и почвы в районе градирен. Предельно допустимая концентрация (ПДК) Сr+6 в почве составляет 0,5 мг на 1 кг почвы. ПДК Сr+6 в атмосферном воздухе на промышленной площадке составляет 0,003 мг/м3 (30 % ПДК для воздуха рабочей зоны, составляющего 0,01 мг/м3 согласно СН 245-71), а в населенных местах - ПДК Сr+6 0,0015 мг/м3. Приведенные данные о ПДК обычно обеспечиваются при содержании Сr+6 в оборотной воде не более 1,7 мг/л.

7.22. При оценке вредности выноса хрома из градирен необходимо принимать во внимание концентрацию шестивалентного хрома в воздухе, создаваемого за счет других источников (фоновые концентрации).

7.23. При использовании в системах оборотного водоснабжения с градирнями очищенных сточных вод остаточные примеси вредных веществ и токсичных ингибиторов коррозии могут повлиять на санитарно-гигиенические условия в зоне выброса и распространения водного аэрозоля, выносимого из градирен.

7.24. На основе экспериментальной или расчетной оценки токсичности аэрозолей оборотных вод устанавливаются гигиенические нормативы - ориентировочные безопасные уровни воздействия аэрозолей (ОБУВ). Такие нормативы должны учитываться при определении допустимого выноса капельной влаги из градирен при расчетах минимальной санитарно-защитной зоны от градирен до жилой зоны.

7.25. Минздравом СССР утверждены ОБУВ аэрозолей оборотных вод на основе очищенных городских сточных вод для атмосферного воздуха близлежащих населенных мест для вод с солесодержанием:

до 3 г/л  - 20  мг/м3  (0,02  мл/м3) воздуха

»   6 »     - 10  »          (0,01     »     )       »

7.26. Возможен контроль загрязнения воздушного бассейна в районах расположения градирен и по аэрозолям отдельных компонентов, которые встречаются в оборотной воде при использовании сточных вод, при этом их концентрация не должна превышать ПДК. Для некоторых веществ, встречающихся в оборотной воде, ПДК в атмосферном воздухе приведены в табл. 34.

Таблица 34

Вещество

ПДК в атмосферном воздухе, мг/м3

ПДК рабочей зоны, мг/м3

максимальная разовая

средняя суточная

Хром в пересчете на Сr О3

0,0015

0,0015

0,01

Хлор

0,1

0,03

1,0

Фенол

0,01

0,01

5,0

Формальдегид

0,035

0,003

0,5

7.27. Эпидемическая безопасность в районе градирен обеспечивается обработкой сточных вод, используемых в системах оборотного водоснабжения различными реагентами или безреагентными методами обеззараживания воды. Гигиеническим критерием эпидемической безопасности очищенных и обеззараженных городских сточных вод являются уровни коли-индекса и индекса фага не более 1000 л.

7.28. При применении хлора безопасность возникновения эпидемий обеспечивается следующим режимом хлорирования:

при содержании взвешенных веществ до 3 мг/л, биологической потребности кислорода (БПК) до 6 мг/л и химической потребности кислорода (ХПК) до 45 мг/л - длительность контакта воды с хлором не менее 30 мин, концентрация остаточного хлора не менее 1 мг/л;

при содержании взвешенных веществ 3 - 10 мг/л, БПК до 6 мг/л и ХПК до 45 мг/л - длительность контакта воды с хлором не менее 1 ч, концентрация остаточного хлора не менее 1 мг/л.

7.29. Для обеспечения безопасности возникновения эпидемий в районе градирен допускается обработка оборотной воды гипохлоридом натрия, озоном, озоном с хлором.

ПРИЛОЖЕНИЕ 1

ОСНОВНЫЕ БУКВЕННЫЕ ОБОЗНАЧЕНИЯ ВЕЛИЧИН

А - коэффициент в формуле коэффициента массоотдачи bхv = A qж lm, характеризующий охлаждающую способность градирни, принимаемый по табл. 11 и 12;

ав - вспомогательная расчетная величина, определяемая по формуле (15);

bв - вспомогательная расчетная величина, определяемая по формуле (16);

В - постоянная величина для данного помещения, м2;

В1000 - постоянная помещения, м2, на среднегеометрической частоте 1000 Гц;

св - вспомогательная расчетная величина, определяемая по формуле (17).

сж - удельная теплоемкость воды, равная 4,19 кДж/ (кг × °C) [1 ккал/ (кг × °С)];

С - ширина полосы зеленых насаждений, м;

Dy - условный диаметр сопла;

dв - вспомогательная расчетная величина, определяемая по табл. 13;

dc - диаметр сливной трубки и выходного отверстия сопла, м;

D - вспомогательная расчетная величина, определяемая по формуле, приведенной в примере расчета на с. 58;

fор, Fор - площадь оросителя градирни или секции градирни, если градирня секционная, м2,

fф - площадь оросителя, обслуживаемая одной сливной трубкой, м2;

fок - площадь воздуховходных окон градирни, м2;

Gж - гидравлическая нагрузка (расход оборотной воды), кг/ч (м3/ч);

G¢в - подача воздуха вентилятором (по массе), кг/ч;

Gв - подача воздуха вентилятором (по объему), м3/ч;

Gи - количество испарившейся воды на градирне, м3/ч;

hф - высота факела разбрызгивания воды соплом, м;

hор - высота оросителя градирни, м;

hc - высота слоя воды над выходным сечением сопла или сливной трубки, напор воды перед соплом, м;

i1 - удельная энтальпия воздуха, определяется в зависимости от величин J1 (или t1), j1 и Рб, кДж/кг (ккал/кг);

i1 - удельная энтальпия воздуха, определяется в зависимости от величин t1 и Рб при j = 100 %, кДж/кг (ккал/кг);

i2 - удельная энтальпия воздуха, определяется в зависимости от величин t2 и Рб при j = 100 %, кДж/кг (ккал/кг);

im - удельная энтальпия воздуха, определяется в зависимости от величин tср = (t1 + t2) / 2 и Рб при j = 100 %, кДж/кг (ккал/кг);

di″ - поправка к удельной энтальпии воздуха, определяемая по формуле (10), кДж/кг (ккал/кг);

k - коэффициент в упрощенном уравнении теплового баланса, вычисляемый по формуле (6);

K¢нр - коэффициент неравномерности распределения воды в факеле разбрызгивания сопла;

kор - коэффициент в формуле zор = hор (zс.о. + kор qж), учитывающий дополнительное аэродинамическое сопротивление от стекающей по оросителю воды, определяемый по табл. 11 и 12;

kи - коэффициент, учитывающий долю теплоотдачи испарением в общей теплоотдаче;

Л - вспомогательная расчетная величина, входящая в формулу (16), принимаемая по табл. 13;

Lдоп - допустимый уровень звукового давления, дБ;

Lтер - уровень звукового давления на территории, дБ;

DLрас - снижение уровня звукового давления в зависимости от расстояния между градирней и расчетной точкой, дБ;

DLн - показатель направленности излучения шума, дБ;

DLзел - снижение уровня звукового давления полосами зеленых насаждений, дБ;

L - уровень звукового давления, создаваемого градирней, дБ;

l - половина длины подоросительного расстояния от воздуховодных окон до центра градирни, м;

М - вспомогательная расчетная величина, входящая в формулу (17), принимаемая по табл. 13;

m - показатель степени в формуле коэффициента массоотдачи, bхv = A qж lm принимаемый по табл. 11 и 12;

Nдн - число дней в году в период с 15 мая по 15 сентября, в которые фактическая температура J1 будет превышать расчетную;

N - число градирен (секций, если градирня секционная);

nр - число ярусов решеток оросителя;

ОJ1 - обеспеченность непревышения фактической температуры J1 над расчетной, %;

Рб - барометрическое давление, кПа (кгс/м2);

рп - парциальное давление насыщенного водяного пара, кПа (кгс/м2);

p1 - вспомогательная расчетная величина, вычисляемая по формуле, приведенной в примере расчета;

р2 - вспомогательная расчетная величина, вычисляемая по формуле, приведенной в примере расчета;

Р - действующее значение звукового давления, Па (Н/м2);

Р0 - пороговая величина среднеквадратичного звукового давления, Па;

qж - плотность орошения градирни (скорость движения воды по массе), м3/ (м2 × ч) [кгс/ (м2 × ч)];

qв - скорость движения воздуха по массе, кгс/ (м2 × ч) (кгс/ (м2 × с)];

qс - расход воды через сопло, м3/ч; м3/с;

qж.п - плотность орошения с поправкой на скорость движения воздуха в градирне, определяемая по формуле (24), м3/ (м2 × ч);

Rф - радиус факела разбрызгивания воды соплом, м;

R - вспомогательная расчетная величина, вычисляемая по формуле (7);

Rb,n - нормативное сопротивление бетона осевому сжатию призм (СНиП 2.03.01-84);

Rc - газовая постоянная сухого воздуха, равная 29,27 кгс × м/ (кг × °С);

Rок - звукоизолирующая способность остекления окон, дБ;

rш - расстояния от градирни до расчетной точки источника шума, м;

r - удельная теплота парообразования, принимаемая равной 2493 кДж/кг (595 ккал/кг);

rр - вспомогательная расчетная величина, вычисляемая по формуле, приведенной в примере расчета;

S - площадь ограждения (окон) в рассматриваемом помещении, м2;

t1 - температура воды на входе в градирню, °С;

t2 - температура воды на выходе из градирни, °С;

tср - средняя арифметическая температура воды в градирне, °С;

Dt - перепад температур воды в градирне, °С;

U - вспомогательная расчетная величина, вычисляемая по формуле (5);

J1 - температура атмосферного воздуха по сухому термометру, °С;

V - объем помещения, м3;

w - скорость воздуха в градирне, м/с,

W - скорость ветра, м/с;

х - вспомогательная расчетная величина, определяемая по графикам, черт. 23 - 27;

Y - вспомогательная расчетная величина, вычисляемая по формуле (4);

Z - вспомогательная расчетная величина, вычисляемая по формуле, приведенной в примере расчета;

aп - поправка к плотности орошения на число ярусов решеток оросителя, определяемая по графику черт. 83;

aw - поправка к плотности орошения на скорость ветра, определяемая по графику черт. 83;

at - поправка к плотности орошения на температуру атмосферного воздуха по влажному термометру, определяемая по графику черт. 83;

aзел - постоянная затухания шума, дБ;

y - психрометрическая разность температур атмосферного воздуха;

j1 - относительная влажность атмосферного воздуха, % (доли единицы);

j - угол, вычисляемый по формуле, приведенной в примере расчета;

t1 - температура атмосферного воздуха по влажному термометру, °С;

l = qв / qж - относительный расход воздуха в градирне, кг/кг;

m - коэффициент расхода сливной трубки и сопла;

mмн - частотный множитель;

zс.о - коэффициент аэродинамического сопротивления одного метра высоты сухого оросителя, м-1;

zор - коэффициент аэродинамического сопротивления оросителя;

z - коэффициент аэродинамического сопротивления градирни;

zв.у - коэффициент аэродинамического сопротивления водоуловителя;

zгр - коэффициент аэродинамического сопротивления градирни без оборудования;

z1 - коэффициент аэродинамического сопротивления элементов градирни, не зависящий от плотности орошения;

z2 - коэффициент аэродинамического сопротивления, зависящий от плотности орошения;

gп - плотность насыщенного водяного пара, кг/м3;

g1 - плотность атмосферного воздуха, кг/м3.

ПРИЛОЖЕНИЕ 2

ТЕРМИНЫ

Градирня башенная - градирня с естественной тягой воздуха.

Градирня вентиляторная - градирня с механической тягой воздуха.

Градирня открытая или атмосферная - градирня, в которой для протока воздуха через ороситель используются ветер и отчасти естественная конвекция воздуха.

Градирня пленочная - градирня с пленочным оросителем.

Градирня капельная - градирня с капельным оросителем.

Градирня брызгальная - градирня без оросителя.

Градирня поперечноточная - градирня с движением воды в вертикальном (сверху вниз), а воздуха - в горизонтальном направлении.

Градирня противоточная - градирня с движением воды сверху вниз, воздуха - снизу вверх.

Оросительное устройство - основная технологическая часть градирни, состоящая из щитов и планок, где происходит контакт воды с воздухом и в пределах которой, в основном, происходит процесс охлаждения воды.

Водоуловитель - устройство для улавливания капель воды, выносимых проходящим через градирню воздухом.

Водораспределительная система - технологический элемент градирни, включающий магистральные и рабочие трубопроводы или лотки с водоразбрызгивающими соплами или сливными трубками с отражателями струи; система служит для равномерного распределения охлаждаемой воды по площади оросительного устройства.

Водоразбрызгивающее сопло - элемент водораспределительной системы, монтируемый на рабочих и магистральных трубах и обеспечивающий равномерное разбрызгивание воды по верху оросителя при минимальных потерях напора воды.

Несущий опорный каркас - опорная конструкция оросительного устройства, водораспределительной системы и водоуловителя.

Водосборный бассейн - емкость для сбора охлажденной воды, обычно устраиваемая под градирней и изготовляемая из монолитного, сборного железобетона или из стали.

Вытяжная башня - часть башенной градирни, служащая для создания в ней естественной тяги воздуха.

Воздуховходные окна - отверстия в нижней части градирни, через которые воздух поступает в воздухораспределитель.

Воздухорегулирующее устройство - устройство перед воздуховходными окнами для ограничения поступления в градирню холодного воздуха в зимнее время года (навесные щиты, тамбуры, жалюзи поворотные и др.).

Поддон - водосборный бассейн малой глубины.

Конфузор - сужающийся патрубок (по ходу воздуха) перед вентилятором.

Обечайка - цилиндрический патрубок вентилятора.

Диффузор - расширяющийся патрубок (по ходу воздуха) после вентилятора.

Воздухораспределитель - пространство в пределах градирни, расположенное между низом оросителя и уровнем воды в резервуаре, служащее для равномерного подвода воздуха к оросителю.

Аэродинамический козырек - козырек над воздуховходными окнами, обеспечивающий равномерное распределение воздуха во входных окнах.

Потери воды в градирнях - потери, связанные с испарением воды и уносом капельной влаги с потоком воздуха.

Секционная перегородка - перегородка, устраиваемая в секционных градирнях и отделяющая одну секцию от другой.

Ветровая перегородка - перегородка, устраиваемая в воздухораспределителе для предупреждения сквозного продувания ветром и выноса капель из воздухораспределителя.

СОДЕРЖАНИЕ

1. Общие положения  1

2. Вентиляторные градирни  3

Общая часть  3

Вентиляторные установки  4

Водораспределительные системы   11

Оросительные устройства  14

Водоуловители  15

Технологический расчет вентиляторных градирен  17

Общая часть  17

Выбор исходных данных для расчета  17

Определение расчетных параметров атмосферного воздуха  18

Расчет противоточных градирен по формулам   20

Расчет противоточных градирен исходя из номинальной подачи воздуха вентилятором   34

Определение плотности орошения qж противоточных градирен по графикам

Технико-экономические расчеты вентиляторных градирен. Основные положения  45

3. Башенные градирни  46

Общая часть  46

Технологические и конструктивные элементы башенных градирен  46

Безвозвратные потери воды в башенных градирнях  48

Проекты башенных градирен большой производительности  48

Технологические расчеты башенных градирен  49

Технико-экономические расчеты башенных градирен. Основные положения  61

Проекты башенных градирен малой производительности  62

4. Открытые градирни  64

5. Радиаторные градирни  68

6. Строительные конструкции градирен  70

Общая часть  70

Железобетонные конструкции  73

Общая часть

Требования к железобетонным конструкциям   73

Требования к бетону и бетонной смеси  74

Требования к материалам для приготовления бетона  76

Требования к технологии приготовления бетонной смеси, изготовлению изделий и к производству работ  77

Стальные конструкции  77

Деревянные конструкции  81

Асбестоцементные конструкции  82

Пластмассовые конструкции  83

Расчет строительных конструкций башенных градирен  84

7. Охрана окружающей среды   87

Общая часть  87

Шумовые характеристики вентиляторных градирен  87

Допустимые уровни шума  91

Расчет требуемого снижения шума, создаваемого градирнями  92

Основные мероприятия по снижению шума градирен  96

Воздействие аэрозолей, выбрасываемых из градирен, на окружающую среду  98

Приложение 1 Основные буквенные обозначения величин  100

Приложение 2 Термины   103

 




Яндекс цитирования



   Copyright © 2007-2026,  www.tehlit.ru.

[ ѓосты, стандарты, нормативы, инструкции, правила, строительные нормы ]