|
| |
ГОСТ 21924.2-84
МЕЖГОСУДАРСТВЕННЫЕ СТАНДАРТЫ
ПЛИТЫ
ЖЕЛЕЗОБЕТОННЫЕ
С НЕНАПРЯГАЕМОЙ АРМАТУРОЙ
ДЛЯ ПОКРЫТИЙ ГОРОДСКИХ ДОРОГ
ИПК ИЗДАТЕЛЬСТВО СТАНДАРТОВ
Москва
МЕЖГОСУДАРСТВЕННЫЙ
СТАНДАРТ
Дата введения 01.01.85
1. Настоящий стандарт распространяется на
железобетонные плиты с ненапрягаемой арматурой, изготовляемые из тяжелого
бетона и предназначенные для устройства покрытий постоянных и временных
городских дорог под автомобильную нагрузку Н-30 и Н-10, и устанавливает конструкцию этих плит.
Плиты
применяют для дорог в районах с расчетной температурой наружного воздуха
(средней наиболее холодной пятидневки района строительства по СНиП 2.01.01) до минус 40 °C включ.
При применении плит в климатическом подрайоне IVA должны учитываться дополнительные
требования СНиП
2.03.01 к конструкциям, предназначенным для
эксплуатации в этих условиях.
Допускается
применение данных плит для дорог в районах с расчетной температурой наружного
воздуха ниже минус 40 °C при
соблюдении требований, предъявляемых СНиП 2.03.01 к конструкциям,
предназначенным для эксплуатации в этих условиях.
(Измененная редакция, Изм. № 1).
2. Форма и основные параметры плит - по ГОСТ 21924.0.
3. Технические показатели плит приведены
в табл. 1.
4. Плиты должны удовлетворять всем
требованиям ГОСТ 21924.0
и настоящего стандарта.
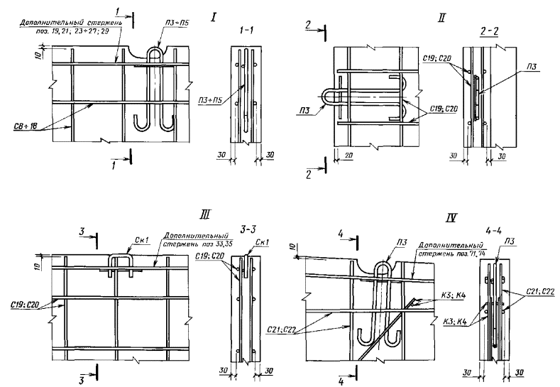
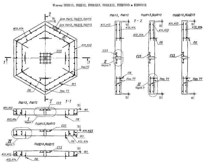
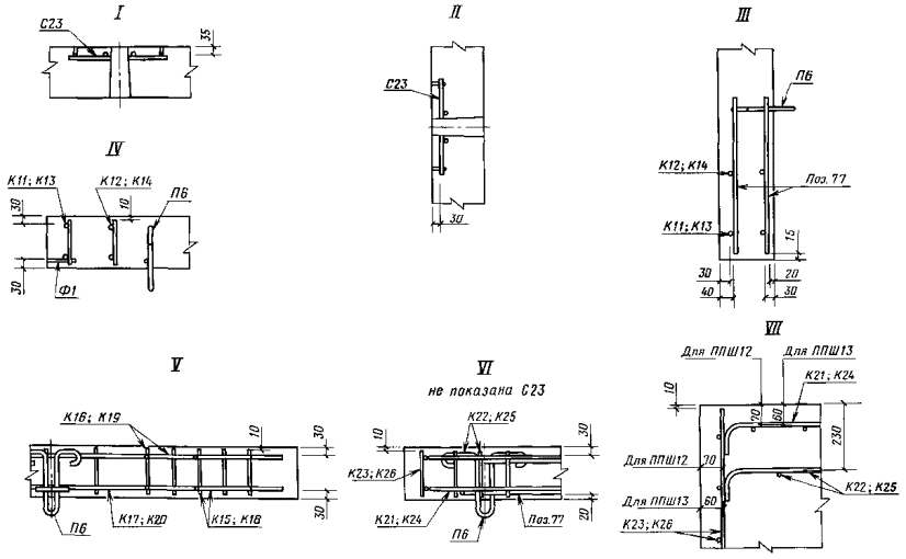
5. Армирование плит должно
соответствовать приведенному на черт. 1
- 7.
Армирование
плит термомеханически упрочненной арматурной сталью класса Ат-IIIС по ГОСТ
10884 аналогично армированию арматурной сталью класса А-III по ГОСТ
5781.
Примечание. Допускается применение для фиксации арматурных
сеток вместо элементов К1-К10 и Ф1 фиксаторов других типов, которые без увеличения расхода
стали на плиту обеспечивают фиксацию арматуры согласно требованиям данного стандарта при исключении выхода металла на лицевую
поверхность плиты в пределах защитного слоя бетона.
6. Спецификация арматурных и монтажно-стыковых
элементов приведена в табл. 2, выборка арматурной стали для их
изготовления на одну плиту - в табл. 3.
5, 6. (Измененная
редакция, Изм. № 1).
7. Форма и размеры арматурных и
монтажно-стыковых элементов - по ГОСТ 21924.3.
8. Значения контрольной нагрузки (без
учета собственного веса плиты) для испытания плит по прочности и трещиностойкости приведены в
табл. 4.
9. Контрольная ширина раскрытия трещин
при испытании плит по трещиностойкости не должна превышать 0,2 мм.
Таблица 1
|
Марка плиты
|
Класс бетона по прочности на сжатие
|
Марка бетона по прочности на
растяжение при изгибе
|
Площадь постели, м2
|
Расход материалов
|
|
Бетон на плиту, м3
|
Сталь, кг
|
|
на плиту
|
на 1 м3 постели
|
|
1П35.28-30
|
В30
|
50
|
9,6
|
1,63
|
113,92
|
11,87
|
|
2П35.28-30
|
В22,5
|
|
1П35.28-10
|
В30
|
79,36
|
8,27
|
|
2П35.28-10
|
В22,5
|
|
1П30.18-30
|
В30
|
5,2
|
0,88
|
66,26
|
12,74
|
|
2П30.18-30
|
В22,5
|
46,48
|
8,94
|
|
1П30.18-10
|
В30
|
|
2П30.18-10
|
В22,5
|
37,24
|
7,16
|
|
1П18.18-30
|
В30
|
3,0
|
0,48
|
46,94
|
15,65
|
|
2П18.18-30
|
В22,5
|
33,80
|
11,27
|
|
1П18.18-10
|
В30
|
|
2П18.18-10
|
В22,5
|
23,02
|
7,67
|
|
1П18.15-30
|
В30
|
2,6
|
0,41
|
35,12
|
13,51
|
|
2П18.15-30
|
В22,5
|
24,88
|
9,57
|
|
1П18.15-10
|
В30
|
|
2П18.15-10
|
В22,5
|
20,26
|
7,79
|
|
1ПББ35.20-30
|
В30
|
7,8
|
1,35
|
100,43
|
12,88
|
|
1ПББ35.20-10
|
71,27
|
9,14
|
|
1ПТ35-30
|
6,1
|
1,03
|
79,75
|
13,07
|
|
2ПТ35-30
|
В22,5
|
|
1ПТ35-10
|
В30
|
56,58
|
9,28
|
|
2ПТ35-10
|
В22,5
|
|
1ПШ13-30
|
В30
|
4,0
|
0,72
|
25,22
|
6,30
|
|
1ПШД13-30
|
0,76
|
|
1ПШП13-30
|
0,77
|
|
1ПШ12-30
|
3,5
|
0,63
|
24,02
|
6,86
|
|
1ПШД12-30
|
0,66
|
|
1ПШП12-30
|
0,67
|
|
1ДПШ13-30
|
2,0
|
0,36
|
16,25
|
8,12
|
|
1ДПШ12-30
|
1,7
|
0,31
|
15,48
|
9,10
|
|
1ППШ13-30
|
2,0
|
0,36
|
16,60
|
8,30
|
|
1ППШ12-30
|
1,7
|
0,31
|
15,83
|
9,31
|

Черт. 1

Черт. 2

Черт. 3

Черт. 4

Черт. 5

Черт. 6

Черт. 7
Таблица 2
|
Марка плиты
|
Арматурные сетки
|
Арматурные каркасы
|
Монтажные петли
|
Скобы
|
Фиксаторы
|
Отдельные стержни
|
|
Марка
|
Число
|
Марка
|
Число
|
Марка
|
Число
|
Марка
|
Число
|
Марка
|
Число
|
Поз.
|
Число
|
|
1П35.28-30,
|
С8
|
2
|
К1
|
2
|
П3
|
4
|
-
|
-
|
-
|
-
|
19
|
4
|
|
2П35.28-30
|
20
|
|
1П35.28-10,
|
С9
|
К2
|
21
|
|
2П35.28-10
|
22
|
|
1П30.18-30
|
С10
|
К3
|
П4
|
23
|
|
24
|
|
2П30.18-30,
|
СП
|
К4
|
25
|
|
1П30.18-10
|
26
|
|
2П30.18-10
|
С12
|
К5
|
27
|
|
28
|
|
1П18.18-30
|
С13
|
К6
|
П5
|
|
|
|
|
29
|
8
|
|
2П18.18-30,
1П18.18-10
|
С14
|
К7
|
24
|
|
2П18.18-10
|
С15
|
К8
|
26
|
|
1П18.15-30
|
С16
|
К9
|
29
|
4
|
|
30
|
|
2П18.15-30,
|
С17
|
К10
|
24
|
|
1П18.15-10
|
31
|
|
2П18.15-10
|
С18
|
К8
|
26
|
|
32
|
|
1ПББ35.20-30
|
С19
|
К9
|
3
|
П3
|
Ск1
|
4
|
33
|
|
1ПББ35.20-10
|
С20
|
К10
|
35
|
|
1ПТ35-30,
|
С21
|
К3
|
|
|
71
|
|
2ПТ35-30
|
72
|
2
|
|
73
|
|
1ПТ35-10,
|
С22
|
К4
|
74
|
4
|
|
2ПТ35-10
|
75
|
2
|
|
76
|
|
1ПШ13-30,
|
С23
|
1
|
К11, К12
|
2
|
П6
|
Ф1
|
6
|
77
|
12
|
|
1ПШД13-30,
|
|
1ПШП13-30
|
|
1ПШ12-30,
|
К13, К14
|
|
1ПШД12-30,
|
|
1ПШП12-30
|
|
1ДПШ13-30
|
К15 - К17
|
1
|
3
|
5
|
4
|
|
1ДПШ12-30
|
К18
- К20
|
|
1ППШ13-30
|
|
К21
- К23
|
6
|
6
|
|
1ППШ12-30
|
К24
- К26
|
Таблица 3
кг
|
Марка плиты
|
Арматурная сталь по ГОСТ 5781
|
Арматурная сталь по ГОСТ 6727
|
Всего
|
|
Класс А-III
|
Класс А-I
|
Класс Вр-I
|
|
Диаметр, мм
|
Итого
|
Диаметр, мм
|
Итого
|
Диаметр, мм
|
|
8
|
10
|
12
|
8
|
10
|
12
|
14
|
16
|
4
|
5
|
Итого
|
|
1П35.28-30,
|
-
|
43,78
|
61,80
|
105,58
|
-
|
0,60
|
-
|
6,08
|
-
|
6,68
|
-
|
1,66
|
1,66
|
113,92
|
|
2П35.28-30
|
|
1П35.28-10,
|
28,04
|
42,96
|
-
|
71,00
|
1,68
|
1,68
|
79,36
|
|
2П35.28-10
|
|
1П30.18-30
|
-
|
23,50
|
37,06
|
60,56
|
3,76
|
-
|
4,36
|
1,34
|
1,34
|
66,26
|
|
2П30.18-30,
|
15,02
|
25,74
|
|
40,76
|
1,36
|
1,36
|
46,48
|
|
1П30.18-10
|
|
2П30.18-10
|
16,50
|
-
|
|
16,50
|
15,02
|
19,38
|
37,24
|
|
1П18.18-30
|
|
43,04
|
43,04
|
-
|
2,88
|
-
|
2,88
|
1,02
|
1,02
|
46,94
|
|
2П18.18-30,
|
|
29,90
|
|
29,90
|
33,80
|
|
1П18.18-10
|
|
2П18.18-10
|
19,10
|
-
|
|
19,10
|
1,04
|
1,04
|
23,02
|
|
1П18.15-30
|
-
|
12,78
|
18,44
|
31,22
|
1,02
|
1,02
|
35,12
|
|
2П18.15-30,
|
8,16
|
12,82
|
-
|
20,98
|
24,88
|
|
1П18.15-10
|
|
2П18.15-10
|
8,18
|
-
|
8,18
|
8,16
|
11,04
|
1,04
|
1,04
|
20,26
|
|
1ПББ35.20-30
|
-
|
34,20
|
55,14
|
89,34
|
-
|
1,20
|
6,08
|
2,28
|
9,56
|
1,53
|
1,53
|
100,43
|
|
1ПББ35.20-10
|
21,90
|
38,28
|
-
|
60,18
|
71,27
|
|
1ПТ35-30,
|
-
|
27,76
|
43,30
|
71,06
|
0,60
|
-
|
6,68
|
2,01
|
2,01
|
79,75
|
|
2ПТ35-30
|
|
1ПТ35-10,
|
17,78
|
30,08
|
-
|
47,86
|
2,04
|
2,04
|
56,58
|
|
2ПТ35-10
|
|
1ПШ13-30,
|
-
|
21,34
|
21,34
|
2,88
|
-
|
2,88
|
1,00
|
-
|
1,00
|
25,22
|
|
1ПШД13-30,
|
|
1ПШП13-30
|
|
1ПШ12-30,
|
20,14
|
20,14
|
24,02
|
|
1ПШД12-30,
|
|
1ПШП12-30
|
|
1ДПШ13-30
|
13,32
|
13,32
|
2,16
|
2,16
|
0,77
|
0,77
|
16,25
|
|
1ДПШ12-30
|
12,55
|
12,55
|
15,48
|
|
1ППШ13-30
|
13,72
|
13,72
|
0,72
|
0,72
|
16,60
|
|
1ППШ12-30
|
12,95
|
12,95
|
15,83
|
Примечание.
При применении арматурной стали класса Ат-IIIC ее диаметр и расход следует принимать
одинаковым с арматурной сталью класса А-III.
Таблица 4
|
Марка плиты
|
Контрольная нагрузка (без учета собственного веса
плиты), кН (тс), при испытании плит
|
Марка
плиты
|
Контрольная нагрузка (без учета
собственного веса плиты), кН (тс), при испытании плит
|
|
по прочности
|
по
трещиностойкости
|
по прочности
|
по трещиностойкости
|
|
1П35.28-30
|
115,6 (11,8)
|
63,7 (6,5)
|
1П18.15-30
|
179,3 (18,3)
|
99,0 (10,1)
|
|
2П35.28-30
|
113,7
(11,6)
|
62,7
(6,4)
|
2П18.15-30
|
122,5 (12,5)
|
67,6 (6,9)
|
|
1П35.28-10
|
67,6
(6,9)
|
37,2 (3,8)
|
1П18.15-10
|
123,5 (12,6)
|
67,6 (6,9)
|
|
2П35.28-10
|
66,6
(6,8)
|
2П18.15-10
|
73,5 (7,5)
|
40,2 (4,1)
|
|
1П30.18-30
|
107,8 (11,0)
|
59,8 (6,1)
|
1ПББ35.20-30
|
69,6 (7,1)
|
38,2 (3,9)
|
|
2П30.18-30
|
68,6 (7,0)
|
37,2 (3,8)
|
1ПББ35.20-10
|
38,2 (3,9)
|
21,6 (2,2)
|
|
1П30.18-10
|
69,6
(7,1)
|
38,2 (3,9)
|
1ПТ35-30
|
83,3 (8,5)
|
46,1
(4,7)
|
|
2П30.18-10
|
33,3 (3,4)
|
18,6 (1,9)
|
2ПТ35-30
|
82,3
(8,4)
|
45,1
(4,6)
|
|
1П18.18-30
|
184,2 (18,8)
|
100,9 (10,3)
|
1ПТ35-10
|
50,0
(5,1)
|
27,4 (2,8)
|
|
2П18.18-30
|
128,4
(13,1)
|
70,6
(7,2)
|
2ПТ35-10
|
|
1П18.18-10
|
129,4
(13,2)
|
71,5 (7,3)
|
1ПШ13,
|
1ПШД13,
|
94,1
(9,6)
|
51,9
(5,3)
|
|
2П18.18-10
|
78,4
(8,0)
|
43,1
(4,4)
|
1ПШП13
|
|
1ПШ12,
|
1ПШД12,
|
79,4 (8,1)
|
44,1 (4,5)
|
|
1ПШП12
|
ИНФОРМАЦИОННЫЕ ДАННЫЕ
1.
РАЗРАБОТАН И ВНЕСЕН Министерством
жилищно-коммунального хозяйства РСФСР
2.
УТВЕРЖДЕН И ВВЕДЕН В ДЕЙСТВИЕ
ПОСТАНОВЛЕНИЕМ Государственного комитета СССР по делам строительства от
30.09.83 № 210
3.
ВВЕДЕН ВПЕРВЫЕ
4.
ССЫЛОЧНЫЕ НОРМАТИВНО-ТЕХНИЧЕСКИЕ
ДОКУМЕНТЫ
5. ИЗДАНИЕ (январь 2002 г.) с Изменением № 1, утвержденным в
декабре 1987 г. (ИУС 5-88)
| |
|