//
|
|
БАРОКАМЕРЫ ВОДОЛАЗНЫЕ Общие технические условия Москва ИПК Издательство стандартов 2004 Предисловие Задачи, основные принципы и правила проведения работ по государственной стандартизации в Российской Федерации установлены ГОСТ Р 1.0-92 «Государственная система стандартизации Российской Федерации. Основные положения» и ГОСТ Р 1.2-92 «Государственная система стандартизации Российской Федерации. Порядок разработки государственных стандартов» Сведения о стандарте 1 РАЗРАБОТАН Федеральным государственным унитарным предприятием «40 Государственным научно-исследовательским институтом аварийно-спасательного дела, водолазных и глубоководных работ Министерства обороны Российской Федерации» (ФГУП «40 ГНИИ Минобороны России») 2 ВНЕСЕН Техническим комитетом по стандартизации ТК 416 «Гипербарическая техника» 3
УТВЕРЖДЕН И
ВВЕДЕН В
ДЕЙСТВИЕ
Приказом Федерального
агентства по
техническому
регулированию
и метрологии
от 10 ноября 4 ВВЕДЕН ВПЕРВЫЕ Информация об изменениях к настоящему стандарту публикуется в указателе «Национальные стандарты», а текст этих изменений - в информационных указателях «Национальные стандарты». В случае пересмотра или отмены настоящего стандарта соответствующая информация будет опубликована в информационном указателе «Национальные стандарты» Содержание НАЦИОНАЛЬНЫЙ СТАНДАРТ РОССИЙСКОЙ ФЕДЕРАЦИИ БАРОКАМЕРЫ ВОДОЛАЗНЫЕ Общие технические условия Pressure diving chambers. General specifications Дата введения - 2005-07-01 1 Область примененияНастоящий стандарт устанавливает общие требования к устройству, изготовлению, правилам приемки, методам испытаний при серийном изготовлении, условиям транспортирования и хранения, а также указания по эксплуатации (ремонту и утилизации) вновь разрабатываемых изделий, относящихся к группе «водолазные барокамеры» (далее - барокамеры). Настоящий стандарт распространяется на все вновь разрабатываемые и проходящие модернизацию барокамеры независимо от их ведомственной принадлежности и места установки, включая барокамеры, установленные на морских и речных судах, буровых платформах, плавучих и транспортных средствах, самолетах и других летательных аппаратах и изготовленные из металла. Требования стандарта также распространяются на исследовательские барокамеры длительного и кратковременного пребывания, предназначенные для проведения экспериментальных работ с пребыванием внутри них водолазов. Стандарт не распространяется на водолазные колоколы, водолазные отсеки подводных носителей (аппаратов), работающие как под воздействием внутреннего, так и внешнего гидростатического давления, и другие сосуды, предназначенные для повышения в них давления газовой среды и используемые в медицинских и других целях. Стандарт предназначен для организаций и учреждений, осуществляющих проектирование, изготовление, установку, обслуживание и ремонт, а также организаций, осуществляющих контроль над указанными видами деятельности с целью экспертизы безопасной эксплуатации барокамер. Требования к контролю барокамер, обеспечивающие их безопасность для жизни, здоровья, имущества населения и окружающей среды, приведены в разделах 6, 7 и 10. 2 Нормативные ссылкиВ настоящем стандарте использованы нормативные ссылки на следующие стандарты: ГОСТ 9.014-78 Единая система защиты от коррозии и старения. Временная противокоррозионная защита изделий. Общие требования ГОСТ 12.1.003-83 Система стандартов безопасности труда. Шум. Общие требования безопасности ГОСТ 12.1.004-91 Система стандартов безопасности труда, Пожарная безопасность. Общие требования ГОСТ 12.1.005-88 Система стандартов безопасности труда. Общие санитарно-гигиенические требования к воздуху рабочей зоны ГОСТ 12.1.007-76 Система стандартов безопасности труда. Вредные вещества. Классификация и общие требования безопасности ГОСТ 12.2.007.0-75 Система стандартов безопасности труда. Изделия электротехнические. Общие требования безопасности ГОСТ 12.2.007.13-2000 Система стандартов безопасности труда. Лампы электрические. Требования безопасности ГОСТ 12.2.052-81 Система стандартов безопасности труда. Оборудование, работающее с газообразным кислородом. Общие требования безопасности ГОСТ 12.2.085-2002 Сосуды, работающие под давлением. Клапаны предохранительные. Требования безопасности ГОСТ 14.201-83 Обеспечение технологичности конструкции изделий. Общие требования ГОСТ 15.309-98 Система разработки и постановки продукции на производство. Испытания и приемка выпускаемой продукции. Основные положения ГОСТ 20.39.108-85 Комплексная система общих технических требований. Требования по эргономике, обитаемости и технической эстетике. Номенклатура и порядок выбора ГОСТ 26.008-85 Шрифты для надписей, наносимых методом гравирования. Исполнительные размеры ГОСТ 26.020-80 Шрифты для средств измерений и автоматизации. Начертания и основные размеры ГОСТ 27.003-90 Надежность в технике. Состав и общие правила задания требований по надежности ГОСТ 27.203-83 Надежность в технике. Технологические системы. Общие требования к методам оценки надежности ГОСТ 27.410-87 Надежность в технике. Методы контроля показателей надежности и планы контрольных испытаний на надежность ГОСТ
2991-85 Ящики
дощатые
неразборные
для грузов
массой до ГОСТ 3242-79 Соединения сварные. Методы контроля качества ГОСТ
5959-80 Ящики из
листовых
древесных
материалов
неразборные
для грузов массой
до ГОСТ 6996-66 Сварные соединения. Методы определения механических свойств ГОСТ 7502-98 Рулетки измерительные металлические. Технические условия ГОСТ 7512-82 Контроль неразрушающий. Соединения сварные. Радиографический метод ГОСТ
10198-91 Ящики
деревянные
для грузов
массой св. 200 до ГОСТ 12816-80 Фланцы арматуры, соединительных частей и трубопроводов на Ру от 0,1 до 20,0 МПа (от 1 до 200 кгс/см2). Общие технические требования ГОСТ 12971-67 Таблички прямоугольные для машин и приборов. Размеры ГОСТ 14192-96 Маркировка грузов ГОСТ 14254-96 (МЭК 529-89) Степени защиты, обеспечиваемые оболочками (код 1Р) ГОСТ 14782-86 Контроль неразрушающий. Соединения сварные. Методы ультразвуковые ГОСТ 15150-69 Машины, приборы и другие технические изделия. Исполнения для различных климатических районов. Категории, условия эксплуатации, хранения и транспортирования в части воздействия климатических факторов внешней среды ГОСТ 15846-2002 Продукция, отправляемая в районы Крайнего Севера и приравненные к ним местности. Упаковка, маркировка, транспортирование и хранение ГОСТ 17516.1-90 Изделия электротехнические. Общие требования в части стойкости к механическим внешним воздействующим факторам ГОСТ 21105-87 Контроль неразрушающий. Магнитопорошковый метод ГОСТ 21650-76 Средства скрепления тарно-штучных грузов в транспортных пакетах. Общие требования ГОСТ 21964-76 Внешние воздействующие факторы. Номенклатура и характеристики ГОСТ 22161-76 Машины, механизмы, паровые котлы, сосуды и аппараты судовые. Нормы и правила гидравлических и воздушных испытаний ГОСТ 23216-78 Изделия электротехнические. Хранение, транспортирование, временная противокоррозионная защита, упаковка. Общие требования и методы испытаний ГОСТ 28517-90 Контроль неразрушающий. Масс-спектрометрический метод течеискания. Общие требования. ГОСТ 28759.5-90 Фланцы сосудов и аппаратов. Технические требования ГОСТ Р 15.201-2000 Система разработки и постановки продукции на производство. Продукция производственно-технического назначения. Порядок разработки и постановки продукции на производство ГОСТ Р 51318.11-99 (СИСПР 11-97) Совместимость технических средств электромагнитная. Радиопомехи индустриальные от промышленных, научных, медицинских и бытовых (ПНМБ) высокочастотных устройств. Нормы и методы испытаний ГОСТ Р 51318.14.1-99 (СИСПР 14-1-93) Совместимость технических средств электромагнитная. Радиопомехи индустриальные от бытовых приборов, электрических инструментов и аналогичных устройств. Нормы и методы испытаний ГОСТ Р 51320-99 Совместимость технических средств электромагнитная. Радиопомехи индустриальные. Методы испытаний технических средств - источников индустриальных радиопомех ГОСТ Р 51936-2002 Барокамеры. Классификация Примечание - При пользовании настоящим стандартом целесообразно проверить действие ссылочных стандартов по указателю «Национальные стандарты», составленному по состоянию на 1 января текущего года, и по соответствующим информационным указателям, опубликованным в текущем году. Если ссылочный документ заменен (изменен), то при пользовании настоящим стандартом следует руководствоваться замененным (измененным) стандартом. Если ссылочный документ отменен без замены, то положение, в котором дана ссылка на него, применяется в части, не затрагивающей эту ссылку. 3 Термины и определенияВ настоящем стандарте применены следующие термины с соответствующими определениями: 3.1 барокамера: Герметичный прочный сосуд, предназначенный для обеспечения в нем жизнедеятельности водолазов в условиях избыточного внутреннего давления газовой или водной среды и проведения работ в соответствии с технологией водолазного спуска, а также для проведения лечения профессиональных водолазных заболеваний. 3.2 барокамера длительного пребывания; барокамера ДП: Барокамера, оснащенная специальным оборудованием и системами жизнеобеспечения для пребывания в ней водолазов под повышенным давлением газовой среды в течение времени, равного или превышающего время полного насыщения тканей организма индифферентными газами. 3.3 барокамера кратковременного пребывания; барокамера КП: Барокамера, оснащенная специальным оборудованием и системами жизнеобеспечения в объеме, необходимом для пребывания в ней водолазов под избыточным внутренним давлением газовой среды в течение времени, не превышающего времени полного насыщения тканей организма индифферентными газами. Примечание - Объем необходимого оборудования для обеспечения пребывания в барокамере людей должен быть определен в проекте, согласованном со специализированной научно-исследовательской организацией по барокамерам. 3.4 гидробарокамера: Барокамера, отсеки которой могут быть заполнены водой. 3.5 герметичность барокамеры: Свойство неразъемных конструкций барокамеры (металлические материалы и их сварные соединения) препятствовать жидкостному и газовому обмену между средами, разделенными стенками конструкции. 3.6 декомпрессия: Процесс непрерывного или ступенчатого снижения гидростатического давления при подъеме водолаза с глубины либо снижения давления газовой среды в барокамере (шлюзе) для рассыщения тканей организма от индифферентных газов. 3.7 исследовательская барокамера: Барокамера, предназначенная для испытания водолазной техники и проведения экспериментальных исследований в области совершенствования способов и методов водолазных погружений. 3.8 кремальера: Устройство, состоящее из зубчатого кольца с винтом, обеспечивающее передвижение внутреннего или наружного кольца байонетного затвора с целью создания внешнего усилия на дверь или крышку барокамеры для обеспечения ее плотности. 3.9 отсек барокамеры: Внутренний объем или часть объема барокамеры, ограниченная корпусом или герметичными прочными переборками. Примечание - В зависимости от функционального назначения и размещенного оборудования различают жилые, приемно-выходные, шлюзовые, санитарные, рабочие и другие отсеки. 3.10 плотность барокамеры: Свойство разъемных конструкций барокамеры (штуцерных, фланцевых, несварных, вальцовочных и прочноплотных соединений) препятствовать жидкостному и газовому обмену между средами, разделенными стенками конструкции. 3.11 пробное давление: Максимальное внутреннее избыточное давление водной (газовой) среды в барокамере, которым испытывают на прочность (герметичность, плотность) ее корпус, трубопроводы и арматуру. 3.12 прочность барокамеры: Свойство конструкции барокамеры выдерживать испытание внутренним избыточным гидравлическим давлением, равным пробному, а также выдерживать установленное рабочее давление газовой среды с учетом заданного числа циклов повышения (снижения) давления в течение срока эксплуатации барокамеры без образования дефектов, снижающих это свойство. 3.13 люк барокамеры: Наружное отверстие в барокамере для входа (выхода) людей, а также отверстия в межотсечных переборках для перехода между отсеками барокамер, плотно закрывающиеся крышками (дверьми) и при заданной продолжительности воздействия. 3.14 рабочее давление: Максимальное избыточное давление газовой или водной среды в барокамере без учета кратковременных отклонений, допускаемых стандартами или технической документацией, которое может создаваться в течение заданного срока эксплуатации барокамеры. 3.15 расчетное давление: Максимальное рабочее давление с учетом допустимых кратковременных повышений, при котором обеспечивается надежная работа барокамеры при рабочей температуре среды в течение заданного срока эксплуатации. Расчетное давление должно быть не менее давления настройки предохранительного клапана с учетом возможной абсолютной погрешности его срабатывания. 3.16 система жизнеобеспечения водолазов: Совокупность технических средств и устройств водолазной техники, конструктивно объединенных в функциональную систему, предназначенную для обеспечения жизнедеятельности и работы водолазов в условиях повышенного давления водной или газовой среды и используемую в устройствах водолазной техники. 3.17 система жизнеобеспечения барокамеры: Совокупность функционально взаимосвязанных технических средств, предназначенных для создания в отсеке барокамеры условий, обеспечивающих энергообмен организма человека с дыхательной газовой средой повышенного статического давления на уровне, необходимом для сохранения его здоровья и работоспособности. 3.18 система газоснабжения барокамеры: Элемент барокамеры, предназначенный для изменения давления газовой среды в барокамере, хранения и расходования сжатого воздуха, газов и дыхательных газовых смесей, используемый для вспомогательных нужд при эксплуатации барокамеры. 3.19 система шлюзования барокамеры: Элемент барокамеры, предназначенный для обеспечения выхода человека из барокамеры через герметичный отсек и возвращения обратно без изменения давления внутри барокамеры. 3.20 стационарная дыхательная система барокамеры: Элемент барокамеры, предназначенный для дыхания людей, находящихся в барокамере, через индивидуальные дыхательные устройства. Примечание - Стационарную дыхательную систему используют в случае непригодности для дыхания газовой среды барокамеры. 3.21 специализированная научно-исследовательская организация по барокамерам: Государственная организация, имеющая соответствующие лицензии (разрешения) на проведение проектно-конструкторских работ по созданию, ремонту и реконструкции (модернизации) барокамер, экспертизы их безопасности, а также имеющая право проведения научных исследований по обоснованию требований к барокамерам, проведения испытаний в целях сертификации и разработки нормативных документов для барокамер либо имеющая лицензии (разрешения) на отдельные виды деятельности в части технологии для барокамер (металловедение, сварка, испытание сталей и др.). 3.22 техническое освидетельствование: Мероприятия, направленные на определение технического состояния барокамеры на различных стадиях ее жизненного цикла и выработку рекомендаций по поддержанию барокамеры в работоспособном и безопасном состоянии. 3.23 течь: Дефект материала корпусных конструкций барокамеры в виде каналов, пористых участков и других нарушений сплошности, приводящих к ее негерметичности или неплотности. 3.24 техническое диагностирование барокамеры: Определение технического состояния барокамеры путем поиска неисправности и определения причин отказа с последующим прогнозированием технического состояния данной барокамеры. 3.25 утечка: Свойство вещества (жидкости или газа) проникать через течи герметизированной барокамеры под действием перепада внутреннего избыточного давления водной или газовой среды и атмосферного давления. 3.26 шлюз барокамеры: Устройство, предназначенное для перехода людей или передачи пищи и предметов из условий с нормальным атмосферным давлением в барокамеру с повышенным давлением газовой среды в ней без изменения давления в последней и обратно. 3.27 шлюзование: Процесс перевода людей либо передачи различных предметов внутрь барокамеры или из нее без изменения давления в барокамере. 3.28 экспертное техническое диагностирование: Техническое диагностирование барокамеры, выполняемое по истечении расчетного срока службы барокамеры или расчетного ресурса безопасной работы, а также после аварии или обнаруженных повреждений элементов, работающих под давлением, с целью определения возможных параметров и условий дальнейшей эксплуатации. 4 Обозначения и сокращенияВ настоящем стандарте применяют следующие обозначения и сокращения: ДП - длительное пребывание; КП - кратковременное пребывание; СЖО - система жизнеобеспечения; ДГС - дыхательная газовая смесь; САУ - система автоматического управления; ПУ - пульт управления; КИП - контрольно-измерительные приборы; ЗИП - запасные части, инструмент и принадлежности; ТТЗ - тактико-техническое задание; ПДК - предельно допустимые концентрации; УЗД - ультразвуковая дефектоскопия; РГД - радиографическая дефектоскопия; ИДА - изолирующий дыхательный аппарат; СДС - стационарная дыхательная система; ОТК - отдел технического контроля; PC - регистр судоходства; МПД - магнитопорошковая дефектоскопия; КСС - контрольное сварное соединение. 5 Типы, основные параметры и размеры5.1 Типы5.1.1 Барокамеры, как правило, могут быть следующих типов: - береговые; - морские; - транспортабельные; - переносные; - длительного пребывания (ДП); - кратковременного пребывания (КП); - одноместные; - многоместные; - воздушные; - гелиевые; - водородные; - водные (гидробарокамеры). Примечание - Наименования «воздушные», «гелиевые», «водородные» и «водные» соответствуют внутренней среде в барокамере или ее компоненту, определяющему специальные требования к оборудованию и материалам. Типы барокамер соответствуют ГОСТ Р 51936. 5.2 Основные параметры и размеры5.2.1 Основные параметры и размеры барокамер приведены в таблице 1. Таблица 1 - Тактико-технические характеристики
6 Общие технические требования6.1 Характеристики6.1.1.1 Барокамеры предназначены для обеспечения водолазных спусков, тренировок водолазов, адаптации их к повышенному давлению, а также для лечения профессиональных заболеваний водолазов. 6.1.1.2 В состав барокамеры, в общем случае, по [1] входят следующие элементы1): 1) К элементам барокамеры относят корпусные конструкции, внутреннее насыщение, трубопроводы, арматуру и оборудование СЖО до первых ближайших к барокамере запорных клапанов на соответствующих системах либо до запорных клапанов, установленных на ПУ, а также электрооборудование, непосредственно установленное на барокамере и ПУ. К элементам барокамеры относят также трубопроводы, арматуру и оборудование системы кондиционирования, вентиляции и очистки ДГС, размещенные снаружи барокамеры, которые представляют совместно с барокамерой замкнутый неразъемный контур. а) корпусные конструкции и предохранительные устройства от превышения давления: 1) обечайки, днища, укрепляющие кольца (шпангоуты); 2) опоры и фундаменты; 3) фланцы; 4) люки, шлюзы, крышки, двери и устройства для их герметизации; 5) гермовводы; 6) иллюминаторы; 7) штуцеры (патрубки), укрепляющие кольца; 8) предохранительные клапаны; 9) сварные соединения; б) внутреннее насыщение - койки, рундуки (шкафчики), стол и стулья, настил пола, изоляция корпуса, элементы СЖО; в) системы и средства жизнеобеспечения: 1) воздухоснабжения; 2) газоснабжения (утилизации, шлюзования, сжатых газов и ДГС, дозированной подачи кислорода); 3) кондиционирования и очистки ДГС; 4) вентиляции и газораспределения; 5) стационарная дыхательная; 6) санитарно-бытовая; 7) противопожарной защиты; 8) газового контроля; 9) САУ, ПУ, КИП; г) электрооборудование, средства освещения, телевидения и связи: 1) силовое электрооборудование; 2) силовые электрические сети; 3) средства освещения; 4) средства телевидения; 5) средства связи; 6) кабели связи и штепсельные разъемы. 6.1.2.1 Показатели надежности барокамеры выбирают в соответствии с ГОСТ 27.003 по признакам, характеризующим их назначение, последствия отказов и достижение предельного состояния, особенности режимов применения и др. В зависимости от наличия указанных признаков барокамеры подразделяют следующим образом: а) по назначению: 1) конкретного назначения, имеющие один основной вариант применения (для обеспечения водолазных работ или для исследовательских и других целей); 2) общего назначения, имеющие несколько вариантов применения (обеспечение водолазных работ, для тренировок водолазов и лечения специфических водолазных заболеваний); б) по режимам применения (функционирования): 1) ДП - барокамера, время нахождения людей в которой может составлять более 7 сут; 2) КП - барокамера, время нахождения людей в которой не превышает 7 сут. Примечание - Барокамеры ДП и КП различают по предъявляемым к ним эргономическим требованиям и соответственно составу специального оборудования и систем, необходимых для обеспечения в них жизнедеятельности водолазов; в) по последствиям отказов или достижения предельного состояния при эксплуатации, хранении и транспортировании: 1) опасное техническое устройство1) - барокамеры, отказы или переход в предельное состояние которых может привести к последствиям катастрофического (критического) характера (к угрозе для жизни и здоровья людей, значительным экономическим потерям и т. п.); 2) безопасное техническое устройство2) - барокамеры, отказы или переход в предельное состояние которых не приводят к последствиям катастрофического (критического) характера (к угрозе для жизни и здоровья людей, незначительным или «умеренным» экономическим потерям и т. п.); г) по возможности восстановления работоспособного состояния после отказа в процессе эксплуатации барокамеры - восстанавливаемые и невосстанавливаемые; д) по характеру основных процессов, определяющих переход в предельное состояние, - стареющие и изнашиваемые одновременно. Примечание - Предельное состояние отдельных составных частей или барокамеры в целом может быть достигнуто только при одновременном истечении определенных срока службы (старение) и ресурса или выработки (износ) предельных значений ресурса; е) по возможности и способу восстановления технического ресурса основных элементов (срока службы) путем проведения плановых ремонтов (средних, капитальных и др.) барокамеры - ремонтируемые и неремонтируемые; ж) при наличии в составе барокамеры средств автоматики и вычислительной техники - с отказами сбойного характера; при отсутствии таковых - без отказов сбойного характера. 1) Выражение «опасное техническое устройство» применяют для барокамер, находящихся в эксплуатационном состоянии. 2) Выражение «безопасное техническое устройство» применяют для барокамер, находящихся в состоянии хранения или транспортирования. 6.1.2.2 На основе признаков, указанных в 6.1.2.1, барокамеры должны соответствовать показателям надежности, указанным в таблице 2. Таблица 2 - Показатели надежности
6.1.3 Требования радиоэлектронной защиты 6.1.3.1 Уровень радиопомех эксплуатируемых барокамер - по ГОСТ Р 51318.14.1. 6.1.3.2 Максимальный уровень электромагнитного возмущения, вызванный работой аппаратуры, устанавливаемой на барокамере, не должен препятствовать работе барокамеры по ее прямому функциональному назначению. 6.1.3.3 Электроприборы и оборудование, контрольно-измерительные приборы, элементы СЖО, а также другие устройства барокамеры, создающие электромагнитные возмущения, должны иметь адекватный уровень электромагнитной устойчивости, чтобы при работе барокамеры их можно было использовать без помех в нормальной среде электромагнитной совместимости. 6.1.4 Требования стойкости к внешним воздействиям и живучести 6.1.4.1 Барокамеры должны быть прочными, сохранять спецификационные технические характеристики после и при воздействии внешних факторов, номенклатура которых определена в ГОСТ 21964. 6.1.4.2 Барокамеры должны соответствовать требованиям вида климатического исполнения ОМ 4.2 по ГОСТ 15150. Барокамеры, размещаемые на передвижных установках (станциях), предназначенные для поставок в районы с холодным климатом, должны быть изготовлены в исполнении УХЛ 2, а для районов с тропическим морским климатом - в исполнении ОМ 2. Если барокамера предназначена для применения в условиях, соответствующих различным видам климатического исполнения (например унифицированная), то по каждому фактору к ней предъявляют наиболее жесткие требования, соответствующие этим видам исполнения. Допускается предъявлять менее жесткие требования с учетом возможных и целесообразных мер защиты барокамеры на объекте. По согласованию с заказчиком допускается изменять вид климатического исполнения барокамер конкретных типов. 6.1.4.3 Барокамера должна быть прочной при транспортировании всеми видами транспорта на любое расстояние, если в технической документации на нее не оговорены другие условия. 6.1.4.4 Если барокамеру разрабатывают только для конкретного объекта (группы объектов), то с учетом функциональных особенностей и характеристик объекта (группы объектов) по согласованию с заказчиком и на основании заключения специализированной организации допускаются отступления от требований (в сторону повышения или понижения), установленных в настоящем стандарте, согласованные с органами государственного технического надзора. 6.1.4.5 В зависимости от условий наземного или морского использования барокамеры подразделяют на условные группы, приведенные в таблице 3. Таблица 3 - Условные группы барокамер
6.1.4.6 Характеристики внешних воздействующих факторов для барокамер приведены в таблице 4. Таблица 4 - Характеристики внешних воздействующих факторов
6.1.5 Требования эргономики, обитаемости и технической эстетики 6.1.5.1 Требования эргономики, обитаемости и технической эстетики - по ГОСТ 20.39.108. Объем требований устанавливают в технических условиях на барокамеры конкретного типа. Конструкция основного оборудования, которым насыщается барокамера, должна соответствовать ее функциональному назначению по [2] и обеспечивать: - эффективное выполнение водолазами своих функциональных обязанностей; - удобство рабочей позы и физиологически оптимальную подвижность туловища и конечностей водолаза в барокамере; - возможность принятия удобной позы для отдыха; - возможность оказания первой помощи; - быструю эвакуацию в аварийных ситуациях. 6.1.5.2 Эргономические и эстетические требования, предъявляемые к барокамерам, должны соответствовать ГОСТ 20.39.108. 6.1.5.3 Объем барокамер и форма отсеков в них должны обеспечивать наилучшую рабочую позу человека и досягаемость элементов барокамеры с учетом количества и размеров, находящихся в барокамере людей и потребляемой газовой среды для дыхания. 6.1.5.4 Требования обитаемости, предъявляемые к барокамерам по [2], их характеристики и значения приведены в таблице 5. Таблица 5 - Требования обитаемости и их характеристики
6.1.6 Требования экономного использования сырья, материалов, топлива, энергии и трудовых ресурсов При разработке проекта на барокамеру должна быть определена группа технико-экономических показателей, характеризующих затраты на разработку, производство и эксплуатацию барокамер. 6.1.7 Требования технологичности Требования, характеризующие возможность изготовления, эксплуатации и ремонта барокамеры с минимальными затратами при заданных показателях качества, - по ГОСТ 14.201. 6.1.8 Требования к конструкции 6.1.8.1 Проектирование, изготовление, монтаж, ремонт, модернизацию (реконструкцию) и эксплуатацию барокамер должны выполнять организации, имеющие соответствующие разрешения (лицензии) на проведение указанных работ. 6.8.1.2 Конструкция барокамер должна быть технологичной, надежной в течение всего срока службы, безопасной при изготовлении, монтаже и эксплуатации. Необходимо предусмотреть возможность осмотра (в том числе внутренней поверхности), очистки, промывки, продувки и ремонта барокамеры. 6.1.8.3 При проектировании барокамер должны учитываться требования правил перевозки грузов железнодорожным, водным, автомобильным и воздушным транспортом. Барокамеры, которые не могут быть транспортированы в собранном виде, следует проектировать агрегатным способом из минимальных частей, позволяющих их транспортирование транспортом данного вида. Деление барокамеры на транспортируемые части должно быть указано в технической документации. 6.1.8.4 Расчет барокамер на прочность следует проводить в соответствии с действующими нормативными документами, согласованными с соответствующими органами государственного технического надзора1). При отсутствии стандартизованного метода расчет на прочность должен выполнять разработчик барокамеры и согласовывать его со специализированной организацией. 6.1.8.5 При проектировании барокамер следует учитывать также нагрузки, возникающие при монтаже и зависящие от способа монтажа. 6.1.8.6 В зависимости от особенностей применения барокамеры должны иметь следующие формы корпуса: - цилиндрическую; - сферическую; - комбинированную. 6.1.8.7 Барокамеры ДП должны, как правило, включать жилой, санитарно-бытовой, шлюзовой, рабочий и приемно-выходной отсеки, которые предназначены для обеспечения различных функциональных задач, определяемых их названием. 6.1.8.8 Корпусные конструкции барокамеры2) и предохранительные устройства от превышения давления должны соответствовать следующим требованиям: 1) Здесь и далее к органам государственного технического надзора относят Госгортехнадзор России и Российский Морской (Речной) Регистр Судоходства. 2) Количество, расположение и параметры корпусных конструкций барокамеры определяют в проекте в зависимости от назначения и условий эксплуатации барокамеры. а) обечайки, днища, укрепляющие кольца (шпангоуты), опоры, фундаменты и фланцы: 1) конструкция должна быть надежной, обеспечивать безопасность при эксплуатации и предусматривать возможность ремонта, окраски и восстановления изоляции корпуса, чистки, дезинфекции, осмотра и технического обслуживания устройств и систем; 2) проверка и подготовка материалов, элементов корпуса к изготовлению барокамеры, характеристики их основных параметров и допусков, а также требования к выполнению сварки должны соответствовать нормативным документам на барокамеру; 3) прочность опор должна учитывать нагрузки от массы воды при проведении гидравлических испытаний барокамеры. При наличии температурных расширений в продольном направлении у горизонтально расположенных барокамер следует выполнять жесткой лишь одну седловую опору, остальные опоры - свободными. Указания об этом должны быть в технической документации; 4) люки, фланцы и переходные шахты барокамеры, предназначенные для присоединения водолазного колокола или подводного аппарата, должны быть рассчитаны на максимальное усилие, возникающее при наибольшем рабочем давлении в барокамере, с учетом инерционных сил при качке судна (в случае установления барокамеры на судах); 5) технические требования к фланцам барокамер и фланцам арматуры СЖО - по ГОСТ 28759.5 и ГОСТ 12816. При выборе материала прокладок следует учитывать условия эксплуатации барокамеры. Сведения о прокладках должны быть указаны в технической документации на барокамеру; 6) фланцы, приваренные встык, должны изготовляться из поковок, штамповок или бандажных заготовок. Фланцы, привариваемые встык, допускается изготовлять вальцовкой заготовки по плоскости листа или путем гиба кованых полос, или методом течения из сортового проката; б) гермовводы по [1]: 1) электрические кабели внутрь барокамеры должны быть проведены через гермовводы или сальники высокого давления, устанавливаемые в корпусе барокамеры и обеспечивающие механическую прочность и газоплотность гермоввода в целом и его токопроводящих элементов, а также электрическую прочность изоляции во всем диапазоне давлений в барокамере; 2) гермовводы и сальники барокамер должны иметь достаточную аксиальную и радиальную герметичность. При условии взаимной помехозащищенности различных потребителей допускается применение гермовводов многоцелевого назначения (для обеспечения одновременно технических и медицинских потребителей); 3) количество гермовводов, устанавливаемых на барокамере, и их характеристики должны обеспечивать подключение всех электропотребителей, размещаемых внутри барокамеры; в) шлюзы (люки), крышки (двери) и устройства для их уплотнения по [1]: 1) для входа в барокамеру (для давлений более 1,0 МПа) и выхода из нее должен быть предусмотрен входной (большой) шлюз, закрывающийся наружной1) и внутренней2) дверьми, удовлетворяющими условиям прочности по расчету. Данный шлюз может быть также использован для передачи в барокамеру под давлением водолазного снаряжения и крупногабаритных предметов. Для этой цели он должен быть оборудован системой шлюзования с возможностью управления ею как снаружи, так и изнутри барокамеры и штуцером для манометра. Внутренняя дверь должна работать на прижим давлением газовой среды в барокамере и иметь запорное устройство. Примечание - В барокамерах с рабочим давлением до 1,0 МПа для входа внутрь можно использовать люк, имеющий только одну дверь, уплотняющуюся внутренним давлением в барокамере; 2) для передачи в барокамеру пищи, медикаментов и других предметов в каждом обитаемом отсеке барокамеры необходимо иметь медицинский (малый) шлюз с внутренней и наружной крышками, удовлетворяющими условиям прочности по расчету. Данные шлюзы должны иметь съемные полки или крепления для передачи посуды, медикаментов и т.п., а также должны быть оснащены системами и устройствами, аналогичными большому шлюзу; 1) Под наружной дверью понимают дверь, разделяющую внутреннюю часть шлюза от внешней атмосферы, окружающей барокамеру. 2) Под внутренней дверью понимают дверь, разделяющую внутреннюю часть шлюза от внутреннего объема барокамеры. 3) для обеспечения эксплуатации многоотсечных барокамер при различном давлении в их отсеках люки внутренних переборок должны иметь две двери, закрывающиеся с обеих сторон каждой переборки, а также устройства выравнивания давления между отсеками. Примечание - В переборке, разделяющей барокамеру на отсек и предкамеру (шлюзовой отсек), люк может иметь одну дверь, закрывающуюся со стороны обитаемого отсека, при условии, что в процессе эксплуатации давление в предкамере (шлюзовом отсеке) не будет превышать давления обитаемого отсека; 4) размеры дверей входных люков и люков переборок приведены в таблице 1; 5) внутренние двери входных люков барокамер и внутренние крышки шлюзов, как правило, должны закрываться изнутри барокамеры и прижиматься внутренним давлением. Допускается применять двери и крышки с байонетным затвором, имеющим наружный и внутренний приводы; 6) двери
люков
следует
устанавливать
на шарнирах,
позволяющих
закрывать и
открывать их
одному
человеку с
усилием не
более 196,2 Н (20 кгс).
Усилие
задраивания
дверей с
байонетным
затвором не
должно
превышать 490 Н (50
кгс) на плече
не более 7) на
барокамерах
с расчетным
давлением до
1,0 МПа (10 кгс/см2)
допускается
устанавливать
съемную дверь
входного
люка
предкамеры
(шлюзового
отсека)
массой не
более 8) уплотнения дверей люков и крышек шлюзов должны обеспечивать плотность при давлении от 0,02 МПа (0,2 кгс/см2) до рабочего давления в барокамере. Допускается применять упоры, ограничивающие деформацию уплотняемых прокладок во время прижима двери или крышки внутренним давлением. Не допускается применять запоры для закрытия дверей или крышек внутри барокамеры. Допускается иметь прижимные устройства для первоначального уплотнения крышек и дверей, которые должны отключаться при обжатии уплотняемых прокладок, то есть при давлении более 0,02 МПа (0,2 кгс/см2). Примечание - Данное требование не относится к барокамерам, имеющим устройство в виде кремальеры или другого прижимного устройства, предназначенного для обеспечения плотности дверей (крышек) во всем диапазоне давлений; 9) прижимные устройства должны иметь также приспособления для управления ими из смежного отсека, а для входных люков - для управления снаружи барокамеры. При необходимости барокамеры могут быть оборудованы устройством для фиксации дверей и крышек в открытом положении; 10) наружные двери и крышки должны иметь запорное устройство (задрайки барашковые, байонетный затвор), рассчитанное на рабочее давление барокамеры; г) штуцеры (патрубки), укрепляющие кольца: 1) каждая барокамера должна иметь штуцеры для подачи (удаления) рабочего газа с целью создания (снижения) в ней давления, наполнения барокамеры водой и слива воды, а также для удаления воздуха при гидравлических испытаниях; 2) укрепляющие кольца, используемые в конструкции барокамеры, допускается изготовлять из частей, но не более четырех. В каждом укрепляющем кольце или его части, если сварку частей производят после установки их на барокамеру, должно быть не менее одного контрольного отверстия. Контрольное отверстие должно располагаться в нижней части кольца или полукольца по отношению к барокамере, устанавливаемой в эксплуатационное положение, и оставаться открытым; д) иллюминаторы: 1) для визуального или телевизионного наблюдения за обстановкой в барокамере и для освещения внутреннего пространства каждый ее отсек должен иметь иллюминаторы. Все указанные иллюминаторы должны быть оборудованы наружной крышкой, предохраняющей стекло иллюминатора от механических повреждений; 2) количество, размеры и место расположения иллюминаторов на корпусе барокамеры должны обеспечивать достаточный обзор внутреннего пространства барокамеры; 3) при использовании для освещения отсеков барокамеры наружных светильников последние должны иметь конструкцию с эффективным отводом тепла. Температура нагрева наружной поверхности стекла иллюминатора от данных светильников должна быть не более (40 ± 3) °С; 4) при использовании для иллюминаторов кварцевых стекол температура нагрева их поверхности должна быть не более 80 °С. Перепад температур наружной и внутренней поверхностей таких стекол не должен превышать соответствующих параметров, указанных в НД на стекла. При выборе неметаллических материалов для иллюминаторов следует учитывать, что его теплостойкость в течение 1 ч должна быть не менее (200 ± 5) °С; 5) для иллюминаторов барокамер применяют силикатное стекло (оптическое, кварцевое и т. п.), обеспечивающее, совместно с конструкцией иллюминатора, коэффициент запаса прочности не менее 4 при расчетном сроке службы (расчетном ресурсе) и расчетном количестве циклов нагружения1) иллюминатора до рабочего давления газовой среды в барокамере. В обоснованных случаях, по согласованию с органами государственного технического надзора, допускается применение стекол для иллюминаторов барокамер с запасом прочности менее 4, но не менее запаса прочности корпуса барокамеры. 1) Под циклом нагружения следует понимать подъем давления в барокамере от атмосферного до рабочего вне зависимости от скорости подъема и снижения давления, время выдержки под давлением газовой среды и последующее снижение давления до атмосферного. Примечание - Расчетный срок службы, расчетный ресурс и расчетное количество циклов нагружения иллюминатора до рабочего давления должны быть указаны в технической документации на него; 6) коэффициент светопропускания стекла для иллюминаторов барокамер должен быть не менее 85 %; 7) по согласованию с органами государственного технического надзора при наличии заключения специализированной организации допускается применять другие стекла, марки которых не оговорены в настоящем разделе; 8) конструкция иллюминатора должна обеспечивать возможность замены стеклоэлемента в период эксплуатации барокамеры в случае его непригодности; 9) по способу установки в корпусе барокамеры иллюминаторы подразделяют следующим образом: - иллюминаторы, представляющие собой единую сборочную единицу, которые должны устанавливаться во вварыше корпуса барокамеры и уплотняться в нем с помощью уплотнительных и прижимных колец и болтов; - иллюминаторы, выполненные в виде неразъемного составного элемента корпуса барокамеры, которые должны устанавливаться с помощью сварки. Примечание - Применение в барокамере конкретной конструкции иллюминатора должно быть обосновано в проекте на барокамеру. Порядок установки иллюминатора в корпусе барокамеры должен быть указан в технической документации на нее; е) предохранительные клапаны (устройства) по [1]: 1) все отсеки барокамеры должны иметь предохранительные клапаны. Характеристики клапанов определяют расчетными методами, исходя из объема и рабочего давления отсеков барокамер таким образом, чтобы давление в отсеке не превышало рабочее более чем на 15 %; 2) предохранительные клапаны должны срабатывать при повышении давления в отсеке барокамеры не более чем на 10 % рабочего давления и полностью прекращать выход газовой смеси при снижении рабочего давления в отсеке не более чем на 15 %; 3) дополнительно к предохранительному клапану допускается устанавливать сигнализацию о превышении давления в барокамере выше рабочего; 4) в барокамерах, имеющих шлюзовой отсек (предкамеру), предохранительный клапан на шлюзовом отсеке (предкамере) не устанавливают при условии, что люк переборки имеет только одну дверь, открывающуюся в сторону обитаемого отсека барокамеры; 5) пропускную способность предохранительного клапана рассчитывают по ГОСТ 12.2.085; ж) сварные соединения: 1) барокамеры должны изготовляться с применением всех видов промышленной сварки, за исключением газовой; 2) сварка барокамер и ее элементов должна производиться в соответствии с требованиями технической документации, в которой должны быть указаны: технология сварки материалов для изготовления барокамеры, применение присадочных материалов, виды и объем контроля, предварительный и сопутствующий подогрев, термическая обработка; 3) все сварные швы подлежат клеймению; 4) при сварке обечаек и труб, приварке днищ к обечайкам следует применять стыковые швы с полным проплавлением. Допускается применять швы внахлестку при приварке укрепляющих колец и опорных элементов; 5) сварные швы должны быть расположены так, чтобы обеспечить возможность их визуального контроля и контроля качества неразрушающими методами (УЗД, РГД и др.), а также устранение в них дефектов. Допускается не более одного сварного шва, доступного для визуального осмотра, только с одной стороны. Швы должны быть выполнены способами, обеспечивающими провар по всей толщине свариваемого металла (например с применением аргонно-дуговой сварки корня шва подкладного кольца, замкового соединения); 6) продольные сварные швы горизонтально устанавливаемых барокамер должны быть расположены вне центрального угла 140° нижней части корпуса; если нижняя часть корпуса недоступна осмотру, об этом должно быть указано в проекте; 7) сварные швы барокамер не должны перекрываться опорами. В горизонтально расположенных барокамерах на седловых опорах допускается местное перекрытие опорами кольцевых (поперечных) швов на общей длине не более 0,35πDH (DH - наружный диаметр барокамеры) при условии, что перекрываемые участки шва по всей длине проконтролированы УЗД или РГД. Пересечение швов не допускается; 8)
расстояние
между
продольным
швом корпуса
горизонтального
сосуда и швом
приварки
опоры должно
приниматься
не менее 9)
расстояние
между краем
шва приварки
внутренних и
внешних
устройств и
деталей и краем
ближайшего
шва корпуса
должно быть
не менее толщины
стенки
корпуса, но
не менее 10) продольные
швы смежных
обечаек и
швов днищ
должны быть
смещены
относительно
друг друга на
величину
трехкратной
толщины наиболее
толстого
элемента, но
не менее чем
на 11) при сварке стыковых сварных соединений элементов различной толщины необходимо предусмотреть плавный переход от одного элемента к другому постепенным утонением более толстого элемента. Угол скоса элементов разной толщины должен быть не более 20° (уклон 1:3). 6.1.8.9 Конструкция внутреннего оборудования, которым насыщается барокамера ДП, должна обеспечивать функциональное назначение согласно 6.1.1 и соответствовать следующим требованиям1) [2]: 1) Аналогичные требования к барокамерам КП должны быть определены в проекте. а) жилой отсек барокамеры оборудуют койками (диванами), рундуками для постельных принадлежностей и одежды, шкафчиками для личных вещей, светильниками общего и индивидуального освещения, складным столом и складными стульями (сиденьями), стеллажом для аварийных ИДА. Расположение оборудования должно обеспечивать выделение относительно самостоятельных функциональных зон: рабочей зоны и зоны отдыха; б) все
водолазы
должны иметь
индивидуальные
койки
(диваны)
длиной не
менее в) конструкция складных стульев (сидений) должна обеспечивать удобную позу, хорошую опору туловища, а при необходимости - удобную позу для отдыха. Сиденья должны быть размером 400Ч450 мм; г) для барокамер, предназначенных для проведения лечебных мероприятий, должна быть предусмотрена возможность установки соответствующей медицинской аппаратуры (лечебной и диагностической), состав и технические параметры которой определяют в проекте; д) санитарный отсек барокамеры оборудуют умывальником, душем, унитазом, бачком для дезинфицирующего раствора, дезодоратором и фильтром очистки от запахов. Допускается устанавливать ванны. Расположение оборудования должно обеспечивать относительно самостоятельные функциональные зоны: гальюнную выгородку и душевую (ванну); е)
приемно-выходной
отсек
барокамеры
оборудуют
полками (стеллажом)
для
водолазных
аппаратов и
вешалкой для
гидрокомбинезонов,
откидным
столиком
размером не
менее 700Ч ж) шлюзовой отсек барокамеры должен быть оборудован койками (диванами) по числу водолазов, откидным столиком, складным стулом, рундуками для хранения постельных принадлежностей и одежды, полками для личных вещей, а также стеллажом для хранения аварийных ИДА. В санитарно-бытовой выгородке размещают оборудование умывальника и гальюна. 1) Аналогичные требования к системам барокамер КП должны быть определены в проекте. а) системы воздухо- и газоснабжения должны обеспечивать подачу воздуха, газов и газовых смесей для следующих целей: 1) формирования газовой среды в барокамере; 2) обеспечения работы СДС; 3) поддержания и изменения давления в барокамере; 4) поддержания и изменения состава газовой среды в барокамере по кислороду и индифферентным газам; 5) шлюзования предметов, пищи в барокамеру и обратно. Системы должны обеспечивать повышение давления в барокамере со скоростью не менее 0,2 МПа/мин в интервале давлений 0,1-1,7 МПа (1-17 кгс/см2), не менее 0,1 МПа/мин (1 кгс/см2·мин) - для давлений более 1,7 МПа (17 кгс/см2) и поддержание давления с точностью ± 0,025 МПа (0,25 кгс/см2). Снижение давления в барокамере должно быть со скоростью 0,003-0,9 МПа/ч (0,03- 9 кгс/см2·ч); б) система кондиционирования и очистки ДГС должна обеспечивать следующие функции по поддержанию параметров микроклимата в барокамерах: 1) очистку газовой среды от диоксида углерода и вредных веществ; 2) поддержание заданных параметров микроклимата барокамер; 3) обеспечение однородности физических и химических параметров ДГС. Система должна обеспечивать с помощью средств вентиляции двух-, трехкратный обмен газовой среды барокамеры в час. Объемный расход газовой среды через средства очистки от диоксида углерода и вредных веществ должен быть соответственно 10-15 м3/ч и 3-5 м3/ч на одного человека при давлении от 0 до 5,0 МПа (50 кгс/см2). Температуру газовой среды барокамеры поддерживают от 20°С до 35°С с точностью + 0,2°С, относительную влажность газовой среды от 40 % до 80 % с точностью + 2,5 %; в) средства газового контроля должны обеспечивать измерение в газовой камере барокамер содержания кислорода, гелия и диоксида углерода, а также вредных веществ, в том числе оксида углерода, углеводородов и других. Пределы допускаемой основной абсолютной погрешности измерения не должны превышать следующих значений:
Вредные вещества (оксид углерода, углеводороды и др.) определяют до предельно допустимых концентраций; г) санитарно-бытовые системы должны обеспечивать водолазам в барокамере личную и коллективную гигиену, а также отправление физиологических функций; д) система и средства противопожарной защиты должны обеспечивать обнаружение начала пожара в барокамере или предпосылок возгорания (дым, бесконтрольное повышение температуры), подачу аварийного сигнала на ПУ барокамерой за время не более 1с с момента включения, а также тушение обнаруженного пожара всеми имеющимися в барокамере средствами. В общем случае система и средства противопожарной защиты барокамеры должны состоять из системы пожарной сигнализации, системы водораспыления и воздушно-пенных огнетушителей. Объем резервуара с водой и расположение распылителей в барокамере должны обеспечивать равномерное орошение не менее 2 мин всех защищаемых поверхностей с интенсивностью 0,2- 0,4 дм3/(м2·с) при тушении пожара в наибольшем по объему отсеке барокамеры. Давление воды перед распылителями следует поддерживать на 0,3 МПа (3 кгс/см2) больше давления газовой среды в барокамере. В каждом отсеке барокамеры КП должно быть предусмотрено размещение одного воздушно-пенного огнетушителя; е) САУ, ПУ и КИП должны обеспечивать: 1) автоматизацию процессов управления техническими средствами барокамеры; 2) автоматическое (полуавтоматическое) измерение и регистрацию основных параметров газовой среды в барокамере, управление техническими средствами и контроль за их состоянием в период работы. Выбор средств автоматического управления должен обеспечивать безопасные и комфортные условия пребывания людей внутри барокамеры в соответствии с требованиями обитаемости, приведенными в таблице 5. Все основные органы управления техническими средствами барокамеры должны быть размещены на ПУ. Кроме того, на ПУ могут быть установлены показывающие приборы измерителей температуры, влажности, давления, газоанализаторов, часы, устройства записи давления, температуры и другие контрольно-измерительные приборы; 3) в каждом отсеке и шлюзе барокамеры должен быть рабочий манометр, установленный на штуцере, приваренном к корпусу барокамеры, или на щите управления системами барокамеры; 4) для барокамер применяют водолазные манометры класса точности не ниже 0,6; 5) цена
деления
шкалы
манометров
для диапазона
давлений 0-3,0
МПа (0-30 кгс/см2)
должна быть ж) электрооборудование, средства освещения, телевидения и связи: 1) в силовой сети барокамеры должны быть основной и резервный источники электроэнергии, позволяющие обеспечить бесперебойную работу элементов СЖО. Вся коммутационно-защитная и пускорегулирующая аппаратура силового электрооборудования должна быть установлена вне барокамер в легкодоступных местах, с вынесением операций «пуск-остановка» на ПУ барокамерой. Силовые кабели, прокладываемые в барокамере, должны иметь негорючую изоляцию или прокладываться в металлических трубах; 2) для защиты от статического электричества съемные металлические изделия и оборудование в барокамере должны быть заземлены на ее корпус, а корпус барокамеры должен быть заземлен в двух-трех местах при помощи медных проводников; 3) в барокамерах с рабочим давлением до 1,0 МПа (10 кгс/см2) и объемной долей кислорода в газовой среде не более 23 % допускается применять асинхронные электродвигатели напряжением до 36 В. В барокамерах с рабочим давлением более 1,0 МПа (10 кгс/см2) и парциальным давлением кислорода в газовой среде от 0,02 до 0,06 МПа (0,2-0,6 кгс/см2) допускается применять асинхронные электродвигатели исполнения IP44 по ГОСТ 14254 напряжением до 200 В. Внутри барокамер не допускается устанавливать электродвигатели коллекторного типа. В указанных барокамерах для обогрева газовой среды могут быть использованы герметичные электронагревательные устройства, рассчитанные на рабочее давление барокамеры; 4) в барокамере, как правило, должно быть установлено электрическое основное, местное, дежурное и аварийное освещение. Необходимость установки местного и дежурного освещения определяют в проекте в зависимости от назначения барокамеры. В барокамере, как правило, используют наружные светильники или светильники с применением световолоконной оптики. Светильники, установленные внутри барокамеры, должны быть герметичными, рассчитанными на рабочее давление газовой среды. Уровни освещенности отсеков и рабочих зон барокамер должны соответствовать требованиям, приведенным в таблице 5; 5) устанавливаемые внутри барокамеры средства связи должны быть безбатарейными и безындукторными. В аппаратуре связи должно быть предусмотрено устройство, обеспечивающее коррекцию речи в гелиевой среде; 6) для осуществления наружного телевизионного наблюдения за обстановкой внутри барокамеры она может быть оборудована средствами телевидения, устанавливаемыми на специальные иллюминаторы; 7) безопасность используемого в барокамере электрооборудования, средств освещения, телевидения и связи должна быть подтверждена специализированной организацией при рассмотрении проекта. 6.2 Требования к сырью, материалам, покупным изделиям6.2.1 Для изготовления всех частей корпуса барокамер применяют материалы, используемые для изготовления сосудов, работающих под давлением, по [1], [3] (приложение А). 6.2.2 Трубопроводы, паровые и водяные обогреватели, устанавливаемые внутри барокамеры, а также трубопроводы подачи сжатого воздуха и газовых смесей, установленные снаружи барокамеры, должны изготовляться из бесшовных медных труб или труб из нержавеющей стали. 6.2.3 Для внутреннего оборудования барокамеры применяют сталь, бронзу, латунь и медь. В ограниченном количестве допускается применять дерево, кожу, карболит, дерматин, брезент, хлопчатобумажные ткани, резину, а также органические полимерные материалы. Данные материалы должны быть обработаны огнезащитной пропиткой и не выделять вредных веществ, превышающих ПДК (таблица 5). 6.2.4 Сырье, материалы и покупные изделия, применяемые для изготовления барокамер, должны обеспечивать их надежную работу в течение всего срока службы с учетом заданных условий эксплуатации, состава и характера среды и влияния температуры окружающего воздуха. 6.2.5 Качество и свойства сырья, материалов, а также покупных изделий, идущих на изготовление, монтаж и ремонт барокамер, должны соответствовать требованиям соответствующих стандартов и технических условий и должны быть подтверждены сертификатами поставщиков. При отсутствии или неполноте сертификата или маркировки изготовитель барокамеры (ремонтная, монтажная организация) должен провести все необходимые испытания с оформлением их результатов протоколом, дополняющим или заменяющим сертификат поставщика сырья, материала или покупного изделия. 6.2.6 Материалы элементов барокамер, привариваемых непосредственно к корпусу изнутри или снаружи (лапы, цилиндрические опоры, подкладки под фирменные пластинки и др.), должны быть хорошо свариваемыми и иметь с материалом корпуса близкие значения коэффициентов линейного расширения, при этом разность коэффициентов линейного расширения не должна превышать 10 %. 6.2.7 Сырье, материалы и покупные изделия должны быть предназначены только для барокамер, условия эксплуатации которых определены настоящим стандартом или технической документацией на барокамеру. Если параметры барокамеры выходят за установленные пределы, применение сырья, материалов и покупных изделий для таких барокамер должно быть согласовано с органами государственного технического надзора при наличии заключения специализированной организации. К паспорту на барокамеру должны быть приложены копии разрешения на применение. 6.2.8 Барокамеры и ее элементы, а также полуфабрикаты для их изготовления, приобретенные за рубежом, должны соответствовать требованиям настоящего стандарта и иметь сертификат соответствия данного оборудования установленным нормам. При отсутствии или неполноте сертификата поставщик барокамер и ее элементов должен согласовать с органами государственного технического надзора применение данных изделий иностранных изготовителей. Согласование должно проводиться на основании заключения специализированной организации. 6.3 Комплектность6.3.1 Барокамера, при необходимости, должна быть снабжена индивидуальными и групповыми комплектами запасных частей, инструментов и принадлежностей, обеспечивающими ее техническое обслуживание в течение гарантийного срока. 6.3.2 На барокамеру должен быть оформлен комплект эксплуатационных документов. 6.3.3 Перечень запасных частей, инструментов и принадлежностей, а также эксплуатационных документов, поставляемых вместе с барокамерой, должен быть установлен в технической документации на барокамеру, а их достаточность определена в проекте. 6.4 Маркировка6.4.1 На видном месте барокамеры должна быть закреплена латунная фирменная табличка по ГОСТ 12971 с нанесенными гравировкой следующими данными: - наименование предприятия-изготовителя; - наименование барокамеры; - заводской номер; - год изготовления; - рабочее давление; - расчетное давление; - пробное давление; - рабочая температура стенки; - масса; - клеймо ОТК или клеймо PC для барокамер, поднадзорных Российскому Морскому (Речному) Регистру Судоходства. 6.4.2 Шрифт маркировки должен соответствовать требованиям ГОСТ 26.020 для плоской печати и ГОСТ 26.008 - для надписей, наносимых методом гравирования. 6.4.3 Маркировка трубопроводов, баллонов, арматуры, а также необходимые предупредительные надписи должны соответствовать требованиям технической документации на барокамеру. 6.4.4 Если не представляется возможным нанести на барокамеру требуемую маркировку, допускается наносить всю или частичную маркировку на потребительскую, групповую или транспортную тару или указывать маркировку в сопроводительной документации. 6.4.5 Маркировка при транспортировании барокамеры в транспортной таре - по ГОСТ 14192. 6.5 Упаковка6.5.1 Упаковка должна обеспечивать защиту барокамеры от воздействия механических и климатических факторов на период транспортирования и хранения, а также наиболее полное использование грузоподъемности (вместимости) транспортных средств и удобство выполнения погрузочно-разгрузочных работ. При необходимости внутренние устройства и вращающиеся механизмы должны быть закреплены для предохранения от деформации под влиянием собственной массы и динамических нагрузок при транспортировании. 6.5.2 Все отверстия, штуцеры и муфты должны быть закрыты пробками или заглушками для защиты от загрязнений и повреждений уплотняемых поверхностей. 6.5.3 Упаковочные материалы, типы транспортной тары должны быть установлены в технической документации на барокамеру в зависимости от массы, габаритных размеров и условий транспортирования. 6.5.4 Отдельно отправляемые элементы барокамеры и запасные части должны быть упакованы в ящики или собраны в пакеты. Вид упаковки выбирает изготовитель, если нет других указаний в технической документации. Ящики и способы крепления должны соответствовать требованиям ГОСТ 2991, ГОСТ 5959, ГОСТ 10198, ГОСТ 21650. 6.5.5 Консервация барокамеры должна быть выполнена в соответствии с требованиями ГОСТ 9.014 и технической документации на барокамеру. 6.5.6 Техническая и товаросопроводительная документация, прилагаемая к барокамерам, должна быть завернута в водонепроницаемую бумагу или бумагу с полиэтиленовым покрытием и вложена в пакет, изготовленный из полиэтиленовой пленки толщиной не менее 150 мкм. Швы пакета сваривают (заклеивают). 6.5.7 Если барокамеру поставляют в виде нескольких грузовых мест, техническую документацию упаковывают в грузовое место № 1. 6.5.8 При отгрузке барокамеры без тары техническая документация должна быть закреплена внутри нее, при этом на барокамере должна быть надпись: «Документация находится здесь». 6.5.9 Упаковка барокамер, предназначенных для отправки в районы Крайнего Севера и приравненные к ним местности, - по ГОСТ 15846. 7 Требования безопасности7.1 Конструкция барокамер должна обеспечивать безопасность людей, находящихся в барокамере, и персонала, обслуживающего барокамеру. 7.2 Безопасность должна быть обеспечена: - надежной работой и высокой степенью живучести барокамеры и ее оборудования; - возможностью проведения в барокамере лечебных мероприятий; - возможностью аварийной эвакуации под давлением людей из барокамеры в аналогичную или медицинскую барокамеру для реабилитационных мероприятий. Примечание - Для размещения спасенных в конструкции барокамеры должно быть предусмотрено устройство для стыковки с транспортабельной (переносной) барокамерой. 7.3 В системе газоснабжения должен быть предусмотрен необходимый запас воздуха, газов и ДГС для обеспечения жизнедеятельности водолазов в барокамере, а также для проведения лечебных мероприятий, включающий аварийный запас, необходимый на случай возникновения неспецификационных ситуаций (негерметичность корпусных элементов барокамеры, неплотность соединений арматуры и трубопроводов, при возникновении возгораний). 7.4 В гидробарокамерах должна быть предусмотрена ручная лебедка для аварийного подъема из воды водолаза или для спуска под воду необходимых для работы водолазов предметов. 7.5 Все барокамеры должны быть оборудованы системой СДС или ИДА по числу водолазов в барокамере плюс один запасной. 7.6 В конструкции и оборудовании барокамеры и их элементах применяют негорючие или трудногорючие материалы. Все неметаллические материалы, не предусмотренные в нормативных документах на барокамеру, должны быть подвергнуты токсиколого-гигиенической экспертизе, результаты которой необходимо согласовать со специализированной организацией. 7.7 В конструкции барокамер должны быть предусмотрены технические средства и мероприятия для защиты водолазов и обслуживающего персонала от воздействия электрического тока, движущихся частей, высокого давления воздуха и газовых смесей, воздействия на кожу человека регенеративных продуктов и поглотителей диоксида углерода и других факторов, указанных в таблице 4 и связанных с опасностью для жизни людей. 7.8 Если в газовой среде барокамеры объемная доля кислорода превышает 23 %, материалы и конструкции оборудования, применяемого внутри барокамеры, должны исключать искрообразование и самовозгорание, а также должны быть соблюдены меры безопасности для оборудования, работающего с газообразным кислородом согласно ГОСТ 12.2.052. 7.9 В барокамерах не допускается применять легковоспламеняющиеся анестезирующие вещества и медицинские электроприборы, которые могут дать искру. Настил пола и внутреннее оборудование барокамер должны быть изготовлены из негорючих материалов, не образующих искру. 7.10 Для обеспечения безопасной работы должна быть предусмотрена подача электроэнергии для потребителей барокамеры от основного и резервного источников энергии. 7.11 При установке электрооборудования внутри на амортизаторах должно быть обеспечено заземление корпуса данного оборудования на корпус барокамеры. 7.12 При организации мероприятий по пожарной безопасности барокамеры следует учитывать требования ГОСТ 12.1.004, а также требования настоящего стандарта, приведенные в 6.1.8.10, перечисление Д). 7.13 Требования безопасности труда, не изложенные в настоящем разделе, должны соответствовать установленным требованиям в ГОСТ 12.1.003, ГОСТ 12.1.005, ГОСТ 12.1.007, ГОСТ 12.2.007.0, ГОСТ 12.2.007.13, ГОСТ 12.2.052, ГОСТ 12.2.085 и других стандартах системы стандартов безопасности труда. 8 Требования охраны окружающей среды8.1 В барокамере не должно быть материалов, веществ, газов, препаратов, которые бы причиняли вред окружающей природной среде, здоровью человека при ее производстве, хранении, транспортировании, эксплуатации и утилизации. 8.2 В технической документации на барокамеру должны быть предусмотрены конструктивно-технические мероприятия по сбору и утилизации отработанных в период эксплуатации химических поглотителей и регенеративных веществ. 8.3 В период эксплуатации барокамеры при каждом снижении в ней давления отработанную газовую среду следует утилизировать с помощью технических средств системы утилизации ДГС с целью очистки ее от вредных веществ для последующего использования. При отсутствии такой системы на объекте, где установлена барокамера, отработанную ДГС удаляют в атмосферу за пределы помещения. 9 Правила приемки9.1 Общие положения9.1.1 Барокамера и элементы барокамеры должны быть приняты отделом технического контроля предприятия-изготовителя в соответствии с требованиями ГОСТ 15.309, настоящего стандарта и технической документации на барокамеру. 9.1.2 Если предприятие-изготовитель выпускает барокамеру впервые, перед приемкой должны быть проведены квалификационные испытания1) по ГОСТ Р 15.201. 1) Квалификационные испытания относят к периодическим испытаниям при приемке продукции. 9.1.3 Каждую барокамеру серийного производства на предприятии-изготовителе подвергают приемосдаточным испытаниям, которые включают: - контроль массы, габаритных и присоединительных размеров; - контроль качества поверхностей и покрытий; - контроль качества сварных соединений; - проверку прочности и герметичности (гидравлические испытания на прочность и герметичность); - пневматические испытания на плотность; - проверку в действии при рабочем давлении; - проверку комплектности барокамеры и сопроводительной документации; - проверку маркировки, консервации и упаковки. Объем контроля и проверок должен быть установлен в технической документации на барокамеру. 9.1.4 Приемку барокамеры (в том числе приемосдаточные испытания) приостанавливают в следующих случаях: - барокамера, предъявляемая дважды на приемку, не выдержала приемосдаточных испытаний; - барокамера не выдержала периодических испытаний; - обнаружены нарушения выполнения технологического процесса (в том числе обнаружены несоответствия установленным требованиям средств измерений и контроля), приводящие к неисправимым дефектам барокамеры. 10 Методы контроля10.1 Общие требования10.1.1 В настоящем разделе приведены требования к методам контроля качества серийно выпускаемых барокамер, применяемые при проведении приемосдаточных испытаний на предприятии-изготовителе согласно 9.1.3. 10.1.2 Условия испытаний должны соответствовать нормальным климатическим условиям по ГОСТ 15150 с учетом требований 6.1.4. 10.1.3 Для испытаний допускается использовать стендовые щиты приборов управления барокамерой, при этом штатные щиты и пульты управления должны быть испытаны на отдельных стенда имитацией соответствующих ситуаций и аварийных состояний, предусмотренных технической документацией на барокамеру. 10.1.4 Измерительный и визуальный контроль габаритных и присоединительных размеров барокамеры, а также контроль качества поверхностей, покрытий и сварных соединений должен выполняться в соответствии с [4]. 10.1.5 Измерительный и визуальный контроль проводят в объеме требований технических условий на ее изготовление и выполняют специалисты, аттестованные соответствующими органами на право выполнения работ по визуальному и измерительному контролю. 10.1.6 Результаты приемосдаточных испытаний барокамеры должны быть оформлены по ГОСТ 15.309. 10.1.7 Испытания для проверки требований надежности (6.1.2) проводят по ГОСТ 27.203. Испытания на надежность серийных барокамер проводят экспериментальным методом в составе периодических испытаний по отдельным программам и методикам испытаний, утвержденным в установленном порядке. Если период проведения испытаний на надежность больше, чем периодических испытаний, то испытания на надежность по ГОСТ 27.410 относят к категории самостоятельных испытаний. 10.1.8 Проверку уровня радиопомех в соответствии с 6.1.3 проводят в период испытаний опытных образцов по ГОСТ Р 51318.11, ГОСТ Р 51318.14.1, ГОСТ Р 51320. 10.1.9 Требования стойкости барокамеры к внешним воздействиям и живучести (6.1.4) контролируют в период испытаний опытных образцов, а также на серийных барокамерах в связи с изменением их конструкции, материалов и (или) технологии изготовления, которые могут привести к снижению устойчивости изделий к воздействию вышеперечисленных факторов. Необходимость проведения таких испытаний на серийных барокамерах определяют по заключению специализированной организации. При невозможности проведения в стендовых условиях испытаний барокамеры в сборе из-за ее больших массы и габаритов допускается проводить эти испытания по блочно или по частям, при этом перечень элементов барокамеры (блоков, частей, деталей и т.п.) должен быть указан в технической документации на барокамеру конкретного типа. Объем и методы испытаний элементов барокамеры на соответствие требованиям 6.1.4 должны быть определены в технической документации на соответствующие изделия (сборочных чертежах, технических условиях, программах и методиках испытаний и т. п.). 10.1.10 В период проведения приемосдаточных испытаний проверяют безопасность эксплуатации барокамеры, определяемую ее конструкцией (6.1.8). 10.2 Средства измерений и стенды10.2.1 Испытательные стенды должны обеспечивать проведение испытаний барокамер в объеме, предусмотренном настоящим стандартом. Схемы стендов приемосдаточных испытаний приведены в приложении Б. 10.2.2 Измерительные приборы следует принимать для условий, регламентированных в выпускаемых аттестатах и инструкциях. Данные приборы должны иметь клейма или свидетельства государственной поверки. 10.3 Определение массы, габаритных и присоединительных размеров10.3.1 Массу барокамеры, полностью оснащенной в соответствии с технической документацией, определяют взвешиванием с погрешностью, указанной в технической документации на барокамеру конкретного типа. 10.3.2 Габаритные размеры барокамеры контролируют после установки наружного насыщения проверкой контролируемых параметров на соответствие рабочим чертежам. Линейные размеры измеряют рулеткой по ГОСТ 7502. 10.3.3 Внутренний диаметр барокамеры определяют перерасчетом измеренной до нанесения покрытия длины окружности наружной поверхности корпуса. 10.3.4 Предельные отклонения габаритных и присоединительных размеров барокамеры и ее сборочных единиц, а также длина окружности измеренной поверхности должны соответствовать приведенным в технической документации на барокамеру. Указанные размеры измеряют с помощью средств, обеспечивающих погрешность не более 30 % установленного допуска на изготовление. 10.4 Контроль качества поверхностей и покрытий10.4.1 Качество поверхностей на отсутствие плен, закатов, расслоений, грубых рисок, трещин, снижающих качество и ухудшающих товарный вид, контролируют визуально. 10.4.2 Клейма на сварочных швах и маркировку на готовом корпусе барокамеры проверяют визуально. 10.4.3 Качество покрытий (грунтовки, покраски, изоляции и т.п.) на соответствие рабочим чертежам контролируют визуально. 10.5 Контроль качества сварных соединений10.5.1 Для контроля качества сварных соединений барокамеры используют следующие методы: - визуальный осмотр и измерение; - механические испытания; - радиографическую и ультразвуковую дефектоскопии; - магнитопорошковую дефектоскопию. Примечание - С целью повышения безопасной эксплуатации барокамер в период их постройки, сертификации, технических освидетельствований и в процессе эксплуатации рекомендуется использовать все аттестованные методы неразрушающего контроля качества сварных швов и прочности корпусных конструкций. Методы «разрушающего контроля применяют во всех случаях, предусмотренных в технической документации на барокамеру. 10.5.1.1 Визуальный контроль и измерение сварных соединений (швов) необходимо проводить после очистки швов и прилегающих к ним поверхностей основного металла от шлака, брызг и других загрязнений. Обязательному визуальному контролю и измерению подлежат все сварные швы в соответствии с ГОСТ 3242 для выявления недопустимых наружных дефектов. Визуальный контроль и измерение следует проводить в доступных местах с двух сторон по всей протяженности шва. Контроль в недоступных местах проводят сразу после сварки и окончательной сборки. 10.5.1.2 Механическим испытаниям подвергают стыковые сварные соединения на образцах, вырезанных из контрольных стыковых сварных соединений (пластин), в соответствии с ГОСТ 6996. Виды испытаний и количество образцов для этих испытаний приведены в таблице 6. Таблица 6 - Виды испытаний и количество образцов из каждого стыкового сварного соединения
При получении неудовлетворительных результатов по какому-либо виду механических испытаний допускается проводить повторные испытания на удвоенном количестве образцов, вырезанных из того же контрольного сварного соединения, по тому виду механических испытаний, которые дали неудовлетворительные результаты. Если при повторных испытаниях получены неудовлетворительные результаты хотя бы на одном образце, сварное соединение считается непригодным. Примечание - Испытания на статическое растяжение не являются обязательными для кольцевых сварных соединений барокамер при условии контроля 100 % этих соединений радиографическими или ультразвуковыми методами. 10.5.1.3 Радиографический и ультразвуковой контроль сварных соединений проводят следующим образом: 1) для выявления внутренних дефектов сварных соединений применяют проникающие методы неразрушающего контроля (УЗД и РГД), которые проводят по ГОСТ 14782 и ГОСТ 7512; 2) методы контроля (УЗД, РГД или их сочетание) выбирают, исходя из возможности более точного выявления недопустимых дефектов с учетом особенностей физических свойств металла, а также особенностей методики. Методы контроля должны быть отражены в технической документации на барокамеру; 3) обязательному неразрушающему контролю подлежат: - стыковые, угловые, тавровые соединения, доступные для этого контроля в объеме не менее 25 % длины шва каждого соединения; - места сопряжения (пересечений) сварных соединений; - сварные соединения внутренних и наружных устройств по указанию в чертеже; - сварные соединения «Поковка+Лист», «Лист+Литье», «Поковка+Поковка», «Поковка+Труба», «Поковка+Сортовой прокат», доступные для контроля в объеме 100 %; -
прилегающие
к отверстию
участки
сварных швов
корпуса, на
которых
устанавливаются
люки и
штуцеры, на
длине, равной
4) перед контролем методами УЗД или РГД соответствующие участки должны быть маркированы так, чтобы их можно было легко обнаружить на картах контроля и радиографических снимках; 5) при выявлении недопустимых дефектов в сварном соединении обязательному контролю этим же методом подлежат все одиночные соединения, выполненные тем же сварщиком (оператором) по всей длине соединения. 10.5.1.4 Магнитопорошковую дефектоскопию проводят следующим образом: 1) МПД проводят для сварных швов, недоступных для осуществления контроля методами УЗД или РГД; 2) МПД проводят по ГОСТ 21105. Объем контроля определяют в технической документации на барокамеру. 10.5.2 Контрольные сварные соединения 10.5.2.1 КСС должно воспроизводить одно из стыковых сварных соединений барокамеры, определяющих ее прочность, и выполняться одновременно с контролем барокамеры с применением одинаковых исходных материалов, формы разделки кромок, сборочных размеров, методов и режимов сварки. Примечание - К стыковым соединениям, определяющим прочность барокамеры, относят продольные швы обечаек и патрубков, хордовые и меридиональные швы выпуклых днищ. 10.5.2.2 Механические испытания проводятся на образцах, вырезанных из КСС. 10.5.2.3 При автоматической и полуавтоматической сварках на каждой барокамере необходимо сваривать одно контрольное соединение (на каждый вид применяемого процесса) с использованием одинаковых присадочных материалов. 10.5.2.4 Для проверки качества продольных швов барокамер КСС следует изготовлять таким образом, чтобы их швы являлись продолжением производственного продольного шва. После сварки КСС должно быть отделено от барокамеры любым методом, за исключением откалывания. 10.5.2.5 При ручной сварке барокамеры несколькими сварщиками каждый из них должен выполнить самостоятельно отдельное КСС. 10.5.2.6 Если многопроходный шов выполняют несколько сварщиков, то на данный шов должно быть сварено одно КСС, при этом проходы выполняют те же сварщики и в аналогичном порядке. В противном случае каждый из сварщиков должен выполнить отдельное КСС. 10.5.2.7 При изготовлении однотипных барокамер на каждый вид сварки допускается выполнять по одному КСС на всю партию барокамер при условии контроля стыковых соединений, определяющих прочность барокамеры методами УЗД или РГД в объеме 100 %. 10.5.2.8 КСС должны подвергаться контролю методами УЗД или РГД по всей длине сварных соединений. Если в КСС будут обнаружены недопустимые дефекты, все производственные сварные соединения, представленные данным соединением и не подвергнутые ранее контролю методами УЗД или РГД, подлежат проверке тем же методом неразрушающего контроля по всей длине. 10.5.2.9 КСС и вырезаемым из них образцам присваивают регистрационные номера согласно учетной документации предприятия-изготовителя, в которой должны отражаться необходимые сведения по изготовляемому производственному сварному соединению. 10.6 Проверка прочности10.6.1 Гидравлические испытания на прочность
где Р- расчетное давление барокамеры, МПа (кгс/см2);
Литые
детали,
работающие
под
давлением, после
термической
и
механической
обработки
подвергают
гидравлическому
испытанию при
давлении,
равном 1,5Рраб
Испытания отливок разрешается проводить после сборки и сварки в собранном узле или готовой барокамере пробным давлением, принятым для барокамер и указанным в технической документации при условии 100 %-ного контроля отливок неразрушающими методами. 10.6.1.2 Гидравлические испытания барокамеры проводят на предприятии-изготовителе с целью проверки их качества до нанесения изоляции, установки внутреннего оборудования и окраски. Гидравлические испытания барокамер, транспортируемых частями и собираемых на месте монтажа вне предприятия-изготовителя, допускается проводить после их сборки на месте установки. 10.6.1.3 В период проведения гидравлических испытаний пробным давлением на прочность проверяют корпус, переборки, шлюзы, двери, крышки люков и шлюзов барокамеры. 10.6.1.4 Схема стенда для гидравлических испытаний барокамеры проведена в приложении Б (рисунок Б.1). 10.6.1.5 Под пробным давлением барокамеру выдерживают, мин, не менее: 10 - при
толщине
стенки до 20 » » » от 50 до 30 » » » св. На время выдержки барокамеры под пробным гидравлическим давлением насос должен быть отключен. 10.6.1.7 Температуру воды при гидравлическом испытании принимают не ниже критической температуры хрупкости материала барокамеры. При отсутствии в сертификатах данных по критической температуре хрупкости материала температура воды должна быть от 5 °С о 40 °С. Разность температур стенки барокамеры и окружающего воздуха не должна вызывать конденсацию влаги на поверхности корпуса барокамеры и ее элементов. 10.6.1.8 Для испытаний на прочность барокамеру и ее элементы заполняют водой так, чтобы было обеспечено полное удаление воздуха из внутреннего объема испытуемых конструкций. 10.6.1.9
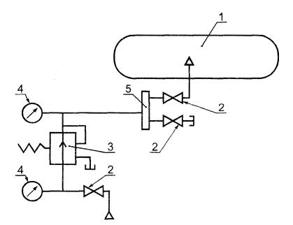
Гидравлическое
давление
измеряют с
помощью двух
манометров,
установленных
на испытуемой
конструкции
и напорном
трубопроводе,
непосредственно
у насоса.
Манометры
применяют
класса
точности не
ниже 2,5 и
диаметром
корпуса не
менее 10.6.1.10 На испытуемой конструкции должен быть установлен предохранительный клапан, отрегулированный на давление Рпр + 5 %. Рекомендуется использовать предохранительный клапан пружинного типа. Использование рычажно-грузовых клапанов не допускается. 10.6.1.11 Повышение давления до пробного должно проводиться постепенно со скоростью подъема не более 0,5 МПа (5 кгс/см2) в минуту. При пробном давлении барокамера находится в течение времени, указанного согласно 10.6.1.5, затем давление снижают до рабочего, при котором визуально осматривают наружную поверхность, сварные и разъемные соединения. Давление, равное рабочему, поддерживают в течение всего времени, необходимого для осмотра барокамеры. После окончания испытания давление постепенно снижают до атмосферного. 10.6.1.12 Участки поверхности барокамеры и ее элементов, в которых в ходе испытаний были обнаружены течь, слезки, потения в сварных соединениях и основном металле, подлежат ремонту и последующему повторному испытанию на прочность пробным давлением согласно 10.6.1.1. 10.6.1.13 Барокамеру и ее элементы считают выдержавшими гидравлические испытания на прочность при отсутствии видимых остаточных деформаций, трещин, признаков разрыва, течи, подтеков, капель, потения основного металла и его сварных соединений. Критерием прочности барокамеры является отсутствие падения давления по манометру. Места внутренней поверхности, подвергнутые коррозии, в период проведения гидравлических испытаний должны быть зачищены до чистого металла. 10.6.1.14 После гидравлических испытаний барокамеры ее внутренние поверхности для исключения коррозии протирают ветошью насухо, допускается осушать их горячим воздухом. 10.6.1.15 Мероприятия по подготовке барокамеры к гидравлическим испытаниям, установке контрольно-измерительных приборов, технологической оснастки, лабораторного оборудования, приспособлений по регулировке предохранительных и редукционных клапанов и другие мероприятия необходимо выполнять по ГОСТ 22161. 10.6.1.16 Арматура, трубопроводы и грелки, изготовленные предприятием - изготовителем барокамеры, до установки на барокамеру подлежат гидравлическому испытанию на прочность пробным давлением, которое принимают для арматуры равным полуторному рабочему давлению, а для трубопроводов и грелок - двойному. Поставляемая стандартная и нормализованная арматура с установленной маркировкой и паспортом дополнительным гидравлическим испытаниям может не подвергаться. За рабочее давление для арматуры, грелок и трубопроводов принимают: - для трубопроводов, арматуры и грелок, расположенных внутри барокамеры, - большее из двух действующих на них давлений (давление в барокамере или давление рабочей среды); - для арматуры и трубопроводов от первого запорного клапана снаружи барокамеры - давление рабочей среды; - для первого запорного клапана на барокамере - наибольшее из давлений (давление в барокамере или давление рабочей среды); - для участка трубопровода от барокамеры до первого запорного клапана - давление в барокамере. 10.6.1.17 Участки
трубопроводов,
составляющие
с барокамерой
единый
функциональный
контур,
подвергаемые
монтажной
сварке после
их
изготовления
или пайке при
сборке на
объекте
эксплуатации,
испытывают
на прочность
гидравлическим
пробным
избыточным
давлением,
равным полуторному
рабочему
давлению
барокамеры. Для
аналогичных
испытаний
при
освидетельствовании
(в период
эксплуатации)
барокамер
пробное давление
для
трубопроводов
систем
барокамеры
должно
соответствовать
1,25Рра6 / Вместо гидравлических испытаний в период эксплуатации барокамеры допускается проводить пневматические испытания оборудования и трубопроводов систем, нагружаемых давлением воздуха или газа. Возможность такой замены допускается в случае неразъемности конструкции оборудования и трубопроводов, наличия жестких требований по обезжириванию и санитарной обработке внутренних поверхностей. Решение о замене гидравлических испытаний на пневматические должен принимать владелец барокамеры после выполнения соответствующего расчета прочности и проведения контроля (до начала испытаний) сварных швов ультразвуковой дефектоскопией или радиографическим методом и методами поверхностной дефектоскопии. Пробное давление для пневматических испытаний оборудования и трубопроводов систем барокамеры, а также объем проведения неразрушающего контроля сварных швов должны быть определены в программе проведения ее технического освидетельствования, согласованной со специализированной организацией по барокамерам. 10.6.1.18 Результаты гидравлических испытаний оформляют протоколом и записывают в паспорт барокамеры. 10.7 Пневматические испытания на герметичность и плотность10.7.1 Пневматические испытания барокамеры и ее элементов на герметичность и плотность проводят давлением газовой среды, равным рабочему давлению, после проведения гидравлических испытаний на прочность (10.6.1). Примечание - Пневматические испытания на герметичность и плотность проводят воздухом (азотом) и газом того типа, для которого барокамера предназначена (гелий и др.), при соблюдении следующей последовательности: испытания воздухом (азотом), устранение дефектов, а затем испытание гелием и также последующее устранение дефектов. Гелием барокамеру испытывают только после изготовления. 10.7.2 Пневматическим испытаниям на герметичность и плотность подвергают полностью изготовленную барокамеру с установленными иллюминаторами, гермовводами (сальниками), предохранительными клапанами, трубопроводами с ближайшими к корпусу барокамеры запорными клапанами (или запорными клапанами на ПУ) до нанесения теплоизоляции. Примечание - Для барокамеры, находящейся в эксплуатации, пневматические испытания проводят после положительных результатов гидравлических испытаний до момента восстановления демонтированной изоляции сварных швов. 10.7.3 Требования по подготовке поверхностей барокамеры, подлежащих испытаниям на герметичность и плотность, приведены в 10.6.1.6. 10.7.4 Воздух или газы для испытаний барокамеры на герметичность и плотность должны быть очищенными и сухими, влажность должна соответствовать точке росы минус 55°С. Качество осушки воздуха определяют по показаниям автоматического фотоэлектронного индикатора влажности типа 8Ш31 или аналогичных приборов. При отсутствии такого воздуха он может быть заменен азотом с точкой росы не выше минус 40°С. Барокамеры, предназначенные для использования гелия и его смесей, испытывают, кроме того, техническим гелием. Аналогичные испытания для барокамер в период эксплуатации допускается проводить на воздухе. 10.7.5 Пневматические испытания наддувом воздуха (азота, гелия и др.) разрешается проводить только при положительной температуре окружающего воздуха. 10.7.6 Предохранительный клапан на каждом отсеке должен быть отрегулирован на давление Рисп + 5%. Испытания рекомендуется проводить при помощи штатных КИП, предохранительных клапанов и арматуры. Сжатый воздух (азот, гелий и др.) подают через редукционный клапан, отрегулированный на соответствующее испытательное давление. 10.7.7 В процессе заполнения конструкции сжатым воздухом (азотом, гелием и др.) необходимо внимательно следить за показаниями манометров, а также за редукционным и предохранительными клапанами. В момент достижения требуемого давления необходимо немедленно прекратить подачу воздуха (азота, гелия и др.). После прекращения подачи сжатого воздуха (азота, гелия и др.) давление в конструкции будет уменьшаться за счет снижения температуры даже при отсутствии течей и неплотностей. Поэтому после стабилизации температуры сжатого воздуха (азота, гелия и др.) необходимо дополнительно подать сжатый воздух (азот, гелий и др.) в испытуемую конструкцию, доведя давление до требуемого значения, после чего средства подачи рабочей среды отсоединяют. 10.7.8 Методы контроля герметичности и плотности При пузырьковом методе контроля следует использовать способ обмыливания наружных поверхностей (соединений) барокамеры и ее элементов: - барокамеру заполняют воздухом (азотом, гелием и др.), после чего в ней создают необходимое пробное давление газовой среды; - мягкой волосяной кистью наносят пенообразующий состав на контролируемые участки наружной поверхности барокамеры; - визуально наблюдают за контролируемыми участками. Признаком обнаружения дефекта (течи) служит образование пузырей на контролируемых участках соединения, которые фиксируют визуальным осмотром в течение 2-3 мин после нанесения на поверхность мыльной эмульсии. В качестве мыльной эмульсии может быть использован раствор хозяйственного мыла в воде 1:4 (по массе); - при обнаружении дефекта (течи) приостанавливают испытания, давление в барокамере снижают до атмосферного и устраняют дефект (течь). После устранения дефекта (течи) проводят повторное испытание и так до получения требуемой герметичности и плотности барокамеры. 10.7.8.2 При масс-спектрометрическом методе контроля (течеискания) используют метод щупа по ГОСТ 28517. 10.7.8.3 При манометрическом способе необходимо: - барокамеру заполняют воздухом или гелием, после чего в ней создают избыточное давление, равное 0,02 МПа (0,2 кгс/см2). При указанном давлении делают выдержку, в период которой проверяют плотность прилегания наружных и внутренних дверей входных и переходных люков, наружных и внутренних крышек шлюзов способом обмыливания согласно 10.7.8.1; - после устранения дефектов (течи) или при отсутствии таковых давление в барокамере повышают до 0,2-0,3 МПа (2-3 кгс/см2). При указанном давлении делают выдержку и проверяют одновременно герметичность и плотность барокамеры способом обмыливания согласно 10.7.8.1; - после устранения дефектов (течей) или при отсутствии таковых давление в барокамере повышают до пробного (рабочего) давления и стабилизируют давление в соответствии с 10.7.7; - при пробном (рабочем) давлении проводят контроль герметичности и плотности способом обмыливания согласно 10.7.8.1; - после
устранения
дефектов
(течей) или
при отсутствии
таковых
определяют
утечку воздуха
(азота, гелия
и др.)
где ∆V- утечка газовой среды, м3; V- внутренний объем барокамеры, м3; Pн = Pи.н + Pа.н = Pи.н + 0,101 и Рк = Pи.к + Pа.н = Ри.к + 0,101- абсолютные давления газовой среды в барокамере, при которых соответственно начинаются и заканчиваются испытания, МПа; Pи.н, Ри.к - манометрические давления соответственно в начале и в конце испытаний, МПа; Ра.н - нормальное атмосферное давление, равное 0,101 МПа (1,01 кгс/см2); Тн = 273 + tн, Тк = 273+tк - абсолютные температуры в барокамере соответственно в начале и в конце испытаний, °К; tн, tк - температуры в барокамере соответственно в начале и в конце испытаний, °С. Барокамеру с рабочим давлением до 0,98 МПа (10 кгс/см2) считают герметичной и плотной, если полученное соотношение меньше или равно 0,01. Барокамеру ДП считают герметичной и плотной, если полученное соотношение меньше или равно 0,005. 10.7.9 Результаты пневматических испытаний на герметичность и плотность оформляют протоколом и записывают в паспорт барокамеры. 10.8 Проверка в действии при рабочем давлении10.8.1 Проверку в действии при рабочем давлении газовой среды проводит предприятие-изготовитель в объеме, предусмотренном программой испытаний на завершающем этапе первоначального технического освидетельствования барокамеры после проведения гидравлических и пневматических испытаний с целью подтверждения ее соответствия требованиям настоящего стандарта, технической документации и требованиям безопасности в следующих случаях: - после монтажа барокамеры на стенде предприятия-изготовителя; - после монтажа барокамеры на объекте эксплуатации. 10.8.2 При проверке барокамеры в действии контролируют: а) состояние и исправность барокамеры, арматуры, трубопроводов, редукционных клапанов, присоединительных фланцев, электрооборудования, заземления, КИП, систем и средств жизнеобеспечения, исправность гермовводов, иллюминаторов и их стекол. Исправность систем и средств жизнеобеспечения проверяется при рабочем давлении в барокамере в период их работы по прямому назначению; б) работоспособность барокамеры ДП и ее СЖО: 1) при работе по прямому назначению на воздухе при нормальном атмосферном давлении; 2) при работе по прямому назначению на воздухе под давлением газовой среды, соответствующем рабочему давлению в барокамере; 3) газовой средой (кислородно-гелиевой) при рабочем давлении в барокамере; в) работоспособность предохранительных клапанов (на подрыв и посадку) повышением давления в барокамере либо на стенде для испытаний предохранительных клапанов, принципиальная схема которого приведена в приложении Б (рисунок Б.3); г) подготовленность обслуживающего персонала и знание им эксплуатационных инструкций. Для выполнения указанных проверок в составе проекта на барокамеру должны быть разработаны программа и методика испытаний, согласованные специализированной организацией и предусматривающие два этапа проверки барокамеры в действии: 1-й - при нормальном атмосферном давлении внутри барокамеры; 2-й - при расчетном давлении рабочего газа внутри барокамеры (без людей внутри барокамеры). Примечание - На 1-м этапе испытаний должны быть выявлены и устранены все дефекты барокамеры, которые могут повлиять на безопасность пребывания людей в барокамере под повышенным давлением. Только после устранения дефектов, выявленных на 1-м этапе, проводят испытания по 2-му этапу. 10.8.3 Барокамеру в действии проверяет комиссия, состоящая из представителей предприятия- изготовителя, заказчика (владельца барокамеры), разработчика и органа государственного технического надзора, а при необходимости и специализированной организации. 10.8.4 Головной образец барокамеры ДП, оснащенной СЖО, из серии однотипных изделий после окончания испытаний на работоспособность (проверка в действии) испытывают на обитаемость с пребыванием внутри нее расчетного количества водолазов. Данные испытания проводят при работе барокамеры по прямому назначению. Характеристики обитаемости барокамеры, полученные в результате проверки, должны соответствовать характеристикам, приведенным в таблице 4. Примечание - Испытания на обитаемость с пребыванием внутри барокамеры людей следует проводить только после разрешительных записей в паспорте на барокамеру о допуске ее к эксплуатации органами государственного технического надзора. Данные испытания проводят в период опытной эксплуатации по программе и методике, разработанной специализированной организацией и согласованной с органами государственного технического надзора. 10.9 Проверка комплектности барокамеры и сопроводительной документации10.9.1 Проверяют соответствие комплектности барокамеры требованиям технической документации на нее, включая индивидуальные и групповые комплекты запасных частей, инструментов и принадлежностей, а также достаточность их для обеспечения технического обслуживания в течение гарантийного срока. 10.9.2 Проверяют комплектность сопроводительных и эксплуатационных документов, подтверждающих их полноту и достаточность. 10.10 Проверка маркировки, консервации и упаковки10.10.1 Визуальным контролем проверяют наличие маркировок и их соответствия требованиям настоящего стандарта и технической документации на барокамеру. 10.10.2 Визуальным контролем проверяют соответствие упаковки барокамеры требованиям настоящего стандарта и технической документации, а также полноту выполненной консервации по ГОСТ 9.014. 11 Транспортирование и хранение11.1 Барокамеры транспортируют всеми видами транспорта в соответствии с действующими на транспорте данного вида правилами, утвержденными в установленном порядке, и соблюдением требований технической документации на нее. 11.2 При подготовке к транспортированию барокамеру устанавливают на деревянные брусья, которые прикрепляют к лапам барокамеры болтами. 11.3 В период транспортирования барокамеры механические факторы должны соответствовать группе С по ГОСТ 23216, а климатические факторы - группе Ж по ГОСТ 15150. 11.4 Устойчивость и прочность барокамер к механическим воздействиям, возникающим при работе во время движения, допускается проверять пробегом транспортных средств, на которых барокамеры смонтированы или перевозят. Барокамеру испытывают в том состоянии, в котором она находится в процессе движения. 11.5 По
согласованию
с заказчиком
допускается
проводить
испытания
непосредственным
транспортированием
на автомобиле
по дорогам с
неусовершенствованным
покрытием и
без покрытия
со скоростью
от 20 до 11.6 Транспортирование и погрузочно-разгрузочные работы следует проводить без резких толчков и ударов в целях обеспечения сохранности оборудования и упаковки. 11.7 Консервация металлических неокрашенных поверхностей барокамер, поставляемых в собранном виде, а также негабаритных поставочных частей, комплектующих деталей и сборочных единиц, входящих в объем поставки, - по ГОСТ 9.014. Консервация должна обеспечивать защиту от коррозии при транспортировании, хранении и монтаже не менее двух лет со дня отгрузки с предприятия-изготовителя. 11.8 Законсервированную согласно технической документации барокамеру следует хранить в складских условиях на площадках с навесом или в закрытых неотапливаемых помещениях, исключающих воздействие атмосферных осадков и солнечной радиации, не менее двух лет. 11.9 По истечении гарантийного срока барокамеру осматривают через каждые 12 мес. во время хранения на складе и при необходимости переконсервируют. 11.10 О каждой расконсервации или переконсервации барокамеры во время хранения должны быть записи в паспорте. 11.11 Условия транспортирования и хранения барокамер на предприятии-изготовителе и монтажной площадке должны обеспечивать сохранность качества барокамер, предохранение от коррозии, эрозии, загрязнения, механических повреждений и деформации. 12 Указания по эксплуатации, техническому освидетельствованию (диагностированию) и ремонту12.1 Установку и монтаж барокамеры производят в соответствии с [3] и технической документацией на нее. 12.2 После установки барокамеры осматривают ее корпус, устройства, арматуру и трубопроводы, а также проводят испытания в соответствии с 10.7 и 10.8. 12.3 Гидравлическим испытаниям после установки барокамеры на объекте эксплуатации подлежат только те участки и сварные соединения подводящих трубопроводов систем, которые не подвергались гидравлическим испытаниям до установки барокамеры. 12.4 В зависимости от места установки барокамеры регистрируют в органах государственного технического надзора. 12.5 Для обеспечения безопасной эксплуатации барокамеры должно быть предусмотрено техническое освидетельствование (диагностирование) следующих видов: - первичное (проводится на предприятии-изготовителе после изготовления барокамеры); - периодическое; - внеочередное (досрочное); - плановое диагностирование; - экспертное (внеплановое) диагностирование. 12.6 Объем и порядок технических освидетельствований должен соответствовать требованиям [4] и технической документации на барокамеру конкретного типа, согласованной с органами государственного технического надзора. 12.7 Периодическое техническое освидетельствование барокамеры должно включать в себя: - гидравлические испытания на прочность; - пневматические испытания на герметичность и плотность; - проверку барокамеры в действии. Примечание - Порядок проведения проверки барокамеры в действии в период эксплуатации аналогичен изложенному в 10.8, объем проверки и расчетное давление в барокамере должны быть определены в технической документации на барокамеру в разделе «Техническое освидетельствование барокамеры». 12.8 Периодическое техническое освидетельствование барокамеры проводят по истечении 10 лет эксплуатации, которое должно включать внутренний и наружный осмотры корпуса, систем и устройств, гидравлические, пневматические испытания, проверку в действии. Испытания по данному виду освидетельствования проводит организация, имеющая соответствующую лицензию (разрешение) на данный вид деятельности. 12.9 Внеочередное (досрочное) техническое освидетельствование проводят в следующих случаях: - при обнаружении дефекта, снижающего прочность барокамеры (выпучины, вмятины, задиры, трещины, коррозийный износ); - при нарушении режимов эксплуатации в связи с возникновением неисправностей барокамеры или ее элементов, влияющих на безопасность находящихся внутри барокамеры людей и обслуживающего персонала. Примечание - Внеочередное (досрочное) техническое освидетельствование проводят, как правило, в объеме периодического технического освидетельствования. Результаты технического освидетельствования записывает в паспорт на барокамеру организация, выполняющая указанные работы. Запись должна содержать объем проведенных работ и результаты технического освидетельствования с оценкой технической безопасности, а также заключение о возможности дальнейшей эксплуатации с номинальными техническими характеристиками, параметрами работы и сроках очередного технического освидетельствования барокамеры. На барокамеру, признанную при техническом освидетельствовании годной к дальнейшей эксплуатации, на видном месте краской наносят следующие сведения: - регистрационный номер; - разрешенное давление; - число, месяц и год следующих наружного и внутреннего осмотров и гидравлического испытания. 12.12 Для обеспечения безопасной эксплуатации барокамеры должны быть предусмотрены следующие виды технических диагностирований: - плановое техническое диагностирование для оценки технического состояния барокамеры с целью определения параметров и условий ее дальнейшей безопасной эксплуатации. Данный вид технического диагностирования должен проводиться по истечении назначенного срока службы или выработки назначенного ресурса. При отсутствии сведений в технической документации (паспорте) на барокамеру о назначенных сроке службы и ресурсе техническое диагностирование указанного вида первично проводят после 30 лет эксплуатации барокамеры с последующей периодичностью через каждые пять лет. Примечание - По решению организации, проводящей первичное техническое диагностирование, срок последующих диагностирований может быть изменен по сравнению с пятью годами в большую или меньшую сторону. Данное решение подлежит согласованию с Гостехнадзором России; - экспертное (внеплановое) техническое диагностирование для оценки технического состояния барокамеры после аварии или обнаруженных повреждений с целью определения возможных параметров и условий дальнейшей эксплуатации барокамеры. Техническое диагностирование барокамер проводит организация (предприятие), имеющая право на выполнение данных работ по программе и методике, разработанным специализированной организацией и согласованным с Гостехнадзором России. Порядок проведения технического освидетельствования должен быть изложен в технической документации на барокамеру. 13 Гарантии изготовителяПредприятие-изготовитель должно гарантировать соответствие барокамер требованиям настоящего стандарта при соблюдении условий транспортирования, хранения, монтажа и эксплуатации. В технической документации на барокамеру должны устанавливаться следующие гарантийные сроки и наработка: - срок эксплуатации - не менее 12 мес; - срок хранения - не менее двух лет; - гарантийная наработка - не менее 1000 ч. Приложение
А
| |||||||||||||||||||||||||||||||||||||||||||||||||||||||||||||||||||||||||||||||||||||||||||||||||||||||||||||||||||||||||||||||||||||||||||||||||||||||||||||||||||||||||||||||||||||||||||||||||||||||||||||||||||||||||||||||||||||||||||||||||||||||||||||||||||||||||||||||||||||||||||||||||||||||||||||||||||||||||||||||||||||||||||||||||||||||||||||||||||||||||||||||||||||||||||||||||||||||||||||||||||||||||||||||||||||||||||||||||||||||||||||||||||||||||||||||||||||||||||||||||||||||||||||||||||||||||||||||||||||||||||||||||||||||||||||||||||||||||||||||||||||||||||||||||||||||||||||||||||||||||||||||||||||||||||||||||||||||||||||||||||||||||||||||||||||||||||||||||||||||||||||||||||||||||||||||||||||||||||||||||||||||||||||||||||||||||||||||||||||||||||||||||||||||||||||||||||||||||||||||||||||||||||||||||||||||||||||||||||||||||||||||||||||||
|
Марка стали |
Рабочие условия |
Требования |
Примечание |
||
|
Температура стенки, °С |
Давление, МПа (кгс/см2) |
||||
|
АК-25 |
От -40 до +100 |
Не ограничено |
- |
При новом проектировании заменять сталью АБ-2 |
|
|
АБ-1 |
От -40 до +100 |
Не ограничено |
σ0,2 ≥ 50,0 Н/мм2 |
- |
|
|
АБ-2-1.АБ-2-2 |
От -40 до +100 |
Не ограничено |
σО,2 ≥ 60,0 Н/мм2 |
- |
|
|
АКЗЗШСВ |
От -20 до +100 |
Не ограничено |
- |
- |
|
|
АК32ШСВ |
От 0 до +100 |
Не ограничено |
- |
- |
|
|
АК35ШСВ |
От 0 до +100 |
Не ограничено |
С дополнительным определением δС |
- |
|
|
АК36ШСВ |
От 0 до +100 |
Не ограничено |
С дополнительным определением δС |
- |
|
|
АК25ПК |
От –40 до +100 |
Не ограничено |
σ0,2 ≥ 50,0 Н/мм2 |
При новом проектировании заменять сталью АБ-2 |
|
|
АБ-2ПК |
От –40 до +100 |
Не ограничено |
σ0,2 ≥ 60,0 Н/мм2 |
- |
|
|
АБ-2ПКМ |
От -40 до +100 |
Не ограничено |
σ0,2 ≥ 60,0 Н/мм2 |
- |
|
|
АК32ПКМ |
От 0 до +100 |
Не ограничено |
- |
- |
|
|
Примечания 1 Для барокамер с рабочим давлением до 1,0 МПа необходимо использовать материалы, приведенные в [3]. 2 Материалы, указанные в настоящей таблице, являются дополнительными к приведенным в [3]. 3 При приемосдаточных испытаниях всех указанных марок стали определяют предел прочности, предел текучести, относительное удлинение и сужение, ударную вязкость (на сталях АБ при минус 40 °С) и характеристику излома натурных проб. |
|||||

1 - барокамера; 2 -запорные вентили; 3 - электродвигатели; 4 - манометры давления; 5 - центробежный насос; 6 - гидравлический поршневой насос; 7-резервуары с водой
Рисунок Б.1 - Стенд гидравлических испытаний

1 -
барокамера; 2 -
запорные
вентили; 3 -
дроссельный
вентиль; 4 -
манометры
давления; 5 -
коллектор
Рисунок Б.2 -
Стенд
пневматических испытаний

1 - барокамера; 2 - запорные вентили; 3 - газовый счетчик; 4 - манометры давления; 5_- манометровый клапан; 6 - предохранительные клапаны; 7-редуктор; 8-водолазный щит
Рисунок Б.З - Стенд проверки предохранительных клапанов
[2] МТТ МО КПД-98 Медико-технические требования к барокамерам ДП. МО РФ. 1985
[4] Рекомендации РД 34.10.130-96 Инструкция по визуальному и измерительному контролю
Ключевые слова: водолаз, водолазные барокамеры, герметичность барокамеры, гермовводы, дыхательная газовая среда, иллюминаторы, плотность барокамеры, прочность барокамеры, обитаемость барокамеры, общие технические условия, системы жизнеобеспечения, средства газового контроля, стационарная дыхательная система
|
|
|
|