//
ТехЛит.ру
- крупнейшая бесплатная электронная интернет библиотека для "технически умных" людей.
WWW.TEHLIT.RU - ТЕХНИЧЕСКАЯ ЛИТЕРАТУРА

:: Алготрейдинг::


АЛГОТРЕЙДИНГ
шаг за шагом
с нуля по урокам!

Торговые роботы на PYTHON, BackTrader,
Pandas, Pine Script для TradingView. Связка с брокерами, телеграм и легкими приложениями.


МИНИСТЕРСТВО РОССИЙСКОЙ ФЕДЕРАЦИИ ПО ДЕЛАМ ГРАЖДАНСКОЙ ОБОРОНЫ, ЧРЕЗВЫЧАЙНЫМ СИТУАЦИЯМ И ЛИКВИДАЦИИ ПОСЛЕДСТВИЙ СТИХИЙНЫХ БЕДСТВИЙ

ГОСУДАРСТВЕННАЯ ПРОТИВОПОЖАРНАЯ СЛУЖБА

ФЕДЕРАЛЬНОЕ ГОСУДАРСТВЕННОЕ УЧРЕЖДЕНИЕ «ВСЕРОССИЙСКИЙ ОРДЕНА "ЗНАК ПОЧЕТА" НАУЧНО-ИССЛЕДОВАТЕЛЬСКИЙ ИНСТИТУТ ПРОТИВОПОЖАРНОЙ ОБОРОНЫ»

 

ОСМОТР МЕСТА ПОЖАРА

Методическое пособие

 

МОСКВА 2004

Рассмотрены организационные и технические вопросы осмотра места пожара с применением современных методов и технических средств, особенности осмотра и изъятия на исследование отдельных объектов. Описана техника фото- и видеосъемки места пожара. Приложения содержат термины и определения, условные обозначения на планах и схемах, конструктивные элементы наиболее распространенных объектов, описываемых в ходе осмотра места пожара.

Методическое пособие предназначено для пожарных дознавателей, инженеров испытательных пожарных лабораторий, пожарно-технических экспертов, курсантов и слушателей высших пожарно-технических учебных заведений.

Под редакцией доктора технических наук, профессора И.Д. Чешко.

Рецензенты:

Доктор юридических наук, профессор СИ. Зернов, кандидат юридических наук, доцент С.А. Кондратьев.

ОГЛАВЛЕНИЕ

Введение

ГЛАВА 1. Понятие, виды и процессуальные требования к осмотру места пожара

1.1. Понятие осмотра; должностные лица, уполномоченные проводить осмотр, стадии расследования пожара, на которых он проводится

1.2. Виды осмотра при расследовании дел о пожарах

1.3. Правовые требования

1.4. Участники осмотра, права и обязанности

ГЛАВА 2. Работа, предшествующая осмотру и выполняемая на стадии тушения пожара

2.1. Фиксация развития пожара и действий по тушению

2.2. Осмотр окружающей территории и тех частей объекта, на которых не происходит горения

2.3. Процессуальное закрепление сведений, полученных на стадии тушения пожара

ГЛАВА 3. Следы на месте пожара, методы их сохранения и фиксации

3.1. Общая классификация следов

3.2. Следы рук

3.3. Следы ног человека

3.4. Следы транспортных средств

3.5. Следы орудий взлома

3.6. Вещественные следы биологического происхождения

ГЛАВА 4. Следы горения. Признаки очага пожара

4.1. Следы горения. Термические поражения отдельных материалов

4.2. Следы дефлаграционного горения и взрыва

4.3. Признаки очага пожара

4.4. Признаки направленности распространения горения

ГЛАВА 5. Стадии, задачи и методика проведения осмотра места пожара

5.1. Подготовительная стадия

5.2. Статический осмотр

5.3. Динамический осмотр

5.4. Осмотр электросети и электрооборудования

5.5. Осмотр, фото- и видеосъемка трупа

5.6. Изучение пожарной нагрузки и ее распределения

5.7. Изучение архитектурно-строительных особенностей здания

5.8. Заключительная стадия осмотра. Фиксация хода и результатов осмотра

ГЛАВА 6. Особенности осмотра и изъятия на исследование отдельных объектов

6.1 Электрические щиты

6.2. Электрические провода и кабели

6.3. Электроосветительные приборы

6.4. Электронагревательные приборы

6.5. Телевизоры

6.6. Холодильники

6.7. Электроустановочная аппаратура, электрические звонки

6.8. Электродвигатели

6.9. Плиты газовые

6.10. Печи и камины

6.11. Теплогенерирующие установки

6.12. Технологические установки

6.13. Сварочное оборудование

6.14. Сгоревшие документы

6.15. Вещества и материалы, склонные к самовозгоранию

6.16. Автомобили

6.17. Пожарная сигнализация

ГЛАВА 7. Техника и методика осмотра места пожара при отработке версии о поджоге. Изъятие остатков

средств поджога

7.1. Квалификационные признаки поджога, средства поджога

7.2. Признаки горения ЛВЖ и ГЖ на окружающих конструкциях и предметах

7.3. Обнаружение остатков ЛВЖ (ГЖ) и их классификация

7.4. Отбор проб с остатками ЛВЖ и ГЖ

7.5. Обнаружение остатков специальных поджигающих составов

7.6. Поджоги, замаскированные под техническую причину

ГЛАВА 8. Действия, сопутствующие осмотру места пожара

8.1. Опросы очевидцев, допросы свидетелей

8.2. Изъятие документов

ГЛАВА 9. Основные инструменты и оборудование для осмотра места пожара

ГЛАВА 10. Фотосъемка места пожара

10.1. Фотоаппараты

10.2. Дополнительная фотоаппаратура, приспособления, инструменты, необходимые для фотосъемки

на месте пожара

10.3. Фотоматериалы

10.4 Виды, типы, методы съемки

10.5. Подготовка к съемке

10.6. Фон и освещение при съемке

10.7. Объекты съемки

10.8. Особенности съемки сгоревших автомобилей

10.9. Особенности съемки при неблагоприятных погодных условиях и в ночное время

10.10. Оформление результатов фотосъемки

ГЛАВА 11. Видеосъемка места пожара

11.1. Техника для видеосъемки

11.2. Технология съемки, особенности съемки мест пожаров

11.3. Процессуальное оформление результатов видеосъемки

ГЛАВА 12. Экспресс-методы и специальные технические средства для работы на месте пожара

12.1. Исследование каменных неорганических строительных материалов

12.2. Исследование стальных конструкций и изделий

12.3. Исследование обугленных остатков древесины и полимерных материалов

12.4. Исследование копоти

12.5. Фиксация остаточных температурных зон бесконтактными методами

12.6. Правовые требования применения инструментальных экспресс-методов и специальных технических средств

ГЛАВА 13. Техника безопасности при осмотре места пожара

Приложение 1. Конструктивные элементы наиболее распространенных объектов, которые описываются в ходе осмотра места пожара

Приложение 2. Термины и определения

Приложение 3. Условные обозначения и графические изображения на планах и схемах

Приложение 4. Показатели пожарной опасности веществ, материалов и образцы (пробы), необходимые для их определения

Литература

 

ВВЕДЕНИЕ

 

Осмотр места пожара - одно из основных действий при расследовании любого пожара. Это важнейший источник информации о произошедшем, причем информации объективной - в отличие от показаний свидетелей, актов ведомственного расследования и т.д. Некачественно и непрофессионально проведенный осмотр часто делает бессмысленными дальнейшие усилия по расследованию данного пожара. Место пожара обычно невозможно законсервировать и сохранить для повторных исследований. Поэтому восполнить пробелы в информации о пожаре в дальнейшем не смогут даже лучшие эксперты.

В настоящем методическом пособии под формулировкой "осмотр места пожара" подразумеваются процессуальные действия, предусмотренные ст. 176 Уголовно-процессуального кодекса Российской Федерации (осмотр места происшествия, местности, жилища) и ст. 27.8 Кодекса Российской Федерации об административных правонарушениях (осмотр принадлежащих юридическому лицу или индивидуальному предпринимателю помещений).

Особую важность процедуре осмотра места пожара придает то обстоятельство, что она позволяет обнаружить и изъять вещественные доказательства, на которых в дальнейшем будет базироваться обвинение в суде. Поэтому процедура осмотра и изъятия должна быть выполнена безупречно как с юридической, так и с технической точек зрения. В противном случае доказательства в соответствии с УПК РФ будут признаны недопустимыми. Последние же, как гласит Конституция России (ст. 50) и УПК РФ, не могут быть использованы при осуществлении правосудия.

Не следует забывать также, что никто не снимал с должностных лиц пожарной охраны обязанности проводить исследование пожара. Оно выполняется в соответствии с действующей инструкцией по исследованию пожаров [1]. При этом большая часть ключевых вопросов исследования пожара выясняется именно при осмотре места пожара.

Таким образом, к процедуре осмотра места пожара следует подходить со всей ответственностью, избегая формализма в написании протокола осмотра, не спеша и соблюдая сложившиеся к настоящему времени правила выполнения такого рода исследований.

В данном методическом пособии авторы ставили своей целью детальное изложение комплекса основных организационно-правовых и технических требований и рекомендаций по осмотру места пожара. Затронут и ряд вопросов, выходящих за рамки осмотра, как процессуального действия, и касающихся скорее процедуры исследования места пожара, но, безусловно, важных и требующих, по мнению авторов, рассмотрения в данном издании. Естественно, учитывая большое разнообразие ситуаций возникновения и развития горения, а также объектов, подлежащих осмотру, сделать это в полном объеме невозможно. Тем не менее, авторы надеются, что пособие окажется полезным пожарным дознавателям, специалистам, экспертам и поможет им выполнять данную ответственную работу более качественно.

ГЛАВА 1

ПОНЯТИЕ, ВИДЫ И ПРОЦЕССУАЛЬНЫЕ ТРЕБОВАНИЯ К ОСМОТРУ МЕСТА ПОЖАРА

1.1. Понятие осмотра; должностные лица, уполномоченные проводить осмотр; стадии расследования пожара, на которых он проводится

Осмотр места пожара является разновидностью осмотра места происшествия и осуществляется на основании и в порядке, предусмотренных Уголовно-процессуальным кодексом Российской Федерации (УПК РФ) [2]. Осмотр места пожара в рамках административного производства имеет определенную специфику, которая рассмотрена отдельно в разд. 1.3.

Анализ требований УПК РФ к производству следственного осмотра и специальной литературы [2- 6, 10] позволяет определить понятие осмотра следующим образом.

Осмотр - следственное действие, производимое уполномоченным законом лицом в установленной процессуальной форме и заключающееся в обозрении, изучении материальных объектов путем восприятия через органы чувств, а также поиске и фиксации криминалистически значимой информации.

При осмотре места пожара криминалистически значимой информацией являются:

- сведения, указывающие на расположение очага пожара и причину его возникновения;

- информация о механизме распространения горения, обстоятельствах, способствовавших развитию пожара, о характере причиненного пожаром вреда;

- данные о личности, которая может быть виновной в происшедшем пожаре;

- иные сведения, позволяющие установить обстоятельства, подлежащие доказыванию по делу.

УПК РФ возлагает обязанности по производству следственных действий, в том числе и осмотра, на следователей, дознавателей и иных должностных лиц, которым орган дознания делегирует соответствующие полномочия. В органе ГПС такими должностными лицами являются государственные инспектора по пожарному надзору.

Осмотр места пожара производится на следующих этапах расследования перечисленными ниже лицами:

1) при выезде на место пожара следственно-оперативной группы - следователем, в отсутствие следователя - дознавателем, государственным инспектором по пожарному надзору;

2) в ходе проверки сообщения о преступлении, связанном с пожаром, в порядке ст. 144 УПК РФ - дознавателем ГПС, государственным инспектором по пожарному надзору;

3) при  производстве дознания или  неотложных следственных действий по преступлениям, предусмотренным ч. 2 ст. 167, ч. 2 ст. 168, ст. 219, ст. 261 УК РФ - дознавателем, государственным инспектором по пожарному надзору;

4) при производстве предварительного следствия по указанным уголовным делам -  следователем или по поручению следователя дознавателем, государственным инспектором по пожарному надзору.

Цели осмотра

Цели осмотра любого места происшествия и места пожара, в частности, определены ст. 176 УПК РФ:

- обнаружение следов преступления и других вещественных доказательств;

- выяснение обстановки происшествия, а равно иных обстоятельств, имеющих значение для дела.

По общим правилам, установленным УПК РФ, осмотр, как любое следственное действие, производится после возбуждения уголовного дела.

Однако в случаях, не терпящих отлагательства (к которым относятся и пожары), осмотр места происшествия может быть произведён до возбуждения уголовного дела (ч. 2 ст. 176 УПК РФ). В этих случаях, при наличии к тому оснований, уголовное дело возбуждается немедленно после проведения осмотра.

Закон не ограничивает количество проведения осмотров. Осмотр можно проводить неоднократно, фиксируя его каждый раз новым протоколом, однако следует помнить, что осмотр - незаменимое следственное действие. Упущения на стадии осмотра, могут оказаться невосполнимыми в дальнейшем, ни при каких обстоятельствах.

Задачи осмотра места пожара

Исходя из целей следственного осмотра, установленных ст. 176 УПК РФ, и специфики расследования преступлений, связанных с пожарами, могут быть определены следующие задачи осмотра места пожара:

1) изучение и фиксация обстановки места пожара;

2) обнаружение признаков, указывающих на место первоначального возникновения горения (очаг) и причину возникновения пожара;3)  обнаружение и изъятие предметов, веществ и материалов, могущих послужить вещественными доказательствами;

4) воссоздание и фиксация обстановки до пожара;

5) выявление причин и условий, способствовавших возникновению и развитию пожара, в том числе нарушений требований правил пожарной безопасности, а также виновных лиц.

Основные принципы осмотра места пожара

Существующие правовые требования и практический опыт работы позволяют сформулировать следующие основные принципы осмотра места пожара.

1. Законность

Осмотр должен производиться на основании и в точном соответствии с требованиями УПК РФ.

2. Своевременность

Участники осмотра должны безотлагательно выезжать на место пожара, а прибыв, незамедлительно начинать осмотр.

3. Единоначалие, четкая организация

Данные о ходе осмотра, данные опросов, иная информация о работе на месте пожара, а также вся полученная документация должна сосредоточиваться у руководителя следственно-оперативной группы.

Все действия должны производиться без спешки и суеты.

Каждый сотрудник должен четко выполнять поставленную ему задачу, результаты работы и иную полученную информацию докладывать руководителю группы.

4. Полнота

Вещественная обстановка исследуется и фиксируется тщательным образом, как можно более полно, с использованием современных технических средств и методов.

5. Планомерность

Осмотр проводится планомерно и основан на методе дедукции (при переходе от общего обзора к деталям) и методе сравнения (при описании степени повреждения огнем и других значимых для дела признаков предметов).

6. Объективность

Исследование и фиксация обстановки производится независимо от того, подтверждают ли данные осмотра сведения, полученные ранее, или нет.

Недопустимо делать поспешные выводы (об очаге пожара, причине и других обстоятельствах) на основе предварительных данных.

Принятие процессуальных и иных решений (в частности, о возбуждении уголовного дела, квалификации по статье УК РФ) должно происходить в спокойной обстановке, на основе анализа всех имеющихся материалов.

1.2. Виды осмотра при расследовании дел о пожарах

Любой следственный осмотр, в том числе и осмотр места пожара, подразделяется на следующие виды:

- основной и дополнительный;

- первоначальный и повторный.

Дополнительный осмотр проводится, когда в ходе дальнейшего расследования устанавливается, что отдельные объекты на месте происшествия не осмотрены или осмотрены недостаточно внимательно. В ходе дополнительного осмотра исследуются только те объекты, для обнаружения и фиксации которых он был предусмотрен, в полном объёме осмотр не проводится.

При расследовании пожаров дополнительный осмотр может использоваться в следующих случаях:

- для осмотра объектов, находящихся вне зоны горения и не осмотренных при первоначальном осмотре, но могущих иметь отношение к причине пожара;

- если некоторые объекты были осмотрены не настолько тщательно, как потребовалось в дальнейшем;

- в целях изъятия отдельных предметов, проб веществ, материалов, когда необходимость в этом возникает уже после проведения первоначального осмотра;

- в других подобных ситуациях.

Повторный осмотр проводится, когда первоначальный осмотр:

- осуществлялся в неблагоприятных условиях (погодных, недостаточном освещении и т. п.), затрудняющих обнаружение и фиксацию признаков, позволяющих установить необходимые обстоятельства происшествия;

- проведен некачественно, поверхностно, без привлечения специалистов (если это было необходимо);

- проводился, когда не были выяснены обстоятельства, связанные с необходимостью расширить границы осмотра, поиска каких-либо предметов, веществ, материалов.

При повторном осмотре место происшествия подвергается полному исследованию.

Дополнительный и повторный осмотры фиксируются самостоятельными протоколами.

В зависимости от исследуемого объекта осмотр, в соответствии со ст. 176 УПК РФ, разделяется на следующие виды:

- осмотр места происшествия;

- местности;

- жилища или иного помещения;

- предметов;

- документов.

Отдельными видами следственного осмотра являются осмотр трупа (ст. 178 УПК РФ) и осмотр тела человека (освидетельствование, ст. 179 УПК РФ).

Осмотр места пожара является, как правило, комбинацией осмотра места происшествия с другими видами осмотра, например:

- осмотра места происшествия, местности, предметов и документов;

- осмотра места происшествия и предметов и т. д.

Процессуальные требования к этим видам осмотра одинаковы, за исключением осмотра жилища (см. разд. 1.3).

1.3. Правовые требования

Основания проведения осмотра места пожара

Основание, цели и порядок производства любого вида осмотра регламентируется статьями 176, 177 УПК РФ.

Юридическим основанием проведения осмотра места пожара являются:

- рассмотрение сообщения о преступлении, связанном с пожаром (проведение проверки в соответствии со ст. 144 УПК РФ);

- наличие в связи с пожаром возбужденного уголовного дела.

Фактическим основанием проведения осмотра является необходимость выяснить и процессуально закрепить обстановку места происшествия (пожара).

Таким образом, проведение осмотра места пожара будет законным только после получения в установленной УПК РФ процессуальной форме сообщения о преступлении (заявления о преступлении, явки с повинной, рапорта об обнаружении признаков преступления) или возбуждения уголовного дела.

УПК РФ, введённый в действие с 01.07.2002 г., в целях защиты конституционных прав граждан предусматривает определенные ограничения на проведение осмотра.

Так, ч. 4 ст. 164 УПК РФ устанавливает, что при производстве следственных действий недопустимо применение насилия, угроз, иных незаконных мер, а равно создание опасности для жизни и здоровья, участвующих в нём лиц.

Статья 165 УПК РФ определяет случаи и порядок получения судебного разрешения на производство следственного действия (до 1 января 2004 г. данный вопрос разрешал надзирающий прокурор).

В частности, если лица, проживающие в жилище, возражают против его осмотра, необходимо возбудить перед судом с согласия прокурора соответствующее ходатайство, о чем выносится постановление (форма постановления утверждена приложением 83 к УПК РФ) (Закон Российской Федерации от 04.07.2003 г. № 92-ФЗ "О внесении изменений и дополнений в Уголовно-процессуальный кодекс Российской Федерации"). Постановление должно мотивированно излагать причины необходимости проведения осмотра жилища. До 01.01.2004 г. вместо постановления о возбуждении перед судом ходатайства о разрешении производства осмотра жилища выносилось постановление о производстве осмотра жилища, согласованное с прокурором. Форма указанного постановления утверждена Приложением 82 к УПК РФ [7].

Возражение против проведения осмотра жилища должно быть документально зафиксировано. Форма отказа от осмотра законом не регламентирована, поэтому наиболее предпочтителен вариант, когда проживающие лица самостоятельно, в письменном виде, заявляют об отсутствии своего согласия на осуществление осмотра.

В случае если указанные лица возражают против осмотра и при этом отказываются как-либо это оформлять документально, следует пригласить понятых и составить акт об отсутствии согласия на осмотр жилища проживающих в нём лиц. Акт составляется в произвольной форме, но должен иметь необходимые реквизиты:

- время, место, должность, фамилия, инициалы сотрудника ГПС;

- Ф.И.О. понятых, а также проживающих в жилище (если данные их установлены);

- подписи должностного лица ГПС и понятых.

В акте указываются юридические и фактические основания проведения осмотра (см. выше) и отражается факт отказа от проведения осмотра.

Не позднее чем через 24 ч с момента поступления в суд ходатайства оно рассматривается с вынесением постановления о разрешении производства или об отказе в производстве осмотра с указанием мотивов отказа.

В исключительных случаях осмотр может быть произведён и без получения судебного решения на основании постановления о производстве осмотра жилища в случаях, не терпящих отлагательства. Форма постановления утверждена Приложением 84 к УПК РФ [7]. При этом в течение 24 ч с момента начала производства осмотра об этом уведомляется судья и прокурор. К уведомлению прилагаются копии постановлений о производстве осмотра и протокола осмотра. Форма уведомления утверждена Приложением 85 к УПК РФ [7].

Судья в 24-часовой срок проверяет законность произведённого осмотра и выносит постановление о его законности или незаконности. В случае признания осмотра незаконным все полученные в ходе осмотра доказательства (протокол осмотра, изъятые предметы, информация, зафиксированная с помощью технических средств и т.п.) признаются недопустимыми (незаконными), не имеющими юридической силы.

Подчеркнём, что указанный выше порядок принудительного осмотра жилища применим не только в случае, когда уже возбуждено уголовное дело, но и на стадии предварительной проверки.

В ситуации, когда проживающие в жилище лица не возражают против проведения его осмотра, следует сделать об этом запись в протоколе осмотра, например, в графе, где указываются участвующие лица.

В других случаях (т.е. осмотре любого иного объекта, кроме жилища) принуждение недопустимо. Например, если руководитель предприятия, учреждения, организации возражает против проведения осмотра и не пускает на место пожара сотрудников ГПС, производство осмотра будет незаконным. В случае необходимости осмотра выходом из создавшегося положения может быть (при наличии соответствующих оснований) производство обыска в порядке ст. 182 УПК РФ. Основанием производства обыска, в соответствии со ст. 182 УПК РФ, является "наличие достаточных данных полагать, что в каком-либо месте или у какого-либо лица могут находиться орудия преступления, предметы, документы и ценности, которые могут иметь значение для уголовного дела". На месте преступления, связанного с пожаром, могут быть орудия преступления и иные предметы, имеющие значение для дела. Однако нельзя забывать, что производство обыска возможно только при наличии возбужденного уголовного дела. В этом случае проведение обыска позволит изучить и закрепить обстановку, осуществить поиск и изъятие предметов, веществ, материалов, необходимых для установления истины, т. е. фактически достичь целей осмотра.

Формы процессуальных документов, фиксирующих производство указанных действий, утверждены следующими приложениями к УПК РФ: протокола осмотра места происшествия - приложением 4, протокола осмотра жилища, иного помещения, местности - приложением 86, постановления о производстве обыска - приложением 77, протокола обыска - приложением 80 [7],

Осмотр места пожара в порядке производства по делам об административных правонарушениях

Кодекс Российской Федерации об административных правонарушениях (КоАП РФ) статьей 27.1 устанавливает в качестве одной из мер обеспечения производства по делу осмотр принадлежащих юридическому лицу помещений, территорий, находящихся там вещей и документов [8].

Данную меру следует применять в случаях, когда административное производство связано с нарушением правил пожарной безопасности, повлекшим возникновение пожара. При этом, в соответствии с п. 2.7 приказа МЧС России - МВД России от 31.03.2003 г. № 163/208, необходимо проведение административного расследования, для которого осмотр места пожара является основным источником доказательств.

Технические и тактические аспекты проведения осмотра места пожара практически одинаковы как для следственного осмотра, так и для осмотра в порядке административного производства и отдельно рассматриваться в данном пособии не будут. Юридическая сторона имеет свои особенности, которые изложены ниже.

Юридические основания проведение осмотра:

- обнаружение достаточных данных, указывающих на наличие события административного правонарушения, повлекшего возникновение пожара;

- наличие возбужденного дела об административном правонарушении, связанном с пожаром (протокола об административном правонарушении или определения о возбуждении дела об административном правонарушении).

Фактическим основанием проведения осмотра является необходимость выяснить и процессуально закрепить обстановку места пожара в целях обеспечения своевременного и правильного рассмотрения дела.

Объектами осмотра, в отличие от следственного осмотра, в соответствии со ст. 27.8 КоАП РФ могут быть только помещения и территории, принадлежащие юридическим лицам и индивидуальным предпринимателям, которые используются ими для осуществления предпринимательской деятельности, а также находящиеся там вещи и документы. Любой объект вне указанных зон (в жилище, на открытой территории, в других помещениях и на территориях, не используемых для осуществления предпринимательской деятельности) не может быть осмотрен. Следовательно, круг объектов осмотра в порядке административного производства гораздо уже, чем в уголовном судопроизводстве.

Изъятие вещей и документов также осуществляется в отличном от уголовного процесса порядке. Во-первых, объектами изъятия, предусмотренного ст. 27.10 КоАП РФ, могут быть лишь вещи, являющиеся орудием совершения или предметом административного правонарушения, и документы, имеющие значение доказательств, а не любые предметы, имеющие отношение к делу и способные помочь в установлении истины.

Взятие проб и образцов предметов регламентировано другой нормой - ст. 26.5 КоАП РФ и обусловлено необходимостью получения объектов для проведения экспертизы. Во-вторых, оба этих действия (изъятие предметов и взятие проб и образцов) являются самостоятельными и могут быть не связаны напрямую с осмотром: изъятие - одна из мер обеспечения производства, наряду с осмотром, а взятие проб и образцов - средство обеспечения доказательств. Изъятие - аналог выемки (ст. 183 УПК РФ), а взятие проб и образцов - аналог получения образцов для сравнительного исследования в уголовном судопроизводстве (ст. 202 УПК РФ).

Таким образом, данные действия (изъятие вещей и документов, взятие проб и образцов предметов) осуществляются либо независимо от осмотра, либо после его проведения и составления протокола осмотра. При этом оформляется собственный протокол, но никак не в рамках осмотра. Порядок оформления протокола, как для изъятия, так и для взятия проб одинаков и регламентирован статьей 27.10 КоАП РФ (подробнее, в том числе образцы бланков протоколов - см [9]).

1.4. Участники осмотра, права и обязанности

Лица, участвующие в осмотре

В осмотре, кроме лица, его проводящего, обязательно участвуют понятые (не менее двух). Могут привлекаться к осмотру также:

- специалист;

- свидетель;

- потерпевший;

- подозреваемый (обвиняемый) и его законные представители;

- эксперт (после назначения экспертизы, в ином случае -  в качестве специалиста);

- переводчик;

- гражданский истец (ответчик) и его представитель. Осмотр помещения организации (ч. 6 ст. 177 УПК РФ) производится в присутствии представителя администрации соответствующей организации. При невозможности обеспечить его участие в осмотре об этом делается запись в протоколе.

Понятые (ст. 60 УПК РФ) - лица, вызванные для производства следственного действия, обязанные удостоверить:

- факт;

- содержание;

- ход и результаты действий, при которых присутствовали.

Права понятых:

- знать свои права и обязанности;

- пользоваться помощью переводчика;

- делать заявления на языке, которым владеет;

- присутствовать при всех действиях, производимых при осмотре;

- делать замечания по поводу произведенных действий, с занесением их в протокол;

- знакомиться с протоколом осмотра, требовать дополнения, внесения поправок;

- удостоверять правильность содержания протокола;

- получать возмещение расходов, понесенных в связи с явкой для участия в осмотре.

Требования к понятым:

- отсутствие заинтересованности в деле;

- гражданская дееспособность (достигший 18 лет, психически здоровый, не злоупотребляющий спиртными напитками и наркотическими средствами);

- отсутствие физических недостатков (слабое зрение, слух), болезней, препятствующих выполнению обязанностей понятых.

Понятыми не могут быть участники уголовного судопроизводства и их родственники, а также лица, наделенные полномочиями по осуществлению оперативно-розыскной деятельности или предварительного расследования.

Нежелательно привлечение в качестве понятых сотрудников правоохранительного органа, в производстве которого находится дело, даже если они не наделены указанными полномочиями.

В соответствии с ч. 3 ст. 170 УПК РФ, осмотр может производиться без участия понятых в случаях его проведения:

1) в труднодоступных местностях, при отсутствии надлежащих средств сообщения;

2) в условиях, опасных для жизни и здоровья людей. В протоколе при этом делается запись о причинах невозможности участия понятых.

Применение технических средств фиксации хода и результатов осмотра в данном случае обязательно. Если невозможно и применение технических средств, об этом делается соответствующая запись в протоколе с указанием причины.

Специалист (ст. 58 УПК РФ) - лицо, обладающее специальными познаниями, привлекаемое к осмотру для содействия в обнаружении, закреплении и изъятии предметов и документов, применении технических средств.

Специалист обязан:

- явиться по вызову для участия в осмотре;

- участвовать в осмотре, применяя свои специальные знания и навыки;

- оказывать лицу, производящему осмотр, содействие в обнаружении, закреплении, изъятии доказательств (обращая при этом внимание на обстоятельства, связанные с данными действиями);

- давать пояснения по поводу выполняемых действий;

- не разглашать данные предварительного расследования, ставшие ему известными в связи с участием в производстве по делу в качестве специалиста, если он был об этом заранее письменно предупрежден в порядке ст. 161 УПК РФ.

Права специалиста:

- отказаться от участия в производстве, если он не обладает соответствующими специальными познаниями;

- делать заявления, связанные с обнаружением, закреплением и изъятием доказательств, подлежащие занесению в протокол;

- задавать вопросы участникам следственного действия с разрешения следователя, дознавателя;

- знакомиться с содержанием протоколов следственных действий, произведенных с его участием и требовать внесения в них дополнений и уточнений;

- использовать для общения язык, которым владеет, а также пользоваться помощью переводчика;

- получать возмещение расходов, понесенных в связи с явкой по вызову.

Требования к специалисту:

- обладание специальными знаниями и навыками;

- не заинтересованность в исходе дела;

- отсутствие оснований для отвода, предусмотренных ст. 70, ч. 2 и ст. 71 УПК РФ.

При расследовании дел о пожарах в качестве специалистов, как правило, привлекаются инженеры испытательных пожарных лабораторий. Целесообразно организовывать выезд этих специалистов совместно с дознавателями, причём немедленно по получении сообщения о пожаре.

Важно отметить, что при работе на месте пожара специалист не должен в одиночку ходить и изучать обстановку, где-то что-то изымать, исследовать, вносить изменения в обстановку (проводить динамический осмотр и т. п. действия) без участия лица, производящего осмотр, и понятых. Все свои действия, связанные с исполнением процессуальных обязанностей, специалист должен согласовывать с пригласившим его на место лицом (руководителем следственно-оперативной группы, дознавателем).

Кроме сотрудников ИПЛ, в качестве специалистов могут привлекаться и другие лица. Так, при необходимости выяснить особенности технологического или иного процесса, работы оборудования при возникновении пожара на производстве может привлекаться инженер или другой специалист, способный разъяснить их. В целях уточнения схемы подачи электропитания, подключения и устройства электрооборудования к проведению осмотра может привлекаться инженер-электрик.

При этом нельзя забывать о предъявляемых к специалисту требованиях, в особенности о его не заинтересованности в исходе дела.

Эксперт (ст. 57 УПК РФ) - лицо, обладающее специальными знаниями и назначенное в порядке, установленном УПК РФ, для производства судебной экспертизы и дачи заключения.

В отношении участия эксперта в следственных действиях УПК РФ (ст. 57) гласит следующее: "Эксперт вправе: участвовать с разрешения дознавателя, следователя, прокурора и суда в процессуальных действиях и задавать вопросы, относящиеся к предмету экспертного исследования... Эксперт не вправе: ...самостоятельно собирать материалы для экспертного исследования, ...проводить без разрешения дознавателя, следователя, суда исследования, могущие повлечь полное или частичное уничтожение объектов либо изменение их внешнего вида или основных свойств". Таким образом, правовой статус эксперта при его участии в осмотре места происшествия, связанного с пожаром, недостаточно определен. Основания, цели и порядок участия эксперта в следственных действиях законом не установлены, неясно (с точки зрения закона), какие функции он должен при этом выполнять. Указанные проблемы относятся к ситуации, когда уже назначена судебная экспертиза. До этого момента лицо, хотя бы и находящееся на штатной должности эксперта, может принимать участие в следственных действиях в качестве специалиста. УПК РФ не препятствует проведению в дальнейшем экспертизы по делу тем же лицом.

 

ГЛАВА 2.

 РАБОТА, ПРЕДШЕСТВУЮЩАЯ ОСМОТРУ И ВЫПОЛНЯЕМАЯ НА СТАДИИ ТУШЕНИЯ ПОЖАРА

 

Лица, выполняющие осмотр места пожара и участвующие в его проведении (пожарные дознаватели, следователи, инженеры испытательных пожарных лабораторий, пожарно-технические эксперты), в ряде случаев, прежде всего при крупных пожарах, прибывают на место пожара еще на стадии тушения. Это хорошо, т.к. в этом случае осмотр места пожара и сопутствующие ему действия удается выполнить "по горячим следам" в прямом и переносном смысле. В случае подобного раннего прибытия целесообразно незамедлительное включение должностного лица в работу по сбору материалов, необходимых для расследования пожара. Такая работа может выполняться по следующим направлениям.

2.1. Фиксация развития пожара и действий по тушению

Ориентация на объекте

Данная стадия работы обеспечивает вхождение дознавателя и специалиста в суть происходящих событий. Опросом очевидцев, прежде всего работающих и проживающих на данном объекте, следует выяснить назначение здания в целом и горящего помещения (помещений) в частности. Когда пожар происходит в производственном, складском, торговом здании (помещении), необходимы сведения о характере производственного процесса и имеющейся пожарной нагрузке (ее виде и примерном количестве). Возможно, что этой информацией к данному моменту обладает руководитель тушения пожара (РТП).

Насколько это возможно сделать, находясь вне горящего здания, необходимо разобраться с планировкой помещений, какие окна каким помещениям принадлежат, какова внутренняя связь отдельных частей здания коридорами, лестничными маршами, технологическими устройствами типа продуктопроводов, транспортеров, вентсистем и т.д. Особенно это важно, если уже на данной стадии пожара наблюдается горение в двух и более отдаленных друг от друга зонах. Указанные сведения помогут ориентироваться при дальнейшей фиксации развития пожара и его тушения.

Процессуальное оформление полученных опросом очевидцев сведений, указанных выше, на данном этапе обычно не производят, т.к. они носят предварительный характер и нужны для ориентировки специалиста на месте пожара. Естественно, если опрашиваемое лицо сообщает при этом эксклюзивную информацию, действительно представляющую интерес для расследования пожара, его показания должны быть оформлены в письменном виде, но делается это обычно после пожара, в более спокойной обстановке.

При нахождении на месте пожара вне помещения необходимо зафиксировать направление ветра (по дыму, который относит ветром) и следить за его изменением во время тушения.

Фиксация развития пожара

Наблюдение и фиксация направленности и динамики горения дает крайне важную информацию для решения в дальнейшем вопроса об очаге пожара и путях его распространения.

Наблюдение за развитием и тушением пожара должно сопровождаться письменными записями наблюдаемых событий с обязательной фиксацией времени их наступления.

Фиксации в первую очередь подлежат:

1) сразу же по прибытии - состояние каждого из окон и дверей тех помещений (этажей), где происходило, или происходит горение, или куда оно может перейти. Фиксируются следующие состояния окон, дверей и происходящие за ними процессы:

- окна, двери закрыты полностью, остекление цело;

- открыты (сами окна и фрамуги, форточки), остекление цело;

- то же и выход дыма;

- то же и пламя за стеклами;

- стекла разрушены, выброс пламени из окна;

- стекла разрушены, рамы обгорели, пламени нет, сильный выход дыма;

- то же, дыма нет;

2) изменение во времени картины по п. 1); особое внимание обращается на разрушение остекления и его характер - взрывное разрушение с выбросом стекол или постепенное растрескивание и осыпание;

3) выход дыма из труб и вентиляционных отверстий, чердака;

4) обрушение перекрытий, стен и других конструктивных элементов здания или сооружения;

5) вспышки, хлопки, взрывы, резкая интенсификация горения или другое изменение обстановки в тех или иных зонах.

Если имеются технические возможности, наблюдение за развитием пожара и его ликвидацией должно сопровождаться фото- и (или) видеосъемкой. Особенности фото- и видеосъемки в ходе пожара указаны ниже, в гл. 10.

Наблюдение за действиями пожарных подразделений по тушению, проливне и разборке конструкций

Сведения о том, куда, когда и в какой последовательности подавались огнетушащие средства при тушении, могут оказаться необходимыми в дальнейшем при поиске очага пожара, дифференциации очага пожара и очагов горения. Кроме показаний пожарных, объективная информация об этом может быть получена при непосредственных наблюдениях специалиста в ходе пожара. Поэтому, по мере возможности, подобные наблюдения следует вести.

Необходимо требовать от участников тушения, чтобы их действия при тушении соответствовали положениям методических рекомендаций "Сохранение следов и материальной обстановки на месте пожара при тушении" [11]. Если ими производится разборка конструкций, то желательно фиксировать места, где это делается. Опыт экспертиз пожаров показывает, что нередко возникают ситуации, когда в дальнейшем сложно разобраться, имело ли место выгорание стены, прогар пола или эти разрушения возникли на стадии разборки и проливки конструкций.

Необходимо указывать РТП и работающим пожарным, что не следует вскрывать конструкции непосредственно в зоне локальных прогаров стен, полов; при необходимости это нужно делать на некотором удалении от них.

2.2. Осмотр окружающей территории и тех частей объекта, на которых не происходит горения

Осмотр вне зоны горения надо постараться провести еще на стадии тушения пожара. Чем раньше это будет сделано, тем больше шансов на получение криминалистически значимой информации о пожаре. Ниже указаны основные направления и объекты исследования на данной стадии.

Электрооборудование и контрольно-измерительные приборы

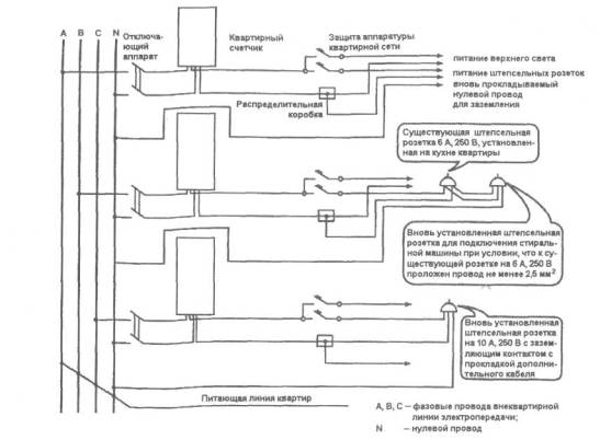
Немедленному осмотру подлежат рубильники, аппараты электрической защиты (устройства защитного отключения - автоматы, плавкие предохранители, пуско-защитные реле и другая аппаратура, обеспечивающая электропитание и защиту горящего здания (помещения), но находящаяся вне его (см. разд. 5.4 и гл. 6).

То же относится к контрольно-измерительной аппаратуре, имеющей самописцы и фиксирующей параметры технологических процессов, происходящих в горящем цеху.

Немедленному осмотру подлежат приемные станции пожарной сигнализации. Некоторые современные модели таких устройств ведут так называемый "электронный протокол событий", т.е. фиксируют в памяти компьютера или на магнитной ленте время и последовательность срабатывания датчиков в отдельных помещениях.

Пока информация, которую содержат указанные устройства, не исчезла или не откорректирована, ее необходимо зафиксировать - описать состояние указанного электрооборудования, провести изъятие диаграммных лент, магнитных носителей (при проведении осмотра).

Следы антропогенного и техногенного характера

Следы злоумышленника, его автомобиля могут быть вне горящего объекта, и, пока их не затоптали, такие следы должны быть выявлены, зафиксированы или, по крайней мере, сохранены до прибытия эксперта-криминалиста (подробнее - см. гл. 3).

Особенно хорошо подобные следы сохраняются на снегу и мягком грунте, где их и следует искать в первую очередь.

Следы проникновения на объект, неудавшегося взлома, косвенные признаки поджога

Подобные следы вполне могут находиться вне горящего здания (помещения) или в его не горящей части. Подробнее эти признаки, следы и методы их фиксации описаны:

- следы проникновения и взлома - в гл. 3;

- косвенные признаки поджога - в гл. 7.

2.3. Процессуальное закрепление сведений, полученных на стадии тушения пожара

Для того чтобы сведения, полученные на стадии тушения до начала проведения следственного осмотра (разд. 2.1), использовались не только в качестве оперативной информации, но и приобрели доказательственное значение, необходимо придать данной информации процессуальную форму.

Материальные носители этих сведений должны войти в уголовный процесс в качестве вещественных доказательств, процессуальных или иных документов. Это возможно лишь в случае, когда соблюден процессуальный порядок их получения, установленный законом.

Записи, фотографии, видеоматериалы, выполненные непосредственно лицом, осуществляющим расследование (дознавателем, следователем), вне рамок следственного действия ни при каких обстоятельствах не могут быть приобщены к делу и иметь доказательственное значение. Они служат лишь ориентирующей информацией для подготовки и планирования следственных действий, выбора тактики их проведения и т. п. Эти материалы могут облегчить проведение допросов участников тушения, других свидетелей и прочих лиц, т. к. дознаватель (следователь) сможет сопоставить собственные наблюдения и имеющиеся оперативные материалы с их показаниями. Зафиксированные в соответствующих протоколах допросов сведения уже будут иметь доказательственное значение.

В соответствии с действующими уголовно-процессуальными нормами, материальный носитель информации может быть получен и приобщен в дальнейшем в качестве вещественного доказательства или иного документа следующими способами:

1) изъят в процессе осмотра (ст. 177 УПК РФ);

2) истребован в соответствии с ч. 4 ст. 21 УПК РФ;

3) изъят в ходе обыска, выемки (ст. 182,183 УПК РФ);

4) представлен подозреваемым, обвиняемым, а также потерпевшим, гражданским истцом, гражданским ответчиком и их представителями (ст. 86 УПК РФ).

Возможность изъятия материального носителя информации, фиксирующего сведения, связанные с процессом горения и тушения, в ходе производства осмотра представляется на практике достаточно редко (например, изъятие носителя видеоинформации автоматической системы слежения за объектом пожара).

Истребование в соответствии ч. 4. ст. 21 УПК РФ используется в целях приобщения к делу предметов и документов, которые лицо согласно передать в распоряжение лица, осуществляющего расследование, в добровольном порядке. В этом случае на имя руководителя соответствующей организации направляется запрос с просьбой о передаче интересующих материалов со ссылкой на ч. 4 ст. 21 УПК РФ. Указанным способом можно получить следующие материалы:

- магнитные носители аудиоинформации (например, записи переговоров участников тушения);

- справки центра погоды о метеорологических условиях;

- любые другие документы, содержащие необходимые сведения.

Именно таким образом дознаватель (следователь) может истребовать в свое распоряжение для приобщения к делу сведения о развитии пожара и другие данные, собранные инженером ИПЛ на стадии тушения пожара. В этом случае запрос оформляется на имя начальника ИПЛ или вышестоящее должностное лицо. Интересующие дознавателя (следователя) сведения могут содержаться в отчете об исследовании пожара, карточке учета выезда на пожар и других документах, оформляемых сотрудниками ИПЛ в рамках своих функциональных обязанностей. Очевидно, что такая форма процессуальной легализации передачи дознавателю (следователю) сведений о пожаре, собранных инженером ИПЛ, на сегодняшний день представляется наиболее оптимальной.

Отметим, что истребование предметов, которые могут быть признаны вещественными доказательствами (например, видеокассет, на которые осуществлялась запись процесса тушения), в порядке ч. 4 ст. 21 УПК РФ, с точки зрения обеспечения процессуальных требований к доказательствам, выглядит небесспорно. Более надежным в подобных случаях видится применение выемки. В отношении же документов истребование является допустимым без всяких сомнений.

Обыск и выемка предметов, документов применяются в случаях, когда истребование оказывается недейственно или недопустимо и (или) для получения их необходимо применить принуждение. Обыск применяется, если известно, что в каком-то месте или у какого-либо лица могут находиться предметы, документы, которые могут иметь значение для дела. Выемка производится, когда точно известно, где и у кого они находятся.

В этих случаях сначала выносится постановление о производстве обыска (выемки), а затем, непосредственно при их осуществлении, оформляется протокол обыска (выемки).

Представление документов и предметов в порядке ст. 86 УПК РФ оформляется соответствующим протоколом со ссылками на ст. 86 и 166 УПК РФ. Лицо, представившее их, также должно быть допрошено об обстоятельствах, связанных с появлением у него данных документов и предметов.

В соответствии с УПК РФ перечисленные способы получения предметов и документов (кроме изъятия в ходе проведения осмотра) могут использоваться лишь при наличии возбужденного уголовного дела. Однако ч. 4 ст. 6 Федерального закона "О пожарной безопасности" [12] предусматривает право должностных лиц ГПС получать по находящимся в их производстве делам и материалам о пожарах необходимые объяснения, справки, документы и копии с них от должностных лиц и граждан. Следовательно, и на стадии проверки по факту пожара, дознаватель или иное должностное лицо ГПС, проводящее эту проверку, вправе истребовать документы путем оформления запроса со ссылкой на ч. 4 ст. 6 Закона "О пожарной безопасности".

В случаях, когда полученные в распоряжение дознавателя предметы отвечают требованиям к вещественным доказательствам, после возбуждения уголовного дела должно выноситься постановление о приобщении к делу вещественных доказательств в соответствии со ст. 81 УПК РФ.

ГЛАВА 3.

СЛЕДЫ НА МЕСТЕ ПОЖАРА, МЕТОДЫ ИХ СОХРАНЕНИЯ И ФИКСАЦИИ

 

3.1. Общая классификация следов

Изучаемые криминалистикой следы, которые могут быть оставлены и сохраниться на месте пожара, бывают результатом механического, химического, термического воздействия. Их принято делить на следы рук, ног, следы орудий и инструментов, следы транспортных средств, животных и т. д. [6, 13-16].

В зависимости от состояния, в котором находились относительно друг друга следообразующий и следовоспринимающий объекты, различают следы статические и динамические. Статические следы образуются, если в момент контакта следообразующий и следовоспринимающий объекты не передвигаются относительно друг друга. При этом форма и внешние признаки следообразующего объекта адекватно воспроизводятся в следах. Это следы рук с папиллярными узорами, следы обуви, следы протектора колеса автомобиля и т.д. Следы статические более ценны, чем динамические, т.к. в них лучше фиксируются особенности следообразующего объекта. Динамические следы образуются при перемещении следообразующего и следовоспринимающего объекта относительно друг друга. Такие следы возникают в результате разреза, разруба, распила, волочения предмета, торможения транспортного средства при блокировке колес (тормозной след) и т.д. В динамических следах рельефные точки следообразующего предмета отображаются не в виде точек, как в статических следах, а в виде трасс.

В зависимости от характера изменений следовоспринимающего объекта следы разделяются на объемные и поверхностные. Например, на твердом полу следы обуви образуются поверхностные, на снегу или мокром песке - объемные.

Обнаружение и фиксация следов - задача эксперта-криминалиста, прибывшего на место происшествия, а их дальнейшее исследование - эксперта-трасолога. Главной задачей пожарного специалиста является сохранение следовой картины пожара. Важно не только потушить пожар, воспрепятствовать его распространению и сберечь материальные ценности. Не менее важно (а может быть, и более важно), особенно на криминальных пожарах (поджогах), найти и обезвредить преступника, а именно решению этой задачи и служит исследование следов, обнаруженных на месте пожара.

3.2. Следы рук

В криминалистике под следами рук чаще всего понимают отпечатки ладонных поверхностей концевых отделов (ногтевых фаланг) пальцев. На кончиках пальцев у человека имеются так называемые папиллярные линии, образующие папиллярные узоры. Криминалистическим изучением папиллярных узоров занимается раздел трасологии - дактилоскопия. К настоящему времени для криминалистических целей изучаются и используются папиллярные узоры также и средних и основных фаланг пальцев, ладоней, подошвенных поверхностей стоп и пальцев ног. Но отпечатки ногтевых фаланг (кончиков) пальцев наиболее информативны и еще в прошлом столетии были использованы для уголовной регистрации преступников [13].

Хотя единичный след, обнаруженный на месте происшествия, не дает прямого указания на лицо, которое его оставило, тем не менее, он подлежит тщательному изучению. Пальцевый отпечаток позволяет судить о том, какой рукой и каким пальцем он оставлен, принадлежит он мужчине, женщине или ребенку, какие особенности отличают поверхность пальца (шрамы, бородавки и т.д.). Отпечатки, оставленные в разных местах, несут информацию о том, оставлены ли они одним и тем же лицом. После появления конкретного подозреваемого обнаруженный на месте происшествия отпечаток дает достоверный ответ на вопрос - оставлен ли он подозреваемым. Если на месте происшествия обнаружено шесть и более отпечатков разных пальцев, а лицо, оставившее их, подвергалось ранее уголовной регистрации, появляется непосредственная возможность установления этого лица.

Обнаружение следов пальцев

Следы могут остаться и быть обнаружены на бумаге, стекле, дереве, металле, керамике, пластмассе.

На пожаре наиболее вероятным местом их обнаружения являются гладкие поверхности стеклянных, керамических, металлических изделий.

Отпечатки лучше разыскивать с помощью косо падающего света фонаря. Стеклянные и другие прозрачные вещи (если они не закопчены) рассматривают на просвет, для чего источник света размещают с противоположной стороны. Прозрачные предметы следует осмотреть также при косом освещении. Если визуального осмотра для выявления отпечатков оказывается недостаточно, эксперты прибегают к механическим и химическим методам выявления следов.

Следы пальцев рук, выявленные с помощью порошков, обычно переносятся на светокопировальную пленку, а следы, выявленные реактивами, фотографируются. При возможности следует изъять объект со следами. Зафиксированные на месте происшествия отпечатки пальцев направляются на дактилоскопическую экспертизу.

В настоящее время существуют специализированные компьютерные системы для хранения дактилоскопических баз данных и решения идентификационных задач.

Примером автоматизации дактилоскопических учетов может быть функционирующая в ГУВД Санкт-Петербурга и Ленинградской области компьютерная система "ПАПИЛОН-7". Система действует с 1995 г. и способствовала раскрытию 15-20 % преступлений. Она позволяет решать задачи идентификации трупов, а также лиц, находящихся в бессознательном состоянии.

С помощью системы можно по отпечатку только одного пальца установить человека, если его данные есть в центральном массиве. На это требуется около 3 ч.

Следы рук при пожаре также сохраняются - не всегда и не везде, но искать их имеет смысл.

По экспериментальным данным, отпечаток пальца на стекле на просвет отчетливо виден при нагреве до температуры 400-450°С (длительность нагрева 1 ч). Специальными реактивами отпечатки выявляются и при более жестких условиях нагрева.

Отпечатки на бумаге при нагреве до 100°С даже проявляются и остаются до момента сгорания бумаги. Отпечаток виден на обугленной бумаге, пока она полностью не разрушится.

Наиболее типична для пожара ситуация, когда предмет, где имелся отпечаток пальца, закопчен. В литературе указывается, что в этой ситуации следы пальцев рук хорошо сохраняются на поверхности оконных стекол, стеклянной и керамической посуды и на гладких металлических поверхностях. Они могут быть пригодными для идентификации под наслоением легко снимаемой копоти на эмали при нагревании до 400°С, на стекле - до 600°С, на других поверхностях - до 850°С. В одной из работ описана методика выявления следов рук под слоем сажи на предметах из жаростойких материалов (фарфора, металлокерамики, нержавеющей стали и др.) путем обработки их парами металлоорганических соединений, например хром органической жидкости. Предварительно копоть удаляют отжигом в муфельной печи при температуре 700°С.

3.3. Следы ног человека

Следы ног позволяют установить, кому они принадлежат - мужчине или женщине, взрослому человеку или подростку. Позволяют судить о виде, фасоне, номере обуви. Размер обуви дает возможность определить, с известной долей вероятности, рост человека - он примерно в 7 раз больше длины его стопы. По следам устанавливается направление, в котором двигался человек; по дорожке следов можно судить о состоянии человека, оставившего следы. Если они оставлены человеком очень полным или несшим на себе большую тяжесть, будет наблюдаться увеличенная против средней нормы ширина шага и несколько уменьшенные длина и угол шага.

Информацию о человеке дают особенности строения папиллярных линий на подошвах ступней, а об обуви - индивидуальные признаки обуви, отразившиеся в отпечатках подозреваемого лица (абсолютно недопустимо, во избежание порчи следа, примерять обувь к следу).

Следы босых ног и обуви могут быть обнаружены на самых различных объектах. Объемные следы образуются на мягком глинистом грунте, мягком мокром снегу, влажном мелком песке и т.д. Иногда преступник оставляет следы на сыпучих материалах, рассыпанных на месте происшествия - гипсе, муке, извести и др.

Дорожка следов - это совокупность последовательно отпечатавшихся следов. Чаще ее можно обнаружить в сельской местности, реже - в городах. Изучение дорожки позволяет установить наиболее устойчивые элементы, характеризующие особенности походки - длину шага, ширину шага, угол шага.

Сохранение следов ног

Обнаруженные следы ног необходимо сохранить в пригодном для исследования виде. Их надо укрыть с помощью подручных полых предметов - бочек, ящиков и т.д. При отсутствии этих предметов следы покрываются листами фанеры или досками, уложенными на кирпичах или деревянных чурках. Нельзя использовать остро пахнущие ящики, т.к. это затруднит работу служебно-розыскной собаки.

Фиксация следов

Протоколирование следов является обязательным, поэтому на обнаруженные следы надо указать следователю или сотруднику милиции. Кроме этого, при необходимости, вызванным на место пожара экспертом, а при его отсутствии - дознавателем или следователем производится фотографирование следов и их моделирование (изготовление слепков).

Для фотографирования выбираются следы наиболее полные и отчетливые. Нужно строго соблюдать все правила масштабной съемки. Линейка должна быть в одной плоскости с дном следа. Лучшее качество снимков достигается при хорошем естественном освещении. При искусственном освещении необходимо двухстороннее освещение.

Дорожка следов фотографируется обычно способом линейной панорамы или с глубинным масштабом. Если по тем или иным причинам след нельзя сфотографировать, его нужно зарисовать.

Изготовление слепков делают специалисты (эксперты) помощью полимерных материалов.

Иногда дознавателю полезно, не откладывая, пройти по направлению следов. Есть много примеров из практики, когда таким образом дознавателю и сотрудникам милиции "по горячим следам" удавалось обнаружить похищенное с подожженного объекта имущество и, в конечном счете, раскрыть преступление.

3.4. Следы транспортных средств

Транспортные средства оставляют прежде всего следы колес или гусениц и реже - следы других частей движущегося механизма. Чаще всего следы транспортных средств исследуются при дорожно-транспортных происшествиях, но могут давать важную информацию и при расследовании пожаров (поджогов).

При расследовании пожаров на транспортных средствах (автомобилях, в частности), если загорание произошло по ходу движения или при столкновении, бывает необходима реконструкция событий, непосредственно предшествующих загоранию. А для такой реконструкции и необходимо исследовать следы транспортного средства, оставшиеся на дороге.

Транспортное средство может оставлять, в принципе, следующие следы:

- торможения;

- указывающие направление движения;

- отображения;

- колеи;

- протектора.

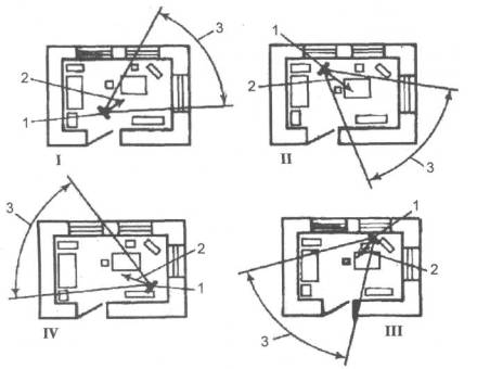
Следы торможения - это динамические следы; они образуются при движении машины с заторможенными колесами и представляют собой сплошную полосу с неразличимым рисунком протектора. Измеряется их полная протяженность от начала до места остановки автомобиля или до места возобновления вращения колеса. Длина таких полос и их характер (непрерывные или прерывистые), с учетом характера дорожного покрытия и погодных условий, позволяют судить о скорости движения автомобиля и интенсивности торможения.

Следы протектора - это статические следы (следы качения); они образуются в момент соприкосновения определенного участка протектора со следовоспринимающей поверхностью. Рисунок протектора может быть поверхностным и объемным. И его обязательно фиксируют (путем описания, фотографирования, изготовления слепков).

В первую очередь выделяют следы от передних и задних колес правой и левой сторон автомобиля. При прямолинейном движении следы задних колес наслаиваются на следы передних, поэтому особо ценны отпечатки протектора в местах разворота или поворота машины, где следы передних и задних колес разделяются и могут быть зафиксированы отдельно. Очень важны и участки, где на фоне общего рисунка протектора видны его индивидуальные особенности в виде дефектов производственного характера или повреждений, износа при эксплуатации.

Исследуя следы, оставленные автомобилем, определяют также ширину колеи, беговой части протектора, длину окружности шины, базы автомобиля (расстояние между передней и задней осями). Все это с учетом типа рисунка протектора позволяет устанавливать марку (модель) автомобиля с целью его розыска.

Для идентификационных исследований используются в основном следы протектора колес, изымаемые с места происшествия в виде слепков.

Контактные следы других частей автомобиля возникают при его наезде или столкновении с препятствием. Часто подобные следы образуются при ударе автомобилем человека и остаются на его одежде и теле.

Исследование автомобильных следов является обязанностью экспертов-криминалистов. От специалистов противопожарной службы требуется сохранять их в случае обнаружения на месте пожара или (что чаще бывает) в непосредственной близости от него. При обнаружении следа нужно огородить это место подручными средствами и сообщить сотрудникам ОВД, а те должны вызвать экспертов ЭКП ОВД. В крайнем случае, в сельской местности, если до экспертов далеко, а следы в любой момент смоет дождем, - надо зафиксировать их наличие в протоколе осмотра, зарисовать, сфотографировать (обязательно по правилам криминалистической съемки, с масштабной линейкой - см. гл. 10).

3.5. Следы орудий взлома

В зависимости от характера воздействия орудия на объект взлома следы, образованные этими орудиями, могут быть разделены на три основных типа:

- следы давления;

- скольжения (трения);

- резания.

Вдавленный след (вмятина, пробоина) возникает при давлении или ударе орудием по объекту.

Следы скольжения (трения) возникают в случаях, когда орудие взлома действует под углом к поверхности преграды.

Следы резания делятся на простой разрез или разруб (его оставляют топор, нож, долото и т.п.), встречный разрез (орудия типа ножниц, кусачек), разрез с отделением частиц материала преграды - стружек, опилок и т.п. (происходит при строгании, сверлении, пилении).

При любом пожаре на объекте с материальными ценностями потенциальными объектами исследования на предмет выявления следов орудий взлома являются двери, окна, оконные решетки, жалюзи, сорванные замки, засовы, пломбы и др.

Со изломанными объектами надо быть предельно аккуратными.

При опросе руководителя тушения пожара и пожарных необходимо выяснить, какие двери, оконные решетки и каким образом вскрывались по прибытии на место пожара, а какие уже были взломаны. Взломанные до прибытия пожарных объекты следует сохранить для осмотра экспертом-криминалистом.

Объект взлома не следует топтать, захватывать руками. В отдельных ситуациях целесообразно снять дверь с петель и убрать в место, где будет обеспечена ее сохранность.

Надо обращать внимание и на следы неудавшегося взлома; они могут возникнуть, например, когда преступник сначала хотел взломать решетку на окне, но, не справившись, взломал замок на двери.

Спиленные замки следует подобрать и бережно упаковать, помня о возможных отпечатках пальцев.

Фиксация обнаруженных следов орудий взлома производится:

- словесным описанием в протоколе осмотра;

- фотосъемкой;

- моделированием (слепки специальными пастами).

3.6. Вещественные следы биологического происхождения

Под вещественными следами биологического происхождения понимаются следы крови, слюны, спермы, прочих выделений человеческого организма.

В первую очередь при осмотре места пожара могут быть обнаружены следы крови. Пожар (поджог), достаточно часто используется преступниками как средство уничтожения следов другого преступления, в частности убийства.

В настоящее время с успехом проводятся исследования пятен крови размером до 1x2 мм. Исследование позволяет установить группу крови в пятнах, когда имеются хотя бы две пропитанные кровью ниточки длиной до 0,5 см. Решается и вопрос о половой и другой принадлежности крови. Современными средствами и методиками обнаруживаются даже замытые пятна.

Учитывая специфику места пожара, обнаружение следов крови требует внимания, настойчивости и времени. Со временем они сильно меняются и, чтобы не допустить ошибки, необходимо обращать внимание и сохранять все сомнительные пятна.

Задача пожарных специалистов - следы по возможности не смыть, не затоптать, сохранить до прибытия экспертов-криминалистов.

Следы крови могут находиться повсюду - на полу и стенах помещения, на мебели и других предметах, на теле и одежде потерпевшего и преступника. Они могут остаться не только там, где совершено убийство (например, в подожженной и сгоревшей комнате квартиры), но и по трассе волочения тела, в прихожей, коридоре, кухне, туалете, ванной комнате, где преступник отмывался. Бывали случаи, когда следы крови находили в коленах канализационных труб, служивших для оттока воды из ванной.

Искать следы крови в помещении лучше всего с помощью источника света, освещающего поверхность под углом.

Ярко-красный цвет имеет только свежая кровь на белом фоне. Уже через несколько дней пятно буреет; то же (переход цвета в бурый и черный) происходит при нагреве в ходе пожара. Через несколько месяцев в пятне появляются сероватые оттенки. Под солнцем, а также на металле цвет меняется быстрее, на тканях медленнее; на обоях вообще может менять цвет под цвет обоев. По форме следы крови могут представлять лужи и потеки, пятна и брызги, помарки и отпечатки; мазки и комбинированные следы.

Необходимо отметить, что за пятна крови могут быть приняты следы ржавчины, краски, кофе и т.п., или наоборот. Кровь это или не кровь, устанавливают специалисты с помощью специальных реакций (проба с перекисью водорода, бензидиновая проба; проба с применением люминола). Более эффективны второй и третий реактивы, с их помощью выявляются и замытые пятна.

Обнаруженные следы крови фиксируются с помощью фотографии методом масштабной съемки. Изымаются следы в том виде, в каком они обнаружены - мелкие предметы со следами крови (ножи, топоры и т.д.) целиком; от громоздких предметов отпиливается фрагмент с пятном. Грунт отбирается совком; снег со следами крови укладывается на сложенную в несколько слоев марлю - снег тает, вода стекает, а кровь задерживается на марле как на фильтре.

О сохранности следов крови в условиях пожара

При нагревании кровь вспучивается. Цвет ее становится буро-черный, а затем черный. Реакцией на перекись водорода кровь определяется при нагреве примерно до 250°С.

 

ГЛАВА 4.

СЛЕДЫ ГОРЕНИЯ. ПРИЗНАКИ ОЧАГА ПОЖАРА

 

Тепловое воздействие на материалы и конструкции в ходе пожара приводит к формированию на них следов термических поражений, специфичных для каждого вида материала. В зависимости от того, насколько сильно материал разрушен под воздействием тепла пожара, термические поражения могут либо наблюдаться визуально, либо быть невидимы глазу, и выявляться с помощью специальных инструментальных методов и технических средств. Существует понятие "степень термических поражений"; под этим термином понимается величина термических разрушений материала. Она может выражаться качественной оценкой (например, "незначительные разрушения бетона с образованием мелких трещин" или "сильные разрушения с отслоением защитного слоя") или количественной, через какую-либо измеренную величину или параметр, прямо или косвенно связанный с процессом и последствиями термического разрушения. Примером количественной оценки степени термического поражения может быть измерение глубины обугливания древесины или величины деформации стальной балки.

Степень термического поражения любого материала определяется двумя основными параметрами - температурой и длительностью нагрева, причем влияние температуры более существенно, нежели длительности.

Изучение и фиксация следов горения и теплового воздействия на материалы и конструкции необходимы,

прежде всего, для выявления места возникновения (очага) пожара и путей распространения горения [16-20].

Описание термических поражений в протоколе осмотра места пожара имеет целью зафиксировать подробно, насколько это возможно, обстановку после пожара.

4.1. Следы горения. Термические поражения отдельных материалов

4.1.1. Древесина и древесные композиционные материалы

Поражения древесины на пожаре возникают в результате ее термического разложения под воздействием внешнего тепла. Результатом термического разложения древесины является ее обугливание. При этом выделяются горючие газообразные продукты термического разложения, которые при достижении определенной концентрации в воздухе способны загораться и обеспечивать пламенное горение над поверхностью древесины. Образовавшийся угольный слой также способен выгорать, частично и полностью.

Первые признаки термического разложения древесины - потемнение ее поверхности - проявляются при температуре выше 110°С. Активное тление древесины, начинается при температуре порядка 300°С; самовоспламенение древесины происходит примерно при 400°С.

Глубина обугливания древесины последовательно возрастает с увеличением температуры и длительности пиролиза. Поэтому измерение глубины обугливания (правила измерения см. ниже, в разд. 5.2) может применяться для фиксации и оценки изменения степени термического поражения по длине и высоте конструкции, определения направленности теплового воздействия или более интенсивного теплового воздействия.

Внешний вид угля

Внешний вид угля несет определенную информацию об условиях, в которых он образовался.

Уголь легкий, рыхлый, с крупными трещинами образуется обычно при интенсивном пламенном горении.

Уголь плотный, тяжелый, иногда с коричневатым оттенком и даже сохранившейся текстурой древесины (рисунком годовых колец) образуется при низкотемпературном пиролизе (тлении), когда процесс обугливания происходит медленно, и летучие выделяются понемногу, уходя через мелкие трещины и не разрыхляя уголь.

Полное выгорание древесины

Проявляется в сквозных прогарах и при выгорании до золы (порошка серого цвета). Этот признак экстремально высоких термических поражений конструкций прекрасно виден невооруженным глазом. Его надо фиксировать в протоколах осмотра места пожара и учитывать в поисках очага пожара. Необходимо установить природу прогара (может быть, это след конвективного теплового потока, может быть, - очаг пожара).

Особый интерес представляют прогары в полу, прежде всего, когда они немногочисленны или прогар один. Полы на пожаре, как правило, сохраняются, поэтому наличие прогара в полу требует его фиксации в протоколе осмотра, а также подробного исследования.

Локальные прогары с четко очерченными границами образуются при длительном низкотемпературном пиролизе (тлении).

От полностью выгоревшей деревянной конструкции над очагом пожара остается зола (минеральные соли, содержавшиеся в древесине) и металлические детали (гвозди, болты, скобы и т.д.), если таковые присутствовали до пожара. За пределами участка, выгоревшего над очагом, конструкции рушатся, еще полностью не сгорая, вместе с несгораемыми деталями. Таким образом, скопление, например, гвоздей в каком-либо одном месте может иногда служить дополнительным признаком очага пожара.

Невидимые невооруженным глазом особенности структуры и состава углей, которые зависят от условий их образования на пожаре, устанавливаются специальными методами (см. разд. 12.3). Инструментальные исследования древесных углей позволяют определять средне временную интегральную температуру и длительность пиролиза древесины в точке отбора пробы угля.

4.1.2. Изделия из тканей, матрацы, мягкая мебель

Термические поражения изделий из тканей, мягкой мебели и т.д. зависят от интенсивности теплового воздействия на них в ходе пожара, условий горения, укладки изделий и других факторов. Отдельно висящие шторы, особенно синтетические, обычно сгорают полностью, ткани в рулонах и изделия из них, уложенные в кипы, стопки, одежда, плотно висящая в шкафу, выгорают в меньшей степени, иногда подвергаясь лишь поверхностному обугливанию. То же происходит с плотно уложенными книгами и бумагами. Горение подобных изделий, как и древесины, может происходить в режиме тления и пламенного горения. Материалы с волокнами из термопластичных полимеров, не способные к тлению, могут подплавляться, расплавляться, стекать вниз с образованием вторичных очагов (см. ниже).

При осмотре места пожара необходимо фиксировать характер и примерную глубину выгорания массивов материалов и изделий из волокон и тканей. Подобные данные представляют ценность при определении направленности теплового воздействия и развития горения, а иногда и при выявлении непосредственно очага пожара.

Матрацам и мягкой мебели также свойственно поверхностное обгорание, выгорание на определенную глубину, полное выгорание отдельных участков и изделия в целом. Детальное описание характера выгорания (глубина обугливания, выгорания, геометрические параметры выгоревшей зоны) очень важно для дифференциации последствий поджога с применением ЛВЖ-ГЖ, пожара, возникшего от тлеющего табачного изделия, а также "общей вспышки" в помещении (см. ниже).

При попадании тлеющего табачного изделия на поверхность дивана, матраца кровати, ватного одеяла и других изделий, материал которых склонен к самоподдерживающемуся тлеющему горению (к ним относятся вата, ватин, поролон), возникает тление материала, продолжающееся иногда часами и лишь затем переходящее в пламенное горение (или не переходящее вообще). При этом на поверхности дивана или матраца образуется четко выраженная локальная зона выгорания, с хорошо очерченной границей между обгоревшей и необгоревшей частью дивана (матраца) и достаточно глубоким обугливанием в пределах этой зоны.

Для тления любых материалов характерны локальные зоны глубоких термических поражений, вплоть до сквозных прогаров, а выявление и фиксация таких зон позволяет получить ценную информацию о характере протекавшего в исследуемой зоне процесса.

В случае поджога мебели с помощью ЛВЖ или ГЖ почти всегда имеет место стекание жидкости на пол, в щели мебельного каркаса. После расчистки места пожара можно обнаружить характерные выгорания половиц по щелям от протекавшей туда жидкости.

4.1.3. Полимерные конструкционные и строительные материалы

Полимерные материалы, применяемые в строительстве, а также для изготовления корпусов бытовой и оргтехники, других изделий, можно разделить на два класса - термопластичные материалы (термопласты) и термореактивные материалы (реактопласты).

Термопласты - это материалы, способные размягчаться при нагревании и переходить в пластическое состояние, не подвергаясь при этом разрушению, термической деструкции. К таким материалам относятся, в частности, полиэтилен, поливинилхлорид, полиметилмета-крилат (органическое стекло), полиамиды (капрон) и др. При пожаре термопласты размягчаются, плавятся, текут, горят. Это способствует образованию вторичных очагов (очагов горения) и распространению пожара.

Примером подобного рода может быть поведение проводов с полиэтиленовой или поливинилхлоридной (самой распространенной в настоящее время) изоляцией. При нагревании провода такая изоляция плавится, стекает, жилы провода оголяются, происходит короткое замыкание, и, как следствие, могут возникать так называемые вторичные КЗ. Второй пример - распространение горения в помещении, где на стенах или на потолке установлены люминесцентные светильники с экранами из оргстекла. Горячие конвективные потоки от очага пожара, поднимающиеся к потолку, способны прогреть люминесцентные светильники до такой степени, что экраны начнут плавиться, оргстекло потечет вниз на пол, и таким образом в помещении могут возникнуть множественные очаги горения.

Если при осмотре места пожара обнаруживаются потеки термопласта, то можно заключить, что температура нагрева в данной зоне была больше температуры размягчения данного полимера или полимерной композиции.

Термореактивные полимерные материалы не способны переходить в пластическое состояние без разрушения своей структуры. Происходит это потому, что в отличие от термопластов, реактопласты имеют обычно не линейную, цепочечную структуру полимера, а разветвленную, пространственно сшитую. Типичными представителями термореактивных полимерных материалов является резина, фенолформальдегидные пластмассы. К ним же относится и природный полимер - древесина.

Реактопласты при нагревании в ходе пожара разлагаются с выделением газообразных продуктов пиролиза и образованием твердого углистого остатка, способного к тлению.

Деформации, расплавления, обугливание, частичное или полное выгорание коксового остатка полимерных материалов в тех или иных зонах пожара должны выявляться и фиксироваться в ходе осмотра места пожара. Так, например, деформации и подплавление корпусов бытовой техники, изготовленной из полистирола и других термопластов, пластмассовых деталей электрических выключателей, розеток, светильников - одни из первых проявляющихся признаков направленности теплового воздействия. Конечно, в ходе развившегося пожара такие признаки непосредственно в зоне горения не сохраняются, но они сохраняются вне ее, на границе зоны задымления, и как признаки направленности теплового воздействия должны быть зафиксированы.

Полезно обратить внимание и на состояние полимерной изоляции проводов на участках, где она сохранилась. Преимущественное оплавление и обугливание изоляции по наружной поверхности, как правило, является следствием термического воздействия пожара. В то же время, обугливание или оплавление изоляции изнутри, со стороны жилы - важный признак нагрева жилы токами КЗ или перегрузки.

Вспененные полимерные материалы, как правило, горят очень интенсивно и в ряде случаев не оставляют обугленных остатков.

От некоторых полимеров (например, пенополиуретана) после пожара могут оставаться лужицы жидких продуктов деполимеризации. Чтобы отличить их от остатков инициаторов горения, отбирают пробу данного вещества и направляют ее для исследования в лабораторию.

Как отмечалось выше, расплавляться и стекать могут и термопластичные полимеры. Растекшиеся лужицы таких полимеров, как правило, сгорают, но после пожара может обнаруживаться их след на полу или других поверхностях в виде зон локального обугливания по форме потеков, кляксообразных лужиц и т.п. Их также можно принять за следы горючей жидкости, использованной для поджога. Чтобы избежать этого, также требуется отбор пробы в соответствии с рекомендациями, изложенными ниже, в гл. 7.

Инструментальными исследованиями обугленных остатков полимерных материалов можно выявлять зоны термических поражений на месте пожара и устанавливать ориентировочную температуру их пиролиза в ходе пожара (см. разд. 5.3 и 12.3).

4.1.4. Лакокрасочные покрытия

Лакокрасочные покрытия (ЛКП) близки по своей природе к полимерным материалам. Как известно, обычно краска состоит из трех групп компонентов - пленкообразователя; наполнителей, пигментов; растворителя.

Пленкообразователь - это обычно органический, синтетический полимерный материал, образующий пленку при высыхании краски. Природные пленкообразователи (в частности, натуральная олифа - льняное масло) используются в настоящее время все реже. Пигменты (красители) придают краске необходимый цвет. В красках и эмалях на основе органических растворителей применяются в основном неорганические пигменты (окислы металлов), реже используются органические пигменты (в основном для создания красного, синего колеров). Наполнители в красках тоже в основном неорганической природы. Особенно много наполнителя - мела - в водно-дисперсионных красках.

По типу используемого растворителя краски делятся на две большие группы:

- краски (эмали, лаки) на основе органических растворителей;

- водно-дисперсионные краски (представляющие собой дисперсию, взвесь мельчайших частиц краски в воде).

Маркируются краски (эмали, лаки) обычно по типу пленкообразователя. Наиболее распространенные в быту краски и эмали на основе органических растворителей обозначаются:

МА (масляные, с олифой в качестве пленкообразователя);

ПФ (пентафталевые);

ГФ (глифталевые), (ПФ - и ГФ-эмали еще называют алкидными эмалями);

НЦ (нитроцеллюлозные).

Водно-дисперсионные краски (раньше их называли водоэмульсионными, что не совсем правильно): винил ацетатные (ВА), акрилатные (АК), латексные и др.

Превращения ЛКП при нагревании

Лакокрасочное покрытие, образовавшееся после нанесения краски (эмали) и ее высыхания, представляет собой сочетание пленкообразователя и пигмента, наполнителя; растворитель по мере высыхания краски улетучивается. Когда на пожаре покрытие начинает нагреваться, органические его составляющие (в первую очередь пленкообразователь) подвергаются термической деструкции.

Внешне это проявляется в том, что сначала покрытие темнеет.

Затем при температуре 200-400°С происходит его обугливание (карбонизация). У наименее термостойких нитроцеллюлозных покрытий этот процесс начинается при 150°С.

Образовавшийся при карбонизации пленкообразователя угольный остаток при температуре более 400°С тоже, однако, не сохраняется, а постепенно выгорает. При подъеме температуры до 500°С процесс этот практически завершается [21].

Если пигмент в краске органический, то выгорает и он. Неорганический пигмент или продукт его разложения обычно остается. В лаковом покрытии пигмент и наполнители отсутствуют, поэтому оно выгорает полностью.

Соответственно протекающим процессам меняется и то главное, что удается оценить при визуальном осмотре обгоревшего лакокрасочного покрытия - цвет покрытия.

Краска начинает постепенно темнеть при температуре 150-200°С. При 300°С этот процесс происходит гораздо быстрее, чем при 200°С. При 400°С слой краски интенсивно темнеет, обугливается в течение 10 мин нагрева, а затем, как показывают экспериментальные исследования, краска начинает светлеть, т.к. уголь выгорает. При 500°С процесс карбонизации и выгорания угольного слоя протекает так быстро, что уже через 10 мин нагрева краска имеет белый цвет, неотличимый от исходного (табл. 4.1.)

Таблица 4.1

Изменение цвета НЦ -, МА -, ПФ-покрытий при нагреве

Т, °с

НЦ

МА, ПФ

200

300

400

Среднее потемнение

Темный (черный)

Легкое потемнение

Среднее потемнение

Черный цвет

500

Среднее потемнение

600

Цвет неорг. пигментов

Таблица 4.2

Изменение цветности белого водно-дисперсионного покрытия при нагревании

Температура, °С

Цвет

100

Белый

200

Светло-желтый

300

Бежевый - коричневый

400

Темно-коричневый - черный

500 и выше

Белый

Из вышеизложенного следует, что при определении степени термического поражения краски исходить из принципа - чем краска темнее, чернее, тем, значит, в данной зоне было жарче, - нельзя. Это правило справедливо только до определенных температур.

При осмотре места пожара следует зафиксировать (словесное описание в протоколе осмотра, цветная фотовидеосъемка) цвет лакокрасочного покрытия в различных зонах места пожара. Кроме того, необходимо простейшим способом (соскобом) оценить его физико-механические свойства в тех же зонах (при полном выгорании пленкообразователя оно будет легко отслаиваться, "сыпаться").

В сомнительных, сложных случаях, а также для количественной оценки степени термических поражений лакокрасочного покрытия отбирают пробы краски в количестве 1-2 г в каждой точке (см. разд. 5.3).

Исследование обгоревших остатков ЛКП позволяет получать информацию в следующих температурных зонах места пожара:

НЦ-покрытие ......................................150-450°С

МА-, ПФ-покрытия и др...................200-500°С

Водно-дисперсионные .......................200-950°С

При температуре ниже 150-200°С изменений в покрытиях, которые можно зафиксировать, практически не происходит. Выше 450-500°С органическая составляющая ЛКП полностью выгорает и исследовать нечего. Лишь у водно-дисперсионных красок верхняя температурная граница выше - за счет того, что они содержат в качестве наполнителя мел. Последний же разлагается при нагревании на окись кальция и углекислый газ при температуре 900-950°С. И по тому, разложился или нет карбонат кальция (мел), можно узнать, достигала ли температура в исследуемой зоне 900-950°С.

4.1.5. Конструкции и изделия из металлов и сплавов

Последствия теплового воздействия при пожаре на металлы (сплавы) и конструкции из них можно разделить на 5 основных групп, условно расположив их (исходя из температуры наступления) в следующий ряд:

- деформации;

- образование окислов на поверхности металла;

- структурные изменения, сопровождающиеся изменением физико-химических и механических свойств;

- растворение металла в металле;

- расплавления и проплавления;

- горение металла (сплава).

Результаты протекания этих процессов при осмотре места пожара можно зафиксировать визуально или с помощью инструментальных средств, а полученную таким образом информацию использовать при поисках очага пожара [17-20, 22].

Деформации

Заметные деформации у стальных конструкций происходят уже при температуре 300°С. При нагреве до 550-600°С деформации становятся значительными по величине и в 15-20 % случаев могут привести к обрушению конструкции.

Оценка величины и направленности деформаций дает определенную информацию об относительной интенсивности и направленности теплового воздействия в тех или иных зонах.

Ниже указаны визуальные признаки, которые следует фиксировать и оценивать в ходе осмотра места пожара.

Направление деформации металлических элементов

Металлоконструкции и их отдельные элементы деформируются, как правило, в сторону наибольшего нагрева. Это свойство не только металлов, но и большинства других материалов, например, стекла.

Величина деформации

Очевидно, что величина деформации конструкции должна быть пропорциональна температуре и длительности ее нагрева. Поэтому, казалось бы, на месте пожара наиболее "горячей" зоной можно считать ту, в которой металлоконструкция имеет наибольшую деформацию.

Рис. 4.1. Деформация стальной балки перекрытия

Однако не все так просто, и наибольшая деформация происходит не всегда там, где имела место наибольшая температура, наиболее интенсивный и продолжительный нагрев. Она может быть и там, где конструктивный элемент несет более высокую нагрузку или на него действует наибольший изгибающий момент. Если, например, стальная балка перекрытия имеет наибольшую деформацию посередине пролета (рис. 4.1), то это абсолютно не значит, что именно в данной точке был наиболее интенсивный нагрев - просто именно здесь на балку действует наибольший изгибающий момент. И картина деформации, показанная на рис. 4.1, типична для большинства помещений, вне зависимости от расположения в них очага.

Тем не менее, для рассредоточенных по зоне горения однотипных и относительно одинаково нагруженных конструкций оценить величину деформации в сравнении друг с другом очень полезно. Если, например, стальные балки перекрытия имеют распределение величин деформации такое, как показано на рис. 4.2, то это (при относительно равномерной пожарной нагрузке в помещении) можно рассматривать как явный признак направленности распространения горения.

 

Рис. 4.2. Величины деформации однотипных стальных балок перекрытия, см

Чтобы количественно оценить степень деформации, рассчитывают так называемую величину относительной деформации. Это отношение величины прогиба к величине участка конструкции, на которой этот прогиб наблюдается (b/l) (см. гл. 5).

Взаимное расположение деформированных (обрушившихся) конструкций

При осмотре места пожара нужно обращать внимание на взаимное расположение в пространстве деформированных (обрушившихся) конструкций. Иногда это дает полезную для установления очага пожара информацию. В частности, если одна металлоконструкция придавлена сверху другой, это необходимо отметить в протоколе осмотра как факт, позволяющий оценить последовательность обрушения или деформации отдельных конструктивных элементов здания.

"Высота излома " вертикальных несущих конструкций

При осмотре ряда однотипных вертикальных несущих металлоконструкций необходимо сравнивать минимальную высоту, на которой начинается существенная деформация каждой из конструкций. Замечено, что при нагреве в ходе пожара вертикальные несущие металлоконструкции (например, ангаров и других подобных сооружений) как бы "подламываются" на определенной высоте, в результате чего стальная арка, в частности, приобретает вид, показанный на рис. 4.3, а. Причем высота излома h тем меньше, чем ближе конструкция к очагу пожара (рис. 4.3, б). Данное явление вполне объяснимо - чем ближе очаг пожара к конструкции, тем на меньшей высоте она прогревается до критической температуры восходящими конвективными потоками (рис. 4.3, в). Таким образом, фиксация высоты излома вертикальных конструкций дает возможность проявить своеобразный "макроконус" - признак направленности распространения горения от очага к периферии.

Значительные по величине локальные деформации

Значительные по величине и четко выраженные локальные деформации металлоконструкций, особенно балок перекрытия и тому подобных элементов - важный очаговый признак, на который обязательно следует обращать внимание и фиксировать в протоколе осмотра (включая фото - и видеосъемку). Они обычно образуются на начальной стадии пожара под воздействием локального нагрева конвективным потоком и тепловым излучением от очага. Должно быть зафиксировано точное место расположения таких деформаций, их величина и направленность.

 

Рис. 4.3. Деформации вертикальных элементов металлоконструкций на пожаре:

h1 и h2 - высота зоны достижения критической температуры при различном удалении очага пожара от металлоконструкции

 

Образование окислов на поверхности стальных конструкций и изделий

Если поверхность стального изделия обработанная, гладкая, то первый признак теплового воздействия, который можно обнаружить визуально, - так называемые цвета побежалости. Они появляются при нагревании стали до температуры 200-300°С благодаря образованию на ее поверхности микронной толщины пленки окисла. Толщина слоя окисла зависит от температуры нагрева (чем больше температура, тем окисел толще), а за счет интерференции света с изменением толщины пленки меняется ее цвет. Таким образом, цвет пленки окисла (цвет побежалости) зависит от температуры нагрева стали и может использоваться для ее примерного определения при исследовании пожара (табл. 4.3).

Таблица 4.3

Цвета побежалости на стали

Цвет побежалости

Толщина слоя окисла, мкм

Температура нагрева, °С

Светло-желтый

0,04

220-230

Соломенно-желтый

0,045

230-240

Оранжевый

0,05

240-260

Красно-фиолетовый

0,065

260-280

Синий

0,07

280-300

Наличие признаков побежалости на стальных изделиях, их локализация должны быть зафиксированы в протоколе осмотра. При поисках очага такая информация оказывается полезной очень редко, но она может понадобиться при установлении причины пожара, связанного с трением, локальным перегревом в технологических установках, двигателях и т.д.

Окалина

Высокотемпературный окисел - окалина - образуется на сталях обыкновенного качества (за время нагрева, характерное для среднего пожара) при температуре от 700 °С и выше. Рост толщины окалины происходит по параболическому закону: чем больше температура и длительность нагрева, тем она толще.

От температуры образования зависит и состав окалины.

Она может состоять из трех слоев различных окислов - вустита (оксида двухвалентного железа FeO), гематита (оксида трехвалентного железа Fе2О3) и магнетита (оксида двух-трехвалентного железа Fе2О3 Чем выше температура, тем больше в окалине вустита и меньше гематита. Вустит имеет черный цвет, а гематит - рыжий. Это обстоятельство позволяет по цвету окалины и ее толщине ориентировочно оценивать температуру нагрева металлоконструкций.

Низкотемпературная окалина (700-750°С), в которой мало вустита, обычно имеет рыжеватый оттенок и достаточно тонкая. Окалина, образовавшаяся при 900-1000°С и более - толстая и черная. Если окисел на поверхности стальной конструкции рыхлый и рыжий - это, скорее всего, не окалина, а обыкновенная ржавчина.

В протоколе осмотра должен быть отражен цвет окалины на различных участках стальных конструкций. Весьма полезно также сбить молотком, зубилом (или путем деформации конструкции, если она достаточно тонкая) куски окалины на различных участках и измерить микрометром ее толщину. Полученные данные занести в протокол осмотра.

Путем анализа окалины инструментальными и химическими методами возможно определение температуры и длительности высокотемпературного нагрева стальных конструкций в ходе пожара. Для этого пробы окалины отбирают по методике, указанной в разд. 12.2 и направляют на лабораторные исследования.

Возможно, зондирование слоя окалины непосредственно на месте пожара вихретоковым методом (см. разд. 12.2).

Наличие локальных зон расплавления (проплавления) металла

Полезная информация о температурных режимах в различных зонах пожара может быть получена путем выявления мест расплавления тех или иных металлов, сплавов, а также стекла и некоторых других материалов. Необходимо обращать внимание и фиксировать в протоколе места расплавления алюминия и его сплавов (температура плавления 600-660°С), бронзы (880-1040°С), меди (1083°С), стали (1300-1400°С) и др.

Необходимо, однако, иметь в виду, что так называемые проплавления в металле могут возникнуть и при температуре ниже температуры плавления. Возможно это, как минимум, по двум причинам:

1) локальный нагрев тонкого стального изделия (листа, проволоки и т.п.) приводит к образованию слоя окалины, соизмеримого по толщине с самим изделием. Окалина, не обладая достаточной механической прочностью, может выкрошиться, и на изделии после пожара обнаружится "дырка";

2) растворение металла в металле. Расплавленный в ходе пожара более легкоплавкий металл при попадании на металл более тугоплавкий может привести к "растворению" последнего в расплаве первого металла. Причем происходит это при температуре, значительно ниже температуры плавления "тугоплавкого" металла.

Такой процесс возможен, например, при попадании расплавленного алюминия на медь и ее сплавы. Происходит это за счет образования эвтектического сплава меди с алюминием. Точно такой же способностью растворяться в расплавленном алюминии обладает сталь. Конечным результатом протекания указанных реакций может быть проплавление (отверстие) в тонком стальном листе, в стенке стальной трубы и т.д.

Учитывая, что расплавления и проплавления относительно тугоплавких металлов и сплавов (меди, а тем более стали) происходят на пожаре достаточно редко, сам факт их наличия должен быть зафиксирован, причина образования в каждом конкретном случае должна быть выяснена.

Квалификационным признаком, позволяющим отличить такое отверстие от проплавления, возникшего, например, под действием электрической дуги, является характерный контур проплавления (в форме лужицы, потека) и тоненькая каемка алюминия, обычно сохраняющаяся по периметру отверстия. В неясных случаях фрагмент объекта с проплавлением подлежит изъятию и направлению на лабораторные исследования.

4.1.6. Бетон и железобетон

При нагреве в ходе пожара от температур 150-200°С и выше бетон и железобетон постоянно разрушаются - чем выше температура и длительность нагрева, тем больше. Происходит это вследствие постепенной дегидратации (удаления физически, а затем и химически связанной воды) цементного камня, неравномерного теплового расширения отдельных ингредиентов, входящих в состав бетона, и некоторых других процессов.

Процесс разрушения бетона не очень хорошо заметен визуально вплоть до температур нагрева 700-800°С, когда процесс дегидратации полностью завершается и бетон просто начинает сыпаться. Тем не менее, есть признаки, достаточно просто выявляемые и характеризующие (весьма примерно) степень разрушения материала в ходе пожара. Это изменение тона звука при простукивании и образование трещин.

Изменение тона звука при простукивании

Изменение тона звука определяется простукиванием бетонных и железобетонных конструкций каким-либо массивным предметом. Бетон разрушается при нагревании, в нем появляются микротрещины, и тон звука меняется.

Неповрежденный бетон имеет высокий и звонкий тон звука. С увеличением степени разрушения бетона тон становится глухим. Изменение в тональности звука особенно заметно при нагреве выше 600-700 °С, когда бетон практически полностью дегидратирован и потому разрушен.

При простукивании бетона, нагретого до различных температур, можно также заметить, как снижаются с увеличением температуры его прочностные свойства. Нагрев более 500°С приводит к тому, что часть сечения образца при ударе средней силы откалывается. При нагреве более 600 °С молоток при ударе сминает бетон на поверхности образца [23-25].

Визуальная фиксация трещин бетонных конструкций

Микротрещины в тяжелом бетоне начинают образовываться при 300-400 °С.

При 500 °С трещины увеличиваются настолько, что становятся видны невооруженным глазом (ширина трещин не менее 0,1 мм).

При 600-800 °С ширина раскрытия трещин достигает 0,5-1,0 мм.

При 700-800 °С образуются визуально наблюдаемые разрушения на бетоне, в частности, отслоение защитного слоя на железобетонных изделиях [23-25].

Отмеченная выше зависимость интенсивности трещинообразования и ширины раскрытия трещин от температуры нагрева позволяет оценивать примерную температуру нагрева конструкций в тех или иных зонах пожарища. Конечно, речь может идти об очень приблизительной, ориентировочной оценке, т.к. ширина раскрытия трещин зависит от множества факторов, в том числе скорости нагрева и охлаждения при тушении.

Более точное и достоверное определение температуры нагрева бетона и железобетона в ходе пожара, а также выявление зон термических поражений на бетонных и железобетонных конструкциях возможно специальными полевыми и лабораторными методами (см. разд. 12.1). Для лабораторных исследований необходим отбор проб в соответствии с рекомендациями разд. 5.3.

4.1.7. Кирпичная кладка

Кирпичи, изготовленные обжиговым методом (красный, специальный огнеупорный), при тепловом воздействии в ходе пожара не меняют свой состав, структуру и свойства. Поэтому изучение и описание их состояния обычно не представляют интереса для расследования пожара. Лишь резкое охлаждение при тушении может привести к растрескиванию указанных изделий, что, однако, также мало интересно с экспертной точки зрения.

Силикатный (белый) кирпич, а также цементный камень кладочного раствора между кирпичами (в том числе красными и огнеупорными) должны быть исследованы визуально. При нагревании, с увеличением температуры нагрева у них происходит трещинообразование и снижение механической прочности аналогично бетону (см. выше), что и должно выявляться в ходе осмотра места пожара.

При необходимости пробы силикатного кирпича и цементного камня кладочного раствора могут отбираться для лабораторных исследований с целью выявления, аналогично бетону, зон термических поражений и определения очага пожара.

4.1.8. Штукатурка

Штукатурка обычно бывает цементно-песчаная либо известково-песчаная. Первая отличается большей прочностью, однако под воздействием тепла пожара обе претерпевают примерно одинаковые изменения [23].

Цвет штукатурки

В литературе отмечается, что цементно-песчаная штукатурка при нагреве до 400-600°С приобретает розовый оттенок; при нагреве до 800-900°С - бледно-серый цвет.

Более часто наблюдаемым признаком на более прогретых зонах стен и потолка является светлый цвет штукатурки на фоне более темного в менее прогретых зонах. Причина такого явления, вероятно, в следующем. На пожаре при тушении водой стены намокают; там, где стена нагревалась более длительно, интенсивно и, таким образом, прогрета сильнее, она, отдавая тепло после пожара, просыхает быстрее. В результате при осмотре места пожара на более прогретых участках штукатурка выглядит светлее. Это обстоятельство должно быть отражено в протоколе осмотра места пожара и по возможности зафиксировано фото - и видео съемкой.

Отслоение штукатурки

Известно, что в зонах достаточно длительного и интенсивного нагрева штукатурка отваливается. Правда, не всегда это происходит именно в зоне ее экстремальных термических поражений. Достаточно часто такое случается, когда в помещение подается вода на тушение. Гидравлический удар и резкое охлаждение приводят к тому, что штукатурка может отвалиться не там, где была выше температура ее нагрева, а там, куда в первую очередь попала вода из пожарного ствола.

Тем не менее, зоны, где штукатурка отслоилась, обязательно нужно фиксировать при осмотре места пожара и иметь их в виду при поисках очага. Особенно интересны зоны, где штукатурка обвалилась, начиная снизу, от пола.

Температуру прогрева штукатурки в ходе пожара можно определить специальным лабораторным методом, для чего отбираются пробы (см. разд. 5.3).

4.1.9. Материалы на основе гипса

На основе гипса изготавливается гипсокартон (сухая штукатурка), фасонные изделия, декоративные, звукоизоляционные плиты, перегородки и блоки пазогребневой конструкции.

При нагреве в ходе пожара изделия из гипса растрескиваются и, в конечном счете, могут рассыпаться. При осмотре места пожара отмечается местонахождение, форма и размеры зон, где слой гипса обрушился. Учитывая, что это могло произойти как в результате более интенсивного и длительного нагрева гипса в данной зоне, так и в результате резкого охлаждения водой при тушении (подаваемой к тому же под давлением), в дальнейшем необходимо будет выяснить направления подачи стволов на тушение данного помещения.

Ориентировочная температура нагрева конструкции из гипса может быть определена с помощью данных, приведенных в табл. 4.4.

Таблица 4.4

Термические поражения гипсовой штукатурки при различных температурах [23]

Температура нагрева, °С

Состояние гипсовой штукатурки

200-300

Образование частых волосяных трещин (остаточная прочность 30 % начальной)

600-700

Интенсивное раскрытие трещин (остаточная прочность 20 % начальной)

800-900

Разрушение гипсового камня после охлаждения

Но гораздо эффективнее определять степень термического поражения и ориентировочную температуру нагрева материала не по визуальным данным, а по результатам исследования с помощью специальных приборов и оборудования. Для этого в интересующих исследователя зонах отбирают пробы гипса (5-10 г на глубину 3-5 мм), которые после соответствующего оформления направляются на лабораторные исследования.

4.1.10. Стекло

Разрушение стекол на пожаре (прежде всего, имеется в виду оконное остекление) может происходить по нескольким причинам:

- вследствие нагрева и растрескивания в ходе пожара;

- при механическом разрушении до пожара или непосредственно перед пожаром (в частности, при проникновении постороннего лица или забросе внутрь постороннего предмета, в том числе источника зажигания);

- при механическом разрушении в ходе пожара за счет падающих предметов;

- при взрыве внутри помещения до или в ходе пожара;

- при повышении давления внутри помещения в результате протекания чисто пожарных процессов - "общей вспышки" или вспышки газообразных продуктов неполного сгорания.

Для того чтобы при необходимости можно было выявить причину (механизм) разрушения стекол, осколки необходимо осмотреть и результаты осмотра зафиксировать в протоколе.

Во-первых, нужно посмотреть, закопчены ли стекла, лежащие внутри склада, или просто испачканы пожарным мусором. Закопчение на стеклах является признаком того, что во время пожара они какое-то время еще были в оконных переплетах, а разрушение произошло уже в ходе пожара.

Необходимо помнить, что на пожаре стекла при нагревании выше 300 °С начинают разрушаться и выпадать преимущественно в сторону действия источника тепла. То есть при горении внутри помещения стекла будут падать внутрь, и это может быть ошибочно принято за признак разбивания стекол от удара снаружи.

После взрыва, предшествующего пожару, стекла чистые и находятся снаружи помещения; чем больше сила взрыва, тем дальше. Исключением являются объемные взрывы, происходящие при утечке газа и испарении горючей жидкости, - при этих взрывах стекла находят внутри помещения.

В случае необходимости уточнения причины разрушения конкретного стекла его следует изъять для экспертного исследования. На осколках стекла образуются радиальные и концентрические трещины и другие характерные разрушения, рельеф граней которых позволяет определить, с какой стороны ударили по стеклу или надавили на него, имело ли место механическое воздействие, давление взрыва или разрушение вследствие температурных градиентов.

При изъятии стекол нужно помнить, что на них могут быть пальцевые отпечатки.

4.1.11. Копоть

Отложения копоти на конструкциях и предметах должны быть осмотрены в целях определения границ зон закопчения, расположения и геометрических параметров зон закопчения и зон выгорания копоти, примерной оценки интенсивности закопчения (толщины слоя копоти) на различных участках.

Уносимые конвективным потоком продукты сгорания по мере удаления от очага остывают, а содержащиеся в них твердые частицы сажи и конденсирующиеся в жидкую фазу продукты осаждаются на вертикальных и горизонтальных поверхностях, образуя наслоения копоти. Но на поверхности конструкций и оборудования в ходе дальнейшего развития горения она остается только до температуры 600-630°С, после чего выгорает. Поэтому ближе к очагу копоти иногда может быть меньше, а дальше - больше (естественно, до определенных пределов). Над очагом пожара и вторичными очагами копоть часто выгорает локальными пятнами. Эти пятна часто сохраняются в ходе дальнейшего развития горения - конструкция (потолок, стена) в очаговой зоне прогрета хорошо, а копоть лучше оседает на относительно более холодных, нежели на "горячих" участках.

Зоны выгорания копоти обязательно фиксируются в протоколе осмотра (словесное описание, фото -, видеосъемка).

Отложения копоти могут быть исследованы инструментальным методом (см. разд. 12.4).

4.2. Следы дефлаграционного горения и взрыва

Вспышки и взрывы могут предшествовать пожару и происходить в ходе его развития. Как правило, при расследовании пожара приходится устанаативать последовательность протекания этих явлений (взрыв - пожар или пожар - взрыв), причину вспышки (взрыва). В случае если имел место взрыв конденсированных взрывчатых веществ (ВВ), к осмотру места пожара следует привлекать экспертов-взрывотехников. Учитывая эти обстоятельства, крайне важно в процессе осмотра места пожара выявить, зафиксировать и оценить следы вспышки (взрыва).

Возможные на пожаре вспышки и взрывы могут быть классифицированы в соответствии со схемой (рис. 4.4).

Физические взрывы не связаны с химическими превращениями веществ и вызваны обычно увеличением или уменьшением давления в замкнутых системах, механическим их разрушением. Они могут происходить как до пожара, так и в ходе пожара вследствие нагрева герметически закрытых емкостей, баллонов, цистерн, технологических аппаратов и емкостей, содержащих газы или жидкости. При физическом взрыве четко выражен его эпицентр и механические разрушения разорвавшегося аппарата (емкости). Отдельные фрагменты взорвавшегося устройства могут быть обнаружены на значительном удалении от него.

 

Рис. 4.4. Вспышки и взрывы, возможные на пожаре

Горение конденсированных ВВ происходит в режиме взрыва и детонации, горение пылепарогазовоздушных смесей возможно в режиме как дефлаграции (вспышки), так и взрыва. По свидетельским показаниям дифференцировать эти явления невозможно (неподготовленный свидетель любой хлопок воспринимает как взрыв), поэтому установить природу произошедшего можно только по следам (последствиям) данных явлений.

Дефлаграционное горение (вспышка) распространяется по пыле-, газо- или паро-воздушной смеси со сравнительно низкой скоростью (несколько метров в секунду). Повышение давления в замкнутом объеме носит пространственно равномерный характер и в основном является следствием роста среднеобъемной температуры. Для углеводородно-воздушных смесей среднее давление повышается на 0,6-0,8 МПа, что может вызвать разрушение ограждающих конструкций здания (сооружения). Дефлаграция способна распространяться симметрично во все стороны от источника зажигания.

Кроме медленных дефлаграционных волн горения, в ППГВС могут возникать взрывные и детонационные волны. Первые распространяются по невозмущенной горючей смеси со скоростью менее 300 м/с, вторые - со скоростью более 300 м/с.

При взрыве, в отличие от вспышки, фронт давления и температуры быстро расширяется от места загорания, при этом формируется ударная волна.

Общее (фугасное) действие взрыва заключается в разрушениях под воздействием ударной волны. Наибольшее воздействие оказывает фронт давления при его прямом ударе в препятствие. Характер разрушений в зависимости от величины избыточного давления ударной волны давления приведен в табл. 4.5.

Таблица 4.5

Зависимость повреждений при взрыве от избыточного давления ударной волны [26]

№ п/п

Избыточное давление ударной волны, кПа

Повреждения

1

0,2

Раздражающий звук (137 децибел) с низкой частотой (10-15 отсчётов в секунду)

2

0,2

Возможное повреждение (растрескивание) больших стёкол в окнах в результате деформации

3

0,3 0,5

Громкий звук (143 децибела); повреждение стёкол; 5 %-ное разрушение остекления

4

1,1

Типичное давление, вызывающее повреждение стёкол

5

2,1

"Безопасная дистанция" (более низкое давление не вызывает серьёзных повреждений). Некоторые повреждения обшивки домов; разрушение до 10 % оконных стёкол

6.

2,8

Незначительное повреждение конструкций

7

4,0

90 %-ное разрушение остекления

8

5,0

Незначительные повреждения конструкций домов

9

7,2

Частичное повреждение домов до состояния, при котором обитание в них становится невозможным

10

8,5

Разрушение асбоцементного шифера. Гофрированные стальные и алюминиевые панели ослабевают в креплении и подвергаются изгибу. Деревянные панели (используемые в домостроении) разлетаются

11

9,2

Стальные конструкции знания слегка искривляются

12

14,2

Частичное разрушение стен и кровли домов

п/п

Избыточное давление ударной волны, кПа

Повреждения

13

14,2-21,4

Разрушаются неукреплённые стены из бетона и шлакоблоков

14

16,4

Нижний предел серьёзных повреждений конструкций

15

17,8

50 %-ное разрушение кирпичной кладки здания

16

21,4

Тяжёлые машины (до 1,35 т) в промышленных зданиях подвергаются небольшим повреждениям. Стальные конструкции зданий изгибаются и выдёргиваются из основания

17

21,4-28,5

Разрушение бескаркасных сооружений, склёпанных из стальных панелей. Разрушение танков - масляных хранилищ

18

28,5

Отрыв покрытий лёгких промышленных зданий

19

35,6

Растрескивание деревянных столбов (телеграфных и др.). Слегка повреждаются высокие гидравлические прессы (весом 1,8 т)

20

35,6-49,9

Почти полное разрушение домов

21

49,9

Перевёртывание тяжелогружёных вагонов

22

49,9-57,0

Кирпичные стены (200-300 мм), неукреплённые, теряют прочность в результате сдвига или изгиба

23

64,1

Тяжёлые грузовые ж.-д. вагоны полностью разрушаются

24

70,0

Разрушение более 75 % внутренней кирпичной кладки зданий

25

71,2

Возможно общее разрушение зданий. Тяжёлые (более 3 т) машины и станки передвигаются и очень сильно повреждаются. Очень тяжёлые (более 5 т) машины и станки сохраняются

26

2137,0

Разрушение с образованием кратера

Ниже перечислены следы, указывающие на характер взрыва и позволяющие дифференцировать взрыв взрывного устройства и парогазовоздушной смеси.

Взрыв взрывного устройства с конденсированным ВВ:

- наличие отдельных элементов взрывного устройства (остатков оболочки, средств взрывания, взрывчатого вещества);

- наличие явно выраженной области максимальных локальных разрушений (обычно не более 1 м);

- следы осколочного воздействия на окружающих предметах (осколки неправильной формы с "рваными" краями, с трещинами, микрократерами и частицами взрывчатых веществ на внутренних поверхностях);

- разрушения и повреждения строительных материалов, растительности и других объектов (растрескивание, разволокнение, деформация, образование вмятин).

При бризантном действии взрыва (оно характерно в основном для конденсированных взрывчатых веществ) происходит интенсивное дробление и деформация тел, непосредственно примыкающих к месту взрыва [6, 27-29].

Взрыв парогазовоздушной смеси в помещении:

- равномерные разрушения;

- хаотичное (ненаправленное) перемещение предметов;

- отсутствие воронок;

- термические  повреждения  предметов обстановки и пострадавших.

Наиболее частой ситуацией, приводящей к взрыву парогазовоздушной смеси и последующему пожару, является утечка бытового газа или скопление в помещении паров ЛВЖ.

Термическое действие такого взрыва ярко выражено. Возможно возгорание материалов на всей площади, где произошло накопление взрывоопасной концентрации паров и газов. Локальная очаговая зона в этом случае может быть не выражена, как и эпицентр взрыва, характерный для конденсированных ВВ.

У людей и животных наблюдается преобладание термических поражений над взрывными - ожоги верхних дыхательных путей, обгорания волосяных покровов, ожоги кожи.

Специфическими признаками взрыва горючих парогазовоздушных смесей являются также:

- своеобразное действие ударной волны, приводящее к падению стен наружу, приподнятию потолков, скручиванию металлических балок; оконные рамы при взрыве газа оказываются вырванными (иногда с целыми стеклами) из своих креплений;

- беспорядочный характер разрушений, проявляющийся в толкающем и расталкивающем действии (перемещения предметов на различные расстояния и в разных направлениях, передвижка стен помещения или их бочкообразное выгибание). Стеклянные колбы ламп, в частности, неоновые трубки, могут остаться целыми, т. к. сдвигающая сила взрыва газа по сравнению с дробящим действием взрыва ВВ недостаточна для их разрушения;

- герметичные объекты малых размеров (консервные банки, аэрозольные баллончики и др.) чаще всего не разрушаются, может иметь место их раздувание за счет образования вакуума в помещении на заключительной стадии взрыва. Осколки оконных стекол по той же причине могут быть найдены внутри помещения, и они будут закопчены.

Дефлаграционное горение (вспышки) различной природы и взрывы возможны и в ходе пожара. К ним относятся явления, называемые общей вспышкой, обратной тягой (эффектом сауны), пробежкой пламени.

Общая вспышка

При горении в помещении газообразные продукты сгорания, включая твердые частицы дыма, поднимаются вверх, образуя в припотолочном слое раскаленное газо-дымное облако. Оно не только прогревает потолок и прилегающую к потолку часть стен, но и излучает мощный тепловой поток на расположенные внизу предметы и мебель. В определенный момент их поверхность, обращенная к потолку, нагревается до температуры самовоспламенения и происходит вспышка с загоранием предметов по всей площади комнаты. Площадь горения при этом мгновенно многократно возрастает. Общая вспышка сопровождается увеличением давления в помещении, может разрушаться оконное остекление с выбросом форса пламени из окон и дверей. Свидетелями этот процесс обычно трактуется как взрыв. Общая вспышка приводит к образованию множественных очагов горения по всему помещению, что в определенной степени затрудняет потом поиск очага пожара. В случае если горение ликвидировано достаточно быстро, эти разрозненные очаги можно наблюдать, причем загоревшиеся предметы имеют равномерное обугливание по поверхностям, обращенным к потолку.

Обратная тяга

Наблюдается обычно в небольших закрытых помещениях, где по причине не выключенного электронагревательного устройства и т.п. происходит термическое разложение (пиролиз) органических материалов. Продукты пиролиза могут поступать и из горящих смежных помещений. Концентрация горючих летучих продуктов в воздухе постепенно возрастает, достигая значений выше верхнего концентрационного предела распространения пламени (ВКПР). Температура в помещении также повышается, но вспышки не происходит, потому что она возможна лишь при концентрациях горючих газов в пределах от НКПР до ВКПР. При открывании двери или окна в помещение происходит разбавление газообразных продуктов пиролиза чистым воздухом, их концентрация снижается до пределов, когда возможна вспышка (взрыв), что сопровождается встречным выбросом пламени через открываемый проем (отсюда название "обратная тяга"). Последствия в помещении и вокруг него могут быть как при объемном взрыве.

Пробежка пламени

Распространение горения по газовой фазе, также образующейся при пиролизе в ходе пожара органических материалов, происходит в случае неполного сгорания летучих продуктов пиролиза, например в условиях ограниченной вентиляции, и их накопления до локальных концентраций выше НКПР в каком-либо объеме, обычно в припотолочном слое. При попадании в это облако источника зажигания (залет искр, выброс форса пламени из соседнего помещения, искры КЗ и т.д.) происходит воспламенение газовоздушной смеси. Горение обычно распространяется по газовой фазе по механизму дефлаграции, в отдельных случаях переходя во взрывное горение.

Пробежка пламени характерна для длинных коридоров гостиниц, общественных зданий, цехов, вентиляционных и лифтовых шахт.

После пробежки пламени наблюдается резкий рост температуры и давления, приводящий, в частности, к разрушению оконных стекол. Образуются множественные очаги горения по "трассе" пробежки пламени (в коридорах - обычно на потолке и верхних участках стен).

Так как пробежка происходит быстро (в течение секунд), воспламеняются легкогорючие материалы, способные загореться за столь короткий период огневого воздействия. Затем, по мере развития горения, отдельные вновь образовавшиеся очаги горения сливаются.

Пробежка пламени также обычно воспринимается свидетелями как взрыв.

Необходимо учитывать, что пробежка пламени значительно увеличивает скорость распространения пожара, т.к. скорость горения по газовой фазе многократно выше, чем по поверхности твердых материалов.

4.3. Признаки очага пожара

Обнаружение очага (очагов) пожара является одной из главных задач, решаемых при осмотре места пожара. Решается она на основе информации, получаемой путем изучения термических поражений конструкций и предметов и выявления так называемых очаговых признаков.

Возможность формирования очаговых признаков зависит от условий и динамики развития горения на начальном этапе пожара (при очень благоприятных условиях и быстром развитии горения на начальном этапе очаговые признаки могут не успеть сформироваться); в процессе развития горения они могут сгладиться (нивелироваться) и, в конечном счете, исчезнуть вообще. Однако все эти объективные сложности не отменяют необходимости в ходе осмотра места пожара попытаться их (очаговые признаки) выявить и зафиксировать.

Для выявления скрытых (невидимых глазу) очаговых признаков применяют специальные инструментальные методы (см. гл. 12).

Признаки очага пожара, подлежащие выявлению при осмотре места пожара, делятся на две основные группы [17]:

- признаки очага пожара на участке его возникновения;

- признаки направленности распространения горения.

Признаки очага пожара на участке его возникновения

1. Локальные термические поражения в самом очаге

Формируются непосредственно на конструкции или предмете, на который воздействует источник зажигания или который находится в соприкосновении с зоной первоначального горения. Примером первой ситуации может быть локальное обугливание стены, пола, поверхности стола в зоне теплового воздействия на нее электронагревательного прибора; примером второй - выгорание пола под урной с горящими бумагами, кучей тлеющих опилок, тряпок и т.п. Термические поражения подобного рода возникают в материале, подвергающемся тепловому воздействию в основном за счет механизма кондукции, т. е. передачи тепла теплопроводностью.

Проявляются в локальном выгорании органических материалов (древесины, тканей, линолеума, лакокрасочных покрытий и т.п.), реже - растрескивании каменных неорганических материалов, отслоении штукатурки, деформациях.

2. Локальные термические поражения над очагом; очаговый конус

Формируются на начальной стадии пожара как след конвективного потока, восходящего от первоначальной локальной зоны горения (т. е. очага пожара). Конвекция начинает проявляться с первых минут пожара. Снизу сбоку в возникшую зону горения происходит подсос чистого воздуха, горячие газообразные продукты сгорания подымаются вверх, формируя конвективную колонку. Конструкции, предметы и их части, попадающие в зону теплового воздействия данной конвективной струи, нагреваются и получают локальные термические поражения, выражающиеся в выгорании строительных материалов и конструкций, копоти, деформациях, отслоениях штукатурки, растрескивании бетона и т. д.

Форма этой зоны специфическая. В спокойной атмосфере конвективный поток направлен вверх, и локальные термические поражения образуются над очагом, на боковых ограждающих конструкциях (стенах). Над очагом, на потолке эти термические поражения имеют в идеальном случае форму круга, а на боковых поверхностях - форму конуса, вершина которого обращена вниз.

В реальных ситуациях следы воздействия конвективного потока могут иметь форму конуса с вершиной в месте возникновения горения, форму "опрокинутого конуса" и любую другую форму, соответствующую конфигурации конвективного потока.

Конвективный поток и, соответственно, очаговый конус отклоняются по направлению тяги в помещении.

Обычно очаговый конус хорошо выражен в высоких помещениях и плохо в низких.

Формируется очаговый конус и на наклонных конструкциях, по мере прогара крыши из сгораемых материалов (рубероидной).

В помещениях с недостаточным воздухообменом (небольших, невентилируемых помещениях) часто возникают сосредоточенные глубокие разрушения вследствие тления в пределах ограниченного участка.

Фиксируются признаки очага пожара на участке его возникновения - словесным описанием в протоколе осмотра, фото - и видеосъемкой.

При отсутствии видимых признаков следы очагов могут быть выявлены инструментальным исследованием копоти, УЗ - исследованием бетонных и железобетонных стен, другими методами.

4.4. Признаки направленности распространения горения

Признаки направленности распространения горения возникают на путях распространения пожара из очага [17]. Они могут быть расположены на значительном удалении от очага, иногда в пределах всей зоны пожара.

Последовательно затухающие (нарастающие) поражения

С удалением от очага пожара термические поражения (разрушения) материалов и конструкций, как правило, уменьшаются (затухают) и, наоборот, нарастают с приближением к очагу. В данном случае кроме всего прочего проявляется фактор времени. Чем дальше от очага, тем горение более кратковременно, тем меньше степень термических поражений конструкций и материалов.

Данный признак может обнаруживаться визуально, например, по выгоранию на различную высоту деревянных перегородок, стоек, других элементов (рис. 4.5) - образуется как бы макроконус.

Затухающие (нарастающие) поражения могут проявляться и в других признаках - последовательно уменьшающейся глубине обугливания деревянных конструкций, уменьшении (увеличении) деформации металлических элементов и т.д.

Последовательно затухающие (нарастающие) поражения могут быть периодически повторяющимися и сплошными.

 

Рис. 4.5. Выгорание деревянных перегородок в помещении (по мере удаления от очага, термические поражения, последовательно затухающие):

а - перегородки полностью выгорели; б - обуглены на различную глубину; в - сохранились (не обуглены)

 

Термические поражения на одинаковых, повторяющихся в конструкции здания элементах - балках, лагах, стропилах, стойках - есть периодически повторяющиеся поражения (рис. 4.6, а.)

Последовательно уменьшающаяся глубина обугливания бревна, деревянной стенки по их длине - это сплошные затухающие поражения (рис. 4.6, б).

Произвольно расположенные признаки направленности распространения горения

Формируются и на отдельных конструктивных элементах зданий и сооружений.

Выражаются в одностороннем или преимущественном разрушении, выгорании конструкций и предметов со стороны, направленной к очагу пожара. Конвективные потоки и лучистые тепловые потоки больше прогревают участки конструкций, обращенных в сторону очага, и с этой стороны конструкции разрушаются больше, чем с обратной.

Рис. 4.6. Последовательно затухающие (нарастающие) термические поражения:

а - периодически повторяющиеся; 6 - сплошные

Деформации также происходят в сторону наиболее интенсивного теплового воздействия (т.е. в идеальном случае - в сторону очага).

Все указанное выше относится к признакам направленности горения, формирующимся при развитии горения по горизонтали.

Развитие горения по вертикали

Основным механизмом, определяющим развитие горения по вертикали, является конвекция, уносящая тепло вверх и способствующая таким образом развитию горения в этом направлении. Учитывая это обстоятельство, в случае распространения горения по вертикали, очаг пожара в первую очередь следует предполагать в самой нижней зоне со следами горения.

Как из любого правила, из него бывают исключения. Горящие предметы могут падать сверху вниз, создавая, таким образом, вторичные очаги горения. Но общее правило тем не менее остается в силе - в поисках очага следует двигаться по следам термических поражений вниз.

К сожалению, на пожаре могут возникнуть следующие ситуации, усложняющие поиски очага по указанным выше признакам.

Очаговые признаки не сформировались

Такое может быть при быстром развитии горения, обусловленном хорошими условиями воздухообмена, мощным источником зажигания или применением инициатора горения, архитектурными особенностями здания (наличием пустот и др. факторами); пожароопасными свойствами отделки помещений, способствующими быстрому развитию горения.

Нивелирование и исчезновение очаговых признаков в ходе развития горения

Нивелирование (сглаживание) визуально наблюдаемых очаговых признаков, вплоть до их полного исчезновения происходит на пожаре достаточно часто.

В случае такого рода пожаров остается единственное - применять инструментальные методы выявления скрытых очаговых признаков пожара (см. гл. 12)

Вторичные очаги (очаги горения)

Необходимо иметь в виду, что очаг пожара далеко не всегда совпадает с местом наибольших термических поражений конструкций и предметов. Помимо очагов пожара существуют так называемые очаги горения (ОГ). Местные ОГ образуются внутри основной площади горения и представляют собой зоны, где экстремально высокие термические поражения обусловлены сосредоточением пожарной нагрузки, либо более благоприятными условиями горения (притоком воздуха прежде всего), либо более поздней ликвидацией горения.

Изолированные ОГ - это очаги, непосредственно не связанные с основной зоной горения. Образуются они за счет передачи теплоты на смежные постройки, сооружения, части здания радиацией, конвекцией, теплопроводностью, при попадании горящих углей, искр на горючие материалы вне зоны горения.

Установление истинного очага пожара невозможно без дифференциации ОП и ОГ. Для этого необходимо тщательное изучение конструктивных особенностей здания (помещения), распределения пожарной нагрузки в нем. Рекомендации по данному вопросу приведены в разд. 5.6, 5.7.

При решении вопроса о месте нахождения очага пожара учитываются также показания свидетелей, косвенные признаки очага и другие данные.

Подробно методика установления очага пожара изложена в [17-20].

 

ГЛАВА 5.

СТАДИИ, ЗАДАЧИ И МЕТОДИКА ПРОВЕДЕНИЯ ОСМОТРА МЕСТА ПОЖАРА

 

5.1. Подготовительная стадия

Организация осмотра места пожара возлагается на руководителя следственно-оперативной группы (следователя). В отсутствие следователя руководство осуществляет дознаватель или начальник органа дознания. При выезде на место пожара прокурора руководитель и члены группы следуют его указаниям.

При организации выезда крайне важно, чтобы группа выехала на место как можно раньше и в полном составе. Порядок выезда и совместной работы на месте пожара сотрудников ГПС и МВД регламентирован совместным приказом МЧС России и МВД России от 31.03.03 г. № 163/208.

Подготовительные мероприятия, предшествующие осмотру:

- охрана места пожара, удаление посторонних;

- обеспечение безопасности участников осмотра;

- ознакомление с объектом, его юридическим статусом,  конструктивными элементами  и особенностями (изучение необходимой документации);

- установление очевидцев пожара, а также потенциальных свидетелей;

- приглашение  понятых,  специалистов,  экспертов, должностных лиц, хорошо знающих объект;

- обеспечение места пожара освещением, необходимыми инструментами, а также привлечение рабочей силы для проведения раскопок, устранения завалов.

Охрана места пожара производится в целях сохранности вещной обстановки, препятствия утери доказательств. Для осуществления охраны привлекаются сотрудники милиции, в необходимых случаях запрос на охрану места пожара следует сделать в письменной форме.

Безопасность участников осмотра включает в себя защиту от следующих неблагоприятных воздействий (в скобках указаны меры, обеспечивающие защиту):

- воздействия опасных факторов пожара, огнетушащих средств (специальная экипировка);

- обрушений строительных конструкций, падений с высоты, падений в прогары, а также получения травм в местах нахождения обрушенных и поврежденных конструкций, предметов (экипировка, соблюдение мер предосторожности при перемещении и выборе точек наблюдения);

- физического и психического воздействия со стороны виновных в происшедшем пожаре лиц (привлечение сотрудников милиции).

Подробнее меры безопасности при осмотре места пожара рассмотрены в гл. 13.

Ознакомление с объектом позволяет быстро и качественно произвести осмотр, создает предпосылки для успешной работы на последующих стадиях расследования. Данное мероприятие включает в себя беглый предварительный обзор объекта, истребование документов, подтверждающих ведомственную принадлежность, организационно-правовой статус объекта, поэтажных планов, технических паспортов, схем электроустановок, систем вентиляции и иных необходимых документов.

Предварительный устный опрос очевидцев пожара, участников тушения о месте, времени возникновения и причине пожара (после самостоятельного предварительного обзора места пожара) помогает правильно планировать осмотр, быстрее и качественнее его произвести. Однако не нужно спешить делать выводы на основе полученной информации. В дальнейшем данные осмотра следует сопоставить с устными показаниями, а выявленные противоречия попытаться устранить письменным опросом. В некоторых случаях для установления истины необходим дополнительный осмотр.

5.2. Статический осмотр

На стадии статического осмотра все на месте пожара остается на своих местах. Не следует ничего трогать, разбирать, раскапывать. Дознаватель, следователь, специалист (эксперт) изучает и описывает место пожара в том виде, в котором он его застал на момент начала осмотра.

Известны различные виды осмотра места происшествия и места пожара, в частности, общий обзор, осмотр по отдельным участкам, по узлам, по деталям.

Начинать следует с общего обзора.

Необходимо спокойно пройти (может быть, не один раз) по месту пожара, уяснить общий характер термических поражений. Если пострадало несколько помещений или зданий, следует сориентироваться на месте и на плане, где и что горело.

Далее нужно выделить мысленно (и отметить на плане) зону горения, отделив ее от зоны задымления (где конструкции закопчены, но собственно горения не было). А внутри зоны горения нужно выделить для себя зону (зоны) наиболее существенных разрушений конструкций.

На крупных пожарах при проведении общего обзора полезно посмотреть на зону горения сверху (с верхних этажей стоящих рядом зданий, коленчатого подъемника и т.п.). Это, во-первых, дает возможность лучше сориентироваться на месте пожара; во-вторых, если повезет, позволяет примерно "очертить" зону наиболее интенсивного горения по величине явных разрушений и степени термических поражений материалов и конструкций.

В завершение общего обзора надо разбить зону пожара на участки (если не одно помещение, а много, то комнату можно считать одним участком). После этого можно приступать к осмотру по участкам и составлению протокола осмотра.

Участок описывается в любом порядке (слева направо, справа налево, от входа, от окна, от печки - все равно, надо только в протоколе отметить это направление).

При описании следует придерживаться определенной ориентации.

На неподвижных объектах следует ориентироваться по частям света (северная стена, восточная стена и т.д.) или в привязке к какому-либо заметному элементу (справа от входной двери, слева от окна и т.д.) Привязка должна быть несложной и легко воспринимаемой людьми, которые читают протокол. Не должно возникать двусмысленных ситуаций, когда в комнате, например, две двери и непонятно, относительно какой из них выполнено описание.

Описание в протоколе желательно сверить затем с фото таблицей по пожару. При этом могут выявиться ошибки и несоответствия.

На подвижных объектах (автомобили, морские и речные суда) следует ориентироваться относительно конструктивных общеизвестных частей объекта и применять соответствующую терминологию:

- для автомобилей - моторный отсек, багажник, правая передняя (подразумевается, что по ходу движения автомобиля) дверь, левое заднее колесо и т. д.

- для судов - нос, корма, правый борт, левый борт. Не надо забывать, что протокол осмотра места пожара - не сочинение на вольную тему, а словесная фотография. В нем необходимо последовательно описывать состояние стен, потолка, отдельных предметов, характер разрушения, обгорания и степень его (с какой стороны обгорело больше, с какой меньше и на какую глубину). Фразы "все сгорело" или "кровать, шкаф, дверь сгорели полностью" в описаниях городских пожаров, как правило, не отражают реального положения. Остатки предметов обычно все-таки сохраняются и должны быть описаны максимально подробно.

Обязательно описывается состояние дверного полотна с обеих сторон, а также торцевых поверхностей дверей (это важно для решения в последующем вопроса, была ли открыта в момент пожара дверь или закрыта) и состояние дверной коробки. При описании состояния стен, потолка отмечается выгорание краски, цветность и отслоение штукатурки, величина и направленность деформаций, закопчение, выгорание копоти и т.д.

Словесное описание термических поражений

Ниже приведены основные визуально различимые признаки термических поражений различных материалов и конструкций, которые, при их наличии, должны быть отражены в протоколе осмотра места пожара.

а) Стены и потолки из каменных несгораемых материалов:

- потемнение слоя краски;

- обугливание слоя краски;

- полное или частичное выгорание слоя краски;

- наличие закопчения и зон выгорания копоти;

- трещины на бетоне;

- отслоение слоя бетона;

- деформации бетонной конструкции (величина и направленность).

б) Деревянные конструкции здания:

- потемнение, обугливание, выгорание лакокрасочного покрытия;

- обугливание и выгорание обоев, полимерных покрытий;

- текстура угля (плотная и рыхлая, с трещинами или без, мелкими или крупными, просматривается ли рисунок годовых колец и т.д.);

- поверхностное обугливание древесины. Определяется методом пенетрации (протыкания);

- глубокое обугливание, глубина обугливания;

- потеря сечения конструкции вследствие выгорания угля (см. рис. 5.1);

- слой угля поврежден, сколот;

- наличие прогаров (обычных и щелевых).

Следует различать и правильно отражать в протоколе обугливание на всю глубину (полное переугливание, когда под углем отсутствует древесина) и образование прогара, когда уголь выгорел вплоть до образования дыры.

в) Металлоконструкции:

- деформации (величина, направленность деформации, расположение деформированных участков по горизонтали и по вертикали, в том числе участка с наибольшей деформацией);

- у вертикальных стоек - высота "излома";

- состояние красочного слоя;

- состояние огнезащитного покрытия (если таковое имелось) - толщина вспененного слоя, наличие дефектов, трещин и т.д.;

- наличие цветов побежалости (только для гладких обработанных поверхностей) и их цветовая гамма;

- наличие окалины на стали (высокотемпературного окисла);

- расплавление металлов и сплавов.

Окалину не следует путать с ржавчиной. Если визуально не отличить, в протоколе фиксируется наличие окислов на поверхности, их консистенция (плотная, рыхлая) и цвет (рыжий, стальной, серый, черный).

Желательно на стадии динамического осмотра провести отбор проб окалины и измерение толщины слоя окалины на различных участках металлоконструкций. При необходимости пробы можно направить на лабораторные исследования в целях определения температуры и длительности высокотемпературного нагрева (см. разд. 5.3).

Места расплавления металлов и сплавов фиксируются в протоколе, т.к. позволяют оценить минимальный температурный режим в отдельных зонах пожара.

Локальные проплавления могут быть не связаны с достижением температуры плавления металла (сплава). Для установления их происхождения соответствующие участки конструкций и изделий изымаются на, стадии динамического осмотра и направляются на лабораторные исследования.

г) Оштукатуренные поверхности:

- различные степени термического поражения лакокрасочного и других декоративных покрытий (см. п. а);

- закопчение и выгорание копоти;

- отслоение штукатурки;

- наличие или отсутствие термических поражений конструкции в зоне отслоения штукатурки и характер этих термических поражений (например, глубина обугливания деревянных досок на различных участках в пределах "пятна отслоения" и текстура древесного угля).

д) Корпусная (деревянная) мебель

Описание термических поражений различных частей изделия и с различных сторон (для определения направленности внешнего теплового воздействия):

- различные степени термического поражения лакокрасочного и других декоративных покрытий (см. п. а), в том числе потемнение лака, как первая стадия термического поражения;

- для древесины - глубина обугливания и величина потери сечения конструкции; для плит ДСП - величина потери сечения конструкции.

е) Мягкая мебель:

- для деревянных частей - см. п. д);

- для мягких частей - характер обгорания. Наличие или отсутствие на горизонтальных поверхностях локальных зон выгорания с четко выраженной границей между сгоревшей и несгоревшей частью; их глубина, геометрия.

ж) Стекла:

- наличие или отсутствие остекления;

- стекла внутри или снаружи помещения;

- законченность стекол.

Оконные стекла могут быть изъяты на стадии динамического осмотра для установления причины разрушения стекла.

Подлежат изъятию также стекла от лампочек накаливания в случае их возможной причастности к возникновению пожара (см. гл. 6).

Терминология, применяемая при описании места пожара

При описании термических поражений материалов и конструкций рекомендуется пользоваться приведенной выше терминологией.

Общеупотребительные названия отдельных конструктивных элементов зданий, предметов мебели, бытовой техники приведены в приложении 1.

В целом же, называя при описании места пожара отдельные объекты (а тем более изымая их в дальнейшем в качестве вещественных доказательств), необходимо крайне ответственно подходить к этому вопросу. В названии должна содержаться бесспорная информация, а не догадки и предположения. Так, например, без лабораторных анализов неспециалисту сложно отличить чистую медь от бронзы и латуни, алюминий от силумина, алюмомагниевого сплава или титана, чистое золото от его имитации. Поэтому при наименовании описываемых объектов, во избежание недоразумений в дальнейшем, целесообразно ограничиваться терминами, содержащими очевидные признаки объекта. Указать, например, что это изделие из цветного металла или металла желтого или белого цвета. Если нет полной уверенности, что описываемая конструкция изготовлена из стали, а не чугуна, то лучше назвать ее конструкцией из черного металла.

Аналогичным образом не следует называть каким-либо конкретным изделием найденные на месте пожара остатки неизвестного прибора или устройства. Двусмысленная правовая ситуация может возникнуть, если, найдя на месте пожара нечто, похожее на расплавленный дюралевый корпус электронагревательного прибора, дознаватель напишет "расплавленные остатки чайника", а потом окажется, что у владельца квартиры не было чайника, а был кофейник. Поэтому лучше обходиться нейтральными терминами, например: "оплавленный металлический предмет размером столько-то на столько-то сантиметров, предположительно остатки электронагревательного прибора". Еще лучше формулировка: "предмет такой-то формы, размером столько на столько". Серьезные неприятности возможны, например, и в случае, если на месте пожара, да еще в очаговой зоне, найден кусок металлической спирали, записанный в протокол как "нагревательная спираль". Потом может оказаться, что она вовсе не нагревательная, т.к. сделана не из нихрома, а из обычной стали или даже меди, и выполняла совсем другие функции.

Выполнение измерений

Линейные измерения в обязательном порядке проводятся для определения и фиксации в протоколе размеров осматриваемых помещений, взаимного расположения предметов.

Описание термических поражений осуществляется с указанием линейных размеров зон выгорания, величин деформации, глубины обугливания и т. д. Например: "... у входной двери, со стороны коридора, от пола на высоте 20 см наблюдается потемнение слоя краски, на высоте 20-25 см переходящее в поверхностное обугливание. Глубина обугливания дверного полотна на высоте 0,5 м - 5 мм; на высоте 1,0 м - 12 мм; на высоте 1,5 м - 15 мм. В верхней части двери, на расстоянии около 10 см от ее верхней кромки и 8 см от левого торца имеется щелевой прогар размером 35 см по горизонтали и 3-5 см по вертикали".

Полезно измерить и нанести на план места пожара линейные размеры мебели, оборудования и расстояния между ними (это может понадобиться при анализе направленности и динамики возникновения и развития горения).

Обязательно измеряются и указываются в протоколе осмотра расстояния до стен и других предметов электронагревательных приборов и других потенциальных источников зажигания, обнаруженных на месте пожара.

Линейные размеры определяются с помощью рулетки, складного метра. Могут применяться специальные технические средства, указанные в гл. 9.

Измерение глубины обугливания древесины проводится методом пенетрации (протыкания). Делается это с помощью любого острого металлического предмета, например, шила, гвоздя, спицы. Такой предмет достаточно свободно протыкает уголь, но хуже входит в более плотную древесину. Правда, таким способом сложно измерить толщину слоя угля при минусовых температурах после тушения водой. При плюсовых же температурах или после размораживания угля на локальном участке сделать это не представляет трудности.

Лучше всего измерять глубину обугливания с помощью колумбуса - штангенциркуля-глубиномера, который имеет выдвижной хвостовик. Дознаватель или инженер ИПЛ обязательно должен иметь такой штангенциркуль - он пригодится не только при измерении глубины обугливания, но и при производстве других измерений.

Схема измерения глубины обугливания приведена на рис. 5.1.

Кроме толщины слоя угля hy, в точке измерения следует определить величину потери сечения конструкции hn. А глубина обугливания Н рассчитывается как сумма этих двух величин:

 

H=hy+hn

(1)

Измеренные на месте пожара величины Н можно и нужно использовать как критерий степени термического поражения древесины в различных зонах пожара.

В отличие от древесины в древесностружечных плитах (ДСП) не наблюдается достаточно четко выраженного различия по плотности между углем и недест-руктированной частью, поэтому измерить глубину обугливания Н довольно сложно. Для ДСП измеряется убыль сечения плиты hn в точке отбора пробы. Убыль сечения плиты за счет выгорания происходит уже с первых минут и последовательно возрастает с увеличением температуры и длительности нагрева.

Измерение так называемой величины относительной деформации металлоконструкций проводят в соответствии с рис. 5.2. Это отношение величины прогиба к величине участка конструкции, на которой этот прогиб наблюдается (b/l)

 

Рис. 5.1. Схема измерения глубины обугливания

 

 

Рис. 5.2. Схема измерения величины относительной деформации:

b - максимальный прогиб конструкции; I - участок, на котором произошел прогиб

Величина b/l для однотипных конструкций наносится на план места пожара. Такая информация в первом приближении характеризует распределение зон термических поражений на месте пожара и может быть использована в поисках его очага.

Статический осмотр сопровождается фото - и видеосъемкой. Фото таблицы и видео кадры должны дополнять словесное описание, приведенное в протоколе осмотра. Правила съемки изложены в гл. 10, 11.

Видеосъемки сопровождается текстом, который комментирует кадры съемки.

5.3. Динамический осмотр

Динамический осмотр проводится после полного завершения статического осмотра и оформления его результатов.

В обязательном порядке динамический осмотр проводится в зоне, которую предположительно считают очаговой, в зонах наибольших термических поражений, выявленных на стадии статического осмотра, в прочих подозрительных местах.

В случае, когда на стадии статического осмотра не удалось определить предположительную очаговую зону, динамический осмотр проводится по всей зоне горения.

Если позволяют силы, средства и время, динамический осмотр полезно провести по всей зоне горения в любом случае - это поможет уточнить детали, связанные с возникновением и развитием горения, и, возможно, позволит выявить дополнительные очаговые зоны; во всяком случае, это снимет ненужные вопросы, которые могут возникнуть на стадии следствия или суда.

5.3.1. Технология динамического осмотра

Зона осмотра разбивается на участки, которые отмечаются на плане места пожара.

Оптимальный размер участка - метр на метр. Возможны другие размеры, в зависимости от обстоятельств.

Отдельно на каждом участке шпателем, совком или, в крайнем случае, маленькой лопаткой, аккуратно, слой за слоем снимается пожарный мусор; разбираются и извлекаются из пожарного мусора остатки конструкций и предметов. В качестве вспомогательного оборудования используются кисточки, щетки-сметки и другой инвентарь, указанный в гл. 9.

В холодное время года для отогрева смерзшегося пожарного мусора могут использоваться строительные фены.

Разрезка на части крупных предметов и элементов строительных конструкций возможна в случае, если они представляют непреодолимое препятствие для проведения динамического осмотра или представляют опасность для работающего специалиста с точки зрения техники безопасности.

Пожарный мусор целесообразно просеивать через крупное сито; это позволяет обнаружить и изъять мелкие детали, осколки, остатки электрокоммуникационных изделий, проводов и тому подобные объекты.

Объекты, найденные на стадии динамического осмотра и представляющие потенциальный интерес для расследования пожара, изымаются и в дальнейшем могут быть приобщены к делу в качестве вещественных доказательств.

На месте пожара, как правило, изымаются:

а) все найденные в очаговой зоне электротехнические предметы и их остатки, а также другие устройства, которые могут быть источником зажигания или иметь какое-то отношение к нему (например, остатки устройств для поджога);

б) все непонятные предметы, например, расплавленные агломераты цветных металлов.

Правила изъятия объектов, найденных в ходе динамического осмотра, их упаковки - см. ниже.

Необходима точная фиксация положения каждого найденного объекта. В протоколе осмотра места пожара должно быть обязательно отражено, на каком участке динамического осмотра найден объект, на каком расстоянии он находился от границ участка (либо стен комнаты, других неподвижных объектов), на поверхности пожарного мусора или на его глубине (указать, на какой). Все эти обстоятельства могут решающим образом повлиять на дальнейшую работу по анализу версий о причине пожара.

Поле расчистки (динамического осмотра) должно периодически (по мере углубления в слой пожарного мусора) фотографироваться.

Обязательно фотографируются на месте их обнаружения (детальный, ориентирующий снимок) потенциальные вещественные доказательства.

5.3.2. Осмотр полов и внутренних полостей пустотных конструкций

Одно из положительных следствий динамического осмотра - возможность осмотреть полы. Как известно, на большинстве пожаров полы, как правило, сохраняются, ибо находятся в самой холодной зоне. И если на полу обнаруживается зона локального его выгорания, а тем более сквозной прогар (или прогары), с причиной их образования следует разбираться. Вполне возможно, что это очаговая зона.

Описание термических поражений полов

Пол в здании редко представляет собой однородную и однослойную конструкцию. Некоторые распространенные конструкции полов показаны на рис. П.1.7-П.1.9 приложения 1.

При осмотре пола важно, чтобы были описаны термические поражения каждого из слоев - от поверхностного (покрытия пола) до несущих конструкций (балок и т.п.). В описании последовательно должно быть отражено:

- состояние ковров, ковровых покрытий, линолеума (нет следов термического воздействия, потемнение, под-плавление и (или) поверхностное обугливание, обугливание на всю глубину, сквозной прогар - форма, размеры, точное расположение);

- состояние паркета и дощатого настила, чернового пола под ним;

- состояние лаг пола, деревянных балок и т. д.;

- наличие и состояние слоев тепло- и гидроизоляции, засыпки и т. д.

При описании термических поражений деревянных, бетонных, металлических конструкций пола необходимо пользоваться рекомендациями, приведенными выше в разд. 5.2. В случае сквозных прогаров параметры обугливания (глубина обугливания, толщина выгоревшего слоя угля) у лаг пола, деревянных балок и тому подобных элементов измеряются со всех четырех сторон, чтобы потом была возможность оценить направленность теплового воздействия.

Важно обратить внимание и зафиксировать характер прогаров пола - щелевые (вдоль щелей и других неплотностей в полу, например, в месте прохода труб и других коммуникаций) или обычные, не имеющие четкой привязки к щели или другому дефекту.

На поверхности (покрытии) пола следует фиксировать наличие подозрительных кляксообразных пятен локального выгорания, пятен в виде потеков, более глубокого выгорания в пазах деревянных конструкций и других углублениях, а также трейлеров - дорожек, остающихся при выгорании ЛВЖ и ГЖ. Фиксируется наличие на полу мелких черно-зеленых и других цветных пятен, обгоревших агломератов неизвестного происхождения. Все это может быть следами инициаторов горения (подробнее об этом см. в гл. 7).

Если перекрытие пола представляет собой пустотную деревянную конструкцию, ее целесообразно исследовать изнутри. Это поможет:

- установить природу прогара;

- выявить пути распространения горения во внутренних полостях;

- отобрать  пробы  на ЛВЖ  (подробнее  об  этом см. в разд. 7.4).

Исследование внутренних конструкций пола может производиться:

а) с помощью технических эндоскопов;

б) путем вскрытия и переворачивания досок пола, паркета тыльной стороной наружу.

При необходимости на заключительной стадии динамического осмотра может проводиться восстановление разрушенной пожаром обстановки - рухнувшие элементы конструкций и предметы ставятся на свое место. Эта достаточно трудоемкая работа может оказаться полезной - она позволяет более четко выявить очаговые признаки на конструкциях и предметах, признаки направленности распространения горения. После восстановления обстановки она фиксируется на фото- и видеопленке.

5.3.3. Отбор проб материалов и их обгоревших остатков для лабораторных исследований

Задачей таких исследований является получение информации, необходимой для установления очага пожара и путей распространения горения.

Объектами исследования могут быть находящиеся на месте пожара конструкционные и отделочные материалы, а также их обгоревшие остатки. Для некоторых исследований могут быть применены полевые экспресс-методы; они рассмотрены в гл. 12.

В случае невозможности их применения на месте пожара на стадии динамического осмотра отбирают пробы для лабораторных исследований.

В протоколе должны быть указаны координаты мест отбора проб; пробы упакованы в отдельные пакеты и пронумерованы.

Пробы каменных неорганических материалов

Для исследования могут отбираться пробы материалов, изготовленных так называемым безобжиговым методом, т.е. материалов, не подвергавшихся в процессе изготовления высокотемпературному нагреву. Такие материалы изготавливаются с применением трех основных связующих - цемента, извести, гипса. К ним относятся: бетон, железобетон, цементная и известковая штукатурка, силикатный кирпич, цементный камень кладочного раствора, различные плиты из гипса.

Если стена сложена из красного кирпича, на исследование отбирают пробы цементного камня из кладочного раствора, скрепляющего кирпичи. Предпочтителен отбор проб на одной высоте, в последующем это облегчит трактовку результатов, полученных в результате исследования проб в лаборатории.

Поверхность перед отбором проб очищают от остатков краски, мусора, копоти, после чего молотком, зубилом и другим инструментом откалывают пробу на глубину не более 3-5 мм. Можно высверлить пробу на ту же глубину, с помощью перфоратора.

Масса отбираемой пробы 1-10 г.

Лабораторные исследования отобранных проб позволяют оценить степень их термического разложения и выявить, таким образом, зоны термических поражений соответствующих конструкций на месте пожара.

Для решения более сложной задачи - определения ориентировочной длительности нагрева конструкций из указанных материалов - в различных зонах с помощью перфоратора со специальной насадкой производится послойный отбор проб на глубину 0-5-10-15-20-25-30 мм.

Пробы окалины

Для исследования отбираются только плотные слои окалины, полностью прилегающие к металлу. Для отбора необходимо ножом, стамеской соскрести с поверхности конструкций пузыри, выгоревшие остатки краски, а затем сбить с металла чешуйки плотных слоев зубилом или другим подсобным инструментом. Чтобы чешуйки не разлетались, их можно улавливать кольцевым магнитом. Количество отбираемых проб не менее 10-15. Масса каждой пробы 1-5 г.

Стальные холоднодеформированные изделия

Для исследования могут изыматься наиболее распространенные типоразмеры крепежных изделий - болты, гайки, шпильки, винты, шурупы, скобы, гвозди. Объектами исследования могут быть и любые другие стальные изделия, изготовленные методом холодной штамповки, протяжки и т. д.

Габаритные изделия такого рода исследуются с помощью коэрцитиметра (см. гл. 12) непосредственно на месте пожара. Крепежные же изделия могут быть изъяты с соблюдением описанных выше процессуальных норм для исследования в лаборатории.

Для выявления зон термических поражений с места пожара изымается не менее 15-20 однотипных холоднодеформированных изделий, желательно находившихся на одной высоте и распределенных по всей исследуемой зоне.

Изделия из цветных металлов и сплавов

Для выявления зон термических поражений при необходимости могут изыматься на исследование изделия из цветных металлов и сплавов, изготовленные методом холодной деформации. К таким изделиям относятся объекты, выполненные из алюминиевого профиля, медные и алюминиевые провода. Вырезается не менее 10-15 однотипных фрагментов такого рода изделий длиной 10- 15 см, рассредоточенных в исследуемой зоне пожара. Изъятые фрагменты оформляются и упаковываются аналогично указанным выше. Лабораторные исследования проводятся методом металлографии, рентгеноструктурного анализа и измерения микротвердости.

Пробы обгоревших остатков полимерных материалов

Пробы обгоревших остатков синтетических полимерных материалов, которые использовались в отделке интерьеров для изготовления мебели и прочих предметов, отбираются в перечисленных ниже целях и следующим образом:

1) карбонизованные остатки линолеума и других материалов, дающих при сгорании углистый остаток, рассредоточенных по помещению, для выявлений зон термических поражений пола и других конструкций.

Пробы угля отбираются из поверхностного 2-4 мм слоя в количестве до 1 г, не менее чем в 10-15 точках по помещению. Для выявления зон термических поражений необходимо, чтобы точки отбора проб располагались на одном уровне по высоте;

2) обугленные остатки неизвестного вещества могут быть отобраны для установления их природы. Количество пробы, необходимой для исследования, 1-10 г;

3) пенополиуретан (очень распространенный в строительстве и в изготовлении мягкой мебели полимер) при сгорании, в зависимости от условий теплового воздействия,  может образовывать твердый углистый остаток и жидкую фазу (маслянистую желтую жидкость). Пробы и того, и другого в количестве 1-2 г могут отбираться для установления принадлежности этих остатков к пенополиуретану, а также примерной оценки температурного режима, при котором произошло разрушение полимера (тление - интенсивное пламенное горение).

Пробы обгоревших остатков лакокрасочных покрытий

На исследования могут отбираться пробы наиболее распространенных типов лакокрасочных покрытий: масляных, алкидных (пентафталевых, глифталевых), нитроцеллюлозных, их композиций, а также основных разновидностей покрытий из водно-дисперсионных красок.

Пробы остатков ЛКП отбираются с поверхности окрашенных конструкций, как правило, несгораемых. Для выявления зон термических поражений и температурных зон пробы берут не менее чем в 10-15 точках, расположенных в различных зонах пожара.

Необходимо отбирать пробы ЛКП на поверхностях конструкций, окрашенных одной и той же краской (или красками, если покрытие многослойное).

Пробы желательно отбирать на одной и той же высоте от пола либо отмечать в протоколе высоту отбора пробы.

При закопчении конструкций и предметов копоть на участках отбора проб предварительно удаляют. Если это не удается, то пробы ЛКП отбирают на участках, где наслоения копоти минимальны.

При отборе проб с оштукатуренных поверхностей следует избегать захвата частиц штукатурки.

Кроме основных проб отбирается, если это возможно, проба сравнения - та же краска, но не подвергавшаяся тепловому воздействию.

Пробы обугленных остатков древесины и древесностружечных плит

Отбор проб целесообразен в точках с наибольшей глубиной обугливания, на участках, где по тем или иным соображениям предполагается очаг пожара, зоны длительного тления, а также в других точках, информация о длительности и интенсивности процесса горения в которых представляет первоочередной интерес.

Пробы лучше отбирать в значительном количестве точек (15-20 и более) и по всей зоне пожара. Важно, чтобы в намеченных точках отбора проб слой угля не был нарушен, сколот, иначе на исследование попадают глубинные слои угля. Предварительно следует измерить толщину слоя угля и величину потери сечения в данных точках предполагаемого отбора проб (см. рис. 5.1).

Далее с помощью ножа, скальпеля необходимо отобрать верхний, толщиной 3-5 мм слой угля, предварительно смахнув с него кисточкой хлопья золы и частички пожарного мусора. Масса отбираемой пробы должна составлять примерно 0,5-1,0 г.

При наличии сквозного прогара деревянной конструкции проба угля отбирается в 2-3 точках по склону кратера прогара. В этом случае глубина обугливания принимается равной толщине прогоревшей конструкции h. H = hn = h. В протоколе, в примечании к таблице измеренных линейных параметров угля для данных точек указывается: "сквозной прогар".

Отобранный уголь упаковывают в полиэтиленовый пакет или другую тару, отмечают номер пробы, место ее отбора на плане, в специальном протоколе фиксируют измеренные линейные параметры угольного слоя.

Отбор проб обугленных древесностружечных плит производится аналогично отбору проб древесины. Предварительно в точках отбора проб измеряются и фиксируются в протоколе величины hn - толщины выгоревшего слоя (потери сечения плиты).

5.4. Осмотр электросети и электрооборудования

Обязательную часть осмотра места пожара составляет осмотр электросети и электрооборудования. Его целесообразно проводить отдельно от осмотра конструкций и прочих предметов.

Исследование электросетей должно выполняться при исследовании места пожара в любом случае, если эта самая электросеть присутствует в зоне горения.

Исследование электросети необходимо выделить в отдельный этап работы при осмотре места пожара либо специально уделить ему внимание на этапах подготовки к осмотру, статического и динамического осмотра.

Работа, выполняемая на этапе подготовки к осмотру места пожара

Устанавливаются данные о состоянии, особенностях устройства электросети и ее эксплуатации в период, предшествующий пожару.

Эти сведения берутся из технической документации по электросети данного объекта, а при отсутствии таковой - из сведений, содержащихся в показаниях лиц, знающих данный объект (работники предприятия, обслуживающий персонал, жильцы дома и т. д.).

Согласно Правилам технической эксплуатации электроустановок (ПТЭ) на любом промышленном и сельскохозяйственном объекте должны быть:

а) паспортные карты или журналы с описью основного электрооборудования и защитных средств с указанием их технических характеристик; протоколы и акты испытаний, ремонта и ревизии оборудования;

б) общие схемы электроснабжения по предприятию в целом и отдельным цехам и участкам;

в) практическая документация на устройство электроосвещения, схема освещения, картотека текущей эксплуатации и ремонтов.

Целесообразно затребовать это все у администрации. Полезно заказать себе ксерокопии схем электрооборудования, с ними придется работать.

Если техническая документация по электрохозяйству отсутствует, необходимо поручить инженеру-электрику или электрику, обслуживающему данный объект, составить исполнительную схему электросети с привязкой ее к плану сгоревшего здания. При наличии схем электрооборудования необходимо уточнить у вышеуказанных лиц, соответствуют ли данные схемы фактически имевшейся электропроводке и оформить протоколом их показания по данному поводу с указанием изменений, если таковые имелись и известны электрикам.

С помощью полученных схем и документации необходимо выяснить:

- что за приборы и оборудование были на месте пожара, как они были запитаны и защищены;

- марки электропроводов, как они были проложены;

- перечень и характеристики коммутирующих и защитных устройств [34-36].

Работа, выполняемая на этапе статического осмотра места пожара

На этом этапе производится непосредственный осмотр электросети на месте пожара.

Электросеть целесообразно осматривать не только в зоне горения, но все ее участки от силового трансформатора до конечного потребителя, потому что первичный аварийный режим может возникнуть за десятки метров от зоны, где началось и происходило горение. По крайней мере, осмотр необходимо провести, начиная от аппаратов защиты, расположенных вне зоны горения. На этапе осмотра:

а) уточняются трассы и способы прокладки электропроводки;

б) уточняются или составляются (насколько это возможно,  учитывая разрушения,  произошедшие  при пожаре) эскизы схемы электросети. На этом этапе проверяется соответствие действительности той схемы, которая получена от должностных лиц предприятия или организации. Готовится электросхема, отвечающая фактическому состоянию электросети - отмечаются места скруток, перегибов, состояние контактных соединений, места прохода кабелей через конструкции.

Схема электросети без подтверждения ее достоверности в ходе осмотра места пожара не имеет доказательственного значения и не может быть источником исходной информации при проведении дальнейшего расследования пожара;

в) устанавливаются типы и номинальные характеристики электроприемников (потребителей);

г) устанавливаются типы и номинальные характеристики устройств электрозащиты, ее состояние, положение клавиш и кнопок выключателей, наличие термических повреждений деталей;

д) выявляются участки токоведущих жил кабельных изделий и контактных соединений с оплавлениями, дуговой эрозией и другими признаками аварийной работы.

Полученная информация включается в протокол осмотра или приобщается! к нему в качестве приложения [34-36].

Электрощиты, выключатели, рубильники, автоматы фотографируются, в тексте протокола указывается их состояние на момент осмотра (включено, выключено, положение аварийного срабатывания - см. гл. 6).

На стадии динамического осмотра осуществляется:

а) изъятие участков кабельных изделий и других элементов электросети с признаками аварийных процессов;

б) изъятие остатков электронагревательных и электроосветительных приборов и устройств.

Подробно указанные операции описаны в гл. 6.

Как правило, изъятию подлежат все электротехнические объекты с признаками аварийных режимов, а также те, которые могут быть причастны к возникновению пожара. Однако при этом возможны разумные ограничения. На крупном пожаре на энергонасыщенном объекте проводов с оплавлениями может быть сотни. Среди них нужно выделить дуговые оплавления, отделив их по внешним признакам от оплавлений, вызванных теплом пожара. А среди множества дуговых оплавлений в обязательном порядке следует изымать те, которые находятся в очаговой зоне, и те, что наиболее удалены (по электрической схеме) от источника электропитания.

Составление схем электросети

При осмотре электросетей составление планов и схем является обязательной составляющей процедуры фиксации его результатов [35, 36].

Количество, качество и степень детализации составляемых планов, конечно, зависят от объема информации, которую удается собрать на месте пожара. Но имеющуюся информацию надо собирать и фиксировать с максимальной полнотой и тщательностью, ибо от этого решающим образом будет зависеть в дальнейшем успех работы специалистов и экспертов по так называемым "электротехническим" версиям.

1. Должна быть составлена общая принципиальная схема электросети - от конечного потребителя до трансформаторной подстанции. При составлении схемы используются условные обозначения, приведенные в приложении 3.

Пример схемы показан на рис. 5.3.

Рис. 5.3. Пример принципиальной схемы сети от трансформаторной подстанции до конечного потребителя

2. Для более полного описания электрической сети возможно составление дополнительных электрических планов и схем. Они, как и фотографии, могут быть ориентирующими, обзорными, узловыми и детальными [35].

На ориентирующей план - схеме рекомендуется отображать трансформаторную подстанцию, питающую сгоревший объект, и трассы прокладки электролиний включая участок электроввода.

Обзорная план-схема чертится обычно на плане помещений сгоревшего объекта. При этом с помощью условных обозначений (см. приложение 3) воспроизводится схема внутренней электросети.

Узловая план-схема отражает электропроводку в одном помещении или его части (например, на стене). На ней можно показать трассы прокладки проводов, расположение включенных в сеть электропотребителей и отдельных элементов пожарной нагрузки (например, холодильника, электророзетки, в которую он включен, участок электропроводки на стене, питающей эту розетку; место расположения дивана, стоящего рядом с холодильником и сильно выгоревшего).

Детальные план - схемы и эскизы составляются для более наглядного отображения особенностей отдельных объектов (например, электрощитов) - разводки проводов, подключения, состояния после пожара (точнее, на момент осмотра).

В пояснительных подписях к план - схемам указывается способ прокладки электропроводки, особенности монтажа электрооборудования, его типы и марки.

Если на изображенных на схемах объектах имеются повреждения и изымались вещественные доказательства, соответствующие места повреждений и изъятия на всех план схемах должны быть отмечены. Изъятые с каждого участка объекты нумеруются. Необходимо следить за совпадением нумерации в описательной части протокола осмотра и на всех план схемах.

Необходимость составления отдельных указанных выше планов или полного их комплекта определяется конкретными обстоятельствами пожара [36].

5.5. Осмотр, фото - и видеосъемка трупа

Все действия по наружному осмотру трупа, как правило, должны выполняться с привлечением специалиста в области судебной медицины (судмедэксперта), а при невозможности его участия - врача в соответствии со ст. 178 УПК РФ. В его обязанности входит констатация смерти, установление признаков насилия, характера и механизма возникновения повреждений, выявлении трупных изменений, позволяющих судить о времени наступления смерти и др. Судебный медик (врач) оказывает следователю (дознавателю) помощь в обнаружении имеющихся на трупе следов, иных материальных объектов биологического и иного происхождения. Результаты осмотра он сообщает следователю для занесения в протокол осмотра и помогает в правильной упаковке изъятых объектов и следов [6].

В случае если осмотр места пожара производится в отсутствие судебного медика (врача), при каких-либо перемещениях трупа с места, где он найден, предварительно должна быть произведена его фотосъемка и словесное описание.

Словесное описание включает:

- положение трупа (на спине, на боку, на груди), его позу (для трупов, найденных на пожаре, часто характерна "поза боксера", с поджатыми к груди руками и ногами);

- положение в пространстве (место в помещении, где он обнаружен, головой по направлению к двери, окну или наоборот), был ли он сверху завален остатками конструкций и предметов или лежал на поверхности;

- отмечается обгорание одежды, отдельных участков тела или отсутствие таковых.

Фотографированию подлежат следующие основные объекты:

- место обнаружения и расположение трупа относительно окружающей обстановки;

- поза трупа; поверхность, на которой он находится (ложе трупа) в период осмотра или находился до перемещения;

- следы, похожие на кровь, раны и другие повреждения тела;

- особые приметы, имеющиеся на трупе (татуировки, родимые пятна, рубцы, протезы и т. д.); это особенно важно, если труп еще не опознан;

- орудия и средства, которые могли повлечь насильственную смерть потерпевшего (нож, топор, острые пруты и инструменты, тяжелые предметы и т. д.);

- обнаруженные следы предполагаемого преступника (см. гл. 3).

Естественно, что при сильном обгорании трупа следы повреждений и особые приметы могут не сохраниться, поэтому, в крайнем случае, фиксируется то, что можно зафиксировать.

Положение трупа относительно окружающей обстановки во всех случаях фиксируют обзорным фотографированием в необходимых границах осмотра.

В случае если труп плохо различим на фоне обгоревших конструкций и предметов, его отмечают какими-либо ориентирами.

Фотографируют труп обычно с четырех сторон (так называемая крестообразная фотосъемка). При этом оптическую ось объектива камеры рекомендуется направлять под углом 45° к средней линии трупа.

Если труп находится в лежачем состоянии, его фотографируют с трех сторон - с двух боков и сверху. При съемке с боковых сторон фотоаппарат размещают напротив середины трупа, чтобы его изображение занимало всю длину кадра. Для съемки рекомендуют использовать малоформатные камеры типа "Зенит" с широкоугольным объективом, который позволяет проводить съемку с относительно небольшой дистанции (190-200 см). При съемке сверху для сокращения расстояния от камеры до трупа изображение рекомендуется размещать по диагонали кадра. При невозможности съемки сверху и с боков фотографировать рекомендуется со стороны головы или ног. Съемку производят с наиболее высокой и удаленной от трупа точки. Применяют и крестообразную съемку.

Засыпанные при пожаре и взрыве трупы фотографируют до и после извлечения, а иногда и в процессе извлечения (поэтапная съемка) в ходе динамического осмотра. По возможности позу трупа при извлечении менять не следует.

При фотосъемке сильно обгоревшего трупа его, прежде всего, хорошо освещают и обозначают четко видимыми подручными предметами, например, полосками бумаги. Выдержку при этом увеличивают в 2-3 раза по сравнению с обычными условиями съемки.

Для фотосъемки трупов наиболее подходит рассеянное освещение. При его недостатке используются дополнительные источники света и различные экраны. Следует избегать прямого попадания света лампы-вспышки на труп [6].

Фотографирование на трупе повреждений не термического характера осуществляют с применением масштабной линейки.

5.6. Изучение пожарной нагрузки и ее распределения

В разд. 5.1 отмечалось, что для дифференциации очагов пожара и очагов горения, для реконструкции развития пожара во времени и в пространстве необходимы данные о пожарной нагрузке сгоревших помещений и архитектурно-строительных особенностях здания. Эти данные добываются путем опроса свидетелей, в том числе соответствующих должностных лиц, получением от последних необходимой документации, а также непосредственно в ходе осмотра места пожара.

По сохранившимся фрагментам мебели, бытовой техники и других горючих объектов необходимо попытаться установить, что находилось в помещении до пожара, где и что хранилось. Распределение пожарной нагрузки по помещению (помещениям) нужно отобразить на отдельном плане места пожара. К составлению такого плана могут быть привлечены свидетели.

В жилых помещениях выясняется количество, примерный тип и габариты, размещение:

а) мебели - корпусной и мягкой, изготовленной частично или полностью из сгораемых материалов (шкафы, комоды, ящики для белья - отражается, кроме того, примерное количество их сгораемого содержимого);

б) постельных принадлежностей - по номенклатуре и количеству либо суммарно в килограммах;

в) одежды - по номенклатуре и количеству либо суммарно в килограммах;

г) книг (либо суммарно в кг, либо - сколько полок, какой длины заполнены книгами и во сколько рядов);

д) канцелярских товаров;

е) электробытовых приборов и оборудования.

В производственных помещениях и складах должно быть выяснено и нанесено на план места пожара примерное распределение сгораемых материалов и оборудования. Особо сложным решение этой задачи может оказаться в помещениях складов, особенно при многоярусном хранении. Однако необходимо попытаться установить, где, что, в каком количестве и в какой упаковке находилось. Полученные данные также наносятся на план места пожара (рис. 5.4).

При решении вопроса о месте нахождения очага пожара эти данные будут сопоставляться с распределением зон термических поражений, выявленных визуально и инструментальными методами.

Сведения о химической природе веществ и материалов, составляющих пожарную нагрузку помещений, и их пожароопасных свойствах могут понадобиться в ходе дальнейшего расследования пожара:

а) для решения вопроса о возможности загорания вещества (материала) в очаговой зоне от предполагаемого источника зажигания;

б) для последующего анализа направленности и динамики развития горения.

Учитывая эти обстоятельства, в отдельных случаях бывает, целесообразен отбор проб обгоревших остатков веществ и материалов в очаговой зоне и на путях развития горения. Прежде всего это следует делать:

- в очаговой зоне - в случае версии о самовозгорании, загорании от источника зажигания малой мощности;

- на путях развития горения - при неясном механизме развития горения и предполагаемой причинной связи быстрого развития горения с отделкой стен, потолков, складированными материалами и т. д.

Рис. 5.4. Схема размещения пожарной нагрузки на многоярусном складе хозяйственных товаров:

а - 1-й ярус; б - 2-й ярус; в - 3-й ярус;

1 - холодильники бытовые ("Норд", "Атлант", "Аристон") в картонных коробках - 10 шт.; 2 - то же, без упаковки - 8 шт.; 3 - картонные коробки размером 1x1 м (20 коробок) в два ряда по высоте со стеклянной посудой; 4 - мешки бумажные (50 кг) с цементом, гипсом, строительными смесями; 5 - картонные коробки (24 коробки, в каждой коробке пластмассовых деталей около 3-4 кг в два ряда по высоте) со светильниками (стекло, металл); 6 - картонные коробки (24 коробки, в каждой коробке пластмассовых деталей около 3-4 кг в два ряда по высоте) со светильниками (пластмасса, металл); 7 - твердая ДВП (оргалит) штабелем 2×1×2 м; 8 - картон упаковочный штабелем 2×1×2 м; 9 - картонные коробки (штабель высотой 1 м) с керамической плиткой; 10 - полиэтиленовая пленка в рулонах (6 рулонов по 3 м, масса рулона 100 кг); 11 - обои в рулонах (1000 шт., 1 рулон - 1,2 кг); 12 - растворители для лаков и красок (ацетон, уайт-спирит, № 646) (стеклянные бутылки 0,5л, 10ящиков по 12 бутылок); 13 - картонные коробки с гвоздями, шурупами (расфасовка в полиэтиленовые пакеты по 100г) (1×0,5×0,5м), в два ряда по 14 коробок; 14-8 деревянных ящиков с металлическими сантехническими изделиями - 0,5×1 м; 15 - сантехнические детали пластмассовые, 6 картонных ящиков по 15-20 кг; 16 - автокар

 

Для установления природы сгоревшего материала отбирается проба его обгоревших остатков в количестве от 5 до 10-15 г. Любой материал лучше отбирать на участках, где он менее всего обгорел (разрушен). Исследования проводятся спектральными методами в лабораториях, имеющих соответствующее оборудование и подготовленный персонал.

Для ориентировочной оценки горючести материала и его поведения при нагревании необходимы пробы негоревшего материала в количестве 0,5-1,0 г. Исследование проводится методом термогравиметрического и дифференциального термического анализа.

Для испытаний по стандартным методикам (ГОСТ 12.1.044-89) требуются образцы нативных (негоревших) материалов с размерами и в количестве, указанными в приложении 4.

Указанные пробы при необходимости отбираются на месте пожара. Их отбор фиксируется в протоколе осмотра с указанием места отбора. Процессуально отбор проб материалов оформляется аналогично прочим вещественным доказательствам.

5.7. Изучение архитектурно-строительных особенностей здания

При осмотре места пожара должны быть исследованы и в протоколе осмотра подробно описаны архитектурно-строительные (конструктивные) особенности здания или сооружения, которые могли оказать какое-либо влияние на возникновение горения, динамику и направленность его распространения (или нераспространения за пределы какого-либо помещения).

Формальным и явно недостаточным является указание только лишь степени огнестойкости здания. На крупном пожаре в протоколе должны быть отражены характеристика планировки здания, его контуров и размеров, связи между частями сооружения по вертикали и в плане, данные о наличии шахт, проемов, каналов, пустот, световых фонарей и др. В протоколе должны быть указаны:

- материал стен (включая внутреннюю отделку), их толщина;

- материал и конструкция перекрытий (в т. ч. наличие пустот);

- материал, из которого изготовлены двери, оконные переплеты;

- конструкция пола и примененные для его изготовления материалы;

- способ прокладки электропроводки и др.

Данные сведения приводятся как для здания (сооружения) в целом, так и для отдельных помещений в пределах зоны горения и задымления.

Электросеть описывается в соответствии с рекомендациями разд. 5.4.

Особо следует обращать внимание на наличие каких-либо проемов, каналов, дыр и т.п., которые соединяют между собой отдельные сгоревшие помещения.

Наличие проемов (окон, дверей, технологических отверстий) существенно влияет на динамику горения, определяет скорость горения на этапе развившегося пожара (эти данные понадобятся на этапе экспертных исследований данного пожара). Кроме того, наличие указанных проемов определяет:

- возможность и направления подачи воды на тушение;

- возможность пролета горящих частиц и образования вторичных очагов;

- возможность стекания горящих жидкостей и расплавленных полимеров, также с образованием вторичных очагов.

Детальному изучению и описанию подлежат также:

а) вентиляционные и печные каналы

Они могут служить путями распространения пламени и летучих продуктов горения не только за пределы здания, но и (из-за наличия трещин и разрушений) из помещения в помещение. Бывает, что в старинном здании при ремонтах и реконструкциях вентиляционный (печной) канал был частично разобран, но не заглушён, и при пожаре дым и искры по нему начинают поступать во внутренние конструкции стен, перекрытий, в другие помещения.

При осмотре должно быть выявлено наличие в помещениях входов (выходов) вентиляционных каналов, их расположение. Если непонятно, куда канал выходит, для его зондирования может быть применена дымовая шашка или другое подсобное средство.

Целесообразно установить, функционируют ли обнаруженные каналы на момент осмотра. Это может быть определено простейшим образом по отклонению пламени спички, свечи, бумажного факела, поднесенных в вентпроему.

Эффективность вентиляции определяют путем измерения скорости воздуха в проеме входного отверстия вентканала с помощью анемометра. Показания анемометра и результаты линейных измерений величины входного отверстия заносятся в протокол осмотра.

Подобные измерения в обязательном порядке проводятся в случае возможного возникновения пожара в результате утечки газа, воспламенения парогазовоздушных смесей.

б) дыры, щели, дефекты в конструкциях

Бывает, что дефекты и щели в железобетонных и других несгораемых конструкциях заделывают сгораемым материалом либо замазывают материалом с низкой термостойкостью (например, алебастром). Такая заделка при пожаре быстро прогорает или разрушается, при этом появляется возможность распространения горения из помещения в помещение. Известны случаи, когда вторичные очаги возникали за железобетонной или кирпичной стеной даже не в результате прохода через щели пламени или пролета искр, а лишь прохода через образовавшуюся щель горячего воздуха. Учитывая это обстоятельство, подобные дефекты в конструкциях при осмотре должны быть выявлены и соответствующим образом зафиксированы.

в) каналы прохождения электропроводки, трубы с проводами

Трубы отопления и другие металлические элементы, проходящие сквозь несгораемые конструкции, могут играть роль "тепловых мостиков", обеспечивающих развитие горения за счет передачи тепла кондукцией.

Горение может распространяться и по трубам (каналам), в которых уложена электропроводка, другим коммуникациям. Наличие таковых, куда и откуда идут, признаки горения внутри - все это должно быть зафиксировано в протоколе осмотра в установленном порядке.

Наличие между сгоревшими помещениями преград огню (брандмауэров, обычных толстых кирпичных и бетонных стен), лишенных указанных выше конструктивных элементов и дефектов, также должно быть отражено в протоколе. Это важно для расследования пожала, т.к. в этом случае возникает вопрос о пути проникновения огня из помещения в помещение; возможно, в данном случае имеют место два (или более) очага пожара.

5.8. Заключительная стадия осмотра. Фиксация хода и результатов осмотра

5.8.1. Протокол осмотра

Фиксация хода и результатов осмотра осуществляется в протоколе осмотра, который оформляется в соответствии с требованиями ст. 166, 167 и 180 УПК РФ.

Если произведённый осмотр был дополнительным или повторным, то это указывается в "шапке" протокола.

Протокол может быть, как написан от руки, так и напечатан с помощью технических средств (компьютера, печатной машинки и т.п.).

В протоколе указывается, при какой погоде, освещении, в какое время (с точностью до минут) проводился осмотр.

Материальные носители информации, зафиксированной в ходе осмотра с помощью технических средств (фотоснимки и негативы, аудио- и видеокассеты и т.п.), чертежи, планы, схемы, изъятые предметы прилагаются к протоколу осмотра.

В протоколе осмотра описываются:

- все действия лица, производящего осмотр;

- всё обнаруженное при этом.

Описание осуществляется в той последовательности, в какой производился осмотр, и в том виде, в каком обнаруженное наблюдалось в момент осмотра.

Информация, получаемая в ходе проведения осмотра, поступает к производящему его лицу органолептически и с помощью технических средств. В связи с этим можно фиксировать в протоколе не только обнаруженное с помощью зрительного восприятия, но и других органов чувств. Например: "горячий (тёплый, холодный) на ощупь", "ощущается запах нефтепродуктов (спиртосодержащих веществ и т.п.)", "при постукивании (указывается, каким предметом) издаёт глухой (звонкий) звук".

В случае применения технических средств указываются:

- условия их применения;

- порядок применения;

- объекты применения;

- полученные результаты.

Так, например, при использовании фотосъёмки указывается название и модель фотоаппарата, объектива, вспышки, а также фотоплёнка, выдержка, диафрагма, погодные условия, освещённость, объекты съёмки, количество снимков.

В протоколе также отмечается, что о применении технических средств участвующие лица были заранее предупреждены.

Протокол составляется в ходе производства осмотра либо сразу же после его окончания.

При изъятии в ходе осмотра предметов, могущих иметь отношение к делу, в протоколе отмечается:

- какие предметы изъяты;

- индивидуальные признаки предметов;

- конкретное место изъятия (с использованием пространственных координат);

- способ упаковки и наименование печати. Например, при изъятии с места пожара фрагмента

- электропроводки в протоколе указывается: "С места пожара изъят фрагмент двужильного одно-проволочного медного проводника длиной 30 см, с обгоревшей изоляцией и оплавлением каплеобразной формы на одном конце. Фрагмент отделён с помощью пассатижей от провода, обнаруженного на полу помещения № 5 у правой боковой стены, на расстоянии 1 м от дальнего правого угла помещения. Фрагмент проводника упакован в полиэтиленовый пакет, который опечатан печатью № 2 2-го ОГПС по охране Невского района Санкт-Петербурга".

К изъятым предметам прилагается сопроводительная надпись с указанием даты, места проведения осмотра и других обстоятельств изъятия, отмеченных выше.

При направлении изъятых предметов куда-либо непосредственно с места пожара об этом делается запись в протоколе.

Чертежи, планы, схемы, дополняющие и поясняющие протокол, оформляются в качестве приложений к протоколу, о чём упоминается в его заключительной части.

В случае проведения при осмотре большого количества измерений, отбора многочисленных проб (например, угля), целесообразно результаты измерений также оформить отдельным приложением (например, в виде таблицы с соответствующими полученными значениями глубины обугливания, потери сечения и толщины конструкции). Места отбора проб также можно пояснить план схемой, на которую нанесены номера проб и координаты мест отбора.

Сами приложения должны иметь соответствующие пояснительные надписи, например: "Приложение к протоколу (от 15.06.2002 г.) осмотра места пожара по адресу: ул. Пушкинская, д. 14. План-схема подвального помещения". Приложение подписывается лицом, составившим его, и понятыми.

Без оформления приложений, таким образом, они могут быть не приняты судом в качестве допустимых доказательств.

Протокол предъявляется для ознакомления всем участвующим в осмотре лицам, которые затем его подписывают.

Наличие или отсутствие замечаний участников по ходу осмотра и содержанию протокола, а также содержание замечаний (если имеются) отмечается в протоколе.

Необходимо еще раз отметить, что всё обнаруженное и изъятое при осмотре предъявляется понятым. Они должны быть свидетелями всех зафиксированных в протоколе (и приложениях к нему) действий и обстоятельств. Недопустимо производить изъятие предметов, когда понятые этого не видят, а затем предъявить их, сообщив, что изъяли предметы в таком-то месте. Это же относится и к проведению измерений как с помощью обычной рулетки или штангенциркуля, так и в случаях применения более сложных технических средств.

Понятые должны видеть все производимые действия и понимать, хотя бы в общих чертах, что они означают. В связи с этим, а также учитывая, что в дальнейшем протокол могут читать и другие лица, не знающие специфику расследования преступлений, связанных с пожарами, язык протокола должен быть понятен не только специалистам, но и обычным людям. Следует избегать использования длинных сложноподчинённых предложений. В то же время нельзя и чрезмерно упрощать его.

Общепринятые пожарно-технические, правовые и иные специальные термины обязательно должны присутствовать в соответствующих местах текста (при необходимости специальные термины поясняются участникам осмотра дознавателем и специалистом).

При оформлении протокола следует избегать исправлений, текст должен быть разборчивым. Любое внесение исправления в текст протокола необходимо заверять удостоверительно и надписью и подписями понятых.

 

Рис. 5.5, а. План места пожара:

1 - шкаф; 2 - диван-кровать; 3 - тумба с телевизором; 4 - стол; 5 - мебельная стенка; 6 - зона выгорания мебели (дивана); 7 - поверхностное обгорание какой-либо конструкции или элемента мебели;

Текст надписи при этом может быть, например, следующим: "Исправление на 3 строчке сверху верно". Надпись располагают внизу страницы и заверяют подписями понятых. Подобную надпись можно сделать и в конце протокола, указав месторасположение исправления (страница, строчка и т. п.).

5.8.2. Планы места пожара

Протокол осмотра места пожара, как правило, должен включать в себя план места пожара, т. к. без него картина места происшествия, запёчатлённая в протоколе, будет не столь наглядной и понятной.

План может быть обычный (рис. 5.5, а) или, что лучше, развернутый (рис. 5.5, б). На последнем, отражается не только вид на помещение сверху, но и вид на все 4 стены, потолок и их состояние (выгорание копоти, отслоение штукатурки и т. д.).

 

 

Рис. 5.5, б. Развернутый план места пожара:

1 - дверь входная; 2 - мебельная стенка; 3 - балконная дверь и окно;4 - кровать; 5 - кресло; 6 - шкаф трехстворчатый; 7 - тумба с телевизором; 8 - обугливание линолеума; 9 - отслоение штукатурки; 10 - обугливание (выгорание) мебели; И - закопчение; 12 - выгорание копоти; 13 - поверхностное обугливание

И на том, и на другом должны быть отражены термические поражения конструкций и предметов.

Очень хорошо, если план нарисован с указанием основных геометрических размеров и в масштабе.

Рекомендуемые обозначения термических поражений на планах приведены в приложении 3.

Условным обозначением на плане показывается место нахождения и поза трупа, если таковой обнаружен на месте пожара.

Наименования обозначенных на плане предметов расшифровываются в пояснительной надписи под планом.

Чтобы план был понятен понятым, следователям, судьям и не было недоразумений в дальнейшем, дополнительно расшифровываются в пояснительных записях и условные обозначения термических поражений.

 

ГЛАВА 6.

ОСОБЕННОСТИ ОСМОТРА И ИЗЪЯТИЯ НА ИССЛЕДОВАНИЕ ОТДЕЛЬНЫХ ОБЪЕКТОВ

 

6.1. Электрические щиты

Электрощиты в основном подразделяются на щиты вводно-распределительных устройств (ВРУ), главные распределительные щиты (ГРЩ), распределительные щиты (РЩ), щиты освещения (ЩО), щиты силовые (ЩС), а для организации электроснабжения жилых домов - на групповые щиты, этажные щитки, квартирные щитки и т. д.

Для вводной части электрощитов основными элементами являются рубильник или переключатель с предохранителями, автоматический выключатель, приборы измерения и учета. Основными элементами распределительной части являются автоматы или предохранители, собранные в группы [97].

Осмотр электрощитов следует начинать с ближайшего к месту пожара и заканчивать главным электрощитом или подстанцией.

При осмотре на месте пожара в протоколе отмечается:

- тип и назначение электрощита;

- перечень входящих в его состав коммутационных устройств и других элементов;

- схема щита и перечень потребителей электроэнергии от данного щита;

- в состояние корпуса щита (наличие следов термического воздействия на лакокрасочное покрытие корпуса);

- наличие на корпусе следов оплавлений и прожога металла, а также капель и брызг металла шинопроводов, проводников подходящих и отходящих кабелей и других признаков дугового процесса;

- наличие следов локального термического нагрева в местах подключения проводников подходящих и отходящих кабелей к шинопроводам;

- наличие оплавлений проводников подходящих и отходящих кабелей;

- состояние контактных элементов (надежность контакта) подключения нулевого провода;

- состояние изоляции нулевого провода и металла его проводника.

При небольших габаритах щита он изымается целиком, если габариты не позволяют сделать этого, то производится детальная съемка щита, а элементы и узлы, представляющие интерес для исследования, изымаются.

Состояние электрических аппаратов и узлов, установленных внутри щита на месте пожара, описывается отдельно.

Применяемые в электрощитах низковольтные (до 1000 В) электрические аппараты делятся на неавтоматические и автоматические.

Из неавтоматических аппаратов наиболее широко распространены рубильники, переключатели, пакетные выключатели, выключатели и предохранители [43, 97].

Рубильники и переключатели выпускают с центральной или боковой рукояткой, центральным или боковым рычажным приводом.

Маркировка рубильников и переключателей: Р - рубильник с центральной рукояткой; РБ - с боковой рукояткой; РПБ - с боковым рычажным приводом; РПЦ - с центральным рычажным приводом; П - переключатель. Маркировка по положению рукоятки и рычажного привода для переключателей аналогична рубильникам.

Первая цифра после букв означает количество полюсов (1, 2, 3), вторая - величину номинального тока аппарата [97].

При осмотре рубильников и переключателей на месте пожара отмечается:

- положение рукоятки управления (включено, выключено, промежуточное состояние);

- состояние контактных поверхностей ножей и контактных губок, наличие на них копоти и частиц оплавленного металла и других признаков дугового процесса;

- изменение сечения контактных частей ножей и губок вследствие оплавления металла;

- состояние шарнирных соединений, являющихся частью цепи, по которой проходит электрический ток;

- состояние пружинящих скоб контактных губок (недостаточное нажатие может быть причиной повышенного нагрева в контакте);

- одновременность входа и выхода всех ножей в губки и из губок.

Состояние рубильника и его элементов по возможности фотографируется на месте установки. Рубильник с признаками протекания аварийных процессов с места пожара изымается. В крайнем случае, при невозможности изъятия всего рубильника, с места пожара изымаются контактные ножи и губки со следами дуговых процессов.

Пакетный выключатель состоит из группы контактов, механизма, перемещающего контакты и фиксирующего их в определенном коммутационном положении, и корпуса. Контактная система ножевых пакетных выключателей набирается отдельными секциями, состоящими из изоляционной платы с расположенными на ней неподвижными контактами в виде ножей и пружинящих подвижных контактов, изолированных друг от друга. Более совершенными являются пакетно-кулачковые выключатели, в которых замыкание и размыкание контактов осуществляется кулачками механизма переключения.

Маркировка пакетных выключателей: ПВМ-2-10, первая цифра после букв - количество полюсов (1, 2, 3), вторая цифра - номинальный ток при напряжении 220В [97].

При осмотре пакетных выключателей отмечается:

- положение ручки управления (включено, выключено);

- состояние контактных узлов (наличие следов локального термического нагрева, копоти, подплавления металла и других признаков большого переходного сопротивления);

- наличие сквозных прогаров корпуса;

- наличие оплавления металла на элементах контактной системы и подобных признаков дугового процесса.

С места пожара пакетные выключатели изымаются целиком вместе с фрагментами подключенных к ним проводников.

Плавкие предохранители, применяемые для установки в электрощитах, по своей конструкции подразделяются на два вида - трубчатые и с корпусом прямоугольной формы [43].

Трубчатые предохранители выпускают нескольких типов: с закрытыми фибровыми разборными трубками без наполнителя; закрытые с мелкозернистым наполнителем со стеклянными и фарфоровыми трубками. Предохранители с закрытыми фибровыми трубками типа ПР выпускаются на напряжение до 500В, на номинальные токи предохранителя от 15 до 1000 А и номинальные токи плавких вставок от 6 до 1000 А. Плавкая вставка предохранителя выполнена из цинка в виде пластины переменного сечения. Корпуса данного типа предохранителей на токи до 60А имеют цилиндрические контактные части, а на большие токи - контактные ножи.

У предохранителей типа НПН (предохранитель с наполнением неразборный) трубка стеклянная. Внутри трубки находится плавкая медная вставка с металлургическим эффектом. Предохранители этого типа выполняют на номинальный ток 63 А, номинальный ток плавкой вставки от 6 до 63 А [43].

К закрытым предохранителям с мелкозернистым наполнителем (кварцевый песок с размером гранул от 0,5 до 1 мм) относятся также предохранители типа НПР, ПН 2, ПН-Р, КП. У предохранителей данного типа корпус фарфоровый, прямоугольной формы. Внутри корпуса находятся штампованные из тонкой медной ленты плавкие вставки с металлургическим эффектом. Предохранители типа ПН2 выпускают на номинальные токи от 100 до 600А [43].

При осмотре на месте пожара плавких предохранителей отмечается:

- тип или марка и ток плавкой вставки (по маркировке на корпусе предохранителя и на плавкой вставке);

- какую электрическую сеть (потребителя электроэнергии) защищал тот или иной предохранитель;

- цела или разрушена плавкая вставка (определяется путем измерения ее электросопротивления).

Вскрывать корпус предохранителя на месте пожара не следует. Однако, если корпус разрушен и есть возможность без специальной разборки оценить состояние внутренних деталей, необходимо в протоколе отметить:

- наличие или отсутствие на внутренней поверхности корпуса предохранителя мелких частиц металла плавкой вставки;

- наличие или отсутствие резко выраженной границы в месте разрушения плавкой вставки;

- наличие на металле плавкой вставки наплывов и потеков;

- для предохранителей типа ПР2 и НПН2 места разрушения плавкой вставки (в узком участке в середине вставки или в узких участках в нескольких местах);

- для предохранителей типа ПН2 места разрушения плавкой вставки (в зонах уменьшенного сечения или в зоне напайки легкоплавкого металла).

С места пожара для исследования изымаются все предохранители, целостность плавкой вставки которых нарушена. Перед изъятием производится фотосъемка на месте установки или обнаружения.

Из автоматической низковольтной аппаратуры в электрощитах чаще всего встречаются магнитные пускатели, контакторы, автоматические выключатели и реле.

Магнитные пускатели. Наиболее широкое распространение получили магнитные пускатели серий ПА и ПМЕ. Каждая серия магнитных пускателей объединяет несколько типов пускателей, различных по значению номинальных токов главных контактов, по номинальному напряжению втягивающих катушек, по наличию или отсутствию теплового реле.

Обозначение цифр после букв: первая указывает величину пускателя, вторая - исполнение по роду защиты от окружающей среды (1 - открытое, 2 - защищенное, 3 - пылеводозащищенное), третья - функции пускателя (1 - без теплового реле, нереверсивный, 2 - с тепловым реле, нереверсивный, 3 - без теплового реле, реверсивный, 4 - с тепловым реле, реверсивный) [97].

Контакторы выпускаются в открытом исполнении. Буквы и цифры в обозначении имеют следующее значение: КТВ - серия контакторов, первая цифра - число полюсов, вторая - величина контактора, наличие буквы Л - с передним подключением проводов [99].

Автоматические выключатели (автоматы). Для защиты и коммутации электросетей наиболее часто в электрощитах устанавливают автоматические выключатели следующих типов: АЕ-1000, АЕ-2000, А3100, АП50, А63, АК63.

Автоматы АЕ-1000 - однополюсные, рассчитаны на номинальный ток 25 А с тепловым, комбинированным и электромагнитным расцепителями, с номинальным током расцепителя 6, 10, 16, и 25 А.

Автоматы АЕ-2000 выпускают на номинальные токи 10, 25, 63 и 100 А без расцепителя или с электромагнитным расцепителем.

Автоматы типа A3100 выпускают на номинальные токи 50 А (А3161, А3163), 100 А (А3113, А3114, А3123, А3124), 200 А (А3133, А3134) и 600 А (А3143, А3144). Наибольшее применение в осветительных электросетях нашли автоматы А3161, А3162, А3163 (соответственно одно-, двух- и трехполюсные). Их выпускают только с тепловыми расцепителями на 15, 20, 25, 30, 40 и 50 А. Для защиты и управления силовыми питающими линиями применяют автоматы А3110, А3120, А3130, А3140. Они бывают с комбинированными и с электромагнитными расцепителями. Номинальные токи уставок комбинированных расцепителей для данных автоматов составляют:

А3113, А3114 - 15, 20, 25, 30, 40, 50, 60, 70, 85 и 100 А;

A3123, A3124 - 15, 20, 25, 30, 40, 50, 60, 80 и 100 А;

А3133, А3134 - 120, 140, 170, 200 А;

A3143, A3144 - 250, 300, 400, 500, 600 А.

Последняя цифра в обозначении этих автоматов показывает число полюсов: цифра 3 - для двухполюсных автоматов, цифра 4 - для трехполюсных.

Автоматы типа АП50 выпускают двухполюсными (АП50-2, АП50-2Т; АП50-2М, АП50-2МТ) и трехполюсными (АП50-3, АП50-ЗТ, АП5О-ЗМ, АП50-ЗМТ). Буквы в обозначении автоматов указывают: Т - с тепловым расцепителем, М - с электромагнитным, МТ - с комбинированным, без буквы - без расцепителя, цифры (2, 3) показывают число полюсов. Номинальный ток расцепителей составляет 1,6; 2,5; 4; 6,4; 10; 16; 25; 40; 50 А.

Автоматы А63 однополюсные выпускают на номинальный ток 25 А с расцепителями.

Автоматы АК63 (одно-, двух- и трехполюсные) используют при номинальном токе 63 А с электромагнитным расцепителем и без него [38, 43, 97].

При осмотре на месте пожара автоматических аппаратов отмечается:

- тип, марка и технические характеристики (по надписям на корпусе) электрического аппарата;

- состояние рабочих и дугогасительных контактов (наличие копоти, следов оплавления и расплавленных частиц металла, а также других признаков дугового процесса);

- наличие слоя копоти на пластинах дугогасительного устройства, образование которого характерно при многократных разрывах контактами больших токов нагрузки или короткого замыкания;

- наличие повреждений стенок дугогасительных камер в виде трещин, сколов, характерных для воздействия электродуговых процессов;

- наличие оплавлений на деталях контактных узлов;

- проявление металлургического эффекта в местах контакта различных металлов;

- наличие термического разрушения изоляции и оплавления изоляции подводящих проводов вблизи крепления их к контактным узлам;

- наличие проплавлений и прожогов в корпусах аппаратов;

- наличие локальных закопчений внутренних поверхностей корпусов;

- наличие цветов побежалости на металлических деталях аппаратов;

- состояние катушек магнитных пускателей, контакторов, реле (наличие нарушения изоляции обмоточных проводов, оплавлений на обмоточных проводах вследствие межвитковых замыканий или замыкания обмотки на сердечник катушки);

- наличие и целостность короткозамыкающего витка на сердечниках магнитной системы контакторов, магнитных пускателей и реле.

Для автоматических выключателей:

- положение механизма расцепителя "включено" (1), "отключено" (0) или промежуточное - "автоматическое отключение";

- наличие на поверхности корпуса автоматического выключателя мелкозернистых вздутий пластмассы;

- состояние гибких токоведущих связей (наличие порывов и надрывов, изменение сечения связей).

С места пожара для исследования изымаются все электрические аппараты, имеющие признаки аварийного режима работы. Вместе с аппаратами изымаются фрагменты подключенных к данным аппаратам проводов. Перед изъятием аппаратов производится их фотосъемка на месте установки.

6.2. Электрические провода и кабели

6.2.1. Конструкция и номенклатура проводов и кабелей

Провода, шнуры, кабели различаются материалом токопроводящих жил, поперечным сечением жил (от долей до сотен квадратных миллиметров), числом жил (одножильные и многожильные провода и кабели), изоляцией (резина, бумага, пряжа, пластмасса), оболочками (резина, пластмасса, металл), покровами и т. п. Выбор изделия определяется назначением, условиями прокладки, напряжением сети, в которой провод, шнур, кабель работают, силой тока.

Провода изготавливаются с изоляцией, рассчитанной на напряжение 380, 660 и 3000В переменного тока.

Неизолированные (голые) провода используются в основном для прокладки воздушных линий.

Изолированные провода применяются как для наружной, так и для внутренней проводки.

По материалу жил провода делятся на медные, алюминиевые, алюмомедные. Допускается изготовление жил из луженой медной проволоки. Провода из других материалов применяются для специальных целей и встречаются довольно редко.

По количеству жил провода встречаются одножильные или многожильные (см. приложение 1).

В зависимости от количества проволок в жиле провода бывают однопроволочные и многопроволочные.

У изолированного провода токоведущая жила заключена в изолирующую оболочку (изоляцию) из резины, поливинилхлорида (ПВХ), полиэтилена или винипласта.

Некоторые марки проводов поверх изоляции дополнительно покрыты оплеткой.

Легкие защитные покровы (оплетки) изготавливаются из хлопчатобумажной ткани, из пряжи, пропитанной противогнилостным составом или покрытой лаком, защищающим провод от разъедания бензином, маслом и т. п., а также из стекловолокна или асбестовых нитей (нагревостойкие провода).

Гибкая стальная оплетка применяется для дополнительной защиты от механического повреждения.

Электрический шнур - провод с изолирующими жилами повышенной гибкости, служащий для соединения с подвижными устройствами. Жилы обязательно многопроволочные и находятся в общей оплетке (двойная изоляция).

Соединительные шнуры для бытовых электроприборов и светильников могут иметь 2, 3 или 4 медные жилы сечением от 0,35 до 4,0 мм2 либо нормальной, либо повышенной гибкости. Двухжильные шнуры применяют, если корпус прибора (светильника) не требует защитного зануления (заземления). Если зануление требуется, то пользуются трехжильным шнуром.

Сечение зависит от силы тока присоединенного прибора (светильника). Например, сечение 0,35 мм2 применяется для шнуров к электробритвам; 0,5 мм2 - для настольных ламп, вентиляторов, телевизоров; 0,75 мм2 - для утюгов мощностью до 500 Вт, холодильников, пылесосов, полотеров и т. п.

Маркировка проводов и шнуров отечественного производства

Первая буква - материал токопроводящей жилы:

А - алюминий. Отсутствие в обозначении провода первой буквы А указывает на то, что токопроводящая жила изготовлена из меди.

Вторая буква - вид изделия:

П - провод; Ш - шнур.

Третья буква - конструкция:

П - плоский; буква П отсутствует - круглый.

Четвертая буква - материал изоляции:

Р - резина; В - поливинилхлорид; Н - наирит; П - полиэтилен; буква отсутствует - бумажная изоляция.

Пятая буква (или несколько букв) - дополнительные признаки или оболочка:

С - для скрытой прокладки; Г - гибкий; О - в общей оплетке; П - панцирный; Т - для прокладки в трубах; Ф - металлическая фальцованная оболочка; Р - резина; В - поливинилхлорид; Н - наирит; П - полиэтилен; буква отсутствует - бумажная изоляция.

Число (после дефиса) - максимально допустимое напряжение, В:

Первая цифра (после тире) - количество проводов.

Вторая цифра - количество жил.

Третья цифра - сечение токоведущей жилы, мм.

Заземляющая жила имеет желто-зеленую окраску.

Марки некоторых распространенных типов проводов отечественного производства приведены в таблице.

Кабель - изделие, в котором имеется несколько изолированных проводов в герметичной защитной оболочке (металлической или неметаллической) (см. приложение 1).

Оболочка кабеля (свинцовая, алюминиевая, пластмассовая или резиновая) защищает изоляцию жил от воздействия света, влаги, химических веществ, а также от механических повреждений.

Некоторые распространенные марки проводов и их характеристики

Марка провода

Число жил

Сечение жил, мм2

Номинальное напряжение, В

Элементы конструкции

Область применения

Жила

Изоляция

Другие элементы

АПВ

1

2,5-100

380; 660

A1

ПВХ

-

Монтаж осветит, и силовых цепей

ПВ1

1

0,5-95

380; 66

Cu

ПВХ

-

То же

ПВ2

1

2,5-95

380; 660

Cu гибкая

ПВХ

-

Открытая и скрытая проводка, где требуется гибкость

АППВ

2иЗ

2,5-6

380

A1

ПВХ

Плос. провод с разделительным основанием

Монтаж освет. и силов. цепей, неподвижная открытая проводка

ППВ

2иЗ

0,75-4

380

Cu

ПВХ

То же

То же

АППВС

2иЗ

2,5-6

380

A1

ПВХ

Плос. провод без раздельного основания

Скрытая прокладка под штукатурку

ППВС

2иЗ

0,75-4

380

Cu

ПВХ

То же

То же

Поверх оболочки может быть защитный покров, состоящий из подушки, брони и наружного покрова. Подушка предохраняет оболочку кабеля от повреждения стальной броней, а также от коррозии. Броня из стальных лент или оцинкованной проволоки защищает кабель от механических повреждений. Кроме того, кабели могут иметь наружный покров из волокнистых материалов или пластмассы.

Маркировка кабелей отечественного производства

Первая буква - материал жилы:

А - алюминиевая жила; буква А отсутствует - медная жила.

Вторая буква - защитная оболочка:

В - поливинилхлорид; П - полиэтилен; С - свинец; А - алюминий.

Третья буква - материал изоляции:

Р - резина; В - поливинилхлорид; Н - наирит; П - полиэтилен; буква отсутствует - бумажная изоляция.

Четвертая буква - броня:

Б - бронированный стальной лентой; П - бронированный стальной проволокой; буква отсутствует - небронированный.

Пятая буква - дополнительные признаки (одна или несколько букв):

Г - голый; буква отсутствует - оплетка из джута.

Число (после дефиса) - максимально допустимое напряжение, В:

Первая цифра (после тире) - количество проводов.

Вторая цифра - количество жил.

Третья цифра - сечение токоведущей жилы, мм.

При описании проводов, шнуров, кабелей желательно придерживаться выделенных выше курсивом терминов.

Более подробные сведения о номенклатуре и конструкциях проводов, шнуров, кабелей приведены в [37].

6.2.2. Описание состояния проводов

Описание состояния проводов и кабелей может быть частью общего описания термических поражений на месте пожара. В этом случае описывается:

- сохранность изоляции, оплетки, оболочек проводов и кабелей в тех или иных зонах, их потемнение, расплавление, поверхностное обугливание, полное выгорание;

- наличие проплавлений в броне кабеля;

- состояние жил - изменение цвета, хрупкость металла, изменение сечения жил, мелкие подплавления и слипание (сплавление) отдельных проволок в жиле, оплавления (указать материал жилы - медь или алюминий).

В случае если важны термические поражения не вообще объектов в той или иной зоне пожара, а конкретного провода или кабеля, в описании, кроме отмеченного выше, должны присутствовать его идентификационные признаки:

- марка провода, кабеля (если она известна);

- количество жил;

- материал жил;

- сечение (или диаметр) жил;

- если жилы многопроволочные, то количество проволок в жиле и их сечение (диаметр);

- наличие и материал оплетки, брони;

- материал 1 -го слоя изоляции и ее цвет;

- материал 2-го слоя изоляции и ее цвет у разных жил и т. д.

6.2.3. Повреждения, оплавления проводов

К дефектам проводов, представляющим интерес при осмотре места пожара и потому требующим выявления и фиксации, относятся механические повреждения (надломы, разрезы, обрывы и т. д.), повреждения, возникающие под воздействием более легкоплавкого металла (растворение металла в металле) и оплавления.

Механические повреждения могут возникнуть до пожара или в ходе пожара и не иметь причинной связи с его возникновением. Могут, однако, и иметь - например, при полном или частичном изломе жил проводника и возникновении больших переходных сопротивлений (БПС) или преднамеренном их разрушении в целях совершения поджога, замаскированного под техническую причину. Бывают и ситуации, когда механическое повреждение визуально трудно отличить от дугового оплавления. Во всех такого рода подозрительных ситуациях участок провода должен быть изъят и направлен на лабораторные исследования.

Расплавления металла в металле возникают при попадании расплавленного алюминия на медь, латунь, сталь, олова или свинца на сталь и в некоторых других ситуациях. Возникающие термические поражения (расплавления, про плавления) внешне похожи на последствия электродуговых процессов, и для установления природы разрушения металла (сплава) также необходимо изъятие подозрительного объекта (в данном случае - провода) и направление его на лабораторные исследования.

Оплавления проводов наиболее заметны на исследуемой электропроводке. Они могут быть следствием:

- воздействия электрической дуги;

- воздействия внешнего тепла пожара;

- разогрева провода за счет тепловыделения при перегрузке или коротком замыкании (для провода это, по сути, разновидность перегрузки).

Провода, оплавленные теплом пожара, как правило, не представляют интереса с точки зрения установления причины пожара. Иное дело - провода с дуговыми оплавлениями.

Если проводов с оплавлениями немного, то все они могут быть изъяты для лабораторных исследований в целях установления природы оплавления и характера возможного дугового процесса (так называемые "первичное", "вторичное" КЗ). На крупном пожаре, на энергонасыщенном объекте, проводов с оплавлениями могут оказаться сотни, и все их изымать на исследование нецелесообразно. В этом случае необходима предварительная дифференциация дуговых оплавлений и оплавлений теплом пожара путем визуального осмотра проводов.

Визуальные признаки дугового оплавления. Главный признак такого оплавления - локальность. Оплавление обычно происходит в узкой зоне, где при коротком замыкании металл плавится в плазменном канале электрической дуги. На расстоянии 1-2 см от оплавления жила провода может не иметь явно выраженных изменений (если вторичный нагрев в ходе пожара не внесет соответствующие коррективы).

Форма дугового оплавления чаще всего шарообразная, но не только; в зависимости от взаимного положения поверхностей, между которыми произошел дуговой разряд, дуговое оплавление может иметь форму косого среза, кратера (рис. 6.1).

 

Рис. 6.1. Формы дуговых оплавлений

Визуальные признаки оплавления теплом пожара. Термические поражения от тепла пожара (нагрева непосредственно пламенем, лучистыми тепловыми потоками, конвективными потоками) не локализованы в одной точке или узкой зоне, как при КЗ, они рассредоточены по проводу. Термические поражения провода постепенно нарастают по мере приближения к месту основного оплавления - провод становится хрупким, меняется по сечению, отдельные проволоки в жилах спекаются между собой и не разделяются. Возможны мелкие множественные подплавления на поверхности провода. Крупные расплавленные капли ориентированы вниз вследствие земного притяжения.

Провода, оплавленные в результате токовой перегрузки, по внешним признакам очень трудно отличить от проводов, оплавленных теплом пожара; визуальные признаки у них практически те же. Дифференциация может быть проведена только путем лабораторных исследований.

6.2.4. Изъятие проводов (кабелей)

Из вышеизложенного следует, что в общем случае изъятию подлежат участки проводов и кабелей:

а) имеющие оплавления (дуговые или сомнительной природы);

б) участки проводов с зонами потенциально плохих контактов (скрутки, изломы, винтовые контакты и т.д.);

в) кабели с локальными проплавлениями стальной брони.

Указанные провода изымаются в потенциальной очаговой зоне (зонах), а также на участке электросети, наиболее удаленном по цепи от источника питания.

Изымаются:

1) Участки медных и алюминиевых проводов длиной не менее 30-35 мм. Максимальная длина не должна превышать, как правило, 30-50 см, т. к. иначе объект трудно упаковать, не повредив его самую ценную часть - зону оплавления или плохого контакта.

При изъятии и упаковке надо избегать механических воздействий на участки, подлежащие исследованию, поэтому провода не надо скручивать и ломать.

Провода, имеющие признаки высокотемпературного нагрева, близкого к температуре плавления (ломкость, изменение сечения по длине проводника, отдельные подплавления), для инструментальных исследований непригодны; установить по ним первичность (вторичность) КЗ невозможно. Это обстоятельство надо учитывать при решении вопроса, изымать их с места пожара или нет.

2) При подозрении на возникновение пожара в результате перегрузки провода изымается весь провод в пределах очаговой зоны плюс участок его вне этой зоны с сохранившейся изоляцией (если таковой имеется). Если есть такая возможность, полезно изъять весь провод, включая клемму, которой он подсоединяется к электрощиту.

3) Участки электропроводки, где подозревается наличие БПС, изымаются целиком, ни в коем случае не разбираются и не развинчиваются.

По возможности необходимо установить принадлежность каждого изымаемого провода к определенному участку электрической цепи и отметить это в протоколе осмотра, а также на этикетке, прилагаемой к изымаемому объекту.

Перед изъятием объекты фотографируются (ориентирующий и детальный снимки).

6.2.5. Провода, уложенные в трубах и металлорукавах

В трубах и металлорукавах электропровода укладываются для защиты от механических повреждений. Если при осмотре места пожара обнаружена подобная труба с прожогами (проплавлениями) в корпусе, место ее нахождения должно быть зафиксировано в протоколе осмотра, а она сама изъята для лабораторных исследований.

Как известно, при коротком однофазном замыкании между проводом и стенкой трубы возможно возникновение устойчивой электрической дуги. При этом возможен прожог трубы и разлет из образовавшегося отверстия расплавленного металла [85, 86]. КЗ может быть первичным и привести при благоприятных условиях к пожару, а может быть вторичным, т. е. возникнуть при нагреве трубы уже в ходе пожара. Установлено, что для расплавления изоляции провода и возникновения КЗ необходим внешний нагрев металлорукава или стальной трубы до температуры 400-500°С всего в течение 4-8 мин. Кроме того, проплавление трубы может быть следствием попадания на нее расплавленного алюминия (см. гл. 4).

Для установления природы проплавления и его связи с возникновением пожара трубу (металлорукав), обязательно вместе с проходящими в ней проводами, следует изъять с предварительной фотосъемкой и соблюдением установленных процессуальных норм.

Длина изымаемой трубы (рукава) должна быть примерно 1,5 м.

6.3. Электроосветительные приборы

Электроосветительные приборы (они же - электросветильники, светильники) вполне могут быть причастны к возникновению пожара [20, 98], с учетом их распространенности они являются одним из основных электротехнических объектов исследования после пожара.

Светильники состоят обычно из корпуса, лампы (ламп) и осветительной арматуры (см. рис. П.1.59-П.1.68 приложения 1).

Осветительная арматура - это часть светильника, предназначенная для перераспределения и преобразования светового потока лампы, для ее крепления и подключения к системе питания, для защиты лампы от механических повреждений и изоляции ее от окружающей среды. Она включает, в частности, отражатель, рассеивателъ (элементы оптической системы для перераспределения светового потока лампы), теплоотражательный экран, защитное стекло светильника, электротехническую арматуру и др.

В зависимости от назначения светильники разделяются на две группы: общего освещения и местного освещения.

В зависимости от мест установки, на которые рассчитана конструкция светильника, они разделяются:

- на потолочный (для крепления к потолку непосредственно или с помощью узла крепления не более 0,1 м);

- подвесной (для крепления к опорной поверхности снизу с помощью узла крепления более 0,1 м). Люстрой называется многоламповый подвесной светильник,

- настенный (для установки на вертикальную поверхность);

- встроенный (для установки в потолок, нишу или в оборудование);

- опорный (для установки на верхней стороне горизонтальной поверхности или крепления к ней с помощью стойки или опоры).

Указанную выше терминологию рекомендуется использовать при описании светильников на месте пожара.

Самыми распространенными являются светильники с лампами накаливания и люминесцентными лампами.

6.3.1. Светильники с лампами накаливания

Светильник с лампой (лампами) накаливания может привести к пожару двумя путями:

- светильник может быть тепловым источником, нагревающим до критической температуры сгораемые материалы, находящиеся с ней в контакте или в непосредственной близости;

- в лампе может возникнуть аварийный режим, сопровождающийся ее разрушением и выбросом раскаленных частиц; аварийный режим может возникнуть в патроне, шнуре, других деталях арматуры лампы.

Учитывая указанные возможности, при осмотре места пожара необходимо:

1. Выяснить, не находятся ли в контакте со светильником (или на расстоянии до 5 см от него) какие-либо сгораемые материалы, конструкции, предметы или их обгоревшие остатки. Сам светильник следует осмотреть на предмет наличия налипших, приплавленных обгоревших остатков, агломератов неизвестного происхождения. При наличии таковых они изымаются вместе со светильником.

2. Если светильник находится вне предполагаемой очаговой зоны, обязательно измерить и занести в протокол расстояние от светильника до предполагаемой очаговой зоны (либо горючих материалов) как по вертикали, так и по горизонтали.

В случае если очаговая зона не имеет определенных контуров или не установлена, должна быть осмотрена зона в радиусе 3-4 м и указано наличие (или отсутствие) в ней обгоревших остатков легкогорючих материалов и материалов, склонных к самоподдерживающемуся тлению.

3. Осмотреть шнур светильника (если таковой имелся и сохранился). При наличии дуговых оплавлений, изломов и других подозрительных признаков шнур изымается (предпочтительно вместе со светильником).

4. Осмотреть и описать в протоколе сам светильник. При этом отмечается:

- тип, марка светильника, по возможности мощность лампы (ламп), установленной в нем;

- наличие защитного колпака или защитного стекла светильника (не было, целый или разрушен);

- наличие локальных оплавлений, прожогов, закопчений и других признаков дуговых процессов на металлических элементах осветительной арматуры. При наличии указанных признаков элементы осветительной арматуры изымаются;

- наличие патрона в осветительной арматуре. Если остался патрон, то отражается его состояние - нет ли прожогов, локальных разрушений деталей и корпуса патрона;

- состояние контактной группы, расположенной на керамическом вкладыше внутри патрона, - нет ли оплавлений, локального закопчения, других признаков дуговых процессов;

- наличие лампочки в патроне (цела или разрушена).

При наличии указанных выше признаков аварийных процессов патрон изымается для лабораторных исследований.

В случае необходимости определения наличия напряжения на лампе накаливания во время возникновения и развития пожара лампу осматривают и отмечают характерные для этого режима признаки:

- оплавление электродов;

- пробой лопатки, линзы;

- прожог цоколя;

- разрушение вольфрамовой спирали и ее приваривание к крючкам;

- разрушение одного из внешних выводов электродов;

- оплавление крючков;

- деформация или отделение штабика при целостности колбы;

- металлические вкрапления в тарелке;

- расплавление (срабатывание) предохранителя.

При обнаружении остатков лампы в цоколе необходимо особо отразить состояние никелевых электродов - целые (не изменены), укорочены или полностью отсутствуют (по возможности сфотографировать).

При каких-либо повреждениях никелевых электродов или их отсутствии остатки лампы изымаются, желательно вместе с патроном. При этом нельзя трогать и обтирать стеклянные части лампы.

Найденные в пожарном мусоре осколки колбы лампы также изымаются с указанными выше предосторожностями (на них в дальнейшем будут искать распыленный никель).

Светильники с галогенными лампами

Галогенные лампы выпускаются разной мощности (до 250 Вт), номинальным напряжением от 12 до 250 В. Требования безопасности для данного типа ламп регламентируются ГОСТ Р МЭК 60432-2-99 "Требования безопасности для ламп накаливания. Часть 2. Лампы вольфрамовые галогенные для бытового и аналогичного общего освещения". Наиболее распространены лампы мощностью 35, 50, 75 Вт (КГМ-12-35; КГМ-12-50; КГМ-12-75 и др.). Они широко применяются при евроремонтах офисных и жилых помещений, встраиваются в подвесные потолки и элементы мебели.

Испытаниями установлено, что за 20 мин работы отражатель галогенной лампы нагревается до 250°С, а металлические конструкции осветительной арматуры, в которых крепится галогенная лампа, - до 100-150°С. Поэтому при контакте с ними возможно возникновение тления склонных к этому материалов, отложений пыли, строительного мусора и т.п. Замкнутый объем за подвесным потолком способствует аккумуляции тепла.

Учитывая вышеназванные факты, при осмотре места пожара необходимо:

- зафиксировать наличие (отсутствие) на конструктивных  элементах  по  месту  установки  светильника локальных зон термических поражений, характерных для тления;

- исследовать визуально провода, подходящие к светильнику, на предмет обнаружения дуговых оплавлений. Оплавления с фрагментами  проводников изымаются для установления природы их образования (первичности или вторичности КЗ);

- изъять подозрительный светильник или все, что от него осталось, включая остатки лампы и детали осветительной арматуры;

- исследовать состояние понижающего трансформатора, который обязательно устанавливается при использовании низковольтных галогенных ламп, на предмет наличия следов локального термического нагрева его обмоток, оплавлений и других следов дугового процесса. При обнаружении подобных признаков трансформатор подлежит изъятию для дальнейшего исследования.

Люминесцентные светильники

В люминесцентном светильнике пожарную опасность представляет не сама люминесцентная лампа, а так называемая пускорегулирующая аппаратура (ПРА) - дроссели, стартеры, конденсаторы. Известно, что замыкание в дросселе всего около 1 % витков приводит к его перегреву до критической температуры, при которой начинаются необратимые тепловые процессы которые, в конечном счете, могут привести к загоранию [98].

На месте пожара осуществляется визуальное описание и фотогрфирование внешних термических поражений светильников, расположенных на потолке или стенах. Отмечаются различия между отдельными светильниками, установленными на одной высоте, если таковые имеются.

Полезно сравнить состояние светильников в очаге и вне очаговой зоны. Аварийным светильникам свойственны наиболее сильные термические поражения. Важно оценить и изменение термических поражений по длине одного светильника; если он имеет парные элементы (два дросселя, два конденсатора, два стартера и т.д.), то деформация корпуса, обгорание его лакокрасочного покрытия обычно более сильно выражены в зоне, где возник аварийный процесс.

При описании внешних термических поражений светильников, найденных в пожарном мусоре, следует отражать состояние корпуса, наличие и состояние пускорегулирующих аппаратов (конденсаторов, дросселей, стартеров), подходящих проводов и монтажа внутри светильника. Особое внимание следует уделить установлению наличия или отсутствия заливочной массы или компаунда в дросселе, а также наличия в обмотке дросселя короткозамкнутых витков. Отметим, что разбирать светильник или отдельные его детали не следует ни в коем случае. Описание проводится только по внешним признакам, если таковые имеются.

Светильники, находящиеся в предполагаемой очаговой зоне и подозрительные по тем или иным причинам, должны быть сфотографированы на месте нахождения и изъяты для дальнейшего исследования.

6.4. Электронагревательные приборы

Причастным к возникновению пожара может быть практически любой электронагревательный прибор - электрокипятильник, утюг, паяльник, чайник, плитка, обогреватель (камин, радиатор, конвектор), жарочный электрошкаф, прибор приготовления пищи с инфракрасным нагревателем и др. Пожар может возникнуть в результате:

- теплового воздействия на окружающие конструкции и предметы;

- загорания веществ и материалов, попавших на конструктивные элементы прибора, нагретые до необходимых для загорания температур;

- работы прибора в нештатных условиях (например, чайника или кипятильника без воды);

- возникновения аварийного пожароопасного режима в электрической части прибора.

В связи с этим изучению и фиксации в протоколе осмотра подлежат место обнаружения электронагревательного прибора или его остатков (фрагментов), вблизи расположенные конструкции и предметы, а сам электронагревательный прибор - изъятию в качестве объекта исследования.

Пожароопасность отдельных видов и марок приборов определяется их конструктивными особенностями и мощностью. Остановимся на некоторых из них.

Отопительные приборы излучательного типа с открытыми нагревательными элементами особо опасны. Горение может возникнуть при их опрокидывании или прижатии к сгораемым конструкциям и предметам, при попадании непосредственно на нагревательный элемент горючих веществ и материалов. В ряде случаев возможность загорания не исключается при наличии защитных сеток и экранов. Так, в работе [99] приводятся результаты испытаний бытовой электропечи с рефлектором. Указывается, что при испытаниях на наружной поверхности и защитной сетке отражателя температура доходила до 95-150°С; сгораемые материалы загорались на расстоянии менее 0,5 м.

Конвекционные отопительные приборы бывают двух типов - конвекторы и радиаторы. Радиаторы бывают с промежуточным теплоносителем (маслонаполненные) и сухие. Конвекционные приборы более пожаробезопасны. Средняя температура их внешней поверхности составляет 80-85°С, а максимальная обычно не превышает 100-110°С. Тем не менее они могут быть причастны к возникновению пожара - прежде всего при неисправности терморегулятора и нарушении правил эксплуатации прибора.

Потенциально опасными являются появившиеся в большом количестве в последнее время нагревательные панели из полимерных материалов (типа "Слотерм", "Доброе тепло" и др.).

Электроутюги с исправным терморегулятором по общему мнению специалистов, как правило, не вызывают загорания горючих материалов в течение длительного времени (24-33 ч). При зашунтированном (неисправном) терморегуляторе в условиях испытаний загорание стеганой ваты происходило через 3,5-5 мин, подплавление алюминиевой подошвы через 13-20 мин. Через 2 ч под подошвой утюга и на корпусе у подошвы 380-400°С, на корпусе у ручки 300°С [99]. В отдельных случаях температура на подошве утюга достигает 400-500°С [34].

Электрочайники современной конструкции, как правило, имеют трубчатые электронагревательные элементы (ТЭН) непосредственно в объеме нагреваемой воды, ближе к днищу. При выкипании воды происходит оголение ТЭНа, перегрев его, деформация и, как следствие, замыкание спирали ТЭНа на корпус. В этой ситуации часто возникает КЗ с образованием дуги, проплавлением оболочки и разбрызгиванием раскаленных частиц металла - потенциальных источников зажигания.

Признаками работы электрического чайника в аварийном режиме являются:

- наличие проплавлений трубки ТЭНа или разрушений ТЭНа;

- следы дугового режима - локальные оплавления (проплавления) корпуса и (или) отдельных деталей чайника (если он металлический);

- застывшие капли (брызги металла).

Современные электрочайники зарубежного производства более пожаробезопасны (по крайней мере, теоретически) - они снабжены устройством, отключающим чайник после закипания воды. Однако у большинства моделей это устройство представляет собой датчик, срабатывающий на повышение давления внутри чайника, возникающее при кипении воды. И если по небрежности пользователя крышка чайника после его включения остается неплотно закрытой, то датчик давления не срабатывает, чайник не отключается, а оголившийся при выкипании воды ТЭН создает вышеописанную ситуацию. Не спасает при этом в ряде случаев и так называемый "второй уровень защиты" - тепловой датчик. Учитывая мощность чайника (до 2 кВт) и то, что его корпус сделан из пластмассы, возникновение и развитие горения будет происходить более динамично, нежели в отечественном чайнике с металлическим корпусом.

Вторым слабым местом описанных выше чайников является разъем, соединяющий чайник с подставкой (базовой платой с проводом для включения чайника в сеть). У относительно дешевых чайников малоизвестных фирм этот разъем бывает крайне ненадежен, в нем часто возникает БПС, иногда переходящее в дугу.

После пожара от подобных чайников находят обычно один ТЭН и металлические детали подставки. Наличие в ТЭНе локального проплавления оболочки будет свидетельством работы чайника в аварийном режиме и вероятной причастности к возникновению пожара.

Электрокипятильники. Бытовые электрокипятильники имеют оболочки ТЭНов из латуни, стали, алюминия. Они по-разному ведут себя при аварийном режиме, предшествующем пожару, и на самом пожаре, поэтому должны быть рассмотрены отдельно.

Электрокипятильники с оболочкой из медных сплавов и стали. К кипятильникам этой группы относятся кипятильники класса ЭПМ (электрокипятильник погружной, малого габарита). В соответствии с ГОСТ они выпускаются мощностью 0,3; 0,5; 0,7 кВт. Это самые распространенные в быту электрокипятильники, рассчитанные на нагрев 0,25-0,5 л воды. Нагревательный элемент кипятильника - ТЭН - состоит из оболочки (латунь, сталь 10 или 20), внутри которой находятся проволока сопротивления (спираль) и мелкозернистый наполнитель - периклаз, который выполняет функцию изолятора, отделяющего спираль от оболочки ТЭНа.

Во включенном состоянии, но без погружения в воду, кипятильник в течение нескольких минут раскаляется докрасна, температура оболочки в зоне нахождения электроспирали достигает 700-750°С. Кипятильник может сам обесточиться, если от нагрева произойдет нарушение спаев выводных концов нагревательной спирали со шнуром питания. В этом случае пожар может и не произойти. Если же провод питания припаян качественно, то кипятильник становится крайне опасным источником зажигания. Пожар может начаться в следующих случаях:

а) при опрокидывании емкости, в которой находился кипятильник, или при разрушении стеклянного стакана, после того как из него выкипела вода; в этом случае загорание происходит при непосредственном контакте кипятильника со сгораемым материалом;

б) если кипятильник находится в алюминиевой или стальной эмалированной кружке, стоящей на сгораемом основании,  то возможно загорание этого основания от контактного нагрева кружкой, разогретой кипятильником. Эксперимент в лаборатории показал, что алюминиевая кружка емкостью 250 мл с включенным в сеть электрокипятильником прожигает дыру в 40-миллиметровой сосновой доске за 2-2,5 ч после выкипания воды.

На пожаре от кипятильника часто остается один нагревательный элемент.

Визуальным признаком работы ТЭНа в аварийном режиме (без воды) является более светлый цвет трубки в зоне концевого участка и более темный там, где уложена спираль. Точнее это можно установить путем инструментальных исследований трубки ТЭНа в лаборатории, для чего остатки кипятильника должны быть изъяты с места пожара.

Электрокипятильники с оболочкой из алюминиевых сплавов выпускаются согласно ГОСТу, класса ЭПО (электрокипятильник погружной основного габарита) и ЭПОТ. Они имеют мощность 1,0-1,6 кВт, длину около 25 см и предназначены для кипячения воды в объеме от одного до нескольких литров. Выпускают в настоящее время с трубкой ТЭНа из алюминиевых сплавов и кипятильники меньших габаритов, промежуточных между ЭПМ и ЭП. Нагрев таких кипятильников без водяного охлаждения вызывает расплавление трубки ТЭНа на спиральном участке. Иногда разрушение трубки у перегретого кипятильника происходит взрывообразно. При расплавлении трубки ТЭНа нагретая спираль, прежде чем перегореть, может находиться в раскаленном состоянии до 15- 20 мин и представляет собой в таком виде мощный источник зажигания. Кипятильник после пожара может иметь самый различный (в зависимости от обстоятельств пожара) вид - от относительно сохранившегося устройства с деформированным, расплавленным частично или полностью ТЭНом, до расплавленного алюминиевого агломерата со спиралью внутри или вне его.

Электропаяльники бывают различной мощности (40, 65, 100, 200 Вт). Все они в соответствующей ситуации могут воспламенить бумагу, ветошь, привести к переугливанию древесины на различную глубину, а самый мощный (200 Вт) - и к воспламенению досок, древесностружечных и древесноволокнистых плит [99].

Электрогрелки состоят обычно из следующих основных элементов: основания, выполненного из байковой ткани, и помещенного внутрь него электронагревательного провода; термоограничительного устройства; двухпозиционного переключателя мощности и дополнительного сопротивления регулировки мощности; покрышки (чехла) из легкой ткани [100]. Являются достаточно опасными в эксплуатации электроприборами, несмотря на наличие в большинстве из них термоограничительных устройств.

Рабочая температура таких грелок 40-65°С, потребляемая мощность 30-60 Вт.

Однако, как показали эксперименты, температура нагреваемой поверхности даже при нормальных условиях эксплуатации может достигать 70-100°С. Температурное поле у грелок неравномерное, температура в одних точках может превышать температуру в других в 1,5-2 раза. Положение усугубляется, когда вопреки инструкциям по эксплуатации грелка оказывается в сложенном виде или прикрыта одеялом, - температура при этом достигает 140-170°С, и может загореться как сама грелка, так и находящиеся в контакте с ней материалы, в первую очередь склонные к тлению.

Осмотр и изъятие электронагревательных приборов и их остатков после пожара

Наличие на месте пожара любых электронагревательных приборов должно быть зафиксировано в протоколе осмотра, а сам прибор или его обгоревшие остатки (фрагменты, детали) должны быть изъяты для дальнейших исследований.

Возможно изъятие с места пожара электронагревательных приборов, обнаруженных только в пределах очаговой зоны. Однако, учитывая, что при осмотре дознаватель (специалист, эксперт) может не иметь достаточных данных для достоверного установления места возникновения пожара или может просто ошибиться, более правильно и целесообразно изымать все электронагревательные приборы или их остатки, находящиеся или находившиеся в пределах зоны горения.

Необходимо зафиксировать в протоколе идентификационные признаки прибора или его деталей (габаритные размеры, признаки аварийных режимов (дуговые оплавления, проплавления в ТЭНах), локальные разрушения корпуса и т.п.), а также другие характерные признаки изъятого объекта.

Требуется точная фиксация места обнаружения прибора или его остатков (словесно, в протоколе осмотра, фото - и видеосъемка). С максимально возможной точностью должно быть измерено и зафиксировано в протоколе расстояние от обнаруженного объекта до стен помещения, ближайших конструкций и предметов. Необходимо указать, где обнаружен объект, - в слое пожарного мусора (на какой глубине), на поверхности, в других помещениях или вне здания.

Учитывая хрупкость обгоревших материалов, изъятие и упаковку следует проводить с максимальной осторожностью, избегая разрушений.

При изъятии необходимо постараться сохранить (не счищать) обгоревшие остатки, налипшие на корпус прибора и его отдельные детали. При невозможности отделить электроприбор или отдельные его части от карбонизованных остатков их вырезают вместе.

В некоторых случаях от нагревательных приборов после пожара сохраняются лишь отдельные металлические детали, например, нагревательная спираль или ее фрагменты. Они подлежат изъятию по тем же правилам, что и электроприбор в целом. При необходимости может быть проведено измерение электросопротивления нагревательной спирали или ТЭНа. Это позволит определить, целы они или перегорели, а также рассчитать мощность нагревательного устройства. При этом необходимо учитывать, что спираль может состоять из 2-3 участков для обеспечения варьирования мощности нагревательного устройства.

По электросопротивлению спирали можно определить, действительно ли она является фрагментом нагревательной спирали или имеет другое назначение. Нагревательные спирали изготавливаются из нихрома, который имеет удельное электросопротивление 1,12 Ом·мм2/м.

Обычная стальная проволока имеет удельное электросопротивление 0,13 Ом·мм2/м, медная - 0,0172 Ом·мм2/м.

Соединительные шнуры для подключения электронагревательных приборов к сети являются важным вещественным доказательством. Если такой прибор, оставленный включенным в сеть, послужил причиной пожара, то, как правило, в первую очередь происходит разрушение огнем изоляции соединительного шнура. В результате повреждения изоляции происходит короткое замыкание и образуются дуговые оплавления [34]. В любом случае осмотр электрошнура и обнаружение дуговых оплавлений свидетельствует о том, что электроприбор на момент пожара был включен в сеть (находился под напряжением), а это очень важно.

Обнаруженный шнур в любом случае должен быть изъят в ходе динамического осмотра. Учитывая, что отожженный металл хрупок, остатки провода следует изымать и упаковывать предельно осторожно, по возможности не скручивая и не перегибая. В протоколе должно быть указано место нахождения шнура или его остатков, а также идентификационные признаки - примерная длина, сечение, количество жил и проволок в жиле, наличие участков с сохранившейся или карбонизованной изоляцией и др. Аналогичным образом выявляются, описываются и изымаются остатки всевозможных удлинителей, разветвителей и т. д.

При обнаружении шнура питания с сохранившейся вилкой должно быть описано состояние вилки, в частности, закопчены или нет контактные штыри.

Если шнур не обнаружен, это также указывается в протоколе. Данное обстоятельство никоим образом не свидетельствует, что шнура не было вообще и прибор не был включен в сеть. На развившихся пожарах шнур питания не обнаруживают достаточно часто; тонкие медные проволочки в пережженном состоянии становятся хрупкими, рассыпаются, и остатки шнура оказываются утраченными.

Лучше сохраняются остатки электрических вилок, в частности контактные штыри. Они могут быть обнаружены в пожарном мусоре или, что еще более ценно, в гнездах электророзетки. Поэтому ближайшие к месту расположения электроприбора электрические розетки должны быть обязательно осмотрены, описано их состояние. Такую розетку необходимо сфотографировать вместе со штырьками и в таком же виде изъять в качестве вещественного доказательства.

Обязательно следует измерить расстояние от места обнаружения электронагревательного прибора до ближайших электророзеток (или мест, где они находились до пожара) и зафиксировать результаты измерения в протоколе. Эти данные понадобятся в дальнейшем для анализа возможности включения электроприбора в сеть, исходя из длины шнура питания.

Осмотр окружающих конструкций в месте нахождения электронагревательного прибора.

При возникновении пожара от бытовых электронагревательных приборов очаг пожара, как правило, характеризуется сосредоточенным выгоранием предмета (мебели) и даже конструкций здания в месте, где был оставлен прибор. Крышка стола и другие подставки часто прогорают насквозь, а прибор проваливается на пол. Известны случаи, когда происходил сквозной прогар перекрытия и электроприбор обнаруживали на нижележащих этажах или застрявшим в конструкциях [17].

В связи с этим место нахождения нагревательного прибора должно быть исследовано в целях выявления и фиксации зоны локальных термических поражений - более глубокого обугливания, прогаров и т.д.

При обнаружении каких-либо объектов непонятной природы - агломератов металлов, обгоревших полимеров - они также изымаются с места пожара.

6.5. Телевизоры

Пожарная опасность телевизоров достаточно велика - по статистическим данным, они занимают третье место среди электротехнических приборов и устройств, причастных к возникновению пожара (5,9 %). Принято считать, что пожароопасностью отличаются только старые цветные телевизоры 1-2 поколения. Данное утверждение справедливо, но только частично. Загораются все телевизоры, в том числе новейшие, хотя, конечно, старые телевизоры более энергонасыщенны и уже потому более пожароопасны. Кроме того, замечено, что телевизоры работают относительно надежно 6-7 лет, после чего старение материалов и загрязнение монтажа приводит к нарушению изоляционных свойств материалов, ослаблению контактов в местах так называемой "холодной пайки" и возникновению токов утечки, коронированию. Ускоренному старению изоляции и потере ею электроизоляционных свойств способствует наличие в телевизоре ежедневных циклов: нагрев (при работе днем и вечером) - охлаждение (в выключенном состоянии ночью).

Вероятность загорания современных телевизоров резко возрастает в связи с тем, что они находятся в так называемом "режиме ожидания". В таком состоянии у телевизора под напряжением находятся почти все основные блоки, не включена только развертка по вертикали. И внезапный скачок напряжения в сети (а такое чаще всего бывает ночью или ранним утром) может привести к загоранию какого-либо из блоков и телевизора в целом.

Пожары, возникшие от телевизоров, отличаются весьма быстрым развитием на начальной стадии. В работах специалистов ВНИИПО и Львовской ИПЛ отмечается, что при загорании блока строчной развертки уже через 1,5-2 мин происходит воспламенение задней полистирольной стенки телевизора. Полистирол - термопластичный полимер, поэтому стенка плавится, стекает вниз и горит. Через 6 мин после начала горения телевизор уже полностью охвачен пламенем. Высота факела пламени - 1,5 м над телевизором [101].

Распространению пожара по помещению обычно способствует установка телевизора в мебельную стенку или установка его в углу помещения, где, как правило, имеются шторы, гардины и другие легкогорючие изделия.

Основные конструктивные детали отечественного телевизора показаны на рис. П.1.92 приложения 1.

При осмотре сгоревшего телевизора и окружающей его обстановки на месте пожара в общем случае рекомендуется действовать в следующем порядке.

1. Необходимо изучить и описать термические поражения вокруг телевизора - над ним (возможные элементы очагового конуса), справа и слева на мебели и других предметах обстановки; термические поражения на столе или тумбе, где установлен телевизор, - их геометрию, локализацию, глубину выгорания. При этом, по сути, уточняется место расположения очаговой зоны - совпадает ли она с местом нахождения телевизора. Если пожар обнаружили и ликвидировали на относительно ранней стадии, локализация термических поражений на окружающих телевизор объектах (стенах, предметах мебели рядом и под телевизором) должна быть достаточно хорошо выражена. Не должна смущать ситуация, когда зона горения начинается не от телевизора, а от пола - это может быть следствием стекания на пол расплавленной полистирольной крышки.

2. Необходимо описать термические поражения корпуса телевизора с уточнением места расположения очаговой зоны в самом телевизоре. В телевизорах первых поколений, имеющих деревянный корпус, это делается путем сравнения степени выгорания отдельных участков корпуса, термических поражений стальной рамы (деформации, окалина), сравнительной оценки полноты выгорания пластмассовых деталей (в том числе прилипших к задней части рамы расплавленных остатков задней крышки).

Сложнее решать эту задачу для современных телевизоров на микросхемах и в пластмассовом корпусе - степень их разрушения при пожаре значительно больше. В этом случае никакой разборки, демонтажа остатков телевизора и его отдельных блоков производиться не должно; он целиком подлежит изъятию для лабораторных исследований.

3. Осмотреть остатки шнура. Зафиксировать наличие или отсутствие дуговых оплавлений. При наличии дуговых оплавлений провод изымается для лабораторных исследований.

4. Осмотреть внутренние детали и блоки.

При осмотре необходимо фиксировать в протоколе последствия теплового воздействия на отдельные конструктивные элементы телевизора (корпус, платы), кинескоп, радиодетали, провода - обугливание и выгорание красочного покрытия, изоляции проводов, пластмассовых деталей, потеков пластмассы от расплавленной задней крышки и корпуса (если он тоже пластмассовый), копоти; признаки высокотемпературного отжига металлов и сплавов. В результате такого осмотра по возможности должна быть выявлена зона наибольших термических поражений.

В телевизорах первых поколений особо следует обращать внимание на блок строчной развертки. Большинство загораний таких телевизоров (60-75 %) связано с отказом отдельных компонентов именно этого блока.

В процессе эксплуатации он разогревается до относительно высоких температур (60-70°С), и такой предварительный разогрев горючих материалов создает благоприятные условия для их воспламенения при кратковременном действии электрической дуги, тепловом воздействии радиокомпонентов, пробое изоляции.

Кроме того, необходимо тщательное изучение внутреннего монтажа телевизора в целях выявления возможных дуговых оплавлений. Их присутствие однозначно свидетельствует о том, что телевизор в момент пожара был включен, а также указывает на возможное место возникновения аварийного режима.

В случае явного или предполагаемого нахождения телевизора в очаговой зоне остатки его следует изъять для лабораторных исследований. Возможно, но менее желательно изъятие только дуговых оплавлений проводов и деталей (изымается фрагмент провода длиной 30-50 мм с оплавлением на конце) для последующих инструментальных исследований на предмет выявления признаков первичности или вторичности КЗ.

Упаковку телевизора следует производить в картонную коробку очень аккуратно, не трясти, не переворачивать - карбонизованные части корпуса, отдельных деталей, отожженные провода очень хрупки и могут рассыпаться.

6.6. Холодильники

Конструкции холодильников

Холодильники, как известно, в зависимости от принципа действия, подразделяются на компрессионные и абсорбционные. Ниже приведены сведения о наиболее распространенных бытовых холодильниках компрессионного типа.

Устройство обычного бытового холодильника такого типа и отдельных его функциональных блоков показано на рис. П. 1.85, П. 1.86 приложения 1.

Корпус холодильника является несущей конструкцией, поэтому должен быть достаточно жестким. У отечественных и большинства импортных холодильников его изготавливают из листовой стали толщиной 0,6-1 мм. Поверхность шкафа фосфатируют, затем грунтуют и дважды покрывают белой эмалью МЛ-12-01, ЭП-148, МЛ-242, МП-283 и т.п. Поверхность сервировочного столика, если таковой имеется, покрывают полиэфирным лаком.

Внутренние шкафы холодильника изготавливают из стального листа толщиной 0,7-0,9 мм, а еще чаще - из пластмассы. Пластмассовые камеры изготавливают из АБС-пластика или из ударопрочного полистирола. АБС (акрилбутадиеновый стирол) обладает высокими механическими свойствами и стойкостью по отношению к хладону (фреону). Детали из АБС-пластика, покрытые хромом и никелем, широко применяются в декоративных целях. Камеры морозильников и камеры низкотемпературных отделений холодильников металлические - из алюминия или нержавеющей стали.

Двери изготавливают из стального листа толщиной 0,8 мм. В некоторых моделях холодильников двери изготовлены из ударопрочного полистирола. Дверь холодильника состоит из наружной и внутренней панелей, теплоизоляции между ними и уплотнителя. Панели двери изготавливают из ударопрочного полистирола.

Теплоизоляцию прокладывают по стенкам, верху и дну холодильного шкафа и холодильной камеры, а также под внутренней панелью двери. Для теплоизоляции шкафа и двери холодильников применяют штапельное стекловолокно МТ-35, МТХ-5, МТХ-8, минеральный войлок, пенополистирол ПСВ и ПСВ-С и пенополиуретан ППУ-309М [62].

Осмотр холодильников после пожара

При возникновении горения внутри холодильника в результате аварийного режима в терморегуляторе и других расположенных там сервисных устройствах горение обычно самозатухает ввиду недостатка воздуха; хотя возможен и выброс пламени при открывании дверцы до момента самозатухания и охлаждения зоны горения, а также выход горения через заднюю стенку и сгораемые уплотнители дверец.

Наиболее пожароопасен аварийный режим в моторном отсеке, складывающийся чаще всего в результате возникновения БПС на контактах имеющейся там аппаратуры. Горение из моторного отсека распространяется вверх по сгораемому утеплителю задней стенки, проникает внутрь холодильника.

При осмотре на месте пожара холодильника, как и других электроприборов, необходимо осмотреть шнур (наличие дуговых оплавлений), описать состояние вилки и розетки.

Кроме того, необходимо обращать внимание на следующие особенности термических поражений самого холодильника с фиксацией в протоколе осмотра, фото- и видеосъемкой.

Состояние корпуса

Визуально исследуется состояние боковых стенок холодильника, дверцы (дверец), верхней крышки. Следует фиксировать форму и локализацию зон обугливания и выгорания слоя эмали (краски), закопчения и выгорания копоти. При загорании в моторном отсеке на боковых стенках часто бывает хорошо виден очаговый конус, имеющий расширение в зоне, примыкающей к моторному отсеку.

Описываются (фотографируются) термические поражения верхней крышки. Если она имеет алюминиевую окантовку или другие легкоплавкие детали, необходимо обращать внимание на их оплавления.

Фиксируется состояние задней стенки - расплавление, выгорание ее материалов, форма выгоревшей зоны, глубина выгорания.

В отдельных моделях холодильников, имеющих металлическую заднюю стенку, описываются обугливание и выгорание эмали на ее поверхности. Особо обращается внимание на сравнительное состояние поверхностей задней стенки над нишами, расположенными справа и слева от мотора-компрессора (если они имеются).

Термические поражения в моторном отсеке

Описываются термические поражения ниши моторного отсека (обугливание и выгорание краски, побеление и деформации металла). Описание должно быть сравнительным - двух участков ниши справа и слева от мотора-компрессора.

Описывается состояние корпуса мотора-компрессора, его вводных контактов, реле, коммутационной коробки, соединительных проводов и других деталей электрической схемы, а также газовых трубок.

Провода и электродетали с признаками электрических аварийных режимов, свойственных КЗ и БПС (дуговые оплавления, электрическая эрозия и т. д.), изымаются для лабораторных исследований.

Однако часто тонкие провода и мелкие детали электрооборудования, моторного отсека разрушаются в ходе пожара, и сохраняется, по сути, один мотор-компрессор. Если имеет место подобная ситуация, это обстоятельство также должно быть отмечено в протоколе осмотра и зафиксировано фотосъемкой.

При наличии в холодильнике двух компрессоров и дополнительного оборудования необходимо сравнить и описать в протоколе термические поражения их обоих.

Термические поражения внутри холодильника

Осмотру подлежат все камеры (отделения) холодильника. Описываются термические поражения находящихся там продуктов (если они сохранились), внутренних стенок, утеплителя, уплотнителей дверец, деформации (разрушения) полок.

Если внутри холодильного отделения находится терморегулятор и другое электрооборудование, оно осматривается на предмет выявления дуговых оплавлений. При наличии таковых провод с оплавлением (или устройство в целом) изымается для лабораторных исследований.

Примыкающие конструкции и предметы

Необходимо осмотреть пол под холодильником и зафиксировать его состояние (термические поражения). При наличии сгораемого пола на его поверхности под моторным отсеком может быть локальная зона выгорания вплоть до сквозного прогара. Описывается состояние стены в зоне, прилегающей к моторному отсеку, и выше, а также (для сравнения) справа и слева от холодильника; состояние плинтуса.

Фиксируется состояние предметов, расположенных справа и слева от холодильника.

При необходимости и по возможности для лабораторных исследований изымают весь холодильник.

Специальных методик установления причастности холодильника к возникновению пожара в настоящее время не существует.

Тем не менее, при экспертных исследованиях в лаборатории возможно:

- визуальное исследование в целях более точного определения локализации очага пожара и аварийного устройства;

- инструментальные исследования дуговых оплавлений в целях подтверждения их дуговой природы и установления первичности (вторичности) КЗ;

- инструментальные исследования отдельных частей электрической схемы в целях выявления следов БПС;

- разборка и исследование мотора-компрессора.

6.7. Электроустановочная аппаратура, электрические звонки

Электроустановочная аппаратура

Электроустановочные устройства - самостоятельная группа электрических аппаратов, рассчитанная на номинальные напряжения 42, 220 и 380 В и номинальные токи до 25 А частотой 50 Гц. К подобным аппаратам относятся выключатели и переключатели, электрические соединители двухполюсные (штепсельные розетки и вилки), патроны к лампам накаливания, люминесцентным лампам, газоразрядным лампам высокого давления и стартерам, предохранители плавкие и автоматические и т.п. Только отечественной промышленностью выпускается более 400 видов электроустановочных изделий.

Выключатели

Различают однополюсные клавишные выключатели для открытой и скрытой установки на максимальные токи 6 и 10 А. Данные выключатели на ток 6 А бывают одинарные, сдвоенные и строенные. Однополюсные поворотные выключатели (квадратной и круглой формы) в брызгозащищенном исполнении выпускаются на максимальный ток 6 А. Малогабаритные выключатели на максимальный ток 1 А подразделяются на проходные (кнопочный, ползунковый, клавишный), встроенные (кнопочный, перекидной, с тяговым шнурком, с трапецеидальной клавишей).

Коммутирующие контакты выключателей могут быть медными, металлокерамическими и бронзовыми для контактов врубного типа.

В однополюсных выключателях аварийные режимы могут быть вызваны перегревом контактов вследствие термического воздействия токов короткого замыкания. Также перегрев контактов может быть вызван токами перегрузки при повышении напряжения у потребителей или при подключении нагрузки, превышающей номинальную для данного установочного изделия.

Обычно загорания при перегрузках связаны с повышенным падением напряжения на контактах. Рост падения напряжения в контактах усиливается при увеличении переходного сопротивления контактов и тока нагрузки. Чем больше падение напряжения в контактах, тем больше их нагрев и тем больше вероятность воспламенения пластмассы, из которой изготовлены корпуса и основания выключателей или изоляции проводов, присоединяемых к контактам.

При коммутациях в электрических цепях под нагрузкой между подвижными и неподвижными контактами возникают электрические дуги. Коммутационные дуги (искры) могут вызывать загорание электроустановочных устройств, имеющих некачественную сборку или конструктивные недостатки.

Визуальным признаком включенного состояния выключателя на момент возникновения пожара является положение клавиши, кнопки или ручки управления выключателя в положении "Включено" (I), а при снятой крышке нахождение в замкнутом состоянии коммутирующих контактов. Наличие копоти на коммутирующих контактах свидетельствует о том, что в момент возникновения и развития пожара выключатель находился в отключенном состоянии.

Электрические соединители двухполюсные

Штепсельные вилки по своим конструктивным и техническим характеристикам подразделяются:

а) на вилки с цилиндрическими контактами на максимальные токи 6 и 10 А, имеющие следующие разновидности:

- с прямым вводом проводов;

- без заземляющего контакта с уплотненным вводом проводов;

- с заземляющим контактом с уплотненным вводом;

- опрессованная вилка вместе с проводом и т. д.;

б) вилки с плоскими контактами брызгозащищенного исполнения на максимальный ток 10 А, имеющие следующие виды:

- без заземляющего контакта с уплотненным вводом проводов;

- с заземляющим контактом с уплотненным вводом;

- повышенной механической прочности с заземляющим контактом и т.д.

Штепсельные розетки подразделяются на розетки для открытой и скрытой установки. Розетки для открытой и скрытой установки могут быть как с цилиндрическими, так и плоскими контактами, с заземляющим и без заземляющего контакта. Основания розеток изготавливаются из фарфора или пластмассы. Крышки и основания розеток могут иметь круглую и квадратную форму. Крышки розеток с цилиндрическими контактами могут быть выполнены с поворотным устройством, предохраняющим от попадания внутрь посторонних предметов. Розетки для открытой установки с цилиндрическими контактами изготавливаются одно-, двух- и трехместные, а для скрытой установки - одно- и двухместные.

Признаком включенного состояния вилки в розетку в момент возникновения и развития пожара является отсутствие закопчения на внутренних поверхностях контактных деталей штепсельных розеток и на внешних поверхностях штифтов штепсельных вилок, а также на внешней поверхности корпуса розетки в месте контакта с корпусом вилки.

Патроны

Выпускаются следующих типов:

- резьбовые для установки ламп накаливания и газоразрядных ламп высокого давления, снабженных резьбовыми цоколями типов Е14, Е27 и Е40 на напряжение до 250 В, ток до 16 А, мощность подключаемой нагрузки до 2000 Вт;

- байонетные для установки ламп накаливания, снабженных цоколями типов В15/17, В15/18, В15/19 на напряжение до 250 В, ток до 4 А, мощность подключаемой нагрузки до 100 Вт;

- для установки люминесцентных ламп, снабженных цоколями типов G5, G10, G13 на напряжение до 250 В, ток до 2,5 А, мощность подключаемой нагрузки до 80 Вт;

- для установки стартеров люминесцентных ламп на напряжение до 250 В и ток до 2,5 А;

- для установки проекционных ламп накаливания (кварцевых галогенных ламп в кино- и диапроекторах и другой аппаратуре), снабженных цоколями типов G6,35 и GY9,5 на напряжение до 250 В, ток до 4 А, мощность подключаемой нагрузки до 850 Вт;

- для трубчатых галогенных ламп накаливания, снабженных цоколем типа R7S на напряжение до 250 В, ток до 10 А, мощность подключаемой нагрузки до 2000 Вт.

Наибольшее распространение получили резьбовые патроны типов Е14, Е27, Е40.

Пластмассовый резьбовой подвесной патрон типа Е14 имеет цилиндрическую форму, диаметр 28,5 мм, высоту 52 мм. В головке патрона предусмотрен стопорный винт для фиксации его на трубе. Боковой контакт патрона выполнен в виде лепестка из пружинящей бронзы, центральный - полупружинящий с ходом 2-2,5 мм. В бытовых светильниках широко применяется пластмассовый резьбовой патрон типа Е14 для свечеобразных ламп накаливания. В эту же унифицированную серию резьбовых патронов типа Е14 входят два керамических патрона, применяемых в световых приборах с повышенным температурным режимом.

Пластмассовый резьбовой патрон типа Е27 прямой подвесной имеет цилиндрическую форму, диаметр 39,5 мм и высоту 56 мм. Принципиальным отличием данного патрона является то, что пружинящим является боковой контакт, а непружинящим - центральный. Серия резьбовых патронов типа Е27 состоит из прямого подвесного патрона; патрона с одним или двумя резьбовыми кольцами для закрепления рассеивателя; прямого потолочного патрона с фланцем и наклонного настенного патрона с фланцем. Унифицированными деталями всех патронов являются контактные детали и вкладыш, на котором крепятся токоведущие части.

В эту же серию входят керамические резьбовые патроны типа Е27 тех же конструктивных исполнений (кроме патрона с резьбовыми кольцами для закрепления рассеивателя), причем вкладыш с токоведущими деталями, выполненный из керамики, является единым для всех пластмассовых и керамических патронов типа Е27.

Традиционный керамический патрон типа Е40 имеет токоведущую резьбовую гильзу и пружинящий центральный контакт. Промышленностью серийно изготавливается керамический патрон типа Е40ЦКБ-04, в котором центральный и боковой контакты являются пружинящими, а металлическая резьбовая гильза - нетоковедущая. Патрон имеет увеличенные воздушные зазоры и используется для газоразрядных ламп высокого давления с высоковольтным импульсным поджигом.

Предохранители

Предохранители относятся к аппаратам зашиты, назначение которых - ограничение времени действия токов короткого замыкания и перегрузки.

Различают плавкие и автоматические предохранители.

Плавкие предохранители состоят из корпуса (патрона), контактного устройства и плавкой вставки, находящейся обычно в корпусе. Некоторые виды плавких предохранителей имеют специальное устройство для гашения дуги, возникающей в момент плавления вставки. Корпус состоит из изоляционной оболочки, снабженной деталями для крепления вставки и проводов.

На защитную характеристику плавкой вставки существенно влияют ее форма и размеры. Вставки меньшей длины плавятся быстрее и имеют меньшую разрывную способность. Увеличение длины вставок повышает ток и время ее плавления. Вставки с несколькими параллельными ветвями уменьшают объем расплавленного металла, время плавления и гашения.

В некоторых типах предохранителей применяют вставки переменного сечения. Узкие места вставки нагреваются больше и быстрее, чем широкие. При коротких замыканиях узкие части быстро нагреваются до температуры плавления и вставка плавится одновременно во всех узких местах. При перегрузках вставка нагревается медленнее и расплавляется чаще всего в средней части в одном месте.

В центре медных плавких вставок некоторых типов предохранителей (НПН, ПН, КП) напаивают оловянный шарик диаметром от 1 до 2 мм, который является металлическим растворителем меди. Вставка плавится в олове при меньшем значении тока и при температуре, в 2-3 раза меньшей, чем температура плавления самой меди. Такие предохранители называются предохранителями с металлургическим эффектом.

Пробочные (резьбовые) предохранители нашли широкое распространение в электросетях жилых домов. К ним относятся однополюсные резьбовые предохранители типа Ц27, ЦЗЗ. Данные предохранители отличаются друг от друга только размерами и состоят из фарфорового основания с контактной гильзой, внутреннего контакта, зажимов для проводов от сети и к токоприемникам, фарфоровой (предохранитель ЦЗЗ) или пластмассовой (предохранитель Ц27) крышки. В основание предохранителя ввинчивается фарфоровая пробка с плавкой вставкой на токи 6, 10, 15, 20 А (предохранитель Ц27) и 10, 15, 20, 30, 40, 60 А (предохранитель ЦЗЗ).

Особое место занимают серийно выпускаемые автоматические резьбовые предохранители с резьбой типа Е27 на номинальные токи 6,3 и 10 А, 220 В соответственно типов ПАР-6,3 и ПАР-10. Эти предохранители заменяют плавкие вставки предохранителей типа Ц27 и устанавливаются в существующие основания. Предохранители типов ПАР-6,3 и ПАР-10 имеют биметаллические и электромагнитные расцепители, осуществляющие защиту цепей от перегрузок и токов короткого замыкания.

Предохранители, устанавливаемые в электрощитах, - плавкие трубчатого типа, закрытые с мелкозернистым наполнителем, а также автоматические предохранители описаны выше в разд. 6.1.

На месте пожара описывается:

а) тип, марка, рабочие характеристики электроустановочного изделия (по маркировочным данным или, при отсутствии таковых, предположительные данные, что также отмечается в протоколе осмотра);

б) к какому участку цепи они относятся;

в) в каком положении находятся выключатели, переключатели и автоматические выключатели на момент осмотра (включено, выключено, промежуточное положение);

г) в каком состоянии находится плавкая вставка предохранителя (не разрушена, перегорела, разрушена внешним термическим воздействием);

д) наличие признаков локального нагрева, аварийных процессов:

- оплавления на деталях контактных узлов;

- сплавления контактов (например, в автоматических выключателях);

- оплавления на крепежных деталях;

- проплавления на корпусах;

- разрушение изоляции и оплавление подводящих проводов вблизи крепления к электроустановочному аппарату;

- локальные закопчения внутренней поверхности корпуса;

- локальные закопчения внутренней поверхности контактных узлов;

- локальные закопчения наружной поверхности корпусов штепсельных розеток;

- цвета побежалости на стальных деталях и явно выраженные зоны поверхностного окисления проводов и деталей;

- наличие на поверхности проводов и отдельных деталей каверн и других следов микродуговых процессов, а также локального нагрева.

С места пожара в качестве вещественных доказательств электроустановочные изделия могут изыматься при их нахождении в очаговой зоне либо при наличии в них вышеуказанных признаков аварийных режимов.

Изъятие следует производить с подводящими проводами (обрезав их на расстоянии 10-20 см от изымаемого аппарата), чтобы не развинчивать контактных соединений и не нарушать состояния контактных поверхностей клемм, гнезд, штекеров. По возможности обрезанные провода маркируются с указанием, куда они были подсоединены.

Если провод, подходящий к одному или нескольким контактам изымаемого изделия, непосредственно у изделия разрушен (расплавлен), необходимо осмотреть сохранившийся его участок и записать, из какого металла он сделан (медь, алюминий), сечение провода, внешний вид сохранившейся оконечности провода.

Электрозвонки

Один из наиболее распространенных бытовых приборов - электрический звонок предназначен для подачи кратковременной звуковой сигнализации в жилых, общественных и служебных помещениях. Различают звонки мелодичного звучания и зуммерные электрозвонки.

При подаче на соленоид электрозвонка мелодичного звучания рабочего напряжения (кнопка нажата) происходит втягивание сердечника в соленоид и удар бойка в нижнюю или одну из боковых пластин резонатора. При обесточивании цепи питания звонка (кнопка отпущена) сердечник под действием возвратной пружины производит удар по верхней или второй боковой резонаторной пластине и возвращается в исходное положение. Следует отметить, что данные звонки, если они не снабжены прерывателями тока, работают только при периодическом кратковременном замыкании и размыкании цепи питания звонка. Таким образом, при длительном замыкании цепи питания таких звонков происходит протекание тока в соленоиде и нагрев последнего, в то время как звучания звонка нет.

При подаче напряжения на клеммы зуммерного электрозвонка по катушке соленоида протекает переменный электрический ток, создающий переменное электромагнитное поле. При этом происходит периодическое притягивание пластины с бойком к сердечнику с одновременными ударами бойка по резонатору.

Электрические звонки при нормальных условиях работы, регламентированных инструкцией по эксплуатации, не представляют пожарной опасности. Пожарная опасность звонков резко возрастает при ненормальной их эксплуатации, т.е. при работе звонков в длительном режиме.

Такие режимы создаются заклиниванием звонковой кнопки спичками или пластилином, а в некоторых случаях от неисправности самой кнопки, которая после нажатия не возвращается в исходное положение и не размыкает электрическую цепь. От длительного протекания тока происходит перегрев обмотки электромагнита (соленоида), разрушение изоляции и межвитковое замыкание. На обмотке катушки в местах межвитковых коротких замыканий, как правило, образовывается прогар. Следует отметить, что токи межвиткового замыкания не превышают номинальной величины аппаратов защиты квартирной электросети и последние при этом не срабатывают.

Защита ряда звонков при работе в аварийном режиме осуществляется за счет повышенного собственного сопротивления катушки соленоида, применения термовыключателей, биметаллических термореле, понижающих трансформаторов, введением дополнительных нагрузочных сопротивлений.

Пожарная опасность звонков в основном определяется наличием в их конструкции плавящихся горючих пластмасс - полистирола, полиэтилена, полиамида и др.

На месте пожара описывается:

- тип, марка (по маркировочным данным или, при отсутствии таковых,  предположительные данные, что также отмечается в протоколе осмотра);

- состояние звонковой кнопки (в отжатом или нажатом состоянии, есть ли элементы ее принудительного удержания в нажатом состоянии);

- состояние корпуса звонковой кнопки (разрушен или находится в исправном состоянии);

- наличие или отсутствие следов дугового процесса на контактных элементах кнопки и подходящих к ним проводниках;

- состояние  корпуса звонка  (разрушен,  оплавлен, имеются локальные проплавы в крышке корпуса и основании);

- состояние корпуса катушки соленоида (разрушен, оплавлен, имеются локальные проплавы);

- состояние сердечника соленоида (перемещается свободно, заклинен или заплавлен пластмассой корпуса катушки соленоида);

- наличие следов дугового процесса на проводниках обмотки соленоида в виде каплеобразных наплавов меди и локальных прогаров;

- состояние корпуса катушки понижающего трансформатора (разрушен,  оплавлен,  имеются локальные проплавы);

- наличие следов дугового процесса на проводниках обмотки понижающего трансформатора в виде каплеобразных наплавов меди и локальных прогаров;

- наличие или отсутствие следов дугового процесса на контактных элементах клеммной колодки, находящейся внутри корпуса звонка, и подходящих к ним проводниках.

С места пожара изымаются:

- кнопки звонков (целиком) с фрагментами подключенных к ним проводников длиной 5-10 см;

- целиком звонок, если корпус не разрушен, с фрагментами подключенных к нему проводников длиной 5-10 см (если таковые сохранились);

- если корпус звонка разрушен, то из пожарного мусора под местом установки звонка извлекаются и подлежат изъятию все фрагменты устройства звонка.

6.8. Электродвигатели

Наиболее распространены асинхронные электродвигатели единых серий, которые изготавливаются на все необходимые номинальные мощности, как в основном исполнении, так и в различных модификациях.

Чаще всего встречаются двигатели трехфазные асинхронные серии 4 А на напряжение до 1000 В. В зависимости от рабочих свойств и условий работы они имеют основное исполнение или модификации.

Серия 4 А охватывает диапазон номинальных мощностей от 0,06 до 400 кВт (при 1500 об/мин). Включаются в сеть переменного тока с частотой 50 Гц и напряжением 220, 380, 660В [87].

Электродвигатели (в том числе серии 4А) обычно состоят из следующих основных узлов: станины с запрессованным статором, ротора, двух подшипниковых щитов, вентилятора и коробки выводов (см. рис. П. 1.83 приложения 1).

Более подробно конструкции асинхронных двигателей с фазным и с короткозамкнутым ротором показаны на рис. П. 1.84 приложения 1.

Перед исследованием электродвигателя полезно, по возможности, ознакомиться с его технической документацией, схемой монтажа и электропитания.

При осмотре электродвигателя на месте пожара необходимо найти на его корпусе шильдик (бирку), на котором указаны его тип, марка и технические характеристики, и зафиксировать эти данные в протоколе осмотра.

Структура обозначения типов двигателей [87]:

4 - порядковый номер серии;

А - наименование вида двигателя - асинхронный;

Н - обозначение двигателей защищенного исполнения; отсутствие знака означает закрытое обдуваемое исполнение;

А - станина и щиты из алюминия; X - станина алюминиевая, щиты чугунные; отсутствие знака означает, что станина и щиты чугунные или стальные;

50-355 - высота оси вращения;

S, L, М - установочные размеры по длине станины;

А, В - обозначение длины сердечника (первая длина - А, вторая - В);

2, 4, 6, 8, 10, 12 - число полюсов;

У - климатическое исполнение двигателя;

3 - категория размещения.

Примеры:

4АА56А2УЗ - электродвигатель серии 4, асинхронный, закрытого исполнения, станина и подшипниковые плиты из алюминия, с высотой оси вращения 56 мм, сердечник первой длины, двухполюсный, для районов умеренного климата, третьей категории размещения;

4АН200М4УЗ - электродвигатель серии 4, асинхронный, защищенного исполнения, станина и щиты из чугуна, с высотой оси вращения 200 мм, с установочным размером М по длине станины, четырехполюсный, для районов умеренного климата, третьей категории размещения.

Если бирка с данными двигателя отсутствует или текст на ней не читается, данное обстоятельство указывается в протоколе осмотра; а в качестве характеристики осматриваемого двигателя указываются его габариты и другие визуально определяемые (или измеряемые) параметры.

При осмотре электродвигателя - статическом и динамическом - должны быть подробно описаны его термические поражения - деформации корпуса и отдельных деталей, выгорание краски, закопчения и выгорание копоти, наличие цветов побежалости, проворачиваемость (или непроворачиваемость) подвижных деталей, следы дуговой эрозии и оплавления проводов и корпусных деталей и т.д.

Особое внимание нужно обращать на узлы и детали, где чаще всего возникают пожароопасные аварийные режимы. В двигателях с короткозамкнутым ротором к таковым относятся статор, два подшипника, коробка выводов и вентилятор; в двигателях с фазным ротором, кроме указанных, ротор и узел контактных колец [19].

Статор. Загорания, связанные со статором, происходят в основном по причине КЗ и перегрузки. КЗ может быть межвитковое у разных фаз или с витков на корпус. Причиной КЗ является механическое повреждение изоляции, воздействие агрессивных химических сред, а чаще всего тепловое старение изоляции вследствие перегрева обмоток двигателя, как при нормальной нагрузке, так и при различных перегрузках. Следы КЗ (дуговые оплавления) выявляются в ходе динамического осмотра. По природе и внешнему виду они аналогичны оплавлениям (проплавлениям), возникающим в других электротехнических устройствах.

При работе на двух фазах изоляция намоточного провода в обмотках двух фаз может разрушаться по всему сечению обмотки.

Подшипники. Предельно допустимая температура нагрева составляет для подшипников скольжения 80°С; для подшипников качения - 100°С. Перегрев подшипников в электродвигателе может происходить из-за утечки масла через уплотнительные кольца на валу машины, имеющие дефекты, или через неплотно завернутую спускную пробку; вследствие загрязнения масла; вследствие того, что в подшипниках с кольцевой смазкой смазочное кольцо не вращается и вал не обтекается маслом. Перегрев подшипников может быть следствием перетяжки ремня или перекоса оси приводимого в движение механизма, вибрации электрической машины.

При осмотре подшипников проводят сравнение их друг с другом - при внешнем тепловом воздействии их состояние должно быть примерно одинаково, а при возникновении аварийного режима в одном из них - явно различным. Обращают внимание на наличие (или отсутствие) свободного вращения, а также на признаки трения и локального нагрева - выработку, полировку металла, цвета побежалости и др.

Коробка выводов. На клеммной колодке в местах соединений обмоток двигателя с электропроводкой питающей сети возможно возникновение больших переходных сопротивлений ("плохого контакта"). Внешние признаки БПС описаны в гл. 4.

БПС может привести как к загоранию внутри самой колодки выводов, так и к отгоранию одной из фаз (особенно в проводах с алюминиевыми жилами), и, как следствие, к работе двигателя в пожароопасном неполнофазном режиме.

Из вышеизложенного понятна необходимость подробного описания при осмотре двигателя состояния контактов в коробке выводов.

Вентиляционный узел. В вентиляционном узле лопасти вентилятора могут задевать о металлические части двигателя, что может приводить к искрообразованию. При сильном биении, а также попадании в вентиляционный узел крупных посторонних предметов, вал может вообще заклинить, следствием чего станет перегрев статорной обмотки и загорание двигателя.

В связи с этим необходим осмотр вентиляционного узла на предмет выявления следов биения, целостности лопастей вентилятора, проверки его свободного вращения.

Ротор. У двигателей с фазным ротором ротор является пожароопасным узлом, где также может возникнуть КЗ. Причины его возникновения в роторной обмотке двигателя с фазным ротором практически те же, что и в статорной обмотке любого асинхронного двигателя. Изоляция между железными листами в сердечнике ротора постепенно теряет свои электроизолирующие свойства, что ведет к увеличению вихревых токов и токов утечки, возникновению локальных зон нагрева, и в конечном счете к пробою изоляции и возникновению дуги.

При коротком замыкании может происходить разрушение (оплавление, выплавление) коллекторных пластин.

Узел контактных колец. У двигателей с фазным ротором он является источником искрообразования. Причиной искрения могут стать, в частности, неотшлифованные и плохо пригнанные к кольцам щетки, загрязненная поверхность колец, наличие вибрации, появление переходных сопротивлений в местах соединения обмотки с контактными кольцами. Искрообразование приводит к разрушению и износу щеток, на поверхности контактных колец образуется нагар и почернение. На деталях указанного узла формируются признаки дуговой эрозии и перегрева.

Если двигатель находится в среде, способной загораться от искры (горючие пыле-, паро- и газовоздушные смеси и вещества, склонные к тлению), пожар может произойти и по этой причине. Учитывая данное обстоятельство, при расследовании пожара следует выяснить как возможность искрообразования (тип и исполнение двигателя, оценка состояния узла контактных колец и других потенциальных источников искр), так и наличие в очаговой зоне соответствующей среды.

У машин постоянного тока источником сильного искрообразования может быть якорь двигателя.

Внешний осмотр электродвигателя обычно производится в несколько этапов:

1. Осмотр корпуса электродвигателя, кожуха вентилятора и питающей двигатель электропроводки вплоть до ввода в контактную коробку (коробку выводов).

2. Изучение состояния электропроводки, проходящей внутри коробки выводов, клеммной колодки, контактных колец и лопастей вентилятора.

3. Исследование ротора, статора, их обмоток.

4. Осмотр подшипников электродвигателя.

При наличии следов оплавлений проводки электроснабжения двигателя, обмотки статора и ротора, а также прожогов и оплавлений стальных деталей двигателя необходимы фиксация этого факта в протоколе осмотра, фото- и видеосъемка (ориентирующий и детальный снимки) и изъятие объекта на исследование. Участок оплавления на внешней электропроводке изымается в соответствии с рекомендациями, приведенными в гл. 5; при наличии оплавлений в самом электродвигателе предпочтительнее изъятие электродвигателя целиком.

Существенным является место расположения оплавлений. Наличие локальных оплавлений в статорной и роторной обмотках обычно является следствием аварийного режима, возникшего до пожара. При нагреве двигателя теплом пожара извне в первую очередь замыкаются провода питающей электропроводки. Поэтому при осмотре важно зафиксировать наличие (и отсутствие) как тех, так и других.

Следует не забывать, кроме осмотра самого двигателя и подходящих к нему проводов, изучить и зафиксировать состояние автоматов защиты или плавких предохранителей, защищающих данный двигатель.

Дознавателю при опросе технического персонала, эксплуатирующего двигатель, и других свидетелей важно выяснить, как вел себя двигатель до пожара.

Известно, что трехфазные электродвигатели при обрыве одной фазы не запускаются и сильно гудят. Если обрыв происходит у работающего двигателя, то ток статора сильно увеличивается и может сгореть обмотка, если защита не отключит двигатель. Обороты двигателя при этом снижаются, он гудит и может вообще остановиться.

При наличии межвитковых замыканий в статорах электродвигателей переменного тока также слышно сильное гудение и наблюдается вибрация.

Электродвигатели переменного тока со значительными межвитковыми замыканиями в роторе часто не поддаются запуску. Под нагрузкой двигатель останавливается.

У коллекторных электродвигателей при межвитковых замыканиях наблюдается сильное искрение щеток.

Пожароопасный аварийный режим в двигателе обычно возникает и развивается постепенно. Поэтому эти и другие, описанные выше, факты искрения двигателя, плохого запуска, остановки, гудения, периодического срабатывания аппаратов защиты и т. д. могут быть замечены персоналом и сообщены при допросах (опросах).

6.9. Плиты газовые

Из газовых плит чаще всего объектами описания и исследования после пожара бывают бытовые плиты, предназначенные для приготовления пищи.

Газовые плиты классифицируются по числу горелок (двух-, трех - и четырех горелочные), по месту установки (напольные, в том числе со встроенным баллоном, и настольные); по возможности компоновки с кухонной мебелью (встраиваемые, отдельно стоящие), по наличию духового шкафа (со шкафом и без); наличию или отсутствию дополнительных сервисных устройств (таймер, электро - или пьезорозжиг, вертел и др.).

Духовка должна иметь терморегулятор, обеспечивающий поддержание температуры в пределах от 160 до 270°С или, при его отсутствии, указатель (индикатор) температуры [102].

Плита может иметь также устройство для контроля пламени, которое должно обеспечивать автоматическое прекращение подачи газа при погасании пламени горелки.

Технические требования к газовым плитам регламентируются ГОСТ [102].

Маркировка плит

На одной из поверхностей плиты должна быть укреплена табличка по ГОСТ 12969, содержащая следующие данные:

- товарный знак или наименование  предприятия-изготовителя;

- знак соответствия по ГОСТ Р 50460;

- условное обозначение плиты;

- вид газа;

- номинальное давление;

- порядковый номер по системе нумерации предприятия-изготовителя ;

- месяц и год выпуска.

На плитах, оснащенных электрооборудованием, дополнительно указывается:

- номинальное напряжение;

- символ рода тока;

- номинальная потребляемая мощность;

- символ степени защиты от поражения электрическим током для приборов класса II.

В случае если есть подозрение на причастность газовой плиты к возникновению пожара и проводится в связи с этим ее подробное описание, указанные выше данные обязательно должны быть установлены и записаны в протокол осмотра.

Возникновение пожара от газовой плиты в основном возможно в результате:

- утечки газа из негерметичных соединений или открытых не зажженных (или по тем или иным причинам погасших) газовых горелок;

- загорания горючих веществ и материалов в посуде, стоящей на плите или непосредственно на поверхности плиты;

- загорания веществ и материалов от контактного нагрева горячими поверхностями корпуса плиты;

- аварийных режимов в электрической цепи плит с электроподжигом.

При осмотре газовой плиты, описании ее в протоколе осмотра, фото- и видеосъемки необходимо фиксировать следующие ключевые моменты.

Состояние корпуса плиты

Описываются термические поражения передней, задней, боковых стенок плиты (в сравнении друг с другом) - закопчения, выгорания копоти, подплавление и растрескивание эмали и т.д.

Отмечается, все ли детали плиты на месте.

Указывается, открыта или закрыта дверца духовки, имеется или разрушено (отсутствует) стекло, характер разрушения стекла; положение терморегулятора.

Состояние стола плиты и решетки стола

Одной из распространенных причин пожаров, связанных с газовыми плитами, является загорание пищи (на Западе очень распространены пожары вследствие вспышки перегретого масла при приготовлении пищи во фритюре - они происходят в быту, на предприятиях общественного питания). Случаются пожары вследствие попадания на плиту каких-либо сгораемых материалов и предметов, например, белья, которое сушилось над плитой. Учитывая это, при осмотре места пожара необходимо обращать внимание на наличие на столе плиты какой-либо посуды и, главное, на наличие обугленных коксовых остатков как на наружных поверхностях этой посуды, так и поверхности плиты - на столе, решетке стола, конфорках, поддоне под решеткой. То же относится и к содержимому духовки.

Положение ручек кранов горелок и кранов на газопроводе

При осмотре плиты обязательно должно быть зафиксировано положение ручек кранов горелок и духовки (открыты полностью, частично, закрыты). То же относится к кранам на внутриквартирном газопроводе. Открытые краны фиксируются фото - или видеосъемкой.

В случае если питание плиты осуществляется от газового баллона, необходимо выяснить и зафиксировать в протоколе положение запорной арматуры (вентиля) на баллоне (закрыт, открыт полностью или частично).

Состояние газовых магистралей

Необходимо осмотреть место присоединения плиты к газовой магистрали.

Присоединение плиты может быть осуществлено:

- через неподвижное соединение;

- через гибкий присоединительный шланг.

В соответствии с нормативными документами [102] плиты для не сжиженного газа соединяются через присоединительный патрубок с наружной или внутренней резьбой номинальным диаметром 1/2,3/8,1/4 дюйма.

Плиты для сжиженного газа могут иметь штуцеры с наружной или внутренней резьбой таких же диаметров, а также гладкий цилиндрический штуцер без резьбы, на котором гибкий газовый шланг фиксируется с помощью стяжных колец.

При осмотре после пожара необходимо изучить и описать состояние этих соединений. Следует обращать внимание на локальные закопчения, образующиеся в зоне выхода и сгорания газа из магистрали, наличие прогаров в гибких шлангах, проплавлений, прожогов в металлических трубах. Должны быть выявлены и зафиксированы в протоколе прочие признаки явной негерметичности газовых линий, в частности подвижность отдельных винтовых соединений. Наличие последних признаков не свидетельствует напрямую об их причастности к возникновению пожара - неплотность, подвижность соединения могут возникнуть уже в ходе пожара за счет выгорания прокладок и сальников. Тем не менее, наличие и место нахождения таких соединений (а также отсутствие подобных признаков в других аналогичных узлах и соединениях) должно быть зафиксировано. Подобная информация может оказаться полезной при установлении причины пожара.

Вышеизложенное касается не только бытовых газовых плит, но и более сложного газового оборудования, установленного как на стационарных, так и передвижных объектах (типа экспресс-кафе, вагончиков для приготовления восточных блюд). Там количество соединений на газовых линиях многократно больше, чем в кухне квартиры и, как показывает опыт исследования пожаров, утечка газа в неплотных соединениях часто приводит к взрыву и пожару.

Состояние баллона

В случае если питание плиты осуществляется от газового баллона, должно быть зафиксировано, как отмечалось выше, положение запорного вентиля и состояние редуктора.

При взрыве баллона или явных признаках нарушения его герметичности остатки баллона, редуктора, газопроводных шлангов в обязательном порядке изымаются в качестве вещественных доказательств.

Состояние конструкций и предметов, примыкающих к газовой плите

Загорание конструкций и предметов, примыкающих к газовой плите, из-за контактного нагрева ее горячими поверхностями мало вероятно. В соответствии с [102] температура нагрева поверхностей не должна превышать температуру помещения более чем на:

- боковых и передней стенок - 80°С;

- стекла духового шкафа - 100°С;

- ручек управления металлических - 35°С;

- пластмассовых - 60°С;

- керамических - 45°С.

Температура пола под плитой, боковых поверхностей настольной плиты и поверхности под плитой не должна превышать 60°С, температура нагрева кранов - 145°С.

Температура нагрева встроенного баллона не должна превышать 40°С [102].

Тем не менее такое загорание случается на практике. Оно возможно в случае, когда отсутствует воздушный зазор между плитой и находящимися рядом предметами, когда плита встроена в другие конструкции, когда в контакте со стенками и другими нагретыми поверхностями оказываются материалы, склонные к самоподдерживающемуся тлению. Возникновению такого пожара может, в частности, способствовать длительная работа духовки.

Учитывая вышеизложенное, при осмотре места пожара необходимо:

- изучать и описывать термические поражения конструкций и предметов, примыкающих к газовой плите, выявлять локальные зоны обугливания (или более глубокого обугливания), закопчения, выгорания, если таковые имеются. Фиксируется точное расположение подобных зон относительно плиты, производится фото - и видеосъемка;

- изучать остатки материалов и предметов, которые находятся или могли находиться в контакте с горячими поверхностями плиты. Выявляются материалы, склонные к тлению, аэрозольные баллончики и другие объекты, контактный нагрев которых мог привести к загоранию или взрыву. При необходимости остатки указанных объектов изымаются для лабораторных исследований.

Опыт исследования пожаров показывает, что необходимо уделять особое внимание при осмотре мест пожаров электрифицированным газовым плитам, в том числе таких известных фирм, как Electrolux, Reeson, Ariston, Bosch, Smega и др. В большинстве случаев пожары с этими плитами происходят вследствие разгерметизации гибких соединительных шлангов, с помощью которых плиты подключаются к внутриквартирным газопроводам. По этим шлангам, имеющим металлическую оплетку, могут происходить утечки тока на заземленную газовую трубу. В местах соединения шланга с трубой часто возникает большое переходное сопротивление ("плохой контакт"). Зона такого контакта постепенно разогревается, возникают длительные искровые разряды, приводящие в конечном счете к проплавлениям трубы и шланга, разгерметизации газовой линии и загоранию выходящего газа [103]. С учетом вышеизложенного, а также других возможных сценариев возникновения горения с участием электрифицированных газовых плит при осмотре таких плит после пожара необходимо:

1) выявить место возникновения локального нагрева вследствие БПС, описать это место, сфотографировать и изъять фрагмент со следами аварийного режима. Изъятию подлежат, в частности, гибкий соединительный шланг и часть газовой трубы, если на ней имеются прожоги, проплавления. Лучше отрезать часть трубы длиной 20-30 см и изъять ее вместе с гибким шлангом, не развинчивая   соединение, в котором имел место "плохой контакт";

2) выявить, по возможности, причину возникновения разности потенциалов между корпусом плиты и землей, возникновения утечки тока и факторы, этому способствующие. Для этого следует:

а) осмотреть провода и электрические блоки, в частности блок поджига (расположенный обычно на задней стенке), определив, нет ли признаков утечки тока на корпус плиты (следы микродуговых процессов, закопчения и др.);

б) установить, как подключена плита к электросети. На пожарах подобного рода плиты обычно оказывались подключенными либо по трехпроводной схеме с использованием нулевого защитного проводника, либо по двухпроводной, но с использованием перемычки от нулевого проводника к заземляющему контакту. Отсутствие надежного контакта нулевого провода в распределительном или вводном щитах, а также перекос фаз могли привести к появлению потенциала в нулевом проводе, а следовательно, и на корпусе плиты [104].

Следует иметь в виду, что применение нулевого защитного проводника в бытовых электрических приборах повышает их электробезопасность, однако не всегда способствует (как это ни странно на первый взгляд) повышению уровня пожарной безопасности. При трехпроводной сети (в отличие от двухпроводной) риск возникновения пожара увеличивается вследствие возможного возникновения аварийных режимов, связанных с возможным образованием электрических цепей между фазными проводниками и нулевым защитным проводником. При отдельных отказах электрических приборов образуются токи утечки на нулевой защитный проводник [105].

В заключение отметим еще несколько моментов, связанных с газовыми плитами и горением газовоздушных смесей:

а) в случае утечки газа пожар может начаться с дефлаграционного  горения  или  взрыва  газовоздушной смеси. Поэтому при осмотре места пожара выявляются и фиксируются признаки протекания такого рода процессов (см. разд. 4.2);

б) утечка и взрыв газовой смеси могут быть искусственно инициированы злоумышленником. В этом случае он обычно полностью открывает газовые краны и где-то в пределах помещения оставляет источник зажигания (открытое пламя свечи, подожженный предмет и т.д.). При осмотре места пожара нужно учитывать это обстоятельство и ориентироваться (по возможности) на выявление остатков этого источника зажигания;

в) в ходе расследования пожара и взрыва, связанного с утечкой газа, бывает целесообразно обследование вентиляционных каналов помещения (см. разд. 5.7);

г) при расположении плиты или места ее подсоединения к газовой магистрали в пределах предполагаемой очаговой зоны плиту целесообразно изъять для последующих экспертных исследований целиком.

6.10. Печи, камины

6.10.1. Печи

Печи состоят из трех основных частей:

- топливника, где сжигается топливо;

- дымооборотов, по которым движутся горячие газообразные продукты сгорания;

- дымоходов, по которым из печи отводятся наружу частично остывшие газы.

В зависимости от конструкции и использованного для изготовления печи материала они подразделяются на теплоемкие и нетеплоемкие. Теплоемкие печи сооружаются в основном из кирпича; они сравнительно долго нагреваются, но и медленно остывают, обеспечивая в отапливаемых помещениях комфортную температуру при одно- или двухразовой топке.

У нетеплоемких печей температура на наружных поверхностях резко изменяется при топке и охлаждении. В основном это печи, изготовленные из листовой стали или отлитые из чугуна.

Схемы теплоемкой и нетеплоемкой печей приведены на рис. П.1.100, П.1.101.

Некоторые термины, применяемые при описании печей:

- дымовой канал - канал для отвода дыма от печей и каминов и создания тяги;

- отступка - расстояние от наружной поверхности печи или дымового канала (трубы) до защищенной или незащищенной от возгорания стены или перегородки из горючих или трудногорючих материалов;

- разделка - утолщение стенки печи или дымового канала (трубы) в месте соприкосновения ее с конструкцией здания, выполненной из горючего или трудногорючего материала.

Возникновение пожара в результате эксплуатации отопительных устройств на твердом топливе, к которым относятся печи и камины, возможно:

а) при нагреве лучистым тепловым потоком сгораемых конструкций и предметов, находящихся на соответствующем расстоянии от печи;

б) кондуктивном нагреве сгораемых конструкций и предметов при их непосредственном контакте с нагретыми частями отопительного устройства;

в) попадании за пределы отопительного устройства горящего топлива, искр, горящих углей, горячей золы или шлака.

Учитывая эти обстоятельства, при подозрении на причастность печи к возникновению пожара, необходимо собирать указанную ниже информацию, а при осмотре самой печи и прилегающих к ней конструкций и предметов выявлять и фиксировать рассмотренные ниже признаки.

1. Необходимо попытаться выяснить, топилась ли печь непосредственно перед пожаром. Выясняется это по показаниям свидетелей (см. разд. 8.1). Необходимо осмотреть топку и зольник, зафиксировав наличие или отсутствие там золы, углей, недогоревшего топлива. Если осмотр производится сразу после тушения пожара, то целесообразно пощупать внутреннюю поверхность топливника и выяснить, не нагрета ли она выше температуры наружной поверхности печи. Результаты зафиксировать в протоколе осмотра.

2. Отметить положение двери топки - открыта, закрыта.

3. Отметить положение шиберов дымохода - открыты, закрыты, полностью, частично.

4. Зафиксировать состояние конструкций и предметов, находящихся в непосредственной близости, особенно напротив топки, в непосредственном контакте с печью и дымоходом. Необходима количественная оценка термических поражений (измерение глубины обугливания и др.) и их геометрии.

5. Возникновение пожара возможно в результате выпадения горящих головешек и углей из топки. Такое достаточно часто бывает при топке печи с открытой дверцей негабаритным топливом (слишком длинными поленьями, ветками и т. д.). Поэтому при осмотре должно быть зафиксировано наличие или отсутствие около печи топочного листа и его состояние, состояние пола рядом с топочным листом (наличие локальных зон обугливания и прогаров, остатков головешек).

6. При осмотре печи необходимо также определить наличие или отсутствие огнестойких разделок, отступок; целостность кирпичной кладки печи, дымохода; наличие и форму закопчений и зон выгорания копоти около трещин в кирпичной кладке; места и форму отслоения штукатурки на кирпичной кладке печи.

В кирпичной кладке теплоемких печей на твердом топливе часто образуются сквозные щели и трещины. Причиной этого может быть неравномерная усадка печи, некачественная кладка (неполное заполнение швов), разрушение некачественного кирпича, перекал печи. Наличие подобных дефектов и место их расположения фиксируются при осмотре (описание в протоколе, фото и видеосъемка). При необходимости проводится разборка кладки в подозрительных местах. Для сквозных щелей и трещин характерно закопчение кирпичей на всю глубину. Необходимо обращать внимание на локальное обугливание (выгорание) конструкций в прилегающей к щели зоне, глубину обугливания древесины, структуру угля. Целесообразно отобрать в таких зонах пробы угля для инструментальных исследований.

7. К пожару может привести возгорание отложений сажи в дымоходе. Признаками такого явления может быть выброс снопа искр из дымохода (показания свидетелей), перегрев и повреждение дымохода, выгорание копоти в дымоходе.

8. Не следует забывать о способности древесины переходить в так называемое "пирофорное" состояние при длительном (в течение многих лет) контакте с нагретыми поверхностями. В таком состоянии она может загореться при температуре 90-100 °С. Учитывая это обстоятельство, следует выяснить, сколько времени эксплуатируется печь, и предпринять поиски локальной зоны тления (глубокого переугливания, сквозного прогара) в зоне предполагаемого возгорания.

9. Вспышки в печи на твердом топливе возможны при попытках ее розжига с использованием ЛВЖ и ГЖ. При этом происходит выброс горящего топлива из печи, а у лица, разжигающего таким образом печь, как правило, обнаруживаются ожоги и подпалины на одежде.

10. Нужно учитывать, что пожар мог начаться в результате попадания на нагретые до высоких температур поверхности печи каких-либо сгораемых объектов (вещи, которые сушились над печью, пищевые продукты и др.). Поэтому необходимо осмотреть поверхность плит на предмет наличия прилипших обугленных остатков тканей или закоксованных остатков неизвестного происхождения.

У нетеплоемких печей, изготовленных из чугуна и листовой стали, температуру, достаточную для возгорания большинства органических веществ и материалов, имеют практически все детали корпуса. То же относится к металлическим дымовым трубам. Поэтому необходим тщательный осмотр состояния материалов и конструкций в прилегающих к ним зонам.

При осмотре печей задача заключается не только в выявлении их причастности к возникновению пожара, но и конкретных нарушений правил их установки и эксплуатации, которые находятся в причинной связи с возникновением пожара. Поэтому при осмотре печей (в случае если печь находится в очаговой зоне, и имеются основания для подозрений в причастности ее к возникновению пожара) должно быть измерено достаточно большое количество линейных параметров, основные из которых указаны ниже.

Теплоемкие печи

1. Размер  разделок печей  и дымовых  каналов (не менее 510 мм от конструкций, выполненных из сгораемых материалов, и 380 мм до конструкций с пределом огнестойкости 0,75 ч).

2. Размеры отступок у печей и дымовых каналов - табл. 1.

3. Расстояние от перекрытия печи до потолка, защищенного от возгорания (не менее 250 мм для пеней с периодической топкой и 700 мм для печей длительного горения. При незащищенном потолке - соответственно не менее 350 и 1000 мм).

4. Наличие воздушных промежутков у печей со стенками толщиной 7 см и менее (такие печи должны быть открытыми со всех сторон).

5 Наличие обособленного дымового канала для отвода продуктов сгорания (присоединение к одному дымоходу двух печей допускается, только если они находятся на одном этаже и в одной квартире жилого дома).

6. Длина рукавов и металлических патрубков, которые присоединяют печь к дымовым каналам (для рукавов - не более 2 м, металлических патрубков - до 0,4 м).

7. Расстояние от верха патрубка до сгораемого потолка (не менее 0,5 м при отсутствии защиты потолка; не менее 0,4 м при наличии защиты).

8. Расстояние до пола при размещении патрубков в нижней части (не менее 0,14 м).

Нетеплоемкие печи

1. Способ установки в случае с деревянным полом (при установке на деревянном полу требуется основание из трех рядов кирпича на глиняном растворе по предварительно уложенному асбесту или войлоку; при отсутствии теплоизоляции - четыре ряда кирпича. Печи подобного типа допускается устанавливать на пол с помощью ножек высотой не менее 15 см, но тогда пол обивается кровельной сталью по войлоку или асбесту толщиной 10 мм. Допускается защита пола путем выстилки основания кирпичом в один ряд).

2. Наличие предтопочного листа перед печью (требуется предтопочный лист  из кровельной стали размером 50×70 см или выстилка в один ряд кирпича).

3. Расстояние от стен, потолков и перегородок (не менее 1 м; для конструкций, защищенных от возгорания, - до 0,7м).

Величина указанных выше параметров указывается в протоколе осмотра места пожара.

Отметим, что сам факт несоответствия каких-либо из указанных параметров нормативным требованиям еще не является доказательством причастности печи к возникновению пожара.

6.10.2. Камины

Камин - это разновидность печного устройства, отличающегося большим размером топки, отсутствием топочной дверки и наличием дымовой камеры, принцип действия которого основан на излучении теплоты от горящего твердого топлива и от разогретых стен топочного пространства в обогреваемое помещение.

Одна из распространенных конструкций печи-камина показана на рис. П. 1.102.

Осмотр камина и прилегающих к нему объектов обычно начинают с топки и расположенных рядом с ней объектов.

Топка (обычно она кладется в полкирпича) визуально исследуется на наличие сквозных трещин. Часто это видно по закопчению щелей; наблюдается выгорание горючих материалов по выходу дымовых газов из трещины.

Трещины в топке и других кирпичных деталях камина могут появляться по разным причинам. Например, разрушение камина (растрескивание) может быть следствием его просадки при некачественном фундаменте или поле.

Достаточно частым дефектом является разрушение кирпича В' случае отсутствия зазора между краями колосниковой решетки или других металлических деталей и кирпичом (разрушение происходит при тепловом расширении металла).

Необходимо обратить внимание на наличие топочного листа перед камином и отсутствие локального выгорания пола.

При топке камина возможно загорание расположенных рядом предметов за счет действия лучистого теплового потока из топки. Поэтому необходимо зафиксировать расстояние от топки до сгораемых предметов и конструкций (если их остатки сохранились) - по СНиП [107] оно должно быть не менее 1250 мм. Необходимо сравнить степень выгорания этих предметов с разных сторон (см. разд. 4.4).

Стена за топкой исследуется на предмет наличия локальных зон более глубокого обугливания или выгорания угля (зон тления).

Согласно СНиП [107], если стена сгораемая, расстояние до нее должно быть не менее 380 мм. Плотное примыкание возможно, лишь, если предел огнестойкости стены более 1 ч (в качестве изоляции использованы кирпич, поставленный на ребро, минеральная вата и др.).

Декоративная облицовка камина. Необходимо посмотреть, имеются и открыты ли вентиляционные решетки для выхода горячего воздуха из пространства между облицовкой и камином - при отсутствии таковых при длительной топке возможно загорание стены, потолка за счет прогрева конструкций. Визуальным признаком такого развития событий являются локальные зоны выгорания на потолке и стене за камином.

Пол - исследуется на предмет наличия локальных зон выгорания.

Потолок - исследуется состояние сгораемых конструкций в зоне контакта с выходной трубой камина.

Необходимо также иметь в виду, что в дымовом канале в каминах с открытой топкой активно скапливается сажа (больше, чем в любом другом нагревательном приборе на твердом топливе). Возможно ее воспламенение с выбросом форса пламени через топку наружу. В этом случае происходит загорание близ расположенных предметов, их преимущественное выгорание и закопчение со стороны, направленной к топке. Полезно также осмотреть портал камина снаружи - при такой причине пожара может наблюдаться локальное закопчение портала и верхней части камина снаружи его (след от выброса пламени).

Камины с каминными кассетами, вставками

Такого типа камины чаще всего сооружаются в настоящее время.

Некоторые специфические детали камина с кассетой (термины, применяемые при его описании):

- кассета - металлическая топка с дверцей из огнеупорного стекла;

- каминный короб - облицовка кассеты, которая выполняется из негорючих материалов (природного камня, кирпича и др.)- Каминный короб образуется основанием (полом), на который установлен камин, передней, задней и боковыми стенками, отражателем;

- отражатель - дополнительный потолок, устанавливаемый на расстоянии до 300 мм от основного потолка;

- конвективная камера - свободное пространство между кассетой и каминным коробом, необходимая для создания конвективных потоков и нагрева воздуха;

- дымоходный короб - короб, закрывающий дымоходные трубы.

Кассеты обычно бывают чугунные или стальные. Они имеют дверцы из термостойкого стекла, которые открываются или подымаются. Камин может работать как с открытыми, так и закрытыми дверцами. Мощность таких кассет от 5 до 14 Вт, КПД - 60-80 %, в то время как у обычного камина 10-20 %.

Поверхность кассеты нагревается до 450°С. Снаружи она должна быть облицована камнем или другим несгораемым материалом, поэтому наружная поверхность сильно не нагревается. Но воздух в коробе прогревается от кассеты до 140-150°С, если есть вентиляционные решетки. Если их нет или площадь решеток недостаточна, воздух прогревается выше и возможен прогрев конструкций прилегающих стен, потолка, пола до температур самовоспламенения.

Кирпичные трубы, к которым подключается камин, должны полностью соответствовать требованиям СНиП 2.04.05-91 "Отопление, вентиляция и кондиционирование". Порядок их исследования и описания при осмотре места пожара такой же, как у теплоемких печей (см. выше).

Необходимо иметь в виду, что при ремонте квартир в старых домах неквалифицированные строители иногда выводят камины не в дымоходы, а в вентканалы или не проверяют качество дымоходов, а они старые и могут иметь трещины.

При сооружении современных каминов часто применяются нержавеющие или эмалированные стальные трубы. У них обязательно должна быть теплоизоляция. При ее отсутствии или недостаточности, просадке со временем, а также неправильном монтаже возможно загорание прилегающих к трубе материалов. Поэтому пространство вокруг трубы должно быть исследовано на предмет выявления зон локального выгорания (переугливания) сгораемых материалов и конструкций (зон тления).

Трубы из обычной стали у каминов быстро прогорают - при осмотре места пожара наличие такого прогара или иного нарушения целостности должно быть зафиксировано; определено его местонахождение по отношению к очаговой зоне.

Во всех случаях между изоляцией трубы и сгораемыми конструкциями должен быть воздушный зазор (отступка) и пространство это должно быть вентилируемым.

6.11. Теплогенерирующие установки

Теплогенерирующие установки (ТГУ) достаточно часто бывают объектом осмотра при исследовании и экспертизе пожаров. По статистике, только за последние пять лет в России ежегодно от ТГУ происходило около 1000 пожаров с прогрессирующим материальным ущербом от 6 до 10 млн руб.

Теплогенерирующие установки предназначены для производства тепловой энергии в виде водяного пара, горячей воды или подогретого воздуха. Номенклатура данного оборудования достаточно широка. Они очень экономичны и имеют высокий коэффициент полезного действия - до 90 %. Однако при этом они обладают высокой пожаро-взрывоопасностью вследствие наличия значительных количеств топлива (мазута, керосина, дизельного топлива, газа) и огневого (факельного) обогрева воздуха или воды.

6.11.1. Технологические схемы жидкотопливных теплогенерирующих установок

В зависимости от вида вырабатываемого теплоносителя (пара, горячей воды, подогретого воздуха) ТГУ делятся на парогенераторы и теплогенераторы. К парогенераторам относятся устройства, имеющие топку, обогреваемую продуктами сжигания в ней топлива, и предназначенные для получения пара (нагрева воды) с давлением выше атмосферного с использованием теплоносителя вне самих устройств.

Если котлы вырабатывают пар давлением Р< 0,17 МПа или горячую воду температурой не выше 115°С, то они относятся к категории котлов низкого давления. Такие котлы наиболее часто используются в домах индивидуальной постройки, на сельхозобъектах.

Технологическая схема получения пара и горячей воды состоит из следующих основных стадий: горение топлива ® теплопередача от горячих дымовых газов к воде или пару  ® образование насыщенного пара (нагрев воды).

Основой установки, как следует из рис. 6.2, является паровой и водогрейный котел, в котором сжигаются керосин, мазут или топливо печное, температура вспышки, которых в зависимости от марки колеблется от 28 до 85°С. От образовавшихся высокотемпературных продуктов сгорания (1000-1100°С) теплота передается воде, циркулирующей по трубам тепловой части котла. Вода в результате подогревается до заданной рабочей температуры или преобразуется в водяной пар.

Котел состоит из пяти основных частей: горелочного устройства, сухопарника, корпуса котла, систем топливо - и водоподачи.

Топливо обычно хранится в подземных емкостях 1, которые имеют герметично закрытые горловины и сообщаются с атмосферой через дыхательные клапаны и огнепреградители. Заполнение такого резервуара топливом производится через специальные пожаробезопасные сливные устройства. Для подачи топлива из резервуара в расходный бак 5 обычно используются ручные насосы или питательные насосы с электроприводом во взрывозащищенном исполнении 3. Из бака топливо самотеком (с расходом 31-63 кг/ч) по трубопроводу 4 через отстойник 6 поступает к горелочному устройству 7, где распыляется, перемешивается с воздухом, затем в камере сгорания сжигается факельным способом.

 

Рис.6.2. Технологическая схема парогенератора

1 - топливная емкость; 2 - дыхательный клапан; 3 - топливонасос; 4 - топливопроводы; 5 - расходный

топливный бак; 6 - отстойник; 7 - горелочное устройство; 8 - питательный бак для воды; 9 - дымовая труба;

10 - противонакипное магнитное устройство; 11 - котел; 12 - сухопарник; 13 - электронасос; 14 - теплообменник

Система водоподачи работает по следующей схеме. Вода из питательного бака 8 подается электронасосом 13 через противонакипное магнитное устройство 10 в барабан котла 11. Продукты сгорания, проходя через системы дымовых каналов, передают тепловую энергию испарительным поверхностям нагрева котла и далее через трубу 9 выбрасываются в окружающую среду. Образовавшийся пар направляется вверх в сухопарник 12, где происходит его очистка от водяных частиц и нагрев до температуры 125°С.

Тепло дымовых газов также передается внутреннему теплообменнику с водой 14, которая нагревается до температуры 65 °С и подается потребителю.

В технологическом процессе производства воздушного теплоносителя различают лишь две стадии - горение топлива и теплопередачу от дымовых газов к воздуху. Нагрев воздуха происходит в теплогенерирующих установках. Между продуктами сгорания и подогревом рабочего тела непосредственного контакта нет.

Основными агрегатами и узлами тепло производящей установки (рис. 6.3) являются: топливная емкость 1, трубопроводы 4, расходный бак 5, отстойник 6, горелочное устройство 7, осевой главный вентилятор 9 и корпус генератора 10. Подача топлива к горелочному устройству и его сжигание происходит аналогично предыдущей схеме, факельным способом в топочном устройстве, тепло передается теплообменнику, а затем нагнетаемый вентилятором холодный воздух нагревается в кольцевом пространстве между камерой сгорания и теплообменником до 35-70°С и поступает к потребителю. Температура отходящих газов на выходе составляет около 360°С.

Рис. 6.3. Технологическая схема тепло генератора:

1 - топливная емкость; 2 - дыхательный клапан; 3 - топливо насос; 4 - топливопроводы; 5 - расходный топливный бак; 6 - отстойник; 7 - горелочное устройство; 8 - дымовая труба; 9 - осевой главный вентилятор; 10 - корпус теплогенератора

6.11.2. Возможные причины загораний ТГУ

Причины пожаров, связанных с работой теплогенерирующего оборудования, весьма разнообразны. Наиболее распространенные случаи обусловлены:

- нарушением правил монтажа ТГУ;

- нарушением правил технической эксплуатации, правил пожарной безопасности и техники безопасности;

- пожароопасными особенностями технологического процесса и нарушениями этого технологического процесса.

К первой группе могут быть отнесены случаи возникновения пожаров в связи с отсутствием или неисправностью регулирующих и защитных устройств, недостаточностью теплоизоляции, возможностью перегрева деталей и узлов генератора или из-за некачественных строительно-монтажных и пусконаладочных работ.

Примером второй группы причин пожаров может быть выброс пламени из топки при нарушении правил розжига, при неисправности камеры сгорания дымовых каналов. К этой группе также следует отнести возникновение горения от электрической дуги и искр, возникающих при аварийном режиме работы электросети, а также причины, связанные с проведением различных ремонтных работ.

6.11.3. Осмотр установок после пожара

При осмотре места пожара, допросе свидетелей (опросе очевидцев, персонала, обслуживающего установку) необходимо устанавливать, в частности, следующие обстоятельства, косвенно указывающие на возможную причастность установки к возникновению пожара:

- отсутствие признаков других причин возникновения пожара;

- горение внутри помещения, где размещался генератор, или отапливаемого теплогенератором;

- расположение агрегата в очаге пожара и факт его эксплуатации на момент пожара;

- оставление работающего агрегата без обслуживающего персонала на длительное время;

- аварийный режим работы электросети, водо - и пароподачи;

- факты нахождения вблизи агрегата горючих материалов и емкостей с ЛВЖ или ГЖ;

- пламя распространялось интенсивно с выделением густого черного дыма и специфического запаха топлива;

- работа теплогенерирующей установки в режиме вибрации.

Некоторые из этих признаков могут быть и не связаны с загоранием ТГУ, но более вероятной причиной возникновения при этом является все-таки аварийная работа теплогенерирующей установки.

Всю работу по изучению установки после пожара целесообразно разбить на этапы.

Первый этап включает установление назначения теплогенерирующей установки, факта ее эксплуатации на момент возникновения пожара, а также сложившейся обстановки до происшествия и во время его возникновения, развития и тушения пожара. Это можно установить при осмотре места происшествия, из показаний очевидцев, свидетелей, которые выявляются на стадиях дознания, предварительного следствия.

На втором этапе путем исследования термических поражений окружающих конструкций и предметов, а также самой установки выясняется место возникновения (очаг) пожара, наличие горючих веществ и материалов, способных воспламениться от теплоагрегата, характер температурных повреждений отдельных узлов агрегата.

Выясняется состояние конструкций здания в зоне прохождения дымовой трубы от установки, наличие противопожарных разделок и т. п. (см. разд. 6.10 "Печи и камины").

На третьем этапе определяются состояние, особенности устройства и эксплуатации теплогенерирующей установки накануне пожара. При этом основным источником информации являются техническая документация, а также показания очевидцев и лиц, хорошо знающих теплогенерирующее оборудование (работники объекта, обслуживающий персонал и др.).

Устанавливаются режим работы оборудования (температура, давление, возможность образования в агрегате взрывоопасной концентрации паров топлива с воздухом и т. п.), наличие, исправность контрольно-измерительных приборов, устройств, параметры их срабатывания и т. д.

Четвертый этап - установление внешних изменений на элементах теплогенерирующего оборудования и его частичная разборка (динамический осмотр). Здесь необходимо детально и тщательно обследовать целостность всего оборудования, изучить состояние систем: управления, защиты, сигнализации, электроснабжения, теплообмена, подачи и сжигания топлива. На этом этапе также уточняется соответствие данному типу ТГУ замененных при ремонте отдельных узлов и деталей.

Особое внимание следует обратить на состояние наиболее пожароопасных узлов агрегата - электрооборудования, топливопровода, горел очного устройства, камеры сгорания, дымовых каналов и других теплообменных поверхностей.

Все признаки аварийного режима работы агрегата фиксируются, а подозрительные узлы и детали по возможности изымаются для дальнейших исследований.

Пятый этап - исследование отдельных элементов теплогенерирующей установки. Фиксируют все характерные повреждения и явления, устанавливают признаки срабатывания (несрабатывания) автоматической защиты агрегата.

На аварийный режим работы ТГУ до возникновения пожара могут указывать, в частности, следующие признаки:

- срабатывание взрывных и предохранительных клапанов;

- повышенное образование кокса и сажи на форсунках;

- соответствующее рабочее положение органов сигнализации и защиты;

- отсутствие или разрушение в топке жаростойкого экрана (если таковой предусмотрен конструкцией);

- наличие прогаров, сквозных трещин в камере сгорания и дымоходах;

- характерные дуговые оплавления на токоведущих частях оборудования;

- наличие неплотностей в соединениях топливопроводов;

- разрушения корпуса  генератора,  характерные для взрыва паровоздушной смеси.

Указанные признаки выявляются в ходе осмотра генератора после пожара; в протоколе осмотра отмечается их наличие (или, что не менее важно, отсутствие) на соответствующих узлах и деталях установки, производится фото- и видео съемка.

Кроме того, в ходе осмотра выясняется соответствие марки используемого топлива и вспомогательного оборудования (топливо насосы, форсунка, электрооборудование) требованиям к данному виду установок. При подозрениях на применение нештатного или некачественного топлива следует отобрать его пробу для лабораторных исследований.

При осмотре могут быть установлены признаки, служащие основанием для выдвижения версии о преднамеренном создании аварийного режима или об его инсценировке с последующим совершением поджога. К таким признакам относятся механические разрушения линий подачи топлива, ослабление хомутов на шлангах топливоподачи, следы выведения из строя контрольно-измерительных приборов, предохранительных клапанов и др.

Ход и результаты осмотра отражаются в основном документе - протоколе осмотра места пожара, а также в приложениях к нему: планах, схемах, рисунках, фотоснимках, видеозаписи и т. п.

В планах и схемах должны быть отражены:

а) взаимное расположение и термические поражения конструкций и предметов;

б) системы электроснабжения; пароводоснабжения (для котлов); линия подачи топлива к горелочному устройству; расположение топливных емкостей, генератора, насосов, вентилей;

в) места характерных повреждений и изъятия вещественных доказательств.

На схемах отражаются также важные моменты, необходимые для дальнейшей работы, например, взаимодействие и расположение отдельных узлов и деталей, характер повреждений элементов агрегата, их размеры.

Осмотр сопровождается фото - и видео съемкой. Узловой съемкой отмечают, в частности, характер общего повреждения элементов теплогенератора и окружающих предметов, а также особенности защитных устройств, положение их рабочих органов. Фиксация состояния этих устройств - взрывного клапана, электроконтактного манометра, теплового датчика, устройств электрозащиты очень важна, так как в дальнейшем они могут быть демонтированы.

Детальная фотосъемка обычно проводится для фиксации отдельных признаков, например, состояния форсунки, положения контактных соединений, тумблеров и ручек включения и т. п.

6.11.4. Основные вопросы, требующие выяснения при допросе свидетелей, руководства объекта, технического персонала

Перечень вопросов определяется конкретными обстоятельствами пожара. К ним относятся:

1. Общая характеристика здания, в котором возник пожар, назначение и расположение теплопроизводящего агрегата в помещении, имеющиеся предписания госпож надзора по данному объекту.

2. Срок службы и техническое состояние оборудования, акт приемки агрегата в эксплуатацию.

3. Были ли перед пожаром (или ранее) перебои в работе агрегата, какие-либо неисправности, например, срыв, выброс пламени из топки; перебои подачи или утечка топлива; отказ системы зажигания, защиты, автоматики; перегрев теплообменных поверхностей и т. п.

4. Кем, как и когда устранялись неисправности.

5. Характеристика обслуживающего персонала: квалификация, добросовестность, состояние людей, работающих перед пожаром на агрегате.

6. Порядок и организация планово-предупредительного ремонта ТГУ.

7. Документы технического обслуживания - график планового технического обслуживания, инструкции по эксплуатации, пожарной безопасности и техники безопасности; паспорт на агрегат.

8. Место расположения и состояние расходной топливной емкости.

9. Режим работы агрегата перед пожаром (температура, давление).

10. Соблюдение правил технической эксплуатации ТГУ, правил пожарной безопасности и техники безопасности.

11. Наличие признаков аварийного состояния агрегата; в чем конкретно они проявлялись.

12. Первые признаки начинающегося пожара по показаниям очевидцев, контрольно-измерительным приборам или по состоянию защитных устройств.

13. Показания о развитии пожара первых прибывших пожарных.

14. Наличие и уровень вибрации на работающем ТГУ до пожара.

6.12. Технологические установки

Чрезвычайное разнообразие машин и технологических установок, применяемых в различных отраслях промышленности и сельского хозяйства, позволяет сформулировать рекомендации по их осмотру только в общем виде.

Известно, что наиболее частые причины пожаров на технологических установках связаны либо с аварийным режимом в электрической или механической части, либо с нарушениями технологии.

В электрических схемах установок возможны такие аварийные режимы, как КЗ, БПС, перегрузка электродвигателей и их работа на двух фазах вместо трех, и т. п.

В механических устройствах возможно выделение тепла при трении, превышающее нормативное, образование фрикционных и ударных искр; при трении возможно накопление и разряд статического электричества.

Опасными факторами в технологических установках обычно являются: давление, температура (нагретые поверхности), передвижение (вращение) отдельных узлов и деталей.

Осмотр (исследование) после пожара технологических установок подчиняется общим требованиям, предъявляемым к осмотру места пожара. В частности, обязательно соблюдение последовательности стадий осмотра (статический с описанием термических поражений, затем динамический); требуется по возможности выявить и описать зону (узел, устройство), где возник аварийный режим, приведший к возникновению горения, источник зажигания и горючую среду.

Полезной для ориентации в произошедшем может быть информация о том, не производились ли ремонтные работы на данной технологической установке, когда и что конкретно ремонтировалось.

Описание термических поражений корпусов и деталей установок производится традиционными методами (см. разд. 5.2, 5.3). Особо обращается внимание на разрывы магистралей, ослабление соединений на трубопроводах (с выгоранием копоти вокруг), выгорание гибких шлангов.

Изучение электрической части установки целесообразно начинать с фиксации состояния выключателей, пускателей, рубильников и подобных аппаратов, обеспечивающих запуск установки; состояния аппаратов защиты (на самом агрегате и электрощите, его питающем). Необходимо также осмотреть контрольно-измерительные приборы, обеспечивающие работу установки, выяснить, исправны ли они, при наличии самописцев зафиксировать их показания. При дальнейшем осмотре электрооборудования самой технологической установки выявляются признаки аварийных режимов; на стадии динамического осмотра изымаются соответствующие вещественные доказательства (см. разд. 5.3).

При наличии в установке электрических нагревательных устройств (например, ТЭНов) они исследуются визуально (определяется целостность, наличие или отсутствие проплавлений). При подозрении на работу в аварийном режиме ТЭН изымается для лабораторных исследований.

В высокооборотных машинах причиной загорания может быть трение в подшипниках и других подобных узлах. Учитывая это обстоятельство, следует изучить и описать состояние подшипников, наличие или отсутствие следов трения. При возможности попадания во вращающиеся части оборудования посторонних твердых предметов или кусков собственных разрушенных деталей целесообразно поискать и зафиксировать места, как разрушения, так и образования фрикционных ударных искр - следы удара, выбоины и т. д.

В установках, где в том или ином качестве присутствуют горючие жидкости и газы, не исключен их аварийный пролив или утечка с образованием взрывоопасных парогазовоздушных смесей. Такое возможно, например, при выбросе масел и гидравлических жидкостей под давлением. Начало пожара при этом сопряжено с хлопком, взрывом, и в данной ситуации при осмотре места пожара следует разобраться, как могла образоваться соответствующая среда и каков источник зажигания.

Во взрывоопасных зонах (например, в окрасочных камерах) особое внимание обращается на состояние электрооборудования и его исполнение (соответствующее ли оно).

В отдельных случаях причиной загорания может быть несоответствие используемого топлива, масел, гидравлических жидкостей техническим требованиям. В этом случае производится отбор проб этих жидкостей для лабораторных исследований. На исследование лучше отбирать нативную (негоревшую) жидкость, анализ термически измененных (выгоревших) остатков не всегда дает необходимую информацию.

6.13. Сварочное оборудование

Сварка является технологическим процессом получения неразъемных соединений как металлических, так и неметаллических изделий. Чаще всего происходят пожары, связанные со сваркой металлов и сплавов. Обычно сварка становится причиной пожара не в условиях стационарного технологического процесса на производстве, а при проведении строительных и ремонтных работ. Ниже приводятся рекомендации по осмотру места пожара и сварочного оборудования, используемого для производства именно таких работ.

Электросварка

Наибольшее распространение получила электрическая дуговая сварка.

Обычно оборудование для ручной дуговой сварки включает в себя:

а) источник питания; им может быть:

- сварочный преобразователь (для ручной дуговой сварки и резки, для сварки в среде защитных газов или универсальный) (рис. П. 1.108);

- сварочный трансформатор (однофазный или трехфазный понижающий для питания дуги переменного тока) (рис. П. 1.109);

- сварочный выпрямитель (преобразователь напряжения переменного тока трехфазной сети в напряжение постоянного тока);

б) сварочные провода;

в) держатель электрода;

г) электроды.

При электродуговой сварке пожар может возникнуть в результате:

- разлета частиц расплавленного металла, падения огарков электродов и попадания их на горючие материалы (особенно опасен контакт с материалами, склонными к самоподдерживающемуся тлению);

- кондуктивного прогрева свариваемых конструкций;

- аварийного режима в сварочном трансформаторе или ином источнике питания и сварочных проводах.

Учитывая вышеизложенное, при осмотре места пожара необходимо:

а) отметить наличие (или отсутствие) в зоне горения или вблизи нее элементов электросварочного оборудования. При обнаружении необходимо сфотографировать эти элементы (сделать ориентирующий и детальный снимки), определить и записать в протокол осмотра координаты места нахождения данного оборудования;

б) выявить место (места) сварки путем визуального осмотра и опроса очевидцев;

в) измерить расстояния по вертикали и горизонтали от места сварки до предполагаемой очаговой зоны;

г) выяснить и отметить в протоколе, какие материалы находились в очаговой зоне;

д) в случае если начало пожара сопряжено со вспышкой (взрывом), выяснить по свидетельским показаниям возможность присутствия (образования) в очаговой зоне парогазовоздушной смеси с необходимой для воспламенения концентрацией.

Необходимо выяснить, не является ли свариваемая конструкция "тепловым мостиком" между местом сварки и очаговой зоной. Далее нужно отметить, что расположено с обратной стороны свариваемой конструкции, есть ли там горючие материалы (особенно склонные к тлению), каково их состояние. При наличии таковых в обгоревшем состоянии следует измерить расстояние по металлу - длину "теплового мостика".

Осмотр электрооборудования необходимо проводить в следующем порядке, начиная от электрощита:

- определить, подсоединены ли провода к щиту, куда и как. Если провода подсоединены через рубильники или автоматы, отметить положение последних (включено, выключено);

- выявить наличие дуговых оплавлений на фазном проводе, их местонахождение относительно очаговой зоны (участки провода с дуговыми оплавлениями изымаются);

- отметить состояние проводов. Определить наличие сочленений (скруток), их местонахождение относительно очаговой зоны (токи при сварке большие, возможно загорание в результате БПС в проводах или шинах заземления). Необходимо обратить внимание на то, что использовано для заземления свариваемого изделия или конструкции. Часто в качестве провода для заземления используют подручную проволоку, арматуру и т.д., не обеспечивая надежного контакта между отдельными участками заземления; в местах плохого контакта возникает нагрев за счет большого переходного сопротивления, искрение;

- отметить состояние сварочного трансформатора, преобразователя, выпрямителя, ручек управления.

Необходимо также обратить внимание на место соединения провода заземления со свариваемой конструкцией и с заземляющим контуром (еще одно место потенциального БПС). Зафиксировать наличие (или отсутствие) в потенциальных зонах "плохих контактов" следов искрения, дуговой эрозии, локального выгорания органических материалов, расположение этих следов относительно предполагаемой очаговой зоны.

Газовая сварка

Источником нагрева при газовой сварке служит пламя сварочной горелки, получаемое сжиганием горючего газа в смеси с техническим чистым кислородом.

В оборудование и аппаратуру для газовой сварки обычно входят:

а) ацетиленовый генератор (прибор, служащий для получения ацетилена разложением карбида кальция водой) или газовый баллон с горючим газом.

В качестве горючего газа чаще всего применяется ацетилен, но могут использоваться и водород (сварка сталей толщиной до 2 мм, чугуна, алюминия, латуни); метан (сварка легкоплавких металлов, пайка, кислородная резка); пропан, бутан и их смеси (кислородная резка, сварка и пайка цветных металлов, стали толщиной до 6 мм); бензин и керосин (кислородная резка стали, сварка, пайка легкоплавких металлов);

б) кислородный баллон

Устройство баллонов и их цвета приведены в приложении 1.

Баллоны имеют вентиль - запорное устройство, служащее для наполнения баллонов газом, подачи газа в горелку или резак и позволяющее сохранять в баллоне сжатые и сжиженные газы;

в) при работе на баллонах должны быть установлены редукторы - приборы, служащие для понижения давления газа, отбираемого из баллона, до рабочего и для автоматического поддержания этого давления постоянным. В зависимости от конструкции редуктор имеет один или два манометра. Редукторы для кислородных баллонов и баллонов с горючими газами отличаются окраской (см. приложение 1) и резьбой;

г) баллоны могут быть установлены на специальной тележке или газораспределительной рампе - она состоит из двух коллекторов, гибких присоединительных трубопроводов для баллонов и рампового редуктора;

д) для подвода газа к горелке или резаку служат резиновые рукава;

е) непосредственно в качестве рабочего инструмента используется сварочная горелка - устройство, служащее для смешивания горючего газа или паров горючей жидкости с кислородом и получения сварочного пламени. Для газовой резки используются резаки с комплектом мундштуков и приспособлениями для резки.

Устройство редуктора и газовой горелки - см. рис. П.1.105, П.1.106.

При работе с ацетиленовым генератором между генератором (или ацетиленопроводом) и горелкой (или резаком) устанавливают предохранительный затвор - устройство, предохраняющее от попадания в ацетиленовые генераторы и газопроводы взрывной волны при обратных ударах пламени из сварочной горелки или резака; устанавливают также химический очиститель - устройство для очистки ацетилена от фосфористого водорода и сероводорода.

Стационарное рабочее место сварщика, оборудованное всем необходимым, называется сварочным постом.

На производстве возможны и другие виды сварки, при которых применяется более сложное сварочное оборудование.

При газосварке и газорезке пожар может возникнуть в результате:

- проведения работ во взрывоопасной пылепарогазо-воздушной среде;

- разлета раскаленных частиц и искр (аналогично электросварке);

- падения на сгораемые материалы раскаленных обрезков металлоконструкций и изделий;

- кондуктивного прогрева свариваемых конструкций (аналогично электросварке);

- аварийной ситуации, связанной со сварочным аппаратом (горелкой, шлангами, газовыми баллонами), или неквалифицированного их использования.

К аварийным ситуациям относятся, в частности:

- проскок "возвратного пламени" (возвращение пламени обратно в горелку; пламя гаснет или возобновляется при открытии мундштука. При продолжительном возвратном пламени огонь проникает внутрь горелки, и возникает горение в смесителе. Если продолжительное пламя не прерывается, горелка может расплавиться);

- обратный удар пламени (воспламенение горючей смеси в каналах горелки или резака и распространение

- пламени навстречу потоку горючей смеси. Обратный удар характеризуется резким хлопком и гашением пламени. Горящая смесь газов устремляется по ацетиленовому каналу горелки или резака в шланг, а при отсутствии предохранительного затвора - в ацетиленовый генератор, что может привести к взрыву ацетиленового генератора);

- взрывы баллонов с горючим газом или кислородом при неисправности запорных устройств, горелок и резаков, нагреве баллонов, загораниях в токе кислорода каких-либо сгораемых материалов и в других ситуациях.

При осмотре места происшествия необходимо исследовать зоны в пределах возможного разлета частиц. Известно, что при газовой сварке и резке значительная часть расплавленной массы металла выдувается из прорезанной канавки струей газа на расстояние 10-12 м. В результате рикошетирования частицы расплавленного металла могут улетать на расстояние до 16 м.

Необходимо произвести поиск обрезков конструкций и изделий в очаговой зоне.

Необходимо (по аналогии с электросваркой) выявить потенциальные "тепловые мостики" - зафиксировать наличие (или отсутствие) между местом сварки и очаговой зоной изделий из металлов и сплавов, обладающих высокой теплопроводностью.

Пожар (взрыв) может быть причиной либо неисправности, либо неквалифицированного использования газосварочного оборудования. Учитывая это обстоятельство, необходимо провести тщательный осмотр самого газосварочного оборудования:

- осмотреть газовую горелку (резак);

- осмотреть мундштук горелки и выявить повреждения отверстий мундштука, неровности и повреждения стенки мундштука, загрязнения мундштука;

- тщательно осмотреть трубопроводы и рукава по всей длине. Зафиксировать наличие или отсутствие механических и термических повреждений, ослабленных резьбовых соединений и т. д.;

- отыскать и осмотреть баллоны или их остатки;

- осмотреть вентили на баллонах, редукторы и манометры на них; зафиксировать в протоколе показания манометров, открыты или закрыты вентили и редукторы (состояние вентилей и редукторов фиксируется только по их внешнему виду; не следует пытаться крутить их - это опасно!).

При наличии механических или термических разрушений, при каких-либо подозрительных ситуациях указанные объекты изымаются для экспертных исследований.

Для изъятия и транспортировки заполненных баллонов, подвергшихся термическому воздействию, следует привлекать специалистов и специальный транспорт.

6.14. Сгоревшие документы

Остатки обгоревших бумаг и других объектов из сгоревших материалов могут содержать криминалистически значимую информацию, и обращаться с ними необходимо, по возможности, аккуратно. Сколь бы сильно не была переуглена бумага, если листок сохранился, то можно установить природу бумаги и написанный на ней текст. По текстуре и составу эксперт может установить, что это за бумага, простая или банкнота, рубль это, доллар или иная иностранная валюта. Текст на бумаге также можно восстановить, если она достаточно хорошо сохранилась. Поэтому на месте пожара необходимо: а) по мере возможности не трогать и сохранять остатки бумаг, если пожар произошел в банке, офисе, служебном помещении магазина, склада и т. д.;

б) для прекращения горения бумаг изолировать их от притока воздуха, накрыв кастрюлей, баком и тому подобными подручными средствами. Задувание или, тем более, подача воды повлекут безвозвратную утерю бумаги;

в) если документы или деньги находятся в сейфе или железном ящике (шкафу), не открывать его сразу после пожара. Сейф должен остыть, иначе доступ воздуха внутрь может повлечь вспышку и быстрое уничтожение огнем содержимого.

Правила изъятия обгоревших бумаг здесь не рассматриваются; лучше, чтобы это делал эксперт, а задача пожарного специалиста - сохранить эти остатки до его прибытия.

То же касается обгоревших остатков некоторых других органических материалов. Современные экспертные возможности позволяют, например, проанализировав пепел от сигареты (методом электронной микроскопии), определить, был это чистый табак или с добавками марихуаны и других наркотиков.

6.15. Вещества и материалы, склонные к самовозгоранию

Самовозгоранием называется процесс возникновения горения при отсутствии постороннего источника зажигания. Происходит это при резком увеличении скорости экзотермических реакций в определенном объеме вещества, когда скорость выделения тепла превышает скорость теплоотвода в окружающую среду. К самовозгорающимся относятся вещества, у которых температура самонагревания ниже температуры самовоспламенения.

Основное, что необходимо сделать в ходе осмотра места пожара при возникновении версии о самовозгорании, это установить:

- природу материала или материалов (вещества, смеси веществ), которые находились в очаговой зоне на момент пожара,

- объемы (геометрические размеры) и количества складированного вещества (материала);

- условия хранения (температура окружающей среды, упаковка, вентиляция и т.д.);

- предысторию объекта хранения (когда складирован, не было ли признаков самонагревания (дым, запах) и т. д.

В зависимости от первичного импульса, запускающего механизм саморазогрева материала, различают следующие виды самовозгорания:

- тепловое;

- химическое;

- микробиологическое.

Тепловое самовозгорание

Экзотермический процесс окисления материала кислородом воздуха может быть инициирован предварительным подогревом этого материала до определенной температуры. Происходить это может при контакте с нагретыми поверхностями или газовой средой в процессе изготовления материала, его хранения или эксплуатации.

При подозрении на тепловое самовозгорание, кроме вышеперечисленных сведений, необходимо выяснить:

- были ли источники дополнительного подогрева материала (печи, калориферы, трубы отопления, другие нагретые поверхности);

- какие температуры этих источников, масса, поверхность нагрева, длительность действия, расстояние до материала;

- имелись ли условия для аккумуляции тепла.

К тепловому самовозгоранию склонны, например, древесные опилки, стружка, джутовое волокно, бумага в кипах, мелкодисперсные органические материалы (мука, торф, концентрат горючих сланцев, технологическая сажа), некоторые разновидности минеральных ват и других утеплителей и т. д.

Самонагревание древесины начинается при температуре 130-150 °С, однако при длительном (в течение многих лет!) нагреве древесина может переходить в так называемое "пирофорное" состояние и загораться при температуре 90-110 °С.

Возможна ситуация, когда склонный с самовозгоранию материал, после нагрева в процессе производства (например, при сушке), складируется или транспортируется неохлажденным, в результате чего возникает самовозгорание. Характерным признаком самовозгорания при этом является расположение очага в объеме (в глубине материала), а не на его поверхности. Данное обстоятельство, если оно выявлено, обязательно должно быть отражено в протоколе осмотра.

Расположение очага в объеме материала, ближе к центру массива, где наилучшие условия для аккумуляции тепла, а теплопотери наименьшие, является важным квалификационным признаком процесса самовозгорания, причем не только теплового, но и микробиологического.

Самовозгораются отложения краски в окрасочных камерах и их системах вентиляции.

Возможно самовозгорание угля в кучах и штабелях. При подозрении на такого рода причину необходимо выяснить:

- марку складированного угля;

- размеры кучи или штабеля;

- возможное увлажнение до пожара;

- степень измельчения (кусковой, пыль).

Склонность того или иного вещества (материала) к тепловому самовозгоранию может быть установлена по справочным данным [90]. В случае, если имеется неизвестное вещество (материал) или по нему отсутствуют справочные данные, необходимо отобрать негоревшую пробу данного вещества для экспериментального определения температуры самонагревания и условий теплового самовозгорания по ГОСТ 12.1.044-89. Требования к отбираемой пробе указаны в приложении 4. При известных габаритах складированного материала испытания позволят определить минимальную температуру среды и длительность нагрева, при которой может произойти самовозгорание данного материала. Эти результаты можно будет сравнить с фактическими данными по исследуемому пожару.

Химическое самовозгорание

Химическое самовозгорание является результатом взаимодействия двух веществ друг с другом или с окружающей средой (водой, кислородом воздуха), происходящего с выделением достаточного количества тепла.

Рассматривать эту версию имеет смысл, если установлено, что в помещении, где произошел пожар, имелись вещества, склонные к экзотермической реакции с водой, воздухом или друг с другом. Существенно и присутствие в зоне очага разрушенной тары, а также остатков хотя бы одного из веществ.

На воздухе самовозгораются, например, желтый и белый фосфор, щелочные металлы (литий, калий, натрий), карбиды щелочных металлов (во влажном воздухе разлагаются с выделением ацетилена). Вследствие окисления на воздухе самовозгораются металлические порошки и пудры (алюминия, цинка, кобальта и др.).

Склонны к самовозгоранию растительные и животные масла, скипидар и некоторые другие вещества, содержащие химически активные непредельные С-С связи. Натуральная олифа, которая изготавливается из льняного масла, еще более склонна к самовозгоранию, нежели льняное масло, т.к. в нее введены сиккативы, ускоряющие окисление и полимеризацию масла, что приводит к его высыханию.

Минеральные (нефтяного происхождения) масла склонны к самовозгоранию только загрязненные.

Необходимо иметь в виду, что самовозгорание масел и других жидкостей невозможно в сосуде или при их проливе в виде лужи или пленки на какую-либо поверхность. Самовозгораются только пропитанные жидкостью тряпки, вата, шерсть, опилки и другие пористые материалы, на развитой поверхности которых возможен хороший контакт масла с кислородом воздуха. Для самовозгорания нужны оптимальное количество масла на поверхности пористого материала (не много, но и не мало) и условия аккумуляции тепла. Ускоряют самовозгорание соли кобальта, марганца, свинца, некоторых других металлов.

Наименьшая температура, при которой наблюдалось самовозгорание такого рода, составляет 10-15 °С. Период индукции - от нескольких часов до нескольких дней.

При подозрении на самовозгорание масла и подобных материалов необходимо выяснить:

- тип, вид масла, жира;

- что могло быть пропитано, в каком количестве, сколько времени пролежало до пожара;

- наличие условий для аккумуляции тепла.

Химическое самовозгорание возможно и при контакте пары веществ (материалов), одно из которых является сильным окислителем, другое - легкоокисляемым веществом.

К первым относятся соли азотной кислоты (селитры), перманганат калия и натрия, хлораты, перхлораты, бихроматы, хромовый ангидрид, концентрированная серная (более 95 %) и азотная кислоты, перекись водорода, органические перекиси и т.д.

Ко вторым - жидкие органические вещества (двух- и трехатомные спирты, некоторые углеводороды) и мелкодисперсные твердые органические вещества (например, опилки, сахарный песок и пудра и т.д.), указанные выше порошки металлов.

При подозрении на химическое самовозгорание, связанное с экзотермическим взаимодействием двух веществ, необходимо в обязательном порядке затребовать сведения о веществах, которые могли находиться (храниться, транспортироваться) на объекте, где произошел пожар.

При осмотре места пожара необходимо:

а) исследовать окружающие конструкции и предметы для выявления зоны длительного низкотемпературного пиролиза. Как правило, при самовозгорании (химическом, в частности) выделяющегося тепла не хватает для обеспечения мгновенного развития пламенного горения. Процесс обычно на начальном этапе протекает в форме тления, в зонах, где имеются условия для аккумуляции тепла, и лишь через какое-то время переходит в пламенное горение. Поэтому надо пытаться выявить и зафиксировать подобные зоны тления;

б) отобрать пробы угля в целях установления температуры и длительности пиролиза (см. гл. 5). Это необходимо, в частности, для подтверждения режима горения в исследуемой зоне (тление или пламенное горение);

в) отобрать пробы для последующих инструментальных исследований в целях обнаружения в очаговой зоне остатков реагировавших между собой веществ.

Микробиологическое самовозгорание

Характерно для органических дисперсных и волокнистых материалов, внутри которых возможна жизнедеятельность микроорганизмов (сена, соломы, овощей, зерна, фрезерного торфа и др.).

При отработке версии о микробиологическом самовозгорании по возможности необходимо получить следующие данные:

а) влажность сена на момент пожара (известно, что для микробиологического самовозгорания влажность должна быть не менее 16 %);

б) время, прошедшее после закладки (опасность самовозгорания сохраняется до 3-4 месяцев; наиболее вероятно оно в течение 10-30 суток);

в) размеры стога сена (по теоретической теплофизической оценке они должны быть не менее 2×2×2 м; при меньших габаритах стог не способен загореться, т. к. слишком велики теплопотери в окружающую среду).

Важно также выяснить условия хранения и сушки сена. Возможно очаговое (так называемое "гнездовое") возникновение процесса в результате попадания в стог более увлажненного сена или увлажнения отдельных участков через дырявую крышу сенохранилища. "Пластовое" самовозгорание может начаться при миграции влаги в массе сена из-за перепада температур, например, при неравномерном обогреве или охлаждении - при этом в периферийных слоях, вблизи поверхности, образуется конденсационная влага.

Квалификационные признаки микробиологического самовозгорания, выявляемые при осмотре места пожара:

1. Очаг расположен в центре стога или массива другого, склонного к микробиологическому самовозгоранию материала, а не снаружи. Если копна сена имеет поверхностное обугливание (обгорание), а внутри нет следов горения, то это не самовозгорание, а горение, возникшее от внешнего источника открытого огня, искры и т. д.

2. Наличие неразвившихся очагов, в том числе в отдельных кипах.  Они представляют собой локальные агломераты сена различной степени термодеструкции (см. рис. 6.4).

Рис. 6.4. Зоны, возникающие в сене при микробиологическом самовозгорании

6.16. Автомобили

Осмотр места пожара при загорании автомобиля подразумевает осмотр не только самого сгоревшего автомобиля, но и места (территории), где он находился во время пожара. Проводится осмотр в определенной последовательности с фиксацией всех этапов осмотра на фото - или (желательно) видеокамеру (см. гл. 10).

1. Фиксация местонахождения транспортного средства на момент осмотра

Практика исследования пожаров показывает, что после тушения автомобиль часто находится не в том месте, где произошел пожар. Это может быть по следующим причинам:

- автомобиль убран с проезжей части, т. к. мешал движению;

- сгоревший автомобиль перевезен с места пожара в гараж или другое место владельцем;

- имела место неудачная попытка угона;

- автомобиль перемещен при тушении пожарными;

- произошло самопроизвольное движение автомобиля вследствие замыкания стартерного провода на основной в результате обгорания изоляции (как правило, это происходит у замка зажигания).

Последняя ситуация возможна, если автомобиль во время стоянки находился с включенной передачей. Поэтому необходимо обращать внимание на положение рычага переключения передач автомобиля.

2. Осмотр окружающей территории

Прилегающая территория осматривается в целях обнаружения следов преступника и средств поджога (факелов, спичек, зажигалок, емкостей из-под горючих жидкостей и т. п.), а также каких-либо искусственных препятствий быстрому тушению пожара.

Если автомобиль загорелся при движении, должны быть зафиксированы следы торможения (или отсутствие таковых), их точное расположение, направление, размеры и характер.

Отдельно осматривается место непосредственно под днищем автомобиля. При этом необходимо обращать внимание на характер повреждения от огня днища, наличие под ним посторонних предметов: битого стекла, оплавленных полиэтиленовых емкостей, оплавленных аэрозольных упаковок, остатков пиротехнических устройств, скопление (особенно у колес или под бензобаком) остатков сгораемого мусора и т. п.

3. Наружный осмотр корпуса автомобиля и описание его термических поражений

При наружном осмотре описываются внешние механические и термические повреждения кузова, колес, дверей, капота, бензобака. Необходимо указать место, направление, размеры, характер повреждения. Указываются места расположения, размеры и форма сохранившихся участков красочного покрытия, протяженность зоны перехода от неповрежденного участка к поверхности, на которой полностью выгорело красочное покрытие (на этом участке поверхность металла имеет беловато-сероватый оттенок). Затем описываются следы отжига металла, появление на нем окалины, окопчения конструктивных элементов, деформация кузова.

Термические повреждения дверей, крышек моторного и багажного отсеков и крыльев желательно сопоставить с термическими повреждениями этих деталей с внутренней стороны, совмещая нижние зоны выгорания красочного покрытия на них.

Такой порядок осмотра дает возможность установить направленность распространения горения и, в первом приближении, место расположения очага (снаружи или внутри транспортного средства).

Особое внимание обращается на характер разрушения остекления:

место расположения осколков или оплавленных их частей (внутри салона или снаружи автомобиля);

характер закопчения осколков стекла (односторонний, с двух сторон, в местах разлома);

при обнаружении осколков стекла снаружи автомобиля обязательно указывать места расположения наиболее удаленных осколков.

4. Выявление и описание термических поражений внутри салона

При описании повреждений от огня внутри салона транспортного средства фиксируются характер и степень выгорания обшивки салона, сидений (закопчение; поверхностное обугливание; выгорание на определенную глубину, сплошное или пятнами; полное выгорание "до металла"; величина и направленность деформации металлического каркаса), а также наслоение копоти на внутренних поверхностях ветрового, заднего стекла и остекления дверей салона (в том числе на остатках остекления).

Отдельно, на стадии динамического осмотра, изучается состояние покрытия пола. Если он обгорел, фиксируются размер и форма зоны обгорания, ее расположение (с фото- и видеосъемкой).

Особое внимание обращается на наличие внутри салона посторонних предметов: камней, оплавленных емкостей, битого стекла (не имеющего отношения к остеклению автомобиля), а также остатки предметов и технических устройств, легковоспламеняющихся и горючих жидкостей, взрывчатых и иных веществ.

Моторный отсек

Осмотр и описание состояния моторного отсека желательно проводить с использованием принципиальной и монтажной схем.

Необходимо как можно более подробно описать характер термических повреждений двигателя с определением места наибольшего повреждения его от огня и наличия или отсутствия в этом месте штатной пожарной нагрузки - сгораемых деталей, а также возможности вытекания и выгорания топлива.

Описывается в различных зонах моторного отсека:

обугливание и выгорание краски на металлических деталях;

обугливание и выгорание изоляции проводов, резиновых деталей, расплавление (деформации) и выгорание пластмассовых деталей;

подплавление и расплавление деталей из цветных металлов и сплавов (в основном это силумин, реже - медные детали).

При осмотре системы топливоподачи должны быть описаны характер и степень термических поражений и разрушений бензобака, топливопроводов, бензонасоса, карбюратора. При осмотре систем топливоподачи с инжекторным двигателем необходимо особое внимание обращать на узлы и агрегаты, находящиеся под высоким давлением, и системы подачи воздуха.

При осмотре выпускного тракта особое внимание обращается на характер механического и термического повреждения коллектора и красочного покрытия корпуса автомобиля вблизи от него, глушителя (особенно в местах трещин и изломов).

На автомобилях, имеющих каталитические нейтрализаторы выхлопных газов, необходимо осмотреть сам нейтрализатор и днище в зоне его установки. При сквозной коррозии днища возможны нагрев и зажигание внутренних отделочных материалов салона; очаг при этом обычно расположен около передней панели пола.

При осмотре автомобилей, работающих на газовом топливе, прежде всего необходимо обращать внимание на места установки переключающих клапанов, гибких соединяющих трубопроводов и тип зажимных хомутов (нередко при установке газового оборудования на автомобиль используются штатные одноразовые зажимы).

Осмотр системы электропитания

Осмотр системы электропитания также по возможности следует проводить с помощью принципиальной и монтажной схем.

1. Осмотр обычно начинают с аккумулятора - присутствует ли он вообще; каков характер разрушения корпуса, пластин и клемм, место расположения наконечников силовых проводов и характер их повреждения. Если аккумуляторная батарея не разрушена, имеет смысл определить степень ее зарядки; при КЗ, приведшем к пожару, она должна быть практически полностью разряжена.

2. Определяется наличие в автомобиле выключателя массы и его положение - включен, выключен.

3. Необходимо  осмотреть блок  предохранителей и установить, на каких цепях сработали предохранители; зафиксировать это в протоколе осмотра.

4. Осматриваются соединительные провода реле, стартер, другие элементы системы электропитания. Выявляются объекты с признаками дуговых оплавлений, электродуговой эрозии.

Если автомобиль загорелся на стоянке, то при осмотре электропроводки и энергопотребителей прежде всего необходимо обращать внимание на состояние тех цепей, которые остаются под напряжением после выключения замка зажигания и тех. которые не защищены предохранителями. Чем выше комфортабельность автомобиля, тем больше узлов и агрегатов остается под напряжением в автомобиле с выключенным зажиганием.

Особое внимание необходимо обращать на места прохождения жгутов проводов через технологические отверстия в корпусе. В любом случае при обнаружении характерных оплавлений на жилах необходимо вблизи от этого места осматривать металлические поверхности корпуса, двигателя узлов и агрегатов. Здесь, как правило, даже после полного выгорания пожарной нагрузки сохраняются признаки действия электрической дуги.

Распределитель зажигания, реле-регулятор. В литературе отмечается, что при работающем двигателе и загорании от КЗ контакты у распределителя зажигания обычно прикипевшие и расплавленные. В случае загорания от КЗ при неработающем двигателе - прикипевшие и расплавленные контакты наблюдаются у реле-регулятора.

Осмотр автомобильной сигнализации

Перед осмотром систем автомобильной сигнализации желательно предварительно ознакомиться с ее принципиальной и монтажной схемами.

Необходимо установить, какие силовые узлы и агрегаты защищены; какое дополнительное оборудование и в каких местах установлено; как подключены к основной электросети все эти устройства (как правило, они подключаются методом скрутки, при этом нередко повреждаются жилы основных проводов, а места подключения плохо изолируются). Естественно, при осмотре этих систем необходимо обращать внимание на очаговые признаки.

Особенности осмотра при возможном поджоге автомобиля

Основная масса поджогов автомобилей в России совершается из хулиганских побуждений или в целях мести, угрозы владельцу. При этом поджоги крайне редко совершаются "экзотическими" способами с применением радиоуправляемых и других устройств. На практике в основном используется три простейших способа.

1. Наиболее распространенный заключается в том, что заранее приготовленным или найденным вблизи от автомобиля тяжелым  предметом разбивается одно из боковых стекол, при этом, как правило, этот предмет остается внутри салона. Затем внутрь салона забрасывают заранее приготовленную' и предварительно открытую емкость с горючей жидкостью (как правило, 0,5-5,0 л) и источник воспламенения.

2. Из заранее приготовленной емкости с горючей жидкостью обливают корпус автомобиля, чаще всего моторный  отсек  и  передние  колеса,  емкость  бросают на месте. В этом случае часто под колеса кладут ветошь, пропитанную горючей жидкостью, и автомобиль поджигают.

3. Открывается горловина бензобака, заранее приготовленная ветошь пропитывается содержимым бензобака. Затем эта ветошь вставляется в горловину бензобака и свисающий ее конец поджигается.

Признаки такого рода поджогов очевидны из их описания, в процессе осмотра сгоревшего автомобиля они должны быть выявлены и зафиксированы.

В случае подозрения на поджог транспортного средства необходимо, в частности, обращать внимание на характер обгорания нижней части кузова. При горении разлитого под автомобилем топлива обгорает покрытие днища (лакокрасочное или антикоррозийное), а также нижней части кузова и дверей. При расположении очага горения внутри автомобиля красочное покрытие на наружной поверхности, особенно в нижней его части, сохраняется на большей высоте. В результате попадания горючей жидкости локально выгорают автомобильные шины, резиновые брызговики на колесах. Необходимо иметь в виду, что локальные зоны более сильных термических поражений (например, выгорания передних или задних колес) могут формироваться и при постепенном вытекании и выгорании бензина из топливного бака автомобиля.

При проливе горючей жидкости на капот автомобиля с последующим ее поджиганием локальные очаги более интенсивного горения (и соответствующие термические поражения) возникают там, куда жидкость стекала и где скопилась при розливе. Поэтому необходимо обращать внимание на участки естественных водостоков на автомобиле и характер (степень) выгорания в зонах, куда они ведут, а также в зонах, куда жидкость может попасть при переполнении водоотводных желобов в случае залпового вылива ЛВЖ на корпус автомобиля.

Поджог автомобиля может совершаться и из корыстных побуждений (в целях получения страховки) самим владельцем автомобиля. В странах Западной Европы, США, Канаде эта причина является основной при пожарах автомобилей. В целях выявления подобных поджогов специалисты рекомендуют обращать внимание на следующие косвенные признаки, которые фиксируются при осмотре отдельных зон, узлов и деталей автомобиля:

Место пожара и прилегающие участки - на них могут быть обнаружены указанные выше сосуды из-под горючей жидкости или другие использованные при поджоге объекты, например, шланг, примененный в качестве сифона для откачки бензина из бензобака.

Если водитель утверждает, что автомобиль загорелся у него во время движения, на дороге должны быть следы резкого торможения; их отсутствие подозрительно.

Колеса (автомобильные шины) - при поджоге часто заменяются "экономным" владельцем на старые, поэтому колеса должны быть осмотрены и зафиксировано их состояние (не только термические поражения, но и степень износа).

Крышка горловины и сливной кран бензобака - при поджоге крышку часто снимают и оставляют открытой (при срыве крышки в результате взрыва должны быть отогнуты фланцы). Сливной кран бензобака (если таковой имеется) при поджоге может быть открыт или снят специально.

Капот, крышка, багажник - при розливе ЛВЖ по корпусу автомобиля в зонах скопления жидкости и соответственно наиболее интенсивного горения, могут наблюдаться локальные выжженные пятна.

Салон - в салоне необходимо обращать внимание на отмеченные выше емкости из-под ЛВЖ или их остатки - стекла, агломераты пластмассы и т. д., а также отсутствие личных вещей и их обгоревших остатков (последнее подозрительно).

Ковер на полу салона - в обычных случаях бывает мало поврежден огнем. При поджоге с применением ЛВЖ частично или полностью выгорает, образуются прогары на панелях под дверьми и в нижней части дверей.

Багажник - при осмотре багажника, кроме отмеченных выше термических поражений, необходимо обращать внимание: а) на следы взлома; б) отсутствие домкрата, запасного колеса, инструментов, личных вещей (все это подозрительно).

Окна и двери - необходимо определить их положение на момент пожара. Если оконные стекла разрушены, их положение устанавливается по положению рычагов стеклоподъемника; положение дверей - по повреждению их торцов. Открытые окна в холодную и дождливую погоду, а также при нахождении автомобиля на стоянке, подозрительны. При поджоге двери и окна часто открывают специально, чтобы лучше горело.

Состояние двигателя - двигатель осматривается в целях определения, все ли его детали находятся на месте (за исключением тех, которые могли выгореть или расплавиться). Отсутствие других деталей подозрительно.

Состояние топливной линии. Топливная линия должна быть осмотрена на предмет определения ее целостности. Кроме рассмотренной выше ситуации, когда к возникновению пожара привели случайная разгерметизация топливной линии и утечка топлива, возможно и преднамеренное выведение ее из строя. Разъединение топливной линии, включение двигателя и педали газа - один из распространенных способов поджога. Учитывая это обстоятельство, необходимо выявлять и фиксировать следы ослабления хомутов, разрезы шлангов, ослабление и полное отсоединение винтовых соединений. Вблизи могут быть обнаружены карбонизованные (обгоревшие) остатки спичек.

Необходимо также обращать внимание на признаки попыток потушить пожар - брошенный огнетушитель, следы огнетушащего порошка в зоне первоначального горения и т. д. Если владелец утверждает, что пытался тушить пожар, но указанных признаков не наблюдается, это подозрительно.

Изъятие вещественных доказательств

Провода и другие элементы электросети В качестве вещественных доказательств следует изымать и направлять на исследование любые детали электросети автомобиля (штатной или нештатной) или системы сигнализации, имеющие признаки аварийных режимов, в частности, дуговые оплавления. При обнаружении на проводах и других деталях следов КЗ и их изъятии на исследование необходима фиксация в протоколе точного местонахождения провода, по возможности, его принадлежности к той или иной электрической цепи, а также точных идентификационных признаков изымаемого провода - сечения, числа проволок в жиле и т. д.

Объекты, связанные с искусственным инициированием горения

К подобным объектам относятся:

а) остатки тары из-под ЛВЖ, технических устройств для поджога;

б) узлы и детали с признаками искусственного разрушения;

в) объекты-носители ЛВЖ и других инициаторов горения.

Само по себе обнаружение в автомобиле следов той жидкости, которая применяется в нем в качестве моторного топлива, не может, естественно, рассматриваться в качестве признака поджога. Тем не менее, в отдельных случаях, внутри салона, при явном запахе ЛВЖ стоит отобрать пробу для обнаружения остатков ЛВЖ и их классификации. Такое исследование может оказаться полезным, если обнаружена ЛВЖ другого типа или марки, нежели в двигателе данного автомобиля; если обнаружены не следовые (что естественно), а значительные по количеству и малоизмененные вследствие испарения остатки горючей жидкости. Все это в сочетании с прочими установленными фактами (обнаружение характерных пятен от сгорания ЛВЖ, тары, остатков факелов и т. д.), обстоятельствами возникновения и динамикой развития горения позволит доказать факт поджога.

Порядок изъятия и упаковки объектов-носителей следов ЛВЖ-ГЖ - см. в разд. 7.4;

г) антропогенные следы. К ним относятся следы рук, ног, крови и др., рассмотренные в гл. 3. Там же изложены методы их выявления и сохранения (фиксации) после пожара.

Фото - и видеосъемка (последняя с комментариями) должна сопровождать описанные выше этапы работы. В комплексе со словесным описанием в протоколе осмотра фото- и видеосъемка позволяет наиболее полно и объективно отобразить картину термических поражений автомобиля, отдельных его узлов и деталей, а также зафиксировать места расположения посторонних предметов. На стадии динамического осмотра, особенно при изъятии вещественных доказательств, фото- и видеосъемка всех этапов особенно важна.

6.17. Пожарная сигнализация

Исследование АСПС после пожара необходимо проводить в 4 этапа:

1) исследование приемно-контрольных приборов;

2) шлейфа пожарной сигнализации;

3) пожарных извещателей;

4) технической документации, имеющейся на объекте, оснащенном АСПС, и у организации, осуществляющей работы по техническому обслуживанию.

Исследование приемно-контрольных приборов АСПС после пожара

В настоящее время в АСПС применяются различные пожарные приемно-контрольные приборы (ППКП).

Одни (например, ППК-2, изготовитель ООО ПТК "Приборный завод "Сигнал", г. Обнинск; ППС-3, изготовитель Екатеринбургский завод "Спецавтоматика", г. Екатеринбург; "Корунд-20и", изготовитель ОАО "ЭТМ", г. Вологда; "Нота", "Луч", изготовитель ЗАО "Аргус-Спектр", г. Санкт-Петербург) отображают всю информацию о состоянии шлейфов (дежурный режим, режим "Пожар", неисправность) с помощью светового и звукового оповещения путем активизации соответствующих светодиодов и встроенной сирены. Причем выдается информация о состоянии всего шлейфа, а не конкретно каждого извещателя.

Другие (например, "Триумф", изготовитель ЗАО ИФ "ИРСЭТ-Центр", г. Санкт-Петербург; "Радуга-2А", изготовитель ЗАО "Аргус-Спектр", г. Санкт-Петербург; ESA, изготовитель фирма OY ESMI АВ, Финляндия; приборы приемно-контрольные серии СА, изготовитель PPU "SATEL", Польша; приборы приемно-контрольные Sierra и серии System 23xx, изготовитель С&К Systems) позволяют получать с помощью дисплея (встроенного либо в прибор, либо в выносную клавиатуру) более подробную информацию о состоянии шлейфа с указанием адреса извещателя. Эту же информацию можно получить в распечатанном виде, подключив прибор к принтеру.

Третьи (например, "INTAL", изготовитель "PASTOR INZENJERING", Хорватия; приборы приемно-контрольные пожарные ВМС 616-F, 616-R32/64, 664-F, 1016-F, 1024-F, изготовитель фирма EffefF, Германия) имеют встроенные принтеры, с помощью которых можно получить распечатку обо всех событиях, происшедших на объекте и хранящихся в памяти прибора.

Четвертые (например, прибор "РОСС", изготовитель ООО "Фирма "ЭДЕМ", г. Санкт-Петербург; периферийный контроллер ПК 4501, изготовитель ООО "Система-Сервис") непосредственно подключаются к компьютеру, и на экране монитора сотрудник дежурной службы может наблюдать всю картину происходящего, причем все события сохраняются в памяти компьютера.

Первое, с чего необходимо начинать исследование ППКП, - это произвести его внешний осмотр. При этом осмотре следует обращать внимание на положение органов управления (кнопки, переключатели, тумблеры и т. п.), на состояние световой индикации, на наличие пломб изготовителя и организации, производившей монтаж АСПС или проводящей работы по техническому обслуживанию. Зафиксировать результаты осмотра в протоколе места пожара и сфотографировать лицевую панель ППКП, а также при отсутствии пломб места, где они должны находиться.

При осмотре ППКП со встроенным принтером следует произвести распечатку информации, хранящейся в памяти и имеющей отношение к делу. Данную распечатку необходимо приложить к протоколу осмотра.

При осмотре ППКП со встроенным дисплеем или дисплеем, находящимся на выносной клавиатуре, необходимо зафиксировать последнюю запись, имеющуюся на дисплее, и затем в соответствии с инструкцией по эксплуатации просмотреть все имеющиеся в памяти прибора записи событий. Если имеется возможность подключить прибор к компьютеру, то получить с него распечатку и приложить ее к протоколу осмотра.

Далее необходимо произвести штатные проверки ППКП в соответствии с его инструкцией по эксплуатации. При этом обращать внимание на адекватность реакции ППКП на производимые действия.

В случае неадекватности реакции ППКП следует вскрыть прибор и провести внутренний осмотр, особо обращая внимание на клеммы подключения шлейфов пожарной сигнализации. Иногда встречались случаи, когда в самом приборе к клеммам подключения шлейфа подсоединялась оконечная цепочка, а шлейф не подключался, при этом прибор находился в дежурном режиме, показывая, что все шлейфы подключены и находятся в дежурном режиме. При обнаружении такого подключения необходимо его сфотографировать и зафиксировать данный факт в протоколе осмотра.

Исследование шлейфа пожарной сигнализации

Шлейф пожарной сигнализации - это электрическая цепь, соединяющая выходные цепи пожарных извещателей, включающая в себя вспомогательные (выносные) элементы (диоды, резисторы и т. п.) и соединительные провода и предназначенная для выдачи на ППКП извещений о пожаре и неисправности, а в некоторых случаях и для подачи электропитания на извещатели.

Исследование шлейфа необходимо начинать с его осмотра по всей длине. При этом следует обращать внимание на правильность монтажа соединительных проводов, количество извещателей в шлейфе, на месторасположение оконечной цепочки, а также на количество и правильность подключения других элементов (изоляторов короткого замыкания, выносных устройств оптической сигнализации (ВУОС), адресных модулей и т. п.).

Иногда имели место случаи, когда оконечную цепочку устанавливали не в самой удаленной части шлейфа, а гораздо ближе к ППКП, например, в распределительной коробке или защитных трубах, коробах, металлических рукавах и т. п. Это значит, что к ППКП подключен не весь шлейф, а только его часть. При выявлении таких фактов необходимо их зафиксировать в протоколе осмотра и сфотографировать фактическое место установки.

В протоколе осмотра следует также указывать количество извещателей в шлейфе, количество и тип изоляторов короткого замыкания, выносных устройств оптической сигнализации, адресных модулей и других элементов, применяемых в АСПС.

Исследование пожарных извещателей

Осмотру должны подвергаться как сгоревшие, так и уцелевшие после пожара извещатели, а также извещатели той же АСПС, находящиеся вне зоны горения.

При осмотре следует обращать внимание на наличие дополнительных элементов, которые должны подключаться к извещателю в соответствии с его схемой включения в шлейф. Отсутствие этих элементов говорит о невозможности работы извещателя в штатном режиме. Наличие или отсутствие дополнительных элементов должно быть зафиксировано в протоколе осмотра, и при их отсутствии извещатель должен быть еще и сфотографирован.

В ходе осмотра извещателей внутри них или снаружи может быть обнаружена штукатурка, краска и т. п. Их наличие позволяет предположить, что извещатель находился в неисправном состоянии.

В протоколе осмотра также необходимо отразить тип извещателя и его марку.

В настоящее время отсутствуют специальные экспертные методики исследования обгоревших пожарных извещателей, позволяющие получить какую-либо информацию об их состоянии на момент пожара и о срабатывании или несрабатывании. Поэтому изымать их с места пожара не имеет смысла, необходимо лишь сфотографировать и дать в протоколе осмотра места пожара словесное описание термических поражений (оплавления или выгорания корпуса, разрушения отдельных внутренних деталей и т. д.).

Изучение технической документации АСПС

При изучении технической и служебной документации на АСПС, имеющей отношение к пожару, устанавливается следующее:

- имеется ли вся необходимая документация на объекте;

- соответствуют ли технические средства АСПС, которые были установлены на объекте, тем техническим средствам, которые указаны в документации;

- выполнялись ли работы по ТО и ППР в срок;

- какие именно и когда выполнялись работы по ТО и ППР в последний раз;

- какие были нарушения в работе АСПС, когда;

- когда последний раз была проверка инспектором госпожнадзора и какие были выявлены при этом недостатки в работе АСПС.

При опросе оперативного персонала необходимо выяснить, когда и какие сигналы поступали, кто и как действовал в зависимости от поступивших сигналов.

 

ГЛАВА 7.

ТЕХНИКА И МЕТОДИКА ОСМОТРА МЕСТА ПОЖАРА ПРИ ОТРАБОТКЕ ВЕРСИИ О ПОДЖОГЕ. ИЗЪЯТИЕ ОСТАТКОВ СРЕДСТВ ПОДЖОГА

 

7.1. Квалификационные признаки поджога, средства поджога

Пожарные специалисты выделяют пять групп способов поджога.

Первая - поджоги, совершаемые без специальной подготовки при "обычном для данных условий пожароопасном сосредоточении горючих или легковоспламеняющихся материалов".

Вторая - случаи, когда поджигатель пользуется "вспомогательными горючими материалами и веществами", которые ему удается отыскать на месте или принести с собой.

Третья - так называемые высокотехнологичные поджоги. Речь идет об использовании специальных технических средств или заранее сконструированных зажигательных приспособлений, вызывающих возгорание спустя значительное время после их применения.

Четвертая - когда поджигатель имитирует возникновение пожара от случайных причин - по неосторожности или из-за неумышленного нарушения правил пожарной безопасности.

Пятая группа - способы поджога, сочетающие в себе признаки четырех предыдущих.

Существует множество косвенных признаков, которые в той или иной степени свидетельствуют в пользу версии о поджоге, и прямые (квалификационные) признаки поджога. При осмотре места пожара должны быть выявлены и закреплены в соответствующей процессуальной форме и те, и другие признаки.

Косвенные признаки поджога

Как правило, это мелкие и незначительные на первый взгляд факты, которые, возможно, никак и не связаны с поджогом. Однако не следует пренебрегать "мелочами", из их совокупности может сложиться общая картина, свидетельствующая о том, что пожар был инициирован искусственно.

По прибытии на место пожара необходимо обращать внимание:

- на поспешно убегающих или отъезжающих людей (неплохо заметить, на всякий случай, номер автомобиля, одежду людей, их наружность);

- явно изолированные друг от друга зоны горения;

- блокированные или забаррикадированные двери, окна, коридоры и т. п. (искусственно затрудненный вход поджигатели часто устраивают, чтобы воспрепятствовать тушению пожара);

- подозрительно "легкий" вход (открытые не по сезону окна, двери, необычные отверстия в окнах или дверях);

- препятствия тушению (блокированные или испорченные гидранты, выведенные из строя спринклеры, закрытые краны на водопроводе, помехи со стороны присутствующих посторонних лиц, передвинутая мебель и т. д.);

- следы взлома;

- закрытые ставни, жалюзи; окна, заставленные щитами и занавешенные одеялами (поджигатели делают это для того, чтобы горение внутри здания было обнаружено как можно позже) [48, 92].

На месте пожара следует обращать внимание:

- на местонахождение жертв, их состояние, тип травм и т. п. (поджог часто используется для сокрытия других преступлений, в частности, убийств);

- отключенную или сломанную охранную и (или) пожарную сигнализацию, включенные вентиляторы;

- множественные очаги пожара;

- разбросанное имущество, необычно большие или малые его запасы (поджог может использоваться для сокрытия хищения тех или иных материальных ценностей, поэтому, если их количество явно меньше того, что должно было находиться по ведомостям хранения или показаниям свидетелей в данной зоне, - это подозрительно; с другой стороны, подозрительны и скопления сгораемых материалов в отдельных зонах, где до пожара их, по свидетельским показаниям, не было - злоумышленники, устраивая поджог,  часто сгребают горючие предметы в кучи и поджигают их);

- необычные для места пожара предметы, остатки орудий или средств поджога (поддоны, емкости от ЛВЖ, запальные устройства);

- искусственные условия, способствующие распространению пожара;

- отсутствие одежды, аппаратуры, личных предметов или семейных реликвий в жилых помещениях;

- отсутствие запасов сырья, машин, приборов регистрации и иной аппаратуры или готовой продукции (на промышленных или коммерческих предприятиях).

Если исследование показывает наличие необычно большого количества горючих предметов и материалов в очаге пожара или просто их присутствие в местах, где их не должно быть, то возможен поджог. Это могут быть мебель, предметы и материалы, собранные вместе или расставленные так, чтобы облегчить и ускорить процесс распространения пожара, необычно большое скопление горючего материала в виде хлама, мусора, картонных коробок [48, 92].

Зарубежные специалисты [18, 48, 92] считают, что косвенным признаком поджога могут быть выявленные признаки искусственного создания условий для лучшего распространения горения. К таковым может относиться повреждение систем конструктивной противопожарной защиты (КПЗ), открытие дверей, окон. При осмотре места пожара должно быть зафиксировано (если это еще возможно) их состояние на момент пожара, а дознавателем при опросе очевидцев (допросе свидетелей) выяснено, является это состояние обычным для данного объекта или нет. То же относится к повреждениям систем активной противопожарной защиты (пожарной сигнализации; спринклерных систем и внутреннего водопровода; установок пожаротушения, которые используют углекислый газ, пену или хладоны; отдельных водопроводных магистралей и пожарных гидрантов).

Конечно, в российских условиях неработоспособность и повреждения указанных систем чаще являются следствием бесхозяйственности и разгильдяйства, нежели злого умысла. Однако известны и случаи поджогов, когда поджигателями преднамеренно выводились из строя, например, системы автоматического пожаротушения.

Как непосредственно на пожаре, так и при осмотре места пожара следует замечать людей, присутствовавших на нескольких пожарах. Специалисты справедливо считают, что некоторые поджигатели - эмоционально неуравновешенные люди. Они получают удовольствие от наблюдения за пожарами. Люди, которые присутствуют на нескольких пожарах, особенно в различных местах, - подозрительны [48, 92, 93].

Основные (квалификационные) признаки поджога

Существуют признаки, обнаружение которых прямо свидетельствует о поджоге как причине пожара. К таким признакам могут быть отнесены [93, 94]:

- наличие в очаговой зоне устройств и приспособлений для поджога или их остатков;

- наличие на месте пожара нескольких изолированных друг от друга очагов пожара;

- наличие остатков инициаторов горения;

- характерная динамика развития горения.

Первые 3 группы признаков выявляются непосредственно при осмотре места пожара.

Устройства и приспособления для совершения поджога

Как правило, на месте поджога от них сохраняются лишь отдельные фрагменты (детали). К таким деталям относятся:

- огнепроводные приспособления (шнуры, веревки, пропитанные керосином и другими жидкостями, детонирующие и запальные шнуры, хлопковая вата или волокно, а также их композиции);

- свечи, используемые для поджигания подложенных горючих материалов, или остатки воска, парафина от них;

- спички, связанные в пучки, обернутые волокнистыми материалами или прикрепленные к механическим устройствам;

- емкости  от легковоспламеняющихся  и  горючих жидкостей;

- комбинации емкости с ЛВЖ с фитилем (иногда его роль выполняет кусок поролона) и свечкой или зажигалкой;

- тряпки, предметы одежды, занавески, пропитанные горючей жидкостью (ткани, даже обгоревшие, хорошо сохраняют остатки ЛВЖ и ГЖ, и их запах часто можно почувствовать);

- таймерные устройства;

- электрические аппараты и оборудование [95].

При обнаружении на месте пожара, особенно в очаговой зоне, подобных предметов это необходимо отобразить в протоколе осмотра, провести в соответствии с существующими правилами их фото - и видеосъемку (см. разд. 10, 11) и изъятие. В дальнейшем они могут быть приобщены к уголовному делу в качестве вещественных доказательств. То же относится к любым объектам непонятного происхождения и назначения, агломератам металла, пластмассы и т. д. Они изымаются для дальнейших экспертных исследований.

При подозрении, что изымаемый объект является пиротехническим устройством или его фрагментом, для осмотра и изъятия следует приглашать специалистов - взрывотехников.

Несколько (два и более) очагов пожара являются одним из основных квалификационных признаков поджога, т. к. количество процессов технического характера и природных явлений, которые могут привести к возникновению горения одновременно в нескольких местах, достаточно ограниченно.

Важно, однако, чтобы это были действительно независимые друг от друга очаги пожара, а не очаги горения. Подробнее методика дифференциации очагов пожара и очагов горения рассмотрена в [20]. Необходимые для дифференциации данные собираются в ходе осмотра места пожара (см. гл. 5).

Инициаторы горения

Вещества, которые злоумышленники применяют для совершения поджогов, называют либо инициаторами горения, либо акселерантами (буквальный перевод с английского), т.е. ускорителями, интенсификаторами горения.

Инициаторы горения можно условно разделить на две группы:

I. Легковоспламеняющиеся и горючие жидкости (ЛВЖ, ГЖ).

II. Специальные составы.

Ко второй группе принадлежат вещества и смеси веществ, возгорающиеся при контакте друг с другом (это, как правило, сильный окислитель в комбинации с горючим веществом, например, перманганат калия плюс глицерин) или при контакте с кислородом воздуха. Применяются такие составы пока редко, но проводить поиск их следов на месте пожара, тем не менее, следует.

Гораздо чаще применяются поджигателями легковоспламеняющиеся и горючие жидкости (ЛВЖ и ГЖ).

Частота применения отдельных видов ЛВЖ и ГЖ при поджогах обусловлена, прежде всего, доступностью тех или иных жидкостей для злоумышленника. Анализ материалов дознания по пожарам показывает, что для поджогов применяются: бензин, керосин осветительный, дизельное топливо, т. е. светлые нефтепродукты; растворители лаков и красок; прочие ЛВЖ и ГЖ.

К прочим относятся духи и одеколоны, спирты, эфиры, клеи на органических растворителях, некоторые средства для химической чистки и т. д.

Если остатки ЛВЖ, ГЖ и других инициаторов горения обнаруживаются там, где им быть не положено, это может свидетельствовать о поджоге с применением данной жидкости.

7.2. Признаки горения ЛВЖ и ГЖ на окружающих конструкциях и предметах

7.2.1. Следы горения ЛВЖ и ГЖ на окружающих конструкциях

Легковоспламеняющиеся и горючие жидкости могут оставлять при горении достаточно специфические следы на окружающих конструкциях. К таковым относятся:

а) характерные пятна от  сгоревшей жидкости на древесине, мягкой мебели;

б) характерные прогары в конструкциях, образующиеся при горении жидкости в углублениях, щелях;

в) аномальные температурные зоны на окружающих конструкциях.

Характерные пятна, по форме соответствующие лужице разлившейся жидкости, образуются на сгораемых поверхностях (древесине, покрытии из пластика и линолеума, мягкой мебели) при выгорании этой жидкости.

Для пятен характерна, как правило, "кляксоообразная" форма и четкая граница между обугленной зоной и не обгоревшей частью материала. Сохраняются такие пятна чаще всего на полу и в других местах, где на пожаре было относительно холодно. При обнаружении подобных пятен необходимо сфотографировать или заснять их на видеопленку, а также сделать соответствующую запись в протоколе осмотра. Эти данные можно будет использовать при обосновании версии о поджоге с применением горючей жидкости.

Необходимо только иметь в виду, что на неокрашенных поверхностях древесины относительно легкокипящие жидкости (бензины, серный эфир, ацетон и другие растворители) таких пятен могут и не оставить - они легко испаряются, и температура на поверхности не достигает необходимой для обугливания древесины величины. Более тяжелые жидкости, например, среднедистиллятные нефтепродукты - керосин, дизельные топлива - такие пятна оставляют обязательно. Подобные пятна оставляют, однако, и горящие масла, битум, расплавленные полимеры [19, 94].

После поджога с применением горючей жидкости на полу могут оставаться и так называемые трейлеры - дорожки по форме пролитой жидкости. Они могут быть найдены на полу помещений, на лестницах, если дорожка была пролита поджигателем для того, чтобы пожар распространился с одного этажа на другой.

Трейлеры могут образовываться не только при проливе ЛВЖ и ГЖ, но и в случае, когда дорожка устроена поджигателем из легкогорючих твердых материалов или их комбинации с горючей жидкостью. Для этого часто используются такие материалы, как обрывки одежды, тряпки, бумага, солома, сухие или смоченные ГЖ. Обычно остатки твердых материалов сохраняются, их необходимо изымать и направлять на исследование [18, 48, 92].

Характерные прогары в конструкциях образуются как следствие горения лужиц и других скоплений легковоспламеняющихся и горючих жидкостей. Происходит это при проливе жидкости во внутренние конструкции пола, под шкаф, плинтус, в другие полости. Горение жидкости обусловливает в этом случае появление на конструкции локальных термических поражений. В конечном счете, может образоваться и сплошной прогар конструкции, например, дыра в полу. Наличие прогаров в полу, их месторасположение, размеры и конфигурация обязательно фиксируются в протоколе словесным описанием и фото - и видеосъемкой.

7.3. Обнаружение остатков ЛВЖ (ГЖ) и их классификация

Под термином "обнаружение" принято понимать установление факта присутствия остатков ЛВЖ (ГЖ) в исследуемой среде или на объекте.

Термин "классификация" в судебной экспертизе подразумевает установление типа и марки жидкости (например, что нефтепродукт относится к группе светлых НП и является моторным топливом, а именно - бензином марки А-76; или что жидкость является растворителем для лаков и красок № 646). Решить классификационную задачу при исследовании вещественных доказательств, изъятых с места пожара, удается не всегда, а только в случае, если жидкость сохранилась настолько, что можно определить ее компонентный состав.

Обнаружение и исследование (классификацию) остатков ЛВЖ и ГЖ можно проводить либо непосредственно на месте пожара, либо в лаборатории, отобрав предварительно на месте пожара пробы.

Обнаружение остатков ЛВЖ (ПК) по запаху

При осмотре места пожара, особенно на стадии динамического осмотра, когда вскрываются закрытые объемы (пол, пороги и т. д.), может ощущаться запах, характерный для нефтепродуктов, органических растворителей, других ЛВЖ и ГЖ. Могут быть обнаружены предметы (тряпки, бутылки и т. д.) с таким запахом.

Факт наличия запаха и зоны, где он ощущался, должен быть зафиксирован в протоколе осмотра, а объект изъят на исследование. При этом следует быть осторожнее с терминологией. Более корректной является формулировка: "ощущался сильный (слабый) запах, похожий на запах нефтепродуктов", нежели "ощущался запах бензина".

Полевые инструментальные методы и средства обнаружения остатков ЛВЖ и ПК на месте пожара. Обнаружение паров ЛВЖ и ГЖ в воздухе

В России и за рубежом решение задачи обнаружения остатков ЛВЖ и ГЖ непосредственно на месте пожара осуществляется с помощью методов:

- химического анализа паров ЛВЖ в воздухе (линейно-колористический метод);

- газохроматографического анализа;

- использования специальных газовых детекторов.

Линейно-колористический метод - это определение газов или паров химических веществ в воздухе с помощью специальных индикаторных трубок. Трубки рассчитаны на обнаружение отдельных веществ или групп веществ (ацетона, этилового спирта, бензола, бензина и т. д.) и определение их концентрации в воздухе. Для этого трубка заполнена мелкодисперсным порошком - инертным носителем (обычно силикагелем), который пропитан реагентом, дающим цветную реакцию с искомым веществом. С помощью специального насоса через трубку прокачивают воздух, и, если в нем есть искомое вещество, порошок в трубке окрашивается определенным цветом. При этом, чем выше концентрация определяемого вещества в воздухе, тем длиннее в трубке окрашенная зона (поэтому метод и называется линейно-колористическим). Анализ по данному методу долгое время проводился с помощью прибора УГ-2, который выпускался в нашей стране и активно использовался, в частности, для контроля окружающей среды. Он очень прост и представляет собой насос сильфонного типа с комплектом индикаторных трубок. Более современная модификация такого прибора выпускается, в частности, в АО "Химаналит" (Санкт-Петербург); набор упакован в специальный чемодан "дипломат" и называется "Инспектор-кейс".

Достоинством линейно-колористического метода анализа остатков паров ЛВЖ и ГЖ в воздухе является его простота и доступность, быстрота определения. Недостатком - способность индикаторной трубки обнаруживать только то вещество или группу веществ, на которые эта трубка рассчитана; а ведь заранее неизвестно, какую горючую жидкость применил поджигатель.

Газовые детекторы, в зависимости от типа, позволяют обнаруживать достаточно широкую гамму веществ. Например, термохимический датчик, установленный в анализаторе ПГФ, позволяет обнаруживать горючие вещества. Применяются для поисков остатков инициаторов горения и появившиеся в последние годы фотоионизационные детекторы, обладающие повышенной чувствительностью. Газовый детектор не позволяет установить, какое конкретно вещество обнаружено; он выполняет лишь функции электронного носа - указателя, что в данной зоне на месте пожара есть пары какого-то постороннего вещества и здесь имеет смысл отобрать пробу. Подобные приборы выпускаются и за рубежом, и в России - АНТ-2 в Санкт-Петербурге, "Колион" - в Москве.

По показаниям фотоионизационного газового детектора не следует (как часто бывает на практике) делать вывод о наличии на месте пожара остатков ЛВЖ, ГЖ, а тем более чего-либо конкретного. Экспериментально показано, что эти детекторы столь же успешно реагируют на локальные повышения концентрации газовых продуктов пиролиза любых органических материалов. Поэтому по результатам применения "Колиона" в протоколе осмотра должны быть зафиксированы наличие его экстремально высоких показаний в определенных зонах места пожара и факт последующего отбора пробы в этой зоне для лабораторных исследований.

Переносные газовые хроматографы представляют собой более эффективный образец техники. Они позволяют не только обнаружить присутствие посторонних паров в воздухе, но и классифицировать их, т. е. установить тип, марку вещества или смеси веществ. В 70-80-е годы в США очень увлекались такого рода криминалистической техникой; различными фирмами выпускались и выпускаются до сих пор специальные модели полевых хроматографов, предназначенных именно для расследования поджогов. Из отечественных приборов подобные задачи могут решать переносные хроматографы, например, ХПМ-4, Газохром-002, ЭХО-EW хроматографы малогабаритные серии MX.

Методы обнаружения остатков инициаторов горения путем анализа воздуха на месте пожара имеют один общий и весьма существенный недостаток. Они оказываются эффективны, лишь, когда горение происходило в замкнутом объеме, пожар не успел развиться и расследование шло "по горячим следам". Полезно их использовать и на стадии динамического осмотра, когда вскрываются пол и другие замкнутые, плохо проветриваемые пространства, если есть подозрение, что туда при поджоге могла затечь горючая жидкость. На большинстве же пожаров паров ЛВЖ в воздухе практически не сохраняется. Реально можно обнаружить лишь сильно выгоревшие тяжелые остатки (прежде всего остатки НП), сорбированные твердыми материалами - так называемыми "предметами-носителями".

В этой ситуации остается пользоваться лабораторными методами. Современные лабораторные методы позволяют обнаруживать остатки от сгорания буквально капель светлого нефтепродукта [93, 94].

Таким образом, проблема состоит в том, чтобы найти место отбора пробы твердых объектов-носителей остатков ЛВЖ-ГЖ, правильно отобрать пробы, упаковать их и доставить в лабораторию на исследование.

7.4. Отбор проб с остатками ЛВЖ и ГЖ

7.4.1. Места отбора проб

Остатки ЛВЖ и ГЖ на пожаре следует искать, по крайней мере, в двух местах:

а) в зоне характерных подпалин;

б) там, куда жидкость могла затечь при поджоге и где могла сохраниться в ходе пожара.

Жидкость, и даже ее остатки от сгорания, в ходе пожара испаряются и, таким образом, окончательно теряются. Поэтому лучше всего они сохраняются в местах, защищенных от прямого лучистого нагрева пламени пожара, - под шкафом, под плинтусом, в щелях, пазах разного рода, в том числе внутренних конструкциях полов - в черновом полу, полу под паркетом, шпунте половых досок и паркета. Жидкость, пролитая в достаточном количестве на пол и попавшая в шпунт половых досок или паркета, проникает на всю глубину шпунта и по тыльной стороне доски расходится в стороны от щели, смачивая внутреннюю поверхность доски или паркетной планки. Там она прекрасно сохраняется в ходе пожара. Экспериментально установлено, что на обратной стороне паркета даже наиболее легкий из товарных нефтепродуктов - бензин - сохраняется до тех пор, пока паркет не переуглится на всю глубину, т. е. фронт обугливания древесины не дойдет до обратной стороны паркета и чернового пола.

При поиске места отбора пробы за рубежом активно используют специально дрессированных для подобных целей собак; можно применять и "искусственный нос" - описанные выше газовые детекторы.

За неимением того и другого дознавателю и эксперту остается одно - ориентироваться на свое обоняние.

7.4.2. Отбор проб древесины

Необходимо иметь в виду, что пробы обугленной древесины (древесные угли) отбирать не следует ни в коем случае. В угле остатки ЛВЖ уже выгорели, их там нет. Поэтому отбирать надо не обгоревшую древесину.

Если имеются характерные пятна-подпалины от выгоревшей ГЖ, то проба древесины отбирается по периметру этого пятна.

Чтобы определить необходимую глубину отбора пробы древесины, в ЛФ ВНИИПО в начале 80-х годов проводились специальные эксперименты по исследованию глубины проникновения светлого нефтепродукта в древесину. Выяснилось, что по волокну, за счет капиллярных эффектов, жидкость за час-два может впитаться на 80-90 мм по длине доски. Поперек волокна, если в древесине нет дефектов, жидкость за это время проникает всего на 0,2-0,4 мм [94]. Учитывая это обстоятельство, отбор проб рекомендуется осуществлять:

а) с поверхности доски поперек ее волокон - состругиванием, соскобом ножом, стамеской и другим инструментом на глубину до 1 мм;

б) если есть подозрение на проникновение жидкости с торца доски или бревна - отапливанием торца на длину до 100 мм;

в) всевозможные пазы, отверстия от гвоздей, сучков и т. д. необходимо выскоблить на всю глубину.

Выскоблить необходимо также обратную сторону доски в зоне сквозного прогара.

Таким образом, основной метод отбора проб древесины - соскоб, состругивание достаточно тонкого ее слоя. Отбирать на всякий случай лишнюю древесину не следует. Ее экстрактивные вещества только мешают обнаружению искомой жидкости.

В труднодоступных местах (углубления, пазы и др.) остатки ЛВЖ с древесины можно извлечь смыванием их органическим растворителем (пентан, гексан марок ХЧ, ЧДА). Для этого пользуются ватными тампонами - обильно смоченным растворителем и сухим, ими последовательно протирают древесину. Тампоны после этого складывают в герметически закрывающуюся емкость и отправляют на исследование [93, 94].

7.4.3. Отбор проб с поверхности бетонных полов

Для сбора остатков горючих жидкостей с бетонных полов и подобных поверхностей американский стандарт NFPA-921 рекомендует использовать порошкообразные адсорбенты типа силикагеля. Порошком посыпают поверхность пола, выдерживают 20-50 мин, затем его собирают, герметически упаковывают и отправляют в лабораторию [2]. Очевидно, что подобный метод можно использовать для сбора остатков ЛВЖ-ГЖ и с других гладких горизонтальных поверхностей, в том числе деревянных. Но он менее эффективен, чем вырезание, выстругивание слоев объекта - носителя остатков горючей жидкости.

7.4.4. Отбор проб грунта, сыпучих материалов

Специальные эксперименты для выяснения вопроса, как глубоко проникает горючая жидкость в такие материалы, не проводились. Вероятно, это будет зависеть от природы материала, его влажности, дисперсности, природы жидкости, ее количества и других факторов. Но, видимо, можно считать достаточным отбор проб на реальных пожарах на глубину до 5 см.

Грунт, песок, крупы, другие дисперсные материалы хорошо впитывают ЛВЖ и ГЖ, сохраняя их в ходе пожара. И их обязательно надо отбирать в качестве объектов-носителей, если есть подозрение, что на эти материалы попала горючая жидкость. Особое внимание надо уделять грунту под полом, если в доме или сарае, где злоумышленник устроил поджог, нет чернового пола.

7.4.5. Отбор проб тканей

Ткани прекрасно сохраняют нефтепродукты и другие жидкости даже при обгорании. Пример тому - факелы, с помощью которых часто совершают поджоги. Несмотря на то, что тряпка сильно обгорает, горючая жидкость в них обычно легко обнаруживается даже по запаху. Обгоревшие (до определенной степени) ткани сохраняют остатки горючих жидкостей благодаря своей пористости. Поэтому ткани, в отличие от древесины, на пожаре отбирают даже обгоревшие.

7.4.6. Отбор проб копоти

В поисках остатков инициаторов горения можно отбирать на месте пожара и исследовать копоть с окружающих очаг конструкций.

В 70-х годах работами Новосибирской ИПЛ было показано, что факт сгорания на месте пожара этилированных моторных топлив (бензинов) может быть установлен по повышенному содержанию в копоти свинца.

Копоть можно анализировать и при поисках неэтилированных бензинов. Экспериментально установлено, что в ней могут сохраняться тяжелые остатки бензинов, присутствующие там, в виде примеси - так называемые полиядерные углеводороды. Они обнаруживаются специальными методами, о которых речь пойдет ниже.

Копоть отбирают на окружающих конструкциях в зоне осаждения дыма из очага.

7.4.7. Проба сравнения

При отборе проб любого из материалов - потенциальных носителей остатков инициаторов горения, нельзя забывать еще об одном важном моменте - отборе так называемой нулевой пробы или пробы сравнения. Особенно актуально это для полимеров и материалов на их основе (например, линолеума), полов, покрытых мастикой и лаком. Во всех этих, а возможно, и других случаях, в самом материале могут оказаться компоненты, близкие по своей природе и составу к компонентам горючей жидкости или другого инициатора горения. Поэтому, чтобы предупредить возможную ошибку, и отбирается проба сравнения. Берут ее там, куда при поджоге гарантированно не мог попасть инициатор горения, - в наиболее удаленном от очага углу комнаты, в закрытой каким-либо предметом зоне и т. д.

7.4.8. Отбор жидких проб

Когда предположительный инициатор горения найден в жидком состоянии, он может быть легко собран новым шприцем, пипеткой, сифонным устройством или в контейнер для вещественных доказательств. Чистая фильтровальная бумага, стерильные шарики ваты или слои марли могут также использоваться для поглощения жидкости. Этот метод сбора приводит к тому, что жидкость абсорбируется ватой, бумагой, марлей. Тампоны и бумага затем должны быть помещены в герметичный контейнер и доставлены в лабораторию для исследования или тестирования [48, 93]. Работать при этом нужно в резиновых перчатках, а бумагу и вату желательно брать пинцетом. Такие предосторожности следует соблюдать, учитывая, что природа жидкости неизвестна, - она может обладать общеотравляющим или кожно-нарывным действием.

7.4.9. Отбор проб воздуха

Выше отмечалось, что остатки ЛВЖ-ГЖ на пожаре лучше сохраняются в сорбированном твердыми материалами виде, нежели в виде паров в воздухе. Тем не менее, в ряде случаев (при работе на пожаре "по горячим следам", динамическом осмотре со вскрытием полостей в полу, мебели, наличии явного специфического запаха и т. д.) пробу воздуха целесообразно отбирать. Обор газообразных проб может быть осуществлен путем засасывания воздуха в специальные емкости или предварительно вакуумированные сосуды [48].

Простейшим способом является использование чистой емкости (бутыли и т.п.) с дистиллированной водой. Вода выливается в зоне пробоотбора, воздух заполняет емкость, после чего она герметично закрывается [48].

Самым эффективным способом является прокачивание воздуха через трубку, заполненную сорбентом. В работе может быть использован насос из комплекта "Инспектор-кейс" (см. выше). Затем трубка упаковывается в герметичный контейнер, который после выполнения процессуальных формальностей направляется в лабораторию.

7.4.10. Количество, масса отбираемых проб и их упаковка

Количество отбираемых проб с остатками инициаторов горения не ограничивается. Их может быть, смотря по обстоятельствам, 1-2, 5-10 и больше, но в пределах разумного.

Масса пробы зависит от метода анализа, который будет использован, но в любом случае не должна превышать нескольких десятков граммов. Бревно или половую доску тащить целиком в лабораторию не следует. Во-первых, потому, что не надо перекладывать на эксперта заботу о выборе на этой доске места отбора пробы - на пожаре, в конкретной обстановке это сделать проще. А во-вторых, крупногабаритный объект невозможно правильно упаковать, поэтому не исключена потеря остатков искомой жидкости.

Упаковка проб

Требования, предъявляемые к упаковке проб, достаточно жесткие - упаковка должна быть герметична и химически инертна.

Требование герметичности вызвано тем, что остатки ЛВЖ и ГЖ, особенно легколетучих - растворителей для лаков и красок, бензинов и т. п. - легко испаряются и могут быть потеряны при хранении в негерметичной упаковке. Например, экспериментально установлено, что с открытой поверхности древесины остатки бензина, обнаруживаемые методом газожидкостной хроматографии, могут полностью испариться за несколько часов. Лучше сохраняются более тяжелые жидкости, например, остатки среднедистиллятных топлив (керосина, дизельного топлива), а также остатки ЛВЖ на пористых носителях. Однако, поскольку не известно, какой жидкостью воспользовался поджигатель - керосином или бензином, требования к упаковке однозначно предусматривают ее герметичность.

Химическая инертность тары - второе обязательное требование к упаковке, также необходимое для исключения потерь искомых компонентов.

Лучше всего указанным требованиям отвечает стеклянная посуда - банки с притертыми стеклянными пробками. В США выпускаются специальные одноразовые наборы таких банок для следователя. Там же активно используются для этих целей герметично закрывающиеся жестяные банки (подобные банкам из-под кофе).

Менее подходящая для упаковки вещественных доказательств с остатками инициаторов горения, но более удобная, тара - пластиковые пакеты. Самые распространенные из них и доступные для любого дознавателя - полиэтиленовые мешки и пакеты.

Полиэтилен - не идеальная тара, многие органические жидкости медленно, но диффундируют через него и в конечном счете теряются, даже при хранении пакета в холодильнике. Однако в современных условиях работы дознавателей полиэтиленовые пакеты - видимо, наиболее реальная упаковка. При выезде на пожар их обязательно нужно иметь с собой. Пакеты должны быть новые, чистые, не рваные (прежде чем загружать в пакет изъятую пробу, нужно проверить его на герметичность).

После заполнения пакет с пробой необходимо запаять или, по крайней мере, завязать двойным узлом.

Если на месте пожара найдены остатки ЛВЖ-ГЖ в бутылке, ее следует закупорить чистой полиэтиленовой или корковой пробкой.

Если остатки жидкости найдены в таре, которую трудно закупорить (банка, бидон, разбитая бутылка), содержимое переливают в целую бутылку или пробирку и закрывают притертой стеклянной, корковой, полиэтиленовой пробкой. Закупорка емкостей бумажной или резиновой пробкой недопустима.

Вещественные доказательства с возможными остатками инициаторов горения следует как можно быстрее передать в лабораторию на исследование. А до передачи их следует хранить в холодильнике.

7.4.11. Оформление отбора проб

Пакеты с изъятыми пробами, банки, бутылки и другие емкости являются вещественными доказательствами, и их следует опечатать, наклеить этикетку или повесить бирку из картона, на которой отмечают данные о месте и дате изъятия, номер пробы, ставят подписи сотрудника, изъявшего пробу, и понятых.

В отдельных случаях целесообразно на специальном ярлыке, прилагаемом к вещественному доказательству, дать более подробную информацию: привести дату, время и место отбора образцов, с указанием расстояния от окружающих предметов, визуальную характеристику состояния образцов, условия изъятия (атмосферные условия - температура и влажность воздуха, параметры среды в технологическом аппарате и др.), предполагаемые пожаровзрывоопасные и токсичные свойства, фамилии и должности лиц, участвовавших в отборе образцов. Их хранение и транспортировка должны производиться с учетом пожаровзрывоопасных и токсичных свойств образцов. При упаковке небольших проб различных веществ в одно транспортное место необходимо руководствоваться существующими правилами совместного хранения веществ [16].

7.5. Обнаружение остатков специальных поджигающих составов

Кроме ЛВЖ и ГЖ, поджигатели могут использовать так называемые "нетрадиционные" инициаторы горения (спецсоставы). К ним относятся смеси на основе активных окислителей (например, смесь перманганата калия и глицерина), различные пиротехнические составы и другие вещества (или смеси веществ), способные инициировать горение при контакте друг с другом или кислородом воздуха.

7.5.1. Обнаружение остатков специальных поджигающих составов на месте пожара

Визуальный осмотр

Сгорание специальных поджигающих составов на поверхности конструкций и предметов может оставлять следы в виде небольших локальных зон глубокого обугливания древесины, поверхности мягкой мебели и т. п.

На поверхности бетона, керамической плитки, металла остатки инициаторов горения могут находиться в виде спекшейся массы различной формы черного, сине-черного, зелено-черного цветов (перманганаты, гексацианоферраты, перхлораты, хлораты, нитраты), застывшего расплава (окись свинца), рассеянных хлопьев темно-зеленого оттенка (бихроматы).

Наличие таких пятен и остатков отмечается в протоколе осмотра, они фотографируются; затем производится отбор проб для лабораторных исследований.

Обнаружение с помощью химических средств

Отмеченные выше остатки поджигающих составов далеко не всегда обнаруживаются визуально. Поэтому для их поисков рекомендуется применять специальные химические средства.

Полевая методика поиска на месте пожара остатков такого рода составов основана на обнаружении остатков входящих в их состав сильных окислителей. Остатки сильных окислителей обнаруживаются с помощью специальных окислительно-восстановительных (оксидиметрических) индикаторов на поверхностях конструкций и предметов интерьера на месте пожара. Для этого в лаборатории предварительно подготавливаются специальные реактивные индикаторные средства (РИС).

реактивных индикаторных растворов (РИР), либо реактивных индикаторных бумаг (РИБ).

Более удобны для использования на месте пожара реактивные индикаторные бумаги. Предложено использовать РИБ на основе следующих реактивов [93]:

- о-дианизидина;

- бензидина;

- индигокармина;

- метилового синего.

Методика изготовления РИС приведена в [93]. Она достаточно проста. Готовые к применению РИР и РИБ хранятся в закрытой светонепроницаемой емкости до 8 месяцев.

На месте пожара листок индикаторной бумаги прикладывают к исследуемому участку конструкции или предмета, на котором предполагается наличие остатков инициатора горения, после чего бумага, если поверхность сухая, смачивается водой. Через 10-30 с при наличии на поверхности остатков сильных окислителей появляется характерное окрашивание индикаторной бумаги.

При использовании индикаторного раствора на основе дифениламина (ДФА) фильтровальную бумагу, предварительно смоченную дистиллированной водой, приводят в соприкосновение с тестируемой поверхностью исследуемого объекта (промакивают поверхность), после чего бумагу переносят на стеклянную пластину и наносят на нее стеклянной палочкой РИР. По истечении небольшого промежутка времени (10-40 с) в месте нанесения РИР наблюдают появление темно-синей окраски.

Характерные окраски индикаторных средств при контакте с сильными окислителями приведены в таблице.

Окраска реактивных индикаторных средств при взаимодействии с некоторыми сильными окислителями

Окислители

Индикаторы

ДФА + H2SO4

Бензидин

О-дианизидин

КМпО4

Темно-синяя

Синяя

Светло-синяя

К2Сг2О7

Темно-синяя

Синяя

Красная + синяя

KJO3

Темно-синяя

Синяя

Светло-красная (иногда синяя)

КВЮз

Темно-синяя

Синяя (иногда темно-бурая)

Красная (иногда темно-бурая)

NaClO3

Темно-синяя

Светло-синяя

-

NaC104

Темно-синяя

Синяя

-

KNO3

Темно-синяя

Светло-синяя

-

Как показывают экспериментальные исследования, реактивными индикаторными средствами остатки сильных окислителей могут быть обнаружены в достаточно жестких условиях пожара (нагрев объектов-носителей до 600-800 °С в течение 1-1,5 ч) даже при промывке поверхности водой в ходе тушения [93].

Применение РИС позволяет не только установить факт наличия инициатора горения, но и определить участок его локализации. На этом участке можно отобрать пробу для лабораторного исследования.

7.5.2. Отбор проб для лабораторных исследований

Для исследования в лаборатории пробы отбираются:

-в зонах положительной реакции РИС (не непосредственно в месте тестирования, а рядом с ним);

- по месту нахождения визуально выявленных остатков инициатора горения;

-в любых прочих подозрительных местах.

Пробы отбирают соскобом, состругиванием, вырезанием отдельных участков предмета-носителя. Упаковка и оформление проб производятся аналогично пробам со следами ЛВЖ и ГЖ.

При наличии на поверхности конструкции или предмета спекшейся массы, расплава, приставшего к поверхности или "въевшегося" в нее, отбор пробы может производиться посредством протирки подозрительного участка куском чистой наждачной шкурки на тканевой основе, размером не менее 5x5 см. Шкурка со снятыми с поверхности предмета остатками инициаторов горения упаковывается и оформляется аналогично прочим пробам.

Пробу с окрашенной поверхности желательно отбирать с минимальным захватом частиц деструктированного слоя краски.

Возможен отбор на исследование проб воды, скопившейся после тушения в углублениях на полу, других конструкциях и предметах, в местах, где, судя по обстоятельствам пожара, мог находиться инициатор горения [93].

7.6. Поджоги, замаскированные под техническую причину

Поджоги, замаскированные под техническую причину, обычно устраиваются путем преднамеренного выведения из строя каких-либо технических устройств (чаще всего электрического или газового оборудования) или создания условий для их работы в пожароопасном аварийном режиме.

Наиболее часто встречаются:

- искусственно устроенные КЗ в электрооборудовании (патроне лампы накаливания, между гнездами электророзетки и т. п.). Можно, например, определенным образом "обработать" патрон лампы или щит электросчетчика, и в таком случае стоит хозяину помещения нажать на кнопку выключателя, как тут же возникает обычное короткое замыкание [95];

- выведение из строя устройств автоматического отключения электронагревательных приборов (утюгов, тостеров, рефлекторов и др.);

- искусственное механическое торможение электродвигателей (вентиляторов и других устройств) или приведение их в состояние работы на двух фазах вместо трех.

Электрооборудование, находящееся в очаговой зоне, в любом случае должно изыматься на исследование. В ходе такого исследования могут быть выявлены признаки, свидетельствующие о преднамеренном выводе устройства из строя (например, механическом разрушении каких-либо деталей, установке шунтирующих перемычек и т. д.) и причинной связи этого с возникновением пожара. Если у дознавателя, исходя из известных обстоятельств пожара, есть подозрения на поджог, при направлении объекта на исследование соответствующий вопрос следует поставить перед специалистом или экспертом, чтобы акцентировать их внимание на данной проблеме.

Признаки выведения из строя следует искать не только на электроприборах и оборудовании, находящихся в самой очаговой зоне, но и на компонентах той же электрической цепи вне зоны горения (например, кнопка звонка - см. разд. 6.7).

Газовые приборы и магистрали должны быть осмотрены на предмет выявления нарушений целостности (причина разрушения может быть установлена путем экспертного исследования), открытых кранов и т. д.

 

ГЛАВА 8.

ДЕЙСТВИЯ, СОПУТСТВУЮЩИЕ ОСМОТРУ МЕСТА ПОЖАРА

 

8.1. Опросы очевидцев, допросы свидетелей

Опросы очевидцев на стадии проверки по факту пожара, допросы свидетелей на стадии дознания и предварительного следствия могут выполняться параллельно с осмотром места пожара. Чем раньше они проведены, тем лучше.

Общеизвестное положение криминалистики: показания свидетелей, которые получены незамедлительно после начала расследования дела, - наиболее объективны и точны. То же относится и к показаниям очевидцев пожара. В отношении лиц, виновных в возникновении пожара, данное положение ещё более верно.

Практика расследования пожаров показывает, что наиболее достоверны показания виновных лиц, данные ими во время тушения или как можно ближе по времени к возникновению пожара. При этом человек, как правило, находится ещё в растерянности, в сложных психических (а зачастую и физических) условиях. Обычно в этот момент, особенно если деяние совершено неумышленно, виновный ещё не придумал, какие давать показания, чтобы не обнаружилась его вина, ещё не знает, как ответить на конкретные вопросы наиболее выгодно для себя.

Допрос (опрос) ни в коем случае не следует строить по формальной схеме, начиная его вопросом типа: "Что вы можете пояснить по поводу происшедшего?".

Вопросы должны помочь свидетелю конкретизировать (детализировать) увиденное, указав, в частности:

- где он находился в момент обнаружения пожара, чем в этом момент был занят?;

- если обнаружил пожар, то по каким конкретно признакам (дым, пламя, запах горелого и т. д.);

- что стал делать после обнаружения пожара (описать свои действия в той последовательности, в которой они производились, по возможности с указанием временных интервалов).

Обязательно следует допросить пожарных, участвовавших в тушении, особенно тех, что первыми прибыли на место пожара. Показания профессионалов могут существенно дополнить картину развития горения и многое прояснить. У пожарных выясняют:

- где происходило горение на момент прибытия;

- места наиболее интенсивного горения;

- направленность распространения горения;

- характер задымления, запах, другие характерные явления;

- подозрительные признаки и обстоятельства по пути следования на пожар;

- какие окна и конструкции были разрушены на момент прибытия;

- какие двери и окна уже были вскрыты, а какие вскрывались пожарными в ходе тушения, имелись ли признаки взлома;

- куда подавались стволы на тушение, и в какой последовательности;

- где производились вскрытия и разборки конструкций;

- наличие электрического напряжения на конструкциях;

- проводились ли какие-либо действия по обесточиванию, открывал ли кто-то электрощиты и не переключал ли автоматы в них.

Существенную помощь в уяснении картины происшедшего оказывают пояснения к своим показаниям очевидцев, свидетелей, выполненные в виде схем, планов, рисунков.

Хорошо, если свидетель собственноручно начертит планы с указанием, где он стоял в момент обнаружения горения, где горело, а также расположение предметов и мебели (пожарной нагрузки) в сгоревшем помещении, схемы электропроводки и т. д.

Такие материалы оформляются приложениями к письменным объяснениям, протоколам допросов, о чём на них делается соответствующая надпись, и заверяются подписью лица.

8.2. Изъятие документов

Изъятие и приобщение к делу различного рода документов является важным этапом в расследовании пожаров, особенно пожаров на предприятиях и в организациях. С введением в 2003 г. нового уголовно-процессуального законодательства порядок выполнения этих действий изменился и в определенной степени усложнился. Статья 70 действующего ранее УПК РСФСР предусматривала истребование от предприятий, учреждений, организаций, должностных лиц и граждан документов, могущих установить необходимые по делу фактические данные. В соответствии с этим указанным лицам направлялся запрос со ссылкой на ст. 70 УПК РСФСР (о предоставлении документов, характеризующих материальный ущерб, техническое состояние объекта, о метеорологических условиях и т. д.). Полученные в ответ на запрос документы приобретали статус допустимых доказательств.

В соответствии с действующими в настоящее время уголовно-процессуальными нормами документ, также как и вещественное доказательство, может быть получен и приобщен к делу в ходе досудебного производства только следующими способами:

1) изъят в ходе обыска, выемки (ст. 182, 183 УПК РФ);

2) истребован в соответствии с ч. 2 ст. 21 УПК РФ;

3) изъят в процессе осмотра (ст. 177 УПК РФ);

4) представлен подозреваемым, обвиняемым, а также потерпевшим, гражданским истцом, гражданским ответчиком и их представителями (ст. 86 УПК РФ).

Все указанные способы получения документов возможны только после возбуждения уголовного дела.

На стадии проверки по пожару получение каких-либо материалов, документов возможно лишь путем изъятия в ходе осмотра либо посредством направления запроса на предоставление необходимых документов со ссылкой на ч. 2 ст. 6 Федерального закона "О пожарной безопасности" (см. разд. 2.3).

Документами, которые следует приобщать к делу при расследовании пожаров, могут быть:

- строительные чертежи и планы;

- принципиальные и монтажные схемы электрических сетей;

- схемы расстановки оборудования;

- паспорта на оборудование, приборы;

- справка о наличии и сумме материального ущерба (в необходимых случаях в качестве приложения запрашиваются сметы, акты ревизии);

- приказы (копии приказов) о назначении лиц, ответственных за соблюдение ППБ;

- должностные инструкции;

- журналы оперативного обслуживания оборудования (систем АПЗ и т. д.);

- журналы инструктажа персонала по мерам ПБ;

- журналы прихода-ухода сотрудников и сдачи помещений под охрану;

- журналы выдачи разрешений на проведение огневых работ.

При необходимости могут быть истребованы заверенные копии договора аренды, найма (поднайма) жилых помещений, правоустанавливающий документ собственника и др.

В случаях, когда в связи с пожаром ранее осуществлялось производство - в административном порядке, соответствующие материалы на основании постановления, вынесенного по п. 3 ч. 1 ст. 29.9 КоАП РФ, поступают в распоряжение органа дознания и также приобщаются к делу.

Полезная информация о пожаре, его обстоятельствах, возможной причине и виновных лицах может содержаться в Акте ведомственной комиссии, создаваемой на предприятии, учреждении, в организации. Он также может быть затребован, а затем приобщен к материалам по пожару.

В случае травмирования и (или) гибели людей запрашиваются справки:

справка о смерти - из органов регистрации;

справка о характере полученных травм из медицинского учреждения.

 

ГЛАВА 9.

ОСНОВНЫЕ ИНСТРУМЕНТЫ И ОБОРУДОВАНИЕ ДЛЯ ОСМОТРА МЕСТА ПОЖАРА

 

Для осмотра места пожара необходимо иметь и использовать инструменты и оборудование, перечень которых приведен ниже.

Знаком * отмечено оборудование, применение которого носит не обязательный, а рекомендательный характер.

1. Измерительный инструмент

№ п/п

Наименование

Назначение

1

Рулетка (2-3 м)

Измерение линейных параметров

2

Рулетка (10 м)

Измерение линейных размеров помещений, расстояний между зданиями, сооружениями

3

Штангенциркуль-глубиномер (колумбус)

Измерение глубины обугливания древесины Измерение сечения проводов Другие измерения

4

Лазерный дальномер, угломер*

Измерение расстояний, геометрических размеров зданий и сооружений,

отдельных конструкций

2. Электрические  и магнитные приборы и оборудование, дозиметры

№ п/п

Наименование

Назначение

1

Тестер (АВОметр)

Определение наличия напряжения в электросети, в электропотребителях, на металлоконструкциях "Прозванивание" проводов и кабелей Определение целостности плавких вставок, нагревательных спиралей и др.

2

Индикатор напряжения*

Определение наличия напряжения в электросети, в электропотребителях, на металлоконструкциях

3

Прибор для обнаружения скрытой электропроводки*

Исследование электросети Поиски скрытой проводки

4

Дозиметр*

Определение уровня радиации в отдельных зонах пожарища

5

Фонарь аккумуляторный

Освещение

6

Компас

Ориентирование на месте пожара

3. Оборудование для проведения осмотра и разборки конструкций динамического

№ п/п

Наименование

1

Щуп

2

Лопатка, совок

3

Щетка-сметка, кисть

4

Сита

5

Ломик-гвоздодер

6

Ножовка по дереву

7

Ножовка по металлу с запасными полотнами

8

Набор гаечных ключей и отверток

9

Ключ разводной

10

Ключ трубный

11

Кусачки, пассатижи

12

Отрезная машина*

13

Ломы, лопаты

14

Промышленный электрофен*

15

Лупа криминалистическая (с подсветкой)

16

Лента ограждения места пожара

17

Чемодан для укладки инструмента

18

Разгрузочный пояс

4. Оборудование и тара для отбора и упаковки проб, изъятия вещественных доказательств

Основное оборудование, применяемое для отбора и упаковки проб и отдельных объектов, содержащих остатки инициаторов горения (при отработке версии о поджоге), указано выше, в гл. 7. Прочие инструменты и оборудование указаны ниже.

 

№ п/п

Наименование

Назначение

1

Стамеска, скальпель

Отбор проб древесного угля

Отбор проб обугленных остатков лакокрасочных покрытий

Отбор проб обгоревших остатков полимерных материалов

Отбор проб материалов на основе гипса

2

Пробоотборник*

Отбор 3-4 мм поверхностного слоя древесного угля

3

Кисточка

Удаление золы и грязи с поверхности угля

4

Шпатель

Отбор проб сыпучих веществ и материалов

5

Молоток, зубило

Отбор проб окалины

Отбор проб бетона, цементного камня кладочного раствора, штукатурки, силикатного кирпича

6

Электроперфоратор со специальной насадкой*

Послойный (по глубине) отбор проб каменных неорганических строительных материалов на основе цемента, извести, гипса

7

Полиэтиленовые пакеты различных габаритов с зажимами типа ZIP-LOCK и без зажимов

Упаковка проб и изъятых объектов

8

Металлические или стеклянные банки с пробками (крышками), бюксы*

Упаковка сыпучих проб

9

Картонные коробки

Упаковка крупногабаритных вещественных доказательств

10

Проволока стальная отожженная или медная (d = 1-3 мм)

Упаковка изъятых вещественных доказательств

11

Шпагат

Упаковка изъятых вещественных доказательств

12

Скотч (клейкая лента)

Упаковка изъятых вещественных доказательств

13

Самоклеящаяся бумага

Упаковка, изготовление этикеток

14

Лейкопластырь медицинский

Упаковка, изготовление этикеток

15

Ножницы

Отбор проб тканей и т. п. Упаковка

16

Нож

Отбор Упаковка

17

Шприцы медицинские одноразовые

Отбор проб жидкостей

18

Салфетки марлевые

Отбор проб жидкостей

19

Пинцет

Отбор проб, изъятие мелких предметов, деталей

5. Средства индивидуальной защиты при работе на месте пожара

п/п

Наименование

1

Спецодежда, сапоги

2

Каска

3

Пояс пожарный, веревка

4

Респиратор

5

Перчатки тканевые

6

Перчатки резиновые

7

Рукавицы брезентовые

8

Полотенца одноразовые, мыло

9

Ватные тампоны, спирт этиловый

6. Оборудование, предметы, материалы для оформления результатов осмотра

Техника и вспомогательное оборудование, необходимое для фото- и видеосъемки, указано ниже, в гл. 11. В данном разделе указаны прочие предметы, материалы и оборудование, используемые для оформления результатов осмотра.

№ п/п

Наименование

Назначение

1

Бланки протоколов осмотра места пожара

 

2

Листы бумаги формата А4

Составление планов, схем, сопроводительных надписей

3

Набор координатно-масштаб-ной бумаги формата A3

Составление планов, схем

4

Письменные принадлежности: авторучки, карандаши, комплект цветных ручек, линейка, циркуль

Оформление протоколов, планов, схем

5

Планшет (жесткая папка) с зажимами для бумаги

Оформление протоколов, планов, схем

6

Диктофон

 

7

Клей универсальный

 

8

Степлер

Скрепление подготовленных документов

9

Печать

Опечатывание упаковок изъятых предметов

10

Уголовно-процессуальный кодекс

Ознакомление участников осмотра с правами и обязанностями

 

ГЛАВА 1О.

ФОТОСЪЕМКА МЕСТА ПОЖАРА

 

10.1. Фотоаппараты

Все выпускаемые в настоящее время фотоаппараты делятся на 4 большие группы [51], показанные ниже на схеме.

Фотоаппараты классифицируются:

по способу фокусировки:

- фиксфокусные;

- шкальные;

- дальномерные;

- с помощью зеркального видоискателя;

- автофокусные;

 конструкции объектива:

- с фиксированным фокусным расстоянием;

-         с переменным фокусным расстоянием (ZOOM);

формату кадра:

- мелкоформатные;

- малоформатные;

- среднеформатные;

- крупноформатные;

 способу установки экспозиционных параметров:

- автомат;

- полуавтомат;

-         не автомат;

конструкции видоискателя:

- зеркальные;

- телескопические.

Фотоаппараты фиксавтофокусные, шкальные, дальномерные

(с оптическим видоискателем)

Аппараты подобных типов широко распространены в настоящее время, прежде всего в быту (в качестве объекта массового потребления). Как правило, они предельно просты в эксплуатации, для их применения не требуется специальных навыков. При этом такие аппараты обладают рядом ценных функций. Например, имеют встроенную фотовспышку. В принципе они могут быть использованы для съемок места происшествия (и места пожара, в частности), хотя их технические возможности (если не считать дорогостоящих профессиональных камер) довольно ограниченны.

Фотоаппараты зеркального типа

Зеркальные аппараты имеют сменную оптику, зеркальный видоискатель, совмещенный с системой автофокуса, экспонометром.

Положительными качествами зеркальных аппаратов являются отсутствие параллакса изображения и возможность использования сменной оптики; отрицательными - относительная сложность конструкции и большие вибрации камеры при повороте зеркала [51].

Более удобны аппараты зеркального типа с наводкой на резкость по матовому стеклу, что позволяет производить съемку предметов в крупных масштабах (от 1:18 и более). Такая необходимость часто возникает при съемке места пожара, когда невозможно или сложно изъять нужный предмет для фотографирования или когда требуется зафиксировать его положение относительно других предметов.

Выпускаются зеркальные фотоаппараты CANON, CONTAX, MINOLTA, NIKON, OLYMPUS, PENTAX, PRACTIKA, SAMSUNG, YASHICA, "Зенит".

"Зенит" - фотоаппарат, наиболее часто используемый в России при осмотрах мест происшествий и прекрасно зарекомендовавший себя на практике. Его обычно включают в содержимое специальных чемоданов для выездов на место происшествия следователей и экспертов.

Больше, чем другие фотоаппараты, "Зенит" используется и при съемках в ходе осмотра места пожара.

Цифровые фотоаппараты

В России нет законодательных ограничений на использование цифровой фотосъемки при расследовании преступлений. Поэтому цифровые фотоаппараты могут использоваться при осмотре места пожара.

При использовании цифровых фотоаппаратов изображение фиксируется на магнитный носитель, данные с которого в дальнейшем могут обрабатываться с помощью компьютера. При этом появляется возможность воспроизведения отснятого изображения с помощью лазерного принтера, минуя фотографический процесс.

Цифровые изображения, как носители доказательной информации, могут вовлекаться в уголовный процесс в двух видах:

а) отпечатанные на бумаге (пленке);

б) зафиксированные в скрытом виде на магнитном или подобном ему носителе (жестком диске, дискете, магнитооптическом диске, CD-диске).

Гарантией достоверности их применения является создание необходимых условий, обеспечивающих проверку соответствия объекта съемки его цифровому изображению. К таким условиям в первую очередь относится использование только стандартных аналоговых изображений; ведение протокола всех операций по обработке изображения (с точным указанием функций и инструментов обработки, степени его коррекции); сохранение исходного (введенного в компьютер) и конечного изображений, а также промежуточных результатов после проведения каждой операции; хранение изображений на магнитных носителях (дискетах, CD-дисках), исключающих потерю или искажение информации [53].

Используя технологию цифровой фотографии, можно хранить снимки в файлах на жестком диске или дискетах, а при надобности и откорректировать изображение (например, яркость, контрастность, цветность), сделать надписи и т. д. [51].

Фотоаппараты системы APS

Фотоаппараты системы APS (Advanced Photo System - усовершенствованная фотографическая система) появились на рынке совсем недавно, в 1996 г., и пока не получили широкого применения. Система APS предусматривает применение новых пленок с магнитным слоем для записи дополнительных данных, камер, которые способны эти данные записывать на пленку, а также создание новых лабораторий.

Фотоаппараты системы POLAROID

При использовании одноступенчатых фотографических процессов системы POLAROID оценка качества изображения осуществляется немедленно после экспозиции и, в случае необходимости, повторный снимок может быть выполнен через несколько минут.

Гарантируется достоверность и качество информации; изображения, полученные непосредственно на месте съемки, могут быть заверены печатью следователя и подписью участников следственного действия.

На полях фотоснимка, свободного от изображения, делаются пометки, кратко описывающие сюжет, указываются условия съемки, дата и место съемки. На обратной стороне изображение заверяется печатью следователя и подписями участников осмотра [54].

Для узловой съемки пригодны камеры общего назначения РгоРаск и 600SE. К оборудованию для детальной съемки относятся камеры Macro-5SLR, CU-5. Также возможно применение специального комплекта Spectra (Spectra Law Enforcement Kit) [54].

10.2. Дополнительная фотоаппаратура, приспособления, инструменты, необходимые для фотосъемки на месте пожара

Ниже приведен перечень дополнительной аппаратуры, приспособлений, инструментов, необходимых при фотосъемке на месте пожара с помощью обычных оптических фотоаппаратов [96].

1. Сменные объективы (широкоугольный, телескопический в случае, если конструкция фотоаппарата предусматривает возможность смены оптики), удлинительные кольца.

2. Электронная лампа-вспышка.

3. Штатив с панорамной головкой.

4. Запас кассет с фотопленкой (не менее 10 штук).

5. Бленда.

6. Тросик.

7.  Фотоэкспонометр (независимо от наличия этой функции в фотоаппарате).

8. Светонепроницаемый мешок для аварийной перезарядки фотоаппарата и зарядки кассет.

9. Ножницы.

10. Удлинительные кольца.

Для укладки фотосъемочного комплекта удобно иметь репортерскую сумку или легкий чемодан с гнездами для хранения приспособлений, необходимых при фотосъемке.

Фотографическая аппаратура должна быть закреплена за каждым сотрудником, использующим фотоаппарат на пожаре [51].

Кроме указанных фото принадлежностей, необходимы специальные принадлежности:

- криминалистическая линейка (квадрат);

- номера для обозначения снимаемого объекта;

- скотч (клейкая лента) и колышки для установки номеров.

Номера особенно необходимы при съемке именно места пожара, потому как без них, потом, после распечатки фотографий, будет очень трудно отличить одну обгоревшую балку, стену, деформированную ферму от другой.

Отдельно остановимся на фотовспышках, применяемых при съемках, в том числе на пожарах.

Фотовспышка используется как в качестве основного источника света, при низкой освещенности объекта съемки (например, в помещении в пасмурную погоду),так и дополнительного (для подсветки теней на ярком солнце при большой контрастности объекта).

По способу электропитания фотовспышки делятся на сетевые, автономные, универсальные. По способу регулирования длительности светового импульса - на управляемые и неуправляемые. По конструкции фотовспышки бывают встроенные в фотоаппарат и подсоединяемые к камере с помощью адаптера.

Длительное время для съемок на пожарах используются фотовспышки "Луч-70".

Большинство современных фотоаппаратов имеют встроенные фотовспышки. При необходимости использования автономной фотовспышки рекомендуется выбирать фотовспышку с максимальной мощностью.

10.3. Фотоматериалы

Все фотоматериалы в зависимости от цвета полученного изображения и назначения подразделяются на черно-белые и цветные, негативные, позитивные и обращаемые [52].

В настоящее время предпочтительна съемка на цветную пленку. Она не дороже черно-белой, но позволяет более четко и качественно проявить картину термических поражений, выявить детали, невидимые (или плохо видимые) на черно-белой фотографии.

Для съемки закопченных, обугленных или обгоревших предметов и строительных конструкций следует использовать фотоматериалы высокой чувствительности ("Фото-125", 250; КН-3; А-2) при полном отверстии объектива и выдержках 1/2; 1/30 с. Когда естественная освещенность недостаточна, объекты съемки надо освещать электронными импульсными лампами с максимальной энергией зажигания вспышки 100-120 Дж.

10.4. Виды, типы, методы съемки

Съемка во время пожара

В разд. 2.1 отмечалось, что при съемке во время пожара главной задачей является наиболее полная (насколько это возможно) фиксация развития горения во времени и пространстве, действий по тушению и спасанию людей. Для этого существуют проверенные на практике методы съемки.

Наиболее эффективный метод состоит в периодическом обходе объекта. Может производиться:

а) круговой обход - в этом случае горящий объект обходят в одном направлении по кругу, фиксируя его постоянно с одних и тех же точек местности через определенные промежутки времени;

б) линейный обход применяют в том случае, если горение происходит с одной стороны объекта, или при невозможности обхода горящего сооружения. В этом случае фотограф совершает переходы из одних точек в другие по какой-то незамкнутой линии;

в) сложный обход - к такому способу съемки по времени удобно прибегать тогда, когда горящий объект недостаточно обойти кругом: он представляет собой сооружение, имеющее в плане сложную конфигурацию, а боевые силы и технические средства тушения вводятся и используются со всех сторон объекта;

г) точечный способ фотосъемки - съемка без передвижения. Все события фиксируются с одной постоянной точки с применением различной сменной оптики: широкоугольной и длиннофокусной.

Во всех случаях описанных съемок один и тот же кадр снимается постоянно одним объективом.

Наиболее полный охват события возможен в том случае, когда снимают двое [47].

Во время съемки желателен учет снимаемых кадров по времени. Целесообразна одновременная запись комментариев к съемке на диктофон.

Съемка при осмотре места пожара

При осмотре места пожара последовательно выполняются 4 вида криминалистической съемки - ориентирующая, обзорная, узловая, детальная (рис. 10.1).

Ориентирующая съемка

Показывает взаимное расположение места горения (места пожара) и окружающей его обстановки или местности. Соответствующие снимки называются ориентирующими. Наилучшие ориентирующие снимки получают с высоких точек съемки. При этом они наиболее приближаются к планам, показывающим расположение объектов. Для этого рекомендуется применять широкоугольные объективы или производить панорамную съемку.

Не следует ограничивать количество съемочных кадров. По возможности ориентирующие снимки делают с разных точек, не менее чем с четырех сторон, с тем, чтобы впоследствии можно было отобрать наиболее характерные.

Обзорная съемка. Панорамная съемка

Обзорная съемка фиксирует место пожара изолированно от окружающей обстановки, т. е. в границах сгоревшего здания, автомобиля, комнаты.

Если место происшествия не умещается на одном кадре, применяется панорамная съемка.

При съемке открытой местности и при достаточной освещенности можно использовать специальный панорамный фотоаппарат типа "Горизонт".

 

 

Рис. 10.1. Фотосъемка места пожара на местности (цифрами обозначена последовательность выполнения кадров; заштрихованы перекрытия границ кадрового окна фотоаппарата при съемке):

I - ориентирующая съемка (круговая панорама); II - обзорная фотосъемка; III - узловая съемка; IV - детальная съемка (масштабная)

Типы панорам в практике исследования пожаров могут быть следующие:

- круговая панорама, охватывающая местность в пределах круга, т. е. 360°;

- секторная панорама, охватывающая местность в пределах, меньших 360°;

- линейная панорама, охватывающая пространство не в угловом, а в линейном измерении.

Секторная панорама является наиболее распространенной. Наилучшие результаты при съемке этой панорамы получаются с применением штатива, когда фотоаппарат укреплен на специальной панорамной головке, которая представляет собой приспособление, поворачивающееся относительно вертикальной оси не менее чем на 360°.

Способ круговой панорамы - применяется для съемки с большого расстояния. Объект фотографируют с одной точки по частям, поворачивая аппарат на штативной головке или (при отсутствии штатива) поворачиваясь с аппаратом в руках и оставаясь при этом на одном месте.

Способ линейной панорамы - применяется для съемки ^близкого расстояния, когда размеры помещения не позволяют отойти на достаточное расстояние. Объект фотографируется по частям с нескольких точек, находящихся на одинаковом расстоянии от него. В каждый последующий кадр должна входить часть объекта с предыдущего кадра.

Порядок обзорной съемки в помещении показан также на рис. 10.2, на котором цифрами обозначены последовательно выполняемые кадры фотосъемки; стрелками показаны угол захвата фотообъектива, направление и точки съемки.

 

Рис. 10.2. Фотосъемка в помещении:

1 - фотоаппарат; 2 - направление съемки; 3 - угол захвата объектива

Узловая съемка

Узловые фотографии делаются с целью зафиксировать в наиболее крупном масштабе важные участки места пожара. В масштабе, соответствующем узловой фотосъемке, фотографируют предметы, имеющие отношение к очагу пожара, очаговые поражения, характерные изменения конструкций, возникшие в результате пожара, и другие важные участки объекта.

Детальная съемка

Проводится, если есть необходимость более детального отображения предметов, которые имеют связь с причиной пожара или представляют какой-либо другой интерес а также отдельных следов.

Детальная съемка проводится в ходе как статического, так и динамического осмотра, по мере исследования всех следов и предметов, которые могут иметь отношение к происшествию, фиксации их индивидуальных признаков. Производится детальная фотосъемка, с обязательным использованием масштаба (см. ниже); при необходимости производится макросъемка с применением удлинительных колец.

При фотографировании, особенно в условиях недостаточной освещенности, необходимо делать кадры-дубли. Фотосъемка производится независимо от того, будет изыматься объект или нет. Фотографируют сначала объект или участок места пожара, на котором обнаружен след, а затем уже сам след. Закрепление и изъятие следов производится только после их фотосъемки.

При детальной съемке следов и предметов необходимо учитывать следующие требования:

- отражение максимальной информации о предметах и следах, их взаимном расположении, форме, размерах, отдельных признаках;

- изображение объектов вместе с масштабной линейкой должно занимать всю площадь кадра;

- плоскость пленки должна быть параллельна плоскости снимаемого объекта.

При съемке следов не рекомендуется:

- использовать фотопленку повышенной зернистости;

- применять фотообъективы с недостаточной разрешающей способностью или искажающие изображение (например, типа "Мир");

- выполнять детальную фотосъемку следов с удлинительными кольцами без надлежащей опоры фотоаппарата ("с руки");

- проводить фотосъемку без дублирования кадров. Укрупнение масштаба сильно уменьшает глубину

резко изображаемого пространства. Поэтому для получения наиболее резкого снимка (в случае объемного предмета) выгоднее снять его в более мелком масштабе с последующим увеличением при печати [47].

Не следует объединять кадры съемки разных пожаров на одной катушке пленки. Необходимо закончить съемку каждого места пожара и удалить последнюю катушку из камеры перед отъездом с места. Это поможет избежать многих случаев беспорядка и проблем позже.

Объект, который был сфотографирован во время пожара, при осмотре последствий пожара фотографируется еще раз. Съемку ведут так, чтобы общее представление о месте пожара было наиболее полным.

10.5. Подготовка к съемке

Перед съемкой необходимо по возможности убрать временные конструкции, случайные предметы и людей, которые видны в кадре. Исключение - следственный эксперимент или фигура человека как единица масштаба [47].

Использование масштабов

Детальную, а иногда и узловую, фотосъемку следует делать так, чтобы потом можно было по снимку при необходимости осуществить геометрические измерения. Для этого в кадр следует включать какую-нибудь единицу длины, например, линейку или метр.

Еще лучше, если это будет специальная масштабная линейка или так называемый масштабный квадрат. Можно изготовить и применять комбинированный масштаб, сочетающий линейку и квадрат (рис. 10.3). Он имеет по краям миллиметровые деления, а в центральной части - квадрат со стороной 3 см, в свою очередь разбитый на квадраты со стороной 5 мм, контрастно окрашенные в шахматном порядке.

 

Рис. 10.3. Масштабная линейка

Как известно, основным правилом масштабной съемки является параллельность плоскости фотоматериала и поверхности фотографируемого объекта. При применении масштабной линейки это правило должно соблюдаться в обязательном порядке. Ранее то же требование предъявлялось и к съемке с квадратным масштабом, что требовало закрепления фотоаппарата на штативе и использования отвесов и иных приспособлений для обеспечения параллельности плоскостей [57, 58]. В настоящее время экспериментально показано, что квадратный масштаб и фотоаппарат могут быть расположены относительно друг друга произвольно, при этом перспективные искажения могут быть учтены при дешифровке фотоснимков. Относительная погрешность измерений находится в интервале ОД-4 % [59].

При обзорной и узловой съемке места пожара также целесообразно применение специальных масштабов. Это позволит в дальнейшем определять размеры изображенных на фотографиях конструктивных элементов зданий и сооружений, отдельных предметов и расстояний между ними. Для подобного рода съемок могут быть использованы масштабы в виде планшетов, расчерченных на квадраты с длиной стороны 0,25-0,5 м [59, 60]. При съемке главная оптическая ось объектива может быть параллельна предметной плоскости или пересекать ее под острым углом. Ориентация фотоаппарата и масштаба может быть произвольной и выбирается из условий съемки. Для удобства последующих рекомендуется, однако, располагать квадратный масштаб по возможности ближе к фотоаппарату и ориентировать его так, чтобы одна из диагоналей была направлена от фотоаппарата к объектам съемки, т. е. масштаб должен быть обращен под углом в сторону фотоаппарата.

Учитывая, что при анализе фотографий может понадобиться определение линейных параметров не только в плоскости, но и в трех измерениях, рекомендуется использовать также раскладной шаблон, состоящий из трех линеек длиной 1,0-1,5 м, имеющих четкую, видимую на фотографиях, разметку. На месте съемки линейки шаблона раскладываются в трех перпендикулярных направлениях.

Нумерация снимаемых объектов

Для упрощения работы со снимками в дальнейшем при съемке объектов рядом с ними необходимо располагать таблички с номерами. Целесообразно иметь несколько комплектов номеров, различных габаритов и способов крепления.

Один комплект номеров можно написать на окрашенных стальных пластинах (темные цифры на светлом фоне), предусмотрев возможность их крепления на колышки для втыкания в грунт или слой пожарного мусора. Если дополнить комплект плоским магнитом, то это позволит крепить номера, при необходимости, на стальных конструкциях и предметах.

Второй комплект номеров (с более мелкими цифрами) изготавливается на табличках из картона или пластика, которые запаиваются в полиэтилен. Полезно продумать систему крепления таких номеров на наклонных и вертикальных поверхностях.

Выделение снимаемых объектов

Если снимаемый объект плохо виден на фоне обгоревших конструкций и предметов, пожарного мусора, его можно попытаться выделить. Для этого в специальной литературе предлагаются следующие способы:

- смачивание водой. Выявлению фактуры поверхности обгоревших предметов помогает их блеск. Особенно блестят обгоревшие деревянные предметы, а также объекты, смоченные водой;

- отметка мелом. При отсутствии блеска или при его недостаточности может помочь очерчивание или другая отметка мелом наиболее важных участков;

- выкладывание досками. Иногда условный знак выкладывают из каких-нибудь предметов, например, из светлых досок, планок и т. п. К этим методам отметки прибегают также и тогда, когда снимаемый участок однообразен и последующее его определение на фотоснимке будет затруднительно.

10.6. Фон и освещение при съемке

При съемке необходимо позаботиться, чтобы яркий свет фотовспышки или поток света не искажал фактический вид объекта. Например, окраска пятна копоти может стать за счет освещения светлей или менее выраженной. Кроме того, созданные тени могут интерпретироваться как следы горения.

Фон, как и освещение, позволяет лучше выявить характерные признаки снимаемого объекта. Фон должен быть светлее темных частей предмета и темнее светлых его частей. При большом контрасте между фоном и предметом, контуры последнего, будут пропадать или забиваться фоном [96].

При самостоятельном проявлении пленок, отснятых при плохом освещении, время проявления пленок рекомендуется увеличивать. Так, если фотопленка отснята при плохом освещении, то при использовании стандартного проявителя надо увеличить время проявления, указанное на упаковке: для фотопленок "Фото-64" на 2-4 мин; для фотопленок "Фото-125" и "Фото-250" на 2-6 мин, к истечению срока годности пленки время проявления следует увеличить на 3-4 мин [96].

Освещение при съемке длинных помещений

Особую сложность представляет съемка длинных или широких помещений. В длинных помещениях свет одной лампы вспышки "забивает" передний план и едва освещает задний, вследствие чего при печати удаленные элементы часто получаются неразличимыми.

В таких случаях производить фотосъемку надо следующим образом [96]:

1. Если в помещении имеется какое-либо равномерное освещение (электролампочки в коридоре или слабый дневной свет,  падающий из боковых окон), съемку можно производить со штатива с выдержкой "от руки".

2. При отсутствии равномерно распределенного света съемку можно выполнять методом блуждающего света. Для этого следует установить фотоаппарат на штативе, осветить (фонарем, спичкой) среднюю часть снимаемого объекта и навести на резкость. Объектив диафрагмируют до 1:8 и более. Открывают затвор и фиксируют его в этом положении. Импульсной лампой освещают сначала передний план, затем удаляются от фотоаппарата на 1/3 длины объекта и снова освещают объект, но так, чтобы свет от лампы не попал в объектив. Отойдя на середину помещения, опять освещают объект. Прием повторяют несколько раз. При такой съемке помещение будет высвечено равномерно. Чтобы сам фотограф получился незамеченным на снимке, он должен находиться не на одной линии с фотоаппаратом, а менять место включения лампы (правое на левое и т. д.). Затем затвор закрывают и съемку заканчивают. Способом "блуждающего света" можно снимать не только в помещении, но и на открытых пространствах, если объекты не очень высоки (верхние части будет трудно высвечивать).

3. Освещать объект съемки можно двумя или тремя электронными импульсными лампами, предварительно расставленными в разных частях помещения. Синхронное включение всех импульсных ламп в тот момент, когда полностью открыт затвор фотоаппарата, может осуществляться различными способами.

Освещение при съемке широких помещений

Для съемки широких помещений применимы те же методы, что и для съемки длинных помещений, только тогда фотограф с источником света перемещается от одного края освещаемого помещения к другому. Для освещения можно использовать даже свет от карманного фонарика, только время освещения объекта в этом случае значительно увеличится.

10.7. Объекты съемки

Съемка конструкций, предметов, инженерного оборудования

Съемка конструкций, предметов, инженерного оборудования на месте пожара в целях фиксации их состояния после пожара является одной из основных задач фотосъемки. Обязательно должны быть зафиксированы:

- визуально наблюдаемые термические поражения, в том числе выраженные зоны экстремальных поражений (отслоения штукатурки и защитного слоя бетона, сквозные прогары, локальные деформации и т. д.);

- визуально  наблюдаемые  признаки  очага  пожара и направленности распространения горения;

- разрушения (обрушения) конструкций (окон, крыши, стен, перегородок и т. д.);

пути возможного распространения горения;

- следы протекания пожароопасных процессов, объекты, которые могли послужить источниками зажигания.

Антропогенные и техногенные следы, следы искусственного инициирования горения (поджога) фиксируются в соответствии с рекомендациями, приведенными выше, в гл. 3 и 7.

Отдельные объекты, подлежащие фотосъемке в процессе осмотра места пожара, и порядок их съемки описаны выше, в гл. 2-7.

Дополнительно обратим внимание на необходимость фотосъемки:

- мест входа в помещение электрических и газовых коммуникаций;

- газовых и электросчетчиков;

- электрощитов (и детальной съемки автоматов в них);

- любых электропроводов, приборов и оборудования в пределах возможной очаговой зоны, даже если есть уверенность в их непричастности к возникновению пожара;

- газовых приборов и оборудования (с детальной съемкой положения кранов и других средств управления, а также зон деформации и разрушения металла).

Обязательно должны быть описаны и сфотографированы косяки (торцовые поверхности) дверей, если таковые сохранились, чтобы можно было судить об их положении во время пожара.

Должны быть сфотографированы циферблаты находящихся на месте пожара часов со стрелками.

Фотографируется обстановка места пожара до пожара, если таковая реконструировалась (восстанавливалась) в ходе динамического осмотра или после него.

Если на месте пожара свидетели дают показания относительно того, что они видели из некоторой точки наблюдения, должна быть отснята фотография из этой точки или максимально близкой к ней [48].

Съемка объектов, подлежащих изъятию

Выше, в разд. 5.3, отмечалось, что любой объект, изымаемый в качестве потенциального вещественного доказательства, должен быть сфотографирован. Учитывая, что это крайне важно для обеспечения вещественному доказательству надлежащего процессуального статуса, отметим еще раз отдельные детали проведения такой съемки.

- Объект должен быть сфотографирован на том месте, где он обнаружен, прежде, чем он будет сдвинут с места. Из сочетания узловых и детальных снимков должна быть абсолютно ясна привязка изымаемого объекта к другим конструкциям и предметам на месте пожара.

- Если объект в ходе динамического осмотра постепенно извлекается из пожарного мусора, то этот процесс также должен быть зафиксирован фотоснимками (нахождение предмета в слое пожарного мусора, на определенной  глубине,  а  не  на  его  поверхности,   весьма информативно).

- Съемка производится обязательно с использованием масштабной линейки, которая по возможности укладывается вдоль наиболее длинной стороны изымаемого объекта.

- Возможно, что при съемке на месте обнаружения объект может выглядеть на фоне пожарного мусора недостаточно четко. В этом случае, уже после съемки на месте обнаружения, его следует снять еще раз на подходящем фоне и с надлежащим качеством.

- При детальной фотосъемке желательно зафиксировать характерные особенности предмета (маркировка, дефект на корпусе и т. п.), которые в дальнейшем могут быть использованы в качестве идентификационного признака, отличающего этот объект от других.

- Желательно также, чтобы на снимке были видны явные признаки аварийных режимов (дуговые оплавления, эрозия и т. п.), если таковые имеются. Для снятия мелких деталей такого рода можно использовать удлинительные кольца и (или) соответствующий сменный объектив.

10.8. Особенности съемки сгоревших автомобилей

Фотосъемку автомобиля следует разделить на несколько этапов.

Первый этап - фиксация сгоревшего автомобиля (транспортного средства) на месте пожара, т. е. там, где непосредственно произошел пожар. Основное, что должно фиксироваться непосредственно на месте пожара, это положение автомобиля с привязкой его к местности (строениям), состояние дорожного и земельного покрытия (наличие на них предметов, не имевших отношения к автомобилю, с учетом объяснения владельца автомобиля), остатки узлов и деталей автомобиля, которые в процессе пожара могли разрушиться и находиться с его внешней стороны, а также характерные механические и другие повреждения, которые в процессе транспортировки автомобиля для его детального осмотра могут видоизмениться.

Второй этап - детальная фиксация сгоревшего автомобиля (транспортного средства) непосредственно в том месте, где предполагается его осмотр.

1. Внешняя фиксация объекта

Внешнюю фиксацию объекта, как правило, надо начинать с передней части автомобиля и далее, последовательно перемещаясь вокруг автомобиля по ходу часовой стрелки. Фиксируются: правый борт, задняя часть, левый борт, крыша автомобиля, заводская маркировка, пластины с номерными знаками, а также обнаруженные следы отжига и копоти конструктивных элементов кузова, состояние стекол, деформации кузова (в том числе и механические). Людей, которые видны в кадре, следует удалить из поля съемки, наличие человека на снимке всегда предполагает его как действующее лицо, в то время как задача съемки совсем иная.

2. Фиксация состояния салона, дверей и панели приборов

В салоне подлежит фиксации состояние переднего и

заднего сидений, внутренней облицовки дверей, пола, приборной панели и устройств управления автомобилем [16].

Не принципиально, с какой стороны начинать фотосъемку, самое главное - отразить наглядно все детали салона автомобиля так, чтобы фотографии носили информативный характер.

3. Фиксация состояния багажного отделения автомобиля

Для этого крышка багажного отделения автомобиля открывается и производится фотографирование багажного отделения автомобиля со всем содержимым. Затем содержимое может быть удалено, сфотографировано отдельно. Могут также фиксироваться отдельные механизмы, по той или иной причине смонтированные и расположенные в багажном отделении (например, места подключения задних фонарей, кнопки включения и отключения освещения и т. п.).

4. Фиксация состояния моторного отсека автомобиля

Фотосъемка моторного отсека автомобиля, как правило, начинается с общей фотографии, которая должна носить информативный характер. Затем производится фиксация состояния узлов и агрегатов двигателя и состояния внутренней части кузова, расположенного в моторном отсеке. Обязательно производится фотосъемка внутренней поверхности крышки капота, с фиксацией термических повреждений на ней.

5. Фиксация штатного и нештатного электрооборудования

Как правило, обязательно фиксируются: состояние аккумуляторной батареи, подходящие к ней электропровода; оборудование бортовой сигнализации, включая блоки, ревуны, концевики, провода и т. п.; блоки предохранителей и состояние плавких вставок; состояние автомагнитолы и т. п., а также места подключения; отдельные фрагменты электропроводки, которые могут носить необходимую для специалиста информацию.

6. Фотосъемка мест и предметов, которые непосредственно имеют связь с местом первоначального возникновения горения и причиной пожара

Во время осмотра автомобиля часто возникает необходимость в изъятии предметов, имевших отношение к источнику зажигания. Прежде чем нарушить положение этих предметов, их обязательно нужно сфотографировать. Затем производится фотографирование отдельно каждого изъятого предмета.

10.9. Особенности съемки при неблагоприятных погодных условиях и в ночное время

Съемка во время дождя, снегопада, тумана

Во время дождя на объективе обязательно должна быть бленда, чтобы защитить его от капель и брызг. Как в дождь, так и в туман, из-за влажности воздуха наблюдается снижение контрастов [47].

Капли дождя и снежинки при съемке с импульсной лампой получаются на позитиве в виде белых размытых пятен, иногда закрывающих весь кадр или значительную его часть. Чем ближе к объективу падающий снег, тем больше пятна.

Снижение контрастов во время дождя происходит не так значительно, как при тумане. В дождь всегда есть мокрые блестящие предметы, которые выглядят более темными по сравнению с общим фоном, но при тумане контрасты резко уменьшаются, поэтому съемка в туманную погоду требует применения контрастных материалов и более точного определения экспозиции [47].

Особенности съемки в дневное время зимой

Предметы на фоне белого снега кажутся более темными из-за их меньшей, чем снег, отражательной способности. Поэтому зимой контрасты увеличиваются, особенно в солнечную погоду. В этот период рекомендуется снимать на мягком негативном материале с обязательным применением бленды. Замеряют экспозицию в таких условиях по сюжетно важному объекту. Если же он занимает в кадре площадь менее 1/3, рекомендуется делать поправку в показаниях экспонометра в сторону увеличения времени экспозиции в два-три раза. Это вызвано тем, что на фотоэлемент попадает большое количество постороннего, отраженного от снега, света [47].

Определять экспозицию по сюжетно важным деталям объекта следует также в случае, когда съемка производится в городе на улицах в солнечные дни, а также в утренние и вечерние часы. Освещение в это время характеризуется наличием высоких контрастов [47].

Съемка в ночное время

Ночную съемку небольших участков пожара можно осуществлять с использованием импульсной лампы. Снимать большие объекты с импульсными лампами не представляется возможным из-за недостаточной их мощности. Однако если съемка производится во время пожара и имеются участки с открытым огнем, они могут быть хорошо зафиксированы за счет отраженного света. Наибольшее количество отраженного света бывает зимой при наличии снега, наименьшее - в другое время года.

Применение в ночное время для фотосъемки импульсных источников света в задымленных помещениях не дает желаемого эффекта. Кратковременный импульс света почти полностью отражается и рассеивается дымом. На предметы и объекты, которые требуется осветить, попадает уже незначительное количество света. Чем плотнее дым, тем хуже фотоснимки.

При фотосъемке могут применяться низкие точки съемки. Можно производить фотосъемку и при освещении места пожара лампами накаливания от автомобиля службы освещения, но их количество должно быть не менее трех на площадь 10-15 м2, и то при условии съемки на высокочувствительную пленку.

Хорошей отражательной способностью обладают светлый дым и пар. В этом случае съемка с киловаттными лампами получается более удачной [47].

Съемка в атмосфере, где имеется много пара

Когда кроме дыма в воздухе имеется много пара, он не только дополнительно отражает* и рассеивает свет, но и приводит к мгновенному запотеванию объективов. Это отражается на качестве снимков, которые получаются нерезкими.

Запотевшую оптику бесполезно протирать чем-либо: она сразу же запотевает снова. Кроме того, при протирке царапается поверхность стекол, потому что объективы на пожаре всегда покрыты налетом пыли и частицами копоти. Для устранения запотевания надо выйти из данного помещения и дать охладиться фотоаппарату, а влаге на стеклах подсохнуть. В отдельных случаях можно опустить фотоаппарат ближе к полу, где всегда имеется приток свежего холодного воздуха [47].

Приступать к съемке последствий пожара, происшедшего внутри помещения, можно лишь через некоторое время после ликвидации.

При запотевшей оптике производить съемку нельзя [47].

10.10. Оформление результатов фотосъемки

Применение фотосъемки процессуально оформляется в протоколе осмотра места происшествия (ст. 141 УПК РФ), где указывается, какие объекты снимались, условия и порядок применения технических средств, марка фотоаппарата, тип пленки и объектива, применение светофильтров, удлинительных колец, фотовспышки.

К протоколу прилагается фото таблица, на которой должен быть пояснительный текст, соответствующий записям в самом протоколе осмотра. К протоколу же приобщаются негативы и фотопленка.

Подготовка и оформление фото таблиц

Назначение фото таблицы - наглядно отразить факты, выявленные в процессе следственного действия.

При составлении фото таблиц необходимо соблюдать следующие правила:

а) снимки следует располагать в порядке, соответствующем последовательности описания в протоколе (ориентирующие, обзорные, узловые, детальные). Нумерация снимков в таблице  -сплошная, последовательная;

б) надписи под снимками должны раскрывать их содержание;

в) снимки в фото таблице должны быть взаимосвязанными, т. е. объект на детальном снимке должен быть виден или обозначен на узловом, содержание узлового снимка отражено на одном из обзорных фотоснимков и т. д. Если какие-либо важные объекты на ориентирующем или обзорном снимке недостаточно различимы, то на нем стрелками обозначаются места их расположения. Стрелки можно пронумеровать, а в надписях под фотоснимками пояснить, на что они указывают.

В некоторых пособиях по криминалистической съемке предлагается при фотопечати оставлять с одной стороны позитива поле шириной 1,5-2 см, на которое и ставить оттиск печати [55].

При изготовлении фото таблицы фотоснимки наклеивают на листы плотной бумаги или тонкого картона. Целесообразно заранее напечатать и иметь бланки фото таблиц, в "шапке" которых указывается наименование организации, производившей осмотр и фотосъемку, а также оставлено место для наименования осматриваемого объекта, адреса, даты пожара и других реквизитов. В заголовке фото таблицы указывается также, приложением к протоколу какого следственного действия она является, и дата его производства. Каждый фотоснимок скрепляется оттиском печати следственного органа (органа дознания) с нанесением его частично на снимок и частично на бумагу фототаблицы. Под каждым снимком ставится порядковый номер и делается краткая пояснительная надпись, соответствующая указанной в протоколе произведенной съемке (место и объект съемки). Каждая фототаблица подписывается дознавателем, следователем или инженером ИПЛ (если он производил съемку и изготавливал фототаблицы).

К протоколам (фототаблицам) приобщают негативы производящейся в ходе следственного действия съемки, помещаемые в конверт, на котором делаются пояснительные надписи (во время какого следственного действия производилась съемка, дата, количество негативов) [50].

В настоящее время в испытательных пожарных лабораториях ГПС принят порядок, по которому негативы вместе с фототаблицами дознавателям и следователям не передаются; они остаются на хранении в ИПЛ. Такой порядок целесообразен:

а) во-первых, фотосъемка проводится не только в целях расследования пожара, но и в целях его исследования, что является одной из основных функциональных задач ИПЛ;

б) во-вторых, удается организовать и вести фотоархив, который используется не только в научных, но и в судебных целях;

в) в третьих, негативы в фотоархиве, как показывает практика, лучше сохраняются, их проще найти при необходимости.

Чтобы минимизировать в данной ситуации противоречия с действующим законодательством, необходимо в протоколе указать, что негативы находятся на хранении в таком-то подразделении ГПС, по такому-то адресу.

Оформление цифровых снимков

Фотографические снимки, полученные с помощью цифровой фотокамеры, сохраняются на сменном носителе компьютерной информации. Для их приобщения к протоколу необходимо сделать две копии изображений. Первая копия на бумажной основе изготавливается с помощью принтера, подсоединенного непосредственно к цифровой фотокамере. Вторая копия в виде файла графического формата сохраняется на специальном носителе компьютерной информации - компакт-диске. Такой подход к документированию, а именно наличие двух копий изображения (на бумажной основе и в цифровой форме), а также специальный порядок их получения (на месте происшествия без использования компьютера) не позволяют фальсифицировать изображение на месте происшествия. При оформлении протокола первая копия изображения удостоверяется подписями участников осмотра [91].

При оформлении таблиц со снимками, сделанными цифровыми фотоаппаратами, в протоколе осмотра или прилагаемой фототаблице должны быть приведены следующие сведения:

- устройство ввода (используемый фотоаппарат, объектив);

освещение;

- характеристики исходного файла с изображением (размер, графическое разрешение, режим изображения, формат);

- графический редактор;

- описание процедур обработки изображений с указанием параметров и степени изменения яркости, контраста, цветового баланса и т. д.;

- цифровые фильтры, использованные для обработки изображений;

- текстовой редактор, версия;

- тип принтера, марка принтера, параметры печати и характеристики конечного результата (размер файла, графическое разрешение, режим изображения, формат) [50].

 

ГЛАВА 11.

ВИДЕОСЪЕМКА МЕСТА ПОЖАРА

 

Видеосъемка мест происшествий, в том числе и объектов пожара, оказывается исключительно полезной, прежде всего из-за того, что дает возможность не дискретно, а непрерывно фиксировать наблюдаемое, причем в цвете. Кроме того, профессионально выполненная видеосъемка места пожара, как правило, оказывается более полезной, нежели фотосъемка, т. к. сохраняет для дальнейшего расследования больше визуальной информации.

11.1. Техника для видеосъемки

В настоящее время существуют аналоговые и цифровые видеокамеры.

Аналоговые форматы (VHS-C, Video 8) обеспечивают не самое высокое качество изображения. Они несколько больше по размерам и массивнее цифровых камер. Их главное достоинство - более доступная цена.

Улучшенные аналоговые форматы (S-VHS-C, Hi 8), за счет применения более совершенных лент и современных технологий обработки изображения, обеспечивают лучшие, чем у "старых" аналоговых форматов, параметры изображения и звука.

Цифровые видеокамеры (Digital 8, MiniDV, MicroMV) обеспечивают отличное качество изображения и звука. Они обладают такими достоинствами цифровых устройств, как копирование и длительное хранение записанных видеопрограмм без потери качества, а также возможностью непосредственного ввода записанных видеопрограмм в компьютер. Большинство цифровых видеокамер можно использовать в качестве цифрового фотоаппарата, с записью изображений или на видеокассету, или на миниатюрную карту памяти типа MultiMediaCard, SD Memory Card (JVS, Panasonic), Memory Stick (Sony).

Современные любительские цифровые видеокамеры обеспечивают достаточно высокое качество изображения и имеют широкие функциональные возможности, ранее присущие только профессиональным камерам, а относительно низкая цена делает их доступными для любого пользователя.

При выборе видеокамеры следует учитывать следующие критерии:

- формат записи;

- оптику (включая сменность объективов);

- габариты;

- массу;

- разъемы (входы/выходы);

- аккумуляторную батарею;

- удобство расположения кнопок и т. д.

При выборе формата записи следует учитывать, что аналоговые форматы VHS (VHS-C), Video 8, несмотря на низкую цену, не очень удобны для последующего монтажа из-за низкого разрешения (240-280 твл) и качества изображения. Super VHS (SVHS-C) и Hi 8, несмотря на неплохое разрешение для домашнего применения (до 440 твл в лучших моделях), значительно уступают цифровым (500-520 твл). Кроме того, в отличие от цифровых, в аналоговых форматах каждая последующая перезапись значительно ухудшает качество изображения.

Важными для съемок на пожаре параметрами видеокамеры являются масса, компактность и наличие 336"долгоиграющей" батареи. Необходимо отметить, что повышенная влажность, которая, как правило, наблюдается при съемке места пожара, способствует быстрой разрядке аккумуляторной батареи. С учетом этого при выезде на пожар аккумулятор должен быть хорошо заряжен; полезно иметь и запасную батарею.

Для съемок на большой удаленности от объекта (прежде всего при съемке в ходе пожара) необходимы хорошая оптика - длиннофокусный объектив (лучше сменные объективы), а также штатив.

Для съемок в небольших помещениях лучше всего подходит камера с широкоугольным объективом или использование насадок - широкоугольных линз.

Из дополнительных приспособлений полезен, как указывалось выше, запасной аккумулятор, нейтральный (лучше всего ультрафиолетовый) фильтр, который защитит объектив камеры от случайных царапин; чехол, предохраняющий камеру от пыли и дождя.

Полезен также может быть выносной микрофон.

11.2. Технология съемки, особенности съемки мест пожаров

Непосредственно на объекте осмотра сразу отснять хорошо и логично построенный видеофильм практически невозможно. Чтобы в максимальной степени приблизиться к этому, необходимо на основании собранной на подготовительном этапе информации наметить последовательность осмотра и съемки (по отдельным зонам места пожара) и далее ее придерживаться, иначе видеофильм будет бессистемным и плохо восприниматься.

На стадии статического осмотра помещения видеосъемку целесообразно начинать от входной двери, плавно ведя камеру слева направо (или справа налево) по стенам, потолку, полу, задерживаясь для подробной фиксации на видеопленку (и словесного описания текстом сопровождения) наиболее интересных объектов, характерных термических поражений и т. д. Целесообразно также предварительно составить рабочий "сценарий", предусматривающий выполнение определенных работ на стадии динамического осмотра места пожара, проведение других действий с сопровождением их видеосъемкой. Видеокамера позволяет последовательно зафиксировать весь процесс разборки и расчистки, а также действия специалиста при проведении им предварительных исследований строительных конструкций, предметов, следов, которые обнаруживаются на месте происшествия, отборе проб и изъятии вещественных доказательств.

Одновременно с видеосъемкой необходимо наговаривать сопроводительный (поясняющий увиденное) текст, не полагаясь (как это часто бывает на практике) на то, что потом, по окончании осмотра, можно будет воспроизвести текст по памяти. В крайнем случае, можно параллельно со съемкой вести запись текста на диктофон, с тем, чтобы использовать эту запись при отработке звукового сопровождения видеофильма.

При выезде на съемку, где предстоит работать длительное время, необходимо предусмотреть дополнительные осветители с удлинительными кабелями. Следует также позаботиться о запасных батареях к видеокамере, дополнительных кассетах, широкоугольных и длиннофокусных линзах, выносном микрофоне и прочих принадлежностях.

Во время стационарной съемки в помещении с помощью специального адаптера питание камеры обычно производится от сети переменного тока. При съемке же, связанной с перемещениями на местности или в помещении, видеокамера работает от специальных аккумуляторных батарей, рассчитанных обычно на 2 ч работы при температуре 25 °С (более точное время указывается в инструкции). При минусовой же температуре это время сокращается. Возможна перезарядка аккумуляторов, что позволяет пользоваться ими в течение нескольких лет, допустимо также питание камеры и от аккумуляторов автомашины.

Во время видеозаписи при минусовой температуре густеет смазка, что отрицательно сказывается на работе механических узлов, в частности лентопротяжного, и, как следствие, резко увеличивается расход энергии аккумулятора. Поэтому следует обязательно предусмотреть запасные аккумуляторы. Следует также иметь в виду, что при минусовой температуре становится хрупким кабель к выносному микрофону.

Другое нежелательное последствие пребывания видеокамеры при минусовой температуре - конденсация влаги в ней, что объясняется резкой сменой температуры. Нередки ситуации, когда, по прибытии на место пожара приходится извлекать аппаратуру из теплого салона автомобиля для съемки на открытой местности. В электронном видоискателе многих видеокамер предусмотрен указатель (dew - "покрывается влагой, росой"), обязывающий прекратить работу ввиду чрезмерной конденсации влаги. В случае продолжения видеосъемки камера автоматически выключится через несколько секунд.

После длительного пребывания видеокамеры при температуре -20 °С и ниже ее эксплуатацию следует начинать только через 5-6 ч после нахождения в теплой среде и только с кассетой, не бывшей на морозе. Нахождение видеокамеры на морозе, как правило, влечет за собой быстрое загрязнение видеоголовок, а также появление сбоев в изображении и потрескивание на фонограмме. Во избежание указанных последствий видеокамеру следует хранить во влагонепроницаемом и хорошо утепленном чехле. Работая с видеокамерой на морозе, необходимо дополнительно утеплить плотно прилегающей шерстяной тканью ту ее часть, где расположен видоискатель. Следует также избегать касания руками незащищенной поверхности аппаратуры и кассеты. Гарантией полного устранения упомянутых нежелательных явлений является работа с двумя видеокамерами - с одной на морозе, второй - в теплой среде. Соответствующую емкость кассет можно подобрать, исходя из предполагаемого времени записи, как при минусовой температуре, так и в теплой среде.

Во избежание помех изображения инструкциями по эксплуатации видеокамер не рекомендуется производить запись возле линий высоковольтных передач, проводов трамвая, троллейбуса, действующих электрогенераторов и трансформаторов.

При необходимости на видеокамере устанавливаются встроенные микрофоны, с которыми работают, когда расстояние до говорящего человека невелико. Направленные выносные микрофоны обычно используют на дистанциях свыше 3 м. Некоторые камеры имеют переключатели характеристик направленности и чувствительности микрофонов, а также фильтры защиты от ветра и механических шумов.

Точка съемки выбирается с таким расчетом, чтобы обеспечить максимальный обзор, безопасность и удобство в работе.

Для обеспечения лучшего обзора при крупных пожарах возможна видеосъемка с вертолета, крыш и окон верхних этажей рядом расположенных зданий.

Последовательность видеосъемки при осмотре места происшествия (пожара, в частности) обычно такова:

а) снимается панорама общим планом всей площади, сопровождаемая кратким комментарием по поводу основных объектов, находящихся в кадре;

б) фиксируется с соответствующими пояснениями то же место с противоположной стороны;

в) производится съемка средним и крупным планом объектов, местонахождение и состояние которых может иметь существенное значение для дела (зон наибольших термических поражений, обрушений конструкций, предполагаемого очага пожара и т. п.);

г) производятся фиксация и соответствующие пояснения в случаях изменения обстановки в процессе съемки (например, фиксация хода динамического осмотра, разборки конструкций и т. д.).

Движение видеокамеры при горизонтальной или вертикальной панораме, при запечатлении отдельных объектов должна осуществляться несколько замедленно, нужно помнить, что с видеофильмом будут знакомиться лица, которые непосредственно не видели места происшествия и представление о нем получат по изображению на экране.

При видеосъемке, осуществляемой во время осмотра места пожара и обнаружения трупа, необходимо иметь в виду следующее:

а) при съемке положения трупа общим планом фиксируется его размещение относительно предметов обстановки. Обычно это выполняется горизонтальной панорамой. Точка съемки выбирается с таким расчетом, чтобы свести к минимуму перспективные искажения. Труп в кадре размещается на переднем плане. В тех случаях, когда необходимо продемонстрировать расположение предметов обстановки на месте происшествия относительно трупа, следует изменить композицию кадра - на переднем плане размещаются те предметы, которые интересуют дознавателя, а труп - за ними;

б) поза трупа на месте происшествия фиксируется более крупным планом, чем общий. Цель такой съемки - запечатлеть взаимное расположение частей тела, состояние одежды на трупе, находящиеся на нем предметы. Для фиксации позы трупа предпочтительней является точка съемки сверху. Также она может производиться с нескольких точек и движущейся видеокамерой;

в) видимые повреждения на трупе и на одежде фиксируются "наездом", плавным переходом от среднего плана к крупному, таким образом, чтобы в кадре находилась и масштабная линейка.

11.3. Процессуальное оформление результатов видеосъемки

Для того чтобы результат видеосъемки в дальнейшем мог иметь доказательственное значение, необходимо в начальных и конечных кадрах, а также при каждом перерыве в съемке запечатлеть краткую (визуальную и звуковую) информацию с указанием:

- кем, с помощью какой аппаратуры, когда, где и в связи с чем производится видеосъемка;

- кто руководит съемкой и кто участвует в следственном действии (отмечая тот факт, что все участники предупреждены о проведении видеосъемки);

- какой конкретно участок места пожара или предмет снимается;

- чем вызван перерыв в съемке;

- через какой промежуток времени съемка продолжена.

Хранение видеокассеты должно обеспечить сохранность доказательственных свойств содержащейся на ней информации. Для этого необходимо соблюдать не только соответствующие технические условия, но и обеспечить определенные процессуальные гарантии.

В частности, видеокассету следует опечатать так, чтобы были исключены несанкционированный просмотр кассеты, а также повреждение магнитного носителя. Упаковка должна обеспечивать защиту от механических повреждений, место хранения - защиту от магнитных воздействий.

Видеокассета снабжается биркой, содержащей следующую информацию:

- приложением к протоколу какого следственного действия она является (время, место проведения, кем проводился осмотр, кто проводил видеосъемку);

- фамилии понятых и других участвующих в осмотре лиц.

Бирка подписывается всеми участниками осмотра.

Если лицо, производящее осмотр, для оформления протокола использует просмотр видеокассеты, следует обеспечить просмотр кассеты и понятыми. В данном случае после просмотра ее понятыми и ознакомления их с протоколом осмотра необходимо зафиксировать факт просмотра ими кассеты. Для этого на ту же кассету производится видеосъемка, фиксирующая момент удостоверения понятых в подлинности видеозаписи осмотра и соответствии ее содержанию протокола.

 

ГЛАВА 12.

ЭКСПРЕСС-МЕТОДЫ И СПЕЦИАЛЬНЫЕ ТЕХНИЧЕСКИЕ СРЕДСТВА ДЛЯ РАБОТЫ НА МЕСТЕ ПОЖАРА

12.1. Исследование каменных неорганических строительных материалов

Ультразвуковая дефектоскопия

Ультразвуковой импульсный метод исследования бетонных и железобетонных конструкций основан на измерении скорости прохождения ультразвуковых волн в поверхностном слое бетона. Прибор, который называется ультразвуковым дефектоскопом, имеет два выносных датчика. Первый датчик испускает ультразвуковые импульсы, другой принимает, при этом фиксируется время, за которое ультразвуковая волна проходит расстояние между двумя датчиками, и рассчитывается ее скорость.

Объекты исследования

Конструкции из бетона и железобетона заводского производства, у которых исходные акустические характеристики позволяют работать в зонах нагрева от 200-400°С и выше. Метод ультразвуковой дефектоскопии на материалах на основе извести и цемента может быть применен только для выявления зон нагрева выше 700°С.

Потолок в помещениях, сделанный из железобетонных плит перекрытия, - самый распространенный объект исследования по данной методике. На пожаре он, в отличие от стен, не загорожен мебелью и как зеркало отражает, фиксирует все, что происходит в комнате.

Применяемые приборы

При исследовании пожаров в настоящее время используются дефектоскопы для бетонных и железобетонных конструкций типа УКБ, УК-10ПМ, УК-10ПМС, УК-14П, "Бетон-12", "Бетон-22", УК-1401. Кроме самого прибора, в его комплект входят так называемые электроакустические преобразователи (ЭАП, датчики) (рис. 12.1). Для работы на пожаре датчики должны иметь точечные контакты, не требующие смазки. Расстояние между датчиками (так называемая база прозвучивания) обычно составляет 60-100 мм. ЭАП полезно закрепить на специальной раздвижной штанге, чтобы на пожаре можно было легко дотянуться до потолка.

 

Рис. 12.1. Ультразвуковой дефектоскоп УК-10ПМС (основной прибор и электроакустические преобразователи)

Некоторые приборы, например, ультразвуковой тестер УК-1401, имеют датчики, встроенные в основной прибор.

Краткая методика работы

На месте пожара:

а) намечаются конструкции для обследования;

б) составляется план конструкции (потолка, стены) в масштабе;

в) на конструкции намечаются участки, в которых будет производиться прозвучивание. Обычно расстояние между участками (так называемый "шаг прозвучивания") составляет 25-50-100 см (в зависимости от размеров конструкции и конкретных обстоятельств).

Далее включается дефектоскоп, шаблон с датчиками прижимается к конструкции на первом намеченном участке и производится измерение времени прохождения ультразвукового импульса от датчика к датчику (в микросекундах) или скорости импульса.

Результаты измерений на всех намеченных участках - значения т или относительной скорости прохождения ультразвуковых волн Сr0, рассчитанной как отношение скорости на данном участке Сr  к скорости в зоне, не подвергшейся нагреву С0, наносятся на план обследуемой конструкции. На плане выделяются зоны с Сr0 - 1,0-0,9; 0,9-0,8; 0,8-0,7 и т. д., либо зоны с различными значениями т. Зона наибольших термических поражений соответствует зоне наибольших значений т или наименьших значений Сr0.

Получаемая информация

Зоны термических поражений бетонных и железобетонных конструкций на месте пожара.

Полученные данные по распределению зон термических поражений сопоставляются с распределением пожарной нагрузки и используются в поисках очага пожара.

Ударно-акустический метод

Ударно-акустический метод применяется в строительстве для определения твердости бетона и железобетона. Учитывая, что твердость этих материалов снижается при тепловом воздействии на них в ходе пожара, метод может быть применен для оценки степени их термического поражения.

Объекты исследования

Конструкции из бетона и железобетона заводского производства.

Применяемые приборы

- Измеритель прочности бетона ИП-1 (разработка Самарского архитектурно-строительного университета) и другие подобные приборы.

- Цифровые тестеры прочности фирм PROSEQ (Швейцария) или SCHMIDT (Германия).

Приборы портативные, полевые, масса 1,0-2,0 кг.

Краткая методика работы

Аналогично УЗ-дефектоскопии на месте пожара намечаются конструкции для обследования; составляется план конструкции (потолка, стены) в масштабе; на конструкции намечаются участки, в которых будет производиться исследование.

В намеченных точках измеряется твердость материала. Время одного измерения 5 с; делается 5-6 измерений, вычисляется среднее значение. Полученные результаты наносятся на план места пожара.

Получаемая информация

Метод позволяет уверенно дифференцировать две зоны пожара - "холодную" (ниже 600-700 °С) и "горячую" (выше 600-700 °С).

По информативности данный метод уступает УЗ-дефектоскопии.

12.2. Исследование стальных конструкций и изделий

Магнитный метод (измерение коэрцитивной силы или тока размагничивания)

Метод основан на измерении коэрцитивной силы или тока размагничивания предварительно намагниченного стального изделия.

Самый удобный метод определения относительной степени рекристаллизации холоднодеформированных изделий в пожарно-криминалистических исследованиях.

Объекты исследования

Холоднодеформированные стальные изделия (болты, гвозди, шурупы, строительные скобы, некоторые виды труб, штампованные корпуса автомобилей, холодильников и др.).

Измерения проводятся на однотипных изделиях, расположенных в различных зонах пожара. Исследуемое металлоизделие должно иметь длину не менее 40 мм (расстояние между полюсами выносного преобразователя) и может быть практически любым по конфигурации.

Применяемые приборы

Коэрцитиметры КИФМ-1, КФ-ЗМ (рис. 12.2), струк-туроскоп МФ-31КЦ, а также более современные и удобные в использовании коэрцитиметры КРМ-ЦК-3, КРМ-ЦК-2М. Приборы указанных типов состоят из основного (измерительного) блока и выносного датчика-преобразователя.

Краткая методика работы

С поверхности изделия счищаются остатки краски и пузыри окалины.

Преобразователь устанавливается на изделие (или изделие - болт, гвоздь - кладется на преобразователь).

После нажатия кнопки "измерение" прибором автоматически осуществляется цикл "намагничивание - размагничивание" и определяется коэрцитивная сила. Обычно на одном изделии проводится 6-10 параллельных измерений, после чего рассчитывается среднеарифметическое значение коэрцитивной силы. Суммарное время на исследование одного изделия 5-7 мин.

 

Рис. 12.2. Коэрцитиметр КФ-ЗМ

Получаемая информация

Результаты измерений коэрцитивной силы изделий, рассредоточенных по месту пожара, наносятся на план места пожара, после чего вычерчиваются зоны термических поражений, как при ультразвуковом методе исследования бетона и железобетона.

Зона наибольших термических поражений соответствует наименьшим значениям коэрцитивной силы или тока размагничивания.

Метод работоспособен в интервале температур от 150-200 до 700-800 °С.

Полученные данные используются при поисках очага пожара [19, 20].

Вихретоковый метод

Вихретоковое зондирование стальных изделий проводится в целях измерения электрических параметров, величина которых коррелирует с толщиной окалины на поверхности стали.

Объекты исследования

Горячекатаные и холоднодеформированные стальные конструкции и изделия.

Применяемый прибор

Прибор "Вихрь", входящий в комплект оборудования для работы на месте пожара "Сириус".

Краткая методика работы

На месте пожара намечаются конструкции для обследования; составляется план исследуемой зоны пожара в масштабе; на конструкциях намечаются участки, в которых будет производиться исследование. В намеченных точках проводится 5-6 параллельных измерений с расчетом среднего результата (время одного измерения 5-10 с).

Получаемая информация

Распределение зон термических поражений стальных конструкций и изделий на месте пожара.

В отличие от коэрцитиметров, исследованию могут подвергаться не только холоднодеформированные, но и горячекатаные изделия (а их на месте пожара гораздо больше). Однако работает метод только в высокотемпературных зонах (от 700°С и выше).

12.3. Исследование обугленных остатков древесины и полимерных материалов

Определение электросопротивления углей

Измерение электрического сопротивления постоянному току порошкообразных проб обугленных остатков органических  материалов  проводится  под  давлением 3500-5000 кг/см2.

Объекты исследования

- Обугленные деревянные конструкции и элементы конструкций.

- Обугленные остатки древесностружечных плит.

- Обугленные остатки полимерных материалов и изделий (линолеум, изоляция проводов и др.).

Применяемые приборы

Для измерений может быть использован любой электроизмерительный прибор, определяющий величину электрического сопротивления постоянному току в пределах от 1-10 до 108-1010 Ом. В частности, могут использоваться мегомметры (Е6-16 и др.) (рис. 12.3), измерительные мосты.

 

 

Рис. 12.3. Оборудование для измерения удельного электросопротивления обугленных остатков древесины (мегомметр Е6-16, пресс, пресс-форма)

Сжатие пробы до необходимого давления осуществляется любым гидравлическим прессом, обеспечивающим необходимое усилие, либо специальным гидравлическим прессом конструкции ЛФ ВНИИПО (см. рис. 12.3).

Краткая методика работы

Пробы древесных углей следует отбирать на обугленных участках деревянных конструкций, там, где слой угля не нарушен (не сколот). С поверхности угля кисточкой смахивают золу и остатки пожарного мусора, после чего аккуратно срезают верхний, 3-5-миллиметровый слой угля. Для анализа достаточно не более 1-2 г угля. Предварительно в точке отбора пробы угля измеряют методом пенетрации толщину слоя угля hy, величину потери сечения конструкции Нп, и результаты измерений заносят в протокол. Предварительно высушенную пробу угля засыпают в пресс-форму, сжимают с заданным усилием, и измеряют в момент сжатия ее электросопротивление.

Расчеты проводят по номограммам или формулам, приведенным в [19].

Получаемая информация

Электросопротивление обугленных остатков органических материалов угля очень резко (на порядки) меняется с увеличением температуры и длительности горения. Например, если при низких температурах пиролиза (у древесных углей тления) оно порядка 1·108-1·109 Ом·см (десятичный логарифм удельного электросопротивления Р равен соответственно 8-9), то при относительно высоких температурах оно составляет единицы-десятки Ом·см (Р=0-1).

Существующие методики [19, 20] позволяют по результатам исследований определять:

для обугленных остатков древесины и ДСП - температуру и длительность пиролиза;

для обугленных остатков полимерных материалов - ориентировочную температуру пиролиза и зоны термических поражений (например, на полу, покрытом обугленным линолеумом).

Полученная информация используется при поисках очага пожара, а также установлении его причины.

12.4. Исследование копоти

Измерение электросопротивления копоти

Измерение электросопротивления постоянному (переменному) току слоев копоти на конструкциях и предметах.

Объекты исследования

Конструкции и предметы с поверхностями из неэлектропроводных материалов, покрытые слоем копоти.

Применяемые приборы

- Мегомметр (Ф 4101), тераомметр (Е6-13А).

- Специальный датчик.

Получаемая информация

В результате исследования отложений копоти могут быть выявлены:

- локальные зоны наибольших термических поражений (очаг пожара и очаги горения);

- пути распространения конвективных потоков из очага пожара.

12.5. Фиксация остаточных температурных зон бесконтактными методами

Для бесконтактных измерений применяется два типа приборов: пирометры (бесконтактные термометры) и тепловизоры (сканирующие пирометры).

Пирометры
Разновидности и марки приборов

Для работы на месте пожара применяются низкотемпературные пирометры, работающие, как минимум, в интервале температур от 0 до 100°С. Современные приборы такого рода достаточно легки и компактны (масса 140-500 г), имеют лазерное наведение, что позволяет прицеливаться в определенную точку конструкции; цифровой выход; функцию запоминания измерений; разрешение в пределах 0,1 - 1°С.

Марки некоторых пирометров подобного типа:

- SK-8700, SK-8100 (SATO, Япония);

- Thermo Point (FLIR SYSTEMS AB, Швеция);

- Ray MT 4V (FSV, ISG и др.) (Raytek, Германия);

- C-110 "Факел", С-210 "Салют", С-300 "Фаворит", пирометры серии "Кельвин" и др. (Россия).

Стоимость такого рода пирометров относительно невысока (150-900 $).

Методика измерений

Пирометры дают возможность дистанционного измерения температуры в отдельных точках конструкций. И при необходимости выявления распределения температурных зон по поверхности стены измерения проводят последовательно в нескольких десятках точек.

Измерения лучше делать сразу после ликвидации горения в помещении. Но возможно получение необходимых специалисту данных и через 1-2 ч, а в отдельных случаях и через большой промежуток времени. Наиболее эффективно исследование развившихся пожаров, на которых конструкции здания успевают хорошо прогреться. Исследованию целесообразно подвергать капитальные стены и потолок помещения (если перекрытия железобетонные).

Измерения температур на каждой из конструкций целесообразно производить, сохраняя примерно одинаковое расстояние от точки измерения до места, где стоит оператор, т. е. передвигаясь параллельно стене.

Тепловизоры

Современные модели обеспечивают исследование поверхностей с температурой от -5...-10 до 200...250 °С с температурным разрешением до 0,1°С. Тепловизоры сразу дают "тепловое изображение предмета". Но эти приборы значительно дороже пирометров (стоимость зарубежного тепловизора от 35 тыс. $, отечественного - от 14 тыс. $) и потому менее доступны для широкого практического использования.

Марки некоторых тепловизоров:

- Thermo Tracer TH 5104, ТН 7102 (NEC, Япония);

- Thermo САМ РМ 695, РМ 675 (FLIR SYSTEMS AB, Швеция);

-         ИРТИС-200, "Иволга 721" (Россия).

Методика съемки

Вначале с помощью тепловизора производится визуальный обзорный осмотр теплоемких конструкций, выявляется наличие участков с повышенной (относительно окружающей среды и других конструкций) температурой. Факт наличия таких участков может быть зафиксирован в протоколе.

Затем производится основная съемка тепловых полей. Большинство современных тепловизоров позволяет делать это с записью изображения на Flash-карты. Порядок съемки аналогичен рассмотренному в разд. 11.2 (видеосъемка).

Компьютерные распечатки изображений в дальнейшем могут быть приобщены к материалам уголовного дела.

Желательно, чтобы тепловизор имел в комплекте специальную программу обработки изображений, позволяющую обрабатывать видеозапись с построением (в псевдоцветах) температурных полей. Полученные изображения гораздо нагляднее и информативнее обычных тепловых картинок; их можно успешно использовать для выявления и документального подтверждения расположения очага пожара.

12.6. Правовые требования применения инструментальных экспресс методов и специальных технических средств

Использование специальных технических средств и применение инструментальных методов при работе на месте пожара должно соответствовать правовым требованиям, изложенным в разд. 5.8.1.

При этом с правовой точки зрения возможны три различных ситуации.

1. Применение технических средств и инструментальных методов в отношении определенных признаков материальных объектов окончено непосредственно в ходе осмотра, использование расчетных методик для получения результатов не требуется. В этих случаях фиксации результатов в протоколе осмотра достаточно для того, чтобы сделать выводы об обстоятельствах, которые необходимо установить.

Это относится как к применению простейших измерительных средств (рулетка, штангенциркуль и т.п.), так и к использованию на месте пожара некоторых приборов,  например, пирометров. Показания пирометра (температура) и пространственные координаты точек, соответствующих каждому измерению, отражаются в протоколе осмотра (или приложении к нему в виде схемы) и не требуют дальнейшей научной обработки.

В указанном случае при соблюдении правовых требований применения технических средств полученные результаты будут иметь доказательственное значение.

2. Конечные результаты применения технических средств могут быть получены лишь после обработки результатов измерений расчетными методами.

В этом случае выполнение измерений также осуществляется непосредственно в ходе проведения осмотра, что отражается в протоколе. Дальнейшая обработка измерений может проводиться в рамках подготовки специалистом заключения в порядке ч. 3 ст. 880 УПК РФ. Это относится, например, к методу ультразвуковой дефектоскопии.

3 Получение конечных результатов связано с лабораторным исследованием изъятых объектов (магнитный метод исследования холоднодеформированных изделий в лабораторных условиях, исследование обугленных остатков древесины и др.).

Результаты таких исследований будут иметь доказательственное значение только в случае, если они проводились в рамках судебной экспертизы. Соблюдение этого условия особенно важно, когда применялись разрушающие методы воздействия на объекты исследования.

 

ГЛАВА 13.

ТЕХНИКА БЕЗОПАСНОСТИ ПРИ ОСМОТРЕ МЕСТА ПОЖАРА

 

Выполнение работы по осмотру места пожара, как правило, связано с реальным риском для жизни и здоровья человека. Это обусловлено тем, что воздействие огня на строительные конструкции может привести к так называемой потере несущей способности конструкций и их обрушению или угрозе обрушения в любой момент.

Осмотр места пожара сопряжен с преодолением завалов из упавших конструкций и обгоревших материалов и изделий. Кроме возможности обрушения конструкций или падения их отдельных фрагментов, на месте пожара всегда есть шанс провалиться в прогар в перекрытии, упасть в неогороженный проем и масса других не менее опасных ситуаций. Шансы негативного развития событий возрастают зимой, когда ступени лестниц и прочие элементы здания или сооружения покрыты льдом после водяного тушения.

Существует опасность электротравм от находящихся под напряжением проводов и других объектов, радиационная опасность, связанная с разгерметизацией в ходе пожара различных источников излучения; опасность отравления токсичными веществами, находившимися на месте пожара, а также газоообразными продуктами термической деструкции веществ и материалов.

Для предотвращения подобных негативных ситуаций при выезде на место пожара необходимо предусмотреть наличие следующего оборудования и выполнение следующих действий.

1. Каска, пожарный пояс и страховочная веревка

Осмотр места пожара в любом случае целесообразно проводить в каске, а при угрозе падения - со страховкой и, как минимум, вдвоем. Страховочные приспособления обязательно следует применять, когда необходимо пройти на опасный участок. Но даже имея страховку, не следует залезать на конструкцию, явно склонную к обрушению; необходимо применять дистанционные методы ее исследования.

2. Железный щуп

Простейшее приспособление в виде стального прута позволяет прощупывать впереди себя путь и не провалиться в прогар, прозондировать кучи так называемого пожарного мусора. Последняя операция полезна не только в целях безопасности, она необходима в ходе осмотра места пожара, в частности, при выборе зоны для динамического осмотра.

3. Фонарь

Мощный (желательно аккумуляторный) фонарь - обязательный атрибут осмотра места пожара, даже если осмотр проводится днем.

При необходимости длительной и серьезной работы на месте пожара, для обеспечения качественного освещения места работы экспертной группы целесообразно вызывать специальный автомобиль освещения (если он имеется в местном гарнизоне ГПС). Это необходимо для качественного осмотра места пожара и весьма полезно с точки зрения обеспечения безопасности работы.

4. Лестницы

Применение надежных лестниц-стремянок в случае необходимости осмотра объектов, расположенных на вы соте, и отбора проб не требует специальных комментариев. Лучше надежная лестница, чем случайные ящики доски и прочие подручные средства.

5. Применение устройств для дистанционных исследований

Применение устройств для дистанционного измерения глубины обугливания и отбора проб угля, дистанционного измерения остаточных температур (пирометры тепловизоры), деформаций и прочих линейных размеров целесообразно и с точки зрения обеспечения безопасности специалиста, работающего на пожаре. Хорошо, когда техническая возможность позволяет получить необходимую информацию дистанционно (не надо подниматься на высоту). В настоящее время для определения температуры нагрева конструкций в ходе пожара (выявления остаточных температурных зон на теплоемких конструкциях) успешно применяются пирометры отечественногс и зарубежного производства, тепловизоры (см. разд. 12.5). Разработаны устройства для дистанционного измерения глубины обугливания и отбора проб древесных углей.

6. Применение специальной техники и привлечение специалистов для разборки конструкций в ходе динамического осмотра

Если для выполнения динамического осмотра требуется серьезная разборка конструкций, она должна выполняться не самостоятельно, а соответствующими специалистами и с применением специальной техники. Организация, выполняющая эту работу, отвечает за обеспечение ее безопасного проведения, а пожарный специалист указывает, где и что нужно делать, следит за качеством работы.

7. Электробезопасность

Обычно к моменту осмотра места пожара объект бывает обесточен; соответствующие меры на стадии тушения предпринимают пожарные, администрация объекта, соответствующие службы энергообеспечения. И тем не менее при исследовании места пожара достаточно часто приходится сталкиваться с тем, что отдельные оголенные провода или металлоконструкции оказываются под током. Причиной возникновения такого рода ситуации может быть утечка тока на конструкцию, неотключение какого-либо питающегося отдельно кабеля, просто халатность. Дополнительную опасность поражения электрическим током создает повышенная влажность на месте пожара.

С учетом изложенных выше обстоятельств обязательным атрибутом специалиста, выезжающего на место пожара и собирающегося там работать, должен быть электроприбор, позволяющий определять наличие напряжения на проводе и конструкции, - щуп (пробник), тестер, вольтметр и т.п. (см. гл. 9).

При работе на месте пожара перед началом осмотра необходимо убедиться в отсутствии напряжения на имеющихся в зоне работы проводах и кабелях, отсутствии выноса напряжения на металлоконструкции. Периодически такой контроль должен осуществляться и в ходе динамического осмотра, по мере того как будут откапываться новые провода, элементы металлоконструкций.

То же в обязательном порядке делается перед изъятием с места пожара любых проводов, коммутационных и электроустановочных изделий, электрооборудования. При этом на всякий случай лучше применять инструмент (кусачки, пассатижи, отвертки и др.) с изолированными ручками.

Повышает электробезопасность работы использование резиновых сапог и перчаток.

Осмотр промышленного электрооборудования, трансформаторов, силовых установок целесообразно проводить с участием специалистов-электриков.

Осмотр электроустановок с напряжением более 1000 В в обязательном порядке проводится с участием специалистов Энергонадзора и эксплуатирующей организации.

8. Радиационная безопасность

Желательным атрибутом для работы на месте пожара является дозиметр. Это касается не только ядерного объекта, но и (на всякий случай) любого научно-исследовательского института, промышленного предприятия, склада и т. д.

Радиационная опасность на месте пожара может быть действительной и мнимой.

Первая связана с разгерметизацией в ходе пожара емкостей с радиоактивными веществами, контейнеров, трубопроводов и т. д. Поэтому контролировать радиационный фон при входе в незнакомые помещения, при проведении динамического осмотра и разборке пожарного мусора всегда целесообразно. Наличие такого контроля позволяет избежать излишних страхов, а то и явной радиофобии, появившейся после Чернобыльской аварии.

Из практики исследования пожаров известно, что организовать спокойную и качественную работу по осмотру места пожара и изъятию вещественных доказательств на объекте, где действительно (или по слухам) может иметь место радиационная опасность, довольно сложно. Еще хуже, если о гипотетической опасности человек (особенно мнительный и психически неуравновешенный) узнает уже после работы на месте пожара. Поэтому дозиметр в руках специалиста, работающего на месте пожара, следует считать необходимым атрибутом, позволяющим адекватно реагировать на сложившуюся обстановку как во время работы, так и в дальнейшем.

9. Средства защиты рук, ног, органов дыхания

Работать на пожаре следует в перчатках и (если позволяет погода) в резиновых сапогах.

Особо отметим необходимость использовать резиновые перчатки при отборе проб неизвестных жидкостей из обнаруженных на месте пожара емкостей, сборе капель неизвестной жидкости с предметов-носителей. Такие операции могут иметь место, в частности, при расследовании поджогов с применением легковоспламеняющейся или горючей жидкости в качестве интенсификатора горения. При расследовании пожаров имели место случаи, когда пожарные специалисты собирали неизвестную жидкость фильтровальной бумагой и ватными тампонами - без перчаток, пинцета - и в результате получали серьезные поражения рук. Никто не может гарантировать, что неизвестное вещество не окажется токсичным или кожно-нарывного действия.

При динамическом осмотре, исследовании слоя пожарного мусора, расчистке полов и других пыльных операциях следует применять респиратор (пыль такого рода достаточно часто токсична и канцерогенна, в частности).

Токсичны и газообразные продукты термической деструкции большинства веществ и материалов. Поэтому даже при осмотре "по горячим следам" не следует спешить, надо подождать, пока дым рассеется. Закрытые помещения необходимо перед осмотром проветрить, осмотр проводить при открытых дверях и окнах.

Если при осмотре обнаружены зоны, где в завалах продолжается тление, необходимо поставить в известность РТП или другое компетентное лицо и продолжать осмотр после того, как горение будет ликвидировано.

 

ПРИЛОЖЕНИЕ 1.

 КОНСТРУКТИВНЫЕ ЭЛЕМЕНТЫ НАИБОЛЕЕ РАСПРОСТРАНЕННЫХ ОБЪЕКТОВ, КОТОРЫЕ ОПИСЫВАЮТСЯ В ХОДЕ ОСМОТРА МЕСТА ПОЖАРА

1.1. Здания и сооружения

 

Рис. П. 1.1. Аксонометрический разрез здания с внутренней капитальной стеной:

1 - фундамент; 2 - подвал; 3 - подполье; 4 - цоколь; 5 - внутренняя капитальная стена; 6 - перегородка; 7 - междуэтажное перекрытие; 8 - пол; 9 - простенок; 10 - перемычка; 11 - карниз; 12 - стропила; 13 - чердачное перекрытие

 

 

Рис. П. 1.2. Общий вид двухэтажного дома:

1 - брандмауэр; 2 - слуховое окно; 3 - окно; 4 - металлическое ограждение крыши; 5 - щипец; 6 - балкон; 7 - междуэтажная стяжка; 8 - венчающий карниз; 9 - главный фасад; 10 - козырек над входом;11 - воротный проезд; 12 - закрытый приямок; 13 - крыльцо; 14 - открытый приямок; 15 - наружный люк;16 - торцовый фасад

 

Конструкции покрытий

 

 

Рис. П. 1.3. Деревянная конструкция с наклонными стропилами:

1 - внутренняя стена; 2 - наружная стена;3 - мацерлат; 4 - кровля и основание под нее; 5 - ригель или схватка; 6 - коньковый прогон; 7 - стойка; 8 - подкос; 9 - лежень;10 - стропильная балка; 11 - чердачное перекрытие

 

Рис. П. 1.4. Железобетонные и стальные конструкции промышленных зданий:

1 - железобетонные колонны; 2 - железобетонная безраскосная ферма;3 - железобетонные стропильные балки; 4 - железобетонные подкрановые балки; 5 - стальные стропильные фермы; 6 - стальная колонна

 

Рис. П. 1.5. Стальные несущие конструкции покрытий:

а - рама:1 - фонарь; 2 - рама; б - арка из прокатных элементов:1 - железобетонный фундамент; 2 - стальной каркас; 3 - двухшарнирная арка

 

Рис. П. 1.6. Конструктивные элементы фермы:

1 - промежуточный узел нижнего пояса; 2 - опорный узел; 3 - промежуточный узел верхнего пояса; 4 - верхний пояс; 5 - панель верхнего пояса; 6 - стойка; 7 - раскос; 8 - панель нижнего пояса; 9 - нижний пояс; 10 - пролет фермы

 

Конструкции междуэтажных перекрытий

 

 

Рис. П. 1.7. Железобетонное перекрытие:

1 - железобетонная плита; 2 - слой парозвукоизоляции; 3 - покрытие пола(чистый пол) (доска, паркет, линолеум, плитка); 4 - декоративное покрытие потолка нижнего этажа (штукатурка, водно-дисперсионная краска)

 

Рис. П. 1.8. Железобетонное перекрытие с подвесным потолком:

1 - плита перекрытия; 2 - металлическая стержневая подвеска; 3 - пол; 4 - металлический каркас подвесного потолка; 5 - плита подвесного потолка; 6 - пустотное пространство; 7 - встроенный светильник

 

Рис. П. 1.9. Пустотное деревянное перекрытие:

1 - несущие балки (деревянные, стальные); 2 - засыпка (теплозвукоизоляция);3 - лага пола; 4 - черновой пол (доски, ДСП, ЦСП); 5 - пароизоляция; 6 - чистый пол (доски, паркет, линолеум, плитка); 7 - подшивка потолка; 8 - декоративное покрытие потолка

 

Конструкции перегородок

 

Рис. П. 1.10. Деревянная пустотная перегородка:

1- стойки каркаса перегородки;2 - доски обшивки; 3 - металлическая штукатурная сетка, дранка; 4 - штукатурка; 5 - наружное декоративное покрытие (краска, обои и др.)

 

 

Рис. П. 1.11. Перегородка с утеплителем и однослойными обшивками из гипсоволокнистых листов:

1 - обшивка, листы гипсоволокнистые; 2 - утеплитель, минераловатные плиты; 3 - самонарезающие стальные шурупы; 4 - стойка каркаса, деревянные бруски

 

Рис. П. 1.12. Гипсокартонная перегородка:

1 - обшивка (лист гипсокартонный); 2 - утеплитель (минераловатные плиты и др.); 3 - каркас - стальной оцинкованный профиль; 4 - нащельник

 

Рис. П. 1.13. Фрагмент стены помещения:

1 - ниша для радиатора; 2 - подоконная рама (подоконник); 3 - оконная коробка (закрыта наличником); 4 - створка оконной рамы; 5 - оконное остекление; 6 - форточка; 7 - глухая фрамуга; 8 - радиатор отопления; 9 - плинтус; 10 - наличник; 11 - дверная коробка (имеет верхний, нижний, боковые брусья); 12 - дверное полотно; 13 - дверная петля; 14 - дверная ручка; 15 - торец двери; 16 - порог

1.2. Мебель

Рис. П. 1.14. Одинарная кровать:

1 - ножная спинка; 2 - ножка; 3 - обвязка (царга); 4 - обтяжка матраца;5 - верхняя кромка головной спинки; 6 - головная спинка; 7 - боковая кромка головной спинки

 

Рис. П. 1.15. Матрац, изготовленный на пружинном блоке и настилочном материале (поролон):

1 - пружинный блок; 2 - покровочный слой; 3 - настилочный слой поролона с малой объемной массой; 4 - настилочный слой (шерсть); 5 - облицовочная ткань; 6 - поролон для формирования бортов с большой объемной массой; 7 - поролон для бортов

 

Рис. П. 1.16. Диван-кровать:

1 - внешняя поверхность боковины; 2 - спинка; 3 - внутренняя поверхность боковины; 4 - сиденье; 5 - торец сиденья; 6 - передняя часть боковины; 7 - передняя стенка основания дивана

 

 

Рис. П. 1.17. Кресло для отдыха:

1 - боковина (подлокотник); 2 - борт спинки; 3 - спинка; 4 - передняя часть боковины; 5 - подушка сиденья; 6 - передняя стенка основания кресла

 

 

Рис. П. 1.18. Письменный стол:

1 - крышка; 2 - ручка-кнопка; 3 - передняя стенка ящика; 4 - передняя стенка внутреннего полуящика; 5 - боковая стенка полуящика; 6 - боковая стенка полутумбы; 7 - продольная подножка; 8 - поперечная подножка

 

 

Рис. П. 1.19. Стол обеденный прямоугольный:

1 - крышка; 2 - кромка; 3 - обвязка (царга); 4 - ножка; 5 - передняя стенка ящика

 

 

 

Рис. П. 1.20. Стул:

1 - спинка; 2 - вертикальный брусок спинки; 3 - задняя ножка; 4 - обивка спинки; 5 - поперечный брусок спинки; 6 - сиденье; 7 - боковой брусок обвязки (царга); 8 - проножка; 9 - передняя ножка; 10 - рамка сиденья

 

 

Рис. П. 1.21. Табуретка:

1 - сидение; 2 - брусок обвязки; 3 - ножка; 4 - проножка; 5 - кромка сидения

 

Рис. П. 1.22. Кресло рабочее вращающееся:

1 - сиденье; 2 - спинка; 3 - подлокотники; 4 - станина (ножка); 5 - опора на роликах

 

 

Рис. П. 1.23. Тумбочка прикроватная:

1 - дно ящика; 2 - передняя стенка ящика; 3 - ручка ящика;4 - крышка тумбочки; 5 - боковая стенка тумбочки; 6 - ножка; 7 - боковая стенка ящика; 8 - торец передней стенки

 

Рис. П. 1.24. Трельяж:

1 - центральное зеркало; 2 - правая створка; 3 - зеркало створки;4 - крышка; 5 - правая дверца; 6 - передняя стенка наружного ящика; 7 - задний щит; 8 - боковая стенка; 9 - ножка

 

Рис. П. 1.25. Секретер:

1 - выдвижная (откидная) доска; 2 - внутренние полки для книг; 3 - верхняя доска; 4 - дверца (створка) шкафчика; 5 - нижняя правая дверца (створка); 6 - дно; 7 - перегородка; 8 - выдвижной ящик

 

 

Рис. П. 1.26. Мебельная стенка:

1 - нижняя дверца 1-й секции; 2 - средняя дверца 1-й секции; 3 - верхняя дверца 1-й секции; 4 - дверца верхнего отдела 5-й секции; 5 - боковая стенка; 6 - передняя кромка боковой стенки; 7 - ящик выдвижной (передняя стенка); 8 - полка; 9 - 5-я секция; 10 - 4-я секция; 11 - 3-я секция; 12 - откидная дверца; 13 - 2-я секция; 14 - 1-я секция

 

 

Рис. П.1.27. Шкаф трехдверный с антресолью:

1 - полуящик; 2 - дверь шкафа; 3 - полка выдвижная;4 - галстукодержатель; 5 - лоток для мелочей; 6, 10 - зеркала; 7 - дверца антресоли; 8 - полки антресоли стационарные;9 - скалка для плечиков; 10 - полшкафа

1.3. Электросети

Воздушные и кабельные вводы

Рис. П. 1.28. Воздушные вводы в дома:

а - ввод в дом от воздушных линий; 6 - ввод в домик на садовом участке;

1 - изолированные провода; 2 - опора; 3 - вводный ящик; 4 - зажим; 5 - трубостойка; 6 - оттяжка

 

Рис. П. 1.29. Кабельный ввод в большой дом:

1 - питающий кабель; 2 - вводный ящик; 3 - распределительный щит; 4 - стояки; 5 - этажные щитки; 6 - провода, расходящиеся по квартирам

 

Этажные щитки, электрошкафы

Рис. П. 1.30. Этажные щитки:

а - с одним отсеком; б - с двумя отсеками;

1 - предохранители; 2 - отверстия для ввода проводов;3 - надписи с номерами квартир; 4 - петли; 5 - автоматические выключатели; 6 - верхний отсек;7 - выключатели; 8 - окна в панели;9 - панель

 

 

Рис. П. 1.31. Электрошкаф:

1-автоматические выключатели; 2 - выключатели; - таблички с номерами квартир; 4 - счетчики; провода, идущие в квартиры; 6 - провода стояка; 7 - дверца третьего отсека

Схемы электросети

 

Рис. П. 1.32. Пример схемы квартирной групповой сети современного дома и ее присоединение к стояку:

1 - предохранители; 2 - двухполюсный пакетный выключатель; 3 - счетчик на номинальный ток 10 А; 4 - автоматический выключатель; 5 - питающая лампа общего освещения; 6 - автоматический выключатель на 16 А; 7 - штепсельные розетки; 8 - розетки в кухне; 9 - автоматический выключатель на 32 А; 10 - штепсельная розетка с защитным контактом для электроплиты

 

1.4. Провода, кабели, шнуры

Провода

 

Рис. П. 1.33. Одножильные, однопроволочные провода круглого сечения:

1 - жила (медная, алюминиевая, алюмомедная); 2 - изоляция (резина, ПВХ); 3 - оплетка (хлопчатобумажная пряжа) или оболочка (ПВХ)

 

Рис. П. 1.34. Многопроволочные одножильные и многожильные провода круглого сечения:

1 - жила многопроволочная; 2 - изоляция; 3 - оболочка или оплетка

 

Рис. П. 1.35. Плоские многожильные провода:

а - плоский трехжильный провод с изоляцией с разделительным основанием; б - провод без разделительного основания;

1 - разделительное основание; 2 - изоляция; 3 - жила

 

Кабели

Рис. П. 1.36, Примеры исполнения кабелей: а - НРГ, АНРГ; б - СРГ, АСРГ; в - ВВГ, АВВГ;

1 - жилы; 2 - резиновая изоляция; 3 - резиновая оболочка; 4 - изоляция из ПВХ;

5 - оболочка их ПВХ; 6 - жилы; 7 - резиновая изоляция; 8 - свинцовая оболочка

 

Шнуры

Рис. П. 1.37. Шнуры для электроприборов: а - ШВП-2; б - ШВП-1; в - ШВВП; г - ШРО; д - ШПС и ПВС; е - ШТР;

1,3- жилы; 2, 4 - ПВХ-пластикат; 5, 12 - жилы; 6, 13 - ПВХ-изоляция; 7, 15 - ПВХ-оболочка;

8, 16 - скрученные жилы; 9 - резиновая изоляция; 10, 14 - заполнение из синтетического волокна;

11 - оплетка из х/б или синтетической нити; 17 - изоляция; 18 - заполнение синтетическим волокном; 19 - оболочка

Таблица П.1.1

Диаметр проводника и соответствующее ему сечение

Диаметр, мм

Сечение, мм2

Диаметр, мм

Сечение, мм2

Диаметр, мм

Сечение, мм2

0,08

0,005

0,51

0,204

1,35

1,43

0,09

0,007

0,53

0,221

1,40

1,54

0,10

0,008

0,55

0,238

1,45

1,65

0,11

0,010

0,57

0,255

1,50

1,77

0,12

0,011

0,59

0,273

1,56

1,91

0,13

0,013

0,62

0,302

1,62

2,06

0,14

0,015

0,64

0,322

1,68

2,22

0,15

0,018

0,67

0,353

1,74

2,38

0,16

0,020

0,69

0,374

1,81

2,57

0,17

0,023

0,72

0,407

1,88

2,78

0,18

0,025

0,74

0,430

1,95

2,99

0,19

0,028

0,77

0,466

2,02

3,20

0,20

0,031

0,80

0,503

2,10

3,46

0,21

0,035

0,83

0,541

2,26

4,01

0,23

0,042

0,86

0,581

2,44

4,68

0,25

0,044

0,90

0,636

2,63

5,43

0,27

0,057

0,93

0,679

2,83

6,29

0,29

0,066

0,96

0,729

3,05

7,31

0,31

0,075

1,00

0,785

3,28

8,46

0,33

0,086

1,04

0,850

3,53

9,75

0,35

0,096

1,08

0,916

3,80

11,30

0,38

0,113

1,12

0,985

4,10

13,20

0,41

0,132

1,16

1,057

4,50

15,80

0,44

0,152

1,20

1,130

4,80

18,00

0,47

0,173

1,25

1,230

5,00

19,60

0,49

0,188

1,30

1,330

 

 

 

1.5. Аппараты коммутации, электроустановочные изделия

Аппараты коммутации силовых сетей

 

Рис. П. 1.38. Трехполюсный рубильник с центральной рукояткой:

1 - неподвижные контакты (верхний и нижний); 2 - подвижные контакты (ножи); 3 - рукоятка; 4 - кольцевые пружины; 5 - сферические шайбы в шарнирных соединениях; 6 - изоляционная плита

 

Рис. П. 1.39. Двухполюсный переключатель с центральным рычажным приводом:

1, 3 - неподвижные контакты; 2 - подвижные контакты; 4 - зажимы; 5 - внешняя стенка; 6 - рукоятка; 7 - тяга; 8 - изоляционная плита внутри распределительного устройства (шкафа)

 

Рис. П. 1.40. Устройство пакетного выключателя (переключателя):

а - выключатель в сборе; б - отдельная секция;

1 - набор изолированных секций; 2 - переключающий и фиксирующий механизм; 3 - приводной вал; 4 - рукоятка; 5 - пружинящий неподвижный контакт; 6 - неподвижный контакт; 7 - изолятор; 8 - искрогасящая фибровая шайба

 

Кнопки управления

 

Рис. П. 1.41. Кнопки управления: а - двухцепная типа КУ2; б - двухцепная грибовидная типа КУА1;

1 - подвижный контакт; 2 - корпус; 3 - толкатель; 4, 5 - гайки для фиксации кнопки на панели управления; 6 - подвижный контакт; 7 - винтовой зажим для подключения проводника

 

Выключатели

 

Рис. П. 1.42. Выключатели с кнопочным приводом:

а- для настольных ламп

1 - кнопка-выключатель; 2 - обойма 3 - шайбы зажимные; 4 - панель корпуса; 5 - винт зажимной; 6, 7 - отверстия в корпусе выключателя

б - для напольных ламп:

1 - кнопка-выключатель; 2, 5 - провода; 3 - основание корпуса ножного выключателя; 4 - скобы

 

Рис. П. 1.43. Выключатели с клавишным приводом:

а - на одну цепь для скрытой установки; б - на три цепи для открытой установки; в - установочная пластина включения;

1 - винт крепления крышки; 2 - клавиша выключателя; 3 - крышка; 4, 6 - зажимы для присоединения проводов;

5 - неподвижный контакт; 7 - скобы; 8 - рычажок; 9 -распорные лапки; 10 - винты; 11 - опора, на которой качается рычажок15

 

Рис. П. 1.44. Выключатель со шнуровым приводом подпотолочный:

1 - корпус; 2 - шнурок; 3 - винт; 4 - отверстие; 5 - деталь; б - ось; 7, 8, 9 - контактные пластины; 10 - мостик; 11 - винты; 12 - пластина; 13 - отверстие с резьбой; 14 - неподвижная деталь; 15 - растягивающаяся пружина; 16 - поворачивающаяся деталь

 

Рис. П. 1.45. Комбинированное электроустановочное устройство:

1 - пластмассовая крышка; 2, 3 - наборные элементы; 4 - винты; 5 - металлическая коробка

 

Штепсельные вилки, удлинители, разветвления, переходные устройства

Рис. П. 1.46. Штепсельные вилки:

а -разборная с двумя цилиндрическими контактами; б -разборная с плоскими контактами, расположенными под углом 90°; в - неразборная литая; г - е - вилки с защитными (заземляющими) контактами; 1 - корпус; 2 - штифты; 3 - винт; 4 - защитный (заземляющий) контакт

 

 

Рис. П. 1.47. Устройство штепсельной вилки:

1, 11 - корпус; 2 - цилиндрический штифт; 3, 4, 8, 16, 17, 18, 19 - винты; 5, 13 - скоба; 6 - изоляция; 7 - углубление в корпусе; 9 - выступ; 10 - гайка; 12 - крышка; 14 - контакты; 15 - защитный контакт

 

 

Рис. П. 1.48. Удлинители и разветвления;

а - удлинитель; б - удлинитель-переходник; в - удлинитель-переходник; г - переходник; д - переходник-тройник

Штепсельные розетки

 

Рис. П. 1.49. Розетки без заземляющих контактов:

а - обычного исполнения; б - с сальниковым (уплотнителъным) вводом

 

 

 

Рис. П. 1.50. Розетки с защитными (заземляющими, зануляющими) контактами:

1 - корпус; 2 - защитные контакты;3 - отверстия для штифтов вилки; 4 - отверстие для заземляющего штифта

Рис. П. 1.51. Розетка с защитным устройством:

1 - труба для ввода проводов; 2 - неподвижный пластмассовый чехол; 3, 5 - винт; 4 - поворотная деталь;

6 - отверстия для штырьков штепсельной розетки

 

 

Рис. П. 1.52. Розетка для скрытой проводки без защитных контактов (со снятой крышкой):

1 - контактное гнездо; 2 - пружина; 3 - отверстие для направляющих выступов крышки; 4 - корпус; 5 - монтажная скоба; 6 - распоры лапки; 7 - контактная пластина; 8 - винт крепления провода; 9 - отверстие для крепления крышки; 10 - регулировочные винты распора лапок

 

Рис. П. 1.53. Розетка с защитными контактами (со снятой крышкой):

1 - корпус; 2 - контактные гнезда для штифтов питающих проводов; 3 - гнезда для заземляющего штифта; 4 - винты крепления основных проводов; 5 - винт крепления защитного провода; 6 - отверстия для винтов крепления крышки

 

1.6. Аппараты защиты электросети

Автоматические воздушные выключатели (автоматы)

Рис. П. 1.54. Однополюсный выключатель АЕ-1031

 

Рис. П. 1.55. Трехполюсный выключатель АП50Б

 

Рис. П. 1.56. Устройство автомата:

1 - дугогасительная решетка; 2 - крышка; 3 - деталь зацепления; 4 - рукоятка включения (отключения); 5 - пружина; 6 - зуб зацепления; 7 - рычаг; 8 - тепловой биметаллический расцепитель; 9 - максимальный (электромагнитный) расцепитель; 10 - гибкая связь; 11, 12 -рычаги; 13 - подвижный контакт; 14 - неподвижный контакт

 

Рис. П. 1.57. Предохранитель автоматический резьбовой (автоматический выключатель) ПАР:

а - общий вид; б - вид в разрезе;

1 - кнопка включения; 2 - кнопка отключения; 3 - защелка; 4 - поворотный рычаг; 5 - контактный мостик; 6, 11 - неподвижные контакты; 7 - гильза; 8 - толкатель; 9 - пружина; 10 - центральный контакт; 12 - биметаллическая пластина; 13 - штифт; 14 - гибкий проводник

 

Таблица П.1.2

Маркировка и геометрические характеристики автоматических выключателей

Тип автомата

Максимальное значение номинального тока, А

Габаритные размеры, мм

Тип расцепителя

Расположение основной маркировки

Расположение дополнительной маркировки

АЕ-1031

16

20×90×66

1T

Справа от клавиши, К

На контактной системе расцепителя, Кр

АЕ-2010

10

56×102×72

3МТ

АЕ-2030

25

75×145×90

3МТ

Под клавишей, К

АЕ-2040

63

75×184×99

3МТ

Над клавишей, К

АЕ-2050

до 50

75×184×90

3МТ т

АЕ-2050

50-100

112×210×99

3МТ

А 3161

15

33×50×85

1T

Под клавишей, Кр

-

А 3163

50

104×153×85

Под клавишей, К

-

АП-50

50

77×144×88

2Т, МТ

Над кнопками, К

На кнопочном механизме под крышкой корпуса, К

АП-50

50

97×144×80

3Т, МТ

 

Плавкие предохранители

 

Рис. П. 1.58. Плавкие предохранители:

а - трубчатый в сборе с контактными стойками: 1 - патрон с плавкой вставкой; 2 - контактные стойки; 3 - контакты для подключения внешних проводов;

б - открытый патрон: 1 - трубка (фарфор, керамика, фибра и т. п.);2 - плавкая вставка (Си, Zn, Pb); 3 - контакты;

в - закрытый патрон с наполнителем: 1 - корпус предохранителя;2 - плавкая вставка; 3 - контакты; 4 - наполнитель (кварцевый песок);

г - пробочный резьбовой: 1 - нижний (торцевой) контакт; 2 - предохранитель;3 - боковой контакт; 4 - пробка с токопроводящей резьбой;

д - трубчатый стеклянный: 1 - стеклянная трубка; 2 - калиброванная проволока; 3 - токопроводящие контактные наконечники; 4 - корпус предохранителя; 5 - крышка; 6 - пружина; 7 - торцевой и боковой контакты

1.7. Лампы и светильники

Лампы

Рис. П. 1.59. Лампа накаливания:

1, 5 - выводы (один - с предохранительным звеном); 2 - тарелочка; 3 - цоколь; 4 - контакт; 5 - предохранительное звено; 6 - лопатка; 7 - штабик; 8 - крючки; 9 - электроды; 11 - колба; 12 - тело накала (спираль)

 

Рис. П. 1.60. Дуговая ртутная лампа:

1 - стеклянная колба;2 - покрытие люминоформом; 3 - кварцевая трубка;4 - основные вольфрамовые электроды; 5 - дополнительные вольфрамовые электроды;6 - резистор; 7 - цоколь с резьбой; 8 - контактная часть цоколя

Обозначения ламп накаливания:

В - вакуумная;

Г - газонаполненная с аргоновым наполнением моноспиральная;

Б - биспиральная аргоновая (из нити сделана спираль, а из нее свернута еще одна спираль);

БК - биспиральная криптоновая

 

Патроны для ламп накаливания

Бывают настенные, потолочные, с прижимными кольцами для крепления абажура, с резьбой для привинчивания стержней настольных ламп и др.

Материал корпусов - пластмасса или фарфор, керамика (для сырых помещений и ламп большой мощности).

 

Рис. П. 1.61. Резьбовой патрон для ЛН с цоколем Е27:

а - устройство патрона; б - вкладыш со стороны винтов; в - вкладыш со стороны контактов; г - детали разобранного вкладыша; 1 - верхняя свинчивающаяся часть патрона; 2 - нижняя свинчивающаяся часть патрона; 3 - вкладыш; 4, 5 - пружинные контакты вкладыша; 6 - центральный контакт цоколя лампы; 7 - гильза цоколя лампы; 8, 9, 10, 11 - винт крепежный; 12 - фарфоровое основание; 13, 14 - контактный зажим

 

 

Рис. П. 1.62. Патрон для ламп накаливания с цоколем Е14:

1 - патрон в сборе;2 - верхняя свинчивающаяся часть патрона;3 - нижняя свинчивающаяся часть патрона;

4 - винт крепления; 5 - контакт кольцевой; 6 - центральный пружинный контакт

Светильники с лампами накаливания

Рис. П. 1.63. Настенный светильник:

1 - патрон; 2 - корпус светильника; 3 - колпак из стекла

 

Рис. П. 1.64. Потолочный светильник:

1 - абажур; 2 - корпус;3 - отверстие для ввода проводов; 4 - ниппели;5 - винты крепления абажура; 6 - скоба крепления патрона

 

Рис. П. 1.65. Настольная лампа:

1 - корпус лампы; 2 - патрон; 3  - ободок крепления абажура; 4  - абажур; 5 - выключатель; 6 - изолирующая втулка

 

 

Рис. П. 1.66. Светильник с пантографной системой:

1 - струбцина; 2 - подвижная ножка; 3 - пантографная система; 4 - винтовой зажим; 5 - выключатель; 6 - отражатель; 7 - кронштейн ножки

 

 

Рис. П. 1.67. Настенный светильник с фасонной U-образной люминесцентной лампой:

а - внешний вид; б - основание светильника; в - лампа светильника с гнездами; г - зажим;

I - винт; 2 - рассеивателъ; 3 - обортованное основание; 4 - съемная крышка; 5 - отверстие для крепления; б - пружинный ламподержателъ; 7 - отверстие для ввода проводов; 8 - колодка для присоединения; 9 - конденсатор; 10 - ПРА; II  - стартер; 12 - патрон; 13 - лампа; 14 - перемычка; 15 - винт; 16 - гнезда для включения лампы; 17 - гнезда для стартера; 18 - винты; 19 - перья (лепестки

 

 

Рис. П. 1.68. Светильник настенный или потолочный с одной люминесцентной лампой:

а - общий вид; б - вид сбоку (разрез);

1 - основание; 2 - винты крепления рассеивателя; 3 - рассеиватель;4 - отверстия; 5 - патроны; 6 - стартер; 7 - колодка с зажимами; 8 - конденсатор; 9 - ПРА; 10 - лампа; 11 - винты; 12 - винтыс шайбами; 13 - стартеродержатель; 14 - отверстия планок; 15 - изогнутая скоба; 16 - корпус патрона

1.8. Электронагревательные приборы, вентиляторы, электродвигатели

Электрические обогреватели

 

Рис. П. 1.69. Электрокамины-рефлекторы:

1 - патрон; 2 - цоколь; 3 - нагревательная спираль; 4 - керамический конус; 5, 6 - нагревательные спирали (либо ТЭНы, стержни); 7 - корпус; 8 - экран-отражатель; 9 - винтовой фиксатор; 10 - защитная решетка (ограждение); 11 - шнур питания

 

 

Рис. П. 1.70. Гибкий ленточный электронагреватель ЭНГЛ-180:

а - общий вид; б - сечение;

1 - вывод; 2 - концевая заделка; 3 - токоведущий провод; 4 - герметизирующее покрытие; 5 - скобка; 6 - жилы

 

Рис. П. 1.71. Электрогрелка:

1 - нагревательный элемент; 2 - полиэтиленовый чехол; 3 - декоративный чехол; 4 - аварийный термовыключатель; 5 - переключатель режимов работы; 6 - соединительный шнур (шнур питания)

 

 

Рис. П. 1.72. Электрорадиатор маслонаполненный:

1 - герметичный корпус; 2 - ручка; 3, 4 - сигнальные лампы; 5 - микровыключатель; 6 - ручка регулятора; 7 - регулятор температуры; 8 - биметаллическая пластина; 9 - короб; 10 - шнур питания; И - ножки; 12 - ТЭН; 13 -ролики

Электрочайники

 

 

Рис. П. 1.73. Электрический беспроводной чайник с пластмассовым корпусом:

1 - носик; 2 - крышка; 3 -ручка; 4 - выключатель; 5 - нагревательный элемент (ТЭН); 6 - плита-подставка; 7 - контактный провод; 8 - контактная вилка

 

 

Рис. П. 1.74. Нагревательный элемент чайника:

1 - оболочка ТЭНа (ТЭН спирального типа); 2 - электрические контакты; 3 - элементы крепления ТЭНа к корпусу; 4 - платформа для крепления ТЭНа к корпусу чайника

 

 

Рис. П. 1.75. Электрочайник:

1 - штепсельная коробка; 2 - электрические контакты; 3 - трубчатый нагревательный элемент (ТЭН); 4 - ножка;

5 - днище; 6 - корпус; 7 - носик; 8 - крышка; 9 - ручка

 

Электроприборы для нагрева воды

 

Рис. П. 1.76. Электрокипятильник бытовой наружного типа:

А - спиральный участок; Б - выводной участок;

1 - наружная трубка (оболочка) ТЭНа; 2 - нагревательная спираль; 3 - мелкодисперсный порошок-изолятор (кварц, периклаз); 4 - выводной провод; 5 - ручка (соединительная колодка); 6 - шнур электропитания; 7 - отметка минимального уровня воды на наружной трубке

 

 

Рис. П. 1.77. Проточный электроводонагреватель с термическим управлением:

I - кожух; 2 - рабочий бак; 3 - сливная труба; 4 - защитная труба терморегулятора; 5, 6 -ТЭН; 7 - защитная труба термоограничителя; 8 - теплоизоляция; 9 - патрубок холодной воды; 10 - труба бака; II  - патрубок горячей воды; 12 - терморегулятор

 

Электроплиты

 

Рис. П. 1.78. Стационарная кухонная плита:

а - общий вид; б - схема включения в сеть однофазного тока;1 - конфорка; 2 - многоступенчатые переключатели для регулирования нагрева; 3 - сигнальные лампы; 4 - жарочный шкаф с застекленным окном, внутри шкафа осветительная лампа; 5 - выдвижной ящик для сушки посуды; 6 - штепсельная вилка с заземляющим контактом; 7 - щиток с зажимами, расположен на задней стенке плиты и закрыт крышкой

Рис. П. 1.79. Бытовая электроплитка:

1 - регулятор мощности; 2 - сигнальная лампа; 3 - нагревательный элемент (ТЭН); 4 - корпус

Вентиляторы

Выпускаются настольные, торшерные, оконные, встраиваемые в вентканалы. Бывают с подогревом воздуха (тепловентиляторы).

 

Рис. П. 1.80. Вентилятор настольный:

1 - основание; 2 - переключатели скорости вращения; 3 - защитное ограждение; 4 - лопасти; 5 - ось (сзади - электродвигатель)

 

Рис. П. 1.81. Вентилятор, встраиваемый в вентканал:

1 - передняя панель корпуса; 2 - лопасти; 3 - ось; 4 - электродвигатель; 5 - отверстия для крепления вентилятора в проеме

 

 

Рис. П. 1.82. Тепловентилятор Binaton VFH-2405DX (передняя крышка снята):

1 - элемент крепления; 2 - корпус; 3 - соединительные провода; 4 - блок терморегулятора с биметаллической

пластиной; 5 - ручка терморегулятора; 6 - индикаторная лампа; 7 - ручка переключателя режимов работы; 8 - блок переключения режимов работы; 9 - нагревательная спираль; 10 - лопасти вентилятора; 11 - шнур питания

 

Электродвигатели

 

Рис. П. 1.83. Электродвигатель серии 4А:

1 - станина; 2 - вал ротора; 3 - кожух, закрывающий статор; 4 - кожух вентилятора; 5 - коробка выводов

 

 

Рис. П. 1.84. Асинхронные двигатели:

а - с фазным ротором 4АК250; б - с короткозамкнутым ротором 4А280;

1 - контактные кольца; 2 - станина; 3 - обмотка ротора; 4 - вентилятор

1.9. Сложная бытовая техника

Холодильники

 

Рис. П. 1.85. Холодильник NORD-214-1 КШД-280/45:

а - общий вид: А - холодильная камера; Б - морозильная камера; 1 - решетка; 2 - испаритель   морозильной   камеры; 3 - лопатка; 4 - емкость с крышкой; 5 - вкладыш; 6 - испаритель холодильной камеры; 7 - барьер полки; 8 - дверь холодильной  камеры; 9 - сосуд для талой воды;10 - уголок; 11 - декоративная планка; 12 - гайка; 13 - опора; 14, 15 - болты с шайбой; 16 - ролик; 17 - сосуд для овощей и фруктов; 18 - полка-стекло;  19 - обрамление полки; 20 - полка; 21 - бак с крышкой; 22 - блок приборов; 23 - форма для льда; 24 - поперечина; б - вид сзади:1 - водоотвод; 2 - компрессор; 3 - пускозащитное реле;   4  -  клеммная  колодка;5 - сосуд для талой воды; 6  - соединительный провод; 7 - вилка; 8 - патрубок

 

Рис. П. 1.86. Оборудование моторного отсека холодильника Ariston:

1 - корпус компрессора; 2 - защитное термореле; 3 - пусковое реле; 4 - контактная пластина заземления; 5 - пружинная шайба; 6 - крепежный винт; 7 - винт крепления провода заземления; 8 - зубчатая шайба; 9 - крепежный винт; 10 - закладная гайка; 11 - коммутационная коробка; 12 - гнезда крепления проводов; 13 - крепежные винты; 14 - крышка коммутационной коробки; 15 - пружинный зажим

 

Рис. П. 1.87. Компоновочная электрическая схема холодильника Ariston:

1 - сетевой провод; 2 - кнопка дверцы холодильного отделения; 3 - лампа; 4 - кнопка дверцы морозильного отделения; 5 - мотор вентилятора морозильного отделения; 6 - термостат; 7 - таймер размораживания; 8 - термостат размораживания; 9 - нагреватель испарителя; 10 - нагреватель поддона морозильного отделения; 11 - термопредохранитель (на 60 °С); 12 - пусковое реле компрессора; 13 - термореле компрессора; 14 - компрессор

 

Стиральные машины

 

Рис. П. 1.88. Автоматическая стиральная машина "Вятка-автомат- 12":

1 - дозатор моющих средств; 2 - опора; 3 - цилиндрические пружины; 4 - шланг; 5 - электрический клапан; 6 - стиральный бак; 7 - шкив; 8 - заливной шланг; 9 - датчик температуры; 10 -электронагреватель; 11 - электродвигатель; 12 -сливной шланг; 13 - шланг датчика уровня; 14 -пластина амортизатора; 15 - конденсатор; 16 - пружина амортизатора; 17 - диск фрикционный; 18 - электронасос; 19 - фильтр; 20 - дренажная труба; 21 - датчик уровня воды; 22 - противовес; 23 - командоаппарат; 24 - сигнальная лампа; 25 - переключатель программ; 26 - ручка командоаппарата; 27 - передняя стенка корпуса; 28 - корпус машины; 29 - крышка для люка загрузочного отверстия; 30 - крышка корпуса; 31 - ящик дозатора моющих средств; 32 - шланг подвода горячей воды; 33 - электромагнитный клапан (одноходовой)

 

 

Рис. П. 1.89. Варианты подключения автоматической стиральной машины к электросети

Телевизоры

 

Рис. П. 1.90. Внешний вид телевизора "Витязь 51 ТЦ6010":

1 - крышка устройства управления; 2 - кнопка "Сеть "; 3 - корпус; 4 - экран кинескопа

 

Рис. П. 1.91. Вид телевизора "Витязь 51 ТЦ 6010" сзади со снятым кожухом:

1 - блок кинескопа; 2 - плата кинескопа; 3 - корпус; 4 - кронштейн моношасси; 5 - плата моношасси; 6 - устройство акустическое; 7 - модуль управления

 

Рис. П. 1.92. Унифицированное шасси телевизора ЗУСТ:

1 - модуль цветности А2; 2 - субмодуль цветности А2.1; 3 - плата кинескопа; 4 - высоковольтный соединитель; 5 - модуль строчной развертки А7; 6 - модуль кадровой развертки А6; 7 - субмодуль коррекции растра А7.1; 8 - модуль питания А4; 9 - соединительная розетка модуля строчной развертки; 10 - соединительная розетка модуля кадровой развертки; 11 - соединительная плата A3; 12 - розетка для контроля импульсных и постоянных напряжений на плате A3; 13 - соединительная розетка модуля цветности; 14 - соединительная розетка модуля радиоканала; 15 - субмодуль синхронизации А1.4; 16 - субмодуль радиоканала А1.3; 17 - селектор каналов метровый А1.1; 18 - селектор каналов дециметровый А 1.2; 19 - модуль радиоканала А1; 20 - умножитель; 21 - ТВС - трансформатор высоковольтный строчный

Микроволновые печи

 

Рис. П. 1.93. Составные части микроволновой печи:

1 - передняя панель; 2 - смотровое окно; 3 - уплотнитель дверцы;4 - системы блокировки; 5 - панель управления

 

 

Рис. П. 1.94. Микроволновая печь, вид сбоку, со снятым кожухом:

1 - дверца; 2 -ручка таймера; 3 -ручка управления переменной мощностью приготовления; 4 - генератор СВЧ (магнетрон); 5 - крышка камеры; 6 - дроссель фильтра; 7 - плата с предохранителями и высокочастотным фильтром; 8 - кожух вентилятора; 9 - вентилятор; 10 - конденсатор сетевого фильтра; 11 - дроссель сетевого фильтра; 12 - трансформатор; 13 - звонок звуковой сигнализации; 14 - блок управления

1.10. Бытовая газовая аппаратура

 

Рис. П. 1.95. Аппарат водонагревательный проточный газовый бытовой типа ВПГ:

1 - газопровод; 2 - кран блокировочный газовый; 3 - горелка запальная; 4 - горелка основная; 5 - патрубок холодной воды; 6 - блок водогазовый с тройником горелки; 7 - теплообменник; 8 - автоматическое устройство безопасности по тяге с электромагнитным клапаном; 9 - датчик тяги; 10 - термопара; 11 - патрубок горячей воды; 12 - газоотводящее устройство

Рис. П. 1.96. Емкостные газовые водонагреватели:

а - АГВ-80; б - АГВ-120;

1 - кожух; 2 - бак; 3 - жаровая труба; 4 - удлинитель потоков газов; 5 - теплоизоляция; 6 - патрубок холодной воды; 7 - патрубок горячей воды; 8 - газовый кран; 9 - электромагнитный клапан; 10 - терморегулятор;11 - запальник; 12 - термопара; 13 - газовая горелка; 14 - блок автоматики; 15 - термобаллон; 16 - термометр; 17 - прерыватель тяги

 

Рис. П. 1.97. Газовый отопительный аппарат с водяным контуром типа ОАГВ-Ю-3-У / модель 2203:

1 - ручка крана; 2 - щиток; 3 - кнопка электромагнитного клапана; 4 - термометр; 5 - водонагреватель; 6 - терморегулятор; 7 - электромагнитный клапан; 8 - кожух; 9 - запальник; 10 - съемная рама; 11 - горелка; 12 - фильтр; 13 - дверца; 14 - датчик тяги; 15 - терморегулятор; 16 - смотровое окно; 17 - крышка верхняя

 

Рис. П. 1.98. Газовая плита с баллоном:

1 - баллон; 2 -регулятор давления; 3 - газовая магистраль (металлическая трубка, резинотканевый рукав); 4 - газовая плита; 5 - газовые конфорки с горелками;6 - газовые краны; 7 - стекло дверцы духовки; 8 - дверца духовки; 9 - дверца нижнего отделения

 

Рис. П. 1.99. Баллон газовый для пропан-бутана (разрез):

1 - корпус; 2 - днище; 3 - башмак;4 - напрессованные подкладные кольца; 5 - горловина; 6 - латунные вентили; 7 - колпак

 

1.11. Печи, камины

Рис. П. 1.100. Теплоемкая печь:

1 - фундамент; 2 - гидроизоляция; 3 - зольник; 4 - поддувальная дверка; 5 - топочная дверка; 6 - колосниковая решетка; 7 - дымоходы; 8 - перекрыша; 9 - жарковый канал; 10 - топливник; 11 - под; 12 -разделка; 13 - задвижки; 14 - прочистная дверка

 

 

Рис. П. 1.101. Нетеплоемкая печь ("буржуйка"):

1 - дверца зольника (поддувало);2  - колосниковая решетка; 3 - верхний настил; 4 - конфорка; 5 - дымоход (вертикальный участок); 6 - колено дымохода; 7 - горизонтальный участок дымохода; 8 - зонтик; 9 - боковая стенка; 10 - дверца топки; 11 - ножка

 

Рис. П. 1.102. Конструктивные элементы камина:

1 - зольник; 2 - под;3 - топливник; 4 - задняя стенка; 5 - дымовой карниз; 6 - дымовая камера, 7 - клапан или задвижка; 8 - дымовая горловина; 9 - площадка,10 - барьерная решетка; И - топочное отверстие

 

Рис. П. 1.103. Печь-камин:

1 - задвижка; 2 - задвижка камина; 3 - чистка; 4 - дымосборник; 5 - чугунная плита; 6 - зольник; 7 - колосник

1.12. Сварочное оборудование

 Оборудование для газовой сварки и резки

Рис. П. 1.104. Газовый баллон:

1 - днище; 2 - башмак; 3 - корпус баллона; 4 - горловина; 5 - запорный вентиль; 6 - предохранительный колпак (заполнение ацетиленового баллона - ацетон и пористый наполнитель)

Рис. П. 1.105. Редуктор обратного действия:

1 - крышка; 2 - регулирующий винт; 3 - нажимная пружина;4 - гибкая резиновая мембрана; 5  - передаточный диск со штоком; 6 - манометр; 7 - обратная пружина; 8 - камера высокого давления; 9 - клапан; 10 - седло клапана; 11 - манометр; 12 - предохранительный клапан; 13 - камера низкого давления

 

Рис. П. 1.106. Горелки сварочного типа Г-2-02 и Г-3-02:

1 - мундштук; 2 - ниппель; 3 - трубка; 4 - смесительная камера; 5 - инжектор; 6, 11 - трубка; 7, 10 - накидная гайка и штуцер; 8, 9 - ниппель; 12 -. корпус; 13 - ацетиленовый и кислородный вентиль;14 - регулировочный винт; 15 - наконечник

 

:

Рис. П. 1.107. Принципиальная схема инжекторного резака

1 - головка резака; 2 - трубка режущего кислорода; 3 - вентиль;4 - регулировочный кислородный вентиль; 5 - ниппель для присоединения кислородного рукава; 6 - ниппель для присоединения ацетиленового рукава;7 - рукоятка; 8 - корпус; 9 - регулировочный ацетиленовый вентиль; 10 - инжектор; 11 - накидная гайка; 12 - смесительная камера; 13 - трубка; 14 - внутренний мундштук; 15 - наружный мундштук

Таблица П.1.3

Окраска газовых баллонов

Газ

Окраска баллонов

Текст надписи

Цвет надписи

Цвет полосы

Кислород

Голубая

Кислород

Черный

-

Ацетилен

Белая

Ацетилен

Красный

-

Нефтегаз

Серая

Нефтегаз

Красный

-

Пропан (бутан)

Красная

Пропан(бутан)

Белый

-

Бутилен

Красная

Бутилен

Желтый

Черный

Природный газ

Красная

Природный газ

Белый

-

Азот

Черная

Азот

Желтый

-

Аргон

Серая

Аргон

Зеленый

-

Водород

Зеленая

Водород

Красный

-

Гелий

Коричневая

Гелий

Белый

-

Углекислота

Черная

Углекислота

Желтый

-

 

Оборудование для электросварки

Рис. П. 1.108. Сварочный преобразователь ПСО-315М:

1 - сварочный генератор постоянного тока; 2 - ручка регулировочного реостата; 3 - включатель электродвигателя; 4 - электродвигатель переменного тока; 5 - ручка для перемещения преобразователя

 

Рис. П. 1.109. Передвижной сварочный трансформатор типа ТД:

1 -металлический кожух; 2 - ручка для перевозки; 3 - крышка; 4 - рукоятка трансформатора для плавного изменения сварочного тока; 5 - переключатель диапазонов сварочного тока; 6 - рым-болты; 7 - токоуказатель (имеет шкалу малых и шкалу больших токов, размещенных под стеклом)

1.13. Легковые автомобили

 

Рис. П. 1.110. Внешний вид автомобиля:

а - вид сбоку; б - вид спереди; в - вид сверху;

1 - переднее крыло; 2 - передний бампер; 3 - ветровое стекло; 4 - ручка дверцы; 5 - дверца; 6 - заднее крыло; 7 - задний бампер; 8 - шина колеса; 9 - диск колеса; 10 - панель рамы ветрового стекла; 11 - кузов; 12 - капот; 13 - панель передняя нижняя; 14 - передняя фара; 15 - боковина; 16 - панель крыши; 17 - задняя фара; 18 - крышка багажника; 19 - боковая панель

 

Рис. П. 1.111. Расположение основных агрегатов в моторном отсеке (ВАЗ-2108, ВАЗ-2109):

1 - силовой агрегат автомобиля; 2 - главный тормозной цилиндр с вакуумным усилителем; 3 - расширительный бачок системы охлаждения; 4 -радиатор; 5 - электродвигатель; 6 - кожух электровентилятора; 7 - монтажный блок (предохранители и реле); 8 - аккумуляторная батарея; 9 - коммутатор системы зажигания; 10 - бачок омывателя ветрового стекла

 

ВАЗ-2106

ВАЗ-2109

 

Рис. П. 1.112. Системы питания:

1 - карбюратор; 2 - гибкий шланг; 3 - бензонасос; 4 - фильтр тонкой очистки масла; 5 - трубка подвода топлива; 6 - топливный бак; 7 - трубка слива топлива; 8 - обратный клапан

 

ВАЗ-2111

AUDI-80

Рис. П. 1.113. Системы питания:

1 - воздушный фильтр; 2 - регулятор давления топлива; 3 - сливной топливопровод; 4 - подающий топливопровод; 5 - электробензонасос; 6 - топливный бак; 7 - топливный фильтр; 8 - соединительные шланги; 9 - рампа форсунок; 10 - дозатор-распределитель; 11 -регулятор управляющего давления; 12 - форсунка впрыска; 13 - пусковая форсунка; 14 - накопитель топлива

ПРИЛОЖЕНИЕ 2

ТЕРМИНЫ И ОПРЕДЕЛЕНИЯ

Строительство, здания и сооружения [106]

Фундамент - подземная часть здания, через которую передается нагрузка от здания на основание.

Стена - часть здания, выполняющая функции вертикальной ограждающей и несущей конструкции. Стены бывают наружными и внутренними, продольными и поперечными, а также противопожарными.

Перегородка - вертикальная ограждающая, разделяющая по высоте смежные помещения в здании. Перегородки бывают глухими и с проемами, несущими и ненесущими, стационарными и передвижными. По конструкции перегородки делают одно- и двухслойными (из панелей или плит), каркасно-обшивными (из брусков и досок или листовых материалов).

Перекрытия - горизонтальные комплексные конструкции, разделяющие здание на этажи. В состав междуэтажных перекрытий входят несущие элементы, пол, потолок. Перекрытия бывают:

а) междуэтажные (разделяющие смежные этажи), чердачные (между верхним этажом и чердаком), подвальные (между первым этажом и подвалом) и нижние (между первым этажом и подпольем);

б) в зависимости от конструктивного решения - балочные, в которых основной несущий элемент - балки, на них укладывают настилы, накаты и другие элементы покрытия; плитные, состоящие из несущих плит или настилов, опирающихся на вертикальные несущие опоры здания или на ригели и прогоны; безбалочные, состоящие из плиты, связанной с вертикальной опорой несущей капителью;

в) в зависимости от применяемого материала - железобетонные, армокерамические и армосиликатные (по стальным балкам), деревянные и смешанные;

г) пустотные л монолитные.

Полы - устраиваются по верху перекрытий (кроме чердачного).

Состоят из основания (черный пол) и одежды (чистый пол).

По способу устройства могут быть монолитными, из штучных и рулонных материалов.

Покрытие пола - верхний слой пола. Бывает дощатым, паркетным, линолеумным, из полимерных плиток, цементно- или асфальтобетонным, мастичным (наливным), мозаичным и др.

Покрытие - верхняя конструктивная часть здания, предназначенная для защиты от атмосферных воздействий. Имеет несущую и ограждающую части. Несущая часть может состоять из железобетонных панелей, балок, деревянных или железобетонных стропил, ферм. Ограждающая часть служит гидроизоляционной и теплоизоляционной защитой и состоит из кровли и основания под нее.

Кровля - верхняя оболочка крыши, состоящая из водонепроницаемого ковра и основания в виде обрешетки, настила из сплошных плит, укладываемых по стропилам, фермам и балкам. Кровли бывают деревянными, рулонными (рубероид, толь), асбестоцементными (асбоцементный волнистый шифер), черепичными и стальными.

Крыша - наружная, венчающая здание конструкция, в состав которой входят несущие элементы, паротеплоизоляционные слои, кровля (гидроизоляция). По структуре крыши разделяют на чердачные и бесчердачные (совмещенные).

Крыши бывают односкатные, плоские, двускатные, четырехскатные, шатровые, мансардные, пирамидальные, сводчатые и купольные.

Конек крыши - ребро двугранного угла, образуемого на вершине крыши двумя скатами. Нижняя часть ската называется спуском, нижняя кромка ската - обрезом кровли.

Стропильные балки или наклонные стропила - основные несущие элементы конструкции крыши, которые представляют собой деревянные брусья, пластины или поставленные на ребро доски, уложенные наклонно сообразно уклону крыши.

Стропильные фермы - системы конструктивно связанных между собой стержневых элементов, расположенных в одной

плоскости. Применяются вместо наклонных стропил, если внутренние капитальные стены или другие внутренние опоры (столбы, колонны) отсутствуют.

Опоры - устройства, соединяющие конструкции и передающие нагрузки на фундамент или основание. Бывают из стали, чугуна, железобетона, бетона, камня, кирпича и дерева. Опорами балок, ферм, перекрытий служат столбы, стены, стойки и колонны.

Чердак - помещение, отделяющее чердачное перекрытие от собственно крыши, в состав которой входят кровля (гидроизоляция) и несущие элементы, поддерживающие кровлю в заданном положении. Используется для размещения инженерных коммуникаций или бытовых нужд.

Лестницы. Бывают трех типов:

- внутренние, размещаемые в лестничных клетках;

- внутренние открытые (без ограждающих стен; применяются в основном в общественных зданиях);

- наружные (в том числе пожарные).

Эскалатор - движущаяся лестница, расположенная под углом 30° и предназначенная для организации движения людей с одного уровня на другой.

Окна - ограждающие элементы здания, служащие для естественного освещения и вентиляции помещения. Подразделяются:

- по способу открывания и конструктивному решению - створчатые (одно-, двух- и трехстворчатые), глухие, раздвижные, верхнеподвесные, нижнеподвесные, с переплетом на цапфах, жалюзийные и др.;

- материалу конструкций окон - деревянные, металлические, пластмассовые;

- числу стекол - с одинарным, двойным и тройным остеклением.

Оконные блоки состоят из оконных коробок, остекленных переплетов и подоконных досок.

Оконная коробка - рама, к которой крепятся оконные переплеты.

Фрамуга - верхняя глухая или открывающаяся часть окна.

Фонари - остекленные надстройки покрытия, предназначенные для верхнего освещения и для естественной вентиляции (аэрации) помещений.

Двери - предназначены для изоляции друг от друга проходных помещений и входа в здание.

Состоят:

- из дверных коробок, представляющих собой рамы, укрепленные в дверных проемах стен или перегородок;

- полотен, навешиваемых на дверные коробки. Различаются:

а) по числу полотен - одно- и двухпольные и полуторные (с двумя полотнами неравной ширины);

б) назначению - наружные, внутренние, противопожарные, балконные, шкафные;

в) способу открывания - распашные, раздвижные, вращающиеся, складчатые;

г) конструктивному решению - щитовые, филенчатые.

Этаж цокольный - этаж при отметке пола помещений ниже планировочной отметки земли на высоту не более половины высоты помещений.

Этаж мансардный - жилой этаж, размещаемый внутри чердачного пространства.

Этаж надземный - этаж с отметкой пола помещений не ниже планировочной отметки земли (тротуара, отмостки).

Этаж подвальный - этаж с отметкой пола ниже планировочной отметки земли (тротуара, отмостки), более чем на половину высоты расположенных в нем помещений.

Этаж технический - этаж, используемый для размещения инженерного оборудования и прокладки коммуникаций и располагаемый под зданием, над верхним этажом здания, в одном или нескольких средних этажах многоэтажного здания.

Бельэтаж - второй, главный (обычно с более высокими комнатами) этаж здания (дворца, особняка), этаж дома над полуподвалом.

Мансарда - чердачное помещение для жилья или хозяйственных целей.

Лоджия - перекрытое и огражденное в плане с трех сторон помещение, открытое во внешнее пространство, где стену заменяет колоннада, аркада, парапет и т. п. Лоджия может быть отдельным сооружением или родом балкона, углубленного в здание.

Арка - дугообразное перекрытие проема в стене (ворота, двери, окна) или пролета между двумя опорами - столбами, устоями моста и пр.

Атрий (атриум) - закрытый внутренний двор, куда выходят помещения. В центре двора - бассейн, над которым расположено отверстие для стока дождевой воды.

Альков - ниша в стене для кровати.

Антресоль - площадка, занимающая верхнюю часть объема помещения жилого, общественного и производственного здания, предназначенная для увеличения его площади, размещения вспомогательных, складских и других помещений.

Балка - конструктивный элемент в виде бруса, работающий главным образом на изгиб.

Башня - свободностоящее высотное сооружение, устойчивость которого обеспечивается его основной конструкцией (без оттяжек).

Брандмауэр - устаревшее название противопожарной стены.

Блокированный жилой дом - здание квартирного типа, состоящее из двух или более квартир, каждая из которых имеет непосредственный выход на приквартирный участок.

Дом жилой одноквартирный - дом, предназначенный для постоянного совместного проживания > одной семьи и связанных с ней родственными узами или иными близкими отношениями людей.

Веранда - открытое или застекленное не отапливаемое помещение, пристроенное к зданию или встроенное в него, а также сооружаемое отдельно от здания в виде легкого павильона.

Вестибюль - помещение перед входом во внутреннюю часть здания, предназначенное для приема и распределения потоков посетителей.

Вставка (встройка) - в одноэтажном производственном здании двух- или многоэтажная часть здания, размещенная в пределах одноэтажного здания по всей его высоте и ширине (вставка) или части высоты и ширины (встройка), выделенная ограждающими конструкциями.

Зал - значительных размеров помещение в зданиях различного назначения.

Консоль - выступ в стене для поддержания некоторых частей здания (карниза, балкона и пр.) или для установки на нем каких-либо украшений.

Каркас здания (сооружения) - стержневая несущая система, воспринимающая нагрузки и воздействия и обеспечивающая прочность и устойчивость здания (сооружения).

Косоур - наклонная балка, на которую опираются ступени лестничного марша.

Пандус - наклонная плоская коммуникационная конструкция, связывающая поверхности, расположенные на различных уровнях.

Парапет - невысокая стенка, ограждающая балкон, мост, набережную, кровлю здания и т.п.

Пилон - массивная, обычно прямоугольная колонна, являющаяся опорой арок, сводов.

Световой фонарь - остекленная конструкция покрытия для освещения лестничной клетки или внутреннего дворика.

Световой карман - помещение с естественным освещением, примыкающее к коридору и служащее для его освещения.

Стеклоблок - полое изделие, изготовляемое формованием (из стекломассы) и последующим свариванием двух составляющих элементов (полублоков). Применяется для заполнения световых проемов в стенах, устройствах светопрозрачных перегородок.

Стеклопакет - строительное изделие из двух или более листов стекла, соединенных по периметру металлической рамкой (обоймой). Замкнутые полости между стеклами заполняются осушенным воздухом. Применяется для остекления зданий.

Стояк - вертикальный трубопровод внутри жилого, общественного или производственного здания, проходящий через все этажи, для подачи воды (газа) через ответвления (подводки) к водозаборным (газовым) приборам и пожарным кранам или для отвода сточных вод от санитарных приборов и различных приемников.

Тамбур - проходное пространство между дверями, служащее для защиты от проникания холодного воздуха, дыма и запахов при входе в здание, лестничную клетку или другие помещения.

Терраса - огражденная открытая пристройка к зданию в виде площадки для отдыха, которая может иметь крышу; размещается на земле или над нижерасположенным этажом.

Фасад - наружная лицевая сторона здания, сооружения; главная передняя сторона здания.

Цоколь - нижняя часть наружной стены здания или сооружения, лежащая непосредственно на фундаменте и подвергающаяся частым механическим, температурным и другим воздействиям.

Шибер - задвижка, заслонка, например, в дымоходах, трубопроводах и т. п.

Эркер - часть внутреннего помещения, выступающая из плоскости стены. Эркер представляет собой небольшой застекленный (треугольный, полукруглый, многогранный) выступ в наружной стене, который устраивают на всю высоту фасада, начиная со второго этажа.

Электротехника [63]

Электроустановки - совокупность машин, аппаратов, линий и вспомогательного оборудования, предназначенных для производства, передачи и распределения электрической энергии и преобразования ее в другие виды энергии.

Электрическая сеть - совокупность электроустановок для передачи и распределения электрической энергии, состоящая из подстанций, распределительных устройств, токопроводов, воздушных и кабельных линий электропередачи, работающих на определенной территории.

Электроприемник - аппарат, агрегат, механизм, предназначенный для преобразования электроэнергии в другой вид энергии.

Потребитель электроэнергии - электроприемник или группа электроприемников, объединенных технологическим процессом и размещающихся на определенной территории.

Электропроводка - совокупность проводов и кабелей с относящимися к ним креплениями, поддерживающими защитными конструкциями и деталями, установленными в соответствии с ПУЭ.

Открытая электропроводка - проложенная по поверхности стен, потолков, по фермам и другим строительным конструкциям зданий и сооружений, по опорам и т.д.

Скрытая электропроводка - проложенная внутри конструктивных элементов зданий и сооружений (в стенах, потолках, фундаментах, перекрытиях), а также по перекрытиям в подготовке пола, непосредственно под съемным полом и т. п.

Прокладка проводов и кабелей осуществляется в трубах, гибких металлических рукавах, коробах, замкнутых каналах и пустотах строительных конструкций, в заштукатуренных бороздах, под штукатуркой, а также замоноличиванием в строительные конструкции при их изготовлении.

Наружная электропроводка - проложенная по наружным стенам зданий и сооружений, под навесами, между зданиями на опорах вне улиц, дорог и т. п.

Воздушная линия электропередачи (ВЛ) до 1 кВ - устройство для передачи и распределения электроэнергии по проводам, расположенным на открытом воздухе и прикрепленным при помощи изоляторов и арматуры к опорам или кронштейнам, стойкам на зданиях или сооружениях.

Ответвление от ВЛ до 1 кВ к вводу - участок проводов от опоры ВЛ до ввода.

Ввод ЛВ - электропроводка, соединяющая ответвление от ВЛ и внутреннюю электропроводку, считая от изоляторов, установленных на наружной поверхности (стены, крыши) здания или сооружения, до зажимов вводного устройства.

Аппарат защиты - аппарат, автоматически отключающий защищаемую электрическую цепь при ненормальных режимах.

Распределительное устройство - электроустановка, служащая для приема и распределения электроэнергии и содержащая коммутационные аппараты, сборные и соединительные шины, вспомогательные устройства, а также устройства защиты, автоматические и измерительные приборы.

Подстанция - электроустановка, служащая для преобразования и распределения электроэнергии и состоящая из трансформаторов или других преобразователей энергии, распределительных устройств, устройств управления и вспомогательных сооружений.

Вводное устройство - совокупность конструкций, аппаратов и приборов, устанавливаемых на вводе питающей линии в здание или в его обособленную часть.

Вводно-распределительное устройство (ВРУ) - совокупность конструкций, аппаратов и приборов, устанавливаемых на вводе питающей линии в здание или в его обособленную часть, а также на отходящих от ВРУ линиях.

Главный распределительный щит (ГРЩ) - щит, через который производится снабжение электроэнергией всего здания или его обособленной части.

Распределительный пункт, групповой щиток - пункт, щиток, на котором установлены аппараты защиты и коммутационные аппараты отдельных электроприемников (групп).

Питающая сеть - сеть от распределительного устройства подстанции или ответвление от линии электропередачи до ВРУ, а также от ВРУ до ГРЩ и до распределительных пунктов и групповых щитков.

Групповая сеть - сеть, питающая светильники.

Распределительная сеть - сеть, питающая силовые электроприемники .

Заземлитель - проводник или совокупность проводников, находящихся в соприкосновении с землей.

ПРИЛОЖЕНИЕ 3

УСЛОВНЫЕ ОБОЗНАЧЕНИЯ И ГРАФИЧЕСКИЕ ИЗОБРАЖЕНИЯ НА ПЛАНАХ И СХЕМАХ

3.1. Термические поражения

Поверхностное обугливание предметов и конструкций

Участок обугливания

Участок обугливания с указанием глубины обугливания, см

Локальный участок экстремально высоких термических поражений (более глубокого обугливания и т. п.)

Сквозной прогар

Зона отслоения штукатурки, разрушения гип-собетона и др.

Отслоение защитного слоя и более глубокие термические поражения бетона и железобетона

Зона выгорания копоти

Участок деформации металлоконструкции (число - длина участка, см)

Участок деформации металлоконструкции с указанием направления и величины деформации (см)

® деформация в сторону

­ деформация вверх

¯ деформация вниз

 

 

3.2. Строительные конструкции и их элементы (ГОСТ 21.501-93)

Таблица П.3.1

Наименование

Обозначение

.1 Перегородка из стеклоблоков

2. Проемы: 2.1. Проем (проектируемый без заполнения)

2.2. Проем, подлежащий пробивке в существующей стене, перегородке, покрытии, перекрытии

2.3. Проем в существующей стене, перегородке, покрытии, перекрытии, подлежащий заделке

2.4. Проемы:

а) без четверти

 

б) с четвертью

 

в) в масштабе 1:200 и мельче, а также для чертежей элементов конструкции заводского изготовления

3. Пандус

Примечание. Уклон пандуса указывают в плане в процентах (например, 10,5 %) или в виде отношения высоты и длины (например, 1:7). Стрелкой на плане указано направление спуска

4. Лестницы:

4.1. Лестница металлическая:

а) вертикальная

 

б) наклонная

4.2. Лестница:

а) нижний марш

б) промежуточные марши

в) верхний марш

Примечание. Стрелкой указано направление подъема марша

5.  Элемент существующий, подлежащий разборке

 

 

6. Отмостка

 

7. Колонна: а) железобетонная: сплошного сечения двухветвевая

 

 

 

б) металлическая: сплошностенчатая двухветвевая

8. Ферма

 

9. Плита, панель

10. Связь металлическая: а) одноплоскостная: вертикальная

горизонтальная

 

 

 

 

б) двухплоскостная в) тяжи

11. Двери, ворота:

11.1. Дверь однопольная

11.2. Дверь двупольная

11.3. Дверь двойная однопольная

11.4. То же, двупольная

11.5. Дверь однопольная с качающимся полотном (правая или левая)

11.6. Дверь двупольная с качающимися полотнами

11.7. Дверь (ворота) откатная однопольная

11.8. Дверь (ворота) раздвижная двупольная

11.9. Дверь (ворота) подъемная

11.10. Дверь складчатая

11.11. Дверь вращающаяся

11.12. Ворота подъемно-поворотные

12. Переплеты оконные:

12.1. Переплет с боковым подвесом, открывающийся внутрь

12.2. То же, открывающийся наружу

12.3. Переплет с нижним подвесом, открывающийся внутрь

12.4. То же, открывающийся наружу

12.5. Переплет с верхним подвесом, открывающийся внутрь

12.6. То же, открывающийся наружу

12.7. Переплет со средним подвесом горизонтальным

12.8. То же, с вертикальным

12.9. Переплет раздвижной

12.10. Переплет с подъемом

12.11. Переплет глухой

 

12.12. Переплет с боковым подвесом или с нижним подвесом, открывающийся внутрь

13. Каналы дымовые и вентиляционные:

13.1. Вентиляционные шахты и каналы

13.2. Дымовые трубы (твердое топливо)

13.3. Дымовые трубы (жидкое топливо)

3.3. Элементы санитарно-технических систем (ГОСТ 21.205-93)

Таблица П. 3.2

Элементы общего применения

Наименование

Обозначение

1. Фильтр

2. Подогреватель

3. Охладитель

4. Охладитель и подогреватель (терморегулятор)

5. Теплоутилизатор

6. Осушитель воздуха

7. Увлажнитель воздуха

8. Конденсатоотводчик (конденсационный горшок)

9. Отборное устройство для установки контрольно-измерительного прибора

Таблица П.3.3

Элементы трубопроводов

Наименование

Обозначение

1. Изолированный участок трубопровода

2. Трубопровод в трубе (футляре)

3. Трубопровод в сальнике

4. Сифон (гидрозатвор)

5. Компенсатор: а) общее обозначение

 

 

 

б) П-образный

 

6. Вставка амортизационная

7. Место сопротивления в трубопроводе (шайба дроссельная, сужающее устройство расходомерное, диафрагма)

8. Опора (подноска) трубопровода: а) неподвижная

 

 

б) подвижная

 

 

9. Патрубок компенсационный

10. Ревизия

Таблица П.3.4

Элементы систем внутренних водопровода и канализации

Наименование

Обозначение

1. Раковина

2. Мойка

3. Умывальник

4. Умывальник групповой

5. Умывальник групповой круглый

6. Ванна

7. Ванна ножная

8. Поддон душевой

9. Биде

10. Унитаз

11. Чаша напольная

12. Писсуар настенный

13. Писсуар напольный

14. Слив больничный

15. Трап

16. Воронка спускная

17. Воронка внутреннего водостока

18. Сетка душевая

19. Фонтанчик питьевой

20. Автомат газированной воды

Таблица П.3.5

Элементы систем отопления, вентиляции и кондиционирования

Наименование

Обозначение

1. Труба отопительная гладкая, регистр из гладких труб

2. Труба отопительная ребристая, регистр из ребристых труб, конвектор отопительный

3. Радиатор отопительный

4. Прибор отопительный потолочный для лучистого отопления

5. Воздуховод (под упрощенным графическим изображением двумя линиями):

 а) круглого сечения

 

 

б) прямоугольного сечения

6. Грязевик

7. Канал подпольный

Таблица П. 3.6

Направление потока жидкости, воздуха, линии механической связи, регулирования, элементы привода

Наименование

Обозначение

1. Направление потока жидкости

2. Направление потока воздуха

3. Линия механической связи

4. Регулирование

5. Привод:

а) ручной

б) электромагнитный

в) электромашинный

г) мембранный

д) поплавковый

Таблица П.3.7

Баки, насосы, вентиляторы

Наименование

Обозначение

1. Бак:

а)открытый под атмосферным давлением

 

б)закрытый с давлением выше атмосферного

 

в)закрытый с давлением ниже атмосферного

2.Форсунка

3.Насос ручной

4. Насос центробежный

5. Насос струйный (эжектор, инжектор, элеватор)

6. Вентилятор: а) радиальный

б) осевой

7. Воздухоохладитель с форсуночным распылением

8. Подвод теплоносителя к подогревателю воздуха

Примечание. Трубопровод подогревающей или охлаждающей среды изображают линиями, подведенными к сторонам квадрата

9. Заслонка вентиляционная с электромагнитным приводом

10. Вентилятор радиальный с электромашинным приводом

11. Клапан регулирующий с электромашинным приводом

Таблица П. 3.8

Трубопроводная арматура

Наименование

Обозначение

1. Клапан (вентиль) запорный: а) проходной

б) угловой

2. Клапан (вентиль) трехходовой

3. Клапан (вентиль) регулирующий: а) проходной

б) угловой

4. Клапан обратный: а) проходной

б) угловой

5. Клапан предохранительный: а) проходной

б) угловой

6. Клапан дроссельный

7. Клапан редукционный

8. Задвижка

9. Затвор поворотный

 

10. Кран: а) проходной

б) угловой

11. Кран трехходовой

12. Кран водоразборный

13. Кран писсуарный

14. Кран (клапан) пожарный

15. Кран поливочный

16. Кран двойной регулировки

17. Смеситель:

а) общее обозначение

 

 

б) с душевой сеткой

18. Водомер

3.4. Тепло- и газоснабжение, автоматизация технологических процессов

Таблица П.3.9

Газоснабжение.
Внутренние устройства
(ГОСТ 21.609-83, ГОСТ 21.106-78)

Наименование

Обозначение

1. Газопровод:

а) общее обозначение

б) низкого давления до 5 кПа (0,05 кгс/см2)

в) среднего давления более 5 кПа (0,05 кгс/см2) до 0,3 МПа (3 кгс/см2)

г) высокого давления более 0,3 (3) до 0,6 МПа (6 кгс/см2)

д) высокого давления более 0,6 (6) до 1,2 МПа (12 кгс/см2)

 

ГО

Г1

Г2

ГЗ

Г4

2. Газопровод продувочный

Г5

3. Трубопровод на разрежение

Г6

4. Счетчик газовый

5. Плита газовая бытовая двухгорелочная

6. Плита газовая бытовая четырехгорелочная

7. Аппарат отопительный газовый бытовой

8. Печь отопительно-варочная

9. Камин газовый

10. Регулятор давления

11. Предохранительный запорный клапан

12. Регулятор управления

Таблица П.3.10

Котлы и камеры сгорания (ГОСТ 21.403-80)

Наименование

Обозначение

1. Котел, камера сгорания газотурбинной установки (общее обозначение)

1.1. Котел паровой

 

1.2. Котел водяной (бойлер)

 

2. Пароперегреватель

3. Котлы с пароперегревателем

4. Котлы на твердом топливе с пароперегревателем

5. Котел на газообразном топливе

6. Котел на жидком топливе

7. Котел на горючих отходах

8. Котел с электронагревом

9. Экономайзер

Таблица П.3.11

Приборы автоматизации технологических процессов (ГОСТ 21.404-85)

Наименование

Обозначение

1. Прибор, устанавливаемый вне щита (по месту)

2. Прибор, устанавливаемый на щите, пульте

3. Исполнительный механизм.

Общее обозначение

4. Исполнительный механизм, который при прекращении подачи энергии или управляющего сигнала:

а) открывает регулирующий орган

б) закрывает регулирующий орган

в) оставляет регулирующий орган в неизменном положении

5. Исполнительный механизм с дополнительным ручным приводом

6. Линия связи.

Общее обозначение

 

3.5. Электрооборудование (ГОСТ 21.614-88 (СТ СЭВ 3217-81)

Таблица П.3.12

Линии проводок и токопроводов

Наименование

Обозначение

1. Линия проводки.

Общее изображение

1.1. Линия, состоящая из трех проводников

1.2. Линия цепей управления

1.3. Линия сети аварийного эвакуационного и охранного освещения

1.4. Линия напряжения 36 В и ниже

1.5 Линия заземления и зануления

1.6. Заземлители

1.7. Металлические конструкции, используемые в качестве магистралей заземления, зануления

2. Прокладка проводов и кабелей:

2.1. Открытая прокладка одного проводника

2.2. Открытая прокладка нескольких проводников

2.3. Открытая прокладка одного проводника под перекрытием

2.4. Прокладка на тросе и его концевое крепление

2.5. Проводка в лотке

2.6. Проводка в коробе

2.7. Проводка под плинтусом

2.8. Конец проводки кабеля

3. Вертикальная проводка

3.1. Проводка уходит на более высокую отметку (низкую) или приходит с более высокой отметки (низкой)

3.2. Проводка пересекает отметку, изображенную на плане, сверху вниз или снизу вверх и не имеет горизонтальных участков в пределах данного плана

4. Проводка в трубах. Общее изображение

 

4.1. Проводка В трубе, прокладываемой открыто

4.2. Проводка в трубе, прокладываемой под перекрытием, площадкой, скрыто с указанием отметки заложения

4.3. Проводка в трубе, прокладываемой от отметки трассы вверх и вниз

4.4. Конец проводки в трубе

4.5. Проводка гибкая в металлорукаве, гибком вводе

 

Таблица П.3.13

Коробки, щитки, ящики с аппаратурой, шкафы, щиты, пульты

Наименование

Обозначение

1. Коробка ответвительная

2. Коробка вводная

3. Коробка протяжная, ящик протяжной

4. Коробка, ящик с зажимами

5. Щиток магистральный рабочего освещения

6. Щиток групповой рабочего освещения

7. То же, при выполнении на графопостроителе

8. Щиток групповой аварийного освещения

9. Щиток лабораторный

10. Ящик с аппаратурой

11. Шкаф, панель, пульт, щиток одностороннего обслуживания, пост местного управления

12. Шкаф, панель двустороннего обслуживания

13. Шкаф, щит, пульт из нескольких панелей одностороннего обслуживания

Пример. Щит из четырех шкафов

14. Шкаф, щит, пульт из нескольких панелей двустороннего обслуживания

Пример. Щит из пяти шкафов

15. Щит открытый

Пример. Щит из четырех панелей

 

Таблица П. 3.14

Выключатели, переключатели и штепсельные розетки

Наименование

Обозначение

1. Выключатель. Общее изображение

2. Выключатель для открытой установки со степенью защиты от IP20 до IP23: 2.1. однополюсный

2.2. однополюсный сдвоенный

2.3. однополюсный строенный

2.4. двухполюсный

/

2.3. однополюсный строенный

3. Выключатель для скрытой установки со степенью защиты от IP20 до IP23:

3.1. однополюсный

3.2. однополюсный сдвоенный

3.3. однополюсный строенный

3.4. двухполюсный

4. Выключатель для открытой установки со степенью защиты от IP44 до IP55: 4.1. однополюсный

4.2. двухполюсный

4.3. трехполюсный

5. Переключатель на два направления без нулевого положения со степенью защиты от IP20 до IP23:

5.1. однополюсный

5.2. двухполюсный

5.3. трехполюсный

6. Переключатель на два направления без нулевого положения со степенью защиты от IP44 до IP55:

6.1. однополюсный

6.2. двухполюсный

6.3. трехполюсный

7. Штепсельная розетка. Общее изображение

8. Штепсельная розетка открытой установки со степенью защиты от IP20 до IP23:

8.1. двухполюсная

8.2. двухполюсная сдвоенная

8.3. двухполюсная с защитным контактом

8.4. трехполюсная с защитным контактом

9. Штепсельная розетка для скрытой установки со степенью защиты от IP20 до IP23:

9.1. двухполюсная

9.2. двухполюсная сдвоенная

9.3. двухполюсная с защитным контактом

9.4. трехполюсная с защитным контактом

10. Штепсельная розетка со степенью защиты от IP44 до IP55:

10.1. двухполюсная

10.2- двухполюсная с защитным контактом

11. Блоки с выключателями и двухполюсной штепсельной розеткой для открытой установки со степенью защиты от IP20 до IP23:

11.1. один выключатель и штепсельная розетка

11.2. два выключателя и штепсельная розетка

11.3. три выключателя и штепсельная розетка

12. Блоки с выключателями и двухполюсной штепсельной розеткой для скрытой установки со степенью защиты от IP20 до IP23:

12.1. один выключатель и штепсельная розетка

12.2. два выключателя и штепсельная розетка

12.3. три выключателя и штепсельная розетка

Таблица П.3.15

Светильники и прожектора при раздельном изображении на плане оборудования и электрических сетей

Наименование

Обозначение

1. Светильник с лампой накаливания. Общее изображение

2. Светильник с люминесцентной лампой. Общее изображение

3. Светильник с разрядной лампой высокого давления

4. Прожектор, например, с лампой накаливания. Общее изображение

5. Светильник с лампой накаливания для аварийного освещения

6. Светильник с люминесцентной лампой для аварийного освещения

Таблица П.3.16

Светильники и прожектора при совмещенном изображении на плане оборудования и электрических сетей

Наименование

Обозначение

1. Светильник с лампой накаливания. Общее изображение

2. Светильник с лампой накаливания на тросе

3. То же, на кронштейне, на стене здания, сооружения для наружного освещения

4. Светильник с люминесцентными лампами

5. Светильник с люминесцентной лампой на кронштейне для наружного освещения

6. Светильник с разрядной лампой высокого давления на кронштейне для наружного освещения

7. Светильник с разрядной лампой высокого давления на опоре для наружного освещения

8. Люстра

9. Светильник-световод щелевой

10. Прожектор

11. Группа прожекторов с направлением оптической оси в одну сторону

12. Группа прожекторов с направлением оптической оси во все стороны

13. Светофор сигнальный (на три лампы)

14. Патрон ламповый: 14.1. стенной

14.2. подвесной

14.3. потолочный

Таблица П.3.17

Аппараты контроля и управления

Наименование

Обозначение

1. Звонок

2. Сирена, гудок, ревун

3. Табло для вызова персонала: 3.1. на один сигнал

3.2. на несколько сигналов

4. Устройство пусковое для электродвигателей. Общее изображение

 

5. Магнитный пускатель

6. Автоматический выключатель

7. Пост кнопочный: 7.1. на одну кнопку

7.2. на две кнопки

7.3. на три кнопки

7.4. с двумя светящимися кнопками

7.5. на две кнопки с двумя сигнальными лампами

8. Переключатель управления

9. Выключатель путевой

10. Командоаппарат, командоконтроллер: 10.1. с ручным приводом

10.2. с ножным приводом

Таблица П.3.18

Аппараты контроля и управления

Наименование

Обозначение

1. Устройство электротехническое. Общее изображение

2. Устройство с многодвигательным электроприводом

3. Устройство с генератором

4. Двигатель-генератор

5. Комплектное трансформаторное устройство с одним трансформатором

6. То же, с несколькими трансформаторами

7. Установка комплектная конденсаторная

8. Установка комплектная преобразовательная

9. Батарея аккумуляторная

10. Устройство электронагревательное. Общее изображение

Таблица П.3.19

 Электротехнические устройства и токоприемники

Наименование

Обозначение

1. Силовой трансформатор:

1.1. масляный с расширительным баком

1.2. масляный без расширительного бака

2. Масляный выключатель:

2.1. напряжением 6-10 кВ

2.2. то же, 35 кВ

2.3. тоже, 110-220 кВ

3.Разъединитель, отделитель напряжением 35, 110,-220 кВ

4. Короткозамыкатель, заземлитель напряжением 35, ПО, 220 кВ

5. Автоматический быстродействующий выключатель

 

6. Бетонный реактор

 

ПРИЛОЖЕНИЕ 4.

ПОКАЗАТЕЛИ ПОЖАРНОЙ ОПАСНОСТИ ВЕЩЕСТВ, МАТЕРИАЛОВ И ОБРАЗЦЫ (ПРОБЫ), НЕОБХОДИМЫЕ ДЛЯ ИХ ОПРЕДЕЛЕНИЯ

Пожаровзрывоопасность веществ и материалов - совокупность свойств, характеризующих их способность к возникновению и распространению горения [79].

Требования к образцам материалов и веществ, изымаемых с места пожара для определения их пожароопасных характеристик, зависят от метода определения последних.

1. Группа горючести - классификационная характеристика способности веществ и материалов к горению.

По горючести вещества и материалы подразделяются на три группы:

- негорючие (несгораемые) - вещества и материалы, не способные к горению на воздухе;

- трудногорючие (трудносгораемые) - вещества и материалы, способные гореть в воздухе при воздействии источника зажигания, но не способные самостоятельно гореть после его удаления;

- горючие (сгораемые) - вещества и материалы, способные самовозгораться, а также возгораться при воздействии источника зажигания и самостоятельно гореть после его удаления.

Строительные материалы подразделяются на негорючие (НГ) и горючие (Г). Горючие материалы подразделяются на четыре группы: Г1, Г2, ГЗ, Г4 [83].

Горючесть и группы горючести устанавливаются по ГОСТ 30244.

Сущность экспериментального метода определения горючести заключается в создании температурных условий, способствующих горению, и оценке поведения исследуемых веществ и материалов в этих условиях.

Для классификационной оценки веществ и материалов по группам горючести отбирается материал в количестве, необходимом для изготовления 5 образцов диаметром (45 ± 2) мм и высотой (50 ± 3) мм [81].

Для классификационной оценки материалов и веществ по группе трудногорючих (трудно сгораемых) отбирается или изготавливается 12 образцов размером (1000 ± 5)×(190 ± 3) мм.

2. Температура вспышки - наименьшая температура конденсированного вещества, при которой в условиях специальных испытаний над его поверхностью образуются пары, способные вспыхивать в воздухе от источника зажигания; устойчивое горение при этом не возникает.

Сущность экспериментального метода определения температуры вспышки заключается в нагревании определенной массы вещества с заданной скоростью, периодическом зажигании выделяющихся паров и установлении факта наличия или отсутствия вспышки при фиксируемой температуре.

Для определения температуры вспышки необходимо представить в лабораторию не менее 30 г вещества.

3. Температура воспламенения - наименьшая температура вещества, при которой в условиях специальных испытаний вещество выделяет горючие пары и газы с такой скоростью, что при воздействии на них источника зажигания наблюдается воспламенение.

Сущность экспериментального метода заключается в нагревании определенной массы вещества с заданной скоростью, периодическом зажигании выделяющихся паров и установлении факта наличия или отсутствия воспламенения при фиксируемой температуре.

Для экспериментального определения температуры воспламенения жидкостей, твердых веществ и материалов в лаборатории необходимо не менее 300 г образца, характеризующего средние свойства исследуемого вещества.

Горючие строительные материалы по воспламеняемости подразделяются на три группы: Bl, B2, В3 [83].

Группы воспламеняемости устанавливаются по ГОСТ 30402.

Для определения группы воспламеняемости горючих строительных материалов необходимо отобрать материал, достаточный для изготовления 15 образцов, имеющих форму квадрата со стороной 165 мм. Толщина образцов должна составлять не более 70 мм.

4. Температура самовоспламенения - наименьшая температура окружающей среды, при которой в условиях специальных испытаний наблюдается самовоспламенение вещества.

Сущность метода определения температуры самовоспламенения заключается во введении определенной массы вещества в нагретый объем и оценке результатов испытания. Изменяя температуру испытания, находят ее минимальное значение, при котором происходит самовоспламенение вещества.

Для определения температуры самовоспламенения жидких и твердых плавящихся веществ в лабораторию на испытание необходимо представить 100 г вещества; в случае необходимости определить температуру самовоспламенения твердых веществ и материалов - нужно представить на испытание не менее 30 г вещества или материала.

5. Температура тления - температура вещества, при которой происходит резкое увеличение скорости экзотермических реакций окисления, заканчивающихся возникновением тления.

Сущность метода определения температуры тления заключается в термостатировании исследуемого вещества (материала) в реакционном сосуде при обдуве воздухом и визуальной оценке результатов испытания. Изменяя температуру испытания, находят ее минимальное значение, при котором наблюдается тление вещества (материала).

Для экспериментального определения температуры тления отбирается не менее 30 г вещества для изготовления 10-15 образцов массой (3,0 + 0,1) г.

6. Условия теплового самовозгорания - экспериментально выявленная зависимость между температурой окружающей среды, количеством вещества (материала) и временем до момента его самовозгорания.

Сущность метода определения условий теплового самовозгорания заключается в термостатировании исследуемого вещества (материала) при заданной температуре в закрытом реакционном сосуде и установлении зависимости между температурой, при которой происходит тепловое самовозгорание образца, его размерами и временем до возникновения горения (тления).

Для экспериментального определения условий теплового самовозгорания на испытания необходимо представить не менее 250 г вещества.

7. Способность взрываться и гореть при взаимодействии с водой, кислородом воздуха и другими веществами - это качественный показатель, характеризующий особую пожарную опасность некоторых веществ.

Сущность метода определения способности взрываться и гореть при взаимном контакте веществ заключается в механическом смешивании исследуемых веществ в заданной пропорции и оценке результатов испытания.

Для определения данного критерия необходимо отобрать материал в количестве не менее 20 см3.

8. Нормальная скорость распространения пламени - скорость перемещения фронта пламени относительно несгоревшего газа в направлении, перпендикулярном к его поверхности.

Сущность метода заключается в приготовлении горючей смеси известного состава внутри реакционного сосуда, зажигании смеси в центре точечным источником, регистрации изменения во времени давления в сосуде и обработке экспериментальной зависимости "давление - время" с использованием математической модели процесса горения газа в замкнутом сосуде и процедуры оптимизации.

Для экспериментального определения нормальной скорости распространения пламени в газопаровоздушных смесях отбирается не менее 200 мл жидкости.

9. Скорость выгорания - количество жидкости, сгорающей в единицу времени с единицы площади. Скорость выгорания характеризует интенсивность горения жидкости.

Сущность метода заключается в зажигании образца жидкости в реакционном сосуде, фиксировании потери массы образца за определенный промежуток времени и математической обработке экспериментальных данных.

Для экспериментального определения скорости выгорания отбирают не менее 50 мл жидкости.

10. Коэффициент дымообразования - показатель, характеризующий оптическую плотность дыма, образующегося при пламенном горении или термоокислительной деструкции (тлении) определенного количества твердого вещества (материала) в условиях специальных испытаний.

Горючие строительные материалы по дымообразующей способности подразделяются на три группы [83]:

- с малой дымообразующей способностью (Д1);

- умеренной дымообразующей способностью (Д2);

- высокой дымообразующей способностью (ДЗ). Сущность метода определения коэффициента дымообразования заключается в определении оптической плотности дыма, образующегося при горении или тлении известного количества испытуемого вещества или материала, распределенного в заданном объеме.

Для определения коэффициента дымообразования необходимо отобрать материал, достаточный для изготовления 10-15 образцов размером 40x40 мм и толщиной не более 10 мм.

11. Индекс распространения пламени - условный безразмерный показатель, характеризующий способность веществ воспламеняться, распространять пламя по поверхности и выделять тепло.

Значение индекса распространения пламени применяют для классификации материалов на следующие группы:

- не распространяющие пламя по поверхности - индекс распространения пламени равен 0;

- медленно распространяющие пламя по поверхности - индекс распространения пламени - свыше 0 до 20 включительно;

- быстро распространяющие пламя по поверхности - индекс распространения пламени свыше 20.

Сущность метода определения индекса распространения пламени заключается в оценке способности материала воспламеняться, выделять тепло и распространять пламя по поверхности при воздействии внешнего теплового потока.

Для определения индекса распространения пламени необходимо приготовить пять образцов длиной (320 ± 2) мм, шириной (140 ± 2) мм, фактической толщиной не более 20 мм.

Горючие строительные материалы по распространению пламени по поверхности подразделяются на четыре группы: РП1; РП2; РП3; РП4 [83].

Для испытания строительных материалов необходимо отобрать материал, достаточный для изготовления 5 образцов размером 1100×250 мм.

12. Показатель токсичности продуктов горения - отношение количества материала к единице объема замкнутого пространства, в котором образующиеся при горении материала газообразные продукты вызывают гибель 50 % подопытных животных.

Горючие строительные материалы по показателю токсичности продуктов горения подразделяются на четыре класса опасности (группы по СНиП 21-01-97) [83]:

- малоопасные (Т1);

- умеренно опасные (Т2);

- высокоопасные (ТЗ);

-  чрезвычайно опасные (Т4).

Сущность метода определения показателя токсичности заключается в сжигании исследуемого материала в камере сгорания при заданной плотности теплового потока и выявлении зависимости летального эффекта газообразных продуктов горения от массы материала, отнесенной к единице объема экспозиционной камеры.

Для оценки токсичности продуктов горения необходимо отобрать материал, достаточный для изготовления не менее 10 образцов размером 40×40 мм.

ЛИТЕРАТУРА

1 Инструкция по изучению пожаров. - М.: ГУПО МВД СССР, 1986. - 40 с.

2. Комментарий к Уголовно-процессуальному кодексу Российской Федерации / Под ред. А.В. Смирнова. - СПб.: Питер, 2003. - 1008 с.

3. Колмаков В.П. Следственный осмотр. - М.: Юридическая литература, 1969.

4. Смыслов В.И. Осмотр места происшествия. - М.: ВЮЗИ, 1980.

5. Осмотр места происшествия: Справочник следователя. - М.: Юридическая литература, 1982. - 269 с.

6. Осмотр места происшествия: Учебное пособие / Под ред. В.Ф. Статкуса. - М.: ЭКЦ МВД, 1995. - 211 с.

7. Федеральный закон "О внесении изменений и дополнений в Уголовно-процессуальный кодекс Российской Федерации" от 4 июля 2003 г. № 92-ФЗ.

8. Кодекс Российской Федерации об административных правонарушениях.

9. Порядок производства по делам об административных правонарушениях в области пожарной безопасности: Временные методические рекомендации. - М.: ВНИИПО, 2002. - 92 с.

10. Хрусталев В.Н. Участие специалиста-криминалиста в следственных действиях. - СПб.: Питер, 2003. - 208 с.

11. Сохранение следов и материальной обстановки на месте пожара при тушении: Методические рекомендации. - М.: ВНИИПО, 2003.

12. Федеральный закон "О пожарной безопасности" от 21 декабря 1994 г. № 69-ФЗ.

13. Крылов И.Ф. Криминалистическое учение о следах. - Л.: Изд-во ЛГУ, 1976. - 200 с.

14. Следы на месте происшествия: Справочник следователя. - М: ВНКЦ МВД СССР, 1991.

15. Криминалистика: Учебник / Под ред. проф. А.Г. Филипппова и проф. А.В. Волынского. - М.: Спарк, 1998. - 543 с.

16. Зернов С.И. Технико-криминалистическое обеспечение расследования преступлений, сопряженных с пожарами. - М.: ЭКЦ МВД России, 1996. - 128 с.

17. Мегорский Б.В. Методика установления причин пожаров. - М.: Изд-во литературы по строительству, 1966. - 345 с.

18. J. DeHaan. Kirk's Fire Investigation, BRADY Prentice Hall, 1997.

19. Чешко И.Д. Экспертиза пожаров (объекты, методы, методики исследования). - СПбИПБ МВД РФ, 1997. - 560 с.

20. Чешко И.Д. Технические основы расследования пожаров: Методическое пособие. - М.: ВНИИПО, 2002. - 300 с.

21. Чешко И.Д., Голяев В.Г. Исследование обгоревших остатков лакокрасочных покрытий строительных конструкций с целью выявления очаговых признаков пожара: Методические рекомендации. - Л.: ЛФ ВНИИПО МВД СССР, 1988. - 65 с.

22. Экспертное исследование металлических изделий (по делам о пожарах): Учебное пособие / Под ред. А.И. Колмакова. - М.: ЭКЦ МВД РФ, 1994. - 104 с.

23. Ильин  Н.А. Техническая экспертиза зданий, поврежденных пожаром. - М.: Стройиздат, 1983. - 200 с.

24. Методические рекомендации по оценке свойств бетона после пожара. - М.: НИИЖБИТБ, 1985.

25. Ларионова З.М., Соломонов В.В., Леднева Н.Л. Определение температуры нагрева бетона по изменению его состояния после пожара // Пром. стр-во. - 1989. - №2.

26. Маршалл В. Основные опасности химических производств. - М.: Мир, 1989.

27. Бейкер У. и др. Взрывные явления: оценка и последствия. - М.: Мир, 1986.

28. Дильдин Ю.М., Мартынов В.В., Шмырев А.А. Взрывные устройства промышленного изготовления и их криминалистическое исследование. - М.: ВНКЦ МВД СССР, 1991.

29. Таубкин С.И. Пожар и взрыв, особенности их экспертизы. - М., 1999. - 600 с.

30. Осипов С.Н. Взрывчатые свойства и нейтрализация парогазопылевых смесей. - Киев: Техшка, 1977.

31. Kennedy J., Kennedy P. Fires and Explosions, Determining cause and origin. Investigation Institute, Chicago, 1985.

32. Методические рекомендации по исследованию медных проводников в зоне короткого замыкания и термического воздействия для электропроводок автомобилей Волжского завода (А.А. Александров). - М.: ВНИИПО, 1993. - 32 с.

33. Исследование медных проводников с целью установления признаков очагов пожара / С.П. Воронов, Н.М. Булочников, Ю.И. Черничук, СВ. Москвич // Материалы восьмой международной конференции "Системы безопасности" СБ-99 / МИПБ МВД России. - М., 1999.

34. Смирнов К.П. Из опыта определения причин пожаров, связанных с эксплуатацией электроустановок. - М.: Изд-во МКХ РСФСР, 1963. - 70 с.

35. Маковкин А.В., Кабанов В.Н., Струков В.М. Проведение экспертных исследований по установлению причинно-следственных связей аварийных процессов в электросети с возникновением пожара: Учебное пособие. - М.: ВНИИ МВД СССР, 1988. - 98 с.

36. Маковкин А.В., Зернов С.И., Кабанов В.Н. Изучение состояния электрооборудования при осмотре места пожара: Учебное пособие. - М: ВНИИ МВД СССР, 1988. - 48 с.

37. Белоруссов Н.И., Саакян А.Е., Яковлева А.И. Электрические кабели, провода и шнуры. - М.: Энерго-атомиздат, 1988. - 536 с.

38. Смелков Г.И., Камолшн Б.И., Поединцев И.Ф. Справочник по пожарной безопасности электроустановок и электронагревательных приборов. - М.: Стройиз-дат, 1977. - 192 с.

39. Крюков  В.И. Обслуживание  электроустановок жилых домов. - М.: Стройиздат, 1975. - 118 с.

40. Розенталь Э.С. Электроустановочные устройства. - М.: Энергоатомиздат, 1987. - 272 с.

41. Заплатинский В.И., Кортын Т.Д. и др. Пособие по ремонту электробытовой техники. - Л.: Лениздат, 1989. - 208 с.

42. Привалов  С.Ф.  Электробытовые  устройства и приборы. - СПб.: Лениздат, 1994. - 511 с.

43. Никитин Ю.А. Пожарная опасность бытовых ненагревательных электроприборов и электросетей. - М.: Росагропромиздат, 1990. - 64 с.

44. Смелков Т.И. Пожарная опасность электроустановок при аварийных режимах. - М.: Энергоатомиздат, 1984.

45. Пособие по обследованию электроустановок на месте пожара. - М.: ВНИИПО МВД России, 1994. - 97 с.

46. Диагностика причин разрушения металлических проводников, изъятых с места пожара: Методические рекомендации / А.И. Колмаков, Б.В. Степанов, СИ Зернов и др. - М.: ЭКЦ МВД РФ, 1992. - 32 с.

47. Фотокиносъемка  при  исследовании  пожаров: Методическое пособие для пожарно-технических станций. - М.: ВНИИПО МВД СССР, 1971.

48. NFPA 921. Guide for Fire and Explosion Investigations, 1995.

49. Кортнюк Н.И., Мартынюк В.И. Методическое пособие по вопросам установления причин возникновения пожаров и подготовке материалов для проведения ПТЭ.

50. Криминалистика / Под ред. В.А. Образцова. - М.: Юристь, 1995.

51. Пешков А.Ф., Виноградов А.Ф. Современные фотоаппараты. - СПб.: BHV-Санкт-Петербург, 1998. - 254 с.

52. Закс М.И. Фотоматериалы и их обработка. - М.: Ленпромбытиздат, 1993. - 144 с.

53. Булгаков В.Г., Колотушкин СМ. Компьютерные технологии в криминалистической фотографии. - Волгоград: ВЮИ МВД России, 2000. - 116 с.

54. Антропов Б.Н., Иванов П.Ю. Использование одноступенчатых фотографических процессов в экспертной практике. - М.: ЭКЦ МВД России, 1998. - 48 с.

55. Ищенко Е.П., Ищенко П.П., Зотов В.А. Криминалистическая фотография и видеозапись. - М.: Юристь, 1999. - 438 с.

56. Рекомендации по исследованию пожаров на автотранспорте / ИПЛ УГПС ГУВД г. Москвы.

57. Салтаевский М.В., Ломако З.М., Щербатов В.Ф. Измерительная фотосъемка в следственной практике: Учебное пособие: МВД СССР. - Киев: КВШ, 1975. - 55 с.

58. Сырков СМ., Моисеев А.П. Фотографирование на месте происшествия. - Ч. 1. Общие положения. - М.: ВНИИПО МВД СССР, 1980.

59. Голиков П.А., Овсянников И.В. Совершенствование методов измерительной фотосъемки и дешифровка полученных снимков // Экспертная практика: Сб. тр. - М.: ЭКЦ МВД РФ, 1997. - № 43. - С. 13-20.

60. Голиков П.А., Овсянников И.В., Тимошенко П.Я. Измерительная фотосъемка с произвольно расположенным квадратным масштабом и методика дешифровки фотоснимков: Методические рекомендации / Под ред. И.А. Есина. - Саратов: СВШ МВД России, 1997.

61. Корниенко Н.А. Судебная видеозапись: Учебное пособие. - СПб.: ИПК прокур.-следст. работников, 1995. - 122 с.

62. Лепаев Д.А., Коляда В.В. Ремонт холодильников - М.: Солон-Р, 2000. - 432 с.

63. Электротехника. Терминология: Справочное пособие. - Вып. 3. - М.: Изд-во стандартов, 1990. - 343 с.

64. Боровских Ю.И., Буралев Ю.В., Морозов К.А. Устройство автомобилей. - М.: Высш. школа, 1988. - 288 с.

65. Соколов И.И. Газовая сварка и резка металлов. - М.: Высш. школа, 1981. - 320 с.

66. Розаренов Ю.Н. Оборудование для электрической сварки плавлением. - М.: Машиностроение, 1987. - 208 с.

67. Федосеня И.Ф., Прокопенко В.Е., Лихонин А.В. Телевизоры "Рубин" и "Витязь". - М.: ДМК, 2000. - 224 с.

68. Описание объектов криминалистического исследования: Справочное пособие / Под. ред. В.В. Филиппова. - М.: ЭКЦ МВД России, 1995.

69. Мосалков И.Л., Плюснина Г.Ф., Фролов А.Ю. Огнестойкость строительных конструкций. - М.: Спецтехника, 2001.

70. Бродский М.А. Цветные телевизоры. - Минск: Высш. школа, 1993. - 271 с.

71. Правила безопасности при работе с инструментом и приспособлениями. - СПб.: Изд-во "Деан", 1999.

72. Ильичев А.С, Кокин А.Д., Ребортович И.С. Основы строительного дела. - М.: Трудрезервиздат, 1956.

73. Осипов Л.Г., Яковлев Т.И. Основы строительного дела. - М.: Высш. школа, 1970. - 378 с.

74. Панкратьева М.Д., Соловей Ю.М. Основы строительного дела. - М.: Стройиздат, 1992 - 286 с.

75. Кутухтин Е.Г., Коробков В.А. Конструкции промышленных и сельскохозяйственных зданий и сооружений. - М.: Стройиздат, 1995. - 272 с.

76. Нойферт Э. Строительное проектирование. - М.: Стройиздат, 1991. - 392 с.

77. Сапунов Г.С. Ремонт микроволновых печей. - М.: Солон, 1998.

78. Каминский Е.Л. Квартирная электропроводка и как с ней обращаться. - М.: Энергоатомиздат, 1991. - 255 с.

79. ГОСТ 12.1.044-89. Пожароопасность веществ и материалов. Номенклатура показателей и методы их определения.

80. ГОСТ Р 51032-97. Материалы строительные. Метод испытания на распространение пламени.

81. ГОСТ 30244-94. Материалы строительные. Методы испытаний на горючесть.

82. ГОСТ 30402-96. Материалы строительные. Метод испытания на воспламеняемость.

83. НПБ 244-97. Материалы строительные. Декоративно-отделочные и облицовочные материалы. Материалы для покрытия полов. Кровельные, гидроизоляционные и теплоизоляционные материалы. Показатели пожарной опасности.

84. Таубкин И.С., Лонгинов М.Ф., Козорезов К.И. К вопросу об идентификации природы "проплавлений" стальных конструкций при пожаре // Экспертная техника. - М.: ВНИИСЭ МЮ СССР, 1979. - Вып. 9. - С. 8-13.

85. Иванов Е.А., Галка В.Л., Малаян К.Р. Безопасность электроустановок и систем автоматики: Учебное пособие. - СПб.: Элмор, 2003. - 384 с.

86. Электротехнический справочник (в 3-х томах). - Т. 1. - М.: Энергоатомиздат, 1986. - 880 с.

87. Электротехнический справочник (в 3-х томах). - Т. 2. - М.: Энергоатомиздат, 1986. - 616 с.

88. Шишко Г.Г. Бытовая газоиспользующая аппаратура и условия безаварийной эксплуатации внутридомо-вого газового оборудования: Учебное пособие. - Киев: ИПК Госжилкомхоза УССР, 1991. - 98 с.

89. ТНПБ 6-01-99. Камины. Общие технические требования. Методы испытаний. Введены в действие 01.07.1999 г.

90. Пожаровзрывоопасность веществ и материалов и средства их тушения: Справочник в 2-х томах / Под ред. А.Н. Баратова, А.Я. Корольченко. - М.: Химия, 1990.

91. Информационное письмо ГУ ЭКЦ МВД России № 37/11-1676 от 24.04.2003 г.

92. A Pocket Guide to Arson and Fire Investigation - USA Factory Mutual Engineering Corp, 1994. - 32 p.

93. Техническое обеспечение расследования поджогов, совершенных с применением инициаторов горения: Учебно-методическое пособие / И.Д. Чешко, М.А. Галшиев, СВ. Шарапов, Н.И. Кривых. - М.: ВНИИПО, 2002. - 120 с.

94. Обнаружение и исследование следов легковоспламеняющихся и горючих жидкостей в вещественных доказательствах, изымаемых с места пожара (Методика) / Р.Х. Кутуев, И.Д. Чешко, В.Г. Голяев, Б. С. Егоров. - М.: ВНИИПО, 1985. - 49 с.

95. Григоръян А.С. Расследование поджогов. - М.: Юридическая литература, 1971.

96. Расследование пожаров: Пособие для работников госпожнадзора. - М.: ВНИИПО, 1993.

97. Крюков В.И. Обслуживание электроустановок жилых домов. - М.: Стройиздат, 1975.

98. Смелков Т.Н., Пехотиков В.А. Пожарная безопасность светотехнических изделий. - М.: Энергоатомиздат, 1991.

99. Расследование пожаров от электротехнических причин / ИПЛ УПО УВД Вологодского облисполкома. - Вологда, 1982.

100. Построение и проверка версий о причине возникновения пожара / ИПЛ УПО МВД Коми ССР, Сыктывкар, 1991. - 144 с.

101. Александров А.А., Пехотиков В.А. Пожарная опасность телевизоров // Источники зажигания и профилактика пожаров от электроустановок. - М.: ВНИИПО, 1988.

102. ГОСТ Р 50696-94. Плиты газовые бытовые. Общие технические условия.

103. Плотников  В.Г., Чешко И.Д., Лебедев  КБ. О пожарной опасности бытовых электрогазовых плит // Пожары и окружающая среда: Материалы XII межд. науч. - практ. конф. - М.: ВНИИПО, 2002.

104. Провести анализ пожаров, произошедших в г. Санкт-Петербурге от газовых плит с электроподжигом в 1998-2000 гг.: Отчет о НИР / ИПЛ УГПС СПбиЛО. - СПб., 2001.

105. Влияние нулевого защитного проводника на пожарную опасность электрических сетей / Г. В. Боков, С.А. Судоплатов, Т.Н. Клепикова, В.А. Родин // Крупные пожары: предупреждение и тушение: Материалы науч.-практ. конф. - Ч. 1. - М.: ВНИИПО, 2001.

106. Кондрашин Ю.М. Словарь. Термины и определения по пожарной безопасности, пожарной технике и строительству. - М.: ВНИИПО МВД России, 1993. - 92 с.

107. СНиП 2.04.05-91. Отопление, вентиляция и кондиционирование.




Яндекс цитирования



   Copyright © 2007-2026,  www.tehlit.ru.

[ ѓосты, стандарты, нормативы, инструкции, правила, строительные нормы ]