//
ТехЛит.ру
- крупнейшая бесплатная электронная интернет библиотека для "технически умных" людей.
WWW.TEHLIT.RU - ТЕХНИЧЕСКАЯ ЛИТЕРАТУРА

:: Алготрейдинг::


АЛГОТРЕЙДИНГ
шаг за шагом
с нуля по урокам!

Торговые роботы на PYTHON, BackTrader,
Pandas, Pine Script для TradingView. Связка с брокерами, телеграм и легкими приложениями.


ФЕДЕРАЛЬНОЕ АГЕНТСТВО
ПО ТЕХНИЧЕСКОМУ РЕГУЛИРОВАНИЮ И МЕТРОЛОГИИ

НАЦИОНАЛЬНЫЙ
СТАНДАРТ

РОССИЙСКОЙ
ФЕДЕРАЦИИ

ГОСТ Р
52603-
2006

АКВАПАРКИ

Водные горки высотой 2 м и выше
Безопасность конструкции и методы испытаний

Общие требования

Предисловие

Цели и принципы стандартизации в Российской Федерации установлены Федеральным законом от 27 декабря 2002 г. 184-ФЗ «О техническом регулировании», а правила применения национальных стандартов Российской Федерации - ГОСТ Р 1.0-2004 «Стандартизация в Российской Федерации. Основные положения»

Сведения о стандарте

1. РАЗРАБОТАН Некоммерческой организацией «Российская Ассоциация Аквапарков» (НО «РАА»)

2. ВНЕСЕН Техническим комитетом по стандартизации ТК 456 «Аквапарки, водные аттракционы и оборудование бассейнов»

3. УТВЕРЖДЕН И ВВЕДЕН В ДЕЙСТВИЕ Приказом Федерального агентства по техническому регулированию и метрологии от 11 декабря 2006 г. 293-ст

4. В настоящем стандарте учтены основные нормативные положения европейского стандарта ЕН 1069-1:2000 «Водные горки высотой 2 м и выше. Часть 1. Требования безопасности и методы испытаний» (EN 1069-1:2000 «Water slides over 2 m height - Part 1: Safety requirements and test methods», NEQ)

5. ВВЕДЕН ВПЕРВЫЕ

Информация об изменениях к настоящему стандарту публикуется в ежегодно издаваемом информационном указателе «Национальные стандарты», а текст изменений и поправок - в ежемесячно издаваемых информационных указателях «Национальные стандарты». В случае пересмотра (замены) или отмены настоящего стандарта соответствующее уведомление будет опубликовано в ежемесячно издаваемом информационном указателе «Национальные стандарты». Соответствующая информация, уведомление и тексты размещаются также в информационной системе общего пользования - на официальном сайте Федерального агентства по техническому регулированию и метрологии в сети Интернет

Содержание

НАЦИОНАЛЬНЫЙ СТАНДАРТ РОССИЙСКОЙ ФЕДЕРАЦИИ

АКВАПАРКИ

Водные горки высотой 2 м и выше.

Безопасность конструкции и методы испытаний.

Общие требования

Waterparks. Water slides of 2 m height and more. Safety of structure and test methods. General requirements

Дата введения - 2007-07-01

1 Область применения

Настоящий стандарт распространяется на водные горки высотой 2 м и выше (далее - горки) и устанавливает общие требования безопасности конструкции и методы испытаний.

Для типов горок, не указанных в настоящем стандарте, применяют требования разделов 5 и 6. Настоящий стандарт не распространяется на горки, изготовленные до 1 июля 2007 г.

2 Нормативные ссылки

В настоящем стандарте использованы ссылки на следующие стандарты:

ГОСТ Р ИСО/МЭК 17025-2000 Общие требования к компетентности испытательных и поверочных лабораторий

ГОСТ Р 52169-2003 Оборудование детских игровых площадок. Безопасность конструкции и методы испытаний. Общие требования

ГОСТ Р 52170-2003 Безопасность аттракционов механизированных. Основные положения по проектированию стальных конструкций

ГОСТ 2.201-80 Единая система конструкторской документации. Обозначение изделий и конструкторских документов

ГОСТ 9.303-84 Покрытия металлические и неметаллические неорганические. Общие требования к выбору

ГОСТ ЕН 1070-2003 Безопасность оборудования. Термины и определения

ГОСТ ИСО/ТО 12100-1-2001 Безопасность оборудования. Основные понятия, общие принципы конструирования. Часть 1. Основные термины, методика

ГОСТ ИСО/ТО 12100-2-2002 Безопасность оборудования. Основные понятия, общие принципы конструирования. Часть 2. Технические правила и технические требования

ГОСТ 21964-76 Внешние воздействующие факторы. Номенклатура и характеристики

Примечание - При пользовании настоящим стандартом целесообразно проверить действие ссылочных стандартов в информационной системе общего пользования - на официальном сайте Федерального агентства по техническому регулированию и метрологии в сети Интернет или по ежегодно издаваемому указателю «Национальные стандарты», который опубликован по состоянию на 1 января текущего года, и по соответствующим информационным указателям, опубликованным в текущем году. Если ссылочный документ заменен (изменен), то при пользовании настоящим стандартом следует руководствоваться замененным (измененным) стандартом. Если ссылочный документ отменен без замены, то положение, в котором дана ссылка на него, применяется в части, незатрагивающей эту ссылку.

3 Термины и определения

В настоящем стандарте применяют термины по ГОСТ ЕН 1070, а также следующие термины с соответствующими определениями:

3.1 водный аттракцион: Аттракцион, конструкция, эксплуатация и развлекательный эффект которого обуславливает использование воды.

3.2 водная горка: Водный аттракцион с наклонной поверхностью скольжения, по которой пользователь спускается под действием силы тяжести, свободно или со вспомогательными средствами для спуска, и где вода используется как среда, снижающая трение и обеспечивающая торможение и остановку пользователя в бассейне, специальном приемном устройстве или обустроенной части естественного водоема, являющихся составной частью водного аттракциона.

3.3 стартовая площадка: Конструкция, сооружение, обеспечивающие доступ к зоне старта.

3.4 зона старта: Зона, обеспечивающая доступ к спуску, расположенная на стартовой площадке и включающая в себя стартовый элемент.

3.5 зона спуска: Зона, предназначенная для спуска пользователя под действием силы тяжести от конца стартового элемента до конца финишного элемента или до начала специального приемного устройства.

3.6 зона финиша: Зона, обеспечивающая торможение, остановку и выход пользователя.

3.7 зона погружения: Зона специального бассейна, многоцелевого бассейна или естественного водоема, обеспечивающая торможение и остановку пользователя.

3.8 зона безопасности: Пространство вокруг зоны спуска, свободное от препятствий (элементов конструкций, веток деревьев и т.п.).

3.9 участок разгона: Участок горки, обеспечивающий увеличение скорости спуска пользователя.

3.10 участок торможения: Участок горки, обеспечивающий уменьшение скорости спуска пользователя.

3.11 прямолинейный участок: Участок горки без криволинейных поверхностей в любой плоскости спуска.

3.12 радиусный участок: Участок горки с криволинейными поверхностями спуска в любой плоскости.

3.13 стартовый элемент: Составная часть горки, обеспечивающая доступ к спуску и подачу воды на горку.

3.14 финишный элемент: Составная часть горки с уклоном менее 5 %, обеспечивающая подготовку к торможению и остановке пользователя.

3.15 специальное приемное устройство: Составная часть горки, обеспечивающая торможение и остановку пользователя.

3.16 желоб: Открытый элемент горки, используемый для скольжения.

3.17 труба: Закрытый элемент горки, вся внутренняя поверхность которого может использоваться для скольжения.

3.18 туннельное покрытие: Элемент, накрывающий открытые участки горки, не предназначенный для скольжения.

3.19 борт безопасности: Элемент, обеспечивающий локальное увеличение боковой стороны зоны спуска.

3.20 брызгозащитный экран: Элемент, устанавливаемый для защиты от брызг и потоков воды.

3.21 вспомогательные средства для спуска: Оборудование для конкретной горки, на (в) котором осуществляется спуск.

3.22 застревание: Опасная ситуация, когда тело, части тела или одежда пользователя застревает в элементах конструкции водного аттракциона.

3.23 защитные ограждения: Устройства (перила, поручни, турникеты, ограждения), предотвращающие падение и (или) предотвращающие несанкционированный доступ пользователя в зону старта, зону безопасности или на территорию горки.

3.24 уровень старта: Уровень поверхности стартового элемента.

3.25 уровень финиша: Уровень поверхности, проходящей через точку отрыва пользователя от поверхности спуска в конце финишного элемента.

3.26 высота горки: Высота между уровнем старта и уровнем воды в зоне финиша.

3.27 средний уклон: Уклон х, %, рассчитываемый по формуле

где Н -

высота между уровнем старта по 3.24 и уровнем финиша по 3.25 или уровнем воды в специальном приемном устройстве по 3.15, м;

L -

длина зоны спуска, м.

4 Классификация

Горки подразделяют на типы:

4.1 Тип 1 - одиночная горка с радиусными участками только в вертикальной плоскости со средним уклоном не более 70 % и высотой не более 3 м.

4.2 Тип 2 - одиночная горка со средним уклоном от 11 % до 18 % и высотой не более 3 м.

4.3 Тип 3 - одиночная горка без ограничения высоты со средним уклоном не более 13 %, на которой пользователь может достигать средней скорости спуска 5 м/с и максимальной скорости спуска 7 м/с.

4.4 Тип 4 - одиночная скоростная горка без ограничения высоты со средним уклоном от 13 % до 20 %, на которой пользователь может достигать средней скорости спуска 10 м/с и максимальной скорости спуска 14 м/с.

4.5 Тип 5 - одиночная высокоскоростная горка без ограничения высоты со средним уклоном не менее 20 %, на которой пользователь может достигать максимальной скорости спуска более 14 м/с.

4.6 Тип 6:

4.6.1 Тип 6.1 -горка типа 3 с несколькими отдельными параллельными трассами (прямыми и изогнутыми в вертикальной плоскости), расположенными рядом друг с другом по всей длине, на которой пользователь может достигать максимальной скорости спуска не более 7 м/с.

4.6.2 Тип 6.2 - горка типа 4 с несколькими отдельными параллельными трассами (прямыми и изогнутыми в вертикальной плоскости), расположенными рядом друге другом по всей длине, на которой пользователь может достигать максимальной скорости спуска не более 14 м/с.

4.7 Тип 7 - широкая прямая горка со средним уклоном не более 25 % и не выше 8 м над уровнем воды, на которой пользователь может достигать максимальной скорости спуска не более 5 м/с.

5 Нагрузки и воздействия

5.1 Общие положения

Прочность и устойчивость металлоконструкций аттракциона должна быть подтверждена расчетами согласно ГОСТ Р 52170 и, при необходимости, результатами испытаний их отдельных элементов.

5.2 Вес конструкции

5.2.1 Весовые характеристики (нормативные значения весовых нагрузок) составных частей горки должны быть определены на основании стандартов, проектно-конструкторской документации и паспортных данных предприятий-изготовителей.

5.2.2 Расчетные значения весовых нагрузок устанавливают умножением нормативных весовых нагрузок на коэффициент надежности γfg = 1,35.

5.3 Нагрузки от воды

Расчетную нагрузку от воды, подаваемой на горку, принимают равной удвоенному весу воды, подача которой предусмотрена проектом, при этом для горок типов 1 - 7, с учетом подаваемых объемов воды согласно 7.4, значения расчетной нагрузки от воды должны быть:

- тип 1 - не учитывается ввиду малого количества воды;

- тип 2 - 0,1 кН/м;

- тип 3, 4, 5 - 0,2 кН/м;

- тип 6 - 0,1 кН/м на одну трассу;

- тип 7 - 0,2 кН/м2.

5.4. Подвижные нагрузки от спускающегося пользователя

Параметры, которые необходимо учитывать при определении нагрузок от спускающегося пользователя, указаны в таблице 1.

Таблица 1 - Параметры, которые необходимо учитывать при определении подвижных нагрузок от спускающегося пользователя

Тип горки

Расчетная распределенная подвижная нагрузка от спускающегося пользователя, кН/м

Длина, на которой действует подвижная нагрузка, м

Расчетная условная скорость спуска пользователя, м/с

Данные для расчета величины и зоны действия
центробежной силы*

Условная скорость спуска пользователя, м/с

Длина распределения подвижной нагрузки, м

Расстояние Z от точки приложения силы F до днища желоба (см. рисунок 1), м

Направление действия центробежной силы

1

0,8

-

-

-

-

-

-

2

0,8

5,0

3,5

3,5

5,0

0,1

Горизонтальное

3

1,5

5,0

7,0***

3,5

5,0

0

Вертикальное

(7,0)***

(1,0)***

0,1

Горизонтальное

4

1,5

1,0

12,0

12,0

1,0

0

Вертикальное

0,35

Горизонтальное

5

1,5

1,0

16,0

16.0

1,0

0

Вертикальное

0,35

Горизонтальное

6.1

1,5

5,0

7,0***

0,35

5,0**

0

Вертикальное

(7,0)***

(1,0)***

0,35

Горизонтальное

6.2

1,5

1,0

12,0***

12,0

1,0

0

Вертикальное

0,35

Горизонтальное

7

1,5кН2*4

0,5кН*5

-

5,0

5,0

5,0

0

Вертикальное

* Максимально допустимое ускорение для спускающегося пользователя (см. 6.7.3).

** При спуске пользователей цепью.

*** При спуске одного пользователя.

*4 По всей площади зоны спуска горки.

*5 Сосредоточенная нагрузка на одну полосу зоны спуска.

При расчете подвижных нагрузок от спускающегося пользователя на участках горки, имеющих кривизну, необходимо учитывать центростремительное ускорение и центробежную силу, действующую на стенку желоба. Значение центробежной силы зависит от массы пользователя, его скорости и радиуса кривизны трассы.

Пример расчетного определения центростремительного ускорения и центробежной силы приведен в приложении А.

Расстояние Z от точки приложения силы F до днища желоба, указанное в таблице 1, представлено на рисунке 1.

Рисунок 1 - Расстояние Z от точки приложения силы F до днища желоба 4

5.5 Ударные воздействия

Ударные воздействия на конструкцию горки учитывают в зоне старта и на радиусных участках трассы горки умножением подвижных нагрузок на ударный коэффициент φ1 ≥ 1,2.

5.6 Ветровая нагрузка

Ветровую нагрузку для горок всех типов определяют по [1] или ГОСТ Р 52170.

5.7 Снеговая нагрузка

Снеговую нагрузку учитывают в соответствии с [1]. Для установленных на открытом пространстве горок (не эксплуатируемых зимой) считают, что снеговой покров расположен на всей площади горки.

5.8 Температурные воздействия

Для горок, расположенных на открытом пространстве, необходимо учитывать колебания температуры окружающего воздуха. Изменения размеров от теплового расширения определяют для колебаний температур в диапазоне:

- если горки не эксплуатируются - ±30 °С;

- если горки эксплуатируются - ± 10 °С.

Изменение размеров труб должно определяться для колебаний температур в диапазоне ± 20 °С. В случаях, если температурное расширение горки компенсировано конструкцией, его можно не учитывать.

5.9 Воздействие агрессивной среды

Опасность интенсивной коррозии металлических конструкций водных аттракционов определяется агрессивностью атмосферы аквапарков, вызванной совместным воздействием неблагоприятных факторов - высокой влажностью, повышенной температурой и наличием хлоридов в атмосфере. Меры по защите от коррозии должны быть адекватны сроку службы водных аттракционов, заявленному изготовителем. Защита от коррозии должна выполняться в соответствии с требованиями ГОСТ 9.303 и [2].

5.10 Сочетания нагрузок

Расчет конструкций необходимо выполнять с учетом наиболее неблагоприятных сочетаний нагрузок или соответствующих им усилий.

6 Требования безопасности для горок всех типов

6.1 Общие положения

Пользование горками может включать в себя риски по ГОСТ ИСО/ТО 12100-1, раздел 4, а также следующие риски:

- падение с горки;

- падение на горке;

- столкновение пользователей;

- ожоги;

- застревание;

- риски, связанные с дефектами поверхности скольжения в зоне спуска.

6.1.2 Материалы и элементы конструкции горки не должны создавать опасности для пользователя, в том числе соответствовать требованиям действующих санитарных правил.

6.1.3 О наличии спецэффектов, например затемнения, световых и звуковых эффектов, тумана и т.п., следует предупреждать пользователя непосредственно перед спуском.

6.1.4 Пользователь должен оставаться в контакте с поверхностью желоба по всей длине спуска.

6.2 Застревание

6.2.1 Конструкция горки должна исключать застревание тела, частей тела или одежды пользователя в соответствии с ГОСТ Р 52169.

6.3 Поверхности

6.3.1 Конструкция поверхности горки должна исключать возможность получения травмы пользователем.

6.3.2 На поверхностях горки, ограниченных зоной безопасности (см. 7.5), не должно быть отверстий, за исключением отверстий для воды и (или) специальных эффектов.

6.3.3 Поверхность зоны спуска должна быть гладкой, без неровностей.

6.3.3.1 В местах стыка двух смежных элементов желоба допускается незначительная разница высот, расположенная по направлению спуска, которая не должна травмировать пользователя.

6.3.3.2 Места стыка поверхности скольжения двух смежных элементов желоба в зоне спуска должны быть закруглены.

6.3.4 Сварные швы металлических конструкций должны быть гладкими.

6.4 Радиус закругления углов и краев элементов горки внутри зоны безопасности должен быть не менее 3 мм.

6.5 Подход к горке

6.5.1 Поверхности стартовых площадок, лестниц и проходов для пользователей должны быть нескользкими и не иметь элементов, о которые можно споткнуться, или отверстий диаметром более 12 мм.

6.5.2 Края стартовых площадок и лестниц должны быть оборудованы ограждениями и поручнями высотой не менее 1000 мм от уровня пола.

6.5.3 Конструкция ограждения должна быть такой, чтобы подростки и дети не могли проникнуть сквозь ограждение или под ним и чтобы в нем не могла застрять голова ребенка. Конструкция ограждения не должна поощрять детей и подростков взбираться, стоять или сидеть на нем.

6.5.4 Лестницы

6.5.4.1 Если для доступа к горке используют лестницы, то лестницы с обеих сторон оборудуют поручнями, переходящими в поручни стартовой площадки.

6.5.4.2 Ширина лестницы должна быть не менее 900 мм. Ширина аварийной лестницы - не менее 600 мм.

6.5.4.3 Каждый лестничный пролет должен иметь не более 15 ступеней.

6.5.4.4 Между соседними пролетами лестниц в одном направлении оборудуют площадки длиной не менее 800 мм.

6.5.4.5 Наклон лестницы должен быть не более 45°.

6.5.5 Ступени

6.5.5.1 Ширина ступеней должна быть не менее 240 мм, за исключением ступеней спиральных и винтовых лестниц.

6.5.5.2 Высота ступеней должна быть не менее 140 и не более 240 мм.

6.5.5.3 Углы и края ступеней должны иметь закругления радиусом не менее 3 мм.

6.5.6 Стартовая площадка

Перед входом в зону старта горки для предотвращения падения пользователей оборудуют стартовую площадку длиной не менее 500 мм. Стартовую площадку оборудуют защитными ограждениями высотой не менее 1000 мм. Если высота горки превышает 12000 мм, высота защитного ограждения должна быть не менее 1200 мм.

Высоту защитного ограждения выбирают в соответствии с рисунком 2.

А, В, С - варианты защитных ограждений:

А - вариант защитного ограждения на расстоянии до 1000 мм от наивысшей точки опорной поверхности;

В - вариант защитного ограждения на одной стороне зоны старта;

С - вариант защитного ограждения на расстоянии свыше 1000 мм от наивысшей точки опорной поверхности;

X- высота наивысшей точки опорной поверхности;

1 - стартовый элемент; 2 - стартовая площадка

Рисунок 2 - Высота защитного ограждения

6.6 Зона старта

6.6.1 Ограждение зоны старта выполняют в соответствии с 6.5.3.

6.6.2 Конструкция зоны старта должна быть такой, чтобы исключить возможность выталкивания пользователя на водную горку идущими сзади пользователями. Это достигается путем оборудования зоны старта выше уровня стартовой площадки или оборудованием ступеньки между стартовой площадкой и зоной старта.

6.6.3 Конструкция стартового элемента должна обеспечивать необходимую жесткость и исключать возможность получения травмы пользователем при случайных падениях.

6.6.4 На горках, за исключением горок типа 1 и горок с использованием вспомогательных средств для спуска (например, надувные рафты), должны быть устроены ограничители (например, в виде поперечной штанги на высоте от 800 до 1100 мм над поверхностью стартового элемента), обеспечивающие спуск с горки пользователя в разрешенной позиции.

6.7 Зона спуска

6.7.1 Верхние края обеих сторон желоба горки должны быть изготовлены так, чтобы при нормальной эксплуатации пользователь не мог дотянуться или дотронуться до внешних элементов горки.

6.7.2 Конструкция зоны спуска должна обеспечивать безопасность пользователя и его удержание внутри желоба при спуске с горки.

6.7.3 Максимально допустимые ускорения, действующие на пользователя

Необходимо ограничивать центростремительные ускорения, действующие на пользователя при спуске по криволинейным участкам трассы. Максимально допустимые значения ускорения в зависимости от времени действия его на пользователя, скатывающегося с горки, представлены в таблице 2.

Таблица 2 - Максимально допустимые значения ускорения в зависимости от времени действия его на пользователя, скатывающегося с горки

Продолжительность действия, с

Максимально допустимое ускорение, м/с2

< 0,1

4g

0,1

2,6 g

Примечание - g = 9,81 м/с2.

6.8 Трубы и закрытые элементы

Трубы и закрытые элементы горки должны быть изготовлены так, чтобы пользователь не терял ориентацию (например, частично или полностью пропускать свет).

6.9 Зона финиша

6.9.1 Конструкция зоны финиша должна обеспечивать эффективное и безопасное торможение после спуска, остановку и выход пользователя.

6.9.2 Зону финиша устраивают в виде:

- зоны погружения по 6.9.3;

- специального приемного устройства по 6.9.4.

6.9.3 Зона погружения

6.9.3.1 Зону погружения устраивают в виде:

- специального бассейна;

- участка многоцелевого бассейна;

- участка естественного водоема.

6.9.3.2 Конструкция зоны погружения должна обеспечивать эффективное торможение и остановку пользователя.

6.9.3.3. Если пользователь в конце финишного элемента горки движется со скоростью не более 10 м/с, устраивают зону погружения.

6.9.4 Специальное приемное устройство

Если пользователь в конце финишного элемента горки движется со скоростью более 10 м/с, устраивают специальное приемное устройство.

6.10 Выходы

6.10.1 Для выхода из бассейна должны быть предусмотрены лестницы, ступени или равномерно повышающийся пол.

6.10.2 Траектории выхода пользователя с разных горок не должны пересекаться.

6.10.3 Если зоны финиша нескольких горок заканчиваются на одной стороне специального бассейна, выход располагают так, чтобы траектории выхода пользователей не пересекались в направлениях, обеспечивающих быстрое освобождение зоны движения.

6.11 Вспомогательные средства для спуска

6.11.1 Вспомогательные средства для спуска должны быть плавучими. Углы вспомогательных средств для спуска должны соответствовать 6.4.

6.11.2 В инструкции по пользованию вспомогательными средствами для спуска указывают, для каких целей они предназначены, позиции пользователя при спуске, допустимые массу и размеры тела пользователя.

6.11.3 При использовании вспомогательных средств для спуска необходим контроль за соблюдением дистанции между пользователями.

6.12 Переходы между элементами трассы спуска разной конструкции

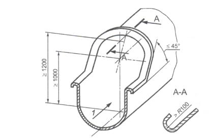
6.12.1 Наклон перехода от желоба к трубе, участку трассы с тоннельным покрытием, борту безопасности или брызгозащитному экрану не должен превышать 45°; радиус скругления краев должен быть не менее 100 мм (см. рисунок 3).

6.12.2 В местах перехода от желоба к трубе, участку трассы с тоннельным покрытием высота от поверхности скольжения до верха трубы, тоннельного покрытия должна быть не менее 1200 мм (см. рисунок 3).

1 - направление скольжения

Рисунок 3 - Переход между элементами трассы спуска разной конструкции

6.13 Подача воды

6.13.1 Забор воды

Если воду берут из зоны, где могут находиться пользователи, особое внимание уделяют обеспечению их безопасности от действия прижимных сил.

6.13.2 Объем подаваемой на горку воды

Объем подаваемой на горку воды влияет на характер скольжения и определяется изготовителем для каждой конкретной горки при проектировании и вводе в эксплуатацию.

6.13.3 Система контроля

Доступ посторонних лиц к приборам регулирования подачи воды не допускается. Рекомендуется установка сигнализации, предупреждающей о выходе из строя оборудования подачи воды.

6.14 Столкновения пользователей

6.14.1 Конструкция горки должна исключать столкновения пользователей и нанесение ими вреда друг другу.

6.14.2 Столкновения пользователей или нанесение ими вреда друг другу могут возникнуть из-за несоблюдения дистанции на старте и (или) разницы в скорости спуска пользователей. Если различные позиции при спуске являются причиной различий в скорости, допускается одна позиция (или группа позиций, соответствующих одной скорости) или очередность спуска пользователей с горки должна регулироваться.

6.14.3 При отсутствии визуального контакта между зоной старта и зоной финиша, в целях исключения столкновений пользователей, необходимо применение технических средств, регулирующих доступ на старт пользователя.

6.15 Столкновения пользователей с посторонними лицами

Конструкция горки должна исключать несанкционированный доступ посторонних лиц в зону безопасности.

7 Дополнительные требования безопасности для горок типов 1-7

7.1 Зона спуска (поперечные сечения):

7.1.1 Горка типа 1

Поперечное сечение горки типа 1 - в соответствии с рисунком 4.

Рисунок 4 - Поперечное сечение горки типа 1

7.1.2 Горка типа 2

Поперечное сечение горки типа 2 - в соответствии с рисунком 5.

Допускается увеличение размеров поперечного сечения горки типа 2 на расстоянии более 2 м от зоны старта до размеров сечения горки типа 3 в соответствии с рисунком 6.

Рисунок 5 - Поперечное сечение горки типа 2

7.1.3 Горка типа 3

Сечение горки типа 3 - в соответствии с рисунком 6.

Горка в форме трубы должна быть с внутренним диаметром не менее 900 и не более 1400 мм.

7.1.4 Горка типа 4

Сечение горки типа 4 - в соответствии с рисунком 6.

Горка в форме трубы должна быть с внутренним диаметром не менее 900 и не более 1400 мм.

Радиусный участок

Тип 3 h, 600;

тип 4h1 700;

h2 200;

900 b 1400;

α 95°;

1 - внешняя кривая; 2 - внутренняя кривая

Рисунок 6 - Поперечное сечение горок типов 3 и 4

7.1.5 Горка типа 5

Поперечное сечение горки с радиусными участками только в вертикальной плоскости:

- с круглым днищем - в соответствии с рисунком 6 (тип 3);

- с плоским днищем - в соответствии с рисунком 7.

Горка с радиусными участками в вертикальной и горизонтальной плоскостях должна быть в форме трубы с внутренним диаметром не менее 800 и не более 900 мм.

Рисунок 7 - Поперечное сечение горки типа 5

7.1.6 Горка типа 6

Поперечное сечение горки - в соответствии с рисунком 8.

600 ≤ b1 ≤ 1800;
b2 ≥ 200;

h1 ≥ 500;
h2 ≥ 200

Рисунок 8 - Поперечное сечение горки типа 6

Поперечное сечение с радиусными участками в горизонтальной плоскости, с несколькими трассами типа 6.1 по 4.6.1 - в соответствии с рисунком 6 (тип 3).

Поперечное сечение горки с радиусными участками в горизонтальной плоскости, с несколькими трассами типа 6.2 по 4.6.2 - в соответствии с рисунком 6 (тип 4).

7.1.7 Горка типа 7

Размеры поперечного сечения горки - в соответствии с рисунком 9.

2500 b15000;

h 500;

R ≥ 50

Рисунок 9 - Поперечное сечение горки типа 7

7.2 Специальное приемное устройство

7.2.1 Специальное приемное устройство может применяться для горок типов 2 - 5.

7.2.2 Специальное приемное устройство необходимо применять для горок со скоростью пользователя в конце финишного элемента более 10 м/с,

7.2.3 Конструкция специального приемного устройства должна обеспечивать:

- эффективное и безопасное торможение пользователя;

- безопасный и быстрый выход пользователя из специального приемного устройства.

7.3 Зона погружения

7.3.1 Если зона погружения горки не соответствует рисункам 10 - 13, то глубину и размеры зоны погружения выбирают на основании расчетов и по результатам испытаний.

7.3.2 Высота от уровня финиша до уровня воды для горок типов 1 - 4, 6 и 7 - в соответствии с таблицей 3.

7.3.2.1 Глубину зоны погружения измеряют в зоне шириной b1 + b3 + b1 согласно рисункам 10 - 13 на расстоянии 2 м от конца финишного элемента по оси трассы горки в направлении спуска.

Таблица 3 - Высота от уровня финиша до уровня воды для горок типов 1 - 4, 6 и 7

Высота от уровня финиша до уровня воды h, мм

Глубина зоны погружения Н, мм

для горок типа 1 и 2

для остальных типов горок

0 < h 200

800 Н 1200

1000

600

1800

1800

1500

4500

4500

> 1500

4500

4500

Примечания

1 - Промежуточные показатели определяют методом линейной интерполяции.

2 - Для горок типа 5 при скорости движения пользователя в конце финишного элемента менее 10 м/с глуби на зоны погружения принимается как для горки типа 4.

7.3.3 Специальный бассейн

7.3.3.1 Размеры, приведенные на рисунках 10 - 13, рекомендуемые. В зависимости от конструкции горки размеры, приведенные на рисунках 10 - 13, могут быть изменены.

7.3.3.2 При попадании в бассейн пользователь не должен соприкасаться со стенками бассейна или сталкиваться с другими пользователями.

7.3.3.3 Для горок типов 2 - 5, зоны погружения которых расположены на одной стороне бассейна, а также для горок типа 6 наносят линию контрастного цвета по отношению к цвету воды и облицовки пола бассейна по оси трассы спуска или устанавливают мягкие плавающие тросы для того, чтобы направить пользователя к предназначенному для него выходу.

7.3.3.4 Дно специального бассейна в зоне погружения должно быть горизонтальным и ровным.

7.3.3.5 Глубина зоны погружения специального бассейна для различных высот, с которых падает в воду пользователь, указана в таблице 3.

7.3.4 Многоцелевой бассейн

7.3.4.1 Минимальная глубина зоны погружения многоцелевого бассейна для различных высот, с которых падает в воду пользователь, - в соответствии с таблицей 3.

7.3.4.2 Дно многоцелевого бассейна в зоне погружения не должно иметь выступов и углублений.

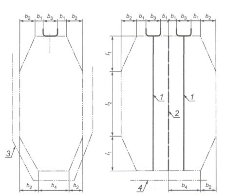
7.3.4.3 Если глубина многоцелевого бассейна менее или равна 1,3 м, допускается повышение или понижение дна бассейна от зоны измерения глубины (см. 7.3.2.1) с уклоном до 10 % в направлении спуска пользователя и по обеим сторонам в зонах b2 (см. рисунки 10 - 13).

l1 = 200 мм

l2 =1000 мм

l3 = 2000 мм;

b1 = 500 мм;

b2 = 500 мм;

b3 = ширине горки;

b4 = b3 + 2b1

1 - маркировка в середине трассы контрастным цветом на дне или 2 - мягкие, плавающие разделяющие линии между трассами; 3 - возможная зона лестницы для отдельной горки; 4 - возможная зона лестницы на горках, финишные элементы которых расположены на одной стороне бассейна

Рисунок 10 - Зона погружения для горок типов 1 и 2

Горки типа 3

Горки типов 4 и 5

l1, = 2000 мм;

12 = 2000 мм;

b1 = 500 мм;

b2 = 1000 мм;

b3 = ширине горки;

b4 = b3 + 2b1

l1, = 2000 мм;

l2 = 6000 мм;

b1 = 500 мм;

b2 = 1000 мм;

b3 = ширине горки;

b4 = b3 + 2b1

1 - маркировка в середине трассы контрастным цветом на дне или 2 - мягкие, плавающие разделяющие линии между трассами; 3 - возможная зона лестницы для отдельной горки; 4 - возможная зона лестницы на горках, финишные элементы которых расположены на одной стороне бассейна

Рисунок 11 - Зона погружения для горок типов 3 - 5

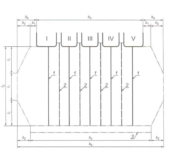
l1 = 2000 мм;

l2 = 3l1;

b1 = 500 мм;

b2=1000 мм;

b3 = ширине горки;

b4 = b1 + b2;

b5 = b3 + 2b1;

b6 = b3 + 2b4

I и V - внешние трассы горки; II и IV - внутренние трассы горки; 1 - маркировка в середине трассы контрастным цветом на дне или 2 - мягкие плавающие разделяющие линии между трассами; 3 - возможные зоны для лестниц

Рисунок 12 - Зона погружения для горок типа 6

l1 = 2000 мм;

l2 = 3l1,;

b1 = 500 мм;

b2  = 1000 мм;

b3 = ширине горки;

b4 = b1 + b2;

b5 = b3 + 2b1;

b6 = b3 + 2b4

1 - маркировка контрастным цветом на дне (минимальное число маркировок 2); 2 - возможные зоны для лестницы

Рисунок 13 - Зона погружения для горок типа 7

7.4 Объемы воды, подаваемой на горку

Воду на горку подают в зоне старта - в соответствии с таблицей 4.

Таблица 4 - Объем воды, подаваемой на горку

Тип горки

Объемы воды, подаваемой на горку, дм3/мин

1

≥ 3

2

≥ 40

3, 4, 5

≥ 1000

6

≥ 300 для каждой трассы горки

7

≥ 300 на один метр ширины горки

7.5 Зона безопасности

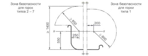
7.5.1 Размеры зоны безопасности - в соответствии с рисунком 14.

7.5.2 В зоне безопасности не допускается наличие неподвижных объектов (элементов конструкций, веток деревьев и т.п.).

7.5.3 Элементы конструкции горки допускается располагать на расстоянии от 650 до 850 мм от линии X (см. рисунок 14) при условии, что они защищены, гладкие и ровные, а минимальный радиус закругления краев должен быть 100 мм (см. рисунок 3).

Рисунок 14 - Размеры зон безопасности для горок

8 Методы испытаний

8.1 Требования безопасности в соответствии с разделами 6 и 7 проверяют визуально, органолептическими и инструментальными методами.

8.2 В процессе испытаний горки проверяют на соответствие требованиям 6.7.1, 6.7.2, 6.7.3, 6.9.1, 6.9.2, 6.11, 6.14 и 7.2 и оценивают среднюю скорость спуска.

8.3 Испытания проводятся одним или несколькими испытателями,

8.3.1 В процессе испытаний проводят не менее 10 спусков испытателя в каждой позиции, разрешенной для конкретного типа горки.

8.4 Определение максимального ускорения, действующего на пользователя, соответствие ускорения требованиям 6.7.3 проводят в два этапа.

8.4.1 Этап первый - определяют максимальное ускорение, действующее на пользователя, расчетным методом по 5.4.

8.4.2 Этап второй - проведение испытаний:

- предварительных (при необходимости) с использованием модели для испытаний (например, заполненного водой мешка из полимерного материала массой 75 кг, длиной 900 мм и диаметром 350 мм);

- с участием испытателя.

8.5 Испытания на застревание тела, частей тела, одежды детей и подростков - в соответствии с ГОСТ Р 52169, приложение Г.

8.6 По результатам испытаний оформляют отчет в соответствии с ГОСТ Р ИСО/МЭК 17025

9 Обозначение и маркировка горки

9.1 Обозначение

Обозначение горок - по ГОСТ 2.201.

Классификационные признаки по разделу 4.

9.2 Маркировка

На горку устанавливают табличку на видном и доступном месте, содержащую следующую информацию:

- наименование и адрес изготовителя;

- год введения в эксплуатацию;

- наименование и адрес эксплуатанта;

- обозначение горки по 9.1.

Приложение А
(справочное)
Пример расчета центростремительного ускорения и центробежной силы

В качестве примера рассматривают горку типа 5, трасса которой имеет кривизну радиусом 11м. Расчетные параметры принимают на основании таблицы 1 для горки типа 5:

расчетная подвижная нагрузка от спускающегося пользователя Р = 1,5 кН;

расчетная условная скорость спуска пользователя V = 16 м/с.

Принимают радиус кривизны r = 11 м.

Рассчитывают центростремительное ускорение а:

Рассчитывают центробежную силу F:

Библиография

[1] СНиП 2.01.07-85 Нагрузки и воздействия

[2] СНиП 2.03.11-85 Защита строительных конструкций от коррозии

Ключевые слова: водные аттракционы, водные горки, классификация, требования безопасности, испытания




Яндекс цитирования