//
ТехЛит.ру
- крупнейшая бесплатная электронная интернет библиотека для "технически умных" людей.
WWW.TEHLIT.RU - ТЕХНИЧЕСКАЯ ЛИТЕРАТУРА

:: Алготрейдинг::


АЛГОТРЕЙДИНГ
шаг за шагом
с нуля по урокам!

Торговые роботы на PYTHON, BackTrader,
Pandas, Pine Script для TradingView. Связка с брокерами, телеграм и легкими приложениями.


СТАНДАРТ ОРГАНИЗАЦИИ

НОРМЫ ПОЖАРНОЙ БЕЗОПАСНОСТИ.

ПРОЕКТИРОВАНИЕ И ЭКСПЛУАТАЦИЯ СИСТЕМ ПОЖАРОТУШЕНИЯ
НЕФТЕПРОДУКТОВ В СТАЛЬНЫХ ВЕРТИКАЛЬНЫХ РЕЗЕРВУАРАХ СИСТЕМЫ
ОАО "АК "ТРАНСНЕФТЕПРОДУКТ"

СО 03-06-АКТНП-006-2004

Дата введения 2004-08-01

1. РАЗРАБОТАН Федеральным Государственным учреждением "Всероссийский ордена "Знак Почета" научно-исследовательский институт противопожарной обороны" (ФГУ ВНИИПО) МЧС РФ (под руководством к.т.н. В.В. Наумова).

2. УТВЕРЖДЕН И ВВЕДЕН В ДЕЙСТВИЕ с 1 августа 2004 г. приказом ОАО "АК "Транснефтепродукт" от 29 июля 2004 г. № 57.

3. СОГЛАСОВАН Главным управлением Государственной противопожарной Службы МЧС России (письмо от 26 мая 2003 г. № 18/91389), Начальником ФГУ ВНИИПО МЧС РФ и Старшим вице-президентом ОАО "АК "Транснефтепродукт" С.П. Макаровым.

4. ВВОДИТСЯ ВПЕРВЫЕ.

СОДЕРЖАНИЕ

1. ОБЛАСТЬ ПРИМЕНЕНИЯ

2. НОРМАТИВНЫЕ ССЫЛКИ

3. ТЕРМИНЫ И ОПРЕДЕЛЕНИЯ

4. ОБЩИЕ ПОЛОЖЕНИЯ

5. ОСНОВНЫЕ ТЕХНИЧЕСКИЕ ТРЕБОВАНИЯ К ЭЛЕМЕНТАМ СИСТЕМ АВТОМАТИЧЕСКОЙ ПОЖАРНОЙ ЗАЩИТЫ РЕЗЕРВУАРНЫХ ПАРКОВ

5.1. Общие технические требования к системам автоматической пожарной защиты резервуарных парков

5.2. Основные технические требования к пожарной сигнализации и аппаратуре управления

5.3. Основные технические требования к автоматическим установкам пожарной защиты резервуаров

5.4. Основные технические требования к пожарным насосным станциям и трубопроводам систем и установок автоматической пожарной защиты резервуаров

5.5. Требования к расчету и хранению запасов воды и пенообразователя

5.6. Новые технические требования к электрооборудованию и электроснабжению

6. ОСНОВНЫЕ ТЕХНИЧЕСКИЕ ТРЕБОВАНИЯ К ЭЛЕМЕНТАМ СТАЦИОНАРНЫХ УСТАНОВОК ТУШЕНИЯ ПОЖАРА НЕФТЕПРОДУКТОВ В РЕЗЕРВУАРАХ

6.1. Общие технические требования к системе наружной разводки пенопроводов

6.2. Общие технические требования к системе внутренней разводки пенопроводов

6.3. Общие технические требования к высоконапорным пеногенераторам

6.4. Общие технические требования к пенным камерам

6.5. Общие технические требования к предохранительным мембранам

6.6. Общие технические требования к пенным насадкам, предназначенным для подачи пены низкой кратности на поверхность нефтепродукта

6.7. Общие технические требования к устройствам хранения и приготовления рабочего раствора пенообразователя

6.8. Общие технические требования к запорным устройствам

6.9. Общие технические требования к устройствам для подключения передвижной пожарной техники

6.10. Общие технические требования к пенообразователю

7. ТИПОВЫЕ ТЕХНИЧЕСКИЕ РЕШЕНИЯ СТАЦИОНАРНЫХ УСТАНОВОК ТУШЕНИЯ ПОЖАРОВ НЕФТЕПРОДУКТОВ В РЕЗЕРВУАРАХ

8. ТРЕБОВАНИЯ БЕЗОПАСНОСТИ И ОХРАНЫ ОКРУЖАЮЩЕЙ СРЕДЫ ПРИ РАБОТЕ С ПЕНООБРАЗОВАТЕЛЯМИ И РАБОЧИМИ РАСТВОРАМИ ПЕНООБРАЗОВАТЕЛЕЙ

9. РЕКОМЕНДАЦИИ ПО ЭКСПЛУАТАЦИИ СИСТЕМ АВТОМАТИЧЕСКОЙ ПОЖАРНОЙ ЗАЩИТЫ РЕЗЕРВУАРНЫХ ПАРКОВ

ПРИЛОЖЕНИЕ 1 (Рекомендуемое) Схемы стационарных установок тушения пожара нефтепродукта в резервуаре и рекомендуемое пожарное оборудование

ПРИЛОЖЕНИЕ 2 (Рекомендуемое) Схемы внутренней разводки пенопроводов стационарной установки подслойного тушения пожара нефтепродукта в резервуаре и внутренней разводки пенопроводов стационарной установки комбинированного тушения пожара нефтепродукта в резервуаре

ПРИЛОЖЕНИЕ 3 (Рекомендуемое) Схема испытаний автоматической системы тушения пожара нефтепродукта в резервуаре

ПРИЛОЖЕНИЕ 4 (для информации) Пример выполнения стационарной установки тушения пожара нефтепродукта в резервуаре РВС-5000, входящей в состав автоматической системы тушения пожара нефтепродукта в резервуаре

1. ОБЛАСТЬ ПРИМЕНЕНИЯ

1.1. Настоящий стандарт распространяется на резервуары и резервуарные парки Открытого акционерного общества "АК "Транснефтепродукт" (далее - Компании) при строительстве новых, реконструкции и техническом перевооружении существующих резервуаров.

1.2. Настоящий стандарт распространяется на объекты магистральных нефтепродуктопроводов ОАО "АК "Транснефтепродукт", расположенные как на территории Российской Федерации, так и на территории других государств, в части, не противоречащей законодательству соответствующих государств.

1.3. Настоящий стандарт предназначен для проектирования и эксплуатации установок пенного пожаротушения бензина, дизельного топлива и топлива ТС-1 в вертикальных стальных резервуарах со стационарной кровлей (далее - резервуарах).

1.4. Настоящий стандарт устанавливает:

- нормативы подачи пены для тушения пожаров нефтепродуктов в резервуарах и нормативы подачи воды на охлаждение резервуаров;

- основные требования к элементам установок пенного пожаротушения нефтепродуктов в резервуарах пеной низкой кратности;

- типовые технические решения стационарных установок пенного пожаротушения нефтепродуктов в резервуарах объемом 5000, 7500, 10000, 15000 и 20000 м3.

1.5. Требования настоящего стандарта распространяются на разработку нормативной и технической документации Компании.

1.6. Настоящий стандарт разработан в соответствии с Федеральным законом от 27.12.2002 г. № 184-ФЗ "О техническом регулировании" в развитие, дополнение и уточнение действующих нормативных документов. Кроме требований настоящего стандарта при проектировании, монтаже, пуско-наладочных работах и эксплуатации установок пожаротушения должны выполняться не предусмотренные настоящим стандартом требования нормативных документов в области пожарной безопасности, требования нормативной и технической документации на используемое оборудование и требования нормативной и технической документации Компании.

2. НОРМАТИВНЫЕ ССЫЛКИ

При разработке настоящего стандарта учтены требования следующих нормативных и технических документов:

2.1. ВСН 25-09.66-85. Правила разработки проектов производства работ по монтажу автоматических установок пожаротушения и установок охранной, пожарной и охранно-пожарной сигнализации.

2.2. ВСН 25-09.67-85. Правила производства и приемки работ автоматических установок пожаротушения и установок охранной, пожарной и охранно-пожарной сигнализации.

2.3. ВСН 116-93. Инструкция по проектированию линейно-кабельных сооружений связи.

2.4. ВНТП 4-00. Определение категорий помещений, зданий и наружных установок объектов трубопроводного транспорта нефтепродуктов по взрывопожарной и пожарной опасности. ОАО "АК "Транснефтепродукт";

2.5. Временные рекомендации по оформлению проектов норм пожарной безопасности, М.: ГУГПС-ВНИИПО, 2000 г.

2.6. Временные рекомендации по проектированию и применению системы подслойного пожаротушения на объектах Госкомнефтепродукта РСФСР, согласованные ГУПО МВД СССР 21.03.90 г.

2.7. ГОСТ 10704-91. Трубы стальные электросварные прямошовные. Сортамент.

2.8. ГОСТ 12.0.001-82. ССБТ. Основные положения.

2.9. ГОСТ 12.0.004-90. ССБТ. Организация обучения безопасности труда. Общие положения.

2.10. ГОСТ 12.1.004-91. ССБТ. Пожарная безопасность. Общие требования.

2.11. ГОСТ 12.1.005-88. ССБТ. Общие санитарно-гигиенические требования к воздуху рабочей зоны.

2.12. ГОСТ 12.1.007-76. ССБТ. Вредные вещества. Классификация и общие требования безопасности.

2.13. ГОСТ 12.1.019-79. ССБТ. Электробезопасность. Общие требования и номенклатура видов защиты.

2.14. ГОСТ 12.1.030-81. ССБТ. Электробезопасность. Защитное заземление, зануление.

2.15. ГОСТ 12.2.037-78. ССБТ. Техника пожарная. Требования безопасности.

2.16. ГОСТ 12.2.047-86. ССБТ. Пожарная техника. Термины и определения.

2.17. ГОСТ 12.3.046-91. ССБТ. Установки пожаротушения автоматические. Общие технические требования.

2.18. ГОСТ Р 12.3.047-98. ССБТ. Пожарная безопасность технологических процессов. Общие требования. Методы контроля.

2.19. ГОСТ 12.4.009-83. ССБТ. Пожарная техника для защиты объектов. Основные виды, размещение и обслуживание.

2.20. ГОСТ 12.4.011-89. ССБТ. Средства защиты работающих. Общие требования и классификация.

2.21. ГОСТ Р 12.4.026-2001.* ССБТ. Цвета сигнальные, знаки и разметка сигнальная. Назначение и правила применения. Общие технические требования и характеристики. Методы испытаний.

2.22. ГОСТ 12815-80. Фланцы арматуры, соединительных частей и трубопроводов на Pу от 0,1 до 20,0 МПа (от 1 до 200 кгс/см2). Типы. Присоединительные размеры и размеры уплотнительных поверхностей.

2.23. ГОСТ 14202-69. Трубопроводы промышленных предприятий. Опознавательная окраска, предупреждающие знаки и маркировочные щитки.

2.24. ГОСТ 15150-69. Машины, приборы и другие технические изделия. Исполнения для различных климатических районов. Категории, условия эксплуатации, хранения и транспортирования в части воздействия климатических факторов внешней среды.

2.25. ГОСТ 21752-76. Система "человек-машина". Маховики управления и штурвалы. Общие эргономические требования.

2.26. ГОСТ 21753-76. Система "человек-машина". Рычаги управления. Общие эргономические требования.

2.27. ГОСТ 25828-83. Гептан нормальный эталонный. Технические условия.

2.28. ГОСТ 27331-87. Пожарная техника. Классификация пожаров.

2.29. ГОСТ 27990-88. Средства охранной, пожарной и охранно-пожарной сигнализации. Общие технические требования.

2.30. ГОСТ 28352-89. Головки соединительные для пожарного оборудования. Типы, основные параметры и размеры.

2.31. ГОСТ 5632-72*. Стали высоколегированные и сплавы коррозионно-стойкие, жаростойкие и жаропрочные. Марки.

2.32. ГОСТ 6709-72*. Вода дистиллированная. Технические условия.

2.33. ГОСТ 9.032-74*. ЕСЗКС. Покрытия лакокрасочные. Группы, технические требования и обозначения.

2.34. ГОСТ 9.402-80*. Покрытия лакокрасочные. Подготовка металлических поверхностей перед окрашиванием.

2.35. ГОСТ Р 50571.2-94. Электроустановки во взрывоопасных зонах.

2.36. ГОСТ Р 50588-93. Пенообразователи для тушения пожаров. Общие технические требования и методы испытаний.

2.37. ГОСТ Р 50680-94. Установки водяного пожаротушения автоматические. Общие технические требования. Методы испытаний.

2.38. ГОСТ Р 50800-95. Установки пенного пожаротушения автоматические. Общие технические требования. Методы испытаний.

2.39. ГОСТ Р 51043-97. Установки водяного и пенного пожаротушения автоматические. Оросители спринклерные и дренчерные. Общие технические требования. Методы испытаний.

2.40. ГОСТ Р 51114-97. Установки пенного пожаротушения автоматические. Дозаторы. Общие технические требования. Методы испытаний.

2.41. ГОСТ Р 51330.13-99. Электрооборудование взрывозащищенное. Электроустановки во взрывоопасных зонах.

2.42. Изменения и дополнения к "Руководству по тушению нефти и нефтепродуктов в резервуарах и резервуарных парках". Информационное письмо ГУГПС МВД РФ от 19.05.00 №20/2.3/1863.

2.43. Методика определения длины, на которую можно подать воду по предварительно охлажденному до низких температур трубопроводу. НКЦ КПСНИИП, 2001. - 7 с.

2.44. НПБ 03-93. Порядок согласования органами государственного пожарного надзора Российской Федерации проектно-сметной документации.

2.45. НПБ 52-96. Установки водяного и пенного пожаротушения автоматические. Пожарные сигнализаторы давления и потока жидкости. Общие технические требования. Номенклатура показателей. Методы испытаний.

2.46. НПБ 53-96. Установки водяного и пенного пожаротушения автоматические. Пожарные запорные устройства. Общие технические требования. Номенклатура показателей. Методы испытаний.

2.47. НПБ 57-97. Приборы и аппаратура автоматических установок пожаротушения и пожарной сигнализации. Помехоустойчивость и помехоэмиссия. Общие технические требования. Методы испытаний.

2.48. НПБ 58-97. Системы пожарной сигнализации адресные. Общие технические требования. Методы испытаний.

2.49. НПБ 59-97. Установки водяного и пенного пожаротушения. Пеносмесители пожарные и дозатор. Номенклатура показателей. Общие технические требования. Методы испытаний.

2.50. НПБ 61-97. Пожарная техника. Установки пенного пожаротушения. Генераторы пены низкой кратности для подслойного тушения резервуаров. Общие технические требования. Методы испытаний.

2.51. НПБ 63-97. Установки пенного пожаротушения автоматические. Дозаторы. Общие технические требования. Методы испытаний.

2.52. НПБ 65-97. Извещатели пожарные оптико-электронные. Общие технические требования. Методы испытаний.

2.53. НПБ 66-97. Извещатели пожарные автономные. Общие технические требования. Методы испытаний.

2.54. НПБ 70-98. Извещатели пожарные ручные. Общие технические требования. Методы испытаний.

2.55. НПБ 72-98. Извещатели пожарные пламени. Общие технические требования. Методы испытаний.

2.56. НПБ 75-98. Приборы приемно-контрольные пожарные. Приборы управления пожарные. Общие технические требования. Методы испытаний.

2.57. НПБ 85-00. Извещатели пожарные тепловые. Общие технические требования. Методы испытаний.

2.58. НПБ 88-2001*. Нормы пожарной безопасности. Установки пожаротушения и сигнализации. Нормы и правила проектирования.

2.59. НПБ 104-95. Проектирование систем оповещения людей о пожаре в зданиях и сооружениях.

2.60. НПБ 110-2003. Перечень зданий и сооружений, помещений и оборудования, подлежащих защите автоматическими установками пожаротушения и автоматической пожарной сигнализацией.

2.61. НПБ 105-2003. Определение категорий помещений, зданий и наружных установок по взрывопожарной и пожарной опасности.

2.62. НПБ 159-97. Техника пожарная. Стволы пожарные лафетные комбинированные. Общие технические требования и методы испытания.

2.63. НПБ 201-96. Пожарная охрана предприятий. Общие требования.

2.64. НПБ 203-98. Пенообразователи для подслойного тушения пожаров нефти и нефтепродуктов в резервуарах. Общие технические требования. Методы испытаний.

2.65. НПБ 304-2001. Пенообразователи для тушения пожаров. Общие технические требования и методы испытаний.

2.66. ПБ 10-115-96. Правила устройства и безопасной эксплуатации сосудов, работающих под давлением.

2.67. Порядок применения пенообразователей для тушения пожаров: Инструкция. - М.: ВНИИПО МВД РФ, 1996. - 28 с.

2.68. ППБ 01-2003. Правила пожарной безопасности в Российской Федерации.

2.69. Протокол испытаний подслойного способа тушения нефтепродуктов в резервуаре РВС-2000 на ЛПДС "Сокур", утвержденный ОАО "Сибтранснефтепродукт" 18.10.2001 г. Особое мнение к протоколу испытаний технологии подслойного способа тушения горящего автобензина А-80 в вертикальном стальном резервуаре РВС-2000.

2.70. Протокол испытаний высоконапорных пеногенераторов типа ВПГ "Феникс", утвержденный начальником УГПС УВД Оренбургской области 18.09.2001 г.

2.71. Протокол испытаний средств и способов тушения пожаров нефтепродуктов в резервуарах, утвержденный начальником ФГУ ВНИИПО МЧС РФ 28.10.2003 г.

2.72. ПУЭ-98. Правила устройства электроустановок.

2.73. Инструкция по устройству молниезащиты зданий, сооружений и промышленных коммуникаций. Минэнерго РФ. 2003.

2.74. РД 153-39.4-040-99. Положение о добровольных пожарных дружинах на предприятиях ОАО "АК "Транснефтепродукт".

2.75. РД 153-39.4-045-99. Наставление по организации деятельности подразделений ведомственной пожарной охраны на объектах ОАО "АК "Транснефтепродукт".

2.76. РД 153-39.4-051-00. Рекомендации по организации пожарно-профилактической работы на объектах нефтепродуктопроводного транспорта.

2.77. Рекомендации по проектированию систем подслойного тушения пожаров нефтепродуктов в стальных вертикальных резервуарах РВС-5000 и РВС-10000 ОАО "Сибтранснефтепродукт", М.: ФГУ ВНИИПО МВД РФ, 2000 г.

2.78. Руководство по тушению нефти и нефтепродуктов в резервуарах и резервуарных парках. - М.: ГУГПС-ВНИИПО-МИПБ, 1999. - 80 с.

2.79. СНиП 2.04.01-85. Внутренний водопровод и канализация зданий.

2.80. СНиП 2.04.02-84. Водоснабжение. Наружные сети и сооружения.

2.81. СНиП 2.04.05-91. Отопление, вентиляция и кондиционирование воздуха.

2.82. СНиП 2.11.03-93. Склады нефти и нефтепродуктов. Противопожарные нормы.

2.83. СНиП 3.05.05-84. Технологическое оборудование и технологические трубопроводы.

2.84. СНиП 3.05.06-85. Электротехнические устройства.

2.85. СНиП 10-01-94. Система нормативных документов в строительстве. Основные положения.

2.86. СНиП 11-01-95. Инструкция о порядке разработки, согласования, утверждения и составе проектной документации на строительство предприятий, зданий и сооружений.

2.87. СНиП 21-01-97. Пожарная безопасность зданий и сооружений.

2.88. СНиП 23-05-95. Естественное и искусственное освещение.

2.89. Тушение нефти и нефтепродуктов: Пособие / Безродный И.Ф., Гилетич А.Н., Меркулов В.А. и др. - М.: ВНИИПО, 1996. - 216 с.

2.90. ТУ 4854-001-54883547-01. Высоконапорный пеногенератор ВПГ "Феникс". Технические условия.

2.91. ТУ 4854-002-54883547-01. Дозатор ПС "Феникс". Технические условия.

2.92. ТУ 4854-003-54883547-01. Разрывные мембраны ПС "Феникс". Технические условия.

2.93. ТУ 4854-004-54883547-01. Дозатор ПСЭ "Феникс". Технические условия.

2.94. ТУ 4854-005-54883547-01. Пенные камеры ПК "Феникс". Технические условия.

2.95. ТУ 4854-006-54883547-01. Пенные насадки ПН "Феникс". Технические условия.

2.96. Федеральный закон от 27 декабря 2002 г. № 184-ФЗ "О техническом регулировании", принят Государственной Думой 15 декабря 2002 г., одобрен Советом Федерации 18 декабря 2002 г.

3. ТЕРМИНЫ И ОПРЕДЕЛЕНИЯ

В настоящем стандарте приняты следующие термины с соответствующими определениями и сокращениями:

3.1. Автоматическая установка охлаждения резервуара (АУО) - комплекс стационарных технических устройств, обеспечивающий при обнаружении пожара автоматическую подачу воды для охлаждения горящего резервуара.

3.2. Автоматическая установка пожарной защиты резервуара (АУПЗ) - комплекс автоматических установок охлаждения горящего резервуара и тушения пожара нефтепродукта в нем.

3.3. Автоматическая установка тушения пожара нефтепродукта в резервуаре (АУТ) - комплекс стационарных технических устройств, обеспечивающих при обнаружении пожара автоматическую подачу в горящий резервуар пены низкой кратности.

Автоматические установки тушения пожаров нефтепродуктов в резервуарах в зависимости от типа используемой стационарной установки пожаротушения подразделяются на автоматические установки подслойного тушения (АУПТ) и автоматические установки комбинированного тушения (АУКТ).

Автоматическая установка комбинированного тушения пожара нефтепродукта в резервуаре (АУКТ) - комплекс стационарных технических устройств, обеспечивающих при обнаружении пожара автоматическую подачу пены низкой кратности в верхний уровень резервуара, на поверхность нефтепродукта (на внутреннюю стенку резервуара или в зону кольцевого уплотнения понтона), или (и) в нижний уровень резервуара, непосредственно в нефтепродукт.

Автоматическая установка подслойного тушения пожара нефтепродукта в резервуаре (АУПТ) - комплекс стационарных технических устройств, обеспечивающих при обнаружении пожара автоматическую подачу пены низкой кратности в нижний уровень резервуара, непосредственно в нефтепродукт.

3.4. Ввод пены в резервуар - отдельная линия подачи пены низкой кратности в слой нефтепродукта.

3.5. Инерционность автоматической установки пожарной защиты резервуара - инерционность автоматической установки охлаждения резервуара, входящей в состав данной установки.

3.6. Инерционность автоматической установки охлаждения резервуара - время с момента достижения контролируемым фактором пожара порога срабатывания чувствительного элемента пожарного извещателя до начала подачи воды на охлаждение резервуара, защищаемого данной установкой.

3.7. Инерционность системы автоматической пожарной защиты резервуарного парка - максимальная инерционность отдельных автоматических установок пожарной защиты резервуаров, входящих в САПЗ.

3.8. Интенсивность подачи пены - количество пены, подаваемой в единицу времени на единицу поверхности нефтепродукта (единицу поверхности поперечного сечения резервуара).

3.9. Запас пенообразователя - количество пенообразователя, требующееся для восстановления расчетного количества и резерва пенообразователя.

3.10. Концентрат пенообразователя (пенообразователь) - товарный продукт, поставляемый производителем, предназначенный для образования рабочего раствора пенообразователя.

3.11. Концентрация рабочего раствора пенообразователя - объемное содержание пенообразователя в его водном растворе, выраженное в долях единицы; то же, выраженное в процентах, - процентное содержание.

3.12. Кратность пены - безразмерная величина, равная отношению объемов пены и раствора, содержащегося в пене.

3.13. Модуль пенного пожаротушения - устройство, совмещающее функции хранения и подачи пенообразователя или рабочего раствора пенообразователя в стационарную установку пожаротушения при воздействии пускового импульса на привод модуля.

3.14. Напорный узел - параллельно установленные высоконапорные пеногенераторы, предназначенные для подачи пены низкой кратности по отдельной линии подачи пены.

3.15. Нормативная интенсивность подачи пены - минимально допустимая интенсивность подачи пены, установленная настоящим стандартом.

3.16. Пенообразователь для подслойного тушения нефтепродуктов в резервуарах - пенообразователь, огнетушащая способность которого определяется инертностью к нефтепродуктам и образованием на их поверхности пленки раствора пенообразователя, имеющий при нормальных условиях поверхностное натяжение рабочего раствора пенообразователя не более 17,0 мН·м-1 и межфазное натяжение рабочего раствора пенообразователя на границе с н-гептаном не менее 2,0 мН·м-1.

3.17. Противопожарный запас воды - хранящееся на объекте количество воды, необходимое для охлаждения и пожаротушения и рассчитанное для случая пожара нефтепродукта в резервуаре или в обваловании, требующего максимального расхода воды.

3.18. Рабочий раствор пенообразователя - водный раствор пенообразователя с рекомендуемой изготовителем концентрацией (процентным содержанием).

3.19. Расчетное время подачи пены - время с момента начала подачи пены в защищаемый резервуар до момента прекращения подачи пены в данный резервуар.

3.20. Расчетное количество пенообразователя - требуемое количество пенообразователя для работы установки пожаротушения в течение заданного времени, определенное в соответствии с настоящим стандартом, хранящееся на объекте и готовое к немедленному применению в случае возникновения пожара.

3.21. Расчетный пожар - пожар нефтепродукта в резервуаре.

3.22. Расчетный пожар в резервуарном парке - пожар нефтепродукта в резервуаре, требующий максимального расхода раствора пенообразователя и воды для охлаждения резервуара.

3.23. Резерв пенообразователя - требуемое количество пенообразователя, хранящегося на объекте и предназначенного для восстановления расчетного количества пенообразователя за время, не превышающее 30 минут.

3.24. Система автоматической пожарной защиты резервуарного парка (САПЗ) - комплекс автоматической пожарной сигнализации и автоматических установок пожарной защиты резервуаров, расположенных в резервуарном парке.

3.25. Стационарная установка охлаждения резервуара (СУО) - комплекс стационарных технических устройств, предназначенных для подачи воды для охлаждения резервуара.

3.26. Стационарная установка тушения пожара нефтепродукта в резервуаре (СУТ) - комплекс стационарных технических устройств, предназначенных для подачи пены низкой кратности для тушения пожара нефтепродукта в резервуаре.

Стационарные установки тушения пожаров нефтепродуктов в резервуарах в зависимости от способа подачи пены в резервуар подразделяются на стационарные установки подслойного тушения пожара нефтепродукта в резервуаре (СУПТ) и стационарные установки комбинированного тушения пожара нефтепродукта в резервуаре (СУКТ).

Стационарная установка комбинированного тушения пожара нефтепродукта в резервуаре (СУКТ) - совокупность стационарных технических устройств, предназначенных для тушения пожара нефтепродукта в резервуаре подачей пены низкой кратности в верхний уровень резервуара, на поверхность нефтепродукта (на внутреннюю стенку резервуара или в зону кольцевого уплотнения понтона), или (и) в нижний уровень резервуара, непосредственно в нефтепродукт.

Стационарная установка подслойного тушения пожара нефтепродукта в резервуаре (СУПТ) - комплекс стационарных устройств и оборудования, предназначенных для тушения пожара нефтепродукта в резервуаре подачей пены низкой кратности в нижний уровень резервуара, непосредственно в нефтепродукт.

3.27. Соседний резервуар - резервуар, находящийся на расстоянии не более 30 м от обвалования (для случая пожара в обваловании), или резервуар, находящийся на расстоянии не более 30 м от резервуара, при расчетном пожаре.

3.28. Устройство (узел) подключения передвижной пожарной техники к стационарной установке охлаждения резервуара - комплекс приспособлений, обеспечивающих возможность подачи воды в стационарную установку охлаждения резервуара с использованием передвижной пожарной техники.

3.29. Устройство (узел) подключения передвижной пожарной техники к стационарной установке тушения пожара нефтепродукта в резервуаре - комплекс приспособлений, обеспечивающих возможность подключения передвижной пожарной техники и оборудования, предназначенных для образования и подачи рабочего раствора пенообразователя к высоконапорным пеногенераторам и (или) пенным камерам, входящим в состав стационарной установки тушения пожара нефтепродукта в резервуаре.

4. ОБЩИЕ ПОЛОЖЕНИЯ

В настоящем стандарте приняты следующие основные положения:

4.1. Резервуарные парки, в состав которых входят резервуары объемом 5000 м3 и более, должны быть оборудованы системами автоматической пожарной защиты.

4.2. Резервуары объемом 5000 м3 и более должны быть оборудованы автоматическими установками пожарной защиты.

4.2.1. Резервуары, не оснащенные понтонами (далее резервуары без понтонов), объемом 5000 м3 и более, должны быть оборудованы автоматическими установками подслойного тушения пожаров нефтепродуктов в резервуарах.

4.2.2. Резервуары без понтонов объемом 5000 м3 и более, предназначенные для хранения нефтепродуктов, в которых в процессе хранения может произойти кристаллизация, или кинематическая вязкость которых может превысить 50 мм2·с-1, должны быть оборудованы автоматическими установками комбинированного тушения пожаров.

4.2.3. Резервуары, оснащенные понтонами (далее резервуары с понтонами), объемом 5000 м3 и более, должны быть оборудованы автоматическими установками комбинированного тушения пожаров.

4.3. В резервуарных парках, в состав которых входит не более двух резервуаров объемом 5000 м3, при общей вместимости парка менее 20000 м3, допускается осуществлять пожарную защиту этих резервуаров с использованием стационарных установок тушения и охлаждения, функционирование которых обеспечивается передвижной пожарной техникой.

4.3.1. Питающие трубопроводы СУО и СУТ резервуаров объемом 5000 м3, при общей вместимости парка менее 20000 м3, должны быть выведены за пределы обвалования резервуаров и оборудованы устройствами подключения передвижной пожарной техники, в состав которых входят дозаторы. Допускается использовать дозаторы с быстроразъемными приспособлениями.

4.4. Резервуары с понтонами или без понтонов объемом 1000, 2000 и 3000 м3 должны быть оборудованы, как минимум, установками пожаротушения с линией подачи пены низкой кратности в верхний уровень резервуара, в состав которых входят пенные насадки, предохранительные мембраны (установленные вблизи пенных насадков) и питающие трубопроводы, выведенные за пределы обвалования резервуаров, с устройствами подключения передвижной пожарной техники.

При этом на технологических трубопроводах резервуаров с понтонами должны быть предусмотрены устройства для подключения высоконапорных пеногенераторов с быстроразъемными приспособлениями.

4.5. Допускается оборудование резервуаров без понтонов объемом 1000, 2000 и 3000 м3 установками пожаротушения с линией подачи пены низкой кратности в слой нефтепродукта, в состав которых входят пенные насадки для подслойной подачи пены, предохранительные мембраны и питающие трубопроводы, выведенные за пределы обвалования резервуаров, с устройствами подключения передвижной пожарной техники.

4.6. Устройства подключения передвижной пожарной техники установок пожаротушения резервуаров объемом 1000, 2000 и 3000 м3 рекомендуется оборудовать высоконапорными пеногенераторами и дозаторами. Допускается использование высоконапорных пеногенераторов и дозаторов с быстроразъемными приспособлениями.

4.7. Охлаждение резервуаров объемом 1000, 2000 и 3000 м3 следует предусматривать, как минимум, с использованием лафетных стволов.

4.8. При технико-экономическом обосновании допускается оснащение резервуаров объемом 1000, 2000 и 3000 м3 стационарными или автоматическими установками орошения и пожаротушения.

4.9. Для ликвидации пожара пролившегося в обваловании нефтепродукта рекомендуется предусматривать применение переносных лафетных стволов (мониторов), предназначенных для подачи пены низкой кратности. Количество данных стволов определяется расчетом и должно быть не менее двух на каждый отдельно стоящий объект. Для обеспечения работы лафетных стволов рекомендуется предусматривать дополнительный запас пенообразователя. Лафетные стволы должны соответствовать требованиям НПБ 159-97.

4.10. Оборудование и средства пожаротушения, используемые в установках тушения пожаров нефтепродуктов в резервуарах, должны быть допущены к применению в установленном порядке.

4.11. Применение пожарного оборудования и пенообразователя, не отвечающих по своим характеристикам требованиям настоящего стандарта, должно быть согласовано с ФГУ ВНИИПО МЧС РФ.

4.12. Технические решения внутренней разводки пенопроводов СУТ в резервуарах объемом 5000, 7500, 10000, 15000 и 20000 м3, имеющих площади поперечного сечения, отличные от указанных в таблице 3 настоящего стандарта, должны быть согласованы с ФГУ ВНИИПО МЧС РФ.

5. ОСНОВНЫЕ ТЕХНИЧЕСКИЕ ТРЕБОВАНИЯ К ЭЛЕМЕНТАМ СИСТЕМ АВТОМАТИЧЕСКОЙ ПОЖАРНОЙ ЗАЩИТЫ РЕЗЕРВУАРНЫХ ПАРКОВ

5.1. Общие технические требования к системам автоматической пожарной защиты резервуарных парков

5.1.1. Автоматические установки пожарной защиты резервуаров, смонтированные на резервуарах одного резервуарного парка, рекомендуется объединять в систему автоматической пожарной защиты резервуарного парка, управление которой должно осуществляться с общего пожарного поста.

5.1.2. Требования к системам автоматической пожарной защиты резервуарных парков включают требования, относящиеся к следующим их составляющим:

- автоматической пожарной сигнализации и аппаратуре управления (АПС);

- автоматическим установкам пожарной защиты отдельных резервуаров;

- пожарным насосным станциям с противопожарным водопроводом, запорной арматурой, водоисточниками и резервуарами, предназначенными для хранения противопожарного запаса воды;

- пожарным насосным станциям пенного пожаротушения с сетью трубопроводов, запорной арматурой и резервуарами, предназначенными для хранения воды и пенообразователя;

- электрооборудованию и электроснабжению.

5.1.3. Система автоматической пожарной защиты резервуарного парка должна обнаруживать пожар в резервуаре и обеспечивать запуск автоматических установок охлаждения горящего и соседних резервуаров и автоматической установки тушения пожара нефтепродукта в резервуаре.

5.1.4. Инерционность системы автоматической пожарной защиты резервуарного парка должна быть не более 3 минут.

5.2. Основные технические требования к пожарной сигнализации и аппаратуре управления

5.2.1. Резервуары объемом 5000 м3 и более, подлежащие защите АУПЗ, должны быть оборудованы автоматической пожарной сигнализацией, работающей в режиме управления АУПЗ.

5.2.2. Резервуары объемом 1000 м3 и более, не оборудованные АУПЗ, оснащаются автоматической пожарной сигнализацией, работающей в режиме оповещения.

5.2.3. Резервуарные парки должны быть оборудованы электрической пожарной сигнализацией с ручными пожарными извещателями.

5.2.3.1. Ручные пожарные извещатели следует располагать вне обвалования, по периметру обвалования (ограждающей стенки) на расстоянии не более 100 м друг от друга и не далее 5 м от обвалования.

5.2.4. Для размещения приборов контрольно-приемных пожарных и управления, а также контрольно-приемных приборов пожарной сигнализации (не входящей в состав САПЗ) должен быть оборудован пожарный пост.

В помещении пожарного поста или другом помещении с персоналом, ведущим круглосуточное дежурство, должна быть предусмотрена световая и звуковая сигнализация:

- о возникновении пожара;

- о срабатывании автоматической установки охлаждения резервуара;

- о срабатывании автоматической установки тушения пожара нефтепродукта в резервуаре;

- об исчезновении напряжения основного источника питания;

- об обрыве электрических цепей запорных устройств с электроприводом;

- об обрыве или коротком замыкании электрических цепей приборов, регистрирующих срабатывание узлов управления, формирующих команду на автоматическое включение пожарных насосов.

5.2.5. При проектировании, монтаже и эксплуатации АПС должны выполняться требования НПБ 88-2001*. предъявляемые к аппаратуре управления и системам пожарной сигнализации.

5.2.6. Аппаратура управления и средства автоматизации АУО должны обеспечивать:

- автоматическое, дистанционное и местное включение насосов подачи воды в подводящий трубопровод;

- автоматическое включение резервных насосов (предназначенных для охлаждения) в случае отказа рабочих насосов или если в течение установленного времени они не вышли на рабочий режим;

- автоматическое селективное открытие запорной арматуры для подачи воды в распределительные трубопроводы стационарных установок охлаждения горящего и соседних резервуаров;

- включение насосов подачи воды из системы водоснабжения в резервуары (водоемы) для хранения противопожарного запаса воды;

- сигнализацию о снижении давления воды в напорной сети водопровода до минимально допустимого значения;

- контроль температуры в резервуарах противопожарного запаса воды;

- сигнализацию о нарушении температурного режима хранения воды;

- сигнализацию о срабатывании автоматической системы охлаждения резервуаров;

- подачу управляющих сигналов на блокировку (изменение режима функционирования) технологического оборудования.

5.2.7. Аппаратура управления и средства автоматизации АУТ должны обеспечивать:

- автоматическое, дистанционное и местное включение насосов, предназначенных для пенного пожаротушения;

- автоматическое включение резервных насосов (предназначенных для пенного пожаротушения) в случае отказа рабочих насосов или если они в течение установленного времени не вышли на рабочий режим;

- автоматическое селективное открытие запорной арматуры на линиях подачи пены к защищаемому резервуару;

- сигнализацию о достижении минимально допустимого уровня пенообразователя в емкости для его хранения;

- контроль температуры воды и пенообразователя в резервуарах АУТ;

- сигнализацию о нарушении температурного режима хранения воды и пенообразователя;

- сигнализацию о срабатывании элементов автоматической установки тушения пожара нефтепродукта в резервуаре.

5.2.8. Аппаратура управления и средства автоматизации АУКТ, смонтированных на резервуарах с понтонами, должны обеспечивать подачу пены в зону кольцевого уплотнения понтона (на внутреннюю стенку резервуара), а также обеспечивать возможность дистанционного переключения на режим подачи пены в слой нефтепродукта, либо переключения на режим одновременной подачи пены в верхний уровень резервуара и в слой нефтепродукта.

5.2.9. Аппаратура управления АУКТ, смонтированная на резервуарах без понтонов (предназначенных для хранения нефтепродуктов, в которых в процессе хранения может произойти кристаллизация, или кинематическая вязкость которых может превысить 50 мм2·с-1), должна обеспечивать возможность переключения режимов подачи пены в слой нефтепродукта, или в верхний уровень резервуара.

5.2.10. Звуковой сигнал о пожаре должен отличаться тональностью или характером звука от других сигналов: неисправности, срабатывании автоматической установки охлаждения резервуара и срабатывании автоматической установки тушения пожара нефтепродукта в резервуаре.

5.3. Основные технические требования к автоматическим установкам пожарной защиты резервуаров

Требования к автоматическим установкам пожарной защиты резервуаров включают требования, относящиеся к следующим их составляющим:

- автоматическим установкам охлаждения резервуаров;

- автоматическим установкам тушения пожаров нефтепродуктов в резервуарах;

- порядку взаимодействия АУО и АУТ при обнаружении пожара.

5.3.1. Основные технические требования к автоматическим и стационарным установкам охлаждения резервуаров

5.3.1.1. Требования к автоматическим установкам охлаждения резервуаров включают требования:

- к аппаратуре управления (средствам автоматизации) АУО;

- к стационарным установкам охлаждения резервуаров.

5.3.1.2. Инерционность автоматических установок охлаждения резервуаров не должна превышать 3 минут.

5.3.1.3. Стационарная установка охлаждения резервуара включает:

- горизонтальное секционное наружное кольцо орошения (оросительный трубопровод), расположенное на верхнем поясе;

- устройства, предназначенные для распыления воды;

- распределительный трубопровод, соединяющий секции кольца орошения с питающим трубопроводом;

- питающий трубопровод, соединяющий распределительный трубопровод с подводящим трубопроводом противопожарного водопровода (сетью противопожарного водопровода);

- запорные устройства (задвижки, вентили, краны);

- устройства для подключения передвижной пожарной техники.

5.3.1.4. Стационарные установки охлаждения резервуаров (входящие и не входящие в состав АУО) должны обеспечивать орошение резервуаров (горящего и соседних) с интенсивностью не менее нормативной интенсивности подачи воды для расчетного пожара.

5.3.1.5. Допускается проектирование СОУ с интенсивностями орошения, предусмотренными для случая пожара нефтепродукта в обваловании.

5.3.1.6. Кольца орошения следует выполнять в виде отдельных секций. Количество секций определяется взаимным расположением резервуаров.

5.3.1.7. В качестве устройств, предназначенных для распыления воды, целесообразно использование водяных оросителей, обеспечивающих равномерное орошение наружной стенки резервуара.

5.3.1.8. При технико-экономическом обосновании в СУО могут применяться (взамен или в дополнение к водяным оросителям) мониторы, работающие в режиме автоматического осциллирования, оборудованные насадками (комбинированными стволами), предназначенными для получения компактных и распыленных струй. При использовании данных мониторов интенсивность подачи воды для охлаждения резервуаров должна быть увеличена не менее чем на 30% по сравнению с нормативной интенсивностью.

5.3.2. Основные технические требования к автоматическим и стационарным установкам тушения пожаров нефтепродуктов в резервуарах

5.3.2.1. Требования к автоматическим установкам тушения пожаров нефтепродукта в резервуарах включают требования:

- к аппаратуре управления (средствам автоматизации) АУТ;

- к стационарным установкам тушения пожаров нефтепродуктов в резервуарах.

5.3.2.2. Стационарная установка подслойного тушения пожара нефтепродукта в резервуаре включает (приложение 1, рис. 1):

- систему внутренней разводки пенопроводов с пенными насадками;

- систему наружной разводки пенопроводов;

- питающий растворопровод, соединяющий высоконапорные пеногенераторы с подводящим растворопроводом (сетью растворопроводов);

- высоконапорные пеногенераторы;

- предохранительные мембраны;

- обратные клапаны;

- запорные устройства (задвижки, вентили, краны);

- устройства для подключения передвижной пожарной техники.

5.3.2.3. Стационарная установка комбинированного тушения пожара нефтепродукта в резервуаре дополнительно к элементам СУПТ включает линию подачи пены в верхний уровень резервуара, включающую питающий и распределительный растворопроводы, предохранительные мембраны и пенные насадки (приложение 1, рис. 2).

При проектировании пенопровода линии подачи пены в верхний уровень резервуара следует обеспечить давление свободного истечения пены через каждый насадок больше, чем давление разрыва предохранительных мембран, установленных в верхнем уровне резервуара.

5.3.2.4. Допускается проектирование СУКТ с линией подачи в верхний уровень резервуара пены, образованной с использованием пенных камер. При этом линия подачи пены в верхний уровень резервуара включает пенные камеры в комплекте с пенными насадками, подводящий растворопровод (сеть растворопроводов) с запорной арматурой и питающий растворопровод, подключенный к подводящему растворопроводу или питающему растворопроводу линии подачи пены в слой нефтепродукта (прил. 1, рис. 3).

5.3.2.5. При расчете инерционности автоматической установки тушения пожара нефтепродукта в резервуаре с использованием подслойного способа подачи пены следует учитывать время всплытия пены, поступающей от пенных насадков для ее подслойной подачи, на поверхность нефтепродукта. При расчете времени всплытия пены значение скорости ее всплытия принимать - 0,5 м·с-1. Расчет времени всплытия пены следует вести для случая максимального уровня взлива нефтепродукта в резервуаре.

5.3.2.6. В расчетах времени продвижения пены по пенопроводам АУТ значение кратности пены следует принимать - 4.

5.3.2.7. При выполнении требований п.5.3.1.2 настоящего стандарта допускается проектирование АУТ с временной задержкой на ее запуск. В этом случае аппаратура управления до истечения времени задержки должна предусматривать возможность дистанционного запуска АУТ или отмены управляющего сигнала на ее запуск.

5.3.2.8. Допускается оборудование резервуаров с понтонами автоматическими установками комбинированного тушения пожара нефтепродукта с одновременной подачей пены на поверхность и в слой нефтепродукта с обеспечением суммарной интенсивности подачи пены не менее нормативной. При этом подача пены на поверхность нефтепродукта должна производиться из расчета не более 30% от значения нормативной интенсивности ее подачи.

5.3.2.9. Отдельные питающие растворопроводы каждой из стационарных установок тушения пожара нефтепродуктов в резервуарах рекомендуется подключать к различным участкам подводящего растворопровода.

5.3.2.10. Для сохранения работоспособности элементов СУТ в условиях пожара следует предусматривать мероприятия (огнезащитные покрытия, несгораемую теплоизоляцию, тепловые экраны), направленные на обеспечение устойчивости к тепловому воздействию пожара в течение не менее 60 минут.

5.3.2.11. Для монтажа растворопроводов СУТ, расположенных в обваловании резервуара, должна применяться сварочная технология.

Расположенные в обваловании резервуара распределительные растворопроводы СУТ следует монтировать на опорах.

5.3.3. Порядок взаимодействия АУО и АУТ при обнаружении пожара в резервуаре

5.3.3.1. При обнаружении пожара в резервуаре автоматическая установка пожарной защиты резервуара должна обеспечивать селективный запуск автоматических установок охлаждения и тушения пожара в резервуаре.

5.3.3.2. Инерционность автоматической установки пожарной защиты резервуара определяется инерционностью автоматической установки охлаждения резервуара.

5.3.3.2.1. Подача пены в резервуар должна производиться при работающей установке охлаждения резервуара, в котором произошел пожар.

5.3.3.2.2. Время начала подачи пены в резервуар, в котором произошел пожар, не должно превышать 7 минут с момента подачи воды для охлаждения резервуара.

5.4. Основные технические требования к пожарным насосным станциям и трубопроводам систем и установок автоматической пожарной защиты резервуаров

5.4.1. Пожарная насосная станция и сети противопожарного водопровода должны обеспечивать требуемый расход воды, предназначенной для охлаждения и пожаротушения для случая расчетного пожара в резервуарном парке.

5.4.2. Пожарная насосная станция пенного пожаротушения и сети растворопроводов (трубопроводов) должны обеспечивать требуемый расход рабочего раствора пенообразователя (воды), предназначенного для пожаротушения в случае расчетного пожара в резервуарном парке.

5.4.3. Приготовление рабочего раствора пенообразователя для обеспечения работы автоматических и стационарных установок пожаротушения от пожарной насосной станции должно предусматриваться следующими способами:

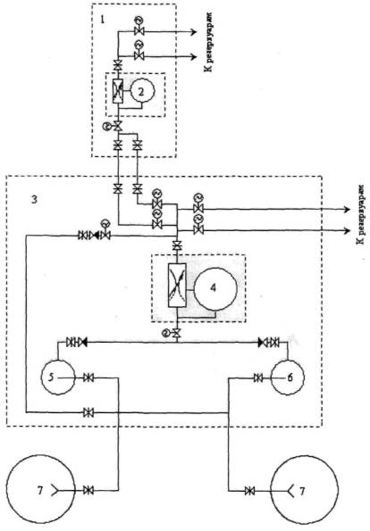
- дозирование пенообразователя стационарным дозатором (установленным на подводящем растворопроводе): один насос подает в дозатор концентрат пенообразователя из емкости его оперативного хранения, а другой насос подает в него воду (приложение 1, рис. 4);

- дозирование пенообразователя стационарным дозатором (установленным на подводящем растворопроводе): один насос подает воду в дозатор; при этом осуществляется эжекция в него концентрата пенообразователя из емкости его оперативного хранения (приложение 1, рис. 5);

- дозирование пенообразователя стационарным дозатором (установленным на подводящем растворопроводе), функционирование которого обеспечивается баком-дозатором (приложение 1, рис. 6);

- дозирование пенообразователя стационарным дозатором (установленным в узле подключения передвижной пожарной техники): один насос пожарного автомобиля подает в него концентрат пенообразователя, а другой насос подает в него воду (приложение 1, рис. 7);

- дозирование пенообразователя стационарным дозатором (установленным в узле подключения передвижной пожарной техники), функционирование которого обеспечивается насосом пожарного автомобиля, подающим воду (приложение 1, рис. 16 и рис. 8).

5.4.4. Качество воды для приготовления раствора пенообразователя должно удовлетворять требованиям технической документации на применяемые пенообразователи (технических условий - для пенообразователей российского производства, технических описаний - для пенообразователей зарубежного производства), согласованной в установленном порядке.

5.4.4.1. При отсутствии рекомендаций производителей пенообразователей о возможности использования воды, содержащей примеси нефти и нефтепродуктов, использование этой воды не допускается.

5.4.5. Насосы, предназначенные для подачи воды на охлаждение резервуаров, и насосы, предназначенные для пенного пожаротушения, могут размещаться в одном или различных помещениях (зданиях, сооружениях).

5.4.6. Взамен или в дополнение насосных станций пенного пожаротушения допускается использование модулей пенного пожаротушения, которые должны обеспечивать интенсивность подачи пены в защищаемый резервуар не менее нормативной интенсивности.

5.4.6.1. Оборудование модулей пенного пожаротушения должно быть допущено к применению в установленном порядке.

5.4.6.2. При расположении модулей пенного пожаротушения на территории резервуарных парков должны выполняться требования, предъявляемые к размещению пожарных насосных станций пенного пожаротушения.

5.4.7. Использование модулей пенного пожаротушения допускается для тушения пожара нефтепродукта в отдельном резервуаре или в группе резервуаров.

5.4.8. Сети подводящих трубопроводов противопожарного водопровода и подводящих растворопроводов следует проектировать кольцевыми, с тупиковыми отводами к отдельным резервуарам.

5.4.8.1. Сети подводящих трубопроводов противопожарного водопровода и подводящих растворопроводов следует прокладывать за пределами обвалования (или ограждающих стен) резервуаров вдоль автомобильных дорог и пожарных проездов.

5.4.8.2. К резервуарам объемом 10000 м3 и более, расположенным на расстоянии более 200 м от кольцевой сети подводящих растворопроводов, следует предусматривать по два тупиковых растворопровода для подачи по каждому из них расчетного расхода раствора пенообразователя. Эти тупиковые растворопроводы следует подключать к разным участкам сети подводящих растворопроводов.

5.4.8.3. Длина тупиковых участков сети подводящих растворопроводов допускается не более 250 м.

5.4.8.4. Для обеспечения ремонтных работ сети подводящих трубопроводов противопожарного водопровода и подводящих растворопроводов рекомендуется разделять отключающей арматурой на отдельные участки. При этом разделительные задвижки следует устанавливать так, чтобы при отключении любого участка сети подводящих трубопроводов противопожарного водопровода и подводящих растворопроводов сохранялась возможность подачи воды во все кольца орошения СУО и рабочего раствора пенообразователя к высоконапорным пеногенераторам (пенным камерам).

5.4.9. Диаметры отдельных участков распределительных, питающих и подводящих трубопроводов СОУ следует определять на основе гидравлического расчета, из условия обеспечения номинального режима работы устройств, предназначенных для распыления воды.

5.4.10. Диаметры отдельных участков распределительных, питающих и подводящих растворопроводов СУТ и питающих растворопроводов АУТ следует определять на основе гидравлического расчета, из условия обеспечения номинального режима работы высоконапорных пеногенераторов (пенных камер).

5.4.11. Гидранты, предназначенные для целей охлаждения резервуаров, должны располагаться за пределами их обвалования вдоль автомобильных дорог и пожарных проездов на расстоянии не более 100 м друг от друга и не более 40 м от мест расположения устройств подключения передвижной пожарной техники к СУО.

5.4.12. Гидранты, предназначенные для целей пожаротушения резервуаров с использованием передвижной пожарной техники, должны располагаться за пределами обвалования резервуаров вдоль автомобильных дорог и пожарных проездов на расстоянии не более 100 м друг от друга и не более 20 м от мест расположения устройств подключения передвижной пожарной техники к СУТ.

5.4.13. При технико-экономическом обосновании допускается взамен подземных гидрантов, предназначенных для охлаждения и пожаротушения резервуаров с использованием передвижной пожарной техники, предусматривать наземные узлы подключения передвижной пожарной техники. Для исключения замерзания запорной арматуры и подводящих стояков с водой (раствором пенообразователя) необходимо предусматривать их теплоизоляцию и обогрев.

5.4.14. Горизонтальные участки сухих трубопроводов и растворопроводов следует прокладывать с уклоном не менее 0,001 к дренажному устройству. При плоском рельефе местности уклон допускается уменьшить до 0,0005.

5.4.15. Для удаления воды из сухих трубопроводов СУО и СУТ после завершения тушения пожара (проведения испытания) следует предусматривать на них дренажные устройства или сливные краны с возможностью подсоединения воздушного компрессора.

5.4.16. Для обеспечения возможности подачи воды в сети противопожарного водопровода и растворопровода от водоисточников с использованием передвижной пожарной техники:

- пожарная насосная станция и пожарная насосная станция пенного пожаротушения оборудуются устройствами для подключения передвижной пожарной техники (выведенными наружу здания), включая задвижки и соединительные головки с головками-заглушками (типа ГМ-80 с ГЗ-80) по ГОСТ 28352-89;

- резервуары, предназначенные для хранения противопожарного запаса воды, оборудуются площадками для размещения передвижной пожарной техники и устройствами для подключения передвижной пожарной техники, включая задвижки и соединительные головки с головками-заглушками (типа ГМВ-125 с ГЗВ-125 или ГМВ-80 с ГЗВ-80) по ГОСТ 28352-89;

- открытые водоисточники, предназначенные для хранения противопожарного запаса воды, оборудуются площадками для размещения передвижной пожарной техники и пирсом.

В случае создания в сети противопожарного водопровода при отключенных пожарных насосах напора не менее 10 м вод. ст. за счет гидростатического давления в резервуарах, предназначенных для хранения противопожарного запаса воды, допускается не оборудовать пожарную насосную станцию и эти резервуары площадками для размещения передвижной пожарной техники и устройствами для ее подключения.

5.5. Требования к расчету и хранению запасов воды и пенообразователя

5.5.1. Для тушения пожара нефтепродукта в резервуаре или обваловании резервуара должен быть создан противопожарный запас воды. При расчете противопожарного запаса воды следует учитывать количество воды, необходимой для охлаждения резервуаров и пенного пожаротушения.

5.5.2. При расчете противопожарного запаса воды для случая расчетного пожара нормативную интенсивность подачи воды на охлаждение резервуаров следует принимать по таблице 1 настоящего стандарта.

Таблица 1

Нормативная интенсивность подачи воды для охлаждения резервуаров в случае пожара нефтепродукта в резервуаре

Способ охлаждения резервуаров

Интенсивность подачи воды для охлаждения резервуаров на 1 м длины:

окружности горящего резервуара, л·с-1

половины окружности соседнего резервуара, л·с-1

Лафетными стволами (мониторами), работоспособность которых обеспечивается передвижной пожарной техникой

0,8

0,3

С использованием СУО:

 

 

при высоте резервуаров более 12 м

0,75

0,3

при высоте резервуаров 12 м и менее

0,5

0,2

5.5.3. При расчете противопожарного запаса воды и проектировании стационарных установок для охлаждения резервуаров (входящих и не входящих в состав АУО) следует учитывать расход воды, необходимой для охлаждения лафетными стволами кровли и дыхательной арматуры горящего и соседних резервуаров (не менее 20 л·с-1 на каждый).

5.5.4. При расчете противопожарного запаса воды для случая пожара в обваловании дополнительно к расходу воды, обеспечиваемому СУО, следует учитывать количество воды, подаваемой на поверхность резервуара с использованием лафетных стволов (мониторов) от передвижной пожарной техники. Нормативную интенсивность подачи воды для охлаждения резервуаров для случая пожара в обваловании следует принимать по таблице 2 настоящего стандарта.

Таблица 2

Нормативная интенсивность подачи воды для охлаждения резервуаров в случае пожара нефтепродукта в обваловании

Способ охлаждения резервуаров

Интенсивность подачи воды для охлаждения резервуаров на 1 м длины:

окружности горящего резервуара, л·с-1

половины окружности соседнего резервуара, л·с-1

При совместном использовании лафетных стволов (мониторов) и СУО, работоспособность которых обеспечивается передвижной пожарной техникой

1,2

0,3

С использованием СУО:

 

 

при высоте резервуаров более 12 м

1,1

0,3

при высоте резервуаров 12 м и менее

1,0

0,2

5.5.5. При определении противопожарного запаса воды и расчетного количества пенообразователя, необходимого для тушения расчетного пожара, следует учитывать количество воды и пенообразователя (количество рабочего раствора пенообразователя), требуемого для заполнения водо-пенных коммуникаций.

5.5.6. Расчетное время охлаждения резервуаров с использованием мониторов (лафетных стволов), функционирование которых обеспечивается передвижной пожарной техникой, составляет 6 часов.

5.5.7. Расчетное время охлаждения резервуаров с использованием СУО, функционирование которых обеспечивается передвижной пожарной техникой, составляет 6 часов.

5.5.8. Расчетное время охлаждения резервуаров с использованием СУО, функционирование которых обеспечивается пожарной насосной, составляет 4 часа.

5.5.9. Время восстановления противопожарного запаса воды - не более 96 часов.

5.5.10. В емкостях установки пожаротушения, предназначенных для пенообразователя, готового к немедленному применению в случае возникновения пожара, должно храниться расчетное количество пенообразователя.

5.5.11. Интенсивность подачи пены при расчетных гидравлических параметрах и выбранной схеме компоновки СУТ, входящей и не входящей в состав АУТ, должна быть не менее нормативной интенсивности подачи пены, установленной настоящим стандартом.

5.5.12. За расчетную площадь тушения нефтепродукта в резервуаре (с понтоном и без понтона) следует принимать площадь поперечного сечения резервуара.

5.5.13. Нормативную интенсивность подачи пены для тушения пожара нефтепродукта в резервуаре следует принимать по таблице 3 настоящего стандарта в зависимости:

- от типоразмера резервуара (площади поперечного сечения резервуара);

- вида нефтепродукта.

Таблица 3

Нормативная интенсивность подачи пены для тушения пожара нефтепродукта в резервуарах

Тип резервуара

Диаметр резервуара, м

Площадь пожара, м2

Нормативная интенсивность подачи пены для тушения пожара в резервуаре с нефтепродуктом, кг·м-2·с-1

(по рабочему раствору пенообразователя, л·м-2·с-1)*

бензин

дизельное топливо, топливо ТС-1

РВС-100

4,73

17,56

0,116

0,071

РВС-200

6,63

34,51

0,125

0,080

РВС-400

8,53

57,12

0,133

0,088

РВС-700

10,43

85,40

0,140

0,095

РВС-1000

10,43

85,40

0,140

0,095

РВС-1000

12,33

119,34

0,147

0,102

РВС-2000

15,18

180,89

0,155

0,110

РВС-3000

18,98

282,79

0,165

0,120

РВС-5000

20,90

342,90

0,170

0,125

РВС-5000

22,79

407,72

0,174

0,130

РВС-7500

24,50

471,20

0,178

0,133

РВС-10000

28,50

637,62

0,187

0,142

РВС-10000

34,20

918,17

0,199

0,154

РВС-15000

32,60

834,27

0,195

0,151

РВС-15000

39,90

1249,73

0,209

0,164

РВС-20000

39,90

1249,73

0,209

0,164

РВС-20000

45,60

1632,30

0,219

0,174

* Нормативная интенсивность подачи пены для тушения пожара в резервуарах, предназначенных для хранения смесей нефтепродуктов, должна приниматься по нефтепродукту, для которого настоящим стандартом установлено большее значение нормативной интенсивности.

5.5.14. Расчетное время подачи пены для тушения пожара нефтепродукта в резервуаре следует принимать по таблице 4 настоящего стандарта. При определении расчетного количества воды и пенообразователя, необходимых для тушения расчетного пожара, следует принимать одноразовую подачу огнетушащего вещества.

Таблица 4

Расчетное время подачи пены для тушения пожара нефтепродукта в резервуаре

Способ тушения пожара в резервуаре

Расчетное время подачи пены для тушения пожара нефтепродукта (бензина, дизельного топлива, топлива ТС-1) в резервуаре, мин

С использованием установки тушения пожара нефтепродукта в резервуаре (АУТ, СУТ), функционирование которых обеспечивается насосной пожарной станцией

10

С использованием установки тушения пожара нефтепродукта в резервуаре, функционирование которой обеспечивается передвижной пожарной техникой

15

5.5.15. Расчетное количество пенообразователя следует увеличивать на 20% (вследствие допускаемой НПБ 59-97 погрешности дозаторов).

5.5.16. Расчетное количество пенообразователя должно храниться в концентрированном виде в баках-дозаторах или в емкостях, изготовленных из коррозионно-стойкой стали, при температуре не ниже 0 °С, но не более значения максимальной температуры применения пенообразователя.

5.5.17. Для обеспечения правильности хранения и дозирования пенообразователя баки-дозаторы рекомендуется располагать в пожарных насосных, отдельных помещениях или боксах.

5.5.18. На объекте МНПП, на территории которого расположены резервуары, должен быть резерв пенообразователя. Количество резерва пенообразователя должно быть не менее расчетного количества пенообразователя.

5.5.19. Резерв пенообразователя целесообразно хранить в оригинальной таре завода-изготовителя при температуре, указанной в технической документации на пенообразователь. При этом необходимо предусмотреть возможность перелива резерва пенообразователя в емкости, предназначенные для хранения расчетного количества пенообразователя, в течение 30 мин.

5.5.20. Допускается хранение резерва пенообразователя вместе с расчетным количеством пенообразователя при условии автоматического отключения подачи пенообразователя (рабочего раствора пенообразователя) после полного израсходования расчетного количества пенообразователя. При этом необходимо предусматривать:

- автоматическое отключение подачи пенообразователя (рабочего раствора пенообразователя) после полного израсходования расчетного количества пенообразователя;

- возможность дистанционного и ручного отключения функции автоматического прекращения подачи пенообразователя (рабочего раствора пенообразователя) после полного израсходования расчетного количества пенообразователя;

- возможность дистанционного и ручного включения подачи рабочего раствора пенообразователя для тушения пожара после прекращения подачи расчетного количества рабочего раствора пенообразователя.

5.5.21. Резерв пенообразователя допускается использовать для тушения пожаров вне резервуара с использованием передвижной пожарной техники.

5.5.22. Хранение запаса пенообразователя, предназначенного для восстановления его расчетного количества и резерва на объекте, должно быть организовано таким образом, чтобы время доставки запаса пенообразователя на объект не превышало 96 часов после полного израсходования расчетного количества и (или) резерва.

5.6. Новые технические требования к электрооборудованию и электроснабжению

5.6.1. По степени обеспечения надежности электроснабжения электроприемники систем пожарной сигнализации и установок пожарной защиты резервуарных парков согласно ПУЭ и СНиП 2.04.02 относятся к I категории и их электропитание должно осуществляться согласно требованиям НПБ 88-2001*.

5.6.2. Электропривод запорной трубопроводной арматуры САПЗ и АУПЗ при размещении данной арматуры во взрывоопасных зонах должен иметь взрывобезопасное исполнение.

5.6.3. Защиту электрических цепей САПЗ и АУПЗ следует выполнять в соответствии с ПУЭ. Не допускается устройство тепловой и максимальной защит в цепях управления, отключение которых может привести к прекращению подачи воды для охлаждения резервуаров и пены в резервуар.

5.6.4. Заземление и зануление оборудования САПЗ и АУПЗ следует выполнять согласно: ПУЭ; ГОСТ Р 50571.2-94; Электроустановки зданий. Часть 3. Основные характеристики и требования технической документации на оборудование.

5.6.5. Выбор проводов и кабелей САПЗ и АУПЗ, а также способы их прокладки следует выполнять в соответствии с требованиями ПУЭ, СНиП 3.05.06-85, НПБ 88-2001* и согласно техническим характеристикам кабельно-проводниковой продукции.

6. ОСНОВНЫЕ ТЕХНИЧЕСКИЕ ТРЕБОВАНИЯ К ЭЛЕМЕНТАМ СТАЦИОНАРНЫХ УСТАНОВОК ТУШЕНИЯ ПОЖАРА НЕФТЕПРОДУКТОВ В РЕЗЕРВУАРАХ

6.1. Общие технические требования к системе наружной разводки пенопроводов

6.1.1. При проектировании наружной разводки пенопроводов рекомендуется выбирать схемы с минимальными потерями напора.

6.1.2. Для снижения потерь напора пены на линейное сопротивление следует выбирать схему ввода пены в резервуар с минимальными длинами пенопроводов.

6.1.3. Диаметры отдельных участков наружной разводки пенопроводов линии подачи пены в слой нефтепродукта СУТ следует выбирать из условия обеспечения суммарного времени прохождения пены от высоконапорного пеногенератора до пенного насадка для ее подслойной подачи - не более 30 с.

6.1.4. Диаметры отдельных участков наружной разводки пенопроводов линии подачи пены в слой нефтепродукта СУТ следует выбирать из условия прохождения пены (с расчетной кратностью - 4) со скоростью не более 6 м·с-1.

6.1.5. Пенопроводы линии подачи пены в верхний уровень стационарных установок комбинированного тушения пожара нефтепродукта в резервуарах следует изготавливать из труб с условным проходом (Dу), обеспечивающим скорость движения пены кратностью - 4 не более 10 м·с-1.

6.1.6. Диаметр пенопровода линии подачи пены в слой нефтепродукта на участке от высоконапорного пеногенератора до пенопровода внутренней разводки СУТ должен быть не меньше диаметра данного пенопровода внутренней разводки.

6.1.7. Для снижения потерь напора пены на местное сопротивление следует избегать резких поворотов и изменения профиля пенопроводов.

6.1.8. Высота ввода в резервуар пенопровода линии подачи пены в слой нефтепродукта выбирается с учетом технологических особенностей конкретного резервуара в пределах от 0,5 до 1,5 м.

6.1.9. Для удаления водного раствора пенообразователя из пенопроводов после завершения тушения пожара (проведения испытания) должны быть предусмотрены дренажные устройства или сливные краны с возможностью подсоединения воздушного компрессора.

6.1.10. Горизонтальные участки пенопроводов наружной разводки пенопроводов СУТ должны прокладываться с уклоном не менее 0,001 от места ввода пенопровода в резервуар к дренажному устройству.

6.2. Общие технические требования к системе внутренней разводки пенопроводов

6.2.1. Внутреннюю разводку пенопроводов стационарных установок тушения пожара нефтепродукта в резервуарах рекомендуется выполнять в виде отдельных секций (2 и более участков).

6.2.2. Горизонтальные участки пенопроводов внутренней разводки пенопроводов стационарных установок тушения пожара нефтепродукта в резервуарах должны прокладываться с уклоном не менее 0,001 от места ввода пенопровода в резервуар к пенным насадкам подслойной подачи пены.

6.2.3. Диаметры отдельных участков внутренней разводки пенопроводов стационарных установок тушения пожара нефтепродукта в резервуарах (до разветвления) должны быть не менее диаметра пенопровода наружной разводки.

6.2.4. Проектирование внутренней разводки пенопроводов следует производить согласно схемам, представленным в разделе 7 настоящего стандарта.

6.2.5. Количество вводов пены в резервуар объемом 5000 м3 и более следует выбирать по таблице 8 и 9 настоящего стандарта.

6.2.6. При проектировании внутренней разводки пенопроводов резервуаров объемом 5000 м3 и менее для ввода пены в слой нефтепродукта допускается в качестве одного из вводов использовать технологический трубопровод.

6.2.7. В качестве пенных насадков подслойного тушения рекомендуется использовать участки труб с увеличенным внутренним диаметром, при котором скорость движения пены кратностью - 4 не превышает 1 м·с-1 (приложение 1, рис.9). Длина линейной части пенного насадка подслойного тушения (L) должна в 5 раз превышать его внутренний диаметр. Для перехода от внутреннего диаметра пенопровода (Dт) к внутреннему диаметру пенного насадка для подслойного тушения (Dн) необходимо использовать конусообразный переходник, длина которого (L0) рассчитывается по формуле:

L0 ³ 5·(Dн - Dт), м                                                                                             (1)

6.2.8. Количество пенных насадков для подслойного тушения в линии подачи пены в слой нефтепродукта резервуаров объемом 2000 м3 и 3000 м3 должно быть не менее двух.

6.3. Общие технические требования к высоконапорным пеногенераторам

6.3.1. Высоконапорные пеногенераторы должны соответствовать требованиям НПБ 61-97.

6.3.2. Высоконапорные пеногенераторы должны быть рассчитаны для работы в микроклиматических районах и категориях размещения по ГОСТ 15150-69, к которым отнесены конкретные объекты Компании.

6.3.3. Высоконапорные пеногенераторы должны быть стойкими к коррозионному воздействию нефтепродуктов и водных растворов пенообразователей, образованных с использованием пресной воды.

6.3.4. При использовании для образования рабочих растворов пенообразователей жесткой и морской воды, а также оборотной воды предприятий высоконапорные пеногенераторы должны быть стойкими к коррозионному воздействию этих растворов.

6.3.5. Условия применения и эксплуатации высоконапорных пеногенераторов должны обеспечивать надежную работу устройства в условиях отрицательных температур. При возможности скопления воды и образования наледи необходимо предусмотреть обогрев пеногенераторов.

6.3.6. При технико-экономическом обосновании высоконапорные пеногенераторы могут располагаться как в обваловании резервуара, так и за обвалованием.

6.3.6.1. При расположении высоконапорного пеногенератора в пределах обвалования резервуара необходимо принять меры по защите пеногенератора от теплового воздействия пожара.

6.3.6.2. Высоконапорные пеногенераторы, расположенные в пределах обвалования резервуара, должны располагаться выше уровня обвалования (ограждающей стенки).

6.3.6.3. В пределах обвалования резервуара допускается применение высоконапорных пеногенераторов, оборудованных воздухозаборными устройствами, выведенными выше уровня обвалования (ограждающей стенки).

6.3.6.4. В пределах обвалования резервуара допускается расположение высоконапорных пеногенераторов внутри изолированных боксов. Боксы должны исключать возможность попадания воды (и раствора пенообразователя) в воздухозаборные отверстия и устройства, а также обеспечить доступ воздуха к воздухозаборным отверстиям и устройствам.

6.3.7. В установках тушения пожара нефтепродукта в резервуарах допускается применять высоконапорные пеногенераторы, оборудованные и не оборудованные воздушным клапаном.

6.3.7.1. Модели высоконапорных пеногенераторов с воздушным клапаном рекомендуется применять в случаях, когда в первоначальный момент подачи пены на выходе из них требуется давление выше, чем 0,3 МПа (например, в случае возможности попадания внутрь пенопроводов нефтепродуктов (приложение 1, рис.10).

6.3.7.2. Модели высоконапорных пеногенераторов без воздушного клапана (приложение 1, рис.11) рекомендуется применять в случаях эксплуатации пеногенераторов в условиях, при которых возможно образование на деталях пеногенераторов наледи и невозможно применение систем предотвращения ее образования (например, систем электрообогрева).

6.3.7.3. Основные технические характеристики высоконапорных пеногенераторов должны соответствовать значениям, приведенным в таблице 5.

Таблица 5

Основные параметры высоконапорных пеногенераторов

Наименование параметра

Значение параметра

1. Расход раствора пенообразователя при номинальном рабочем давлении 0,9 МПа, не менее, л·с-1

10

2. Коэффициент преобразования давления при номинальном рабочем давлении 0,9 МПа, не менее, %

40

3. Кратность пены при номинальном рабочем давлении 0,9 МПа, не менее

4

4. Диапазон рабочего давления раствора пенообразователя, МПа

0,8-1,0

5. Минимальное рабочее давление раствора пенообразователя для установок пожаротушения, функционирование которых обеспечивается передвижной пожарной техникой, не более, МПа

0,6

6.3.8. Для установок пожаротушения, функционирование которых обеспечивается передвижной пожарной техникой, следует использовать высоконапорные пеногенераторы с минимальным рабочим давлением раствора пенообразователя не более 0,6 МПа.

6.3.9. Для установок пожаротушения, функционирование которых обеспечивается передвижной пожарной техникой, рекомендуется использование высоконапорных пеногенераторов с быстроразъемным приспособлением.

6.3.10. Для стационарных установок тушения пожара нефтепродукта в резервуарах (СУТ), функционирование которых обеспечивается передвижной пожарной техникой, рекомендуется использование высоконапорных пеногенераторов с расходом раствора пенообразователя (при номинальном рабочем давлении) не более 30 л·с-1.

В случае необходимости подачи к одному вводу пены в резервуар более 30 л·с-1 на один ввод пены следует устанавливать несколько ВПГ одинаковой производительности.

6.3.11. При проектировании автоматических систем тушения пожара нефтепродукта в резервуарах с узлами подключения передвижной пожарной техники целесообразно использование высоконапорных пеногенераторов с расходом раствора пенообразователя (при номинальном рабочем давлении) не более 30 л·с-1.

В случае необходимости подачи к одному вводу пены в резервуар более 30 л·с-1 на один ввод пены следует устанавливать несколько ВПГ одинаковой производительности.

6.3.12. В одном напорном узле должны быть установлены высоконапорные пеногенераторы одного типоразмера.

6.4. Общие технические требования к пенным камерам

6.4.1. Для подачи пены низкой кратности в зону уплотняющего затвора резервуаров с понтоном допускается использовать пенные камеры.

6.4.2. Пенные камеры рекомендуется использовать в комплекте с пенными насадками, согласно требованиям п.п.6.6 настоящего стандарта.

6.4.3. Пенные камеры должны располагаться в верхнем поясе резервуара на расстоянии не более 25 м друг от друга по периметру резервуара (приложение 1, рис. 12).

6.4.4. Конструкция пенных камер должна исключать возможность выхода из резервуара паров нефтепродукта.

6.4.5. Пенные камеры должны быть рассчитаны для работы в микроклиматических районах и категориях размещения по ГОСТ 15150-69, к которым отнесены конкретные объекты Компании.

6.4.6. Пенные камеры должны быть стойкими к коррозионному воздействию нефтепродуктов и водных растворов пенообразователей, образованных с использованием пресной воды.

6.4.7. При использовании для образования рабочих растворов пенообразователей жесткой и морской воды, а также оборотной воды предприятий пенные камеры должны быть стойкими к коррозионному воздействию этих растворов.

6.4.8. Необходимо принять меры по защите пенных камер от теплового воздействия пожара.

6.4.9. Для стационарных установок тушения пожара нефтепродукта в резервуарах (СУТ), функционирование которых обеспечивается передвижной пожарной техникой, рекомендуется использовать пенные камеры с номинальным рабочим давлением раствора пенообразователя не более 0,6 МПа.

6.4.10. Пенные камеры должны быть рекомендованы к применению в установленном порядке.

6.5. Общие технические требования к предохранительным мембранам

6.5.1. Предохранительные мембраны должны быть рассчитаны для работы в микроклиматических районах и категориях размещения по ГОСТ 15150-69, к которым отнесены конкретные объекты Компании.

6.5.2. Предохранительные мембраны должны быть стойкими к коррозионному воздействию нефтепродуктов и водных растворов пенообразователей, образованных с использованием пресной воды.

6.5.3. При использовании для образования рабочих растворов пенообразователей жесткой и морской воды, а также оборотной воды предприятий предохранительные мембраны должны быть стойкими к коррозионному воздействию этих растворов.

6.5.4. При расположении предохранительных мембран в пределах обвалования резервуара необходимо принимать меры по защите мембран от теплового воздействия пожара.

6.5.5. Предохранительные мембраны, предназначенные для предотвращения попадания нефтепродуктов в линию наружной разводки пенопроводов, служащих для подачи пены под слой нефтепродукта, должны устанавливаться между обратным клапаном и высоконапорным пеногенератором (приложение 1, рис.1-3).

6.5.6. На пенопроводе, предназначенном для подачи пены в верхний уровень резервуара, в целях предотвращения попадания в него паров нефтепродукта, а также нефтепродукта (при превышении максимального уровня взлива) у каждого пенного насадка устанавливается предохранительная мембрана (приложение 1, рис. 2).

6.5.7. Основные технические характеристики предохранительных мембран должны соответствовать значениям, приведенным в таблице 6.

Таблица 6

Основные параметры предохранительных мембран

Наименование показателя

Значение параметра

1. Давление разрыва (перепад давления разрыва), не более, МПа:

 

мембран, установленных в нижнем уровне резервуара

0,05 МПа

мембран, установленных в верхнем уровне резервуара

0,02 МПа

2. Обратное гидростатическое давление и герметичность:

 

мембран, установленных в нижнем уровне резервуара

Должна выдерживать давление

0,3 МПа

мембран, установленных в верхнем уровне резервуара

Должна выдерживать давление

0,05 МПа

3. Габаритные и присоединительные размеры

Должны соответствовать размерам фланцевых соединений по ГОСТ 12815-80 - ГОСТ 12822-80 для принятого расчетного давления (Pу)

4. Отношение площади прохода пены через мембрану (при вскрытии мембраны) к площади внутреннего прохода пенопровода

Не менее 70%

6.5.8. Предохранительные мембраны представлены в приложении 1 на рис. 13-14.

6.5.9. Предохранительные мембраны должны быть рекомендованы к применению в установленном порядке.

6.6. Общие технические требования к пенным насадкам, предназначенным для подачи пены низкой кратности на поверхность нефтепродукта

6.6.1. Пенные насадки, предназначенные для подачи пены низкой кратности на поверхность нефтепродукта, должны быть рассчитаны для работы в микроклиматических районах и категориях размещения по ГОСТ 15150-69, к которым отнесены конкретные объекты Компании.

6.6.2. Для резервуаров (без понтонов) рекомендуется применение пенных насадок, предназначенных для подачи компактной струи пены на внутреннюю стенку резервуара (приложение 1, рис. 15).

6.6.3. Для резервуаров с понтоном рекомендуется применение пенных насадок, предназначенных для подачи распыленной струи пены на внутреннюю стенку резервуара или в зону кольцевого уплотнения понтона (приложение 1, рис. 16).

6.6.4. Пенные насадки должны быть рекомендованы к применению в установленном порядке.

6.6.5. Количество пенных насадков, установленных на резервуаре, должно быть не менее двух.

6.6.6. В СУКТ с линией подачи в верхний уровень резервуара пены, образованной с использованием высоконапорных пеногенераторов, пенные насадки должны располагаться в верхнем поясе резервуара на расстоянии не более 25 м друг от друга по периметру резервуара (приложение 1, рис. 2).

6.7. Общие технические требования к устройствам хранения и приготовления рабочего раствора пенообразователя

6.7.1. Устройства, предназначенные для образования рабочих растворов пенообразователя (дозаторы) должны соответствовать требованиям НПБ 59-97.

6.7.2. Дозаторы должны быть рассчитаны для работы в микроклиматических районах и категориях размещения по ГОСТ 15150-69, к которым отнесены конкретные объекты Компании.

6.7.3. Дозаторы должны быть стойкими к коррозионному воздействию нефтепродуктов и водных растворов пенообразователей, образованных с использованием пресной воды.

6.7.4. При использовании для образования рабочих растворов пенообразователей жесткой и морской воды, а также оборотной воды предприятий высоконапорные дозаторы должны быть стойкими к коррозионному воздействию этих растворов.

6.7.5. Виды дозаторов представлены в приложении 1 на рис. 17-19.

6.7.6. Дозирующие устройства должны обеспечивать приготовление рабочего раствора пенообразователя в диапазоне рабочих давлений и расходов высоконапорных генераторов пены или пенных камер.

6.7.7. Для обеспечения работы стационарных установок пожаротушения с использованием передвижной пожарной техники дозирующие устройства необходимо размещать в узле подключения передвижной пожарной техники, установленном перед высоконапорными пеногенераторами на расстоянии от 2 до 20 м в зависимости от вязкости используемого пенообразователя.

6.7.8. Для установок пожаротушения, функционирование которых обеспечивается передвижной пожарной техникой, рекомендуется использовать дозаторы с быстроразъемными приспособлениями.

6.8. Общие технические требования к запорным устройствам

6.8.1. Запорная трубопроводная арматура стационарных установок тушения пожара нефтепродукта в резервуарах должна применяться по классу герметичности А и В согласно ГОСТ 9544-93.

6.8.2. Запорная трубопроводная арматура стационарных установок охлаждения резервуаров должна применяться по классу герметичности А, В и С по ГОСТ 9544-93.

6.8.3. Запорные устройства (задвижки, вентили, краны) должны соответствовать эргономическим требованиям ГОСТ 21752-76 и ГОСТ 21753-76, должны быть снабжены указателями (стрелками) направления потока жидкости и надписями "ОТКР." и "ЗАКР." и должны исключать возможность их случайного или самопроизвольного включения и выключения. Допускается применение датчиков контроля положения запорной арматуры.

6.8.4. Запорная трубопроводная арматура должна быть рассчитана для работы в микроклиматических районах и категориях размещения по ГОСТ 15150-69, к которым отнесены конкретные объекты Компании.

6.8.5. Запорная трубопроводная арматура должна быть стойкой к коррозионному воздействию нефтепродуктов и водных растворов пенообразователей, образованных с использованием пресной воды.

6.8.6. При использовании для образования рабочих растворов пенообразователей жесткой и морской воды, а также оборотной воды предприятий запорная трубопроводная арматура должна быть стойкой к коррозионному воздействию этих растворов.

6.8.7. Запорную электроприводную трубопроводную арматуру установок охлаждения и пожаротушения следует располагать, как правило, вне пределов обвалования.

6.8.8. При расположении запорной трубопроводной арматуры с электроприводом в пределах взрывоопасных зон электрооборудование арматуры должно быть выполнено во взрывобезопасном исполнении.

6.9. Общие технические требования к устройствам для подключения передвижной пожарной техники

6.9.1. Для обеспечения возможности подачи воды к стационарным установкам охлаждения резервуаров СУО рекомендуется их оборудование устройствами подключения передвижной пожарной техники. Каждое устройство должно включать задвижку и соединительные головки типа ГМ с заглушками типа ГЗ по ГОСТ 28352-89.

6.9.2. Устройства (узлы) подключения передвижной пожарной техники к СУО должны располагаться рассредоточено за пределами обвалования резервуаров, в удобном для подъезда пожарных автомобилей месте, вблизи пожарных водоемов и гидрантов, на расстоянии не более 40 м от них.

6.9.3. Стационарные установки тушения пожаров нефтепродуктов в резервуарах должны быть оборудованы устройствами подключения передвижной пожарной техники к СУТ. Данные устройства должны содержать задвижку, дозатор (эжекционного или напорного типа) и соединительные головки типа ГМ с заглушками типа ГЗ по ГОСТ 28352-89.

В устройствах подключения допускается использование дозаторов с быстроразъемными приспособлениями.

6.9.4. Устройства (узлы) подключения передвижной пожарной техники к СУТ должны располагаться рассредоточенно за пределами обвалования резервуаров, в удобном для подъезда пожарных автомобилей месте, вблизи пожарных водоемов и гидрантов, на расстоянии не более 20 м от них.

6.9.5. Устройства (узлы) подключения передвижной пожарной техники к СУТ, функционирование которых обеспечивается передвижной пожарной техникой, целесообразно размещать вблизи напорных узлов.

6.9.6. В местах подключения пожарной техники к СУО и СУТ должны быть оборудованы специальные площадки для ее размещения. Для защиты обслуживающего персонала и пожарной техники от теплового воздействия пожара площадки должны иметь защитные экраны.

6.10. Общие технические требования к пенообразователю

6.10.1. Пенообразователи должны соответствовать требованиям, предъявляемым к фторсодержащим пенообразователям целевого назначения по ГОСТ Р 50588-93.

6.10.2. Пенообразователи должны соответствовать требованиям, предъявляемым к пенообразователям класса 1 по НПБ 304-2001.

6.10.3. Пенообразователи должны соответствовать требованиям, предъявляемым к пенообразователям, установленным настоящим стандартом. Пенообразователи и рабочие водные растворы пенообразователей должны соответствовать основным параметрам, приведенным в таблице 7.

Таблица 7

Основные параметры пенообразователей

Наименование показателя

Значение параметра

1. Поверхностное натяжение рабочего раствора пенообразователя, не более мН·м-1

17,0

2. Межфазное натяжение рабочего раствора пенообразователя на границе с н-гептаном, не менее, мН·м-1

2,0

6.10.4. Пенообразователи должны пройти процедуру сертификации и иметь сертификаты пожарной безопасности, сертификаты соответствия, а также гигиенические сертификаты (санитарно-эпидемиологическое заключение или документ, их заменяющий).

6.10.5. На основании лабораторных и полигонных испытаний пенообразователи должны быть рекомендованы ФГУ ВНИИПО для тушения пожара нефтепродукта в резервуарах подачей пены низкой кратности на поверхность и в слой нефтепродукта.

7. ТИПОВЫЕ ТЕХНИЧЕСКИЕ РЕШЕНИЯ СТАЦИОНАРНЫХ УСТАНОВОК ТУШЕНИЯ ПОЖАРОВ НЕФТЕПРОДУКТОВ В РЕЗЕРВУАРАХ

7.1. Проектирование внутренней разводки пенопроводов стационарных установок тушения пожара нефтепродукта в резервуарах следует производить согласно схемам, разработанным на основе анализа физической модели процесса тушения пожара нефтепродукта в резервуарах, с учетом процесса тепломассопереноса и результатов полигонных экспериментов.

При разработке схем было принято условие обеспечения интенсивности подачи пены не менее нормативной с использованием высоконапорных пеногенераторов, имеющих дискретный расход огнетушащего вещества (приложение 2, рис. 20-51).

7.1.1. На рис. 20-35 представлены типовые технические решения внутренней разводки пенопроводов стационарной установки подслойного тушения пожара нефтепродукта в резервуаре (см. приложение 2).

7.1.2. На рис. 36-51 представлены типовые технические решения внутренней разводки пенопроводов стационарной установки комбинированного тушения пожара нефтепродукта в резервуаре с внутренней разводкой пенопроводов, предназначенных для подслойной подачи пены (см. приложение 2).

7.2. При проектировании стационарных установок тушения пожара нефтепродукта в резервуарах следует учитывать данные таблиц 8 и 9 настоящего стандарта.

Таблица 8
(справочная)

Параметры стационарных установок подслойного и комбинированного тушения пожара бензина в резервуарах с использованием стандартных высоконапорных пеногенераторов

Тип

резервуара

Площадь

пожара,

м2

Расход раствора пенообразователя требуемый,

кг·с-1 ·с-1)

Количество вводов пены, шт.

Требуется ВПГ-10, шт.

Требуется ВПГ-20, шт.

Требуется ВПГ-30, шт.

РВС-100

17,56

2,0

2

2

 

 

РВС-200

34,51

4,3

2

2

 

 

РВС-400

57,12

7,6

2

2

 

 

РВС-700

85,40

11,9

2

2

 

 

РВС-1000

85,40

11,9

2

2

 

 

РВС-1000

119,34

17,5

2

2

 

 

РВС-2000

180,89

28,0

2

 

2

 

РВС-3000

282,79

46,7

2

 

 

2

РВС-5000

342,90

58,3

2

 

 

2

РВС-5000

342,90

71,1

2

 

4*

 

РВС-7500

471,20

84,1

2

 

6**

 

РВС-10000

637,62

119,4

3

 

6

 

РВС-10000

918,17

182,3

3

 

12*

 

РВС-15000

834,27

163,0

3

 

 

6

РВС-15000

1249,73

261,3

4

 

16*

 

РВС-20000

1249,73

261,3

4

 

16*

 

РВС-20000

1632,30

357,4

4

 

 

9

* В АУТ допускается замена двух высоконапорных пеногенераторов типа ВПГ-20, установленных в напорном узле, на один высоконапорный пеногенератор типа ВПГ-40.

** В АУТ и СУТ допускается замена трех высоконапорных пеногенераторов типа ВПГ-20, установленных в напорном узле, на два высоконапорных пеногенератора типа ВПГ-30.

*** Без учета заполнения растворопроводов.

Таблица 9
(справочная)

Параметры стационарных установок подслойного и комбинированного тушения пожара дизельного топлива и топлива ТС-1 в резервуарах с использованием стандартных высоконапорных пеногенераторов

Тип

резервуара

Площадь

пожара,

м2

Расход раствора пенообразователя требуемый,

кг·с-1 ·с-1)

Количество вводов пены, шт.

Требуется ВПГ-10, шт.

Требуется ВПГ-20, шт.

Требуется ВПГ-30, шт.

РВС-100

17,56

1,3

2

2

 

 

РВС-200

34,51

2,8

2

2

 

 

РВС-400

57,12

5,0

2

2

 

 

РВС-700

85,40

8,1

2

2

 

 

РВС-1000

85,40

8,1

2

2

 

 

РВС-1000

119,34

8,1

2

2

 

 

РВС-2000

180,89

19,9

2

2

 

 

РВС-3000

282,79

34,0

2

 

2

 

РВС-5000

342,90

42,9

2

 

 

2

РВС-5000

407,72

52,8

2

 

 

2

РВС-7500

471,20

62,9

2

 

4*

 

РВС-10000

637,62

90,7

3

 

6

 

РВС-10000

918,17

141,1

3

 

9**

 

РВС-15000

834,27

125,6

3

 

9**

 

РВС-15000

1249,73

205,2

4

 

12**

 

РВС-20000

1249,73

205,2

4

 

12**

 

РВС-20000

1632,30

284,1

4

 

16*

 

* В АУТ допускается замена двух высоконапорных пеногенераторов типа ВПГ-20, установленных в напорном узле, на один высоконапорный пеногенератор типа ВПГ-40.

** В АУТ и СУТ допускается замена трех высоконапорных пеногенераторов типа ВПГ-20, установленных в напорном узле, на два высоконапорных пеногенератора типа ВПГ-30.

*** Без учета заполнения растворопроводов.

7.2.1. В таблицах 8 и 9 представлены данные для определения требуемого количества высоконапорных пеногенераторов и расчетного количества пенообразователя для стационарных установок подслойного и комбинированного тушения пожара нефтепродуктов в резервуарах. В расчете требуемого количества высоконапорных пеногенераторов и расчетного количества пенообразователя были использованы расходы раствора пенообразователя стандартных высоконапорных пеногенераторов типа ВПГ-10, ВПГ-20, ВПГ-30 и ВПГ-40 с дискретным расходом раствора пенообразователя, соответственно, 10, 20, 30 и 40 л·с-1 при номинальном рабочем давлении.

7.2.2. В автоматической установке тушения пожара нефтепродукта в резервуаре допускается замена двух высоконапорных пеногенераторов типа ВПГ-20, установленных в напорном узле, на один высоконапорный пеногенератор типа ВПГ-40.

7.2.3. В автоматической установке тушения пожара нефтепродукта в резервуаре и в стационарной установке тушения пожара нефтепродукта в резервуаре, функционирование которых предусмотрено с использованием передвижной пожарной техники, допускается замена трех высоконапорных пеногенераторов типа ВПГ-20, установленных в напорном узле, на два высоконапорных пеногенератора типа ВПГ-30.

7.2.4. При проектировании автоматических установок тушения пожара нефтепродукта в резервуарах и стационарных установок тушения пожара нефтепродукта в резервуарах, функционирование которых предусмотрено с использованием передвижной пожарной техники, допускается применение высоконапорных пеногенераторов, изготовленных по специальному заказу с требуемым расходом.

8. ТРЕБОВАНИЯ БЕЗОПАСНОСТИ И ОХРАНЫ ОКРУЖАЮЩЕЙ СРЕДЫ ПРИ РАБОТЕ С ПЕНООБРАЗОВАТЕЛЯМИ И РАБОЧИМИ РАСТВОРАМИ ПЕНООБРАЗОВАТЕЛЕЙ

8.1. При эксплуатации систем автоматической пожарной защиты резервуарного парка, автоматических установок пожарной защиты резервуаров и элементов САПЗ и АУПЗ должны соблюдаться меры безопасности, изложенные в ГОСТ 12.0.004-90, ГОСТ 12.1.004-91, ГОСТ 12.1.005-88, ГОСТ 12.1.007-76, ГОСТ 12.1.019-79, ГОСТ 12.1.030-81, ГОСТ 12.2.037-78, ГОСТ 12.3.046-91, ГОСТ 12.4.009-83, ГОСТ 12.4.011-89, ГОСТ Р 50588-93, ГОСТ Р 50680-94, ГОСТ Р 50800-95, ГОСТ 27990-88, инструкции ВНИИПО МВД РФ "Порядок применения пенообразователей для тушения пожаров", НПБ 88-2001*, НПБ 304-2001, ПБ 10-115-96, ППБ 01-2003, ПУЭ, инструкциях по эксплуатации установок пожаротушения (в том числе: их отдельных элементов, пожарного оборудования и пенообразователя), а также в других нормативных и технических документах.

8.2. Опасность пенообразователей по степени воздействия на организм человека должна быть не выше 3-го класса опасности по ГОСТ 12.1.007-76.

8.3. При работах, связанных с разгрузкой пенообразователей, промывкой аппаратуры и тары, следует исключать возможность попадания состава на кожные покровы, слизистую оболочку глаз и в желудочно-кишечный тракт. Обслуживающий персонал при этом должен быть обеспечен средствами индивидуальной защиты по ГОСТ 12.4.011-89: непромокаемой спецодеждой, резиновыми сапогами, прорезиненными рукавицами или перчатками, защитными очками и щитками. Для защиты рук следует пользоваться защитными кремами типа "Силиконовый" или "Ланолиновый". При попадании продукта в глаза или на кожу его следует смывать обильным количеством проточной воды.

8.4. Помещения, внутри которых проводятся работы с пенообразователем, должны быть оборудованы приточно-вытяжной вентиляцией.

8.5. При работе с пенообразователями необходимо соблюдать меры гигиены. Перед приемом пищи и курением следует вымыть руки с мылом, по окончании работ - принять душ. При сильном загрязнении необходимо сменить одежду.

8.6. Лица, постоянно работающие с пенообразователями, должны проходить предварительный и периодические (не реже 1 раза в год) медицинские осмотры.

8.7. Разрешается сброс в производственные сточные воды быстроразлагаемых и умеренноразлагаемых пенообразователей при разбавлении их водой до предельно допустимой концентрации поверхностно-активного вещества, равной 20 мг·л-1.

8.8. Запрещается производить сброс на биологические очистные сооружения медленноразлагаемых и чрезвычайно медленноразлагаемых пенообразователей без локальной очистки стоков физико-химическими методами.

8.9. В процессе эксплуатации и хранения необходимо принимать меры, исключающие пролив пенообразователей.

8.10. Слив остатков пенообразователей при промывке пенных коммуникаций, пеносмесителей, оборудования, емкостей для хранения в водоемы хозяйственно-питьевого и культурно-бытового водоиспользования не разрешается.

9. РЕКОМЕНДАЦИИ ПО ЭКСПЛУАТАЦИИ СИСТЕМ АВТОМАТИЧЕСКОЙ ПОЖАРНОЙ ЗАЩИТЫ РЕЗЕРВУАРНЫХ ПАРКОВ

9.1. Приемка в эксплуатацию систем автоматической пожарной защиты резервуарных парков, автоматических установок пожарной защиты резервуаров, автоматических или стационарных установок пожаротушения и охлаждения должна осуществляться комиссией, состоящей из представителей монтажной организации, заказчика, представителей пожарной охраны и других заинтересованных организаций.

9.2. Приемка в эксплуатацию систем и установок должна осуществляться посредством проверки их соответствия проектам, требованиям настоящего стандарта, а также посредством их пробного пуска.

В процессе пробного пуска оценивается работоспособность:

- автоматических (или стационарных) установок охлаждения резервуаров;

- автоматических (или стационарных) установок тушения пожара нефтепродуктов в резервуарах.

9.3. При проверке работоспособности установок охлаждения резервуаров, функционирование которых обеспечивается насосными станциями, определяется:

- инерционность АУО;

- расход воды на охлаждение;

- равномерность орошения резервуаров.

Проверка работоспособности установок охлаждения резервуаров производится следующим образом.

Перед проведением испытаний на подводящем трубопроводе устанавливается расходомер.

Имитируя срабатывание пожарных извещателей, подается управляющий сигнал на включение пожарных насосов.

Инерционность АУО определяется как время, прошедшее с момента подачи управляющего сигнала на включение пожарных насосов до момента поступления воды из оросительного трубопровода (или мониторов).

Расход воды определяется по показаниям расходомера.

Равномерность орошения резервуара определяется визуально.

9.4. При проверке работоспособности установок тушения пожара нефтепродуктов в резервуарах (АУТ и СУТ), функционирование которых обеспечивается насосными станциями, определяется:

- время начала подачи пены в резервуар;

- расход рабочего раствора пенообразователя;

- давление рабочего раствора пенообразователя на входе и выходе из высоконапорных пеногенераторов;

- кратность пены.

9.5. Проверка работоспособности АУТ и СУТ производится следующим образом.

Перед проведением проверки установка оборудуется: манометрами, установленными на входе и выходе из высоконапорного пеногенератора; сливным устройством с манометром и задвижкой, предназначенной для регулирования давления пены.

До начала подачи рабочего раствора пенообразователя к высоконапорному пеногенератору стационарной установки подслойного тушения пожара нефтепродукта в резервуаре необходимо (приложение 3, рис. 52): открыть задвижку устройства (13); закрыть задвижку (5); закрыть задвижку устройства (9).

Имитируя срабатывание пожарных извещателей, подается управляющий сигнал на включение пожарных насосов АУТ.

Время начала подачи пены в резервуар определяется как время, прошедшее с момента подачи управляющего сигнала на включение пожарных насосов до момента поступления пены из сливного устройства (13), минус 30 с (на всплытие пены).

С использованием задвижки сливного устройства (13) и манометра (12) устанавливается давление пены - 0,2 МПа.

С использованием расходомера (установленного в пожарной насосной пенного пожаротушения) определяется расход рабочего раствора пенообразователя.

С использованием манометров (10) и (12) определяется давление рабочего раствора пенообразователя на входе и выходе высоконапорных пеногенераторов.

Кратность пены, поступающей из устройства (13), определяется как отношение объема пены (собранной в емкость вместимостью не менее 50 л) к объему раствора пенообразователя, находящегося в этой пене.

Проверка работоспособности АУКТ (СУКТ) производится аналогично. При этом для предотвращения попадания пены в нефтепродукт задвижка, установленная на линии подачи пены в верхний уровень резервуара, должна быть закрыта.

9.6. Полученные значения параметров АУО (СУО) и АУТ (СУТ) должны соответствовать требованиям настоящего стандарта.

9.7. В процессе эксплуатации все установки охлаждения и тушения должны ежегодно, в весенний период, проходить проверку посредством их внешнего осмотра и пробного пуска.

9.8. В процессе ежегодных испытаний установок тушения допускается производить испытания без использования пенообразователя. В этом случае кратность пены не определяется.

9.9. Приемка установок пожаротушения и охлаждения, функционирование которых обеспечивается передвижной пожарной техникой, а также ежегодная проверка их работоспособности в процессе эксплуатации осуществляются при боевом развертывании передвижной пожарной техники согласно планам пожаротушения.

9.10. При эксплуатации стационарной установки комбинированного тушения пожара нефтепродукта в резервуаре с линией подачи в верхний уровень резервуара пены низкой кратности, образованной с использованием высоконапорных пеногенераторов, подача пены должна производиться в верхний уровень:

- для резервуаров с понтонами;

- для резервуаров без понтонов в период возможной кристаллизации или увеличения кинематической вязкости хранящихся в них нефтепродуктов более 50 мм2·с-1.

В остальных случаях подача пены низкой кратности должна осуществляться в слой нефтепродукта.

При пожаре руководитель тушения пожара должен иметь возможность посредством переключения соответствующих задвижек (4) и (7) направлять пену: в слой нефтепродукта, на поверхность нефтепродукта, одновременно в слой и на поверхность нефтепродукта (приложение 1, рис. 2, 3).

9.11. После пожара или проведения испытаний раствор пенообразователя и воду из пенопроводов, сухих трубопроводов СУТ и СУО, арматуры и пожарного оборудования следует слить через дренажные устройства, а трубопроводы продуть с помощью воздушного компрессора.

9.12. Для исключения закупоривания воздухозаборных отверстий и устройств высоконапорных пеногенераторов снегом, листвой и т.п. их следует защищать специальными экранами, периодически осматривать и при необходимости очищать.

9.13. При эксплуатации системы автоматической пожарной защиты резервуарного парка, автоматической установки пожарной защиты резервуаров, элементов САПЗ и АУПЗ (в том числе пожарного оборудования и пенообразователя) должны выполняться требования, изложенные в ППБ 01-2003, инструкциях по их эксплуатации, а также в других нормативных и технических документах.

ПРИЛОЖЕНИЕ 1
(Рекомендуемое)

Схемы стационарных установок тушения пожара нефтепродукта в резервуаре и рекомендуемое пожарное оборудование

Рис. 1. Схема стационарной установки подслойного тушения пожара нефтепродукта в резервуаре (СУПТ):

1 - растворопровод; 2 - высоконапорный пеногенератор; 3 - предохранительная мембрана для предотвращения попадания нефтепродукта в пенопровод установки подслойного тушения пожара нефтепродукта в резервуаре; 4 - обратный клапан; 5 - задвижка; 6 - внутренняя разводка пенопровода установки подслойного тушения пожара нефтепродукта в резервуаре; 7 - пенный насадок подслойной подачи пены; 8 - резервуар с нефтепродуктом; 9 - устройство подключения передвижной пожарной техники (задвижка, дозатор, соединительные головки типа ГМ с заглушками типа ГЗ по ГОСТ 28352-89)

Рис. 2. Схема стационарной установки комбинированного тушения пожара нефтепродукта в резервуаре (СУКТ) с линией подачи в верхний уровень резервуара пены, образованной с использованием высоконапорных пеногенераторов:

1 - предохранительная мембрана для предотвращения попадания нефтепродукта и его паров в пенопровод линии подачи пены низкой кратности в верхний уровень резервуара; 2 - пенный насадок; 3 - пенопровод, предназначенный для подачи пены в верхний уровень резервуара; 4, 7, 10 - задвижки; 5 - растворопровод; 6 - высоконапорный пеногенератор; 8 - предохранительная мембрана для предотвращения попадания нефтепродукта в пенопровод установки подслойного тушения пожара нефтепродукта в резервуаре; 9 - обратный клапан; 11 - внутренняя разводка пенопровода установки подслойного тушения пожара нефтепродукта в резервуаре; 12 - пенный насадок подслойной подачи пены; 13 - резервуар с нефтепродуктом; 14 - устройство подключения передвижной пожарной техники (задвижка, дозатор, соединительные головки типа ГМ с заглушками типа ГЗ по ГОСТ 28352-89)

 

Рис. 3. Схема стационарной установки комбинированного тушения пожара нефтепродукта в резервуаре (СУКТ) с линией подачи в верхний уровень резервуара пены, образованной с использованием пенных камер:

1 - пенная камера; 2 - пенный насадок; 3 - растворопровод для подачи пены в верхний уровень резервуара; 4, 7, 10 - задвижки; 5 - растворопровод; 6 - высоконапорный пеногенератор; 8 - предохранительная мембрана для предотвращения попадания нефтепродукта в пенопровод установки подслойного тушения пожара нефтепродукта в резервуаре; 9 - обратный клапан; 11 - внутренняя разводка пенопровода установки подслойного тушения пожара нефтепродукта в резервуаре; 12 - пенный насадок подслойной подачи пены; 13 - резервуар с нефтепродуктом; 14 - устройство подключения передвижной пожарной техники (задвижка, дозатор, соединительные головки типа ГМ с заглушками типа ГЗ по ГОСТ 28352-89)

Рис. 4. Схема образования рабочего раствора пенообразователя в пожарной насосной станции с использованием стационарного дозатора:

1 - емкость для хранения воды; 2 - емкость для хранения концентрата пенообразователя; 3 - насос для подачи пенообразователя; 4 - насос для подачи воды; 5 - стационарный дозатор; 6 - растворопровод

Рис. 5. Схема образования рабочего раствора пенообразователя в пожарной насосной станции с использованием стационарного дозатора:

1 - емкость для хранения воды; 2 - емкость для хранения концентрата пенообразователя; 3 - насос для подачи воды; 4 - стационарный дозатор; 5 - растворопровод

Рис. 6. Принципиальная схема образования рабочего раствора пенообразователя с использованием бака-дозатора:

1 - помещение бака-дозатора; 2 - бак-дозатор (промежуточный); 3 - насосная пенного пожаротушения; 4 - бак-дозатор (основной); 5 - рабочий насос; 6 - резервный насос; 7 - водоисточник

Рис. 7. Схема применения стационарного дозатора в СУПТ с использованием передвижной пожарной техники:

1 - растворопровод; 2 - высоконапорный пеногенератор; 3 - предохранительная мембрана; 4 - обратный клапан; 5 - задвижка; 6 - внутренняя разводка пенопровода установки подслойного тушения пожара нефтепродукта в резервуаре; 7 - пенный насадок подслойной подачи пены; 8 - резервуар с нефтепродуктом; 9 - устройство подключения передвижной пожарной техники (задвижка, дозатор напорного типа и соединительные головки типа ГМ с заглушками типа ГЗ по ГОСТ 28352-89); 10 - пожарная автоцистерна с концентратом пенообразователя; 11 - пожарный автомобиль для подачи воды; 12 - гидрант

Рис. 8. Схема применения стационарного дозатора в СУПТ с использованием передвижной пожарной техники:

1 - растворопровод; 2 - высоконапорный пеногенератор; 3 - предохранительная мембрана; 4 - обратный клапан; 5 - задвижка; 6 - внутренняя разводка пенопровода установки подслойного тушения пожара нефтепродукта в резервуаре; 7 - пенный насадок подслойной подачи пены; 8 - резервуар с нефтепродуктом; 9 - устройство подключения передвижной пожарной техники (задвижка, дозатор эжекционного типа и соединительные головки типа ГМ с заглушками типа ГЗ по ГОСТ 28352-89); 10 - емкость с концентратом пенообразователя; 11 - пожарный автомобиль для подачи воды; 12 - гидрант

Рис. 9. Пенный насадок подслойной подачи пены:

1 - пенопровод диаметром Dт; 2 - насадок диаметром Dн и длиной L

Рис. 10. Высоконапорный пеногенератор стационарный с обратным клапаном на линии подачи воздуха:

1 - присоединительный фланец для подключения линии подачи рабочего раствора пенообразователя; 2 - обратный (воздушный) клапан; 3 - корпус; 4 - присоединительный фланец для подключения линии отвода пены; 5 - стрелка, указывающая направление потока огнетушащего вещества (пены)

Рис. 11. Высоконапорный пеногенератор стационарный без дополнительных устройств:

1 - присоединительный фланец для подключения линии подачи рабочего раствора пенообразователя; 2 - корпус; 3 - присоединительный фланец для подключения линии отвода пены; 4 - воздухозаборное отверстие; 5 - стрелка, указывающая направление потока огнетушащего вещества (пены)

Рис. 12. Схема крепления пенной камеры к резервуару со стационарной кровлей, оборудованному понтоном:

1 - пенная камера; 2 - пенный насадок; 3 - понтон; 4 - элемент усиления верхнего пояса резервуара; 5 - резервуар; 6 - растворопровод; 7 - приспособление для крепления растворопровода к резервуару

Рис. 13. Предохранительная мембрана (типа ПМ "Феникс"):

1 - диафрагма; 2 - разрывная мембрана; 3 - корпус; 4 - ручка; 5 - стрелка, указывающая направление потока пены от пеногенератора к резервуару; 6 - прокладка

Рис. 14. Предохранительная мембрана (типа ПМ "Феникс"):

1 - ручка; 2 - корпус; 3 - прокладка; 4 - разрывная мембрана

L = (200 ± 50) мм

С = (350 ± 50) мм

D = (215 ± 2) мм

D1 = (180 ± 2) мм

a = (120 ± 20) град

b = (22,5 ± 5) град

n = 8 шт.

d = (18 ± 1) мм

Рис. 15. Пенный насадок для подачи компактной струи пены:

1 - фланец; 2 - патрубок для подачи пены низкой кратности

L = (250 ± 50) мм

D = (215 ± 2) мм

D1 = (180 ± 2) мм

b = (22,5 ± 5) град

n = 8 шт.

d = (18 ± 1) мм

Рис. 16. Пенный насадок для подачи распыленной (веерообразной) струи пены на внутреннюю стенку резервуара или в зону кольцевого уплотнения понтона (плавающей крыши):

1 - фланец; 2 - патрубок для подачи пены низкой кратности; 3 - щелевидное отверстие для выхода пены низкой кратности

Рис. 17. Стационарный дозатор:

1 - присоединительный фланец на патрубке для подачи воды; 2, 6 - манометры; 3 - обратный клапан; 4 - соединительная головка типа ГМ по ГОСТ 28352-89 для подключения линии подачи концентрата пенообразователя; 5 - вентиль (шаровой кран); 7 - присоединительный фланец на патрубке для отвода раствора пенообразователя; 8 - стрелка, указывающая направление потока воды (раствора пенообразователя)

Рис. 18. Стационарный дозатор:

1 - присоединительный фланец на патрубке для подачи воды; 2 - обратный клапан; 3 - соединительная головка типа ГМ по ГОСТ 28352-89 для подключения линии подачи концентрата пенообразователя; 4 - вентиль (шаровой кран); 5 - присоединительный фланец на патрубке для отвода раствора пенообразователя; 6 - стрелка, указывающая направление потока воды (раствора пенообразователя); 7 - шланг с соединительной головкой типа ГМ по ГОСТ 28352-89 для подачи концентрата пенообразователя

Рис. 19. Бак-дозатор в комплекте с дозатором:

1 - бак с пенообразователем; 2 - дозатор; 3 - трубопровод для подвода воды; 4 - трубопровод для отвода раствора пенообразователя

ПРИЛОЖЕНИЕ 2
(Рекомендуемое)

Схемы внутренней разводки пенопроводов стационарной установки подслойного тушения пожара нефтепродукта в резервуаре и внутренней разводки пенопроводов стационарной установки комбинированного тушения пожара нефтепродукта в резервуаре

Рис. 20. Схема внутренней разводки пенопроводов стационарной установки подслойного пожаротушения резервуара РВС-20000 (площадь поперечного сечения - 1632 м2) с бензином:

1 - пенопровод подслойной подачи пены; 2 - пенный насадок подслойной подачи пены

Рис. 21. Схема внутренней разводки пенопроводов стационарной установки подслойного пожаротушения резервуара РВС-20000 (площадь поперечного сечения -1632 м2) с дизельным топливом или топливом ТС-1:

1 - пенопровод подслойной подачи пены; 2 - пенный насадок подслойной подачи пены

Рис. 22. Схема внутренней разводки пенопроводов стационарной установки подслойного пожаротушения резервуара РВС-20000 и резервуара РВС-15000 (площади поперечного сечения - 1250 м2) с бензином:

1 - пенопровод подслойной подачи пены; 2 - пенный насадок подслойной подачи пены

Рис. 23. Схема внутренней разводки пенопроводов стационарной установки подслойного пожаротушения резервуара РВС-20000 и резервуара РВС-15000 (площади поперечного сечения - 1250 м2) с дизельным топливом или топливом ТС-1:

1 - пенопровод подслойной подачи пены; 2 - пенный насадок подслойной подачи пены

Рис. 24. Схема внутренней разводки пенопроводов стационарной установки подслойного тушения пожара нефтепродукта в резервуаре РВС-15000 (площадь поперечного сечения - 834 м2) с бензином:

1 - пенопровод внутренней разводки; 2 - пенный насадок подслойной подачи пены

Рис. 25. Схема внутренней разводки пенопроводов стационарной установки подслойного тушения пожара нефтепродукта в резервуаре РВС-15000 (площадь поперечного сечения - 834 м2) с дизельным топливом или топливом ТС-1:

1 - пенопровод внутренней разводки; 2 - пенный насадок подслойной подачи пены

Рис. 26. Схема внутренней разводки пенопроводов стационарной установки подслойного тушения пожара нефтепродукта в резервуаре РВС-10000 (площадь поперечного сечения - 918 м2) с бензином:

1 - пенопровод внутренней разводки; 2 - пенный насадок подслойной подачи пены

Рис. 27. Схема внутренней разводки пенопроводов стационарной установки подслойного тушения пожара нефтепродукта в резервуаре РВС-10000 (площадь поперечного сечения - 918 м2) с дизельным топливом или топливом ТС-1:

1 - пенопровод внутренней разводки; 2 - пенный насадок подслойной подачи пены

Рис. 28. Схема внутренней разводки пенопроводов стационарной установки подслойного тушения пожара нефтепродукта в резервуаре РВС-10000 (площадь поперечного сечения - 637,6 м2) с бензином:

1 - пенопровод внутренней разводки; 2 - пенный насадок подслойной подачи пены

Рис. 29. Схема внутренней разводки пенопроводов стационарной установки подслойного тушения пожара нефтепродукта в резервуаре РВС-10000 (площадь поперечного сечения - 637,6 м2) с дизельным топливом или топливом ТС-1:

1 - пенопровод внутренней разводки; 2 - пенный насадок подслойной подачи пены

Рис. 30. Схема внутренней разводки пенопроводов стационарной установки подслойного тушения пожара нефтепродукта в резервуаре РВС-7500 (площадь поперечного сечения - 471 м2) с бензином:

1 - пенопровод внутренней разводки; 2 - пенный насадок подслойной подачи пены

Рис. 31. Схема внутренней разводки пенопроводов стационарной установки подслойного тушения пожара нефтепродукта в резервуаре РВС-7500 (площадь поперечного сечения - 471 м2) с дизельным топливом или топливом ТС-1:

1 - пенопровод внутренней разводки; 2 - пенный насадок подслойной подачи пены

Рис. 32. Схема внутренней разводки пенопроводов стационарной установки подслойного тушения пожара нефтепродукта в резервуаре РВС-5000 (площадь поперечного сечения - 408 м2) с бензином:

1 - пенопровод внутренней разводки; 2 - пенный насадок подслойной подачи пены

Рис. 33. Схема внутренней разводки пенопроводов стационарной установки подслойного тушения пожара нефтепродукта в резервуаре РВС-5000 (площадь поперечного сечения - 408 м2) с дизельным топливом или топливом ТС-1:

1 - пенопровод внутренней разводки; 2 - пенный насадок подслойной подачи пены

Рис. 34. Схема внутренней разводки пенопроводов стационарной установки подслойного тушения пожара нефтепродукта в резервуаре РВС-5000 (площадь поперечного сечения - 343 м2) с бензином:

1 - пенопровод внутренней разводки; 2 - пенный насадок подслойной подачи пены

Рис. 35. Схема внутренней разводки пенопроводов стационарной установки подслойного тушения пожара нефтепродукта в резервуаре РВС-5000 (площадь поперечного сечения - 343 м2) с дизельным топливом или топливом ТС-1:

1 - пенопровод внутренней разводки; 2 - пенный насадок подслойной подачи пены

Рис. 36. Схема внутренней разводки пенопроводов стационарной установки комбинированного тушения пожара нефтепродукта в резервуаре РВС-20000 (площадь поперечного сечения - 1632 м2) с бензином:

1 - пенопровод внутренней разводки линии подслойной подачи пены; 2 - пенный насадок подслойной подачи пены; 3 - пенный насадок; 4 - пенопровод для подачи пены на поверхность нефтепродукта

Рис. 37. Схема внутренней разводки пенопроводов стационарной установки комбинированного тушения пожара нефтепродукта в резервуаре РВС-20000 (площадь поперечного сечения -1632 м2) с дизельным топливом или топливом ТС-1:

1 - пенопровод внутренней разводки линии подслойной подачи пены; 2 - пенный насадок подслойной подачи пены; 3 - пенный насадок; 4 - пенопровод для подачи пены на поверхность нефтепродукта

Рис. 38. Схема внутренней разводки пенопроводов стационарной установки комбинированного тушения пожара нефтепродукта в резервуаре РВС-20000 и резервуаре РВС-15000 (площади поперечного сечения -1250 м2) с бензином:

1 - пенопровод внутренней разводки линии подслойной подачи пены; 2 - пенный насадок подслойной подачи пены; 3 - пенный насадок; 4 - пенопровод для подачи пены на поверхность нефтепродукта

Рис. 39. Схема внутренней разводки пенопроводов стационарной установки комбинированного тушения пожара нефтепродукта в резервуаре РВС-20000 и резервуаре РВС-15000 (площади поперечного сечения - 1250 м2) с дизельным топливом или топливом ТС-1:

1 - пенопровод внутренней разводки линии подслойной подачи пены; 2 - пенный насадок подслойной подачи пены; 3 - пенный насадок; 4 - пенопровод для подачи пены на поверхность нефтепродукта

Рис. 40. Схема внутренней разводки пенопроводов стационарной установки комбинированного тушения пожара нефтепродукта в резервуаре РВС-15000 (площадь поперечного сечения - 834 м2) с бензином:

1 - пенопровод внутренней разводки (для подслойной подачи пены); 2 - пенопровод для подачи пены на поверхность нефтепродукта; 3 - пенный насадок; 4 - пенный насадок подслойной подачи пены

Рис. 41. Схема внутренней разводки пенопроводов стационарной установки комбинированного тушения пожара нефтепродукта в резервуаре РВС-15000 (площадь поперечного сечения - 834 м2) с дизельным топливом или топливом ТС-1:

1 - пенопровод внутренней разводки (для подслойной подачи пены); 2 - пенопровод для подачи пены на поверхность нефтепродукта; 3 - пенный насадок; 4 - пенный насадок подслойной подачи пены

Рис. 42. Схема внутренней разводки пенопроводов стационарной установки комбинированного тушения пожара нефтепродукта в резервуаре РВС-10000 (площадь поперечного сечения - 918 м2) с бензином:

1 - пенопровод внутренней разводки (для подслойной подачи пены); 2 - пенопровод для подачи пены на поверхность нефтепродукта; 3 - пенный насадок; 4 - пенный насадок подслойной подачи пены

Рис. 43. Схема внутренней разводки пенопроводов стационарной установки комбинированного тушения пожара нефтепродукта в резервуаре РВС-10000 (площадь поперечного сечения - 918 м2) с дизельным топливом или топливом ТС-1:

1 - пенопровод внутренней разводки (для подслойной подачи пены); 2 - пенопровод для подачи пены на поверхность нефтепродукта; 3 - пенный насадок; 4 - пенный насадок подслойной подачи пены

Рис. 44. Схема внутренней разводки пенопроводов стационарной установки комбинированного тушения пожара нефтепродукта в резервуаре РВС-10000 (площадь поперечного сечения - 637,6 м2) с бензином:

1 - пенопровод внутренней разводки (для подслойной подачи пены); 2 - пенопровод для подачи пены на поверхность нефтепродукта; 3 - пенный насадок; 4 - пенный насадок подслойной подачи пены

Рис. 45. Схема внутренней разводки пенопроводов стационарной установки комбинированного тушения пожара нефтепродукта в резервуаре РВС-10000 (площадь поперечного сечения - 637,6 м2) с дизельным топливом или топливом ТС-1:

1 - пенопровод внутренней разводки (для подслойной подачи пены); 2 - пенопровод для подачи пены на поверхность нефтепродукта; 3 - пенный насадок; 4 - пенный насадок подслойной подачи пены

Рис. 46. Схема внутренней разводки пенопроводов стационарной установки комбинированного тушения пожара нефтепродукта в резервуаре РВС-7500 (площадь поперечного сечения - 471 м2) с бензином:

1 - пенопровод внутренней разводки; 2 - пенный насадок подслойной подачи пены; 3 - пенный насадок; 4 - пенопровод для подачи пены на поверхность нефтепродукта

Рис. 47. Схема внутренней разводки пенопроводов стационарной установки комбинированного тушения пожара нефтепродукта в резервуаре РВС-7500 (площадь поперечного сечения - 471 м2) с дизельным топливом или топливом ТС-1:

1 - пенопровод внутренней разводки; 2 - пенный насадок подслойной подачи пены; 3 - пенный насадок; 4 - пенопровод для подачи пены на поверхность нефтепродукта

Рис. 48. Схема внутренней разводки пенопроводов стационарной установки комбинированного тушения пожара нефтепродукта в резервуаре РВС-5000 (площадь поперечного сечения - 408 м2) с бензином:

1 - пенопровод внутренней разводки; 2 - пенный насадок подслойной подачи пены; 3 - пенный насадок; 4 - пенопровод для подачи пены на поверхность нефтепродукта

 

Рис. 49. Схема внутренней разводки пенопроводов стационарной установки комбинированного тушения пожара нефтепродукта в резервуаре РВС-5000 (площадь поперечного сечения - 408 м2) с дизельным топливом или топливом ТС-1:

1 - пенопровод внутренней разводки; 2 - пенный насадок подслойной подачи пены; 3 - пенный насадок; 4 - пенопровод для подачи пены на поверхность нефтепродукта

 

Рис. 50. Схема внутренней разводки пенопроводов стационарной установки комбинированного тушения пожара нефтепродукта в резервуаре РВС-5000 (площадь поперечного сечения - 343 м2) с бензином:

1 - пенопровод внутренней разводки; 2 - пенный насадок подслойной подачи пены; 3 - пенный насадок; 4 - пенопровод для подачи пены на поверхность нефтепродукта

 

Рис. 51. Схема внутренней разводки пенопроводов стационарной установки комбинированного тушения пожара нефтепродукта в резервуаре РВС-5000 (площадь поперечного сечения - 343 м2) с дизельным топливом или топливом ТС-1:

1 - пенопровод внутренней разводки; 2 - пенный насадок подслойной подачи пены; 3 - пенный насадок; 4 - пенопровод для подачи пены на поверхность нефтепродукта

ПРИЛОЖЕНИЕ 3
(Рекомендуемое
)

Схема испытаний автоматической системы тушения пожара нефтепродукта в резервуаре

Рис. 52. Схема испытаний работоспособности СУПТ:

1 - растворопровод; 2 - высоконапорный пеногенератор; 3 - предохранительная мембрана; 4 - обратный клапан; 5 - задвижка; 6 - внутренняя разводка пенопровода установки подслойного тушения пожара нефтепродукта в резервуаре; 7 - пенный насадок подслойной подачи пены; 8 - резервуар с нефтепродуктом; 9 - устройство подключения передвижной пожарной техники (задвижка, дозатор, соединительные головки типа ГМ с заглушками типа ГЗ по ГОСТ 28352-89); 10 - манометр для определения давления раствора пенообразователя; 11 - манометр для определения давления пены на выходе из высоконапорного пеногенератора; 12 - манометр для определения давления пены; 13 - сливное устройство с задвижкой для регулирования давления пены

ПРИЛОЖЕНИЕ 4
(для информации)

Пример выполнения стационарной установки тушения пожара нефтепродукта в резервуаре РВС-5000, входящей в состав автоматической системы тушения пожара нефтепродукта в резервуаре

Рис. 53. Пример выполнения стационарной установки тушения пожара нефтепродукта в резервуаре РВС-5000 (площадь поперечного сечения - 408 м2) с бензином, входящей в состав автоматической системы тушения пожара нефтепродукта в резервуаре:

1 - подводящий растворопровод; 2 - устройство подключения передвижной пожарной техники (задвижка; дозатор типа ПС-20 Т "Феникс"; соединительные головки типа ГМ-70 для подачи воды от передвижной пожарной техники с заглушками типа ГЗ-70 по ГОСТ 28352-89; соединительная головка типа ГМ-50 для подачи пенообразователя от передвижной пожарной техники с заглушкой типа ГЗ-50 по ГОСТ 28352-89); 3 - задвижка; 4 - высоконапорный пеногенератор типа ВПГ-20 "Феникс" с расходом не менее 20 л·с-1 при номинальном рабочем давлении 0,9 МПа (допускается использовать высоконапорный пеногенератор типа ВПГ-20(18) "Феникс" с расходом не менее 18 л·с-1 при номинальном рабочем давлении не менее 0,8 МПа); 5 - предохранительная мембрана типа ПМ-250 "Феникс"; 6 - обратный клапан; 7 - задвижка с электроприводом; 8 - пенный насадок типа ПН-150 "Феникс", тип 2 для подачи распыленной струи пены на внутреннюю стенку резервуара или в зону кольцевого уплотнения понтона, или пенный насадок типа ПН-150 "Феникс", тип 1 для подачи компактной струи пены на внутреннюю стенку резервуара; 9 - предохранительная мембрана типа ПМ-150 "Феникс"; 10 -линия подачи пены низкой кратности в верхний уровень резервуара; 11 - линия подачи пены низкой кратности в слой нефтепродукта; 12 - пенный насадок подслойной подачи пены; 13 - резервуар с нефтепродуктом

 




Яндекс цитирования



   Copyright © 2007-2026,  www.tehlit.ru.

[ ѓосты, стандарты, нормативы, инструкции, правила, строительные нормы ]