//
ТехЛит.ру
- крупнейшая бесплатная электронная интернет библиотека для "технически умных" людей.
WWW.TEHLIT.RU - ТЕХНИЧЕСКАЯ ЛИТЕРАТУРА

:: Алготрейдинг::


АЛГОТРЕЙДИНГ
шаг за шагом
с нуля по урокам!

Торговые роботы на PYTHON, BackTrader,
Pandas, Pine Script для TradingView. Связка с брокерами, телеграм и легкими приложениями.


ООО «ТЕХНОКОМ Л.Т.Д.»

 «Согласовано»

Управление стандартизации,

технического нормирования

и сертификации Госстроя РФ

письмо от

«17» 10 1997 г.

№ 13-653

«Утверждаю»

Генеральный директор

ООО «Техноком Л.Т.Д.»

___________ В.В. Ковалев

«20» 10 1997 г.

окна и двери из алюминиевых сплавов

Технические условия

ТУ 5270-001-44991977-97

Введены впервые

Срок действия с 01.11.1997

Срок действия до 01.01.2000

«Разработано»

Ведущий редактор ИПК

«Издательство стандартов»

___________ В.И. Огурцов

«01» октября 1997 г.

Главный инженер

ООО «Техноком Л.Т.Д.»

___________ А.В. Хомиченко

« » ______ 1997 г.

Москва, 1997 г.

ГОССТАНДАРТ РОССИИ

ВНИИстандарт

Зарегистрирован 21.10.97

Внесён в Реестр за
№ 200/016333

ГОСУДАРСТВЕННЫЙ КОМИТЕТ РОССИЙСКОЙ ФЕДЕРАЦИИ ПО ЖИЛИЩНОЙ И СТРОИТЕЛЬНОЙ ПОЛИТИКЕ

ГОССТРОЙ РОССИИ

117987, ГСП-1, Москва, ул. Строителей, 8, корп. 2

17.10.97 13-653

На № факс от 16.10.97

Генеральному директору ООО "Техноком Л.Т.Д."

В.В. Ковалеву

Управление стандартизации, технического нормирования и сертификации рассмотрело представленные для целей сертификации ТУ 5270-001-44991977-97 "Окна и двери из алюминиевых сплавов" и согласовывает их с ограничением срока действия - 01.01.2000 г.

Заместитель начальника Управления технормирования                         В.В. Чепуркин

Шведов Н.В.

930-24-04

Настоящие технические условия распространяются на окна, двери и витражи (далее - изделия) из алюминиевых профильных элементов, выпускаемые ООО «Техноком Л.Т.Д.», (система «INDINVEST», Италия), применяемые в зданиях, возводимых по типовым или индивидуальным проектам, и выпускаемые предприятием.

Область применения изделий устанавливает заказчик (потребитель) в зависимости от условий эксплуатации и нормативов эксплутационных характеристик в соответствии с действующими строительными нормами и правилами с учетом требований настоящих технических условий и рекомендаций изготовителя.

Настоящие технические условия не распространяются на изделия, работающие как несущие строительные конструкции.

Настоящие технические условия могут быть применены для сертификации изделий в Системе сертификации ГОСТ Р в строительстве.

Условное обозначение (марка) изделий

Х XX Х - Х Х/Х Х

Вид изделия:

О - окно; Б - балконная дверь; Д - дверь; В - витраж;

Материал изделия:

А - алюминиевый сплав

«Т» - индекс предприятия-изготовителя

Модульный размер по высоте, дм

Модульный размер по ширине, дм

Номер заказа / номер изделия в заказе

Обозначение настоящих ТУ

Пример условного обозначения:

Окно из алюминиевых сплавов, изготовленное ООО «Техноком Л.Т.Д.» высотой 1620 мм, шириной 1580 мм, по заказу 17, позиция заказа 5, изготовленное по настоящим техническим условиям следует обозначать:

ОА «Т» 16-16 17/5 ТУ 5270-001-97

1. ТЕХНИЧЕСКИЕ ТРЕБОВАНИЯ

1.1. Изделия должны соответствовать требованиям настоящих технических условий и изготовляться по технологическим регламентам предприятия-изготовителя, типовым каталогам-программам системы «INDINVEST» и рабочим чертежам, утвержденным руководителем предприятия.

Требования настоящих технических условий соответствуют или превышают требования ГОСТ 21519-84 и ГОСТ 23747-88.

1.2. Изделия состоят из рамочных элементов из алюминиевых профилей, соединяемых угловыми крепежными деталями с применением винтовых соединений и опрессовки закладных элементов.

Конструкция изделий предусматривает распашное, подвесное, откидное и поворотно-откидное открывание створных элементов. Примеры схем конструкций изделий приведены в Приложении.

По согласованию с потребителем допускается применять другие системы открывания изделий.

Для остекления окон и балконных дверей применяют одно, двухкамерные стеклопакеты различных конструкций.

Профильные элементы наружных изделий для повышения термического сопротивления должны иметь трехкамерную конструкцию с термоизолирующими разрывами (термовкладышами). См. рис. 1-4.

1.3. Классификацию изделий принимают по ГОСТ 21519-84.

1.4. Основные размеры

1.4.1. Габаритные размеры и архитектурный рисунок изделий устанавливаются в заказе (проекте) на изготовление изделий.

Номинальные размеры изделий и их элементов, а также другие необходимые размеры указывают в операционных схемах на каждое конкретное изделие в соответствии с технической документацией системы «INDINVEST».

Номинальные размеры сечений профилей должны соответствовать размерам, установленным в типовых каталогах-программах.

Максимальные габаритные размеры створок окон и полотен дверей устанавливают согласно технической документации, с учетом эксплуатационных нагрузок и требований строительных норм и правил.

1.4.2. Предельные отклонения от номинальных габаритных размеров изделий не должны превышать +2,0 мм.

1.4.3. Предельные отклонения от номинальных сопрягаемых размеров коробок и створок (полотен) по длине и ширине, размеров зазоров в притворах под наплавом, а также разница длин диагоналей створок (полотен) не должны превышать значений, установленных в табл. 1.

Таблица 1

мм

Значение предельных отклонений размеров

Номинальный размер в размерном интервале

Внутренний размер коробок

Наружный размер створок

Разница длин диагоналей

Зазор в притворе под наплавом

до 500

+1,0

-1,0

1,0

±0,5

от 500 до 1000

+1.0

-1,0

2,0

±0.5

от 1000 до 2000

+1,0

-1,0

2,0

+1,0

-0,5

свыше 2000

+2,0

-2,0

3,0

+1,0

-0,5

Примечание. Предельные отклонения от номинального размера зазора в притворе под наплавом установлены в зависимости от номинального размера длины притвора (графа 1).

1.4.4. Предельные отклонения от плоскостности коробок, створок (полотен) не должны превышать значений, указанных в табл. 2.

Таблица 2

мм

№ п/п

Номинальный размер по высоте (ширине) коробок, створок

Значение предельных отклонений от плоскостности

1.

до 600

1,0

2.

от 600 до 1500

1,5

3.

свыше 1500

2,0

1.4.5. Допустимые предельные отклонения от номинальных размеров сечения профильных элементов приведены в табл. 3.

Таблица 3

мм

№ п/п

Наименование контролируемого размера

Градация номинальных размеров

Значение предельных отклонений

1.

Ширина, высота сечения профилей створок (коробок)

до 50

+0,2

 

свыше 50

+0,3

2.

Толщина наружной стенки профилей створок и коробок

до 3

±0,1

 

свыше 3

±0,2

3.

Размер ширины паза под уплотнительные прокладки и штапик

-

±0,2

4.

Другие размеры

-

±0,3

1.4.6. Дефекты формы профильных деталей не должны превышать указанных в табл. 4.

Таблица 4

мм

№ п/п

Наименование контролируемых параметров

Значение предельных отклонений

1.

Отклонение от параллельности лицевых поверхностей

0,1 мм на 0,1 м

2.

Отклонение от продольной прямолинейности

1,0 на 1,5 м длины

1.5. Характеристики

1.5.1. Основные эксплуатационные характеристики изделий приведены в табл. 5.

Таблица 5

мм

№ п/п

Наименование показателей

Единицы измерения

Значение показателя, не менее

1.

Приведенное сопротивление теплопередаче:

кв.м °С/Вт

 

с однокамерным стеклопакетом;

0,34

с однокамерным стеклопакетом с теплоотражающим покрытием;

0,45

с двухкамерным стеклопакетом;

0,42

с двухкамерным стеклопакетом с теплоотражающим покрытием;

0,52

2.

Звукоизоляции

дБА

29

3.

Общий коэффициент светопропускания (справочное значение)

 

0,6-0,75

4.

Воздухопроницаемость при DРо=10 Па

кг/кв.м×ч

не более 5,1

5.

Надежность

циклы открывания-закрывания

40000 (для окон) 100000 (для дверей) 300000 (для дверей объектов повышенной посещаемости)

6.

Прочность угловых соединений (справочное значение)

Н

3500

7.

Герметичность стеклопакетов (точка росы)

°С

не выше -45

8.

Долговечность стеклопакетов

условных лет

10

Примечания:

1. Значения приведенного сопротивления теплопередаче приведены для окон с отношением площади остекления к площади окна, равном 0,7.

2. Заполнение глухой части балконных дверей должно иметь герметическое сопротивление не менее чем в 1,5 раза выше термического сопротивления светопрозрачной части этих изделий.

1.5.2. Сопротивление статической нагрузке, действующей в плоскости створки, должно быть не менее 1000 Н.

1.5.3. Сопротивление статической нагрузке, действующей перпендикулярно плоскости створки, должно быть не менее 400 Н, а балконного полотна - 600 Н.

1.5.4. Перепад лицевых поверхностей (провес) в угловых соединениях смежных профилей коробок и створок не должны превышать 0,5 мм.

1.5.5. Зазоры в местах соединения деталей профилей не должны быть более 0,2 мм.

Для повышения герметичности швы угловых соединений заполняют герметиками, не вызывающими коррозии металлических деталей соединений.

1.5.6. Провисание открывающихся элементов в собранном изделии не должно превышать 0,5 мм на 1 м ширины. Допуск размера расстояния между наплавами закрытых створок не должен превышать 1 мм на 1 м длины притвора.

1.5.7. Профили створок (полотен) должны иметь отверстия для вентиляции полости между кромками стеклопакетов и профилями створок. Диаметр отверстий должен быть не менее 5 мм.

Нижние профили коробок и при необходимости, горизонтальные импосты должны иметь водосливные отверстия размером не менее (5´25) мм.

Число и расположение отверстий устанавливается в рабочих чертежах.

1.5.8. Прочность соединения термовкладышей с алюминиевыми частями профиля должна быть не ниже прочности материала термовкладышей.

1.5.9. Стеклопакеты и стекла монтируются в изделия на жестких полимерных подкладках.

Конструкция подкладок должна исключать возможность касания стекла (стеклопакета) алюминиевых поверхностей и смещения подкладок при эксплуатации изделий.

Схемы установки подкладок должны быть приведены в технологическом регламенте или в рабочих чертежах. Примеры установки стеклопакетов на подкладки в зависимости от схем открывания приведены в Приложении.

1.5.10. Установка стеклопакетов (стекол) в рамочные элементы изделий и уплотнение притворов производят при помощи эластичных полимерных уплотняющих прокладок.

Число рядов уплотняющих прокладок в притворах наружных изделий должно быть не менее двух.

Прилегание прокладок должно быть плотным, исключающим проникновение воды.

1.5.11. Угловое и Т-образное соединение профилей осуществляется при помощи угловых и Т-образных металлических крепежных элементов, соединяемых на стяжных винтах. Для повышения прочности соединений рекомендуется применение атмосферостойких клеев.

1.5.12. Крепежные стальные детали, соприкасающиеся с алюминиевыми элементами, должны иметь цинковое или кадмиевое покрытие по ГОСТ 9.303-84 толщиной не менее 15 мкм.

1.5.13. Требования к профильным элементам из алюминиевых сплавов должны быть не ниже установленных в ГОСТ 22233-94.

Детали конструкций изделий должны иметь анодно-окисное или лакокрасочное защитно-декоративное покрытие по ГОСТ 9.301-86, ГОСТ 9.031-74. Допускается отсутствие покрытия во внутренних плоскостях полых профилей.

Толщина анодного покрытия должна быть не менее 20 мкм, а лакокрасочного покрытия - не менее 60 мкм.

Покрытия должны быть стойкими к воздействию климатических факторов.

1.5.14. Предприятие-изготовитель должно иметь комплект образцов-эталонов всех видов и цветов отделочного покрытия, подтверждающих также показатели внешнего вида изделий.

Номер образца-эталона согласовывается потребителем (заказчиком) и устанавливается в договоре (заказе) на изготовление окон.

1.5.15. Запирающие приборы должны обеспечивать надежное закрывание открывающихся элементов изделий. Открывание и закрывание должно происходить легко, плавно, без заеданий.

Ручки и засовы приборов не должны самопроизвольно перемещаться из положения "открыто" или "закрыто".

1.5.16. Конструкция и крепление запирающих приборов должны обеспечивать невозможность открытия изделий или демонтажа элементов изделий с наружной стороны.

1.5.17. Тип, количество и место расположения петель и запорных приборов в изделии устанавливают при помощи расчетной (компьютерной) программы предприятия-изготовителя в зависимости от веса и размеров открывающихся элементов, а также условий эксплуатации конкретного изделия.

1.5.18. Двери должны отвечать требованиям к сопротивлению взлому, установленным в ГОСТ 30109-94.

1.5.19. Сопротивление статической нагрузке, действующей на запорные приборы и ручки не менее - 70 кгс.

1.5.20. Усилие, прикладываемое к створкам (полотнам) изделий для их открывания не должно превышать 5 (7,5) кгс.

1.5.21. Долговечность уплотняющих прокладок и отделочного покрытия изделий должна быть не ниже гарантийного срока эксплуатации изделий.

1.5.22. Вес открывающихся элементов изделий (створок, полотен) не должен превышать 90 кг.

1.6. Требования к комплектующим изделиям

1.6.1. Материалы и комплектующие изделия, применяемые для изготовления окон и дверей, должны соответствовать требованиям стандартов, технических условий, технических свидетельств, договоров на поставку, утвержденных в установленном порядке. Качество импортных материалов должно быть подтверждено сертификатами качества (соответствия), техническими свидетельствами.

1.6.2. Для остекления изделий применяют одно-двухкамерные стеклопакеты по ГОСТ 24866-89, стекло по ГОСТ 111-90, а также по техническим условиям, утвержденным в установленном порядке.

Для повышения теплозащитных характеристик стеклопакеты могут быть заполнены инертным газом, в конструкциях стеклопакетов рекомендуется применять стекла или пленки с теплоотражающим покрытием.

1.6.3. Стеклопакеты должны быть герметичны.

1.6.4. Герметик должен наноситься ровным слоем без пропусков и разрывов.

1.6.5. Термоизолирующие вкладыши должны изготавливаться из конструкционного полиамида, армированного стекловолокном.

1.6.6. Внутренние камеры створок и коробок могут заполняться жестким вспененным полиуретаном (без фторуглеводорода).

1.6.7. Для изготовления окон и дверей используют приборы и крепежные детали, прошедшие сертификационные испытания в испытательных центрах, аккредитованых в системе Госстроя РФ.

1.6.8. Непрозрачное заполнение балконных дверей должно изготавливаться из трехслойных панелей, состоящих из алюминиевых или пластиковых облицовочных листов с заполнением утеплителем. Толщина облицовок из алюминиевых сплавов должна быть не менее 1,5 мм.

1.6.9. Уплотняющие прокладки должны быть изготовлены из атмосферо-морозостойких эластичных полимерных материалов.

1.6.10. Опорные и фиксирующие подкладки должны быть изготовлены из полиэтилена низкого давления по ГОСТ 16338-85Е или других атмосферостойких полимерных материалов по НТД.

1.7. Комплектность

1.7.1. Комплект поставки изделий определяется условиями договора (заказа) на поставку изделий.

Выступающие части приборов открывания, нащельники, сливы, монтажные крепежные элементы допускается поставлять в отдельной упаковке в комплекте с изделиями.

1.7.2. Готовые изделия должны поставляться в собранном виде, иметь окончательную отделку, установленные приборы и уплотнительные прокладки.

1.7.3. Элементы витражей, а также другие крупногаборитные изделия, могут поставляться в виде подготовленных к монтажу деталей или рам в комплекте с приборами, стеклопакетами и другими комплектующими изделиями.

1.7.4. В комплект поставки должны входить документ о качестве (паспорт, гарантийный талон) и по требованию потребителя, инструкция по монтажу и эксплуатации.

1.8. Маркировка

Каждое изделие маркируется этикеткой или водостойкой краской на нелицевой поверхности верхней части коробок с указанием названия (товарным знаком) предприятия изготовителя, номера заказа на изготовление и марки изделия.

Элементы витрин упаковываются в пачки, которые маркируются бирками с указанием тех же данных и с дополнительным указанием наименования элементов в каждой конкретной пачке и их количества.

1.9. Упаковка

Упаковка изделий должна обеспечивать сохранность изделий при хранении, транспортировании и погрузочно-разгрузочных работах.

Требования к упаковке изделий устанавливают в договоре на поставку в зависимости от условий транспортирования и хранения изделий. Открывающиеся элементы изделий перед упаковкой должны быть закрыты.

Не установленные на изделие приборы, части приборов или комплектующие должны быть завернуты в упаковочную бумагу по ГОСТ 8828-75 или упакованы в пакеты из полиэтиленовой пленки по ГОСТ 10354-82 или другие упаковочные материалы.

2. ТРЕБОВАНИЯ БЕЗОПАСНОСТИ И ОХРАНЫ ОКРУЖАЮЩЕЙ СРЕДЫ

2.1. Изделия должны иметь документы (сертификаты) безопасности, предусмотренные действующим законодательством и оформленные в установленном порядке.

2.2. Применяемость изделий в строительных конструкциях с повышенными (специальными) требованиями к пожароопасности, агрессивности среды и ударопрочности подтверждается заключением соответствующих органов в установленном порядке.

2.3. Требования безопасности, охраны окружающей среды, а также порядок их контроля должны быть установлены в комплекте документации на производство изделий в соответствии с действующей НТД, строительными нормами и правилами, а также санитарными нормами, методиками и другими документами, утвержденными органами здравоохранения.

2.4. Наружные изделия должны выдерживать ветровую нагрузку по СНиП 2.01.07-85.

Расчет изделий на нагрузки следует производить с учетом рекомендаций фирм-поставщиков профилей.

3. ПРАВИЛА ПРИЕМКИ

3.1. Изделия должны быть приняты техническим контролем предприятия-изготовителя, на соответствие требованиям настоящих технических условий, а также условий, определенным в договоре (заказе) на изготовление и поставку изделий.

3.2. Подтверждением приемки изделий техническим контролем предприятия-изготовителя является маркировка изделий и оформление гарантийного талона или другого документа о качестве.

3.3. Потребитель имеет право производить контрольную проверку (приемку) качества изделий, соблюдая изложенные в настоящем разделе правила приемки. Подтверждением приемки потребителем готовых изделий является подпись потребителя на документе, подтверждающим факт приемки продукции.

По договоренности сторон приемка изделий потребителем может производиться на складе изготовителя, на складе потребителя или в ином, оговоренном в договоре на поставку, месте.

3.4. По требованию потребителя изготовитель должен предоставить потребителю результаты сертификационных испытаний изделий.

3.5. При обнаружении скрытых дефектов, приведших к нарушению эксплуатационных характеристик изделия в течение гарантийного срока эксплуатации, потребитель вправе потребовать замену или ремонт дефектных изделий за счет изготовителя или применить к изготовителю штрафные санкции в установленном порядке.

3.6. Требования к качеству готовой продукции, установленные в настоящих ТУ, подтверждают приемо-сдаточные испытания.

При приемке готовой продукции изделия принимают поштучно, методом сплошного контроля.

Изделия, не прошедшие приемо-сдаточные испытания хотя бы по одному показателю, бракуются.

При приемно-сдаточных испытаниях контролируют требования, установленные в следующих пунктах настоящих технических условий- 1.4.2; 1.4.3; 1.5.4 - 1.5.7; 1.5.14.

3.7. Периодические испытания, проводимые технологической службой (или лабораторией) предприятия изготовителя, производят один раз в смену, как контрольные испытания, подтверждающие стабильность технологического процесса.

При этом контролируют показатели:

- предельные отклонения от номинальных размеров;

- внешний вид изделий;

- плотность прилегания уплотнительных прокладок;

- показатели, контролируемые при приемо-сдаточных испытаниях (п. 3.6).

Отклонения от плоскостности рамочных элементов контролируют при технологической необходимости, а также по требованию внешних контролирующих органов.

Если периодические испытания по какому-либо показателю имеют отрицательный результат, контрольную и последующую партии изделий подвергают (по этому показателю) сплошному контролю.

При положительном результате сплошного контроля возвращаются к периодическим испытаниям.

3.8. Требования, установленные в пп: 1.5.1 - 1.5.19; подтверждаются результатами приемочных испытаний при постановке продукции на производство, сертификационных испытаниях изделий, а также при внесении изменений в конструкцию изделий или технологию их изготовления.

3.9. Испытание дверей на сопротивление взлому проводят по требованию потребителя.

3.10. Порядок проведения входного контроля, устанавливают в технологическом регламенте.

3.11. В случае, если предприятие-изготовитель комплектует изделия стеклопакетами собственного изготовления, стеклопакеты должны быть испытаны на долговечность (типовые испытания), проходить приемосдаточные испытания, установленные в ГОСТ 24866-89, и периодические испытания согласно настоящих ТУ.

3.12. В случае применения профилей и стеклопакетов, сертифицированных в Системе сертификации ГОСТ Р, порядок и объем контроля их качества устанавливает в технологическом регламенте предприятие-изготовитель окон (дверей).

3.13. Партией считается число изделий, отгружаемое по конкретному заказу, оформленное одним документом о качестве (гарантийным талоном).

Номер заказа на изделие должен отражать конкретный тип изделия, его конструкцию и другие требования, установленные в проекте, заказе или спецификации и согласованные с заказчиком. При этом устанавливают вариант остекления, тип профиля, вариант сопряжения открывающихся элементов, правое или левое исполнение, вид (схему) открывания, наличие фурнитуры, требования к внешнему виду и другие сведения по требованию потребителя (заказчика).

3.14. Каждая партия изделий (или изделие) сопровождается документом о качестве (паспортом, гарантийным талоном), подтверждающим соответствие качества изделий требованиям настоящих технических условий.

В документе о качестве указывают:

- наименование предприятия-изготовителя, его адрес;

- номер настоящих технических условий;

- номер заказа (договора) на изготовления изделий;

- номера изделий и их количество по позициям заказа;

- краткое описание конструкции изделий;

- дата отправки;

- подпись ответственного лица.

3.15. При приемке серийно выпускаемых типовых изделий на предприятии-изготовителе за партию принимают число изделий одной марки, выпущенных в пределах одной смены, а в случае изготовления изделий по индивидуальному заказу - число изделий по этому заказу, но не более 50 ед.

3.16. Для приемки изделий рекомендуется использовать планы контроля качества, установленные в таблице 6. При этом к значительным и критическим дефектам относят:

потерю любой из функциональных характеристик окон (например, разбитое стекло, потеря герметичности стеклопакета, невозможность закрывания, поломка фурнитуры); дефекты, затрудняющие функционирование окон (например, трещина в сварном шве, неустранимый дефект закрывания) неустранимое повреждение профиля, превышение допусков размеров более чем в 1,5 разрешенных настоящим стандартом.

К малозначительным дефектам относят устранимые дефекты: не налаженные приборы и петли, незначительные повреждения поверхности, превышение допусков размеров менее чем в 1,5 раза превышающих нормы настоящего стандарта.

Для партий с объемом менее 51 шт. Применяют одноступенчатый контроль качества, а для партий с объемом свыше 50 - двухступенчатый.

При проверке контролируют целостность и комплектацию изделий, а также требования, подтверждаемые приемо-сдаточными испытаниями готовой продукции.

Ко второй ступени контроля приступают в случае, если число отбракованных изделий на 1 ступени контроля находится между браковочным и приемочным числами.

Таблица 6

Объем партии

Объем выборки

Браковочное число для 1-й ступени

Приемочное число для 1-й ступени

Браковочное число для 2-й ступени

Приемочное число для 2-й ступени

А

Б

А

Б

А

Б

А

Б

от 1 до 12

сплошной контроль

1

1

0

0

-

-

-

-

12-25

сплошной контроль

2

1

1

0

-

-

-

-

26-50

10

2

1

1

0

-

-

-

-

51-90

15

3

1

1

0

2

1

1

0

91-150

20

4

1

2

0

3

1

2

0

151-280

32

5

2

3

1

4

1

3

0

281-500

50

6

2

4

1

4

2

3

1

501-1200

80

7

3

5

2

5

3

4

1

Сокращения, принятые в таблице:

А - малозначительные дефекты; Б - значительные и критические дефекты.

Примечания:

1. Общее число дефектных изделий в выборке не должно превышать значений, установленных для изделий с малозначительными дефектами

2. Размер (объем) выборки для второй ступени контроля принимают равным объему выборки для 1 ступени.

3.17. Устранение малозначительных дефектов производят за счет изготовителя (поставщика) изделий.

3.18. В договоре на изготовление (поставку) изделий между изготовителем и потребителем допускается устанавливать другие правила приемки изделий.

3.19. Площадь готовых изделий определяют по номинальным габаритным размерам и вычисляют (учитывают) с точностью до 0,01 м2.

4. МЕТОДЫ КОНТРОЛЯ

4.1. Методы контроля при проведении приемо-сдаточных испытаний.

4.1.1. Предельные отклонения от номинальных размеров определяют при помощи металлической измерительной рулетки по ГОСТ 502-89, штангенциркуля по ГОСТ 166-84 и предельных калибров.

4.1.2. Предельные отклонения от номинальных размеров зазоров в притворах и зазоров в угловых соединениях проверяют при помощи набора щупов по ТУ 2-034-225-87.

4.1.3. Размер расстояния между наплавами закрытых створок и провисания открывающихся элементов проверяют штангенциркулем.

Провес в сопряжении смежных деталей определяют щупом как расстояние от ребра металлической линейки по ГОСТ 427-75, приложенной к верхней сопрягаемой поверхности, до нижней поверхности.

4.1.4. Качество отделочного и защитно-декоративного покрытия проверяют визуально, путем сравнения с образцом-эталоном, утвержденным руководителем предприятия-изготовителя.

Дефекты покрытия, различимые невооруженным глазом с расстояния 1 м при освещенности 300 лк, не допускаются.

4.1.5. Наличие и расположение отверстий для отвода воды, фурнитуры, подкладок, крепежных и других деталей проверяют визуально.

4.1.6. Проверку надежности работы фурнитуры проверяют путем пятиразового открывания-закрывания створных элементов и запирающих приборов.

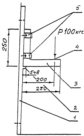
4.1.7. Герметичность стеклопакетов определяют 1 раз в смену путем погружения в емкость с водой и нагружения грузом массой 16 кг в течении 4 ч. После испытания в течении 2 ч стеклопакет переворачивают и нагружают другую сторону. Испытания проводят на двух образцах. Температура воды 18 - 22 °С.

Схема испытаний представлены на рис. 5.

Герметичность стеклопакета проверяют по отсутствию пузырьков воздуха во время испытания и наличию влаги внутри стеклопакета после окончания испытания.

Если хотя бы один из стеклопакетов не выдерживает испытания, сменный выпуск стеклопакетов подлежит штучной разбраковке.

4.2. Методы контроля при периодических лабораторных испытаниях.

4.2.1. Порядок проведения контрольных лабораторных испытаний при входном контроле комплектующих материалов и изделий устанавливают в технологическом регламенте.

4.2.2. Предельные отклонения от номинальных размеров сборочных элементов и разницу диагоналей проверяют металлической рулеткой.

Отклонение от прямолинейности и плоскостности створок, коробок, профилей определяют путем наложения этих элементов на эталонную поверхность и замером наибольшего зазора между эталонной поверхностью и поверхностью испытываемого образца.

4.2.3. Для определения плотности прилегания уплотняющих прокладок в притворах на прокладки наносят красящее вещество (например, цветной мел). Открывающиеся элементы изделий плотно закрывают. После раскрытия изделий проверяют непрерывность оставленного следа. Если имеется хотя бы одно прерывание следа, результат испытания считают неудовлетворительным. Испытания проводят на двух образцах изделий не реже одного раза в смену.

4.2.4. Приемо-сдаточные и периодические контрольные лабораторные испытания фиксируют в контрольных журналах.

4.3. Методы контроля при проведении типовых испытаний.

4.3.1. Сопротивление теплопередаче изделия определяют по ГОСТ 26602-85.

4.3.2. Сопротивление воздухопроницанию изделий определяют по ГОСТ 25891-83.

4.3.3. Уровень снижения звукового шума определяют по ГОСТ 25891-83.

4.3.4. Общий коэффициент светопропускания определяют по методикам, утвержденным в установленном порядке.

4.3.5. Надежность изделий, сопротивление статическим нагрузкам определяют по ГОСТ 23747-88.

4.3.6. Определение герметичности стеклопакетов и точки росы внутри стеклопакетов производят по ГОСТ 24866-89.

4.3.7. Долговечность стеклопакетов и уплотняющих прокладок, а также показателей качества приборов и петель определяют по методикам, согласованным Госстроем РФ.

4.3.8. Прочность угловых соединений определяют по ГОСТ 23166-78.

5. ТРАНСПОРТИРОВАНИЕ И ХРАНЕНИЕ

5.1. Изделия транспортируют всеми видами транспорта в соответствии с правилами перевозок грузов, действующими на данном виде транспорта.

5.2. При транспортировании изделий железнодорожным транспортом направление остекления должно совпадать с направлением движения транспорта.

5.3. Изделия должны храниться в крытых сухих помещениях в вертикальном положении под углом 10 - 15 °С на деревянных подкладках, рассортированными по типам и размерам.

Между изделиями должны быть проложены прокладки одинаковой толщины.

5.4. Условия хранения, транспортирования, а также погрузки и выгрузки изделий должны обеспечивать их полную сохранность.

6. УКАЗАНИЯ ПО ЭКСПЛУАТАЦИИ

Эксплуатация изделий - согласно требований инструкции по монтажу и эксплуатации.

7. ГАРАНТИИ ИЗГОТОВИТЕЛЯ

Предприятие-изготовитель гарантирует соответствие изделий требованиям настоящих технических условий при соблюдении потребителем условий транспортирования, хранения, монтажа и эксплуатации изделий.

Гарантийный срок эксплуатации изделий - 3 года со дня отгрузки изделий изготовителем.

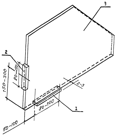
Измерение остаточной деформации при помощи поверочного угольника

Вариант крепления образца при помощи болтового соединения через предварительно просверленные в образце отверстия

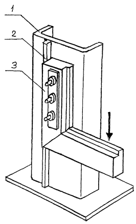
Схема лабораторных испытаний угловых соединений створок и коробок

1 - опора /швеллер/, 2 - упор-контрпрофиль; 3- образец; 4 - точка приложения нагрузки; 5- съемные хомуты крепления образца

РИС. 1

Схема испытаний стеклопакетов на герметичность

1 - емкость; 2 - образец стеклопакета; 3 - подкладка из твердой резины; 4 - стальная пластина 200´300 мм

РИС. 3

РИС. 4

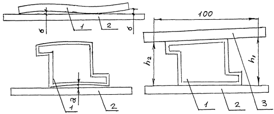
Схема определения отклонений от формы профильных элементов

а - размер отклонений от поперечной прямолинейности; б - размер отклонения от продольной прямолинейности; Dh=h1-h2 - размер отклонений от плоскостности; 1 - контрольный образец; 2 - эталонная поверхность; 3 - металлическая линейка

РИС. 5

Схема определения отклонений от формы элементов окна

DSi - размер отклонений от прямолинейности; DS - размер отклонений от плоскостности; 1 - контрольный образец; 2 - эталонная поверхность; 3 - металлическая линейка

ПРИЛОЖЕНИЕ

Примеры архитектурных рисунков окон

Знаком + обозначены не открывающиеся створки

Приложение

Примеры архитектурных рисунков окон

Приложение

Типы окон в зависимости от вариантов открывания и примеры установки подкладок при монтаже стеклопакетов

1 - несущие подкладки; 2 - дистанционные подкладки

2* при переворачивающихся створках данные подкладки будут являться несущими

Приложение

Примеры установки подкладок при монтаже стеклопакетов

  

 

Приложение

Примеры установки подкладок при монтаже стеклопакетов

 

                              окно с поперечинами                                  окно с поперечинами

(регулирующие подкладки не устанавливаются)

 

                                     входные двери                               входные двери с боковиной

Основные типы и конструкции однокамерных стеклопакетов

1 Тип стеклопакета

2 Сопротивление теплопередаче кв.м °С/Вт

3;3N Изоляция воздушного шума, дБА

1 - заполнение - воздух

0,30 - 0,34

25-28

2 - то же, с противоосколочной пленкой

 

 

3 - заполнение - воздух, низкоэмиссионное покрытие внутреннего стекла

0,50 - 0,52

 

3N - то же, заполнение - аргон

0,56 - 0,60

 

(*) - в зависимости от межстекольного расстояния

1 - стекло; 2 - низкоэмиссионное теплоотражающее покрытие; 3 - разделительная рамка; 4 - осушитель; 5 - внутренняя камера; 6 - бутиловый герметик; 7 - полисульфидный герметик; 8 - защитная противоосколочная пленка.

Основные типы и конструкции двухкамерных стеклопакетов

1 Тип стеклопакета

2 Сопротивление теплопередаче кв.м °С/Вт

3;3N Изоляция воздушного шума, дБА

1 - заполнение - воздух; аргон

0,45 - 0,50; 0,50 - 0,55

27-29

2; 2N - низкоэмиссионное покрытие; то же + аргон

0,60 - 0,65; 0,68 - 0,72

 

3, 3N - пленка с низкоэмиссионным покрытием; то же + аргон

0,62 - 0,70; 0,75 - 0,85

 

Примечание. Диапазон значений связан с размерами межстекольных расстояний

1 - стекло; 2 - воздушная камера; 3 - разделительная рамка; 4 - осушитель; 5 - полисульфидный герметик; 6 - теплоотражающее покрытие; 7 - пленка с теплоотражающим покрытием; 8 - бутиловый герметик.

РИС.6

Приложение

Схема размещение опорных подкладок

1 - опорная несущая подкладка; 2 - дистанционная фиксирующая подкладка; 3 - светопрозрачное заполнение

Перечень стандартов, на которые даны ссылки в настоящих технических условиях

ГОСТ 111-90

Стекло листовое. Технические условия.

ГОСТ 166-89

Штангенциркули. Технические условия.

ГОСТ 427-75

Линейки измерительные металлические. Технические условия.

ГОСТ 7502-89

Рулетки измерительные металлические. Технические условия.

ГОСТ 8828-89

Бумага-основа и бумага двухслойная водонепроницаемая упаковочная.

ГОСТ 10354-82

Пленка полиэтиленовая. Технические условия.

ГОСТ 16338-85Е

Полиэтилен низкого давления. Технические условия.

ГОСТ 21519-87

Окна и балконные двери из алюминиевых сплавов. Общие технические условия.

ГОСТ 22233-94

Профили прессованные из алюминиевых сплавов для ограждающих строительных конструкций. Технические условия.

ГОСТ 23166-78

Окна и балконный двери деревянные. Общие технические условия.

ГОСТ 23747-88

Двери из алюминиевых сплавов. Общие технические условия.

ГОСТ 24866-89

Стеклопакеты клееные. Технические условия.

ГОСТ 25891-83

Здания и сооружения. Методы определения сопротивления воздухопроницанию ограждающих конструкций.

ГОСТ 26602-85

Окна. Метод определения сопротивления теплопередаче.

ГОСТ 27296-87

Звукоизоляция ограждающих конструкций. Методы испытаний.

ГОСТ 30109-94

Двери деревянные. Методы испытания на сопротивление взлому.

ГОСТ 9.031-74

ЕСЭКС. Покрытия анодно-оксидные полуфабрикатов из алюминия и его сплавов. Общие требования и методы контроля.

ГОСТ 9.301-86

ЕСЭКС. Покрытия металлические и не металлические неорганические. Общие требования.

ГОСТ 9.303-84

ЕСЭКС. Покрытия металлические и не металлические неорганические. Общие требования к выбору.

 

Лист регистрации изменений

Номера листов (страниц)

Всего листов (страниц) в докум.

Номер документа

Входящий номер сопроводительного документа и дата

Подп.

Д-а

Изм.

измененных

замененных

новых

анулированных

 

 

 

 

 

 

 

 

 

 

 

 

 

 

 

 

 

 

 

 

 

 

 

 

 

 

 

 

 

 

 

 

 

 

 

 

 

 

 

 

 

 

 

 

 

 

 

 

 

 

 

 

 

 

 

 

 

 

 

 

 

 

 

 

 

 

 

 

 

 

 

 

 

 

 

 

 

 

 

 

 

 

 

 

 

 

 

 

 

 

 

 

 

 

 

 

 

 

 

 

 

 

 

 

 

 

 

 

 

 

 

 

 

 

 

 

 

 

 

 

 

 

 

 

 

 

 

 

 

 

 

 

 

 

 

 

 

 

 

 

 

 

 

 

 

 

 

 

 

 

 

 

 

 

 

 

 

 

 

 

 

 

 

 

 

 

 

 

 

 

 

 

 

 

 

 

 

 

 

 

 

 

 

 

 

 

 

 

 

 

 

 

 

 

 

 

 

 

 

 

 

 

 

 

 

 

 

 

 

 

 

 

 

 

 

 

 

 

 

 

 

 

 

 

 

 

 

 

 

 

 

 

 

 

 

 

 

 

 

 

 

 

 

 

 

 

 

 

 

 

 

 

 

 

 

 

 

 

 

 

 

 

 

 

 

 

 

 

 

 

 

 

 

 

 

 

 

 

 

 

 

 

 

 

 

 

 

 

 

 

 

 

 

 

 

 

 

 

 

 

 

 

 

 

 

 

 

 

 

 

 

 

 

 

 

 

 

 

 

 

 

 

 

 

 

 

 

 

 

 

 

 

 

 

 

 

 

 

 

 

 

 

 

 

 

 

 

 

 

 

30. Характеристики продукции

Основные эксплуатационные характеристики изделий:

Наименование характеристики

Значение

1. Приведенное сопротивление теплопередаче, м2×°С/Вт:

 

- с однокамерным стеклопакетом

0,34

- то же, с теплоотражающим покрытием

0,45

- с двухкамерным стеклопакетом

0,42

- то же, с теплоотражающим покрытием

0,52

2. Индекс звукоизоляции, дБА

27

3. Общий коэффициент светопропускания

0,6 - 0,75

4. Воздухопроницаемость, кг×м2×ч

5,1

КАТАЛОЖНЫЙ ЛИСТ ПРОДУКЦИИ

Код ЦСМ 01 200     Группа КГС/ОКС 02-Ж34    Регистрационный номер 03-016333

Код ОКП

11

527000

Наименование продукции

12

Окна и двери из алюминиевых сплавов

Обозначение продукции

13

-

Обозначение нормативного или технич. документа /взамен/

14

ТУ 5270-001-44991977-97

Наименование нормативного или технического документа

15

Окна и двери из алюминиевых сплавов. Технические условия

Код предприятия-изготовителя по ОКПО

16

44991977

Наименование предприятия-изготовителя

17

ООО «Техноком ЛТД»

Адрес предприятия-изготовителя /индекс, город, ул., дом/

18

103062, Москва, Лялин пер., дом 7/2, офис 9

Телефон

19

/095/917-29-64

Телефакс

20

/095/917-23-05

Телекс

21

-

Телетайп

22

-

Наименование держателя подлинника

23

ООО «Техноком ЛТД»

Адрес держателя подлинника /индекс, город, ул., дом/

24

103062, Москва, Лялин пер., дом 7/2, офис 9

Дата начала выпуска продукции

25

01.11.97

Дата введения в действие норм. или технич. документа

26

01.11.97 до 01.01.2000

Номер сертификата соответствия

27

-

СОДЕРЖАНИЕ

 




Яндекс цитирования



   Copyright © 2007-2026,  www.tehlit.ru.

[ ѓосты, стандарты, нормативы, инструкции, правила, строительные нормы ]