//
ТехЛит.ру
- крупнейшая бесплатная электронная интернет библиотека для "технически умных" людей.
WWW.TEHLIT.RU - ТЕХНИЧЕСКАЯ ЛИТЕРАТУРА

:: Алготрейдинг::


АЛГОТРЕЙДИНГ
шаг за шагом
с нуля по урокам!

Торговые роботы на PYTHON, BackTrader,
Pandas, Pine Script для TradingView. Связка с брокерами, телеграм и легкими приложениями.


ДЕПАРТАМЕНТ СТРОИТЕЛЬСТВА
НАУЧНО-ТЕХНИЧЕСКОЕ УПРАВЛЕНИЕ
НИЦ "
СТРОИТЕЛЬСТВО"

ВЕДОМСТВЕННЫЕ СТРОИТЕЛЬНЫЕ НОРМЫ

ПРОЕКТИРОВАНИЕ И ОСНОВНЫЕ
ПОЛОЖЕНИЯ ТЕХНОЛОГИЙ ПРОИЗВОДСТВА
ФИБРОБЕТОННЫХ КОНСТРУКЦИЙ

ВСН 56-97

Москва - 1997

Настоящие строительные нормы разработаны НИИЖБом, МНИИТЭПом и фирмой "Фибробетон" в соответствии с Постановлением Правительства Москвы № 992 от 1 ноября 1994 г. "О комплексной программе по разработке и выпуску Московских городских строительных норм и правил, отраслевых стандартов и технических условий для строительства в г. Москве" по заданию Научно-технического управления Департамента строительства. Нормы подготовлены и вводятся впервые.

Разработке 1-ой редакции норм предшествовало обобщение отечественного и зарубежного опыта исследований, проектирования и технологии изготовления, устройства и возведения стеклофибробетонных, сталефибробетонных, базальтофибробетонных элементов, конструкций и сооружений.

При подготовке норм учтены основные положения действующих нормативных документов по проектированию и изготовлению бетонных, железобетонных, армоцементных и сталефибробетонных конструкций (СНиП 2.03.01-84; СНиП 2.03.03-85; СНиП 2.03.11-85; СНиП 10-01-94 и др.) а также рекомендаций, стандартов, технических условий и регламентов на материалы и технологию изготовления конструкций, приведенные в приложениях.

Настоящие ВСН согласованы с ведущими Научно-исследовательскими, проектными и производственными организациями.

В разработке ВСН участвовали: от НИИЖБ - к.т.н. Волков И. В., д.т.н. Хайдуков Г. К., инж. Газин Э.М., от МНИИТЭП - д.т.н. Жуковский Э. З., к.т.н. Шабля В. Ф., от фирмы "Фибробетон" - к.т.н. Анацкий Ф. И., Рудой В. М.

Нормы разработаны при участии Департамента строительства Правительства Москвы (к.т.н. Дмитриев А. Н.) и НИЦ "Строительство" (к.т.н. Гурьев В. В.).

Научное редактирование ВСН выполнено к.т.н. Волковым И. В. и к.т.н. Анацким Ф. И.

Департамент строительства

Ведомственные строительные нормы

ВСН 56-97
Департамент
строительства

Научно-техническое управление

Ведомственные строительные нормы по проектированию и основным положениям технологий производства фибробетонных конструкций

Вводятся впервые

ЧАСТЬ 1. ПРОЕКТИРОВАНИЕ СТЕКЛОФИБРОБЕТОННЫХ КОНСТРУКЦИЙ.

1.1. ОБЩИЕ УКАЗАНИЯ.

1.1.1. Настоящие нормы распространяются на проектирование элементов несущих и ограждающих конструкций и изделий из стеклофибробетона для зданий и сооружений различного назначения.

Стеклофибробетон является разновидностью фибробетона и изготавливается из мелкозернистого бетона (бетон-матрица) и армирующих его отрезков стекловолокна (фибр), равномерно распределенных по объему бетона изделия или отдельных его частей (зон). Совместность работы бетона и фибр обеспечивается за счет сцепления по их поверхности.

1.1.2. Нормы содержат указания по проектированию стеклофибробетонных конструкций, предназначенных для работы при систематическом воздействии температуры не выше 50 °С и не ниже минус 70 °С.

При проектировании стеклофибробетонных конструкций, предназначенных для работы в условиях с систематическим воздействием температуры выше 50 °С, а также агрессивных по отношению к стеклофибробетону сред, необходимо учитывать дополнительные требования, предъявляемые к таким конструкциям соответствующими нормативными документами.

Внесены НИИЖБом, МНИИТЭПом, фирмой "Фибробетон"

Утверждены Научно-техническим управлением Департамента строительства
1 июля 1
996 г.

Срок введения в действие
1 июля 1
997 г.

По показателям прочности, морозостойкости и водонепроницаемости приняты классы бетона в соответствии с ГОСТ 25192, ГОСТ 26633, СНиП 2.03.01 и СТ СЭВ 3978.

Основные буквенные обозначения, принятые согласно СТ СЭВ 1565, и используемая в настоящих нормах терминология, приведены в справочном приложении 1.1.

1.1.3. Нормы предназначены для проектирования стеклофибробетонных конструкций и стеклофибробетонных конструкций с комбинированным армированием согласно классификации по п. 1.1.5.

1.1.4. Допускается проектирование фибробетонных конструкций с применением фибр из полипропилена, нейлона, углерода, арамида или карбона при соответствующем обосновании и согласовании с НИИЖБ.

Основные положения.

1.1.5. Стеклофибробетонные конструкции в зависимости от их армирования подразделяют на конструкции:

с фибровым армированием - при их армировании только фибрами из стекловолокна, равномерно распределенными по объему бетона всего элемента или его части;

с комбинированным армированием - при их армировании фибрами из стекловолокна, равномерно распределенными по объему (сечению) элемента, в сочетании со стержневой, проволочной стальной арматурой (или стержневой стеклопластиковой арматурой при соответствующем обосновании и согласовании с НИИЖБ).

1.1.6. Стеклофибробетонные конструкции, аналогично железобетонным согласно СТ СЭВ 1505, должны быть обеспечены с требуемой надежностью от возникновения всех видов предельных состояний расчетом, выбором материалов, назначением размеров и конструированием.

1.1.7. Конструкции из стеклофибробетона на портландцементе и глиноземистом цементе могут применяться в неагрессивных и агрессивных средах при соблюдении требований СНиП 2.03.11 и указаний п. 1.1.8 настоящих норм.

1.1.8. Степень агрессивного воздействия сред для стеклофибробетонных конструкций с фибровым армированием принимается по указаниям пп. 2.4-2.8 СНиП 2.03.11 как для конструкций из бетона-матрицы.

Для стеклофибробетонных конструкций с комбинированным армированием степень агрессивного воздействия сред принимается по указаниям пп. 2.4-2.8 СНиП 2.03.11 как для конструкций из железобетона.

Толщину защитного слоя фибробетона для рабочей стальной стержневой или проволочной арматуры в сборных конструкциях и изделиях рекомендуется принимать уменьшенной по сравнению с требованиями пп. 5.4 и 5.5 СНиП 2.03.03, но не более чем на 12 мм соответственно п. 2.19 СНиП 2.03.11.

1.1.9. Стеклофибробетон рекомендуется применять в тонкостенных элементах и конструкциях зданий и сооружений, для которых существенно важным является: снижение собственного веса, повышение трещиностойкости, обеспечение водонепроницаемости бетона и его долговечности (в т.ч., в агрессивных средах), повышение ударной вязкости и сопротивления истиранию, наличие радиопрозрачности, а также повышение архитектурной выразительности и экологической чистоты.

1.1.10. Выбор конструктивных решений стеклофибробетонных конструкций выполняется с учетом технико-экономической целесообразности применения таких конструкций в конкретных условиях строительства, максимального снижения их материало-, трудо- и энергоемкости, повышения долговечности и архитектурной выразительности. При этом следует учитывать методы изготовления, монтажа и условия эксплуатации конструкций.

1.1.11. Форма и размеры сечений элементов принимаются исходя из наиболее полного учета свойств стеклофибробетона, возможности заводского механизированного и автоматизированного изготовления, удобства транспортирования и монтажа конструкций.

1.1.12. При проектировании стеклофибробетонных конструкций следует учитывать наиболее эффективные технологии их изготовления (см. часть 2 настоящих норм).

1.1.13. Стеклофибробетон рекомендуется для изготовления конструкций, в которых могут быть наиболее эффектно использованы следующие его технические преимущества по сравнению с бетоном и железобетоном:

- повышенные трещиностойкость, ударная вязкость, износостойкость, морозостойкость и атмосферостойкость;

- возможность использования более эффективных конструктивных решений, чем при обычном армировании, например: применение тонкостенных конструкций, конструкций без стержневой или сетчатой распределительной и поперечной арматуры и др.;

- возможность снижения или полного исключения расхода стальной арматуры, например, в конструкциях с экономической ответственностью;

- снижение трудозатрат и энергозатрат на арматурные работы, повышение степени механизации и автоматизации при производстве фибробетонных конструкций, например, сборных тонкостенных оболочек, складок, ребристых плит покрытий и перекрытий, дорожных покрытий, монолитных и сборных полов промышленных и общественных зданий, конструкций несъемной опалубки и др.;

- возможность применения новых, более производительных приемов формования армированных конструкций, например, пневмонабрызга, погиба свежеотформованных листовых изделий и др.

Рекомендуемая номенклатура эффективных стеклофибробетонных конструкций приведена в справочном приложении 1.2.

1.1.14. Для приготовления стеклофибробетона применяется мелкозернистый бетон (матрица) на мелком плотном заполнителе по ГОСТ 8736, портландцементе по ГОСТ 10178 или глиноземистом цементе по ГОСТ 969, а также модифицированном портландцементе с ультрадисперсной кремнеземной добавкой или ВНВ. Применение других вяжущих допускается при соответствующем обосновании.

1.1.15. Для фибрового армирования мелкозернистого бетона на портландцементе и его разновидностях используются фибры из щелочестойкого стекла марки СЦ-6 в виде отрезков комплексных нитей рассыпающегося ровинга по ТУ 21-38-233-92.

Для фибрового армирования матрицы на глиноземистом цементе может использоваться фибра из обычного алюмоборосиликатного стекловолокна по ГОСТ 17139 при соответствующем обосновании.

При экспериментальном и экономическом обосновании и согласовании с НИИЖБ возможно применение фибр из стеклянного волокна со специальными защитными покрытиями.

1.1.16. Размеры и форма фибр из стекловолокна принимаются с учетом вида, назначения конструкции, технологических требований по ее изготовлению, с целью максимального использования прочностных свойств и обеспечения долговечности фибры в стеклофибробетоне.

1.1.17. Стеклофибробетонные элементы с фибровым армированием рекомендуется применять в конструкциях, работающих:

- преимущественно на ударные нагрузки, истирание, продавливание и атмосферные воздействия;

- на сжатие при эксцентриситетах приложения продольной силы, не превышающих величин, указанных в п. 3.3 СНиП 2.03.01 (например, в элементах пространственных покрытий);

- на изгиб при соблюдении условий, исключающих их хрупкое разрушение в конструкциях с экономической ответственностью;

- в условиях, указанных в п. 1.7б СНиП 2.03.01.

1.1.18. Стеклофибробетонные конструкции с комбинированным армированием применяются аналогично обычным или предварительно напряженным железобетонным конструкциям в зданиях и сооружениях, для которых существенное значение имеют снижение собственного веса, уменьшение раскрытия трещин, обеспечение водонепроницаемости, долговечность, стойкость при воздействии ударных нагрузок.

1.1.19. При проектировании сборных стеклофибробетонных конструкций особое внимание необходимо обращать на прочность, долговечность и технологичность соединений и узлов. Соединения и узлы сборных ограждающих конструкций должны удовлетворять также специальным требованиям к этим ограждениям (обеспечивать передачу усилий элементам несущих конструкций, выполнение теплотехнических требований, заданной деформативности, водонепроницаемости и др.).

1.1.20. Для предотвращения появления трещин, местных выколов и других дефектов стеклофибробетонных конструкций или изделий при их подъеме в процессе изготовления, складирования, транспортирования и монтажа следует применять специальные приспособления, в т.ч. беспетлевые захваты стеклофибробетонных конструкций и изделий.

Основные расчетные требования.

1.1.21. Стеклофибробетонные конструкции с фибровым или комбинированным армированием должны удовлетворять требованиям по несущей способности (предельные состояния первой группы) и по пригодности к нормальной эксплуатации (предельные состояния второй группы) согласно СТ СЭВ 1406.

1.1.22. Проектирование конструкций выполняется по методике, аналогичной методике проектирования армоцеметных и сталефибробетонных конструкций с учетом прочностных и деформативных характеристик стеклофибробетона. При проектировании стеклофибробетонных конструкций следует руководствоваться общими положениями СНиП 2.03.01 (пп. 1.1¸1.6, 1.8-1.9, 1.22), СНиП 2.03.03 и настоящими нормами.

1.1.23. Расчет стеклофибробетонных конструкций, в т.ч. с комбинированным армированием, производится по несущей способности (предельные состояния первой группы) и по пригодности к нормальной эксплуатации (предельные состояния второй группы) в соответствии с положениями настоящих норм, учитывающих следующие особенности стеклофибробетонных конструкций:

- дисперсность армирования;

- тонкостенность конструкций;

- уменьшенный (по сравнению с железобетонными конструкциями) защитный слой для стержневой или проволочной арматуры при комбинированном армировании;

- возможное изменение прочности на растяжение стеклофибробетона во времени в зависимости от влажности среды эксплуатации.

1.1.24. Значения нагрузок и воздействий, коэффициентов перегрузок, коэффициентов сочетаний нагрузок, а также разделение нагрузок на постоянные и временные (длительные, кратковременные, особые) должны приниматься в соответствии с требованиями СНиП II-6, с учетом дополнительных указаний СНиП 2.03.01 и пп. 1.12 и 1.13 СНиП 2.03.03.

1.1.25. Трещиностойкость стеклофибробетонных конструкций с фибровым и комбинированным армированием должна отвечать требованиям п. 1.13 СНиП 2.03.03 и настоящих норм.

1.1.26. Категории требований к трещиностойкости стеклофибробетонных конструкций с комбинированным армированием в зависимости от условий их работы и вида арматуры, а также величины предельно допустимой ширины раскрытия трещин приведены в таблице 1.1.

Нагрузки, учитываемые при расчете стеклофибробетонных конструкций с фибровым или комбинированным армированием по образованию и раскрытию трещин, должны приниматься согласно табл. 2 СНиП 2.03.03.

1.1.27. Несущие стеклофибробетонные элементы, как правило, должны выполняться с комбинированным армированием.

Несущие элементы из стеклофибробетона без комбинированного армирования не должны иметь трещин при продолжительном действии нагрузки с коэффициентом перегрузки γ = 1 и удовлетворять требованиям по несущей способности.

1.1.28. Определение прогибов стеклофибробетонных конструкций с комбинированным армированием следует производить согласно положениям СНиП 2.03.01 и указаниям пп. 1.4.9-1.4.14 настоящих норм. Значения предельно допустимых прогибов следует принимать по СНиП 2.03.01.

Расчет прогибов стеклофибробетонных конструкций без комбинированного армирования не производится.

1.1.29. Статический расчет стеклофибробетонных конструкций в виде оболочек и складок следует выполнять как тонкостенных пространственных конструкций. Перераспределение усилий в статически неопределимых стеклофибробетонных конструкциях следует обосновывать экспериментальным путем.

1.1.30. Расстояния между температурно-усадочными швами в стеклофибробетонных конструкциях покрытий и др. следует устанавливать расчетом с учетом требований СНиП 2.03.01.

1.1.31. Средняя плотность мелкозернистого бетона, учитываемая при расчете стеклофибробетонных конструкций, принимается равной 2300 кг/м3. Средняя плотность стеклофибробетона принимается равной 2400 кг/м3. При наличии конкретных данных о средней плотности стеклофибробетона допускается принимать другие значения, обоснованные в установленном порядке.

1.1.32. В рабочих чертежах конструкций из стеклофибробетона следует указывать требования к материалам, а также сведения о технологических приемах изготовления, контроля качества и хранения конструкций.

Дополнительные указания по проектированию предварительно напряженных конструкций.

1.1.33. Предварительно напряженные стеклофибробетонные конструкции следует проектировать в соответствии с требованиями пп. 1.23-1.30 СНиП 2.03.01; пп. 1.21 и 1.25 СНиП 2.03.03 и настоящих норм.

1.1.34. Потери напряжения в предварительно напряженной арматуре для стеклофибробетонных конструкций следует определять по указаниям пп. 1.25-1.27 СНиП 2.03.01 как для конструкций из мелкозернистого бетона.

Потери от усадки стеклофибробетона допускается принимать с коэффициентом 0,9 при соответствующем обосновании.

Дополнительные указания по проектированию изгибаемых трехслойных элементов с эффективным утеплителем и наружными слоями из стеклофибробетона.

1.1.35. Настоящие нормы могут быть использованы при проектировании ограждающих трехслойных элементов, выполняемых с наружными слоями из стеклофибробетона и внутренним слоем - из фибролита по ГОСТ 8928, легкого бетона или плит из ячеистого бетона.

1.1.36. Наружные слои трехслойных элементов принимаются толщиной 15¸30 мм и выполняются из стеклофибробетона на основе мелкозернистого бетона класса не ниже В25 группы А.

1.1.37. Дисперсное армирование выполняется из отрезков щелочестойкого стекловолокна длиной 20¸40 мм, изготавливаемого по ТУ 21-38-233-92.

1.1.38. Внутренний слой толщиной 75-220 мм выполняется из фибролита по ГОСТ 8928 объемной массой не ниже 400, а также из легкого монолитного бетона или плит из ячеистого бетона, отвечающих соответствующим стандартам.

1.1.39. Настоящие указания по расчету распространяются на трехслойные элементы, изготавливаемые методом приформовывания слоев, т.е. с обеспеченным сцеплением слоев стеклофибробетона и внутреннего слоя утеплителя.

1.1.40. При проектировании с целью обеспечения прочности, жесткости и трещиностойкости трехслойных стеклофибробетонных элементов, рассчитываемых по настоящим нормам, следует принимать величину отношения расчетного пролета изгибаемого элемента к его полной высоте не менее 8.

Таблица 1.1

Условия работы элементов конструкций

Категория требований к трещиностойкости стеклофибробетонных конструкций с комбинированным армированием и предельно допустимая ширина acrc1 и аcrc2, мм, раскрытия трещин при армировании

стержневой классов А-I, А-II, А-III, А-IIIв и А-IV; проволочной классов В-I и Вр-I

стержневой классов A-V и А-VI; проволочной классов В-II, Вр-II, К-7 и К-9 при диаметре проволоки 4,5 мм и более

проволочной классов В-II, Вр-II и К-7 при диаметре проволоки 3 мм и менее

Элементы:

 

 

 

1. С полностью растянутым или частично сжатым сечением, воспринимающие давление жидкостей или газов

2-я категория

аcrc1 = 0,10

acrc2 = 0,06

1-я категория

1-я категория

2. Эксплуатируемые в отапливаемых зданиях с относительной влажностью внутреннего воздуха помещений выше 75 %, а также на открытом воздухе и в неотапливаемых зданиях в условиях увлажнения атмосферными осадками

2-я категория

acrc1 = 0,12

асrс2 = 0,09

1-я категория

1-я категория

3. Эксплуатируемые в отапливаемых зданиях с относительной влажностью внутреннего воздуха помещений от 60 до 75 %

2-я категория

acrc1 = 0,15

аcrc2 = 0,12

2-я категория

acrc1 = 0,12

acrc2 = 0,08

1-я категория

4. Эксплуатируемые в отапливаемых зданиях с относительной влажностью внутреннего воздуха помещений до 60 % и при отсутствии возможности систематического увлажнения конструкции конденсатом

2-я категория

acrc1 = 0,20

acrc2 = 0,15

2-я категория

acrc1 = 0,15

асrс2 = 0,10

2-я категория

acrc1 = 0,07

acrc2 = 0,05

1.2. МАТЕРИАЛЫ ДЛЯ СТЕКЛОФИБРОБЕТОННЫХ КОНСТРУКЦИЙ.

Мелкозернистый бетон.

1.2.1. Для стеклофибробетонных конструкций, проектируемых в соответствии с настоящими нормами, следует предусматривать конструкционный мелкозернистый бетон по ГОСТ 26633 средней плотности не менее 2000 кг/м3 на кварцевом песке с крупностью зерен от 1,5 мм до 2,3 мм в соответствии с ГОСТ 8736.

Бетон должен иметь водопоглощение не более 8 % по массе.

1.2.2. Мелкозернистый бетон для стеклофибробетонных конструкций в зависимости от вида и условий их работы предусматривается следующих классов и марок:

а) классов по прочности на сжатие:

бетон группы А (естественного твердения или подвергнутый тепловой обработке при атмосферном давлении, на песке с модулем крупности свыше 2,0 но не более 2,5) - В20, В25, В30, В35, В40;

бетон группы Б (естественного твердения или подвергнутый тепловой обработке при атмосферном давлении, на песке с модулем крупности 2,0¸1,5) - В20, В25, В30 и В35.

Допускается применение бетона промежуточных классов В22,5 и В27,5 при условии, что это приводит к экономии цемента по сравнению с применением бетона соответственно классов В25 и В30 и не снижает других технико-экономических показателей конструкций.

б) классов по прочности на осевое растяжение - Bt 1.6; Bt 2; Bt 2.4; Bt 2.8; Bt 3.2; Вt 3.6; Bt 4;

в) марок по морозостойкости - F50; F75; F100; F150; F200; F250; F300; F400, F500;

г) марок по водонепроницаемости - W4; W6; W8; W10; W12.

1.2.3. В качестве вяжущих для приготовления мелкозернистого бетона стеклофибробетонных конструкций следует применять портландцемент по ГОСТ 10178, глиноземистый цемент по ГОСТ 969 марок не ниже М400, а также добавки микрокремнезема по ТУ 7-249533; ТУ 7-249533-02; ТУ 2-249533-03 или вяжущее низкой водопотребности (ВНВ) по ТУ 21-26-20.

1.2.4. Возраст бетона, отвечающий его классу по прочности на сжатие и осевое растяжение, назначается при проектировании, исходя из возможных реальных сроков фактического загружения конструкций проектными нагрузками, способа возведения и условий твердения бетона. При отсутствии этих данных класс бетона устанавливается в возрасте 28 суток.

Значение отпускной прочности бетона в элементах сборных конструкций назначается в соответствии с указаниями ГОСТ 13015.0 и стандартов или технических условий на конструкции конкретных видов.

1.2.5. Для предварительно напряженных стеклофибробетонных элементов бетон, в котором расположена напрягаемая арматура, принимается класса по прочности на сжатие в зависимости от вида и класса напрягаемой арматуры, ее диаметра и наличия анкерных устройств не ниже, указанного в табл. 8 СНиП 2.03.01.

1.2.6. Минимальные марки по морозостойкости и водонепроницаемости стеклофибробетона в зависимости от условий работы стеклофибробетонных конструкций принимаются в соответствии с указаниями п. 2.9 СНиП 2.03.01 или проектных требований.

1.2.7. Для замоноличивания стыков стеклофибробетонных элементов следует принимать бетон или стеклофибробетон с прочностными характеристиками в зависимости от условий работы соединяемых элементов, но не ниже, чем фибробетона соединяемых элементов.

Нормативные и расчетные характеристики мелкозернистого бетона.

1.2.8. Нормативные и расчетные сопротивления мелкозернистого бетона, а также коэффициенты условий работы принимаются в соответствии с указаниями пп. 2.11-2.13 СНиП 2.03.01.

1.2.9. Значения начального модуля упругости Eb, коэффициента линейной температурной деформации αbt, начального коэффициента поперечной деформации (коэффициента Пуассона) и модуля сдвига стеклофибробетона могут быть приняты как для мелкозернистого бетона в соответствии с указаниями пп. 2.14-2.16 СНиП 2.03.01. Допускается принимать уточненные опытным путем значения этих характеристик при соответствующем обосновании.

Арматура.

1.2.10. Для фибрового армирования стеклофибробетонных конструкций принимается фибра в виде отрезков стекловолокна, как правило, длиной от 10 мм до 60 мм, изготавливаемая путем рубки:

ровинга из щелочестойкого (цементостойкого) стекловолокна, выпускаемого по ТУ 21-38-233-92;

- ровинга из алюмоборосиликатного (нещелочестойкого) стекловолокна по ГОСТ 17139.

Длина фибры принимается в зависимости от размеров и армирования конструкций, вида технологического оборудования по приготовлению и укладке стеклофибробетонной смеси.

1.2.11. Для армирования мелкозернистого бетона на портландцементе используется фибра из щелочестойкого стекловолокна.

1.2.12. Фибра из нещелочестойкого (алюмоборосиликатного) стекловолокна может использоваться в случаях армирования бетона (матрицы) на основе глиноземистого цемента, портландцемента с добавкой гипса или микрокремнезема на ограниченный срок службы при соответствующем обосновании.

Использование фибры из алюмоборосиликатного (нещелочестойкого) стекловолокна для армирования стеклофибробетона на портландцементе допускается в качестве фибровой арматуры, рассчитываемой на восприятие технологических нагрузок при работе бетона конструкций в раннем возрасте в срок до одного месяца.

1.2.13. Допускается применение для фибрового армирования капроновых, нейлоновых, полипропиленовых высокомодульных волокон при соответствующем технико-экономическом и экспериментальном обосновании в установленном порядке.

1.2.14. Стержневая и проволочная арматура при комбинированном армировании стеклофибробетонных конструкций принимается в соответствии с указаниями СНиП 2.03.01.

1.2.15. Выбор стержневой и проволочной арматуры в зависимости от типа конструкции, наличия предварительного напряжения, условий возведения и эксплуатации, а также выбор марок стали для закладных деталей производится по соответствующим указаниям СНиП 2.03.01 и СНиП 2.03.03.

Нормативные и расчетные характеристики арматуры.

1.2.16. За нормативные сопротивления растяжению фибровой арматуры Rf,ser принимаются наименьшие контролируемые значения временного сопротивления разрыву для фибры в виде отрезков комплексной нити или элементарного волокна в зависимости от предусмотренной проектом технологии изготовления конструкций.

Указанные контролируемые характеристики фибровой арматуры принимаются в соответствии с техническими условиями на фибру и гарантируются с вероятностью не менее 0,95.

1.2.17. Расчетные сопротивления фибровой арматуры растяжению для предельных состояний первой группы Rf определяются путем деления нормативных сопротивлений на коэффициент надежности по фибровой арматуре γf, принимаемый в зависимости от вида фибровой арматуры.

Таблица 1.2

Вид фибровой арматуры

Нормативные сопротивления растяжению Rsfn расчетные сопротивления растяжению для предельных состояний второй группы Rsf,ser, МПа

Коэффициент надежности по фибровой арматуре γsf при расчете конструкций по предельным состояниям

Расчетное сопротивление растяжению фибровой арматуры для предельных состояний первой группы

первой группы

второй группы

1

2

3

4

5

Фибра из:

Щелочестойкого стекловолокна в виде отрезков комплексных нитей, получаемых из ровинга по ТУ 21-38-223 при марках стекла:

 

 

 

 

Щ-15ЖТ

1100

1,3

1,0

845

СЦ-6

1100

1,2

1,0

910

СЦ-6ПУ

1100

1,1

1,0

1000

2. Алюмоборосиликатного (нещелочестойкого) стекловолокна по ГОСТ 17139 в виде отрезков комплексных нитей

1200

1,3

1,0

930

1.2.18. Нормативные сопротивления, коэффициенты надежности и расчетные сопротивления растяжению для фибровой арматуры приведены в таблице 1.2.

1.2.19. Модуль упругости стекловолокна фибровой арматуры, приведенной в таблице 1.2. принимается равным Ef = 70000 МПа.

Для фибры из других видов волокон модуль упругости может приниматься по опытным данным при соответствующем обосновании.

1.2.20. При комбинированном армировании нормативные и расчетные сопротивления стержневой и проволочной арматуры, коэффициенты условий работы и модули упругости этой арматуры принимаются согласно указаниям СНиП 2.03.01.

1.2.21. Длину зоны передачи напряжений lp для напрягаемой арматуры без анкеров при комбинированном армировании стеклофибробетонных конструкций рекомендуется определять по указаниям п. 2.29 СНиП 2.03.01, как для используемого мелкозернистого бетона-матрицы.

Допускается принимать уменьшенные значения lp в зависимости от интенсивности фибрового армирования и технологии изготовления конструкций при соответствующем обосновании.

1.3. РАСЧЕТ СТЕКЛОФИБРОБЕТОННЫХ КОНСТРУКЦИЙ ПО ПРЕДЕЛЬНЫМ СОСТОЯНИЯМ ПЕРВОЙ ГРУППЫ.

1.3.1. Стеклофибробетонные конструкции при расчете по прочности рассматриваются как дисперсно армированные фибровой арматурой, равномерно распределенной по всему сечению (объему) элемента.

1.3.2. Расчет стеклофибробетонных конструкций по предельным состояниям первой группы производится с учетом основных положений СНиП 2.03.01, методики СНиП 2.03.03 и в соответствии с п.п. 1.3.5-1.3.30 настоящих норм.

1.3.3. Расчет элементов стеклофибробетонных конструкций по прочности производится для сечений, нормальных и наклонных к продольной оси. В случае надобности производится расчет элементов на местное действие нагрузки (смятие и продавливание).

1.3.4. Расчет элементов стеклофибробетонных конструкций на смятие следует производить в соответствии с указаниями п.п. 3.39, 3.40 СНиП 2.03.01.

Расчет стеклофибробетонных элементов на продавливание производится в соответствии с указаниями п. 1.3.30 настоящих норм.

Расчет по прочности сечений, нормальных к продольной оси элемента.

1.3.5. Предельные усилия в сечении, нормальном к продольной оси элемента, определяются исходя из следующих предпосылок:

- сопротивление стеклофибробетона сжатию выражается напряжениями, равными Rfb, равномерно распределенными по сжатой зоне сечения;

- сопротивление стеклофибробетона растяжению выражается напряжениями, равными Rfbt, распределенными равномерно в пределах частей сечения по растянутой зоне сечения с учетом коэффициента полноты эпюры напряжений ω (см. п. 1.3.16) в зависимости от армирования и формы сечения элемента;

- напряжения в стержневой или проволочной арматуре, расположенной в сжатой зоне сечения, принимаются равными расчетному сопротивлению при сжатии обычной (Rsc) и преднапряженной (Rpc) арматуры;

- напряжения в стержневой или проволочной арматуре, расположенной в растянутой зоне сечения, принимаются равными расчетному сопротивлению растяжению Rs и Rsp.

При этом значения сопротивлений стеклофибробетона сжатию Rfb и растяжению Rfbt принимаются в зависимости от армирования, формы и размеров элемента по указаниям п.п. 1.3.6-1.3.12 настоящих норм.

1.3.6. Расчетное сопротивление растяжению стеклофибробетона Rfbt определяется в зависимости от класса бетона, количества, вида и размеров фибры, а также размеров элемента по указаниям пп. 1.3.7-1.3.9.

1.3.7. Значение Rfbt, определяются по формуле:

Rfbt = m1×μf×Rf×kl×γfbi×kor,                                                       (1)

где: m1 - коэффициент, учитывающий влияние бетона-матрицы на прочность фибробетона и принимаемый по указаниям п. 1.3.8;

μf -     коэффициент фибрового армирования по объему;

Rf -     расчетное сопротивление растяжению фибровой арматуры, принимаемое по таблице 1.2;

kor -   коэффициент, учитывающий ориентацию фибр в объеме элемента, и принимаемый по указаниям п. 1.3.9;

kl -     коэффициент, учитывающий влияние длины фибр, и принимаемый по указаниям п. 1.3.10;

γfbi -     коэффициенты условий работы, учитывающие особенности свойств бетона, длительность действия и многократную повторяемость нагрузки, условия и стадию работы конструкции, способ ее изготовления и др. Значения коэффициентов γfbi принимаются по указанию п. 1.3.11.

При этом должно соблюдаться условие:

μf > μcr,                                                                 (2)

где: μcr - критический процент фибрового армирования, определяемый по указаниям п. 1.5.1 настоящих норм.

1.3.8. Значения коэффициента m1 при вычислении величины Rfbt для стеклофибробетона принимаются по данным, приведенным на рис. 1.1. Для промежуточных значений μf коэффициент m1 принимается по интерполяции.

При μf > 2,8 значения коэффициента m1 должны приниматься по опытным данным и согласованию с НИИЖБ.

Рис. 1.1 Изменение коэффициента m1 в зависимости от нормативной прочности на сжатие бетона-матрицы и объемного содержания стекловолокна.

1.3.9. Значения коэффициента kor в формуле 1 принимаются:

kor = 0,37 при 10 мм £ δ £ 15 мм;

kor = 0,35 при 15 мм < δ £ 25 мм;

kor = 0,32 при 25 мм < δ £ 30 мм;

Значения kor для элементов толщиной менее 10 мм и более 30 мм могут быть уточнены в опытном порядке при соответствующем обосновании.

1.3.10. Значения коэффициента kl в формуле 1 принимаются:

kl = 0,95 - при длине фибры 60 мм;

kl = 0,9 - при длине фибры 40 мм;

kl = 0,85 - при длине фибры 20 мм;

kl = 0,70 - при длине фибры 10 мм.

1.3.11. При вычислении величины Rfbt в формулу вводится коэффициент γfb1, значения которого принимаются в зависимости от вида фибробетона и влажности среды, в которой эксплуатируется конструкция, по табл. 1.3.

Таблица 1.3

Вид бетона

Значения коэффициента γfb1, при условиях эксплуатации конструкции

Воздушно-сухих

Влажных W > 80 %

На открытом воздухе

Стеклофибробетон на портландцементе и щелочестойком волокне при проценте фибрового армирования

 

 

 

1,2

0,9

0,70

0,70

2,0

0,95

0,73

0,75

2,8

1,0

0,75

0,80

при μf ≥ 3 %

1,0

0,80

0,90

1.3.12. Расчетное сопротивление сжатию стеклофибробетона Rfb определяется по формуле:

Rfb = γfb2×Rb,                                                         (3)

где: γfb2 - коэффициент условий работы, принимаемый равным:

γfb2 = 1        при          μcr       <   μ < 1,5 %;

γfb2 = 1,1     при     1,5 %    <    μ < 2,5 %;

γfb2 = 0,95   при                        μ > 2,5 %.

1.3.13. Расчет по прочности сечений, нормальных к продольной оси стеклофибробетонного внецентренно нагруженного элемента, когда сила действует в плоскости оси симметрии, производится согласно основным положениям СНиП 2.03.01 и рекомендациям пп. 3.3-3.40 СНиП 2.03.03 по приведенным в нем формулам с учетом указаний п. 1.3.5-1.3.18 настоящих норм.

При этом расчет стеклофибробетонных элементов ведется:

- при фибровом армировании (см. п. 1.1.4) - как армоцементных элементов с арматурой, приведенной к равномерно распределенной по сечению элемента (см. п. 3.2 СНиП 2.03.03);

- при комбинированном армировании (см. п. 1.1.4) - как армоцементных элементов с комбинированным армированием (см. п. 3.2 СНиП 2.03.03).

Расчет стеклофибробетонных элементов производится по расчетным формулам для армоцемента согласно СНиП 2.03.03 с изменениями, приведенными в пп. 1.3.14-1.3.18 настоящих норм, с использованием приведенных в них расчетных схем, усилий и эпюр напряжений в сечениях стеклофибробетонного элемента.

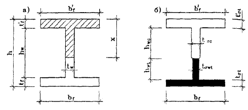
1.3.14. Расчет прочности нормальных сечений изгибаемых, внецентренно сжатых, центрально и внецентренно растянутых стеклофибробетонных элементов производится по формулам 1-43 пп. 3.4-3.19 СНиП 2.03.03 с заменой в них величин, используемых для армоцемента, на величины для стеклофибробетона в соответствии с табл. 1.4.

Таблица 1.4

Расчетные величины, заменяемые в формулах СНиП 2.03.03

Расчетные величины, используемые для стеклофибробетона по настоящим нормам

Rm×μm1

Rfbt

Rc1 или Rb + Rmc×μ’m1

Rfb

Rcf1

Rfb

Rcw1

Rfbw

Rcr1

Rfbr

Rm×μmr1

Rfbtr

Другие обозначения и величины в указанных формулах принимаются без изменений.

Величины Rfbt, Rfb, Rfbtf, (для полки), Rfbw (для ребра или стенки) и Rfb, Rfbtr (для кольцевого сечения) определяют по указаниям п. 1.3.7-1.3.12, принимая в формулах 4-6 значения коэффициентов ориентации соответственно для отдельных частей сечения элемента:

сжатой полки двутаврового сечения - korf;

растянутой полки двутаврового сечения - korf;

растянутой зоны сечения ребра или стенки - korw;

растянутой зоны кольцевого сечения - korr.

Равномерно распределенная по высоте сечения стальная стержневая или проволочная арматура может быть учтена в расчете путем ее приведения к фибровому армированию в соответствии с п. 3.2 СНиП 2.03.03 по формуле:

                                                    (4)

1.3.15. При расчете стеклофибробетонных конструкций по указаниям пп. 1.3.13-1.3.14 настоящих норм используются расчетные схемы внутренних усилий и напряжений, приведенные соответственно для элементов:

изгибаемых - на рис. 1.2-1.7;

внецентренно сжатых - на рис. 1.8 и 1.9;

внецентренно растянутых - на рис. 1.10 и 1.11.

При этом условие п. 3.19 в СНиП 2.03.03 (формула 42) заменяется формулой:

1.3.16. При расчете прочности стеклофибробетонных изгибаемых элементов прямоугольного сечения по схеме, приведенной на рис. 1.3, значение Rfbt умножается на коэффициент ω1, определяемый по формулам:

при h > 5bf                          ω1 = 0,5 + 2,5 Rfbt/Rfb;                                                          (5)

при h ≤ 5bf                          ω1 = 0,5 + 1,5 Rfbt/Rfb;                                                          (6)

1.3.17. При расчете прочности стеклофибробетонных изгибаемых элементов двутаврового сечения по схеме, приведенной на рис. 1.4 и 1.5 значение Rfbt в пределах стенки элемента умножается на коэффициент ω, определяемый по формуле п. 1.3.16. В пределах растянутой полки принимается полная величина Rfbt.

1.3.18. При расчете прочности стеклофибробетонных с комбинированным армированием изгибаемых элементов двутаврового сечения по схеме, приведенной на рис. 1.6 и 1.7 значение Rfbt для растянутой зоны сечения в пределах стенки принимается с коэффициентом ω1, принимаемый равным:

ω1 = 0,5 при μf = 1,2 %;

ω1 = 0,7 при μf = 2,0 %;

ω1 = 0,9 при μf = 2,8 %;

Для стеклофибробетона, расположенного в растянутой полке, значение Rfbt принимается с коэффициентом ω2, назначаемым при армировании растянутой полки стальной арматурой:

классов А-I, А-II, А-III, A-IV, Вр-I                               ω2 = 0,5 ω1;

классов A-V, A-VI, Вр-II, К7 и К19                              ω2 = 0,2.

1.3.19. При расчете по прочности изгибаемых стеклофибробетонных элементов складчатого сечения с комбинированным армированием арматурой класса Вр-II значение величины Rs в расчетных формулах 7-22 пп. 3.7-3.12 СНиП 2.03.03 (см. рис. 1.4 и 1.5), принимается умноженным на коэффициент условий работы γfb3, принимаемый равным:

0,8                   при условии                         Rfbt×At ≥ 0,5 Ns;

0,85                 при условии          0,2 Ns <  Rfbt×Abt < 0,5 Ns;

0,9                   при условии                         Rfbt×Abt < 0,2 Ns,

где: Ns = As×Rs - суммарное предельное усилие в растянутой проволочной арматуре.

1.3.20. При расчете по прочности изгибаемых элементов стеклофибробетонных конструкций рекомендуется соблюдать условие: xζR×h.

В случае, когда площадь сечения растянутой арматуры по конструктивным соображениям или из расчета по предельным состояниям второй группы принята большей, чем это требуется для соблюдения условия xζR×h, то для элементов из бетона класса В30 и ниже при комбинированном армировании ненапрягаемой арматурой классов А-I, А-II, А-III, Вр-I допускается производить расчет по формулам (4), (7), (10), (11), (14) и (13) СНиП 2.03.03, принимая ζ = ζR×h.

Для элементов из бетона классов выше В30 и армируемых стержневой или проволочной арматурой, обычной или преднапряженной, более высоких классов, чем указанные в настоящем пункте, допускается производить уточненный расчет, пользуясь общими указаниями п. 3.17 (формулы 28, 31, 33, 34 и 35) СНиП 2.03.01, с учетом положений пп. 1.3.14-1.3.18 настоящих норм.

1.3.21. Расчет прочности сечений, нормальных к продольной оси изгибаемого трехслойного элемента с наружными слоями из стеклофибробетона без стальной арматуры производится из условия обеспеченного сцепления между слоями и их совместной работы до разрушения.

1.3.22. При расчете трехслойных элементов с наружными слоями из стеклофибробетона используется расчетная схема внутренних усилий и эпюра напряжений, приведенная на рис. 1.12 настоящих норм. Прочность нормального сечения изгибаемого трехслойного элемента определяется из условия:

Mω3×Rfbt×tf×bf×z,                                                         (7)

где: z - плечо внутренней пары сил (см. рис. 1.12), определяемое как расстояние между центрами тяжести эпюр напряжений в стеклофибробетоне сжатого и растянутого слоя;

ω3 -    коэффициент полноты эпюры напряжений в растянутом стеклофибробетонном слое.

1.3.23. При расчете прочности нормальных сечений изгибаемых элементов по схеме, приведенной на рис. 1.12, для растянутого стеклофибробетонного слоя значение коэффициента ω3 принимаются по данным таблицы 1.5.

Таблица 1.5

Процент фибрового армирования по объему

1,5

2,0

2,5

3,0

5,0

коэффициент полноты эпюры растягивающих напряжений

0,9

0,93

0,95

0,97

1,00

1.3.24. Высота сжатой зоны стеклофибробетона и значение плеча внутренней пары сил определяются из условий:

                                              (8)

                                                       (9)

При этом напряжения сжатия определяют по относительным деформациям из условий упругой работы, используя следующие зависимости:

σfbc1 = Eb×εfbc1;

σfbc2 = Eb×εfbc2.

Значения  принимаются по таблице 1.6.

Рис. 1.2 Схема усилий и эпюра напряжений в сечении, нормальном к продольной оси изгибаемого стеклофибробетонного элемента прямоугольного сечения, при расчете его по прочности.

Рис. 1.3 Схема усилий и эпюра напряжений в сечении, нормальном к продольной оси изгибаемого стеклофибробетонного с комбинированным армированием элемента прямоугольного сечения при расчете его по прочности.

Рис. 1.4 Схема усилий и эпюра напряжений в сечении, нормальном к продольной оси загибаемого стеклофибробетонного элемента двутаврового сечения, при расчете его по прочности при хtf.

Рис. 1.5 Схема усилий и эпюра напряжений в сечении, нормальном к продольной оси изгибаемого стеклофибробетонного элемента двутаврового сечения, при расчете его по прочности при х > t’f.

Рис. 1.6 Схема усилий и эпюра напряжений в сечении, нормальном к продольной оси изгибаемого стеклофибробетонного с комбинированным армированием элемента двутаврового сечения, при расчете его по прочности при хtf.

Рис. 1.7 Схема усилий и эпюра напряжений в сечении, нормальном к продольной оси изгибаемого стеклофибробетонного с комбинированным армированием элемента двутаврового сечения, при расчете его по прочности при х > t’f.

Рис. 1.8 Схема усилий и эпюра напряжений в сечении, нормальном к продольной оси внецентренно сжатого стеклофибробетонного элемента двутаврового сечения, при расчете его по прочности при хtf.

Рис. 1.9 Схема усилий и эпюра напряжений в сечении, нормальном к продольной оси внецентренно сжатого стеклофибробетонного элемента двутаврового сечения, при расчете его по прочности при x > t’f.

Рис. 1.10 Схема усилий и эпюра напряжений в сечении, нормальном к продольной оси внецентренно растянутого стеклофибробетонного элемента с комбинированным армированием, в расчете его по прочности при приложении продольной силы N в пределах ядра сечения.

1 - стержневая или проволочная арматура.

Рис. 1.11 Схема усилий и эпюра напряжений в сечении, нормальном к продольной оси внецентренно растянутого стеклофибробетонного элемента с комбинированным армированием, в расчете его по прочности при приложении продольной силы N за пределами ядра сечения.

1 - стержневая или проволочная арматура.

Рис. 1.12 Схема усилий и эпюра напряжений в сечении, нормальном к продольной оси изгибаемого трехслойного элемента с наружными слоями из стеклофибробетона.

1.3.25. В расчете прочности нормального сечения по формуле 7 значение z принимается в зависимости от высоты сжатой зоны:

при x > t принимается           

при x £ t принимается           

Таблица 1.6

Класс бетона

Значения  при величине процента фибрового армирования μfv

1,5

2,0

2,5

3,0

5,0

25

30

35

45

50

65

35

25

30

40

50

60

40

25

30

40

45

55

Расчет по прочности сечений, наклонных к продольной оси элемента.

1.3.26. Расчет стеклофибробетонных элементов по наклонным сечениям выполняется на действие: поперечной силы по наклонной полосе между наклонными трещинами; поперечной силы по наклонной трещине; изгибающего момента по наклонной трещине в соответствии с указаниями пп. 3.21-3.23 СНиП 2.03.03 и пп. 1.3.27-1.3.29 настоящих норм.

1.3.27. Расчет стеклофибробетонных элементов прямоугольного сечения на действие поперечной силы для обеспечения прочности по наклонной полосе между наклонными трещинами выполняется с учетом указаний и по формулам (44) и (46) СНиП 2.03.03. При этом: значение φw1 определяется по формуле:

φw1 = 1 + 5 μfaw,                                                      (10)

где: μfaw = μv×k2nw (значение knw принимается по указаниям п. 1.3.15).

Значение правой части неравенства в формуле (44) СНиП 2.03.03 принимается не более 1,3.

1.3.28. Расчет стеклофибробетонных элементов по прочности на действие поперечной силы по наклонной трещине выполняется с учетом указаний и по формулам (47)-(51) СНиП 2.03.03. При этом в формулах (48), (49), (50) и (51) производится замена величин:

Qw1 - на Qfb;                  qmw - на qfb;             Rmw×μmw1 на Rfbtw,

где: Rfbtw - определяется согласно указаниям пп. 1.3.7-1.3.12.

1.3.29. Расчет сечений, наклонных к продольной оси стеклофибробетонных элементов, на действие изгибающего момента выполняется в соответствии с положениями п. 3.23 и по формуле (52) СНиП 2.03.03. При этом в формуле (52) производится замена величин:

Rm×μmf1 - на Rfbtf;       Rm×μmw1 - на Rfbtw,

где: Rfbtf и Rfbtw - величины, определяемые по указаниям пп. 1.3.7-1.3.9 и 1.3.15 настоящих норм.

Расчет на продавливание.

1.3.30. Расчет на продавливание плитных конструкций из стеклофибробетона без поперечной арматуры рекомендуется производить с учетом положений п. 3.42 СНиП 2.03.01 заменяя условие формулы (107) на условие формулы:

F ≤ 0,7×Rfbt×Um×h,                                                     (11)

где: Rfbt - принимается в соответствии с указаниями п. 1.3.7-1.3.9 и формулам (4) и  (5) настоящих норм.

h -    полная высота сечения элемента;

Um - среднеарифметическое значение параметров верхнего и нижнего оснований пирамиды, образующейся при продавливании в пределах рабочей высоты сечения (см. рис. 16 СНиП 2.03.01).

1.4. РАСЧЕТ СТЕКЛОФИБРОБЕТОННЫХ КОНСТРУКЦИЙ ПО ПРЕДЕЛЬНЫМ СОСТОЯНИЯМ ВТОРОЙ ГРУППЫ.

Расчет по образованию трещин.

1.4.1. Расчет по образованию трещин производится для стеклофибробетонных элементов и стеклофибробетонных элементов с комбинированным армированием стальной арматурой.

1.4.2. Расчет стеклофибробетонных элементов и стеклофибробетонных элементов с комбинированным армированием по образованию трещин, нормальных и наклонных к продольной оси элемента, производится в соответствии с основными положениями пп. 2.2-4.9, 4-11 СНиП 2.03.01 и указаниями пп. 4.1, 4.13 СНиП 2.03.03 для армоцементных элементов из мелкозернистого бетона соответствующего класса и по указаниям п. 1.4.3 настоящих норм из условия формулы (124) СНиП 2.03.01.

MrMcrc,                                                                (12)

1.4.3. Момент, воспринимаемый сечением, нормальным к продольной оси элемента при образовании трещин - Mcrc определяется из условий:

- для стеклофибробетонных элементов и элементов с комбинированным армированием без предварительного напряжения стальной арматуры

Mcrc = Wp1×σfbt,ser,                                                    (13)

- для элементов с комбинированным армированием и предварительно напрягаемой стальной арматурой

Mcrc = Wp1×σfbt,ser ± Mrp,                                          (14)

Значение σfbt,ser определяется по формуле:

σfbt,ser = (1 - 10 μf)×Rfbt,ser,                                        (15)

где: Rfbt,ser = Rfbt×γb3.

1.4.4. Значение Wp1 определяется по формуле

                               (16)

где: Ibc, Ifc1, Ift1 - момент инерции сжатой зоны стеклофибробетона, площадей сечения фибровой и стержневой или проволочной арматуры, расположенной соответственно в сжатой и растянутой зонах сечения, относительно нулевой линии;

Sbt -  статический момент площади растянутой зоны стеклофибробетона относительно нулевой линии;

α -    отношение модулей упругости фибровой арматуры Ef и бетона Eb.

Положение нулевой линии определяется по формуле:

                            (17)

где: Sredfbc, Sredflc, Sredflt - статические моменты площадей сечений сжатой зоны стеклофибробетона, площадей сечения фибровой и стержневой или проволочной арматуры, расположенной в сжатой и растянутой зонах сечения относительно нулевой линии.

Значения Iflc, Iflt, Sredflc и Sredflt определяются с учетом коэффициентов армирования по площади фибрового μfa, μfa или суммарного приведенного фибрового и стержневого или проволочного армирования μs, μs. При этом приведенные коэффициенты армирования в общем случае определяются аналогично положениям п. 4.9 СНиП 2.03.03 по формулам:

для сжатой полки

                                                          (18)

для стенки

                                                                (19)

для растянутой полки

                                                           (20)

Коэффициенты μfa, μfa и μfaw определяются по формулам:

μfa = μfvf×k2orf;                                                                   (21)

μfa = μfvf×k2orf;                                                                       (22)

μfaw = μfvw×k2orw;                                                                   (23)

где: korf, korf и korw - коэффициенты, учитывающие ориентацию фибры в полках и ребре, принимаются по указаниям пункта 1.3.9.

Значение коэффициента условий работы γb3, учитывающего влияние процента фибрового армирования, принимается в формуле (15) следующим:

при μf £ 1,5 % равным 1;

при μf = 2,0 % равным 1,05;

при μf = 3,0 % равным 1,10;

при μf = 5,0 % равным 1,20.

Значения γb3 для промежуточных величин μf принимаются по интерполяции.

1.4.5. Расчет по образованию трещин, наклонных к продольной оси элемента, производится по указаниям п. 4.11 СНиП 2.03.01 из формул (141), (142) и (143). Значение коэффициента α в формуле (142) принимается равным:

α = 0,02       при μf £ 1,5 %;

α = 0,015     при μf = 2,0 %;

α = 0,012     при μf = 3,0 %;

α = 0,010     при μf = 5,0 %.

При этом значение Rbt,ser заменяется на величину Rfbt, умноженную на коэффициент γb3 м. п. 1.4.4).

Расчет по раскрытию трещин.

1.4.6. Расчет по раскрытию трещин производится только для стеклофибробетонных элементов с комбинированным армированием.

Расчет по раскрытию производится только для трещин, нормальных к продольной оси элемента.

1.4.7. Ширину раскрытия трещин, нормальных к продольной оси элемента при комбинированном армировании, следует определять по формуле:

                               (24)

Значение σm определяется по формуле (57) СНиП 2.03.03 с заменой величины Wsl на Wfl для сечения, приведенного к условному эквивалентному сечению из стеклофибры, в соответствии со схемой на рис. 1.13.

Коэффициент φe, учитывающий влияние длительной нагрузки, принимается равным 3 для стеклофибробетона из мелкозернистого бетона групп А и Б. При кратковременном действии нагрузки значение коэффициента φe принимается равным 1.

Рис. 1.13 Схема приведения сечения стеклофибробетонного элемента к стеклянному, при расчете его по раскрытию трещин, нормальных к продольной оси элемента.

а) - сечение стеклофибробетонного элемента;

б) - сечение, приведенное к стеклянному

Коэффициент γm, учитывающий влияние объемного содержания стеклофибры, принимается равным:

γm = 5,0 при μf = 1,5 %;

γm = 4,0 при μf = 2,0 %;

γm = 2,6 при μf = 2,8 %;

γm = 2,0 при μf = 2,8 %;

γm = 1,5 при μf = 5,0 %;

При промежуточных значениях μf значения γm определяются по интерполяции.

1.4.8. Расчет по раскрытию трещин, наклонных к продольной оси элемента, не производится. Для предотвращения чрезмерного раскрытия трещин, наклонных к продольной оси элемента, при комбинированном армировании стеклофибробетонного элемента следует соблюдать условие:

σmt £ γb4×γb5×Rfbt,ser,                                                       (25)

где: значения σmt и γb4 принимаются по указаниям п. 4.11 СНиП 2.03.01.

Значения коэффициента условий работы γb5 принимаются в зависимости от процента фибрового армирования;

γb5 = 1,0       при μf £ 1,3 %;

γb5 = 1,05     при μf = 1,5 %;

γb5 = 1,10     при μf = 2,0 %;

γb5 = 1,20     при μf = 3,0 %;

Промежуточные значения μf вычисляются по интерполяции.

Расчет элементов стеклофибробетонных конструкций по деформациям.

1.4.9. Деформации (прогибы, углы поворота) элементов стеклофибробетонных конструкций вычисляются по формулам строительной механики, определяя значения кривизны согласно общим указаниям пп. 4.23-4.30 СНиП 2.03.01 и п.п. 1.4.10-1.4.13 настоящих норм.

Величина кривизны и деформаций фибробетонных элементов отсчитываются от их начального состояния. При наличии предварительного напряжения - от состояния до обжатия.

1.4.10. Кривизна стеклофибробетонных элементов и элементов с комбинированным армированием определяется:

а) для участков элемента, где в растянутой зоне не образуются трещины, нормальные к продольной оси элемента - как для сплошного тела;

б) для участков элемента с комбинированным армированием, где в растянутой зоне имеются трещины, нормальные к продольное оси - как отношение разности средних деформаций крайнего волокна сжатой зоны бетона и продольной растянутой арматуры к рабочей высоте сечения элемента.

Элементы или участки элементов рассматриваются без трещин в растянутой зоне, если трещины не образуются при действии постоянных, длительных и кратковременных нагрузок, при этом нагрузки вводятся в расчет с коэффициентом надежности по нагрузке γf = 1,0 согласно п. 1.20 СНиП 2.03.01.

Определение кривизны стеклофибробетонных элементов на участках без трещин в растянутой зоне.

1.4.11. Полное значение кривизны изгибаемых, внецентренно сжатых и внецентренно растянутых элементов на участках, где не образуются нормальные или наклонные к продольной оси элемента трещины, определяются по формуле:

                                          (26)

где:  и  - кривизна соответственно от кратковременных (принимаемых согласно п. 1.2 СНиП 2.03.01) и от постоянных и длительных временных нагрузок (без учета усилия Р), определяемая по формулам:

                                                             (27)

                                                         (28)

здесь: М - момент от соответствующей внешней нагрузки относительно оси, нормальной к плоскости действия момента и проходящей через центр тяжести приведенного сечения;

В1 -    жесткость стеклофибробетонного элемента при кратковременном действии нагрузки, определяемая по формуле:

B1 = ηf×0,85×Eb×I1;                                                    (29)

                                                     (30)

где: Eb - модуль упругости бетона, принимаемый по указаниям СНиП 2.03.01;

I1 -   момент инерции сечения, приведенного к бетонному и включающего площадь бетона, фибровой или фибровой и стержневой арматуры, приведенной к бетону. При этом коэффициент приведения для фибровой арматуры , для стержневой или проволочной арматуры ; а приведенные коэффициенты армирования фибровой и стержневой (проволочной) арматурой определяются в соответствии с рекомендациями п. 1.4.4.

В2 - жесткость стеклофибробетонного элемента при учете продолжительного действия нагрузки, определяемая по формуле:

B2 = 0,85×B1;                                                           (31)

φb2 - коэффициент, учитывающий влияние длительной ползучести бетона и принимаемый равным

                                               (32)

где: St - коэффициент, учитывающий возраст бетона и моменту (to) приложения длительной нагрузки и принимаемый

St = 1 при to = 28 суток;

St = 0,9 при to ³ 365 суток.

 - кривизна, обусловленная выгибом элемента от непродолжительного действия усилия предварительного обжатия и определяемая по формуле:

                                        (33)

где: eop - эксцентриситет приложения силы Р относительно центра тяжести элемента.

 - кривизна, обусловленная выгибом элемента вследствие усадки и ползучести бетона от усилия предварительного обжатия, определяемая по формуле:

                                                        (34)

Здесь εb и εb - относительные деформации бетона, вызванные его усадкой и ползучестью под действием усилия предварительного обжатия, определяемые соответственно на уровне растянутой и сжатой грани сечения по формулам:

                                                               (35)

                                                              (36)

Значение σb принимается численно равным сумме потерь предварительного напряжения арматуры от усадки и ползучести бетона по указаниям пп. 6, 8 и 9 табл. 5 СНиП 2.03.01 для арматуры растянутой зоны (условно принимаемой расположенной на растянутой грани сечения), а σb - то же для напрягаемой арматуры, если бы она имелась на уровне крайнего сжатого волокна бетона.

При этом сумма  принимается не менее  Значения кривизны  и  для элементов без предварительного напряжения допускается принимать равным нулю.

Определение кривизны на участках с трещинами в растянутой зоне.

1.4.12. Кривизна изгибаемых, внецентренно сжатых и внецентренно растянутых стеклофибробетонных с комбинированным армированием элементов прямоугольного, таврового и двутаврового сечений на участках, где образуются нормальные к продольное оси элемента трещины шириной раскрытия меньше 0,1 мм, определяется по рекомендациям и с использованием формул пп. 4.12-4.15 СНиП 2.03.03 с учетом дополнений приведенных в п. 1.4.10 настоящих норм. При ширине раскрытия трещин в сечении комбинированно армированного элемента более 0,10 мм прогибы и деформации рассчитываются как для железобетонного элемента (без учета стеклянной фибры).

1.4.13. Полное значение кривизны стеклофибробетонных элементов определяется в соответствии с п. 4.12 СНиП 2.03.03 со следующими изменениями:

- значения ρ в формуле (72) заменяется на  c соответствующими индексами: ; ; … и т.д.;

- определение величины ; ; , производится по формуле (73) и указаниями п. 4.13 СНиП 2.03.03, при этом значение Bf1 определяется по формуле (19) настоящих норм.

Значение Bf3 при кратковременном действии нагрузки принимается равным:

Bf3 = 0,9×Ef×If                                                        (37)

Значение Bf3 при длительном действии нагрузки принимается равным:

                                            (38)

где: Р - коэффициент, учитывавший снижение жесткости элемента при длительном действии нагрузки и равный:

                                               (39)

φb2 - коэффициент, принимаемый по формуле 32 настоящих норм;

Ired - момент инерции сечения, приведенного к бетонному.

Значение  определяется по формуле 34 настоящих норм.

Определение прогибов.

1.4.14. Прогибы fm стеклофибробетонных элементов определяются в соответствии с положениями п. 4.31 СНиП 2.03.01, требованиями п. 4.16. СНиП 2.03.03, используя общие указания настоящих норм.

1.5. КОНСТРУКТИВНЫЕ ТРЕБОВАНИЯ.

1.5.1. При проектировании стеклофибробетонных конструкций и конструкций с комбинированным армированием с целью обеспечения их технологичности, требуемой надежности, долговечности и совместной работы арматуры и бетона следует выполнять конструктивные требования пп. 1.5.2-1.5.17 настоящих норм и основных положений раздела 5 СНиП 2.03.01 и раздела 5 СНиП 2.03.03.

1.5.2. Минимальные значения коэффициента фибрового армирования при проектировании стеклофибробетонных конструкций следует принимать исходя из условия:

Rfbt,ser ≥ 1,5 Rbt                                                     (40)

1.5.3. Размеры сечений элементов и конструкции следует назначать исходя из следующих условий:

а) толщину плоских плит или полок ребристых плит сборных конструкций принимать не менее 15 мм;

б) толщину элементов несъемной опалубки и слоев стеновых панелей принимать не менее 10 мм;

в) толщину элементов ограждений балконов, лоджий и архитектурной отделки фасадов принимать по условиям эксплуатации, но не менее 15 мм;

г) толщину монолитных оболочек и складок покрытий принимать не менее 20 мм.

Толщины стеклофибробетонных элементов, отличающиеся от указанных выше, могут приниматься при соответствующем технико-экономическом обосновании.

1.5.4. Коэффициент фибрового армирования по объему рекомендуется принимать в пределах 0,01 ≤ μfv 0,05 для конструкций, работающих на растяжение, изгиб и сжатие. Допускается при экономическом обосновании принимать μfv > 0,05 для конструкций, подверженных ударным, истирающим, температурным воздействиям или при предъявлении к конструкциям повышенных требований в части трещиностойкости.

1.5.5. Длина зоны анкеровки стержневой или проволочной арматуры при комбинированном армировании может приниматься по указаниям пп. 5.15 главы СНиП 2.03.01, как для случая наличия косвенной арматуры с учетом количества и ориентации фибровой арматуры.

1.5.6. Толщина слоя до стержневой или проволочной арматуры при условии обеспечения его равномерного фибрового армирования принимается согласно п. 5.4. СНиП 2.03.03.

1.5.7. При проектировании следует учитывать, что радиус свободного погиба (r) свежеотформованного листа изготавливаемых стеклофибробетонных конструкций рекомендуется принимать не менее 3t используемых фибр; при специальных устройствах листогибочного поддона или повторном вибрировании погиб допускается производить с кривизной вплоть до r = 0.

1.5.8. Толщину плит или стенок тонкостенных конструкций следует принимать не менее 1/200 их свободного пролета.

Для слоистых элементов, в которых утеплитель может содействовать повышению устойчивости плит, толщина плит может быть принята менее 1/200 их наибольшего размера или расстояния между ребрами. При этом принятая толщина должна быть соответствующим образом обоснована.

1.5.9. Стыки сборных стеклофибробетонных конструкций должны, как правило, замоноличиваться путем заполнения швов между элементами мелкозернистым бетоном. Если при изготовлении элементов обеспечивается плотная подгонка поверхностей друг к другу, допускается выполнение стыков насухо при передаче через стык только сжимающего усилия.

1.5.10. Рекомендуется применять следующие методы соединения элементов:

- с помощью стальных анкеров (рис. 1.14);

- с помощью закладных деталей (рис. 1.15);

- болтами и заклепками;

- склеиванием накладок из стеклоцемента.

1.5.11. Закладные детали, как правило, предусматриваются штампованными из стальных пластин, а также уголков или швеллеров с приваренными к ним в тавр или внахлестку анкерами в виде арматуры периодического профиля или гладкой арматуры (рис. 1.15а). Толщина пластин закладных деталей определяется в соответствии с требованиями сварки. Закладные детали могут быть непосредственно приварены к рабочей арматуре элементов (рис. 1.15б). Закладные детали соединяются между собой при помощи стыковых накладок из арматуры или полосовых накладок. Возможные виды закладных деталей показаны на рис. 1.16.

1.5.12. Соединения элементов на болтах, заклепках или склеиванием накладок из стеклоцемента можно осуществлять в опытном порядке при соответствующем обосновании.

1.5.13. Стыки сборных стеклофибробетонных и комбинированно армированных элементов могут устраиваться также по указаниям п. 5.34, 5.35 СНиП 2.03.03.

1.5.14. Для обеспечения сохранности стальной арматуры и ее совместной работы со стеклофибробетоном при проектировании следует соблюдать общие требования СНиП 2.03.01 и СНиП 2.03.03 по анкеровке ненапрягаемой и напрягаемой стальной арматуры и устройству закладных деталей.

1.5.15. Закладные детали в стеклофибробетонных конструкциях следует проектировать с учетом указаний п.п. 5.32, 5.33 СНиП 2.03.03.

1.5.16. Стыкование внахлестку стержневой и проволочной арматуры, которая используется с полным расчетным сопротивлением, в тонкостенных стеклофибробетонных элементах не допускается.

1.5.17. Для обеспечения анкеровки предварительно напрягаемой арматуры возможно использование указаний п. 5.38 СНиП 2.03.03.

Рис. 1.14. Соединение стеклофибробетонных элементов с помощью стальных анкеров.

Рис. 1.15. Анкеровка закладных деталей

а - анкерами из арматуры;

б - сваркой к рабочей стальной арматуре.

Рис. 1.16. Возможные конструктивные решения закладных деталей для стеклофибробетонных конструкций.

ПРИЛОЖЕНИЕ 1.1.

Основные буквенные обозначения. Терминология.

1.1.1. ОСНОВНЫЕ БУКВЕННЫЕ ОБОЗНАЧЕНИЯ.

Rb, Rbt     - расчетные сопротивления бетона осевому сжатию и растяжению по СНиП 2.03.01-84;

Rfb, Rfbt   - расчетные сопротивления стеклофибробетона соответственно при сжатии и растяжении;

Rs      - расчетное сопротивление растяжению стальной стержневой или проволочной арматуры;

Rsc, Rpc  - расчетное сопротивление стальной обычной и преднапряженной арматуры при сжатии;

Rf    - расчетное сопротивление растяжению фибровой стеклянной арматуры;

Еb   - начальный модуль упругости бетона при сжатии и растяжении;

Еs   - модуль упругости стержневой пли проволочной арматуры;

Еf    - модуль упругости стеклянной фибровой арматуры;

μfm  - коэффициент фибрового армирования по массе;

μfv   - коэффициент фибрового армирования по объему;

μfa   - коэффициент фибрового армирования по площади сечения;

df    - диаметр фибр (элементарного волокна);

d     - диаметр стержневой или проволочной арматуры;

lf     - длина фибр;

Ro   - коэффициент учитывающий ориентацию фибр относительно направления главных растягивающих напряжений;

φf    - коэффициент эффективности косвенного армирования фибровой арматурой;

η     - характеристика сцепления фибр с бетоном;

If,red    - момент инерции стеклофибробетонного сечения, приведенного к бетону, относительно его центра тяжести;

Wf,red  - момент сопротивления стеклофибробетонного сечения, приведенного к бетону.

1.1.2. ТЕРМИНОЛОГИЯ.

Стеклофибробетон - бетон, армированный фибрами из стекловолокна, произвольно или ориентированно распределенными в его объеме или части объема.

Стеклянная фибра - короткие отрезки стекловолокна, получаемые путем резки ровинга или комплексной нити.

Процент фибрового армирования по объему - относительное содержание объема фибр в единице объема стеклофибробетона, в процентах.

Процент фибрового армирования по массе - отношение в процентах массы фибр, содержащихся в единице объема фибробетона, к массе этой единицы объема.

Коэффициент фибрового армирования по объему - относительное содержание объема фибр в единице объема стеклофибробетона.

Комбинированные стеклофибробетонные конструкции - конструкции из фибробетона, имеющие также обычную или преднапряженную стержневую или проволочную арматуру.

Самонапряженные стеклофибробетонные конструкции - конструкции из стеклофибробетона (в том числе комбинированные), матрица которого выполняется на напрягающем цементе.

Элементарная нить - моноволокно (одиночное) диаметром 10-15 мкм по терминологии ГОСТ 17139 "Ровинг из стеклянных нитей. Технические условия".

Комплексная нить - нить, собранная из определенного количества (200-400 шт.) элементарных нитей, склеенных замасливателем в техническом процессе.

Ровинг - жгут, состоящий из нескольких комплексных нитей, изготавливаемый по ТУ 21-38-233 "Ровинг рассыпающийся из цементностойкого стекловолокна. Технические условия".

ПРИЛОЖЕНИЕ 1.2.

Рекомендуемые архитектурно-конструктивные формы, типы конструктивных элементов и номенклатура стеклофибробетонных конструкций и изделий.

1.2.1. АРХИТЕКТУРНО-КОНСТРУКТИВНЫЕ ФОРМЫ И ТИПЫ КОНСТРУКТИВНЫХ ЭЛЕМЕНТОВ.

1. Архитектурно-конструктивные формы и типы конструктивных элементов, определяемые их геометрической формой и размерами, при выполнении их из стеклофибробетона принимаются для:

- зданий общественного назначения;

- жилых зданий;

- подземных сооружений;

- элементов благоустройства и малых архитектурных форм.

2. Архитектурно-конструктивные формы, рекомендуемые для зданий общественного назначения, приведены в табл. 1.

В таблице приведены схемы конструктивных форм здании и сооружений пролетами до 15 м. Конструктивные схемы 1 и 2 следует рассматривать как схемы плоскостных конструкций; схемы 3-11 являются схемами зданий, покрытия которых работают и рассчитываются как пространственные конструкции.

3. Приведенные в табл. 1 и другие архитектурно-конструктивные формы рекомендуется образовывать взаимным пересечением плоских или криволинейных граней, каждая из которых является плитой или пологой цилиндрической оболочкой. При специальном обосновании могут быть использованы покрытия в виде пологих гиперболических параболоидов или оболочек положительной гауссовой кривизны.

4. С целью получения более разнообразных архитектурных форм и соответственно решений интерьеров зальных помещений может быть использован эффективный прием размещения отдельных фрагментов покрытий в разных уровнях.

5. Конструктивные схемы 1 и 2 рекомендуется применять в тех случаях, когда на отводимых для строительства участках экономически целесообразно размещение зданий с криволинейным произвольным планом, наиболее отвечающих градостроительным требованиям.

6. Конструктивные схемы 3, 4 и 11, скомпонованные по типу складчатых куполов или воронкообразных форм рекомендуется применять как примеры центрических решений, целесообразных при комплексной застройке жилых микрорайонов с целью разнообразия их архитектуры.

7. Схемы 5-6 рекомендуется использовать в тех случаях, когда пространственную конструктивную форму целесообразно опирать непосредственно на фундаменты; в этих случаях она совмещает в себе функции покрытия и стен.

8. Сотовую конструкцию (схема 7) рекомендуется компоновать произвольными сочетаниями отдельных объемных элементов-ячеек, каждая из которых позволяет решать автономную функциональную задачу.

9. Конструктивные решения по схемам 8 - "Шатер" и 9 - "Геликоид" рекомендуется использовать как для малоэтажного жилищного строительства, так и для общественных зданий.

10. Применение схемы 10 позволяет с помощью известных конструкций "встречных" складок компоновать сооружения с прямоугольным вытянутым планом, который может наращиваться постепенно по мере осуществления последующих очередей строительства.

11. Приведенные в таблице 1 конструктивные схемы за исключением схемы 7 рекомендуется компоновать с помощью сочетания граней разной геометрической формы. Каждая из граней может быть принята в виде сборных элементов, изготавливаемых в опалубочных формах, как правило имеющихся на предприятиях промышленности строительных материалов Москвы или Московской области.

12. Конструктивная схема 7 - "Сотовые конструкции" - может быть осуществлена также из монолитного стеклофибробетона путем набрызга по ранее установленному легкому стальному каркасу, а также в сборно-монолитном варианте.

13. Для применения в гражданском строительстве рекомендуются типы строительных элементов, приведенные в табл. 2.

Для жилищного строительства рекомендуются сборные элементы из стеклофибробетона в виде пластин с плоской или рельефной поверхностью, стеновые панели трехслойные, ограждения лоджий, козырьки входов, сантехнические поддоны ребристой конструкции (позиции 1-3), кровельная черепица (позиция 11).

14. Для строительства общественных зданий и сооружений рекомендуются следующие типы тонкостенных элементов из стеклофибробетона: ребристые плиты длиной 6 м для оболочек, складок, куполов пролетами до 42 м. Плиты принимаются с различной формой плана - прямоугольного, трапецевидного и в виде равностороннего треугольника (позиции 5-7).

15. Для оболочек и складок малого пролета (до 12 м) могут быть применены безреберные элементы в виде складок с ромбическим планом (позиции 8, 9), складчатые элементы с треугольным планом (позиция 10).

16. Для применения в подземном городском строительстве рекомендуются конструктивные типы элементов из стеклофибробетона, приведенные в табл. 3.

Рекомендуются к применению стеклофибробетонные пространственные элементы колец горловин колодцев, опорные кольца люков колодцев, лотковые перекрытия, лотковые днища, плиты перекрытий каналов теплосетей, лотки отстойников, блоки береговых укреплений, трубы безнапорные.

17. Рекомендуемые типы стеклофибробетонных элементов для городского благоустройства, малых архитектурных форм и др. приведены в табл. 4.

Из стеклофибробетона рекомендуется проектировать плоские плиты для облицовки стен, изделия покрытия дорог, тротуаров, бортовые камни, панели заборов, теневые навесы, цветочницы, урны, скамейки, рекламные щиты, дорожные указатели.

Эффективным является применение стеклофибробетонных элементов несъемной опалубки (позиция 4, табл. 3).

1.2.2. НОМЕНКЛАТУРА ПРЕДСТАВИТЕЛЕЙ КОНСТРУКЦИЙ И ИЗДЕЛИЙ ИЗ СТЕКЛОФИБРОБЕТОНА.

1. В табл. 5 приведена номенклатура представителей конструкций и изделий из стеклофибробетона. В таблице приведены эскизы элементов, характерные геометрические параметры и указаны предприятия-изготовители.

Рекомендуется при проектировании стеклофибробетонных конструкций учитывать приведенный перечень для выбора типа изделий, их номинальных размеров и выбора предприятия-изготовителя.

2. В табл. 5 в соответствии с позициями 1-15 раздела 1.2.1 данного приложения приведены:

- элементы тонкостенных пространственных покрытий общественных зданий (Изготовители - ТОО "Модуль", АООТ "Прокон");

- сборные элементы коттеджей (Изготовитель - фирма "Фибробетон", т. 215-27-60);

- сборные элементы для малоэтажного жилищного строительства (Изготовитель - фирма "Фибробетон");

- облицовочные панели фасадов и окон реконструируемых жилых зданий (Изготовители - АО "Стилком", ЗЖБИ № 16, фирма "Фибробетон");

- элементы подземных сооружений (Изготовители - АООТ "Мосинжжелезобетон", ЗЖБИ № 15, фирма "Фибробетон");

- элементы городского благоустройства (Изготовители - АООТ "Мосинжжелезобетон", ЗЖБИ № 17, ЗЖБИ № 15, фирма "Фибробетон").

3. Следует учитывать, что в табл. 5 приведена номенклатура представителей конструкций и изделий из стеклофибробетона для использования при проектировании в стадии технического проекта. При разработке рабочей документации следует пользоваться полной номенклатурой, включающей в себя вес марки освоенных изделий, (МНИИТЭП, НИИЖБ, фирма "Фибробетон").

Таблица 1. Архитектурно-конструктивные формы общественных зданий.

№№ п/п

Тип формы

Схема

Назначение

1

2

3

4

1

"Улитка"-1

Здания торгового назначения, кафе, павильоны

Ширина здания - 6 м

2

"Улитка"-2

Здания торгового назначения, кафе, павильоны

Ширина здания - 6 м

3

Складчатый купол

Магазины, муниципальные рынки, кафе

Пролет 12-15 м

4

Воронкообразное покрытие

Магазины, муниципальные рынки, кафе

Пролет 12-15 м

5

Многогранник-1

Магазины, муниципальные рынки, кафе

Пролет 12-15 м

6

Многогранник-2

Магазины, муниципальные рынки, кафе

Пролет 12-15 м

7

Сотовая конструкция

Пансионаты, кемпинги, торговые центры, муниципальные рынки

Пролет ячейки-модуля 3-6 м

8

Шатер

Коттеджи, магазины, муниципальные рынки, рестораны

Ширина здания - 6 м

9

Оболочка типа "Геликоид"

Коттеджи, магазины, рынки

Ширина здания - 12 м

10

Встречные складки

Навесы автовокзалов, муниципальные рынки, торговые ряды

Ширина здания - 6 м

11

Складчатый купол с навесом

Муниципальные рынки, торговые центры

Пролет 25 м

Таблица 2. Типы элементов жилых и общественных зданий

№ п/п

Наименование элемента

Эскиз элемента

Примечания

1

2

3

4

1

Стеновая панель трехслойная

 

2

Ограждение лоджий

 

3

Козырек входов

 

4

Поддон сантехкабины

 

5

Плита пространственного покрытия

Для оболочек размерами в плане от 18´18 до 42´42 м

6

Плита пространственного покрытия

Для оболочек и куполов с центрическим планом и складок с пролетами от 12 м до 24 м

7

Плита пространственного покрытия

Для оболочек составного типа пролетом до 36 м

8

Элементы складок

Для складок пролетом до 6 м

9

Криволинейный ромбический элемент

Для оболочек пролетом до 18 м

10

Складчатый элемент

Для складок пролетом до 12 м

11

Черепица

 

Таблица 3. Типы элементов подземных сооружений

№ п/п

Наименование элемента

Эскиз элемента

Примечания

1

2

3

4

1

Кольца горловин колодцев

Возможна замена стеклянной фибры фибрами из волокон другого типа

2

Опорные кольца люков колодцев

 

3

Лотковые перекрытия типа ЛП

 

4

Лотковые днища типа ЛД

 

5

Плиты перекрытий каналов теплосетей

 

6

Трубы безнапорные

 

7

Лоток отстойника

 

8

Блок берегоукрепляющий

 

Таблица 4. Типы сборных элементов для благоустройства, малых форм и т.п.

№ п/п

Наименование элемента

Эскиз элемента

Примечания

1

2

3

4

1

Плиты для облицовки

 

2

Изделия для покрытия дорог, тротуаров

 

3

Бортовые камни

 

4

Несъемная опалубка

 

5

Панели заборов

 

6

Элементы покрытия теневых навесов

Шатры, оболочку складки, пологие купола

7

Цветочницы, урны

 

8

Скамейки

 

9

Щиты рекламы, дорожные указатели

 

Таблица 5. Номенклатура представителей конструкций и изделий из стеклофибробетона

№ п/п

Наименование изделия

Эскиз

Размеры, мм

Организация-изготовитель

Д

В

Ш12

1

2

3

4

5

6

7

1

Плита пространственного покрытия с треугольной формой плана

3100

3100

120/20

ТОО "Модуль"

АООТ "Прокон"

2

Плита пространственного покрытия с прямоугольной формой плана

6090

2990

300/25

ТОО "Модуль"

АООТ "Прокон"

3

Панель кровли коттеджа с рельефом "под классическую черепицу"

4200

1560

130/30

фирма "Фибробетон"

4

Элемент кровли коттеджа

2060

650

110/30

фирма ибробетон"

5

Экран входа коттеджа

2130

870

60/30

фирма "Фибробетон"

6

Сантехнический поддон жилого дома

1630

1620

90/40

фирма "Фибробетон"

7

Декоративное ограждение лоджий жилого дома

1860

1300

40

фирма "Фибробетон"

8

Козырек входа жилого дома

1325

600

60

фирма "Фибробетон"

9

Панель забора

2800

800

50/20

фирма "Фибробетон"

10

Облицовочная панель фасада

1485

645

15

АО тилком"

ЗЖБИ № 16

11

Облицовочный элемент окна

1500

70

60

АО тилком"

ЗЖБИ № 16

12

Труба безнапорная

5150

426

50

АООТ "Мосинжжелезобетон"

ЗЖБИ №15

13

Кольцо колодца

990

700

70

АООТ "Мосинжжелезобетон"

ЗЖБИ № 15

14

Опорный камень

770

770

220

АООТ "Мосинжжелезобетон"

ЗЖБИ 15

15

Камень бордюра

1485

645

300/260

АООТ "Мосинжжелезобетон"

ЗЖБИ № 15

16

Лотковое перекрытие

2980

540

1080

АООТ "Мосинжжелезобетон"

ЗЖБИ № 15

17

Лотковое днище

2980

180

1090

АООТ "Мосинжжелезобетон"

ЗЖБИ № 15

18

Ограда

2890

1050/1700

190

АООТ "Мосинжжелезобетон"

ЗЖБИ № 15

19

Плита перекрытия каналов

2520

1200

200

АООТ "Мосинжжелезобетон"

ЗЖБИ № 15

20

Плита покрытия трамвайных путей

570

460

100

АООТ "Мосинжжелезобетон"

ЗЖБИ № 15

21

Элемент дорожный декоративный

400

400

80

АООТ "Мосинжжелезобетон"

ЗЖБИ № 15

ЧАСТЬ 2. ОСНОВНЫЕ ПОЛОЖЕНИЯ ТЕХНОЛОГИЙ ПРОИЗВОДСТВА ФИБРОБЕТОННЫХ ИЗДЕЛИЙ И КОНСТРУКЦИЙ.

2.1. ОБЩИЕ ПОЛОЖЕНИЯ.

2.1.1. Настоящие нормы распространяются на технологии и методы изготовления фибробетонных конструкций на основе тяжелого (обычного), мелкозернистого (песчаного) бетонов и следующих видов фибры:

- стальной;

- из щелочестойкого стекловолокна;

- из обычного (алюмоборосиликатного) стекловолокна;

- из синтетических волокон.

2.1.2. Указаниями норм следует пользоваться при разработке и использовании технологий производства конструкций, изделий, отдельных элементов и деталей (далее по тексту - конструкции) с фибровым или комбинированным армированием.

Фибробетонные конструкции в зависимости от их армирования подразделяются на конструкции:

- с фибровым армированием - при их армировании только фибрами какого-либо вида, равномерно распределенными по объему (зоне) элемента;

- с комбинированным армированием - при их армировании фибрами, равномерно распределенными по объему (зоне) элемента, в сочетании со стержневой или проволочной арматурой (как в обычном железобетоне в соответствии со СНиП 2.03.01-84 "Бетонные и железобетонные конструкции. Нормы проектирования" [37] и ГОСТ 27006 "Бетоны тяжелые и мелкозернистые. Технические условия" [1]).

Фибровая, стержневая или проволочная арматура должна отвечать требованиям соответствующих ГОСТов и Технических условий, приведенных в приложении 2.1 настоящих норм.

2.1.3. К применению должны быть рекомендованы в первую очередь те технологические схемы, методы и оборудование для производства фибробетонных конструкций, при которых реализуется задача максимального использования прочностных свойств фибры и бетона-матрицы с целью достижения наибольшей прочности, плотности и долговечности материала и конструкций при наименьших трудозатратах и материалоемкости. В производстве фибробетонных конструкций предпочтение следует отдавать тем видам материалов и оборудования, которые позволяют повысить степень механизации и автоматизации технологии в заводских или построечных условиях.

2.1.4. При определении рациональных вариантов технологии и организации опытного (опытно-промышленного) производства фибробетонных конструкций следует руководствоваться указаниями раздела 2.3. настоящего документа с целью принятия оптимального решения исходя из конкретных условий производства, возможностей использования недефицитных, эффективных и дешевых исходных материалов и компонентов, а также применения апробированного отечественного или импортного оборудования.

2.1.5. Настоящими нормами производства фибробетонных конструкций предусматриваются следующие виды технологий, определяемые по названию основного технологического приема:

- набрызг ("спрей");

- предварительное перемешивание ("премиксинг") с последующим формованием смеси, осуществляемым виброуплотнением, радиальным роликовым формованием, роликовым прессованием, экструзией или иными апробированными методами.

2.1.6. При производстве фибробетонных конструкций должны соблюдаться требования СНиП III-4-93 "Техника безопасности в строительстве", а также требования, изложенные в разделе 2.6 настоящего документа.

2.2. ОБЛАСТИ ПРИМЕНЕНИЯ И ТЕХНОЛОГИИ ПРОИЗВОДСТВА ФИБРОБЕТОННЫХ КОНСТРУКЦИЙ И ИЗДЕЛИЙ.

2.2.1. ВИДЫ ФИБРОБЕТОНОВ И ТЕХНИЧЕСКИЕ ТРЕБОВАНИЯ К НИМ.

Указания настоящих норм распространяются на разработку и применение технологий производства конструкций из следующих видов фибробетона:

- стеклофибробетона;

- сталефибробетона;

- фибробетона на синтетической фибре.

Стеклофибробетон изготавливается из мелкозернистого бетона (бетон-матрица) и армирующих его отрезков стеклоровинга (фибр), равномерно распределенных по объему бетона изделия или отдельных его частей (зон). Совместность работы бетона и фибр обеспечивается за счет сцепления по их поверхности.

Сталефибробетон изготавливается из мелкозернистого бетона (или с добавлением крупного заполнителя) и армирующих его стальных фибр различного вида, равномерно распределенных по объему. Совместность работы бетона и стальных фибр обеспечивается за счет сцепления по их поверхности или путем устройства анкеров в виде утолщений или загибов на концах фибр.

Фибробетон на синтетической фибре изготавливается из: мелкозернистого бетона и армирующих его отрезков синтетических волокон (фибр), например, из полипропилена, равномерно распределенных по объему бетона изделия или отдельных его частей (зон). Совместность работы бетона и фибр обеспечивается за счет сцепления по их поверхности.

Разрабатываемые технологии и технологические приемы изготовления фибробетонных конструкций должны обеспечивать получение фибробетонов требуемых свойств, предусмотренных частью 1 настоящих норм (для стеклофибробетона), "Рекомендациями по проектированию и изготовлению сталефибробетонных конструкций" [48], а также проектно-технической документацией на конкретные виды конструкций. По показателям прочности при сжатии, морозостойкости и водонепроницаемости классы фибробетонов принимаются как для бетонов в соответствии с ГОСТ 25192, ГОСТ 26633, СНиП 2.03.01 и СТ СЭВ 3978.

Основные буквенные обозначения и используемая терминология приведены в 1 части настоящих ВСН.

2.2.2. МАТЕРИАЛЫ И ТРЕБОВАНИЯ К НИМ.

2.2.2.1. Мелкозернистый бетон, используемый для изготовления фибробетонов в соответствии с настоящими ВСН, должен отвечать требованиям ГОСТ 26633 и настоящих норм (часть 1, позиции 1.1, 1.1.14, 1.2.1, 1.2.2).

В случае использования для изготовления сталефибробетона крупного заполнителя, бетон-матрица должен отвечать требованиям ГОСТ 26633 и пп. 2.1-2.6 рекомендаций [48].

Кроме того, бетон-матрица должен отвечать специальным требованиям проектной документации на конструкцию в части максимальных или минимальных размеров крупного и мелкого заполнителя, а также вида применяемого вяжущего и химических добавок.

2.2.2.2. В качестве вяжущего для фибробетонов применяются различные виды цементов. Назначение конкретного вида цемента связано с видом используемой фибры, достижением наиболее рационального ее использования в фибробетоне и обеспечением максимальной прочности и долговечности фибробетонных конструкций.

Вяжущее для стеклофибробетона выбирается в соответствии с требованиями 1 части настоящих норм, цемент для сталефибробетона - согласно указаниям [48] (п.п. 6.1-6.5). Для фибробетонов на синтетической фибре вяжущие выбираются опытным путем и обосновываются в соответствующем порядке.

Цементы для фибробетонов должны отвечать требованиям соответствующих ГОСТов (Приложение 2.1).

2.2.2.3. Использование химических добавок в составе фибробетонных смесей рекомендуется для достижения определенных значений подвижности и удобоукладываемости смеси исходя из требований конкретного вида технологии. Выбор и применение химических добавок в бетон выполняется в соответствии с ГОСТ 24211 [17], а также указаниями п. 1.2.3 части 1 настоящих норм (для стеклофибробетона) и п.п. 6.15-6.17 Рекомендаций [48] (для сталефибробетона). Химические добавки должны отвечать требованиям соответствующих стандартов и технических условий (Приложение 2.1).

2.2.2.4. Заполнители для фибробетона (крупный, мелкий) принимаются с учетом вида и агрегатного состояния фибры, назначения и размеров конструкции, класса и марки бетона, типа используемой технологии и должны отвечать требованиям соответствующих ГОСТов [4, 5], а также настоящих норм (ч. 1, позиции 1.2.1, 1.2.2 - для стеклофибробетона и [48] - для сталефибробетона - п.п. 6.6, 6.7, 6.8.).

2.2.2.5. Стальная фибра должна приниматься к использованию в производстве в соответствии с указаниями [48] (п.п. 2.9-2.13) и отвечать требованиям соответствующих технических условий и стандартов.

Допускается применение других видов стальной фибры, не указанных в [48] (например, приведенных в п.п. 51, 52 Приложения 2.1 настоящих норм), при соответствующем обосновании и согласовании в установленном порядке с головной организацией (НИИЖБ).

2.2.2.6. Стеклянная фибра должна отвечать требованиям части 1 настоящих ВСН (п.п. 1.1.15, 1.1.16, 1.2.10-1.2.12) и соответствующих ТУ (Приложение 2.1 п.п. 46, 47).

2.2.2.7. Синтетическая фибра, имеющая ограниченный опыт применения, должна отвечать требованиям соответствующих технических условий и стандартов, которые приводятся в проектной документации на конструкцию или (и) в Технологических регламентах на их изготовление.

2.2.2.8. Стержневая и проволочная арматура, используемая при комбинированном армировании, назначается с учетом типа конструкций, наличия предварительного напряжения, условий возведения и эксплуатации конструкций. Стержневая, проволочная арматура и сталь для закладных деталей принимаются по соответствующим указаниям СНиП 2.03.01, а также согласно требованиям 1 части настоящих ВСН (для стеклофибробетона) и документа [48] (для сталефибробетона).

2.2.3. ТЕХНОЛОГИЧЕСКОЕ ОБОРУДОВАНИЕ.

2.2.3.1. Для производства фибробетонных конструкций может быть использовано как специальное отечественное или импортное технологическое оборудование, так и серийно выпускаемое отечественное оборудование, гарантирующее получение фибробетонных смесей с требуемыми свойствами и фибробетона с заданными проектными характеристиками.

При выборе технологического оборудования в соответствии с конкретными видами фибробетона и особенностями используемой технологии следует руководствоваться нижеследующими положениями.

2.2.3.2. В производстве стеклофибробетонных конструкций в зависимости от условий производства и вида используемой технологии может быть применено следующее технологическое оборудование.

А. В технологии "набрызга", реализуемой в заводских или построечных условиях (например, нанесение смеси на пневмоопалубку или набрызг гидроизоляционного покрытия), используется следующее смесительное, нагнетательное и напыляющее технологическое оборудование:

а) пневмоустановки или растворонасосы для подачи мелкозернистой смеси:

- растворонасосы СО-150, СО-152 (или аналоги);

- нагнетательные установки фирмы "Пауэр-Спрайз", например, типа PS 9000 А для ручного пневмонанесения, полуавтоматические и автоматические установки (например, траверсная пневмонапыляющая установка, работающая в автоматическом режиме); мобильная смесительно-нагнетательная установка PS 4000 М;

б) пистолеты-напылители стеклофибробетонной смеси совмещенные с рубящим устройством:

- марки РНП-40 (отечественного производства);

- конструкции ЦНИИОМТП (отечественного производства);

- концентрический пистолет-напылитель в комплекте с установкой PS 9000 А;

- конструкции НИИЖБ1;

1 Конструкция находится в стадии доработки.

- конструкции фирмы СТ";

в) смесители для приготовления мелкозернистой бетонной смеси:

- лопастные, например СБ-46;

- широкозахватные высокоскоростные импортные смесители, например, марок GRC-80, GRC-100 и др.

Б. В технологии, реализуемой "методом предварительного перемешивания", используется:

- серийное смесительное оборудование отечественного производства;

- спирально-вихревые смесители марок ССВ-0,01 и ССВ-0,3;

- прутково-шнековые смесители марок СПШ;

- импортные смесители предварительного перемешивания, например, марки "Экономи-2", "серии 100" в виде базового модуля.

Для нарезки и дозирования фибры используются специальные рубящие устройства, например, высокопроизводительное устройство многонитевой рубки стекловолокна фирмы "Пауэр Спрайз" или закрепляемые агрегаты в виде пистолетов. Конструкции таких устройств указаны в п. 2.2.3.2. (б).

Для виброуплотнения фибробетонных смесей, в том числе с пригрузом, вакуумированием, может быть использовано серийное технологическое оборудование, применяемое для изготовления обычных железобетонных конструкций.

2.2.3.3. Для производства сталефибробетонных конструкций в зависимости от вида и назначения изделий рекомендуются следующие виды технологий и технологического оборудования.

а) Для изготовления из сталефибробетона стеновых колец смотровых колодцев целесообразно использовать технологию роликового формования с применением отечественного серийного технологического оборудования, модернизируемого в опытном порядке (см. подраздел 2.3.5) с целью уменьшения толщины стеновых колец. (Приложение 2.3, п.п. 1-3).

б) Производство плоских и линейных изделий из сталефибробетона может выполняться по технологии роликового формования готовой сталефибробетонной смеси с использованием соответствующего оборудования (Приложение 2.3, п. 9; Приложение 2.1, п. 48).

в) Для устройства конструкций полов, покрытий терминалов, дебаркадеров и т.п. могут применяться литые сталефибробетонные смеси, укладываемые по освоенной в отечественной практике технологии.

2.2.3.4. Рабочие характеристики технологического оборудования, применяемого для производства фибробетонных конструкций приведены в разделе 2.3, а также в соответствующих технологических регламентах.

2.2.4. ОПЫТ ПРОИЗВОДСТВА И ЭФФЕКТИВНОСТЬ ПРИМЕНЕНИЯ ФИБРОБЕТОННЫХ КОНСТРУКЦИЙ.

2.2.4.1. На стадии разработки опытного (опытно-промышленного) производства фибробетонных конструкций с целью получения оптимальных результатов следует учитывать накопленный отечественный и зарубежный опыт производства и применения фибробетонных строительных конструкций различного назначения.

2.2.4.2. Опыт разработки, производства и применения в строительстве фибробетонных конструкций различных видов описан в соответствующей технической литературе (см. справочное приложение 2.4). Указанные документы содержат в том числе конкретные данные по конструкциям, составам фибробетонов и технологическому оборудованию.

2.2.4.3. Эффективные области применения фибрового армирования конструкций, основанные на опыте использования различных видов фибробетонов, представлены в виде схемы на рис. 2.1.

Рис. 2.1 Области эффективного использования различных видов волокон для фибрового армирования конструкций.

2.2.4.4. Диапазоны расхода материалов - составляющих фибробетонных смесей - приведены в табл. 2.1.

Конкретные составы фибробетонов назначаются с учетом свойств конструкций и технологии их производства на основе положений раздела 2.4 настоящих ВСН.

2.2.4.5. Справочные значения физико-механических характеристик стеклофибробетона приведены в табл. 2.2.

2.2.4.6. Фибробетонные конструкции рекомендуются к применению в тех случаях, когда наиболее эффективно могут быть использованы следующие их технические преимущества по сравнению с обычным железобетоном:

- повышенные показатели трещиностойкости, ударной прочности и вязкости, износостойкости, атмосферостойкости, морозостойкости;

- возможность использования более эффективных конструктивных решений в сравнении с обычным армированием, например, тонкостенных конструкций, конструкций без стержневой или сетчатой распределительной и поперечной арматуры, тонкостенных конструкций со стержневой растянутой арматурой, не доводящейся до опоры и др.;

- снижение трудозатрат на арматурные работы, повышение степени механизации и автоматизации производства конструкций, например, в сборных и монолитных тонкостенных оболочках, складках, ребристых плитах покрытий и перекрытий, слоистых стеновых панелях, сборных колоннах, балках, сваях, монолитных днищах емкостных сооружений, несъемной опалубке, дорожных и аэродромных покрытиях, монолитных и сборных полах промышленных и общественных зданий, элементах отделки фасадов и др.;

- возможность применения новых, более производительных приемов формования армированных конструкций, например, пневмонабрызг, метод погиба свежеотформованных листовых изделий, роликовое формование, экструзия и др.


Таблица 2.1.

Основные технические характеристики материалов для производства фибробетонных конструкций и изделий

Виды технологий

Рекомендуемый диапазон расхода материалов, кг/м3

Рекомендуемые размеры, мм

Примечания

фибры

заполнителя

фибра

цемент

мелк. зап.

круп. зап.

диаметр

длина

мелк.

крупн.

1

2

3

4

5

6

7

8

9

10

11

Для стеклофибробетона:

 

 

 

 

 

 

 

 

Допускаются отклонения от настоящих параметров при обосновании и в соответствии с технологическим регламентом или техническими условиями на конкретное фибробетонное изделие

1

Набрызг:

 

 

 

 

 

 

 

 

- на жесткие формы;

30-80

900-1200

-

-

0,01-0,02

20-40

1,0-2,0

-

- на надувную опалубку;

40-100

800-1200

-

-

0,01-0,02

30-40

1,5-2,0

-

- гидроизоляционных покрытий

40-60

800-1200

-

-

0,01-0,02

10-20

1,0-1,5

-

2

Предварительное перемешивание:

 

 

 

 

 

 

 

 

- в смесителях типа ССВ;

30-60

600-1000

-

-

0,01-0,02

20-60

1,5-2,5

-

- в смесителях типа СПШ с прутково-шнековыми укладчиками

40-80

600-1000

-

-

0,01-0,02

20-80

1,5-2,5

 

Для сталефибробетона:

 

 

 

 

 

 

 

 

 

1

Предварительное перемешивание

40-120

450-600

-

600-1100

0,4-1,0

20-80

2,0-2,5

3-20

 

2

Набрызг

60-100

500-600

-

200-400

0,2-0,5

20-40

1,5-2,5

3-10

 

3

Литые смеси

40-120

400-700

-

300-600

0,2-0,6

20-30

1,5-2,5

3-20

 

Примечание: Для фибры из стекловолокна приведены значения диаметров элементарных нитей


Таблица 2.2.

Свойства стеклофибробетона в марочном возрасте.

Характеристика

Пределы значений

1.

Плотность (сухая)

105-140 (pcf)

1700¸2250 кг/м3

2.

Ударная вязкость (по Шар пи)

60-140 (in·lb/in2)

1,10-2,5 кг×мм/мм2

3.

Прочность при сжатии (edgewise)

7000-12000 (psi)

49,0¸84,0 МПа

4.

Предел прочности на растяжение при изгибе (EFU)

3000-4600 (psi)

21,0¸32,2 МПа

5.

Модуль упругости

(1,5¸3,2)×106 (psi)

1,0-2,5×104 МПа

6.

Прочность на осевое растяжение:

 

 

- условный предел упругости (ETY)

400¸1000 (psi)

2,8¸7,0 МПа

- предел прочности (ETU)

1000¸1600 (psi)

7,0¸11,2 МПа

7.

Удлинение при разрушении

0,6¸1,2 %

(600¸1200)×10-5

8.

Сопротивление срезу:

 

 

- между слоями

500¸800 (psi)

3,5¸5,4 МПа

- поперек слоев

1000¸1600 (psi)

7,0¸10,2 МПа

9.

Коэффициент температурного расширения при t° = 77¸115F

4¸7·106 (in/in/desF)

8·10-6¸12·10-6 1/град

10.

Теплопроводность

3,5¸7,0 (Btu/in/hr/ft2/degF)

 

11.

Водопоглощение по весу

11¸16 %

 

12.

Водонепроницаемость по ГОСТ 12730

W6¸W20

 

13.

Морозостойкость по ГОСТ 10060

F150¸F300

 

14.

Огнестойкость

выше огнестойкости бетона

15.

Сгораемость

несгораемый материал; скорость распространения огня - 0.

2.3. РЕКОМЕНДАЦИИ ПО ОПТИМАЛЬНОМУ ИСПОЛЬЗОВАНИЮ ТЕХНОЛОГИЙ ПРОИЗВОДСТВА ФИБРОБЕТОННЫХ КОНСТРУКЦИЙ

2.3.1. ОБЩИЕ ПОЛОЖЕНИЯ ПО ВЫБОРУ ТЕХНОЛОГИИ

2.3.1.1. Определение рациональной технологии производства фибробетонных конструкций связано с решением конкретных практических задач, к которым относятся:

выбор вида технологии и разработка общей технологической концепции реализации производства, которые бы позволили изготавливать фибробетонные конструкции требуемого качества при достаточно высоком уровне эффективности самого производства;

- выбор высокотехнологичного и надежного в работе оборудования, его рациональная компоновка в соответствии с разработанной технологической схемой в целях обеспечения заданной производительности, повышения уровня механизации технологического процесса и снижения доли ручного труда при минимальных финансовых затратах;

- разработка той части технологии, которая касается оптимизации составов фибробетонных композиций, увязки технологических характеристик этих составов с возможностями реализуемой технологии при максимальном использовании прочностных свойств примененной фибры и бетона матрицы; целью этой части работы должно явиться обеспечение требуемого уровня прочности, плотности, долговечности конструкций, причем должны прорабатываться вопросы использования недефицитных, дешевых и в то же время эффективных в производстве исходных материалов и сырьевых компонентов.

На стадии определения рационального вида технологии следует использовать апробированное отечественное и импортное оборудование, а также учитывать накопленный отечественный и зарубежный опыт производства фибробетонных конструкций (см. Приложения 2.4; 2.7; подраздел 2.2.4 настоящих норм).

2.3.1.2. Выбор того или иного вида технологии и комплектация линии тем или другим технологическим оборудованием определяются:

- типом, назначением и конструктивными особенностями планируемых к производству фибробетонных конструкций;

- видом фибры, а также требуемой величиной дисперсного армирования (различные технологии в состоянии обеспечить неодинаковые предельные уровни фиброармирования в силу своей специфики);

- особенностями производства в части контроля качества и техники безопасности, которые связаны со специфическими свойствами различных видов фибры (см. разделы 2.3, 2.6, а также Технологические регламенты, приведенные в Приложениях 2.2 и 2.3 настоящих норм).

2.3.1.3. С учетом вышеизложенных требований, ниже представлены в табл. 2.3 и 2.4 рекомендуемые технологии производства соответственно стеклофибробетонных и сталефибробетонных конструкций. Рекомендации учитывают вид конструкций, тип фиброармирования и базируются на данных предшествующего опыта.

2.3.1.4. Производство определенных видов конструкций из фибробетонов на основе синтетической, в частности, полипропиленовой фибры может быть реализовано с использованием технологий, представленных в табл. 2.3 (п.п. 4, 6, 7, 8) и табл. 2.4 (п.п. 5, 7, 8, 9).

2.3.1.5. Общая схема реализации опытного (опытно-промышленного производства) фибробетонных конструкций приведена в табл. 2.3. Принципиальные технологические схемы производства, а также перечень подготовительных работ и мероприятия по техническому контролю качества и техники безопасности в зависимости от используемых видов технологии и материалов приведены ниже в соответствующих разделах норм.

Таблица 2.3

Рекомендуемые технологии производства конструкций и изделий из стеклофибробетона

№№ пп

Наименование конструкции

Заменяемый аналог

Элементы по пунктам приложения 1.2 части 1 ВСН

Рекомендуемая технология производства

Разработчик технологии - держатель технической документации

1

2

3

4

5

6

1.

Гидроизоляционные покрытия (для резервуаров и емкостей различного назначения, водоводов большого диаметра)

Торкрет-штукатурка по гидроизолирующей конструкции из железобетона

-

Набрызг на бетонное, кирпичное и др. основание

ЦНИИОМТП, НИИЖБ, ЦОМЭ (г.

Воронеж), фирма "Фибробетон" (г. Москва)

2.

Волнистые оболочки, изготавливаемые на пневмоопалубке

Сборные железобетонные, металлические и др. конструкции

табл. , п. 12

Набрызг на мягкую надувную опалубку А-135

НИИЖБ, ЦОМЭ (г. Воронеж)

3.

Элементы несъемной опалубки

Опалубка типа "Монолит-72" и др.

табл. 4, п. 4

1. Набрызг на жесткую опалубку в заводских условиях

фирма "Фибробетон", ЦНИИОМТП, НИИЖБ, ЦОМЭ (г. Воронеж)

2. Премиксинг с виброуплотнением и пригрузом

НИИЖБ, АрмНИИСА (г. Ереван, Армения)

4.

Сантехкабины и элементы

Типовые конструкции УП-1 (на базе унифицированных объемных элементов УОЭ) и т.п.

табл. 2, п. 4

1. Премиксинг с виброуплотнением.

фирма "Фибробетон"

2. Набрызг на жесткую опалубку в заводских условиях

фирма "Фибробетон"

5.

Элементы инженерных коммуникаций (кольца смотровых колодцев, каналы теплотрасс и др.)

Железобетонные конструкции серии 3.006.1-2/82

табл. 3, п.п. 1-8

1. Премиксинг с виброуплотнением (кольца колодцев)

ВНИИВодполимер (г. Елгава, Латвия)

2. Набрызг на жесткую опалубку (каналы теплотрасс)

фирма "Фибробетон", ЦОМЭ (г. Воронеж)

6.

Полы общественных зданий

Типовые решения

 

Премиксинг с виброуплотнением

НИИЖБ, фирма "Фибробетон"

7.

Ограждения лоджий, балконов, плиты парапетные, элементы фасадов с рельефным рисунком

Типовые железобетонные конструкции

 

Набрызг на жесткую или эластичную полиуретановую опалубку в заводских условиях

фирма "Фибробетон"

8.

Трехслойные стеновые панели с наружными слоями из стеклофибробетона для жилых и промышленных зданий

Типовые трехслойные железобетонные стеновые панели

табл. 2, п. 1

Премиксинг с виброуплотнением.

НИИЖБ, АрмНИИСА (г. Ереван, Армения), фирма "Фибробетон"

9.

Панели безрулонной кровли (лотковые, воронкообразные, складчатые)

Типовые железобетонные конструкции

табл. 2, п. 8

табл. 5, п. 4

Набрызг на жесткую или эластичную полиуретановую опалубку в заводских условиях

фирма "Фибробетон"

10.

Своды-оболочки двоякой кривизны

Железобетонные конструкции аналогичного назначения.

табл. 2, п. 9

Набрызг на жесткую опалубку в заводских условиях.

фирма "Фибробетон"

11.

Элементы благоустройства и др. малых форм

Железобетонные, чугунные, стальные и др. изделия и конструкции

табл. 4, п.п. 1-9

Набрызг на жесткую или эластичную полиуретановую опалубку

фирма "Фибробетон"

Таблица 2.4

Рекомендуемые технологии производства конструкций и изделий из сталефибробетона

№№ пп

Наименование конструкции

Заменяемый аналог

Элементы по пунктам приложения 1.2 части 1 ВСН

Рекомендуемая технология производства

Разработчик технологии - держатель технической документации

1

2

3

4

5

6

1.

Аэродромные, дорожные и тротуарные плиты, плиты покрытий

Типовые железобетонные конструкции ТП-5, ПНД и др.

табл. 3, п. 8

табл. 4, п. 2

табл. 5, п. 20

Предварительное перемешивание СФБ-смеси с виброуплотнением в заводских условиях

ЛатНИИС (г. Рига, Латвия), НИИЖБ

2.

Ребристые преднапряженные плиты 3´6 м и 3´12 м для промзданий, элементы оболочек

Типовые железобетонные конструкции ГОСТ 2270.1.0.0-77 и серии 1.465-3; 1.466.1-5

табл. 5, п. 2

Предварительное перемешивание СФБ-смеси с виброуплотнением в заводских условиях

ЦНИИПромзданий, НИИЖБ, ЛенЗНИИЭП

3.

Складчатая преднапряженная панель покрытия безрулонной кровли

Типовые железобетонные конструкции

табл. 2, п. 8

Предварительное перемешивание СФБ-смеси с виброуплотнением в заводских условиях

НИИЖБ, ГП КТБ Минстроя РФ

4.

Складчатые элементы неотапливаемого здания универсального назначения

Типовые железобетонные конструкции

Рекомендации [1]

Предварительное перемешивание СФБ-смеси с виброуплотнением в заводских условиях

НИИЖБ, ПИ-2

5.

Плиты несъемной опалубки (плоские и П-образные)

Конструкции "Монолит-72" и др.

табл. 4, п. 4

Предварительное перемешивание СФБ-смеси с виброуплотнением в заводских условиях

НИИЖБ

6.

Сваи, шпунт

Типовые железобетонные сваи

Рекомендации [1]

Предварительное перемешивание СФБ-смеси с виброуплотнением в заводских условиях

ЛенЗНИИЭП, ВНИИЖБ, НИИЖБ

7.

Сборные элементы подземных коммуникаций (лотки, кольца, каналы)

Типовые конструкции серии 3.900-3

табл. 3, п.п. 1-7

1. Предварительное перемешивание с виброуплотнением в заводских условиях

2. Радиальное роликовое формование

НИИЖБ, Мосинжпроект

8.

Монолитные конструкции днищ резервуаров, полы промзданий, дорожные покрытия, банковские хранилища

Типовые железобетонные конструкции.

Рекомендации [1]

Предварительное перемешивание с виброуплотнением в построечных условиях

НИИЖБ

9.

Монолитные конструкции отделок тоннелей и т.п.

 

Рекомендации [1]

Набрызг в построечных условиях

ЦНИИС Минтрансстроя

Таблица 2.5

СХЕМА РЕАЛИЗАЦИИ ОПЫТНОГО ПРОИЗВОДСТВА ФИБРОБЕТОННЫХ КОНСТРУКЦИЙ

Основные компоненты технологического процесса

Перечень составляющих производство

Содержание работ

Нормативно-техническая документация

1

2

3

4

1. Исходные материалы

Вяжущее

Сертификационный контроль материалов

ГOCT 10178

ГОСТ 310.1-310.4

ГОСТ 22236

ГОСТ 8736

ГОСТ 26633

ТУ (по приложению)

ТУ 6-14-625

ТУ 5743-049-02495332

ГОСТ 23732

ГОСТ 10922

ГОСТ 23858

ГОСТ 8478

ГОСТ 19292

ГОСТ 19293

Инструкции по приготовлению и применению смазок

Мелкий заполнитель

Крупный заполнитель

Фибра

Модификаторы бетона

Вода

Арматурные сетки, каркасы и т.д.

Консистентные смазки для форм и опалубки

2. Технологическая оснастка

Рельефообразующие матрицы (полиуретановые)

Форм-оснастка (металлические поддоны, борт-оснастка, формы, надувная опалубка)

Проектирование.

Изготовление моделей для матриц

Изготовление оснастки.

Подготовка оснастки к формованию изделий

Технологический регламент на изготовление и применение

3. Основное технологическое оборудование

Смесительные агрегаты (по указаниям настоящие норм)

Пневмонагнетательное оборудование для набрызга смеси (по указаниям настоящих норм)

Компоновка, монтаж оборудования

Ревизия, подготовка к работе, испытания на холостом ходу

Технологические регламенты на производство конструкций

Приложения 2.8, 2.9

Оборудование для укладки и уплотнения фибробетонной смеси

4. Отработка технологии

Рабочий состав фибробетонной смеси

Методология лабораторного подбора составов СФБ смесей и накопление данных по параметрам и соотношению компонентов с целью определения оптимальных составов, очередности загрузки, режимов и времени перемешивания, набрызга и т.п.

По указаниям настоящих норм: Приложение 2.2, Приложение 2.3

Режим перемешивания

Назначение рабочих составов СФБ и технологических параметров приготовления СФБ смеси

Параметры формования или пневмонабрызга. Условия твердения

Отработка технологии укладки и уплотнения

Контроль технологического процесса, приемка, испытание изделий

 

5. Освоение технологии опытного производства

Выпуск партии экспериментальных изделий

 

Акт об изготовлении продукции

Отработка методов контроля качества, методов испытаний продукции

Отработка технологического цикла и разработка нормативно-технической документации

Технологический регламент на опытное производство

Разработка технической документации

Временные ТУ на опытную продукцию

А. СТЕКЛОФИБРОБЕТОННЫЕ КОНСТРУКЦИИ

2.3.2. НАБРЫЗГ В ЗАВОДСКИХ УСЛОВИЯХ

2.3.2.1. Технология набрызга в заводских условиях применяется для промышленного производства сборных однослойных тонкостенных (толщиной до 20 мм) конструкций и многослойных (утепленных) конструктивных элементов с применением жесткой и специальной рельефной опалубки.

Перечень типов стеклофибробетонных конструкций, изготавливаемых по технологии набрызга в заводских условиях, с указанием технической документации, а также разработчика и держателя этой документации приведен в таблице 2.3.

2.3.2.2. Принципиальная технологическая схема производства стеклофибробетонных конструкций с использованием технологии набрызга приведена на рис. 2.2. (на рисунке показаны раздельно агрегат для набрызга и рубящее устройство, однако в технологии набрызга эти устройства зачастую совмещены в одном агрегате).

Развернутая схема организации опытного производства таких конструкций (варианты стендового и поточно-агрегатного производства) приведена на рис. 2.3. На развернутой схеме в качестве смесительного и пневмонагнетательного оборудования использованы, как пример, импортные высокоскоростной смеситель GRC-80 и нагнетательная пневмоустановка PS 9000 А с концентрическим пистолетом-напылителем облегченной конструкции. Остальное показанное на схеме емкостное, подъемное, дозирующее, перегружающее и транспортирующее оборудование отечественного производства. Перечень рекомендованного к использованию основного технологического оборудования приведен в подразделе 2.2.3, а его технические характеристики в Приложениях 2.8, 2.9 настоящих норм.

Рис. 2.2 Технологическая схема производства стеклофибробетонных конструкций методом набрызга в заводских условиях.


Рис. 2.3 Принципиальная технологическая схема организации опытного производства стеклофибробетонных конструкций методом набрызга стеклофибробетонных смесей.

1 - цементовоз; 2 - цементный шланг; 3 - силоса; 4 - винтовой наклонный питатель (шнек); 5 - вибросито; 6 - цементовод; 7 - расходные бункера емента, песка, активной минеральной добавки) с нижней выгрузкой; 8 - дозаторы (движущиеся по направляющим тележки с опрокидывающимися емкостями); 9 - самосвал; 10 - тара для перегрузки; 11 - цеховой кран (краналка); 12 - склад песка; 13 - сушильная установка, оборудованная ТЭНами; 14 - бортовая машина с затаренной активной минеральной добавкой или молотым песком; 15 - поддон для укладки АМД; 16 - склад АМДикронаполнителя); 17 - доставка модификатора-пластификатора; 18 - склад МП; 19 - доставка бобин стеклоровинга; 20 - склад стеклоровинга; 21 - камера для приобретения стекловолокном нормальных параметров влажности; 22 - расходные емкости воды и модификатора; 23 - дозировочное оборудование (расходные мерники); 24 - пульт задания дозировки; 25 - специальный смеситель с высоким срезывающим усилием GRC-80; 26 - пневмоцилиндр; 27 - растворная емкость-перегружатель (бадья); 28 - нагнетательная установка (PS 9000A); 29 - вариатор скорости (производительности); 30 - нагнетательный агрегат (шнек + насос); 31 - бетоновод; 32 - воздуховоды; 33 - бобина стеклоровинга нa площадке, укрепленной на штанге угнетательной установки; 34 - специальный тракт для стеклоровинга; 35 - рамакосина с поворотной конструкцией; 36 - пистолетаспылитель (с соплом), оборудованный узлом резки стеклоровинга; 37 - компрессор (или магистральная сеть); 38 - рессивер; 39 - формаснастка (термоформа, оборудованная регистрами с подведенным теплоносителем - горячей водой и брезентовым колпаком); 40 - рельефная эластичная полиуретановая матрица; 41 - слой стеклофибробетонной смеси; 42 - доставка арматурных изделий, закладных монтажных деталей и крепежа автопогрузчиком; 43 - оборудованная складская площадка под арматурные изделия, монтажные детали, крепеж; 44 - место складирования бортснастки и поддонов; 45 - оборудованное место складирования эластичных матриц; 46 - емкости разделительной смазки; 47 - отформованное и затвердевшее СФБ-изделие; 48 - пост доводки изделия; 49 - склад готовой продукции; 50 - приточно-вытяжная вентиляция; 51-54 - технологические переделы (посты) по поточногрегатной схеме: 51 - пост подготовительных работ; 52 - пост формовки; 53 - пост термовлажностной обработки СФБзделий; 54 - пост распалубки; 55 - изделие, готовое к отправке заказчику; 56 - погрузка и транспортирование изделия и комплектующих.


2.3.2.3. Более детально вопросы технологии изложены по каждому производственно-технологическому переделу в соответствующих Технологических регламентах и других документах, приведенных в Приложениях 2.2 (позиции 4, 9, 13 и 17) и 2.4 (позиция 6). Этими документами следует руководствоваться при организации опытного производства освоенных фибробетонных конструкций, а также в случае разработки технологии производства новых видов стеклофибробетонных конструкций. Перечень испытанных опытных конструкций из стеклофибробетона приведен в Приложении 2.10.

2.3.2.4 В процессе отладки производства стеклофибробетонных конструкций с использованием технологии набрызга целесообразно разрабатывать рабочие номограммы (или табличные зависимости), которые позволяли бы согласовывать основные параметры технологии пневмонанесения с целью получения смесей заданного фибросодержания. Пример использования такой экспериментальной номограммы при назначении параметров напыления СФБ-смесей и практического регулирования и контроля содержания фибры в составе мелкозернистой смеси применительно к установке PS 9000 А приведен на рис. 2.4. Более подробные сведения о рабочих номограммах изложены в Технологическом регламенте (Приложение 2.2, поз. 9, 10, 15).

2.3.2.3. Подготовка производства фибробетонных конструкций осуществляется в соответствии с Технологическими регламентами. В качестве обобщенного материала ниже в табл. 2.6 и 2.7. приведены перечень подготовительных работ при организации технологического процесса и содержание контроля за выполнением технологических операций.

Рис. 2.4 Рабочая номограмма регулирования и согласования параметров технологии набрызга исходя из обеспечения заданного проектом коэффициента фибрового армирования (фибросодержания).

Номограмма составлена применительно к установке PS 9000A.

Таблица 2.6

Перечень основных подготовительных работ по организации технологического процесса

Объект подготовки и контроля

Содержание работ

1. Модификатор

Приготавливается рабочий раствор модификатора-пластификатора заданной концентрации (или суперпластификатор в сочетании с другой функциональной химической добавкой). Раствор суперпластификатора С-3 (25-30 %) приготавливается разведением в теплой воде сухого С-3.

2. Смазка

Подготавливают консистентную разделительную смазку. Например: вазелино-стеариновую, расплавляя стеарин и технический вазелин из водяной бани с последующим добавлением солярового масла, перемешиванием и остыванием смазки, после чего она готова к употреблению. Используемая другая разделительная смазка ОПЛ (отход производства ланолина) приготавливается расплавлением густой ОПЛ на плит и последующим смешением с водой в соотношении ОПЛ:В = 0,75...0,8:1 (при разбавлении нерасплавленной ОПЛ горячей водой смазка коагулирует (сворачивается).Возможно использование разделительной смазки другого вида.

3. Компоненты СФБ композиции

Подготавливают к работе цемент, песок, как указано в технологической схеме, не допуская в материале крупных частиц, включений, инородных тел, которые могут нарушить технологию и привести к поломкам оборудования.

4. Оборудование

Проверяется (осмотром на холостом ходу) рабочее состояние оборудования.

5. Формы

Тщательно очищаются поверхности форм, бортоснастки, матриц от остатков фибробетонной смеси, смазки, обеспыливается их поверхность струей сжатого воздуха.

6. Матрица

Укладывается на поддон формы рельефообразующая матрица (если предусмотрена рельефная отделка изделия), закрепляются борта, выполняется пневмонанесение разделительной смазки.

7. Стеклоровинг

Бобины с ровингом устанавливают на специальные площадки, например установки PS-9000A, конец ровинга пропускается по специальному тракту и заправляется в рубочный узел. В таком положении оборудование считается подготовленным к началу производства работ по изготовлению стеклофибробетонных конструкций и изделий.

Таблица 2.7

Контроль за выполнением технологического процесса

Стадия работы

Содержание контроля

 

В ходе контроля проверяются:

1. Подготовка формооснастки

качество бортоснастки, чистота форм (перед нанесением смазки), качество матриц и отсутствие на их поверхности инородных тел, возможность (удобного) открывания и закрывания бортов, качество нанесенной смазки; прием форм к бетонированию; точность дозировки исходных материалов;

2. Подготовка технологического оборудования

работоспособность и исправность оборудования, равномерность подачи смеси и фибры, уплотнение, тщательность заполнения и уплотнения ребер и др. участков сложной конфигурации, подвижность бетонной смеси;

3. Термовлажностная обработка

выдержка перед погружением формы-изделия в пропарочную камеру, равномерность нагрева термоформ, отсутствие перекосов и правильность их опирания; режим тепловлажностной обработки контролируется через каждый час при отсутствии автоматического регулирования; допустимое отклонение ± 5 ºС; прогрев контрольных образцов;

4. Факторы качества

оперативный контроль факторов качества исходных материалов, в т.ч. влажности стеклоровинга; выполняется корректировка состава смеси в случае изменения свойств и качества составляющих компонентов.

2.3.3. НАБРЫЗГ В ПОСТРОЕЧНЫХ УСЛОВИЯХ

2.3.3.1. Технология набрызга в построечных условиях может быть эффективно использована для производства пространственных конструкций покрытий в виде монолитных стеклофибробетонных тонкостенных (толщиной до 30 мм) конструкций оболочек, структур и т.п., возводимых с применением жесткой или надувной опалубки. Эта технология применяется также для выполнения гидроизоляционных тонкослойных (толщиной до 15-20 мм) покрытий резервуаров, бассейнов, др. сооружений. Перечень типов стеклофибробетонных конструкций, возводимых набрызгом, с указанием технической документации приведен в таблице 2.3. Там же приведены сведения о разработчике технологии и держателе техдокументации.

2.3.3.2. Технологическая схема организации производства стеклофибробетонных конструкций по технологии набрызга, выполняемой в построечных условиях, показана;

- для пространственных однослойных (холодных) конструкций покрытия - на рис. 2.5 и 2.6;

- для пространственных слоистых (утепленных) конструкций покрытия - на рис. 2.7.

2.3.3.3. Вопросы технологии изложены более детально по каждому производственно-технологическому переделу в соответствующих Технологических регламентах и других документах, приведенных в Приложениях 2.2 (позиции 1, 2, 3, 23) и 2.4 (позиции 7, 8).

В этих же материалах приведены сведения об используемом технологическом оборудовании. Кроме того, перечень рекомендованного к использованию смесительного и пневмонагнетательного технологического оборудования приведен в подразделе 2.2.3, а его технические характеристики в Приложении 2.8 настоящих норм.

Указанными материалами следует руководствоваться при организации производства работ, а также в случае разработки технологии производства новых видов стеклофибробетонных конструкций.


Рис. 2.5 Схема организации работ по набрызгу стеклофибробетонной смеси на пневмоопалубку в построечных условиях.

Рис. 2.6. Технологическая схема организации работ по набрызгу СФБмесей на надувную опалубку.

Последовательность работ:

Захватка 1. 1. Со стоянки 1 производится набрызг 1-го основного слоя в осях А.

2. Со стоянки 2 производится набрызг 1-го основного слоя в осях Б.

3. Со стоянки 1 производится набрызг основного слоя в осях А.

4. Со стоянки 2 производится набрызг 2о основного слоя в осях Б.

На остальных захватках набрызг производится в аналогичной последовательности.

Рис. 2.7 Схема организации работ по изготовлению слоистых конструкций путем набрызга несущего стеклофибробетонного слоя и устройства теплоизоляции.


2.3.3.4. При разработке технологии набрызга следует учитывать, что применение пистолетов-напылителей типа РПН-40 требует более мощных компрессорных установок и дорогого комплектующего оборудования по сравнению с применением пистолетов-напылителей конструкций типа ЦНИИОМТП или фирмы "НСТ" (см. Приложение 2.8). В то же время пистолеты-напылители конструкции ЦНИИОМТП позволяют набрызгивать только безпесчаные стеклоцементные смеси, характеризуемые большим расходом цемента и более высокой усадкой.

2.3.3.5. Для изготовления пространственных конструкций и выполнения гидроизоляционных работ могут быть использованы аналогичные установки импортного производства, в т.ч. PS 9000 А при соответствующем техническом обеспечении.

Принципиальная схема организации процесса возведения пространственных конструкций методом набрызга с использованием легко перевозимых надувных опалубок приведена на рис. 2.6.

2.3.4. ПРЕДВАРИТЕЛЬНОЕ ПЕРЕМЕШИВАНИЕ С УПЛОТНЕНИЕМ, ОСУЩЕСТВЛЯЕМЫМ ВИБРИРОВАНИЕМ, РАДИАЛЬНЫМ РОЛИКОВЫМ ФОРМОВАНИЕМ, ЭКСТРУЗИЕЙ

2.3.4.1. Технология предварительного перемешивания смесей ("премиксинг") с последующим уплотнением различными технологическими приемами рекомендуется к применению для массового производства сборных стеклофибробетонных конструкций в заводских условиях при относительно небольшой номенклатуре изделий и значительных объемах производства.

2.3.4.2. С использованием технологии "премиксинга" изготавливаются сборные однослойные стеклофибробетонные конструкции, а также слоистые конструкции с эффективными утеплителями и наружными слоями из стеклофибробетона.

Перечень типов таких стеклофибробетонных конструкций, изготавливаемых по технологии предварительного перемешивания в заводских условиях, с указанием техническое документации, ее разработчика и держателя приведен в таблице 2.3.

2.3.4.3. Принципиальная схема производства стеклофибробетонных конструкций по технологии предварительного перемешивания в заводских условиях приведена на рис. 2.8. Схемы реализации такой технологии с учетом конструктивных особенностей изделий и методов уплотнения фибробетонных смесей приведена ниже.

При реализации технологии производства стеклофибробетонных конструкций методом "премиксинга" следует учитывать особенности устройства в них закладных деталей в соответствии с требованиями части 1 настоящих ВСН.

2.3.4.4. Перечень технологического оборудования для предварительного перемешивания и укладки фибробетонных смесей, а также характеристика используемого оборудования приведены в соответствующих технологических регламентах и других материалах (см. Приложение 2.2 позиции 5, 6, 7, 10, 13, 16, 18, 21 и Приложение 2.9).

При разработке технологической линии по производству фибробетонных конструкций применительно к конкретной номенклатуре изделий и условиям реализации технологии следует увязать по производительности смесительное, уплотняющее, укладочно-разравнивающее и прочее оборудование. Техническая характеристика известных апробированных типов смесителей фибробетонных смесей приведена в Приложении 2.9.

2.3.4.5. Принципиальная схема опытно-промышленной технологической линии по производству стеклофибробетонных листовых элементов (несъемная опалубка, экраны и т.п.) с применением прутково-шнековых смесителей типа СПШ-П по опыту АрмНИИСА приведена на рис. 2.9.

Схема опытной установки по производству стеклофибробетонных листовых элементов несъемной опалубки с использованием спирально-шнековых смесителей и укладочно-разравнивающих агрегатов показана рис. 2.10.

Рис. 2.8 Технологическая схема заводского производства стеклофибробетонных изделий методом предварительного перемешивания.

Рис. 2.9 Технологическая схема опытно-промышленной линии по производству СФБ листовых элементов:

1 - смесительная установка; 2 - питательозатор; 3 - поддон укладки смеси; 4 - конвейер формовки изделий; 5 - разравниватель; 6 - поддон формовки изделий; 7 - опрокидыватель-перебросчик; 8 - виброролики; 9 - ножницы; 10 - тележка; 11 - камера предварительного твердения; 12 - распалубовщик; 13 - конвейер; 14 - конвейер влажного твердения; 15 - склад готовой продукции; 16 - пост чистки и смазки поддонов; 17 - перебросчик.

Рис. 2.10 Схема опытной установки по производству листовых элементов несъемной опалубки:

А - конвейер; Б - укладочноазравнивающий агрегат; В - формующий агрегат; 1, 4, 9 - рамы; 2 - опорные ролики, 3 - поддон формовки изделий; 5 - бункер; 6 - шнеко-затворное устройство; 7 - ленточный питатель; 8 - разравниватель; 10 - подвеска; 11 - формующие ролики; 12 - профилирующий ролик; 13 - вибратор.

2.3.4.6. Производство плоских линейных элементов эффективного профиля целесообразно осуществлять с использованием экструзионной технологии, аналогичной производству асбестоцементных изделий. При этом асбестоцементная смесь заменяется стеклофибробетонной, изготавливаемой в смесителях принудительного действия типа ССВ, СПШ или СБ-46 (см. Приложения 2.2 и 2.9).

Технологическая схема заводского производства стеклофибробетонных плоских линейных элементов методом экструзии приведена на рис. 2.11 Особенности технологии с использованием метода экструзии применительно к производству стеклофибробетонных конструкций изложены в соответствующем материале - Технических предложениях по технологии (Приложение 2.2, позиция 22).

1 - склад; 2 - дозатор; 3 - загрузка; 4 - бегуны; 5 - питатель-транспортер; 6 - дезинтегратор; 7 - емкость; 8 - транспортер; 9 - дозатор; 10 - конвейер; 11 - смеситель; 12 - бункер; 13 - транспортер; 14 - весовой дозатор; 15 - склад; 16 - дозатор; 17 - реактор; 18 - насос; 19 - емкость для созревания раствора; 20 - насос; 21 - дозатор; 22 - транспортер; 23 - элеватор; 24 - смеситель; 25 - питатель; 26 - пресс-экструдер; 27 - 1 приемный рольганг; 28 - резательное устройство; 29 - 2-й рольганг с приемным решетчатым поддоном; 30 - укладчик; 31 - камера предварительного твердения; 32 - пост разборки; 33 - панели без поддонов; 34 - станок для разрезки на заданную длину и обрезки торцов; 35 - автоклавные тележки; 36 - автоклав; 37 - пост укладки утеплителя; 38 - контейнеры

Рис. 2.11 Технологическая схема производства стеклофибробетонных экструзионных плоских линейных изделий

Б. СТАЛЕФИБРОБЕТОННЫЕ КОНСТРУКЦИИ И ТОВАРНЫЕ СМЕСИ

2.3.5. ТЕХНОЛОГИЧЕСКИЕ СХЕМЫ ПРОИЗВОДСТВА ИЗДЕЛИЙ И ТОВАРНЫХ СМЕСЕЙ

2.3.5.1. Производство сталефибробетонных конструкций в заводских условиях организуется по технологии предварительного перемешивания СФБ-смеси с последующим уплотнением приемами вибрирования, роликового формования, центрифугирования в соответствии с указаниями, изложенными в "Рекомендациях по проектированию и изготовлению сталефибробетонных конструкций", разделы 6-11 [48].

Перечень сталефибробетонных конструкций, рекомендуемая технология их изготовления, заменяемые аналоги с указанием технической документации, а также сведения о разработчике и держателе документации приведена в табл. 2.4.

2.3.5.2. Общая технологическая схема заводского производства сталефибробетонных конструкций приведена на рис. 2.12. Технологические схемы, отличающиеся местом, способами введения и дозировкой стальное фибры в бетонную смесь, представлены на рис. 2.13-2.17. Производство товарной сталефибробетонной смеси и поставка ее на строительный объект показаны в двух схемах, изображенных на рис. 2.18 и 2.19.

Схема организации производства работ по выполнению покрытий из сталефибробетонных смесей методом торкретирования представлена на рис. 2.21.

Ниже по каждой из указанных технологических схем приведены сведения о специфических особенностях каждой из технологий и способах их реализации в производстве.

2.3.5.3. Представленные технологические схемы имеют некоторые особенности и различаются между собой:

а) возможными технологическими вариантами мест введения стальной фибры в бетонную смесь (рис. 2.13.);

б) введением фибры в смеситель с возможностью дозирования и управления интенсивностью потока за счет регулирования скорости процесса резки проволоки (рис. 2.14.);

Рис. 2.12 Технологическая схема производства сталефибробетонных конструкций методом предварительного перемешивания.

Рис. 2.13. Принципиальная схема и технологические варианты введения фибры.

Рис. 2.14 Введение стальной фибры в смеситель с использованием процесса ее приготовления из проволоки для дозирования и управления интенсивностью потока.

Рис. 2.15. Введение стальной фибры в смеситель диспергатором при использовании ее запаса

Рис. 2.16. Введение фибры и бетонной смеси в смеситель совместным потоком, путем укладки фибры на проходящую по конвейеру бетонную смесь.

Рис. 2.17. Изготовление колец с зонным армированием в установках РФК, например, из фибробетона на синтетической фибре с усилением стальной фиброй замковых частей.

Вариант 2

Рис. 2.18 Технологическая схема (вариант 1) производства товарной сталефибробетонной смеси с подачей фибры в автобетоносмеситель по транспортеру.

Вариант 2

Рис. 2.19 Технологическая схема (вариант 2) производства товарной сталефибробетонной смеси с подачей фибры в смеситель БСУ с последующей загрузкой СФБ смеси в автобетоновоз.

Рис. 2.20. Конструктивная схема устройств роликового формования.

1 - балка; 2 - расходный бункер; 3 - формующие ролики; 4 - направляющие; 5 - форма; 6 - кривошипноатунный механизм; 7 - рольганг; 8 - привод перемещения формы; 9 - ходовой винт.

в) использованием диспергаторов и мерных контейнеров с запасом фибры при ее введении в бетонную смесь (рис. 2.15);

г) укладкой фибры на проходящую по конвейеру бетонную смесь, то есть по принципу совместного потока (рис. 2.16);

д) использованием технологического приема зонного армирования для усиления стальной фиброй отдельных участков конструкции (рис. 2.17);

Указанные особенности технологии следует учитывать при организации заводского производства тех или иных видов сталефибробетонных конструкций.

Производство плитных конструкций из сталефибробетона может быть организовано по технологии роликового формования, принципиальная схема которой приведена на рис. 2.20.

При производстве сталефибробетонных элементов инженерных коммуникаций (кольца, трубы и т.п.) целесообразно применение комплексного армирования стальной и синтетической фиброй по схеме, показанной на рис. 2.17.

2.3.5.4. Перечень необходимого оборудования при производстве сталефибробетонных конструкций приводится в соответствующих технологических регламентах (Приложение 2.3).

Обобщенный перечень типов возможного технологического оборудования, используемого на стадиях изготовления фибры, ее транспортной обработки, дозирования, введения в бетонную смесь, а также подачи и укладки приготовленных СФБ-смесей приведен в табл. 2.8.

2.3.5.5. При производстве конструкций покрытий типа обделок тоннелей и т.п. рекомендуется использовать принципиальную схему производства, приведенную на рис. 2.21.

Рис. 2.21 Схема организации производства сталефибробетонных покрытий с применением торкретирования СФБ-смеси.

Таблица 2.8

Перечень технологического оборудования для изготовления и укладки сталефибробетонных смесей

№ пп

Наименование рабочих процессов и операций

Тип оборудования

1.

Изготовление фибры

Станок для рубки стальной фибры из стальной ленты СФЛ-96, СФЛ-289

2.

Дозирование и введение фибры в приготавливаемую смесь

Дозатор фибры щелевой ДФЩ-600-250 производительностью 20-150 кг/мин.

3.

Приготовление сталефибробетонной смеси

Бетоносмесители:

- принудительного действия;

- гравитационного действия;

- автобетоносмесители.

4.

Подача сталефибробетонной смеси к месту укладки

с помощью крана в бадьях, бункерах;

- вибролотки;

- ленточные конвейеры;

- бетононасосы;

- торкрет-установки.

5.

Уплотнение сталефибробетонных смесей при их укладке в конструкцию

Вибраторы:

- глубинные;

- навесные;

- площадочные;

- стационарные виброплощадки.

2.4. ПРОЕКТИРОВАНИЕ И ПОДБОР СОСТАВОВ ФИБРОБЕТОННЫХ СМЕСЕЙ

2.4.1. ОБЩИЕ УКАЗАНИЯ

2.4.1.1. Проектирование и подбор составов фибробетонных смесей выполняется с целью получения фибробетонных смесей, обладающих соответствующими показателями подвижности (жесткости), удобоукладываемости и позволяющих обеспечить получение в конструкции фибробетона с заданными проектными физико-механическими характеристиками.

При подборе составов фибробетонов руководствуются общими принципами подбора составов тяжелых и мелкозернистых бетонов, а также положениями настоящих ВСН, учитывающими особенности фибробетонных смесей. При этом исходят из условия получения фибробетона наибольшей плотности и наименьшей пустотности, в котором межзерновое пространство заполнено цементным камнем, а поверхность фибры полностью покрыта цементным клеем.

2.4.1.2. Подобранный состав фибробетонной смеси должен иметь заданные показатели жесткости или подвижности рабочей смеси, при которых становится возможным осуществить качественный набрызг, укладку, формование и уплотнение смеси с использованием предусмотренных проектом или технологическим регламентом способов и оборудования согласно Приложениям 2.2 и 2.3.

2.4.1.3. Подбор составов фибробетонов производится с учетом основных положений, изложенных в "Рекомендациях по подбору составов тяжелых и мелкозернистых бетонов, разработанных к ГОСТ 27006-86" М., 1990 г. и на основании указаний разделов 2.4.2. и 2.4.3. настоящих ВСН.

При подборе составов фибробетонов принимается во внимание некоторые общие особенности составов и свойств фибробетонных смесей, которыми последние отличаются от традиционно применяемых тяжелых и мелкозернистых бетонов. Основные отличия приведены в справочной табл. 2.9.

Таблица 2.9

Некоторые общие различия в составе и свойствах между бетоном-матрицей стеклофибробетонных составов и традиционными тяжелыми бетонами или цементными кладочно-отделочными растворами.

Анализируемый показатель

Для традиционных бетонов, растворов

Для бетона-матрицы пневмонаносимых составов

1

2

3

1. Содержание цемента и цементного камня в составе материала (весовые %).

в области значений 15...25 % (более низкое)

в области значений 30...60 % (повышенное)

2. Соотношение Ц:П

в тяжелом бетоне 1:2...1:1;

в кладочном растворе 1:4...1:6;

в отделочном растворе 1:3...1:4

преимущественно в области значений 1:2...2:1

3. Использование мелкозернистых песков, т.е. песков с низкой крупностью зерен (низкомодульных) и с повышенной удельной поверхностью

не желательно в тяжелых бетонах, особенно высокопрочных

допустимо, а в ряде случаев целесообразно

4. Фракционирование песков и целесообразность регулирования соотношения между фракциями мелкого заполнителя

желательно, в особенности для высокопрочных бетонов

практическая целесообразность фракционирования исключается

5. Наличие жесткого каменного скелета в бетоне-матрице

имеется

отсутствует ввиду того, что имеет место повышенное цементосодержание и зерна песка находятся во взвешенном ("плавающем") состоянии

6. Достигаемая прочность

для традиционных растворов более низкая, в сравнении с мелкозернистым бетоном-матрицей

более высокая (в сравнении с растворами) за счет повышенного объемного содержания цементирующей связки

7. Величина усадки

ниже

более высокая

8. Величина модуля упругости

выше (для бетонов)

ниже

9. Значение оптимума В/Ц

сдвинуто в область более высоких значений (для растворов)

сдвинуто в область более низких значений в связи с ростом цементосодержания, поэтому "жирные" смеси позволяют получать мелкозернистые бетоны более высокой прочности

10. Показатель водопотребности (удельный показатель)

находится в области более высоких значений (для кладочных растворов с Ц= 1:4...1:6)

наоборот, имеет более низкие значения, отсюда более четкая общая зависимость Rb от изменения В/Ц, что существенно для методики проектирования и подбора составов

2.4.2. ПОДБОР СОСТАВА СТЕКЛОФИБРОБЕТОННЫХ СМЕСЕЙ.

2.4.2.1. Состав стеклофибробетона подбирается в лабораторных условиях опытно-расчетным путем с обязательным контролем и соответствующей корректировкой в производственных условиях.

При подборе состава бетона исходят из условия получения материала наибольшей плотности, в котором все пустоты между заполнителями и фиброй заполнены цементным камнем и все они покрыты пленкой вяжущего.

2.4.2.2. Состав стеклофибробетона должен обеспечить получение материала требуемой прочности при заданных технологических свойствах смеси, назначаемых, исходя из принятой технологии производства изделий.

2.4.2.3. Задание по подбору состава стеклофибробетона должно содержать следующие данные:

- проектную прочность стеклофибробетона в конструкции на осевое растяжение в заданные сроки, а также проектную прочность при сжатии в возрасте 28 суток Rfb Па);

- требуемую жесткость смеси по ГОСТ 10181 (в единицах времени - с.) или подвижность по расплыву конуса (в мм);

- толщину формуемого слоя стеклофибробетона δ, мм;

- марку или активность цемента при испытании по ГОСТ 310.4, Rц, (МПа);

- временное сопротивление фибры разрыву (МПа);

- длину фибры lf, мм.

2.4.2.4. Жесткость фибробетонной смеси предварительно устанавливается по таблице 2.10 и уточняется в проектах организации работ в зависимости от размеров и способа формования конструкций.

Таблица 2.10

Способ формования конструкции

Жесткость, с

1

2

Виброуплотнение без пригруза с вибровакуумированием

4 и менее

Виброуплотнение с пригрузом

5-10

Виброгидропрессование

11-30

Вибропрокат

более 31

2.4.2.5. При подборе состава бетона-матрицы отношение заполнителя (песка) к цементу принимается, как правило, равным единице с последующей корректировкой.

2.4.2.6. Подбор состава стеклофибробетона производят в два этапа. Вначале определяется ориентировочный состав смеси, который затем корректируется опытным путем.

2.4.2.7. В числе основных факторов, влияющих на прочность стеклофибробетона и жесткость смеси, значатся: содержание фибры и ее длина.

Ориентировочный процент фибрового армирования определяется, исходя из требуемой прочности стеклофибробетона на осевое растяжение, по формуле:

                                                   (1)

где: Rfbt - нормативная прочность стеклофибробетона на осевое растяжение, МПа;

Rf - нормативная прочность на растяжение стекловолокна, МПа.

2.4.2.8. Значение коэффициента Kg, учитывающего ориентацию фибр относительно действующего усилия, зависит от толщины формуемых слоев и принимается равным:

Kg = 0,35                 - при δ £ 10 мм;                                                                                  

Kg = 0,23                 - при δ ³ 50 мм;                                                                                  

Kg = 0,35 - 0,003δ       - при 10 < δ < 50 мм.                                     (2)

где: δ - толщина формуемого слоя в мм.

2.4.2.9. Коэффициент Kτ учитывает снижение прочности фибры в цементном камне по сравнению с прочностью исходного стекловолокна и зависит от типа и химического состава волокна, условий твердения и возраста стеклофибробетона. Значения коэффициента Kτ для фибры из щелочестойкого стекловолокна марки Щ-15ЖТ приведены в табл. 2.11.

Для стекловолокна марки СЦ6 коэффициент Kτ может приниматься равным 1 для условий, обозначенных под номерами 1, 2 и 3, и равным 0,9 - для условий 4.

Таблица 2.11

Условия начального твердения

Значения Kτ

возраст бетона, мес.

1

3

6

12

1. Хранение в нормальных условиях при t = 20 °С

0,63

0,53

0,45

0,37

2. Тепловлажностная обработка при t = 40 °С

0,63

0,53

0,45

0,37

3. Тепловлажностная обработка при t = 60 °С

0,53

0,5

0,4

0,33

4. Тепловлажностная обработка при t = 80 °С

0,4

0,36

0,34

0,32

2.4.2.10. Значения Kf определяются по таблице 2.12 исходя из средней прочности стеклофибробетона нормального твердения искомого состава в возрасте 28 суток, которую далее будем называть "приведенная прочность" стеклофибробетона данного состава. Переход от реальной прочности стеклофибробетона в изделии в возрасте τ к приведенной прочности Rfbt осуществляется по формуле:

                                             (3)

Таблица 2.12

Приведенная прочность при осевом растяжении, МПа

Kup

Kf

Менее 4,4

2,7

0,86

4,4-5

2,8

0,8

5-5,5

2,9

0,74

5,6-6

3,0

0,68

3,1

0,62

2.4.2.11. Водоцементное отношение подбирается опытным путем по расплыву конуса исходной смеси бетона-матрицы, на встряхивающем столике по ГОСТ 310.4.

Требуемый расплыв конуса исходной смеси, получаемый после 10 встряхиваний на столике, определяется исходя из заданной жесткости стеклофибробетонной смеси Ж, ориентировочного процента фибрового армирования μo и длины используемой фибры l по экспериментальному графику рис. 2.22.

При достижении заданного расплыва конуса фиксируется количество затворенной воды и устанавливается ориентировочное водоцементное отношение (В/Цо)

2.4.2.12. Водоцементное отношение смеси В/Цо должно ограничиваться условиями:

(В/Цo) £ 1,65 Кнг + П/Ц×Кп                                                                                  (6)

                                                                               (7)

где: А - коэффициент, равный:

0,8 - для высококачественных материалов;

0,75 - для материалов среднего качества и

0,65 - для цемента низких марок и мелкого песка;

Rц - активность (марка) цемента, МПа;

Кнг - коэффициент нормальной густоты цементного теста;

Кп - коэффициент водопотребности песка.

2.4.2.13. Экспериментальная корректировка состава производится в следующем порядке. Готовят два состава стеклофибробетонной смеси с содержанием фибры соответственно μ1 = 0,9μо и μ2 = 1,1μо. При этом жесткость обоих составов должна быть одинаковой и соответствовать требуемой жесткости. Соответствующие этому значения водоцементных отношений обозначают (В/Ц)1 и (В/Ц)2.

2.4.2.14. Из полученных смесей формуют образцы размерами 400´100´20 мм (по 6 образцов каждого состава). Для ускорения твердения образцы подвергают тепловой обработке при температуре 40 °С в течении 18-20 часов в среде с относительной влажностью воздуха близкой к 100 %.

Рис. 2.22 Экспериментальная оценка реологических характеристик стеклофибробетонных смесей.

Дальнейшее хранение образцов в течении суток осуществляется в нормальных температурно-влажностных условиях, после чего производят их испытание на изгиб. Стеклофибробетон на стекловолокне марки СЦ6-ПУ можно пропаривать при температуре t £ 80 °С.

2.4.2.15. Значения прочности стеклофибробетона Rfbb и R’’fbb (разрушающее напряжение при изгибе) соответственно составов 1 и 2 определяются по формуле:

                                                                                                  (8)

где: P'('') - разрушающая нагрузка для образцов составов 1 и 2.

2.4.2.16 При адекватности условий изготовления указанным выше, прочность корректировочных образцов равна приведенной прочности составов, из которых они изготовлены: соответственно R'fbb и R''fbb.

2.4.2.17. Уточненные значения μf и В/Ц определяются исходя из результатов испытаний методом интерполяции.

Уточненное значение требуемого процента армирования μτ определяется по формуле:

                                                                    (9)

где: Rofbb - проектное значение прочности стеклофибробетона на растяжение при изгибе.

Уточненное значение требуемого водоцементного отношения (В/Ц)т определяется по формуле:

                                                              (10)

2.4.2.18. Если подбор состава производится по прочности на осевое растяжение, то переход от прочности на изгиб к прочности на осевое растяжение испытанных образцов осуществляется посредством коэффициента Kup определяемого по табл. 2.12.

2.4.2.19. В случае несоблюдения условий, приведенных в формулах (6) и (7), и с целью снижения значения В/Ц при сохранении величины расплыва конуса смеси исходной матрицы, необходимо использовать пластифицирующие добавки. Однако, в этом случае, состав должен быть проверен на воздухововлечение, поскольку значительное воздухововлечение может привести к снижению прочности стеклофибробетона на сжатие.

Величина воздухововлечения стеклофибробетонной смеси не должна превышать 5-6 %.

2.4.2.20. Расход исходных материалов (в кг) - фибры (Ф), цемента (Ц), песка (П) и воды (В) на 1 м3 стеклофибробетона определяется по следующим формулам:

Ф = 10×μτ×γф                                                                (11)

                                                 (13)

П = Ц×(П/Ц)                                                             (13)

В = Ц×(В/Ц)                                                              (14)

2.4.2.21. Подбор состава стеклофибробетона производится применительно к используемому технологическому оборудованию, технологии укладки, формования, уплотнения и тепло-влажностной обработке.

2.4.2.22. Общая схема подбора состава СФБ смеси применительно к технологии набрызга и сравнение результатов подбора по двум вариантам состава стеклофибробетона показаны на рис. 2.23.

Примеры производственных составов стеклофибробетонных смесей для различных технологий приводятся в соответствующих технологических регламентах и других документах, перечень которых приведен в Приложении 2.2 к настоящим ВСН.


Рис. 2.23 Пример определения рациональной композиции для стеклофибробетонных изделий, изготовляемых набрызгом.


2.4.3. ПОДБОР СОСТАВА СТАЛЕФИБРОБЕТОННЫХ СМЕСЕЙ.

2.4.3.1. Подбор состава сталефибробетонных смесей выполняется в соответствии с общими требованиями нормативного документа [53] (см. Приложение 2.1 и указаниями "Рекомендаций по проектированию и технологии изготовления сталефибробетонных конструкций", изложенными в разделах 6-12 [48].

2.4.3.2. При подборе состава сталефибробетонной смеси учитываются требования по увязке параметров фибры, наличия (отсутствия) крупного заполнителя, размеров сечений изготавливаемых сталефибробетонных конструкций и их элементов. Эти требования изложены в материале [48] Приложения 2.1.

2.4.3.3. Сталефибробетонная смесь подобранного состава должна обладать заданными показателями жесткости (подвижности) и удобоукладываемости обеспечивающими ее укладку и формование предусмотренными технологическим регламентом способами.

Пример подбора состава сталефибробетона приведен в Приложении 3 материала [48].

2.5. КОНТРОЛЬ КАЧЕСТВА.

2.5.1. Контроль качества фибробетона, бетонной и фибробетонной смесей, бетона-матрицы, исходных материалов должен осуществляться заводской или строительной лабораторией в соответствии с требованиями настоящих ВСН.

2.5.2. Определение эксплуатационной надежности (прочности, трещиностойкости, жесткости и т.д.) конструкций из фибробетона производится таким же образом, как и изделий из обычного железобетона по ГОСТ или ТУ на данное изделие с учетом положений настоящих норм.

2.5.3. Периодичность контроля прочности фибробетона изготовленных конструкций устанавливается ГОСТами или ТУ на соответствующие изделия.

2.5.4. Система контроля прочности фибробетона включает:

- приемочный контроль качества исходных материалов;

- контроль фибросодержания и однородности распределения фибр в матрице;

- контроль степени уплотнения фибробетона;

- контроль средней величины и коэффициента вариации предела прочности фибробетона при растяжении;

- контроль средней величины прочности материала матрицы при сжатии.

2.5.5. Каждая новая партия фибры, поступившая на производство, проверяется на соответствие паспортным данным завода-изготовителя и дополнительно испытывается в бетонах текущего производственного состава.

Стекловолокнистая щелочестойкая фибра испытывается в мелкозернистых бетонных производственных составах при температурах 60-80°С изотермического выдерживания в течение 8 часов. Прочность бетона в первом случае не должна отличаться от производственной более чем на ±10 %, а снижение прочности во втором случае по сравнению с первым не должно превышать 20 %.

2.5.6. На технологических линиях надлежит организовать систематический контроль равномерности распределения фибр в бетонной смеси. Методика контроля, например, стекловолокнистой фибры, может быть ниже следующей.

Из разных участков изготавливаемой конструкции отбирается не менее 10 проб бетонной смеси массой приблизительно 200-300 г. Объем пробы зависит от размеров фибр, степени насыщения ими смеси и определяется по формуле:

 см3,

где: μf - коэффициент армирования по объему;

lf - длина фибры;

df - диаметр фибры.

Далее после предварительного взвешивания пробы смесь помещается на систему сит с ячейкой 5 и 2,5 мм и промывается водой. После промывки стекловолокно, оставшееся на верхнем сите с ячейкой 5 мм извлекается вручную (небольшая часть волокон может при промывке пройти через сито 5 мм, в этом случае оно собирается с нижнего сита), высушивается и взвешивается.

Определяется объемное содержание стекловолокна в пробах (в %) по формуле:

,                                                                                                 (1)

где: qfb - навеска СФБ смеси;

qfi - масса фибры в навеске;

γfb - объемная масса СФБ смеси;

γf - объемная масса фибры.

Определяется среднее объемное содержание стекловолокна в каждой из отобранных проб:

                                                                                                          (2)

Подсчитывается коэффициент изменчивости (V) содержания стекловолокна в бетонной смеси:

                                                                                              (3)

При величине V < 10 % равномерность распределения стекловолокна в бетонной смеси следует считать высокой. Удовлетворительная равномерность распределения стекловолокна в смеси характеризуется величиной V в пределах от 10 до 15 %.

2.5.7. При формовании изделий качество уплотнения смеси характеризуется коэффициентом уплотнения, представляющим собой отношение фактической объемной массы уплотненной смеси к теоретически рассчитанному значению объемной массы. Величина этого коэффициента должна быть не менее 0,94-0,96. Фактическую объемную массу смеси следует определять в мерном сосуде емкостью не менее 1 л, жестко закрепленном на лабораторной виброплощадке. Ориентировочное время уплотнения равно З×Ж, где: Ж - жесткость смеси (в с).

2.5.8. Контроль фибробетона на истираемость, ударную вязкость, вязкость разрушения и т.д. производится в тех случаях, когда они предусмотрены соответствующими стандартами или ТУ.

2.5.9. Определение прочности фибробетона и бетона-матрицы может осуществляться путем использования:

- разрушающих методов испытаний изготовленных контрольных образцов согласно ГОСТ 10180;

- неразрушающих методов испытаний согласно ГОСТ 21217.

2.5.10. Контроль прочности фибробетона на сжатие и растяжение производится в соответствии с указаниями ГОСТ 10180 и по методике рекомендаций НИИЖБ [48].

2.5.11. Для оценки равномерности распределения стальных фибр в тонкостенных элементах, определения прочностных характеристик материала рекомендуется использовать магнитометрический метод, основанный на измерении магнитной восприимчивости сталефибробетонных элементов.

Для измерений магнитной восприимчивости используются приборы-каппаметрыМБ-2), применяемые в геологии для оценки магнитных свойств горных пород, а также модифицированный прибор ЛИСИ ИЗС-ВМ ЭПМ7.

2.6. ТЕХНИКА БЕЗОПАСНОСТИ.

2.6.1. При производстве работ, связанных с изготовлением фибробетонных конструкций и выпуском товарной фибробетонной смеси должны соблюдаться требования главы СНиП III-4-93 по технике безопасности в строительстве.

2.6.2. К эксплуатации и обслуживанию оборудования и производству фибробетонных конструкций и фибры должны допускаться лица, прошедшие медосмотр и инструктаж по ТБ, хорошо знающие устройство оборудования, правила его эксплуатации и техники безопасности, прошедшие обучение по специальной программе, сдавшие экзамены квалификационной комиссии и получившие допуск к выполнению работ.

2.6.3. При эксплуатации и обслуживании оборудования для производства фибробетонных конструкций необходимо помнить, что сама фибра является источником опасности, приводящим к травматизму.

При резке стальной фибры на специальном оборудовании и введении фибры в смесь необходимо пользоваться очками и рукавицами с кожаными нашивками со стороны ладоней. Работы должны проводится с соблюдением "Правил безопасности и промышленной санитарии в проволочном и гвоздильном производстве", Металлургия, 1960 г., а также "Правил технической эксплуатации проволочно-волочильного и канатного оборудования метизных заводов", Металлургия, 1974 г.

2.6.4. Используемые механизмы и оборудование должны быть снабжены паспортами. Перед началом работы производится проверка работоспособности оборудования. Предохранительные клапаны на нагнетательном оборудовании должны быть отрегулированы на сбросовое давление (1,5 МПа); работа без клапанов или при перекрытом отверстии клапана запрещена.

2.6.5. Присоединение и отсоединение шлангов к пистолету должно выполняться только после перекрытия вентиля подачи сжатого воздуха. Шланги перед присоединением следует продуть. Звенья шлангов необходимо крепить специальными фланцево-клиновыми соединениями на болтах Внутренние конусные кольца соединений следует периодически осматривать и по мере износа своевременно заменять.

Систему следует промывать водой под давлением для предотвращения закупорки шлангов, промывку пистолета выполняют после окончания работ и по мере необходимости.

2.6.6. Эксплуатация электрических устройств должна производится в соответствии с установленными правилами. Особое внимание должно быть обращено на то, чтобы электротехнические приборы и оборудование были надежно заземлены, а пульты управления имели бы резиновые коврики.

2.6.7. При ремонтных работах на главном рубильнике должна быть вывешена запрещающая надпись: "Не включать, работают люди!". Включать в работу оборудование можно только после окончания всех ремонтные работ. Право включения электроэнергии имеет лицо, производившее ее отключение.

2.6.8. Во время работы по приготовлению фибробетонных смесей, формованию и твердению изделий из них запрещается:

- отлучаться с рабочих мест;

- передавать управление оборудованием посторонним лицам;

- работать на неисправном оборудовании;

- производить какие-либо ремонтные работы при работающем оборудовании;

- подходить к открытым токопроводящим коммуникациям;

- захламлять рабочее место.

2.6.9. Рабочий-сопловщик должен использовать индивидуальные средства защиты: комбинезон из водоотталкивающей ткани с плотно застегивающимися манжетами, резиновые сапоги, перчатки, очки, респираторы. Растворы химических добавок, при попадании их на кожу, необходимо тщательно смывать водой.

2.6.10. Подмости должны иметь ограждения габаритом не менее 0,7 м. Освещенность рабочего места должна соответствовать требованиям СН-81-70 и составлять в рабочей зоне не менее 100 лк.

2.6.11. При производстве работ в помещении должна быть оборудована общеобменная приточно-вытяжная вентиляция.

В рабочей зоне должны быть вывешены Инструкция по эксплуатации оборудования, Правила техники безопасности, фамилия ответственного за проведение работ.

2.6.12. В остальном при выполнении отдельных работ и операций, не связанных со спецификой производства фибробетонных конструкций, руководствоваться требованиями главы СНиП III-4-93 "Техника безопасности в строительстве".

ПРИЛОЖЕНИЕ 2.1

ПЕРЕЧЕНЬ НОРМАТИВНО-ТЕХНИЧЕСКИХ ДОКУМЕНТОВ

1. ГОСТ 26633-91. "Бетоны тяжелые и мелкозернистые. Технические условия".

2. ГОСТ 969-91 (СТ СЭВ 6826-89)."Цементы глиноземистые. Технические условия".

3. ГОСТ 10178-85. "Портландцемент и шлакопортландцемент. Технические условия".

4. ГОСТ 8736-93. "Песок для строительных работ. Технические условия".

5. ГОСТ 8267-93. "Щебень и гравий из плотных горных пород для строительных работ".

6. ГОСТ 23732-79. "Вода для бетонов и растворов. Технические условия".

7. ГОСТ 21778-81. "Система обеспечения точности геометрических параметров в строительстве. Основные положения".

8. ГОСТ 21779-82. "Система обеспечения точности геометрических параметров в строительстве. Технические допуски".

9. ГОСТ 23464-79. "Цементы. Классификация".

10. ГОСТ 310.1-76. "Цементы. Методы испытаний. Общие положения".

11. ГОСТ 310.3-76. "Цементы. Методы определения нормальной густоты".

12. ГОСТ 22236-85. "Цементы. Правила приемки".

13. ГОСТ 22237-85. "Цементы. Упаковка, маркировка, транспортирование и хранение".

14. ГОСТ 8735-88. "Песок для строительных работ. Методы испытаний".

15. ГОСТ 8269-87. "Щебень из природного камня, гравий и щебень из гравия для строительные работ. Методы испытаний".

16. Рекомендации по применению добавок суперпластификаторов в производстве сборного и монолитного железобетона. М. НИИЖБ, ЦНИИОМТП, 1987.

17. ГОСТ 24211-91. "Добавки для бетонов. Классификация".

18. ГОСТ 25818-91. "Золы уноса тепловых электростанций для бетонов. Технические условия".

19. ГОСТ 7473-94. "Смеси бетонные. Технические условия".

20. ГОСТ 10181.0-81. "Смеси бетонные. Общие требования к методам испытаний".

21. ГОСТ 10181.1-81. "Смеси бетонные. Методы определения удобоукладываемости".

22. ГОСТ 10181.2-81. "Смеси бетонные. Методы определения плотности".

23. ГОСТ 10181.4-81. "Смеси бетонные. Методы определения расслаиваемости".

24. ГОСТ 18105-86. "Бетоны. Правила контроля прочности".

25. ГОСТ 10180-90. "Бетоны. Методы определения прочности по контрольным образцам".

26. ГОСТ 10060-87. "Бетоны. Методы контроля морозостойкости".

27. ГОСТ 12730.5-84* "Бетоны. Методы определения водонепроницаемости".

28. ГОСТ 12730.1-78. "Бетоны. Метод определения плотности".

29. ГОСТ 28570-90. "Бетоны. Методы определения прочности по образцам, отобранным из конструкций".

30. ГОСТ 22690-88. "Бетоны. Определение прочности механическими методами неразрушающего контроля".

31. ГОСТ 17624-87. "Бетоны. Ультразвуковой метод определения прочности".

32. ГОСТ 27006-86. "Бетоны. Правила подбора состава".

33. ГОСТ 23477-79. "Опалубка разборно-переставная мелкощитовая инвентарная для возведения монолитных бетонных и железобетонных конструкций. Технические условия".

34. ГОСТ 23478-79. "Опалубка для возведения монолитных бетонных и железобетонных конструкций. Классификация и общие технические требования".

35. ГОСТ 17139-79. "Ровинг рассыпающийся из алюмоборосиликатного волокна. Технические условия".

36. СНиП 10-01-94. "Система документов в строительстве. Основные положения".

37. СНиП 2.03.01-84. "Бетонные и железобетонные конструкции".

38. СНиП 2.03.03-85. "Армоцементные конструкции".

39. СНиП 2.03.11-85. "Защита строительных конструкции от коррозии".

40. СНиП 10-01-94. "Система нормативных документов в строительстве. Основные положения".

41. СНиП 3.03.01-87. "Несущие и ограждающие конструкции".

42. СНиП III-4-80*. "Техника безопасности в строительстве" (издание 1993 г.).

43. ТУ 7-249533-01-90. "Микрокремнезем конденсированный. Технические условия".

44. ТУ 7-249533-02-92. "Микрокремнезем конденсированный уплотненный. Технические условия".

45. ТУ 7-249533-03-92. "Суспензия (паста) из микрокремнезема конденсированного. Технические условия".

46. ТУ 21-38-233-92. "Ровинг рассыпающийся из цементостойкого стекловолокна. Технические условия".

47. ТУ 21-38-257-90. "Ровинг рассыпающийся РЦР из цементостойкого стекловолокна марки СЦ-6-У. Технические условия".

48. "Рекомендации по проектированию и изготовлению сталефибробетонных конструкций". НИИЖБ, ЛенЗНИИЭП, ЦНИИПромзданий, Москва - 1987.

49. ТУ 5743-049-02495332-96. "Модификатор бетона марки МБ-01. Технические условия".

50. ТУ 5800-001-00369171-95. "Конструкции и изделия стеклофибробетонные на основе вяжущих низкой водопотребности. Общие технические требования", АК Внешнеэкономическая ассоциация "Полимод". Москва, 1995 г.

51. ТУ 5263-001-04697311-96. "Фибра стальная фрезерованная. Технические условия". ДАОЗТ урганстальмост", НИИЖБ Минстроя РФ.

52. ТУ 1276-001-40610949-95. "Фибра стальная для дисперсного армирования бетона. Технические условия". ЗАО "Нисан" ЛТД, АО "ЦНИИС".

53. Рекомендации по подбору составов тяжелых и мелкозернистых бетонов (к ГОСТ 27006-86). Госстрой СССР, М. 1990 г.

ПРИЛОЖЕНИЕ 2.2

ПЕРЕЧЕНЬ ТЕХНОЛОГИЧЕСКИХ РЕГЛАМЕНТОВ, РЕКОМЕНДАЦИЙ, УКАЗАНИЙ И ДРУГИХ ДОКУМЕНТОВ ПО ИЗГОТОВЛЕНИЮ СТЕКЛОФИБРОБЕТОННЫХ КОНСТРУКЦИЙ И ИЗДЕЛИЙ

№ п/п

Наименование документа

Разработчики

Держатель технической документации

1

2

3

4

1.

а) Технологическая карта на набрызг монолитной оболочки из стеклофибробетона 12´24 м (на пневмоопалубку ПО-135А).

ЦОМЭ, Мингео РФ, НИИЖБ Минстроя РФ

НИИЖБ Минстроя РФ

б) Технологическая карта на монтаж пневмоопалубки ПО-135А.

НИИЖБ

2.

Технологическая карта на набрызг гидроизоляционного покрытия из СФБ (стеклофибробетона).

ЦОМЭ, Мингео РФ, НИИЖБ

НИИЖБ

3.

Технологический регламент на изготовление стеклофибробетонной конструкции покрытия из трехсферных спаренных оболочек.

НИИЖБ

НИИЖБ

4.

Технологический регламент на изготовление стеклофибробетонной конструкции и элементов методом набрызга.

КПП "Геокомплекс", Мингео РФ

НИИЖБ

5.

Технологический процесс (регламент) опытного производства полимерстеклобетонных стеновых колец.

ВНПО "ВНИИводполимер" Минводхоза СССР

НИИЖБ

6.

Технологический регламент на изготовление стеновых панелей с применением СФБ (стеклофибробетонных) листов.

Арм.НИИСА, НИИЖБ

НИИЖБ

7.

Технологический регламент на изготовление колец горловин (смотровых колодцев) из песчаного фибробетона методом перемешивания.

КТБ "Мосоргстройматериалы", MCП "Mocинжжелезобетон"

КТБ "Мосоргстройматериалы", НИИЖБ

8.

Технологический регламент на изготовление изделий из фибробетона (на фибре из отходов корда).

КТБ НИИЖБ, НИИЖБ

НИИЖБ

9.

Технологический регламент на производство крупноразмерных панелей утепленной и холодной кровли из стеклофибробетона. Москва, 1992.

НПО "Мосстройпрогресс", МП "Монолитстройпрогресс"

Фирма "Фибробетон" г. Москва (бывшее - МП "Монолитстройпрогресс")

10.

Технологический регламент на производство трехслойных стеклофибробетонных конструкций стен с эффективным плитным утеплителем. Москва, 1992.

НПО "Мосстройпрогресс", МП Монолитстройпрогресс"

Фирма "Фибробетон" г. Москва (бывшее -МП "Монолитстрой-прогресс")

11.

Рекомендации по проектированию составов стеклофибробетонов на основе вяжущих низкой водопотребности. Москва, 1991.

ЦМИПКС, НПО осстройпрогресс"

Фирма "Фибробетон"

12.

Указания по проектированию рациональных составов стеклофибробетонных композиций, приготовляемых методом предварительного перемешивания. Москва, 1993.

НПО осстройпрогресс", МП онолитстройпрогресс"

Фирма "Фибробетон"

13.

Технологический регламент на производство стеклофибробетонных изделий расширенной номенклатуры методом предварительного приготовления фибросодержащих смесей (с использованием импортного оборудования). Москва, 1993.

НПО "Мосстройпрогресс", МП "Монолитстройпрогресс"

Фирма "Фибробетон"

14.

Указания по организации работ и технологии пневмонабрызга стеклофибробетонных композиций мобильным агрегатом в построечных условиях. Москва, 1994.

АО "Мосстройпрогресс", МП "Монолитстройпрогресс"

Фирма "Фибробетон"

15.

Технологический регламент на производство стеклофибробетонных скорлуп для сборно-монолитных перекрытий. Москва, 1992.

МП "Монолитстройпрогресс"

Фирма "Фибробетон"

16.

Технологическая Инструкция на изготовление опытно-промышленной партии изделий из мелкозернистого (песчаного) стеклофибробетона (распространяется на изготовление плит покрытия трамвайных путей и колец горловин).

КТБ "Мосоргстройматериалы", ЗЖБИ № 15

ЗЖБИ №15 г. Москва

17.

Технологический регламент на изготовление изделий из стеклофибробетона методом набрызга. Москва, 1991.

НИИЖБ, МНИИТЭП, АП "Бюро внедрения МНИИТЭП"

АП "Бюро внедрения МНИИТЭП"

18.

Технологический регламент на изготовление изделий из стеклофибробетона методом перемешивания. Москва, 1991.

НИИЖБ, МНИИТЭП, АП "Бюро внедрения МНИИТЭП"

АП "Бюро внедрения МНИИТЭП"

19.

Технические условия. Плиты бетонные тротуарные (на фибре из отводов корда) ТУ 461-К-А001-89. Группа Ж18

Трест "Промстрой", ПСМО "Волгоградгидрострой", КТБ НИИЖБ

НИИЖБ

20.

Рекомендации по применению отхода корда при изготовлении плит бетонных тротуарных (из фибробетона)

Трест "Промстрой", ПСМО "Волгоградгидрострой", КТБ НИИЖБ

НИИЖБ

21.

Технические предложения по технологии заводского производства стеклофибробетонных конструкций и изделий методом предварительного перемешивания смеси:

- в смесителям типа "ССВ";

- в смесителям типа "ССПШ"

АрмНИИСА, НИИЖБ

НИИЖБ

22.

Технические предложения по технологии заводского производства стеклофибробетонных изделий методом экструзии.

НИИЖБ, ЦНИИСК

НИИЖБ

23.

Техническое предложение. Гидроизоляционные покрытия из стеклофиброцемента. Технологическая схема. Оборудование.

Фирма "НСТ", г. Москва

НИИЖБ

ПРИЛОЖЕНИЕ 2.3

ПЕРЕЧЕНЬ ТЕХНОЛОГИЧЕСКИХ РЕГЛАМЕНТОВ, РЕКОМЕНДАЦИЙ И ДРУГИХ ДОКУМЕНТОВ ПО ИЗГОТОВЛЕНИЮ СТАЛЕФИБРОБЕТОННЫХ КОНСТРУКЦИЙ И ИЗДЕЛИЙ

№ п/п

Наименование документа

Разработчики

Держатель технической документации

1

2

3

4

1.

Временные технические условия на изготовление сталефибробетонных колец смотровых колодцев.

НИИЖБ, "Главзапстрой", Волховский КСК

НИИЖБ

2.

Временные технические условия. Сталефибробетонные кольца круглых колодцев для водоснабжения и канализации, изготавливаемые радиальным прессованием.

НИИЖБ, ПО "Липецкстройиндустрия"

НИИЖБ

3.

Технологический регламент производства сталефибробетонных колец водопроводных и канализационных колодцев методом радиального прессования.

ВНИИжелезобетон, НИИЖБ, ПО "Липецкстройиндустрия"

НИИЖБ

4.

Технологический регламент производства железобетонных безнапорных радиально прессованных труб из сталефибробетона.

ВНИИжелезобетон, НИИЖБ, ПО "Липецкстройиндустрия"

НИИЖБ

5.

Временные технические условия на изготовление сталефибробетонных лотков.

НИИЖБ, "Главзапстрой"

НИИЖБ

6.

Рекомендации по применению метода погиба плоских заготовок для сталефибробетонных конструкций (в условиях крупных строительных предприятий и на предприятиях малой мощности)

ЛенЗНИИЭП

НИИЖБ

7.

Проектная документация на технологическое оборудование и участок по изготовлению гнутоформованных элементов (для быстровозводимых зданий) на мобильном полигоне.

НИИЖБ, ВНИИЖБ, ПИ-2

НИИЖБ

8.

Технологический регламент на изготовление гнутоформованных сталефибробетонных элементов (предложения по технологии изготовления).

НИИЖБ, ВНИИЖБ, ПИ-2

НИИЖБ

9.

Рекомендации по подбору составов и технологии изготовления свай с использованием сталефибробетона.

НИИЖБ, ВНИИЖБ

НИИЖБ

10.

Технологический регламент на производство, транспортирование и укладку сталефибробетона в конструкции банковских хранилищ.

НИИЖБ

НИИЖБ

11.

Технологический регламент на возведение сталефибробетонных конструкций методом сухого торкретирования.

Фирма "Диона"

Фирма "Диона"

12.

Технологический регламент на изготовление колец смотровых колодцев из сталефибробетона.

Фирма "Диона"

Фирма "Диона"

ПРИЛОЖЕНИЕ 2.4

ПЕРЕЧЕНЬ СПРАВОЧНОЙ ТЕХНИЧЕСКОЙ ДОКУМЕНТАЦИИ

1. Рекомендации по составам изоляционных покрытий кожухов для подземных переходов магистральных трубопроводов на основе стеклоцемента. Р 505-83. ВНИИСТ, Миннефтегаз СССР, М. 1984 г.

2. Рекомендации по применению дисперсно-армированного бетона в волноотбойных берегозащитных стенках. ВНИИТС, Минтрансстроя СССР, М. 1983 г.

3. Рекомендации по приготовлению бетонных смесей повышенной сохраняемости с химическими добавками, НИИЖБ Госстроя СССР, Москва, 1983 г.

4. Рекомендации по заводскому контролю прочности сталефибробетона по результатам испытаний опытных образцов. ВНИИЖелезобетон. Госстрой СССР, 1989 г.

5. Методические указания. Оптимизация оформления технологических документов, разрабатываемых в соответствии с требованиями стандартов ЕСТД. РД 50-362-82. ГКС СССР, М. 1983 г.

6. Рекомендации по изготовлению стеклоцементных изделий. ЦНИИОМТП Госстроя СССР. М. 1985 г.

7. Рекомендации по применению пневматических опалубок для изготовления строительных конструкций. САрхИ (г. Свердловск), КИСИ. Свердловск, 1990 г. ВНПО Стройиндустрии.

8. Руководство по устройству полимерных и дисперсно-армированных гидроизоляционных покрытий на основе расширяющихся вяжущих. Р 346-79. ВНИИСТ, Миннефтегаза СССР, М. 1980 г.

9. Рекомендации по применению напрягающего цемента для гидроизоляции стыков сборных отделок тоннелей метрополитенов. НИИЖБ Госстроя СССР, М. 1984 г.

10. Рекомендации по применению сталефибробетона в конструкциях дорожных одежд и мостов. КПО "Алтайавтодор", Алтайский ПИ, г. Барнаул, 1988 г.

11. Рекомендации по технологии производства пескобетона с применением промышленной стекловолокнистой арматуры с обработанной поверхностью. Р 387-80. ВНИИСТ, М. 1980 г.

12. Рекомендации по изготовлению железобетонных изделий методом роликового формования. НИИЖБ Госстроя СССР, M. 1983 г.

13. Рекомендации по изготовлению и применению гидрофобизированных бетонов и растворов. НИИЖБ Госстроя СССР. М, 1984 г.

14. Руководство по применению химических добавок в бетоне. НИИЖБ Госстроя СССР. М. 1981 г.

15. Пособие по применению химических добавок при производстве сборные железобетонных конструкций и изделий (к СНиП 3.09.01-85). НИИЖБ Госстроя СССР. M. 1989 г.

16. Методические рекомендации по технологии и механизации работ при строительстве, ремонте, усилении конструкций методом набрызга бетонной смеси. ЦНИИОМТП Госстроя СССР. М, 1986 г.

17. Инструкция по механизированной технологии выполнения защиты в виде химстойких монолитных торкрет-покрытий на основе неорганических связующих. ВНИИК Минхимпрома, Отделение НИИТЭХИМа, Москва-Черкассы, 1988 г.

18. Инструкция по применению и механизированной технологии нанесения силикатополимеррастворных противокоррозионных покрытий. ВНИИК Минхимпрома, Москва-Черкассы, 1981 г.

ПРИЛОЖЕНИЕ 2.5

ПЕРЕЧЕНЬ ПРОЕКТНОЙ ДОКУМЕНТАЦИИ НА СТЕКЛОФИБРОБЕТОННЫЕ КОНСТРУКЦИИ

1. Каналы из стеклофибробетонных элементов. Серия ХТ5-90, г. Харьков 1985 г.

2. Рекомендуемая номенклатура изделий из стеклофибробетона для жилищного и гражданского строительства. Рекомендуемая номенклатура конструкций и изделий из сталефибробетона и ожидаемая эффективность их внедрения. Обоснование.

3. Опытные стеновые кольца из полимерстеклофибробетона и стеклофибробетона для колодцев водохозяйственного строительства. Заказ № 3882 к2, Москва, 1984.

4. Опытные стеновые кольца из стеклофибробетона для колодцев водохозяйственного строительства., Москва, 1983 г.

5. Перегородки панельные из стеклофибробетона на цементном и гипсовом вяжущих. Харьковский ПСП. Серия ХТР-1-33, 1988 г.

6. Пятиэтажные крупнопанельные жилые дома (с большим шагом) для строительства в Латв. ССР. Серия 104:

а) альбом I (общестроительные чертежи), Рига, 1970 г.;

б) альбом II (монтажные узлы и типовые детали), Рига, 1970 г.;

в) альбом III (плиты для ленточные фундаментов и прочие железобетонные изделия), Рига, 1970 г.

г) альбом VII (дополнение к альбому III), Рига, 1973 г.

7. Стеклофибробетонные стойки для сельского хозяйства. Заказ № 3897, Москва, 1982 г.

8. Железобетонные изделия безрулонных крыш панельных и кирпичных жилых зданий с холодными и теплыми чердаками. Ленинград. Серия 2.160 КЛ-1, 1973 г.

9. Смеситель ССВ0,0. Латв. ССР МПСМ СПКО "Оргтехстрой" Е 073.00

10. Стенд для изготовления образцов из стеклофибробетона, Москва, 1984 г.

11. Ограждения балконов, лоджий, козырьков входов. Альбом чертежей (18 типоразмеров) АО "Мосстройпрогресс". Фирма "Фибробетон". Москва, 1994 г.

12. Элементы кровли из фибробетона. Альбом рабочих чертежей (12 типоразмеров). НПО "Мосстройпрогресс". Фирма "Фибробетон". Москва, 1992 г.

13. Элементы сборного архитектурного стенового карниза из стеклофибробетона. Альбом рабочих чертежей (29 типоразмеров). НПО "Мосстройпрогресс". Фирма "Фибробетон". Москва, 1993 г.

14. Экраны входов из стеклофибробетона. Альбом рабочих чертежей (6 типоразмеров). НПО "Мосстройпрогресс". Фирма "Фибробетон". Москва, 1992 г.

15. Декоративные рельефные экраны из стеклофибробетона. Альбом рабочих чертежей (3 типоразмера). В альбоме рабочих чертежей стеновых керамзитобетонных панелей и рельефных декоративных экранов, имеются узлы крепления и герметизации. НПО "Мосстройпрогресс", МГП "ПРОЭКС". Фирма "Фибробетон". Москва. 1991 г.

16. Ворота гаража стеклофибробетонные. Альбом рабочих чертежей (2 типоразмера). НПО "Мосстройпрогресс", Фирма "Фибробетон". Москва, 1992 г.

17. Поддоны сантехнические. Альбом рабочих чертежей (4 типоразмера). НПО "Мосстройпрогресс", Фирма "Фибробетон". Москва, 1994 г.

18. Элементы обустройства каркасных зданий из стеклофибробетона. Альбом рабочих чертежей (7 типоразмеров). РМ-2441 МНИИТЭП, Москва, 1994 г.

19. Емкости 4-6 куб.м. (грязеотделители, резервуары) из стеклофибробетона для обустройства постов мойки автомобилей. Рабочие чертежи (4 типоразмера). ООО "Профис", Фирма "Фибробетон", Москва, 1996 г.

20. Подоконные доски из стеклофибробетона (4 типоразмера). ООО "Профис", Фирма "Фибробетон", Москва, 1996 г.

21. Вентиляционные решетки (жалюзи) для гаражного строительства (2 типоразмера). ООО "Профис", Фирма "Фибробетон", Москва 1996 г.

22. Опытные стеклофибробетонные изделия мансарды. Альбом рабочих чертежей (3 типоразмера). АО ЦНИИЭП жилища, Фирма "Фибробетон", Москва 1996 г., тел. 215-27-60.

ПРИЛОЖЕНИЕ 2.6

ПЕРЕЧЕНЬ ПРОЕКТНОЙ ДОКУМЕНТАЦИИ НА СТАЛЕФИБРОБЕТОННЫЕ КОНСТРУКЦИИ

1. Панель покрытия преднапряженная складчатая сталефибробетонная. Рабочие чертежи опытного образца. 20ПК.СП.2.85КЖИ, 1985 г. КТБ НИИЖБ, НИИЖБ.

2. Кольца круглых колодцев из сталефибробетона. Рабочие чертежи опытно-промышленных образцов. № 2338/15, 1988 г. Союзводоканалпроект, НИИЖБ.

3. Неотапливаемое здание универсального назначения из сталефибробетона (для экспериментального строительства). Рабочие чертежи Э-592-02-84. ЛенЗНИИЭП, СПО "Верево", НИИЖБ.

4. Сборные сталефибробетонные предварительно напряженные плиты размером 6´3 и 6´1,5 м для покрытий производственных зданий. Рабочие чертежи, шифр 161-1.465-81. ЦНИИПромзданий, НИИЖБ, ЛенЗНИИЭП.

5. Отстойники канализационные радиальные первичные диаметром 18, 24, 30 и 40 м с днищем из дисперсно армированного бетона (сталефибробетона). Рабочие чертежи, шифр 26-85. Ростовский Водоканалпроект, ЦНИИПромзданий.

6. Отстойники канализационные радиальные вторичные диаметром 18, 24, 30 и 40 м с днищем из дисперсно армированного бетона (сталефибробетона). Рабочие чертежи, шифр 26-85. Ростовский Водоканалпроект, ЦНИИПромзданий.

7. Сваи забивные сталефибробетонные ударопрочные сплошного квадратного сечения (цельные и составные). Серия I-III, кл. III, 1983 г. ЛенНИИпроект, ЛИИЖТ.

8. Плита жестких покрытий аэродромов ПАФ-1. Рабочие чертежи, шифр 21/В-17д-5, 1976 г. ЛатНИИстроительства.

9. Плита дорожная напряженная ПДН. Рабочие чертежи, шифр 25/В-231д, 1986 г. ЛатНИИстроительства.

10. Конструкции ненапрягаемых плит для покрытий городских дорог с применением сталефибробетона. Рабочие чертежи опытных образцов. ПС-238. 1989 г. Мосинжпроект, НИИЖБ.

11. Трубы безнапорные сталефибробетонные диаметром 1000 и 1200 мм. Рабочие чертежи опытно-промышленных образцов. № 2338/13. 1988 г. Союзводоканалпроект, НИИЖБ.

12. Анкерная опора трубопроводов свайная АОП-1ф. Рабочие чертежи, шифр 25/В-231д, 1983 г. ЛатНИИстроительства.

13. Экспериментальные сборные полы для общественных зданий. Рабочие чертежи опытно-промышленных сталефибробетонных плит с покрытием из линолеума, паркета и керамических плиток. 1989 г. ЦНИИЭП учебных зданий, НИИЖБ.

14. Покрытие пространственное складчатое сталефибробетонное. Рабочие чертежи опытного покрытия. 20ПК.ИЗО.2.83КЖ. 1985 г. КТБ НИИЖБ, НИИЖБ.

15. Каналы из сталефибробетонных элементов. Рабочие чертежи опытных образцов. Серия XT5-91, 1985 г. Харьковский ПСП.

16. Сваи забивные железобетонные с ненапрягаемой арматурой с применением сталефибробетона. Рабочие чертежи. 1986 г. Фундаментпроект, ЦНИИПромзданий, НИИЖБ.

17. Сталефибробетонные защитные конструкции банковских хранилищ. Сертификат соответствия. НИИЖБ, 1996 г.

ПРИЛОЖЕНИЕ 2.7

СПИСОК РЕКОМЕНДОВАННОЙ НАУЧНО-ТЕХНИЧЕСКОЙ ЛИТЕРАТУРЫ ПО ФИБРОБЕТОНУ

1. Экспресс информация. Серия "Строительные материалы и изделия". Выпуск 3. ВНИИИС, Москва, 1981 г.

2. Фибробетонные конструкции. Серия "Строительные конструкции". Выпуск 2. ВНИИИС, Москва 1988 г.

3. Стеклофибробетон и конструкции из него. Серия "Строительные материалы". Выпуск 5. ВНИИНТПИ, Москва, 1991 г.

4. Сталефибробетонные конструкции зданий и сооружений. Серия "Строительные конструкции". Выпуск 7. ВНИИНТПИ, Москва, 1990 г.

5. Научно-технический реферативный сборник. Серия 7 "Строительные материалы и изделия". Выпуск 4. ЦИНИС, Москва 1979 г.

6. Предварительно напряженная складчатая сталефибробетонная панель: проспект ВДНХ СССР. УДК 624.074.1.012.36. М. ВДНХ СССР, 1985 г.

7. Сталефибробетонные обделки. - Метрострой, 1986 г., №№ 4, 6. Авт. Цывьян Б. М.

8. Тонкостенные сталефибробетонные конструкции в гражданском строительстве. ЦНТИ по гражданскому строительству и архитектуре. Конструкции жилых и общественных зданий. Технология индустриального домостроения. Обзорная информация, Выпуск 10. М. 1987 г.

9. Применение стеклофибробетона в плитах полов и в качестве облицовочного материала стен общественных зданий. Промышленное строительство и инженерные сооружения. 1987 г., № 4, Киев. Авт. Лачинов М. М., Беляничева Л. Г.

10. Опыт применения сталефибробетона в инженерных сооружениях. Серия "Научно-технический прогресс в строительном производстве". ЛДНТП. Ленинград. 1982 г. Авт. Курбатов Л. Г., Хазанов М. Я., Шустов А. Н.

11. Опыт производства и внедрения сталефибробетонных свай и шпунта. Серия "Научно-технический прогресс в строительном производстве". ЛДНТП, Ленинград, 1985 г. Авт. Родов Г. С., Голубенков В. А., Стерин B. C., Лейкин Б. В.

12. Фибробетон: свойства, технология конструкции. Тезисы докладов республиканского научно-технического совещания. Рига, ЛатНИИстроительства, 1988 г.

13. Рекомендации по проектированию и изготовлению сталефибробетонных конструкций. - М: НИИЖБ Госстроя СССР, 1987 г.

14. Плиты дорожных и аэродромных покрытий с фибровым армированием. - В сб. Применение фибробетона в строительстве. Материалы семинара, 4-5 июля. ЛДНТП, Ленинград, 1985 г. Авт. Соловьев Б. В., Зива А. Г., Анисимов В. Е.

15. Опыт применения сталефибробетона в дорожном строительстве. В сб. Применение фибробетона в строительстве. Материалы семинара, 4-5 июля, ЛДНТП, Ленинград, 1995 г. Авт. Талантова К. В., Толстенев С. В., Михеев Н. М.

16. Рекомендации по применению сталефибробетона в конструкциях дорожных одежд и мостов. Алтайский Политехнический институт - объединение "Алтайавтодор", Барнаул, 1988 г.

17. Технология изготовления стеклобетонных безнапорных труб. Информационный листок о научно-техническом достижении № 86-193. Киевское отделение УкрНИИНТИ, Киев, 1986 г.

18. Применение стеклофибробетона в ограждающих конструкциях. (Англия, Испания). Экспресс-информация ВНИИИС. Серия II, выпуск 1.

19. Фибробетон в Японии. Экспресс-информация ВНИИИС, 1983 г., серия №№ , выпуск 11.

20. Облицовочные стеновые элементы с применением стеклофибробетона (Нидерланды). Экспресс-информация ВНИИИС. 1984 г., серия 8, выпуск 11.

21. Применение фибробетона в строительных конструкциях (Япония). Экспресс-информация ВНИИИС. 1986 г., серия 8, выпуск 8.

22. Фиброраствор с углеродными волокнами (Япония) Экспресс-информация ВНИИИС, 1986 г, серия 8, выпуск 16.

23. Конструкции из фибробетона с рабочей арматурой из углеродных и арамидных волокон. Экспресс-информация ВНИИИС, 1986 г., серия 8, выпуск 12.

24. Стеклофибробетонный волнистый купол покрытия садового павильона (ФРГ). Экспресс-информация ВНИИИС, 1987 г., серия 8, выпуск 16.

25. Проспект фирмы - Новый строительный материал, Бетон, армированный стекловолокном. По патенту фирмы "Л Индустриель де прифабрикасион" 1988 г.

26. Базальтофибробетон на грубых базальтовых волокнах. Обзор. НПО "Композит". Москва, 1990 г. Авт. Канаев С. Ф.

27. Обобщение опыта применения торкрет-покрытий. Обзор инф., в. 11, Москва. 1986 г., Минмонтажспецстрой.

28. Защита сооружений и армированных конструкций модифицированными композициями. Обзор инф. Серия. Противокоррозионная защита. Москва, 1983 г. Минхимпром.

29. Дисперсноармированные бетоны. М. - Стройиздат, 1989 г. Авт. Рабинович Ф. М.

30. Химические добавки в монолитном домостроении. ЦМИПКС-МИСИ; Москва, 1992 г. Авт. Анацкий Ф. И.

31. Применение стеклофибробетонных изделий при надстройке, реконструкции и утеплении зданий. Ж. "Строительные материалы", № 9, 1996 г.

ПРИЛОЖЕНИЕ 2.8

ХАРАКТЕРИСТИКИ ОТЕЧЕСТВЕННОГО И ЗАРУБЕЖНОГО ОБОРУДОВАНИЯ (СМЕСИТЕЛЬНОГО, НАГНЕТАТЕЛЬНОГО И НАПЫЛЯЮЩЕГО), ИСПОЛЬЗУЕМОГО В ТЕХНОЛОГИИ НАБРЫЗГА СТЕКЛОФИБРОБЕТОННЫХ СМЕСЕЙ. РАБОЧИЕ ПАРАМЕТРЫ ТЕХНОЛОГИЙ

2.8.1. Характеристика пистолета-напылителя GUN (комплектуется в составе пневмоустановки PS 9000 А, выпускаемой английской фирмой "Пауэр Спрайз").

Показатель

Единица измерения

Характеристика

Конструкция пистолета

 

- облегченная концентрическая, модель 1990 г.

Назначение

 

- для совмещенной и синхронной подачи мелкозернистой смеси и стекло фибры; для рубки стеклоровинга

Конструктивные особенности узла рубки

 

- снабжен пневмоприводом и совмещен с пистолетом

Поступление фибры

 

-через форсунку в сопло под действием сжатого воздуха

Расход фибры при номинальном режиме работы

г/мин

600

Длина фибры (в стандартном исполнении)

мм

40 (31 - за рубежом)

Возможные значения регулируемой длины фибры

мм

40; 31; 23; 12; 6

Подача мелкозернистой смеси

 

осуществляется к соплу через кольцевой (с наклонными пазами) канал с обхватом потока фибры

Распыление смеси

 

выполняется сжатым воздухом с образованием единого композита в рабочей зоне факела

Выход смеси

 

регулируемый

Расход смеси при номинальном режиме работы

кг/мин

12

Система подачи воды в пистолете

 

предназначается для промывки тракта

Расход сжатого воздуха

л/мин

1500

Габаритные размеры

см

27´21´28

Вес

кг

3,5

2.8.2. Характеристика пневмонагнетательной установки PS 9000 А.

1. Основные параметры:

 

 

- габариты установки

см

85´73´70 (высота)

- максимальный радиус обслуживания (вылет стрелы)

м

3,5

- вес шарнирной стрелы

кг

60

- вес установки без стрелы

кг

360

2. Технологические данные:

 

 

- емкость загрузочного бункера

л

75

- тип насоса

 

в виде ротора со шнековой подачей

- пределы регулирования производительности

л/мин

0-25

- регулятор скорости

 

гидравлический

- электродвигатель трехфазный, мощн.

кВт

1,5

3. Достоинства:

 

 

- мобильность

 

достигается за счет оснащения поворотными шарнирными роликами и колесами с пневматической шиной;

- дистанционное управление

 

наличие датчика в системе управления позволяет приводить установку в действие с помощью переключателя, расположенного в пистолете;

- возможность ручной и механической загрузки

 

обеспечивается благодаря низкорасположенному загрузочному бункеру;

- возможность гранулометрического контроля смеси

 

съемное сито на бункере предотвращает попадание комков, инородных включений в установку и дальнейшее "засорение" пистолета;

- облегчается работа с пистолетом и расширяется поле набрызга

 

благодаря шарнирной стреле, которая монтируется к установке, и к которой подвешивается пистолет и крепится платформа для бобин стеклоровинга;

- конструкция снабжена системой распределения сжатого воздуха

 

в т.ч. с возможностью питания вспомогательного оборудования - для набрызга отделочных слоев:

- возможность тщательной очистки системы от смеси и повышенная безопасность производства работ

 

связана с использованием прозрачного упрочненного шланга для подачи мелкозернистой смеси

2.8.3. Характеристика высокоскоростных смесителей марок GRC 80 и GRC 100 (изготовитель: фирма "Пауэр Спрайз").

Наименование показателя

Единица измерения

Значение

GRC 80

GRC 100

Скорость перемешивания

об/мин

1433

1435 и 710

Номинальный объем смесителя

л

40

50

Масса загружаемой смеси

кг

80

100

Диаметр диска

мм

200

200

Потребление воздуха на 1 замес

л

3

3

Давление воздуха

бар (атм)

7

7

Смеситель снабжен пневматическим подъемным механизмом. Имеет загрузочные лотки с разделителями.

 

 

 

Характеристика двигателя:

- мощность

кВт

4

2 и 3,6

- напряжение

В

380/415

- ток

 

трехфазный

- частота (стандартная)

Гц

50

Габариты

см

141´99´183

Масса

кг

234

234

2.8.4. Рабочие параметры реализации технологического процесса на установке PS 9000 А.

Технологический передел

Характеристика

Единица измерения

Значения

1. Приготовление мелкозернистой смеси в высокоскоростном широкозахватном смесителе GRC 80

Время перемешивания.

Номинальный выход смеси

сек

20-45

- по объему

л

40

- по массе

кг

80

Скорость вращения рабочего органа смесителя

об/мин

1435

2. Пневмонабрызг совмещенным способом с использованием пневмонагнетательного агрегата PS 9000 А

Номинальная загрузка расходного бункера установки:

 

 

- по объему

л

75

- по массе

кг

150

1. Рабочий вариант реализации технологии (при общем давлении Р = 5,5 атм) с достижением производительности:

 

 

- по скорости рубки ровинга и подаче стеклофибры в сопло

г/мин

425

- по подаче мелкозернистой смеси

кг/мин

15

Коэффициент фиброармирования

%

2,8

Время разгрузки расходного бункера установки

мин

10

2. Номинальная производительность установки (при давлении Р = 7 бар):

 

 

- по стеклофибре

г/мин

600

- по мелкозернистой смеси

кг/мин

12

Коэффициент фиброармирования

%

5

Потребление воздуха

м/мин

1,5

3. Твердение отформованных изделий

Мягкий режим тепловлажностной обработки:

 

 

- предварительная выдержка

час

2

- подъем температуры до 60 °С

час

2,5

- изотермическая выдержка

час

8...9

- остывание

естественное

2.8.5. Характеристика пистолета-напылителя конструкции НИИЖБ.

Показатель

Единица измерения

Значение

Давление сжатого воздуха

МПа

0,4-0,45

Производительность по стекловолокну (электропривод на базе ИЭ 3602А)

г/мин

320

Производительность по рабочей смеси

л/мин

6-25

Электропривод на базе ИЭ-360:

 

 

- мощность

вт

120

- частота вращения

с-1

13

- напряжение

в

36

- частота, тока

Гц

200

Электропривод на базе ИЭ 3602А:

 

 

- мощность

ВТ

210

- частота вращения

с-1

17

- напряжение

в

220

- частота тока

Гц

30

2.8.6. Характеристика пистолета-напылителя конструкции фирмы "НСТ".

Показатель

Единица измерения

Значение

Производительность при нанесении слоя стеклоцемента толщиной 10 мм

м2/час

50

Расход сжатого воздуха

м3/мин

1

Расход стекловолокна (в зависимости от типа гидроизоляции)

кг/м2

0,2-0,4

Габаритные размеры:

 

 

- длина

мм

232

- ширина

мм

126

- высота

мм

327

Масса (без кабеля и рукавов)

кг

4

2.8.7. Производительность пистолета-напылителя РПН-40 в зависимости от величины давления воздуха (при времени рубки устройством УР-130П, равном 60 сек). Экспериментальные данные.

Давление сжатого воздуха, Р, МПа

Время разгона, сек

Масса рубленного волокна, г (сред. знач.)

Производительность, кг/час

0,15

2,5-3

111

6,7

0,2

3,0

125

7,5

0,25

2-3

204

12,3

0,30

2-2,5

236

14,2

0,35

2,5

261

15,7

0,4

1,5-2

307

18,4

0,45

1,5

343

20,6

0,55

0,5-1,0

360

21,6

0,6

0,5

445

26,9

2.8.8. Техническая характеристика пистолета-напылителя системы ЦНИИОМТП.

Производительность по рубке и распылению стекловолокна, кг/ч

13

Производительность по цементному тесту, т/ч

0,48

Ширина наносимой полосы, мм

270

Рабочее давление сжатого воздуха, МПа

0,6-0,7

Привод пистолета-напылителя:

 

- напряжение, в

36

- частота, Гц

200

Масса пистолета-напылителя, кг

4,7

Расход воздуха, м/мин

1

2.8.9. Характеристика штукатурно-смесительного агрегата СО-85.

2.8.9.1 Растворонасос

 

Производительность, м3/час

2,4

Максимальное рабочее давление, МПа (кгс/см2)

3,5 (35)

2.8.9.2 Компрессор СО-

 

Производительность, м3/час

15,3

Рабочее давление, МПа (кгс/см2).

0,3-0,5 (3-5)

2.8.9.3 Вибросито с бункером

 

Емкость бункера, л (м3)

130 (0,13)

Размер ячеек сита, мм

5´5

2.8.10. Характеристика турбулентного смесителя СБ-43

Производительность, м3

2-2,6

Объем готового замеса, л

65

Продолжительность цикла перемешивания, мин

2-3

2.8.11. Характеристика одновинтового насоса IВ-6/5

Производительность, м3

5

Давление нагнетания, МПа (м. вод. ст.)

5 (50)

Допустимая вакууметрическая высота всасывания, МПа (м. вод. ст.)

0,6 (6)

ПРИЛОЖЕНИЕ 2.9

ХАРАКТЕРИСТИКА СМЕСИТЕЛЬНОГО ОБОРУДОВАНИЯ, ИСПОЛЬЗУЕМОГО В ТЕХНОЛОГИИ ПРЕДВАРИТЕЛЬНОГО ПЕРЕМЕШИВАНИЯ ("ПРЕМИКСИНГА) СТЕКЛОФИБРОБЕТОННЫХ СМЕСЕЙ.

2.9.1. Характеристика спирально-вихревого смесителя ССВ-0,01.

Показатель

Единица измерения

Значение

Производительность

м3

0,4

Емкость камеры смешивания

л

25

Полезная емкость

л

10

Время смешивания

мин

1,5-2

Частота вращения приводного диска

об/мин

180

Угол наклона смешивающего диска

град.

27

Мощность электродвигателя

кВт

1,1

Габаритные размеры:

 

 

- ширина

мм

700

- длина

мм

1200

2.9.2. Характеристика прутково-шнекового смесителя СПШ-П периодического действия с диаметром смесительного барабана 800 мм.

Показатель

Единица измерения

Значение

Производительность

м3

1,5

Емкость смесительного барабана

л

150

Полезная емкость смесительного барабана

л

50

Время смешивания

с

65-70

Частота вращения барабана

об/мин

34

Диаметр шнека

мм

80

Шаг витков шнека

мм

70

Шаг шнеков (межосевое расстояние)

мм

60

Диаметр прутка шнека

мм

14

Количество шнеков

шт.

13

Частота вращения шнеков

об/мин

350

Мощность электродвигателя:

 

 

- вращения барабана

кВт

2,8

- вращения шнеков

кВт

4,5

Габаритные размеры смесителя:

 

 

- высота

мм

2300

лина

мм

1600

- ширина

мм

1300

2.9.3. Характеристика смесителя "Economy-2" для технологии предварительного перемешивания (Изготовитель оборудования фирма "Пауэр Спрайз").

Показатель

Единица измерения

Значение

Объем смесителя (вес стандартной смеси)

кг

120

Скорость перемешивания:

 

 

- высокая ступень

об/мин

80

- низкая ступень

об/мин

40

Электропитание:

 

 

- напряжение

В

380/415

ок

 

трехфазный

- частота

Гц

50

Мощность электродвигателя

кВт

3,0 и 4,0

Размеры смесителя

см

85´53´65

Габариты установки

см

110´112´140 (140 - минимальная высота)

Масса

кг

210

ПРИЛОЖЕНИЕ 2.10

ПЕРЕЧЕНЬ ИСПЫТАННЫХ ОПЫТНЫХ КОНСТРУКЦИЙ ИЗ СТЕКЛОФИБРОБЕТОНА.

№№ п/п

Конструкция

Организация

Армирование

1.

Несъемная опалубка; плиты стен и пола

АрмНИИСА

Ф

2.

Плиты безрулонной кровли

ЛатНИИС

Ф + С

3.

Экраны стен

ЛатНИИС

Ф + С

4.

Ограждения лоджий

ЛатНИИС

Ф + С

5.

Плита пола

Мосотделстрой Трест № 8

Ф

6.

Плиты раздельного пола

НИИЖБ

Ф

7.

Оболочки пространственных покрытий на пневмоопалубке

Воронеж ЦОМЭ

Ф + С

8.

Стеновые кольца смотровых колодцев

ВНИИводполимер

Ф

9.

Кессоные перекрытия

ЛатНИИС

Ф

10.

Ограждения лоджий и балконов с рельефом

МСП

Ф + С

11.

Плиты безрулонных покрытий

МСП

Ф + С

12.

Сантехподдоны

МСП

Ф + С

13.

Карнизы

МСП

Ф

14.

Плиты мощения дорог и тротуаров, облицовка с рельефом "под кирпич", "под колотый камень".

МСП

Ф

15.

Плиты б/р покрытий

ЦНИИПромзданий

Ф + С

16.

Элементы пространственных покрытий

МНИИТЕП

Ф + С

СОДЕРЖАНИЕ

Часть 1. Проектирование стеклофибробетонных конструкций. 1

1.1. Общие указания. 1

Основные положения. 2

Основные расчетные требования. 4

Дополнительные указания по проектированию предварительно напряженных конструкций. 5

Дополнительные указания по проектированию изгибаемых трехслойных элементов с эффективным утеплителем и наружными слоями из стеклофибробетона. 5

1.2. Материалы для стеклофибробетонных конструкций. 6

Мелкозернистый бетон. 6

Нормативные и расчетные характеристики мелкозернистого бетона. 7

Арматура. 7

Нормативные и расчетные характеристики арматуры. 7

1.3. Расчет стеклофибробетонных конструкций по предельным состояниям первой группы. 8

Расчет по прочности сечений, нормальных к продольной оси элемента. 9

Расчет по прочности сечений, наклонных к продольной оси элемента. 16

Расчет на продавливание. 16

1.4. Расчет стеклофибробетонных конструкций по предельным состояниям второй группы. 17

Расчет по образованию трещин. 17

Расчет по раскрытию трещин. 18

Расчет элементов стеклофибробетонных конструкций по деформациям. 19

Определение кривизны стеклофибробетонных элементов на участках без трещин в растянутой зоне. 19

Определение кривизны на участках с трещинами в растянутой зоне. 21

Определение прогибов. 22

1.5. Конструктивные требования. 22

Приложение 1.1. Основные буквенные обозначения. Терминология. 24

Приложение 1.2. Рекомендуемые архитектурно-конструктивные формы, типы конструктивных элементов и номенклатура стеклофибробетонных конструкций и изделий. 25

Часть 2. Основные положения технологий производства фибробетонных изделий и конструкций. 32

2.1. Общие положения. 32

2.2. Области применения и технологии производства фибробетонных конструкций и изделий. 33

2.2.1. Виды фибробетонов и технические требования к ним. 33

2.2.2. Материалы и требования к ним. 34

2.2.3. Технологическое оборудование. 34

2.2.4. Опыт производства и эффективность применения фибробетонных конструкций. 36

2.3. Рекомендации по оптимальному использованию технологий производства фибробетонных конструкций. 38

2.3.1. Общие положения по выбору технологии. 38

А. Стеклофибробетонные конструкции. 42

2.3.2. Набрызг в заводских условиях. 42

2.3.3. Набрызг в построечных условиях. 45

2.3.4. Предварительное перемешивание с уплотнением, осуществляемым вибрированием, радиальным роликовым формованием, экструзией. 48

Б. Сталефибробетонные конструкции и товарные смеси. 50

2.3.5. Технологические схемы производства изделий и товарных смесей. 50

2.4. Проектирование и подбор составов фибробетонных смесей. 55

2.4.1. Общие указания. 55

2.4.2. Подбор состава стеклофибробетонных смесей. 56

2.4.3. Подбор состава сталефибробетонных смесей. 61

2.5. Контроль качества. 61

2.6. Техника безопасности. 62

Приложение 2.1. Перечень нормативно-технических документов. 63

Приложение 2.2. Перечень технологических регламентов, рекомендаций, указаний и других документов по изготовлению стеклофибробетонных конструкций и изделий. 65

Приложение 2.3. Перечень технологических регламентов, рекомендаций и других документов по изготовлению сталефибробетонных конструкций и изделий. 66

Приложение 2.4. Перечень справочной технической документации. 67

Приложение 2.5. Перечень проектной документации на стеклофибробетонные конструкции. 68

Приложение 2.6. Перечень проектной документации на сталефибробетонные конструкции. 69

Приложение 2.7. Список рекомендованной научно-технической литературы по фибробетону. 70

Приложение 2.8. Характеристики отечественного и зарубежного оборудования (смесительного, нагнетательного и напыляющего), используемого в технологии набрызга стеклофибробетонных смесей. Рабочие параметры технологий. 71

Приложение 2.9. Характеристика смесительного оборудования, используемого в технологии предварительного перемешивания ("премиксинга) стеклофибробетонных смесей. 74

Приложение 2.10. Перечень испытанных опытных конструкций из стеклофибробетона. 75

 




Яндекс цитирования



   Copyright © 2007-2026,  www.tehlit.ru.

[ ѓосты, стандарты, нормативы, инструкции, правила, строительные нормы ]