//
ТехЛит.ру
- крупнейшая бесплатная электронная интернет библиотека для "технически умных" людей.
WWW.TEHLIT.RU - ТЕХНИЧЕСКАЯ ЛИТЕРАТУРА

:: Алготрейдинг::


АЛГОТРЕЙДИНГ
шаг за шагом
с нуля по урокам!

Торговые роботы на PYTHON, BackTrader,
Pandas, Pine Script для TradingView. Связка с брокерами, телеграм и легкими приложениями.


ПРАВИТЕЛЬСТВО МОСКВЫ
МОСКОМАРХИТЕКТУРА

РЕКОМЕНДАЦИИ
по проектированию и применению

для строительства и реконструкции

зданий в г.Москве

ФАСАДНОЙ СИСТЕМЫ

 С ВЕНТИЛИРУЕМЫМ

ВОЗДУШНЫМ ЗАЗОРОМ

«АРТ-СИСТЕМА ВФС-V/2005»

2005 г.

Содержание

Предисловие

1.Введение

2. Назначение и область применения

3. Конструктивное решение системы

4. Исходные данные для проектирования системы

5. Определение основных параметров системы

6. Прочностные расчеты

6.1. Методические предпосылки

6.2. Характеристики материалов

6.3. Расчетные схемы

6.4. Пример расчета

7. Теплотехнические расчеты с приложением

7.1. Введение

7.2. Основные понятия, используемые в тексте

7.3. Основные положения по проектированию фасадных систем наружных стен с вентилируемой воздушной прослойкой

7.4. Правила теплотехнического проектирования наружных ограждений с вентилируемым фасадом

7.5. Краткая характеристика объекта и нормативные требования

7.6. Методика теплотехнического расчета наружных стен с вентилируемой воздушной прослойкой

7.7. Пример теплотехнического расчета наружных стен с вентилируемой воздушной прослойкой

7.8. Заключение

8. Состав проектно-сметной документации

9. Технико-экономические показатели

10. Основные положения по производству работ и системе контроля качества

11. Правила эксплуатации системы

12. Перечень нормативных документов и литературы

Приложение 1 справочное к разделу 6

Приложение 2 справочное к разделу 7

Определение влияния кронштейнов на теплозащитные качества фасадной системы

Расчет бетонной стены с кронштейнами из алюминия

Вариант бетонной стены с кронштейнами из стали

толщиной 0,004 м (4 мм)

Вариант бетонной стены с кронштейнами из стали

при их толщине 0,002 м

Вариант кирпичной стены с кронштейнами нз алюминия

при их толщине 0,004 м

Вариант кирпичной стены с кронштейнами из стали

при их толщине 0,004 м

Вариант кирпичной стены с кронштейнами из стали

при их толщине 0,002 м

Предисловие

1. Разработаны: Центральным научно-исследовательским и проектным институтом жилых и общественных зданий (ЦНИИЭП жилища).

Авторский коллектив:

д.т.н. Николаев С.В.

д.т.н. Граник С.В

инж. Ставровский Г.А.

д.т.н. Зырянов B.C.

к.т.н. Беляев B.C.

инж. Штейман Б.И.

инж. Кашулина Ю.Л.

 

Консультанты:

Генеральный директор ООО "АРТ-профиль" Хямяляйнен И.С.

Руководитель проекта

ООО "АРТ-профиль"

Рачковский А.А.

Коммерческий директор ООО "АРТ-профиль"

Марков П.В.

 

- руководитель работы

- научно-техническое руководство

- общая редакция и конструкция системы

- прочностные расчеты

- теплотехнические расчеты

- конструкция системы

- участие в прочностных расчетах, компьютерная графика.

 

 

 

 

- организационно-технические решения и конструкция системы.

 

2. Подготовлены к утверждению и изданию Управлением перспективного проектирования и нормативов и координации проектно-изыскательских работ Москомархитектуры.

3. Утверждены приказом Москомархитектуры от 31.10.2005 г. № 143.

1.Введение

1.1. Рекомендации являются методическим и справочным пособием для разработки проектов отделки и утепления зданий и сооружений с применением навесной фасадной системы с вентилируемым воздушным зазором "АРТ-Система ВФС-V/2005".

1.2. В навесной фасадной системе "АРТ-Система BФC-V/2005" для наружной отделки применяются керамические и керамогранитные плиты, позволяющие создавать выразительные архитектурные решения фасадов здания.

На рис. 1.1.-1.3. приведены фотографии зданий, на которых для отделки и утепления применены фасадные системы "АРТ-Система ВФС-V/2005".

1.3. Разработчиком и поставщиком фасадной системы "АРТ-Система ВФС-V/2005" является ООО "АРТ-Профиль"*.

1.4. На навесную фасадную систему "АРТ-Система ВФС-V/2005" выдано Техническое свидетельство Госстроя России: "АРТ-Система BФC-V/2005" №ТС-07-1118-05, зарегистрированное 30.06.2005.

1.5. Рекомендации содержат следующие данные: назначение и область применения системы, конструктивные решения системы, состав исходных данных для проектирования, методики расчетов всех необходимых параметров системы, способы производства работ, правила эксплуатации системы и ее технико-экономические показатели.

*Адрес и телефоны предприятия см. в разд. 11.

2. Назначение и область применения

2.1. Система "АРТ-Система ВФС-V/2005" предназначена для фасадной отделки и теплоизоляции наружных стен в соответствии со СНиП 23-02-2003, СНиП II-3-79* (98 г.) и МГСН 2.01-99.

2.2. Систему допускается применять для строящихся и реконструируемых зданий в г. Москве с несущими конструкциями наружных стен из кирпича, бетона и других материалов плотностью более 600 кг/м3.

Максимальную этажность зданий в соответствии с требованиями пожарной безопасности устанавливают в зависимости от степени огнестойкости и классов конструкционной и функциональной пожарной опасности здания.

рис. 1.1. Жилой дом комплекса ''Новый город"
г. Санкт-Петербург, Новочеркаский пр.

рис. 1.2. Здание котельной
г. Санкт-Петербург, Заневский просп.

рис. 1.3. Здание архива
г. Санкт-Петербург, Заневский просп.

3. Конструктивное решение системы

3.1. Система «АРТ-Система BФC-V/2005» являясь многослойной конструкцией, включает следующие элементы: металлический несущий каркас, прикрепленный к несущим конструкциям наружной стены, негорючий минераловатный утеплитель (укрытый в случае необходимости пленкой типа TYVEK) и фасадный облицовочный слой из керамических или керамогранитных плит, прикрепленный к элементам (к вертикальным профилям) несущего каркаса (рис 3.1.).

Между облицовкой и слоем утеплителя устраивается вентилируемый воздушный зазор, с помощью которого влага, накапливающаяся в утеплителе, может эффективно удаляться. Возможен вариант применения этой системы без утеплителя в качестве фасадной отделки зданий.

3.2. Несущий каркас выполняют из металлических элементов, которые включают вертикальные профили и кронштейны (рис. 3.2-3.7).

3.2.1. Применяются вертикальные профили Т-, L- и Е-образного сечения. Длина профилей определяется высотой этажа, но она не должна превышать 3,3 м.

3.2.2. В системе используют вертикальные профили из алюминиевого сплава АД31Т1 с покрытием ЛКМ или без него толщиной 2 мм.

3.2.3. Кронштейны - элементы, соединяющие с помощью дюбелей и анкерных болтов несущий каркас с основанием.

Кронштейны воспринимают вертикальные нагрузки от собственного веса элементов системы и горизонтальные нагрузки от ветрового давления (напора, отсоса).

Для восприятия указанных нагрузок служат:

а - кронштейн несущий (КРН) высотой 150 мм, длиной от 65 до 390 мм, назначаемой в зависимости от проектных условий;

б - кронштейны рядовой, (КР) угловой, (КУ) и специальный (КС).

Кронштейн имеет два типа отверстий: круглые для жесткого закрепления вертикальных профилей и овальные, обеспечивающие возможность перемещения в вертикальном направлении.

3.2.4. Крепление кронштейнов к стене осуществляют с помощью анкерных дюбелей через терморазрывные паронитовые прокладки (П). Отверстия для крепления предусмотрены овальной формы (рис.3.8.).

При больших отклонениях от вертикали дополнительно используют доборные пластины (ДПБ и ДП).

3.2.5. Кронштейны изготавливают из листовых алюминиевых сплавов АМг2М или АМг2Н2 с покрытием ЛКМ или без него. Толщина кронштейнов 4 мм.

3.2.6. Вертикальные профили крепят к кронштейнам вытяжными заклепками – по две или три заклепки на один кронштейн. Возможно крепление вертикальных профилей к кронштейнам с помощью болтов.

3.2.7. Контакт стальных деталей с алюминиевыми следует исключить за счет прокладки между ними полимерных шайб или окраски стальных деталей.

3.3. В фасадной системе применяют негорючий минераловатный плитный утеплитель разной плотности, в том числе ROCKWOOL, PAROC, ISOVER, URSA и др. Толщина слоя утеплителя определяется теплотехническим расчетом, методика которого производится в разделе 7 настоящих рекомендаций.

3.4. Величина воздушного зазора также определяется расчетом, его величина не должна превышать 100 мм.

3.5. В случае применения плит утеплителя без специально защищенной внешней поверхности их закрывают влаговетрозащитной паропроницаемой пленкой типа "TYVEK".

3.6. В системе "АРТ-Система ВФС-V/2005" в качестве элементов облицовки применяют керамические и керамогранитные плиты: в том числе плиты керамические AGROB BUCUTAL KerAion, выпускаемые фирмой "DEUTSCHE STEJNZEUG Сrеmer & Brener AG" (завод в г. Schwarzenfeld, Германия); плиты из керамического гранита MIRAGE, выпускаемые фирмой "MIRAGE Granito Ceramico S.p.A" (Италия). Размеры плит 400x600; 600x600 и 900x600 мм и толщиной 8, 10 и 12 мм;

Для крепления облицовочных плит используют кляммеры из коррозионностойкой стали, устанавливаемые на вертикальных элементах каркаса.

3.7. Контакт стальных деталей с алюминиевыми следует исключить за счет прокладки между ними полимерных шайб или посадки стальных деталей на свежую краску.

3.8. Конструктивные решения фасадной АРТ-системы поясняются рисунками 3.1-3.17.

3.9. Изделия и материалы, разрешенные для применения в АРТ-системе, и требования, которым они должны отвечать, приводятся в «Технической оценке» - приложениям к Техническим свидетельствам Госстроя РФ (п. 1.4.).

1.Основание

2. Минераловатный утеплитель

3. Паронитовая прокладка

4. Анкерный дюбель

5. Кронштейн несущий КРН

6. Кронштейн КР

7. Тарельчатый дюбель для крепления утеплителя

8. Вертикальный профиль

9. Заклепка односторонняя алюминиевая

10. Кляммер рядовой

11. Плита облицовочная

Рис. 3.1. Конструктивное решение фасадной системы "APT- система ВФС-V/2005"

* - размер уточняется по проекту

Рис. 3.2. Несущий кронштейн КРН

 

Доборная пластина большая (ДПБ)

Доборная пластина (ДП)

* - размер уточняется по проекту

Рис. 3.3. Доборные пластины

* - размер уточняется по проекту

Рис. 3.4. Кронштейн КР

* - размер уточняется по проекту

Рис. 3.5. Угловой кронштейн КУ

Т- образный вертикальный профиль (П-Т)

L- образный вертикальный профиль (П-L)

Е-образный вертикальный профиль (П-Е)

Длина вертикальных профилей - 3300 мм

Рис. 3.6. Вертикальные профили

Кляммер рядовой (КР)

Кляммер крайний (КК)

Кляммер угловой (КУ)

Рис. 3.7. Кляммеры

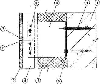
1. Основание

2. Минераловатный утеплитель

3. Паронитовая прокладка

4. Анкерный дюбель

5. Кронштейн несущий

6. Тарельчатый дюбель для крепления утеплителя

7. Вертикальный профиль

8. Кляммер родовой

9. Заклепка односторонняя алюминиевая

10. Плита облицовочная

Рис. 3.8. Конструкция фасадной системы
а. вертикальный разрез
б. горизонтальный разрез

 

1. Основание

2. Минераловатный утеплитель

3. Паронитовая прокладка

4. Анкерный дюбель

5. Кронштейн несущий

6. Вертикальный профиль

7. Кляммер крайний

8. Заклепка односторонняя алюминиевая

9. Плита облицовочная

Рис. 3.9. Вертикальный разрез деформационного блока (термошва)

1. Основание

2. Минераловатный утеплитель

3. Паронитовая прокладка

4. Анкерный дюбель

5. Кронштейн угловой

6. Тарельчатый дюбель для крепления утеплителя

7. Вертикальный профиль

8. Кляммер рядовой

9. Заклепка односторонняя алюминиевая

10. Плита облицовочная

11. Кляммер угловой

Рис. 3.10. Горизонтальный разрез системы по внешнему углу

1. Основание

2. Минераловатный утеплитель

3. Паронитовая прокладка

4. Анкерный дюбель

5. Кронштейн несущий

6. Тарельчатый дюбель для крепления утеплителя

7. Вертикальный профиль

8. Кляммер рядовой

9. Заклепка односторонняя алюминиевая

10. Плита облицовочная

11. Кляммер угловой

12. Труба

13.Болт

Рис. 3.11. Горизонтальный разрез системы по внешнему углу
(вариант решения при значительных отклонениях плоскости стены от плоскости фасада)

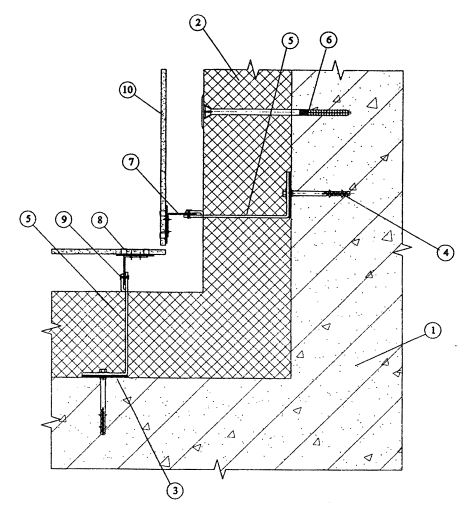
1. Основание

2. Минераловатный утеплитель

3. Паронитовая прокладка

4. Анкерный дюбель

5. Кронштейн несущий

6. Тарельчатый дюбель для крепления утеплителя

7. Вертикальный профиль

8. Кляммер рядовой

9. Заклепка односторонняя алюминиевая

10. Плита облицовочная

Рис. 3.12. Горизонтальный разрез системы по внутреннему углу

1. Основание

2. Минераловатный утеплитель

3. Паронитовая прокладка

4. Анкерный дюбель

5. Несущий кронштейн

6. Кронштейн

7. Вертикальный профиль

8. Верхний откос

9. Слив

10. Боковой откос

11. Саморез

12. Паропроницаемая водоизоляционная лента

13. Пеноутеплитель "Макрофлекс"

14. Пароизоляционная лента

15. Оконный блок

16. Плита облицовочная

17. Заклепка односторонняя алюминиевая

18. Кляммер крайний

19. Опорный кронштейн

 

Рис. 3.13. Вертикальный разрез системы по оконному проему

 

1. Основание

2. Минераловатный утеплитель

3. Паронитовая прокладка

4. Анкерный дюбель

5. Кронштейн

6. Тарельчатый дюбель

для крепления утеплителя

7. Вертикальный профиль

8. Слив

9, Боковая оконная кассета

10. Заклепка односторонняя алюминиевая

11. Паропроницаемая водоизоляционная лента

12. Пеноутеплитель "Макрофлекс"

13. Пароизоляционная лента

14. Оконный блок

15. Кронштейн для крепления оконной кассеты

Рис. 3.14. Горизонтальный разрез системы по оконному проему

1. Основание

2. Минераловатный утеплитель

3. Паронитовая прокладка

4. Анкерный дюбель

5. Кронштейн

6. Тарельчатый дюбель для крепления утеплителя

7. Вертикальный профиль

8. Кляммер крайний

9. Заклепка односторонняя алюминиевая

10. Плита облицовочная

11. Козырек с перфорацией

12. Специальный кронштейн

13. Плита перекрытия

Рис. 3.15. Вертикальный разрез примыкания системы к цоколю

1. Основание

2. Минераловатный утеплитель

3. Паронитовая прокладка

4. Анкерный дюбель

5. Несущий кронштейн

6. Специальный кронштейн

7. Вертикальный профиль

8. Кляммер крайний

9. Заклепка односторонняя алюминиевая

10. Плита облицовочная

11. Покрытие

12. Тарельчатый дюбель для крепления утеплителя

Рис. 3.16. Вертикальный разрез примыкания системы к парапету

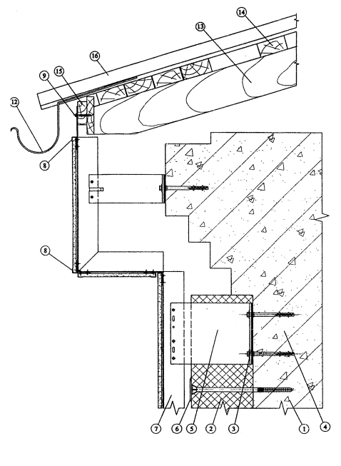
1. Основание

2. Минераловатный утеплитель

3. Паронитовая прокладка

4. Анкерный дюбель

5. Кронштейн

6. Тарельчатый дюбель для крепления утеплителя

7. Вертикальный профиль гнутый с подсечкой полок

8. Кляммер крайний

9. Саморез

10. Заклепка односторонняя алюминиевая

11. Керамогранитная плитка

12.Желоб

13. Кобылка

14. Обрешетка

15. Брусок для крепления вертикального профиля

16. Кровля

17. Плита облицовочная

Рис. 3.17. Вертикальный разрез примыкания системы к карнизу

4. исходные данные для проектирования системы

4.1. Проектно-сметная документация на систему для конкретного объекта разрабатывается на основе задания на проектирование, подготавливаемого в соответствии с существующим в г. Москве порядком и утверждаемого заказчиком. Задание на проектирование обязательно должно содержать требование о соответствии системы СНиП 23-02-2003 и МГСН 2.01-99.

4.2. Задание на проектирование должно включать:

- архитектурные чертежи фасадов здания, в т.ч. сведения о фактуре и цвете облицовочных материалов, чертежи архитектурных деталей (карнизов, обрамления проемов и т.п.) и другие необходимые данные, если это не входит в состав работ по конкретному заданию;

- строительные чертежи наружных стен от фундаментов до парапетов, включая узлы, поясняющие решение и размеры конструкций;

- данные от разработчиков конструкций фундаментов о величине допустимой дополнительной нагрузки на стены здания или заключение компетентной организации о несущей способности фундаментов здания;

- план участка, где расположено здание.

Для реконструируемых зданий задание на проектирование дополнительно должно содержать акт обследования наружных стен здания, где указывается состояние поверхности фасадов, результаты испытаний принятых дюбелей на выдергивание из стены и геодезическую съемку поверхностей фасадов с данными о величине отклонений их отдельных участков от вертикальной плоскости.

4.3. В состав задания на проектирование должна быть включена Техническая оценка Госстроя России ФЦС ТВ-1118-05 (приложение к Техническому свидетельству) на данную фасадную систему.

5. Определение основных параметров системы

5.1. Основными параметрами системы являются:

- схема размещения на фасаде здания кронштейнов и вертикальных профилей со всеми необходимыми размерами, в том числе расстояние от основания до экрана;

- марка дюбелей для крепления кронштейнов несущего каркаса к основанию;

- характеристика принятых плит утеплителя: марка, размеры, плотность, теплопроводность, наличие или отсутствие защитной пленки;

- величина воздушного зазора;

- марка дюбелей для крепления плит утеплителя к основанию;

- тип и размер облицовочных материалов и способ их крепления к несущему каркасу;

5.2. Схема размещения на фасаде здания элементов несущего каркаса разрабатывается, исходя из следующих условий:

- размеров по ширине облицовочных плит, вертикальный шов между которыми должен располагаться в центре вертикального профиля;

- геометрии фасада здания, расположения проемов, балконов, карнизов и других западающих (выступающих) от плоскости фасада элементов для сокращения количества облицовочных плит с нестандартными размерами;

- результатов прочностных расчетов системы, на основании которых уточняется шаг установки кронштейнов по горизонтали и вертикали;

- расстояния от основания до экрана, принятого на основании теплотехнических расчетов, при этом следует учитывать величину фактических отклонений фасада от проектного положения.

5.3. Марку дюбелей для крепления кронштейнов и утеплителя выбирают с учетом результатов прочностных расчетов системы, материала основания, паспортных данных принятых дюбелей и результатов их испытаний на выдергивание из стены.

5.4. Выбор плит утеплителя выполняется на основании теплотехнических расчетов (см. раздел «Теплотехнические расчеты»). Там же приводится методика определения величины воздушного зазора.

5.5. Тип и размер облицовочных плит, их цвет и фактуру поверхности определяет главный архитектор проекта, если эти сведения не приведены в задании на проектирование системы.

6. Прочностные расчеты

6.1. Методические предпосылки

Прочностные расчеты включают проверку прочности и деформаций металлических профилей, анкерных болтов и стержней, несущих нагрузки от их собственной массы, массы облицовочных плит, утеплителя и от давления ветра, стыковых соединений профилей между собой, их креплений к основным несущим конструкциям здания.

Нагрузки от собственной массы облицовочных плит и утеплителя принимаются по техническим условиям или паспортным данным предприятий-изготовителей. Временные нагрузки от ветра принимаются по СНиП |4|, в данном случае для I ветрового района г. Москвы. Кроме того, учитываются дополнительные коэффициенты к ветровым нагрузкам в соответствии с письмом ЦНИИСКа  № 1-945 от 14.11.2001 г. (см. Приложение). Нагрузку от собственной массы профилей в случаях, когда она относительно мала, можно не учитывать.

Усилия: изгибающие моменты, поперечные и продольные силы; прогибы определяются с использованием основных положений сопротивления материалов и строительной механики. Коэффициенты надежности по нагрузкам , а также единый коэффициент надежности по ответственности  = 0,95 принимаются по СНиП |4|.

При проверке прочности и деформаций элементов и стыковых соединений формулы СНиП |3| трансформируются по форме к условиям примеров.

Физико-механические характеристики материалов профилей, их соединений и крепежных элементов следует принимать по СНиП |5|, |6|.

Подробно методика расчета проиллюстрирована в приводимом ниже примере (п. 6.4.). В примере исходные параметры даны для конкретных материалов и конструкций (п. 6.2.). В то же время приведенная методика, где все расчетные формулы даются как в буквенном, так и в числовом выражениях со ссылками на нормативные источники, может быть использована и для других вариантов и сочетаний материалов и конструктивных решений.

В примере приняты условные обозначения: Мв - момент от вертикальной нагрузки; Мr - то же, от горизонтальной; Кспр - табличные коэффициенты по |25|. Индексы "е" (edge) и "с" (centre) - соответственно для угловых и средних зон фасада.

6.2. Характеристики материалов

Расчетные сопротивления несущих профилей, изготовленных из алюминиевых сплавов АД31Т1, согласно |5| (МПа): на растяжение, сжатие и изгиб Ry = 120; на сдвиг Rs = 75; на смятие Rlp = 190, модуль упругости Е =70000

Расчетные сопротивления кронштейнов изготовленных из алюминиевых сплавов АMr2M, согласно |5| (МПа): на растяжение, сжатие и изгиб Ry = 70; на сдвиг Rs 40; сопротивление смятию Rlp, = 110; модуль упругости Е = 70000.

Коэффициент условий работы  = 1.

Расчетные сопротивления алюминиевых заклепок по |5| (МПа): на растяжение R вt = 125; на срез Rвs = 90. Коэффициент условий работы на срез и смятие  = 0,8.

Расчетные сопротивления стальных болтов по |6| (МПа): на растяжение R вt = 170; на срез Rвs = 150. Коэффициент условий работы на срез и смятие  = 0,8.

Предел прочности при изгибе керамогранитных плит Rи= 35 МПа.

Утеплитель - минераловатные плиты плотностью  = 80 кг/м3. Прочность на сжатие утеплителя при 10% деформации Rут = 0,02 МПа.

6.3. Расчетные схемы

Направления координатных осей приняты:

ось X - горизонтальная в плоскости стены;

ось Y - горизонтальная по нормали к стене;

ось Z - вертикальная в плоскости стены.

Расчетная схема облицовочной плиты - шарнирно опертая по углам на вертикальные направляющие пластина (рис. 6.1.).

Расчетная схема вертикальных направляющих профилей - многопролетная неразрезная балка, жестко защемленная на верхней опоре и подвижно защемленная на средних и нижней опорах - кронштейнах с консолями у концов (рис. 6.2.). К направляющим прикладывается вертикальная нагрузка от веса облицовочных плит с эксцентриситетом относительно центра тяжести ey и горизонтальная ветровая нагрузка.

Расчетная схема кронштейнов – консоль с вылетом lкр, (рис. 6.3.), диктуемым толщиной слоя утеплителя и воздушного зазора. На кронштейны через вертикальные направляющие передаются вертикальные и горизонтальные нагрузки.

Расчетная схема крепления кронштейнов к стене (рис. 6.3.) принята с учетом восприятия как изгибающего момента от вертикальной нагрузки, так и горизонтальной ветровой нагрузки.

Расчетная схема распорных стержней для крепления утеплителя - консоль с вылетом .

Соединение вертикальных направляющих профилей с кронштейнами, крепление кронштейнов к стене рассчитываются на действие усилий среза, растяжения, изгиба и вырыва от совместного действия вертикальной и ветровой нагрузок.

Рис. 6.1. Расчетная схема облицовочной плиты
а - размеры и описание плиты
б - расчетная схема на ветровую нагрузку

Рис. 6.2. Расчетная схема вертикальной направляющей
а - на вертикальные нагрузки
6 - на горизонтальные нагрузки

Рис. 6.3. Расчетная схема опорного кронштейна
а - схема приложения усилий
б, в, г - эпюры М, Q и N

6.4. Пример расчета

6.4.1. Исходные данные

В данном примере принят вариант с облицовочными плитами из керамогранита толщиной  = 10 мм,  = 2500 кг/м3.

Толщина стенок вертикальных направляющих  = 2 мм, кронштейнов - 4 мм.

Шаги кронштейнов и, соответственно, направляющих по оси «X» lx = 0,6 м; по оси «Z», что соответствует пролетам направляющих, lz - 1,0 м; направляющие у концов имеют консоли lz,x = 0,15 м.

Крепление облицовочных плит к направляющим производится с помощью стальных кляммеров; крепление кляммеров к направляющим - алюминиевыми заклепками Ø 3,2 мм; крепление направляющих к кронштейнам - стальными заклепками Ø 4,8 мм; крепление кронштейна к стене - одним стальным болтом Ø 8 мм с дюбелем.

Утеплитель - минераловатные плиты - по п. 6.2., крепится к стене независимо от облицовки, стальными распорными стержнями Ø 5 мм с шляпками Ø 80 мм. Толщина утеплителя  = 150 мм.

6.4.2. Нагрузки

Вертикальные нагрузки (Па): от веса облицовочных плит:

нормативная ;

расчетная ;

нагрузкой от собственного веса профилей пренебрегается.

Горизонтальные ветровые нагрузки приняты для высоты Н = 80 м; нормативное значение ветрового давления для I ветрового района Wo = 0,23 кПа; коэффициент "К" для зданий высотой 80 м, тип местности "В", по табл. 6 |4| К =1,45; аэродинамический коэффициент принимается для угловых зон фасада при отрицательном давлении ветра Се = |-2|; для средних зон при положительном давлении ветра Сс = 0,8; коэффициенты, учитывающие пульсационную составляющую ветровой нагрузки: для угловых зон  = 1,3; для средних зон, вычисленный по формуле (8) |4| = 1,5; коэффициент  = 1,2 увеличения средней величины ветрового давления при расчете узлов крепления ( и  - по рекомендации ЦНИИСК, как дополнение к СНиП |4|).

Горизонтальные ветровые нагрузки (Па):

в угловых зонах:

нормативная

расчетная

в средних зонах:

.

6.4.3. Расчет облицовочной плиты

Геометрические характеристики

Для плиты шириной bz = 0,6 м;  = 10 мм: W = 10000 мм3; J = 50000 мм4; lx = 0,6 м.

Проверка прочности

Вертикальные и горизонтальные нагрузки на облицовочные плиты соответствуют указанным в п. 6.4.2. Так как проверка прочности плит в их плоскости не требуется, то используются лишь горизонтальные ветровые нагрузки.

Для шарнирно опертой балочной плиты по известной формуле для угловых зон

 Нм.

Условие прочности на изгиб

Нм<; прочность на изгиб обеспечивается.

6.4.4. Расчет вертикальной направляющей

Геометрические характеристики

Для полного поперечного сечения:

 = 2 мм; А = 256 мм2; Jx = 55986 мм4; Wx = 1414 мм3; Sx = 2656 мм3; t = 2  = 2 мм;

то же ослабленного отверстиями для саморезов:

An = 246 мм2; Jxn =51299 мм4; Wxn = 1270 мм3; Sxn = 2351 мм3; tn = 2 мм.

Определение усилий

Вертикальная расчетная нагрузка от веса плит на 1 м направляющей, прикладываемая с эксцентриситетом относительно центра тяжести профиля еу=17 мм:

 

Нагрузкой от собственного веса направляющей пренебрегается.

Горизонтальные нагрузки от ветрового давления на 1м профиля (H/м):

в угловых зонах:

нормативная

расчетная

в средних зонах:

нормативная

расчетная

Для дальнейших расчетов принимаются горизонтальные ветровые нагрузки только в угловых зонах фасада. Индексы «е» и «с» далее опускаются.

Изгибающие моменты в расчетном сечении на опоре (Н·м):

- от вертикальной расчетной нагрузки

- от горизонтальной ветровой нагрузки:

нормативной

расчетной

Продольное усилие

Максимальная поперечная сила

Проверка прочности на растяжение с изгибом

По формуле (29) |5| для сечений над средними опорами

 для угловых зон

прочность на растяжение с изгибом обеспечивается.

В средних зонах прочность обеспечивается с большим запасом.

Проверка прочности на сдвиг

По формуле (21) |5|

для угловых зон


прочность на сдвиг обеспечивается.

Проверка прочности крепления направляющей

к кронштейну

Крепление производится двумя (ns = 2) стальными заклепками d = 4,8 мм; расчетной площадью сечения 1 заклепки = 18,1 мм2, с расчетными сопротивлениями по п. 6.2.

Усилия, действующие на соединение;

от вертикальной расчетной нагрузки

от горизонтальной расчетной нагрузки

По формуле (73) |5| на срез:

результирующее

прочность заклепок на срез обеспечивается.

По формуле (74) |5|на смятие профиля:

результирующее

< прочность на смятие обеспечивается.

Проверка жесткости

Проверяется прогиб в направлении оси "у", т.е. по нормали к стене, от действия нормативной ветровой нагрузки  с изгибающим моментом на средних опорах

Для неразрезной многопролетной балки согласно |25|

f/l=0,005/1000=1/200000, что меньше предельно допустимой величины [f/l]=1/200, жесткость профиля достаточна.

6.4.5. Расчет опорного кронштейна К2

Геометрические характеристики

Для вертикального поперечного сечения:  = 4 мм; А = 600 мм2; Wx = 15000 мм3; Jx = 1125000 мм4; Sx - 45000 мм3; tx =  = 4 мм.

Усилия

От вертикальной расчетной нагрузки Nz = 567 Н; от горизонтальной нагрузки

. Плечо (вылет) до расчетного сечения = 186 мм. Изгибающий момент от вертикальной нагрузки

Проверка прочности на растяжение с изгибом

По формуле (29) |5|

 для угловых зон

прочность на растяжение с изгибом обеспечивается.

Проверка прочности на сдвиг

По формуле (21) |5| от вертикальной нагрузки Qz = Nz

прочность на сдвиг обеспечивается.

Прочность болтового соединения несущего кронштейна

Крепление кронштейна к стене производится двумя стальными болтами Ø 8 мм с расчетным диаметром на растяжение do = 6,4 мм и расчетной площадью сечения: на растяжение Aвп = 32,1 мм2; на срез и смятие А = 50,3 мм2.

Плечо (вылет) до стены  плечо внутренней пары сил в плоскости стены Z = 78 мм.

Изгибающий момент от вертикальной нагрузки:

продольная сила

поперечная сила

Растягивающее усилие в болте: от продольной силы

от момента

суммарное

По формуле (129) |6| на растяжение:

По формуле (127) |6| на срез:

прочность болтов на растяжение и срез обеспечивается.

По формуле (74) |6| на смятие стенки кронштейна под болтом:

прочность кронштейна на смятие под болтом обеспечивается.

Крепление болтов к стене

Вырывающее усилие на болт в угловых зонах равно Nв - 1600 Н. Под это усилие следует подбирать конструкцию дюбелей и болтов с учетом материала основания по каталогам фирм-изготовителей, в частности, швейцарской фирмы «Mungo».

6.4.6. Расчет крепления утеплителя

На 1 м2 стены приходится ≈ 8 распорных стержней: на 1 стержень с расчетной площадью сечения А = 19,6 мм2 приходится Aут.1 ≈ 0,125 м2.

Поперечная сила, приходящаяся на 1 стержень от веса утеплителя,

По формуле (127) |3|:

прочность стержней на срез обеспечивается.

При диаметре шляпки dш = 80 мм утеплитель может воспринять усилие сжатия не более

Контроль над ограничением этого усилия осуществляется по величине деформации обжатия утеплителя под шляпкой, которая при  = 150 мм не должна превышать ∆ = 0,1·150 = 15 мм.

7. Теплотехнические расчеты

7.1. Введение

В настоящем разделе приводятся принципы теплотехнического проектирования систем наружных стен с вентилируемыми воздушными прослойками между экраном и теплоизоляционным слоем, даются рекомендации по различным техническим параметрам для системы "АРТ-Система".

Принципы теплотехнического проектирования включают методы теплотехнических расчетов, расчеты воздухообмена и влагообмена в воздушных прослойках.

Методика теплотехнических расчетов базируется на требованиях МГСН 2.01-99 |13|, СНиП II-3-79*, (изд.98 г.) |7|, СНиП 23-02-2003 |8|.

Эти требования (п.5.1.а,б |8|.) заключаются в обеспечении соответствия приведенного сопротивления теплопередаче  наружных ограждений (средневзвешенное  на этаж) требуемому () значению приведенного сопротивления теплопередаче (табл. 1б СНиП II-3-79*, изд.98 г., табл. 4 СНиП 23-02-2003).

Методика расчета воздухо- и влагообмена в наружных стенах основывается на требованиях СНиП II-3-79* (изд. 98 г.) и СНиП 23-02-2003 о недопустимости накопления влаги в стенах за годовой период эксплуатации, а также накопления влаги в воздушных зазорах (прослойках) между экранами и утеплителем.

7.2. Основные понятия, используемые в тексте

Воздушная прослойка между утеплителем и экраном, вентилируемая наружным воздухом; швы (зазоры), - приточные (воздухозаборные) и вытяжные (воздухо выводящие).

Условное сопротивление паропроницанию - приведенное, учитывающее сопротивление паропроницанию материалов экрана, швы между облицовкой и вентиляционные отверстия.

7.3. Основные положения по проектированию фасадных систем наружных стен с вентилируемой воздушной прослойкой

При проектировании зданий с вентилируемыми фасадами следует учитывать уже принятые параметры системы:

- минимальный размер швов для притока воздуха рекомендуется 4-8 мм (при размерах плит экрана 600×600, 600×900 мм) для Москвы, принято в расчете 6 мм;

- общая толщина воздушной прослойки принимается 60 мм для Москвы;

- площадь отверстий для вытяжки воздуха не должна быть менее сечения отверстий для притока.

7.4. Правила теплотехнического проектирования наружных ограждений с вентилируемым фасадом

Теплотехническое проектирование наружных стен, где применяются фасадные системы с вентилируемым воздушным зазором, осуществляется в два этапа. Второй этап выполняется в том случае, если после первого этапа не выявится надежность рассматриваемой конструкции в теплотехническом отношении.

Первый этап

Назначается конструктивное решение стены, в т.ч. параметры экранов, приточных и выводных щелей с учетом раздела 7.3.

Выполняется теплотехнический расчет наружной стены с экраном, при котором определяется необходимая толщина теплоизоляции.

Выполняется расчет влажностного режима стены по методике СНиП II-3-79* (изд.98г.) |7|, СНиП 23-02-2003 |8| с учетом коэффициента паропроницаемости по глади экрана.

Если по результатам расчетов влажностный режим стены удовлетворяет требованиям норм строительной теплотехники |7|, |8|, то на этом теплотехническое проектирование заканчивается.

Если по результатам расчетов влажностный режим экранированных стен не удовлетворяет требованиям, то подбирается такой материал стен и экрана, чтобы с ними конструкция стены удовлетворяла действующим нормативным требованиям |7|, |8|.

Если расчет влажностного режима наружного ограждения с вентилируемым фасадом показал невыполнение требований |7|, |8|, а другой материал стены и экрана подобрать нельзя, то переходят ко второму этапу теплотехнического проектирования.

1. Определяется условное сопротивление паропроницанию экрана с учетом швов и вентиляционных отверстий по методике раздела 7.6.6.

2. С учетом этого показателя проводят расчет влажностного режима по методике |7|, |8|.

3. При необходимости рассчитывается влажностный режим рассматриваемой конструкции в годовом цикле с учетом средних месячных температур.

4. С учетом результатов расчета по п.п. 2, 3 анализируются результаты, при необходимости корректируются материалы и их толщины в конструкции с целью исключения влагонакопления в годовом цикле. Если проведенных упомянутых расчетов для определения применимости конструкции недостаточно, то расчет продолжается в нижеприведенной последовательности.

4.1. С учетом этажности здания и района строительства определяется скорость движения воздуха в прослойке за экраном и расход воздуха.

4.2. Определяется температура на выходе из воздушной прослойки.

4.3. Определяется действительная упругость водяного пара на выходе из прослойки eу по формуле (16). Проверяется условие еу < Ен, где Eн - максимальная упругость водяного пара на выходе из прослойки. Если это условие соблюдается, то данная конструктивная система рекомендуется к применению.

7.5. Краткая характеристика объекта и нормативные требования

Для расчета принято жилое здание, расположенное в г. Москве.

Рассматриваются два варианта наружной стены: с внутренним слоем из монолитного железобетона  толщиной 0,18 м  и из кирпича, толщиной .Утеплитель в виде плит базальтовой минваты, покрытый паропроницаемой влаговетрозащитной пленкой "TAYVEK". Навесная фасадная система "АРТ-Система ВФС-IV/2005" представляет собой каркас, закрепляемый на стене здания, и устанавливаемые на нем элементы облицовки. Для облицовочного слоя применяют керамогранитные плиты плотностью 2500 кг/м3. Воздушный зазор в нижней частя (у цоколя) имеет отверстия для притока воздуха, а в верхней части - аналогичные вытяжные отверстия. Кроме того, обмен воздуха происходит благодаря зазорам в горизонтальных швах шириной  мм между смежными плитами.

Требования к теплотехническим характеристикам конструкций и к сопротивлению теплопередаче конструкций содержатся в СНиП II-3-79* (изд.98г.) |7|, СНиП 23-02-2003 |8|, МГСН 2.01-99 |13| и СП 23-101-2004 |21|.

На основе |7|, |8|, |13| составлена таблица 7.1. исходных расчетных данных, где приведены требуемые сопротивления теплопередаче наружных стен жилых зданий.

Таблица 7.1.

Значения нормативных требований к наружным ограждениям жилых зданий

Название нормативного документа

Требуемое сопротивление теплопередаче наружных стен, Rreg

ГСОП

Город

СНиП 23-01-99 [9],

СНиП II-3-79* (изд.98г.) [7]

3,13

4943

Москва

Указанное значение Rreg может корректироваться в соответствии с п.5.1.; 5.2. и формулами (9, 10) СНиП 23-02-2003 |8| при соблюдении требований п. 5.13 |8|.

7.6. Методика теплотехнического расчета наружных стен с вентилируемой воздушной прослойкой

7.6.1. Общие требования

Теплозащита наружных стен с экраном и вентилируемой воздушной прослойкой основана на расчетах теплотехнических характеристик и влажностного режима стен.

Теплотехнический расчет наружных стен с вентилируемой прослойкой в соответствии с настоящим разделом включает:

- подбор толщины теплоизоляционного слоя;

- определение влажностного режима всей стены;

- определение параметров воздухообмена в прослойке;

- определение тепло влажностного режима прослойки.

7.6.2. Определение толщины теплоизоляционного слоя

В основу конструктивных решений наружных стен при определении приведенных сопротивлений теплопередаче предварительно принимаются толщины утеплителя, рассчитанные по формуле:

                                           (1)

где

 (или) Rотр.пр - требуемое приведенное сопротивление теплопередаче стен, м2∙°С/Вт;

r - коэффициент теплотехнической однородности по табл. 7.2. 7.3. для определения предварительной толщины утеплителя в зависимости от материала, толщины и физических характеристик стены.

Значения "r", данные в табл. 7.2., 7.3., посчитанные для фрагмента стены размером 3х3м с оконным проёмом 1,5×1,5 м, хотя и являются предварительными, учитывают теплопроводные включения: анкеры, кронштейны, оконные откосы (см. приложение).

Таблица 7.2.

Значения r кирпичных утепленных снаружи стен

Толщина, м

Коэффициент г при , Вт/м °С

стены

(без дополнительного утепления)

утеплителя

0,04

0,05

0,08

0,38

0,1

0,705

0,726

0,73

0.15

0,693

0,713

0,73

0,2

0,68

0,7

0,715

0,51

0,1

0,694

0,714

0,73

0,15

0,682

0,702

0,72

0,2

0,667

0,687

0,702

0,64

0,1

0,685

0,7

0,715

0,15

0,675

0,69

0,705

0,2

0,665

0,68

0,695

Примечания:

1. Для получения значений "r" с учетом глухих участков и торцовых стен приведенные в таблице значения умножаются на n  = 1,05. Коэффициент " n " может быть уточнен.

2. Коэффициент "г" посчитан для фрагментов с проемностью 25%. При проёмности, отличающейся от табл. 7.2., 7.3. (см. ниже), на каждые 10% коэффициент "r" соответственно изменяется на 4% для кирпичных стен.

Таблица 7.3.

Значения r бетонных утепленных снаружи стен

Толщина, м

Коэффициент r при  , Вт/м °С

панели (без дополнительного утепления)

утеплителя

0,04

0,05

0,08

0,3

0,05

0.9

0,92

0,95

0,1

0,84

0,87

0,88

0,15

0,81

0,84

0,85

0,35

0,05

0,87

0,9

0,93

0,1

0,8

0,83

0,86

0,15

0,78

0,81

0,83

0,4

0,05

0,82

0,87

0,9

0,1

0,77

0,8

0,83

0,15

0,75

0,78

0,8

0,2

0,74

0.765

0,785

Примечания:

1. Проемность 25% с учетом коэффициента n = 1,05 (см. формулу (3) ниже). При проёмности, отличающейся от данных табл. 3, на каждые 10% коэффициент "r" соответственно изменяется на 2%.

2. Значения "г" в табл. 7.2., 7.3. даны для учета ориентировочной толщины утеплителя в расчете влажностного режима стены.

При рабочем проектировании указанные значения "r" должны уточняться с учётом конкретного типа кронштейнов.

Учет влияния металлических связей может выполняться по формуле

,

где                                                    (2)

где и  - сопротивления теплопередаче в сечениях по связи и в отдалении от включения, учитывающие теплотехнические характеристики материалов, через которые проходят связи ();

                                                                                            (3)

где

 и  - коэффициенты, характеризующие диаметр и вид металлической связи;

 - площадь участка конструкции, в котором расположена гибкая связь.

Расчет влияния анкеров и других металлических включений, показывающих аналогичные результаты с вышеприведенной методикой выполняется в соответствии с приложением 1 данных рекомендаций и приложением Н СП 23-101-2004.

Средневзвешенное значение приведенного сопротивления теплопередаче слоистых наружных стен определяется (на этаж или секцию) по формуле

,*)                                                             (4)

где  - сумма площадей фрагментов наружных стен (k - количество фрагментов стен),

Fi, -соответственно площадь и приведенное сопротивление теплопередаче io фрагмента стен, м2 ∙ С/Вт.

Если *) по СНиП II-3-79* (изд.98г.) [7], СНиП 23-02-2003 [8], конструкция стены удовлетворяет требованиям теплотехнических норм. Если < то следует либо увеличить толщину утепляющего слоя, либо рассмотреть возможность включения в проект энергосберегающих мероприятий.

Для расчета средневзвешенного значения многослойных наружных стен при наличии в стенах глухих (без проемов) участков может быть также использована формула

 =  n,                                                                       (5)

где

n = 1,05 - коэффициент, учитывающий наличие глухих участков в торцовых стенах. При выполнении проектов этот коэффициент "n" в каждом случае имеет значение, соответствующее особенностям данных конструктивных и объемно-планировочных решений.

*),то же,  и ,то же, что

7.6.3. Определение влажностного режима наружных стен

Влажностный режим наружных стен может определяться двумя методами: по СНиП 23-02-2003, СНиП II-3-79* (изд.98г.) и исходя из баланса влаги.

Определение влажностного режима наружных стен по балансу влаги производится следующим образом:

1. Определяются исходные данные для расчета.

2. Определяются сопротивления паропроницанию слоев конструкции наружной стены, параметры внутреннего и наружного воздуха.

3. Определяется приток () и отток () влаги (пара) к рассматриваемому сечению по формулам

 и                                 (6)

где

ев, еи - упругость водяного пара внутреннего и наружного воздуха;

 и  - то же, в рассматриваемом сечении;

,                                             (7)

 - сопротивление паропроницанию от внутренней поверхности до границы зоны возможной конденсации;

 -сумма сопротивлений паропроницанию слоев до рассматриваемого сечения;

 - сопротивления паропроницанию всей стены.

По указанным формулам определяется упругость водяного пара  в характерных сечениях конструкции в годовом цикле.

Если  окажется больше максимальной упругости водяного пара Е, то в данном сечении может образовываться конденсат.

7.6.4. Определение параметров воздухообмена в прослойке

Движение воздуха в прослойке осуществляется за счет гравитационного (теплового) и ветрового напора. В общем виде скорость движения воздуха в прослойках , может определяться по следующим формулам:

,                               (8)

где

 - аэродинамические коэффициенты принимаются по СНиП 2.01.07-85* |4|;

 - скорость движения наружного воздуха;

к - коэффициент учета изменения скорости потока по высоте по СНиП 2.01.07-85;

Н - разности высот от входа воздуха в прослойку до ее выхода из нее;

 - средняя температура воздуха в прослойке и температура наружного воздуха;

 - сумма коэффициентов местных сопротивлений (определяется сложением аэродинамических сопротивлений).

 - плотности (кг/м3 ) наружного воздуха и в прослойке.

При расположении воздушной прослойки на одной стороне стены здания формула (8) примет вид

                                                         (9)

Из полученных по указанным формулам скорость движения воздуха корректируется с учетом потерь давления на трение по известным из курса "Вентиляция" методам.

Суммарный расход воздуха в прослойке определяется по формуле

,                                                       (10)

где  - толщина воздушной прослойки, м; шириной 1 м.

 - плотность воздуха в прослойке принимается по формуле (14) |8|.

7.6.5. Определение параметров тепловлажностного режима прослойки

Температура входящего в прослойку воздуха  может определяться по формуле

,                                           (11)

где

tв, tн - расчетные температуры в помещении и наружного воздуха;

m - коэффициент.

Остальные обозначения даны в |21|.

Допускается определять температуру воздуха, входящего в прослойку, по формуле

,                                                              (12)

где n = 0,97.

Температура воздуха по высоте прослойки определяется по формуле

,             (13)

где  и  - коэффициенты теплопередачи внутреннего и наружного слоя стены до середины прослойки;

hу - расстояние по высоте между отверстиями (щелями, швами), служащими для поступления и вытяжки воздуха;

С - удельная теплоемкость воздуха.

При определении термического сопротивления прослойки Rпр следует пользоваться формулами

                                                                                                        (14)

где

= 5,5 + 5,7 Vпр + ,                                                (15)

 - коэффициент лучистого теплообмена;

Св. - переводной коэффициент, равный в системе СИ - 3,6 , а в технической – 1.

Упругость водяного пара на выходе из прослойки определяется по формуле

               (16)

Полученная по данной формуле величина упругости водяного пара на выходе из прослойки еу должна быть меньше максимальной упругости водяного пара Еу.

Если eу > Еу; то необходимо изменить размеры воздушной прослойки или материалы слоев стены.

В формуле (16)  и  равны соответственно

                                                   (17)

где

 и  - сумма сопротивлений паропроницанию от внутренней поверхности до воздушной прослойки и от воздушной прослойки до наружной поверхности;

 и „ - действительная упругость водяного пара с внутренней стороны стены и снаружи;

 - упругость водяного пара воздуха, входящего в прослойку;

                                                                       (18)

n - переводной коэффициент, равный в системе СИ – 0,13, а в технической-1.

7.6.6. Методика определения условного приведенного сопротивления паропроницанию с учетом швов-зазоров между панелями экранами

Расчет приведенного сопротивления паропроницанию экранов с учетом швов-зазоров производится в следующей последовательности:

1. Определяется условное сопротивление паропроницанию в стыковых швах по формуле

,           (19)

где

в - переводной коэффициент,

 - 6,5 и 0,1.

Проводятся два расчета с значением  - 6,5 и 0,1. По первому варианту при  = 6,5 рассчитывается минимально допустимая величина стыковых швов и приточных щелей, по второму при  = 0,1 оптимальная рекомендуемая величина стыковых швов и приточных щелей.

 - местные сопротивления проходу воздуха;

 - толщина экрана, м.

2. Определяется сопротивление паропроницанию плит экрана по его глади по формуле

,                                                                             (20)

где

 - коэффициент паропроницаемости экрана.

3. Определяется приведенное условное сопротивление паропроницанию экрана с учетом стыковых швов  по формуле

,                                                             (21)

где

 - суммарная расчетная площадь экрана (как правило принимается 1 м2);

 - площадь экрана без швов, м2;

 - площадь швов, через которые поступает воздух. Площадь выходных швов в верхней части экрана, как правило, не учитывается;

 и  - см. выше.

7.7. Пример теплотехнического расчета наружных стен с вентилируемой воздушной прослойкой

7.7.1. Исходные данные

Для расчета принято 7-этажное жилое здание, расположенное в г. Москве, наружные стены которого облицованы фасадной системой с вентилируемым воздушным зазором «Арт-Система».

Наружные стены двух вариантов: с внутренним слоем из монолитного железобетона уо - 2500 кг/м3, толщиной 0,18 м ( = 2,04 Вт/м°С) и кирпичной кладки, толщиной 0,51 м ( = 0,64 Вт/м°С).

7.7.2. Расчет толщины теплоизоляции

Толщина теплоизоляции из минваты типа "Фасад-Баттс" для кирпичной (рис. 7.1.) стены для г. Москвы равна:

*)**)

где

3,13 - требуемое сопротивление теплопередаче стен для г. Москвы;

0,726 - коэффициент теплотехнической однородности, см. табл. 7.2. (при проемности 25%);

0,12 - термическое сопротивление вентилируемой воздушной прослойки.

 , м2·ºС/Вт)

где

 - коэффициент теплообмена по формуле (21);

1 - штукатурный раствор

2 – кирпичная кладка

3 – минеральная вата

4 – панель экрана

5-воздушная прослойка

6-зона возможной конденсации

Рис. 7.1. Схема наружной стены для расчета влажностного режима

aвп=5,5+5,7Vпр+aл=5,5+5,7·0,1+0,66=6,8Ккал/м2·ч·ºС(7,8 Вт/м2·ºС)

где

4,25; 2,1; 4,9 - коэффициенты излучения,

0,61 - температурный коэффициент;

0,045 - коэффициент теплопроводности минваты для условий эксплуатации "Б" в соответствии с сертификатами, Вт/м ∙ °С.

Сопротивление теплопередаче по глади наружной стены при толщине утеплителя из минваты 0,15 м

 м2·ºС/Вт

Приведенное сопротивление теплопередаче

 м2·ºС/Вт .

Толщина слоя теплоизоляции для бетонной стены для г. Москвы

***)

где

r = 0,83 в соответствии с табл. 3 (при проемности 25%).

Сопротивление теплопередаче по глади наружной стены условное

. м2·ºС/Вт

Приведенное сопротивление теплопередаче

 м2·ºС/Вт

Толщина утеплителя может быть скорректирована в соответствии с номенклатурой выпускаемых изделий, что не повлияет на правомочность полученных расчетов и выводов.

Пример расчета влияния кронштейнов см. приложение 2.

*) В запас теплозащиты не приводится термическое сопротивление экрана.

**) Расчет влияния кронштейнов (см. приложение 2) показал требуемую толщину утеплителя 0,153 м, исходя из требований поэлементного подхода по п. 5.1 СНиП 23-02-2003 |8|.

***) Расчет требуемой толщины утеплителя при кронштейнах из алюминия (см. прил. 1) показал требуемую толщину утеплителя 0,18 м, исходя из требований поэлементного подхода по СНиП 23-02-2003. Поэтому далее в расчете влажностного режима рассматривается и этот вариант. СНиП 23-02-2003 [8], п. 5.13 допускает уменьшить требуемое сопротивление теплопередаче стен жилых зданий до величины 0,63 Rreg т.е. 0,63 Rreg = 3,13 • 0,63 = 1,97 м2 •°С/Вт (а следовательно и толщину утеплителя) для случаев, когда удельный расход тепла на отопление меньше нормируемого  по табл.9 [8].

7.7.3. Расчет влажностного режима бетонных стен

Выполняется расчет влажностного режима бетонных наружных стен с экраном по СНиП II-3-79* (изд.98г.), СНиП 23-02-2003 по глади (без учета стыковых швов) для г. Москвы.

Влажностный режим наружных стен характеризуется процессами влагонакопления, зависящими от ряда внешних факторов и физических характеристик, от сопротивления паропроницанию конструкции. Расчетное сопротивление паропроницанию Rп, м2∙∙ч∙Па/мг (до плоскости возможной конденсации) должно быть не менее большего из требуемых сопротивлений паропроницанию Rп1тр из условия недопустимости накопления влаги за год эксплуатации и Rп2тр из условия ограничения влаги в конструкции за период с отрицательными среднемесячными температурами.

Расчет ведется с учетом того, что зона возможной конденсации располагается на внешней границе утеплителя.

Расчетное сопротивление паропроницанию наружной стены до зоны возможной конденсации Rп, м2∙ч∙Па/мг

 

(В технической системе Rп = 49 м2∙ч∙мм рт.ст/г)

- при толщине утеплителя 0,18 м Rn = 6,6 м2Па/мг (49,5 м2∙ч∙мм рт.ст/г).

Расчетное сопротивление паропроницанию части ограждающей конструкции, Rпн, м2∙ч∙Па/мг, расположенной между наружной поверхностью и плоскостью возможной конденсации, равно

Требуемое сопротивление паропроницанию Rп, из условия недопустимости накопления влаги за год эксплуатации

Требуемое сопротивление паропроницанию из условия ограничения влаги в наружной стеновой панели за период отрицательными температурами наружного воздуха

При толщине утеплителя 0,18 м Rn2тp= 5,85 м2Па/мг.

Влажностный режим по глухой части экрана при отсутствии воздухообмена в прослойке удовлетворяет требованиям норм строительной теплотехники при расчете по СНиП II-3-79* (изд. 98г.), СНиП 23-02-2003 для бетонной стены.

При толщине утеплителя 0,18м влажностный режим стены лучше, чем при 0,16 м, поэтому далее расчет делается для толщины утеплителя 0,16 м.

Следующим этапом расчета является учет стыковых швов-зазоров в соответствии со специально разработанной методикой влажностного расчета для вентилируемых фасадов |22| для панелей экранов 0,6x0,9 м при выполнении их из керамогранита толщиной 8 мм. При  = 6,5 параметры стыковых швов между экранами определяются как минимально допустимые, а при  = 0,1 как оптимальные; поэтому необходимо выполнить два расчета при обоих значениях .

Условное сопротивление паропроницанию зазоров в горизонтальных стыковых соединениях экранов по формуле (19)

где: 0,008 м - толщина экрана.

*)

Следующим этапом расчетов является учет воздухозаборных швов и отверстий приведенной площадью 0,014 м2 на м2 экрана.

Сопротивление паропроницанию условное, приведенное формула (21)

*)

где 0,014 м2 - приведенная площадь приточных швов и отверстий.

*)

Требуемое сопротивление паропроницанию Rn, из условия недопустимости накопления влаги за год эксплуатации:

Рассчитываем худший, с точки зрения влажностного режима, вариант


Требуемое сопротивление паропроницанию из условия ограничения влаги в наружной стене за период с отрицательными температурами наружного воздуха

.

Поскольку  < Rп = 6,53 м2∙ч∙Па/мг, влажностный режим в зоне швов рассматриваемой системы для г. Москвы удовлетворяет требованиям норм строительной теплотехники для бетонной стены и при оптимальных параметрах стыковых швов.

*) в скобках в системе СИ

7.7.4. Определение скорости движения воздуха и упругости водяного пара на выходе из прослойки

Определяется скорость движения воздуха в прослойке при температуре наружного воздуха минус 28°С.

Температура входящего в прослойку воздуха по формуле (12):

 = 20 - 0,97∙(20 + 28) = - 26,6°С.

Определяем расход воздуха в прослойке по формуле (10): при толщине прослойки 0,06 м в соответствии с МГСН 2.01-99 |13|:

Расход воздуха в прослойке составит W = 3600 ∙ 0,1 ∙ 1,405 ∙ 0,06 = = 31 кг/м∙ч,

где

V= 0,11 - 0,07x0,11 = 0,1 м/с,

где 0,07 - коэффициент, учитывающий трение |22|.

Упругость водяного пара на выходе из воздушной прослойки eу бетонной стены при начальной упругости ео = 0,34 мм рт.ст. (в технической системе) по формуле (16).

Расчет делаем для более сложного, с точки зрения влагообмена, случая

где

;

;

еу меньше максимальной упругости водяного пара Е на выходе из прослойки, равной 0,39, следовательно, принятые параметры конструкции удовлетворительные.

Определяем влажностный режим в прослойке по глухой части экрана:

Мв = 0,02, см.выше;    Мн = - = 0,133

Мвн = 0,153;     Мв ∙ ев + Мн∙ ен = 0,02 ∙ 9,64 + 0,133 ∙ 0,29 = 0,19 + 0,039 = 0,228

еу меньше максимальной упругости водяного пара.

7.7.5. Расчет влажностного режима кирпичных стен

Далее выполняем расчет влажностного режима наружной кирпичной стены с экраном.

В табл. 7.4. приведены данные о влагонакоплении в годовом цикле стены, с экраном, имеющим коэффициент паропроницаемости по глади

Как видно из табл.7.4., при маловлагопроницаемом экране в годовом цикле во всех месяцах упругость водяного пара е больше максимальной упругости водяного пара Е и, следовательно, происходит постоянное влагонакопление в прослойке у экрана, в отдалении от горизонтальных швов при отсутствии движения воздуха в прослойке.

Таблица 7.4.

Распределение влажности в кирпичной стене толщиной  = 0,51 м, с утеплением минватой с экраном, имеющим по глади  = 0,008 мг/м∙ч∙Па, (0,001 г/м ч мм рт. ст.)

Размерность

Индек-

cы

М Е С Я Ц Ы

 

I

П

Ш

IV

V

VI

VII

VIII

IX

X

XI

XII

°С

tн

-10,2

-9,6

-4,7

4

11,6

15,8

18,1

16,2

10,6

4,2

-2,2

-7,6

°С

tв

20

20

20

20

11,6

15,8

18,1

16,2

10,6

20

20

20

°С

30,2

29,6

24,7

16

0

0

|0_

0

0

15,8

22,2

27,6

°С

-9,9

-9,3

-4,4

4,2

 

 

 

 

 

4,4

-2,0

-7,3

 

 

 

 

 

 

 

 

 

 

 

 

 

 

 

 

 

 

 

 

 

 

 

 

 

 

 

 

мм рт. ст.

1,96

2,07

3,17

6,19

10,24

13,46

15,58

13,81

9,59

6,27

3,88

2,47

 

 

 

 

 

 

 

 

 

 

 

 

 

 

 

 

 

 

 

 

 

 

 

 

 

 

 

 

мм рт. ст

eн

1,604

1,62

2,41

4,026

5,939

7,941

9,615

9,391

7,001

4,828

3,132

2,0485

мм рт. ст

9,647

9,647

9,647

9,647

5,939

7,941

9,615

9,391

7,001

9,647

9,647

9,647

мм рт. ст

8,043

8,027

7,237

5,671

-

-

-

-

-

4,819

6,545

7,598

мм рг. ст

4,54

4,56

5,06

6,06

 

 

 

 

 

6,59

5,53

4,83_

 

 

 

 

 

 

 

 

 

 

 

 

 

 

 

 

 

 

 

 

 

 

 

 

 

 

 

 

 

 

 

 

 

 

 

 

 

 

 

 

 

 

Часы

 

744

672

744

720

744

720

744

744

720

744

720

744

ч/м2

1311,8

1167,9

1105,4

570,7

-836,4

 

 

 

 

576,3

952,4

1224,8

ч/м2

105,4

120,3

225

619,9

1450,8

 

 

 

 

426,9

214,3

124,8

ч/м2

1206,5

1047,6

880,4

-49,0

-2287,2

 

 

 

 

149,4

738,2

1100,0

ч/м2

3194,0

4241,7

5122,9

5073,1

2285,8

 

 

 

 

149,4

887,6

1987,6

 

 

 

 

 

Конденсат

 

 

 

 

 

 

 

 

 

 

 

 

 

 

 

 

 

 

 

 

Расчетное сопротивление паропроницанию стены до зоны возможной конденсации

При учете горизонтальных швов расчет влажностного режима кирпичной стены, утепленной снаружи минеральной ватой, показывает следующее.

Расчетное сопротивление паропроницанию части наружной стены, расположенной между наружной поверхностью ее и плоскостью возможной конденсации, при учете горизонтальных швов, равно

Rпнпр = 0,045 м2∙ч∙Па/мг (см. выше) (0,34 м2∙ч∙мм рт.ст./г)

Rпнпр = 0,76 (5,75)

Требуемое сопротивление паропроницанию, Rп1, м2∙ч∙Па/мг из условия недопустимости накопления влаги за год эксплуатации

Требуемое сопротивление паропроницанию из условия ограничения влаги в стене за период с отрицательными температурами воздуха

Поскольку , параметры (размеры) стыковых швов (высота) меньше оптимально-допустимых при отсутствии воздухообмена в прослойке.

Далее проводим расчет с учетом выноса влаги из прослойки движущимся воздухом.

Определяем упругость водяного пара на выходе из воздушной прослойки кирпичной стены:

расчет ведется для худшего, с точки зрения влагообмена, случая;

где:

еу меньше максимальной упругости водяного пара Еу, равной 0,39, следовательно, принятые параметры конструкции удовлетворительные при движении воздуха в прослойке.

7.8. Заключение

7.8.1. На основании выполненных теплотехнических расчетов наружных стен фасадной системы "АРТ-Система" определены:

7.8.2.Теплозащитные качества системы – см. п.7.8.2.1.

7.8.2.1. Требуемая толщина теплоизоляционных базальтовых минераловатных плит типа "Венти-Баттс" составляет при железобетонной несущей стене 0,16 (0,18) м;*) при кирпичной стене 0,15 м. Приведенное сопротивление теплопередаче наружных стен при указанной толщине утеплителя составит: 3,24  3,26 м2 ∙°С/Вт (при проёмности 25 %).

7.8.2.2. Влажностный режим системы при указанных в п 7.8.3. параметрах конструкции- см. п.п. 7.8.2.2.1.-7.8.2.2.3.

7.8.2.2.1. При отсутствии движения воздуха в прослойке влажностный режим стен может быть неудовлетворительный.

7.8.2.2.2. При наличии движения воздуха в количестве 31 кг/м ∙ч при указанных в п. 7.8.3. параметрах влажностный режим системы удовлетворителен.

7.8.3. Параметры системы, при которых обеспечиваются указанные выводы в п.7.8.2., следующие:

- оптимальная высота (ширина) горизонтального шва между экранами составляет 6 ÷ 8 мм;

- размеры экранов должны составлять не более 600×900 мм;

- толщина воздушной прослойки между утеплителем и экраном составляет 0,06 м;

- толщина (ширина) воздухозаборной щели внизу стены составляет 0,06 м, а воздуховыводящей щели вверху стены должна быть не меньше воздухозаборной.

*)По расчету в соответствии с СП 23-101-2004

8. Состав проектно-сметной документации

8.1. Рабочий проект или рабочая документация системы  наружных ограждений фасадов с вентилируемым воздушным зазором включает: общую пояснительную записку, архитектурную часть, конструкторскую часть, общую конструкторскую часть по решению архитектурных деталей, специальную часть (водосток, антенны, рекламу и т.п.) и сметы.

8.2. В общей пояснительной записке приводятся следующие сведения:

- архитектурная концепция решения фасадов здания и отдельных архитектурных элементов;

- конструктивное решение системы и ее элементов;

- решение специальных устройств на фасаде (если они имеются);

- данные об эффективности энергосбережения принятых технических решений, результаты теплотехнических расчетов;

- экологическая характеристика системы;

- основные технико-экономические показатели системы.

8.3. Архитектурная часть содержит чертежи фасадов здания, отдельных архитектурных элементов и узлов. На чертежах указывается цветовое решение фасада и его отдельных элементов.

8.4. Конструкторская часть включает чертежи всех конструктивных элементов системы с узлами и деталями, а также спецификацию применяемых материалов и изделий.

8.5. Специальная часть содержит чертежи фасадов с привязкой мест размещения специальных устройств, узлы и детали конструкций крепления этих устройств на фасаде, а также спецификацию оборудования, материалов и изделий, предусмотренных проектом.

8.6. Сметы на устройство системы составляются на основе действующих нормативов, единичных расценок, фактической стоимости оборудования и материалов, а также калькуляций, утвержденных заказчиком на отдельные виды работ и элементы конструкций.

9. Технико-экономические показатели

Стоимость системы для конкретных зданий зависит от их размеров, архитектурного решения фасадов, оборудования и оснастки, применяемых для монтажа системы, структуры подрядной организации и ее коммерческой политики и других факторов. В связи с этим конкретная стоимость системы может колебаться в значительных пределах. Поэтому наиболее целесообразно привести прямые затраты, т.е. стоимость отдельных элементов системы и ее монтажа (стоимость монтажа без учета стоимости лесов, люлек и других средств) для рядового участка фасада здания.

Поэлементная стоимость (прямые затраты в $ US) 1 м2 системы для рядового участка фасада (на 2005 г.).*)

 

- стоимость элементов несущего каркаса, включая крепеж

- стоимость утеплителя толщиной 150 мм, включая крепеж

- стоимость облицовочного материала размером 600 х 600 мм

- стоимость монтажа

- 20

- 15

- 20

- 24

_________________________________________________________________

Итого                                                                                                                                                                                                               - 79

________________________________________________________________________________

*)Данные о стоимости элементов системы представлены ее разработчиком ООО «АРТ-Профиль».

10. Основные положения по производству работ и системе контроля качества

10.1. Для выполнения работ по монтажу системы фасад здания разбивается на захватки, устанавливается порядок и последовательность перемещения монтажников с одной захватки на другую.

10.2. Величина захваток и их количество в каждом случае определяются с учетом размеров фасадов здания, количества рабочих-монтажников в бригаде, оснащения строительной организации оборудованием, условиями комплектации материалами, изделиями и др. Захваткой может быть вся высота фасада. Возможно разделение фасада здания по высоте на несколько захваток, учитывая наличие промежуточных карнизов, поясков и другие факторы. В горизонтальном направлении захваткой может быть либо весь фасад, либо одна секция, либо принят другой способ деления фасада на захватки. Разбивка фасадов здания на захватки и выбор средств для работы монтажников на высоте (подмости, люльки, подъемные платформы и т.п.) выполняются в проекте организации строительства (ПОС) или в технологических картах.

10.3. При монтаже системы на реконструируемых зданиях работы начинаются с очистки фасада от несвязанных с основанием элементов, таких, как отслоившиеся штукатурка, краска и т.п. Кроме того, на фасаде следует демонтировать водостоки, кронштейны, антенны, вывески и т.п.

10.4. Монтаж системы начинается с разметки фасада и установки маяков, по которой будут устанавливаться и крепиться к основанию кронштейны и вертикальные профили. Разметка выполняется с помощью геодезических приборов, уровня, отвеса, рулетки и мерных реек. Установка и крепление кронштейнов, вертикальных профилей в пределах захватки может производиться в зависимости от решений, принятых в ПОС, снизу вверх или наоборот. Горизонтальное расстояние между вертикальными осями определяется шириной облицовочных плит. Вертикальное расстояние между кронштейнами устанавливается на основе статического расчета, выполненного для конкретного объекта.

10.5. После разметки фасада сверлятся отверстия под дюбели для крепления кронштейнов к основанию посредством анкерных болтов. Для снижения теплопередачи в месте примыкания кронштейна к основанию между ними на анкерный болт устанавливается паронитовая прокладка.

В случаях, когда основанием является кирпичная кладка, нельзя устанавливать дюбели в швы кладки. Минимальное расстояние от края конструкции до дюбеля оговаривается специальными рекомендациями фирмы-изготовителя дюбелей. Для проверки правильности подбора анкерного дюбеля необходимо произвести его испытание на вырыв.

Категорически запрещается сверлить отверстия для дюбелей в пустотелых кирпичах или блоках с помощью перфоратора. В системе допускается применять только сертифицированные крепежные элементы.

10.6. К началу монтажа теплоизоляции захватка, на которой производятся работы, должна быть защищена от попадания влаги на стену и плиты утеплителя.

Исключением могут быть случаи, когда монтажники не покидают рабочие места до тех пор, пока все смонтированные плиты не закроют предусмотренной проектом ветровлагозащитной пленкой.

10.7. До начала монтажа теплоизоляционных плит необходимо установить цокольный перфорированный вентиляционный профиль. Плиты утеплителя должны устанавливаться плотно друг к другу так, чтобы в швах не было пустот. В случае если укладывается больше одного слоя утеплителя, швы плит выполняются в разбежку, чтобы между ними не было сквозных щелей. Если избежать пустот не удается, они должны быть тщательно заделаны тем же материалом. Стена должна быть утеплена плитами по всей поверхности. Крепление плит утеплителя к основанию производится пластмассовыми дюбелями тарельчатого типа с распорными стержнями. При применении ветровлагозащитной пленки, плиты утеплителя сначала крепятся к основанию двумя дюбелями и только после укрытия нескольких рядов пленкой устанавливаются остальные предусмотренные проектом дюбели. Полотнища пленки укладываются с перехлестом 100 мм.

10.8. В крепежный зажим кронштейна вставляются несущие вертикальные Т-образные или L-образные профили. Они являются базой для установки облицовочных плит фасада в пределах проектных допусков. Установка каждого профиля, его положение в вертикальной плоскости проверяется соответствующими приборами: теодолитом, отвесом и др. Крепление профиля в кронштейне производится при помощи односторонних заклепок. Длина вертикальных профилей, как правило, соответствует высоте одного этажа. В месте стыковки профилей по вертикали оставляют температурный зазор 8-10 мм.

10.9. Монтаж облицовочных плит производится порядно преимущественно снизу вверх Облицовочные плиты устанавливаются при помощи кляммеров, которые крепятся к вертикальным несущим профилям посредством односторонних заклепок. Одновременно производится облицовка оконных проемов и других элементов фасада Для крепления оконных отливов к оконному блоку используют самонарезающие оцинкованные винты. Установка плит, горизонтальных отливов, вертикальных и угловых шовных планок осуществляется в соответствии с проектной документацией. Во время монтажа отделочных плит следует следить за тем, чтобы воздушный зазор оставался открытым и без каких-либо посторонних включений.

10.10. В процессе монтажа элементов системы должен проводится пооперационный контроль качества работ и составляться акгы на скрытые работы. Это должно выполняться в соответствии с действующей в подрядной организации "Системой управления контролем качества продукции", где указано, какие параметры и технологические процессы контролируются, и лица, ответственные за выполнение этой работы. В составе комиссии, подписывающей акты на скрытые работы, должны быть представители проектной организации, осуществляющие авторский надзор.

10.11. Работы по монтажу системы могут выполнять организации, специалисты которых прошли обучение и имеют лицензию на право выполнения указанных работ от ООО "АРТ-Профиль".

10.12. Все работы должны производиться под контролем лица, ответственного за безопасное производство работ, и в соответствии с требованиями СНиП 12-03-2001 Безопасность труда в строительстве. Общие требования и СНиП 12-04-2002 Безопасность труда в строительстве. Строительное производство.

11. Правила эксплуатации системы

11.1. Для сохранения теплофизических показателей вентилируемого фасада необходимо контролировать состояние утепляющего слоя, воздушного зазора и облицовочного покрытия.

11.2. В процессе строительства и эксплуатации здания не допускается крепить непосредственно к облицовочным материалам любые детали и устройства.

11.3. Не следует допускать возможность попадания воды с крыши здания на облицовочные материалы, для чего необходимо содержать желоба на крыше и водостоки в рабочем состоянии.

11.4. Наружную облицовку вентилируемого фасада необходимо регулярно очищать и периодически промывать моющими средствами. При этом следует исключить попадание грязной воды на ветровлагозащитную пленку, которой покрыт утеплитель.

11.5. Во избежание механического повреждения вентилируемого фасада необходимо исключить размещение автомобилей у его цокольных частей.

Для устранения дефектов в случае механического повреждения вентилируемого фасада необходимо обращаться в монтажную организацию.

________________________________________________________________________________

Адрес ООО "АРТ-Профиль":

Россия, 197373, г. Санкт-Петербург, пр-т Авиаконструкторов, д. 6, тел./факс

(812) 325-96-03 (04), E-mail: art-design @ Spbtlg.ru.

12. Перечень нормативных документов и литературы

1. СНиП 2.08.01-89* Жилые здания.

2. МГСН 3.01-01 Жилые здания.

3. СНиП 31-01-2003 Здания жилые многоквартирные.

4. СНиП 2.01.07-85* Нагрузки и воздействия.

5. СНиП 2.03.06-85 Алюминиевые конструкции.

6. СНиП II-23-81* Стальные конструкции.

7. СНиП II-3-79* (изд. 98 г.)1) Строительная теплотехника.

8. СНиП 23-02-20032) Тепловая защита зданий.

9. СНиП 23-01-99 Строительная климатология.

10. СНиП 2.01.01-82 Строительная климатология и геофизика.

11. СНиП 2.03.11-85 Защита строительных конструкций от коррозии.

12. СНиП 21-01-97* Пожарная безопасность зданий и сооружений.

13. МГСН 2.01-99 Нормативы по теплозащите и тепловодоэлектроснабжению

14. ГОСТ 17177-94 Материалы и изделия строительные теплоизоляционные. Методы испытаний.

15. ГОСТ 22233-2001 Профили прессованные из алюминиевых сплавов для светопрозрачных ограждающих конструкций. Общие технические условия.

16. ГОСТ 26805-86 Заклепка трубчатая для односторонней клепки тонколистовых строительных металлоконструкций. Технические условия.

17. ГОСТ 27180-2001 Плитки керамические. Методы испытаний.

18. ГОСТ 30971-2002 Швы монтажные узлов примыканий оконных блоков к стеновым проемам. Общие технические условия.

19. ГОСТ 7025-91 Кирпич и камни керамические и силикатные. Методы определения водопоглощения, плотности и контроля морозостойкости.

20. ГОСТ 481-80 Паронит и прокладки из него. Технические условия

21. СП 23-101-2004 Проектирование тепловой защиты зданий.

22. Рекомендации по проверке и учету воздухопроницаемости наружных ограждающих конструкций жилых зданий. ЦНИИЭП жилища. М., 1983.

23. Рекомендации по проектированию и применению для строительства и реконструкции зданий в г. Москве системы с вентилируемым зазором "Краспан". Правительство Москвы. Москомархитектура, М., 2001.

24. Заключение и протокол сертификационных испытаний НИИСФ № 51 от 25.06.200 г. М.

25. Справочник проектировщика. Расчетно-теоретический. Книга 1. М.; Стройиздат, 1972.

________________________________________________________________________________

1) - действует до вступления в силу соответствующего технического регламента;

2) - носит рекомендательный характер до регистрации Минюстом России.

Приложение 1
справочное к разделу
6

Госстрой России

Государственное унитарное предприятие

"Центральный научно-исследовательский

институт строительных конструкций

имени В.А. Кучеренко"

ИНН 7721193175

ГУЛ ЦНИИСК

им. В.А. Кучеренко

109428, Москва, 2-я Институтская, 6

тел (095) 171-26-50, 170-10-60

факс 171-28-58

14.11.2001г. №° 1-945

На ваш  № 320-1437 от 25.10. 2001г.

 

 

 

 

Директору по научной деятельности

ОАО ЦНИИЭП жилища

 

Гранику Ю.Г.

 

При расчете указанной в Вашем письме системы "облицовка-покрьгтие" необходимо учитывать действие средней () и пульсационной () составляющих давления ветра. При этом для элементов облицовки, расположенных на наветренной поверхности здания  определяется по формуле 8 СНиП 2.01.07-85* "Нагрузки и воздействия". Для элементов облицовки, расположенных на боковых и подветренной сторонах здания. допускается принимать

где  - высота здания

При определении ветровой нагрузки, действующей на внутренние поверхности рассматриваемых конструкций, пульсации давления допускается не учитывать.

Одновременно обращаем Ваше внимание на то, что при расчете узлов крепления элементов облицовки среднюю составляющую () ветровой нагрузки нeoбходимо увеличить на 20 %.

Зам. директора института Назаров Ю.П.

Исп. Попов 1747312

Приложение 2
справочное к разделу
7

Определение влияния кронштейнов
на теплозащитные качества фасадной системы

Расчет выполняется для двух вариантов стен (кирпичных и бетонных) и кронштейнов из алюминия (λ = 221 Вт/м ºС) и стали: (λ=58 Вт/м ºС)

для плоских неоднородных ограждающих конструкций, содержащих приведенные в приложении "Н" Свода правил теплопроводные включения, коэффициент теплотехнической однородности r определяется по формуле

,                                  (1)

где

А - то же, что и в формуле (10) Свода правил;

m - число теплопроводных включений конструкции;

 - соответственно ширина и длина i -го теплопроводного

включения, м;

 - коэффициент, зависящий от типа i -го теплопроводного включения, принимаемый для металлических включений по формуле:

                                                                      (2)

где

 - коэффициент, зависящий от типа теплопроводного включения, принимаемый по таблице Н2 приложения Свода правил;

 - толщина м и коэффициент теплопроводности Вт/(м·ºС), утеплителя i -го участка ограждающей конструкции;

,  - сопротивление теплопередаче ограждающей конструкции, (м2·ºС/Вт) соответственно в местах i -го теплопроводного включения и вне этого места, определяемое по формуле (8) Свода правил.

Для оконных откосов коэффициент теплотехнической однородности r следует определять по формуле

                                                                                (3)

Площадь  зоны влияния i-го теплопроводного включения при толщине стены , определяется по формуле

для горизонтальных и вертикальных оконных откосов длиной соответственно

                                                           (4)

Расчет бетонной стены с кронштейнами из алюминия

Определяем исходные данные в соответствии с приложением "Н" Свода правил

где

а и  - толщина и коэффициент теплопроводности теплопроводного включения;

 - толщина стены и коэффициент теплопроводности утеплителя.

Определяем  по табл. Н 2 прил. Н СП 23-101-2004

Определяем по формуле (2) данного приложения или Свода правил коэффициент

где

3,9 - сопротивление теплопередаче по глади стены.

Определяем коэффициент теплотехнической однородности, учитывающий влияние кронштейнов по формуле (1) данного приложения или (12) Свода правил

где

0,38 м2·ºС/Вт - сопротивление теплопередаче по теплопроводному включению (кронштейну);

0,54 м2 - расчетная площадь влияния кронштейна;

0,004 и 0,07 - толщина и ширина (длина) теплопроводного включения.

Определяем коэффициент теплотехнической однородности фрагмента стены 3×3 м с оконным проемом 1,5×1,5 м по формуле (3) данного приложения

где А = 2×0,34(1,5 + 1,5) + 3,14×0,342 = 2,4 м2

(принятая толщина стены не учитывает толщину прослойки и экрана).

 

Приведенный коэффициент теплотехнической однородности

rпр = 0,81x0,91=0,73

 

Приведенное сопротивление теплопередаче

Roпр= 3,9×0,73 = 2,84 мС/Вт

 

Требуемая толщина утеплителя

Вариант бетонной стены с кронштейнами из стали

толщиной 0,004 м (4 мм)

;

;

=1 + 0,48 х 0,162/(0,045×0,004×3,9) = 18,1;

rпр = 0,91×0,91 -0,83;

Требуемая толщина утеплителя

Вариант бетонной стены с кронштейнами из стали

при их толщине 0,002 м

;

;

;

;

;

;

При расчете приняты раздельно-спаренные окна.

Вариант кирпичной стены с кронштейнами из алюминия при их толщине 0,004 м

;

;

;

;

где А = 2 х 0,66 (1,5+ 1,5) + 3,14 х 0,662 = 5,328;

(принятая толщина стен не учитывает толщину прослойки и экрана).

, что на 4,1% меньше, чем по табл.7.2.;

, что на 3,7% меньше, чем полученные с помощью табл.7.2.

 

Требуемая толщина утеплителя

 

, что на 2% больше полученной толщины с помощью табл.7.2.

Вариант кирпичной стены с кронштейнами из стали при их толщине 0,004 м

;

;

;

,

что эквивалентно данным табл.7.2.

Требуемая толщина утеплителя

,

что эквивалентно полученной с помощью табл.7.2. толщине утеплителя.

Вариант кирпичной стены с кронштейнами из стали при их толщине 0,002 м

;

;

;

.

Требуемая толщина утеплителя

,

что на 3% меньше полученной толщины с помощью табл.7.2.




Яндекс цитирования



   Copyright © 2007-2026,  www.tehlit.ru.

[ ѓосты, стандарты, нормативы, инструкции, правила, строительные нормы ]