//
ТехЛит.ру
- крупнейшая бесплатная электронная интернет библиотека для "технически умных" людей.
WWW.TEHLIT.RU - ТЕХНИЧЕСКАЯ ЛИТЕРАТУРА

:: Алготрейдинг::


АЛГОТРЕЙДИНГ
шаг за шагом
с нуля по урокам!

Торговые роботы на PYTHON, BackTrader,
Pandas, Pine Script для TradingView. Связка с брокерами, телеграм и легкими приложениями.


Федеральное государственное унитарное предприятие «Научно-исследовательский центр «Строительство»

ФГУП «НИЦ «Строительство»

ВРЕМЕННЫЕ РЕКОМЕНДАЦИИ

ПО ТЕХНОЛОГИИ
И ОРГАНИЗАЦИИ СТРОИТЕЛЬСТВА
МНОГОФУНКЦИОНАЛЬНЫХ
ВЫСОТНЫХ ЗДАНИЙ
И ЗДАНИЙ-КОМПЛЕКСОВ
В МОСКВЕ

МДС 12-23.2006

Москва 2006

Настоящие Рекомендации предназначены для формирования нормативной базы высотного домостроения и разработки организационно-технологических правил строительства высотных зданий и зданий-комплексов.

Разработаны следующими организациями: филиалами ФГУП «НИЦ «Строительство» - НИИЖБ (ведущий), ЦНИИСК им. В.А. Кучеренко, НИИОСП им. Н.М. Герсеванова, ГУП «НИИМосстрой», ООО НПЦ «Развитие города», ФГУП ВНИИПО МЧС России и др. (см. Предисловие).

Утверждены приказом ФГУП «НИЦ «Строительство» от 8 июня 2006 г. № 74 и введены в действие с 1 июля 2006 г.

Для специалистов широкого профиля в области строительства.

СОДЕРЖАНИЕ

ПРЕДИСЛОВИЕ

Раздел I ОРГАНИЗАЦИЯ СТРОИТЕЛЬСТВА ВЫСОТНЫХ ЗДАНИЙ

1 Рекомендации по разработке проекта организации строительства

1.1 Общие положения

1.2 Организационно-технологические схемы возведения высотных зданийи комплексов

1.3 Календарный план строительства

1.4 Строительный генеральный план

1.5 Геодезическое обеспечение строительства

1.6 Мероприятия по технике безопасности

1.7 Пояснительная записка

2 Рекомендации по разработке проекта производства работ

2.1 Общие положения

2.2 Календарный план производства работ

2.3 Строительный генеральный план в составе ППР

2.4 Технологические карты (технологические регламенты) на производство работ

2.5 Геодезическое обеспечение строительно-монтажных работ

2.6 Мероприятия по технике безопасности и охране труда

2.7 Пояснительная записка

Раздел II ТЕХНОЛОГИЯ И ОРГАНИЗАЦИЯ ВОЗВЕДЕНИЯ ОСНОВАНИЙ, ФУНДАМЕНТОВ И ПОДЗЕМНЫХ ЧАСТЕЙ ВЫСОТНЫХ ЗДАНИЙ

1 Общие положения

2 Благоустройство, организация поверхностного стока, водоотвод и водопонижение

3 Разработка выемок, снос существующих зданий и сооружений, вертикальная планировка

4 Обратные засыпки

5 Земляные работы в просадочных, набухающих и других грунтах

6 Земляные работы в особых условиях

7 Взрывные работы

8 Охрана природы

9 Уплотнение грунтов естественного залегания и устройство грунтовых подушек

10 Свайные фундаменты, шпунтовые ограждения, анкеры

10.1 Общие требования

10.2 Буровые сваи

10.3 Буровые сваи малого диаметра

10.4 Уход за бетоном оголовка свай

10.5 Свайно-плитные и свайные фундаменты

10.6 Анкеры

11 Устройство водонепроницаемых преград в ограждениях котлованов

11.1 Водонепроницаемые сооружения ограждений котлованов

11.2 Стена в грунте

11.3 Буросекущиеся сваи

11.4 Шпунт типа Ларсен

11.5 Конструкции, изготовленные по технологии «Джет граудинг»

12 Возведение подземных частей высотных зданий

Раздел III ЗАЩИТА ПОДЗЕМНЫХ ЧАСТЕЙ ВЫСОТНЫХ ЗДАНИЙ ОТ АГРЕССИВНЫХ ВОЗДЕЙСТВИЙ

1 Общие положения

2 Степень агрессивного воздействия среды

3 Первичная защита

4 Вторичная защита

5 Обеспечение водонепроницаемости подземной части высотных зданий

Раздел IV ТЕХНОЛОГИЯ СТРОИТЕЛЬСТВА ВЫСОТНЫХ ЗДАНИЙ

1 Общие положения

2 Проектные требования

3 Требования к бетону и составляющим материалам

4 Опалубочные работы

5 Арматурно-сварочные работы

6 Производство бетонных работ

7 Монтаж сборных железобетонных конструкций, в том числе изготовленных на строительной площадке

8 Геометрические допуски

9 Контроль качества работ

Раздел V РАБОТЫ ПО ОГНЕЗАЩИТЕ ЖЕЛЕЗОБЕТОННЫХ КОНСТРУКЦИЙ

1 Общие требования

2 Технология огнезащиты бетонных и железобетонных конструкций

3 Требования к качеству и приемке работ

4 Техника безопасности при выполнении работ по огнезащите

Раздел VI МОНТАЖ ВНУТРЕННИХ СЕТЕЙ ХОЛОДНОГО И ГОРЯЧЕГО ВОДОСНАБЖЕНИЯ, КАНАЛИЗАЦИИ, ВОДОСТОКОВ, МУСОРОУДАЛЕНИЯ

1 Общая часть

2 Технология монтажа систем внутренней канализации и водостоков

3 Монтаж внутренних систем водопроводов из стальныхи и пластмассовых труб

4 Монтаж систем мусороудаления

5 Требования по безопасности и охране окружающей среды

Раздел VII КРОВЕЛЬНЫЕ РАБОТЫ

1 Общие положения

2 Конструктивные решения кровель

3 Материалы для устройства кровель

4 Требования к основанию

5 Технология устройства водоизоляционных ковров

6 Контроль качества работ

7 Техника безопасности и охрана труда

Раздел VIII ОКРАСКА ФАСАДОВ ВЫСОТНЫХ ЗДАНИЙ

1 Общие положения

2 Технология подготовки поверхностей под окраску и отделку декоративными фактурными составами

3 Требования к поверхностям, подготовленным под окраску

4 Материалы для подготовки и окраски поверхностей

5 Отделка подготовленных поверхностей фасадов ЛКМ и отделочными фактурными составами

6 Требования к качеству окрашенных поверхностей

7 Регламент операционного контроля качества производства работ при подготовке поверхности под окраску и отделку

8 Регламент операционного контроля качества производства работ по окраске и отделке поверхностей

9 Техника безопасности и охрана труда

Раздел IX ОБЕСПЕЧЕНИЕ ПОЖАРНОЙ БЕЗОПАСНОСТИ ВЫСОТНЫХ ЗДАНИЙ НА СТАДИИ СТРОИТЕЛЬСТВА

1 Общие положения

2 Строительные работы на прилегающей территории

3 Работы по строительству и монтажу конструкций зданий

4 Размещение временных помещений

5 Пути эвакуации

6 Электрооборудование

7 Противодымная защита

8 Автоматическая пожарная сигнализация и пожаротушение

9 Противопожарный водопровод

10 Оснащение зданияпервичными средствами пожаротушенияи средствами спасения

Раздел X НАУЧНО-ТЕХНИЧЕСКОЕ СОПРОВОЖДЕНИЕ И МОНИТОРИНГ ВЫСОТНЫХ ЗДАНИЙ НА СТАДИИ СТРОИТЕЛЬСТВА

Приложение А РЕКОМЕНДУЕМЫЕ ТИПЫ СВАРНЫХ СОЕДИНЕНИЙ АРМАТУРЫ И ЗАКЛАДНЫХ ИЗДЕЛИЙ В ЗАВИСИМОСТИ ОТ КЛАССОВ АРМАТУРЫ И ИХ ЭКСПЛУАТАЦИОННЫЕ СВОЙСТВА ПО КОМПЛЕКСНОЙ ОЦЕНКЕ

Приложение Б СИСТЕМА ПРОИЗВОДСТВЕННОГО КОНТРОЛЯ КАЧЕСТВА СВАРНЫХ СОЕДИНЕНИЙ АРМАТУРЫ И ЗАКЛАДНЫХ ИЗДЕЛИЙ

Приложение В ПЕРЕЧЕНЬ ПРОТОКОЛОВ ИСПЫТАНИЙ МОНТАЖНЫХ СОЕДИНЕНИЙ К АКТАМ СКРЫТЫХ РАБОТ, ВХОДЯЩИМ В КОМПЛЕКТ ИСПОЛНИТЕЛЬНОЙ ДОКУМЕНТАЦИИ

Приложение Г ОРГАНИЗАЦИЯ РАБОТЫ ПРИОБЪЕКТНОГО РАСТВОРО-БЕТОННОГО УЗЛА (РБУ)

Приложение Д ДОПУСКАЕМЫЕ КОНСТРУКТИВНЫЕ ОТКЛОНЕНИЯ ДЛЯ КОЛОНН И СТЕН

Приложение Е ДОПУСКАЕМЫЕ ОТКЛОНЕНИЯ ДЛЯ БАЛОК И ПЛИТ

Приложение Ж ДОПУСКАЕМЫЕ ОТКЛОНЕНИЯ В ПОЛОЖЕНИИ ОПОР ФУНДАМЕНТОВ

Приложение З ДОПУСКАЕМЫЕ ВЕЛИЧИНЫ ОТКЛОНЕНИЙ РАЗМЕРОВ ПОПЕРЕЧНЫХ СЕЧЕНИЙ

Приложение И ДОПУСКАЕМЫЕ ВЕЛИЧИНЫ ОТКЛОНЕНИЙ РАЗМЕЩЕНИЯ АРМАТУРЫ

Приложение К ДОПУСКАЕМЫЕ ОТКЛОНЕНИЯ ДЛЯ ОТВЕРСТИЙ И ЗАКЛАДНЫХ ДЕТАЛЕЙ

ПЕРЕЧЕНЬ ДОКУМЕНТОВ, ИСПОЛЬЗОВАННЫХ В РЕКОМЕНДАЦИЯХ

ПРЕДИСЛОВИЕ

«Временные рекомендации по технологии и организации строительства многофункциональных высотных зданий и зданий-комплексов в Москве» являются дополнением к МГСН 4.19-2005 «Временные нормы и правила проектирования многофункциональных высотных зданий и зданий-комплексов в городе Москве» и составлены на основе действующих отечественных и зарубежных норм и стандартов по технологии и организации строительства зданий из железобетона.

Рекомендации разработаны в целях формирования нормативной базы высотного домостроения в Москве в соответствии с совместным распоряжением Правительства Москвы и Госстроя России от 28.11.2003 г. № 19/2195-РП «О разработке нормативов для проектирования, строительства и эксплуатации высотных зданий».

Многообразие функционального назначения, объемно-планировочных и конструктивных решений подземных частей высотных зданий, их многоэтажность предопределяют значительную вариантность организационно-технологических решений строительства.

Настоящие Рекомендации содержат основные предпосылки для разработки организационно-технологических правил строительства подземных частей высотных зданий и зданий-комплексов, которые должны разрабатываться конкретно в зависимости от конструктивного решения и функционального назначения.

Настоящие Рекомендации разработаны следующими организациями:

Научно-исследовательский, проектно-конструкторский и технологический институт бетона и железобетона (НИИЖБ) (ведущий) - филиал ФГУП «НИЦ «Строительство» - канд. хим. наук В.Р. Фаликман - руководитель работы, д-ра техн. наук, профессора В.Ф. Степанова, С.А. Мадатян, В.А. Клевцов, Б.А. Крылов, Н.К. Розенталь, кандидаты техн. наук Ю.С. Волков (ответственный исполнитель), Н.Г. Нерсесян, М.Г. Булгакова, Г.В. Чехний, Ю.В. Сорокин, Г.М. Мартиросов, Л.А. Титова, В.Н. Ярмаковстй, М.Г. Коревицкая, И.С. Хаймов, И.В. Волков, С.А. Подмазова, Т.Б. Мишина, М.И. Бруссер, И.М. Дробященко, А.В. Шейнфельд, А.И. Сагайдак, М.Д. Роженко, инж. М.И. Бейлина - разделы I, III, IV, X.

НИИОСП им. Н.М. Герсеванова - филиал ФГУП «НИЦ «Строительство» - д-р техн. наук, проф. В.И. Шейнин, канд. техн. наук Л.Г. Мариупольский - разделы II, X.

ЦНИИСК им. В.А. Кучеренко - филиал ФГУП «НИЦ «Строительство» - д-р техн. наук, проф. Ю.В. Кривцов, кандидаты техн. наук И.Р. Ладыгина, Н.Ф. Васильева, О.Б. Ламкин - раздел VI.

ГУП «НИИМосстрой» - д-р техн. наук, проф. В.Ф. Коровяков, кандидаты техн. наук В.Л. Кубецкий, В.Я. Еремин, Б.В. Ляпидевский, А.В. Сладков, инженеры Ю.И. Бушмиц, Р.И. Воропаева, А.Б. Вальницев, Р.Б. Шехтер, Н.В. Митрофанова - разделы II, VII, VIII, канд. техн. наук А.А. Отставнов, Н.В. Санко - раздел V.

ООО НПЦ «Развитие города» - д-р техн. наук, проф. Л.В. Киевский, канд. техн. наук В.И. Привин - раздел I.

ФГУП ВНИИПО МЧС России - д-р техн. наук И.Р. Хасанов, кандидаты техн. наук А.В. Гомозов, СВ. Зотов - раздел IX.

ООО НТЦ «Опалубка» - канд. техн. наук Н.И. Евдокимов, инж. О.Г. Пятакова - раздел IV, гл. 4.

ООО «ЖБ-Содействие» - инж. А.В. Ночный - раздел IV, приложение В.

«ВИА» - д-р техн. наук, проф. Ю.В. Сушков, канд. техн. наук. С.А. Полевой - раздел I.

ЗАО «М. Инженерная компания» - инженеры А.С. Федоров, Ю.М. Соснер - раздел V.

ФГУП КТБ ЖБ - кандидаты техн. наук Г.Г. Гурова, А.К. Гончаров - раздел IV, гл. 5, 7, раздел X.

Составители и редакторы: Ю.С. Волков, Н.Г. Нерсесян, Л.П. Солотчина, Л.Ф. Калинина.

Рекомендации были рассмотрены на заседании НТС НИИЖБ 21 декабря 2004 г.

Рецензенты: д-р техн. наук, проф. В.В. Гуров (МНИИТЭП), д-р техн. наук, проф. И.Ф. Руденко (НИИЖБ).

Рекомендации прошли также экспертизу в немецкой компании ILF Consulting Engineers.

Ссылки в проектной и иной документации на пункты настоящих Рекомендаций должны даваться с указанием раздела, где они помещены.

Замечания и предложения направлять по адресу:

Москва, 109428, 2-я Институтская ул., д. 6, ФГУП «НИЦ «Строительство»,

Отдел технического нормирования, внешних связей и издательской деятельности

Раздел I ОРГАНИЗАЦИЯ СТРОИТЕЛЬСТВА ВЫСОТНЫХ ЗДАНИЙ

1 Рекомендации по разработке проекта организации строительства

1.1 Общие положения

1.1.1 Проект организации строительства (ПОС) многофункционального высотного здания и комплекса составляется проектной организацией, разрабатывающей проект (рабочий проект), или специализированной проектной организацией, имеющей лицензию на данный вид деятельности.

1.1.2 Состав документов, включаемых в ПОС на возведение многофункционального высотного здания или комплекса, устанавливается на основе СНиП 12-01, МГСН, постановлений и законов города Москвы. Он может корректироваться по заданию заказчика с целью учета особенностей конкретного здания.

1.1.3 Рекомендуется следующий состав проекта организации строительства:

общие положения, обосновывающие возможность возведения объекта;

комплексный укрупненный сетевой график;

календарные планы строительства;

строительные генеральные планы для подготовительного и основного периодов строительства;

организационно-технологические схемы возведения объекта;

ведомость объемов работ;

ведомость потребности в материалах;

график потребности в рабочих кадрах;

мероприятия по охране труда, технике безопасности, экологической и пожарной безопасности;

решения по организации управления;

указания о порядке построения геодезической разбивочной основы для строительства и организации постоянно действующей геодезической группы;

рабочие чертежи специализированного оборудования и оснастки, технологические карты их использования;

пояснительная записка.

1.1.4 Разработку ПОС следует начинать на стадии технико-экономического обоснования (ТЭО) и затем в ходе выполнения архитектурно-строительной части проекта (рабочего проекта) взаимоувязывать принимаемые объемно-планировочные и конструктивные решения стребованиями организации и технологии строительного производства.

1.1.5 На стадии ТЭО следует разрабатывать общие положения, обосновывающие возможность возведения объекта и содержащие кроме того:

комплексный укрупненный сетевой график или график Ганта на возведение комплекса;

принципиальные организационно-технологические схемы возведения;

перечень существующего отечественного и зарубежного оборудования для производства работ;

вопросы необходимости разработки нестандартного оборудования и новых нетрадиционных способов производства работ.

1.2 Организационно-технологические схемы возведения высотных зданийи комплексов

1.2.1 В организационно-технологических схемах следует определять оптимальные решения по последовательности, методам строительства зданий (комплексов). Организационно-технологические схемы могут включать:

пространственное членение здания или комплекса на ярусы, захватки и участки;

последовательность возведения зданий с указанием технологической последовательности производства работ по ярусам, захваткам и участкам;

характеристику основных методов возведения объектов.

Исходными данными для разработки схем являются:

проектные решения по рассматриваемому зданию (комплексу);

организационно-технологические решения по аналогичным объектам и фактические данные об их реализации;

данные о лучших образцах техники (отечественной и зарубежной) и о материально-технической базе организаций, которые будут участвовать в строительстве.

При разработке организационно-технологических схем следует исходить из возможности использования наиболее эффективных методов возведения здания, технологических средств, обеспечивающих требуемое качество и безопасность строительства, а также возможности реализации заданных темпов и сроков строительства, наиболее полно реализуемых при поточном методе строительства.

1.2.2 Для организации строительного потока здание (комплекс) делится на ярусы по вертикали и участки (захватки) по горизонтали, которые могут быть по своим размерам и объемам работ одинаковыми и разновеликими. При этом следует стремиться к одинаковой или кратной величине ярусов, участков и захваток.

В пределах яруса, участка увязывают между собой все специализированные потоки, входящие в состав объектного потока. Размеры и границы ярусов, участков устанавливают из условий планировочно-конструктивных решений с учетом требований обеспечения пространственной жесткости и устойчивости возводимых частей сооружении (на отдельных объектах), возможностей временного прекращения и последующего возобновления работ на границах участков, возможностей ввода в эксплуатацию отдельных сооружений комплекса.

В качестве захваток принимаются части здания (комплекса) с повторяющимися одинаковыми наборами строительных работ (процессов), в пределах которых развиваются и увязываются между собой все частные потоки, входящие в состав рассматриваемого специализированного потока. Размеры захваток должны назначаться с таким расчетом, чтобы продолжительность выполнения отдельных процессов на захватке соответствовала ритму потока, а местоположение границ захваток соответствовало архитектурно-планировочным и конструктивным решениям и четко могло быть установлено в натуре. Кроме того, должна быть предусмотрена возможность прекращения и возобновления производства работ на границах захваток без нарушения требований СНиП 12-03, СНиП 12-04 к технике безопасности и к качеству работ, а также возможность выполнения других процессов на смежных захватках.

Высотную часть здания с монолитным каркасом башенного типа при организации бетонирования надземной части на захватки разбивать не следует. Все последующие за бетонированием строительные работы могут выполняться только в те смены, когда бетонирование (монтаж) конструкций на вышележащих этажах над ними не производится.

Если выполненные проектной организацией расчеты перекрытий на восприятие ударной нагрузки от возможного падения груза с высоты, заданной в ПОС, показывают, что перекрытия выдерживают эти нагрузки, то возможно совмещение выполнения работ по вертикали. В этом случае здание целесообразно разбить на отдельные ярусы по 8-10 этажей, начиная с нижнего.

1.2.3 Застройку комплекса высотных зданий целесообразно осуществлять преимущественно в виде законченных градостроительных комплексов.

Застройка градостроительными комплексами создает возможность для организации строительства комплексным поточным методом, обеспечивает определенную архитектурно-планировочную законченность в первые годы строительства, обеспечивает планомерное освоение территории и высокую комплексность застройки, способствует более эффективному использованию капитальных вложений.

При определении очередности застройки необходимо принимать во внимание характер рельефа территории строительства; места подключения внутриквартальных коммуникаций к магистральным; объемы работ по подготовке территории к строительству; обеспечение удобств для жителей близлежащих домов и возможность пользования коммунальными услугами, детскими садами и школами1; возможный приоритет некоторых участков; затраты на инженерное оборудование участков.

______________

1Закон города Москвы от 11 июня 2003 г. № 41 «Об обеспечении благоприятной среды жизнедеятельности в период строительства, реконструкции, комплексного капитального ремонта градостроительных объектов в городе Москве».

1.2.4 Организационно-технологические схемы по возведению высотных зданий и комплексов должны включать краткое описание проектных решений, технические решения по производству работ и основные технико-экономические показатели технологического процесса.

Описание проектных решений позволит выявить основные данные, влияющие и обосновывающие выбор технологии возведения. Описания могут включать такие параметры здания: пролеты несущих конструкций; высоту этажей; характеристику несущих и ограждающих конструкций; максимальную массу сборных элементов и их размеры; конструкцию узлов, соединений и стыков.

Технические решения по производству работ, выполняемые в виде организационно-технологических схем, должны обосновать: разбивку здания или сооружения на ярусы по высоте здания, а также на участки (захватки); способ устройства оснований и подземной части здания; выбор основных грузоподъемных механизмов и их привязку к объекту; методы возведения (монтажа) конструкций; перечень механизмов и приспособлений; требования к точности и качеству возведения здания; требования к разрабатываемым нестандартным устройствам.

Технико-экономические показатели определяют по укрупненным нормативам и они могут содержать: общую трудоемкость возведения здания; затраты машинного времени; расчетную стоимость.

1.2.5 Процесс разработки технических решений может включать следующие основные этапы: сбор и изучение информации; разработку вариантов технических решений; принятие решений.

1.2.6 При выборе землеройной техники и машин для устройства оснований и подземной части следует в процессе разработки технических решений руководствоваться следующими соображениями:

предпочтение следует отдавать специализированным машинам большей мощности;

комплекс машин должен обеспечивать максимальное снижение затрат труда, с этой целью в комплекс следует включать малогабаритную и мини-технику;

машины и механизмы должны удовлетворять экологическим требованиям по шуму и выбросам, а при работе вблизи зданий - по уровню воздействия на них.

1.2.7 При выборе грузоподъемных устройств в процессе разработки технических решений следует принимать во внимание:

объемно-планировочные и конструктивные решения строящегося объекта;

для сборно-монолитных зданий - массу монтируемых элементов, расположение их в плане и по высоте здания;

для монолитных зданий - массу подаваемых пакетов арматуры или армокаркасов и щитов опалубки, способ подачи бетона в конструкции;

методы организации строительства;

методы и способы возведения здания и монтажа конструкций;

технико-экономические характеристики грузоподъемных устройств;

наличие системы ограничения зоны работ (СОЗР);

обоснование эффективности применения различных комплектов машин.

Возведение высотных зданий возможно с использованием башенных кранов грузоподъемностью 8-10 т и вылетом стрелы до 50-60 м: на рельсовом ходу (до определенной высоты), приставных кранов и кранов, устанавливаемых на специальном фундаменте или на перекрытиях возводимого здания. В отдельных случаях возможно использование быстромонтируемых башенных кранов на винтовых опорах грузоподъемностью 2-8 т, стреловых кранов как пневмоколесных, так и гусеничных грузоподъемностью 40-160 т.

Все башенные краны следует связывать единой системой управления, исключающей возможность соприкосновения кранов или грузов, поднимаемых ими.

1.2.8 При возведении высотных зданий рекомендуется использовать грузовые и грузопассажирские подъемники. Число подъемников определяется объемом и массой подаваемых грузов и численностью работающих, но не менее одного грузового и одного грузопассажирского подъемника на грузоподъемный кран. Предпочтительнее использовать двухкабинные подъемники.

1.2.9 При выборе рационального варианта возведения монолитного здания следует исходить из следующих предпосылок:

подачу бетона в конструкции следует осуществлять бетононасосом с использованием бетонораспределительной стрелы; при выборе места установки бетононасоса следует учитывать рекомендации производителей бетононасосов (для надежной подачи бетона горизонтальной участок трубопровода должен составлять около 1/3 вертикального участка);

осуществлять укладку бетона в инвентарную опалубку различных типов, в том числе самоподъемную, подъемно-переставную и алюминиевую облегченную опалубку конструкции ЦНИИОМТП;

использовать самоподъемную или подъемно-переставную опалубку для ограждения верхнего этажа здания по всему периметру для защиты работающих от ветра, создания теплого контура зимой и сокращения опасной зоны работы крана;

прогрев бетона в зимнее время выполнять, в основном, с помощью греющих проводов по технологии ЦНИИОМТП;

совмещать бетонирование с производством других видов работ на нижележащих перекрытиях по специально разрабатываемым графикам, учитывающим безопасное выполнение работ (вышележащие перекрытия должны быть рассчитаны проектной организацией на ударную нагрузку от возможного падения поднимаемого груза).

1.2.10 При выборе рационального метода монтажа сборных конструкций с использованием грузоподъемных кранов следует исходить из следующих предпосылок:

предпочтение следует отдавать тем методам монтажа, которые обеспечивают гарантированную точность сборки конструкций;

сокращение срока строительства и обеспечение фронта для последующих смежных работ в большей степени достигается при использовании комплексного метода монтажа, предусматривающего в пределах здания или принятой захватки последовательную установку разнотипных конструкций;

повышение точности сборки конструкций и сокращение затрат труда и кранового времени наилучшим образом обеспечиваются при применении специально подобранной оснастки и указании в проекте минимальных площадок опирания сборных конструкций, зазоров между ними и допусков на установку и приемку;

применение крупноразмерных конструкций снижает затраты труда и продолжительность возведения здания и стоимость строительства.

1.2.11 При разбивке здания на ярусы строительно-монтажные работы в пределах яруса следует выполнять снизу вверх, за исключением работ по окончательной отделке помещений и последующих за ними специальных работ, которые следует выполнять в направлении сверху вниз.

1.3 Календарный план строительства

1.3.1 Целями календарного планирования при разработке проекта организации строительства являются: обоснование заданной или выявление технически и ресурсно возможной продолжительности строительства проектируемого здания (комплекса); определение сроков строительства и ввода отдельных частей комплекса, а также сроков выполнения отдельных основных работ; определение объемов строительно-монтажных работ в отдельные календарные периоды строительства; определение сроков поставки основных конструкций, материалов и оборудования; определение требуемого количества и сроков использования строительных кадров и основных видов строительной техники, определение сроков отчуждения территорий под временные склады материалов; определение сроков ограничений движения транспорта вблизи строительной площадки; определение сроков ввода магистральных коммуникаций и дорог; определение сроков реализации жилья и офисных помещений.

1.3.2 При строительстве жилого здания (комплекса) календарный план строительства должен предусматривать возведение жилого здания (комплекса) в увязке с учреждениями и предприятиями, связанными с обслуживанием населения, и выполнение всех работ по инженерному оборудованию, благоустройству и озеленению территории в соответствии с утвержденным проектом застройки. При этом принятые организационно-технологические решения должны предусматривать опережающую инженерную подготовку, оборудование территорий и площадок и технологически рациональную последовательность выполнения работ поточными методами.

1.3.3 Календарный план может разрабатываться для двух этапов строительства: на подготовительный и на основной периоды (с распределением объемов строительно-монтажных работ по месяцам, кварталам). Основной период, в свою очередь, может разбиваться на два периода - устройство подземной части здания и возведение надземной части здания.

Процесс календарного планирования заключается в изучении имеющихся и подготовке необходимых данных, определении временных параметров реализации проекта комплекса в целом и сроков строительства отдельных частей зданий, входящих в его состав, распределении капитальных вложений, формировании потоков, составлении графика потребления ресурсов во времени в соответствии с расчетными или заданными сроками выполнения работ.

1.3.4 Исходными данными для разработки календарного плана являются:

материалы проекта (генеральный план, строительная и сметная части и др.);

нормативная или заданная продолжительность строительства объекта или комплекса;

условия ведения строительства;

перечень основных и вспомогательных зданий и сооружений;

объемы работ, их стоимость и ресурсоемкость;

данные о наличии производственной базы строительной индустрии и возможностях ее использования;

сведения об условиях поставки и транспортирования с предприятий-поставщиков строительных конструкций, готовых изделий, материалов и оборудования;

сведения о предполагаемых подрядчиках, их квалификации;

принятые решения по методам организации строительства и методам производства основных работ;

организационно-технологические схемы возведения отдельных объектов и строительства комплекса в целом, членение объекта и территории застройки на участки;

проекты-аналоги, фактические данные об их реализации;

данные, характеризующие возможности подрядных организаций и их материально-техническую базу;

нормативная, методическая и справочная литература.

1.3.5 Номенклатура и детализация работ, включаемых в календарный план, могут быть достаточно укрупненными и отвечать следующим требованиям: выделять все постоянные основные и вспомогательные здания и сооружения, а также наиболее крупные работы и временные сооружения подготовительного периода; отражать основные этапы организационно-технической подготовки и строительства, в том числе устройство основания и возведение подземной части; отвечать структуре потока и пространственному членению объекта или комплекса; позволять определять объем, стоимость и ресурсоемкость работ.

1.3.6 Сметная стоимость, объемы строительно-монтажных работ, потребность в строительных конструкциях, полуфабрикатах и основных материалах принимаются по укрупненным показателям сметной стоимости и фактическим нормам расхода строительных материалов, по укрупненным сметным нормам на конструкции и виды работ.

Потребность в основных механизмах и транспортных средствах устанавливается на основе физических объемов работ, объемов грузоперевозок и норм выработки строительных машин и средств транспорта.

Потребность в рабочих кадрах определяют делением показателя объемов строительно-монтажных работ на выработку одного работающего, включая работников обслуживания.

На основании перечня объектов и номенклатуры работ, их объемов и стоимости, потребности в основных материалах, конструкциях, рабочих кадрах и основных механизмах заполняется левая часть (до календарных периодов) календарного плана строительства; ведомости объемов строительно-монтажных работ, график потребности в строительных конструкциях, изделиях и материалах, график потребности в рабочих кадрах, график потребности в основных машинах и механизмах могут заполняться по требованию заказчика. При этом в календарном плане и ведомости объемов работ выделяются работы подготовительного периода.

1.3.7 Методы организации строительства определяются в зависимости от типа и степени сложности строительных объектов и комплексов.

На сложных объектах и комплексах вопрос о методах организации строительства решается в каждом конкретном случае в зависимости от количества, однородности и объемов работ специализированных строительных процессов, технологической взаимосвязи процессов в общем комплексе работ, возможности выделения одинаковых или близких по объему работ захваток и других организационных условий. При этомвозможно сочетание раздельного и поточного методов организации работ.

1.3.8 При строительстве высотных зданий и комплексов организуется комплексный поток, охватывающий весь комплекс строительно-монтажных работ: инженерные коммуникации отельных блоков здания (комплекса) с разбивкой их на устройство оснований, подземной и надземной частей здания, благоустройство и озеленение. При формировании структуры комплексного потока по застройке следует учитывать состав комплекса, назначение зданий и сооружений и их конструктивные и объемно-планировочные решения, состав подготовительных работ и их характеристику, характеристику строительных организаций-исполнителей (специализацию, мощность, оснащение) и другие факторы.

1.3.9 Комплексный поток должен состоять из объектных, частных и специализированных потоков.

Комплексный поток - группа организационно связанных объектных потоков, объединенных общей продукцией в виде законченного комплекса.

В комплексный поток включаются работы по возведению всех постоянных зданий и сооружений, входящих в состав строящегося комплекса, в том числе зданий и сооружений, инженерных сетей, дорог и т.п., которые строятся в подготовительный период, однако часть работ подготовительного периода, отличающаяся большим разнообразием, спецификой и индивидуальностью, в комплексный поток включать необязательно. При благоприятных условиях для их проведения организуют несколько самостоятельных краткосрочных объектных или специализированных потоков (например, по монтажу временных зданий, устройству временных дорог и т.п.).

1.3.10 Число и перечень объектных потоков, намечаемых в составе комплексного, зависят от назначения, состава и размеров строящегося комплекса, архитектурно-планировочной и конструктивной характеристик, объектов, входящих в его состав и других конкретных условий. В объектные потоки группируются технологически однородные объекты. При строительстве жилищно-гражданских комплексов рекомендуется организовывать объектные потоки по внутриплощадочным и внеплощадочным коммуникациям раздельно по их видам; возведению основных зданий; возведению вспомогательных зданий; благоустройству и озеленению.

1.3.11 При организации комплексного потока по застройке жилого комплекса необходимо соблюдать следующие условия:

объектные потоки должны развиваться на участках микрорайона в технологической последовательности, определяемой характером и условиями увязки выполняемых работ;

объектные, специализированные и частные потоки необходимо максимально совмещать во времени, не допуская необоснованных перерывов между ними и обеспечивая подготовку смежными потоками необходимых фронтов работ.

1.3.12 Для организации своевременной подготовки поточного строительства, обеспечения опережающей инженерной подготовки, нормальной технологической обстановки для возведения основных зданий, ввода в эксплуатацию готовых объектов по пусковым комплексам, правильной последовательности строительства общее время, отводимое для строительства, разделяется на два периода: подготовительный и основной.

В подготовительный период выполняются следующие работы:

инженерная подготовка территории строительства с освоением площадки - геодезическая разбивка, осушение территории, снос строений, ликвидация или перекладка существующих коммуникаций, рубка или пересадка зеленых насаждений, ограждение деревьев, срезка и складирование растительного грунта, вертикальная планировка и т.п.;

устройство подъездов к строительной площадке и сооружение объектов строительного хозяйства, к которым относятся подсобно-вспомогательные постройки на строительной площадке, административные и санитарно-бы-товые помещения для исполнителей работ, временные склады для строительных материалов, сборных конструкций и деталей, постоянные сооружения, используемые для временных нужд строительства, временные проезды и дороги на площадке, временные сети водопровода, энергоснабжения и водоотвода (в отдельных случаях, когда постоянные сети не могут быть проложены), подкрановые пути;

подвод магистральных линий инженерных сетей и прокладка части внутриквартальных подземных коммуникаций и дорог с целью использования их для нужд строительства, сведения к минимуму затрат на устройство временных сетей и дорог и создания необходимого опережения в этих работах по отношению к возведению основных зданий. Одновременно должны возводиться внутриквартальные инженерные сооружения: трансформаторные подстанции, тепловые пункты и т.п.

Работы основного периода начинаются, как правило, после полного окончания подготовительных работ. В основном периоде строительства сооружаются подземные и надземные части основных и вспомогательных зданий, заканчиваются работы по инженерному оборудованию, осуществляется благоустройство и озеленение, сдаются в эксплуатацию готовые объекты комплекса.

На непервоочередных участках застройки комплекса производство работ, относящихся по своему характеру к подготовительным и выполняемым в этот период, следует совмещать с основным периодом строительства всего комплекса, предусматривая при этом окончание их на очередном участке к началу строительства соответствующего блока зданий.

1.3.13 Технологические расчеты принятой интенсивности ведущего специализированного потока могут производиться в следующей очередности:

в составе каждого объектного потока определяется интенсивность ведущего специализированного потока. Таким потоком, как правило, является монтаж конструкций для сборно-монолитных зданий и бетонирование конструкций для монолитных зданий, его интенсивность обусловливается производительностью и числом используемых грузоподъемных механизмов;

определяется продолжительность ведущего объектного потока в составе комплексного потока;

устанавливается продолжительность других объектных потоков и на основе требований технологической увязки определяется степень совмещения их с ведущим объектным потоком.

На основе продолжительности и совмещения объектных потоков устанавливается общая продолжительность комплексного потока.

1.3.14 После определения продолжительности строительства, параметров комплексного потока, продолжительности действия объектных и специализированных потоков, количества поточных линий для каждой конкретной поточной линии формируются наборы объектов и определяется последовательность их возведения.

1.3.15 На основании технологических расчетов, организационно-технологических схем, состава поточных линий и условий их увязки может быть составлен календарный план строительства, который может быть представлен в виде линейного графика, циклограммы или сетевого графика, в том числе комплексного. На основании календарного плана в соответствии со сроками выполнения работ и возведения объектов по отдельным календарным периодам определяются: распределение капитальных вложений; выполнение объемов строительно-монтажных работ; потребность в основных материалах, конструкциях, полуфабрикатах; потребность в основных механизмах; потребность в рабочих кадрах.

1.3.16 Для составления календарного плана на отдельный объект с использованием сетевых графиков рекомендуется разрабатывать организационно-технологическую модель возведения здания, в которой следует отражать все технологические свойства здания, необходимые для календарного планирования.

1.3.17 При разработке комплексного укрупненного сетевого графика следует руководствоваться следующими положениями:

комплексный укрупненный сетевой график является моделью всего процесса создания комплекса, в которой должны быть представлены и увязаны в технологической и организационной последовательности все работы по проектированию, материальному обеспечению, подготовке к строительству;

«исходным событием» комплексного укрупненного сетевого графика условно принимается момент утверждения задания на проектирование;

в зависимости от характера проектируемого комплекса комплексный укрупненный сетевой график может разрабатываться в виде одноцелевой или многоцелевой модели, где «завершающими событиями» являются соответственно сдача комплекса (группы зданий и сооружений) или сдача отдельного здания (сооружения);

комплексный укрупненный сетевой график составляется со степенью детализации, достаточной для определения сроков выполнения отдельных этапов проектирования, планирования, организационной подготовки, материального обеспечения и строительства, а также позволяющей выделить работы отдельных исполнителей и проводить оптимизацию графика использования основных ресурсов;

моменты начала поставок основного технологического оборудования для гражданских и жилых зданий, основных материалов и конструкций, поступления проектно-сметной документации должны быть отражены в комплексном сетевом графике специальными символами и привязаны к началу соответствующих работ с необходимым опережением;

в комплексном укрупненном сетевом графике должны выделяться три периода - период организационно-технологических мероприятий, предшествующих началу строительства, подготовительный и основной периоды строительства. События, указывающие начало и конец финансирования указанных периодов, показываются условными обозначениями.

1.3.18 Разработка комплексного укрупненного сетевого графика ведется поэтапно и включает:

подготовку, изучение и анализ исходных данных;

составление локальных укрупненных сетевых графиков и организационно-технологических моделей;

«сшивку» локальных графиков в общий комплексный укрупненный график;

расчет временных параметров графика, определение потребности в ресурсах по ранним срокам выполнения работ;

приведение временных и ресурсных параметров комплексного укрупненного сетевого графика в соответствие с заданными ограничениями.

1.3.19 Исходными данными для составления комплексного укрупненного сетевого графика служат: заданный срок строительства; технологические и компоновочные решения задания на проектирование; данные изысканий; имеющиеся решения по вопросам материально-технического обеспечения строительства; перечень объектов, входящих в состав комплекса; данные заказчика о перспективной застройке; данные о мощности и технологических возможностях организаций, намеченных для строительства; нормативные материалы по вопросам проектирования и организации строительства; проекты аналогичных объектов и фактические данные о временных и ресурсных затратах при их реализации.

1.3.20 На основе изучения и анализа исходных данных намечаются: организационно-технологическая схема строительства; членение объекта на узлы и очереди; исполнители работ; специализированные и объектные потоки; выделяется главная цель работы, отражающая технологическую последовательность строительства и промежуточные локальные цели.

Локальные сетевые графики составляются по видам работ или по отдельным сооружениям комплекса. Эти графики должны отражать стадии строительства (например, подземная или надземная часть зданий) и специализированные потоки, например бетонирование конструкций, отделка. В каждом отдельном графике устанавливаются граничные события, через которые должна осуществляться «сшивка».

1.3.21 «Сшивка» локальных графиков производится с учетом очередности строительства всех элементов комплекса и намеченной последовательности ввода их в эксплуатацию. При «сшивке» проверяется правильность построения сетей, соответствие граничных событий, входных и выходных работ локальных графиков, возможность обеспечения поточности работ. В процессе компоновки сводной сетевой модели целесообразно выделять зоны проектных работ, организационно-технологических мероприятий, изготовления и поставок конструкций и технологического оборудования, строительно-монтажных работ, реализации строительной продукции.

1.3.22 Расчет комплексного сетевого графика (в том числе укрупненного сетевого графика) производится по специальным программам на ПЭВМ.

На основании временных и ресурсных параметров приемлемого варианта комплексного укрупненного сетевого графика составляются календарный план строительства и ведомости потребности основных ресурсов.

1.4 Строительный генеральный план

1.4.1 Строительный генеральный план разрабатывается на строительство высотного здания (комплекса) и систему инженерных сетей и дорог.

Основной задачей, решаемой при разработке строительного генерального плана, является рациональное размещение на отведенном земельном участке строительных машин, оборудования, складов, временных и бытовых помещений, проездов и коммуникаций при соблюдении закона города Москвы от 11 июня 2003 г. № 41 «Об обеспечении благоприятной среды жизнедеятельности в период строительства, реконструкции, комплексного капитального ремонта градостроительных объектов в городе Москве».

Исходными материалами для разработки строительного генерального плана должны быть: данные геологических, гидрогеологических изысканий и инженерных и экономических расчетов; проектно-сметная документация; календарный план строительства; расчеты объемов временного строительства; организационно-технологические схемы застройки; графики потребности в основных видах ресурсов; расчеты потребности в подсобных зданиях, сооружениях и установках; данные о перспективных машинах, отечественных и зарубежных, а также о фактическом наличии машин и механизмов по типам в подрядных строительных организациях.

Строительный генеральный план может разрабатываться как для подготовительного, так и для основного периодов строительства с указанием: постоянных зданий и сооружений; мест размещения временных, в том числе мобильных (инвентарных) зданий и сооружений; постоянных и временных дорог и других путей для транспортирования конструкций, материалов и изделий; подкрановых путей и мест установки кранов; опасных зон действия машин и механизмов и опасных зон вблизи здания; инженерных сетей, мест подключения временных инженерных коммуникаций (сетей) к действующим сетям с указанием источников обеспечения стройплощадки электроэнергией, водой, теплом, паром; складских площадок; грузоподъемных кранов; бетононасосов и других строительных машин, механизированных установок; существующих и подлежащих сносу строений; мест расположения знаков закрепления разбивочных осей зданий и сооружений, пункта мойки колес строительных машин; ограждения строительной площадки и опасных зон; мест установки мачт освещения.

При разработке строительных генеральных планов необходимо руководствоваться следующими основными принципами:

решения строительного генерального плана должны быть увязаны с решениями проекта (рабочего проекта), в том числе с принятой организацией и технологией производства работ; отвечать требованиям строительных норм и правил; обеспечивать соблюдение требований техники безопасности и охраны труда, безопасной эксплуатации строительных машин и приспособлений, пожарной и экологической безопасности; наиболее полно удовлетворять бытовые нужды работающих на строительстве; обеспечивать рациональное прохождение грузопотоков по строительной площадке, сокращая число перегрузок и уменьшая расстояния перевозок. Рекомендуется использовать разработанный в Главмосстрое стандарт КС-ГМС-05-1 «Эталонные требования по обустройству строительных площадок и бытовых городков»;

временные здания, сооружения, установки и инженерные сети должны располагаться на такой площадке, где возможна их эксплуатация в течение всего периода строительства без разборки, передвижки, перекладки и переноса;

затраты на строительство и установку временных зданий и сооружений должны быть минимальными.

Строительный генеральный план составляют поэтапно на схеме генерального плана строительства (как правило, при сохранении принятого масштаба изображения) в такой последовательности: обозначают границы строительной площадки и определяют тип ограждения строительной площадки; выделяют существующие и планируемые к строительству постоянные здания и сооружения, включая транспортные коммуникации и инженерные сети; размещают строительные и грузоподъемные машины, установки, приспособления и инвентарь; показывают временные дороги, участки установки подсобных инвентарных и временных зданий и сооружений; наносят опасные зоны действия машин и механизмов и опасные зоны вблизи здания.

На строительном генеральном плане приводят также: экспликацию постоянных существующих и строящихся зданий и сооружений; экспликацию временных зданий и сооружений с указанием типа (марки, номера типового проекта по альбому), открытых складских и других площадок; перечень (в табличной форме) постоянных и временных инженерных сетей и ограждения площадки с указанием их протяженности; принятые условные обозначения; все необходимые согласования.

1.4.2 В тех случаях, когда организационными и техническими решениями охватывается территория за пределами строительной площадки, разработке строительного генерального плана в составе проекта организации строительства предшествует составление ситуационного плана района строительства. Ситуационный план составляется на геодезической подоснове. При строительстве зданий (сооружений) в стесненных условиях следует предусмотреть возможность использования близлежащих свободных территорий для временного отчуждения. Эти территории следует показать на ситуационном плане и согласовать их использование с владельцами.

1.4.3 Все расчеты, необходимые для разработки строительного генерального плана, приводятся в пояснительной записке, содержащей: обоснование потребности в электроэнергии, воде, водоотведении; расчет потребности в инвентарных зданиях, временных сооружениях, складах и складских площадках для производства строительно-монтажных работ и складирования грунта для обратных засыпок, определение опасных зон. Для уменьшения объемов перемещения (вывоза) грунта следует выполнять расчеты объемов разрабатываемого грунта и грунта для обратных засыпок и планировки территории.

1.4.4 Для своевременного развертывания строительства и создания необходимого фронта работ строительным организациям в первую очередь следует предусматривать строительство транспортных коммуникаций и инженерных сетей.

Выбор топологии дорог и их параметров (протяженность, размещение, покрытие) осуществляется на основе схемы движения автотранспорта на строительной площадке, предусматривающей беспрепятственный проезд всех автотранспортных средств в обслуживаемые зоны.

Для нужд строительства в первую очередь следует использовать постоянные автодороги, а при необходимости - прокладывать временные дороги с использованием инвентарных дорожных плит.

До начала подготовительных работ должны быть завершены работы по обеспечению строительства постоянной электроэнергией за счет прокладки кабельных сетей и устройства трансформаторных подстанций.

Строительство сетей теплоснабжения включает все работы по устройству камер и каналов, прокладке дренажей, установке креплений, скользящих и неподвижных опор.

1.5 Геодезическое обеспечение строительства

1.5.1 Геодезическое обеспечение строительства должно выполняться в соответствии со СНиП 3.01.03, СНиП 11-02, СП 11-104, ГОСТ 21779.

1.5.2 Геодезические работы должны выполняться специализированными организациями, имеющими лицензии на выполнение соответствующих видов работ.

1.5.3 Для выполнения геодезических работ в процессе возведения здания необходимо разработать проект производства геодезических работ (ППРГ).

1.5.4 Проект производства геодезических работ должен быть разбит на четыре этапа:

создание геодезической основы в виде геодезической сети специального назначения (СП 11-104);

производство геодезических работ при выполнении земляных работ и устройстве оснований;

производство геодезических работ при устройстве подземной части здания;

производство геодезических работ при устройстве надземной части здания.

1.5.4.1 Геодезическая основа должна создаваться для выноса в натуру проектных параметров здания (сооружения), разбивочных осей и исходных высотных отметок, выполнения разбивочных работ в процессе возведения здания, сооружения, осуществления контроля за соблюдением требований проекта, строительных норм и правил к точности геометрических параметров при его размещении и возведении, а также для производства исполнительных съемок.

1.5.4.2 Геодезическую основу для строительства надлежит создавать с привязкой к имеющимся в районе строительства не менее чем двум пунктам государственных или опорных геодезических сетей.

1.5.4.3 Проектирование геодезической основы следует выполнять на основе генерального плана и стройгенплана объекта строительства на стадии разработки проекта организации строительства или в составе ПОС.

В составе проекта необходимо выполнить разбивочный чертеж с размещением знаков, каталоги координат и отметок исходных пунктов и каталоги (ведомости) проектных координат и отметок, чертежи геодезических знаков, пояснительную записку с обоснованием точности построения геодезической основы.

1.5.4.4 Геодезическую разбивочную основу следует создавать с учетом:

проектного и существующего размещения зданий (сооружений) и инженерных сетей на строительной площадке;

обеспечения сохранности и устойчивости знаков, закрепляющих пункты разбивочной основы на период строительства;

возможности установки приборов, удобства измерений с учетом требований безопасности при производстве работ;

геологических, температурных, динамических процессов и других воздействий в районе строительства, которые могут оказать неблагоприятное влияние на качество построения разбивочной основы;

последующего использования геодезической основы в процессе эксплуатации построенного объекта, его расширения и реконструкции.

1.5.4.5 Выбор вида построения геодезической основы следует определять в каждом конкретном случае в зависимости от характеристик строящегося комплекса (объекта), условий строительной площадки и требуемой точности в соответствии с требованиями СНиП 3.01.03 и СП 11-104.

1.5.4.6 Пункты высотной и плановой основы по возможности следует совмещать.

Пункты высотной основы должны размещаться на строительной площадке с учетом обеспечения ими строящегося объекта на всех стадиях его возведения.

Нивелирную сеть следует строить с таким расчетом, чтобы обеспечить передачу проектных высот (отметок) от реперов, расположенных на расстоянии не более 200-300 м от объекта. Отметки высот должны определяться в единой системе. Для каждого здания должно быть закреплено не менее двух реперов, а для многосекционного здания - по одному на каждую секцию. Точность построения разбивочной основы определяется расчетом в каждом конкретном случае.

1.5.4.7 По точности геодезическая основа должна удовлетворять точности строительства объекта в целом, а также отдельных зданий, сооружений и приниматься по ГОСТ 21779, СНиП 3.01.03 или рассчитываться на основе технических условий и проектных требований.

1.5.4.8 Следует предусматривать закрепление разбивочных осей знаками в количестве не менее четырех на главную ось симметрии, кроме того, в точках пересечения основных разбивочных осей по углам здания.

1.5.4.9 На стройгенплане следует показать места расположения знаков, закрепляющих следующие оси: основные, определяющие габариты здания (сооружения); главные оси симметрии здания; промежуточные, в местах температурных (деформационных) швов.

1.5.4.10 Этап производства геодезических работ при выполнении земляных работ и устройстве оснований должен содержать:

порядок разбивки контура котлована и переноса осей и высот на дно котлована;

передачу осей и высот и разбивочные работы при устройстве свайного основания;

рекомендуемые геодезические приборы;

контроль качества устройства свайного основания;

порядок выполнения исполнительной геодезической съемки котлована и свайных полей.

1.5.4.11 Этап производства геодезических работ при устройстве подземной части здания должен содержать:

порядок передачи осей и высот на обноски;

производство разбивочных работ при устройстве фундаментов и стен подвалов;

рекомендуемые геодезические приборы;

контроль качества выполнения строительно-монтажных работ;

порядок выполнения исполнительной геодезической съемки.

1.5.4.12 Этап производства геодезических работ при возведении надземной части здания должен содержать:

порядок устройства внутренней разбивочной сети на исходном горизонте (по последнему перекрытию подвала или цокольного этажа);

порядок передачи и привязки пунктов внутренней разбивочной сети на отметках производства работ (монтажном горизонте);

порядок передачи плановых и высотных отметок;

расчет точности геодезических разбивочных работ (СНиП 3.01.03 разрабатывался для зданий высотой до 75 м);

порядок выполнения и оформления исполнительной геодезической съемки;

рекомендуемые геодезические приборы;

составление отчетной документации.

1.5.5 В ППРГ должны содержаться рекомендации по численному и квалификационному составу группы геодезистов для выполнения соответствующих видов работ, оснащению геодезической техникой, оргтехникой и потребной для их размещения площадью в бытовых помещениях.

1.6 Мероприятия по технике безопасности

1.6.1 При разработке мероприятий по технике безопасности и охране труда необходимо руководствоваться СНиП 12-03, СНиП 12-04, СП 12-136, а также нормативными правовыми актами, утвержденными постановлениями Правительства Российской Федерации и Правительства Москвы.

1.6.2 Мероприятия по безопасности труда следует отражать в следующих разделах проекта организации строительства: календарном плане строительства (календарных планах на основной и подготовительный периоды); строительном генеральном плане; организационно- технологических схемах; пояснительной записке.

1.6.3 При разработке календарного плана необходимо учитывать требования безопасности при определении сроков выполнения работ, совмещаемых по времени и в пространстве. Очередность выполнения отдельных видов работ и возведения зданий и сооружений следует выбирать таким образом, чтобы были обеспечены условия безопасности. Членение зданий на захватки должно выполняться таким образом, чтобы на каждой из них можно было выполнять работы с соблюдением правил техники безопасности.

1.6.4 При разработке строительного генерального плана следует предусматривать следующие мероприятия, выполнение которых позволит обеспечить соблюдение требований охраны труда и техники безопасности:

устройство ограждений строительной площадки и выявленных опасных зон;

выбор монтажного крана с установлением границ действия потенциально опасных факторов;

размещение административно-бытовых помещений;

размещение площадок складирования, навесов, закрытых складов;

размещение временных дорог и проходов;

определение границы действия потенциально опасных факторов от строящегося здания;

выбор освещения строительной площадки;

защита окружающей территории от воздействия опасных факторов.

1.6.5 Строительная площадка в соответствии со СНиП 12-03 должна быть ограждена. Защитные ограждения необходимо устраивать высотой не менее 1,6 м.

Ограждения, примыкающие к местам массового прохода людей, должны иметь высоту не менее 2 м и быть оборудованы сплошным защитным козырьком, способным выдерживать действие снеговой нагрузки, а также нагрузки от падения одиночных мелких предметов.

При совмещении охранных и защитных функций высота ограждения должна составлять 2 м.

Ограждения строительной площадки могут выполняться из сборных железобетонных конструкций по типовому проекту, из деревянных конструкций и изготавливаться из металлических сетчатых конструкций. При выборе ограждения следует учитывать требования органов местного самоуправления.

У въезда на строительную площадку следует установить щит с указанием основных характеристик объекта, сроков его строительства, организаций застройщика и подрядчика с указанием фамилий ответственных лиц и их телефонов.

Для предупреждения о границах территории и участков с опасными и вредными производствами следует устанавливать защитные, сигнальные ограждения, а также знаки безопасности.

Конструкции и размеры защитно-охранных, защитных и сигнальных ограждений, устанавливаемых на строительной площадке, регламентируются ГОСТ 23407.

Ограждение рабочих мест на высоте и проходов к ним следует выполнять, руководствуясь ГОСТ 12.4.059.

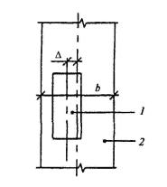
1.6.6 Выбор грузоподъемного крана следует производить по четырем основным параметрам: грузоподъемности, вылету стрелы, высоте подъема крюка и размерам опасной зоны, возникающей при работе крана. Подбор крана по первым трем параметрам достаточно хорошо освещен в научно-технической литературе, а выбор по последнему параметру связан определенными затруднениями, особенно при строительстве объектов в районах сложившейся застройки или на затесненных площадках.

Параметр «опасная зона» может оказаться решающим при разработке строительного генерального плана, так как только с его учетом можно определить места размещения грузоподъемных кранов, административно-бытовых зданий; проходов и дорожек; размеров складских площадок; размещение других механизмов и машин; определить влияние на прилегающую территорию.

1.6.7 В СНиП 12-03 указано, что опасные оны, связанные с применением грузоподъемных машин, определяются при разработке ПОС.

Границу опасной зоны в местах, над которыми происходит перемещение груза подъемными кранами, определяют в соответствии со СНиП 12-03. В ПОС необходимо разработать мероприятия по уменьшению размеров или исключению опасных зон.

Возможны различные способы уменьшения размеров опасных зон:

устройство защитных ограждений, препятствующих перемещению груза за заданные габариты;

оснащение грузоподъемных кранов устройствами по принудительному ограничению перемещения груза по специальным программам (СОЗР);

использование серийных устройств принудительного ограничения зоны работы крана за счет использования концевых выключателей;

устройство защитных сооружений (укрытий), обеспечивающих защиту от возможного падения груза в потенциально опасной зоне действия монтажного крана.

Указанные способы приведены в разработанных ОАО ПКТИпромстрой «Указаниях по установке и безопасной эксплуатации грузоподъемных кранов и строительных подъемников при разработке проектов организации строительства и проектов производства работ».

1.6.8 Устройство защитных ограждений, выполняемых обычно из клиновых трубчатых лесов конструкции ЦНИИОМТП (р.ч. 1377-3), особенно эффективно при примыкании здания к тротуарам и дорогам. В этом случае леса устанавливают вдоль наружной стены здания и наращивают их на высоту на 3 м выше уровня производства работ. При этом на уровне производства работ устраивают вертикальный защитный экран и два уровня горизонтальных защитных настилов. С наружной стороны леса имеют защитную сетку и рядом с лесами выгораживается проход для людей, перекрытый защитным настилом. Высота подъема груза должна быть на 0,5 м ниже защитного ограждения. Стена возводимого здания, примыкающая к ограждению, выполняется из мелкоштучных материалов. Подачу груза в направлении этой стены следует выполнять на минимальной скорости.

1.6.9 Оснащение грузоподъемных кранов устройствами по принудительному ограничению перемещения груза по специальной программе позволяет создать систему ограничения зон работы крана, которая обеспечивает повышение безопасности работы башенного крана стесненных условиях с произвольной конфигурацией зон ограничения.

Применение системы ограничения зон работы башенного крана в стесненных условиях городского строительства предусмотрено требованиями ПБ 10-382 и СНиП 12-03.

1.6.10 Устройство защитных сооружений (укрытий), обеспечивающих защиту от возможного падения груза в потенциально опасной зоне действия грузоподъемного крана, выполняют по специально разработанным проектной организацией рабочим чертежам.

1.6.11 Для обеспечения возможности разработки технологической схемы совмещения по вертикали на одной захватке работ по бетонированию конструкций на верхнем ярусе со строительно-монтажными работами на нижних ярусах проектировщиками конструкций должен быть выполнен расчет конструкций на возможное падение груза (СНиП 12-04).

Исходные данные для расчетов (высота падения, форма груза, его размеры и масса) определяются при разработке ПОС.

В расчете должно быть определено минимальное число перекрытий, обеспечивающих указанное требование, и его можно выполнить по методике, разработанной в Военно-инженерной академии Министерства обороны России.

Все проемы в перекрытиях должны быть закрыты защитными щитами, рассчитанными так же, как и перекрытия на возможное падение груза.

1.6.12 Для уменьшения размеров опасных зон следует задавать минимальные технологически возможные высоты подъема груза над площадкой складирования и над последним перекрытием (не менее 5 м). На данной высоте следует подводить груз к зданию на минимальное расстояние, разрешаемое правилами Госгортехнадзора, и только затем поднимать его вверх.

Целесообразно задать одну фиксированную точку (зону) подъема груза у глухой стены здания. При наличии проемов они должны быть закрыты временными щитами.

Все выходы в лифтовые шахты должны быть закрыты инвентарными защитными ограждениями.

При производстве работ по бетонированию конструкций лестничных маршей и площадок запрещается находиться на всех нижележащих маршах и площадках, проемы на это время должны быть закрыты.

1.6.13 Размещать административно-бытовые помещения, места отдыха работающих следует вне опасных зон.

1.6.14 Размещать площадки складирования материалов следует в зоне действия грузоподъемных кранов. Крытые склады следует размещать вне опасных зон действия грузоподъемных кранов.

1.6.15 Размещать временные дороги и проходы следует преимущественно вне опасных зон. В местах пересечения временных дорог и проходов с опасными зонами следует устанавливать предупреждающие знаки по ГОСТ Р 12.4.026.

1.6.16 Определять границы действия потенциально опасных факторов от возможного падения предметов со строящегося здания следует по СНиП 12-03.

1.6.17 Выбирать тип освещения строительной площадки следует исходя из условий обеспечения требуемой освещенности территории согласно ГОСТ 12.1.046.

1.6.18 Защита окружающей территории от воздействия опасных факторов выполняется утройством защитных ограждений.

1.6.19 При разработке организационно-технологических схем возведения здания мероприятия по технике безопасности и охране труда должны учитывать: пространственное членение здания или комплекса на участки и захватки; определение очередности возведения здания с указанием технологической последовательности производства работ по захваткам и участкам; разработку характеристик основных методов возведения.

1.6.19.1 Пространственное членение здания или комплекса на участки или захватки рекомендуется выполнять таким образом, чтобы обеспечить безопасные условия выполнения работ. На границах участков (захваток) при выполнении работ грузоподъемными кранами должны быть показаны защитные или сигнальные ограждения, указаны безопасные проходы, определены границы опасных зон.

1.6.19.2 Определение очередности возведения зданий (здания) следует выполнять с учетом безопасной работы грузоподъемных кранов.

Технологическую последовательность производства работ на захватках и участках следует предусматривать таким образом, чтобы на совместных границах участков не производились одновременно работы, связанные с монтажом или подачей грузов кранами; под захватками, где осуществляется работа, связанная с подачей груза кранами, не должны выполняться другие работы; при необходимости эти работы должны выполняться в другую смену.

1.6.19.3 При разработке характеристик основных методов возведения объектов и решении основных технологических задач следует в обязательном порядке проверять рассматриваемые варианты на возможность их осуществления с соблюдением правил техники безопасности и охраны труда. В первую очередь это относится к безопасной эксплуатации грузоподъемных кранов при выборе схем их расстановки или типа крана; определению границ опасных зон; мероприятиям по уменьшению или исключению опасных зон; выбору технологической оснастки; возможности размещения административно-бытовых помещений в безопасных местах.

1.6.20 В пояснительной записке приводится перечень мероприятий по технике безопасности, разработанных в проекте организации строительства в соответствующих разделах с краткими пояснениями.

1.7 Пояснительная записка

1.7.1 Пояснительная записка должна состоять из следующих разделов:

общая часть;

характеристика условий строительства и организация строительной площадки;

данные о гидрогеологических условиях строительной площадки, района застройки;

основные методы производства строительно-монтажных работ;

порядок разработки мероприятий по охране труда и технике безопасности;

мероприятия по производству работ в зимнее время;

пожарная и экологическая безопасность;

мероприятия по контролю качества строительно-монтажных работ;

основные машины, оборудование, механизмы для производства строительно-монтажных работ;

потребность в электрической энергии, воде и прочих ресурсах;

потребность в строительных кадрах;

потребность в складских площадках, закрытых складах, во временных зданиях и сооружениях;

потребность в основных строительных материалах и конструкциях;

перечень специальных вспомогательных сооружений, приспособлений, устройств и установок, а также сложных временных сооружений и сетей;

требования к рабочим чертежам, связанные с принятыми методами производства работ;

технико-экономические показатели;

комплексный укрупненный сетевой график;

указания об очередности и сроках проведения необходимых исследовательских работ, испытаний и наблюдений;

особенности построения геодезической основы и методы геодезического контроля;

особенности организации связи.

1.7.2 В общей части следует указывать основание разработки и перечень использован-

ных основных нормативных документов (СНиП, СП; ТСН; ВСН; МГСН и др.) и руководящих документов органов надзора, например «Правила производства работ», «Правила пожарной безопасности в Российской Федерации» и другие.

1.7.3 В характеристике условий строительства следует указывать наличие и состояние проездов, рельеф местности, состояние инженерной инфраструктуры, особенности прилегающих районов застройки.

Рекомендуется приводить основные характеристики близлежащих зданий. Особо необходимо указывать наличие вблизи места строительства ветхих строений или зданий, где необходимо провести техническое освидетельствование до начала строительства и проводить периодический мониторинг их состояния.

1.7.4 В данные о гидрогеологических условиях строительства следует включать сведения о характеристиках грунтов, послойно на требуемую глубину для котлованов или стены в грунте, отметки уровня грунтовых вод, скорости фильтрации, возможных притоках грунтовых вод.

1.7.5 Основные методы производства строительно-монтажных работ следует формулировать таким образом, чтобы эти описания совместно с организационно-технологическими схемами позволяли получить четкое представление о возможности реализации проекта.

1.7.6 Мероприятия по охране труда и технике безопасности рекомендуется разрабатывать с учетом СНиП 12-03, СНиП 12-04 и СП 12-136 и они могут включать:

определение опасных зон, связанных с работой машин и механизмов вблизи линий электропередачи, подземных кабелей, химических установок и т.д.; обозначение опасных зон на стройгенплане;

разработку мероприятий по уменьшению или ликвидации опасных зон;

расчет конструкций на возможное падение фузов;

предложения по выселению фаждан (арендаторов) из зданий, попадающих в опасную зону; по закрытию проездов и пешеходных дорожек;

разработку рабочих чертежей защитных укрытий в тех местах, где невозможно исключить появление людей в опасных зонах работы грузоподъемных кранов;

определение положения проходов и проездов к зданию;

определение положения административно-бытовых инвентарных зданий, размещаемых вне опасных зон работы фузоподъемных кранов;

требования к конструкциям с точки здания их безопасного возведения (наличие петель, отверстий, мест крепления монтажной оснастки).

1.7.7 Мероприятия по производству работ в зимнее время (при необходимости) могут предусматривать: обеспечение стройплощадки водой; особенности разработки котлованов в зимнее время; предотвращение промерзания грунта; условия хранения грунта для обратных засыпок; мероприятия по обеспечению стройплощадки теплом; способ зимнего бетонирования и каменной кладки.

1.7.8 Пожарная и экологическая безопасность отражаются в пояснительной записке в следующем виде.

1.7.8.1 Пожарная безопасность. Необходимо выполнить расчеты по определению потребности в воде для пожаротушения; определить размещение пожарных гидрантов, щитов с противопожарным оборудованием, ящиков с песком; указать размещение проездов, въездов и выездов с площадки.

1.7.8.2 Экологическая безопасность. Разработку раздела выполнять в соответствии с «Рекомендациями по разработке решений по экологической безопасности строительства в составе ПОС и ППР», (М.,ОАО ПКТИпромстрой, 2002). При этом следует отражать следующие разделы: снятие и хранение верхнего плодородного слоя грунта; защита зеленых насаждений; использование малошумных приспособлений; мероприятия по уборке мусора и отходов; установки по мытью колес автотранспорта; порядок ухода за техникой и обеспечение предотвращения попадания смазочных средств и масел в грунтовые воды.

1.7.9 В разделе «Основные машины, оборудование, механизмы для производства строительно-монтажных работ» обосновывается выбор средств механизации. Результаты выбора сводятся в таблицу, в которой указывают марки машин и их основные технические характеристики. Особое внимание следует обратить на грузоподъемные машины. Предпочтение следует отдавать тем кранам, характеристики которых обеспечивают безопасную работу в комплекте с другими кранами (имеют бортовой компьютер, профаммы СОЗР) и они находятся в начальной стадии эксплуатационного цикла.

1.7.10 Мероприятия по контролю качества строительных работ могут содержать: требования автора проекта к точности монтажа (устройства) отдельных конструкций и здания в целом; порядок приемки ответственных конструкций; рекомендуемый перечень актов на скрытые работы; порядок сдачи-приемки отдельных видов работ от одного исполнителя другому.

1.7.11 Потребность в электрической энергии, воде, ливневой и хозяйственной канализации, тепле и других ресурсах определяется соответствующими расчетами.

Потребность на строительной площадке в электроэнергии, топливе, воде, сжатом воздухе, кислороде и других ресурсах в проектах организации строительства следует определять по физическим объемам работ и расчетным формулам.

В городском строительстве обеспечение строительных площадок электроэнергией, водой, теплом осуществляется, как правило, за счет использования существующих городских систем.

Последовательность расчета электроснабжения строительной площадки включает: определение потребителей электроэнергии, выбор источников получения электроэнергии и расчет их мощности, составление рабочей схемы электроснабжения строительной площадки.

Последовательность расчета водоснабжения строительной площадки включает: определение потребителей и расхода воды, выбор источников водоснабжения, проектирование (при необходимости) водозаборных и очистных сооружений, составление рабочей схемы водоснабжения строительной площадки. При этом должны соблюдаться требования ГОСТ 2761 для питьевой воды и ГОСТ 23732 - для технической.

Теплоснабжение предназначено для отопления мобильных (инвентарных) зданий и используемых для нужд строительства постоянных зданий и обеспечения технологических процессов, связанных с подогревом материалов в зимних условиях и сушкой зданий.

Последовательность расчета теплоснабжения строительной площадки включает: определение потребителей и расчет потребности в тепле, выбор теплоносителя, выбор источника теплоснабжения, составление рабочей схемы теплоснабжения строительной площадки.

Для сушки помещений и обогрева материалов могут быть использованы также воздухонагреватели различных типов и мощностей.

Газоснабжение предназначено для обеспечения работы пневматического оборудования и инструмента. В качестве газоносителя используется сжатый воздух.

Последовательность расчета обеспечения строительной площадки сжатым воздухом включает: определение потребителей и их суммарной мощности, выбор поставщиков ресурса и составление схемы подачи сжатого воздуха.

Для удовлетворения нужд строительной площадки применяются передвижные компрессорные станции с производительностью 5-10 м3/мин и станции, размещаемые в сборно-разборных зданиях, производительностью 5-40 м3/мин.

1.7.12 Потребность в строительных кадрах определяется соответствующими расчетами.

При наличии сметы и данных о выработке на одного рабочего потребность в рабочих кадрах определяют делением объема строительно-монтажных работ на выработку.

При отсутствии сметы к моменту составления проекта организации строительства подсчет численности рабочих производится на основе разработанных организационно-технологических схем возведения здания. Затем определяют необходимые машины и механизмы, составляют перечень звеньев по профессиям рабочих, комплектуют бригады рабочих и определяют общую численность работающих на здании или комплексе (микрорайоне).

1.7.13 Потребность в складских площадках, навесах, закрытых складах, во временных зданиях и сооружениях определяется расчетами, в том числе с использованием данных, приведенных в работе ЦНИИОМТП «Расчетные нормативы для составления проектов организации строительства. Часть 1» (М.: Стройиздат, 1973).

1.7.13.1 Мобильные здания и их комплексы. Мобильные здания и их комплексы, применяемые при организации строительных площадок, представляют собой здания комплексной заводской поставки, конструкции которых обеспечивают возможность их передислокации. Мобильные здания имеют различные объемно-планировочные, конструктивные и функционально-технологические решения и в зависимости от их особенностей классифицируются по типу и функциональному назначению.

По типу мобильные (инвентарные) здания подразделяются на контейнерные и сборно-разборные. Контейнерное здание состоит из одного блок-контейнера полной заводской готовности, который можно передислоцировать на любых пригодных транспортных средствах, в том числе на собственной ходовой части. Сборно-разборное здание состоит из отдельных блок-контейнеров, плоских и линейных элементов или их сочетаний, соединяемых в конструктивную систему на строительной площадке.

По функциональному назначению мобильные здания подразделяются на производственные, складские, вспомогательные, жилые и общественные. В городском строительстве применяются производственные, складские и вспомогательные здания.

При организации строительных площадок мобильные (инвентарные) здания размещаются в виде комплексов. Характерной особенностью комплексов является их компактность, позволяющая сократить протяженность инженерных сетей и размеры временно отводимой для них территории.

Последовательность определения потребности в мобильных зданиях и формирования комплексов включает следующие этапы - установление функциональных групп зданий и их номенклатуры, расчет мощности (вместимости) зданий по периодам строительства, определение параметров использования постоянных зданий для нужд строительства, выбор типов и конструктивных вариантов зданий, определение параметров комплекса мобильных зданий.

Выбор функциональных групп и номенклатуры мобильных зданий осуществляется согласно ГОСТ 25957 с учетом технологической специфики работ и вида потребляемых ресурсов.

Расчет вместимости мобильных зданий следует выполнять для каждой группы зданий.

1.7.14 Технико-экономические показатели, входящие в состав пояснительной записки, могут включать следующие данные: общую продолжительность строительства, в том числе подготовительного периода и периода монтажа оборудования; максимальную численность работающих; затраты труда на выполнение строительно-монтажных работ.

1.7.15 Комплексный укрупненный сетевой график разрабатывают для отражения взаимосвязи между всеми участниками строительства, в нем определяют продолжительность основных этапов подготовки рабочей документации и строительства объекта, состав и сроки выполнения работ подготовительного периода, очередность строительства отдельных зданий и сооружений в составе пускового или градостроительного комплекса, сроки поставки технологического оборудования.

1.7.16 Указания об очередности и сроках проведения необходимых исследовательских работ, испытаний и режимных наблюдений предназначены для разработки новой техники (например, самоподъемной опалубки), обеспечения качества и надежности возводимых конструкций, зданий и сооружений, а также наблюдения за осадками и креном (наклоном) возводимого здания и деформациями и осадками близлежащих зданий.

1.7.17 Указания об особенностях построения геодезической разбивочной основы и методах геодезического контроля в процессе строительства, а также иного инструментального контроля качества и надежности возводимых конструкций, зданий и сооружений разрабатывают с целью своевременного обнаружения возможных отклонений и контроля качества строительства в процессе производства работ.

1.7.18 Особенности организации связи позволят улучшить связь между исполнителями проекта с использованием современных средств связи. Возможно создание системы оперативно-диспетчерского управления.

1.7.18 Заказчику могут передаваться только результаты расчетов, сведенные в итоговые таблицы.

2 Рекомендации по разработке проекта производства работ

2.1 Общие положения

2.1.1 Проект производства работ (ППР) на строительство многофункционального высотного здания и комплекса составляется подрядной организацией, осуществляющей строительство, или специализированной проектной организацией при наличии сертификата соответствия, полученного в добровольных системах сертификации, допуска на проектирование ИГАСН и согласовывается заказчиком.

2.1.2 Состав документов, включаемых в ППР на возведение многофункционального высотного здания или комплекса, устанавливается на основе СНиП 12-01, МГСН, постановлений и законов Москвы.

2.1.3 Рекомендуется следующий состав проекта производства работ:

календарный план производства работ (комплексный сетевой график);

строительные генеральные планы для подготовительного и основного периодов строительства;

графики потребности в материалах;

график потребности в рабочих кадрах и основных строительных машинах;

технологические карты;

мероприятия по технике безопасности;

решения по производству геодезических работ;

решения по прокладке временных сетей;

пояснительная записка.

2.1.4 Строительство высотных зданий без проекта производства работ не допускается.

2.2 Календарный план производства работ

2.2.1 Календарное планирование производства работ предусматривает разработку:

комплексного сетевого графика на возведение объекта или его части, в котором определяются последовательность и сроки выполнения работ с максимально возможным их совмещением, а также нормативное время работы строительных машин, определяется потребность в трудовых ресурсах и средствах механизации, выделяются этапы и комплексы работ, поручаемые отдельным исполнителям, и определяется их численный, профессиональный и квалификационный состав;

календарного плана производства работ на подготовительный период строительства, включая график работ в линейной или циклограммной форме или сетевой график.

Разработка комплексных сетевых графиков осуществляется на основе решений, принятых в проекте организации строительства.

Комплексный сетевой график должен отражать:

последовательность и сроки выполнения строительно-монтажных работ, монтажа оборудования и его испытания;

последовательность и сроки обеспечения работ материально-техническими ресурсами и сроки сдачи в монтаж оборудования, приборов, кабельных изделий; сроки передачи заказчику после окончания индивидуальных испытаний смонтированного оборудования для его комплексного опробования.

Разработку комплексного сетевого графика рекомендуется осуществлять в следующей очередности:

выбираются исходные данные из проекта (в том числе проекта организации строительства) с необходимой детализацией работ; определяют трудоемкость и стоимость производства работ;

разрабатывают исходный сетевой график (сетевая модель), в котором должны быть показаны проектные, подготовительные, основные работы и поставка оборудования с разбивкой по основным этапам, а также сдача в эксплуатацию. На основе исходных данных разрабатывают локальные графики с большей детализацией, а затем производится «сшивка» локальных сетей с общей сетью по опорным точкам исходного графика. После этого производится расчет и анализ сетевого графика.

Заключительным этапом является оптимизация (корректировка) графика; в нижней части графика должно быть показано освоение капитальных вложений и движение рабочих кадров.

2.2.2 Календарный план производства работ по возведению здания предназначен для определения последовательности и сроков выполнения общестроительных, специальных и монтажных работ, осуществляемых при возведении объекта. Эти сроки следует устанавливать в результате рациональной увязки сроков выполнения отдельных видов работ, учета состава и количества основных ресурсов, в первую очередь рабочих бригад и ведущих механизмов, атакже специфических условий строительной площадки и ряда других факторов.

По календарному плану рассчитывают во времени потребность в трудовых и материально-технических ресурсах, а также сроки поставок всех видов оборудования. Эти расчеты выполняются как по объекту в целом, так и по отдельным периодам строительства. На основе календарного плана контролируется ход работ и координируется работа исполнителей.

2.2.3 Исходными данными для разработки календарных планов в составе проекта производства работ служат: календарные планы в составе проекта организации строительства; нормативы продолжительности строительства или директивное задание; рабочие чертежи и сметы; данные об организациях - участниках строительства; условия обеспечения рабочими кадрами - строителями по основным профессиям; данные о производственно-технологической комплектации и перевозке строительных грузов; данные об имеющихся механизмах.

Рекомендуется следующий порядок разработки календарного плана: составляется перечень (номенклатура) работ; в соответствии с номенклатурой по каждому виду работ определяются их объемы; производится выбор методов производства основных работ и ведущих машин; рассчитывается нормативная трудоемкость и затраты кранового времени; определяется состав бригад и звеньев; определяется технологическая последовательность выполнения работ; устанавливается сменность работ; определяется продолжительность работ и их совмещение, корректируется численность исполнителей; сопоставляется расчетная продолжительность с нормативной и вносятся коррективы; на основе выполненного плана разрабатывают графики потребности в ресурсах.

2.2.4 При наличии технологических карт приводится их привязка к местным условиям. Входные данные карт принимаются в качестве расчетных по отдельным комплексам работ календарного плана объекта.

2.2.5 Перечень работ должен быть лаконичным, однородные работы следует объединять; объемы следует определять по рабочим чертежам или сметам; затраты необходимо определять по укрупненным показателям или использовать данные исполнителей.

К моменту составления календарного плана должны быть определены методы производства работ и выбраны машины и механизмы. При составлении графика должны быть предусмотрены условия интенсивной эксплуатации основных машин. Продолжительность механизированных работ должна определяться только по производительности машины. Поэтому вначале устанавливается продолжительность механизированных работ, ритм работы которых определяет все построение графика, а затем рассчитывается продолжительность работ, выполняемых вручную.

Предельную численность рабочих, которые могут работать на захватке, определяют разделением фронта работ на делянки, размер которых должен быть равен сменной производительности звена или одного рабочего.

2.2.6 График производства работ наглядно показывает ход работ во времени, последовательность и увязку работ между собой.

Календарные сроки выполнения отдельных работ устанавливают из условий соблюдения строгой технологической последовательности и учета представления в минимальные сроки фронта работ для выполнения последующих.

Период готовности фронта работ в ряде случаев увеличивается из-за необходимости соблюдения технологических перерывов между двумя последовательными работами. При необходимости технологические перерывы могут быть сокращены применением более интенсивных методов.

2.2.7 Основным методом сокращения сроков строительства объектов должно быть поточно-параллельное и совмещенное выполнение строительно-монтажных работ. Работы, не связанные между собой, должны выполняться параллельно и независимо друг от друга. При наличии технологической связи между работами в пределах общего фронта соответственно смещаются участки их выполнения и работы выполняются совмещенно. При этом необходимо особенно строго соблюдать правила техники безопасности.

2.2.8 Составление графика следует начинать с ведущей работы или процесса, от которого в решающей мере зависит общая продолжительность строительства объекта. Можно при необходимости сократить продолжительность ведущего процесса, увеличивая сменность и число механизмов или численность исполнителей на работах, выполняемых вручную. В зависимости от периода, на который рассчитан график, и сложности объекта может быть несколько ведущих процессов. Сроки остальных процессов привязываются к ведущему.

2.2.9 Календарный план работ, выполняемых в подготовительный период, следует разрабатывать с учетом принятой последовательности строительства и состава работ; учитываются также данные строительного генерального плана, так как в нем устанавливаются номенклатура объектов временного строительства и объемы работ. Методика разработки этого плана и исходные данные аналогичны принятым для календарного плана строительства.

2.2.10 При проектировании производства работ каждого конкретного объекта необходимо учитывать следующие основные факторы: схему несущих конструкций; материал конструкции здания; этажность; протяженность и конфигурацию в плане; заданные сроки строительства; сезонные условия производства работ; сложившийся уровень технологии и организации работ; степень специализации.

Строительство высотного здания целесообразно разбить на четыре цикла: устройство оснований; устройство подземной части здания; возведение надземной части здания; устройство кровли, отделочные работы лестничных клетках, монтаж лифтов.

2.2.10.1 Первый цикл. При наличии в проекте здания «стены в грунте» ведущей работой при устройстве оснований является «стена в грунте», затем устройство свайных фундаментов или монолитной плиты фундамента, бетонируемой единым блоком без разбивки на участки.

2.2.10.2 Второй цикл. При устройстве подземной части здания ведущей работой является бетонирование конструкций подземной части. В зависимости от размеров подземной части здания производится деление всего объема работ на ряд захваток для их поточного выполения.

2.2.10.3 Третий цикл. При возведении надземной части здания ведущей работой является бетонирование несущих конструкций или монтаж металлических конструкций. Для протяженных зданий каждый этаж разбивается на захватки. Для башенных зданий разбивка на захватки не производится. В этом случае необходимо организовать поточное производство работ одновременно на нескольких ярусах здания.

С этой целью возводимое здание разбивается на ярусы по 8-10 этажей в одном ярусе. На верхнем ярусе выполняют работы по бетонированию конструкций, на нижних ярусах - все остальные работы.

Непременным условием разбивки здания на ярусы является проверка на стадии «проект» возможности восприятия верхним перекрытием яруса случайного падения груза с высоты. Если это условие выполняется, то возможна разбивка здания на ярусы.

Производство работ на ярусе начинается с первого этажа яруса и может выполняться в летнее время примерно в следующей последовательности:

устройство перегородок и утепление стен поробетоном. После окончания работ бригада переходит на второй этаж яруса;

прокладка электропроводки и прочих кабельных и слаботочных проводок первого этажа;

оштукатуривание стен и перегородок;

часть сантехнических работ;

подготовка под полы;

первичная отделка помещений;

установка окон (дверей);

отделка помещений, установка электротехнических и сантехнических приборов.

Шаг потока выполняемых работ должен быть кратным шагу потока бетонирования конструкций.

Для обеспечения работы в летнее время верхнее перекрытие яруса должно иметь гидроизоляцию, а для работы в зимнее время ярус должен иметь систему временного теплоснабжения.

2.2.10.4 Четвертый цикл. Монтаж лифтов и кровельные работы выполняют после окончания бетонирования основных конструкций.

2.3 Строительный генеральный план в составе ППР

2.3.1 Строительный генеральный план следует разрабатывать с указанием: границ строительной площадки и видов ее ограждений, действующих и временных подземных, наземных и воздушных сетей и коммуникаций; постоянных и временных дорог; схем движения средств транспорта и механизмов; мест установки знаков и реперов внешней геодезической разбивочной основы; мест установки строительных и грузоподъемных машин с указанием путей их перемещений и зон действия и опасных зон; размещения постоянных, строящихся и временных зданий и сооружений; опасных зон вблизи этих зданий; путей и средств подъема работающих на рабочие ярусы (этажи), а также проходов в здания и сооружения; размещения источников и средств энергоснабжения и освещения строительной площадки с указанием расположения заземляющих контуров; мест расположения устройств для удаления строительного мусора; площадок и помещений складирования материалов и конструкций; площадок укрупнительной сборки конструкций; расположения помещений для санитарно-бытового обслуживания строителей; питьевых установок и мест отдыха; зон повышенной опасности и способов их ограждения; устройств для мытья транспортных средств.

Строительный генеральный план может составляться на различные стадии и этапы возведения (подготовительный период, возведение подземной, надземной частей здания).

2.3.2 Исходными данными для разработки строительного генерального плана служат: решения строительного генерального плана в составе проекта организации строительства; комплексный сетевой график или календарный план производства работ; технологические карты.

2.3.3 Графическая часть строительного генерального плана в составе проекта производства работ выполняется, как правило, в масштабе 1:200 или 1:500 и содержит в основном те же элементы, что и строительный генеральный план в проекте организации строительства.

Строительный генеральный план уточняет принципиальные решения, принятые в проекте организации строительства и, как всякий рабочий чертеж, должен содержать детальные и исчерпывающие данные, необходимые для реализации проектных решений в натуре.

Расчетно-пояснительная записка должна содержать уточненные расчеты и обоснования потребности строительства во временном строительном хозяйстве на основе натуральных (физических) объемов работ, определенных по данным рабочей документации (рабочего проекта), а также конкретные технические решения по выбору строительных машин, механизированных установок, временных зданий, сооружений и др.

2.3.4 При разработке строительного генерального плана в проекте производства работ на основе решений проекта организации строительства проектируют временные здания и сооружения, склады, подъездные пути, энергетические, водопроводные, газовые и другие временные сети от источников питания в соответствии с действующими техническими условиями и нормами, а также размещение строительных машин и механизированных установок и устройство ограждений опасных зон.

На этой стадии производится окончательное размещение всех объектов строительного хозяйства, необходимых для нужд строительства.

2.3.5 Размещение объектов временного строительного хозяйства следует начинать с размещения монтажных и грузоподъемных механизмов, так как их расположением прежде всего определяются все остальные решения строительного генерального плана.

Вопросы, связанные с размещением и привязкой к объекту монтажных кранов и подъемников, а также с определением опасных зон и ограничений в работе строительных машин на строительной площадке, следует рассматривать в каждом конкретном случае, применительно к условиям производства работ с учетом требований их безопасной эксплуатации, на основе технологических карт производства работ. Места установки грузопассажирских лифтов определяют с учетом мест расстановки кранов.

При определении числа грузоподъемных кранов следует рационально распределять массу поднимаемых грузов между кранами (краном) и грузовыми или грузопассажирскими подъемниками.

Грузоподъемный кран при возведении здаий из монолитного бетона должен обеспечивать работу по бетонированию конструкций, подавая опалубку, арматуру. Подачу бетона должны обеспечивать бетононасосы и бетонорас-пределительные стрелы. Подачу остальных грузов на перекрытия должны осуществлять грузовые и грузопассажирские подъемники.

Для уменьшения числа кранов следует использовать самоподъемные или подъемно-переставные опалубки, значительно сокращающие затраты кранового времени.

Установка и перемещение машин вблизи выемок (котлованов, траншей, канав и т.п.) с неукрепленными откосами разрешается только за пределами призмы обрушения грунта.

Строительная площадка во избежание доступа посторонних лиц должна быть ограждена. Конструкция ограждений должна удовлетворять требованиям ГОСТ 23407. Ограждения, примыкающие к местам массового прохода людей, необходимо оборудовать сплошным защитным козырьком.

2.3.6 Размещение приобъектных складов должно производиться с учетом расположения подъездных дорог и подъездов от основных транспортных магистралей к местам приемки и выгрузки материалов. Приобъектные склады сборных элементов, укрупненных конструкций, материалов, полуфабрикатов и др. должны находиться в зоне действия крана.

В открытых складах при складировании изделий, конструкций и полуфабрикатов необходимо предусматривать продольные и поперечные проходы.

2.3.7 Тип и конструкции временных дорог выбирают в зависимости от типа автотранспортных средств и грузонапряженности.

Сеть внутрипостроечных дорог должна быть закольцованной. В зонах действия монтажных кранов дороги следует устраивать с соблюдением требований строительных норм по технике безопасности и с установкой шлагбаумов и предупредительных надписей на въездах в опасные и монтажные зоны.

2.3.8 Временные (в основном, инвентарные) производственные, санитарно-бытовые, административные здания и здания складского назначения должны размещаться таким образом, чтобы обеспечивались безопасные и удобные подходы к ним и максимальная блокировка зданий между собой, что способствует сокращению расходов по подключению зданий к коммуникациям и эксплуатационных затрат. Временные здания необходимо приближать к действующим коммуникациям в следующем порядке: к канализационным, водоснабжению, электроснабжению; телефонизации и радиофикации. Такой порядок уменьшает трудозатраты и сокращает сроки выполнения работ подготовительного периода.

Санитарно-бытовые и административные здания, а также подходы к ним следует распо­лагать вне опасных зон действия строительных машин, механизмов и транспорта.

На строительном генеральном плане должны быть показаны: габариты временных зданий; их привязка в плане; места подключения коммуникаций к зданиям или сооружениям. В экспликации временных зданий и сооружений необходимо указать номер временного здания; размер в плане, объем в натуральных измерителях (м2, м3), марку и конструктивную характеристику.

2.3.9 Проектирование сети временного водоснабжения после определения потребности в воде следует начинать с выбора источника. Источниками временного водоснабжения могут быть: существующие или проектируемые водопроводы с устройством в необходимых случаях дополнительных временных сооружений; самостоятельные временные источники водоснабжения в виде артезианских скважин.

Пожарные резервуары следует устраивать на площадках в тех случаях, когда водопровод не обеспечивает расчетное количество воды на пожаротушение.

2.3.10 Работы по устройству временной канализационной сети требуют значительных затрат труда и в связи с этим она устраивается при необходимом обосновании. Для отвода ливневых и условно чистых производственных вод в грунте устраиваются открытые водостоки. На строительной площадке, имеющей хозяйственную канализационную сеть, следует применять инвентарные санузлы передвижного или контейнерного типов, располагая их вблизи канализационных колодцев. К такому санузлу следует подводить временный водопровод и устраивать электрическое освещение. Если на строительной площадке хозяйственная канализационная сеть отсутствует, то санузлы следует устраивать в виде биотуалетов. Биотуалеты на перекрытиях возводимого здания устанавливают при соблюдении требований СНиП 12-03.

Биотуалет на монтажном горизонте должен переставляться каждый раз в зону, над которой не производится транспортирование грузов кранами (вне опасной зоны).

2.3.11 Проектирование сети временного электроснабжения следует выполнять в два этапа. Прежде всего находится оптимальная точка размещения источника, совпадающая с центром электрических нагрузок, а затем производится трассировка сети электроснабжения. Оптимальное размещение источника позволяет сократить протяженность сетей, массу проводов, их стоимость и потери в электрической сети. Питание осветительных и силовых токоприемников осуществляется от общих магистральных сетей.

2.3.12 Разработку строительных генеральных планов рекомендуется выполнять на основе сопоставления различных их вариантов для достижения наиболее рационального состава и расположения всех элементов строительного хозяйства, при которых обеспечиваются минимальные транспортные расходы и затраты на временные здания, инженерное оборудование строительной площадки, устройство инженерных сетей, постоянных и временных дорог при соблюдении действующих норм проектирования и законов Москвы.

Значительная продолжительность возведения временных зданий и сооружений в подготовительном периоде во многих случаях является основной причиной увеличения сроков строительства, что отрицательно сказывается на себестоимости работ и эффективности капитальных вложений в целом. Сокращение затрат на временные здания и сооружения возможно как за счет максимального использования постоянных объектов (существующих и проектируемых, возводимых в первую очередь) для нужд строительства, так и за счет внедрения прогрессивных инвентарных зданий заводского производства. Снижение затрат на временные сооружения достигается также правильным выбором объемно-конструктивного решения (типа) инвентарного здания в соответствии со сроком его нахождения на объекте (см. Альбом унифицированных решений временных зданий и сооружений для обустройства строительных площадок. - М.: ПКТИпромстрой, 2002).

2.4 Технологические карты (технологические регламенты) на производство работ

2.4.1 Технологические карты (технологические регламенты) должны быть составной частью организационно-технологической документации, регламентирующей правила выполнения технологических процессов, выбор средств технологического обеспечения, строительных машин и оборудования, необходимых материально-технических ресурсов, требования к качеству и приемке работ, а также мероприятия по охране труда, технике безопасности, охране окружающей среды и пожарной безопасности.

Технологические карты следует разрабатывать для обеспечения строительства рациональными решениями по технологии, организации и механизации отдельных видов работ с учетом соблюдения требований качества, безопасности производства работ и эксплуатации, охраны окружающей среды и пожарной безопасности.

2.4.2 Технологические карты следует использовать в составе проектов производства работ: на возведение здания, сооружения или его части (узла); на выполнение отдельных видов работ (бетонных, монтажных, санитарно- технических, отделочных, геодезических и т.п.); на подготовительный период строительства.

2.4.3 Технологические карты могут также использоваться при разработке проектов организации строительства и другой организационно-технологической документации, связанной с подготовкой производства, выполнением строительно-монтажных и специализированных работ.

Для конкретного здания в составе ППР могут привязываться ранее разработанные технологические карты (технологические регламенты) или разрабатываться вновь. В этом случае их следует разрабатывать по рабочим чертежам здания в соответствии с техническими решениями, заложенными при разработке ПОС в организационно-технологических схемах и с использованием передового отечественного и зарубежного опыта, отвечающего современному техническому уровню.

2.4.4 Технологическая карта (технологический регламент) должна состоять из следующих разделов:

1. Область применения.

2. Потребность в ресурсах, в том числе:

перечень машин и оборудования;

перечень технологической оснастки, инструмента, инвентаря и приспособлений;

ведомость потребности в материалах, изделиях и конструкциях.

3. Технология и организация выполнения работ, в том числе:

требования к качеству предшествующих работ;

требования к технологии производства работ;

технологические схемы производства работ;

транспортирование и складирование изделий и материалов;

схемы комплексной механизации.

4. Требования к качеству и приемке работ, в том числе:

требования к качеству поставляемых материалов и изделий;

схемы операционного контроля качества;

перечень технологических процессов, подлежащих контролю.

5. Техника безопасности и охрана труда, экологическая и пожарная безопасность.

6. Технико-экономические показатели, в том числе:

продолжительность выполнения работ;

график производства работ;

трудоемкость и машиноемкость выполнения работ;

калькуляция затрат труда и машинного времени.

2.4.5 В разделе «Область применения» следует приводить: наименование технологического процесса, конструктивного элемента или части здания и сооружения; условия и особенности производства работ, в том числе температурные, влажностные, гидрогеологические и другие; наименование строительных материалов; размеры и массу элементов; характеристику измерителя конечной продукции; рекомендации по применению технологических карт.

2.4.6 В разделе «Технология и организация выполнения работ» следует приводить:

требования к оснащению строительной площадки необходимыми коммуникациями (вода, канализация, электроэнергия и др.);

требования к наличию геоподосновы, в том числе вынесенных в натуру реперов, створных знаков и др.;

требования к качеству предшествующих работ (например, качество устройства основания под фундамент с замерами фактических отклонений);

требования к температуре и влажности поверхностей, подлежащих отделке, устройству полов и т.д.; приборы и инструменты, необходимые для замера требуемых параметров;

требования к технологии производства работ:

краткие рекомендации по производству работ, обеспечивающие создание законченного конструктивного элемента здания и сооружения, с указанием состава, последовательности и способов выполнения технологических процессов;

краткие указания по организации рабочих мест;

технологические схемы производства работ с указанием последовательности выполнения каждого конструктивного элемента и расстановки машин, механизмов и оборудования; схемы организации рабочей зоны строительной площадки с разбивкой на захватки; схемы складирования материалов и конструкций; схемы строповки, выверки, временного и постоянного закрепления конструкций;

требования к транспортированию, складированию и хранению изделий и материалов:

требования к условиям перевозки и таре;

требования к организации площадки складирования и к температурно-влажностному режиму хранения;

схемы комплексной механизации выполнения работ;

рекомендации по составу комплекта машин, увязанных по расчетной производительности.

2.4.7 В разделе «Требования к качеству и приемке работ» следует приводить:

требования к качеству поставляемых материалов и изделий;

перечень инструментов и приспособлений для контроля качества конструкций и материалов;

схемы операционного контроля качества;

указания по контролю и оценке качества работ в соответствии с требованиями действующих ГОСТ, СНиП, ведомственных и местных строительных норм, инструкций заводов-изготовителей, рабочих чертежей;

перечень технологических процессов, подлежащих контролю, с указанием предмета контроля, способа и инструмента контроля, времени проведения контроля, ответственного за контроль, технических критериев оценки качества.

2.4.8 В разделе «Техника безопасности и охрана труда, экологическая и пожарная безопасность» следует приводить:

мероприятия по охране труда и технике безопасности, полученные в результате конкретных проработок;

мероприятия, обеспечивающие устойчивость отдельных конструкций и всего здания как в процессе выполнения работ, так и после их окончания;

схемы с указанием ограждения опасных зон, предупреждающих надписей и знаков, способов освещения рабочих мест;

правила безопасной эксплуатации машин, оборудования и их установки на рабочих местах;

правила безопасной эксплуатации технологической оснастки, приспособлений, захватных устройств с указанием периодичности осмотров;

правила безопасного выполнения сварочных работ и работ, связанных с использованием открытого пламени;

правила безопасной работы при выполнении рабочих процессов;

средства подмащивания и защиты работающих;

указания по применению индивидуальных и коллективных средств защиты при выполнении рабочими и механизаторами технологических процессов в различных климатических условиях и в зимнее время;

экологические требования к производству работ по защите зеленых насаждений, ограничивающие уровень пыли, шума, вредных выбросов;

условия сбора и удаления (переработки) отходов;

условия сохранения окружающей среды (например, требования к оснащению строительной площадки устройствами для мытья колес автомобилей);

правила пожарной безопасности, которые необходимо соблюдать при производстве работ.

2.4.9 В разделе «Потребность в ресурсах» следует приводить:

перечень машин, механизмов и оборудования с указанием их технических характеристик, типов, марок, назначения, количества на звено или бригаду;

перечень технологической оснастки, инструмента, инвентаря и приспособлений с указанием номера ГОСТа, ТУ, марки или организации-разработчика и номера рабочих чертежей, а также технической характеристики, назначения и количества на звено или бригаду;

ведомость потребности в материалах, изделиях и конструкциях для выполнения предусмотренных объемов работ (количество и номенклатура материалов, изделий и конструкций определяются по рабочей документации); расход материалов, необходимых для получения единицы конечной продукции.

2.4.10 В разделе «Технико-экономические показатели» следует приводить:

продолжительность выполнения работ (в сменах);

нормативные затраты труда рабочих (чел.-ч) и машинного времени (маш.-ч);

калькуляцию затрат труда и машинного времени, в которой объемы работ определяют по принятому измерителю конечной продукции. Рабочие процессы приводятся в технологической последовательности. В калькуляцию включают также рабочие процессы, выполняемые при организации и ликвидации рабочих мест: разгрузку и погрузку инвентаря и приспособлений; разгрузку и складирование конструкций и материалов в рабочей зоне; организацию рабочих мест с установкой средств подмащивания; приготовление мастик и растворов; подготовку других вспомогательных и подсобных материалов. По заданию конкретной подрядной организации в калькуляцию может быть включена заработная плата рабочих и машиниста;

график производства работ, который составляется на принятый измеритель конечной продукции с использованием данных калькуляции затрат труда и машинного времени. График составляют на базовый вариант, предусматриваемый технологической картой, исходя из восьмичасового рабочего дня. Составы звеньев принимаются согласно действующим нормативам. По заданию конкретной подрядной организации возможно составление сетевого графика выполнения работ;

технико-экономические показатели технологической карты могут быть дополнены сметным расчетом применительно к конкретным условиям подрядной организации, заработной плате рабочих и механизаторов, затратам на машины, оснастку и строительные материалы.

2.5 Геодезическое обеспечение строительно-монтажных работ

2.5.1 Для стадии производства строительно-монтажных работ проект производства геодезических работ (ППРГ) должен содержать:

необходимые сведения в виде схем по передаче осей и высот к месту производства видов строительно-монтажных работ и монтажу (устройству) коммуникаций и оборудования;

схемы размещения ориентирных знаков для установки опалубок, кладки стен и перегородок; установки анкеров, прогонов и стоек фасадных систем; анкеров подвесных потолков и прочих конструкций;

рекомендуемые геодезические приборы;

рекомендации по численному и квалификационному составу геодезистов, обслуживающих соответствующие работы;

мероприятия по технике безопасности при производстве геодезических работ.

2.5.2 В ППРГ особое место должно уделяться составу и содержанию документации, в которую входят: исполнительные геодезические схемы, чертежи, профили, разрезы; акты геодезических разбивок и готовности работ; журнал геодезического контроля; акты геодезической проверки; полевые журналы.

Исполнительную геодезическую документацию следует подразделять на внутреннюю и приемосдаточную. Внутренняя исполнительная документация составляется на незавершенный строительно-монтажный этап и является одним из оснований для выдачи главным инженером строительной организации разрешения на производство последующих строительно-монтажных работ. К внутренней исполнительной документации относятся: исполнительные схемы разбивки контуров котлованов; акты и исполнительные схемы разбивки промежуточных осей; акты детальной геодезической разбивки на монтажных горизонтах под монтаж яруса, цоколя, этажа; исполнительные схемы нивелировки бетонных подготовок под полы; рабочие схемы по установке маяков и другое.

Внутренняя исполнительная документация может быть составлена и на другие подготовительные работы. Порядок ее оформления устанавливает главный инженер строительно-монтажной организации. Она не предъявляется приемочной комиссии при сдаче объекта в эксплуатацию.

Приемосдаточная исполнительная документация включает в себя: планово-высотные схемы по всем видам инженерных коммуникаций; планово-высотные схемы и акты по готовому котловану, земляному полотну дорог и другим земляным сооружениям; планово-высотные схемы свайных полей; планово-высотные схемы и акты готовых фундаментов (свайных, сборных монолитных и др.); планово-высотные схемы колонн; поэтажные планово-высотные схемы зданий; планово-высотные схемы лифтовых шахт; планово-высотные схемы оборудования здания; планово-высотные схемы и акты готовых дорог; планово-высотные схемы благоустройства.

Геодезическая исполнительная документация должна выполняться в соответствии с ГОСТ Р 51872 и СНиП 3.01.03 и находиться в производственно-техническом отделе строительно-монтажной организации и у заказчика.

2.6 Мероприятия по технике безопасности и охране труда

2.6.1 Состав и содержание мероприятий по технике безопасности в проектах производства работ должны соответствовать требованиям СНиП 12-03, СНиП 12-04, СП 12-136 и иным нормативным правовым актам, утвержденным постановлениями Правительства Российской Федерации и Правительства Москвы.

2.6.2 При разработке календарного плана производства работ необходимо предусматривать такую последовательность выполнения работ, чтобы любая из выполняемых работ не являлась источником производственной опасности для одновременно выполняемых или последующих работ.

Сроки выполнения работ и потребность в трудовых ресурсах следует устанавливать с учетом обеспечения безопасной последовательности выполнения работ и времени на выполнение мероприятий по обеспечению условий безопасного производства работ (временное крепление элементов строительных конструкций в проектном положении, устройство откосов или креплений стен выемок в грунте, установка временных защитных ограждений при выполнении работ на высоте и др.).

2.6.3 На строительном генеральном плане должны быть обозначены опасные зоны вблизи мест перемещения грузов подъемно-транспортным оборудованием, вблизи строящегося здания или сооружения, а также других опасных воздействий.

Границы опасных зон должны устанавливаться согласно требованиям СНиП 12-03, а в необходимых случаях определяться расчетом, который должен приводиться в пояснительной записке.

На строительном генеральном плане вне опасных зон должны быть обозначены места размещения санитарно-бытовых помещений, автомобильных и пешеходных дорог, расположение источников освещения и ограждение территории строительной площадки.

Биотуалеты и помещения для обогрева рабочих на перекрытиях возводимого здания устанавливаются по СНиП 12-03.

Биотуалет и пункт для обогрева рабочих на монтажном горизонте должны переставляться каждый раз в зону, над которой не производится транспортирование грузов кранами (вне опасной зоны).

2.6.4 Освещенность строительной площадки должна проектироваться в соответствии с ГОСТ 12.1.046.

Освещение должно предусматриваться рабочим, охранным и аварийным. Расчет освещенности должен приводиться в пояснительной записке.

2.6.5 При выборе ограждения территории строительной площадки и участков производства работ должны учитываться требования ГОСТ 23407.

2.6.6 В технологических картах или схемах на выполнение отдельных видов работ при определении последовательности и методов выполнения работ необходимо учитывать опасные зоны, возникающие при работе механизмов.

При необходимости выполнения работ в опасных зонах в технологической карте должны предусматриваться мероприятия по защите работающих.

2.6.7 Размещение строительных машин должно быть определено таким образом, чтобы обеспечивалось пространство для обзора рабочей зоны и маневрирования при условии соблюдения расстояния безопасности вблизи неукрепленной выемки, штабелей грузов, оборудования.

Выбор средств механизации должен обеспечивать соответствие технической характеристики машин условиям производства работ.

2.6.8 При организации рабочих мест должны быть решены вопросы их оснащения средствами коллективной защиты, рациональной технологической оснасткой, средствами малой механизации, механизированным инструментом, приспособлениями по обеспечению безопасного производства работ.

При организации рабочих мест на высоте следует предусматривать средства коллективной защиты - ограждающие и улавливающие устройства с обязательным указанием мест их установки.

2.6.9 Основными требованиями, предъявляемыми к ограждениям при возведении надземной части здания, являются: возможность многократного использования, удобство установки и демонтажа; надежность узла крепления ограждения к элементам строительных конструкций.

2.6.10 При использовании средств подмащивания следует применять инвентарные конструкции, отвечающие требованиям нормативно-технической документации.

2.6.11 Способы строповки перемещаемых конструкций должны исключить скольжение перемещаемого груза.

2.6.12 В технологических картах на производство земляных работ следует указать: способы обеспечения устойчивости грунта при устройстве котлованов или траншей; меры безопасности при установке строительных машин, размещении материалов или грунта вдоль бровок траншей и котлованов; решения, обеспечивающие неизменяемость положения и сохранность имеющихся коммуникаций.

2.6.13 Условия, обеспечивающие устойчивость вертикальных стен выемок без креплений, приведены в СНиП 12-04.

При превышении указанных величин, а также при наличии стесненных производственных условий и в грунтах, насыщенных водой, необходимо предусмотреть устройство креплений.

2.6.14 При производстве земляных работ в условиях пересечения действующих коммуникаций необходимо предусмотреть специальные устройства, обеспечивающие неизменяемость положения и сохранность имеющихся коммуникаций.

2.6.15 Возможность размещения строительных материалов и машин вдоль бровок выемок должна устанавливаться путем расчета, прочность крепления выемок определяется с учетом величины и динамичности создаваемой нагрузки.

2.6.16 В технологических картах на производство монтажных работ должны содержаться конкретные указания по предупреждению опасноси падения работающих с высоты, падения конструкций, изделий или материалов при перемещении их краном или при потере устойчивости в процессе монтажа или складирования.

2.6.17 В случае применения предохранительного пояса в технологической карте должны содержаться указания о способе его закрепления. Для удобства работ с применением предохранительного пояса следует применять страховочные канаты или страховочные устройства.

2.6.18 При выборе грузозахватных приспособлений следует предусматривать применение конструкций, имеющих устройства для дистанционной расстроповки грузов и обеспечивающих безопасные условия труда по расстроповке конструкций.

2.6.19 При выборе монтажной оснастки преимуществом должны пользоваться приспособления, позволяющие совместить одновременное выполнение нескольких рабочих операций (например, выверку и временное закрепление конструкций) или повысить безопасность выполняемой операции.

2.6.20 При разработке технологических карт на производство каменных работ должны предусматриваться решения по обеспечению устойчивости возводимых конструкций.

2.6.21 Для предупреждения обрушения кладки и рабочего настила в технологических картах следует указать: предельную высоту свободно стоящих каменных стен; временное крепление возводимых стен высотой выше предельно допустимой; допускаемые нагрузки на рабочий настил и схемы их размещения.

2.6.22 В технологических картах на каменные работы, выполняемые при отрицательных температурах, должны содержаться решения по обеспечению безопасности труда в процессе кладки, выполняемой с применением химических добавок.

2.6.23 Для предупреждения травмирования работающих падающим предметом при выполнении каменных работ в технологических картах необходимо предусматривать устройство защитных настилов.

2.6.24 В технологических картах на отделочные работы должны содержаться конкретные указания по предупреждению воздействия на работающих вредных веществ, а также противопожарные мероприятия при работе с легковоспламеняющимися и горючими материалами.

2.6.25 В пояснительной записке следует указать: расчет опасных зон; выбор типа ограждения территории строительной площадки; расчет освещенности строительный площадки, участков производства работ и рабочих мест, выбор светильников; расчет креплений стен выемок; описание методов и последовательности выполнения работ; перечень грузозахватных приспособлений, монтажной оснастки, инструмента, тары, лестниц, средств защиты работающих; перечень мероприятий по обеспечению безопасности труда в опасных зонах.

2.7 Пояснительная записка

Пояснительная записка должна состоять из следующих разделов:

обоснование решений по производству работ;

расчеты потребностей в ресурсах;

мероприятия по охране труда и технике безопасности;

мероприятия по производству работ в зимнее время;

расчет и порядок привязки мобильных зданий;

мероприятия по обеспечению сохранности материалов и конструкций;

мероприятия по защите действующих зданий и сооружений;

природоохранные мероприятия;

технико-экономические показатели.

Раздел II ТЕХНОЛОГИЯ И ОРГАНИЗАЦИЯ ВОЗВЕДЕНИЯ ОСНОВАНИЙ, ФУНДАМЕНТОВ И ПОДЗЕМНЫХ ЧАСТЕЙ ВЫСОТНЫХ ЗДАНИЙ

1 Общие положения

1.1 Настоящий раздел Рекомендаций разработан с использованием действующих нормативных документов, включая СНиП 2.02.01, СНиП 2.02.03, СНиП 2.06.14, СНиП 3.02.01, СНиП 12-01, СП 50-101, СП 50-102 и регламентирует производство и приемку земляных работ, устройство оснований и фундаментов при строительстве новых многофункциональных высотных зданий и комплексов.

1.2 Рекомендации данного раздела следует соблюдать при проектировании земляных сооружений, оснований и фундаментов, составлении проектов производства работ и организации строительства, а также при их возведении и операционном контроле.

1.3 При производстве земляных работ, устройстве оснований и фундаментов следует соблюдать требования СНиП по организации строительства, геодезическим работам, технике безопасности, правила пожарной безопасности при производстве строительно-монтажных работ.

1.4 Земляные сооружения, основания и фундаменты должны соответствовать проекту.

Примечание. Здесь и далее термином «проект» обозначается проектно-сметная документация, разработанная в соответствии со СНиП 11-01.

1.5 Применяемые при возведении земляных сооружений, устройстве оснований и фундаментов грунты, материалы, изделия и конструкции должны удовлетворять требованиям проектов, соответствующих стандартов и технических условий. Замена предусмотренных проектом грунтов, материалов, изделий и конструкций, входящих в состав возводимого сооружения или его основания, допускается только по согласованию с проектной организацией и заказчиком.

1.6 При производстве работ по возведению фундаментов из монолитного, сборного бетона или железобетона, каменной или кирпичной кладки, на основаниях, подготовленных в соответствии с требованиями настоящих Рекомендаций, следует руководствоваться СНиП 3.03.01, СНиП 3.04.01 и СП 50-101.

1.7 При производстве земляных работ, устройстве оснований и фундаментов следует выполнять входной, операционный и приемочный контроль.

1.8 Приемку земляных работ, оснований и фундаментов следует выполнять с составлением актов освидетельствования скрытых работ. При необходимости в проекте допускается указывать другие виды работ, подлежащие промежуточной приемке с составлением актов освидетельствования скрытых работ.

1.9 В проектах допускается при соответствующем обосновании назначать способы производства работ и технические решения, устанавливать величины предельных отклонений, объемы и методы контроля, отличающиеся от предусмотренных настоящими Рекомендациями.

2 Благоустройство, организация поверхностного стока, водоотвод и водопонижение

2.1 Рекомендации настоящего раздела распространяются на подготовку строительной площадки к производству работ и включают благоустройство, поверхностный водоотвод и водопонижение с применением водоотлива, дренажа, иглофильтровых установок, водопонижающих (дренажных) систем на вновь строящихся или реконструируемых объектах, а также отвод поверхностных вод с территории строительства.

Работы по подготовке строительной площадки к производству работ, включая благоустройство на период строительства, поверхностный водоотвод и водопонижение должны выполняться по проекту (раздел ПОС) и рабочей документации, при разработке которых следует учитывать требования настоящего раздела, а также СНиП 2.02.01, СП 50-101, Временных рекомендаций по проектированию сооружений для очистки поверхностного стока с территорий промышленных предприятий и расчету условий выпуска его в водные объекты.

В проекте подготовки строительной площадки к производству работ следует предусматривать планировку поверхности с учетом рельефа местности проектируемого котлована и организованного сбора поверхностных вод для их отвода и исключения замачивания грунта в призме обрушения котлована. В проекте должно быть определено место сброса вод и решена система их предварительной очистки. Целесообразно использовать дренажные воды после их предварительной очистки и подготовки для технологических нужд (мойки колес, увлажнения грунта при его уплотнении, приготовлении строительных растворов и т.п.).

2.2 До начала работ по водопонижению необходимо в соответствии с СП 13-102 обследовать техническое состояние зданий и сооружений, находящихся в зоне влияния работ, а также уточнить расположение существующих подземных коммуникаций.

В проектах по водопонижению и водоотливу следует в обязательном порядке предусматривать выполнение опытных работ для проверки достигаемых технологических параметров и обеспечения выполнения требований проекта. По результатам опытных работ следует составить акт, внести соответствующие корректировки в проектную документацию, установить контролируемые показатели и методы контроля в процессе реализации проекта.

Эксплуатация водоотливных и водопонижающих установок без выполнения опытных работ, доработки проекта и его реализации не допускается.

2.3 При проектировании проведения водопонижающих работ следует предусматривать меры по предотвращению разуплотнения грунтов в основании высотных комплексов, а также нарушению устойчивости откосов котлована и оснований, сооружений, расположенных в зоне возможного влияния водопонижения, а также организацию мониторинга (наблюдений) за их деформациями.

2.4 При применении водоотлива из котлованов и траншей фильтрующие откосы и дно котлованов глубиной более 5 м, при необходимости, следует пригружать слоем фильтрующего песчано-гравийного материала из изверженных пород, толщина которого назначается в проекте. Глубина разработки грунта в котловане соответственно увеличивается на толщину фильтрующей пригрузки.

Водоотлив в осушенном котловане должен осуществляться с таким условием, чтобы не допустить фильтрацию грунтовых вод через дно котлована и его разуплотнение в течение всего периода выполнения работ нулевого цикла и возведения конструкций здания до уровня, с которого вес конструкций будет превышать возможное гидростатическое давление воды, с учетом максимального подъема уровня грунтовых вод (УГВ).

При расположении дна котлована ниже растного УГВ в проекте должны быть учтены осадки и разуплотнение грунта в основании, особенно когда возможна фильтрация через дно котлована.

Разработка грунта подводным способом в котлованах для строительства высотных комплексов не допускается.

Разработку грунта в котлованах при УГВ выше дна котлована или дна разрабатываемого яруса следует начинать после монтажа, опробования и включения в постоянную эксплуатацию водопонижающей системы или с разработки грунта под зумпфы и проходки траншей вдоль закрепленных бортов котлована с уклоном в сторону зумпфов. Дно траншей должно быть ниже дна котлована или дна разрабатываемого яруса.

Местоположение и глубину зумпфов следует определять в проекте, располагая их по периметру котлована, за пределами плиты основания высотной части здания. Вместимость зумпфов должна обеспечивать приток и накопление воды в объеме не менее пятиминутной работы насоса, а также отстаивание твердых частиц, транспортируемых водой. Расстояние между зумпфами должно определяться из условия соединения их водосборными канавами, заглубленными ниже дна котлована. Канавы следует выполнять с продольным уклоном не менее 0,01, глубиной, обеспечивающей перекрытие депрессионной поверхности, но не менее 0,5 м, шириной, позволяющей выполнять их периодическую очистку, но не менее 0,3 м. Стены зумпфов должны быть закреплены путем установки в них железобетонных колец колодцев соответствующих размеров, позволяющих осуществлять их безопасную очистку. Сверху зумпфы должны быть закрыты решеткой с ячейкой размерами не более 300×300 мм.

При расчете крепления бортов котлована его глубину следует назначать с учетом наличия зумпфов и канав.

При анкерном креплении водонепроницаемых конструкций, ограждающих борта котлованов, и при наличии напорных вод отверстия для устройства анкерного крепления следует оборудовать сальниковыми водоудерживающими устройствами, чтобы через эти отверстия в водонепроницаемой ограждающей конструкции грунтовые воды не могли поступать в котлован.

В каждом зумпфе должно быть установлено два насоса - один рабочий и один резервный, а электроснабжение должно быть обеспечено резервным источником. В процессе эксплуатации водоотливных установок следует вести журнал работы насосов.

При УГВ выше дна котлована во избежание деформации и разуплотнения грунта дна котлована за счет появления фифонов разработка грунта в котловане ниже расчетного УГВ допускается после выполнения комплекса работ по водопонижению до уровня не менее 0,5 м ниже дна котлована.

При наличии ниже УГВ глинистых грунтов, которые будут служить основанием высотного сооружения, следует предусмотреть в проекте и выполнять: разработку грунта ниже подошвы фундаментной плиты на 30 см; отсыпку слоя гранитного щебня или гравия, уплотненного катками; армированную бетонную подготовку толщиной не менее 150 мм из бетона класса по прочности на сжатие не ниже В15.

2.5 При откачке воды из котлована скорость понижения уровня воды в нем устанавливается в проекте водопонижения с учетом фильтрации грунта для предотвращения эрозии, нарушения устойчивости дна и откосов и не должна превышать скорость понижения уровня подземных вод за пределами котлована.

2.6 При устройстве дренажей земляные работы следует начинать со сбросных участков с продвижением в сторону более высоких отметок, а укладку труб и фильтрующих материалов - с водораздельных участков с продвижением в сторону сброса или насосной установки (постоянной или временной) для исключения пропуска по дренажу неосветленных вод.

При устройстве пластовых дренажей недопустимы нарушения в сопряжении щебеночного слоя постели и щебеночной обсыпки труб.

Пластовый дренаж может устраиваться между двух слоев бетонной подготовки. В проекте дренажной системы следует предусматривать возможность ее очистки и опорожнения трубопроводов.

Укладку дренажных труб, устройство смотровых колодцев и монтаж оборудования дренажных насосных станций необходимо производить с соблюдением требований СНиП 3.07.03 и СНиП 3.05.05.

2.7 Бурение водопонижающих скважин и последующая установка в них фильтров выполняются с соблюдением следующих требований:

низ обсадной трубы при бурении скважин с креплением должен опережать уровень разрабатываемого забоя не менее чем на 0,5 м, а подъем бурового инструмента должен производиться со скоростью, исключающей подсасывание грунта через нижний конец обсадной трубы;

при бурении в грунтах, в которых возможно образование пробок, в полости обсадной трубы необходимо поддерживать уровень воды, превышающий уровень подземных вод;

бурение водопонижающих скважин с глинистой промывкой допускается, если предварительно выполнено опытное бурение и установленная эффективность разглинизации отвечает требованиям проекта;

перед опусканием фильтров и извлечением обсадных труб скважины должны быть очищены от бурового шлама; в скважинах, пробуренных в супесях, а также в переслаивающихся водоносных и водоупорных слоях внутренняя полость обсадной трубы должна быть промыта водой; контрольный замер глубины скважины

следует производить непосредственно перед установкой фильтра;

при бурении скважин необходимо отбирать пробы для уточнения границ водоносных слоев и гранулометрического состава грунтов.

2.8 При погружении в грунт гидравлическим способом фильтровой колонны или обсадных труб следует обеспечивать непрерывность подачи воды, а при наличии сильно поглощающих воду грунтов следует дополнительно подавать в забой сжатый воздух.

2.9 Обсыпку фильтров надлежит производить равномерно слоями высотой не более 30-кратной толщины обсыпки. После каждого очередного подъема трубы над ее нижней кромкой должен ставаться слой обсыпки высотой не менее 0,5 м.

2.10 Монтаж насосов в скважинах следует производить после проверки скважин на проходимость шаблоном диаметром, превышающим диаметр насоса.

2.11 После ввода водопонижающей системы в действие откачку следует производить непрерывно. Электропитание насосов должно подключаться от двух независимых фидеров или иметь резервное электроснабжение от приобъектной электростанции (ДЭС).

Насосные афегаты, установленные в резервных скважинах, а также резервные насосы открытых установок должны периодически включаться в работу в целях поддержания их в рабочем состоянии. Кроме того, на объекте должны находиться 1-2 запасных (резервных) насоса на приобъектном складе.

Водопонижающие системы следует оборудовать устройствами автоматического отключения любого афегата при понижении уровня воды в водоприемнике ниже допустимого. В процессе откачки воды должен быть организован контроль количества откачиваемой воды, содержания зафязнений и сопоставление этих данных с проектом для своевременной замены фильтров или корректировки проекта.

2.12 Все постоянные водопонижающие и водоотводящие устройства, используемые в период строительства, при сдаче в постоянную эксплуатацию должны соответствовать требованиям проекта.

2.13 Для эксплуатации водопонижающих систем при отрицательных температурах воздуха следует обеспечить утепление насосного оборудования и коммуникаций, а также предусмотреть возможность их опорожнения при перерывах в работе.

2.14 Перед началом производства земляных работ необходимо обеспечить отвод поверхностных и подземных вод с помощью временных или постоянных устройств, не нарушая при этом сохранности существующих сооружений.

2.15 При отводе поверхностных и подземных вод необходимо:

с верховой стороны выемок для перехвата потока поверхностных вод использовать кавальеры и резервы, устраиваемые сплошным контуром, а также постоянные водосборные и водоотводящие сооружения или временные канавы и обвалования; канавы, в случае необходимости, могут иметь защитные крепления от размыва или фильтрационных утечек;

кавальеры с низовой стороны выемок отсыпать с разрывом, преимущественно в пониженных местах, но не реже чем через каждые 50 м; ширина разрывов по низу должна быть не менее 3 м;

грунт из нагорных и водоотводящих канав, устраиваемых на косогорах, укладывать в виде призмы вдоль канав с низовой их стороы;

при расположении нагорных и водоотводящих канав в непосредственной близости от линейных выемок между выемкой и канавой выполнять банкет с уклоном его поверхности 0,02-0,04 в сторону нагорной канавы.

2.16 При пересечении откосом котлована водоупорных грунтов, залегающих под водоносным слоем, на кровле водоупора следует делать берму с канавой для отвода воды (если в проекте не предусмотрен на этом уровне дренаж).

2.17 При отводе подземных и поверхностных вод следует исключать подтопление сооружений, образование оползней, размыв грунта, заболачивание местности.

2.18 Демонтаж водопонизительных установок следует начинать с нижнего яруса после завершения работ по обратной засыпке котлованов и траншей или непосредственно перед их затоплением.

2.19 При производстве работ по водопонижению, организации поверхностного стока и водоотводу состав контролируемых показателей, предельные отклонения, объем и методы контроля должны соответствовать показателям, приведенным в табл. 1.

Таблица 1

№ п.п.

Технические требования

Предельные отклонения

Контроль (метод и объем)

1

Отклонение от вертикали при бурении водопонижающих скважин под установку глубинных насосов с трансмиссионным валом

Не более 0,5 % Н (Н- глубина скважины на уровне замера)

Измерительный, каждая скважина

2

Контрольное давление воды при проверке герметичности системы трубопроводов

Выше расчетного значения на 50 % и более

То же, каждая система

3

Уклон трубопроводов:

Не менее:

То же, 1/3 всех трубопроводов

 

иглофильтровых установок

0,005 от насоса

 

всасывающих напорных

0,001 от насоса

 

распределительных водосборных

0,005 в сторону циркуляционного бака

4

Фильтры водопонижающих скважин

Не допускаются обрывы нитей, неплотные стыки, трещины и др.

Визуальный, каждый элемент

5

Отклонение продольного уклона водоотводных канав от проектного значения

Не более ±0,0005

Измерительный. Нивелирование трассы на участках между поворотами, примыканиями, но не менее чем через 50 м

6

Концентрация химических веществ и взвесей в воде, сбрасываемой в естественные водотоки и водоемы

Не более предельно допустимых концентраций, установленных СанПиН 2.1.5.980

Лабораторные исследования при вводе в эксплуатацию, далее не реже двух раз в месяц

7

Контроль работы водопонижающих установок

По данным заводского паспорта на оборудование

Измерительный по показаниям приборов, ежесменно

8

Содержание в фильтрационной воде взвесей для определения степени эрозии в грунте

Не должно превышать величин, установленных в проекте

Лабораторные исследования при пуске системы водопонижения, затем не реже двух раз в месяц. Визуальные наблюдения за цветом и мутностью воды - ежедневно

9

Контроль статического и динамического положения уровней воды

Согласно проекту

То же, ежедневно

10

Контроль состояния устойчивости откосов и плотности дна котлованов (траншей) за вымыванием грунта и степенью эрозии основания и грунта откосов

Не допускаются сосредоточенная фильтрация, вынос грунта и оплывание откосов, подъем воды выше дна котлована

Визуальные наблюдения, ежедневно

11

Контроль за осадками зданий и сооружений, контроль за развитием (раскрытием) старых трещин

Осадки не должны превышать величин, установленных в СНиП 2.02.01, МГСН 2.07

Нивелирование по маркам, установленным на здании или сооружении

3 Разработка выемок, снос существующих зданий и сооружений, вертикальная планировка

3.1 Размеры выемок, принимаемые в проекте, должны обеспечивать размещение конструкций и производство работ по устройству свайного основания, железобетонной плиты и стен подземной части комплекса, устройству изоляции, водопонижению и водоотливу и других работ, выполняемых в выемке. Размеры выемок по дну в натуре должны быть не менее установленных проектом.

При разработке грунта следует обращать внимание на соответствие фактических гидрогеологических условий условиям, учтенным в рабочей документации. В случае несоответствия следует приостановить работы и вызвать представителя проектной организации.

3.2 При устройстве котлованов глубиной более 5 м, а в условиях плотной застройки котлованов глубиной более 2 м, следует в проекте предусматривать временное крепление бортов котлована. Крепление вертикальных стенок в грунтах естественной влажности в котлованах глубиной до 3 м допускается выполнять по типовым проектам, при их отсутствии и большей глубине, а также сложных гидрогеологических условиях крепление должно быть выполнено по специальному (индивидуальному) проекту.

3.3 Вид крепления следует выбирать исходя из гидрогеологических условий строительной площадки, нагрузок на бровке котлована и в зоне призмы обрушения, состояния окружающей застройки и наличия подземных коммуникаций.

3.4 При устройстве глубоких котлованов в грунтах с высокими фильтрационными свойствами или в неустойчивых водонасыщенных грунтах, когда уровень грунтовых вод выше дна котлована и водопонижение может нанести ущерб окружающей застройке, следует предусматривать водонепроницаемое ограждение котлована в виде следующих конструкций: стена в грунте; буросекущиеся сваи; шпунт типа Ларсен; конструкции, изготовленные по технологии «Джет граудинг».

3.5 При незначительном водопоступлении в котлован из грунтов, формирующих его борта, допускается применять конструкции ограждения котлована из труб, в том числе повторного использования из двутавров и другого проката, погружаемых в лидерные скважины. Забирка должна выполняться по мере разработки грунта в котловане. Материалом забирки могут быть шпунтованные доски, набрызг-бетон, металлические листы, стальной прокат и т.п.

3.6 В сухих грунтах ограждение может выполняться из дискретно установленных по периметру котлована свай, труб, балок и т.п. элементов. Забирку выполняют из материалов, препятствующих высыпанию грунта из бортов котлована.

3.7 В глубоких котлованах ограждающие конструкции следует раскреплять подкосами, распорками, раскосами, грунтовыми анкерами, контрфорсами и дисками перекрытий. Крепление бортов котлованов более детально (подробно) изложено в соответствующих разделах.

При разработке грунта в котловане с закрепленными бортами следует обеспечивать сохранность элементов крепления от повреждения в процессе работ.

При разработке грунта в глубоких котлованах несколькими ярусами разработка грунта ниже расположенного яруса допускается после сдачи-приемки раскрепляющих конструкций в ранее разработанном ярусе.

Грунт вышерасположенного яруса следует разрабатывать до отметки дна промежуточного котлована, с которого выполняется устройство раскрепляющих конструкций. Дно промежуточного котлована должно иметь уклон не менее 1:10 в направлении его центра для отвода атмосферных, паводковых и грунтовых вод от бортов котлована.

Темп разработки грунта и устройства забир-ки определяют проектом из условия недопущения вывалов грунта далее оси ограждающей конструкции котлована. При вскрытии неустойчивых грунтов в закрепляемых бортах котлована следует разрабатывать грунт слоями, позволяющими делать забирку, не допуская смещения или перемещения грунта в котлован. При вскрытии неустойчивых водонасыщенных грунтов в закрепляемых бортах котлована для исключения выноса вместе с водой твердых частиц грунта следует делать забирку, опережающую разработку грунта, путем вдавливания в грунт стальных профилей или листов. Дисперсные водонасыщенные грунты допускается укреплять путем опережающей цементации или химического закрепления. К началу разработки грунта закрепляющий состав должен сцементировать частицы грунта. Минимальное время технологического перерыва между закреплением и разработкой грунта должно быть определено проектом.

3.8 При необходимости обеспечения передвижения людей в пазухе расстояние между поверхностью откоса или наиболее выступающим элементом крепления борта котлована и боковой поверхностью возводимого в выемке сооружения с учетом толщины опалубки (кроме искусственных оснований трубопроводов, коллекторов и т.п.) должно быть в свету не менее 0,6 м.

3.9 В котлованах, траншеях и профильных выемках разработку элювиальных грунтов, меняющих свои свойства под влиянием атмосферных воздействий, следует осуществлять, оставляя защитный слой, величина которого и допустимая продолжительность контакта вскрытого основания с атмосферой устанавливаются проектом. Защитный слой удаляется непосредственно перед началом возведения сооружения.

3.10 В глубоких котлованах для уменьшения разуплотнения грунта в основании здания и неравномерного подъема дна котлована в результате разработки грунта следует оставлять в качестве пригрузки слой грунта не менее 0,1 глубины котлована на время до окончания возведения части здания, масса которой сопоставима с массой вывезенного из котлована грунта.

С этой промежуточной отметки следует делать свайное основание, а затем (после изготовления свайного основания, препятствующего развитию разуплотнения основания) разрабатывается грунт до проектной отметки и возводятся подземные конструкции здания.

3.11 Выемки в грунтах, кроме валунных и скальных, следует разрабатывать, как правило, до проектной отметки с сохранением природного сложения грунтов основания. Допускается разработка выемок в два этапа: черновая с отклонениями, приведенными в поз. 1 - 4 табл. 4 и окончательная (непосредственно перед возведением конструкции) - с отклонениями, приведенными в поз. 5 той же таблицы.

3.12 Доработку недоборов до проектной отметки следует производить с сохранением природного сложения грунтов оснований.

3.13 Восполнение переборов в местах устройства фундаментов и восстановление оснований, нарушенных в результате промерзания и затопления, должны быть согласованы с проектной организацией и выполнены тощим бетоном.

3.14 При устройстве котлованов и других временных выемок, если позволяет окружающая застройка, разработку грунта допускается выполнять без крепления. В грунтах, находящихся выше уровня подземных вод (с учетом капиллярного поднятия), в том числе в грунтах, осушенных с помощью искусственного водопонижения, наибольшая крутизна откосов при глубине котлована до 5 м не должна превышать величин, установленных СНиП 12-04 (табл. 2).

Таблица 2

Наибольшая допустимая крутизна откосов котлованов и траншей в грунтах етественной влажности

Грунт

При глубине выемки, м, до

1,5

3

5

Угод между направлением откоса и горизонталью, град.

Отношение высоты откоса к его заложению

Угод между направлением откоса и горизонталью, град.

Отношение высоты откоса к его заложению

Угод между направлением откоса и горизонталью, град.

Отношение высоты откоса к его заложению

Насыпной, естественной влажности

76

1:0,67

45

1:1

38

1:1,25

Песчаный и гравийный, влажный (насыщенный)

63

1:0,5

45

1:1

45

1:1

Глинистый:

 

 

 

 

 

 

супесь

76

1:0,25

56

1:0,67

50

1:0,85

суглинок

90

1:0

63

1:0,5

53

1:0,75

глина

90

1:0

76

1:0,25

63

1:0,5

Лессовидный сухой

90

1:0

63

1:0,5

63

1:0,5

Примечания

1 При глубине выемки свыше 5 м крутизна откоса устанавливается по расчету.

2 При напластовании грунтов нескольких разновидностей крутизну откосов следует назначать по грунту наименее устойчивой разновидности от обрушения откоса.

3 К неслежавшимся насыпным относятся грунты с давностью отсыпки:

до двух лет - для песчаных грунтов;

до пяти лет - для пылевато-глинистых грунтов.

3.15 При высоте откосов более 5 м их крутизну в однородных немерзлых грунтах для временных выемок следует определять по СНиП 3.02.01, но не круче указанных в СНиП 12-04. Для выемок глубиной 5 м во всех грунтах (включая скальные) - не более 80°. Крутизна откосов выемок, разрабатываемых в скальных грунтах с применением взрывных работ, должна быть установлена проектом. При производстве взрывных работ следует соблюдать требования ПБ 13-407.

3.16 При наличии в период производства работ подземных вод в пределах выемок или вблизи их дна мокрыми следует считать не только грунты, расположенные ниже уровня грунтовых вод, но и грунты, расположенные выше этого уровня на величину капиллярного поднятия, которую следует принимать:

0,3 м - для крупных, средней крупности и мелких песков;

0,5 м - для пылеватых песков и супесей;

1,0 м - для суглинков и глин.

3.17 Максимальную глубину выемок с вертикальными незакрепленными стенками следует принимать не более:

1 м - в пыльных, песчаных и крупнообломочных грунтах;

1,25 м - в супесях;

1,5 м - в суглинках и глинах.

В радиусе 15 м от существующих зданий и сооружений отрывка котлованов глубиной более 2 м без их крепления не допускается.

3.18 Наибольшую высоту вертикальных стенок выемок в сезонно-мерзлых грунтах, кроме сыпучемерзлых, при среднесуточной температуре воздуха ниже минус 2 °С допускается увеличивать на величину глубины промерзания грунта, но не более чем до 2 м.

3.19 В проекте должна быть установлена и обоснована необходимость устройства котлованов и других временных выемок без временного крепления в зависимости от глубины выемки, вида и состояния грунта, гидрогеологических условий, величины и характера временных нагрузок на бровке, наличия и состояния окружающей застройки, подземных коммуникаций и других местных условий.

3.20 Число и размеры уступов и местных углублений в пределах выемки должны быть минимальными и обеспечивать механизированную зачистку основания и технологичность возведения сооружения. Для котлованов под жилые дома число уступов и местных углублений в скальных грунтах не должно превышать трех, в прочих грунтах - пяти. При разработке котлована уступами отношение высоты уступа к его длине устанавливается проектом, но должно быть не менее 1:2 - в глинистых грунтах, 1:3 - в песчаных грунтах.

3.21 При необходимости разработки выемок в непосредственной близости и ниже подошвы фундаментов существующих зданий и сооружений проектом должны быть предусмотрены технические решения по обеспечению их сохранности.

3.22 Места наложения разрабатываемых выемок или отсыпаемых насыпей, включая резервирование грунта для обратных засыпок, наохранные зоны существующих подземных и воздушных коммуникаций, а также подземных сооружений должны быть обозначены в проекте с указанием величины охранной зоны.

3.23 В случае обнаружения не указанных в проекте коммуникаций, подземных сооружений или обозначающих их знаков земляные работы должны быть приостановлены, на место работы вызваны представители заказчика и организаций, эксплуатирующих обнаруженые коммуникации, и приняты меры по предохранению обнаруженных подземных устройств от повреждения. При невозможности установления эксплуатирующих организаций следует вызвать представителей местной администрации.

3.24 В случае обнаружения исторических предметов, стен, фундаментов земляные работы следует приостановить, на место работы следует вызвать представителей заказчика и местной администрации.

3.25 Разработка выемок, устройство насыпей и вскрытие подземных коммуникаций в пределах охранных зон допускаются при наличии письменного разрешения эксплуатирующих организаций.

3.26 При разработке выемок и креплении котлованов вблизи действующих коммуникаций, не защищенных от механических повреждений, разработка грунта землеройными машинами разрешается на следующих минимальных расстояниях:

для подземных и воздушных линий связи и электроснабжения, магистральных трубопроводов и других коммуникаций, для которых существуют правила охраны, в соответствии с правилами производства земляных и строительных работ, прокладки и переустройства инженерных сетей и коммуникаций в Москве;

для стальных сварных, керамических, чугунных и асбестоцементных трубопроводов, каналов и коллекторов, при отсутствии в них избыточного давления, при использовании гидравлических экскаваторов - 0,5 м от наружной (боковой) поверхности и 0,5 м над верхом коммуникаций с предварительным их обнаружением с точностью до 0,25 м;

для прочих подземных коммуникаций и средств механизации, а также для валунных и глыбовых грунтов независимо от вида коммуникаций и средств механизации - 2 м от боковой поверхности и 1 м над верхом коммуникаций с предварительным их обнаружением с точностью до 0,25 м;

для шпунтовых ограждений котлованов, в том числе с анкерным креплением, - 0,3 м от выступающих элементов крепления.

В грунтах текучепластичной консистенции механизированная разработка грунта над коммуникациями не разрешается.

Оставшийся грунт должен разрабатываться с применением ручных безударных инструментов или специальных средств механизации.

3.27 При разработке грунтов, содержащих негабаритные включения, демонтируемые фундаменты, элементы погребенных, неизвлеченных коммуникаций, инженерных систем и т.п., в проекте должны быть предусмотрены безопасные мероприятия по их разрушению или удалению за пределы площадки. Негабаритными считаются валуны, камни, куски разрыхленного мерзлого и скального грунта, элементы демонтируемых зданий, инженерных коммуникаций, наибольший размер которых превышает:

2/3 ширины ковша - для экскаваторов, оборудованных обратной лопатой (или оборудованием прямого копания);

1/2 ширины ковша - для экскаваторов, оборудованных драглайном;

2/3 наибольшей конструктивной глубины копания - для скреперов;

1/2 высоты отвала - для бульдозеров и грейдеров;

1/2 ширины кузова и по весу половину паспортной грузоподъемности - для транспортных средств;

3/4 меньшей стороны приемного отверстия - для дробилки;

30 см - при разработке вручную с удалением подъемными кранами.

3.28 При строительстве в условиях плотной застройки следует контролировать параметры динамических воздействий от работы экскаваторов, бурового и другого оборудования на конструкции фундаментов, стен и верхних перекрытий зданий, находящихся в зоне влияния работ.

Возникающие амплитуды скоростей перемещения конструкций не должны превышать показателей, приведенных в табл. 3, составленной на основе DIN 4150-3:1999-02. Сотрясение в строительстве, часть 3: Воздействие на строительные сооружения.

3.29 Ширина проезжей части подъездных путей в пределах разрабатываемых выемок и котлованов должна быть для самосвалов грузоподъемностью до 12 т при двухстороннем движении - 7 м, при одностороннем - 3,5 м.

При грузоподъемности самосвалов более 12 т, а также при использовании других транспортных средств ширина проезжей части определяется пос.

В поворотах проезжая часть должна быть шире с учетом межосевого расстояния транспортных средств.

Максимальные амплитуды скоростей перемещений конструкций при динамическом воздействии на грунты

Таблица 3

№ п.п.

Тип здания

Скорость колебаний, мм/с

Вертикальные и горизонтальные колебания фундаментов (частота), Гц

Самое верхнее перекрытие, горизонтальные колебания (частота), Гц

1-10

10-50

50-100*

1-100*

1

Промышленные каркасные здания сборные и монолитные, панельные здания, I категории состояния**

20

20-40

40-50

40

2

Жилые здания кирпичные, блочные, II и III категории состояния конструкций

5

5-15

15-50

15

3

Охраняемые памятники архитектуры и здания, особенно чувствительные к сотрясениям, например IV категории состояния конструкций

3

3-8

8-10

8

* При частотах свыше 100 Гц следует принимать значения для 100 Гц.

** Категорию состояния конструкций здания следует определять согласно Рекомендациям по обследованию и мониторингу технического состояния эксплуатируемых зданий, расположенных вблизи нового строительства или реконструкции (М, 1998).

3.30 При производстве работ по разработке глубоких выемок и устройству естественных оснований высотных зданий состав контролируемых показателей, допустимые отклонения, объем и методы контроля должны соответствовать требованиям, приведенным в табл. 4.

Таблица 4

№ п.п.

Технические требования

Предельные отклонения

Контроль (метод и объем)

1

Отклонения отметок дна выемок от проектных (кроме выемок в валунных и скальных грунтах) при черновой разработке:

Для экскаваторов с механическим приводом по видам рабочего оборудования:

Измерительный, точки измерений устанавливаются случайным образом; число измерений на принимаемый участок должно быть не менее:

одноковшовыми экскаваторами, оснащенными ковшами с зубьями

драглайн +25 см

20

прямого копания +10 см

15

обратная лопата +15 см

10

ковшом с плоской кромкой

Для экскаваторов с гидравлическим приводом

 

планировщиками

+ 10 см

10

2

Отклонения отметок дна выемок отпроектных при черновой разработ ке в скальных грунтах, кроме планировочных выемок:

 

Измерительный, при числе измерений на сдаваемый участок не менее 20, в наиболее высоких местах, установленных визуальным осмотром

недоборы

Не допускаются

переборы

По табл. 5

3

То же, планировочных выемок:

 

То же

недоборы

10 см

 

переборы

20 см

 

4

То же, без рыхления валунных и глыбовых грунтов:

 

»

недоборы

Не допускаются

переборы

Не более величины максимального диаметра валунов (глыб), содержащихся в грунте в количестве свыше 15 % объема, но не более 0,4 м

5

Отклонения отметок дна выемок в местах устройства фундаментов и укладки конструкций при окончательной разработке или после доработки недоборов и восполнения переборов

±5 см

Измерительный, по углам и центру котлована, на пересечениях осей здания, в местах изменения отметок, поворотов и примыканий траншей, расположения колодцев, но не реже 50 м и не менее 10 измерений на принимаемый участок

6

Вид и характеристики вскрытого грунта естественных оснований под фундаменты и земляные сооружения

Должны соответствовать проекту. Не допускается размыв, размягчение, разрыхление или промерзание верхнего слоя грунта основания толщиной более 3 см

Технический осмотр всей поверхности основания

7

Отклонения от проектного продольного уклона дна траншей, под безнапорные трубопроводы, водоотводных канав и других выемок с уклонами

Не должны превышать ±0,0005

Измерительный, в местах поворотов, примыканий, расположения колодцев и т.п., но не реже чем через 50 м

8

Отклонения уклона спланированной поверхности от проектного, кроме орошаемых земель

Не должны превышать ±0,001 при отсутствии замкнутых понижений

Визуальный (наблюдения за стоком атмосферных осадков) или измерительный, по сетке 50×50 м

9

Отклонения отметок спланированной поверхности от проектных:

 

Измерительный, по сетке 50×50 м

в нескальных грунтах

±5 см

в скальных грунтах

от +10 до -20 см

10

Подъем дна котлована (выемок) после разработки грунта

Должны устанавливаться проектом

Измерительный, глубинные реперы, устанавливаемые на расстоянии, определенном для геологических изысканий; частота измерений не реже двух раз в месяц

11

Разуплотнение грунта по глубине основания

Должны устанавливаться проектом

Измерительный,глубинная марка, устанавливаемая с шагом 20×20 до 2-кратной глубины котлована

Таблица 5

Разновидность грунта в соответствии с ГОСТ 25100 и модулем трещиноватости

Допустимые величины переборов, см, при рыхлении способом

взрывным

механическим

Методом скважинных зарядов

Методом шпуровых зарядов

Прочные и очень прочные при модуле трещиноватости менее 1,0

20

10

5

Прочие скальные грунты

40

20

10

Примечание. Модуль трещиноватости - среднее число трещин на 1 м линии измерения, расположенной на поверхности забоя перпендикулярно главной или главным системам трещин.

3.31 Разработку котлованов шириной более 10 м и глубиной более 5 м следует осуществлять по специальному проекту, в котором следует предусмотреть меры по снижению негативного влияния уменьшения давления разрабатываемого грунта на основание и его разуплотнение по глубине.

3.32 Складирование материалов, конструкций, грунта и размещение строительной техники в пределах возможной призмы обрушения определяют проектом. В случаях, не предусмотренных проектом, складирование материалов и размещение техники в пределах возможной призмы обрушения не допускаются.

4 Обратные засыпки

4.1 В проекте должны быть указаны типы, гранулометрический состав и физико-механические характеристики грунтов, предназначенных для устройства обратных засыпок, и специальные требования к ним, требуемая степень уплотнения (плотность сухого грунта или коэффициент уплотнения).

Отклонения характеристик грунта от проектных допускается не более чем в 20 % определений.

Не допускается содержание в грунте, предназначенном для обратной засыпки пазух котлованов, древесины, гниющего и легкосжимаемого строительного мусора, снега и льда.

По согласованию с заказчиком и проектной организацией грунты обратных засыпок при необходимости могут быть заменены.

4.2 Грунты техногенного происхождения допускается использовать для обратных засыпок при специальном обосновании.

4.3 При укладке грунта «насухо», за исключением дорожных насыпей, уплотнение следует производить, как правило, при влажности W, которая должна быть в пределах AW_0≤W≤BW_0, где W_0 - оптимальная влажность, определяемая в приборе стандартного уплотнения по ГОСТ 22733. Коэффициенты А и В следует принимать по табл. 6.

При применении крупнообломочных грунтов с глинистым заполнителем влажность на границе раскатывания и текучести определяют по мелкозернистому (менее 2 мм) заполнителю и пересчитывают на грунтовую смесь.

Размер твердых включений, в том числе мерзлых комьев, не должен превышать 2/3 толщины уплотняемого слоя и ширины засыпаемой пазухи, в любом случае должен быть не более 30 см.

Таблица 6

Тип грунта

Величина коэффициентов А и В при коэффициенте уплотнения kcom

0,98

0,95

0,92

А

В

А

В

А

В

Пески:

крупные,

средние

Не ограничиваются

 

мелкие

0,60

1,35

0,50

1,45

0,40

1,60

пылеватые

0,80

1,20

0,75

1,35

0,56

1,40

Супеси

0,85

1,15

0,80

1,20

0,70

1,30

Суглинки

0,90

1,10

0,85

1,15

0,75

1,20

Примечание. Коэффициент уплотнения kcom определяютпо табл. 7.

4.4 Опытное уплотнение грунтов насыпей и обратных засыпок следует производить при наличии указаний в проекте.

4.5 Обратную засыпку узких пазух, где неозможно обеспечить уплотнение грунта до требуемой плотности имеющимися средствами, следует выполнять только мало сжимаемыми (модуль деформаций 20 МПа и более) грунтами (щебнем, гравийно-галечниковыми и песчано-гравийными грунтами, песками крупными и средней крупности) или аналогичными промышленными отходами с проливкой водой, если в проекте не предусмотрено другое решение.

4.6 Для оптимизации перевозки грунта на строительные объекты Москвы необходимо руководствоваться правилами работ в соответствии с постановлением Правительства Москвы от 06.04.1999 г. № 259.

4.7 Средняя по проверяемому участку плотность сухого грунта обратных засыпок должна быть не ниже проектной (отклонения допускаются в значениях плотности ниже проектных на 0,06 г/см2 в отдельных определениях, но не более чем в 20 % определений).

Таблица 7

Тип грунта

Контрольные значения коэффициента уплотнения  kcom при нагрузке на поверхность уплотненного грунта, МПа (кгс/см2), при общей толщине отсыпки, м

0

0,05-0,2(0,5-2)

Свыше 0,2(2)

До 2

2,01-4

4,01-6

Св.6

До 2

2,01-4

4,01-6

Св.6

До 2

2,01-4

4,01-6

Св. 6

Глинистые

0,92

0,93

0,94

0,95

0,94

0,95

0,96

0,97

0,95

0,96

0,97

0,98

Песчаные

0,91

0,92

0,93

0,94

0,93

0,94

0,95

0,96

0,94

0,95

0,96

0,97

Примечание. Коэффициентом уплотнения называется отношение достигнутой плотности сухого грунта к максимальной плотности сухого грунта, полученной в приборе стандартного уплотнения по ГОСТ 22733.

5 Земляные работы в просадочных, набухающих и других грунтах

5.1 Разработку котлованов в просадочных и набухающих грунтах разрешается производить только после выполнения мероприятий, обепечивающих отвод поверхностных вод из котлована и с прилегающей территории, размеры которой превышают с каждой стороны размеры разрабатываемой выемки по верху на величину:

для просадочных грунтов - не менее величины просадочной толщи, указанной в проекте, а при отсутствии указаний в проекте - на 15 м при I типе и 25 м при II типе грунтовых условий по просадочности;

для набухающих грунтов - не менее 15 м.

Примечание. Просадочный грунт - грунт, претерпевающий вертикальную деформацию (просадку) и имеющий относительную деформацию просадки εs1 ≥ 0,01.

К грунтовым условиям I типа по просадочности следует относить условия, в которых возможна просадка грунтов от внешних нагрузок, а просадка грунтов от собственного веса отсутствует или не превышает 5 см; II типа - грунтовые условия, в которых возможна просадка грунтов от собственного веса и размер ее превышает 5 см.

К набухающим грунтам в Москве можно относить маловлажные юрские глины, которые при замачивании увеличиваются в объеме и имеют относительную деформацию набухания εsw 0,04, а также допускается относить к набухающим грунты, увеличивающие свой объем при уменьшении давления вышележащих грунтов после их снятия и имеющие относительную деформацию подъема ε ≥ 0,01. Степень относительной деформации подъема ε может быть определена по формуле:

где hv - высота образца грунта после снятия пригрузки с одной стороны;

h0 - начальная высота образца грунта до снятия пригрузки, в условиях трехосного обжатия.

5.2 При производстве земляных работ в грунтовых условиях II типа по просадочности водоприемники и водоотводные устройства должны быть рассчитаны на приток воды 5 %-ной обеспеченности от таяния снегов и выпадения осадков, принимая наибольшую из указанных величин.

5.3 Обратные засыпки выемок в грунтовых условиях II типа по просадочности, в том числе на пересечениях с действующими коммуникациями, а также под дорогами с покрытиями усовершенствованного типа следует производить глинистыми грунтами с послойным уплотнением сразу после устройства фундаментов и коммуникаций. Использование дренирующих грунтов не допускается.

5.4 При обратной засыпке котлованов в набухающих грунтах следует применять ненабухающий грунт по всей ширине пазухи или в пределах прилегающего к конструкции вертикального демпфирующего слоя, поглощающего деформации набухания. Ширину демпфирующего слоя грунта устанавливают проеком.

5.5 Набухающий грунт допускается использовать для засыпки траншей с коммуникациями, а в местах наложения на них дорог и территорий с дорожным покрытием - только не - набухающий грунт.

6 Земляные работы в особых условиях

6.1 Следует избегать строительства высотных зданий на слабых грунтах с несущей способностью менее 0,3 МПа. Слабые грунты должны быть удалены или прорезаны сваями с заглублением на требуемую глубину в прочные грунты.

6.2 В проекте организации строительства на оползнеопасных склонах должны быть установлены: границы оползнеопасной зоны, режим разработки грунта, интенсивность его разработки или отсыпки во времени, увязка последовательности устройства выемок (насыпей) и их частей с инженерными мероприятиями, обеспечивающими общую устойчивость склона, средства и режим контроля положения и наступления опасного состояния склона.

6.3 Запрещается производство работ на склонах и прилегающих участках при наличии трещин, заколов до выполнения соответствующих ротивооползневых мероприятий.

В случае возникновения потенциально опасной ситуации все виды работ следует прекратить. Возобновление работ допускается после полной ликвидации причин опасной ситуации с оформлением соответствующего разрешительного акта.

6.4 Следует избегать строительства высотных зданий на оползнеопасных склонах и в зоне возможного их влияния до выполнения комплекса противооползневых мероприятий, обеспечивающих устойчивость склона с коэффициентом надежности не менее 1,5.

6.5 При разработке котлованов в районах города, относящихся к опасным и потенциально опасным по проявлению карстово-суффозионных процессов, следует обращать внимание на наличие скрытых, засыпанных провалов и воронок. При обнаружении таких провалов, независимо от их размеров, следует немедленно проинформировать службу заказчика и авторов проекта.

7 Взрывные работы

7.1 При производстве взрывных работ в строительстве должны быть обеспечены:

в соответствии с едиными правилами безопасности при взрывных работах - безопасность людей;

в пределах, установленных проектом, - сохранность зданий, сооружений, оборудования, инженерных и транспортных коммуникаций, ненарушение производственных процессов на промышленных, сельскохозяйственных и других предприятиях, охрана природы.

Если при взрывных работах не могут быть полностью исключены повреждения существующих и строящихся зданий и сооружений, то возможные повреждения должны быть указаны в проекте. Соответствующие решения должны быть согласованы с заинтересованными организациями.

В рабочей документации на взрывные работы и проекте производства взрывных работ вблизи ответственных инженерных сооружений и действующих производств следует учитывать специальные технические требования и условия согласования проектов производства взрывных работ, предъявленные организациями, эксплуатирующими эти сооружения.

7.2 Рабочая документация на взрывные работы в особо сложных условиях должна разрабатываться в составе проекта генеральной проектной организацией или по ее заданию субподрядной специализированной организацией. При этом должны быть предусмотрены технические и организационные решения по безопасности взрывов в соответствии с требованиями специальных инструкций соответствующих ведомств. Особо сложными условиями следует считать взрывание вблизи ответственных сооружений (железных дорог, магистральных трубопроводов, мостов, тоннелей, ЛЭП напряжением свыше 1000 В, линий связи, кроме местных, действующих предприятий и жилых зданий) при устройстве выемок на косогорах крутизной свыше 20°, подводное взрывание, работы в условиях необходимости сохранения законтурного массива, а также на оползнеопасных склонах.

7.3 Методы взрывания и технологические характеристики, предусмотренные рабочей документацией или проектом производства взрывных работ, могут быть уточнены в ходе их выполнения, а также специальными опытными и моделирующими взрывами. Изменения, не вызывающие нарушения проектных очертаний выемки, снижения качества рыхления, увеличения ущерба сооружениям, коммуникациям, угодьям, уточняются корректировочным расчетом без изменения проектной документации. В случае необходимости внесение изменений в проектную документацию делается по согласованию с организацией, утвердившей ее.

7.4 Склады взрывчатых материалов, специальные тупики и площадки для разгрузки следует предусматривать как временные сооружения при строительстве предприятий, если они е входят в их состав как постоянные.

7.5 До начала взрывных работ должны быть выполнены следующие мероприятия:

расчистка и планировка площадок, разбивка на местности плана или трассы сооружения;

устройство временных подъездных и внутри объектных дорог, организация водоотвода, оборка откосов, ликвидация заколов и отдельных неустойчивых кусков на склонах;

освещение рабочих площадок в случае работы в темное время;

устройство на косогорах полок-уступов (пионерных троп) для работы бурового оборудования и перемещения транспортных средств;

перенос или отключение инженерных коммуникаций, линий электропередачи и связи, демонтаж оборудования, укрытие или вывод из пределов опасной зоны механизмов и другие подготовительные работы, предусмотренные рабочей документацией или проектом производства взрывных работ.

7.6 Крупность взорванного грунта должна соответствовать требованиям проекта, а при отсутствии в проекте специальных указаний не должна превышать пределы, установленные в договорном порядке организациями, производящими земляные и взрывные работы.

7.7 Отклонения от проектного очертания дна и бортов выемок, разрабатываемых с применением взрывных работ, как правило, должны быть установлены проектом.

7.8 Взрывные работы на строительной площадке должны быть завершены, как правило, до начала основных строительно-монтажных работ, что устанавливается в ПОС.

7.9 При устройстве в скальных грунтах выемок с откосами крутизной 1:0,3 и круче, как равило, следует применять контурное взрывание.

7.10 Откосы профильных выемок в скальных грунтах, не подлежащие креплению, должны быть очищены от неустойчивых камней в процессе разработки каждого яруса.

7.11 При проектировании и выполнении взрывных работ должно быть обеспечено соблюдение Единых правил безопасности при производстве взрывных работ.

8 Охрана природы

8.1 Решения по охране природы при производстве земляных работ устанавливают в ПОС в соответствии с действующим законодательством, стандартами и документами директивных органов, регламентирующими рациональное использование и охрану природных ресурсов.

8.2 Плодородный слой почвы в основании насыпей и на площади, занимаемой различными выемками, до начала основных земляных работ должен быть снят в размерах, установленных проектом организации строительства, и перемещен в отвалы для последующего использования его при рекультивации или повышении плодородия малопродуктивных угодий.

Допускается не снимать плодородный слой: при толщине плодородного слоя менее 10 см; на болотах, заболоченных и обводненных участках; на почвах с низким плодородием в соответствии с ГОСТ 17.4.3.02, ГОСТ 17.5.3.05, ГОСТ 17.5.3.06; при разработке траншей шириной поверху 1 м и менее.

8.3 Необходимость снятия и толщину снимаемого плодородного слоя устанавливают в ПОС с учетом уровня плодородия, природной зоны в соответствии с требованиями действующих стандартов.

8.4 Снятие и нанесение плодородного слоя ледует производить, когда грунт находится в немерзлом состоянии.

8.5 Хранение плодородного грунта должно осуществляться в соответствии с ГОСТ 17.4.3.02 и ГОСТ 17.5.3.04. Способы хранения грунта и защиты буртов от эрозии, подтопления, загрязнения должны быть установлены в ПОС. Отдельно складированный дерн следует в жаркую погоду периодически поливать для предотвращения его высыхания.

Запрещается использовать плодородный слой почвы для устройства перемычек, подсыпок и других постоянных и временных земляных сооружений.

8.6 В случае выявления при производстве земляных работ археологических и палеонтологических находок следует приостановить работы на данном участке и поставить в известность об этом местные органы власти.

8.7 Применение быстротвердеющей пены для предохранения грунтов от промерзания не допускается:

на водосборной территории открытого источника водоснабжения в пределах первого и второго поясов зоны санитарной охраны водопроводов и водоисточников;

в пределах первого и второго поясов зоны санитарной охраны подземных централизованных хозяйственно-питьевых водопроводов;

на территориях, расположенных выше по течению подземного потока в районах, где подземные воды используют для хозяйственно-питьевых целей децентрализованно.

9 Уплотнение грунтов естественного залегания и устройство грунтовых подушек

9.1 Уплотнение грунтов в глубоких котлованах следует производить с отметки дневной поверхности или дна промежуточного котлована, сохраняя достаточный слой предстоящего к разработке грунта для обеспечения пригрузки грунта основания и исключения его разуплотнения. Для глубинного уплотнения грунтов могут устраиваться грунтовые сваи, песчаные дрены, глубинное виброуплотнение и т.п.

Уплотнение грунта оснований глубоких котлованов после разработки грунта в котловане, т.е. после снятия пригрузки не допускается во избежание разуплотнения грунтов основания.

9.2 Проектные решения по уплотнению грунтов должны содержать:

для всех способов уплотнения - исходные и требуемые значения показателей качества уплотнения (плотность сухого грунта или коэффициент уплотнения), величин понижения поверхности и другие, подлежащие проверке в составе операционного и приемочного контроля, а также перечень технологических параметров и показателей качества, подлежащих уточнению в ходе опытного уплотнения;

при поверхностном уплотнении грунтов естественного залегания трамбовками - план и размеры котлована с размерами уплотняемой площадки и контурами фундаментов, указания о необходимой глубине уплотнения, оптимальной влажности грунта, выборе типа грунтоуплотняющего механизма, необходимого числа ударов трамбовками или числа проходов уплотняющей машины по одному следу, величине понижения трамбуемой поверхности;

при устройстве грунтовых подушек - планы и разрезы котлованов, физико-механические характеристики отсыпаемого грунта, указания по толщине отсыпаемых слоев, рекомендуемым машинам для уплотнения грунта и режимам работы, а также плотность сухого грунта в подушках;

при вытрамбовывании котлованов - план котлована под здание или сооружение с отметками, с которых следует производить вытрамбовывание котлованов под фундаменты, размеры в плане и глубину отдельно вытрамбованных котлованов, конструкцию фундаментов с предельными нагрузками на основание, размеры, форму, массу и высоту сбрасывания трамбовки и ориентировочное число ударов при вытрамбовывании котлованов на заданную глубину; допустимый диапазон изменения влажности грунтов, минимально допустимые расстояния между вытрамбованными котлованами, размеры уширений в их основании, а также объем и вид жесткого грунтового материала (щебень, гравий, песчано-гравийная смесь и т.д.), втрамбовываемого в дно котлована, число порций и объем одной порции;

при уплотнении грунтовыми сваями - план размещения свай с указанием их диаметра и глубины, требования к влажности уплотняемых грунтов, характеристику применяемого оборудования, общее количество грунта и отдельных порций, засыпаемых в скважины, а также высоту разрыхленного верхнего (буферного) слоя грунта и способ его уплотнения;

при уплотнении предварительным замачиванием и замачиванием с глубинными взрывами - план разбивки уплотняемой площадки на отдельные участки (карты) с указанием их глубины и очередности замачивания, расположение и конструкции поверхностных и глубинных марок, схему сети водовода, данные по среднесуточному расходу воды на 1 м2 уплотняемой площадки и времени замачивания каждого котлована или участка (карты), величину условной стабилизации просадки, а в случае замачивания через скважины, дополнительно - план расположения скважин с указанием их глубины, диаметра, способа проходки и вида дренирующего материала для засыпки, способы уплотнения верхнего недоуплотненного (буферного) слоя грунта. При уплотнении просадочных грунтов замачиванием и глубинными взрывами дополнительно должна быть приведена технология взрывных работ с указанием противосейсмических мероприятий и техники безопасности производства взрывных работ;

при глубинном виброуплотнении - план площадки с указанием глубины уплотнения, схему уплотнения и режим работы виброустановки, расчетное значение показателя уплотнения грунта, допустимое расстояние от работающей установки до существующих зданий, сооружений и коммуникаций;

при предпостроечном уплотнении слабых водонасыщенных грунтов пригрузкой с вертикальными дренами - данные об объемах уплотняемых массивов, план участка с указанием его контура, величину временной нагрузки от нагрузочной насыпи, форму и размеры временной нагрузочной насыпи, план расположения вертикальных дрен, сечение дрен, расстояние между осями дрен (шаг), размер дрен и план расположения поверхностных и глубинных марок, расчетную величину конечной осадки основания от временной нагрузочной насыпи и величину упругого подъема после снятия нагрузки, схему производства работ по погружению дрен, устройству и снятию нагрузочной насыпи с указанием применяемого оборудования, режим нагружения и снятия временной нагрузки.

проверки изменения плотности по глубине основания на двукратную глубину котлована в процессе выполнения пробного уплотнения для корректировки проекта.

9.3 Основным работам по уплотнению грунтов и устройству грунтовых подушек должно предшествовать опытное уплотнение, в ходе которого должны быть установлены технологические параметры (толщина слоев отсыпки, оптимальная влажность, число проходов уплотняющих машин, ударов трамбовки и другие, указанные в проекте), обеспечивающие получение требуемых проектом значений плотности уплотненного грунта, а также контрольные величины показателей, подлежащих операционному контролю в ходе работ (понижение отметки уплотняемой поверхности, осадки марок и др.).

Опытное уплотнение следует выполнять по программе, учитывающей гидрогеологические условия площадки, предусмотренные проектом средства уплотнения, сезон производства работ и другие факторы, влияющие на технологию и результаты работ.

До начала опытных работ по уплотнению грунта в котлованах глубиной более 5 м следует произвести исследование его плотности на глубину не менее двукратной глубины котлована. После окончания опытного уплотнения грунта следует произвести повторное исследование его плотности на глубину не менее двукратной глубины котлована и сопоставить результаты. При отсутствии признаков разуплотнения проектная организация дает разрешение на дальнейшее производство работ по уплотнению или корректирует проект.

9.4 До начала работ по уплотнению необходимо уточнить природную влажность и плотность сухого грунта на глубину, определяемую проектом по ГОСТ 5180 или экспресс-методами (зондированием по ГОСТ 19912, радиоизотопным по ГОСТ 23061 и др.).

Если природная влажность грунта окажется ниже оптимальной на 5 % и более, надлежит производить его доувлажнение до необходимого уровня.

9.5 Поверхностное уплотнение грунтов трамбованием следует выполнять с соблюдением следующих требований:

при различной глубине заложения фундаментов уплотнение грунта следует производить, начиная с более высоких отметок;

по окончании поверхностного уплотнения верхний недоуплотненный слой грунта необходимо доуплотнить по проекту;

уплотнение грунта трамбованием в зимнее время допускается при немерзлом состоянии грунта и естественной влажности. Необходимая глубина уплотнения при влажности грунта ниже оптимальной достигается увеличением массы, диаметра или высоты сбрасывания трамбовки;

контрольное определение отказа производится двумя ударами трамбовки при сбрасывании ее с высоты, принятой при производстве работ, но не менее 6 м. Уплотнение признается удовлетворительным, если понижение уплотняемой поверхности под действием двух ударов не превышает величины, установленной при опытном уплотнении.

9.6 Устройство грунтовых подушек следует производить с соблюдением следующих требований:

грунт для устройства грунтовой подушки должен уплотняться при оптимальной влажности в соответствии с требованиями п. 4.3 настоящих Рекомендаций;

отсыпку каждого последующего слоя надлежит производить только после проверки качества уплотнения и получения проектной плотности предыдущего слоя;

устройство грунтовых подушек в зимнее время допускается из талых грунтов с содержанием мерзлых комьев размером не более 15 см и не более 15 % общего объема при среднесуточной температуре воздуха не ниже минус 10 °С. В случае понижения температуры или перерывов в работе подготовленные, но не уплотненные участки котлована должны укрываться теплоизоляционными материалами или рыхлым сухим грунтом.

Отсыпка грунта на промороженный слой допускается как исключение при толщине мерзлого слоя не более 0,4 м, когда влажность отсыпаемого грунта не превышает 0,9 влажности на границе раскатывания; в противном случае промороженный грунт должен быть удален.

9.7 Вьтрамбовывание котлованов под фундаменты следует выполнять с соблюдением следующих требований:

вытрамбовывание котлована под отдельно стоящие фундаменты надлежит выполнять сразу на всю глубину котлована без изменения положения направляющей штанги трамбующего механизма;

доувлажнение грунта в необходимых случаях следует производить от отметки дна котлована на глубину не менее полуторной ширины котлована;

вытрамбовывание в дно котлована жесткого материала для создания уширенного основания следует производить сразу же после вытрамбовывания котлована;

фундаменты, как правило, устраиваются сразу же после приемки вьтрамбованных котлованов. Максимальный перерыв между вытрамбовыванием и бетонированием - одни сутки. При этом толщина дефектного (промороженного, размокшего и т.п.) слоя на стенах и дне котлована не должна превышать 3 см;

бетонирование фундамента следует производить враспор;

вытрамбовывание котлованов в зимнее время следует производить при талом состоянии грунта. Промерзание грунта с поверхности допускается на глубину не более 20 см. Оттаивание мерзлого грунта следует производить на всю глубину промерзания в пределах площадки, стороны которой равны полуторным размерам сторон котлована; вытрамбовывание котлована при офицательной температуре воздуха следует производить без дополнительного увлажнения грунта;

при массе трамбовок 3 т и выше запрещается вытрамбовывать котлованы на расстояниях менее: 10 м - от эксплуатируемых зданий и сооружений, не имеющих деформаций, и 15 м - от зданий и сооружений, имеющих трещины в стенах, а также от инженерных коммуникаций, выполненных из чугунных, железобетонных, керамических, асбестоцементных и пластмассовых труб. При массе фамбовок менее 3 т указанные расстояния могут быть уменьшены в 1,5 раза.

9.8 Глубинное уплотнение грунтовыми сваями следует выполнять с соблюдением требований:

пробивка скважин станками ударно-канатного бурения должна производиться с дневной поверхности или промежуточного дна котлована при природной влажности грунта;

расширение скважин с помощью взрыва (серии элеетровзрывов) допускается при природной влажности грунта, равной влажности на пределе раскатывания, а при меньшей влажности грунт должен быть доувлажнен;

скважины надлежит устраивать через одну, а пропущенные - только после засыпки и уплотнения ранее пройденных;

перед засыпкой каждой скважины, полученной взрывом, должны производиться замеры ее глубины; при образовании завала высотой до двух диамефов скважины он должен быть уплотнен 20 ударами трамбующего снаряда с удельной энергией удара 250-350 кДж/м2, более двух диаметров - делается новая скважина;

скважины заполняют грунтом порциями, каждая из которых уплотняется, в качестве грунтового материала используются суглинки и супеси (без включений растительных остатков и строительного мусора), имеющие оптимальную влажность; объем грунта в порции назначают из расчета получения столба рыхлого грунта в скважине высотой не более двух ее диаметров, но не более 0,2 м3;

засыпку скважин при отрицательной температуре воздуха необходимо производить только немерзлым грунтом.

9.9 Уплотнение грунтов предварительным замачиванием следует выполнять с соблюдением требований:

замачивание надлежит выполнять затоплением котлована водой с поддержанием глубины воды 0,3-0,5 м и продолжать до тех пор, пока не будут достигнуты промачивание до проектной влажности всей толщи просадочных грунтов и условная стабилизация просадки, за которую принимается просадка менее 1 см в неделю;

в процессе предварительного замачивания необходимо вести систематические наблюдения за осадкой поверхностных и глубинных марок, а также расходом воды; нивелирование марок необходимо производить не реже одного раза в 5-7 дней;

фактическую глубину замачивания следует устанавливать по результатам определения влажности грунта через 1 м по глубине на всю просадочную толщу;

при отрицательных температурах воздуха предварительное замачивание следует производить с сохранением дна затопляемого котлована в немерзлом состоянии и подачей воды под лед.

9.10 Уплотнение просадочных грунтов замачиванием и энергией взрыва следует выполнять с соблюдением требований:

замачивание необходимо выполнять через дно котлована, дренажные, взрывные или совмещенные скважины, заполненные дренирующим материалом, и продолжать до промачивания всей просадочной толщи до проектной влажности;

по окончании замачивания и после производства взрывных работ следует проводить наблюдения за осадкой поверхностных и глубинных марок. Нивелирование после взрыва зарядов ВВ надлежит производить в течение последующих 15-20 сут;

глубину котлована или распределительных траншей, отрываемых за счет срезки грунта, следует назначать из условия сохранения слоя воды при замачивании 0,3-0,5 м;

в зимнее время уровень воды в котловане и траншеях следует поддерживать на одной отметке;

в необходимых случаях, когда уплотнение грунта производят на больших площадях, допускается предусматривать устройство песчано-гравийных подушек, позволяющих ускорить начало строительно-монтажных работ на уплотненном участке;

разрыв между окончанием замачивания и взрывами зарядов ВВ в зависимости от размеров площадки должен составлять не более 3-8 ч.

9.11 После предварительного замачивания оснований и замачивания с глубинными взрывами зарядов ВВ следует производить уплотнение верхнего слоя грунта.

9.12 Виброуплотнение водонасыщенных песчаных грунтов следует выполнять с соблюдением требований:

точки погружения уплотнителя должны быть размещены по треугольной сетке со сторонами до 3 м для крупного и средней крупности песков и до 2 м для мелкого песка;

уровень подземных вод должен быть не ниже чем 0,5 м от дна котлована;

полный цикл уплотнения на глубину до 6 м в одной точке должен продолжаться не менее 15 мин и состоять из 4-5 чередующихся погружений и подъемов уплотнителя; при большей глубине продолжительность цикла должна быть установлена проектом.

9.13 Предпостроечное уплотнение водонасыщенных грунтов временной нагрузкой с вертикальными дренами следует выполнять с соблюдением требований:

песчаный дренирующий слой должен быть толщиной 0,4-0,5 м;

толщина слоев временной нагрузочной насыпи не должна превышать 1-1,5 м;

после устройства нагрузочной насыпи следует производить наблюдения за осадками поверхностных марок.

Перед снятием временной насыпи на данной площадке составляется акт, где приводятся проектные и фактические значения конечных осадок поверхностных марок.

9.14 При производстве работ по уплотнению грунтов естественного залегания и устройству грунтовых подушек состав контролируемых показателей, предельные отклонения, объем и методы контроля должны соответствовать табл. 8.

Таблица 8

№ п.п.

Технические требования

Предельные отклонения

Контроль (метод и объем)

1

Влажность уплотняемого грунта

Должна быть в пределах, установленных проектом

Измерительный, по проекту

2

Поверхностное уплотнение:

То же, не ниже проектной.

То же, по проекту, а при отсутствии проекта один пункт на 300 м2 уплотненной площади с измерениями в пределах всей уплотненной толщи через 0,25 м по глубине, при толщине уплотненного слоя до 1 м и через 0,5 м при большей толщине; при числе проб в каждой точке не менее двух

средняя по принимаемому участку плотность уплотненного грунта

Допускается снижение плотности сухого грунта на 0,05 т/м3 не более чем в 10 % определений

величина понижения поверхности грунта (отказа при уплотнении тяжелыми трамбовками)

Не должна превышать установленной при опытном уплотнении

Измерительный, одно определение на 300 м2 уплотняемой площади

3

Средняя по принимаемому участку плотность сухого грунта при устройстве грунтовых подушек

Должна быть не ниже установленной проектом. Допускается снижение не более чем в 10 % определений

То же, один пункт на каждые 300 м2 площади подушки, не менее трех измерений в каждом слое

4

Устройство фундаментов в вытрамбованных котлованах:

 

 

положение котлована относительно центра и осей фундамента

Отклонения от проектного не должны превышать: центра +3 см, разворот осей ±5°

Измерительный, каждый котлован

глубина вытрамбованного котлована

Отклонение от проектной не должно превышать +5 см

То же

высота сбрасывания трамбовки, общее число ударов, объем и число порций засыпаемого жесткого материала, число ударов для вытрамбовывания каждой порции

Должны соответствовать величинам, определенным в результате опытного вытрамбовывания

»

5

Глубинное уплотнение грунтов грунтовыми сваями, в том числе с помощью электровзрыва:

влажность грунта в уплотняемом массиве:

 

 

 

при проходке скважин с помощью электровзрыва

Должна быть не ниже влажности на границе раскатывания

Измерительный, одно определение на 1000 м2 уплотняемой площади

 

при проходке скважин другими способами

То же, в пределах, установленных проектом

То же

 

влажность грунта, засыпаемого в скважину, для передачи в грунт механической энергии ударной волны электровзрыва, скважина должна быть заполнена цементным, цементобен-тонитовым и т.п. раствором

Допускаются отклонения от оптимальной влажности не более ±0,04

Измерительный, ежесменно

 

глубина и состояние скважин

Высота завалов не должна превышать двух диаметров скважин

То же, каждая скважина

 

плотность грунта, уплотненного в массиве

Средняя плотность сухого грунта на отметке заложения фундаментов должна быть не ниже проектной. Допускается снижение плотности на 0,05 т/м3 не более чем в 10 % определений

То же, один пункт на 500 м2 уплотненной площади

 

расположение грунтовых свай в плане

Отклонения от проектного положения не должны превышать 0,4 м

То же, каждая свая

6

Уплотнение просадочных грунтов замачиванием, в том числе с применением взрыва, а также водонасыщенных грунтов временной нагрузкой с вертикальными дренами:

 

 

 

осадка поверхностных и глубинных марок

Должна соответствовать проекту

Измерительный, по указаниям проекта

 

плотность и влажность грунта в пределах зоны уплотнения

Должны быть не ниже проектных значений

То же, один пункт на 500 м2 площади с определением не реже чем через 2 м по глубине в пределах всей уплотненной толщины

7

Виброуплотнение песчаных грунтов

Средняя по принимаемому участку плотность сухого грунта должна быть не ниже проектной. Допускается снижение плотности на 0,05 т/м3 не более чем в 10 % определений

То же, зондированием или радиоизотопным способом, одно определение не реже чем на 500 м2 уплотненной площади

10 Свайные фундаменты, шпунтовые ограждения, анкеры

10.1 Общие требования

10.1.1 Забивные и вибропогружаемые конструкции для условий Москвы могут быть использованы при специальном обосновании.

10.1.2 Погружение свай забивкой и вибропогружением с отметки дна котлована, в котлованах глубиной 5-8 м допускается при обосновании расчетом устойчивости его бортов и проверки изменения плотности грунта основания на глубину двухкратной глубины котлована при опытной забивке свай. При снижении плотности грунта по глубине или наличии в бортах и основании котлована грунтов, разжижаемых при динамическом воздействии, забивка и вибропогружение свай с отметки дна котлована не допускаются.

В материалах инженерно-геологических изысканий должно быть отражено влияние динамического воздействия на устойчивость грунта в бортах и основании котлована. При отсутствии такой информации в отчете об инженерно-геологических изысканиях забивка и вибропогружение свай не допускаются.

В котлованах глубиной более 8 м забивка и вибропогружение свай с уровня дна котлована не допускаются по условиям обеспечения усойчивости закрепленных грунтов и, кроме того, по условиям разуплотнения грунта основания. Допускаются забивка и вибропогружение свай с отметки промежуточного котлована, когда до проектной отметки остается слой грунта, досаточный для обеспечения прифузки, препятствующей разуплотнению грунта основания.

10.1.3 Если нельзя преодолеть препятствия, встретившиеся в процессе устройства свайного основания, решение о возможности использования таких свай должна принять организация, проектировавшая фундамент.

10.1.4 В процессе устройства свайного поля следует провести контрольные испытания свай статической вдавливающей нагрузкой в соответствии ГОСТ 5686 для проверки соответствия несущей способности свай расчетным нагрузкам, установленным в проекте.

Статические испытания на горизонтальную нагрузку назначают в случаях, когда число свай определяется по величине горизонтальных усилий и превышает необходимое число свай для восприятия вертикальных усилий, а горизонтальные перемещения оказывают существенное влияние на статическую работу надземных конструкций.

10.1.5 В проекте свайного поля следует указывать участки с наиболее сложными и неблагоприятными грунтовыми условиями, где должны быть проведены испытания, а назначение конкретных испытательных свай следует осуествлять случайным образом.

Рекомендуется в качестве анкерных свай использовать рабочие, расположенные на расстоянии, допускаемом ГОСТ 5686.

10.2 Буровые сваи

10.2.1 При проектировании и устройстве буровых свай следует предусматривать мероприятия (выбор типа бурового инструмента, уплотнение или промывку скважины) по уменьшению слоя разрыхленного грунта и бурового шлама, который невозможно удалить из забоя скважины.

10.2.2 Промывку забоя скважины в дисперсных грунтах и полускальных размягчаемых водой грунтах следует выполнять мелкозернистым бетоном.

Промывку забоя скважины в неразмягчае-мых полускальных грунтах допускается выполнять водой. Оборотную воду необходимо собирать, очищать в специальных установках (циклонах, фильтрах или отстойниках) и использовать повторно.

10.2.3 Промывку бетонной смесью следует выполнять: для свай диаметром до 400 мм при давлении не менее 0,2 МПа и скорости движеия бетонной смеси по сечению скважины не менее 1,0 м/мин. Продолжительность промывки - до исчезновения остатков шлама и комочков грунта при переливе через оголовок кондуктора.

10.2.4 Для промывки скважин большого диамефа (более 400 мм) водой следует использовать обратную промывку.

10.2.5 Зачистку забоя скважины большого диамефа (более 400 мм) в дисперсных грунтах следует осуществлять механическим способом ножевым буром.

10.2.6 В случае невозможности обеспечить качественную зачистку скважины от рыхлого грунта забой должен быть опрессован.

До бетонирования сваи устанавливают нагнетательные трубы, заглубив их концы в грунт забоя не менее чем на 5-10 см. Нагнетание цементного раствора в забой сваи под давлением выполняют после достижения бетоном сваи прочности на сжатие не менее 5 МПа.

10.2.7 При устройстве свай в водонасыщенных грунтах обсадная труба должна опережать положение бурового инструмента на величину 0,5 диамефа скважины. После достижения проектной глубины нижней гранью обсадной трубы необходимо установить вид грунта, указанного в проекте в качестве основания сваи, разработать грунт внутри обсадной трубы до ее нижней фани, извлечь буровой инструмент, не создавая в забое скважины пониженного давления (разрежения) за счет быстрого подъема инструмента и после извлечения инструмента для снижения эффекта разуплотнения грунта в забое скважины немедленно начать бетонирование сваи, подавая бетонную смесь в забой скважины.

10.2.8 При использовании проходных (полых) шнеков без крепления стенок скважины бсадными трубами после достижения расчетной глубины скважины, а в забое - вида грунта, установленного в проекте в качестве основания сваи, бетонную смесь следует подавать под избыточным давлением в забой скважины, осуществляя непрерывный конфоль за поддержанием расчетного давления в скважине (бетоноподающей системе) и синхронностью подачи бетонной смеси и подъемом бурового инструмента. Синхронность подъема инструмента и подачи в скважину бетонной смеси следует обеспечивать для исключения образования разрывов сплошности бетонного ствола сваи за счет ее пережимов неустойчивыми грунтами.

10.2.9 Рекомендуется применять для уплотнения грунтов в основании сваи, а также для грунтов, в которых пробурена скважина, разрядно-импульсные технологии (РИТ). РИТ позволяет вернуть разуплотненные при бурении скважины грунты в исходное состояние, достигнув природной плотности и даже превысить ее. Конфоль степени уплотнения грунта в зоне разрядно-импульсной обработки (РИО) осуществляют по понижению уровня бетонной смеси в устье скважины и сопоставлению его с величиной, заданной в проекте.

10.2.10 Качество очистки забоя скважины или степень уплотнения грунта под нижним концом сваи должны быть зафиксированы в журнале производства работ.

10.2.11 Бетонирование сваи допускается только при условии достижения в основании сваи (забое скважины) грунтов, установленных в проекте, что должно быть зафиксировано в журнале изготовления свай.

При бурении шнеком на всю глубину скважины, формировании скважины с помощью теряемого наконечника и в других случаях, когда сложно или невозможно однозначно определить наличие в основании сваи (забое скважины) грунтов, принятых в проекте при расчете несущей способности сваи, следует в расчете несущей способности буровой сваи определять расчетное сопротивление под нижним концом сваи по расчетным характеристикам наименее прочных грунтов, обнаруженных при инженерно-геологических изысканиях для рабочего проектирования и залегающих в диапазоне глубины на 1 м выше и на 1 м ниже расчетной отметки нижнего конца буровой сваи.

10.2.12 Для предотвращения подъема и смещения в плане арматурного каркаса укладываемой бетонной смесью и в процессе извлечения бетонолитной или обсадной трубы, а также во всех случаях армирования не на полную глубину скважины каркас необходимо закрепить в проектном положении.

10.2.13 При бурении скважин под слоем глинистого раствора его уровень в скважине в процессе бурения, очистки и бетонирования должен быть выше уровня грунтовых вод не менее чем на 0,5 м.

10.2.14 По окончании бурения следует проверить соответствие проекту фактических размеров скважин, отметки их устья, забоя и расположения каждой скважины в плане, а также установить соответствие вида грунта основания проектным данным инженерно-геологических изысканий, состояние забоя скважины (степень очистки или уплотнения грунта в ее: основании), что должно быть зафиксировано записью в журнале изготовления буровых свай.

При бетонировании «насухо» перед установкой арматурного каркаса и после должно быть произведено освидетельствование скважины на наличие рыхлого грунта в забое, осыпей, вывалов, воды и шлама. При их наличии забой скважины должен быть очищен или уплотнен. Качество очистки или уплотнения должно быть задано проектом.

При проведении авторского надзора следует обратить внимание на достижение грунтов, учтенных в расчете несущей способности сваи, на соответствие степени очистки или уплотнения грунта в ее основании установленным проектом. В случаях отступлений при производстве работ от условий, предусмотренных в расчетах несущей способности сваи, автор проекта должен откорректировать проект.

10.2.15 В обводненных песчаных, просадочных и в других неустойчивых грунтах бетонирование свай должно производиться немедленно после окончания бурения, а в устойчивых грунтах - не позднее 8 ч. При невозможности бетонирования в указанные сроки бурение скважин начинать не следует, а уже начатых - прекратить, не доведя их забой на 1-2 м до проектного уровня и не разбуривая уширений.

10.2.16 Для контроля сплошности бетонного ствола буровых свай, выполняемых методом подводного бетонирования, необходимо выборочным порядком производить испытание образцов, взятых из выбуренных в сваях кернов, или контролировать сплошность не разрушающими методами (одна свая на каждые 100, но не менее чем две сваи на объект строительства), а также во всех сваях, при устройстве которых были допущены нарушения технологии.

При выбуривании керна следует обращать особое внимание на режим бурения в зоне контакта слоя бетона, уложенного с нарушением требований бетонирования (например, длительных перерывов в укладке смеси), с нормально уложенным, а также в зоне контакта с забоем скважины а скальном грунте. Быстрое погружение (провал) бурового инструмента в этих зонах свидетельствует о наличии прослойки шлама, образовавшегося в результате нарушения режима подводного бетонирования. Это обстоятельство необходимо отметить в журнале выбуривания керна, указав отметку и глубину провала инструмента.

10.2.17 Буронабивные полые сваи следует изготавливать из жестких бетонных смесей с осадкой конуса 1-3 см на щебне фракцией не более 20 мм.

10.3 Буровые сваи малого диаметра

10.3.1 Буровые сваи малого диаметра (150 - 300 мм) допускается применять в качестве элементов, армирующих грунтовое основание под высотным зданием, когда естественное грунтовое основание не обеспечивает требуемую есущую способность.

10.3.2 Бурение скважины при устройстве буроинъекционных свай в неустойчивых обводненных грунтах следует осуществлять проходными шнеками, с промывкой скважин буровым (глинистым, бентонитовым и др.) раствором или под защитой обсадных труб.

Плотность бурового (глинистого, бентонитового) раствора должны быть 1,05-1,15 г/см3.

При бурении скважины следует контролировать бурение по виду выносимого из скважины грунта по нарушенным пробам, обязательно сопоставляя фактические параметры (глина, суглинок, песок, его крупность) с параметрами грунта, учтенного проектом при расчете несущей способности сваи. Установленный при бурении скважины вид грунта в основании сваи следует зафиксировать в журнале изготовления свай.

Забой скважины должен быть очищен от разрыхленного грунта и шлама или разрыхленный в основании сваи грунт должен быть уплотнен. Степень очистки забоя скважины или уплотнения грунта в основании сваи должна быть установлена проектом.

Если невозможно обеспечить качественную очистку забоя скважины от разрыхленного грунта и шлама или требуемую степень уплотнения грунта под нижним концом сваи, то при расчете несущей способности буровой сваи малого диаметра следует учитывать понижающий коэффициент γr, величина которого должна устанавливаться проектом. Рекомендуется для свай длиной до 10 м γr = 0,6, для свай длиной до 15 м γr = 0,8, для более длинных свай γr = 0,9.

10.3.3 Для изготовления буроинъекционных свай должны применяться мелкозернистые бетоны, отвечающие требованиям ГОСТ 26633, класса по прочности на сжатие не ниже В30, марки по водонепроницаемости не ниже W6. Состав бетонных смесей следует подбирать по ГОСТ 27006. Заполнителем для бетона может служить песок, удовлетворяющий требованиям ГОСТ 8736 и ГОСТ 26633.

Бетонные смеси для свай должны соответствовать требованиям ГОСТ 7473 и удовлетворять следующим показателям качества:

удобоукладываемость П4-П5;

расслаиваемость (водоотделение не более 2%);

сохранение удобоукладываемости не ниже П4 в течение не менее 3 ч.

Оседание бетонной смеси в скважине не должно превышать 2 % ее глубины.

Время доставки готовой бетонной смеси на строительный объект в миксерах не должно превышать 1,5 ч.

При изготовлении бетонной смеси на строительной площадке дозирование компонентов бетонных смесей следует производить по массе. Точность дозирования для цемента, воды, добавок - ±1 %, для заполнителей - ±2 %. Допускается объемное дозирование сыпучих материалов с теми же погрешностями дозирования для бетоносмесительных установок (БСУ), производящих до 5 м3/ч, а также допускается дозирование по объему воды добавок, вводимых в бетонную смесь в виде водных растворов при любой производительности БСУ.

Не допускается в основании высотных зданий использование беспесчаных цементных растворов, а также цементных растворов с малым содержанием песка и цементных растворов на песках с модулем крупности менее 2,2.

10.3.4 Скважины буроинъекционных свай заполняют бетонными смесями через буровой став или трубу-инъектор от забоя скважины снизу вверх до полного вытеснения глинистого раствора и появления в устье скважины чистой бетонной смеси. Следует контролировать объем бетонной смеси, закачанной в скважину, и сопоставлять его с объемом выбуренного грунта.

После этого скважина должна быть промыта бетонной смесью. Продолжительность промывки - до исчезновения остатков шлама и комочков грунта при переливе бетонной смеси через оголовок кондуктора, который следует изготавливать из стальной трубы диаметром, соответствующим диаметру скважины, и устанавливать в устье скважины на глубину не менее 0,5 м и не менее чем на 50 мм выше поверхности бетонной подготовки.

10.3.5 Буроинъекционные сваи следует опрессовывать после установки в верхней части трубы-кондуктора тампона с манометром путем нагнетания через инъектор твердеющего раствора под давлением 0,2-0,3 МПа в течение 2-3 мин.

Вместо опрессовки статическим давлением может быть применена опрессовка по разрядно-импульсной технологии с формированием камуфлетных уширений в нижнем конце сваи и по длине ее ствола. При этом следует контролировать изменения уровня бетонной смеси в скважине и объем добавляемой в скважину бетонной смеси для оценки достигаемого результата при формировании сваи. Возникающие при обработке (РИО) по РИТ динамические возмущения должны контролироваться, чтобы не было превышения значений, указанных в настоящих Рекомендациях. При необходимости следует откорректировать энергетические характеристики РИО и число разрядов для обеспечения подачи в грунт требуемого объема бетонной смеси.

Следует проверять, чтобы объем первоначально закачанной бетонной смеси в скважину и добавленной при опрессовке превышал объем выбуренного грунта.

Допускается выполнять допроходку скважины с использованием РИО участков пережатия скважины до свободного перемещения электродной системы и арматурного каркаса при его установке.

10.3.6 В грунтах, не агрессивных к бетону, защитный слой бетона в буроинъекционных сваях, используемых в основаниях высотных зданий, должен быть не менее 40 мм.

В грунтах с агрессивными средами коррозионную стойкость свай следует обеспечивать применением мытых заполнителей, коррозионно-стойких материалов, добавок, повышающих коррозионную стойкость бетона и его способность защищать стальную арматуру от коррозии, увеличением плотности и снижением проницаемости бетона технологическими приемами, увеличением толщины защитного слоя, установлением требований к категории трещиностойкости.

В грунтах сильно агрессивных к бетону, помимо повышения плотности, водонепроницаемости бетона и других мероприятий, увеличивающих степень защиты арматуры от коррозии, рекомендуется увеличивать толщину защитного слоя бетона до 70 мм. Для этого следует применять центраторы из коррозионно-стойкого материала.

При показателях степени агрессивности грунтов или грунтовых вод к бетону, выходящих за пределы допускаемых СНиП 2.03.11, следует применять комплексные методы защиты от коррозии, согласованные с лабораторией коррозии бетонов НИИЖБ.

10.3.7 Арматурный каркас сваи должен погружаться в скважину, заполненную бетонной смесью, под собственным весом. При длительной РИО (более 100 электровзрывов в скважине) возможно схватывание бетонной смеси и астичное ее обезвоживание. Для погружения армокаркаса допускается его вращение вдоль продольной оси, использование вибраторов и вибропогружателей мощностью не более 5 кВт, последовательное поднятие и опускание каркаса в скважину.

10.3.8 Соединение отдельных секций арматурного каркаса электродуговой сваркой не рекомендуется.

Рекомендуется соединять секции арматурного каркаса в нахлестку или при помощи специальных муфт. Применение специальных муфт допускается при условии согласования конструкции муфтового стыка лабораторией арматуры НИИЖБ.

10.4 Уход за бетоном оголовка свай

10.4.1 При формировании оголовков свай укладку следующего слоя бетонной смеси следует выполнять до начала схватывания бетона предыдущего слоя. Продолжительность перерыва между укладкой смежных слоев бетонной смеси без образования рабочего шва устанавливается строительной лабораторией.

10.4.2 Выступающие над поверхностью земли оголовки свай, включая выпуски арматуры, следует укрывать паро-теплоизоляционными материалами непосредственно после окончания бетонирования.

10.4.3 При отрицательной температуре воздуха арматурный каркас, выходящий на открытую поверхность после его погружения в скважину, для снижения теплопотерь при твердении бетона сваи методом термоса должен быть теплен (Руководство по зимнему бетонированию с применением метода термоса / НИИЖБ. - М.: Стройиздат, 1975).

10.4.4 При сильных морозах, когда противоморозные добавки и тепловыделения при твердении бетона не обеспечивают достижения бетоном минимально требуемой прочности, допускается использовать электропрогрев бетона оголовков свай на глубину промерзшего к этому времени грунта.

10.5 Свайно-плитные и свайные фундаменты

10.5.1 Работам по устройству ростверка (плиты) должна предшествовать приемка заглубленных в грунт и срезанных на проектном уровне свай, свай-оболочек или буровых свай и возведенных ограждений котлованов (при их наличии).

10.5.2 При опирании фундаментной плиты на сваи через промежуточные элементы - оголовки плитного типа - следует сопряжения оголовков плитного типа и свай выполнять посредством заделки их в оголовок на глубину по проекту, но не менее 100 мм.

10.5.3 Возможность нагружения выполненных монолитных конструкций должна решаться в соответствии с требованиями СНиП 3.03.01.

10.5.4 Требования к бетону по прочности олжны быть указаны в проектной документации на сваи-РИТ в зависимости от условий вердения бетона.

10.5.5 Минимальные расстояния между сваями-РИТ в плане, независимо от размеров камуфлетных уширений, диктуются условиями обеспечения устойчивости стенок скважин при производстве работ. Рекомендуется принимать расстояние между осями висячих свай малого диаметра (до 400 мм ) в плоскости их нижних концов не менее трех диаметров, принимая за диаметр сваи - диаметр бурового инструмента.

10.5.6 Свободное сопряжение сваи с ростверком следует учитывать в расчетах как шарнирное и выполнять его заделкой головы сваи ростверк на глубину 50-100 мм без заделки выпусков арматуры.

Шарнирное сопряжение рекомендуется предусматривать в фундаментах, устраиваемых на территориях потенциально опасных по карстовым проявлениям.

10.5.7 В остальных случаях следует предусматривать жесткое сопряжение сваи со свайным ростверком, особенно если непосредственно под плитой ростверка в верхней зоне основания залегают слабые грунты (насыпные неслежавшиеся грунты, рыхлые пески, глинистые грунты текучей консистенции и т.п.).

10.5.8 При жестком сопряжении сваи с плитой ростверка следует предусматривать:

заделку в ростверк головы сваи на глубину, соответствующую длине анкеровки арматуры (при этом, продольное армирование оголовка сваи должно быть выполнено на всю длину заделки, бетон оголовка сваи перед заделкой в ростверк должен быть очищен);

заделку в ростверк выпусков продольной арматуры на длину их анкеровки в соответствии с требованиями настоящих Рекомендаций, при этом голова сваи заделывается в ростверк на глубину 50-150 ±30 мм.

10.5.9 При проектировании плиты ростверка следует учитывать принятое сопряжение сваи с ростверком для конструирования армирования плиты.

10.5.10 Для исключения разрушения головы сваи за счет местного смятия бетона при любом сопряжении сваи с плитой монолитного ростверка рекомендуется в голове сваи устанавливать тонкостенную трубу (t = 2-3 мм) длиной 0,5-1,5 м, соответствующую диаметру скважины dc в которой формируется свая.

10.6 Анкеры

10.6.1 Грунтовые анкеры позволяют использовать экономичные проектные решения, повысить надежность и безопасность устройства глубоких котлованов в стесненных условиях городской застройки, сократить сроки строительства.

10.6.2 Грунтовые анкеры могут быть инъекционные, камуфлетные (анкеры-РИТ) или винтовые, предварительно напрягаемые и не напрягаемые грунтовые анкеры.

10.6.3 Для крепления ограждений глубоких котлованов рекомендуется применять предварительно напрягаемые инъекционные или камуфлетные (анкеры-РИТ) грунтовые анкеры.

10.6.4 Угол наклона грунтовых анкеров к горизонтальной поверхности следует устанавливать не менее 10°. При углах наклона более 30° следует учитывать вертикальную вдавливающую составляющую, действующую на конструкции ограждения котлована при испытании нкеров. Анкер с углом наклона более 45° после проведения испытания устанавливают на блокировочную нагрузку, которая должна составлять 0,4 его расчетной несущей способности.

10.6.5 Размещение грунтовых анкеров под существующими зданиями и сооружениями на глубине менее 5 м от дневной поверхности в соответствии с положениями Федерального закона «О недрах» (ст. 18) должно быть согласовано с владельцами этих зданий и сооружений.

На участках перспективного освоения подземного пространства следует предусматривать извлечение тяг грунтовых анкеров из грунта или выполнять тяги анкеров из материалов, легко разрушаемых землеройными и горнопроходческими машинами и щитами.

При производстве работ по анкерному креплению не должны нарушаться условия нормальной эксплуатации зданий и сооружений, расположенных в зоне влияния работ.

Устройство грунтовых анкеров под существующими зданиями и сооружениями, а также влияние строящегося заглубленного сооружения при креплении бортов котлована грунтовыми анкерами не должно создавать дополнительных деформаций зданий и сооружений сверх величин, установленных МГСН 2.07.

10.6.6 Перед установкой анкера скважина должна быть очищена от шлама в пределах длины корня анкера.

10.6.7 В анкерах с манжетной трубой для бразования обоймы следует применять, как правило, глиноцементный раствор, прочность которого в возрасте 7 дней должна составлять не менее 1 МПа.

Использование цементного раствора для образования обоймы допускается только по согласованной проектной документации.

10.6.8 Цементный раствор для образования заделки (как правило, с В/Ц=0,4-0,6) следует приготавливать на строительной площадке непосредственно перед нагнетанием в скважину в объеме, позволяющем его использование до окончания процесса схватывания. Во избежание расслаивания раствор в течение всего периода нагнетания следует периодически перемешивать.

10.6.9 При закреплении арматуры анкера в скважине (при образовании заделки анкера) следует обеспечивать нагнетание проектного объема раствора с обязательной регистрацией расхода и давления. В случае резкого подъема давления инъекция должна быть прекращена. Допускается резкий подъем давления только в начале инъекции при прорыве обоймы в случае инъектирования раствора через манжетную трубу.

10.6.10 При устройстве анкеров, заделка которых производится путем многократной инъекции через манжетную трубу при помощи инъектора с двойным тампоном при глиноцементной обойме, каждая последующая инъекция должна выполняться не ранее чем через 16 ч после окончания предыдущей.

При цементной обойме интервал между инъекциями следует определять проектом.

10.6.11 При устройстве анкеров, в заделке (корне) которых формируется несколько камуфлетных уширений с применением РИТ (анкеры-РИТ), обработку корня анкера в связных грунтах следует выполнять с шагом не менее 0,6 м, а в песчаных грунтах - с шагом не менее 0,4 м. При этом следует контролировать объем цементного раствора, израсходованного на заполнение каждого камуфлетного уширения.

10.6.12 Натяжению и испытанию анкеров должна предшествовать приемка распределительной балки, оформленная актом.

10.6.13 Несущая способность каждого анкера, как правило, должна быть проверена до включения его в работу совместно с закрепляемой конструкцией путем контрольных или приемочных испытаний на максимальную испытательную нагрузку.

10.6.14 Контрольным испытаниям следует подвергать не менее одного из каждых десяти установленных анкеров, приемочным - все анкеры, кроме контрольных.

10.6.15 Состав контролируемых показателей, предельные отклонения, объем и методы контроля производства работ по забивным, буронабивным сваям и установке анкеров должны отвечать требованиям, приведенным в табл. 9.

Таблица 9

№ п.п.

Технические требования

Предельные отклонения

Контроль (метод и объем)

1

Положение в плане забивных свай диаметром или стороной сечения до 0,5 м, включая:

однорядное расположение свай:

 

Измерительный, в процессе производства работ

 

поперек оси свайного ряда

±0,2d

 

 

вдоль оси свайного ряда

±0,3d

 

 

сплошное свайное поле под всем зданием или сооружением:

 

 

 

крайние сваи

±0,2d

 

 

средние сваи

±0,4d

 

2

Положение в плане набивных и буронабивных свай диаметром более 0,5 м:

 

То же

 

поперек ряда

±10 см

 

 

вдоль ряда при кустовом расположении свай

±15 см

 

3

Отметки голов свай с монолитным ростверком

±3 см

То же

4

Вертикальность оси свай

±2%

Измерительный, 20 % свай, выбранных случайным образом

5

Размеры скважин и уширений буронабивных свай:

 

 

 

отметки устья забоя и уширений

±5 см

Измерительный, каждая скважина, по отметкам на буровом оборудовании

 

диаметр скважины

±1 см

То же, 20 % принимаемых скважин, выбранных случайным образом»

 

диаметр уширения

+10 см

То же

 

вертикальность оси скважины

±1 %

То же

6

Сплошность ствола свай, выполненных методом подводного бетонирования

Ствол сваи не должен иметь нарушений в сплошности

Измерительный, испытание образцов, взятых из выбуренных в сваях кернов или геофизическим способом

7

Сплошность ствола полых набивных свай

Ствол сваи не должен иметь вывалов бетона площадью свыше 100 см2 или обнаженной рабочей арматуры

Визуальный, каждая свая

8

Глубина скважин под сваи-стойки, устанавливаемые буроопускным способом для ростверка монолитного

+5, -20 см

Измерительный, каждая свая по отметке головы сваи, установленной в скважину

9

Толщина растворного шва между ростверком и оголовком

Не более 30 мм

То же

10

Параметры анкеров (конструкция, марки стали, глубина заложения, угол наклона к горизонту, общая длина заделки, длина свободной части, диаметр скважины)

Должны соответствовать проекту

Визуально-измерительный контроль всех анкеров*

11

Несущая способность анкеров:

Должен воспринимать усилие больше эксплуатационного:

Измерительный, не менее 10 % общего числа анкеров при контрольных испытаниях и все остальные анкеры - при приемочных

 

постоянный

в 1,5 раза

 

 

временный инъекционный

в 1,25 раза

 

 

временный анкер-РИТ

в 1,2 раза

 

*Качество сварных протяженных швов контролируется УЗК в объеме 0,5 %; швы, выполненные ванной и ванно-шовной сваркой, контролируются УЗК в объеме 15 %.

Примечание. d - диаметр круглой сваи или меньшая сторона прямоугольной.

11 Устройство водонепроницаемых преград в ограждениях котлованов

11.1 Водонепроницаемые сооружения ограждений котлованов

Водонепроницаемые сооружения ограждений котлованов могут выполняться в виде: стены в грунте, изготавливаемой траншейным способом; ограждающей конструкции из буросекущих (бурокасательных) свай; шпунта Ларсена и других подобных шпунтов; конструкций, возводимых по технологии «Джет граудинг».

11.2 Стена в грунте

11.2.1 Толщина стены в грунте должна соответствовать размерам используемого для разработки грунта грейферного оборудования. Рекомендуемые размеры: 0,4 м (неглубокие конструкции); 0,6 м, 0,8 м, 1,0 м.

11.2.2 Глубина стены в грунте определяется глубиной котлована и глубиной залегания водонепроницаемых грунтов. Армирование стены в грунте следует предусматривать на расчетную глубину ее защемления ниже дна котлована. Ниже этого уровня до низа стены, входящей в водонепроницаемые грунты, армирование можно не предусматривать.

11.2.3 Для приготовления глинистых растворов следует применять бентонитовые глины, а при их отсутствии - местные глины, имеющие физико-механические характеристики, указанные в табл. 10.

Окончательную пригодность местных глин определяют по результатам лабораторных испытаний глинистых растворов, получаемых на основе этих глин.

Таблица 10

№ п.п.

Технические требования

Предельные отклонения

Контроль (метод и объем)

1

Показатели качества глины для приготовления растворов:

 

Измерительный, 1 проба на 500 м3

 

число пластичности

Не менее 0,2

 

содержание частиц размером, мм:

 

 

крупнее 0,05

Не более 10 %

 

менее 0,005

Не менее 30 %

 

менее 0,001

Не менее 10 %

2

Показатели качества глинистого раствора:

 

Измерительный, один раз в смену из накопительной емкости

 

толщина глинистой корки

Не более 4 мм

 

водоотдача

17 см3 за 30 мин

 

условная вязкость

30 с

 

 

содержание песка

4%

 

 

стабильность

0,05 г/см3

 

 

суточный отстой воды

4%

 

 

величина показателя реакции среды (рН)

9-11

 

 

плотность раствора:

 

 

 

из бентонитовых глин

1,03-1,10 г/см3

 

 

из глин других видов

1,10-1,25 г/см3

 

3

Уровень глинистого раствора

Выше уровня подземных вод, но не ниже 0,2 м от верха обделки устья траншеи

Измерительный, ежесменно

4

Допустимые отклонения:

 

То же, не реже чем через 10 м по длине стены

 

смещения осей сооружения в плане

±3см

 

тангенса угла

0,005

 

 

отклонения стены от вертикали:

 

 

 

толщины стены

+10 см

 

 

глубины стены

+20 см

 

5

Коэффициент фильтрации заполнителя противофильтрационной завесы

По проекту

Тоже, 30 точек на 1000 м3 заполнителя отбором образцов или экспресс-методами

11.2.4 Качество глинистых растворов должно обеспечивать устойчивость стен грунтовых выработок (траншей, скважин) в период их устройства и заполнения.

11.2.5 При разработке неустойчивых грунтов с напорными водами для повышения плотности глинистого раствора допускается применять барит, магнетит и другие утяжелители раствора в количестве, зависящем от требуемой плотности раствора, но не более 7 % массы глины. При разработке крупнопористых грунтов для нижения водоотдачи и потерь глинистого раствора в него можно добавлять жидкое стекло (силикат натрия или силикат калия) в пределах от 2 до 6 % массы глины.

11.2.6 Качество глинистых растворов для повторного их использования следует восстанавливать очисткой или добавкой глин.

11.2.7 При устройстве стен из сборного железобетона по одноэтапной технологии (без замены глинистого раствора тампонажным) следует применять твердеющий раствор плотностью до 1,2 г/см3, одновременно обладающий свойствами обычного глинистого и тампонажного растворов и имеющий после твердения прочность не менее 0,6-0,8 МПа.

11.2.8 До начала работ по заполнению траншеи бетоном, железобетонными конструкциями или противофильтрационным материалом надлежит очистить ее дно от осадка.

11.2.9 Бетонирование стен под защитой глинистого раствора следует производить не позднее чем через 8 ч после образования траншеи на захватке.

11.2.10 Конструкция ограничителей должна воспринимать давление бетона, исключать попадание бетона из одной захватки в другую и обеспечивать заданную водонепроницаемость стыков.

11.2.11 В процессе укладки бетона в траншею необходимо периодически отбирать вытесняемый излишек глинистого раствора, не допуская снижения его уровня в траншее.

11.2.12 Подачу глиноцементного раствора или бетона при устройстве противофильтрационных завес следует осуществлять непрерывно, причем низ подающих растворы труб в начале работ должен находиться на уровне дна траншеи, а затем ниже уровня глиноцементного раствора или бетона не менее чем на 1 м.

Подачу в траншею глинистого противофильтрационного материала надлежит осуществлять способами, исключающими образование в траншее пустот и сводов из материала заполнителя.

11.2.13 При производстве работ по возведению сооружений способом «стена в грунте» состав контролируемых показателей, предельные отклонения, объем и методы контроля должны выполняться по указаниям табл. 10.

11.3 Буросекущиеся сваи

11.3.1 Диаметр свай рассчитывают из условий обеспечения устойчивости и водонепроницаемости.

11.3.2 В первую очередь изготавливают неармированные сваи или армируемые жесткой арматурой. Во вторую очередь выполняют замыкающие сваи между сваями первой очереди. Величину пересечения (забуривания) свай устанавливают проектом в зависимости от гидрогеологических условий строительной площадки.

11.3.3 Сваи второго этапа армируют по расчету для обеспечения требуемой прочности. Буросекущиеся сваи должны заглубляться в водонепроницаемые грунты для исключения прорыва воды через дно котлована.

11.3.4 При производстве работ по устройству ограждения котлована из буросекущих свай состав контролируемых показателей, предельные отклонения, объем и методы контроля должны соответствовать табл. 9.

11.4 Шпунт типа Ларсен

11.4.1 Конструкция водонепроницаемого шпунтового ограждения определяется проектом. Важным элементом такого ограждения является надежность замков по прочности и водонепроницаемости.

11.4.2 Вид шпунта, его прочностные характеристики определяют проектом и условиями его применения.

11.4.3 Шпунт, применяемый для исключения водопритока в котлован, должен быть погружен в водонепроницаемые грунты на достаточную величину, определяемую проектом.

11.4.4 При производстве работ по устройству ограждения котлована из шпунта состав контролируемых показателей, предельные отклонения, объем и методы контроля должны устанавливаться проектной организацией.

11.5 Конструкции, изготовленные по технологии «Джет граудинг»

11.5.1 Конструкции, изготовленные по технологии «Джет граудинг», применяют чаще всего с использованием цементного раствора в однородных грунтах при отсутствии или малых скоростях движения подземных вод.

При наличии течения подземных вод во избежание размыва незатвердевшего цементного раствора следует применять добавки, ускоряющие процесс схватывания и твердения или выполнять химическое закрепление грунтов.

11.5.2 Армирование конструкций, выполняемых по технологии «Джет граудинг», следует осуществлять прокатными профилями (трубы, двутавры и т.п.) до начала схватывания цементирующего грунт состава. Учитывая отсутствие объективного инструментального контроля качества изготовленной конструкции, следует для обеспечения водонепроницаемости выполнять ограждающие котлован конструкции в 1,5-2 ряда.

11.5.3 По технологии «Джет граудинг» в небольших по площади котлованах можно создавать водонепроницаемое основание котлована, в сочетании со стеной в грунте можно уменьшить ее объем (глубину заделки).

11.5.4 При производстве работ по устройству ограждения котлована по технологии «Джет фаудинг» состав контролируемых показателей, предельные отклонения, объем и методы контроля должны устанавливаться проектной организацией.

12 Возведение подземных частей высотных зданий

12.1 Подземная часть высотного здания, как правило, должна выполняться в котловане открытым способом.

12.2 При устройстве фундаментной плиты на естественном основании в котловане глубиной более 5 м следует принимать меры по недопущению перерыва между окончанием разработки грунта и устройством фундамента высотного здания более двух суток для исключения разуплотнения грунта в основании и подъема дна котлована.

12.3 Для крепления бортов котлованов могут применяться дискретно расположенные свайные опоры (сваи, трубы, двутавровые балки и т.п.), погружаемые в лидерные скважины под собственным весом, задавливанием, вращением, с использованием вибрации или забивкой.

12.4 В условиях, позволяющих погружать несущие элементы ограждения котлована забивкой и вибропогружением, следует отдавать предпочтение этим способам погружения, так как после засыпки пазух котлована при извлечении элементов ограждения, погруженных забивкой или вибропогружением, менее всего разуплотняется грунт.

В условиях, не позволяющих погрузить несущие элементы ограждения котлована без выемки грунта (плотная застройка, подземные коммуникации, значительная толща техногенных грунтов и т.п.), несущие элементы следует погружать в лидерные скважины, пробуренные на всю глубину погружения или ее часть.

Погружение несущих элементов ограждения котлована в лидерные скважины исключает их извлечение для повторного использования, поэтому свободное пространство между пофу-жаемым элементом и стенками скважины следует заполнять цементным, цементо-бентонитовым раствором или бетоном. Заполнение следует предусматривать не ниже отметки дна котлована, а при наличии прослоев слабых или водонасыщенных грунтов - не ниже кровли этих прослоев или на всю глубину скважины.

При погружении несущих конструкций ограждения котлована в скважины, заполненные цементным раствором, обработанным по разрядно-импульсной технологии, следует принимать в расчетах коэффициент трения грунта по поверхности элемента конструкции равным расчетному углу внутреннего трения грунта φ. Допускается повторное применение извлеченных элементов несущих конструкций ограждения котлованов после тщательного осмотра, выбраковки и письменного разрешения строительной лаборатории на повторное применение.

12.5 Состав контролируемых показателей, предельные отклонения, объем и методы контроля выполняемых при креплении бортов котлована работ должны отвечать рекомендациям, приведенным в табл. 11.

Таблица 11

№ п.п.

Технические требования

Предельные отклонения

Контроль (метод и объем)

1

Положение в плане в верхнем сечении элементов крепления бортов котлована из свай, труб балок, погруженных в лидерные скважины:

 

Измерительный, каждый элемент

а) однорядное расположение:

 

 

поперек оси ряда элементов крепления

±100 мм

 

вдоль борта котлована (вдоль оси ряда)

±0,1b

 

б) двухрядное расположение:

 

 

поперек оси ряда элементов крепления со стороны котлована

±100 мм

 

поперек оси второго ряда элементов крепления со стороны котлована

±200 мм

 

вдоль борга котлована (вдоль осей 1 и 2 ряда элементов крепления)

±0,1b

 

2

Положение в плане крепления бортов котлована из буросекущихся свай диаметром более 0,6 м:

 

То же

поперек ряда

±100 мм

 

вдоль борта котлована

±50 мм

 

3

Отметка голов элементов крепления

±100 мм

»

4

Вертикальность:

 

Измерительный, 20 % элементов крепления, выбранных случайным образом

а) осей дискретно установленных элементов крепления

±2 %

б) осей буросекущихся свай

±1 %

5

Параллельность осей максимальной жесткости двутавровой балки осям, проходящим вдоль борта котлована

±10°

Измерительный, каждая балка при разработке грунта в котловане на глубину каждого яруса

6

Глубина скважин для установки элементов крепления бортов котлована по проекту

+300 мм

-50 мм

Каждая скважина, по отметкам на буровом оборудовании

7

Сплошность ствола буросекущихся свай, выполненных методом подводного бетонирования

Ствол сваи не должен иметь нарушений сплошности

Геофизическим методом, каждая свая до разработки грунта в котловане Визуальный, при разработке грунта в котловане на глубину каждого яруса

8

Забирка, отклонения в сторону котлована и в сторону грунта сверх отклонений, установленных в строках 1а и 4.1а данной таблицы

±50 мм

Измерительный, 10 % площади забирки

9

Плотность забирки, зазор между элементами забирки:

 

Визуально

забирка из досок

Исключение просыпания грунта сквозь щели в за-бирке

металлическая забирка

Исключение выноса грунта водой сквозь щели в креплении забирки

10

Перемещение распределительных балок и других элементов крепления котлована посередине пролета между поясами (выгиб) в процессе разработки грунта в котловане и в процессе строительства здания до засыпки пазух котлована

Не более величины, установленной в проекте

Измерительный, каждая распределительная балка по глубине котлована с шагом не реже 10 м вдоль балок, выгиб - каждый 10-й элемент крепления. Постоянный мониторинг, измерения - не реже 1 раза в месяц

11

Параметры анкеров (конструкция, марки стали, глубина заложения, угол наклона к горизонту, общая длина заделки, длина свободной части, диаметр скважины)

Должны соответствовать проекту

Визуально - измерительный контроль всех анкеров

12

Несущая способность временных анкеров

Должен воспринимать усилие больше эксплуатационного в 1,2 раза

Измерительный, не менее 10 % общего числа анкеров при контрольных испытаниях и все остальные анкеры при проемочных

13

Распределительный пояс:

 

 

сечение деталей крепления

+1 мм

Измерительный, не менее 10 % общего числа элементов распределительной балки

высота сварных швов

+1 мм

длина сварных швов

+5 мм

Раскрепление несущих элементов ограждения котлована в распределительную балку

 

Каждый элемент

14

Несущая способность временных распорных конструкций: раскосы, подкосы и другие элементы

Должны воспринимать усилие больше эксплуатационного в 1,2 раза, создаваемого при испытаниях

Измерительный, не менее 10 % общего числа распорных конструкций при контрольных испытаниях и все остальные анкеры при приемочных

Примечание. b - шаг элементов крепления котлована вдоль борта.

12.6 Для исключения обрушения грунта между дискретно установленными элементами ограждения котлована из его бортов при разработке грунта в котловане следует предусматривать устройство забирки. Плотность забирки должна исключать высыпание грунта в котлован из его бортов. Забирку выполняют по мере разработки грунта в котловане. В устойчивых грунтах - на безопасном расстоянии от экскаватора. В неустойчивых грунтах разработку грунта следует выполнять небольшими участками (захватками) и на глубину, исключающую прорыв грунта в котлован. В грунтах с тиксотропными и плывунными свойствами забирка должна опережать разработку грунта в котловане.

12.7 Для обеспечения устойчивости офаж-дения бортов котлованов конструкции крепления следует раскреплять, применяя: распорки, раскосы, подкосы; контрфорсы из элементов стены в грунте; диски межэтажных перекрытий; временные грунтовые анкеры.

12.8 Применение подкосной системы следует предусматривать проектом при возможности разработки грунта в центре котлована до проектной отметки с сохранением прижимных призм и устройства фундаментной плиты с закладными, в которые будут раскрепляться подкосы.

Расстояние от нижней грани прижимной призмы до выпусков арматуры из ранее забетонированной фундаментной плиты должно быть не менее 0,6 м, а грунт откоса прижимной призмы следует укрепить от эрозии - размыва его фильтрующими в котлован грунтовыми водами и стекающими в котлован водами в результате атмосферных осадков или таяния снега.

При необходимости проектом следует предусмотреть раскрепление конструкций ограждения бортов котлована распорками, раскосами и подкосами. Следует вдоль бортов котлована оставлять грунтовые прижимные призмы, устойчивость которых должна быть проверена расчетом с учетом коэффициента надежности, принимаемого не менее 1,2. Следует также проверить расчетом прочность и устойчивость всех элементов распорной системы с учетом прогиба под собственным весом и случайной нагрузки q = 0,5 тс/м, если не указана в ПОС большая.

12.9 При устройстве ограждения котлованов из водонепроницаемых конструкций временные грунтовые анкеры, устанавливаемые ниже УГВ, должны иметь водоудерживающие сальниковые уплотнения. В конструкции стены в грунте должны быть предусмотрены закладные элементы, позволяющие герметично заглушить отверстия прохода анкеров после их демонтажа.

12.10 Для крепления ограждающих конструкций следует применять предварительно напрягаемые грунтовые анкеры, предварительно обжимаемые распорные, раскосные и подкосные системы. В условиях плотной застройки не допускается применение распорных, раскосных и подкосных систем без предварительного их обжатия домкратами.

12.11 После монтажа грунтовых анкеров и распорных конструкций следует провести контрольные и приемочные испытания. Для временных распорных конструкций крепления котлованов испытательная нагрузка должна превышать расчетную в 1,2 раза. После испытания временные распорные конструкции крепления котлованов следует установить на блокировочную нагрузку, составляющую 0,8 расчетной, с помощью домкратной системы.

12.12 При устройстве многоэтажных подземных сооружений для высотных комплексов следует рассматривать возможность возведения методом «сверху-вниз». В этом случае отрывка грунта для устройства очередного подземного этажа производится малогабаритным землеройным оборудованием из-под предыдущего перекрытия. Наружные стены подземных этажей выполняют в виде «стены в грунте» и они служат одновременно ограждением откапываемого котлована, а распорная система ограждения включается в конструкцию перекрытия между подземными этажами. Выдача разработанного грунта на поверхность осуществляется через проемы, оставляемые в перекрытии.

Производство работ по методу «сверху-вниз» разрешается только при технико-экономическом обосновании, условии согласования технической документации, в частности упомянутого технологического регламента, с организацией, являющейся автором проекта работ нулевого цикла, и при наличии положительного заключения геотехнической экспертизы.

12.13 При выполнении работ по возведению подземных частей высотных зданий надлежит вести следующую техническую документацию: общий журнал работ; специальные журналы по отдельным видам работ (например, журнал погружения свай, журнал устройства буровых свай, журнал уплотнению грунта основания, журнал работы водопонизительной установки, журнал сварочных работ, журнал бетонных работ и т.п.); журнал авторского надзора.

12.14 В процессе строительства следует постоянно составлять акты освидетельствования скрытых работ, промежуточной приемки ответственных конструкций, в частности на:

устройство основания под фундаменты, включая дно котлована;

арматурные и сталежелезобетонные каркасы;

ограждения котлованов;

крепления ограждений котлованов анкерами, распорными конструкциями, включая испытания;

погружение свай и шпунта;

стыкование свай;

устройство искусственных оснований буровых свай (зачистка забоя или уплотнение грунта в основании);

бурение всех видов скважин;

втрамбовывание в дно котлованов жесткого материала (щебень, гравий);

устройство вертикальных дрен и всех видов дренажей и дренажных завес;

погружение иглофильтров и всех видов инъекторов;

приготовление инъекционных и тампонажных растворов и их нагнетание;

все виды арматурных работ при дальнейшем бетонировании конструкций, а также установку закладных частей и деталей.

Раздел III ЗАЩИТА ПОДЗЕМНЫХ ЧАСТЕЙ ВЫСОТНЫХ ЗДАНИЙ ОТ АГРЕССИВНЫХ ВОЗДЕЙСТВИЙ

Рекомендации разработаны с учетом особенностей применяемых в практике строительства высокопрочных бетонов, обладающих особо низкой проницаемостью и повышенной коррозионной стойкостью. Приведены рекомендации, позволяющие с учетом действующих нормативных документов выполнять проектирование зданий повышенной долговечности.

1 Общие положения

1.1 Для проектирования защиты от коррозии подземных бетонных и железобетонных конструкций многофункциональных высотных зданий и комплексов необходимы следующие данные:

гидрогеохимические характеристики грунтов и грунтовых вод на площадке строительства;

характеристика агрессивных сред (вид и концентрация газов и относительная влажность в помещениях, наличие различного вида кор-розионно-активных продуктов - противогололедных реагентов, масел и др.);

сведения о наличии в здании помещений с повышенными влажностью и температурой;

наличие помещений и технологического оборудования с потенциальной возможностью проливов и загрязнения воздушной среды и строительных конструкций;

наличие биологически активных сред (бактерий, грибов, водорослей и пр.).

На основании этих данных в соответствии с нормами и настоящими Рекомендациями устанавливается степень агрессивного воздействия среды на материалы конструкций.

1.2 Коррозионная стойкость бетонных и железобетонных конструкций и элементов их сопряжений обеспечивается мерами первичной и вторичной защиты.

Меры первичной защиты включают в себя: применение материалов для бетона и железобетона, стойких к воздействию агрессивной среды; применение добавок, повышающих коррозионную стойкость бетона и его защитную способность по отношению к стальной арматуре и стальным закладным деталям и соединительным элементам; снижение проницаемости бетона; соблюдение дополнительных расчетных и конструктивных требований при проектировании конструкций.

Меры вторичной защиты включают в себя применение: лакокрасочных покрытий; оклеечной изоляции из листовых и пленочных материалов; обмазочных и штукатурных покрытий на основе минеральных и органических вяжущих; облицовки штучными или блочными изделиями из керамики, шлакоситала, стекла, каменного литья, природного камня; уплотняющей пропитки поверхностного слоя бетона конструкций химически стойкими материалами; обработки гидрофобизирующими составами; обработки препаратами - биоцидами.

Вторичную защиту применяют в том случае, если при использовании первичной защиты не достигается требуемая долговечность конструкций.

Вторичная защита, как правило, требует возобновления во времени.

1.3 Выбор способа защиты должен проиводиться на основании технико-экономического сравнения вариантов с учетом заданного срока службы и расходов, включающих расходы на возобновление защиты, текущий и капитальный ремонты конструкций и другие, связанные с эксплуатацией затраты.

2 Степень агрессивного воздействия среды

2.1 Агрессивные среды по физическому состоянию разделяют на газообразные, твердые и жидкие.

Подземные бетонные и железобетонные конструкции многофункциональных высотных зданий и комплексов подвергаются воздействию: газообразной среды в виде влажного и загрязненного воздуха помещений; твердой среды, осаждающейся на поверхности конструкций в виде пыли, солей-антиобледенителей, грунта, содержащего агрессивные компоненты; жидкой среды в виде агрессивных природных или загрязненных техническими продуктами и отходами поверхностных и грунтовых вод; биологически активных сред.

2.2 Природные и техногенные агрессивные среды по степени воздействия на строительные конструкции подразделяются на неагрессивные, слабоагрессивные, среднеагрессивные и сильноагрессивные и определяются для:

газообразных сред - видом и концентрацией газов в сочетании с температурой и влажностью окружающего воздуха;

твердых сред - видом, растворимостью в воде и гигроскопичностью отдельных компонентов, содержащихся в пыли, в сочетании с температурой и влажностью окружающего воздуха, химическим составом и количеством растворимых солей в грунте;

жидких сред - наличием и концентрацией агрессивных компонентов, температурой, величиной напора или скоростью движения жидкости у поверхности конструкций;

биологически активных сред - наличием бактерий, грибов, водорослей.

2.3 Режим подземных помещений многофункциональных высотных зданий и комплексов по влажности определяют по СНиП 23-02 и принимают: нормальным для большей части помещений; влажным или мокрым для помещений бань, бассейнов, гаражей и других помещений, в которых возможно увлажнение конструкций.

Для подземных конструкций зданий, находящихся в контакте с грунтом без гидроизоляционной защиты, режим по влажности следует принимать влажным.

2.4 Степень агрессивного воздействия среды по отношению к бетону и железобетону зависит от проницаемости бетона и устанавливается с учетом марки бетона по водонепроницаемости.

Прямые и косвенные показатели проницаемости бетона (марка по водонепроницаемости в пределах W4-W8, коэффициент фильтрации и водопоглощение бетона по массе) приведены в табл. 1 СНиП 2.03.11.

Степень агрессивного воздействия сред приведена в СНиП 2.03.11: в табл. 2 - для газообразных сред, в табл. 3 - для твердых сред, в табл. 4 - для грунтов, в табл. 5-8 - для жидких сред.

Для оценки степени агрессивного воздействия сред на бетон марок по водонепроницаемости W4-W8 следует пользоваться указаниями СНиП 2.03.11. Для бетонов марок по водонепроницаемости W16-W20 степень агрессивного воздействия сред приведена в настоящих Рекомендациях.

При воздействии других жидких сред оценку агрессивности сред и возможность отмены вторичной защиты устанавливают отдельно в каждом конкретном случае специализированные организации.

2.5 Агрессивность твердых сред обусловлена:

соединениями серы, содержащимися в пыли, загрязняющей воздух (основная опасность для стальных закладных деталей, выходящих на наружные поверхности железобетонных конструкций);

хлорсодержащими солями-антиобледенителями, попадающими в виде пыли, брызг и аэрозоля на поверхности конструкций, главным образом в гаражах, сульфатами и хлоридами, содержащимися в грунтах.

Степень агрессивного воздействия твердых сред и грунта выше уровня грунтовых вод на бетонные и железобетонные конструкции устанавливается по табл. 3 и 4 СНиП 2.03.11.

2.6 Наличие агрессивных компонентов в унтовых водах определяют по результатам химического анализа воды. Места отбора проб, их исло и глубина отбора должны приниматься в соответствии с требованиями нормативных документов по инженерным изысканиям (СНиП 11-02, а также МГСН 2.07). При этом следует учитывать возможность изменения гидрогеохимической обстановки района во времени.

Степень агрессивного воздействия наиболее распросфаненных жидких неорганических и органических сред для бетонов марок по водонепроницаемости W4-W8 приведена в табл. 5, 6, 7 и 8 СНиП 2.03.11.

Для бетонов особо низкой проницаемости оценка степени агрессивного воздействия жидких сульфатных сред приведена в табл. 6 СНиП 2.03.11.

При наличии в жидкой среде нескольких агрессивных компонентов воздействие среды оценивают по наиболее агрессивному компонент.

На территории Москвы в целом грунтовые воды неагрессивны либо слабоагрессивны по отношению к бетону и железобетону. Однако имеются аномальные участки, расположенные, как правило, в районах промышленных зон и старых селитебных районах, на территориях свалок, отстойников и т.п.

Для бетона массивных малоармированных конструкций (толщиной свыше 0,5 м, при проценте армирования до 0,5) степень агрессивного воздействия среды может быть понижена на одну ступень.

2.7 При возведении на территориях с агрессивными грунтами зданий, фундаменты которых располагаются выше уровня грунтовых вод, следует учитывать возможность подтопления территорий и необходимость выполнения оценки агрессивного воздействия жидкой среды.

2.8 В случае расположения зданий в непосредственной близости к интенсивно загруженным автомагистралям необходимо учитывать агрессивное воздействие растворов солей-антиобледенителей, проникающих в грунт. При содержании в составе противогололедных реагентов солей хлоридов их воздействие следует принимать слабоагрессивным к бетону и среднеагрессивым к арматуре железобетонных конструкций.

Степень агрессивного воздействия жидких кислых сред на бетоны марок по водонепроницаемости W4-W8 приведена в табл. 5 СНиП 2.03.11. Степень агрессивного воздействия жидких кислых сред на бетоны марок по водонепроницаемости W9-W15 принимают по табл. 5 СНиП 2.03.11 как для бетона марки по водонепроницаемости W8. Ниже приведена степень агрессивного воздействия жидких кислых сред на бетон особо низкой проницаемости марок по водонепроницаемости W16-W20.

рН

Степень агрессивного воздействия

3,0 и более…………………..

неагрессивная

ниже 3,0 до 2,0……………...

среднеагрессивная

ниже 2,0……………………..

сильноагрессивная

Таблица 12

Степень агрессивного воздействия жидких сульфатных сред на бетон марок по водонепроницаемости W9-W20

Группа цементов

Цемент

Показатель агрессивного воздействия жидкой среды с содержанием сульфатов, мг SO4 2-/л, на бетон марки по водонепроницаемости

Степень агрессивного воздействия на бетон

W9-W15

W16-W20

1

Портландцемент по ГОСТ 10178

850-1250

1250-2500

Слабая

1700-2500

2500-5000

Средняя

Свыше 2500

Свыше 5000

Сильная

2

Портландцемент по ГОСТ 10178 с содержанием в клинкере C3S не более 65 %, С3А не более 7 %, C3A+C4AF не более 22 %

5100-6000

6000-7500

Слабая

6800-7500

7500-10000

Средняя

Свыше 7500

Свыше 10000

Сильная

3

Сульфатостойкие цементы по ГОСТ 22266; портландцементы группы 2 с модификаторами МК+С-3 или МБ-01

10200-12000

12000-15000

Слабая

13600-15000

15000-20000

Средняя

Свыше 15000

Свыше 20000

Сильная

Степень агрессивного воздействия на бетон жидких сульфатных сред приведена в табл. 6 СНиП 2.03.11. Степень агрессивного воздействия жидких сульфатных сред, независимо от содержания ионов НСО3¯ на бетоны особо низкой проницаемости марок по водонепроницаемости W9-W20 приведена в табл. 12.

3 Первичная защита

Расчетно-конструктивные требования

3.1 В условиях воздействия агрессивных сред расчет железобетонных конструкций по предельным состояниям второй группы следует производить по СНиП 52-01 с учетом дополнительных требований по категории требований к трещиностойкости и предельно допустимой ширине раскрытия трещин, которые зависят от степени агрессивного воздействия среды и класса применяемой арматурной стали.

Арматурные стали в порядке возрастания опасности коррозионного повреждения подразделяют на три группы - I, II и III.

Для конструкций, подвергающихся воздействию газообразных и твердых сред, категория трещиностойкости, допустимая ширина раскрытия трещин, а также значения минимально допустимых величин защитных слоев бетона и марок по водонепроницаемости приведены в табл. 13, а для жидких сред - в табл. 14.

Таблица 13

Расчетно-конструктивные требования к железобетонным конструкциям, эксплуатирующимся при воздействии газообразных и твердых агрессивных сред

Группа арматурной стали

Класс арматурной стали

Предельно допустимая ширина раскрытия трещин, мм, при степени агрессивного воздействия газообразной и твердой среды на железобетон

Минимальная толщина защитного слоя бетона, мм, (над чертой) и марка бетона по водонепроницаемости (под чертой) при степени агрессивного воздействия среды на железобетон

слабоагрессивной

среднеагрессивной

слабоагрессивной

среднеагрессивной

I

А240, А300, А400, B-I, Вр-I

0,20

0,15

А400В, А600, Ат600К

0,20

0,10

А400С*, А500С*тм (тм - термомеха-нически упрочненная)

Не допускается к применению

Ат600С, Ат600СК, Ат1000К

II

В-II, Bp-II, K7, K19

0,10

0,05

А800, А1000, Ат800, Ат1000

0,10

0

III

В-II, Bp-II, K7, K19 - при диаметре проволок менее 3,5 мм

0,05

0

* Для применения в конструкциях без предварительного напряжения.

Таблица 14

Расчетно-конструктивные требования к железобетонным конструкциям, эксплуатирующимся при воздействии жидких агрессивны сред

Группа арматурной стали

Класс арматурной стали

Категория требований к трещиностойкости железобетонных конструкций и предельно допустимая ширина раскрытия трещин, мм, при степени агрессивного воздействия жидкой среды на железобетон*

Минимальная толщина защитного слоя бетона, мм (над чертой) и марка бетона по водонепроницаемости** (под чертой) при степени агрессивного воздействия среды на железобетон

слабоагрессивной

среднеагрессивной

сильноагрессивной

слабоагрессивной

среднеагрессивной

cильноагрессивной

I

А240, А300, А400, B-I, Вр-I

0,15

0,10

0,05

А400В, А600, Ат600К

0,15

Не допускается к применению

-

-

А400С**, А500С**тм (тм - термомеханически упрочненная)

0,15

То же

-

-

II

Ат600С, Ат600СК, Ат1000К

0,10

0,10

0,05

В-II, Bp-II, K7, K19

1

III

А800, А1000, Ат800, Ат1000

0,10

0

Не допускается к применению

-

В-II, Bp-II, K7, K19 - при диаметре проволок менее 3,5 мм

0,05

Не допускается к применению

-

-

* Для применения в конструкциях без предварительного напряжения.

** Марки бетона по водонепроницаемости даны из условия наличия изоляционных покрытий. При отсутствии покрытий марки бетона по водонепроницаемости должны быть увеличены и назначаться в каждом конкретном случае в зависимости от вида конструкций и условий воздействия среды.

3.2 Для конструкций, эксплуатирующихся в условиях воздействия агрессивных сред, арматурная сталь классов В-I и Вр-I допускается к применению диаметром не менее 4 мм в конструкциях с трещинами.

3.3 Сварные стыки арматурных стержней елезобетонных конструкций, подвергающихся воздействию агрессивных сред, рекомендуется располагать «вразбежку». Площадь поперечного сечения стержней, стыкуемых в одном сечении, не должна превышать 25 % площади общего сечения.

3.4 Повышение коррозионной стойкости арматуры может достигаться применением защиты поверхности арматурных элементов металлизационными покрытиями или протекторными лакокрасочными покрытиями, не снижающими сцепление арматуры с бетоном, а также использованием в бетоне добавок-ингибиторов коррозии стали.

3.5 Толщину защитного слоя бетона определяют наименьшим расстоянием от поверхности конструкций до поверхности ближайшего стержня. При воздействии газообразной и твердой агрессивной среды толщина защитного слоя должна приниматься по табл. 13, при воздействии жидкой агрессивной среды - по табл. 14.

Фиксаторы положения арматурных стержней следует предусматривать из материалов, стойких к воздействию щелочной среды бетона и агрессивных сред, - из полимерных материалов (пластмассы, полиэтилена и др.), плотного цементно-песчаного раствора и т.п.

3.6 Применение конструкционных легких бетонов в несущих конструкциях при воздействии агрессивных сред допускается при условии их соответствия тяжелым бетонам по требованиям к проницаемости и способности сохранять в пассивном состоянии стальную арматуру.

Требования к материалам и конструкциям

3.7 Бетонные и железобетонные конструкции, эксплуатирующиеся в условиях воздействия агрессивных сред (в том числе при морозных воздействиях), должны изготавливаться из материалов, обеспечивающих их коррозионную стойкость на весь заданный срок службы с учетом своевременного возобновления редусмотренной нормами защиты поверхности конструкций.

3.8 Бетон конструкций следует изготавливать с применением следующих видов вяжущих:

портландцемент, портландцемент с минеральными добавками, шлакопортландцемент, удовлетворяющие требованиям ГОСТ 10178;

сульфатостойкие цементы, удовлетворяющие требованиям ГОСТ 22266;

глиноземистый цемент, удовлетворяющий требованиям ГОСТ 969.

По степени сульфатостойкости цементы делят на три группы:

группа I (несульфатостойкие) - портландцемент по ГОСТ 10178;

группа II (умеренно сульфатостойкие) - портландцемент по ГОСТ 10178 с содержанием в клинкере C3S не более 65 %, С3А не более 7 %, C3A+C4AF не более 22 % и шлакопортландцемент;

группа III (сульфатостойкие) - сульфатостойкие цементы по ГОСТ 22266.

Допускаются к применению в бетонах вяжущие низкой водопотребности (ВНВ), вяжущие с добавками-модификаторами бетона (типа МБ), напрягающие цементы и т.п., приготовленные на основе выше упомянутых цементов при условии обеспечения коррозионной стойкости бетона и арматуры.

Выбор цемента должен производиться с учетом вида агрессивного воздействия:

в газообразных средах допускается применять цемент, соответствующий требованиям ГОСТ 10178;

в жидких средах с содержанием сульфатов (табл. 15) следует применять цементы II и III групп по сульфатостойкости и глиноземистые цементы;

не допускается применение глиноземистого цемента в средне- и сильно агрессивных жидких средах, оцениваемых по показателям рН, Mg2+ и NH4+ (табл. 14), а также для конструкций с предварительно напряженной арматурой;

не допускается применение портландцемента с содержанием С3А более 8 % и глиноземистого цемента в жидких средах, агрессивных по содержанию щелочей;

не допускается применение гипсоглиноземистых расширяющихся цементов для изготовления железобетонных конструкций и замоноличивания армированных стыков.

3.9 В качестве мелкого заполнителя для бетона следует предусматривать кварцевый песок отмучиваемых частиц не более 1% массы по ГОСТ 26633), а также пористый песок, отвечающий требованиям ГОСТ 9757.

В качестве крупного заполнителя для тяжелого бетона следует предусматривать фракционированный щебень изверженных пород, гравий и щебень из гравия, отвечающие требованиям ГОСТ 26633. Щебень изверженных пород должен использоваться марки не ниже 800, гравий и щебень из гравия - не ниже Др12. Допускается к применению однородный, не содержащий слабых прослоек щебень из осадочных пород марки не ниже 600 водопоглощением не выше 2 %.

Не допускается применение доломитов и доломитизированных известняков без специальной проверки на стойкость в щелочной среде цементного бетона (раздоломичивание).

Для конструкционных легких бетонов следует предусматривать заполнители по ГОСТ 9757.

3.10 Вода для затворения бетонной смеси и ухода за бетоном должна соответствовать ГОСТ 23732.

3.11 В мелком и крупном заполнителях не должны содержаться потенциально реакционноспособные породы, характеризующиеся наличием активного кремнезема, вызывающего коррозию бетона при взаимодействии со щелочами цемента. Содержание таких пород устанавливается на стадии геологической оценки месторождения горных пород по ГОСТ 8269.0.

3.12 В состав бетона железобетонных конструкций, бетонов и растворов для инъецирования каналов, для замоноличивания швов и стыков армированных конструкций, равно как и в состав вяжущего, заполнителей и воды затворения не допускается введение солей хлоридов.

3.13 Повышение коррозионной стойкости бетона и железобетонных конструкций, а также защитных свойств бетона по отношению к стальной арматуре может достигаться за счет применения химических добавок:

пластифицирующих - для снижения содержания воды в бетонной смеси и уменьшения проницаемости бетона;

воздухововлекающих, микрогазообразующих и гидрофобизирующих - для повышения стойкости бетона при наличии увлажнения и испаряющих поверхностей, при повышенных требованиях к бетону по морозостойкости;

ингибиторов коррозии стали - для повышения стойкости железобетонных конструкций в условиях воздействия солей хлоридов;

биоцидных - для повышения стойкости бетона в условиях воздействия биологически активных сред.

3.14 Для железобетонных конструкций, эксплуатирующихся при воздействии агрессивных сред, применяют все виды арматурных сталей, приведенные в СНиП 2.03.11, но с ограничениями, связанными с различной опасностью их коррозионного повреждения.

В предварительно напряженных конструкциях с термомеханически упрочненной арматурой предпочтительно применять стали, стойкие против коррозионного растрескивания (с индексом «к»).

Арматурная сталь перед бетонированием не должна иметь коррозионные повреждения в виде слоистой ржавчины и язв. Допускается к применению ненапрягаемая арматура с налетом ржавчины не более 100 мкм, кроме мест сварки.

Высокопрочные арматурные стали с натяжением на упоры могут находиться в напряженном состоянии до обетонирования в атмосферных условиях с влажностью более 75 % без защиты поверхности сроком не более двух недель.

Арматура, имеющая коррозионные повреждения, к применению не допускается.

Поверхность арматуры от налета ржавчины очищают механическим путем или с применением преобразователей ржавчины.

Защита от коррозии закладных деталей соединительных элементов и сварных швов

3.15 Перед нанесением антикоррозионной и противопожарной защиты поверхность сварных швов, пластин закладных изделий, монтажных связей и другие отдельные открытые частки металлических конструкций должны быть очищены от ржавчины, брызг металла, отслаивающейся окалины и шлака.

Примечание. Дополнительные требования к подготовке поверхности, а также к оборудованию, способам нанесения покрытий и контролю качества определяются проектом, соответствующим разделом ППР или ППСР и должны быть наименее трудоемкими и мобильными.

3.16 В качестве антикоррозионной защиты могут применяться бетонные, лакокрасочные, цинковые и другие покрытия, предусмотренные проектом, МГСН 2.08 и СНиП 3.04.03 с доведением толщины покрытий до проектной величины, но не менее 55 мкм.

Примечания: 1. Подготовку поверхности перед окрашиванием следует производить по ГОСТ 9.402 с третьей степенью очистки от окислов и первой степенью обезжиривания.

2. Качество лакокрасочного покрытия должно соответствовать требованием ГОСТ 9.032.

3. Требования к антикоррозионной и противопожарной защите заводской металлопродукции в данном разделе не рассматривались.

3.17 Противопожарная защита огнезащитными красками, обетонированием, облицовочным кирпичом, керамическими камнями, сборыми плитами, штукатуркой и напыляемыми покрытиями с цементом или гипсом (цементно-асбестоперлитовые - асбестовермикулитовые) должна выполняться после антикоррозионной защиты.

Примечания: 1. При защите обетонированием запрещается применение бетонов с хлористыми солями.

2. При облицовке кирпичом через каждые шесть рядов кладки должны быть установлены арматурные сетки (металлические или неметаллические).

3. При облицовке плитами из легких бетонов должна быть произведена намотка витой спиральной проволокой с последующей штукатуркой.

3.18 Применение портландцемента, жидкого стекла и аналогичных материалов с обеспечиванием антикоррозионных свойств является и огнезащитой.

3.19 Требования по контролю качества нанесения антикоррозионной и противопожарной защиты приведены в нормативно-технической документации.

4 Вторичная защита

Защита от коррозии поверхностей конструкций

4.1 Защита от коррозии поверхностей бетонных и железобетонных конструкций предусматривается со стороны непосредственного воздействия агрессивной среды.

4.2 Защиту поверхностей железобетонных онструкций следует назначать исходя из возможности возобновления защитных покрытий. Для подземных конструкций, вскрытие и ремонт которых в процессе эксплуатации практически исключены, необходимо применять материалы, обеспечивающие защиту конструкций на весь период их эксплуатации.

4.3 Защита от коррозии наружных и внутренних поверхностей подземных конструкций, которые эксплуатируются в условиях воздействия жидких агрессивных сред, в зависимости от вида и степени агрессивности среды должна осуществляться:

оклеечными покрытиями из рулонных, листовых и пленочных материалов с возможным использованием их в качестве непроницаемого подслоя в облицовочных покрытиях;

обмазочными и штукатурными покрытиями на основе цементных и полимерных вяжущих, жидкого стекла, битума;

облицовочными штучными или блочными изделиями, в том числе для защиты от механических повреждений оклеечного покрытия;

уплотняющей пропиткой химически стойкими материалами.

4.4 Защитные покрытия в соответствии с их свойствами подразделяют на четыре группы (защитные свойства групп покрытий повышаются от первой к четвертой). Условия применения защиты поверхностей конструкций, группы принимаемых покрытий и примерная их толщина приведены в табл. 15.

Таблица 15

Группы защитных покрытий и их толщина

Среда

Степень агрессивного воздействия среды

Группы покрытий (над чертой) и толщина покрытия, мм (под чертой)

лакокрасочных

оклеечных

обмазочных (мастичных)

облицовочных

Газообразная, твердая

Слабоагрессивная

-

-

-

Среднеагрессивная

-

-

-

Жидкая

Слабоагрессивная

-

II

II

Среднеагрессивная

-

III-IV

III

Сильноагрессивная

-

IV

IV

* Покрытия I и II групп следует применять при наличии требования к отделке.

** Покрытия III группы следует применять в среде при наличии газов группы В и при влажном и мокром режимах помещений (или во влажной зоне).

4.5 Для конструкций, деформации которых сопровождаются раскрытием трещин, следует предусматривать трещиностойкие лакокрасочые покрытия.

4.6 Системы лакокрасочных покрытий включают грунтовочные и покрывные защитные слои. В качестве грунтовок по бетону обычно служат лаковые и эмульсионные составы.

Характеристики лакокрасочных материалов по типу пленкообразующих, группы покрытий и некоторые технологические параметры приведены в МГСН 2.08. Более подробные данные по составу лакокрасочных покрытий и технологии их нанесения приведены в соответствующих нормативных документах по защите от коррозии лакокрасочными покрытиями.

4.7 Защита поверхностей подземных конструкций выбирается в зависимости от условий ксплуатации с учетом вида конструкций, их массивности, технологии изготовления и возведения.

Наружные боковые поверхности подземных конструкций зданий и сооружений, а также ограждающих конструкций подвальных помещений (стен, полов), подвергающихся воздействию агрессивных грунтовых вод, защищают, как правило, мастичными, оклеечными или облицовочными покрытиями.

Выбор типа изоляции, химическая стойкость некоторых изоляционных материалов и характеристики материалов защитного действия приведены в МГСН 2.08.

При применении рулонной изоляции для защиты боковых поверхностей последнюю необходимо заводить под подошву фундамента.

Под подошвы бетонных и железобетонных фундаментов следует предусматривать устройство подготовки и изоляции, стойкой к воздействию агрессивной среды. Для защиты подошв фундаментов, расположенных в уровне агрессивных грунтовых вод (с учетом возможности их повышения), необходимо предусматривать:

в кислых слабо- и среднеагрессивных средах - устройство щебеночной подготовки толщиной 100-150 мм из плотных изверженных пород с последующей укладкой слоя асфальтобетона на заполнителе из изверженных пород;

в сульфатных слабо- и среднеагрессивных средах - устройство щебеночной подготовки толщиной 100-150 мм с проливкой горячим битумом с последующей подготовкой из бетона или цементо-песчаного раствора или из слоя горячей асфальтовой мастики.

4.8 Поверхности забивных и погружаемых ибрацией свай должны быть защищены механически прочными покрытиями или пропиткой, сохраняющими защитные свойства в процессе погружения. При этом бетон для свай следует принимать марки по водонепроницаемости не ниже W6.

Применение битумных покрытий для свай, предназначенных для забивки в песчаные, гравелистые или другие грунты с большим количеством включений фавия, не рекомендуется.

4.9 При наличии жидких агрессивных сред етонные и железобетонные фундаменты под еталлические колонны, а также участки поверхностей других конструкций должны выступать над уровнем пола не менее чем на 300 мм или следует предусматривать обетонирование нижних участков колонн на высоту не менее 300 мм выше уровня пола.

Изоляция фундаментов и пола должна быть сплошной и единой, а для ее сохранности следует предусматривать устройство температурных компенсаторов или другие мероприятия.

4.10 Деформационные швы устраивают, как правило, в местах расположения швов бетонирования сооружения. Их герметизация осуществляется устройством эластичных компенсаторов или заполнением эластичными химически стойкими мастиками.

В сухих грунтах, а также в зоне капиллярного поднятия при неагрессивных грунтовых водах швы могут герметизироваться битумом с волокнистым наполнителем (асбестом) или другими герметизирующими материалами.

4.11 В жидких органических средах (масла, ефтепродукты, растворители) не допускается применение покрытий на основе битума.

4.12 Для подземных конструкций, в которых устройство защиты поверхности затруднено (буронабивные сваи, конструкции, возводимые методом «стена в грунте», и т.п.), необходимо применять первичную защиту с использованием специальных видов цементов, заполнителей, введением добавок, повышающих стойкость бетона, подбором составов бетона, обеспечивающих низкую проницаемость, и т.п.

4.13 Выбор типа лакокрасочных и изоляцинных материалов осуществляется по приложениям 4 и 5 МГСН 2.08.

Характеристики некоторых материалов защитного действия приведены в приложении 7 МГСН 2.08.

5 Обеспечение водонепроницаемости подземной части высотных зданий

5.1 Для защиты подземной части зданий от роникновения воды в проекте необходимо предусматривать помимо водонепроницаемого бетона (W6 и выше) устройство гидроизоляции различных видов в зависимости от конкретных условий площадки строительства.

Для гидроизоляции конструкций подземных частей возможно применение оклеечных, мастичных, пенетрирующих, из рулонных-полимерных пластмассовых пленок, инъекционных гидроизоляций.

5.2 Способы производства работ, организационно-технологические решения, а также методы, объемы и виды контроля качества работ при устройстве гидроизоляции подземной части определяют с учетом рекомендаций СНиП 3.04.01, СНиП 3.02.01, МГСН 2.07, а также нормативными документами, регламентирующими технологические параметры производства работ по различным гидроизоляционным системам.

5.3 Гидроизоляцию и устройство противофильтрационных завес и экранов выполняют по специально разработанному проекту производства работ (техническому регламенту), включая систему контроля качества.

5.4 В технологическом регламенте должны быть оговорены требования к качеству поверхностей конструкций, подлежащих гидроизоляции (влажность, ровность и т.п.), требования к состоянию гидроизолируемых поверхностей оборудования и трубопроводов.

5.5 Гидроизоляция подземной части, проходящая по всем вертикальным и горизонтальным поверхностям, должна образовать замкнутый круг.

При разработке проектных решений следует применять гидроизоляционные системы, возможности которых должны комплексно обеспечивать водонепроницаемость подземной части здания. Эти системы должны включать: поверхностную гидроизоляцию конструкций; заделку стыков и деформационных швов; гидроизоляцию трубопроводов из различных материалов и мест их прохода через строительные конструкции; устройство водозащитного барьера в рабочих швах бетонирования; защиту строительных конструкций от коррозии.

5.6 Водонепроницаемость деформационных швов в конструкциях подземной части следует обеспечивать применением различных технических решений, в том числе: инъецирования гидроизоляционных материалов; установки в швы набухающих материалов в виде паст или профилей; установки в швы профилей из полимерных водонепроницаемых материалов.

Раздел IV ТЕХНОЛОГИЯ СТРОИТЕЛЬСТВА ВЫСОТНЫХ ЗДАНИЙ

1 Общие положения

1.1 Данный раздел Рекомендаций определяет требуемый уровень качества выполнения работ на строительной площадке по возведеию конструкций высотных зданий из монолитного железобетона, их армирования, монтажа конструкций заводского производства и т.д. Эти работы должны иметь соответствующие показатели механической прочности, надежности и долговечности в эксплуатации.

1.2 Применение требований данного раздела Рекомендаций предполагает, что до начала строительства в распоряжении подрядчика имеется:

исчерпывающий пакет проектной документации;

проект организации строительства - ПОС, который охватывает все процессы по возведению объекта в соответствии с проектом;

проект производства работ - ППР, который охватывает все технологические операции по правильному и безопасному выполнению работ, использованию оборудования и машин, применению качественных материалов на всех этапах, вплоть до сдачи готового объекта.

1.3 При применении сборных заводских изделий и конструкций должно быть дополнительно обеспечено наличие технической документации на все сборные заводские изделия и конструкции, указаний по их монтажу и сочетаемости с монолитными конструкциями, выполненными на строительной площадке.

1.4 Работы должны выполняться персоналом необходимой квалификации, быть обеспечены оборудованием и материалами, удовлетворяющими соответствующим проектным требованиям.

1.5 Предполагается, что законченный объект после окончания строительства используется огласно проекту и на нем ведется технический надзор и мониторинг, удостоверяющий, что объект находится в нормальном рабочем состоянии, соответствующем проектному сроку службы, а также своевременно выявляются дефекты и отклонения при эксплуатации.

2 Проектные требования

2.1 Проектные требования должны включать в себя: всю необходимую информацию и технические требования для выполнения работ и согласований в процессе строительства; соответствующие ссылки на технические регламенты, предписания, технические нормативы, действующие для конкретного периода строительства.

К техническим нормативам относятся технические регламенты, национальные и международные стандарты и документы, утвержденные компетентными органами и указанные в проектной документации.

2.2 В проектной документации должны быть предусмотрены требования по ведению журналов производства работ и процедуры для внесения каких-либо изменений в ранее согласованные требования.

2.3 Если требуется обеспечение особо высокого качества работ, то эти требования должны быть отдельно обозначены в проекте.

2.4 Проектные требования должны включать обязательность процедур контроля качества работ или ссылки на соответствующие документы, определяющие эти процедуры.

2.5 Если требуется специальная документация на выполнение каких-либо работ, то в проекте должны быть указаны вид и уровень обязательности их применения.

3 Требования к бетону и составляющим материалам

3.1 Общие положения

3.1.1 Применение монолитного бетона в высотном домостроении предусматривает производство бетонных смесей как на приобъектных бетоносмесительных узлах, так и централизованное изготовление товарной бетонной смеси на заводах и растворобетонных узлах, ее транспортирование автобетоносмесителями на строительный объект, подачу и укладку бетонной смеси с использованием бетононасосных становок, по схеме «кран-бадья» и др.

3.1.2 Процесс производства сборных железобетонных конструкций включает изготовление бетонных смесей на предприятиях стройндустрии и ее подачу к постам формования конструкций.

3.2 Требования к бетонам

3.2.1 Для высотного строительства в Москве могут применяться следующие бетоны: тяжелые и мелкозернистые, в том числе фибробетоны; высокопрочные модифицированные; легкие и особолегкие, в том числе модифицированные полистиролбетоны; ячеистые; специальные.

3.2.2 Тяжелые и мелкозернистые бетоны должны удовлетворять требованиям СНиП 52-01, ГОСТ 26633 и евростандарта EN 206-1, керамзитобетон должен соответствовать требованиям ГОСТ 25820. При воздействии агрессивных сред следует учитывать требования к бетону, изложенные в настоящих Рекомендациях.

3.2.3 Легкие бетоны должны соответствовать требованиям СНиП 52-01, ГОСТ 25820 и евростандарта EN 206-1.

3.2.4 Под специальными бетонами подразумеваются: жаропрочные бетоны; бетоны для радиационной защиты и др.

3.3 Составы и приготовление бетонных смесей

3.3.1 Составы бетонных смесей проектируют в соответствии с требованиями ГОСТ 27006 по утвержденному техническому заданию, предусматривающему соответствие технологических свойств бетонных смесей (подвижность, плотность, расслаиваемость, воздухововлечение др.), темпов твердения, распалубочной, отпускной, проектной прочности и других строительно-технических свойств бетона в конструкциях требованиям нормативно-технической проектной документации, условиям укладки и уплотнения бетонных смесей, условиям твердения бетона в готовых изделиях и конструкциях, предусмотренных в ППР для конкретного объекта.

3.3.2 Виды и характеристики материалов для приготовления бетона должны соответствовать требованиям технологических карт, утвержденных в установленном порядке.

3.4 Требования к составляющим материалам для бетонов на плотных заполнителях

3.4.1 Цементы для изготовления бетонов при строительстве многофункциональных высотных зданий и комплексов должны соответствовать требованиям ГОСТ 10178. Вид, марка цемента назначаются с учетом классов бетона в конструкции по всем нормируемым показателям качества, условий бетонирования, твердения, эксплуатационных требований и др.

3.4.2 Общие требования к заполнителям для тяжелых и мелкозернистых бетонов изложены в ГОСТ 26633.

3.4.3 Для приготовления тяжелых бетонов в качестве крупного заполнителя рекомендуется использование щебня из плотных изверженных горных пород, соответствующих требованиям ГОСТ 26633.

Щебень следует применять в виде раздельно дозируемых фракций при приготовлении бетонной смеси. Наибольшая крупность заполнителя должна быть установлена в стандартах, технических условиях или рабочих чертежах бетонных и железобетонных конструкций и, как правило, не превышать 20 мм. Содержание отдельных фракций щебня в смеси фракций (от 5 до 20 мм) должно соответствовать указанному в табл. 16.

Таблица 16

Наибольшая крупность заполнителя, мм

Содержание фракций щебня в смеси фракций, %

От 5(3) до 10 мм

От 10 до 20 мм

10

100

-

20

25-40

60-75

3.4.4 Для получении высокопрочных бетонов рекомендуется использовать тонкодисперсные наполнители, в том числе: микрокремнезем; золу-унос по ГОСТ 25818; молотый доменный гранулированный шлак.

3.4.5 Добавки для бетонов должны соответствовать требованиям ГОСТ 24211.

3.4.6 Вода для приготовления всех видов бетонов должна отвечать требованиям ГОСТ 23732.

3.5 Требования к легкобетонным смесям

Смеси полистиролбетонные

3.5.1 При устройстве монолитной теплоизоляции горизонтальных поверхностей конструкций (покрытий, перекрытий над техническими подпольями и проездами и т.п.), а также для изготовления сборных изделий в горизонтальных формах показатель жесткости бетонной смеси по ГОСТ Р 51263 должен быть в пределах 11-20 с; при устройстве монолитной теплоизоляции вертикальных поверхностей конструкций (наружных стен) для изготовления стеновых блоков и теплоизоляционных плит в вертикальных формах жесткость бетонной смеси по ГОСТ Р 51263 должна быть в пределах 5-10 с.

3.5.2 Полистиролбетонные смеси, предназначенные для устройства монолитной теплоизоляции и изготовления теплоизоляционных плит, следует производить марок по плотности DCM250-DСM300, которые соответствуют маркам МПБ по средней плотности D200 и D250.

Полистиролбетонные смеси, предназначенные для изготовления стеновых блоков, следует производить марок по плотности DCM300 и DCM350, которые соответствуют маркам полистиролбетона по средней плотности D250 и D300. Полистиролбетонные смеси для изготовления армированных перемычек следует производить марок по плотности DCM350 и DCM400, которые соответствуют маркам полистиролбетона по средней плотности D300 и D350.

Отклонения при определении удобоукладываемости смеси по показателю жесткости по ГОСТ Р 51263 не должны превышать ±2 с.

Отклонения от плотности полистиролбетонных смесей в свежеуложенном состоянии не должны превышать ±10 %.

Требования к составляющим материалам для изготовления смесей МПБ (модифицированный полистиролбетон)

3.5.3 В качестве вяжущего для приготовления полистиролбетонной смеси следует использовать: для сборных изделий из МПБ - шлакопортландцемент и портландцемент марки не ниже М400, для монолитной теплоизоляции из ПБ - портландцемент марок не ниже М400 без минеральных добавок, отвечающий требованиям ГОСТ 10178.

3.5.4 В качестве заполнителя следует использовать гранулированный пенополистирол оптимального зернового состава фракции 0-10 м с насыпной плотностью 10-15 кг/м3, получаемый из полистирола, отвечающего требованиям ОСТ 301-05-202-92Е.

3.5.5 В качестве добавок следует использовать добавки, отвечающие требованиям ГОСТ 24211.

Требования к керамзитобетонным смесям и конструкционному керамзитобетону

3.5.6 Для изготовления несущей части монолитных покрытий и для устройства перекрытий высотных зданий следует использовать керамзитобетонные смеси с маркой по удобоукладываемости П1, П2 по ГОСТ 7473.

3.5.7 Легкобетонные смеси на керамзитовом гравии, используемые для приготовления керамзитобетона классов по прочности на сжатие В25-В40 должны иметь плотность в свежеуложенном состоянии не выше 1700-1950 кг/м3 соответственно.

3.5.8 Отклонения при определении удобоукладываемости керамзитобетонной смеси, характеризуемой осадкой конуса, от установленного значения не должны превышать ±1 см.

Требования к составляющим материалам для изготовления конструкционного керамзитобетона

3.5.9 В качестве вяжущего для приготовления конструкционного керамзитобетона следует использовать портландцемент без минеральных добавок марки не ниже М500, отвечающий требованиям ГОСТ 10178.

3.5.10 В качестве крупного заполнителя для бетона панели-скорлупы комбинированной стеновой конструкции следует использовать керамзитовый гравий фракции 5-10 мм, а для бетона несущей части покрытий и перекрытий - керамзитовый гравий фракции 5-10 мм или смеси фракций 5-10 и 10-20 мм, отвечающий по основным показателям требованиям ГОСТ 9757.

3.5.11 Керамзитовый гравий фракций 5-10 и 10-20 мм, в зависимости от класса приготовляемого на нем бетона, должен иметь марку по прочности в соответствии с ГОСТ 25820 для керамзитобетона классов по прочности на сжатие В20, В25, В30 и В40 - не ниже П150, П250, П300 и П400 соответственно.

3.5.12 В качестве мелкого заполнителя следует использовать плотный природный песок для строительных работ средней группы по крупности (с модулем крупности 2,0-2,5), отвечающий по остальным показателям требованиям ГОСТ 8736.

3.5.13 Для обеспечения требуемой перекачиваемости бетононасосами керамзитобетонной смеси и укладки ее без расслоения в опалубку следует использовать суперпластификаторы, а также другие добавки аналогичного действия, отвечающие требованиям ГОСТ 24211.

3.5.14 Вода для приготовления керамзитобетона должна отвечать требованиям ГОСТ 23732.

3.6 Сталефибробетон

3.6.1 Сталефибробетон изготавливается из тяжелого или мелкозернистого бетона, армируемого дисперсно стальной фиброй, равномерно распределяемой в его объеме.

3.6.2 Подбор составов сталефибробетонных смесей, технология их приготовления, транспортирования и укладки принимаются и выполняются в соответствии с основными положениями ГОСТ 7473, СНиП 3.09.01 и указаниями РТМ 17-02, РТМ 17-01.

3.6.3 Качество сталефибробетонной смеси и материалов для ее приготовления должно удовлетворять требованиям ГОСТ 7473, РТМ 17-02, РТМ 17-01 и проектной документации на изделие, конструкцию или сооружение.

3.6.4 Условное обозначение сталефибробетонной смеси принимается по аналогии с ГОСТ 7473 для бетонной смеси с добавлением в ее обозначение букв «СФ» (в начале обозначения), с указанием под чертой процента фибрового армирования по объему и через тире - условного обозначения используемой фибры.

3.6.5 Оформление технической документации на сталефибробетонные смеси выполняется в соответствии с ГОСТ 7473 с дополнительным указанием: содержания фибры в кг на 1 м3 смеси, технических условий на ее производство и марки фибры.

3.6.6 В качестве вяжущих для приготовления сталефибробетона рекомендуется применять портландцементы не ниже марки 400, отвечающие требованиям ГОСТ 10178.

3.6.7 Допускается при экспериментальном обосновании применение напрягающих цементов и вяжущих с компенсированной усадкой,беспечивающих коррозионную стойкость фибры в бетоне.

3.6.8 В качестве крупного заполнителя для талефибробетона рекомендуется применять щебень из плотных горных пород по ГОСТ 8267 и ГОСТ 26633 с максимальным размером зерен до 10 мм.

Допускается при техническом обосновании применять щебень с максимальной крупностью зерен до 20 мм с ограниченным содержанием фракции 10-20 мм в количестве до 25 % массы.

3.6.9 В качестве мелкого заполнителя для тяжелого и мелкозернистого сталефибробетона следует применять кварцевый песок по ГОСТ 8736 и ГОСТ 26633 с модулем крупности не ниже 2,0.

3.6.10 Фибра должна отвечать характеристикам, указанным в соответствующих технических условиях.

3.6.11 Для регулирования свойств сталефибробетонных смесей, для обеспечения их подвижности и удобоукладываемости рекомендуется применять химические добавки, пластифицирующие, водоредуцирующие добавки или комплексные модификаторы бетона.

Химические добавки для сталефибробетона должны соответствовать ГОСТ 24211.

В качестве модификатора может применяться комплексный модификатор бетона типа МБ-01 различных марок на основе микрокремнезема и суперпластификатора.

3.6.12 Выбор вида добавок и их дозировку следует производить как для обычного бетона.

Приготовление сталефибробетонных смесей

3.6.13 Сталефибробетонные смеси должны приготавливаться, как правило, в стационарных условиях производства на действующих БСУ или специально оборудованных постах, либо на специализированных передвижных установках, в том числе с использованием автобетоносмесителей.

3.6.14 Приготовление сталефибробетонной смеси следует производить с соблюдением требований ГОСТ 7473 и СНиП 3.09.01.

3.6.15 При приготовлении сталефибробетонной смеси следует руководствоваться требованиями РТМ 17-02, РТМ 17-01 и соответствующей технологической картой.

3.6.16 Сталефибробетонные смеси приготавливают, как правило, в серийных бетоносмесителях принудительного действия. Допускается использование также других видов смесителей, обеспечивающих получение однородной бетонной смеси.

3.6.17 Для обеспечения равномерности распределения фибр в объеме сталефибробетонной смеси и исключения возможности образования в ней комков сцепившихся фибр («ежей») рекомендуется следующее:

изменение консистенции бетонной смеси при заданной удобоукладываемости за счет введения пластифицирующих добавок;

равномерная подача фибр в смеситель с использованием для этого специальных устройств (диспергаторов); подача полной дозы фибр в смеситель на замес сталефибробетонной смеси в один прием не допускается;

сокращение продолжительности (в пределах технологического регламента) времени перемешивания смеси.

3.6.18 Операцию подачи стальных фибр в работающий смеситель осуществляют с помощью специальных устройств - диспергаторов, например, в виде вращающегося цилиндрического барабана с продольными отверстиями в го стенке («беличьего колеса») или вибросита с направляющим лотком, устанавливаемых над бетоносмесителем. Фибры (навеску на замес) помещают в барабан или на вибросито, с помощью которых обеспечивают за счет действия центробежных (или вибрационных) сил непрерывную и равномерную подачу фибр в бетоносмеситель. Работу указанных устройств синхронизируют с работой бетоносмесителя и осуществляют с одного пульта управления.

3.6.19 Сталефибробетонные смеси должны быть приняты техническим контролем предприятия-изготовителя по показателям их качества, указанным в РТМ 17-02 и РТМ 17-01. Приемку смеси производят партиями. Объем партии устанавливают согласно положениям ГОСТ 18105.

3.6.20 Партия фибр должна сопровождаться документом о качестве, удостоверяющем соответствие фибры требованиям РТМ 17-02, РТМ 17-01 и технических условий на фибру, утвержденных в установленном порядке.

3.7 Высокопрочные модифицированные бетоны

3.7.1 Модифицированные тяжелые и мелкозернистые бетоны высокой прочности классов В65-В100 рекомендуются для изготовления железобетонных или сталебетонных конструкций каркасов высотных зданий (колонн, балок, стволов жесткости).

3.7.2 Особенность технологии производства высокопрочных модифицированных тяжелых и мелкозернистых бетонов заключается в использовании портландцементов и заполнителей совместно с добавками - модификаторами бетона (МБ).

3.7.3 Бетонные смеси с модификаторами должны соответствовать требованиям ГОСТ 7473.

3.7.4 В качестве вяжущего следует применять портландцемент ПЦ 400 или ПЦ 500 (ГОСТ 10178).

3.7.5 В качестве заполнителей следует применять: кварцевый песок с Мкр от 1,4 до 3,0 (ГОСТ 8736, ГОСТ 26633); щебень из плотных горных пород марки по дробимости Др 1400 (ГОСТ 8267, ГОСТ 26633).

3.7.6 В качестве добавок следует применять модификаторы МБ-01, МБ-С и Эмболит, которые должны соответствовать по своим характеристикам требованиям соответствующих технических условий.

3.7.7 Производство товарных модифицированных бетонных смесей для высокопрочных конструкций из бетонов осуществляется по принятым на бетоносмесительных узлах схемам приема, хранения и подачи компонентов и не требует специального оборудования.

3.7.8 Процесс приготовления бетонной смеси является двухстадийным и состоит из: стадии дозирования, загрузки и перемешивания компонентов в стационарном смесителе бетонного завода; стадии перемешивания в передвижном смесителе - автобетоносмесителе в процессе транспортирования смесей до стройплощадки.

3.7.9 Подбор состава бетонных смесей с модификаторами производится согласно «Инструкции по проектированию и возведению монолитных железобетонных сооружений в г. Москве из сверхвысокопрочных тяжелых и мелкозернистых модифицированных бетонов».

3.8 Бетоны с компенсированной усадкой

3.8.1 Бетоны, приготавливаемые с применением напрягающего цемента или расширяющей добавки и портландцемента, рекомендуются при возведении подземных частей высотных зданий для обеспечения их водонепроницаемости и должны соответствовать СНиП 52-01, ГОСТ 7473.

3.8.2 Состав бетона может быть рассчитан и подобран любыми методами по ГОСТ 27006.

3.8.3 Для приготовления бетона с компенсированной усадкой применяют следующие материалы: напрягающий цемент соответствующих марок; портландцемент ПЦДО 500 по ГОСТ 10178; расширяющую добавку - РД; крупный заполнитель - гранитный щебень фракции 5-20 мм по ГОСТ 8267; мелкий заполнитель - песок с модулем крупности μ=2,0-2,9 по ГОСТ 8736; пластифицирующие и противоморозные добавки к бетону в соответствии с ГОСТ 24211.

3.8.4 Дозирование составляющих материалов при приготовлении бетонной смеси должно производиться механизированным способом и контролироваться по массе. По объему дозируется вода и пластифицирующие добавки, вводимые в бетонную смесь в виде водных растворов.

4 Опалубочные работы

4.1 Общие требования

4.1.1 Типы опалубок следует применять в соответствии с ГОСТ Р 52085 и ГОСТ Р 52086.

4.1.2 Для стен и перекрытий, как правило, должна применяться опалубка 1-го класса по ГОСТ Р 52085. Допускается применение опалубки 2-го и 3-го классов при бетонировании фундаментов и подземных частей жилых зданий.

4.1.3 Нагрузки на опалубку следует рассчитывать в соответствии с ГОСТ Р 52086. Опалубку на верхних этажах необходимо рассчитывать а ветровые нагрузки, которые определяют по СНиП 2.01.07.

4.1.4 Конструкции опалубок должны соответствовать требованиям ГОСТ Р 52085.

4.1.5 Выбор опалубки определяется типоразмерами бетонируемых конструкций и способом производства бетонных работ. В стесненных условиях строительства, особенно при отсутствии кранов, следует применять облегченную опалубку из алюминиевых сплавов.

4.1.6 Монтаж и демонтаж опалубки осуществляют в соответствии с ППР или технологической картой.

4.1.7 Опалубочные работы при всех типах палубки должны выполняться в соответствии со СНиП 12-03.

4.2 Материалы для опалубки

4.2.1 Материалы для опалубки должны отвечать требованиям ГОСТ Р 52086. При использовании опалубки в качестве облицовки она должна удовлетворять требованиям соответствующих облицовочных поверхностей.

4.3 Транспортирование и хранение опалубки

4.3.1 Опалубка на строительную площадку должна поступать комплектно, пригодной к монтажу и эксплуатации без доделок и исправлений на строительной площадке.

4.3.2 Все элементы опалубки должны храниться под навесом в условиях, исключающих ее повреждение, рассортированными по маркам и типоразмерам.

4.3.3 При временном складировании не следует оставлять опалубку без закрепления.

4.3.4 Термоактивные щиты должны храниться под навесом или укрытиями из влагонепроницаемых материалов на площадках, исключающих их увлажнение.

4.3.5 Объемно-переставная опалубка может храниться в рабочем положении. Горизонтальные рабочие плоскости должны укрываться влагонепроницаемыми материалами и быть защищены от коррозии.

4.4 Установка и приемка опалубки

4.4.1 До начала работ по монтажу должны быть выполнены организационно-подготовительные мероприятия в соответствии со СНиП 12-01. Установку и приемку опалубки, порядок распалубливания производят по ППР.

4.4.2 Формообразующие поверхности опалубки должны быть смазаны для предотвращения сцепления с бетоном. Смазка не должна ухудшать качество поверхности бетона и снижать прочность поверхностных слоев железобетонных конструкций и коррозионную стойкость арматуры и закладных деталей. Смазка должна соответствовать санитарно-гигиеническим и противопожарным требованиям. Смазка для вертикальных поверхностей опалубки должна обладать достаточной вязкостью и адгезионными качествами, чтобы не стекать в течение 24 ч при 30 °С. В сухую и жаркую погоду смазанную поверхность следует предохранять от высыхания.

4.4.3 Строповку элементов опалубки необходимо производить в местах, указанных в рабочих чертежах, и обеспечить их подъем и подачу к месту установки в положении, близком к проектному.

При переносе опалубки краном следует выполнять следующие требования: до начала подъема опалубки убедиться в отсутствии на ней незакрепленных предметов; строповку опалубки производить только за специально предусмотренные монтажные петли; при подъеме опалубки монтажники должны находиться на безопасном расстоянии; подходить к опалубке разрешается при нахождении ее на высоте 0,3 м над местом установки.

4.4.4 При установке поддерживающих конструкций опалубки необходимо выполнить следующие требования: основание под опалубку должно быть выверено до начала ее установки; стойки должны устанавливаться на основания, имеющие площадь опирания, достаточную для предохранения забетонированной конструкции от недопустимых просадок; элементы крепления не должны препятствовать бетонированию; крепления элементов опалубки к ранее забетонированным конструкциям должно производиться с учетом прочности бетона к моменту передачи на него нагрузок от этих креплений.

4.4.5 Шаг установки рам, стоек при бетонировании перекрытий, ригелей назначают в зависимости от нагрузок согласно расчету.

4.4.6 Соединения элементов опалубки (замки с клиновым, винтовым, эксцентриковым запором) должны быть неподвижными в эксплуатации и устойчивыми против воздействия вибрации при уплотнении смеси. Клиновые соединения необходимо подтягивать после вибрации бетона.

4.6.7 Внутренняя поверхность опалубки должна быть чистой. Если опалубку используют для бетонирования конструкций с лицевой поверхностью под фактуру бетона, опалубка должна быть обработана таким образом, чтобы достигалось требуемое качество лицевой поверхности бетона.

4.6.8 Опалубка стен на верхних этажах должна быть закреплена к перекрытию.

4.6.9 При устройстве опалубки перекрытия продольные и поперечные балки должны быть закреплены между собой и к опорам вертикальных несущих конструкций (рамы, стойки). Палуба опалубки перекрытий (в том числе фанеры) должна крепиться к балкам.

4.4.10 По периметру этажа, а также около всех проемов необходимо устраивать ограждения.

4.4.11 Исправность креплений должна проверяться перед каждым новым монтажом.

4.4.12 При приемке установленной опалубки и поддерживающих ее элементов подлежат проверке: конструкции, поддерживающие несущие основания и саму опалубку; жесткость и неизменяемость всей системы в целом и правильность монтажа поддерживающих конструкций опалубки; правильность установки опалубки и закладных частей; плотность стыков щитов опалубки и сопряжения элементов опалубки между собой и с ранее уложенным бетоном; поверхности опалубки и их положение относительно проектных осей конструкций, подлежащих бетонированию.

4.4.13 Смонтированная и подготовленная к бетонированию опалубка должна быть принята по акту. При этом проверке подвергаются: соответствие форм и геометрических размеров опалубки рабочим чертежам; совпадение осей опалубки с разбивочными осями конструкций или сооружений; точность отметок отдельных опалубочных плоскостей или выносок на опалубочных плоскостях; вертикальность и горизонтальность опалубочных плоскостей; правильность установки закладных деталей и т.д.; плотность стыков и сопряжений элементов опалубки с доборами по месту, с ранее уложенным бетоном или подготовкой.

4.4.14 За состоянием установленной опалубки и креплений должно вестись непрерывное наблюдение в процессе бетонирования. Проверка правильности положения осей объемно-переставной и горизонтально перемещаемой опалубок должна производится после каждой ее перестановки.

При обнаружившейся деформации или смещении отдельных элементов опалубки и креплений должны немедленно приниматься меры к устранению деформаций и в случае необходимости временно прекращаться работы по бетонированию на этом участке.

4.4.15 Опалубка должна обеспечивать сохранение формы конструкции, пока бетон не наберет необходимую прочность.

4.5 Распалубливание конструкции

4.5.1 Демонтаж опалубки разрешается проводить только после достижения бетоном требуемой прочности согласно СНиП 3.03.01 и с разрешения производителя работ.

Минимальная прочность бетона при распалубке монолитных конструкций должна быть: 0,5 МПа для вертикальных элементов при условии сохранения формы; для горизонтальных элементов (балки, плиты) при пролете до 6 м - 70 % прочности, соответствующей проектному классу при коэффициенте вариации прочности 13,5 %; при пролете более 6 м - 80 %.

4.5.2 Снятие опалубки осуществляют способами, исключающими повреждения поверхности распалубливаемых конструкций.

4.5.3 При снятии опалубки передача нагрузки от забетонированного перекрытия осуществляется за счет включения в работу перекрытий нижележащих этажей.

4.5.4 Число включаемых в работу перекрытий зависит от скорости набора прочности бетона. До начала производства работ следует установить темп нарастания прочности бетона с учетом требуемого проектного класса, особенностей изготовления, транспортирования и укладки бетонной смеси и ухода за уложенным бетоном.

4.5.5 Требуемое число включаемых в работу для восприятия действующих нагрузок от возводимого этажа перекрытий определяют расчетом. При этом учитывают нагрузки от свежеуложенного бетона, монтажные нагрузки на бетонируемом перекрытии, вес опалубки и стоек, собственный вес включаемых в работу перекрытий и монтажную нагрузку на них.

4.5.6 Подпорные стойки устанавливают с шагом 1-3 м (в соответствии с ППР) равномерно по площади подготавливаемого к бетонированию перекрытия. После набора прочности бетоном не ниже 80 % проектной опалубка переставляется на следующий этаж. При этом установка подпорных стоек под распалубливание перекрытия должна производиться последовательно на отдельных участках сразу после снятия опалубки.

4.5.7 Снятие опалубки выполняют после сответствующего разрешения строительной лаборатории. Не разрешается одновременное снятие стоек с предыдущего, включаемого в работу этажа.

4.5.8 Перемещение опалубки краном при распалубке можно начинать только после осмотра, удостоверяющего: полный отрыв палубы от бетона, а в зимнее время – отсутствие примерзания; отсутствие бетона на нижней кромке панелей с наружной стороны, а в зимее время - отсутствие наледей; отсутствие стяжек и крепежных элементов проемообразователей, а если опалубка распалубливается поэлементно, - замков, соединяющих распалубливаемый элемент с соседними.

4.5.9 Отрыв от бетона и опускание крупнощитовой опалубки перекрытий должны производиться при равномерном поочередном срабатывании всех опорных домкратов в целях сключения заклинивания и перекосов.

4.5.10 Демонтаж термоактивной опалубки должен производится после отключения всех щитов от питающей электросети и изъятия коммутирующей разводки из рабочей зоны.

4.5.11 Загружать распалубленную конструкцию полной расчетной нагрузкой разрешается после достижения бетоном проектной прочности.

4.5.12 Перед повторным использованием элементы опалубки очищают от бетона и ремонтируют.

4.5.13 После каждых 30 оборотов необходимо инструментально контролировать геометрические размеры и прогибы опалубки.

5 Арматурно-сварочные работы

5. Общие положения

5.1.1 Основными работами с гибкой и жесткой арматурой при возведении монолитных железобетонных конструкций, устройстве конструкций узлов их сопряжения, изготовлении элементов сталежелезобетонных и стальных конструкций являются резка, правка, гнутье, сварка, вязка, сбалчивание, выполнение бессварочных стыков, антикоррозионная и противопожарная защита и другие процессы, требования к которым приведены в действующей нормативно-технической документации, а применительно к высотному строительству в настоящей главе.

5.2 Производство подготовительных, сборочных и сварочных работ

5.2.1 Подготовительные, сборочные и сварочные работы следует выполнять по проекту производства сварочных работ (ППСР) с учетом дополнительных технологических карт (регламентов), учитывающих специфику высотного строительства.1

______________________

1 Требования к бессварочным стыкам с использованием дополнительных элементов, болтовым и другим способами выполнения монтажных соединений должны быть изложены в ППР на основе соответствующей нормативно-технической документации.

5.2.2 Выполнение требований проекта по степени укрупнения арматурных изделий, точности их сборки, схемам монтажных ярусов и зон, видам и объемам контроля качества должно быть предусмотрено в ППСР.

5.2.3 В технологических картах к ППСР для снижения остаточных напряжений и их влияния на прочность элементов конструкций, возможности появления горячих трещин и других дефектов должны быть предусмотрены:

определенная последовательность и порядок выполнения монтажных соединений и наложения швов;

обеспечение проектных зазоров и скосов кромок, ограничивающих объем наплавленного металла;

обеспечение максимальной свободы для температурных деформаций;

соблюдение температурных режимов сварки и остывания швов;

выполнение сварки без перерыва до окончания процесса, при многослойной сварке - после очистки предыдущего слоя от шлака;

выполнение сварки односторонними протяженными швами в соединениях с накладками из арматурных стержней в шахматном порядке; сварку начинать, отступив от краев накладок и нахлестки и в нахлесточных соединениях на расстояние (0,5-l,0)dн;

недопущение совмещения кратеров в одном поперечном сечении стыка при многопроходной сварке;

наложение швов поверх прихваток только после зачистки последних;

поочередное наложение швов в диагонально противоположных секторах соединения в узлах крепления ригелей к колоннам. При длине шва менее 300 мм сварку ведут в одном направлении, более 300 мм - от середины к краям в двух направлениях;

в сталежелезобетонном узле сопряжения двутавровой колонны с фундаментной плитой выполнение вначале сварки стенки с опорной плитой с одной стороны, затем - с другой, а полки с внутренних сторон сваривают с диагонально противоположных сторон, а затем последовательно - каждую полку с наружной стороны;

другие технологические мероприятия.

5.2.4 При наличии сварочного участка на приобъектном полигоне для изготовления арматурных изделий и укрупнительной сборки железобетонных элементов на сварке должен быть составлен отдельный ППСР с технологическими требованиями, аналогичными требованиям к заводской продукции.

5.2.5 ППСР разрабатывают для каждого конкретного объекта генеральный подрядчик или привлеченная специализированная организация. ППСР должен быть согласован с проектировщиками и организацией, осуществляющей научно-техническое сопровождение и мониторинг от заказчика-инвестора.

5.2.6 В качестве исходных покупных материалов и изделий следует применять арматурные стержни и проволоку, металлопрокат, а также арматурные, закладные и сталежелезо-бетонные изделия, элементы жесткой арматуры, металлических связей, сварочные материалы, болты, обжимные гильзы, вязальную проволоку, крепеж и другие элементы, выпускаемые в виде товарной продукции по государственным стандартам и нормам.1

___________________

1 Применение покупных материалов и изделий, выпускаемых по ТУ предприятий-изготовителей, допускается только при согласовании с проектировщиками после проведения необходимых испытаний.

Применение импортных и новых российских материалов, технологий и оборудования разрешается только при наличии технического свидетельства.

5.2.7 Поставка на объект покупных материалов и изделий должна сопровождаться документами о качестве (сертификат завода-изготовителя), предусмотренными соответствующими стандартами, а также сертификатом соответствия любой российской сертификационной системы на продукцию. Необходимо наличие маркировки, доступной для осмотра, упаковки в таре, снабженной бирками и необходимыми записями. Продукция не должна иметь повреждений в процессе транспортирования, хранения и установки в проектное положение.

5.3 Арматурные работы

5.3.1 Поверхность арматуры до начала работ должна быть очищена от отслаивающейся ржавчины, загрязняющих веществ и не иметь повреждений.

5.3.2 Заготовку отрезков мерной длины из стержневой и проволочной ненапрягаемой и напрягаемой арматуры следует выполнять в соответствии с требованиями СНиП 3.09.01.

5.3.3 Гибка арматурной стали должна производиться с равномерной скоростью; гибка стали при температуре ниже минус 50 °С допускается при условии, что эта процедура производится с дополнительными мерами предосторожности.

5.3.4 Для изгибаемых стержней минимальный диаметр загиба в свету в зависимости от диаметра арматуры приведен в табл. 17.

Таблица 17

Класс арматуры

Минимальный диаметр загиба в свету при диаметре стрежня dн, мм

Максимальный угол загиба, град.

≤20

>20

A-I, Ас-II, марки 10ГТ

2,5dн

2,5dн

Не ограничен

А-II; А400С

4dн

6dн

180

А-III; А500С

6dн

7dн

90*

Вр-I

4dн

-

Не ограничен

* Для сваренной встык арматуры, изгибаемой после сварки, минимальный диаметр загиба должен быть ≥10dн.

5.3.5 Арматура из бухт может применяться только при наличии на стройплощадке соответствующего оборудования для правки арматуры.

5.3.6 Гнутье и выпрямление отдельных стержней должно выполняться без нагрева.2

_________________

2 Допускается термическая правка и гнутье только при наличии технологического регламента.

5.3.7 Выпрямление гнутых стержней в конструкциях без подогрева не разрешается.

5.3.8 Сборка и укладка арматуры должны осуществляться по проекту с фиксацией, обеспечивающей пределы требуемых допусков по ГОСТ 10922 и СНиП 3.03.01.

5.3.9 Сборка арматурных изделий может выполняться вязальной проволокой, точечной сваркой, а для соединений из стали класса А400С и А500С - дуговой сваркой точечными прихватками.

5.3.10 Обеспечение требуемой проектом величины защитного слоя бетона относительно арматуры достигается бетонными или пластмассовыми подкладками и фиксаторами.

5.3.11 Результаты проверки параметров армирования оформляют протоколом.

5.4 Сварка арматуры и закладных изделий

5.4.1 Сварка должна выполняться в соответствии с указаниями ППР и ППСР.

5.4.2 Сварка разрешается только для арматурных сталей, соответствующих требованиям национальных стандартов и евростандарта EN 10080 и классифицированных как свариваемые.

5.4.3 Рекомендуемые способы сварки и типы стыковых, крестообразных, нахлесточных и тавровых соединений в зависимости от классов арматуры и температуры эксплуатации приведены в ГОСТ 14098 и приложении А и должны соответствовать проекту.

5.4.4 Соединения пластин закладных изделий, элементов стенок жесткости и металлической гидроизоляции, узлов опирания лестиц и других монтажных соединений рекомендуется выполнять ручной дуговой сваркой протяженными швами.

5.4.5 Для повышения производительности и обеспечения качества на сварочном участке приобъектного полигона рекомендуется изготавливать арматурные сетки, каркасы, удлинять арматурные стержни преимущественно контактной стыковой и точечной сваркой, а для протяженных швов - применять механизированные и автоматизированные способы сварки и технологии.

5.4.6 Руководство сварочными работами на монтаже и на приобъектном участке должны осуществлять лица, имеющие специальное сварочное образование, соответствующий диплом и аттестацию не ниже 3-го уровня по четырехуровневой системе аттестации сварщиков по СП 12-106 и оформленные соответствующим приказом по объекту и записью в «Журнале сварочных работ» (обязательное приложение 2 СНиП 3.03.01).

5.4.7 Сварку и прихватку должны выполнять рабочие-сварщики 4-6-го разрядов по Единому тарифно-квалификационному справочнику ЕТКС-93, имеющие соответствующий диплом и допуск (вкладыш) на право сварки определенных марок сталей и типов сварных соединений и аттестацию 1-го уровня и выше по СП 12-106.

5.4.8 Для подтверждения готовности подрядых организаций к выполнению сварочных работ до их начала непосредственно на монтаже или приобъектном участке каждый сварщик в присутствии представителей специализированной испытательной лаборатории, аккредитованной по ГОСТ Р ИСО МЭК 17025, и организации, осуществляющей научно-техническое сопровождеие, изготавливает по три пробных образца каждого типа сварного соединения, предусмотренного проектом в условиях, максимально приближенных к действительности по пространственному положению, маркам стали, диаметрам и толщине, сварочным материалам, оборудованию, технике и технологии сварки и др.

5.4.9 После внешнего осмотра и измерений пробные образцы подлежат механическим испытаниям по ГОСТ 10922 и ГОСТ 6996. При положительных результатах испытаний пробных образцов сварщик допускается к работе, делается соответствующая запись в «Журнале сварочных абот» и оформляется протокол испытаний допускных образцов (приложение В), входящий в комплект исполнительной документации к актам скрытых работ. При неудовлетворительных результатах выдаются рекомендации по исправлению брака и назначаются повторные испытания.

5.4.10 При выполнении подготовительных, сборочных и сварочных работ запрещается:

применять электродуговую сварку для резки металла;

производить сварку на расстоянии ≤3 dн от места изгиба;

осуществлять ударные и ожоговые воздействия на металлы с σт ≤ 390 МПа при отрицательной температуре ниже минус 25 °С, а на стали с σт > 390 МПа при t ≤ 0°С;

осуществлять однопроходную сварку при наличии требований по непроницаемости сварных швов.

5.4.11 Производственный контроль качества монтажных сварных соединений должен осуществляться в соответствии с проектом, требованиями действующих нормативных документов и системы контрольных операций на стадиях входного, пооперационного и приемочного контроля, приведенной в приложении Б.

5.4.12 Входной и пооперационный контроль осуществляется соответствующими службами генподрядчика (субподрядчика) или специалистами привлеченных лабораторий, аккредитованных в установленном порядке.

5.4.13 Приемочный контроль должен осуществляться только независимыми специализированными испытательными лабораториями, аккредитованными в установленном порядке.

5.4.14 В протоколах испытаний (приложение В), кроме результатов, должны быть указаны:

название испытательной лаборатории, номер аттестата аккредитации и ее область;

ф.и.о. лаборанта, оператора-дефектоскописта, контролера;

номер квалификационного свидетельства с указанием уровня аттестации (не ниже 2-го) и даты последней переаттестации;

марка (тип) оборудования, его номер свидетельства ежегодной метрологической проверки (калибровки);

места проведения контроля или отбора проб;

дата осуществления контрольных операций;

другие сведения, предусмотренные проектом и ППСР.

5.4.15 Протоколы испытаний служат основанием для оформления акта скрытых работ, входят в комплект исполнительной документации на объект и должны храниться в установленном порядке.

5.4.16 Результаты контроля должны также фиксироваться в соответствующих журналах по СНиП 3.03.01.

5.5 Соединения арматуры без сварки

5.5.1 Соединения на вязке должны выполняться отожженой проволокой на каждом крестообразном пересечении, а нахлесточные стыковые соединения диаметром арматуры до 32 мм - с длиной перехлеста L = 40dн.

5.5.2 Бессварочные стыковые соединения арматурных стержней высоких классов прочности с спользованием дополнительных устройств (втулок, навинчивающихся муфт, опрессованных обойм) должны соответствовать требованиям по обеспечению эксплуатационных свойств не ниже «4» по ГОСТ 14098. На упомянутые соединения следует разрабатывать отдельные рабочие чертежи КЖ, КМ, разделы в ППСР с необходимыми конструктивными и технологическими требованиями по подготовке элементов под стыковку (величины зазоров, допустимых отклонений, эксцентриситетов, качество торцовых поверхностей), значения механических свойств, а также специальную систему производственного контроля, которая должна включать в себя методы контроля качества, объемы выборки, нормы допустимых дефектов и правила приемки.

5.5.3 Для обеспечения высокой точности при сборке и стыковке соединений арматуры без сварки с применением дополнительных элементов должны быть разработаны кондукторы и приспособления.

5.6 Сборка и укладка арматуры

5.6.1 Арматура должна укладываться в соответствии с требованиями проекта. Предполагается, что проектные требования должны содержать подробную информацию по укладке и расстановке стержней так же, как и меры предосторожности, которые необходимо соблюдать в конструкции в местах тесного расположения арматуры.

5.6.2 Арматура должна быть зафиксирована и защищена таким образом, чтобы ее окончательное положение было в пределах требуемых допусков. Сборка каркаса арматуры может быть выполнена вязкой проволокой или точечной сваркой. Точность установки арматурных каркасов должна соответствовать требованиям СНиП 3.03.01.

5.7 Защитный слой бетона

5.7.1 Защитный слой бетона относительно арматуры должен обеспечиваться бетонными или пластмассовыми подкладками и фиксаторами. Применение стальных фиксаторов, доходящих до поверхности бетона, допустимо только в случае сухих условий работы конструкции.

Толщина защитного слоя принимается по номинальной величине Сn относительно любой арматуры, в том числе крайних стержней. Отклонение от проектной толщины защитного слоя не должно превышать величин, указанных в СНиП 3.03.01.

5.8 Напрягаемая арматура

5.8.1 Предварительно напряженные конструкции могут быть различных типов, в том числе: конструкции с предварительным напряжением арматуры при наличии сцепления арматуры с бетоном; конструкции с натяжением арматуры на бетон, с последующим обеспечением ее сцепления с бетоном; конструкции с натяжением арматуры на бетон без сцепления, с расположением арматуры в пределах и вне сечения конструкции.

5.8.2 Каналообразователи для арматуры должны соответствовать техническим условиям на данную продукцию.

5.8.3 Стальная арматура для предварительного напряжения (проволока, канаты, стержни) должна соответствовать ГОСТ 13840, ГОСТ 10884, ГОСТ 5781 и евростандартам EN 1992- 1-1 и EN 10138-1.

5.8.4 Смазки или ингибиторы для заполнения каналов и анкеров канатной арматуры без сцепления ее с бетоном должны соответствовать требованиям евростандарта EN 1992-1-1.

5.8.5 Сопроводительные документы, протоколы контрольных испытаний должны быть включены в журнал производства работ.

5.8.6 Материалы, подверженные коррозии, такие, как стальная напрягаемая арматура, каналообразователи, приспособления для анкеров, фиксаторы, должны быть защищены от тмосферных воздействий в процессе их транспортирования и хранения, а также в процессе установки в конструкцию вплоть до их постоянной защиты.

5.8.7 Цемент, сухие добавки и смеси для инъецирования каналов должны быть защищены от проникновения влаги в процессе их доставки и хранения на строительной площадке.

5.9 Сборка напрягаемой канатной арматуры

5.9.1 Сборка напрягаемой канатной арматуры должна производиться в соответствии с ППР.

5.9.2 Сварка напрягаемой стальной арматуры или анкеров, кислородная резка или сварочные работы вблизи напряженной арматуры не допускаются.

5.9.3 Каналообразователи и их соединения должны быть покрыты защитной смазкой для предупреждения проникновения влаги внутрь.

5.10 Укладка напрягаемой арматуры

5.10.1 Напрягаемая арматура должна быть уложена таким способом, чтобы было обеспечено ее проектное положение в пределах разрешаемых допусков.

5.10.2 Выпускные отверстия в каналах должны быть предусмотрены с обоих концов, а также в местах, где могут аккумулироваться воздух или вода. При значительной длине самих каналов выпускные отверстия могут потребоваться и на промежуточных участках.

5.10.3 Выпускные отверстия должны быть правильно замаркированы, чтобы идентифицировать каждый арматурный канал.

5.10.4 Каналы и выпускные отверстия должны выдерживать нагрузки от бетонной смеси в процессе ее укладки и уплотнения.

5.10.5 Напрягаемые арматурные канаты, не имеющие сцепления с бетоном, в каналах и вне их должны быть надежно защищены от коррозии.

5.11 Натяжение арматуры

5.11.1 Технология предварительного напряжения, оборудование для преднапряжения, анкерные устройства и свойства каналообразователей и смазки напрягаемой арматуры должны отвечать нормам и рекомендациям, регламентированным в РТМ 75.

5.11.2 Натяжение является сложным процессом с передачей больших усилий на домкраты и напрягаемую сталь, что требует особых мер безопасности и контроля со стороны персонала.

5.11.3 Процесс и последовательность натяжения арматуры должны соответствовать заранее разработанной и утвержденной программе натяжения. Усилия натяжения и удлинения напрягаемой арматуры должны замеряться и записываться в журнал производства работ.

5.11.4 Программа по натяжению должна содержать указания по следующим операциям:

используемая система предварительного натяжения;

тип предварительно напрягаемой стали и уровень ее натяжения;

число стержней, проволок или прядей в каждом арматурном элементе (канате);

требуемая прочность бетона на момент натяжения арматуры;

порядок последовательности натяжения арматуры и требования для каждого типа натяжения;

расчетное натяжение и усилие в домкрате, а также удлинение канатов;

предполагаемое проскальзывание арматуры в анкерных зажимах;

необходимость частичного или полного распалубливания.

В журнале производства работ должны быть запротоколированы следующие данные:

проверка требуемой прочности бетона при передаче на него усилия натяжения;

тип используемого домкрата для предварительного натяжения;

замеренное усилие домкрата и удлинение арматурных канатов на каждой стадии натяжения:

замеренное проскальзывание в анкерных зажимах;

значительные отклонения от расчетного усилия натяжения или удлинения канатов;

если требуется, указания по распалубливанию.

5.11.5.До начала натяжения арматуры на строительной площадке должны иметься надежные оттарированные измерительные приборы для замера усилий натяжения.

5.11.6 Передача предварительного напряжения на бетон должна осуществляться постепенно и разрешается только тогда, когда прочность бетона достигнет проектного значения.1

_________________

1 Особенно важно контролировать прочность бетона в зонах расположения анкеров.

5.11.7 Результаты выполнения программы по натяжению, ее соответствие или несоответствие установленным требованиям должны быть зарегистрированы в журнале производства работ.

5.11.8 Выполнение натяжения арматуры не допускается при окружающей температуре ниже минус 10 °С, если в ППР не указано иное.

5.11.9 Выполнение натяжения не допускатся при температуре затвердевшего бетона ниже +5 °С, если только в ППР не предусмотрены специальные меры для этого случая.

5.11.10 В случае отклонения от заданной программы натяжения работы должны быть остановлены. В этом случае отрезка концов арматуры или инъецирование каналов не допускаются. Не должны также выполняться работы, которые могут помешать повторному натяжению арматуры. Все эти работы должны быть отложены до тех пор, пока не будут утверждены проектировщиком скорректированные операции процедуры натяжения.

5.11.11 При натяжении арматуры без сцепления с бетоном должны выполняться те же предписания, кроме операций инъецирования.

5.12 Защита от коррозии (инъецирование, смазка, бетонирование)

5.12.1 Подготовка и защита арматуры от коррозии должны выполняться в соответствии с ППР.

Процедуры по инъецированию каналов должны удовлетворять требованиям существующих стандартов и евростандарту EN 446 и соответствовать выбранной системе предварительного натяжения.

5.12.2 Результаты проверки на соответствие требованиям по защите арматуры должны быть зарегистрированы в журнале производства работ.

5.12.3 Инъецируемый цементный раствор и процесс инъецирования должны соответствовать требованиям евростандартов EN 446 и EN 447 и предписаниям ППР.

Инъецируемый объем раствора должен соответствовать теоретическому свободному объему канала.

В случае вакуумного инъецирования должен быть определен предварительно свободный объем канала. Количество инъецируемого раствора должно соответствовать этому объему.

5.12.4 Инъецирование ингибиторов на основе смазки должно выполняться непрерывно и с постоянной скоростью.

Объем инъецированной смазки должен соответствовать теоретически свободному объему канала. При этом должно приниматься во внимание изменение объема смазки в зависимости от окружающей температуры.

После завершения инъецирования должно быть предотвращено самопроизвольное вытекание смазки из каналов.

5.12.5 Напрягаемая арматура в каналообразователях должна быть защищена от коррозии пластичной смазкой на период не менее 50 лет.

5.12.6 Бетонирование конструкций, антикоррозионные и противопожарные работы без выполнения требований раздела IV, п. 5 настоящих Рекомендаций не допускаются.

6 Производство бетонных работ

6.1 Операции, предваряющие бетонирование

6.1.1 До начала бетонирования должны быть подготовлены планы производства работ по бетонированию и контролю качества бетонных работ, включая все действия, определенные данным разделом Рекомендаций.

6.1.2 По требованию заказчика должны быть произведены и запротоколированы первичные испытания бетона путем пробного бетонирования до начала выполнения основных работ по бетонированию.

6.1.3 Перед началом бетонирования должны быть завершены все подготовительные работы, подготовлена необходимая документация и определены процедуры контроля качества выполненных работ.

6.1.4 Если ожидается понижение окружающей температуры ниже 0 °С к моменту начала бетонирования или в период твердения бетона, следует предусматривать меры защиты бетона от замерзания.

6.1.5 Если погода ожидается жаркой к моменту бетонирования или в период твердения бетона, следует предусматривать меры защиты бетона от действия жары.

6.1.6 Рабочие швы до бетонирования должны быть очищены от цементного молока и высушены в случае повышенной влажности. Температура на поверхности рабочих швов в момент бетонирования должна быть выше 0 °С.

6.2 Укладка и уплотнение бетонной смеси

6.2.1 Укладка бетонной смеси должна осуществляться по требованиям соответствующего раздела СНиП 3.03.01.

6.2.2 Бетонная смесь должна быть уложена и уплотнена таким образом, чтобы зоны вблизи арматуры и закладных деталей были надежно пробетонированы в пределах допусков на толщину защитного слоя.

Особые меры по надлежащему уплотнению необходимо предусматривать в местах изменения поперечных сечений, узких участков, встроенных коробов для коммуникаций, в густоармированных участках и конструктивных стыках.

6.2.3 Скорости укладки и уплотнения должны быть выбраны такими, чтобы, с одной стороны, избегать рабочих швов и, с другой стороны, предотвращать деформации и перегрузку опалубки и подмостей.

6.2.4 Уплотнение должно производиться, как правило, глубинными вибраторами, если только в ППР не предусмотрен иной способ уплотнения.

6.2.5 Вибрация с помощью глубинных или поверхностных вибраторов должна применяться до тех пор, пока не прекратится выделение вовлеченного воздуха. Однако следует избегать излишней вибрации, которая может спровоцировать образование слабых поверхностных слоев или расслоение бетонной смеси.

6.2.6 Толщина укладываемого слоя бетона должна быть меньше глубины проникновения вибратора с тем, чтобы достичь повторного вибрирования части ранее уплотненного слоя.

6.2.7 В сечениях конструкции большой высоты повторное уплотнение рекомендуется для компенсации осадки слоя бетона под рядами горизонтальной арматуры.

6.2.8 При использовании только поверхностных вибраторов слой бетона после уплотнения, как правило, должен иметь толщину не более 100 мм, если ППР не оговаривает особые способы бетонирования.

6.2.9 Отделка поверхности должна выполняться способом и ко времени, указанным в ПР. В процессе отделочных операций не следует добавлять воду, цемент, поверхностные ускорители твердения, если в ППР особо не оговариваются подобные приемы.

6.3 Выдерживание и уход за уложенным бетоном

6.3.1 Выдерживание и уход за уложенным бетоном должны осуществляться при выполнении требований соответствующего раздела СНиП 3.03.01.

6.3.2 По завершении уплотнения и заглаживания бетонной поверхности ее укрытие должно быть осуществлено незамедлительно независимо от погодных условий.

6.3.3 Бетон на ранней стадии твердения должен быть укрыт и защищен в соответствии с указаниями ППР.

6.3.4 Длительность выдерживания бетона зависит от времени достижения бетоном требуемых показателей.

Если специально не оговорено в ППР, уход должен осуществляться до тех пор, пока прочность бетона на сжатие не достигнет, по крайней мере, 50 % средней для класса прочности, определенной проектом.

6.3.5 Не допускается применение полимерных покрытий, наносимых набрызгом для обеспечения твердения бетона в конструкционных стыках, на поверхностях, где впоследствии требуется обеспечить сцепление с другими укладываемыми материалами, если не имеется подтверждений, что они не оказывают отрицательного влияния на последующие операции. Если не оговорено требованиями проекта, не разрешается наносить указанные покрытия на поверхности, к которым предъявляются особые требования по отделке.

6.3.6 До начала бетонных работ при температуре окружающего воздуха ниже 5 °С должна быть подготовлена вся документация в виде планов ухода за бетоном и контроля за его твердением. Должны быть подготовлены необходимые материалы по паро- и теплоизоляции, контрольные приборы по замеру температуры, напряжения и силы электрического тока при прогреве бетона, нагревательные устройства и т.п.

6.3.7 До укладки бетона необходимо удалить снег или наледи с поверхности опалубки и арматуры продувкой горячим воздухом.

6.3.8 При температуре наружного воздуха минус 15 °С и ниже в бетонную смесь при приготовлении следует вводить противоморозные добавки.

6.3.9 Бетонная смесь должна укладываться в опалубку вертикальных элементов конструкции слоями по 60-80 см толщиной с виброуплотнением, без перерывов в бетонировании конструкции на всю высоту этажа.

6.3.10 Для предохранения от влагопотерь уложенный и уплотненный бетон должен быть немедленно укрыт пароизоляционным, а по нему теплоизоляционным материалом.

6.3.11 В зависимости от вида конструкции, ее армирования, температуры наружного воздуха, темпов строительства ускорение твердения бетона следует обеспечивать путем применения электродного прогрева, электрообогрева наружными и внутренними греющими устройствами, воздушного обогрева, индукционного прогрева и др.

В процессе выдерживания бетона независимо от применяемого метода следует осуществлять постоянный контроль температуры уложенного бетона. В местах возможного наибольшего охлаждения установка температурных датчиков обязательна.

6.3.12 При применении термообработки бетона скорость подъема температуры должна быть не более 20 °С в час, изотермическое выдерживание бетона должно осуществляться при температуре 60-80 °С до достижения бетоном прочности не менее 80 % проектной. Охлаждение бетона должно быть не быстрее чем 10 °С в час.

6.3.13 Распалубка готовых конструкций должна производиться при разнице температуры между бетоном и окружающим воздухом не более 20 °С.

6.3.14 Все этапы прогрева бетона, его охлаждения, распалубки конструкций, а также результаты проверки прочности неразрушающими методами должны фиксироваться в журналах производства работ.

6.4 Операции после распалубливания

6.4.1 После распалубливания вся поверхность бетона должна быть осмотрена в соответствии с требуемым уровнем контроля.

6.4.2 Поверхность бетона, еще не набравшего проектную прочность, должна быть защищена от возможных повреждений.

6.4.3 Должны быть выполнены все требования, касающиеся контроля прочности затвердевшего монолитного бетона, частоты его проведения и критерия соответствия проекту и указаниям настоящих Рекомендаций.

6.5 Работы по возведению отдельных видов конструкций

Технология возведения комбинированных ограждающих конструкций из легких бетонов

6.5.1 Ненесущие (навесные) конструкции наружных стен высотных зданий возводят с поэтажным опиранием на перекрытия. При этом их следует выполнять комбинированными, состоящими из следующих элементов:

фасадной защитно-декоративной тонкостенной железобетонной панели-скорлупы длиной на пролет и высотой на этаж из конструкционного легкого бетона;

теплоизоляционного слоя из сборного модифицированного полистирол-бетона (стеновых блоков, армированных перемычек и теплоизоляционных плит или монолитного полистирол-бетона);

внутреннего защитно-декоративного слоя из гипсоволокнистых листов, устанавливаемых по каркасу из оцинкованного профиля.

6.5.2 Технологическая схема возведения стены с монтажом отдельных ее элементов при различных вариантах теплоизоляционного слоя стены (сборный или монолитный вариант) должна содержаться в ППР применительно к конкретным проектам зданий.

6.5.3 Защитно-декоративную тонкостенную железобетонную скорлупу следует изготавливать в заводских условиях из армированного конструкционного легкого бетона класса по прочности на сжатие не менее В25 из жестких (Ж2, Ж3) смесей на керамзитовом гравии фракции не более 10 мм и плотном природном песке или на смеси керамзитового и плотного природного песков. Панель-скорлупа может быть выполнена плоской или ребристой с толщиной полки 60-80 мм, длиной «на пролет» между несущими элементами каркаса и высотой на этаж, или из отдельных элементов горизонтальной или вертикальной разрезки, с облицовкой, или без облицовки при готовой фасадной поверхности.

6.5.4 Керамзитобетон, применяемый для изготовления защитно-декоративной панели - скорлупы навесной комбинированной стеновой конструкции, должен иметь следующие основные показатели качества: класс по прочности на сжатие - не менее В25; марка бетона по средней плотности для класса по прочности на сжатие В25-В40 - не выше D1700-D1850 соответственно; марка по морозостойкости – не ниже F150; марка по водонепроницаемости - не ниже W4.

6.5.5 При сопряжении ненесущих наружных стен с вышележащим перекрытием с целью исключения передачи нагрузки от перекрытия следует предусматривать устройство между перекрытием и верхом стены зазора величиной не менее 20 мм, заполняемого затем уплотнением из минеральной ваты из каменных пород с температурой плавления не менее 1000 °С.

6.5.6 Все стальные элементы и детали конструкции стены (закладные детали, связи) должны иметь антикоррозионные покрытия, а их открытые участки должны быть защищены огнезащитным составом согласно требованиям «Общих положений по проектированию жилых зданий высотой более 75 метров» (М.: Москомархитектура, 2002).

6.5.7 Покрытия, чердачные перекрытия, перекрытия над техническими подпольями, проездами следует выполнять в виде слоистой конструкции с несущей частью из монолитного легкого бетона класса по прочности на сжатие не ниже В25 или тяжелого бетона класса не ниже В22,5 с утеплителем из монолитного полистиролбетона марки по средней плотности не выше D300.

6.5.8 Керамзитобетон, применяемый для монолитных междуэтажных перекрытий, должен иметь: класс по прочности на сжатие не менее В20; марку по средней плотности для класса В20-В40 - не выше D1600-D1850 соответственно.

6.5.9 Конструктивные решения слоистых покрытий, чердачных перекрытий, перекрытий над техническими подпольями, технологическая схема их монтажа (возведения) приводятся в ППР применительно к конкретному проекту здания.

6.5.10 Полистиролбетонную смесь для монолитной теплоизоляции надлежит готовить непосредственно на строительном объекте в бетоносмесителе, входящем в состав универсальной мобильной установки (МБСУ).

6.5.11 Керамзитобетон, применяемый для несущей части комплексных монолитных покрытий, чердачных перекрытий, перекрытий над техническими подпольями и проездами, должен иметь: класс по прочности на сжатие - не ниже В25; марку по средней плотности для класса В25-В40 - не выше D1700-D1850 соответственно.

6.5.12 Состав технологического оборудования МБСУ, его характеристики (в том числе бетононасосов различных типов) в зависимости от производительности установки (2,0-4,0 м3/ч) должен содержаться в ППР по возведению конкретного здания.

6.5.13 При использовании МБСУ приготовленную полистиролбетонную смесь надлежит транспортировать с помощью бетононасоса к месту укладки.

Полистиролбетонная смесь, транспортируемая бетононасосами, должна быть слитной структуры и обладать удобоукладываемостью, характеризуемой показателем жесткости 5- 10 с по ГОСТ Р 51263.

6.5.14 Укладку и уплотнение полистиролбетонной смеси при устройстве монолитной теплоизоляции наружных стен, покрытий и перекрытий следует производить методом экструзии без использования вибрационного оборудования по технологии НИИЖБ для высокопоризованных смесей особо легких бетонов.

6.5.15 Для теплоизоляции наружных стен зданий из сборных элементов надлежит использовать стеновые блоки из модифицированного полистиролбетона марок по средней плотности не выше D300 и армированные перемычки из СМПБ марок не выше D350. Кладку стен из блоков и перемычек следует вести с поэтажным опиранием на перекрытия зданий.

6.5.16 Для теплоизоляции покрытий и перекрытий над техническими подпольями и проездами надлежит использовать теплоизоляционные плиты из модифицированного полистиролбетона марок средней плотности не выше D250.

6.5.17 Изготавливать стеновые блоки, перемычки и теплоизоляционные плиты из МПБ надлежит в заводских условиях.

6.5.18 Выполнение теплоизоляции покрытий, перекрытий над техническими подпольями и проездами из плит из МПБ следует в соответствии с ППР.

Технология возведения междуэтажных перекрытий, несущей части покрытий, чердачных перекрытий, перекрытий над техническими подпольями и проездами

6.5.19 Для возведения монолитных междуэтажных перекрытий, несущей части покрытий, чердачных перекрытий, перекрытий над техническими подпольями и проездами следует использовать конструкционный керамзитобетон, отвечающий требованиям ГОСТ 25820. Для бетонирования конструкций керамзитобетонную смесь следует приготавливать непосредственно на приобъектном бетоносмесительном узле (БСУ). Технологическое оборудование БСУ выбирается в соответствии с ППР.

6.5.20 Приготовленную на приобъектном БСУ керамзитобетонную смесь надлежит транспортировать к месту укладки в соответствии с ПР для конкретного объекта.

6.5.21 При бетонировании перекрытий высотных зданий при подаче смеси бетононасосами через каждые 30 м (пневмонасос) или 45 м (плунжерный насос) по высоте надлежит устраивать промежуточные станции перекачки смесей, состоящие из приемных емкостей и насосов соответствующего типа.

6.5.22 Марку по удобоукладываемости керамзитобетонных смесей, используемых для бетонирования покрытий и перекрытий, следует принимать равной П1 или П2 по ГОСТ 7473.

6.5.23 Технология укладки и уплотнения конструкционного керамзитобетона для покрытий и перекрытий, требования по уходу за уложенным бетоном должны содержаться в ППР.

6.5.24 Формование сталефибробетонных и комбинированно армированных конструкций, выбор технологических операций формования, технологического оборудования, его рабочих параметров и т.д. необходимо осуществлять в соответствии с указаниями СНиП 3.03.01 и РТМ 17-02.

7 Монтаж сборных железобетонных конструкций, в том числе изготовленных на строительной площадке

7.1 При применении сборно-монолитных конструкций в проекте должна быть предусмотрена совместимость железобетонных изделий заводского изготовления и монолитных конструкций с обеспечением их совместной работы.

7.2 Железобетонные конструкции заводского изготовления должны удовлетворять требованиям соответствующих стандартов.

7.3 Конструкции, изготовленные на строительной площадке, могут рассматриваться как конструкции заводского изготовления, если они изготавливаются в соответствии с требованиями стандартов на заводскую продукцию.

7.4 Такелажные операции, складирование и укрытие сборных заводских изделий должны выполняться в соответствии с ППР и с соблюдением требований СНиП 3.03.01.

7.5 ППР должен содержать специальные указания по схемам подъема, определяющим точки подвеса и распределение сил, системы подъемных приспособлений, а также указания по предельной массе конструкций.

7.6 Инструкции по складированию для каждого изделия должны определять его положение в штабеле, возможные точки опор, максимальную высоту штабеля, защитные меры и требуемые указания по обеспечению устойчивости штабеля.

7.7 Установка и выверка сборных конструкций должна выполняться с соблюдением требований СНиП 3.03.01.

7.8 ППР должен содержать схему расстановки опор, необходимых подмостей, предпринимаемые меры предосторожности. В ППР должны быть показаны подступы и положения рабочих мест для установки конструкций и безопасного захвата подъемными механизмами. Должны быть разработаны также конструктивные меры для обеспечения устойчивости временных и постоянных опор.

7.9 Монтаж сборных конструкций должен соответствовать рабочим чертежам и проекту производства работ. В процессе монтажа должны проверяться и выполняться правильность выверки конструктивных элементов, точность расстояний между опорами, условия сопряжения частей сооружения или здания в целом.

7.10 Выполнение стыков конструкций и частей здания до завершения сооружения в целом должно быть предметом тщательного постоянного контроля.

7.11 Укладка дополнительной арматуры в стыки для обеспечения совместимой работы конструкции должна соответствовать требованиям настоящих Рекомендаций.

Бетонирование стыков должно соответствовать требованиям настоящих Рекомендаций.

7.12 Выпуски арматуры в стыках любого типа должны быть неповрежденными, расположенными строго по проекту и выполненными таким образом, чтобы обеспечить совместную работу соединяемых конструктивных элементов.

7.13 Резьбовые и клееные стыки должны выполняться согласно технологическим нормативам на используемые материалы.

7.14 Пластины закладных изделий должны быть защищены от коррозии.

7.15 Конструкции сварных соединений и контроль качества должны выполняться с соблюдением требований ГОСТ 14098, ГОСТ 10922, ГОСТ 23858 и настоящих Рекомендаций.

8 Геометрические допуски

8.1 Размеры готовых конструкций должны быть в пределах допускаемых отклонений во избежание возникновения негативных факторов, оказывающих влияние на: механическую прочность и пространственную устойчивость здания в процессе возведения и эксплуатации; совместимость размеров конструкций и монтажных систем оборудования здания.

8.2 Любые промежуточные допуски на отдельные конструкции должны укладываться в общие допуски на объект в целом.

8.3 Данный раздел не распространяется на допуски для специальных геотехнических бетонных конструкций, таких как стена в грунте, подпорные стены, сваи для буровых скважин и т.п., однако допуски на обычные фундаменты, бетонируемые непосредственно в грунте, должны быть в пределах, нормируемых данным разделом.

8.4 В проекте могут быть указаны дополнительные требования по специальным допускам, в том числе:

о поправках к значениям допусков, предписываемых данными Рекомендациями;

о видах отклонений, которые должны контролироваться в пределах, определяемых параметрами и допусками;

о специально применяемых допусках либо ко всем видам конструкций, либо отдельно для какого-то одного, специально оговоренного.

8.5 Допуски для поверхностей в стыках между элементами конструкций, по которым происходит передача нагрузок при их соединении, данным разделом Рекомендаций не определяются. Требования к таким поверхностям должны быть указаны в проекте.

8.6 Если некоторые геометрические допуски устанавливают по различным требованиям, например по СНиП 3.03.01 и по евростандарту ЕN 13670, то применяют более жесткие из них.

8.7 Данные Рекомендации не рассматривают требования в части сочетаний конструктивных допусков и ограничения по деформациям конструкций зданий и сооружений в целом, которые должны определяться нормами на проектирование.

8.8 Допуски в плане указывают относительно линий привязки (базовых линий).

8.9 Рекомендуемые допуски отклонения для колонн и стен представлены в приложении Д.

Допускаемые отклонения для балок и плит представлены в приложении Е.

8.10 Допускаемые величины отклонений для опор и фундаментов приведены в приложении Ж.

8.11 Размеры поперечных сечений, толщина защитных слоев бетона для арматуры, расположение обычной и предварительно напряженной арматуры должны быть в пределах допусков, представленных в приложениях З, И.

8.12 Допускаемые величины отклонений для размеров отверстий и различных закладных деталей даны в приложении К.

9 Контроль качества работ

9.1 Общие положения

9.1.1 На всех стадиях строительства, начиная с проектирования, система контроля должна быть многоуровневой: помимо предусмотренных нормативными документами служб контроля со стороны подрядчика, заказчика, административных органов, рекомендуется создание независимых экспертно-технических комиссий по видам проектных и строительно-монтажных работ.

9.2 Контроль качества строительно-монтажных работ

9.2.1 Контроль качества строительно-монтажных работ должен осуществляться с учетом требований настоящих Рекомендаций, а также СНиП 12-01, МГСН 2.07, евростандартов EN 13670, EN 206-1 и других норм и стандартов.

Контроль качества в процессе строительства и приемку бетонных и железобетонных конструкций следует производить в соответствии с требованиями СНиП 3.03.01, а также дополнительно руководствоваться требованиями нормативно-технических документов, разработанных для возведения высотных зданий. При наличии стандартов, ГОСТ и EN, относящихся к одинаковым продуктам или процессам, приоритет имеют документы, конкретно указанные в проектной документации или договоре.

9.2.2 При строительстве должны осуществляться все виды производственного контроля: входной, операционный, приемочный. Кроме того, должен функционировать постоянно действующий инспекционный контроль, осуществляемый органами архитектурно-строительного надзора.

9.2.3 В схеме операционного контроля должна быть предусмотрена программа стандартных и специальных испытаний, проводимых специализированными лабораториями.

9.3 Контроль качества бетона и составляющих материалов

9.3.1 Технологические свойства бетонных смесей, условия их транспортирования, укладки и уплотнения должны соответствовать требованиям ППР и проектной документации.

9.3.2 Периодичность и содержание входного контроля составляющих бетон материалов на заводе-изготовителе бетонной смеси определяются технологической картой, утвержденной в установленном порядке.

9.3.3 Контроль качества материалов на соответствие требованиям действующих стандартов и технических условий производится заводской лабораторией предприятия, изготавливающего бетонную смесь, и предусматривает:

испытания заполнителей по ГОСТ 8269.0, ГОСТ 9758, EN 12620, EN 1744-1; испытания добавок по ГОСТ 30459.

9.3.4 Качество цемента должно быть подтверждено сертификатами на соответствие требованиям ГОСТ 10178 или ГОСТ 30515.

9.3.5 На заводе, изготавливающем бетонную смесь, нормы и правила отбора проб бетонной смеси, изготовления контрольных образцов, их твердения и испытания принимают по ГОСТ 18105, ГОСТ 10180, евростандарту EN 206 и другим действующим стандартам и технологическим картам.

9.3.6 Пооперационный контроль качества бетонной смеси при ее приготовлении предусматривает операционный контроль технологического процесса, в том числе режимов перемешивания и точности дозирования составляющих.

Контроль технологического процесса производства бетонной смеси следует проводить по технологической карте на производство бетонной смеси. Контроль технологических показателей качества бетонной смеси следует проводить по ГОСТ 10181.

9.3.7 Выходной (приемосдаточный) контроль качества бетонной смеси включает контроль подвижности и по требованию заказчика - других нормируемых технологических показателей качества бетонной смеси (воздухосодержание, расслаиваемость, плотность и т.д.).

Проверка подвижности бетонной смеси производится от каждого автосмесителя. При несоответствии характеристик подвижности указанным в заказе смесь подлежит возврату поставщику.

9.3.8 Производитель работ должен согласовать с поставщиком бетонной смеси дату, время и ритм доставки бетонной смеси.

Ритм поставки бетонной смеси должен назначаться производителем работ исходя из объемов готовности опалубочных конструкций, сроков набора бетоном прочности и других факторов.

9.3.9 В заказе на бетонную смесь в зависимости от технологии выдерживания уложенного бетона должны быть указаны скорость набора прочности и требуемая прочность бетона в момент распалубки.

9.3.10 Контроль нормируемых строительно-технических свойств бетона, в том числе прочности, морозостойкости, водонепроницаемости, проводят по соответствующим стандартам на методы испытаний (ГОСТ 10180; ГОСТ 12730.5 и т.д.).

9.4 Проектирование составов бетонов

Проектирование составов бетонов ведется на соответствие требуемых проектных характеристик, в том числе классов по прочности, марок по морозостойкости, водонепроницаемости, плотности и т.д., ГОСТ 27006, а специальных бетонов - на соответствие ТУ при участии или по согласованию с НИИЖБ и другими научно-исследовательскими организациями.

9.5 Контроль показателей качества бетонной смеси на стройплощадке

Контроль качества бетонной смеси на стройплощадке является основным видом контроля и осуществляется на соответствие требованиям проекта договора на поставку бетонной смеси.

9.5.1 Поставляемая бетонная смесь или изготавливаемая на строительной площадке должна соответствовать требованиям проекта.

9.5.2 Перед разгрузкой партии бетона изготовитель должен представить потребителю сопроводительную документацию по форме, указанной в ГОСТ 7473.

9.5.3 Производитель работ при приемке бетонной смеси должен отмечать в журнале производства работ: время доставки бетонной смеси на стройплощадку; время начала разгрузки; время окончания разгрузки.

9.5.4 При заказе бетона потребитель вправе требовать от изготовителя информацию о составе бетона. Эта информация в период подготовки к строительству должна быть представлена до начала поставки товарного бетона.

В необходимых случаях может быть дополнительно запрошена следующая информация: тип, класс цемента и вид заполнителя; тип химических добавок, вид и содержание минеральных добавок (если использовались); заданное значение В/Ц; максимальный размер заполнителя; результаты предварительных испытаний бетонной смеси, например, данные по первичным подборам и производственному контролю; поставщики составляющих материалов.

9.5.5 Аналогичная информация может указываться и в сопроводительной документации для бетонных смесей, изготовленных в условиях стройплощадки.

9.5.6 Приемка бетонной смеси осуществляется представителем приобъектной лаборатории и производителем работ.

9.5.7 Поставляемая бетонная смесь должна пройти визуальный осмотр в процессе разгрузки. Разгрузка должна быть приостановлена, если внешний вид вызывает сомнение. В этом случае должны быть отобраны пробы для проведения испытаний бетонной смеси на определение подвижности.

9.5.8 Введение в бетонную смесь дополнительного количества воды или водосодержащих добавок при доставке не разрешается.

9.5.9 Подвижность бетонной смеси по осадке конуса определяется путем отбора проб из каждого автомиксера. Определение подвижности бетонной смеси производится по ГОСТ 10181 или евростандарту EN 12350-2, жесткости смеси соответственно по ГОСТ 7473 и EN 12350-3, прочность бетонной смеси следует определять по ГОСТ 10180 или EN 12350-5 или по иным согласованным между заказчиком и производителем бетонной смеси методикам.

9.5.10 Допустимые отклонения для проектных значений по характеристикам бетонной смеси приведены в табл. 18.

Таблица 18

Заданные значения, диапазоны изменения

ОК, мм

≤40

50-90

≥100

Допуски, мм

±10

±20

±30

Жесткость, с

≥11

10-6

≥5

Допуски, с

±3

±2

±1

Расплыв смеси

 

Допуски, мм

На все значения ±30

Плотность бетонной смеси

30 кг/м3

Допуски

Плюсовые допуски не ограничиваются

9.6 Контроль операций по бетонированию

9.6.1 Контроль бетонирования должен вестись согласно ППР и включать в себя контроль выполнения работ и документирование операций по бетонированию.

9.6.2 ППР должен включать рекомендации по предпринимаемым действиям в случае обнаружения несоответствия качеству.

9.6.3 Процедуры контроля включают как плановый, так и выборочный внеплановый контроль.

9.6.4 Документирование должно включать регистрацию всех видов контроля и регистрацию несоответствия качеству и принятых корректирующих действий.

9.6.5 Контроль укладки и уплотнения бетонной смеси согласно ППР должен включать в себя регистрацию в журнале производства работ следующих сведений: погодные условия; скорость укладки; последовательность укладки; толщина укладываемых слоев; расслаиваемость смеси (если имеет место); число вибраторов; размеры и вид вибраторов; зона их действия; глубина проникновения вибраторов в слои бетонной смеси; поверхностное вибрирование (если применялось); деформативность формы (если имела место); появления цементного молока на поверхности; ровность поверхности; время завершения бетонирования; укрытие и защита отформованной поверхности.

9.6.6 Контроль твердения и защиты бетона должен включать в себя регистрацию в журнале производства работ следующих сведений: операции по защите поверхности бетона от высыхания или действия мороза; температура окружающего воздуха; регистрация температуры и оценка прочности бетона по мере ее набора; подъем температуры и ее распределение в толще бетона; время снятия покрытия.

9.6.7 Контроль операций после бетонирования и снятия опалубки должен включать регистрацию в журнале производства работ следующих сведений: проверка геометрических размеров; определение прочности бетона ко времени снятия укрытия; внешний вид поверхности; раковины, шероховатости; трещины, ширина трещин; состояние рабочих стыков; проверка толщины защитных слоев бетона оносительно арматуры.

9.6.8 Нормы и правила отбора контрольных образцов и условия их хранения до испытаний должны быть установлены в ППР. Контрольные образцы должны храниться в тех же условиях, что и основная конструкция, а также и в камере нормального твердения.

При невозможности создания для контрольных образцов условий, аналогичных условиям твердения бетона в забетонированных конструкциях, следует предусматривать методы прогнозирования кинетики набора прочности бетона в конструкциях, основанные на учете фактических температурно-влажностных режимов твердения конструкций и усредненных экспериментально-теоретических зависимостей. В этих случаях рекомендуется после снятия опалубки (на небольшом участке конструкций) провести контрольное определение прочности бетона в конструкциях неразрушающими методами.

9.6.9 Достижение бетоном проектной прочности во всех случаях должно быть подтверждено результатами определения прочности непосредственно в конструкциях по ГОСТ 22690, ГОСТ 17624, ГОСТ 10180 и ее оценкой по ГОСТ 18105 или евростандарту EN 13791.

9.6.10 Все процедуры по контролю характеристик бетона должны быть письменно задокументированы и соответствующим образом оформлены.

9.7 Контроль качества составляющих материалов бетонных смесей, полистирола и полистиролбетонов

9.7.1 Полистиролбетонная смесь готовится на приобъектном бетоносмесительном узле (БСУ). Контроль качества составляющих материалов, полистиролбетонной смеси и полистиролбетона должен вестись в приобъектной лаборатории и в готовой конструкции.

9.7.2 При входном контроле качества исходных материалов, используемых для изготовления полистиролбетонной смеси при устройстве монолитной теплоизоляции, следует проверять для пенополистирольного заполнителя - насыпную плотность и зерновой состав по ГОСТ 9758, а для цемента - фактическую активность по ГОСТ 310.4, сроки схватывания и нормальную густоту по ГОСТ 310.3. Эти характеристики определяются для каждой вновь поступающей партии материалов.

9.7.3 Удобоукладываемость полистиролбетонной смеси определяется по ГОСТ Р 51263. Этот показатель смеси при устройстве монолитной теплоизоляции проверяется в начале каждой смены и при изменении характеристик исходных материалов.

9.7.4 Плотность полистиролбетонной смеси в свежеуложенном состоянии определяют по ГОСТ 10181 не реже одного раза в смену или при изменении качества используемых материалов.

9.7.5 Прочность затвердевшего полистиролбетона при сжатии и его плотность следует устанавливать по результатам испытания не менее двух контрольных образцов-кубов размером 15×15×15 см по ГОСТ 10180 и оценивать по ГОСТ 18105.

Каждую смену следует формовать не менее четырех контрольных кубов, которые испытываются в возрасте 3 и 28 суток после хранения в условиях, идентичных условиям выдерживания полистиролбетона в монолитной теплоизоляции ограждающих конструкций зданий.

9.7.6 Среднюю плотность полистиролбетона следует определять по ГОСТ 12730.1 и ГОСТ 27005 на контрольных образцах, предназначенных для определения прочности бетона на сжатие.

9.7.7 Возможно определение плотности полистиролбетона и его прочности на сжатие на кернах-цилиндрах диаметром и высотой не менее 10 см, выпиленных непосредственно из уложенной в конструкцию монолитной теплоизоляции.

Фактическую плотность полистиролбетона в сборных элементах (блоках, перемычках, теплоизоляционных плитах и т.п.), поставленных на стройплощадку, следует определять по результатам их взвешивания и замеров геометрических размеров, а прочность на сжатие - путем испытания высверленных из них кернов-цилиндров. Данным испытаниям следует подвергать не менее трех образцов от каждой поступившей партии.

9.7.8 Влажность полистиролбетона следует определять по ГОСТ 12730.2 путем высверливания кернов из монолитной теплоизоляции или отбора проб из разрушенных образцов-кубов после их испытания на прочность при сжатии не реже одного раза в месяц.

9.8 Методы контроля качества составляющих материалов, керамзитобетонной смеси и керамзитобетона в приобъектной лаборатории

9.8.1 При входном контроле качества исходных материалов, используемых для бетонирования монолитных покрытий из керамзитобетона и перекрытий, следует проверять:

для фракционированного керамзитового гравия - насыпную плотность и прочность на сжатие сдавливанием в цилиндре по ГОСТ 9758;

для природного строительного песка - насыпную плотность, зерновой состав (модуль крупности) и влажность по ГОСТ 8735.

Все вышеуказанные характеристики определяют для каждой партии вновь поступающих материалов.

9.8.2 Удобоукладываемость керамзитобетонной смеси, характеризуемую осадкой конуса, следует определять по ГОСТ 10181 в начале каждой рабочей смены и при изменении характеристик используемых материалов.

9.8.3 Плотность керамзитобетонной смеси в свежеуложенном состоянии следует определять по ГОСТ 10181 не реже одного раза в смену или при изменении качества используемых материалов на БСУ.

9.8.4 Прочность керамзитобетона при сжатии следует определять по ГОСТ 10180 и ГОСТ 18105 по результатам испытания на каждый срок не менее трех контрольных образцов-кубов размером 15×15×15 см.

Заформованные каждую смену контрольные образцы-кубы испытывают в возрасте 3 и 28 суток хранения в условиях, идентичных условиям твердения керамзитобетона в покрытиях и перекрытиях.

При возведении монолитных покрытий и перекрытий в съемной опалубке дополнительно следует испытывать три образца-куба для определения разопалубочной прочности. Сроки проведения этих испытаний следует устанавливать в зависимости от требуемой величины отпускной прочности, определяемой конструктивными решениями покрытий и перекрытий и условиями твердения керамзитобетона. Кроме того, для определения проектной прочности бетона три образца-куба следует хранить до испытаний в возрасте 28 суток в камере нормального твердения.

9.8.5 Среднюю плотность керамзитобетона следует оценивать по методикам ГОСТ 12730.1 и ГОСТ 27005 на контрольных образцах, предназначенных для определения прочности на сжатие.

9.8.6 Влажность керамзитобетона следует определять по ГОСТ 12730.2 путем отбора проб из разрушенных образцов-кубов после их испытания на прочность при сжатии не реже одного раза в месяц.

9.9 Контроль качества бетона с компенсированной усадкой

9.9.1 Контроль качества бетона с компенсированной усадкой включает определение всех показателей качества бетона, регламентируемых проектом, в том числе прочность по ГОСТ 10180, и самонапряжение по техническим условиям.

9.9.2 Для определения самонапряжения и прочности в связанном состоянии на растяжение при изгибе и на сжатие следует изготавливать не менее двух образцов размером 5×5×20 см в динамометрических кондукторах, ограничивающих расширение призм, эквивалентное μ=1,0 %.

9.9.3 Контроль водонепроницаемости бетона следует выполнять по ГОСТ 12730.5.

9.9.4 Морозостойкость бетона определяется по ГОСТ 10060.

9.10 Контроль подмостей и опалубки

9.10.1 Перед началом бетонирования контроль должен включать в себя проверку: геометрии опалубки; устойчивости опалубки, подмостей и их опор; плотности опалубочных сопрягающихся частей; наличия и удаления вредных загрязнителей (пыли, снега или льда и остатков вязальной проволоки) из мест предстоящего бетонирования; обработки поверхности рабочих швов; удаления остатков воды; подготовки поверхностей; проемов; закладных деталей.

9.11 Контроль качества бетона в конструкции

9.11.1 При возведении зданий из монолитного железобетона прочность бетона должна контролироваться путем испытания отобранных из конструкций образцов по ГОСТ 28570 и не разрушающими методами в соответствии с ГОСТ 22690, ГОСТ 17624, а также МДС 62-2.01 «Методические рекомендации по контролю прочности бетона монолитных конструкций ультразвуковым методом способом поверхностного прозвучивания», разработанными НИИЖБ, и указаниями, содержащимися в настоящих Рекомендациях.

9.11.2 Для неразрушающего контроля, помимо приборов, указанных в ГОСТ 22690 и ГОСТ 17624, могут использоваться приборы ПОС-МГ4, ВМ-2,5 (метод отрыва со скалыванием), приборы типа ОНИКС, ИПС-МГ4 (метод ударного импульса), УК 1401 (ультразвуковой метод).

Кроме того, могут использоваться другие приборы, отвечающие требованиям ГОСТ 22690 и ГОСТ 17624.

9.11.3 При контроле прочности бетона обязательным является испытание отобранных образцов-кернов и испытание бетона методом отрыва со скалыванием. Как правило, эти испытания следует применять в комплексе с не разрушающими методами.

9.11.4 Для калибровки результатов испытаний методом отрыва со скалыванием следует использовать градуировочную зависимость по ГОСТ 22690 со следующей корректировкой величины коэффициента m2: для бетона прочностью выше 50 МПа и глубиной заделки анкерного устройства 30-35 мм коэффициент m2 устанавливают по сопоставлению данных, полученных при испытании анкером, с глубиной заделки 48 мм или принимают m2=1,8.

9.11.5 Для остальных видов испытаний градуировочную зависимость устанавливают по корреляции между результатом этих испытаний и результатом по методу отрыва со скалыванием или испытаний образцов-кернов. Испытываемые участки конструкции должны быть одни и те же. Число участков испытаний должно быть не менее 12.

Построение градуировочных зависимостей следует вести по методике, изложенной в ГОСТ 22690 и ГОСТ 17624, или с компьютерных программ построения зависимостей.

Коэффициент корреляции получаемых зависимостей должен быть не ниже 0,7, а отношение среднего квадратичного отклонения градуировочной зависимости к средней прочности всех участков, полученной методом отрыва со скалыванием, не выше 0,15.

Допускается использование ранее построенной градуировочной зависимости или зависимости, заложенной в прибор, с корректировкой ее с помощью коэффициента совпадения по ГОСТ 22690, МДС 62-2.01. Прямое использование градуировочных зависимостей, заложенных в прибор без корректировки, не допускается.

9.11.6 Неразрушающий контроль прочности бетона должен проводиться для всех конструкций здания.

9.11.7 Число участков испытаний для фундаментных плит, перекрытий и стен, для конструкции или участка конструкции, для которого определяется класс бетона, должно приниматься не менее 15 при проектном классе бетона В15, не менее 20 - при классе бетона В20, не менее 25 - при классе бетона В25 и выше.

При этом участки должны располагаться равномерно по поверхности конструкции и приниматься не менее трех участков на захватку бетонирования и не менее одного участка на 40 м2 фундаментной плиты или перекрытия и не менее одного участка на 20 м2 стен.

9.11.8 Для отдельно стоящих фундаментов число участков принимается не менее трех, а число участков в группе фундаментов, для которых оценивается класс конструкций, должно быть не менее указанного в п. 9.11.7.

Контроль прочности бетона отдельно стоящих фундаментов может быть сплошным или выборочным. При выборочном контролируют не менее 20 % общего числа фундаментов. Если в контролируемой группе класс бетона окажется ниже проектного, контролируют все фундаменты.

9.11.9 Для линейных конструкций (балок, ростверков) число участков должно быть не менее трех на захватку, расстояние между участками должно быть не более 10 м, общее число участков для группы конструкций, отдельной конструкции или для оцениваемого участка должно быть не менее указанного в п. 9.11.7.

9.11.10 Контроль прочности бетона должен производиться в каждой колонне. При этом число контролируемых участков в каждой колонне рекомендуется принимать не менее шести.

9.11.11 Статистическая оценка прочности бетона по результатам неразрушающего контроля используется только в тех случаях, когда прочность бетона определяют по градуировочной зависимости, построенной в соответствии с указаниями настоящих Рекомендаций.

9.11.12 При построении градуировочной зависимости средняя квадратическая ошибка градуировочной зависимости SТ определяется по формуле

,                                                                     (1)

где SТ.н.м - среднее квадратическое отклонение построенной градуировочной зависимости для неразрушающего метода;

SТ.м.о.с - среднее квадратическое отклонение градуировочной зависимости метода отрыва со скалыванием, принимаемое 0,04 от средней прочности бетона участков, использованных при построении градуировочной зависимости, при анкерном устройстве с глубиной заделки 48 мм; 0,05 от средней прочности бетона - с глубиной заделки 35 мм и 0,06 средней прочности - с глубиной заделки 30 мм.

9.11.13 В тех случаях, когда в качестве единицы прочности бетона может быть принята осредненная прочность в конструкции (например, колонне) или зоне конструкции, среднее квадратическое отклонение прочности бетона Sm определяют по формуле

                                                                             (2)

где Sн.м - среднее квадратическое отклонение прочности бетона в группе конструкций, полученное по данным испытаний неразрушающими методами;

р - число участков испытаний в каждой конструкции.

9.11.14 В случае, когда за единичное значение прочности бетона принимается прочность бетона на контролируемом участке -

,                                                     (3)

где n - общее число участков испытаний;

r - коэффициент корреляции градуировочной зависимости.

9.11.15 Класс бетона по прочности на сжатие В определяют по формуле

B=Rср/Кт                                                                                         (4)

где Rcp - средняя прочность бетона в конструкции, участка или группы конструкций по данным испытаний неразрушающими методами, МПа;

Кт - коэффициент требуемой прочности, принимаемый по ГОСТ 18105 в зависимости от Vm = Sm/Rср.

9.11.16 Значение класса бетона отдельной зоны конструкции или отдельной конструкции, в которой невозможно провести требуемое число испытаний и прочность бетона отдельных участков отклоняется от средней прочности бетона или участка не более чем на 5 % и определяется по формуле

,                                                                              (5)

где Ri - средняя прочность бетона участка или конструкции;

tα - коэффициент, принимаемый в зависимости от числа измерений

p-1

3

4

5

6

tα

3,18

2,78

2,57

2,45

9.11.17 Статистическая оценка прочности бетона не применяется при построении градуировочной зависимости по ГОСТ 17624 или при уточнении градуировочной зависимости по ГОСТ 22690 или МДС 62-2.01.

Приближенное значение условного класса бетона допускается определять без статистической обработки, принимая его равным 80 % средней прочности бетона конструкции, участка или группы конструкций, но не более величины минимального частного значения прочности бетона участка.

9.12 Дефектоскопия качества выполнения рабочих швов бетонирования

9.12.1 Дефектоскопия необходима для контроля качества выполнения рабочих швов бетонирования.

9.12.2 Контроль качества рабочих швов бетонирования осуществляется путем расчета данных скорости (времени) распространения ультразвука при поверхностном прозвучивании вдоль и поперек шва бетонирования на фиксированной базе прозвучивания.

9.12.3 Число и размещение участков контроля качества рабочих швов устанавливаются при разработке ППР на бетонные работы.

9.13 Контроль качества арматуры и арматурных работ

9.13.1 Вся поступающая на строительный объект арматура должна подвергаться контролю ее механических свойств по ГОСТ 12004, геометрических размеров по СТО АСЧМ 7-93 или ГОСТ 10884 и ГОСТ 13840 для канатов, а в случае применения сварных соединений - ТСН 102.

Кроме того, все виды механических соединений арматуры должны испытываться либо на растяжение, либо на сжатие в зависимости от их предназначения и норм ТУ на них.

9.13.2 При контроле механических свойств арматурной стали, имеющей заводской сертификат качества, от каждой партии арматуры одного класса и диаметра, поставленной одним заводом-изготовителем, необходимо отобрать и испытать на растяжение и изгиб по два образца от различных стержней.

9.13.3 При испытании на растяжение контролируют три показателя: предел текучести σт, временное сопротивление разрыву σв и относительное удлинение δ5. Для арматуры класса А500С механические характеристики должны быть не ниже: σт ≥ 500 МПа, σв ≥ 600 МПа, δ5 ≥ 14 %.

9.13.4 Испытания на изгиб проводят по ГОСТ 14019. При этом стержни арматуры класса А500С должны выдержать изгиб на 180° вокруг оправки диаметром 3d без излома и видимых трещин.

9.13.5 Если в результате испытаний хотя бы один из контрольных показателей нарушается, производят повторные выборочные испытания удвоенного числа образцов. Если в результате повторных испытаний не соблюдается хотя бы один из контролируемых показателей, партия бракуется.

9.13.6 Применение арматуры в конструкции допускается после получения положительных результатов контрольных испытаний, включая соответствие механических свойств данным сертификата и требованиям стандартов.

9.13.7 Результаты испытаний и разрешение на применение записывают в специальном журнале.

9.13.8 Для напрягаемой арматуры поставщик дополнительно должен представить данные испытаний по релаксации напряжений в соответствии с требованиями ГОСТ 13840 и ГОСТ 10884 и данные испытаний после нагрева до 400 °С.

Механические свойства, релаксация напряжений и другие эксплуатационные свойства стабилизированных и волоченных семипроволочных арматурных канатов должны соответствовать ГОСТ 13840, евростандарту EN 10138 и стандарту ISO 6934.

9.13.9 При входном контроле поступающей а объект арматуры проверяется соответствие номеров плавок стали на сертификатах и бирках. Ярлык-бирка должен быть прикреплен к каждой пачке арматуры. На бирке указывают следующие сведения: наименование и/или товарный знак предприятия-изготовителя; марку стали или ее условное обозначение; номер плавки и номер партии, если плавка делится на партии; размер продукции (диаметр, длина); массу вязки (пачки).

Бирки сохраняют вплоть до применения арматуры в дело.

Арматура, поступающая на стройки Москвы, должна иметь, кроме того, сертификаты соответствия Мосстройсертификации.

9.13.10 Арматурную сталь принимают партиями, состоящими из профилей одного диаметра, класса, номера плавки-ковша и оформленными одним документом о качестве - сертификатом производителя.

9.13.11 В документе о качестве (сертификате), сопровождающем партию, в обязательном порядке должно быть указано: наименование и/или товарный знак предприятия-изготовителя; наименование потребителя, номер заказа, дата выпуска документа о качестве; номер вагона или транспортного средства; марка стали, диаметр арматуры, номер плавки и номер партии, если плавка делится на партии; наименование продукции и ее характеристики согласно стандарту на продукцию; номер стандарта; химический состав стали по ковшовой пробе или в готовом прокате; результаты всех испытаний согласно стандарту СТО АСЧМ 7, ГОСТ 5781 и ГОСТ 10884.

9.13.12 Замена арматурной стали, предусмотренной проектом, на другой сортамент допускается только по согласованию с проектной организацией и после внесения изменений и дополнений в рабочие чертежи и ППР.

9.13.13 При применении сварных соединений термомеханически упрочненной или горячекатаной арматуры класса А500С их типы, конструкции и размеры устанавливаются по ТСН 102 и РТМ 393, а технология сварных работ и контроль качества должны соответствовать РТМ 393.

9.13.14 Контроль качества сварных монтажных соединений арматуры осуществляется в соответствии с требованиями СНиП 3.03.01, ГОСТ 23858 и ГОСТ 14098.

9.13.15 Все мероприятия по контролю качества арматурных работ должны производиться до того момента, когда доступ к арматуре может быть затруднен по технологическим или другим причинам.

9.13.16 Перед началом бетонирования контроль арматуры должен подтвердить, что: диаметры и классы установленной рабочей и конструктивной арматуры соответствуют проекту; расположение арматуры и расстояния между стержнями и сетками соответствуют проекту; качество сварных и бессварочных соединений должно соответствовать ГОСТ 10922 и ГОСТ 23858; защитные слои бетона соответствуют проекту; отклонения по всем измерениям находятся в пределах допусков, установленных СНиП 3.03.01; арматура не загрязнена, на ее поверхности отсутствуют ожоги и механические повреждения; арматура надежно зафиксирована относительно ее возможного смещения в процессе бетонирования; расстояния между стержнями достаточное для укладки и уплотнения бетонной смеси.

9.13.17 Результаты проверки контроля заносят в специальный журнал, выписка из которого прикладывается к акту на скрытые работы.

9.13.18 Приемка арматуры, установленной на участке (захватке), подготовленном к бетонированию, оформляется актом, в котором указываются номера рабочих чертежей, соответствие каркаса проекту, дается оценка качества арматурных работ и приводится заключение о возможности бетонирования.

Акты приемки арматурных работ составляются по каждой захватке бетонирования.

9.13.19 К акту приемки арматурных работ должны быть приложены заводские сертификаты на арматуру, заключения о результатах испытаний арматуры при выборочном контроле, копии или перечень документов о разрешении изменений, внесенных в рабочие чертежи. При наличии сварных соединений арматуры к акту приемки также прикладываются заводские сертификаты сварочных материалов, результаты лабораторных испытаний сварных соединений.

9.13.20 Без акта приемки арматурных работ и опалубки бетонирование не допускается.

9.13.21 Контроль арматуры после бетонирования и снятия опалубки включает проверку выпусков арматуры.

9.14 Контроль предварительно напряженной арматуры

9.14.1 До начала бетонирования контроль арматуры должен в себя включать: проверку соответствия проекту расположения арматурных канатов, каналообразователей, выходных отверстий, анкеров и соединительных муфт, обеспечение требуемой толщины защитных слоев бетона и расстояния между канатами; проверку закрепления каналообразователей для предупреждения их всплывания при бетонировании; проверку целостности каналообразователей, отверстий для инъецирования, соединительных муфт и их герметизацию; проверку отсутствия коррозии арматуры, анкеров и соединительных муфт; проверку чистоты каналообразователей, анкеров и соединительных муфт; проверку перпендикулярности положения анкерных плит и напрягаемых канатов.

9.14.2 До натяжения арматуры должна быть проверена фактическая прочность бетона на соответствие ее требуемой величине.

Должна быть проверена тарировка домкратов.

9.14.3 До начала инъецирования каналов контроль включает в себя проверки, подтверждающие, что: подготовительные операции для инъецирования проводятся согласно ППР; каналы открыты для прохождения раствора по всей длине и очищены от вредных веществ, например, воды, льда; выпускные отверстия подготовлены и замаркированы; оборудование находится в рабочем состоянии; инъецированный раствор или смазка удовлетворяют требованиям для инъекции; имеются результаты по инъецированию на опытных (репрезентативных) каналах.

9.14.4 В процессе инъецирования каналов контроль должен включать в себя: проведение испытаний приготовленного цементного раствора (по показаниям текучести, расслаиваемости); проверку оборудования; порядок операций продува и промывки каналов; меры, обеспечивающие чистоту каналов; порядок проведения инъецирования; замеры фактического давления в процессе инъецирования; действия в случае непредвиденных обстоятельств.

9.15 Контроль качества сварных соединений при монтаже сборных железобетонных конструкций

9.15.1 Производственный контроль качества выполнения монтажных соединений должен осуществляться в соответствии с проектом и требованиями нормативной и технической документации. Системы осуществления контрольных операций сварочных работ на стадиях входного, пооперационного и приемочного контроля приведены в приложении Б.

Технология и организация монтажа сборных железобетонных конструкций должны осуществляться в строгом соответствии с ППР и ППСР.

9.15.2 Контроль качества сварных соединений арматуры и закладных изделий в процессе монтажа железобетонных изделий должен осуществляться по ГОСТ 10922 с учетом дополнительных рекомендаций ТСН 102 по сварке арматурной стали класса А500С.

9.15.3 Входной и пооперационный контроль осуществляется соответствующими службами генподрядчика (субподрядчика) или специалистами привлеченных испытательных лабораторий, аккредитованных в установленном порядке по ГОСТ Р ИСО МЭК 17025.

9.15.4 Приемочный контроль должен осуществляться только независимыми специализированными аккредитованными испытательными лабораториями.

9.15.5 В протоколах испытаний (приложение В), кроме результатов, должны быть указаны: название испытательной лаборатории, номер аттестата аккредитации и ее область; ф.и.о. лаборанта, контролера; ф.и.о. оператора - дефектоскописта по неразрушающим методам контроля, номер квалификационного свидетельства с указанием уровня аттестации не ниже второго и даты последней переаттестации; марка (тип) оборудования, заводской номер, номер свидетельства о ежегодной метрологической поверке (калибровке); место проведения контроля или отбора проб; дата проведения контрольных операций; другие сведения, предусмотренные проектом и ППСР.

9.15.6 Протоколы испытаний служат основанием для оформления акта скрытых работ, входят в комплект исполнительной документации и должны храниться в установленном порядке.

9.15.7 Результаты контроля должны также фиксироваться в соответствующих журналах по СНиП 3.03.01.

9.16 Контроль сборных железобетонных изделий

9.16.1 Подготовка к монтажу сборных конструкций должна включать в себя проведение следующих подготовительных работ: разработка маршрутов и выбор спецтранспорта для доставки изделий; наличие соответствующих монтажных приспособлений; наличие надежного инструмента и оснастки для безопасной работы; соответствующий монтаж опорных конструкций; обеспечение правильной установки подмостей, необходимых опорных устройств; документация о исполнительным обмерам и допускам.

9.16.2 Приемочный контроль сборных железобетонных конструкций должен включать в себя требования по приемочному контролю согласно ГОСТ 13015, при этом проверяется наличие и полнота заполнения документа о качестве и соответствие нормируемых показателей качества проектным требованиям. Частота операций контроля приведена в табл. 19.

9.16.3 Монтаж сборных железобетонных конструкций должен вестись с соблюдением требований СНиП 3.03.01, раздел 3.

Таблица 19

Контролируемый объект

Параметр контроля

Метод

Элемент контроля

Действие

Изделие, конструкция

Маркировка, количество, дефекты

Ознакомление

Каждый сборный элемент

Удостоверяющая подпись на документе поставки и актирование обнаруженных дефектов

Монтажные закладные изделия в конструкциях

Тип, сборность и совместимость для последующей сварки

Визуальный контроль

То же

Удостоверяющая подпись на документе поставки и актирование дефектов

Сварные соединения выпусков арматуры и монтажных связей

Тип сварного соединения, параметры сборки, качество сварки

Внешний осмотр, измерения, ультразвуковая дефектоскопия

Каждое сварное соединение

Протоколы визуально-измерительного и ультразвукового контроля к атакам скрытых работ

9.17 Приемочный контроль

9.17.1 По окончании возведения объекта при приемочном контроле должна быть представлена следующая документация: исполнительные чертежи с внесенными изменениями, происшедшими в процессе строительства, согласованные с авторами проекта; журналы «входного контроля»; заводские сопроводительные паспорта, сертификаты соответствия, гигиенические сертификаты и другие документы качества на материалы и конструкции; акты освидетельствования скрытых работ с протоколами и актами всех видов испытаний при контроле качества; акты промежуточной приемки ответственных конструкций; исполнительные геодезические схемы положения конструкций, журналы работ; документы контроля качества всех видов выполненных работ; акты испытания конструкций (если проводились); отчетные материалы научно-технического сопровождения строительства.

Раздел V РАБОТЫ ПО ОГНЕЗАЩИТЕ ЖЕЛЕЗОБЕТОННЫХ КОНСТРУКЦИЙ

1 Общие требования

1.1 Огнезащитные составы для железобетонных конструкций применяются в тех случаях, когда защитный слой бетона до арматуры не обеспечивает требуемого предела огнестойкости конструкции.

1.2 Выбор способа огнезащиты производится в зависимости от требуемого предела огнестойкости толщины защитного слоя бетона до арматуры с учетом конструктивных особенностей и условий эксплуатации конкретного сооружения.

1.3 Толщина слоя огнезащитного покрытия должна обеспечивать требуемый предел огнестойкости конструкции.

1.4 Средства огнезащиты должны соответствовать требованиям СНиП 21-01, а также иметь сертификат соответствия, сертификат пожарной безопасности (протокол испытаний), гигиенический сертификат и техническую документацию.

1.5 Устойчивость применяемого огнезащитного покрытия должна соответствовать условиям эксплуатации объекта (температура, относительная влажность воздуха, воздействие влаги, присутствие агрессивных сред, механические воздействия и т.п.).

1.6 Запрещается применять для огнезащиты бетонных и железобетонных конструкций высотных зданий составы на основе жидкого стекла или силикофосфатного связующего.

1.7 Внешний вид огнезащитного покрытия должен соответствовать эстетическим требованиям для конкретного сооружения. Для этого допускается нанесение на огнезащитное покрытие декоративных отделочных материалов и покрытий.

1.8 Срок эксплуатации огнезащитного покрытия должен быть не менее 50 лет.

1.9 Не допускается нанесение огнезащитного состава на адгезионный подслой (грунтовое покрытие), отличающийся от указанного в сертификате пожарной безопасности комплексного огнезащитного покрытия и технической документации предприятия-изготовителя.

2 Технология огнезащиты бетонных и железобетонных конструкций

2.1 Для выполнения работ по огнезащите бетонных и железобетонных конструкций следует выполнить:

- разработку проекта огнезащиты сооружения в соответствии с требованиями НПБ 236;

- разработку ППР по СНиП 12-01.

3 Требования к качеству и приемке работ

3.1 Производственный контроль качества работ должен включать входной контроль рабочей документации и поставляемых строительных материалов, операционный контроль технологических процессов и приемочный контроль готового огнезащитного покрытия.

3.2 При входном контроле рабочей документации проводится проверка ее комплектности и достаточности в ней технической информации.

При входном контроле документов проверяется соответствие их стандартам, наличие сертификатов соответствия, гигиенических и пожарных документов, паспортов и других сопроводительных документов.

При несоответствии данных сопроводительных документов и результатов проведенных контрольных испытаний требованиям проекта данные материалы в производство не допускаются.

3.3 Операционный контроль на соответствие ППР осуществляется в ходе выполнения технологических операций для обеспечения своевременного выявления дефектов и принятия мер по их устранению и предупреждению.

3.4 Результаты входного и операционного контроля фиксируются в журнале производства работ.

3.5 Приемочный контроль должен включать проверку качества выполненных работ с составлением акта приемки выполненных огнезащитных работ.

3.6 Операционный контроль при выполнении работ по установке армирующей сетки должен включать: инструментальный контроль шага бурения отверстий для установки анкеров; инструментальный контроль глубины и диаметра отверстий для установки анкеров; контроль числа установленных анкеров и правильности монтажа арматуры.

3.7 Контроль качества нанесенного покрытия огнезащитного состава проводится в соответствии с требованиями действующих инструкций по устройству и эксплуатации покрытия и ППР.

Приемочный контроль при нанесении огнезащитных покрытий включает: визуальный контроль сплошности нанесенных покрытий; инструментальный контроль толщины нанесенного покрытия на выбуренном керне диаметром 10-20 мм с последующей заделкой используемым огнезащитным составом образовавшегося отверстия; инструментальный контроль адгезии огнезащитного покрытия к поверхности конструкций с последующей заделкой поверхности в местах проведения испытаний. Испытания производятся в соответствии с ГОСТ 28574.

4 Техника безопасности при выполнении работ по огнезащите

4.1 Огнезащитные составы и покрытия на их основе должны соответствовать требованиям ГОСТ 30333.

4.2 При нанесении огнезащитного покрытия на поверхность железобетонной конструкции методом набрызга следует выполнять требования по технике безопасности согласно ГОСТ 12.3.002, СНиП 12-03, СНиП 12-04.

4.3 Зона ведения работ должна быть освещена согласно требованиям СНиП 23-05.

4.4 Рабочие, ведущие работы по нанесению огнезащитных составов, должны быть снабжены защитной одеждой, очками (масками) и респираторами (по нормам ГОСТ 12.4.013, ГОСТ 12.4.016, ГОСТ 12.4.020, ГОСТ 12.4.028, ГОСТ 12.4.029).

4.5 Рабочие должны иметь удостоверение на право производства конкретного вида работ, а также пройти первичный инструктаж на рабочем месте по технике безопасности в соответствии с требованиями ГОСТ 12.0.004.

Раздел VI МОНТАЖ ВНУТРЕННИХ СЕТЕЙ ХОЛОДНОГО И ГОРЯЧЕГО ВОДОСНАБЖЕНИЯ, КАНАЛИЗАЦИИ, ВОДОСТОКОВ, МУСОРОУДАЛЕНИЯ

1 Общая часть

1.1 Настоящие Рекомендации распространяются на монтаж систем водоснабжения, водоотведения и мусороудаления многофункциональных высотных зданий и комплексов.

1.2 Монтаж систем должен производиться организацией, имеющей государственную лицензию на право возведения высотных зданий в соответствии с требованиями основного и монтажного проектов, нормативной документации, сопроводительных документов заводов - изготовителей продукции.

1.3 Вся продукция (трубы, фасонные части, уплотнительные материалы, смазки, клеи, модульные элементы ствола мусоропровода и мусоросборной камеры и т.д.) должны быть сертифицированы в установленном порядке и иметь сертификаты соответствия в системе «Мосстройсертификация».

1.4 Структура и очередность выполнения технологических процессов должны приниматься с учетом особенностей конкретной системы трубопроводов, материалов труб и соединительных деталей, других используемых изделий, методов монтажа, объемов производимых работ, а также наличия трубозаготовительной базы.

1.5 Для индустриализации монтажа (при отсутствии поставок с внешнего трубозаготовительного производства) возможно на техническом этаже строящихся зданий предусмотреть размещение трубозаготовительного участка, осуществляющего подборку труб, патрубков, фасонных частей, креплений, материалов и изделий для уплотнения соединений, а также изготовление монтажных узлов.

1.6 Вся продукция, поступающая на стройплощадку, должна быть подвергнута входному контролю качества.

1.7 Монтаж трубопроводных систем начинается только после окончания возведения ограждающих конструкций между техническими этажами.

1.8 До начала монтажа внутренних санитарно-технических систем должны быть: установлены грузоподъемные механизмы; подготовлены места складирования (из расчета обеспечения не менее 3-сменной потребности) и обеспечена следующая строительная готовность.

В помещениях, расположенных выше нулевой отметки:

смонтированы междуэтажные перекрытия, лестничные марши, перегородки; оставлены или пробиты отверстия и борозды в строительных конструкциях для прокладки трубопроводов с соблюдением размеров и допусков; оставлены монтажные проемы в стенах, перекрытиях и перегородках, предусмотренные ППР; установлены в строительных конструкциях закладные детали для крепления трубопроводов; сделана подготовка под покрытие пола; на стенах нанесены несмываемой краской отметки покрытия чистого пола; отштукатурены и огрунтованы стены в местах установки санитарно-технических приборов; остеклены помещения; очищены от строительного мусора места производства работ и обеспечен свободный доступ к ним; сооружены леса и подмости для работы на высоте более 1,5 м; освещены места производства работ и предусмотрена возможность подключения к сети электрофицированного инструмента.

В помещениях, расположенных ниже нулевой отметки, кроме перечисленных выше работ, выполняют:

подпольные каналы, бетонные или кирпичные опоры; подготовку мест для установки запорной арматуры и санитарных приборов; прокладку выпусков канализации до первых от здания колодцев.

Расстояния в свету между трубопроводами канализационного выпуска и ввода водопровода должны составлять: по горизонтали - не менее 1,5 м, по вертикали - 0,15 м.

1.9 До начала монтажа внутренних санитарно-технических систем должны быть выполнены также подготовительные работы: комплектация материалов и изделий по номенклатуре, указанной в проекте и в соответствии с ППР; изучение линейными инженерно-техническими работниками и бригадирами рабочей и нормативной документации; подготовка рабочих к монтажу трубопроводов с учетом их специфики, а также требований надежности трубопроводных систем.

Транспортирование элементов систем водоснабжения, водоотведения и мусороудаления от места складирования на стройплощадке к месту их монтажа, а также выполнение такелажных, монтажных и других, связанных с этим работ должны осуществляться с соблюдением техники безопасности, оговоренной в настоящих Рекомендациях, ведомственных инструкциях, государственных стандартах (см. систему стандартов по технике безопасности - ССТБ) и в других действующих нормативных документах.

1.10 Возможные отступления от проекта, а также способы устранения дефектов, выявленных в процессе контроля качества на стадии испытания систем, должны быть согласованы с проектной организацией.

2 Технология монтажа систем внутренней канализации и водостоков

2.1 Общие требования

2.1.1 Для систем водоотведения высотных зданий с учетом требований прочности, коррозионной стойкости, экономии расходуемых материалов при монтаже могут быть использованы следующие трубы:

для самотечных систем - канализационные чугунные или полимерные;

для напорных систем - стальные, напорные чугунные или полимерные. Трубы из стали и чугуна должны иметь антикоррозионное покрытие.

Система внутренней канализации может быть смонтирована из труб: чугунных раструбных канализационных; чугунных безраструбных на хомутах; полимерных.

Из непластифицированного поливинилхлорида (НПВХ) могут быть изготовлены: трубы и патрубки для канализации; части фасонные для канализации.

Из полипропилена (ПП) могут быть изготовлены: трубы и патрубки для канализации; трубы канализационные раструбные; части фасонные для канализации.

Система внутренних водостоков может быть смонтирована из напорных труб:

стальных водогазопроводных по ГОСТ 3262, стальных электросварных по ГОСТ 10705;

чугунных раструбных, полиэтиленовых труб по ГОСТ 18599, поливинилхлоридных труб по ГОСТ Р 51613, полипропиленовых по ГОСТ Р 52134.

2.1.2 Монтаж систем может выполняться как с использованием отдельных труб и соединительных деталей россыпью, так и с использованием укрупненных узлов и поэтажных шахт-пакетов.

2.1.3 Системы внутренней канализации монтируют по схеме «снизу-вверх». Правила монтажа должны соответствовать данным изготовителя и действующим нормам.

При строительной готовности объекта к монтажу размечают места прокладки трубопроводов, установки креплений, санитарных приборов и оборудования; устанавливают крепления труб; прокладывают выпуски и трубопроводы в подземной части здания; монтируют стояки, отводные трубопроводы, сантехприборы; проводят сдаточно-приемочные работы.

Техническая проверка системы внутренней канализации проводится по следующим показателям: соответствие проектным требованиям материала, номенклатуры, последовательности размещения трубных изделий, величины уклона трубопроводов, расстояния между трубопроводами и строительными конструкциями, расстояния между канализационными трубопроводами и трубопроводами другого назначения, расстояния между креплениями, способов закрепления трубопроводов, номенклатуры санитарно-технических приборов и водосливной арматуры, соответствия требованиям нормативно-технической документации в части технологии монтажа соединений, допускаемого отклонения от вертикальности стояков, отсутствия изломов в соединениях, надежности крепления трубопроводов.

Производятся гидравлические испытания трубопроводов.

2.1.4 Трубопроводы не должны примыкать вплотную к поверхности строительных конструкций. Расстояние в свету между трубами и троительными конструкциями должно быть не менее 20 мм.

2.1.5 Присоединение стояков канализации и водостоков к горизонтальным трубопроводам рекомендуется выполнять плавно из трех отводов по 30° или четырех отводов по 22,5°.

2.1.6 Узлы поворотов самотечных трубопроводов в горизонтальной плоскости следует выполнять не менее чем из двух фасонных частей (два или более отводов, тройник и отвод и т.д.).

2.1.7 Следует предусматривать жесткое и прочное крепление санитарных приборов к строительным конструкциям без передачи усилий на трубопроводы.

2.1.8 В основании стояков следует предусматривать, как правило, бетонные или кирпичные опоры.

2.1.9 Водоотведение с крыши и территории, непосредственно примыкающей к высотному зданию, следует осуществлять в дворовую канализационную сеть.

2.2 Монтаж системы внутренней канализации из чугунных труб

2.2.1 Монтаж систем внутренней канализации из раструбных чугунных труб и фасонных частей следует проводить в соответствии с настоящими Рекомендациями и с общими требованиями СНиП 3.05.01, СНиП 12-01, СНиП 12-03, СНиП 12-04, стандартов, технических условий и инструкции заводов-изготовителей.

2.2.2 Монтаж систем внутренней канализации из импортных безраструбных чугунных труб, соединяемых хомутами, рекомендуется выполнять по специальной инструкции поставщика труб.

2.2.3 При монтаже должны использоваться трубы и комплектующие изделия из чугуна, строго соответствующие требованиям проектной документации в части назначения типоразмеров, длины труб, номенклатуры фасонных частей.

2.2.4 При входном контроле качества поступающей трубной продукции и комплектующих изделий необходимо проверять следующее.

При получении труб и фасонных частей из чугуна россыпью:

наличие накладной с указанием объема поступающей продукции, соответствие изделий требованиям монтажного проекта; качество труб и фасонных частей (проверяются на соответствие стандартам по паспортам и путем выборочного контроля внешнего вида и размеров); качество антикоррозионного покрытия, которое должно быть сплошным, гладким, без трещин и пузырей, прочно сцепленным с металлом и не должно быть липким (проверяется выборочно); укомплектованность ревизий резиновыми прокладками, болтами, гайками (проверяется выборочно).

При получении готовых узлов чугунной канализационной заготовки:

наличие накладной с указанием объема поступающей продукции; соответствие изделий требованиям монтажного проекта, качество трубозаготовки (проверяется на соответствие требованиям ТУ по паспортам, путем выборочного внешнего осмотра и выборочных замеров), в том числе проверяется: наличие заделки раструбных стыков, качество антикоррозионного покрытия; отклонение от перпендикулярности торцов труб после обрубки (не должно превышать 3°); наличие трещин на концах чугунных труб (допускаются трещины длиной не более 15 мм); величина волнистости кромок (допускается не более 10 мм); отклонение линейных размеров узлов (не более ±10 мм); отсутствие изломов в раструбных соединениях.

При получении средств крепления трубопроводов:

наличие накладной с указанием количества средств крепления, соответствие конструкции и размеров креплений требованиям проектной документации (проверяется по паспортам и выборочно путем внешнего осмотра и контроля размеров).

2.2.5 Раструбное соединение чугунных труб и соединительных частей из чугуна может осуществляться традиционным способом. Соединение чугунных труб и фасонных частей должно производиться без изломов, для чего выполняют центровку труб с целью обеспечения равномерной по окружности раструбной щели.

2.2.6 Средства крепления трубопроводов следует располагать под раструбами труб и фасонных частей.

2.2.7 Заделку зазоров в местах пересечения трубопроводов посредством гильз со стенами следует выполнять водонепроницаемыми эластичными материалами.

2.2.8 Ревизии и прочистки на трубопроводах устанавливаются согласно проекту, при этом необходимо обеспечить доступ к ним. Проверяется закрепление крышек ревизий и наличие под крышками прокладок.

2.2.9 При использовании полиэтиленовых сифонов для умывальников и моек подсоединение полиэтиленовой отводной трубы сифона к чугунному трубопроводу выполняется при помощи резинового кольца, установленного в раструб с последующей заделкой цементным раствором.

2.2.10 При монтаже сифонов проверяется правильность их установки (вертикальность корпуса сифона и отводной трубы). Сифоны, выпуски и переливы должны быть снабжены необходимыми прокладками.

2.3 Монтаж системы внутренней канализации из пластмассовых труб

2.3.1 Монтаж систем внутренней канализации из пластмассовых канализационных труб рекомендуется проводить в соответствии с СП 40-102.

2.3.2 Монтаж систем внутренней канализации из поливинилхлоридных труб следует проводить в соответствии с ВСН 48.

2.3.3 Монтаж систем внутренней канализации из полипропиленовых труб рекомендуется роводить в соответствии с ТР 83 (с изменением № 1), СП 40-107.

2.3.4 Использование в одной системе при монтаже этажей стояков канализационных труб из различных полимеров и чугуна не допускается.

2.3.5 При проходе канализационного стояка из пластмассовых труб сквозь железобетонные перекрытия для обеспечения требований пожаробезопасности на стояке каждого этажа под перекрытием (в проеме перекрытия) зданий следует устанавливать противопожарную муфту типа «ОГРАКС-ПМ-110» длиной 120 мм из огнезащитного терморасширяющегося материала «ОГРКС-Л» на основе полимерного материала с минеральным наполнителем толщиной 10 мм, отвечающим требованиям технических условий.

2.3.6 При проходе горизонтального канализационного трубопровода из пластмассовых труб сквозь стены толщиной не менее 100 мм помещений и частей зданий, равноценных по функциональной пожарной опасности, на трубопроводы с каждой стороны стены следует устанавливать противопожарные муфты «ОГРАКС-ПМ-110» длиной 60 мм.

2.3.7 Технология выполнения узла прохода канализационных стояков из пластмассовых труб сквозь перекрытия зданий включает следующие работы:

обертывание трубопровода рулонным гидроизоляционным материалом на толщину перекрытия или стены;

установку противопожарной муфты «ОГРАКС-ПМ» на трубопровод и ее фиксацию замковым устройством (при заглублении муфты в проем перекрытия или стены);

заделку полости между трубопроводом и стенками проема перекрытия или стены цементным раствором;

установку противопожарной муфты «ОГРАКС-ПМ» на трубопровод и ее фиксация замковым устройством (при установке муфты под перекрытием);

крепление муфты к перекрытию с помощью дюбелей или анкерных болтов (при установке муфты под перекрытием).

2.4 Монтаж системы водостоков из металлических и пластмассовых труб

2.4.1 Внутренние водостоки монтируются из стальных, напорных чугунных (ВЧШГ) и пластмассовых труб условным диаметром 100 мм.

При монтаже внутренних водостоков из стальных труб и их сварке, а также чугунных труб следует руководствоваться требованиями СНиП 3.05.01.

2.4.2 При монтаже в высотных зданиях стояков водостоков из напорных раструбных поливинилхлоридных труб, уплотняемых резиновыми кольцами, рекомендуется использовать трубы из НПВХ 125, SDR 13,6 (МОР 2,0) по ГОСТ Р 51613.

2.4.3 При монтаже водостоков из труб НПВХ рекомендуется руководствоваться ВСН 48.

2.4.4 При монтаже стояков водостоков из напорных полипропиленовых труб, соединяемых сваркой встык, рекомендуется использовать трубы из сополимера полипропилена типа 3 (PP-R) или типа 2 с SDR 6,0 (МОР 2,0).

2.4.5 При монтаже стояков водостоков из полипропиленовых труб и их сварке рекомендуется руководствоваться ТР 47.

2.4.6 При монтаже водостоков из труб НПВХ и ПП рекомендуется в обязательном порядке устанавливать под перекрытием противопожарные муфты.

2.4.7 При монтаже водостоков из труб НПВХ и ПП отводящий трубопровод в подвалах высотных зданий следует выполнять из стальных или напорных чугунных труб.

2.4.8 Соединение стояков водостоков из НПВХ и ПП труб с чугунными воронками и отводящими трубопроводами из стальных или напорных чугунных труб рекомендуется выполнять с помощью специальных переходных патрубков с уплотнением резиновыми кольцами, поставляемых заводами-изготовителями труб в комплекте.

3 Монтаж внутренних систем водопроводов из стальныхи и пластмассовых труб

3.1 Общие требования

3.1.1 Монтаж внутренних систем водопроводов холодной и горячей воды высотных зданий следует выполнять с использованием металлических (стальных оцинкованных или медных) труб, из термостойких полимеров (полипропилена ПП или сшитого полиэтилена ПЭ) и металлополимерных труб.

3.1.2 При монтаже противопожарного водопровода в высотных зданиях следует применять стальные или медные трубы.

3.1.3 При монтаже водопроводов допускается выполнять стояки из стальных оцинкованных или медных труб, а разводящие поквартирные трубопроводы - из термостойких полимеров или металлополимеров.

3.1.4 При изоляции трубопроводов систем водоснабжения следует руководствоваться требованиями СНиП 41-03 и МГСН 6.02.

3.2 Монтаж внутренних водопроводов из металлических труб

3.2.1 Монтаж и испытания внутренних водопроводов холодной и горячей воды из оцинкованных стальных труб следует вести в соответствии с требованиями СНиП 3.05.01.

3.2.2 При монтаже и испытаниях внутренних водопроводов холодной и горячей воды из медных труб рекомендуется руководствоваться требованиями настоящих Рекомендаций, СП 40-108 и инструкций заводов-изготовителей.

3.2.3 До начала монтажа трубопроводов из медных труб следует выполнить следующие подготовительные операции: отобрать трубы и соединительные детали, прошедшие входной контроль качества; разметить трубы в соответствии с проектом или по месту с учетом припуска на последующую обработку при максимальном использовании материала труб. Разметка труб может быть выполнена стандартными мерительными инструментами: измерительной линейкой, складным метром, рулеткой, а также специально изготовленным шаблоном и разметочным приспособлением. Метки для последующей резки на трубах наносятся карандашом или маркером. Недопустимо нанесение царапин или надрезов на поверхности трубы вне места резки.

3.2.4 Трубы должны быть ровно обрезаны. Резку труб следует производить согласно разметке под углом 90° к оси трубы, не допуская смятия трубы и образования заусенцев. Косина реза должна соответствовать значениям, приведенным ниже. Для устранения заусенцев и овальности необходимо обработать и калибровать торцы и концы труб с помощью специальных калибров.

Наружный диаметр трубы, мм

Косина реза, мм, не более

12-18

2

22-42

3

54,0-76,1

4

3.2.5 Размотку бухт необходимо осуществлять так, чтобы маркировка на трубах находилась на одной образующей поверхности трубы.

3.2.6 Перед прокладкой медных труб в помещении необходимо закончить все строительные работы, установить элементы крепления, а при открытой прокладке - закончить и отделочные работы.

3.2.7 Прокладку труб следует вести без натяга. Во избежание попадания грязи и мусора в трубы свободные их концы необходимо закрывать заглушками. Не допускаются сплющивания и переломы трубопроводов во время монтажа. При смятии трубу следует выпрямить и придать ей цилиндрическую форму деревянным или резиновым молотком. Такую операцию допускается проводить только один раз на конкретном участке.

3.2.8 Между медными трубопроводами горячей и холодной воды расстояние в свету должно быть не менее 50 мм (с учетом толщины теплоизоляции). При пересечении трубопроводов расстояние между ними должно быть не менее 30 мм. При горизонтальной прокладке медных труб трубопроводы холодной воды следует прокладывать ниже трубопроводов горячего водоснабжения и отопления.

3.2.9 Повороты трубопроводов следует осуществлять с применением стандартных угольников и элементов гнутья. Радиус изгиба должен быть не менее четырех-пяти наружных диаметров трубы. При изгибании не допускается сплющивание и залом трубы. Овальность труб не должна превышать 5 %.

3.2.10 Для соединения медных труб между бой и с соединительными деталями следует использовать капиллярную пайку с температурой нагрева не выше 445 °С. Выполнять ее следует по технологическому регламенту.

3.2.11 При проведении паячных работ следует использовать припои и флюсы в соответствии с рекомендациями заводов-изготовителей; для плавления припоя допускается использование как газовых, так и электрических нагревательных устройств при условии обеспечения температуры нагрева в пределах до 450 °С.

3.2.12 Соединение медных труб со стальными, запорно-регулирующей и водоразборной арматурой выполняется на резьбе с помощью специальных соединительных деталей.

3.2.13 Сборка труб с соединительными деталями, имеющими наружную резьбу, осуществляется по сопрягаемым поверхностям деталей без уплотнения резьбовой гайки. Для присоединения труб к частям, имеющим внутреннюю резьбу, необходимо использовать ниппель с уплотнением резьбовой части.

3.2.14 Для уплотнения резьбовых соединений следует использовать ленту ФУМ.

3.2.15 При положительной температуре окружающего воздуха внутренний водопровод, смонтированный из медных труб, должен испытываться гидравлическим путем.

3.2.16 Гидравлическое испытание внутренних водопроводов из медных труб, заделываемых в строительных конструкциях, необходимо проводить до замоноличивания труб.

3.2.17 Системы водоснабжения из медных труб по окончании их монтажа должны быть промыты водой до выхода ее без механических взвесей в течение времени, указанного в технической документации.

3.2.18 После выполнения монтажа системы внутренних водопроводов из медных труб следует провести ее визуальный осмотр и последующее испытание на герметичность при давлении, превышающем рабочее в 1,5 раза при постоянной температуре воды.

3.2.19 При подготовительных работах перед гидравлическим испытанием системы необходимо:

отключить предохранительные и регулировочные клапаны, датчики и другое, если допустимое давление указанной арматуры меньше величины пробного давления;

отключенные элементы заменить заглушками или запорными клапанами, допустимое давление для которых больше величины пробного давления;

подключить к системе манометр с точностью измерения 0,01 МПа.

3.2.20 Систему следует заполнить водой медленно при открытых воздухоспускных устройствах во избежание образования воздушных пробок.

3.2.21 Гидравлические испытания необходимо проводить при постоянной температуре в два этапа:

первый этап - в течение 30 мин дважды поднимать давление до расчетной величины через каждые 10 минут. В последующие 30 мин падение давления в системе не должно превышать 0,05 МПа;

второй этап - в последующие 2 ч падение давления (от давления, достигнутого на первом этапе) не должно быть больше, чем на 0,02 МПа.

3.3 Монтаж внутренних водопроводов из пластмассовых и металлополимерных труб

3.3.1 Монтаж, сварку и испытания внутренних водопроводов холодной и горячей воды из полипропиленовых труб (ПП-R 80) следует производить согласно СП 40-101, ВСН 47 и ТР 150.

3.3.2 Монтаж и испытания внутренних водопроводов холодной и горячей воды из сшитых полиэтиленовых труб (ПЭ) следует производить согласно СП 41-109 и ТР 139.

3.3.3 Монтаж и испытания внутренних водопроводов холодной и горячей воды из металлополимерных труб (МПТ) следует производить согласно СП 40-103 и ТР 78.

4 Монтаж систем мусороудаления

4.1 Настоящие Рекомендации распространяются на выполнение монтажных работ систем мусороудаления, предназначенных для гравитационного транспортирования ТБО из вновь строящихся жилых и многофункциональных высотных комплексов и сооружений (рис. 1). Возможны другие схемы, обеспечивающие полную технологию мусороудаления.

Система мусороудаления в высотных зданиях выполняется по индивидуальным проектам с учетом требований СП 31-108 и других нормативов.

Рекомендации не затрагивают монтаж систем пневматического (вакуумного) мусороудаления.

Рисунок 1. Система мусороудаления в высотных зданиях

1 - ствол мусоропровода; 2 - клапан загрузочный; 3 - вентканал; 4 - клапан противодымный; 5 - фильт; 6 - устройство промывочно-дезинфекционное (с различной канатоемкостью лебедки); 7 - патрубок соединительный; 8 - патрубок соединительный; 9 -гаситель гравитационной кинетической энергии (скорости) падения отходов; 10- вентилятор вытяжной; 11 - шибер с противодымной заслонкой; 12 - контейнер; 13 - заслонка дроссельная; 14 -дефлектор; 15 - люк ревизионный

4.2 При монтаже систем мусороудаления следует соблюдать следующие общие требования:

допускается поэтапная поставка оборудования на монтаж по графику, согласованному заинтересованными сторонами; оборудование различных поставщиков подлежит сверке по местам стыковки;

поступавшие на монтаж элементы мусоропроводов (кроме выполненных из коррозионно-стойких сталей) должны иметь антикоррозионное покрытие в соответствии с их паспортами;

допускается поэтапная (поэтажная) передача под монтаж системы мусороудаления соответствующих частей здания по согласованному графику;

проемы под стволы мусоропроводов в междуэтажных перекрытиях должны иметь диаметр 500 мм (при условном его проходе Dy 400 мм), под вентканал - 400 мм (при условном его проходе Dy 350 мм);

проемы должны располагаться по оси ствола на проектном удалении от стен (отклонение от вертикали не должно превышать 5 мм в пределах одного этажа и 50 мм - на всю высоту ствола);

монтаж системы мусороудаления должен обеспечить удаление ТБО из высотных зданий, при этом должны быть предусмотрены противопожарные средства - автоматическое гашение отходов при их возгорании в стволе и в мусоросборной камере, вентиляция последних для обеспечения работоспособности оборудования, дымогазоводонепроницаемости ствола, безопасных и санитарных условий последующей эксплуатации;

для повышения противопожарных, противошумных, санитарных, прочностных, эстетических и комфортных показателей системы мусороудаления ее ствол и вентканал после монтажа облицовывается в 1/4 кирпича (пеношлакоблоками 100 мм), а объем внутри облицовки заливается раствором керамзитобетона без пустот (рис. 2).

а) линейное

б) угловое (правое или левое)

Рисунок 2. Взаимное расположение проемов в перекрытиях под ствол и вентканал

4.3 При монтаже оборудования мусоросборной камеры должны соблюдаться следующие требования с учетом инструкций заводов-изготовителей.

4.3.1 Ввод стволов мусоропровода в мусоросборную камеру осуществляется через перекрытие с помощью поставляемых в комплекте оборудования опоры ствола, виброизолирующего амортизатора, направляющих патрубков (прямых или наклонных) и шибера, располагаемых в камере.

4.3.2 Угол наклона направляющего патрубка не должен превышать 20° к оси ствола. Оборудование, не соответствующее указанному, к монтажу не допускается.

4.3.3 Первоначально устанавливаются в рабочее положение и выверяются опоры ствола на предусмотренной виброизолирующей прокладке.

4.3.4 Производится звукоизоляция перекрытия мусоросборной камеры от опоры ствола. Изоляция производится согласно прилагаемой схеме (рис. 3) указанными далее материалами или их равноценными заменителями. По ее окончанию оформляется акт скрытых работ.

Рисунок 3. Звукоизоляция междуэтажных перекрытий

4.3.5 Производится монтаж шибера. Его размещение в мусоросборной камере (за счет разворота в плане) должно обеспечивать падение отходов из ствола непосредственно в контейнер; наличие промежуточных устройств для ручной перегрузки ТБО из ствола в контейнер не допускается.

4.3.6 Высота расположения шибера (от чистого пола мусоросборной камеры до нижней его части) регулируется за счет телескопического соединения шибера с направляющим патрубком и должна составлять от 1,25 до 1,4 м. Затем соединение сваривается электродом по ГОСТ 9466. Высота и тип сварного шва - в соответствии с проектом. Шов должен обеспечивать герметичность соединения.

4.3.7 Элементы фиксации заслонки шибера должны исключать возможность перекрытия проходного сечения патрубков в открытом положении и надежно удерживать в обоих положениях - открытом и закрытом.

4.3.8 Размещение противопожарного (противодымного) клапана (заслонки) вне зависимости от его совмещенного либо раздельного с шибером исполнения не должно перекрывать проходное сечение патрубка и не препятствовать гравитационному падению ТБО.

4.3.9 После монтажа должна быть проверена надежность крепления и срабатываемость термочувствительного элемента противопожарной (противодымной) заслонки, которую после завершения монтажа необходимо оставить в открытом положении.

4.3.10 Возможность травматизма обслуживающего мусоропровод персонала от самопроизвольного срабатывания заслонки шибера и его противопожарной заслонки должна быть исключена.

4.3.11 Устанавливаются контейнеры под каждым шибером, а также предусмотренный проектом резервный.

4.3.12 До завершения монтажа системы мусороудаления в целом шибер остается открытым, однако доступ в мусоросборную камеру должен быть гарантированно прекращен (при проведении испытаний мусоропровода заслонка шибера закрывается).

4.3.13 Возможно применение в мусоросборной камере компакторов, обеспечивающих механическую перегрузку и одновременно уплотнение ТБО в контейнере или иной таре.

4.4 При монтаже ствола мусоропровода должны соблюдаться следующие требования с учетом инструкций заводов-изготовителей.

4.4.1 Монтаж ствола выполняется снизу-вверх из поэтажных модульных элементов в следующей последовательности: нижний элемент, затем - верхний на предусмотренных виброизолирующих прокладках.

4.4.2 Опорные рамки под верхний модульный элемент ствола укладываются на очищенные поверхности перекрытий, выверяются и закрепляются дюбелями.

4.4.3 Контролируется наличие и правильное положение при монтаже предусмотренных поставкой виброизолирующих прокладок под опорными фланцами верхних модульных элементов ствола и опорными рамками.

4.4.4 При установке нижнего модульного элемента, несущего патрубок под загрузочный клапан, последний разворачивается в проектное положение. Изменение положения патрубка в плане (следовательно, последующее положение загрузочного клапана) допускается по согласованию с проектной организацией и стройнадзором генподрядчика.

Должно быть обеспечено единообразие положения патрубков на всех этажах.

4.4.5 Транзитные участки модульных элементов ствола с патрубками ревизионных люков располагаются аналогично положению загрузочных клапанов на предусмотренных проектом этажах.

4.4.6 Вертикальное положение поэтажных модульных элементов ствола контролируется отвесом. Допускаемое отклонение оси ствола от вертикали не должно превышать 5 мм в пределах одного этажа и 50 мм - на всю высоту ствола.

4.4.7 Производится уплотнение соединения модульных элементов ствола между собой предусмотренными в проекте устройствами либо герметикой «Тексопрол-АМ», либо иным аналогичного качества.

4.4.8 Производится звукоизоляция каждого междуэтажного перекрытия от ствола мусоропровода, как правило, трубными пенополиэтиленовыми оболочками «Изонел» согласно прилагаемой схеме (рис. 3). По окончанию оформляется акт скрытых работ.

4.4.9 Облицовка ствола мусоропровода совместно с вентканалом выполняется поэтажно.

Облицовка осуществляется последовательно - «послойно» по высоте этажа для обеспечения качественной заливки раствором. Последний «слой» заливки производится через перекрытие последующего этажа, через проем под ствол или под вентканал. Наличие пустот в заливаемом объеме не допускается. Состав керамзито-цементного раствора (в пропорциях): керамзит, цемент и вода в равных долях по весу. Допускается применение иного раствора, не снижающего противопожарных и акустических его качеств.

4.4.10 В облицовку на соответствующей высоте замоноличиваются связки, предусмотренные на нижнем модульном элементе ствола для его вертикальной нивелировки и предохранения от поворота. Облицовка не выполняется на технических этажах. Выполнение и качество облицовки и заливки раствора на каждом этаже удостоверяется стройнадзором генподрядчика и оформляется раздельными или общим актом скрытых работ (облицовочные работы в объем монтажа не входят).

4.4.11 Незавершенный монтажом ствол мусоропровода (открытый его торец) подлежит по окончанию рабочего дня защите специальным колпаком, предусмотренным в поставке оборудования (для исключения актов вандализма).

4.5 При монтаже вентиляции ствола мусоропровода и мусоросборной камеры должны соблюдаться следующие требования с учетом инструкций заводов-изготовителей.

4.5.1 Система вентиляции включает вентканал, оборудование ввода его в мусоросборную камеру, промежуточные патрубки, вытяжной вентилятор, детали вывода вентканала через кровлю и дефлектор.

4.5.2 Канал монтируется снизу вверх с опорой на перекрытие мусоросборной камеры. При этом проем в перекрытии должен быть оштукатурен.

Монтажные участки вентканала соединяются ниппелями или муфтами и герметизируются герметиком.

4.5.3 Производится звукоизоляция каждого междуэтажного перекрытия от вентканала. Указанная изоляция служит также поэтажным вертикальным креплением вентканала.

4.5.4 Со стороны мусоросборной камеры канал защищается самосрабатывающим противопожарным клапаном. Крепится клапан непосредственно к перекрытию в положении, удобном для последующего обслуживания его пружинного привода поворота лопаток.

Клапан после монтажа остается нормально открытым. Фильтр крепится к фланцу клапана.

4.5.5 На технических этажах монтаж промежуточных патрубков производится на определенной проектом высоте от пола. Их монтаж не отличается от монтажа поэтажных модульных элементов стволов мусоропровода и участков вентканала. После монтажа подлежит проверке положение их дроссельных заслонок (должно быть закрытое), а также эксплуатационная доступность к имеющимся в их конструкциях фильтрам.

4.5.6 Монтаж вытяжного вентилятора должен обеспечить качественную его виброизоляцию и доступность для последующей эксплуатации. Наличие виброизолирующих прокладок в местах крепления опорной рамки вентилятора к строительной конструкции здания и к переходным его патрубкам является обязательным.

Электроснабжение и заземление вентилятора и необходимые для этого устройства объемом монтажных работ не предусматриваются (выполняются генподрядчиком).

4.5.7 Участки вентканала в пределах технических этажей подлежат звукоизоляции.

4.5.8 Проход вентканала через кровлю здания производится через гильзу, предусмотренную поставкой оборудования.

Зазор между вентканалом и гильзой заполняется набивкой из уплотняющих пенополиэтиленовых жгутов «Изонел» и защищается установкой фартука, при этом хомут фартука должен закрепляться на вентканале через уплотнительную прокладку.

4.5.9 Высота размещения дефлектора на вентканале должна соответствовать высоте бордюра здания - нижний обрез дефлектора располагается на отметке бордюра. Излишки вентканала отрезаются.

4.5.10 Дроссельная заслонка на вентканале после его монтажа должна быть установлена в полностью открытом положении.

4.5.11 Незавершенный монтажом вентканал (открытый его торец) по окончании рабочего дня защищают специальным колпаком, предусмотренным поставкой оборудования.

4.6 При монтаже устройства для очистки, промывки и дезинфекции ствола мусоропровода должны соблюдаться следующие требования с учетом инструкций заводов-изготовителей.

4.6.1 Промывные устройства для стволов, обслуживающих «нижний» или «верхний» мусоропроводы, различаются канатоемкостью лебедок и мощностью привода.

4.6.2 Промывное устройство монтируется на оголовке каждого ствола, их стык уплотняется (аналогично уплотнению стыка модульных элементов ствола) и крепится кронштейном (через виброизолирующую прокладку) к строительной конструкции здания.

4.6.3 При установке устройства должно быть обеспечено удобное для его обслуживания положение дверцы.

4.6.4 Послемонтажная проверка качества становки включает апробацию лебедки на всю высоту, срабатывание конечных выключателей в крайних положениях, проверку водоподачи, проверку наличия комплектующей аварийной ручки, после чего установка запирается на замок. Ключ от замка подлежит последующей передаче генподрядчику под расписку.

4.6.5 Подвод воды к устройству, его электроснабжение и заземление выполняются генподрядчиком. Наличие запорной арматуры на подводке воды должно быть обязательным.

4.7 При монтаже гасителя гравитационной кинетической энергии (скорости) падения отходов в стволе мусоропровода должны соблюдаться следующие требования.

4.7.1 Гаситель монтируется в разрыве «высокого» ствола мусоропровода на виброизолирующих прокладках, предусмотренных под его порами. При возможности опоры крепятся к перекрытию дюбелями.

4.7.2 Контгрузы на гасителе после проверки горизонтальности положения его демпфирующих плоскостей подлежат закреплению. Положение рычагов контгрузов - вертикально вниз.

4.7.3 По завершению монтажных работ на промежуточном техническом этаже гаситель подлежит шумоизоляции.

Изоляция производится рулонным утеплителем «Пенофол» С - 3010 , закрепляемым скотчем рулонным алюминиевым ЛАМС в два слоя и шипами, предусмотренными на корпусе гасителя и дверцах. При этом обеспечивается возможность пользования ревизионной дверцей.

4.7.4 Подвод воды к спринклерам гасителя выполняется генподрядчиком.

Наличие запорной арматуры на подводке воды обязательно.

4.8 При монтаже загрузочных клапанов (устройство, предназначенное для порционного приема калибровки и перегрузки ТБО в ствол мусоропровода) должны соблюдаться следующие требования.

4.8.1 Патрубки под установку загрузочного клапана на нижних модульных элементах ствола, поступающих на монтаж, должны быть снабжены заглушками, исключающими доступ в ствол мусоропровода в период его монтажа.

4.8.2 Демонтаж заглушек и установка вместо них загрузочных клапанов осуществляются по согласованию с генподрядчиком.

4.8.3 При монтаже клапанов должно гарантироваться качественное их уплотнение с фланцами патрубков, что обеспечивается в том числе равномерной затяжкой крепежа.

4.8.4 Каждый смонтированный клапан подлежит проверке на срабатываемость ковша, а также его запорного замка. Смонтированный клапан должен быть закрыт на замок. Ключи от замков подлежат последующей передаче генподрядчику под расписку.

4.8.5 При комплектации мусоропроводов клапанами в типовом (только загрунтованном) исполнении их лакокрасочное покрытие выполняется генподрядчиком в соответствии с интерьером помещения.

4.8.6 Обеспечение вентиляции закрытых помещений установкой клапанов в проект системы мусороудаления не входит.

4.9 При монтаже компакторов (устройство для уплотнения ТБО в процессе их перегрузки из ствола в контейнер или иную емкость либо для брикетирования или затаривания отходов) должны соблюдаться следующие требования.

4.9.1 Размещение компактора в мусороборной камере (как вертикального, так и горизонтального исполнения) определяется проектом системы мусороудаления. Аналогичное требование относится к размещению электротехнического щита управления, линий питания и заземления.

4.9.2 Монтаж компактора, как правило, выполняется его поставщиком. Стыковка компактора с мусоропроводом выполняется при монтаже.

4.9.3 Место стыковки компактора с мусоропроводом может быть как открытым (над бункером компактора располагается шибер с противопожарной заслонкой), так и закрытым. Противопожарная заслонка в этом случае размещается в патрубке, соединяющем ствол мусоропровода с крышкой бункера.

4.9.4 При открытом соединении с компактором монтаж элементов мусоропровода, размещаемых в мусоросборной камере, выполняется согласно настоящим Рекомендациям и вне зависимости от завершения монтажа компактора.

4.9.5 При закрытом соединении с компактором монтаж соединительных элементов мусоропровода может производиться после завершения монтажа компактора и сводится к их взаимной увязке, закреплению и наладке срабатывания противопожарной заслонки.

4.10 Сдача-приемка систем мусороудаления.

4.10.1 Сдача-приемка монтажных работ производится на полностью завершенной системе мусороудаления.

4.10.2 Перед сдачей-приемкой следует обследовать систему на завершенность всего комплекса монтажных работ, очистить наружные и внутренние поверхности оборудования. Внутренние поверхности вытяжного вентилятора вентсистемы подлежат особо тщательной очистке.

4.10.3 Подлежат проверке и предварительной апробации энерго- и водоснабжение прочистных устройств, гасителя, вытяжного вентилятора.

4.10.4 Приемочную комиссию организует и обеспечивает условия для ее работы генподрядчик или заказчик.

4.10.5 Программа работы комиссии включает: визуальный осмотр качества выполненных монтажных работ и внешнего вида оборудования; удобство обслуживания оборудования в мусоросборной камере и на технических этажах; выборочную проверку работоспособности загрузочных клапанов, включая их запорное устройство; проверку работоспособности прочистных устройств - одно- или многоразовый спуск - подъемом прочистного узла устройства; проверку водопоступления в прочистное устройство и на спринклера гасителя; проверку работы вытяжного вентилятора.

Испытаниям на водонепроницаемость мусоропроводы подвергаются проливкой воды с верхнего этажа с помощью очистного устройства в течение 5 мин. Протечки в лестнично-лифтовый узел не допускаются.

В качестве результатов вывода комиссии допускается принимать во внимание заключение стройнадзора генподрядчика.

4.10.6 Выявленные недостатки подлежат незамедлительному устранению.

4.10.7 Комиссии предъявляются также документы, оформленные в процессе монтажа системы мусороудаления (акт скрытых работ, акт замера сопротивления линии заземления, разрешения на отступление от проекта и т.п.).

4.10.8 Работа комиссии завершается оформлением акта сдачи-приемки системы мусороудаления из высотного дома.

5 Требования по безопасности и охране окружающей среды

5.1 При производстве работ по монтажу систем внутренней канализации, водостоков, водопроводов и мусоропроводов необходимо соблюдать общие требования СНиП 12-03 и СНиП 12-04.

5.2 Пластмассовые трубы, патрубки и фасонные части, а также медные и металлополимерные трубы в процессе монтажа и эксплуатации не выделяют в окружающую среду токсичных веществ и не оказывают вредного воздействия на организм человека при непосредственном контакте. Работа с ними не требует особых мер предосторожности.

5.3 В местах производства работ с использованием пластмассовых и металлополимерных труб, а также рядом с местами их складирования запрещается разводить огонь, производить электро- и газосварочные работы и хранить легковоспламеняющиеся вещества.

5.4 В техподпольях над полимерными трубопроводами, мешающими проходу, следует обустраивать деревянные переходные мостики.

Места складирования трубной продукции из полимерных и металлополимерных материалов должны быть обеспечены средствами пожаротушения.

5.6 При выполнении работ по монтажу и ремонту систем водоснабжения, канализации, водостоков и мусоропроводов разрешается пользоваться только исправным инструментом и приспособлениями с обязательным соблюдением условий их эксплуатации.

Раздел VII КРОВЕЛЬНЫЕ РАБОТЫ

1 Общие положения

1.1 Настоящий раздел Рекомендаций предназначен для использования при проектировании и устройстве кровель многофункциональных высотных зданий и комплексов в Москве.

1.2 Рекомендации разработаны в соответствии с основными требованиями нормативных документов: СНиП II-26, СНиП 3.04.01, «Кровли. Руководство по проектированию, устройству, правилам приемки и методам оценки качества» (М.: ОАО «ЦНИИПромзданий», 2002).

1.3 Устройство кровель должно выполняться специализированными организациями на основе проекта производства работ, рабочих чертежей кровли и настоящих Рекомендаций.

2 Конструктивные решения кровель

2.1 Кровли высотных зданий и комплексов должны проектироваться в соответствии со СНиП II-26 и «Кровли. Руководство по проектированию, устройству, правилам приемки и методам оценки качества»; предусматриваться плоскими, с парапетами, с внутренним организованным водостоком, проходящим внутри здания. Воронки организованных водостоков должны быть обогреваемыми. Все ограждающие конструкции, начиная как минимум с пятого этажа, должны иметь высоту 110 см.

2.2 В качестве дополнительной документации может быть использовано «Руководство по проектированию и устройству кровель из битумно-полимерных материалов кровельной компании «ТехноНИКОЛЬ».

2.3 Кровли отдельных конструкций на крыше зданий (пентхаусы, зенитные фонари, архитектурные украшения в виде шпилей, башен и т.д.) могут быть запроектированы скатными.

В этих случаях для устройства водоизоляционного ковра должны быть использованы листовые материалы (медь, цинк-титан, металлический профлист, металлочерепица) или штучные материалы (керамическая или мягкая черепица). Карнизы таких конструкций предусматривают обогреваемыми.

Все кровельные покрытия (особенно на кровлях с крутыми скатами) должны быть устойчивыми к вихревым воздействиям, вызываемым ветром. Для расчета статики следует учитывать ветровую нагрузку, ожидаемую в зоне расположения здания в зависимости от его высоты.

2.4 Плоские кровли с уклоном до 1,5 % необходимо предусматривать из трех слоев рулонных битумно-полимерных материалов - два нижних из материалов с пылевидным, мелкозернистым или пленочным антиадгезионным покрытием. Верхний слой предусматривают из материалов, имеющих с одной (лицевой) стороны защитную крупнозернистую посыпку. Такие марки материалов обычно имеют индекс «К».

2.5 Плоские кровли с уклоном 1,5-25 % необходимо предусматривать из двух слоев рулонных битумно-полимерных материалов: нижний - марки «Л»; верхний - марки «К».

2.6 При уклонах более 25 % предусматривают кровли из одного слоя рулонного материала марки «К» или листовых и штучных материалов.

2.7 Для листовых материалов предусматривают подкладочные слои из полимерных пленок типа ДЮК; для штучных материалов - из битумных или битумно-полимерных подкладочных материалов типа руфлекс.

2.8 Для всех типов водоизоляционных ковров предусматривают дополнительное крепление материалов к основанию - усиление крепления на 25-30 % обычного расчета. Для рулонных материалов предусматривают крепление в местах нахлестов полотнищ, для листовых материалов - увеличивают число кляммеров; для профлистов и металлочерепицы предусматривают дополнительное число крепежных элементов (саморезов) по контуру листов; для штучных материалов - повышение сопротивления выдергиванию крепежных элементов (гвоздей, шурупов и т.д.).

2.9 Во всех местах примыкания к вертикальным поверхностям основной водоизоляционный ковер из рулонных материалов закрывается дополнительными слоями, закрепленными на вертикальных поверхностях, а кромки дополнительных слоев - металлическими фартуками. Стыки между фартуками и стенами следует заполнять герметиками. Для всех мест примыкания необходимо выполнять требования настоящих Рекомендаций.

3 Материалы для устройства кровель

3.1 Для устройства плоских кровель рекомендуется применять рулонные кровельные битумно-полимерные материалы типа «техноэласт», отвечающие требованиям ГОСТ 30547, нормативной документации на эти материалы и имеющие сертификаты соответствия.

3.2 Битумно-полимерные материалы должны иметь прочность сцепления с основанием не менее 0,2 МПа; сопротивление раздиру клееного соединения - не менее 0,5 кН/м.

Испытания материалов на соответствие требованиям нормативных документов должны проводиться по ГОСТ 2678.

3.3 Долговечность битумно-полимерных материалов составляет не менее 25 лет.

3.4 Для устройства скатных кровель рекомендуется применять металлочерепицу типа «Монтеррей» или аналогичную ей, профилированные листы по ГОСТ 24045, листы из меди, цинк-титан, керамическую черепицу, битумно-полимерную черепицу типа «Тегола», отвечающие требованиям нормативных документов.

3.5 Долговечность профилированных листов с полимерным покрытием и металлочерепицы должна составлять не менее 40 лет; листов из меди - 100 лет; листов из цинк-титана - 140 лет, керамической черепицы - 150 лет. Долговечность мягкой черепицы должна быть не менее 25 лет.

3.6 Для герметизации стыков необходимо применить герметизирующие мастики типа АМ-0,5 или аналогичные ей.

4 Требования к основанию

4.1 Основание под водоизоляционный ковер из рулонных материалов на плоской кровле проектируется и выполняется из бетона, железобетона, или армированной цементно-песчаной стяжки. Материалы для устройства оснований должны быть классов по прочности на сжатие не ниже В20. Для дополнительного крепления материалов к основанию необходимо заложить в основание деревянные пробки, число которых определяется расчетом.

4.2 Основание под водоизоляционный ковер на скатной кровле следует проектировать как деревянную сплошную обрешетку (для листов из меди и цинк-титана), деревянные бруски с шагом 200-500 мм (для профилированных листов, керамической черепицы и металлочерепицы), обрешетку из водостойкой фанеры (для рулонных материалов и мягкой черепицы). Во всех случаях должен быть выполнен дополнительный расчет на ветровую нагрузку для несущих конструкций кровли.

4.3 Основание должно быть сухим: влажность бетонных оснований не должна превышать 4 %, остальные - не более 5 %.

4.4 Поверхность основания должна быть ровной; отклонения поверхности не должны превышать по горизонтали ±5 мм, по вертикали минус -5 +10 мм; отклонения от заданного уклона не должны превышать 0,2 %. В местах водоприемных коронок предусматриваются местные понижения 10-30 мм.

4.5 Все деревянные конструкции должны быть антисептированы.

4.6 Перед наклейкой рулонных материалов основание и места примыканий к вертикальным поверхностям должны быть огрунтованы раймером не менее чем за сутки в соответствии с СНиП 3.04.01.

5 Технология устройства водоизоляционных ковров

5.1 Перед применением все материалы проверяются на соответствие проекту и выборочно - на соответствие требованиям нормативной документации.

5.2 Устройство водоизоляционных ковров плоских кровель из рулонных материалов должно выполняться в соответствии с ВСН 18 - дли материалов, укладываемых с помощью газовых горелок; ТР 113 - для материалов, укладываемых с помощью горелок с инфракрасным излучением.

5.3 Устройство водоизоляционных ковров катных кровель из листовых материалов должно выполняться в соответствии с рекомендациями или руководствами по устройству скатных кровель, разработчиками которых являются фирмы-производители материалов, а также типовыми технологическими картами по устройству кровель, разрабатываемыми АОЗТ «ЦНИИОМТП».

6 Контроль качества работ

6.1 Постоянный контроль качества используемых материалов должен вестись приобъектной строительной лабораторией, а качества производства работ - подрядчиком и органами строительного надзора.

6.2 К укладке материалов приступают после подписания акта на скрытые работы по устройству основания.

6.3 В процессе производства работ устанавливается постоянный контроль за соблюдением технологии выполнения отдельных этапов работ. На объекте должен вестись «Журнал производства работ».

6.4 Качество укладки материалов устанавливается путем визуального осмотра их поверхности. Внешний вид уложенных материалов должен удовлетворять следующим условиям:

для рулонных материалов: отсутствие порезов, дыр и других дефектов; полотнища в местах нахлестки должны быть прочно склеены между собой;

для листовых материалов: отсутствие трещин, царапин и других дефектов в полимерном покрытии (профилированные листы и металлочерепица); отсутствие дыр, трещин, вмятин и других дефектов (для медных и цинк-титановых листов);

для штучных материалов: отсутствие трещин, дыр и других дефектов; плотное прилегание материалов друг к другу в местах нахлестов; наличие дополнительных уплотнений по конькам и ребрам.

6.5 Качество устройства кровель устанавливают путем определения основных параметров на соответствие требованиям СНиП 3.04.01 и проекту. При этом контролируются: отклонения поверхности основания; отклонения основания от заданного уклона; наличие понижения в водоприемной воронке; число неровностей основания; влажность основания; толщина грунтовки; наличие дополнительных креплений материалов к основанию; величина нахлестов материалов; высота наклейки или заводки дополнительных слоев материалов (для рулонных материалов) или фартуков (для остальных материалов) на вертикальные поверхности; отклонения величины шага брусков и досок обрешетки; отклонения величины выноса карнизных и фронтонных свесов; отклонения шага кляммеров, наличие подвижных кляммеров (в соответствии с проектом); величина отгибов картин для устройства фальцев; в местах примыкания к вертикальным поверхностям кромки должны быть закреплены и закрыты в соответствии с проектом; наличие лежачих фальцев поперек стока воды и их вид; наличие дополнительных креплений между собой профилированных листов и металлочерепицы в местах нахлеста листов.

6.6 Обнаруженные при осмотре слоя дефекты или отклонения от проекта должны быть исправлены до подписания акта на выполненные работы по укладке материала.

6.7 Приемка законченной кровли сопровождается тщательным осмотром ее поверхности, особенно в местах примыканий к выступающим конструкциям (для плоских кровель), к мансардным окнам (для скатных кровель).

7 Техника безопасности и охрана труда

7.1 Работы по устройству кровель должны роводиться в соответствии с требованиями СНиП 12-03, СНиП 12-04, ППБ 01.

7.2 К работам по устройству кровель допускаются мужчины не моложе 18 лет, прошедшие предварительный (при поступлении на работу) и периодический медицинские осмотры, имеющие наряд-допуск.

7.3 Работы по устройству кровель производятся только при использовании средств индивидуальной защиты (СИЗ). Для защиты тела должны быть использованы брезентовые комбинезоны (ГОСТ 27653); для защиты ног - ботинки кожаные (ГОСТ 28507); для защиты рук - брезентовые рукавицы (ГОСТ 12.4.010).

7.4 Допуск рабочих к выполнению работ по устройству кровель разрешается после осмотра прорабом или мастером совместно с бригадиром основания, ограждений и мест страховки.

7.5 По окончании работ (смены) материалы и инструменты должны быть убраны с кровли.

7.6 Место производства работ должно быть обеспечено следующими средствами пожаротушения и медицинской помощи:

огнетушитель пенный из расчета на одну секцию кровли, не менее - 2 шт.

ящик с песком вместимостью 0,05 м3 - 1 шт.

лопата - 2 шт.

асбестовое полотно - 1 м2

аптечка с набором медикаментов - 1 шт.

Раздел VIII ОКРАСКА ФАСАДОВ ВЫСОТНЫХ ЗДАНИЙ

1 Общие положения

1.1 Отделочные работы должны вестись с использованием готовых к применению красок на основе водных дисперсий полимеров (акриловых, силан-силоксановых, поливинилацетатных, акрил-стирольных и др.), на основе жидкого калийного стекла (силикатных), органо-растворимых на основе синтетических смол, а также наполненных декоративных составов и минеральных штукатурок.

1.2 При производстве отделочных работ должны выполняться требования СНиП 3.04.01, ТР 79, ТР 95.11, ТР 85.

1.3 Работы по отделке и окраске фасадов зданий должны выполняться в соответствии с проектом и при наличии паспорта «Колористическое решение, материалы и технология проведения работ», выдаваемого Москомархитектурой по установленной форме, утвержденной Главным художником Москвы (колористическое решение) и с учетом рекомендаций ГУ Центр «ЭНЛАКОМ» (материалы и технология производства работ). В работе следует использовать лакокрасочные материалы (ЛКМ), имеющие сертификаты соответствия, выданные ГУП «НИИМосстрой» (система ГОСТ Р) или ОС «ЭНЛАКОМсертификации» (московская система сертификации), и экспертные заключения по качеству, выдаваемые ГУ Центр ЭНЛАКОМ» (распоряжение № 354 РМ от 10 апреля 1998 г.). На проект по отделке фасадов должно быть техническое заключение ГУ Центр «ЭНЛАКОМ» или ГУП «НИИМосстой».

1.4 Для обеспечения совместимости подготовительных и финишных отделочных материалов необходимо применение однородных систем ЛКМ, включающих материалы для подготовки поверхностей (шпатлевки, пропитки, грунтовки) и окраски (эмали, краски, декоративные штукатурки и фактурные составы).

1.5 Отделочные материалы должны готовиться централизованно и поступать на строительные объекты готовыми к употреблению.

1.6 В зависимости от технических характеристик материала, области применения и условий эксплуатации межремонтные сроки для фасадов зданий, окрашенных ЛКМ, устанавливаются в интервале 12-15 лет.

1.7 Штукатурные покрытия должны прочно соединяться с поверхностью конструкции, не отслаиваться от нее. Прочность сцепления должна быть не менее 0,4 МПа. Оштукатуренные поверхности должны быть ровными, гладкими, с четко отделанными гранями углов, пересекающихся плоскостей, без следов затирочного инструмента, подтеков раствора, пятен и высолов. Трещины, бугорки, раковины, дутики, грубошероховатая поверхность, пропуски не допускаются.

1.8 Влажность поверхностей под окраску должна составлять: для оштукатуренных - не более 8 %; для бетонных - не более 4 %.

2 Технология подготовки поверхностей под окраску и отделку декоративными фактурными составами

До начала выполнения отделочных работ на фасадах необходимо произвести следующие работы: устройство кровли и карнизных свесов, водосточных труб, козырьков над входами, балконов, лоджий и их ограждений, полов и гидроизоляции, а также отмосток вокруг зданий; покрытие оцинкованным железом или листовым алюминием сливов оконных проемов, выступающих архитектурных деталей; заделка стыков и швов; обрезка металлической арматуры, выступающей из плоскости фасада; установка пожарных лестниц.

2.1 Транспортирование и хранение отделочных материалов должны соответствовать требованиям стандартов (ГОСТ 9980.3-9980.5, ГОСТ 28013) и техническим условиям на их применение.

2.2 Подготовленный под окраску фасад должен быть принят по акту.

2.3 Поверхности из монолитного бетона подлежат оштукатуриванию или выравниванию шпатлевками для соответствия требованиям СНиП 3.04.01 (местные неровности - до 2 мм, отклонения от вертикали - до 5 мм для высококачественной отделки). В зависимости от величины отклонения от плоскости под 2-метровой рейкой выравнивание производят безусадочными шпатлевками, полимерцементной штукатуркой или сухими специализированными смесями, а при отклонениях более 20 мм - производят оштукатуривание оснований цементно-песчаным раствором по сетке.

2.4 Поврежденные места (сколы, раковины диаметром более 3 мм, трещины) огрунтовывают и затирают полимерцементным раствором из сухой смеси марки не ниже 100-150 или специальным раствором на основе специализированных сухих смесей.

2.5 Стыки монолитных участков прошлифовывают и при необходимости затирают полимерцементным раствором.

2.6 Неровные основания, впадины и плотные глянцевидные участки следует насечь с целью повышения адгезии последующих слоев.

2.7 Грунтовку следует наносить механизированным способом при помощи краскопульта или вручную кистью или валиком.

К шпатлевке поверхности приступают после сушки огрунтовки, но не ранее чем через 12 ч после ее нанесения.

2.8 При выравнивании фасадных поверхностей нужно использовать специально разработанные фасадные шпатлевки под определенные арки красок, а также сухие шпатлевочные составы на основе цемента с определенной степенью дисперсности наполнителя.

2.9 Шпатлевочные составы на основе сухих специализированных смесей применяются для выравнивания поверхностей конструкций и заделки раковин, трещин, неровностей глубиной до 3 мм.

2.10 Рабочий состав раствора приготавливается непосредственно на строительном объекте путем смешивания сухой смеси и воды в строго дозированных количествах в соответствии с техническими условиями или информацией фирмы-производителя материала.

Для перемешивания применяются малогабаритные растворосмесители СО-23В, СО-11А и СО-116А, смесители СО-137.

Шпатлевочный выравнивающий состав пригоден к употреблению в течение 2 ч с момента приготовления.

3 Требования к поверхностям, подготовленным под окраску

3.1 При подготовке поверхностей к окраске должны выполняться следующие технологические операции: очистка поверхности, шлифовка, обеспыливание; огрунтовка очищенной поверхности и упрочнение слабых осыпающихся оснований; заделка стыков монолитных участков; заполнение трещин и раковин; выравнивание стен; очистка и обеспыливание.

3.2 Поверхности монолитного бетона, подлежащие подготовке к окраске или отделке, олжны соответствовать СНиП 3.03.01 (местные неровности - до 5 мм, отклонения от вертикали - 15 мм).

3.3 Подготовленные под окраску поверхности должны быть обеспылены, влажность поверхности не должна превышать 4 % для бетонных и 8 % для оштукатуренных.

3.4 Прочность основания должна быть не менее прочности отделочного покрытия и соответствовать проектной.

3.5 Поверхности, подлежащие окраске, должны быть ровными и сглаженными, трещины, поры, раковины огрунтованы, прошпатлеваны и сглажены, следы затирочных инструментов отсутствуют.

3.6 Поверхности, подлежащие отделке фактурными декоративными составами, должны быть выровнены без сглаживания.

3.7 Прочность сцепления покрытий из штукатурных составов должна составлять не менее 0,4 МПа.

4 Материалы для подготовки и окраски поверхностей

4.1 Для обеспечения долговечности отделочных покрытий необходимо применять системы ЛКМ, включающие однородные материалы для подготовки поверхности (шпатлевки, пропитки, грунтовки) и окраски (эмали, краски, декоративной штукатурки и фактурные составы).

4.2 Материалы, применяемые для подготовки и окраски поверхностей, должны иметь гигиенические заключения и сертификаты соответствия (систем ГОСТ Р или МСС), гарантирующие стабильность технических характеристик, заявленных в нормативной документации на материалы.

4.3 Системы ЛКМ содержат комплекс материалов, включающих: пропиточные составы; выравнивающие шпатлевочные составы; грунтовки; финишные окрасочные материалы.

4.4 Пропиточные составы предназначаются для: упрочнения рыхлых слоев поверхности путем ее пропитки, связывания солей, образующихся в основании-подложке, при этом поры остаются открытыми; выравнивания сильно и неравномерно впитывающих оснований; уменьшения впитывающей способности и повышение адгезии отделочных слоев.

Пропиточные составы представляют собой низковязкие растворы смол или дисперсий с включением различных добавок.

4.5 Материалы, применяемые для приготовления сухих шпатлевочных составов, должны отвечать требованиям соответствующих стандартов и технических условий, в том числе: шпатлевки не должны стекать с вертикальной поверхности; шпатлевка должна легко наноситься, не свертываться и не тянуться за шпателем; на слое шпатлевки проектной толщины, нанесенном на бетонную поверхность, после высыхания не должны появляться усадочные трещины; шпатлевка должна легко шлифоваться мелкозернистой наждачной бумагой.

Готовые к применению шпатлевки на основе полимерных связующих должны иметь прочность сцепления с бетонным основанием не менее 0,2 МПа и стойкость к статическому воздействию воды не менее 24 ч.

Шпатлевочные составы на основе сухих смесей должны иметь прочность сцепления с бетонным основанием не менее 0,4 МПа, морозостойкость не менее 35 циклов, водостойкость не менее 24 ч, прочность на сжатие не менее 7,5 МПа.

Шпатлевочные составы наносят на обработанные пропитками поверхности тонким слоем при помощи шпателя или механизированно. При необходимости возможно нанесение второго слоя. После высыхания поверхности обрабатываются наждачной бумагой и обеспыливаются. Толщина шпатлевочного слоя - 1-5 мм.

4.6 Грунтовочные составы предназначаются для пропитки и связывания поверхностных слоев основания, эгализации (выравнивания) впитывающей способности поверхности, обеспечивания адгезии и сокращения расходов финишных покрытий.

Грунтовочные составы представляют собой суспензии пигментов наполнителей, целевых добавок в растворе синтетических связующих или водных дисперсий полимеров.

Грунтовочные составы поступают на объекты готовыми к применению или готовятся непосредственно на строительном объекте путем разбавления финишной краски растворителем или водой.

4.7 К финишным отделочным материалам относятся следующие виды красок.

4.7.1 Краски водно-дисперсионные различных цветов представляют собой суспензии пигментов, наполнителей в водные дисперсии или эмульсии синтетических полимеров с добавлением различных вспомогательных веществ.

Краски водно-дисперсионные для окраски фасадов в зависимости от типа связующего разделяются на следующие основные типы:

водно-дисперсионные акриловые краски (на основе эмульсии акриловых или стиролакриловых сополимеров), отличаются высокими физико-механическими свойствами и долговечностью;

силикатные краски (на основе жидкого калийного стекла или жидкого калийного стекла, модифицированного водными эмульсиями акриловых сополимеров), отличаются повышенной паропроницаемостью, высокой декоративностью и светостойкостью;

силан-силоксановые, силиконовые краски на основе водоразбавляемых силоксановых, силан-силоксановых, силиконовых водоразбавляемых смол или на основе акриловых сополимерных водных эмульсий, модифицированных силан-силаксановыми или силиконовыми смолами, отличаются повышенной паропроницаемостью, водостойкостью и пониженным грязеудержанием.

Водно-дисперсионные ЛКМ для фасадных работ должны отвечать следующим техническим требованиям: прочность покрытия при ударе - не менее 50 см; эластичность пленки при изгибе - не более 1 мм; адгезия покрытия - не более 1 балла; смываемость - не более 2 г/м2; стойкость покрытия к статическому воздействию воды при температуре (20±2) °С - не менее 24 ч; стойкость покрытия к статическому воздействию 5 %-ного раствора щелочи при температуре (20±2) °С - не менее 24 ч; условная светостойкость - не менее 24 ч; коэффициент диффузионного отражения - не более 5 %.

4.7.2 Органо-растворимые краски (акриловые, плиолитовые и др.) представляют собой суспензии пигментов наполнителей и технологических добавок в растворе синтетических смол.

Органо-растворимые краски для фасадных работ должны отвечать таким же техническим требованиям, как и водно-дисперсионные ЛКМ.

Органо-растворимые ЛКМ для фасадных работ в зависимости от вида связующего рекомендуется применять в интервале температуры от минус 10 до +25 °С.

4.7.3 Декоративные фактурные составы представляют собой высоконаполненные суспензии пигментов и наполнителей в синтетических связующих (водных дисперсиях или растворах синтетических смол) с целевыми добавками.

Применение декоративных фактурных составов исключает операцию по шпатлеванию поверхности перед нанесением составов.

Внешний вид покрытия, выполненного декоративными фактурными составами, имеет разнообразную фактуру (зернистую, рельефную, специальную) и зависит от фракции наполнителя и метода нанесения.

Декоративные фактурные составы поступают на объекты готовыми к употреблению.

Декоративные фактурные составы должны отвечать следующим техническим требованиям: прочность покрытия при ударе - не менее 40 см; адгезия методом отрыва - не менее 0,4 МПа; стойкость покрытия к статическому воздействию воды при температуре (20±2) °С - не менее 24 ч; стойкость покрытия к статическому воздействию 5 %-ного раствора щелочи при температуре (20±2) °С - не менее 24 ч; условная светостойкость - не менее 24 ч; морозостойкость - не менее 75 циклов.

Декоративные фактурные составы на основе растворов синтетических смол рекомендуется применять в интервале температуры от минус 10 до +25 °С, декоративные фактурные составы на основе водных дисперсий полимеров - в интервале от +5 до +27 °С.

4.7.4 Декоративные минеральные штукатурки представляют собой сухие смеси на основе минеральных вяжущих, которые после затворения водой и нанесения на поверхность формируют декоративное отделочное покрытие. Применение таких материалов устраняет необходимость тщательного выравнивания основания, обеспечивает повышенную прочность и паропроницаемость.

Декоративные штукатурки должны отвечать следующим техническим требованиям: прочность покрытия при ударе - не менее 40 см; адгезия методом отрыва - не менее 0,4 МПа; условная светостойкость - не менее 24 ч; морозостойкость - не менее 25 циклов.

Декоративные минеральные штукатурки применяются в качестве финишного покрытия в системах наружной теплоизоляции и при отделке наружных бетонных и оштукатуренных поверхностей.

Декоративные минеральные штукатурки рекомендуется применять в интервале температуры от +5 до +25 °С.

5 Отделка подготовленных поверхностей фасадов ЛКМ и отделочными фактурными составами

5.1 Подготовленные под окраску или отделку фактурными составами поверхности должны быть чистыми, сухими и ровными.

5.2 Применяемые для окраски материалы должны быть принятыми службами контроля качества по результатам входного контроля или по паспортам на применяемые материалы.

5.3 При входном контроле отделочных материалов проверяется: соответствие ЛКМ рекомендованным в паспорте «Колористическое решение, материалы и технология проведения работ» по цвету и наименованию; наличие и содержание документов о качестве, этикеток и других сопроводительных документов; наличие сертификатов соответствия; соответствие основных показателей материалов требованиям нормативно-технической документации.

5.4 Работа по окраске фасадов производится только с жестких оснований и определяется проектом организации работ.

5.5 Отделку фасадов запрещается производить: в жаркую погоду при температуре воздуха в тени более +27 °С для водно-дисперсионных и +20 °С и выше для органо-растворимых ЛКМ, при прямом воздействии солнечных лучей; во время и после дождя по мокрым поверхностям; при скорости ветра более 10 м/с; при круглосуточной температуре воздуха ниже +5 °С для водно-дисперсионных и -10 °С для ЛКМ на растворителях; зимой по наледи, во время снегопада, по влажным поверхностям; при работе в зимнее время органо-растворимые ЛКМ следует хранить в отапливаемых помещениях и на рабочее место поставлять в утепленной таре в требуемом количестве.

5.6 Декоративные фактурные составы наносятся на высушенные огрунтованные поверхности валиком, краскораспылителем, специальными шпателями или терками. Технология нанесения фактуры указывается в инструкциях на конкретные материалы.

5.7 При механизированном нанесении фактурных составов необходимо выполнение следующих рекомендаций: перед окраской поверхностей фактурными составами механизированным способом участки поверхности, не подлежащие окраске, должны быть защищены; краскораспылитель следует держать перпендикулярно окрашиваемой поверхности на расстоянии 0,4-0,6 м и в зависимости от формы факела и вязкости распыляемого материала; составы наносят круговыми движениями; скорость перемещения краскораспылителя должна быть равномерной; окраску мест, где соединяются колеры разных цветов, следует производить с применением отводной линейки; при смене колера состава необходимо произвести промывку оборудования.

6 Требования к качеству окрашенных поверхностей

6.1 Цвет и вид поверхностей строительных конструкций, окрашенных красками и эмалями, фактурными составами и декоративными штукатурками, должны соответствовать предусмотренным в проекте.

6.2 Поверхности, окрашенные красками и эмалями, фактурными составами и декоративными штукатурками, должны иметь равномерную окраску или фактуру без наплывов, потеков и полос.

6.3 Готовое покрытие должно иметь прочное сцепление с основанием (без трещин и отслоений).


7 Регламент операционного контроля качества производства работ при подготовке поверхности под окраску и отделку

Вид контроля

Входной

Операционный

Приемочный

Подготовительные работы

Исправление дефектов, выравнивание и сглаживание поверхностей

Отсутствие пыли, грязи, потеков раствора и других загрязнений

Влажность поверхностей

Поверхности, подлежащие окраске, должны быть равными и сглаженными, трещины, поры, раковины огрунтованы, прошпавлены и сглажены, следы затирочных инструментов удалены

Поверхности подлежащие отделке фактурными составами, должны быть выровнены без сглаживания

Контролируемые параметры и операции

Чистота поверхностей

Качество поверхностей и мест их сопряжений

Влажность поверхностей

Температурно-влажностный режим

Проверка технических характеристик выравнивающих составов, шпатлевок, грунтовок

Соблюдение последовательности технологических операций

Переодический технический анализ материалов

Объем контроля

Сплошной

Сплошной и выборочный

Сплошной

Метод контроля

Визуальный

Инструментальный

Инструментальный и технический осмотр

Инструментальный и технический осмотр

Визуальный

Инструментальный и технический осмотр

Операции, контролируемые строительной лабораторией

 

+

+

+

 

+

+

 

Время контроля

перед началом работ по подготовке поверхностей к окраске

Во время выполнения операций по подготовке

После выполнения операций по подготовке

8 Регламент операционного контроля качества производства работ по окраске и отделке поверхностей

Вид контроля

Входной

Операционный

Приемочный

Подготовительные работы

Окраска и отделка поверхностей строительных конструкций

Соответствие цвета и фактуры предусмотренным в проекте или эталонам

Внешний вид покрытия (равномерность окраски или фактуры без наплывов, потеков, полос)

Отсутствие искривления линий и закраски в местах сопряжений поверхностей, окрашенныз в различные цвета

Прочность сцепления готового покрытия с основанием (отсутствием трешин и отслоений)

Контролируемые параметры и операции

Чистота поверхностей

Качество поверхностей и мест их сопряжений

Влажность поверхностей

Температурно-влажностный режим окружающей среды

Технический анализ отдклочных материалов

Соблюдение последовательности выполнения технологических операций и равномерности нанесения каждого слоя

Переодический технический анализ материалов

Вид контроля

Сплошной

Сплошной

Выборочный

Сплошной

Метод контроля

Визуальный

Инструментальный

Инструментальный и технический осмотр

Визуальный

Операции, контролируемые строительной лабораторией

 

+

+

+

 

+

 

Время контроля

Перед началом работ по окраске и отделке поверностей

Во время выполнения операций по окраске и отделке поверхностей

После выполнения операций по окраске и отделке поверхностей


9 Техника безопасности и охрана труда

9.1 При производстве работ по отделке поверхностей окрасочными составами необходимо соблюдать правила, предусмотренные СНиП 12-03, «Указаниями по пожарной безопасности для рабочих и инженерно-технических работников строек и предприятий Главмосстроя», ГОСТ 12.1.004, ГОСТ 12.3.035.

9.2 Рабочие, занятые окрасочными работами, должны быть обучены приемам работ и безопасным методам труда.

9.3 Малярные работы на высоте следует выполнять только с жестких оснований. При выполнении малярных работ на высоте каждый производитель работ должен провести специальный инструктаж по мерам безопасности и охране труда.

9.4 К работе с пневматическими инструментами допускаются лица не моложе 18 лет, прошедшие специальное обучение и получившие удостоверение на право работы с этими инструментами, а также аттестованные по первой группе техники безопасности и не имеющие медицинских противопоказаний по данному виду работ. Каждый маляр, пользующийся пневматическим малярным инструментом, должен знать инструкцию и правила технической эксплуатации инструмента, безопасные способы подключения и отключения инструмента от воздухопровода, основные причины неисправности инструмента и безопасные способы их устранения.

9.5 При возникновении неполадок в работе механизмов необходимый ремонт допускается производить только после их остановки, обесточивания и прекращения подачи сжатого воздуха.

9.6 Корпуса всех электрических механизмов должны быть надежно заземлены.

9.7 Работники, занятые окрасочными работами, должны быть обеспечены следующими индивидуальными и коллективными средствами защиты в соответствии с требованиями ГОСТ 12.4.011, которыми необходимо пользоваться в зависимости от характера выполняемых работ: спецобувь и спецодежда (ГОСТ 12.4.103); резиновые перчатки (ГОСТ 20010); хлопчатобумажные перчатки; для защиты глаз - очки открытого или закрытого типа; для защиты органов дыхания - противопылевые респираторы РУ-60МА, РПГ-67А, ШБ-1, «Лепесток» (ГОСТ 12.4.028, ГОСТ 17269), РУ-6ОНУ.

В комплекс санитарно-технических мероприятий входит обеспечение работающих бытовыми помещениями, санитарно-гигиеническими устройствами (СНиП 2.09.04).

Рабочие, занятые на окрасочных работах, должны проходить приемочную медкомиссию при поступлении на работу и периодические медкомиссии по приказу МЗ № 90 от 14.03.96 г.

9.8 К работе с люлек допускаются рабочие не моложе 18 лет, признанные годными медицинской комиссией для работы на высоте, имеющие стаж работы не менее одного года и тарифный разряд не ниже третьего, прошедшие обучение в учебном комбинате и сдавшие экзамены квалификационной комиссии.

9.9 К техническому обслуживанию люлек допускаются механики (ответственные за техническое состояние люлек) и слесари, прошедшие обучение в учебном комбинате.

9.10 Прошедшие обучение в учебном комбинате лица аттестуются для работы с люльки на 3 года.

9.11 Для работы с люльки на каждом объекте должен быть составлен проект производства работ. В ППР должны быть указаны места установки консолей по захваткам, разработаны способы опирания консолей на стены здания, а также крепления консолей к конструктивным узлам перекрытия кровли.

9.12 Ответственный за техническое состояние люлек обязан обеспечить получение люлек из управления механизации, а также обеспечить их хранение, принимать меры по обеспечению безопасной работы монтажников, руководить работами по установке консолей на крыше здания и навеской люлек монтажниками согласно плану производства работ.

9.13 Ответственный за эксплуатацию люлек мастер или прораб обязан провести инструктаж на рабочем месте, ознакомить с инструкцией по охране труда при выполнении работ с люлек.

9.14 Загрузка люлек не должна превышать их грузоподъемности, указанной в паспорте. Загрузка люлек рабочими и материалами должна производиться с земли или с перекрытий здания, если последнее допускается ППР с указанием места загрузки.

9.15 Перед началом работ опасную зону люльки ограждают веревочным ограждением и вывешивают предупредительные знаки.

9.16 При эксплуатации люлек все токоведущие части электрооборудования лебедки люлек должны быть изолированы, а металлические части лебедки заземлены - занулены.

9.17 Стальные канаты должны иметь девятикратный запас прочности, сертификат завода-изготовителя об их испытании. Канаты, не снабженные сертификатом, к эксплуатации не допускаются.

9.18 После окончания работ с люльки рабочий обязан: опустить люльку на землю до ослабления канатов, отключить люльку от электропитания, закрыть пульт управления люлькой, освободить люльку от материалов и инструментов, укрыть ее от атмосферных осадков.

9.19 В процессе применения отделочных материалов возможно образование незначительного количества твердых и жидких отходов, они должны быть собраны в специальные емкости и направлены на уничтожение в соответствии с СанПиН 2.1.7.1322. Необходимо строго соблюдать весь комплекс мероприятий по охране окружающей среды. Таким же образом утилизируется продукт по истечении гарантийного срока хранения.

9.20 При попадании краски или отделочных составов на кожу необходимо удалить их очистителем для рук и промыть водой.

9.21 Окрасочные составы на растворителях и растворители должны храниться в закрытых проветриваемых взрывопожаробезопасных помещениях в соответствии с требованиями ГОСТ 9980.5.

Раздел IX ОБЕСПЕЧЕНИЕ ПОЖАРНОЙ БЕЗОПАСНОСТИ ВЫСОТНЫХ ЗДАНИЙ НА СТАДИИ СТРОИТЕЛЬСТВА

1 Общие положения

1.1 Пожарная безопасность многофункциональных высотных зданий на стадии строительства должна обеспечиваться системами предотвращения пожара и противопожарной защиты, в том числе организационно-техническими мероприятиями. На данных объектах системы пожарной безопасности должны выполнять следующий комплекс задач: исключать возникновение пожара; обеспечивать пожарную безопасность людей; обеспечивать пожарную безопасность материальных ценностей.

1.2 В соответствии с ГОСТ 12.1.004 многофункциональные высотные здания на стадии строительства должны иметь системы пожарной безопасности, направленные на предотвращение пожаров. Требуемый уровень обеспечения пожарной безопасности людей должен быть не менее 0,999999 предотвращения воздействия опасных факторов в год в расчете на каждого человека, а допустимый уровень пожарной опасности для людей должен быть не более 10-6 воздействия опасных факторов пожара, превышающих предельно допустимые значения, в год в расчете на каждого человека.

1.3 Изложенные далее предложения имеют общий характер для всех типов высотных зданий. Они базируются на положениях ППБ 01 и СНиП 21-01 и являются дополнительными по отношению к данным документам.

Для конкретных зданий целесообразна разработка комплекса дополнительных противопожарных мероприятий, учитывающих специфику обеспечения их пожарной безопасности, стадию строительства, численность людей на каждом этаже, функциональное назначение и размещение помещений внутри здания и т.д.

2 Строительные работы на прилегающей территории

2.1 До начала строительства на строительной площадке должны быть снесены все строения и сооружения, находящиеся в пределах противопожарных разрывов. При сохранении существующих строений должны быть разработаны и согласованы дополнительные противопожарные мероприятия.

2.2 Строительная площадка должна иметь не менее двух рассредоточенных въездов, имеющих ширину не менее 4,5 м.

Проезды для пожарных машин необходимо обеспечить со всех сторон здания, в том числе к основным эвакуационным выходам из зданий и к выходам, ведущим к лифтам для пожарных подразделений, а также местам открытого хранения строительных материалов, конструкций и оборудования.

Ширина проездов для пожарных машин должна составлять не менее 6 м.

Тупиковые проезды должны заканчиваться разворотными площадками размерами в плане не менее 12×12 м для автолестниц и не менее 15×15 м для автоподъемников.

Подъезды к строительной площадке, проезды и разворотные площадки должны выполняться как дороги не ниже IV категории по СНиП 2.05.02.

Устройство подъездов и проездов необходимо завершать к началу основных строительных работ. Площадки для установки автолестниц и автоподъемников должны быть подготовлены к началу работ по строительству нижнего надземного пожарного отсека.

2.3 У въездов на стройплощадку должны устанавливаться (вывешиваться) планы пожарной защиты, выполненные в соответствии с ГОСТ 12.1.114 и с нанесенными строящимися и вспомогательными зданиями и сооружениями, въездами, подъездами, местонахождением водоисточников, средств пожаротушения и связи.

2.4 Участки территории, занятые под открытые склады горючих материалов, а также строения, выполненные из горючих и трудногорючих материалов, должны быть очищены от сухой травы, бурьяна, мусора и т.д. При хранении на открытых площадках горючих строительных материалов (лесопиломатериалы, толь, рубероид и др.), изделий и конструкций из горючих материалов, а также оборудования и грузов в горючей упаковке они должны размещаться в штабелях или группами площадью не более 100 м2. Разрывы между штабелями (группами) и от них до строящихся или подсобных зданий и сооружений надлежит принимать не менее 24 м.

2.5 Пожарные депо, предусмотренные проектом, должны вводиться в эксплуатацию не позднее окончания работ по устройству оснований и фундаментов. До начала строительства основных сооружений и строительной базы должны быть выделены специальные утепленные помещения для размещения пожарной охраны или добровольной пожарной дружины и пожарной техники.

Оснащение пожарных депо необходимой техникой и средствами пожаротушения должно быть завершено до начала строительства нижнего пожарного отсека.

Определение необходимого состава и количества пожарной техники следует производить на основе разработки оперативного плана пожаротушения.

2.6 Площадки для оперативных транспортных средств следует вводить в эксплуатацию не позднее начала работ по строительству нижнего надземного пожарного отсека.

2.7 Площадки для посадки вертолетов на прилегающей территории следует вводить в эксплуатацию не позднее окончания работ по строительству нижнего надземного пожарного отсека.

2.8 Площадки для аварийно-спасательной кабины пожарных вертолетов на покрытии следует вводить в эксплуатацию не позднее окончания работ по строительству верхнего пожарного отсека.

3 Работы по строительству и монтажу конструкций зданий

3.1 Опалубку допускается устраивать только из негорючих материалов.

3.2 Работы по огнезащите строительных конструкций каждого пожарного отсека зданий с целью обеспечения их предела огнестойкости должны завершаться не позднее начала работ по строительству вышележащего пожарного отсека.

Огнезащита конструкций лестничных площадок и маршей должна производиться одновременно с устройством лестничной клетки.

3.3 Работы, связанные с монтажом конструкций с горючими утеплителями или применением горючих утеплителей, должны вестись по нарядам-допускам, выдаваемым исполнителям работ и подписанным лицом, ответственным за пожарную безопасность строительства. В наряде-допуске должно быть указано место, технологическая последовательность, способы производства, конкретные противопожарные мероприятия, ответственные лица и срок его действия. Форма наряда-допуска приведена в ППБ 01.

На местах производства работ должны быть вывешены плакаты «Огнеопасно - легковоспламеняемый утеплитель».

На местах производства работ количество горючего утеплителя не должно превышать сменной потребности.

Укладку горючего утеплителя, а также монтаж ограждающих конструкций с применением горючего утеплителя следует производить участками площадью не более 300 м2.

Горючий утеплитель необходимо хранить вне строящегося здания в отдельно стоящем сооружении или на специальной площадке на расстоянии не менее 18 м от строящихся и временных зданий, сооружений и складов.

По окончании рабочей смены не разрешается оставлять неиспользованный горючий и трудногорючий утеплитель, несмонтированные панели с такими утеплителями внутри зданий, а также в противопожарных разрывах.

После устройства теплоизоляции необходимо убрать ее остатки и немедленно нанести предусмотренные проектом покровные слои огнезащиты. Площадь не защищенной в процессе производства работ горючей теплоизоляции должна быть не более 300 м2.

3.4 На местах производства работ количество кровельных рулонных материалов не должно превышать сменной потребности. По окончании рабочей смены не разрешается оставлять неиспользованные кровельные рулонные материалы внутри или на покрытиях зданий.

Устройство гидроизоляционного ковра на покрытии следует производить участками площадью не более 500 м2.

До начала работ по устройству кровель должны быть выполнены все предусмотренные проектом ограждения и выходы на покрытие зданий (из лестничных клеток). Для сообщения о пожаре у выходов на покрытие должны быть установлены телефоны или другие средства связи.

3.5 При производстве работ по укладке и монтажу горючих утеплителей, а также связанных с устройством гидро- и пароизоляции на кровле, не разрешается производить электросварочные и другие огневые работы.

Все работы, связанные с применением открытого огня, должны проводиться до начала использования горючих и трудногорючих материалов.

Использование агрегатов для наплавления рулонных материалов с утолщенным слоем допускается при устройстве кровель только по железобетонным плитам и покрытиям с применением негорючего утеплителя.

Заправка топливом агрегатов для наплавления рулонных материалов на кровле должна проводиться в специальном месте, обеспеченном двумя огнетушителями и ящиком с песком. Хранение на кровле топлива для заправки агрегатов и пустой тары из-под топлива не допускается.

3.6 Зазоры между трубопроводами инженерных систем и строительными конструкциями необходимо герметизировать сразу после монтажа трубопроводов.

3.7 Предусмотренные проектом наружные ограждения на покрытии, а также пожарные лестницы должны устанавливаться сразу же после монтажа несущих конструкций.

4 Размещение временных помещений

4.1 Размещение в пожарных отсеках строящегося здания временных мастерских, кладовых и складов, в которых предусмотрено использование и хранение горючих веществ и материалов, а также изделий в горючей упаковке, допускается только после ввода в действие внутреннего противопожарного водопровода.

Данные помещения должны отделяться от смежных помещений и коридоров противопожарными перегородками, в проемах которых предусмотрены противопожарные двери, а также глухими перекрытиями. При этом необходимо обеспечить герметизацию стыков внутренних и наружных стен и междуэтажных перекрытий, а также уплотнение в местах прохода инженерных коммуникаций с обеспечением требуемых пределов огнестойкости.

Если площадь указанных помещений превышает 50 м2, их необходимо оборудовать модульными установками пожаротушения.

4.2 Размещение временных административно-бытовых помещений допускается в помещениях, которые находятся в непосредственной близости от незадымляемых лестничных клеток. Данные помещения должны отделяться от смежных помещений и коридоров противопожарными перегородками, в проемах которых редусмотрены противопожарные двери, а также глухими перекрытиями.

5 Пути эвакуации

5.1 Лестничные площадки и марши следует монтировать одновременно с устройством лестничной клетки. При этом допускается на период строительства для защиты от повреждений покрывать негорючие ступени трудногорючими материалами с показателями пожарной опасности не выше Г2.

Ограждения переходов (балконов, лоджий или галерей ) через наружные воздушные зоны перед лестничными клетками должны монтироваться одновременно с устройством лестничной клетки.

5.2 Двери выходов в наружную воздушную зону, двери незадымляемых лестничных клеток и лифтовых холлов, а также двери коммуникационных шахт и помещений мусоропроводов необходимо устанавливать до монтажа окон в наружных стенах каждого отсека зданий.

При этом необходимо обеспечить герметизацию стыков между дверными коробками и строительными конструкциями, а также уплотнение в местах прохода инженерных коммуникаций с обеспечением требуемых пределов огнестойкости.

5.3 При строительстве зданий следует применять инвентарные металлические леса. Устройство лесов и подмостей при строительстве зданий должно осуществляться в соответствии с требованиями норм проектирования и требованиями пожарной безопасности, предъявляемыми к путям эвакуации.

Конструкции лесов закрывать (утеплять) горючими материалами (фанерой, пластиком, плитами ДВП, брезентом и др.) не разрешается. Леса и опалубка, выполняемые из древесины, должны быть пропитаны огнезащитным составом. Строительные леса на каждые 40 м их периметра необходимо оборудовать одной лестницей или стремянкой, но не менее чем двумя лестницами (стремянками) на все здание. Настил и подмости лесов следует периодически и после окончания работ очищать от строительного мусора, снега, наледи, а при необходимости посыпать песком.

6 Электрооборудование

6.1 Огнезащита кабелей и устройство огнестойких кабельных проходок должны производиться сразу после монтажа кабелей.

7 Противодымная защита

7.1 Системы противодымной защиты необходимо монтировать одновременно с возведением объекта. Данные системы должны вводиться в действие к началу пусконаладочных работ.

8 Автоматическая пожарная сигнализация и пожаротушение

Автоматические системы пожарной сигнализации и пожаротушения, предусмотренные проектом, необходимо монтировать одновременно с возведением объекта. Данные системы должны вводиться в действие к началу пусконаладочных работ.

9 Противопожарный водопровод

9.1 Наружный противопожарный водопровод необходимо вводить в действие к началу работ по возведению фундаментов и оснований.

9.2 Внутренний противопожарный водопровод, предусмотренный проектом, необходимо монтировать одновременно с возведением объекта. Противопожарный водопровод должен вводиться в действие к началу отделочных работ.

9.3 Сухотрубы со спаренными пожарными кранами необходимо монтировать одновременно с возведением объекта.

10 Оснащение зданияпервичными средствами пожаротушенияи средствами спасения

10.1 Оснащение объектных пунктов пожаротушения первичными средствами пожаротушения и средствами спасения осуществляется непосредственно с начала строительства каждого пожарного отсека.

10.2 Состав и количество первичных средств пожаротушения, размещаемых на этажах, определяется в соответствии с ППБ 01. При этом число ручных огнетушителей на каждом этаже пожарного отсека должно быть не менее четырех.

При наличии на этаже временных помещений необходимо дополнительно предусматривать не менее двух передвижных огнетушителей вместимостью 100 л.

10.3 Рабочие места необходимо оснащать фильтрующими самоспасателями.

Раздел X НАУЧНО-ТЕХНИЧЕСКОЕ СОПРОВОЖДЕНИЕ И МОНИТОРИНГ ВЫСОТНЫХ ЗДАНИЙ НА СТАДИИ СТРОИТЕЛЬСТВА

1 Для высотных зданий следует предусматривать научно-техническое сопровождение как на стадии проектирования, так и на стадии строительства.

2 Научно-техническое сопровождение строительства, включая мониторинг поведения здания в процессе возведения, осуществляется под руководством специальной рабочей группы, которая создается из представителей заказчика, генерального проектировщика, генерального подрядчика и научно-исследовательских организаций по специально разработанной программе.

3 Научно-техническое сопровождение осуществляется научно-исследовательской организацией или группой организаций по профилю их деятельности и предусматривает их участие на всех этапах строительства, начиная от проектирования в виде экспертизы, консультаций и информационного обеспечения, а также оказание начно-технической помощи при внештатных ситуациях в процессе строительства и анализа системы контроля качества строительства.

4 Проведение мониторинга на стадии строительства высотных зданий осуществляется по следующим разделам:

объектный, включающий все виды наблюдений (в т.ч. геотехнический мониторинг) за состоянием оснований, фундаментов, несущих и ограждающих конструкций подземной и надземной частей строящегося здания, существующих зданий и сооружений, попадающих в зону его влияния;

геолого-гидрологический, включающий системы режимных наблюдений за изменением состояния грунтов, уровней и состава подземных вод и за развитием деструктивных процессов: эрозии, оползней, карстово-суффозионных явлений, оседания земной поверхности и других, а также за состоянием температурного, электрического и других полей;

аналитический, включающий анализ и оценку результатов мониторинга, выполнение расчетных прогнозов, сравнение прогнозируемых величин параметров с результатами измерений, разработку мероприятий по предупреждению или устранению негативных последствий вредных воздействий и недопущению опасных последствий от увеличения интенсивности этих воздействий;

дополнительные подразделы, учитывающие конкретные условия площадки строительства уникального сооружения повышенного уровня ответственности.

Перечень контролируемых конструкций и элементов устанавливается на основании расчетной модели здания, экспертных оценок и по результатам технической диагностики.

Выбор средств и оборудования (систем) для проведения мониторинга здания производится исходя из задач мониторинга, конструктивных особенностей здания, возможности доступа к конструкциям и размещения датчиков, и прокладки коммуникационных систем.

5 При составлении программы мониторинга, в т.ч. геотехнического, следует предусматривать включение в его состав:

систем наблюдений за состоянием фундаментов возводимого высотного здания, а также существующих зданий и сооружений, попадающих в зону его влияния; за состоянием оснований высотного здания и окружающих зданий и сооружений; за состоянием окружающей природной среды;

оценку результатов наблюдений и сравнение их с проектными данными;

прогноз на основе результатов наблюдений изменения состояния возводимого высотного здания, окружающих его зданий и сооружений, характеристик свойств их оснований;

разработку в необходимых случаях мероприятий по ликвидации недопустимых отклонений и негативных последствий;

контроль за выполнением принятых решений.

5.1 Система наблюдения за состоянием конструкций высотного здания и существующих, окружающих его сооружений включает: измерение перемещений фундаментов высотного дания и сооружений (осадки, крены, горизонтальные смещения и др.); фиксацию и наблюдение за образованием и раскрытием трещин; измерение уровня колебаний здания и сооружений при наличии динамических воздействий.

5.2 Система наблюдений за окружающей средой включает наблюдения за изменением инженерно-геологических и геоэкологических условий территории расположения здания, за развитием неблагоприятных инженерно-геологических процессов (карст, суффозия, оползни), за изменением геоэкологической обстановки, радиационного излучения, за загрязнением грунтов и подземных вод, газовыделением.

6 Наблюдения за подземными и надземными конструкциями высотного здания и существующих, окружающих его сооружений осуществляются путем сочетания визуальных и инструментальных наблюдений.

6.1 Визуальные наблюдения включают в себя: осмотр конструкций (помещений) подземной части здания; осмотр несущих и ограждающих конструкций надземной части; фиксацию появления и состояния трещин в конструкциях (установление направления, протяженности и величины раскрытия трещин, установку маяков на трещинах и систематическое ведение журнала наблюдений за ними).

6.2 Инструментальные методы включают в себя в различных сочетаниях:

Геодезический контроль, в процессе которого осуществляется измерение: вертикальных перемещений (осадок, просадок, подъемов); горизонтальных перемещений (сдвигов); кренов и неравномерных вертикальных перемещений.

Метод акустической эмиссии - позволяет обнаружить дефекты, развивающиеся в процессе строительства здания, установить их характер и степень опасности.

Высокоточные спутниковые геодезические системы на основе GPS - аппаратура (Globol Positiong System), позволяющая в реальном масштабе времени измерять положение конструктивных элементов здания.

Система измерения углов наклона и частот основных форм колебаний строительных конструкций.

7 Методы измерений вертикальных и горизонтальных перемещений и определения крена здания и неравномерности осадок следует устанавливать программой измерения деформаций в зависимости от требуемой точности измерения, конструктивной особенности фундамента подземных и надземных частей, инженерно-геологических и гидрогеологических особенностей территории и величин характеристик свойств грунтов основания, возможности применения метода в конкретных условиях.

7.1 Вертикальные и горизонтальные перемещения фундаментов должны определяться относительно существующих, не находящихся в зоне влияния эксплуатируемого здания, или закладываемых дополнительных реперов опорной геодезической сети (глубоких и грунтовых).

7.2 Измерение вертикальных перемещений фундаментов должно проводиться нивелированием первого класса ежемесячно.

8 Наблюдения за состоянием оснований высотного здания и окружающих сооружений осуществляется путем измерений параметров напряженно-деформируемого состояния вовлекаемых в работу грунтовых массивов и оценки изменений физико-механических характеристик грунтов оснований.

9 Измерения послойных деформаций оснований осуществляются в соответствии с требованиями ГОСТ 24846 с использованием сети грунтовых марок.

10 При выполнении наблюдений за состоянием окружающей природной среды осуществляются режимные гидрогеологические наблюдения в сети пробуренных и оборудованных на все горизонты подземных вод гидрогеологических скважин.

10.1 При режимных наблюдениях следует определять: изменение уровней подземных вод; пьезометрические напоры воды в грунтовом массиве; расходы воды, связанные с фильтрацией; коэффициент фильтрации грунтов; температуру грунтов в массиве; химический состав подземных вод; химический состав, температуру и мутность профильтрованной воды в дренажах и коллекторах; эффективность работы дренажных, водопонизительных и противофильтрационных систем.

10.2 Режимные наблюдения должны проводиться ежеквартально.

11 По результатам геотехнического мониторинга возводимого высотного здания составляется отчет, который представляется заказчику, генеральному проектировщику и эксплуатирующей организации.

12 Отчет должен содержать: результаты мониторинга, представленные в виде дефектных ведомостей; графиков развития осадок и их неравномерностей, а также деформаций поверхности территории и послойных деформаций оснований высотного здания; актов освидетельствования состояния фундаментных конструкций; документов, отражающих качество работ по устройству основания, фундаментов и других несущих конструкций здания;

заключение о надежности возводимого высотного здания и соответствии здания проекту и требованиям нормативно-технической документации, а также о состоянии зданий и сооружений окружающей застройки;

технические предложения и мероприятия по ликвидации отрицательных последствий строительства высотного здания, если такие имеются.

13 В случае возникновения при строительстве высотного здания деформаций и других явлений, отличающихся от прогнозируемых и представляющих опасность для здания и окружающей застройки, следует без задержки информировать об этом контролирующие и заинтересованные организации для совместной разработки необходимых мер.

Приложение А

РЕКОМЕНДУЕМЫЕ ТИПЫ СВАРНЫХ СОЕДИНЕНИЙ АРМАТУРЫ И ЗАКЛАДНЫХ ИЗДЕЛИЙ В ЗАВИСИМОСТИ ОТ КЛАССОВ АРМАТУРЫ И ИХ ЭКСПЛУАТАЦИОННЫЕ СВОЙСТВА ПО КОМПЛЕКСНОЙ ОЦЕНКЕ

Типы сварного соединения и способ сварки, по ГОСТ 14098

Температура эксплуатации (изготовлений), °С

Классы, марки, диаметры (мм) арматуры по ГОСТ 5781, СТО АСЧМ 7

A-I

(А240)2)

А-II

(А300)

Ас-II

(А300)

А-III

(А400)

А400Стм6)

А500Стм6)

ВСт3сп2,1) ВСт3Гпс2

ВСт5сп23)

10ГТ

25Г2С

Ст3пс, Ст3сп, 18Г2С, Ст3Гпс, Ст3Гсп, 20ГС, 25Г2С

1

2

3

4

5

6

Крестообразное

Контактная точечная, K1-Kт4)

Выше 0

5

4

4

5

До-40

4

4

5

Крестообразное

Дуговая ручная прихватками, КЗ-Рр

Выше 0

4

4

5

До-40

-

-

4

Стыковое

Контактная, С1-Ко; С2-3Кн; С3-Км

Выше 0

5

5

4

До-40

4

4

4

Стыковое

Ванно-шовная на стальной скобе-накладке, С15-Рс5)

Выше 0

4

4

4

До-40

4

4

4

Стыковое

Дуговая механизированная порошковой проволокой на стальной скобе-накладке С14-Мп5); С17-Мп5)

Выше 0

5

5

4

До-40

5

5

4

Стыковое

Дуговая ручная многослойными швами на стальной скобе-накладке С19-Рм5)

Выше 0

4

4

4

До-40

4

4

4

Стыковое

Дуговая ручная швами с накладками из стержней, С21-Рн7), С22-Ру

Выше 0

5

5

5

До-40

5

4

4

Стыковое

Дуговая ручная швами без дополнительных технологических элементов С23-Рэ

Выше 0

4

4

5

До-40

4

4

4

Стыковое

Дуговая механизированная порошковой проволокой и ванная одноэлектродная в комбинированных несущих и формирующих устройствах, С25-Мп5), С26-Рс5)

Выше 0

5

5

4

До-40

5

4

4

Нахлесточное

Дуговая ручная швами, Н1-Рш, контактная по рельефам на пластине Н2-Кр8), Н3-Кп

Выше 0

4

4

5

5

5

 

До-40

4

4

4

5

5

 

Тавровое

Дуговая ручная под флюсом без присадки, Т2-Рф Дуговая механизированная в СО2 в отверстие, Т10-Мс, Т11-Мц Дуговая ручная валиковыми швами в раззенкованное отверстие, Т12-Рз

Выше 0

4

4

4

До-40

4

4

4

1) При расчетной температуре ниже - 40 °С разрешается только вязать.

2) В скобках указаны новые обозначения арматурной стали: А - арматура; цифры - значения передела текучести σт, Н/мм2.

3) Только до dн28 мм и в виде целых стержней мерной длины.

4) Сваркой типа К1-Кт при dH ≤ 10 мм допускается сваривать холоднодеформированную арматуру класса А500С.

5) Длина желобчатой остающейся скобы-накладки должна быть l≥4dн.

6) тм-термомеханически упрочненная арматура.

7) Длина накладок из арматуры должна быть lн ≥10dH, а для соединения С21-Рн lн ≥ 10,5dн.

8) Выполняются на приобъектном участке.

Требования необходимости расчета углеводородного эквивалента Сэкв должны быть приведены в проекте.

Сэкв, %, рассчитывается по формуле, приведенной ниже

и должен быть не выше для стали класса А400С и А500С

А400С

А500С

Диаметр до 32 мм

0,52

0,50

Диаметр более 32 мм

0,57

0,55

Приложение Б

СИСТЕМА ПРОИЗВОДСТВЕННОГО КОНТРОЛЯ КАЧЕСТВА СВАРНЫХ СОЕДИНЕНИЙ АРМАТУРЫ И ЗАКЛАДНЫХ ИЗДЕЛИЙ

№ п.п.

Показатель

Арматура, закладные изделия

Объем выборки и контроля

Периодичность

Нормативно-техническая документация

1

2

3

4

5

 

Входной контроль

1

Проверка указаний по контролю в проекте, состояния рабочей документации, проекте производства сварочных работ с технологическими регламентами, картами

Полностью

До начала работ, затем выборочно

МГСН 4.19, ГОСТ 24297, СНиП 3.03.01, РТМ 393

2

Проверка квалификации рабочих-сварщиков по механическим испытаниям допускных образцов; операторов-дефектоскопистов, контролеров:

оформление протокола № 1 прил. В;

приказ о назначении ответственного;

оформление записей в ЖСР

Каждый работающий

До начала изготовления деловой продукции

МГСН 4.19, СНиП 3.03.01, СНиП 3.01.04, ГОСТ 10922, РТМ 393, СП 12-106

3

Проверка качества основного металла:

идентификация по номерам плавок заводских документов о качестве и бирок;

при несовпадении - механические испытания на растяжение (протокол № 2 прил. В);

наличие сертификатов соответствия

100 %

По мере поступления

МГСН 4.19, ГОСТ 5781, ГОСТ 10884, СТО АСЧМ 7, ТСН 102, ГОСТ 380, СНиП 3.03.01

4

Проверка качества поставляемых элементов конструкций, сварочных и вспомогательных материалов:

паспорт заводов-изготовителей;

сертификат соответствия

Выборочно

Тоже

По соответствующим стандартам, РТМ 393, СНиП 3.03.01

5

Контроль ведения «Журнала входного контроля» и «Журнала сварочных работ»

»

»

СНиП 3.03.01, СНиП 12-01

6

Состояние оборудования:

наличие акта паспортизации;

свидетельство о метрологии и поверке

»

1 раз в год

МГСН 4.19, СНиП 12-01, РТМ 393

Пооперационный контроль

7

Проверка качества сборки и подготовки элементов под сварку:

наличие прихваток, мест их расположения;

зазоры, скосы, эксцентриситеты;

закрепление конструкций для бессварочных соединений;

длина перехлеста, перпендикулярность в крестообразных соединениях

Выборочно

По ППСР

СНиП 3.03.01, СНиП 12-01

8

Проверка соблюдения технологии выполнения

»

Ежесменно

СНиП 3.03.01

9

Внешний осмотр после отбития шлака (протокол № 4 прил. В)

»

»

10

Проверка ведение соответствующих записей в ЖСР

Выборочно

1 раз в неделю

СНиП 12-01, СНиП 3.03.01

Приемочный контроль

11

Визуально-измерительный контроль:

параметров армирования и составления протоколов № 3, 4 прил. В;

геометрических параметров сварных швов и качества их поверхности для определения наружных дефектов

100 %

По ППСР (этажи; отметки, блоки и т.д.)

СНиП 3.03.01, РТМ 393

12

Механические испытания контрольных образцов с оформлением протоколов № 1, 2 прил. В

По проекту; три образца от сварщика на однотипную продукцию

По ППСР

ГОСТ 10922, СНиП 3.03.01, РТМ 393

13

Ультразвуковая дефектоскопия сварных соединений, оформление протокола № 5 прил. В

От 3 % до 15 % или по проекту

По ППСР

СНиП 3.03.01, ГОСТ 23858; РТМ 393

14

Контроль рентгенографический, замер остаточных напряжений непроницаемости металлической гидроизоляции, водоводов, тоннелей, бассейнов и другие методы с оформлением протокола № 5 прил. В

По проекту, отЗ%

По ППСР

СНиП 3.03.01; ГОСТ 23858; РТМ 393

15

Повторный контроль исправленных дефектов

 

По ППСР, регламенты

СНиП 3.03.01

16

Комплектация протоколов испытаний к актам скрытых работ, разрешение на бетонирование, антикоррозионную и огневую защиту

 

 

СНиП 3.03.01, РТМ 393

Приложение В

ПЕРЕЧЕНЬ ПРОТОКОЛОВ ИСПЫТАНИЙ МОНТАЖНЫХ СОЕДИНЕНИЙ К АКТАМ СКРЫТЫХ РАБОТ, ВХОДЯЩИМ В КОМПЛЕКТ ИСПОЛНИТЕЛЬНОЙ ДОКУМЕНТАЦИИ

№ п.п.

Документ

Содержание

1

Протокол № 1

Результаты механических испытаний допускных и контрольных образцов всех типов сварных соединений, предусмотренных проектом на конкретном объекте

2

Протокол № 2

Результаты механических испытаний для проверки механических свойств металла сварных и бессварочных соединений

3

Протокол № 3

Результаты проверки визуально-измерительным методом параметров армирования

4

Протокол № 4

Результаты проверки визуально-измерительным методом геометрических параметров сварных швов, качества их поверхности для установления наружных дефектов

5

Протокол № 5

Результаты ультразвуковой дефектоскопии и других методов неразрушаюших испытаний для определения внутренних дефектов

Приложение Г

ОРГАНИЗАЦИЯ РАБОТЫ ПРИОБЪЕКТНОГО РАСТВОРО-БЕТОННОГО УЗЛА (РБУ)

Общие требования

Технологическая схема производства бетонной смеси должна включать:

входной контроль всех материалов (сырье) в соответствии с нормативами;

оснащенные склады хранения заполнителей, обеспечивающие прогрев материалов в зимний период, сохранность материалов от попадания в них грязи, отсутствие перемешивания фракций, механизацию подачи материалов в смесительное отделение;

склад цемента, обеспечивающий сохранность материалов от влаги, с надежными механизмами приемки цемента, подающими его в бункер;

приемные отделения химических добавок с системами хранения и подачи в смесительное отделение с соблюдением экологических требований;

смесительное отделение, обеспечивающее выпуск стабильного и высококачественного бетона и раствора с системой автоматического дозирования, качественного перемешивания в смесителе с выдачей в транспортные средства;

систему автоматического управления технологическим процессом с входным контролем сырья, технологии производства и выходным контролем продукции;

систему лабораторного контроля сырья, технологического процесса и качества выпускаемой продукции;

систему охраны труда, санитарного и экологического контроля;

систему визуального наблюдения за ходом производства.

Основные требования к территории растворо-бетонного узла

1. Вся территория РБУ должна иметь сплошное ограждение, ограничивающее доступ лиц, не имеющих отношения к технологическому процессу. Ограждение должно иметь не менее двух въездных ворот (рабочие и пожарные).

2. На территории должно быть организовано кольцевое движение для специального и технологического транспорта и подъезды без тупиков ко всем технологическим переделам, а также административным зданиям.

3. На территории РБУ должны быть четко обозначены выделенные пути для технологического транспорта, приема машин с сырьем, места для работы и стоянки строительной и погрузочной техники, а также места для стоянки и движения транспорта готовой продукции.

4. Должны быть также обозначены места для прохода обслуживающего персонала и временно находящихся на территории людей (шоферы, машинисты дорожной техники, лаборанты, покупатели).

5. Вся территория РБУ должна иметь твердое покрытие, способное выдерживать долговременное пребывание тяжелой техники (работу большегрузных бульдозеров, фронтальных погрузчиков, тяжелых кранов и автотранспорта с полной массой более 30 т). Покрытие должно обеспечивать работу в различных климатических условиях по ТР 135-03.6. На территории РБУ следует обеспечить регулируемый сток ливневых вод к единому месту сбора. Дальнейший процесс использования воды должен включать следующие операции: очистка воды в резервуарах методом «чайникового» перелива, а затем системой фильтров на заборе воды в накопительный резервуар и использование воды для мытья машин и дорожно-строительной техники и затворения бетона при условии ее очистки. Уклоны территории должны обеспечивать сбор воды и не допускать ее стока за территорию РБУ. Высокими местами на территории должны быть: въезд-выезд; мойка колес; места выгрузки бетона и раствора; место приема инертных и вяжущих материалов.

Поставка бетонной смеси

Производитель работ должен согласовать с изготовителем бетонной смеси дату, время, объем и ритм поставки бетонной смеси.

В случае необходимости следует также согласовать вид транспортировки в пределах стройплощадки и специальные способы укладки.

При расположении бетоносмесительной установки непосредственно под краном на строительном объекте транспортирование (подача) бетона к месту укладки осуществляется бетононасосами или «бадьей» с помощью крана. Объем бадьи определяется ППР.

При расположении РБУ вне зоны строительства бетонная смесь транспортируется к строительной площадке в автобетоносмесителях (АБС).

Сопроводительные документы на поставляемую продукцию должны соответствовать требованиям ГОСТ 7473 и EN 206-1.

Персонал, хранение материалов, оборудование

1 Знание, квалификация и опыт персонала должны соответствовать уровню производственных операций.

2 Необходимый объем производства бетона должен обеспечиваться соответствующим объемом поставок составляющих материалов.

Различные виды материалов должны храниться таким образом, чтобы обеспечить сохранение во времени их основных характеристик и исключить их перемещение, загрязнение и порчу. В частности, цемент и добавки должны быть защищены от влаги и загрязнения. Различные марки цемента должны храниться отдельно, а силосы - иметь четкую маркировку, чтобы ошибки при заборе цемента были исключены. Таким же образом должно быть организовано хранение цемента в мешках.

Добавки должны храниться и использоваться в строгом соответствии с указаниями поставщика. Указания поставщиков должны учитываться и при хранении других материалов.

Все хранилища должны иметь устройства для забора проб.

3 Дозировочные устройства должны обеспечивать дозировку составляющих бетона с точностью по ГОСТ 10223.

Число делений на шкале весового оборудования должно быть:

для взвешивания химических добавок - не менее 1000;

для взвешивания цемента, воды и минеральных добавок - не менее 500.

4 Смесители должны обеспечивать равномерное распределение перемешиваемых материалов в пределах установленного времени. Автобетоносмесители должны обеспечивать доставку бетонной смеси в гомогенном состоянии и должны быть оборудованы дозировочными и распределительными устройствами.

5 Все испытательное оборудование должно иметь инструкции по его использованию, а также регулярно проходить тарировку и поверку. Дата следующей поверки должна быть заранее известна.

6 Утвержденные инструкции для операторов смесительного оборудования должны быть вывешены на видном месте.

Цемент, заполнители и минеральные добавки в виде порошков должны дозироваться по массе. Другие методы допускаются для обеспечения необходимой точности. Вода дозируется по объему. Легкие заполнители, химические и жидкие добавки дозируются по объему или по массе.

7 Перемешивание бетонной смеси осуществляется в механических смесителях. Время перемешивания исчисляется с момента поступления в смеситель последнего компонента смеси, миксер не должен быть загружен свыше расчетного объема.

8 Химические добавки должны вводиться в процессе перемешивания, за исключением суперпластификаторов и обычных водопонижающих добавок, которые могут вводиться в конце перемешивания. После введения добавок бетонная смесь должна быть перемешана заново с тем, чтобы добавка была равномерно распределена по всему объему смеси, и ее эффект проявился наиболее полно.

9 После выгрузки из автобетоносмесителя вводить в бетон какие-либо ингредиенты не разрешается.

Техника безопасности, производственная санитария и противопожарные мероприятия

При эксплуатации оборудования по производству бетонных смесей в целях обеспечения безопасных и санитарно-гигиенических условий труда следует руководствоваться правилами техники безопасности, пожаробезопасности и производственной санитарии, изложенными в СНиП 12-03, СНиП 21-01, СНиП 23-03 и СНиП 12-01, а также требованиями ГОСТ по производственной санитарии.

1 Общие требования по технике безопасности в здании бетонного узла. Помещения на бетонном заводе и узле химических добавок должны быть устойчивы к допускаемым в процессе работы механическим и тепловым воздействиям. Полы должны быть непроницаемы для воды, кислот, щелочей, органических растворителей, минеральных масел, щелочных и кислотных растворов и иметь уклоны для стока жидкостей к лоткам, трапам или каналам.

Покрытия полов должны обеспечить легкость очистки от вредных веществ, производственных загрязнений и пыли.

Закрытые люки, колодцы, бункеры, загрузочные отверстия, проемы в полах и рабочих площадках должны быть ограждены перилами высотой не менее 1 м со сплошной металлической обшивкой по низу на высоте не менее 0,15 м.

Производственные помещения должны иметь гладкую поверхность стен, потолков и регулярно очищаться от пыли.

2 Требования к производственному оборудованию и организации рабочих мест. Производственное оборудование должно соответствовать требованиям безопасности по ГОСТ 12.2.003 и ГОСТ 12.2.061.

Размещение производственного оборудования в производственных помещениях и на рабочих местах не должно представлять опасности для обслуживающего персонала. Ширина проходов должна быть не менее, м:

для магистральных проходов - 1,5

для проходов между оборудованием - 1,2

для проходов между стенами зданий и оборудованием - 1,0

для проходов к оборудованию, предназначенных для его обслуживания и ремонта - 0,7.

Движущиеся части производственного оборудования, являющиеся источником опасности, должны быть ограждены сетчатыми или сплошными металлическими ограждениями.

Сигнально-предупредительная окраска элементов строительных конструкций, производственного оборудования и внутрицехового транспорта, устройств и средств пожаротушения и обеспечения безопасности должна соответствовать требованиям ГОСТ Р 12.4.026.

3 Вентиляция и отопление. Система вентиляции и отопления должна обеспечивать климат помещений и содержание вредных веществ в рабочей зоне в пределах допусков, определенных ГОСТ 12.1.005. Рабочей зоной считается пространство высотой до 2 м над уровнем пола производственного помещения.

Забор наружного воздуха приточными системами вентиляции должен производиться на высоте не менее 2 м от земли.

Для отопления бетонного завода и узла химических добавок должны предусматриваться системы, приборы и теплоносители, не создающие помех производственным операциям.

4 Водоснабжение и канализация. Источники водоснабжения предприятия, используемые хозяйственно-питьевые водопроводы должны удовлетворять требованиям СанПиН 2.1.4.559.

Качество питьевой воды должно удовлетворять требованиям ГОСТ 2874.

Сточные воды, содержащие вредные вещества, до поступления в наружную канализационную сеть должны быть очищены до уровней, определенных санитарными нормами.

5 Шум и вибрация. Уровни звукового давления и уровни звука на рабочих местах в помещениях и на территории бетонного завода не должны превышать предельно допустимых величин, указанных в ГОСТ 12.1.003.

6 Освещение. Во всех производственных и вспомогательных помещениях должно максимально использоваться естественное освещение. Не допускается загораживать световые проемы как внутри, так и снаружи здания производственным оборудованием, готовыми изделиями и прочими предметами.

Искусственное освещение может применяться двух типов: общее и комбинированое (общее и местное). Применение одного местного освещения запрещается. Аварийное освещение следует устраивать в соответствии с требованиями СНиП 23-05. Запрещается подключать к линиям аварийного освещения каких-либо потребителей электроэнергии. Исправность аварийного освещения необходимо проверять не реже одного раза в квартал.

7 Средства индивидуальной защиты (СНиП 23-03, СНиП 12-01). Рабочие и служащие, занятые на работах с вредными и опасными условиями труда, а также на работах, производимых в неблагоприятных температурных условиях или условиях, связанных с загрязнением, должны быть обеспечены средствами индивидуальной защиты (спецодеждой, спецобувью, рукавицами, касками, респираторами, противошумными наушниками, защитными очками и др.).

Защитные дерматологические средства должны выдаваться по согласованию с органами санитарного надзора.

8 Погрузочно-разгрузочные работы. При производстве погрузочно-разгрузочных работ должны выполняться требования ГОСТ 12.3.009. Ответственный за производство погрузочно-разгрузочных работ обязан проверить исправность грузоподъемных механизмов, такелажа, приспособлений, подмостей и прочего погрузочно-разгрузочного инвентаря.

9 Противопожарные мероприятия. Для обеспечения выполнения противопожарных требований необходимо: соблюдать при размещении временных зданий противопожарные разрывы между ними во избежание переноса огня; обеспечить возможность подъезда пожарной машины; обеспечить все объекты первичными средствами огнетушения.

Во всех производственных, бытовых и административных помещениях на случай возникновения пожара должна быть обеспечена возможность безопасной эвакуации людей через эвакуационные выходы.

Приложение Д

ДОПУСКАЕМЫЕ КОНСТРУКТИВНЫЕ ОТКЛОНЕНИЯ ДЛЯ КОЛОНН И СТЕН

№ п.п.

Тип отклонения

Описание

Допускаемое отклонение Δ

1

Наклон колонны на любом уровне в одно- и многоэтажных зданиях

Не более h/300 или 15 мм

2

t=(t1+t2)/2,

где t – толщина стены

 

Отклонение между осями колонн и стен

Не более t/30 или 8 мм

3

Кривизна колонн на уровне примыкающих этажей

Не более h/300 или 8 мм

4

Суммарные отклонения положения колонн или стен в конструкциях многоэтажных зданий относительно вертикальной линии, проходящей через их центры на уровне основания.

Не более чем  или 50 мм;

n - число этажей, где n>1

5

Линия привязки

Позиция колонны в плане относительно привязки

±5 мм

6

Линия привязки

Позиция стены в плане относительно привязки

±5 мм

7

Линия привязки

Свободное расстояние между соседними колоннами или стенами L

Наибольшее ±10 мм или L/600

Приложение Е

ДОПУСКАЕМЫЕ ОТКЛОНЕНИЯ ДЛЯ БАЛОК И ПЛИТ

№ п.п.

Тип отклонения

Описание

Допускаемое отклонение Δ

1

1 - балка

2 - колонна

Расположение сопряжения балки с колонной, замеренное относительно колонны.

b - размер колонны в том же направлении, что и Δ

Наибольшее ±b/30 или ±12 мм

2

1 - фактическая ось опирания

Размещение оси опираемого элемента

l - проектное расстояние от края

Наибольшее ±l/20 или ±20 мм

3

Отметки смежных этажей на опорах

±15 мм

4

Отметка верхнего этажа относительно уровня привязки

 

Н ≤ 20 м

20 м < Н < 100 м

H100 м

Н - высота, м

±20 мм

±0,5(H+20) мм

H100 м

5

Горизонтальная прямизна балок

Наибольшее l/600 или ±20 мм

6

Расстояние между соседними балками, замеренное по соответствующим осям

Наибольшее l/500 или ±15 мм

7

Уклон балки или плиты

±(10+ l/500) мм

±(10+ l/500) мм

8

Уровень соседних балок, замеренный в соответствующих точках

 

Примечание. Величина отклонений для балок и плит в плане применимы для других горизонтальных и наклонных конструктивных элементов.

Приложение Ж

ДОПУСКАЕМЫЕ ОТКЛОНЕНИЯ В ПОЛОЖЕНИИ ОПОР ФУНДАМЕНТОВ

№ п.п.

Тип отклонения

Описание

Допускаемое отклонение Δ

1

Горизонтальное сечение

1 - линия центра опоры

у - линия привязки в направлении у

х - линия привязки в направлении х

Позиция в плане фундамента относительно линий привязки

±10 мм

2

Вертикальное сечение

1 - уровень привязки

Н - проектное расстояние

Позиция в вертикальном направлении фундамента относительно уровня привязки

±20 мм

Примечание. Фундаменты в земле могут бетонироваться непосредственно в проектном положении или монтироваться из конструкций заводского изготовления. В данных Рекомендациях не приведены требования по допускам на фундаменты глубокого заложения, таким как сваи, подпорные стены, диафрагмы, специальные анкерные устройства и т.п., которые должны содержаться в ППР на возведение указанных конструкций.

Приложение З

ДОПУСКАЕМЫЕ ВЕЛИЧИНЫ ОТКЛОНЕНИЙ РАЗМЕРОВ ПОПЕРЕЧНЫХ СЕЧЕНИЙ

№ п.п.

Тип отклонения

Описание

Допускаемое отклонение Δ

1

Размеры поперечного сечения

li - размер поперечного сечения. Применимо к балкам, плитам и колоннам

 

Для li < 150 мм

li = 400 мм

li > 2500 мм

Допускается линейная интерполяция для промежуточных значений

±10 мм

±15 мм

±30 мм

2

Ортогональность поперечного сечения

а - высота поперечного сечения

Наибольшее 0,04а или 10 мм

3

Перекос поперечного сечения

 

Наибольшее h/25 или b/25, но не более ±30 мм

Приложение И

ДОПУСКАЕМЫЕ ВЕЛИЧИНЫ ОТКЛОНЕНИЙ РАЗМЕЩЕНИЯ АРМАТУРЫ

№ п.п.

Тип отклонения

Описание

Допускаемое отклонение Δ

1

Расположение обычной арматуры

Поперечное сечение

С - защитный слой бетона, мм;

h - высота поперечного сечения

Для всех величин h

-10 мм

Для толщины защитного слоя бетона

 

при h < 150 мм

h = 400 мм

h 2500 мм

+4 мм

+15 мм

+20 -5 мм

Допускается линейная интерполяция для промежуточных значений

 

Примечание. Допускаемые плюсовые отклонения защитного слоя бетона для арматуры, предназначенной для фундаментов и бетонных элементов в фундаментах, могут быть увеличены на 15 мм

2

Соединения внахлест

l - длина нахлеста

-0,06l

3

Расположение предварительно напряженной арматуры.

Продольное сечение

Защитный слой бетона, замеренный относительно инъецируемого канала

 

при h 200 мм

при h > 200 мм

±0,03h

Меньшее из ±0,03h или 30 мм

Примечание. Приведенные величины отклонений не применимы для изделий заводского изготовления, которые должны удовлетворять соответствующим стандартам на продукцию. Соответствие требованиям по защитному слою бетона для арматуры должно оцениваться для каждого индивидуального замера, если ППР не разрешен статистический метод оценки.

Приложение К

ДОПУСКАЕМЫЕ ОТКЛОНЕНИЯ ДЛЯ ОТВЕРСТИЙ И ЗАКЛАДНЫХ ДЕТАЛЕЙ

№ п.п.

Тип отклонения

Описание

Допускаемое отклонение Δ

1

1 - линия, относительно которой производятся разметки

Δ1, Δ2, Δ3

±25 мм, если только в проектной документации не оговорено иное

ПЕРЕЧЕНЬ ДОКУМЕНТОВ, ИСПОЛЬЗОВАННЫХ В РЕКОМЕНДАЦИЯХ

СНиП 2.01.07-85*

Нагрузки и воздействия

СНиП 2.02.01-83*

Основания зданий и сооружений

СНиП 2.02.03-85

Свайные фундаменты

СНиП 2.03.11-85

Защита строительных конструкций от коррозии

СНиП 2.04.01-85*

Внутренний водопровод и канализация зданий

СНиП 2.05.02-85*

Автомобильные дороги

СНиП 2.06.14-85

Защита горных выработок от подземных и поверхностных вод

СНиП 2.09.04-87*

Административные и бытовые здания

СНиП 3.01.03-84

Геодезические работы в строительстве

СНиП 3.02.01-87

Земляные сооружения, основания и фундаменты

СНиП 3.03.01-87

Несущие и ограждающие конструкции

СНиП 3.04.01-87

Изоляционные и отделочные покрытия

СНиП 3.04.03-85

Защита строительных конструкций и сооружений от коррозии

СНиП 3.05.01-85

Внутренние санитарно-технические системы

СНиП 3.05.04-85*

Наружные сети и сооружения водоснабжения и канализации

СНиП 3.05.05-84

Технологическое оборудование и технологические трубопроводы

СНиП 3.05.06-85

Электротехнические устройства

СНиП 3.07.03-85*

Мелиоративные системы и сооружения

СНиП 3.09.01-85

Производство сборных железобетонных конструкций и изделий

СНиП 11-01-95

Инструкция о порядке разработки, согласования, утверждения и составе проектной документации на строительство предприятий, зданий и сооружений

СНиП 11-02-96

Инженерные изыскания для строительства. Основные положения

СНиП 12-01-2004

Организация строительства

СНиП 12-03-2001

Безопасность труда в строительстве. Часть 1. Общие требования

СНиП 12-04-2002

Безопасность труда в строительстве. Часть 2. Строительное производство

СНиП 21-01-97*

Пожарная безопасность зданий и сооружений

СНиП 23-01-99*

Строительная климатология

СНиП 23-02-2003

Тепловая защита зданий

СНиП 23-03-2003

Защита от шума

СНиП 23-05-95*

Естественное и искусственное освещение

СНиП 31-01-2003

Здания жилые многоквартирные

СНиП 41-03-2003

Тепловая изоляция оборудования и трубопроводов

СНиП 52-01-2003

Бетонные и железобетонные конструкции. Основные положения

СНиП II-26-76

Кровли

СП 11-104-97

Инженерно-геодезические изыскания для строительства

СП 11-110-99

Авторский надзор за строительством зданий и сооружений

СП 12-106-2004

Правила проведения проверки знаний персонала сварочного производства для допуска к выполнению работ по сварке в строительстве, промышленности строительных материалов и жилищно-коммунальном комплексе

СП 12-133-2000

Безопасность труда в строительстве. Положение о порядке аттестации рабочих мест по условиям труда в строительстве и жилищно-коммунальном хозяйстве

СП 12-135-2003

Безопасность труда в строительстве. Отраслевые типовые инструкции по охране труда

СП 12-136-2002 и Справочное пособие к СП 12-136-2002

Безопасность труда в строительстве. Решения по охране труда и промышленной безопасности в проектах организации строительства и проектах производства работ

СП 13-102-2003

Правила обследования несущих строительных конструкций зданий и сооружений

СП 31-108-2002

Мусоропроводы жилых и общественных зданий и сооружений

СП 31-110-2003

Проектирование и монтаж электроустановок жилых и общественных зданий

СП 40-101-96

Проектирование и монтаж трубопроводов из полипропилена «Рандом сополимер»

СП 40-102-2000

Проектирование и монтаж трубопроводов систем водоснабжения и канализации из полимерных материалов. Общие требования

СП 40-103-98

Проектирование и монтаж трубопроводов систем холодного и горячего внутреннего водоснабжения с использованием металло-полимерных труб

СП 40-107-2003

Проектирование, монтаж и эксплуатация систем внутренней канализации из полипропиленовых труб

СП 40-108-2004

Проектирование и монтаж внутренних систем водоснабжения и отопления зданий из медных труб

СП 41-109-2005

Проектирование и монтаж внутренних систем водоснабжения и отопления зданий с использованием труб из «сшитого» полиэтилена

СП 50-101-2004

Проектирование и устройство оснований и фундаментов зданий и сооружений

СП 50-102-2003

Проектирование и устройство свайных фундаментов

ГОСТ 9.032-74*

ЕСЗКС Покрытия лакокрасочные. Группы» Технические требования и обозначения

ГОСТ 9.402-2004

ЕСЗКС Покрытия лакокрасочные. Подготовка металлических поверхностей к окрашиванию

ГОСТ 12.0.004-90

ССБТ Организация обучения безопасности труда. Общие положения

ГОСТ 12.1.003-83*

ССБТ Шум. Общие требования безопасности

ГОСТ 12.1.004-91*

ССБТ Пожарная безопасность. Термины и определения

ГОСТ 12.1.005-88*

ССБТ Общие санитарно-гигиенические требования к воздуху рабочей зоны

ГОСТ 12.1.012-90

ССБТ Вибрационная безопасность. Общие требования

ГОСТ 12.1.019-79

ССБТ Электробезопасность. Общие требования и номенклатура видов защиты

ГОСТ 12.1.033-81*

ССБТ Пожарная безопасность. Термины и определения

ГОСТ 12.1.044-89*

ССБТ Пожаровзрывоопасность веществ и материалов. Номенклатура показателей и методы их определения

ГОСТ 12.1.046-85

ССБТ Строительство. Нормы освещения строительных площадок

ГОСТ 12.1.114-82

ССБТ Пожарные машины и оборудование. Обозначения условные графические

ГОСТ 12.2.003-91

ССБТ Оборудование производственное. Общие требования безопасности

ГОСТ 12.2.061-81

ССБТ Оборудование производственное. Общие требования безопасности к рабочим местам

ГОСТ 12.3.002-75*

ССБТ Процессы производственные. Общие требования безопасности

ГОСТ 12.3.009-76*

ССБТ Работы погрузочно-разгрузочные. Общие требования безопасности

ГОСТ 12.3.035-84

ССБТ Строительство. Работы окрасочные. Требования безопасности

ГОСТ 12.4.010-75*

ССБТ Средства индивидуальной защиты. Рукавицы специальные. Технические условия

ГОСТ 12.4.011-89

ССБТ Средства защиты работающих. Общие требования и классификация

ГОСТ 12.4.013-97

ССБТ Очки защитные. Общие технические условия

ГОСТ 12.4.016-83

ССБТ Одежда специальная защитная. Номенклатура показателей качества

ГОСТ 12.4.020-82*

ССБТ Средства индивидуальной защиты рук. Номенклатура показателей качества

ГОСТ Р 12.4.026-2001

ССБТ Цвета сигнальные, знаки безопасности и разметка сигнальная. Назначение и правила применения. Требования безопасности

ГОСТ 12.4.028-76

ССБТ Респираторы ШБ-1 «Лепесток». Технические условия

ГОСТ 12.4.029-76*

ССБТ Фартуки специальные. Технические условия

ГОСТ 12.4.059-89

ССБТ Строительство. Ограждения защитные инвентарные. Общие технические условия

ГОСТ 12.4.103-83

ССБТ Одежда специальная защитная, средства индивидуальной защиты ног и рук. Классификация

ГОСТ 17.4.3.02-85

Охрана природы. Почвы. Требования к охране плодородного слоя почвы при производстве земляных работ

ГОСТ 17.5.3.04-83

Охрана природы. Земли. Общие требования к рекультивации земель

ГОСТ 17.5.3.05-84

Охрана природы. Рекультивация земель. Общие требования к землеванию

ГОСТ 17.5.3.06-85

Охрана природы. Земли. Требования к определению норм снятия плодородного слоя почвы при производстве земляных работ

ГОСТ 310.3-76

Цементы. Методы определения нормальной густоты, сроков схватывания и равномерности изменения объема

ГОСТ 310.4-81

Цементы. Методы определения предела прочности при изгибе и сжатии

ГОСТ 380-94

Сталь углеродистая обыкновенного качества. Марки

ГОСТ 969-91

Цементы глиноземистые и высокоглиноземистые. Технические условия

ГОСТ 2678-94

Материалы рулонные кровельные и гидроизоляционные. Методы испытаний

ГОСТ 2715-75*

Сетки металлические проволочные. Типы, основные параметры и размеры

ГОСТ 2761-84

Источники централизованного хозяйственно-питьевого водоснабжения. Гигиенические, технические требования и правила выбора

ГОСТ 3262-75*

Трубы стальные водогазопроводные. Технические условия

ГОСТ 5180-84

Грунты. Методы лабораторного определения физических характеристик

ГОСТ 5686-94

Грунты. Методы полевых испытаний сваями

ГОСТ 5781-82

Сталь горячекатаная для армирования железобетонных конструкций. Технические условия

ГОСТ 5802-86

Растворы строительные. Методы испытаний

ГОСТ 6727-80*

Проволока из низкоуглеродистой стали холоднотянутая для армирования железобетонных конструкций. Технические условия

ГОСТ 6996-66

Сварные соединения. Методы определения механических свойств

ГОСТ 7473-94

Смеси бетонные. Технические условия

ГОСТ 8267-93

Щебень и гравий из плотных горных пород для строительных работ. Технические условия

ГОСТ 8269.0-97

Щебень и гравий из плотных горных пород и отходов промышленного производства для строительных работ. Методы физико-механических испытаний

ГОСТ 8735-88

Песок для строительных работ. Методы испытаний

ГОСТ 8736-93

Песок для строительных работ. Технические условия

ГОСТ 9231-80*

Смесители лопастные двухвальные. Технические условия

ГОСТ 9466-75*

Электроды покрытые металлические для ручной дуговой сварки сталей и наплавки. Классификация и общие технические условия

ГОСТ 9757-90

Гравий, щебень и песок искусственные пористые. Технические условия

ГОСТ 9758-86*

Заполнители пористые неорганические для строительных работ. Методы испытаний

ГОСТ 9980.1-86*

Материалы лакокрасочные. Правила приемки

ГОСТ 9980.2-86*

Материалы лакокрасочные. Отбор проб для испытаний

ГОСТ 9980.3-86*

Материалы лакокрасочные. Упаковка

ГОСТ 9980.4-2002

Материалы лакокрасочные. Маркировка

ГОСТ 9980.5-86

Материалы лакокрасочные. Транспортирование и хранение

ГОСТ 10060.0-95

Бетоны. Методы определения морозостойкости. Общие положения

ГОСТ 10060.4-95

Бетоны. Структурно-механический метод ускоренного определения морозостойкости

ГОСТ 10178-85

Портландцемент и шлакопортландцемент. Технические условия

ГОСТ 10180-90

Бетоны. Методы определения прочности по контрольным образцам

ГОСТ 10181-2000

Смеси бетонные. Методы испытаний

ГОСТ 10223-97

Дозаторы весовые дискретного действия. Общие технические требования

ГОСТ 10705-80*

Трубы стальные электросварные. Технические условия

ГОСТ 10884-94

Сталь арматурная термомеханически упрочненная для железобетонных конструкций. Технические условия

ГОСТ 10922-90

Арматурные и закладные изделия сварные, соединения сварные арматуры и закладных изделий железобетонных конструкций. Общие технические условия

ГОСТ 11604-79*

Латекс синтетический СКД-1С. Технические условия

ГОСТ 12004-81*

Сталь арматурная. Методы испытаний на растяжение

ГОСТ 12730.0-78

Бетоны. Общие требования к методам определения плотности, влажности, водопоглощения, пористости и водонепроницаемости

ГОСТ 12730.1-78

Бетоны. Метод определения плотности

ГОСТ 12730.2-78

Бетоны. Метод определения влажности

ГОСТ 12730.3-78

Бетоны. Метод определения водопоглощения

ГОСТ 12730.4-78

Бетоны. Метод определения показателей пористости

ГОСТ 12730.5-78

Бетоны. Методы определения водонепроницаемости

ГОСТ 13015-2003

Изделия железобетонные и бетонные для строительства. Общие технические требования. Правила приемки, маркировки, транспортирования и хранения

ГОСТ 13840-68

Канаты стальные арматурные 1×7. Технические условия

ГОСТ 14019-2003

Материалы металлические. Метод испытания на изгиб

ГОСТ 14098-91

Соединения сварные арматуры и закладных изделий железобетонных конструкций. Типы, конструкция и размеры

ГОСТ 17269-71*

Респираторы фильтрующие газопылезащитные РУ-60 и РУ-60МУ. Технические условия

ГОСТ 17624-87

Бетоны. Ультразвуковой метод определения прочности

ГОСТ 18105-86

Бетоны. Правила контроля прочности

ГОСТ 18321-73

Статистический контроль качества. Методы случайного отбора выборок штучной продукции

ГОСТ 18599-2001

Трубы напорные из полиэтилена. Технические условия

ГОСТ 19912-2001

Грунты. Методы полевых испытаний статическим и динамическим зондированием

ГОСТ 20010-93

Перчатки резиновые технические. Технические условия

ГОСТ 21779-82

Система обеспечения точности геометрических параметров в строительстве. Технологические допуски

ГОСТ 21780-83

Система обеспечения точности геометрических параметров в строительстве. Расчет точности

ГОСТ 22266-94

Цементы сульфатостойкие. Технические условия

ГОСТ 22685-89

Формы для изготовления контрольных образцов бетона. Технические условия

ГОСТ 22690-88

Бетоны. Определение прочности механическими методами неразрушающего контроля

ГОСТ 22733-2002

Грунты. Метод лабораторного определения максимальной плотности

ГОСТ 23061-90

Грунты. Метод радиоизотопных измерений плотности и влажности

ГОСТ 23279-85

Сетки арматурные сварные для железобетонных конструкций и изделий. Общие технические условия

ГОСТ 23407-78

Ограждения инвентарные строительных площадок и участков производства строительно-монтажных работ. Технические условия

ГОСТ 23615-79

Система обеспечения точности геометрических параметров в строительстве. Статистический анализ точности

ГОСТ 23616-79

Система обеспечения точности геометрических параметров в строительстве. Контроль точности

ГОСТ 23732-79

Вода для бетонов и растворов. Технические условия

ГОСТ 23858-79

Соединения сварные стыковые и тавровые арматуры железобетонных конструкций. Ультразвуковые методы контроля качества. Правила приемки

ГОСТ 24045-94

Профили стальные листовые гнутые с трапециевидными гофрами для строительства. Технические условия

ГОСТ 24211-2003

Добавки для бетонов и строительных растворов. Общие технические условия

ГОСТ 24846-81

Грунты. Методы измерения деформаций оснований зданий и сооружений

ГОСТ 25100-95

Грунты. Классификация

ГОСТ 25818-91

Золы-уноса тепловых электростанций для бетона. Технические условия

ГОСТ 25820-2000

Бетоны легкие. Технические условия

ГОСТ 25957-83

Здания и сооружения мобильные (инвентарные). Классификация. Термины и определения

ГОСТ 26633-91

Бетоны тяжелые и мелкозернистые. Технические условия

ГОСТ 27005-86

Бетоны легкие и ячеистые. Правила контроля средней плотности

ГОСТ 27006-86

Бетоны. Правила подбора состава

ГОСТ 27653-88

Костюмы мужские для защиты от механических воздействий, воды и щелочей. Технические условия

ГОСТ 28013-98

Растворы строительные. Общие технические условия

ГОСТ 28507-90

Обувь специальная кожаная для защиты от механических воздействий. Общие технические условия

ГОСТ 28570-90

Бетоны. Методы определения прочности по образцам, отобранным из конструкций

ГОСТ 28574-90

Защита от коррозии в строительстве. Конструкции бетонные и железобетонные. Методы испытания адгезии защитных покрытий

ГОСТ 30247.1-94

Конструкции строительные. Методы испытания на огнестойкость. Несущие и ограждающие конструкции

ГОСТ 30333-95

Паспорт безопасности вещества (материала). Основные положения. Информация по обеспечению безопасности при производстве, применении, хранении, транспортировании, утилизации

ГОСТ 30459-2003

Добавки для бетонов и строительных растворов. Методы определения эффективности

ГОСТ 30494-96

Здания жилые и общественные. Параметры микроклимата в помещениях

ГОСТ 30515-97

Цементы. Общие технические условия

ГОСТ 30547-97

Материалы рулонные кровельные и гидроизоляционные. Общие технические условия

ГОСТ Р 50779.10-2000

(ИСО 3534.1 93) Статистические методы. Вероятность и основы статистики. Термины и определения

ГОСТ Р 50779.11-2000

(ИСО 3534.2 93) Статистические методы. Статистическое управление качеством. Термины и определения

ГОСТ Р 51263-99

Полистиролбетон. Технические условия

ГОСТ Р 51613-2000

Трубы напорные из непластифицированного поливинилхлорида. Технические условия

ГОСТ Р 51872-2002

Документация исполнительная геодезическая. Правила выполнения

ГОСТ Р 52085-2003

Опалубка. Общие технические условия

ГОСТ Р 52086-2003

Опалубка. Термины и определения

ГОСТ Р 52134-2003

Трубы напорные из термопластов и соединительные детали к ним для систем водоснабжения и отопления. Общие технические условия

ГОСТ Р ИСО МЭК 17025-2000

Общие требования компетентности испытательных и калибровочных лабораторий

ГН 2.1.2/2.2.1.1009-00

Перечень асбестоцементных материалов и конструкций, разрешенных к применению в строительстве

ВСН 8-94

Ведомственные строительные нормы по монтажу коллекторных систем внутреннего водопровода зданий с водосчетчиками, по-квартирными запорно-распределительными кранами и гибкими подводками к санитарным приборам

ВСН 18-95

Инструкция по устройству новых и ремонту существующих кровель жилых, общественных и промышленных зданий с применением полимерных и битумно-полимерных рулонных гидроизоляционных материалов

ВСН 25-95

Инструкция по применению пенополиэтиленовых оболочек для изоляции труб

ВСН 46-96

Инструкция по приготовлению и применению в зимних условиях бетонов с добавкой нитрита натрия

ВСН 47-96

Ведомственные строительные нормы по проектированию и монтажу внутренних систем водоснабжения из полипропиленовых труб «Рандом сополимер» (PPRR)

ВСН 48-96

Инструкция по монтажу систем внутренней канализации и водостоков из ПВХ труб в жилых и общественных зданиях

МГСН 2.07-97

Основания, фундаменты и подземные сооружения

МГСН 2.08-01

Защита от коррозии бетонных и железобетонных конструкций жилых и общественных зданий

МГСН 4.04-94*

Многофункциональные здания и комплексы

МГСН 6.02-03

(ТСН 41-306-2003 г. Москвы) Тепловая изоляция трубопроводов различного назначения

НПБ 232-96

Порядок осуществления контроля за соблюдением требований нормативных документов на средства огнезащиты (производство, применение и эксплуатация)

НПБ 236-97

Огнезащитные составы для стальных конструкций. Общие требования. Методы определения огнезащитной эффективности

ППБ 01-03

Правила пожарной безопасности в Российской Федерации

ПБ 10-382-00

Правила устройства и безопасной эксплуатации грузоподъемных кранов

ПБ 13-407-01

Единые правила безопасности при взрывных работах

РТМ 17-01-2002

Руководящие технические материалы по проектированию и применению сталефибробетонных строительных конструкций

РТМ 17-02-2003

Руководящие технические материалы по проектированию и изготовлению сталефибробетонных конструкций на фибре, резаной из листа

РТМ 75-95

Руководящие технологические материалы по заводскому производству сборных предварительно напряженных железобетонных конструкций

РТМ 393-94

Руководящие технологические материалы по сварке и контролю качества соединений арматуры и закладных изделий железобетонных конструкций

СТО АСЧМ 7-93

Прокат периодического профиля из арматурной стали. Ассоциация Черметстандарт

ТР 78-98

Технические рекомендации по проектированию и монтажу внутреннего водопровода зданий из металлополимерных труб

ТР 79-98

Технические рекомендации по подготовке наружных ограждающих конструкций жилых и общественных зданий под отделку при их реконструкции и ремонте

ТР 83-98

Технические рекомендации по проектированию и монтажу внутренних систем канализации зданий и полипропиленовых труб и фасонных частей (с изменением № 1)

ТР 85-98

Технические рекомендации по входному контролю качества материалов, применяемых для отделки фасадов

ТР 95.11-99

Производство малярных фасадных работ

ТР 113-01

Технические рекомендации по устройству кровель из наплавляемых рулонных материалов с применением инфракрасного метода

ТР 125-02

Технические рекомендации по проектированию и монтажу внутренних систем водоснабжения из комбинированных полипропиленовых труб PPR-80GF

ТР 137-03

Применение сухих специализированных отделочных смесей для наружных и внутренних работ при возведении новых зданий и сооружений, реконструкции и ремонте

ТР 139-03

Технические рекомендации по проектированию и монтажу систем внутреннего водопровода

ТР 149-03

Технология применения комплекса специализированных отделочных материалов для санации наружных и внутренних поверхностей при реконструкции и капитальном ремонте зданий

ТР 150-03

Технические рекомендации по проектированию, изготовлению и монтажу шахт-пакетов с применением полипропиленовых труб при капитальном ремонте внутренних систем водоснабжения и канализации зданий

ТСН 102-00 (Москва)

Железобетонные конструкции с арматурой классов А500С и А400С

ИСО 6934-1-91

Арматура преднапряженная. Общие требования

ИСО 6934-4-91

Арматура преднапряженная. Пряди

ИСО 6934-5-91

Арматура преднапряженная. Горячекатаные стальные стержни с последующей обработкой или без нее

EN 206-1

Бетон. Общие технические требования, производство и контроль качества

EN 446

Растворы для инъецирования предварительно напряженной арматуры. Операции по инъецированию

EN 447

Растворы для инъецирования предварительно напряженной арматуры. Технические требования

EN 523

Каналообразователи из стальных ленточных спиралей для предварительно напряженной арматуры. Терминология. Требования и контроль качества

EN 10080

Стальная арматура для армирования железобетонных конструкций. Свариваемая стальная арматура периодического профиля. Части 1-6

EN 10138-1

Стальная арматура для предварительного напряжения

EN 10138-4

Напрягаемая сталь. Стержни

EN 1992-1-1

Общие требования и расчет конструкций зданий

EN 13670

Производство бетонных работ

EN 12620

Плотные заполнители для бетона

EN 1744-1

Испытание реакционной способности заполнителя для бетона

EN 12350-2

Испытания на осадку конуса

EN 12350-3

Испытания по Вебе

EN 12350-5

Испытания на расплыв

EN 13791

Оценка прочности бетона в конструкции и сборных элементах

МДС 62-2.01

Методические рекомендации по контролю прочности бетона монолитных конструкций ультразвуковым методом способом поверхностного прозвучивания

DIN 4150-3: 1999-02

Сотрясение в строительстве. Часть 3: Воздействие на строительные сооружения

СанПиН 2.1.4.559-96

Питьевая вода. Гигиенические требования к качеству воды централизованных систем питьевого водоснабжения. Контроль качества

СанПиН 2.1.7.1322-03

Гигиенические требования к размещению и обезвреживанию отходов производства и потребления

СанПиН 2.1.5.980-00

Гигиенические требования к охране поверхностных вод

Временные рекомендации по проектированию сооружений для очистки поверхностного стока с территорий промышленных предприятий и расчету условий выпуска его в водные объекты. - М.: ВНИИВО, 1982.

Расчетные нормативы для составления проектов организации строительства. Часть 1. - М.: Стройиздат, 1973.

Рекомендации по обследованию и мониторингу технического состояния эксплуатируемых зданий, расположенных вблизи нового строительства или реконструкции. - М.: Москомархитектура, 1998.

Рекомендации по приготовлению бетонных смесей повышенной сохраняемости с химическими добавками. - М.: НИИЖБ, 1983.

Руководство по зимнему бетонированию с применением метода термоса. - М.: Стройиздат, 1975.

Методика определения количества перекрытий, пробиваемых при падении технологических грузов в ходе строительства. - М.: Военно-инженерная академия, 2005.

Инструкция по проектированию и возведению монолитных железобетонных сооружений в г. Москве из сверхвысокопрочных тяжелых и мелкозернистых модифицированных бетонов. - М.: НИИЖБ, 2002.

Общие положения по проектированию жилых зданий высотой более 75 метров. - М.: Москомархитектура, 2002.

Кровли. Руководство по проектированию, устройству, правилам приемки и методам оценки качества. - М.: ОАО «ЦНИИпромзданий», 2002.

Указания по пожарной безопасности для рабочих и инженерно-технических работников строек и предприятий Главмосстроя.

Единые правила безопасности при производстве взрывных работ.

 




Яндекс цитирования



   Copyright © 2007-2026,  www.tehlit.ru.

[ ѓосты, стандарты, нормативы, инструкции, правила, строительные нормы ]